User Manual

Winplus Co., Ltd. YX-BM0X
1
OEM/integratorsinstallationManual
YX‐BM0X蓝牙 4.0 模块说明书
Name: Bluetooth 4.0 Module
名称:蓝牙4.0模块
Model No.: YX-BM0X
型号:YX-BM0X
Revision: V1.0
版本:V1.0
Version Remark Approve Date
V1.0 First release Li Mingxing 01-12-2014

Winplus Co., Ltd. YX-BM0X
2
CONTENTS
1Overview ................................................................................................................................................. 3
2Applications ............................................................................................................................................ 3
3Electrical Specification ........................................................................................................................... 4
4Pin Definition .......................................................................................................................................... 4
5Physical Dimensions ............................................................................................................................... 5
6Reference Circuit ..................................................................................................................................... 6
7Product Model ......................................................................................................................................... 7
7.1Model naming rule ...................................................................................................................... 7
7.2Ordering product model .............................................................................................................. 7
8Declaration .............................................................................................................................................. 7
9Host Information ..................................................................................................................................... 7
10Installation ....................................................................................................................................... 7
11Antenna Characteristics ........................................................................................................................... 8
12FCC Information ............................................................................................................................. 8

Winplus Co., Ltd. YX-BM0X
3
1 Overview
YX-BM0X is a kind of SMD/PIN type Bluetooth 4.0 module,using nRF51822 micro
controller of Nordic company.This module has higher performance-price
retio,lower-power consumption system on chip(Soc),especially suitable for BLE
application.It lowers the cost to build up net nodes, Its shardware resources
include a ARM Core(cortex-m0),high sensitivity 2.4GHz transceiver,128K/256K
embedded FLASH memory,16KB/32KB RAM,and other powerful subsidinary
resources,can be flexibly used in ultra-low power consumption,ultra-low sleep
circuit system.
Key Features:
- Support Bluetooth low energy mode
- Remarkable Link budge(up to -93 dBm)
- Accurate transceiver signal strength test(RSSI)
- Meeting standard of CE (EUR) and FCC(US)
- High-performance ARM Cortex M0 controller
- Inner Temperature sensor and low power comparator
- AES HW encryption
- Operation Temperature: -20℃ to +60℃
Module picture:
2 Applications
- Low-power consumption systems

Winplus Co., Ltd. YX-BM0X
4
- Cellular phone accessories
- Sports and fitness equipments
- Consumer electronics
- Human inter face devices
- Health and Medical devices
- Bluetooth LED lights,sockets
3 Electrical Specification
NAME RANGE REMARK
RF frequency 2400MHz-2483MHz
Power supply 1.8-3.6V
Max transmit Power +4dBm
Data Rate 250K/1M/2Mbps
transmit current 10mA@0dBm output
receive current 13mA@2Mbps
MCU working current 4.4mA@16MHz@3V Start from Flash
MCU working current 2.4mA@16MHz@3V Start from RAM
MCU IDlE mode 2.3uA@3V ON mode,all block idle
MCU OFF mode 420uA@3V OFF mode
Typcal sensitivity -96dBm@250kbps 0.1%BER
4 Pin Definition
NO.NAMETYPE REMARK
1VDDPOWERPIN DC1.8‐3.6Vworkingvoltage
2P0.00GPIOGPIO,PWMoutput(RED)
3P0.01GPIOGPIO,PWMoutput(GREEN)
4P0.09GPIOGPIO,PWMoutput(BLUE)
5P0.11GPIOGPIO,PWMoutput(WHITE)
6SWDIOSIGNAL
7SCLKSIGNAL

Winplus Co., Ltd. YX-BM0X
5
8GNDPOWERGROUND
5 Physical Dimensions
PCB onboard antenna (uint:mil), PCB thickness:1.0mm;PCB+MCU thickness:1.9mm。

Winplus Co., Ltd. YX-BM0X
6
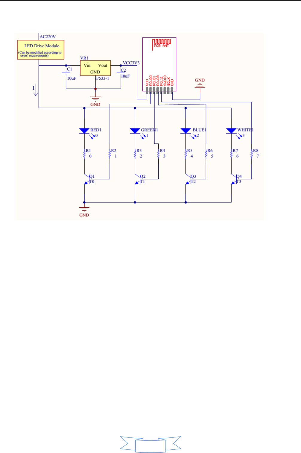
6 Reference Circuit
Remark:
1. The power of the LED Drive Module in above figure, should be chose according
to actual customer requirement of the product’s power.Recommended use is the
Constant current module with output range from 16V~20V
2. The LED count of series and paralle connections is decided by customer’s
designed power of the product.The values and power of R1,R3,R5,R7 are calculated
according to the product’s LED parameters.
3. To R2、R4、R6、R8 ,the recommended resitance value and package are 100ohm
and 0603.

Winplus Co., Ltd. YX-BM0X
7
7 Product Model
7.1 Modelnamingrule
YXBM x x
MacrothingsCompanyBluetoothModule 0‐9,A‐Z,
Hardwareversion
0‐9,A‐Z,
Softwareversion
7.2 Orderingproductmodel
ProductmodelRemark
YX‐BM0Xbluetooth(4.0BLE)truecolorLEDmodule()
8 Declaration
The content of this product specification is for reference only. If there are some
modifications, please forgive no further notice. Shenzhen Macrothings Co.,LTD has the
final explanation right of the product’s specification.
9 Host Information
Host Brand name: Winplus
Host model number: LM55369
Host manufacturer: Winplus Company Ltd
10 Installation
This product is mounted inside of the end product by professional installers OEM. They use
this module with changing the power and control signal setting by software of end product
within the scope of this application. End user can not change this setting.

Winplus Co., Ltd. YX-BM0X
8
11 Antenna Characteristics
That separate approval is required for all other operating configurations, including portable configurations
with respect to Part 2.1093 and different antenna configurations.
12 FCC Information
This device complies with Part 15 of the FCC Rules.
Operation is subject to the following two conditions: (1) this device may not cause harmful interference,
and (2) this device must accept any interference received, including interference that may cause undesired
operation.
THE MANUFACTURER IS NOT RESPONSIBLE FOR ANY RADIO OR TV INTERFERENCE
CAUSED BY UNAUTHORIZED MODIFICATIONS OR CHANGE TO THIS EQUIPMENT. SUCH
MODIFICATIONS OR CHANGE COULD VOID THE USER’S AUTHORITY TO OPERATE THE
EQUIPMENT.
This equipment has been tested and found to comply with the limits for a Class B digital device, pursuant
to part 15 of the FCC Rules. These limits are designed to provide reasonable protection against harmful
interference in a residential installation. This equipment generates, uses and can radiate radio frequency
energy and, if not installed and used in accordance with the instructions, may cause harmful interference to
radio communications. However, there is no guarantee that interference will not occur in a particular
installation. If this equipment does cause harmful interference to radio or television reception, which can be
determined by turning the equipment off and on, the user is encouraged to try to correct the interference by
one or more of the following measures:
-- Reorient or relocate the receiving antenna.
-- Increase the separation between the equipment and receiver.
-- Connect the equipment into an outlet on a circuit different from that to which the receiver is connected.
-- Consult the dealer or an experienced radio/TV technician for help.
The equipment complies with RF exposure limits. This module is limited to installation in mobile
or fixed applications. The antenna used for this transmitter must not be co-located or operating in
conjunction with any other antenna or transmitter.
To maintain compliance with FCC’s RF exposure guidelines, this equipment should be installed
and operated with a minimum distance of 20cm between the radiator and your body.

Winplus Co., Ltd. YX-BM0X
9
The final end product must be labeled in a visible area with the following: “Contains Transmitter
module FCC ID: WUIYX-BM0X”.