Wireless N2-4XE1-5G3 Point to Point Transceiver User Manual N2 Link Cover

Wireless Inc Point to Point Transceiver N2 Link Cover

user manual

N2-4XE1Installation and Operations ManualPart Number 281-102471-201February 2000Wireless, Inc.5452 Betsy Ross DriveSanta Clara, CA 95054-1101
iiN2-4XE1 nstallation and Operation ManualNoticeInformation in this document is subject to change without notice. No part of this document maybe reproduced or transmitted in any form or by any means, electronic or mechanical, for anypurpose, without the express written permission of Wireless, Inc.© Copyright 2000, Wireless, Inc. All rights reserved.N2-4XE1™ and ACCESS™ Series are trademarks of Wireless, Inc.
iiiN2-4XE1 Installation and Operation ManualTable of Contents1.0 General Overview ................................................................................................................. 11.1 N2-Link Series Product Family .................................................................................. 11.2 Introduction to the N2-4XE1 ...................................................................................... 11.3 Regulatory Information .............................................................................................. 22.0 N2-4XE1 Product Profile ....................................................................................................... 32.1 General Overview ...................................................................................................... 32.2 Specifications ............................................................................................................ 72.3 User Interfaces ........................................................................................................ 102.4 ODU Performance Monitoring ................................................................................. 132.5 Theory of Operation ................................................................................................ 133.0 Equipment Installation and Commissioning ........................................................................ 203.1 Installation ............................................................................................................... 203.2 Install the IDU .......................................................................................................... 213.3 Outdoor RF Unit Installation .................................................................................... 223.4 Commissioning ........................................................................................................ 284.0 Maintenance and Troubleshooting ...................................................................................... 304.1 N2-4XE1 Maintenance ............................................................................................ 304.2 Identifying and Resolving Receive Signal Strength Issues ..................................... 314.3 Where to Get Further Assistance ............................................................................ 324.4 Return Procedure .................................................................................................... 33Appendix A Grounding Practices and Lightning Protection Information....................................... A-1Appendix B Installation Instructions .............................................................................................. B-1Appendix C Adjustable Panel Antenna Mount ..............................................................................C-1
ivN2-4XE1 Installation and Operation ManualFiguresFigure 2.1 Typical Deployment of a N2-4XE1 in a Point-to-Point Configuration ........................ 5-6Figure 2.2 N2-4XE1 Link IDU ......................................................................................................10Figure 2.2a Outdoor Unit, Front View ............................................................................................ 12Figure 2.2b Outdoor Unit, Back View ............................................................................................ 12Figure 2.3 Block Diagram, IDU ....................................................................................................14Figure 2.4 N2-4XE1 Block Diagram ....................................................................................... 18-19Figure 3.1 N2-4XE1 Link Rack Mount ......................................................................................... 21Figure 3.2 Outdoor Unit Mounting Hardware .............................................................................. 22Figure 3.3 Mounting the Outdoor RF Unit to the Bracket ............................................................ 23Figure 3.3a Mounting the Bracket Latch and Stand Mount Detail ................................................. 24Figure 3.3b Locking the Mounting Hardware ................................................................................ 25Figure 3.3c N-Type Antenna and Siamesed Ethernet/Power Connections .................................. 26Figure 3.3d Ground Connection ....................................................................................................27Figure B.1 Two Foot Diameter Antenna ..................................................................................... B-1Figure B.2 Mount Configuration .................................................................................................. B-3Figure B.3 Mounting Hardware Packed ...................................................................................... B-5Figure B.4 Mounting Hardware Unpacked .................................................................................. B-5Figure B.5 Parabolic Reflector .................................................................................................... B-8Figure B.6 Unpacking the Radome ............................................................................................. B-8Figure B.7 Antenna Mount Assembly ......................................................................................... B-9Figure B.8 Antenna Mount Assembly ....................................................................................... B-10Figure B.9 Elevation Rod Assembly ......................................................................................... B-10Figure B.10 Feed Horn Installation ............................................................................................. B-11Figure B.11 Feed Horn Polarization Markings ............................................................................ B-12Figure B.12 Parabola Rear View Showing Polarization Reference Markers .............................. B-12Figure B.13 Feed Horn Installation ............................................................................................. B-13Figure B.14 Feed Horn Installation for Vertical Polarized Operation .......................................... B-13Figure B.15 Azimuth Clamp/Shear Stop Assembly .................................................................... B-14Figure B.16 Azimuth Adjustment Clamp Assembly ...................................................................  B-14Figure B.17 Hoisting the Antenna ............................................................................................... B-15Figure B.18 Antenna Alignment using RSL Output while adjusting the antenna ....................... B-16Figure C.1 Antenna Mount .......................................................................................................... C-1Figure C.2 Azimuth and Elevation Planning ............................................................................... C-2Figure C.3 Azimuth and Elevation Planning ............................................................................... C-3Figure C.4 Flat Panel Antenna ....................................................................................................C-4Figure C.5 Adjustable Panel Antenna Mount .............................................................................. C-5
vN2-4XE1 Installation and Operation ManualTablesTable 1.1 FCC U-NII Bands ......................................................................................................... 2Table 2.1 Recommended Antennas ............................................................................................. 8Table 2.2 Features Available Through RS-232 Interface ........................................................... 11Table 3.1 Inventory of Equipment and Installation Materials ..................................................... 20Table 3.2 Installation Checklist................................................................................................... 28Table 3.3 Approximation Table .................................................................................................. 29Table 4.1 Frequencies ................................................................................................................ 31
viN2-4XE1 Installation and Operation ManualWelcome!Welcome to the Wireless, Inc. N2-ACCESS™ Series product family. This manual is designedto introduce you to the N2-4XE1™, and to provide you with information necessary to plan, install,operate and maintain a N2-4XE1 wireless communication system.The N2-4XE1 is intended for professional installation only. This manual, however, is alsodesigned  for  personnel  who  plan,  operate  and  administrate  the  N2-4XE1  communicationsystem. Please review the entire manual before powering up or deploying any N2-4XE1 .Updates to  this  manual will  be posted  on  the Wireless,  Inc. Customer  Service Website  athttp://www.wire-less-inc.com. Registered Wireless customers can access Wireless’ on-lineinformation and support service, available 24 hours a day, 7 days a week. Our on-line serviceprovides users with a wealth of up-to-date information, with documents being added or updatedeach month.Radiation WarningsMicrowave Radio Radiation WarningUnder  normal  operating  conditions,  N2-4XE1  radio  equipment  complies  with  the  limits  forhuman  exposure  to  radio  frequency  (RF)  fields  adopted  by  the  Federal  CommunicationsCommission (FCC). All Wireless, Inc. microwave radio equipment is designed so that undernormal  working  conditions,  microwave  radiation  directly  from  the  radio  is  negligible  whencompared with the permissible limit of continuous daily exposure recommended in the UnitedStates by ANSI/IEEE C95.1-1991 (R1997), Safety Levels with Respect to Human Exposure toRadio Frequency Electromagnetic Fields, 3 kHz to 300 GHz.Microwave signal levels that give rise to hazardous radiation levels can exist within transmitterpower amplifiers, associated RF multiplexers, and antenna systems.Never look into the open end of a Waveguide as eyes are particularly vulnerable to radiation.Do  not  disconnect  RF  coaxial  connectors,  open  microwave  units,  or  break  down  anymicrowave screening while the radio equipment is operating.
viiN2-4XE1 Installation and Operation ManualMicrowave Antenna Radiation WarningDesigned for point-to-point operation, an N2-4XE1 microwave radio system will use directionalantennas to transmit and receive microwave signals. These directional antennas are usuallycircular or rectangular in shape, are generally located outdoors, and are usually mounted on atower or mast.Referencing OET Bulletin 65 (Edition 97-01, August 1997) from the Federal CommunicationCommission’s Office of Engineering & Technology, limits for maximum permissible exposure(MPE) to microwave signals have been adopted by the FCC for both Occupational/Controlledenvironments and General Population/Uncontrolled environments. These limits are 5.0 mW/cm2 and 1.0 mW/cm2, respectively, with averaging times of six-minutes and thirty-minutes,respectively.The closer you are to the front center-point of a microwave antenna, the greater the powerdensity of its transmitted microwave signal. Unless you are very close, however, microwaveexposure levels will fall far below the MPE limits. To determine how close to a microwaveantenna you can be and still remain below the MPE limits noted above, “worst case” predictionsof the field strength and power density levels in the vicinity of an N2-4XE1™ microwave antennacan be made from the following calculations. The equation is generally accurate in the far-fieldof an antenna, and will over-predict power density in the near-field (i.e. close to the antenna).S = PG/4πR2where: S = power density (in mW/cm2)P = power input to the antenna (mW)G = power gain of the antenna in the direction of interest relative to an isotropicradiatorR = distance to the center of radiation of the antenna (cm)Note that G, the power gain factor, is usually expressed in logarithmic terms (i.e., dB), and mustbe converted using the following equation:G = 10dB/10For example, a logarithmic power gain of 24 dB is equal to a numeric gain of 251.19.Assuming (1) maximum output power from the N2-4XE1 (+3.5 dBm [2.238 mW]), (2) no signalloss in the cable connecting the N2-4XE1 to the antenna, and (3) the use of a 27 dBi gainparabolic  antenna,  the  5.0  mW/cm2  and  1.0  mW/cm2  MPE  power  density  limits  would  bereached at distances of approximately 4.22 cm and 9.44 cm, respectively.Wireless, Inc. fully supports the FCC’s adopted MPE limits, and recommends that personnelmaintain appropriate distances from the front of all directional microwave antennas. Should youhave questions about N2-4XE1™ microwave signal radiation, please contact the Wireless, Inc.Customer Service Department.
viiiN2-4XE1 Installation and Operation ManualNotice Regarding Operation pursuant to FCC part 15 RulesThis equipment has been tested and found to comply with the limits for a Class A digital devicepursuant  to  part  15  of  the  FCC  Rules.  These  limits  are  designed  to  provide  reasonableprotection  against  harmful  interference  when  the  equipment  is  operated  in  a  commercialenvironment. This equipment generates, uses and can radiate radio frequency energy and, ifnot  installed  and  used  in  accordance  with  the  instruction  manual,  may  cause  harmfulinterference to radio communications. Operation of this equipment in a residential area is likelyto cause harmful interference in which case the user will be required to correct the interferenceat his own expense.
1N2-4XE1 Installation and Operation Manual1.0 General Overview1.1 N2-Link Series Product FamilyAll N2-4XE1 radios are members of the N2-ACCESS Series radio product family. The N2-ACCESS Series is designed to provide an economical wireless solution for local accesstelecommunication requirements.This manual addresses, in detail, the operation of the N2-4XE1. For detailed information onother members of the N2-ACCESS Series, please refer to the appropriate Operation Manual(s).1.2 Introduction to the N2-4XE1The N2-4XE1 is a digital radio using BPSK modulation techniques and is designed for use asa point-to-point communications system. The N2-4XE1 is used in the following applications:point-to-point (building to building), ISPs, CLECs, Wireless Local Loop (WLL), BackupSolutions and Temporary Links.The N2-4XE1 radio is designed for operation in two of the Unlicensed National Infrastructureat frequencies of 5.250 - 5.350 GHz or 5.725 - 5.825 GHz.Each N2-4XE1 is comprised of an indoor unit which provides the means to connect systempower, formatted data, SNMP interface and RS-232 ports to monitor and control the link. Anoutdoor pole mounted RF unit is supplied as part of the system. Each link is powered by meansof a DC power supply which is fed to the unit through a power/data cable. The system has a datatotal transmission capacity of 8.448 Mb/s. Refer to the N2-4XE1 data sheets for detailedinformation relating to product offerings and specifications.
2N2-4XE1 Installation and Operation ManualTable 1.1 - FCC U-NII Bands1.3 Regulatory InformationIn January 1997, the FCC made available 300 MHz of spectrum for Unlicensed NationalInformation Infrastructure (U-NII) devices. The FCC believes that the creation of the U-NII bandwill stimulate the development of new unlicensed digital products which will provide efficient andless expensive solutions for local access applications.The U-NII band is divided into three sub bands at 5.15 - 5.25, 5.25 - 5.35 and 5.725 - 5.825 GHz.The first band is strictly allocated for indoor use and is consistent with the European HighPerformance Local Area Network (HIPERLAN). The second and third bands are intended forhigh speed digital local access products for “campus” and “short haul” microwave applications.1dnaB2dnaB3dnaBycneuqerF zHG52.5ot51.5zHG53.5ot52.5zHG528.5ot527.5)xaM(rewoP PRIEsttawillim002PRIEttaw1)PRIE(sttaw4*esUdednetnI ylnOesUroodnIsupmaCselim01xorppAswolla8991,42enuJnodesiver)00M(redrodnanoinipomudnaromemCCFtnecerA:etoN* forewoptuptuorettimsnartmumixamadnaniagiBd32htiwannetnalanoitceridafoesueht .dnabIIN-U528.5-527.5ehtnittaw1609772LW
3N2-4XE1 Installation and Operation Manual2.0 N2-4XE1 Product Profile2.1 General OverviewThe N2-4XE1 series of microwave radio products provides digital capacities for 4XE1 data ratesfor short-haul applications up to 10 km. The radio terminal operates in the Unlicensed NationalInformation Infrastructure (U-NII) spectrum with a revolutionary Split Modulation systemarchitecture that provides full duplex operation in the 5.3/5.7 GHz U-NII frequency bands.The N2-4XE1 series provides the unique advantage of a very robust digital transmissionscheme employing advanced Forward Error Correction (FEC) techniques to reduce dataerrors.The product uses two separate 100 MHz bands within the U-NII frequency spectrum. Withinthese bands, the N2-4XE1 series operates in one of many independent channels providing forfrequency reuse and network flexibility, ideal for dense network applications.Synthesized RF channel selection is field configurable, as are the power output options for theselection of antenna sizes. Frequency coordination and installation guidelines are provided inthe appendix section of this manual.Complying with all aspects of FCC Rules Subpart 15.401-15.407, the transmission character-istics of the N2-4XE1 series are ideally suited to meet the peak power spectral densityrequirements of the U-NII 5.250 - 5.350 and 5.725 - 5.825 GHz bands.The N2-4XE1 has been designed for easy access to all interfaces, controls, and displays.Information in this manual will familiarize you with all of these items. Figure 2.1 illustrates two(2) N2-4XE1 terminals in a point-to-point configuration.
4N2-4XE1 Installation and Operation ManualThis Page Left Blank Intentionally
5N2-4XE1 Installation and Operation ManualFigure 2.1 (WL272904) goes here
6N2-4XE1 Installation and Operation ManualFigure 2.1 (WL272904) goes here
7N2-4XE1 Installation and Operation Manual2.2 Specifications2.2.1 General SpecificationsFrequency Band: Full-duplex operation in the Unlicensed NationalInformation InfrastructureRegulations: Complies with FCC Ruling Part 15, Subpart E (U-NII)Frequency Range: 5,250 - 5,350 MHz and 5,725 - 5,825 MHzCapacity Options: 4xE12.2.2 Digital InterfaceITU-T/E1Type: Based on 4 E-1 inputsLine rate: 4 x 2.048 Mb/sLine Code: HDB3Interface: 75Ω unbalanced or optional 120Ω unbalancedConnectors: BNC (75Ω) or RJ-48C (120Ω)2.2.3 Transmitter5.3 GHz (Low Band) 5.7 GHz (High Band)Frequency Range: 5,250 - 5,350 MHz 5,725 - 5,825 MHzOutput Power (maximum): 0 dBm 0 dBm+4 dBm +4 dBm+8 dBm +8 dBm+12 dBm +12 dBm2.2.4 ReceiverType: Coherent Detection Coherent DetectionSensitivity, BER 10-6 Typical: 85.5 dBm 85.5 dBmMaximum RF Input: -20 dBm -20 dBm
8N2-4XE1 Installation and Operation Manual2.2.6 DiagnosticsLEDFront Panel Indicators: Power (normally On)Alarms: Major Alarm OnMinor Alarm BlinksExternal Alarm Inputs: Two separate TTL level inputs, ground inputs to alarm(DB9 connector)Performance Monitoring: Receive Signal Strength Indicator (RSSI)2.2.7 PowerInput Voltage Range: ±20 to 72 VDCPower Consumption: 21 watts maximum2.2.8 EnvironmentalIndoor Unit Outdoor UnitTemperature Range: -10°C to +50°C -30°C to +60°CAltitude: 4,500 meters (15,000 ft) 4,500 meters (15,000 ft)Humidity: 95% non-condensing Outdoor, all weatherenclosure2.2.5 AntennasForward Gain Front/Back RatioFlat Panel: 6” (15.24 cm) 18 dB 35 dB12” (.30 m) 23.5 dB 41 dB24” (.61 m) 27 dB 45 dBParabolic: 2’ (.61 m) 28 dB 38 dB4’ (1.22 m) 34 dB 46 dBepyTrebmuNtraPdnarerutcafunaMiBd5.82,dezireloPenalP,hsidretemaid'2IRA25-2PSSleirbaGiBd5.82,dezireloPlauD,hsidretemaid'2IRA25-2DSSleirbaGiBd5.33,dezireloPenalP,hsidretemaid'4*A25-4PSSleirbaGiBd5.33,dezireloPlauD,hsidretemaid'4*A25-4DSSleirbaGiBd81,dezireloPenalP,lenaPtalF"625-5.SPFDleirbaGiBd5.32,dezireloPenalP,lenaPtalF"2125-1SPFDleirbaGiBd5.82,dezireloPenalP,lenaPtalF"4225-2SPFDleirbaG.tnailpmocCCFtoneradna,ylnoASUehtedistuoesuroferasannetnahsidtoof-4ehT*709772LWTable 2.1 - Recommended Antennas
9N2-4XE1 Installation and Operation Manual2.2.9 MechanicalIndoor Unit Outdoor UnitDimensions (HxWxD): 44 x 483 x 240 mm 310 x 351 x 73 mm(0.72 x 19.0 x 9.4 in) (12.2 x 13.8 x 2.88 in)Weight: 2.9 kg (6.6 lbs) 5.2 kg (11.5 lbs)2.2.10 FCC Information (US Only)This device has not been authorized as required by the rules of the Federal CommunicationsCommission. This device is not, and may not be, offered for sale or lease, or sold or leased, untilauthorization is obtained.Notes: 1. N2-4XE1 is intended for professional installation only2. Specifications subject to change without notice
10N2-4XE1 Installation and Operation Manual2.3 User InterfacesThe N2-4XE1 provides user interfaces for fused DC power connection, electrical grounding,radio frequency (RF) antenna connection, E1 Data connection, configuration and RSSI output.The following provides information on each interface. Figure 2.2 shows the locations of eachconnection to the indoor unit.Indoor Unit, Connections•21-56 VDC Power Input - provided by customer, each terminal consumes 21 Watts•4xE1 Input/Output BNC type - E1 data conforming to the G.703 standard(Optional RJ-48C Connection)•NMS-Port - RJ-48C - SNMP interface for existing NMS systems•Aux Port 1-RS-232 Connection, DB9 - provides local and remote control over terminals•Aux Port 2-RS-232 Connection, DB9 - provides local and remote control over terminals•ODU Power Interface - Category 3 Siamesed cable provided in the install kit•ODU Data Interface - Category 3 Siamesed cable provided in the install kitIndoor Unit, Controls and Indicators•Fuse/On-Off Switch - Fuse holder containing a 250 V, 3 amp fuse for protection of thesystem. The fuse can be rotated counterclockwise to disable the system, clockwise toenable.•LEDs, Status and Alarm - The status LED confirms the system is on. The alarm LEDindicates an alarm condition exists. The fault can be determined by means of the local RS-232 interface on the IDU and a VT-100 terminal.•G.703 Ground Switch - Enables the customer to configure the ground requirements of theE1 unbalanced connections according to the G.703 standard.•LEDs, Link, TX and RX - Provide a visual indication of the status of the link, transmitter andreceiver.Figure 2.2 - N2-4XE1 Link IDUStatusAlarms 12 34Digital InputDigital OutputDCAC 21-56V250V 3ALink RxTxNMS Port AUX Port 1 AUX Port 2 +-DataODU Interface+-WL272903N2 - LinkTMFuse -250V 3A G.703 GroundSwitchSiamesed Cat 3Data/PowerTo/From ODUNMS - SNMPInterface, RJ-48c4xE1 Data Input/OutputBNC-Type ConnectionsRS 232 Interface,DB-9 Connector21-56 VDCInput
11N2-4XE1 Installation and Operation ManualtinUnoitpircseDsmralAUDI tsoLataDUDO,mralAxumeD,mralALLP,4-1SIAnoitarugifnoCUDIsehctiwS,noitarugifnoC,dnuorG,307-GsmralAUDOrezisehtnyS,domeD,evieceR,CLAnoitarugifnoCUDO noitceleSycneuqerF,noitaunettAFR,kcabpooLelbaC209772LWTable 2.2 - Features Available Through the RS-232 InterfaceOutdoor Unit•Date/Power Cable - Siamesed cat - 3 Data and power cables.•RSSI - BNC type connector used for RSSI measurement.•Antenna (RF) Connector - N-type connector used for connection with antenna.•Main Power - The N2-4XE1 is designed to work from a power input of 20 to 56 VDC.•Grounding Connector - The front panel of the N2-4XE1 is equipped with an M5 groundscrew and associated washers. This ground screw serves as the proper chassis-groundconnection point for an external ground source. The N2-4XE1 must be grounded inaccordance with the electrical codes, standards, and practices governing the localinstallation.The following alarm configuration features are possible using the RS-232 interface:
12N2-4XE1 Installation and Operation ManualFigure 2.2a - Outdoor Unit, Front ViewFigure 2.2b - Outdoor Unit, Back ViewSiamesed Category 3Ethernet andPower cablesReceive Signal Level (RSL)Output (BNC Type, Female)Antenna Connection(N Type, Female)ODUGround ConnectionMountingStudsWL272905WL272910
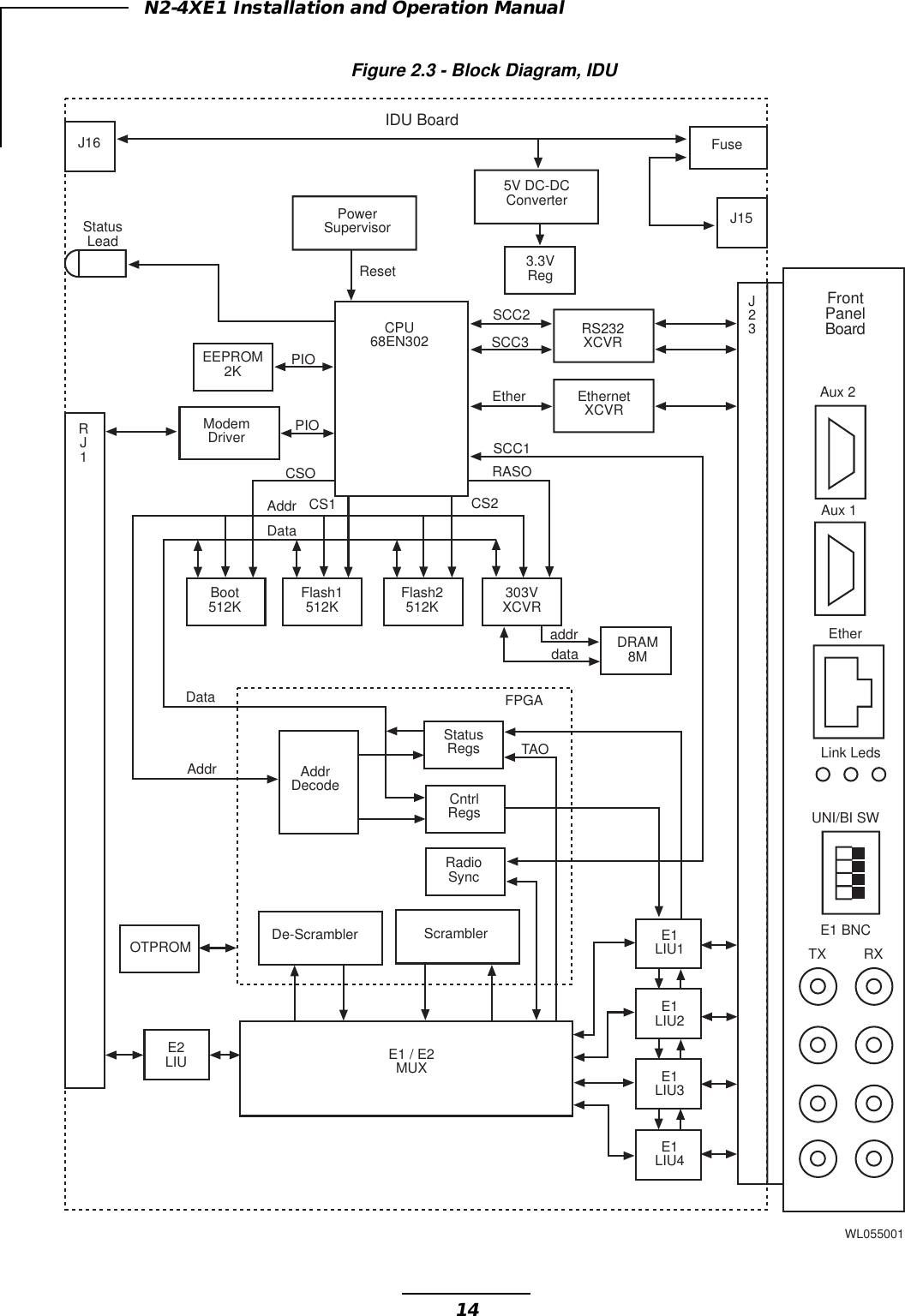
13N2-4XE1 Installation and Operation Manual2.4 ODU Performance MonitoringRSSI - A voltage provided through a BNC connector on the outside of the ODU. The RSSI portis used for antenna alignment during installation and for periodic measurement of Receiver/Path performance. The RSSI voltage is related to Rx BER from -30 dBm to -90 dBm.2.5 Theory of OperationGeneral OverviewThe N2-4XE1 is a point to point Wireless Extension operating in the 5.3/5.7 GHz UNII band asauthorized in rule sections 15.401 through 15.407. The unit is enclosed in a weather proofoutdoor enclosure and is intended to provide data links over distances up to 10 km. The radioin the unit operates full duplex, transmitting and receiving data at the rate of 8.448 Mbps. Theradio is modulated using BPSK.2.5.1 N2-4XE1 Indoor UnitCircuit DescriptionThe following circuit description is intended to explain the operation of the indoor and outdoorunits at the block diagram level. This text is written with the idea that the reader has the blockdiagram readily available, as it will aid in understanding the signal flow in the radio.Four E1 rate tributaries are time division multiplexed and input to the IDU protection circuit bymeans of four panel mounted BNC type connectors. The LIU (Line Interface Unit) converts the4xE1 data stream from a bipolar HDB3 signal which is input to the Mux/Demux and convertsthe 4E1 signal to an aggregate signal. The FGPA scrambles the data into a pseudo randompattern which passes the data back to the mux and through an E2 rate line interface to and fromthe ODU. The microcontroller acts as the processing core to manage all external and internalfunctions of the IDU/ODU. This includes monitoring the ODU, IDU for alarm conditions, as wellas providing SNMP and RS-232 control over the terminal. See Figure 2.3.
14N2-4XE1 Installation and Operation ManualFigure 2.3 - Block Diagram, IDUE1LIU3E2LIUJ16E1 / E2MUXE1LIU4E1LIU2E1LIU1ScramblerDe-ScramblerRadioSyncCntrlRegsAddrDecodeStatusRegsOTPROMBoot512K Flash1512K Flash2512K 303VXCVRDRAM8MDataAddrCSOCS1PIOPIORJ1EEPROM2KModemDriverCPU68EN302 RS232XCVREthernetXCVR3.3VRegSCC2SCC3EtherSCC1RASOCS2addrdataFPGATAODataAddrJ23FrontPanelBoardJ155V DC-DCConverterFusePowerSupervisorStatusLeadResetIDU BoardAux 2Aux 1EtherLink LedsUNI/BI SWE1 BNCTX RXWL055001
15N2-4XE1 Installation and Operation Manual2.5.2 N2-4XE1 Outdoor Unit, TransmitterThe data is differentially encoded and scrambled before it is routed through the transmitbaseband filter to provide spectral shaping. The baseband filter is a five pole low pass filter.After amplification, the baseband signal is fed to the modulator consisting of a doubly balancedmixer. The modulator is running directly at the transmitter frequency of 5.775 GHz ± 50 MHz.The local oscillator signal of the mixer is supplied from the frequency synthesizer section, withthe frequency dependant on the RF channel selected. Operation of the frequency synthesizerwill be detailed later in this document.From the output of the modulator, the signal is amplified and then passed through a 150 MHzwide bandpass filter to remove any local oscillator products from the output spectrum. Afterfiltering, the signal is passed through a series of amplifier and attenuator stages that are usedto control the output power level. With a combination of fixed and variable attenuation the outputpower can be set to one of four different levels to accommodate different antennas used withthe product.The power setting is maintained by an active ALC circuit that samples the transmitter outputpower and then adjusts the variable attenuator to keep the output power constant over theoperating temperature of the unit. The power level is controlled to within ±1 dB of the set point.Following the attenuators the signal is fed through additional amplification to bring the outputlevel to a maximum of +13 dBm at the output of power amplifier. A lowpass matching sectionfollows the power amplifier to aid in filtering harmonics of the signal. After passing through theduplexer, the power level at the antenna port is a maximum of +11 dBm.
16N2-4XE1 Installation and Operation Manual2.5.3 N2-4XE1 Outdoor Unit ReceiverThe receiver in the N2-4XE1 is a conventional dual conversion design with IF frequencies of474.88 MHz and 70 MHz.From the receive port of the duplexer, the low level input signal is passed through a low noisepreamplifier that provides 25 dB of gain. Following the preamplifier the signal is passed througha 200 MHz wide bandpass filter to provide image rejection for the first mixer.The signal is then mixed with the first LO to convert the signal to 474.88 MHz. Following furtheramplification the signal is passed through a five pole, 20 MHz wide bandpass filter. This filterprovides image filtering for the second mixer, and also helps attenuate signals on the adjacentreceive channels. After filtering, the signal is further amplified and then passed through avariable attenuator stage before it is applied to the second mixer.The output of the second mixer is at 70 MHz. The 70 MHz IF stages provide additional gain alongwith two sections of variable attenuation for the AGC function. The primary adjacent channelfiltering is also at 70 MHz where the signal is passed through a 12 MHz wide SAW filter. Thecombination of filters provide a minimum of 47 dB of attenuation at the adjacent receivechannels (± 10.24 MHz).At the end of the 70 MHz IF chain the signal is fed into a quadrature demodulator. The carrierrecovery loop consists of a four quadrant multiplier that multiplies I and Q baseband signals tocreate an error voltage. This error voltage is then amplified and fed back to the 70 MHz VCO.This forms a phase locked loop that is locked to the received carrier frequency.The 70 MHz output is also fed into a wide band logarithmic amplifier that provides a DC voltageoutput proportional to the 70 MHz signal strength. The DC voltage is then integrated and fedback to the variable attenuator stages to form an AGC control loop. This control loop keeps thesignal level at the input to the demodulator chip constant over the entire operating range of thereceiver.Data recovery from the I baseband signal begins by passing the I signal through a slicer. Theoutput of the slicer is a digital signal that contains both data and clocking information. A clockrecovery circuit recovers receive timing information that is needed to clock the data through thedescrambler, and differential decoder.
17N2-4XE1 Installation and Operation Manual2.5.4 SynthesizerThe FPGA provides four 22-bit streams in a serial format loaded to the synthesizer. This dataprovides all of the possible frequencies at which the system can operate. Depending upon thedip switch settings selected, the actual frequency being used is selected. When the reset buttonis pressed, the FPGA will reload this data to the synthesizer.Frequency SynthesisThe local oscillator frequencies used in the RF Unit are all synthesized from a 19.2 MHz, ± 2.5PPM reference oscillator. The overall frequency stability of the radio is ±2.5 PPM, directlyreflecting the reference oscillator stability.A dual frequency synthesizer chip is used to control both the first and second local oscillatorloops. This chip supports one high frequency oscillator, up to 1.5 GHz, and one lower frequencyoscillator to be used as a second LO.The first local oscillator VCO operates at one half the transmitter output frequency, and changeswith the transmit channel selected. The first LO consists of a bipolar VCO operating at 2.887GHz ±25 MHz. The output of this VCO is buffered and then passed through a X2 prescaler chipbefore being fed back to the synthesizer chip. The phase comparison frequency for the first LOis 320 kHz.After amplification the 2.887 GHz signal is passed through a frequency doubler to create the5.775 GHz signal that is applied to the mixer stages.The second local oscillator consists of a VCO that is phase locked to 404.88 MHz. This auxiliarysynthesizer is operating with a phase comparison frequency of 240 kHz.
18N2-4XE1 Installation and Operation ManualThis Page Left Blank Intentionally
19N2-4XE1 Installation and Operation ManualFigure 2-4 (WL272902) goes here
20N2-4XE1 Installation and Operation ManualFigure 2-4 (WL272902) goes here
21N2-4XE1 Installation and Operation Manual3.0 Equipment Installation and Commissioning3.1 InstallationThe N2-4XE1 has been specifically designed for ease of installation. The following installationinstructions should be followed.1. Plan the installation - Decide where each component of the N2-4XE1 will be placed priorto commencement of any installation activity. Installation considerations for each compo-nent in general are as follows:a. Indoor Unit - Install in floor or rack mount configuration.b. Outdoor RF Unit - Mount as close as practical to the Antenna assembly. The maximumdistance is determined by the included interconnect cable which is 1 meter in length.Determine pole mounting details for the Outdoor Unit and Antenna. Adjust output poweraccording to Table 3.1.c. Antenna Unit - See Appendix B.2. Inventory your equipment and installation materials.To install one (1) terminal you should have the items shown in Table 3.1.3. The following tools should be on hand:Tool PurposeWire Stripper/Cutter General wire stripping and cutting purposesHand-Held Voltmeter (DMM) Confirm magnitude, polarity, continuitywith standard probes2 Adjustable Wrenches Antenna mounting, Outdoor Unit up to 1.5 cm#2 Philliips Screwdriver Outdoor Unit GroundingTable 3.1 - Inventory of Equipment and Installation MaterialsytQnoitpircseD1UDIX4-2N1tiKllatsnIUDIX4-2N1UDOX4-2N1srenetsafdetaicossadnatekcarBtnuoMllaWroeloP1elbaCrewoPylppuSCDV84/ataDdesemaiS1ylbmessAelbaClaixaoCelaM-NotelaM-N309772LW
22N2-4XE1 Installation and Operation Manual3.2 Install the IDU1. Choose either a desktop or rack mount mounting location.•For a desktop mount configuration, the unit can be installed directly out of the box.•For rack mounting the IDU, installation kit contains rack mounting brackets for flush orprojection mounting. See Figure 3.1 for IDU Install Kit. Remove the desktop mountingfeet and install the rack mount brackets.2. Make the following connections to the IDU:•21-56 VDC Input•4xE1 Data Input/Output BNC-Type Connections•G.703 Ground Switch•NMS - SNMP Interface, RJ-48C•Aux 1 (DB-9, Terminal Interface, RS-232)•Aux 2 (DB-9, Aux Serial port or Alarm Input)•Siamesed Cat. 3 Data/Power To/From ODUWL272911StatusAlarms 1 2 3 4Digital InputDigital OutputDCAC 21-56V250V 3ALink RxTxNMS Port AUX Port 1 AUX Port 2 +-DataODU Interface+-N2 - LinkTM12 x 24Rack Screws4 PlacesFigure 3.1 - N2-4XE1 Link Rack Mount
23N2-4XE1 Installation and Operation ManualFigure 3.2 - Outdoor Unit Mounting Hardware3.3 Outdoor RF Unit InstallationGeneralThe outdoor unit is installed by means of a pole mount adaptor bracket (wall mount optional)that is secured to the pole using two metal hose type clamps. Figure 3.1 shows the hardwareprovided to mount the Outdoor RF Unit.1. Install the outdoor unit pole mount adaptor bracket using the supplied metal hose typeclamps. See Figure 3.2.2. Align the four mounting studs on the outdoor unit with the bracket holes (See figure 3.3)and secure to the bracket by pushing down the latches as shown in Figures 3.3a and 3.3b.3. Connect the Siamesed Category 3 Data/power cable, the N-type antenna and the groundconnections as shown in Figures 3.4a and 3.4b.Siamesed Catagory 3Ethernet and Power Cablefor IDU to ODU InterconnectionN-Male to N-MaleODU to AntennaCoaxial Cable AssemblyPole MountBracket FastenersWall Mount Bracket(Optional)Pole Mount BracketWL272909
24N2-4XE1 Installation and Operation ManualFigure 3.3 - Mounting the Outdoor RF Unit to the BracketPole MountBracketOutdoor UnitWL272912
25N2-4XE1 Installation and Operation ManualFigure 3.3a - Mounting Bracket Latch and Stud Mount DetailDetail of Latch Mechanismfor Securing the Outdoor Unitto the Pole Mount(4 Places on Bracket)Outdoor UnitMounting Studsplaced throughthis hole WL272913
26N2-4XE1 Installation and Operation ManualFigure 3.3b - Locking the Mounting HardwareMountingStuds x 4Press locking latchesdown to secure the ODUto the pole mount bracketWL272906
27N2-4XE1 Installation and Operation ManualFigure 3.3c - N-Type Antenna and Siamesed Ethernet/Power ConnectionsWL272907N-TypeAntennaConnectorSiamesed Category 3Data/Power Cable
28N2-4XE1 Installation and Operation ManualFigure 3.3d - Ground ConnectionGround Cable (not supplied)WL272908
29N2-4XE1 Installation and Operation ManualTable 3.2 - Installation ChecklisttsilkcehCnoitallatsnI?eruceserawdrahgnitnuomkcarehtsI?dednuorgylreporptinuehtsI?detcennocylreporpannetnaehtsI?tcerrocdnaecalpnisnoitcennocatadehterA809772LW3.4 Commissioning1. Visually verify that the N2-4XE1 is properly mounted.2. Verify that the DC power input to the N2-4XE1 is on.Refer to Table 3.2.3.4.1 Configuring N2-4XE1 System AntennasThe antennas used on an N2-4XE1 radio system are generally configurable for either verticalor horizontal polarization. It is extremely important to verify that both antennas are configuredfor the same polarization, and that the appropriate antenna polarization has been selected forthe specific radio link.3.4.2 Aligning the N2-4XE1 System AntennasWith the N2-4XE1 at each site properly configured for operation, antenna alignment must beperformed at both sites. Proper antenna alignment is crucial to the proper operation of an N2-4XE1 radio system, and should only be accomplished by experienced professionals.The N2-4XE1 is equipped with a ODU mounted BNC-(f) RSSI connector to which an analog ordigital voltmeter can be connected. The voltage range at the test point, between the centerconductor of the connector and ground, varies from approximately two VDC to four VDC,serving as a receive signal strength indicator (RSSI). The stronger the receive signal, the higherthe RSSI voltage.Emanating from a microwave antenna is a main beam (or lobe) of RF energy, surrounded byRF side lobes. The beamwidth of the main beam varies with the size and type of antenna, aswell as the specific frequency of the RF signal, and is generally defined by the nominal total widthof the main beam at the half-power (-3 dB) points. Side lobes surround the main beam at specificangle distances, and will be lower in power than the main beam.When aligning an antenna system, it is extremely important to verify that the antennas are bothaligned on the main beam, not on a side lobe. Referencing Table 3.3, the first side lobe willgenerally be located at an angle slightly less than twice the antenna beamwidth.Following the course alignment of an antenna system, a common practice when performing afine alignment is to slowly swing each antenna (one at a time!) in both vertical (elevation) andhorizontal (azimuth) planes to verify that the main beam and first side lobe can be accuratelyidentified. This insures that accurate alignment of the antenna system on the main beam hasbeen accomplished.
30N2-4XE1 Installation and Operation ManualTable 3.3 - Approximation TableelytSdnaretemaiDannetnA)iBd(niaG)seerged(htdiwmaeBBd3cilobaraptoof-25.821.6*cilobaraptoof-42.031.3lenaptalftoof-15.324.9lenaptalftoof-25.827.4.tnailpmocCCFtoneradna,ylnoASUehtedistuoesuroferasannetnahsidtoof-4ehT*909772LWEach N2-4XE1 is shipped with an RSSI test sheet, showing the relationship between the receivesignal strength level (in dBm) and the RSSI level (in VDC). These RSSI test sheets are oftenreferred to as AGC Curves. The RSSI test sheets can be used to verify that the calculatedreceive signal levels match up with the actual receive signal levels. Substantial differencesbetween calculated and actual levels could point to transmission system problems, side lobealignment, path obstructions, etc.
31N2-4XE1 Installation and Operation Manual4.0 Maintenance and TroubleshootingThe N2-4XE1 contains static sensitive components, and has no user-serviceable parts.4.1 N2-4XE1 MaintenanceThe N2-4XE1 is designed to operate with no scheduled maintenance activities. From aprecautionary perspective, a regular check of power supply input voltages and RSSI voltagesshould be planned by the user.4.1.1 RSSI VoltageThe Wireless Customer Service department recommends a monthly check of the N2-4XE1’sRSSI voltage. Variations in the RSSI voltage could be an indicator of antenna or antenna feedmovement, loose or improper RF cabling or connectorization, path obstructions or reflections,etc.
32N2-4XE1 Installation and Operation Manual4.2 Identifying and Resolving Receive Signal Strength IssuesThere are a great number of items which can affect the transmission of a microwave signal fromone site to another. Every microwave path is unique, and must be evaluated for performancebefore a radio link is installed.Outside of radio equipment issues, antenna alignment, RF signal blockage, and multipathfading are among the most common transmission problems experienced in the field.4.2.1 N2-4XE1 Equipment IssuesFrequency Selection1. Verify the transmit/receive frequency selection for each N2-4XE1 radio is set appropri-ately, and that a “matched pair” of radios has been selected for the system. Each N2-4XE1terminal can be set to the frequencies listed in Table 4.1.2. To reduce the possibility of co-adjacent channel interference, proper frequency coordina-tion and antenna polarization is used to isolate each channel. The concept is to achievemaximum RF isolation between link channels by means of frequency spacing and antennapolarization. In a “star” configuration an optimum frequency and antenna polarization planis provided to demonstrate an example of maximum isolation between links (See Figure4.1).Table 4.1 - Frequencies.oNlennahCycneuqerF18062.5'1865337.5240172.5'229547.5382182.5'361657.5425192.5'44667.5567103.5'546677.5600213.5'688687.5742223.5'721797.5884233.5'863708.5019772LW
33N2-4XE1 Installation and Operation Manual4.3 Where To Get Further AssistanceYour primary source of assistance is the support staff of the organization from which youpurchased this product. The Wireless, Inc. support staff should only be contacted directly if youpurchased this product directly from Wireless, Inc., or if you are unable to obtain sufficientassistance from your primary support contact.General Product and Company InformationWireless, Inc.5352 Betsy Ross DriveSanta Clara, CA 95454-1101USATel: +408 727 8383Fax: +408 727 1259E-mail: info@wire-less-inc.comWebsite: www.wire-less-inc.comDetailed Product Information, Sales, Pricing Information and Pre-SalesTechnical SupportWireless, Inc.Sales Department5352 Betsy Ross DriveSanta Clara, CA 95454-1101USATel: +408 727 8383Fax: +408 727 0990E-mail: info@wire-less-inc.comWebsite: www.wire-less-inc.comPost-Sales Technical Support (Customer Service)To assist you with field issues and, if necessary, to arrange for repair services, Wireless, Inc.’sCustomer Service department can be reached via telephone, facsimile, e-mail, mail, or throughour Website.
34N2-4XE1 Installation and Operation Manual4.4 Return ProcedureAll material returned to Wireless, Inc. must be accompanied by a Return Material Authorization(RMA) number from Wireless, Inc.'s Customer Service department. If you purchased yourWireless, Inc. product through a distributor, the Wireless RMA number should be obtainedthrough the distributor. An RMA number is necessary to assure proper tracking and handlingof returned material at the factory. Wireless, Inc. reserves the right to refuse shipments notaccompanied by an RMA number. Refused shipments will be returned to the shipper via collectfreight.To obtain an RMA number, contact Wireless, Inc. as follows:Telephone: +408 727 8383Fax: +408 727 1259E-mail: customerservice@wire-less-inc.comThe following information will be required to issue an RMA number:•Part Number•Serial Number•Failure Description•Contact person, telephone, and fax numbers•Ship-to address•Bill-to address*•Customer purchase order* (P.O.) or reference number* Required for non-warranty repair services. For non-warranty repair services, an RMAnumber will be issued when Wireless, Inc. acknowledges the purchase order.Important - All non-U.S. returns must include 5 copies of proforma/customs invoice for eachshipment which lists:•RMA number•Value of items•Description of items (including the Wireless model or part number)Please send all returns to:Wireless, Inc.Attn: RMA Department5452 Betsy Ross DriveSanta Clara, CA 95054-1101USARMA No. __________The customer is responsible to properly label and package repairs and prepay shipping toWireless, Inc. If possible, the original packaging material should be used to return electronicparts. The RMA number must be visible on the outside of all packages returned. Unless otherarrangements have been made, all repairs are shipped back to the customer prepaid via groundcarrier.
A-1N2-4XE1 Installation and Operation ManualAppendix A Grounding Practices and LightningProtection InformationGeneralGood grounding (“earthing”) practices, when used in telecommunications, have some directbenefits which can help you maximize the up time of your system as well as ensure the safetyof those people working on the system. Among these benefits are:1. Protection of personnel from electric shock and fire hazards.2. Reduction of radiated and conducted electromagnetic susceptibility.3. Improved system tolerance to discharge of electrostatic energy and lightning interference.4. Minimized service interruptions and service damage.There is no practice or formula which can completely eliminate the above risks, but we atWireless, Inc. believe that good grounding and bonding practices can significantly reduce therisk of many of these hazards. We have included a bibliography at the end of this appendix whichcontains several publications that are readily available and contain detailed information onmany aspects of grounding systems and their design, implementation, measurement, andmaintenance.Please note that every telecommunication site is unique, and must be evaluated accordingly.The following information is provided for generic reference and educational purposes only. Thegrounding plans and practices for a given site should only be established and accomplished bytrained professionals, working in accordance with local practices and regulations.Ground ConnectionsThere should be a grounding plan designed at the outset of site design in order to provide thebest grounding procedures and to minimize ground loop currents. This should be achieved byconnecting the outer conductors of the cables through a large section copper strap to a centralgrounding point and the size of the conductor should be increased as each branch path isadded. The final conductor should be connected directly to the grounding system. For a radiosite a single copper grounding rod is insufficient because its impedance is likely to be too high.Lightning ProtectionRadio sites can be particularly prone to lightning strikes by virtue of their normally exposedlocations and the presence of relatively tall antenna support structures.It is not possible to provide and guarantee complete protection from the effects of lightning;however, they can be significantly reduced by careful attention to grounding, protectiondevices, and the layout of the site itself.Reference should also be made to various publications, some of which are listed in theBibliography. Where any site owner or user is in doubt about the protection requirements for anyparticular location, the appropriate authority should be consulted.
A-2N2-4XE1 Installation and Operation ManualProtection ArrangementsThe purpose of any protection arrangement should be to provide a suitable path to ground forthe lightning current, to ensure adequate bonding between structures and all metalwork on thesite and the common grounding system in order to reduce the side flashing, and to attempt toprevent the entry of flashes or surges into the building.The resistance to ground should be kept to a minimum and a value of less than 10-ohms isrecommended. The most important feature is that the system should ideally be at equalpotential across the entire site.Certain authorities and service providers have their own particular practices which have to befollowed where applicable.Arrangements will vary considerably from very simple sites to complicated sites with multiplebuildings, antenna support structures and associated equipment, and may involve integrationwith existing systems. Such systems may require upgrading.Lightning ConductorsDown conductors, bonding interconnections, ground rings and radial tapes should be of coppercable or solid copper tape with a minimum cross section according to local practice with allconnections protected by non reactive paste.Protected test points should be included if appropriate, and sacrificial ground lugs should beclearly marked and easily accessible for periodic inspection.Grounding of Antenna Support StructuresA structure will generally act as its own lightning conductor and therefore will not require anadditional conductor from the top to the base. A lightning rod may be required to extend the zoneof protection to protect equipment mounted on the top of the structure. The lightning rod shouldextend 2.5-meters above the highest equipment.Ground mounted support structures should be connected at their base to a ground ring viasacrificial ground lugs. Towers should have a connection from each leg.A ground ring should consist of copper cable or solid copper tape with ground rods equallyspaced at 2-meter intervals around the base of the structure as close to it as possible, buriedapproximately 0.6-meters deep where soil conditions allow. An alternative method using radialsrather than rings is detailed in “The ‘Grounds’ for Lightning and EMP Protection”, secondedition, published by PolyPhaser Corporation.The ground ring should be connected to the main building ground by the most direct route,buried as appropriate.Roof mounted structures should be connected to the main building ground by the most directroute using sacrificial lugs and copper cable or tape as appropriate. Tower guy wires should bedirectly bonded at their lowest point to a suitable ground electrode or connected to the siteground by the most direct route.
A-3N2-4XE1 Installation and Operation ManualGrounding of FeedersAll antenna feeders should be bonded to the tower at the upper and lower ends and groundedat the point of entry into the building. Weatherproof grounding kits are available from antennamanufacturers.Note: Many of the cables used by Wireless, Inc. have braided rather than solid outerconductors; this type of grounding is not appropriate. In these cases we recommend theuse of Wireless, Inc. approved lightning arrestors. For information on lightning arrestors,please contact Wireless, Inc.’s Customer Service department.Grounding of BuildingsA ground ring ideally should surround the building and be connected to individual groundsassociated with feeder entry, antenna support structure, building lightning conductor, equip-ment room, main AC supply and other facilities. Each connection should be made by the mostdirect route in order to minimize interaction between the different grounding functions.The ground ring should consist of copper cable or tape with electrodes 2- meters or greater inlength, buried to a depth of 0.6-meters and at a distance from the building not to exceed 1-meter.Buildings may require lightning rods where they are not within the zone of another protectedstructure.BibliograpyITU - T K.40 Protection against LEMP in telecommunications centresITU - T K.27 Bonding configurations and earthing inside a telecommuni-cation buildingITU - T K.35 Bonding configurations and earthing at remote electronicsitesITU - T K.39 Risk assessment of damages to telecommunications sitesdue to lightning dischargesITU - T Lightning Handbook The protection of telecommunication lines and equipmentagainst lightning dischargesIEEE Emerald Book - Powering and GroundingThe Grounds for Lightning and EMP Protection, second editionPublished by PolyPhaser Corporation
A-4N2-4XE1 Installation and Operation Manual
B-1N2-4XE1 Installation and Operation ManualAppendix B Installation InstructionsRead the instructions completely before assembling or installing the antenna. This installationcan be dangerous and requires qualified personnel familiar with microwave assembly andinstallation.Site Planning1. For antenna mounting and planning dimensions, see Figure B.1 and Table B.1.2. The antenna is normally assembled with an elevation adjustment range of +50 degrees to-5 degrees. By inverting the mount, it can be assembled with a +5 degree to -50 degreerange. In either configuration, the antenna centerline can be offset right or left, relative tothe vertical mast pipe (See Figure B.2) by inverting the Horizontal Tube Assembly.Figure B.1 - Two Foot Diameter AntennaWL035927JHBAPKGQDC
B-2N2-4XE1 Installation and Operation ManualTable B.1 - Two Foot Diameter Antenna DimensionsnoisnemiDnoitpircseDannetnA)m6.0(.tf2AhtgneLtnuoM)mm075("4.22BtnioPtoviP)mm501("2.4CtesffOeniLretneC)mm521("0.5DturtStnuoMlatnoziroHA/NEturtStnuoMlacitreV.tP.tvP)mm571("8.8FturtSediSdexiFlatnoziroHA/NGenilretneCannetnA)mm543("6.31HhtgneLrotcelfeR)mm513("3.21JhtgneLduorhStrohS)mm023("5.21htgneLduorhSgnoL)mm583("1.51KretemaiDannetnA)mm016("0.42L)dradnatS(htgneLemodaR)mm043("4.31NhtpeDturtStnuoMA/NPxetreVrotcelfeR)mm091("6.7QretemaiDtsaM)mm511-06("5.4"4.2egnaRelbatsujdAhtumizA °5±segnaRtnemtsujdAnoitavelE °5-/°05+829530LW
B-3N2-4XE1 Installation and Operation ManualFigure B.2 - Mount ConfigurationWL035929and Nut (4)3/8” (10mm)Round HeadScrew Lockwasherø 2.4”- 4.5”(60-115mm)Shear StopCollarElevationPlate
B-4N2-4XE1 Installation and Operation ManualTable B.2a - Contents List, Reflector AssemblyUnpacking and Preparation1. Carefully unpack the reflector, mount, shroud (if any), radome (if any) and feed from thecrate. For correct antenna performance, handle all components with care. Set aside thepackaged feed and any shroud or radome. See Figures B.3 through B.6.Caution: The reflector spinning has been formed to a very close-toleranced parabolic shape.Careful handling and assembly is required to avoid denting or deforming the reflector,which would degrade the antenna's performance.2. Inspect for any damaged parts. See Tables  B.2a-B.2d for an inventory of the parts andhardware shipped with the antenna.Shroud AttachmentAttach the shroud assembly that is provided with high-performance antennas to the reflector.The installation procedure is covered by another instruction sheet supplied with the shroud.Note: Some models have the shroud factory installed.Table B.2b - Contents List, Feed AssemblyrebmuNtraPnoitpircseD.ytQkcehC3-23832A2-nepO'2ES.yssA.lfeR1039530LWrebmuNtraPnoitpircseD.ytQ1-63752pmalCgnitnuoMdeeF4305-61762058.5-052.5A/SdeeF10715TDA071SSD'04x8//7x61/3lytuBkcarTRR10500XWF560.x437.0W"4/1rehsaW4122-IIsnoitcurtsnInoitallatsnI10600XUNtuNxeH40500XWSrehsaWtilpS4139530LW
B-5N2-4XE1 Installation and Operation ManualFigure B.3 - Mounting Hardware PackedFigure B.4 - Mounting Hardware UnpackedWL035932Feed HornAssemblyMountingHardwareWL035933
B-6N2-4XE1 Installation and Operation ManualTable B.2c - Contents List, Mount AssemblyrebmuNtraPnoitpircseDytQ105-57652ylbmessAepiPlatnoziroH 1505-52752ylbmessAgnipmalCtsaM 12-61322vlaGdoRdedaerhT25-52542"1flaHpmalCtsaM10210GWFvlaGrehsaW21210GUNvlaGrehsaW60900GWSvlaGrehsaWtilpS4905-52732yssAgnipmalCtsaM 12-61322vlaGdoRdedaerhT28-52542flaHpmalCtsaM10210GWFvlaGrehsaW20210GUNtuNxeH60900GWSvlaGrehsaWtilpS4405-72752yssApotSraehS 13-58232doRdedaerhT22-52542trohS-flaHpmalCZA20310XUNtuNxeH60900GWSvlaGrehsaWtilpS4305-03752yssAdoRnoitavelE 16-11632doRnoitavelE1105-24832yssAtkrBdoRnoitavelE11-66652elgnAtroppuSnoitavelE10800GOBvlaGtloBxeH10210GWFvlaGrehsaW10410GWFvlaGrehsaW10210GUNvlaGtuNxeH15910XUNSStuNxeH40900GWSvlaGrehsaWtilpS10010GWSvlaGrehsaWtilpS1439530LW
B-7N2-4XE1 Installation and Operation ManualTable B.2d- Contents List, Mount AssemblyrebmuNtraPnoitpircseD.ytQ105-33752 tiKerawdraHtnuoM145-94701.vlaGtloB-U22-16532recapS25000MDAebuT.zo1ezieS-itnA11290XOBtloBxeH60210GWFrehsaW405000XWFrehsaW210210GUN.vlaGtuNxeH40600XUN.vlaGtuNxeH60900GNPtunlaP40500XWS.vlaGrehsaWtilpS61-09562 etalPnoitavelE11-19562 etalPhtumizA16811XOB wercSDHDNR40310XUN tuNxeH40800XWS rehsaWtilpS4232-II snoitcurtsnInoitallatsnI1539530LW
B-8N2-4XE1 Installation and Operation ManualFigure B.5 - Parabolic ReflectorFigure B.6 - Unpacking the RadomeWL035936ParabolicReflectorWL035937
B-9N2-4XE1 Installation and Operation ManualFigure B.7 - Antenna Mount AssemblyMount Assembly and Attachment1. The reflector should be placed face down, either on the shroud or blocked up on packinglumber. Locate the Top and Bottom markings stenciled onto the back of the reflector.2. Loosely attach Top Support Angles to the Horizontal Tube Assembly as shown in FigureB.7 and B.8.3. For desired mount configuration (refer to Figure B.2), attach the Vertical Tube Assemblyto the Horizontal Tube Assembly as shown in Figure B.7 and B.8.4. Verify proper assembly of the elevation rod hardware as shown in Figure B.9. Removeouter hardware and insert rod through elevation plate.Important: For elevation angles grater than ±20°, Beveled Washers, shown in Figure B.9,must be used. However, beveled washers may be used for elevation angles greater than±10°.5. Carefully place mount assembly onto antenna backring, taking care not to damage thereflector. Loosely fasten the Top Support Angles and the Elevation Support Angle to theantenna backring using 1/2” hardware as shown in Figure B.7.6. Verify alignment of the Vertical Assembly with the vertical axis of the reflector and securethe Top Support Angles and the Elevation Support Angle to the ring.WL035938and Nut (4)3/8” (10mm)Round HeadScrew Lockwasherø 2.4”- 4.5”(60-115mm)Shear StopCollarElevationPlate
B-10N2-4XE1 Installation and Operation ManualFigure B.9 - Elevation Rod AssemblyFigure B.8 - Antenna Mount AssemblyWL035939WL035940Secure Antenna to MastPipe using large andsmall Mast ClampsAttach Shear StopCollar on Mast Pipe sothat it will be UnderAzimuth PlatePosition Elevation Plateon the Mast so elevationscrew is horizontal whenAntenna is aligned
B-11N2-4XE1 Installation and Operation Manual Feed InstallationFollowing the instructions provided with the feed assembly, install the feed in the reflector. Referto Figures B.10 through B.14.Figure B.10 - Feed Horn InstallationClamp1/4”-20Hex NutHorizontalHVGraphiteGreaseHex Nut,Lockwasher,Flat WasherFeedSupport ReflectorHVVerticalWL035941
B-12N2-4XE1 Installation and Operation ManualFigure B.11 - Feed Horn Polarization MarkingsFigure B.12 - Parabola Rear View Showing Polarization Reference MarkersWL035942Feed HornPolarizationMarkingsWL035943HorizontalPolarizationMarkingVerticalPolarizationMarking
B-13N2-4XE1 Installation and Operation ManualFigure B.13 - Feed Horn InstallationFigure B.14 - Feed Horn Installation for Vertical Polarized OperationWL035945WL035944
B-14N2-4XE1 Installation and Operation ManualFigure B.16 - Azimuth Adjustment Clamp AssemblyRadome InstallationMolded Radomes (normally optional on standard antennas) should be installed following theinstructions provided.Azimuth Adjustment Clamp/Shear Stop Installation1. Verify proper assembly of the azimuth clamp/shear stop clamp as shown in Figure B.15and B.16. Securely attach the shear stop clamp to the mast pipe as shown, orienting it asnearly as possible to the antenna boresight direction, and square to the mast axis. Notethat the shear stop clamp used on the two foot antennas also provides the azimuthadjustment.2. Refer to Figure B.1 for the position of the antenna centerline relative to the shear stopclamp. The clamp must be mounted to provide support during installation and azimuthadjustment.Figure B.15 - Azimuth Clamp/Shear Stop Assembly3/8” (10mm)Round HeadScrew Lockwasherand Nut (4)ø 2.4” - 4.5”(60-115mm)WL035946WL035947
B-15N2-4XE1 Installation and Operation ManualAntenna Hoisting and Installation1. Attach a hoist strap around the vertical assembly or the horizontal assembly as shown inFigure B.17. Do not hoist by the elevation rod. Make sure that the vertical assembly isunobstructed where it will mount against the mast pipe.2. Attach tag lines and carefully lift the antenna into position, resting the vertical assembly onthe shear stop clamp.3. Fasten the mount to the mast pipe with 1/2” U-bolts. The antenna must be free to rotateduring azimuth adjustment, so tighten only enough to close the gap between the mast andvertical channel. Do not leave the antenna loose for any extended period of time, i.e.overnight.Figure B.17 - Hoisting the AntennaWL0359485”(127mm)
B-16N2-4XE1 Installation and Operation ManualGeneral Antenna Alignment ProceduresNormally the antenna is aligned by performing azimuth and elevation adjustments andelevation adjustments as necessary until the peak signal is obtained. It may be helpful to re-peak one adjustment before finalizing or locking down the other.Warning:  Damage to the antenna can occur if azimuth or elevation adjustments areattempted without loosening the proper connections as described in the following steps.Azimuth Adjustment1. Be sure the mast pipe U-bolts are just loose enough to allow mount rotation whilemaintaining complete contact between the mount and the mast pipe.2. Turn the long stainless steel azimuth screws against the mounting channel. By alternatelyturning one azimuth adjustment screw out and the other in, the antenna can be rotated tothe desired azimuth angle. Approximately 1 turn changes the azimuth direction by 1°. Avoidadjusting the antenna beyond the ±5° provided by the azimuth clamp as this can damagethe adjusting hardware. Fasten the antenna to the mast pipe and reposition the clamp ifneeded.Note: By securing the mount to the mast pipe and realigning the azimuth clamp with theantenna boresight, more reliable and precise azimuth adjustments can be achieved.After all adjustments are made, tighten both of the azimuth screws against the channel andsecure with the lock nuts provided.3. Tighten the mast pipe U-bolts while maintaining the peak signal by alternating from left toright in 1/4 turn intervals.Elevation Adjustment1. Insure that both of the bolts connecting the mount to the Top Support Angles and thepivoting Elevation Angle (refer to Figures B.7 and B.9) are just loose enough to allowresisted rotation.2. Back the outer nuts on the elevation rod away from the bottom mount plate to allow somefine adjustment range.3. Turn the inside nut (with flat washer) on the elevation rod to adjust the elevation angle.Approximately 5 turns changes the elevation by 1°. Remember, for elevation greater than20°, install the two beveled washers as shown in Figure B.9.4. After all adjustments are made, lock the nut against the bottom mount plate. Tighten theangle pivot bolt and support bracket bolts.Important: Be sure to tighten all hardware after final adjustments and insure that splitlockwashers, palnuts, or jam nuts are used where provided.
B-17N2-4XE1 Installation and Operation ManualTable B.3 - Nut Tightening ProceduresInspection and Maintenance1. Before leaving the installation, check that all hardware on the mount, shroud, radome, andfeed is tight and that nuts are locked in place.2. Inspection of the antenna should be performed at lease once a year to check its conditionand to insure safe operation and maintenance. Qualified personnel, knowledgeable andexperienced in antenna installations, are required for this inspection.Supplemental InformationTable B.3 is provided for installers unfamiliar with adequate nut tightening procedures for useon stainless steel bolts, U-bolts, galvanized bolts or any bolts without the ASTM-”A325” markingon the head. Disregard these recommendations when specific tightening requirements aregiven.Note: It is not recommended to reuse a palnut that has already been fully tightened ordeformed in any way. It should be replaced by a new palnut.Weather Proofing the Type N Female Connector on FeedsRemove the protective cover from the end of the feed and mate the connectors, screwing themale connector firmly onto the feed.Important: After connecting the coaxial cable, wrap the Type N connector with the gray butylrubber, squeezing it firmly around all joints to make a continuous seal. Finish theweatherproofing by wrapping the butyl rubber with several layers of black PVC tape (notsupplied).eziStloBlanimoNeuqroTtuNeuqroTtunkcoLtunlaP"4/1.bl/.ni05.bl/.ni04"61/5.bl/.ni201.bl/.ni06"8/3.bl/.tf51.bl/.ni58"61/7.bl/.tf42.bl/.tf51"2/1.bl/.tf73.bl/.tf61"8/5.bl/.tf47.bl/.tf82"4/3.bl/.tf571.bl/.tf44"8/7.bl/.tf212.bl/.tf15"1.bl/.tf813.bl/.tf95059530LW
B-18N2-4XE1 Installation and Operation Manual
C-1N2-4XE1 Installation and Operation ManualAppendix C Adjustable Panel Antenna MountAssemble the panel mount according to Figure C.1. Orient Antenna using instructions suppliedwith the antenna. Antenna models used with this mount may be circular, square or diamondshaped. To change the offset of the antenna, unbolt the mount from the antenna, invert themount and reattach to the antenna.Figure C.1 - Antenna Mount2 3/8” (60mm)DIA Mast(2) 1/4” U-Bolt w/Washer, Lockwashersand NutsAzimuth AdjustmentSlotsTop View Optional Mast Clamp Kitfor 1.9” (48mm) DIA thru4.5” (114mm) DIA MastsSide ViewElevationAdjustmentSlotsRear ViewOffset Left Rear ViewOffset RightWL035951
C-2N2-4XE1 Installation and Operation ManualLoosen the azimuth or elevation locking hardware while maintaining sufficient friction to preventunwanted slippage. See Figure C.2.Insert flat blade screw driver into slot “B” and pry in direction of the arrow or into slot “A” and pryin opposite direction, as shown in Figure C.2. Stop prying approximately as new overlappingslot in bottom plate becomes sufficiently visible when viewed through slot “A”.Figure C.2 - Azimuth and Elevation PlanningABABTop ViewSectional ViewSectional ViewTop ViewWL035952ABAB
C-3N2-4XE1 Installation and Operation ManualInsert Screw Driver into slot “A” and pry in direction of the arrow, as shown in Figure C.3. Stopprying approximately as new slot in bottom plate becomes sufficiently visible when viewedthrough slot “B”. Continue alternating slots and prying in either direction until desired alignmentis obtained. Lock down hardware securely before leaving the site.Figure C.3 - Azimuth and Elevation PlanningABABTop ViewSectional ViewWL035953ABABSectional ViewTop View
C-4N2-4XE1 Installation and Operation ManualAttach the antenna to the mount as shown in Figure C.4. For antenna polarization, assemblethe antenna to the mount using four sets of nuts and washers after desired polarization isselected. In horizontal polarization the arrow sticker should be pointed in a horizontal direction.Likewise, in vertical polarization the arrow sticker should be pointed in a vertical position.Important: After cable connection is completed, wrap connection with Butyl or otherwaterproof tape, supplied by the customer.Each panel antenna has four factory sealed drain holes located on the back of the antenna. Afterorienting the antenna to its proper polarization, the lower most sealed drain hole(s) must bepunctured with a pointed tool. See Figure C.4.Caution: Do not allow the tool to protrude into the drain hole more than 1/4” (7mm) or damageto the antenna may result.Figure C.4 - Flat Panel AntennaWL035954DrainHolesPolarizationArrowAntennaPolarizationusing Nutsand Washers
C-5N2-4XE1 Installation and Operation ManualAim the antenna according to Figure C.5. Orient the antenna using instructions supplied withthe antenna. Antenna models used with this mount may be circular, square or diamond shaped.To change the offset, unbolt the mount from the antenna, then invert the mount and reattachin the antenna.Figure C.5 - Adjustable Panel Antenna MountRear ViewRight Offset Rear ViewLeft OffsetSide ViewClamp Kit for1.9 (48mm) DIAThru 4.5 (114mm)DIA Masts1/4” Carriage Boltsw/ Washers, Lockwashersand Nuts (2)ElevationAdjustmentWL035955
C-6N2-4XE1 Installation and Operation Manual

Navigation menu