Wistron NeWeb M14A2A LTE Cat.M1 LGA module User Manual 1
Wistron NeWeb Corporation LTE Cat.M1 LGA module 1
Contents
- 1. User manual
- 2. User Manual
User Manual

1 / 59
□ Normal □ Internal Use Confidential □ Restricted Confidential
User Manual Guide
Project Name: IMA3
Author: Wistron NeWeb Corporation
Revision: 1.0
Revision Date: 2017/05/26

3 / 59
□ Normal □ Internal Use Confidential □ Restricted Confidential
User Manual Guide
© Wistron NeWeb Corporation
THIS DOCUMENT AND THE INFORMATION CONTAINED HEREIN IS PROPRIETARY AND IS THE
EXCLUSIVE PROPERTY OF WNC AND SHALL NOT BE DISTRIBUTED, REPRODUCED, OR
DISCLOSED IN WHOLE OR IN PART WITHOUT PRIOR WRITTEN PERMISSION FROM WNC.
LIMITATION OF LIABILITY
THIS DOCUMENT AND THE INFORMATION CONTAINED HEREIN IS PURELY FOR DESIGN
REFERENCE AND SUBJECT TO REVISION BY WNC AT ANY TIME. NOTHING IN THIS
DOCUMENT SHALL BE CONSTRUED AS GRANTING ANY WARRANTY OR RIGHT TO USE THE
MATERIAL CONTAINED HPRIOR EXPRESS WRITTEN CONSENT. WNC
SHALL NOT BE LIABLE FOR ANY USE, APPLICATION OR DEVELOPMENT DERIVED FROM THE
MATERIAL WITHOUT SUCH PRIOR EXPRESS WRITTEN CONSENT.

4 / 59
□ Normal □ Internal Use Confidential □ Restricted Confidential
User Manual Guide
Contents
Contact Information ........................................................................................................ 2
Revision History .............................................................................................................. 2
Contents ......................................................................................................................... 4
1. Introduction ........................................................................................................... 6
1.1. Abbreviation ......................................................................................................... 6
1.2. Features ................................................................................................................ 8
2. Electrical Specifications ........................................................................................... 9
2.1. Interface pin assignments .................................................................................... 9
2.1.1. LGA Pad Diagram ...................................................................................... 9
2.1.2. Pin Assignments ..................................................................................... 10
2.2. Power supply ...................................................................................................... 20
2.3. USB interface ...................................................................................................... 20
2.4. SIM interface ...................................................................................................... 22
2.5. Control interface (signals) .................................................................................. 23
2.5.1. Power-on Signal ...................................................................................... 23
2.5.2. Host-to-modem wake-up interface ........................................................ 25
2.5.3. Reset Signal............................................................................................. 29
2.6. Digital interface .................................................................................................. 30
2.6.1. SPI Master Interface ............................................................................... 30
2.6.2. PCM Interface ......................................................................................... 32
2.6.3. I2S Interface ............................................................................................ 33
2.6.4. I2C Interface ........................................................................................... 34

5 / 59
□ Normal □ Internal Use Confidential □ Restricted Confidential
User Manual Guide
2.6.5. UART Interface ........................................................................................ 35
2.7. ADC interface ...................................................................................................... 36
2.8. GPIO .................................................................................................................... 37
3. RF Specifications ................................................................................................... 38
3.1. RF connections ................................................................................................... 38
3.2. Interference and sensitivity ................................................................................ 38
3.3. Radiated sensitivity measurement ..................................................................... 39
3.4. Supported frequencies ....................................................................................... 39
3.5. Power consumption ........................................................................................... 40
3.6. Module power states ......................................................................................... 43
4. Software Interface ................................................................................................ 45
5. Mechanical and Environmental Specifications ....................................................... 46
5.1. PCBA form factor ................................................................................................ 46
5.2. Module PCB Layout ............................................................................................ 48
5.3. Reflow ................................................................................................................. 50
5.4. Labeling .............................................................................................................. 52
5.5. Thermal considerations ...................................................................................... 53
6. Regulatory and Industry Approvals ....................................................................... 54
6.1. Certification testing ............................................................................................ 54
6.2. Safety and hazards.............................................................................................. 54
7. Packaging ............................................................................................................. 55
8. Safety Recommendation ....................................................................................... 57
9. Appendix .............................................................................................................. 58

6 / 59
□ Normal □ Internal Use Confidential □ Restricted Confidential
User Manual Guide
1. Introduction
IMA3 is a CAT-M1 (1 Mbps/1 Mbps DL/UL respectively) LTE modem which incorporates an
application CPU subsystem and a host of peripheral interfaces and functions uniquely
designed to address the power/performance/cost requirements of IoT and M2M
applications. The chip is based on SDR-v3.0 (Software Defined Radio) architecture which
offers OFDMA-related software based signal processing capabilities that significantly exceed
traditional communications DSP cores, yet consumes a fraction of the power.
Linux OS with a variety of host interfaces including USB 2.0, I2C, SPI, and UART.
1.1. Abbreviation
Table 1. Pin Interface Family
Abbreviation
Definition
AC
Alternating Current
DC
Direct Current
ETSI
European Telecommunications Standards Institute
GND
GrouND
GPS
Global Positioning System
GNSS
Any single or combined satellite navigation system (GPS,
GLONASS and combined GPS/GLONASS)
GPIO
General Purpose Input Output
I/O
Input/Output
IoT
Internet of Things
I2C
Inter-Integrated Circuit
I2S
Inter-IC Sound or Integrated Interchip Sound
IMS
IP Multimedia Subsystem
LGA
Land Grid Array
LTE
Long Term Evolution

7 / 59
□ Normal □ Internal Use Confidential □ Restricted Confidential
User Manual Guide
M2M
Machine to Machine
Mbps
Megabits per second
MIPS
Millions of Instructions Per Second
N/A
Not/Applicable
OS
Operating System
OTA
Over The Air
PC
Personal Computer
PCM
Pulse Code Modulation
PIN
Personal Identification Number
PSM
Power Saving Mode
RRC
Radio Resource Control
SIM
Subscriber Identity Module
SMA
Surface Mount Antenna
SPI
Serial Peripheral Interface
UART
Universal Asynchronous Receiver-Transmitter
UIM
User Identity Module
USB
Universal Serial Bus
Vref
Voltage reference
WCDMA
Wideband Code Division Multiple Access
WNC
Winstron NeWeb Corporation

8 / 59
□ Normal □ Internal Use Confidential □ Restricted Confidential
User Manual Guide
1.2. Features
3GPP category support: LTE CAT-M1 with 1 Mbps for DL/UL
Embedded 512Mbit LPDDR
Embedded 256Mbit SPI NOR Flash
Ultra-high performance enhanced SDR processor
Embedded network processor with Linux OS
Integrated PMU circuitry
Integrated RTC support
Optimized for the M2M and IoT markets
Interfaces:
– HS USB2.0 with integrated PHY
– Dual UART interfaces (4 bit and 2 bit) for high-speed data transfer and
diagnostic tools support
– SPI master interface
– Mobile LPDDR and PSRAM support
– Serial NOR flash controller
– USIM interface
– I2S/PCM audio interface
– GPIOs
– One I2C interface (master mode)

9 / 59
□ Normal □ Internal Use Confidential □ Restricted Confidential
User Manual Guide
2. Electrical Specifications
2.1. Interface pin assignments
2.1.1. LGA Pad Diagram
Figure 1. LGA pad diagram (top view)

10 / 59
□ Normal □ Internal Use Confidential □ Restricted Confidential
User Manual Guide
2.1.2. Pin Assignments
I/O type description :
AO : Analog Output
AI : Analog Input
DO : Digital Output
DI : Digital Input
Table 2. Pin Interface Family
Interface Family
Signal Name
Description
I/O
RF Interfaces
RF_1
Main Antenna
AI/AO
RF_2
Aux Antenna
AI
User Identity Module
UIM_VCC
UIM Power
DO
UIM_DATA
UIM Data in/out
DI/DO
UIM_CLK
UIM Clock
DO
UIM_RESET
UIM Reset
DO
UIM_DETECT
UIM Detect
DI/DO
Data Interfaces- USB2.0
USB_Dp
USB Data Positive
DI/DO
USB_Dn
USB Data Negative
DI/DO
Data Interfaces- UART1
UART1_CTS
Clear To Send for UART 1
DI
UART1_RTS
Request To Send for UART 1
DO
UART1_RX
Receive for UART 1
DI
UART1_TX
Transmit for UART 1
DO
Data Interfaces- UART2
UART2_RX
Receive for UART2
DI
UART2_TX
Transmit for UART2
DO
Data Interfaces- I2C
I2C_SDA
I2C Data
DI/DO
I2C_SCL
I2C Clock
DO

11 / 59
□ Normal □ Internal Use Confidential □ Restricted Confidential
User Manual Guide
Data Interfaces- SPI
SPIM_MOSI
SPI Master Out Slave In
DO
SPIM_MISO
SPI Master In Slave Out
DI
SPIM_EN
SPI master interface enable
DO
SPIM_CLK
SPI master interface clock
DO
Module Control and State Interfaces
WWAN_STATE
Wireless WAN Radio State
DO
POWER_ON
Power On the module
DI
WAKEUP_OUT
Module wakes up host OR GPIO
DO
WAKEUP_IN
Host wakes up module OR GPIO.
DI
RESET
Reset the module
DI
Power and GND
VREF
Reference Logic Voltage
AO
VCC
Main Power
AI
GND
Ground
AI
General Purpose
GPIO
General Purpose I/O
DI/DO
ADC
Analog to Digital Convertor
AI
Audio- PCM/I2S
PCM_SYNC
PCM_SYNC
DI /DO
PCM_IN
PCM_IN
DI
PCM_OUT
PCM_OUT
DO
PCM_CLK
PCM_CLK
DO

12 / 59
□ Normal □ Internal Use Confidential □ Restricted Confidential
User Manual Guide
Table 3. Pin Assignments
Pin
No.
Signal Name
Description
Voltage Levels (V)
Min.
Typ.
Max.
1
GND
Ground
-
0
-
2
GND
Ground
-
0
-
3
NC
NC
-
-
-
4
GND
Ground
-
0
-
5
GND
Ground
-
0
-
6
GND
Ground
-
0
-
7
GND
Ground
-
0
-
8
GND
Ground
-
0
-
9
NC
NC
-
-
-
10
GND
Ground
-
0
-
11
GND
Ground
-
0
-
12
GND
Ground
-
0
-
13
GND
Ground
-
0
-
14
GND
Ground
-
0
-
15
RF_1
Main Antenna
-
-
-
16
GND
Ground
-
0
-
17
GND
Ground
-
0
-
18
GND
Ground
-
0
-
19
GND
Ground
-
0
-
20
GND
Ground
-
0
-
21
RF_2
Aux Antenna
-
-
-
22
GND
Ground
-
0
-
23
GND
Ground
-
0
-
24
GND
Ground
-
0
-
25
GND
Ground
-
0
-
26
GND
Ground
-
0
-
27
NC
NC
-
-
-
28
GND
Ground
-
0
-
29
GND
Ground
-
0
-
30
GND
Ground
-
0
-

13 / 59
□ Normal □ Internal Use Confidential □ Restricted Confidential
User Manual Guide
31
GND
Ground
-
0
-
32
GND
Ground
-
0
-
33
NC
NC
-
-
-
34
GND
Ground
-
0
-
35
GND
Ground
-
0
-
36
GND
Ground
-
0
-
37
VCC1
Power
3.3
3.8
4.2
38
VCC2
Power
3.3
3.8
4.2
39
VCC3
Power
3.3
3.8
4.2
40
VCC4
Power
3.3
3.8
4.2
41
VCC5
Power
3.3
3.8
4.2
42
VCC6
Power
3.3
3.8
4.2
43
NC
NC
-
-
-
44
GND
Ground
-
0
-
45
GND
Ground
-
0
-
46
PCM_SYNC/GPIO46
PCM_SYNC or GPIO
1.7
1.8
1.9
47
PCM_IN/GPIO47
PCM_IN or GPIO
1.7
1.8
1.9
48
PCM_OUT/GPIO48
PCM_OUT or GPIO
1.7
1.8
1.9
49
PCM_CLK/GPIO49
PCM_CLK or GPIO
1.7
1.8
1.9
50
GND
Ground
-
0
-
51
GND
Ground
-
0
-
52
GPIO01
GPIO
1.7
1.8
1.9
53
GPIO02
GPIO
1.7
1.8
1.9
54
GPIO03
GPIO
1.7
1.8
1.9
55
GPIO04
GPIO
1.7
1.8
1.9
56
NC
NC
-
-
-
57
NC
NC
-
-
-
58
NC
NC
-
-
-
59
NC
NC
-
-
-
60
I2C_SDA
I2C Data
1.7
1.8
1.9
61
I2C_SCL
I2C Clock
1.7
1.8
1.9
62
NC
NC
-
-
-
63
NC
NC
-
-
-

14 / 59
□ Normal □ Internal Use Confidential □ Restricted Confidential
User Manual Guide
74
GND
Ground
-
0
-
75
GND
Ground
-
0
-
76
NC
NC
-
-
-
77
NC
NC
-
-
-
78
NC
NC
-
-
-
79
NC
NC
-
-
-
80
UART1_CTS (UART1)
Clear To Send for UART 1
1.7
1.8
1.9
81
UART1_RTS (UART1)
Request To Send for UART 1
1.7
1.8
1.9
82
UART1_RX (UART1)
Receive for UART 1
1.7
1.8
1.9
83
UART1_TX (UART1)
Transmit for UART 1
1.7
1.8
1.9
84
GND
Ground
-
0
-
85
GND
Ground
-
0
-
86
USB_Dp
USB Data Positive
-
-
-
87
GPIO87
GPIO
1.7
1.8
1.9
88
USB_Dn
USB Data Negative
-
-
-
89
GND
Ground
-
0
-
90
GND
Ground
-
0
-
91
GND
Ground
-
0
-
92
NC
NC
-
-
-
93
GPIO93
GPIO
1.7
1.8
1.9
94
GPIO94
GPIO
1.7
1.8
1.9
95
GPIO95
GPIO
1.7
1.8
1.9
96
GPIO96
GPIO
1.7
1.8
1.9
97
GPIO97
GPIO
1.7
1.8
1.9
98
NC
NC
-
-
-
99
NC
NC
-
-
-
100
NC
NC
-
-
-
101
NC
NC
-
-
-
102
NC
NC
-
-
-
103
NC
NC
-
-
-
104
GND
Ground
-
0
-
105
GND
Ground
-
0
-
106
UART2_RX (UART2)
Receive for UART2
1.7
1.8
1.9

15 / 59
□ Normal □ Internal Use Confidential □ Restricted Confidential
User Manual Guide
107
UART2_TX (UART2)
Transmit for UART2
1.7
1.8
1.9
108
GND
Ground
-
0
-
109
GND
Ground
-
0
-
120
NC
NC
-
-
-
121
NC
NC
-
-
-
122
ADC
Analog to Digital Converter
1.7
1.8
1.9
123
NC
NC
-
-
-
124
NC
NC
-
-
-
125
SPIM_MOSI
SPI Master Out Slave In data
line
1.7
1.8
1.9
126
SPIM_MISO
SPI Master In Slave Out data
line
1.7
1.8
1.9
127
SPIM_EN
SPI master interface enable
signal
1.7
1.8
1.9
128
SPIM_CLK
SPI master interface clock
1.7
1.8
1.9
129
GPIO05
GPIO
1.7
1.8
1.9
130
GPIO06
GPIO
1.7
1.8
1.9
131
GPIO07
GPIO
1.7
1.8
1.9
132
GPIO08
GPIO
1.7
1.8
1.9
133
UIM_VCC
SIM Card Power
1.7
2.7
1.8
3.0
1.9
3.3
134
UIM_DATA
SIM Card Data Line
1.7
2.7
1.8
3.0
1.9
3.3
135
UIM_CLK
SIM Card Clock Line
1.7
2.7
1.8
3.0
1.9
3.3
136
UIM_RESET
SIM Card Reset Line
1.7
2.7
1.8
3.0
1.9
3.3
137
UIM_DETECT
SIM Card Detect Line
1.7
1.8
1.9
138
NC
NC
-
-
-
139
GND
Ground
-
0
-
140
GND
Ground
-
0
-
141
WWAN_STATE
Wireless WAN Radio State
1.7
1.8
1.9
142
POWER_ON
Power On the module: Low is
Module ON and High is
1.7
1.8
1.9

16 / 59
□ Normal □ Internal Use Confidential □ Restricted Confidential
User Manual Guide
Module OFF.
143
WAKEUP_OUT
Module wakes up host.
1.7
1.8
1.9
144
WAKEUP_IN
Host wakes up module.
1.7
1.8
1.9
145
RESET
Main reset line. Active low
1.7
1.8
1.9
146
VREF
Reference Logic Voltage
1.7
1.8
1.9
200
NC
NC
-
-
-
201
JTAG_TCK
JTAG/EJTAG clock
1.7
1.8
1.9
202
JTAG_TDI
JTAG/EJTAG input data
1.7
1.8
1.9
203
JTAG_TDO
JTAG/EJTAG output data
1.7
1.8
1.9
204
JTAG_TMS
JTAG/EJTAG test mode select
1.7
1.8
1.9
205
JTAG_TRST_N
EJTAG reset; emulation JTAG is
used to debug and run
software on embedded MIPS
processors. Only driven high
when in use
1.7
1.8
1.9
206
NC
NC
-
-
-
207
NC
NC
-
-
-
208
GND
Ground
-
0
-

17 / 59
□ Normal □ Internal Use Confidential □ Restricted Confidential
User Manual Guide
Below is the I/O default setting table to describe the level. It was recommended to follow
the pulling High or Low to choose a suitable GPIO for application.
PU : Pull Up.
PD : Pull Down
NP : Non-Pull
I/O default setting table
Pin
No.
Signal Name
Type
Default setting in
Normal mode
15
RF_1
AI/AO
-
21
RF_2
AI
-
46
PCM_SYNC/GPIO46
DI /DO
PD
47
PCM_IN/GPIO47
DI
PU
48
PCM_OUT/GPIO48
DO
PU
49
PCM_CLK/GPIO49
DO
PD
52
GPIO01
DI/DO
PD
53
GPIO02
DI/DO
PD
54
GPIO03
DI/DO
PD
55
GPIO04
DI/DO
PD
60
I2C_SDA
DI/DO
PU
61
I2C_SCL
DO
PU
80
UART1_CTS (UART1)
DI
PD
81
UART1_RTS (UART1)
DO
PD
82
UART1_RX (UART1)
DI
PU
83
UART1_TX (UART1)
DO
PU
86
USB_Dp
DI/DO
-
87
GPIO87
DI/DO
PD
88
USB_Dn
DI/DO
-
93
GPIO93
DI/DO
PU
94
GPIO94
DI/DO
PD
95
GPIO95
DI/DO
PD
96
GPIO96
DI/DO
PD

18 / 59
□ Normal □ Internal Use Confidential □ Restricted Confidential
User Manual Guide
97
GPIO97
DI/DO
PU
106
UART2_RX (UART2)
DI
PU
107
UART2_TX (UART2)
DO
PU
122
ADC
AI
PU
125
SPIM_MOSI
DO
PU
126
SPIM_MISO
DI
PU
127
SPIM_EN
DO
PD
128
SPIM_CLK
DO
PD
129
GPIO05
DI/DO
PD
130
GPIO06
DI/DO
PD
131
GPIO07
DI/DO
PD
132
GPIO08
DI/DO
PD
134
UIM_DATA
DI/DO
PU
135
UIM_CLK
DO
PU
136
UIM_RESET
DO
PU
137
UIM_DETECT
DI/DO
PU
141
WWAN_STATE
DO
PD
142
POWER_ON
DI
PD
143
WAKEUP_OUT
DO
PD
144
WAKEUP_IN
DI
PU
145
RESET
DI
PU
201
JTAG_TCK
DI
PD
202
JTAG_TDI
DI
PD
203
JTAG_TDO
DO
PU
204
JTAG_TMS
DI
PD
205
JTAG_TRST_N
DI
PD

19 / 59
□ Normal □ Internal Use Confidential □ Restricted Confidential
User Manual Guide
Table 4. Digital I/O specifications
Parameter
Description
Min.
Typ.
Max.
Units
VIH
Logic High Input Voltage
0.85*VREF
-
VREF + 0.3
V
VIL
Logic Low Input Voltage
-0.3
-
0.25*VREF
V
IIH
Input Leakage Current (Either
Low or High and No Pull enabled)
-
-
± 10
VOH
Logic High Output Voltage
VREF 0.45
-
VREF
V
VOL
Logic Low Output Voltage
0
-
0.8
V
IOZH
Tri-state Output Leakage
Current (either Low or High)
-
-
±10
RPU
Internal Pull Up Resistor
53
89
16
RPD
Internal Pull Down Resistor
54
96
189
K
Input Capacitance
Input Pin Capacitance
-
-
7
pF
Notes:
*1. If voltage level of digital I/O from the other side is not compatible with module,
level shifter is recommended to transfer the voltage level to 1.8V.

20 / 59
□ Normal □ Internal Use Confidential □ Restricted Confidential
User Manual Guide
2.2. Power supply
IMA3 includes an integrated Power Manager enabling single and direct voltage supply from
the battery and reducing the overall bill of materials.
Table 5. Power supply specifications
Power
Signal Name
Pin No.
Description
Voltage Levels (V)
Min.
Typ.
Max.
VCC
VCC1 to VCC6
3742
Main Power Supply
3.3
3.8
4.2
Layout Suggestion: Each power trace should possess sufficient line width to withstand its
respective current listed in the table below:
Net Name
Current Value
VCC(1–6) total
1.5A
UIM_VCC
150 mA
VREF
100 mA
Note : The current of VCC in real measurement is less than 800mA, but it would be better to
routed under 1.5A design for getting stable power.
2.3. USB interface
IMA3 complies with USB 2.0 high-speed protocol. The USB input/output lines comply with
USB 2.0 specifications. If USB interface is not used, recommended to reserve USB_Dp and
USB_Dn test points.
Table 6. Signals of the USB interface
Name
Description
Input/Output
(Direction to module)
Voltage Levels (V)
Min.
Typ.
Max.
D+
USB data positive (low-/full-speed)
Input High
2
3.3
3.6
Input Low
0
0.8

21 / 59
□ Normal □ Internal Use Confidential □ Restricted Confidential
User Manual Guide
Output High
2.8
3.3
3.6
Output Low
0.3
USB data positive (high-speed)
Input High
0.3
0.44
Input Low
0
0.01
Output High
0.36
0.38
0.44
Output Low
0
0.01
D–
USB data negative (low-/full-speed)
Input High
2
3.3
3.6
Input Low
0
0.8
Output High
2.8
3.3
3.6
Output Low
0.3
USB data negative (high-speed)
Input High
0.3
0.44
Input Low
0
0.01
Output High
0.36
0.38
0.44
Output Low
0
0.01
Layout suggestion:
Differential impedance: 90
Space to other signals should be at least 20 mils
Intra-pair length mismatch should be less than 150 mils
If reserved USB test point, it also suggest the trace should be followed
differential impedance 90 and put the USB_Dp, USB_Dn test points together
USB Length in IMA3 is tuned as below:
Function
Net Name
Length (mil)
USB
USB_Dp
167.08
USB_Dn
197.62

22 / 59
□ Normal □ Internal Use Confidential □ Restricted Confidential
User Manual Guide
2.4. SIM interface
IMA3 includes an SC controller, interface pins, and a dedicated LDO (3.0 V or 1.8 V).
Since IMA3 is not equipped with a SIM socket, it must place a SIM socket on the user
interface board.
IMA3 provides a UIM_DETECT input pin to detect if the SIM card is present. If the USIM card
is present, UIM_DETECT should be high. (The voltage level should be 1.8 V) If the USIM card
is absent, UIM_DETECT should be low. (The module is internally pulled down.) It was
recommended to choose a SIM socket with the Card Detect pin. If the SIM card is preset,
the pin will not contact the ground and pull up to 1.8 V through a 2 k resistor. If the SIM
card is absent, the pin will normally contact the ground. Other types of SIM sockets which
can achieve this feature are also acceptable.
A 100 nF capacitor and a 1 r are placed between the UIM_VCC and Ground pins
in a parallel manner. (If the UIM_VCC circuit is too long, a larger capacitor such as a 4.7
capacitor can be employed if necessary.) Four 33 pF capacitors (0402 package is
recommended.) are placed between the UIM_VCC and Ground pins, the UIM_CLK and
Ground pins, the UIM_DATA and Ground pins, and the UIM_RESET and Ground pins in
parallel to filter out interference from RF signals. (An R/C circuit on pin UIM_CLK is optional.
If there is an EMI issue on this clock signal, try to adjust these R/C values.)
We recommend taking protective measures against electrostatic discharge (ESD) near the
SIM socket. The TVS diode with a VRWM of 5 V and junction capacitance of less than 10 pF
must be placed as close as possible to the SIM socket, and the Ground pin of the ESD
protection component must be well connected to the power Ground pin that supplies
power to IMA3.
Figure 2. SIM card interface circuit

23 / 59
□ Normal □ Internal Use Confidential □ Restricted Confidential
User Manual Guide
2.5. Control interface (signals)
This section describes the host-to-modem wake-up interface and power-on signal to enable
or disable the control module.
2.5.1. Power-on Signal
The POWER_ON pad is an input signal used to control whether the module is in the Module
Enabled or Module Disabled state. Do not toggle the PERST# pin during power-on. This
signal has the highest priority over the wakeup, the alarms signals, and the digital control
pins.
The POWER_ON signal is Active Low (VIL for VREF), its voltage level is 1.8V if going to High
for Module Disabled:
POWER_ON is High: Module is OFF
POWER_ON is Low: Module is ON
There are three possible states of the module:
Module Off - VCC is not present.
Module Enabled - VCC is supplied, and the module is enabled.
Module Disabled - VCC is supplied, and the module is disabled.
The state transitions are defined as follows:
When voltage is applied to VCC, the module shall enter the Module Disabled
state.
An input to the POWER_ON pad shall trigger the transition from the Module
Disabled to the Module Enabled state.
An input to the POWER_ON pad shall trigger the transition from the Module
Enabled to the Module Disabled state.

24 / 59
□ Normal □ Internal Use Confidential □ Restricted Confidential
User Manual Guide
VCC Power
POWER_ON
RESET
Module Enable Module Disable
Ton
Ton≧0ms
VCC Power
ON Power OFF Power OFF
UART1_RTS
UART2_TX
UART2_RX
Tdelay≧500ms
Tdelay
Tboot≧10s
Tboot≧10s
Starts transmitting message or commands
Starts receiving message or commands
Vref (1.8V)
36s ≤ T ≤ 100 s
Figure 3. Power ON/OFF timming
In order to prevent the POWER_ON signal in a floating state, default had a internal pull low
200 k resistor to power on the module. For controlling the module well, it was
recommended to pull LOW for Module Enabled, or pull HIGH to VREF for Module Disabled.
UART1_RTS signal should be LOW at least 500ms while booting up the system, since there is
a internal booting configuration limited.
UART2_TX and UART2_RX signals should keep HIGH over 10 seconds, since any transmition
activity in the period will let the system stop in u-boot mode.

25 / 59
□ Normal □ Internal Use Confidential □ Restricted Confidential
User Manual Guide
2.5.2. Host-to-modem wake-up interface
In applications where the device power consumption is a major target of optimization such
as battery-operated sensors that are based on IOT/M2M modem solution and in addition,
include a third-party host, it is necessary to define a simple interface that will allow both
the modem and the host to be able to enter low power states whenever possible while
allowing the other side to wake it up when required.
For example, if the host has no data to transmit or any other tasks, it may wish to enter
some low power state according to its own capabilities and configurations. If during the
time the host is in a low power state and the modem suddenly receives data, it must
wake-up the host.
A similar requirement exists from the other side. If, for example, the modem is in a low
power state and suddenly the host must transmit data, it must to be able to wake-up the
modem.
Each side has notification functionality when they are up and ready to follow a wake-up
request.
The idea behind the suggested method is to have a very simple interface that will also be
pin-limited (requires only two pins) to fit into such limited-pin-count applications and
packages.
The interface consists of two lines: one is driven by the host and received by the modem,
and the other is driven by the modem and received by the host.
Each side can wake the other side by toggling it high and allowing the other side to go to
sleep when not needed by toggling it low.
Toggling the signal high does not necessary mean the other side will enter the low power
state; the toggling function is only intended to notify the other side that its functions will
not be required in the near term and that it is allowed to enter a low power state if he can
(according to its own tasks, configurations, and capabilities).
The following diagram depicts how this simple interface works. In addition to the two
hardware signals, additional higher-level messages may be defined to pass further
information or details between the host and the modem if required.

26 / 59
□ Normal □ Internal Use Confidential □ Restricted Confidential
User Manual Guide
If the Power states of “Sleep” and “Hibernation” feature are required, it was
recommended to connect WAKEUP_IN and WAKEUP_OUT signal to Host. This design can
make sure IMA3 can be waked up by Host.
WAKEUP_IN
LOW: Host does not need the MODEM (allowing it to sleep).
HIGH: Host needs the MODEM or acknowledges it is ready following a
wakeup request from the MODEM.
WAKEUP_OUT
LOW: MODEM does not need the Host (allowing it to sleep).
HIGH: MODEM needs the Host or acknowledges it is ready following a
wakeup request from the Host.
The first part is Close UART interface. To confirm that both Host and Modem will not send
data with each other. If there is no data traffic, then enter low power state. The second part
is Open UART interface. Host can notify Modem to wakeup via WAKEUP_IN High, or
Modem can notify Host via WAKEUP_OUT high. There are some steps to make a
communication between Host and Modem. Please refer to Figure 4 and Figure 5.

27 / 59
□ Normal □ Internal Use Confidential □ Restricted Confidential
User Manual Guide
Low Power state
WAKEUP_IN
HOST_UART_TX
(UART1_RX)
MODEM_UART_TX
(UART1_TX)
WAKEUP_OUT
A B C D E F
Host sends Data
Transmit Data
Figure 4. Open UART interface Host to Modem
A. Host detects that it has nothing to send and Modem isnt transmitting any data
(HOST_UART_TX = 0). Host requests Modem to enter low power state and send
AT%IFSUSP to Modem.
B. Modem receives AT%IFSUSP and decides whether to send OK or Not Ready
response. If Modem wants to suspend communication, it will not send any data
(MDOEM_UART_TX = 0). If Host receives Not Ready, it can send data over
HOST_UART_TX. If Host still wants to suspend the UART interface, it should continue
trying to send AT%IFSUSP every 100ms. (This number should be adjusted soon)
C. Host receives OK. Then Host drops WAKEUP_IN to request Modem to enter Low Power
state, which includes Sleep mode, Hibernation mode, or PSM mode. It depends on the
software configure.
D. Modem detects WAKEUP_IN is down, and drops WAKEUP_OUT. Modem enters Low
Power state.
E. Host wants to send data to Modem. WAKEUP_IN is up.
F. Modem is awaking and brings WAKEUP_OUT up when Modem is ready. Then Host can
start to send data to Modem.

28 / 59
□ Normal □ Internal Use Confidential □ Restricted Confidential
User Manual Guide
Low Power state
WAKEUP_IN
HOST_UART_TX
(UART1_RX)
MODEM_UART_TX
(UART1_TX)
WAKEUP_OUT
A B C D G H
Modem sends DataTransmit Data
Figure 5. Open UART interface Modem to Host
There is another scenario to open UART interface by Modem. The step A to D is same as
opening UART interface by Host. But step G and H is different.
G. Modem wants to send data to Host. WAKEUP_IN is up
H. Host is awaking and brings WAKEUP_IN up when Host is ready. Then Host can start to
send data to Modem.

29 / 59
□ Normal □ Internal Use Confidential □ Restricted Confidential
User Manual Guide
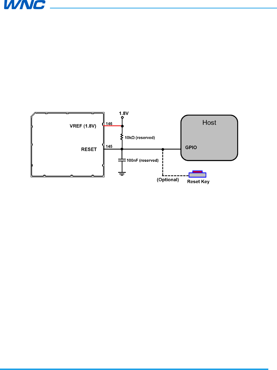
2.5.3. Reset Signal
The Reset Signal is a hardware reset signal to control the system reset directly. You can
connect it to a key or a control signal. It was recommended to reserve a pull up resistor and
a capacitor to ground. Default is not installed.
It is required that the Reset Signal is kept LOW at least 3 seconds after a command to reset
the module has been issued to ensure that there is time for the module reset properly.
Figure 6. Reset Signals circuit

30 / 59
□ Normal □ Internal Use Confidential □ Restricted Confidential
User Manual Guide
2.6. Digital interface
This section provides the required AC timing information relating to Module Digital
Interfaces.
2.6.1. SPI Master Interface
Operating Modes
The SPI master controller supports two operating modes:
Standard SPI protocol:
– SPIM_CLK Output clock
– SPIM_CS Output, chip-select
– SPIM_MOSI Output, data to slave
– SPIM_MISO Input, data from slave
LCD interface protocol:
– SPIM_CLK Output clock
– SPIM_CS Output, chip-select
– SPIM_MOSI Output, data to slave
– SPIM_MISO Output, command/data control bit to slave
Interface timing is defined separately for each SPI operating mode.
Timing Modes
Each operating mode, as described above, can be configured to one of the following timing
modes:
SPI_CLK_POS: Both output data and input data are related to the clock rising edge
SPI_CLK_NEG: Both output data and input data are related to the clock falling
edge

31 / 59
□ Normal □ Internal Use Confidential □ Restricted Confidential
User Manual Guide
Figure 7. SPI_CLK_POS timing diagram
Figure 8. SPI_CLK_NEG timing diagram
Table 7. Standard SPI mode timing (both SPI_CLK_OS and SPI_CLK_NEG)
Parameter
Minimum
Maximum
Unit
Description
TCYCLE
20
-
ns
Clock cycle time
TSU
5
-
ns
Input setup time
THO
0
-
ns
Input hold time
TPD
1.5
8.5
ns
Output delay

32 / 59
□ Normal □ Internal Use Confidential □ Restricted Confidential
User Manual Guide
Table 8. LCD mode timing (both SPI_CLK_OS and SPI_CLK_NEG)
Parameter
Minimum
Maximum
Unit
Description
TCYCLE
20
-
ns
Clock cycle time
TSU
5
-
ns
Input setup time
THO
0
-
ns
Input hold time
MOSI TPO
1.5
8.5
ns
Output delay
MISO TPD
1.5
16
ns
Output delay
2.6.2. PCM Interface
IMA3
The PCM interface enables communication with an external codec to support a linear
format.
Figure 9. Recommended circuit for the PCM interface
Use a TVS on the related interface to prevent electrostatic discharge and protect
integrated-circuit (IC) components.

33 / 59
□ Normal □ Internal Use Confidential □ Restricted Confidential
User Manual Guide
2.6.3. I2S Interface
PCM and I2S share the same pins on IMA3, the PCM signal pins can be configured as an I2S
interface.
Figure 10. Recommended circuit for the I2S interface
Pad
Config1
Config2
46
PCM_SYNC
I2S_LRCK
47
PCM_DIN
I2S_DATA_IN
48
PCM_DOUT
I2S_DATA_OUT
49
PCM_CLK
I2S_BCK

34 / 59
□ Normal □ Internal Use Confidential □ Restricted Confidential
User Manual Guide
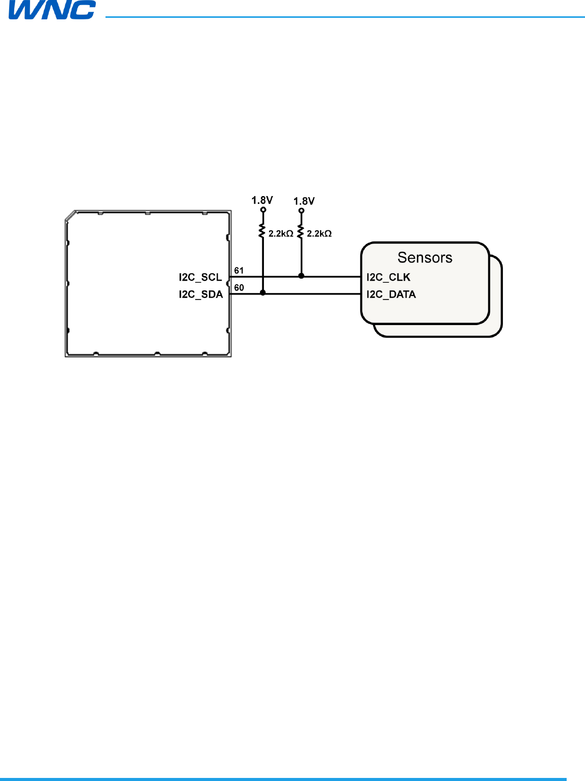
2.6.4. I2C Interface
There is one I2C interface in IMA3. It was recommended to add pull high to 1.8 V through
resistors with values of 2.2 to 4.7 k. ICs and sensors can use the same I2C interface.
IMA3 can recognize them by different addresses. I2C interface only supports master mode.
Figure 11. Recommended circuit for the I2C interface

35 / 59
□ Normal □ Internal Use Confidential □ Restricted Confidential
User Manual Guide
2.6.5. UART Interface
There are dual UART interfaces. One is 4 bit for high-speed data transfer, and the other is
2 bit for diagnostic tools and debugging. Recommended to reserve a pull down 1kΩ
resistor on UART1_RTS signal near IMA3 module side for booting up normally.
Figure 12. Recommended circuit for UART interface (4 bit) with Level translator
Note : UART1_RTS signal should be LOW at least 500ms while booting up the system,
since there is a internal booting configuration limited.

36 / 59
□ Normal □ Internal Use Confidential □ Restricted Confidential
User Manual Guide
2.7. ADC interface
One Analog to Digital Converter (ADC) input is provided by IMA3. The converter is of a
10 bit resolution, ranging from 0.1 V to 1.8 V with a sampling rate of 2 MHz. They can be
used for customer applications.
Table 9. ADC interface
Signal Name
Pads
Type
Description
ADC
122
Analog
Analog to digital conversion input
Table 10. Electrical characteristics of the ADC interface
Parameter
Minimum
Typical
Maximum
Unit
Input signal range
0.1
-
1.8
V
Resolution
-
10
-
bit
Offset error
-
1
2
%FS
Sampling time
-
10
-
Clock Cycles
Conversion clock
0.04
2
-
MHz
Throughput rate
-
2
-
MSPS
Notes : 1. %FS = % Full Scale
2. MSPS = Million Samples per Second

37 / 59
□ Normal □ Internal Use Confidential □ Restricted Confidential
User Manual Guide
2.8. GPIO
IMA3 includes general purpose I/O signals that are summarized in the following table.
These GPIOs are available for customer-defined purposes such as control, signaling, and
monitoring. Some GPIO signals also can be configured as PCM signals for audio applications.
Table 11. GPIOs
Signal Name
Pads
Description
Alt. Function
GPIO01
52
Configurable general purpose I/O
GPIO02
53
Configurable general purpose I/O
GPIO03
54
Configurable general purpose I/O
GPIO04
55
Configurable general purpose I/O
GPIO05
129
Configurable general purpose I/O
GPIO06
130
Configurable general purpose I/O
GPIO07
131
Configurable general purpose I/O
GPIO08
132
Configurable general purpose I/O
GPIO46
46
Configurable general purpose I/O
PCM_SYNC
GPIO47
47
Configurable general purpose I/O
PCM_IN
GPIO48
48
Configurable general purpose I/O
PCM_OUT
GPIO49
49
Configurable general purpose I/O
PCM_CLK
GPIO87
87
Configurable general purpose I/O
GPIO93
93
Configurable general purpose I/O
GPIO94
94
Configurable general purpose I/O
GPIO95
95
Configurable general purpose I/O
GPIO96
96
Configurable general purpose I/O
GPIO97
97
Configurable general purpose I/O

38 / 59
□ Normal □ Internal Use Confidential □ Restricted Confidential
User Manual Guide
3. RF Specifications
3.1. RF connections
IMA3 provides two RF pads; developers can connect them via 50 traces to the main
board.
TRX pads RX/TX path
It is recommended to have keep-out under RF pads.
3.2. Interference and sensitivity
This section is to help developers to identify the interference that may affect IMA3 when
adopting it in systems.
Interference from other wireless devices
Harmonics or inter-modulated signals generated from wireless devices that fall in RX
ranges of IMA3 may result in degraded RX performance.
It is highly recommended to check the RX performance of the entire systems in the
shielding environment.
Interference from the host interface
High-speed switching signal elements in the system can easily couple noise to the
module (Ex.: DDR memory, LCD modules, DC-DC converter).
Methods to avoid sources of interference
Antenna location is important; it is recommended that the antenna away from
high-speed switching signals. Tracing from the module to the antenna is
recommended to be as short as possible and must be shielded by complete
grounding.
However, IMA3 is well-shielded. The high-speed elements in the system are
recommend to be reserved for shielding during an early stage
development.

39 / 59
□ Normal □ Internal Use Confidential □ Restricted Confidential
User Manual Guide
3.3. Radiated sensitivity measurement
Over-the-air testing can demonstrate the TRX ability of the whole system. Keys elements
that affect the measurement are:
Module ability (refer Specification)
Antenna Gain
System noise source
The OTA performance should be performed in an OTA chamber.
3.4. Supported frequencies
Table 12. IMA3 supported frequencies
Band
Uplink (MHz)
Downlink (MHz)
LTE Band 2
1,8501,910
1,9301,990
LTE Band 4
1,7101,755
2,1102,155
LTE Band 12
699716
729746
Table 13.
Band
Bandwidth
1.4 MHz
3 MHz
5 MHz
10 MHz
15 MHz
20 MHz
LTE Band 2
V
V
V
V
LTE Band 4
V
V
V
V
LTE Band 12
V
V

40 / 59
□ Normal □ Internal Use Confidential □ Restricted Confidential
User Manual Guide
3.5. Power consumption
IMA3 was designed for the IoT and M2M markets. WNC has devoted special attention from
the beginning of development to low power design and has undergone major efforts to
further reduce the system power consumption in order to achieve unprecedented figures
for an LTE device.
The system can exist at any given time in one of the defined power states. Each of these
power states defines what power supplies are available, what clock the system is operating
on, and additional hardware requirements such as IO usage and connectivity.
In the operational mode the system will move from one power state to another based on
the specific operational mode/scenario and based on different parameters such as: system
configured permissions, hardware limitations, and the time left until the next required
activity.
Table 14. System Power States
Power State
Description
Available Interfaces
Active
The system is active, operating on
the high PLL clock.
All interfaces may be used
according to the system
configuration
Sleep
All systems are halted. Module
registers data is retained. DRAM is
in self-refresh. The system can be
configured to wake up from a slow
clock counter at a specific time or
by one of the specific pins.
These pins can be used to wake
up the device from deep-sleep
state:
WAKEUP_IN pin.
The USB interface can also wake
the device from the sleep state
Hibernation
All system data is retained in DDR
memory, but all user interfaces are
disabled. A 32.768 KHz clock
counter can be configured to wake
the system at a specific time or use
the AKEUP_IN. After
entering Hibernation, USB
interface was disabled. If user
want to resume USB interface,
WAKEUP_IN pin

41 / 59
□ Normal □ Internal Use Confidential □ Restricted Confidential
User Manual Guide
please reboot IMA3
PSM
Power Saving Mode is newly added
feature in 3GPP Release 12 and is
specified in 3GPP 24.301-5.3.11
Power saving mode and
23.682-4.5.4 UE Power Saving
Mode. PSM is applied between the
expiration of T3324 and T3412.
None
Off
The modem has no power supply;
there is no system clock.
None
The following figure depicts the possible transitions between the system power states.
The system can be turned off from any power state (by shutting the external supplies or by
toggling high POWER_ON pin input).
performed from the active state.
Deep Hibernation state was not supported in this module.
Figure 13. Power-state transitions

42 / 59
□ Normal □ Internal Use Confidential □ Restricted Confidential
User Manual Guide
Figure 14 can describe the PSM mechanism between User Equipment (UE) and Network
(NW). The time of T3412 could be configured by users. Please refer to the document WNC
IMA3 Application Notes for Power Saving Mode v0.9.4.pdf for the commands of PSM.
< RRC Setup >
T3324 and/or T3412 Extended Value
Attach Request
< Authentication/Security >
Attach Accept
T3324 and/or T3412 Extended Value
RRC Release
Normal Idle Mode : Monioring Paging
UE NW
T3412 Extended Value
Power Saving Mode :
(1) No Monitoring fro Paging
(2) Turning off all the functionality
that is not critical
< RRC Setup >
Tracking Area Update Request
T3324 and/or T3412 Extended Value
Tracking Area Update Accept
T3324 and/or T3412 Extended Value
< Data Traffic >
RRC Release
T3342
Figure 14. PSM mechanism between UE and NW

43 / 59
□ Normal □ Internal Use Confidential □ Restricted Confidential
User Manual Guide
3.6. Module power states
In the operational modes, the system can be configured to use the different power states.
The system state is selected according to the permissions, required activity, and the
available expected time until the next power state.
This method allows the power management to be very dynamic and flexible and to be
tuned according to the needs of each product/application and according to specific
conditions.
The following table shows several main system operational modes and the different system
power states used in each mode.
If the Power states of “Sleep” and “Hibernation” feature are required, it was
recommended to connect WAKEUP_IN and WAKEUP_OUT signal to Host. This design can
make sure IMA3 can be waked up by Host.
Table 15. Power Consumption result
LTE Working Mode
Conditions
Result ( VCC=3.8V)
Airplane mode
Only Module, no other device
TBD
LTE standby – Hibernation (1.28 sec)
Band2 LTE Standby mode, DRX = 1.28 sec
TBD
Band4 LTE Standby mode, DRX = 1.28 sec
TBD
Band12 LTE Standby mode, DRX = 1.28 sec
TBD
LTE standby – Sleep (1.28 sec)
Band2 LTE Standby mode, DRX = 1.28 sec
TBD
Band4 LTE Standby mode, DRX = 1.28 sec
TBD
Band12 LTE Standby mode, DRX = 1.28 sec
TBD
Band2 Working mode
Band2 Bandwidth 10MHz, TX
Power=23dbm
Cat. M1, Downlink 1Mbps/ Uplink 1Mbps
via USB interface by iperf tool
TBD

44 / 59
□ Normal □ Internal Use Confidential □ Restricted Confidential
User Manual Guide
Band4 Working mode
Band4 Bandwidth 10MHz, TX
Power=23dbm
Cat. M1, Downlink 1Mbps/ Uplink 1Mbps
via USB interface by iperf tool
TBD
Band12 Working mode
Band12 Bandwidth 10MHz, TX
Power=23dbm
Cat. M1, Downlink 1Mbps/ Uplink 1Mbps
via USB interface by iperf tool
TBD
Powering on
Conditions
Result (VCC=3.8V)
Peak power consumption
Power consumption peak when the module
is powering up
TBD
Power off
Conditions
Result (VCC=3.8V)
Module disable
Provided VCC Power but POWER_ON is
High to disable module
< 8uA
Note : The current value was measured at VCC = 3.8V voltage level.

45 / 59
□ Normal □ Internal Use Confidential □ Restricted Confidential
User Manual Guide
4. Software Interface
IMA3 can be configured with several types of configurations for different external host
processors which require data communication to the Internet. The basic concept is that the
module provides proper interfaces for its control and for the data traffic, which supports as
many external host processors as possible with different capabilities for network
connection.
Please refer to the IMA3 for further detail.

46 / 59
□ Normal □ Internal Use Confidential □ Restricted Confidential
User Manual Guide
5. Mechanical and Environmental
Specifications
5.1. PCBA form factor
Dimensions and recommended PCB Layout footprint for IMA3.
Figure 15. PCBA dimensions

47 / 59
□ Normal □ Internal Use Confidential □ Restricted Confidential
User Manual Guide
Figure 16. Recommended PCB layout footprint (top view)

48 / 59
□ Normal □ Internal Use Confidential □ Restricted Confidential
User Manual Guide
5.2. Module PCB Layout
This section depicts the inner layer of IMA3 PCB layout to understanding of
the module design.
Top layer:
Figure 17. Top layer of IMA3 PCB layout

49 / 59
□ Normal □ Internal Use Confidential □ Restricted Confidential
User Manual Guide
Bottom layer:
Figure 18. Bottom Layer of IMA3 PCB layout

50 / 59
□ Normal □ Internal Use Confidential □ Restricted Confidential
User Manual Guide
5.3. Reflow
This section details the recommended reflow profile when the module is mounted onto
other boards.
Temp. Region
1
2
3
4
5
6
7
8
9
10
11
Upper temp. region
120
170
170
170
170
190
225
225
245
250
245
Lower temp. region
120
170
170
170
170
190
225
225
245
250
245
Conveyer band speed
90 cm/minute
Figure 19. Reflow Profile of IMA3
Table 16. Reflow data
PWI = 60%
D31-1
D31-2
U23-3
U23-4
Temp.
Difference
Preheat from 140–190°C
4.34
93.50
96.60
95.96
3.1
39%
34%
52%
48%
Melt-out Time/230°C
4.88
55.19
50.65
52.55
4.54
49%
52%
6%
26%

51 / 59
□ Normal □ Internal Use Confidential □ Restricted Confidential
User Manual Guide
Max Temp
45.73
246.01
245.56
245.38
0.63
57%
60%
56%
54%
Total Time/217°C
3.45
84.37
80.45
80.82
3.92
-6%
-3%
-18%
-17%
Gradient1 (100–150°C)
2.27
2.31
2.22
2.22
0.09
52%
54%
48%
48%
Table 17. Process limit
Solder Paste
Lead-free
Profile feature
Min.
Max.
Unit
Gradient1 (Target = 1.5) (100 °C –150 °C)
(Time period = 20 s)
0
3
°C /sec
Preheat time from 140 °C to 190 °C
70
105
sec
Time maintained above 230 °C
40
60
sec
Peak package body temperature
230
250
°C
Time maintained above 217 °C
60
110
sec

52 / 59
□ Normal □ Internal Use Confidential □ Restricted Confidential
User Manual Guide
5.4. Labeling
Figure 20. Label form

53 / 59
□ Normal □ Internal Use Confidential □ Restricted Confidential
User Manual Guide
5.5. Thermal considerations
Ambient operating temperature: 25 °C to +75 °C
(20 °C to +60 °C fully compliant with 3GPP; 25 °C to +75 °C functional work)
Ambient storage temperature: 40 °C to +85 °C
The case temperature of module shielding cover must be < 85 °C when integrated to
prevent damage.
Design points used to improve the thermal performance:
Its better to add a naked copper area onto IMA3 module back side of the PCB. If
the thermal performance becomes an
thermal solutions for improvement such as a thermal pad or a heat sink.
Its recommended to have a thermal pad or a heat sink on shielding cover to
help transfer heat.
If systems with IMA3 module embedded intend to work under ambient
temperatures as low as -40°C , its suggested that:
1. SIM Card need to be well arranged to make sure it is functional at the
condition of ambient temperature as low as -40°C .
2. Adding heating circuit on board design, the circuit mainly consists of
temperature sensing unit, heating element and control unit.

54 / 59
□ Normal □ Internal Use Confidential □ Restricted Confidential
User Manual Guide
6. Regulatory and Industry Approvals
6.1. Certification testing
PTCRB, FCC and AT&T TA
6.2. Safety and hazards
Be sure the use of this product is allowed in the country and in the environment required.
The use of this product may be dangerous and must be avoided in the following areas:
Where it can interfere with other electronic devices in environments such as
hospitals, airports, and aircraft
Where there is a risk of explosion such as gasoline stations and oil refineries
It is the responsibility of the user to comply with his or her country regulations and the
specific environmental regulations.
Do not disassemble the product; any mark of tampering will compromise the warranty
validity.
We recommend following the instructions of the hardware user guides for a correct wiring
of the product. The product must be supplied with a stabilized voltage source, and the
wiring must conform to the security and fire-prevention regulations.
This product must be handled with care; avoid any contact with the pins because
electrostatic discharge may damage the product. Same caution must be taken regarding the
SIM card; carefully check the instructions for its use. Do not insert or remove the SIM when
the product is in power-saving mode.
The system integrator is responsible of the functioning of the final product; therefore, care
must be taken for the external components of the module as well as for project or
installation issuesthere may be a risk of disturbing the GSM network or external devices
or of having an impact on device security. If you have any doubts, please refer to the
technical documentation and the relevant regulations in force.
Every module must be equipped with a proper antenna with specific characteristics. The
antenna must be installed with care in order to avoid any interference with other electronic
devices.

55 / 59
□ Normal □ Internal Use Confidential □ Restricted Confidential
User Manual Guide
7. Packaging
The IMA3 modules are delivered in tape and reel.
Figure 21. Packing-Tape

56 / 59
□ Normal □ Internal Use Confidential □ Restricted Confidential
User Manual Guide
Figure 22. Packingreel
Figure 23. Packingcarton

57 / 59
□ Normal □ Internal Use Confidential □ Restricted Confidential
User Manual Guide
8. Safety Recommendation
Be sure the use of this product is allowed in the country and in the environment required.
The use of this product may be dangerous and must be avoided in the following areas:
Where it can interfere with other electronic devices in environments such as
hospitals, airports, and aircraft
Where there is a risk of explosion such as gasoline stations and oil refineries
It is the responsibility of the user to comply with the his or her country regulations and the
specific environmental regulations.
Do not disassemble the product; any mark of tampering will compromise the warranty
validity.
We recommend following the instructions of the hardware user guides for a correct wiring
of the product. The product must be supplied with a stabilized voltage source, and the
wiring must conform to the security and fire-prevention regulations.
This product must be handled with care; avoid any contact with the pins because
electrostatic discharge may damage the product. Same caution must be taken regarding the
SIM card; carefully check the instructions for its use. Do not insert or remove the SIM when
the product is in power-saving mode.
The system integrator is responsible of the functioning of the final product; therefore, care
must be taken for the external components of the module as well as for project or
installation issuesthere may be a risk of disturbing the GSM network or external devices
or of having an impact on device security. If you have any doubts, please refer to the
technical documentation and the relevant regulations in force.
Every module must be equipped with a proper antenna with specific characteristics. The
antenna must be installed with care in order to avoid any interference with other electronic
devices.

58 / 59
□ Normal □ Internal Use Confidential □ Restricted Confidential
User Manual Guide
9. Appendix
In order to describe more detailed about the I/O default setting while entering Sleep or
Hibernation is as below table.
Table 18. I/O default setting table
Pin
No.
Signal Name
Type
Default setting in
Normal mode
Default Setting while
entering Sleep or
Hibernation
15
RF_1
AI/AO
-
-
21
RF_2
AI
-
-
46
PCM_SYNC/GPIO46
DI /DO
PD
PD
47
PCM_IN/GPIO47
DI
PU
PU
48
PCM_OUT/GPIO48
DO
PU
PU
49
PCM_CLK/GPIO49
DO
PD
PD
52
GPIO01
DI/DO
PD
PD
53
GPIO02
DI/DO
PD
PD
54
GPIO03
DI/DO
PD
PD
55
GPIO04
DI/DO
PD
PD
60
I2C_SDA
DI/DO
PU
PU
61
I2C_SCL
DO
PU
PU
80
UART1_CTS (UART1)
DI
PD
PU
81
UART1_RTS (UART1)
DO
PD
NP
82
UART1_RX (UART1)
DI
PU
PU
83
UART1_TX (UART1)
DO
PU
PU
86
USB_Dp
DI/DO
-
-
87
GPIO87
DI/DO
PD
PD
88
USB_Dn
DI/DO
-
-
93
GPIO93
DI/DO
PU
PU
94
GPIO94
DI/DO
PD
PD
95
GPIO95
DI/DO
PD
PD
96
GPIO96
DI/DO
PD
PD
97
GPIO97
DI/DO
PU
PU

59 / 59
□ Normal □ Internal Use Confidential □ Restricted Confidential
User Manual Guide
106
UART2_RX (UART2)
DI
PU
PU
107
UART2_TX (UART2)
DO
PU
PU
122
ADC
AI
PU
PU
125
SPIM_MOSI
DO
PU
PU
126
SPIM_MISO
DI
PU
PU
127
SPIM_EN
DO
PD
PU
128
SPIM_CLK
DO
PD
PD
129
GPIO05
DI/DO
PD
PD
130
GPIO06
DI/DO
PD
PD
131
GPIO07
DI/DO
PD
PD
132
GPIO08
DI/DO
PD
PD
134
UIM_DATA
DI/DO
PU
PU
135
UIM_CLK
DO
PU
NP
136
UIM_RESET
DO
PU
NP
137
UIM_DETECT
DI/DO
PU
NP
141
WWAN_STATE
DO
PD
PD
142
POWER_ON
DI
PD
PD
143
WAKEUP_OUT
DO
PD
PD
144
WAKEUP_IN
DI
PU
PD
145
RESET
DI
PU
PU
201
JTAG_TCK
DI
PD
PD
202
JTAG_TDI
DI
PD
PD
203
JTAG_TDO
DO
PU
PU
204
JTAG_TMS
DI
PD
PD
205
JTAG_TRST_N
DI
PD
PD
