Wistron NeWeb SWA19 Wireless Module User Manual SWA19 use guide v0 8 OK
Wistron NeWeb Corporation Wireless Module SWA19 use guide v0 8 OK
User manual

AVNERA PROPRIETARY & CONFIDENTIAL | PROVIDED UNDER NDA
General Description
The SWA19 module represents a new level of
system integration offering customers fast time
to market with a digital wireless receiver ideal
for wireless headphone applications. The
SWA19 Receiver module is optimized for low-
cost, high-quality and ease-of-use.
The module incorporates Avnera’s proprietary
wireless audio protocol, designed from the
ground up specifically for audio. It features low
fixed latency, uncompressed CD quality stereo
audio, superior interference immunity and
industry leading coexistence with WiFi – even
at close proximity to a WiFi device.
The SWA19 Receiver module integrates all
features necessary to complete a wireless
Headphone device, including AV6202
Wireless Audio Chip, diversity chip antennas,
flash memory, and all passive components.
The module measures just 30 x 30 x 3.5 mm
and is castellated for direct surface mount to a
PCB.
The SWA19 receiver module may be paired
with the SWA13 Transmitter device.
The module can be certified to worldwide
standards.
Applications
Premium Wireless Headphone
Ordering Options
SWA19
Features
I2S Digital Output interface with >94dB end-
to-end digital audio path
Analog Headphone Driver
Analog microphone input
Direct connection to Li-Ion battery
Integrated battery charger
2.4 GHz ISM band, continuous dynamic
channel selection
Auto-search/synch and dynamic channel
selection
Low and fixed latency
24 pin castellated module
Over-the-air firmware update capability
Customizable firmware for simple, low-cost,
wireless headphone implementations
General purpose over-the-air (OTA) serial
interface:
11 kbps, bi-directional, full duplex
SWA19
Module Datasheet
Headphone / Headset Wireless Receiver System, based on the AV6202 IC

SWA19 Module Datasheet Rev 0.8
CONTENTS SUBJECT TO CHANGE WITHOUT NOTICE 2 AVNERA PROPRIETARY & CONFIDENTIAL
1 Table of Contents
.............................................................................................................................................. 1
General Description ............................................................................................................ 1
Applications ........................................................................................................................ 1
Ordering Options ................................................................................................................ 1
Features ............................................................................................................................... 1
1Table of Contents ......................................................................................................... 2
2Lists of Figures and Tables ......................................................................................... 3
3SWA19 Functional ........................................................................................................ 4
3.1SWA19 Module Connections ............................................................................................................ 5
4SWA19 Pin Def. ............................................................................................................. 6
5SWA19 Mechanical Dimensions(unit :mm) ................................................................ 7
.............................................................................................................................................. 7
.............................................................................................................................................. 7
.............................................................................................................................................. 8
.............................................................................................................................................. 8
6Electrical Specifications .............................................................................................. 9
6.1Absolute Maximum Ratings ............................................................................................................. 9
6.2Recommended Operating Range ..................................................................................................... 9
6.3Electrical Characteristics ............................................................................................................... 10
6.4I2S Communication Interface Timing ............................................................................................. 11
6.5I2C Master/Slave Communication Interface Timing (S_SCL, S_SDA) ....................................... 12
7FCC and Industry Canada certification information ................................................ 13
8Ordering Information ................................................................................................. 13

SWA19 Module Datasheet Rev 0.8
CONTENTS SUBJECT TO CHANGE WITHOUT NOTICE 3 AVNERA PROPRIETARY & CONFIDENTIAL
2 Lists of Figures and Tables
Table 1: SWA19 Connector Information ............................................................................................................. 6
Table 2; SWA19 RF Transceiver Characteristics .............................................................................................. 10
Table 3; SWA19 Audio Characteristics ............................................................................................................. 10
Table 4; SWA19 Audio Latency Characteristics ............................................................................................... 10
Table 5; SWA19 Current Characteristics .......................................................................................................... 10
Table 6; SWA19 I2S Timing .............................................................................................................................. 11
Table 7; Characteristics of the S_SDA and S_SCL I/Os .................................................................................. 12
Table 8: SWA19 Module Ordering Information ................................................................................................. 13

SWA19 Module Datasheet Rev 0.8
CONTENTS SUBJECT TO CHANGE WITHOUT NOTICE 4 AVNERA PROPRIETARY & CONFIDENTIAL
3 SWA19 Functional
The SWA19 module is a digital output receiver
module. There is an I2S port for digital audio
output that can be configured to be a master or a
slave. In addition, MCLK can be generated from
the module, or input to the module as required by
the system application.
The highly integrated nature of the AV6202
transceiver IC results in few external components
being required for the SWA19 module design. 2
chip antennas offer diversity, and the simple RF
path consists only of the antennas, associated
tuning components, An RF switch and a balun
connected to the AV6202 IC. A 16MHz crystal
generates the AV6202 system clock signal used
as the basis for all RF and digital audio signals. In
addition, a 2Mb flash memory stores the factory
based firmware, as well as firmware upgrade
images and configuration parameters.
The module firmware enables upgrades to be
performed by the USB interface or over-the-air.
The module can be controlled from an external
host device via the SPI interface. The I2C master
port allows the module to control other system
audio devices such as a DAC / amplifier system
without having to add another MCU to the product
design. 15 GPIOs are supported with the SWA19
module including I2C, SPI and I2S signals. This
large number of GPIOs can be leveraged to
implement low cost wireless audio products as
outlined below.
The stereo 44.4 kSps over the air sample rate
optimizes audio quality and WiFi co-existence
performance.
Typical Headphone Implementation
An example of a simple wireless headphone that
incorporates SWA19 as the wireless receiver and
uses MCU for user interface and Codec control is
shown in Fig. 2.

SWA19 Module Datasheet Rev 0.8
CONTENTS SUBJECT TO CHANGE WITHOUT NOTICE 5 AVNERA PROPRIETARY & CONFIDENTIAL
3.1 SWA19 Module Connections
Signal Type Description
VDC IN This module pin may be connected to VDC or VIN – depending on the
customer requirement (to be determined before schematic finalization). If the
battery charger function is to be used, VDC must be connected to 5V DC. If a
direct connection to a battery or 3.3V supply is intended then VDC will connect
to the VIN pin of AV6202
VIN Direct battery connection or regulated supply, 3.3V or 3.6Vv
Vbat Battery charger output
TS Battery Temperature sensor input
PWR Power button connection to the module. This feature can be used to wake the
module from a shutdown state. Pull low through an open collector device or
mechanical switch to wake the module.
Reset Active low reset input. Reset the device by driving this pin low from an open
collector/drain device such that it can pull to ground for the active reset state
but, when released, must be allowed to go to a high impedance state. This pin
should not be driven high.
I2S Out Port The I2S output port can be configured as a master or slave. Consequently
BCLK and LRCK can be either inputs or outputs. In addition, MCLK can be
generated by the module on pin 16, or used as an input. Typically, as the
AV6202 IC contains a sample rate converter, MCLK is not required to be
supplied to the module when it is an I2S slave. CMOS 3.3 logic levels are used
for all I2S signals.
SPI Slave Port The SPI slave port is used for external host communication and during module
test
I2C Master Port The I2C master port is used to communicate with external audio devices such
as a sub-woofer amplifier. The SDA and SCL require external pull ups, 2.7 to
3.3kohm.
GPIOs 3.3V CMOS logic level GPIOs available to connect to other devices, or to use
as UI supporting GPIOs for LED and button support. All supported GPIOs can
be configured as inputs or outputs.

SWA19 Module Datasheet Rev 0.8
CONTENTS SUBJECT TO CHANGE WITHOUT NOTICE 6 AVNERA PROPRIETARY & CONFIDENTIAL
4 SWA19 Pin Def.
NoPinNameI/OAV6202PinPinDescription
11NC/ANT0I/O NCorConductiveAnt0RFOutput
2GND‐ GND
33ADOUT/GPIO16O/IGPIO16 6I2SstereooutorGPIO
44NC/GPIO1I/OGPIO14NCorGPIO
55S_SSB/GPIO2I/OGPIO23SPIslaveportorGPIO;HOSTControlinterface
66S_SCLK/GPIO3I/OGPIO3 2SPIslaveportorGPIO;HOSTControlinterface
77S_MOSI/GPIO4I/OGPIO4 1SPIslaveportorGPIO;HOSTControlinterface
88S_MISO/GPIO5I/OGPIO556SPIslaveportorGPIO;HOSTControlinterface
99M_MISO/GPIO6I/OGPIO655SPIMASTERportorGPIO
1010M_MOSI/GPIO7I/OGPIO754SPIMASTERportorGPIO
1111M_SCLK/GPIO8I/OGPIO853SPIMASTERportorGPIO
1212M_SSB/GPIO9I/OGPIO952SPIMASTERportorGPIO
1313USB_DPI/OUSBDP45USB2.0positivetransceiverI/O
1414USB_DNI/OUSBDN44USB2.0negativetransceiverI/O
15GND‐ GND
1616MCLK/GPIO17OGPIO1751I2SMCLKorGPIO
1717BCLK/GPIO12I/OGPIO1243I2SBCLKorGPIO
1818WCLK/GPIO13I/OGPIO1342I2SWCLKorGPIO
1919GPIO14/M_SCLI/OGPIO1441Functiondefinedbyfirmwareapplication.
2020GPIO15/M_SDAI/OGPIO1540Functiondefinedbyfirmwareapplication.
2121RESETNIRESETN39Active‐LOWResetinputexpectingopendrain
connection
2222NC/TEMP_SENSOTS38NCORTEMP_SENS:connecttothermistoronthe
Li/Ionbattery
2323NC/~PWRIPWR37Active‐LOWWAKE‐UPinputfromshutdownmode
expectingopen‐drain/collectortypeswitch
2424NC/VBATOVBAT34NCoroutputofthebatterycharger
2525VDC_IN*aIVDC32+5V+/‐10%;onlyneededwhenUSBused*a
2626VIN*aIVIN35Modulemainpowerin3.2‐4.3V*a
27GND‐ GND
2828NC/ANT1I/O NCorConductiveAnt1RFOutput
*a : When SWA19 not use USB/charger functionality, u only need to supply power to “26VIN” pin which is
3.2~4.3V input range, and float “25VDC_IN” pin.
When SWA19 need USB function, u only need to supply power to “25VDC_IN” pin, and float “26VIN” pin .
Table 1: SWA19 Connector Information

SWA19 Module Datasheet Rev 0.8
CONTENTS SUBJECT TO CHANGE WITHOUT NOTICE 7 AVNERA PROPRIETARY & CONFIDENTIAL
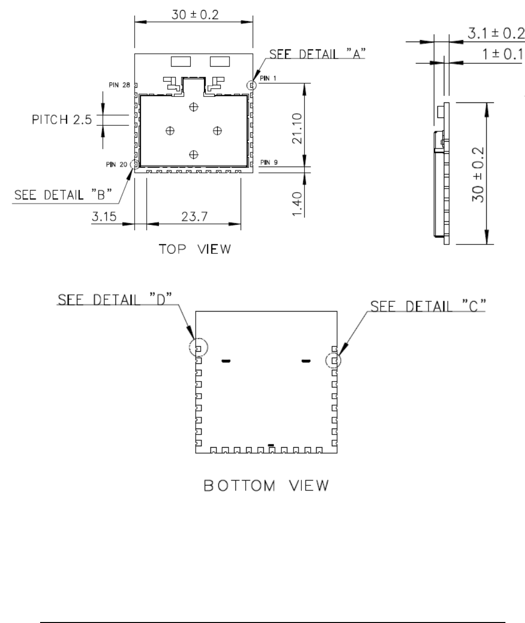
5 SWA19 Mechanical Dimensions(unit :mm)

SWA19 Module Datasheet Rev 0.8
CONTENTS SUBJECT TO CHANGE WITHOUT NOTICE 8 AVNERA PROPRIETARY & CONFIDENTIAL
Figure 1: SWA19 Mechanical Dimensions

SWA19 Module Datasheet Rev 0.8
CONTENTS SUBJECT TO CHANGE WITHOUT NOTICE 9 AVNERA PROPRIETARY & CONFIDENTIAL
6 Electrical Specifications
6.1 Absolute Maximum Ratings
Absolute Maximum Ratings (AMR) are stress ratings only. AMR corresponds to the maximum value that can be applied without leading
to instantaneous or very short-term unrecoverable hard failure (destructive breakdown). Stresses beyond those listed under AMR may
cause permanent damage to the device.
Functional operation of the device at these or any other conditions beyond those indicated under “Recommended Operating Range” is
not implied. Exposure to absolute-maximum-rated conditions for extended periods may adversely affect device reliability.
Device functional operating limits and guaranteed performance specifications are given under Electrical Characteristics at the test
conditions specified.
CONDITION MIN MAX
VDC or VIN Supply Voltage
Input -0.3V 6.0V
Input Voltage Range – Digital
Inputs -0.3V 3.6V
Operating Temperature
1
-10ºC +70ºC
Storage Temperature -20ºC +80ºC
Static Discharge Voltage1 -10kV +10kV
Notes:
Note 1: ±10kV, 150pF/330ohms discharge per IEC/EN61000-4-2
6.2 Recommended Operating Range
PARAMETER MIN TYP MAX UNIT
+5V Supply pin voltage 4.5 5.0 5.5 V
VIN Voltage range 3.2 3.6 4.3 V
Ambient Temperature (T
A
) 0 60 ºC

SWA19 Module Datasheet Rev 0.8
CONTENTS SUBJECT TO CHANGE WITHOUT NOTICE 10 AVNERA PROPRIETARY & CONFIDENTIAL
6.3 Electrical Characteristics
Test Conditions: TA=+25ºC, VDC=+5.0V
Table 2; SWA19 RF Transceiver Characteristics
PARAMETER CONDITIONS MIN TYP MAX UNIT
RF Frequency Range 2403.35 2477.35 MHz
RX Sensitivity
1
-88 dBm
Range (NLOS) 15 m
Range (LOS) 50 m
Note 1: Measured with the SWA19 PCB antenna disabled and test RF connector added. Sensitivity is defined as the onset
of 0.2% BLER Clock Error Rate.
Table 3; SWA19 Audio Characteristics
PARAMETER CONDITIONS MIN TYP MAX UNIT
Frequency Response1 Stereo full band FW build 20 20K Hz
Gain Flatness
2
0dB Input/Output Gain ±0.2 dB
SNR I2S Input/Output 94 dB
THD+N 94 dB
Note 1: 16 bit audio, 44.4KSps over-the-air sample rate firmware build
Note 2: 16 bit audio, 44.4KSps over-the-air sample rate firmware build – 20 KHz frequency response
Table 4; SWA19 Audio Latency Characteristics
PARAMETER CONDITIONS MIN TYP MAX UNIT
44.4KSps OTA Sample Latency Standard Firmware 14 ms
Table 5; SWA19 Current Characteristics
PARAMETER CONDITIONS MIN TYP MAX UNIT
Supply Current
No Audio Linked4 35
mA
Searching
5
55 mA
No Load, 1 kHz tone, 0 dB
FS 50 mA
Note 4: Specification represents an average current with the I2S clocks running. Peak current is ~ 2x the average.
Note 5: Searching is where the Rx module is not linked but is attempting to find a Tx module to link with. Peak current is ~
80mA.
Note 6:. After the Rx module has not been linked for > 30 seconds it will go to a duty cycling standby state reflected by this
specification. Peak current is ~ 80mA.

SWA19 Module Datasheet Rev 0.8
CONTENTS SUBJECT TO CHANGE WITHOUT NOTICE 11 AVNERA PROPRIETARY & CONFIDENTIAL
6.4 I2S Communication Interface Timing
Table 6; SWA19I2S Timing
MIN TYP MAX UNIT NOTES
VL low voltage level -0.3V 0.0V 0.4V V
VH high voltage level 2.4V 3.3V 3.6V V
T clock period 325.5n s 1/3.072MHz
TLo clock low period 0.4T 0.6T
THi clock high period 0.4T 0.6T
TR rise time 50n s Note 1
TF fall time 50n s Note 1
TSu setup time 25n s
THd hold time 25n s
TOd output delay -25n 25n s
bit clocks/word clock 64
I2S protocol is “I2S Justified” as shown below.

SWA19 Module Datasheet Rev 0.8
CONTENTS SUBJECT TO CHANGE WITHOUT NOTICE 12 AVNERA PROPRIETARY & CONFIDENTIAL
Note 1: The timing specified for the rise and fall times represents the edge rates on the module itself. The rise
and fall times of the I2S signals are determined by ESD/EMI mitigation components on the modules, as well
as external loading, and will be higher than the specified numbers
6.5 I2C Master/Slave Communication Interface Timing (S_SCL, S_SDA)
The SWA19has both I2C slave and master interfaces available with their respective pins S_SCL and S_SDA.
The interfaces operate in I2C fast-mode and can receive and transmit at up to 400 kbit/s.
Bytes are 8 bits long and are transferred with the most significant bit (MSB) first. Each byte has to be followed
by an acknowledge bit. The SWA19will apply clock-stopping (by holding the clock line S_SCL LOW to force
the master into a wait state) if necessary due to internal high-priority tasks.
The slave/master interface can be used both for writing (e.g. sending commands) or reading (e.g. requesting
status).
The SWA19slave interface responds to the 7-bit slave address 1000000 (0x40) as shown in Figure 1 below.
ELECTRICAL SPECIFICATIONS AND TIMING
Table 7; Characteristics of the S_SDA and S_SCL I/Os
PARAMETER SYMBOL FAST-MODE UNIT
MIN. MAX.
LOW level input voltage VIL 0.3 0.8 V
HIGH level input voltage VIH 2.0 3.6 V
LOW level output voltage (open drain or
open collector) at 1 mA sink current: VOL 0 0.4 V
Output fall time from VIHmin to VILmax with
a bus capacitance from 10 pF to 400 pF tof 0 250 ns
Pulse width of spikes which must be
suppressed by the input filter tSP 0 50 ns
S_SCL clock frequency fSCL 0 400 kHz
LOW period of the S_SCL clock tLOW 1.3 – s
HIGH period of the S_SCL clock tHIGH 0.6 – s
Data hold time tHD;DAT 100 – ns
Data set-up time tSU;DAT 100 – ns

SWA19 Module Datasheet Rev 0.8
CONTENTS SUBJECT TO CHANGE WITHOUT NOTICE 13 AVNERA PROPRIETARY & CONFIDENTIAL
7 FCC and Industry Canada certification information
FCC : NKR-SWA19
IC : 4441A-SWA19
8 Ordering Information
Table 8: SWA19 Module Ordering Information
Module Part
Number Option
Code Description
SWA19

SWA19 Module Datasheet Rev 0.8
CONTENTS SUBJECT TO CHANGE WITHOUT NOTICE 14 AVNERA PROPRIETARY & CONFIDENTIAL
FCC Statement:
Federal Communication Commission Interference Statement
This equipment has been tested and found to comply with the limits for a Class B digital device, pursuant to
Part 15 of the FCC Rules. These limits are designed to provide reasonable protection against harmful
interference in a residential installation. This equipment generates, uses and can radiate radio frequency
energy and, if not installed and used in accordance with the instructions, may cause harmful interference to
radio communications. However, there is no guarantee that interference will not occur in a particular
installation. If this equipment does cause harmful interference to radio or television reception, which can be
determined by turning the equipment off and on, the user is encouraged to try to correct the interference by
one of the following measures:
● Reorient or relocate the receiving antenna.
● Increase the separation between the equipment and receiver.
● Connect the equipment into an outlet on a circuit different from that to which the receiver is connected.
● Consult the dealer or an experienced radio/TV technician for help.
This device complies with Part 15 of the FCC Rules. Operation is subject to the following two conditions: (1)
This device may not cause harmful interference, and (2) this device must accept any interference received,
including interference that may cause undesired operation.
This device and its antenna(s) must not be co-located with any other transmitters except in
accordance with FCC multi-transmitter product procedures.
Refering to the multi-transmitter policy, multiple-transmitter(s) and module(s) can be operated
simultaneously without C2P.
IMPORTANT NOTE:
This module is intended for OEM integrator. The OEM integrator is responsible for the compliance
to all the rules that apply to the product into which this certified RF module is integrated.
Additional testing and certification may be necessary when multiple modules are used.
20cm minimum distance has to be able to be maintained between the antenna and the users for the host this
module is integrated into. Under such configuration, the FCC radiation exposure limits set forth for an
population/uncontrolled environment can be satisfied.
Any changes or modifications not expressly approved by the manufacturer could void the user's authority to
operate this equipment.

SWA19 Module Datasheet Rev 0.8
CONTENTS SUBJECT TO CHANGE WITHOUT NOTICE 15 AVNERA PROPRIETARY & CONFIDENTIAL
USERS MANUAL OF THE END PRODUCT:
In the users manual of the end product, the end user has to be informed to keep at least 20cm separation with
the antenna while this end product is installed and operated. The end user has to be informed that the FCC
radio-frequency exposure guidelines for an uncontrolled environment can be satisfied. The end user has to
also be informed that any changes or modifications not expressly approved by the manufacturer could void
the user's authority to operate this equipment. If the size of the end product is smaller than 8x10cm, then
additional FCC part 15.19 statement is required to be available in the users manual: This device complies
with Part 15 of FCC rules. Operation is subject to the following two conditions: (1) this device may not cause
harmful interference and (2) this device must accept any interference received, including interference that
may cause undesired operation.
LABEL OF THE END PRODUCT:
The final end product must be labeled in a visible area with the following " Contains TX FCC ID: NKR-SWA19
". If the size of the end product is larger than 8x10cm, then the following FCC part 15.19 statement has to
also be available on the label: This device complies with Part 15 of FCC rules. Operation is subject to the
following two conditions: (1) this device may not cause harmful interference and (2) this device must accept
any interference received, including interference that may cause undesired operation.

SWA19 Module Datasheet Rev 0.8
CONTENTS SUBJECT TO CHANGE WITHOUT NOTICE 16 AVNERA PROPRIETARY & CONFIDENTIAL
IC Statement:
This device complies with Industry Canada license-exempt RSS standard(s). Operation is subject to the
following two conditions: (1) this device may not cause interference, and (2) this device must accept any
interference, including interference that may cause undesired operation of the device.
Le présent appareil est conforme aux CNR d'Industrie Canada applicables aux appareils radio
exempts de licence. L'exploitation est autorisée aux deux conditions suivantes : (1) l'appareil ne doit
pas produire de brouillage, et (2) l'utilisateur de l'appareil doit accepter tout brouillage
radioélectrique subi, même si le brouillage est susceptible d'en compromettre le fonctionnement.
This device and its antenna(s) must not be co-located with any other transmitters except in
accordance with IC multi-transmitter product procedures.
Refering to the multi-transmitter policy, multiple-transmitter(s) and module(s) can be operated
simultaneously without reassessment permissive change.
Cet appareil et son antenne (s) ne doit pas être co-localisés ou fonctionnement en association avec
une autre antenne ou transmetteur.
IMPORTANT NOTE:
IC Radiation Exposure Statement:
This equipment complies with IC RSS-102 radiation exposure limits set forth for an uncontrolled environment.
This equipment should be installed and operated with minimum distance 20cm between the radiator & your
body.
Cet équipement est conforme aux limites d'exposition aux rayonnements IC établies pour un
environnement non contrôlé. Cet équipement doit être installé et utilisé avec un minimum de 20 cm
de distance entre la source de rayonnement et votre corps.
This module is intended for OEM integrator. The OEM integrator is still responsible for the IC compliance
requirement of the end product, which integrates this module.
USERS MANUAL OF THE END PRODUCT:
In the users manual of the end product, the end user has to be informed to keep at least 20cm separation with
the antenna while this end product is installed and operated. The end user has to be informed that the IC
radio-frequency exposure guidelines for an uncontrolled environment can be satisfied. The end user has to
also be informed that any changes or modifications not expressly approved by the manufacturer could void
the user's authority to operate this equipment. Operation is subject to the following two conditions: (1) this
device may not cause harmful interference and (2) this device must accept any interference received,
including interference that may cause undesired operation.
LABEL OF THE END PRODUCT:
The final end product must be labeled in a visible area with the following " Contains TX IC : 4441A-SWA19 ".