Wistron NeWeb SWA9 Wireless Audio Module User Manual
Wistron NeWeb Corporation Wireless Audio Module
User Manual

AVNERA CORPORATION | 16505 NW BETHANY COURT SUITE 100 | BEAVERTON, OREGON 97006, U.S.A. | MAIN +1.503.718.4100 | FAX +1.503.718.4101 | WWW.AVNERA.COM
AVNERA PROPRIETARY & CONFIDENTIAL | PROVIDED UNDER NDA
General Description
Every consumer wants to be free from wires,
but it has been challenging to find a low-cost,
high-quality, easy-to-use wireless audio
solution for the wireless subwoofer market.
Avnera’s proprietary wireless system takes a
new approach to wireless audio. The wireless
protocol was designed from the ground up and
delivers uncompressed mono audio, with fixed
latency over the air, without interference
problems.
Avnera’s wireless modules offer a low-touch,
easy-to-integrate wireless audio solution and
enable fast time to market by already solving
the problem associated with FCC certification,
antenna tuning and board optimization.
Modules based on Avnera’s AV6600 silicon
provide breakthrough wireless audio
functionality with fixed low-latency point-to-
point transport of uncompressed mono PCM
audio data at 16-bit, 48 kHz resolution using
either analog or digital (I2S) interfaces.
Applications
Wireless Subwoofers
Mono audio channel transmission
Ordering Options
AVMD6600-SWA91TXD: Transmit module
with digital audio input and integrated printed
PCB antennas
AVMD6600-SWA91RXD: Receive module
with digital audio output and integrated printed
PCB antennas
AVMD6600-SWA91RXA: Receive module with
analog audio output and integrated printed
PCB antennas
Features
Audio Interfaces
I2S Digital Input Interface with 95dB
end-to-end digital audio path
Integrated DAC supporting Analog
output with 90dB SNR and 20-20KHz
bandwidth (RXA model only)
Support for 15m range
Frequency range: 2.4 GHz ISM band,
continuous dynamic frequency selection
Forward error correction coding, error
detection, and audio-specific error
concealment
Dual onboard printed PCB antennas for
multipath and fading mitigation
Auto-search/synch and dynamic channel
selection
Low, fixed latency of 13ms, suitable for
video lip-synch
Connector: 2mm header which allows for
either horizontal or vertical module mounting
Sample rate converter: Support for 16, 20,
24, and 32 bit PCM words at 8,16, 22.05, 24,
32, 44.1, and 48 kHz
General purpose over-the-air (OTA) serial
interface:
2 kbps, bi-directional, full duplex
Support for meta-data and remote
control commands
PRELIMINARY
AudioMagic™ Module Datasheet
Point-to-point AVMD6600-SWA91 module family for
Mono Wireless Audio Systems, based on Avnera’s AV6600 IC

AudioMagic AVMD6600-SWA91 Family Module Datasheet PRELIMINARY v0p1
CONTENTS SUBJECT TO CHANGE WITHOUT NOTICE 2 AVNERA PROPRIETARY & CONFIDENTIAL
1 Table of Contents
General Description ______________________________________________________________ 1
Applications ____________________________________________________________________ 1
Ordering Options ________________________________________________________________ 1
Features _______________________________________________________________________ 1
1 Table of Contents ____________________________________________________________ 2
2 Lists of Figures and Tables ____________________________________________________ 3
3 AVMD6600-SWA91-TXD/RXD/RXA Functional Block Diagrams _____________________ 4
4 AVMD6600-SWA91 Pin Information ____________________________________________ 7
5 AVMD6600-SWA91 Mechanical Dimensions______________________________________ 9
6 Electrical Specifications ______________________________________________________ 10
6.1 Absolute Maximum Ratings ______________________________________________________________ 10
6.2 Recommended Operating Range __________________________________________________________ 10
6.3 Electrical Characteristics ________________________________________________________________ 11
7 Application information ______________________________________________________ 12
7.1 Mechanical requirements ________________________________________________________________ 12
7.2 Application circuit ______________________________________________________________________ 13
7.3 External I2S Requirement _______________________________________________________________ 13
8 FCC and Industry Canada certification information _______________________________ 14
8.1 Label Information ______________________________________________________________________ 14
8.2 Equipment labeling requirements _________________________________________________________ 14
8.3 User manual labeling requirements ________________________________________________________ 15
9 Ordering Information _______________________________________________________ 16
10 Contact Information and Legal Disclaimer _____________________________________ 17

AudioMagic AVMD6600-SWA91 Family Module Datasheet PRELIMINARY v0p1
CONTENTS SUBJECT TO CHANGE WITHOUT NOTICE 3 AVNERA PROPRIETARY & CONFIDENTIAL
2 Lists of Figures and Tables
Table 1: AVMD6600-SWA91 Module Block Diagram Description ___________________________________________ 6
Table 2: AVMD6600-SWA91 Pin Information ___________________________________________________________ 7
Table 3; AVMD6600-SWA91 Electrical Characteristics __________________________________________________ 11
Table 4: AVMD6600-SWA91 Module Ordering Information _______________________________________________ 16
Figure 1: AVMD6600-SWA91TXD Module Block Diagram................................................................................................ 4
Figure 2: AVMD6600-SWA91RXD Module Block Diagram ............................................................................................... 4
Figure 3: AVMD6600-SWA91RXA Module Block Diagram ................................................................................................ 5
Figure 4: AVMD6600-SWA91 mechanical dimensions ....................................................................................................... 9

AudioMagic AVMD6600-SWA91 Family Module Datasheet PRELIMINARY v0p1
CONTENTS SUBJECT TO CHANGE WITHOUT NOTICE 4 AVNERA PROPRIETARY & CONFIDENTIAL
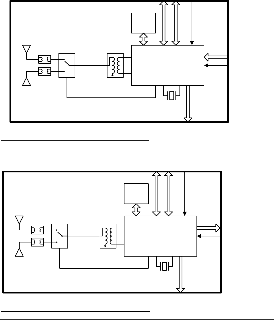
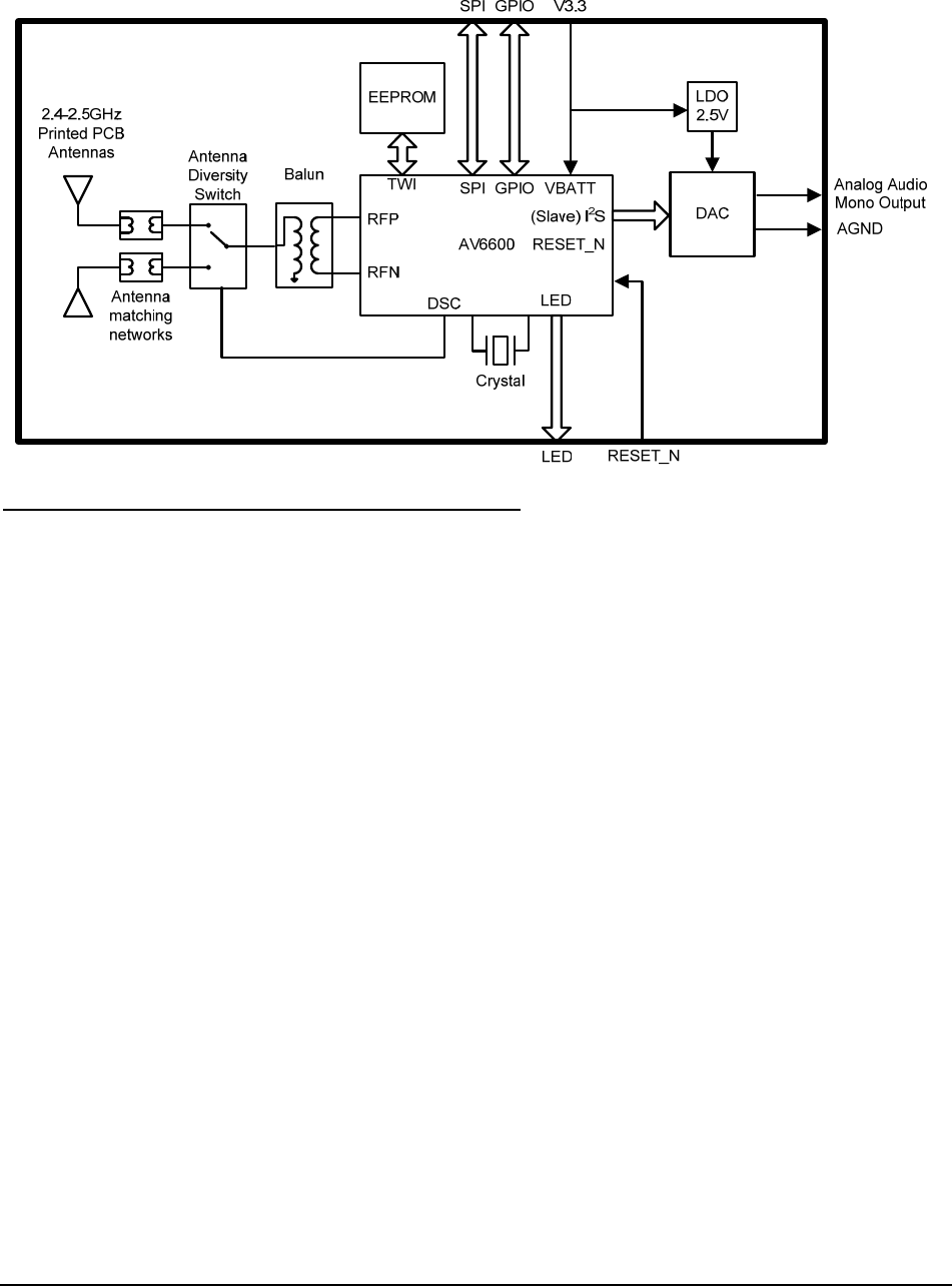
3 AVMD6600-SWA91-TXD/RXD/RXA Functional Block Diagrams
The AVMD6600-SWA91 module is available in three variations, Digital Input Transmitter, Digital Output
Receiver and Analog Output Receiver.
Note: The device does not have full I2S master capability and cannot generate MCLK as an output.
AV6600
Antenna
Diversity
Switch Balun
DSC
RFP
RFN
Crystal
TWI
EEPROM
SPI
SPI
(Slave) I2S
GPIO
GPIO VBATT
V3.3
LED
LED
I2S Audio Input
2.4-2.5GHz
Printed PCB
Antennas
Antenna
matching
networks
RESET_N RESET_N
Figure 1: AVMD6600-SWA91TXD Module Block Diagram
AV6600
Antenna
Diversity
Switch Balun
DSC
RFP
RFN
Crystal
TWI
EEPROM
SPI
SPI
(Slave) I2S
GPIO
GPIO VBATT
V3.3
LED
LED
I2S Audio Output
2.4-2.5GHz
Printed PCB
Antennas
Antenna
matching
networks
RESET_N RESET_N
Figure 2: AVMD6600-SWA91RXD Module Block Diagram

AudioMagic AVMD6600-SWA91 Family Module Datasheet PRELIMINARY v0p1
CONTENTS SUBJECT TO CHANGE WITHOUT NOTICE 5 AVNERA PROPRIETARY & CONFIDENTIAL
Figure 3: AVMD6600-SWA91RXA Module Block Diagram

AudioMagic AVMD6600-SWA91 Family Module Datasheet PRELIMINARY v0p1
CONTENTS SUBJECT TO CHANGE WITHOUT NOTICE 6 AVNERA PROPRIETARY & CONFIDENTIAL
Table 1: AVMD6600-SWA91 Module Block Diagram Description
Interface Description
SPI The AVMD6600s SPI interface is used to allow an external host to control the AV6600 IC
and to facilitate testing of the module.
GPIO/ LED The GPIO and LED lines allow buttons and LEDs to be connected to the AVMD6600-
SWA91 to allow the user to control the Audio Magic system and communicate the
system’s state to the user.
Analog Audio These pins form the AVMD6600-SWA91RXA module’s analog audio output. The analog
ground on the module and should be isolated from the host system’s ground to prevent
the creation of noise-inducing ground loops.
RESET_N This pin connects directly to the “RESET_N” pin on the AV6600 IC and is used to signal
the module to power on and off.
V3.3 This pin provides power to all elements of the AVMD6600-SWA91. Internal regulators
condition the input power according to the requirements of the various sub-circuit blocks.
I2S
These input pins connect to the AV6600’s digital audio interface and provide a digital
audio input channel. The AVMD6600-SWA91 TXD is always an I2S slave while the
AVMD6600-SWA91 RXD can be either a Slave or a Master I2S port but the module
cannot generate MCLK as an output..
Depending upon module configuration the audio data direction will change.

AudioMagic AVMD6600-SWA91 Family Module Datasheet PRELIMINARY v0p1
CONTENTS SUBJECT TO CHANGE WITHOUT NOTICE 7 AVNERA PROPRIETARY & CONFIDENTIAL
4 AVMD6600-SWA91 Pin Information
Table 2: AVMD6600-SWA91 Pin Information
Pin
Number Pin Name
TXD/RXD Module Pin Name
RXA Module Type Pin Description
1 Not Connected Not Connected Analog
Ground Audio section ground; must be
connected to LINE_IN_COM at the
audio source to minimize noise.
2 Not Connected Not Connected Analog
Ground Audio section ground. Both
LINE_IN_COM and
LINE_IN_COM2 must be isolated
from system ground for best noise
performance
3 Not Connected Not Connected Analog
Input Reserved, not supported on these
module configurations
4 Not Connected LINE_OUT Analog
Output Mono Analog Audio Output
5 Not Connected LINE_OUT_COM Analog
Ground Audio section ground.
LINE_OUT_COM must be isolated
from the system ground for best
noise performance.
6 GND GND Ground Digital section ground. Tie to Pin 24
as close to the module as possible
7 V3.3 V3.3 Power Main power supply (3.3 Volts)
8 ADAT/GPIO1 GPIO1 Digital I/O Multifunction; I2S digital Audio data
output (Input for TXD, Output for
RXD), General Purpose I/O
Default = ADAT digital module
9 LRCLK/GPIO2 GPIO2 Digital I/O Multifunction; I2S digital Audio
frame clock input (Slave for TXD,
Master/Slave for RXD ), General
Purpose I/O
Default = LRCLK digital module
10 BCLK/GPIO3 GPIO3 Digital I/O Multifunction; I2S digital Audio bit
clock input (Slave for TXD,
Master/Slave for RXD), General
Purpose I/O
Default = BCLK digital module
11 LED LED Analog
Output LED drive line; current sink to GND
12 RESET_N RESET_N Digital
Input Active-LOW Reset input expecting
open drain connection
13 CMP CMP Analog
Input Comparator input; default function
is sensing battery status
14 S_MOSI/S_CLK/
GPIO12 S_MOSI/S_CLK/
GPIO12 Digital I/O Multifunction, SPI slave serial data
input, I2C slave clock, General-
Purpose I/O
Default = S_MOSI
15 S_MISO/S_SDA/
GPIO13 S_MISO/S_SDA/
GPIO13 Digital I/O Multifunction, SPI slave serial data
output, I2C slave data, General-
Purpose I/O
Default = S_MISO
16 S_SCLK/GPIO14 S_SCLK/GPIO14 Digital I/O Multifunction, SPI slave clock,
General-Purpose I/O
Default = S_SCLK

AudioMagic AVMD6600-SWA91 Family Module Datasheet PRELIMINARY v0p1
CONTENTS SUBJECT TO CHANGE WITHOUT NOTICE 8 AVNERA PROPRIETARY & CONFIDENTIAL
17 S_SSB/GPIO15 S_SSB/GPIO15 Digital I/O Multifunction, SPI slave select,
General-Purpose I/O
Default = S_SSB
18 UART_RX/GPIO6 UART_RX/GPIO6 Digital I/O Multifunction, UART receive,
General-Purpose I/O
Default = GPIO6
19 UART_TX/GPIO7 UART_TX/GPIO7 Digital I/O Multifunction, UART transmit,
General-Purpose I/O
Default = GPIO7
20 M_MOSI/M_SCL/
GPIO4 M_MOSI/M_SCL/
GPIO4 Digital I/O Multifunction, SPI master serial data
output, I2C master clock, General-
Purpose I/O
Default = M_SCL
21 M_MISO/M_SDA/
GPIO6 M_MISO/M_SDA/
GPIO6 Digital I/O Multifunction, SPI master serial data
input, I2C master data, General-
Purpose I/O
Default = M_SDA
22 M_SCLK/GPIO8 M_SCLK/GPIO8 Digital I/O Multifunction, SPI master serial
clock, General-Purpose I/O
Default = GPIO8
23 M_SSB/GPIO9 M_SSB/GPIO9 Digital I/O Multifunction, SPI master serial
select, General-Purpose I/O
Default = GPIO9
24 GND GND Ground Digital section ground. Tie to Pin 6
as close to the module as possible

AudioMagic AVMD6600-SWA91 Family Module Datasheet PRELIMINARY v0p1
CONTENTS SUBJECT TO CHANGE WITHOUT NOTICE 9 AVNERA PROPRIETARY & CONFIDENTIAL
5 AVMD6600-SWA91 Mechanical Dimensions
Figure 4: AVMD6600-SWA91 mechanical dimensions

AudioMagic AVMD6600-SWA91 Family Module Datasheet PRELIMINARY v0p1
CONTENTS SUBJECT TO CHANGE WITHOUT NOTICE 10 AVNERA PROPRIETARY & CONFIDENTIAL
6 Electrical Specifications
6.1 Absolute Maximum Ratings
Absolute Maximum Ratings (AMR) are stress ratings only. AMR corresponds to the maximum value that can be applied without leading
to instantaneous or very short-term unrecoverable hard failure (destructive breakdown). Stresses beyond those listed under AMR may
cause permanent damage to the device.
Functional operation of the device at these or any other conditions beyond those indicated under “Recommended Operating Range” is
not implied. Exposure to absolute-maximum-rated conditions for extended periods may adversely affect device reliability.
Device functional operating limits and guaranteed performance specifications are given under Electrical Characteristics at the test
conditions specified.
CONDITION MIN MAX
V3.3 Supply Voltage Input -0.3V 3.6V
Input Voltage Range – Digital
Inputs1 -0.3V 3.6V
Input Voltage Range – Analog
Inputs -0.3V V3.3+0.3V
Operating Temperature 0ºC +70ºC
Storage Temperature -40ºC +100ºC
Assembly Temperature TBD
Static Discharge Voltage – HBM2 TBD
Static Discharge Voltage – MM3 TBD
Notes:
Note 1: Digital GPIO Pins are 5V Tolerant when programmed as Inputs.
Note 2: Terminology: HBM => ESD human body model
Note 3: Terminology: MM => Machine model
6.2 Recommended Operating Range
PARAMETER MIN TYP MAX UNIT
V3.3 Supply pin voltage 3.0 3.6 V
Ambient Temperature (T
A
) 0 70 ºC

AudioMagic AVMD6600-SWA91 Family Module Datasheet PRELIMINARY v0p1
CONTENTS SUBJECT TO CHANGE WITHOUT NOTICE 11 AVNERA PROPRIETARY & CONFIDENTIAL
6.3 Electrical Characteristics
Test Conditions: TA=+25ºC, V3.3=3.3V
Table 3; AVMD6600-SWA91 Electrical Characteristics
PARAMETER CONDITIONS MIN TYP MAX UNIT
RF Frequency Range 2405 2477 MHz
Audio Output Voltage
1
2 V
pk
-
p
k
Audio SNR Analog Output1
88 dB
Audio SNR I2S Input/Output
2
I2S end to end 94 dB
Analog Audio THD+N
3
tbd dB
Range (LOS) 15 m
Current consumption V3.3(Active Audio mode) 50 mA
Note 1: AVMD6600-SWA91RXA module only
Note 2: AVMD6600-SWA91TXD/RXD modules only
Note 3: Measured at -3dbFS input, A weighting. Output is taken, using external DAC on Avnera development board.

AudioMagic AVMD6600-SWA91 Family Module Datasheet PRELIMINARY v0p1
CONTENTS SUBJECT TO CHANGE WITHOUT NOTICE 12 AVNERA PROPRIETARY & CONFIDENTIAL
7 Application information
7.1 Mechanical requirements
Figure 5: Recommended module antenna system clearance

AudioMagic AVMD6600-SWA91 Family Module Datasheet PRELIMINARY v0p1
CONTENTS SUBJECT TO CHANGE WITHOUT NOTICE 13 AVNERA PROPRIETARY & CONFIDENTIAL
7.2 Application circuit
Schematics are provided separately.
7.3 External I2S Requirement
The AVMD6600-SWA91 TXD module is an I2S slave only device and requires connection to a master I2S
device to provide LRCLK and BCLK. The AVMD6600-SWA91 RXD module is normally an I2S slave and
generates LRCLK, BCLK as well as I2S data out. The AVMD6600-SWA91 RXD module can be configured as
an I2S master but is not capable of generating MCLK as an output so can only be used with external slave
devices that contain some form of rate converter.

AudioMagic AVMD6600-SWA91 Family Module Datasheet PRELIMINARY v0p1
CONTENTS SUBJECT TO CHANGE WITHOUT NOTICE 14 AVNERA PROPRIETARY & CONFIDENTIAL
8 FCC and Industry Canada certification information
8.1 Label Information
The AVMD6600-SWA91 family of modules will be certified by the requirements set by the US Federal
Communications Commission (Part 15) and Industry Canada (RSS-Gen, Issue 3, 2010-12 and RSS-210
issue 8, 2010-12) for certification as modular intentional radiators. The certification identification numbers are
as follows:
US FCC ID: NKR-SWA9
Industry Canada (IC): 4441A-SWA9
* IDs will be provided after certification has been completed
Avnera makes the following representations: This device complies with part 15 of the FCC Rules. Operation is
subject to the following two conditions:
(1) This device may not cause harmful interference,
(2) This device must accept any interference received, including
interference that may cause undesired operation.
Per FCC regulation 47 CFR 15.21: Changes or modifications not expressly approved by Avnera, as the party
responsible for compliance, can void the user’s authority to operate the equipment using AVMD6600-SWA91
modules.
8.2 Equipment labeling requirements
The statement shown below, or its equivalent, must appear on the external label of every piece of equipment
that contains an AVMD6600 module. If the size of the final equipment is too small to support such a label, the
statement described in must appear in the user manual for that equipment.
Contains
FCC ID NKR-SWA9
IC: 4441A-SWA9
This device complies with part 15 of the FCC Rules.
Operation is subject to the following two conditions:
(1) This device may not cause harmful interference
(2) This device must accept any interference received,
including interference that may cause undesired operation

AudioMagic AVMD6600-SWA91 Family Module Datasheet PRELIMINARY v0p1
CONTENTS SUBJECT TO CHANGE WITHOUT NOTICE 15 AVNERA PROPRIETARY & CONFIDENTIAL
8.3 User manual labeling requirements
The statements shown below, or their equivalents, must appear in the user manual for equipment containing
AVMD6600-SWA91 modules:
Contains
FCC ID NKR-SWA9
IC: 4441A-SWA9
This device complies with part 15 of the FCC Rules.
Operation is subject to the following two conditions:
(1) This device may not cause harmful interference
(2) this device must accept any interference received,
including interference that may cause undesired operation
Per FCC regulation 47 CFR 15.21: Changes or modifications
not expressly approved by the party responsible
for compliance could void the user’s authority to operate the
equipment.

AudioMagic AVMD6600-SWA91 Family Module Datasheet PRELIMINARY v0p1
CONTENTS SUBJECT TO CHANGE WITHOUT NOTICE 16 AVNERA PROPRIETARY & CONFIDENTIAL
9 Ordering Information
Table 4: AVMD6600-SWA91 Module Ordering Information
Module Part
Number Option
Code Description
SWA91TXD -TXD Digital Input , 2mm Header, integrated printed PCB
antennas
SWA91RXD -RXD Digital Output, 2mm Header, integrated printed PCB
antennas
SWA91RXA -RXA Analog Output, 2mm Header, integrated printed PCB
antennas

AudioMagic AVMD6600-SWA91 Family Module Datasheet PRELIMINARY v0p1
CONTENTS SUBJECT TO CHANGE WITHOUT NOTICE 17 AVNERA PROPRIETARY & CONFIDENTIAL
10 Contact Information and Legal Disclaimer
Avnera Corporation
16505 Bethany Court, Suite 100
Beaverton, Oregon 97006
U.S.A.
Main: +1.503.718.4100
Fax: +1.503.718.4101
www.avnera.com
Avnera Corporation reserves the right to make changes without notice to the product to improve function,
reliability, or performance.
Avnera Corporation does not assume any liability arising from the application or use of the products or circuits
described herein.

AudioMagic AVMD6600-SWA91 Family Module Datasheet PRELIMINARY v0p1
CONTENTS SUBJECT TO CHANGE WITHOUT NOTICE 18 AVNERA PROPRIETARY & CONFIDENTIAL
FCC Statement
Federal Communication Commission Interference Statement
This equipment has been tested and found to comply with the limits for a Class B digital device, pursuant to Part 15 of the FCC Rules.
These limits are designed to provide reasonable protection against harmful interference in a residential installation. This equipment
generates, uses and can radiate radio frequency energy and, if not installed and used in accordance with the instructions, may cause
harmful interference to radio communications. However, there is no guarantee that interference will not occur in a particular installation. If
this equipment does cause harmful interference to radio or television reception, which can be determined by turning the equipment off
and on, the user is encouraged to try to correct the interference by one of the following measures:
● Reorient or relocate the receiving antenna.
● Increase the separation between the equipment and receiver.
● Connect the equipment into an outlet on a circuit different from that to which the receiver is connected.
● Consult the dealer or an experienced radio/TV technician for help.
FCC Caution: Any changes or modifications not expressly approved by the party responsible
for compliance could void the user’s authority to operate this equipment.
This device complies with Part 15 of the FCC Rules. Operation is subject to the following two conditions: (1) This device may not cause
harmful interference, and (2) this device must accept any interference received, including interference that may cause undesired
operation.
This device and its antenna(s) must not be co-located or operation in conjunction with any other antenna or transmitter.
Any changes or modifications not expressly approved by the manufacturer could void the user's authority to operate this equipment.
USERS MANUAL OF THE END PRODUCT:
The end user has to be informed that the FCC radio-frequency exposure guidelines for an uncontrolled environment can be satisfied. The
end user has to also be informed that any changes or modifications not expressly approved by the manufacturer could void the user's
authority to operate this equipment. If the size of the end product is smaller than 8x10cm, then additional FCC part 15.19 statement is
required to be available in the users manual: This device complies with Part 15 of FCC rules. Operation is subject to the following two
conditions: (1) this device may not cause harmful interference and (2) this device must accept any interference received, including
interference that may cause undesired operation.
LABEL OF THE END PRODUCT:
The final end product must be labeled in a visible area with the following " Contains TX FCC ID: NKR-SWA9 ". If the size of the end
product is larger than 8x10cm, then the following FCC part 15.19 statement has to also be available on the label: This device complies
with Part 15 of FCC rules. Operation is subject to the following two conditions: (1) this device may not cause harmful interference and (2)
this device must accept any interference received, including interference that may cause undesired operation.

AudioMagic AVMD6600-SWA91 Family Module Datasheet PRELIMINARY v0p1
CONTENTS SUBJECT TO CHANGE WITHOUT NOTICE 19 AVNERA PROPRIETARY & CONFIDENTIAL
IC Statement
This Class B digital apparatus complies with Canadian ICES-003.
Cet appareil numérique de la classe B conforme á la norme NMB-003 du Canada.
This device complies with Industry Canada license-exempt RSS standard(s). Operation is subject to the following two conditions: (1) this
device may not cause interference, and (2) this device must accept any interference, including interference that may cause undesired
operation of the device.
Le présent appareil est conforme aux CNR d'Industrie Canada applicables aux appareils radio exempts de licence. L'exploitation est
autorisée aux deux conditions suivantes : (1) l'appareil ne doit pas produire de brouillage, et (2) l'utilisateur de l'appareil doit accepter tout
brouillage radioélectrique subi, même si le brouillage est susceptible d'en compromettre le fonctionnement.
This device and its antenna(s) must not be co-located or operation in conjunction with any other antenna or transmitter.
IMPORTANT NOTE:
This module is intended for OEM integrator. The OEM integrator is still responsible for the IC compliance requirement of the end product,
which integrates this module.
Any changes or modifications not expressly approved by the manufacturer could void the user's authority to operate this equipment.
USERS MANUAL OF THE END PRODUCT:
In the users manual of the end product, the end user has to be informed that the IC radio-frequency exposure guidelines for an
uncontrolled environment can be satisfied. The end user has to also be informed that any changes or modifications not expressly
approved by the manufacturer could void the user's authority to operate this equipment. IC statement is required to be available in the
users manual: This Class B digital apparatus complies with Canadian ICES-003. Operation is subject to the following two conditions: (1)
this device may not cause harmful interference and (2) this device must accept any interference received, including interference that may
cause undesired operation.
LABEL OF THE END PRODUCT:
The final end product must be labeled in a visible area with the following " Contains TX IC : 4441A-SWA9 ".