Wisycom s r l MTK952N-2W0 Dual Transmitter User Manual MTK952
Wisycom Dual Transmitter MTK952
Contents
User Manual

MTK952 User Manual
Dual Transmitter
Mono - Stereo - Intercom
Modulation
SN: ________________
rev.06 (ref. FW 2.0)
Date: 10 April 2015

MTK952 User Manual
rev.06
1
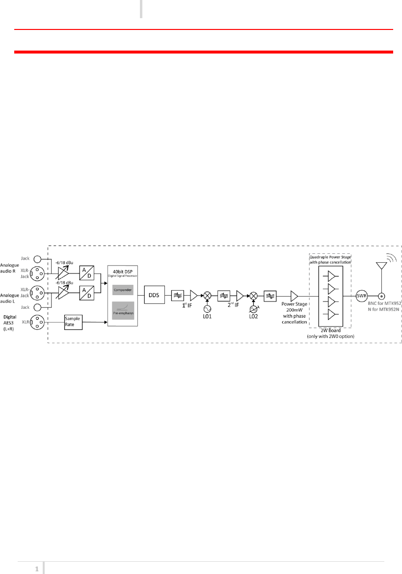
BRIEF DESCRIPTION
MTK952 is a versatile dual transmitter capable of working in a huge UHF bandwidth and of
generating any kind of narrow-band modulations, with very high quality and low spurious
emissions.
Main features:
330 MHz Bandwidth (470 MHz – 800 MHz)
2400 user-defined frequencies (40 group by 60 freq.)
Stereo, mono, intercom audio modulation
Output power up to 2 Watt (/W option)
Analogue & digital input (AES3)
Redundant power supply 230/110 Vac & 12 VDC
DSP audio processing (40bit floating point / 2Gflops) with multi-companding
Direct Digital Synthesis (DDS) of signal for the highest flexibility and quality (> 70 dB
stereo separation)s SWR (Stationary Wave Ratio) sensing on antenna outputs
Above a schematic with the functional diagram of one transmitter of MTK952.
MTK952 use extreme technologies like:
Direct Digital Synthesizer (DDS)
DDS is a type of frequency synthesizer used for creating arbitrary waveforms from a single,
fixed-frequency reference clock. A DDS has many advantages over its analog counterpart, the
phase-locked loop (PLL), including much better frequency agility, improved phase noise, and
precise control of the output phase across frequency switching transitions.
The Direct Digital Synthesis (DDS) technology can generate virtually any kind of modulation
while keeping an absolute phase accuracy.
Double conversion stage
Using a double conversion and saw filter at IFs (intermediate frequencies) we can achieve a
very low spurious emission and a great bandwidth agility (330 MHz).
Intermodulation cancelling power amplifiers
PA module (power amplifiers) is designed with an exclusive circuitry that reduce the
intermodulation generated by external carriers using a wideband phase cancelling design.
Digital audio with Shark™ DSP 40bit floating point & 2 Gflops power from Analog Device
A very powerful Analog Design Shark DSP processor manages the audio with very low delay
(< 1 ms) and emulates by software all companding and pre-emphasis effects.

MTK952 User Manual
rev.06
2
SAFETY INSTRUCTION
Read this safety instruction and the manual first
Follow all instructions and information.
Do not lose this manual.
Do not use this apparatus under the rain or near the water.
Do not install the apparatus near heaters or in hot environments, do not use outside the
operating temperature range.
Mount the apparatus as indicated in the instruction, do not block side grids for air ventilation
ATTENTION: supply the apparatus with a correct mains voltage and with the ground
connection. Check the power cord integrity.
The power cord must be protected from damage
Do not install the apparatus near heaters or in hot environments, do not use outside the
operating temperature range.
Do not open the apparatus, only qualified service technician are enabled to operate on it. The
apparatus needs servicing when it is not properly working or is damaged by liquids, moisture
or other objects are fallen in the apparatus.
Use only accessories or replacement parts authorized or specified by the manufacturer.
Clean the apparatus only with dry cloths, do not use liquids.
The ON/OFF is a double pole circuit breaker, but to ensure the complete disconnection of the
apparatus, disconnect the power cord.
Report the serial number and the purchasing date in front of the manual. It is needed to have
proper replacement parts or accessories from the manufacturer.
When replacement parts are needed, use only replacement parts authorized from the
manufacturer. Substitution with not authorized parts could result in electric shock, hazards or
fire.
Keep attention on all the labels with warnings or hazards on the apparatus.
WARNING! The apparatus is intended for professional use; anyway the manufacturer alerts the
user that the headphone output power of the apparatus could exceed the level of 85 dB(A) of
sound pressure level and this could be dangerous for the hearings. Do not use the headphone with
high power level or for long time. Reduce the power or suspend the hearing in case of any kind of
hearing problem.

MTK952 User Manual
rev.06
3
QUICK START INSTRUCTION
1. Connect to the power outlet using the supplied power cable (see rear panel: connector 1)
2. Attach the antennas to the antenna out BNC connections (N connectors for MTK952N) (see rear
panel: connectors 8 and 13)
3. Connect the audio sources to the relative audio input connectors (see rear rear panel: connectors 7
for digital audio sources, connectors 9÷12 for analog audio sources)
NOTE: the cascade configuration allows to use the same analog audio input for more transmitter
4. Power on the MTK952
5. Switch off the RF output:
a. While the MTK952 is powering on and the progress bar appears, push the 3rd button at
the bottom (see indication “OFF” on the display)
b. At the end of MTK952 power on, push the lower button on the right of the displays
6. Enter in the MAIN>Audio source menu and
a. configure the input parameter between digital and analog (according to the audio
source connected at point 3)
b. configure the AF level meter parameter as modulation
c. if digital audio source:
leave audio gain left and right parameters to 0dB and adjust the audio level
with the mixer
if need change the audio gain left and right parameters
d. if analog audio source:
leave audio gain left and right parameters to 0dB and adjust Max audio level
parameter. NOTE: this parameters is unique for both the channels (right and
left)
if need change the audio gain left and right parameters
NOTE: adjust the audio level (thru the mixer and/or Max audio level and/or the audio gain left
and right parameters) so that, for the maximum input signal level,
the AF level bars show the MAXIMUM
NUMBERS OF GREEN LED INDICATORS AND NO
YELLOW/RED CLIP LED INDICATORS
the MOD. (modulation) bar shows the
MAXIMUM NUMBERS OF GREEN LED
INDICATORS AND NO YELLOW/RED PEAK
LED INDICATOR
NO
YES
NO
YES
7. Enter in the MAIN>Ch-Gr menu and set the group/channel/ frequency
8. Enter in the MAIN>Mode menu and set the appropriate Mode (see Compatibility table for more
detail)
9. Enter in the MAIN>TX Power menu and set the TX power (10÷200mW)
10. Exit from the menu and switch on the RF power output pushing the lower button on the right of the
display

MTK952 User Manual
rev.06
4
FRONT PANEL CONTROL AND FUNCTIONS
MTK952 allows an easy and quick configuration using buttons, push knobs and displays.
The front panel is functionally divided in the following section:
A – SCAN, SYNC and INFRARED
Automatic sync with “MPR30” receiver through infrared interface. The SCAN function allows to
display the results of a scan previously done from a MPR30 and set a frequency on the receivers.
B and C - TRANSMITTER1 and TRANSMITTER2
Transmitter 1 and 2 configuration and monitor
of radio/audio levels.
❶ Audio and Modulation indicators
two LED bars for the AF levels (L=left & R=right levels): they can show AF input levels or
modulation levels (after the pre-emphasis and compander phases, before the
modulation phase) according to the AF level meter parameter on Audio source menu
FM modulation of the transmitter channel (modulation in dB referred to the nominal
deviation)
❷ LCD display.(64 x 254 yellow-lighted display)
❸ 3 push buttons (membrane). The function of each button (upper, middle and lower) will be
readable from the context menu on the display.
❹ Push rotary knob. Rotate and push to select.
❺ Warning (YELLOW) and Alarm (RED) light indicator
D - MONITOR
Monitor 1 and 2: it actives monitor audio on headphone jack output (6.3mm - ¼”) for transmitter 1
and 2, respectively (a green LED is lighted when audio is enable). Audio level can be adjusted with
the rotary knob. The red led (CLIP) indicates a clipping in the audio monitor output.
E - POWER & LOCK
LOCK: it locks the editing of both the displays.
POWER: ON/OFF square powering button turns on/off the transmitter. When in OFF position both
phases are disconnected from power.
A
B
C
D
E

MTK952 User Manual
rev.06
5
REAR PANEL
❶ ❷❸❹ ❺❻ ❼ ❽ ❾ ❿ ⓫ ⓬ ⓭
MTK952N ⓮ ⓯
❶ ❷❸ ❹ ❺❻ ❼ ❽ ❾ ❿ ⓫ ⓬ ⓭
MTK952
❶ AC Power Plug AC mains power input, IEC Connector 90-264 Vac
❷ Product label with Serial Number, Options and Bandwidth
❸ Ground point To connect the rack to ground
❹ DC Power Plug (optional) DC power input, 10-16Vdc, Max 7A
❺ label with IP address of Ethernet interface configured on the MTK952 (it can be modified using
the Manager application)
❻ Ethernet socket (RJ45) for connection to a network or computer
❼ AES/EBU (XLR 3 pin connector) for digital audio input TX1 and TX2
❽ Antenna output TX2 (RF output) BNC socket (N socket for MTK952N)
❾ Audio input left TX2 (balanced AF input) ¼” (6,3mm) jack/XLR-3 combo socket and ¼” jack
❿ Audio input right TX2 (balanced AF input) ¼” (6,3mm) jack/XLR-3 combo socket and ¼” jack
⓫ Audio input left TX1 (balanced AF input) ¼” (6,3mm) jack/XLR-3 combo socket and ¼” jack
⓬ Audio input right TX1 (balanced AF input) ¼” (6,3mm) jack/XLR-3 combo socket and ¼” jack
⓭ Antenna output TX1 (RF output) BNC socket (N socket for MTK952N)
⓮ M-S input/output connector TX2 (optional) for Master-Slave option, BNC socket
⓯M-S input/output connector TX1 (optional) for Master-Slave option, BNC socket

MTK952 User Manual
rev.06
6
LCD DISPLAY: TRANSMITTER MENU
MTK952 info screen
Switch on the MTK952 and by pushing one of rotatory knobs (at the right of the display) all the
basic information are displayed:
Display of TRANSMITTER 1
Display of TRANSMITTER 2
❶ product and bandwidth
❷ serial number
❸ class and hardware version
❹ Firmware version: it includes application
firmware version and DSP firmware version
On the display of TX2, it is possible to check the max
level of power transmitted of the MK952, the
installed options and the companders.
Option:
- W05 / 0W2 /2W0 are the commercial codes to
identificate the max power transmitted
(50/2000/2000mW)
- DC indicate that the DC option (for DC power
supply) is installed
- MSB indicate that the Master-Slave board is
installed (MS option)
Status screen
After switch on, the transmitters display the Status screen
The main view has the following info:
❶ transmitter name
❷ current channel number and current tuning frequency
❸ current group number and group name
❹ current mode
❺ TV channel used for the current frequency
❻ current TX power setting
❼ current SWR (Stationary Wave Ratio)
❽ power supply type ( for AC power for DC power)
❾ menu
Thru the main menu on the LCD display and the LED bars for the AF level and modulation the user
has the complete monitoring in real time of the wireless channel in use.

MTK952 User Manual
rev.06
7
MENU TREE
MAIN
Ch-Gr CH: 00 ÷ 59 GR: 00 ÷ 39
Frequency: 470÷800 MHz
Group name
Mode ENR-Wisy Stereo / EVO Stereo / ENC-Wisy Stereo / SR Stereo / ENR-
Wisy / ENC-Wisy / IFB-Wisy/ EVO / SEN / SEN -d0 / COM-Wisy 25K /
COM-Wisy 20K / COM-Wisy 12K5 / USER 1..7 / *1
TX on air at
startup Yes / No
TX Power 10/20/ 30 /50 / 75 /100/ 150 /200 /250/400/500/750/1000/1200/1500 /2000 mW
EXT ATT compens. enable / disable
Audio source Input Analog / digital
Max audio level -6 ÷ 18 dBµ
Audio gain left -20 ÷ 24 dBµ
Audio gain right -20 ÷ 24 dBµ
AF level meter input / modulation
Mono config *2 mono/mono-R / mono-L
Auto switch DIG->AN enabled / disabled
Equalizer
Bass G: -12 ÷ 12 dB
Fr: 40 / 80 / 160 Hz
Mid G: -12 ÷ 12 dB
Fr: 1.5 / 2.2 / 2.8 KHz
Q: 0.7 / 1.0 / 2.0
Treble G: -12 ÷ 12 dB
Fr: 5.0 / 7.0 / 10.0 KHz
SAVE/NEXT/ EXIT
Options
Name
DISPLAY brightness 0 ÷ 15
DISPLAY timeout 5 ÷ 120
Info…
IP
Serial
Option
Range
Power profile
Temperatures
RF amplifier
RF generator
Micro
Power supply
FW
FW ver
Boot ver
App FW ver
DSP FW ver
Supply diagnostic
Neg Audio (-12v5)
Pos Audio (+12v5)
RF conv. (+5v)
RF amplif. (+3v3)
MicroP. (+5v)
MicroP. (+8v)*3
Main RAW (+12v)
PLL tune (+22v)
Alarms
TX
configuration master/slave
*1 Depending on the customization
*2 Only with a Mode “mono”
*3 +3v3 for MTK952 “old version”
Only for MTK952N with M-S option
Only with option 2W0

MTK952 User Manual
rev.06
8
To access the configuration menu of the transmitter is necessary to press the rotary knob (at the
right of the display①).
To activate one of the items in the menu, press the corresponding button to the right of the
display (see picture hereafter②).
②
①
MODE
Name
Select for edit
Mono/stereo
Compander
HP filter Flat / 20 /40 / 60 / 80 / 120 /
170 / 250 / 300 HZ
LP filter 3 / 4 / 12 / 15 / 20 KHz
Pre-emphasis Bypass / 10-750 µs
FM peak deviation 2 ÷ 100 KHz
TSQ frequency 30 ÷ 260 HZ
28 ÷ 34 KHz
TSQ deviation OFF / 100 Hz ÷ 5 KHz

MTK952 User Manual
rev.06
9
MAIN MENU
The first item on the menu tree is “MAIN”.
Ch-Gr
The CHANNEL-GROUP item enables the user to edit channel, channel group and frequency of the
selected item. Change, rotating the knob, the channel or the group of channels and confirm or exit
with the buttons. To edit the frequency of selected channel, press the middle button and change it
with the knob. Press the knob to move between MHz and KHz. Confirm or exit with the buttons.
As shown in the above picture, the display area has 3 rows with:
1) Channel number (0 to 60) and Channel frequency (in 5kHz step)
2) Number (1 to 40) and Group name (8 char.)
3) Group description (30 char.)
The MTK952 has 40 groups of 60 channels each. Normally this is too much for wireless
microphones applications.
Connecting with computer with WISYCOM Rack MANAGER software, it is possible to hide single
channels or even complete groups of channels: once hidden those items are not shown anymore
on the channels or groups selection. To show channels or groups hidden use again the WISYCOM
Rack MANAGER software.
Using this software it is also possible to lock channels or groups. When a channel is locked, it is not
possible to change the frequency from the front panel of the transmitter. Locking a group means
that all channels are locked. When a channel or a group are locked, at the left of the group name in
the Chan-Group menu will appear a lock icon . When the lock picture is shown, the central
button is not displayed, thus changing frequency is not possible.
Group name
The second item on the Main menu is GROUP NAME; with this function is possible to assign or
change a name to a group of channel. This short name (8 character) is displayed at the right of the
group number in the main display view. First chose the group and then press the knob. You will be
able to edit any character of the group name rotating the knob. Push the knob to edit the next
character. Confirm or exit with the buttons.
NOTE: when the Group name is SYNC (see synchronization) it is not possible to change it.
Mode
The MODE menu allows to assign a Mode setting at the transmitter. Rotating the knob it is possible
to change current mode among the modes available (for more detail see MODE menu).

MTK952 User Manual
rev.06
10
TX on air at startup
This menu allows to decide if turn ON or turn OFF the RF power of the transmitter while the
MTK952 is powering on.
If set to No: while the MTK952 is powering on, the RF output remains mute. The Status Screen on
the display shows “TX OFF “ and the set Group, Channel and frequency.
NOTE: When the RF power of the transmitter is OFF, all the led and the bars remain turned off.
Pushing the rotatory knob (at the right of the display) it is possible to activate the led and bars
(keeping the RF power OFF) and enter on the menu.
In order to activate the RF output press the 3rd button
at the bottom (see indication “ON” on the display).
If set to Yes: during the MTK952 power on, the
progress bar appears for 10 seconds.
During this interval (10 sec.) it is possible to switch off
the RF output. If no button is pushed, at the end of the
timer the RF output is enabled automatically.
TX power
This menu allows to set the power of the transmitter. Rotating the knob it is possible to change
current TX power setting among 10/20/50/100/200 mW (2W only for MTK952 with 2W option).
Push the SAVE button to confirm. In the same screen is showed the reflected power and the SWR
(Stationary Wave Ratio) sensing on antenna outputs.
The set TX power and the measured SWR are always
showed at the bottom of the display.
EXT ATT compens.
For future uses.
Audio source
This menu allows to set several parameters of audio input
Parameters
Range setting
Function
Input
digital/analog
To set the audio input
Max audio level
(only for analog input)
-6/0/6/12/18 dBu
To change (increase or decrease) the analogue audio input for
both R(right) and L(left) channels input
Audio gain left
-20÷24dB
To change (increase or decrease) the input level of the left
channel on DSP
Audio gain right
-20÷24dB
To change (increase or decrease) the input level of the right
channel on DSP
AF level meter
input/modulation
To set which AF level is shown in the two LED bars for the AF
levels (L=left & R=right levels): they can show AF input levels or
modulation levels (after the pre-emphasys and compander
phases)
Mono config
(only for mono Mode)
Mono/mono-R/
mono-L
To set the type of mono input
Auto switch DIG->AN
enabled /
disabled
If enabled and the digital signal is lost (parameter Input set to
digital), the transmitter takes the signal from the analog input.

MTK952 User Manual
rev.06
11
Equalizer
This menu allows to of adjusting the gain between frequency components (bass, mid and treble)
within the audio signal. There are 4 windows in cascade:
bass windows: allows to change gain and frequency of low frequencies
mid windows: allows to change gain and frequency of middle frequencies
treble windows: allows to change gain and frequency of high frequencies
eq windows: allows to save the equalization parameter or exit without save
Each window shows the following information:
❶ windows name
❷parameter to set (gain or frequency)
❸ graphic equalizer: frequency on
horizontal axis, gain on the vertical axis
❼
HP filter
set in the
mode
menu
❻
LP filter
set in
the
mode
menu
❺
set
frequency
❹
set gain
For each window it is showed the graphic equalizer which help to see the set parameters. Push the
rotatory knob to change the parameter between gain and frequency (the respective letter G or Fr
is highlighted during the setting phase) and
rotate it to change the value of the parameter. The set value is showed on the bottom of the
windows (see points ❹ and ❺ on the above image).
Push the lower membrane button to go on the next windows.
The following table recaps the settable values on the 3 windows:
Fr (frequency)
G (gain)
Q (Q factor)
bass
40/80/160 Hz
-12÷12dB (1dB step)
-
mid
1.5/2.2/2.8kHz
0.7/1.0/2.0
treble
5/7/10kHz
-
NOTE: High Q factor means narrow bandwidth. Low Q factor means wide bandwidth.

MTK952 User Manual
rev.06
12
Options
This menu allows to change some parameters of the transmitter or display some information
Parameters
Range setting
Function
Name
ex.
TRANSMITTER1
To change the name of the transmitter shown in the
Status screen.
12 alphanumeric characters (A-Za-z0-9, case-sensitive)
DISPLAY brightness
0÷15 step 1
To set the brightness of the display
DISPLAY timeout
5÷60 step 5sec.
60÷120 step 10
sec.
To set the display timeout for:
decrease the brightness of the display and
return to Status screen
Info
IP address
ex.
192.168.10.1
to show the IP address
Serial
ex. R1825694
to show the serial number of the product
(the same indicated in the product label)
Option
ex. 0W2
To show the option
Range
ex. 470-800
to show the frequency range (MHz)
Temperatures
RF amplifier
ex. 30°C
to show the temperature took near the RF amplifier (°C)
RF generator
ex. 31°C
to show the temperature took near the RF generator (°C)
Micro
ex. 33°C
to show the temperature took near the RF
microprocessor (°C)
Power supply
ex. 31°C
to show the temperature took near the power supply (°C)
FW
FW ver
ex. 1.1
to show the firmware version (it sums up Boot+App+DSP
versions)
Boot ver
ex. 0.2.d
to show the bootloader version
App FW ver
ex. 0.36.d
to show the application firmware version
DSP FW ver
ex. 0.61.d
to show the DSP firmware version
Supply
diagnostic
Neg Audio (-12v5)
ex. -12.42V
To show the power supply of the input audio stages
Pos Audio (+12v5)
ex. 12.36V
To show the power supply of the output audio stages
RF conv. (+5v)
ex. 5.33V
To show the power supply of the RF converters
RF amplif. (+8v)
ex. 7.82V
To show the power supply of the RF amplifiers
MicroP. (+5v)
ex. 5.14V
To show the power supply of the microprocessor and the
digital section
Micro.P (+3v3)
ex. 3.41V
To show the power supply of the microprocessor and the
digital section
Main RAW (+12v)
ex. 12.62V
To show the main power supply
PLL tune (+22v)
ex. 23.29V
To show the power supply of the PLL
Alarms
ex. 0
To show the number “n” of active alarms:
n=0 0 active alarms
n>0 n active alarms
When “n”>0, it is possible to enter in the alarm submenu
which allows to show the alarms list: a brief description
and an alarm code for each alarm.
For the complete list of alarms, see Alarm List section
Note: the complete software and hardware status is displayed on the MTK952 info screen

MTK952 User Manual
rev.06
13
TX configuration (only for MTK952N with option MS)
This parameter permits to use the transmitter in Master or Slave configuration.
When the MTK952N is in Master configuration, the signal is transmitted as a normal MTK952N
(without MS option) but at the same time, the signal is sent also in the M-S I/O BNC connector at
0dBm (without amplification).
When the MTK952N is in Slave configuration, everything that is before the power stage is excluded
and the device take as input the signal that enter in the M-S I/O BNC connector, amplifies the
signal (at the power set on the MTK952N-Slave) and transmits it.
MTK952N is able to detect a signal in the range -6dBm ÷ +6dBm (than the 0dBm sent from the
MTK952 Master).
Example of configurations: iso-frequency areas
MTK952N
Master conf.
MTK952N
Slave conf.
MFL-TT--
MFL-RR--
Fiber optic cable
up to several tens of kilometers
(depending on the fiber)
Area 3
Area 4
Audio input
MTK952N
Slave conf.
MTK952N
Master conf.
Coaxial cables
up to several tens of meters
(depending on the cable)
Area 1
Area 2
Audio input

MTK952 User Manual
rev.06
14
MODE menu
The second item on the menu tree is “MODE”. It allows to manage several modes.
Each mode is a setup saved in an external memory that allows to customized the transmission
changing some parameters of the DSP. There are 2 types of modes:
PRESET mode: it allows to change only some parameters (the other are fixed). See
compatibility table at the end of the manual for more detail
USER mode: it allows to change all the parameters. Currently 8 USER modes are available
The menu Select for edit allows to select the MODE to edit. Push the knob to select the mode and
push the button LOAD to load the previously saved parameters. It is possible to change the
parameter value only where the EDIT indication appears.
During this phases, the name of the MODE to edit appears on the left top of the
display ①. If the MODE to edit is the current mode
loaded on DSP (on the Main>Mode menu), “dsp”
abbreviation is shown ②.
Shown below the complete parameters list
Parameter
Range setting
Description
Changeable
PRESET
MODE
USER
MODE
Name
name of mode
no
yes
Mono/stereo
mono/stereo
type of transmission
no
yes
Compander
compander type
no
yes
HP filter
Flat/20/40/60/80/
120/170/250/300
Hz
High Pass filter
yes
yes
LP filter
3/4/12/15/20 Kz
Low Pass filter
yes
yes
Pre-emphasis
Bypass/10-750 µs
Pre-emphasis
related
to the
mode
yes
FM peak
deviation
2÷100 KHz
Max peak deviation
(audio+tone squelch)
yes
TSQ frequency
30÷260Hz and
28÷34KHz
Frequency of Tone Squelch signal
yes
TSQ deviation
OFF/100Hz÷5kHz
Deviation of Tone Squelch signal
yes
①
②

MTK952 User Manual
rev.06
15
Synchronization
The SYNC function is useful to tune a transmitter on the same frequency of the receiver via the IR
interface.
Enable the IRDA on the receiver and place the IR windows of the receiver in front of the
IR interface of the transmitter as indicate in the below image.
Press the SYNC button on the transmitter: the following message is showed on
both the displays
Using the membrane buttons of the desired transmitter (TX1 or TX2) select:
TX->RX to set the receiver at the same frequency of the transmitter:
the transmitter will send to the receiver some parameters (frequency, channel,
group and transmitter’s name) and after synchronization, the receiver shows the
name of the transmitter
RX->TX to set the transmitter at the same frequency of the receiver:
the receiver will send to the transmitter some parameters (frequency, channel,
group and receiver’s name) and after synchronization, the transmitter shows the
name of the receiver (ex. SINGER_1)
If the operation is not possible, (i.e. the frequency range of the transmitter is not compatible with
the frequency of the receiver or vice versa), the display shows an error message.
If the synchronization is successful, the display of the devices shows number of channel and group
or SYNC channel according to the frequency plan memorized on the Wisycom product:
RX->TX
TX->RX

MTK952 User Manual
rev.06
16
CASE A: if frequency, channel and group are the same in the two devices, channel and group are
also displayed (ex: CH00: 566.000, GR39: Unlock)
CASE B: If frequency, channel & group of the transmitter are different from those of the receiver,
the transmitter shows only the frequency after the word SYNC. (ex: SYNC: 620.000)
Ex: RX->TX
Message displayed after the synchronization
Status screen
Case A
Case B

MTK952 User Manual
rev.06
17
Scan
The SCAN function allows to display a results of a scan previously done from a MPR30-IEM or
MPR30-ENG.
Do a scan with an MPR30-IEM
Enable the IRDA on the receiver or select the function Deploy on the SCAN menu (only
for MPR30-ENG with FW>1.9 and MPR30-IEM with FW>1.6) and place the IR windows of
the receiver in front of the IR interface of the transmitter
Press the SCAN button on the transmitter: the following message is showed on both the
displays.
:
Using the membrane buttons of the desired transmitter (TX1 or TX2) select GET
Wait some seconds (the receiver sends all the data of the scan to the transmitter)
The display of transmitter1 show the scan result in graphic way, while the display of
transmitter2 gives more detailed information of the result (according to the position of
the cursor in display1)
Ex. FREQUENCY SCAN
Display of Transmitter1
Display of Transmitter2
Ex: GROUP SCAN
Display of Transmitter1
Display of Transmitter2

MTK952 User Manual
rev.06
18
Use the membrane buttons on display2 to set the frequency to TX1 – TX2
NOTE: The results of the scan are saved on the volatile memory of the transmitter:
- After the switch off of the transmitter the data are lost.
- It is possible to re-load the data of a previous scan. Pushing the SCAN button and
selecting VIEW

MTK952 User Manual
rev.06
19
Alarm List
When an alarm occurs, the MTK952 can do one or more of the following acts:
A. Show a message on the display
B. Turn on the yellow or red alarm led
C. Insert the alarm on the alarm list in the MAIN>Options>Info>Alarms menu
The alarm can be related to a specific transmitter (TX1 or TX2) or general.
Shown below the complete alarms list:
Alarms
Code
Type
Message on display (A)
Led
(B)
Alarm list (C)
TX Power Mismatch
-
TX
ATTENTION: antenna mismatch!
High SWR on Tx out
yellow
no
TX Power reduced
0x05
TX
ATTENTION: antenna mismatch!
High SWR on Tx out. Rf pwr
reduced
yellow
Tx power
reduced
Timeout 5 sec on PLL
0x84
TX
ATTENTION: RF PLL lock lost
red
Rf PLL lock lost
Errore bus I2C
general
EEPROM access error
(only on TX1)
red
Error on I2C
bus
Timeout 5 sec on PLL
OL969
0x84
general
ATTENTION: OL PLL lock lost
(only on TX1)
red
OL PLL lock lost
High internal
temperature
0x04
general
ATTENTION: internal temperature
high
(only on TX1)
yellow
High internal
temperature
Fan #1 doesn't work
0x02
general
ATTENTION: fan #1 does't work
properly
(only on TX1)
yellow
Fan #1 doesn't
work
Fan #2 doesn't work
0x03
general
ATTENTION: fan #2 does't work
properly
(only on TX1)
yellow
Fan #2 doesn't
work
Recovered
configuration and
calibration data from
copy1 on the
memory
0x80
general
no
no
Mem. copy1
recovered
Recovered
configuration and
calibration data from
copy2 on the
memory
0x81
general
no
no
Mem. copy2
recovered
Load default
configuration and
calibration data
0x8D
general
no
no
Mem. init.
Service req.

MTK952 User Manual
rev.06
20
Troubleshooting
Alarms
Alarm description
Troubleshooting
TX Power Mismatch
The SWR on Tx out is too high
- check if the antenna is correctly connected
- check if the antenna cable is correctly
connected
- check if the antenna frequency is according
to the one set on the transmitter
reduced TX Power
The SWR on Tx out is too high,
the RF power is reduced
- check if the antenna is correctly connected
- check if the antenna cable is correctly
connected
- check if the antenna frequency is according
to the one set on the transmitter
Timeout 5 sec on PLL
Error during frequency tuning
- send to repair at Wisycom Repair Centre
bus I2C Error
Error on I2C bus
- send to repair at Wisycom Repair Centre
Timeout 5 sec on PLL
OL 969
Error during frequency tuning
- send to repair at Wisycom Repair Centre
High internal
temperature
One of the 4 temperature
sensors measures a temperature
> 60°C
- check if the two fans work properly (check
alarms code 0x02 or 0x03 on the alarm list)
- switch off the MTK952 for cooling and check
the location temperature
- clean the ventilation grids
Fan #1 doesn't work
The fan on the left (#1) doesn’t
turn
- switch off and switch on the MTK952
Fan #2 doesn't work
The fan on the right (#2) doesn’t
turn
- switch off and switch on the MTK952
Recovered
configuration and
calibration data from
copy1 on the memory
During the MTK952 initialization
phase, the CRC-16 check of data
(copy1) detects error.
- none (the MTK952 automatically replaces
the corrupt copy1 with copy2)
Recovered
configuration and
calibration data from
copy2 on the memory
During the MTK952 initialization
phase, the CRC-16 check of data
(copy2) detects error.
- none (the MTK952 automatically replaces
the corrupt copy2 with copy1)
Load default
configuration and
calibration data
During the MTK952 initialization
phase, the CRC-16 check of data
(copy1 and copy2) detects error.
- check in the MAIN>Options>info menu the
Serial take on the ‘UNCAL’ vale. In this case
send the MTK952 to the Wisycom Repair
Centre for recalibration.
If a problem not listed in the above table occurs or if the problem cannot solved with the proposed
troubleshooting, please contact support service at support@wisycom.com or sales@wisycom.com.

MTK952 User Manual
rev.06
21
RACK TX MANAGER MTK952
How to install Rack Tx Manager MTK952
Run the executable file (i.e. Rack Tx Manager (MTK952) SERVICE vx.x.x.x Setup.msi) and follow the
installation instructions.
How to update Rack Tx Manager MTK952
Uninstall the Rack Tx Manager MTK952 program active in your computer and afterwards install the
newest version of Rack Tx Manager MTK952.
How to connect MTK952 to Rack Tx Manager MTK952
1. Connect to the PC to the MTK952using the supplied Ethernet cable
2. Run Rack Tx Manager MTK952
3. Power on the
transmitter
4. Push Disconnected
button. On the Device
connection windows
select Ethernet port and
fill in the MTK952 IP
address. Remember that
the label on the rear
panel shows the IP
address configured in
the factory. Then click
OK.
5. If the connection is
ended well, the
Connected icon is
showed on the top of
the panel and
“Connected on
Ethernet” is displayed
on the information
panel

MTK952 User Manual
rev.06
22
How to load/save channels memory
Select Channel memory panel
Write:
Push the button Write from WDF file… and select the wdf file to load a wdf file on the MTK952.
Read and save:
Push the button Read and save to WDF file… , insert the .wdf file name and the path where to
save the wdf file.
During the process of writing/reading & saving, a green bar below the panel shows the progress of
the process and on the information panel it is possible to verify what the application is doing.
To Modify the wdf file, it is possible to use the spreadsheet FREQUENCY 2010 v15 beta.xls presents
at the following link:
- open the file and enable changes and macro
- load the wdf file clicking on READ WDF button
- execute the desiderate changes
- save the wdf file clicking on SAVE WDF button
The WDF thus modified can be used to write on the MTK952’s channels memory.

MTK952 User Manual
rev.06
23
Mode setting & Wisycom receiver compatibility
WISYCOM
RECEIVER
MPR30-IEM
Unavailable
MCR42
MPR30-ENG
MRK960
MRK950
MSR916 (ENR)
MRP30-IFB
CPR30
CSR50
RPU300 (Rx)
*adjustable parameter
MODE SETTING
Send Tone
Squelch
NO
NO
YES
YES
YES
YES
YES
YES
Max peak
deviation
48 kHz
48 kHz
56 kHz
56 kHz
40 kHz
4,5 kHz*
4 kHz*
2,3 kHz*
Compander
type
ENR
ENC
ENR
ENC
ENR
NR
NR
NR
Mono/Stereo
Stereo
Stereo
Mono
Mono
Mono
Mono
Mono
Mono
Name
ENR-Wisy Stereo
ENC-Wisy Stereo
ENR-Wisy
ENC-Wisy
IFB-Wisy
COM-Wisy 25K
COM-Wisy 20K
COM-Wisy 12k5
NOTE: receiver and transmitter have to be configured with the same compander type

MTK952 User Manual
rev.06
24
TECHNICAL SPECIFICATION
Switchable channels
:
2400 allocated by 40 groups of 60 channels quickly selectable with dedicated buttons
Frequency bandwidth
:
470-800 MHz
Switching bandwidth
:
330 MHz tuneable in 5 kHz steps
Temperature range
:
-10 ÷ +55 °C
RF output power
:
Selectable: 10,20,50,100,200 mW for MTK952-0W2
Max RF output power
:
MTK952-0W2: 200mW
MTK952-2W0: 2Watt
[NOTE] RF power can be limited on frequency base accordingly to specific country
restrictions (software based), see Compliance table
“A” / “B” antenna output
:
BNC type female connectors (for MTK952)
N type female connectors (for MTK952N)
M-S I/O
:
2x BNC type female connectors (only for MTK952N with MS option)
RF impedance
:
50 Ω
Spurious emissions
:
< 2 nW (in the transmitter bandwidth)
Modulation
:
FM, MPX Stereo or mono, selectable with dedicated menu
Peak deviation
:
±56 kHz for mono, ±48 kHz for stereo (preset mode)
NOTE: custom setting can set peak deviation from 2kHz to 100kHz
MPX Pilot tone
:
19kHz
Tone squelch
:
32.789Hz (for Wisycom wireless microphone, i.e. ENR/ENC)
131,8 (for Wisycom intercom, i.e. NR)
NOTE: custom setting can change the Tone squelch (30-260Hz and 18-38KHz)
Frequency response
:
20÷20kHz (mono)
30÷15kHz (stereo)
NOTE: custom setting can change audio bandwidth (3/4/12/15/20kHz)
Analogue audio input
Connector type
:
XLR-3 / 1/4“ (6,3mm) jack combo socket, electronically balanced
Max. input level
:
+18dBu
Pin Assignments
:
XLR: 1=ground 2=hot 3 =cold
6.35mm (1/4”) TRS: Tip=hot Ring=cold Sleeve=ground
Digital audio input
Connection
:
AES3 on XLR-3M (32kHz ÷108 kHz)
Monitor output
Connector type
:
6.35mm (1/4”) jack socket, balanced
Monitor output level
:
120+120mW@24Ω , 80+80mW@150Ω
Monitor out impedance
:
25 ohm for auricle
Compander
:
ENR (Wisycom Extended-NR), with independent Attack- and Recovery-time, noise optimized
ENC (Wisycom Extended-NC), with independent Attack- and Recovery-time, voice optimized
& with reduced pre-emphasys
NONE-d50, no compander, pre-emphasis 50 µs
NR, to work with Wisycom Intercom system
Other compander on request
Display
:
64 x 256 OLED (yellow)
Configuration/monitor
interfaces
:
10/100 Base TX Ethernet port on RJ45 connector
Power supply
:
90 - 264 V AC, 50/60 Hz
10 – 16 VDC, Max 7A (option DCI952)
Dimensions
:
19”/1U 483 x 407 x 43,8 mm (WxDxH) with brackets

MTK952 User Manual
rev.06
25
Variants
MTK952N- <RF Power> - <Country> - <MasterSlave> - <PowerSupply>
RF Power:
0W2 max power 200mW
2W0 max power 2Watt
Country Power Profile:
EU Europe (max power 50mW)
EUX Europe (max power 200mW for 0W2, 2Watt for 2W0)
US USA & Canada (max power 200mW for 0W2, 250mW for 2W0;
limited to 698MHz)
JP Japan (max power 10mW for 0W2, limited to 714MHz)
Master Slave:
MS additional Master Slave board for iso-frequency system
Power Supply:
DC redundant Vdc power supply

MTK952 User Manual
rev.06
26
Compliance
Model
In Compliance with
Max Power&
Freq. range
Country
MTK952N-W05
MTK952N-0W2-EU
EN 301 489-1/-9
EN 600065
EN 300 422-1/-2
50mW
470-800MHz
Europe
MTK952N-0W2
MTK952N-0W2-EUX
EN 301 489-1/-9
EN 600065
EN 300 422-1/-2
EN 300 454-1/-2
200mW*1
470-800MHz
Europe
MTK952N-2W0
MTK952N-2W0-EUX
EN 301 489-1/-9
EN 600065
EN 300 422-1/-2
EN 300 454-1/-2
2W*1
470-800MHz
Europe
MTK952N-0W2-US
PART 74
FCC-ID: POUMTK952N-0W2
RSS-123, RSS-210
IC: 11967A-MTK952N0W2
Limited to 698MHz
200mW
470-608MHz
and
614-698MHz
USA, Canada
MTK952N-2W0-US
PART 74
FCC-ID: POUMTK952N-2W0
RSS-123, RSS-210
IC: 11967A-MTK952N2W0
Limited to 698MHz
250mW
470-608MHz
and
614-698MHz
USA, Canada
MTK952N-0W2-JP
202-LSD031
Limited to 714 MHz
10mW
470-714MHz
Japan
*1 MTK952N-0W2-EUX/ MTK952N-2W0-EUX is not an SRD device, thus it requires specific authorization by your
local frequency authority!
Before putting the device into operation, please observe the
respective country-specific regulations!
R

MTK952 User Manual
rev.06
27
MANUFACTURER DECLARATIONS
In compliance with the following requirements
RoHS Directive (2002/95/EC)
WEEE Directive (2002/96/EC)
Please dispose of the diversity transmitter at the end of its operational
lifetime by taking it to your local collection point or recycling center for such
equipment
ITALY ONLY
Obblighi di informazione agli utilizzatori
ai sensi dell’art. 13 del Decreto Legislativo 25 luglio 2005, n. 151 “Attuazione delle Direttive 2002/95/CE,
2002/96/CE e 2003/108/CE, relative alla riduzione dell’uso di sostanze pericolose nelle apparecchiature
elettriche ed elettroniche, nonché allo smaltimento dei rifiuti”
Smaltimento di apparecchiature elettriche ed elettroniche di tipo professionale
Il simbolo del cassonetto barrato riportato sull’apparecchiatura o sulla sua confezione
indica che il prodotto alla fine della propria vita utile deve essere raccolto separatamente
dagli altri rifiuti.
La raccolta differenziata della presente apparecchiatura giunta a fine vita è organizzata e
gestita dal produttore. L’utente che vorrà disfarsi della presente apparecchiatura dovrà
quindi contattare il produttore e seguire il sistema che questo ha adottato per consentire
la raccolta separata dell’apparecchiatura giunta a fine vita.
L’adeguata raccolta differenziata per l’avvio successivo dell’apparecchiatura dismessa al riciclaggio, al
trattamento e allo smaltimento ambientale compatibile contribuisce ad evitare possibili effetti negativi
sull’ambiente e sulla salute e favorisce il reimpiego e/o riciclo dei materiali di cui è composta
l’apparecchiatura.
Lo smaltimento abusivo del prodotto da parte del detentore comporta l’applicazione delle sanzioni am-
ministrative previste dalla normativa vigente.
Iscrizione al Registro A.E.E. n. IT09100000006319
.

MTK952 User Manual
rev.06
28
Statements regarding FCC and Industry Canada
EN
This device complies with Industry Canada RSS-123. Operation is subject to the following two
conditions: (1) this device may not cause interference, and (2) this device must accept any
interference, including interference that may cause undesired operation of the device.
FR
Le présent appareil est conforme aux CNR d’Industrie Canada applicables aux appareils radio RSS-
123. L’exploitation est autorisée aux deux conditions suivantes : (1) l’appareil ne doit pas produire
de brouillage, et (2) l’utilisateur de l’appareil doit accepter tout brouillage radioélectrique subi,
même si le brouillage est susceptible d’en compromettre le fonctionnement.
This device complies with Part 15 of the FCC Rules and with RSS-123 of Industry Canada.
Operation is subject to the following two conditions:
(1) this device may not cause harmful interference, and
(2) this device must accept any interference received, including interference that may cause
undesired operation.
This equipment has been tested and found to comply with the limits for a Class B digital device,
pursuant to Part 15 of the FCC Rules. These limits are designed to provide reasonable protection
against harmful interference in a residential installation. This equipment generates, uses and can
radiate radio frequency energy and, if not installed and used in accordance with the instructions,
may cause harmful interference to radio communications. However, there is no guarantee that
interference will not occur in a particular installation. If this equipment does cause harmful
interference to radio or television reception, which can be determined by turning the equipment
off and on, the user is encouraged to try to correct the interference by one or more of the
following measures:
• Reorient or relocate the receiving antenna.
• Increase the separation between the equipment and receiver.
• Connect the equipment into an outlet on a circuit different from that to which the
receiver is connected.
• Consult the dealer or an experienced radio/TV technician for help.
Changes or modifications made to this equipment not expressly approved by Wisycom srl may void
the FCC authorization to operate this equipment.

MTK952 User Manual
rev.06
29

MTK952 User Manual
rev.06
30
