XIAMEN LEELEN TECHNOLOGY EH2W-OS-M55 Wires Digital Outdoor Unit User Manual 04

XIAMEN LEELEN TECHNOLOGY CO., LTD Wires Digital Outdoor Unit 04

Users Manual

1SPEVDU.BOVBM5&4FSJFT8,JU1SPEVDU1BSU/P31;$4.
8BSOJOHT5IJTQBDLBHFJTBXJSFEJHJUBMJOUFSDPNTZTUFNQBDLBHFJODMVEJOHBOPVUEPPSVOJUBOEBOJOEPPSVOJU1MFBTFSFBEUIJTNBOVBMCFGPSFJOTUBMMJOHUIFQSPEVDU*GUIFXJSFCFUXFFOUIFPVUEPPSVOJUBOEUIFJOEPPSVOJUJTOPUDPOOFDUFEBOJDPOXJMMCFEJTQMBZFEPOUIFJOEPPSVOJUTNBJOQPSUJOEJDBUJOHUIBUUIFXJSFCFUXFFOUIFPVUEPPSVOJUBOEUIFJOEPPSVOJUJTOPUDPOOFDUFEQSPQFSMZPSOPUDPOOFDUFEBUBMM5IFPVUEPPSVOJUEFWJDFTVQQPSUTUIFDPOOFDUJPOXJUIUXPMPDLTXIFSFUIFGJSTUMPDLDBOCFDPOOFDUFEUPUIFFMFDUSPOJDDPOUSPMMPDLPSTJHOBMMPDLBOEUIFTFDPOEMPDLJTPOMZUIFTXJUDIPVUQVUUIFVTFSDBODPOUSPMUIFMPDLNPUPSPSMJHIUBOEPUIFSFRVJQNFOUUISPVHIUIFFYUFSOBMSFMBZ*GUIFGJSTUMPDLDPOOFDUFEUPUIFPVUEPPSVOJUJTBOFMFDUSPOJDDPOUSPMMPDLBOEUIFMPDLUZQFPGUIFGJSTUMPDLNVTUCFTFUBTUIFFMFDUSPOJDDPOUSPMMPDLJOUIFQBSBNFUFSTFUUJOHT*GUIFGJSTUMPDLDPOOFDUFEUPUIFPVUEPPSVOJUJTBTJHOBMMPDLUIFMPDLUZQFPGUIFGJSTUMPDLNVTUCFTFUBTUIFTJHOBMMPDLJOUIFQBSBNFUFSTFUUJOHTBOEUIFVOMPDLEVSBUJPONVTUCFTFU*GUIFTFUUJOHTBSFXSPOHJUXJMMOPUCFVOMPDLFEDPSSFDUMZ%FTDSJQUJPOPGQSPEVDUNPEFM1SPEVDUOBNF.PEFM4FRVFODF/P75XP8JSFT%JHJUBM*OEPPS6OJU.PEFM5XP8JSFT%JHJUBM0VUEPPS6OJU.PEFM5XP8JSFT%JHJUBM0VUEPPS6OJU.PEFM5XP8JSFT%JHJUBM0VUEPPS6OJU.PEFM5XP8JSFT%JHJUBM0VUEPPS6OJU&)804.&)804.&)804.&)804.&)8*47
$POUFOUTPGUIF1BDLBHF1SPEVDU"QQFBSBODFBOE1PSUT$POOFDUJPO%JBHSBN*OTUBMMBUJPO 8JSFTBOE%JTUBODF 0VUEPPS6OJU*OTUBMMBUJPO *OEPPS6OJU*OTUBMMBUJPO 1PXFS4VQQMZ*OTUBMMBUJPO.BJO'VODUJPOTBOE5FDIOJDBM1BSBNFUFST .BJO'VODUJPOT .BJO5FDIOJDBM1BSBNFUFST1BSBNFUFST4FUUJOHT &OUFS4FUUJOHT'VODUJPO *OEPPS6OJU1BSBNFUFST4FUUJOHT  1BSBNFUFST4FUUJOHT-JTU  #BTJD1BSBNFUFST4FUUJOHT  *OUFSDPN1BSBNFUFS4FUUJOH  $IFDL*OEPPS6OJU*OGPSNBUJPO 0VUEPPS6OJU1BSBNFUFST4FUUJOHT  1BSBNFUFST4FUUUJOH-JTU  #BTJD1BSBNFUFST4FUUJOHT  .FTTBHF4FUUJOHT  3FHJTUFS$BSET  $MFBS$BSET  $IFDL0VUEPPS6OJU*OGPSNBUJPO%FTDSJQUJPOPGUIF4ZTUFN'VODUJPO $BMM*OUFSDPNBOE-FBWF.FTTBHF 6OMPDLCZ$BSE *OEPPS6OJU)PNF1BHF .POJUPS0VUEPPS6OJU 3FDPSE7JFXJOH 1SJWBDZ4FUUJOHT 4DSFFO$MFBO %PPSCFMM "OUJEJTNBOUMF"MBSN'VODUJPO$POUFOUT
8JSF8JSF#SBDLFU 4DSFX.1.$*OEPPS6OJUf f f f765=+8INPUTOUTPUT100V-240V-0.5Amax:50-60Hz18V        :2.2A- - - - $POUFOUTPGUIF1BDLBHF/PUF*OEJGGFSFOUQBDLBHFTUIFQPXFSTVQQMZNBZCFEJGGFSFOUUZQFTPS0VUEPPS6OJUY *OEPPS6OJUY 1PXFS4VQQMZY8BUFSQSPPGTFBMf/PUF1MFBTFVTFUIFFODMPTFEXBUFSQSPPGTFBMUPSFQMBDFUIFCSPLFOPOFBGUFSVQHSBEJOHUIFQSPHSBNTǍ3BJOTIJFME../BNFQMBUF4DSFXT&YQBOTJPOUVCF4DSFXT4DSFXESJWFS8JSF8JSF8JSF%JGGFSFOU *EFOUJDBM0VUEPPS6OJUff ffff ff f
1SPEVDU"QQFBSBODFBOE1PSUT&)8*47.JDSPQIPOF4FDPOEBSZ%PPSCFMM1PSUXJSF$PNNVOJDBUJPO1PSU1PXFS4VQQMZ1PSU-PVETQFBLFS4DSFX.PEFM&NCFEEFECPY/BNFQMBUF..$PQQFSOVU%JGGFSFOU *EFOUJDBM0VUEPPS6OJUff f4DSFXT4DSFXESJWFS 8JSF8JSF8JSFff f ff
&)804.$BNFSB-PVETQFBLFS/BNFQMBUF$BMM#VUUPO.JDSPQIPOF$BSE3FBEFS4DSFXXJSF$PNNVOJDBUJPO1PSU&9*5#VUUPO1PSU3FMBZ1PSU4JHOBM-PDL1PSU1PXFS-PDL1PSU"OUJEJTNBOUMF"MBSN5SJHHFS&)804.&)804.4DSFX$BNFSB-PVETQFBLFS/BNFQMBUF$BMM#VUUPO.JDSPQIPOF$BSE3FBEFS$PNNVOJDBUJPO1PSU&YJU#VUUPO1PSU3FMBZ1PSU4JHOBM-PDL1PSU1PXFS-PDL1PSU"OUJEJTNBOUMF"MBSN5SJHHFS&)804.NNNNNNNNNNNNNNNNNN
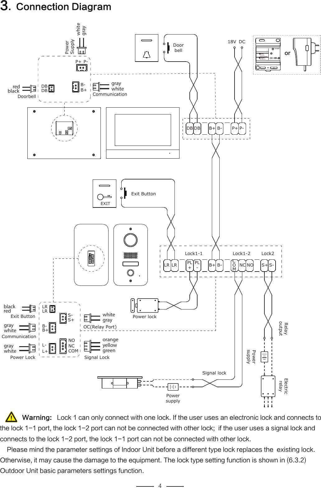
8BSOJOH-PDLDBOPOMZDPOOFDUXJUIPOFMPDL*GUIFVTFSVTFTBOFMFDUSPOJDMPDLBOEDPOOFDUTUPUIFMPDLQPSUUIFMPDLQPSUDBOOPUCFDPOOFDUFEXJUIPUIFSMPDLJGUIFVTFSVTFTBTJHOBMMPDLBOEDPOOFDUTUPUIFMPDLQPSUUIFMPDLQPSUDBOOPUCFDPOOFDUFEXJUIPUIFSMPDL1MFBTFNJOEUIFQBSBNFUFSTFUUJOHTPG*OEPPS6OJUCFGPSFBEJGGFSFOUUZQFMPDLSFQMBDFTUIFFYJTUJOHMPDL0UIFSXJTFJUNBZDBVTFUIFEBNBHFUPUIFFRVJQNFOU5IFMPDLUZQFTFUUJOHGVODUJPOJTTIPXOJO0VUEPPS6OJUCBTJDQBSBNFUFSTTFUUJOHTGVODUJPOLRLRB+B-L-L+S-S+NONCCOMOC(Relay Port)Signal LockExit ButtonCommunicationPower Lockblackred whitegrayorangeyellowgreengraywhitegraywhitewhitegraywhitegrayredblack CommunicationDoorbellPowerSupplyDBDBP+ P-B-B+DB DB B+ B- P+ P-B+ B- COMNC NO S+ S-LR LR PL+PL-Lock1-1 Lock1-2 Lock218V DCEXITExit ButtonDoorbellPower lockSignal lockPowersupplyRelayoutputPowersupplyElectricrelay65=+8INPUTOUTPUT100V-240V-0.5Amax:50-60Hz18V        :2.2A- - - - PS$POOFDUJPO%JBHSBN
ŗ'JYUIFCSBDLFUUPUIFCPYPSXBMMXJUIUIF.TDSFXŘ$POOFDUUIFXJSFUPUIFFRVJQNFOUř1VUUIFJOEPPSVOJUPOUIFCSBDLFU*OEPPSVOJU4DSFX.1.$#SBDLFU#PY%JNFSTJPONN*OEPPS6OJU*OTUBMMBUJPOŗ%SJMMUIFIPMFBUUIFBQQSPQSJBUFIFJHIUPOUIFXBMMBOEUIFOJOTFSUUIFSVCCFSQMVHJOUPUIFIPMFPOUIFXBMMŘ'JYUIFSBJOTIJFMEPOUIFXBMMXJUIUIFTDSFXř$POOFDUUIFXJSFUPUIFPVUEPPSVOJUŚ'JYUIF0VUEPPS6OJUUPUIFSBJOTIJFMEXJUIUIFTDSFXŗ5SFQBOBIPMFJOUIFBQQSPQSJBUFQPTJUJPOPOUIFXBMMJOTFSUUIFFNCFEEFECPYJOUIFXBMMTMJHIUMZBOEGJYJUXJUIUIFDFNFOUTMVSSZŘ$POOFDUUIFXJSFUPUIFPVUEPPSVOJUř'JYUIFPVUEPPSVOJUPGXIJDIBTQPOHFQBEJTQBTUFEBUUIFBMBSNUSJHHFSBOEMPDLUIFPVUEPPSVOJUXJUIUIFTDSFX4DSFXT%PPS1BOFM&NCFEEFE#PY8BMM'JHVSF'MVTINPVOUFEJOTUBMMBUJPO%PPS1BOFM4DSFXT.4FMGUBQQJOH3BJO4IJFME8BMM'JHVSF4VGBDFNPVOUFEJOTUBMMBUJPO0VUEPPS6OJU*OTUBMMBUJPO5IFXJSJOHEJTUBODF"CFUXFFO0VUEPPS6OJUBOE*OEPPS6OJUJTVQUPNFUFST5IFTVQQPSUFEXJSFTJODMVEF"8("8("8(BOEFUD5XJTUFEQBJSPSOPOUXJTUFEQBJSJTPLUXJTUFEQBJSJTCFUUFS"*OTUBMMBUJPO8JSFTBOE%JTUBODF
.BJO5FDIOJDBM1BSBNFUFST0VUEPPSVOJU$BNFSB   $.047JEFPGPSNBU  Q8PSLJOHWPMUBHF  7%$.BYQPXFSDPOTVNQUJPO84UBOECZQPXFSDPOTVNQUJPO 88BUFSQSPPGBOEEVTUQSPPGHSBEF *1$BSE5ZQF *$DBSE*405ZQF"$BSEDBQBDJUZ  8PSLJOHUFNQFSBUVSF  Ć_Ć&YUFSOBMEJNFOTJPOT 4VSGBDFNPVOUFENN&NCFEEFE  NN*OEPPSVOJU1PXFSTVQQMZ-$%TDSFFO  5'58PSLJOHWPMUBHF  7%$.BYQPXFSDPOTVNQUJPO84UBOECZQPXFSDPOTVNQUJPO 88BUFSQSPPGBOEEVTUQSPPGHSBEF *18PSLJOHUFNQFSBUVSF  Ć_Ć&YUFSOBMEJNFOTJPOT  NN*OQVUWPMUBHF  _7"$0VUQVUWPMUBHF  7%$.BJO'VODUJPOTBOE5FDIOJDBM1BSBNFUFST.BJOGVODUJPOTŗ$PMPSUPVDITDSFFOJOEPPSVOJUŘ7JTVBMJOUFSDPNGVODUJPOř.FTTBHFGVODUJPOŚ.POJUPSGVODUJPOś6OMPDLCZDBSETGVODUJPO&)804.&)804.Ŝ%PPSCFMMGVODUJPOŝ.FNPSZGVODUJPOBVUPNBUJDBOENBOVBMŞ4VQQPSUJOHUIFQPXFSMPDLTBOETJHOBMMPDLTş1SPWJEJOHUIFSFMBZQPSUGPSFYUSBFRVJQNFOUTVDIBTHBUFHBSBHFMJHIUBOEFUD%*/SBJM-BUDI 1PXFSTVQQMZř1VTIUIFMBUDIUPMPDLUIFQPXFSTVQQMZPOUIFSBJMŘ1VUUIFQPXFSTVQQMZPOUIFSBJMŗ1VMMUIFMBUDI1PXFS4VQQMZ*OTUBMMBUJPO
&OUFS4FUUJOHT'VODUJPO1BSBNFUFST4FUUJOHT5PVDIUIFȪȫ*DPO)PNFQBHF4FU*OEPPS6OJUQBSBNFUFST4FU0VUEPPS6OJUQBSBNFUFST5IF*OEPPS6OJUTIPXUIFTFUUJOHGVODUJPO/PUF*GUIF0VUEPPS6OJUJTOPUDPOOFDUFEPSUIFDPOOFDUJPOJTGBJMFEUIF0VUEPPS6OJUTFUJOHTJDPOXJMMCFNJTTJOH*OEPPS6OJU1BSBNFUFST4FUUJOHT1BSBNFUFST4FUUJOHT-JTU*OEPPS6OJUCBTJDQBSBNFUFST*OUFSDPNQBSBNFUFST*OEPPS6OJUJOGP
3FUVSO4BWFUIFEBUB#BTJD1BSBNFUFST4FUUJOHT$IFDL*OEPPS6OJU*OGPSNBUJPO8BSOJOH*GZPVVTFUIFȪ3FTUPSFUIFGBDUPSZTFUUJOHTȫGVODUJPOBMMUIF*OEPPS6OJU’TQBSBNFUFSTXJMMCFSFTFUBOEUIFSFDPSETXJMMCFFNQUJFE*OUFSDPN1BSBNFUFST4FUUJOHT
0VUEPPS6OJU1BSBNFUFSTTFUUJOHT0VUEPPS6OJUCBTJDQBSBNFUFST1BSBNFUFSTGPSUIFWJTJUPSTUPMFBWFNFTTBHF3FHJTUFSPSDMFBSUIFDBSETPGUIF0VUEPPS6OJU0VUEPPS6OJUJOGPSNBUJPO1BSBNFUFST4FUUJOHT-JTU8BSOJOH5IFTFUUJOHIBTUPCFDPOTJTUFOUXJUIUIFJOTUBMMFEMPDL*GJUJTDPOOFDUFEUPBOQPXFSMPDLUZQFNVTUCFTFUBTĄ&MFDUSJDą0UIFSXJTFUIFFRVJQNFOUNBZCFEBNBHFE*GJUJTDPOOFDUFEUPBTJHOBMMPDLUIF5ZQFNVTUCFTFUBTĄTJHOBMąPUIFSXJTFVOMPDLJOHNBZCFVOBWBJMBCMF"MBSNXIFOPVUEPPS6OJUJTSFNPWFE5IFMPDLUZQFJT&MFDUSJD1PXFSMPDLPSTJHOBMMPDL#BTJD1BSBNFUFST4FUUJOHT5IJTGVODUJPOBMMPXTVTFSTUPMFBWFBNFTTBHFGPSWJTJUPST8IFOUIFWJTJUPSJTDBMMJOHUIF0VUEPPS6OJUXJMMQMBZUIFWPJDFNFTTBHFDVTUPNJ[FECZUIFVTFSJGUIFSFJTOPBOTXFS5IFWJTJUPSDBOMFBWFNFTTBHFBDDPSEJOHMZ.FTTBHF4FUUJOHT3FDPSEUIFDVTUPNNFTTBHF1MBZUIFDVTUPNNFTTBHF
3FHJTUFS$BSET8KMOYZKXOTMIGXJY ,OTOYN1SFTTUIFȪ3FHJTUFSJOH$BSEȫCVUUPOUPTUBSU5IF*OEPPS6OJUTIPXTSFHJTUSBUJPODBSETQBHF6TFSDBOTXJQBMMDBSETPOUIF0VUEPPS6OJU5IF*OEPPS6OJUTIPXTIPXNBOZDBSETIBWFCFFOSFHJTUFSFE6TFSDBOQVTIUIFDBMMCVUUPOUPGJOJTISFHJTUSBUJPO6TFSBMTPDBOQSFTTUIFGJOJTICVUUPOUPGJOJTISFHJTUSBUJPO$MFBS$BSET$MFBS$BSET/PUF5IJTPQFSBUJPOXJMMDMFBSBMMDBSETUIBUIBWFCFFOSFHJTUFSFEPOUIF0VUEPPS6OJU
8BSOJOHȪ3FTUPSFUIFGBDUPSZTFUUJOHTȫGVODUJPOXJMMSFTFUUIF0VUEPPS6OJU’TQBSBNFUFST$IFDL0VUEPPS6OJU*OGPSNBUJPO6OMPDLCZ$BSET6TFSDBOPQFOUIF0VUEPPS6OJU’T-PDLCZUIFSFHJTUFSFEDBSE'PSUIFDBSESFHJTUSBUJPOTFFUIFEFTDSJQUJPOJOUIFQBSBNFUFSTFUUJOHTTFDUJPO$BMM*OUFSDPNBOE-FBWF.FTTBHF5IF*OEPPS6OJUTIPXTUIFSJOHQBHF5IFWJTJUPSQVTIFTUIFDBMMCVUUPO/PUF1MFBTFDIFDLUIFEFTDSJQUJPOPGGJSTU5IFWJTJUPSDBOQSFTTUIFDBMMCVUUPOUPMFBWFBNFTTBHFBGUFSIFBSJOHNFTTBHFOPUJDF5IFWJTJUPSDBOQSFTTUIFDBMMCVUUPOUPFOEUBMLJOHBGUFSGJOJTIJOHMFBWJOHBNFTTBHF%FTDSJQUJPOPGUIF4ZTUFN'VODUJPO
3FDPSETWJFXGVODUJPOCVUUPO.POJUPS0VUEPPS6OJUWJEFPGVODUJPOCVUUPO$MFBSTDSFFOGVODUJPOCVUUPO*OEPPS6OJUQSJWBDZTUBUVTCVUUPO1BSBNFUFSTTFUUJOHCVUUPO1SJWBDZTUBUVTJDPO0VUEPPS6OJUDPOOFDUJPOTUBUVTJDPO*OEPPS6OJU)PNF1BHF.POJUPS0VUEPPS6OJU5IF*OEPPS6OJUTIPXTUIFNPOJUPSQBHF1SFTTUIFȪ.POJUPSȫCVUUPO
1SJWBDZ4FUUJOHT6XO\GI_5T%?KY 4U1SFTTUIFȪ1SJWBDZȫJOUIF)PNF1BHFGJSTU1SFTTȪ:FTȫCVUUPOUIF*OEPPS6OJUXJMMFOUFSQSJWBDZTUBUVT/PUF6TFSDBO1SFTTȪ1SJWBDZȫCVUUPOBHBJOUPFYJUQSJWBDZTUBUVT3FDPSEWJFXJOH1SFTTUIFȪ3FDPSEȫCVUUPO5PVDIUIFSFDPSE5IF*OEPPS6OJUTIPXTUIFNPOJUPSQBHF1MBZUIFNFTTBHFUIBUUIFWJTJUPSIBTMFGU5IF*OEPPS6OJUTIPXTUIFEFUBJMFE*OGPSNBUJPOQBHF
4DSFFO$MFBO)RKGTZNKYIXKKT4U]%?KY 4U 1SFTTUIFȪ$MFBOȫJOUIF)PNF1BHFGJSTU1SFTTȪ:FTȫCVUUPOUIF*OEPPSVOJUXJMMFOUFSDMFBOTDSFFOTUBUVT8IFOUIFWJTJUPSQVTIFTUIFEPPSCFMMCVUUPOXIJDIJTDPOOFDUFEUPUIF*OEPPS6OJUUIF*OEPPSVOJUXJMMSJOHBOETIPXUIFEPPSCFMMJOUFSGBDF*GUIFJOEPPSVOJUJTJOUIFJOUFSDPNPSNPOJUPSJOHJOUFSGBDFBEPPSCFMMJDPOXJMMGMBTIPOUIFTDSFFOUPSFNJOEUIFVTFST%PPSCFMM0ODFUIF0VUEPPS6OJUXBTSFNPWFEUIFJOEPPSVOJUXJMMSFDFJWFBWPJDFQSPNQU0ODFUIF0VUEPPS6OJUXBTSFNPWFEUIFJOEPPSVOJUXJMMSFDPSEUIFFWFOU6TFSTDBODIFDLUIFSFDPSET"OUJ%JTNBOUMF"MBSN'VODUJPOOutdoor Unit was removed
8BSOJOH5IJTEFWJDFDPNQMJFTXJUI1BSUPGUIF'$$3VMFT0QFSBUJPOJTTVCKFDUUPUIFGPMMPXJOHUXPDPOEJUJPOTUIJTEFWJDFNBZOPUDBVTFIBSNGVMJOUFSGFSFODFBOEUIJTEFWJDFNVTUBDDFQUBOZJOUFSGFSFODFSFDFJWFEJODMVEJOHJOUFSGFSFODFUIBUNBZDBVTFVOEFTJSFEPQFSBUJPO5IFTUBUFNFOUTTIPVMECFEJTQMBZFEJOUIFVTFSNBOVBMDIBOHFTPSNPEJGJDBUJPOTOPUFYQSFTTMZBQQSPWFECZUIFQBSUZSFTQPOTJCMFGPSDPNQMJBODFDPVMEWPJEUIFVTFSăTBVUIPSJUZUPPQFSBUFUIFFRVJQNFOU5IJTFRVJQNFOUIBTCFFOUFTUFEBOEGPVOEUPDPNQMZXJUIUIFMJNJUTGPSB$MBTT#EJHJUBMEFWJDFQVSTVBOUUP1BSUPGUIF'$$3VMFT5IFTFMJNJUTBSFEFTJHOFEUPQSPWJEFSFBTPOBCMFQSPUFDUJPOBHBJOTUIBSNGVMJOUFSGFSFODFJOBSFTJEFOUJBMJOTUBMMBUJPO5IJTFRVJQNFOUHFOFSBUFTVTFTBOEDBOSBEJBUFSBEJPGSFRVFODZFOFSHZBOEJGOPUJOTUBMMFEBOEVTFEJOBDDPSEBODFXJUIUIFJOTUSVDUJPOTNBZDBVTFIBSNGVMJOUFSGFSFODFUPSBEJPDPNNVOJDBUJPOT)PXFWFSUIFSFJTOPHVBSBOUFFUIBUJOUFSGFSFODFXJMMOPUPDDVSJOBQBSUJDVMBSJOTUBMMBUJPO*GUIJTFRVJQNFOUEPFTDBVTFIBSNGVMJOUFSGFSFODFUPSBEJPPSUFMFWJTJPOSFDFQUJPOXIJDIDBOCFEFUFSNJOFECZUVSOJOHUIFFRVJQNFOUPGGBOEPOUIFVTFSJTFODPVSBHFEUPUSZUPDPSSFDUUIFJOUFSGFSFODFCZPOFPSNPSFPGUIFGPMMPXJOHNFBTVSFT3FPSJFOUPSSFMPDBUFUIFSFDFJWJOHBOUFOOB*ODSFBTFUIFTFQBSBUJPOCFUXFFOUIFFRVJQNFOUBOESFDFJWFS$POOFDUUIFFRVJQNFOUJOUPBOPVUMFUPOBDJSDVJUEJGGFSFOUGSPNUIBUUPXIJDIUIFSFDFJWFSJTDPOOFDUFE$POTVMUUIFEFBMFSPSBOFYQFSJFODFESBEJP57UFDIOJDJBOGPSIFMQ
$JSDVJUCPBSEDPNQPOFOU-$%TDSFFO$35EJTQMBZTDSFFO1MBTUJD1BSU.FUBM1BSU1BSU/BNF1BDLBHJOH1PXFSBEBQUFS1PXFSDPSEDBCMF5PYJDBOEIB[BSEPVTTVCTUBODFTPSFMFNFOUT-FBE1C.FSDVSZ)H$BENJVN$E)FYBWBMFOUOPCFMJVN$S1PMZCSPNJOBUFECJQIFOZM1##1PMZCSPNJOBUFEEJQIFOZMFUIFS1#%&099909000000000000000000000000000000000000000000$JSDVJUCPBSEDPNQPOFOUTJODMVEFBQSJOUFEDJSDVJUCPBSEBOEJUTDPNQPOFOUTTVDIBTSFTJTUPSTDBQBDJUPSTJOUFHSBUFEDJSDVJUTFUD9*UJOEJDBUFTUIBUUIFDPOUFOUTPGUIFIB[BSEPVTTVCTUBOTFJOBUMFBTUPOFPGUIFIPNPHFOFPVTNBUFSJBMTPGUIFQBSUFYDFFEUIFMJNJUSFRVJSFNFOUTQFDJGJFEJO*&$0*UJOEJDBUFTUIBUUIFDPOUFOUTPGUIFIB[BSEPVTTVCTUBOTFJOBMMIPNPHFOFPVTNBUFSJBMTPGUIFQBSUBSFCFMPXUIFMJNJUSFRVJSFNFOUTQFDJGJFEJO*&$
RoHS

Navigation menu