Xplore Technologies of America HWNVWUNDP-1 Tablet PC with Wireless Wide Area Network Module User Manual LE1700 User s Guide
Xplore Technologies Corp of America Tablet PC with Wireless Wide Area Network Module LE1700 User s Guide
Contents
- 1. Users Guide
- 2. Regulatory Guide
Users Guide

J3400 Tablet PC
User’s Guide
© 2009 Motion Computing, Inc. All rights reserved.
This document contains information protected by
copyright. No part of this document may be
reproduced in any form without written consent from
Motion.
The information in this document is provided “as is”
and is subject to change without notice. Motion is not
liable for errors or omissions in this document.
Motion, Motion Computing, Speak Anywhere, and
View Anywhere are trademarks or registered
trademarks of Motion Computing, Inc. in the U.S.A.
and other countries.
Acrobat is a registered trademark of Adobe Systems
Incorporated.
AuthenTec is a registered trademark of AuthenTec, Inc.
Bluetooth is a registered trademark owned by the
Bluetooth SIG, Inc., U.S.A. and licensed to Motion
Computing, Inc.
Intel, Intel Inside, the Intel Inside logo, Pentium,
Centrino, and PROSet are trademarks or registered
trademarks of Intel Corporation or its subsidiaries in
the United States and other countries.
Knowles and IntelliSonic are trademarks or registered
trademarks of Knowles Acoustics, Inc.
OmniPass is a trademark of Softex, Inc.
Realtek is a trademark of Realtek Semiconductor
Corporation.
Microsoft Windows, Windows Vista, and Windows
Journal are trademarks or registered trademarks of
Microsoft Corporation in the United States and/or
other countries.
SigmaTel is a registered trademark and Universal Jacks
is a trademark of SigmaTel Corporation.
Wi-Fi is a registered trademark of the Wi-Fi Alliance.
Insyde is a trademark of Insyde Software Corporation.
End users may not loan, rent, lease, lend, or otherwise
transfer the CDs or DVDs provided for recovery
purposes to another user, except as permitted in the
End User License Agreement for such product.
Motion Computing, Inc. has made every effort to
identify trademarked properties and owners on this
page. All brands and product names used in this
document are for identification purposes only and
may be trademarks or registered trademarks of their
respective companies.
The warranties for Motion products are set forth in the
express limited warranty statements accompanying
such products. Nothing in this document constitutes
an additional warranty.
The Motion Computing products and services may be
covered by one or more patent-protected inventions.
Additional patents may also be pending. For more
information, see
www.motioncomputing.com/info/patents.asp.
Model J3400 (T008)
PN 024-02-0197
Revision A00
iii
Contents
Chapter 1 Getting Started . . . . . . . . . . . . . . . . . . . . . . . . . . . 1
Finding information . . . . . . . . . . . . . . . . . . . . . . . . . . . . . . . . . . . . . . . . . . . . . . . . . . . . . . . . . . . . . 1
Overview. . . . . . . . . . . . . . . . . . . . . . . . . . . . . . . . . . . . . . . . . . . . . . . . . . . . . . . . . . . . . . . . . . . . . . . . 2
Setting up the J3400. . . . . . . . . . . . . . . . . . . . . . . . . . . . . . . . . . . . . . . . . . . . . . . . . . . . . . . . . . . . . 6
Chapter 2 Features. . . . . . . . . . . . . . . . . . . . . . . . . . . . . . . . . . 9
Pen . . . . . . . . . . . . . . . . . . . . . . . . . . . . . . . . . . . . . . . . . . . . . . . . . . . . . . . . . . . . . . . . . . . . . . . . . . . . 10
Front panel buttons . . . . . . . . . . . . . . . . . . . . . . . . . . . . . . . . . . . . . . . . . . . . . . . . . . . . . . . . . . . . 11
Battery status light . . . . . . . . . . . . . . . . . . . . . . . . . . . . . . . . . . . . . . . . . . . . . . . . . . . . . . . . . . . . . 12
Security . . . . . . . . . . . . . . . . . . . . . . . . . . . . . . . . . . . . . . . . . . . . . . . . . . . . . . . . . . . . . . . . . . . . . . . . 13
Windows Security button . . . . . . . . . . . . . . . . . . . . . . . . . . . . . . . . . . . . . . . . . . . . . . . . . . . . . . . 13
Fingerprint reader . . . . . . . . . . . . . . . . . . . . . . . . . . . . . . . . . . . . . . . . . . . . . . . . . . . . . . . . . . . . . . 13
Display. . . . . . . . . . . . . . . . . . . . . . . . . . . . . . . . . . . . . . . . . . . . . . . . . . . . . . . . . . . . . . . . . . . . . . . . . 14
View Anywhere display (optional). . . . . . . . . . . . . . . . . . . . . . . . . . . . . . . . . . . . . . . . . . . . . . . 14
Microphones . . . . . . . . . . . . . . . . . . . . . . . . . . . . . . . . . . . . . . . . . . . . . . . . . . . . . . . . . . . . . . . . . . . 14
Speakers . . . . . . . . . . . . . . . . . . . . . . . . . . . . . . . . . . . . . . . . . . . . . . . . . . . . . . . . . . . . . . . . . . . . . . . 14
Ambient light sensor (ALS). . . . . . . . . . . . . . . . . . . . . . . . . . . . . . . . . . . . . . . . . . . . . . . . . . . . . . 15
Motion DataGuard . . . . . . . . . . . . . . . . . . . . . . . . . . . . . . . . . . . . . . . . . . . . . . . . . . . . . . . . . . . . . 15
USB 2.0 ports . . . . . . . . . . . . . . . . . . . . . . . . . . . . . . . . . . . . . . . . . . . . . . . . . . . . . . . . . . . . . . . . . . . 15
Headphones port. . . . . . . . . . . . . . . . . . . . . . . . . . . . . . . . . . . . . . . . . . . . . . . . . . . . . . . . . . . . . . . 15
Microphone port . . . . . . . . . . . . . . . . . . . . . . . . . . . . . . . . . . . . . . . . . . . . . . . . . . . . . . . . . . . . . . . 15
Security slot . . . . . . . . . . . . . . . . . . . . . . . . . . . . . . . . . . . . . . . . . . . . . . . . . . . . . . . . . . . . . . . . . . . . 16
VGA port . . . . . . . . . . . . . . . . . . . . . . . . . . . . . . . . . . . . . . . . . . . . . . . . . . . . . . . . . . . . . . . . . . . . . . . 16
Ethernet port. . . . . . . . . . . . . . . . . . . . . . . . . . . . . . . . . . . . . . . . . . . . . . . . . . . . . . . . . . . . . . . . . . . 16
Docking port . . . . . . . . . . . . . . . . . . . . . . . . . . . . . . . . . . . . . . . . . . . . . . . . . . . . . . . . . . . . . . . . . . . 16
Smart card reader slot (optional) . . . . . . . . . . . . . . . . . . . . . . . . . . . . . . . . . . . . . . . . . . . . . . . . 16
Express card slot (optional) . . . . . . . . . . . . . . . . . . . . . . . . . . . . . . . . . . . . . . . . . . . . . . . . . . . . . 17
SIM slot . . . . . . . . . . . . . . . . . . . . . . . . . . . . . . . . . . . . . . . . . . . . . . . . . . . . . . . . . . . . . . . . . . . . . . . . 17
Wi-Fi (802.11a/g/n wireless). . . . . . . . . . . . . . . . . . . . . . . . . . . . . . . . . . . . . . . . . . . . . . . . . . . . . 17
Mobile Broadband (optional) . . . . . . . . . . . . . . . . . . . . . . . . . . . . . . . . . . . . . . . . . . . . . . . . . . . 18
Bluetooth wireless (optional) . . . . . . . . . . . . . . . . . . . . . . . . . . . . . . . . . . . . . . . . . . . . . . . . . . . 18
Power adapter . . . . . . . . . . . . . . . . . . . . . . . . . . . . . . . . . . . . . . . . . . . . . . . . . . . . . . . . . . . . . . . . . 18
Battery . . . . . . . . . . . . . . . . . . . . . . . . . . . . . . . . . . . . . . . . . . . . . . . . . . . . . . . . . . . . . . . . . . . . . . . . . 18
iv Contents
Chapter 3 Using your Tablet PC . . . . . . . . . . . . . . . . . . . .21
Using Motion Dashboard . . . . . . . . . . . . . . . . . . . . . . . . . . . . . . . . . . . . . . . . . . . . . . . . . . . . . . . 22
Using the pen . . . . . . . . . . . . . . . . . . . . . . . . . . . . . . . . . . . . . . . . . . . . . . . . . . . . . . . . . . . . . . . . . . 23
Using Tablet PC Input Panel . . . . . . . . . . . . . . . . . . . . . . . . . . . . . . . . . . . . . . . . . . . . . . . . . . . . 24
Using Tablet PC Input Panel . . . . . . . . . . . . . . . . . . . . . . . . . . . . . . . . . . . . . . . . . . . . . . . . . 24
Configuring pen options . . . . . . . . . . . . . . . . . . . . . . . . . . . . . . . . . . . . . . . . . . . . . . . . . . . . . . . 24
Configuring pen options . . . . . . . . . . . . . . . . . . . . . . . . . . . . . . . . . . . . . . . . . . . . . . . . . . . . 24
Enabling personalized handwriting recognition . . . . . . . . . . . . . . . . . . . . . . . . . . . . . . . . . 25
Using personalized handwriting recognition . . . . . . . . . . . . . . . . . . . . . . . . . . . . . . . . . . . . 25
Configuring front panel buttons . . . . . . . . . . . . . . . . . . . . . . . . . . . . . . . . . . . . . . . . . . . . . . . . 25
Configuring front panel buttons . . . . . . . . . . . . . . . . . . . . . . . . . . . . . . . . . . . . . . . . . . . . . 26
Using USB. . . . . . . . . . . . . . . . . . . . . . . . . . . . . . . . . . . . . . . . . . . . . . . . . . . . . . . . . . . . . . . . . . . . . . 26
Using Ethernet . . . . . . . . . . . . . . . . . . . . . . . . . . . . . . . . . . . . . . . . . . . . . . . . . . . . . . . . . . . . . . . . . 26
Using the display. . . . . . . . . . . . . . . . . . . . . . . . . . . . . . . . . . . . . . . . . . . . . . . . . . . . . . . . . . . . . . . 26
Adjusting the display brightness . . . . . . . . . . . . . . . . . . . . . . . . . . . . . . . . . . . . . . . . . . . . . 27
Rotating the display . . . . . . . . . . . . . . . . . . . . . . . . . . . . . . . . . . . . . . . . . . . . . . . . . . . . . . . . . 27
Setting up an external display . . . . . . . . . . . . . . . . . . . . . . . . . . . . . . . . . . . . . . . . . . . . . . . . . . 27
Using the built-in microphones . . . . . . . . . . . . . . . . . . . . . . . . . . . . . . . . . . . . . . . . . . . . . . . . . 28
Connecting headphones, external speakers, or a microphone . . . . . . . . . . . . . . . . . . . 29
Using speech recognition . . . . . . . . . . . . . . . . . . . . . . . . . . . . . . . . . . . . . . . . . . . . . . . . . . . . . . 29
Setting up speech recognition . . . . . . . . . . . . . . . . . . . . . . . . . . . . . . . . . . . . . . . . . . . . . . . 29
Using Dictation and Voice Commands . . . . . . . . . . . . . . . . . . . . . . . . . . . . . . . . . . . . . . . 30
Using power plans . . . . . . . . . . . . . . . . . . . . . . . . . . . . . . . . . . . . . . . . . . . . . . . . . . . . . . . . . . . . . 30
Selecting a power plan . . . . . . . . . . . . . . . . . . . . . . . . . . . . . . . . . . . . . . . . . . . . . . . . . . . . . . 31
Changing power plan settings . . . . . . . . . . . . . . . . . . . . . . . . . . . . . . . . . . . . . . . . . . . . . . . 31
Creating a power plan . . . . . . . . . . . . . . . . . . . . . . . . . . . . . . . . . . . . . . . . . . . . . . . . . . . . . . . 32
Using Sleep . . . . . . . . . . . . . . . . . . . . . . . . . . . . . . . . . . . . . . . . . . . . . . . . . . . . . . . . . . . . . . . . . . . . 32
Using Sleep . . . . . . . . . . . . . . . . . . . . . . . . . . . . . . . . . . . . . . . . . . . . . . . . . . . . . . . . . . . . . . . . . 32
Using Hibernate. . . . . . . . . . . . . . . . . . . . . . . . . . . . . . . . . . . . . . . . . . . . . . . . . . . . . . . . . . . . . . . . 32
Using Hibernation. . . . . . . . . . . . . . . . . . . . . . . . . . . . . . . . . . . . . . . . . . . . . . . . . . . . . . . . . . . 33
Using the battery. . . . . . . . . . . . . . . . . . . . . . . . . . . . . . . . . . . . . . . . . . . . . . . . . . . . . . . . . . . . . . . 33
Checking battery power . . . . . . . . . . . . . . . . . . . . . . . . . . . . . . . . . . . . . . . . . . . . . . . . . . . . . 33
Charging the battery . . . . . . . . . . . . . . . . . . . . . . . . . . . . . . . . . . . . . . . . . . . . . . . . . . . . . . . . 34
Battery and power management tips . . . . . . . . . . . . . . . . . . . . . . . . . . . . . . . . . . . . . . . . 34
Removing and replacing the battery . . . . . . . . . . . . . . . . . . . . . . . . . . . . . . . . . . . . . . . . . 35
Swapping the battery . . . . . . . . . . . . . . . . . . . . . . . . . . . . . . . . . . . . . . . . . . . . . . . . . . . . . . . 35
Battery maintenance . . . . . . . . . . . . . . . . . . . . . . . . . . . . . . . . . . . . . . . . . . . . . . . . . . . . . . . . . . . 36
Long-term battery storage (not attached to tablet) . . . . . . . . . . . . . . . . . . . . . . . . . . . 36
Disposing of used batteries . . . . . . . . . . . . . . . . . . . . . . . . . . . . . . . . . . . . . . . . . . . . . . . . . . 37
Troubleshooting the battery. . . . . . . . . . . . . . . . . . . . . . . . . . . . . . . . . . . . . . . . . . . . . . . . . 37
Removing and replacing the SIM. . . . . . . . . . . . . . . . . . . . . . . . . . . . . . . . . . . . . . . . . . . . . . . . 39
Using Motion OmniPass and the fingerprint reader . . . . . . . . . . . . . . . . . . . . . . . . . . . . . . 42
Capturing a fingerprint . . . . . . . . . . . . . . . . . . . . . . . . . . . . . . . . . . . . . . . . . . . . . . . . . . . . . . 42
Using password replacement . . . . . . . . . . . . . . . . . . . . . . . . . . . . . . . . . . . . . . . . . . . . . . . . 44
Using the password wizard . . . . . . . . . . . . . . . . . . . . . . . . . . . . . . . . . . . . . . . . . . . . . . . . . . 45
Logging on to a remembered site. . . . . . . . . . . . . . . . . . . . . . . . . . . . . . . . . . . . . . . . . . . . 45
Configuring authentication rules . . . . . . . . . . . . . . . . . . . . . . . . . . . . . . . . . . . . . . . . . . . . 45
Using Windows Security Center. . . . . . . . . . . . . . . . . . . . . . . . . . . . . . . . . . . . . . . . . . . . . . . . . 46
Setting up users and passwords . . . . . . . . . . . . . . . . . . . . . . . . . . . . . . . . . . . . . . . . . . . . . . . . 46
Setting up Windows user accounts . . . . . . . . . . . . . . . . . . . . . . . . . . . . . . . . . . . . . . . . . . 47
Contents v
Setting a BIOS password . . . . . . . . . . . . . . . . . . . . . . . . . . . . . . . . . . . . . . . . . . . . . . . . . . . . . 47
Setting up a hard disk drive (HDD) password . . . . . . . . . . . . . . . . . . . . . . . . . . . . . . . . . 48
Using Wi-Fi (802.11a/g/n) . . . . . . . . . . . . . . . . . . . . . . . . . . . . . . . . . . . . . . . . . . . . . . . . . . . . . . . 49
Enabling or disabling Wi-Fi . . . . . . . . . . . . . . . . . . . . . . . . . . . . . . . . . . . . . . . . . . . . . . . . . . 49
Setting up a Wi-Fi connection. . . . . . . . . . . . . . . . . . . . . . . . . . . . . . . . . . . . . . . . . . . . . . . . 49
Using Mobile Broadband (optional) . . . . . . . . . . . . . . . . . . . . . . . . . . . . . . . . . . . . . . . . . . . . . 49
Activating your Mobile Broadband service . . . . . . . . . . . . . . . . . . . . . . . . . . . . . . . . . . . 50
Enabling Mobile Broadband . . . . . . . . . . . . . . . . . . . . . . . . . . . . . . . . . . . . . . . . . . . . . . . . . 50
Installing the connection manager . . . . . . . . . . . . . . . . . . . . . . . . . . . . . . . . . . . . . . . . . . . 50
Connecting and disconnecting . . . . . . . . . . . . . . . . . . . . . . . . . . . . . . . . . . . . . . . . . . . . . . 50
Using Bluetooth (optional). . . . . . . . . . . . . . . . . . . . . . . . . . . . . . . . . . . . . . . . . . . . . . . . . . . . . . 50
Enabling or disabling Bluetooth. . . . . . . . . . . . . . . . . . . . . . . . . . . . . . . . . . . . . . . . . . . . . . 51
Setting up a Bluetooth device. . . . . . . . . . . . . . . . . . . . . . . . . . . . . . . . . . . . . . . . . . . . . . . . 51
If the device is not discovered… . . . . . . . . . . . . . . . . . . . . . . . . . . . . . . . . . . . . . . . . . . . . . 52
Finding additional software. . . . . . . . . . . . . . . . . . . . . . . . . . . . . . . . . . . . . . . . . . . . . . . . . . . . . 53
Chapter 4 Care and Maintenance . . . . . . . . . . . . . . . . . . .55
General care. . . . . . . . . . . . . . . . . . . . . . . . . . . . . . . . . . . . . . . . . . . . . . . . . . . . . . . . . . . . . . . . . . . . 55
Standard display . . . . . . . . . . . . . . . . . . . . . . . . . . . . . . . . . . . . . . . . . . . . . . . . . . . . . . . . . . . . . . . 56
View Anywhere display (optional). . . . . . . . . . . . . . . . . . . . . . . . . . . . . . . . . . . . . . . . . . . . . . . 56
Cleaning in a health care environment . . . . . . . . . . . . . . . . . . . . . . . . . . . . . . . . . . . . . . . . . . 57
Disinfecting procedures . . . . . . . . . . . . . . . . . . . . . . . . . . . . . . . . . . . . . . . . . . . . . . . . . . . . . 57
Training and documentation considerations . . . . . . . . . . . . . . . . . . . . . . . . . . . . . . . . . 57
Cleaning solutions. . . . . . . . . . . . . . . . . . . . . . . . . . . . . . . . . . . . . . . . . . . . . . . . . . . . . . . . . . . 58
Cleaning the fingerprint reader . . . . . . . . . . . . . . . . . . . . . . . . . . . . . . . . . . . . . . . . . . . . . . . . . 58
Pen . . . . . . . . . . . . . . . . . . . . . . . . . . . . . . . . . . . . . . . . . . . . . . . . . . . . . . . . . . . . . . . . . . . . . . . . . . . . 59
Replacing pen tips. . . . . . . . . . . . . . . . . . . . . . . . . . . . . . . . . . . . . . . . . . . . . . . . . . . . . . . . . . . 59
Ordering new pens . . . . . . . . . . . . . . . . . . . . . . . . . . . . . . . . . . . . . . . . . . . . . . . . . . . . . . . . . . 59
Traveling with your Tablet PC . . . . . . . . . . . . . . . . . . . . . . . . . . . . . . . . . . . . . . . . . . . . . . . . . . . 60
Traveling by air . . . . . . . . . . . . . . . . . . . . . . . . . . . . . . . . . . . . . . . . . . . . . . . . . . . . . . . . . . . . . . 60
FAA Wireless air travel requirement . . . . . . . . . . . . . . . . . . . . . . . . . . . . . . . . . . . . . . . . . . 60
Creating a backup archive . . . . . . . . . . . . . . . . . . . . . . . . . . . . . . . . . . . . . . . . . . . . . . . . . . . . . . 61
Restoring data. . . . . . . . . . . . . . . . . . . . . . . . . . . . . . . . . . . . . . . . . . . . . . . . . . . . . . . . . . . . . . . . . . 61
Using Windows Recovery Environment . . . . . . . . . . . . . . . . . . . . . . . . . . . . . . . . . . . . . . 61
Using Windows Vista to restore files. . . . . . . . . . . . . . . . . . . . . . . . . . . . . . . . . . . . . . . . . . . . . 62
vi Contents
Appendix A Troubleshooting and Support. . . . . . . . . .63
Troubleshooting . . . . . . . . . . . . . . . . . . . . . . . . . . . . . . . . . . . . . . . . . . . . . . . . . . . . . . . . . . . . . . . 63
Power . . . . . . . . . . . . . . . . . . . . . . . . . . . . . . . . . . . . . . . . . . . . . . . . . . . . . . . . . . . . . . . . . . . . . . 63
Battery. . . . . . . . . . . . . . . . . . . . . . . . . . . . . . . . . . . . . . . . . . . . . . . . . . . . . . . . . . . . . . . . . . . . . . 64
Display. . . . . . . . . . . . . . . . . . . . . . . . . . . . . . . . . . . . . . . . . . . . . . . . . . . . . . . . . . . . . . . . . . . . . . 64
Input . . . . . . . . . . . . . . . . . . . . . . . . . . . . . . . . . . . . . . . . . . . . . . . . . . . . . . . . . . . . . . . . . . . . . . . 65
Ports and connectors . . . . . . . . . . . . . . . . . . . . . . . . . . . . . . . . . . . . . . . . . . . . . . . . . . . . . . . . 66
Network . . . . . . . . . . . . . . . . . . . . . . . . . . . . . . . . . . . . . . . . . . . . . . . . . . . . . . . . . . . . . . . . . . . . 66
Audio . . . . . . . . . . . . . . . . . . . . . . . . . . . . . . . . . . . . . . . . . . . . . . . . . . . . . . . . . . . . . . . . . . . . . . . 67
System. . . . . . . . . . . . . . . . . . . . . . . . . . . . . . . . . . . . . . . . . . . . . . . . . . . . . . . . . . . . . . . . . . . . . . 67
Frequently asked questions. . . . . . . . . . . . . . . . . . . . . . . . . . . . . . . . . . . . . . . . . . . . . . . . . . . . . 68
Specifications . . . . . . . . . . . . . . . . . . . . . . . . . . . . . . . . . . . . . . . . . . . . . . . . . . . . . . . . . . . . . . . . . . 69
Warranty and Insurance Programs . . . . . . . . . . . . . . . . . . . . . . . . . . . . . . . . . . . . . . . . . . . . . . 69
Service and Support . . . . . . . . . . . . . . . . . . . . . . . . . . . . . . . . . . . . . . . . . . . . . . . . . . . . . . . . . . . . 69
Index . . . . . . . . . . . . . . . . . . . . . . . . . . . . . . . . . . . . . . . . . . . . . .71
1
Getting Started 1
The Motion Computing J3400 is a full-featured Tablet PC, combining performance, long
battery life, and a lightweight, sleek design. The J3400 offers the latest innovations in
mobile computing: a user-focused design, unmatched mobility, and state-of-the-art
security.
If you are new to Tablet PCs, use the information in this section to get started quickly. If you
are already familiar with tablet computers, you can skip to the next chapter to learn about
the features of the J3400. If there are certain things you want to learn about your new
Tablet PC, look on the Contents page.
Finding information
If you are viewing this PDF document on your screen, you can use the following methods to
find information:
•In the Bookmark pane, click or tap a topic to view it. If the Bookmark pane is not visible,
select View > Navigation Tabs > Bookmarks.
•On the Contents page, click or tap a topic to view it.
•To search the document, select Edit > Find.
Because you typically use a tablet pen instead of a mouse with a Tablet PC, we use the term
tap instead of click in most situations.

2Chapter 1 Getting Started
Overview
The following illustrations show the buttons, slots, and ports on the Motion J3400 Tablet PC.
Speakers Listen to music or other audio.
Microphones Record sounds and use for speech recognition.
Ambient light
sensor
Measures background light and can automatically adjust
the display brightness.
Camera Use to trigger the built-in camera.
Motion QuickNav Use to open the Motion QuickNav
Dashboard button Open Motion Dashboard.
Esc button Cancel the current task. Equivalent to the Esc key on a
keyboard.
Directional pad Use for basic navigation. Equivalent to the arrow keys on a
keyboard. The center button is equivalent to Enter.
®
Microphone
Motion
Camera
Directional
pad
Speakers
Ambient light
Microphones
Escape
Dashboard
sensor
Front View
QuickNav

Chapter 1 Getting Started 3
FlexDock connector
(cover showing)
Connects to the FlexDock when docked.
Battery power
indicator lights
Indicates amount of remaining battery power.
Battery Powers the tablet when it is not plugged in or docked.
Battery gauge
button
Press the button to show remaining power on the indicator
lights.
Battery release
switch
Slide to release and remove the battery.
Camera lens Capture images to the hard disk drive.
Camera light Provides light for the built-in camera.
Camera lens
Camera light
Rear View
Battery (left) Battery (right)
Battery release switch (right)
Battery power
indicator lights
Battery gauge
button (left)
Battery gauge
button (right)
Battery release switch (left)Battery power
indicator lights (left)
(right)
FlexDock
connector
(cover
showing)

4Chapter 1 Getting Started
Shoulder strap
attach point
Attach point for the shoulder strap.
Battery status light Indicates amount of remaining battery power.
Fingerprint reader Scan your fingerprints for added security. You can also
use the fingerprint reader as a navigation device.
power button Turns the Tablet PC on and off.
Card slots cover Covers the smart card and Express card slots.
Pen tether attach
point
Attach point for the pen tether.
Pen and pen bay Store the pen when not in use.
Express card slot Attach an Express card.
Smart card slot Attach a smart card.
Windows Security
button
Use to log on to or lock your tablet. Equivalent to
Ctrl+Alt+Del on a keyboard.
Air vent Dissipates heat from the tablet.
Power button
Fingerprint Card slots cover
Air vent
Battery status
Express card
Pen tether
Smart card
slot (optional)
Right Side
Shoulder strap attach point
Pen
slot (optional)
removed
reader
Windows Security
button
light attach point

Chapter 1 Getting Started 5
Air vent Dissipates heat from the tablet.
Audio out/
Headphone port
Connect headphones, speakers, or audio equipment
using a 3.5 mm jack.
USB 2.0 ports Connect USB devices such as a mouse, digital camera,
printer, or external storage device.
Video (VGA) port Connect an external monitor using the standard DB-15
VGA connector.
Power adapter port Connect the power adapter.
Shoulder strap
attach point
Attach point for the shoulder strap.
Port covers Covers the two sets of ports.
Ethernet port Connect to a 10/100/1000 Ethernet network.
Audio in/
Microphone port
Connect a microphone or other audio source using a
3.5 mm jack.
Security slot Connect a security cable to protect your tablet from
theft.
Docking port Interface for the FlexDock.
Microphone port
Headphone port USB ports
Shoulder strap attach point
Power adapter port
Security slot
Video port (VGA)
Air vent
Ethernet port Port covers removed
Left Side
Docking port
Bottom View

6Chapter 1 Getting Started
Setting up the J3400
The J3400 is self-contained, so you can start using it immediately. You should connect AC
power until the battery is fully charged. Use the following steps to get started:
Step 1: Plug in the power adapter
•Plug the power cord into the power adapter and the tablet, then plug the power cord
into an outlet.
Step 2: Connect the cables
•If you want to connect your Tablet PC to a network, insert an Ethernet cable into the
Ethernet port.
To connect to a wireless network, see “Using Wi-Fi (802.11a/g/n)” on page 49. To connect
using docking stations and other accessories, refer to the documentation for that product.

Chapter 1 Getting Started 7
Step 3: Turn on the Tablet PC
•Press the power button.
As the Tablet PC starts, the power light comes on.
The first time Windows starts, the Windows Vista Welcome Center appears. If you do not
want this screen to appear every time you start the computer, clear the Run at startup
check box. To return to the Welcome Center later, go to System and Maintenance in Control
Panel.
Step 4: Calibrate the digitizer
With a Tablet PC, you frequently use a tablet pen instead of a mouse and keyboard for input.
Use the pen to move the pointer around the screen, and tap the screen to click. Use
Tablet PC Input Panel and handwriting recognition to enter text.
The digitizer detects the position of the pen on the display. You should calibrate the
digitizer the first time you start the Tablet PC, and again whenever the pointer does not
align with the pen tip.
To calibrate the digitizer
1. Press the Dashboard button ( ) to start Motion Dashboard.
You can use Motion Dashboard to configure your Tablet PC and to start commonly used
tablet applications. See “Using Motion Dashboard” on page 22.
2. Under Pen & Tablet, tap Calibrate Digitizer.
3. Follow the instructions in the calibration program.
Note: If you are left-handed, see “How do I adjust the Tablet PC for left-handed use?” on
page 69.
Step 5: Get familiar with your Tablet PC
Motion Computing offers free Web-based Quick Start Training that you can use to
familiarize yourself with the features of your Tablet PC. If you are new to tablet computing,
you can use the training to get started quickly. You can find the training at
http://training.motioncomputing.com.
You can also use the Windows Tablet PC tutorials to learn about the tablet computing
capabilities of Windows Vista, such as pen support, digital ink input, and handwriting
recognition.
To start the tutorials, select Start > All Programs > Tablet PC > Tablet PC Tutorials.
8Chapter 1 Getting Started
9
Features 2
The Motion Computing J3400 Tablet PC has the power and features of a notebook
computer, while giving you the added mobility and versatility of a tablet computer.
Use the information in this chapter to get more familiar with the hardware features of your
J3400 Tablet PC, such as buttons, slots, connectors, and wireless adapters.
The J3400 Tablet PC includes the following integrated features:
•Intel® Core™2 Duo Processor
•Mobile Intel® GS45 Express Chipset
•Wi-Fi (802.11a/g/n) networking
•Bluetooth® (optional)
•Mobile Broadband (optional)
•DataGuard to help protect the hard drive
•DDR2 RAM
•12.1" diagonal TFT LCD WXGA
•Fingerprint reader
•Gigabit Ethernet

10 Chapter 2 Features
Pen
An important difference between traditional PCs and Tablet PCs is that you frequently use
the tablet pen to interact with the computer instead of a mouse and keyboard. The pen
includes a pressure-sensitive tip, a function button, and on some models, an eraser. The pen
contains no batteries and requires no external power.
For information about using the pen, see “Using the pen” on page 23.
Function button
Eraser
Tip

Chapter 2 Features 11
Front panel buttons
You can use the buttons on the front of the tablet to perform many functions without
having to use the pen. The buttons are customizable, so you can modify their functions to
suit the way you work. See “Configuring front panel buttons” on page 25.
The directional pad orientation rotates to match the display orientation. To move the
pointer in a certain direction, press that direction on the pad regardless of orientation. For
example, the “up” direction in landscape orientation becomes the “left” direction in portrait
orientation.
Button Primary
Secondary
(Press and hold button
for one second)
Camera Use to trigger an exposure in the
built-in camera.
Motion QuickNav Opens QuickNav. Opens Sticky Notes
Dashboard Starts Motion Dashboard. Opens Windows Journal
Esc Cancels the current task. Equivalent
to the Esc key.
Directional pad Use to move the pointer or navigate
through documents. Equivalent to
arrow keys on a keyboard. The center
button is equivalent to Enter.
Esc
Motion QuickNav
Directional pad
Dashboard
Camera

12 Chapter 2 Features
Battery status light
You can use the indicator light on the right side of the tablet to monitor the status of the
battery. The following illustration and table show the battery status light and the various
power state descriptions.
Status Description
Steady green The battery is fully charged and the tablet is running on
AC power
Steady amber One or more batteries charging
Off Not charging. The tablet is running on battery power.
Battery status light

Chapter 2 Features 13
Security
The J3400 provides a safe computing environment that enables strong security protection
and serves as the foundation for complementary security technologies.
The core security features include InsydeH20 Extensible Firmware Interface (EFI) BIOS, a
built-in fingerprint reader, a universal security lock, the Dashboard Security Center, TPM
(Trusted Platform Module), and a Smart Card-ready platform.
With the built-in TPM and Infineon Security Platform Tools, you can create and manage
digital certificates for user and platform authentication. These features are most commonly
used by enterprises and enabled by the system administrator. To learn more about TPM, go
to www.motioncomputing.com/support/support_documentation.asp.
Windows Security button
You can use the Windows Security button to log on to or lock your Tablet PC. Pressing the
Windows Security button is equivalent to pressing Ctrl+Alt+Del on a keyboard.
Fingerprint reader
Using the fingerprint reader, you can log on to your Tablet PC by scanning your fingerprint
instead of entering a password. This presents an added level of security for your tablet.
You can use the OmniPass application to associate your fingerprint with passwords for Web
pages and other applications. You can also use the fingerprint reader as a scrolling device.
Move your finger on the fingerprint reader to move the pointer on the screen.
Note: The scroll function is disabled while scanning a fingerprint.
For information about setting up and using the fingerprint reader, see “Capturing a
fingerprint” on page 42.
Scrolling
Fingerprint reader
Scan
fingerprint
14 Chapter 2 Features
Display
The J3400 includes a 12.1-inch display with the following features:
•A highly readable LCD (liquid crystal display).
•WXGA, 1280 × 800 resolution.
•A protective layer that offers a firm writing surface and minimizes glare.
•A digitizer panel that enables handwritten entry with the tablet pen.
View Anywhere display (optional)
The View Anywhere™ display option enhances outdoor viewing and bright-light viewing
environments. The View Anywhere display includes all the features of the standard display
plus:
•A protective layer that improves the sunlight contrast ratio and significantly reduces
reflection and glare.
•Improved sunlight contrast ratio, which enhances viewability at wide viewing angles.
•Reduced reflection and glare and improved light pass-through efficiency.
Microphones
The J3400 is equipped with integrated microphones that you can use to record audio,
dictate notes, and use voice commands without the need for an external microphone.
You can also use the microphone port to connect an external microphone or microphone
headset. See “Connecting headphones, external speakers, or a microphone” on page 29.
Speakers
The J3400 is equipped with integrated stereo speakers that you can use to listen to music,
movies, or other multimedia applications.
You can also use the headphones port to connect external speakers or headphones. See
“Connecting headphones, external speakers, or a microphone” on page 29.
Chapter 2 Features 15
Ambient light sensor (ALS)
If you have dynamic brightness selected and are running on battery power, the ambient
light sensor measures the surrounding light and adjusts the display brightness and contrast
accordingly. This ensures that you have proper settings for all lighting conditions. To enable
dynamic brightness, see “Adjusting the display brightness” on page 27.
Motion DataGuard
For J3400 tablets using a hard disk drive (spinning media), the DataGuard feature is
included, which detects shocks, extreme vibrations, and falls. If these conditions are
detected, DataGuard moves the drive heads away from the disk, which can prevent hard
drive failures and data loss. For more information, go to Control Panel and open DataGuard.
USB 2.0 ports
Two USB 2.0 (High-speed USB) ports can be used to attach any USB device such as a mouse,
digital camera, printer, or external storage device. The USB ports are compatible with older
USB devices (USB 1.1).
For more information, see “Using USB” on page 26.
Headphones port
The headphones port is on the left edge of the Tablet PC. It is marked with a small
headphones symbol and is designed as an audio output channel only. You can attach
headphones or external speakers to this port.
For more information, see “Connecting headphones, external speakers, or a microphone”
on page 29.
Microphone port
The microphone port is on the left edge of the Tablet PC. It is marked with a small
microphone symbol and is designed as an audio input/line in channel only. You can attach
an external microphone directly to this port to enhance your audio recording capabilities.
The internal microphones are disabled when an external microphone is attached.
For more information, see “Connecting headphones, external speakers, or a microphone”
on page 29.
16 Chapter 2 Features
Security slot
You can use the security slot to attach your tablet to a desk, table or other fixture. You must
purchase a security lock separately.
VGA port
You can use the VGA port to connect standard VGA monitors. When you attach an external
monitor, you can use the external monitor only, or the external monitor and the Tablet PC
display together. See “Setting up an external display” on page 27.
Ethernet port
The J3400 comes with an integrated 10/100/1000 Base-T Ethernet port (RJ-45), which you
can use to connect to an Ethernet network or another computer.
For more information, see “Using Ethernet” on page 26.
Docking port
The J3400 has a docking port that you can use to connect the tablet to the Motion
FlexDock. When the tablet is connected to the FlexDock, the port connections are
replicated on the dock. This enables you to connect a monitor, keyboard, mouse, or external
drive to the dock and easily dock and undock the tablet. For more information about the
FlexDock and other accessories, go to the Motion Computing accessories page at
www.motioncomputing.com/accessories.
Smart card reader slot (optional)
Your tablet includes a smart card reader located on the right side of the tablet, under the
slot cover, next to the pen bay. Using smart card software, this device can read information
from and write information to the smart card when the card is inserted into the slot. The
smart card is an ISO 7816 PC/SC compliant, contact type smart card reader/writer.
For information about using the smart card reader, see “Using the smart card reader
(optional)” on page 30.
Chapter 2 Features 17
Express card slot (optional)
The Express card slot holds one Express card for networking, memory expansion, or
accessories.
•To insert an Express card, remove the card slot cover and place the Express card in the
slot with the label side up.
•To remove the card, pull the card out of the slot and replace the card slot cover.
The J3400 includes a cover for the Express card slot. To protect the PC card slot, you should
leave the blank card in place when you do not have a PC card in the slot.
SIM slot
The SIM slot holds one SIM (Subscriber Identity Module). A SIM is a smart card, about the
size of a postage stamp, that stores information about your wireless account.
You need to use a SIM only if you are using Mobile Broadband on an HSDPA (High Speed
Downlink Packet Access) network. Contact your service provider for details.
For information about removing and replacing the SIM, see “Removing and replacing the
SIM” on page 39.
Wi-Fi (802.11a/g/n wireless)
Your Tablet PC has integrated Wi-Fi (802.11a/g/n) that you can use to connect to the
Internet and other computers wirelessly. You can use Wi-Fi in your home, and in many
schools, hotels, airports, and restaurants.
Note: Wireless access requires an 802.11a, 802.11g, or 802.11n access point. Internet access
requires a working Internet connection.
Your ability to use Wi-Fi depends on the several conditions:
•Distance from the access point.
•Ability to connect to the access point.
•Access rights (which may require an account fee, user name, password, an/or network
set up through an administrator).
•Security settings, such as whether the network broadcasts a network name or uses
encryption.
For more information, see “Using Wi-Fi (802.11a/g/n)” on page 49.

18 Chapter 2 Features
Mobile Broadband (optional)
The J3400 Tablet PC is available with an optional Mobile Broadband adapter that you can
use to send and receive data wirelessly. By using Mobile Broadband, you can browse the
Internet, send and receive email, connect to your company’s intranet, or use Web-based
applications.
Mobile Broadband is based on cellular network technology, so you can use it in more places
than other wireless technologies. With Mobile Broadband, your Tablet PC connects to a
service provider’s base station, which in turn is connected to the Internet. Unlike Wi-Fi, you
do not need to search for Wi-Fi hotspots or buy base stations. You can typically use Mobile
Broadband anywhere you can use your mobile phone. For more information, see “Using
Mobile Broadband (optional)” on page 49.
Bluetooth wireless (optional)
Your Tablet PC has an integrated Bluetooth adapter. With Bluetooth, computers and other
devices—such as mice, keyboards, cameras, and PDAs—can be interconnected using a
short-range wireless connection. Bluetooth devices can connect wirelessly at distances up
to 33 feet (10 meters).
For more information, see “Using Bluetooth (optional)” on page 50.
Power adapter
The power adapter provides power to the Tablet PC and charges the battery when it is in
the Tablet PC.
WARNING: Use only the Motion approved power adapter with your Motion Tablet PC. Do
not use the adapter to power any other electronic devices. Using the Motion approved
power adapter to power other devices can damage the power adapter or other devices.
Using a non-Motion approved power adapter can damage the Tablet PC.
Battery
The J3400 includes two battery bays for containing up to two high-capacity Lithium-ion
batteries that are installed on the back of the Tablet PC.
If only one battery is included with the tablet, a battery bay cartridge (non-functioning) is
included for occupying the second battery bay. Do not discard the battery bay cartridge. If
your battery or spare battery becomes damaged and is being replaced by Motion, the
battery bay cartridge must remain installed in the battery bay to prevent foreign objects
falling into the battery bay.

Chapter 2 Features 19
Under normal conditions, you can run the tablet on battery power with one battery for
about three hours and using two batteries for about seven hours. You can maximize battery
life by optimizing your power plan. See “Using power plans” on page 30.
For information about charging and checking battery status, see “Using the battery” on
page 33.
CAUTION: To avoid personal injury, handle the battery with care. Do not open, puncture,
short, or expose it to fire or water. Keep the battery in an ambient temperature of less than
+104°F (+40°C). For example, do not leave the battery in a closed car in hot weather for an
extended time. For more information, see the Safety and Regulatory Guide included with
your Tablet PC.
20 Chapter 2 Features
21
Using your Tablet PC 3
The J3400 Tablet PC runs Microsoft Windows Vista, which includes ink-to-text and word
recognition, voice recognition, and improved security to help defend against viruses,
worms, and other threats. And unlike PDAs or other handheld devices, the J3400 can run
any Windows Vista-compatible application.
Use the information in this chapter to learn about common tasks such as using the tablet
pen to enter text, using Motion Dashboard, using speech recognition, and customizing the
tablet to fit the way you work.

22 Chapter 3 Using your Tablet PC
Using Motion Dashboard
Motion Dashboard puts many common tablet-related settings and tasks at your fingertips.
For example, you can enable or disable Bluetooth and Wi-Fi, calibrate the digitizer, or check
your remaining battery power.
To start Motion Dashboard
•Press the Dashboard button ( ) on the front of the tablet.
When you change a setting on Motion Dashboard, the change occurs immediately. You do
not need to tap Apply or OK.
For more information, see Motion Dashboard Help.

Chapter 3 Using your Tablet PC 23
Using the pen
You can use the tablet pen to write on the display and navigate the operating system. A pen
can feel more natural in your hand than a mouse, and you can use the pen while standing or
walking. The following table show the various pen actions and their mouse equivalents.
Some software applications, such as Microsoft Word, support ink drawing and ink
annotations. Some applications such as art or drawing programs are designed especially for
ink input. For more information about a particular application, open the application help
and search for “pen”, “ink”, or “tablet“.
You can use Tablet PC Input Panel instead of a keyboard to enter text. For more information,
see “Using Tablet PC Input Panel” on page 24.
Store the pen in the pen bay when not in use. To store the pen in the pen bay, insert it into
the bay and press it until it clicks. To remove the pen, press it again. If you have the pen
tether attached, ensure that you have released the pen before you pull it out using the
tether.
The pen includes extra tips. You can use the included replacement tool to change the tips.
See “Replacing pen tips” on page 59.
Important: The Tablet PC responds only to the tablet pen. Do not use traditional pens or
other pointing devices with the Tablet PC.
Mouse action Pen equivalent
Point Point
Click Tap
Double-click Double-tap
Drag Drag
Right-click Tap and hold
Right-click Press pen Function button and then tap

24 Chapter 3 Using your Tablet PC
Using Tablet PC Input Panel
You can use Tablet PC Input Panel instead of a keyboard to enter text on your Tablet PC. Use
the writing pad or the character pad to convert your handwriting to text, or tap characters
using the on-screen keyboard.
Using Tablet PC Input Panel
The following illustration shows Input Panel open to the writing pad.
To start Input Panel
•Do one of the following:
– Tap at the place you want to enter text, such as a text box. Then tap the Tablet PC
Input Panel icon ( ).
– Tap the Input Panel tab on the left edge of the screen (default).
To switch among the writing pad, the character pad, and the on-screen keyboard, tap the
appropriate button.
For a demonstration, tap Help, then tap Show me how to enter text.
For more information about using Input Panel, see the Input Panel Help.
Configuring pen options
You can use pen options to enable or disable the pen function button and the pen eraser.
Configuring pen options
To configure pen options
1. Open Motion Dashboard to the Pen & Digitizer panel (page 22).
2. Tap the Pen & Button Options button.
3. In the Tablet and Pen Settings window, tap the Pen Options tab.
4. For pen buttons, do one or more of the following:
•To enable the pen button, select Use pen button to right-click.
•To enable the eraser, select Use top of pen to erase (where available).
Writing pad
Character pad
On-screen keyboard

Chapter 3 Using your Tablet PC 25
Enabling personalized handwriting recognition
You can use the Tablet PC Settings window to enable personalized handwriting
recognition.
To enable personalized handwriting recognition
1. Open Motion Dashboard to the Pen & Tablet panel (page 22).
2. Tap the Tablet PC Settings button.
3. In the Tablet PC Settings window, tap the Handwriting Recognition tab.
4. Select Use the personalized recognizer.
For information on using the handwriting personalization tool, see “Using personalized
handwriting recognition” on page 25.
Using personalized handwriting recognition
After you have enabled personalized handwriting recognition, you can use the Handwriting
personalization tool to improve your handwriting recognition results.
To use the Handwriting recognition personalization tool
1. Open Input Panel (page 24).
2. Tap Tools, then tap Personalize Handwriting Recognition.
3. Follow the instructions in the Handwriting personalization tool.
Configuring front panel buttons
As you become more familiar with your Tablet PC, you may want to customize the buttons
on the front panel. You can configure the buttons to start your favorite program, run a
command, or enter a key combination.
Esc
Dashboard
Directional pad
Motion QuickNav
Camera

26 Chapter 3 Using your Tablet PC
Configuring front panel buttons
To change the front panel buttons
1. Open Motion Dashboard to the Pen & Tablet panel (page 22).
2. Tap the Tablet PC Settings button.
3. In the Tablet PC Settings window, tap the Buttons tab.
4. Select the button combination you want to change. The currently selected buttons
appear in red.
5. Tap Change.
6. Select the appropriate action for the button.
For some actions, you must enter more information, such as the location of a program to
start. You can select an action for Press and another for Press and hold. For more
information, tap What is press and hold?
Using USB
You can use the two integrated USB 2.0 ports to connect USB devices, such as digital
cameras, printers, external storage devices, keyboards, and mice. USB devices typically use
power from the computer, so you should use AC power or have adequate battery power
while you are using USB devices.
To use a USB device, connect the device to the USB port ( ) on the side of the Tablet PC.
When you connect a USB device, the Tablet PC recognizes it and loads the appropriate
device driver. You can connect and disconnect USB devices without shutting down your
computer.
Using Ethernet
You can use the integrated 10/100/1000 Base-T Ethernet port (RJ-45) to connect to an
Ethernet network, high-speed modem, or another computer.
To connect to an Ethernet network or device, connect the Ethernet cable to the Ethernet
port ( ) on the left side of the Tablet PC.
Using the display
Use the procedures in this section to customize your display settings. You can adjust the
brightness level, rotate the display, and change the order in which the display rotates.
Chapter 3 Using your Tablet PC 27
Adjusting the display brightness
Use this procedure to change the brightness of the display.
To adjust the display brightness
1. Open Motion Dashboard to the Display panel (page 22).
2. Set the Brightness slider to the appropriate level.
For optimal battery conservation and viewability, set the brightness scale to the mid-
point or slightly above.
3. Select one of the following:
•Fixed. Sets the display brightness to a constant level. Use the slider to adjust the
display to the desired brightness level. The ambient light sensor is not used with fixed
brightness.
•Dynamic. Uses the ambient light sensor to maintain an appropriate brightness level
for the current lighting conditions. Using dynamic brightness helps to reduce power
consumption while running on battery power.
Rotating the display
You can easily change the screen orientation to fit your current task. You may want to use
the portrait orientation for filling out forms or reading an e-book. At other times, you may
want a landscape orientation for Web browsing or sketching.
To rotate the display
1. Open Motion Dashboard to the Display panel (page 22).
2. Tap the Rotate button.
Note: If you change the screen orientation, you may need to recalibrate the tablet pen. See
“Calibrate the digitizer” on page 7.
Setting up an external display
If you want more space on the desktop, or the flexibility of multiple monitors, you can
connect an external display, such as a monitor or projector.
You can extend your display to the external monitor, mirror your display on the external
monitor, or use the external monitor only. Because the tablet pen does not work on the
external display, you should typically use a keyboard and mouse when you have an external
display attached.
To set up an external monitor
1. Connect the monitor cable into the appropriate display port on the FlexDock. Use the
VGA port to connect to the external monitor.
2. Plug in the external monitor and turn it on.

28 Chapter 3 Using your Tablet PC
3. If necessary, install software and drivers for the monitor. See the manufacturer’s
documentation for more information.
4. Open Motion Dashboard to the Display panel (page 22).
5. For Display Scheme, select one of the following:
•Mirror Display. Duplicates the Tablet PC display on the external monitor or projector.
The same desktop is visible on both displays. The external monitor must use the same
display resolution as the Tablet PC.
•Extended with Monitor Primary. Enlarges the desktop area to include the external
monitor as the primary monitor. The external monitor can use a different display
resolution than the Tablet PC.
•Extended with Tablet Primary. Enlarges the desktop area to include the external
monitor as the secondary monitor. The external monitor can use a different display
resolution than the Tablet PC.
•Monitor Only. Uses the external monitor only.
•Tablet Only. Uses the Tablet PC display only.
To learn more about custom monitor schemes, go to www.motioncomputing.com/tips.
Using the built-in microphones
You can use the built-in microphones to record audio, dictate notes, and use voice
commands. The two microphones are used at the same time to optimize sound detection
for speech recognition and voice recording.
Document Document
Tablet PC
External monitor
Spreadsheet
Document Email
Tablet PC
External monitor
Chapter 3 Using your Tablet PC 29
Connecting headphones, external speakers, or a
microphone
You can connect headphones or external speakers to the headphones port using a 3.5 mm
plug. When speakers or headphones are connected, the internal speakers are disabled.
You can connect an external microphone or headset to the microphone port using a
3.5 mm plug. When a microphone is connected, the internal microphones are disabled.
Using speech recognition
You can use speech recognition to interact with your Tablet PC by voice. You can dictate
documents and emails, or use voice commands to control programs.
•Dictation mode. With Dictation mode, your computer listens to everything you say and
converts your words to text. You can use dictation mode to enter text directly into any
document or text box.
•Voice command mode. With Voice command mode, your computer listens for specific
words that correspond to a list of available voice commands. You can use commands to
switch between programs, save documents, copy, paste, or undo.
Setting up speech recognition
Before you can use speech recognition, you must configure the microphones and train the
system for the characteristics of your voice. You can also take the speech tutorial to learn
how to talk to your computer.
Setting up the microphones
Before you start this procedure, ensure that you have set up the angle of acceptance and
skew angle (page 28). For best results, move to a quiet environment.
To set up the microphones
1. In Control Panel, open Speech Recognition.
2. Tap Set up microphone.
3. If you are using the integrated Tablet PC microphone array, select Other.
4. Follow the instructions in the setup program.
If the microphones are set to an appropriate level, the meter will stay in the green zone
while you read the sentences. If the level is too low or too high, use Motion Dashboard to
adjust the level (page 22).
Train your computer to recognize your speech
Use this procedure to improve your computer’s ability to understand your voice.
To train your computer to recognize your speech
1. In Control Panel, open Speech Recognition.

30 Chapter 3 Using your Tablet PC
2. Tap Train your computer to better understand you.
3. Follow the instructions in the setup program.
Taking the Speech Tutorial
You can use the Speech Tutorial to learn basic commands and dictation. The Speech
Tutorial takes about 30 minutes to complete.
To take the speech tutorial
1. In Control Panel, open Speech Recognition.
2. Tap Take Speech Tutorial.
3. Follow the instructions in the tutorial program.
Using Dictation and Voice Commands
After you have set up speech recognition, you can start it from Control Panel.
To use Dictation and Voice Commands
1. In Control Panel, open Speech Recognition.
2. Tap Start Speech Recognition.
3. Ensure that the Speech Recognition window is open and listening.
4. Do one of the following:
•For voice commands, say the appropriate command. For a list of commands, search
Windows Help and Support for “speech commands”.
•For dictation, open the program you want to use and start speaking.
For more information about speech recognition, search Windows Help and Support for
“speech recognition”.
Using power plans
The J3400 includes a comprehensive suite of power management functions. By using
power plans, you can maximize system performance, save energy, or get the most from a
single charge.

Chapter 3 Using your Tablet PC 31
Selecting a power plan
Use this procedure to choose among the Balanced, Power saver, or High performance
power plans.
To select a power plan
1. Open Motion Dashboard to the Power panel (page 22).
2. Tap the Power Options button.
3. On the Power Options page, select a power plan.
For information about creating a custom power plan, see “Creating a power plan” on
page 32.
Changing power plan settings
You can edit the particular settings of an existing power plan. To create your own power
plan, see “Creating a power plan” on page 32.
To change power plan settings
1. Open Motion Dashboard to the Power panel (page 22).
2. Tap the Power Options button.
3. On the Power Options page, tap Change plan settings for the plan you want to change.
4. Choose the settings that you want your computer to use. You can also tap Change
advanced power settings for more options.
32 Chapter 3 Using your Tablet PC
Creating a power plan
If the existing power plans are not sufficient, you can create your own power plan.
To create a power plan
1. Open Motion Dashboard to the Power panel (page 22).
2. Tap the Power Options button.
3. On the Power Options page, tap Create a power plan.
4. Select the existing plan that is closest to the plan you want to create.
5. In the Plan name box, enter a name for the plan, and then click Next.
6. Choose the settings that you want your computer to use, then click Create.
Using Sleep
Sleep is a state in which your display and hard disks turn off, so that your computer uses less
power. When you want to use the computer again, it comes out of Sleep quickly, although
you may have to log on again.
Use Sleep to save power when you will be away from the computer for a short time.
WARNING: Because Sleep does not save your desktop state to disk, a power failure while
on Sleep can cause you to lose unsaved information.
Using Sleep
To put your computer on Sleep
1. Open Motion Dashboard to the Power panel (page 22).
2. Do one or more of the following:
•For Power Switch on battery, select Sleep.
•For Power Switch plugged in, select Sleep.
3. To put your computer on Sleep, press the power button.
To turn your computer back on, press the power button.
Using Hibernate
Hibernation is a state in which your computer shuts down to save power but first saves
everything in memory on your hard disk. When you restart the computer, your desktop is
restored exactly as you left it. Use hibernation to save power when you will be away from
the computer for an extended time.

Chapter 3 Using your Tablet PC 33
Hibernation has the following advantages over Sleep:
•Hibernate saves the state of the desktop and applications
•Hibernate consumes no battery power
•When you return from the Hibernate state, you return to where you were when you
entered hibernation.
Using Hibernation
To put your computer on Hibernate
1. Ensure that Hibernate is enabled.
2. Open Motion Dashboard to the Power panel (page 22).
3. Do one or more of the following:
•For Power Switch on battery, select Hibernate.
•For Power Switch plugged in, select Hibernate.
4. To put your computer on Hibernate, press the power button.
To turn your computer back on, press the power button.
Using the battery
The Tablet PC runs on battery power when it is not plugged in. The battery, included with
the Tablet PC, is installed on the back of the tablet. To increase your battery life, you can
install a second battery in any of the two battery bays. If a second battery is not installed, a
battery bay cartridge (non-functioning) is provided to occupy the second battery bay. For
more information, go to the Motion Computing accessories page at
www.motioncomputing.com/accessories.
Checking battery power
You can check the remaining battery power from Motion Dashboard, from the battery icon
in the notification area, or from the battery itself.
To check the remaining battery power
•Open Motion Dashboard to the Power panel (page 22).
You can also place the pointer over the battery icon in the notification area. The battery icon
provides a graphical representation of the remaining battery power. If two batteries are
installed, the power reading is the cumulative charge of both batteries.

34 Chapter 3 Using your Tablet PC
For each battery, you can check the remaining battery power from the battery itself.
To check the battery gauge on the battery
•Locate the battery gauge button and the battery power indicator lights and press the
battery gauge button.(page 35). The indicator lights show the remaining charge. Each
light represents approximately 20% of the available charge.
Charging the battery
When the Tablet PC is connected to AC power, the battery automatically charges until it
reaches full charge, even if the Tablet PC is being used.
If two batteries are installed, the battery with the lowest battery power charges first, then
the second battery charges. The charging sequence is staggered to ensure that both
batteries get as close to being fully charged at nearly the same time as possible. The first
battery (with lowest remaining power) charges to the 90% level, followed by the second
battery charging to the 100% level. Then, the tablet switches to the first running battery.
When running on battery power, the battery with the lowest remaining power discharges
first, then the second battery discharges.
For information about the battery status light, see “Battery status light” on page 12.
CAUTION: To avoid injury, keep the battery within the recommended temperature range
while it is charging. If the battery has been subjected to a hot environment, wait until it
cools to room temperature before recharging it. For more information, see the Safety and
Regulatory Guide included with the Tablet PC.
Battery and power management tips
•To lengthen the battery’s usable life, use AC power when you can. The battery will charge
automatically while you run on AC power, so leave the battery in the tablet while you are
working.
•For optimal battery life, use AC power when using a CD or DVD player.
•When running on battery power, place the system in Hibernate or Sleep mode if you are
going to leave it unattended for more than a few minutes (page 32).
•Remember that the display, processor, PC Cards, wireless cards, and accessory drives all
draw on the battery, so adjust properties and disable unused accessories while running
on battery power.
•When running on battery power, adjust the display brightness to a dimmer setting and
enable Dynamic brightness. See “Adjusting the display brightness” on page 27.
•Turn off wireless devices when they are not being used.

Chapter 3 Using your Tablet PC 35
Removing and replacing the battery
You can remove the battery to check the remaining power, or to replace it with a fully
charged battery.
To remove the battery
1. Ensure that the Tablet PC is plugged in to AC power or turned off.
2. Turn the Tablet PC over so that the back side is up.
3. For the battery you want to remove, slide the battery release switch until the battery is
partially ejected, and then pull the battery out of the battery bay.
To replace the battery
•For the battery you want to install, place the two tabs of the battery into the two slots in
the battery bay, and then press the other end of the battery into the battery bay until
you hear a click or feel the battery lock into place.
Swapping the battery
You can swap a battery while the tablet is on and running on battery power only if you have
a second battery to replace the battery that is low on power.
To swap a battery with a tablet containing a battery and battery bay cartridge (non-
functioning)
•If your tablet has a battery and battery bay cartridge (non-functioning) installed, remove
the battery bay cartridge and install the second battery. For information about removing
the battery, see “Removing and replacing the battery” on page 35.
To swap a battery with a tablet containing two batteries
•If your tablet has two batteries installed, remove the battery with the lowest power and
install the charged battery in the other battery bay. For information about removing the
battery, see “Removing and replacing the battery” on page 35.
Battery release switch (left battery)
Battery release switch (right battery)
36 Chapter 3 Using your Tablet PC
To determine which battery needs to be replaced, see “Checking battery power” on
page 33.
Important: Use only Motion Computing J-Series batteries with the J-Series Tablet PC.
Battery maintenance
To maximize the performance of the tablet batteries, deplete each battery’s charge level to
less than 10% every 30 days. To deplete the charge, install the battery on the tablet and use
the tablet without AC power until the battery charge is depleted to less than10%. Verify the
status of your battery using the battery icon in the notification area of your tablet desktop.
See “Checking battery power” on page 33.
Long-term battery storage (not attached to tablet)
Do not store any batteries with a full charge; this can cause a permanent loss of charging
capacity. For long-term storage, the battery should be charged to a level between 20% and
40% (two contiguous LEDs illuminated) of a full charge. Stored batteries should be checked
every 90 days to determine the charge status. If only one LED or no LED is illuminated,
recharge the batteries to a level between 20% and 40%.
For optimum care, store the battery in a cool, dry environment. Never expose the battery to
temperatures above 60ºC (140ºF).
Note: In storage, the batteries will self-discharge at a rate of 10% of the total capacity per
month.

Chapter 3 Using your Tablet PC 37
Battery fault code
To check the battery status, push the battery gauge button next to the battery indicator
lights. If the top, middle, and bottom lights on the battery illuminate simultaneously, the
battery has failed and must be replaced.
Disposing of used batteries
When Lithium-ion (Li-ion) batteries are no longer serviceable, the batteries should be sent
to a hazardous materials recycling center. Do not discard the batteries in a waste receptacle
because they could be sent to a landfill.
Troubleshooting the battery
The battery status light on the Tablet PC is glowing amber, which indicates that the
battery is charging, but the battery does not charge.
•The system BIOS and Motion Dashboard may be out of date. Download the latest drivers
and BIOS from www.motioncomputing.com/support.
Battery gauge button
If the three indicator lights (indicated with arrows) are illuminated, the battery has failed and must be replaced.
Battery power indicator lights

38 Chapter 3 Using your Tablet PC
The battery status light on the Tablet PC is blinking amber when the battery is
installed and AC power is applied to the tablet.
•The battery may have failed. Use the status lights on the Extended Battery to verify its
condition.
Battery gauge button
If the three indicator lights (indicated with arrows) are illuminated, the battery has failed and must be replaced.
Battery power indicator lights

Chapter 3 Using your Tablet PC 39
Removing and replacing the SIM
To remove and replace the SIM, perform the following procedures.
To remove the SIM
1. Turn off the tablet.
2. Remove the battery or battery bay cartridge (non-functioning) from the right battery
bay.
Slide the battery release switch until the battery is partially ejected, and then pull the
battery out of the battery bay.
Battery release switch (right battery)
Right battery

40 Chapter 3 Using your Tablet PC
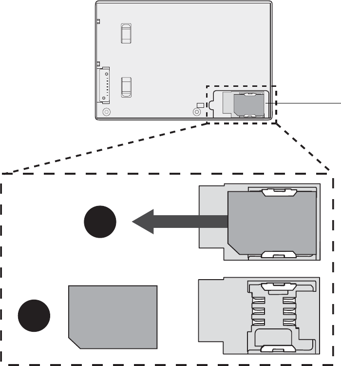
3. Lift the corner of the plastic film covering the SIM slot and slide the SIM out of the slot.
4. If you are not replacing the SIM, replace the battery or battery bay cartridge by placing
the two tabs of the battery or battery bay cartridge into the two slots in the battery bay,
and then press the other end of the battery into the battery bay until you hear a click or
feel the battery lock into place.
If you are replacing the SIM, perform the following procedure.
S I M
1
2
S I M
S I M SIM slot

Chapter 3 Using your Tablet PC 41
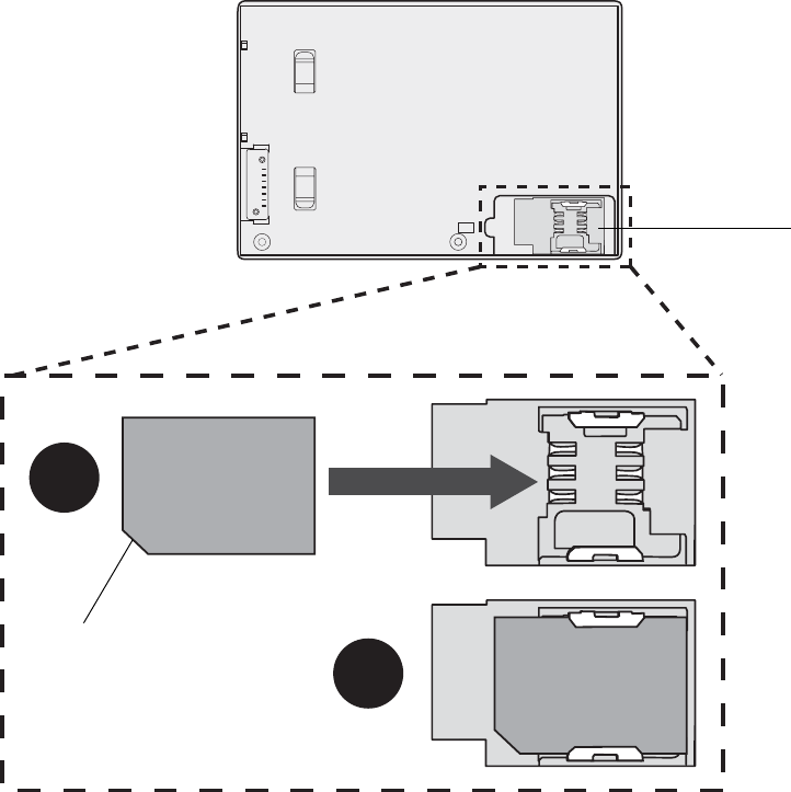
To replace the SIM
1. With the tablet turned off and the battery or battery bay cartridge removed from the
right battery bay, lift the plastic film covering the SIM slot and slide the SIM into the slot
with the metal contacts facing downward and the notched corner positioned as shown
in the illustration.
2. Replace the battery or battery bay cartridge in the right battery bay by placing the two
tabs of the battery or battery bay cartridge into the two slots in the battery bay, and then
press the other end of the battery into the battery bay until you hear a click or feel the
battery lock into place.
SIM slot
S I M
1
2S I M
Notched corner
of SIM

42 Chapter 3 Using your Tablet PC
Using Motion OmniPass and the fingerprint reader
Motion OmniPass offers a secure and convenient system for managing your passwords and
providing confidentiality for your sensitive data through file encryption.
To start Motion OmniPass
•In the notification area, double-tap the Motion OmniPass icon ( ).
You can also start Motion OmniPass from the Security panel of Motion Dashboard.
To create a new user and capture a fingerprint in OmniPass, see “Capturing a fingerprint” on
page 42.
From the OmniPass Control Center, you can manage OmniPass users and settings (distinct
from Windows users), change OmniPass settings, manage passwords, and protect your files.
For more information, see the OmniPass Help.
Capturing a fingerprint
After you capture your fingerprints, you can associate the fingerprints with an OmniPass
user. This offers a quick and convenient way to log on to your Tablet PC, provides global
password management, and helps protect your data from unauthorized access.
Use this procedure to enroll a new user and capture a fingerprint for authentication.
To enroll a new user and capture a fingerprint
1. Start Motion OmniPass (page 42) and tap Enroll a new user.
2. Enter the Windows account information for the new user and tap Next. The fields may
default to the user name of the current user.
3. In the Choose Finger window, tap on the finger you want to enroll, then tap Next or
Practice. Practice allows you to do a trial run of the fingerprint capture.

Chapter 3 Using your Tablet PC 43
4. Place the selected finger over the fingerprint reader and slowly drag your finger across
the sensor in a downward motion or in an upward motion.
If the capture is successful, a green fingerprint image will appear in the capture area. If
the capture is unsuccessful, follow the instructions on the screen to improve the scan.
After you have successfully captured your fingerprint, scan your fingerprint one more
time for verification.
5. Tap Next, then tap Yes if you want to enroll a second fingerprint (recommended). If you
injure a finger, you can use a second finger to authenticate.
You can also capture a second fingerprint later. From the OmniPass Control Center, tap
Run User Management Wizard, then tap Modify a user’s device enrollment.
6. Select your user preferences and tap Next. On the Backup User Profile screen, tap
Backup Now.
7. Select a location for your back up profile and tap Save. Enter a password and tap OK. On
the final screen, tap Done.
You should keep your backup profile in a secure location, such as on an external drive
that you can remove and store in a secure environment.
If your profile is lost or corrupted, you can restore it later. You should back up your profile
periodically to protect your configuration and any stored passwords and encryption
keys. For more information, see the OmniPass Help.
44 Chapter 3 Using your Tablet PC
Fingerprint reader tips
•Be consistent. Hold your finger and scan at the same angle each time. For example, if you
enroll your finger with your hand open, hold your hand this way each time you scan.
•The scanner is bi-directional. You can move your finger in an upward or downward
motion across the sensor.
•Read the prompts carefully and ensure that you wait for the prompt before you swipe.
•Swiping too fast or too slow can make a capture unsuccessful. Change the swipe speed
until you learn what speed works best.
•When scanning, press hard enough to fully contact the entire surface of the fingerprint
reader; you do not have to press hard.
•Rub your fingers together to stimulate the natural skin oils so your fingerprint is easier to
detect. Conversely, wipe your finger off so nothing interferes with the scan.
•If you are having trouble enrolling a specific finger, enroll a different finger. Typically, you
should scan an index finger, thumb, middle finger, ring finger, and little finger in that
order.
•If you are repeatedly having trouble getting a good scan, you may need to clean the
sensor. See “Cleaning the fingerprint reader” on page 58.
Using password replacement
OmniPass can manage your passwords for other applications, such as Web sites, Internet
email, FTP, or any restricted-access network resource. After OmniPass registers your
credentials, you can access any of these restricted areas by using your fingerprint or the
master password.
To register passwords
1. When you encounter a user name and password prompt, enter your user name and
password, but do not log on. (Do not tap Enter, Submit, or OK.)
2. Right-click the OmniPass icon, and select Remember Password. The Windows arrow
pointer changes to the OmniPass golden key.
3. Click the key cursor on the window that has the password that you want OmniPass to
remember.
Note: For some applications, you may have to use the password wizard to register
passwords. See “Using the password wizard” on page 45.
4. Enter the following information:
•Friendly Name. A descriptive name to identify the password box.
•Automatically enter. Instantly accesses the site without requiring a password or
fingerprint scan. If you are logged in to OmniPass and you access a secure Web site,
OmniPass will automatically submit your user name and password without
prompting for verification.
•Automatically click. Prompts you for your OmniPass/Windows password or
fingerprint scan when you access the site (default).
5. Tap Finish.
Chapter 3 Using your Tablet PC 45
6. If prompted, swipe your fingerprint or enter your master password to authenticate these
settings.
Using the password wizard
Certain applications require more sophisticated user input for authentication. For these
applications, you may need to use the password wizard to set up password replacement.
To run the password wizard
1. Start Motion OmniPass (page 42).
2. In the left pane, tap Password Wizard.
3. Follow the instructions in the wizard program.
Logging on to a remembered site
To log on to a remembered site, open the Web site or application that you have set up with
password replacement. See “Using password replacement” on page 44. Swipe your finger
or enter the master password when prompted.
To remove a remembered site, tap Manage Passwords.
Configuring authentication rules
To configure authentication rules
1. Start Motion OmniPass (page 42).
2. Tap Change Your User Settings.
3. Tap Set user authentication rules and policies.
4. Select the appropriate authentication rules.
5. Tap Save all settings.

46 Chapter 3 Using your Tablet PC
Using Windows Security Center
Windows Security Center provides a central location for you to manage your computer’s
security settings and learn more about improving security. If a problem is detected (such as
an out-of-date antivirus application), the Security Center sends you an alert and provides
recommendations for how to remedy the situation.
Windows Security Center manages the following:
•Windows Firewall. Protects your computer against viruses and other security threats,
such as intruders who might try access over the Internet or a network.
•Automatic Updates. Keeps your computer up to date by notifying you of important
Windows updates. You can configure Automatic Updates to download and install
updates automatically.
•Malware protection. Protects you from viruses, spyware, and other unwanted software.
•Other security settings. Manages Internet security settings and User Account Control
to help protect your computer. Internet security settings apply to Internet Explorer, but
not to other Web browsers.
To learn more about Windows Security Center, open Motion Dashboard to the Security
panel, then tap Windows Security Center.
Setting up users and passwords
You can use different types of user accounts and passwords to create various levels of
protection for your Tablet PC and its data, depending on the level of security that you need.

Chapter 3 Using your Tablet PC 47
Setting up Windows user accounts
You can use Windows user accounts to help secure the files on your computer from other
users. You must have an administrator account on the computer to add a new user to the
computer.
To set up a Windows user account
1. In Control Panel, open User Account Control Panel.
2. Tap Manage another account.
3. Tap Create a new account.
4. Enter the appropriate information for the new user account and tap Create Account.
Setting a BIOS password
You can use a BIOS password to secure the basic input/output system of the computer.
WARNING: Read this section carefully to understand the implications of creating a BIOS
system password. If you forget the password, you will not be able to access your Tablet PC. If
this happens, contact Motion Computing Technical Support at
www.motioncomputing.com/support. Have your serial number ready. You can find the
serial number on the back of the Tablet PC.
To set a BIOS password
1. Start the Tablet PC.
2. When the Motion Computing splash screen appears, press the Dashboard button ( ).
When access is enabled, you will hear an alert sound. If you miss the splash screen,
restart the computer and try again.
3. Quickly tap the screen with the tablet pen to open the system setup menu. If you have a
keyboard attached, you can also press the space bar to open the system setup menu.
4. Tap Password Options.
5. In the Password window, select Change current password and enter a password using
the on-screen keyboard.
6. Select Enable Password on boot, if desired.
A BIOS password requires the user to enter a password to open the BIOS. A password on
boot requires the user to enter a password to start the computer.
7. Tap OK.
To clear the password, select Change current password, leave the password fields blank,
then tap OK.

48 Chapter 3 Using your Tablet PC
Setting up a hard disk drive (HDD) password
You can use a HDD password to protect the computer and the hard disk drive. The
computer cannot be started without the HDD password, and the data on the disk drive
cannot be accessed, even if it is removed and attached to a different computer.
To set up a hard disk drive password
1. Start the Tablet PC.
2. When the Motion Computing splash screen appears, press the Dashboard button ( ).
When access is enabled, you will hear an alert sound. If you miss the splash screen,
restart the computer and try again.
3. In the InsydeH20 Setup Utility, tap Security on the menu bar.
4. Tap Enter for Set Hard Disk Password.
5. To enter a password, tap the password dialog box and an on-screen keyboard will open.
6. Using the on-screen keyboard, enter the password and tap Enter. To confirm the
password, enter the password again, and tap Enter.
7. Tap Enter to continue, tap Exit, then select Exit Saving Changes.
To clear the password, tap Enter for Set Hard Disk Password. Enter the current password,
then tap Enter twice to leave the Enter New Password fields blank.

Chapter 3 Using your Tablet PC 49
Using Wi-Fi (802.11a/g/n)
Use the information in this section to set up a Wi-Fi connection. Wireless access requires an
802.11a, 802.11g, or 802.11n access point. Internet access requires a working Internet
connection.
DANGER: FAA regulations require that you disable any wireless connection when traveling
by air. Failure to disable the wireless connection on the Tablet PC while traveling by air can
cause communications problems with aircraft instruments.
Enabling or disabling Wi-Fi
Before you can establish a Wi-Fi connection, you must enable the Wi-Fi adapter. You can
enable the Wi-Fi adapter using Motion Dashboard.
To enable or disable Wi-Fi
1. Open the Motion Dashboard to the Wireless panel (page 22).
2. Select or clear the Enable 802.11 Internal Wireless check box.
Setting up a Wi-Fi connection
Use this procedure to create a Wi-Fi connection.
To set up a Wi-Fi connection
1. Open the Motion Dashboard to the Wireless panel (page 22).
2. Ensure that Enable Internal 802.11 Wireless is selected.
3. Tap the Properties button.
4. In the Network and Sharing Center, tap Connect to a network.
5. For Show, select Wireless.
6. Select the network you want to connect to and tap Connect. If you are connecting to a
secure network, you may need to enter authentication information.
For more information about Wi-Fi, see “Wi-Fi (802.11a/g/n wireless)” on page 17.
Using Mobile Broadband (optional)
Use the information in this section to set up a Mobile Broadband connection. Mobile
Broadband access requires a service contract from a Mobile Broadband service provider.
For more information, see “Mobile Broadband (optional)” on page 18.
WARNING: FAA regulations require that you disable any wireless connection when
traveling by air. Failure to disable the wireless connection on the Tablet PC while traveling
by air can cause communications problems with aircraft instruments.
50 Chapter 3 Using your Tablet PC
Activating your Mobile Broadband service
Before you can use the Mobile Broadband service, you must activate your service with the
service provider you chose when you ordered your Tablet PC.
You may be able to activate your service using the connection manager, or you may have to
call your service provider to activate. For more information about starting the connection
manager, see the Mobile Broadband document in the Tablet PC box.
Enabling Mobile Broadband
Before you can establish a Mobile Broadband connection, you must enable the Mobile
Broadband adapter. You can enable the Mobile Broadband adapter using Motion
Dashboard.
To enable Mobile Broadband
1. Open the Motion Dashboard to the Wireless panel (page 22).
2. Select the Enable Mobile Broadband with GPS check box.
Installing the connection manager
To install the connection manager
•Double-tap the icon on your desktop and follow the online instructions. You will need an
Internet connection to download your connection manager.
For more information, see the connection manager help.
Note: The connection manager software you use depends on your wireless service provider.
If your tablet contains a Mobile Broadband card, for more information, see the Mobile
Broadband document in the Tablet PC box.
Connecting and disconnecting
Use the connection manager software to connect to and disconnect from your provider’s
Mobile Broadband network.
Using Bluetooth (optional)
You can use Bluetooth® to connect to accessory devices or other computers. The devices
can communicate with each other when they are in range. For more information, see
“Bluetooth wireless (optional)” on page 18.

Chapter 3 Using your Tablet PC 51
Enabling or disabling Bluetooth
Before you can set up a Bluetooth device, you must enable the Bluetooth adapter on the
Tablet PC. After you enable Bluetooth, the Bluetooth icon ( ) appears in the notification
area. You can tap on this icon to get shortcuts to the Bluetooth Settings window, the
Bluetooth File Transfer Wizard, and the Add New Connection Wizard.
To enable or disable Bluetooth
1. Open Motion Dashboard to the Wireless panel (page 22).
2. Select or clear Enable Internal Bluetooth Wireless.
After you enable Bluetooth, the Bluetooth adapter tries to discover other Bluetooth devices
within range. When a Bluetooth device is discoverable, it is visible to other Bluetooth
devices in range. For information about making a device discoverable, see the device’s
documentation.
Setting up a Bluetooth device
Before you can use a Bluetooth device with your Tablet PC, you need to set up the device.
After you set up the device, it is paired with your Tablet PC, and uses a passkey to create a
secure connection between the Tablet PC and the Bluetooth device.
Note: Although the passkey exchange helps to secure your data, Bluetooth wireless
technology should not be considered completely secure.
To set up a Bluetooth connection
1. Ensure that Bluetooth is enabled.
2. Place the Bluetooth device in discoverable mode. Each Bluetooth device may have a
different way to make it discoverable. See the manufacturer’s documentation for more
information.
3. In Control Panel, open Bluetooth Devices.
4. Tap Add.
5. Follow the instructions in the setup program. If the device is not discovered, see “If the
device is not discovered…” on page 52.

52 Chapter 3 Using your Tablet PC
The Bluetooth device is ready to use. Paired devices are shown in the Bluetooth Settings
window. The following illustration shows a Bluetooth Settings window with a Bluetooth
keyboard and mouse.
If the device is not discovered…
If the Bluetooth device is not detected after multiple attempts, try the following:
•Ensure that Bluetooth is enabled (page 51).
•Ensure that the device you are adding is discoverable. See the manufacturer’s
documentation for more information.
•Ensure that the Bluetooth device has good batteries.
•For keyboards, mice, and printers, ensure that you select My device is set up and ready
to be found in the Add Bluetooth Device Wizard.
•For Tablet PCs transferring files, both tablets must turn on the device transfer wizard,
although only the receiving Tablet PC needs to be discoverable. Tap the Bluetooth icon
and then Send a file or Receive a file. When you do this, discovery is automatically
turned on for the receiving device.
•Select Allow Bluetooth devices to connect to this computer to connect to keyboards,
mice, printers, and other devices. You find this by right-clicking the Bluetooth icon >
Show Bluetooth Devices > Options.
•Check which Bluetooth devices are connected. Tap the Bluetooth Devices icon > Open
Bluetooth Settings. On the Devices window, you should be able to see Bluetooth devices
that are currently connected.
If the Tablet PC still cannot detect the Bluetooth device, contact the device manufacturer
for assistance.
Chapter 3 Using your Tablet PC 53
Bluetooth wireless tips
Motion Computing and its Bluetooth partners have worked to ensure a positive experience
with this technology, and to ensure Bluetooth interoperability. In doing so, we have found
the following issues:
•If you are running Bluetooth and Wi-Fi at the same time, interference can affect the
Bluetooth performance. This is most noticeable when you try to transfer large amounts
of data, such as file transfers or printing large documents. This may also be noticeable
when you try to transfer large or small amounts of data may if several Bluetooth devices
are operating simultaneously in an office.
•Bluetooth audio has not been fully developed for speech recognition. Therefore, for
speech recognition, we recommend that you not use a Bluetooth wireless headset.
Moreover, Motion Speak Anywhere can record clear audio, dictate notes, and use voice
commands without a microphone headset.
•Some Bluetooth devices will disconnect when they go into power-saving mode. Most
devices will automatically reconnect when they become active again.
•If you attempt to install other wireless headset or other audio drivers (such as Bluetooth
or USB) over the Tablet PC audio drivers, a malfunction of the Tablet PC audio system
may occur because the drivers may not be compatible.
•Occasionally, some Bluetooth device compatibility issues can occur. If you are having
problems with interoperability of Bluetooth devices, contact the manufacturer of your
Bluetooth device and check its compatibility with the Bluetooth software installed on
your Tablet PC.
Finding additional software
For information about other tablet-oriented software, go to the Motion Computing
software page at www.motioncomputing.com/products/software_motion.asp.
You will find links to software solutions for purchase as well as free downloads from Motion
software and service partners.
54 Chapter 3 Using your Tablet PC
55
Care and Maintenance 4
Proper care and maintenance will keep your Tablet PC working and in good condition for a
long time. For general information about care of the Tablet PC and its components and
accessories, see the Safety and Regulatory Guide included with your Tablet PC.
This chapter describes the care and maintenance procedures for your XX1x00 Tablet PC.
WARNING: Follow the guidelines listed below when caring for your Tablet PC and its
components. Improper use may damage the Tablet PC and its components and void the
warranty.
General care
•Protect the Tablet PC from exposure to extreme temperatures, shock, liquids, and strong
magnetic fields.
•If you are storing the Tablet PC for a long time, unplug the power adapter and remove
the battery after partially discharging it.
•Do not place heavy objects on top of the Tablet PC.
•Do not open the Tablet PC case except to replace Motion-authorized components.
Always follow the instructions included with these accessories when performing these
procedures.
56 Chapter 4 Care and Maintenance
Standard display
•Clean fingerprints and most marks from the display surface by wiping it with the soft
cloth (provided). Never spray or pour liquids directly onto the display surface itself. Never
use an abrasive cleaner on the display. If liquid is spilled on the display, wipe it up
immediately.
•If needed, spray a soft cloth (not directly on the display) with a window-type cleaner and
wipe the display.
•Avoid using tissues or paper towels to clean the display surface. These contain wood
fibers that can scratch the display.
•Use only the tablet pen on the display. Do not write on the display with an ink pen or
pencil, or any other object that could damage the display surface.
•Protect the display surface from unnecessary contact by using a case when transporting
the Tablet PC.
•Avoid exposing the display to direct sunlight for long periods of time.
View Anywhere display (optional)
•Clean fingerprints and most marks from the display surface by wiping it with the soft
cloth (provided). Never spray or pour liquids directly onto the display surface itself. Never
use an abrasive cleaner on the display. If liquid is spilled on the display, wipe it up
immediately.
•If needed, clean with any alcohol-based product recommended for anti-reflective glass.
Other cleaning products might leave a residue.
•Avoid using tissues or paper towels to clean the display surface. These contain wood
fibers that can scratch the display.
•Use only the tablet pen on the display. Do not write on the display with an ink pen or
pencil, or any other object that could damage the display.
•Protect the display surface from unnecessary contact by using a case when transporting
the Tablet PC.
•Avoid exposing the display to direct sunlight for long periods of time.

Chapter 4 Care and Maintenance 57
Cleaning in a health care environment
This section describes the cleaning procedures for a Tablet PC in a health care environment.
Disinfecting procedures
You should periodically disinfect the tablet according to the institutional polices of surface
and equipment safety and cleanliness.
According to the Centers for Disease Control, “items that do not ordinarily touch the patient
or touch only intact skin are not involved in disease transmission, and generally do not
necessitate disinfection between uses on different patients”.1 We recommend using an EPA-
approved low-level disinfectant when general cleaning is required. For a list of cleaning
solutions tested by Motion Computing, see “Cleaning solutions” on page 58.
If the tablet becomes soiled with blood or other body fluids, chemical germicides that are
EPA-approved for use as hospital disinfectants and that are tuberculocidal/virucidal when
used at recommended dilutions and contact times can be used. Visibly soiled areas should
first be cleaned and then chemically decontaminated. For disinfection, the cleaned areas
should be moistened with the appropriate germicide and allowed to air dry.2
If a tablet is used with patients who are infected or colonized with vancomycin-resistant
enterococci or other drug-resistant microorganisms judged by the infection control
program (based on current state, regional, or national recommendations, to be of special or
clinical or epidemiologic significance or with highly virulent microorganisms such as Ebola
or Lassa), then the tablet should be dedicated to one patient or patient cohort or subjected
to low-level disinfection between patient uses.1
Training and documentation considerations
All users of Motion Tablet PCs in the health care environment should be provided with
training on proper cleaning procedures. Cleaning procedures should be added to the
institution's policies and procedures for infection control.
1. Centers for Disease Control and Prevention. “Sterilization or Disinfection of Medical Devices-General Principles.” 2002.
<www.cdc.gov/ncidod/dhqp/bp_sterilization_medDevices.html> (20 Sept. 2006).
2. Centers for Disease Control and Prevention. “Sterilization or Disinfection of Patient-Care Equipment-HIV Related.” 2000.
<www.cdc.gov/ncidod/dhqp/bp_sterilization_patient_care.html> (20 Sept. 2006).

58 Chapter 4 Care and Maintenance
Cleaning solutions
This section describes various cleaning solutions that have been tested by
Motion Computing. Please review the manufacturer's guidelines for proper use of the
product.
Cleaning the fingerprint reader
Under normal circumstances, you should clean the fingerprint reader once a month, or
whenever necessary.
To clean the fingerprint reader
1. Shut down the Tablet PC, unplug it, and remove the battery.
2. Lightly spray a cotton swab with household window cleaner.
3. Gently rub the sensor surface with the cotton swab, slowly rotating the swab so a new,
clean surface of the swab is constantly exposed to the sensor surface. Do not allow
cleaner to drip or run down into the electronics around the sensor.
Do not use bleach, solvents, or abrasives. Do not spray or pour any liquid directly on the
sensor.
4. After cleaning, gently rub the surfaces again with a clean, dry cotton swab. Use a clean
swab each time you clean the sensor.
Product Type Manufacturer Comments
Alcohol Prep Pads Dynarex For general purpose use only. Not considered a
disinfectant for health care environments.
Cavi-Wipes Metrex Can be difficult to clean off. Can leave a film on
the product.
Germicidal Wipes
(Super Sani-Cloth)
PDI Requires gloves for use and can be difficult to
clean off. Effective on acrylic displays but can be
difficult to clean off the ViewAnywhere display.
MOC Reviver MOC Can be difficult to clean off. Can leave a film on
the product.
PVP-I Prep Pads Triad Can leave a yellow film on the product.
Sani-Cloth PDI Requires gloves for use and can be difficult to
clean off.
Screen Cleaner Office Depot For general purpose use only. Not considered a
disinfectant for health care environments.
Vira-Guard Veridien Highly recommended.
Virex Virex Can be difficult to clean off. Can leave a film on
the product.
Chapter 4 Care and Maintenance 59
Pen
•Store the pen in the pen bay or in a case when not in use.
•Do not store the pen vertically on the tip. Constant pressure on the tip can affect the
pen-to-digitizer interaction.
•Change the pen tip regularly. See “Replacing pen tips” on page 59.
•Do not immerse the pen in liquid. It contains electronic components that could be
damaged.
•In certain environments, particles or debris can stick to the pen tip or the Tablet PC
display. To avoid damaging the display, clean it frequently with the provided cleaning
cloth. Also, change pen tips regularly, especially if you drop the pen onto a rough surface
that could damage the tip or embed debris in it. Damaged pen tips can scratch the
display.
Replacing pen tips
Pen tips eventually wear down or get damaged, so the pen includes extra tips and a tool for
replacing them.
With typical use, you should change the pen tip every 90 days. If you use the pen in a dirty
environment, you should change the pen tip every 30 days. Particles can become
embedded in the pen tip and scratch the display.
To replace the pen tip
1. Grasp the old tip with the tip replacement tool. Use the notch on the ring to grab the tip.
2. Pull the old tip out of the pen.
3. Insert a new tip.
4. Apply slight pressure to push it into place.
Ordering new pens
To order additional pens, go to the Motion Computing accessories page at
www.motioncomputing.com/accessories.

60 Chapter 4 Care and Maintenance
Traveling with your Tablet PC
Use the following tips when you travel with your Tablet PC:
•Remove all accessories and cables. Remember to pack those you will need while
traveling, including at least one tablet pen.
•Put the Tablet PC into a portfolio or other case to protect the display.
•Protect the pen by keeping it in the pen bay or in a case during travel.
•Pack the Tablet PC securely in a briefcase or hand-carried luggage, and keep it separate
from toiletries, liquids, and food. Do not pack it in checked luggage.
•Keep the Tablet PC stable during travel. Secure it to prevent it from sliding around in
overhead bins and car trunks.
•Before extended use in the field or long trips away from AC power, adjust the power
properties to maximize battery conservation. You can adjust the power properties from
Motion Dashboard. See “Using power plans” on page 30.
•For international travel, obtain and use the appropriate adapters for your destination’s
electrical outlets. A current converter is not necessary.
•You may want to carry proof of ownership or a merchandise passport when traveling
internationally.
•Consult your insurance company and credit card company to learn about emergency
travel assistance in case your Tablet PC becomes lost or disabled.
Traveling by air
Use the following tips when traveling by air.
•Have a fully charged battery in case security personnel ask you to start the Tablet PC.
•Have it hand-inspected or sent through the X-ray scanner, but never carry it through the
metal detector.
•Turn off the Tablet PC off or place it in hibernation mode for takeoff and landing.
FAA Wireless air travel requirement
The FAA requires that you suspend wireless operations, such as Wi-Fi and Bluetooth, before
boarding a plane. You can disable all wireless by opening the Dashboard to the Wireless
tab, and under 802.11 Wi-Fi, uncheck the Enable 802.11 Internal Wireless.
To disable external wireless, remove any wireless PC cards. Failure to suspend wireless
operations while traveling by air can cause problems with aircraft instruments.
DANGER: Do not transport Li-ion batteries in checked baggage. The baggage hold can get
very hot, which can overheat the Li-ion battery and result in an explosion. You can take up
to two spare batteries in carry-on luggage, in addition to the one in your Tablet PC.
Transporting batteries in checked baggage or transporting more than two spare batteries is
a violation of federal transportation regulations.
Chapter 4 Care and Maintenance 61
Creating a backup archive
If you want to roll back your tablet to a predetermined state, you can create a backup
archive.
To create a complete PC backup archive
1. From the Start menu, tap Backup Status and Configuration.
2. Tap Complete PC Backup.
3. Tap Create a backup now and follow the instructions to create a backup copy of your
entire computer.
Note: You will need an external USB hard disk drive or DVD drive attached to store the
backup copy.
To back up individual files
1. From the Start menu, tap Backup Status and Configuration.
2. Tap Back Up Files.
3. Follow the instructions to back up selected files to protect against loss or accidental
deletion.
Restoring data
If you experience a problem, you can use the Windows Recovery Environment to repair your
Windows Vista files, or you can restore your computer to the state it was in when it left the
factory. If a serious problem occurs and Windows Vista will not restart, the Windows
Recovery Environment Repair will automatically start. Additionally, you can create your own
backup data archives and restore those later. For more information, see “Creating a backup
archive” on page 61.
Using Windows Recovery Environment
When using the Windows Recovery Environment, you will need a keyboard connected to
the tablet.
To repair Windows Vista files
1. After your tablet restarts after the initial BIOS display screen, press and hold the F8 key.
2. On the Advanced Boot Options screen, select Repair your computer and press the
Enter key.
3. Select a keyboard layout and click Next.
4. Select a user name and enter the password, and then click OK.
5. On the System Recovery Options menu, click Startup Repair.
62 Chapter 4 Care and Maintenance
To restore from your complete PC backup archive
1. After your tablet restarts after the initial BIOS display screen, press and hold the F8 key.
2. On the Advanced Boot Options screen, select Repair your computer and press the
Enter key.
3. Select a keyboard layout and click Next.
4. Select a user name and enter the password, and then click OK.
5. Attach the USB hard disk drive or DVD drive that you used to store your complete PC
backup archive.
6. On the System Recovery Options menu, click Windows Complete PC Restore.
7. Follow the instructions in the Restore your entire computer from a backup dialog.
To restore the original factory image
1. After your tablet restarts after the initial BIOS display screen, press and hold the F8 key.
2. On the Advanced Boot Options screen, select Repair your computer and press the
Enter key.
3. Select a keyboard layout and click Next.
4. Select a user name and enter the password, and then click OK.
5. On the System Recovery Options menu, click Motion Computing Factory Image
Restore.
6. To acknowledge that your "C:" drive will be reformatted and the factory image restored,
click Restore, and then click Yes . All user-created data will be deleted.
7. After the image has been restored, click Restart. The tablet will restart twice before any
user input is required.
Using Windows Vista to restore files
You can use Windows Vista Backup Status and Configuration to restore data that you
archived.
To restore backup files
1. From the Start Menu, tap Backup Status and Configuration.
2. Tap Restore Files.
3. Follow the instructions to restore individual files and folders that have been accidentally
deleted or damaged.
63
Troubleshooting and
Support A
Motion Computing Tablet PCs are thoroughly tested for performance and quality, but
occasionally problems still occur. If you do not find the information you are looking for in
this section, go to the Motion Computing support page at www.motioncomputing.com/
support.
Troubleshooting
Use the information in this section to identify and resolve common issues. If an issue has
more than one potential cause, the most common cause is listed first.
Power
The computer does not turn on
•The power button might not be fully pressed. Press and hold the power button for at
least a half-second, but no more than three seconds.
•The tablet might not be plugged in or battery might be depleted. Plug the tablet in to
AC power.
The computer does not shut down
•An application might have stopped responding. Use Task Manager to manually stop the
application. (Press the Windows Security button and tap Start Task Manager.) For more
information, open Windows Help and Support and search for “task manager”. You can
also slide and press the power button for five seconds to force the tablet to shut down.
The computer will not enter Hibernation mode.
•Hibernation might not be enabled. Use Motion Dashboard to enable Hibernation. See
“Using Hibernate” on page 32.
The computer does not return from Hibernation while on battery power
•The battery might be depleted. Plug the computer in to AC power.
64 Appendix A Troubleshooting and Support
The display goes black while the Tablet PC is still turned on
•The computer might have turned off the display to save power. To restore the display,
touch the screen with the tablet pen or press a button.
•The computer might have gone into Sleep mode. In Sleep mode, the power status light
flashes blue. Press and hold the power button for about one second.
•The computer might have gone into low-battery Hibernation mode. In low-battery
Hibernation mode, the power status light is off. Plug the computer in to AC power, then
press and hold the power button for about one second.
Battery
The battery does not last very long (less than three hours)
•Hot or cold conditions can adversely affect the battery charge. Use AC power if you are
operating the computer in these conditions.
•Accessory devices such as a DVD player and applications that make heavy use of the
hard drive can drain the battery more quickly. Remove the accessory devices or use AC
power if possible.
•The battery may be weakening. Use a different battery if possible. To order a new battery,
go to www.motioncomputing.com/accessories.
I lost data while swapping batteries
•You can swap batteries only if:
– The tablet is running on AC power while you swap the battery.
– You have a second battery to place in the second battery bay before removing the
battery in the first battery bay.
For information about swapping batteries, see “Swapping the battery” on page 35.
Display
The desktop area is larger than the Tablet PC display
•If the display resolution is set higher than the display can support, the desktop area
scrolls as you move around. Decrease the display resolution so that the entire desktop is
visible. For more information, open Windows Help and Support and search for “change
resolution”.
When I disconnect an external monitor, the desktop area is larger than the Tablet PC
display
•The computer may have expanded the desktop beyond the display area of the Tablet PC
display. Use Motion Dashboard to set the Tablet PC as the active display. For more
information, see “Setting up an external display” on page 27.
1. Open Motion Dashboard to the Display panel (page 22).
2. Tap the Properties button
3. Select Notebook to make the Tablet PC the primary display.
Appendix A Troubleshooting and Support 65
The display is too dim
•The brightness may be set too low. Use Motion Dashboard to increase the brightness.
See “Adjusting the display brightness” on page 27.
The display is unreadable or distorted
•The screen resolution and color quality may be set incorrectly. Use Windows Display
Properties to reset the display settings.
1. In Control Panel, open Personalization.
2. Tap Display Settings.
3. For Resolution, select the appropriate resolution for your display (1280 × 800 for
WXGA displays).
4. For Colors, select Highest (32 bit).
•The display driver may have been removed or become corrupted. Use Windows Device
Manager to reinstall the driver.
1. In Control Panel, open System.
2. Under Tasks, tap Device Manager.
3. Expand Display adapters.
4. Select the adapter and select Action > Update Driver Software.
5. Follow the instructions in the setup program.
Input
The Tablet PC does not respond to the pen I am using
•You may be using an improper input device. Only Motion tablet pens can be used to
write on the Tablet PC display. The Tablet PC does not respond to other pens or to a
plastic stylus.
•You may be using the wrong tablet pen. Occasionally, a particular tablet pen may not
work with a particular Tablet PC. If you are in an environment with multiple tablets and
pens, try using a different pen. You can also tether the pen to the tablet to ensure that a
pen stays with its tablet.
The pointer on the screen does not align with the tablet pen
•The pen may need to be calibrated. See “Calibrate the digitizer” on page 7.
When I write, I inadvertently click the function button on the pen
•Try adjusting how you hold the pen. Avoid resting your finger on the function button.
You can also disable the button. See “Configuring pen options” on page 24.
66 Appendix A Troubleshooting and Support
The pen function button does not work
•The pen function button may not be enabled.
– You can use the Pen and Input Devices window to enable the button. Open Help and
Support and search for “Pen and Input Devices “.
•You may not be pressing the button early enough. Try pressing the pen function button
before you touch the pen to the display surface.
The eraser does not work
•The eraser may not be enabled.
– You can use the Pen and Input Devices window to enable the eraser. Open Help and
Support and search for “Pen and Input Devices “. The eraser works on ink only, not
text.
The buttons on the Tablet PC do not do what I expect them to do
•The button functions may have been customized. You can use the Tablet and Pen
Settings window to change the buttons to the desired functions. See “Configuring front
panel buttons” on page 25.
Ports and connectors
The system does not recognize the Express card I inserted
•The card might be inserted improperly. Eject the card and re-insert it. Ensure the label
side is up. See “Express card slot (optional)” on page 17.
•The device may not have been tested for Windows compatibility. For a list of tested
products, go to the Windows Marketplace Tested Products page at
www.microsoft.com/whdc/hcl.
The system does not recognize a USB device
•Windows may take a short time to recognize a USB device. Wait a few moments to see if
Windows recognizes the device.
•The device may not be connected properly. Check the connection and ensure it is
inserted properly into a USB port. You can also try a different port.
•The correct driver might not be included with Windows. Check the manufacturer’s Web
site for a current driver, or use the installation CD that came with the device.
The Tablet PC is in the FlexDock, but the system does not recognize any accessory
devices, such as the external disk drive or monitor
•The Tablet PC may not be fully seated in the dock. Remove the Tablet PC from the dock
and then replace it.
Network
The wireless adapter keeps connecting even when I do not want it to
•The wireless adapter is enabled. You can use Motion Dashboard to disable the wireless
adapter. See “Enabling or disabling Wi-Fi” on page 49.
Appendix A Troubleshooting and Support 67
I cannot connect to a network using the Ethernet adapter
•The Ethernet cable may not be connected properly. Remove and reconnect the Ethernet
cable or replace the cable.
Audio
No sound is coming from the built-in speakers
•Ensure that nothing is connected to the audio out port. Connecting headphones or
external speakers disables the built-in speakers. Disconnect the headset or external
speakers if not in use.
No sound is coming from any speakers
•The volume may be set too low or muted. You can use Motion Dashboard to increase the
volume or turn mute off.
•The integrated audio components may have been overwritten. If you install a third-party
audio device (such as a USB or Bluetooth device), the integrated audio may stop
working. If this happens, reinstall the audio drivers. After you install these, if you still have
problems recording, contact Motion Computing Technical Support.
System
I forgot my BIOS password and cannot access my computer
•You can enter several incorrect passwords before the BIOS temporarily locks the system.
You can try again by restarting the system. If you still cannot log on, contact
Motion Computing Technical Support at www.motioncomputing.com/support.
An application has stopped responding, but I can still move the pointer and use other
applications
•The application may have stopped responding. Use Task Manager to manually stop the
application. (Press the Windows Security button and tap Start Task Manager.) See
Windows Help and Support for more information.
The computer seems to be operating more slowly than usual
•The hard disk drive may be full or nearly full. You can use Disk Cleanup to free up space
on your hard drive. For more information, open Windows Help and Support and search
for “disk cleanup”.
•The hard disk may need to be defragmented. You can use Disk Defragmenter to
consolidate files and folders on the hard drive. For more information, open Windows
Help and Support and search for “disk defragmenter”.
68 Appendix A Troubleshooting and Support
Frequently asked questions
How can I make the battery charge last longer?
•For maximum conservation, you can use the Power saver power plan. See “Selecting a
power plan” on page 31.
•Use the Dynamic brightness display setting. This automatically controls the display
brightness to conserve power. See “Adjusting the display brightness” on page 27.
•Set the display brightness to the dimmest level you are comfortable with. See “Adjusting
the display brightness” on page 27.
•Disconnect any Ethernet connections that are not being used. Disable the wireless
adapter and Bluetooth adapter if you are not using them. Disconnect unnecessary USB
devices.
•Stop unnecessary background applications and processes.
What do I need to use the Tablet PC in another country?
•You will need a travel plug adapter. You can find these in airports and travel stores. You
do not need to buy a voltage converter; the Motion AC adapter will automatically adjust
to different voltages.
How do I clean the View Anywhere display screen?
•To clean the View Anywhere display screen, wipe it with a soft cloth (like the one
supplied). If needed, clean with any alcohol-based product recommended for use on
anti-reflective glass. Other cleaning products may leave a residue. Do not spray cleaners,
spray/pour any liquid, nor wipe any abrasive cleaner on the screen nor any surface of the
Tablet PC. Do not use tissues or paper towels to clean the screen. They contain wood
fibers and may scratch the surface.
How do I clean the standard display screen?
•To clean the acrylic display screen, wipe it with a soft cloth (like the one supplied) onto
which you have sprayed a window-type cleaner. Do not spray cleaners, spray/pour any
liquid, nor wipe any abrasive cleaner on the screen nor any surface of the Tablet PC. Do
not use tissues or paper towels to clean the screen. They contain wood fibers and may
scratch the surface.
Will scratches affect the performance of the display or digitizer?
•Our testing has not found appreciable loss of performance on a scratched display.
How sensitive is the screen to various elements?
•As with any computer or electronic device, you should protect the Tablet PC from liquids,
dirt and sand, other contaminants, and extreme heat.
Will any monitor, USB device, keyboard, or mouse work with the Tablet PC?
•If the device has a driver for Windows, it will work with the Tablet PC. For a list of
products that have been tested for Windows, go to the Windows Marketplace Tested
Products page at www.microsoft.com/whdc/hcl.
Why is the Tablet PC lacking parallel, serial, and PS2 (mouse) ports?
•Microsoft Tablet PC certification requires the system to be completely Grab-and-Go—
that is, to be able to dock with and undock from all accessories without putting the
Appendix A Troubleshooting and Support 69
system into suspend or shutting it down. Connecting through legacy ports such as serial,
parallel, and PS2 often requires suspending or restarting the system, which prevents you
from moving between desktop mode and mobile mode seamlessly in one docking/
undocking step.
How do I adjust the Tablet PC for left-handed use?
•Open the Tablet PC Settings window. You can select left- or right-handed and change
the location of the menus. You should calibrate the Tablet PC screen if you change any
pen options (page 7).
Specifications
You can use System Information to find out more about your hardware and software
environment. From the Start menu, choose All Programs > Accessories > System Tools >
System Information.
You can find the specifications for other Motion Computing products at
www.motioncomputing.com/products.
Warranty and Insurance Programs
Motion Computing currently provides limited warranties on Motion products and
accessories. See the Warranty packaged with your Motion product or accessory or visit our
Web site at www.motioncomputing.com.
In addition, Motion Computing offers extended warranties along with various screen and
configuration insurance programs. Go to the Motion Computing Support and Services page
at www.motioncomputing.com/support.
Service and Support
If you need help with your Motion Computing J3400 Tablet PC, go to the Motion
Computing Support and Services page at www.motioncomputing.com/support.
This page will provide you links to all the information you need about Motion products,
technical support, customer services and professional services.
70 Appendix A Troubleshooting and Support
71
Index
Numerics
10/100/1000 Base-T Ethernet
about 16
using 26
802.11a/g/n
about 17
enabling 49
setting up 49
using 49
A
AC adapter
about 18
adjusting display brightness 27
air vent 4, 5
ambient light sensor 2, 15
audio in port 5
audio out port 5
Automatic Updates 46
B
backup procedure 61
battery 3
about 19
checking status 33
gauge 34
notification area status 33
swapping 35
tips 34
using 33
battery gauge button 3
battery power indicator lights 3
battery release switch 3
battery status light 4
BIOS
setting a password 47
Bluetooth
about 18
discovery 52
enabling 51
setting up 51
tips 53
using 50
bookmarks, using 1
buttons
about 11
configuring 25
functions 11
C
calibrating the digitizer 7
calibrating the pen 7
camera 2, 11
lens 3
light 3
capturing a fingerprint 42
card slots cover 4
care and maintenance
display 56
fingerprint reader 58
general care 55
pen 59
repair and recovery 61
replacement pens 59
replacing pen tips 59
screen 56
tablet pen 59
View Anywhere display 56
character pad 24
charging the battery 34
checking battery gauge 34
checking battery status 33
configuring
front panel buttons 25
pen options 24, 25
connecting
external speakers 29
headphones 29
microphone 29
cord 18
Ctrl+Alt+Del 4, 13
customizing buttons 25
D
Dashboard
starting 22
using 22
Dashboard button
about 2, 11
configuring 25
72 Index
dictation mode 29
digitizer pen
about 10, 23
calibrating 7
directional pad 2, 11
disabling
the eraser 24
the pen button 24
display
about 14
brightness 27
dynamic brightness 27
extended 28
features 14
fixed brightness 27
mirrored 28
rotating 27
using 26
disposing of used batteries 37
docking port 5, 16
document, about 1
dynamic brightness 27
E
enabling
802.11a/g/n 49
Bluetooth 51
eraser 24
Mobile Broadband 50
pen button 24
Wi-Fi 49
eraser
about 23
enabling 24
Esc button
about 2, 11
configuring 25
Ethernet
connections 6
port 16
using 26
Ethernet port 5
Express card
about 17
using 17
Express card slot 4, 17
extended display 28
external display
connecting 16
using 27
F
FAA wireless air travel requirement 60
features overview 9
finding additional tablet PC software 53
fingerprint reader 4
about 13
setting up 42
tips 44
five-way directional controller 2, 11
fixed brightness 27
FlexDock
connector 3
frequently asked questions 68
front panel buttons
about 11
configuring 25
Function button
configuring 25
G
getting started 6
Gigabit Ethernet 16
H
handwriting recognition
about 23
using 24
hardware overview 2, 9
HDD password, setting up 48
headphones port 5, 15
headphones, connecting 29
Hibernate
about 32
using 33
I
Input Panel
using 24
insurance 69
integrated microphones 14, 28
integrated speakers 14
Internet Options 46
K
key button 13
keyboard 24
L
landscape mode 27
Index 73
LCD
about 14
care and cleaning 56
View Anywhere 14
Li-ion battery 19
liquid crystal display See LCD
Lithium-ion battery See Li-ion battery
logging on to a remembered site 45
M
maintenance
backup 61
recovery 61
maintenance procedures 55
memory card slot 17
microphone port 5, 15
microphones
about 14
built-in 2
external 29
using 28
mini-plug 18
mirror display 28
Mobile Broadband
enabling 50
using 49
monitor only display 28
monitor port 16
Motion Dashboard
using 22
Motion Dashboard button 11
Motion DataGuard 15
Motion QuickNav 2, 11
N
network connections 6
network port 16
networking
Bluetooth 18
wireless 17
O
OmniPass
about 13, 42
starting 42
on-screen keyboard 24
ordering replacement pens 59
overview
hardware 9
ports and connectors 2
P
password replacement
about 44
using 45
pen 4
about 10, 23
actions 10, 23
calibrating 7
care and maintenance 59
configuring options 24, 25
storing 23
tether 23
Pen and Button Options 24, 25
pen tether 4
plug 18
port covers 5
portrait mode 27
power adapter
about 18
port 5
power button 4
power cord
about 18
Q
QuickNav 2, 11
R
recovery procedure 61
removing the battery 35
removing the SIM 39
replacing pen tips 59
replacing the battery 35
replacing the SIM 39
right-clicking 10, 23
RJ-45 jack 16
Rotate button
configuring 25
rotating the display 27
running the repair and recovery
procedure 61
S
Secure Attention Sequence
about 4
button 13
security
features 13
using 13
security slot 5, 16
74 Index
service 69
setting up
802.11a/g/n 49
a BIOS password 47
an HDD password 48
Bluetooth 51
the fingerprint reader 42
the tablet PC 6
users and passwords 46
Wi-Fi 49
Windows user accounts 47
shoulder strap attache point 5
shoulder strap connection 4
SIM
removing and replacing 39
SIM slot 17
Sleep 32
about 32
using 32
smart card 16
smart card reader slot 16
smart card slot 4
speakers 2, 14
speakers, external 29
specifications 69
speech recognition
about 29
setting up 29, 30
Sticky Notes 11
support 69
swapping batteries 35
T
tablet only display 28
Tablet PC Input Panel
using 24
TPM 13
traveling with your tablet PC 60
troubleshooting
audio 67
battery 64
display 64
input 65
network 66
ports and connectors 66
power 63
system 67
Trusted Platform Module 13
turning on the tablet PC 7
U
universal serial bus See USB
USB
about 15
using 26
USB 2.0 ports 5
using
802.11a/g/n 49
battery 33
Bluetooth 50
Ethernet 26
Express cards 17
external display 27
handwriting recognition 24
Hibernate 33
Input Panel 24
microphones 28
Mobile Broadband 49
OmniPass 42
power plans 30
security 13
Sleep 32
speech recognition 29
this document 1
USB 26
Wi-Fi 49
V
VGA port 16
Video (VGA) port 5
View Anywhere display 14
voice commands 29
W
warranty 69
Wi-Fi
about 17
enabling 49
setting up 49
using 49
Windows Firewall 46
Windows Journal 11
Windows Security button 4, 13
Windows Security Center
about 46
using 46
Windows Vista
about 7
tutorials 7
76 Index