Y CAM SOLUTIONS YCHME61 NETWORK CAMERA User Manual IP207W UserManual V1 01 OEM
Y-CAM SOLUTIONS LTD. NETWORK CAMERA IP207W UserManual V1 01 OEM
USERS MANUAL

1
User's Manual
(for Outdoor 9*$ IP Camera Series)
Network Camera
Please read this manual carefully before you attempt to
Install this product and retain it for your future reference.
2
Contents
Main Features .............................................................................................................................................................................. 5
Physical Description ..................................................................................................................................................................... 8
Installation ................................................................................................................................................................................. 12
Hardware Installation ........................................................................................................................................................ 12
Outdoor IP Camera Connecting Guide .............................................................................................................................. 14
Network Camera with PoE Function ................................................................................................................................. 15
Camera setup installation & Usage ................................................................................................................................... 16
Assigning an IP address to the Camera with Camera Setup .............................................................................................. 19
Network Camera Screen and Setup Window ............................................................................................................................. 21
Viewing the camera from your mobile phone ........................................................................................................................... 25
Network Camera Setting Interface ............................................................................................................................................. 26
Camera ....................................................................................................................................................................................... 28
Camera Setup ................................................................................................................................................................... 28
Stream Setup .................................................................................................................................................................... 29
OSD Setup ......................................................................................................................................................................... 32
Night Vision Setup (IR IPCAM) .......................................................................................................................................... 33
Network ..................................................................................................................................................................................... 34
Wireless Setup .................................................................................................................................................................. 34
TCP/IP Setup ..................................................................................................................................................................... 36
PPPoE Setup ...................................................................................................................................................................... 38
DDNS Setup ....................................................................................................................................................................... 39
UPNP Setup ....................................................................................................................................................................... 40
Alarm ......................................................................................................................................................................................... 43
Motion Detection .............................................................................................................................................................. 43
Schedule Setup ................................................................................................................................................................. 45
Alarm Management .......................................................................................................................................................... 46
Periodic Sending ............................................................................................................................................................... 48
Buffer Management .......................................................................................................................................................... 50
Alarm Server .............................................................................................................................................................................. 51
FTP Server ......................................................................................................................................................................... 51
e-Mail Server .................................................................................................................................................................... 52
HTTP Server ...................................................................................................................................................................... 53
Storage ....................................................................................................................................................................................... 54
Record on Alarm ............................................................................................................................................................... 55
Snapshot on Alarm ............................................................................................................................................................ 56
Continuous Record ............................................................................................................................................................ 57
Snapshot at Interval .......................................................................................................................................................... 58
FTP Sending ...................................................................................................................................................................... 59
Browse Storage ................................................................................................................................................................. 60
Format SD Card ................................................................................................................................................................. 61
Tools ........................................................................................................................................................................................... 62
System Identity ................................................................................................................................................................. 62
User Management ............................................................................................................................................................ 63
Date & Time ...................................................................................................................................................................... 64
Backup or Reset ................................................................................................................................................................ 65
Firmware Upgrade ............................................................................................................................................................ 66
SPEEDREAD YOUR NETWORK CAMERA ...................................................................................................................................... 67
Wizard .............................................................................................................................................................................. 67
System .............................................................................................................................................................................. 68
Support ............................................................................................................................................................................. 68
Reboot .............................................................................................................................................................................. 68
ADVANCED SETTINGS ................................................................................................................................................................. 69
Port Forwarding ................................................................................................................................................................ 69
Proxy Server Setting .......................................................................................................................................................... 70
Reset the camera .............................................................................................................................................................. 71
CONNECTED DIRECTLY TO A COMPUTER ................................................................................................................................... 72
DEFAULT SETTINGS ..................................................................................................................................................................... 73
SPECIFICATIONS ......................................................................................................................................................................... 77
TROUBLESHOOTING ................................................................................................................................................................... 78
GLOSSARY OF TERMS ................................................................................................................................................................. 79
3
INTRODUCTION
Thank you for your interest and support in our product and purchasing this outdoor camera. The camera can be
accessed remotely, and controlled from any PC/laptop over the Intranet or Internet via web browser. The
user-friendly installation procedure and intuitive web-based interface offer easy integration with your LAN
environment or WiFi system. Meanwhile, the IP66-rated integrated housing shields the camera from dust and
water, allowing it to be applied in the harsh weather conditions of outdoor environments.the camera also comes
with a lot of useful alarm tool for notice user any situation. We feel confident that you will be pleased with the
quality and features of this product.
Notice
This product may cause interferences with other wireless equipment that operates at 2.4GHz ISM band. Please
turn off one of the equipments to eliminate the interference.
Product Assurance
This camera will emit electromagnetic wave, just like other wireless products, but its transmitting power is
less than other wireless products such as mobile phones. The 2.4GHz wireless camera meets wireless
frequency security standards and recommended indexes while working. These standards and indexes are
certificated by academic organization and represent the cogitative research of the scientific workers who
continuously explore and annotate the involved fields. So we believe that our products are safe for
customers.
Approval Information
All our products meet the requirements of approval FCC or CE, and are granted the FCC or CE
certification. They are authorized to bear FCC or CE mark.
FCC
This equipment has been tested and found to comply with the limits for a Class B digital device, pursuant to
Part 15 of the FCC rules. These limits are designed to provide reasonable protection against harmful
interference in a residential installation. This equipment generates, uses and can radiate radio frequency
energy and, if not installed and used in accordance with the instructions, may cause harmful interference to
radio communications. However, there is no guarantee that interference will not occur in a particular
installation. If this equipment does cause harmful interference to radio or television reception, which can be
determined by turning the equipment off and on, the user is encouraged to try to correct the interference by
one or more of the following measures: -Reorient or relocate the receiving antenna. -Increase the separation
between the equipment and the receiver. -Connect the equipment into an outlet on a circuit different from
that to which the receiver is connected. -Consult the dealer or an experienced radio/TV technician for help.
This device complies with Part 15 of the FCC Rules. Operation is subject to the following two conditions:
(1) This device may not cause harmful interference, and
(2) this device must accept any interference received, including interference that may cause undesired
operation Changes and modification not expressly approved by the manufacturer or registrant of this
equipment can void your authority to operate this equipment under Federal Communications Commissions
rules.
CE
This product complies with standards including Low Voltage Device Directive 73/23/EEC; EMC
Directive 89/336/EEC and R&TTE Directive 1999/5/EC. It passed the subject tests by the authority
concerned and is authorized to bear CE mark.
4
Restrictions
1. DO NOT use this product to violate one's privacy. Monitoring one's activities without consent is illegal
and this product is not designed and manufactured for such purpose.
2. DO NOT put this product near any medical equipment. Radio waves might potentially cause breakdown
of electrical medical equipment.
3. This product should be placed at least 1 foot away from any heart pacemaker. Radio waves might
potentially influence heart pacemaker.
4. DO NOT use this product for any illegal activities. It is the user’s responsibility to ensure that the
usage of this camera is of a legal nature.
Maintenance
1. Ensure that the camera and its power source have sufficient ventilation;
2. Do not shake, strike or drop the product;
3. Keep the camera dry and dustless and avoid exposing it to direct sunlight;
4. Do not place the product near any magnetic objects;
5. Avoid putting the product in places where there is constant temperature and humidity change;
6. Keep the product away from heat sources;
7. Do not use the camera near aggressive chemicals;
8. Do not use this camera near water;
9. Do not use the camera in the places which are enclosed by metal. The surrounding metal may shield
the electromagnetic waves, and result in failure of signal reception;
10. Please obey the local government's environment protection policy;
11. Please turn off the power when left unused;
12. Do not disassemble or attempt to repair the camera; doing so might cause damage to the product.
5
Main Features
Easy Installation
The camera comes with built-in Wireless (IEEE802.11b/g) capability and a Web Server, therefore there
is no need to install a driver. The setup CD-ROM includes the Camera Setup software, User Manual
and Quick Installation Guide.
With industry standard automatic configuration-UPnP(Universal Plug and Play), your PC will discover and
connect to your camera automatically. Once connected, using a simple Web browser you can see what the
camera sees from anywhere in the world!
The camera can be either wall-mounted or ceiling-mounted using the supplied stand. It can also be
placed on a desktop using the supplied stand, thus providing a flexible installation solution.
PoE Function
The Network Camera is with POE function, which allows it to be powered via a single Ethernet cable.
you do not need to use the power plug.but your switch/router must be support PoE.
802.11b/g/n Wireless LAN Connection Available
The camera is designed to not only work with your existing wired network but also with standard 802.11b/g/n
wireless devices, allowing the flexibility to operate the camera wirelessly. The camera utilizes SSID filtering,
powerful 64/128 bit WEP and new security standard WPA encryption to protect you from illegal intrusion.
3GPP Mobile Surveillance
The camera provides the ability to view the cameras monitored through your mobile phone as a live video
stream, it supports the telecommunications standard of 3GPP streaming format. All 3G enabled mobile devices
and most 2G phones that support the streaming standard of 3GPP are compatible.
Simultaneous High-Speed MPEG-4 and Motion JPEG
The camera allows live the MPEG-4 and Motion JPEG streams simultaneously. The camera features MPEG4
compression which compresses the video to make transmission faster and more efficient. The MPEG4 and
MJPEG image can be transmitted at 30 frames per second.
Simultaneous HTTP and RTSP streaming
The camera support HTTP and RTSP/RTP/RTCP protocol, and provide multiple HTTP and RTSP streams
simultaneously.
Audio Transmission
The camera comes with a built-in microphone for audio monitoring as well as video monitoring. Sound
captured by the camera is transmitted to the client’s PC.
Snapshot and Recording
You can capture a still image of the camera view on your PC and save the image as JPG or BMP format file.
You also can record the video and audio captured by the camera on your PC and save as an ASF format file.
6
Motion Detection Function
The camera can detect changes in the image being monitored. Once a change occurs it will send an email to
up to 3 email addresses with a video file or snapshot attached. The video file or snapshot can also be
uploaded to an FTP server. In addition the camera can be configured to send images at regular intervals.
OSD Function
OSD (On Screen Display) function can display system name, date and time, and user-defined on screen.
Authentication
An authentication window requires you to enter the user ID and password. Password security can prevent
unregistered users from accessing your camera. Users can select Basic Authentication method or Digest
Access Authentication method.
Multi-Client Access
The camera allows up to 16 users to view the video simultaneously. Please note that it is possible that as the
number of simultaneously connected users to camera increases, the overall motion performance will decrease.
Infrared Night Vision (IR-CUT)
The camera built-in IR-Cut which is prevent the image to happen color cast during daytime ,it can be switching
and filter infrared light in day/night.
The camera utilizes 12 infrared LED to provide high light in darks environment .when the environment is dark,
the LED will be opened automatically due to a photosensitive component, and the moving images will be
changed to Black and White. Users can monitor clearly the things within 15 meters distance. Users also can
select open or close the infrared LED manually, and select whether change the images to black and white or
color automatically.

7
Adapter
This product conforms with the authenticated AC adapter. The adapter is marked with one or more of the
following:
Note: When using the power adapter, make sure the rating voltage on it is compatible with that of the device
to avoid potential damages resulting from incorrect usage of power supply.
PC System Requirements
The PC (Personal Computer) and the network must meet the following technical specifications for camera to
work properly.
1. Processor: Intel Pentium III, 1GHz or Higher (Pentium IV, 2 GHz or Higher
recommended)
2. RAM: 256 MB or more
3. Color Monitor: Suggest at least 1024x768 and the latest driver for the Display Adapter
4. OS (Operating System): Windows XP/Vista/7, MAC OS, Linux, Android, iPhone OS, Windows
Mobile, BlackBerry OS
5. Web Browser: Microsoft IE, Safari, Mozilla Firefox, Google Chrome and most other
browsers
6. Network Protocol: TCP/IP network protocol installed
7. Interface: 10/100 Mbps Ethernet® card/Wireless Network card for your network
connection
8. Other: CD-ROM Drive

8
Physical Description
Front panel
Connectors

9
Adapter Box
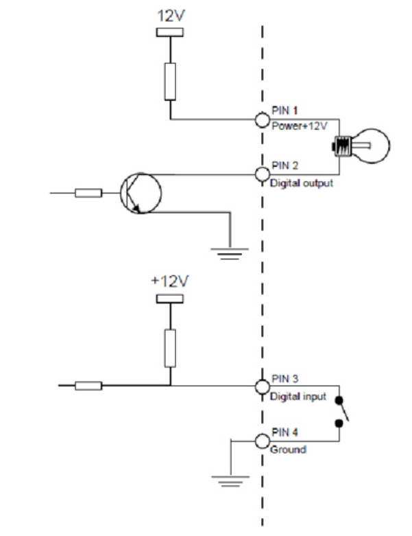
General I/O Terminal Block
This Network Camera provides a general I/O terminal block which is used to connect external input / output devices. The pin
definitions are described below.
Pin No. Pin Name Function Description
4 GND Ground This is a signal ground use for DI and DO
3 DI Digital Iutput Connect to GND to activate or deactivate by software setting
2 DO Digital Output
With a maximum load of 1A and maximum voltage of 60V DV,this
output has an o pen-
collector N PN Darlington t ransistor with t he
emitter to the GND pin.
If use d w ith an ext ernal r elay,a di ode m ust be co nnected in
parallel with the load,for protection against voltage transients.
1 12V Power +12V 12VDC ± 10%, max. 0.4A

10
DI/DO Diagram
Please refer to the following illustration for the connection method.

11
Status LED
The LED indicates the status of the Network Camera.
1) Green LED - Power is being supplied to the Network Camera.
2) Blinking Orange LED – IP camera has been connected and data is present.
Hardware Reset
The Reset button is used to restore the factory default settings. Sometimes resetting the system can return the camera to normal
operation.
Restore - Press and release the reset button with a paper clip or t hin object. The LED l ight will be o ut, after f ew seconds it will
relight again. (Note: that all settings will be restored to factory default)

12
Installation
Hardware Installation
Follow the steps below to install the Network Camera:
1. Open the lens cover.
2. Secure the Network Camera to the supplied camera stand as the illustration shows.
3. Secure the Network Camera to the wall/ceiling by the supplied camera stand.
4. Open the lens cover and insert “SD card” then tighten the lens cover.

13
Note
If you want to use the supplied sun shield for outdoor environments, please follow the steps
below to install:
1. Attach the supplied sun shield to the Network Camera and slide it to the desired position.
2. Fix the sun shield with supplied screws and washers. (Please use different screws for ceiling mount.
3. Secure the Network Camera to the wall/ceiling by the supplied camera stand.

14
Outdoor IP Camera Connecting Guide
For initial setup, you need to connect the IP Camera directly to your router, switch or computer via a network cable. You cannot
connect wirelessly to the camera without first setting it up via a network cable.
You should connect the Camera into your internet router (normally supplied by your broadband provider), a switch box or hub (that
is connected to your computers network) or directly to your computer (gives limited viewing options, so this is not recommended).
Connection via a Router/Switch
1. Using the standard Ethernet network cable, plug this in to the network connection socket on the IP Camera at one end, and plug
the other end in to a spare port on your router/switch.
2. Using the Power Adaptor (supplied), plug one end in to the Power Connection socket on the IP Camera. Plug the other end in to
an electrical socket and turn the power on.
3. The Connectivity Status indicator on the front of the camera will light up. Your router/switch will then begin to communicate with
the camera.
Connection directly to a computer
Choose this connection for testing the IP Camera to avoid any interference from other equipment, please refer to
Chapter Connected Directly to a Computer for details.

15
Network Camera with PoE Function
1. When using a PoE-enabled switch
The Network Camera is PoE-compliant, which allows it to be
powered via a single Ethernet cable. if your switch/router
supports PoE, refer to the following illustration to connect the
Network Camera to a PoE-enabled switch/router.
2. When using a non-PoE switch
If your switch/router does not support PoE, use a PoE power
injector (optional) to connect between the Network Camera
and a non-PoE switch/router.

16
Camera setup installation & Usage
The camera Setup utility can easily and quickly detect cameras connected to your local network and list
them on the Camera Setup window, also you can use the camera Setup utility to assign an IP address to
each camera.
1. Insert the Installation CD into your CD-ROM drive and the installation screen should appear
automatically (See image below). If it does not, click “Start” then “Run”. In the text field enter
“D:\autorun.exe” (if “D:” is the letter of your CD-ROM Drive)
2. Click on “Install Camera Setup” and the following screen will be displayed.
3. If you want to change the default folder click “Change” to replace otherwise click “Next”

17
4. Click Install to install Camera Setup.
5. Click Finish to end the installation. You should now find a icon on the desktop.

18
6. Double-click the Camera S etup icon on the Desktop to launch the program. The Camera Setup
utility should automatically find your camera if is correctly connected (See image below).
[Refresh] Click Refresh to search for cameras on the local network.
[Setup] Select the required camera and click Setup to configure the network settings for the camera.
[Open] Select the required camera and click Open to access the camera via a web browser.
[Exit] Click Exit to exit the Camera Setup window.
Note: Select and double click one of the cameras from the Device list, to open the camera view via the web
browser.

19
Assigning an IP address to the Camera with Camera Setup
1. Launch Camera Setup program to detect cameras on the local network.
2. Click on “Setup” button and the following setup interface will pop up.
3. Enter a unique name for the camera, the location (optional) and leave the default port number as
80.“Obtain an IP address automatically” and “Obtain DNS server address automatically” are selected by
default, if you are confident enough to enter your own settings, you can do so by selecting “Use the following
IP address” and follow the guidelines on the next page. If however you wish to leave the default settings
please skip to NETWORK CAMERA SCREEN AND SETUP WINDOW.
4. To obtain the IP addresses specific to your network, click “Start” then “Run” and type “cmd” in the text box
and click “Ok”. The will bring up the MS-DOS prompt and in this window type “ipconfig/all” and press enter.
A screen similar to the one below will be displayed.

20
5. Take note of the following:
i) IP Address
ii) Subnet Mask
iii) Default Gateway
iv) DNS Servers (Both numbers with the first being the primary DNS server and the second being
the secondary DNS server)
6. Enter the details noted in step 5 into the relevant fields.
Note: The default IP address of the camera is 192.168.168.100This can be changed to any IP address on
your IP range. For example if the IP address of your PC is 192.198.1.52 then the IP address of your camera
should be unique and on the same subnet, i.e. 192.198.1.X where X is any number between 1 and 255
except 52. Ensure the IP address you chose is not the same as other network devices on your network as
this will result in conflict and may cause the device to not to work properly.
7. Once you’ve entered all the details click “Apply” then “Exit”.

21
Network Camera Screen and Setup Window
Review Images from the Network Camera
You can select one of the three ways to review pictures from the camera.
1. Input the assigned IP address (or URL) of the camera on the Web Browser. Take 192.168. 168.100 as
example. You will see the home page.
Notes:
Through this welcome page, you could choose to click on the item Enter to access the picture viewing
interface or the item Setting to access the system setting interface. The below dialog will appear. Input the
correct username (the default is admin, in lowercase) and password (the default is admin, in
lowercase). You are allowed to enter the picture viewing interface or the system setting interface.
The general users assigned by the administrator are not allowed to enter the system setting interface. They
can only be permitted to enter the picture viewing interface.

22
2. If your OS is Windows XP, click [My Network Places], double click the icon
You will see the home page.
3. Run the Camera Setup and double-click the relevant camera item.

23
Click Enter, you will see the screen.
[Audio Upload]
Press an d r elease
to s tart s ending audio from y our c omputer’s
microphone to the camera speakers.
Press and release to stop sending audio.
[Volume]
1. Click the Mute button to mute the audio.
2. Slide the Slide block horizontally to adjust volume.
[Snapshot]
1. Press the Snapshot button to capture a still image of the camera
view.
2. Press this button To change default Snapshot path, The file
is automatically assigned the data & time of the snapshot.

24
[Record]
1. Press the Record button to record video and audio.
2. Recording Config. Click this button to set the recording
parameters, you can set record path, video file size and select whether to
start recording automatically when motion is detected and the length of the
recording in seconds.
[Tools]
1. For Full Screen mode click this button , Press Esc to exit.
It could also achieve same function by double click the Image Field.
2. For Fill up the Image field click this button .
3. This button for
Stream Type, Video Codec
Settings.

25
Viewing the camera from your mobile phone
The camera provides the ability to view the cameras monitored through your mobile phone as a live video
stream, i t supports t he t elecommunications s tandard of 3 GPP s treaming f ormat. A ll 3 G enabl ed m obile
devices and most 2G phones that support the streaming standard of 3GPP are compatible. Otherwise, you
also can view the pictures even if your phone is not 3GPP compatible.
For ex ample, i f camera’s external I P ad dress is 202.96.135.206 an d ex ternal port i s 8151, t hen t ype
http://202.96.135.206:8151/mobile in your Internet browser address bar of mobile phone, the login screen
will appear:
To click the “Picture live” button if your mobile phone is not 3GPP standard, then you can view the pictures
which will refresh every 3 seconds.
To click the “3GPP stream live” if your mobile phone support 3GPP standard, and the following screen will
appear:
Note: You have to click “Setting” button, make sure that the Mobile stream is enabled and the RTSP
authentication is disabled before you view the 3GPP stream live.

26
Network Camera Setting Interface
1. Click on settings from the home page. When connecting the camera for the first time or after resetting it
to its default settings, the setup interface start page below will load. It is recommend that you change the
admin password in order to avoid unauthorized access to the camera. To do this follow the instructions by
clicking on the underlined link “here” to access administrator password editing page.
2. Type the password in both fields then click Save. Please take note of the password. If you forget the
password, the camera will have to be reset to its default settings in order to gain access to the settings page
and this will also reset all other settings you may have changed.
3. You are required to re-login with the changed password.

27
After successful login, the following page will appear.

28
Camera
Camera Setup
From the home page click settings and enter the administrator user name and password. Click on Camera
Setup under the title Camera to change the image and audio parameters of the camera.
[Light frequency] Two options: 50Hz & 60Hz. Set according to the mains frequency in the country of use.
For UK this would be 50Hz.
[Image mirror] Image can be flipped from left to right.
[Image flip vertical] Image can be flipped up and down.
[Moonlight mode] Turn On/OFF the brightness setting according to the light intensity of the area being
monitored manually. [Auto] automatic enhance ambient brightness when it is necessary.
[Power LED light] Turn on/off the power & network LED indicator of camera.
[Show FPS in ActiveX]Show FPS On/Off in ActiveX control.
[Microphone] Turn on/off the built-in microphone.
[Mic volume] Adjusts the volume of the microphone from 0~14 where 0 is the lowest.
[Audio bit rate] Four options: 16, 24, 32, 40(kbps). Determines the quality of the audio being transmitted.
[AMR bit rate] Eight options will Determines the quality of the audio being transmitted.
Click Apply to confirm your settings.
Note: If the camera is inversely installed, images flip horizontally and images flip vertically should be
turned on at the same time.

29
Stream Setup
The camera supports three streams: primary stream, secondary stream and mobile stream.
30
[Image size] Three image resolutions available: 1280 x 720, 640 x 352, 320 x 176.
[Frame rate] Twelve options: 1/2/3/4/5/6/8/10/15/20/25/30 frames per second (fps).
[MPEG4 bit rate] Select MPEG4 bit rate. Eight options: 64, 128, 256, 512, 768, 1024, 1536, 2048 (kbps).
[MJPEG quality] Type in MJPEG video quality value (20 – 100), 20 is low quality, 100 is high quality.
[Snapshot quality] Type snapshot quality. (20 – 100), 20 is low quality, 100 is high quality.
The above five settings determine the image quality, however higher bit rates require greater bandwidth.
Please select the appropriate settings according to your connection speed and network traffic. If you are
experiencing jerky video it may be necessary to decrease the bit rate.
[Audio] Enable or disable audio.
[RTSP authentication] Enable or disable RTSP authentication.
You can use Mobile phone to play the mobile stream from camera, but generally Mobile phone do not
support authentication, so we have to disable the RTSP authentication.

31
A stream list page will be shown after clicking the stream name such as “Primary stream”.
[Primary stream] cannot be disabled.
A sample of primary stream list as below:
You can use RealPlayer, VLC Player or QuickTime Player to play the live stream from camera in
Intranet or Internet.
[Secondary stream] Enable or disable secondary stream.
[Mobile stream] Enable or disable Mobile stream.
You can use mobile phone, Realplayer and QuickTime Player to play the live stream from camera.
The size of video is 176 x 144.
Click Apply to confirm your setting.

32
OSD Setup
This function can display system name, date and time, or use-defined on screen.
[OSD] Enable or disable OSD function.
[Transparent] Users can select whether change OSD to transparent or not.
[Display date and time] OSD is date and time of camera.
[Display system name] OSD is system name of camera.
[Display the text below] OSD is user-defined text.
[Display the text below with date and time] OSD is user-defined text with date and time of camera.
Click Apply to confirm your settings.

33
Night Vision Setup (IR IPCAM)
Only IR IPCAM have infrared LED, which can be opened automatically when camera check dark
environment.
[Infrared LED control] When the environment is dark, the LED will be opened automatically due to a
photosensitive component. Users also can select open or close the infrared LED manually.
[Black and white mode] When the environment is dark, the moving images will be changed to Black and
White automatically. Users also can select whether change the images to black and white or color manually.
Click Apply to confirm your settings.

34
Network
Wireless Setup
The camera corresponds to the wireless system based on IEEE802.11b/g. Encryption establishes the
security to prevent unauthorized users to access the wireless data communication.
[SSID] Type the ID of the wireless network you want to connect to using up to 32 ASCⅡ characters or click
Search to search for available networks.
[Wireless] Enable or Disable the wireless function
[Mode] Infrastructure mode and Adhoc mode
Adhoc Mode: Select Adhoc mode when the camera is directly connected to your computer.
Infrastructure Mode: Select Infrastructure mode when the camera is connected via an access point or
router.

35
When select Adhoc mode. See figure above.
[Security mode] WEP64bit or WEP 128bit
[Authentication] Select WEP authentication mode.
[WEP Key type] Select the WEP key type. Either in hexadecimal or ASCⅡ characters.
[WEP key Index] Specify up to 4 WEP keys.
[WEP Key] Type the password.
[Re-type WEP Key] Re-confirm the password.
When select Infrastructure mode. See figure above.
[Security mode] Security mode is not only WEP64bit or WEP128bit but also WPA-PSK or WPA2-PSK.
[Encryption type] TKIP and AES.
[WPA key]Type 8-63 characters as password.
[Re-type WPA key] Re-confirm the password.
Click Apply to save changes.
Click Test to test whether connection is successful.

36
When click search ,see figure above.
[SSID] select the network name you searched .
[Mode] Infrastructure mode and Adhoc mode
[signal]It show out the strength of signal
[Encryption ] on and off.
Note: These settings have to match those of your access point or router. Please consult your access point
or router manual on how to verify or modify these settings.
TCP/IP Setup
The camera is set up to obtain the IP address automatically (DHCP) by default. Should you may wish to
assign the IP address manually, use the TCP/IP Setup page to enter the address details.
37
Obtain an IP address automatically (DHCP):
If your network supports a DHCP server (e.g. router) select this option to have the IP address is assigned
automatically.
If you select Obtain an IP address automatically you should select Obtain a DNS Server address
automatically.
Use the following IP address:
Select this option when a fixed IP is required.
[IP address] Type the IP address of your camera.
[Subnet mask] Type the subnet mask.
[Default gateway] Type the default gateway.
Obtain DNS Server address automatically:
If your network supports a DHCP server (e.g. router) select this option to have the DNS Server address is
assigned automatically.
Use the following DNS server address:
[Primary DNS IP address] Type the IP address of the primary DNS server.
[Secondary DNS IP address] Type the IP address of the secondary DNS server, if necessary.
[HTTP/RTSP port]
The default HTTP port number is 80, it is also be used as RTSP port.
[RTP port range] It is for UPnP port forwarding, 1 camera actually use 2 RTP ports, one for video, the other
for audio. (See UPnP setup)
[HTTP/RTSP Authentication method] Select Basic Authentication or Digest Access Authentication.

38
PPPoE Setup
The camera can be installed without a PC on the network. Some XDSL services use PPPoE
(Point-to-Point Protocol over Ethernet).
[PPPoE dial-up] Enable or disable PPPoE connection.
[Service name] Either an ISP name or a class of services that is configured on the PPPoE server. This field
may be left empty.
[User name] Type the user name.
[Password] Type the password.
[Re-type password] Re-confirm the password.
Click Apply to confirm your settings.

39
DDNS Setup
Dynamic DNS (DDNS) is simply a way of using a static hostname to connect to a dynamic IP address.
When connected to your ISP, you are assigned a temporary IP address. DDNS services keep track of your
IP address and route your Domain name to that address when you wish to connect to the camera from a
remote location.
[DDNS] Enable or disable DDNS connection.
How to add DDNS
1. Enable the Dynamic DNS function.
2. Select your preferred DDNS service provider from the list then click Register.
3. Enter the Host Name details and password supplied by your DDNS service provider when you registered.
4. Click Apply to confirm your settings.
e.g.

40
UPNP Setup
The camera supports UPnP which is enabled by default. This function requires a Windows XP/Vista
operating system. It is a quick way to discover the camera on your network. Please make sure that the
UPnP function is enabled on your PC.
[UPnP] Enable or disable the UPnP function.
[Gateway HTTP/RTSP port forwarding] Enable or disable this function.
[External HTTP/RTSP port range] Using this port, automatically adds a port forwarding rule to a router via
UPnP protocol. Please note that not all routers support this function. Refer to your router manual for further
details.
If set port range is 8150~8350, camera will ask router to add a port forwarding rule automatically. In this rule,
the internal port is camera default port 80, the external port is 8150, IP address is camera's IP. Use this
setting, users can visit the camera from Internet through the router with this URL http://routeripaddress:8150.
If there are several cameras in Local Network, the first one which first be opened will use 8150 as external
port, and second one will use 8151, third one use 8152, etc. Every camera will remember its port, it will
preferentially use this port in next power on.
[Gateway RTP port forwarding] Enable this function, users can use mobile phone , RealPlayer or
QuickTime Player to visit the camera from Internet through the router.
[External RTP port range] 30000—30200 default. (See TCP/IP setup)
Click Apply to confirm your setting.
Click System at the top right of Settings page to show the System information. See figure below.

41

42
If DDNS setup successfully and go into effect, Internet URL will show DDNS host name instead.
See figure below for example.

43
Alarm
Motion Detection
Motion Detection can trigger an alarm that sends images or video feed via e-mail or FTP (File Transfer
Protocol). You can set up to four different Motion Detection windows.
[Window] Check this box to enable the window.
[Threshold] Set the threshold bar to the amount of motion required to trigger the alarm.
[Sensitivity] Set the measurable difference between two sequential images that would indicate motion.
Click Apply to confirm your setting.

44
1. Check the window box to enable this
window
2. The percentage figure shows the range
of image variation, The alarm will only be
triggered when the percentage reaches
certain value.
Note:
1. When you enable, disable, relocate
or resize a window click Apply to for the
new settings to be enable.
2. Only the checked window area will
trigger the alarm.
3. Moving the Threshold bar to the left
or the Sensitivity bar to the right will
increase the sensitivity of when the
alarm is triggered.
4. To resize a window simply drag one
of its corners.
5. To move a window click and drag on
the top bar of the window (windows
name).

45
Schedule Setup
Alarm Sending, Periodical S ending and Buffer Sending sends images via e-mail or FTP according to
schedule setup.
[Every day] Select every day or not.
[Sunday ~ Saturday] Select Sunday ~ Saturday or not.
[Always] Enable in any time.
[Range] Enable between start time and end time.
[Except] Enable except start time to end time.
Click Apply to confirm your setting.

46
Alarm Management
Motion Detection can trigger an alarm that sends images via FTP or e-mail and send URL via HTTP.
[Alarm mode] Enable or disable all alarm.
[FTP alarm sending] Enable or disable FTP alarm sending function.
[e-Mail alarm sending] Enable or disable e-Mail alarm sending function.
[HTTP event alarm sending] Enable or disable HTTP event alarm function.
[Trigger time] How many seconds does camera keep snapshot the images after get a motion alarm.
[Trigger FPS] How many images does camera snapshot every second after get a motion alarm.
[FTP server ID] Select one FTP server, click Setting to set FTP server.
[Remote path] Path where to save the image file on the FTP server.
[Snapshot from] Select source stream that snapshot from.
[Image file name] Type image file name.
[Suffix of file name] Select suffix of file name.
[Effective period] Select Effective period. If select schedule, click Setting to set schedule.
[Alarm interval time] Scope: 0-86400 sec, when the alarm time remains at 0 second, no alarm trigger

47
restricted. Otherwise, the triggering interval will just be the setting alarm time. Alarm within the time will not
be triggered.
[Trigger time] How many seconds does camera keep snapshot the images after get a motion alarm.
[Trigger FPS] How many images does camera snapshot every second after get a motion alarm.
[e-Mail server ID] Select one e-Mail server, click Setting to set e-Mail server.
[File attachment] Switch file attachment on or off.
[Snapshot from] Select source stream that snapshot from.
[Image file name] Type image file name.
[Suffix of file name] Select suffix of file name.
[Effective period] Select Effective period. If select schedule, click Setting to set schedule.
[Alarm i nterval t ime] Scope: 0 -86400 s ecs, w hen the a larm t ime r emains at 0 s econd, no al arm t rigger
restricted. Otherwise, the triggering interval will just be the setting alarm time. Alarm within the time will not
be triggered.
[HTTP server ID] Select HTTP server ID, click Setting to set HTTP server.
[Sending URL] Type URL which will be sent to HTTP server.
[Use MAC address as URL suffix] Enable or disable this function.
[Effective period] Select effective period. If select schedule, click Setting to set schedule.
Click Apply to confirm your setting.

48
Periodic Sending
The camera can send images via FTP or e-mail and send URL via HTTP periodically.
[FTP periodic sending] Enable or disable FTP upload periodically.
[e-Mail periodic sending] Enable or disable e-Mail upload periodically.
[HTTP periodic sending] Enable or disable HTTP upload periodically.
[Interval time] Type the interval at which you want to send the images periodically.
[FTP server ID] Select one FTP server, click Setting to set FTP server.
[Remote path] Path where to save the image file on the FTP server.
[Snapshot from] Select stream that snapshot from.
[Image file name] Type image file name.
[Suffix of file name] Select suffix of file name.
[Effective period] Select Effective period. If select schedule, click Setting to set schedule.

49
[Interval time] Type the interval at which you want to send the images periodically.
[e-Mail server ID] Select one e-Mail server, click Setting to set e-Mail server.
[File attachment] switch file attachment on or off.
[Snapshot from] Select stream that snapshot from.
[Image file name] Type image file name.
[Suffix of file name] Select suffix of file name.
[Effective period] Select Effective period. If select schedule, click Setting to set schedule.
[Interval time] Type the interval at which you want to send the URL periodically.
[HTTP server ID] Select HTTP server ID, click Setting to set HTTP server.
[Sending URL] Type URL which can be sent to HTTP server..
[Use MAC address as URL suffix] Enable or disable this function.
[Effective period] Set Effective period. If select schedule, click Setting to set schedule.
Click Apply to confirm your setting.
Note:
The notifications use the camera’s internal clock. Please make sure the camera’s Date and Time are
correct.

50
Buffer Management
The camera can be configured to send images via FTP when the Motion Detection alarm is triggered.
Note: This function just can be used when SD card does not plug in the SD slot of cameras.
[Image buffer] Enable or disable this function. Click Browse to preview images.
[Buffer time] Type buffer time.
[Buffer FPS] Type buffer FPS.
[Snapshot from] Select stream that snapshot from.
[Image file name] Type image file name.
[Suffix of file name] Select suffix of file name.
[FTP automatic sending] Enable or disable this function.
[FTP server ID] Select one FTP server, click Setting to set FTP server.
[Remote path] Path where to save the image file on the FTP server.
[Estimate sending time] Type estimate time that all buffer images send completed.
[Effective period] Select Effective period. If select schedule, click Setting to set schedule.
Click Apply to confirm your setting.

51
Alarm Server
FTP Server
[FTP server ID] Select FTP server ID.
[FTP server name] Type the name or IP address of the FTP server.
[FTP server port] The default port number is 21.
[Anonymous] Enable or disable anonymous login.
[User name] Type your user name.
[Password] Type your password.
[Re-type password] Re-type your password.
[Passive mode] Switch passive mode on or off.
[Keep alive] Type the time which keep alive with FTP server.
Click Apply to confirm your settings.

52
e-Mail Server
[e-Mail server ID] Select e-Mail server ID.
[SMTP server name] Type the name or IP address of the SMTP server you want to use for sending the
e-Mails. Please note that networks do not allow e-mail relaying. Check with your system administrator for
more details.
[SMTP server port] The default value is 25.
[Secure SSL connection] Select whether use SSL connection.
[Authentication] Select the authentication required by the SMTP server.
[User name] & [Password] Type the user name and password of the e-Mail account you wish to use.
This field is required if your SMTP server requires authentication.
[Re-type password] Re-type the password.
[Sender e-mail address] Type the e-mail address of the account you are using to send the e-Mail.
[Receiver e-mail address] Type the recipients’ e-mail addresses (Up to 3 address can be entered).
[Subject] Subject of the e-mail, entering a relevant subject will help identify the alarm better.
[Message] Type the text you wish to appear in the e-mail.
Click Apply to confirm your settings.

53
HTTP Server
[HTTP server ID] Select HTTP server ID.
[HTTP server name] Type the HTTP server name.
[HTTP server port] Type the HTTP server port.
[Authentication] Select the authentication required by the HTTP server.
[User name] Type the user name.
[Password] Type the password.
[Re-type password] Re-confirm the password.
Click Apply to confirm your settings.

54
Storage
Storage setup
Select storage destination to NAS or SD card.
[Storage] Enable or Disable the storage function.
[Store to] When select storage destination for videotape and photograph, NAS (network attached storage) or
SD card can be used. While choosing NAS, SMB/CIFS should be used as File transmission protocol.
[NAS remote path] Appoint NAS remote link address and shared folders.
[Authorization] Identity authentication of accessing shared folders in NAS.
[User name] Type the user name.
[Password] Type the password.
[Re-type password] Re-confirm the password.
Click Apply to confirm your settings.
Note: PC could serve as NAS as long as the PC support SMB/CIFS protocol and set shared
folders.

55
Record on Alarm
[Alarm mode] Enable or disable all alarm.
[Record on alarm] Enable or disable alarm recording function.
Click Apply to confirm your settings.
[Recordr time] how many seconds does camera keep recording after a motion alarm.
[Record from] Select source stream that record from.
[Record file name] Type record file name.
[Suffix of file name] Select suffix of file name.
[Split time of record file ] How many seconds does every recording file save video and audio.
[Effective period] Select Effective period. If select schedule, click Setting to set schedule

56
Snapshot on Alarm
[Alarm mode] Enable or disable all alarm.
[Snapshot on alarm] Enable or disable alarm snapshot function.
Click Apply to confirm your settings.
[Trigger time] How many seconds does camera keep snapshot the images after get a motion alarm.
[Trigger FPS] How many images does camera snapshot every second after get a motion alarm.
[Snapshot from] Select source stream that snapshot from.
[Image file name] Type image file name.
[Suffix of file name] Select suffix of file name.
[Effective period] Select Effective period. If select schedule, click Setting to set schedule.
Click Apply to confirm your settings.

57
Continuous Record
[continuous record] Enable or disable continuous recording function.
Click Apply to confirm your settings.
[Record from] Select source stream that record from.
[Record file name] Type record file name.
[Suffix of file name] Select suffix of file name.
[Split time of record file ] How many seconds does every recording file save video and audio.
[Record period time] Select record period time. If select schedule, click Setting to set schedule.
Click Apply to confirm your settings.

58
Snapshot at Interval
[Snapshot at interval] enable or disable interval snapshot function
[Interval time] Type the interval at which you want to save snapshot to SD card periodically.
[Snapshot from] Select stream that snapshot from.
[Image file name] Type image file name.
[Suffix of file name] Select suffix of file name.
[Effective period] Select Effective period. If select schedule, click Setting to set schedule.
Click Apply to confirm your settings.

59
FTP Sending
This function is used for sending the files to FTP server.
Notice: when users visit the video, uploading will automatically interrupt, and will restart when users stop visit
the video.
[FTP server ID] Select one FTP server, click Setting to set FTP server.
[Remote path] Path where to save the file on the FTP server.
[Sending period] Select sending period. If select schedule, click Setting to set schedule.
[File period] Select the files which creation time is in period to sending. If select schedule, click Setting to set
schedule.
[FTP upload bandwidth] Evaluate the uploading speed of FTP sending files.
Click Apply to confirm your settings.

60
Browse Storage
When click Browse and see figure below, you can browse, download, and delete the snapshot and recording
files in it,

61
Format SD Card
To format SD card, all files will be lost after format.

62
Tools
System Identity
[System Name] Type a name to easily identify the camera.
[System Contact] Type the contact name of the administrator of the camera.
[System Location] Type the location of the camera.
TIP: The information you fill in can be displayed on the camera. It can help to distinguish different Network
Cameras in the network. See figure below.

63
User Management
[Add] Up to 64 users (including the admin) can created
Note:
1. A maximum of 16 users are allowed to access the camera simultaneously.
2. As the number of simultaneously users increase, the overall performance will decrease. This is dependant on
the Network bandwidth.
Adding users
1. Click Add on the Camera User List page.
2. Enter the User name, Password and re-confirm the password then click Add.
To edit a user’s password, click on the user name then enter the new password for that user twice and click
Save. To delete a user, click on the user name then click Delete.

64
Date & Time
[Current device time] Internal time for camera.
[Proposed device time] PC system time. On clicking Apply the internal time of the camera will be changed to
this time.
[Select to change the time zone for the device location] choose proper time zone.
[Daylight saving time]Daylight Saving Time (or summertime as it is called in many countries) is a way of getting
more light out of the day by advancing clocks by one hour during the summer.
[Date and time format] Select date and time format.
[Auto time setting(SNTP)] Enable or disable this function.
[Time server] Type one SNTP server name in the box.
Click Apply to confirm your settings.
Note:
1. If the SNTP server is not found the camera’s time will be synchronized with the PC time.
2. The camera has a built-in RTC(Real-time Clock) that keeps track of the time even when power is
disconnected.

65
Backup or Reset
[Reset] Click Reset to initialize the camera to default factory setting. All users and settings will be
lost, requiring you to reconfigure the camera.
[Backup] Click Backup to backup the current configuration of the camera for future reference.
[Browse...] Click Browse... to search for a backup configuration you wish to upload to the camera, then
click Restore.
Note:
Do not turn off the power during the Reset, Backup or Restore functions since this might corrupt the
camera’s firmware
Tip:
The camera can also be reset to the default settings by pressing the reset switch on the side of the camera.

66
Firmware Upgrade
From t ime to t ime a new firmware m ay be released. In or der to upgrade your camera’s firmware you first
need to download this firmware from Network Camera Technical Support Site.
1. Click Continue.
2. Click Browse... to search for the newest Firmware you downloaded, and then click Upgrade.
3. Click Reboot when the upgrade terminates.
IMPORTANT:
* Do not unplug or power off the camera while the upgrade is in progress.

67
SPEEDREAD YOUR NETWORK CAMERA
Wizard
In or der t o f acilitate t he s etup of t he camera there i s a Wizard that hel ps n on t echnical u sers s etup t he
camera easily. Click on Wizard at the top of the window to launch the wizard.
The Quick setup interface will pop up. Follow the simple instructions on the screen and enter the required
details, clicking next to proceed to the Next page.

68
System
Click System to see over system information about your camera. The data of the software activity of the
camera and recorded in this. It includes data that are useful when a problem occurs.
Support
Click Support to see the support information
Reboot
Click Reboot to restart the camera. Rebooting the camera will retain all the settings and configurations.
69
ADVANCED SETTINGS
Port Forwarding
The UPnP Setup of camera show a method of Port Forwarding(see page 40 for details), but some routers
maybe can’t support UPnP Port Forwarding, therefore, users need to configure Port Forwarding manually.
Firewall security features built into the router may prevent users from accessing the camera over the Internet.
The router connects to the Internet over a series of “ports”. The default ports used by the camera are usually
blocked from access over the Internet, therefore, these ports need to be made accessible. This is achieved
using the Port Forwarding function on the router. The ports used by the camera must be opened through the
router for remote access to your camera. Check your router’s user manual for specific instructions on how to
open and route ports on you router.
Important: Some ISPs block access to port 80 and other commonly used Internet ports. Check with your
ISP in order to open the appropriate ports. If your ISP does not pass traffic on port 80, you will need to
change the camera’s default port number from 80 to a different number such as 9000.
Viewing Your Camera
To access the camera from a computer on your local network, simply enter the IP Address of the Camera
followed by a colon and the camera’s port number. It is not necessary to enter the colon and port number if
you are using the camera’s default port 80.
To access the camera from the internet, type the external IP Address of the router, followed by a colon, and
the port number of your camera (e.g., Http://210.118.166.68:9000).

70
Proxy Server Setting
A proxy server may prevent you from connecting to the camera in some corporate environments. The web
browser can set up the IP address communication without using a proxy server. Consult your ISP or network
administrator for further details.
Note: A proxy server is generally used to maintain security on a network when connected to the internet.
The proxy server may cause lack of image quality and delays in refresh intervals. Consult your ISP or
network administrator for further details.
1. Start Internet Explorer.
2. Select [Tools] –> [Internet Options...] –> [Connections] tab and click [LAN Settings].
Verify that the Use a proxy server check box is not checked. When checked, click [Advanced...].
When not checked, click [Cancel]. Your proxy server settings should not cause any problems.
3. Enter the IP address of your camera into the Do not use proxy server for addresses beginning
with data field.
4. Click [OK] on all of the opened windows.
71
Reset the camera
There are two ways to reset the camera back to its factory defaults:
1. Press the Reset button on the side of the camera through the pin hole.
2. Through the camera setup under the heading Backup or Reset (see page 65 for details)

72
CONNECTED DIRECTLY TO A COMPUTER
You can also connect the IP Cam directly to a computer. Please note that in this mode you will not be
able to view your IP Cam from anywhere else apart from the computer you are currently using.
Connect one end of the network cable in to the IP Cam Network Connection socket, and plug the other end
in to a spare network port on your computer.
Connect the included power adapter to the power port on the camera and the other end into an electrical
socket. Do not turn the power on at this time.
You must then assign your computer an IP address so it can talk easily to the camera.
For Windows system:
1. Open the Control Panel and double click on “Network Connections” then right click on your “Local Area
Network” connection, and click Properties. Be sure to select the Network icon that corresponds to where you
have plugged the IP Cam in to – so this would not be listed as a Wireless, WiFi or Bluetooth Network.
2. Select “Internet Protocol (TCP/IP)” then click Properties.
3. Take note of your current TCP/IP Settings and then click on “Use the following IP settings”
4. in the “IP Address” Field type in the number 192.168.168.20
5. in the “Subnet Mask” type in 255.255.255.0
6. Leave “Default Gateway” setting blank (The camera will automatically assign itself this IP address when
no DHCP server is present)
7. Leave DNS server settings blank.
8. Click “OK” then “Close” to apply these settings.
9. Turn the power on to the IP Cam.
The Connectivity Status indicator on the front of the camera will light up.
10. Double-click the Camera Setup icon on the Desktop to launch the program.
11. The C amera S etup utility should a utomatically f ind y our c amera if i s c orrectly c onnected ( See i mage
below).

73
DEFAULT SETTINGS
Camera
Camera Setup
Privacy mode
Off
Moonlight mode
Off
Image rotation
Off
Light frequency
60Hz
Microphone
Enable
Mic Volume
10
Audio Bit Rate
G. 726 (16kbps)
Stream Setup
Primary stream
Enable
Image size
640 x 480
Frame rate
30fps
MPEG4 bit rate 2048kbps
MJPEG quality
50
Snapshot quality
90
Audio
Enable
RTSP authentication Enable
Secondary stream
Disable
Image size
320 x 240
Frame rate
30fps
MPEG4 bit rate 512kbps
MJPEG quality
50
Snapshot quality
90
Audio
Enable
RTSP authentication Enable
Mobile stream
Enable
Image size
176 x 144
Frame rate
10fps
MPEG4 bit rate 64kbps
Snapshot quality
70
Audio
Disable
RTSP authentication
Enable
OSD Setup
OSD
Disable
Transparent
Enable
Display
Display date and time
Night Vision Setup
Infrared LED control
Auto
Black and white mode
Auto
Network
Wireless Setup
SSID
Wirelessnc
Mode
Adhoc
Security mode
Off
TCP/IP Setup
IP address
192.168.168.100

74
Subnet Mask
255.255.255.0
Default Gateway
Blank
Primary DNS IP Address
Blank
Secondary DNS IP Address
Blank
HTTP Port
80
RTSP port
554
RTP port range
30000—30200
Authentication method
Basic
PPPoE Setup
PPPoE Dial-up
Disable
Service Name
Blank
User Name
Blank
Password
Blank
Re-type Password
Blank
DDNS Setup
DNS
Disable
Service provider
dtdns.com
Host name
Blank
User name
Blank
Password
Blank
Re-type password
Blank
UPnP Setup
UPnP
Enable
Gateway HTTP/RTSP port
forwarding
Enable
External HTTP/RTSP port
range
8150--8350
Gateway RTP port forwarding
Enable
External RTP port range
30000--30200
Alarm
Motion Detection
Window 1
Blank
Window 2
Blank
Window 3
Blank
Window 4
Blank
Schedule Setup
Every day
Always
Alarm Sending
Alarm mode
Arm
FTP alarm sending
Disable
Trigger time 5
Trigger FPS
1
FTP server ID
1
Remote path Blank
Snapshot from
Primary stream
Image file name
M
Suffix of file name Date time
Effective period
Always
e-Mail alarm sending
Disable
Trigger time
1
Trigger FPS
1
e-Mail server ID 1
File attachment
On

75
Snapshot from Primary stream
Image file name
M
Suffix of file name Date time
Effective period
Always
HTTP event alarm sending
Disable
HTTP server ID 1
Sending URL
Blank
Use MAC address as URL
suffix
Disable
Effective period
Always
Periodical Sending
FTP periodical sending Disable
Interval time
0H 1M 0S 0mS
FTP server ID
1
Remote path
Blank
Snapshot from
Primary stream
Image file name P
Suffix of file name
Date time
Effective period
Always
e-Mail periodical sending Disable
Interval time
0H 1M 0S 0mS
e-Mail server ID 1
File attachment
On
Snapshot from
Primary stream
Image file name P
Suffix of file name
Date time
Effective period Always
HTTP periodical sending
Disable
Interval time
0H 1M 0S 0mS
HTTP server ID
1
Sending URL
Blank
Use MAC address as URL
suffix
Disable
Effective period
Always
Buffer Sending
Image buffer
Disable
Buffer time 20
Buffer FPS
4
Snapshot from
Primary stream
Image file name
Blank
Suffix of file name
Date time
FTP buffer sending Disable
FTP server ID
1
Remote path Blank
Estimate sending time
100
Effective period
Always
Alarm Server
FTP Server
FTP server ID
1
FTP Server Name
Blank

76
FTP Server Port
21
Anonymous
No
User Name
Blank
Password
Blank
Re-type Password
Blank
Passive Mode
On
Keep alive
3600
e-Mail Server
e-Mail server ID
1
SMTP Server Name
Blank
SMTP Server Port
25
Secure SSL connection
No
Authentication
Yes
User Name
Blank
Password
Blank
Re-type Password
Blank
Sender E-Mail Address
Blank
Receiver E-Mail Address
Blank
Blank
Blank
Subject Warning from Network
Camera
Message
Blank
HTTP Server
HTTP server ID
1
HTTP server name
Blank
HTTP server port
80
Authorization
No
User Name
Blank
Password
Blank
Re-type Password
Blank
Tools
System Identity
System Name
Network Camera
System Contact
Default Contact
System Location
Default Location
User Management
1
Admin/Administrators
Date & Time
Current Device Time
Current PC Time
Time Zone
GMT
Proposed Device Time
Current PC Time
Daylight saving time
Disable
Date and time format
dd/mm/yy hh:mm:ss
Auto Time Setting (SNTP)
Enable
Time Server
Time.nist.gov
Misc Setup
LED Control
On
Show FPS in Active Control
Off

77
SPECIFICATIONS
Camera
Image device 1/3" CMOS
Pixels 310000
White Balance Auto
Exposure mode Auto
Gain Auto
Viewing angle Horizontal:50°, Vertical:40°
Focal length f=4.2mm
Aperture F2.0
Min. illumination 0.5 Lux
Infrared LED 12
Night Vision Distance 15m
IR cut filter Yes
Network
Image compression H.264, MPEG-4, MJPEG
Image resolution 640x480(VGA), 640x360, 320x180
Max. frame rate 30fps @640x480
Audio compression AAC – LC, AMR – NB, G.726
Simultaneous viewers 16
Authentication ID/Password, Administrator/General User (Up to 64)
Network protocols TCP,UDP,IP,ARP,ICMP,DHCP,DNS,HTTP,FTP,SMTP,NTP,PPPoE,UPnP,DDNS
Stream type RTSP/RTP/RTCP, 3GPP, ASF, HTTP
Network connection Ethernet (10BASE-T/100BASE-TX)
Wireless LAN
Wireless technology IEEE802.11b/g/n
Frequency 2.412-2.472GHz
Transmission speed 150Mbps/54Mbps/22Mbps/11Mbps/5.5Mbps/2Mbps/1Mbps (Auto Switch)
Security WEP (64/128 bit), WPA-PSK(AES/TKIP), WPA2-PSK(AES/TKIP)
External Port
Built-in microphone Electret Condenser Microphone
Audio output (2 way audio) Yes
SD slot Yes
Digital I/O 1 input, 1 output
General
Power requirements DC 12V
Power consumption 3.5W
Power over Ethernet (POE) Yes
Operating temperature -5 to +45 °C (+22 to +113 °F)
Storage temperature -20 to +60 °C (-4 to +140 °F)
Operating humidity 20~80%RH(Non-condensing)
Storage humidity 20~95%RH(Non-condensing)

78
Dimensions(W x D x H) 70mm x 70mm x 190mm
Weight 700g(Main Body)
Supplied accessories AC adaptor (x1), CD-ROM(x1 setup program and user manual), Stand(x1),
Sun shard(x1)
PC system requirements
Operating system
Windows XP/Vista/7, MAC OS, Linux, Android, iPhone OS, Windows Mobile,
BlackBerry OS
Processor Intel Pentium III, 1GHz or Higher
Memory 256MB RAM Minimum
Web browser Microsoft IE, Safari, Mozilla Firefox, Google Chrome and most other browsers
TROUBLESHOOTING
If the Network Camera is not working properly, these suggestions might help you identify the problem. If the
problem persist check the support pages on Network Camera Technical Support Site.
Problem Cause and Remedy
Forget the IP address of network camera.
1. Use Camera Setup.
2. Use UPNP (for XP/Vista OS)
3. PPPoE IP Notification can send e-mail to your
mailbox
4. Reset your Network to default IP address
Forget the password to access the
setting interface.
Initialize the network camera by pressing the
RESET button. Note that all configuration settings
will be lost.
Wireless communication does not work.
1. Signal strength is weak. Relocate the camera or
remove the obstacle around it.
2. Make sure the SSID and Encryption settings are
identical.
3. Check for any interference from other equipment.
The picture viewing interface does not
appear.
1. Check that your internet explorer settings allow
you to download and install ActiveX controls.
2. Maximum 16 users are allowed to access the
camera simultaneously through network.
3. Network traffic may prevent the viewing interface
from appearing quickly. Wait for a while.
The color of the picture is strange. Confirm the color setting of PC is 16 bits or more.
The unreadable characters are displayed.
Set the Encoding or the Character Set of the
selected language on the web browser.
79
GLOSSARY OF TERMS
1. Network Camera: A stand-alone device which allows users to view live, full motion video from anywhere
on a computer network, even over the Internet, using a standard web browser.
2. JPEG: A standard image format, used widely for photographs, also known as JPG.
3. IEEE 802.11b/g: The specifications developed by the IEEE for wireless network technology. It provides
11 Mbps transmission in the 2.4GHz band usage.
4. WEP: Wireless Equivalent Privacy. A security protocol for wireless network defined in the IEEE 802.11b/g
standard. WEP aims to provide security by encrypting data over radio waves so that it is protected as it is
transmitted from one end point to another.
5. AdHoc Mode: A wireless network system in which devices communicate directly with each other, without
the use of a wireless router.
6. Infrastructure Mode: One of the wireless network system in which devices communicate with each other
by first going through the wireless router.
7. IP Address: The unique 32 bit number assigned to each computer connected to the Internet. IP numbers
are used by the TCP/IP protocol to route packets of data to their destinations.
8. TCP/IP: The collection of "protocols" underlying the functioning of the Internet. Each computer connected
to the Internet is identified by a unique IP Address.
9. SMTP: Simple Mail Transfer Protocol.
10. FTP: File Transfer Protocol. Network cameras equipped with an embedded operating system, such as
Linux, can use FTP to send images to a website.
11. DHCP: Dynamic Host Configuration Protocol is a set of rules used by communications devices such as
a computer, router or network adapter to allow the device to request and obtain an IP address from a server
which has a list of addresses available for assignment.
12 UPnP: Universal Plug and Play is an architecture for pervasive peer-to-peer network connectivity of
intelligent appliances and wireless devices.
13. DDNS: DDNS is a method of keeping a domain name linked to a dynamic IP address with your Network
Camera. You can set up your DDNS service and the device will automatically update your DDNS server
each time it alter a different IP address.
14. Time server: A time server consists of a computer networking device that reads the actual time from a
reference clock and distributes this information to its clients using a computer network.
15. WPA: Wi-Fi Protected Access (W PA and W PA2) is a class of systems to secure wireless (Wi-Fi)
computer networks. WPA implements the majority of the IEEE 802.11i standard, and was intended as an
intermediate measure to take the place of WEP while 802.11i was prepared.

80
IPCAM 201105
FCC Warning
This device complies with Part 15 of the FCC Rules. Operation is subject to the following two
conditions:
(1) this device may not cause harmful interference, and (2) this device must accept any
interference received, including interference that may cause undesired operation.
NOTE 1: Any changes or modifications to this unit not expressly approved by the party
responsible for compliance could void the user's authority to operate the equipment.