Y CAM SOLUTIONS YPHSH01 Y-cam Protect Hub User Manual
Y-cam Solutions Ltd Y-cam Protect Hub
Contents
- 1. User manual
- 2. user manual
User manual

YPHSH01 Intelligent Security System
User Manual
P/N:20170428-B
Brief
Thank you for choosing the "YPHSH01" product of the "Focus" intelligent security system,
and congratulations on you to get a set of certified, multi-functional security products.
YPHSH01 is a security for the operation of the network and the development of a high-
performance, cost-effective alarm host, almost to meet all the needs of the security system,
mainly for the performance;
32 zones: the system has 32 wireless zones;
YPHSH01 also has the following intimate design:
Designed for those who stay in places such as duty room, monitoring room or family
bedroom, ad hoc three groups with the enemy to identify the intelligent master and slave zone
combination;
Power supply
▲DC12V/2A
▲Use DC7.4V, 1800mA lithium battery, and every 2 to 3 years to replace once
▲Power consumption of 150mA standard system can support 10 hours
▲The maximum charge current of the battery is 150mA
▲Host power on: the host is turned off AC power
▲Host shutdown: disarm the disconnected AC power, long press the backup power switch
after 3 seconds to release the shutdown.
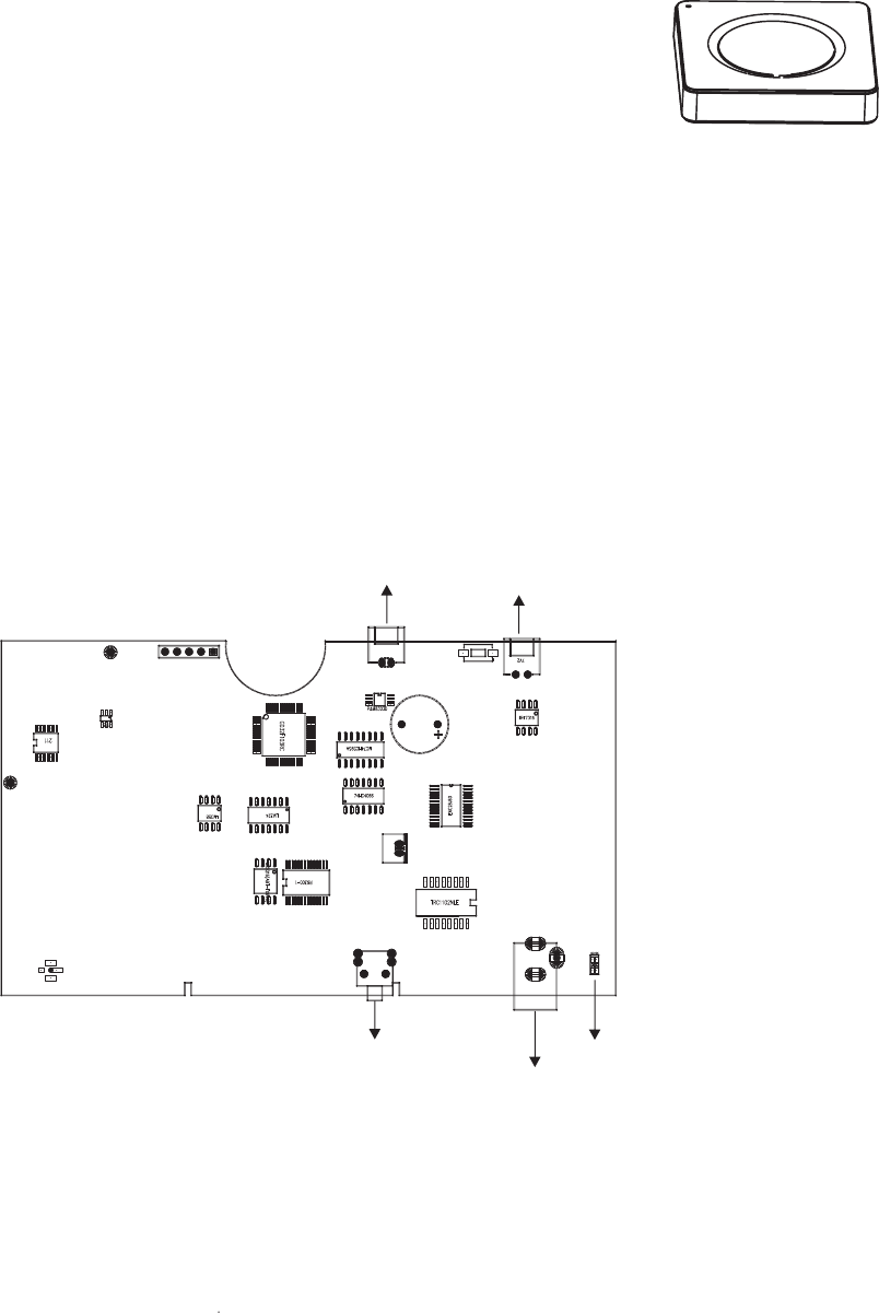
Wiring diagramme
Backup power
switch power
speaker battery
traffic light
Features
Zone: 32 Wireless Zone;
Remote control: 8 wireless remote control and 16 wireless switch;
Password: 1 administrator password, 16 user password;
Event records: 512 event records;
Transmit/Receiving frequency: 433MHz

Alarm flow
There is alarm, began to
send information
1. The detector is
triggered to send
an alarm signal to
the alarm host
wireless
Changes or modifications not expressly approved by the party responsible for compliance could void the user's authority
to operate the equipment.
This equipment has been tested and found to comply with the limits for a Class B digital device, pursuant to Part 15 of the FCC Rules.
These limits are designed to provide reasonable protection against harmful interference in a residential installation. This equipment
generates uses and can radiate radio frequency energy and, if not installed and used in accordance with the instructions, may cause
harmful interference to radio communications.
However, there is no guarantee that interference will not occur in a particular installation. If this equipment does cause harmful interference
to radio or television reception, which can be determined by turning the equipment off and on, the user is encouraged to try to correct the
interference by one or more of the following measures:
- - Reorient or relocate the receiving antenna.
- - Increase the separation between the equipment and receiver.
- - Connect the equipment into an outlet on a circuit different from that to which the receiver is connected.
- - Consult the dealer or an experienced radio/TV technician for help .
FCC WARNING
This device complies with Part 15 of the FCC Rules. Operation is subject to the
following two conditions:
(1) this device may not cause harmful interference, and
(2) this device must accept any interference received, including interference that
may cause undesired operation.