Yamaha 03D_J 03D 取扱説明書 J
User Manual: Yamaha 03D 取扱説明書
Open the PDF directly: View PDF
.
Page Count: 292 [warning: Documents this large are best viewed by clicking the View PDF Link!]
- 安全上のご注意
- 使用上のご注意
- 目 次
- 1 03Dの世界へようこそ!
- 2 各部の名称と機能
- 3 ユーザーインターフェースの基礎知識
- 4 インプットチャンネル
- 5 イコライザー
- 6 パン、ルーティング、サラウンドパン
- 7 ソロ、モニター、メーター
- 8 ステレオアウト
- 9 AUXアウト
- 10 バスアウト
- 11 チャンネルライブラリーとビュー
- 12 グループ、ペア
- 13 内蔵エフェクト
- 14 ダイナミクスプロセッサー
- 15 シーンメモリー
- 16 オートミックス
- オートミックスについて
- 新規オートミックスを作成する
- オートミックスを有効にする
- タイムベースの設定
- オートミックスのオフセット値を設定する
- セーフチャンネル
- 記録するパラメーターを選択する
- オートミックスを記録する
- オートミックスを再生する
- イベントを再記録する
- オートミックスのパンチイン/パンチアウト
- フェーダーの動きをリアルタイムでエディットする
- イベントをオフラインでエディットする
- イベントを取り出す
- オートミックス操作を取り消す
- アンドゥバッファーをクリアする
- オートミックスを保存する
- オートミックスを呼び出す
- カレントオートミックスを入れ替える
- オートミックスのタイトルをエディットする
- オートミックスメモリーをクリアする
- 17 その他の機能
- 18 デジタルI/O
- 19 MIDI
- 20 付 録
- ユーザー登録のおすすめ
- サービスについて

DIGITAL MIXING CONSOLE
J
PHONES
PHONES
+10 –34
–60–16
26dB
1
+10 –34
–60–16
26dB
2
+10 –34
–60–16
26dB
3
+10 –34
–60–16
26dB
4
+10 –34
–60–16
26dB
5
+10 –34
–60–16
26dB
6
+10 –34
–60–16
26dB
7
+10 –34
–60–16
26dB
8
+10 –20
+10
9
GAIN
+10 –20
+10
10
GAIN
+10 –20
+10
11
GAIN
+10 –20
+10
12
GAIN
+10 –20
+10
13
GAIN
+10 –20
+10
14
GAIN
+10 –20
+10
15
GAIN
+10 –20
+10
16
GAIN
+10 –20
+10
ST IN
GAINGAIN GAIN GAIN GAIN GAIN GAIN GAIN GAIN
100
SOLO/ 2TR IN
MONITOR
OUT
LEVEL
100
LEVEL
SCENE MEMORYSETUP
CHANNEL CONTROL
FADER MODE
MIXING LAYER
1–16
17–24/MASTER
USER DEFINE
SOLO
RECALL
ENTER
L STEREO R
USER DEFINE
EFFECT RTNST IN13–169–12FADER 1–8
SCENE MEMORY
FUNCTION
SEL CH
FADER
STATUS
SCENE
MEMORY MIDI
REMOTE
UTILITY
AUTOMIX
VIEW
HIGHHI-MID
LO-MIDEQ LOW
AUX 1
FADER EFFECT 1 EFFECT 2
AUX 2 AUX 3 AUX 4
EQ LIBRARY
SOLO SETUPGROUP/PAIR
DYNAMICSDELAY/Ø PAN/ROUTING
MIDI
DIO
PARAMETER
CURSOR
STORE
UNDO/
REDO
CLIP
–3
–6
–9
–12
–15
–18
–24
–30
–36
–42
–48
SEL
ON
SEL
ON
SEL
ON
SEL
ON
SEL
ON
SEL
ON
SEL
ON
SEL SEL
ON ON
SEL
ON
SEL
ON
SEL
ON
SEL
ON
SEL
ON
SEL
ON
SEL
ON
SEL
ON
SEL
ON
SEL
ON
12345678910111213141516
ST IN
EFFECT
RETURN
ST OUT
17 18 19 20 21 22 23 24 AUX1 AUX2 AUX3 AUX4 BUS1 BUS2 BUS3 BUS4
12345678910111213141516
ST IN EFFECT
RETURN ST OUT
17 18 19 20 21 22 23 24 AUX1 AUX2 AUX3 AUX4 BUS1 BUS2 BUS3 BUS4
6
0
5
10
20
40
60
00
6
0
5
10
20
40
60
00
6
0
5
10
20
40
60
00
6
0
5
10
20
40
60
00
6
0
5
10
20
40
60
00
6
0
5
10
20
40
60
00
6
0
5
10
20
40
60
00
6
0
5
10
20
40
60
00
6
0
5
10
20
40
60
00
6
0
5
10
20
40
60
00
6
0
5
10
20
40
60
00
6
0
5
10
20
40
60
00
6
0
5
10
20
40
60
00
6
0
5
10
20
40
60
00
6
0
5
10
20
40
60
00
6
0
5
10
20
40
60
00
6
0
5
10
20
40
60
00
6
0
5
10
20
40
60
00
6
0
5
10
20
40
60
00
SOLO
12
PAD
EQ FLAT
METER
12
34
このたびはヤマハデジタルミキシングコンソール03Dをお買
い求めいただきまして、まことにありがとうございます。
03Dの優れた機能を十分に発揮させるとともに、末永くご愛
用いただくために、この取扱説明書をご使用の前に必ずお読
みください。お読みになったあとは、保証書とともに保管し
てください。

!
安全上のご注意 ―安全にお使いいただくため―
安全にお使いいただくため、ご使用の前にこの「安全上のご注意」をよくお読みください。
またお読みになったあと、いつでも見られるところに必ず保存してください。
絵表示 この取扱説明書および製品への表示では、製品を安全に
正しくお使いいただき、あなたや他の人々への危害や財産への
損害を未然に防止するために、いろいろな絵表示をしています。
内容をよく理解してから本文をお読みください。
絵表示の例
:注意(危険・警告を含む)を促す事項
:決しておこなってはいけない禁止事項
●:必ずおこなっていただく強制事項
設置されるとき
●この機器はAC100V専用です。それ以外の電
源(AC200V、船舶の直流電源など)では使用
しないでください。火災・感電の原因となりま
す。
●この機器に水が入ったり、機器がぬれたりし
ないようご注意ください。火災・感電の原因と
なります。雨天・降雪時や海岸・水辺での使用
は特にご注意ください。
●この機器の通風孔をふさがないでください。
内部の温度上昇を防ぐため、この機器のケー
スの前・後・上・底部には通風孔があけてあ
ります。通風孔がふさがると内部に熱がこも
り、火災の原因となることがあります。
とくに、次のような使い方は避けてくださ
い。
・ 機器をあお向けや横倒し、逆さまにする。
・ 本箱や押し入れなど、専用ラック以外の風
通しの悪い狭いところに押し込める。
・ テーブルクロスを掛けたり、じゅうたんや
布団の上に置いて使用する。
●電源コードの上に重い物をのせないでくださ
い。コードに傷が付くと、火災・感電の原因と
なります。とくに、敷物などで覆われたコー
ドに気付かずに重い物を載せたり、コードが
本機の下敷きになることは、起こりがちなこ
とですので、十分にご注意ください。
●この機器を設置する場合は、放熱をよくする
ために、壁との間隔を10cm以上とってくださ
い。また、他の機器からも少し離してくださ
い。放熱が不十分だと内部に熱がこもり、火
災の原因となることがあります。
ご使用になるとき
●雷が鳴りだしたら、早めに機器本体の電源ス
イッチを切り、電源プラグをコンセントから
抜いてください。
●落雷のおそれがあるとき、電源プラグが接続
されたままならば、電源プラグには触れない
でください。感電の原因となります。
●この機器を改造しないでください。火災・感電
の原因となります。
●この機器のカバーは絶対に外さないでくださ
い。感電の原因になります。
内部の点検・整備・修理が必要と思われるとき
は、お買上げ販売店にご依頼ください。
●この機器の上に水などの入った容器や小さな
金属物を置かないでください。こぼれたり、
中に入ったりすると、火災・感電の原因になり
ます。
花瓶、植木鉢、コップ、化粧品、薬品なども
同様です。
●電源コードを傷つけたり、加工したり、無理
に曲げたり、ねじったり、引っ張ったり、加
熱したりしないでください。コードが破損し
て、火災・感電の原因になります。
使用中に異常が発生したとき
●煙が出ている、変なにおいや音がするなどの
異常がみとめられたときは、すぐに機器本体
の電源スイッチを切り、電源プラグをコンセ
ントから抜いてください。そのあと、異常が
おさまるのを確認して販売店に修理をご依頼
ください。異常状態のままで使用すると、火
災・感電の原因となります。
●内部に水などの異物が入った場合は、すぐに
機器本体の電源スイッチを切り、電源プラグ
をコンセントから抜いてください。そのあ
と、販売店にご連絡ください。そのままで使
用すると、火災・感電の原因となります。
●断線・芯線の露出など、電源コードが傷んだ
ら、お買上げ販売店に交換をご依頼ください。
そのままで使用すると、火災・感電の原因とな
ります。
●万一、この機器を落としたり、キャビネット
を破損した場合は、機器本体の電源スイッチ
を切り、電源プラグをコンセントから抜いて
販売店にご連絡ください。そのまま使用する
と、火災・感電の原因となります。
この欄に記載されている事項を無視して、誤った取扱いをすると、人が死亡または重傷を負う可
能性があります。
警告
分解禁止
プラグをコンセント
から抜け
プラグをコンセント
から抜け
接触禁止

この欄に記載されている事項を無視して、誤った取扱いをすると、人が傷害を負ったり、物的
損害が発生したりする可能性があります。
注意
設置されるとき
●調理台や加湿器のそばなど、油煙や湯気が当
たるような場所には置かないでください。火
災・感電の原因となることがあります。
●ぐらついた台の上や傾いたところなど、不安
定な場所には置かないでください。落ちた
り、倒れたりしてけがの原因となることがあ
ります。
●電源コードを熱器具に近付けないでくださ
い。コードの被覆が溶けて、火災・感電の原因
になります。
●窓を締め切った自動車の中や直射日光が当た
る場所など、異常に温度が高くなる場所に放
置しないでください。火災の原因となること
があります。
●湿気やほこりの多い場所には置かないでくだ
さい。火災・感電の原因になることがありま
す。
●濡れた手で電源プラグを抜き差ししないでく
ださい。感電の原因となることがあります。
●電源プラグを抜くときは、電源コードを引っ
張らず、必ずプラグを持ってください。コー
ドを引っ張ると、電源コードが傷ついて、火
災・感電の原因となることがあります。
●この機器は重いので、持ち運びは必ず2人以
上でおこなってください。
●機器を移動する場合は、電源スイッチを切
り、電源プラグをコンセントから抜き、機器
間の接続コードなど外部の接続コードを外し
てください。コードが傷つき、火災・感電の原
因となることがあります。
プラグをコンセント
から抜け
ご使用になるとき
●オーディオ機器・スピーカーなどの機器を接続
する場合は、接続するすべての機器の電源を
切ってください。
それぞれの機器の取扱説明書に従い、指定の
コードを使用して接続してください。
●電源を入れる前に音量(ボリューム)を最小に
してください。突然大きな音が出て聴力障害
などの原因となることがあります。
●旅行などで、長期間この機器をご使用になら
ないときは、安全のため、必ず電源プラグを
コンセントから抜いてください。火災の原因
となることがあります。
お手入れについて
●お手入れの際は、安全のため、電源プラグを
コンセントから抜いてください。感電の原因
となることがあります。
●定期的な機器内部の掃除が必要です。長いあ
いだ掃除をせずに、機器の内部にほこりがた
まったままにしておくと、火災や故障の原因
となることがあるからです。
掃除および費用については、お買上げ販売店
にご相談ください。
掃除の間隔は1年に一度くらい、時期は湿気の
多くなる梅雨の前が、もっとも効果的です。
プラグをコンセント
から抜け
!
使用上のご注意 ―正しくお使いいただくため―
データのバックアップ
◆ 本体内に保存されているデータは、機器の故障、あるいは
誤操作などのために壊れてしまうことがあります。大切な
データは、必ず外部MIDI機器などにバックアップしておい
てください。
他の電気機器への影響について
◆ 本機は多くのデジタル回路を使用しているため、近くのラ
ジオやテレビに雑音などが生じることがあります。そのよ
うな場合には、十分に距離を離してお使いください。
お手入れについて
◆ スイッチ・ボリューム・エンコーダー・接続端子などの部品
は、磨耗部品といわれ、使用とともに性能が劣化します。
劣化の進行度合は、使用環境などによって大きく異なりま
すが、劣化そのものを避けることはできません。
劣化した磨耗部品の交換は、お買上げ販売店へご相談くだ
さい。
◆ フェーダーに、オイル・グリスや接点復活剤などを補給し
ないでください。電気接点の接触に悪影響を及ぼすことが
あります。
フェーダーの動きがぎこちないときは214ページの
「フェーダーのキャリブレーション」の項目を参照してくだ
さい。

03D取扱説明書
iv 目 次
目 次
第1章 03Dの世界へようこそ!.................................................... 1
03Dのご紹介 ...........................................................................................................2
この取扱説明書について ......................................................................................2
03Dの設置 ...............................................................................................................2
03Dの特長 ...............................................................................................................3
主な機能について ..................................................................................................4
第2章 各部の名称と機能 ........................................................... 9
コントロールパネル ............................................................................................10
リアパネル ............................................................................................................17
ブロック図 ..........................................................................................................22
第3章 ユーザーインターフェースの基礎知識 .......................... 23
ユーザーインターフェースについて ................................................................24
ディスプレイ ........................................................................................................24
ディスプレイ内のコントロール ........................................................................28
CURSORキー ........................................................................................................29
PARAMETERダイアル........................................................................................29
ENTERキー ...........................................................................................................29
マウス ....................................................................................................................30
ミキシングレイヤー ............................................................................................31
TITLE EDITダイアログボックス.......................................................................33
第4章 インプットチャンネル .................................................. 35
インプットチャンネルの概要 ............................................................................36
ファンタム電源(インプットチャンネル1∼8)................................................37
パッド(インプットチャンネル1∼8)................................................................37
ゲイン ....................................................................................................................37
メーター ................................................................................................................37
インサート(インプットチャンネル1&2).........................................................38
アッテネーター ....................................................................................................38
フェーズ ................................................................................................................39
チャンネルディレイ ............................................................................................40
EQ...........................................................................................................................42
ダイナミクスプロセッサー ................................................................................42
インプットチャンネルのミュート(オン/オフ)............................................42
フェーダー ............................................................................................................42

03D取扱説明書
目 次 v
パン、バランス、ルーティング ............................................................................43
ダイレクト出力 ....................................................................................................43
AUXセンド ...........................................................................................................43
インプットチャンネルのモニター ....................................................................43
インプットチャンネルのステレオペア ............................................................44
インプットチャンネルのブロック図 ................................................................45
第5章 イコライザー................................................................ 47
03Dのイコライザーについて .............................................................................48
イコライザーの調整 ............................................................................................49
イコライザーのバイパス ....................................................................................50
EQのゲイン回転ノブのリセット.......................................................................50
EQライブラリー...................................................................................................50
EQプログラムの保存...........................................................................................51
EQプログラムの呼び出し...................................................................................52
EQプログラムタイトルのエディット...............................................................53
EQライブラリーリスト.......................................................................................54
第6章 パン、ルーティング、サラウンドパン.............................. 59
パンモードの選択 ................................................................................................60
ステレオパン、バランス、ルーティング ............................................................61
ステレオペア、パン、ルーティング ....................................................................63
サラウンドパン ....................................................................................................64
サラウンドパンの使い方 ....................................................................................67
第7章 ソロ、モニター、メーター............................................... 73
モニター/ソロについて ....................................................................................74
モニター出力 ........................................................................................................75
ヘッドフォン端子 ................................................................................................75
モニタリング ........................................................................................................76
ソロのセットアップ ............................................................................................77
ソロ機能の使い方 ................................................................................................78
ソロセーフ ............................................................................................................79
2トラック入力 ......................................................................................................79
ソロのブロック図 ................................................................................................80
メーター ................................................................................................................81
モニターのブロック図 ........................................................................................84
第8章 ステレオアウト............................................................. 85
ステレオ出力について ........................................................................................86
アナログステレオ出力端子 ................................................................................86

03D取扱説明書
vi 目 次
DIGITAL STEREO OUT端子 ..............................................................................86
ステレオアウトとYGDAIインターフェース ...................................................86
REC OUT端子とステレオアウト .......................................................................86
ソロとステレオアウト ........................................................................................86
ステレオ出力のモニタリング ............................................................................86
ステレオ出力のメーター ....................................................................................86
ステレオ出力への信号のルーティング ............................................................87
ステレオ出力レベルの設定 ................................................................................87
ステレオ出力のミュート ....................................................................................87
ステレオ出力のバランス設定 ............................................................................87
ステレオ出力のイコライジング ........................................................................88
ステレオ出力のダイナミクスプロセッサー....................................................88
ステレオ出力ディレイ ........................................................................................88
ステレオアウトのブロック図 ............................................................................90
第9章 AUXアウト ................................................................... 91
AUXアウトについて ...........................................................................................92
アナログAUX出力端子 .......................................................................................92
AUXアウトとYGDAIインターフェース ..........................................................92
AUXアウトのモニター .......................................................................................92
AUXアウトのメーター .......................................................................................92
チャンネルの信号をAUXアウトへ送る ...........................................................93
プリフェーダー/ポストフェーダーAUXセンド ...........................................94
AUXのマスターレベル設定 ...............................................................................95
AUXアウトのミュート .......................................................................................95
AUXアウトのイコライジング ...........................................................................95
AUXアウトのダイナミクスプロセッサー .......................................................95
AUXアウトのステレオペア ...............................................................................96
AUXアウトのブロック図 ...................................................................................98
第10章 バスアウト ................................................................... 99
バスアウトについて ..........................................................................................100
アナログバスアウト ..........................................................................................100
バスアウトとYGDAIインターフェース .........................................................100
REC OUT端子とバスアウト1&2......................................................................100
バスアウトのモニター ......................................................................................100
バスアウトのメーター ......................................................................................100
信号をバスアウトへ送る ..................................................................................100
バスアウトのマスターレベル設定 ..................................................................101
バスアウトのミュート ......................................................................................101
バスアウトのイコライジング ..........................................................................101

03D取扱説明書
目 次 vii
バスアウトのダイナミクスプロセッサー ......................................................101
バスアウトのディレイ ......................................................................................102
バス信号をSTEREOバスに送る.......................................................................103
バスアウトのステレオペア ..............................................................................104
バスアウトのブロック図 ..................................................................................104
第11章 チャンネルライブラリーとビュー ............................... 105
チャンネルライブラリー ..................................................................................106
チャンネルプログラムの保存 ..........................................................................107
チャンネルプログラムの呼び出し ..................................................................108
チャンネルプログラムタイトルのエディット..............................................109
チャンネルビュー ..............................................................................................110
第12章 グループ、ペア ............................................................ 113
フェーダーグループ ..........................................................................................114
ミュートグループ ..............................................................................................115
ステレオペア ......................................................................................................116
第13章 内蔵エフェクト........................................................... 119
内蔵エフェクトについて ..................................................................................120
エフェクトライブラリーリスト ......................................................................121
エフェクトをかける ..........................................................................................125
エフェクトセンドのプリフェーダー/ポストフェーダー切替え..............126
エフェクトリターン ..........................................................................................126
エフェクトライブラリー ..................................................................................128
エフェクトプログラムの保存 ..........................................................................129
エフェクトプログラムの呼び出し ..................................................................130
エフェクトプログラムタイトルのエディット..............................................131
エフェクトパラメーターリスト ......................................................................132
エフェクトのブロック図 ..................................................................................142
第14章 ダイナミクスプロセッサー ......................................... 143
ダイナミクスプロセッサーについて ..............................................................144
ダイナミクスプロセッサーの挿入 ..................................................................146
ダイナミクスライブラリー ..............................................................................147
ダイナミクスプログラムの保存 ......................................................................148
ダイナミクスプログラムの呼び出し ..............................................................149
ダイナミクスプログラムタイトルのエディット ..........................................150
ダイナミクスプロセッサーのタイプ ..............................................................151
ダイナミクスライブラリーリスト ..................................................................157

03D取扱説明書
viii 目 次
第15章 シーンメモリー........................................................... 161
シーンメモリーについて ..................................................................................162
シーンメモリーに保存できるもの ..................................................................162
エディットバッファー/EDITインジケーターについて.............................162
シーンメモリー00 ..............................................................................................163
シーンメモリーの表示領域 ..............................................................................163
[SCENE MEMORY]キー ..................................................................................163
ミックスシーンの保存 ......................................................................................164
ミックスシーンの呼び出し ..............................................................................166
ミックスシーンのリコール操作の取り消し..................................................167
シーンメモリーの書き込み禁止 ......................................................................168
シーンメモリータイトルのエディット ..........................................................169
シーンメモリーの並び替え ..............................................................................170
フェードタイムの設定 ......................................................................................171
シーンデータのリコールセーフ機能 ..............................................................172
第16章 オートミックス........................................................... 173
オートミックスについて ..................................................................................174
新規オートミックスを作成する ......................................................................178
オートミックスを有効にする ..........................................................................179
タイムベースの設定 ..........................................................................................179
オートミックスのオフセット値を設定する..................................................181
セーフチャンネル ..............................................................................................182
記録するパラメーターを選択する ..................................................................183
オートミックスを記録する ..............................................................................184
オートミックスを再生する ..............................................................................186
イベントを再記録する ......................................................................................187
オートミックスのパンチイン/パンチアウト..............................................188
フェーダーの動きをリアルタイムでエディットする..................................189
イベントをオフラインでエディットする ......................................................193
イベントを取り出す ..........................................................................................198
オートミックス操作を取り消す ......................................................................200
アンドゥバッファーをクリアする ..................................................................201
オートミックスを保存する ..............................................................................202
オートミックスを呼び出す ..............................................................................203
カレントオートミックスを入れ替える ..........................................................204
オートミックスのタイトルをエディットする..............................................205
オートミックスメモリーをクリアする ..........................................................206

03D取扱説明書
目 次 ix
第17章 その他の機能.............................................................. 207
ユーザー定義キー ..............................................................................................208
内蔵オシレーターの使い方 ..............................................................................211
プリファレンス ..................................................................................................212
電池の点検 ..........................................................................................................213
03Dの初期化 .......................................................................................................213
フェーダーのキャリブレーション ..................................................................214
第18章 デジタルI/O................................................................ 215
ワードクロックのセットアップ ......................................................................216
デジタルステレオアウト ..................................................................................219
出力ディザー ......................................................................................................220
デジタルステレオイン ......................................................................................221
デジタルインプットモニター ..........................................................................222
YGDAIカード .....................................................................................................223
YGDAIブロック図 .............................................................................................225
03Dのカスケード接続 .......................................................................................227
カスケードのブロック図 ..................................................................................230
第19章 MIDI........................................................................... 231
MIDIと03D ..........................................................................................................232
MIDI端子とTO HOST端子 ................................................................................232
MIDI/TO HOSTデータ受信インジケーター...................................................233
MIDI/HOSTセットアップ .................................................................................233
MIDIセットアップ.............................................................................................235
MIDIモニター .....................................................................................................238
プログラムチェンジの割り当て ......................................................................239
コントロールチェンジの割り当て ..................................................................240
システムエクスクルーシブによるパラメーターのコントロール..............241
バルクダンプ ......................................................................................................242
MIDIリモート .....................................................................................................244
付 録
故障かな?と思ったら ................................................ 252
ディスプレイメッセージ一覧 ...................................... 255
仕 様 ........................................................................ 257
1. 全体仕様 ..........................................................................................................257

03D取扱説明書
x目 次
著作権について
03Dのソフトウェアあるいは本取扱説明書のどの部分のいかなる方法での複製・配布
も、ヤマハ株式会社の文書による承認がない限り、これを禁じます。
商標について
Macintoshは、アップルコンピューター社の登録商標です。
ADATおよびAlesisは、アレシス社の登録商標です。
ADAT Digital Interfaceはアレシス社の商標です。
ティアックは、ティアック株式会社の登録商標です。
Tascam Digital Audio Interface(TDIF-1)は、ティアック株式会社の商標です。
ドルビー、DOLBY、AC-3、PRO LOGIC、およびダブルD記号룴は、ドルビーラボラト
リーズライセンシングコーポレーションの商標です。
Pro Tools®はAVID/Digidesign社の登録商標です。
Windows®、MSはMicrosoft Corporationの登録商標です。
YAMAHAホームページ http://www.yamaha.co.jp/product/proaudio/
2. チャンネル仕様 ..............................................................................................258
3. アナログ入力仕様 ..........................................................................................261
4. アナログ出力仕様 ..........................................................................................262
5. デジタルオーディオ入力仕様 ......................................................................262
6. デジタルオーディオ出力仕様 ......................................................................262
7. YGDAIスロット仕様(Yamaha general digital audio interface)...................263
8. コントロールI/O仕様.....................................................................................263
9. フェーダーファンクション設定 ..................................................................263
10. レベルダイアグラム ....................................................................................264
11. 寸法図 ............................................................................................................265
12. オプション ....................................................................................................265
13. セキュリティーカバー ................................................................................265
MIDIプログラムチェンジへのシーンメモリーのアサイン表.....................266
MIDIコントロールチェンジへのパラメーターのアサイン表.....................267
MIDIデータフォーマット.................................................................................270
MIDIインプリメンテーションチャート.........................................................277
用語集 ........................................................................ 278
索 引 ........................................................................ 282

03D取扱説明書
第1章 03Dの世界へようこそ! 1
03Dの
世界へ
ようこそ!
各部の
名称と機能
インプット
チャンネル
イコライザー
パン、
ルーティング、
サラウンドパン
ソロ、
モニター、
メーター
ステレオ
アウト
AUXアウト
バスアウト
チャンネル
ライブラリー
とビュー
内蔵
エフェクト
シーン
メモリー
オート
ミックス
その他の
機能
デジタル
I/O
MIDI
付 録
グループ、
ペア
ダイナミクス
プロセッサー
ユーザー
インター
フェース
の基礎知識
第1章 03Dの世界へようこそ!
1
本章の目次
03Dのご紹介 ...........................................................................................................2
この取扱説明書について ......................................................................................2
03Dの設置 ...............................................................................................................2
03Dの特長 ...............................................................................................................3
主な機能について ..................................................................................................4

03D取扱説明書
2第1章 03Dの世界へようこそ!
03Dの
世界へ
ようこそ!
各部の
名称と機能
インプット
チャンネル
イコライザー
パン、
ルーティング、
サラウンドパン
ソロ、
モニター、
メーター
ステレオ
アウト
AUXアウト
バスアウト
チャンネル
ライブラリー
とビュー
内蔵
エフェクト
シーン
メモリー
オート
ミックス
その他の
機能
デジタル
I/O
MIDI
付 録
グループ、
ペア
ダイナミクス
プロセッサー
ユーザー
インター
フェース
の基礎知識
03Dのご紹介
ご好評をいただいたデジタルレコーディングコンソール02Rを基にヤマハが開発し
た03Dは、プロジェクトスタジオや音楽制作での使用を念頭に設計されていますが、
そのユニークで使いやすい機能は、ポストプロダクションやPAシステム、設備音響と
してもご活用いただけます。
この取扱説明書について
本書には、デジタルミキシングコンソール03Dを使用するときに必要な情報がすべて
含まれています。目次は本書の構成を把握するために、索引は必要な項目の検索にご
利用ください。また、用語集が278ページに掲載されています。
本書の各章は、機能ごとに分かれており、ほとんどの章は、そのタイトルから内容がす
ぐにわかるようになっています。たとえば、「インプットチャンネル」の章ではイン
プットチャンネルに関する内容をすべて説明し、「シーンメモリー」の章ではシーンメ
モリーについて説明しています。また、イコライザーやダイナミクスプロセッサーな
ど多くのチャンネルに共通した項目は、そのたびに繰り返し説明することを避け、1つ
の章にまとめました。
章の中の各節は、なるべく信号の流れに沿った順序で構成されています。たとえば「イ
ンプットチャンネル」の章では、まず入力端子の節から始まって、各インプットチャン
ネルの機能について説明した後、バスについての節で終わっています。
パネル上のキー等の表記
本書ではキー等の名称で、パネルに実際に印刷されているものは[ ]でくくって表記
しています。
パネルにあるスイッチで、カチカチと押して使うタッチタイプのスイッチをキー、押
し込んで使うスイッチをスイッチと表記し、ディスプレイ画面内に表示されるスイッ
チを、パネル上のキーやスイッチと区別してボタンと表記しています。
例:[ON]キー、[PAD]スイッチ、Mボタン
パネル上のボリュームはコントロールと表記し、ディスプレイ画面内に表示されるボ
リュームを回転ノブと表記しています。
ディスプレイ画面の中でタブの選択により切替わる部分をページと表記しています。
03Dの設置
03Dを設置する際には、本書の最初に記載された重要注意事項にしたがって、安定し
た場所に置いてください。オプションのラックマウントキットを使ってラックにマウ
ントすることもできます。

03D取扱説明書
第1章 03Dの世界へようこそ! 3
03Dの
世界へ
ようこそ!
各部の
名称と機能
インプット
チャンネル
イコライザー
パン、
ルーティング、
サラウンドパン
ソロ、
モニター、
メーター
ステレオ
アウト
AUXアウト
バスアウト
チャンネル
ライブラリー
とビュー
内蔵
エフェクト
シーン
メモリー
オート
ミックス
その他の
機能
デジタル
I/O
MIDI
付 録
グループ、
ペア
ダイナミクス
プロセッサー
ユーザー
インター
フェース
の基礎知識
03Dの特長
特性
・ リニア20ビット・64倍オーバーサンプリングA/Dコンバーター
・ リニア20ビット・8倍オーバーサンプリングD/Aコンバーター(ST OUT、MONI OUT)
・ 標準ダイナミックレンジ105dB(ST INからST OUT)
・ 周波数特性20Hz∼20kHz(+1、−3dB)
・ 内部デジタルオーディオ処理32ビット
・ デジタルイコライジング44ビット
主な特徴
・ 入力×26系統(デジタル入力8系統を含む)
・ 出力×18系統(アサイナブルデジタル出力8系統を含む)
・ 連続可変のゲインボリューム
・ +48Vのファンタム電源搭載のバランス型XLR入力(インプットチャンネル1∼8)
・ 26dBパッド(インプットチャンネル1∼8)
・ バランス型フォーン入力端子(インプットチャンネル1∼16)
・ アナログインサート端子(インプットチャンネル1および2)
・ AES/EBUおよびCOAXIALフォーマットのデジタル入出力
・ ヤマハ標準YGDAIインターフェースによるアサイナブルデジタル入出力×8系統
・ 2台の03Dまたは03Dと02RをYGDAIカスケード接続可能
・
アナログ/デジタルのステレオカスケード接続により、チャンネルを簡単に拡張可能
・ 多彩なソロモードにより自在なモニタリング
・ 4つのフェーダーグループで多チャンネルのフェーダーが一括コントロール可能
・ 4つのミュートグループで多チャンネルのミュートが一括コントロール可能
・ インプットチャンネル、AUXアウト、バスアウトをステレオペア操作可能
・ ほとんどすべての入出力に4バンドのパラメトリックイコライザーを搭載(合計40
台相当のEQ)
・ パワフルなEQライブラリーに40のプリセットプログラムと40のユーザープログラ
ムを内蔵
・ アナログ出力のAUXアウト×4系統
・ 64個のプリセットプログラムと32個のユーザープログラムを搭載した内蔵エフェ
クト×2系統
・ ほとんどすべての入出力にダイナミクスプロセッサーを搭載(合計36台相当)
・ パワフルなダイナミクスライブラリーに40のプリセットプログラムと40のユー
ザープログラムを内蔵
・ パワフルなチャンネルライブラリーに2つのプリセットプログラムと49のユーザー
プログラムを内蔵
・
51のシーンメモリーを搭載し、スナップショット式のミックスオートメーションが可能
・ 内蔵のオートミックス機能により、MIDIタイムコードを基準にパラメーターを直
接操作するミックスオートメーションが可能
・ バックライト付き320×240ドットの大型液晶ディスプレイを搭載
・ MS互換シリアルマウス(オプション)により素早い画面移動やエディットが可能
・
4つのユーザー定義キーにより、頻繁に使用するコマンド(MMCなど)に迅速に呼び出し可能
・
ProMix01、02R、03D、ProR3、REV500など外部機器のMIDIリモートコントロールが可能
・ パソコンに簡単に接続できるTO HOST端子を装備
・ 60mm長のモーターフェーダーを採用

03D取扱説明書
4第1章 03Dの世界へようこそ!
03Dの
世界へ
ようこそ!
各部の
名称と機能
インプット
チャンネル
イコライザー
パン、
ルーティング、
サラウンドパン
ソロ、
モニター、
メーター
ステレオ
アウト
AUXアウト
バスアウト
チャンネル
ライブラリー
とビュー
内蔵
エフェクト
シーン
メモリー
オート
ミックス
その他の
機能
デジタル
I/O
MIDI
付 録
グループ、
ペア
ダイナミクス
プロセッサー
ユーザー
インター
フェース
の基礎知識
主な機能について
チャンネルの構成
03Dには、合計26系統の入力(デジタル入力8系統を含む)、ステレオ出力(アナログ、デ
ジタル)、4系統のバス出力、4系統のAUX出力、2系統の内部エフェクトセンド、YGDAI
(Yamaha General Digital Audio Interface)用スロットを使った8系統のアサイナブルデ
ジタル出力が搭載されています。それぞれのインプットチャンネルには4バンドのパ
ラメトリックイコライザーとダイナミクスプロセッサーを搭載。インプットチャンネ
ル1∼8はバランス型XLR端子とフォーン端子を搭載し、それぞれファンタム電源ス
イッチも用意されています。また、インプット1と2にはアナログインサート端子も装
備しています。入力部のディレイでマイクロフォンの位置の補正が、出力部のディレ
イでは複数のスピーカーを使用したシステムでの信号の遅延が補正できます。また、
2台の03Dをデジタルカスケード接続し、バス1∼4、AUXバス、STEREOバス、SOLOバ
スを共有することで、入力数を大幅に増設できます。さらにYGDAIデジタル入出力を
バスアウト、AUXアウト、インプットチャンネルのダイレクト出力、あるいはステレ
オ出力に割り当てることが可能。03Dはバス4系統のミキサーですが、4系統のバスと
4系統のAUXアウト、もしくはチャンネルダイレクトアウトをYGDAIスロットの8系
統の出力に割り当てれば、8トラックの同時録音が行えます。
デジタルミキサーのメリット
デジタルオーディオのさまざまなメリットについては、すでにご存じの方も多いで
しょう。では、ミキシングをデジタル化することにどんなメリットがあるのでしょう
か? オーディオミキサーの主な役割は、レベルやインピーダンスの異なるさまざま
な音源からのオーディオ信号をステレオミックスにまとめることです。しかも、歪み
やノイズを混入させずにこの役割を果たさなければなりません。アナログミキサーも
この役割をなんとか果たしてくれますが、最良の設計のモデルといえども信号が回路
を通ることによって生じる非線形効果はさけられません。
デジタル領域でのオーディオミキシングは、オーディオ信号を表現するバイナリー(2
進数)データの加算と掛算です。この計算に使用するDSP(Digital Signal Processor)チッ
プは、決して計算を間違えることはありません。このため一度A/D変換してしまえば
オーディオ信号が劣化する心配はありません。03Dではノイズ、歪み、クロストークが
ほとんど排除され、クリアなミックスが耳に新鮮に聴こえるはずです。
一度デジタル領域に入ったオーディオ信号は、デジタル信号のまま処理した方がいい
のは明らかです。何回もAD/DA変換を繰り返すと、音質が劣化する恐れがあるからで
す。オプションのYGDAIインターフェースカードを使用すれば、03Dをモジュラー型
のデジタルMTR(マルチトラックレコーダー)にデジタル接続できるので、録音、ミキ
シングのどちらの段階でもオーディオをデジタル領域のままで作業を進めることが
できます。最終のステレオミックスは、03DのAES/EBUまたはCOAXIALデジタル出力
を使って2トラックのデジタルレコーダーに落とせます。
また、内蔵のデジタルエフェクトとダイナミクスプロセッサーにより、不要なAD/DA
変換を避け、デジタル領域でのエフェクト処理が可能です。信号処理には、第三世代の
ヤマハDSP(ヤマハデジタルリバーブレーターProR3と同タイプのプロセッサー)を使
用しています。

03D取扱説明書
第1章 03Dの世界へようこそ! 5
03Dの
世界へ
ようこそ!
各部の
名称と機能
インプット
チャンネル
イコライザー
パン、
ルーティング、
サラウンドパン
ソロ、
モニター、
メーター
ステレオ
アウト
AUXアウト
バスアウト
チャンネル
ライブラリー
とビュー
内蔵
エフェクト
シーン
メモリー
オート
ミックス
その他の
機能
デジタル
I/O
MIDI
付 録
グループ、
ペア
ダイナミクス
プロセッサー
ユーザー
インター
フェース
の基礎知識
03Dの音質について
03Dは20ビットリニア・64倍オーバーサンプリングのA/Dコンバーターにより、標準ダイ
ナミックレンジ105dBを実現しています。本体で生成する標準のサンプリング周波数
44.1kHzおよび48kHzのほかに、(32kHz−6%)∼(48kHz+6%)の外部ワードクロックソー
スに同期することも可能です。D/A変換ではステレオ出力、モニター出力には20ビット・
8倍オーバーサンプリングのコンバーター、AUX出力、BUS出力には18ビット・8倍オー
バーサンプリングのコンバーターをそれぞれ搭載しています。「オーバーサンプリング」
とは、内部サンプリング周波数を効果的に上げてサンプリングする技術です。従来はサ
ンプリング周波数に起因する音質の劣化を完全に除去するために、勾配の急なローパ
スフィルターを使用していましたが、その悪影響も否めませんでした。03Dではローパ
スフィルターに代えてオーバーサンプリングを採用することでこの悪影響を完全に排
除し、オーディオ信号の音質が入力から出力まで一定に維持されています。
4バンドのパラメトリックイコライザーとEQライブラリー
03Dのインプットチャンネル、ステレオインプットチャンネル、ステレオ出力、バス出
力、AUX出力、内蔵エフェクトリターンには、いずれもゲイン、フリケンシー、Q、バイ
パスの各パラメーターを調節可能な4バンドのフルパラメトリックイコライザーが搭
載されています。合計ではなんと160バンドのイコライザーとなります。EQのHighと
Lowのバンドはそれぞれシェルビング、ピーキング、またはHPF/LPFとして使用でき
ます。詳細は、47ページの「イコライザー」をご参照ください。
EQの設定はプログラムとしてEQライブラリーに保存したり、チャンネル設定の一部
としてチャンネルライブラリープログラム、あるいはミックス設定の一部としてミッ
クスシーンに保存することができます。また、リアルタイムのEQ操作を内蔵オート
ミックス機能で自動化することも可能です。詳細は、50ページの「EQライブラリー」を
ご参照ください。
EQライブラリーには40のプリセットプログラムと40のユーザープログラムがありま
す。ユーザープログラムを利用すれば、よく使用するEQ設定にわかりやすいタイトル
を付け、保存することができます。また、プリセットプログラムには、特定の用途や楽
器に合わせて調節された、個性的なEQプログラムが集められています。EQの調整を
行うときに格好の参考例、あるいは開始点として利用できます。プリセットのEQライ
ブラリーの全リストは、54ページをご参照ください。
モーターフェーダー
03Dのフェーダーは長さ60mmのモーター駆動式モーターフェーダーです。ミックス
シーンを呼び出したりオートミックスを再生したときにフェーダーが自動的に動く
ので、フェーダーレベルが一目で確認できます。最長10秒までのフェードタイムを
ミックスシーンごとに設定できます。また、複数のフェーダーを4つのグループの中の
1つとしてグループ化し、複数のフェーダーを同時にコントロールできます。詳細は、
114ページの「フェーダーグループ」をご参照ください。ステレオペアに設定された
チャンネルのフェーダーは連動します。詳細は、116ページの「ステレオペア」をご参照
ください。
ST OUTフェーダーとST INフェーダーは、常にステレオ出力のレベルとステレオイ
ンプットチャンネルのレベルをそれぞれ調整します。また、EFFECT RETURNフェー
ダーは、常に2つの内蔵エフェクターのリターンレベルをコントロールします。ただ
し、フェーダー1∼16の動作は、選択されているミキシングレイヤーによって異なりま
す。ミキシングレイヤーを1−16に設定するとこれらのフェーダーはインプットチャ

03D取扱説明書
6第1章 03Dの世界へようこそ!
03Dの
世界へ
ようこそ!
各部の
名称と機能
インプット
チャンネル
イコライザー
パン、
ルーティング、
サラウンドパン
ソロ、
モニター、
メーター
ステレオ
アウト
AUXアウト
バスアウト
チャンネル
ライブラリー
とビュー
内蔵
エフェクト
シーン
メモリー
オート
ミックス
その他の
機能
デジタル
I/O
MIDI
付 録
グループ、
ペア
ダイナミクス
プロセッサー
ユーザー
インター
フェース
の基礎知識
ンネル1∼16に対して動作し、17−24/MASTERに設定するとインプットチャンネル17
∼24、AUX出力、バス出力に対して動作します。詳細は、31ページの「ミキシングレイ
ヤー」をご参照ください。フェーダーは、チャンネルレベルの調整だけでなく、AUXや
エフェクトのセンドレベル調整にも使用します。フェーダーの機能はFADER MODE
キーで設定します。詳細は、13ページの「FADER MODE(フェーダーモード)セクショ
ン」をご参照ください。
内蔵エフェクト
03Dには、2系統のステレオマルチエフェクトプロセッサー(エフェクト1とエフェク
ト2)が内蔵されており、リバーブ、ディレイ、コーラス、フランジャー、アンプシミュ
レーターなど、多彩で高品位なエフェクトを利用できます。使用できるエフェクトの
タイプは全部で34種類あります。詳細は、132ページの「エフェクトパラメーターリス
ト」をご参照ください。エフェクトプロセッサーには、EFFECT 1バスとEFFECT 2バス
から信号が送られ、エフェクト処理された信号はエフェクトリターン1とエフェクト
リターン2を通して返されます。エフェクトは、インプットチャンネルとステレオイン
プットチャンネルの両方の信号にかけることができます。
エフェクトの設定は、プログラムとしてエフェクトライブラリーに保存できます。エ
フェクトライブラリーには64のプリセットプログラムと32のユーザープログラムが
含まれています。ユーザープログラムには、自分で作成したエフェクトプログラムを
保存し、分かりやすいようにタイトルもつけることができます。詳細は、121ページの
「エフェクトライブラリーリスト」をご参照ください。また、エフェクト設定はシーン
メモリーにも保存されます。
すでに外部エフェクターをお持ちの方は、4系統のAUX出力を使用して、03Dに接続で
きます。
内蔵ダイナミクスプロセッサー
ダイナミクスプロセッサーは、コンプレッサー、ノイズゲート、ダッキング、エクスパ
ンダー、ハードコンパンダー、ソフトコンパンダーとして使用できます。この機能はイ
ンプットチャンネル、ステレオインプットチャンネル、ステレオ出力、バスアウト、
AUXアウト、内蔵エフェクトリターンのすべてで利用でき、合計では36基のダイナミ
クスプロセッサーが搭載されています。セルフトリガー(加工する信号自体をトリ
ガー信号として使用する)はもちろん、他のチャンネルからの信号をトリガーにする
ことも可能です。
ダイナミクス設定は、プログラムとしてダイナミクスライブラリーに保存したり、
チャンネル設定の一部としてチャンネルライブラリープログラムに、あるいはミック
ス設定の一部としてミックスシーンに保存できます。ダイナミクスライブラリーには
40のプリセットプログラムと40のユーザープログラムがあります。ユーザープログラ
ムは、よく使用するダイナミクス設定を保存したり、分かりやすいようにタイトルを
つけたりすることも可能です。詳細は、157ページの「ダイナミクスライブラリーリス
ト」をご参照ください。
YGDAI & デジタルI/O
03DにはYGDAIスロットが1基搭載されており、8系統のデジタル入力と8系統のアサ
イナブルデジタル出力が利用できます。03Dは、デジタルレコーディングコンソール
02Rと同様のシングルサイズのYGDAIカードに対応しています。このカードを使用す
れば、Alesis ADAT、Tascam DA88、DA38などのモジュール式デジタルMTRや、AES/

03D取扱説明書
第1章 03Dの世界へようこそ! 7
03Dの
世界へ
ようこそ!
各部の
名称と機能
インプット
チャンネル
イコライザー
パン、
ルーティング、
サラウンドパン
ソロ、
モニター、
メーター
ステレオ
アウト
AUXアウト
バスアウト
チャンネル
ライブラリー
とビュー
内蔵
エフェクト
シーン
メモリー
オート
ミックス
その他の
機能
デジタル
I/O
MIDI
付 録
グループ、
ペア
ダイナミクス
プロセッサー
ユーザー
インター
フェース
の基礎知識
EBUフォーマットあるいはヤマハ(Y2)フォーマット対応機器をデジタル接続できま
す。詳細は、223ページの「YGDAIカード」をご参照ください。
また、AES/EBUおよびCOAXIALのデジタルステレオ入出力端子を使えば、デジタル
レコーダーその他のステレオデジタル機器をデジタル接続できます。デジタルステレ
オ信号をSTEREOバスに送ってカスケードに利用したり、ステレオインプットチャン
ネルに送ってミキシングや信号の加工が行えます。詳細は、221ページの「デジタルス
テレオイン」をご参照ください。
使いやすいグラフィカルユーザーインターフェース
03Dの操作は、論理的であると同時に直観的であるとも言えます。バックライト付き
の320×240ドット大型液晶ディスプレイには、グラフィカルなアイコンを使ってコン
トロール類が表示され、現在の設定やEQのカーブなどが一目で確認できます。MS互
換シリアルマウスを接続すれば、画面移動やパラメーター値の変更が迅速に行えま
す。オン/オフタイプのパラメーターはクリックするだけで、回転ノブ類はドラッグ
して設定します。また、CH Viewページでは、選択したチャンネルのすべての設定が一
覧できます。詳細は、110ページの「チャンネルビュー」をご参照ください。
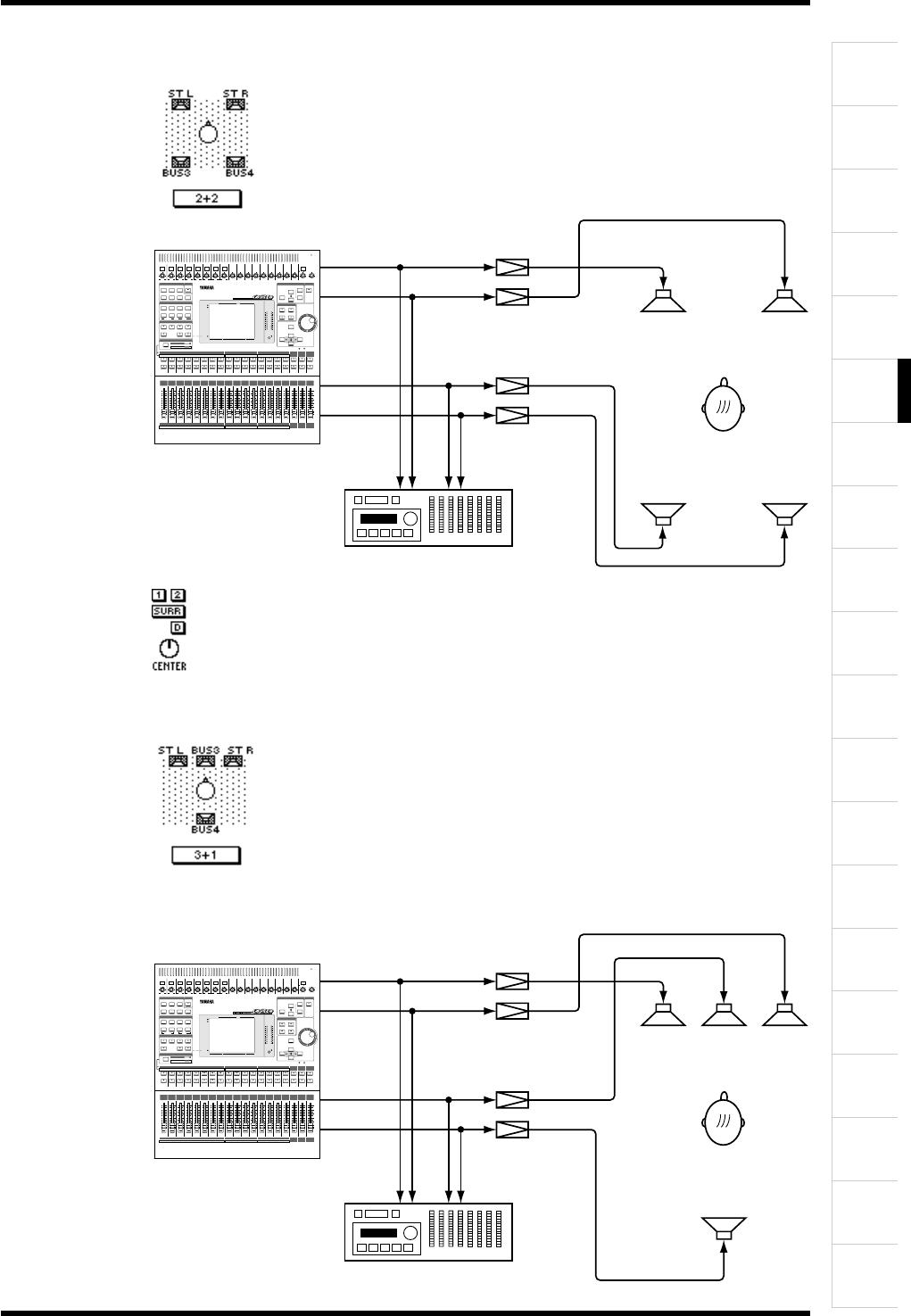
サラウンドパン
03Dには通常のステレオパンに加え、3つのサラウンドパンモード(2+2、3+1、3+2+1)が
搭載されています。これらのサラウンドパンモードでは、ステレオアウトとバスアウ
トを組み合わせることで、サラウンドパンコントローラーを使って2次元空間内に
チャンネルの信号を定位させることができます。また、サラウンドパンコントロー
ラーを使って音像を円形状、楕円形状、半円状、直線状に移動させたり、マウスを使っ
て2次元空間内をリアルタイムで移動させることが可能です。通常のステレオパンと
サラウンドパンの動きは、オートミックス機能を使って自動化できます。詳細は、64
ページの「サラウンドパン」をご参照ください。
シーンメモリー
大半のミキサーでは、ミックス設定を記録しようと思ったらマーカーやマスキング
テープの世話にならざるを得ません。ところが、03Dではほとんどすべてのミックス
設定を50のシーンメモリーのうちの1つにミックスシーンとして保存し、後からキー
を1つ押すだけで、あるいはMIDIプログラムチェンジを送信するだけで、ミックスシー
ンを瞬時に呼び出すことができます。パラメーターを直接操作するミックスオート
メーションの一部としてミックスシーンを呼び出せば、完全な自動化が実現できま
す。一度に複数のプロジェクトの作業をしている場合でも現在のミックスシーンを保
存しておけば、後でそのプロジェクトに戻ったときに、前回の作業を終えた時点から
また作業を継続できます。さらに毎晩繰り返されるサウンドチェック作業も、
[RECALL]キーを押すだけで前日のミックス設定を呼び出せるため、簡単になりま
す。劇場のPAシステムで使用する場合は、シーンメモリーを使って各幕間の設定の変
更を何度でも正確に行えます。
オートミックス
03Dのオートミックス機能は、外部タイムコードを基準信号としてミックスパラメー
ターを直接操作するミックスオートメーションを実現します。外部タイムコードには
MTC (MIDIタイムコード)またはMIDIクロックが使用できます。オートミックスを使
えば、フェーダーの動きやチャンネルのミュート、EQの変化、パンなどの要素を記録

03D取扱説明書
8第1章 03Dの世界へようこそ!
03Dの
世界へ
ようこそ!
各部の
名称と機能
インプット
チャンネル
イコライザー
パン、
ルーティング、
サラウンドパン
ソロ、
モニター、
メーター
ステレオ
アウト
AUXアウト
バスアウト
チャンネル
ライブラリー
とビュー
内蔵
エフェクト
シーン
メモリー
オート
ミックス
その他の
機能
デジタル
I/O
MIDI
付 録
グループ、
ペア
ダイナミクス
プロセッサー
ユーザー
インター
フェース
の基礎知識
/再生できます。また、ミックスシーン、 EQ、チャンネル、エフェクト、ダイナミクス
ライブラリーのリコール操作をオートミックスに記録し、スナップショット方式とパ
ラメーターの直接操作を組み合わせた完全なミックスオートメーションが実現でき
ます。オートミックスに記録されたイベントはオフラインで編集できます。さらに
フェーダーの動きはリアルタイムでエディットすることも、トリム機能を使ってオフ
ラインでエディットすることも可能です。変更した内容が気に入らない場合は、アン
ドゥ機能を使って以前の状態に戻せます。
MIDI
03Dには標準的なMIDI端子に加え、TO HOST端子が搭載されています。この端子を使
えば、MIDIインターフェースを使用せずに03Dをパソコンと直接つなぐことができま
す。さらに他のMIDI機器を03Dの標準のMIDI端子に接続すれば、03DをMIDIインター
フェースとして使用できます。
すべてのミックスシーンは保存できMIDIシステムエクスクルーシブメッセージでコ
ントロールできます。03DにMIDIプログラムチェンジメッセージを送信すれば、ミッ
クスシーンの呼び出しが行えます。また、03Dのミックスパラメーターを最大114個ま
でMIDIコントロールチェンジメッセージに割り当てて、外部機器からリモートコン
トロールすることも可能です。さらにシーンメモリー、ライブラリー、オートミックス
のデータは、バックアップや保管のためにMIDIデータファイラーなどの外部機器と
送受信したり、あるいはコンピューターやもう1台の03Dとの間でデータ転送するこ
とが可能です。詳細は、242ページの「バルクダンプ」をご参照ください。
MMC(MIDIマシンコントロール)コマンドを03Dの4つのUSER DEFINEキーに割り当
てて、03D側から外部機器のリモートコントロール(停止、再生、巻き戻し、早送り、録
音など)が行えます。MIDIリモート機能を使用すれば、03Dのフェーダー、[ON]キー、
[PARAMETER]ダイアルで接続されたMIDI機器をコントロールできます。ヤマハデ
ジタルコンソールProMix01、02R、03D、ヤマハデジタルリバーブレーターProR3、
REV500、GM/XG対応音源、Pro Tools®などをコントロールするページが用意されてい
ます。また、その他のMIDI機器用にページをカスタマイズすることも可能です。

03D取扱説明書
第2章 各部の名称と機能 9
03Dの
世界へ
ようこそ!
各部の
名称と機能
インプット
チャンネル
イコライザー
パン、
ルーティング、
サラウンドパン
ソロ、
モニター、
メーター
ステレオ
アウト
AUXアウト
バスアウト
チャンネル
ライブラリー
とビュー
内蔵
エフェクト
シーン
メモリー
オート
ミックス
その他の
機能
デジタル
I/O
MIDI
付 録
グループ、
ペア
ダイナミクス
プロセッサー
ユーザー
インター
フェース
の基礎知識
第2章 各部の名称と機能
2
本章の目次
コントロールパネル ............................................................................................10
リアパネル ............................................................................................................17
ブロック図 ..........................................................................................................22

03D取扱説明書
10 第2章 各部の名称と機能
03Dの
世界へ
ようこそ!
各部の
名称と機能
インプット
チャンネル
イコライザー
パン、
ルーティング、
サラウンドパン
ソロ、
モニター、
メーター
ステレオ
アウト
AUXアウト
バスアウト
チャンネル
ライブラリー
とビュー
内蔵
エフェクト
シーン
メモリー
オート
ミックス
その他の
機能
デジタル
I/O
MIDI
付 録
グループ、
ペア
ダイナミクス
プロセッサー
ユーザー
インター
フェース
の基礎知識
コントロールパネル
PHONES
PHONES
+10 –34
–60–16
26dB
1
+10 –34
–60–16
26dB
2
+10 –34
–60–16
26dB
3
+10 –34
–60–16
26dB
4
+10 –34
–60–16
26dB
5
+10 –34
–60–16
26dB
6
+10 –34
–60–16
26dB
7
+10 –34
–60–16
26dB
8
+10 –20
+10
9
GAIN
+10 –20
+10
10
GAIN
+10 –20
+10
11
GAIN
+10 –20
+10
12
GAIN
+10 –20
+10
13
GAIN
+10 –20
+10
14
GAIN
+10 –20
+10
15
GAIN
+10 –20
+10
16
GAIN
+10 –20
+10
ST IN
GAINGAIN GAIN GAIN GAIN GAIN GAIN GAIN GAIN
100
SOLO/ 2TR IN
MONITOR
OUT
LEVEL
100
LEVEL
SCENE MEMORYSETUP
CHANNEL CONTROL
FADER MODE
MIXING LAYER
1–16
17–24/MASTER
USER DEFINE
SOLO
RECALL
ENTER
L STEREO R
USER DEFINE
EFFECT RTNST IN13–169–12FADER 1–8
SCENE MEMORY
FUNCTION
SEL CH
FADER
STATUS
SCENE
MEMORY MIDI
REMOTE
UTILITY
AUTOMIX
VIEW
HIGHHI-MID
LO-MIDEQ LOW
AUX 1
FADER EFFECT 1 EFFECT 2
AUX 2 AUX 3 AUX 4
EQ LIBRARY
SOLO SETUPGROUP/PAIR
DYNAMICSDELAY/Ø PAN/ROUTING
MIDI
DIO
PARAMETER
CURSOR
STORE
UNDO/
REDO
CLIP
–3
–6
–9
–12
–15
–18
–24
–30
–36
–42
–48
SEL
ON
SEL
ON
SEL
ON
SEL
ON
SEL
ON
SEL
ON
SEL
ON
SEL SEL
ON ON
SEL
ON
SEL
ON
SEL
ON
SEL
ON
SEL
ON
SEL
ON
SEL
ON
SEL
ON
SEL
ON
SEL
ON
1 2 3 4 5 6 7 8 9 10111213141516
ST IN
EFFECT
RETURN
ST OUT
17 18 19 20 21 22 23 24 AUX1 AUX2 AUX3 AUX4 BUS1 BUS2 BUS3 BUS4
12345678910111213141516
ST IN EFFECT
RETURN ST OUT
17 18 19 20 21 22 23 24 AUX1 AUX2 AUX3 AUX4 BUS1 BUS2 BUS3 BUS4
6
0
5
10
20
40
60
00
6
0
5
10
20
40
60
00
6
0
5
10
20
40
60
00
6
0
5
10
20
40
60
00
6
0
5
10
20
40
60
00
6
0
5
10
20
40
60
00
6
0
5
10
20
40
60
00
6
0
5
10
20
40
60
00
6
0
5
10
20
40
60
00
6
0
5
10
20
40
60
00
6
0
5
10
20
40
60
00
6
0
5
10
20
40
60
00
6
0
5
10
20
40
60
00
6
0
5
10
20
40
60
00
6
0
5
10
20
40
60
00
6
0
5
10
20
40
60
00
6
0
5
10
20
40
60
00
6
0
5
10
20
40
60
00
6
0
5
10
20
40
60
00
SOLO
12
PAD
EQ FLAT
METER
12
34
コントロールパネルの各セクションについての説明は、つぎのページ以降をご参照く
ださい。

03D取扱説明書
第2章 各部の名称と機能 11
03Dの
世界へ
ようこそ!
各部の
名称と機能
インプット
チャンネル
イコライザー
パン、
ルーティング、
サラウンドパン
ソロ、
モニター、
メーター
ステレオ
アウト
AUXアウト
バスアウト
チャンネル
ライブラリー
とビュー
内蔵
エフェクト
シーン
メモリー
オート
ミックス
その他の
機能
デジタル
I/O
MIDI
付 録
グループ、
ペア
ダイナミクス
プロセッサー
ユーザー
インター
フェース
の基礎知識
アナログコントロールセクション
PHONES
PHONES
PAD
+10 –34
–60–16
26dB
1
+10 –34
–60–16
26dB
2
+10 –34
–60–16
26dB
3
+10 –34
–60–16
26dB
4
+10 –34
–60–16
26dB
5
+10 –34
–60–16
26dB
6
+10 –34
–60–16
26dB
7
+10 –34
–60–16
26dB
8
+10 –20
+10
9
GAIN
+10 –20
+10
10
GAIN
+10 –20
+10
11
GAIN
+10 –20
+10
12
GAIN
+10 –20
+10
13
GAIN
+10 –20
+10
14
GAIN
+10 –20
+10
15
GAIN
+10 –20
+10
16
GAIN
+10 –20
+10
ST IN
GAINGAIN GAIN GAIN GAIN GAIN GAIN GAIN GAIN
100
MONITOR
OUT
LEVEL
100
LEVEL
1 3
42 5
SOLO/ 2TR IN
① 26dB PAD(パッド)スイッチ
入力信号を減衰させるスイッチです。詳細は、37ページの「パッド(インプットチャン
ネル1∼8)」をご参照ください。
② GAIN(ゲイン)コントロール
入力部のプリアンプのレベルを調整します。詳細は、37ページの「ゲイン」をご参照く
ださい。
③ MONITOR OUT(モニターアウト)スイッチ
MONITOR OUT端子とPHONES端子からモニターする信号ソースとして、SOLOまた
は2TR INを選択するスイッチです。
④ MONITOR OUT LEVEL(モニターアウトレベル)コントロール
MONITOR OUT端子の出力レベルを調整します。この端子からモニターする信号ソー
スは、その上にある[MONITOR OUT]スイッチで選択します。
⑤ PHONES LEVEL(ヘッドフォンレベル)コントロール
ヘッドフォンの音量を調整します。この端子からモニターする信号ソースは、
[MONITOR OUT]スイッチで選択します。

03D取扱説明書
12 第2章 各部の名称と機能
03Dの
世界へ
ようこそ!
各部の
名称と機能
インプット
チャンネル
イコライザー
パン、
ルーティング、
サラウンドパン
ソロ、
モニター、
メーター
ステレオ
アウト
AUXアウト
バスアウト
チャンネル
ライブラリー
とビュー
内蔵
エフェクト
シーン
メモリー
オート
ミックス
その他の
機能
デジタル
I/O
MIDI
付 録
グループ、
ペア
ダイナミクス
プロセッサー
ユーザー
インター
フェース
の基礎知識
ディスプレイとステレオメーター
L STEREO R
USER DEFINE
EFFECT RTNST IN13–169–12FADER 1–8
SCENE MEMORY
FUNCTION
SEL CH
FADER
STATUS
CLIP
–3
–6
–9
–12
–15
–18
–24
–30
–36
–42
–48
1
3
2
① ディスプレイ
バックライト付きの320×240ドットの大型液晶ディスプレイです。ミックスの各種設
定や現在の動作状態を表示します。パラメーターの値が数値で表示されるだけでな
く、フェーダーや回転ノブの位置がグラフィカルに表示されますので、パンやフェー
ダーの位置を一目で確認できます。また、EQの特性カーブや信号レベルのメーターも
表示されます。詳細は、24ページの「ディスプレイ」をご参照ください。
② ステレオ出力レベルメーター
12セグメントLEDのバーグラフ式メーターです。ステレオ出力信号のレベルを表示し
ます。
③ CONTRAST(コントラスト)コントロール
ディスプレイのコントラストを調整します。操作する位置からディスプレイがはっき
りと読み取れるように調整してください。
SETUP(セットアップ)セクション
SETUP
SCENE
MEMORY UTILITY
AUTOMIX
SOLO SETUP
GROUP/PAIR
MIDI
DIO
これらのSETUPファンクションキーは、つぎに挙げる各種設定やシステム設定を行う
ページを呼び出すのに使用します。現在選ばれている機能名は、ディスプレイに表示
されます。
キー ページ
SCENE MEMORY Scene Mem, Fade Time, RCL. Safe, Sort
UTILITY Oscillator, Prefer, User Def, MIDI/HOST, MIDI Moni.
MIDI MIDI Setup, PGM Asgn., CTL Asgn, Bulk
DIO D.in Setup, D.out Setup, Cascade, Monitor, Dither
GROUP/PAIR Group, Pair
SOLO SETUP Solo Setup, Moni. Setup
AUTOMIX Main, Memory, Fader Edit, Event Edit, Extract

03D取扱説明書
第2章 各部の名称と機能 13
03Dの
世界へ
ようこそ!
各部の
名称と機能
インプット
チャンネル
イコライザー
パン、
ルーティング、
サラウンドパン
ソロ、
モニター、
メーター
ステレオ
アウト
AUXアウト
バスアウト
チャンネル
ライブラリー
とビュー
内蔵
エフェクト
シーン
メモリー
オート
ミックス
その他の
機能
デジタル
I/O
MIDI
付 録
グループ、
ペア
ダイナミクス
プロセッサー
ユーザー
インター
フェース
の基礎知識
CHANNEL CONTROL(チャンネルコントロール)セクション
CHANNEL CONTROL
VIEW
HIGHHI-MID
LO-MIDEQ LOW
EQ LIBRARY
DYNAMICSDELAY/ØPAN/ROUTING
EQ FLAT
これらのCHANNELファンクションキーは、つぎに挙げるチャンネルごとの設定を行
うページを呼び出すのに使用します。現在選ばれている機能名は、ディスプレイに表
示されます。
キー ページ
DELAY/ØCH Delay, DLY 1−16, DLY 17−24, Output Dly, Phase
DYNAMICS Dyn. Edit, Library
PAN/ROUTING Pan 1∼16, Pan 17−24, Surround, Bus to ST
(サラウンドパンモード時、Bus to STページはSurr.1−16、Surr.17−24ページ
に替わります。)
VIEW CH View, Library
EQ LOW, LO-MID,
HI-MID, HIGH EQ
EQ LOW+LO-MID EQ Library
FADER MODE(フェーダーモード)セクション
FADER MODE
AUX 1
FADER EFFECT 1 EFFECT 2
AUX 2 AUX 3 AUX 4
METER
これらのキーは、つぎに挙げるフェーダーモードやページを呼び出すときに使用しま
す。現在選ばれているフェーダーモードはディスプレイに表示されます。
キー フェーダーモード ページ
AUX 1 CH AUX 1 send AUX 1 Pre/Post, AUX Pan
AUX 2 CH AUX 2 send AUX 2 Pre/Post, AUX Pan
AUX 3 CH AUX 3 send AUX 3 Pre/Post, AUX Pan
AUX 4 CH AUX 4 send AUX 4 Pre/Post, AUX Pan
FADER-METER Normal CH fader CH1−16、CH17−24、YGDAI Out、Pre/Post
EFFECT 1 Effect 1 send Eff. Edit, Library, Pre/Post
EFFECT 2 Effect 2 send Eff. Edit, Library, Pre/Post
フェーダーの機能は、ミキシングレイヤーの設定によっても変化します。詳細は、42
ページの「フェーダー」をご参照ください。[SETUP]キーまたは[CHANNEL
CONTROL]キーを押すと、フェーダーモードが自動的に“FADER”(通常のフェーダー
モード)に変わります。

03D取扱説明書
14 第2章 各部の名称と機能
03Dの
世界へ
ようこそ!
各部の
名称と機能
インプット
チャンネル
イコライザー
パン、
ルーティング、
サラウンドパン
ソロ、
モニター、
メーター
ステレオ
アウト
AUXアウト
バスアウト
チャンネル
ライブラリー
とビュー
内蔵
エフェクト
シーン
メモリー
オート
ミックス
その他の
機能
デジタル
I/O
MIDI
付 録
グループ、
ペア
ダイナミクス
プロセッサー
ユーザー
インター
フェース
の基礎知識
SCENE MEMORY(シーンメモリー)セクション
SCENE MEMORY
RECALL
STORE
UNDO/
REDO
シーンメモリーの選択、保存、リコール(呼び出し)、またリコール操作のアンドゥ(取
り消し)やリドゥ(再実行)を行います。詳細は、161ページの「シーンメモリー」をご参
照ください。
MIDI REMOTE(MIDIリモート)キー
MIDI
REMOTE
[MIDI REMOTE]キーを押すと、03DはMIDI REMOTEモードとなります。このモード
では、チャンネル1∼16のフェーダー・[ON]キーの操作に応じて各種のMIDIメッセー
ジを送信し、外部MIDI機器をコントロールすることができます。MIDI REMOTEモー
ドに入ると、[MIDI REMOTE]キーのインジケーターが点灯します。詳細は、244ペー
ジの「MIDIリモート」をご参照ください。
SOLO(ソロ)キー
SOLO
SOLO
[SOLO]キーを押すと、03DはSOLOモードに入ります。SOLOモードに入ると、[SOLO]
キーのインジケーターが点滅します。詳細は、77ページの「ソロのセットアップ」をご
参照ください。
USER DEFINE(ユーザー定義)セクション
USER DEFINE
1
3
2
4
USER DEFINEセクションの4つのキーは、ユーザーが機能をプログラムするユーザー
定義キーです。それぞれのキーを押したときに特定のMIDIメッセージやMMCコマン
ドを送信するよう設定できます。また、頻繁に使用するページの呼び出しや、特定の
シーンメモリーのリコール操作にも利用できます。機能の設定は、UTILITYファンク
ションのUSER DEFページで行います。詳細は、208ページの「ユーザー定義キー」をご
参照ください。

03D取扱説明書
第2章 各部の名称と機能 15
03Dの
世界へ
ようこそ!
各部の
名称と機能
インプット
チャンネル
イコライザー
パン、
ルーティング、
サラウンドパン
ソロ、
モニター、
メーター
ステレオ
アウト
AUXアウト
バスアウト
チャンネル
ライブラリー
とビュー
内蔵
エフェクト
シーン
メモリー
オート
ミックス
その他の
機能
デジタル
I/O
MIDI
付 録
グループ、
ペア
ダイナミクス
プロセッサー
ユーザー
インター
フェース
の基礎知識
PARAMETER(パラメーター)ダイアル、CURSOR(カーソル)
キー、ENTER(エンター)キー
ENTER
PARAMETER
CURSOR
これらのコントロール類は、ディスプレイのページを移動したり、各種パラメーター
の値を変更するときに使用します。詳細は、23ページの「ユーザーインターフェースの
基礎知識」をご参照ください。
MIXING LAYER(ミキシングレイヤー)キー、SEL(セレクト)
キー、ON(オン)キー、フェーダー
MIXING LAYER
1–16
17–24/MASTER
SEL
ON
SEL
ON
SEL
ON
SEL
ON
SEL
ON
SEL
ON
SEL
ON
SEL SEL
ON ON
SEL
ON
SEL
ON
SEL
ON
SEL
ON
SEL
ON
SEL
ON
SEL
ON
SEL
ON
SEL
ON
SEL
ON
12345678910111213141516
ST IN
EFFECT
RETURN
ST OUT
17 18 19 20 21 22 23 24 AUX1 AUX2 AUX3 AUX4 BUS1 BUS2 BUS3 BUS4
12345678910111213141516
ST IN
EFFECT
RETURN
ST OUT
17 18 19 20 21 22 23 24 AUX1 AUX2 AUX3 AUX4 BUS1 BUS2 BUS3 BUS4
6
0
5
10
20
40
60
00
6
0
5
10
20
40
60
00
6
0
5
10
20
40
60
00
6
0
5
10
20
40
60
00
6
0
5
10
20
40
60
00
6
0
5
10
20
40
60
00
6
0
5
10
20
40
60
00
6
0
5
10
20
40
60
00
6
0
5
10
20
40
60
00
6
0
5
10
20
40
60
00
6
0
5
10
20
40
60
00
6
0
5
10
20
40
60
00
6
0
5
10
20
40
60
00
6
0
5
10
20
40
60
00
6
0
5
10
20
40
60
00
6
0
5
10
20
40
60
00
6
0
5
10
20
40
60
00
6
0
5
10
20
40
60
00
6
0
5
10
20
40
60
00
12
1
2
3
4
① MIXING LAYER(ミキシングレイヤー)キー
[MIXING LAYER]キーは、フェーダー、[ON]キー、[SEL]キーの機能を決定します。
“1−16”に設定すると、フェーダーなどのコントロール類はインプットチャンネル1∼
16に対して動作します。しかし、“17−24/MASTER”に設定した場合はインプットチャ
ンネル17∼24、AUX出力、バス出力に動作します。フェーダーの機能は[MIXING
LAYER]キーだけでなく、フェーダーモードの設定によっても変化しますのでご注意
ください。現在選ばれているミキシングレイヤーの設定はディスプレイに表示されま
す。詳細は、24ページの「ディスプレイ」をご参照ください。

03D取扱説明書
16 第2章 各部の名称と機能
03Dの
世界へ
ようこそ!
各部の
名称と機能
インプット
チャンネル
イコライザー
パン、
ルーティング、
サラウンドパン
ソロ、
モニター、
メーター
ステレオ
アウト
AUXアウト
バスアウト
チャンネル
ライブラリー
とビュー
内蔵
エフェクト
シーン
メモリー
オート
ミックス
その他の
機能
デジタル
I/O
MIDI
付 録
グループ、
ペア
ダイナミクス
プロセッサー
ユーザー
インター
フェース
の基礎知識
② SEL(セレクト)キー
パラメーター編集の対象となるチャンネルを選択するキーです。選択したチャンネル
名がディスプレイに表示されます。詳細は、24ページの「ディスプレイ」をご参照くだ
さい。それぞれの[SEL]キーの機能は、現在選択されているミキシングレイヤーの設
定によって異なります。詳細は、31ページの「SELキー」をご参照ください。オートミッ
クスでは、[SEL]キーを使って記録用のチャンネルを選択します。詳細は、173ページ
の「オートミックス」をご参照ください。また、フェーダーグループ・ミュートグループ
用のチャンネル選択にも使います。
③ON(オン)キー
入力チャンネルおよび出力のオン/オフを切替えるキーです。それぞれの[ON]キー
の機能は、現在選択されているミキシングレイヤーの設定によって異なります。詳細
は、31ページの「ONキー」をご参照ください。また、ソロ機能をオンにすると、[ON]
キーはミュートキーではなくソロキーとして機能します。
④ フェーダー
入力チャンネルおよび出力チャンネルのレベルを調整するフェーダーです。本機は
60mmのモーターフェーダーを採用しています。それぞれのフェーダーの機能は、現在
選択されているフェーダーモードとミキシングレイヤーの設定によって異なります。
詳細は、42ページの「フェーダー」をご参照ください。現在選択されているフェーダー
モードはディスプレイに表示されます。詳細は、24ページの「ディスプレイ」をご参照
ください。
MIDIリモートモードではフェーダー1∼16は接続された他のMIDI機器のコントロー
ルに使用します。詳細は、244ページの「MIDIリモート」をご参照ください。

03D取扱説明書
第2章 各部の名称と機能 17
03Dの
世界へ
ようこそ!
各部の
名称と機能
インプット
チャンネル
イコライザー
パン、
ルーティング、
サラウンドパン
ソロ、
モニター、
メーター
ステレオ
アウト
AUXアウト
バスアウト
チャンネル
ライブラリー
とビュー
内蔵
エフェクト
シーン
メモリー
オート
ミックス
その他の
機能
デジタル
I/O
MIDI
付 録
グループ、
ペア
ダイナミクス
プロセッサー
ユーザー
インター
フェース
の基礎知識
リアパネル
リアパネル上部
リアパネルの上部にはアナログ入出力が搭載されています。
31
21
23
ST OUT
RL
+4dB(BAL)
1
3
22 311
3
22 311
3
22 311
3
22 31
PHANTOM
ON OFF
(+48V)
PHANTOM
ON OFF
(+48V)
PHANTOM
ON OFF
(+48V)
PHANTOM
ON OFF
(+48V)
PHANTOM
ON OFF
(+48V)
PHANTOM
ON OFF
(+48V)
PHANTOM
ON OFF
(+48V)
PHANTOM
ON OFF
(+48V)
OUT IN
OUT IN
1
23
4
5
6
7
8
INPUT(BAL) /CH1•2 INSERT (UNBAL)
INSERT INSERT
IN IN
REC OUT
AUX OUT
BUS OUT
MONITOR OUT
1
2
ST IN
RL
RL43214321RL
RL16 15 14 13 12 11 10 8 7 6 5439
PHONES 2TR IN
–10dBV
(UNBAL)
SOURCE
SELECT
ST OUT
BUS OUT
1-L•2-R
–10dBV
(UNBAL)
+4dB
(BAL)
+4dB
(BAL)
+4dB
(BAL)
1 2 4
75 6 8 9 J K
3
① PHONES(ヘッドフォン)端子
ステレオのヘッドフォンを接続してモニ
ターするステレオ(TRS)ヘッドフォン端子
です。この端子からはMONITOR OUT端子と
同じ信号が出力されます。ヘッドフォンのモ
ニターレベルはPHONES LEVELコントロールで調整します。
② 2TR IN(2トラックイン)端子
定格入力レベル−10dBVのRCAピン端子です。この端子に入
力された信号は[MONITOR OUT]スイッチを経由して送ら
れ、このスイッチが“2TR IN”に設定されているときにMONI-
TOR OUTおよびPHONES端子からモニターできます。マスターレコーダーのステレ
オ出力を接続すれば、モニターやマスター再生が行えます。
③ INPUT(インプット)1∼8端子
INPUTチャンネル1∼8にはバランス型XLR3-31端子と、バランス型TRSフォーン端子
が装備されており、いずれも定格入力レベルは−60dB∼+10dBです。XLR端子には個
別にオン、オフ可能な+48Vのファンタム電源が搭載されています。XLRタイプの端子
よりもフォーン端子の方が優先されますので、フォーンプラグを差し込めば、XLRタ
イプの端子の接続は遮断されます。フォーン端子は、アンバランス型フォーンプラグ
にも対応しています。これらの端子は入力感度が高く、しかも26dBの[PAD]スイッチ
を搭載しているため、コンデンサーマイクロフォンからレベルの高いライン信号まで
幅広く対応できます。
オスXLRプラグ 1(グランド)
3(コールド
)
2(ホット)
1/4" TRSフォーンプラグ
チップ(ホット)
リング(コールド)
スリーブ(グランド)
1/4" TRSフォーンプラグ
チップ(L)
リング
(R)
スリーブ(グランド)
RCAピンプラグ チッ
プ
スリーブ

03D取扱説明書
18 第2章 各部の名称と機能
03Dの
世界へ
ようこそ!
各部の
名称と機能
インプット
チャンネル
イコライザー
パン、
ルーティング、
サラウンドパン
ソロ、
モニター、
メーター
ステレオ
アウト
AUXアウト
バスアウト
チャンネル
ライブラリー
とビュー
内蔵
エフェクト
シーン
メモリー
オート
ミックス
その他の
機能
デジタル
I/O
MIDI
付 録
グループ、
ペア
ダイナミクス
プロセッサー
ユーザー
インター
フェース
の基礎知識
④ INSERT(インサート)端子(INPUTチャンネル1、2のみ)
INPUTチャンネル1または2専用のエフェクターを接続するTRSフォーン端子です。通
常はコンプレッサー、リミッター、ノイズゲートなどを接続します。端子の配線は、ス
リーブ=グランド、リング=IN、チップ=OUTとなっています。
1/4" フォンプラグ
1/4" フォンプラグ
1/4" TRSフォンプラグ
外部プロセッサーの入力端子へ
外部プロセッサーの出力端子へ
INSERT I/O端子へ
OUT
チップ(OUT
)
IN
スリーブ(グランド)
スリーブ(グランド)
チップ(IN)
スリーブ(グランド)
⑤ ST IN(ステレオイン)端子
定格入力レベルは−20dB∼+10dBのバラ
ンス型TRSフォーン入力端子です。この端
子に入力された信号は、ステレオ入力
チャンネルに送られます。バランス型、ア
ンバランス型のどちらのフォーンプラグ
にも対応しています。外部エフェクターやその他ステレオ機器のステレオ出力を接続
してください。
⑥ INPUT(インプット)9∼16端子
定格入力レベル−20dB∼+10dBのバラン
ス型TRSフォーン端子です。バランス型、
アンバランス型のどちらのフォーンプラ
グにも対応しています。ラインレベル信
号に適しています。
⑦ MONITOR OUT(モニターアウト)端子
定格出力レベル+4dBのバランス型TRS
フォーン端子です。バランス型、アンバラ
ンス型のどちらのフォーンプラグにも対
応しています。この端子からはモニター
信号が出力され、モニターアンプの入力
端子に接続します。モニター信号のソースは、[MONITOR OUT]スイッチで決定しま
す。出力レベルの調整には[MONITOR LEVEL]コントロールを使用します。
⑧ BUS OUT(バスアウト)端子
定格出力レベル+4dBのバランス型TRS
フォーン端子です。バランス型、アンバラ
ンス型のどちらのフォーンプラグにも対
応しています。バス信号を出力し、マルチ
トラックレコーダーやパワーアンプなど
に接続します。
1/4" TRSフォーンプラグ
チップ(ホット)
リング(コールド)
スリーブ(グランド)
1/4" TRSフォーンプラグ
チップ(ホット)
リング(コールド)
スリーブ(グランド)
1/4" TRSフォーンプラグ
チップ(ホット)
リング(コールド)
スリーブ(グランド)
1/4" TRSフォーンプラグ
チップ(ホット)
リング(コールド)
スリーブ(グランド)

03D取扱説明書
第2章 各部の名称と機能 19
03Dの
世界へ
ようこそ!
各部の
名称と機能
インプット
チャンネル
イコライザー
パン、
ルーティング、
サラウンドパン
ソロ、
モニター、
メーター
ステレオ
アウト
AUXアウト
バスアウト
チャンネル
ライブラリー
とビュー
内蔵
エフェクト
シーン
メモリー
オート
ミックス
その他の
機能
デジタル
I/O
MIDI
付 録
グループ、
ペア
ダイナミクス
プロセッサー
ユーザー
インター
フェース
の基礎知識
⑨ AUX OUT(オグジュアリーアウト)端子
定格出力レベル+4dBのバランス型TRS
フォーン端子です。バランス型、アンバラ
ンス型のどちらのフォーンプラグにも対
応しています。外部エフェクターやス
テージモニター用アンプへAUX信号を出力します。
⑩ REC OUT(レコードアウト)端子
定格出力レベル−10dBVのRCAピン端子です。すぐ横にある
[SOURCE SELECT]スイッチを使って、出力する信号ソース
をST OUT、BUS 1、BUS 2の中から選択します。カセットデッ
キ、DATなどのレコーダーに接続します。
⑪ ST OUT(ステレオアウト)端子
定格出力レベル+4dBのバランス型
XLR-3-32端子です。ピンの配線は、ピ
ン1=グランド、ピン2=ホット(+)、ピ
ン3=コールド(−)となっています。
メインのステレオミックスを出力します。
アンバランス型フォーンジャックをST OUT端子に接続する場合は、つぎの図のよう
にケーブル配線をしてください。(例:XLRのピン3とピン1を結線)
メスXLRプラグ
1(グランド)
3(コールド
)
2(ホット)
1/4"フォーンプラグ
チップ(ホット)
スリーブ(グランド)
メスXLRプラグ
1(グランド)
3(コールド
)
2(ホット)
1/4" TRSフォーンプラグ
チップ(ホット)
リング(コールド)
スリーブ(グランド)
RCAピンプラグ チッ
プ
スリーブ

03D取扱説明書
20 第2章 各部の名称と機能
03Dの
世界へ
ようこそ!
各部の
名称と機能
インプット
チャンネル
イコライザー
パン、
ルーティング、
サラウンドパン
ソロ、
モニター、
メーター
ステレオ
アウト
AUXアウト
バスアウト
チャンネル
ライブラリー
とビュー
内蔵
エフェクト
シーン
メモリー
オート
ミックス
その他の
機能
デジタル
I/O
MIDI
付 録
グループ、
ペア
ダイナミクス
プロセッサー
ユーザー
インター
フェース
の基礎知識
リアパネル下部
リアパネル下部にはデジタル入出力、コントロール入出力が搭載されています。
3
12 2
31
POWER
ON/ OFF
TO EDITOR TO HOST WORD CLOCK DIGITAL STEREO OUT DIGITAL STEREO IN
MOUSE MIDI
COAXIAL
AES/EBUAES/EBU
IN
OUT
IN
OUT
THRU
75Ω
ON OFF
YGDAI SLOT
8CH INPUTS(CH17-24)/8CH OUTPUTS
1 2
7 8 9
3 4 5 6
① POWER(パワー)スイッチ
本機の電源のオン/オフを切替えます。誤操作を防ぐためにスイッチが奥まった位置
に設置されています。
② TO EDITOR端子
ビデオ編集機などに接続する9ピンD-sub端子です。ただし本機のバージョンは、未だ
それに対応していません。
③ TO HOST端子
パソコンに接続してMIDIソフトウェアを使用するための8ピンミニDIN端子です。こ
の端子を利用すればMIDIインターフェースを別途用意する必要はありません。また、
標準のMIDI接続を行って本機を外部MIDI機器用のMIDIインターフェースとして利
用することも可能です。
④ WORD CLOCK(ワードクロック)端子/75Ωスイッチ
システムのワードクロックを入出力するBNC端子です。75Ωのワードクロック終端ス
イッチにより、本機はワードクロックのさまざまな接続方法に対応できます。216ペー
ジの「ワードクロックのセットアップ」をご参照ください。
⑤ DIGITAL STEREO OUT(デジタルステレオアウト)端子
同一のデジタルオーディオ信号をそれぞれ異なるフォーマットで出力する2種類のデ
ジタルステレオ出力端子です。XLR-3-32端子はAES/EBUフォーマット(24ビット)、
COAXIAL端子は民生用フォーマット(20ビット)のデジタルオーディオに対応してい
ます。
⑥ DIGITAL STEREO IN(デジタルステレオイン)端子
これら2種類のデジタルステレオ入力端子は、一度にどちらか一方のみを利用できま
す。XLR-3-31端子はAES/EBUフォーマット、COAXIAL端子は民生用フォーマットの
デジタルオーディオに対応しています。この端子に入力された信号は、ステレオ入力
チャンネルに送るか、または直接STEREOバスに送ってステレオカスケード操作が行
えます。
⑦ MOUSE(マウス)端子
オプションのMS互換シリアルマウスを接続して、迅速な操作やパラメーターの編集
を行うための端子です。

03D取扱説明書
第2章 各部の名称と機能 21
03Dの
世界へ
ようこそ!
各部の
名称と機能
インプット
チャンネル
イコライザー
パン、
ルーティング、
サラウンドパン
ソロ、
モニター、
メーター
ステレオ
アウト
AUXアウト
バスアウト
チャンネル
ライブラリー
とビュー
内蔵
エフェクト
シーン
メモリー
オート
ミックス
その他の
機能
デジタル
I/O
MIDI
付 録
グループ、
ペア
ダイナミクス
プロセッサー
ユーザー
インター
フェース
の基礎知識
⑧ MIDI IN、MIDI OUT、MIDI THRU端子
本機を他のMIDI機器に接続してコントロールや同期操作を行う標準的なMIDI IN、
MIDI OUT、MIDI THRU端子です。
⑨ YGDAIスロット
オプションのYGDAIカードを装着し、本機のデジタル入出力8系統を利用するための
スロットです。詳細は、223ページの「YGDAIカード」をご参照ください。

03D取扱説明書
22 第2章 各部の名称と機能
03Dの
世界へ
ようこそ!
各部の
名称と機能
インプット
チャンネル
イコライザー
パン、
ルーティング、
サラウンドパン
ソロ、
モニター、
メーター
ステレオ
アウト
AUXアウト
バスアウト
チャンネル
ライブラリー
とビュー
内蔵
エフェクト
シーン
メモリー
オート
ミックス
その他の
機能
デジタル
I/O
MIDI
付 録
グループ、
ペア
ダイナミクス
プロセッサー
ユーザー
インター
フェース
の基礎知識
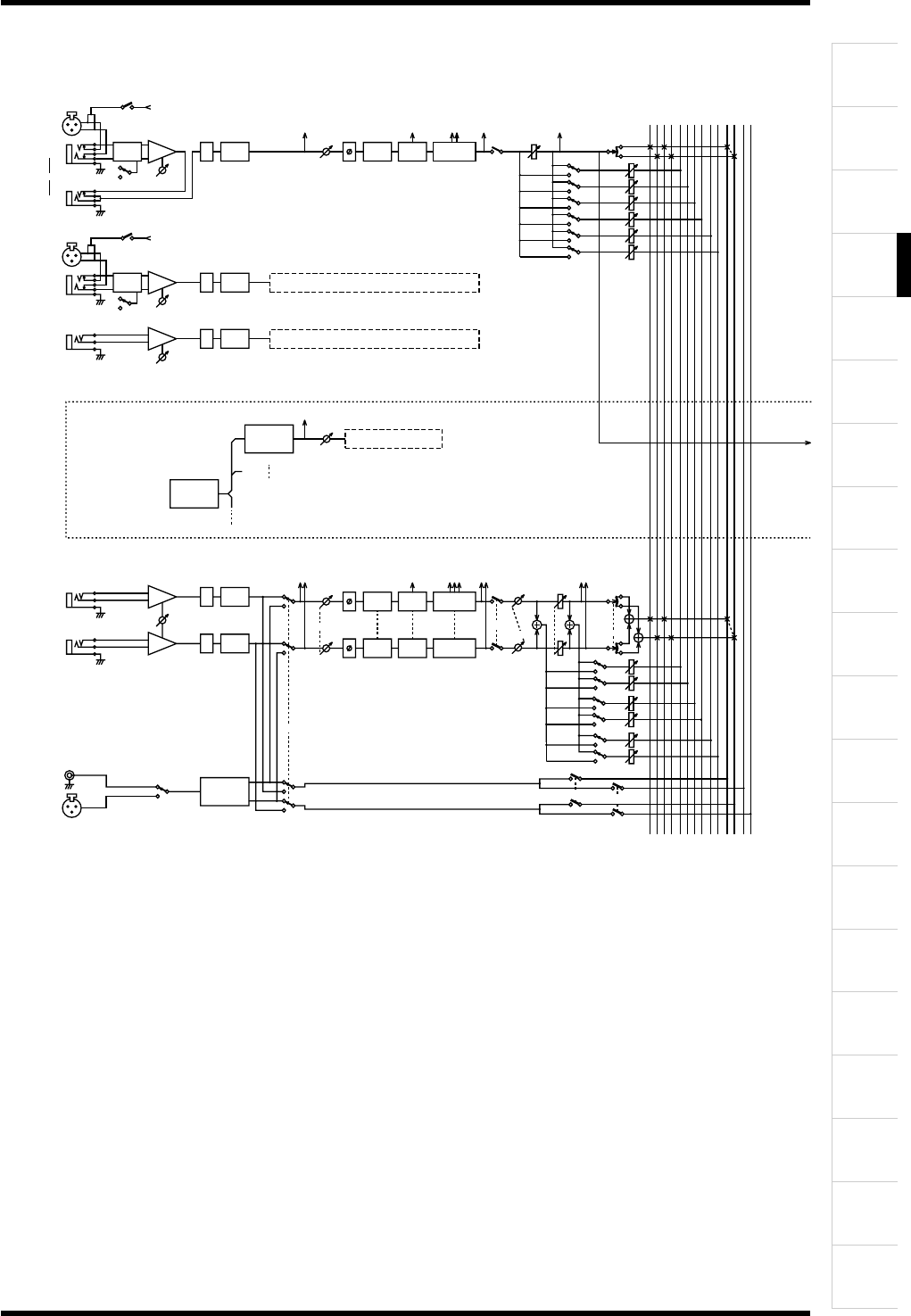
ブロック図
1-4
Same as EFF1
SINE 100Hz
SINE 1kHz
SINE 10kHz
PINK NOISE
BURST NOISE
WAVEFORM
ST CASCADE IN
ON/OFF
1
LEVEL
FLIP
SELECT
STEREO
OUT
ON
ON
ON
ON
ON
ON
ON
MeterMeter
MeterMeter
Meter Meter
MeterMeter
Meter Meter
MeterMeter
BALANCE ST OUT
DIGITAL
STEREO
OUT
to INTERNAL
EFFECT 1, 2 to
YGDAI
MONITOR
OUT
2TR IN
+48V
+48V
BUS OUT
4
3
2
1
Same as 1 DA
DA
Same as 1
to REC OUT R
Same as 1 DA
AUX OUT
1-4
SOURCE
SELECT
AES/EBU
COAXIAL
DIGITAL
STEREO
IN
ST IN
3-8
3-8
R
L
9-16 Same as 1, 2
Same as 1, 2
INPUT
1, 2
L
R
to REC OUT L
from
BUS OUT 1, 2
DIRECT OUT
REC OUT
R
L
DITHER
AES/EBU
COAXIAL
MONO
MONI
TRIM
2TR IN
SOLO/
R
L
DA
DA
Meter
LEVEL
LEVEL
ST
L R
SOLO
L R
DA
DELAYDynamics
Dynamics
4Band
PEQ
4Band
PEQ
4Band
PEQ
DELAY DA
Dynamics
4Band
PEQ
Meter
DA
PAN
DA
Meter
DELAYDynamics
from EFF2
from EFF1
EFF
1 2
INTERNAL
EFFECT 1
INTERNAL
EFFECT 2
Meter Dynamics
4Band
PEQ
4Band
PEQ Dynamics
Meter
*
PAN
*
PAN: INDIVIDUAL/GANG/INVERTED GANG
*
PAN
Meter
De-
Emphasis
DELAY/
EFFECT
DELAY/
EFFECT
Meter
Dynamics
4Band
PEQ
4Band
PEQ
Dynamics
HA AD DC CUT
GAIN
HA AD DC CUT
AUX
1 2 3 4
BUS
1 2 3 4
DC CUTAD
HA
GAIN
チャンネル17-24はオプションのYGDAIカード
の装着で増設されます。
GAIN
HA
PHANTOM
PAD
26dB
AD DC CUT
Meter
CH Fader
ST IN
Fader
EFF RTN
Fader
Dynamics
4Band
PEQ
DELAY
Meter
ATT
DC CUTAD
IN
INSERT
26dB
PAD
PHANTOM
1, 2
PHONES
R
L
PAN
AUX/EFF
PRE/POST
AUX 1
AUX 2
AUX 3
AUX 4
EFF 1
EFF 2
HA
GAIN
Meter
Meter
ATT
Meter Meter
Meter Meter
BALANCE
BALANCE
Same as 1, 2
INPUT
(YGDAI)
CH INPUT
17-24
De-
Emphasis
Meter
ATT
Ch8
Ch16
Ch7
Ch15
Ch2
Ch10
CH OUTPUT
1-8
from Ch1
Ch9
OUTPUT
(YGDAI)
from AUX OUT
DITHER
DITHER

03D取扱説明書
第3章 ユーザーインターフェースの基礎知識 23
03Dの
世界へ
ようこそ!
各部の
名称と機能
インプット
チャンネル
イコライザー
パン、
ルーティング、
サラウンドパン
ソロ、
モニター、
メーター
ステレオ
アウト
AUXアウト
バスアウト
チャンネル
ライブラリー
とビュー
内蔵
エフェクト
シーン
メモリー
オート
ミックス
その他の
機能
デジタル
I/O
MIDI
付 録
グループ、
ペア
ダイナミクス
プロセッサー
ユーザー
インター
フェース
の基礎知識
第3章 ユーザーインターフェースの基礎知識
3
本章の目次
ユーザーインターフェースについて ................................................................24
ディスプレイ ........................................................................................................24
ディスプレイ内のコントロール ........................................................................28
CURSORキー ........................................................................................................29
PARAMETERダイアル........................................................................................29
ENTERキー ...........................................................................................................29
マウス ....................................................................................................................30
ミキシングレイヤー ............................................................................................31
TITLE EDITダイアログボックス.......................................................................33

03D取扱説明書
24 第3章 ユーザーインターフェースの基礎知識
03Dの
世界へ
ようこそ!
各部の
名称と機能
インプット
チャンネル
イコライザー
パン、
ルーティング、
サラウンドパン
ソロ、
モニター、
メーター
ステレオ
アウト
AUXアウト
バスアウト
チャンネル
ライブラリー
とビュー
内蔵
エフェクト
シーン
メモリー
オート
ミックス
その他の
機能
デジタル
I/O
MIDI
付 録
グループ、
ペア
ダイナミクス
プロセッサー
ユーザー
インター
フェース
の基礎知識
ユーザーインターフェースについて
03Dでは、単純明快でしかも使いやすいユーザーインターフェースを採用しています。
[GAIN]コントロール、[PAD]スイッチ、[SCENE MEMORY]キー、その他いくつかの
キーを除いては、特定の機能専用のコントロール類というものはありません。
フェーダー、[ON]キー、[SEL]キーには複数の機能が用意されており、ミキシングレ
イヤーの設定とフェーダーモードの設定に応じて機能が変化します。
ミキシング関連の機能と各種の環境設定は、それぞれ最高5ページの関連ページをま
とめた画面に整理されています。たとえば、デジタル入力のページとカスケードの
ページは、DIO(デジタルI/O)画面にまとめられています。
パラメーターの選択とエディットは、[CURSOR]キー、[ENTER]キー、
[PARAMETER]ダイアルを使って行います。ダイアルは正確なエディットができるよ
うにクリック付きとなっています。さらにオプションのマウスを接続すれば、ディス
プレイ上の操作やパラメーターの設定が迅速に行えます。
ディスプレイ
バックライト付320×240ドットの大型液晶ディスプレイにより、ミックスの設定や現
在の操作状況が一目瞭然です。単にパラメーターの値を数値で表示するだけでなく、
フェーダーや回転ノブがグラフィカルに表示されますので、パンやフェーダーの位置
が実際に目で確認できます。また、EQのカーブや信号レベルのメーターも表示されま
す。
つぎの図は、ディスプレイの各エリアを示したものです。以下、それぞれのエリアの詳
細は以下の説明をご参照ください。
USER DEFINE
EFFECT RTNST IN13–169–12FADER 1–8
SCENE MEMORY
FUNCTION
SEL CH
FADER
STATUS
シーンメモリー―このエリアでは現在選択されているシーンメモリーの番号、タイト
ル、シーンメモリーが読み出し専用か、または書き込み保護されているかの情報、エ
ディットバッファーが変更されているかどうかを表示します。詳細は、163ページの
「シーンメモリーの表示領域」をご参照ください。
SOLO、HOST、MIDI―このエリアには3つのインジケーターがあります。SOLOモード
時には“SOLO”が表示されます(78ページの「ソロ機能の使い方」を参照)。TO HOST端
子でデータを受信すると、“HOST”と表示されます。また、MIDI IN端子でデータを受
信すると、“MIDI”と表示されます。(233ページの「MIDI/TO HOSTデータ受信インジ
ケーター」参照。)
現在選択されているファンクション
現在選択されているチャンネル
信号の有無/ピークの表示
メニューボタン
ページエリア
フェーダーステータス
シーンメモリー SOLO、HOST、
MIDIの状況 ユーザー定義
キーの機能

03D取扱説明書
第3章 ユーザーインターフェースの基礎知識 25
03Dの
世界へ
ようこそ!
各部の
名称と機能
インプット
チャンネル
イコライザー
パン、
ルーティング、
サラウンドパン
ソロ、
モニター、
メーター
ステレオ
アウト
AUXアウト
バスアウト
チャンネル
ライブラリー
とビュー
内蔵
エフェクト
シーン
メモリー
オート
ミックス
その他の
機能
デジタル
I/O
MIDI
付 録
グループ、
ペア
ダイナミクス
プロセッサー
ユーザー
インター
フェース
の基礎知識
ユーザー定義キーの機能―[USER DEFINE]キーに割り当てられている機能を表示し
ます。詳細は、208ページの「ユーザー定義キー」をご参照ください。
現在選択されているファンクション―SETUPセクション、CHANNEL CONTROLセク
ション、FADER MODEセクションの各キーを使って選択したファンクションの名前
を表示します。つぎの各ファンクションが選択できます。
セクション SETUP CHANNEL CONTROL FADER MODE ―
SCENE MEMORY DELAY/ØAUX 1
MIDI REMOTE
UTILITY DYNAMICS AUX 2
MIDI PAN/ROUTING AUX 3
表示 DIO VIEW AUX 4
GROUP/PAIR EQ(EQ LOW) FADER-METER
SOLO SETUP EQ(LO-MID) EFFECT 1
AUTOMIX EQ(HI-MID) EFFECT 2
−EQ(HIGH) −
現在選択されているチャンネル―選択されているチャンネルを表示します。つぎの各
チャンネルが選択でき、ステレオペアに設定されたチャンネルの場合は、それぞれの
チャンネル番号の間にハイフン(-)が表示されます。( 例:1 - 2 、17-18)
CH 1 CH 2 CH 3 CH 4 CH 5 CH 6 CH 7 CH 8
CH 9 CH 10 CH 11 CH 12 CH 13 CH 14 CH 15 CH 16
CH 17 CH 18 CH 19 CH 20 CH 21 CH 22 CH 23 CH 24
AUX 1 AUX 2 AUX 3 AUX 4 BUS 1 BUS 2 BUS 3 BUS 4
ST IN EFFECT 1 EFFECT 2 ST OUT − − − −
オートミックス時には、そのステータスが表示されます。
信号の有無/ピークの表示―このエリアには、常時SIGNALレベルインジケーターと
PEAKレベルインジケーターが表示されます。SIGNALインジケーターは、信号レベル
がクリップレベルより24dB低いレベルに達したときに点灯し、信号が入力されてい
ることを表わします。PEAKインジケーターは信号がクリップレベルより3dB低いレ
ベルに達したときに点灯します。これらのインジケーターで表示するチャンネルは、
ミキシングレイヤーの設定に応じて変化します。
ミキシングレイヤーを“1−16”に設定すると、つぎの各チャンネルがメーター表示されま
す。
CH 1 CH 2 CH 3 CH 4 CH 5 CH 6 CH 7 CH 8
CH 9 CH 10 CH 11 CH 12 CH 13 CH 14 CH 15 CH 16
ST IN RTN 1 RTN 2 − − − − −
ミキシングレイヤーを“17−24/MASTER”に設定すると、つぎの各チャンネルがメー
ター表示されます。
CH 17 CH 18 CH 19 CH 20 CH 21 CH 22 CH 23 CH 24
AUX 1 AUX 2 AUX 3 AUX 4 BUS 1 BUS 2 BUS 3 BUS 4
ST IN RTN 1 RTN 2 − − − − −

03D取扱説明書
26 第3章 ユーザーインターフェースの基礎知識
03Dの
世界へ
ようこそ!
各部の
名称と機能
インプット
チャンネル
イコライザー
パン、
ルーティング、
サラウンドパン
ソロ、
モニター、
メーター
ステレオ
アウト
AUXアウト
バスアウト
チャンネル
ライブラリー
とビュー
内蔵
エフェクト
シーン
メモリー
オート
ミックス
その他の
機能
デジタル
I/O
MIDI
付 録
グループ、
ペア
ダイナミクス
プロセッサー
ユーザー
インター
フェース
の基礎知識
M(メニュー)ボタン―マウスと併用してMENUファンクションを呼び出すのに使用
します。詳細は、30ページの「ファンクションメニュー」をご参照ください。
ページエリア―このエリアには、各種セットアップ、環境設定、ミキシング関連ファン
クションのページが表示されます。下の図はページの表示例です。パラメーターの値
が数値で表示されるだけでなく、フェーダーや回転ノブがグラフィカルに表示される
ので、パンやフェーダーの位置が一目で確認できます。詳細は、28ページの「ディスプ
レイ内のコントロール」をご参照ください。
各ページの名前はページエリア上部のタブ(突起部)に表示されます。現在選択されて
いるページのタブにはつぎの図のように黒い線が引かれています。マウスを使ってい
る場合は、ここをクリックするとページが変わります。
選択されているページ
フェーダーステータス―現在選択されているフェーダーモードとミキシングレイ
ヤーを表示します。上の行では、各フェーダーでコントロールしているチャンネル(例:
チャンネル1)を表示し、下の行ではフェーダーでコントロールする信号の種類を表示
します(例:AUX1センド)。つぎの2つの表は、フェーダーモードとミキシングレイヤー
設定のさまざまな組み合わせ例を表わしています。
ミキシングレイヤー1−16
FADER
METER
EFFECT RTNST IN13–169–12FADER 1–8
AUX 1
EFFECT RTNST IN13–169–12FADER 1–8
AUX 2
EFFECT RTNST IN13–169–12FADER 1–8
AUX 3
EFFECT RTNST IN13–169–12FADER 1–8
AUX 4
EFFECT RTNST IN13–169–12FADER 1–8

03D取扱説明書
第3章 ユーザーインターフェースの基礎知識 27
03Dの
世界へ
ようこそ!
各部の
名称と機能
インプット
チャンネル
イコライザー
パン、
ルーティング、
サラウンドパン
ソロ、
モニター、
メーター
ステレオ
アウト
AUXアウト
バスアウト
チャンネル
ライブラリー
とビュー
内蔵
エフェクト
シーン
メモリー
オート
ミックス
その他の
機能
デジタル
I/O
MIDI
付 録
グループ、
ペア
ダイナミクス
プロセッサー
ユーザー
インター
フェース
の基礎知識
ミキシングレイヤー1−16
EFFECT 1
EFFECT RTNST IN13–169–12FADER 1–8
EFFECT 2
EFFECT RTNST IN13–169–12FADER 1–8
ミキシングレイヤー17−24/MASTER
FADER
METER
EFFECT RTNST IN13–169–12FADER 1–8
AUX 1
EFFECT RTNST IN13–169–12FADER 1–8
AUX 2
EFFECT RTNST IN13–169–12FADER 1–8
AUX 3
EFFECT RTNST IN13–169–12FADER 1–8
AUX 4
EFFECT RTNST IN13–169–12FADER 1–8
EFFECT 1
EFFECT RTNST IN13–169–12FADER 1–8
EFFECT 2
EFFECT RTNST IN13–169–12FADER 1–8

03D取扱説明書
28 第3章 ユーザーインターフェースの基礎知識
03Dの
世界へ
ようこそ!
各部の
名称と機能
インプット
チャンネル
イコライザー
パン、
ルーティング、
サラウンドパン
ソロ、
モニター、
メーター
ステレオ
アウト
AUXアウト
バスアウト
チャンネル
ライブラリー
とビュー
内蔵
エフェクト
シーン
メモリー
オート
ミックス
その他の
機能
デジタル
I/O
MIDI
付 録
グループ、
ペア
ダイナミクス
プロセッサー
ユーザー
インター
フェース
の基礎知識
ディスプレイ内のコントロール
ここではLCDディスプレイに表示されるさまざまなコントロールについて説明しま
す。
ボタン類
ディスプレイ内のボタンは、右辺と下辺に影の付いた四角形で表示されま
す。オンになると表示が反転し、影は消えます。
右の例では1とSTがオンになっています。
右のNormal/Reverseフェーズボタンのように、オン/オフの切替え
でボタンの表示が変わって反転するものもあります。
選択式のボタンの場合は、複数の選択肢の中から1つだけ
選択できます。たとえばこの例では、ワードクロックのソー
スが“INT 48k”に設定されています。
ボタンの操作は、まず[CURSOR]キーを使ってボタンを選び、[ENTER]キーを押して
オン/オフを切替えます。また、マウスで操作する場合は、マウスのカーソル(画面上
の矢印)をボタンの上に合わせてから左クリック(マウスの左ボタンを押す)します。
回転ノブ
連続可変のパラメーターは、回転ノブの形で表示されます。右の図は
EQページの例です。回転ノブを調整するには、[CURSOR]キーでノブ
を選択し、[PARAMETER]ダイアルで値を変更します。マウスを使って
調整する場合は、マウスのカーソルをノブに合わせ、マウスの左ボタン
を押したまま回転方向にドラッグ(ボタンを押したままマウスを動か
すこと)します。
エフェクトのディレイタイムなどの設定範囲の広いパラメーターの場合は、マウスの
右ボタンを押しながらドラッグすると、より素速くパラメーター調整ができます。マ
ウスを1回クリックすると、回転ノブは1ステップずつ調整できます。マウスの左ボタ
ンはパラメーター値を1つ減らし、右ボタンは増やします。
フェーダー
CH VIEWページなど、いくつかのページではフェーダーがグラ
フィカルに表示されます。通常、フェーダーの調整は実際の
フェーダーを使って行いますが、[PARAMETER]ダイアルやマ
ウスを使っても調整できます。[PARAMETER]ダイアルを使う
場合は、[CURSOR]キーでフェーダーを選択し、[PARAMETER]ダイアルで調整しま
す。また、マウスを使ってフェーダーを調整するには、マウスのカーソルをフェーダー
に合わせ、マウスの左ボタンを押して上下方向にドラッグします。フェーダーのノブ
がユニティゲインの位置にくると、ノブは反転表示されます。
フェーダーは、マウスのクリック操作で1ステップづつ調整できます。マウスの左ボタ
ンのクリックはフェーダーを下げ、右ボタンのクリックは上げます。
ユニティゲイン

03D取扱説明書
第3章 ユーザーインターフェースの基礎知識 29
03Dの
世界へ
ようこそ!
各部の
名称と機能
インプット
チャンネル
イコライザー
パン、
ルーティング、
サラウンドパン
ソロ、
モニター、
メーター
ステレオ
アウト
AUXアウト
バスアウト
チャンネル
ライブラリー
とビュー
内蔵
エフェクト
シーン
メモリー
オート
ミックス
その他の
機能
デジタル
I/O
MIDI
付 録
グループ、
ペア
ダイナミクス
プロセッサー
ユーザー
インター
フェース
の基礎知識
パラメーターボックス
パラメーターボックス(点線で囲まれた部分)内に表示
されるパラメーターは、[PARAMETER]ダイアルまた
はマウスを使って設定することができます。[CURSOR]
キーを使ってパラメーターボックスを選択し、
[PARAMETER]ダイアルで変更します。マウスを使う
場合は、マウスカーソルをパラメーターボックスに合わせ、マウスの左ボタンを押し
ながらマウスをドラッグします。
ボックス内のパラメーターは、マウスのクリック操作で1行ずつスクロールできます。
マウスの左ボタンのクリックは下げ、右ボタンのクリックは上げます。
CURSORキー
[CURSOR]キーは、ディスプレイのカーソルを移動しパラ
メーターなどを選択するときに使用します。ここで言う
「カーソル」とは点滅する四角い表示のことで、現在選択さ
れているパラメーターなどがすぐにわかるようになってい
ます。[CURSOR]キーを押したままにすると、カーソルがそのキーの方向に連続して
移動していきます。
PARAMETERダイアル
[PARAMETER]ダイアルは、パラメーターの値を変更したり、
シーンメモリーやライブラリーのプログラムをスクロールする
ときに使用します。また、シーンメモリーやエフェクトプログラ
ムなどのタイトルを付けるときには、カーソル移動に使用しま
す。ダイアルはクリック付きになっているため、迅速で正確なパ
ラメーターのエディットができます。右に回すとパラメーターの
値が大きくなり、左に回すと小さくなります。速く回せば、素早く
値が変化します。
ENTERキー
[ENTER]キーは、[CURSOR]キーで選んだパラメーターの設定を有効にした
り、EQのオン/オフなどオン/オフ式のパラメーターを設定します。また、設
定内容を確定したり、シーンメモリーやエフェクトプログラムのタイトルを
付けるときに文字を入力する用途に使います。さらに一部EQのページなどでは、カー
ソルの位置に関係なく[ENTER]キーを使ってEQのオン/オフが切替えできます。
CURSOR
PARAMETER
ENTER

03D取扱説明書
30 第3章 ユーザーインターフェースの基礎知識
03Dの
世界へ
ようこそ!
各部の
名称と機能
インプット
チャンネル
イコライザー
パン、
ルーティング、
サラウンドパン
ソロ、
モニター、
メーター
ステレオ
アウト
AUXアウト
バスアウト
チャンネル
ライブラリー
とビュー
内蔵
エフェクト
シーン
メモリー
オート
ミックス
その他の
機能
デジタル
I/O
MIDI
付 録
グループ、
ペア
ダイナミクス
プロセッサー
ユーザー
インター
フェース
の基礎知識
マウス
オプションのマウスを本機に接続すれば、ディスプレイやパラメーター
設定がスムーズに行えます。単純なオン/オフ式のパラメーターはマウ
スを1回クリックし、回転ノブの場合はドラッグします。03DはMS互換
シリアルマウスに対応しています。マウスはリアパネルのMOUSE端子
に接続してください。マウスの速度はUTILITYファンクションのPrefer.
ページで4種類の速度から選びます。詳細は、212ページの「プリファレン
ス」をご参照ください。(PS-2タイプと共用のタイプのマウスなどには、
03Dでは正常に動かないものがありますのでご注意ください。)
ほとんどのマウス操作では、左右のボタンは同等に使えますが、エフェ
クトのディレイタイムなどの設定範囲の広いパラメーターの場合には、
右ボタンを押しながらドラッグすると、左ボタンよりも素早く調整でき
ます。この場合、左ボタンは微調整用、右ボタンは大まかな調整用となります。
マウスのクリック操作で、パラメーターを1ステップずつ調整できます。マウスの左ボ
タンのクリックはパラメーター値を1つ減らし、右ボタンは増やします。
現在選択されている画面に含まれる各ページは、つぎの図のようなページタイトルの
タブをクリックして選択します。
ページタイトルのタブ
ファンクションメニュー
マウスを使用するとき、つぎのようなファンクションメニューを使って、MIDI
REMOTE、 SETUP、CHANNEL CONTROL、FADER MODEセクションの各ページを呼
び出すことができます。これはマウスを接続したときにのみ可能です。ファンクショ
ンメニューを呼び出すには、ページタイトルの左にあるM(メニュー)ボタンをクリッ
クします。マウスの接続を外すと、マウスカーソルは約5分で消えます。
ファンクションメニューが表示されてから約10秒以内に画面上のMIDI REMOTE、
SETUP、CHANNEL CONTROL、FADER MODE、CANCELボタンのどれかをクリック
しなければ、ファンクションメニューは消えます。
ここをクリックして
ファンクションメ
ニューを呼び出します

03D取扱説明書
第3章 ユーザーインターフェースの基礎知識 31
03Dの
世界へ
ようこそ!
各部の
名称と機能
インプット
チャンネル
イコライザー
パン、
ルーティング、
サラウンドパン
ソロ、
モニター、
メーター
ステレオ
アウト
AUXアウト
バスアウト
チャンネル
ライブラリー
とビュー
内蔵
エフェクト
シーン
メモリー
オート
ミックス
その他の
機能
デジタル
I/O
MIDI
付 録
グループ、
ペア
ダイナミクス
プロセッサー
ユーザー
インター
フェース
の基礎知識
ミキシングレイヤー
[SEL]キー・[ON]キー・フェーダーには複数の機能があります。[SEL]キー・[ON]キー
は、そのとき選択されているミキシングレイヤーによってその機能が決まり、フェー
ダーは、ミキシングレイヤーとフェーダーモードによって決まります。ただし、ST IN・
EFFECT RETURN・ST OUTのそれぞれの[SEL]キー・[ON]キー・フェーダーは、いず
れもミキシングレイヤーの設定の影響を受けません。
つぎの表は、それらの機能の変化を表わしたものです。
[SEL]キー
ミキシング [SEL]キー
EFFECT
レイヤー 1∼8 9∼12 13∼16 ST IN RETURN ST OUT
1−16 CH 1∼8 CH 9∼12 CH 13∼16
を選択 を選択 を選択 ST IN EFF RTN 1/2 ST OUT
17−24/ CH 17∼24 AUX 1∼4 BUS 1∼ 4 を選択 を選択 を選択
MASTER を選択 マスター マスター
を選択 を選択
*Groupページが選ばれているとき、[SEL]キーはグループに加えるチャンネルを選択します。詳細は、113
ページの「グループ、ペア」をご参照ください。
*オートミックス時には[SEL]キーは記録するチャンネルを選択します。詳細は、173ページの「オート
ミックス」をご参照ください。
*オートミックスの記録中、EFFECT RETURNの[SEL]キーはエフェクトのエデットのオン/オフ切替
えに使用します。この場合エフェクト1またはエフェクト2の選択には[EFFECT 1]/[EFFECT 2]キー
を使います。詳細は、173ページの「オートミックス」をご参照ください。
[ON]キー
ミキシング [ON]キー
EFFECT
レイヤー 1∼8 9∼12 13∼16 ST IN RETURN ST OUT
1−16 CH 1∼8 CH 9∼12 CH 13∼16
のオン/オフ のオン/オフ のオン/オフ ST IN EFF RTN 1/2 ST OUT
17−24/ CH 17∼24 AUX 1∼4 BUS 1∼ 4 のオン/オフ のオン/オフ のオン/オフ
MASTER のオン/オフ マスター マスター
のオン/オフ のオン/オフ
*ソロ機能がオンのとき、CH1∼24・ST IN・EFFECT RETURNの[ON]キーはミュートキーではなくソロ
キーとして機能します。
*[ON]キーの操作はMIDIリモートモードでは異なります。その詳細は、244ページの「MIDIリモート」をご
参照ください。

03D取扱説明書
32 第3章 ユーザーインターフェースの基礎知識
03Dの
世界へ
ようこそ!
各部の
名称と機能
インプット
チャンネル
イコライザー
パン、
ルーティング、
サラウンドパン
ソロ、
モニター、
メーター
ステレオ
アウト
AUXアウト
バスアウト
チャンネル
ライブラリー
とビュー
内蔵
エフェクト
シーン
メモリー
オート
ミックス
その他の
機能
デジタル
I/O
MIDI
付 録
グループ、
ペア
ダイナミクス
プロセッサー
ユーザー
インター
フェース
の基礎知識
フェーダー
ミキシングレイヤーを“1−16”に設定した場合
フェーダー フェーダー
EFFECT
モード 1∼8 9∼12 13∼16 ST IN RETURN ST OUT
FADER CH 1∼8 CH 9∼12 CH 13∼16 ST IN EFF RTN 1/2
(Meter) フェーダー フェーダー フェーダー フェーダー フェーダー
AUX 1 CH 1∼8 CH 9∼12 CH 13∼16 ST IN EFF RTN 1/2
Aux 1センド Aux 1センド Aux 1センド Aux 1センド Aux 1センド
AUX 2 CH 1∼8 CH 9∼12 CH 13∼16 ST IN EFF RTN 1/2
Aux 2センド Aux 2センド Aux 2センド Aux 2センド Aux 2センド
AUX 3 CH 1∼8 CH 9∼12 CH 13∼16 ST IN EFF RTN 1/2 ST OUT
Aux 3センド Aux 3センド Aux 3センド Aux 3センド Aux 3センド マスター
AUX 4 CH 1∼8 CH 9∼12 CH 13∼16 ST IN EFF RTN 1/2 フェーダー
Aux 4センド Aux 4センド Aux 4センド Aux 4センド Aux 4センド
EFFECT 1 CH 1∼8 CH 9∼12 CH 13∼16 ST IN EFF RTN 1
Eff 1センド Eff 1センド Eff 1センド Eff 1センド フェーダー
EFFECT 2 CH 1∼8 CH 9∼12 CH 13∼16 ST IN EFF RTN 2
Eff 2センド Eff 2センド Eff 2センド Eff 2センド フェーダー
ミキシングレイヤーを“17−24/MASTER”に設定した場合
フェーダー フェーダー
EFFECT
モード 1∼8 9∼12 13∼16 ST IN RETURN ST OUT
FADER CH 17∼24
(Meter) フェーダー
AUX 1 CH 17∼24
Aux 1センド
AUX 2 CH 17∼24
Aux 2センド
AUX 3 CH 17∼24 Aux 1∼4 Bus 1∼4 ミキシングレイヤー:1∼16と同じ
Aux 3センド マスター マスター
AUX 4 CH 17∼24 フェーダー フェーダー
Aux 4センド
EFFECT 1 CH 17∼24
Eff 1センド
EFFECT 2 CH 17∼24
Eff 2センド
*フェーダーの操作はMIDIリモートモードでは異なります。その詳細は、244ページの「MIDIリモート」を
ご参照ください。

03D取扱説明書
第3章 ユーザーインターフェースの基礎知識 33
03Dの
世界へ
ようこそ!
各部の
名称と機能
インプット
チャンネル
イコライザー
パン、
ルーティング、
サラウンドパン
ソロ、
モニター、
メーター
ステレオ
アウト
AUXアウト
バスアウト
チャンネル
ライブラリー
とビュー
内蔵
エフェクト
シーン
メモリー
オート
ミックス
その他の
機能
デジタル
I/O
MIDI
付 録
グループ、
ペア
ダイナミクス
プロセッサー
ユーザー
インター
フェース
の基礎知識
TITLE EDITダイアログボックス
TITLE EDITダイアログボックスは、シーンメモリー、EQプログラム、ダイナミクスプ
ロセッサープログラム、エフェクトプログラム、チャンネルプログラム、オートミック
スプログラムのタイトルを付けるときに使用します。このボックスは、シーンメモ
リーやプログラムを保存したりタイトルを変更するときに現われます。タイトルには
12文字まで使用できます。使用できる文字はつぎの図のとおりです。なお、SPCボタン
はスペースのことです。
SHIFT LOCK = ON
カーソルをタイトル部分に移動するには、[PARAMETER]ダイアルか
TITLE EDITダイアログボックス上の矢印ボタンを使います。マウスを
使用する場合は、タイトル部分の上をクリックしても移動できます。
文字の入力には[CURSOR]キーを使って文字を選択し、[ENTER]キー
を押して確定します。マウスを使用する場合は該当する文字をクリッ
クします。小文字や記号の入力は、SHIFT LOCKボタンを選択してから
[ENTER]キーを押します。SHIFT LOCKボタンをもう一度押すと、大文
字や数字が入力できます。
INSボタンは、カーソルの位置にスペースを挿入し、後続の文字を右に
ずらすのに使用します。タイトルウインドウの右端からはみ出た文字
は消去されます。
DELボタンは、カーソル位置にある文字を削除し、後続の文字を左に詰
めるのに使用します。
タイトル入力が終わったら、OKボタンを選択してから[ENTER]キーを
押して確定するか、CANCELボタンを選択してから[ENTER]キーを押
してタイトル入力をキャンセルします。

03D取扱説明書
第4章 インプットチャンネル 35
03Dの
世界へ
ようこそ!
各部の
名称と機能
インプット
チャンネル
イコライザー
パン、
ルーティング、
サラウンドパン
ソロ、
モニター、
メーター
ステレオ
アウト
AUXアウト
バスアウト
チャンネル
ライブラリー
とビュー
内蔵
エフェクト
シーン
メモリー
オート
ミックス
その他の
機能
デジタル
I/O
MIDI
付 録
グループ、
ペア
ダイナミクス
プロセッサー
ユーザー
インター
フェース
の基礎知識
第4章 インプットチャンネル
4
本章の目次
インプットチャンネルの概要 ............................................................................36
ファンタム電源(インプットチャンネル1∼8)................................................37
パッド(インプットチャンネル1∼8)................................................................37
ゲイン ....................................................................................................................37
メーター ................................................................................................................37
インサート(インプットチャンネル1&2).........................................................38
アッテネーター ....................................................................................................38
フェーズ ................................................................................................................39
チャンネルディレイ ............................................................................................40
EQ...........................................................................................................................42
ダイナミクスプロセッサー ................................................................................42
インプットチャンネルのミュート(オン/オフ)............................................42
フェーダー ............................................................................................................42
パン、バランス、ルーティング ............................................................................43
ダイレクト出力 ....................................................................................................43
AUXセンド ...........................................................................................................43
インプットチャンネルのモニター ....................................................................43
インプットチャンネルのステレオペア ............................................................44
インプットチャンネルのブロック図 ................................................................45
本章ではインプットチャンネル1∼24およびステレオインプット(ST IN)について説
明します。特に断り書きのない限り、この章の説明はすべてのインプットに共通して
います。本章は、信号の流れに沿って入力端子からバスに送られるまでの順序で説明
されています。

03D取扱説明書
36 第4章 インプットチャンネル
03Dの
世界へ
ようこそ!
各部の
名称と機能
インプット
チャンネル
イコライザー
パン、
ルーティング、
サラウンドパン
ソロ、
モニター、
メーター
ステレオ
アウト
AUXアウト
バスアウト
チャンネル
ライブラリー
とビュー
内蔵
エフェクト
シーン
メモリー
オート
ミックス
その他の
機能
デジタル
I/O
MIDI
付 録
グループ、
ペア
ダイナミクス
プロセッサー
ユーザー
インター
フェース
の基礎知識
インプットチャンネルの概要
リアパネル端子についての詳しい説明は、17ページをご参照ください。
インプットチャンネル1&2
1
3
2
INSERT
XLR INPUT
(balanced)
Phone jack INPUT
(balanced)
Phantom Powering
インプットチャンネル1と2にはバランス型XLR-3-31端子
とバランス型TRSフォーン端子が搭載されており、いずれ
も−60dB∼+10dBの入力レベルに対応し、XLRにはチャン
ネルごとに切替え可能な+48Vのファンタム電源が搭載さ
れています。XLRタイプ端子よりもフォーン端子が優先さ
れるため、フォーンプラグが差し込まれている場合はXLR
端子側の接続は遮断されます。またINSERT端子の挿入位置
は、GAINコントローラーの後段、A/Dコンバーターの前段
となります。
インプットチャンネル3∼8
1
3
2
XLR INPUT
(balanced)
Phone jack INPUT
(balanced)
Phantom Powering
インプットチャンネル3∼8は、INSERT端子がない点を除け
ばインプットチャンネル1&2と同じです。
インプットチャンネル9∼16
Phone jack INPUT
(balanced)
インプットチャンネル9∼16は、INSERT端子、XLR入力、
ファンタム電源がない点を除けばインプットチャンネル
1&2と同じです。
インプットチャンネル17∼24
インプットチャンネル17∼24は、アナログ入力端子、PADスイッチ、
[GAIN]コントロール、ダイレクトアウトがない点を除けばイン
プットチャンネル9∼16と同じです。これらのインプットチャンネルへの入力は、
YGDAIスロットのデジタル入力を通して行います。詳細は、223ページの「YGDAIカー
ド」をご参照ください。
ステレオインプットチャンネル(ST IN)
231
Phone jack INPUTs
(balanced)
DIGITAL STEREO IN
COAXIAL
DIGITAL STEREO IN
AES/EBU
ステレオ仕様でBALANCEコントロールが追加され
ている点を除けば、他のインプットチャンネルと同
じです。入力ソースはアナログフォーン端子、DIGI-
TAL STEREO IN AES/EBU、DIGITAL STEREO IN
COAXIALから選択できます。この入力ソースの選択
は、D.in Setupページで行います。詳細は、221ページの
「デジタルステレオイン」をご参照ください。
YGDAI SLOT

03D取扱説明書
第4章 インプットチャンネル 37
03Dの
世界へ
ようこそ!
各部の
名称と機能
インプット
チャンネル
イコライザー
パン、
ルーティング、
サラウンドパン
ソロ、
モニター、
メーター
ステレオ
アウト
AUXアウト
バスアウト
チャンネル
ライブラリー
とビュー
内蔵
エフェクト
シーン
メモリー
オート
ミックス
その他の
機能
デジタル
I/O
MIDI
付 録
グループ、
ペア
ダイナミクス
プロセッサー
ユーザー
インター
フェース
の基礎知識
ファンタム電源(インプットチャンネル1∼8)
PHANTOM
ON OFF
(+48V)
インプットチャンネル1∼8には、コンデンサータイプのマイクロフォンを
使用するために+48Vのファンタム電源が搭載されています。ファンタム電
源はバランス型XLR-3-31端子に供給され、各チャンネル個別に切替え可能
です。スイッチを入れるのは、コンデンサー・マイクロフォンを使うチャン
ネルだけにしてください。
パッド(インプットチャンネル1∼8)
26dB
インプットチャンネル1∼8には、26dBのPADスイッチが搭載されていま
す。このスイッチで入力信号を26dB減衰させることにより、レベルの高い
信号も入力が可能です。
バスドラムやスネアドラム用マイクからの信号のレベルが高い場合、ある
いはラインレベルの信号を処理するときにこのスイッチをオンにすると
いいでしょう。
PADスイッチの設定は、シーンメモリーやチャンネルプログラムには保存
されず、またオートミックスによるコントロールもできません。
ゲイン
[GAIN]コントロールは、入力部のプリアンプのゲインを調整します。このコントロー
ルは、最良のSN比が得られるよう入力信号を最適なレベルに設定するのに使用しま
す。[GAIN]コントロールの調整は、必ずレベルインジケーターを見ながら行ってくだ
さい。[GAIN]コントロールは、信号レベルをやや高め、たまにPEAKレベルに達するく
らいに設定するのが理想的です。ただし、PEAKレベルに頻繁に到達する場合は、
[GAIN]コントロールを多少下げないと信号が歪むことがあります。このコントロー
ルの設定は慎重に行ってください。レベルが低すぎるとSN比が悪くなり、高すぎると
耳障りなクリップによる歪みが生じてしまいます。
+10 –34
–60–16
GAIN
インプットチャンネル1∼8の[GAIN]コントロールはマイクロフォンの信
号にも対応するよう設計されており、−16dB∼−60dBの範囲の入力レベ
ルに対応してゲインを調節できます。さらに26dBのPADスイッチと組み合
わせると、対応する入力レベルの範囲は+10dB∼−34dBとなって、ライン
レベルの信号やレベルの高いマイクロフォン信号も入力にも使用できま
す。
+10 –20
+10
GAIN
インプットチャンネル9∼16とステレオインプットチャンネル(ST IN)の
[GAIN]コントロールは、ラインレベルの信号に対応し、対応する入力レベ
ルの範囲は+10dB∼−20dBです。
[GAIN]コントロールの設定はシーンメモリー、チャンネルプログラムには保存され
ず、オートミックスでコントロールすることもできません。ただし、インプットチャン
ネル9∼16のコントロールはクリック付きとなっているため、同じ設定を繰り返した
いときに正確な操作が行えます。
メーター
信号のレベルはMeterページでメーター表示させることができます。詳細は、81ページ
の「メーター」をご参照ください。

03D取扱説明書
38 第4章 インプットチャンネル
03Dの
世界へ
ようこそ!
各部の
名称と機能
インプット
チャンネル
イコライザー
パン、
ルーティング、
サラウンドパン
ソロ、
モニター、
メーター
ステレオ
アウト
AUXアウト
バスアウト
チャンネル
ライブラリー
とビュー
内蔵
エフェクト
シーン
メモリー
オート
ミックス
その他の
機能
デジタル
I/O
MIDI
付 録
グループ、
ペア
ダイナミクス
プロセッサー
ユーザー
インター
フェース
の基礎知識
インサート(インプットチャンネル1&2)
OUT IN
INSERT
インプットチャンネル1と2には、TRSフォーン端子のインサート端子が搭
載されており、ポスト[GAIN]コントロール、プリA/Dコンバーターの位置
がインサート・ポイントです。
このインサート端子を利用すれば、コンプレッサー、リミッター、ノイズ
ゲートなどの外部エフェクターをチャンネル1と2専用にパッチすること
が可能です。
インサート端子のピン配線は、スリーブ=グランド、リング=IN、チップ=
OUTとなっています。インサートケーブルの配線図は18ページをご参照く
ださい。
アッテネーター
A/D変換を行った後で、ATTENUATION(アッテネーション)ファンクションを使って
入力信号を減衰させることができます。減衰範囲は0dB∼−96dBで、1dB単位で調節で
きます。
デジタル入力17∼24では、デエンファシスの後にアッテネーションを行います。AT-
TENUATIONファンクションの設定はEQページで行います。
1. [EQ LOW]キーを押して以下のEQページを表示させてください。
2. [SEL]キーと[MIXING LAYER]キーを使ってチャンネルを選択してください。詳細は、
31ページの「ミキシングレイヤー」をご参照ください。
3. [CURSOR] キーでATT.回転ノブを選択し、[PARAMETER]ダイアルで調整してくだ
さい。
マウスを使用する場合は、マウスカーソルをATT.回転ノブ上に合わせ、マウスの左ボ
タンを押しながらドラッグします。
ATTENUATIONファンクションを使用すれば、EQのブーストやダイナミクスプロ
セッサーの効果によるレベルの上昇を抑えることができます。このようにブーストさ
れた信号のレベルを下げるには、[GAIN]コントロールではなくATTENUATIONファ
ンクションを使うことをおすすめします。[GAIN]コントロールでもレベルを下げる
ことは可能ですが、この方法ではA/Dコンバーターに入る信号レベルも低下してしま
うので望ましくありません。ATTENUATIONファンクションはA/Dコンバーターの後
段にくるので、A/D変換には影響ありません。
PAIRファンクション(116ページのステレオペア)を使ってステレオペアを組んだチャ
ンネルの場合は、それぞれのチャンネルのアッテネーターが連動するので、いずれか
一方のチャンネルのパラメーターを調整するだけで済みます。奇数チャンネルと偶数
チャンネルに異なるパラメーター値を設定することはできません。

03D取扱説明書
第4章 インプットチャンネル 39
03Dの
世界へ
ようこそ!
各部の
名称と機能
インプット
チャンネル
イコライザー
パン、
ルーティング、
サラウンドパン
ソロ、
モニター、
メーター
ステレオ
アウト
AUXアウト
バスアウト
チャンネル
ライブラリー
とビュー
内蔵
エフェクト
シーン
メモリー
オート
ミックス
その他の
機能
デジタル
I/O
MIDI
付 録
グループ、
ペア
ダイナミクス
プロセッサー
ユーザー
インター
フェース
の基礎知識
フェーズ
PHASE(フェーズ)ファンクションは、入力信号の位相を180度反転させます。インプッ
トチャンネル1∼24、およびステレオインプットの左右のチャンネルに対して設定で
きます。
フェーズの反転は、配線が不適切なバランス型ケーブルやマイクロフォンの位相を補
正することができます。また、スネアドラムの上下でマイクを設定する場合には、下の
マイクを接続したチャンネルの位相を反転させることで、上下マイクの位相を合わせ
ることができます。
1. [DELAY/Ø]キーを使って、つぎのPhaseページを表示させてください。
2. [SEL]キーと[MIXING LAYER]キーでチャンネルを選択してください。詳細は、31ペー
ジの「ミキシングレイヤー」をご参照ください。
3. [ENTER]キーを使って選択したチャンネルのフェーズを設定してください。
[CURSOR] キーでPhaseボタンを選ぶこともできます。マウスを使用している場合は、
Phaseボタンをクリックしてください。また、Phaseボタンの選択は[SEL]キーを使って
も行えます。
ノーマル(正相)
リバース(逆相)
Phaseファンクションはチャンネルがペアに組まれているときでもリンクされず、ペ
アを組んだそれぞれのチャンネルで個別に設定することができます。

03D取扱説明書
40 第4章 インプットチャンネル
03Dの
世界へ
ようこそ!
各部の
名称と機能
インプット
チャンネル
イコライザー
パン、
ルーティング、
サラウンドパン
ソロ、
モニター、
メーター
ステレオ
アウト
AUXアウト
バスアウト
チャンネル
ライブラリー
とビュー
内蔵
エフェクト
シーン
メモリー
オート
ミックス
その他の
機能
デジタル
I/O
MIDI
付 録
グループ、
ペア
ダイナミクス
プロセッサー
ユーザー
インター
フェース
の基礎知識
チャンネルディレイ
DELAYファンクションは、マイクロフォンの距離を補正したり、単なるディレイエ
フェクトとしても利用できます。ディレイ、スラップ、エコーの3種類のディレイがイ
ンプットチャンネル1∼24とステレオインプットチャンネルで利用できます。
PAIRファンクション(116ページの「ステレオペア」参照)を使ってステレオペアを組
んでいるとき、ペアになっている2つのチャンネルのディレイは連動するため、どちら
か一方のチャンネルのパラメーターを設定するだけで済みます。奇数、偶数チャンネ
ルのパラメーターを異なる値に設定することはできません。
1. [DELAY/Ø]キーを使ってつぎのCH Delayページを表示させてください。
2. [SEL]キーと[MIXING LAYER]キーでチャンネルを選択してください。詳細は、31ペー
ジの「ミキシングレイヤー」をご参照ください。
3. [CURSOR] キーでディレイパラメーターを選択し、[ENTER]キーと[PARAMETER]
ダイアルで値を設定します。
マウスを使用している場合は、該当するボタンをクリックし、回転ノブをドラッグし
ます。
ON/OFFボタン―ディレイをオン/オフします。カーソルがPARAMETER内にあると
きは、ON/OFFボタンを選ばなくても、[ENTER]キーでオン/オフできます。
TYPEボタン―ディレイのタイプをDELAY(ディレイ)、SLAP(スラップ)、ECHO(エ
コー)の中からを選びます。ECHOパラメーターは、ディレイのタイプを変えると、リ
セットされます。
PARAMETER―ディレイパラメーター用のノブです。表示される数値は、選択した
ディレイの種類によって異なります。
秒単位またはサンプル単位でディレイを設定します。
サンプリング周波数が44.1kHzのときの最長ディ
レイは217.7ms、48kHzでは200msとなります。
ディレイのかかった信号のレベルを指定します。
0はディレイなし、+50はディレイ信号とドライ信
号の比が50:100となり、+100では100:100となり
ます。マイナスの値の場合は、ディレイ信号の位
相が反転します。
ディレイ信号をディレイにフィードバックする量
を設定します。0はフィードバックなし、+99はフ
ィードバックが最大量になります。マイナスの値
の場合は、ディレイ信号の位相が反転します。
パラメーター
タイプ 範 囲 内 容
DELAY 9,600サンプル
MIX LEVEL −100∼+100
FB. GAIN −99∼+99
DELAY,
SLAP,
ECHO
SLAP,
ECHO
ECHO

03D取扱説明書
第4章 インプットチャンネル 41
03Dの
世界へ
ようこそ!
各部の
名称と機能
インプット
チャンネル
イコライザー
パン、
ルーティング、
サラウンドパン
ソロ、
モニター、
メーター
ステレオ
アウト
AUXアウト
バスアウト
チャンネル
ライブラリー
とビュー
内蔵
エフェクト
シーン
メモリー
オート
ミックス
その他の
機能
デジタル
I/O
MIDI
付 録
グループ、
ペア
ダイナミクス
プロセッサー
ユーザー
インター
フェース
の基礎知識
PARAMETER COPY―COPY TO ALL CHボタンを使えば、ディレイパラメーターの
設定をすべてのインプットチャンネルおよびステレオインプットチャンネルにコ
ピーすることができます。このボタンを押すと、つぎのダイアログボックスが現われ
ます。
コピーする場合はOKを、キャンセルする場合はCANCELを選
びます。
チャンネルディレイ設定の確認
設定したチャンネルディレイの内容は、つぎの2つのページで確認できます。
1. [DELAY/Ø]キーを使ってつぎのページを表示させてください。
つぎのページは、インプットチャンネル1∼24のディレイ設定を表示しています。
つぎのページはインプットチャンネル17∼24とステレオインプットチャンネルの
ディレイ設定を表示しています。
両ページとも、各チャンネルのディレイのタイプ、ディレイタイムが表示されていま
す。ここでは設定内容を変更することはできませんが、ディレイのオン/オフだけは
切替えることができます。
2. [SEL]キーでチャンネルを選択し、[ENTER]キーでディレイのオン/オフを切替えて
ください。
マウスを使用している場合は、ボタンをクリックします。また、[CURSOR]キーでもボ
タンを選択することができます。

03D取扱説明書
42 第4章 インプットチャンネル
03Dの
世界へ
ようこそ!
各部の
名称と機能
インプット
チャンネル
イコライザー
パン、
ルーティング、
サラウンドパン
ソロ、
モニター、
メーター
ステレオ
アウト
AUXアウト
バスアウト
チャンネル
ライブラリー
とビュー
内蔵
エフェクト
シーン
メモリー
オート
ミックス
その他の
機能
デジタル
I/O
MIDI
付 録
グループ、
ペア
ダイナミクス
プロセッサー
ユーザー
インター
フェース
の基礎知識
EQ
各チャンネルには4バンドのパラメトリックイコライザーが搭載されています。詳細
は、47ページの「イコライザー」をご参照ください。
ダイナミクスプロセッサー
各チャンネルにはダイナミクスプロセッサーが搭載されています。詳細は、143ページ
の「ダイナミクスプロセッサー」をご参照ください。
インプットチャンネルのミュート(オン/オフ)
ON
各チャンネルは[ON]キーを使ってミュート(消音)させることができます。
チャンネルがオンのとき、このキーの上にあるインジケーターが点灯します。
[ON]キーの機能は、現在選択されているミキシングレイヤーによって異なり
ます。詳細は、31ページの「ONキー」をご参照ください。
ソロ機能がオンの時、[ON]キーはミュートキーではなくソロキーとして機能します。
PAIRファンクション(116ページの「ステレオペア」参照)を使ってステレオペアを組
んでいるとき、ペアとなっている2つのチャンネルの[ON]キーは連動するため、どち
らか一方のチャンネルの[ON]キー操作だけで両方のチャンネルのオン/オフを切替
えることができます。
また、[ON]キーを1つだけ使って複数のチャンネルのミュートを同時にコントロール
できるように、チャンネルをグループ化させることができます。詳細は、115ページの
「ミュートグループ」をご参照ください。
フェーダー
6
0
5
10
20
40
60
00
インプットチャンネルとステレオインプットチャンネルのレベルは
フェーダーを使って調整します。各フェーダーの機能は、現在選択されて
いるフェーダーモードとミキシングレイヤーによって異なります。詳細
は、32ページの「フェーダー」をご参照ください。選択したフェーダーモー
ドはディスプレイ上に表示されています。詳細は、24ページの「ディスプレ
イ」をご参照ください。
ステレオインプットチャンネルのフェーダーは、フェーダモードの設定だ
けで機能が決まり、ミキシングレイヤーの影響は受けません。
1. [FADER]キーを押してください。
Meterページが現われ、フェーダーは通常のチャンネルフェーダーとして機能します。
2. [MIXING LAYER]キーを使用して、ミキシングレイヤー1−16または17−24/MAS-
TERを選択してください。
3. フェーダーを使ってチャンネルのレベルを調整してください。
PAIRファンクション(116ページの「ステレオペア」参照)を使ってステレオペアを組
んでいるとき、ペアになっている2つのチャンネルのフェーダーは連動するため、どち
らか一方のフェーダーだけで両方のチャンネルのレベルを調整することができます。

03D取扱説明書
第4章 インプットチャンネル 43
03Dの
世界へ
ようこそ!
各部の
名称と機能
インプット
チャンネル
イコライザー
パン、
ルーティング、
サラウンドパン
ソロ、
モニター、
メーター
ステレオ
アウト
AUXアウト
バスアウト
チャンネル
ライブラリー
とビュー
内蔵
エフェクト
シーン
メモリー
オート
ミックス
その他の
機能
デジタル
I/O
MIDI
付 録
グループ、
ペア
ダイナミクス
プロセッサー
ユーザー
インター
フェース
の基礎知識
パン、バランス、ルーティング
インプットチャンネルとステレオインプットチャンネルの信号は、バス1∼4、STE-
REOバスに出力することができます。インプットチャンネルの信号はパンを、ステレ
オインプットチャンネル信号はバランスとパンの両方を調整できます。ステレオイン
プットチャンネルのパンは、ステレオ音像の幅を調整する用途に使用します。パン、バ
ランス、ルーティングの各設定は、Pan/Routeページで行います。詳細は、61ページの「ス
テレオパン、バランス、ルーティング」をご参照ください。
ダイレクト出力
インプットチャンネル1∼16から最高8系統のポストフェーダー信号を、YGDAIデジ
タル出力へ直接出力することができます。ダイレクト出力設定はPan/Routeページで
行います。ダイレクト出力設定がされている場合、YGDAI OUTPUT ASSIGNはD.out
Setupページで自動で設定されます。この設定はマニュアルでもできます。詳細は、223
ページの「YGDAIカード」をご参照ください。
1. [PAN/ROUTING]キーを使って、つぎのページを表示させてください。
2. [SEL]キーでインプットチャンネル1∼16を選択してください。
3. [CURSOR] キーでD(ダイレクトアウト)ボタンを選択し、[ENTER]キーで確定して
ください。
マウスを使用している場合は、Dボタンをクリックしてください。
AUXセンド
インプットチャンネルの信号とステレオインプットチャンネルの信号はAUXバス1
∼4に送ることができます。送る信号はプリフェーダーまたはポストフェーダーのい
ずれかに設定できます。詳細は、91ページの「AUXアウト」をご参照ください。
AUXアウト同士でステレオペアを組むと、インプットチャンネル、ステレオインプッ
トチャンネルおよびエフェクトリターンのAUXパンが有効となります。詳細は、96
ページの「AUXアウトのステレオペア」をご参照ください。
インプットチャンネルのモニター
詳細は、73ページの「ソロ、モニター、メーター」をご参照ください。

03D取扱説明書
44 第4章 インプットチャンネル
03Dの
世界へ
ようこそ!
各部の
名称と機能
インプット
チャンネル
イコライザー
パン、
ルーティング、
サラウンドパン
ソロ、
モニター、
メーター
ステレオ
アウト
AUXアウト
バスアウト
チャンネル
ライブラリー
とビュー
内蔵
エフェクト
シーン
メモリー
オート
ミックス
その他の
機能
デジタル
I/O
MIDI
付 録
グループ、
ペア
ダイナミクス
プロセッサー
ユーザー
インター
フェース
の基礎知識
インプットチャンネルのステレオペア
1∼24までの奇数と偶数のインプットチャンネルをペアに組んでステレオ操作が行え
ます。左右のステレオ信号を片方のチャンネルだけで同時にコントロールできるの
で、ステレオ入力信号の操作が簡単にできます。
ペアを組めるチャンネルは、奇数とそれに1を加えた偶数のインプットチャンネル同
士です(例:1/2、3/4、5/6は可能。2/3、4/5は不可)。24系統のインプットチャンネルがある
ので、最高12組のステレオペアができます。ペアの設定はPairページで行います。詳細
は、116ページの「ステレオペア」をご参照ください。
2つのインプットチャンネルをペアに組むと、つぎのパラメーターがリンクされます。
・チャンネルディレイ
・E Q
・ダイナミクスプロセッサー
・[ON]キー
・ソ ロ
・チャンネルフェーダー
・AUXセンドのプリ/ポスト設定
・EFFECTセンドのプリ/ポスト設定
・AUXセンドフェーダー
・EFFECTセンドフェーダー
・ルーティングボタン
・アッテネーター
パン操作は選択されたパンモードによって異なります。詳細は、60ページの「パンモー
ド」をご参照ください。

03D取扱説明書
第4章 インプットチャンネル 45
03Dの
世界へ
ようこそ!
各部の
名称と機能
インプット
チャンネル
イコライザー
パン、
ルーティング、
サラウンドパン
ソロ、
モニター、
メーター
ステレオ
アウト
AUXアウト
バスアウト
チャンネル
ライブラリー
とビュー
内蔵
エフェクト
シーン
メモリー
オート
ミックス
その他の
機能
デジタル
I/O
MIDI
付 録
グループ、
ペア
ダイナミクス
プロセッサー
ユーザー
インター
フェース
の基礎知識
インプットチャンネルのブロック図
ST CASCADE IN
ON/OFF
FLIP
SELECT
ON
ON
Meter Meter
MeterMeter
+48V
+48V
AES/EBU
COAXIAL
DIGITAL
STEREO
IN
ST IN
3-8
3-8
R
L
9-16 Same as 1, 2
Same as 1, 2
INPUT
1, 2
ST
L R
SOLO
L R
EFF
1 2
*PAN: INDIVIDUAL/GANG/INVERTED GANG
*PAN
Meter
De-
Emphasis
DELAY/
EFFECT
DELAY/
EFFECT
Meter
Dynamics
4Band
PEQ
4Band
PEQ
Dynamics
HA AD DC CUT
GAIN
HA AD DC CUT
AUX
1 2 3 4
BUS
1 2 3 4
DC CUTAD
HA
GAIN
GAIN
HA
PHANTOM
PAD
26dB
AD DC CUT
Meter
CH Fader
ST IN
Fader
Dynamics
4Band
PEQ
DELAY
Meter
ATT
DC CUTAD
IN
INSERT
26dB
PAD
PHANTOM
1, 2
PAN
AUX/EFF
PRE/POST
AUX 1
AUX 2
AUX 3
AUX 4
EFF 1
EFF 2
AUX 1
AUX 2
AUX 3
AUX 4
EFF 1
EFF 2
HA
GAIN
Meter
Meter
ATT
BALANCE
Same as 1, 2
INPUT
(YGDAI)
CH INPUT
17-24
De-
Emphasis
Meter
ATT
DIRECT OUT
チャンネル17-24はオプションのYGDAIカード
の装着で増設されます。

03D取扱説明書
第5章 イコライザー 47
03Dの
世界へ
ようこそ!
各部の
名称と機能
インプット
チャンネル
イコライザー
パン、
ルーティング、
サラウンドパン
ソロ、
モニター、
メーター
ステレオ
アウト
AUXアウト
バスアウト
チャンネル
ライブラリー
とビュー
内蔵
エフェクト
シーン
メモリー
オート
ミックス
その他の
機能
デジタル
I/O
MIDI
付 録
グループ、
ペア
ダイナミクス
プロセッサー
ユーザー
インター
フェース
の基礎知識
第5章 イコライザー
5
本章の目次
03Dのイコライザーについて .............................................................................48
イコライザーの調整 ............................................................................................49
イコライザーのバイパス ....................................................................................50
EQのゲイン回転ノブのリセット.......................................................................50
EQライブラリー...................................................................................................50
EQプログラムの保存...........................................................................................51
EQプログラムの呼び出し...................................................................................52
EQプログラムタイトルのエディット...............................................................53
EQライブラリーリスト.......................................................................................54

03D取扱説明書
48 第5章 イコライザー
03Dの
世界へ
ようこそ!
各部の
名称と機能
インプット
チャンネル
イコライザー
パン、
ルーティング、
サラウンドパン
ソロ、
モニター、
メーター
ステレオ
アウト
AUXアウト
バスアウト
チャンネル
ライブラリー
とビュー
内蔵
エフェクト
シーン
メモリー
オート
ミックス
その他の
機能
デジタル
I/O
MIDI
付 録
グループ、
ペア
ダイナミクス
プロセッサー
ユーザー
インター
フェース
の基礎知識
03Dのイコライザーについて
03Dのイコライザーは4バンドの完全パラメトリックEQで、ゲイン[G]、周波数[F]、
[Q]という可変パラメーターとON/OFFパラメーターが用意されています。インプッ
トチャンネル、ステレオインプットチャンネル、ステレオ出力、バス出力、エフェクト
リターンのすべてのセクションでEQが使用できます。各EQセクションの正確な位置
は、22ページのブロック図を参照してください。各EQセクションは、初期設定では
HIGH、LOWがシェルビングタイプ、LO-MIDおよびHI-MIDがピーキングタイプとい
う、従来の4バンドEQと同じ構成になっていますが、LOWバンドをシェルビング、ピー
キング、またはHPF(ハイパスフィルター)に、あるいはHIGHバンドをシェルビング、
ピーキング、LPF(ローパスフィルター)に設定することも可能です。
PAIRファンクション(116ページの「ステレオペア」を参照)を使ってチャンネルをス
テレオペアとして組むと、その2チャンネルのアッテネーターを含むEQセクションは
連動するため、いずれか一方のチャンネルのみでパラメーターを調整できます。奇数
と偶数のチャンネルで異なる値のパラメーターを設定することはできません。
EQの設定はプログラムとしてEQライブラリーに保存できます。EQライブラリーには
40個のプリセットプログラムと、40個のユーザープログラムが入ります。詳細は、50
ページの「EQライブラリー」をご参照ください。EQの設定はシーンメモリー(161ペー
ジ)やチャンネルライブラリー(106ページ)にも保存されます。
EQはつぎのEQページでコントロールします。
EQページの上半分には選択チャンネルのEQカーブが、下半分にはEQ調整用の回転ノ
ブが表示されています。

03D取扱説明書
第5章 イコライザー 49
03Dの
世界へ
ようこそ!
各部の
名称と機能
インプット
チャンネル
イコライザー
パン、
ルーティング、
サラウンドパン
ソロ、
モニター、
メーター
ステレオ
アウト
AUXアウト
バスアウト
チャンネル
ライブラリー
とビュー
内蔵
エフェクト
シーン
メモリー
オート
ミックス
その他の
機能
デジタル
I/O
MIDI
付 録
グループ、
ペア
ダイナミクス
プロセッサー
ユーザー
インター
フェース
の基礎知識
イコライザーの調整
1. [SEL]キーと[MIXING LAYER]キーを使ってチャンネルを選択してください。詳細は、
31ページの「ミキシングレイヤー」をご参照ください。
2. [EQ LOW]、[LO-MID]、[HI-MID]、[HIGH]のいずれかのキーを使ってつぎのEQペー
ジを呼び出してください。
3. [EQ LOW]、[LO-MID]、[HI-MID]、[HIGH]の各キーでEQパラメーターを選択し、
[PARAMETER]ダイアルで調整してください。
[EQ LOW]、[LO-MID]、[HI-MID]、[HIGH]の各キーを続けて押すと、該当するバンド
のゲイン、周波数、Qパラメーターが順番に選択されるので、素早く簡単にEQ調整が行
えます。
[CURSOR]キーを使ってEQパラメーターを選択することもできます。マウスを使っ
ている場合は、マウスカーソルを回転ノブ上に移動し、マウスの左ボタンを押さえな
がらドラッグします。
EQページの上半分にはEQカーブが表示されています。
EQの仕様は、つぎの表のとおりです。
Low Lo-Mid Hi-Mid High
G(ゲイン)
(HPFではオン/オフ)
−18.0dB∼+18.0dB(0.5dBごと)
(LPFではオン/オフ)
fs=48kHz/
21Hz∼20.1kHz(1/12オクターブごとに120ステップ)
F(周波数) 44.1kHz
fs=32kHz
21Hz∼15.1kHz(1/12オクターブごとに115ステップ)
HPF, 10.0∼0.10 LPF, 10.0∼0.10
Q(41ステップ)、 10.0∼0.10(41ステップ) (41ステップ)、
L.SHELF H.SHELF

03D取扱説明書
50 第5章 イコライザー
03Dの
世界へ
ようこそ!
各部の
名称と機能
インプット
チャンネル
イコライザー
パン、
ルーティング、
サラウンドパン
ソロ、
モニター、
メーター
ステレオ
アウト
AUXアウト
バスアウト
チャンネル
ライブラリー
とビュー
内蔵
エフェクト
シーン
メモリー
オート
ミックス
その他の
機能
デジタル
I/O
MIDI
付 録
グループ、
ペア
ダイナミクス
プロセッサー
ユーザー
インター
フェース
の基礎知識
イコライザーのバイパス
選択したチャンネルのEQをバイパスするには、単に[ENTER]キーを押すだ
けです。このキーをもう一度押すと、EQが再び有効になります。カーソルが
EQページの4つのEQウインドウのいずれかにあるとき、[ENTER]キーはEQ
のバイパス(EQのオン/オフ)キーとしてのみ機能します。マウスを使っている場合
は、EQページのEQ ONボタンをクリックしてください。
EQのゲイン回転ノブのリセット
選択したチャンネルのEQゲイン回転ノブをリセットするには、[HI-MID]キーと
[HIGH]キーを同時に押します。このとき、周波数とQの回転ノブはリセットされませ
ん。
EQライブラリー
EQの設定は、EQライブラリーにプログラムとして保存できます。EQライブラリーに
は40個のプリセットプログラム(1∼40)と、40個のユーザープログラム(41∼80)が
入っています。ユーザープログラムを利用すれば、よく使用するEQ設定にわかりやす
いタイトルを付け、保存することができます。また、EQ設定を別のEQに移すときにも
EQライブラリーを使用します。たとえば、ステレオ出力のEQ設定をライブラリープ
ログラムとして保存し、これをAUXセンド用のEQ設定として呼び出すことができま
す。また、プリセットプログラムには、特定の用途や楽器に合わせて調節された、個性
的なEQプログラムが集められています。EQの調整を行うときに格好の参考例、ある
いは開始点として利用できます。プリセットのEQプログラムの全リストは、54ページ
の「EQライブラリーリスト」をご参照ください。
EQライブラリーの操作は、つぎのLibraryページで行います。[EQ LOW]キーと[LO-
MID]キーを同時に押してください。これでLibraryページが呼び出されます。マウスを
使っていて、すでにEQページが表示されている場合は、Libraryというページタイトル
のタブをクリックしてください。
Libraryページの上半分には選択したチャンネルのEQカーブと信号レベルが、下半分
にはEQライブラリーの機能が表示されます。

03D取扱説明書
第5章 イコライザー 51
03Dの
世界へ
ようこそ!
各部の
名称と機能
インプット
チャンネル
イコライザー
パン、
ルーティング、
サラウンドパン
ソロ、
モニター、
メーター
ステレオ
アウト
AUXアウト
バスアウト
チャンネル
ライブラリー
とビュー
内蔵
エフェクト
シーン
メモリー
オート
ミックス
その他の
機能
デジタル
I/O
MIDI
付 録
グループ、
ペア
ダイナミクス
プロセッサー
ユーザー
インター
フェース
の基礎知識
EQプログラムの保存
EQプログラムの保存は、EQのLibraryページで行います。EQの設定が保存できるのは、
ユーザープログラム41∼80までです。プリセットプログラム01∼40は読み出し専用で
す。
1. [EQ LOW]キーと[LO-MID]キーを同時に押して、Libraryページを呼び出してくださ
い。
2. [SEL]キーで保存したいEQプログラムのチャンネルを選択します。
3. [PARAMETER]ダイアルを使って、EQプログラムのリストを上下にスクロールして
ください。マウスを使っている場合は、マウスのカーソルをパラメーターボックスに
合わせ、マウスの左ボタンを押したままマウスをドラッグします。
プログラムを選択すると、そのEQのカーブが上部に表示されます。また、データの
入っていないEQプログラムには、No Dataというタイトルが付いています。
4. [CURSOR]キーでSTOREボタンを選択してから、[ENTER]キーを押してください。
マウスを使っている場合は、STOREボタンをクリックしてください。
TITLE EDITダイアログボックスが現われます。
5. EQプログラムのタイトルを入力してください。
タイトルの入力方法は、33ページの「TITLE EDITダイアログボックス」をご参照くだ
さい。
6. TITLE EDITダイアログボックスでOKボタンを押してください。
EQプログラムが保存されます。

03D取扱説明書
52 第5章 イコライザー
03Dの
世界へ
ようこそ!
各部の
名称と機能
インプット
チャンネル
イコライザー
パン、
ルーティング、
サラウンドパン
ソロ、
モニター、
メーター
ステレオ
アウト
AUXアウト
バスアウト
チャンネル
ライブラリー
とビュー
内蔵
エフェクト
シーン
メモリー
オート
ミックス
その他の
機能
デジタル
I/O
MIDI
付 録
グループ、
ペア
ダイナミクス
プロセッサー
ユーザー
インター
フェース
の基礎知識
EQプログラムの呼び出し
EQのプログラムは、EQのLibraryページから呼び出します。40個のプリセットプログ
ラムと40個のユーザープログラムが選択できます。
1. [EQ LOW]キーと[LO-MID]キーを同時に押して、Libraryページを呼び出してくださ
い。
2. [SEL]キーで呼び出したいEQプログラムのチャンネルを選択します。
3. [PARAMETER]ダイアルを使ってEQプログラムのリストを上下にスクロールしてく
ださい。マウスを使っている場合は、マウスカーソルをパラメーターボックスに合わ
せ、マウスの左ボタンを押したままマウスをドラッグしてください。
プログラムを選択すると、そのEQカーブが上部に表示されます。また、データの入っ
ていないEQプログラムには、No Dataというタイトルが付いています。
4. [CURSOR]キーでRECALLボタンを選択してから、[ENTER]キーを押してください。
マウスを使っている場合は、RECALLボタンをクリックしてください。
EQプログラムが呼び出されます。

03D取扱説明書
第5章 イコライザー 53
03Dの
世界へ
ようこそ!
各部の
名称と機能
インプット
チャンネル
イコライザー
パン、
ルーティング、
サラウンドパン
ソロ、
モニター、
メーター
ステレオ
アウト
AUXアウト
バスアウト
チャンネル
ライブラリー
とビュー
内蔵
エフェクト
シーン
メモリー
オート
ミックス
その他の
機能
デジタル
I/O
MIDI
付 録
グループ、
ペア
ダイナミクス
プロセッサー
ユーザー
インター
フェース
の基礎知識
EQプログラムタイトルのエディット
EQプログラムのタイトルは、プログラムを呼び出さずにいつでも変更できます。ただ
し変更できるのは、データの入っているプログラムタイトルのみです。タイトルのエ
ディットは、EQのLibraryページで行います。
1. [EQ LOW]キーと[LO-MID]キーを同時に押して、Libraryページを呼び出してくださ
い。
2. [PARAMETER]ダイアルかマウスを使ってEQプログラムを選択してください。
3. [CURSOR]キーでTITLE EDITボタンを選択して、[ENTER]キーを押してください。
マウスを使っている場合は、TITLE EDITボタンをクリックします。
TITLE EDITダイアログボックスが現われます。
4. プログラムのタイトルをエディットしてください。
詳細は、33ページの「TITLE EDITダイアログボックス」をご参照ください。
5. 終了したら、TITLE EDITダイアログボックスでOKを押してください。

03D取扱説明書
54 第5章 イコライザー
03Dの
世界へ
ようこそ!
各部の
名称と機能
インプット
チャンネル
イコライザー
パン、
ルーティング、
サラウンドパン
ソロ、
モニター、
メーター
ステレオ
アウト
AUXアウト
バスアウト
チャンネル
ライブラリー
とビュー
内蔵
エフェクト
シーン
メモリー
オート
ミックス
その他の
機能
デジタル
I/O
MIDI
付 録
グループ、
ペア
ダイナミクス
プロセッサー
ユーザー
インター
フェース
の基礎知識
EQライブラリーリスト
.oNルトイタ ーターメラパ 容 内
WOLDIM-LDIM-HHGIH
101murDssaB
GNIKAEPGNIKAEPGNIKAEPFLEHS.H 当がータービと分成域低のムラドスバ ンィテッセるす調強を音クッタアるた 。すでグ
GBd5.3+−Bd5.3Bd0.0Bd0.4+
FzH99zH562zHk50.1zHk33.5
Q2.1019.0―
202murDssaB
GNIKAEPGNIKAEPGNIKAEPFPL のムラドスバzH08持をクーピに辺周 るすにドンウサたっま締のめ硬、せた 。すでグンィテッセ
GBd0.8+−Bd0.7Bd0.6+NO
FzH97zH793zHk25.2zHk6.21
Q4.15.42.2―
301murDeranS
GNIKAEPGNIKAEPGNIKAEPFLEHS.H スるれま含にドンウサのムラドアネス 強を域高中のどな音ムリや音ーピッナ 。すでグンィテッセるす調
G− Bd5.0Bd0.0Bd0.3+Bd5.4+
FzH231zHk00.1zHk71.3zHk40.5
Q2.15.411.0―
402murDeranS
FLEHS.LGNIKAEPGNIKAEPGNIKAEP し調強を域高と域低のムラドアネス ウサな的」リャシンド「るゆわい、て 。すでグンィテッセるすにドン
GBd5.1+−Bd5.8Bd5.2+Bd0.4+
FzH771zH433zHk73.2zHk00.4
Q― 017.01.0
501mot-moT
GNIKAEPGNIKAEPGNIKAEPGNIKAEP にらさ、し調強を音クッタアのムタ ケィデの分部り鳴皮ういと」ンゥト「 。すでグンィテッセすば伸をイ
GBd0.2+−Bd5.7Bd0.2+Bd0.1+
FzH012zH766zHk94.4zHk53.6
Q4.1012.182.0
60labmyC
FLEHS.LGNIKAEPGNIKAEPFLEHS.H 強を感クッタアのルバンシュシッラク ケィデの分成域高たしラキラキ、し調 。すでグンィテッセすば伸をイ
G− Bd0.2Bd0.0Bd0.0Bd0.3+
FzH501zH024zHk50.1zHk4.31
Q― 8 9.0―
70taHhgiH
FLEHS.LGNIKAEPGNIKAEPFLEHS.H を域低、せさ調強し少を域高らか域中 ッセの用トッハイハいいのレキたえ抑 。すでグンィテDIM-LのG )ンイゲ( まきで節調を減増の分成クッタアで。す
G− Bd0.4−Bd5.2Bd0.1+Bd5.0+
FzH49zH024zHk28.2zHk55.7
Q― 5.01―
80noissucreP
FLEHS.LGNIKAEPGNIKAEPFLEHS.H のどなガンコ、サバカやーカイェシ 調強を分部クッタアのンョシッカーパ ンィテッセるせさりきっくを域高、し 。すでグ
G− Bd5.4Bd0.0Bd0.2+Bd0.0
FzH99zH793zHk28.2zHk9.61
Q― 5.465.0―
901ssaB.E
FLEHS.LGNIKAEPGNIKAEPFLEHS.H 、てえ抑し少を域低超のスーベキレエ でグンィテッセるすにじ感たっま締。す
G− Bd5.7Bd5.4+Bd5.2+Bd0.0
FzH53zH111zHk00.2zHk00.4
Q― 5 5.4―
012ssaB.E
GNIKAEPGNIKAEPGNIKAEPFLEHS.H
90エたし調強ややを域低、に逆はと 。すでンョシーエリバの用スーベキレ
GBd0.3+Bd0.0Bd5.2+Bd5.0+
FzH111zH111zHk42.2zHk00.4
Q1.053.6―

03D取扱説明書
第5章 イコライザー 55
03Dの
世界へ
ようこそ!
各部の
名称と機能
インプット
チャンネル
イコライザー
パン、
ルーティング、
サラウンドパン
ソロ、
モニター、
メーター
ステレオ
アウト
AUXアウト
バスアウト
チャンネル
ライブラリー
とビュー
内蔵
エフェクト
シーン
メモリー
オート
ミックス
その他の
機能
デジタル
I/O
MIDI
付 録
グループ、
ペア
ダイナミクス
プロセッサー
ユーザー
インター
フェース
の基礎知識
.oNルトイタ ーターメラパ 容 内
WOLDIM-LDIM-HHGIH
111ssaB.nyS
GNIKAEPGNIKAEPGNIKAEPFLEHS.H
ンィテッセ用スーベセンシの視重域低 。すでグ
GBd5.3+Bd5.8+Bd0.0Bd0.0
FzH38zH449zHk00.4zHk6.21
Q1.085.4―
212ssaB.nyS
GNIKAEPGNIKAEPGNIKAEPFLEHS.H
ややを感クッタアの特独スーベセンシ 。すでグンィテッセたし調強
GBd5.2+Bd0.0Bd5.1+Bd0.0
FzH521zH771zHk21.1zHk6.21
Q6.182.2―
311onaiP
FLEHS.LGNIKAEPGNIKAEPFLEHS.H
いたしに音のめる明を色音の系ノアピ 。すでグンィテッセのきと
G− Bd0.6Bd0.0Bd0.2+Bd0.4+
FzH49zH449zHk71.3zHk55.7
Q― 8 9.0―
412onaiP
GNIKAEPGNIKAEPGNIKAEPFLEHS.H ア、でとこるす用併とーサッレプンコ ウサノアピたし調強を域低と感クッタ 。すでグンィテッセのめたる作をドン
GBd5.3+−Bd5.8Bd5.1+Bd0.3+
FzH322zH595zHk71.3zHk33.5
Q6.5017.0―
51naelC.G.E
GNIKAEPGNIKAEPGNIKAEPFLEHS.H ンーリク(ータギキレエのり録ンイラ にータギコアレエのめ硬やや、や)系 。すでグンィテッセのめる明たい向
GBd0.2+−Bd5.5Bd5.0+Bd5.2+
FzH562zH793zHk33.1zHk94.4
Q81.0013.6―
611hcnurC.G.E
GNIKAEPGNIKAEPGNIKAEPGNIKAEP
ータギの)音だん歪やや(系チンラク 。すましく良をち立ブツのドンウサ
GBd5.4+Bd0.0Bd0.4+Bd0.2+
FzH041zHk00.1zHk88.1zHk56.5
Q8 5.436.09
712hcnurC.G.E
GNIKAEPGNIKAEPGNIKAEPFLEHS.H
61。すでンョシーエリバの
GBd5.2+Bd5.1+Bd5.2+Bd0.0
FzH521zH544zHk63.3zHk0.91
Q8 4.061.0―
811.tsiD.G.E
FLEHS.LGNIKAEPGNIKAEPFLEHS.H
け抜音のータギの系ンョシートスィデ 。すでグンィテッセるすく良を
GBd0.5+Bd0.0Bd5.3+Bd0.0
FzH453zH449zHk63.3zHk6.21
Q― 9 01―
912.tsiD.G.E
FLEHS.LGNIKAEPGNIKAEPFLEHS.H
81。すでンョシーエリバの
GBd0.6+−Bd5.8Bd5.4+Bd0.4+
FzH513zHk50.1zHk32.4zHk6.21
Q― 014―
021ekortS.G.A
GNIKAEPGNIKAEPGNIKAEPFLEHS.H
かやびらきのータギクッィテスーコア 。すでグンィテッセるす調強を分部な
G− Bd0.2Bd0.0Bd0.1+Bd0.4+
FzH501zHk00.1zHk88.1zHk33.5
Q9.05.45.3―

03D取扱説明書
56 第5章 イコライザー
03Dの
世界へ
ようこそ!
各部の
名称と機能
インプット
チャンネル
イコライザー
パン、
ルーティング、
サラウンドパン
ソロ、
モニター、
メーター
ステレオ
アウト
AUXアウト
バスアウト
チャンネル
ライブラリー
とビュー
内蔵
エフェクト
シーン
メモリー
オート
ミックス
その他の
機能
デジタル
I/O
MIDI
付 録
グループ、
ペア
ダイナミクス
プロセッサー
ユーザー
インター
フェース
の基礎知識
.oNルトイタ ーターメラパ 容 内
WOLDIM-LDIM-HHGIH
122ekortS.G.A
FLEHS.LGNIKAEPGNIKAEPFLEHS.H 02トクレエ。すでンョシーエリバの でいいもてっ使にータギトッガクッリ 。うょし
G− Bd5.3−Bd0.2Bd0.0Bd0.2+
FzH792zH947zHk00.2zHk65.3
Q― 9 5.4―
221.geprA.G.A
FLEHS.LGNIKAEPGNIKAEPGNIKAEP
オジペルアのータギクッィテスーコア 。すでグンィテッセるす正補を法奏
G− Bd5.0Bd0.0Bd0.0Bd0.2+
FzH322zHk00.1zHk00.4zHk27.6
Q― 5.45.421.0
322.geprA.G.A
FLEHS.LGNIKAEPGNIKAEPFLEHS.H
22。すでンョシーエリバの
GBd0.0−Bd5.5Bd0.0Bd0.4+
FzH771zH453zHk00.4zHk32.4
Q― 7 5.4―
42.ceSssarB
GNIKAEPGNIKAEPGNIKAEPGNIKAEP ンラト(ンョシクセスラブるあのリハ を)スクッサ、ンーボンロト、トッペ 場るす用使で体単。たしましジーメイ 、は合HGIHや DIM-IHのF ンケリフ( 。いさだくてし節調をどな)ーシ
G− Bd0.2−Bd0.1Bd5.1+Bd0.3+
FzH88zH148zHk11.2zHk94.4
Q8.227.07
521lacoVelaM
GNIKAEPGNIKAEPGNIKAEPGNIKAEP 利てしとトーレプンテの用ルカーボ性男 質声。すでンョシーゼイラコイるきで用 てじ応にHGIHや DIM-IHのF ンケリフ(。いさだくてし節調をどな)ーシ
G− Bd5.0Bd0.0Bd0.2+Bd5.3+
FzH781zHk00.1zHk00.2zHk27.6
Q11.05.465.011.0
622lacoVelaM
GNIKAEPGNIKAEPGNIKAEPFLEHS.H
52。すでンョシーエリバの
GBd0.2+−Bd0.5−Bd5.2Bd0.4+
FzH761zH632zHk76.2zHk27.6
Q11.0016.5―
721.oVelameF
GNIKAEPGNIKAEPGNIKAEPGNIKAEP 利てしとトーレプンテの用ルカーボ性女 質声。すでンョシーゼイラコイるきで用 てじ応にHGIHや DIM-IHのF ンケリフ(。いさだくてし節調をどな)ーシ
G− Bd0.1Bd0.1+Bd5.1+Bd0.2+
FzH811zH793zHk76.2zHk99.5
Q81.054.065.041.0
822.oVelameF
FLEHS.LGNIKAEPGNIKAEPFLEHS.H
72。すでンョシーエリバの
G− Bd0.7Bd5.1+Bd5.1+Bd5.2+
FzH111zH433zHk00.2zHk27.6
Q― 61.02.0―
92omraH&surohC
GNIKAEPGNIKAEPGNIKAEPGNIKAEP 用利てしとトーレプンテの用スラーコ ーコ。すでンョシーゼイラコイるきで 。すましくる明を体全スラ
G− Bd0.2−Bd0.1Bd5.1+Bd0.3+
FzH88zH148zHk11.2zHk94.4
Q8.227.07
031QElatoT
GNIKAEPGNIKAEPGNIKAEPFLEHS.H OERETSッミ(とこるす用使でスバ ラグロプに提前を)どな時ンウダスク グンジイラコイルタートたれさグンミ 、ばれす用併とーサッレプンコ。すで 。すで的果効にらさ
G− Bd5.0Bd0.0Bd0.3+Bd5.6+
FzH49zH449zHk11.2zHk0.61
Q7 2.26.5―

03D取扱説明書
第5章 イコライザー 57
03Dの
世界へ
ようこそ!
各部の
名称と機能
インプット
チャンネル
イコライザー
パン、
ルーティング、
サラウンドパン
ソロ、
モニター、
メーター
ステレオ
アウト
AUXアウト
バスアウト
チャンネル
ライブラリー
とビュー
内蔵
エフェクト
シーン
メモリー
オート
ミックス
その他の
機能
デジタル
I/O
MIDI
付 録
グループ、
ペア
ダイナミクス
プロセッサー
ユーザー
インター
フェース
の基礎知識
.oNルトイタ ーターメラパ 容 内
WOLDIM-LDIM-HHGIH
132QElatoT
GNIKAEPGNIKAEPGNIKAEPFLEHS.H
03。すでンョシーエリバの
GBd0.4+Bd5.1+Bd0.2+Bd0.6+
FzH49zH947zHk87.1zHk9.71
Q7 8.26.5―
233QElatoT
FLEHS.LGNIKAEPGNIKAEPFLEHS.H 03。すでンョシーエリバの
03∼23スの独単、はグンィテッセの リのトクェフエ部外、スーソオレテ 。うょしでいいもてし用利にンータ
GBd5.1+Bd5.0+Bd0.2+Bd0.4+
FzH66zH148zHk88.1zHk1.51
Q― 82.07.0―
333murDssaB
GNIKAEPGNIKAEPGNIKAEPGNIKAEP 10、20の 2/1murDssaBーエリバの サのじ感たい抜を域低中。すでンョシ 。すでドンウ
GBd5.3+−Bd0.01Bd5.3+Bd0.0
FzH811zH513zHk32.4zHk1.02
Q2 014.04.0
433murDeranS
FLEHS.LGNIKAEPGNIKAEPGNIKAEP 30、40の 2/1murDeranSーエリバの でドンウサのめ太やや。すでンョシ。す
GBd0.0Bd0.2+Bd5.3+Bd0.0
FzH322zH165zHk32.4zHk00.4
Q― 5.48.21.0
532mot-moT
FLEHS.LGNIKAEPGNIKAEPFLEHS.H
、たし調強を域高中1mot-moTリバの
。すでンョシーエ
G− Bd0.9Bd5.1+Bd0.2+Bd0.0
FzH88zH012zHk33.5zHk9.61
Q― 5.42.1―
633onaiP
GNIKAEPGNIKAEPGNIKAEPFLEHS.H
31、41の 2/1onaiPンョシーエリバの
。すで
GBd5.4+−Bd0.31Bd5.4+Bd5.2+
FzH99zH274zHk73.2zHk0.01
Q8 019―
73woLonaiP
GNIKAEPGNIKAEPGNIKAEPFLEHS.H 録オレテスてけ分に域高/域低をノアピ ーゼイラコイの用域低、のきとたし音 。すでンョシ83てし用使てせわ合み組と
。いさだく
G− Bd5.5Bd5.1+Bd0.6+Bd0.0
FzH781zH793zHk27.6zHk6.21
Q013.62.2―
83hgiHonaiP
GNIKAEPGNIKAEPGNIKAEPGNIKAEP オレテスてけ分に域高/域低をノアピ イラコイの用域高、のきとたし音録 。すでンョシーゼ73てせわ合み組と
。いさだくてし用使
G− Bd5.5Bd5.1+Bd0.5+Bd0.3+
FzH781zH793zHk27.6zHk56.5
Q013.62.21.0
93ssaCQE-eniF
FLEHS.LGNIKAEPGNIKAEPFLEHS.H せか聴リキッハを音のプーテトッセカ ンィテッセるきで用利にどな合場いた 。すでグ
G− Bd5.1Bd0.0Bd0.1+Bd0.3+
FzH47zHk00.1zHk00.4zHk6.21
Q― 5.48.1―
04rotarraN
GNIKAEPGNIKAEPGNIKAEPFLEHS.H
るす音録を声なうよるいでん読を稿原 。すでグンィテッセるきで用利にきと
G− Bd0.4−Bd0.1Bd0.2+Bd0.0
FzH501zH707zHk25.2zHk0.01
Q4 7 36.0―

03D取扱説明書
第6章 パン、ルーティング、サラウンドパン 59
03Dの
世界へ
ようこそ!
各部の
名称と機能
インプット
チャンネル
イコライザー
パン、
ルーティング、
サラウンドパン
ソロ、
モニター、
メーター
ステレオ
アウト
AUXアウト
バスアウト
チャンネル
ライブラリー
とビュー
内蔵
エフェクト
シーン
メモリー
オート
ミックス
その他の
機能
デジタル
I/O
MIDI
付 録
グループ、
ペア
ダイナミクス
プロセッサー
ユーザー
インター
フェース
の基礎知識
第6章 パン、ルーティング、サラウンドパン
6
本章の目次
パンモードの選択 ................................................................................................60
ステレオパン、バランス、ルーティング ............................................................61
ステレオペア、パン、ルーティング ....................................................................63
サラウンドパン ....................................................................................................64
サラウンドパンの使い方 ....................................................................................67

03D取扱説明書
60 第6章 パン、ルーティング、サラウンドパン
03Dの
世界へ
ようこそ!
各部の
名称と機能
インプット
チャンネル
イコライザー
パン、
ルーティング、
サラウンドパン
ソロ、
モニター、
メーター
ステレオ
アウト
AUXアウト
バスアウト
チャンネル
ライブラリー
とビュー
内蔵
エフェクト
シーン
メモリー
オート
ミックス
その他の
機能
デジタル
I/O
MIDI
付 録
グループ、
ペア
ダイナミクス
プロセッサー
ユーザー
インター
フェース
の基礎知識
パンモードの選択
03Dには通常のステレオパンに加え、3種類のサラウンドパンモードが搭載されてい
ます。パンモードはSurroundページで設定します。
1. [PAN/ROUTING]キーを使ってつぎのSurroundページを表示させてください。
2. [CURSOR]キーでパンモード(STEREO、2+2、3+1、3+2+1)を選択してください。
3. [ENTER]キーを押してください。選択したパンモードが有効になります。
マウスを使っている場合は、パンモードボタンをクリックしてください。
サラウンドパンモード(2+2、3+1、3+2+1)を選択すると、Bus to STページのタイトルタ
ブがSurr.1−16およびSurr.17−24というサラウンドパン画面用のタイトルタブに変わ
ります。Bus to STページは、ステレオパンモード(STEREO)を選択したときにのみ使
用できます。
ステレオパンモードは、61ページの「ステレオパン、バランス、ルーティング」で説明し
ます。
サラウンドパンモードは、64ページの「サラウンドパン」で説明します。

03D取扱説明書
第6章 パン、ルーティング、サラウンドパン 61
03Dの
世界へ
ようこそ!
各部の
名称と機能
インプット
チャンネル
イコライザー
パン、
ルーティング、
サラウンドパン
ソロ、
モニター、
メーター
ステレオ
アウト
AUXアウト
バスアウト
チャンネル
ライブラリー
とビュー
内蔵
エフェクト
シーン
メモリー
オート
ミックス
その他の
機能
デジタル
I/O
MIDI
付 録
グループ、
ペア
ダイナミクス
プロセッサー
ユーザー
インター
フェース
の基礎知識
ステレオパン、バランス、ルーティング
インプットチャンネル、ステレオインプットチャンネル、エフェクトリターンの各信
号は、バス1∼4とSTEREOバスに送信できます。さらにインプットチャンネル信号に
はパンが、ステレオインプットチャンネル信号とエフェクトリターン信号にはバラン
スとパンがそれぞれ設定できます。ステレオインプットチャンネルとエフェクトリ
ターンのパンは、ステレオ音像の幅の調整に使用します。
パン、バランス、ルーティングの設定は、[PAN/ROUTING]キーで呼び出したページで
行います。
1. [PAN/ROUTING]キーを使ってつぎのページを表示させてください。
つぎのページは、インプットチャンネル1∼16のパンとルーティングを設定するペー
ジです。
つぎのページは、インプットチャンネル17∼24、ステレオインプットチャンネル、エ
フェクトリターンのパンとルーティングを設定するページです。
2. [SEL]キーと[MIXING LAYER]キーを使ってチャンネルを選択してください。
詳細は、31ページの「ミキシングレイヤー」をご参照ください。
3. [CURSOR]キーでパラメーターを選択し、[ENTER]キーと[PARAMETER]ダイアルで
値を設定してください。
マウスを使っている場合は、1∼4、STのバスルーティングボタンをクリックしてくだ
さい。
パンとバランスを設定する場合は、マウスカーソルをパンの回転ノブに合わせ、マウ
スの左ボタンを押しながらマウスをドラッグします。
パン&バランス
インプットチャンネル1∼24では、1つのパン回転ノブを使って左右のSTE-
REOバス、および奇数と偶数のバス間で信号を定位させます。

03D取扱説明書
62 第6章 パン、ルーティング、サラウンドパン
03Dの
世界へ
ようこそ!
各部の
名称と機能
インプット
チャンネル
イコライザー
パン、
ルーティング、
サラウンドパン
ソロ、
モニター、
メーター
ステレオ
アウト
AUXアウト
バスアウト
チャンネル
ライブラリー
とビュー
内蔵
エフェクト
シーン
メモリー
オート
ミックス
その他の
機能
デジタル
I/O
MIDI
付 録
グループ、
ペア
ダイナミクス
プロセッサー
ユーザー
インター
フェース
の基礎知識
ステレオインプットチャンネルとエフェクトリターンには2つのパン回転
ノブがあります。1つは左チャンネル用、もう1つは右チャンネル用です。こ
のパン回転ノブを使って、ステレオ信号の音像の幅を調整します。
この図のように左の回転ノブをL16に、右の回転ノブをR16に設定すると、
音像の幅は100%となります。
この図のように両方の回転ノブをCENTER(センター)にすると、音像の幅
はゼロになります。このとき信号はモノラルとして各バスに送られます。
回転ノブをこれら2種類の設定値の間に合わせれば、ステレオ信号の広が
りを変えられます。ただし、中央に定位させるためには、左右を同じ値にし
てください。たとえば、L5とR5、あるいはL10とR10といった組み合わせで
す。
ステレオインプットチャンネルとエフェクトリターンには、バランス回転
ノブが用意されています。バランス回転ノブは、左右の信号の音量バラン
スの調節に使用します。この操作は、ステレオ音像の幅には影響ありませ
ん。
パンとバランスには、センター位置を含めて全部で33個のポジションがあります。
L16←L15←···←L2←L1← CENTER →R1→R2→···→R15→R16
Left Center Right
パンモード
Pan1−16、Pan17−24、Bus to STの各ページに共通のMODEボタンは、ステレオイン
プットチャンネル、ステレオエフェクトリターン、ステレオペアを組んでいるイン
プットチャンネルのパンモード設定に使用します。
このモードでは、左右のパン回転ノブを個別に調整します。
このモードでは、左右のパン回転ノブが連動します。
このモードでは左右のパン回転ノブが連動しますが、動作は逆になります
(つまり、左右のパン回転ノブが逆方向に動きます)。
ルーティング
反転表示されているルーティングボタンは、チャンネルの信号がそのバスに送られて
いることを示しています。
インプットチャンネル1∼16には4つのルーティングボタン(1、2、3、4)、ス
テレオルーティングボタン(ST)、ダイレクト出力ボタン(D)があります。
ダイレクト出力ボタンについては、43ページ「ダイレクト出力」をご参照く
ださい。
インプットチャンネル17∼24には4つのルーティングボタン(1、2、3、4)、ス
テレオルーティングボタン(ST)があります。

03D取扱説明書
第6章 パン、ルーティング、サラウンドパン 63
03Dの
世界へ
ようこそ!
各部の
名称と機能
インプット
チャンネル
イコライザー
パン、
ルーティング、
サラウンドパン
ソロ、
モニター、
メーター
ステレオ
アウト
AUXアウト
バスアウト
チャンネル
ライブラリー
とビュー
内蔵
エフェクト
シーン
メモリー
オート
ミックス
その他の
機能
デジタル
I/O
MIDI
付 録
グループ、
ペア
ダイナミクス
プロセッサー
ユーザー
インター
フェース
の基礎知識
バスアウトがステレオペアとして組まれるとルーティングボタンは一緒
になり一つになります。詳細は、116ページの「ステレオペア」をご参照くだ
さい。
ステレオペア、パン、ルーティング
PAIRファンクション(116ページの「ステレオペア」をご参照ください)を使ってイン
プットチャンネルのステレオペアを組むと、回転ノブやボタンの動作が変化します。
この図は、インプットチャンネル1、2がステレオペアとして組まれた
場合の例です。それぞれのチャンネルのルーティングボタンをクリッ
クして両チャンネルのルーティングを設定します。
2つのパン回転ノブの動作は、選択されているパンモードによって異
なります。詳細は、62ページの「パンモード」をご参照ください。
この図では、チャンネル17、18のペアがステレオペアとなっています。
ダイレクト出力ボタンがない以外は、上記のステレオペアと同じ動作
をします。
この図は、バスアウトがステレオペアとして組まれ、ルーティングボ
タンが一緒になり、一つになったことを表わしています。

03D取扱説明書
64 第6章 パン、ルーティング、サラウンドパン
03Dの
世界へ
ようこそ!
各部の
名称と機能
インプット
チャンネル
イコライザー
パン、
ルーティング、
サラウンドパン
ソロ、
モニター、
メーター
ステレオ
アウト
AUXアウト
バスアウト
チャンネル
ライブラリー
とビュー
内蔵
エフェクト
シーン
メモリー
オート
ミックス
その他の
機能
デジタル
I/O
MIDI
付 録
グループ、
ペア
ダイナミクス
プロセッサー
ユーザー
インター
フェース
の基礎知識
サラウンドパン
03Dには通常のステレオパンに加え、3つのサラウンドパンモード(2+2、3+1、3+2+1)が
搭載されています。これらのサラウンドパンモードは、ステレオアウトとバスアウト
を組み合わせることで、2次元空間内にチャンネルの音をパニングさせます。音は直線
状、半円状、円状、楕円状の軌跡をとることができます。また、マウスを使ってリアルタ
イムで自由に移動させることもできます。
サラウンドパンモードはSurroundページで選択します。詳細は、60ページの「パンモー
ドの選択」をご参照ください。
出力先の割り当て
つぎの表は、各サラウンドパンモードで03Dの出力に割り当てられるサラウンドチャ
ンネルを示しています。現在使用しているサラウンドモードに対応する出力端子を、
サラウンドサウンド用モニターシステムやレコーダーに接続してください。
モード ST-L ST-R BUS 1 BUS 2 BUS 3 BUS 4
Stereo LR
(左) (右) − − − −
2+2 FL FR RL RR
(左フロント)(右フロント) − − (左リア) (右リア)
3+1 LR CS
(左) (右) − − (センター)(サラウンド)
3+2+1 FL FR FC SW RL RR
(左フロント)(右フロント)(右センター)
(サブウーファー)
(左リア) (右リア)
STEREO(ステレオパンモード)
左右フロントチャンネルによる通常のステレオパンモードです。正確
にはサラウンドパンモードではありませんが、さまざまなパンモード
の相違点を強調するために、ここで説明しておきます。詳細は、61ペー
ジの「ステレオパン、バランス、ルーティング」をご参照ください。
つぎの図は、03Dを使った通常のステレオサウンドシステム表わして
います。
PHONES
PHONES
+10 –34
–60–16
26dB
1
+10 –34
–60–16
26dB
2
+10 –34
–60–16
26dB
3
+10 –34
–60–16
26dB
4
+10 –34
–60–16
26dB
5
+10 –34
–60–16
26dB
6
+10 –34
–60–16
26dB
7
+10 –34
–60–16
26dB
8
+10 –20
+10
9
GAIN
+10 –20
+10
10
GAIN
+10 –20
+10
11
GAIN
+10 –20
+10
12
GAIN
+10 –20
+10
13
GAIN
+10 –20
+10
14
GAIN
+10 –20
+10
15
GAIN
+10 –20
+10
16
GAIN
+10 –20
+10
ST IN
GAINGAIN GAIN GAIN GAIN GAIN GAIN GAIN GAIN
100
SOLO/ 2TR IN
MONITOR
OUT
LEVEL
100
LEVEL
SCENE MEMORYSETUP
CHANNEL CONTROL
FADER MODE
MIXING LAYER
1–16
17–24/MASTER
USER DEFINE
SOLO
RECALL
ENTER
L STEREO R
USER DEFINE
EFFECT RTNST IN13–169–12FADER 1–8
SCENE MEMORY
FUNCTION
SEL CH
FADER
STATUS
SCENE
MEMORY MIDI
REMOTE
UTILITY
AUTOMIX
VIEW
HIGHHI-MID
LO-MIDEQ LOW
AUX 1
FADER EFFECT 1 EFFECT 2
AUX 2 AUX 3 AUX 4
EQ LIBRARY
SOLO SETUPGROUP/PAIR
DYNAMICSDELAY/ØPAN/ROUTING
MIDI
DIO
PARAMETER
CURSOR
STORE
UNDO/
REDO
CLIP
–3
–6
–9
–12
–15
–18
–24
–30
–36
–42
–48
SEL
ON
SEL
ON
SEL
ON
SEL
ON
SEL
ON
SEL
ON
SEL
ON
SEL SEL
ON ON
SEL
ON
SEL
ON
SEL
ON
SEL
ON
SEL
ON
SEL
ON
SEL
ON
SEL
ON
SEL
ON
SEL
ON
12345678910111213141516
ST IN
EFFECT
RETURN
ST OUT
17 18 19 20 21 22 23 24 AUX1 AUX2 AUX3 AUX4 BUS1 BUS2 BUS3 BUS4
12345678910111213141516
ST IN
EFFECT
RETURN
ST OUT
17 18 19 20 21 22 23 24 AUX1 AUX2 AUX3 AUX4 BUS1 BUS2 BUS3 BUS4
6
0
5
10
20
40
60
00
6
0
5
10
20
40
60
00
6
0
5
10
20
40
60
00
6
0
5
10
20
40
60
00
6
0
5
10
20
40
60
00
6
0
5
10
20
40
60
00
6
0
5
10
20
40
60
00
6
0
5
10
20
40
60
00
6
0
5
10
20
40
60
00
6
0
5
10
20
40
60
00
6
0
5
10
20
40
60
00
6
0
5
10
20
40
60
00
6
0
5
10
20
40
60
00
6
0
5
10
20
40
60
00
6
0
5
10
20
40
60
00
6
0
5
10
20
40
60
00
6
0
5
10
20
40
60
00
6
0
5
10
20
40
60
00
6
0
5
10
20
40
60
00
SOLO
12
PAD
EQ FLAT
METER
12
34
L
Amps
Recorder
R
ST OUT-L
ST OUT-R

03D取扱説明書
第6章 パン、ルーティング、サラウンドパン 65
03Dの
世界へ
ようこそ!
各部の
名称と機能
インプット
チャンネル
イコライザー
パン、
ルーティング、
サラウンドパン
ソロ、
モニター、
メーター
ステレオ
アウト
AUXアウト
バスアウト
チャンネル
ライブラリー
とビュー
内蔵
エフェクト
シーン
メモリー
オート
ミックス
その他の
機能
デジタル
I/O
MIDI
付 録
グループ、
ペア
ダイナミクス
プロセッサー
ユーザー
インター
フェース
の基礎知識
2+2(サラウンドパンモード)
2+2サラウンドパンモードでは、左右フロント、左右リアの4チャンネ
ルを使用します。フロントスピーカーには03Dのステレオ出力から、
リアスピーカーにはバスアウト3と4から信号が送られます。
つぎの図は、03Dを使った2+2サラウンドサウンドシステムを表わし
ています。
PHONES
PHONES
+10 –34
–60–16
26dB
1
+10 –34
–60–16
26dB
2
+10 –34
–60–16
26dB
3
+10 –34
–60–16
26dB
4
+10 –34
–60–16
26dB
5
+10 –34
–60–16
26dB
6
+10 –34
–60–16
26dB
7
+10 –34
–60–16
26dB
8
+10 –20
+10
9
GAIN
+10 –20
+10
10
GAIN
+10 –20
+10
11
GAIN
+10 –20
+10
12
GAIN
+10 –20
+10
13
GAIN
+10 –20
+10
14
GAIN
+10 –20
+10
15
GAIN
+10 –20
+10
16
GAIN
+10 –20
+10
ST IN
GAINGAIN GAIN GAIN GAIN GAIN GAIN GAIN GAIN
100
SOLO/ 2TR IN
MONITOR
OUT
LEVEL
100
LEVEL
SCENE MEMORYSETUP
CHANNEL CONTROL
FADER MODE
MIXING LAYER
1–16
17–24/MASTER
USER DEFINE
SOLO
RECALL
ENTER
L STEREO R
USER DEFINE
EFFECT RTNST IN13–169–12FADER 1–8
SCENE MEMORY
FUNCTION
SEL CH
FADER
STATUS
SCENE
MEMORY MIDI
REMOTE
UTILITY
AUTOMIX
VIEW
HIGHHI-MID
LO-MIDEQ LOW
AUX 1
FADER EFFECT 1 EFFECT 2
AUX 2 AUX 3 AUX 4
EQ LIBRARY
SOLO SETUPGROUP/PAIR
DYNAMICSDELAY/ØPAN/ROUTING
MIDI
DIO
PARAMETER
CURSOR
STORE
UNDO/
REDO
CLIP
–3
–6
–9
–12
–15
–18
–24
–30
–36
–42
–48
SEL
ON
SEL
ON
SEL
ON
SEL
ON
SEL
ON
SEL
ON
SEL
ON
SEL SEL
ON ON
SEL
ON
SEL
ON
SEL
ON
SEL
ON
SEL
ON
SEL
ON
SEL
ON
SEL
ON
SEL
ON
SEL
ON
1 2 3 4 5 6 7 8 9 10111213141516
ST IN
EFFECT
RETURN
ST OUT
17 18 19 20 21 22 23 24 AUX1 AUX2 AUX3 AUX4 BUS1 BUS2 BUS3 BUS4
1 2 3 4 5 6 7 8 9 10111213141516
ST IN
EFFECT
RETURN
ST OUT
17 18 19 20 21 22 23 24 AUX1 AUX2 AUX3 AUX4 BUS1 BUS2 BUS3 BUS4
6
0
5
10
20
40
60
00
6
0
5
10
20
40
60
00
6
0
5
10
20
40
60
00
6
0
5
10
20
40
60
00
6
0
5
10
20
40
60
00
6
0
5
10
20
40
60
00
6
0
5
10
20
40
60
00
6
0
5
10
20
40
60
00
6
0
5
10
20
40
60
00
6
0
5
10
20
40
60
00
6
0
5
10
20
40
60
00
6
0
5
10
20
40
60
00
6
0
5
10
20
40
60
00
6
0
5
10
20
40
60
00
6
0
5
10
20
40
60
00
6
0
5
10
20
40
60
00
6
0
5
10
20
40
60
00
6
0
5
10
20
40
60
00
6
0
5
10
20
40
60
00
SOLO
12
PAD
EQ FLAT
METER
12
34 FL
Amps
Recorder
FR
RL RR
ST OUT-L
ST OUT-R
BUS OUT 3
BUS OUT 4
2+2(サラウンドパン)モードでは、チャンネルルーティングとパンは、左図のよ
うになります。パンコントロールとルーティング1、2ボタンは、チャンネル信号
をバスアウト1、2へアサインする機能として、そのまま使えます。
3+1(サラウンドパンモード)
3+1サラウンドパンモードでは、左右フロント、センター、サラウンド
の4チャンネルを使用します。フロントスピーカーには03Dのステレ
オ出力から、センタースピーカーにはバスアウト3から、サラウンドス
ピーカーにはバスアウト4から信号が送られます。
つぎの図は、03Dを使った3+1サラウンドサウンドシステムを表わし
ています。この例は、ドルビーサラウンドのオーサリングに応用でき
ます。
PHONES
PHONES
+10 –34
–60–16
26dB
1
+10 –34
–60–16
26dB
2
+10 –34
–60–16
26dB
3
+10 –34
–60–16
26dB
4
+10 –34
–60–16
26dB
5
+10 –34
–60–16
26dB
6
+10 –34
–60–16
26dB
7
+10 –34
–60–16
26dB
8
+10 –20
+10
9
GAIN +10 –20
+10
10
GAIN +10 –20
+10
11
GAIN +10 –20
+10
12
GAIN +10 –20
+10
13
GAIN +10 –20
+10
14
GAIN +10 –20
+10
15
GAIN +10 –20
+10
16
GAIN +10 –20
+10
ST IN
GAINGAIN GAIN GAIN GAIN GAIN GAIN GAIN GAIN 100
SOLO/ 2TR IN
MONITOR
OUT
LEVEL 100LEVEL
SCENE MEMORYSETUP
CHANNEL CONTROL
FADER MODE
MIXING LAYER
1–16
17–24/MASTER
USER DEFINE
SOLO
RECALL
ENTER
L STEREO R
USER DEFINE
EFFECT RTNST IN13–169–12FADER 1–8
SCENE MEMORY
FUNCTION
SEL CH
FADER
STATUS
SCENE
MEMORY MIDI
REMOTE
UTILITY
AUTOMIX
VIEW
HIGHHI-MID
LO-MIDEQ LOW
AUX 1
FADER EFFECT 1 EFFECT 2
AUX 2 AUX 3 AUX 4
EQ LIBRARY
SOLO SETUPGROUP/PAIR
DYNAMICSDELAY/ØPAN/ROUTING
MIDI
DIO
PARAMETER
CURSOR
STORE
UNDO/
REDO
CLIP
–3
–6
–9
–12
–15
–18
–24
–30
–36
–42
–48
SEL
ON
SEL
ON
SEL
ON
SEL
ON
SEL
ON
SEL
ON
SEL
ON
SEL SEL
ON ON
SEL
ON
SEL
ON
SEL
ON
SEL
ON
SEL
ON
SEL
ON
SEL
ON
SEL
ON
SEL
ON
SEL
ON
1 2 3 4 5 6 7 8 9 10111213141516
ST IN
EFFECT
RETURN
ST OUT
17 18 19 20 21 22 23 24 AUX1 AUX2 AUX3 AUX4 BUS1 BUS2 BUS3 BUS4
1 2 3 4 5 6 7 8 9 10111213141516
ST IN EFFECT
RETURN ST OUT
17 18 19 20 21 22 23 24 AUX1 AUX2 AUX3 AUX4 BUS1 BUS2 BUS3 BUS4
6
0
5
10
20
40
60
00
6
0
5
10
20
40
60
00
6
0
5
10
20
40
60
00
6
0
5
10
20
40
60
00
6
0
5
10
20
40
60
00
6
0
5
10
20
40
60
00
6
0
5
10
20
40
60
00
6
0
5
10
20
40
60
00
6
0
5
10
20
40
60
00
6
0
5
10
20
40
60
00
6
0
5
10
20
40
60
00
6
0
5
10
20
40
60
00
6
0
5
10
20
40
60
00
6
0
5
10
20
40
60
00
6
0
5
10
20
40
60
00
6
0
5
10
20
40
60
00
6
0
5
10
20
40
60
00
6
0
5
10
20
40
60
00
6
0
5
10
20
40
60
00
SOLO
12
PAD
EQ FLAT
METER
12
34
L
Amps
Recorder
CR
S
ST OUT-L
ST OUT-R
BUS OUT 3
BUS OUT 4

03D取扱説明書
66 第6章 パン、ルーティング、サラウンドパン
03Dの
世界へ
ようこそ!
各部の
名称と機能
インプット
チャンネル
イコライザー
パン、
ルーティング、
サラウンドパン
ソロ、
モニター、
メーター
ステレオ
アウト
AUXアウト
バスアウト
チャンネル
ライブラリー
とビュー
内蔵
エフェクト
シーン
メモリー
オート
ミックス
その他の
機能
デジタル
I/O
MIDI
付 録
グループ、
ペア
ダイナミクス
プロセッサー
ユーザー
インター
フェース
の基礎知識
3+1(サラウンドパン)モードでは、チャンネルルーティングとパンは、左図のよ
うになります。パンコントロールとルーティング1、2ボタンはチャンネル信号
をバスアウト1、2へアサインする機能として、そのまま使えます。SURRボタン
は、チャンネルをサラウンド出力へアサインするために使います。
3+2+1(サラウンドパンモード)
3+2+1サラウンドパンモードでは、左右フロント、左右リア、フロント
センター、サブウーファーの6チャンネルを使用します。フロントス
ピーカーには03Dのステレオ出力から、リアスピーカーにはバスアウ
ト3と4から、フロントセンタースピーカーにはバスアウト1から、サブ
ウーファーにはバスアウト2から信号が送られます。
つぎの図は、03Dを使った3+2+1サラウンドサウンドシステムを表わ
しています。この例は、ドルビーAC-3サラウンドのオーサリングに応
用できます。
PHONES
PHONES
+10 –34
–60–16
26dB
1
+10 –34
–60–16
26dB
2
+10 –34
–60–16
26dB
3
+10 –34
–60–16
26dB
4
+10 –34
–60–16
26dB
5
+10 –34
–60–16
26dB
6
+10 –34
–60–16
26dB
7
+10 –34
–60–16
26dB
8
+10 –20
+10
9
GAIN
+10 –20
+10
10
GAIN
+10 –20
+10
11
GAIN
+10 –20
+10
12
GAIN
+10 –20
+10
13
GAIN
+10 –20
+10
14
GAIN
+10 –20
+10
15
GAIN
+10 –20
+10
16
GAIN
+10 –20
+10
ST IN
GAINGAIN GAIN GAIN GAIN GAIN GAIN GAIN GAIN
100
SOLO/ 2TR IN
MONITOR
OUT
LEVEL
100
LEVEL
SCENE MEMORYSETUP
CHANNEL CONTROL
FADER MODE
MIXING LAYER
1–16
17–24/MASTER
USER DEFINE
SOLO
RECALL
ENTER
L STEREO R
USER DEFINE
EFFECT RTNST IN13–169–12FADER 1–8
SCENE MEMORY
FUNCTION
SEL CH
FADER
STATUS
SCENE
MEMORY MIDI
REMOTE
UTILITY
AUTOMIX
VIEW
HIGHHI-MID
LO-MIDEQ LOW
AUX 1
FADER EFFECT 1 EFFECT 2
AUX 2 AUX 3 AUX 4
EQ LIBRARY
SOLO SETUPGROUP/PAIR
DYNAMICSDELAY/ØPAN/ROUTING
MIDI
DIO
PARAMETER
CURSOR
STORE
UNDO/
REDO
CLIP
–3
–6
–9
–12
–15
–18
–24
–30
–36
–42
–48
SEL
ON
SEL
ON
SEL
ON
SEL
ON
SEL
ON
SEL
ON
SEL
ON
SEL SEL
ON ON
SEL
ON
SEL
ON
SEL
ON
SEL
ON
SEL
ON
SEL
ON
SEL
ON
SEL
ON
SEL
ON
SEL
ON
12345678910111213141516
ST IN
EFFECT
RETURN
ST OUT
17 18 19 20 21 22 23 24 AUX1 AUX2 AUX3 AUX4 BUS1 BUS2 BUS3 BUS4
12345678910111213141516
ST IN
EFFECT
RETURN
ST OUT
17 18 19 20 21 22 23 24 AUX1 AUX2 AUX3 AUX4 BUS1 BUS2 BUS3 BUS4
6
0
5
10
20
40
60
00
6
0
5
10
20
40
60
00
6
0
5
10
20
40
60
00
6
0
5
10
20
40
60
00
6
0
5
10
20
40
60
00
6
0
5
10
20
40
60
00
6
0
5
10
20
40
60
00
6
0
5
10
20
40
60
00
6
0
5
10
20
40
60
00
6
0
5
10
20
40
60
00
6
0
5
10
20
40
60
00
6
0
5
10
20
40
60
00
6
0
5
10
20
40
60
00
6
0
5
10
20
40
60
00
6
0
5
10
20
40
60
00
6
0
5
10
20
40
60
00
6
0
5
10
20
40
60
00
6
0
5
10
20
40
60
00
6
0
5
10
20
40
60
00
SOLO
12
PAD
EQ FLAT
METER
12
34
FL
Amps
Recorder
FC FR
SW
RL RR
ST OUT-L
ST OUT-R
BUS OUT 1
BUS OUT 2
BUS OUT 3
BUS OUT 4
3+2+1(サラウンドパン)モードではチャンネルルーティングとパンは左図のよ
うになります。パンコントロールはサブウーファーのレベルトリムのコント
ロールに替わり、ルーティング1、2ボタンはサブウーファーのアサインボタン
となります。SURRボタンはチャンネルをサラウンド出力へアサインするため
に使います。

03D取扱説明書
第6章 パン、ルーティング、サラウンドパン 67
03Dの
世界へ
ようこそ!
各部の
名称と機能
インプット
チャンネル
イコライザー
パン、
ルーティング、
サラウンドパン
ソロ、
モニター、
メーター
ステレオ
アウト
AUXアウト
バスアウト
チャンネル
ライブラリー
とビュー
内蔵
エフェクト
シーン
メモリー
オート
ミックス
その他の
機能
デジタル
I/O
MIDI
付 録
グループ、
ペア
ダイナミクス
プロセッサー
ユーザー
インター
フェース
の基礎知識
サラウンドパンの使い方
サラウンドパンモードを選択すると(60ページの「パンモードの選択」を参照)、つぎの
Surr.1−16ページとSurr.17−24ページを呼び出すことができるようになります。
1. [PAN/ROUTING]キーでつぎのSurr.1∼16ページとSurr.17∼24ページを表示させて
ください。
Surr.1−16ページには、インプットチャンネル1∼16のサラウンドパンコントローラー
が表示されます。
Surr.17−24ページには、インプットチャンネル17∼24、ステレオインプットチャンネ
ル、エフェクトリターンのサラウンドパンコントローラーが表示されます。ステレオ
インプットチャンネルとエフェクトリターンの左右のチャンネルは、それぞれ独立し
て定位させることができます。
これらのページでは、各チャンネルのサラウンドパンの位置が2次元のパ
ングラフで、さらにパンの現在位置が小さな丸印で表示されます。パング
ラフの上下にある小さなスピーカーアイコンは、現在選択されているサラ
ウンドパンモードを表わしています。この例では、フロントとリアに2つの
スピーカーが表示されているので、2+2サラウンドモードが選択されてい
ることがわかります。また、大きい方の円は、現在円形状の軌道が選択され
ていることを示しています。軌道の設定は、サラウンドパン軌道ウインド
ウで行います。パングラフの下には2つのパラメーターボックスがありま
す。(左右)のパラメーターは左、右の位置を示し、(前後)のパラメー
ターはフロント、リアの位置を示します。また、これらのパラメーターはそ
れらの位置の調整にも使います。
2. [SEL]キーでチャンネルを選択し、[ENTER]キーを押してください。
マウスを使っている場合は、パングラフをクリックしてください。

03D取扱説明書
68 第6章 パン、ルーティング、サラウンドパン
03Dの
世界へ
ようこそ!
各部の
名称と機能
インプット
チャンネル
イコライザー
パン、
ルーティング、
サラウンドパン
ソロ、
モニター、
メーター
ステレオ
アウト
AUXアウト
バスアウト
チャンネル
ライブラリー
とビュー
内蔵
エフェクト
シーン
メモリー
オート
ミックス
その他の
機能
デジタル
I/O
MIDI
付 録
グループ、
ペア
ダイナミクス
プロセッサー
ユーザー
インター
フェース
の基礎知識
つぎのようなサラウンドパン軌道ウインドウが現われます。
Level meters
Surround mode/jump
PARAMETER
wheel speed
CSR (Center-Side-Ratio)
Selected channel
Trajectories
Width, Depth, Offset
レベルメーター 軌道
サラウンドモード/
ジャンプボタン
チャンネル
(幅)、(深さ)、
(オフセット)
CSR(センター:サイド比率)
パラメーター
ダイヤルスピード
3. [CURSOR]キーを使って軌道を選択し、[ENTER]キーを押してその軌道を確定させて
ください。
詳細は、69ページの「サラウンドパンの軌道」をご参照ください。
マウスを使っている場合は、軌道ボタンをクリックしてください。
4. [CURSOR]キーでWIDTH(幅)、DEPTH(深さ)、OFFSET(オフセット)のパラメーター
ボックスを選択し、[PARAMETER]ダイアルで値を設定してください。
マウスを使っている場合は、マウスカーソルを各パラメーターボックスに合わせ、マ
ウスの左ボタンを押しながらマウスをドラッグします。
左右の軌道と前後の軌道には、WIDTH、DEPTH、OFFSETパラメーターはありません。
5. カーソルを軌道ボタン上に移動し、[PARAMETER]ダイアルを回してください。選択
した軌道に沿って音像の定位が移動します。
カーソルがWIDTH、DEPTH、OFFSETのいずれかのパラメーターボックス上にあると
きに[PARAMETER]ダイアルを動かせばその値を調整できます。しかしカーソルが7
つの軌道ボタン上にあるときに[PARAMETER]ダイアルを動かせば、選択した軌道に
沿って音像を移動させることができます。
マウスを使っている場合は、2次元のパングラフ上をドラッグすることにより、リアル
タイムで音像を動かすことができます。
[CURSOR]キーでサラウンドモード/ジャンプボタンを選択し、[ENTER]キーを押
して音像を動かすこともできます。
6. サラウンドパン軌道ウインドウを閉じるには、[CURSOR]キーでEXITボタンを選択
し、[ENTER]キーを押してください。
マウスを使っている場合は、EXITボタンをクリックしてください。
Surr.1−16ページ、またはSurr.17−24ページに戻った後でも、[PARAMETER]ダイアル
を動かすことで、軌道に沿って音像を定位させることができます。

03D取扱説明書
第6章 パン、ルーティング、サラウンドパン 69
03Dの
世界へ
ようこそ!
各部の
名称と機能
インプット
チャンネル
イコライザー
パン、
ルーティング、
サラウンドパン
ソロ、
モニター、
メーター
ステレオ
アウト
AUXアウト
バスアウト
チャンネル
ライブラリー
とビュー
内蔵
エフェクト
シーン
メモリー
オート
ミックス
その他の
機能
デジタル
I/O
MIDI
付 録
グループ、
ペア
ダイナミクス
プロセッサー
ユーザー
インター
フェース
の基礎知識
サラウンドパンの軌道
03Dでは、以下のサラウンドパンの軌道が使用できます。
左右方向―音像が左右に移動します。つぎの図は典型的な左右方向の軌道を表
わしたものです。
前後方向―音像がフロントからリアへと移動します。つぎの図は典型的な前後
方向の軌道を表わしたものです。
左リアから右フロントへ―左のリアから右のフロントへ斜めに移動します。こ
の軌道では、WIDTH、DEPTH、OFFSETパラメーターを設定します。つぎの図は、
典型的な例です。
左フロントから右リアへ―音像が左フロントから右リアへ斜めに移動します。
この軌道では、WIDTH、DEPTH、OFFSETパラメーターを設定します。つぎの図
は、典型的な例です。

03D取扱説明書
70 第6章 パン、ルーティング、サラウンドパン
03Dの
世界へ
ようこそ!
各部の
名称と機能
インプット
チャンネル
イコライザー
パン、
ルーティング、
サラウンドパン
ソロ、
モニター、
メーター
ステレオ
アウト
AUXアウト
バスアウト
チャンネル
ライブラリー
とビュー
内蔵
エフェクト
シーン
メモリー
オート
ミックス
その他の
機能
デジタル
I/O
MIDI
付 録
グループ、
ペア
ダイナミクス
プロセッサー
ユーザー
インター
フェース
の基礎知識
左右の半円状―音像が左から右へ半円を描きながら移動します。WIDTHパラ
メーターとDEPTHパラメーターを使って、半円のサイズと形を指定できます。
軌道の形状は、完全な半円から細い楕円まで調整できます。OFFSETパラメー
ターを使えば、軌道全体を前後左右に移動できます。つぎの図は、典型的な軌道
の例です。
前後の半円状―音像がフロントからリアへ半円を描きながら移動します。
WIDTHパラメーターとDEPTHパラメーターを使って、半円のサイズと形を指
定できます。軌道の形状は、完全な半円から細い楕円まで調整できます。OFF-
SETパラメーターを使えば、軌道全体を前後左右に移動できます。つぎの図は、
典型的な軌道の例です。
円状―音像が円を描きながら移動します。WIDTHパラメーターとDEPTHパラ
メーターを使って、円のサイズと形を指定します。軌道の形状は、完全な円から
細い楕円まで調整できます。OFFSETパラメーターを使えば、軌道全体を前後左
右に移動できます。つぎの図は、典型的な軌道の例です。

03D取扱説明書
第6章 パン、ルーティング、サラウンドパン 71
03Dの
世界へ
ようこそ!
各部の
名称と機能
インプット
チャンネル
イコライザー
パン、
ルーティング、
サラウンドパン
ソロ、
モニター、
メーター
ステレオ
アウト
AUXアウト
バスアウト
チャンネル
ライブラリー
とビュー
内蔵
エフェクト
シーン
メモリー
オート
ミックス
その他の
機能
デジタル
I/O
MIDI
付 録
グループ、
ペア
ダイナミクス
プロセッサー
ユーザー
インター
フェース
の基礎知識
ステレオリンク
インプットチャンネルをリンクすると、音の動きは、7つの軌道と8つのパターンの組
み合わせから選ぶことができます。
1. [CURSOR]キーを使ってST LINKボタンを選択し、[ENTER]キーで
ステレオリンク機能をオンにしてください。
2. [CURSOR]キーを使ってPATTERNパラメーターを選択し、[PARAMETER]ダイアル
でパターンを選択してください。
つぎの図は軌道とパターンの組み合わせが作る動きを示しています。
Pattern
Trajectory
軌道
パターン
CSR(センター・サイド比)
センタースピーカーが使われている3+1(サラウンドパン)モード、3+2+1(サラウンド
パン)モード用に、CSRコントロールはセンタースピーカーと左右フロントスピー
カーにより作られるフロントセンターの音量の比率を設定します。
CSR 内 容
0フロントセンター音は左、右スピーカーからのみ出力されます。
0.5
フロントセンター音はセンター、左、右フロントスピーカーすべて同じ音量で出力されます。
1.0 フロントセンター音はセンタースピーカーからのみ出力されます。

03D取扱説明書
第7章 ソロ、モニター、メーター 73
03Dの
世界へ
ようこそ!
各部の
名称と機能
インプット
チャンネル
イコライザー
パン、
ルーティング、
サラウンドパン
ソロ、
モニター、
メーター
ステレオ
アウト
AUXアウト
バスアウト
チャンネル
ライブラリー
とビュー
内蔵
エフェクト
シーン
メモリー
オート
ミックス
その他の
機能
デジタル
I/O
MIDI
付 録
グループ、
ペア
ダイナミクス
プロセッサー
ユーザー
インター
フェース
の基礎知識
第7章 ソロ、モニター、メーター
7
本章の目次
モニター/ソロについて ....................................................................................74
モニター出力 ........................................................................................................75
ヘッドフォン端子 ................................................................................................75
モニタリング ........................................................................................................76
ソロのセットアップ ............................................................................................77
ソロ機能の使い方 ................................................................................................78
ソロセーフ ............................................................................................................79
2トラック入力 ......................................................................................................79
ソロのブロック図 ................................................................................................80
メーター ................................................................................................................81
モニターのブロック図 ........................................................................................84

03D取扱説明書
74 第7章 ソロ、モニター、メーター
03Dの
世界へ
ようこそ!
各部の
名称と機能
インプット
チャンネル
イコライザー
パン、
ルーティング、
サラウンドパン
ソロ、
モニター、
メーター
ステレオ
アウト
AUXアウト
バスアウト
チャンネル
ライブラリー
とビュー
内蔵
エフェクト
シーン
メモリー
オート
ミックス
その他の
機能
デジタル
I/O
MIDI
付 録
グループ、
ペア
ダイナミクス
プロセッサー
ユーザー
インター
フェース
の基礎知識
モニター/ソロについて
03Dの柔軟性に富んだモニター機能とソロ機能は、さまざまな状況に応じて使えるよ
うに設計されています。たとえば、すべての入出力のプリフェーダーまたはポスト
フェーダー信号をモニター出力とヘッドフォン端子からモニターできます。また、ス
テレオ出力を組み合わせて使用できるSOLO IN PLACEモードやMIXDOWN SOLO
モードも用意されています。モニター機能とソロ機能は、Moni. SetupページとSolo
Setupページに分かれています。ソロ機能がオフのとき(例:[SOLO]キー、オフ)は、
Moni. Setupページで選択されているソースが引き続き出力されます。
Moni. Setup(モニター選択)ページ
Moni. Setupページでは、モニターソースとしてステレオ出力、AUXセンド、バスアウ
ト、ステレオカスケード入力が選択できます。これらの信号は、モニター出力とヘッド
フォン端子からモニターします。Moni. Setupページの設定は、[SOLO]キーやステレ
オ出力には影響しません。SEL MODEボタン(LAST MIXボタン、MIX MONIボタン)
の選択に応じて、これらの信号を個別に、あるいはミックスした状態でモニターでき
ます。モニターするソースには、プリフェーダー(PFL)またはポストフェーダー(AFL)
のどちらの信号でも選べます。また、Moni. SetupページにはTRIM回転ノブやMONO/
STEREOボタンも含まれています。詳細は、76ページの「モニタリング」をご参照くだ
さい。
Solo Setup(ソロ)ページ
Solo Setupページはソロ機能のセットアップを行うページで、必要に応じてインプッ
トチャンネル、ステレオインプットチャンネル、エフェクトリターンがモニターでき
ます。このページには、3つのソロモード(RECORDING SOLO、MIXDOWN SOLO、
SOLO IN PLACE)があり、それぞれ[SOLO]キーやチャンネルを選択する[ON]キー
を組み合わせてモニターするチャンネルを選びます。SEL MODEボタン(LAST MIX
ボタン、MIX MONIボタン)の選択に応じて、これらの信号を個別に、あるいはミック

03D取扱説明書
第7章 ソロ、モニター、メーター 75
03Dの
世界へ
ようこそ!
各部の
名称と機能
インプット
チャンネル
イコライザー
パン、
ルーティング、
サラウンドパン
ソロ、
モニター、
メーター
ステレオ
アウト
AUXアウト
バスアウト
チャンネル
ライブラリー
とビュー
内蔵
エフェクト
シーン
メモリー
オート
ミックス
その他の
機能
デジタル
I/O
MIDI
付 録
グループ、
ペア
ダイナミクス
プロセッサー
ユーザー
インター
フェース
の基礎知識
スした状態でモニターできます。モニターするソースには、プリフェーダーまたはポ
ストフェーダーのどちらの信号でも選べます。Solo Setupページには、TRIM回転ノブ
やMONO/STEREOボタンも含まれていますが、このページではソロ機能のセットアッ
プを行うだけですので、実際にソロ機能を利用するときにわざわざこのページを選ぶ
必要はありません。詳細は、77ページの「ソロのセットアップ」をご参照ください。ま
た、79ページの「ソロセーフ」も併せてご参照ください。
モニター出力
モニター信号とソロ信号は、モニター出力とヘッドフォン端子から送られます。また、
SOLO IN PLACEモードやMIXDOWN SOLOモードでは、ステレオ出力も併せて使用
できます。
コントロールパネルの[MONITOR OUT SOLO/2TR IN]スイッ
チで、モニター出力とヘッドフォン端子でモニターする信号
ソースを選択します。通常のモニタリングを行う場合は、SOLO
を選択してください。詳細は、79ページの「2トラック入力」をご
参照ください。
モニター信号は20ビットD/Aコンバーターによりアナログ信号に変換され、定格出力
+4dBのバランス型1/4"フォーン端子から出力されます。
コントロールパネルの[MONITOR OUT LEVEL]コントロールでモニ
ター出力信号のレベルを調整します。
ヘッドフォン端子
ヘッドフォンでモニターする場合は、ステレオヘッドフォンをス
テレオ(TRS)フォーン端子(PHONES)に接続します。ヘッドフォン
端子からは、モニター出力と全く同じ信号が送られます。
[PHONES LEVEL]コントロールでヘッドフォン信号のレベルを調整
します。
MONITOR OUT
RL
+4dB
(BAL)
100
LEVEL
PHONES
100
LEVEL

03D取扱説明書
76 第7章 ソロ、モニター、メーター
03Dの
世界へ
ようこそ!
各部の
名称と機能
インプット
チャンネル
イコライザー
パン、
ルーティング、
サラウンドパン
ソロ、
モニター、
メーター
ステレオ
アウト
AUXアウト
バスアウト
チャンネル
ライブラリー
とビュー
内蔵
エフェクト
シーン
メモリー
オート
ミックス
その他の
機能
デジタル
I/O
MIDI
付 録
グループ、
ペア
ダイナミクス
プロセッサー
ユーザー
インター
フェース
の基礎知識
モニタリング
Moni. Setupページでは、モニターソースとしてステレオ出力、AUXアウト、バスアウ
ト、ステレオカスケード入力を選択できます。これらの信号は、モニター出力とヘッド
フォン端子からモニターします。このページでの設定は、[SOLO]キーやステレオ出力
には影響しません。
1. [SOLO SETUP]キーを使って、つぎの図のMoni. Setupページを表示させてください。
2. [CURSOR]キーで以下の各パラメーターに対応するボタンや回転ノブを選択し、
[ENTER]キーと[PARAMETER]ダイアルで設定内容を変更します。
マウスを使っている場合は、ボタンをクリックし、回転ノブをドラッグしてください。
MONITOR SOURCE SELECT―モニター出力とヘッドフォン端子からモニターする
信号を選択します。STEREO OUT(ステレオアウト)、AUX OUT(AUXアウト)1∼4、
BUS OUT(バスアウト)1∼4、STEREO CASCADE IN(ステレオカスケード入力)から
選んでください。ペアが組まれているAUX OUTやBUS OUTの一方を選ぶと、他方も
連動して選ばれます。
LISTEN―プリフェーダー(PFL)またはポストフェーダー(AFL)のどちらの信号をモ
ニターするかを決定します。すべてのモニターソース(ステレオアウト、AUXセンド
など)に共通した設定です。
SEL MODE―モニターするチャンネルの選択方法を決定します。LAST MONIモード
では、一度に1つのモニターソースしか選べません。MIX MONIモードでは複数のソー
スが選べ、選択した信号がミックスされます。
MONI TRIM―モニター信号のレベルを−60dB∼+6dBの範囲で調整する回転ノブで
す。このレベルはカーソルの位置に関係なく[PARAMETER]ダイアルで調整できま
す。
STEREO/MONO―モニター出力とヘッドフォン端子の信号をモノラルまたはステレ
オにするボタンです。Solo SetupページのMONOボタンとは独立して機能します。この
ボタンがオンになっていると、ステレオ信号の左右チャンネルがまとめられ、モノ
ミックスとなります。まとめられた信号のレベルは3dB減衰されます。

03D取扱説明書
第7章 ソロ、モニター、メーター 77
03Dの
世界へ
ようこそ!
各部の
名称と機能
インプット
チャンネル
イコライザー
パン、
ルーティング、
サラウンドパン
ソロ、
モニター、
メーター
ステレオ
アウト
AUXアウト
バスアウト
チャンネル
ライブラリー
とビュー
内蔵
エフェクト
シーン
メモリー
オート
ミックス
その他の
機能
デジタル
I/O
MIDI
付 録
グループ、
ペア
ダイナミクス
プロセッサー
ユーザー
インター
フェース
の基礎知識
ソロのセットアップ
Solo Setupページでは、インプットチャンネル、ステレオインプットチャンネル、エフェ
クトリターンをモニターするソロ機能を設定します。使用できるソロモードは3つあ
り、RECORDING SOLO、MIXDOWN SOLO、SOLO IN PLACEの各モードが選択でき
ます。これらのモードでは、チャンネルを選択する[SOLO]キーと[ON]キーを組み合
わせて使用します。Solo Setupページはソロ機能をセットアップするためのページな
ので、実際にソロ機能を使うときにこのページを呼び出す必要はありません。
1. [SOLO SETUP]キーを使ってつぎのSolo Setupページを表示します。
2. [CURSOR]キーで以下の各パラメーターのボタンや回転ノブを選択し、[ENTER]キー
と[PARAMETER]ダイアルで設定内容を変更します。
マウスを使っている場合は、ボタンをクリックして回転ノブをドラッグします。
STATUS―ソロモード(RECORDING SOLO、MIXDOWN SOLO、SOLO IN PLACE)を
選択します。
・ ソロに設定されたチャンネルの信号がSOLOバスに送られ、モニター出力と
ヘッドフォン端子から出力されます。したがって、バスにアサインしていない
場合でも、モニターすることができます。
RECORDING SOLO ・ ソロのオン/オフは、他のバスには影響しません。
・ オフされているチャンネルの信号も、ソロに設定することによってモニター
することができます。ただし、このときLISTENがAFLの場合は、PFLの信号に
なります。
・ STEREOバスの信号がSOLOバスへ送られ、モニター出力とヘッドフォン端
子から出力されます。(ステレオ出力、モニター出力、ヘッドフォン出力のソー
スは、同じ信号になります。)
MIXDOWN SOLO ・ ソロに設定されたチャンネル信号のみがオンされ、その他すべてのチャンネ
ルはミュートされます。ただし、SOLO SAFE CHANNELでセーフされている
チャンネルは、そのままの状態を保持します。
・ オフされているチャンネルの信号は、ソロに設定されるとオンになります。し
たがって、このときSTEREOバスにアサインされていれば、モニターできます。
・ ソロに設定されたチャンネルの信号がSOLOバスに送られ、モニター出力と
ヘッドフォン端子から出力されます。したがって、バスにアサインしていない
場合でも、モニターすることができます。(RECORDING SOLOと同じです。)
SOLO IN PLACE ・ ソロに設定されたチャンネルがオンのときは、ソロ設定されていないときの
オンと同じ状態で、モニター以外へも出力されますが、ソロ設定されていない
チャンネルはミュートされます。ただし、SOLO SAFE CHANNELで設定され
ているチャンネルは、そのままの状態を保持します。(MIXDOWN SOLOと異
なります。)
YGDAIカードの CD8-CSカスケードカードを使用した場合、このSTATUS はカスケードマスター側
(CASCADE IN側)からのコントロールでのみ設定でき、カスケードスレーブ側(CASCADE OUT側)
からではできません。

03D取扱説明書
78 第7章 ソロ、モニター、メーター
03Dの
世界へ
ようこそ!
各部の
名称と機能
インプット
チャンネル
イコライザー
パン、
ルーティング、
サラウンドパン
ソロ、
モニター、
メーター
ステレオ
アウト
AUXアウト
バスアウト
チャンネル
ライブラリー
とビュー
内蔵
エフェクト
シーン
メモリー
オート
ミックス
その他の
機能
デジタル
I/O
MIDI
付 録
グループ、
ペア
ダイナミクス
プロセッサー
ユーザー
インター
フェース
の基礎知識
LISTEN―プリフェーダー(PFL)またはポストフェーダー(AFL)のどちらの信号をモ
ニターするかを設定します。インプットチャンネル、ステレオインプットチャンネル、
エフェクトリターンのすべてに共通する設定です。3つ目のFADER GROUP AFLボタ
ンは、フェーダーグループに対して機能します。フェーダーグループに含まれるチャ
ンネルをソロにすると、そのグループ内の他のチャンネルもすべてソロになります。
114ページの「フェーダーグループ」をご参照ください。なお、MIXDOWN SOLOモード
では、モニター出力とヘッドフォン端子にSTEREOバスからの信号が送られるため、
これらのボタンは無効となります。
チャンネルオン/オフ ペア フェーダーグループ
PFL
AFL
FADER
GROUP
AFL
オン ⃝ ステレオ ⃝
オフ プリフェーダー信号 × モノ × ソロされたチャンネルのみ
⃝
オン ポストフェーダー信号 ×
ステレオ ⃝ ソロされたチャンネルのみ
⃝ ステレオ
オフ プリフェーダー信号 × モノ × ソロされたチャンネルのみ
オン ポストフェーダー信号 ⃝ ⃝ ソロされたチャンネルと同じ
グループのすべてのチャンネル
オフ オフ ×
ステレオ
× ソロされたチャンネルのみ
SEL MODE―モニターの選択方法を設定します。LAST SOLOモードでは最後に選ば
れたチャンネルのみがモニターできます。MIX SOLOモードでは複数のソースが選べ、
選択した信号がミックスされます。
SOLO TRIM―ソロ信号のレベルを−60dB∼+6dBの範囲で調整する回転ノブです。な
お、MIXDOWN SOLOモードでは、モニター出力とヘッドフォン端子にSTEREOバス
からの信号が送られるため、この回転ノブは無効となります。レベルはカーソルの位
置に関係なく[PARAMETER]ダイアルで調整できます。
MONO―モニター出力とヘッドフォン端子の信号をモノラルまたはステレオに設定
します。Moni. SetupページのMONOボタンとは独立して機能します。このボタンがオ
ンになっていると、ステレオ信号の左右チャンネルがまとめられてモノミックスとな
ります。まとめられた信号のレベルは3dB減衰されます。
ソロ機能の使い方
1. コントロールパネルの[MONITOR OUT SOLO/2TR IN]スイッチがSOLOの設定になっ
ていることを確認してください。
2. コントロールパネルの[MONITOR OUT LEVEL]コントロールを途中まで上げてくだ
さい。
ヘッドフォンで聴く場合は、[PHONE LEVEL]コントロールを上げてください。
3. Solo Setupページでソロの機能を設定してください。詳細は、77ページの「ソロのセッ
トアップ」をご参照ください。
4. [SOLO]キーを押してください。
[SOLO]キーと[ON]キーの両方のインジケーターおよび画面のSOLO表示が点滅し
ます。この間[ON]キーはチャンネルオン/オフキーではなく、ソロ選択キーとして働
きます。

03D取扱説明書
第7章 ソロ、モニター、メーター 79
03Dの
世界へ
ようこそ!
各部の
名称と機能
インプット
チャンネル
イコライザー
パン、
ルーティング、
サラウンドパン
ソロ、
モニター、
メーター
ステレオ
アウト
AUXアウト
バスアウト
チャンネル
ライブラリー
とビュー
内蔵
エフェクト
シーン
メモリー
オート
ミックス
その他の
機能
デジタル
I/O
MIDI
付 録
グループ、
ペア
ダイナミクス
プロセッサー
ユーザー
インター
フェース
の基礎知識
このとき、ステレオ出力、AUX出力、バス出力の[ON]キーは点滅しません。これらの出
力をモニターしたい場合は、Moni. Setupページを使用します。詳細は、76ページの「モ
ニタリング」をご参照ください。
5. [ON]キーを使って希望するチャンネルをソロに設定します。
実際の操作はソロの設定内容によって若干異なります。詳細は、77ページの「ソロの
セットアップ」をご参照ください。
SOLOモードでは、最後にソロされたチャンネルの[SEL]キーが点灯します。これは、
該当するチャンネルが現在選択されていることを示しています。ペアが組まれている
チャンネルのSOLOは連動します。Viewページを表示させておけば、[SEL]キーでチャ
ンネルを選択しなくても、ソロのチャンネルの設定を瞬時に確認できます。
ソロセーフ
SOLO SAFEファンクションは、MIXDOWN SOLOモードやSOLO IN PLACEモード時
にチャンネルがミュートされるのを防ぐ機能です。他のチャンネルがソロになって
も、セーフチャンネルはミュートされません。ソロセーフに設定できるのは、インプッ
トチャンネル、ステレオインプットチャンネル、エフェクトリターン、ステレオカス
ケード入力です。ソロセーフの設定は、Solo Setupページで行います。
1. [SOLO SETUP]キーを使ってSolo Setupページを表示させてください。
2. [CURSOR]キーでソロセーフに設定したいチャンネルのSOLO SAFE CHANNELボタ
ンを選択し、[ENTER]キーで確定します。
ペアが組まれているチャンネルは連動しますので個別の設定はできません。
マウスを使っている場合は、SOLO SAFE CHANNELボタンをクリックします。
チャンネルがソロセーフ設定されると、SOLO SAFE CHANNELボタンが反転表示し
ます。
2トラック入力
03Dの2トラック入力は、ステレオミックスをマスターレコーダーに
録音している間のチェック用のモニタリングに利用できます。コント
ロールパネルの[MONITOR OUT SOLO/2TR IN]スイッチがSOLOに
設定されている場合は、ソロ信号がモニター出力とヘッドフォン端子
に送られます。ところがこのスイッチを2TR INに設定すると、2TR IN端子からの入力
信号がモニターできます。2トラック信号のモニターレベルは、[MONITOR OUT]コン
トロール、[PHONES LEVEL]コントロールでそれぞれ調整します。
SOLO/ 2TR IN
MONITOR
OUT

03D取扱説明書
80 第7章 ソロ、モニター、メーター
03Dの
世界へ
ようこそ!
各部の
名称と機能
インプット
チャンネル
イコライザー
パン、
ルーティング、
サラウンドパン
ソロ、
モニター、
メーター
ステレオ
アウト
AUXアウト
バスアウト
チャンネル
ライブラリー
とビュー
内蔵
エフェクト
シーン
メモリー
オート
ミックス
その他の
機能
デジタル
I/O
MIDI
付 録
グループ、
ペア
ダイナミクス
プロセッサー
ユーザー
インター
フェース
の基礎知識
2TR IN入力は、定格入力レベル−10dBVのRCAピン端子です。
RL
2TR IN
–10dBV
(UNBAL)
ソロのブロック図
1 2 3 4 1 2 L R L R
RECORDING SOLO
LISTEN
not changed not changed
not changed
not changed
LISTEN ON
SOLO IN PLACE
MONITOR
OUT
not changed
PHONES
MONO
ON
CH INPUT
1-16
17-24 not changed PAN
not changed
ST IN
INTERNAL
EFFECT
1,2
・ソロセーフチャンネルを除く、他のすべてのCH ONスイッチ(CH1∼16、ST IN、EFF1・2)をコントロール
・ソロセーフチャンネルを除く、他のすべてのCH ONスイッチ(CH1∼16、ST IN、EFF1・2)をコントロール
INTERNAL
EFFECT
1,2
ST IN
ST IN
MIXDOWN SOLO
not changed PAN
not changed
CH INPUT
1-16
17-24
MONO
PHONES
not changed
MONITOR
OUT
SOLO
TRIM
SOLO
TRIM
SOLO
TRIM
ON
ON
ON
SOLO
ON
ON
ON
DIGITAL
STEREO
OUT
MONITOR
OUT
not changed
AUX OUT
not changed not changed
BUS OUT
not changed
not changed
not changed
not changed ST OUT
not changed
INTERNAL
EFFECT
1,2
LISTEN
not changednot changed
DIGITAL
STEREO IN not changed
CH INPUT
1-16
17-24
not changed
not changed not changed not changed
not changed
LISTEN
PAN
not changed
1 2 3 4
PHONES
BUS AUX EFF
PAN
4Band
PEQ
4Band
PEQ
4Band
PEQ
4Band
PEQ
ST
MONO
ON
ON
ON
ON
ON
ON
・ソロオフのとき、ST OUT、BUS OUT、AUX OUT、ST CASCADE INがモニターできます。
・ソロオンのとき、CH1∼24、ST IN、EFF1・2がモニターできます。ST OUT、BUS OUT、AUX OUT、ST CASCADE INはモニターできません。
・Moni. SetupページのMONOボタンの設定とSolo SetupページのMONOボタンの設定は無関係です。

03D取扱説明書
第7章 ソロ、モニター、メーター 81
03Dの
世界へ
ようこそ!
各部の
名称と機能
インプット
チャンネル
イコライザー
パン、
ルーティング、
サラウンドパン
ソロ、
モニター、
メーター
ステレオ
アウト
AUXアウト
バスアウト
チャンネル
ライブラリー
とビュー
内蔵
エフェクト
シーン
メモリー
オート
ミックス
その他の
機能
デジタル
I/O
MIDI
付 録
グループ、
ペア
ダイナミクス
プロセッサー
ユーザー
インター
フェース
の基礎知識
メーター
Meterページでは、24系統のインプットチャンネル,ステレオインプットチャンネル、
AUXアウト、バスアウト、エフェクトリターン、YGDAI出力、SOLOバスのレベルメー
ターが3ページに分かれて表示されます。
入出力メーターが信号を計測する位置は、Pre/Postページで設定します。これらのメー
ターは信号レベルを計測する以外にも、ダイナミクスプロセッサーによるゲインリダ
クション量を監視するのに利用できます。また、ステレオ出力のレベル監視には、専用
のステレオ出力レベルメーターを使用します。どのメーターも、ピーク/ホールドが
切替え可能です。
Meterページのレベルメーターは、−48dB∼0dB(CLIP)の範囲が表示可能です。CLIPイ
ンジケーターが点灯するときは、信号が実際にクリッピングして歪みが生じています
ので、レベルを若干下げてください。
1. [FADER]キーを使ってMeterページを選択してください。
つぎの図のCH 1−16ページには、インプットチャンネル1∼16、ステレオインプット
チャンネル、エフェクトリターン1と2のレベルメーターが含まれています。各メー
ターの下に表示されるデシベル値は、それぞれ対応するチャンネルフェーダーの現在
位置を表わしています。ステレオアウトのフェーダーのデシベル値は、ST OUT
LEVELボックスに表示されます。
2. [CURSOR]キーでMODEボタン(INPUT LEVELボタン、GAIN REDUCTIONボタン)を
選択し、[ENTER]キーでそのモードを有効にしてください。
マウスを使っている場合は、MODEボタンをクリックしてください。
MODE―レベルメーターは、入力レベルメーター以外にもゲインリダクションメー
ターとしても使用できます。INPUT LEVELモードでは、通常のレベルメーターとして
動作します。GAIN REDUCTIONモードでは、ダイナミクスプロセッサーによるゲイ
ンリダクション量を表示します。ゲインリダクションメーターは、Dyn.Editページにも
用意されています。詳細は、143ページの「ダイナミクスプロセッサー」をご参照くださ
い。
MODEボタンはCH 17−24ページにも表示されます。

03D取扱説明書
82 第7章 ソロ、モニター、メーター
03Dの
世界へ
ようこそ!
各部の
名称と機能
インプット
チャンネル
イコライザー
パン、
ルーティング、
サラウンドパン
ソロ、
モニター、
メーター
ステレオ
アウト
AUXアウト
バスアウト
チャンネル
ライブラリー
とビュー
内蔵
エフェクト
シーン
メモリー
オート
ミックス
その他の
機能
デジタル
I/O
MIDI
付 録
グループ、
ペア
ダイナミクス
プロセッサー
ユーザー
インター
フェース
の基礎知識
つぎの図は、メーターモードがGAIN REDUCTIONモードに設定され、チャンネル5に
パッチされたノイズゲートが閉じている場合の例です。
3. [CURSOR]キーでPEAK HOLDボタンを選択し、[ENTER]キーを押してピークホール
ド機能を有効にしてください。
マウスを使っている場合は、PEAK HOLDボタンをクリックしてください。
PEAK HOLD―Meterページとステレオ出力レベルメーターのそれぞれのピークホー
ルド機能のオン/オフを切替えます。PEAK HOLDボタンがオンのときには信号の最
大ピークでメーターが点灯したままとなり、ピークレベルの確認が簡単にできます。
このピークレベル表示を消すには、PEAK HOLDボタンをオフにしてください。メー
ターモードが変わるとピークホールド機能はリセットされますがYGDAI OUTページ
のSOLO BUSメーター、およびステレオ出力レベルメーターはリセットされません。
このボタンはCH 17−24ページとYGDAIメーターページにも表示されます。
つぎの図のCH 17−24ページには、インプットチャンネル17∼24、AUXアウト、バスア
ウトのレベルメーターが含まれています。ステレオインプットチャンネルとエフェク
トリターン1と2のメーターもこのページに表示されます。各メーターの下に表示され
るデシベル値は、それぞれ対応するチャンネルフェーダーの現在位置を表わしていま
す。ステレオアウトのフェーダーのデシベル値は、ST OUT LEVELボックスに表示さ
れます。

03D取扱説明書
第7章 ソロ、モニター、メーター 83
03Dの
世界へ
ようこそ!
各部の
名称と機能
インプット
チャンネル
イコライザー
パン、
ルーティング、
サラウンドパン
ソロ、
モニター、
メーター
ステレオ
アウト
AUXアウト
バスアウト
チャンネル
ライブラリー
とビュー
内蔵
エフェクト
シーン
メモリー
オート
ミックス
その他の
機能
デジタル
I/O
MIDI
付 録
グループ、
ペア
ダイナミクス
プロセッサー
ユーザー
インター
フェース
の基礎知識
つぎの図のYGDAI OUTページには、8系統のYGDAI出力とSOLOバスのレベルメー
ターが含まれています。YGDAI出力メーターの下にあるボックスは、YGDAI出力に割
り当てられいている信号の種類を表わしています。詳細は、224ページの「YGDAI出力
への信号の割り当て」をご参照ください。
メーターモードがGAIN REDUCTIONに設定されている場合、YGDAI出力メーターの
ピークホールド機能はCH 1−16ページ、あるいはCH 17−24ページが選択されるとリ
セットされます。
つぎの図のPre/Postページでは、入出力メーターがレベルを検出する信号のポイント
を選択します。信号のソースが変わるとピークホールド機能はリセットされます。
4. [CURSOR]キーでメーターポイントを設定する各ボタン(PRE EQ、PRE FADER、
POST FADER)を選択し、[ENTER]キーを押して有効にしてください。
マウスを使っている場合は、メーターポイントのボタンをクリックしてください。
INPUT METERS―24系統のインプットチャンネル、ステレオインプットチャンネル、
エフェクトリターン用のメーターソースポイントを、PRE EQ(プリEQ)、PRE FADER
(プリフェーダー)、POST FADER(ポストフェーダー)の中から選びます。
OUTPUT METERS―AUXアウト、バスアウト用のメーターソースポイントを、PRE EQ
(プリEQ)、POST FADER(ポストフェーダー)、またPOST “ON”(ポスト[ON]キー)の
中から選びます。

03D取扱説明書
84 第7章 ソロ、モニター、メーター
03Dの
世界へ
ようこそ!
各部の
名称と機能
インプット
チャンネル
イコライザー
パン、
ルーティング、
サラウンドパン
ソロ、
モニター、
メーター
ステレオ
アウト
AUXアウト
バスアウト
チャンネル
ライブラリー
とビュー
内蔵
エフェクト
シーン
メモリー
オート
ミックス
その他の
機能
デジタル
I/O
MIDI
付 録
グループ、
ペア
ダイナミクス
プロセッサー
ユーザー
インター
フェース
の基礎知識
SIGNAL&PEAKインジケーター
ディスプレイの最上段には、すべての入出力用のSIGNAL/PEAKインジケーターがあ
ります。このインジケーターは常時表示され、ページが変わっても影響を受けません。
インジケーターは2つのグループに分かれ、片方のグループはチャンネル1∼16、ステ
レオインプットチャンネル、エフェクトリターン用、もう1つのグループはインプット
チャンネル17∼24、AUXアウト、バスアウト、ステレオインプットチャンネル、エフェ
クトリターン用です。
ステレオインプットチャンネルとエフェクトリターン用のインジケーターは、両方の
グループで表示されます。これらのグループは、ミキシングレイヤーの変更に応じて、
自動的に切替わります。
1−16のミキシングレイヤーを選択すると、インプットチャンネル1∼16、ステレオイ
ンプットチャンネル、エフェクトリターン用のインジケーターが表示されます。
17−24/MASTERのミキシングレイヤーを選択すると、インプットチャンネル17∼24、
AUXアウト、バスアウトのインジケーターが表示されます。
クリップレベルより24dB低いレベルの信号を検知するとSIGNALインジケーターが
点灯し、信号が入力されていることを知らせます。
また、クリップレベルより3dB低いレベルの信号を検知すると、PEAKインジケーター
が点灯します。
ステレオ出力レベルメーター
L STEREO R
CLIP
–3
–6
–9
–12
–15
–18
–24
–30
–36
–42
–48
ステレオアウト信号のレベルは、ディスプレイの横にある専用の12セグメ
ントLED(ステレオ出力レベルメーター)で表示されます。
このメーターはCLIPインジケーター付きで、−48dB∼0dB(CLIP)の範囲を
表示できます。信号レベルがCLIPに到達すると信号は歪んでしまいますか
ら、到達しないようにST OUTフェーダーでレベルを調整してください。
また、MeterページのPEAK HOLD ON/OFFボタンでステレオ出力レベルメーターの
ピークホールド機能を設定できます。
モニターのブロック図
MONITOR
OUT
2TR IN
MONO
MONI
TRIM
2TR IN
SOLO/
R
L
DA
DA
Meter
LEVEL
LEVEL
ST
L R
SOLO
L R
EFF
1 2
AUX
1 2 3 4
BUS
1 2 3 4
PHONES
R
L

03D取扱説明書
第8章 ステレオアウト 85
03Dの
世界へ
ようこそ!
各部の
名称と機能
インプット
チャンネル
イコライザー
パン、
ルーティング、
サラウンドパン
ソロ、
モニター、
メーター
ステレオ
アウト
AUXアウト
バスアウト
チャンネル
ライブラリー
とビュー
内蔵
エフェクト
シーン
メモリー
オート
ミックス
その他の
機能
デジタル
I/O
MIDI
付 録
グループ、
ペア
ダイナミクス
プロセッサー
ユーザー
インター
フェース
の基礎知識
第8章 ステレオアウト
8
本章の目次
ステレオ出力について ........................................................................................86
アナログステレオ出力端子 ................................................................................86
DIGITAL STEREO OUT端子 ..............................................................................86
ステレオアウトとYGDAIインターフェース ...................................................86
REC OUT端子とステレオアウト .......................................................................86
ソロとステレオアウト ........................................................................................86
ステレオ出力のモニタリング ............................................................................86
ステレオ出力のメーター ....................................................................................86
ステレオ出力への信号のルーティング ............................................................87
ステレオ出力レベルの設定 ................................................................................87
ステレオ出力のミュート ....................................................................................87
ステレオ出力のバランス設定 ............................................................................87
ステレオ出力のイコライジング ........................................................................88
ステレオ出力のダイナミクスプロセッサー ....................................................88
ステレオ出力ディレイ ........................................................................................88
ステレオアウトのブロック図 ............................................................................90

03D取扱説明書
86 第8章 ステレオアウト
03Dの
世界へ
ようこそ!
各部の
名称と機能
インプット
チャンネル
イコライザー
パン、
ルーティング、
サラウンドパン
ソロ、
モニター、
メーター
ステレオ
アウト
AUXアウト
バスアウト
チャンネル
ライブラリー
とビュー
内蔵
エフェクト
シーン
メモリー
オート
ミックス
その他の
機能
デジタル
I/O
MIDI
付 録
グループ、
ペア
ダイナミクス
プロセッサー
ユーザー
インター
フェース
の基礎知識
ステレオ出力について
ステレオ出力信号は、アナログのXLR端子、アナログのREC OUT端子、YGDAIデジタ
ル出力、AES/EBUおよびCOAXIALデジタル出力端子から出力します。ステレオ出力
には、4バンドのパラメトリックイコライザーとダイナミクスプロセッサーが搭載さ
れています。
アナログステレオ出力端子
ステレオ出力信号は、20ビット、8倍オーバーサンプリ
ングのD/Aコンバーターによりアナログ変換され、定
格出力レベル+4dBのバランス型XLR-3-32端子から出
力されます。
DIGITAL STEREO OUT端子
ステレオ出力信号は、DIGITAL STEREO OUT端子からデジタル出力されます。デジ
タル出力にはAES/EBUフォーマットとCOAXIALフォーマットの2種類の端子があり
ます。詳細は、219ページの「デジタルステレオアウト」をご参照ください。
ステレオアウトとYGDAIインターフェース
アナログのステレオ出力端子とDIGITAL STEREO OUT端子に加え、ステレオ信号は
YGDAIデジタル出力からも出力できます。詳細は、223ページの「YGDAIカード」をご
参照ください。
REC OUT端子とステレオアウト
ステレオ出力信号は、REC OUT端子に送ることができま
す。この端子は定格出力レベル−10dBVのRCAピン端子
です。REC OUT端子からは、バスアウト1と2からの信号
を出力することも可能です。この端子から出力される信
号のソースを選択するには、REC OUT SOURCE SELECT
スイッチを使います。
ソロとステレオアウト
SOLO IN PLACEモードとMIXDOWN SOLOモードでは、ステレオ出力も併せて使用
できます。詳細は、77ページの「ソロのセットアップ」をご参照ください。
ステレオ出力のモニタリング
詳細は、73ページの「ソロ、モニター、メーター」をご参照ください。
ステレオ出力のメーター
ステレオ出力信号のレベルは12セグメントのLEDメーターで確認できます。詳細は、
81ページの「メーター」をご参照ください。
31
231
2
ST OUT
RL
+4dB(BAL)
REC OUT
RL
SOURCE
SELECT
ST OUT
BUS OUT
1-L•2-R
–10dBV
(UNBAL)

03D取扱説明書
第8章 ステレオアウト 87
03Dの
世界へ
ようこそ!
各部の
名称と機能
インプット
チャンネル
イコライザー
パン、
ルーティング、
サラウンドパン
ソロ、
モニター、
メーター
ステレオ
アウト
AUXアウト
バスアウト
チャンネル
ライブラリー
とビュー
内蔵
エフェクト
シーン
メモリー
オート
ミックス
その他の
機能
デジタル
I/O
MIDI
付 録
グループ、
ペア
ダイナミクス
プロセッサー
ユーザー
インター
フェース
の基礎知識
ステレオ出力への信号のルーティング
インプットチャンネル、ステレオインプットチャンネル、エフェクトリターンの各信
号をステレオ出力に送ることができます。詳細は、61ページの「ステレオパン、バラン
ス、ルーティング」をご参照ください。
ステレオ出力レベルの設定
6
0
5
10
20
40
60
00
ステレオ出力のレベルは、ST OUTフェーダーで調整します。このフェー
ダーはミキシングレイヤーの設定には影響されず、常にステレオ出力のレ
ベルをコントロールします。
ステレオ出力のミュート
ON
ST OUT [ON]キーを使ってステレオアウトをミュートできます。ステレ
オアウトがオンになっているときは、このキーのインジケーターが点灯し
ます。ST OUT [ON]キーは、ミキシングレイヤーの設定やソロ機能には影
響されません。
ステレオ出力のバランス設定
ステレオ出力信号の左右チャンネルは、つぎの図のST OUT BAL回転ノブを使ってバ
ランスを調整できます。
1. [PAN/ROUTING]キーを使ってつぎのページを表示させてください。
2. [CURSOR]キーでST OUT BAL回転ノブを選択し、[PARAMETER]ダイアルで調整し
てください。
マウスを使用している場合は、マウスカーソルをBAL回転ノブに合わせ、マウスの左
ボタンを押しながらマウスをドラッグします。

03D取扱説明書
88 第8章 ステレオアウト
03Dの
世界へ
ようこそ!
各部の
名称と機能
インプット
チャンネル
イコライザー
パン、
ルーティング、
サラウンドパン
ソロ、
モニター、
メーター
ステレオ
アウト
AUXアウト
バスアウト
チャンネル
ライブラリー
とビュー
内蔵
エフェクト
シーン
メモリー
オート
ミックス
その他の
機能
デジタル
I/O
MIDI
付 録
グループ、
ペア
ダイナミクス
プロセッサー
ユーザー
インター
フェース
の基礎知識
ステレオ出力のイコライジング
ステレオアウトには、4バンドのパラメトリックイコライザーが搭載されています。詳
細は、47ページの「イコライザー」をご参照ください。
ステレオ出力のダイナミクスプロセッサー
ステレオアウトには、ステレオのダイナミクスプロセッサーが搭載されています。詳
細は、143ページの「ダイナミクスプロセッサー」をご参照ください。
ステレオ出力ディレイ
ステレオ出力信号の左右チャンネルは、それぞれ独立してディレイをかけることがで
きます。複数のスピーカーシステムを用いたPAシステムで信号の遅延を補正すると
きに使用できます。
1. [DELAY/Ø]キーを使ってCH Delayページを表示させてください。
2. ST OUT[SEL]キーを押してください。
CH Delayページの表示がつぎのようになります。
3. [CURSOR]キーでディレイパラメーターを選択し、[ENTER]キーと[PARAMETER]ダ
イアルで値を設定してください。
マウスを使用している場合は、ボタンをクリックして回転ノブをドラッグします。
ON/OFF―ディレイのオン/オフを切替えるボタンです。カーソルがPARAMETERの
ボックス内にあるときは、ON/OFFボタンの選択をしなくても[ENTER]キーでディレ
イのオン/オフができます。
PARAMETER―ディレイタイムを設定します。ディレイは秒またはサンプル単位で指
定できます。最大ディレイは2,000サンプルで、最長ディレイタイムはサンプリング周
波数44.1kHzで45.4ミリ秒、48kHzでは41.7ミリ秒で、いずれも2,000サンプルです。

03D取扱説明書
第8章 ステレオアウト 89
03Dの
世界へ
ようこそ!
各部の
名称と機能
インプット
チャンネル
イコライザー
パン、
ルーティング、
サラウンドパン
ソロ、
モニター、
メーター
ステレオ
アウト
AUXアウト
バスアウト
チャンネル
ライブラリー
とビュー
内蔵
エフェクト
シーン
メモリー
オート
ミックス
その他の
機能
デジタル
I/O
MIDI
付 録
グループ、
ペア
ダイナミクス
プロセッサー
ユーザー
インター
フェース
の基礎知識
ステレオ出力のディレイ設定を確認する
ステレオ出力のディレイ設定は、つぎの図のページで確認します。
1. [DELAY/Ø]キーを使ってつぎの図のページを表示させてください。
このページでは、ステレオ出力の左右チャンネルに設定されたディレイタイムが表示
されます。このページではディレイタイムを変更することはできませんが、オン/オ
フを切替えることは可能です。
2. ST OUT [SEL]キーを使ってステレオ出力チャンネルを選択し、[ENTER]キーでディ
レイのオン/オフを切替えてください。
マウスを使用している場合は、単にON/OFFボタンをクリックしてください。また、
[CURSOR]キーでボタンを選択することもできます。

03D取扱説明書
90 第8章 ステレオアウト
03Dの
世界へ
ようこそ!
各部の
名称と機能
インプット
チャンネル
イコライザー
パン、
ルーティング、
サラウンドパン
ソロ、
モニター、
メーター
ステレオ
アウト
AUXアウト
バスアウト
チャンネル
ライブラリー
とビュー
内蔵
エフェクト
シーン
メモリー
オート
ミックス
その他の
機能
デジタル
I/O
MIDI
付 録
グループ、
ペア
ダイナミクス
プロセッサー
ユーザー
インター
フェース
の基礎知識
ステレオアウトのブロック図
STEREO
OUT
ON
MeterMeter
BALANCE ST OUT
DIGITAL
STEREO
OUT
SOURCE
SELECT
L
R
from BUS OUT 1, 2
REC OUT
R
L
DITHER
AES/EBU
COAXIAL
ST
L R
SOLO
L R
DA
DELAYDynamics
Dynamics
4Band
PEQ
4Band
PEQ
DELAY DA
EFF
1 2
AUX
1 2 3 4
BUS
1 2 3 4

03D取扱説明書
第9章 AUXアウト 91
03Dの
世界へ
ようこそ!
各部の
名称と機能
インプット
チャンネル
イコライザー
パン、
ルーティング、
サラウンドパン
ソロ、
モニター、
メーター
ステレオ
アウト
AUXアウト
バスアウト
チャンネル
ライブラリー
とビュー
内蔵
エフェクト
シーン
メモリー
オート
ミックス
その他の
機能
デジタル
I/O
MIDI
付 録
グループ、
ペア
ダイナミクス
プロセッサー
ユーザー
インター
フェース
の基礎知識
第9章 AUXアウト
9
本章の目次
AUXアウトについて ...........................................................................................92
アナログAUX出力端子 .......................................................................................92
AUXアウトとYGDAIインターフェース ..........................................................92
AUXアウトのモニター .......................................................................................92
AUXアウトのメーター .......................................................................................92
チャンネルの信号をAUXアウトへ送る ...........................................................93
プリフェーダー/ポストフェーダーAUXセンド ...........................................94
AUXのマスターレベル設定 ...............................................................................95
AUXアウトのミュート .......................................................................................95
AUXアウトのイコライジング ...........................................................................95
AUXアウトのダイナミクスプロセッサー .......................................................95
AUXアウトのステレオペア ...............................................................................96
AUXアウトのブロック図 ...................................................................................98

03D取扱説明書
92 第9章 AUXアウト
03Dの
世界へ
ようこそ!
各部の
名称と機能
インプット
チャンネル
イコライザー
パン、
ルーティング、
サラウンドパン
ソロ、
モニター、
メーター
ステレオ
アウト
AUXアウト
バスアウト
チャンネル
ライブラリー
とビュー
内蔵
エフェクト
シーン
メモリー
オート
ミックス
その他の
機能
デジタル
I/O
MIDI
付 録
グループ、
ペア
ダイナミクス
プロセッサー
ユーザー
インター
フェース
の基礎知識
AUXアウトについて
03Dには4系統のAUXアウトが搭載されています。インプットチャンネル、ステレオイ
ンプットチャンネル、エフェクトリターンの各信号を4系統のAUXバスに送ることが
できます。また、それぞれのAUXアウトに4バンドのパラメトリックイコライザーと
ダイナミクスプロセッサーが搭載されています。AUXアウトは個別に使用すること
も、ステレオペアを組むことも可能です。AUXアウト信号はアナログのフォーン端子
から、またはYGDAIデジタル出力から出力できます。
03Dには専用のAUXリターン入力端子はありません。AUXのリターン信号の入力に
は、インプットチャンネルまたはステレオインプットチャンネルを使用してくださ
い。
内蔵エフェクトについては、別の章で説明します。詳細は、119ページの「内蔵エフェク
ト」をご参照ください。
アナログAUX出力端子
AUXアウト信号は、18ビットのD/Aコンバー
ターによりアナログ変換され、定格出力レベル
+4dBのバランス1/4"フォーン端子から出力され
ます。
AUXアウトとYGDAIインターフェース
アナログのAUX OUT出力端子に加えて、YGDAIデジタル出力からもAUXアウト信号
を出力できます。詳細は、223ページの「YGDAIカード」をご参照ください。
AUXアウトのモニター
詳細は、73ページの「ソロ、モニター、メーター」をご参照ください。
AUXアウトのメーター
AUXアウト信号のレベルは、Meterページで確認できます。詳細は、81ページの「メー
ター」をご参照ください。
AUX OUT
4321
+4dB
(BAL)

03D取扱説明書
第9章 AUXアウト 93
03Dの
世界へ
ようこそ!
各部の
名称と機能
インプット
チャンネル
イコライザー
パン、
ルーティング、
サラウンドパン
ソロ、
モニター、
メーター
ステレオ
アウト
AUXアウト
バスアウト
チャンネル
ライブラリー
とビュー
内蔵
エフェクト
シーン
メモリー
オート
ミックス
その他の
機能
デジタル
I/O
MIDI
付 録
グループ、
ペア
ダイナミクス
プロセッサー
ユーザー
インター
フェース
の基礎知識
チャンネルの信号をAUXアウトへ送る
インプットチャンネル、ステレオインプットチャンネル、エフェクトリターンの各
チャンネルからAUXアウトに信号を送ることができます。
1. [MIXING LAYER]キーで17−24/MASTERのミキシングレイヤーを選択してくださ
い。詳細は、31ページの「ミキシングレイヤー」をご参照ください。
これでフェーダー9∼12を使ってAUXアウト1∼4のマスターレベルを調整できるよ
うになります。
2. 使用しているAUXアウトのフェーダーを∞dBに設定してください。
マスターレベルは、後からもう一度調整します。
3. [MIXING LAYER]キーで、1−16または17−24/MASTERのミキシングレイヤーを選
択します。
AUXに送るソースがステレオインプットチャンネルの場合、ST INフェーダーはミキ
シングレイヤー設定の影響は受けないので、この手順は省略してください。また、ソー
スがエフェクトリターンチャンネルの場合は、EFFECT RETURN [SEL]キーでエフェ
クトリターン1か2を選択してください。
4. [AUX]キーでAUXセンドを選択してください。
これでフェーダーが、選択されたAUXセンドのチャンネル別センドフェーダーとし
て働きます。
5. 信号をAUXに送りたいチャンネルのフェーダーを上げます。
このチャンネルの信号がAUXセンドから出力されます。
AUXセンドをポストフェーダーに設定されている場合、チャンネルフェーダーが上
がっていなければ信号はAUXバスに送られません。詳細は、94ページの「プリフェー
ダー/ポストフェーダーAUXセンド」をご参照ください。
PAIRファンクション(116ページのステレオペア)を使ってチャンネルをステレオペ
アに設定した場合、AUXセンドが連動するため、どちらか一方のチャンネルのみで調
整が行えます。ステレオペアの奇数と偶数のチャンネルのAUXセンドを異なるレベ
ルに設定することはできません。

03D取扱説明書
94 第9章 AUXアウト
03Dの
世界へ
ようこそ!
各部の
名称と機能
インプット
チャンネル
イコライザー
パン、
ルーティング、
サラウンドパン
ソロ、
モニター、
メーター
ステレオ
アウト
AUXアウト
バスアウト
チャンネル
ライブラリー
とビュー
内蔵
エフェクト
シーン
メモリー
オート
ミックス
その他の
機能
デジタル
I/O
MIDI
付 録
グループ、
ペア
ダイナミクス
プロセッサー
ユーザー
インター
フェース
の基礎知識
プリフェーダー/ポストフェーダーAUXセンド
インプットチャンネル、ステレオインプットチャンネル、エフェクトリターンのAUX
センドは、それぞれプリフェーダーまたはポストフェーダーのセンドとして設定でき
ます。この設定は、AUX画面のPre/Postページで行います。初期設定では、すべてポスト
フェーダーとなっています。
1. [AUX]キーを使ってAUXセンド1∼4画面のPre/Postページを表示させてください。
このとき、ディスプレイのメーターには、選択されたAUXセンドのレベルとゲインリ
ダクション量が表示されます。また、PRE/POSTボタンの下の値は、AUXセンドフェー
ダーの現在位置を示しています。
2. [CURSOR]キーでPRE/POSTボタンを選択し、[ENTER]キーでプリ/ポストを切替え
てください。
マウスを使用している場合は、PRE/POSTボタンをクリックしてください。
3. すべてのPRE/POSTボタンをプリまたはポストにまとめて設定する場合は、GLOBAL
のPREまたはPOSTボタンを選択して、[ENTER]キーを押してください。
マウスを使用している場合は、GLOBALのPREボタンまたはPOSTボタンをクリック
します。
PAIRファンクション(116ページのステレオペア)を使ってチャンネルをステレオペ
アに設定した場合は、プリ/ポスト設定が連動するため、どちらか一方のチャンネル
だけで調整が行えます。ステレオペアの奇数と偶数チャンネルを異なる設定にするこ
とはできません。

03D取扱説明書
第9章 AUXアウト 95
03Dの
世界へ
ようこそ!
各部の
名称と機能
インプット
チャンネル
イコライザー
パン、
ルーティング、
サラウンドパン
ソロ、
モニター、
メーター
ステレオ
アウト
AUXアウト
バスアウト
チャンネル
ライブラリー
とビュー
内蔵
エフェクト
シーン
メモリー
オート
ミックス
その他の
機能
デジタル
I/O
MIDI
付 録
グループ、
ペア
ダイナミクス
プロセッサー
ユーザー
インター
フェース
の基礎知識
AUXのマスターレベル設定
6
0
5
10
20
40
60
00
フェーダー9∼12を使ってAUXマスターレベルを調整できます。これらの
フェーダーの機能は、現在選択されているミキシングレイヤーによって異
なります。詳細は、32ページの「フェーダー」をご参照ください。
1. [MIXING LAYER]キーを使って17−24/MASTERミキシングレイヤーを選択してく
ださい。
これでフェーダー9∼12がAUXのマスターレベル調整用フェーダーとなります。
2. フェーダー9∼12を使ってAUX出力レベルを調整してください。
PAIRファンクション(116ページのステレオペア)でAUXアウトをステレオペアとし
て設定すると、2つのセンドのフェーダーが連動するため、いずれか一方のフェーダー
だけでAUXマスターレベルを調整できます。
AUXアウトのミュート
ON
[ON]キー9∼12でAUXアウトをミュートできます。このキーにはインジ
ケーターが付いており、AUXアウトがオンになると点灯します。
1. [MIXING LAYER]キーで17−24/MASTERミキシングレイヤーを選択してください。
これで9∼12の[ON]キーがAUXアウトのミュートキーとして機能します。
2. [ON]キーを押してください。
[ON]キーをもう一度押すと、AUXアウトのミュートが解除されます。
PAIRファンクション(116ページのステレオペア)でAUXアウトをステレオペアとし
て設定すると、2つのセンドの[ON]キーが連動するため、いずれか一方のキーだけで
AUXマスターレベルを調整できます。
AUXアウトのイコライジング
それぞれのAUXアウトには、4バンドのパラメトリックイコライザーが搭載されてい
ます。詳細は、47ページの「イコライザー」をご参照ください。
AUXアウトのダイナミクスプロセッサー
それぞれのAUXアウトには、ダイナミクスプロセッサーが搭載されています。詳細は、
143ページの「ダイナミクスプロセッサー」をご参照ください。

03D取扱説明書
96 第9章 AUXアウト
03Dの
世界へ
ようこそ!
各部の
名称と機能
インプット
チャンネル
イコライザー
パン、
ルーティング、
サラウンドパン
ソロ、
モニター、
メーター
ステレオ
アウト
AUXアウト
バスアウト
チャンネル
ライブラリー
とビュー
内蔵
エフェクト
シーン
メモリー
オート
ミックス
その他の
機能
デジタル
I/O
MIDI
付 録
グループ、
ペア
ダイナミクス
プロセッサー
ユーザー
インター
フェース
の基礎知識
AUXアウトのステレオペア
AUXアウト1/2、AUXアウト3/4はそれぞれステレオペアに設定できます。この設定は
Pairページで行います。詳細は、116ページの「ステレオペア」をご参照ください。AUX
アウトをペアに組むと、つぎのAUXマスターパラメーターが連動します。
・E Q
・フェーダー
・ダイナミクスプロセッサー
・[ON]キー
・モニター
これらのパラメーターは連動するため、ペアの片側のマスターコントロールを操作す
るだけで両方を調整できます。さらにステレオペアに設定されたAUXセンドでは、イ
ンプットチャンネル、ステレオインプットチャンネル、エフェクトリターン用のAUX
センドパン回転ノブが利用できるようになります。AUXセンドパン回転ノブは、AUX
Panページで利用できます。AUX PanページはAUXペア1/2、AUXペア3/4の2ページに
分かれています。
AUX Panページを選んだときに、該当するAUXアウトがステレオペアに組まれてい
ない場合、AUX Panページはつぎのような表示になります。
AUXアウトがステレオペア(116ページの「ステレオペア」参照)に設定されている場
合は、AUX Panページはつぎのような表示になります。
1. [AUX 1]キーまたは[AUX 2]キーでAUX 1−2 Panページを表示させるか、[AUX 3]
キーまたは[AUX4]キーでAUX 3−4 Panページを表示させてください。
2. [SEL]キーまたは[MIXING LAYER]キーでチャンネルを選択してください。詳細は、
31ページの「ミキシングレイヤー」をご参照ください。

03D取扱説明書
第9章 AUXアウト 97
03Dの
世界へ
ようこそ!
各部の
名称と機能
インプット
チャンネル
イコライザー
パン、
ルーティング、
サラウンドパン
ソロ、
モニター、
メーター
ステレオ
アウト
AUXアウト
バスアウト
チャンネル
ライブラリー
とビュー
内蔵
エフェクト
シーン
メモリー
オート
ミックス
その他の
機能
デジタル
I/O
MIDI
付 録
グループ、
ペア
ダイナミクス
プロセッサー
ユーザー
インター
フェース
の基礎知識
3. [CURSOR]キーでパン回転ノブを選択し、[PARAMETER]ダイアルで設定してくださ
い。
マウスを使用している場合は、マウスカーソルをパン回転ノブの上に移動し、マウス
の左ボタンを押しながらマウスをドラッグします。
インプットチャンネル1∼24のパン回転ノブは1つだけで、そのチャンネ
ルの信号をペアになったAUXバス間に定位させます。
ステレオのインプットチャンネルとエフェクトリターンには、左右の信
号にそれぞれパン回転ノブがあり、ステレオ信号の音像の幅を調整しま
す。
この図のように左の回転ノブをL16に、右の回転ノブをR16にすると、音
像の幅は100%となります。
両方の回転ノブをCENTER(センター)にすると、音像の幅はゼロになり
ます。
回転ノブをこれら2種類の設定値の中間に合わせれば、ステレオ信号の
幅をゼロから100%の間に設定できます。ただし、中央のバランスを保つ
ために、左右を同じ値にしてください。たとえば、L5とR5、あるいはL10と
R10といった組み合わせを使用します。
パンにはセンター位置を含めて全部で33個のポジションがあります。
L16←L15←···←L2←L1← CENTER →R1→R2→···→R15→R16
Left Center Right
AUXセンドのパン設定は、Pan1−16ページとPan17−24ページにある個々のパンモー
ド(連動、逆方向に連動)には影響を受けません。

03D取扱説明書
98 第9章 AUXアウト
03Dの
世界へ
ようこそ!
各部の
名称と機能
インプット
チャンネル
イコライザー
パン、
ルーティング、
サラウンドパン
ソロ、
モニター、
メーター
ステレオ
アウト
AUXアウト
バスアウト
チャンネル
ライブラリー
とビュー
内蔵
エフェクト
シーン
メモリー
オート
ミックス
その他の
機能
デジタル
I/O
MIDI
付 録
グループ、
ペア
ダイナミクス
プロセッサー
ユーザー
インター
フェース
の基礎知識
AUXアウトのブロック図
ON
SOLO
SOLO
SOLO
SOLO
Meter Meter
AUX 1 OUT
Dynamics
4Band
PEQ
Meter
DA
Meter Meter
ON
Meter Meter
AUX 2 OUT
Dynamics
4Band
PEQ
Meter
DA
Meter Meter
ON
Meter Meter
AUX 3 OUT
Dynamics
4Band
PEQ
Meter
DA
Meter Meter
ON
Meter Meter
AUX 4 OUT
Dynamics
4Band
PEQ
Meter
DA
Meter Meter
ST
L R
SOLO
L R
EFF
1 2
AUX
1 2 3 4
BUS
1 2 3 4

03D取扱説明書
第10 章 バスアウト 99
03Dの
世界へ
ようこそ!
各部の
名称と機能
インプット
チャンネル
イコライザー
パン、
ルーティング、
サラウンドパン
ソロ、
モニター、
メーター
ステレオ
アウト
AUXアウト
バスアウト
チャンネル
ライブラリー
とビュー
内蔵
エフェクト
シーン
メモリー
オート
ミックス
その他の
機能
デジタル
I/O
MIDI
付 録
グループ、
ペア
ダイナミクス
プロセッサー
ユーザー
インター
フェース
の基礎知識
第10章 バスアウト
10
本章の目次
バスアウトについて ..........................................................................................100
アナログバスアウト ..........................................................................................100
バスアウトとYGDAIインターフェース .........................................................100
レコードアウトとバスアウト1&2...................................................................100
バスアウトのモニター ......................................................................................100
バスアウトのメーター ......................................................................................100
信号をバスアウトへ送る ..................................................................................100
バスアウトのマスターレベル設定 ..................................................................101
バスアウトのミュート ......................................................................................101
バスアウトのイコライジング ..........................................................................101
バスアウトのダイナミクスプロセッサー ......................................................101
バスアウトのディレイ ......................................................................................102
バス信号をSTEREOバスに送る.......................................................................103
バスアウトのステレオペア ..............................................................................104
バスアウトのブロック図 ..................................................................................104

03D取扱説明書
100 第10章 バスアウト
03Dの
世界へ
ようこそ!
各部の
名称と機能
インプット
チャンネル
イコライザー
パン、
ルーティング、
サラウンドパン
ソロ、
モニター、
メーター
ステレオ
アウト
AUXアウト
バスアウト
チャンネル
ライブラリー
とビュー
内蔵
エフェクト
シーン
メモリー
オート
ミックス
その他の
機能
デジタル
I/O
MIDI
付 録
グループ、
ペア
ダイナミクス
プロセッサー
ユーザー
インター
フェース
の基礎知識
バスアウトについて
03Dは4系統のバス出力を搭載しています。インプットチャンネル、ステレオインプッ
トチャンネル、エフェクトリターンの各信号は、この4系統のバスに送ることができま
す。また、すべてのバス出力には4バンドのパラメトリックイコライザーとダイナミク
スプロセッサーが搭載されています。それぞれのバス出力は個別に使用することも、
ステレオペアを組んで使用することも可能です。バス出力の信号はアナログのフォー
ン端子から、またはYGDAIデジタル出力から出力されます。
アナログバスアウト
バス出力信号は、18ビットのD/Aコンバーターに
よりアナログ変換され、定格出力レベル+4dBの
バランス1/4"フォーン端子から出力されます。
バスアウトとYGDAIインターフェース
アナログバス出力に加えて、YGDAIデジタル出力からもバスの出力信号を送信でき
ます。詳細は、223ページの「YGDAIカード」をご参照ください。
REC OUT端子とバスアウト1&2
バス出力1と2からの信号をREC OUT端子に送ることが
できます。これは定格出力レベル−10dBVのRCAピン端
子で、バス出力1の信号は左のREC OUTへ、バス出力2の
信号は右のREC OUTへ送られます。REC OUT端子から
は、ステレオ出力の信号も出力できます。REC OUT
SOURCE SELECTスイッチでREC OUT端子から出力される信号のソースを選択して
ください。
バスアウトのモニター
詳細は、73ページの「ソロ、モニター、メーター」をご参照ください。
バスアウトのメーター
バス出力信号のレベルは、Meterページで確認できます。詳細は、81ページの「メー
ター」をご参照ください。
信号をバスアウトへ送る
インプットチャンネル、ステレオインプットチャンネル、エフェクトリターンの信号
をバス1∼4に送ることができます。詳細は、61ページの「ステレオパン、バランス、ルー
ティング」をご参照ください。
BUS OUT
4321
+4dB
(BAL)
REC OUT
RL
SOURCE
SELECT
ST OUT
BUS OUT
1-L•2-R
–10dBV
(UNBAL)

03D取扱説明書
第10 章 バスアウト 101
03Dの
世界へ
ようこそ!
各部の
名称と機能
インプット
チャンネル
イコライザー
パン、
ルーティング、
サラウンドパン
ソロ、
モニター、
メーター
ステレオ
アウト
AUXアウト
バスアウト
チャンネル
ライブラリー
とビュー
内蔵
エフェクト
シーン
メモリー
オート
ミックス
その他の
機能
デジタル
I/O
MIDI
付 録
グループ、
ペア
ダイナミクス
プロセッサー
ユーザー
インター
フェース
の基礎知識
バスアウトのマスターレベル設定
6
0
5
10
20
40
60
00
フェーダー13∼16を使ってそれぞれのバス出力のマスターレベルを調整
できます。このフェーダーの機能は、現在選択されているミキシングレイ
ヤーによって異なります。詳細は、32ページの「フェーダー」をご参照くだ
さい。
1. [MIXING LAYER]キーを使って17−24/MASTERのミキシングレイヤーを選択して
ください。
これでフェーダー13∼16がバス出力のマスターレベルをコントロールするフェー
ダーとなります。
2. フェーダー13∼16を使ってバスの出力レベルを調整してください。
PAIRファンクション(116ページのステレオペア)でバス出力をステレオペアに設定
すると、2つのバス出力のフェーダーが連動するため、どちらか一方のフェーダーだけ
で両方のバス出力のマスターレベルを調整できます。
バスアウトのミュート
ON
13∼16の[ON]キーでそれぞれのバス出力をミュートできます。このキー
にはインジケーターが付いており、バス出力がオンになると点灯します。
1. [MIXING LAYER]キーで17−24/MASTERのミキシングレイヤーを選択してくださ
い。
これで13∼16の[ON]キーは、バス出力のミュートキーとして機能します。
2. [ON]キーを押してください。
同じ[ON]キーをもう一度押すと、バス出力のミュートが解除されます。
PAIRファンクション(116ページのステレオペア)でバス出力をステレオペアに設定
すると、2つのバス出力の[ON]キーが連動するため、どちらか一方のキーだけで両方
のバス出力のマスターレベルを調整できます。
バスアウトのイコライジング
それぞれのバス出力には、4バンドのパラメトリックイコライザーが搭載されていま
す。詳細は、47ページの「イコライザー」をご参照ください。
バスアウトのダイナミクスプロセッサー
それぞれのバス出力には、ダイナミクスプロセッサーが搭載されています。詳細は、
143ページの「ダイナミクスプロセッサー」をご参照ください。

03D取扱説明書
102 第10章 バスアウト
03Dの
世界へ
ようこそ!
各部の
名称と機能
インプット
チャンネル
イコライザー
パン、
ルーティング、
サラウンドパン
ソロ、
モニター、
メーター
ステレオ
アウト
AUXアウト
バスアウト
チャンネル
ライブラリー
とビュー
内蔵
エフェクト
シーン
メモリー
オート
ミックス
その他の
機能
デジタル
I/O
MIDI
付 録
グループ、
ペア
ダイナミクス
プロセッサー
ユーザー
インター
フェース
の基礎知識
バスアウトのディレイ
バスの出力信号は、それぞれ独立してディレイをかけることが可能です。複数のス
ピーカーシステムを使用したPAシステムで信号の遅延を補正するときに使用できま
す。
1. [DELAY/Ø]キーを使って、CH Delayページを表示させてください。
2. [MIXING LAYER]キーで17−24/MASTERを選択してください。
3. [SEL]キーでバス出力を選択してください。
CH Delayページはつぎのようになります。
4. [CURSOR]キーでディレイパラメーターを選択し、[ENTER]キーと[PARAMETER]ダ
イアルで値を設定します。
マウスを使用している場合は、ボタンをクリックして回転ノブをドラッグしてください。
ON/OFF―ディレイをオン/オフします。カーソルがPARAMETERのボックス内にあ
るときは、ON/OFFボタンの選択をしなくても、[ENTER]キーでディレイのオン/オ
フができます。
PARAMETER―ディレイタイムを設定します。ディレイは秒またはサンプル単位で指
定できます。最大ディレイは2,000サンプルです。秒単位のディレイタイムは、サンプ
リング周波数に応じて変化します。サンプリング周波数44.1kHzの最長ディレイタイ
ムは45.4ミリ秒、48kHzでは41.7ミリ秒となります。
バスアウトのディレイ設定を確認する
つぎのページではバス出力のディレイ設定が確認できます。
1. [DELAY/Ø]キーを使ってつぎのページを表示させます。

03D取扱説明書
第10 章 バスアウト 103
03Dの
世界へ
ようこそ!
各部の
名称と機能
インプット
チャンネル
イコライザー
パン、
ルーティング、
サラウンドパン
ソロ、
モニター、
メーター
ステレオ
アウト
AUXアウト
バスアウト
チャンネル
ライブラリー
とビュー
内蔵
エフェクト
シーン
メモリー
オート
ミックス
その他の
機能
デジタル
I/O
MIDI
付 録
グループ、
ペア
ダイナミクス
プロセッサー
ユーザー
インター
フェース
の基礎知識
このページでは、それぞれのバス出力に設定されたディレイタイムが表示されます。
ディレイタイムを変更することはできませんが、オン/オフを切替えることは可能で
す。
2. [SEL]キーでバス出力を選択し、[ENTER]キーでディレイのオン/オフを切替えてく
ださい。
マウスを使用している場合は、単にON/OFFボタンをクリックしてください。また、
[CURSOR]キーでボタンを選択することもできます。
バス信号をSTEREOバスに送る
バスの出力信号をSTEREOバスにルーティングし、ミックスダウン中のサブグループ
として利用できます。バス→STEREOバスのルーティング設定は、Bus to STページで
行います。このページは、パンモードがSTEREOに設定されているときにのみ使用で
きます。サラウンドパンモードが選択されているときは使用できません。詳細は、60
ページの「パンモードの選択」をご参照ください。
1. [PAN/ROUTING]キーで、つぎの図のBus to STページを表示させてください。
2. [CURSOR]キーでボタンと回転ノブを選択し、[ENTER]キーと[PARAMETER]ダイア
ルで設定を変更します。
マウスを使用している場合は、該当するボタンをクリックしてください。パンを設定
する場合は、マウスカーソルをパン回転ノブに移動し、マウスの左ボタンを押しなが
らマウスをドラッグします。
BUS TO ST PAN―このウインドウではバス1∼4のそれぞれに対し、オン/オフ(ST)
ボタンとパン回転ノブが用意されています。STボタンは、バス1∼4の信号をSTEREO
バスに送るときに使用します。STボタンが黒く反転したバスの信号STEREOバスに送
られます。また、パン回転ノブは、バス1∼4の信号をSTEREOバス内に定位させるのに
使用します。パンの位置は、中央を含めて33通りの設定が選べます。
L16←L15←···←L2←L1← CENTER →R1→R2→···→R15→R16
Left Center Right
BUS TO ST PRE/POST―このウインドウではバス1∼4のそれぞれに対し、PRE/POST
ボタンが用意されています。ページ内のPRE/POSTボタンの下に表示されるブロック
図からもわかるように、バス1∼4からSTEREOバスに送る信号の位置は、ダイナミク
スプロセッサーの前または後ろが選択できます。

03D取扱説明書
104 第10章 バスアウト
03Dの
世界へ
ようこそ!
各部の
名称と機能
インプット
チャンネル
イコライザー
パン、
ルーティング、
サラウンドパン
ソロ、
モニター、
メーター
ステレオ
アウト
AUXアウト
バスアウト
チャンネル
ライブラリー
とビュー
内蔵
エフェクト
シーン
メモリー
オート
ミックス
その他の
機能
デジタル
I/O
MIDI
付 録
グループ、
ペア
ダイナミクス
プロセッサー
ユーザー
インター
フェース
の基礎知識
バスアウトのステレオペア
Pairページでは、バス出力1/2とバス出力3/4をステレオペアに設定できます。詳細は、
116ページの「ステレオペア」をご参照ください。ペアを組むと、バス出力のつぎのパラ
メーターが連動します。
・E Q
・フェーダー
・ダイナミクスプロセッサー
・[ON]キー
・モニター
・バスアウトからSTバスへのオン/オフ ボタン
・バスアウトからSTバスへのプリ/ポスト ボタン
これらのパラメーターは連動しているため、ペアの片方を操作するだけで両方のバス
出力を調整できます。
バスアウトのブロック図
1
ON
MeterMeter
BUS OUT 1
to REC OUT L
ST
L R
SOLO
L R
4Band
PEQ
PAN
SOLO
DA
Meter
DELAYDynamics
EFF
1 2
AUX
1 2 3 4
BUS
1 2 3 4
Meter Meter
1
ON
MeterMeter
BUS OUT 2
to REC OUT L
4Band
PEQ
PAN
SOLO
DA
Meter
DELAYDynamics
Meter Meter
1
ON
MeterMeter
BUS OUT 3
4Band
PEQ
PAN
SOLO
DA
Meter
DELAYDynamics
Meter Meter
1
ON
MeterMeter
BUS OUT 4
4Band
PEQ
PAN
SOLO
DA
Meter
DELAYDynamics
Meter Meter

03D取扱説明書
第11章 チャンネルライブラリーとビュー 105
03Dの
世界へ
ようこそ!
各部の
名称と機能
インプット
チャンネル
イコライザー
パン、
ルーティング、
サラウンドパン
ソロ、
モニター、
メーター
ステレオ
アウト
AUXアウト
バスアウト
チャンネル
ライブラリー
とビュー
内蔵
エフェクト
シーン
メモリー
オート
ミックス
その他の
機能
デジタル
I/O
MIDI
付 録
グループ、
ペア
ダイナミクス
プロセッサー
ユーザー
インター
フェース
の基礎知識
第11章 チャンネルライブラリーとビュー
11
本章の目次
チャンネルライブラリー ..................................................................................106
チャンネルプログラムの保存 ..........................................................................107
チャンネルプログラムの呼び出し ..................................................................108
チャンネルプログラムタイトルのエディット..............................................109
チャンネルビュー ..............................................................................................110

03D取扱説明書
106 第11章 チャンネルライブラリーとビュー
03Dの
世界へ
ようこそ!
各部の
名称と機能
インプット
チャンネル
イコライザー
パン、
ルーティング、
サラウンドパン
ソロ、
モニター、
メーター
ステレオ
アウト
AUXアウト
バスアウト
チャンネル
ライブラリー
とビュー
内蔵
エフェクト
シーン
メモリー
オート
ミックス
その他の
機能
デジタル
I/O
MIDI
付 録
グループ、
ペア
ダイナミクス
プロセッサー
ユーザー
インター
フェース
の基礎知識
チャンネルライブラリー
個々のチャンネルの設定は、チャンネルライブラリーにプログラムとして保存できま
す。チャンネルライブラリーには2つのプリセットプログラム(00と01)と、49のユー
ザープログラム(02∼50)が含まれています。よく使用するチャンネル設定をユーザー
プログラムに保存し、さらに区別しやすいようにタイトルを付けることができます。
また、特定のチャンネルの設定を別のチャンネルにコピーしたいときにもチャンネル
ライブラリーを利用できます。たとえば、インプットチャンネル1の設定をライブラ
リープログラムとして保存し、これをインプットチャンネル19に呼び出します。プリ
セットプログラムには、すべての入出力チャンネル用の初期設定値が含まれており、
各チャンネルを初期設定値にリセットしたいときに使用します。プログラム00“Reset
(−∞dB)”を呼び出した場合は、選択されているチャンネルがリセットされ、そのチャ
ンネルのフェーダーが−∞(マイナス無限大)の位置に移動します。プログラム01
“Reset(0dB)”を呼び出した場合も同じように動作しますが、フェーダーは0dBの位置
となります。
チャンネル設定は、シーンメモリー(161ページ参照)にも保存されます。
チャンネルライブラリーの操作は、つぎの図のLibraryページで行います。このページ
を呼び出すには、[VIEW]キーを使用します。
マウスを使用する場合、CH Viewページがすでに表示されていれば、Libraryページの
タイトルタブをクリックするだけで呼び出せます。
CURRENT 03D CONFIGURATION(現在の03Dの設定)のボックスには、PAN MODE(パ
ンの設定)とAUX CONFIG.(AUXの設定)が表示されます。PAN MODEの欄に[STEREO]
が表示されている場合は通常のステレオパンが選択されていることを表わし、
[SURROUND]ではサラウンドパンモードの1つが選択されていることを表わしていま
す。また、AUXの欄に[MONO×2]と表示されている場合は通常のAUX出力モードを表
わし、[PAIR]ではAUXアウトがステレオペアに設定されていることを表わします。
CURRENT 03D CONFIGURATIONボックスの横にあるメーターには、選択されてい
るチャンネルの信号レベルとゲインリダクション量が表示されます。ペアに組んだ
チャンネルはダイナミクスプロセッサーのパラメーターが共通のため、ゲインリダク
ションのメーターは1つだけ表示されます。
チャンネルライブラリーに保存可能なミックス内容は、つぎのとおりです。
インプットチャンネル CH 1∼CH 24
ステレオインプットチャンネル ST IN
AUXアウト AUX 1, AUX 2, AUX 3, AUX 4
バスアウト BUS 1, BUS 2, BUS 3, BUS 4
ステレオアウト ST OUT
エフェクトリターン EFFECT 1, EFFECT 2

03D取扱説明書
第11章 チャンネルライブラリーとビュー 107
03Dの
世界へ
ようこそ!
各部の
名称と機能
インプット
チャンネル
イコライザー
パン、
ルーティング、
サラウンドパン
ソロ、
モニター、
メーター
ステレオ
アウト
AUXアウト
バスアウト
チャンネル
ライブラリー
とビュー
内蔵
エフェクト
シーン
メモリー
オート
ミックス
その他の
機能
デジタル
I/O
MIDI
付 録
グループ、
ペア
ダイナミクス
プロセッサー
ユーザー
インター
フェース
の基礎知識
チャンネルプログラムの保存
チャンネルプログラムの保存操作はChannel Libraryページで行います。チャンネル設
定を保存できるのはユーザープログラム02∼50で、プログラム00と01は読み出し専用
となっています。
1. [VIEW]キーを使ってLibraryページを表示させてください。
2. [PARAMETER]ダイアルでチャンネルプログラムのリストを上下にスクロールして
ください。マウスを使用している場合は、マウスカーソルをパラメーターボックスに
合わせ、マウスの左ボタンを押しながらマウスをドラッグします。
プログラムを選択すると、そのチャンネルの保存されたデータの詳細が隣のウインド
ウに現われます。また、データの入っていないチャンネルプログラムの場合は“No
Data!”というタイトルが入ります。
3. [CURSOR]キーでSTOREボタンを選択し、[ENTER]キーを押してください。
マウスを使用している場合は、STOREボタンをクリックしてください。
TITLE EDITダイアログボックスが現われます。
4. チャンネルプログラムのタイトルを入力してください。
詳細は、33ページの「TITLE EDITダイアログボックス」をご参照ください。
5. TITLE EDITダイアログボックスのOKボタンを押してください。
チャンネルプログラムが保存されます。

03D取扱説明書
108 第11章 チャンネルライブラリーとビュー
03Dの
世界へ
ようこそ!
各部の
名称と機能
インプット
チャンネル
イコライザー
パン、
ルーティング、
サラウンドパン
ソロ、
モニター、
メーター
ステレオ
アウト
AUXアウト
バスアウト
チャンネル
ライブラリー
とビュー
内蔵
エフェクト
シーン
メモリー
オート
ミックス
その他の
機能
デジタル
I/O
MIDI
付 録
グループ、
ペア
ダイナミクス
プロセッサー
ユーザー
インター
フェース
の基礎知識
チャンネルプログラムの呼び出し
チャンネルプログラムの呼び出し操作は、Channel Libraryページで行います。
1. [VIEW]キーを使ってLibraryページを表示させてください。
2. [PARAMETER]ダイアルでチャンネルプログラムのリストを上下にスクロールして
ください。マウスを使用している場合は、マウスカーソルをパラメーターボックスに
合わせ、マウスの左ボタンを押したままマウスをドラッグします。
データの入っていないチャンネルプログラムには、“No Data!”というタイトルが付い
ています。プログラムを選ぶたびに、そのチャンネルデータの詳細が隣に表示されま
す。
STORED FROM―プログラムに保存されているデータの保存時の
チャンネルを表示します。
PAN MODE―チャンネルプログラムのパンモードを表示します。
AUX CONFIG.―チャンネルプログラムのAUX出力設定を表示し
ます。
選択したチャンネルプログラムのデータが、現在選択されている
チャンネルに適合しない場合(たとえばSTORED FROMではイン
プットチャンネルが表示されているのに、現在選択されている
チャンネルがバス1である場合など)、“CONFLICT”という表示が
現われ、適合しないデータの横に警告の三角マークが表示されま
す。
チャンネルデータにはつぎの4タイプがあります。
タイプ データ
Type 1 インプットチャンネル1∼24、ステレオインプットチャンネル、エフェクトリターン
チャンネル
Type 2 AUXアウトチャンネル
Type 3 バスアウトチャンネル
Type 4 ステレオアウトチャンネル
現在選択されているチャンネルに呼び出すことができるのは、そのチャンネルと同じ
タイプのチャンネルプログラムのみです。たとえば、インプットチャンネル1のデータ
が入っているチャンネルプログラムをステレオインプットチャンネルに呼び出すこ
とはできますが、AUXアウト1のデータが入っているチャンネルプログラムをバスア
ウトに呼び出すことはできません。
モノのインプットチャンネルプログラム(1∼24)をステレオのチャンネル(ステレオ
インプットチャンネル、エフェクトリターンチャンネルまたはステレオペアのイン

03D取扱説明書
第11章 チャンネルライブラリーとビュー 109
03Dの
世界へ
ようこそ!
各部の
名称と機能
インプット
チャンネル
イコライザー
パン、
ルーティング、
サラウンドパン
ソロ、
モニター、
メーター
ステレオ
アウト
AUXアウト
バスアウト
チャンネル
ライブラリー
とビュー
内蔵
エフェクト
シーン
メモリー
オート
ミックス
その他の
機能
デジタル
I/O
MIDI
付 録
グループ、
ペア
ダイナミクス
プロセッサー
ユーザー
インター
フェース
の基礎知識
プットチャンネル)に呼び出すと、ステレオチャンネルの左右のパン回転ノブは、いず
れもモノのインプットチャンネルのパン設定が適用されます。逆にステレオチャンネ
ルをモノチャンネルに呼び出した場合は、モノのインプットチャンネルのパン回転ノ
ブは、呼び出したモノチャンネルが奇数のときはL側、偶数のときはR側のノブとなり
ます。
3. [CURSOR]キーでRECALLボタンを選択し、[ENTER]キーを押してください。
マウスを使用している場合は、RECALLボタンをクリックします。
これでチャンネルプログラムが呼び出されます。
チャンネルプログラムタイトルのエディット
チャンネルプログラムのタイトルは、わざわざプログラムを呼び出さなくても、いつ
でもエディットできます。タイトルをエディットできるのは、データの入っている
チャンネルプログラムのみです。この操作は、つぎの図のChannel Libraryページで行
います。
1. [VEIW]キーを使ってLibraryページを表示させてください。
2. [PARAMETER]ダイアルかマウスを使ってチャンネルプログラムを選択してくださ
い。
3. [CURSOR]キーでTITLE EDITボタンを選択し、[ENTER]キーを押してください。
マウスを使用している場合は、TITLE EDITボタンをクリックします。
TITLE EDITダイアログボックスが現われます。
4. プログラムのタイトルをエディットしてください。
詳細は、33ページの「TITLE EDITダイアログボックス」をご参照ください。
5. 終了したら、TITLE EDITダイアログボックスのOKを押してください。

03D取扱説明書
110 第11章 チャンネルライブラリーとビュー
03Dの
世界へ
ようこそ!
各部の
名称と機能
インプット
チャンネル
イコライザー
パン、
ルーティング、
サラウンドパン
ソロ、
モニター、
メーター
ステレオ
アウト
AUXアウト
バスアウト
チャンネル
ライブラリー
とビュー
内蔵
エフェクト
シーン
メモリー
オート
ミックス
その他の
機能
デジタル
I/O
MIDI
付 録
グループ、
ペア
ダイナミクス
プロセッサー
ユーザー
インター
フェース
の基礎知識
チャンネルビュー
CH Viewページには、現在選択されているインプットチャンネル、ステレオインプッ
トチャンネル、エフェクトリターンチャンネル、AUXアウト、バスアウト、ステレオ出
力などのさまざまな設定やパラメーター値が表示されますので、そのチャンネルの
ミックス設定を一目で確認できます。このページでパラメーターの値を調整すること
もできます。
1. [VIEW]キーを使ってCH Viewページを表示させてください。
2. [SEL]キーと[MIXING LAYER]キーを使ってチャンネルを選択してください。詳細は、
31ページの「ミキシングレイヤー」をご参照ください。
3. [CURSOR]キーでパラメーターを選択し、[ENTER]キーと[PARAMETER]ダイアルで
値を設定してください。
マウスを使用している場合は、該当するボタンをクリックして、回転ノブやフェー
ダーをドラッグします。
以下の図は、さまざまなチャンネルのViewページの例を表わしたものです。
インプットチャンネルのViewページ
AUXセンド1と2がステレオペアとして組まれたインプットチャンネルのViewページ

03D取扱説明書
第11章 チャンネルライブラリーとビュー 111
03Dの
世界へ
ようこそ!
各部の
名称と機能
インプット
チャンネル
イコライザー
パン、
ルーティング、
サラウンドパン
ソロ、
モニター、
メーター
ステレオ
アウト
AUXアウト
バスアウト
チャンネル
ライブラリー
とビュー
内蔵
エフェクト
シーン
メモリー
オート
ミックス
その他の
機能
デジタル
I/O
MIDI
付 録
グループ、
ペア
ダイナミクス
プロセッサー
ユーザー
インター
フェース
の基礎知識
ステレオペアが組まれたインプットチャンネルのViewページ
2+2(サラウンドパン)モードのインプットチャンネルのViewページ
ステレオインプットチャンネルのViewページ
エフェクトリターンチャンネルのViewページ

03D取扱説明書
112 第11章 チャンネルライブラリーとビュー
03Dの
世界へ
ようこそ!
各部の
名称と機能
インプット
チャンネル
イコライザー
パン、
ルーティング、
サラウンドパン
ソロ、
モニター、
メーター
ステレオ
アウト
AUXアウト
バスアウト
チャンネル
ライブラリー
とビュー
内蔵
エフェクト
シーン
メモリー
オート
ミックス
その他の
機能
デジタル
I/O
MIDI
付 録
グループ、
ペア
ダイナミクス
プロセッサー
ユーザー
インター
フェース
の基礎知識
AUXアウトのViewページ
バスアウトのViewページ
ステレオ出力のViewページ

03D取扱説明書
第12 章 グループ、ペア 113
03Dの
世界へ
ようこそ!
各部の
名称と機能
インプット
チャンネル
イコライザー
パン、
ルーティング、
サラウンドパン
ソロ、
モニター、
メーター
ステレオ
アウト
AUXアウト
バスアウト
チャンネル
ライブラリー
とビュー
内蔵
エフェクト
シーン
メモリー
オート
ミックス
その他の
機能
デジタル
I/O
MIDI
付 録
グループ、
ペア
ダイナミクス
プロセッサー
ユーザー
インター
フェース
の基礎知識
第12章 グループ、ペア
12
本章の目次
フェーダーグループ ..........................................................................................114
ミュートグループ ..............................................................................................115
ステレオペア ......................................................................................................116

03D取扱説明書
114 第12章 グループ、ペア
03Dの
世界へ
ようこそ!
各部の
名称と機能
インプット
チャンネル
イコライザー
パン、
ルーティング、
サラウンドパン
ソロ、
モニター、
メーター
ステレオ
アウト
AUXアウト
バスアウト
チャンネル
ライブラリー
とビュー
内蔵
エフェクト
シーン
メモリー
オート
ミックス
その他の
機能
デジタル
I/O
MIDI
付 録
グループ、
ペア
ダイナミクス
プロセッサー
ユーザー
インター
フェース
の基礎知識
フェーダーグループ
フェーダーをグループにまとめ、1本のフェーダーで複数のフェーダーをコントロー
ルすることが可能です。これにより、簡単に複数のフェーダーを同時に操作できます。
フェーダーグループとして使用できるのは、インプットチャンネル1∼24とステレオ
インプットチャンネルのフェーダーです。A、B、C、Dの4つまでのグループが使用でき、
グループの設定はGroupページで行います。
フェーダーグループの作成
1. [GROUP/PAIR]キーを使ってGroupページを表示させてください。
2. 上下の[CURSOR]キーでフェーダーグループを選択し、[SEL]キーでフェーダーを追
加または解除してください。インプットチャンネル17∼24のフェーダーのグループ
設定を行うには、ミキシングレイヤーとして17−24/MASTERを選択してください。
マウスを使っている場合は、そのグループに追加/解除したいチャンネル部分をク
リックするだけで設定が行えます。なお、1本のフェーダーを複数のフェーダーグルー
プに加えることはできません。
ステレオペアに設定されたチャンネル(116ページの「ステレオペア」参照)は、一緒に
追加/解除されます。
Groupページが選択されている場合、[SEL]キーはフェーダーをグループに追加/解
除するためのキーとして機能します。別のページを選択すれば、[SEL]キーが通常の
機能に戻ります。
同じグループ内のフェーダーは、必ず一度に1本のみ操作してください。グループ内の
2本のフェーダーを同時に操作しようとすると、モーターに過大な負荷がかかり故障
の原因となります。
フェーダーグループ内のチャンネルは、Solo SetupページのFADER GROUP AFLを
使って同時にモニターできます。詳細は、77ページの「ソロのセットアップ」をご参照
ください。
フェーダーグループを無効にする
4つのフェーダーグループは、Groupページの右にあるENABLEボタンを使って個別に
無効にできます。特定のグループ内のフェーダー位置を調整したいときに便利です。
1. 上下の[CURSOR]キーを使って無効にしたいフェーダーグループをA、B、C、Dの中か
ら選んでください。

03D取扱説明書
第12 章 グループ、ペア 115
03Dの
世界へ
ようこそ!
各部の
名称と機能
インプット
チャンネル
イコライザー
パン、
ルーティング、
サラウンドパン
ソロ、
モニター、
メーター
ステレオ
アウト
AUXアウト
バスアウト
チャンネル
ライブラリー
とビュー
内蔵
エフェクト
シーン
メモリー
オート
ミックス
その他の
機能
デジタル
I/O
MIDI
付 録
グループ、
ペア
ダイナミクス
プロセッサー
ユーザー
インター
フェース
の基礎知識
2. [ENTER]キーを押してください。
マウスを使っている場合は、ENABLEボタンをクリックします。
3. フェーダーグループを有効にするには、もう一度[ENTER]キーを押してください。
有効のフェーダーグループ
無効のフェーダーグループ
ミュートグループ
チャンネルをグループにまとめ、1つの[ON]キーで複数のチャンネルのミュートをコ
ントロールすることができます。これにより、簡単に複数のチャンネルのミュートを
同時に操作することが可能です。ミュートグループとして使用できるのは、インプッ
トチャンネル1∼24とステレオインプットチャンネルです。グループ内のすべての
チャンネルをオンまたはオフの状態に揃えておく必要はなく、オンのチャンネルとオ
フのチャンネルを混在させることができます。オンとオフが混在したミュートグルー
プを切替えると、今までオンだったチャンネルはオフに、オフだったチャンネルはオ
ンに変わります。この機能を利用すれば、たとえば2つのチャンネルを切替えてA/B比
較テストが行えます。E、F、G、Hの4つまでのグループが使用でき、Groupページで設定
を行います。
ミュートグループの作成
1. [GROUP/PAIR]キーを使ってGroupページを表示させてください。
2. 上下の[CURSOR]キーでミュートグループを選択し、[SEL]キーでグループにチャン
ネルを追加/解除してください。インプットチャンネル17∼24のミュート設定を行
うときは、ミキシングレイヤーとして17−24/MASTERを選択してください。
マウスを使っている場合は、該当するチャンネル部分をクリックしてください。1つの
チャンネルを複数のミュートグループに加えることはできません。
ステレオペアに設定されたチャンネル(116ページの「ステレオペア」参照)は、一緒に
追加/解除されます。
Groupページが選択されている場合、[SEL]キーはチャンネルをミュートグループに
追加/解除するためのキーとして機能します。別のページを選択すれば、[SEL]キー
が通常の機能に戻ります。

03D取扱説明書
116 第12章 グループ、ペア
03Dの
世界へ
ようこそ!
各部の
名称と機能
インプット
チャンネル
イコライザー
パン、
ルーティング、
サラウンドパン
ソロ、
モニター、
メーター
ステレオ
アウト
AUXアウト
バスアウト
チャンネル
ライブラリー
とビュー
内蔵
エフェクト
シーン
メモリー
オート
ミックス
その他の
機能
デジタル
I/O
MIDI
付 録
グループ、
ペア
ダイナミクス
プロセッサー
ユーザー
インター
フェース
の基礎知識
ミュートグループを無効にする
4つのミュートグループは、Groupページの右にあるENABLEボタンで個別に無効にで
きます。これにより、グループ内の個々のチャンネルの設定を変更できます。
1. 上下の[CURSOR]キーを使って無効にしたいミュートグループE、F、G、Hの中から選
択してください。
2. [ENTER]キーを押してください。
マウスを使っている場合は、ENABLEボタンをクリックします。
3. ミュートグループを有効にするには、[ENTER]キーをもう一度押してください。
有効のミュートグループ
無効のミュートグループ
ステレオペア
インプットチャンネル、AUXセンド、バスアウトは、それぞれペアを組んでステレオ
操作が行えます。インプットチャンネルをペアにすれば、ステレオ入力信号を処理す
るのに便利です。またAUXセンドやバス出力をペアにして、ステレオ出力を追加する
こともできます。
ステレオペアの設定
1. [GROUP/PAIR]キーを使って、つぎの図のPairページを表示させてください。
2. [CURSOR]キーでペアボタン(MONO X 2/STEREO)を選択し、[ENTER]キーを押し
てください。
マウスを使っている場合は、ペアボタンをクリックしてください。
[SEL]キーを使ってインプットチャンネルのペア設定を行うことも可能です。この場
合は、ペアにしたい2つのチャンネルの[SEL]キーを同時に押すだけでペアを設定で
きます。インプットチャンネル17∼24、AUXセンド、バスアウトのペア設定を行うと
きは、17−24/MASTERのミキシングレイヤーを選んでください。ペアを解除するに
は、2つの[SEL]キーをもう一度押してください。
ペアが解除されたチャンネル
ペアに設定されたチャンネル

03D取扱説明書
第12 章 グループ、ペア 117
03Dの
世界へ
ようこそ!
各部の
名称と機能
インプット
チャンネル
イコライザー
パン、
ルーティング、
サラウンドパン
ソロ、
モニター、
メーター
ステレオ
アウト
AUXアウト
バスアウト
チャンネル
ライブラリー
とビュー
内蔵
エフェクト
シーン
メモリー
オート
ミックス
その他の
機能
デジタル
I/O
MIDI
付 録
グループ、
ペア
ダイナミクス
プロセッサー
ユーザー
インター
フェース
の基礎知識
インプットチャンネルをペアに組むとき、つぎのダイアログボックスが現われます。
3. [CURSOR]キーで以下の4種類のボタンから1つを選択し、[ENTER]キーを押してく
ださい。 奇数チャンネルの設定を偶数チャンネルにコピーして、チャンネルペア
を有効にします。
偶数チャンネルの設定を奇数チャンネルにコピーして、チャンネルペア
を有効にします。
奇数、偶数の両チャンネルを初期設定値にリセットして、チャンネルペア
を有効にします。
ペア設定を中断します。
ペアをはずすとき、つぎのダイアログボックスが現われます。
4. [CURSOR]キーでCANCELかOKを選択し、[ENTER]キーを押してください。
インプットチャンネルのステレオペア
詳細は、44ページの「インプットチャンネルのステレオペア」をご参照ください。
AUXアウトのステレオペア
詳細は、96ページの「AUXアウトのステレオペア」をご参照ください。
バスアウトのステレオペア
詳細は、104ページの「バスアウトのステレオペア」をご参照ください。

03D取扱説明書
第13章 内蔵エフェクト 119
03Dの
世界へ
ようこそ!
各部の
名称と機能
インプット
チャンネル
イコライザー
パン、
ルーティング、
サラウンドパン
ソロ、
モニター、
メーター
ステレオ
アウト
AUXアウト
バスアウト
チャンネル
ライブラリー
とビュー
内蔵
エフェクト
シーン
メモリー
オート
ミックス
その他の
機能
デジタル
I/O
MIDI
付 録
グループ、
ペア
ダイナミクス
プロセッサー
ユーザー
インター
フェース
の基礎知識
第13章 内蔵エフェクト
13
本章の目次
内蔵エフェクトについて ..................................................................................120
エフェクトライブラリーリスト ......................................................................121
エフェクトをかける ..........................................................................................125
エフェクトセンドのプリフェーダー/ポストフェーダー切替え..............126
エフェクトリターン ..........................................................................................126
エフェクトライブラリー ..................................................................................128
エフェクトプログラムの保存 ..........................................................................129
エフェクトプログラムの呼び出し ..................................................................130
エフェクトプログラムタイトルのエディット..............................................131
エフェクトパラメーターリスト ......................................................................132
エフェクトのブロック図 ..................................................................................142

03D取扱説明書
120 第13章 内蔵エフェクト
03Dの
世界へ
ようこそ!
各部の
名称と機能
インプット
チャンネル
イコライザー
パン、
ルーティング、
サラウンドパン
ソロ、
モニター、
メーター
ステレオ
アウト
AUXアウト
バスアウト
チャンネル
ライブラリー
とビュー
内蔵
エフェクト
シーン
メモリー
オート
ミックス
その他の
機能
デジタル
I/O
MIDI
付 録
グループ、
ペア
ダイナミクス
プロセッサー
ユーザー
インター
フェース
の基礎知識
内蔵エフェクトについて
03Dには、2系統のステレオマルチエフェクトプロセッサー(エフェクト1とエフェク
ト2)が内蔵されており、リバーブ、ディレイ、コーラス、フランジャー、アンプシミュ
レーターなど、多彩で高品位なエフェクトを利用できます。使用できるエフェクトの
タイプは全部で34種類あります。詳細は、132ページの「エフェクトパラメーターリス
ト」をご参照ください。エフェクトプロセッサーには、EFFECT 1バスとEFFECT 2バス
から信号が送られ、エフェクト処理された信号はエフェクトリターン1とエフェクト
リターン2を通して返されます。エフェクトは、インプットチャンネルとステレオイン
プットチャンネルの両方の信号にかけることができます。
エフェクトの設定は、プログラムとしてエフェクトライブラリーに保存できます。エ
フェクトライブラリーには64のプリセットプログラムと32のユーザープログラムが
含まれています。詳細は、128ページの「エフェクトライブラリー」をご参照ください。
また、エフェクト設定はシーンメモリー(162ページ)にも保存されます。
エフェクトプロセッサーは、つぎの図のEff.Editページでエディットします。[EFFECT
1]キーでエフェクト1のEff.Editページ、[EFFECT 2]キーでエフェクト2のEff.Editペー
ジが呼び出されます。
Eff.Editページの上半分には、現在選択されているエフェクトのタイプと、選択されて
いるエフェクトリターンのレベルメーターが表示されます。また、下半分にはエフェ
クトパラメーターが表示されます。使用可能なパラメーターの数と種類は、選択され
ているエフェクトのタイプによって異なります。

03D取扱説明書
第13章 内蔵エフェクト 121
03Dの
世界へ
ようこそ!
各部の
名称と機能
インプット
チャンネル
イコライザー
パン、
ルーティング、
サラウンドパン
ソロ、
モニター、
メーター
ステレオ
アウト
AUXアウト
バスアウト
チャンネル
ライブラリー
とビュー
内蔵
エフェクト
シーン
メモリー
オート
ミックス
その他の
機能
デジタル
I/O
MIDI
付 録
グループ、
ペア
ダイナミクス
プロセッサー
ユーザー
インター
フェース
の基礎知識
エフェクトライブラリーリスト
本機にあらかじめ内蔵されているエフェクトプログラムのリストです。パラメーター
についての詳細は、132ページの「エフェクトパラメーターリスト」をご参照ください。
HQ. PITCHまたは、FREEZEのエフェクトタイプを使用しているエフェクトプログラ
ムは、エフェクト2のみで使用可能でエフェクト1へ呼び出すことはできません。
REVERB/ER(リバーブ/アーリーリフレクション)系
No. タイトル タイプ エフェクトの効果
01 ConcertHall1 REVERB HALL スタンダードなホールリバーブのシミュレーションです。
02 ConcertHall2 REVERB HALL プリ・ディレイを強調した長めのホールリバーブのバリエー
ションです。
03 Bright Room REVERB ROOM スタンダードなルームシミュレーションで、高域を強調して
あります。
04 Dark Room REVERB ROOM スタンダードなルームシミュレーションで、低域を強調して
あります。
05 Live Room 1 REVERB STAGE コンクリートの部屋をシミュレートした派手めの効果です。
06 Live Room 2 REVERB STAGE Live Room 1よりおとなしく長い残響のリバーブです。
07 Ambience 1 REVERB HALL リハーサルスタジオ風の狭い臨場感をねらったアンビエンス
系のリバーブです。
08 Ambience 2 DELAY→ER. Ambience 1 よりも明るめで反射が多いイメージのエフェクト
です。
09 Rev Vocal 1 REVERB HALL バラード系の曲向きの長めのリバーブです。
10 Rev Vocal 2 REVERB STAGE ボーカル・コーラス・詩吟etc....、用途が広くお得なリバーブで
す。
11 Rev. Plate REVERB PLATE いわゆるプレートエコーのシミュレーションです。
12 Reverb Stage REVERB STAGE Hallより明るめの音質で、舞台上の残響シミュレーションで
す。
13 Snare Room REVERB ROOM 主にSnare向けのルーム系リバーブです。キット全体に適当に
かけても効果的です。
14 Snare Plate REVERB PLATE 少々古めかしい印象になるSnare向けのプレート系リバーブで
す。
15 Compact Room DELAY+ER. 主に打楽器系の音に少しずつ加えることで、適度な臨場感を
得られます。
16 Off Mic DELAY→ER. 生ドラムやパーカッションの録音の時に使用するオフマイク
のシミュレーションです。
17 Graceverb 1 REV→SYMPHO. モジュレーションを少し加えたHall系のリバーブです。
18 Graceverb 2 REV+SYMPHO. Graceverb 1のバリエーションです。
19 Slip Verb DELAY+REV リバースゲート風効果をねらったノンリニア系のリバーブで
す。
20 Swept-Rev REV→FLANGE フランジ効果を混ぜたリバーブです。

03D取扱説明書
122 第13章 内蔵エフェクト
03Dの
世界へ
ようこそ!
各部の
名称と機能
インプット
チャンネル
イコライザー
パン、
ルーティング、
サラウンドパン
ソロ、
モニター、
メーター
ステレオ
アウト
AUXアウト
バスアウト
チャンネル
ライブラリー
とビュー
内蔵
エフェクト
シーン
メモリー
オート
ミックス
その他の
機能
デジタル
I/O
MIDI
付 録
グループ、
ペア
ダイナミクス
プロセッサー
ユーザー
インター
フェース
の基礎知識
21 Gated Hall REVERB HALL Room系の効果よりも大きい場所のイメージ、Rev.TimeとGate
Lvlの調整が効果的です。
22 Gated Room REVERB ROOM 同じくRev.TimeとGate Lvlの調整が効果的なRoom系のゲー
テッドリバーブです。
23 Random ER EARLY REF. ラフな反射音の効果をねらったEarly Ref.です。
24 Splatter ER EARLY REF. バシャバシャした効果をねらったEarly Ref.です。
25 Reverse Gate REVERSE GATE オーソドックスなリバースゲートの設定です。
26 Rough Gate GATE REVERB オーソドックスなゲートリバーブの設定です。
DELAY/ECHO(ディレイ/エコー)系
No. タイトル タイプ エフェクトの効果
27 DELAY L-C-R1 DELAY LCR オーソドックスなDelay L-C-R の設定です。左、右、中央の順番
で音が返ってきます。
28 DELAY L-C-R2 DELAY LCR Delay L-C-R のバリエーションです。DELAY L-C-R1にフィー
ドバックを加えた効果です。
29 PingPongEcho ECHO 少々アバウトなピンポンディレイならぬピンポンエコーで
す。
30 Stereo Echo ECHO オーソドックスなステレオエコーの設定です。
31 8 note Delay ECHO 8分音符のクロスディレイです。
MODULATION(モジュレーション)系
No. タイトル タイプ エフェクトの効果
32 Chorus 1 CHORUS オーソドックスなコーラスエフェクトの設定です。
33 Chorus 2 CHORUS コーラスエフェクトのバリエーションです。
34 BrightChorus CHORUS 多少派手めのコーラスエフェクトのバリエーションです。
35 FLANGE 1 FLANGE オーソドックスなフランジエフェクトの設定です。
36 FLANGE 2 FLANGE フランジエフェクトのバリエーションです。
37 Delange FLANGE ディレイを強調したフランジエフェクトのバリエーションで
す。
38 Symphonic SYMPHONIC オーソドックスなシンフォニックエフェクトの設定です。
39 Phaser PHASER オーソドックスなフェイザーのシミュレーションです。
40 16stagePhase PHASER フェイザーのバリエーションです。ここでは16段の位相シフ
トをすべて使っています。
41 Auto Pan AUTOPAN オーソドックスなオートパンの設定です。
42 Tremolo TREMOLO オーソドックスなトレモロエフェクトの設定です。

03D取扱説明書
第13章 内蔵エフェクト 123
03Dの
世界へ
ようこそ!
各部の
名称と機能
インプット
チャンネル
イコライザー
パン、
ルーティング、
サラウンドパン
ソロ、
モニター、
メーター
ステレオ
アウト
AUXアウト
バスアウト
チャンネル
ライブラリー
とビュー
内蔵
エフェクト
シーン
メモリー
オート
ミックス
その他の
機能
デジタル
I/O
MIDI
付 録
グループ、
ペア
ダイナミクス
プロセッサー
ユーザー
インター
フェース
の基礎知識
PITCH CHANGE(ピッチチェンジ)系
No. タイトル タイプ エフェクトの効果
43 Mono Pitch HQ. PITCH 少しピッチをずらした長めのディレイです。ボーカルやソロ
楽器に効果的です。
44 Harmo 8va DUAL PITCH 1オクターブ上の音が返ってくる設定です。
45 Dub Vocal DUAL PITCH ディレイを少し長めに設定することで得られる薄いハーモナ
イズ効果です。
46 Pitch Chorus DUAL PITCH ピッチシフトを使って音を広げたエフェクトです。コーラス
などのモジュレーションとは異なって音程の揺れがないのが
特徴です。
47 Funny Pitch DUAL PITCH ピッチシフターをフィードバックさせることによってだんだ
ん音程が下がる効果です。
MULTI EFFECT(マルチエフェクト)系
No. タイトル タイプ エフェクトの効果
48 Sizzle-Rev REV+CHORUS ディレイリバーブにコーラスを加えた効果で、高域を少し強
調してあります。
49 Echora-verb REV→CHORUS リピートディレイにコーラスを加えた効果です。
50 Clinging-Rev REV+FLANGE フランジエフェクトを加えてモジュレーション効果がまとわ
りつくような印象をねらったロングリバーブです。
51 Dly-Rev Long DELAY→REV ステレオロングディレイとリバーブの組み合わせです。
52 Vox Deverb MONODLY→REV ボーカル等のモニターエフェクトに便利なモノディレイとリ
バーブの組み合わせです。
53 Panned Verb REV→PAN リバーブの残響を左右にパンニングさせるエフェクトです。
DISTORTION(ディストーション)系
No. タイトル タイプ エフェクトの効果
54 Guit. Fixer AMP SIMULATE 何の音でもディストーションギター風になるエフェクトで
す。
55 Drive Guitar AMP SIMULATE エレキギターを直接ラインで入力する事を前提とした、アン
プシミュレーターのバリエーション
56 Distortion AMP SIMULATE エレキギターを直接ラインで入力する事を前提とした、ディ
ストーションのテンプレート
57 Overdrive AMP SIMULATE エレキギターを直接ラインで入力する事を前提とした、オー
バードライブのバリエーション

03D取扱説明書
124 第13章 内蔵エフェクト
03Dの
世界へ
ようこそ!
各部の
名称と機能
インプット
チャンネル
イコライザー
パン、
ルーティング、
サラウンドパン
ソロ、
モニター、
メーター
ステレオ
アウト
AUXアウト
バスアウト
チャンネル
ライブラリー
とビュー
内蔵
エフェクト
シーン
メモリー
オート
ミックス
その他の
機能
デジタル
I/O
MIDI
付 録
グループ、
ペア
ダイナミクス
プロセッサー
ユーザー
インター
フェース
の基礎知識
DYNAMIC EFFECT(ダイナミックエフェクト)系
No. タイトル タイプ エフェクトの効果
58 Auto Wah DYNA. FILTER 入力レベルで周波数をコントロールするフィルターです。こ
こでは、フィルターのタイプをBPFにしていわゆるオートワウ
の効果にしてあります。
59 Flange Wah DYNA. FLANGE 入力レベルで共鳴ポイントをコントロールするフランジエ
フェクトの一種です。オートワウ的効果も出来ます。
60 Ethnic E DYNA. FLANGE フィードバックトーンがE3辺りに集まった、シタール系のエ
スノ風のエフェクトです。
61 FilterPhase1 DYNA. FILTER ダイナミックフィルターのバリエーションです。ここでは
LFOを使ってフェイザーのような効果をだしています。
62 FilterPhase2 DYNA. FILTER FilterPhase1よりも少しレゾナンスを強調したバリエーション
です。
63 Sweep Phaser DYNA. PHASER 入力レベルで位相シフトポイントをコントロールするフェイ
ザーの一種です。打楽器系に使用すると効果的です。
FREEZE(フリーズ)系
No. タイトル タイプ エフェクトの効果
64 Freeze FREEZE fs=48kHzで2730.6ms、fs=44.1kHzで2972.1ms、fs=32kHzで
4095.9msのデータをサンプリング出来ます。

03D取扱説明書
第13章 内蔵エフェクト 125
03Dの
世界へ
ようこそ!
各部の
名称と機能
インプット
チャンネル
イコライザー
パン、
ルーティング、
サラウンドパン
ソロ、
モニター、
メーター
ステレオ
アウト
AUXアウト
バスアウト
チャンネル
ライブラリー
とビュー
内蔵
エフェクト
シーン
メモリー
オート
ミックス
その他の
機能
デジタル
I/O
MIDI
付 録
グループ、
ペア
ダイナミクス
プロセッサー
ユーザー
インター
フェース
の基礎知識
エフェクトをかける
1. [EFFECT 1]キーまたは[EFFECT 2]キーを押して、エフェクト1またはエフェクト2
を選んでください。
2. [SEL]キーと[MIXING LAYER]キーでチャンネルを選択してください。
3. チャンネルフェーダーを0の位置まで上げてください。
[EFFECT 1]キーまたは[EFFECT 2]キーを押した場合、チャンネルフェーダーはエ
フェクトセンドのフェーダーとして機能します。
ステレオインプットチャンネルの左右の信号は、AUXセンドバスに送られる前にモ
ノラルにまとめられます。
4. EFFECT RETURNのフェーダーを0の位置まで上げてください。
エフェクト1を使用している場合はエフェクトリターン1が、エフェクト2を使用する
場合はエフェクトリターン2が自動的に選択され、EFFECT RETURNのフェーダーで
操作できます。
5. [EFFECT 1]キーまたは[EFFECT 2]キーを使ってEffects Libraryページを呼び出し、
ご希望のエフェクトタイプを使用しているエフェクトプログラムを呼び出してくだ
さい。詳細は、130ページの「エフェクトプログラムの呼び出し」をご参照ください。
エフェクトプログラムは、現在選択されているエフェクト(エフェクト1またはエフェ
クト2)に読み込まれます。エフェクト1にエフェクトプログラムを呼び出したい場合
は[EFFECT 1]キー、エフェクト2へプログラムを呼び出す場合は、[EFFECT 2]キーを
使ってLibraryページを表示させてください。
6. [EFFECT 1]キーでエフェクト1のEff.Editページを表示させてください。または
[EFFECT 2]キーでエフェクト2のEff.Editページを表示させてください。
7. [CURSOR]キーでパラメーターを選択し、[PARAMETER]ダイアルかマウスで値を調
整しください。
8. Pre/Postページで各チャンネルのAUXセンドをプリフェーダーまたはポストフェー
ダーに設定してください。詳細は、126ページの「エフェクトセンドのプリフェーダー
/ポストフェーダー切替え」をご参照ください。
9. ここまでのエフェクト設定をエフェクトライブラリーに保存してください。詳細は、
128ページの「エフェクトライブラリー」をご参照ください。
10. エフェクトリターンチャンネルのEQ、パン、ダイナミクスプロセッサーその他の要素
を設定してください。詳細は、126ページの「エフェクトリターン」をご参照ください。

03D取扱説明書
126 第13章 内蔵エフェクト
03Dの
世界へ
ようこそ!
各部の
名称と機能
インプット
チャンネル
イコライザー
パン、
ルーティング、
サラウンドパン
ソロ、
モニター、
メーター
ステレオ
アウト
AUXアウト
バスアウト
チャンネル
ライブラリー
とビュー
内蔵
エフェクト
シーン
メモリー
オート
ミックス
その他の
機能
デジタル
I/O
MIDI
付 録
グループ、
ペア
ダイナミクス
プロセッサー
ユーザー
インター
フェース
の基礎知識
エフェクトセンドのプリフェーダー/ポストフェーダー切替え
インプットチャンネル、ステレオインプットチャンネルのエフェクトセンドは、個別
にプリフェーダーまたはポストフェーダーに設定することができます。この設定は、
Effects Pre/Postページで行います。
1. [EFFECT 1]キーでエフェクト1のPre/Postページ、または[EFFECT 2]キーでエフェ
クト2のPre/Postページを表示させてください。
PRE/POSTボタンの下にある値は、各チャンネルのエフェクトセンドフェーダーの現
在位置を表わしています。
2. [CURSOR]キーでPRE/POSTボタンを選択し、[ENTER]キーでプリフェーダー/ポス
トフェーダーを切替えてください。
マウスを使用している場合は、PRE/POSTボタンをクリックしてください。
3. すべてのPRE/POSTボタンをプリまたはポストに統一したい場合は、GLOBALのPRE
またはPOSTボタンを選択し、[ENTER]キーを押してください。
マウスを使用している場合は、GLOBALのボタンをクリックしてください。
エフェクトリターン
エフェクト1とエフェクト2はステレオエフェクトなので、出力信号も当然ステレオと
なります。ここでは、エフェクトリターンチャンネルのさまざまな機能について説明
します。
エフェクトリターンのメーター
エフェクトリターン信号のレベルは、つぎの図のEff.EditページやMeterページで確認
します。詳細は、81ページの「メーター」をご参照ください。また、センドレベルはEffects
Libraryページで確認します。

03D取扱説明書
第13章 内蔵エフェクト 127
03Dの
世界へ
ようこそ!
各部の
名称と機能
インプット
チャンネル
イコライザー
パン、
ルーティング、
サラウンドパン
ソロ、
モニター、
メーター
ステレオ
アウト
AUXアウト
バスアウト
チャンネル
ライブラリー
とビュー
内蔵
エフェクト
シーン
メモリー
オート
ミックス
その他の
機能
デジタル
I/O
MIDI
付 録
グループ、
ペア
ダイナミクス
プロセッサー
ユーザー
インター
フェース
の基礎知識
エフェクトリターンのイコライジング
それぞれのエフェクトリターンには4バンドのパラメトリックイコライザーが搭載さ
れています。詳細は、47ページの「イコライザー」をご参照ください。
エフェクトリターンのダイナミクスプロセッサー
それぞれのエフェクトリターンには、ステレオのダイナミクスプロセッサーが搭載さ
れています。詳細は、143ページの「ダイナミクスプロセッサー」をご参照ください。
エフェクトリターンのミュート
ON
EFFECT RETURN の[ON]キーを使って、エフェクトリターンをミュート
できます。このキーにはインジケーターがあり、エフェクトリターンがオ
ンになると点灯します。
1. EFFECT RETURN の[SEL]キーを使って、エフェクトリターン1またはエフェクトリ
ターン2を選択してください。
[SEL]キーの上にある2つのLEDインジケーター(1/2)が交互に点灯し、どちらのエ
フェクトリターンが選択されているかを表示します。
2. [ON]キーを押してください。
選択したエフェクトリターンがミュートされます。[ON]キーをもう一度押すと、
ミュートが解除されます。
EFFECT RETURN の[ON]キーは、ミキシングレイヤーの設定には影響を受けません。
ソロ機能がオンの時、EFFECT RETURN の[ON]キーはミュートキーではなくソロ
キーとして働きます。
フェーダー
EFFECT
RETURN
6
0
5
10
20
40
60
00
エフェクトリターンのレベルは、EFFECT RETURNのフェーダーで調整し
ます。
1. EFFECT RETURN の[SEL]キーを使って、エフェクトリターン1またはエフェクトリ
ターン2を選択してください。
[SEL]キーの上にある2つのLEDインジケーター(1/2)が交互に点灯し、どちらのエ
フェクトリターンが選択されているかを表示します。
2. EFFECT RETURNのフェーダーで、選択したエフェクトリターンのレベルを調整して
ください。

03D取扱説明書
128 第13章 内蔵エフェクト
03Dの
世界へ
ようこそ!
各部の
名称と機能
インプット
チャンネル
イコライザー
パン、
ルーティング、
サラウンドパン
ソロ、
モニター、
メーター
ステレオ
アウト
AUXアウト
バスアウト
チャンネル
ライブラリー
とビュー
内蔵
エフェクト
シーン
メモリー
オート
ミックス
その他の
機能
デジタル
I/O
MIDI
付 録
グループ、
ペア
ダイナミクス
プロセッサー
ユーザー
インター
フェース
の基礎知識
パン、バランス、ルーティング
ステレオのエフェクトリターン信号は、バス1∼4とSTEREOバスにルーティングして
バランスやパン設定を行うことができます。パンは、ステレオエフェクトリターン信
号の音像の幅を調整するのに使用します。パン、バランス、ルーティングの各設定は、
Pan/Routeページで行います。詳細は、61ページの「ステレオパン、バランス、ルーティ
ング」をご参照ください。
AUXセンド
エフェクトリターン信号は、AUXアウト1∼4に送ることができます。ただし、エフェ
クトバスには(ループが生じるため)送れません。詳細は、91ページの「AUXアウト」を
ご参照ください。
エフェクトライブラリー
エフェクトの設定は、エフェクトライブラリーにプログラムとして保存できます。エ
フェクトライブラリーには64のプリセットプログラム(1∼64)と32のユーザープログ
ラム(65∼96)が含まれています。よく使用するエフェクト設定をユーザープログラム
に保存し、さらに区別しやすいようにタイトルを付けることができます。また、特定の
エフェクトの設定を別のエフェクトにコピーしたいときにもエフェクトライブラ
リーを利用できます。たとえば、エフェクト1の設定をライブラリープログラムとして
保存し、これをエフェクト2に読み込むことが可能です。プリセットプログラムには、
特定の用途や楽器に合わせて調節された、個性的なエフェクトプログラムが集められ
ています。エフェクトの設定を行うときに格好の参考例、あるいは開始点として利用
できます。プリセットのエフェクトライブラリーリストは、121ページをご参照くださ
い。
エフェクトライブラリーの操作は、つぎの図のLibraryページで行います。このページ
を呼び出すには[EFFECT 1]キーまたは[EFFECT 2]キーを使用します。どちらのキー
でも呼び出すことができますが、ライブラリー自体は両方のエフェクトに共通です。
[EFFECT 1]キーでライブラリーを選択した場合はエフェクト1が、[EFFECT 2]キー
で選択した場合はエフェクト2が保存/呼び出し操作の対象となります。マウスを使
用する場合、Eff.Editページがすでに表示されていれば、Libraryページのタイトルタブ
をクリックしてください。
Eff.Editページの上半分には、現在選択されているエフェクトのタイプとエフェクト
センドのレベルメーターが、下半分には、エフェクトライブラリーの各機能が表示さ
れます。

03D取扱説明書
第13章 内蔵エフェクト 129
03Dの
世界へ
ようこそ!
各部の
名称と機能
インプット
チャンネル
イコライザー
パン、
ルーティング、
サラウンドパン
ソロ、
モニター、
メーター
ステレオ
アウト
AUXアウト
バスアウト
チャンネル
ライブラリー
とビュー
内蔵
エフェクト
シーン
メモリー
オート
ミックス
その他の
機能
デジタル
I/O
MIDI
付 録
グループ、
ペア
ダイナミクス
プロセッサー
ユーザー
インター
フェース
の基礎知識
エフェクトプログラムの保存
エフェクトプログラムの保存は、Effects Libraryページで行います。エフェクト設定を
保存できるのはユーザープログラム65∼96で、プリセットプログラム1∼64は読み出
し専用となっています。
1. [EFFECT 1]キーまたは[EFFECT 2]キーを使ってLibraryページを表示させてくださ
い。
現在選ばれているエフェクトの設定が保存の対象となります。エフェクト1のエフェ
クト設定を保存する場合は[EFFECT 1]キーを、エフェクト2のエフェクト設定を保存
する場合は[EFFECT 2]キーを使用してください。
2. [PARAMETER]ダイアルでエフェクトプログラムのリストを上下にスクロールして
ください。
マウスを使用している場合は、マウスカーソルをパラメーターボックスに合わせ、マ
ウスの左ボタンを押したままマウスをドラッグしてください。
プログラムを選択すると、そのプログラムで使用しているエフェクトのタイプがEF-
FECT TYPEウインドウに現われます。また、データの入っていないエフェクトプログ
ラムのタイトルは“No Data!”となります。
3. [CURSOR]キーでSTOREボタンを選択してから、[ENTER]キーを押してください。
マウスを使用している場合は、STOREボタンをクリックしてください。
TITLE EDITダイアログボックスが現われます。
4. エフェクトプログラムのタイトルを入力してください。
詳細は、33ページの「TITLE EDITダイアログボックス」をご参照ください。
5. TITLE EDITダイアログボックスでOKを押してください。
エフェクトプログラムが保存されます。

03D取扱説明書
130 第13章 内蔵エフェクト
03Dの
世界へ
ようこそ!
各部の
名称と機能
インプット
チャンネル
イコライザー
パン、
ルーティング、
サラウンドパン
ソロ、
モニター、
メーター
ステレオ
アウト
AUXアウト
バスアウト
チャンネル
ライブラリー
とビュー
内蔵
エフェクト
シーン
メモリー
オート
ミックス
その他の
機能
デジタル
I/O
MIDI
付 録
グループ、
ペア
ダイナミクス
プロセッサー
ユーザー
インター
フェース
の基礎知識
エフェクトプログラムの呼び出し
エフェクトプログラムの呼び出しはEffects Libraryページで行います。64のプリセッ
トプログラムと32のユーザープログラムの中から任意のプログラムが呼び出せます。
ただし、HQ. PITCHまたは、FREEZEのエフェクトタイプを使用しているエフェクトプ
ログラムは、エフェクト2のみで使用可能でエフェクト1へ呼び出すことはできませ
ん。
1. [EFFECT 1]キーまたは[EFFECT 2]キーを使ってLibraryページを表示させてくださ
い。
エフェクト設定は現在選択されているエフェクトに読み込まれます。エフェクト1の
エフェクトプログラムを呼び出す場合は[EFFECT 1]キーを、エフェクト2のエフェク
トプログラムを呼び出す場合は[EFFECT 2]キーを使用してください。
2. [PARAMETER]ダイアルでエフェクトプログラムのリストを上下にスクロールして
ください。
マウスを使用している場合は、マウスカーソルをパラメーターボックスに合わせ、マ
ウスの左ボタンを押したままマウスをドラッグします。
プログラムを選択すると、そのプログラムで使用しているエフェクトのタイプがEF-
FECT TYPEウインドウに現われます。また、データの入っていないエフェクトプログ
ラムのタイトルは“No Data!”となります。
3. [CURSOR]キーでRECALLボタンを選択してから、[ENTER]キーを押してください。
マウスを使用している場合は、RECALLボタンをクリックしてください。
エフェクトプログラムが呼び出されます。

03D取扱説明書
第13章 内蔵エフェクト 131
03Dの
世界へ
ようこそ!
各部の
名称と機能
インプット
チャンネル
イコライザー
パン、
ルーティング、
サラウンドパン
ソロ、
モニター、
メーター
ステレオ
アウト
AUXアウト
バスアウト
チャンネル
ライブラリー
とビュー
内蔵
エフェクト
シーン
メモリー
オート
ミックス
その他の
機能
デジタル
I/O
MIDI
付 録
グループ、
ペア
ダイナミクス
プロセッサー
ユーザー
インター
フェース
の基礎知識
エフェクトプログラムタイトルのエディット
エフェクトプログラムのタイトルは、わざわざプログラムを呼び出さなくても、いつ
でもエディットできます。タイトルをエディットできるのは、データの入っているエ
フェクトプログラムのみです。この操作は、つぎの図のEffects Libraryページで行いま
す。
1. [EFFECT 1]キーまたは[EFFECT 2]キーを使ってLibraryページを表示させてくださ
い。
2. [PARAMETER]ダイアルまたはマウスでエフェクトプログラムを選択してください。
3. [CURSOR]キーでTITLE EDITボタンを選択し、[ENTER]キーを押します。
マウスを使用している場合は、TITLE EDITボタンをクリックします。
TITLE EDITダイアログボックスが現われます。
4. プログラムのタイトルをエディットしてください。
詳細は、33ページの「TITLE EDITダイアログボックス」をご参照ください。
5. タイトルのエディットが終了したら、TITLE EDITダイアログボックスでOKをクリッ
クしてください。

03D取扱説明書
132 第13章 内蔵エフェクト
03Dの
世界へ
ようこそ!
各部の
名称と機能
インプット
チャンネル
イコライザー
パン、
ルーティング、
サラウンドパン
ソロ、
モニター、
メーター
ステレオ
アウト
AUXアウト
バスアウト
チャンネル
ライブラリー
とビュー
内蔵
エフェクト
シーン
メモリー
オート
ミックス
その他の
機能
デジタル
I/O
MIDI
付 録
グループ、
ペア
ダイナミクス
プロセッサー
ユーザー
インター
フェース
の基礎知識
エフェクトパラメーターリスト
各エフェクトをエディットするときに使うパラメーターです。
タイプ:REVERB HALL, REVERB ROOM, REVERB STAGE, REVERB PLATE
パラメーター 設定範囲 機 能
REV.TIME 0.3 ∼ 99.0s リバーブの残響の長さです。
INI.DLY 0.1 ∼ 500.0ms リバーブの初期反射音が出るまでの遅延時間です。
HI.RATIO 0.1 ∼ 1.0 リバーブの高域成分の残響時間の長さです。REV.TIMEに対する比率で表わしてあ
ります。
LO.RATIO 0.1 ∼ 2.4 リバーブの低域成分の残響時間の長さです。REV.TIMEに対する比率で表わしてあ
ります。
DIFF. 0 ∼ 10 リバーブ音の左右の拡がりです。
DENSITY 0 ∼ 100% リバーブの密度です。
HPF THRU, 21Hz ∼ 8.0kHz ハイパスフィルターのカットオフ周波数です。
LPF 50Hz ∼ 16.0kHz, THRU ローパスフィルターのカットオフ周波数です。
E/R DLY 0.0 ∼ 100.0ms 初期反射音(ER)からリバーブまでの遅延時間です。
E/R BAL. 0 ∼100% 初期反射音とリバーブの音量バランスです。0%でERのみ、100%でリバーブのみに
なります。
GATE LVL −∞, −60 ∼ 0dB ゲートのスレッショルドレベルです。入力レベルが設定値以下になるとリバーブ
音が遮断されます。
ATTACK 0 ∼ 120ms ゲートが開くのにかかる時間です。
HOLD *1 入力レベルがGATE LVL以下になってからゲートが閉じ始めるまでの時間です。
DECAY *2 ゲートが完全に閉じるまでにかかる時間です。
*1 0.02ms∼2.13s(@fs=32kHz, 44.1kHz), 0.02ms∼1.96s(@fs=48kHz)
*2 6.0ms∼46.0s(@fs=32kHz, 44.1kHz), 5.0ms∼42.3s(@fs=48kHz)
タイプ:EARLY REF., REVERSE GATE, GATE REVERB
パラメーター 設定範囲 機 能
TYPE *1 初期反射音(ER)のパターンのタイプです。
ROOMSIZE 0.1 ∼ 20.0 部屋の大きさつまり反射音の間隔を表わします。
LIVENESS 0 ∼ 10 反射音の減衰のしかたを表わします。0:dead、10:live
INI.DLY 0.1 ∼ 500.0ms 初期反射音がでるまでの遅延時間です。
DIFF. 0 ∼ 10 反射音の左右の拡がりです。
DENSITY 0 ∼ 100% 反射音の密度です。
ER NUM. 1∼16 反射音の本数です。
HI.RATIO 0.1 ∼ 1.0 フィードバックの高域成分の量です。FB.GAINに対する比率で表わしています。
FB.GAIN −99 ∼ +99% フィードバックの量です。
HPF THRU, 21Hz ∼ 8.0kHz ハイパスフィルターのカットオフ周波数です。
LPF 50Hz ∼ 16.0kHz, THRU ローパスフィルターのカットオフ周波数です。
*1 S-Hall, L-Hall, Random, Reverse, Plate, Spring ( EARLY REF.), Type-A, Type-B (REVERSE GATE, GATE REVERB)
タイプ:DELAY LCR
パラメーター 設定範囲 機 能
DLY L 0.1 ∼ 2730.0ms Lチャンネルのディレイタイムです。
DLY C 0.1 ∼ 2730.0ms センターディレイのディレイタイムです。
DLY R 0.1 ∼ 2730.0ms Rチャンネルのディレイタイムです。
LEVEL L −100 ∼ +100 Lチャンネルのディレイ音のレベルです。
LEVEL C −100 ∼ +100 センターディレイ音のレベルです。
LEVEL R −100 ∼ +100 Rチャンネルのディレイ音のレベルです。
FB.DLY 0.1 ∼ 2730.0ms フィードバックのディレイタイムです。
FB.GAIN −99 ∼ +99% フィードバックの量です。
HI.RATIO 0.1 ∼ 1.0 フィードバックの高域成分の量です。FB.GAINに対する比率で表わしています。
HPF THRU, 21Hz ∼ 8.0kHz ハイパスフィルターのカットオフ周波数です。
LPF 50Hz ∼ 16.0kHz, THRU ローパスフィルターのカットオフ周波数です。

03D取扱説明書
第13章 内蔵エフェクト 133
03Dの
世界へ
ようこそ!
各部の
名称と機能
インプット
チャンネル
イコライザー
パン、
ルーティング、
サラウンドパン
ソロ、
モニター、
メーター
ステレオ
アウト
AUXアウト
バスアウト
チャンネル
ライブラリー
とビュー
内蔵
エフェクト
シーン
メモリー
オート
ミックス
その他の
機能
デジタル
I/O
MIDI
付 録
グループ、
ペア
ダイナミクス
プロセッサー
ユーザー
インター
フェース
の基礎知識
タイプ:ECHO
パラメーター 設定範囲 機 能
DLY L 0.1 ∼ 1350.0ms Lチャンネルのディレイタイムです。
FB.D L 0.1 ∼ 1350.0ms Lチャンネルのフィードバックのディレイタイムです。
FB.G L −99 ∼ +99% Lチャンネルのフィードバック量です。
DLY R 0.1 ∼ 1350.0ms Rチャンネルのディレイタイムです。
FB.D R 0.1 ∼ 1350.0ms Rチャンネルのフィードバックのディレイタイムです。
FB.G R −99 ∼ +99% Rチャンネルのフィードバック量です。
L→R FB.G −99 ∼ +99% LチャンネルからRチャンネルへのフィードバック量です。
R→L FB.G −99 ∼ +99% RチャンネルからLチャンネルへのフィードバック量です。
HI.RATIO 0.1 ∼ 1.0 フィードバックの高域成分の量です。FB.GAINに対する比率で表わしています。
HPF THRU, 21Hz ∼ 8.0kHz ハイパスフィルターのカットオフ周波数です。
LPF 50Hz ∼ 16.0kHz, THRU ローパスフィルターのカットオフ周波数です。
タイプ:CHORUS
パラメーター 設定範囲 機 能
FREQ. 0.05 ∼ 40.00Hz 揺れのスピードです。
PM DEPTH 0 ∼ 100% 音程(ピッチ)の揺れの深さです。
AM DEPTH 0 ∼ 100% 音量の揺れの深さです。
LSF F 21Hz ∼ 1.0kHz ローシェルビングタイプのフィルターの周波数です。
LSF G −12 ∼ +12dB ローシェルビングタイプのフィルターのゲインです。
MOD.DLY 0.0 ∼ 500.0ms ダイレクト音から変調音までのディレイタイムです。
EQ F 99Hz ∼ 8.0kHz パラメトリックイコライザーの周波数です。
EQ G −12 ∼ +12dB パラメトリックイコライザーのゲインです。
WAVE SINE, TRI 変調波形のタイプです。SINE:サイン波、TRI:三角波。
HSF F 500Hz ∼ 16kHz ハイシェルビングタイプのフィルターの周波数です。
HSF G −12 ∼ +12dB ハイシェルビングタイプのフィルターのゲインです。
タイプ:FLANGE
パラメーター 設定範囲 機 能
FREQ. 0.05 ∼ 40.00Hz 揺れのスピードです。
DEPTH 0 ∼ 100% 揺れの深さです。
FB.GAIN −99 ∼ +99% フィードバックの量です。
LSF F 21Hz ∼ 1.0kHz ローシェルビングタイプのフィルターの周波数です。
LSF G −12 ∼ +12dB ローシェルビングタイプのフィルターのゲインです。
MOD.DLY 0.0 ∼ 500.0ms ダイレクト音から変調音までのディレイタイムです。
EQ F 99Hz ∼ 8.0kHz パラメトリックイコライザーの周波数です。
EQ G −12 ∼ +12dB パラメトリックイコライザーのゲインです。
WAVE SINE, TRI 変調波形のタイプです。SINE:サイン波、TRI:三角波。
HSF F 500Hz ∼ 16kHz ハイシェルビングタイプのフィルターの周波数です。
HSF G −12 ∼ +12dB ハイシェルビングタイプのフィルターのゲインです。

03D取扱説明書
134 第13章 内蔵エフェクト
03Dの
世界へ
ようこそ!
各部の
名称と機能
インプット
チャンネル
イコライザー
パン、
ルーティング、
サラウンドパン
ソロ、
モニター、
メーター
ステレオ
アウト
AUXアウト
バスアウト
チャンネル
ライブラリー
とビュー
内蔵
エフェクト
シーン
メモリー
オート
ミックス
その他の
機能
デジタル
I/O
MIDI
付 録
グループ、
ペア
ダイナミクス
プロセッサー
ユーザー
インター
フェース
の基礎知識
タイプ:SYMPHONIC
パラメーター 設定範囲 機 能
FREQ. 0.05 ∼ 40.00Hz 揺れのスピードです。
DEPTH 0 ∼ 100% 揺れの深さです。
LSF F 21Hz ∼ 1.0kHz ローシェルビングタイプのフィルターの周波数です。
LSF G −12 ∼ +12dB ローシェルビングタイプのフィルターのゲインです。
MOD.DLY 0.0 ∼ 500.0ms ダイレクト音から変調音までのディレイタイムです。
EQ F 99Hz ∼ 8.0kHz パラメトリックイコライザーの周波数です。
EQ G −12 ∼ +12dB パラメトリックイコライザーのゲインです。
WAVE SINE, TRI 変調波形のタイプです。SINE:サイン波、TRI:三角波。
HSF F 500Hz ∼ 16kHz ハイシェルビングタイプのフィルターの周波数です。
HSF G −12 ∼ +12dB ハイシェルビングタイプのフィルターのゲインです。
タイプ:PHASER
パラメーター 設定範囲 機 能
FREQ. 0.05 ∼ 40.00Hz 揺れのスピードです。
DEPTH 0 ∼ 100% 揺れの深さです。
FB.GAIN −99 ∼ +99% フィードバックの量です。
OFFSET 0 ∼ 100 フェイズシフトのかかる最低周波数のオフセットです。
STAGE 2 ∼ 16 フェイズシフトの段数です。
LSF F 21Hz ∼ 1.0kHz ローシェルビングタイプのフィルターの周波数です。
LSF G −12 ∼ +12dB ローシェルビングタイプのフィルターのゲインです。
HSF F 500Hz ∼ 16kHz ハイシェルビングタイプのフィルターの周波数です。
HSF G −12 ∼ +12dB ハイシェルビングタイプのフィルターのゲインです。
タイプ:AUTOPAN
パラメーター 設定範囲 機 能
FREQ. 0.05 ∼ 40.00Hz 揺れのスピードです。
DEPTH 0 ∼ 100% 揺れの深さです。
DIR. *1 音像移動の効果の方向の選択です。
LSF F 21Hz ∼ 1.0kHz ローシェルビングタイプのフィルターの周波数です。
LSF G −12 ∼ +12dB ローシェルビングタイプのフィルターのゲインです。
EQ F 99Hz ∼ 8.0kHz パラメトリックイコライザーの周波数です。
EQ G −12 ∼ +12dB パラメトリックイコライザーのゲインです。
WAVE SINE, TRI 変調波形のタイプです。SINE:サイン波、TRI:三角波。
HSF F 500Hz ∼ 16kHz ハイシェルビングタイプのフィルターの周波数です。
HSF G −12 ∼ +12dB ハイシェルビングタイプのフィルターのゲインです。
*1 L←→R, L→R, L←R, Turn L, Turn R
タイプ:TREMOLO
パラメーター 設定範囲 機 能
FREQ. 0.05 ∼ 40.00Hz 揺れのスピードです。
DEPTH 0 ∼ 100% 揺れの深さです。
LSF F 21Hz ∼ 1.0kHz ローシェルビングタイプのフィルターの周波数です。
LSF G −12 ∼ +12dB ローシェルビングタイプのフィルターのゲインです。
EQ F 99Hz ∼ 8.0kHz パラメトリックイコライザーの周波数です。
EQ G −12 ∼ +12dB パラメトリックイコライザーのゲインです。
WAVE SINE, TRI 変調波形のタイプです。SINE:サイン波、TRI:三角波。
HSF F 500Hz ∼ 16kHz ハイシェルビングタイプのフィルターの周波数です。
HSF G −12 ∼ +12dB ハイシェルビングタイプのフィルターのゲインです。

03D取扱説明書
第13章 内蔵エフェクト 135
03Dの
世界へ
ようこそ!
各部の
名称と機能
インプット
チャンネル
イコライザー
パン、
ルーティング、
サラウンドパン
ソロ、
モニター、
メーター
ステレオ
アウト
AUXアウト
バスアウト
チャンネル
ライブラリー
とビュー
内蔵
エフェクト
シーン
メモリー
オート
ミックス
その他の
機能
デジタル
I/O
MIDI
付 録
グループ、
ペア
ダイナミクス
プロセッサー
ユーザー
インター
フェース
の基礎知識
タイプ:HQ.PITCH *エフェクト2のみ
パラメーター 設定範囲 機 能
PITCH −12 ∼ +12 ピッチチェンジの変化量(半音単位)です。
FINE −50 ∼ +50 cent ピッチチェンジの微調整(1セント単位)です。
DELAY 0.1 ∼ 1000.0ms ピッチチェンジのディレイタイムです。
FB.GAIN −99 ∼ +99% フィードバックの量です。
MODE 1 ∼ 10 ピッチチェンジの精度です。値を大きくすると正確になりますが、遅延時間が長く
なります。
タイプ:DUAL PITCH
パラメーター 設定範囲 機 能
PITCH 1 −24 ∼ +24 ピッチチェンジ1の変化量(半音単位)です。
FINE 1 −50 ∼ +50 cent ピッチチェンジ1の微調整(1セント単位)です。
PAN 1 L16 ∼ CENTER ∼ R16 ピッチチェンジ1のパンです。
MODE 1 ∼ 10 ピッチチェンジの精度です。値を大きくすると正確になりますが、遅延時間が長く
なります。
DLY 1 0.1 ∼ 1000.0ms ピッチチェンジ1のディレイタイムです。
FB.G 1 −99 ∼ +99% ピッチチェンジ1のフィードバックの量です。
OUT 1 −100 ∼ +100 ピッチチェンジ1のレベルです。
PITCH 2 −24 ∼ +24 ピッチチェンジ2の変化量(半音単位)です。
FINE 2 −50 ∼ +50 cent ピッチチェンジ2の微調整(1セント単位)です。
PAN 2 L16 ∼ CENTER ∼ R16 ピッチチェンジ2のパンです。
DLY 2 0.1 ∼ 1000.0ms ピッチチェンジ2のディレイタイムです。
FB.G 2 −99 ∼ +99% ピッチチェンジ2のフィードバックの量です。
OUT 2 −100 ∼ +100 ピッチチェンジ2のレベルです。
タイプ:REV+CHORUS
パラメーター 設定範囲 機 能
REV.TIME 0.3 ∼ 99.0s リバーブの残響の長さです。
INI.DLY 0.1 ∼ 500.0ms リバーブの初期反射音が出るまでの遅延時間です。
HI.RATIO 0.1 ∼ 1.0 リバーブの高域成分の残響時間の長さです。REV.TIMEに対する比率で表わしてあ
ります。
DIFF. 0 ∼ 10 リバーブ音の左右の拡がりです。
DENSITY 0 ∼ 100% リバーブの密度です。
HPF THRU, 21Hz ∼ 8.0kHz ハイパスフィルターのカットオフ周波数です。
LPF 50Hz ∼ 16.0kHz, THRU ローパスフィルターのカットオフ周波数です。
REV.BAL 0 ∼ 100% リバーブとコーラスのバランスです。0でコーラスのみ、100でリバーブのみになり
ます。
FREQ. 0.05 ∼ 40.00Hz 揺れのスピードです。
PM DEPTH 0 ∼ 100% 音程(ピッチ)の揺れの深さです。
AM DEPTH 0 ∼ 100% 音量の揺れの深さです。
MOD.DLY 0.0 ∼ 500.0ms ダイレクト音から変調音までのディレイタイムです。
WAVE SINE, TRI 変調波形のタイプです。SINE:サイン波、TRI:三角波。

03D取扱説明書
136 第13章 内蔵エフェクト
03Dの
世界へ
ようこそ!
各部の
名称と機能
インプット
チャンネル
イコライザー
パン、
ルーティング、
サラウンドパン
ソロ、
モニター、
メーター
ステレオ
アウト
AUXアウト
バスアウト
チャンネル
ライブラリー
とビュー
内蔵
エフェクト
シーン
メモリー
オート
ミックス
その他の
機能
デジタル
I/O
MIDI
付 録
グループ、
ペア
ダイナミクス
プロセッサー
ユーザー
インター
フェース
の基礎知識
タイプ:REV→CHORUS
パラメーター 設定範囲 機 能
REV.TIME 0.3 ∼ 99.0s リバーブの残響の長さです。
INI.DLY 0.1 ∼ 500.0ms リバーブの初期反射音が出るまでの遅延時間です。
HI.RATIO 0.1 ∼ 1.0 リバーブの高域成分の残響時間の長さです。REV.TIMEに対する比率で表わしてあ
ります。
DIFF. 0 ∼ 10 リバーブ音の左右の拡がりです。
DENSITY 0 ∼ 100% リバーブの密度です。
HPF THRU, 21Hz ∼ 8.0kHz ハイパスフィルターのカットオフ周波数です。
LPF 50Hz ∼ 16.0kHz, THRU ローパスフィルターのカットオフ周波数です。
REV.BAL 0 ∼ 100% リバーブのみの音とコーラスのかかったリバーブとのバランスです。100でリバー
ブのみになります。
FREQ. 0.05 ∼ 40.00Hz 揺れのスピードです。
PM DEPTH 0 ∼ 100% 音程(ピッチ)の揺れの深さです。
AM DEPTH 0 ∼ 100% 音量の揺れの深さです。
MOD.DLY 0.0 ∼ 500.0ms ダイレクト音から変調音までのディレイタイムです。
WAVE SINE, TRI 変調波形のタイプです。SINE:サイン波、TRI:三角波。
タイプ:REV+FLANGE
パラメーター 設定範囲 機 能
REV.TIME 0.3 ∼ 99.0s リバーブの残響の長さです。
INI.DLY 0.1 ∼ 500.0ms リバーブの初期反射音が出るまでの遅延時間です。
HI.RATIO 0.1 ∼ 1.0 リバーブの高域成分の残響時間の長さです。REV.TIMEに対する比率で表わしてあ
ります。
DIFF. 0 ∼ 10 リバーブ音の左右の拡がりです。
DENSITY 0 ∼ 100% リバーブの密度です。
HPF THRU, 21Hz ∼ 8.0kHz ハイパスフィルターのカットオフ周波数です。
LPF 50Hz ∼ 16.0kHz, THRU ローパスフィルターのカットオフ周波数です。
REV.BAL 0 ∼ 100% リバーブとフランジのバランスです。0でフランジのみ、100でリバーブのみになり
ます。
FREQ. 0.05 ∼ 40.00Hz 揺れのスピードです。
DEPTH 0 ∼ 100% 揺れの深さです。
FB.GAIN −99 ∼ +99% フィードバックの量です。
MOD.DLY 0.0 ∼ 500.0ms ダイレクト音から変調音までのディレイタイムです。
WAVE SINE, TRI 変調波形のタイプです。SINE:サイン波、TRI:三角波。
タイプ:REV→FLANGE
パラメーター 設定範囲 機 能
REV.TIME 0.3 ∼ 99.0s リバーブの残響の長さです。
INI.DLY 0.1 ∼ 500.0ms リバーブの初期反射音が出るまでの遅延時間です。
HI.RATIO 0.1 ∼ 1.0 リバーブの高域成分の残響時間の長さです。REV.TIMEに対する比率で表わしてあ
ります。
DIFF. 0 ∼ 10 リバーブ音の左右の拡がりです。
DENSITY 0 ∼ 100% リバーブの密度です。
HPF THRU, 21Hz ∼ 8.0kHz ハイパスフィルターのカットオフ周波数です。
LPF 50Hz ∼ 16.0kHz, THRU ローパスフィルターのカットオフ周波数です。
REV.BAL 0 ∼ 100% リバーブのみの音とフランジのかかったリバーブとのバランスです。100でリバー
ブのみになります。
FREQ. 0.05 ∼ 40.00Hz 揺れのスピードです。
DEPTH 0 ∼ 100% 揺れの深さです。
FB.GAIN −99 ∼ +99% フィードバックの量です。
MOD.DLY 0.0 ∼ 500.0ms ダイレクト音から変調音までのディレイタイムです。
WAVE SINE, TRI 変調波形のタイプです。SINE:サイン波、TRI:三角波。

03D取扱説明書
第13章 内蔵エフェクト 137
03Dの
世界へ
ようこそ!
各部の
名称と機能
インプット
チャンネル
イコライザー
パン、
ルーティング、
サラウンドパン
ソロ、
モニター、
メーター
ステレオ
アウト
AUXアウト
バスアウト
チャンネル
ライブラリー
とビュー
内蔵
エフェクト
シーン
メモリー
オート
ミックス
その他の
機能
デジタル
I/O
MIDI
付 録
グループ、
ペア
ダイナミクス
プロセッサー
ユーザー
インター
フェース
の基礎知識
タイプ:REV+SYMPHO.
パラメーター 設定範囲 機 能
REV.TIME 0.3 ∼ 99.0s リバーブの残響の長さです。
INI.DLY 0.1 ∼ 500.0ms リバーブの初期反射音が出るまでの遅延時間です。
HI.RATIO 0.1 ∼ 1.0 リバーブの高域成分の残響時間の長さです。REV.TIMEに対する比率で表わしてあ
ります。
DIFF. 0 ∼ 10 リバーブ音の左右の拡がりです。
DENSITY 0 ∼ 100% リバーブの密度です。
HPF THRU, 21Hz ∼ 8.0kHz ハイパスフィルターのカットオフ周波数です。
LPF 50Hz ∼ 16.0kHz, THRU ローパスフィルターのカットオフ周波数です。
REV.BAL 0 ∼ 100% リバーブとシンフォニックのバランスです。0でシンフォニックのみ、100でリバー
ブのみになります。
FREQ. 0.05 ∼ 40.00Hz 揺れのスピードです。
DEPTH 0 ∼ 100% 揺れの深さです。
MOD.DLY 0.0 ∼ 500.0ms ダイレクト音から変調音までのディレイタイムです。
WAVE SINE, TRI 変調波形のタイプです。SINE:サイン波、TRI:三角波。
タイプ:REV→SYMPHO.
パラメーター 設定範囲 機 能
REV.TIME 0.3 ∼ 99.0s リバーブの残響の長さです。
INI.DLY 0.1 ∼ 500.0ms リバーブの初期反射音が出るまでの遅延時間です。
HI.RATIO 0.1 ∼ 1.0 リバーブの高域成分の残響時間の長さです。REV.TIMEに対する比率で表わしてあ
ります。
DIFF. 0 ∼ 10 リバーブ音の左右の拡がりです。
DENSITY 0 ∼ 100% リバーブの密度です。
HPF THRU, 21Hz ∼ 8.0kHz ハイパスフィルターのカットオフ周波数です。
LPF 50Hz ∼ 16.0kHz, THRU ローパスフィルターのカットオフ周波数です。
REV.BAL 0 ∼ 100% リバーブのみの音とシンフォニックのかかったリバーブとのバランスです。100で
リバーブのみになります。
FREQ. 0.05 ∼ 40.00Hz 揺れのスピードです。
DEPTH 0 ∼ 100% 揺れの深さです。
MOD.DLY 0.0 ∼ 500.0ms ダイレクト音から変調音までのディレイタイムです。
WAVE SINE, TRI 変調波形のタイプです。SINE:サイン波、TRI:三角波。
タイプ:REV→PAN
パラメーター 設定範囲 機 能
REV.TIME 0.3 ∼ 99.0s リバーブの残響の長さです。
INI.DLY 0.1 ∼ 500.0ms リバーブの初期反射音が出るまでの遅延時間です。
HI.RATIO 0.1 ∼ 1.0 リバーブの高域成分の残響時間の長さです。REV.TIMEに対する比率で表わしてあ
ります。
DIFF. 0 ∼ 10 リバーブ音の左右の拡がりです。
DENSITY 0 ∼ 100% リバーブの密度です。
HPF THRU, 21Hz ∼ 8.0kHz ハイパスフィルターのカットオフ周波数です。
LPF 50Hz ∼ 16.0kHz, THRU ローパスフィルターのカットオフ周波数です。
REV.BAL 0 ∼ 100% リバーブのみの音とシンフォニックのかかったリバーブとのバランスです。100で
リバーブのみになります。
FREQ. 0.05 ∼ 40.00Hz 揺れのスピードです。
DEPTH 0 ∼ 100% 揺れの深さです。
DIR. *1 音像移動の効果の方向の選択です。
WAVE SINE, TRI 変調波形のタイプです。SINE:サイン波、TRI:三角波。
*1 L←→R, L→R, L←R, Turn L, Turn R

03D取扱説明書
138 第13章 内蔵エフェクト
03Dの
世界へ
ようこそ!
各部の
名称と機能
インプット
チャンネル
イコライザー
パン、
ルーティング、
サラウンドパン
ソロ、
モニター、
メーター
ステレオ
アウト
AUXアウト
バスアウト
チャンネル
ライブラリー
とビュー
内蔵
エフェクト
シーン
メモリー
オート
ミックス
その他の
機能
デジタル
I/O
MIDI
付 録
グループ、
ペア
ダイナミクス
プロセッサー
ユーザー
インター
フェース
の基礎知識
タイプ:DELAY+ER.
パラメーター 設定範囲 機 能
DLY L 0.1 ∼ 1000.0ms Lチャンネルのディレイタイムです。
DLY R 0.1 ∼ 1000.0ms Rチャンネルのディレイタイムです。
FB.DLY 0.1 ∼ 1000.0ms フィードバックのディレイタイムです。
FB.GAIN −99 ∼ +99% フィードバックの量です。
HI.RATIO 0.1 ∼ 1.0 フィードバックの高域成分の量です。FB.GAINに対する比率で表わしています。
TYPE *1 初期反射音(ER)のパターンのタイプです。
ROOMSIZE 0.1 ∼ 20.0 部屋の大きさつまり反射音の間隔を表わします。
LIVENESS 0 ∼ 10 反射音の減衰のしかたを表わします。0:dead、10:live
INI.DLY 0.1 ∼ 500.0ms 初期反射音がでるまでの遅延時間です。
DIFF. 0 ∼ 10 反射音の左右の拡がりです。
DENSITY 0 ∼ 100% 反射音の密度です。
ER NUM. 1 ∼ 16 反射音の本数です。
ER BAL. 0 ∼100% ERとディレイのバランスです。0でディレイのみ、100でERのみになります。
*1 S-Hall, L-Hall, Random, Reverse, Plate, Spring
タイプ:DELAY→ER.
パラメーター 設定範囲 機 能
DLY L 0.1 ∼ 1000.0ms Lチャンネルのディレイタイムです。
DLY R 0.1 ∼ 1000.0ms Rチャンネルのディレイタイムです。
FB.DLY 0.1 ∼ 1000.0ms フィードバックのディレイタイムです。
FB.GAIN −99 ∼ +99% フィードバックの量です。
HI.RATIO 0.1 ∼ 1.0 フィードバックの高域成分の量です。FB.GAINに対する比率で表わしています。
TYPE *1 初期反射音(ER)のパターンのタイプです。
ROOMSIZE 0.1 ∼ 20.0 部屋の大きさつまり反射音の間隔を表わします。
LIVENESS 0 ∼ 10 反射音の減衰のしかたを表わします。0:dead、10:live
INI.DLY 0.1 ∼ 500.0ms 初期反射音がでるまでの遅延時間です。
DIFF. 0 ∼ 10 反射音の左右の拡がりです。
DENSITY 0 ∼ 100% 反射音の密度です。
ER NUM. 1 ∼ 16 反射音の本数です。
ER BAL. 0 ∼100% ディレイとERのかかったディレイのバランスです。0でディレイのみ、数値が大き
くなるとERがかかってきます。
*1 S-Hall, L-Hall, Random, Reverse, Plate, Spring
タイプ:DELAY+REV
パラメーター 設定範囲 機 能
DLY L 0.1 ∼ 1000.0ms Lチャンネルのディレイタイムです。
DLY R 0.1 ∼ 1000.0ms Rチャンネルのディレイタイムです。
FB.DLY 0.1 ∼ 1000.0ms フィードバックのディレイタイムです。
FB.GAIN −99 ∼ +99% フィードバックの量です。
HI.RATIO 0.1 ∼ 1.0 フィードバックの高域成分の量です。FB.GAINに対する比率で表わしています。
REV.TIME 0.3 ∼ 99.0s リバーブの残響の長さです。
INI.DLY 0.1 ∼ 500.0ms リバーブの初期反射音が出るまでの遅延時間です。
HI.RATIO 0.1 ∼ 1.0 リバーブの高域成分の残響時間の長さです。REV.TIMEに対する比率で表わしてあ
ります。
DIFF. 0 ∼ 10 リバーブ音の左右の拡がりです。
DENSITY 0 ∼ 100% リバーブの密度です。
HPF THRU, 21Hz ∼ 8.0kHz ハイパスフィルターのカットオフ周波数です。
LPF 50Hz ∼ 16.0kHz, THRU ローパスフィルターのカットオフ周波数です。
REV.BAL 0 ∼ 100% リバーブとディレイのバランスです。0でディレイのみ、100でリバーブのみになり
ます。

03D取扱説明書
第13章 内蔵エフェクト 139
03Dの
世界へ
ようこそ!
各部の
名称と機能
インプット
チャンネル
イコライザー
パン、
ルーティング、
サラウンドパン
ソロ、
モニター、
メーター
ステレオ
アウト
AUXアウト
バスアウト
チャンネル
ライブラリー
とビュー
内蔵
エフェクト
シーン
メモリー
オート
ミックス
その他の
機能
デジタル
I/O
MIDI
付 録
グループ、
ペア
ダイナミクス
プロセッサー
ユーザー
インター
フェース
の基礎知識
タイプ:DELAY→REV
パラメーター 設定範囲 機 能
DLY L 0.1 ∼ 1000.0ms Lチャンネルのディレイタイムです。
DLY R 0.1 ∼ 1000.0ms Rチャンネルのディレイタイムです。
FB.DLY 0.1 ∼ 1000.0ms フィードバックのディレイタイムです。
FB.GAIN −99 ∼ +99% フィードバックの量です。
HI.RATIO 0.1 ∼ 1.0 フィードバックの高域成分の量です。FB.GAINに対する比率で表わしています。
REV.TIME 0.3 ∼ 99.0s リバーブの残響の長さです。
INI.DLY 0.1 ∼ 500.0ms リバーブの初期反射音が出るまでの遅延時間です。
HI.RATIO 0.1 ∼ 1.0 リバーブの高域成分の残響時間の長さです。REV.TIMEに対する比率で表わしてあ
ります。
DIFF. 0 ∼ 10 リバーブ音の左右の拡がりです。
DENSITY 0 ∼ 100% リバーブの密度です。
HPF THRU, 21Hz ∼ 8.0kHz ハイパスフィルターのカットオフ周波数です。
LPF 50Hz ∼ 16.0kHz, THRU ローパスフィルターのカットオフ周波数です。
REV.BAL 0 ∼ 100% ディレイとリバーブのかかったディレイとのバランスです。0でディレイのみで、
数値を上げていくと、リバーブがかかってきます。
タイプ:MONODELAY→REV
パラメーター 設定範囲 機 能
DELAY 0.1 ∼ 1000.0ms Lチャンネルのディレイタイムです。
FB.DLY 0.1 ∼ 1000.0ms フィードバックのディレイタイムです。
FB.GAIN −99 ∼ +99% フィードバックの量です。
HI.RATIO 0.1 ∼ 1.0 フィードバックの高域成分の量です。FB.GAINに対する比率で表わしています。
REV.TIME 0.3 ∼ 99.0s リバーブの残響の長さです。
INI.DLY 0.1 ∼ 500.0ms リバーブの初期反射音が出るまでの遅延時間です。
HI.RATIO 0.1 ∼ 1.0 リバーブの高域成分の残響時間の長さです。REV.TIMEに対する比率で表わしてあ
ります。
DIFF. 0 ∼ 10 リバーブ音の左右の拡がりです。
DENSITY 0 ∼ 100% リバーブの密度です。
HPF THRU, 21Hz ∼ 8.0kHz ハイパスフィルターのカットオフ周波数です。
LPF 50Hz ∼ 16.0kHz, THRU ローパスフィルターのカットオフ周波数です。
REV.BAL 0 ∼ 100% ディレイとリバーブのかかったディレイとのバランスです。0でディレイのみで、
数値を上げていくと、リバーブがかかってきます。
タイプ:AMP SIMULATE
パラメーター 設定範囲 機 能
AMP TYPE *1 アンプのタイプを選択します。
DST TYPE *2 歪みかたのタイプを選択します。
N.GATE 0 ∼20 ノイズゲートの効きです。
DRIVE 0 ∼100 歪みの深さです。
MASTER 0 ∼100 マスターレベルのコントロールです。
CAB DPT 0 ∼100% スピーカーらしさを出す度合です。
BASS 0 ∼100 低域成分のトーンコントロールです。
MIDDLE 0 ∼100 中域成分のトーンコントロールです。
TREBLE 0 ∼100 高域成分のトーンコントロールです。
EQ F 99Hz ∼ 8.0kHz パラメトリックイコライザーの周波数です。
EQ G −12 ∼ +12dB パラメトリックイコライザーのゲインです。
EQ Q 10.0 ∼ 0.40 パラメトリックイコライザーのバンド幅です。
*1 STK-M1, STK-M2, THRASH, MIDBOOST, CMB-PG, CMB-VR, CMB-DX, CMB-TWN, MINIAMP, FLAT
*2 DST1, DST2, OVD1, OVD2, CRN

03D取扱説明書
140 第13章 内蔵エフェクト
03Dの
世界へ
ようこそ!
各部の
名称と機能
インプット
チャンネル
イコライザー
パン、
ルーティング、
サラウンドパン
ソロ、
モニター、
メーター
ステレオ
アウト
AUXアウト
バスアウト
チャンネル
ライブラリー
とビュー
内蔵
エフェクト
シーン
メモリー
オート
ミックス
その他の
機能
デジタル
I/O
MIDI
付 録
グループ、
ペア
ダイナミクス
プロセッサー
ユーザー
インター
フェース
の基礎知識
タイプ:DYNA. FILTER
パラメーター 設定範囲 機 能
SENSE 0 ∼100 入力感度です。
TYPE LPF, HPF, BPF フィルターのタイプを選択します。
OFFSET 0 ∼100 フィルターの周波数のオフセットです。
RESO. 0 ∼20 フィルターのレゾナンスです。
DECAY *1 フィルターの周波数移動のディケイタイムです。
DIR. Up, Down 入力が大きいときに周波数が高いほう(Up)と低いほう(Down)のどちらに動くか選
択します。
FREQ. 0.05 ∼ 40.00Hz フィルターの周波数をLFOで動かすときのLFOのスピードです。
DEPTH 0 ∼100% LFOのかかる深さです。
PHASE 0.000 ∼ 354.375 ° LFOの左右の位相差です。
LEVEL −40 ∼ +6dB 出力レベルです。
*1 6.0ms∼46.0s(@fs=32kHz, 44.1kHz), 5.0ms∼42.3s(@fs=48kHz)
タイプ:DYNA. FLANGE
パラメーター 設定範囲 機 能
SENSE 0 ∼100 入力感度です。
FB.GAIN −99 ∼ +99% フィードバックの量です。
OFFSET 0 ∼100 ディレイタイムのオフセット量です。
LSF F 21Hz ∼ 1.0kHz ローシェルビングタイプのフィルターの周波数です。
LSF G −12 ∼ +12dB ローシェルビングタイプのフィルターのゲインです。
DIR Up, Down 入力が大きいときに共鳴周波数が高いほう(Up)と低いほう(Down)のどちらに動く
か選択します。
EQ F 99Hz ∼ 8.0kHz パラメトリックイコライザーの周波数です。
EQ G −12 ∼ +12dB パラメトリックイコライザーのゲインです。
HOLD *1 ホールドタイムです。
HSF F 500Hz ∼ 16kHz ハイシェルビングタイプのフィルターの周波数です。
HSF G −12 ∼ +12dB ハイシェルビングタイプのフィルターのゲインです。
DECAY *2 ディケイタイムです。
*1 0.02ms∼2.13s(@fs=32kHz, 44.1kHz), 0.02ms∼1.96s(@fs=48kHz)
*2 6.0ms∼46.0s(@fs=32kHz, 44.1kHz), 5.0ms ∼42.3s(@fs=48kHz)
タイプ:DYNA. PHASER
パラメーター 設定範囲 機 能
SENSE 0 ∼100 入力感度です。
FB.GAIN −99 ∼ +99% フィードバックの量です。
OFFSET 0 ∼100 位相シフトポイントのオフセットです。
HOLD *1 ホールドタイムです。
DECAY *2 ディケイタイムです。
DIR Up, Down 入力が大きいときに位相シフトのポイントが高いほう(Up)と低いほう(Down)のど
ちらに動くか選択します。
LSF F 21Hz ∼ 1.0kHz ローシェルビングタイプのフィルターの周波数です。
LSF G −12 ∼ +12dB ローシェルビングタイプのフィルターのゲインです。
STAGE 2 ∼ 16 フェイズシフトの段数です。
HSF F 500Hz ∼ 16kHz ハイシェルビングタイプのフィルターの周波数です。
HSF G −12 ∼ +12dB ハイシェルビングタイプのフィルターのゲインです。
*1 0.02ms∼2.13s(@fs=32kHz, 44.1kHz), 0.02ms∼1.96s(@fs=48kHz)
*2 6.0ms∼46.0s(@fs=32kHz, 44.1kHz), 5.0ms∼42.3s(@fs=48kHz)

03D取扱説明書
第13章 内蔵エフェクト 141
03Dの
世界へ
ようこそ!
各部の
名称と機能
インプット
チャンネル
イコライザー
パン、
ルーティング、
サラウンドパン
ソロ、
モニター、
メーター
ステレオ
アウト
AUXアウト
バスアウト
チャンネル
ライブラリー
とビュー
内蔵
エフェクト
シーン
メモリー
オート
ミックス
その他の
機能
デジタル
I/O
MIDI
付 録
グループ、
ペア
ダイナミクス
プロセッサー
ユーザー
インター
フェース
の基礎知識
タイプ:FREEZE *エフェクト2のみ
パラメーター 設定範囲 機 能
REC MODE MANUAL, INP TRG 録音のモードを設定します。MANUALでは[ENTER]キーで、INP TRGでは入力信
号をトリガーに録音を始めます。
REC DLY −1000 ∼ +1000ms トリガーがかかった時間と実際に録音が開始される時間差を設定します。録音に
のみ関連。
TRG LVL −∞, −60 ∼ 0dB 入力トリガーのレベルを設定します。
PLY MODE
MOMENT, CONTINUE, INP TRG
再生のモードを設定します。MOMENTは[ENTER]キーを押してる間再生、CON-
TINUEではENTERキーを押すと設定した回数だけくり返し再生、INP TRGではそ
の動作を入力信号でスタートさせます。
TRG MASK 0 ∼ 999.4ms 一度トリガーがかかってからつぎのトリガーが受けられるまでにかかる時間を設
定します。再生にのみ関連。
MIDI TRG OFF, C1 ∼ C6, ALL MIDIのノートオン/オフでトリガーをかける設定を行います。設定したノートの
みに反応します。
LOOP NUM 0 ∼ 100 ループする回数を設定します。
START *1 再生を開始するポイントを設定します。
END *1 再生を終了するポイントを設定します。ループさせる場合はここが折り返しポイ
ントになります。
LOOP *1 ループのスタートポイントを設定します。
PITCH −12 ∼ +12 再生ピッチの変化量を半音単位で設定します。
FINE −50 ∼ +50 cent 再生ピッチの微調整を1セント単位で設定します。
*1 0∼131,070 samples(0.0ms∼2730.6ms(@fs=48kHz)、
0.0ms∼2972.1ms(@fs=44.1kHz)、
0.0ms∼4095.9ms(@fs=32kHz))
・ 録音を行うには、“REC READY”ボタンにカーソルを合わせ、[ENTER]キーを押します。“REC READY”ボタンが反転表示さ
れ、録音待機の状態になります。REC MODEがMANUALのときは、もう一度、[ENTER]キーを押すと録音がはじまり、REC
MODEがAUTOのときは、入力レベルがTRG LVLで設定した値を超えると録音がはじまります。
再生を行うには、まずいずれかのノブにカーソルを合わせます。PLY MODEがMOMENTまたはCONTINUEのときは、
[ENTER]キーを押すと再生がはじまり、PLY MODEがINP TRGのときは入力レベルがTRG LVLで設定した値を超えると再
生がはじまります。

03D取扱説明書
142 第13章 内蔵エフェクト
03Dの
世界へ
ようこそ!
各部の
名称と機能
インプット
チャンネル
イコライザー
パン、
ルーティング、
サラウンドパン
ソロ、
モニター、
メーター
ステレオ
アウト
AUXアウト
バスアウト
チャンネル
ライブラリー
とビュー
内蔵
エフェクト
シーン
メモリー
オート
ミックス
その他の
機能
デジタル
I/O
MIDI
付 録
グループ、
ペア
ダイナミクス
プロセッサー
ユーザー
インター
フェース
の基礎知識
エフェクトのブロック図
ON
MeterMeter
ST
L R
SOLO
L R
EFF
1 2
INTERNAL
EFFECT 1
INTERNAL
EFFECT 2
Meter Dynamics
4Band
PEQ
4Band
PEQ Dynamics
Meter
*
PAN
*
PAN: INDIVIDUAL/GANG/INVERTED GANG
AUX
1 2 3 4
BUS
1 2 3 4
EFF RTN
Fader
ON
MeterMeter
Meter Dynamics
4Band
PEQ
4Band
PEQ Dynamics
Meter
*
PAN
EFF RTN
Fader
AUX 1
AUX 2
AUX 3
AUX 4
AUX 1
AUX 2
AUX 3
AUX 4
PRE/POST
PRE/POST
BALANCE
BALANCE

03D取扱説明書
第14章 ダイナミクスプロセッサー 143
03Dの
世界へ
ようこそ!
各部の
名称と機能
インプット
チャンネル
イコライザー
パン、
ルーティング、
サラウンドパン
ソロ、
モニター、
メーター
ステレオ
アウト
AUXアウト
バスアウト
チャンネル
ライブラリー
とビュー
内蔵
エフェクト
シーン
メモリー
オート
ミックス
その他の
機能
デジタル
I/O
MIDI
付 録
グループ、
ペア
ダイナミクス
プロセッサー
ユーザー
インター
フェース
の基礎知識
第14章 ダイナミクスプロセッサー
14
本章の目次
ダイナミクスプロセッサーについて ..............................................................144
ダイナミクスプロセッサーの挿入 ..................................................................146
ダイナミクスライブラリー ..............................................................................147
ダイナミクスプログラムの保存 ......................................................................148
ダイナミクスプログラムの呼び出し ..............................................................149
ダイナミクスプログラムタイトルのエディット ..........................................150
ダイナミクスプロセッサーのタイプ ..............................................................151
ダイナミクスライブラリーリスト ..................................................................157

03D取扱説明書
144 第14章 ダイナミクスプロセッサー
03Dの
世界へ
ようこそ!
各部の
名称と機能
インプット
チャンネル
イコライザー
パン、
ルーティング、
サラウンドパン
ソロ、
モニター、
メーター
ステレオ
アウト
AUXアウト
バスアウト
チャンネル
ライブラリー
とビュー
内蔵
エフェクト
シーン
メモリー
オート
ミックス
その他の
機能
デジタル
I/O
MIDI
付 録
グループ、
ペア
ダイナミクス
プロセッサー
ユーザー
インター
フェース
の基礎知識
ダイナミクスプロセッサーについて
ダイナミクスプロセッサーは、すべてのインプットチャンネル、ステレオインプット
チャンネル、ステレオ出力、バス出力、AUX出力、内蔵エフェクトのリターンで使用で
きます。ダイナミクスプロセッサーが挿入される正確な位置については、22ページの
「ブロック図」をご参照ください。ダイナミクスプロセッサーは、コンプレッサー、ノイ
ズゲート、ダッキング、エクスパンダー、ハードコンパンダー、ソフトコンパンダーと
して使用できます。セルフトリガー(加工する信号自体をトリガー信号として使用す
る)はもちろん、他のチャンネルからの信号をトリガーにすることも可能です。
Pairファンクション(116ページの「ステレオペア」参照)でチャンネルをステレオペア
に組んだ場合、2つのチャンネルのダイナミクスプロセッサーが連動し、パラメーター
の調整はどちらか一方のチャンネルだけで行えます。奇数チャンネルと偶数チャンネ
ルのパラメーターを異なる値に設定することはできません。
ダイナミクスの設定は、プログラムとしてダイナミクスライブラリーに保存できま
す。ダイナミクスライブラリーには40のプリセットプログラムと40のユーザープログ
ラムが含まれています。詳細は、147ページの「ダイナミクスライブラリー」をご参照く
ださい。ダイナミクスの設定はシーンメモリー(161ページ)とチャンネルライブラ
リー(106ページ)にも保存されます。つぎの表は、プリセットのダイナミクスライブラ
リーのタイトルを示したものです。プリセットプログラムのパラメーターの詳細につ
いては、157ページの「ダイナミクスライブラリーリスト」をご参照ください。
No. タイトル No. タイトル
01 Comp [COMP] 21 E.Guitar [COMP]
02 Gate [GATE] 22 A.Guitar [COMP]
03 Expand [EXPAND] 23 Strings1 [COMP]
04 Ducking [DUCKING] 24 Strings2 [COMP]
05 Compander(H) [COMPANDER (H)] 25 Strings3 [COMP]
06 Compander(S) [COMPANDER (S)] 26 BrassSection [COMP]
07 A.Dr.BD [COMP] 27 Syn.Pad [COMP]
08 A.Dr.BD [GATE] 28 SamplingPerc [COMPANDER (S)]
09 A.Dr.BD [COMPANDER (H)] 29 Sampling BD [COMP]
10 A.Dr.SN [COMP] 30 Sampling SN [COMP]
11 A.Dr.SN [EXPAND] 31 Hip Comp [COMPANDER (S)]
12 A.Dr.SN [GATE] 32 Solo Vocal1 [COMP]
13 A.Dr.SN [COMPANDER (S)] 33 Solo Vocal2 [COMP]
14 A.Dr.Tom [EXPAND] 34 Chorus [COMP]
15 A.Dr.OverTop [COMPANDER (S)] 35 Click Erase [EXPAND]
16 E.B.Finger [COMP] 36 Announcer [COMPANDER (H)]
17 E.B.Slap [COMP] 37 Limiter1 [COMPANDER (S)]
18 Syn.Bass [COMP] 38 Limiter2 [COMP]
19 Piano1 [COMP] 39 Total Comp2 [COMP]
20 Piano2 [COMP] 40 Total Comp3 [COMP]

03D取扱説明書
第14章 ダイナミクスプロセッサー 145
03Dの
世界へ
ようこそ!
各部の
名称と機能
インプット
チャンネル
イコライザー
パン、
ルーティング、
サラウンドパン
ソロ、
モニター、
メーター
ステレオ
アウト
AUXアウト
バスアウト
チャンネル
ライブラリー
とビュー
内蔵
エフェクト
シーン
メモリー
オート
ミックス
その他の
機能
デジタル
I/O
MIDI
付 録
グループ、
ペア
ダイナミクス
プロセッサー
ユーザー
インター
フェース
の基礎知識
ダイナミクスプロセッサーのエディットは、つぎの図のDyn.Editページで行います。こ
のページを表示させるには、[DYNAMICS]キーを使用します。
KEY IN SOURCE―キーイン(ダイナミクスプロセッサーのトリガーとなる信号)を選
択するボタンです。つぎの選択肢の中から選べます。
キーイン 動 作
SELF(POST EQ) 加工する信号自体でトリガーします。トリガー信号のソースはポストEQの
位置から取り出します。
SELF(PRE EQ) 加工する信号自体でトリガーします。トリガー信号のソースはプリEQの位
置から取り出します。
AUX 1 OUT AUX 1のプリEQの出力信号でトリガーします。
AUX 2 OUT AUX 2のプリEQの出力信号でトリガーします。
CHANNEL(PRE EQ) 他のチャンネル信号でトリガーします。チャンネル1∼24、あるいはステレ
オ入力信号の左または右のチャンネルが選べます。
TYPE―現在選択しているダイナミクスプロセッサーのタイプを表示します。COMP
(コンプレッサー)、GATE(ゲート)、DUCKING(ダッキング)EXPAND(エクスパン
ダー)、COMPANDER (HARD)(ハードコンパンダー)COMPANDER (SOFT)(ソフト
コンパンダー)の各タイプがあります。詳細は、151ページの「ダイナミクスプロセッ
サーのタイプ」を参照してください。
CURVE―この欄にはダイナミクスプロセッサーが動作するカーブが表示
され、ダイナミクスプロセッサーの設定内容が一目で確認できます。グラフ
の横軸は入力信号、縦軸は出力信号を表わしています。
グラフ左下の隅から45度の角度で上がっていく直線は、入力信号がダイナ
ミクスプロセッサーの影響を受けずに通過することを表わしています。た
とえばコンプレッサーのレシオ(圧縮比)が1:1に設定されているときにこ
のカーブが表示されます。
ON/OFF―ダイナミクスプロセッサーをオン/オフするボタンです。カーソルがPA-
RAMETERのボックス内にあるときは、ON/OFFボタンを選択しなくても[ENTER]
キーでダイナミクスプロセッサーのオン/オフができます。
PARAMETER―ダイナミクスプロセッサーのパラメーターを調整する回転ノブです。
使用可能なパラメーターの数と種類は、選択されているダイナミクスプロセッサーの
タイプによって異なります。
メーター―加工する信号のレベルとゲインリダクション量を表わすメーターです。ゲ
インリダクションメーター(GR)は上から下へ動作します。COMP、DUCKING、
EXPAND、COMPANDERの各タイプでは、ゲインリダクション量が表示されます。タ
イプがGATEの場合は、入力信号のレベルがスレッショルドより低いときにエフェク
トが有効となるため、入力信号のレベルがスレッショルドに達していないとき、およ
び無音時のみにゲインリダクション量が表示されます。

03D取扱説明書
146 第14章 ダイナミクスプロセッサー
03Dの
世界へ
ようこそ!
各部の
名称と機能
インプット
チャンネル
イコライザー
パン、
ルーティング、
サラウンドパン
ソロ、
モニター、
メーター
ステレオ
アウト
AUXアウト
バスアウト
チャンネル
ライブラリー
とビュー
内蔵
エフェクト
シーン
メモリー
オート
ミックス
その他の
機能
デジタル
I/O
MIDI
付 録
グループ、
ペア
ダイナミクス
プロセッサー
ユーザー
インター
フェース
の基礎知識
ダイナミクスプロセッサーの挿入
1. [SEL]キーと[MIXING LAYER]キーでチャンネルを選択してください。
2. [DYNAMICS]キーでLibraryページを表示させ、必要なタイプのダイナミクスプロ
セッサーを使用しているプログラムを呼び出してください。詳細は、149ページの「ダ
イナミクスプログラムの呼び出し」をご参照ください。
3. [DYNAMICS]キーを使用してつぎの図のDyn.Editページを表示させてください。
4. [CURSOR]キーでKEYIN SOURCEボタンの中から1つを選択し、[ENTER]キーで確定
してください。
5. [CURSOR]キーでON/OFFボタンを選択し、[ENTER]キーでダイナミクスプロセッ
サーをオンにしてください。
6. [CURSOR]キーでダイナミクスプロセッサーのパラメーターを選択し、
[PARAMETER]ダイアルまたはマウスで調整してください。
カーソルがPARAMETERのボックス内にあるとき、[ENTER]キーはダイナミクスプ
ロセッサーのオン/オフスイッチとして働くため、A/B比較テストが簡単に行えます。

03D取扱説明書
第14章 ダイナミクスプロセッサー 147
03Dの
世界へ
ようこそ!
各部の
名称と機能
インプット
チャンネル
イコライザー
パン、
ルーティング、
サラウンドパン
ソロ、
モニター、
メーター
ステレオ
アウト
AUXアウト
バスアウト
チャンネル
ライブラリー
とビュー
内蔵
エフェクト
シーン
メモリー
オート
ミックス
その他の
機能
デジタル
I/O
MIDI
付 録
グループ、
ペア
ダイナミクス
プロセッサー
ユーザー
インター
フェース
の基礎知識
ダイナミクスライブラリー
ダイナミクスプロセッサーの設定は、ダイナミクスライブラリーにプログラムとして
保存できます。ダイナミクスライブラリーには40のプリセットプログラム(01∼40)と
40のユーザープログラム(41∼80)が含まれています。
よく使用するダイナミクスプロセッサーの設定をユーザープログラムに保存し、さら
に区別しやすいようにタイトルを付けることができます。また、特定のダイナミクス
の設定を別のエフェクトにコピーしたいときにもダイナミクスライブラリーを利用
できます。たとえば、ステレオアウトのダイナミクス設定をライブラリーにプログラ
ムとして保存し、これをAUXアウトのダイナミクスプロセッサーに読み込むことが
可能です。プリセットプログラムには、特定の用途や楽器に合わせて調節された、個性
的なダイナミクスプログラムが集められています。プリセットのダイナミクスライブ
ラリーリストは157ページを参照してください。
ダイナミクスライブラリーの操作は、つぎの図のLibraryページで行います。このペー
ジを呼び出すには、[DYNAMICS]キーを使用します。マウスを使用する場合、Dyn.Edit
ページがすでに表示されていれば、Libraryページのタイトルタブをクリックしてくだ
さい。
Libraryページの上半分には、選択したチャンネルのダイナミクスのタイプとカーブ、
ゲインリダクションメーター、レベルメーターが、下半分にはダイナミクスライブラ
リーの各機能が表示されます。

03D取扱説明書
148 第14章 ダイナミクスプロセッサー
03Dの
世界へ
ようこそ!
各部の
名称と機能
インプット
チャンネル
イコライザー
パン、
ルーティング、
サラウンドパン
ソロ、
モニター、
メーター
ステレオ
アウト
AUXアウト
バスアウト
チャンネル
ライブラリー
とビュー
内蔵
エフェクト
シーン
メモリー
オート
ミックス
その他の
機能
デジタル
I/O
MIDI
付 録
グループ、
ペア
ダイナミクス
プロセッサー
ユーザー
インター
フェース
の基礎知識
ダイナミクスプログラムの保存
ダイナミクスプログラムの保存は、Dynamics Libraryページで行います。ダイナミクス
を保存できるのはユーザープログラム41∼80で、プリセットプログラム01∼40は読み
出し専用となっています。
1. [DYNAMICS]キーでLibraryページを表示させてください。
2. [SEL]キーで保存したいダイナミクスプログラムのチャンネルを選択してください。
3. [PARAMETER]ダイアルでダイナミクスプログラムのリストを上下にスクロールさ
せてください。マウスを使用している場合は、マウスカーソルをパラメーターボック
スに合わせ、マウスの左ボタンを押したままマウスをドラッグします。
プログラムを選択すると、TYPE/CURVEの欄にそのダイナミクスのタイプとカーブ
が表示されます。データの入っていないダイナミクスプログラムのタイトルは“No
Data!”となります。
4. [CURSOR]キーでSTOREボタンを選択してから、[ENTER]キーを押してください。
マウスを使用している場合は、STOREボタンをクリックしてください。
TITLE EDITダイアログボックスが現われます。
5. ダイナミクスプログラムのタイトルを入力してください。
詳細は、33ページの「TITLE EDITダイアログボックス」をご参照ください。
6. TITLE EDITダイアログボックスでOKを押してください。
ダイナミクスプログラムが保存されます。

03D取扱説明書
第14章 ダイナミクスプロセッサー 149
03Dの
世界へ
ようこそ!
各部の
名称と機能
インプット
チャンネル
イコライザー
パン、
ルーティング、
サラウンドパン
ソロ、
モニター、
メーター
ステレオ
アウト
AUXアウト
バスアウト
チャンネル
ライブラリー
とビュー
内蔵
エフェクト
シーン
メモリー
オート
ミックス
その他の
機能
デジタル
I/O
MIDI
付 録
グループ、
ペア
ダイナミクス
プロセッサー
ユーザー
インター
フェース
の基礎知識
ダイナミクスプログラムの呼び出し
ダイナミクスプログラムの呼び出しはDynamics Libraryページで行います。40のプリ
セットと40のユーザープログラムから任意のプログラムが呼び出せます。
1. [DYNAMICS]キーでLibraryページを表示させてください。
2. [SEL]キーで呼び出したいダイナミクスプログラムのチャンネルを選択してくださ
い。
3. [PARAMETER]ダイアルでダイナミクスプログラムのリストを上下にスクロールさ
せてください。マウスを使用している場合は、マウスカーソルをパラメーターボック
スに合わせ、マウスの左ボタンを押したままマウスをドラッグします。
プログラムを選択すると、TYPE/CURVEの欄にそのダイナミクスのタイプとカーブ
が表示されます。データの入っていないダイナミクスプログラムのタイトルは“No
Data!”となります。
4. [CURSOR]キーでRECALLボタンを選択してから、[ENTER]キーを押してください。
マウスを使用している場合は、RECALLボタンをクリックしてください。
ダイナミクスプログラムが呼び出されます。

03D取扱説明書
150 第14章 ダイナミクスプロセッサー
03Dの
世界へ
ようこそ!
各部の
名称と機能
インプット
チャンネル
イコライザー
パン、
ルーティング、
サラウンドパン
ソロ、
モニター、
メーター
ステレオ
アウト
AUXアウト
バスアウト
チャンネル
ライブラリー
とビュー
内蔵
エフェクト
シーン
メモリー
オート
ミックス
その他の
機能
デジタル
I/O
MIDI
付 録
グループ、
ペア
ダイナミクス
プロセッサー
ユーザー
インター
フェース
の基礎知識
ダイナミクスプログラムタイトルのエディット
ダイナミクスプログラムのタイトルはいつでもエディットできます。わざわざプログ
ラムを呼び出す必要はありません。タイトルをエディットできるのは、データの入っ
ているダイナミクスプログラムのみです。この作業は下記のDynamicss Libraryページ
で行います。
1. [DYNAMICS]キーでLibraryページを表示させてください。
2. [PARAMETER]ダイアルまたはマウスを使ってダイナミクスプログラムを選択して
ください。
3. [CURSOR]キーでTITLE EDITボタンを選択し、[ENTER]キーを押してください。
マウスを使用している場合は、TITLE EDITボタンをクリックします。
TITLE EDITダイアログボックスが現われます。
4. プログラムのタイトルをエディットしてください。
詳細は、33ページの「TITLE EDITダイアログボックス」をご参照ください。
5. 終了したら、TITLE EDITダイアログボックスでOKをクリックしてください。

03D取扱説明書
第14章 ダイナミクスプロセッサー 151
03Dの
世界へ
ようこそ!
各部の
名称と機能
インプット
チャンネル
イコライザー
パン、
ルーティング、
サラウンドパン
ソロ、
モニター、
メーター
ステレオ
アウト
AUXアウト
バスアウト
チャンネル
ライブラリー
とビュー
内蔵
エフェクト
シーン
メモリー
オート
ミックス
その他の
機能
デジタル
I/O
MIDI
付 録
グループ、
ペア
ダイナミクス
プロセッサー
ユーザー
インター
フェース
の基礎知識
ダイナミクスプロセッサーのタイプ
通常ダイナミクスプロセッサーは、信号のレベルの補正や制御に使用しますが、サウ
ンドのエンベロープそのものを変化させるような、よりクリエイティブな用途にも利
用できます。ここではダイナミクスプロセッサーの各タイプ、パラメーター、一般的な
用途について説明します。
COMP(コンプレッサー)
COMPタイプのダイナミクスプロセッサーにはコ
ンプレッサーとリミッターとがあり、どちらもレ
ベルを自動調整します。
コンプレッサーは特定のレベル(スレッショル
ド)を越えた信号レベルを減衰させます。たとえ
ば、ボーカリストが歌うときにマイクに近付いた
り離れたりすると、音量があるときは大きく、あ
るときは小さくなり、一定しません。同じように
ダイナミックレンジの広いアコースティック楽
器も、ピアニシモからフォルティシモまで、音量
が大きく変化します。このような場合、楽曲の最
初から最後まで通してボーカルやアコースティック楽器のサウンドがはっきり聞こ
えるように、フェーダーを平均的な値に設定するのは非常に困難です。そこで登場す
るのが、自動レベル調整機能を備えたコンプレッサーです。コンプレッサーでレベル
の高い信号を抑えて、つまりダイナミックレンジを制限することで、信号の制御や適
切なフェーダーレベル設定が簡単にできるようになります。ダイナミックレンジを制
限するということは、必然的に録音レベルを高く設定できるため、SN比も向上します。
リミッターはコンプレッサーの圧縮率を高くし
たもので、原理は同じです。圧縮率が10:1を越える
と「信号を圧縮する」というより「信号を制限する」
と考えることができます。入力信号レベルがス
レッショルドを越えると、リミッターが働いて、出
力レベルをスレッショルドまで下げるため、出力
レベルはスレッショルドを越えることはありま
せん。リミッターは、アンプやテープレコーダーへ
の過大入力を防ぐ用途で頻繁に使われます。たと
えば、リミッターのスレッショルドをやや高めに
設定してステレオ出力に挿入すれば、アンプやス
ピーカーの過負荷を防ぐことができます。
パラメーター 設定範囲
THRESHOLD −54dB∼0dB(55ステップ)
RATIO 1:1, 1.1:1, 1.3:1, 1.5:1, 1.7:1, 2:1, 2.5:1, 3:1, 3.5:1, 4:1, 5:1, 6:1,
8:1, 10:1, 20:1, ∞:1(16ステップ)
KNEE hard, 1, 2, 3, 4, 5
ATTACK 0∼120ms(1msステップ)
5ms∼42.3s(サンプリング周波数 @48kHz)
RELEASE 6ms∼46s(サンプリング周波数 @44.1kHz)
8ms∼63.4s(サンプリング周波数 @32kHz)
OUT GAIN 0.0dB∼+18.0dB(0.5dBステップ)
–70
–60
–50
–40
–30
–20
–10
0
+10
+20
–70 –60 –50 –40 –30 –20 –10 0 +10 +20
Input Level (dB)
Output Level (dB)
Knee = hard
Threshold = –20dB
Compression ratio = 2:1
–70
–60
–50
–40
–30
–20
–10
0
+10
+20
–70 –60 –50 –40 –30 –20 –10 0 +10 +20
Input Level (dB)
Output Level (dB)
Knee = hard
Threshold = –20dB
Compression ratio = 20:1

03D取扱説明書
152 第14章 ダイナミクスプロセッサー
03Dの
世界へ
ようこそ!
各部の
名称と機能
インプット
チャンネル
イコライザー
パン、
ルーティング、
サラウンドパン
ソロ、
モニター、
メーター
ステレオ
アウト
AUXアウト
バスアウト
チャンネル
ライブラリー
とビュー
内蔵
エフェクト
シーン
メモリー
オート
ミックス
その他の
機能
デジタル
I/O
MIDI
付 録
グループ、
ペア
ダイナミクス
プロセッサー
ユーザー
インター
フェース
の基礎知識
THRESHOLD―コンプレッサーが作用する入力信号レベルを設定します。レベルがス
レッショルドまで到達しない信号は、圧縮されません。
レベルがスレッショルドを越えた信号は、RATIOパラメーターで指定した比率に応じ
て圧縮されます。コンプレッサーをトリガーする信号は、KEY INパラメーターで選択
します。
RATIO―圧縮率を指定します。これは入力信号のレベル変化に対する出力信号のレベ
ル変化の比率を表わしたものです。たとえばレシオが2:1の場合、スレッショルドを越
えた入力信号のレベルが10dB変化すると、出力レベルは5dB変化します。また、5:1のレ
シオでは、入力レベルが10dB変化すると、出力レベルは2dB変化します。
KNEE―信号がスレッショルドを越えてから、どのように圧縮されるかを設定します。
HARDに設定すると、入力信号のレベルがスレッショルドを越えたらすぐに指定され
たレシオにしたがって圧縮されます。また、1∼5の設定では、スレッショルドを越えて
から少しずつ圧縮がかかっていくので、より自然なサウンドになります。これを「ソフ
トニー圧縮」と呼びます。
ATTACK―コンプレッサーがトリガーされてから、どのくらいの時間で信号が圧縮さ
れるかを設定します。アタックタイムが速い場合は、信号がほぼ瞬時に圧縮されます。
アタックタイムが遅い場合は、サウンドの初期アタック部分は圧縮されません。ア
タックタイムの設定は、1∼5ミリ秒程度から始めてみるといいでしょう。
RELEASE―トリガー信号のレベルがスレッショルドより下がってから、どのくらい
の時間でコンプレッサーが通常のゲインに戻るかを設定します。リリースタイムが短
すぎると、ゲインが急激に戻るため、音が飛び出すように聞こえます(ゲインの変動が
耳につきます)。ところがリリースが長すぎると、ゲインが戻らないうちにつぎのレベ
ルの高い信号が入力されてしまい、圧縮が適切に行われないおそれがあります。リ
リースタイムの設定は、0.1∼0.5秒程度から始めるといいでしょう。
OUT GAIN―コンプレッサーの出力信号レベルを設定します。圧縮によって生じる全
体的なレベルの変化を補正するために使用します。
GATE(ゲート)
ゲート、またはノイズゲートと呼ばれるこのタイ
プは、本来スレッショルドレベルより低い信号を
ミュートさせるオーディオスイッチのようなも
のです。録音中のマイクでどうしても拾ってしま
うバックグラウンドの雑音、真空管のギターアン
プやコンパクトエフェクターから発生するノイ
ズ、ヒスノイズ、ドラム用マイク同士の音のカブ
リをカットする用途で使用できます。たとえば
ディケイタイムを短くしてドラムサウンドに
ゲートをかければ、サウンドがタイトに仕上がり
ます。また、シンセベースのチャンネルにゲート
をかけ、これをバスドラムのチャンネルからトリガーすれば、バスドラムを鳴らした
ときだけシンセベースの音が出て、ビートにノリが加わります。
–70
–60
–50
–40
–30
–20
–10
0
+10
+20
–70 –60 –50 –40 –30 –20 –10 0 +10 +20
Input Level (dB)
Output Level (dB)
Threshold = –10dB
Range = –30dB
Range = –70dB

03D取扱説明書
第14章 ダイナミクスプロセッサー 153
03Dの
世界へ
ようこそ!
各部の
名称と機能
インプット
チャンネル
イコライザー
パン、
ルーティング、
サラウンドパン
ソロ、
モニター、
メーター
ステレオ
アウト
AUXアウト
バスアウト
チャンネル
ライブラリー
とビュー
内蔵
エフェクト
シーン
メモリー
オート
ミックス
その他の
機能
デジタル
I/O
MIDI
付 録
グループ、
ペア
ダイナミクス
プロセッサー
ユーザー
インター
フェース
の基礎知識
パラメーター 設定範囲
THRESHOLD −54dB∼0dB(55ステップ)
RANGE −70dB∼0dB(71ステップ)
ATTACK 0∼120ms(1msステップ)
0.02ms∼1.96s(サンプリング周波数 @48kHz)
HOLD 0.02ms∼2.13s(サンプリング周波数 @44.1kHz)
0.03ms∼2.94s(サンプリング周波数 @32kHz)
5ms∼42.3s(サンプリング周波数 @48kHz)
DECAY 6ms∼46s(サンプリング周波数 @44.1kHz)
8ms∼63.4s(サンプリング周波数 @32kHz)
THRESHOLD―ゲートが閉じて信号がカットされるレベルを設定します。スレッショ
ルドを越えた信号は影響を受けずにそのまま通過し、スレッショルドよりレベルの低
い信号ではゲートが閉じます。トリガー信号は、KEY INパラメーターで選択します。
RANGE―ゲートを閉じたときのレベルを設定します。ちょうど少し開いた門をブ
ロックで固定するようなもので、常に一定量の信号が通過するように設定できます。
−70dBの設定では、入力信号がスレッショルドより低い場合はゲートが完全に閉じ
ます。−30dBの設定ではゲートがそのレベルまで閉じ、0dBの設定ではゲートが無効
となります。ゲートをかけすぎると、信号が突然消えるために響きが不自然になるこ
とがあります。このパラメーターを使えば、ゲートで信号を完全にカットしてしまう
のではなく、信号レベルを減衰させる用途に利用できます。
ATTACK―信号がスレッショルドを越えてから、どのくらいの時間でゲートが開くか
を設定します。アタックタイムを遅くすれば、パーカッシブサウンドの最初の立ち上
がり部分を除去する用途に使えます。あまり遅くしすぎると、サウンドが逆方向に再
生されているように聞こえることがあります。
HOLD―トリガー信号がスレッショルドより下がってから、どのくらいの時間ゲート
を開けておくかを設定します。
DECAY―上記のホールドタイムが終わってから、どのくらいの時間でゲートを閉じ
るかを設定します。ディケイタイムが長いほど自然なゲートの効果が得られ、楽器の
自然な減衰音を再現できます。ディケイタイムを最長(サンプリング周波数に応じて
42∼63秒)に設定すれば、フェードアウト効果を作ることができます。
DUCKING(ダッキング)
通常ダッキングは、音楽に声を重ねる用途に使用
し、話し手の声が入力されたときにバックの音楽
の音量を自動的に抑えます。ダッキング効果は、コ
ンプレッサーを別の音源でトリガーすることで
得られます。たとえばバックの音楽のチャンネル
にダッキングをかけ、キーイン信号を話し手のマ
イクチャンネルに設定すれば、マイクから入力さ
れる声のレベルがスレッショルドを越えた時点
で、バックの音楽のレベルが下がり、話し手の声が
はっきり聞こえます。同じテクニックをミックス
内のボーカルにも使うことができます。たとえば
ボーカルパートがあるときだけ、リズムギターやシンセパッドなどをダッキングさせ
ればボーカルがはっきり聞こえるようになります。ミックス内のソロ楽器の演奏部分
に使ってもいいでしょう。
–70
–60
–50
–40
–30
–20
–10
0
+10
+20
–70 –60 –50 –40 –30 –20 –10 0 +10 +20
Input Level (dB)
Output Level (dB)
Range = –30dB
Threshold = –20dB

03D取扱説明書
154 第14章 ダイナミクスプロセッサー
03Dの
世界へ
ようこそ!
各部の
名称と機能
インプット
チャンネル
イコライザー
パン、
ルーティング、
サラウンドパン
ソロ、
モニター、
メーター
ステレオ
アウト
AUXアウト
バスアウト
チャンネル
ライブラリー
とビュー
内蔵
エフェクト
シーン
メモリー
オート
ミックス
その他の
機能
デジタル
I/O
MIDI
付 録
グループ、
ペア
ダイナミクス
プロセッサー
ユーザー
インター
フェース
の基礎知識
パラメーター 設定範囲
THRESHOLD −54dB∼0dB(55ステップ)
RANGE −70dB∼0dB(121ステップ)
ATTACK 0∼120ms(1msステップ)
0.02ms∼1.96s(サンプリング周波数 @48kHz)
HOLD 0.02ms∼2.13s(サンプリング周波数 @44.1kHz)
8ms∼63.4s(サンプリング周波数 @32kHz)
5ms∼42.3s(サンプリング周波数 @48kHz)
DECAY 6ms∼46s(サンプリング周波数 @44.1kHz)
8ms∼63.4s(サンプリング周波数 @32kHz)
THRESHOLD―ダッキングを作動させるトリガー信号(KEY IN)のレベルを設定しま
す。スレッショルドより低い場合は、ダッキングが作動しません。信号がスレッショル
ドを越えるとダッキングが作動し、RANGEパラメーターの設定に応じて信号が減衰
します。トリガーとなる信号の種類はKEY INパラメーターで選択します。
RANGE―信号をダッキングしたときのレベルを設定します。−70dBに設定すると、実
際には信号がカットされます。また−30dBの設定では信号が30dB減衰し、0dBの設定
ではダッキングが無効となります。
ATTACK―ダッキングがトリガーされてからどのくらいの時間で信号をダッキング
させるかを設定します。アタックタイムが速い場合は、信号がほぼ瞬時にダッキング
されます。また、アタックタイムが遅い場合は、ダッキング効果により信号がフェード
インします。アタックタイムが速すぎるとレベル変化が唐突に聞こえますので、ご注
意ください。
HOLD―トリガー信号がスレッショルドより下がってからどのくらいの時間ダッキ
ングの動作を続けるかを設定します。
DECAY―トリガー信号のレベルがスレッショルドより下がってからどのくらいの時
間で、ダッキングが信号を通常のゲインに戻すかを設定します。
EXPAND(エクスパンダー)
エクスパンダーはコンプレッサーに似ていますが、スレッショルドより低い信号に対
して動作する点が異なります。スレッショルドより低い信号を抑えることで、無演奏
時のレベルを軽減させ、その結果ダイナミックレンジとSN比を向上させます。エクス
パンダーのレシオを無限大に設定すれば(∞:1)、機能的にはゲートと変わりません。
つぎの2つのグラフは典型的なエクスパンダーのカーブを表わしたものです。左のグ
ラフはレシオが2:1、KNEE設定がハードエクスパンダー、右のグラフはレシオが2:1、
KNEE設定がソフトエクスパンダー5に設定した場合のカーブです。
–70
–60
–50
–40
–30
–20
–10
0
+10
+20
–70 –60 –50 –40 –30 –20 –10 0 +10 +20
Input Level (dB)
Output Level (dB)
Threshold = –10dB
Knee = hard
Expansion ratio = 2:1
–70
–60
–50
–40
–30
–20
–10
0
+10
+20
–70 –60 –50 –40 –30 –20 –10 0 +10 +20
Input Level (dB)
Output Level (dB)
Threshold = –20dB
Knee = 5
Expansion ratio = 2:1

03D取扱説明書
第14章 ダイナミクスプロセッサー 155
03Dの
世界へ
ようこそ!
各部の
名称と機能
インプット
チャンネル
イコライザー
パン、
ルーティング、
サラウンドパン
ソロ、
モニター、
メーター
ステレオ
アウト
AUXアウト
バスアウト
チャンネル
ライブラリー
とビュー
内蔵
エフェクト
シーン
メモリー
オート
ミックス
その他の
機能
デジタル
I/O
MIDI
付 録
グループ、
ペア
ダイナミクス
プロセッサー
ユーザー
インター
フェース
の基礎知識
パラメーター 設定範囲
THRESHOLD −54dB∼0dB(55ステップ)
RATIO 1:1, 1.1:1, 1.3:1, 1.5:1, 1.7:1, 2:1, 2.5:1, 3:1, 3.5:1, 4:1, 5:1, 6:1,
8:1, 10:1, 20:1, ∞:1(16ステップ)
KNEE hard, 1, 2, 3, 4, 5
ATTACK 0∼120ms(1msステップ)
5ms∼42.3s(サンプリング周波数 @48kHz)
RELEASE 6ms∼46s(サンプリング周波数 @44.1kHz)
8ms∼63.4s(サンプリング周波数 @32kHz)
OUT GAIN 0.0dB∼+18.0dB(0.5dBステップ)
THRESHOLD―エクスパンダーをトリガーする入力信号のレベルを設定します。ス
レッショルドを越えた信号にはエクスパンダーはかかりません。レベルがスレッショ
ルドより低い信号は、RATIOパラメーターで指定されたレシオに応じて減衰します。
トリガー信号の種類は、KEY INパラメーターで選択します。
RATIO―エクスパンダーの比率を指定します。これは入力信号のレベル変化に対する
出力信号のレベル変化の比率を表わしたものです。比率が2:1の場合、入力レベルがス
レッショルドより低い領域で5dB変化すると、出力レベルは10dBの変化となります。
また、5:1の比率では入力レベルが2dB変化すると、出力レベルが10dB変化します。
KNEE―信号がスレッショルドより下がってからどのように伸長されるかを設定しま
す。HARDに設定すると、入力信号のレベルがスレッショルドより下がったらすぐに
指定されたレシオで伸長されます。また、1∼5の設定では、スレッショルドより下がっ
てから少しずつ伸長されていくので、より自然なサウンドになります。
ATTACK―エクスパンダーがトリガーされてから、どのくらいの時間で信号を伸長す
るかを設定します。アタックタイムが速い場合は、信号がほぼ瞬時に伸長されます。ア
タックタイムが遅い場合は、サウンドのアタック部分は伸長されません。アタックタ
イムを設定するには1∼5ミリ秒程度から始めるといいでしょう。
RELEASE―トリガー信号のレベルがスレッショルドを越えてから、どれくらいの時
間でエクスパンダーが通常のゲインに戻るかを設定します。リリースタイムが短すぎ
ると、ゲインが急激に戻るため音が飛び出すように聞こえます(ゲインの変動が耳に
つきます)。ところがリリースが長すぎると、ゲインが戻らないうちにつぎのレベルの
低い信号が入力されてしまい、伸長が適切に行われないおそれがあります。リリース
タイムを設定するには0.1∼0.5秒程度から始めるといいでしょう。
OUT GAIN―エクスパンダーの出力信号レベルを設定します。伸長によって生じる全
体的なレベルの変化を補正するために使用します。
COMPANDER(HARD&SOFT)(ハード/ソフトコンパンダー)
ハード/ソフトコンパンダーは、コンプレッサー、エクスパンダー、リミッターを組み
合わせた効果です。リミッターは出力信号が0dBを越えるのを防ぎ、コンプレッサー
はスレッショルドレベルを越える信号を圧縮します。また、エクスパンダーは
THRESHOLDとWIDTH(幅)パラメーターで設定したレベルよりも低い信号を減衰さ
せます。ソフトコンパンダーの伸長率は1.5:1、ハードコンパンダーの伸長率は5:1です。
つぎの2つのグラフは、典型的なコンパンダーのカーブで、左のグラフはハードコンパ
ンダー、右のグラフはソフトコンパンダーを表わしています。

03D取扱説明書
156 第14章 ダイナミクスプロセッサー
03Dの
世界へ
ようこそ!
各部の
名称と機能
インプット
チャンネル
イコライザー
パン、
ルーティング、
サラウンドパン
ソロ、
モニター、
メーター
ステレオ
アウト
AUXアウト
バスアウト
チャンネル
ライブラリー
とビュー
内蔵
エフェクト
シーン
メモリー
オート
ミックス
その他の
機能
デジタル
I/O
MIDI
付 録
グループ、
ペア
ダイナミクス
プロセッサー
ユーザー
インター
フェース
の基礎知識
–70
–60
–50
–40
–30
–20
–10
0
+10
+20
–70 –60 –50 –40 –30 –20 –10 0 +10 +20
Input Level (dB)
Hard Compander
Output Level (dB)
Threshold
Width
–70
–60
–50
–40
–30
–20
–10
0
+10
+20
–70 –60 –50 –40 –30 –20 –10 0 +10 +20
Input Level (dB)
Soft Compander
Output Level (dB)
Threshold
Width
パラメーター 設定範囲
THRESHOLD −54dB∼0dB(55ステップ)
RATIO 1:1, 1.1:1, 1.3:1, 1.5:1, 1.7:1, 2:1, 2.5:1, 3:1, 3.5:1, 4:1, 5:1, 6:1,
8:1, 10:1, 20:1(15ステップ)
WIDTH 1dB∼90dB(1dBステップ)
ATTACK 0∼120ms(1msステップ)
5ms∼42.3s(サンプリング周波数 @48kHz)
RELEASE 6ms∼46s(サンプリング周波数 @44.1kHz)
8ms∼63.4s(サンプリング周波数 @32kHz)
OUT GAIN −18.0dB∼0.0dB (0.5dBステップ)
THRESHOLD―圧縮/伸長を行う入力信号のレベルを設定します。THRESHOLD
+WIDTHの設定よりも低い信号は、エクスパンダーにより減衰されます。スレッショ
ルドを越えた信号は、RATIOパラメーターで指定した比率に応じて圧縮されます。ト
リガー信号は、KEY INパラメーターで選択します。
RATIO―圧縮率を指定します。これは入力信号のレベル変化に対する出力信号のレベ
ル変化の比率を表わしたものです。レシオが2:1の場合、スレッショルドを越える入力
レベルが10dB変化すると、出力レベルは5dBの変化となります。また、5:1のレシオでは
入力レベルが10dB変化すると、出力レベルが2dB変化します。エクスパンダーの伸長
率は固定されており、ソフトコンパンダーでは1.5:1、ハードコンパンダーでは5:1とな
ります。
WIDTH―スレッショルドレベルよりどれだけ下のレベルから伸長を開始するかを設
定します。この幅を90dBに設定すると、エクスパンダーは実質的にオフになります。
ATTACK―コンパンダーがトリガーされてからどのくらいの時間で信号を圧縮/伸
長するかを設定します。アタックタイムが速いと、信号はほぼ瞬時に圧縮/伸長され
ます。アタックタイムが遅いと、サウンドの最初のアタック部分は圧縮/伸長されま
せん。アタックタイムを設定には1∼5ミリ秒程度から始めるといいでしょう。
RELEASE―トリガー信号のレベルがスレッショルドより下がってからどれくらいの
時間でコンプレッサーとエクスパンダーが通常のゲインに戻るかを設定します。リ
リースタイムが短すぎると、ゲインが急激に戻るため音が飛び出すように聞こえます
(ゲインの変動が耳につきます)。ところがリリースが長すぎると、ゲインが戻らない
うちにつぎのレベルの高い信号が入力されてしまい、圧縮が適切に行われないおそれ
があります。リリースタイムを設定するには0.1∼0.5秒程度から始めるといいでしょ
う。
OUT GAIN―コンパンダーの出力信号レベルを設定します。圧縮/伸長によって生じ
る全体的なレベルの変化を補正するために使用します。

03D取扱説明書
第14章 ダイナミクスプロセッサー 157
03Dの
世界へ
ようこそ!
各部の
名称と機能
インプット
チャンネル
イコライザー
パン、
ルーティング、
サラウンドパン
ソロ、
モニター、
メーター
ステレオ
アウト
AUXアウト
バスアウト
チャンネル
ライブラリー
とビュー
内蔵
エフェクト
シーン
メモリー
オート
ミックス
その他の
機能
デジタル
I/O
MIDI
付 録
グループ、
ペア
ダイナミクス
プロセッサー
ユーザー
インター
フェース
の基礎知識
ダイナミクスライブラリーリスト
本機にあらかじめ内蔵されているダイナミクスプログラムのリストです。
Release、Hold、Decayの各パラメーターはいずれもfs=44.1kHzでの値です。これらはサ
ンプリング周波数によって動作時間や可変範囲が変化しますのでご注意ください。
No. タイトル [タイプ] コンプレッサーの効果および設定値
01 Comp [COMP] トータルミックスに使用するコンプレッサーのテンプレート的なプ
リセットです。
No.
Threshold
Ratio Range Attack Outgain Knee Width Release Hold Decay
(dB) ( :1) (dB) (ms) (dB) (dB) (ms) (ms) (ms)
01 −8 2.5 ― 60 0.0 2 ― 1.12s ― ―
02 Gate [GATE] ゲートのテンプレート的なプリセットです。
No.
Threshold
Ratio Range Attack Outgain Knee Width Release Hold Decay
(dB) ( :1) (dB) (ms) (dB) (dB) (ms) (ms) (ms)
02−26―−560 ――――2.56 331
03 Expand [EXPAND] エクスパンダーのテンプレート的なプリセットです。
No.
Threshold
Ratio Range Attack Outgain Knee Width Release Hold Decay
(dB) ( :1) (dB) (ms) (dB) (dB) (ms) (ms) (ms)
03 −23 1.7 ― 1 3.5 2 ― 70 ― ―
04 Ducking [DUCKING] ダッキングのテンプレート的なプリセットです。たとえば司会の声で
キーインして、BGMの音量を下げることなどができます。
No.
Threshold
Ratio Range Attack Outgain Knee Width Release Hold Decay
(dB) ( :1) (dB) (ms) (dB) (dB) (ms) (ms) (ms)
04−19―−2293――――1.20s 6.32s
05 Compander(H) [COMPANDER (H)] コンパンダーのテンプレートです。
06 Compander(S) [COMPANDER (S)]
No.
Threshold
Ratio Range Attack Outgain Knee Width Release Hold Decay
(dB) ( :1) (dB) (ms) (dB) (dB) (ms) (ms) (ms)
05 − 10 3.5 ― 1 0.0 ― 6 250 ― ―
06 −8 4 ― 25 0.0 ― 24 180 ― ―
07 A.Dr.BD [COMP]
08 A.Dr.BD [GATE]
09 A.Dr.BD [COMPANDER (H)]
生ドラムキットのベースドラムにそれぞれCOMP、GATE、
COMPANDER (H)を使ったプリセットです。
No.
Threshold
Ratio Range Attack Outgain Knee Width Release Hold Decay
(dB) ( :1) (dB) (ms) (dB) (dB) (ms) (ms) (ms)
07 − 24 3 ― 9 5.5 2 ― 58 ― ―
08−11―−530 ――――1.93 400
09−113.5―1−1.5―7192――

03D取扱説明書
158 第14章 ダイナミクスプロセッサー
03Dの
世界へ
ようこそ!
各部の
名称と機能
インプット
チャンネル
イコライザー
パン、
ルーティング、
サラウンドパン
ソロ、
モニター、
メーター
ステレオ
アウト
AUXアウト
バスアウト
チャンネル
ライブラリー
とビュー
内蔵
エフェクト
シーン
メモリー
オート
ミックス
その他の
機能
デジタル
I/O
MIDI
付 録
グループ、
ペア
ダイナミクス
プロセッサー
ユーザー
インター
フェース
の基礎知識
10 A.Dr.SN [COMP] プリセットプログラム7、3、8、9をスネアドラムに応用したものです。
11 A.Dr.SN [EXPAND]
12 A.Dr.SN [GATE]
13 A.Dr.SN [COMPANDER (S)]
No.
Threshold
Ratio Range Attack Outgain Knee Width Release Hold Decay
(dB) ( :1) (dB) (ms) (dB) (dB) (ms) (ms) (ms)
10 −17 2.5 ― 8 3.5 2 ― 12 ― ―
11 −23 2 ― 0 0.5 2 ― 151 ― ―
12−8―−231 ――――0.63 238
13 − 8 1.7 ― 11 0.0 ― 10 128 ― ―
14 A.Dr.Tom [EXPAND] 生ドラムのタムに使用すると、タムをたたいているとき以外は音量を
下げ、スネアやベースドラムの音の分離が良くなります。
No.
Threshold
Ratio Range Attack Outgain Knee Width Release Hold Decay
(dB) ( :1) (dB) (ms) (dB) (dB) (ms) (ms) (ms)
14 −20 2 ― 2 5.0 2 ― 749 ― ―
15
A.Dr.OverTop [COMPANDER (S)]
生ドラムのシンバルの上方にセットしたマイクで録音した音のア
タックや空気感を強調する効果とともに、シンバル等が鳴っていない
ときに少し音量を下げて他のキットの音の分離を良くします。
No.
Threshold
Ratio Range Attack Outgain Knee Width Release Hold Decay
(dB) ( :1) (dB) (ms) (dB) (dB) (ms) (ms) (ms)
15−242 ―38−3.5―54842――
16 E.B.Finger [COMP] エレキベースを指弾きした音のアタックや音量を均一化するための
コンプレッサーです。
No.
Threshold
Ratio Range Attack Outgain Knee Width Release Hold Decay
(dB) ( :1) (dB) (ms) (dB) (dB) (ms) (ms) (ms)
16 −12 2 ― 15 4.5 2 ― 470 ― ―
17 E.B.Slap [COMP] エレキベースをスラップでプレイした音のアタックや音量を均一化
するためのコンプレッサーです。
No.
Threshold
Ratio Range Attack Outgain Knee Width Release Hold Decay
(dB) ( :1) (dB) (ms) (dB) (dB) (ms) (ms) (ms)
17 −12 1.7 ― 6 4.0 hard ― 133 ― ―
18 Syn.Bass [COMP] シンセベースの音のレベルを揃えるとともに強調する効果のコンプ
レッサーです。
No.
Threshold
Ratio Range Attack Outgain Knee Width Release Hold Decay
(dB) ( :1) (dB) (ms) (dB) (dB) (ms) (ms) (ms)
18 −10 3.5 ― 9 3.0 hard ― 250 ― ―
19 Piano1 [COMP]
20 Piano2 [COMP] Piano1は、少し音を立たせて音色を明るめにします。それに対し、Pi-
ano2は、深めのスレッショルドで全体のレベルやアタック感を揃える
ような効果があります。
No.
Threshold
Ratio Range Attack Outgain Knee Width Release Hold Decay
(dB) ( :1) (dB) (ms) (dB) (dB) (ms) (ms) (ms)
19 −9 2.5 ― 17 1.0 hard ― 238 ― ―
20 −18 3.5 ― 7 6.0 2 ― 174 ― ―

03D取扱説明書
第14章 ダイナミクスプロセッサー 159
03Dの
世界へ
ようこそ!
各部の
名称と機能
インプット
チャンネル
イコライザー
パン、
ルーティング、
サラウンドパン
ソロ、
モニター、
メーター
ステレオ
アウト
AUXアウト
バスアウト
チャンネル
ライブラリー
とビュー
内蔵
エフェクト
シーン
メモリー
オート
ミックス
その他の
機能
デジタル
I/O
MIDI
付 録
グループ、
ペア
ダイナミクス
プロセッサー
ユーザー
インター
フェース
の基礎知識
21 E.Guitar [COMP] エレキギターのカッティングやアルペジオ等バッキングに向いてい
ます。また、音色やプレイによっていろいろと調整してみると良いで
しょう。
No.
Threshold
Ratio Range Attack Outgain Knee Width Release Hold Decay
(dB) ( :1) (dB) (ms) (dB) (dB) (ms) (ms) (ms)
21 −8 3.5 ― 7 2.5 4 ― 261 ― ―
22 A.Guitar [COMP] アコースティックギターのストロークやアルペジオ等のバッキング
に向いています。
No.
Threshold
Ratio Range Attack Outgain Knee Width Release Hold Decay
(dB) ( :1) (dB) (ms) (dB) (dB) (ms) (ms) (ms)
22 −10 2.5 ― 5 1.5 2 ― 238 ― ―
23 Strings1 [COMP]
24 Strings2 [COMP]
25 Strings3 [COMP]
ストリングスに適しているコンプレッサーでNo.24やNo.25などは、音
域が低い楽器(チェロ、コントラバス)にも使用できます。
No.
Threshold
Ratio Range Attack Outgain Knee Width Release Hold Decay
(dB) ( :1) (dB) (ms) (dB) (dB) (ms) (ms) (ms)
23 − 11 2 ― 33 1.5 2 ― 749 ― ―
24 −12 1.5 ― 93 1.5 4 ― 1.35s ― ―
25 −17 1.5 ― 76 2.5 2 ― 186 ― ―
26 BrassSection [COMP] 割と立ち上がりの速い音、アタック感の強い音に向いています。
No.
Threshold
Ratio Range Attack Outgain Knee Width Release Hold Decay
(dB) ( :1) (dB) (ms) (dB) (dB) (ms) (ms) (ms)
26 −18 1.7 ― 18 4.0 1 ― 226 ― ―
27 Syn.Pad [COMP] 拡散しがちな音をおさえる効果があります。たとえばシンセパッドの
ように耳ざわりが良い分、音色によっては音が拡散してしまう楽器に
適しています。
No.
Threshold
Ratio Range Attack Outgain Knee Width Release Hold Decay
(dB) ( :1) (dB) (ms) (dB) (dB) (ms) (ms) (ms)
27 − 13 2 ― 58 2.0 1 ― 238 ― ―
28 SamplingPerc [COMPANDER (S)]
29 Sampling BD [COMP]
30 Sampling SN [COMP]
31 Hip Comp [COMPANDER (S)]
CD-ROM等のサンプリング音源のいろいろな音色を生楽器の中
で使用しても迫力や音の抜け方でおとらないようにしたいとき
に使用すると効果的です。バリエーションとしてPerc, BD, SN,と
ループ素材(Hip Comp)の4つがあります。
No.
Threshold
Ratio Range Attack Outgain Knee Width Release Hold Decay
(dB) ( :1) (dB) (ms) (dB) (dB) (ms) (ms) (ms)
28 −18 1.7 ― 8 −2.5 ― 18 238 ― ―
29 − 14 2 ― 2 3.5 4 ― 35 ― ―
30 −18 4 ― 8 8.0 hard ― 354 ― ―
31 −23 20 ― 15 0.0 ― 15 163 ― ―

03D取扱説明書
160 第14章 ダイナミクスプロセッサー
03Dの
世界へ
ようこそ!
各部の
名称と機能
インプット
チャンネル
イコライザー
パン、
ルーティング、
サラウンドパン
ソロ、
モニター、
メーター
ステレオ
アウト
AUXアウト
バスアウト
チャンネル
ライブラリー
とビュー
内蔵
エフェクト
シーン
メモリー
オート
ミックス
その他の
機能
デジタル
I/O
MIDI
付 録
グループ、
ペア
ダイナミクス
プロセッサー
ユーザー
インター
フェース
の基礎知識
32 Solo Vocal1 [COMP] Solo Vocalソースに適しているバリエーションです。
33 Solo Vocal2 [COMP]
No.
Threshold
Ratio Range Attack Outgain Knee Width Release Hold Decay
(dB) ( :1) (dB) (ms) (dB) (dB) (ms) (ms) (ms)
32 −20 2.5 ― 31 2.0 1 ― 342 ― ―
33 −8 2.5 ― 26 1.5 3 ― 331 ― ―
34 Chorus [COMP] Vocalのバリエーションとして、コーラス向けのプリセットです。
No.
Threshold
Ratio Range Attack Outgain Knee Width Release Hold Decay
(dB) ( :1) (dB) (ms) (dB) (dB) (ms) (ms) (ms)
34 −9 1.7 ― 39 2.5 2 ― 226 ― ―
35 Click Erase [EXPAND] ミュージシャンの聞いているクリック音は以外に大きく、それらの音
をモニターしたくないときにゲートとして使用すると良いでしょう。
No.
Threshold
Ratio Range Attack Outgain Knee Width Release Hold Decay
(dB) ( :1) (dB) (ms) (dB) (dB) (ms) (ms) (ms)
35 −33 2 ― 1 2.0 2 ― 284 ― ―
36 Announcer [COMPANDER (H)] アナウンスの声の間をゲートでレベルを下げ、かつアナウンスの
声のレベルを揃えます。
No.
Threshold
Ratio Range Attack Outgain Knee Width Release Hold Decay
(dB) ( :1) (dB) (ms) (dB) (dB) (ms) (ms) (ms)
36 −14 2.5 ― 1 −2.5 ― 18 180 ― ―
37 Limiter1 [COMPANDER (S)]
38 Limiter2 [COMP] リミッターのテンプレートです。1はスローリリース、2はPEAK STOP
タイプになっています。
No.
Threshold
Ratio Range Attack Outgain Knee Width Release Hold Decay
(dB) ( :1) (dB) (ms) (dB) (dB) (ms) (ms) (ms)
37 − 9 3 ― 20 − 3.0 ― 90 3.90s ― ―
38 0 ∞ ― 0 0.0 hard ― 319 ― ―
39 Total Comp1 [COMP]
40 Total Comp2 [COMP] 全体のレベルを押えたり、全体の音の立ち方を良くさせたりの効果が
得られるため、ミックスダウン時のステレオアウトに使用すると良い
プリセットです。また、ステレオソースに使用すると調整によりおも
しろい効果が得られます。
No.
Threshold
Ratio Range Attack Outgain Knee Width Release Hold Decay
(dB) ( :1) (dB) (ms) (dB) (dB) (ms) (ms) (ms)
39 −18 3.5 ― 94 2.5 hard ― 447 ― ―
40 −16 6 ― 11 6.0 1 ― 180 ― ―

03D取扱説明書
第15章 シーンメモリー 161
03Dの
世界へ
ようこそ!
各部の
名称と機能
インプット
チャンネル
イコライザー
パン、
ルーティング、
サラウンドパン
ソロ、
モニター、
メーター
ステレオ
アウト
AUXアウト
バスアウト
チャンネル
ライブラリー
とビュー
内蔵
エフェクト
シーン
メモリー
オート
ミックス
その他の
機能
デジタル
I/O
MIDI
付 録
グループ、
ペア
ダイナミクス
プロセッサー
ユーザー
インター
フェース
の基礎知識
第15章 シーンメモリー
15
本章の目次
シーンメモリーについて ..................................................................................162
シーンメモリーに保存できるもの ..................................................................162
エディットバッファー/EDITインジケーターについて.............................162
シーンメモリー00 ..............................................................................................163
シーンメモリーの表示領域 ..............................................................................163
[SCENE MEMORY]キー ..................................................................................163
ミックスシーンの保存 ......................................................................................164
ミックスシーンの呼び出し ..............................................................................166
ミックスシーンのリコール操作の取り消し ..................................................167
シーンメモリーの書き込み禁止 ......................................................................168
シーンメモリータイトルのエディット ..........................................................169
シーンメモリーの並び替え ..............................................................................170
フェードタイムの設定 ......................................................................................171
シーンデータのリコールセーフ機能 ..............................................................172

03D取扱説明書
162 第15章 シーンメモリー
03Dの
世界へ
ようこそ!
各部の
名称と機能
インプット
チャンネル
イコライザー
パン、
ルーティング、
サラウンドパン
ソロ、
モニター、
メーター
ステレオ
アウト
AUXアウト
バスアウト
チャンネル
ライブラリー
とビュー
内蔵
エフェクト
シーン
メモリー
オート
ミックス
その他の
機能
デジタル
I/O
MIDI
付 録
グループ、
ペア
ダイナミクス
プロセッサー
ユーザー
インター
フェース
の基礎知識
シーンメモリーについて
シーンメモリーとは、ミックスシーンを保存するメモリー領域です。ミックスシーン
は03Dのミックスのすべての設定(EQ、フェーダーの位置など)から構成されます。03D
には全部で50のシーンメモリーがあり、区別しやすいようにタイトルを付けることも
できます。シーンメモリーの保存や呼び出しには、つぎの3種類の方法が使えます。
・ SCENE MEMORY[STORE]キーと[RECALL]キー、またはScene Mem.ページを使
用する
・ コンピューターまたはMIDIシーケンサーからMIDIプログラムチェンジメッセー
ジを送信する
・ 03Dのオートミックス機能を利用する
シーンメモリーのデータは、MIDIバルクダンプを使って、MIDIデータファイラーなど
の外部MIDI機器にバックアップできます。詳細は、242ページの「バルクダンプ」をご
参照ください。また、「MIDIプログラムチェンジへのシーンメモリーのアサイン表」、
「MIDIコントロールチェンジへのパラメーターのアサイン表」がそれぞれ266ページ
と267ページに掲載されています。
シーンメモリーに保存できるもの
シーンメモリーには、実質的にすべての03Dのミックス設定が保存されます。保存で
きない設定は、主にアナログのコントロール類とスイッチ類で、26dB [PAD]スイッ
チ、[GAIN]コントロール、[SOLO/2TR IN]スイッチ、[MONITOR OUT LEVEL]コン
トロール、[PHONE LEVEL]コントロール、ディスプレイのコントラスト調整、さらに
リアパネルのファンタム電源スイッチ、REC OUT SOURCE SELECTスイッチ、WORD
CLOCK 75Ω終端スイッチが含まれます。
つぎのタイプのデータはシーンメモリーには保存されません。
・03Dセットアップデータ ・ダイナミクスライブラリー
・MIDIプログラムチェンジマップ ・エフェクトライブラリー
・MIDIコントロールチェンジマップ ・チャンネルライブラリー
・シーンメモリーデータ ・オートミックスデータ
・EQライブラリー ・MIDIリモート
ただし、MIDIバルクダンプを使って、MIDIデータファイラーなどの外部MIDI機器に
データをバックアップすることは可能です。詳細は、242ページの「バルクダンプ」をご
参照ください。
エディットバッファー/EDITインジケーターについて
「エディットバッファー」とは、現在のミックス設定が入っている03Dの内部メモリー
のことです。ミックスシーンを保存すると、エディットバッファー内のミックス設定
が選択したシーンメモリーに書き込まれます。逆にミックスシーンを呼び出すと、選
択したシーンメモリーの内容がエディットバッファーに入り、それが現在のミックス
設定となります。
ミックスシーンを呼び出した後でパラメーターを変更すると、ディスプレイのシーン
メモリー表示部にEDITインジケーターが現われます。この表示は、現在のミックス設
定(つまりエディットバッファーに入っている設定)が、呼び出した時点のミックス
シーン設定から変更されていることを表わします。つぎの図はEDITインジケーター

03D取扱説明書
第15章 シーンメモリー 163
03Dの
世界へ
ようこそ!
各部の
名称と機能
インプット
チャンネル
イコライザー
パン、
ルーティング、
サラウンドパン
ソロ、
モニター、
メーター
ステレオ
アウト
AUXアウト
バスアウト
チャンネル
ライブラリー
とビュー
内蔵
エフェクト
シーン
メモリー
オート
ミックス
その他の
機能
デジタル
I/O
MIDI
付 録
グループ、
ペア
ダイナミクス
プロセッサー
ユーザー
インター
フェース
の基礎知識
を表わしたものです。
シーンメモリー 03 が呼び出された
ところ。現在のエディットバッ
ファーの内容は、このシーンメモ
リーの内容と一致している。
シーンメモリー03 を呼び出した後にパラメー
ターを変更したところ。エディットバッファーの
内容は、シーンメモリーの内容と異なるため、
EDITインジケーターが表示されている。
エディットバッファーの設定は03Dの電源を切っても記憶されますので、必ずしも電
源を切る前にシーンメモリーに保存する必要はありません。
シーンメモリー00
シーンメモリー00はシーンメモリー1∼50とは多少異なり、読み出し専用で03Dの初
期設定データが入っています。このシーンメモリーは呼び出すことはできても、保存
することはできません。ミックスの設定をすべてリセットしたい場合は、シーンメモ
リー00を呼び出してください。
シーンメモリーの表示領域
ディスプレイ内のシーンメモリーの表示領域には、選択され
ているシーンメモリーの番号、タイトル、シーンメモリーが
読み出し専用か、書き込み禁止されているか、エディット
バッファーの状態などを表示します。シーンメモリー00のみ
読み出し専用となっています。また、どのシーンメモリーでも書き込み禁止を設定で
きます。最後に呼び出したシーンメモリー以外のシーンメモリーが選択されると、
シーンメモリー番号が点滅します。最後に呼び出したシーンメモリーをもう一度選択
した場合や、別のシーンメモリーを呼び出した場合は、番号の点滅が止まります。
[SCENE MEMORY]キー
シーンメモリーの選択、保存、リコール(呼び出し)、リコールのア
ンドゥ、リドゥ操作には、[SCENE MEMORY]キーを使用します。
[▲][▼]キー―シーンメモリーを選択するキーです。
[▲]キーを押すと1つ上の番号が、[▼]キーを押すと1つ下の番号
が選ばれます。シーンメモリーを選択するには、どちらかのキーを続けて何回か押す
か、目的の番号が呼び出されるまで同じキーを押さえ続けます。
[STORE]キー―現在のミックスシーン(エディットバッファーに入っている内容)を、
選択されたシーンメモリーに保存します。
[RECALL]キー―選択したシーンメモリーを呼び出します。
[UNDO/REDO]キー―最後に行ったシーンメモリーのリコール操作を取り消します。
このキーをもう一度押すと、取り消しが取り消され、再度シーンメモリーが呼び出さ
れます。03Dの電源を入れた直後など、シーンメモリーのリコールを行っていない場
合、このキーは機能しません。
SCENE MEMORY
RECALL
STORE
UNDO/
REDO
Number Title
Read only or
Write protect Edit Buffer
Status
Read onlyまたは
Write protect エディッ
ト
バッファー
の状態
番号 タイトル

03D取扱説明書
164 第15章 シーンメモリー
03Dの
世界へ
ようこそ!
各部の
名称と機能
インプット
チャンネル
イコライザー
パン、
ルーティング、
サラウンドパン
ソロ、
モニター、
メーター
ステレオ
アウト
AUXアウト
バスアウト
チャンネル
ライブラリー
とビュー
内蔵
エフェクト
シーン
メモリー
オート
ミックス
その他の
機能
デジタル
I/O
MIDI
付 録
グループ、
ペア
ダイナミクス
プロセッサー
ユーザー
インター
フェース
の基礎知識
ミックスシーンの保存
ミックスシーンの保存操作には、[SCENE MEMORY]キーまたはScene Mem.ページ
を使用します。以下にその両方の手順を説明します。ミックスシーンを保存すると、選
択したシーンメモリーのデータがすべて上書きされますので、大切なミックスシーン
を誤って上書きしないように注意してください。データの誤消去を防ぐために、書き
込み禁止を設定することもできます。詳細は、168ページの「シーンメモリーの書き込
み禁止」をご参照ください。シーンメモリー00は読み出し専用メモリーなので、ここに
ミックスシーンを保存することはできません。
注意:
ミックスシーンを保存するときは、エディットバッファーにあるミックス
シーンが保存したい内容かどうかを確かめてください。知らない間にパラメーター
を変更していたり、誰か別の人が内容を変更してしまった場合も考えられます。エ
ディットバッファーの内容に確信が持てない場合は、最後に呼び出したミックス
シーンを再度呼び出して、必要な変更のみを行い、それからミックスシーンに保存
するようにしてください。このような場合は、万一のためにも、現在のミックス設定
を未使用のシーンメモリーに保存しておくといいでしょう。
[SCENE MEMORY]キーを使った保存
1. SCENE MEMORY[▲]と[▼]キーを使って、現在のミックスシーンの保存先となる
シーンメモリーを選択してください。
選択されたシーンメモリーの番号とタイトルが点滅します。データの入っていない
シーンメモリーには、“No Data!”というタイトルが付きます。
2. [STORE]キーを押してください。
TITLE EDITダイアログボックスが現われます。
プリファレンスのSTORE CONFIRMATIONをOFFに設定すると、TITLE EDITダイア
ログボックスは現われません。詳細は、212ページの「プリファレンス」をご参照くださ
い。
3. ミックスシーンのタイトルを入力してください。
詳細は、33ページの「TITLE EDITダイアログボックス」をご参照ください。
4. TITLE EDITダイアログボックスのOKを押してください。
ミックスシーンが選択したシーンメモリーに保存され、シーンメモリー番号の点滅が
止まります。また、ディスプレイ上のEDITインジケーターが消えます。

03D取扱説明書
第15章 シーンメモリー 165
03Dの
世界へ
ようこそ!
各部の
名称と機能
インプット
チャンネル
イコライザー
パン、
ルーティング、
サラウンドパン
ソロ、
モニター、
メーター
ステレオ
アウト
AUXアウト
バスアウト
チャンネル
ライブラリー
とビュー
内蔵
エフェクト
シーン
メモリー
オート
ミックス
その他の
機能
デジタル
I/O
MIDI
付 録
グループ、
ペア
ダイナミクス
プロセッサー
ユーザー
インター
フェース
の基礎知識
Scene Mem.ページを使った保存
1. [SCENE MEMORY]キーでつぎの図のScene Mem.ページを表示させてください。
2. [CURSOR]キーでシーンメモリーのリストの入ったボックスを選択してください。
3. [PARAMETER]ダイアルでシーンメモリーのリストを上下にスクロールさせてくだ
さい。マウスを使用している場合は、マウスカーソルをパラメーターボックスに合わ
せ、マウスの左ボタンを押したままマウスをドラッグします。
シーンメモリーを選択すると、ディスプレイ上でシーンメモリーの番号とタイトルが
点滅します。データの入っていないシーンメモリーは、“No Data!”というタイトルが
付いています。
4. [CURSOR]キーでSTOREボタンを選択し、[ENTER]キーを押してください(代わりに
[STORE]キーを押して操作することも可能です)。
TITLE EDITダイアログボックスが現われます。
5. ミックスシーンのタイトルを入力します。
詳細は、33ページの「TITLE EDITダイアログボックス」をご参照ください。
6. TITLE EDITダイアログボックスのOKを押してください。
現在のミックスシーンが選択したシーンメモリーに保存され、シーンメモリー番号の
点滅が止まります。また、ディスプレイ上のEDITインジケーターが消えます。

03D取扱説明書
166 第15章 シーンメモリー
03Dの
世界へ
ようこそ!
各部の
名称と機能
インプット
チャンネル
イコライザー
パン、
ルーティング、
サラウンドパン
ソロ、
モニター、
メーター
ステレオ
アウト
AUXアウト
バスアウト
チャンネル
ライブラリー
とビュー
内蔵
エフェクト
シーン
メモリー
オート
ミックス
その他の
機能
デジタル
I/O
MIDI
付 録
グループ、
ペア
ダイナミクス
プロセッサー
ユーザー
インター
フェース
の基礎知識
ミックスシーンの呼び出し
ミックスシーンの呼び出しには、[SCENE MEMORY]キー、Scene Mem.ページ、MIDI
プログラムチェンジメッセージ、オートミックスのいずれかを使用します。以下にそ
の手順を説明します。
注意:
ミックスシーンを呼び出すと、チャンネルのオン/オフが切替わったり、
フェーダーが動いたりするため、音量レベルが急激に変化して耳やスピーカーを痛
める原因となることがありますのでご注意ください。
ミックスシーンを誤って呼び出すことを防ぐため、リコール操作時に確認のダイアロ
グボックスを表示するようプリファレンスを設定できます。詳細は、212ページの「プ
リファレンス」をご参照ください。
[SCENE MEMORY]キーを使ったリコール
1. SCENE MEMORY[▲]、[▼]キーを使って、呼び出し元となるミックスシーンの入っ
たシーンメモリーを選択してください。
選択すると、シーンメモリーの番号とタイトルが点滅します。データの入っていない
シーンメモリーには“No Data!”というタイトルが付き、呼び出すことができません。
2. [RECALL]キーを押してください。
ミックスシーンが呼び出され、シーンメモリー番号の点滅が止まります。またディス
プレイ上のEDITインジケーターが消えます。
Scene Mem.ページを使ったリコール
1. [SCENE MEMORY]キーでつぎの図のScene Mem.ページを表示させてください。
2. [CURSOR]キーで、シーンメモリーリストの入ったボックスを選択してください。
3. [PARAMETER]ダイアルでシーンメモリーのリストを上下にスクロールさせてくだ
さい。マウスを使用している場合は、マウスカーソルをパラメーターボックスに合わ
せ、マウスの左ボタンを押したままマウスをドラッグします。
シーンメモリーを選択すると、シーンメモリーの番号とタイトルが点滅します。デー
タの入っていないシーンメモリーは、“No Data!”というタイトルが付いています。
4. [CURSOR]キーでRECALLボタンを選択し、[ENTER]キーを押してください(代わり
に[RECALL]キーを押して操作することも可能です)。
ミックスシーンが呼び出され、シーンメモリー番号の点滅が止まります。またディス
プレイ上のEDITインジケーターが消えます。

03D取扱説明書
第15章 シーンメモリー 167
03Dの
世界へ
ようこそ!
各部の
名称と機能
インプット
チャンネル
イコライザー
パン、
ルーティング、
サラウンドパン
ソロ、
モニター、
メーター
ステレオ
アウト
AUXアウト
バスアウト
チャンネル
ライブラリー
とビュー
内蔵
エフェクト
シーン
メモリー
オート
ミックス
その他の
機能
デジタル
I/O
MIDI
付 録
グループ、
ペア
ダイナミクス
プロセッサー
ユーザー
インター
フェース
の基礎知識
MIDIプログラムチェンジメッセージの使用
ミックスシーンは、MIDIプログラムチェンジメッセージを使って呼び出すことが可
能です。これにより、シーンをスナップショットとして切替えていく方法でミックス
オートメーションが行えます。03Dに接続したコンピューターやMIDIシーケンサー、
MIDIキーボードなどの外部機器からプログラムチェンジを送信して、ミックスシー
ンを呼び出します。たとえば、ほとんどのMIDIキーボードでは、音色プログラムを選
択するとプログラムチェンジメッセージが送信されますので、これを利用して03Dの
ミックスシーンを呼び出すことができます。この方法を使えば、キーを1つ押すだけ
で、シンセサイザー、03D、その他のMIDI機器をつぎのソングやシーン用にセットアッ
プすることが可能となります。
[RECALL]キー、またはScene Mem.ページでミックスシーンを呼び出した場合、03D
側からプログラムチェンジメッセージが送信されます。これにより、カスケード接続
されたすべての03D上で、同時にミックスシーンをリコールすることも可能となりま
す。また、外部エフェクターのエフェクトプログラムや、シンセサイザーの音色など、
他のMIDI機器のプログラムを切替える用途にも利用できます。たとえばシーンメモ
リー#10を呼び出すことで、シンセサイザーの音色プログラム#10を呼び出すことも可
能です。03Dから送信されるプログラムチェンジメッセージは、他のMIDIデータと一
緒にMIDIシーケンサーに記録できます。このシーケンサーを再生させれば、ミックス
シーンを自動的に呼び出せます。また、MIDIシーケンサーの編集機能を使って、プロ
グラムチェンジをエディットしたり新しい番号を入力することも可能です。さらに、
03Dに内蔵されたオートミックス機能を使えば、ミックスシーンのリコールを自動化
できます。
MIDIプログラムチェンジメッセージを使ってミックスシーンを呼び出すには、つぎ
の手順にしたがってください。
1. 03DのMIDI IN端子に、プログラムチェンジメッセージを送信できるMIDI機器を接続
してください。
2. プログラムチェンジメッセージが受信できるように、03Dをセットアップしてくださ
い。詳細は、235ページの「MIDIセットアップ」をご参照ください。
3. シーンメモリーにプログラムチェンジメッセージを割り当ててください。詳細は、239
ページの「プログラムチェンジの割り当て」をご参照ください。
オートミックスの使用
マニュアル操作によるミックスシーンのリコール操作をオートミックスに記録させ、
オートミックスの再生時にミックスシーンを自動的に呼び出すことができます。詳細
は、173ページの「オートミックス」をご参照ください。
ミックスシーンのリコール操作の取り消し
UNDO/
REDO
ミックスシーンのリコール操作は、SCENE MEMORY[UNDO/REDO]キー
を使って取り消すことができます。このキーを押すと、03Dは最後にミック
スシーンが呼び出される以前に有効だったミックス設定に戻ります。誤っ
て別のミックスシーンを呼び出してしまった場合に便利です。もう一度こ
のキーを押すと、再度ミックスシーンがリコールされ、取り消す以前の
ミックスシーンが有効となります。03Dの電源を投入した直後など、シーン
メモリーのリコールを行っていない場合は、このキーは無効となります。

03D取扱説明書
168 第15章 シーンメモリー
03Dの
世界へ
ようこそ!
各部の
名称と機能
インプット
チャンネル
イコライザー
パン、
ルーティング、
サラウンドパン
ソロ、
モニター、
メーター
ステレオ
アウト
AUXアウト
バスアウト
チャンネル
ライブラリー
とビュー
内蔵
エフェクト
シーン
メモリー
オート
ミックス
その他の
機能
デジタル
I/O
MIDI
付 録
グループ、
ペア
ダイナミクス
プロセッサー
ユーザー
インター
フェース
の基礎知識
[UNDO/REDO]キーは、ミックスのA/B比較にも利用できます。たとえば異なるミック
ス設定を比較したい場合、それぞれのミックスを2つのシーンメモリーに保存し、まず
片方のシーンメモリーを呼び出してから、もう一方のシーンメモリーを呼び出しま
す。その後は[UNDO/REDO]キーを押すだけでこの2つのミックスが瞬時に切替わる
ため、音に集中して比較を行うことができます。
シーンメモリーの書き込み禁止
誤ってミックスシーンを消してしまわないように、シーンメモリーの書き込み禁止が
できます。書き込み禁止されたシーンメモリーには、ミックスシーンを保存すること
はできません。MIDIバルクダンプデータとしてシーンメモリーのデータを受信した
場合でも、該当するシーンメモリーが書き込み禁止されているときは無視されます。
シーンメモリーの書き込み禁止は、個別に、あるいは25個ずつのブロック(01∼25、26
∼50)単位でも設定できます。書き込み禁止の設定は、つぎの図のScene Mem.ページで
行います。
単体のシーンメモリーのみを書き込み禁止する
1. [SCENE MEMORY]キーでScene Mem.ページを表示させてください。
2. [PARAMETER]ダイアル、SCENE MEMORY[▲][▼]キー、あるいはマウスを使用し
て、シーンメモリーを選択してください。
3. [CURSOR]キーを使用してPROTECTION(ON/OFF)ボタンを選択してく
ださい。
4. [ENTER]キーを押してください。
マウスを使用している場合は、PROTECTIONボタンをクリックしてください。
シーンメモリーを書き込み禁止すると、“PROTECT”という表示がシーンメモリーリ
スト内のタイトルの横と、ディスプレイ上部のシーンメモリー表示領域に現われま
す。
書き込み禁止を解除するには、もう一度[ENTER]キーを押してください。また、マウ
スを使用している場合は、PROTECTIONボタンをクリックしてください。
シーンメモリーをブロック単位で書き込み禁止する
1. 書き込み禁止したいシーンメモリーのグループ(01∼
25または26∼50)に該当するONボタンを選択してく
ださい。

03D取扱説明書
第15章 シーンメモリー 169
03Dの
世界へ
ようこそ!
各部の
名称と機能
インプット
チャンネル
イコライザー
パン、
ルーティング、
サラウンドパン
ソロ、
モニター、
メーター
ステレオ
アウト
AUXアウト
バスアウト
チャンネル
ライブラリー
とビュー
内蔵
エフェクト
シーン
メモリー
オート
ミックス
その他の
機能
デジタル
I/O
MIDI
付 録
グループ、
ペア
ダイナミクス
プロセッサー
ユーザー
インター
フェース
の基礎知識
2. [ENTER]キーを押してください。
マウスを使用している場合は、該当するONボタンをクリックしてください。
書き込み禁止を解除するには、そのグループに該当するOFFボタンを選択し、
[ENTER]キーを押してください。また、マウスを使用している場合は、OFFボタンをク
リックしてください。
シーンメモリータイトルのエディット
シーンメモリーのタイトルは、わざわざシーンメモリーを呼び出さなくても、いつで
もエディットできます。タイトルをエディットできるのは、データの入っているシー
ンメモリーのみです。この操作は、つぎの図のScene Mem.ページで行います。
1. [SCENE MEMORY]キーでScene Mem.ページを表示させてください。
2. [PARAMETER]ダイアル、SCENE MEMORY[▲][▼]キー、またはマウスを使ってシー
ンメモリーを選択してください。
3. [CURSOR]キーでTITLE EDITボタンを選択し、[ENTER]キーを押してください。
マウスを使用している場合は、TITLE EDITボタンをクリックします。
TITLE EDITダイアログボックスが現われます。
4. シーンメモリーのタイトルをエディットしてください。
詳細は、33ページの「TITLE EDITダイアログボックス」をご参照ください。
5. 終了したら、TITLE EDITダイアログボックスでOKをクリックしてください。

03D取扱説明書
170 第15章 シーンメモリー
03Dの
世界へ
ようこそ!
各部の
名称と機能
インプット
チャンネル
イコライザー
パン、
ルーティング、
サラウンドパン
ソロ、
モニター、
メーター
ステレオ
アウト
AUXアウト
バスアウト
チャンネル
ライブラリー
とビュー
内蔵
エフェクト
シーン
メモリー
オート
ミックス
その他の
機能
デジタル
I/O
MIDI
付 録
グループ、
ペア
ダイナミクス
プロセッサー
ユーザー
インター
フェース
の基礎知識
シーンメモリーの並び替え
Sortページでシーンメモリーを並び替えることができます。
1. [SCENE MEMORY]キーでつぎの図のSortページを表示させてください。
2. [PARAMETER]ダイアルかマウスを使ってSOURCEリストからシーンメモリーを選
択してください。
3. [CURSOR]キーでカーソルをDESTINATIONリストに移動してください。
4. [PARAMETER]ダイアルかマウスを使って、シーンメモリーを挿入する位置を選択し
てください。
5. [CURSOR]キーでEXECUTEボタンを選択してください。
6. [ENTER]キーを押してください。
マウスを使用している場合は、EXECUTEボタンをクリックしてください。
SOURCEで選んだシーンメモリーの番号が変わります。

03D取扱説明書
第15章 シーンメモリー 171
03Dの
世界へ
ようこそ!
各部の
名称と機能
インプット
チャンネル
イコライザー
パン、
ルーティング、
サラウンドパン
ソロ、
モニター、
メーター
ステレオ
アウト
AUXアウト
バスアウト
チャンネル
ライブラリー
とビュー
内蔵
エフェクト
シーン
メモリー
オート
ミックス
その他の
機能
デジタル
I/O
MIDI
付 録
グループ、
ペア
ダイナミクス
プロセッサー
ユーザー
インター
フェース
の基礎知識
フェードタイムの設定
ミックスシーンが呼び出されると、フェーダーのレベルは即座に新しい位置に移動し
ます。フェーダーを即座に移動させたくない場合は、Fade Timeページで共通のフェー
ドタイムを指定して、フェーダーのレベルが新しい位置に到達するまでの時間を設定
できます。フェードタイムの採否は、各フェーダーに、個別に設定できます。FADE
TIMEパラメーターを変更したら、これを使う前に必ずシーンメモリーに保存してく
ださい。
フェードタイムはそのシーンを呼び出すときに有効です。つぎのシーンに移るとき
は、つぎのシーンのフェードタイムにしたがいます。
1. [SCENE MEMORY]キーで、つぎの図のFade Timeページを表示させてください。
2. FADE TIME回転ノブを選択してください。
3. [PARAMETER]ダイアルかマウスでフェードタイムを設定してください。
フェードタイムは、0.0秒から10.0秒まで、0.1秒単位で設定できます。
4. [CURSOR]キーでフェーダーを選択し、[ENTER]キーを押してください。これで選択
したフェーダーに対してフェードタイムの設定が有効となります。
マウスを使用している場合は、該当するフェーダーのボタンをクリックしてくださ
い。
5. 現在のミックス設定をシーンメモリーに保存してください。
FADE TIMEパラメーターが他のミックス設定と一緒に保存されます。つぎにこのシー
ンメモリーを呼び出すと、フェードタイムを有効にしたフェーダーは、指定された時
間をかけて新しい位置に到達します。

03D取扱説明書
172 第15章 シーンメモリー
03Dの
世界へ
ようこそ!
各部の
名称と機能
インプット
チャンネル
イコライザー
パン、
ルーティング、
サラウンドパン
ソロ、
モニター、
メーター
ステレオ
アウト
AUXアウト
バスアウト
チャンネル
ライブラリー
とビュー
内蔵
エフェクト
シーン
メモリー
オート
ミックス
その他の
機能
デジタル
I/O
MIDI
付 録
グループ、
ペア
ダイナミクス
プロセッサー
ユーザー
インター
フェース
の基礎知識
シーンデータのリコールセーフ機能
ミックスシーンを呼び出すと、現在エディットバッファーにあるミックス設定と一致
しない設定はすべて更新されます。特定のチャンネルのみ、現在のミックス設定を保
持したい場合は、RCL.Safeページのリコールセーフ機能を使用します。
1. [SCENE MEMORY]キーで以下のRCL.Safeページを表示させてください。
2. [CURSOR]キーでチャンネルを選択し、[ENTER]キーを押してください。これで該当
するチャンネルがリコールセーフの対象となります。
マウスを使用している場合は、該当するボタンをクリックしてください。
3. [CURSOR]キーでSAFEモードを選択し、[ENTER]キーを押し確定してください
ALL PARAMETERモードでは、すべてのパラメーターはセーフになります。FADER
ONLYモードでは、フェーダーのみセーブになります。
4. [CURSOR]キーでENABLEボタンを選択し、[ENTER]キーを押してください。リコー
ルセーフ機能が有効となります。
マウスを使用している場合は、ENABLEボタンをクリックしてください。
ENABLEボタンはリコールセーフ機能のマスターのオン/オフスイッチとして機能
しますので、シーンのリコール操作によりすべてのチャンネルを更新したい場合で
も、チャンネル1つ1つのリコールセーフを解除する必要はありません。
ミックスシーンを呼び出したとき、マスターのENABLEボタンがオンになっていれ
ば、リコールセーフに設定されたチャンネルのミックス設定は更新されません。
リコールセーフの設定は、03Dのセットアップデータとして保存され、個々のシーン
メモリーには保存されません。
ステレオペアまたはグループ設定を含むミックスシーンを呼び出し、そのステレオペ
アやグループ内の1チャンネルのみがセーフチャンネルとして設定されている場合、
ペアまたはグループが解除され、残りのチャンネルのみミックス設定が更新されま
す。
バスまたはAUXのペア設定、あるいはサラウンドパン設定がエディットバッファー
とは異なるミックスシーンを呼び出そうとすると、そのミックスシーンは呼び出せな
いという意味のメッセージが現われます。これは、ミックスシーンのデータがエ
ディットバッファーデータと互換性がないからです。

03D取扱説明書
第16章 オートミックス 173
03Dの
世界へ
ようこそ!
各部の
名称と機能
インプット
チャンネル
イコライザー
パン、
ルーティング、
サラウンドパン
ソロ、
モニター、
メーター
ステレオ
アウト
AUXアウト
バスアウト
チャンネル
ライブラリー
とビュー
内蔵
エフェクト
シーン
メモリー
オート
ミックス
その他の
機能
デジタル
I/O
MIDI
付 録
グループ、
ペア
ダイナミクス
プロセッサー
ユーザー
インター
フェース
の基礎知識
第16章 オートミックス
16
本章の目次
オートミックスについて ..................................................................................174
新規オートミックスを作成する ......................................................................178
オートミックスを有効にする ..........................................................................179
タイムベースの設定 ..........................................................................................179
オートミックスのオフセット値を設定する ..................................................181
セーフチャンネル ..............................................................................................182
記録するパラメーターを選択する ..................................................................183
オートミックスを記録する ..............................................................................184
オートミックスを再生する ..............................................................................186
イベントを再記録する ......................................................................................187
オートミックスのパンチイン/パンチアウト..............................................188
フェーダーの動きをリアルタイムでエディットする..................................189
イベントをオフラインでエディットする ......................................................193
イベントを取り出す ..........................................................................................198
オートミックス操作を取り消す ......................................................................200
アンドゥバッファーをクリアする ..................................................................201
オートミックスを保存する ..............................................................................202
オートミックスを呼び出す ..............................................................................203
カレントオートミックスを入れ替える ..........................................................204
オートミックスのタイトルをエディットする..............................................205
オートミックスメモリーをクリアする ..........................................................206

03D取扱説明書
174 第16章 オートミックス
03Dの
世界へ
ようこそ!
各部の
名称と機能
インプット
チャンネル
イコライザー
パン、
ルーティング、
サラウンドパン
ソロ、
モニター、
メーター
ステレオ
アウト
AUXアウト
バスアウト
チャンネル
ライブラリー
とビュー
内蔵
エフェクト
シーン
メモリー
オート
ミックス
その他の
機能
デジタル
I/O
MIDI
付 録
グループ、
ペア
ダイナミクス
プロセッサー
ユーザー
インター
フェース
の基礎知識
オートミックスについて
03Dのオートミックス機能は、外部タイムコードを基準信号としてミックスパラメー
ターを直接操作するミックスオートメーションを実現します。外部タイムコードには
MTCまたはMIDIクロックが使用できます。また、オートミックスのスタートタイム
は、外部タイムコードに対してオフセットをかける(前後にずらす)ことが可能です。
オートミックスを使えば、フェーダーの動きやチャンネルのミュート、EQの変化、パ
ンなどの要素を記録/再生できます。また、ミックスシーン、 EQ、チャンネル、エフェ
クト、ダイナミクスライブラリーのリコール操作をオートミックスに記録し、スナッ
プショット方式とパラメーターの直接操作によるミックスオートメーションを組み
合わせることもできます。オートミックスに記録されているミックスの変化を、「イベ
ント」と呼びます。記録されたイベントはオフラインで編集できます。さらにフェー
ダーの動きは走行中にエディットすることも、トリム機能を使ってオフラインでエ
ディットすることも可能です。変更を行った後で気が変わって、変更内容を取り消し
たい場合は、アンドゥ機能を使えば以前の状態にすぐ戻ります。また、セーフチャンネ
ルとして設定されたチャンネルは、オートミックスの再生から除外できます。
オートミックスに記録できる要素
オートミックスに記録できるのは、つぎの各パラメーターにかぎられます。
フェーダーの動き 通常のチャンネルフェーダー、チャンネルAUXセンド、チャンネルエフェク
トセンド
チャンネルミュート チャンネル[ON]キー
EQ イコライザー
パン パン、バランス、サラウンドパン
その他 シーンメモリーリコール、チャンネル、EQ、エフェクト、ダイナミクスライブ
ラリーのリコール、シーンリコールのセーフチャンネル設定、MIDIプログラ
ムチェンジメッセージの送信
以下のパラメーターをはじめ、その他のパラメーターは、オートミックスには記録さ
れません。
・サラウンドモードの選択
・インプットのアッテネーター(EQページ)
・BUS TO STのパンとオン/オフ
・ペアに設定されたAUXのパン
・3+2+1(サラウンドパン)モードのサブウーファーレベルのトリム
オートミックス内でこれらのパラメーターを変更したいときは、変更した設定をミッ
クスシーンに保存し、オートミックスを使ってそのシーンを呼び出します。同じよう
にインプットアッテネーターの設定やAUXのパンの設定をチャンネルライブラリー
に保存し、オートミックスを使ってライブラリーを呼び出すこともできます。

03D取扱説明書
第16章 オートミックス 175
03Dの
世界へ
ようこそ!
各部の
名称と機能
インプット
チャンネル
イコライザー
パン、
ルーティング、
サラウンドパン
ソロ、
モニター、
メーター
ステレオ
アウト
AUXアウト
バスアウト
チャンネル
ライブラリー
とビュー
内蔵
エフェクト
シーン
メモリー
オート
ミックス
その他の
機能
デジタル
I/O
MIDI
付 録
グループ、
ペア
ダイナミクス
プロセッサー
ユーザー
インター
フェース
の基礎知識
オートミックスページ
Automixファンクションには、Main、Memory、Fader Edit、Event Edit、Extractの5つのペー
ジがあり、それぞれ[AUTOMIX]キーを使って呼び出します。一般的な操作は、つぎの
図のMainページで行います。このページにはトランスポートコントロールが含まれて
います。
カレントオートミックス
現在操作しているオートミックスを「カレントオートミックス」と呼びます。カレント
オートミックスを保存すると、そのデータは選択したオートミックスメモリーに書き
込まれます。オートミックスを呼び出すと、選択したオートミックスの内容がカレン
トオートミックスとなります。
03Dの電源を切ってもカレントオートミックスは記憶されますので、電源を切る前に
必ずしもカレントオートミックスを保存する必要はありません。
オートミックスメモリー
Automixファンクションには160キロバイトの専用メモリーがあり、約30,000から
80,000のイベントを記憶できます。このメモリーを4つのオートミックスメモリー、カ
レントオートミックス、アンドゥバッファーなどで共有しています。オートミックス
のデータは、MIDIバルクダンプを使って、MIDIデータファイラーなどの外部MIDI機
器へバックアップすることができます。詳細は、242ページの「バルクダンプ」をご参照
ください。
オートミックスのタイトルの横にあるSIZEの欄には、カレ
ントオートミックスのサイズが表示されます。TITLEと
SIZEの欄はMainページとMemoryページに表示されます。
FREEの欄には、使用可能なメモリーの量がキロバイト単位
とメモリー全体に対するパーセント値で表示されます。こ
のFREEの欄は、MainページとMemoryページに表示されま
す。
UNDO BUF.SIZEの欄には、アンドゥバッファーに使用され
ているメモリー量が表示されます。アンドゥバッファーは、
いつでもオン/オフを切替えたり、内容をクリアすること
ができます。詳細は、200ページの「オートミックス操作を取
り消す」をご参照ください。

03D取扱説明書
176 第16章 オートミックス
03Dの
世界へ
ようこそ!
各部の
名称と機能
インプット
チャンネル
イコライザー
パン、
ルーティング、
サラウンドパン
ソロ、
モニター、
メーター
ステレオ
アウト
AUXアウト
バスアウト
チャンネル
ライブラリー
とビュー
内蔵
エフェクト
シーン
メモリー
オート
ミックス
その他の
機能
デジタル
I/O
MIDI
付 録
グループ、
ペア
ダイナミクス
プロセッサー
ユーザー
インター
フェース
の基礎知識
それぞれのオートミックスメモリーのサイズは、Memory
ページで確認できます。
オートミックスを記録するとき、あるいはMIDIバルクダンプ機能を使用するときは、
オートミックスメモリーの一部が一時的なバッファーとして使用されます。このた
め、カレントオートミックス、アンドゥバッファー、4つのオートミックスメモリーで
使用する全メモリー量と、FREEの欄に表示されるメモリー量を足してもちょうど160
キロバイトにはならないことがあります。
タイムカウンターとオフセットディスプレイ
タイムカウンターの表示は、現在選択されているタイムベース(MTCまたはMIDI
CLK)によって異なります。詳細は、179ページの「タイムベースの設定」をご参照くだ
さい。
TCカウンター TCカウンターには受信中のMTC信号の時間、分、秒、フレー
ムの情報が表示されます。OFSTパラメーターを使ってオフ
セット値を指定することも可能です。オフセットを設定す
ると、カレントオートミックスのイベントが指定された量
だけ前後に移動します。詳細は、181ページの「オートミック
スのオフセット値を設定する」をご参照ください。
MEAS/BEAT/CLKカウンター
MEAS/BEAT/CLKカウンターには受信中のMIDIクロック
信号の小節、拍、MIDIクロック情報が表示されます。この図
のディスプレイには、開始点となる001.01.01の数値が表示
されています。拍子が4/4のとき、この値の1つ手前は
−01.04.24となります。OFSTパラメーターを使えば−99∼
999小節の範囲でオフセット値を指定できます。マイナスの
オフセット値を指定すれば、指定した小節分だけオート
ミックスの再生が早まります。オートミックスが開始する
ときの拍子も設定できます。詳細は、181ページの「オート
ミックスのオフセット値を設定する」をご参照ください。
オートミックスのトランスポートコントロール
オートミックスには5つのトランスポートコントロール(AUTO REC、REC、PLAY、
STOP、ABORTの各ボタン)があります。[CURSOR]キーでボタンを選択し、[ENTER]
キーを押して操作を行います。
AUTO RECボタン―このボタンを押すと、Auto Rec(自動記録)モードに入り、AUTO
RECボタンが反転表示に変わります。このモードでは、オートミックスの記録が繰り
返しできます。03Dがタイムコード、MIDIスタートメッセージ、MIDIコンティニュー
メッセージのいずれかを受信すると、即座にオートミックスの記録が始まります。た
だし、[SEL]キーでオートミックスを記録するチャンネルを選択するまでは新たなエ
ディットはできません。

03D取扱説明書
第16章 オートミックス 177
03Dの
世界へ
ようこそ!
各部の
名称と機能
インプット
チャンネル
イコライザー
パン、
ルーティング、
サラウンドパン
ソロ、
モニター、
メーター
ステレオ
アウト
AUXアウト
バスアウト
チャンネル
ライブラリー
とビュー
内蔵
エフェクト
シーン
メモリー
オート
ミックス
その他の
機能
デジタル
I/O
MIDI
付 録
グループ、
ペア
ダイナミクス
プロセッサー
ユーザー
インター
フェース
の基礎知識
RECボタン―このボタンを押すと、Rec Ready(記録待機)モードに入り、RECボタンが
点滅します。Rec Readyモードをキャンセルするには、このボタンをもう一度押してく
ださい。記録するチャンネルは[SEL]キーで選択します。03Dがタイムコード、MIDIス
タートメッセージ、MIDIコンティニューメッセージを受信すると、RECボタンが反転
表示に変わりオートミックスの記録が始まります。AUTO RECボタンで始めたオート
ミックスの記録は繰り返しできますが、RECボタンで始めたオートミックスの記録は
一度だけです。
PLAYボタン―AUTOMIXボタンをENABLEに設定してあれば03Dがタイムコード、
MIDIスタートメッセージ、MIDIコンティニューメッセージを受信すると、自動的に
オートミックスの再生が始まります。これをAuto Play(自動再生)モードと呼びます。
STOPボタンを押すとこのAuto Playモードがキャンセルされ、PLAYボタンを押すと
もう一度Auto Playモードに入ります。
STOPボタン―このボタンを押すと、オートミックスの再生/記録を停止します。オー
トミックスの記録を停止すると、新しく記録されたデータがカレントオートミックス
となり、UNDOボタンをENABLEに設定してあれば、それまでのオートミックスデー
タは、アンドゥバッファーにコピーされます。また、タイムコードの供給元となる外部
機器を止めた場合も、再生/記録が停止します。
ABORTボタン―このボタンを押すと、オートミックスの再生/記録を中止します。
オートミックスの記録を中止すると、新しく記録されたデータは破棄されます。
UNDOボタンをENABLEに設定してあれば、新しく記録されたデータは、アンドゥ
バッファーにコピーされます。ABORTボタンを押す場合は、必ず記録中に押してくだ
さい。記録が止まってから押しても効果はありません。
使用できるメモリー容量が少なく、アンドゥ機能がオフになっている場合、再生/記
録を中止することができないことがあります。この場合はABORTボタンがグレイ表
示になります。
最初のミックスシーン
どのオートミックスでも、最初のミックスシーンを呼び出すイベントから始まりま
す。最初のミックスシーンがないと、最後にオートミックスの再生を停止したときの
ミックス設定のままでオートミックスが始まってしまいます。
新規オートミックスを作成するとき、最後に保存または呼び出しを行ったミックス
シーンが自動的に最初のミックスシーンとして選択されます。Event Editページを使
えば、別のミックスシーンを最初のミックスシーンとして選択することも可能です。
詳細は、193ページの「イベントをオフラインでエディットする」をご参照ください。
オートミックスでミックスシーンが呼び出されると、ミックスシーン・リコールセー
フチャンネルの設定が有効となります。
「真夜中の時刻」とオフセット値
「真夜中の時刻」とは、00:00:00.00の値のタイムコードを指します。タイムコードがこ
の時刻を越えると、時刻が不連続となってしまいます。03Dでは、オートミックスをオ
フセットできるため、これが問題になることはありませんが、受信したタイムコード
の値がオートミックスのスタート以前の位置なのか、スタート後の位置なのかを判断
しなければなりません。仮に23:00から00:00をこえて走行するオートミックスがあっ
たとして、03Dが22:30というタイムコード値を受信すると、この値はオートミックス
のスタート以前の22:30、あるいはスタート後の22:30という2通りの解釈ができます。
03Dはつぎの方法で正しい位置を判断します。つまり、受信したタイムコードの値が

03D取扱説明書
178 第16章 オートミックス
03Dの
世界へ
ようこそ!
各部の
名称と機能
インプット
チャンネル
イコライザー
パン、
ルーティング、
サラウンドパン
ソロ、
モニター、
メーター
ステレオ
アウト
AUXアウト
バスアウト
チャンネル
ライブラリー
とビュー
内蔵
エフェクト
シーン
メモリー
オート
ミックス
その他の
機能
デジタル
I/O
MIDI
付 録
グループ、
ペア
ダイナミクス
プロセッサー
ユーザー
インター
フェース
の基礎知識
オートミックスのスタートの時刻(00:00:00.00またはオフセット値)と、その1時間前
の間であれば、これをオートミックススタート以前の位置と見なして最初のミックス
シーンを呼び出します。それ以外は、スタートポイントより後の位置とみなし、オート
ミックスがその位置から再生されます。
注意:
オフセット値よりも早い時間位置のオートミックスデータを記録/再生して
いるときにエディットすると、そのデータを記録するためにオフセット値がその値
まで自動的に前に移動します。ただし、それまでのミックスシーンデータの時間位
置はそのままです。
新規オートミックスを作成する
新規オートミックスはMemoryページで作成します。新規オートミックスを作成する
と、カレントオートミックスの内容がアンドゥバッファーにコピーされ、アンドゥ機
能が使用できるようになります。詳細は、200ページの「オートミックス操作を取り消
す」をご参照ください。
1. [AUTOMIX]キーでMemoryページを表示させてください。
2. [CURSOR]キーで[NEW MIX]ボタンを選択してください。
3. [ENTER]キーを押してください。
マウスを使用している場合は、NEW MIXボタンをクリックしてください。
TITLE EDITダイアログボックスが現われます。
4. オートミックスのタイトルを入力してください。
詳細は、33ページの「TITLE EDITダイアログボックス」をご参照ください。
5. TITLE EDITダイアログボックスのOKを押してください。
これで新規オートミックスが作成されます。
カレントオートミックスのサイズが0kに戻り、それ以前のカレントオートミックスの
内容は破棄されますが、つぎの設定は前のオートミックスと同じままとなります。
・タイムベースの設定
・タイトル
・オフセット
・最後にリコールあるいはストアされたシーンのナンバー
・シーンリコールセーフチャンネルの新規設定(すべてオフとして)
新規オートミックスの最初のミックスシーンとして、最後に保存/呼び出しされた
ミックスシーンが選択されます。別のミックスシーンを選択したい場合は、Event Edit
ページを使用してください。詳細は、193ページの「イベントをオフラインでエディッ

03D取扱説明書
第16章 オートミックス 179
03Dの
世界へ
ようこそ!
各部の
名称と機能
インプット
チャンネル
イコライザー
パン、
ルーティング、
サラウンドパン
ソロ、
モニター、
メーター
ステレオ
アウト
AUXアウト
バスアウト
チャンネル
ライブラリー
とビュー
内蔵
エフェクト
シーン
メモリー
オート
ミックス
その他の
機能
デジタル
I/O
MIDI
付 録
グループ、
ペア
ダイナミクス
プロセッサー
ユーザー
インター
フェース
の基礎知識
トする」をご参照ください。
注意:
新規オートミックスでイベントを記録する前に、必ずタイムベースを設定し
てください。イベントを一度記録してしまうと、タイムベース設定を変更できなく
なります。
オートミックスを有効にする
Automixファンクションのオン/オフは、Automix画面MainページのAUTOMIX EN-
ABLEボタンを使って切替えます。このボタンをオフにすると、記録/再生操作ができ
なくなります。
1. [CURSOR]キーでAUTOMIX ENABLEボタンを選択してください。
2. [ENTER]キーを押して、オートミックスのオン/オフを切替えてください。
マウスを使用している場合は、AUTOMIX ENABLEボタンをクリックしてください。
オートミックスがオフ
オートミックスがオン
オートミックスをオンにすると、MIDIスタートメッセージ、MIDIコンティニューメッ
セージ、MTCのいずれかを受信したときに、オートミックスが自動的にスタートしま
す。
タイムベースの設定
03Dは内部でタイムコードを生成しないため、オートミックスを利用するにはタイム
コードを供給する外部機器が必要となります。03Dのオートミックスで使用できるの
は、MTC(MIDIタイムコード)とMIDIクロックです。タイムコード信号はMIDI IN端子
かTO HOST端子から入力します。詳細は、232ページの「MIDI端子とTO HOST端子」を
ご参照ください。このとき、03D側のタイムベース設定を入力されるタイムコード信
号と一致していなければなりません。タイムベースの設定は、Automix画面Mainペー
ジにあるTIME BASEの欄で行います。
1. [AUTOMIX]キーでMainページを表示させてください。
2. [CURSOR]キーでタイムベースを選択してください。
つぎの中からタイムベースを選びます。
ND(ノンドロップ)―MTC29.97フレーム/秒ノンドロップ、また
は30フレーム/秒ノンドロップ

03D取扱説明書
180 第16章 オートミックス
03Dの
世界へ
ようこそ!
各部の
名称と機能
インプット
チャンネル
イコライザー
パン、
ルーティング、
サラウンドパン
ソロ、
モニター、
メーター
ステレオ
アウト
AUXアウト
バスアウト
チャンネル
ライブラリー
とビュー
内蔵
エフェクト
シーン
メモリー
オート
ミックス
その他の
機能
デジタル
I/O
MIDI
付 録
グループ、
ペア
ダイナミクス
プロセッサー
ユーザー
インター
フェース
の基礎知識
DF(ドロップフレーム)―MTC29.97フレーム/秒ドロップ、または30フレーム/秒ド
ロップ
25―MTC25フレーム/秒
24―MTC24フレーム/秒
MIDI CLK―MIDIクロック
3. [ENTER]キーで選択したタイムベースを有効にしてください。
注意:
タイムベースの設定は、必ず新規オートミックスでイベントを記録する前に
行ってください。一度イベントを記録してしまうと、タイムベースの設定を変更す
ることはできません。
03Dは、つぎのMIDIメッセージに対応しています。
・タイミングクロック(F8H) ・ソングポジションポインター(F3 **H **H)
・スタート(FAH) ・MTCクォーターフレーム(F1H **H)
・コンティニュー(FBH)
・ストップ(FCH)
Auto Playモードでは、MTC、MIDIスタートメッセージ、MIDIコンティニューメッセー
ジのいずれかを受信すると、自動的にオートミックスがスタートします。同じように
MTCが停止した場合やMIDIストップメッセージを受信した場合、自動的にオート
ミックスが停止します。
NDまたはDFのタイムベースを使った記録の最長時間は19時間です。25および24のタ
イムベースでは23時間です。MIDIクロックでは200万MIDIクロックまでです。
カレントオートミックスの設定とフレームレートが異なるタイムコードを受信した
場合、警告のメッセージが現われますが、フレーム誤差が±2フレーム以内程度で同期
します。

03D取扱説明書
第16章 オートミックス 181
03Dの
世界へ
ようこそ!
各部の
名称と機能
インプット
チャンネル
イコライザー
パン、
ルーティング、
サラウンドパン
ソロ、
モニター、
メーター
ステレオ
アウト
AUXアウト
バスアウト
チャンネル
ライブラリー
とビュー
内蔵
エフェクト
シーン
メモリー
オート
ミックス
その他の
機能
デジタル
I/O
MIDI
付 録
グループ、
ペア
ダイナミクス
プロセッサー
ユーザー
インター
フェース
の基礎知識
オートミックスのオフセット値を設定する
オートミックスのオフセット値を設定すれば、入力されるタイムコードやMIDIスター
トメッセージに対し、オートミックスの各イベントのタイミングをずらすことができ
ます。オフセットのパラメーターの値や範囲は、選択されたタイムベースによって異
なります。タイムベースの設定についての詳細は、179ページの「タイムベースの設定」
をご参照ください。
1. [AUTOMIX]キーでMainページを表示させてください。
2. [CURSOR]キーでOFSTの欄を選択してください。
3. [PARAMETER]ダイアルでOFSTの値を設定してください。
マウスを使用している場合は、マウスカーソルをOFST欄に移動し、マウスの左ボタン
を押さえながらマウスをドラッグしてください。
TCカウンター タイムベースとしてMTCが選択されている場合、オフセッ
ト値は時間、分、秒、フレーム単位で指定します。オフセット
値を設定すると、カレントオートミックスのイベントが指
定した量だけ移動します。
MEAS/BEAT/CLKカウンター
タイムベースとしてMIDIクロックを選択すると、オフセッ
ト値は小節、拍、MIDIクロック単位で指定します。−99∼
999小節の範囲でOFSTパラメーターを設定してください。
マイナスのオフセット値を使うと、指定した小節分だけ
オートミックスの再生が早くなります。
オートミックスがスタートするときの拍子も設定できま
す。分子となる拍数は1∼16で、分母となる音符は2、4、8、16
から選択してください。

03D取扱説明書
182 第16章 オートミックス
03Dの
世界へ
ようこそ!
各部の
名称と機能
インプット
チャンネル
イコライザー
パン、
ルーティング、
サラウンドパン
ソロ、
モニター、
メーター
ステレオ
アウト
AUXアウト
バスアウト
チャンネル
ライブラリー
とビュー
内蔵
エフェクト
シーン
メモリー
オート
ミックス
その他の
機能
デジタル
I/O
MIDI
付 録
グループ、
ペア
ダイナミクス
プロセッサー
ユーザー
インター
フェース
の基礎知識
セーフチャンネル
セーフチャンネルとして設定したチャンネルは、オートミックスの再生時に再生操作
から除外されます。これにより、ライブ・劇場等リアルタイムで使用しているときに、
自由に変更できるチャンネルを作ることができます。
1. [AUTOMIX]キーでFader Editページを表示させてください。
2. [CURSOR]キーでSAFE CHANNELボタンを選択し、[ENTER]キーでチャンネルセー
フを設定してください。
マウスを使用している場合は、SAFE CHANNELボタンをクリックします。
セーフに設定されていないチャンネル―このチャンネルに記録された
オートミックスのイベントは、再生されます。
セーフに設定されているチャンネル―このチャンネルに記録されたオー
トミックスのイベントは再生されません。
この2つのボタンで、すべてのチャンネルセーフボタンのオン/オフ切替
えをまとめて行います。
Fader Editページの設定はミックスシーンのリコール操作には影響しませんので、ご
注意ください。例えばオートミックスを使ってミックスシーンをリコールした場合、
各チャンネルのパラメーターはセーフの設定とは無関係に更新されてしまいます。
チャンネルの設定を完全に保護するには、Scene Memory画面のRCL. Safeページにあ
るRECALL SAFE CHANNEL機能を使用してください。詳細は、172ページ「シーンデー
タのリコールセーフ機能」をご参照ください。
注意:
オートミックス記録時は、ここでの設定は無効となり、すべてのチャンネルが
記録/再生されます。

03D取扱説明書
第16章 オートミックス 183
03Dの
世界へ
ようこそ!
各部の
名称と機能
インプット
チャンネル
イコライザー
パン、
ルーティング、
サラウンドパン
ソロ、
モニター、
メーター
ステレオ
アウト
AUXアウト
バスアウト
チャンネル
ライブラリー
とビュー
内蔵
エフェクト
シーン
メモリー
オート
ミックス
その他の
機能
デジタル
I/O
MIDI
付 録
グループ、
ペア
ダイナミクス
プロセッサー
ユーザー
インター
フェース
の基礎知識
記録するパラメーターを選択する
MainページのOVERWRITEボタンを使えば、オートミックスに記録、あるいは再記録
するパラメーターの種類を選択できます。
1. [AUTOMIX]キーでMainページを表示させてください。
2. [CURSOR]キーでOVERWRITEボタンを選択し、[ENTER]キーでパラメーターを選択
します。
マウスを使用している場合は、OVERWRITEボタンをクリックしてください。
記録するパラメーターを選択すると、該当するボタンが反転表示されます。
つぎの表は、それぞれのOVERWRITEボタンに関連するパラメーターです。
ボタン パラメーター
FADER 通常のチャンネルフェーダー、チャンネルAUXセンド、チャンネルエフェク
トセンド
CH ON チャンネル[ON]キー
EQ EQ
PAN パン、バランス、サラウンドパン
シーンメモリーリコール、チャンネル/EQ/エフェクト/ダイナミクスライブラ
リーのリコール、シーンリコールセーフチャンネルの設定は、OVERWRITEボタンの
設定とは無関係に常時記録されます。
以下のパラメーターは、オートミックスには記録されません。
・サラウンドモードの選択
・インプットのアッテネーター(EQページ)
・BUS TO STのパンとオン/オフ
・ペアに設定されたAUXのパン
・3+2+1(サラウンドパン)モードのサブウーファーレベルのトリム
オートミックス内でこれらのパラメーターを変更したいときは、変更した設定をミッ
クスシーンに保存し、オートミックスを使ってそのシーンを呼び出します。同じよう
にインプットアッテネーターの設定やAUXのパンの設定をチャンネルライブラリー
に保存し、オートミックスを使ってライブラリーを呼び出すこともできます。

03D取扱説明書
184 第16章 オートミックス
03Dの
世界へ
ようこそ!
各部の
名称と機能
インプット
チャンネル
イコライザー
パン、
ルーティング、
サラウンドパン
ソロ、
モニター、
メーター
ステレオ
アウト
AUXアウト
バスアウト
チャンネル
ライブラリー
とビュー
内蔵
エフェクト
シーン
メモリー
オート
ミックス
その他の
機能
デジタル
I/O
MIDI
付 録
グループ、
ペア
ダイナミクス
プロセッサー
ユーザー
インター
フェース
の基礎知識
オートミックスを記録する
ここではオートミックスの記録手順について説明します。
1. [AUTOMIX]キーでMemoryページを表示させてください。
2. 新規オートミックスを作成してください。詳細は、178ページの「新規オートミックス
を作成する」をご参照ください。
3. [AUTOMIX]キーでMainページを表示させてください。
4. オートミックス機能をオンにしてください。詳細は、179ページの「オートミックスを
有効にする」をご参照ください。
5. タイムベースを設定してください。この設定は、タイムコードを供給する外部機器の
タイムベースと一致させてください。詳細は、179ページの「タイムベースの設定」を
ご参照ください。
6. [CURSOR]キーでOVERWRITEボタンを選択し、[ENTER]キーで記録するパラメー
ターを選択してください。詳細は、183ページの「記録するパラメーターを選択する」
をご参照ください。
7. [CURSOR]キーでRECボタンを選択し、[ENTER]キーを押してください。
マウスを使用している場合は、RECボタンをクリックしてください。
03DはRec Ready(記録待機)モードに入り、RECボタンが点滅します。
選択されていたチャンネルの[SEL]キーインジケーターが消灯します。これで[SEL]
キーが記録するチャンネルの選択キーとして機能します。
8. [SEL]キーと[MIXING LAYER]キーを使ってオートミックスに記録するチャンネル
を選択してください。詳細は、31ページの「ミキシングレイヤー」をご参照ください。
選択したチャンネルの[SEL]キーのインジケーターが点滅します。

03D取扱説明書
第16章 オートミックス 185
03Dの
世界へ
ようこそ!
各部の
名称と機能
インプット
チャンネル
イコライザー
パン、
ルーティング、
サラウンドパン
ソロ、
モニター、
メーター
ステレオ
アウト
AUXアウト
バスアウト
チャンネル
ライブラリー
とビュー
内蔵
エフェクト
シーン
メモリー
オート
ミックス
その他の
機能
デジタル
I/O
MIDI
付 録
グループ、
ペア
ダイナミクス
プロセッサー
ユーザー
インター
フェース
の基礎知識
ミキシングレイヤーを変更すると、すべての[SEL]キーはオフになります。
オートミックスの記録中にEQ、パンなどのパラメーターを変更すると、上記の手順で
選択したチャンネルに対する変更として記録されます。複数のチャンネルを選択する
ことも可能です。各チャンネルには独自のフェーダーと[ON]キーがあるため、選択し
た各チャンネルのフェーダー操作やミュート操作を記録できます。
AUXやエフェクトセンドのフェーダーを選んでオートミックスに記録するには、
[FADER MODE]キーを使用してください。
また、エフェクトリターン1と2のフェーダーを切替えるには、[EFFECT 1]キーと
[EFFECT 2]キーを使用してください。通常エフェクトリターンの[SEL]キーはエフェ
クトリターンの選択に使用できますが、オートミックスの記録中にはエフェクトリ
ターンのエディットのオン/オフ切替えキーとして機能するため、このキーでエフェ
クトを選択することはできません。
なお、オートミックスの記録中(記録待機中)でも[CURSOR]キーのうちいずれか1つ
を押しながら任意のチャンネルの[SEL]キーを押すことで、エディットのオン/オフ
設定には影響を与えずにチャンネルを選択できます。例えばオートミックスの記録中
にEQ画面を表示させ、次々にチャンネルを切替えてEQパラメーターの変更を記録す
るときなどに便利です。
9. タイムコードの供給元となる機器をスタートさせてください。
オートミックスの記録が開始され、RECボタンの点滅が止まって反転表示されます。
また、タイムカウンターには受信中のタイムコードが表示されます。
10. 必要なパラメーターを変更をしてください。
オートミックスの記録が進み、オートミックスメモリーが消費されていくにつれて、
SIZEの欄に使用可能なオートミックスメモリーの残量が表示されます。
フェーダーを使ってレベルを調整し、[ON]キーでチャンネルをミュートします。オー
トミックスの記録用に選択したチャンネルのみのイベントが記録されます。
SETUP、CHANNEL CONTROL、FADER MODEの各セクションのキーを使ってミック
スパラメーターのページを呼び出してください。これらのページでは、オートミック
スの記録用に選択したチャンネルがそのまま選択されます。[PARAMETER]ダイア
ル、[ENTER]キー、マウスを使ってパラメーターを調整してください。
ミックスパラメーターの変更だけでなく、つぎの内容のリコール操作も記録できま
す。
・ミックスシーン
・EQプログラム
・エフェクトプログラム
・ダイナミクスプログラム
・チャンネルプログラム
オートミックスの記録中は、選択されたチャンネル以外のフェーダーは全く動かせま
せん。無理に動かそうとすると故障の原因となりますので、絶対におやめください。
11. オートミックスの記録を停止するには、タイムコードを供給している機器を止める
か、Automix画面のSTOPボタンを使用してください。
RECボタンが通常表示に戻り、STOPボタンが反転表示されます。
このときUndo機能がオンになっていれば記録するか中止するかの確認のダイアログ
ボックスが現われます。
記録されたイベントがカレントオートミックスに加わります。

03D取扱説明書
186 第16章 オートミックス
03Dの
世界へ
ようこそ!
各部の
名称と機能
インプット
チャンネル
イコライザー
パン、
ルーティング、
サラウンドパン
ソロ、
モニター、
メーター
ステレオ
アウト
AUXアウト
バスアウト
チャンネル
ライブラリー
とビュー
内蔵
エフェクト
シーン
メモリー
オート
ミックス
その他の
機能
デジタル
I/O
MIDI
付 録
グループ、
ペア
ダイナミクス
プロセッサー
ユーザー
インター
フェース
の基礎知識
アンドゥ機能を使って、新しく記録したデータを破棄して以前のオートミックスに戻
ることもできます。詳細は、200ページの「オートミックス操作を取り消す」をご参照く
ださい。
オートミックスの記録はABORTボタンで中止できます。オートミックスを中止した
場合、新規に記録されたデータは破棄されます。このときUndo機能がオンになってい
れば、新規に記録されたデータがアンドゥバッファーにコピーされます。ABORTボタ
ンは、必ずオートミックスの記録中に押してください。記録を停止した後で押しても
効果はありません。メモリーの残量が少なくてアンドゥ機能がオフになっている場
合、再生/記録を中止することができないことがあります。この場合、ABORTボタン
がグレイ表示されます。
オートミックスの最初の記録が終了したら、以下の操作が行えます。
・ オートミックスを再生する―つぎの「オートミックスを再生する」
・ 他のチャンネルのパラメーター変更を記録する―上記手順のステップ6に戻ってく
ださい。
・ イベントを再記録する―187ページ「イベントを再記録する」
・ オートミックスのパンチイン機能を使って、イベントを書き換える―188ページ
「オートミックスのパンチイン/パンチアウト」
・ フェーダーの動きをリアルタイムでエディットする―189ぺージ「フェーダーの動
きをリアルタイムでエディットする」
・ イベントをオフラインでエディットする―193ページ「イベントをオフラインでエ
ディットする」
・ イベントを取り出す―198ページ「イベントを取り出す」
オートミックスを再生する
AUTOMIXボタンをENABLEに設定してあれば、03Dがタイムコード、MIDIスタート
メッセージ、MIDIコンティニューメッセージのいずれかを受信すると、自動的にオー
トミックスの再生が始まります。これはAuto Playモードです。STOPボタンを押すと
Auto Playモードがキャンセルされ、PLAYボタンを押すと、もう一度Auto Playモード
に入ります。
ミックスパラメーターは、オートミックスの再生中にも調整できますが、オートミッ
クスの再生が優先されるため、すでにオートミックスによりフェーダーが動いている
場合はフェーダーを動かそうとしても無視されます。

03D取扱説明書
第16章 オートミックス 187
03Dの
世界へ
ようこそ!
各部の
名称と機能
インプット
チャンネル
イコライザー
パン、
ルーティング、
サラウンドパン
ソロ、
モニター、
メーター
ステレオ
アウト
AUXアウト
バスアウト
チャンネル
ライブラリー
とビュー
内蔵
エフェクト
シーン
メモリー
オート
ミックス
その他の
機能
デジタル
I/O
MIDI
付 録
グループ、
ペア
ダイナミクス
プロセッサー
ユーザー
インター
フェース
の基礎知識
イベントを再記録する
オートミックスのイベントは、記録し直すことが可能です。OVERWRITEボタンを使
えば、再記録するイベントの種類が選べます。
1. [AUTOMIX]キーでMainページを表示させてください。
2. [CURSOR]キーでOVERWRITEボタンを選択し、[ENTER]キーで再記録するイベント
の種類を選んでください。詳細は、183ページの「記録するパラメーターを選択する」
をご参照ください。
3. [CURSOR]キーでRECボタンを選択し、[ENTER]キーを押してください。
マウスを使用している場合は、RECボタンをクリックします。
03DがRec Readyモードに入り、RECボタンが点滅します。
4. [SEL]キーおよび[MIXING LAYER]キーで再記録したいチャンネルを選択してくだ
さい。詳細は、31ページの「ミキシングレイヤー」をご参照ください。
選択したチャンネルの[SEL]キーのインジケーターが点滅します。
5. タイムコードを供給する外部機器をスタートさせてください。
オートミックスの記録が始まり、RECボタンの点滅が止まって反転表示されます。
すでに録音されているイベントが再生されます。
6. 必要なパラメーターの変更を行ってください。
7. オートミックスの記録を止めるには、タイムコードを供給する外部機器を停止する
か、オートミックスのSTOPボタンを使用してください。
RECボタンが通常表示に戻り、STOPボタンが反転表示されます。
このときUndo機能がオンになっていれば記録するか中止するかの確認のダイアログ
ボックスが現われます。
記録されたイベントがカレントオートミックスに加わります。
アンドゥ機能を使って、新しく録音したデータを破棄して以前のオートミックスに戻
ることもできます。詳細は、200ページの「オートミックス操作を取り消す」をご参照く
ださい。
オートミックスの記録はABORTボタンで中止できます。オートミックスを中止した
場合、新規に記録されたデータは破棄されます。このときUndo機能がオンになってい
れば、新規に記録されたデータがアンドゥバッファーにコピーされます。ABORTボタ
ンは、必ずオートミックスの記録中に押してください。記録を停止した後で押しても
効果はありません。メモリーの残量が少なくてアンドゥ機能がオフになっている場
合、再生/記録を中止することができないことがあります。この場合、ABORTボタン
がグレイ表示されます。

03D取扱説明書
188 第16章 オートミックス
03Dの
世界へ
ようこそ!
各部の
名称と機能
インプット
チャンネル
イコライザー
パン、
ルーティング、
サラウンドパン
ソロ、
モニター、
メーター
ステレオ
アウト
AUXアウト
バスアウト
チャンネル
ライブラリー
とビュー
内蔵
エフェクト
シーン
メモリー
オート
ミックス
その他の
機能
デジタル
I/O
MIDI
付 録
グループ、
ペア
ダイナミクス
プロセッサー
ユーザー
インター
フェース
の基礎知識
オートミックスのパンチイン/パンチアウト
パンチイン/アウト式の記録方法を使ってオートミックスにイベントを再記録する
ことが可能です。OVERWRITEボタンを使えば、再記録するイベントの種類が選択で
きます。
1. [AUTOMIX]キーでMainページを表示させてください。
2. [CURSOR]キーでOVERWRITEボタンを選択し、[ENTER]キーで再記録するイベント
の種類を選んでください。
マウスを使用している場合は、OVERWRITEボタンをクリックしてください。
OVERWRITEボタンについての詳細は、184ページの「オートミックスを記録する」を
ご参照ください。
3. [CURSOR]キーでRECボタンを選択し、[ENTER]キーを押してください。
マウスを使用している場合は、RECボタンをクリックします。
03DがRec Readyモードに入り、RECボタンが点滅します。
4. タイムコードを供給する外部機器をスタートさせてください。
オートミックスの記録が始まりRECボタンは反転表示になります。すでに記録された
イベントが再生されます。
5. パンチインしたいところで、パンチインしたいチャンネルの[SEL]キーを押してくだ
さい。
6. 必要なパラメーターの変更を行ってください。
7. パンチアウトしたいところで、同じチャンネルの[SEL]キーを押してください。
8. オートミックスの記録を止めるには、タイムコードを供給する外部機器を停止する
か、オートミックスのSTOPボタンを使用してください。
このときUndo機能がオンになっていれば記録するか中止するかの確認のダイアログ
ボックスが現われます。
記録されたイベントがカレントオートミックスに加わります。
再生中にRECボタンを押すことで、どの位置からでもパンチインを開始できます。同
じように03Dが記録待機状態にあるときは、PLAYボタンを押すことでいつでもパン
チインを開始できます。ただし、どちらの場合でもオートミックスに記録するには
[SEL]キーを使ってチャンネルを選択しなければなりません。
アンドゥ機能を使って、新しく録音したデータを破棄して以前のオートミックスに戻
ることもできます。詳細は、200ページの「オートミックス操作を取り消す」をご参照く
ださい。

03D取扱説明書
第16章 オートミックス 189
03Dの
世界へ
ようこそ!
各部の
名称と機能
インプット
チャンネル
イコライザー
パン、
ルーティング、
サラウンドパン
ソロ、
モニター、
メーター
ステレオ
アウト
AUXアウト
バスアウト
チャンネル
ライブラリー
とビュー
内蔵
エフェクト
シーン
メモリー
オート
ミックス
その他の
機能
デジタル
I/O
MIDI
付 録
グループ、
ペア
ダイナミクス
プロセッサー
ユーザー
インター
フェース
の基礎知識
オートミックスの記録はABORTボタンで中止できます。オートミックスを中止した
場合、新規に記録されたデータは破棄されます。このときUndo機能がオンになってい
れば、新規に記録されたデータがアンドゥバッファーにコピーされます。ABORTボタ
ンは、必ずオートミックスの記録中に押してください。記録を停止した後で押しても
効果はありません。メモリーの残量が少なくアンドゥ機能がオフになっている場合、
再生/記録を中止することができないことがあります。この場合、ABORTボタンがグ
レイ表示されます。
フェーダーの動きをリアルタイムでエディットする
フェーダーの動きはリアルタイムでエディット(パンチイン/アウト)できます。
1. [AUTOMIX]キーでMainページを表示させてください。
2. OVERWRITE欄のFADERボタンをオン(反転表示)にしてください。
OVERWRITEボタンについての詳細は、184ページの「オートミックスを記録する」を
ご参照ください。
3. [FADER MODE]キーでフェーダーモードを選択してください。詳細は、13ページの
「フェーダーモード」をご参照ください。
4. EDIT OPTIONの欄を設定してください。
これはFader Editページにも表示されます。
TRIM―TRIM(トリム)をオンにすると、エディット範囲のレベルをフェー
ダー操作で調整できるようになります。
RETURN―RETURN(リターン)をオンにすると、パンチアウト後に、TIME
パラメーターで指定した時間で以前記録されていたレベルに戻ります。
TIME―上記のRETURNモードで、パンチアウト後に以前記録されていたレベルに戻
るまでの時間を設定します。0.2秒単位で0.0∼3.0秒まで設定できます。この設定は通
常のチャンネルフェーダーにのみ有効で、他のフェーダーはすぐに戻ります。
詳細は、192ページの「フェーダーリターン/トリムエディットモード」をご参照くだ
さい。
フェーダーの分解能は128ステップですが、このステップ数と信号レベルは比例しま
せん。ステップの上限近くになるほどレベル調整が細かくなり、下限近くになるほど
レベル調整が粗くなります。TRIMモードはデシベル単位ではなく、フェーダーのス
テップを利用してレベルを調整するため、TRIMをオンにしてエディットするときは、
フェーダーの反応が若干変わります。実際のデシベル単位でトリムの値を指定してレ
ベルを調整したい場合は、ExtractページのExtractファンクションが利用できます。詳

03D取扱説明書
190 第16章 オートミックス
03Dの
世界へ
ようこそ!
各部の
名称と機能
インプット
チャンネル
イコライザー
パン、
ルーティング、
サラウンドパン
ソロ、
モニター、
メーター
ステレオ
アウト
AUXアウト
バスアウト
チャンネル
ライブラリー
とビュー
内蔵
エフェクト
シーン
メモリー
オート
ミックス
その他の
機能
デジタル
I/O
MIDI
付 録
グループ、
ペア
ダイナミクス
プロセッサー
ユーザー
インター
フェース
の基礎知識
細は、198ページの「イベントを取り出す」をご参照ください。
5. [CURSOR]キーでRECボタンを選択し、[ENTER]キーを押してください。
マウスを使用している場合は、RECボタンをクリックしてください。
03DはRec Readyモードに入り、RECボタンが点滅します。
6. タイムコードを供給する外部機器をスタートさせてください。
オートミックスの記録が開始され、RECボタンは反転表示になります。すでに記録さ
れたイベントが再生されます。
7. フェーダーの動きを編集したいところで、該当するチャンネルの[SEL]キーを押して
ください。
オートミックスの記録が開始され、RECボタンの点滅が止まって反転表示になりま
す。
8. 必要に応じてフェーダーを調整してください。
Fader Editページを使えば、以前記録されたフェーダーのデータと、現在のフェーダー
の位置とを比較参照できます。詳細は、つぎのページの「Fader Editページ」をご参照く
ださい。
TRIMモードでエディットするとき、フェーダーが動いている間はそのフェーダーを
操作できません。フェーダーが動いていないときだけ操作できます。
9. 編集を止めたいところで、該当するチャンネルの[SEL]キーを押してください。
その後のフェーダーの動きは、EDIT OPTION欄での設定によって異なります。
10. オートミックスを止めるには、タイムコードを供給する外部機器を停止するか、オー
トミックスのSTOPボタンを使用してください。
このときUndo機能がオンになっていれば記録するか中止するかの確認のダイアログ
ボックスが現われます。
新しいフェーダーの動きがカレントオートミックスに加わります。
アンドゥ機能を使って、新しいフェーダーの動きを破棄して以前のオートミックスに
戻ることもできます。詳細は、200ページの「オートミックス操作を取り消す」をご参照
ください。
オートミックスの記録はABORTボタンで中止できます。オートミックスを中止した
場合、新規に記録されたデータは破棄されます。このときUndo機能がオンになってい
れば、新規に記録されたデータがアンドゥバッファーにコピーされます。ABORTボタ
ンは、必ずオートミックスの記録中に押してください。記録を停止した後で押しても
効果はありません。メモリーの残量が少なくてアンドゥ機能がオフになっている場
合、再生/記録を中止することができないことがあります。この場合、ABORTボタン
がグレイ表示されます。

03D取扱説明書
第16章 オートミックス 191
03Dの
世界へ
ようこそ!
各部の
名称と機能
インプット
チャンネル
イコライザー
パン、
ルーティング、
サラウンドパン
ソロ、
モニター、
メーター
ステレオ
アウト
AUXアウト
バスアウト
チャンネル
ライブラリー
とビュー
内蔵
エフェクト
シーン
メモリー
オート
ミックス
その他の
機能
デジタル
I/O
MIDI
付 録
グループ、
ペア
ダイナミクス
プロセッサー
ユーザー
インター
フェース
の基礎知識
Fader Editページ
Fader Editページには、以前記録されたデータに対するフェーダーの現在位置が表示
されます。
1. [AUTOMIX]キーでFader Editページを表示させてください。
編集中のフェーダーの横に矢印が現われ、すでに記録されているフェーダーの位置に
戻るには、上下どちらの方向に動かせばいいかがわかります。
この例では、チャンネル2のフェーダーが以前記録されたデータよりも下
がっています。上向きの矢印は、以前のフェーダーの位置に戻るには上に
動かせばいいことを表わしています。一方、チャンネルフェーダー4は以前
記録されたデータよりも上がっているため、下向きの矢印が表示され、以
前の位置に戻るには下に動かせばいいことがわかります。

03D取扱説明書
192 第16章 オートミックス
03Dの
世界へ
ようこそ!
各部の
名称と機能
インプット
チャンネル
イコライザー
パン、
ルーティング、
サラウンドパン
ソロ、
モニター、
メーター
ステレオ
アウト
AUXアウト
バスアウト
チャンネル
ライブラリー
とビュー
内蔵
エフェクト
シーン
メモリー
オート
ミックス
その他の
機能
デジタル
I/O
MIDI
付 録
グループ、
ペア
ダイナミクス
プロセッサー
ユーザー
インター
フェース
の基礎知識
フェーダーリターン/トリムエディットモード
以下の各グラフは、RETURNモードとTRIMモードのオン/オフにより、レベルがどの
ような影響を受けるかを表わしたものです。
元のデータ
これは元のデータ、つまり以前記録されたレベルの変化を表わしたものです。
元のデータと新しい
フェーダーの動き
元のレベル変化のデータに加え、新しいフェーダーの動きを灰色の線で表わしたもの
です。2本の縦線は、エディット範囲を表わしています。
TRIM=オフ
RETURN=オフ
フェーダーのエディットが終了(パンチアウト)すると、レベルがこのグラフのように
変化します。灰色の線に沿って下げられたレベルは、元のデータでレベルの変化が起
きるまでは、同じレベルを保ちます。
TRIM=オン
RETURN=オフ
TRIMをオンにすると、フェーダーのステップ数(189ページのTRIMを参照)に比例し
てレベルが下げられ、エディット範囲内の元のレベル変化のデータはそのまま有効で
す。パンチアウトを過ぎると元のデータでレベルの変化が起きるまでは、同じレベル
を保ちます。
TRIM=オフ
RETURN=オン
TIME
RETURNをオンにすると、フェーダーのステップ数に比例してレベルが下がりますが
(189ページのTRIMを参照)、パンチアウトの位置から徐々に以前のレベルに戻りま
す。レベルが以前の値に戻るのにかかる時間はTIMEパラメーターで設定します。
TRIM=オン
RETURN=オン
TIME
TRIMとRETURNの両方がオンになっていると、フェーダーのステップ数(189ページ
のTRIMを参照)に比例してレベルが下がり、エディット範囲の元のレベル変化の
データはそのまま有効ですが、パンチアウトの位置から徐々に以前のレベルに戻り、
それ以降のレベル変化には影響ありません。レベルが以前の値に戻るのにかかる時間
はTIMEパラメーターで設定します。

03D取扱説明書
第16章 オートミックス 193
03Dの
世界へ
ようこそ!
各部の
名称と機能
インプット
チャンネル
イコライザー
パン、
ルーティング、
サラウンドパン
ソロ、
モニター、
メーター
ステレオ
アウト
AUXアウト
バスアウト
チャンネル
ライブラリー
とビュー
内蔵
エフェクト
シーン
メモリー
オート
ミックス
その他の
機能
デジタル
I/O
MIDI
付 録
グループ、
ペア
ダイナミクス
プロセッサー
ユーザー
インター
フェース
の基礎知識
イベントをオフラインでエディットする
Event Editページを使えば、カレントオートミックスのイベントをオフラインでエ
ディットできます。オートミックスの記録/再生中はこのページは開けません。
1. [AUTOMIX]キーでEvent Editページを表示させてください。
イベントリストにイベントが時刻順に並び、各イベントの時刻、タイプ、使用チャンネ
ルが表示されます。
2. EVENT欄からエディットするチャンネルのボタンを[CURSOR]キーで選択し、
[ENTER]キーを押します。
マウスを使用している場合は、EVENT欄からエディットするチャンネルのボタンを
クリックしてください。
イベントリストに選択したチャンネルのイベントが表示されます。EVENT EDIT
CHANNELボタンを使って、イベントリストに任意のイベントのみを表示させること
が可能です。ALL ONボタン、ALL OFFボタンを使えばEVENT EDIT CHANNELボタ
ンのオン/オフを一括して切替えることができます。
3. [CURSOR]キーでイベントリスト左側にあるパラメータータイプの選択ボタンを選
び、[ENTER]キーで有効にしてください。
マウスを使用している場合は、パラメータータイプ選択ボタンをクリックします。
選択したパラメータータイプの入ったイベントが、イベントリストに現わ
れます。このパラメータータイプボタンを使って、イベントリストに特定
のタイプのイベントのみを表示させることも可能です。
ボタン パラメーター
SCENE MIDIプログラムチェンジの送信、シーンリコールセーフを含むミックスシー
ンのリコール操作
LIB. ライブラリー(チャンネル、EQ、ダイナミクス、エフェクト)のリコール操作
CH ON チャンネル[ON]キーの操作
PAN パン、バランス、サラウンドパンの操作
EQ EQの操作
FADER 通常のチャンネルフェーダー、クロスフェード*、チャンネルAUXセンド、
チャンネルエフェクトセンドの操作
*)クロスフェードはオンラインの RETURNモードあるいはEXTRACTのTRIM モードで
フェーダーをエディットしているときに使われます。クロスフェードはフェードイン・
フェードアウトをスムーズにします。

03D取扱説明書
194 第16章 オートミックス
03Dの
世界へ
ようこそ!
各部の
名称と機能
インプット
チャンネル
イコライザー
パン、
ルーティング、
サラウンドパン
ソロ、
モニター、
メーター
ステレオ
アウト
AUXアウト
バスアウト
チャンネル
ライブラリー
とビュー
内蔵
エフェクト
シーン
メモリー
オート
ミックス
その他の
機能
デジタル
I/O
MIDI
付 録
グループ、
ペア
ダイナミクス
プロセッサー
ユーザー
インター
フェース
の基礎知識
4. [CURSOR]キーで、イベントリストの横に表示されているスクロール用の矢印を選択
し、[PARAMETER]ダイアルでイベントをスクロールしてください。
マウスを使用している場合は、マウスカーソルをスクロール用の矢印に移動し、マウ
スの左ボタンを押したままマウスをドラッグします。
5. 個別パラメーターのエディットをする場合:
選択したイベントのTIME、EVENT、CHANNELの各パラメーターを[CURSOR]キーで
選択し、[PARAMETER]ダイアルでエディットしてください。
マウスを使用している場合は、マウスカーソルを該当するパラメーターに移動し、マ
ウスの左ボタンを押したままマウスをドラッグします。
イベントのTIMEパラメーターの値を変更し、カーソルをスクロールの矢印へ合わせ
ると、イベントが自動的に並び替えられます。
タイムベースとしてMIDIクロックを選択している場合、TIMEの欄は小節、拍、MIDIク
ロックの表示になります。なお、小節は100小節単位でも指定し変更できます。拍子は
イベントとして表示されます。オートミックスは12ポイントまでの拍子変更点をイベ
ントとして記録できます。
注意:
拍子(MIDIクロックタイムベース)およびMIDIプログラムチェンジは、この
Event Editページでしかエデイットできません。これらは1MTCフレームもしくは
1MIDIクロック内に2つ以上書くと正常に再生されません。MIDIプログラムチェン
ジはTO HOSTとMIDIから送信されます。TO HOSTは1∼7のポートから選択できま
すがMIDI HOSTページでの設定モードがSTANDARD I/Fのときは、ポート設定は
無視されます。また、その他の同じチャンネルの同じイベントも1フレーム内に1つ
だけとしてください。
同一フレーム内のシーンやライブラリーのリコール操作よりも前の位置に、これら
のリコール操作で呼び出されるイベント(フェーダー、パンなど)を入力しても、そ
のイベントの直後にリコール操作が実行されるため、無効となります。
オフラインでイベントをエディットした後にオンラインでオートミックスの記録
を行うと、(実際には何も記録しなくても)自動的にデータが最適化され、データの
順番が入れ替わったり、無効なデータが削除されることがあります。
6. イベントの挿入、削除をする場合:
[CURSOR]キーでEVENT欄のボタンでエディット機能を選択し、[ENTER]キーで実
行してください。
マウスを使用している場合は、EVENT欄のボタンをクリックし、その機能を実行して
ください。
ボタン 機 能
INS. 新しいイベントを挿入します。新しいイベントのTIMEパラメーターには、直
前のイベントと同じ値が割り当てられます。TIME、TYPE、CHANNELの各パ
ラメーターの設定は、必要に応じて後から変更できます。
DEL 選択したイベントを削除し、コピー/ペーストバファーにコピーします。
COPY 選択したイベントをコピー/ペーストバッファーにコピーします。
PASTE
イベントをコピー/ペーストバッファーからイベントリストにペーストし
ます。ペーストされたイベントのTIMEパラメーターには、直前のイベントと
同じ値が割り当てられます。TIMEパラメーターの値は、必要に応じて変更で
きます。

03D取扱説明書
第16章 オートミックス 195
03Dの
世界へ
ようこそ!
各部の
名称と機能
インプット
チャンネル
イコライザー
パン、
ルーティング、
サラウンドパン
ソロ、
モニター、
メーター
ステレオ
アウト
AUXアウト
バスアウト
チャンネル
ライブラリー
とビュー
内蔵
エフェクト
シーン
メモリー
オート
ミックス
その他の
機能
デジタル
I/O
MIDI
付 録
グループ、
ペア
ダイナミクス
プロセッサー
ユーザー
インター
フェース
の基礎知識
表示例
イベントリスト1−MTCタイムベースのとき
emiTtnevElennahC容 内
--.--:--:--
EFASLCRFFO1hC1HC。すまれわ現に常。フオ:定設フーセルーコリンーシの
--.--:--:--
EFASLCRFFO2hC2HC。すまれわ現に常。フオ:定設フーセルーコリンーシの
::::
--.--:--:--
EFASLCRNOTSsaMTUOTS。すまれわ現に常。ンオ:定設フーセルーコリンーシの
--.--:--:--
.ANEEFASSID:定設フーセルーコリンーシELBASID、ELBANE。
--.--:--:--
EDOMEFASLLA。ーダェフ、ルーオ:定設フーセルーコリンーシ
--.--:--:--
LCRENECS0000.oN。すまれわ現に常。ルーコリをンーシスクッミの.oNフオを
。すまきで定設もに
。すましトータスがスクッミトーオらかここ
00.01:00:00
HCDAF2.01hC1HC:定設ルベレーダーェフのBd2.0。
40.01:00:00
1FFEDAF−5.081hC81HCの1FFE−:定設ルベレーダーェフドンセBd5.0。
80.01:00:00
4XUADAF2.11ntR1NTRの1XUA:定設ルベレーダーェフドンセBd2.1。
02.01:00:00
FFO/NOHCFFO2suB2TUOSUBのNO。フオ:定設チッイス
12.01:00:00
NAP61L1hC1HCのNAP:定設61L。
52.01:00:00
ECNALABCnItSNITSの ECNALAB:定設C( retneC。)
72.01:00:00
RLNAPruS61L1hC1HCンパドンウラサのRL( thgir/tfel:定設)61L。
72.11:00:00
RFNAPruS61R1hC1HCンパドンウラサのRF( raer/tnorf:定設)61R。
72.21:00:00
FFO/NOQEFFO1hC1HCの FFO/NOQE。フオ:定設
82.21:00:00
WOLFQE41hC1HCの WOLQEのF:定設4#=(zH52。)照参頁次、
01.31:00:00
M-LGQE51hC1HCの diM-oLQEのG:定設5#−=(Bd5.51。)照参頁々次、
22.31:00:00
M-HQQE61hC1HCの diM-iHQEのQ:定設6#=(0.5。)照参頁々次、
40.41:00:00
HGIHQQE71hC1HCの hgiHQEのQ:定設7#=(5.4。)照参頁々次、
61.41:00:00
BILQE101hCQEムラグロプ10.oNを1HC。ルーコリに
71.41:00:00
BILANYD101hCムラグロプスクミナイダ10.oNを1HC。ルーコリに
81.41:00:00
BILHC101hCムラグロプルネンャチ10.oNを1HC。ルーコリに
91.41:00:00
EFASLCRNO1hC1HC。ンオ:定設フーセルーコリの
02.41:00:00
LCRENECS01ンーシスクッミ01.oN。ルーコリを
12.41:00:00
BIL1FFE10ムラグロプトクェフエ10を 1FFE。ルーコリに
22.41:00:00
s0.3=tFX2.01hC1HC:定設ドーェフスロクに3に後秒Bd2.0。
22.41:00:00
IDIMMGP31IDIMルネンャチ1 ジーセッメジンェチムラグロプに3。信送を
22.41:00:00
1TSOHMGP42TSOHOTトーポ1 ジーセッメジンェチムラグロプに4。信送を
イベントリスト2−MIDIクロック・タイムベースのとき
emiTtnevElennahC容 内
--.--:--:--
EFASLCRFFO1hC1HC。すまれわ現に常。フオ:定設フーセルーコリンーシの
--.--:--:--
EFASLCRFFO2hC2HC。すまれわ現に常。フオ:定設フーセルーコリンーシの
::::
--.--:--:--
EFASLCRNOTSsaMTUOTS。すまれわ現に常。ンオ:定設フーセルーコリンーシの
--.--:--:--
LCRENECS0 00.oN。すまれわ現に常。ルーコリをンーシスクッミの.oNフオを
。すまきで定設もに
--.--.----
INI.GIS4/4:定設期初の子拍4/4。すまれわ現に常。子拍
--.--.7100
1.GIS:4/3 :更変の子拍4/3きで定設を点更変の節小。すまれわ現に常。子拍
。すま
::
--.--.----
21.GIS----。示表のきといないてし定設を点更変の子拍
。すましトータスがスクッミトーオらかここトスリトンベイは降以れこ1。すでじ同と

03D取扱説明書
196 第16章 オートミックス
03Dの
世界へ
ようこそ!
各部の
名称と機能
インプット
チャンネル
イコライザー
パン、
ルーティング、
サラウンドパン
ソロ、
モニター、
メーター
ステレオ
アウト
AUXアウト
バスアウト
チャンネル
ライブラリー
とビュー
内蔵
エフェクト
シーン
メモリー
オート
ミックス
その他の
機能
デジタル
I/O
MIDI
付 録
グループ、
ペア
ダイナミクス
プロセッサー
ユーザー
インター
フェース
の基礎知識
EQのF(周波数)設定
#数波周#数波周#数波周#数波周
0zH12 03 zH811 06 zH766 09 zHk77.3
1zH22 13 zH521 16 zH707 19 zHk00.4
2zH32 23 zH231 26 zH947 29 zHk32.4
3zH42 33 zH041 36 zH497 39 zHk94.4
4zH52 43 zH941 46 zH148 49 zHk57.4
5zH62 53 zH751 56 zH198 59 zHk40.5
6zH72 63 zH761 66 zH449 69 zHk33.5
7zH13 73 zH771 76 zHk00.1 79 zHk56.5
8zH33 83 zH781 86 zHk50.1 89 zHk99.5
9zH53 93 zH891 96 zHk21.1 99 zHk53.6
01 zH73 04 zH012 07 zHk81.1 001 zHk27.6
11 zH93 14 zH822 17 zHk62.1 101 zHk21.7
21 zH24 24 zH632 27 zHk33.1 201 zHk55.7
31 zH44 34 zH052 37 zHk14.1 301 zHk00.8
41 zH74 44 zH562 47 zHk94.1 401 zHk74.8
51 zH05 54 zH182 57 zHk85.1 501 zHk89.8
61 zH35 64 zH792 67 zHk86.1 601 zHk15.9
71 zH65 74 zH513 77 zHk87.1 701 zHk0.01
81 zH95 84 zH433 87 zHk88.1 801 zHk6.01
91 zH36 94 zH453 97 zHk00.2 901 zHk3.11
02 zH66 05 zH573 08 zHk11.2 011 zHk9.11
12 zH07 15 zH793 18 zHk42.2 111 zHk6.21
22 zH47 25 zH024 28 zHk73.2 211 zHk4.31
32 zH97 35 zH544 38 zHk25.2 311 zHk2.41
42 zH38 45 zH274 48 zHk76.2 411 zHk1.51
52 zH88 55 zH005 58 zHk28.2 511 zHk0.61
62 zH49 65 zH035 68 zHk99.2 611 zHk9.61
72 zH99 75 zH165 78 zHk71.3 711 zHk9.71
82 zH501 85 zH595 88 zHk63.3 811 zHk0.91
92 zH111 95 zH036 98 zHk65.3 911 zHk1.02

03D取扱説明書
第16章 オートミックス 197
03Dの
世界へ
ようこそ!
各部の
名称と機能
インプット
チャンネル
イコライザー
パン、
ルーティング、
サラウンドパン
ソロ、
モニター、
メーター
ステレオ
アウト
AUXアウト
バスアウト
チャンネル
ライブラリー
とビュー
内蔵
エフェクト
シーン
メモリー
オート
ミックス
その他の
機能
デジタル
I/O
MIDI
付 録
グループ、
ペア
ダイナミクス
プロセッサー
ユーザー
インター
フェース
の基礎知識
EQのG(ゲイン)設定
#ンイゲ#ンイゲ#ンイゲ#ンイゲ
0−Bd0.81 91 −Bd5.8 83 Bd0.1+ 75 Bd5.01+
1−Bd5.71 02 −Bd0.8 93 Bd5.1+ 85 Bd0.11+
2−Bd0.71 12 −Bd5.7 04 Bd0.2+ 95 Bd5.11+
3−Bd5.61 22 −Bd0.7 14 Bd5.2+ 06 Bd0.21+
4−Bd0.61 32 −Bd5.6 24 Bd0.3+ 16 Bd5.21+
5−Bd5.51 42 −Bd0.6 34 Bd5.3+ 26 Bd0.31+
6−Bd0.51 52 −Bd5.5 44 Bd0.4+ 36 Bd5.31+
7−Bd5.41 62 −Bd0.5 54 Bd5.4+ 46 Bd0.41+
8−Bd0.41 72 −Bd5.4 64 Bd0.5+ 56 Bd5.41+
9−Bd5.31 82 −Bd0.4 74 Bd5.5+ 66 Bd0.51+
01 −Bd0.31 92 −Bd5.3 84 Bd0.6+ 76 Bd5.51+
11 −Bd5.21 03 −Bd0.3 94 Bd5.6+ 86 Bd0.61+
21 −Bd0.21 13 −Bd5.2 05 Bd0.7+ 96 Bd5.61+
31 −Bd5.11 23 −Bd0.2 15 Bd5.7+ 07 Bd0.71+
41 −Bd0.11 33 −Bd5.1 25 Bd0.8+ 17 Bd5.71+
51 −Bd5.01 43 −Bd0.1 35 Bd5.8+ 27 Bd0.81+
61 −Bd0.01 53 −Bd5.0 45 Bd0.9+
71 −Bd5.9 63 Bd0.0 55 Bd5.9+
81 −Bd0.9 73 Bd5.0+ 65 Bd0.01+
EQのフィルターのオン/オフ設定
EQのQ設定が43または44のときは、EQはフィルター(LPF/HPF)となりそのG設定はオ
ン/オフ設定となります。
# On/Off
0−35 OFF
36−72 ON
EQのQ設定
#Q #Q #Q # Q
00.01 21 5.2 42 36.0 63 61.0
10.9 31 2.2 52 55.0 73 41.0
20.8 41 0.2 62 05.0 83 21.0
30.7 51 8.1 72 54.0 93 11.0
43.6 61 6.1 82 04.0 04 01.0
56.5 71 4.1 92 53.0 14 グンビルェシーロ
60.5 81 2.1 03 23.0 24 グンビルェシイハ
75.4 91 1.1 13 82.0 34 FPL
80.4 02 0.1 23 52.0 44 FPH
95.3 12 09.0 33 22.0
01 2.3 22 08.0 43 02.0
11 8.2 32 07.0 53 81.0

03D取扱説明書
198 第16章 オートミックス
03Dの
世界へ
ようこそ!
各部の
名称と機能
インプット
チャンネル
イコライザー
パン、
ルーティング、
サラウンドパン
ソロ、
モニター、
メーター
ステレオ
アウト
AUXアウト
バスアウト
チャンネル
ライブラリー
とビュー
内蔵
エフェクト
シーン
メモリー
オート
ミックス
その他の
機能
デジタル
I/O
MIDI
付 録
グループ、
ペア
ダイナミクス
プロセッサー
ユーザー
インター
フェース
の基礎知識
イベントを取り出す
Extractページでは、カレントオートミックスの特定のイベントを削除/移動したり、
フェーダーレベルを指定した量だけトリム調節することができます。
オートミックスの記録/再生中はこのページは開けません。
1. [AUTOMIX]キーでExtractページを表示させてください。
2. [CURSOR]キーでEVENT EDIT CHANNELボタンを選択し、[ENTER]キーを押してそ
のチャンネルを有効にしてくだい。
マウスを使用している場合は、EVENT EDIT CHANNELボタンをクリックしてくださ
い。
EVENT EDIT CHANNELボタンで、エディットするイベントのチャンネルを選択しま
す。ALL ONボタン、ALL OFFボタンを使えば、EVENT EDIT CHANNELボタンのオン
/オフを一括して切替えできます。
3. [CURSOR]キーでIN TIME、OUT TIME、MOVE TOの時刻を選択し、[PARAMETER]ダ
イアルで設定してください。
マウスを使用している場合は、マウスカーソルを時刻の値に移動し、マウスの左ボタ
ンを押したままマウスをドラッグします。
IN TIMEの時刻とOUT TIMEの時刻の間に含まれるイベントが、取り出し、移動、トリ
ム調節の対象となります。またMOVE TOはイベントの移動先を指定するときに使用
します。なお、タイムベースとしてMIDIクロックを選択している場合は、IN TIME、
OUT TIMEが小節、拍、MIDIクロックの順で上図のように表示されます。このとき小
節は100小節単位でも指定し変更できます。
IN TIMEやMOVE TOがオフセットスタートタイムより前になっていると実行しませ
ん。OUT TIMEがIN TIMEの前になっても実行しません。また、最長の記録時間(180
ページ参照)を超えるデータも実行できません。
4. [CURSOR]キーでEVENT SELECTボタンを選択し、[ENTER]キーで有効にしてくださ
い。
マウスを使用している場合は、EVENT SELECT ボタンをクリックしてください。

03D取扱説明書
第16章 オートミックス 199
03Dの
世界へ
ようこそ!
各部の
名称と機能
インプット
チャンネル
イコライザー
パン、
ルーティング、
サラウンドパン
ソロ、
モニター、
メーター
ステレオ
アウト
AUXアウト
バスアウト
チャンネル
ライブラリー
とビュー
内蔵
エフェクト
シーン
メモリー
オート
ミックス
その他の
機能
デジタル
I/O
MIDI
付 録
グループ、
ペア
ダイナミクス
プロセッサー
ユーザー
インター
フェース
の基礎知識
EVENT SELECTボタンは、取り出し、移動、トリム調節を
行うイベントのタイプを選びます。
ボタン パラメーター
FADER 通常のチャンネルフェーダーの操作、クロスフェード
CH ON チャンネル[ON]キーの操作
PAN パン、バランス、サラウンドパンの操作
EQ EQの操作
AUX 1 SEND AUX 1センドフェーダーの操作
AUX 2 SEND AUX 2センドフェーダーの操作
AUX 3 SEND AUX 3センドフェーダーの操作
AUX 4 SEND AUX 4センドフェーダーの操作
EFF 1 SEND EFFECT 1センドフェーダーの操作
EFF 2 SEND EFFECT 2センドフェーダーの操作
LIB. ライブラリー(チャンネル、EQ、ダイナミクス)のリコール操作
RCL. SAFE ミックスシーンリコールのセーフチャンネル設定(イニシャルのリコール
セーフ設定は含みません。)
5. トリム調節機能を使用する場合は、TRIM LEVEL、FADE TIME (IN)、FADE TIME (OUT)
の各パラメーターを設定してください。
TRIM LEVEL―レベルをトリム調節する量を設定します。範囲は−
24.0dB∼+24.0dBで0.5dB単位での設定が行えます。
FADE TIME (IN)―IN TIMEの時刻から、指定したトリムレベルに到
達するまでの時間を設定します。OFFあるいは、3秒以下の値を0.2秒
単位で設定できます。
FADE TIME (OUT)―OUT TIMEの時刻から、以前のレベルに戻るまでの時間を設定
します。OFFあるいは、3秒以下の値を0.2秒単位で設定できます。
TIMEがOFFに設定されているときは、クロスフェードのデータは書き込まれず、デー
タはつぎの変更がくるまで有効です。IN TIMEやOUT TIMEで設定した時間にフェー
ドインやアウトが始まります。フェードインやフェードアウトが終了するために十分
な時間をとってください。
6. [CURSOR]キーで各機能のボタンを選択し、[ENTER]キーを押して選択した機能を実
行してください。
マウスを使用している場合は、各機能のボタンをクリックしてください。
ボタン 機 能
EXTRACT INポイントとOUTポイントとの間のイベントが削除されます。
MOVE INポイントとOUTポイントとの間のイベントがMOVE TOポイントへ移動
します。移動先にある同じタイプのイベントは削除されます。
TRIM INポイントとOUTポイントとの間にあるフェーダーイベントが、指定した
量だけトリム調節されます。
UNDO 取り出し、移動、トリム調節の操作を取り消します。この機能を使うには、あ
らかじめアンドゥ機能をオンにしておく必要があります。詳細は、200ペー
ジの「オートミックス操作を取り消す」をご参照ください。

03D取扱説明書
200 第16章 オートミックス
03Dの
世界へ
ようこそ!
各部の
名称と機能
インプット
チャンネル
イコライザー
パン、
ルーティング、
サラウンドパン
ソロ、
モニター、
メーター
ステレオ
アウト
AUXアウト
バスアウト
チャンネル
ライブラリー
とビュー
内蔵
エフェクト
シーン
メモリー
オート
ミックス
その他の
機能
デジタル
I/O
MIDI
付 録
グループ、
ペア
ダイナミクス
プロセッサー
ユーザー
インター
フェース
の基礎知識
注意:
MOVEはUNDOがENABLEでアンドウできるだけメモリーがあいているとき
のみ実行可能です。また、移動先の同じ種類のイベントは上書きされます。EX-
TRACTやTRIMを実行するためには1k以上の空きメモリーが必要です。
TRIMモードのTIMEがオフでないとき、TIMEが有効なのは通常のチャンネル
フェーダーのみで、他のフェーダーには無効です。
ミックスシーンリコール、エフェクトライブラリーリコール、イニシャルチャンネ
ルセーフ設定、拍子設定、MIDIプログラムチェンジ送信はExtractページではエ
ディットできません。Event Editページで行ってください。詳細は、193ページの「イ
ベントをオフラインでエディットする」を参照してください。
オートミックスのデータは圧縮されていますので、Extractページでイベントを削除
したからといって、必ずしも空きメモリーが増えるとは限りません。
オートミックス操作を取り消す
オートミックスのアンドゥ機能を使えば、オートミックスを変更した後でも、その変
更が気に入らなければ以前のオートミックスに戻すことができます。アンドゥ機能を
実行すると、アンドゥバッファーにある内容と、カレントオートミックスとが入れ替
わります。アンドゥ機能はオン/オフ切替えができ、アンドゥバッファーの内容はい
つでもクリアしてオートミックスの記録用にメモリーを空けることが可能です。
通常はUndo機能をオンに設定しておくのがいいでしょう。ただし、長めのオートミッ
クスを操作していてメモリー残量が少ない場合はオフにせざるを得ません。Undo機
能をオフにするとオートミックスのエディット操作を前の状態に戻すことができな
くなるため、MIDIバルクダンプを利用してオートミックスデータを外部のMIDI機器
にバックアップしながら作業を進めることをお勧めします。詳しくは242ページの「バ
ルクダンプ」をご参照ください。
これらのアンドゥ機能の操作を行うボタンは、Mainページと
Memoryページとで設定でき、どのページでも機能は同じです。
UNDOの実行ボタンはMainページとMemoryページとExtract
ページで使用できます。
オートミックスの変更を取り消す場合は、あらかじめアンドゥ機能をオン(有効)にし
ておかねばなりません。アンドゥ機能が有効になっていなければ、データがアンドゥ
バッファーに入らず、元に戻すことができません。
1. [AUTOMIX]キーでMainページを表示させてください。
2. [CURSOR]キーでUNDO ENABLEボタンを選択し、[ENTER]キーを押してください。
マウスを使用している場合は、UNDO ENABLEボタンをクリックします。
確認のダイアログボックスが現われます。

03D取扱説明書
第16章 オートミックス 201
03Dの
世界へ
ようこそ!
各部の
名称と機能
インプット
チャンネル
イコライザー
パン、
ルーティング、
サラウンドパン
ソロ、
モニター、
メーター
ステレオ
アウト
AUXアウト
バスアウト
チャンネル
ライブラリー
とビュー
内蔵
エフェクト
シーン
メモリー
オート
ミックス
その他の
機能
デジタル
I/O
MIDI
付 録
グループ、
ペア
ダイナミクス
プロセッサー
ユーザー
インター
フェース
の基礎知識
3. [CURSOR]キーでOKを選択し、[ENTER]キーを押してください。
マウスを使用している場合は、OKをクリックしてください。
アンドゥがオフ(無効)
アンドゥがオン(有効)
つぎの操作を行ったときに、カレントオートミックスの以前の内容がアンドゥバッ
ファーにコピーされます。
・ 新規オートミックスを作成したとき(178ページ「新規オートミックスを作成する」
参照)
・ オートミックスを呼び出したとき(203ページ「オートミックスを呼び出す」を参照)
・ フェーダーの動きをリアルタイムでエディットしたとき(189ページの「フェーダー
の動きをリアルタイムでエディットする」参照)
・ オートミックスのイベントを取り出したとき(198ページ「イベントを取り出す」参
照)
UNDO BUF.SIZEの欄には、アンドゥバッファー用に使用されている
メモリー量が表示されます。
4. オートミックスの変更を取り消すには、[CURSOR]キーでUNDOボタンを選択してく
ださい。このボタンはABORTボタンの上にあります。続いて[ENTER]キーを押してく
ださい。 マウスを使用している場合は、UNDOボタンをクリックしてください。
確認のダイアログボックスが現われます。
5. [CURSOR]キーでOKを選択し、[ENTER]キーを押してください。
マウスを使用している場合は、OKをクリックしてください。
アンドゥバッファーの内容がカレントオートミックスにコピーされます。
アンドゥバッファーをクリアする
アンドゥバッファーの内容はいつでもクリアできます。アンドゥバッファーをクリア
すれば使用可能なメモリー容量が増えるので、更に記録を行うことができます。ある
いは、単に不要となった変更内容を消したいときにも使用します。
1. [AUTOMIX]キーでMainページを表示させてください。
2. [CURSOR]キーでCLEAR BUFFERボタンを選択し、[ENTER]キーを押してください。
マウスを使用している場合は、CLEAR BUFFERボタンをクリックしてください。

03D取扱説明書
202 第16章 オートミックス
03Dの
世界へ
ようこそ!
各部の
名称と機能
インプット
チャンネル
イコライザー
パン、
ルーティング、
サラウンドパン
ソロ、
モニター、
メーター
ステレオ
アウト
AUXアウト
バスアウト
チャンネル
ライブラリー
とビュー
内蔵
エフェクト
シーン
メモリー
オート
ミックス
その他の
機能
デジタル
I/O
MIDI
付 録
グループ、
ペア
ダイナミクス
プロセッサー
ユーザー
インター
フェース
の基礎知識
確認のダイアログボックスが現われます。
3. [CURSOR]キーでOKを選択し、[ENTER]キーを押してください。
マウスを使用している場合は、OKをクリックしてください。
アンドゥバッファーの内容がクリアされ、UNDO BUF.SIZEの欄に0kの表示が出ます。
オートミックスを保存する
オートミックスの保存は、Memoryページで行います。03D本体に4つまでのオートミッ
クスを保存できます。オートミックスとカレントオートミックスは、MIDIバルクダン
プ機能を使ってMIDIデータファイラーなどの外部MIDI装置にバックアップすること
も可能です。詳細は、242ページの「バルクダンプ」をご参照ください。
1. [AUTOMIX]キーでMemoryページを表示させてください。
2. [PARAMETER]ダイアルでオートミックスのリストを上下にスクロールしてくださ
い。
マウスを使用している場合は、マウスカーソルをパラメーターボックスに合わせ、マ
ウスの左ボタンを押したままマウスをドラッグします。
各オートミックスの番号、タイトル、サイズ、タイムベースの種類、スタートタイムが
表示されます。データの入っていないオートミックスのタイトルは“No Data!”となっ
ています。
3. [CURSOR]キーでSTOREボタンを選択してから、[ENTER]キーを押してください。
マウスを使用している場合は、STOREボタンをクリックしてください。
TITLE EDITダイアログボックスが現われます。
4. オートミックスのタイトルを入力してください。
詳細は、33ページの「TITLE EDITダイアログボックス」をご参照ください。
5. TITLE EDITダイアログボックスでOKを押してください。
カレントオートミックスの内容が、選択したオートミックスメモリーに保存されま
す。

03D取扱説明書
第16章 オートミックス 203
03Dの
世界へ
ようこそ!
各部の
名称と機能
インプット
チャンネル
イコライザー
パン、
ルーティング、
サラウンドパン
ソロ、
モニター、
メーター
ステレオ
アウト
AUXアウト
バスアウト
チャンネル
ライブラリー
とビュー
内蔵
エフェクト
シーン
メモリー
オート
ミックス
その他の
機能
デジタル
I/O
MIDI
付 録
グループ、
ペア
ダイナミクス
プロセッサー
ユーザー
インター
フェース
の基礎知識
オートミックスを呼び出す
Memoryページでは、4つのオートミックスから任意のオートミックスを選んで呼び出
すことができます。オートミックスを呼び出すと、カレントオートミックスが呼び出
された内容に入れ替わるので、呼び出す前にカレントオートミックスを保存してお
くことをおすすめします。詳細は、202ページの「オートミックスを保存する」をご参照
ください。
1. [AUTOMIX]キーでMemoryページを表示させてください。
2. [PARAMETER]ダイアルでオートミックスのリストを上下にスクロールしてくださ
い。
マウスを使用している場合は、マウスカーソルをパラメーターボックスに合わせ、マ
ウスの左ボタンを押したままマウスをドラッグします。
各オートミックスの番号、タイトル、サイズ、タイムベースの種類、スタートタイムが
表示されます。データの入っていないオートミックスのタイトルは“No Data!”となり
ます。
3. [CURSOR]キーでRECALLボタンを選択してから、[ENTER]キーを押してください。
マウスを使用している場合は、RECALLボタンをクリックしてください。
選択されたオートミックスの内容が呼び出され、カレントオートミックスとなりま
す。
オートミックスが呼び出されたときにアンドゥ機能がオンに設定されていれば、以前
のカレントオートミックスがアンドゥバッファーにコピーされます。しかし、オート
ミックスを呼び出したときに十分なメモリーがなく、アンドゥバッファーにカレント
オートミックスをコピーできない場合は、カレントオートミックスとメモリー内の
オートミックスの内容を入れ替えることができます。詳細は、204ページの「カレント
オートミックスを入れ替える」をご参照ください。

03D取扱説明書
204 第16章 オートミックス
03Dの
世界へ
ようこそ!
各部の
名称と機能
インプット
チャンネル
イコライザー
パン、
ルーティング、
サラウンドパン
ソロ、
モニター、
メーター
ステレオ
アウト
AUXアウト
バスアウト
チャンネル
ライブラリー
とビュー
内蔵
エフェクト
シーン
メモリー
オート
ミックス
その他の
機能
デジタル
I/O
MIDI
付 録
グループ、
ペア
ダイナミクス
プロセッサー
ユーザー
インター
フェース
の基礎知識
カレントオートミックスを入れ替える
オートミックスが呼び出されときにアンドゥ機能がオンに設定されていれば、以前の
カレントオートミックスがアンドゥバッファーにコピーされます。しかし、オート
ミックスを呼び出したときに十分なメモリーがなく、アンドゥバッファーにカレント
オートミックスをコピーできない場合、カレントオートミックスとメモリー内のオー
トミックスの内容を入れ替えることができます。
これはサイズの大きなオートミックスをリコールしたり保存したりするときにも使
えます。
1. [AUTOMIX]キーでMemoryページを表示させてください。
2. [PARAMETER]ダイアルでオートミックスのリストを上下にスクロールしてくださ
い。
マウスを使用している場合は、マウスカーソルをパラメーターボックスに合わせ、マ
ウスの左ボタンを押したままマウスをドラッグします。
各オートミックスの番号、タイトル、サイズ、タイムベースの種類、スタートタイムが
表示されます。データの入っていないオートミックスのタイトルは“No Data!”となり
ます。
3. [CURSOR]キーでSWAP FOR CURRENTボタンを選択してください。
4. [ENTER]キーを押します。
マウスを使用している場合は、SWAP FOR CURRENTボタンをクリックしてくださ
い。
確認のダイアログボックスが現われます。
5. [CURSOR]キーでOKを選択し、[ENTER]キーを押してください。
マウスを使用している場合は、OKをクリックしてください。
カレントオートミックスとメモリー内のオートミックスの内容が入れ替わり、アン
ドゥバッファーの内容は変化しません。

03D取扱説明書
第16章 オートミックス 205
03Dの
世界へ
ようこそ!
各部の
名称と機能
インプット
チャンネル
イコライザー
パン、
ルーティング、
サラウンドパン
ソロ、
モニター、
メーター
ステレオ
アウト
AUXアウト
バスアウト
チャンネル
ライブラリー
とビュー
内蔵
エフェクト
シーン
メモリー
オート
ミックス
その他の
機能
デジタル
I/O
MIDI
付 録
グループ、
ペア
ダイナミクス
プロセッサー
ユーザー
インター
フェース
の基礎知識
オートミックスのタイトルをエディットする
オートミックスのタイトルは、わざわざオートミックスを呼び出さなくても、いつで
もエディットできます。タイトルをエディットできるのは、データの入っているオー
トミックスのみです。この操作は、つぎの図のMemoryページで行います。
1. [AUTOMIX]キーでMemoryページを表示させてください。
2. [PARAMETER]ダイアルかマウスでオートミックスを選択してください。
マウスを使用している場合は、マウスカーソルをパラメーターボックスに合わせ、マ
ウスの左ボタンを押したままマウスをドラッグします。
3. [CURSOR]キーでTITLE EDITボタンを選択し、[ENTER]キーを押してください。
マウスを使用している場合は、TITLE EDITボタンをクリックします。
TITLE EDITダイアログボックスが現われます。
4. オートミックスのタイトルをエディットしてください。
詳細は、33ページの「TITLE EDITダイアログボックス」をご参照ください。
5. 終了したら、TITLE EDITダイアログボックスでOKをクリックしてください。

03D取扱説明書
206 第16章 オートミックス
03Dの
世界へ
ようこそ!
各部の
名称と機能
インプット
チャンネル
イコライザー
パン、
ルーティング、
サラウンドパン
ソロ、
モニター、
メーター
ステレオ
アウト
AUXアウト
バスアウト
チャンネル
ライブラリー
とビュー
内蔵
エフェクト
シーン
メモリー
オート
ミックス
その他の
機能
デジタル
I/O
MIDI
付 録
グループ、
ペア
ダイナミクス
プロセッサー
ユーザー
インター
フェース
の基礎知識
オートミックスメモリーをクリアする
4つのオートミックスメモリーの内容は個別にクリアできます。記録を続けるために
メモリー容量が必要なときや、不要になったオートミックスを消したいときにこの機
能を使います。また、MIDIバルクダンプ機能を使ってすでにバックアップを作った
オートミックスを削除することもできます。詳細は、242ページの「バルクダンプ」をご
参照ください。オートミックスメモリーのクリアはMemoryページで行います。クリア
するためにわざわざオートミックスを呼び出す必要はありません。
1. [AUTOMIX]キーでMemoryページを表示させてください。
2. [PARAMETER]ダイアルかマウスでオートミックスを選択してください。
マウスを使用している場合は、マウスカーソルをパラメーターボックスに合わせ、マ
ウスの左ボタンを押したままマウスをドラッグします。
3. [CURSOR]キーでCLEARボタンを選択してください。
4. [ENTER]キーを押してください。
マウスを使用している場合は、CLEARボタンをクリックします。
CONFIRMATIONダイアログボックスが現われます。
5. OKを選択し確定します。
選択したオートミックスメモリーがクリアされ、タイトル、サイズ、タイムベースの種
類、スタートタイムの値がリセットされます。

03D取扱説明書
第17章 その他の機能 207
03Dの
世界へ
ようこそ!
各部の
名称と機能
インプット
チャンネル
イコライザー
パン、
ルーティング、
サラウンドパン
ソロ、
モニター、
メーター
ステレオ
アウト
AUXアウト
バスアウト
チャンネル
ライブラリー
とビュー
内蔵
エフェクト
シーン
メモリー
オート
ミックス
その他の
機能
デジタル
I/O
MIDI
付 録
グループ、
ペア
ダイナミクス
プロセッサー
ユーザー
インター
フェース
の基礎知識
第17章 その他の機能
17
本章の目次
ユーザー定義キー ..............................................................................................208
内蔵オシレーターの使い方 ..............................................................................211
プリファレンス ..................................................................................................212
電池の点検 ..........................................................................................................213
03Dの初期化 .......................................................................................................213
フェーダーのキャリブレーション ..................................................................214

03D取扱説明書
208 第17章 その他の機能
03Dの
世界へ
ようこそ!
各部の
名称と機能
インプット
チャンネル
イコライザー
パン、
ルーティング、
サラウンドパン
ソロ、
モニター、
メーター
ステレオ
アウト
AUXアウト
バスアウト
チャンネル
ライブラリー
とビュー
内蔵
エフェクト
シーン
メモリー
オート
ミックス
その他の
機能
デジタル
I/O
MIDI
付 録
グループ、
ペア
ダイナミクス
プロセッサー
ユーザー
インター
フェース
の基礎知識
ユーザー定義キー
USER DEFINEキーは、キーを押したときに特定のMIDIメッセージや
MMC(MIDIマシンコントロール)コマンドを送信するように、ユーザー
がプログラムできます。また、頻繁に使用するミックスシーンやエフェ
クトプログラムを呼び出したり、選択されたチャンネルのミックス設定
を調整したり、オートミックス機能をコントロールする用途などにも使えます。
USER DEFINEキーの機能は、この図のようにディスプレイの右上
に常時表示されています。
USER DEFINEキーには、31の機能の中から任意の機能を割り当てできます。個々の
USER DEFINEキーの機能は、4つのバンクに分けて設定できます。USER DEFINEキー
の機能設定は、User Def.ページで行います。
1. [UTILITY]キーでつぎの図のUser Def.ページを表示させてください。
2. [CURSOR]キーでバンク内のボタンを選択してください。
3. [ENTER]キーを押してください。
マウスを使用している場合は、ボタンをクリックしてください。
つぎのFUNCTION DEFINEダイアログボックスが現われます。
4. [PARAMETER]ダイアルで選択可能な機能をスクロールして選んでください。
マウスを使用している場合は、マウスカーソルをパラメーターボックス上に移動し
て、マウスの左ボタンを押さえながらマウスをドラッグしてください。
5. [CURSOR]キーでOKボタンを選択してから、[ENTER]キーを押してください。
マウスを使用している場合は、OKボタンをクリックします。
6. 使用するバンクを切替えるには、APPLYボタンを選択してから[ENTER]キーを押し
てください。
マウスを使用している場合は、APPLYボタンをクリックします。
USER DEFINEキーに割り当て可能な機能は、つぎのとおりです。
USER DEFINE
1
3
2
4

03D取扱説明書
第17章 その他の機能 209
03Dの
世界へ
ようこそ!
各部の
名称と機能
インプット
チャンネル
イコライザー
パン、
ルーティング、
サラウンドパン
ソロ、
モニター、
メーター
ステレオ
アウト
AUXアウト
バスアウト
チャンネル
ライブラリー
とビュー
内蔵
エフェクト
シーン
メモリー
オート
ミックス
その他の
機能
デジタル
I/O
MIDI
付 録
グループ、
ペア
ダイナミクス
プロセッサー
ユーザー
インター
フェース
の基礎知識
MMCコマンド
# 機 能 動 作
00 -----(アサインなし) 機能なし
01 MMC [STOP] MMC停止コマンド(F0 7F nn 06 01 F7)を送信
02 MMC [PLAY] MMC再生(再生予約)コマンド(F0 7F nn 06 03 F7)を送信
03 MMC [REWIND] MMC巻き戻しコマンド(F0 7F nn 06 05 F7)を送信
04 MMC [F. FWD] MMC早送りコマンド(F0 7F nn 06 04 F7)を送信
05 MMC [REC] MMC録音コマンド(F0 7F nn 06 06 F7)を送信
各MMCコマンドの“nn”の部分には、受信装置のデバイスナンバーが入ります。これは
MIDI/HOSTページで設定します。詳細は、233ページの「MIDI/HOSTセットアップ」を
ご参照ください。
MIDIリアルタイムメッセージ
# 機 能 動 作
06 MIDI [STOP] MIDIストップメッセージ(FCH)を送信
07 MIDI [START] MIDIスタートメッセージ(FAH)を送信
08 MIDI [CONTINUE] MIDIコンティニューメッセージ(FBH)を送信
シーンメモリー&ライブラリー
# 機 能 動 作
09 Scene +1 Recall つぎの番号のミックスシーンをリコール
10 Scene −1 Recall 1つ前の番号のミックスシーンをリコール
11
Scene mem. Recall(No.xx)
指定したミックスシーンをリコール
12 Eff1 lib.+1 Recall つぎの番号のエフェクトプログラムをEFFECT 1にリコール
13 Eff1 lib.−1 Recall 1つ前の番号のエフェクトプログラムをEFFECT 1にリコール
14 Eff1 lib. Recall(No.xx) 指定したエフェクトプログラムをEFFECT 1にリコール
15 Eff2 lib.+1 Recall つぎの番号のエフェクトプログラムをEFFECT 2にリコール
16 Eff2 lib.−1 Recall 1つ前の番号のエフェクトプログラムをEFFECT 2にリコール
17 Eff2 lib. Recall(No.xx) 指定したエフェクトプログラムをEFFECT 2にリコール
現在のミックスシーンやエフェクトプログラムが最後の番号のときは、つぎの番号の
ミックスシーンまたはプログラムをリコールしても何も呼び出されません。同様に最
初の番号のときは、1つ前の番号のミックスシーンやプログラムを呼び出すことはで
きません。
指定したミックスシーンやエフェクトプログラムにデータが何もない場合、データが
あるつぎのミックスシーンやエフェクトプログラムが呼び出されます。
オートミックス
# 機 能 動 作
18 Automix [REC] オートミックスMainページのRECボタンと同じ
19 Automix [PLAY] オートミックスMainページのPLAYボタンと同じ
20 Automix [STOP] オートミックスMainページのSTOPボタンと同じ
21 Automix [ABORT] オートミックスMainページのABORTボタンと同じ

03D取扱説明書
210 第17章 その他の機能
03Dの
世界へ
ようこそ!
各部の
名称と機能
インプット
チャンネル
イコライザー
パン、
ルーティング、
サラウンドパン
ソロ、
モニター、
メーター
ステレオ
アウト
AUXアウト
バスアウト
チャンネル
ライブラリー
とビュー
内蔵
エフェクト
シーン
メモリー
オート
ミックス
その他の
機能
デジタル
I/O
MIDI
付 録
グループ、
ペア
ダイナミクス
プロセッサー
ユーザー
インター
フェース
の基礎知識
チャンネルコントロール
# 機 能 動 作
22 CH Delay on/off 選択チャンネルのディレイのオン/オフ切替え
23 EQ on/off 選択チャンネルのEQのオン/オフ切替え
24 Dynamics on/off 選択チャンネルのダイナミクスプロセッサーのオン/オフ切替え
25 PAN Left 選択チャンネルのパンを左へ1ステップ移動
26 PAN Right 選択チャンネルのパンを右へ1ステップ移動
27 PAN Front 選択チャンネルのパン(サラウンドパン)を前に1ステップ移動
28 PAN Rear 選択チャンネルのパン(サラウンドパン)を後ろに1ステップ移動
ステレオインプットチャンネル、エフェクトリターンチャンネル、ステレオ出力では、
上記のPAN LEFT、PAN RIGHTは、パンではなくバランスを設定します。
2つのUSER DEFINEキーにそれぞれPAN LEFTとPAN RIGHT、もしくはPAN FRONT
とPAN REARを割り当てた場合、キーを同時に押すことでパンまたはバランスをセン
ター位置に設定できます。
その他
# 機 能 動 作
29 Peak Hold on/off メーターのピークホールド機能のオン/オフ切替え
30 Oscillator on/off オシレーターのオン/オフ切替え
USER DEFINEキーインジケーター
それぞれのUSER DEFINEキーにはLEDのインジケーターが装備されており、このイ
ンジケーターの動作は選択した機能によって異なります。つぎの表をご参照くださ
い。
機 能 タイプ インジケーターの動作
1∼17, 21 単純なトリガー動作 キーを押すと一時的に点灯
19, 20, 22, 23,
24, 29, 30 オン/オフ操作 指定した機能がオンになると点灯
18 オートミックスREC 記録待機モードで点滅
記録中は継続的に点灯
25∼28 PAN
選択したチャンネルのパン回転ノブが、センターから指定
された方向寄りにあるときに点灯。たとえばPAN LEFTに設
定したキーのインジケーターは、パンのノブがL16∼セン
ターの範囲に設定されているときに点灯する
2つのUSER DEFINEキーをPAN LEFTとPAN RIGHT、もしくはPAN FRONTとPAN
REARに設定すると、選択されたチャンネルのパンの位置がインジケーターで簡単に
確認できます。つぎの図はUSER DEFINEキーの[1]と[2]にPAN LEFTとPAN RIGHT
の機能を割り当てた例です。
12
パンがセンターに設定された場合
PAN LEFT PAN RIGHT
12
パンはL16∼L1の範囲に設定された場合
PAN LEFT PAN RIGHT
12
パンはR16∼R1の範囲に設定された場
合
PAN LEFT PAN RIGHT

03D取扱説明書
第17章 その他の機能 211
03Dの
世界へ
ようこそ!
各部の
名称と機能
インプット
チャンネル
イコライザー
パン、
ルーティング、
サラウンドパン
ソロ、
モニター、
メーター
ステレオ
アウト
AUXアウト
バスアウト
チャンネル
ライブラリー
とビュー
内蔵
エフェクト
シーン
メモリー
オート
ミックス
その他の
機能
デジタル
I/O
MIDI
付 録
グループ、
ペア
ダイナミクス
プロセッサー
ユーザー
インター
フェース
の基礎知識
内蔵オシレーターの使い方
03Dには便利なオーディオオシレーターが内蔵されており、バス出力、AUX出力、ステ
レオ出力、内蔵エフェクトにオシレーターの出力を送ることができます。このオシ
レーターはレベル調節や試聴テストに利用できます。たとえば、バーストノイズの波
形を内蔵エフェクターに割り当てれば、リバーブ設定を簡単に試聴できます。
1. [UTILITY]キーでつぎのOscillatorページを表示させてください。
2. [CURSOR]キーでパラメーターを選択して[ENTER]キーでオン/オフを切替えてく
ださい。また、[PARAMETER]ダイアルを使ってLEVELパラメーターを調整してくだ
さい。
WAVEFORM―オシレーターが発生する波形の種類をつぎの中から選択します。
・SINE 100Hz(100Hzのサイン波)
・SINE 1kHz(1kHzのサイン波)
・SINE 10kHz(10kHzのサイン波)
・PINK NOISE(ピンクノイズ)
・BURST NOISE(4秒間隔でノイズパルスを200ミリ秒生成)
OSC ON―オシレーターのオン/オフを切替えます。
注意:
サイン波およびノイズは聴感上の音量に比べて音圧レベルが高く、大音量で
再生するとスピーカーやヘッドフォンに悪影響を与えることがありますのでご注
意ください。オシレータレベル、ステレオ出力、AUX出力、バス出力、エフェクトリ
ターンは小さめにしておいてください。
LEVEL―オシレーターが生成する信号のレベルを0dB∼−96dBの範囲で調整します。
カーソルの位置に関係なく[PARAMETER]ダイヤルでレベルを調整できます。
ASSIGN―オシレーター信号をバス出力、AUX出力、ステレオ出力、内蔵エフェクトに
割り当てるボタンです。オシレーターをバスに割り当てると、オシレーターの信号が
優先され、そのバスを経由する他の信号はすべてミュートされます。
他のページを選択しても、オシレーターはオンのまま保持されます。ただし、03Dの電
源を切った場合は、常にオフの設定に戻ります。オシレーター信号を受信中のバスは、
他の信号を受信することはできません。
オシレータ信号をAUXバスに送ると、他のバスに送るときに比べ2sample遅れます。

03D取扱説明書
212 第17章 その他の機能
03Dの
世界へ
ようこそ!
各部の
名称と機能
インプット
チャンネル
イコライザー
パン、
ルーティング、
サラウンドパン
ソロ、
モニター、
メーター
ステレオ
アウト
AUXアウト
バスアウト
チャンネル
ライブラリー
とビュー
内蔵
エフェクト
シーン
メモリー
オート
ミックス
その他の
機能
デジタル
I/O
MIDI
付 録
グループ、
ペア
ダイナミクス
プロセッサー
ユーザー
インター
フェース
の基礎知識
プリファレンス
つぎのPrefer.ページでは、03Dのさまざまな環境設定を行います。
1. [UTILITY]キーでPrefer.ページを表示させてください。
2. [CURSOR]キーでパラメーターを選択し、[ENTER]キーで有効にしてください。
つぎの各項目が設定できます。
MOUSE SPEED(マウススピード)
4種類のスピードがあります。ご自分の好みや、マウスを動かせる面積に応じて選んで
ください。スピードが速いほど、マウスをほんのわずか動かしただけでディスプレイ
内を迅速に移動できます。
STORE CONFIRMATION(保存の確認)
このプリファレンスをオンにすると、ミックスシーンやライブラリープログラムを保
存するときには、常に確認のTITLE EDITダイアログボックスが現われます。ミックス
シーンやライブラリープログラムを誤って保存することを防ぐのに便利な機能です。
RECALL CONFIRMATION(リコールの確認)
このプリファレンスをオンにすると、ミックスシーンやライブラリープログラムを呼
び出すときには、常に確認のダイアログボックスが現われます。ミックスシーンやラ
イブラリープログラムを誤って呼び出すのを防ぐのに便利な機能です。
METER FALLING SPEED(メーター落下速度)
レベルメーターの下がる速度をNORMAL(通常)またはFAST(高速)に設定します。初
期設定はNORMALです。
DIGITAL ST IN SYNC CAUTION(DIGITAL ST IN入力警告)
このパラメーターがオンの場合、DIGITAL STEREO IN端子からの入力信号がマス
ターのワードクロックソースに同期していないときに警告のメッセージが現われま
す。初期設定ではオンになっています。
YGDAI IN SYNC CAUTION(YGDAI入力警告)
このパラメーターがオンの場合、YGDAIの入力信号がマスターのワードクロックソー
スに同期していないときに警告のメッセージが現われます。初期設定ではオンになっ
ています。

03D取扱説明書
第17章 その他の機能 213
03Dの
世界へ
ようこそ!
各部の
名称と機能
インプット
チャンネル
イコライザー
パン、
ルーティング、
サラウンドパン
ソロ、
モニター、
メーター
ステレオ
アウト
AUXアウト
バスアウト
チャンネル
ライブラリー
とビュー
内蔵
エフェクト
シーン
メモリー
オート
ミックス
その他の
機能
デジタル
I/O
MIDI
付 録
グループ、
ペア
ダイナミクス
プロセッサー
ユーザー
インター
フェース
の基礎知識
電池の点検
03Dは長寿命の電池を使って内部メモリーを保持しています。電池は約5年間もちま
すが、Prefer.ページで電池の寿命を確認できます。
1. [UTILITY]キーでPreferページを表示させてください。
BATTERY MONITOR(電池モニター)の欄に電池が少なくなっていることが表示さ
れたら、お買い上げのヤマハ特約店またはヤマハサービスセンターに電池交換をご依
頼ください。ご自分で電池を交換することはお止めください。
注意:
残り少ない電池で03Dを使用していると、データが消えてしまう恐れがあり
ます。
03Dの初期化
03Dの設定、シーンメモリー、ライブラリーを初期設定値(工場出荷時の状態)に初期
化します。
ミックス設定のみを初期設定値にリセットしたい場合は、ミックスシーン00をリコー
ルしてください。詳細は、163ページの「シーンメモリー00」をご参照ください。
1. 03Dの電源を切ってください。
2. [STORE]キーを押さえたまま、電源を入れてください。
つぎの3つの選択肢を持った表示が現われます。
初期化のセット画面は7∼8秒しか現われませんので、その範囲内で作業を完了するよ
うにしてください。
1. すべてのメモリーをクリアーし03Dを初期化
2. エディットバッファーとセットアップメモリーをクリアー
3. このダイアログボックスをキャンセル
3. キーから手を離して、選択肢を一つ選んでください。

03D取扱説明書
214 第17章 その他の機能
03Dの
世界へ
ようこそ!
各部の
名称と機能
インプット
チャンネル
イコライザー
パン、
ルーティング、
サラウンドパン
ソロ、
モニター、
メーター
ステレオ
アウト
AUXアウト
バスアウト
チャンネル
ライブラリー
とビュー
内蔵
エフェクト
シーン
メモリー
オート
ミックス
その他の
機能
デジタル
I/O
MIDI
付 録
グループ、
ペア
ダイナミクス
プロセッサー
ユーザー
インター
フェース
の基礎知識
フェーダーのキャリブレーション
03Dを長期間使用しない場合、別の場所へ移動する場合、あるいはフェーダーの動き
がおかしくなった場合は、フェーダーのキャリブレーションが必要です。キャリブ
レーションを実行すれば、各フェーダーのモーターが正確でスムーズな動きをするよ
うに回転部分が自動調整されます。
1. フェーダーのキャリブレーションを行うには、03Dの電源を切ってください。
2. [ENTER]キーを押したまま再度電源を入れてください。
フェーダーのキャリブレーションが始まります。フェーダーが元の位置まで戻れば
キャリブレーションが完了です。

03D取扱説明書
第18章 デジタル I/O 215
03Dの
世界へ
ようこそ!
各部の
名称と機能
インプット
チャンネル
イコライザー
パン、
ルーティング、
サラウンドパン
ソロ、
モニター、
メーター
ステレオ
アウト
AUXアウト
バスアウト
チャンネル
ライブラリー
とビュー
内蔵
エフェクト
シーン
メモリー
オート
ミックス
その他の
機能
デジタル
I/O
MIDI
付 録
グループ、
ペア
ダイナミクス
プロセッサー
ユーザー
インター
フェース
の基礎知識
第18章 デジタルI/O
18
本章の目次
ワードクロックのセットアップ ......................................................................216
デジタルステレオアウト ..................................................................................219
出力ディザー ......................................................................................................220
デジタルステレオイン ......................................................................................221
デジタルインプットモニター ..........................................................................222
YGDAIカード .....................................................................................................223
YGDAIブロック図 .............................................................................................225
03Dのカスケード接続 .......................................................................................227
カスケードのブロック図 ..................................................................................230

03D取扱説明書
216 第18章 デジタル I/O
03Dの
世界へ
ようこそ!
各部の
名称と機能
インプット
チャンネル
イコライザー
パン、
ルーティング、
サラウンドパン
ソロ、
モニター、
メーター
ステレオ
アウト
AUXアウト
バスアウト
チャンネル
ライブラリー
とビュー
内蔵
エフェクト
シーン
メモリー
オート
ミックス
その他の
機能
デジタル
I/O
MIDI
付 録
グループ、
ペア
ダイナミクス
プロセッサー
ユーザー
インター
フェース
の基礎知識
ワードクロックのセットアップ
ワードクロックについて
システム内に複数のデジタルオーディオ機器が組み込まれている場合、各機器がすべ
て同一のワードクロックソースに同期していなければなりません。ワードクロックの
同期とは、SMPTEタイムコードやMIDIタイムコードの同期とは異なり、各オーディオ
機器内でデジタルオーディオを処理する回路がお互いに同期した状態を指します。通
常は、1台のデジタルオーディオ機器がワードクロックのマスターとなり、その他の機
器がスレーブとなります。ワードクロックの周波数は、選択されているサンプリング
周波数と一致します。
場合によっては、システム内に含まれる複数のデジタルオーディオ機器が共通のワー
ドクロックを使用しなくても(つまり、各機器の内蔵ワードクロックを基準とするよ
うに設定してあっても)、一見問題なく見えることもありますが、実際にはデジタル
オーディオデータが正しく処理されていません。システムによっては、この問題が耳
につくほど顕著に現われます。また、音が歪むケースも出てきますので、この点に十分
ご注意ください。
各機器で同一のワードクロックを共有するシステムでは、たとえ使用しない機器が
あっても、必ずすべての機器の電源をオンにすることが重要です。ワードクロックの
マスターとなる機器の電源を最初に入れ、つぎにスレーブ機器の電源を入れます。電
源を切るときは逆にスレーブ機器から順に電源を切ってください。録音や演奏を始め
る前に、ワードクロックのスレーブ機器がマスター機器のワードクロックにロックし
ていることを確認してください。大半の機器では、内部または外部ワードクロックの
どちらにロックしているかを表示するインジケーターがフロントパネルにあります
ので、必ずこのインジケーターを確認してください。

03D取扱説明書
第18章 デジタル I/O 217
03Dの
世界へ
ようこそ!
各部の
名称と機能
インプット
チャンネル
イコライザー
パン、
ルーティング、
サラウンドパン
ソロ、
モニター、
メーター
ステレオ
アウト
AUXアウト
バスアウト
チャンネル
ライブラリー
とビュー
内蔵
エフェクト
シーン
メモリー
オート
ミックス
その他の
機能
デジタル
I/O
MIDI
付 録
グループ、
ペア
ダイナミクス
プロセッサー
ユーザー
インター
フェース
の基礎知識
ワードクロックソースの選択
03Dの内蔵ワードクロックジェネレーターでは、標準のサンプリング周波数である
44.1kHzと48kHzが使用できます。内蔵ワードクロックジェネレーターを使用する場合
は、03Dをワードクロックマスター、その他のデジタル機器をスレーブとして使用し
ます。また、周波数が32kHz−6%∼48kHz+6%の範囲の外部ワードクロックに対し、
03Dを同期させることも可能です。外部ワードクロックは、DIGITAL STEREO IN端子、
BNC WORD CLOCK IN端子、あるいはYGDAIデジタル入力の2つ1組の入力から受信
できます。
1. [DIO]キーでD.in Setupページを表示させてください。
2. [CURSOR]キーでWORD CLOCK SOURCEの欄から選択ボタンを選び、[ENTER]キー
で設定してください。
マウスを使用している場合は、選択ボタンをクリックしてください。
03Dが選択したワードクロックに正しくロックすると、該当する選択ボタンが反転表
示されます。
AUTO NAVEGATE―使用可能なすべてのワードクロックソース
をチェックして、推奨ワードクロックを表示する機能です。ただ
し、この機能が常に完璧とは限りませんのでご注意ください。場
合によっては、推奨できるほど安定したワードクロックが見つ
けられないこともあります。この機能を選ぶと、右の図のような
ダイアログボックスが現われます。
48kHzの内蔵ワードクロック
44.1kHzの内蔵ワードクロック
DIGITAL STEREO IN端子からの外部ワードクロック(AES/EBUまたは、
COAXIAL)
BNC WORD CLOCK IN端子からの外部ワードクロック
YGDAIカード入力1&2からの外部ワードクロック
YGDAIカード入力3&4からの外部ワードクロック
YGDAIカード入力5&6からの外部ワードクロック
YGDAIカード入力7&8からの外部ワードクロック
注意:
この機能を使用する前に必ずアンプやフェーダーをしぼり、レコーダーは停
止させ、音が出力されない状態にしてください。ワードクロックを連続的に切替え
るため、ノイズが発生することがあるからです。

03D取扱説明書
218 第18章 デジタル I/O
03Dの
世界へ
ようこそ!
各部の
名称と機能
インプット
チャンネル
イコライザー
パン、
ルーティング、
サラウンドパン
ソロ、
モニター、
メーター
ステレオ
アウト
AUXアウト
バスアウト
チャンネル
ライブラリー
とビュー
内蔵
エフェクト
シーン
メモリー
オート
ミックス
その他の
機能
デジタル
I/O
MIDI
付 録
グループ、
ペア
ダイナミクス
プロセッサー
ユーザー
インター
フェース
の基礎知識
ワードクロックソースの表示(黒、/、×)は、つぎの状態を示しています。
03Dがこのワードクロックソースにロックしています。
ワードクロック信号が送られてきてはいますが、現在選ばれているワードク
ロックと同期していません。
UTILITYファンクションのPrefer.ページにおけるDIGITAL ST IN SYNC CAU-
TIONやYGDAI IN SYNC CAUTIONの設定で、これらの信号が入力されたとき、
画面に警告を表示できます。詳細は、212ページ「プリファレンス」をご参照くだ
さい。
ワードクロック信号が送られてきていません。
FS―03Dがワードクロックにロックすると、この位置にサンプリング周波数(48k、
44.1k、32k)が表示されます。ロックしていない場合はUNLOCKと表示されます。
また、他の画面になっているときでも、ロックしてなければその画面に警告が表示されます。
ワードクロック接続とターミネーション
03Dを正しく操作するためには、ワードクロック接続のターミネーション(終端処理)
を適切に行う必要があります。03Dのリアパネルには、ワードクロックのターミネー
ション用のオン/オフ(75Ω)スイッチがあります。ワードクロックはTTL信号で、入
出力にはBNC端子を使用しています。以下に3つの接続例を挙げておきます。特にワー
ドクロックのターミネーター(75Ω)スイッチの設定にご注意ください。
1. インターフェースユニットIFU4を使用したワードクロックの分岐
03D-A
75Ω Switch=ON
03D-B
75Ω Switch=ON
Other
Device-A
75Ω Switch=ON
Other
Device-B
75Ω Switch=ON
WORDCLOCK
OUT
WORDCLOCK IN WORDCLOCK IN WORDCLOCK IN WORDCLOCK IN
YAMAHA IFU4
この例では、ヤマハインターフェースユニットIFU4を使ってワードクロック信号を分
岐し、各機器に供給しています。ワードクロックのターミネータースイッチはすべて
ONになっています。
2. T字型BNC端子を使用したワードクロックの分岐
03D-A
75Ω Switch=OFF
03D-B
75Ω Switch=OFF
Other
Device-A
75Ω Switch=OFF
Other
Device-B
75Ω Switch=ON
WORDCLOCK
OUT
WORDCLOCK IN WORDCLOCK IN WORDCLOCK IN WORDCLOCK IN
この例は上記と似ていますが、T字型BNC端子を使ってワードクロックを分岐してい
る点が異なります。最後の機器のワードクロックターミネータースイッチだけがON
になっています。

03D取扱説明書
第18章 デジタル I/O 219
03Dの
世界へ
ようこそ!
各部の
名称と機能
インプット
チャンネル
イコライザー
パン、
ルーティング、
サラウンドパン
ソロ、
モニター、
メーター
ステレオ
アウト
AUXアウト
バスアウト
チャンネル
ライブラリー
とビュー
内蔵
エフェクト
シーン
メモリー
オート
ミックス
その他の
機能
デジタル
I/O
MIDI
付 録
グループ、
ペア
ダイナミクス
プロセッサー
ユーザー
インター
フェース
の基礎知識
3. デイジーチェーン接続による分岐
03D-A
75Ω Switch=ON
IN OUT
03D-B
75Ω Switch=ON
WORDCLOCK
OUT
WORDCLOCK
IN OUT
WORDCLOCK
この例では、ワードクロックマスターとしてデジタルMTR(マルチトラックレコー
ダー)を使用しています。03Dのワードクロックターミネータースイッチが両方とも
ONになっています。大規模なシステムでは、この方法はあまりおすすめできません。
デジタルステレオアウト
03Dには、AES/EBUとCOAXIALという2系統のデジ
タルステレオ出力が搭載されています。これら2つの
端子からは、同じデジタルオーディオ信号がそれぞ
れ異なるフォーマットで出力されます。XLR-3-32端
子はAES/EBUフォーマットのオーディオ、COAXIAL
端子は民生フォーマットのデジタルオーディオを出
力します。
デジタルステレオ出力に送られるソースとしては、ステレオ出力信号以外にSTEREO
バス信号も選択できます。
1. [DIO]キーでD.out Setupページを表示させてください。
2. [CURSOR]キーでDIGITAL ST OUT PRE/POSTボタンを選択し、[ENTER]キーでPOST
FADER(ポストフェーダー)またはPRE FADER(プリフェーダー)を選択してくださ
い。
POST FADERではステレオ出力フェーダーの後から、PRE FADERではSTEREOバス
から直接信号がデジタルステレオ出力に送られます。
マウスを使用している場合は、DIGITAL ST OUT PRE/POSTボタンをクリックしてく
ださい。
03Dが出力するデジタルオーディオデータのワード長はAES/EBUは24ビット、CO-
AXIALは20ビットです。詳細は、220ページの「出力ディザー」をご参照ください。
3
12
DIGITAL STEREO OUT
COAXIAL
AES/EBU

03D取扱説明書
220 第18章 デジタル I/O
03Dの
世界へ
ようこそ!
各部の
名称と機能
インプット
チャンネル
イコライザー
パン、
ルーティング、
サラウンドパン
ソロ、
モニター、
メーター
ステレオ
アウト
AUXアウト
バスアウト
チャンネル
ライブラリー
とビュー
内蔵
エフェクト
シーン
メモリー
オート
ミックス
その他の
機能
デジタル
I/O
MIDI
付 録
グループ、
ペア
ダイナミクス
プロセッサー
ユーザー
インター
フェース
の基礎知識
出力ディザー
03DはAES/EBUが24ビット、COAXIALが20ビットのワード長でデジタルオーディオ
データを出力します。解像度の高いデジタルオーディオ信号が解像度の低いシステム
に転送された場合、受信側のシステムで最下位ビット(LSB)の一部が無視されます。
このようなビット切り捨てにより、信号のレベルが低いときに粒が粗く階段状のサウ
ンドとなり、まるで解像度の低いデジタルリバーブをかけた信号をフェードイン/ア
ウトさせたように聞こえます。デジタルオーディオ信号のワード長は、受信側のシス
テムで対応するワード長に一致するように短くしなければなりませんが、この工程を
最適化するのがデジタルディザー機能です。疑似乱数シーケンスジェネレーターの出
力を、短くされたデータワードの最下位ビット、およびそれ以下のビットと比較し、D/
Aコンバーターに入る前で切り上げまたは切り捨てを行います。これにより、03Dのデ
ジタル出力信号が、解像度の低いシステムでも使用できるように最適化されます。
ディザー機能を使用すると、デジタル信号に理論上最小限度のノイズが加わります。
ディザー機能を使用すべきかどうかは用途によって異なりますが、不確かな場合は使
用することをおすすめします。
ディザーはDIGITAL STEREO OUT端子とYGDAI出力の2つ1組の各ペアに対し、個別
に設定できます。WORD LENGTHパラメーターは、DIGITAL STEREO OUT端子また
はYGDAIカードに接続されているデジタル機器が対応するワード長と一致するよう
に設定してください。たとえば、20ビットのデジタルレコーダーを03DのDIGITAL
STEREO OUT端子に接続してマスターレコーダーとして使用する場合は、ワード長
を20に設定し、ST OUT DIGITALのディザーをオンにします。
ST OUTの設定はAES/EBUとCOAXIAL両出力端子に共通です。
1. [DIO]キーでDitherページを表示させてください。
2. [CURSOR]キーでディザー機能のオン/オフ、またはワード長選択のボタンを選び、
[ENTER]キーで設定してください。
マウスを使用している場合は、該当するボタンをクリックしてください。

03D取扱説明書
第18章 デジタル I/O 221
03Dの
世界へ
ようこそ!
各部の
名称と機能
インプット
チャンネル
イコライザー
パン、
ルーティング、
サラウンドパン
ソロ、
モニター、
メーター
ステレオ
アウト
AUXアウト
バスアウト
チャンネル
ライブラリー
とビュー
内蔵
エフェクト
シーン
メモリー
オート
ミックス
その他の
機能
デジタル
I/O
MIDI
付 録
グループ、
ペア
ダイナミクス
プロセッサー
ユーザー
インター
フェース
の基礎知識
デジタルステレオイン
03DにはAES/EBUとCOAXIALという2系統のデジタ
ルステレオ入力が搭載されており、同時にどちらか一
方のみを使用できます。XLR-3-31端子はAES/EBU
フォーマットのオーディオ、COAXIAL端子は民生
フォーマットのデジタルオーディオを入力します。入
力信号はステレオインプットチャンネルに送られま
す。また、直接STEREOバスに送ってステレオカスケード接続することも可能です。
1. [DIO]キーでD.in Setupページを表示させてください。
2. [CURSOR]キーでSTEREO INPUT ASSIGNの以下の選択肢から1つを選び、[ENTER]
キーで設定してください。
マウスを使用している場合は、選択肢を直接クリックしてください。
SELECT―デジタル入力端子(AES/EBUまたはCOAXIAL)を選択します。一度にどち
らか一方の端子のみを使用できます。
FLIP―デジタルステレオ入力信号をステレオインプットチャンネルに、またアナログ
ステレオ入力信号をSTEREOバスにそれぞれ切替えます。
ON/OFF―STEREOバスへのステレオカスケード入力のオン/オフを切替えます。ス
テレオカスケードされる信号の種類は、SELECTおよびFLIPの選択肢で決定します。
注意:
AES/EBUまたはCOAXIALのDIGITAL STEREO IN端子に外部機器を接続す
る場合、ノイズ発生などのトラブルを避けるために送信側の機器と03Dのワードク
ロックを同期させなければなりません。
ソロ
ソロ機能を使えば、ステレオカスケード信号をモニターできます。詳細は、76ページの
「モニタリング」をご参照ください。
エンファシス
エンファシスのかかったデジタルオーディオ信号をデジタルステレオ入力に接続す
ると、03Dは自動的にこれを検知して、必要に応じてディエンファシス処理を行いま
す。一度ディエンファシス処理された信号は、エンファシスなしで加工/出力されま
す。03Dはデジタル出力信号にエンファシスをかけることはできません。
231
DIGITAL STEREO IN
COAXIAL
AES/EBU

03D取扱説明書
222 第18章 デジタル I/O
03Dの
世界へ
ようこそ!
各部の
名称と機能
インプット
チャンネル
イコライザー
パン、
ルーティング、
サラウンドパン
ソロ、
モニター、
メーター
ステレオ
アウト
AUXアウト
バスアウト
チャンネル
ライブラリー
とビュー
内蔵
エフェクト
シーン
メモリー
オート
ミックス
その他の
機能
デジタル
I/O
MIDI
付 録
グループ、
ペア
ダイナミクス
プロセッサー
ユーザー
インター
フェース
の基礎知識
デジタルインプットモニター
DIO Monitorページでは、DIGITAL STEREO IN端子およびYGDAIカードに送られる
IEC958デジタル入力信号(AES/EBUまたはCOAXIAL)の各チャンネルの状況をモニ
ターできます。DIGITAL STEREO IN端子は、D.in SetupページでAES/EBUまたはCO-
AXIALに設定できます。詳細は、221ページの「デジタルステレオイン」をご参照くださ
い。YGDAIのインプットモニターは、AES/EBU CD8-AE-S YGDAIカードが本体に装
着されているときにのみ機能します。
1. [DIO]キーでつぎの図のMonitorページを表示させてください。
Fs―デジタル入力信号のサンプリング周波数を表示します。
32k 32kHzのサンプリング周波数
44.1k 44.1kHzのサンプリング周波数
48k 48kHzのサンプリング周波数
None 未知のサンプリング周波数
UNLOCK 信号が入力されていないか、無効な信号が入力されている
EMPHASIS―デジタル入力信号にエンファシスがかかっているかを表示します。
ON エンファシスがオン
OFF エンファシスがオフ
??? 未知
CATEGORY―デジタル入力信号のカテゴリーを表示する欄です。カテゴリー情報が
含まれるのはCOAXIAL信号のみです。AES/EBU信号の場合は、この欄に“AES/EBU”
と表示されます。
General 一時的に使用
Laser Optical オプチカルレーザー機器(CDプレーヤなど)
D/D Conv D/Dコンバーターおよびシグナルプロセッサー
D. Broadcast デジタル放送受信
Instruments 独自に発音する楽器および音源
A/D Conv A/Dコンバーター(著作権情報なし)
A/D Conv with(C) A/Dコンバーター(著作権情報あり)
Solid Memory 固体メモリー機器
Experimental 実験機器
Unknown 未知の機器
COPY―デジタル入力信号のコピー許可/禁止情報を表示するフィールドです。この
情報が含まれるのは、COAXIAL信号のみです。
OK コピー許可
Prohibit コピー禁止

03D取扱説明書
第18章 デジタル I/O 223
03Dの
世界へ
ようこそ!
各部の
名称と機能
インプット
チャンネル
イコライザー
パン、
ルーティング、
サラウンドパン
ソロ、
モニター、
メーター
ステレオ
アウト
AUXアウト
バスアウト
チャンネル
ライブラリー
とビュー
内蔵
エフェクト
シーン
メモリー
オート
ミックス
その他の
機能
デジタル
I/O
MIDI
付 録
グループ、
ペア
ダイナミクス
プロセッサー
ユーザー
インター
フェース
の基礎知識
YGDAIカード
YGDAIシステムについて
YGDAI(Yamaha General Digital Audio Interface)システム、およびオプションのYGDAI
インターフェースカードは、業界で標準となっている各種のデジタルオーディオ
フォーマットおよびプロトコルに対応したデジタルI/Oです。YGDAIカードを使用す
ると、03Dのバス・AUX・インプットチャンネル信号1∼16をデジタルMTRなどの他の
デジタルオーディオ装置に出力できます。
CD8-AT ADATカード
CD8-AT ADATインターフェースカードには、8トラックのADATマルチチャンネルオ
プチカルインターフェース対応のデジタルMTR(Alesis ADAT、Alesis ADATxt、Fostex
RD-8など)を接続します。
CD8-TDII Tascamカード
CD8-TDIIインターフェースカードには、8トラックのTascamデジタルオーディオイン
ターフェース(TDIF-1)対応のデジタルMTR(Tascam DA88、DA38など)を接続します。
CD8-AE-S AES/EBUカード
CD8-AE-Sインターフェースカードには、AES/EBUデジタルI/Oを搭載したデジタル
オーディオ機器を接続します。接続には25ピンD-subコネクタを使用します。
CD8-Y YAMAHAカード
CD8-Yインターフェースカードには、YAMAHAフォーマットのマルチチャンネル接
続に対応した機器を接続します。
CD8-CSカスケードカード
CD8-CSカスケードカードは、2台の03Dをカスケード接続して入力数を増設するとき
に使用ます。CD8-CS KITには2枚のCD8-CSインターフェースカードと1本のカスケー
ドケーブルが同梱されています。詳細は、227ページの「03Dのカスケード接続」をご参
照ください。
カードの仕様
カード 機 能 端 子
CD8-AT ADAT Digital I/O オプティカル×2
CD8-TDII Tascam TDIF-1 Digital I/O 25-ピンD-sub ×1
CD8-AE-S1AES/EBU Digital I/O 25-ピンD-sub ×1
CD8-Y Yamaha Digital I/O 25-ピンD-sub ×1
CD8-CS Digital Cascade Kit225-ピンD-sub ×1
1. ケーブルは含まれていません。
2. キットにはカード2 枚とケーブル 1本が同梱されています。
YGDAIデジタル入力
8系統のYGDAIデジタル入力は、インプットチャンネル17∼24の入力として機能しま
す。この設定を変更することはできません。詳細は、36ページの「インプットチャンネ
ルの概要」をご参照ください。

03D取扱説明書
224 第18章 デジタル I/O
03Dの
世界へ
ようこそ!
各部の
名称と機能
インプット
チャンネル
イコライザー
パン、
ルーティング、
サラウンドパン
ソロ、
モニター、
メーター
ステレオ
アウト
AUXアウト
バスアウト
チャンネル
ライブラリー
とビュー
内蔵
エフェクト
シーン
メモリー
オート
ミックス
その他の
機能
デジタル
I/O
MIDI
付 録
グループ、
ペア
ダイナミクス
プロセッサー
ユーザー
インター
フェース
の基礎知識
エンファシス
エンファシスのかかったデジタルオーディオ信号がYGDAIデジタル入力に送られる
と、03Dはこれを自動的に検知して、必要に応じてディエンファシス処理を行います。
ディエンファシス処理された信号は、そのままエンファシスをかけずに加工/出力さ
れます。03Dはデジタル出力信号にエンファシスをかけることはできません。
マルチトラックレコーダーとの接続
03DのYGDAIスロットは8系統のデジタル入出力として利用でき、Alesis ADATや
Tascam DA88などのモジュール式デジタルMTR(マルチトラックレコーダー)を接続
できます。8系統のデジタル出力には、バス出力、AUX出力、インプットチャンネル1∼
16のダイレクト出力のどんな組み合わせでも割り当てることができます。このため、
バス出力が4系統の03Dでも、最高8トラックの同時録音が可能です。03Dをデジタル
MTRと併用する場合、チャンネル17∼24はテープリターンとして機能します。
信号をYGDAI出力に割り当てる
つぎの表は、8系統のYGDAIデジタル出力に割り当て可能な信号ソースを表わしたも
のです。これらの信号は、03Dのバスから直接送られているのではなく、D/A変換直前
の実際の出力から送られていることに注意してください。このため、これらの信号は
ステレオ、バス、AUXの各マスターフェーダー、およびEQやダイナミクスプロセッ
サーの影響を受けます。
出力 ソース
1BUS 1, AUX 1, Direct Out 1, Direct Out 9, or STEREO L
2BUS 2, AUX 2, Direct Out 2, Direct Out 10, or STEREO R
3BUS 3, AUX 3, Direct Out 3, Direct Out 11, or STEREO L
4BUS 4, AUX 4, Direct Out 4, Direct Out 12, or STEREO R
5BUS 1, AUX 1, Direct Out 5, Direct Out 13, or STEREO L
6BUS 2, AUX 2, Direct Out 6, Direct Out 14, or STEREO R
7BUS 3, AUX 3, Direct Out 7, Direct Out 15, or STEREO L
8BUS 4, AUX 4, Direct Out 8, Direct Out 16, or STEREO R
1. [DIO]キーでD.out Setupページを表示させてください。
2. [CURSOR]キーでYGDAI OUTPUT ASSIGNボタンを選択し、[ENTER]キーで設定し
てください。
マウスを使用している場合は、該当するボタンをクリックしてください。
D.out Setupページの左上に表示されるYGDAIカードの図は、実際に装着されている
YGDAIカードの種類を表わしています。使用可能なカードの種類は、つぎのとおりで
す。

03D取扱説明書
第18章 デジタル I/O 225
03Dの
世界へ
ようこそ!
各部の
名称と機能
インプット
チャンネル
イコライザー
パン、
ルーティング、
サラウンドパン
ソロ、
モニター、
メーター
ステレオ
アウト
AUXアウト
バスアウト
チャンネル
ライブラリー
とビュー
内蔵
エフェクト
シーン
メモリー
オート
ミックス
その他の
機能
デジタル
I/O
MIDI
付 録
グループ、
ペア
ダイナミクス
プロセッサー
ユーザー
インター
フェース
の基礎知識
表 示 カード 機 能
No Connection カードが装着されていない −
adat CD8-AT ADAT Digital I/O
TASCAM CD8-TDII Tascam TDIF-1 Digital I/O
AES/EBU CD8-AE-S AES/EBU Digital I/O
YAMAHA CD8-Y Yamaha Digital I/O
CASCADE CD8-CS Digital Cascade Kit
この例では、CD8-AT ADATカードが装着されていることがわかりま
す。
YGDAIブロック図
ST OUT
Ch8
Ch16
Ch7
Ch15
Ch2
Ch10
ON
Same as 1, 2
to YGDAI
to YGDAI
not changed
Meter
Meter
AUX OUT
BUS OUT
not changed
not changed not changed
not changed
CH OUTPUT
1-8
from Ch1
Ch9
OUTPUT
(YGDAI)
INPUT
(YGDAI)
CH INPUT
17-24
CH INPUT
1-16
from
AUX OUT
from
BUS OUT
DITHER
DITHER
not changed
not changed
De-
Emphasis
Meter
PAN
Meter
ST
L R
CUE
L R
EFF
1 2
AUX
1 2 3 4
BUS
1 2 3 4
ATT

03D取扱説明書
226 第18章 デジタル I/O
03Dの
世界へ
ようこそ!
各部の
名称と機能
インプット
チャンネル
イコライザー
パン、
ルーティング、
サラウンドパン
ソロ、
モニター、
メーター
ステレオ
アウト
AUXアウト
バスアウト
チャンネル
ライブラリー
とビュー
内蔵
エフェクト
シーン
メモリー
オート
ミックス
その他の
機能
デジタル
I/O
MIDI
付 録
グループ、
ペア
ダイナミクス
プロセッサー
ユーザー
インター
フェース
の基礎知識
YGDAIカードの装着
重要注意:
YGDAIカードを取り付ける前に、必ず03Dの電源を切ってください。こ
れを守らないと、感電の危険があり、また本体やカードが損傷する場合があります。
1. 03Dの電源をオフにしてください。
2. つぎの図のように4本のネジを緩めてスロットカバーを取り外してください。
カバーは今後のために安全な場所に保管してください。
3. つぎの図のようにカードをスロットに挿入してください。カードの端子部分が03D内
部の端子に正しくはまるよう、カードをいっぱいまで押し込んでください。
4. 4本のネジでカードを固定してください。
5. 03Dの電源を入れてください。
電源が入ると、03Dは装着されているYGDAIカードの種類を点検します。カードが正
しく装着され、正常に作動する場合は、D.out Setup画面にカードの種類が表示されま
す。詳細は、224ページの「信号をYGDAI出力に割り当てる」をご参照ください。

03D取扱説明書
第18章 デジタル I/O 227
03Dの
世界へ
ようこそ!
各部の
名称と機能
インプット
チャンネル
イコライザー
パン、
ルーティング、
サラウンドパン
ソロ、
モニター、
メーター
ステレオ
アウト
AUXアウト
バスアウト
チャンネル
ライブラリー
とビュー
内蔵
エフェクト
シーン
メモリー
オート
ミックス
その他の
機能
デジタル
I/O
MIDI
付 録
グループ、
ペア
ダイナミクス
プロセッサー
ユーザー
インター
フェース
の基礎知識
03Dのカスケード接続
CD8-CSカスケードキットを使用すれば、2台の03Dを、同一バスを共有し32系統の入
力を持つミキシングコンソールとして使用できます。03Dを8バスのデジタルレコー
ディングコンソールヤマハ02Rとカスケード接続することも可能です。CD8-CSカス
ケードキットには2枚のカードと1本のケーブルが同梱されており、これだけで2台の
03D、または1台の03Dと1台の02Rをカスケード接続できます。
2台のコンソールをカスケード接続すると、片方がマスター、片方がスレーブとなりま
す。スレーブ側のコンソールに装着するCD8-CSカード上のIN/OUTスイッチはOUTに
設定します。一方、マスター側の同じスイッチはINに設定します。スイッチの設定は、
必ず03Dの電源を切った状態で行ってください。
CD8-CSカスケードカードを03Dに装着すれば、自動的にカスケード信号が選択され、
D.out Setup画面のYGDAI OUTPUT ASSIGN設定には影響を受けません。つぎの表は、
カスケード信号の設定について説明しています。
信 号 カスケード設定
Bus 両方のコンソールのバスが直結されます。バス出力の信号レベルは、マスターコンソール側
のBUS 1∼4フェーダーでコントロールします。スレーブ側のBUS 1∼4フェーダーは実質
的に不要となります。
Aux 両方のコンソールのAUXバスが直結されます。AUX出力の信号レベルは、マスターコンソー
ル側のAUX 1∼4フェーダーでコントロールします。スレーブ側のAUX 1∼4フェーダーは
実質的に不要となります。
Effects スレーブコンソールとマスターコンソールのエフェクトバスは接続されません。つまり、両
方のコンソールの内蔵エフェクトは、それぞれのコンソールの信号を個別に処理できます。
Stereo 両方のコンソールのSTEREOバスは直接接続されます。ステレオ出力信号のレベルは、マス
ターコンソール側のST OUTフェーダーで調整します。2トラックマスターレコーダーやモ
ニター装置はマスターコンソール側に接続してください。スレーブコンソールのST OUT
フェーダーは、実質的に不要となります。
Solo 両方のコンソールのSOLOバスは直接接続されます。ソロ機能は、マスターコンソール側の
[SOLO]キーやSTATUS設定でコントロールします。スレーブコンソールのそれらは、実質
的に不要となります。
マスターコンソール上のカスケード設定はCascadeページで行います。この画面は、
CD8-CSカスケードカードを装着し、そのカードのIN/OUTスイッチをINに設定した場
合のみ表示されます。スレーブコンソール側の設定は不要です。
[SOLO]キーのオンやSTATUSの設定はマスターコンソール側からのみコントロール
でき、スレーブコンソール側からはできません。
1. [DIO]キーでCascadeページを表示させてください。

03D取扱説明書
228 第18章 デジタル I/O
03Dの
世界へ
ようこそ!
各部の
名称と機能
インプット
チャンネル
イコライザー
パン、
ルーティング、
サラウンドパン
ソロ、
モニター、
メーター
ステレオ
アウト
AUXアウト
バスアウト
チャンネル
ライブラリー
とビュー
内蔵
エフェクト
シーン
メモリー
オート
ミックス
その他の
機能
デジタル
I/O
MIDI
付 録
グループ、
ペア
ダイナミクス
プロセッサー
ユーザー
インター
フェース
の基礎知識
2. [CURSOR]キーで該当するボタン、回転ノブを選択し、[ENTER]キーと
[PARAMETER]ダイアルで設定してください。
マウスを使用している場合は、パラメーターをクリックまたはドラッグしてくださ
い。
SELECT―この4つのボタンを使って、カスケードカードからの8系統のバス信号を03D
の4系統のバスにルーティングします。2台の03Dをカスケード接続する場合、カスケー
ドバス1が03Dのバス1に、カスケードバス2が03Dのバス2につながるようにボタンを
設定してください。03Dはバス5∼8を使用しないため、これらのバスを選択しても意
味はありません。ただし、03Dとデジタルレコーディングコンソール02Rをカスケード
接続する場合は、02Rの8系統のバスのうち任意の4系統を03Dの4つのバスにルーティ
ングできます。
ON/OFF―カスケード入力信号をオン/オフするボタンです。
ATT―カスケード入力信号を0dB∼−96dBの範囲で減衰させる回転ノブです。
カスケードディレイ
以下の図は、2台の03D、または03Dと02Rをカスケード接続したときに生じる信号の遅
れを表わしたものです。それぞれの図で左チャンネルの信号は1台目のミキサーに、右
チャンネルの信号は2台目のミキサーに送られています。左チャンネルの信号は両方
のミキサーを通過するため、1台のみを通過する右チャンネルの信号に比べて遅れが
生じます。2台目のミキサー側で右チャンネルの信号を遅延させることで、両方の信号
の位相を合わせることができます。このカスケード接続による遅延を補正するには、
ディレイ機能を使用します。詳細は、40ページの「チャンネルディレイ」をご参照くだ
さい。
左チャンネルの信号が
16サンプル遅れます。
左チャンネルの信号が
21サンプル遅れます。
03D 03D
L
Cascade
RLR
03D 02R
L
Cascade
RLR
02R 03D
L
Cascade
RLR
左チャンネルの信号が
15サンプル遅れます。
この場合02RのID設定を使用し
て
も、正常には動作しません。
02Rのチャンネルディレイで調
整
してください。

03D取扱説明書
第18章 デジタル I/O 229
03Dの
世界へ
ようこそ!
各部の
名称と機能
インプット
チャンネル
イコライザー
パン、
ルーティング、
サラウンドパン
ソロ、
モニター、
メーター
ステレオ
アウト
AUXアウト
バスアウト
チャンネル
ライブラリー
とビュー
内蔵
エフェクト
シーン
メモリー
オート
ミックス
その他の
機能
デジタル
I/O
MIDI
付 録
グループ、
ペア
ダイナミクス
プロセッサー
ユーザー
インター
フェース
の基礎知識
カスケードした場合のソロ
2台のコンソールをカスケード接続すると、両コンソールのソロバスも接続されます。
マスター側の[SOLO]キーだけがソロモードの切替えを行い、スレーブ側のキーは切
替え機能を失います。
SOLO STATUS設定もマスター側だけが行いますが、それ以外の設定はそれぞれのコ
ンソールで行ってください。
1. マスター側のSolo SetupページのSTATUSを設定します。
スレーブ側では設定できません。
2. マスター側の[SOLO]キーを押します。
3. [SEL]キーを押して、ソロしたいチャンネルを選択します。
マスター側のモニターから信号が出力されます。
4. マスター側の[SOLO]キーを押して、ソロを解除します。

03D取扱説明書
230 第18章 デジタル I/O
03Dの
世界へ
ようこそ!
各部の
名称と機能
インプット
チャンネル
イコライザー
パン、
ルーティング、
サラウンドパン
ソロ、
モニター、
メーター
ステレオ
アウト
AUXアウト
バスアウト
チャンネル
ライブラリー
とビュー
内蔵
エフェクト
シーン
メモリー
オート
ミックス
その他の
機能
デジタル
I/O
MIDI
付 録
グループ、
ペア
ダイナミクス
プロセッサー
ユーザー
インター
フェース
の基礎知識
カスケードのブロック図
SOLO
SELECT ON/OFF PAD
INPUT OUTPUT
(CD8-CS) (CD8-CS)
RL
ST
RL
EFFAUX
121234
BUS
4321

03D取扱説明書
第19章 MIDI 231
03Dの
世界へ
ようこそ!
各部の
名称と機能
インプット
チャンネル
イコライザー
パン、
ルーティング、
サラウンドパン
ソロ、
モニター、
メーター
ステレオ
アウト
AUXアウト
バスアウト
チャンネル
ライブラリー
とビュー
内蔵
エフェクト
シーン
メモリー
オート
ミックス
その他の
機能
デジタル
I/O
MIDI
付 録
グループ、
ペア
ダイナミクス
プロセッサー
ユーザー
インター
フェース
の基礎知識
第19章 MIDI
19
本章の目次
MIDIと03D ..........................................................................................................232
MIDI端子とTO HOST端子 ................................................................................232
MIDI/TO HOSTデータ受信インジケーター...................................................233
MIDI/HOSTセットアップ .................................................................................233
MIDIセットアップ.............................................................................................235
MIDIモニター .....................................................................................................238
プログラムチェンジの割り当て ......................................................................239
コントロールチェンジの割り当て ..................................................................240
システムエクスクルーシブによるパラメーターのコントロール..............241
バルクダンプ ......................................................................................................242
MIDIリモート .....................................................................................................244

03D取扱説明書
232 第19章 MIDI
03Dの
世界へ
ようこそ!
各部の
名称と機能
インプット
チャンネル
イコライザー
パン、
ルーティング、
サラウンドパン
ソロ、
モニター、
メーター
ステレオ
アウト
AUXアウト
バスアウト
チャンネル
ライブラリー
とビュー
内蔵
エフェクト
シーン
メモリー
オート
ミックス
その他の
機能
デジタル
I/O
MIDI
付 録
グループ、
ペア
ダイナミクス
プロセッサー
ユーザー
インター
フェース
の基礎知識
MIDIと03D
03Dでは、つぎのようなMIDIの使用法があります。
・ プログラムチェンジを使ったミックスシーンのリコール操作(239ページ「プログラ
ムチェンジの割り当て」参照)
・ コントロールチェンジを使ったミックスパラメーターのリアルタイムコントロー
ル(240ページ「コントロールチェンジの割り当て」参照)
・ システムエクスクルーシブの送受信(241ページ「システムエクスクルーシブによる
パラメーターのコントロール」をご参照ください)
・ バルクダンプを使ったデータのバックアップおよび複数の03D間でのデータ転送
(242ページ「バルクダンプ」参照)
・ MTC(MIDIタイムコード)またはMIDIクロックを使ったオートミックスの同期
(179ページ「タイムベースの設定」参照)
・ ノートオン/オフを使ったフェーダースタート(235ページ「MIDIセットアップ」参
照)
・ ノートオン/オフを使ったフリーズエフェクトの制御(141ページ「タイプ:
FREEZE(フリーズ)」参照)
・ MMC(MIDIマシンコントロール、MIDIリアルタイムメッセージ)を使った外部機器
のリモートコントロール(208ページ「ユーザー定義キー」参照)
・ MIDIリモート(244ページ「MIDIリモート」参照)
MIDI端子とTO HOST端子
03Dには、MIDI IN、MIDI OUT、MIDI THRUといっ
た標準的なMIDI端子に加え、TO HOST端子が搭
載されています。この端子を使えば、MIDIイン
ターフェースを使用せずに03Dをパソコンと直接
つなぐことができます。さらに他のMIDI機器を
03Dの標準のMIDI端子に接続すれば、03DをMIDIインターフェースとして使用できま
す。
TO HOST端子は双方向の接続で、03D本体からのMIDIメッセージ
と03DのMIDI INから入力されたMIDIメッセージをコンピューター
へ、またコンピューターからのメッセージは03D本体と03DのMIDI
OUT端子へ送信します。
TO HOST端子の接続は、STANDARD I/F(標準的なMIDIインター
フェース)またはMULTIPORT(マルチポートのMIDIインター
フェース)のいずれかのモードで使用します。どちらのモードでも、パソコンのMIDI
インターフェースとして使用できます。TO HOSTのモードはMIDI/HOSTページで選
択します。詳細は、233ページの「MIDI/HOSTセットアップ」をご参照ください。
STANDARD I/F
STANDARD I/Fモードでは、TO HOST端子はもう1つのMIDI IN/MIDI OUT端子のよ
うに機能します。
MULTIPORTモード
MULTIPORTモードでは、TO HOST端子の機能はSTANDARD I/Fモードとほぼ同じで
MIDI
IN
OUT
THRU
TO HOST

03D取扱説明書
第19章 MIDI 233
03Dの
世界へ
ようこそ!
各部の
名称と機能
インプット
チャンネル
イコライザー
パン、
ルーティング、
サラウンドパン
ソロ、
モニター、
メーター
ステレオ
アウト
AUXアウト
バスアウト
チャンネル
ライブラリー
とビュー
内蔵
エフェクト
シーン
メモリー
オート
ミックス
その他の
機能
デジタル
I/O
MIDI
付 録
グループ、
ペア
ダイナミクス
プロセッサー
ユーザー
インター
フェース
の基礎知識
すが、MIDIポートの選択ができる点が異なります。このため、03Dには物理的には複数
のMIDIポートはありませんが、あたかも複数のポートを持っているかのような使い
方ができます。複数ポートを利用することにより、16というMIDIチャンネルの制限が
なくなり、MIDIチャンネルが重複するための衝突も避けることができます。このモー
ドでは、コントロールソフトやMIDIシーケンスソフトは、マルチポートに対応したも
のをご使用ください。
MULTIPORTモードでは、03Dの一般的なMIDIファンクションはポート1で受信した
MIDIメッセージに応答して機能します。ただし、MTC、MIDIリアルタイムメッセージ、
MMC、フェーダースタート、4つのMIDI Remoteページのそれぞれに対して異なるポー
トを選択できます。ポート2で受信したデータはMIDI OUT端子にエコー出力され、03D
に接続された外部MIDI機器に送られます。
注意:
03DのMULTIPORTモードは、他のマルチポート機器やアプリケーションソフ
トに搭載されているファーストMIDIには対応していません。
MIDI/TO HOSTデータ受信インジケーター
MIDI IN端子からMIDIデータを受信すると、ディスプレイ上のMIDIデータ
受信インジケーターが点滅します。
TO HOST端子からデータを受信すると、ディスプレイ上のHOSTデータ受
信インジケーターが点滅します。
MIDI/HOSTセットアップ
MIDI/HOSTページでは、TO HOSTモードの設定とポートの選択を行います。また、
MTC、MIDIリアルタイムメッセージ、MMC、フェーダースタート、MIDIリモート用の
MIDIチャンネル設定もこのページで行います。
1. [UTILITY]キーでMIDI/HOSTページを表示させてください。
2. [CURSOR]キーで該当するボタンを選択し、[ENTER]キーで設定してください。また、
[PARAMETER]ダイアルでパラメーターの値を設定してください。
マウスを使用している場合は、該当するボタンをクリックしてください。また、パラ
メーターの値を設定するには、マウスカーソルをパラメーターの値に合わせ、マウス
の左ボタンを押さえたままマウスをドラッグします。
3. TO HOSTモードをSTANDARD I/FまたはMULTIPORTに設定してください。

03D取扱説明書
234 第19章 MIDI
03Dの
世界へ
ようこそ!
各部の
名称と機能
インプット
チャンネル
イコライザー
パン、
ルーティング、
サラウンドパン
ソロ、
モニター、
メーター
ステレオ
アウト
AUXアウト
バスアウト
チャンネル
ライブラリー
とビュー
内蔵
エフェクト
シーン
メモリー
オート
ミックス
その他の
機能
デジタル
I/O
MIDI
付 録
グループ、
ペア
ダイナミクス
プロセッサー
ユーザー
インター
フェース
の基礎知識
STANDARD I/Fモード
GENERAL SETUPの欄では、基本となる送受信ポートをMIDI(標準MIDI端子)または
HOST(TO HOST端子)に設定します。この設定は、プログラムチェンジ、コントロール
チェンジ、ノートオン/オフの各メッセージに影響します。受信ポート(Rx PORT)、送
信ポート(Tx PORT)、デバイスナンバーの各パラメーターは、MIDI Setupページにも
表示されます。詳細は、235ページの「MIDIセットアップ」をご参照ください。
Rx PORTとTx PORTを異なるポートに設定すれば(例:Rx PORTをMIDIに、Tx PORT
をHOSTに設定する)、つぎのようにMIDI機器のチェーン接続が可能となります。
コンピューター
03D
TO HOST
MIDI OUT
MIDI OUT
MIDI IN MIDI IN MIDI機器
ECHO
この場合、TO HOST接続から受信したMIDIメッセージは、MIDI SetupページのECHO
パラメーター設定にしたがってMIDI OUT端子からエコー出力されます。詳細は、235
ページの「MIDIセットアップ」をご参照ください。03DのMIDI IN端子から受信した
MIDIメッセージは、03Dを通じてTO HOST端子経由でコンピューターに送られます。
ポートの設定は、つぎのパラメーターに対し個別に行えます。
MTC Rx―03DがMTCをMIDI INから受信するかTO HOSTから受信するかを選択しま
す。
REAL TIME MESSAGE―03DがMIDIリアルタイムシステムメッセージ(MIDIクロッ
クなど)を送受信する端子を、MIDI IN/OUTかTO HOSTから選択します。
MMC Tx Device No.―MMCコマンドをMIDI OUTから出力するかTO HOSTから出
力するかを選択します。デバイスチャンネルも設定でき、1から始まります。0から始ま
る機器の場合、機器がMMCを受信すると03Dのデバイスナンバーは1つ若い番号にシ
フトしますのでご注意ください。
FADER START Tx―ノートオン/オフ・コマンドをMIDI OUTから出力するかTO
HOSTから出力するかを選択します。MIDIチャンネルも設定できます。フェーダース
タートのオン/オフはMIDI Setupページで行います。詳細は、235ページの「MIDIセッ
トアップ」をご参照ください。
REMOTE1∼4 Tx/Rx―03Dが4つのMIDI RemoteページでMIDIリモートメッセージの
送受信に使用するポートを、MIDIまたはTO HOSTに設定します。MIDIチャンネルは、
それぞれのMIDI リモートごとに個別に設定できます。ただし、MIDIリモートがGMか
USER DEFINEかPro Toolsのときは、ここの設定によらずALLチャンネル送受信とな
ります。詳細は、244ページの「MIDIリモート」をご参照ください。
MULTIPORTモード
MULTIPORTモードでは、GENERAL SETUPの欄のPORTパラメーターがHOST-1 FIX、
つまりポート1に設定され、変更できません。この設定はプログラムチェンジ、コント
ロールチェンジ、ノートオン/オフの各メッセージに影響します。ポート2で送受信し
たMIDIメッセージはOTHER COMMANDS ECHOとREAL TIME MSG. & MTC ECHO
の設定にしたがって、TO HOST端子とMIDI端子間を通過します。
MTC RxとREAL TIME MESSAGE (MIDIクロックなど)パラメーターをHOSTに設定
すると、ポートを1∼8、17、ALLの中から選択できます。
ポート17は通常マルチポートシステムでSMPTEタイムコードや追加したスタンダー

03D取扱説明書
第19章 MIDI 235
03Dの
世界へ
ようこそ!
各部の
名称と機能
インプット
チャンネル
イコライザー
パン、
ルーティング、
サラウンドパン
ソロ、
モニター、
メーター
ステレオ
アウト
AUXアウト
バスアウト
チャンネル
ライブラリー
とビュー
内蔵
エフェクト
シーン
メモリー
オート
ミックス
その他の
機能
デジタル
I/O
MIDI
付 録
グループ、
ペア
ダイナミクス
プロセッサー
ユーザー
インター
フェース
の基礎知識
ドMIDIインターフェースに使用されます。ALLに設定した場合は、MTCとMIDIクロッ
クをすべてのポートで受信します。USER DEFINEキーにアサインしたリアルタイム
メッセージは、それらパラメーターがALLに設定されていればポート0から出力され
ます。
MMC Tx Device No.、FADER START Tx、REMOTE1∼4 Tx/Rxの各パラメーターを
HOSTに設定すれば、ポートを1∼8の中から選択できます。各パラメーターを異なる
ポートに設定すれば、同じMIDIチャンネルを同時に使えます。
TO HOSTのボーレート
MIDI/HOSTページの右上隅にTO HOSTのボーレートと
送信クロックスピードが表示されます。
この設定を変更するには、SETUPボタンを選択してから
[ENTER]キーを押してください。マウスを使用している場合は、SETUPボタンをク
リックしてください。つぎのダイアログボックスが現われます。
この設定は、03Dをコントロールする独自のコンピュータープログラムを開発する方
のために用意されたものです。不用意にこれを変更することはお止めください。標準
的なMIDIシーケンスソフトを使用する場合は、つぎの設定を使ってください。
コンピュータのタイプ ボーレート Tx CLOCK
Macintosh 31.25k x32
Windows PC 38.4kもしくは31.25k OFF
×2、÷2、÷4の設定は、ボーレートは31.25kに対しての比率です。
38.4kまたは19.2kのボーレートを使用する場合は、Tx CLOCKがOFFに固定されます。
MIDIセットアップ
MIDI Setupページでは、MIDI送信(Tx)チャンネル、MIDI受信(Rx)チャンネル、OMNI
オン/オフ、エコーオン/オフなど、03Dの基本的なMIDIパラメーターを設定します。
1. [MIDI]キーでMIDI Setupページを表示させてください。

03D取扱説明書
236 第19章 MIDI
03Dの
世界へ
ようこそ!
各部の
名称と機能
インプット
チャンネル
イコライザー
パン、
ルーティング、
サラウンドパン
ソロ、
モニター、
メーター
ステレオ
アウト
AUXアウト
バスアウト
チャンネル
ライブラリー
とビュー
内蔵
エフェクト
シーン
メモリー
オート
ミックス
その他の
機能
デジタル
I/O
MIDI
付 録
グループ、
ペア
ダイナミクス
プロセッサー
ユーザー
インター
フェース
の基礎知識
2. [CURSOR]キーで各パラメーターのボタンを選択し、[ENTER]キーで設定してくださ
い。また、[PARAMETER]ダイアルで回転ノブを設定してください。
マウスを使用している場合は、該当するボタンをクリックし、回転ノブをドラッグし
てください。
PROGRAM CHANGE―プログラムチェンジメッセージを使用して、ミックスシーン
を呼び出します。詳細は、239ページの「プログラムチェンジの割り当て」をご参照くだ
さい。このグループ内の4つのボタンは、つぎの機能を持っています。
TX/RXは、それぞれ03Dからプログラムチェンジメッセージを送信するかどうか、受
信するかどうかを設定します。OMNIは、03Dがプログラムチェンジメッセージを16の
すべてのMIDIチャンネルで受信するかどうかを設定します。OMNIをオンにすると、
MIDI CHANNEL Rxパラメーターの設定に関係なく、プログラムチェンジメッセージ
を受信します。ECHOは、受信したプログラムチェンジメッセージをMIDI OUT端子に
エコー出力するかどうかを設定します。
CONTROL CHANGE―コントロールチェンジメッセージを使用して、03Dのパラメー
ターをリアルタイムでコントロールします。詳細は、240ページの「コントロールチェ
ンジの割り当て」をご参照ください。このグループ内の4つのボタンはつぎの機能を
持っています。TX/RXは、それぞれ03Dからコントロールチェンジメッセージを送信
するかどうか、受信するかどうかを設定します。OMNIは、03Dがコントロールメッ
セージを16のすべてのMIDIチャンネルで受信するかどうかを設定します。OMNIをオ
ンにすると、MIDI CHANNEL Rxパラメーターの設定に関係なく、コントロールチェ
ンジメッセージを受信します。ECHOは、受信したコントロールチェンジメッセージ
をMIDI OUT端子にエコー出力するかどうかを設定します。
PARAMETER CHANGE―システムエクスクルーシブメッセージを使用して、03Dのパ
ラメーターをリアルタイムでコントロールします。このグループ内の3つのボタンは
つぎの機能を持っています。TXとRXは、それぞれ03Dがパラメーターチェンジを送信
するかどうか、受信するかどうかを設定します。ECHOは、受信したパラメーターチェ
ンジをMIDI OUTにエコー出力するかどうかを設定します。
BULK―03DがMIDIバルクリクエストメッセージとMIDIバルクダンプデータを、受信
するかどうかを設定するボタンです。
FADER START (NOTE ON)―フェーダースタートをONに設定すると、奇数チャンネ
ルのフェーダーを−∞dB(マイナス無限大)から少しでも持ち上げたときにMIDIノー
トオンメッセージが送信されます。これを「MIDI→トリガー」の変換機能を持つイン
ターフェースボックスと組み合わせれば、自動的にCDプレイヤーやテープデッキな
どをスタートさせることができます。この機能は、ステレオペアに組んだチャンネル
で使用することが多いため、奇数チャンネルのみでMIDIノートオンメッセージが送
信されるようになっています。フェーダーを無限大まで下げると、該当するMIDIノー
トオフメッセージが送信され、CDプレーヤーやテープデッキの再生を停止させるこ
とができます。
フェーダー MIDIノートNo. ノートオン ノートオフ
CH 1 37 9n 25 7f 9n 25 00
CH 3 38 9n 26 7f 9n 26 00
CH 5 39 9n 27 7f 9n 27 00
CH 7 40 9n 28 7f 9n 28 00
CH 9 41 9n 29 7f 9n 29 00
CH 11 42 9n 2a 7f 9n 2a 00
CH 13 43 9n 2b 7f 9n 2b 00
CH 15 44 9n 2c 7f 9n 2c 00

03D取扱説明書
第19章 MIDI 237
03Dの
世界へ
ようこそ!
各部の
名称と機能
インプット
チャンネル
イコライザー
パン、
ルーティング、
サラウンドパン
ソロ、
モニター、
メーター
ステレオ
アウト
AUXアウト
バスアウト
チャンネル
ライブラリー
とビュー
内蔵
エフェクト
シーン
メモリー
オート
ミックス
その他の
機能
デジタル
I/O
MIDI
付 録
グループ、
ペア
ダイナミクス
プロセッサー
ユーザー
インター
フェース
の基礎知識
REALTIME MSG. & MTC―リアルタイムメッセージとMTCをエコー出力するかどう
かを設定するボタンです。03Dに接続した機器を同期させたいときに使用します。エ
コー出力可能なメッセージにはつぎのものがあります。
MTC1/4フレームメッセージ(F1h **h)
ソングポジションポインター(F2h **h **h)
ソングセレクト(F3h **)
MIDIクロック(F8h)
スタート(FAh)、コンティニュー(FBh)、ストップ(FCh)
MTCメッセージ(F0h 7Fh 7Fh 01h...F7h)
このグループのECHOボタンの動作は、MIDI/HOSTページ(233ページ「MIDI/HOST
セットアップ」参照)のHOST INTERFACEの設定によって異なります。HOST INTER-
FACEをSTANDARD I/Fに設定すると、このボタンはMIDI INからMIDI OUTにエコー
出力されるデータに対して働きますが、MULTIPORTに設定すると、PORT 2からMIDI
OUTにエコー出力されるデータに対して働きます。
OTHER COMMANDS―PROGRAM CHANGE、CONTROL CHANGE、PARAMETER
CHANGE、REAL TIME MSG. & MTCの各ボタンで設定した以外のMIDIデータをエ
コー出力するかどうかを決めるボタンです。
このグループのECHOボタンの動作は、MIDI/HOSTページ(233ページ「MIDI/HOST
セットアップ」参照)のHOST INTERFACEの設定によって異なります。HOST INTER-
FACEをSTANDARD I/Fに設定すると、このボタンはMIDI INからMIDI OUTにエコー
出力されるデータに対して働きますが、MULTIPORTに設定すると、PORT 2からMIDI
OUTにエコー出力されるデータに対して働きます。
MIDI CHANNEL―03DがMIDIデータを送受信するMIDIチャンネルを選択するときに
使用します。Tx回転ノブはMIDI送信チャンネルを、Rx回転ノブはMIDI受信チャンネ
ルを設定します。
03Dの内蔵エフェクトには、RXチャンネルで受信したMIDIノートオン/オフメッ
セージによるトリガーが可能なFREEZE(フリーズ)エフェクトが含まれています。詳
細は、141ページの「タイプ:FREEZE」をご参照ください。
DEVICE No.―MIDIバルクダンプとパラメーターチェンジに使用するデバイスナン
バーを設定します。03Dがバルクダンプデータリクエストのメッセージを送信したと
き、受信側の機器ではデバイスナンバーを頼りに、要求されたバルクダンプデータを
該当する03Dに送信します。このとき、デバイスナンバーの異なる他の03Dはバルクダ
ンプデータを無視します。“デバイスナンバー”とは、基本的にシステムエクスクルー
シブデータの転送に使用するMIDIチャンネルを決定するものです。03Dが1台のみ使
用する場合は、デバイスナンバーは1でかまいませんが、複数の03Dを使用する場合は、
ユニットごとに異なるデバイスナンバーを付けるようにしてください。

03D取扱説明書
238 第19章 MIDI
03Dの
世界へ
ようこそ!
各部の
名称と機能
インプット
チャンネル
イコライザー
パン、
ルーティング、
サラウンドパン
ソロ、
モニター、
メーター
ステレオ
アウト
AUXアウト
バスアウト
チャンネル
ライブラリー
とビュー
内蔵
エフェクト
シーン
メモリー
オート
ミックス
その他の
機能
デジタル
I/O
MIDI
付 録
グループ、
ペア
ダイナミクス
プロセッサー
ユーザー
インター
フェース
の基礎知識
MIDIモニター
MIDI Moni.ページでは、MIDI IN端子およびTO HOST端子で受信したデータをモニ
ターします。データは16進数で表示されます。
1. [UTILITY]キーでMIDI Moni.ページを表示させてください。
MIDI IN端子で受信したデータは、MIDI INPUT MONITORの欄でモニターします。ま
た、TO HOST接続で受信したデータはTO HOST INPUT MONITORの欄でモニターし
ます。MSB(最上位ビット)が1のステータスバイトは反転表示されます。
アクティブセンシング(FEH)、MIDIクロック(F8H)、MTCクォーター(F1H **H)メッ
セージは、それぞれ個別にMIDI INおよびTO HOST欄の表示から除外できます。
2. [CURSOR]キーでFiltering欄のボタンを選択し、[ENTER]キーでオン/オフを切替え
てください。
マウスを使用している場合は、該当するボタンをクリックしてください。

03D取扱説明書
第19章 MIDI 239
03Dの
世界へ
ようこそ!
各部の
名称と機能
インプット
チャンネル
イコライザー
パン、
ルーティング、
サラウンドパン
ソロ、
モニター、
メーター
ステレオ
アウト
AUXアウト
バスアウト
チャンネル
ライブラリー
とビュー
内蔵
エフェクト
シーン
メモリー
オート
ミックス
その他の
機能
デジタル
I/O
MIDI
付 録
グループ、
ペア
ダイナミクス
プロセッサー
ユーザー
インター
フェース
の基礎知識
プログラムチェンジの割り当て
PGM Asgn.ページでは、03DのシーンメモリーをMIDIプログラムチェンジに割り当て
ます。プログラムチェンジメッセージを使えば、03Dのミックスシーンを呼び出すこ
とができます。詳細は、167ページの「MIDIプログラムチェンジメッセージの使用」を
ご参照ください。シーンメモリーは、プログラムチェンジメッセージの1∼128のうち
任意の番号に割り当て可能ですが、初期設定ではシーンメモリー1∼50がプログラム
チェンジ1∼50に順番に割り当てられています。シーンメモリー00はプログラムチェ
ンジ51に割り当てられています。
MIDIプログラムチェンジメッセージを使ってミックスシーンを呼び出すときは、必
ずMIDI Setupページで設定を行ってください。詳細は、235ページの「MIDIセットアッ
プ」をご参照ください。
1. [MIDI]キーでPGM Asgn.ページを表示させてください。
2. [CURSOR]キーでPGM CHG.の欄を選択し、[PARAMETER]ダイアルでプログラム
チェンジの番号を選択してください。
マウスを使用している場合は、マウスカーソルをPGM CHG.パラメーターボックス上
に移動して、マウスの左ボタンを押さえたままマウスをドラッグしてください。
3. [CURSOR]キー[®]を押してSCENE No./TITLEの欄に移動し、[PARAMETER]ダイア
ルでシーンメモリーを選択してください。
マウスを使用している場合は、マウスカーソルをSCENE No./TITLEパラメーターボッ
クス上に移動し、マウスの左ボタンを押さえたままマウスをドラッグしてください。
プログラムチェンジの割り当てを初期設定に戻したい場合は、
[CURSOR]キーでINITIALIZEボタンを選択し、[ENTER]キーを
押してください。マウスを使用している場合は、INITIALIZEボ
タンをクリックしてください。ダイアログボックスが現われま
す。OKをクリックして初期化します。
プログラムチェンジへのシーンメモリーのアサイン表が266ページに掲載されていま
す。アサイン表は、MIDIバルクダンプを使ってMIDIデータファイラーなどの外部
MIDI機器にバックアップできます。詳細は、242ページの「バルクダンプ」をご参照く
ださい。

03D取扱説明書
240 第19章 MIDI
03Dの
世界へ
ようこそ!
各部の
名称と機能
インプット
チャンネル
イコライザー
パン、
ルーティング、
サラウンドパン
ソロ、
モニター、
メーター
ステレオ
アウト
AUXアウト
バスアウト
チャンネル
ライブラリー
とビュー
内蔵
エフェクト
シーン
メモリー
オート
ミックス
その他の
機能
デジタル
I/O
MIDI
付 録
グループ、
ペア
ダイナミクス
プロセッサー
ユーザー
インター
フェース
の基礎知識
コントロールチェンジの割り当て
CTL Asgn.ページでは、03DのパラメーターをMIDIコントロールチェンジに割り当て
ます。コントロールチェンジを使えば、03Dのミックス設定をリアルタイムでコント
ロールできます。また、03Dのミックスパラメーターを変更したときにコントロール
チェンジメッセージが送信され、MIDIシーケンサーやコンピューターなどに記録で
きます。このシーケンスを再生すれば、03Dのパラメーターが自動的に変化します。同
じように、アサイナブルスライダーを持つシンセサイザーなど、外部のMIDI機器から
コントロールチェンジを送信することで、03Dのミックス設定を変更できます。最大
114個までの03Dのミックスパラメーターをコントロールチェンジ0∼95、および102
∼119に割り当てます(コントロールチェンジ96∼101は使えません)。267ページに
「MIDIコントロールチェンジへのパラメーターのアサイン表」がありますので参照し
てください。
MIDIコントロールチェンジメッセージを使ってミックス設定をコントロールすると
きは、必ずMIDI Setupページの設定を済ませてください。詳細は、235ページの「MIDI
セットアップ」をご参照ください。
1. [MIDI]キーでCTL Asgn.ページを表示させてください。
2. [CURSOR]キーでCTL CHG.の欄を選択し、[PARAMETER]ダイアルでコントロール
チェンジの番号を選択してください。
マウスを使用している場合は、マウスカーソルをCTL CHG.パラメーターボックスに
合わせ、マウスの左ボタンを押さえたままマウスをドラッグしてください。
コントロールチェンジ0と32は、プログラムチェンジメッセージと組み合わせてバン
クセレクトメッセージとして使用されるため、MIDIシーケンサーの中には、03Dから
出力されるこれらのコントロールチェンジを単体では正しく記録しないものもあり
ます。このような問題が生じた場合は、コントロールチェンジ0と32をNO ASSIGNに
設定してください。
3. [CURSOR]キー[®]を押し、[PARAMETER]ダイアルでミックスパラメーターを選択
してください。
マウスを使用している場合は、マウスカーソルをパラメーターボックスに合わせ、マ
ウスの左ボタンを押さえたままマウスをドラッグしてください。
4. [CURSOR]キー[®]を押し、[PARAMETER]ダイアルでチャンネルを選択してくださ
い。
マウスを使用している場合は、マウスカーソルをパラメーターボックスに合わせ、マ
ウスの左ボタンを押さえたままマウスをドラッグしてください。
5. [CURSOR]キー[®]を押し、[PARAMETER]ダイアルでチャンネルナンバーを選択し
てください。

03D取扱説明書
第19章 MIDI 241
03Dの
世界へ
ようこそ!
各部の
名称と機能
インプット
チャンネル
イコライザー
パン、
ルーティング、
サラウンドパン
ソロ、
モニター、
メーター
ステレオ
アウト
AUXアウト
バスアウト
チャンネル
ライブラリー
とビュー
内蔵
エフェクト
シーン
メモリー
オート
ミックス
その他の
機能
デジタル
I/O
MIDI
付 録
グループ、
ペア
ダイナミクス
プロセッサー
ユーザー
インター
フェース
の基礎知識
マウスを使用している場合は、マウスカーソルをパラメー
ターボックスに合わせ、マウスの左ボタンを押さえたまま
マウスをドラッグしてください。
コントロールチェンジの割り当てを初期設定に戻したい
場合は、[CURSOR]キーでINITIALIZEボタンを選択し、
[ENTER]キーを押してください。マウスを使用している場合は、INITIALIZEボタンを
クリックしてください。右のようなダイアログボックスが現われます。
03D DEFAULTをクリックすると初期化されます。P.MIX 01 ARRANGEMENTは、ヤ
マハデジタルミキサーProMix01用のコントロールチェンジを使用するときに選択し
ます。
コントロールチェンジへのパラメーターのアサイン表が237ページに掲載されていま
す。アサイン表は、MIDIバルクダンプを使ってMIDIデータファイラーなどの外部
MIDI機器にバックアップできます。詳細は、242ページの「バルクダンプ」をご参照く
ださい。
ペア、グループ、ライブラリーのリコール操作などのパラメーターはコントロール
チェンジに割り当てることができませんが、システムエクスクルーシブメッセージを
使ってコントロールすることが可能です。
エフェクトの1 PARAM Hや1 PARAM Lのように、2つ(LとH)の領域に分かれたパラ
メーターは、LとHの両方を割り当てなければコントロールチェンジで正しく出力で
きません。例えば、Hのみを割り当てている場合はLの部分は出力されません。さらに、
エフェクトのDELAY LCRの時間設定パラメーターやFREEZEのポイント設定パラ
メーターは、2組のL・H領域、つまり4つの領域からなるパラメーターなので、アサイン
するときは注意が必要です。
EQのHIGHとLOWに含まれるQパラメーターは、システムエクスクルーシブでシェル
ビングやフィルターに切替えることができますが、コントロールチェンジではできま
せん。これはMIDIコントローラーの使用中に、誤って切替えてしまうことを防ぐため
です。Qパラメーターは、10.0∼0.1の通常範囲内でのみ調節できます。
システムエクスクルーシブによるパラメーターのコ
ントロール
コントロールチェンジに割り当てることができないパラメーターでも、システムエク
スクルーシブメッセージを送受信することでリアルタイムコントロールできます。

03D取扱説明書
242 第19章 MIDI
03Dの
世界へ
ようこそ!
各部の
名称と機能
インプット
チャンネル
イコライザー
パン、
ルーティング、
サラウンドパン
ソロ、
モニター、
メーター
ステレオ
アウト
AUXアウト
バスアウト
チャンネル
ライブラリー
とビュー
内蔵
エフェクト
シーン
メモリー
オート
ミックス
その他の
機能
デジタル
I/O
MIDI
付 録
グループ、
ペア
ダイナミクス
プロセッサー
ユーザー
インター
フェース
の基礎知識
バルクダンプ
Bulkページでは、MIDIデータファイラー、コンピューター、もう1台の03Dとの間で3D
のデータを送受信を行います。この機能は03Dデータをバックアップしたり、03D同士
でデータのやり取りするときに利用できます。さまざまな種類のデータを個別に、あ
るいは一括してダンプすることができます。
1. [MIDI]キーでBulkページを表示させてください。
2. [CURSOR]キーでデータタイプのボタンを選択し、[ENTER]キーを押してください。
マウスを使用している場合は、データタイプのボタンをクリックしてください。
3. [CURSOR]キーで、選択したデータタイプの横にあるパラメーターボックスを選択
し、[PARAMETER]ダイアルで個々のメモリーやプログラムを選択してください。
データタイプ 範 囲 内 容
SETUP MEM. − 諸設定
PGM. TABLE −PGM Asgn.ページの設定(シーンメモリーのプロ
グラムチェンジへの割り当て表)
CTL. TABLE −CTL Asgn.ページの設定(パラメーターのコント
ロールチェンジへの割り当て表)
SCENE MEM. 1∼50, EDIT BUFFER, ALL シーンメモリーデータ
EQ LIBRARY 41∼80, ALL EQライブラリーのユーザープログラム
DYN. LIBRARY 41∼80, ALL
ダイナミクスライブラリーのユーザープログラム
EFF. LIBRARY 65∼96, ALL エフェクトライブラリーのユーザープログラム
CH LIBRARY 2∼50, ALL チャンネルライブラリーのユーザープログラム
AUTOMIX 1∼4, CURRENT AUTO, ALL オートミックスデータ
MIDI REMOTE 1∼4 MIDIリモートデータ
4. データをすべて一括して送信またはリクエストする場合は、ALLスイッチを選択して
ください。
ALLを選択すれば、上記の10種類すべてのデータタイプを一括して送信、リクエスト
できます。
5. [CURSOR]キーでREQUESTスイッチまたはTRANSMITスイッチを選択し、[ENTER]
キーを押してください。
REQUESTを押すと、03DはMIDIバルクダンプリクエストメッセージを送信します。受
信側の機器はこれに応えて要求されたバルクダンプデータを03Dに送信します。
TRANSMITを押すと、03Dは指定したデータを送信します。
TRANSMIT INTERVAL―このパラメーターは、バルクダンプ送信中のデータブロック
の間隔を設定します。受信側のMIDI機器のデータバッファーが比較的小さい場合、

03D取扱説明書
第19章 MIDI 243
03Dの
世界へ
ようこそ!
各部の
名称と機能
インプット
チャンネル
イコライザー
パン、
ルーティング、
サラウンドパン
ソロ、
モニター、
メーター
ステレオ
アウト
AUXアウト
バスアウト
チャンネル
ライブラリー
とビュー
内蔵
エフェクト
シーン
メモリー
オート
ミックス
その他の
機能
デジタル
I/O
MIDI
付 録
グループ、
ペア
ダイナミクス
プロセッサー
ユーザー
インター
フェース
の基礎知識
バッファーはMIDIデータですぐに一杯になってしまいます。たとえば300ミリ秒に間
隔を設定すれば、処理の遅い機器でも受信したMIDIデータを正しく処理できます。2
台の03D間でバルクダンプデータを送信する時は、この間隔は0でかまいません。

03D取扱説明書
244 第19章 MIDI
03Dの
世界へ
ようこそ!
各部の
名称と機能
インプット
チャンネル
イコライザー
パン、
ルーティング、
サラウンドパン
ソロ、
モニター、
メーター
ステレオ
アウト
AUXアウト
バスアウト
チャンネル
ライブラリー
とビュー
内蔵
エフェクト
シーン
メモリー
オート
ミックス
その他の
機能
デジタル
I/O
MIDI
付 録
グループ、
ペア
ダイナミクス
プロセッサー
ユーザー
インター
フェース
の基礎知識
MIDIリモート
MIDI Remoteファンクションを使えば、03D側から外部のMIDI機器をリモートコント
ロールすることが可能です。この接続にはMIDI IN/OUT端子、またはTO HOST端子を
利用し、03Dのフェーダー、[ON]キー、[CURSOR]キー、[PARAMETER]ダイアルを
使って外部機器をコントロールします。
03Dからコントロール可能なMIDI機器は、つぎのとおりです。
・デジタルミキサー(ヤマハProMix 01、02R、03D)
・デジタルエフェクトプロセッサー(ヤマハProR3、REV500)
・GM対応音源
・XG対応音源
・Pro Tools
・任意の機器(ユーザー定義によるMIDIコマンドを使用)
上記の機器を最大4つのページに割り当てて使用できます。
リモートコントロール用の接続
つぎの図は、03Dでリモートコントロール操作を行うときの、各機器の接続例を表わ
しています。
03D
TO HOST
MIDI OUT
MIDI OUT
MIDI IN MIDI IN
MIDI OUT
MIDI OUT
MIDI IN MIDI IN
MIDI機器
MIDI機器
MIDI
I/F
MIDIリモートページに各機器を割り当てる
MIDI Remote画面には4つのページが用意されており、ページごとに1台ずつ外部機器
を割り当てることができます。
1. [MIDI REMOTE]キーを押して、Setupページを呼び出してください。

03D取扱説明書
第19章 MIDI 245
03Dの
世界へ
ようこそ!
各部の
名称と機能
インプット
チャンネル
イコライザー
パン、
ルーティング、
サラウンドパン
ソロ、
モニター、
メーター
ステレオ
アウト
AUXアウト
バスアウト
チャンネル
ライブラリー
とビュー
内蔵
エフェクト
シーン
メモリー
オート
ミックス
その他の
機能
デジタル
I/O
MIDI
付 録
グループ、
ペア
ダイナミクス
プロセッサー
ユーザー
インター
フェース
の基礎知識
2. [CURSOR]キーで任意のページの回転ノブを選び、[PARAMETER]ダイアルでその
ページに割り当てる機器を選んでください。
ProMix 01は“Programmable Mixer 01”と表示されています。
マウスで操作する場合は、マウスカーソルを回転ノブに合わせ、マウスの左ボタンを
押しながらドラッグします。
3. [CURSOR]キーを使ってCH/PORTパラメーターを選び、[ENTER]キーと
[PARAMETER]ダイアルを使ってチャンネルまたはポートを選んでください。
マウスで操作する場合は、CH/PORTボタンをクリックし、マウスカーソルをCHパラ
メーターに合わせてマウスの左ボタンを押しながらドラッグするだけです。
CH/PORTパラメーターは、03DがMIDIリモートメッセージを送受信するポートとし
て、MIDI IN/OUT端子またはTO HOST端子のどちらを使用するかを4つのMIDI Remote
ページごとに決定します。MIDIチャンネルはMIDI Remoteページごとに設定できま
す。
CH/PORTの設定は、UtilityファンクションのMIDI/HOSTページで行うことも可能で
す。詳しくは233ページの「MIDI/HOSTセットアップ」をご参照ください。
ProMix 01、02R、03Dのページ
ProMix 01、02R、03Dの各機種については、同じリモートコントロール機能が利用でき
ます。つぎの表は、03D側からリモートコントロール可能なミキサーパラメーターを
表わしています。
03Dの操作子 ProMix 01、02R、03Dのパラメーター
チャンネルフェーダー チャンネルフェーダー
[ON]キー チャンネルのオン/オフ
ディスプレイ内のボタン/回転ノブ パンポット
ミックスシーンのリコール
1. [MIDI REMOTE]キーを使ってProMix 01、02R、03Dのいずれかを割り当てたページ
を呼び出してください。
03Dのチャンネルフェーダー1∼16はリモート機器のフェーダー1∼16に対応します。
03D側でフェーダーを調節すれば、リモート機器側の対応するフェーダーが変化しま
す。
03Dの[ON]キー1∼16はリモート機器の[ON]キー1∼16に対応します。03D側で[ON]
キーを操作すれば、リモート機器側の該当するチャンネルがミュートされます。
リモート機器のパンポットを調節するには、ディスプレイ内のパン回転ノブを選んで
から[PARAMETER]ダイアルを回します。これでリモート機器側の対応するパンコン
トロールが変化します。

03D取扱説明書
246 第19章 MIDI
03Dの
世界へ
ようこそ!
各部の
名称と機能
インプット
チャンネル
イコライザー
パン、
ルーティング、
サラウンドパン
ソロ、
モニター、
メーター
ステレオ
アウト
AUXアウト
バスアウト
チャンネル
ライブラリー
とビュー
内蔵
エフェクト
シーン
メモリー
オート
ミックス
その他の
機能
デジタル
I/O
MIDI
付 録
グループ、
ペア
ダイナミクス
プロセッサー
ユーザー
インター
フェース
の基礎知識
リモート機器側でミックスシーンを呼び出すには、MEM NO.パラメーターを選び、
[PARAMETER]ダイアルを使って呼び出したいミックスシーンを選びます。この段階
では、ミックスシーンのタイトルはまだ表示されません。リモート機器側でミックス
シーンを呼び出すには、RCLボタンを選んで[ENTER]キーを押してください。ミック
スシーンが呼び出されると同時にリモート機器の新しいフェーダー位置に応じて03D
のフェーダー位置が更新されます。また03Dのディスプレイ内のパン回転ノブも新規
の位置に更新されます。このとき、リモート機器の各チャンネルのオン/オフ状態が
03Dの[ON]キーのインジケーターで表示されます。
Connect機能は、リモート機器を接続して最初に電源を入れたときに、リモート機器側
の設定値に合わせて03Dのフェーダー、[PAN]コントロール、[ON]キーの設定を更新
するための機能です。Connect機能を利用するには、CONNECTボタンを選んでから
[ENTER]キーを押します。
ProMix 01をコントロールするときは、ProMix 01のコントロールチェンジアサインの
モードを“REGISTER”に設定してください。
03DをコントロールするときはMIDI Setupページで相手側の設定を以下のように行っ
てください。また、相手側の設定が本体のミックスシーンに影響をおよぼさないため
に、本体側のCONTROL CHANGE RXをOFFにしてください。
・ PROGRAM CHANGE RX=ON
・ PROGRAM CHANGE ECHO=OFF
・ CONTROL CHANGE Tx=OFF
・ CONTROL CHANGE ECHO=OFF
・ PARAMETER CHANGE TX、RX=共にON
・ PARAMETER CHANGE ECHO=OFF
・ BULK RX=ON
・ MIDI RX CHとMIDI TX CHとDEVICE NO.をリモートMIDIチャンネルナンバー
に合わせる。
ProR3、REV500のページ
つぎの表は、03D側からコントロール可能なリバーブパラメーターを表わしたものです。
03Dの操作子 ProR3、REV500のパラメーター
チャンネルフェーダー リバーブパラメーター
ディスプレイ内のボタン/回転ノブ リバーブパラメーター
リバーブプログラムのリコール操作
03Dの各フェーダーは、ディスプレイ内に表示される同じ番号のパラメーターをコン
トロールします。
1. [MIDI REMOTE]キーを使ってProR3またはREV500を割り当てたページを呼び出し
てください。

03D取扱説明書
第19章 MIDI 247
03Dの
世界へ
ようこそ!
各部の
名称と機能
インプット
チャンネル
イコライザー
パン、
ルーティング、
サラウンドパン
ソロ、
モニター、
メーター
ステレオ
アウト
AUXアウト
バスアウト
チャンネル
ライブラリー
とビュー
内蔵
エフェクト
シーン
メモリー
オート
ミックス
その他の
機能
デジタル
I/O
MIDI
付 録
グループ、
ペア
ダイナミクス
プロセッサー
ユーザー
インター
フェース
の基礎知識
03D側からリバーブプログラムを呼び出すには、PGM NO.パラメーターを選び、
[PARAMETER]ダイアルで呼び出したいプログラムを選びます。この段階では、プロ
グラムのタイトルやタイプはまだ表示されません。ProR3またはREV500側でプログラ
ムを呼び出すには、RCLボタンを選んで[ENTER]キーを押してください。リバーブプ
ログラムが呼び出され、新規プログラムのパラメーター設定に応じて03Dのフェー
ダーや回転ノブの位置が更新されます。
03D側からリバーブパラメーターをエディットするには、ディスプレイ内でパラメー
ターを選び、[PARAMETER]ダイアルで設定値を変更します。あるいは、そのパラメー
ターに対応する03Dのフェーダーで調節することも可能です。
Connect機能は、ProR3またはREV500を接続して最初に電源を入れたとき、あるいはマ
ニュアル操作でパラメーターのエディットやリコールを行ったときに、03Dのフェー
ダーやディスプレイ内の回転ノブを更新するための機能です。Connect機能を利用す
るには、CONNECTボタンを選んでから[ENTER]キーを押します。
GM音源のページ
つぎの表は、03D側からコントロール可能なGM音源のパラメーターを表わしたもの
です。MIDIチャンネルの設定は特に必要ありません。
03Dの操作子 GM音源のパラメーター
チャンネルフェーダー チャンネルのレベル
パンポット
ディスプレイ内のボタン/回転ノブ エクスプレッション
自由に割り当て可能な2種類のコントロールチェンジ
1. [MIDI REMOTE]キーを使ってGMを割り当てたページを呼び出してください。
03Dのディスプレイには、チャンネル1∼8または9∼16のコントロールチェンジ1と2、
エクスプレッション、パンポットを操作する回転ノブが表示されます。チャンネルの
グループを切替えるには、CHボタンを使用します。また、03D側でフェーダー1∼8また

03D取扱説明書
248 第19章 MIDI
03Dの
世界へ
ようこそ!
各部の
名称と機能
インプット
チャンネル
イコライザー
パン、
ルーティング、
サラウンドパン
ソロ、
モニター、
メーター
ステレオ
アウト
AUXアウト
バスアウト
チャンネル
ライブラリー
とビュー
内蔵
エフェクト
シーン
メモリー
オート
ミックス
その他の
機能
デジタル
I/O
MIDI
付 録
グループ、
ペア
ダイナミクス
プロセッサー
ユーザー
インター
フェース
の基礎知識
はフェーダー9∼16を操作したときに、ディスプレイ内でそれに応じたグループが選
ばれます。
03Dのチャンネルフェーダー1∼16はGM音源のチャンネル1∼16に対応します。03D側
でフェーダーを調節すれば、音源側の対応するチャンネルのレベルが変化します。
GM音源のパンポットやエクスプレッションをリモートコントロールするには、ディ
スプレイ内でパンまたはエクスプレッション回転ノブを選び、[PARAMETER]ダイア
ルで値を変更します。これで音源側の対応するチャンネルのパンポットやエクスプ
レッションが変化します。
コントロールチェンジ1/2も、パンポットやエクスプレッションと同じ要領で一般的
なMIDIコントローラーとして操作しますが、それぞれ異なるコントロールチェンジ
を割り当て可能な点が異なります。
Transmit機能は、03Dのフェーダーやディスプレイ画面内の回転ノブの値をすべてGM
音源側に送信するための機能です。Transmit機能を利用するには、TRANSMITボタン
を選んでから[ENTER]キーを押します。
XGページ
つぎの表は、03D側からコントロール可能なXG音源のパラメーターを表わしたもの
です。MIDIチャンネルはXG音源側のデバイスナンバーに合わせてください。
03Dの操作子 XG音源のパラメーター
チャンネルフェーダー パートのレベル
リバーブレベル
コーラスレベル
ディスプレイ内のボタン/回転ノブ バリエーションレベルまたはバリエーションアサインボタン
パンポット
リバーブ、コーラス、バリエーションのリターンレベル
マスターボリューム
1. [MIDI REMOTE]キーを使ってXGを割り当てたページを呼び出してください。
2. MIDIチャンネルをXG音源のデバイスナンバーと合わせてください。
03Dのディスプレイには、パート1∼8または9∼16のリバーブ、コーラス、バリエーショ
ン、パンポットを操作する回転ノブが表示されます。グループを切替えるには、PART
ボタンを使用します。パート1∼8または9∼16のグループが選ばれているときは、03D
のフェーダーがパート1∼16に対応します。03D側でフェーダー1∼8またはフェーダー
9∼16を操作すれば、ディスプレイ内でそれに応じたグループが選択されます。パート
17∼24または25∼32のグループが選ばれているときは、03Dのフェーダーがパート17
∼32に対応し、03D側で17∼24または25∼32に相当するフェーダーを操作すれば、ディ
スプレイ内でそれに応じたグループが選択されます。

03D取扱説明書
第19章 MIDI 249
03Dの
世界へ
ようこそ!
各部の
名称と機能
インプット
チャンネル
イコライザー
パン、
ルーティング、
サラウンドパン
ソロ、
モニター、
メーター
ステレオ
アウト
AUXアウト
バスアウト
チャンネル
ライブラリー
とビュー
内蔵
エフェクト
シーン
メモリー
オート
ミックス
その他の
機能
デジタル
I/O
MIDI
付 録
グループ、
ペア
ダイナミクス
プロセッサー
ユーザー
インター
フェース
の基礎知識
XG音源の各パートのリバーブ、コーラス、エクスプレッション、パンポット、リバーブ
リターン、バリエーションリターン、マスターボリュームをコントロールするには、
ディスプレイ内で該当する回転ノブを選び、[PARAMETER]ダイアルで値を変更しま
す。これで音源の対応するパンポットやエクスプレッションが変化します。
Connect機能は、XG音源を接続して最初に電源を入れたときや、マニュアルでパラ
メーターを変更したときに、03Dのフェーダーやディスプレイ内の回転ノブを更新す
るための機能です。Connect機能を利用するには、CONNECTボタンを選んでから
[ENTER]キーを押します。
音源側でバリエーションエフェクトがインサーションに設定されていた場合は、どの
パートにアサインするかのスイッチになります。
Pro Toolsのページ
つぎの表は、03D側からコントロール可能なPro Toolsのパラメーターを表わしたもの
です。MIDIチャネルの設定はとくに必要ありません。
03Dの操作子 Pro Toolsのパラメーター
チャンネルフェーダー(1∼8) トラックのレベル
[ON]キー モードにより異なる
再生、停止、録音、速送り、巻き戻し
ディスプレイ内のボタンや回転ノブ ロケートポイントリコール
パンポット
センド1、センド2
1. [MIDI REMOTE]キーを使ってPro Toolsを割り当てたページを呼び出してください。
2. Pro Tools側でSetupsメニューのPeripheralsでデバイスCS-10をオンにしてくださ
い。
これで03Dのチャンネルフェーダー1∼8がPro Toolsのトラック1∼8に対応します。
03D側でフェーダーを調節すれば、Pro Tools側の対応するトラックのレベルが変化し
ます。
ディスプレイ内の巻き戻し、早送り、停止、再生、録音ボタンを使ってPro Toolsのトラ
ンスポート機能をコントロールすることも可能です。録音の操作を行うときは、Pro
Toolsがレコード・イネイブル(録音可能)であることを確かめてから操作してくださ
い。
ディスプレイ内のその他のボタン類や回転ノブの操作は、つぎの表のようにモードに
よって変化します。

03D取扱説明書
250 第19章 MIDI
03Dの
世界へ
ようこそ!
各部の
名称と機能
インプット
チャンネル
イコライザー
パン、
ルーティング、
サラウンドパン
ソロ、
モニター、
メーター
ステレオ
アウト
AUXアウト
バスアウト
チャンネル
ライブラリー
とビュー
内蔵
エフェクト
シーン
メモリー
オート
ミックス
その他の
機能
デジタル
I/O
MIDI
付 録
グループ、
ペア
ダイナミクス
プロセッサー
ユーザー
インター
フェース
の基礎知識
モード 操 作
SOLO ON/OFFボタンでPro Toolsのトラックをソロに設定します。
MUTE ON/OFFボタンでPro Toolsのトラックをミュートします。
LOCATE ON/OFFボタンでPro Tools側で設定されたロケートポイントに移動します。
KNOB PAN、SEND1、SEND2の回転ノブが使用可能となります(これらの回転ノブ
は、KNOBモードでのみ操作可能なことにご注意ください)。
Pro Toolsの各トラックのパンポット、センド1、センド2を調節するには、モードを
KNOBに切替えて回転ノブを選んでから[PARAMETER]ダイアルで値を変更してく
ださい。これでPro Tools側の対応するパラメーターが変化します。
Pro Tools側と03D側の両方で、トランスポートコントロールするのはさけてください。
ユーザー定義ページ
つぎの表は、ユーザーが定義したパラメーターをコントロール可能な03Dの操作子を
表わしたものです。
03Dの操作子 パラメーター
チャンネルフェーダー ユーザー定義によるコマンドの送信(31バイト)
[ON]キー(オフからオンに) ユーザー定義によるコマンドの送信(16バイト)
[ON]キー(オンからオフに) ユーザー定義によるコマンドの送信(16バイト)
1. [MIDI REMOTE]キーを使ってユーザー定義パラメーター(User Def.)を割り当てた
ページを呼び出してください。
User Def.ページでは、03Dのフェーダーや[ON]キーを操作したときに出力される
MIDIコマンドを定義します。[ON]キー用のコマンドは、オフからオンに切替えたと
きとオンからオフに切替えたときの2種類のコマンドが定義できます。
設定可能な値はつぎのとおりです。
16進数:00∼EF、F0、F1、F2、F3、F4、F5、F6、F7、F8、FA、FB、FC、FF
FAD:出力されるフェーダーの値(00∼7F)
END:コマンドの終了

03D取扱説明書
付 録 251
03Dの
世界へ
ようこそ!
各部の
名称と機能
インプット
チャンネル
イコライザー
パン、
ルーティング、
サラウンドパン
ソロ、
モニター、
メーター
ステレオ
アウト
AUXアウト
バスアウト
チャンネル
ライブラリー
とビュー
内蔵
エフェクト
シーン
メモリー
オート
ミックス
その他の
機能
デジタル
I/O
MIDI
付 録
グループ、
ペア
ダイナミクス
プロセッサー
ユーザー
インター
フェース
の基礎知識
付 録
20
本章の目次
故障かな?と思ったら ......................................................................................252
ディスプレイメッセージ一覧 ..........................................................................255
仕 様 ..................................................................................................................257
1. 全体仕様.....................................................................................................257
2. チャンネル仕様.........................................................................................258
3. アナログ入力仕様.....................................................................................261
4. アナログ出力仕様.....................................................................................262
5. デジタルオーディオ入力仕様.................................................................262
6. デジタルオーディオ出力仕様.................................................................262
7. YGDAIスロット仕様(Yamaha general digital audio interface).............263
8. コントロールI/O仕様................................................................................263
9. フェーダーファンクション設定.............................................................263
10. レベルダイアグラム...............................................................................264
11. 寸法図 .......................................................................................................265
12. オプション...............................................................................................265
13. セキュリティーカバー...........................................................................265
MIDIプログラムチェンジへのシーンメモリーのアサイン表................266
MIDIコントロールチェンジへのパラメーターのアサイン表................267
MIDIデータフォーマット............................................................................270
MIDIインプリメンテーションチャート....................................................277
用語集 ..................................................................................................................278
索引 ......................................................................................................................282

03D取扱説明書
252 付 録
03Dの
世界へ
ようこそ!
各部の
名称と機能
インプット
チャンネル
イコライザー
パン、
ルーティング、
サラウンドパン
ソロ、
モニター、
メーター
ステレオ
アウト
AUXアウト
バスアウト
チャンネル
ライブラリー
とビュー
内蔵
エフェクト
シーン
メモリー
オート
ミックス
その他の
機能
デジタル
I/O
MIDI
付 録
グループ、
ペア
ダイナミクス
プロセッサー
ユーザー
インター
フェース
の基礎知識
故障かな?と思ったら
思ったとおりに動かない、何かおかしいと思ったら状況を確認した上で、以下のような対処をしてみてく
ださい。
■電源が入らない
・ 電源コードが100VのACコンセントに接続されてい
ますか?
・[POWER]スイッチがオンになっていますか?
・ それでも電源が入らない場合は、お買い上げの販売
店またはヤマハサービスセンターにご相談くださ
い。
■音が出ない
・ 外部機器からの信号は入力されていますか?
・ インプットチャンネルの[ON]キーのインジケー
ターは点灯していますか?
・ インプットチャンネルのフェーダーは上がってい
ますか?
・ ステレオアウトプットチャンネルの[ON]キーのイ
ンジケーターは点灯していますか?
・ ステレオアウトプットチャンネルのフェーダーは
上がっていますか?
・ オプションカードはきちんと挿入されています
か?
・ 出力バスへのアサインはされていますか?
・ ワードクロックは正しく設定されていますか?
・ EQページのアッテネーターは上がっていますか?
■音が小さい
・[PAD]スイッチ、[GAIN]コントロールは正しく
セットされていますか?
・ インプットチャンネルのフェーダーは上がってい
ますか?
・ EQのゲインを極端に下げたセッティングになって
いませんか?
・ ダイナミクスプロセッサーが、極端なスレッショル
ド、レシオ設定になっていませんか?
・ Meterページでレベルを確認してください。詳細は、
80ページの「メーター」をお読みください。
・ EQページのアッテネーターは上がっていますか?
■音が歪む
・[PAD]スイッチ、[GAIN]コントロールは正しく
セットされていますか?
・ インプットチャンネルのフェーダーが上がりすぎ
ていませんか?
・ ステレオアウトプットチャンネルのフェーダーが
上がりすぎていませんか?
・ EQのゲインを極端に上げたセッティングになって
いませんか?
■ペアにしたステレオチャンネルがステレオに聴こえ
ない
・ パンの設定は正しいですか?
■特定のチャンネルの音量が上下する
・ ダイナミクスプロセッサーのダッキングが設定さ
れていませんか?
■ミックスシーンが保存できない
・ シーンメモリープロテクトがかかっていません
か?詳細は、168ページ「シーンメモリーの書き込み
禁止」を参照ください。
・ シーンメモリー00にシーンをストアすることはで
きません。
■MIDIデータのやりとりができない
・ 送信側と受信側のチャンネルポートは、一致してい
ますか?
・ 送受信を行いたい項目(プログラムチェンジ、コン
トロールチェンジ、パラメーターチェンジ)のボタ
ンはオンになっていますか?
■フェーダーの動きが一様ではない
・ 電源オフの状態で、[ENTER]キーを押しながら電源
スイッチを入れます。フェーダーがキャリブレー
ションされ、動きのバラツキが小さくなります。
■CD8-TDIIを使ったときノイズが出る
・ CD8-TDIIの基板上のディップスイッチの設定が
違っていませんか?
カードに付属の取扱説明書で確認してください。
■フェーダーを操作しても思うようにレベル調節がで
きない
・ 適切なフェーダーモードとミキシングレイヤーが
選ばれていますか?
・ MIDIリモート機能はオフになっていますか?
■アナログのST IN端子に信号を送っているのに、ST
INチャンネルに信号が入力されない
・ D.in SetupページでST INのソースとしてアナログが
選ばれていますか?詳細は、221ページの「デジタル
ステレオイン」をご参照ください。
■DIGITAL STEREO IN端子にAES/EBUの信号を送っ
ているのに、音が聞こえない。
・ DIGITAL STEREO INのソースがAES/EBUに設定さ
れていますか?

03D取扱説明書
付 録 253
03Dの
世界へ
ようこそ!
各部の
名称と機能
インプット
チャンネル
イコライザー
パン、
ルーティング、
サラウンドパン
ソロ、
モニター、
メーター
ステレオ
アウト
AUXアウト
バスアウト
チャンネル
ライブラリー
とビュー
内蔵
エフェクト
シーン
メモリー
オート
ミックス
その他の
機能
デジタル
I/O
MIDI
付 録
グループ、
ペア
ダイナミクス
プロセッサー
ユーザー
インター
フェース
の基礎知識
・ DIGITAL STEREO INの信号の送り先がST INまた
はSTEREO CASCADEに設定されていますか?
・ STEREO CASCADEに設定されている場合は、CAS-
CADEがオンになっていますか?
上記の設定はすべてD.in Setupページで行います。詳
細は、221ページの「デジタルステレオイン」をご参
照ください。
■モニターやソロの信号が聞こえない
・ [MONITOR OUT SOLO/2TR]スイッチがSOLOの位
置になっていますか? 詳細は、79ページの「2ト
ラック入力」をご参照ください。
■外部に録音した信号にノイズが入る
・ ワードクロックの設定は正しいですか?
・ 非同期の信号が入力されていませんか?
・ ディザーの設定は適切ですか?
・ オシレーターが働いてはいませんか?
■高域が落ちる
・ Enphasisがかかっていませんか?
入力信号の状態とEnphasis情報が一致しない場合に
発生します。
・ EQがかかっていませんか?
■[ON]キーと[SEL]キーで間違ったチャンネルが選択
されてしまう。
・ 正しいミキシング・レイヤーを選択しているか確認
してください。詳細は、31ページの「ミキシングレイ
ヤー」をお読みください。
■入力信号は入っているがメーターが動いていない。
・MeterモードがGAIN REDUCTIONに設定されてい
ると、ダイナミック・プロセッサによるゲイン・リダ
クションの量が表示されます。詳細は、81ページの
「メーター」をお読みください。
■入力信号が入っているがステレオ出力がない。
・ST OUTフェーダーを上げ、ST OUT [ON]キーがオ
ンになっていることを確認してください。また、
チャンネルがステレオ出力にパッチされているか
確かめてください。詳細は、61ページの「ステレオパ
ン、バランス、ルーティング」をお読みください。
■入力信号が入っているが、モニター出力がない。
・MONITOR OUT SOLO/2TR INスイッチがSOLOに
設定されていることを確認してください。詳細は、
79ページの「2トラック入力」をお読みください。
・MONITOR OUTコントロールが上がっていて、
Moni.SetupページでMONI TRIMコントロールが上
がっていること、またモニターソースが選択されて
いることを確認してください。詳細は、76ページの
「モニタリング」をお読みください。
■ミックスダウン・ソロモードで、常時聴こえないチャ
ンネルがある。
・ そのチャンネルがソロ・セーフに設定されていませ
んか?詳細は、79ページの「ソロセーフ」をお読みく
ださい。
■インプットチャンネル1と2からの信号が聴こえな
い。
・外部エフェクターがINSERT端子に接続されてお
り、それがオフになっていませんか?
■特にEQブーストをかけたときなど、ヘッドルームに
ゆとりがない。
・ EQページのアッテネータ機能を使用して、レベルを
抑えてください。詳細は、38ページの「アッテネー
タ」をお読みください。
■DIGITAL ST OUTまたはYGDAIで録音した音が粒状
に聴こえる。
・ディザー機能が録音機器のワードレングスに合っ
ていることを確認してください。詳細は、220ページ
の「出力ディザー」をお読みください。
■DIGITAL ST INまたはYGDAIで接続した信号にノイ
ズが多い。
・ この信号を送信している機器が、マスターのワード
クロックに同期しているかどうか確認してくださ
い。詳細は、216ページの「ワードクロックのセット
アップ」をお読みください。
■ステレオペアを設定したが、信号がモノになってい
るようだ。
・ 奇数チャンネルは左一杯、偶数チャンネルは右一杯
にパンされているかどうか確認してください。
■ステレオペアに設定したが、信号の位相が合ってい
ない。
・ ステレオペアの両インプットチャンネルの位相を、
必ず同一にしてください。ステレオペアを設定して
も、位相設定はリンクされません。詳細は、39ページ
の「フェーズ」をお読みください。
■信号に遅延があるようだ。
・ チャンネル・ディレイ機能が正しく設定されている
か確認してください。詳細は、40ページの「チャンネ
ルディレイ」をお読みください。
■フェーダーをフェーダー・グループに追加したが、グ
ルーピングが働かない。
・ フェーダー・グループがオンになっているか確認し
てください。詳細は、114ページの「フェーダーグ
ループ」をお読みください。
■チャンネルをミュート・グループに追加したが、グ
ループ・ミューティングが働かない。
・ミュート・グループがオンになっているか確認して
ください。詳細は、115ページの「ミュートグループ」

03D取扱説明書
254 付 録
03Dの
世界へ
ようこそ!
各部の
名称と機能
インプット
チャンネル
イコライザー
パン、
ルーティング、
サラウンドパン
ソロ、
モニター、
メーター
ステレオ
アウト
AUXアウト
バスアウト
チャンネル
ライブラリー
とビュー
内蔵
エフェクト
シーン
メモリー
オート
ミックス
その他の
機能
デジタル
I/O
MIDI
付 録
グループ、
ペア
ダイナミクス
プロセッサー
ユーザー
インター
フェース
の基礎知識
をお読みください。
■エフェクト・プログラム43、64をEffect 1に呼び込め
ない。
・ これらのエフェクト・プログラムはHQ.PITCHおよび
FREEZEタイプのエフェクトを使用しており、Effect
2にしか呼び込めません。
■Bus to STページにアクセスできない。
・ パンモードがStereoになっているか確認してくださ
い。サラウンド・パンモードを選択すると、このペー
ジにはアクセスできません。詳細は、60ページの「パ
ンモードの選択」をお読みください。
■チャンネル・プログラムを呼び出せない。
・ 選択チャンネルに該当するプログラムデータが入っ
ていますか?詳細は、108ページの「チャンネルプログ
ラムの呼び出し」をお読みください。
■ミックスシーンを呼び出しても、一部チャンネルが
更新しない。
・ そのチャンネルはセーフ・チャンネルに設定されて
いませんか?詳細は、172ページの「シーンデータのリ
コールセーフ機能」をお読みください。
■MIDIプログラム・チェンジ・メッセージでミックス
シーンを呼び出せない。
・ 03D側がプログラム・チェンジ・メッセージを受信で
きるように設定され、MIDIチャンネルポートが一致
していることを確認してください。詳細は、235ペー
ジの「MIDIセットアップ」をお読みください。
・ ミックスシーンとプログラム・チェンジの割り当て
表を確認してください。詳細は、239ページの「プログ
ラムチェンジの割り当て」をお読みください。
■MIDIコントロール・チェンジ・メッセージでミック
ス・パラメーターをコントロールできない。
・ 03D側がコントロール・チェンジ・メッセージを受信
できるように設定され、MIDIチャンネルポートが一
致していることを確認してください。詳細は、235
ページの「MIDIセットアップ」をお読みください。
・ パラメーターとコントロール・チェンジの割り当て
表を確認してください。詳細は、240ページの「コント
ロールチェンジの割り当て」をお読みください。
■オートミックスを記録できない。
・ オートミックス機能がオンになっていますか?詳細
は、179ページの「オートミックスを有効にする」をお
読みください。
■一部チャンネルでオートミックスの再生ができな
い。
・ そのチャンネルがセーフ・チャンネルに設定されて
いませんか?詳細は、182ページの「セーフチャンネ
ル」をお読みください。

03D取扱説明書
付 録 255
03Dの
世界へ
ようこそ!
各部の
名称と機能
インプット
チャンネル
イコライザー
パン、
ルーティング、
サラウンドパン
ソロ、
モニター、
メーター
ステレオ
アウト
AUXアウト
バスアウト
チャンネル
ライブラリー
とビュー
内蔵
エフェクト
シーン
メモリー
オート
ミックス
その他の
機能
デジタル
I/O
MIDI
付 録
グループ、
ペア
ダイナミクス
プロセッサー
ユーザー
インター
フェース
の基礎知識
ディスプレイメッセージ一覧
AUTOMIX MEMORY FULL! オートミックスのメモリーに空きがありません。不要なメモリー
を消去したり、MIDIデータファイラーに保存するなどして空き領
域を作ってください。
AUTOMIX REC ABORTED. オートミックスの記録を停止しデータを破棄しました。
(このときオートミックスのアンドゥーバッファがENABLEに設
定されていればアンドゥーが可能です。)
AUTOMIX REC STOPPED. オートミックスの記録を停止しました。
AUTOMIX REC TIME EXCEEDED! オートミックスのトータルの記録時間が許容範囲を超えました。
AUTOMIX RUNNING. オートミックスの記録中または再生中のため操作を実行できませ
ん。
BULK:AUTOMIX MEMORY FULL! オートミックスのメモリーに空きがないため受信したバルクデー
タを格納出来ません。
BULK:BYTE COUNT MISMATCH! 受信したバルクデータのバイトカウントが不正です。
BULK:CHECK SUM MISMATCH! 受信したバルクデータのチェックサムが不正です。
BULK:MEMORY PROTECTED! データの格納先にプロテクトが施されているため受信したバルク
データを格納できません。
CANNOT CONNECT! MIDI REMOTE画面で被制御機器との相互接続に失敗しました。
ポートの設定、接続の見直しを行なってください。
CANNOT EXECUTE(NO DATA).データがストアされていないため実行できません。
CH17-24 ARE DISABLED! 03DのYGDAIスロットにCD8-CSカスケードカードが装着されて
いる場合、チャンネル入力17-24は無効となります。
DIGITAL ST IN SYNC ERROR! DIGITAL ST INに入力されている信号がワードクロックマスター
に同期していません。このまま使用すると音声にノイズが混入す
る可能性がありますので、正しく同期の取れた信号を入力してく
ださい。
(このメッセージはUTILITY画面のPreferencesページで表示しな
いように設定することも出来ます。)
FOR EFFECT2 ONLY. 選択しているエフェクトプログラムはEFFECT2にのみリコール
が可能です。
LOW BATTERY!! 内蔵バッテリーの寿命が近付いています。03Dに保存されている
データのバックアップをとったうえで(242ページ「バルクダン
プ」)お買い上げの販売店にバッテリーの交換をご依頼ください。
MIDI IN:DATA FRAMING ERROR! MIDI IN端子に適正でない信号が入力されていることが考えられ
ます。
MIDI IN:DATA OVERRUN! MIDI IN端子に適正でない信号が入力されていることが考えられ
ます。
MIDI:Rx BUFFER FULL! 03DへのMIDIデータの流入量が多すぎることが考えられます。
MIDI:Tx BUFFER FULL! 03DからのMIDIデータの送信量が多すぎることが考えられます。

03D取扱説明書
256 付 録
03Dの
世界へ
ようこそ!
各部の
名称と機能
インプット
チャンネル
イコライザー
パン、
ルーティング、
サラウンドパン
ソロ、
モニター、
メーター
ステレオ
アウト
AUXアウト
バスアウト
チャンネル
ライブラリー
とビュー
内蔵
エフェクト
シーン
メモリー
オート
ミックス
その他の
機能
デジタル
I/O
MIDI
付 録
グループ、
ペア
ダイナミクス
プロセッサー
ユーザー
インター
フェース
の基礎知識
NO DATA TO RECALL. データがストアされていないためリコールできません。
RECALL SAFE DATA CONFLICT! シーンメモリーのリコールセーフ機能で特定のチャンネルが保護
されていますが、リコールしようとしているメモリーはBUS/AUX
のペア状態やパンモード(ステレオ/サラウンド)が異なっている
ためシーンリコールを実行できません。
SOLO READY. ソロレディー状態です。[SEL]キーでソロチャンネルを選択出来
ます。
SOLO SLAVE. カスケードスレーブの時はソロのステータスを変更することはで
きません。マスター側コンソールのソロキーを押してください。
TC FRAME JUMP! 入力されているタイムコードのフレームがジャンプ、または逆走
しました。タイムコードを出力している機器の見直しを行なって
ください。
TC TYPE MISMATCH! オートミックスのTIME BASE設定と異なるタイプのタイムコー
ドが入力されました。この設定では正しくオートミックスが再生
されない恐れがありますので設定の見直しを行なってください。
TO HOST:DATA FRAMING ERROR! TO HOST端子に適正でない信号が入力されていることが考えら
れます。
TO HOST:DATA OVERRUN! TO HOST端子に適正でない信号が入力されていることが考えら
れます。
TO HOST:DATA PARITY ERROR! TO HOST端子に適正でない信号が入力されていることが考えら
れます。
TO HOST:RX BUFFER FULL! TO HOST端子へのデータの流入量が多すぎることが考えられま
す。
TO HOST:TX BUFFER FULL! 03DからのTO HOST端子へのデータ送信量が多すぎることが考え
られます。
WRONG WORD CLOCK!! 03Dが選択した同期すべき接続機器からのワードクロックが適切
ではありません。その設定では同期システムが構築出来ないとい
うことですので、システムの接続状態の見直しやDIO画面D.In
Setupページの“AUTO NAVIGATE”機能を利用するなどして適正
なワードクロックを選択し直してください。
YGDAI INPUT SYNC ERROR! YGDAIカードの入力端子に入力されている信号がワードクロッ
クマスターに同期していません。このまま使用すると音声にノイ
ズが混入する可能性がありますので、正しく同期の取れた信号を
入力してください。
(但し、同期システムが正しく構築されていてもデジタルMTRが
チェイス状態になるまでの間クロックが不安定になりこのメッ
セージが表示される場合があります。このメッセージはUTILITY
画面のPreferencesページで表示しないように設定することも出来
ます。)

03D取扱説明書
付 録 257
03Dの
世界へ
ようこそ!
各部の
名称と機能
インプット
チャンネル
イコライザー
パン、
ルーティング、
サラウンドパン
ソロ、
モニター、
メーター
ステレオ
アウト
AUXアウト
バスアウト
チャンネル
ライブラリー
とビュー
内蔵
エフェクト
シーン
メモリー
オート
ミックス
その他の
機能
デジタル
I/O
MIDI
付 録
グループ、
ペア
ダイナミクス
プロセッサー
ユーザー
インター
フェース
の基礎知識
仕 様
1. 全体仕様
■サンプリング周波数 内部:48kHz/44.1kHz
外部:(32kHz −6%)∼(48kHz +6%)
■シグナルディレイ 2.5ms以下 fs=48kHz, CH IN → ST OUT
■ディザー 16∼24ビット
■フェーダー 60mmストローク・モーターフェーダー×19
■フェーダー分解能 128ステップ ST OUT:+6∼−90dB, −∞dB
その他:+6∼−72dB, −∞dB
■全高調波歪 0.1%以下 20Hz∼20kHz, +14dB 600Ω, ST IN → ST OUT
0.02%以下 1kHz, +18dB 600Ω, ST IN → ST OUT
■周波数特性 20Hz∼20kHz +1, −3dB, +4dB 600Ω
■ダイナミックレンジ 110dB標準 DA(ST OUT)
105dB標準 AD+DA(ST IN → ST OUT)
■ハム&ノイズ −128dB 等価ノイズ
−94dB 残留ノイズ ST OUT, ST OUT ONスイッチ:オフ
−94dB 98dB S/N 全チャンネル・フェーダー:−∞dB
ST OUTフェーダー:0dB
−64dB
68dB S/N 1チャンネル・フェーダー
:0dB
ST OUT
フェーダー:0dB
■最大電圧ゲイン 76dB CH IN → ST OUT/BUS OUT
76dB CH IN(プリフェーダー) → AUX OUT
36dB ST IN → ST OUT
76dB CH IN → MONITOR OUT(ST OUTプリフェーダー経由)
■クロストーク(1kHz) 70dB 隣接インプットCH間
60dB 隣接ST IN間
70dB CH IN → Output
■コントロール
アナログセクション
PADスイッチ 26dB インプットCH1∼8
GAINコントロール 44dB(−16∼−60dB) インプットCH1∼8
30dB(+10∼−20dB) インプットCH9∼16, ST IN
PHANTOMスイッチ +48V インプットCH1∼8
MONITOR OUTスイッチ SOLO/2TR IN
LEVELコントロール MONITOR OUT, PHONES
デジタルセクション
ON・SELキー, フェーダー
CH 1∼16/(17∼24, AUX 1∼4, BUS 1∼4)、 ST IN、RETURN 1/2、ST OUT
MIXING LAYERキー CH 1∼16
/(
17−24/MASTER)
MIDI REMOTEキー リモート/ローカルオフ
FADER MODEキー AUX 1, AUX 2, AUX 3, AUX 4, FADER-METER, EFFECT 1, EFFECT 2
CHANNEL CONTROLキー EQ LOW LO-MID HI-MID HIGH
DELAY/ØDYNAMICS PAN/ROUTING VIEW
20Hz∼20kHz, Rs=150Ω,
GAIN:最大, PAD:オフ,
入力感度=−60dB
LPF(−6dB/octave @12.7kHz:
−∞dB/octave @20kHzと等
価)を通して測定

03D取扱説明書
258 付 録
03Dの
世界へ
ようこそ!
各部の
名称と機能
インプット
チャンネル
イコライザー
パン、
ルーティング、
サラウンドパン
ソロ、
モニター、
メーター
ステレオ
アウト
AUXアウト
バスアウト
チャンネル
ライブラリー
とビュー
内蔵
エフェクト
シーン
メモリー
オート
ミックス
その他の
機能
デジタル
I/O
MIDI
付 録
グループ、
ペア
ダイナミクス
プロセッサー
ユーザー
インター
フェース
の基礎知識
SETUPキー UTILITY MIDI SCENE MEMORY
DIO GROUP/PAIR SOLO SETUP AUTOMIX
SOLOキー
SCENE MEMORYキー STORE, RECALL, INC+, DEC−, UNDO/REDO
USER DEFINEキー 1, 2, 3, 4
CURSORキー LEFT, RIGHT, UP, DOWN
PARAMETERダイアル 24クリック・ロータリーエンコーダー
ENTERキー
■メモリー/ライブラリー数
タイプ 総 数 プリセット ユーザー
シーンメモリー数 51 1 50
内蔵デジタルエフェクト(1, 2) 96 64 32
ダイナミクス 80 40 40
EQライブラリー 80 40 40
チャンネルライブラリー 51 2 49
■EQ LOW LO-MID HI-MID HIGH
G(ゲイン) ±18dB
F(周波数) 21Hz∼20.1kHz
fs=32kHz 21Hz∼15.1kHz
Q HPF、10∼0.1、 10∼0.1 LPF、10∼0.1、
シェルビング シェルビング
fs=48kHz/
44.1kHz
■ディスプレイ
LCD グラフィカルLCD 320×240ドット
バックライト・コントラストコントロール付
メーター STEREO OUTメーター 2×12セグメントLED
インジケーター MIXING LAYER 1−16/(17−24/MASTER)
EFFECT RETURN1/2
■電源 100V 50/60Hz
■消費電力 75W
■最大外形寸法(W×H×D) 460×210.5×516.5mm
■重量 16kg
■動作保証温度 10∼35℃
■セキュリティカバー アナログ入力コントロール部に取付可能 4-M3ネジ穴
■オプション YGDAIカード、 ラック用金具 RK124、 03DVEK (ビデオエディットス
イートソフトウェア)
2. チャンネル仕様
■モノラルインプットチャンネル CH 1∼24、ただしCH 17∼24はYGDAIカード
・アナログセクション
PHANTOMスイッチ +48V CH 1∼8のマイク・インプット
GAINコントロール 44dB(−16∼−60dB) CH 1∼8
30dB(+10∼−20dB) CH 9∼16
PADスイッチ 26dB CH 1∼8
INSERT CH 1, 2
ADコンバーター 20ビットリニア・64倍オーバーサンプリング

03D取扱説明書
付 録 259
03Dの
世界へ
ようこそ!
各部の
名称と機能
インプット
チャンネル
イコライザー
パン、
ルーティング、
サラウンドパン
ソロ、
モニター、
メーター
ステレオ
アウト
AUXアウト
バスアウト
チャンネル
ライブラリー
とビュー
内蔵
エフェクト
シーン
メモリー
オート
ミックス
その他の
機能
デジタル
I/O
MIDI
付 録
グループ、
ペア
ダイナミクス
プロセッサー
ユーザー
インター
フェース
の基礎知識
・デジタルセクション
アッテネーター 0∼−96dB 1dBステップ
ディレイ ディレイ/スラップ/エコー
(ディレイタイム:0∼200ms, fs=48kHz)
プリ/ポスト AUX1, AUX2, AUX3, AUX4, EFFECT1, EFFECT2
フェイズ ノーマル/リバース
イコライザー 4バンド・パラメトリックイコライザー
ダイナミクス
ONキー オン/オフ CH 1∼16
フェーダー 60mmストローク・モーターフェーダー CH 1∼16
ソロ オン/オフ
AFL/PFL
パン
バスアサイン BUS 1, BUS 2, BUS 3, BUS 4, ST L・R
ダイレクトアウト(CH 1∼16 → YGDAI)
メーター LCD
■ステレオインプットチャンネルL・R
・アナログセクション
GAINコントロール 30dB(+10∼−20dB)
ADコンバーター 20ビットリニア・64倍オーバーサンプリング
・デジタルセクション
FLIPスイッチ ノーマル(ST IN:アナログ)/
フリップ(DIGITAL STEREO IN:デジタル)
アッテネーター 0∼−96dB 1dBステップ
ディレイ ディレイ/スラップ/エコー
(ディレイタイム:0∼200ms, fs=48kHz)
イコライザー 4バンド・パラメトリックイコライザー
ダイナミクス
ONキー オン/オフ
フェーダー 60mmストローク・モーターフェーダー
ソロ オン/オフ
AFL/PFL
バランス
デュアルパン インディヴィジュアル/ギャング/インバーテッド・ギャング
バスアサイン BUS 1, BUS 2, BUS 3, BUS 4, ST L・R
メーター LCD
プリ/ポスト AUX1, AUX2, AUX3, AUX4, EFFECT1, EFFECT2
■ステレオデジタルインプットチャンネル
デエンファシス 自動デエンファシス・フィルター(15μs/50μs)
FLIPスイッチ ノーマル(ST IN:アナログ)/
フリップ(DIGITAL STEREO IN:デジタル)
DIGITAL STEREO INはAES/EBU, COAXIALから択一
カスケード オン/オフ カスケードオンでSTバスにアサイン
■エフェクトリターンチャンネル1, 2
イコライザー 4バンド・パラメトリックイコライザー
ダイナミクス
ONキー オン/オフ EFFECT 1, EFFECT 2
フェーダー 60mmストローク・モーターフェーダー

03D取扱説明書
260 付 録
03Dの
世界へ
ようこそ!
各部の
名称と機能
インプット
チャンネル
イコライザー
パン、
ルーティング、
サラウンドパン
ソロ、
モニター、
メーター
ステレオ
アウト
AUXアウト
バスアウト
チャンネル
ライブラリー
とビュー
内蔵
エフェクト
シーン
メモリー
オート
ミックス
その他の
機能
デジタル
I/O
MIDI
付 録
グループ、
ペア
ダイナミクス
プロセッサー
ユーザー
インター
フェース
の基礎知識
ソロ オン/オフ
AFL/PFL
バランス
デュアルパン インディヴィジュアル/ギャング/インバーテッド・ギャング
バスアサイン BUS 1, BUS 2, BUS 3, BUS 4, ST L・R
メーター LCD
プリ/ポスト AUX1, AUX2, AUX3, AUX4
■ステレオアウトプットチャンネルL・R
・デジタルセクション
イコライザー 4バンド・パラメトリックイコライザー
フェーダー 60mmストローク・モーターフェーダー
バランス
ダイナミクス
ONキー オン/オフ
ディレイ ディレイタイム:0∼41.7ms, fs=48kHz
モニター オン/オフ
AFL/PFL
メーター 12エレメントLEDメーター×2(ポストフェーダー)
・アナログセクション
DAコンバーター 20ビットリニア・8倍オーバーサンプリング
■バスアウトプットチャンネル BUS OUT 1∼4
・デジタルセクション
イコライザー 4バンド・パラメトリックイコライザー
パン(→ STバス)
フェーダー 60mmストローク・モーターフェーダー
モニター オン/オフ
AFL/PFL
メーター LCD
ディレイ ディレイタイム:0∼41.7ms, fs=48kHz
・アナログセクション
DAコンバーター 18ビットリニア・8倍オーバーサンプリング
■AUXアウトプットチャンネル AUX OUT 1∼4
・デジタルセクション
イコライザー 4バンド・パラメトリックイコライザー
フェーダー 60mmストローク・モーターフェーダー
ダイナミクス
オン/オフ
モニター オン/オフ
AFL/PFL
メーター LCD
・アナログセクション
DAコンバーター 18ビットリニア・8倍オーバーサンプリング
■モニターアウトプットチャンネル
・デジタルセクション
MONI TRIMコントロール/SOLO TRIMコントロール(SOLOオン時)
MONOスイッチ オン/オフ

03D取扱説明書
付 録 261
03Dの
世界へ
ようこそ!
各部の
名称と機能
インプット
チャンネル
イコライザー
パン、
ルーティング、
サラウンドパン
ソロ、
モニター、
メーター
ステレオ
アウト
AUXアウト
バスアウト
チャンネル
ライブラリー
とビュー
内蔵
エフェクト
シーン
メモリー
オート
ミックス
その他の
機能
デジタル
I/O
MIDI
付 録
グループ、
ペア
ダイナミクス
プロセッサー
ユーザー
インター
フェース
の基礎知識
・アナログセクション
DAコンバーター 20ビットリニア・8倍オーバーサンプリング
出力選択スイッチ SOLO/2 TR IN
LEVELコントロール MONITOR OUT
PHONES
■REC OUTチャンネル
SOURCE SELECTスイッチ
ST OUT/BUS 1・2
■デジタルステレオアウトチャンネル
ディザー ワード長:16∼24ビット
■デジタルアウトプットチャンネル(YGDAIカード)
アウトプットセレクト BUS 1/CH 1/CH 9/AUX 1/ST OUT L → YGDAI OUTPUT 1
BUS 2/CH 2/CH 10/AUX 2/ST OUT R → YGDAI OUTPUT 2
BUS 3/CH 3/CH 11/AUX 3/ST OUT L → YGDAI OUTPUT 3
BUS 4/CH 4/CH 12/AUX 4/ST OUT R → YGDAI OUTPUT 4
BUS 1/CH 5/CH 13/AUX 1/ST OUT L → YGDAI OUTPUT 5
BUS 2/CH 6/CH 14/AUX 2/ST OUT R → YGDAI OUTPUT 6
BUS 3/CH 7/CH 15/AUX 3/ST OUT L → YGDAI OUTPUT 7
BUS 4/CH 8/CH 16/AUX 4/ST OUT R → YGDAI OUTPUT 8
ディザー ワード長:16∼24ビット
3. アナログ入力仕様
入力端子 適合 入力レベル 使用
PAD GAIN
インピーダンス インピーダンス
感度*1 定格レベル
最大ノンクリップレベル
コネクター
CH INPUT 0−60
3kΩ 50∼600Ω −72dB(194μV) −60dB(775μV) −46dB(3.88mV) XLR-3-31 type*2
CH 1∼CH 8 0−16 Mics & −28dB(30.9mV) −16dB(123mV) −2dB(616mV) and
26 600Ω Lines −2dB(616mV) +10dB(2.45V) +24dB(12.3V) Phone Jack(TRS)
*3
CH INPUT −20 10kΩ 600Ω Lines −32dB(19.4mV) −20dB(77.5mV) −6dB(388mV) Phone Jack(TRS)
*3
CH 9∼CH 16 +10 −2dB(616mV) +10dB(2.45V) +24dB(12.3V)
ST IN[L, R] −20 10kΩ 600Ω Lines −32dB(19.4mV) −20dB(77.5mV) −6dB(388mV) Phone Jack(TRS)
*3
+10 −2dB(616mV) +10dB(2.45V) +24dB(12.3V)
CH INSERT IN CH 1, 2 10kΩ 600Ω Lines −8dB(309mV) +4dB(1.23V) +18dB(6.16V) Phone Jack(TRS)
*4
2 TR IN[L, R] 10kΩ 600Ω Lines −10dBV(316mV)−10dBV(316mV) +4dBV(1.58V) RCA Pin Jack
・ 0dB=775mVrms, 0dBV=1Vrms
・ ADコンバーター 20ビット, 64倍オーバーサンプリング
・ CH INPUT 1∼8のXLRタイプコネクターに+48V DCのファンタム電源が供給(個別スイッチ付)
*1. 全フェーダーおよびレベルコントロールが最大時に定格出力レベル+4dB(1.23V)を出力するために必要な最小レベル
*2. バランス型(1=GND, 2=HOT, 3=COLD)
*3. バランス型(Tip=HOT, Ring=COLD, Sleeve=GND)
*4. アンバランス型(Tip=OUTPUT, Ring=INPUT, Sleeve=GND)

03D取扱説明書
262 付 録
03Dの
世界へ
ようこそ!
各部の
名称と機能
インプット
チャンネル
イコライザー
パン、
ルーティング、
サラウンドパン
ソロ、
モニター、
メーター
ステレオ
アウト
AUXアウト
バスアウト
チャンネル
ライブラリー
とビュー
内蔵
エフェクト
シーン
メモリー
オート
ミックス
その他の
機能
デジタル
I/O
MIDI
付 録
グループ、
ペア
ダイナミクス
プロセッサー
ユーザー
インター
フェース
の基礎知識
4. アナログ出力仕様
適合 出力レベル
出力端子 インピーダンス インピーダンス 定格レベル
最大ノンクリップレベ ル
使用コネクター
STEREO OUT[L, R] 150Ω 600Ω Lines +4dB(1.23V) +18dB(6.16V) XLR-3-32 type(Balanced)
*1
BUS OUT 1∼4 150Ω 10kΩ Lines +4dB(1.23V) +18dB(6.16V) Phone Jack(TRS balanced)
*2
AUX OUT 1∼4 150Ω 10kΩ Lines +4dB(1.23V) +18dB(6.16V) Phone Jack(TRS balanced)
*2
CH INSERT OUT CH 1, 2 600Ω 10kΩ Lines +4dB(1.23V) +18dB(6.16V) Phone Jack(Unbalanced)
*3
REC OUT[L, R] 600Ω 10kΩ Lines −10dBV(316mV) +4dBV(1.58V) RCA Pin Jack(Unbalanced)
MONITOR OUT[L, R] 150Ω 10kΩ Lines +4dB(1.23V) +18dB(6.16V) Phone Jack(TRS balanced)
*2
PHONES 100Ω 8Ω Phones 1mW 25mW Stereo Phone Jack(TRS)
40Ω Phones 3mW 75mW (Unbalanced)
・ 0dB=775mVrms, 0dBV=1Vrms
・ DAコンバーター STEREO OUT L・R, MONITOR OUT L・R: 20ビット, 8倍オーバーサンプリング
BUS OUT 1∼4, AUX OUT 1∼4: 18ビット, 8倍オーバーサンプリング
*1. バランス型(1=GND, 2=HOT, 3=COLD)
*2. バランス型(Tip=HOT, Ring=COLD, Sleeve=GND)
*3. アンバランス型(Tip=OUTPUT, Ring=INPUT, Sleeve=GND)
5. デジタルオーディオ入力仕様
端子 フォーマット データ長 レベル 使用コネクター
DIGITAL AES/EBU AES/EBU 24ビット RS422 XLR-3-31タイプ
STEREO IN COAXIAL IEC-958 24ビット 0.5Vpp/75Ω RCA Pin Jack
・ 入力信号がエンファシスを含んでいる場合は自動でデエンファシス処理されます。
6. デジタルオーディオ出力仕様
端子 フォーマット データ長 レベル 使用コネクター
AES/EBU AES/EBU*1 24ビット*3 RS422 XLR-3-32タイプ
DIGITAL プロ用
STEREO OUT COAXIAL IEC-958*2 20ビット*3 0.5Vpp/75Ω RCA Pin Jack
民生用
*1. チャンネルステータス
タイプ : 2チャンネルオーディオ
エンファシス : オフ
サンプリンググレート : 03Dの内部設定による
*2. チャンネルステータス
タイプ : 2チャンネルオーディオ
カテゴリーコード : 2 チャンネルPCMエンコーダ/デコーダ
コピー禁止 : オフ
エンファシス : オフ
クロック精度 : レベルII(1000 ppm.)
サンプリンググレート : 03Dの内部設定による
*3. ディザー : ワード長16∼24ビット

03D取扱説明書
付 録 263
03Dの
世界へ
ようこそ!
各部の
名称と機能
インプット
チャンネル
イコライザー
パン、
ルーティング、
サラウンドパン
ソロ、
モニター、
メーター
ステレオ
アウト
AUXアウト
バスアウト
チャンネル
ライブラリー
とビュー
内蔵
エフェクト
シーン
メモリー
オート
ミックス
その他の
機能
デジタル
I/O
MIDI
付 録
グループ、
ペア
ダイナミクス
プロセッサー
ユーザー
インター
フェース
の基礎知識
7. YGDAIスロット仕様(Yamaha general digital audio interface)
YGDAIスロットはシングルタイプカードのみ可
カードフォーマット 装着 INPUT OUTPUT
CD8-AT ADAT 可 8 IN(CH 17∼24) 8 OUT(BUS, AUX, ST, CH DIRECT)
*1
CD8-TDII TASCAM 可 8 IN(CH 17∼24) 8 OUT(BUS, AUX, ST, CH DIRECT)
*1
CD8-AE-S AES/EBU 可 8 IN(CH 17∼24) 8 OUT(BUS, AUX, ST, CH DIRECT)
*1
CD8-Y YAMAHA 可 8 IN(CH 17∼24) 8 OUT(BUS, AUX, ST, CH DIRECT)
*1
CD8-CS CASCADE 可 CASCADE IN*2 CASCADE OUT*3
CD8-AE AES/EBU 不可 − −
CD8-AD AD/DA 不可 − −
*1. *2.*3.225ページ「YGDAIブロック図」参照。
*2. 詳細は、各カードに依る。
8. コントロールI/O仕様
端子 フォーマット レベル 使用コネクター
TO HOST*1 − − ミニDIN 8ピン
MIDI(MTC)IN MIDI − DIN 5ピン
MIDI THRU MIDI − DIN 5ピン
MIDI OUT MIDI − DIN 5ピン
MOUSE − − D-SUB 9ピンオス
TO EDITOR*1 − RS422 D-SUB 9ピンメス
WORD CLOCK IN − TTL/(75Ω IN/OUT) BNC
WORD CLOCK OUT − TTL/75Ω BNC
*1. TO HOSTとTO EDITORは同時使用不可。
9. フェーダーファンクション設定
MIXING LAYER = 1−16
フェーダー フェーダー
EFFECT
モード 1∼8 9∼12 13∼16 ST IN RETURN ST OUT
FADER CH 1∼8 CH 9∼12 CH 13∼16 ST IN EFF RTN 1/2
(Meter) フェーダー フェーダー フェーダー フェーダー フェーダー
AUX 1 CH 1∼8 CH 9∼12 CH 13∼16 ST IN EFF RTN 1/2
Aux 1センド Aux 1センド Aux 1センド Aux 1センド Aux 1センド
AUX 2 CH 1∼8 CH 9∼12 CH 13∼16 ST IN EFF RTN 1/2
Aux 2センド Aux 2センド Aux 2センド Aux 2センド Aux 2センド
AUX 3 CH 1∼8 CH 9∼12 CH 13∼16 ST IN EFF RTN 1/2 ST OUT
Aux 3センド Aux 3センド Aux 3センド Aux 3センド Aux 3センド マスター
AUX 4 CH 1∼8 CH 9∼12 CH 13∼16 ST IN EFF RTN 1/2 フェーダー
Aux 4センド Aux 4センド Aux 4センド Aux 4センド Aux 4センド
EFFECT 1 CH 1∼8 CH 9∼12 CH 13∼16 ST IN EFF RTN 1
Eff 1センド Eff 1センド Eff 1センド Eff 1センド フェーダー
EFFECT 2 CH 1∼8 CH 9∼12 CH 13∼16 ST IN EFF RTN 2
Eff 2センド Eff 2センド Eff 2センド Eff 2センド フェーダー

03D取扱説明書
264 付 録
03Dの
世界へ
ようこそ!
各部の
名称と機能
インプット
チャンネル
イコライザー
パン、
ルーティング、
サラウンドパン
ソロ、
モニター、
メーター
ステレオ
アウト
AUXアウト
バスアウト
チャンネル
ライブラリー
とビュー
内蔵
エフェクト
シーン
メモリー
オート
ミックス
その他の
機能
デジタル
I/O
MIDI
付 録
グループ、
ペア
ダイナミクス
プロセッサー
ユーザー
インター
フェース
の基礎知識
MIXING LAYER = 17−24/MASTER
フェーダー フェーダー
EFFECT
モード 1∼8 9∼12 13∼16 ST IN RETURN ST OUT
FADER CH 17∼24
(Meter) フェーダー
AUX 1 CH 17∼24
Aux 1センド
AUX 2 CH 17∼24
Aux 2センド
AUX 3 CH 17∼24 Aux 1∼4 Bus 1∼4 ミキシングレイヤー:1∼16と同じ
Aux 3センド マスター マスター
AUX 4 CH 17∼24 フェーダー フェーダー
Aux 4センド
EFFECT 1 CH 17∼24
Eff 1センド
EFFECT 2 CH 17∼24
Eff 2センド
10. レベルダイアグラム
Analog Digital
dB dB Bit
+24
+20
+10
+4
0
–10
–20
–30
–40
–50
–60
–70
–80
–90
–100
–110
–120
–130
–140
–150
–160
–170
–180
–190
0
–10
–20
–30
–40
–50
–60
–70
_80
–90
–100
–110
–120
–130
–140
–150
–160
–170
–180
–190
–200
–210
0
1
2
3
4
5
6
7
8
9
10
11
12
13
14
15
16
17
18
19
20
21
22
23
24
25
26
27
28
29
30
31
32
33
34
35
36
Pad Gain Insert AD DC Cut Meter Phase Delay/
Ch Effect EQ Dynamics On/Off Level Pan St Bus EQ Master
Level Dynamics Master
Balance Master
On/Off Meter DA
Analog Digital AnalogDigital
Max.
Input [+24dB]
[+10dB]
[+18dB]
[+4dB]
Nominal
Input
GAIN MIN.,
PAD ON
Cascade In Cascade Out
Clipping Level
Max. Output
[+18dB]
Nominal
Output
[+4dB]
St Out
Monitor Out
Bus Out 1-4
Aux Out 1-4
DSP Noise Floor
Nominal
Input [–60dB]
GAIN MAX, PAD OFF

03D取扱説明書
付 録 265
03Dの
世界へ
ようこそ!
各部の
名称と機能
インプット
チャンネル
イコライザー
パン、
ルーティング、
サラウンドパン
ソロ、
モニター、
メーター
ステレオ
アウト
AUXアウト
バスアウト
チャンネル
ライブラリー
とビュー
内蔵
エフェクト
シーン
メモリー
オート
ミックス
その他の
機能
デジタル
I/O
MIDI
付 録
グループ、
ペア
ダイナミクス
プロセッサー
ユーザー
インター
フェース
の基礎知識
11. 寸法図
D: 516.5
116.5 362
36
H: 210.5
W: 460
単位:m
m
仕様および外観は、改良のため予告なく変更することがあります。
この製品は電気用品取締法の定める技術基準に適合しています。
12. オプション
ラックマウント―オプションのラックマウントキットRK124を使用すれば、03Dをラックにマウントできます。
取付手順
1. 1図の矢印で示された3本のネジとともに、サイドバットを外します。
2. 2-1または2-2図の矢印で示された位置をネジ止めして、金具を取付けます。
2-1図は、03Dの(キーやディスプレイのついている)パネル面をラックと平行にマウントする場合で、
2-2図は03Dのフェーダーの動作面をラックと平行にマウントする場合です。
3. 反対側の金具も同様に取付けます。
12-2
2-1
03DVEK (ビデオエディットスイートソフトウェア)
ビデオエディットスイートソフトウェア03DVEKはESAM IIエディタプロトコルをサポートしているソ
フトウェアで、03Dにビデオポストプロダクション用機能を搭載するものです。
・ ビデオ編集中にオーディオ信号のミックス、編集ができます。
・ ESAM IIサポートにより03Dがオーディオ用ビデオスイッチャーとなり、ビデオ編集機からリモート
でトランジションをプレビューできます。
・ リモートのフェーダーレベルコントロールなど、ESAM IIプロトコルの拡張機能も数々採用しています。
・ 03Dのデータをビデオ編集機との間でダウンロード、アップロードすることで、データの集中管理が行
えます。
・ 03Dのモーターフェーダーで正確なレベル調整が可能になり、かつ正確な入力レベル設定ができます。
フェーダーモードのFROM-TOでは、トランジションレベルがフェーダーに反映されます。
03DVEKの使用に特別なボードや端子などのハードウェアはいりません。ビデオ編集機を直接03DのTO
EDITOR端子(D-sub9ピン)に接続するだけです。
13. セキュリティーカバー
場合によっては、03Dのフロントパネルにカバーをかけて、アナログコントロールの設定を保護したいこ
ともあるでしょう。ヤマハからはこのようなカバーは発売されていませんが、お客様が自作したカバーを
取り付けられるように4カ所のネジ穴が開いています。ネジサイズはM3で、取付けピッチは横が411.6mm、
縦が40mmです。カバーの浮き高さは10mm∼15mmくらいが適当です。カバーを取り付ける際には、取り
付け用のネジが03D内部に12mm以上くい込まないことをご確認ください。

03D取扱説明書
266 付 録
03Dの
世界へ
ようこそ!
各部の
名称と機能
インプット
チャンネル
イコライザー
パン、
ルーティング、
サラウンドパン
ソロ、
モニター、
メーター
ステレオ
アウト
AUXアウト
バスアウト
チャンネル
ライブラリー
とビュー
内蔵
エフェクト
シーン
メモリー
オート
ミックス
その他の
機能
デジタル
I/O
MIDI
付 録
グループ、
ペア
ダイナミクス
プロセッサー
ユーザー
インター
フェース
の基礎知識
MIDIプログラムチェンジへのシーンメモリーのアサイン表
MGP #.GHC laitinI #ENECS resU #ENECS MGP #.GHC laitinI #ENECS resU #ENECS MGP #.GHC laitinI #ENECS resU #ENECS
110444478−
220545488−
330646498−
440747409−
550848419−
660949429−
770050539−
880150049−
99025− 59−
010135− 69−
111145− 79−
212155− 89−
313165− 99−
414175− 001−
515185− 101−
616195− 201−
717106− 301−
818116− 401−
919126− 501−
020236− 601−
121246− 701−
222256− 801−
323266− 901−
424276− 011−
525286− 111−
626296− 211−
727207− 311−
828217− 411−
929227− 511−
030337− 611−
131347− 711−
232357− 811−
333367− 911−
434377− 021−
535387− 121−
636397− 221−
737308− 321−
838318− 421−
939328− 521−
040438− 621−
141448− 721−
242458− 821−
343468−

03D取扱説明書
付 録 267
03Dの
世界へ
ようこそ!
各部の
名称と機能
インプット
チャンネル
イコライザー
パン、
ルーティング、
サラウンドパン
ソロ、
モニター、
メーター
ステレオ
アウト
AUXアウト
バスアウト
チャンネル
ライブラリー
とビュー
内蔵
エフェクト
シーン
メモリー
オート
ミックス
その他の
機能
デジタル
I/O
MIDI
付 録
グループ、
ペア
ダイナミクス
プロセッサー
ユーザー
インター
フェース
の基礎知識
MIDIコントロールチェンジへのパラメーターのアサイン表
CTL PARAMETER
CHG.# 03D DEFAULT P.MIX 01 ARRANGEMENT User
0 NO ASSIGN FADER CHANNEL CH 1
1 FADER CHANNEL CH 1 FADER CHANNEL CH 2
2 FADER CHANNEL CH 2 FADER CHANNEL CH 3
3 FADER CHANNEL CH 3 FADER CHANNEL CH 4
4 FADER CHANNEL CH 4 FADER CHANNEL CH 5
5 FADER CHANNEL CH 5 FADER CHANNEL CH 6
6 FADER CHANNEL CH 6 FADER CHANNEL CH 7
7 FADER CHANNEL CH 7 FADER CHANNEL CH 8
8 FADER CHANNEL CH 8 FADER CHANNEL CH 9
9 FADER CHANNEL CH 9 FADER CHANNEL CH10
10 FADER CHANNEL CH10 FADER CHANNEL CH11
11 FADER CHANNEL CH11 FADER CHANNEL CH12
12 FADER CHANNEL CH12 FADER CHANNEL CH13
13 FADER CHANNEL CH13 FADER CHANNEL CH14
14 FADER CHANNEL CH14 FADER CHANNEL CH15
15 FADER CHANNEL CH15 FADER CHANNEL CH16
16 FADER CHANNEL CH16 FADER CHANNEL ST IN
17 FADER CHANNEL CH17 FADER CHANNEL RETURN1
18 FADER CHANNEL CH18 FADER CHANNEL RETURN2
19 FADER CHANNEL CH19 FADER CHANNEL MAS AUX1
20 FADER CHANNEL CH20 FADER CHANNEL MAS AUX2
21 FADER CHANNEL CH21 FADER CHANNEL MAS ST
22 FADER CHANNEL CH22 ON CHANNEL CH 1
23 FADER CHANNEL CH23 ON CHANNEL CH 2
24 FADER CHANNEL CH24 ON CHANNEL CH 3
25 FADER CHANNEL ST IN ON CHANNEL CH 4
26 FADER CHANNEL RETURN1 ON CHANNEL CH 5
27 FADER CHANNEL RETURN2 ON CHANNEL CH 6
28 FADER CHANNEL MAS AUX1 ON CHANNEL CH 7
29 FADER CHANNEL MAS AUX2 ON CHANNEL CH 8
30 FADER CHANNEL MAS AUX3 ON CHANNEL CH 9
31 FADER CHANNEL MAS AUX4 ON CHANNEL CH10
32 NO ASSIGN ON CHANNEL CH11
33 FADER CHANNEL MAS BUS1 ON CHANNEL CH12
34 FADER CHANNEL MAS BUS2 ON CHANNEL CH13
35 FADER CHANNEL MAS BUS3 ON CHANNEL CH14
36 FADER CHANNEL MAS BUS4 ON CHANNEL CH15
37 FADER CHANNEL MAS ST ON CHANNEL CH16

03D取扱説明書
268 付 録
03Dの
世界へ
ようこそ!
各部の
名称と機能
インプット
チャンネル
イコライザー
パン、
ルーティング、
サラウンドパン
ソロ、
モニター、
メーター
ステレオ
アウト
AUXアウト
バスアウト
チャンネル
ライブラリー
とビュー
内蔵
エフェクト
シーン
メモリー
オート
ミックス
その他の
機能
デジタル
I/O
MIDI
付 録
グループ、
ペア
ダイナミクス
プロセッサー
ユーザー
インター
フェース
の基礎知識
CTL PARAMETER
CHG.# 03D DEFAULT P.MIX 01 ARRANGEMENT User
38 PAN CHANNEL CH 1 ON CHANNEL ST IN
39 PAN CHANNEL CH 2 ON CHANNEL RETURN1
40 PAN CHANNEL CH 3 ON CHANNEL RETURN2
41 PAN CHANNEL CH 4 ON CHANNEL MAS AUX1
42 PAN CHANNEL CH 5 ON CHANNEL MAS AUX2
43 PAN CHANNEL CH 6 ON CHANNEL MAS ST
44 PAN CHANNEL CH 7 PAN CHANNEL CH 1
45 PAN CHANNEL CH 8 PAN CHANNEL CH 2
46 PAN CHANNEL CH 9 PAN CHANNEL CH 3
47 PAN CHANNEL CH10 PAN CHANNEL CH 4
48 PAN CHANNEL CH11 PAN CHANNEL CH 5
49 PAN CHANNEL CH12 PAN CHANNEL CH 6
50 PAN CHANNEL CH13 PAN CHANNEL CH 7
51 PAN CHANNEL CH14 PAN CHANNEL CH 8
52 PAN CHANNEL CH15 PAN CHANNEL CH 9
53 PAN CHANNEL CH16 PAN CHANNEL CH10
54 PAN CHANNEL CH17 PAN CHANNEL CH11
55 PAN CHANNEL CH18 PAN CHANNEL CH12
56 PAN CHANNEL CH19 PAN CHANNEL CH13
57 PAN CHANNEL CH20 PAN CHANNEL CH14
58 PAN CHANNEL CH21 PAN CHANNEL CH15
59 PAN CHANNEL CH22 PAN CHANNEL CH16
60 PAN CHANNEL CH23 PAN CHANNEL ST IN L
61 PAN CHANNEL CH24 PAN CHANNEL ST IN R
62 PAN CHANNEL ST IN L PAN CHANNEL RETURN1L
63 PAN CHANNEL ST IN R PAN CHANNEL RETURN1R
64 ON CHANNEL CH 1 PAN CHANNEL RETURN2L
65 ON CHANNEL CH 2 PAN CHANNEL RETURN2R
66 ON CHANNEL CH 3 NO ASSIGN
67 ON CHANNEL CH 4
BALANCE
MAS ST
68 ON CHANNEL CH 5 FADER EFF1 SEND CH 1
69 ON CHANNEL CH 6 FADER EFF1 SEND CH 2
70 ON CHANNEL CH 7 FADER EFF1 SEND CH 3
71 ON CHANNEL CH 8 FADER EFF1 SEND CH 4
72 ON CHANNEL CH 9 FADER EFF1 SEND CH 5
73 ON CHANNEL CH10 FADER EFF1 SEND CH 6
74 ON CHANNEL CH11 FADER EFF1 SEND CH 7
75 ON CHANNEL CH12 FADER EFF1 SEND CH 8
76 ON CHANNEL CH13 FADER EFF1 SEND CH 9
77 ON CHANNEL CH14 FADER EFF1 SEND CH10
78 ON CHANNEL CH15 FADER EFF1 SEND CH11
79 ON CHANNEL CH16 FADER EFF1 SEND CH12

03D取扱説明書
付 録 269
03Dの
世界へ
ようこそ!
各部の
名称と機能
インプット
チャンネル
イコライザー
パン、
ルーティング、
サラウンドパン
ソロ、
モニター、
メーター
ステレオ
アウト
AUXアウト
バスアウト
チャンネル
ライブラリー
とビュー
内蔵
エフェクト
シーン
メモリー
オート
ミックス
その他の
機能
デジタル
I/O
MIDI
付 録
グループ、
ペア
ダイナミクス
プロセッサー
ユーザー
インター
フェース
の基礎知識
CTL PARAMETER
CHG.# 03D DEFAULT P.MIX 01 ARRANGEMENT User
80 ON CHANNEL CH17 FADER EFF1 SEND CH13
81 ON CHANNEL CH18 FADER EFF1 SEND CH14
82 ON CHANNEL CH19 FADER EFF1 SEND CH15
83 ON CHANNEL CH20 FADER EFF1 SEND CH16
84 ON CHANNEL CH21 FADER EFF1 SEND ST IN
85 ON CHANNEL CH22 FADER EFF2 SEND CH 1
86 ON CHANNEL CH23 FADER EFF2 SEND CH 2
87 ON CHANNEL CH24 FADER EFF2 SEND CH 3
88 ON CHANNEL ST IN FADER EFF2 SEND CH 4
89 ON CHANNEL RETURN1 FADER EFF2 SEND CH 5
90 ON CHANNEL RETURN2 FADER EFF2 SEND CH 6
91 ON CHANNEL MAS AUX1 FADER EFF2 SEND CH 7
92 ON CHANNEL MAS AUX2 FADER EFF2 SEND CH 8
93 ON CHANNEL MAS AUX3 FADER EFF2 SEND CH 9
94 ON CHANNEL MAS AUX4 FADER EFF2 SEND CH10
95 ON CHANNEL MAS ST FADER EFF2 SEND CH11
102 FADER EFF1 SEND CH 1
103 FADER EFF1 SEND CH 2
104 FADER EFF1 SEND CH 3
105 FADER EFF1 SEND CH 4
106 FADER EFF1 SEND CH 5
107 FADER EFF1 SEND CH 6
108 FADER EFF1 SEND CH 7
109 FADER EFF1 SEND CH 8
110 FADER EFF1 SEND CH 9 NO ASSIGN
111 FADER EFF1 SEND CH10
112 FADER EFF1 SEND CH11
113 FADER EFF1 SEND CH12
114 FADER EFF1 SEND CH13
115 FADER EFF1 SEND CH14
116 FADER EFF1 SEND CH15
117 FADER EFF1 SEND CH16
118 FADER EFF1 SEND ST IN
119 FADER EFF1 SEND MAS ST

03D取扱説明書
270 付 録
03Dの
世界へ
ようこそ!
各部の
名称と機能
インプット
チャンネル
イコライザー
パン、
ルーティング、
サラウンドパン
ソロ、
モニター、
メーター
ステレオ
アウト
AUXアウト
バスアウト
チャンネル
ライブラリー
とビュー
内蔵
エフェクト
シーン
メモリー
オート
ミックス
その他の
機能
デジタル
I/O
MIDI
付 録
グループ、
ペア
ダイナミクス
プロセッサー
ユーザー
インター
フェース
の基礎知識
MIDIデータフォーマット
1. TRANSMIT/RECEIVE DATA
1.1 CHANNEL MESSAGE
1.1.1 NOTE ON/NOTE OFF
FADER STARTをONにしておくと1から15までの奇数の
FADERが−∞(マイナス無限大)から上がったり(VELOCITY
127)−∞になったり(VELOCITY 0)するとNOTE ONを送信
する。CH Note No.
137(25h)
338(26h)
539(27h)
740(28h)
941(29h)
11 42(2Ah)
13 43(2Bh)
15 44(2Ch)
またEFFECTでFREEZEにしていてMIDI TRGをOFFでない設
定のときはNOTE ON/OFFを受信する。この場合VELOCITYは
影響しない。
1.1.2 CONTROL CHANGE
CONTROL CHANGEの送信、受信をONにしておくとそれぞ
れ送信、受信する。
OMNIを設定するとすべてのCHを受信する。
CONTROL No.の0から95、102から119の114のNo.をMIXERの
パラメーターに任意にアサインできる。
注意:
0と32はBANK CHANGEでPROGRAM CHANGEと組合
わせないと送受信しない機器からの場合はうまく動作しない
可能性がある。その場合は0と32にアサインしないこと。
送受信は以下の方法で変換される。
(128もしくは2バイトDATAの時は16384)/(NUMBER of PA-
RAMETER STEP)=X...Y
INT((Y+1)/2)=Zとして
受信
(MIDI DATA−Z)<0の時はINTERNAL=0
((MIDI DATA−Z)/X)>MAXの時はINTERNAL=MAX
それ以外の時INT((MIDI DATA−Z)/X)=INTERNAL
送信
INTERNAL=0の時はMIDI DATA=0
INTERNAL=MAXの時はMIDI DATA=(127 もしくは2バ
イトDATAの時は16383)
それ以外の時(X x INTERNAL)+INT(X/2)+Z=MIDI DATA
となる。
1.1.3 PROGRAM CHANGE
MIDI画面で送受信をON/OFFできる。
メモリーリコールが行われた時、そのメモリーNo.に対応した
プログラムチェンジを設定したMIDIチャンネルで送信する。
設定したMIDIチャンネルかOMNIでプログラムチェンジを受
信した時、そのプログラムNo.に対応したメモリーをリコール
する。
プログラムチェンジのアサイン表はユーザーが任意に作成で
きる。
1.2 SYSTEM EXCLUSIVE MESSAGE
1.2.1 BULK DUMP/REQUEST
送信は常にON。受信は設定できる。
バルクリクエストは設定したMIDIチャンネルでMIDI画面の
操作で送信できる。
バルクダンプはMIDI画面での操作か、もしくは設定したDE-
VICEチャンネルでバルクリクエストを受信した時、対応する
メモリーの内容を設定したDEVICEチャンネルで送信する。
バルクアウトを受信した時は対応したメモリーの内容が変更
する。
1.2.2 PARAMETER CHANGE/REQUEST
MIDI画面で送受信をON/OFFできる。
本体のパラメーターを変更した時はパラメーターチェンジの
送信がONなら設定したDEVICEチャンネルで送信する。
パラメーターチェンジの受信がONで設定したDEVICEチャ
ンネルでパラメーターリクエストを受信した時、送信のON/
OFFによらず対応するパラメーターの内容を送信する。
パラメーターチェンジの受信がONで設定したDEVICEチャ
ンネルでパラメーターチェンジを受信した時は対応するパラ
メーターの内容が変更する。
1.2.3 MMC(MIDI MACHINE CONROL)
USER DEFINEの設定により送信できる。
1.3 SYSTEM COMMON MESSAGE
1.3.1 MTC QUARTER FRAME MESSAGE
AUTOMIXで受信して同期する。
1.3.2 SONG POSITION POINTER
AUTOMIXをMIDI CLOCK BASEにしている時に受信してこ
れに続くCONTINUEのコマンドにより曲の途中から同期す
る。
1.4 SYSTEM REAL TIME MESSAGE
1.4.1 TIMING CLOCK
AUTOMIXをMIDI CLOCK BASEにしている時に受信してこ
れに同期する。
1.4.2 START, CONTINUE, STOP
AUTOMIXをMIDI CLOCK BASEにしている時に受信してこ
れによりAUTOMIXがSTART, STOPする。
またUSER DEFINEの設定により送信できる。
1.4.3 ACTIVE SENSING
300ms以内に送信する。また受信後300ms以上なにも受信しな
かった時はランニングステータスをクリアする。
1.4.4 SYSTEM RESET
受信するとランニングステータスをクリアする。
1.5 MIDI REMOTE
MIDI REMOTEは設定によりすべてのMIDIコマンドを任意の
CHで送信できる。
CONTROL CHANGEとPROGRAM CHANGEとEXCLUSIVE
は設定された機種によりその機種で決められたフォーマット
で受信する。
1.6 ECHO BACK
設定により受信した各コマンドを送信できる。

03D取扱説明書
付 録 271
03Dの
世界へ
ようこそ!
各部の
名称と機能
インプット
チャンネル
イコライザー
パン、
ルーティング、
サラウンドパン
ソロ、
モニター、
メーター
ステレオ
アウト
AUXアウト
バスアウト
チャンネル
ライブラリー
とビュー
内蔵
エフェクト
シーン
メモリー
オート
ミックス
その他の
機能
デジタル
I/O
MIDI
付 録
グループ、
ペア
ダイナミクス
プロセッサー
ユーザー
インター
フェース
の基礎知識
2. Transmission Condition
PGM ECHO ON
CTL ECHO ON
REAL TIME & MTC ECHO ON
OTHER ECHO ON
PARAM ECHO ON
MIDI IN
FD Tx CH?
MIDI Tx CH?
DEVICE CH?
MMC CH?
REMOTE CH?
MIDI TRG ON
PARAM Tx ON
CTL Rx ON
PGM Rx ON
NOTE ON/OFF $9nH
CONTROL CHANGE $BnH
BULK REQUEST $F0H, $43H, $2nH
ACTIVE SENSE $FEH
MIDI REMOTE
PROGRAM CHANGE $CnH
(RESPONSE FOR
PARAMETER REQUEST)
SYSTEM EXCLUSIVE
PARAMETER CHANGE
$F0H, $43H, $1nH
SYSTEM EXCLUSIVE
BULK DUMP $F0H, $43H, $0nH
USER DEFINE
MMC $F0H, $7FH, nnH, 06H
START $FAH
CONTINUE $FBH
STOP $FCH
MIDI OUT
3. Receive Condition
MIDI TRG ON
CTL Rx ON
MIDI CLOCK BASE
PGM Rx ON
PARAM Rx ON
BULK Rx ON
PGM OMNI ON
CTL OMNI ON
REMOTE CH?
PARAM OMNI ON
DEVECE CH?
MTC BASE
PGM ECHO ON
CTL ECHO ON
REAL TIME & MTC ECHO ON
OTHER ECHO ON
PARAM ECHO ON
$8nH NOTE OFF
$9nH NOTE ON/OFF
$BnH CONTROL CHANGE
$CnH PROGRAM CHANGE
$F0H, $43H, $2nH, BULK REQUEST
$F1 MTC QUARTER FRAME
$F2H SONG POSITION POINTER
$F8H TIMING CLOCK
$FAH START
$FBH CONTINUE
$FCH STOP
MIDI REMOTE
$BnH CONTROL CHANGE
$CnH PROGRAM CHANGE
$F0H SYSTEM EXCLUSIVE
$F0H, $43H, $3nH
PARAMETER REQUEST
SYSTEM EXCLUSIVE
$F0H, $43H, $1nH
PARAMETER CHANGE
SYSTEM EXCLUSIVE
$F0H, $43H, $0nH, BULK DUMP
MIDI IN
MIDI Rx CH?
MIDI IN
4. PARAMETER CHANGE & REQUEST
FORMAT
[PARAMETER CHANGE & REQUEST (basic format)]
STATUS 11110000 F0 System Exclusive Message
ID No. 01000011 43 Manufacturer's ID No. (YAMAHA)
SUB STATUS 0pppnnnn 1n p=mode 1:parameter change or response
for request, 3:parameter request
n=0-15 (Device Channel No.1-16)
MODEL ID 00111101 3d MODEL ID
PARAM TYPE 0ttttttt tt (type)
DATA 0ddddddd dd0 data 0
: : :
0ddddddd ddn data n (max 33)
EOX 11110111 F7 End Of Exclusive
type:
0x08 edit buffer (byte operation format)
0x09 system memory (byte operation format)
0x0a function call
0x0b reserved
0x48 edit buffer (bit operation format)
0x49 system memory (bit operation format)
0x4a reserved
0x4b controller (key) (bit operation format)
[PARAMETER CHANGE (byte operation for type 0x08:edit
buffer)]
continuous address mode
STATUS 11110000 F0 System Exclusive Message
ID No. 01000011 43 Manufacturer's ID No.(YAMAHA)
SUB STATUS 0001nnnn 1n parameter change or response n=0-15
(Device Channel No.1-16)
MODEL ID 00111101 3d MODEL ID
PARAM TYPE 00001000 08 byte operation for edit bufer (type)
DATA 00vvaaaa aa0 bit6:0 continuous address mode
v:valid data 0:1st means, 1:0-3bit, 2:4-
6bit, 3:2nd means
address ( H) high 4 bits of 11 bits ad-
dress
0aaaaaaa aa1 address ( L) low 7 bits of 11 bits address
0ddddddd dd data
: : : continuous address datas
EOX 11110111 F7 End Of Exclusive
individual address mode
STATUS 11110000 F0 System Exclusive Message
ID No. 01000011 43 Manufacturer's ID No. (YAMAHA)
SUB STATUS 0001nnnn 1n parameter change or response n=0-15
(Device Channel No.1-16)
MODEL ID 00111101 3d MODEL ID
PARAM TYPE 00001000 08 byte operation for edit bufer (type)
DATA 01vvaaaa aa0 bit6:1 individual address mode
v:valid data 0:ALL, 1:0-3bit, 2:4-6bit,
3:2nd means
address ( H) high 4 bits of 11 bits ad-
dress
0aaaaaaa aa1 address ( L) low 7 bits of 11 bits address
0ddddddd dd1 data
01vvaaaa aa2 bit6:1 individual address mode
v:valid data 0:1st means, 1:0-3bit, 2:4-
6bit, 3:2nd means
address ( H) high 4 bits of 11 bits ad-
dress
0aaaaaaa aa3 address ( L) low 7 bits of 11 bits address
0ddddddd dd2 data
: : :
EOX 11110111 F7 End Of Exclusive

03D取扱説明書
272 付 録
03Dの
世界へ
ようこそ!
各部の
名称と機能
インプット
チャンネル
イコライザー
パン、
ルーティング、
サラウンドパン
ソロ、
モニター、
メーター
ステレオ
アウト
AUXアウト
バスアウト
チャンネル
ライブラリー
とビュー
内蔵
エフェクト
シーン
メモリー
オート
ミックス
その他の
機能
デジタル
I/O
MIDI
付 録
グループ、
ペア
ダイナミクス
プロセッサー
ユーザー
インター
フェース
の基礎知識
[PARAMETER CHANGE (bit operation for type 0x48:edit
buffer)]
STATUS 11110000 F0 System Exclusive Message
ID No. 01000011 43 Manufacturer's ID No. (YAMAHA)
SUB STATUS 0001nnnn 1n parameter change n=0-15 (Device Chan-
nel No.1-16)
MODEL ID 00111101 3d MODEL ID
PARAM TYPE 01001000 48 bit operation for edit buffer (type)
DATA 0000aaaa aa0 address ( H) high 4 bits of 11 bits ad-
dress
0aaaaaaa aa1 address ( L) low 7 bits of 11 bits address
0ddddddd dd data (bit 0-2:address offset, bit3:0=reset
1=set, bit4-6:change bit0-6)
: :
EOX 11110111 F7 End Of Exclusive
ON/OFF等bit単位の変更に使用される。
[PARAMETER CHANGE (byte operation for type 0x09:sys-
tem memory)]
STATUS 11110000 F0 System Exclusive Message
ID No. 01000011 43 Manufacturer's ID No. (YAMAHA)
SUB STATUS 0001nnnn 1n parameter change or response n=0-15
(Device Channel No.1-16)
MODEL ID 00111101 3d MODEL ID
PARAM TYPE 00001000 09 byte operation for system memory (type)
DATA 0000aaaa aa0 address ( H) high 4 bits of 11 bits ad-
dress
0aaaaaaa aa1 address ( L) low 7 bits of 11 bits address
0ddddddd dd data
: : : continuous address datas
EOX 11110111 F7 End Of Exclusive
[PARAMETER CHANGE (bit operation for type 0x49:sys-
tem memory)]
STATUS 11110000 F0 System Exclusive Message
ID No. 01000011 43 Manufacturer's ID No. (YAMAHA)
SUB STATUS 0001nnnn 1n parameter change n=0-15 (Device Chan-
nel No.1-16)
MODEL ID 00111101 3d MODEL ID
PARAM TYPE 01001000 48 bit operation for system memory (type)
DATA 0000aaaa aa0 address ( H) high 4 bits of 11 bits ad-
dress
0aaaaaaa aa1 address ( L) low 7 bits of 11 bits address
0ddddddd dd data (bit 0-2:address offset, bit3:0=reset
1=set, bit4-6:change bit0-6)
: :
EOX 11110111 F7 End Of Exclusive
リコールセーフ等bit単位の変更に使用される。
[PARAMETER REQUEST (type 0x08:edit buffer, 0x09:
sysytem memory)]
STATUS 11110000 F0 System Exclusive Message
ID No. 01000011 43 Manufacturer's ID No. (YAMAHA)
SUB STATUS 0011nnnn 3n parameter request n=0-15 (Device Chan-
nel No.1-16)
MODEL ID 00111101 3d MODEL ID
PARAM TYPE 00tttttt tt 08:edit buffer, 09:system memory (type)
DATA 0000aaaa aa0 address ( H) high 4 bits of 11 bits ad-
dress
0aaaaaaa aa1 address ( L) low 7 bits of 11 bits address
000ddddd dd count (max 0x1f)
EOX 11110111 F7 End Of Exclusive
[PARAMETER CHANGE (type 0x0a:function call)]
library recall
STATUS 11110000 F0 System Exclusive Message
ID No. 01000011 43 Manufacturer's ID No. (YAMAHA)
SUB STATUS 0001nnnn 1n parameter change n=0-15 (Device Chan-
nel No.1-16)
MODEL ID 00111101 3d MODEL ID
PARAM TYPE 00001010 0a function call (type)
DATA 0ddddddd dd0 function
0ddddddd dd1 number
: :
EOX 11110111 F7 End Of Exclusive
[PARAMETER REQUEST (type 0x0a:function call)]
STATUS 11110000 F0 System Exclusive Message
ID No. 01000011 43 Manufacturer's ID No. (YAMAHA)
SUB STATUS 0011nnnn 3n parameter request n=0-15 (Device Chan-
nel No.1-16)
MODEL ID 00111101 3d MODEL ID
PARAM TYPE 00001010 0a function call (type)
DATA 0ddddddd dd0 function
0ddddddd dd1 number
EOX 11110111 F7 End Of Exclusive
[PARAMETER CHANGE (type 0x4b:bit operation for con-
troller (key))]
STATUS 11110000 F0 System Exclusive Message
ID No. 01000011 43 Manufacturer's ID No. (YAMAHA)
SUB STATUS 0001nnnn 1n parameter change n=0-15 (Device Chan-
nel No.1-16)
MODEL ID 00111101 3d MODEL ID
PARAM TYPE 01001011 4b controller (type)
DATA 0000dddd dd0 No. 0-9:key 1-10
0ddddddd dd1 data (bit 0-2:address offset, bit3:0=re-
lease 1=push, bit4-6:change bit0-7)
: :
EOX 11110111 F7 End Of Exclusive
key number table
bit0 bit1 bit2 bit3 bit4 bit5 bit6 bit7
key1 ON1 ON2 ON3 ON4 ON5 ON6 ON7 ON8
key2 0N9 ON10 ON11 ON12 ON13 ON14 0N15 0N16
key3 SEL1 SEL2 SEL3 SEL4 SEL5 SEL6 SEL7 SEL8
key4 SEL9 SEL10 SEL11 SEL12 SEL13 SEL14 SEL15 SEL16
key5
STI SEL RTN SEL STO SEL STI ON RTN ON STO ON
------ ------
key6 FADER EFF1 EFF2 AUX1 AUX2 AUX3 AUX4
LAYER
key7 USER1 USER2 USER3 USER4 ------ SOLO
AUTOMIX
REMOTE
key8
MEM UP
STORE
RECALL
MEM DOWN
UNDO SCENE UTIL MIDI
key9 UP LEFT RIGHT DOWN ENTER DIO GROUP CUE
key10 EQ L EQ LM EQ HM EQ H DELAY DYNA PAN VIEW

03D取扱説明書
付 録 273
03Dの
世界へ
ようこそ!
各部の
名称と機能
インプット
チャンネル
イコライザー
パン、
ルーティング、
サラウンドパン
ソロ、
モニター、
メーター
ステレオ
アウト
AUXアウト
バスアウト
チャンネル
ライブラリー
とビュー
内蔵
エフェクト
シーン
メモリー
オート
ミックス
その他の
機能
デジタル
I/O
MIDI
付 録
グループ、
ペア
ダイナミクス
プロセッサー
ユーザー
インター
フェース
の基礎知識
5. BULK DUMP & REQUEST FORMAT
How to get check sum, adding data from BYTE COUNT (LOW) to just before the
CHECK SUM, multiplying -1 ( 2's complement), resetting MSB ( bit7).
check sum =( -sum) & 0x7F
[Scene Memory Bulk Dump Format]
STATUS 11110000 F0 System Exclusive Message
ID No. 01000011 43 Manufacturer's ID No. (YAMAHA)
SUB STATUS 0000nnnn 0n n=0-15 (Device Channel No.1-16)
FORMAT No. 01111110 7E Universal Bulk Dump
BYTE COUNT(HIGH) 00001011 0B 1498 (1488+10)bytes
BYTE COUNT(LOW) 01011010 5A
01001100 4C 'L'
01001101 4D 'M'
00100000 20 ' '
00100000 20 ' '
00111000 38 '8'
01000010 42 'B'
00110000 30 '0'
00110011 33 '3'
DATA NAME 01001101 4D 'M'
0mmmmmmm mm m=0-50, 127 (Scene Memory No.0-50,
edit buffer)
Receive is effective 1-50, 127
DATA 0ddddddd ds Scene Memory (1488bytes)
: :
0ddddddd de
CHECK SUM 0eeeeeee ee ee=(-('L'+'M'+...+ds+...+de)) AND 7Fh
EOX 11110111 F7 End Of Exclusive
[Scene Memory Bulk Dump Request Format]
STATUS 11110000 F0 System Exclusive Message
ID No. 01000011 43 Manufacturer's ID (YAMAHA)
SUB STATUS 0010nnnn 2n n=0-15 (Device Channel No.1-16)
FORMAT No. 01111110 7E Universal Bulk Dump
01001100 4C 'L'
01001101 4D 'M'
00100000 20 ' '
00100000 20 ' '
00111000 38 '8'
01000010 42 'B'
00110000 30 '0'
00110011 33 '3'
DATA NAME 01001101 4D 'M'
0mmmmmmm mm m=0-50, 127 (Scene Memory No.0-50,
edit buffer)
EOX 11110111 F7 End Of Exclusive
[Equalizer Library Bulk Dump Format]
STATUS 11110000 F0 System Exclusive Message
ID No. 01000011 43 Manufacturer's ID No. (YAMAHA)
SUB STATUS 0000nnnn 0n n=0-15 (Device Channel No.1-16)
FORMAT No. 01111110 7E Universal Bulk Dump
BYTE COUNT(HIGH) 00000000 00 34 (24+10)bytes
BYTE COUNT(LOW) 00100010 22
01001100 4C 'L'
01001101 4D 'M'
00100000 20 ' '
00100000 20 ' '
00111000 38 '8'
01000010 42 'B'
00110000 30 '0'
00110011 33 '3'
DATA NAME 01010001 51 'Q'
0mmmmmmm mm m=0-79 (Equalizer Library No.1-80)
Receive is effective 40-79
DATA 0ddddddd ds Equalizer Library Memory (24bytes)
: :
0ddddddd de
CHECK SUM 0eeeeeee ee ee=(-('L'+'M'+...+ds+...+de)) AND 7Fh
EOX 11110111 F7 End Of Exclusive
[Equalizer Library Bulk Dump Request Format]
STATUS 11110000 F0 System Exclusive Message
ID No. 01000011 43 Manufacturer's ID (YAMAHA)
SUB STATUS 0010nnnn 2n n=0-15 (Device Channel No.1-16)
FORMAT No. 01111110 7E Universal Bulk Dump
01001100 4C 'L'
01001101 4D 'M'
00100000 20 ' '
00100000 20 ' '
00111000 38 '8'
01000010 42 'B'
00110000 30 '0'
00110011 33 '3'
DATA NAME 01010001 51 'Q'
0mmmmmmm mm m=0-79 (Equalizer Library No.1-80)
EOX 11110111 F7 End Of Exclusive
[Dynamics Library Bulk Dump Format]
STATUS 11110000 F0 System Exclusive Message
ID No. 01000011 43 Manufacturer's ID No. (YAMAHA)
SUB STATUS 0000nnnn 0n n=0-15 (Device Channel No.1-16)
FORMAT No. 01111110 7E Universal Bulk Dump
BYTE COUNT(HIGH) 00000000 00 30 (20+10)bytes
BYTE COUNT(LOW) 00011110 1e
01001100 4C 'L'
01001101 4D 'M'
00100000 20 ' '
00100000 20 ' '
00111000 38 '8'
01000010 42 'B'
00110000 30 '0'
00110011 33 '3'
DATA NAME 01011001 59 'Y'
0mmmmmmm mm m=0-79 (Dynamics Library No.1-80)
Receive is effective 40-79
DATA 0ddddddd ds Dynamics Library Memory (20bytes)
: :
0ddddddd de
CHECK SUM 0eeeeeee ee ee=(-('L'+'M'+...+ds+...+de)) AND 7Fh
EOX 11110111 F7 End Of Exclusive
[Dynamics Library Bulk Dump Request Format]
STATUS 11110000 F0 System Exclusive Message
ID No. 01000011 43 Manufacturer's ID (YAMAHA)
SUB STATUS 0010nnnn 2n n=0-15 (Device Channel No.1-16)
FORMAT No. 01111110 7E Universal Bulk Dump
01001100 4C 'L'
01001101 4D 'M'
00100000 20 ' '
00100000 20 ' '
00111000 38 '8'
01000010 42 'B'
00110000 30 '0'
00110011 33 '3'
DATA NAME 01011001 59 'Y'
0mmmmmmm mm m=0-79 (Dynamics Library No.1-80)
EOX 11110111 F7 End Of Exclusive

03D取扱説明書
274 付 録
03Dの
世界へ
ようこそ!
各部の
名称と機能
インプット
チャンネル
イコライザー
パン、
ルーティング、
サラウンドパン
ソロ、
モニター、
メーター
ステレオ
アウト
AUXアウト
バスアウト
チャンネル
ライブラリー
とビュー
内蔵
エフェクト
シーン
メモリー
オート
ミックス
その他の
機能
デジタル
I/O
MIDI
付 録
グループ、
ペア
ダイナミクス
プロセッサー
ユーザー
インター
フェース
の基礎知識
[Effect Library Bulk Dump Format]
STATUS 11110000 F0 System Exclusive Message
ID No. 01000011 43 Manufacturer's ID No. (YAMAHA)
SUB STATUS 0000nnnn 0n n=0-15 (Device Channel No.1-16)
FORMAT No. 01111110 7E Universal Bulk Dump
BYTE COUNT(HIGH) 00000000 00 55 (45+10)bytes
BYTE COUNT(LOW) 00110111 37
01001100 4C 'L'
01001101 4D 'M'
00100000 20 ' '
00100000 20 ' '
00111000 38 '8'
01000010 42 'B'
00110000 30 '0'
00110011 33 '3'
DATA NAME 01000101 45 'E'
0mmmmmmm mm m=0-95 (Effect Library No.1-96)
Receive is effective 64-95
DATA 0ddddddd ds Effect Library Memory (45bytes)
: :
0ddddddd de
CHECK SUM 0eeeeeee ee ee=(-('L'+'M'+...+ds+...+de)) AND 7Fh
EOX 11110111 F7 End Of Exclusive
[Effect Library Bulk Dump Request Format]
STATUS 11110000 F0 System Exclusive Message
ID No. 01000011 43 Manufacturer's ID (YAMAHA)
SUB STATUS 0010nnnn 2n n=0-15 (Device Channel No.1-16)
FORMAT No. 01111110 7E Universal Bulk Dump
01001100 4C 'L'
01001101 4D 'M'
00100000 20 ' '
00100000 20 ' '
00111000 38 '8'
01000010 42 'B'
00110000 30 '0'
00110011 33 '3'
DATA NAME 01000101 45 'E'
0mmmmmmm mm m=0-95 (Effect Library No.1-96)
EOX 11110111 F7 End Of Exclusive
[CH Library Bulk Dump Format]
STATUS 11110000 F0 System Exclusive Message
ID No. 01000011 43 Manufacturer's ID No. (YAMAHA)
SUB STATUS 0000nnnn 0n n=0-15 (Device Channel No.1-16)
FORMAT No. 01111110 7E Universal Bulk Dump
BYTE COUNT(HIGH) 00000000 00 80 (70+10)bytes
BYTE COUNT(LOW) 01010000 50
01001100 4C 'L'
01001101 4D 'M'
00100000 20 ' '
00100000 20 ' '
00111000 38 '8'
01000010 42 'B'
00110000 30 '0'
00110011 33 '3'
DATA NAME 01001000 48 'H'
0mmmmmmm mm m=0-50 (CH Library No.0-50)
Receive is effective 2-50
DATA 0ddddddd ds CH Library Memory (70bytes)
: :
0ddddddd de
CHECK SUM 0eeeeeee ee ee=(-('L'+'M'+...+ds+...+de)) AND 7Fh
EOX 11110111 F7 End Of Exclusive
[CH Library Bulk Dump Request Format]
STATUS 11110000 F0 System Exclusive Message
ID No. 01000011 43 Manufacturer's ID (YAMAHA)
SUB STATUS 0010nnnn 2n n=0-15 (Device Channel No.1-16)
FORMAT No. 01111110 7E Universal Bulk Dump
01001100 4C 'L'
01001101 4D 'M'
00100000 20 ' '
00100000 20 ' '
00111000 38 '8'
01000010 42 'B'
00110000 30 '0'
00110011 33 '3'
DATA NAME 01001000 48 'H'
0mmmmmmm mm m=0-50 (CH Library No.0-50)
EOX 11110111 F7 End Of Exclusive
[Program Change Assignment Table Bulk Dump Format]
STATUS 11110000 F0 System Exclusive Message
ID No. 01000011 43 Manufacturer's ID No. (YAMAHA)
SUB STATUS 0000nnnn 0n n=0-15 (Device Channel No.1-16)
FORMAT No. 01111110 7E Universal Bulk Dump
BYTE COUNT(HIGH) 00000001 01 138 (128+10)bytes
BYTE COUNT(LOW) 00001010 0A
01001100 4C 'L'
01001101 4D 'M'
00100000 20 ' '
00100000 20 ' '
00111000 38 '8'
01000010 42 'B'
00110000 30 '0'
00110011 33 '3'
DATA NAME 01010000 50 'P'
00100000 20 ' '
DATA 0ddddddd ds Program Change Table (128bytes)
: :
0ddddddd de
CHECK SUM 0eeeeeee ee ee=(-('L'+'M'+...+ds+...+de)) AND 7Fh
EOX 11110111 F7 End Of Exclusive
[Program Change Assignment Table Bulk Dump Request
Format]
STATUS 11110000 F0 System Exclusive Message
ID No. 01000011 43 Manufacturer's ID (YAMAHA)
SUB STATUS 0010nnnn 2n n=0-15 (Device Channel No.1-16)
FORMAT No. 01111110 7E Universal Bulk Dump
01001100 4C 'L'
01001101 4D 'M'
00100000 20 ' '
00100000 20 ' '
00111000 38 '8'
01000010 42 'B'
00110000 30 '0'
00110011 33 '3'
DATA NAME 01010000 50 'P'
00100000 20 ' '
EOX 11110111 F7 End Of Exclusive
[Control Change Assignment Table Bulk Dump Format]
STATUS 11110000 F0 System Exclusive Message
ID No. 01000011 43 Manufacturer's ID No. (YAMAHA)
SUB STATUS 0000nnnn 0n n=0-15 (Device Channel No.1-16)
FORMAT No. 01111110 7E Universal Bulk Dump
BYTE COUNT(HIGH) 00000001 01 238 (228+10)bytes
BYTE COUNT(LOW) 01101110 6e
01001100 4C 'L'
01001101 4D 'M'
00100000 20 ' '
00100000 20 ' '
00111000 38 '8'
01000010 42 'B'
00110000 30 '0'
00110011 33 '3'
DATA NAME 01000011 43 'C'
00100000 20 ' '
DATA 0ddddddd ds Control Change Table (114x2bytes)
: :
0ddddddd de
CHECK SUM 0eeeeeee ee ee=(-('L'+'M'+...+ds+...+de)) AND 7Fh
EOX 11110111 F7 End Of Exclusive

03D取扱説明書
付 録 275
03Dの
世界へ
ようこそ!
各部の
名称と機能
インプット
チャンネル
イコライザー
パン、
ルーティング、
サラウンドパン
ソロ、
モニター、
メーター
ステレオ
アウト
AUXアウト
バスアウト
チャンネル
ライブラリー
とビュー
内蔵
エフェクト
シーン
メモリー
オート
ミックス
その他の
機能
デジタル
I/O
MIDI
付 録
グループ、
ペア
ダイナミクス
プロセッサー
ユーザー
インター
フェース
の基礎知識
[Control Change Assignment Table Bulk Dump Request
Format]
STATUS 11110000 F0 System Exclusive Message
ID No. 01000011 43 Manufacturer's ID (YAMAHA)
SUB STATUS 0010nnnn 2n n=0-15 (Device Channel No.1-16)
FORMAT No. 01111110 7E Universal Bulk Dump
01001100 4C 'L'
01001101 4D 'M'
00100000 20 ' '
00100000 20 ' '
00111000 38 '8'
01000010 42 'B'
00110000 30 '0'
00110011 33 '3'
DATA NAME 01000011 43 'C'
00100000 20 ' '
EOX 11110111 F7 End Of Exclusive
[Setup Memory Bulk Dump Format]
STATUS 11110000 F0 System Exclusive Message
ID No. 01000011 43 Manufacturer's ID No. (YAMAHA)
SUB STATUS 0000nnnn 0n n=0-15 (Device Channel No.1-16)
FORMAT No. 01111110 7E Universal Bulk Dump
BYTE COUNT(HIGH)00000010 02 368 (358+10)bytes
BYTE COUNT(LOW) 01110000 70
01001100 4C 'L'
01001101 4D 'M'
00100000 20 ' '
00100000 20 ' '
00111000 38 '8'
01000010 42 'B'
00110000 30 '0'
00110011 33 '3'
DATA NAME 01010011 53 'S'
00100000 20 ' '
DATA 0ddddddd ds Setup Memory (358bytes)
: :
0ddddddd de
CHECK SUM 0eeeeeee ee ee=(-('L'+'M'+...+ds+...+de)) AND 7Fh
EOX 11110111 F7 End Of Exclusive
[Setup Memory Bulk Dump Request Format]
STATUS 11110000 F0 System Exclusive Message
ID No. 01000011 43 Manufacturer's ID (YAMAHA)
SUB STATUS 0010nnnn 2n n=0-15 (Device Channel No.1-16)
FORMAT No. 01111110 7E Universal Bulk Dump
01001100 4C 'L'
01001101 4D 'M'
00100000 20 ' '
00100000 20 ' '
00111000 38 '8'
01000010 42 'B'
00110000 30 '0'
00110011 33 '3'
DATA NAME 01010011 53 'S'
00100000 20 ' '
EOX 11110111 F7 End Of Exclusive
[Automix Memory Bulk Dump Format]
(One bulk out is transmitted by each 1K block)
STATUS 11110000 F0 System Exclusive Message
ID No. 01000011 43 Manufacturer's ID No. (YAMAHA)
SUB STATUS 0000nnnn 0n n=0-15 (Device Channel No.1-16)
FORMAT No. 01111110 7E Universal Bulk Dump
BYTE COUNT(HIGH) 00001010 0A 1290 (1280+10)bytes
BYTE COUNT(LOW) 00001010 0A
01001100 4C 'L'
01001101 4D 'M'
00100000 20 ' '
00100000 20 ' '
00111000 38 '8'
01000010 42 'B'
00110000 30 '0'
00110011 33 '3'
DATA NAME 01000001 41 'A'
0mmmmmmm mm m=0-3, 127 (Automix Memory No.1-4,
current)
DATA 0ddddddd ds Automix Memory (1280bytes)
: :
0ddddddd de
CHECK SUM 0eeeeeee ee ee=(-('L'+'M'+...+ds+...+de)) AND 7Fh
EOX 11110111 F7 End Of Exclusive
[Automix Memory Bulk Dump Request Format]
STATUS 11110000 F0 System Exclusive Message
ID No. 01000011 43 Manufacturer's ID (YAMAHA)
SUB STATUS 0010nnnn 2n n=0-15 (Device Channel No.1-16)
FORMAT No. 01111110 7E Universal Bulk Dump
01001100 4C 'L'
01001101 4D 'M'
00100000 20 ' '
00100000 20 ' '
00111000 38 '8'
01000010 42 'B'
00110000 30 '0'
00110011 33 '3'
DATA NAME 01000001 41 'A'
0mmmmmmm mm m=0-3, 127 (Automix Memory No.1-4,
current)
EOX 11110111 F7 End Of Exclusive
[MIDI Remote Bulk Dump Format]
STATUS 11110000 F0 System Exclusive Message
ID No. 01000011 43 Manufacturer's ID No. (YAMAHA)
SUB STATUS 0000nnnn 0n n=0-15 (Device Channel No.1-16)
FORMAT No. 01111110 7E Universal Bulk Dump
BYTE COUNT(HIGH) 00001010 0A 1320 (1310+10)bytes
BYTE COUNT(LOW) 00101000 28
01001100 4C 'L'
01001101 4D 'M'
00100000 20 ' '
00100000 20 ' '
00111000 38 '8'
01000010 42 'B'
00110000 30 '0'
00110011 33 '3'
DATA NAME 01010010 52 'R'
0mmmmmmm mm m=0-3 (MIDI Remote No.1-4)
DATA 0ddddddd ds MIDI Remote (1310bytes)
: :
0ddddddd de
CHECK SUM 0eeeeeee ee ee=(-('L'+'M'+...+ds+...+de)) AND 7Fh
EOX 11110111 F7 End Of Exclusive
[MIDI Remote Bulk Dump Request Format]
STATUS 11110000 F0 System Exclusive Message
ID No. 01000011 43 Manufacturer's ID (YAMAHA)
SUB STATUS 0010nnnn 2n n=0-15 (Device Channel No.1-16)
FORMAT No. 01111110 7E Universal Bulk Dump
01001100 4C 'L'
01001101 4D 'M'
00100000 20 ' '
00100000 20 ' '
00111000 38 '8'
01000010 42 'B'
00110000 30 '0'
00110011 33 '3'
DATA NAME 01010010 52 'R'
0mmmmmmm mm m=0-3 (MIDI Remote No.1-4)
EOX 11110111 F7 End Of Exclusive

03D取扱説明書
276 付 録
03Dの
世界へ
ようこそ!
各部の
名称と機能
インプット
チャンネル
イコライザー
パン、
ルーティング、
サラウンドパン
ソロ、
モニター、
メーター
ステレオ
アウト
AUXアウト
バスアウト
チャンネル
ライブラリー
とビュー
内蔵
エフェクト
シーン
メモリー
オート
ミックス
その他の
機能
デジタル
I/O
MIDI
付 録
グループ、
ペア
ダイナミクス
プロセッサー
ユーザー
インター
フェース
の基礎知識
6. Partameter List for control change
assign
FADER
CHANNEL CH1-24, ST IN, RETURN1, RETURN2,
MAS AUX1-4, MAS BUS1-4, MAS ST
EFF1 SEND CH1-24, ST IN
EFF2 SEND CH1-24, ST IN
AUX1 SEND CH1-24, ST IN, RETURN1, RETURN2
AUX2 SEND CH1-24, ST IN, RETURN1, RETURN2
AUX3 SEND CH1-24, ST IN, RETURN1, RETURN2
AUX4 SEND CH1-24, ST IN, RETURN1, RETURN2
BUS TO ST 1-4
ON
CHANNEL CH1-24, ST IN, RETURN1, RETURN2,
MAS AUX1-4, MAS BUS1-4, MAS ST
BUS TO ST 1-4
PAN
CHANNEL CH1-24, ST IN L,R, RETURN1 L,R, RETURN2 L,R
AUX1, 2 CH1-24, ST IN L,R, RETURN1 L,R, RETURN2 L,R
AUX3,4 CH1-24, ST IN L,R, RETURN1 L,R, RETURN2 L,R
BUS TO ST 1-4
BALANCE
ST IN, RETURN1, RETURN2, MAS ST
SURROUND
LR (LEFT,RIGHT) CH1-24, ST IN L,R, RETURN1 L,R, RETURN2 L,R
FR (FRONT,REAR) CH1-24, ST IN L,R, RETURN1 L,R, RETURN2 L,R
PHASE
CH1-24, ST IN L,R
PRE/POST
EFF1 SEND CH1-24, ST IN
EFF2 SEND CH1-24, ST IN
AUX1 SEND CH1-24, ST IN, RETURN1, RETURN2
AUX2 SEND CH1-24, ST IN, RETURN1, RETURN2
AUX3 SEND CH1-24, ST IN, RETURN1, RETURN2
AUX4 SEND CH1-24, ST IN, RETURN1, RETURN2
BUS TO ST 1-4
ROUTING
BUS1 CH1-24, ST IN, RETURN1, RETURN2
BUS2 CH1-24, ST IN, RETURN1, RETURN2
BUS3 CH1-24, ST IN, RETURN1, RETURN2
BUS4 CH1-24, ST IN, RETURN1, RETURN2
MAS ST CH1-24, ST IN, RETURN1, RETURN2
YGDAI 1-8
DELAY
ON CH1-24, ST IN, MAS BUS1-4, MAS ST L,R
TYPE CH1-24, ST IN
TIME HIGH CH1-24, ST IN, MAS BUS1-4, MAS ST L,R
TIME LOW CH1-24, ST IN, MAS BUS1-4, MAS ST L,R
MIX HIGH CH1-24, ST IN
MIX LOW CH1-24, ST IN
FB GAIN H CH1-24, ST IN
FB GAIN L CH1-24, ST IN
EQ
ON CH1-24, ST IN, RETURN1, RETURN2,
MAS AUX1-4, MAS BUS1-4, MAS ST
F LOW CH1-24, ST IN, RETURN1, RETURN2,
MAS AUX1-4, MAS BUS1-4, MAS ST
G LOW CH1-24, ST IN, RETURN1, RETURN2,
MAS AUX1-4, MAS BUS1-4, MAS ST
Q LOW CH1-24, ST IN, RETURN1, RETURN2,
MAS AUX1-4, MAS BUS1-4, MAS ST
F L-MID CH1-24, ST IN, RETURN1, RETURN2,
MAS AUX1-4, MAS BUS1-4, MAS ST
G L-MID CH1-24, ST IN, RETURN1, RETURN2,
MAS AUX1-4, MAS BUS1-4, MAS ST
Q L-MID CH1-24, ST IN, RETURN1, RETURN2,
MAS AUX1-4, MAS BUS1-4, MAS ST
F H-MID CH1-24, ST IN, RETURN1, RETURN2,
MAS AUX1-4, MAS BUS1-4, MAS ST
G H-MID CH1-24, ST IN, RETURN1, RETURN2,
MAS AUX1-4, MAS BUS1-4, MAS ST
Q H-MID CH1-24, ST IN, RETURN1, RETURN2,
MAS AUX1-4, MAS BUS1-4, MAS ST
F HIGH CH1-24, ST IN, RETURN1, RETURN2,
MAS AUX1-4, MAS BUS1-4, MAS ST
G HIGH CH1-24, ST IN, RETURN1, RETURN2,
MAS AUX1-4, MAS BUS1-4, MAS ST
Q HIGH CH1-24, ST IN, RETURN1, RETURN2,
MAS AUX1-4, MAS BUS1-4, MAS ST
ATT CH1-24, ST IN
DYNAMICS
ON CH1-24, ST IN, RETURN1, RETURN2,
MAS AUX1-4, MAS BUS1-4, MAS ST
KEYIN CH1-24, ST IN, RETURN1, RETURN2,
MAS AUX1-4, MAS BUS1-4, MAS ST
RATIO/H_H(HOLD HIGH) CH1-24, ST IN, RETURN1, RETURN2,
MAS AUX1-4, MAS BUS1-4, MAS ST
KNE/H_L/W(KNEE/HOLD LOW/WIDTH)
CH1-24, ST IN, RETURN1, RETURN2,
MAS AUX1-4, MAS BUS1-4, MAS ST
THRESHOLD CH1-24, ST IN, RETURN1, RETURN2,
MAS AUX1-4, MAS BUS1-4, MAS ST
ATTACK CH1-24, ST IN, RETURN1, RETURN2,
MAS AUX1-4, MAS BUS1-4, MAS ST
G/RANGE(GAIN/RANGE) CH1-24, ST IN, RETURN1, RETURN2,
MAS AUX1-4, MAS BUS1-4, MAS ST
REL/DCY H(RELEASE/DECAY HIGH)
CH1-24, ST IN, RETURN1, RETURN2,
MAS AUX1-4, MAS BUS1-4, MAS ST
REL/DCY L(RELEASE/DECAY LOW)
CH1-24, ST IN, RETURN1, RETURN2,
MAS AUX1-4, MAS BUS1-4, MAS ST
EFFECT
1 PARAM H 1-16
1 PARAM L 1-16
2 PARAM H 1-16
2 PARAM L 1-16
NO ASSIGN

03D取扱説明書
付 録 277
03Dの
世界へ
ようこそ!
各部の
名称と機能
インプット
チャンネル
イコライザー
パン、
ルーティング、
サラウンドパン
ソロ、
モニター、
メーター
ステレオ
アウト
AUXアウト
バスアウト
チャンネル
ライブラリー
とビュー
内蔵
エフェクト
シーン
メモリー
オート
ミックス
その他の
機能
デジタル
I/O
MIDI
付 録
グループ、
ペア
ダイナミクス
プロセッサー
ユーザー
インター
フェース
の基礎知識
MIDIインプリメンテーションチャート
YAMAHA [DIGITAL MIXING CONSOLE - INTERNAL PARAM] Date:Feb05,1997
Model : 03D MIDI Implementation Chart Version : 1.0
Function... Transmitted Recognized Remarks
Basic Default 1 - 16 1 - 16 Memorized
Channel Changed 1 - 16 1 - 16
Default x
OMNI off/OMNI on
Memorized
Mode Messages x x
Altered ************** x
Note 37 - 44 36 - 96
Number : True voice ************** x
Velocity Note ON x 9nH, v=127 x
Note OFF x 9nH, v= 0 x
After Key's x x
Touch Ch's x x
Pitch Bend x x
0-95, 102-119 o o Assignable
Control
Change
Prog o 0 - 127 o 0 - 127 Assignable
Change : True # ************** 0 - 50
System Exclusive o o *1
: Song Pos x o
Common : Song Sel x x
: Tune x x
System : Clock x o
Real Time : Commands o o
: Local ON/OFF x x
Aux : All Notes OFF x x
Messages : Active Sense o x
: Reset x x
Notes MTC quarter frame message is recognized.
*1 : Bulk Dump/Request, Parameter Change/Request
and MMC.
For MIDI remote, ALL messages can be transmitted.
Mode 1 : OMNI ON, POLY Mode 2 : OMNI ON, MONO o : Yes
Mode 3 : OMNI OFF, POLY Mode 4 : OMNI OFF, MONO x : No

03D取扱説明書
278 付 録
03Dの
世界へ
ようこそ!
各部の
名称と機能
インプット
チャンネル
イコライザー
パン、
ルーティング、
サラウンドパン
ソロ、
モニター、
メーター
ステレオ
アウト
AUXアウト
バスアウト
チャンネル
ライブラリー
とビュー
内蔵
エフェクト
シーン
メモリー
オート
ミックス
その他の
機能
デジタル
I/O
MIDI
付 録
グループ、
ペア
ダイナミクス
プロセッサー
ユーザー
インター
フェース
の基礎知識
用語集
A/Dコンバーター―アナログ信号をデジタル信号に変換する電子機器。
AES/EBUフォーマット―AES(Audio Engineering Society)とEBU(European Broadcasting Union)により規
定されたデジタルオーディオフォーマットで、プロ機器間でデジタルオーディオデータをやりとりする
ときに使用する。1系統の接続だけで2チャンネル分のデジタルオーディオ(左/奇数、右/偶数)を送信で
き、通常XLRタイプの端子を使用する。
AFL(アフターフェーダーリッスン)―チャンネルフェーダーを通過した後で信号をモニターするミキ
サーの機能。PFLを参照。
CH―チャンネルの略語。
Coaxialフォーマット―SonyとPhilipsが開発した民生デジタルオーディオフォーマットで、CDプレー
ヤー、民生用DATレコーダー、DCC、MiniDiscレコーダーなど、民生用のデジタルオーディオ機器間でデジ
タルオーディオデータをやりとりするために使用される。1系統の接続だけで2チャンネルのデジタルオー
ディオ(左右)が送信でき、通常はRCAピン端子を使って接続する。IEC958またはS/PDIFとも呼ばれる。
D/Aコンバーター―デジタル信号をアナログ信号に変換する電子機器。
DIO―Digital Input/Output(デジタル入出力)の略語
DSP(デジタルシグナルプロセッサー)―大量のデータを高速かつリアルタイムで処理するために特別に
設計されたチップ。デジタルオーディオデータを処理するのに最適。
EFF―Effect(エフェクト)の略語
GR―Gain Reduciton(ゲインリダクション)の略語。
General MIDI―MIDIの拡張規格。GM対応の音源は、同時発音数最低24音、16パート、128のプリセット音
色を持つことなどが規定されている。
LCD(液晶ディスプレイ)―液晶を使って文字やグラフィックを表示するディスプレイの一種。
LED(発光ダイオード)―電流が流れたときに点灯するダイオードの一種。
LSB(最下位バイト)―デジタルワードの中で最も下の位を表すバイト。MSBを参照。
MIDI(Musical Instrument Digital Interface)―電子楽器やオーディオ機器間でデータ転送を行うための、国
際的に承認された標準規格。
MIDIクロック―MIDIデータとして送信されるクロック信号。MIDIクロックは、スタートコマンド、コン
ティニューコマンド、ストップコマンドの基準となる。
MIDIソングポジションポインター―MIDIクロック信号に位置情報を追加するために使用する、MIDIメッ
セージの一種。ソングの途中どこから再生を始めても、MIDIシーケンサーがその位置に移動し、同期再生
が行える。
MIDIタイムコード―MTCを参照。
MIDIデバイスナンバー―システムエクスクルーシブデータを送信するために、MIDI装置に割り当てられ
た識別番号。
MMC(MIDIマシンコントロール)―オーディオ、ビデオ、MiniDiscレコーダー、その他のスタジオ機器をコ
ントロールするMIDIメッセージ。一般的なMMCコマンドには、ストップ、プレイ、リワインド、ポーズな
どがある。
MSB(最上位バイト)―デジタルワードの中で最も上の位を表すバイト。LSBを参照。

03D取扱説明書
付 録 279
03Dの
世界へ
ようこそ!
各部の
名称と機能
インプット
チャンネル
イコライザー
パン、
ルーティング、
サラウンドパン
ソロ、
モニター、
メーター
ステレオ
アウト
AUXアウト
バスアウト
チャンネル
ライブラリー
とビュー
内蔵
エフェクト
シーン
メモリー
オート
ミックス
その他の
機能
デジタル
I/O
MIDI
付 録
グループ、
ペア
ダイナミクス
プロセッサー
ユーザー
インター
フェース
の基礎知識
MTC(MIDIタイムコード)―オーディオ機器を同期させるために追加されたMIDI規格の一種。MIDIタイ
ムコードにはクロック情報と絶対位置情報が含まれる。
OMNI―ある機器が16チャンネルすべてのデータに応答するMIDIのモード。
PAM(パルスアンプリチュードモジュレーション)―A/D変換の1段階めで、サンプリングレートに合わせ
て生成されるパルスをアナログオーディオ信号によって変調すること。PCMを参照。
PCM(パルスコードモジュレーション)―A/D変換の2段階めで、PAMにより生成されたパルスを、バイナ
リーデータワードに符号化すること。PAMを参照。
PC―もともとはPersonal Computer(パーソナルコンピューター)の略。現在では、オペレーティングシス
テムMicrosoft Windowsを起動するIBM互換機の総称として使用される。
PFL(プリフェーダーリッスン)―信号がチャンネルフェーダーに入る前にモニターするミキサーの機能。
AFLを参照。
Q―EQ回路の急峻度を測定する単位。値が大きいほど周波数帯域が狭く、値が低いほど帯域が広くなる。
S/PDIFフォーマット―Coaxialフォーマットを参照。
SMPTEタイムコード―「シンプティ」と発音する。SMPTEタイムコードはアメリカのSMPTE(Society of
Motion Pictures and Television Engineers)とヨーロッパのEBU(European Broadcast Union)がフィルムやビ
デオに使用する、タイムコードのフォーマット。
SN比(S/N)―オーディオの世界で、信号の動作レベルと残留ノイズとの差をデシベル単位で表わしたも
の。オーディオシステムのノイズ性能の目安として使用される。
ST IN―03Dのステレオインプットチャンネル。
ST OUT―03Dのステレオアウトプット。
THD(全高調波歪み)―オーディオシステムの歪みの量を表す数値で、通常は実際の信号に対するパーセ
ントで表記される。単一の倍音のみを測定する第三高調波歪みとは異なり、全高調波歪ではすべての倍音
で発生した歪みを合計した値となる。
YGDAI(Yamaha General Digital Audio Interface)―ヤマハのデジタルオーディオ機器を、業界標準のさま
ざまなデジタルオーディオフォーマットやプロトコルに対応したデジタルMTR、ハードディスクレコー
ダー、その他のデジタル機器に直接接続するためのインターフェースシステム。
アンチエイリアシング―A/D変換前にアンチエイリアシングフィルターを使ってエイリアシングを防ぐ、
デジタルオーディオ技術。このフィルターでは、サンプリング周波数の半分より高い周波数成分を除去す
る(例:32kHzのサンプリングレートでは、16kHz以上のオーディオ周波数成分が除去される)。
エイリアシング―A/D変換中に、最も高い周波数の2倍の周波数よりもサンプリングレートが低いとき
に生じる信号の歪みの一種。A/Dコンバーターでは、エイリアシングフィルターを使用してサンプリング
レートの半分より高い周波数成分を除去する。ナイキスト理論を参照。
エディットバッファー―現在のミックス設定(カレントミックスシーン)を保存する内蔵RAMの領域。
ミックスシーンを保存すると、選択したシーンメモリーにエディットバッファーのデータがコピーされ
る。また、ミックスシーンを呼び出すと、選択したシーンメモリーのデータがエディットバッファーにコ
ピーされる。
エンファシス―第一世代のAD/DAコンバーターでノイズ性能を向上させるために使われた技術。現在で
は使用されることはないが、古い録音素材との互換性を保つためにこの機能が用意されることが多い。エ
ンファシスは、A/D変換前に3.5kHz以上の信号を6dB/Octだけブーストする。再生装置では、デジタルオー
ディオ信号に含まれるエンファシスのフラッグを検知し、D/A変換後に信号をディエンファシスする。
オーバーサンプリング―通常のサンプリングレートより高いレートでオーディオ信号をサンプリングす
ること。量子化エラーによる生じるノイズを低減させることができる。

03D取扱説明書
280 付 録
03Dの
世界へ
ようこそ!
各部の
名称と機能
インプット
チャンネル
イコライザー
パン、
ルーティング、
サラウンドパン
ソロ、
モニター、
メーター
ステレオ
アウト
AUXアウト
バスアウト
チャンネル
ライブラリー
とビュー
内蔵
エフェクト
シーン
メモリー
オート
ミックス
その他の
機能
デジタル
I/O
MIDI
付 録
グループ、
ペア
ダイナミクス
プロセッサー
ユーザー
インター
フェース
の基礎知識
クリッピング―オーディオ回路が過大入力により過負荷状態になって生じる歪み。
コントロールチェンジ―パラメーターのリアルタイムコントロールを可能にするMIDIメッセージの一
種。よく使われるコントロールチェンジには、モジュレーション、ボリューム、パン、ポルタメントなどが
ある。
サンプリングレート―A/D変換中にアナログオーディオ信号がサンプリングされる1秒あたりの回数。各
サンプルの値はデータワードとして保存される。標準となるサンプリングレートは32kHz、44.1kHz、
48kHz。
シーンメモリー―ミックスシーンを保存するメモリー位置。ミックスシーン参照。
シェルビング―設定周波数の上または下の周波数をブースト/カットするEQ回路の一種で、シェルフ
(棚)状の周波数カーブが生成される。通常、高域や低域用のEQにはシェルビングタイプが使用される。
ピーキングを参照。
システムエクスクルーシブ―MIDIデバイス間でのデータ送信に使用される専用のMIDIメッセージ。バル
クダンプを参照。
初期設定―工場から出荷されてから最初に装置の電源を入れたときの設定内容。「デフォルト設定」「工場
出荷時設定」とも呼ばれる。
シリアルマウス―コンピューターのシリアルポートに接続する、コンピューターマウスの一種。
スナップショット―ミックスシーンを参照。
ダイナミックレンジ―システム内の最もレベルの高い信号と低い信号との差。オーディオ機器では、通常
最大出力レベルと残留ノイズレベルとの差を指す。デジタルシステムにおけるダイナミックレンジはデー
タの解像度によって決まり、1ビットにつき約6dB。したがって、16ビットシステムでは理論上96dBのダイ
ナミックレンジが利用できる。
直接操作によるミックスオートメーション―ミックス設定のリアルタイム操作を記録/再生することで
自動化されたミックスダウン。
定格レベル―動作レベルを参照。
低レベル信号―レベルが−100dB∼−20dBの範囲の信号。マイクやエレクトリックギターの信号が含ま
れる。ラインレベル信号を参照。
ディエンファシス―エンファシスを参照。
ディザー―ごくわずかなランダムノイズをオーディオ信号に加え、A/Dコンバーターで発生する量子化
ノイズを軽減させる処理。デジタルオーディオのワード長を短くする場合(例:20ビットを16ビットに変
換する)にも、このディザをかける。
動作レベル―オーディオ機器が正常に動作するよう設計された基準レベル。よく使用される動作レベル
には、民生機器で使用する−10dBV(316mV)、およびプロ機器で使用する+4dBu(1.23V)の2種類がある。
ナイキスト理論―デジタルオーディオシステムのサンプリングレートは、最も高いオーディオ周波数の
少なくとも2倍以上でなければ、「エイリアシング」と呼ばれる波形の歪みが生じる、という理論。エイリ
アシング参照。
ノイズゲート―トリガー信号のレベルが設定されたスレッショルド値よりも低くなると開き、スレッショ
ルド値を越えると閉じるスイッチ。不要なヒスやノイズを取り除くために使用する。
バス―オーディオ信号を集めて分配する共通の信号経路。
バルクダンプ―MIDI機器間でデータを転送する機能。このとき、データはMIDIシステムエクスクルーシ
ブとして送信される。
ピーキング―周波数帯域をカット/ブーストするEQ回路で、山なりの周波数カーブが生成される。周波
数帯域の幅はQパラメーターでコントロールする。通常中域のEQにはピーキングタイプが使用される。

03D取扱説明書
付 録 281
03Dの
世界へ
ようこそ!
各部の
名称と機能
インプット
チャンネル
イコライザー
パン、
ルーティング、
サラウンドパン
ソロ、
モニター、
メーター
ステレオ
アウト
AUXアウト
バスアウト
チャンネル
ライブラリー
とビュー
内蔵
エフェクト
シーン
メモリー
オート
ミックス
その他の
機能
デジタル
I/O
MIDI
付 録
グループ、
ペア
ダイナミクス
プロセッサー
ユーザー
インター
フェース
の基礎知識
シェルビングを参照。
ピンクノイズ―オクターブごとに同量のエネルギーを含むランダムノイズの一種。例えば100∼200、800
∼1600、3000∼6000の各帯域には同量のエネルギーが含まれている。一方、ホワイトノイズでは、周波数帯
域ごと(例えば100∼200、800∼900、3000∼3100)に同量のエネルギーが含まれている。
フェードタイム―ミックスシーンを呼び出した時に、フェーダーが新しい位置に移動するまでの時間。
プリフェーダー―信号経路内のフェーダー前の位置。AUXセンドコントロールがプリフェーダーに設定
されている場合、チャンネルフェーダーを通過するの前の信号がAUXに送られることになる。この方式
には、メインのチャンネル信号とは個別にAUXセンド信号をコントロールできるという利点がある。プ
リフェーダーのAUXセンドは、モニター用のミックスに使用することが多い。PFL参照。
ポストフェーダー―信号経路内のフェーダー後の位置。AUXセンドコントロールがポストフェーダーに
設定されている場合、チャンネルフェーダーを通過した信号がAUXに送られることになる。この方式に
は、チャンネルフェーダーを使ってメインのチャンネル信号とAUXセンド信号を同時にコントロールで
きるという利点がある。ポストフェーダーのAUXセンドは、エフェクトプロセッサーに送るために使わ
れることが多い。AFL参照。
ミックスシーン―ソング内のある段階でのミックス設定。1曲の音楽の中には、ちょうど演劇のようにさ
まざまなシーンがあり、それぞれ異なるミックス設定が必要となる。ミックスシーンはシーンメモリーに
保存され、フロントパネルのキー操作、またはMIDIプログラムチェンジメッセージで呼び出すことがで
きる。プログラムチェンジメッセージはコンピューター、MIDIフットスイッチ、キーボード、シーケンサー
から送信できる。シーンメモリーを参照。
モジュレーション―オーディオの世界で、LFO(低周波オシレーター)を使用して信号の周波数(ピッチ)
や増幅度(レベル)をコントロールすること。通常LFOの周波数はモジュレーションフリケンシー、LFOに
よるコントロール量はモジュレーションデプスと呼ばれるパラメーターで設定する。ディレイタイムや
オートパンスピードといったパラメーターにモジュレーションをかけることもできる。
ユニティゲイン―ゲイン=0dB(増幅なし)の状態。
ラインレベル信号―レベルが−20dB∼+20dBの範囲の信号。基本的には高レベルの信号で、ほとんどの
オーディオ機器はラインレベル信号を出力する。低レベル信号を参照。
量子化―PAMにより生成されたパルスを近似値のバイナリーデータに変換するPCM処理。
ワードクロック―デジタルオーディオシステムに接続されているすべての機器のデータ処理回路を同期
させるクロック信号。ワードクロックの周波数はサンプリングレートと等しい。

03D取扱説明書
282 付 録
03Dの
世界へ
ようこそ!
各部の
名称と機能
インプット
チャンネル
イコライザー
パン、
ルーティング、
サラウンドパン
ソロ、
モニター、
メーター
ステレオ
アウト
AUXアウト
バスアウト
チャンネル
ライブラリー
とビュー
内蔵
エフェクト
シーン
メモリー
オート
ミックス
その他の
機能
デジタル
I/O
MIDI
付 録
グループ、
ペア
ダイナミクス
プロセッサー
ユーザー
インター
フェース
の基礎知識
索引
記号
[GAIN]コントロール ........................ 37
[ON]キー ....................................... 31
[PAD]スイッチ ............................... 17
[SCENE MEMORY]キー... 163, 164, 166
[SEL]キー...................................... 31
02R .............................................. 245
03Dの初期化 ................................ 213
26dB PADスイッチ ......................... 11
2TR IN端子 .................................... 17
75Ωスイッチ................................... 20
A
ADAT ........................................... 223
AES/EBU .....................7, 20, 36, 223
AMP SIMULATE .......................... 139
ATTENUATIONファンクション........ 38
AUTOPAN ................................... 134
AUX
Viewページ .............................. 112
ステレオペア .............................. 96
プリフェーダー............................. 94
ブロック図................................... 98
ポストフェーダー ......................... 94
マスターレベル設定 .................... 95
ミュート ....................................... 95
AUX OUT端子................................ 19
AUX出力端子(アナログ)................ 92
B
Bulkページ.................................... 242
BUS OUT端子........................ 18, 100
Bus to STページ........................... 103
C
Cascadeページ ............................ 227
CD8-AE-S .................................... 223
CD8-AT........................................ 223
CD8-CS ....................................... 223
CD8-TDII...................................... 223
CD8-Y .......................................... 223
CH Delayページ ............... 40, 88, 102
CH Viewページ............................. 110
CHANNEL CONTROLセクション ... 13
CHORUS ..................................... 133
COAXIAL ............................. 7, 20, 36
COMP .......................................... 151
COMPANDER ............................. 155
CONTRASTコントロール ................ 12
CTL Asgn.ページ ......................... 240
CURSORキー........................... 15, 29
D
D.in Setupページ.................. 217, 221
D.out Setupページ ............... 219, 224
DELAY LCR................................. 132
DELAY/ECHO.............................. 122
DELAY+ER. ................................. 138
DELAY+REV ............................... 138
DELAY→ER. ............................... 138
DELAY→REV .............................. 139
DIGITAL STEREO IN .................... 36
DIGITAL STEREO IN端子............. 20
DIGITAL STEREO OUT端子......... 20
DISTORTION............................... 123
Ditherページ ................................. 220
DUAL PITCH ............................... 135
DUCKING .................................... 153
Dyn.Editページ ............................. 146
DYNA. FILTER ............................ 140
DYNA. FLANGE .......................... 140
DYNA. PHASER .......................... 140
DYNAMIC EFFECT ..................... 124
E
EARLY REF................................. 132
ECHO........................................... 133
EDITインジケーター...................... 162
Eff.Editページ ....................... 120, 125
EFFECT 1バス............................. 120
EFFECT 2バス............................. 120
ENTERキー .............................. 15, 29
EQ .............................................. 5, 48
Q................................................ 49
ゲイン......................................... 49
ゲイン回転ノブのリセット............. 50
周波数........................................ 49
バイパス..................................... 50
プログラムタイトルのエディット.... 53
プログラムの保存 ....................... 51
プログラムの呼び出し................. 52
ライブラリー ............................ 5, 50
ライブラリーリスト........................ 54
EQページ........................................ 38
Event Editページ .......................... 193
EXPAND ...................................... 154
Extractページ ............................... 198
F
Fade Timeページ ......................... 171
Fader Editページ.................. 182, 191
FADER MODEセクション ............... 13
FLANGE ...................................... 133
FREEZE............................... 124, 141
G
GAINコントロール............................ 11
GATE ........................................... 152
GATE REVERB ........................... 132
GM音源 ........................................ 247
Groupページ......................... 114, 115
H
HQ.PITCH.................................... 135
I
INPUT1∼8端子 ............................. 17
INPUT9∼16端子 ........................... 18
INSERT端子 ...................... 18, 36, 38
L
Libraryページ(EQ)......................... 50
Libraryページ(エフェクト)............. 129
Libraryページ(ダイナミクスプロセッ
サー)................................... 147
Libraryページ(チャンネル)........... 106
M
Mainページ(オートミックス).......... 175
MEAS/BEAT/CLKカウンター 176, 181
Memoryページ(オートミックス)..... 184
Meterページ ................................... 81
MIDI ......................................... 8, 232
インターフェース ........................... 8
インプリメンテーションチャート .. 277
クロック ................................ 7, 179
コントロールチェンジ ..... 8, 236, 240
システムエクスクルーシブ..... 8, 236
セットアップ............................... 235
タイムコード .......................... 7, 179
端子 ............................................. 8
チャンネル ................................ 237
データファイラー........................... 8
データフォーマット..................... 270
デバイスナンバー ..................... 237
バルクダンプ .................... 236, 242
プログラムチェンジ ..7, 8, 167, 236,
239
マシンコントロール ................ 8, 208
モニター ................................... 238
リアルタイムメッセージ...... 209, 237
MIDI IN端子 ................................... 21
MIDI Moni.ページ ......................... 238
MIDI OUT端子 ............................... 21
MIDI REMOTEキー ........................ 14
MIDI REMOTEモード ..................... 14

03D取扱説明書
付 録 283
03Dの
世界へ
ようこそ!
各部の
名称と機能
インプット
チャンネル
イコライザー
パン、
ルーティング、
サラウンドパン
ソロ、
モニター、
メーター
ステレオ
アウト
AUXアウト
バスアウト
チャンネル
ライブラリー
とビュー
内蔵
エフェクト
シーン
メモリー
オート
ミックス
その他の
機能
デジタル
I/O
MIDI
付 録
グループ、
ペア
ダイナミクス
プロセッサー
ユーザー
インター
フェース
の基礎知識
MIDI Setupページ ........................ 235
MIDI THRU端子 ............................. 21
MIDI/HOSTページ ........................ 233
MIDI端子 ...................................... 232
MIDIリモート.................................. 244
ユーザー定義 ........................... 250
MIXING LAYERキー ...................... 15
MMC ................................ 8, 208, 209
MODULATION............................. 122
Moni. Setupページ ................... 74, 76
MONITOR OUT LEVELコントロール .....
11
MONITOR OUTスイッチ................. 11
MONITOR OUT端子...................... 18
Monitorページ............................... 222
MONODELAY→REV................... 139
MOUSE端子 .................................. 20
MTC ................................. 7, 179, 237
MULTI EFFECT ........................... 123
MULTIPORT ........................ 232, 234
Mボタン .................................... 26, 30
O
ONキー..................................... 15, 16
Oscillatorページ ........................... 211
P
Pairページ .................................... 116
PARAMETERダイアル............. 15, 29
PEAKインジケーター ...................... 84
PEAKレベルインジケーター ............ 25
PGM Asgn.ページ ........................ 239
PHASER ...................................... 134
Phaseページ .................................. 39
PHONES LEVELコントロール......... 11
PHONES端子 ................................ 17
PITCH CHANGE ......................... 123
POWERスイッチ............................. 20
Pre/Postページ............................... 83
Pre/Postページ(AUX).................... 94
Pre/Postページ(エフェクト).......... 126
Prefer.ページ................................ 212
Pro Tools ..................................... 249
ProMix 01..................................... 245
ProR3........................................... 246
R
REC OUT端子 ................. 19, 86, 100
REV+CHORUS............................ 135
REV+FLANGE............................. 136
REV+SYMPHO............................ 137
REV500 ....................................... 246
REV→CHORUS .......................... 136
REVERB HALL ............................ 132
REVERB PLATE ......................... 132
REVERB ROOM.......................... 132
REVERB STAGE......................... 132
REVERB/ER ................................ 121
REVERSE GATE......................... 132
REV→FLANGE ........................... 136
REV→PAN .................................. 137
REV→SYMPHO. ......................... 137
S
Scene Mem.ページ .............. 165, 166
SCENE MEMORYセクション ......... 14
SELキー ................................... 15, 16
SETUPセクション ........................... 12
SIGNALインジケーター................... 84
SIGNALレベルインジケーター ........ 25
Solo Setupページ..................... 74, 77
SOLOキー ...................................... 14
SOLOモード.................................... 14
ST IN端子 ...................................... 18
ST OUT端子 .................................. 19
STANDARD I/F.................... 232, 234
Surroundページ.............................. 60
SYMPHONIC ............................... 134
T
Tascam ........................................ 223
TCカウンター ........................ 176, 181
TITLE EDITダイアログボックス ...... 33
TO EDITOR端子 ............................ 20
TO HOST端子.................... 8, 20, 232
ボーレート ................................. 235
TREMOLO ................................... 134
U
USER DEFINEキー...................... 208
USER DEFINEセクション ............... 14
V
Viewページ ................................... 110
W
WORD CLOCK端子....................... 20
X
XG音源......................................... 248
Y
YAMAHA...................................... 223
YGDAI...................................... 6, 223
カードの装着............................. 226
ブロック図................................. 225
YGDAI OUTページ......................... 83
YGDAIカード................................. 223
YGDAIスロット ................................ 21
ア
アーリーリフレクション ................... 121
アッテネーター ................................ 38
アンドゥバッファー ................. 175, 201
イ
イコライザー................................ 5, 48
Q................................................ 49
ゲイン......................................... 49
ゲイン回転ノブのリセット............. 50
周波数........................................ 49
バイパス..................................... 50
プログラムタイトルのエディット.... 53
プログラムの保存 ....................... 51
プログラムの呼び出し................. 52
ライブラリー ............................ 5, 50
ライブラリーリスト........................ 54
イベント......................................... 174
インサート........................................ 38
インプットチャンネル ........................ 36
Viewページ .............................. 110
ステレオペア .............................. 44
ブロック図................................... 45
エ
エクスパンダー.............................. 154
エコー............................................ 122
エディットバッファー....................... 162
エフェクト .................................. 6, 120
パラメーターリスト ..................... 132
プログラムタイトルのエディット.. 131
プログラムの保存 ..................... 129
プログラムの呼び出し............... 130
ブロック図................................. 142
ライブラリー .......................... 6, 128
ライブラリーリスト...................... 121
エフェクトリターン .................. 120, 126
AUXセンド ................................ 128
Viewページ .............................. 111
フェーダー................................. 127
ミュート ..................................... 127
メーター .................................... 126
エンファシス.................................. 221
オ
オートミックス ............................ 7, 174
Mainページ .............................. 179
イベントをオフラインでエディットする
193
イベントを取り出す .................... 197
オートミックスを保存する........... 202
オートミックスを呼び出す........... 203
カレントオートミックスを入れ替える ..
204
記録 ......................................... 184
再記録...................................... 187
再生 ......................................... 186

03D取扱説明書
284 付 録
03Dの
世界へ
ようこそ!
各部の
名称と機能
インプット
チャンネル
イコライザー
パン、
ルーティング、
サラウンドパン
ソロ、
モニター、
メーター
ステレオ
アウト
AUXアウト
バスアウト
チャンネル
ライブラリー
とビュー
内蔵
エフェクト
シーン
メモリー
オート
ミックス
その他の
機能
デジタル
I/O
MIDI
付 録
グループ、
ペア
ダイナミクス
プロセッサー
ユーザー
インター
フェース
の基礎知識
操作を取り消す ......................... 200
タイトルをエディットする ............ 205
メモリー..................................... 175
メモリーをクリアする.................. 206
オーバーサンプリング ........................ 5
オシレーター.................................. 211
オフセット .............................. 177, 181
オフセットディスプレイ................... 176
カ
カーソル.......................................... 29
回転ノブ.......................................... 28
カスケードカード ............................ 223
カスケード接続 .............................. 227
ブロック図................................. 230
カスケードディレイ......................... 228
カレントオートミックス .................... 175
ク
クリック ........................................... 30
グループ ....................................... 113
ケ
ゲート............................................ 152
ゲイン ............................................. 37
コ
コンパンダー ................................. 155
コンプレッサー............................... 151
サ
サラウンドパン ............................ 7, 64
2+2 .......................................... 111
CSR ........................................... 71
軌道 ........................................... 69
軌道ウインドウ ............................ 68
ステレオリンク ............................ 71
サラウンドパンモード ..................... 106
2+2 ............................................ 65
3+1 ............................................ 65
3+2+1 ........................................ 66
シ
シーンメモリー ........................... 7, 162
書き込み禁止............................ 168
タイトルのエディット .................. 169
並び替え................................... 170
保存 ......................................... 164
ミックスシーンの呼び出し.......... 166
ミックスシーンのリコール操作の取り消
し ......................................... 167
シーンメモリー00 ........................... 163
出力ディザー................................. 220
仕様 .............................................. 257
ス
ステレオアウト
ディレイ ...................................... 88
バランス ..................................... 87
ブロック図................................... 90
ミュート ....................................... 87
ステレオアウト(デジタル).............. 219
ステレオイン(デジタル)................ 221
ステレオインプットチャンネル........... 36
Viewページ .............................. 111
ステレオ出力
Viewページ .............................. 112
ステレオ出力端子(アナログ).......... 86
ステレオ出力端子(デジタル).......... 86
ステレオ出力レベルメーター...... 12, 84
ステレオパン ................................... 61
ステレオパンモード .......................... 64
STEREO.................................... 64
ステレオペア ........................... 63, 116
セ
セーフチャンネル........................... 182
セキュリティーカバー ..................... 265
ソ
ソロ........................................... 74, 78
LISTEN...................................... 77
MIXDOWN SOLO ..................... 77
MONO ....................................... 78
RECORDING SOLO ................. 77
SEL MODE................................ 78
SOLO IN PLACE....................... 77
SOLO TRIM .............................. 78
ブロック図................................... 80
ソロセーフ ....................................... 79
タ
ダイナミクスプロセッサー........... 6, 144
タイプ ....................................... 151
プログラムタイトルのエディット.. 150
プログラムの保存 ..................... 148
プログラムの呼び出し............... 149
ライブラリー .......................... 6, 147
ライブラリーリスト...................... 157
ダイナミックエフェクト.................... 124
タイムカウンター ........................... 176
タイムベース ................................. 179
ダイレクト出力 ................................. 43
ダッキング..................................... 153
タブ........................................... 26, 30
チ
チャンネル......................................... 4
プログラムタイトルのエディット.. 109
プログラムの保存 ..................... 107
プログラムの呼び出し............... 108
ライブラリー .............................. 106
チャンネルディレイ .......................... 40
チャンネルビュー ........................... 110
テ
ディザー ........................................ 220
ディストーション ............................. 123
ディスプレイ.............................. 12, 24
メッセージ一覧.......................... 255
ディレイ......................................... 122
デジタルI/O....................................... 6
デジタルインプットモニター ........... 222
電池の点検 ................................... 213
ト
ドラッグ ........................................... 30
トランスポートコントロール ............. 176
トリム............................................. 192
ハ
バスアウト ..................................... 100
Viewページ .............................. 112
ステレオペア ............................ 104
ディレイ .................................... 102
ブロック図................................. 104
マスターレベル設定 .................. 101
ミュート ..................................... 101
パッド .............................................. 37
パラメーターボックス....................... 29
バランス.......................................... 61
バルクダンプ ................................ 242
パン ................................................ 63
パン&バランス ................................ 61
パンチアウト.................................. 188
パンチイン .................................... 188
パンモード ................................. 60, 62
ヒ
ピッチチェンジ............................... 123
フ
ファンクションメニュー..................... 30
ファンタム電源.................... 17, 36, 37
フェーズ .......................................... 39
フェーダー.................5, 15, 16, 32, 42
キャリブレーション ..................... 214
フェーダー(ディスプレイ)................ 28
フェーダーグループ ....................... 114
フェーダースタート ......................... 236
フェーダーステータス....................... 26

03D取扱説明書
付 録 285
03Dの
世界へ
ようこそ!
各部の
名称と機能
インプット
チャンネル
イコライザー
パン、
ルーティング、
サラウンドパン
ソロ、
モニター、
メーター
ステレオ
アウト
AUXアウト
バスアウト
チャンネル
ライブラリー
とビュー
内蔵
エフェクト
シーン
メモリー
オート
ミックス
その他の
機能
デジタル
I/O
MIDI
付 録
グループ、
ペア
ダイナミクス
プロセッサー
ユーザー
インター
フェース
の基礎知識
フェーダーモード .................. 13, 16, 26
フェードタイム................................ 171
フリーズ......................................... 124
プリファレンス ............................... 212
ブロック図 ....................................... 22
ヘ
ページエリア ................................... 26
ヘッドフォン端子.............................. 75
ホ
ボタン ............................................. 28
マ
マウス ................................. 7, 30, 212
マルチエフェクト............................ 123
ミ
ミキシングレイヤー ........15, 16, 26, 31
ミックスシーン ............................... 164
ミュート............................................ 42
ミュートグループ ............................ 115
メ
メーター..................................... 37, 81
モ
モジュレーション ............................ 122
モニター.......................................... 74
ブロック図................................... 84
モニター出力................................... 75
ユ
ユーザーインターフェース................ 24
ユーザー定義キー ............. 14, 25, 208
ラ
ラックマウントキット ....................... 266
リ
リコールセーフ............................... 172
リターン ......................................... 192
リバーブ ........................................ 121
ル
ルーティング ....................... 61, 62, 63
ワ
ワードクロック.......................... 20, 216
ソースの選択 ............................ 217
ターミネーション ........................ 218

ユーザー登録のおすすめ
ヤマハでは03Dユーザーの皆様に「YAMAHA 03Dオフィシャルユーザー」の登録をおすすめしています。
オフィシャルユーザーとして登録されますと、03Dのバージョンアップに関する情報の提供などのサー
ビスが受けられます。
[登録方法]YAMAHA 03Dオフィシャルユーザー登録シートをコピーして該当事項をご記入のうえ FAX
(053-460-2448)または郵送(〒430-8650浜松市中沢町10-1ヤマハ株式会社PA・DMI事業部PA
営業部「03Dユーザー登録係」宛)にてお送りください。
YAMAHA 03Dオフィシャルユーザー登録シート
職業:[01]RECエンジニア [02]MAエンジニア [03]SRエンジニア [04]ミュージシャン
[05]コンポーザー/アレンジャー [06]制作プロダクション [07]RECスタジオ [08]放送局
[09]MAスタジオ [10]ホール/会館 [11]ライブハウス [12]機材レンタル [13]会社員
[14]学生 [15]その他( )
年齢:[01]∼18才 [02]∼22才 [03]∼30才 [04]∼40才 [05]∼50才 [06]51才∼
03D評価項目(3つ以内):
[01]各種フォーマット対応のデジタルI/O [02]フルオートメーション [03]トータルリコール
/各種ライブラリーメモリー [04]4バンド・フルパラメトリックEQ [05]内蔵ダイナミクスプ
ロセッサー [06]内蔵デジタルエフェクト [07]モータードライブフェーダー [08]サラウン
ドパン機能 [09]マウス対応 [10]TO EDITOR端子 [11]MIDIリモート機能 [12]サウンド
クオリティー [13]コンパクトサイズ [14]価格 [15]その他( )
使用目的:
[01]パーソナルユースのマルチレコーディング [02]業務ユースのマルチレコーディング
[03]MA/ポストプロダクション [04]プリプロダクション [05]ライブPA/SR
[06]演劇/ミュージカルSR [07]その他( )
03Dと組み合わせるマルチトラックレコーダー(2つ以内):
[01]TASCAM DA-88 [02]TASCAM DA-38 [03]Alesis adat(xt) [04]FOSTEX RD-8
[05]FOSTEX CX-8 [06]AKAI DR8 [07]digidesign ProTools III [08]E-MU DARWIN
[09]その他( )
比較機種(2つ以内):
[01]MACKIE 8BUS [02]Soundcraft SPIRIT STUDIO [03]A&H GL3 [04]BEHRINGER
MX8000 [05]TASCAM M2600 [06]TASCAM M1600 [07]SOUNDTRACS VIRTUA
[08]KORG 168RC [09]Langley big [10]YAMAHA ProMix01 [11]YAMAHA 02R
[12]その他( )
定期購読誌(2つ以内):
[01]SOUND&RECORDING [02]KEYBOARD MAG [03]KS [04]PROSOUND
[05]DIGITAL CHROMA [06]放送技術 [07]ビデオα [08]MacLife [09]DTM MAG
[10]COMPUTER MUSIC MAG [11]QUIT [12]MJ [13]ラジオ技術
[14]その他( )
03Dへのご意見・ご感想 /ヤマハへのご要望など
該当番号
SER. No. お買い上げ店 年 月 日 年 月 日
フリガナ フリガナ
貴(社)名 ご担当者名
フリガナ
ご連絡先 〒□□□-□□□□
□ 会社 □ ご自宅 [TEL] ( ) [FAX] ( )

PA・DMI事業部 PA営業部 ☎ 053-460-2455
〒430-8650 浜松市中沢町10-1
00 06 1000 AP Printed in Japan
●お客様ご相談窓口 : PA製品に対するお問合せ窓口
◆デジタルオーディオ製品
ヤマハ・デジタルオーディオ・インフォメーションセンター
Tel: 03-5791-7678 Fax: 03-5488-5085
E-mail: painfo@post.yamaha.co.jp
◆一般PA製品
PA・DMI事業部 PA営業部
北 海 道 営 業 所 ☎011-512-6106 〒064-8543 札幌市中央区南十条西1-1-50 ヤマハセンター内
仙 台 営 業 所 ☎022-222-6214 〒980-0804 仙台市青葉区大町2-2-10 住友生命青葉通りビル
東 京 事 業 所 ☎03-5488-5480 〒108-8568 東京都港区高輪2丁目17-11
名 古 屋 営 業 所 ☎052-232-5744 〒460-8588 名古屋市中区錦1-18-28
大 阪 事 業 所 ☎06-6647-8359 〒556-0011 大阪市浪速区難波中1-13-17 なんば辻本ニッセイビル
九 州 営 業 所 ☎092-412-5556 〒812-8508 福岡市博多区博多駅前2-11-4
営 業 部 ☎053-460-2455 〒430-8650 浜松市中沢町10-1
●ヤマハ電気音響製品サービス拠点 : 修理受付および修理品お預かり窓口
北海道サービスセンター ☎011-512-6108 〒064-8543 札幌市中央区南十条西1-1-50 ヤマハセンター内
仙 台サービスセンター ☎022-236-0249 〒984-0015 仙台市若林区卸町5-7 仙台卸商共同配送センター 3F
首都圏サービスセンター ☎044-434-3100 〒211-0025 川崎市中原区木月1184
浜 松
サービスステーション
☎053-465-6711 〒435-0048 浜松市上西町911 ヤマハ(株)宮竹工場内
名古屋サービスセンター ☎052-652-2230 〒454-0058 名古屋市中川区玉川町2-1-2 ヤマハ(株)名古屋流通センター3F
大 阪サービスセンター ☎06-6877-5262 〒565-0803 吹田市新芦屋下1-16 ヤマハ(株)千里丘センター内
四 国
サービスステーション
☎087-822-3045 〒760-0029 高松市丸亀町8-7 (株)ヤマハミュージック神戸 高松店内
広 島サービスセンター ☎082-874-3787 〒731-0113 広島市安佐南区西原6-14-14
九 州サービスセンター ☎092-472-2134 〒812-8508 福岡市博多区博多駅前2-11-4
本 社/CSセンター ☎053-465-1158 〒435-0048 浜松市上西町911 ヤマハ(株)宮竹工場内
※ 所在地・電話番号などは変更されることがあります。
※ 2000年4月現在
■保証書
この商品には保証書がついています。販売店でお渡ししてい
ますから、ご住所・お名前・お買上げ年月日・販売店名など所定
事項の記入および記載内容をおたしかめのうえ、大切に保管し
てください。
保証書は当社がお客様に保証期間内の無償サービスをお約
束するもので、この商品の保証期間はお買上げ日より1年です。
保証期間内の転居や、ご贈答用に購入された場合などで、記
載事項の変更が必要なときは、事前・事後を問わずお買上げ販
売店かお客様ご相談窓口、またはヤマハ電気音響製品サービス
拠点へご連絡ください。継続してサービスできるように手配いた
します。
■損害に対する責任
この商品(搭載プログラムを含む)の使用または使用不能に
より、お客様に生じた損害(事業利益の損失、事業の中断、事業
情報の損失、その他の特別損失や逸失利益)については、当社は
一切その責任を負わないものとします。また、如何なる場合でも、
当社が負担する損害賠償額は、お客様がお支払になったこの商
品の代価相当額をもって、その上限とします。
サービスについて
■調整・故障の修理
「故障かな?」と思われる症状のときは、この説明書をもう一度
よくお読みになり、電源・接続・操作などをおたしかめください。そ
れでもなお改善されないときには、お買上げ販売店へご連絡く
ださい。調整・修理いたします。
調整・修理にさいしては保証書をご用意ください。保証規定に
より、調整・修理サービスをいたします。また、故障した製品をお
持ちいただくか、サービスにお伺いするのかも保証書に書かれ
ています。
修理サービスは保証期間が過ぎた後も引き続きおこなわれ、
そのための補修用性能部品が用意されています。性能部品とは
製品の機能を維持するために不可欠な部品のことをいい、PA製
品ではその最低保有期間は製造打切後8年です。この期間は通
商産業省の指導によるものです。
■お客様ご相談窓口
ヤマハPA製品にかんするご質問・ご相談は下記のお客様ご
相談窓口へ、アフターサービスについてのお問合わせはヤマハ
電気音響製品サービス拠点へおよせください。