Yamaha .橡.ページ) AX 930 OWNER'S MANUAL
User Manual: Yamaha AX-930 OWNER'S MANUAL
Open the PDF directly:
View PDF
.
Page Count: 12
34080
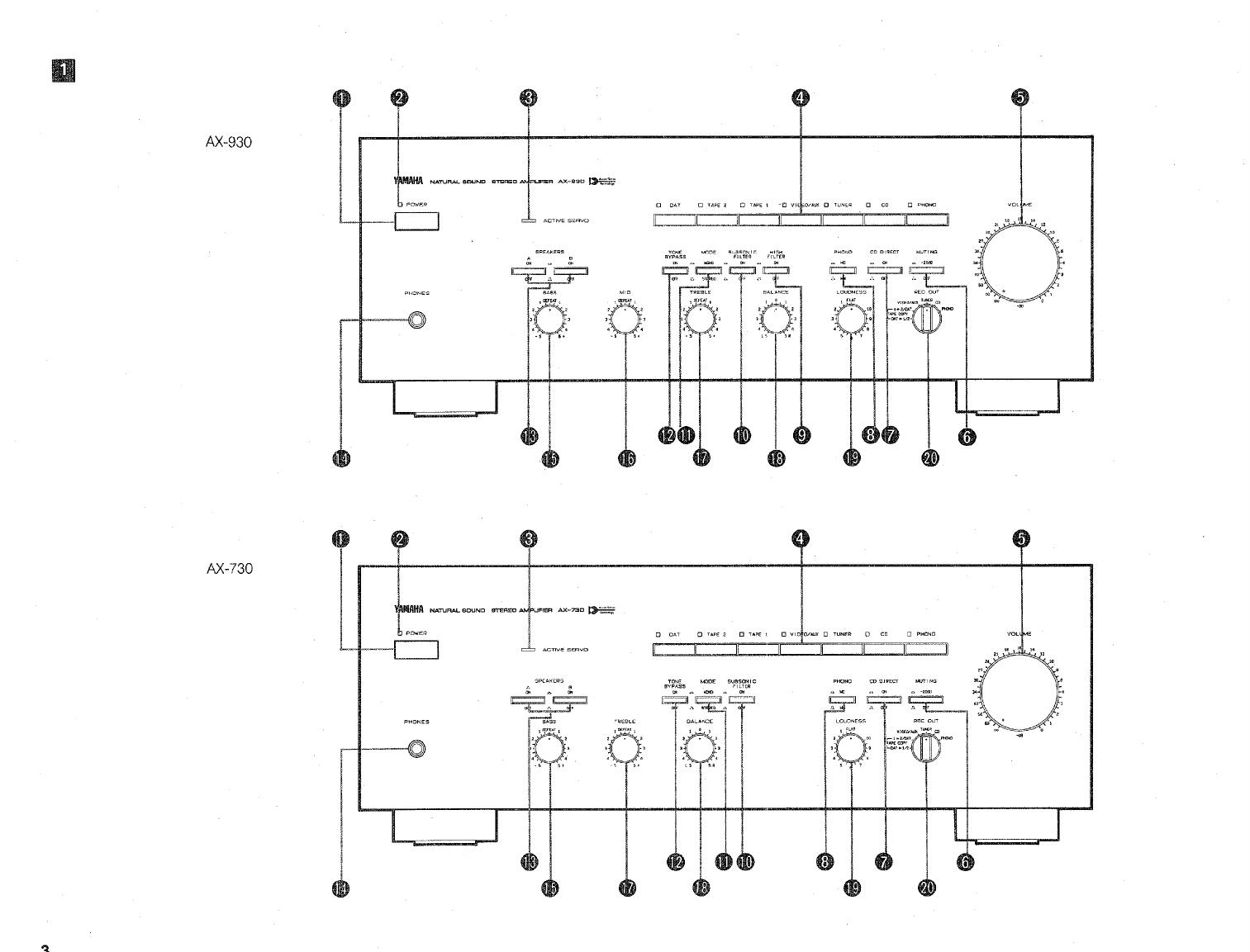
Front panel
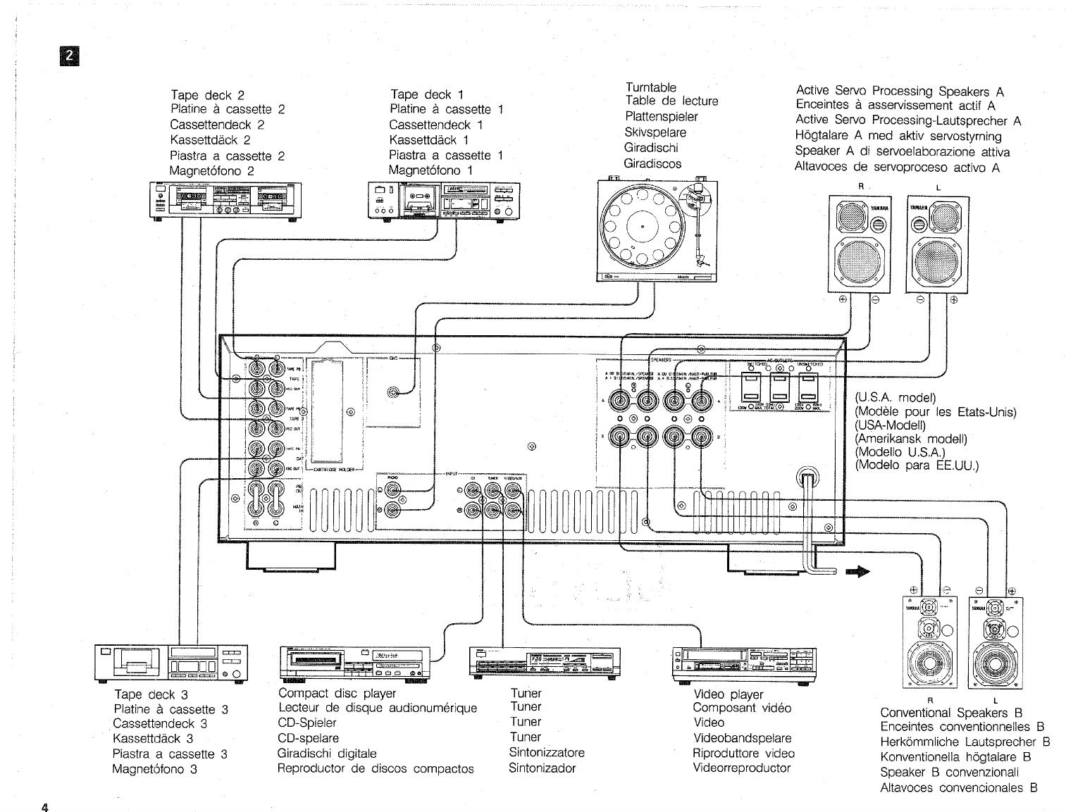
Connection diagram
Connections
Controls
Operations
Troubleshooting
Specifications