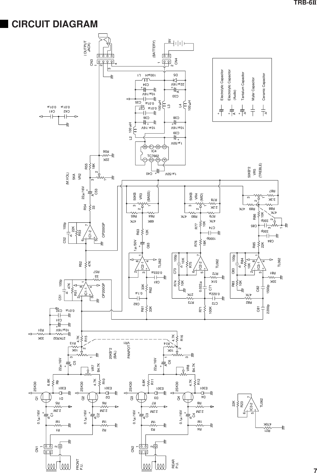
Yamaha Guitar 11391 Users Manual TRB 6II
11391 to the manual 94b23399-0f0c-4fd2-8ceb-4a03698e0ddb
2015-01-15
: Yamaha Guitar-11391-Users-Manual yamaha-guitar-11391-users-manual-133639 yamaha pdf
Open the PDF directly: View PDF
.
Page Count: 8








: Yamaha Guitar-11391-Users-Manual yamaha-guitar-11391-users-manual-133639 yamaha pdf
Open the PDF directly: View PDF
.
Page Count: 8







