Yamaha MC32/12, MC24/12_E MC32/12 MC24/12 Owner's Manual MC32 12E
User Manual: Yamaha MC32/12 MC24/12 Owner's Manual
Open the PDF directly: View PDF
.
Page Count: 26

E
MIXING CONSOLE
Keep This Manual For Future Reference.
Owner’s Manual

i
MC32/12, MC24/12—Owner’s Manual
Precautions
1. Avoid excessive heat, humidity, dust and
vibration
Keep the unit away from locations where it is
likely to be exposed to high temperatures or
humidity — such as near radiators, stoves, etc.
Also avoid locations which are subject to exces-
sive dust accumulation or vibration which could
cause mechanical damage.
2. Ventilation
The unit has ventilation slots on the top, rear and
bottom panels. Do not block these vents.
3. Avoid physical shocks, liquid and small
metal objects
Strong physical shocks to the unit can cause dam-
age. Handle it with care.
Do not place a container with liquid or small
metal objects on top of this unit. Liquid or metal
objects inside this unit are a fire and electrical
shock hazard.
4. Do not open the case or attempt repairs
or modifications yourself
This product contains no user-serviceable parts.
Refer all maintenance to qualified Yamaha service
personnel. Opening the case and/or tampering
with the internal circuitry voids the warranty.
5. Always power off before making connec-
tions
Always turn the power OFF before connecting or
disconnecting cables. This is important to pre-
vent damage to the unit itself as well as other con-
nected equipment.
6. Handle cables carefully
Always plug and unplug cables — including the
AC power cord — by gripping the connector, not
the cord.
7. Clean with a soft dry cloth
Never use solvents such as benzine or thinner to
clean the unit. Wipe clean with a soft, dry cloth.
8. Always use the correct power supply
Make sure that the power supply voltage specified
on the rear panel matches your local AC mains
supply. Also make sure that the AC mains supply
can deliver more than enough current to handle
all equipment used in your system.
Contents
Introduction ......................................1
Features .................................................................1
Front Panel ........................................2
Monaural input channels .....................................2
Stereo input channels ...........................................4
Master Section ..................................6
Variable/Fix select section ....................................6
Mix section ...........................................................6
ST (Stereo) section ...............................................9
AUX RETURN section .......................................10
MATRIX section .................................................11
C-R MONI (Control room monitor) section
PHONES (headphones) section ........................12
TAPE IN section .................................................13
TALKBACK section ...........................................14
METER SELECT section ....................................15
Meter bridge .......................................................15
Rear Panel .......................................16
GA Diversity Function .....................19
What is GA Diversity? ........................................19
Setting the GA Diversity function .....................19
Specifications ..................................20
General specifications ........................................20
Input specifications ............................................21
Output specifications .........................................21
Dimensions .........................................................22
Block and Level diagram ....................................23
IMPORTANT NOTICE FOR
THE UNITED KINGDOM
Connecting the Plug and Cord
WARNING: THIS APPARATUS MUST BE EARTHED
IMPORTANT: The wires in this mains lead are coloured in accordance with
the following code:
GREEN-AND-YELLOW : EARTH
BLUE : NEUTRAL
BROWN : LIVE
As the colours of the wires in the mains lead of this apparatus may not
correspond with the coloured markings identifying the terminals in your
plug, proceed as follows:
The wire which is coloured GREEN and YELLOW must be connected to
the terminal in the plug which is marked by the letter E or by the safety earth
symbol or coloured GREEN and YELLOW.
The wire which is coloured BLUE must be connected to the terminal which
is marked with the letter N or coloured BLACK.
The wire which is coloured BROWN must be connected to the terminal
which is marked with the letter L or coloured RED.
* This applies only to products distributed by YAMAHA KEMBLE
MUSIC (U.K.) LTD.

Introduction
1
MC32/12, MC24/12—Owner’s Manual
Introduction
Thank you for choosing the Yamaha MC32/12 or MC24/12 mixing console. Please read
this manual thoroughly to take best advantage of the console and extend its useful life.
Notes:
This manual has been written on the assumption that you already understand the basic
operation and technical terminology of mixing consoles.
Descriptions of MC24/12 specifications appear in brackets ({}) if they differ from the
MC32/12.
Features
• The MC32/12 provides 28 monaural and 2 stereo
input modules {the MC24/12 provides 20 mon-
aural and 2 stereo input modules}. The output
channels comprise stereo outputs, 10 mix out-
puts, and two matrix outputs, and support a wide
range of applications, from SR (sound reinforce-
ment) to facility acoustics.
• Each monaural input channel offers a 26 dB pad,
HPF, phase switch, 4-band EQ (HI-MID and LO-
MID frequencies are variable), and a 100 mm-
long full-stroke fader. Also, phantom power can
be turned on and off for every group of four
inputs.
• Four stereo AUX returns and TAPE IN jacks are
provided as standard.
• The master section of the console is located in the
center area of the unit, facilitating operation.
• The master section provides output channels for
MIX buses 1–10, with EQs and 100 mm-long
faders.
• Each input channel and four stereo AUX returns
include a PFL switch, and stereo bus, MIX buses
1–10, and Matrix 1–2 has an AFL switch,
enabling you to monitor the input/output
sources quickly.
• Using the GA Diversity function enables you to
set MIX buses 1–4 to Variable mode or Fix mode
individually. In Variable mode, you can change
the level of the signals sent out from the input
channels. This routing can be used as a conven-
tional AUX bus. In Fix mode, the level of the sig-
nals sent out from the input channels is fixed.
This routing can be used as a conventional group
bus. In this way, you can configure the bus for a
specific purpose.
• The console has two independent matrixes. You
can mix MIX buses 1–4 and the stereo bus indi-
vidually at the levels you desire and output them
from the MATRIX OUT 1–2 jacks. This routing
can be used as a mix for the foldback or for indi-
vidual speakers and amplifiers.
• The INSERT I/O jacks are provided for all mon-
aural input channels, the stereo bus, and MIX
buses 1–4. You can insert an external effect pro-
cessor, if necessary.
• Talkback signals can be sent to any of MIX buses
1–4, MIX buses 5–10, and the stereo bus.
• C-R monitor output enables you to select PFL/
AFL or TAPE IN as a monitoring source.
• The console’s sturdy finish and rugged design
assure its durability even under severe conditions
and rough on-site usage.

2
Front Panel
MC32/12, MC24/12—Owner’s Manual
Front Panel
Monaural input channels
The MC32/12 {MC24/12} has 28 {20} monaural input channels. They are located on both
sides of the master section and feature the same specifications.
A
Pad switch
This switch is used to attenuate input signals by 26 dB. Press down the switch to turn the
pad on.
B
GAIN control
This control knob is used to adjust input sensitivity. The adjustable range is –16 dB to
–60 dB when the pad switch
1
is turned off, and +10 dB to –34 dB when the pad switch is
turned on.
C
Ø (Phase) switch
This switch reverses the phase of input signals. Press down this switch to reverse the phase.
D
High pass filter switch
This high pass filter is used to cut the frequency range below 80 Hz with a slope of 12 dB/
oct. Press down the switch to turn the high pass filter on.
E
PEAK indicator
This indicator lights up when the level of signals that pass the EQ reaches 3 dB below the
clipping level.
F
EQ controls (HIGH/HI-MID/LO-MID/LOW)
This 4-band equalizer provides
±
15 dB of cut and boost over each range, with the center
frequencies and types shown in the following table. The frequencies for HI-MID and LO-
MID are variable.
G
EQ switch
This switch is used to turn equalization on and off. Press down the switch to turn
equalization on.
H
M1–M4 mix level controls
These controls are used to route the post fader signals from the input channel to MIX
buses 1–4.
Band Center frequencies Type
HIGH 10 kHz shelving
HI-MID 400 Hz–8 kHz peaking (parametric)
LO-MID 80 Hz–1.6 kHz peaking (parametric)
LOW 100 Hz shelving
Note:
When you press down the M1–M4 switches to the FIX position in the Variable/
Fix select section (see page 6), the output level of the signals routed to the MIX buses will
be fixed and the corresponding M1–M4 mix level controls will be disabled.
26dB
EQ
ON
ON
+10 –34
+15–15
–60–16
+15–15
+15–15
+15–15
100
100
8k400
1.6k80
80
GAIN
PEAK
HIGH
LOW
M1
M2
100
M3
ON
100
M4
ON
100
M5
PRE
100
M6
PRE
100
M8
PRE
100
RL
M10
PAN
ST ON
PFL
100
M7
100
M9
HI-MID
LO-MID
10
5
0
5
10
20
30
40
50
60
3
4
7
B
D
E
F
6
9
A
2
1
5
C
8
0

Monaural input channels
3
MC32/12, MC24/12—Owner’s Manual
I
ON switches
These switches are used to turn on and off the signals routed from the input channel to MIX
buses 1–4.
J
M5–M10 mix level controls
These controls route the input channel signals to MIX buses 5–10. Use the PRE switches
K
to
select pre- or post-fader.
K
PRE switches
These switches are used to select pre- or post-fader for signals sent from the input channel to
MIX buses 5–10. Each switch is effective for one pair of MIX buses: 5/6, 7/8, or 9/10. When you
turn these switches on, the pre-fader signals will be sent to the corresponding MIX bus pair.
L
PAN control
This control is used to set the stereo image of signals sent from the input channel to the ST
(stereo) buses.
M
ST (Stereo) switch
When you turn this switch on, input channel signals are sent to the ST buses.
N
ON switch
This switch is used to turn on and off the corresponding input channel module. When this
switch is turned off, no signals are sent from the corresponding input channel to the ST buses
and MIX buses 1–10. However, using the PFL switch
O
will enable you to monitor the signals
via the C-R MONITOR OUT jacks or PHONES jack.
O
PFL (Pre-fader Listen) switch
When you turn this switch on, the pre-fader signals of the input channel are routed to the PFL
bus, and you are able to monitor the signals via the C-R MONITOR OUT jacks or PHONES
jack.
P
Channel fader
This fader is used to adjust the level of the input channel signals. This fader setting affects the
level of the signals routed to the ST buses, MIX buses 1–4, and MIX buses 5–8 (when the PRE
switches are turned off).
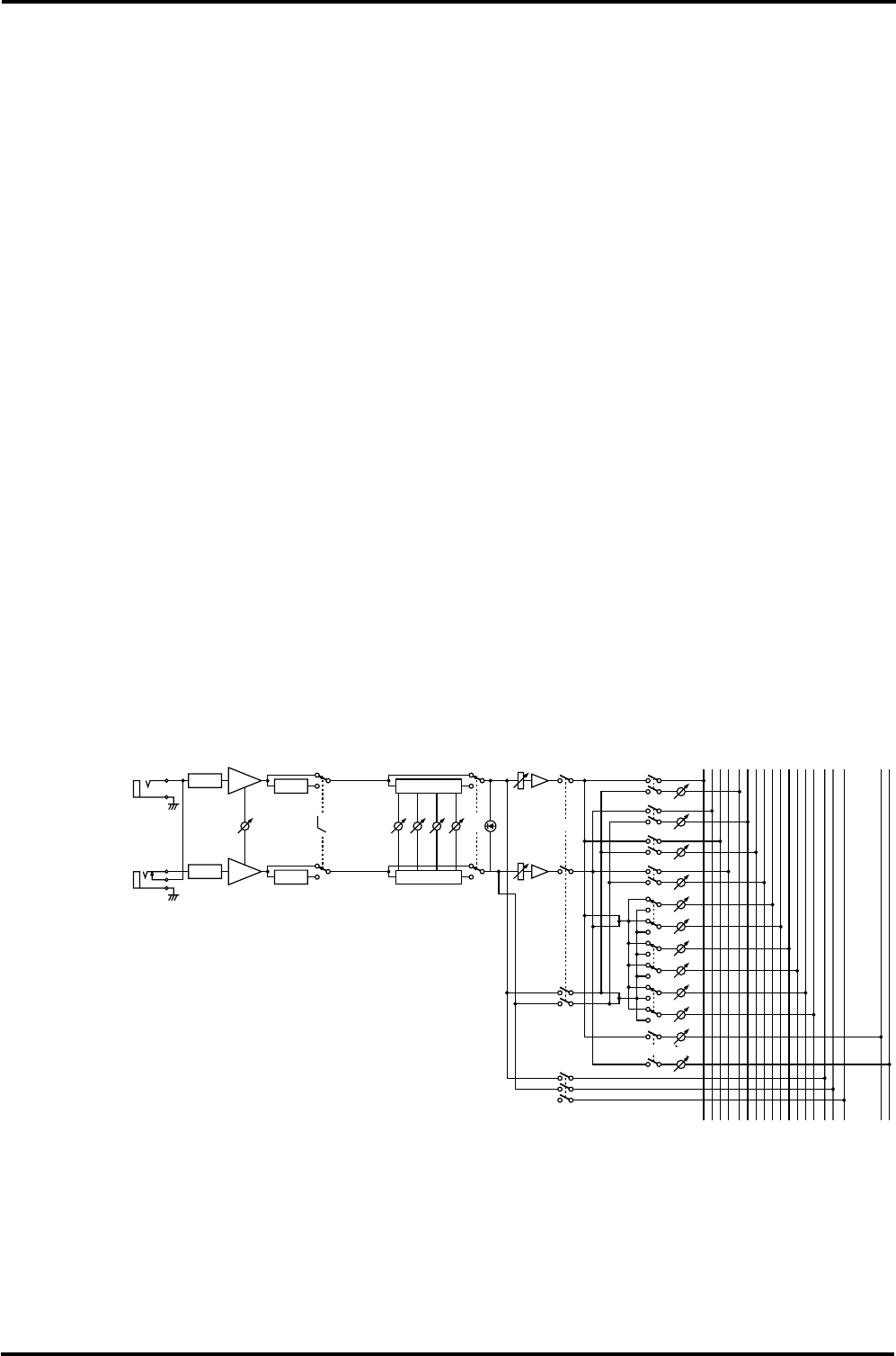
Signal flow of the monaural input channel
Note:
When these switches are set to off, no signals will be sent from the input channel to
the corresponding MIX buses regardless of the setting of the switches in the Variable/Fix
select section (see page 6).
ø
PFL
17-24/17-32
1-12,
INPUT B
INPUT A
ST
26dB
CTLRL
ON
PFL
ON
ON
ON
PRE
PRE
PRE
ON
1098765
M1
M2
M3
M4
M10
M9
M6
M5
M7
M8
PEAK
INSERT I/O
f
g
f
g
LO-MID
HI-MID
LOW
HIGH
EQ
4-Stage EQ
HPF
+48V
1234
PAD
PHANTOM 4321
PAN
HA
GAIN
RL
ST
MIX
(VARIABLE)
MIX
(FIX)
80

4
Front Panel
MC32/12, MC24/12—Owner’s Manual
Stereo input channels
The MC32/12 and MC24/12 provide two stereo input channel modules. Use the paired
INPUT 13/14 and 15/16 jacks (see page 17, rear panel
5
) to input stereo signals. If you
connect signals only to the 13L (MONO) jack or 15L (MONO) jack, the same signal will
be sent t the o M1–4 and ST buses.
A
GAIN control
This control is used to adjust input sensitivity. The adjustable range is +10 dB to –34 dB.
B
PEAK indicator
This indicator lights up when the level of signals that have been processed by the EQ
reaches 3 dB below the clipping level.
C
High pass filter switch
This high pass filter is used to cut the frequency range below 80 Hz with a slope of 12 dB/
oct.
D
EQ controls (HIGH/HI-MID/LO-MID/LOW)
This 4-band equalizer provides
±
15 dB of cut and boost over each range, with the center
frequencies and types shown in the following table.
E
EQ switch
This switch is used to turn the equalization on and off.
F
M1–M4 mix level controls
These controls are used to route the post fader signals from the stereo input channel to
MIX buses 1–4. When stereo signals are input, the L channel signal will be sent to MIX
buses 1, 3, and the R channel signal will be sent to MIX buses 2 and 4.
G
ON switches (M1–M4)
These switches are used to turn on and off the signals routed from the stereo input channel
to MIX buses 1–4.
H
M5–M10 mix level controls
These control knobs route the stereo input channel signals to MIX buses 5–10. Stereo
input signals are mixed into a monaural signal and sent to MIX buses 5–10. Use the PRE
switches
9
to select pre- or post-fader.
Band Center frequencies Type
HIGH 10 kHz shelving
HI-MID 3 kHz peaking
LO-MID 800 Hz peaking
LOW 100 Hz shelving
Note:
When you press down the M1–M4 switches to the FIX position in the Variable/
Fix select section (see page 6), the output level of signals sent to the MIX buses will be
fixed and the corresponding M1–M4 mix level controls will be disabled.
Note:
When these switches are set to off, no signals are sent from the stereo input
channel to the corresponding MIX buses regardless of the setting of the switches in the
Variable/Fix select section (see page 6).
+15–15
EQ
ON
PEAK
HIGH
+15–15
HI-MID
+15–15
100
LOW
M1
100
M2
ON
100
M3
ON
100
M4
ON
100
M5
PRE
100
M6
PRE
100
M8
PRE
100
RL
M10
BAL
ON
PFL
ST
100
M9
100
M7
+15–15
LO-MID
–34+10
GAIN
10
5
0
5
10
20
30
40
50
60
3
5
1
2
4
0
B
C
D
A
7
9
6
8
80

Stereo input channels
5
MC32/12, MC24/12—Owner’s Manual
IPRE (Pre-fader) switches
These switches are used to select pre- or post-fader for signals sent from the stereo input
channel to MIX buses 5–10. Each switch is effective for one pair of MIX buses:5/6, 7/8, or 9/10.
When you turn these switches on, the pre-fader signals are sent to the corresponding MIX bus
pair.
JBAL (Balance) control
This control is used to adjust the left and right balance of signals sent from the stereo input
channel to the ST bus.
KST (Stereo) switch
When you turn this switch on, the stereo input channel signals will be sent to the ST bus. If you
connect monaural signals to the 13L (MONO) jack or 15L (MONO) jack (see page 17, rear
panel 5), the same signals will be sent to both L and R channels.
LON switch
This switch is used to turn on and off the corresponding stereo input channel. When this switch
is turned off, no signals are sent to the ST bus and MIX buses 1–10. However, using the PFL
switch M will enable you to monitor the signals via the C-R MONITOR OUT jacks or
PHONEs jack.
MPFL (Pre-fader listen) switch
When you turn this switch on, the pre-fader signals of the stereo input channel are routed to
the PFL bus, and you can monitor the signals via the C-R MONITOR OUT jacks or PHONES
jack.
NChannel fader
This fader is used to adjust the level of the stereo input channel signals. This fader setting affects
the level of the signals routed to the ST bus, MIX buses 1–4, and MIX buses 5–8 (when the PRE
switches are turned off).
Signal flow of the stereo input channel
ST
EQ
15L(MONO)
16R
16/15
14/13,
14R,
13L(MONO),
RL
ON
PFL
PFL
BAL
M10
M9
M8
M7
PRE
PRE
PRE
M6
M5
M4
M3
M2
M1
ON
ON
ON
ON
PEAK
LOW
LO-MID
HI-MID
HIGH
4-Stage EQ
GAIN
HPF
PAD HA
HA
PAD HPF 4-Stage EQ
109876512344321 PFL
CTL RL
ST
MIX
(VARIABLE)
MIX
(FIX)
80

6Master Section
MC32/12, MC24/12—Owner’s Manual
Master Section
Variable/Fix select section
The MC32/12 and MC24/12 feature a GA (Group/Aux) diversity function, which enables you to
use the MIX bus 1–4 signals as group bus signals or AUX bus signals. This section of the console
allows you to select whether you wish to use MIX buses 1–4 as group buses or AUX buses.
AM1–M4 switches
These switches are used to select whether the level of signals sent from the input channels to
MIX buses 1–4 will be fixed (FIX) or variable (VARIABLE).
■ When FIX is on:
The selected MIX bus(es) function as a group bus. The
level of the signal from each input channel will be fixed,
and the M1–M4 mix level controls of the input channels
that correspond to the MIX buses will be disabled.
■ When FIX is off:
The selected MIX bus(es) function as an AUX bus. Signals
that pass through the M1–M4 mix level controls of each
input channel (see page 2, monaural input channel 8, and
page 4, stereo input channel 6) are sent to the
corresponding MIX buses.
Mix section
This section consists of the output channels that handle MIX bus 1–10 signals individually.
Signals that pass these output channels are output from MIX OUT 1–10 jacks (see page 17, rear
panel 6), and also routed to the AFL bus. MIX bus 1–4 signals are also routed to the ST bus
and Matrixes 1/2.
M1
FIX
FIX
FIX
FIX
M2
M3
M4
VARIABLE / FIX
1
TO ST
EQ EQ EQ EQEQ
AFL
10
5
0
5
10
20
30
40
50
60
+15–15
+15–15
6k300
+15–15
RL
PAN
LOW
MID
HIGH
TO ST
AFL
10
5
0
5
10
20
30
40
50
60
+15–15
+15–15
6k300
+15–15
RL
PAN
LOW
MID
HIGH
M1 M2
TO ST
AFL
10
5
0
5
10
20
30
40
50
60
+15–15
+15–15
6k300
+15–15
RL
PAN
LOW
MID
HIGH
TO ST
AFL
10
5
0
5
10
20
30
40
50
60
+15–15
+15–15
6k300
+15–15
RL
PAN
LOW
MID
HIGH
+15–15
+15–15
6k300
+15–15
LOW
MID
HIGH
M3 M4
AFL
10
5
0
5
10
20
30
40
50
60
M5
EQ
+15–15
+15–15
6k300
+15–15
LOW
MID
HIGH
AFL
10
5
0
5
10
20
30
40
50
60
M6
EQ
+15–15
+15–15
6k300
+15–15
LOW
MID
HIGH
AFL
10
5
0
5
10
20
30
40
50
60
M7
EQ
+15–15
+15–15
6k300
+15–15
LOW
MID
HIGH
AFL
10
5
0
5
10
20
30
40
50
60
M8
EQ
+15–15
+15–15
6k300
+15–15
LOW
MID
HIGH
AFL
10
5
0
5
10
20
30
40
50
60
M9
EQ
+15–15
+15–15
6k300
+15–15
LOW
MID
HIGH
AFL
10
5
0
5
10
20
30
40
50
60
M10
5
6
4
3
2
1
5
6
2
1

Mix section 7
MC32/12, MC24/12—Owner’s Manual
■ M1–M4
These modules function as output channels for either a group bus or an AUX bus, depending
on the setting of the switches in the Variable/Fix select section. The MIX bus 1–4 signals that
pass these output channels can be routed to MIX OUT 1–4 jacks, ST bus, AFL bus, and
Matrixes 1/2.
■ M5–M10
These modules function as output channels for an AUX bus. The MIX bus 5–10 signals that
pass these output channels can be routed to MIX OUT 5–10 jacks and AFL bus.
AEQ controls (HIGH/MID/LOW)
This 3-band equalizer provides ±15 dB of cut and boost over each frequency range of the MIX
bus signals, with center frequencies and types shown in the following table. The frequencies for
MID are variable.
BEQ switch
This switch is used to turn the equalization on and off.
CPAN control (applied only to M1–M4)
This control allows you to adjust the stereo position of signals routed from MIX buses 1–4 to
the ST bus.
DTO ST (To stereo) switch (applied only to M1–M4)
When you turn this switch on, the MIX bus 1–4 signals will be sent to the ST bus.
EAFL (After-Fader Listen) switch
When you turn this switch on, the post-fader signals in the MIX buses are routed to the AFL
bus, and you can monitor the signals via the C-R MONITOR OUT jacks or PHONES jack.
FMix master fader
This fader adjusts the output level of the MIX buses. The settings of the M1–M4 faders affect the
level of signals sent to MIX OUT 1–4 jacks, ST bus, AFL bus, and Matrixes 1/2. The settings of
the M5–M10 faders affect the level of signals sent to the MIX OUT 5–10 jacks and AFL bus.
Band Center frequencies Type
HIGH 10 kHz shelving
MID 300–6 kHz peaking (parametric)
LOW 100 Hz shelving

8Master Section
MC32/12, MC24/12—Owner’s Manual
Signal flow in the Variable/Fix select section and Mix section
VARIABLE/FIX
FIX
MIX
OUT 1
MIX
INSERT
I/O 1
to MTRX
PFL
PAN
to AFL
CTLRL
RL
ST
TO ST
AFL
MIX OUT 2-4: Same as MIX OUT 1
HIGH
LOW
f
g
MID
3-Stage EQ EQ
109876512344321
MIX
(VARIABLE)
MIX
(FIX)
MIX
OUT 5
MIX OUT 6-10: Same as MIX OUT 5
to AFL
AFL
HIGH
LOW
3-Stage EQ
f
g
MID
EQ

ST (Stereo) section 9
MC32/12, MC24/12—Owner’s Manual
ST (Stereo) section
This section enables you to control the ST bus signals output from the ST1 OUT jacks (see
page 17, rear panel 9) and ST2 OUT jacks (see page 17, rear panel J).
A POST ST1 (Post stereo 1) switch
This switch toggles between pre- and post-fader for signals output from the ST2 OUT jacks.
When you turn this switch on, signals that passed the ST fader are output from the ST2 OUT
jacks. When you turn the switch off, the ST fader setting does not affect signals output from the
ST2 OUT jacks.
B MONO (Monaural) switch
When you turn this switch on, the ST bus signals will be mixed into a monaural signal and
output from the ST2 OUT jacks. This switch setting does not affect signals output from the ST1
OUT jacks.
C LEVEL control
This control enables you to adjust the output level of signals at the ST2 OUT jacks. It does not
affect the level of signals output from the ST1 OUT jacks.
D AFL (After-fader Listen) switch
When you turn this switch on, the ST bus post-fader signals are routed to the AFL bus, and you
can monitor the signals via the C-R MONITOR OUT jacks or PHONES jack.
E ST (Stereo) fader
This fader enables you to adjust the final output level of the ST bus signals. This fader setting
affects the level of the signals routed to the ST1 OUT jacks, ST2 OUT jacks (when the POST
ST1 switch is turned on), and the AFL bus.
Signal flow in the ST section
AFL
10
5
0
5
10
20
30
40
50
60
MONO
POST ST1
100
LEVEL
ST1
ST2
1
2
3
4
5
ST2
OUT
ST1
OUT
REC
OUT
ST
INSERT
I/O L
ST
INSERT
I/O R
R
L
R
L
R
L
POST
ST1
AFL
LR
AFL
LEVELMONO
RL
ST

10 Master Section
MC32/12, MC24/12—Owner’s Manual
AUX RETURN section
The MC32/12 and MC24/12 provide four stereo AUX returns. Use the paired AUX RETURN
1–4 L/R jacks (see page 17, rear panel 8) to input stereo signals. Alternatively, connect signals
only to the AUX RETURN 1–4’s L jack to use the routing as a monaural AUX return.
AM1–M4 mix level controls
These controls are used to route signals input
from the AUX RETURN 1–2 jacks to MIX buses
1–4. The L channel of a stereo input signal is
sent to MIX buses 1 and 3, and the R channel
signal is sent to MIX buses 2 and 4. For a
monaural signal input, the same signal is sent to
MIX buses 1–4.
BM5–M10 mix level controls
These controls route the input channel signals
at the AUX RETURN 3–4 jacks to MIX buses
5–10. The L channel of a stereo input signal is
sent to MIX buses 5, 7, and 9, and the R channel
signal is sent to MIX buses 6, 8, and 10.
CST (Stereo) level control
This control knob enables you to adjust the level of signals sent from the AUX RETURN 1–4
jacks to the ST bus, and does not affect the M1–M10 mix level control settings (1 and 2).
DON switch
This switch is used to turn on and off the corresponding AUX return. When you turn this
switch off, no signals are sent to the ST bus and MIX buses 1–10. However, using the PFL switch
5 enables you to monitor the signals via the C-R MONITOR OUT jacks or PHONES jack.
EPFL switch
When you turn this switch on, the AUX return signals will be routed to the PFL bus, and you
can monitor the signals via the C-R MONITOR OUT jacks or PHONES jack. The signals are
not affected by the M1–M10 mix level controls (1 and 2), ST level control (3), or ON
switch (4).
Note: The M1–M4 switch settings in the Variable/Fix select section do not affect the M1–
M10 mix level control settings. If the switches are set to FIX, signals that pass the M1–M10
mix level controls will still be sent to MIX buses 1–10.
AUX RETURN
100
M4
100
M3
100
M2
100
M1
ST
PFL
ON 1
100
M4
100
M3
100
M2
100
M1
ST
PFL
ON 2
100
M10
100
M9
100
M8
100
M7
100
M6
100
M5
ST
PFL
ON 3
100
100100100100
M10
100
M9
100
M8
100
M7
100
M6
100
M5
ST
PFL
ON 4
2
1
5
4
3

MATRIX section 11
MC32/12, MC24/12—Owner’s Manual
Signal flow in the AUX RETURN section
MATRIX section
The MC32/12 and MC24/12 provide two matrix modules that allow you to mix MIX buses 1–4
and ST bus signals at desired levels. Matrix 1–2 signals are output in monaural via the MATRIX
OUT 1–2 jacks (rear panel K).
AM1–M4 level controls
These control knobs enable you to adjust the input level of MIX bus
1–4 post-fader signals.
BL/R controls
These control knobs enable you to adjust the input level of the ST bus
post-fader signals for the L channel and R channel independently.
CLEVEL control
This control knob enables you to adjust the output level of Matrix 1–2 signals.
DON switch
This switch turns on and off Matrixes 1–2. When you turn this switch
off, the corresponding matrix signal is not output from the MATRIX
OUT jack. The signal is not sent to the AFL bus, either.
EAFL (After-fader Listen) switch
When you turn this switch on, the matrix 1–2 post-fader signals are
sent to the AFL bus. You can monitor the signals via the C-R MONITOR OUT jacks or
PHONES jack. However, this switch will be disabled if the ON switch (4) is turned off.
Signal flow in the MATRIX section
AUX RETURN
4R
3R,
4L(MONO)
3L(MONO),
2R
1R,
2L(MONO)
1L(MONO),
ST
ST
L
M10
M9
M8
M7
M6
M5
ON
PFL
PFL
M4
M3
M2
M1
ON
109876512344321 PFL
CTL RL
ST
MIX
(VARIABLE)
MIX
(FIX)
0
R
0
L
0
M4
0
M3
0
M2
0
M1
LEVEL
AFL
ON 1
100
0
R
0
L
0
M4
0
M3
0
M2
0
M1
LEVEL
AFL
ON 2
100
1
2
4
3
MATRIX
5
1
4
3
from
MIX OUT
MATRIX
OUT
1,2
LEVEL
R
L
AFL
LR
2
AFL
M4
M3
M2
M1
ON
to Meter
RL
ST

12 Master Section
MC32/12, MC24/12—Owner’s Manual
C-R MONI (Control room monitor) section
PHONES (headphones) section
This section enables you to control signals monitored via the C-R MONITOR OUT jacks (see
page 18, rear panel M) and the PHONES jack on the front panel (C-R MONI section/
PHONES section 6).
AMonitor source select switch
This switch enables you to select the type of signal to monitor via the C-R MONITOR OUT
jacks and the PHONES jack.
■ When the switch is set to PFL/AFL ( )
You will monitor PFL signals (signals routed from input channels/AUX returns to the PFL bus)
or AFL signals (signals routed from MIX buses 1–10/ST buses/MATRIX 1–2 to the AFL bus).
If any one of the PFL switches for the input channels/AUX returns is turned on, the PFL
indicator 2 will light up. In this case, the PFL bus signals (not the AFL bus signals) are routed
to the C-R MONITOR OUT jacks and PHONES jack. If all the PFL switches are turned off, the
AFL bus signals are sent to the C-R MONITOR OUT jacks and PHONES jack.
■ When the switch is set to TAPE IN ( )
You can monitor the signals input from the TAPE IN jacks (see page 18, rear panel N).
BPFL (Pre-fader Listen) indicator
This indicator lights up when any one of the PFL switches for the input channels/AUX returns
is turned on, indicating that the PFL bus signal is currently being monitored.
CLEVEL control
This control enables you to adjust the level of signals output from the C-R MONITOR OUT
jacks. This setting does not affect the signal level at the PHONES jack.
DON switch
This switch turns on and off the monitoring signals output from the C-R MONITOR OUT
jacks. It does not affect signals at the PHONES jack.
ELEVEL (Headphones level) control
This control enables you to adjust the level of signals output from the PHONES jack. This
setting does not affect the signal level at the C-R MONITOR OUT jacks.
FPHONES (Headphones) jack
Connect monitoring stereo headphones here. See
the figure on the right for wiring.
Note: If you turn on any one of the PFL switches for the input channels/AUX returns while
monitoring the AFL bus signal, the switching circuit will switch the signal to the PFL bus
signal.
C-R MONI
PHONES
ON
PFL
PFL/AFL
TAPE IN
LEVEL
100
LEVEL
100
2
3
5
6
1
4
1/4" TRS phone plug
Tip (left)
Ring (right)
Sleeve (ground)

TAPE IN section 13
MC32/12, MC24/12—Owner’s Manual
TAPE IN section
This section enables you to control line-level signals input from the TAPE IN jacks. Input
signals from the TAPE IN jacks can be routed to the ST bus or directly to the C-R MONITOR
OUT jacks and PHONES jack.
AST (Stereo) control
This control knob determines the level of input signals at the TAPE IN jacks that are sent to on
the ST buses.
BON switch
This switch turns on and off the signals sent from the TAPE IN jacks to the ST bus. This switch
setting does not affect signals (input from the TAPE IN jacks) that are monitored via the C-R
MONITOR OUT jacks and PHONES jack.
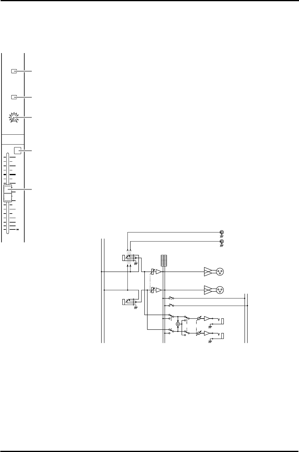
Signal flow in the C-R MONI section, PHONES section, and TAPE IN section
Note: Set the Monitor source select switch (C-R MONI section 1) in the C-R MONI section
to “TAPE IN” to monitor the TAPE IN signals via the C-R MONITOR OUT jacks and
PHONES jack.
TAPE IN
ST
ON
100
2
1
2
TAPE
IN
C-R
MONITOR
OUT
PFL
R
L
TAPE IN
PFL/AFL
PFL
LEVEL
LEVEL
MATRIX
PFL•AFL/TAPE
STON
from AFL
CTLRL 1
from MTRX
ON
PHONES
L
R
RL
ST

14 Master Section
MC32/12, MC24/12—Owner’s Manual
TALKBACK section
This section is used to route talkback signals to the MIX buses and the ST bus.
AINPUT jack
This XLR-3-31 unbalanced input jack is used to connect a
talkback microphone with an output impedance of 50–600Ω. See
the figure below for wiring.
BM1-M4 switch
CM5-M10 switch
DST switch
These switches (2–4) are used to send talkback signals to MIX buses 1–4, MIX buses 5–10,
and ST bus. You can turn the switches on or off independently for each destination.
ELEVEL control
This control knob is used to adjust the talkback level.
FON switch
This switch turns talkback signals on and off.
Signal flow in the TALKBACK section
TALKBACK
LEVEL
ON
INPUT
ST
M5-M10
M1-M4
100
6
5
1
4
3
2
Male XLR plug 1 (ground)
3 (cold)
2 (hot)
LEVEL
INPUT ON
L
HA M5-M10
M1-M4
ST
109876512344321 PFL
CTL RRL
ST
MIX
(VARIABLE)
MIX
(FIX)

METER SELECT section 15
MC32/12, MC24/12—Owner’s Manual
METER SELECT section
You can select the signal source to be displayed in the Meter bridge section.
ASource select switch
This switch enables you to select the signal source to be displayed on
the MATRIX (PFL•AFL/TAPE) meter (Meter bridge 3) in the right
corner of the level meter.
■ When the switch is set to PFL-AFL/TAPE ( )
The meter indicates either the PFL/AFL bus output level or the input
level of the signals sent from the TAPE IN jacks, depending on the
setting of the Monitor source select switch in the
C-R MONI section.
■ When the switch is set to MATRIX ( )
The meter indicates the output level of Matrix 1 and 2.
Meter bridge
This peak level meter indicates the output level of the MIX buses, ST bus, Matrixes 1/2, PFL
bus, and AFL bus, and the level of the signal input from the TAPE IN jacks.
AM1–M10 meters
These meters indicate the output level of MIX OUT 1–10.
BST1 meters
These meters indicate the output level of ST1 OUT.
CMATRIX (PFL•AFL/TAPE) meters
These meters indicate the PFL/AFL bus level, input level of signals sent from the TAPE IN jacks,
or the output level of Matrixes 1/2, depending on the selection made in the METER SELECT
section.
DPOWER indicator
When the power to the MC32/12 (or MC24/12) is turned on, this indicator lights up.
EPHANTOM indicator
This indicator lights up when any of the phantom power supplies (see page 16, rear panel 4)
are turned on.
METER SELECT
PFL•AFL/TAPE
MATRIX
1
PEAK
+8
+5
+3
+1
0
–1
–3
–5
–7
–10
–15
–20
PEAK
+8
+5
+3
+1
0
–1
–3
–5
–7
–10
–15
–20
PEAK
+8
+5
+3
+1
0
–1
–3
–5
–7
–10
–15
–20
PHANTOM
POWER
M1 M2 M3 M4 M5 M6 M7 M8 M9 M10 L ST1 MATRIX
R12
PFL•AFL / TAPE
LR
21 3 4
5

16 Rear Panel
MC32/12, MC24/12—Owner’s Manual
Rear Panel
AINPUT A jacks 1–12, 17–32 {1–12, 17–24}
These are balanced, XLR-3-31 monaural input
jacks. Usually their nominal input levels range
from –16 dB to –60 dB. However, when the pad
switches (see page 2, front panel 1) are turned
on, the nominal input levels range from +10 dB
to –34 dB. For every group of four input channels, the INPUT A jacks have phantom power of
+48 V that can be turned on and off. See the figure on the right for wiring.
BINPUT B jacks 1–12, 17–32 {1–12, 17–24}
These are balanced TRS phone, monaural input
jacks. Their nominal input levels are the same as
those for INPUT A 1. You cannot use the INPUT
A jack and INPUT B jack for the same channel
simultaneously. Do not connect plugs to both A
and B jacks of the same channel at the same time.
Otherwise, a malfunction may occur. Phantom power is not available for the INPUT B jacks.
See the figure on the right for wiring.
CINSERT I/O jacks 1–12
These TRS phone jacks are used to insert an external processor into monaural input channels
1–12, 17–32 {17–24} with nominal input/output levels of 0 dB. See the figure below for wiring.
DPHANTOM (+48 V) switches
These switches are used to turn the +48 V phantom power on and off for every group of four
input channels. If one of these switches is turned on, the PHANTOM indicator on the Meter
bridge will light up.
4L (MONO) 3L (MONO) 2L (MONO) 1L (MONO)
12
BBBB
INSERT I/O
0dB
11
INSERT I/O
0dB
10
INSERT I/O
0dB
9
INSERT I/O
0dB
INPUT16R 14R
15L (MONO) 13L (MONO)
INPUT INPUT INPUT
AAAA
INPUT INPUT INPUT INPUT
PHANTOM (+48V)
OFF ON
INSERT I/O
OUT IN
2345678910 1
MIX OUT +4dB
C-R MONITOR OUT +4dB MATRIX OUT +4dB
ST INSERT I/O 0dB
ST2 OUT +4dB AUX RETURN +4dB
MIX INSERT I/O 0dB
ST1 OUT +4dB
TAPE IN –10dBV
REC OUT –10dBV
4R 3R 2R 1R
4
RLR
RL
L2 1
RL
RL
321
5
80AC9
1B 2
34
D
E
76
Male XLR plug 1 (ground)
3 (cold)
2 (hot)
1/4" TRS phone plug
Tip (hot)
Ring (cold)
Sleeve (ground)
1/4" phone plug
1/4" phone plug
1/4" TRS phone plug
To processor’s input
From processor’s output
Connect to INSERT I/O jack
Tip (send)
Tip (send)
Ring (return)
Sleeve (ground)
Sleeve (ground)
Tip (return)
Sleeve (ground)

Rear Panel 17
MC32/12, MC24/12—Owner’s Manual
EINPUT jacks 13–16
These are unbalanced phone jacks for the stereo
input channels, with nominal input levels ranging
from –34 dB to +10 dB. If you are using the stereo
input modules as monaural channels, connect a
plug to 13L (MONO) or 15L (MONO) jack. See
the figure on the right for wiring.
FMIX OUT 1–10 jacks
These balanced XLR-3-32 jacks output MIX
bus 1–10 signals individually, with a nominal
output level of +4 dB. See the figure on the
right for wiring.
GMIX INSERT I/O jacks
These TRS phone jacks are used to insert an external processor into MIX buses 1–4, with
nominal input/output levels of 0 dB. See the figure below for wiring.
HAUX RETURN 1–4 jacks
These unbalanced phone jacks are used to connect
stereo outputs from an external effect processor,
with nominal input level of +4 dB. To input
monaural signals, use only the L (MONO) jack.
See the figure on the right for wiring.
IST1 OUT jacks
These balanced XLR-3-32 jacks output ST bus
signals, with a nominal output level of +4 dB.
See the figure on the right for wiring.
JST2 OUT jacks
These unbalanced phone jacks output ST bus
signals, with a nominal output level of +4 dB. See
the figure on the right for wiring.
KMATRIX OUT jacks 1/2
These unbalanced phone jacks output Matrix 1/2
signals that are a mix of MIX buses 1–4 and ST bus,
with a nominal output level of +4 dB. See the
figure on the right for wiring.
1/4" phone plug
Tip (send)
Sleeve (ground)
Male XLR plug 1 (ground)
3 (cold)
2 (hot)
1/4" phone plug
1/4" phone plug
1/4" TRS phone plug
To processor’s input
From processor’s output
Connect to INSERT I/O jack
Tip (send)
Tip (send)
Ring (return)
Sleeve (ground)
Sleeve (ground)
Tip (return)
Sleeve (ground)
1/4" phone plug
Tip (send)
Sleeve (ground)
Male XLR plug 1 (ground)
3 (cold)
2 (hot)
1/4" phone plug
Tip (send)
Sleeve (ground)
1/4" phone plug
Tip (send)
Sleeve (ground)

18 Rear Panel
MC32/12, MC24/12—Owner’s Manual
LST INSERT I/O jacks
These TRS phone jacks are used to insert an external processor into the ST bus, with nominal
input/output levels of 0 dB. See the figure below for wiring.
MC-R MONITOR OUT jacks
These unbalanced phone jacks are used to monitor
input signals sent from the PFL bus, AFL bus, and
TAPE IN jacks, with a nominal output level of
+4 dB. See the figure on the right for wiring.
NTAPE IN jacks
These unbalanced phono jacks are used to connect a line-level
device, with a nominal input level of –10 dBV. See the figure on the
right for wiring.
OREC OUT jacks
These unbalanced phono jacks output line-level, pre-fader, pre-
insert I/O ST bus signals. See the figure on the right for wiring.
1/4" phone plug
1/4" phone plug
1/4" TRS phone plug
To processor’s input
From processor’s output
Connect to INSERT I/O jack
Tip (send)
Tip (send)
Ring (return)
Sleeve (ground)
Sleeve (ground)
Tip (return)
Sleeve (ground)
1/4" phone plug
Tip (send)
Sleeve (ground)
Phono plug Tip
Sleeve
Phono plug Tip
Sleeve

GA Diversity Function 19
MC32/12, MC24/12—Owner’s Manual
GA Diversity Function
What is GA Diversity?
GA Diversity is an output select function that allows you to use the MIX OUT jacks as group
output jacks or AUX output jacks on the MC32/12 and MC24/12.
You can route either MIX (Variable) bus signals or MIX (Fix) bus signals to the MIX OUT 1–4
jacks of the MC32/12 and MC24/12. You can select either one of these output signals in the
Variable/Fix select section.
If the M1–M4 switches in the Variable/Fix select section are set to FIX ( ), the corresponding
MIX OUT jacks will output MIX (FIX) bus signals. Since each channel’s output level for the
MIX (FIX) bus signals is fixed, the corresponding MIX OUT jacks will function as group
output jacks.
If the M1–M4 switches in the Variable/Fix select section are set to VARIABLE ( ), the
corresponding MIX OUT jacks will output MIX (VARIABLE) bus signals. Since each channel’s
output level for the MIX (VARIABLE) bus signals is variable, the corresponding MIX OUT
jacks will function as AUX output jacks.
The GA Diversity function will enable you to configure a flexible bus system, such as four
groups and six AUX sends, two groups and eight AUX sends, or 10 AUX sends, etc., depending
on the application.
Setting the GA Diversity function
1. Press down the M1 switch ( FIX) in the Variable/
Fix select section (see page 6).
The FIX indicator will light up. The MIX OUT 1 output channel
will receive the MIX (FIX) 1 bus signal, and the MIX OUT 1 jack
will function as a group output jack.
2. Press the M1 switch again to set it to ( VARIABLE).
The FIX indicator will be turned off. The MIX OUT 1 output
channel will receive the MIX (VARIABLE) 1 bus signal, and the
MIX OUT 1 jack will function as an AUX output jack.
3. Set the M2, M3, and M4 switches in the same way.
You can set MIX OUT 1–4 channels to “FIX” or “VARIABLE”
individually.
VARIABLE/FIX
FIX
MIX
OUT 1
MIX
INSERT
I/O 1
to MTRX
PFL
PAN
to AFL
CTLRL
RL
ST
TO ST
AFL
HIGH
LOW
f
g
MID
3-Stage EQ EQ
109876512344321
MIX
(VARIABLE)
MIX
(FIX)
M1
FIX
FIX
FIX
FIX
M2
M3
M4
VARIABLE / FIX

20 Specifications
MC32/12, MC24/12—Owner’s Manual
Specifications
General specifications
*Turn over/Roll off frequency of shelving: 3 dB below maximum variable level.
Specifications are subject to change without prior notice.
Frequency response 20 Hz–20 kHz +1 dB, –3 dB, +4 dB 600Ω (ST1 OUT, ST2 OUT, MIX OUT, MATRIX OUT) (Input Gain
Control at minimum)
Total harmonic distortion <0.1% @20 Hz–20 kHz, +14 dB 600Ω (ST1 OUT, ST2 OUT, MIX OUT, MATRIX OUT)
Hum and noise
(Rs=150Ω, 20 Hz–20 kHz)
–128 dB equivalent input noise
–95 dB residual output noise (ST1 OUT, ST2 OUT, MIX OUT, MATRIX OUT)
–83 dB residual output noise
(ST1 OUT)
ST master fader at nominal level.
all channel fader, mix level control: minimum
ST switch: OFF
–78 dB residual output noise
(MIX OUT)
Mix master fader at nominal level.
all channel fader, mix level control: minimum
M1–M4 switch: OFF
–64 dB (68 dB S/N)
(ST1 OUT, MIX OUT)
ST master/mix master fader, one channel fader and mix
level control at nominal level.
one channel gain control: maximum
Maximum voltage gain
84 dB CH IN to ST1 OUT
84 dB CH IN to MIX OUT
58 dB ST IN to ST1 OUT
58 dB ST IN to MIX OUT
Crosstalk at 1 kHz –70 dB adjacent input
–70 dB input to output
Gain control 44 dB variable
Channel input pad 0 dB/26 dB
Channel input HPF 80 Hz 12 dB/oct
Input channel equalization
±15 dB Maximum
HIGH 10 kHz * shelving
HI-MID 400 Hz–8 kHz peaking
LO-MID 80 Hz–1.6 kHz peaking
LOW 100 Hz * shelving
ST input channel equalization
±15 dB Maximum
HIGH 10 kHz * shelving
HI-MID 3 kHz peaking
LO-MID 800 Hz peaking
LOW 100 Hz * shelving
Mix out equalization
±15 dB Maximum
HIGH 10 kHz * shelving
MID 300 Hz–6 kHz peaking
LOW 100 Hz * shelving
Meters 13 points LED x 14
Channel peak indicators An indicator for each channel turns on when the pre-channel fader signal is –3 dB below clipping.
Phantom power +48V (balanced)
Power requirement USA and Canadian 120 V AC 60 Hz
Power consumption 120 W
Dimensions (WxHxD) MC32/12: 1372 x 161 x 705 mm MC24/12: 1144 x 161 x 705 mm
Weight MC32/12: 38 kg MC24/12: 34 kg

Input specifications 21
MC32/12, MC24/12—Owner’s Manual
Input specifications
Output specifications
1. Sensitivity is the lowest level that will produce an output of +4 dB (1.23 V) or the nominal output level when the unit is set to maximum gain.
2. Balanced
3. Unbalanced
4. T: OUT, R: IN, S: GND
• 0 dB=0.775 Vrms, 0 dBV=1 Vrms
1. Balanced
2. Unbalanced
3. T: OUT, R: IN, S: GND
• 0 dB=0.775 Vrms, 0 dBV=1 Vrms
Input
connectors Gain
trim Input
impedance Nominal
impedance
Input level
Connector type
Sensitivity1Nominal level Max. before
clipping
CH INPUT
1–12, 17–24/32
MAX 3 kΩ50-600Ω Mics
& 600Ω Lines
–86 dB (38.8 µV) –60 dB (775 µV) –40 dB (7.75 mV) A: XLR-3-31 type2
B: Phone jack2
MIN –42 dB (6.16 mV) –16 dB (123 mV) +4 dB (1.23 V)
CH INPUT
13–16
MAX
10 kΩ600Ω Lines
–60 dB (775 µV) –34 dB (15.5 mV) –14 dB (155 mV)
Phone jack
(TRS)3
MIN –16 dB (123 mV) +10 dB (2.45 V) +30 dB (24.5 V)
AUX RETURN –12 dB (195 mV) +4 dB (1.23 V) +20 dB (7.75 V)
TAPE IN –26 dBV (50.1mV) –10 dBV (316 mV) +8 dBV (2.51 V) RCA phono
CH INSERT I/O –26 dB (38.8 mV)
0 dB (775 mV) +20 dB (7.75 V) Phone jack, TRS4
ST INSERT I/O –10 dB (245 mV)
MIX INSERT I/O
TALKBACK INPUT 50-600Ω Mics –66 dB (338 µV) –50 dB (2.45 mV) –24 dB (48.9 mV) XLR-3-31 type3
Output connector Output
impedance Nominal
impedance
Output level
Connector type
Nominal Max. before clipping
ST1 OUT 150Ω
600Ω Lines +4 dB (1.23 V)
+24 dB (12.3 V) XLR-3-32 type1
ST2 OUT
75Ω
+20 dB (7.75 V) Phone jack2
MIX OUT +24 dB (12.3 V) XLR-3-32 type1
MATRIX OUT +20 dB (7.75 V) Phone jack2
C-R MONITOR OUT
REC OUT
600Ω10 kΩ Lines
–10 dBV (316 mV) +10 dBV (3.16 V) RCA phono
CH INSERT I/O
0 dB (775 mV) +20 dB (7.75 V) Phone jack, TRS3
ST INSERT I/O
MIX INSERT I/O
PHONES 100Ω40Ω Phones 30 mW 100 mW ST phone jack

22 Specifications
MC32/12, MC24/12—Owner’s Manual
Dimensions
Unit: mm
For European Model
Purchaser/User Information specified in EN55103-1 and EN55103-2.
Inrush Current: 5A
Conformed Environment: E1, E2, E3 and E4
D: 705
H: 161
800172
400 107
500
172
186 186
500
W: 1144
W: 1372
MC32/12
MC24/12

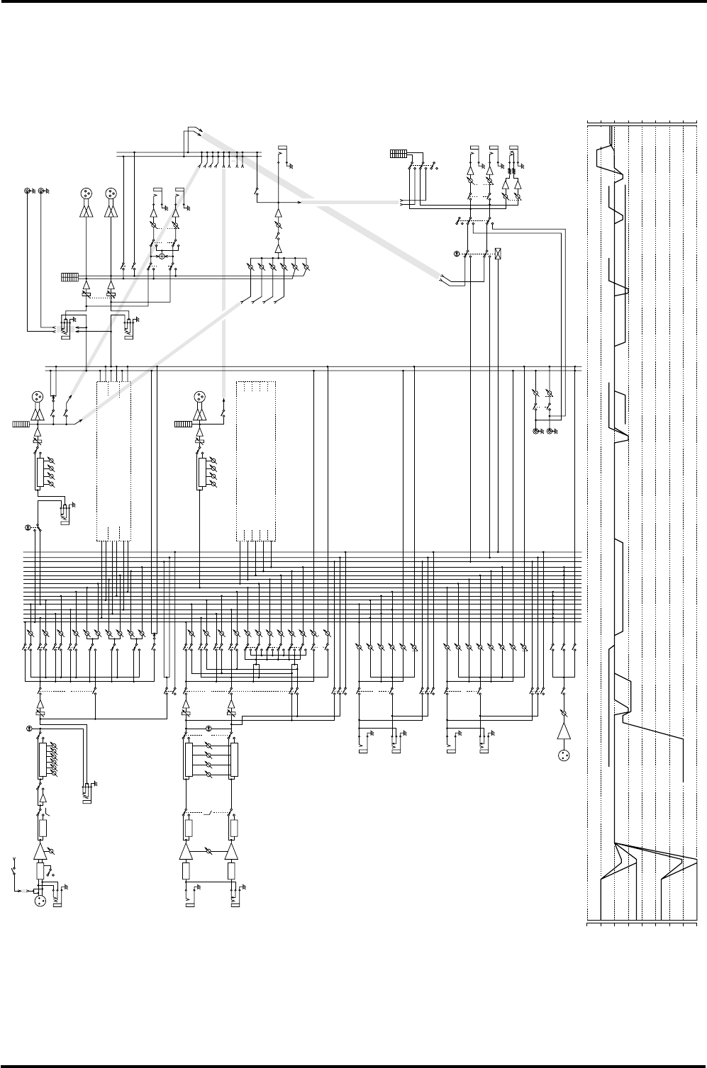
Block and Level diagram 23
MC32/12, MC24/12—Owner’s Manual
Block and Level diagram
ST2 OUTST1 OUT
PHONES
(@40Ω)
–60
–50
–40
–30
–20
–10
0
+10
+20
Ch INSERT MIX OUT
REC OUTTAPE IN
ST INSERT I/O
MIX(VARIABLE) 1-10
MIX(FIX) 1-4 MIX INSERT I/O
AUX RETURN
Talkback INPUT
Ch1-12, 17-24/32
PAD Off, GAIN Max
Ch1-12, 17-24/32
PAD Off, GAIN Min
Ch1-12, 17-24/32
PAD On, GAIN Max
Ch1-12, 17-24/32
PAD On, GAIN Min
Ch13-16, GAIN Max
Ch13-16, GAIN Min
–60
–50
–40
–30
–20
–10
0
+10
+20
MONITOR
OUT
VARIABLE/FIX
FIX
ST
ø
2
1
4
3
MIX
OUT 1
MIX
OUT 5
TAPE
IN
ST2
OUT
ST1
OUT
REC
OUT
from
MIX OUT
to
C-R
MONITOR
MATRIX
OUT
1,2
C-R
MONITOR
OUT
EQ
from MIX OUT
5
6
9
10
from MIX OUT
1
2
3
4
ST
INSERT
I/O L
MIX
INSERT
I/O 1
ST
INSERT
I/O R
to MTRX
MIX OUT 6-10: Same as MIX OUT 5
to AFL
PFL
R
L
R
L
R
L
R
L
AUX RETURN
4R
3R,
4L(MONO)
3L(MONO),
2R
1R,
2L(MONO)
1L(MONO),
15L(MONO)
16R
16/15
14/13,
14R,
13L(MONO),
17-24/17-32
1-12,
INPUT B
INPUT A
TAPE IN
PFL/AFL
PFL
LEVEL
POST
ST1
LEVEL
LEVEL
INPUT ON
MATRIX
PFL•AFL/TAPE
LEVEL
R
L
STON
ST
ST
PAN
ST
26dB
to AFL
from AFL
AFL
LR
CTLRL
2
AFL
1
from MTRX
ON
PHONES
L
R
M4
M3
M2
M1
ON
AFL
LEVELMONO
ON
ON
RL
ST
TO ST
AFL
AFL
MIX OUT 2-4: Same as MIX OUT 1
HIGH
LOW
3-Stage EQ
f
g
MID
HIGH
LOW
f
g
MID
3-Stage EQ
EQ
EQ
HA M5-M10
M1-M4
ST
M10
M9
M8
M7
M6
M5
ON
PFL
PFL
M4
M3
M2
M1
ON
PFL
PFL
BAL
M10
M9
M8
M7
PRE
PRE
PRE
M6
M5
M4
M3
M2
M1
ON
ON
ON
ON
PEAK
LOW
LO-MID
HI-MID
HIGH
4-Stage EQ
GAIN
HPF
PAD HA
HA
PAD HPF 4-Stage EQ
ON
ON
ON
PRE
PRE
PRE
ON
1098765
M1
M2
M3
M4
M10
M9
M6
M5
M7
M8
PEAK
INSERT I/O
f
g
f
g
LO-MID
HI-MID
LOW
HIGH
EQ
4-Stage EQ
HPF
+48V
1234
PAD
PHANTOM 4321
PAN
HA
GAIN
to Meter
MIX
(VARIABLE)
MIX
(FIX)
80
80

YAMAHA CORPORATION
V670450 R1 1 IP 28 Pro Audio & Digital Musical Instrument Division
P.O. Box 3, Hamamatsu, 430-8651, Japan
NP Printed in Taiwan