Yamaha MD4 Owner's Manual MD4NL
User Manual: Yamaha MD4 Owner's Manual
Open the PDF directly: View PDF
.
Page Count: 90

NL
Nederlandstalige Handleiding

Dankzij de wijzigingen in de MD standaard in Augustus 1996 kan de MD4 nu zowel opnemen op MiniDiscs als
MD DATA discs. MD DATA discs worden gebruikt als opslagmedium voor computers, en de MD4 maakt hier
gebruik van om 4-tracks op te nemen en af te spelen. MiniDiscs, die soms ook MD discs genoemd worden,
worden alleen in de muziek toegepast. Op pag. 2 van de Nederlandstalige handleiding staat dat de MD4 MiniDiscs
alleen kan afspelen. Met de nieuwe standaard is het nu echter ook mogelijk om stereo op te nemen op de MiniDiscs,
en alle 2TR en MONO mode functies werken nu bij het opnemen op MiniDiscs.
Hier aan toegevoegd:
• MiniDiscs die zijn opgenomen op de MD4 kunnen worden afgespeeld op een normaal MiniDisc deck.
• MiniDisc opnamen die zijn gemaakt op een normaal MiniDisc deck kunnen worden ge-edit op de MD4. MiniDiscs
die echter zijn gekopieerd van een commerciële CD echter niet, dankzij het SCMS beschermingssysteem.
• Als een opneembare MiniDisc wordt ingeladen in een MD4 wordt automatisch de 2TR recording mode geselecteerd.
Om daarna weer 4-tracks op te nemen op de MD4 met een MD DATA disc moet u de recording mode terugzetten
op 4TR. De recording mode wordt niet opgeslagen als u de MD4 uitzet, en staat bijhet aanzetten van de MD4 dus
altijd automatisch weer op 4TR.
Yamaha Speciale Informatie
De MD4 kan nu stereo opnemen op MiniDisc
1. Doe de MD4 uit.
2. Hou de [TIME DISPLAY] en [REC] knoppen ingedrukt terwijl u de MD4
aanzet.
TEST MODE verschijnt in de display.
3. Druk op de [ENTER] knop.
MODE SET verschijnt in de display.
4. Druk op de [ADJUST] knop, [UTILITY] knop, [DATA] knop, en als laatste
op de LAST REC SEARCH [OUT] knop.
MODE SET OK verschijnt in de display.
5. Doe de MD4 uit, wacht vijf sekonden, en doe hem weer aan.
De nieuwe functie is nu klaar om gebruikt te worden.
Eenmaal geaktiveerd is de nieuwe functie altijd beschikbaar. Deze procedure hoeft slechts één
keer uitgehaald te worden.
Juli ‘96 Aug. ‘96
Serienummer MN0000- MO0000-
Dit nieuwe kenmerk is al ingebouwd op alle
MD4’s die gebouwd zijn na September ‘96.
Bij MD4’s die het volgende serienummer
dragen moet de volgende procedure worden
uitgevoerd om dit kenmerk te activeren.

CAUTION: TO REDUCE THE RISK OF
ELECTRIC SHOCK, DO NOT REMOVE
COVER (OR BACK). NO USER-SERVICEABLE
PARTS INSIDE. REFER SERVICING TO
QUALIFIED SERVICE PERSONNEL
RISK OF ELECTRIC SHOCK
DO NOT OPEN
CAUTION
OPGEPAST: OM HET RISICO VAN EEN ELECTRISCHE
SCHOK TE VERMINDEREN; NIET DE ACHTERKANT VERWIJ-
DEREN. ER KUNNEN DOOR DE GEBRUIKER GEEN
ONDERDELEN VERVANGEN WORDEN, LAAT ONDERHOUD
OVER AAN ERKEND YAMAHA PERSONEEL
Het uitroepteken in een gelijkbenige driehoek
is bedoeld om u te wijzen op de aanwezigheid
van belangrijke bedienings- en
onderhoudsinstructies in de handleiding van
het produkt.
De bliksemflits met pijlpunt in een gelijkbenige
driehoek is bedoeld om u te wijzen op de
aanwezigheid van niet geïsoleerde
"gevaarlijke" voltages in het instrument die
u een schok kunnen geven.
● Uitleg van de grafische symbolen
VEILIGHEIDSINSTRUCTIES
1. Lees instructies - alle veiligheids- en bedienings-
instructies moeten gelezen worden alvorens het instru-
ment te gebruiken.
2. Bewaar de instructies - de veiligheids- en bedienings-
instructies moeten goed bewaard worden voor de
toekomst.
3. Hou rekening met de waarschuwingen - u moet rekening
houden met alle gegeven waarschuwingen in de
handleiding.
4. Volg instructies - u moet alle bedienings- en
gebruiksinstructies opvolgen.
5. Water en vocht - het apparaat mag nooit gebruikt worden
in de nabijheid van water - bijvoorbeeld bij een badkuip,
wasbak, in een natte kelder of in een zwembad, of iets
dergelijks.
6. Karretjes en standaards - het
apparaat mag alleen gebruikt
worden met een kar of standaard
die wordt aangeraden door de
fabrikant.
6a. Een apparaat en kar combinatie
moet voorzichtig vervoerd
worden. Snelle stops, overdre-
ven zwaar en ongelijke opstellingen kunnen de kar doen
omvallen.
7. Muur- of plafond montage - het apparaat mag op een
muur of plafond gemonteerd worden, maar dan wel
volgens de regels van de fabrikant.
8. Ventilatie - het apparaat moet zo worden opgesteld dat
de lokatie of positie niet in de weg zit van de ventilatie.
Zet het apparaat dehalve niet op een bed, sofa, tapijt of
dergelijke lokatie, daar een dergelijke ondergrond de
ventilatie openingen kan blokkeren; bouw het apparaat
ook niet in een boekenkast of andere kast daar dit de
luchtstroom kan blokkeren.
9. Warmte - het apparaat moet ver weg geplaatst worden
van warmtebronnen zoals radiators, ovens of dergelijke
apparatuur (incl. versterkers) die warmte produceren.
10. Voeding - het apparaat zou alleen in een stopcontact
gestopt moeten worden van het type dat omschreven
wordt in de handleiding of degene die gemarkeerd staat
op het apparaat zelf.
11. Aarde of polarisatie - u moet voorbereidingen treffen
zodat de aarde van het apparaat niet wordt omzeild.
12. Bescherming van het stroomsnoer - u moet de
stroomsnoeren op zo’n plek leggen dat u er niet op gaat
staan, geen voorwerpen op rusten, in het bijzonder op
de punten waar snoeren vastzitten aan pluggen en het
punt waar ze het apparaat verlaten.
13. Schoonmaken - het apparaat mag alleen worden
schoongemaakt op de manier die wordt aangeraden door
de fabrikant.
14. Ongebruikte momenten - als u het apparaat lange tijd
niet gebruikt moet u de stekker uit het stopcontact halen.
15. Object en vloeistoffen - let er op dat er geen vloeistoffen
of voorwerpen in het apparaat kunnen binnendringen
door de openingen van het apparaat.
16. Reparatie - het apparaat moet van service voorzien door
erkend Yamaha personeel wanneer:
A. het stroomsnoer- of de stekker stuk is; of
B. voorwerpen of vloeistoffen in het apparaat zijn
gevallen; of
C. het apparaat in de regen heeft gestaan; of
D. het apparaat niet normaal meer functioneert, of een
merkbare verandering heeft ondergaan qua bediening;
of
E. het apparaat is gevallen, of de behuizing stuk is.
17. Service - de gebruiker kan geen enkel onderhoud aan
het apparaat plegen dan de degene die vermeld staat in
de handleiding.

iv
MD4 - Nederlandse Handleiding
Plaats de MD4 niet op een plek waar hij wordt blootgesteld aan extreme hitte of direct
zonlicht. Hierdoor zou brand uit kunnen breken.
Plaats de MD4 niet op overdreven stoffige of vochtige plek. Hierdoor zou brand uit kunnen
breken, of zou u een schok kunnen krijgen.
Steek het stroomsnoer alleen in een stopcontact dat wordt aangegeven in deze Nederlandse
Handleiding of volgens de markeringen op het instrument. Een verkeerd stopcontact kan
brand en/of elektrische schokken veroorzaken.
Steek nooit meerdere instrumenten in hetzelfde stopcontact. Als het stopcontact dit niet
aankan kan deze brand of elektrische schokken veroorzaken. Het beïnvloedt ook de
prestaties van het instrument.
Plaats geen zware voorwerpen op het stroomsnoer. Een beschadigd snoer kan brand en/of
elektrische schokken veroorzaken.
Als het stroomsnoer beschadigd is (als er een gat in zit, of iets uit de kabel steekt) moet u
een vervanging vragen bij uw dealer. Gebruik u de MD4 toch kan dit brand veroorzaken.
Haal het snoer met de plug uit het stopcontact. Trek nooit aan het snoer. Beschadigen van
het snoer kan schokken en/of brand veroorzaken.
Plaats geen kleine metalen voorwerpen op de MD4. Metalen voorwerpen in de MD4 kunnen
brand en/of elektrische schokken veroorzaken.
Blokkeer de ventilatie gaten niet. De MD4 is uitgerust met ventilatie gaten om te voorkomen
dat de temperatuur al te zeer stijgt. Geblokkeerde ventilatie gaten kunnen brand veroorzaken.
U kunt de MD4 niet modificeren. Dit kan elektrische schokken en brand veroorzaken.
De werktemperatuur van de MD4 ligt tussen 5 en 35 graden C.
Belangrijk
Waarschuwing
●
●
●
●
●
●
●
●
●
●
Voorzorgsmaatregelen
Zet alle audio apparatuur en luidsprekers uit tijdens het aansluiten van de MD4. Zie de
handleidingen van alle gebruikte apparatuur. Gebruik de juiste kabels en sluit aan zoals
staat vermeld in de handleidingen.
De MD4 is een precisie instrument. Ga voorzichtig met de MD4 om.
Ga voorzichtig met de MD DATA disks om.
Als u iets abnormaals bespeurt - zoals rook, vreemde geur of geluid - moet u de MD4
onmiddelijk uitzetten. Haal de stekker uit het stopcontact. Constateert u hierop dat de
abnormaliteit verdwenen is, moet u naar uw dealer gaan. Gebruikt u de MD4 toch, kan
deze elektrische schokken of brand veroorzaken.
Als u de MD4 lange tijd niet gebruikt (omdat u bijvoorbeeld op vakantie gaat) moet u de
stekker uit het stopcontact halen. Doet u dit niet kan er brand ontstaan.
Gebruik geen benzine, verdunner, oplosmiddel of chemische reinigers om de MD4 schoon
te maken.
Gebruik alleen een schone, droge doek om de MD4 schoon te maken.
Lees het Volgende Voordat U de MD4 Gaat Gebruiken
●
●
●
●
●
●

v
MD4 - Nederlandse Handleiding
Interferentie
De MD4 maakt gebruik van hoog-frequente digitale elektronica die interferentie kan
veroorzaken op radio’s en televisies die te dicht in de buurt staan. Als er interferentie
optreedt moet u de voornoemde apparatuur verplaatsen.
Copyright
© Yamaha Corporation. Alle rechten zijn voorbehouden.
Er mag geen gedeelte van de Nederlandse Handleiding worden gereproduceerd of
uitgegeven in wat voor vorm dan ook, of op wat voor manier dan ook zonder toestemming
van de Yamaha Corporation.
Handelsmerk
MD DATA en MiniDisc zijn handelsmerken van de Sony Corporation.
Alle andere handelsmerken zijn eigendom van de respectievelijke handelsmerk eigenaren.
Inhoud van het Pakket
Het MD4 pakket zou de volgende onderdelen moeten bevatten. Controleer dit eerst.
MD4 Multitrack Recorder
Stroomsnoer
MD DATA disc
Deze handleiding
Neem contact op met uw Yamaha dealer als er iets ontbreekt.
Bewaar Deze Handleiding Goed Om Later Nog Eens Wat
Op Te Zoeken

vi
MD4 - Nederlandse Handleiding
Inhoudsopgave
1. Welkom Bij de MD4.................................... 1
MD4 Kenmerken ....................................................................................................1
Mixer ............................................................................................................1
Recorder........................................................................................................1
Discs kopen voor de MD4 ......................................................................................2
MD4 TOC ...............................................................................................................2
2. Door de MD4 Wandelen ............................. 3
De Bovenkant..........................................................................................................3
Input Kanalen ..........................................................................................................4
Master Sectie...........................................................................................................5
Display ....................................................................................................................6
Disc Transport Sectie ..............................................................................................8
Aansluitingen aan de Bovenkant ............................................................................10
Aansluitingen aan de Voorkant ...............................................................................11
Achterkant...............................................................................................................11
3. De Eerste Sessie........................................... 12
Snel-Start Systeem ..................................................................................................12
Stroomsnoer Aansluiten ..........................................................................................13
De MD4 Aanzetten .................................................................................................13
Een Disc Laden .......................................................................................................13
De Eerste Track Opnemen ......................................................................................13
Naar de Eerste Track luisteren ......................................................................14
Overdubben.............................................................................................................15
Mixen ......................................................................................................................16
Een Overzicht van Multitrack Opnemen ................................................................17
Algemeen Multitrack Opnemen ...................................................................17
Geavanceerd Multitrack Opnemen ...............................................................17
Over Afluisteren ......................................................................................................18
4. Opname & Mix Technieken ......................... 19
Een Nieuwe Song Opnemen ...................................................................................19
Zoeken naar het Blanco Begin......................................................................19
De Recording Mode Instellen.......................................................................19
Opnemen.......................................................................................................19
Naam geven aan Discs & Songs .............................................................................20
Manual Punch In/Out (met de hand in/uitprikken) .................................................21
De REC knop ................................................................................................21
De REC SELECT knoppen ..........................................................................22
Een Voetschakelaar gebruiken ......................................................................22
Auto Punch In/Out (Automatisch in/uitprikken) ....................................................22
Instellen van In/Out Punten “tijdens het spelen” ..........................................24
Een Andere Manier van In/Oupunten Instellen ............................................24
Auto Punch Oefenen.....................................................................................25
Auto Punch echt uitvoeren ...........................................................................26

vii
MD4 - Nederlandse Handleiding
Auto Punch met een Voetschakelaar.............................................................27
De Pre-Roll & Post-Roll Tijden Instellen.....................................................28
Ping-Pong Opnamen ...............................................................................................29
Ping-Pong Voorbereiden ...............................................................................30
Ping-Pong Oefenen.......................................................................................30
Ping-Pong Echt Uitvoeren ............................................................................30
De Ping-Pong Handeling Controleren ..........................................................31
Ping-Pong met Overdub..........................................................................................31
Pitch (toonhoogte)...................................................................................................32
Pitch Afstellen...............................................................................................32
Pitch Resetten (herstellen) ............................................................................32
Voetschakelaar Gebruiken.......................................................................................33
Effecten Gebruiken .................................................................................................34
Effecten Gebruiken In de Mix ......................................................................34
Effecten Gebruiken Tijdens het Opnemen....................................................35
Effecten Gebruiken Tijdens Ping-Pongen ....................................................35
5. Snel Zoek Functies ...................................... 36
Songs Zoeken ..........................................................................................................36
Zoeken m.b.v. Tijd ..................................................................................................36
Zoeken voor de laatste Rec IN en OUT Punten ......................................................36
Zoeken naar Makers (markeringspunten) ...............................................................36
Markers Invoegen ...................................................................................................37
Markers Indicators ........................................................................................37
Markers Afstellen ....................................................................................................38
Markers Wissen.......................................................................................................39
6. Herhalen, Cue Lijst & Program Afspelen ..... 40
Één Song Herhalen .................................................................................................40
Alle Songs Herhalen ...............................................................................................40
A-B Herhaling.........................................................................................................41
Cue Lijst Afspelen & Kopiëren...............................................................................42
Program Afspelen....................................................................................................43
7. Songs & Tracks Editten ................................ 44
Een Song Kopiëren .................................................................................................44
Een Song Verdelen ..................................................................................................45
Songs Combineren ..................................................................................................46
Track-naar-Track Kopiëren.....................................................................................47
Tracks Wissen .........................................................................................................48
Songs Wissen ..........................................................................................................48
MD4 & MIDI................................................... 49
De MD4 Gebruiken In een Gesynchroniseerd MIDI Systeem ...............................49
Over Tempo Mappen ..............................................................................................49
Een Gesynchroniseerd MIDI Systeem Opzetten ....................................................50
MTC Gebruiken ......................................................................................................51
De MD4 instellen voor MTC........................................................................51
De MIDI Sequencer Instellen .......................................................................51
MIDI Kabels Opmerking ..............................................................................51

viii
MD4 - Nederlandse Handleiding
MIDI Clock Gebruiken ...........................................................................................52
De MIDI Sequencer Instellen .......................................................................52
Meter Wijzigingen Toevoegen aan een Tempo Map ....................................52
Tempo Wijzigingen Toevoegen aan een Tempo Map ...................................53
Stappen Toevoegen in een Tempo Map ........................................................54
Stappen Wissen in een Tempo Map ..............................................................54
Tempo Map Bewaren (Save) ........................................................................55
Tempo Map Laden (Load) ............................................................................55
Tempo Map Lijst .....................................................................................................56
9. MD4 Toepassingen ...................................... 57
One-Take Opnamen ................................................................................................57
MIDI Home Studio .................................................................................................58
De MD4 Gebruiken met een Sub-Mixer.................................................................59
Een Stereo Geluidsbron Opnemen ..........................................................................60
10 Een Stapje Verder.. ..................................... 61
AUX RETURN .......................................................................................................61
EQ.............. .............................................................................................................61
Markers ...................................................................................................................61
Pitch............ ............................................................................................................62
Afluisteren...............................................................................................................62
Mixen ......................................................................................................................63
11. V&A Gedeelte............................................ 64
Troubleshooting (‘in de problemen’) ............... 66
Appendix......................................................... 67
MD4 Transport Modes ............................................................................................67
Display Meldingen ..................................................................................................68
Signaalbaan .............................................................................................................69
Specificaties ............................................................................................................70
Recorder........................................................................................................70
Mixer ............................................................................................................70
Algemeen ......................................................................................................70
Blokschema.............................................................................................................71
Afmetingen .............................................................................................................71
Trefwoorden.................................................... 72
Index ............................................................... 75
MIDI Implementation Chart

1
MD4 - Nederlandse Handleiding
Welkom Bij de MD4
1
Dank u wel voor het kiezen voor de Yamaha MD4 Multitrack MD Recorder. De MD4 is ‘s
werelds eerste multitrack recorder die gebruik maakt van het MiniDisc Formaat, met zijn
superieure geluidskwaliteit en snelle zoek mogelijkheden. Lees deze Nederlandse Handleiding
goed door om alles uit de MD4 te halen.
MD4 Kenmerken
Mixer
Het mixer gedeelte is een vier kanalen input, uit vier groepen bestaande anologe mixer.
De input kanalen bevatten continue variabele GAIN knoppen, die zowel microfoon als lijn niveau
signalen aankunnen.
Drie bands EQ (High, Mid en Low) op ieder kanaal biedt flexibele toonkleur mogelijkheden.
Aux send met stereo return voor een externe effects processor.
Flexibele afluistering van Group, CUE en Stereo bussen.
Direct outputs om aan te sluiten op een ander mengpaneel.
Stereo sub inputs voor mixer cascading (het aansluiten van meerdere mengpanelen).
Recorder
Het recorder gedeelte is een viertrack recorder gebaseerd op MD DATA audio formaat, hetgeen
een aantal voordelen biedt t.o.v. tape multitrackers. Bij een op tape gebaseerde recorder moet je
bijvoorbeeld altijd één spoor vrij houden voor ping-pongen. De MD4 kan echter opnemen op vier
tracks en dan nog ping-pongen (m.a.w. vier-track afspelen én ping-pongen). Dit is mogelijk omdat
de MD4 tegelijkertijd een track kan afspelen en opnemen. Dit kenmerk maakt het u makkelijker de
tracks van te voren te plannen.
Superieure geluidskwaliteit die niet beïnvloedt wordt door herhaaldelijk overdubben en pingpongen.
Geen wow en flutter en toonhoogte variaties.
Opnametijd: 37 minuten bij vier tracks, 74 minuten stereo, 148 minuten mono.
Vier tracks afspelen en ping-pongen.
Snel zoeken naar de Song Start, Song End, Laatste Record IN/OUT punten, Direct Time Locate en
acht markeringspunten per song.
Precieze punch in/out met 11-milliseconden precisie.
Onder editten is inbegrepen Songs Combineren, Songs Verdelen en cue lijst-stijl afspelen.
Titels voor Discs en Songs, voor betere identificatie.
Herhaal mode voor één Song, alle Songs, A-B en Auto Punch oefening.
FF CUE en Review kan op 2X of 4X de normale afspeel snelheid.
Variabele toonhoogte van ±6,5%.
Duidelijk FLD (Fluoriscerende display) toont signaalniveaus, mode status en Totale-, Overblijvende-
en Reeds Gebruikte tijd.
MTC (MIDI Timecode) of MIDI Clock (met Tempo Map) output voor synchronisatie met een
MIDI gebaseerd systeem.
Zie voor meer vragen en antwoorden het V&A gedeelte op pag. 64.
●
●
●
●
●
●
●
●
●
●
●
●
●
●
●
●
●
●
●
Welkom Bij de MD4

2
MD4 - Nederlandse Handleiding
Welkom Bij de MD4
Discs Kopen Voor de MD4
Het is belangrijk dat u de juiste discs koopt voor uw MD4. De MD4 maakt gebruik van MD
DATA discs voor het opnemen en afspelen. MiniDiscs kan de MD4 alleen afspelen, niet opnemen.
MD DATA discs worden gebruikt als opslagmedia voor computers. De MD4 maakt gebruik
van het MD DATA audio formaat. MiniDiscs worden ook wel eens MD discs genoemd, al wor-
den ze alleen gebruikt voor muziek.
MD DATA discs zijn bedoeld om computer
data op te slaan. U kunt ze kopen in de
computer winkel. Dit is het soort disc dat u
moet kopen voor de MD4. Hou er rekening
mee dat er twee soorten te koop zijn;
play-
back only
(alleen afspelen) en
rewritable
(her-beschrijfbaar). U moet het rewritable
type kopen.
Type Logo Omschrijving
MiniDiscs worden gebruikt voor muziek. Er
zijn twee soorten verkrijgbaar:
playback only
(alleen afspelen) en
recordable
(opneembaar). De MD4 kan deze disken
alleen afspelen.
MD DATA
MiniDisc
MD4 TOC
TOC verwijst naar het Table Of Contents gedeelte van een disc. De TOC bevat informatie over
wat er is opgenomen op de disc, de disc titel, song titels e.d. De TOC EDIT indicator gaat
branden als de TOC moet worden ge-update, hetgeen meestal moet gebeuren na een nieuwe
opname op edit. U moet de TOC update’n voordat u de disc eruit haalt of de MD4 uitzet.
Daarbij is het sowieso een goed idee de TOC herhaaldelijk te update’n voor het geval de stroom
uitvalt. Update u de TOC niet, kan de data kwijtraken. Zelfs als u iets op de juiste wijze hebt
opgenomen, en u zet de MD4 uit, het snoer valt eruit of de stroom valt uit, is die opname kwijt.
N.B. Als u op de EJECT knop drukt terwijl de TOC EDIT zichtbaar is in de display, komt de
disc er niet uit. Druk eerst op [TOC WRITE] om de TOC te update’n, en haal dan de disc er uit.

3
MD4 - Nederlandse Handleiding
Door de MD4 Wandelen
2
Door de MD4 Wandelen
In dit hoofdstuk ‘wandelen’ we door de MD4, en identificeren we de verschillende onderdelen
zodat u bekend kunt raken met uw nieuwe recorder.
De Bovenkant
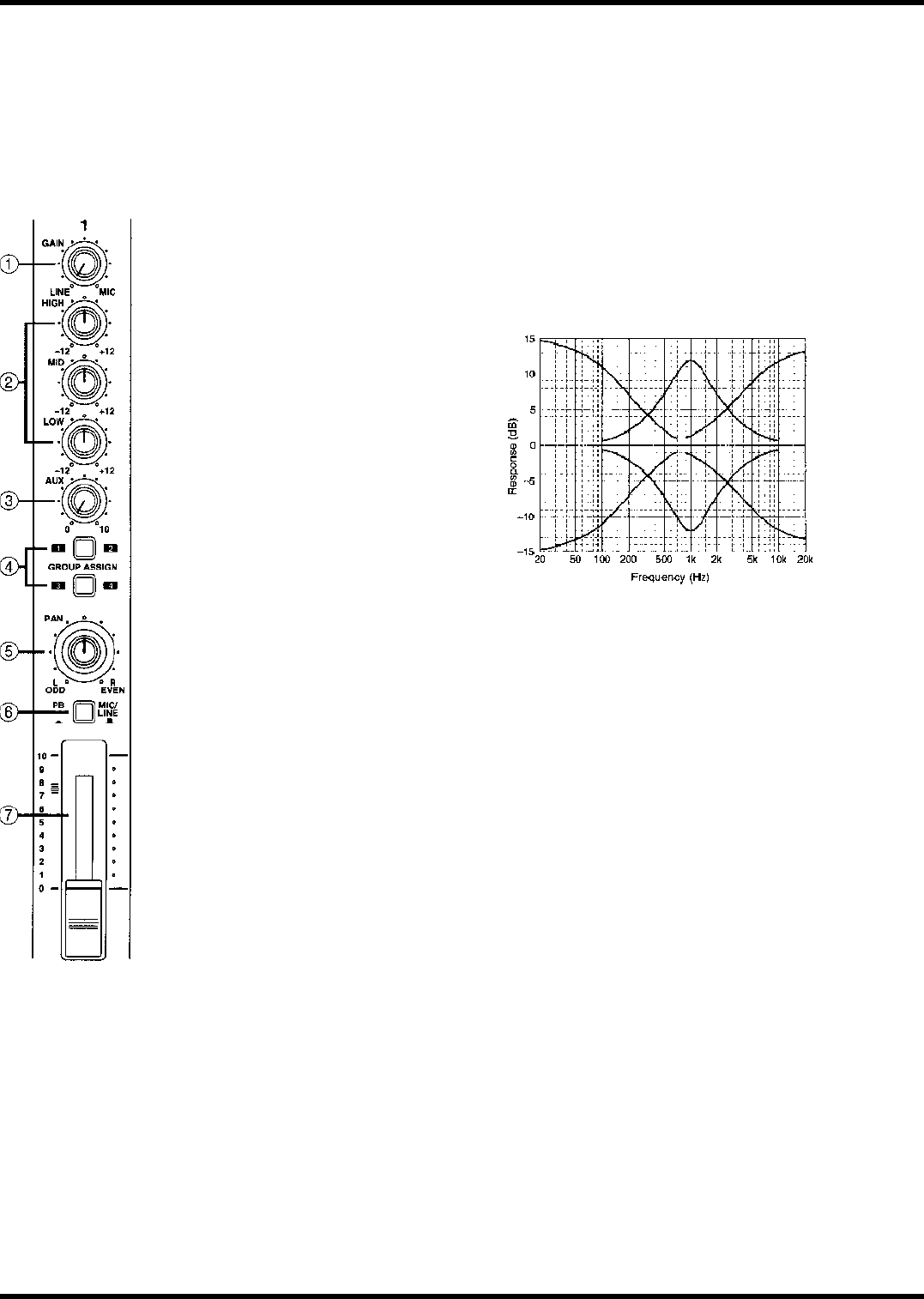
De individuele gedeelten van de MD4 worden uitgelegd op de volgende pagina’s.

4
MD4 - Nederlandse Handleiding
Door de MD4 Wandelen
Input Kanalen
11
11
1 GAIN Knop
Met deze draaiknop kunt u de gevoeligheid afstellen van de MIC/LINE input zodat
het kanaal zowel microfoon als line niveau signalen aankan.
22
22
2 EQ Knoppen
Met deze draaiknoppen kunt u de high, middle en low frequentie band onafhankelijk
boosten (op-peppen) of cutten (afknijpen). Een rechte instelling (geen cut of boost)
wordt bereikt door de knop in het midden te zetten.
HIGH ±12 dB op 12kHz - shelving type
MID ±12 dB op 1 kHz - peaking type
LOW ±12 dB op 80 Hz - shelving type
33
33
3 AUX knop
Met deze draaiknop kunt u het input kanaal signaal naar de AUX SEND output
sturen, om geprocesseerd te worden door een externe effect processor.
44
44
4 GROUP ASSIGN schakelaars
Met deze knoppen kunt u het input kanaal signaal toewijzen (m.a.w. sturen) aan de
recorder tracks. Deze werken i.s.m. de PAN knop. Als de GROUP ASSIGN knop [1-
2] aanstaat, en de PAN knop in het midden staat, wordt het signaal gelijk verdeeld
naar Track 1 en 2 gestuurd. Staat de PAN knop volkomen naar links (L/ODD) wordt
het signaal alleen naar track 1 gestuurd. Staat de PAN knop helemaal naar rechts,
wordt het signaal alleen naar track 2 gestuurd. Ditzelfde principe geldt voor GROUP
ASSIGN schakelaar [3-4].
55
55
5 PAN Knop
De draaiknop heeft twee functies: hij wordt in samenwerking met de GROUP AS-
SIGN knoppen ge-bruikt om het input kanaal signaal toe te wijzen aan de even/
oneven tracks. Bij het mixen kunt u met deze knop het stereobeeld van het kanaal
bepalen.
66
66
6 Ingangsbron keuzeschakelaar
Met deze knop kunt u de signaal bron van het input kanaal bepalen; MIC/LINE input
of PB (disc afspeel signaal).
77
77
7 Fader
Deze fader heeft twee functies: Bij het opnemen bepaalt hij het niveau van het signaal
dat wordt opgenomen op de track. Bij het mixen bepaalt hij het volume van de track
t.o.v. de andere tracks. De beste positie van een fader ligt tussen de 7-8 markering.

5
MD4 - Nederlandse Handleiding
Master Gedeelte
11
11
1 AUX RETURN GROUP ASSIGN schakelaars
Met deze schakelaars kunt u de Aux Return signalen verwijzen naar de recorder
tracks. Het linkersignaal wordt naar de buses 1 en 3 gestuurd, terwijl het rechtersignaal
naar de buses 2 en 4 wordt gestuurd. Een Aux Return signaal is normaal gesproken
het signaal dat terugkomt van een stereo effect processor. Houd er rekening mee dat
Aux Return signalen altijd naar de Stereo bus worden gestuurd om gemixed te worden,
onafhankelijk van deze schakelaar instellingen.
22
22
2 AUX RETURN LEVEL knop
Met deze draaiknop kunt u het niveau van de Aux Return signalen instellen die naar
de Stereo bus worden gestuurd om gemixed te worden. Hij wordt ook gebruikt in
samenwerking met de AUX RETURN GROUP ASSIGN schakelaars om het niveau
af te stellen van het Aux Return signaal die aan recorder tracks zijn toegewezen.
33
33
3 MONITOR SELECT Schakelaars
Deze schakelaars stellen de signaal bron van de MONITOR OUT en koptelefoon af.
GROUP - Met deze schakelaars kunt u de Group buses als monitor bron selecteren.
Zo kunt u de signalen van de tracks afluisteren. Als alleen de [1-3] of [2-4] schakelaar
is ingedrukt, is het signaal mono. Druk beide knoppen in om stereo af te luisteren.
STEREO - Deze schakelaar selecteert de Stereo bus als monitor bron. Zo kunt u
het STEREO OUT signaal afluisteren, een situatie die voorkomt tijdens het mixen.
CUE - Met deze schakelaar kunt u de CUE bus selecteren als monitor bron. Zo kunt
u de track signalen beluisteren, wat handig is bij het inprikken.
44
44
4 MONITOR LEVEL knop
Met deze draaiknop kunt u het niveau van het monitor signaal dat naar de MONI-
TOR OUT en de koptelefoon wordt gestuurd afstellen.
55
55
5 STEREO FADER
Met deze fader kunt u het niveau afstellen van het stereosignaal dat naar de STEREO
OUT wordt gestuurd. Deze fader klinkt optimaal tussen 7-8.
66
66
6 STEREO SUB IN GROUP ASSIGN schakelaars
Met deze schakelaars wijst u de Stereo Sub In signalen toe aan de recorder tracks.
Het linker-kanaal signaal gaat naar Bus 1 en 3, en het rechter naar 2 en 4. De Stereo
Sub In signalen zijn meestal afkomstig van een andere mixer. Stereo Sub In signalen
worden altijd naar de Stereo Bus gestuurd, hoe deze schakelaars ook worden ingesteld.
77
77
7 STEREO SUB IN LEVEL knop
Met deze draaiknop kunt u het niveau van de Stereo Sub In afstellen die tijdens het mixen naar de
Stereo Bus wordt gestuurd. Hij wordt ook gebruikt i.s.m. de STEREO SUB IN GROUP ASSIGN
schakelaars om het niveau van de Stereo Sub In af te stellen die is toegewezen aan de recorder
tracks.
88
88
8 CUE LEVEL knoppen
Deze knoppen stellen het niveau van de CUE af voor iedere track. Tijdens opnamen, of als er geen
disc inzit, is de CUE bron het signaal dat is toegewezen aan een track. Tijdens het afspelen is de
CUE bron het afspeel signaal van de disc.
Door de MD4 Wandelen

6
MD4 - Nederlandse Handleiding
Display
N.B. Om het goed uit te leggen staan in de bovenstaande illustratie bijna alle beschikbare
indicators. Tijdens normale bediening staan er echter niet zoveel indicators tegelijk
in de display.
11
11
1 Status Indicators
Deze indicators tonen de huidige bedieningsmode.
22
22
2 Disc Type indicators
Deze indicators tonen het type disc dat is geladen.
33
33
3 MASTER en MTC indicators
Deze indicators gaan branden als MIDI synchronisatie wordt gebruikt. MASTER verschijnt als
de MD4 MIDI Clock genereert en MTC verschijnt als hij MIDI Timecode genereert.
44
44
4 Pitch Indicators
Deze indicators tonen de huidige Pitch mode: FIX (fixed) of VARI (variabel).
55
55
5 TOC EDIT indicator
De TOC EDIT indicator gaat branden als de TOC ge-update moet worden, meestal na een
nieuw opname of edit.
Normaal afspelen
Cue of review
Afspelen is gepauzeerd
Rehearse (oefening) pause mode
Bezig met oefenen
Record Pause mode
Opname is bezig
Indicator Betekenis
Door de MD4 Wandelen

7
MD4 - Nederlandse Handleiding
66
66
6 Time Counter mode
Deze indicators geven de Time Counter (lett. tijd teller) mode aan.
ELAPSE - Deze mode geeft de tijdpositie aan in een song.
REMAIN - Deze mode geeft de resterende tijd aan van een song, of de resterende disc tijd bij
het opnemen van een nieuwe song.
TOTAL - Deze mode toont de tijdpositie van de gehele disc.
77
77
7 Titel en functie display
Disc titels, song titels, functies, meldingen en andere informatie verschijnen hier.
88
88
8 Time counter (lett. tijdteller)
De time counter toont de disc tijd in minuten, sekonden en frames.
99
99
9 Track Level meters
Deze track level meters tonen group signaal niveaus van -39dB tot -3dB in 9 stappen. Een CLIP
indicator waarschuwt voor mogelijke vervorming bij te hoge signalen. Als er geen disc is geladen
tonen de meters group signaal niveaus.
00
00
0 Stereo Level Meters
Deze meters tonen de STEREO OUT signalen van -20db tot +12dB in 9 stappen.
AA
AA
A Markers
Deze indicators tonen de status van de Start, End markers en de acht tussenliggende markers.
Als een song is opgenomen worden Start en End makers automatisch opgenomen. U kunt zelf
8 markers extra toevoegen per song tijdens het opnemen of tijdens het afspelen. Als een song
op een mark punt staat (gestopt, speelt, pause of opneemt) knippert de marker. Als het begin
van een Song is gelokaliseerd knippert de Start marker. Als het eind van een Song is gelokaliseerd
knippert de End marker.
bb
bb
b Repeat mode indicators
Deze indicators geven de Repeat modes aan.
REPEAT 1 - De huidige song wordt herhaaldelijk afgespeeld (One Song Repeat).
REPEAT ALL - Alle songs wordt herhaaldelijk afgespeeld (All Song Repeat).
REPEAT MEMO A-MEMO B - Het gedeelte tussen memo punten A en B worden herhaald
(A-B repeat).
REPEAT Auto Punch I/O - Auto Punch In/Out wordt herhaald.
CC
CC
C AUTO PUNCH, PRE, IN, OUT & POST indicators
De AUTO PUCH indicator toont dat de AUTO PUNCH In/Out functie aanstaat. De IN en OUT
indicators branden als de LAST REC IN en OUT punten zijn ingesteld. Als een song op of
achter het PRE, IN, OUT of POST punt staat, knippert de corresponderende indicator.
PRE - Deze indicator knippert als een song op het Pre-Roll punt staat.
IN - Deze indicator brandt als het LAST REC IN punt is ingesteld en knippert als een song is
gepositioneerd op of achter het gespecificeerde IN punt.
OUT - Deze indicator gaat branden als het LAST REC OUT punt is ingesteld en knippert als
een song is gepositioneerd op of achter het gespecificeerde OUT punt.
POST - Deze indicator knippert als de song is gepositioneerd op het Post-Roll punt.
DD
DD
D Track Record Indicators
Deze indicators tonen welke tracks zijn geselecteerd om opgenomen te worden.
Display

8
MD4 - Nederlandse Handleiding
Disc Transport Gedeelte
11
11
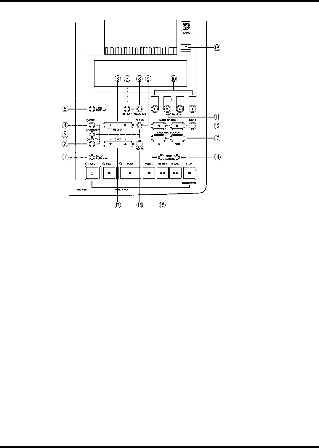
1 AUTO PUCH I/O knop
Met deze knop kunt u de Auto Puch In/Out functie aanzetten.
22
22
2 UTILITY knop
Met deze knop krijgt u toegang tot de volgende functies: Rec Mode, Text, PrePost Roll,
OffLinePunch, Track Erase, Song Erase, Song Copy, Song Divide, Song Combine, Cue List,
PRG Play en MIDI Sync.
33
33
3 ADJUST knop
Met deze knop kunt u de positie van de markers en de LAST REC IN en OUT punten herstellen.
44
44
4 PITCH knop
Met deze knop kunt u de Pitch mode instellen: FIX (fixed) of VARI (variabel).
55
55
5 TIME DISPLAY knop
Met deze knop kunt u de Time Counter mode instellen: ELAPSE, REMAIN of TOTAL.
66
66
6 SELECT knop
Met deze knop kunt u items in de display selecteren.
77
77
7 REPEAT knop
Met deze knop kunt u One Song, All Song, A-B en Auto Punch Rehearse Repeat modes
selecteren. U kunt hiermee ook de A-B Repeat mode annuleren.
88
88
8 MEMO A/B knoppen
Met deze knoppen kunt u de A en B punten van de A-B repeat ingeven.
Door de MD4 Wandelen

9
MD4 - Nederlandse Handleiding
99
99
9 CLEAR knop
Met deze knop kunt u funkties annuleren, en lettertekens wissen in disc- en songtitels.
00
00
0 REC SELECT knoppen
Met deze knoppen kunt u de tracks selecteren die u wilt opnemen.
AA
AA
A MARK SEARCH KNOPPEN
Met deze knoppen kunt u de song markers lokaliseren.
BB
BB
B MARK knop
Met deze knop kunt u markers maken tijdens het opnemen of tijdens het afspelen.
CC
CC
C LAST SEARCH IN/OUT knoppen
Met deze knoppen kunt u de laatste REC IN en OUT punten lokaliseren.
DD
DD
D SONG SEARCH knoppen
Met deze knoppen kunt u naar songs zoeken.
EE
EE
E Disc Transport knoppen
REHE - Met deze knop gaat u naar de Rehearse (oefen) mode. De REHE indicators knipperen
in oefenmode, en branden tijdens het oefenen.
REC - Met deze knop gaat u naar de Record mode. De REC indicators knipperen in Record
mode, en branden tijdens het opnemen.
PLAY - Met deze knop start u het normale afspelen, oefenen en opnemen. Hij kan ook het
oefenen en opnemen annuleren. In dat geval gaat het afspelen verder op het punt waar de
[PLAY] knop wordt ingedrukt. De PLAY indicators branden tijdens het afspelen, en knipperen
tijdens het pauzeren.
REVIEW - Met deze knop start u de review (m.a.w. het terug luisteren van de song in hogere
snelheid). Één druk op de knop speelt de song 2x sneller af, twee drukken 4x. De review
snelheid wordt getoond in de display: REV X2 of REV X4. U kunt heen-en-weer springen
tussen de twee review speeds door op de [REVIEW] knop te drukken. Review kan worden
begonnen vanuit stop, pause of afspeel omstandigheden.
FF CUE - Met deze knop start u de FF CUE (m.a.w. het vooruit luisteren van de song in hogere
snelheid). Één druk op de knop speelt de song 2x sneller af, twee drukken 4x. De review
snelheid wordt getoond in de display: FF X2 of FF X4. U kunt heen-en-weer springen tussen de
twee review speeds door op de [FF CUE] knop te drukken. Review kan worden begonnen
vanuit stop, pause of afspeel omstandigheden.
Tijdens gebruik van de review of FF CUE functie stopt de time counter zo nu en dan. Dit is
geen probleem.
STOP/TOC WRITE - Met deze knop kunt u het afspelen, review, cue, rehearsal en opnemen
stoppen. Hij wordt ook gebruikt bij het schrijven van TOC data naar disc als de MD4 niet loopt.
FF
FF
F ENTER knop
Met deze knop kunt u functies instellen.
G G
G G
G DATA -/+ knoppen
Met deze knop kunt u parameters instellen.
HH
HH
H EJECT knop
Met deze knop kunt u de disc eruit halen.
N.B. Als u op de eject knop drukt terwijl TOC EDIT in de display staat, komt de disc er niet uit.
Druk op [TOC WRITE] om de TOC te update’n, en haal dan de disc eruit.
Display

10
MD4 - Nederlandse Handleiding
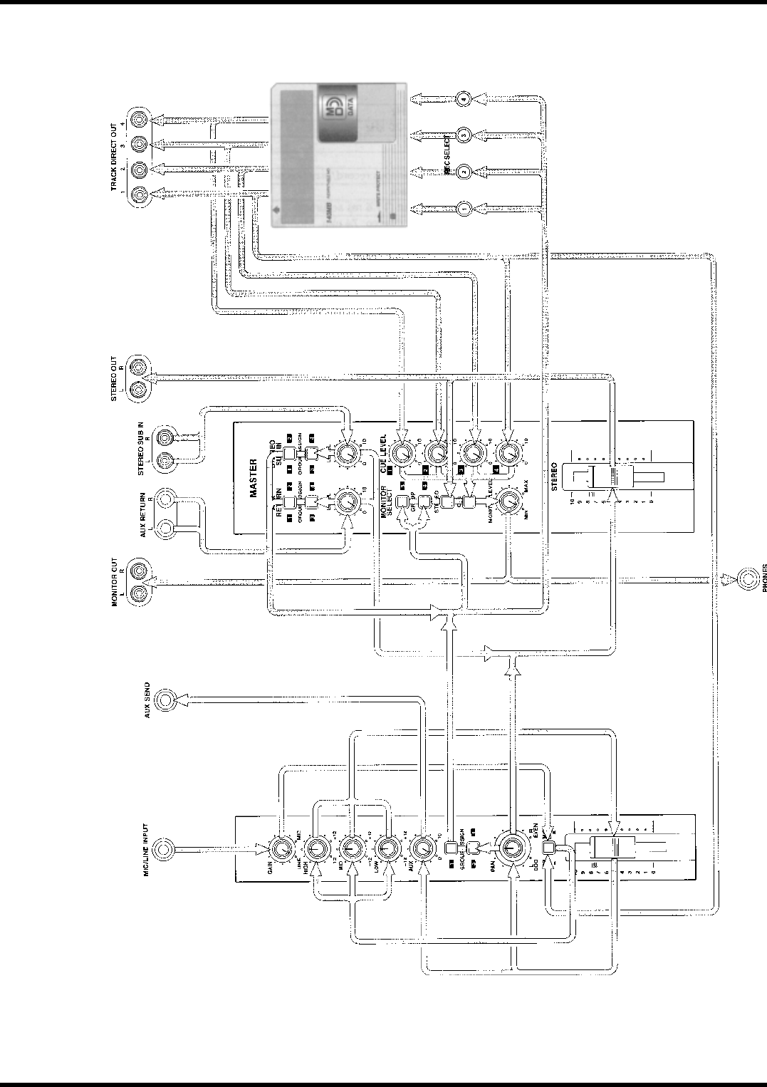
Aansluitingen Op de Bovenkant
11
11
1 STEREO SUB IN
Op deze phone jacks kunt u een andere mixer aansluiten zodat u meer input kanalen hebt. De
stereo signalen van de andere mixer kunnen vervolgens in de stereo mix van de MD4 gevoegd
worden of worden opgenomen op de MD4 tracks. Sluit deze aan op de stereo outputs van de
andere mixer.
22
22
2 STEREO OUT
Deze phone jacks kunnen worden aangesloten op een stereo master recorder om de uiteindelijke
mix op op te nemen. De master recorder zou een DAT recorder of cassettedeck kunnen zijn.
Sluit deze aan op de master recorder stereo inputs.
33
33
3 MONITOR OUT
Deze phone jacks sturen de monitor signalen naar een stereo monitor versterker en luidsprekers.
Dit zou een monitor versterker en luidsprekers of een hi-fi systeem kunnen zijn. Sluit deze aan
op de stereo inputs van de versterker. Het MONITOR OUT signaal is hetzelfde als het koptele-
foon signaal.
44
44
4 TRACK DIRECT OUTs
Deze phone jacks worden gebruikt om het disc afspeel signaal naar een andere mixer te sturen.
Dit is handig als u de MD4 gebruikt i.s.m. een grotere mixer. Sluit deze aan op de line inputs
van de andere mixer. Als er geen disc is geladen komt uit de DIRECT OUT het group signaal.
55
55
5 MIC/LINE INPUTs
Op deze 1/4-inch phone jacks kunt u microfoons, elektronische instrumenten en andere line
niveau bronnen aansluiten op de MD4.
66
66
6 AUX RETURN
Deze 1/4 -inch phone jacks worden gebruikt om het geprocesseerde stereo signaal van een
externe effect processor op terug te sturen. Het geprocesseerde signaal kan dan in de stereo mix
van de MD4 worden gemixt of worden opgenomen op de MD4 tracks. Sluit deze aan op de
stereo outputs van de effect processor.
77
77
7 AUX SEND
Deze 1/4-inch phone jack wordt gebruikt om het Aux Send signaal naar een externe effect
processor te sturen. Sluit deze aan op de input van de effect processor.
Door de MD4 Wandelen

11
MD4 - Nederlandse Handleiding
Aansluitingen Op de Voorkant
11
11
1 PHONES
Hier kunt u een koptelefoon op aansluiten om af te luisteren. Het koptelefoon signaal is hetzelfde
als het MONITOR OUT signaal.
22
22
2 PUNCH I/O
Hier kunt u een los verkrijgbare voetschakelaar op aansluiten , zoals de Yamaha FC5, zodat u
met uw voet het afspelen, oefenen, opnemen of inprikken kunt regelen.
Achterkant
OPGEPAST
OM EEN ELEKTRISCHE SCHOK TE
VOORKOMEN MOET U DE PLUG ER
VOLLEDIG INSTEKEN.
11
11
1 STROOM IN
Hier moet u het meegeleverde stroomsnoer op aansluiten.
22
22
2 AAN/UIT knop
Hier kunt u de MD4 aan- en uitzetten.
33
33
3 MIDI OUT
Via deze aansluiting kunt u MTC (MIDI Timecode) of MIDI Clock naar een MIDI sequencer
sturen om te synchronizeren. Sluit deze aan op de MTC of MIDI IN aansluiting van uw MIDI
sequencer.
Display

12
MD4 - Nederlandse Handleiding
De Eerste Sessie
3
In dit hoofdstuk wordt uitgelegd hoe u uw eerste sessie moet opnemen en mixen. Als dit de eerste
keer is dat u met een multitrack recorder werkt, raden we u aan om met dit hoofdstuk te beginnen
en alle procedures goed door te nemen. Als u dit hoofdstuk doorgewerkt hebt, kunt u verder gaan
met de opvolgende hoofdstukken, die de meer geavanceerde MD4 functies uitleggen en waarbij
een algemene kennis noodzakelijk is omtrent de MD4 en multitrack recording technieken.
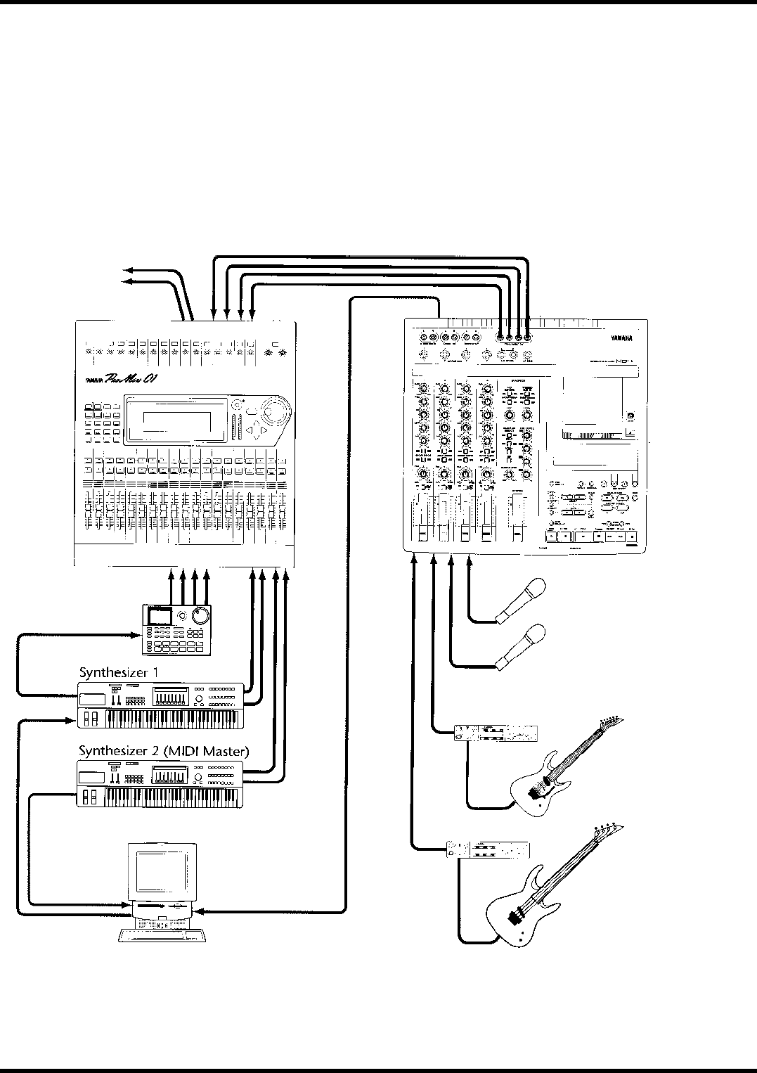
Snel Start Systeem
De volgende illustratie toont de algemene apparatuur die noodzakelijk is om te beginnen met
opnemen met de MD4.
De microfoon, synthesizer en gitaar zijn voorbeelden van klankbronnen die kunnen worden
aangesloten op de MD4. Om af te luisteren kunt u zowel een koptelefoon gebruiken als een monitor
versterker en luidsprekers. Ook zou u gebruik kunnen maken van uw normale hi-fi installatie. De
master recorder wordt gebruikt om de mix op op te nemen.
Gitaar Processor
Koptelefoon
Sluit aan op een
geschikt
stopcontact
Monitor Versterker
Monitors
Master Recorder
De Eerste Sessie

13
MD4 - Nederlandse Handleiding
Stroomsnoer Aansluiten
1. Sluit het meegeleverde stroomsnoer aan op de AC IN op de achterkant.
2. Steek de andere kant van het snoer in een geschikt stopcontact.
MD4 Aanzetten
1. Druk op de POWER knop achterop de MD4. De display wordt verlicht.
Om de MD4 uit te zetten moet u nog een keer op de POWER knop drukken.
Een Disc Laden
1. Druk op de EJECT knop om het disc compartiment te openen.
2. Doe de disc in het compartiment met de pijl naar voren.
De disc moet zonder tegenstand in het compartiment schuiven en op zijn plaats klikken. Als dit
niet het geval is moet u kijken of u de disc misschien hebt omgedraaid (pijl moet naar voren).
3. Doe het disc compartiment dicht.
Als een disc is geladen, leest de MD4 de TOC om te zien wat de disc bevat. Als het een nieuwe
disc is verschijnt [BLANK DISC]. Als de disc songs bevat verschijnt de disc titel een aantal
sekonden en scrollt vervolgens uit de display. Daarna wordt het aantal songs op de disc getoond,
bijvoorbeeld [TOTAL 004].
De eerste Track Opnemen
1. Sluit een geluidsbron aan op MIC/LINE INPUT 1.
2. Als u een line-niveau geluidsbron gebruikt moet u de GAIN knop op LINE
zetten (volledig naar rechts). Als u een microfoon aansluit moet u de GAIN in
het midden zetten. Later in deze procedure gaan we de GAIN knop nog
afstellen.
3. Zet de ingangskeuze schakelaar van Input Kanaal 1 op MIC/LINE.
4. Zet de GROUP ASSIGN [1-2] schakelaar op Input Kanaal 1.
Dit wijst het signaal van Kanaal 1 toe aan Tracks 1 en 2.
De volgende tabel toont de verhoudingen tussen Groups en Tracks.
Toegewezen aan Bestemming Tracks
Group 1 →Track 1
Group 2 →Track 2
Group 3 →Track 3
Group 4 →Track 4
5. Zet de PAN knop op L/ODD
Deze instelling stuurt het signaal alleen naar Track 1.
Het Stroomsnoer Aansluiten

14
MD4 - Nederlandse Handleiding
6. Druk op de MONITOR SELECT [1-3] schakelaar.
Dit zet de monitor source op Track 1.
7. Zet de MONITOR LEVEL knop in het midden.
8. Zet de fader van Kanaal 1 op 7-8.
Nu moet u de geluidsbron kunnen horen. Als dit niet het geval is moet u de voorgaande stappen
controleren..
9. Druk op de REC SELECT knop [1].
Een cirkel knippert rond track indicator 1.
10. Druk op de [REC] knop.
De REC indicator knippert, om de Record Pause mode aan te geven. Track 1 meter moet nu
uitslaan.
11. Stel nu de GAIN knop van kanaal 1 zo in dat het hardste gedeelte van het
geluid niet verder uitslaat dan -3. Als de meter verder uitslaat dan -3 in CLIP
moet u de GAIN knop iets terug zetten.
Het is belangrijk dat u het niveau goed instelt om een goed geluid te krijgen. Te lage niveaus
maken niet 100% gebruik van de dynamiek van de MD4, te hoge niveaus kunnen vervorming
veroorzaken.
Tip: Als het niveau van het geluid te veel variëert, en u geen optimale GAIN instelling kunt
maken, kunt u het signaal corrigeren met een externe compressor.
De MD4 is nu klaar om op te nemen. U hoeft alleen nog op de [PLAY] knop te drukken om te
beginnen met opnemen. Zorg er dus voor dat uw geluidsbron er klaar voor is. Wilt u de Record
Pause mode annuleren dan moet u op de [STOP] knop drukken.
12. Druk op de [PLAY] knop om te beginnen met opnemen.
Het opnemen begint en de time counter toont de opgenomen tijd.
13. Druk op [STOP] om te stoppen met opnemen.
U heeft nu uw eerste track opgenomen.
Luisteren Naar de Eerste Track
1. Druk op de LAST REC SEARCH [IN] knop.
Dit brengt u terug naar het punt waar de opname begon. Bij de eerste opname is dit altijd
00:00.00.
GROUP ASSIGN PAN Bestemming Groep/Track
De volgende tabel toont de verhoudingen tussen de PAN knop en de Groep/Tracks.
De Eerste Sessie

15
MD4 - Nederlandse Handleiding
2. Druk op de MONITOR SELECT [1-3] switch.
3. Druk op de [CUE] MONITOR SELECT switch.
4. Zet de CUE LEVEL 1 in het midden.
5. Druk op de [PLAY] knop om te beginnen met afspelen.
Nu moet u af kunnen luisteren wat u hebt opgenomen. Stel het CUE LEVEL 1 naar wens in. Als
u niets hoort moet u de voorgaande stappen controleren.
Overdubben
Overdubben is een techniek die we gebruiken om nieuwe tracks op te nemen terwijl we luisteren
naar de tracks die al opgenomen zijn. De volgende overdub procedure kan gebruikt worden om
Tracks 2, 3 en 4 op te nemen.
1. Zet de fader van het input kanaal dat we eerder hebben opgenomen op nul, en
zet de GROUP ASSIGN schakelaars op OFF.
2. Druk op de [REC SELECT] knop van de track die we net hebben opgenomen
zodat de track niet overschreven kan worden.
De knipperende cirkel rond de track indicator verdwijnt.
3. Druk op de LAST REC SEARCH [IN] knop.
Dit brengt u terug naar het punt waar de opname begon.
4. Sluit een geluidsbron aan op MIC/LINE INPUT 2, 3 of 4.
5. Als u een line-niveau geluidsbron op wilt nemen moet u de GAIN knop op
LINE (volledig naar rechts) zetten. Als u een microfoon aansluit moet de GAIN
knop in het midden. Later stellen we de GAIN knop nog beter af.
6. Druk op de [GROUP ASSIGN] schakelaar van het gebruikte kanaal.
Selecteer Group 2, 3 of 4. We hebben al op Track 1 opgenomen, dus Group 1 kan niet gebruikt
worden.
7. Wijs met de PAN knop het signaal aan de even/oneven group toe.
8. Druk op de [GROUP] MONITOR SELECT schakelaar van gebruikte group.
Dit zet de monitor source op de tracks die opgenomen gaat worden.
9. Zet de kanaal fader op het 7-8 punt.
Nu moet u de geluidsbron kunnen horen.
10. Druk op de [REC SELECT] knop van de track die u wilt opnemen.
Rondom het nummer van de geselecteerde track knippert een cirkel.
11. Druk op de [REC] knop.
De REC indicators knipperen om de Record Pause mode aan te geven. De meter slaat uit.
N.B. U kunt op de [REHE] knop drukken om de overdub te oefenen.
12. Zet de GAIN knop op het input kanaal zodat het hardste signaal de -3 positie
bereikt. Als de meter boven de -3 positie naar CLIP uitslaat moet u de GAIN knop
iets terugzetten.
13. Druk op de [PLAY] knop om te beginnen met opnemen (of oefenen).
Opnemen of oefenen begint en de time counter geeft de opgenomen tijd aan.
14. Gebruik de CUE LEVEL knoppen die corresponderen met de eerder opgenomen
Overdubben

16
MD4 - Nederlandse Handleiding
tracks, en wat u nu gaat opnemen.
15. Druk op de [STOP] knop om de opname (of oefening) te stoppen.
16. Druk op de LAST REC SEARCH [IN] knop.
Dit brengt u terug naar het punt waar de opname (of oefening) startte.
17. Druk op de [PLAY] knop om af te spelen wat u zojuist hebt opgenomen.
Als u zojuist de overdub hebt geoefend is er niets om af te spelen.
18. Stel het afluisterniveau van de tracks af met de CUE level knoppen.
Afmixen
Het afmixen is de laatste techniek in een multitrack opname. Op dit punt gaat u de geluiden van
alle tracks, met EQ en effecten, mixen in een gebalanceerde stereo mix en neemt u deze op op
een stereo master recorder, zoals een DAT, MiniDisc of cassette recorder.
1. Zorg er voor dat alle [GROUP ASSIGN] schakelaars uitstaan, inclusief de
MONITOR SELECT [GROUP] schakelaars.
2. Zet de input select schakelaar bij ieder kanaal op PB.
3. Zet de PAN knop van ieder input kanaal in het midden.
4. Zet de fader van ieder input kanaal en de STEREO fader op 7-8.
5. Druk op de MONITOR SELECT [STEREO] schakelaar en zet de MONITOR
LEVEL knop in het midden.
6. Lokaliseer het begin van de song met de Song Search knoppen.
Als het LAST REC IN punt nog steeds 00:00.00 is kunt u de LAST REC SEARCH [IN] knop
gebruiken. Ook kunt u gebruik maken van de MARK SEARCH knoppen.
7. Druk op de [PLAY] knop om te beginnen met afspelen.
U kunt nu alle vier de tracks af horen spelen. Als dit niet het geval is moet u de voorgaande
stappen controleren.
8. Mix en stel uw muziek als volgt af:
Balans niveaus - balanceer de niveaus van de vier tracks met de input channel faders.
Pan - Stel het stereobeeld van de geluiden af met de PAN knoppen.
EQ - Kleur het geluid met de drie-band equalizer voor iedere track.
Effecten - Voeg effecten van een externe effect processor in met de AUX SEND en AUX
RETURN functies. Zie Effecten Toevoegen op pag. 34 voor meer informatie.
Zie Mixen op pag. 63 voor een gedetailleerd overzicht in mix technieken.
9. Neem de Uiteindelijke Mix op op een stereo master recorder.
We zijn er! U heeft uw eerste sessie afgerond op de MD4.
De eerste Sessie

17
MD4 - Nederlandse Handleiding
Een Overzicht van Multitrack Opnemen
In dit gedeelte worden de fundamentele principes van multitrack opnamen beschreven.
Algemeen Multitrack’en
Afluisteren - Hiermee bedoelen we het luisteren naar een geluid op het moment dat het wordt
opgenomen, of het luisteren naar opgenomen geluiden tijdens het opnemen van nieuwe tracks.
Zie Over Afluisteren op pag. 18 voor meer informatie.
De Eerste Track Opnemen - de eerste track die wordt opgenomen is meestal de drumtrack.
Een drumtrack opnemen vóór andere instrumenten zorgt voor goeie timing en inzet. Als uw
song begint met meerdere instrumenten op de eerste tel is het misschien een goed idee om een
tijdelijke metronoom op te nemen op een andere track, die later gewist kan worden. Zie De
Eerste Track Opnemen op pag. 13 voor meer informatie.
Overdubben - Dit is de techniek waarbij nieuwe geluiden aan lege tracks worden toegevoegd
terwijl we luisteren naar de andere, al opgenomen, tracks. Het is een belangrijk gegeven dat
songs altijd track-voor-track worden opgenomen. Deze techniek wordt gebruikt in de meeste
moderne studio opnamen. Zie Overdubben op pag. 15 voor meer informatie.
Afmixen - Dit is de laatste techniek bij multitrack opnamen. Op dit punt gaat u de geluiden
van alle tracks, met EQ en effecten, mixen in een gebalanceerde stereo mix en neem u deze op
op een stereo master recorder, zoals een DAT, MiniDisc of cassette recorder. Zie Afmixen op
pag. 16 voor meer informatie.
Gavanceerd Multitrack’en
One Take Opnamen - Met deze techniek kunt u alle tracks in één opname registreren. Dit is
handig bij live opnamen en bij het opnemen van bands die met alle leden tegelijk willen opnemen.
Inprik en ping-pong technieken kunnen later worden gebruikt om gedeelten toe te voegen of
correcties aan te brengen. Zie One Take Opnamen op pag. 57 voor meer informatie.
In/Uitprikken - Met deze techniek kunt u bepaalde gedeelten op een track opnieuw opnemen.
Het wordt vaak gebruikt om een niet geheel perfecte gitaarsolo of zang gedeelte opnieuw op te
nemen. Het prikken kan geoefend worden alvorens de prik daadwerkelijk op te nemen. Prikken
kan met de hand of automatisch op de MD4, wat handig is als u moet zingen of spelen en
tegelijkertijd de MD4 moet bedienen. Zie Handmatig In/Uitprikken op pag. 21 voor meer
informatie.
Ping-Pong - Met deze techniek kunt u meerdere tracks mengen en op één track opnemen. Dit
wordt gedaan om tracks vrij te maken, die dan weer opgenomen kunnen worden. Dit betekent
dat, alhoewel de MD4 een vier-track recorder is, er m.b.v. de ping-pong techniek toch meerdere
tracks kunnen worden opgenomen. Ook kunt u ping-pong opnamen met overdub opnamen
combineren. U kunt bijvoorbeeld Tracks 1 en 2 mixen naar Track 4, samen met een
binnenkomend signaal van Input Kanaal 3. Ping-pong kan worden geoefend alvorens de take
daadwerkelijk op te nemen. Zie Ping-Pong Opnamen op pag. pag. 29 voor meer informatie.
Synchronisatie - Met deze techniek kunt u de MD4 en een MIDI sequencer samen laten
werken als één opname unit: de MD4 voor akoestische geluiden en de MIDI sequencer voor
MIDI instrumenten. Zie MD4 & MIDI op pag. 49 voor meer informatie.
De eerste Sessie

18
MD4 - Nederlandse Handleiding
De Eerste Sessie
Over Afluisteren
De MD4 is uitgerust met een flexibel afluister systeem, waarmee u signalen op verschillende
punten kunt afluisteren. U kunt geluiden afluisteren met een koptelefoon, aangesloten op de
PHONES jack, of met een monitor versterker en luidsprekers, aangesloten op de MONITOR
OUT jacks. Met de MONITOR SELECT schakelaars kunt u de monitor bron selecteren en met
de MONITOR LEVEL knop het volume afstellen.
GROUP - Met deze schakelaars selecteert u de Group bus als monitor bron. Hiermee kunt u
signalen afluisteren die zijn toegewezen aan de input kanalen, AUX RETURN of de STEREO
SUB IN naar tracks om opgenomen te worden. Gebruik deze schakelaars om af te luisteren wat
opgenomen gaat worden. Als u bijvoorbeeld geluiden van drie input kanalen tegelijkertijd op
één track opneemt, moet u naar de mix van de drie geluiden luisteren om een goede balans te
kunnen maken. Dit kunt u doen met de GROUP schakelaars.
Als alleen de [1-3] of [2-4] MONITOR SELECT GROUP schakelaar is ingedrukt, staat het
afluister signaal op mono. Dit zorgt er voor dat het signaal dat afgeluisterd wordt zowel in de
linker- als rechter luidspreker hoorbaar is. Dus zelfs als u een enkele group afluistert, hoort u
het geluid door beide luidsprekers. Als u zowel de [1-3] als de [2-4] indrukt staat het afluister
signaal op stereo. Zo kunt u dus stereo signalen afluisteren op Groepen 1 en 2, of groepen 3 en
4.
STEREO - Met deze schakelaar selecteert u de Stereo bus als afluisterbron. Hierdoor kunt u de
STEREO OUT signalen afluisteren, hetgeen meestal gebeurt tijdens het afmixen. Het kan ook
gebruikt worden om signalen af te luisteren die niet opgenomen hoeven te worden op de MD4,
zoals een MIDI toongenerator die wordt aangestuurd door een MIDI sequencer. In dit geval
wordt de toongenerator alleen afgeluisterd terwijl andere geluiden worden opgenomen op de
MD4. Vervolgens worden tijdens het afmixen de toongenerator geluiden gemengd met de
opgenomen geluiden van de MD4, en samen afgeleverd bij de stereo master recorder.
CUE - Met deze schakelaar selecteert u de CUE bus als monitor bron. Hierdoor kunt u track
signalen afluisteren. In tegenstelling tot andere afluisterbronnen verandert de CUE afluisterbron
zodra de MD4 gaat oefenen of opnemen. Tijdens normaal afspelen bijvoorbeeld kunt u met
CUE de geluiden horen die zijn opgenomen op disc. Als er niets is opgenomen valt er natuurlijk
niets af te luisteren. Als u echter begint met oefenen of opnemen, kunt u met CUE de geluiden
afluisteren die zijn toegewezen aan de tracks die opgenomen moeten worden. Het nut van deze
toepassing is nu misschien niet helemaal duidelijk, maar wordt wel duidelijk in de in/uitprik en
ping-pong opname gedeelten.
N.B. Alhoewel het mogelijk is om de GROUP, STEREO en CUE tegelijk af te luisteren, is het
mogelijk dat een bepaald signaal op twee punten afgeluisterd wordt in de signaalketen. Het is
daarom beter in het begin eerst gebruik te maken van één afluisterbron per keer.

19
MD4 - Nederlandse Handleiding
Opname & Mix Technieken4
In dit hoofdstuk worden MD4 opname- en mix technieken uitgelegd.
Het Opnemen Van een Nieuwe Song
Met de NEW REC functie kunt u nieuwe songs opnemen op disc. Songs worden om de beurt
opgenomen zoals hieronder getoond wordt. Als u bij een nieuwe disc op de [REC] knop drukt,
gaat u naar de New Record mode. Bij een disc die echter al een aantal songs bevat, moet u eerst
het Blank Top (leeg begin) gedeelte van een disc lokaliseren, zoals hieronder wordt uitgelegd.
Blank Top (leeg begin)
Leeg GedeelteSong 1 Song 2 Song 3 Leeg Gedeelte
Rec Mode Gebruikte Tracks Opname Tijd (in minuten)
Zoeken Naar de Blank Top (leeg begin)
Om de Blank Top te vinden moet u herhaaldelijk op de knop drukken tot BLANK TOP
verschijnt in de display. Als de BLANK TOP is gelokaliseerd, kunt u een nieuwe song opnemen
Aangezien niets is opgenomen bij de BLANK TOP, kunt u niet gebruik maken van de Play,
Review en FF CUE functies. Druk op de knop als u terug wilt keren naar de vorige song.
Als er nog lege ruimte is op de disc is het mogelijk op te nemen na het einde van een song. Dit
betekent dat songs langer gemaakt kunnen worden. Op het punt waar het lege gedeelte begint,
verschijnt NEW REC in de display. Om in/uit te prikken kunt u in de REMAIN Time Counter
mode zien hoeveel tijd er nog over is, inclusief het lege gedeelte. Bij het oefenen stopt de MD4
altijd aan het einde van een song.
Als u een song hebt gewist tussen twee andere songs in, is er een leeg gedeelte op de disc.
Zoeken naar de Blank Top lokaliseert het grootste lege gedeelte en die wordt vervolgens gebruikt
voor de nieuwe song. REMAIN (overblijvende) tijd wordt automatisch getoond.
Als u over een bestaande song heen schrijft is de totaal opgenomen tijd even groot als de totale
tijd van de overschreven song. Als de volgende bestaande song echter wordt gewist is de totale
tijd van de nieuwe opname de som van beide songs. Bijvoorbeeld Song 1 is drie minuten en
Song 2 is twee minuten. Het wissen van Song 2 biedt 5 minuten extra opnametijd.
De Opname Mode Instellen
In de volgende tabel worden de drie MD4 opname modes getoond. Songs op dezelfde disc
kunnen worden opgenomen in verschillende modes, maar u kunt de mode niet wijzigen tijdens
het opnemen. Door deze modes gebruikt u de discruimte efficiënt. Audio kwaliteit is hetzelfde
in alle drie de modes.
N.B. Al lijkt de 2TR Recording mode op de stereo mode die gebruikt wordt door Mini-Discs,
kunnen MD DATA discs opgenomen in 2TR mode niet afgespeeld worden op MiniDisc Spelers.
1. Om de Recording mode in te stellen moet u op de [UTILITY] knop drukken
en met de en knoppen de Rec Mode functie selecteren.
Opname en Mix Technieken

20
MD4 - Nederlandse Handleiding
2. Druk op de [ENTER] knop.
In de display staat
3. Selecteer met de en knoppen een Recording mode.
4. Druk op de [UTILITY] knop om de Rec Mode functie te verlaten.
Opnemen
1. Druk op de [REC] knop om naar de Record Pause mode te gaan.
In de display staat het nummer van de nieuwe song en Dit is de Record Pause mode.
In eerste instantie zijn alle tracks die kunnen worden opgenomen in de huidige Recording
mode geselecteerd, zoals aangegeven wordt door de knipperende cirkels rond de track indicators.
U kunt niet alle tracks deselecteren om opgenomen te worden. Één track moet minstens
geselecteerd zijn.
2. Selecteer tracks om op te nemen met de REC SELECT knoppen.
U kunt de resterende opnametijd controleren met de REMAIN Time Counter mode. Druk
herhaaldelijk op de [TIME DISPLAY] knop tot REMAIN verschijnt in de display.
3. Druk op de [PLAY] knop om de opname te starten.
De opname begint en de Time Counter begint met tellen.
4. Als u klaar bent moet u op de [STOP] knop drukken.
Het opnemen stopt. Opnemen stopt automatisch als de beschikbare discruimte op is.
5. Druk op [TOC WRITE] om de TOC te updaten.
De TOC is ge-update.
Titels Geven Aan Discs & Songs
Als een disc met een titel voor de eerste keer in de MD4 wordt geladen, verschijnt de titel een
aantal sekonden in de display en scrollt dan links het beeld uit. Als een song met een titel is
geselecteerd, verschijnt de titel naast het songnummer. Titels maken het makkelijker discs en
songs te identificeren.
1. Druk op de [UTILITY] knop en selecteer de Text functie met de en
knoppen.
2. Druk op de [ENTER] knop.
3. Selecteer de disc titel (DSC) of een song met de [-] en [+] DATA knoppen.
4. Druk op de SELECT knop.
5. Kies de lettertekens met de [-] en [+] DATA knoppen en zet de cursor op de
juiste plek met de en SELECT knoppen.
De volgende lettertekens zijn beschikbaar:
Opname & Mix Technieken
Er zijn spaties beschikbaar tussen rijen lettertekens. Wis lettertekens met de [CLEAR] knop.
6. Druk op [TOC WRITE] om de TOC te updaten.

21
MD4 - Nederlandse Handleiding
Met de Hand In/Uitprikken
Met de Hand In/Uitprikken
Met in/uitprik technieken kunt u bepaalde gedeelte van een track opnieuw opnemen. Zo kunt u
fouten corrigeren of nieuwe dingen opnemen in lege gedeelten. Als u zelf de MD4 bedient en
het gedeelte wilt inzingen of inspelen, is het makkelijker om de Auto Punch In/Out functie
(automatisch in/uitprikken) te gebruiken, die de prik automatisch uitvoert. Zie Automatisch In/
Uitprikken op pag. 24 voor meer informatie.
Met de hand in/uitprikken kan op drie manieren plaats vinden: 1) met de [REC] knop. 2) met de
individuele [REC SELECT] knoppen. 3) met een los verkrijgbare voetswitch. De oefenfunctie
werkt ook op deze drie manieren.
Met de REC Knop
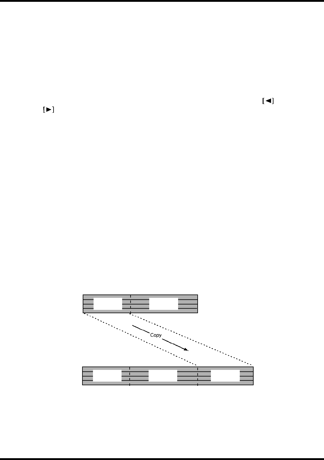
1. Lokaliseer een positie voor het punt waar u in wilt prikken.
2. Druk op de [REC SELECT] knop van de track die u wilt opnemen.
Een cirkel knippert rond de corresponderende track indicator.
3. Druk op de [PLAY] knop om te beginnen met afspelen.
Het afspelen start en de PLAY indicators gaan branden.
4. Druk, op het punt waar u wilt beginnen met opnemen, op de [REC] knop.
Het opnemen begint. De REC indicators gaan branden. De cirkel rond de track indicators stoppen
met knipperen en gaan branden. En de LAST REC IN indicator gaat branden om aan te geven
dat het IN punt is opgeslagen.
Als u de track afluistert via CUE hoort u het reeds opgenomen geluid afspelen tot de [REC]
knop wordt ingedrukt. Daarna hoort u het nieuwe geluid wat u opneemt.
In plaats van de [REC] knop had u ook de [REHE] knop in kunnen drukken om naar de Rehearse
(=oefen) mode te gaan. In de Rehearse mode kunt u eerst een oefenrun doen alvorens
daadwerkelijk op te nemen. In Rehearse mode gaan de REHE indicators branden, niet de REC
indicators.
5. Druk op het punt waar u uit wil prikken op de [PLAY] knop.
Het opnemen stopt. De REC indicators gaan uit. De cirkel rond de track indicator knippert. En
de LAST REC OUT indicator gaat branden om aan te geven dat het OUT punt is opgeslagen.
Door de CUE monitor hoort u het reeds opgenomen geluid weer afspelen.
6. Druk op de [STOP] knop om te stoppen met afspelen.
De volgende illustratie toon hoe het in/uitprikken werkt met de [REC] knop.
In Punt Uit Punt

22
MD4 - Nederlandse Handleiding
Met de REC SELECT knoppen
1. Lokaliseer een punt voor het punt waar u wilt prikken.
2. Zorg er voor dat alle track indicators uitstaan (geen geselecteerde tracks).
3. Druk op de [REC] knop.
De REC indicators knipperen, om aan te geven dat u in de Record Pause mode bent.
I.p.v. op de [REC] knop te drukken kunt u ook op de [REHE] knop drukken zodat u naar de
Rehearse Pause mode gaat. In de Rehearse mode kunt u eerst een oefenopname doorlopen
alvorens daadwerkelijk op te nemen. De rest van de procedure werkt ook met de Rehearse
functie. U moet dan echter de [REHE] indicators gebruiken i.p.v. de [REC] indicators.
4. Druk op de [PLAY] knop om te beginnen met afspelen.
Het afspelen begint en de PLAY indicators gaan branden. De REC indicators blijven knipperen
om aan te geven dat u in de Play Record Wait mode bent.
5. Op het punt waar u wilt inprikken moet u op de [REC SELECT] knop drukken.
Het opnemen begint. De REC indicators gaan branden. De cirkel rond de track indicators stoppen
met knipperen en gaan branden. En de LAST REC IN indicator gaat branden om aan te geven
dat het IN punt is opgeslagen.
Als u de track afluistert via CUE hoort u het reeds opgenomen geluid afspelen tot de [REC]
knop wordt ingedrukt. Daarna hoort u het nieuwe geluid wat u opneemt.
6. Druk op het punt waar u uit wil prikken op de [PLAY] knop.
Het opnemen stopt. De REC indicators gaan uit. De cirkel rond de track indicator knippert. En
de LAST REC OUT indicator gaat branden om aan te geven dat het OUT punt is opgeslagen.
Door de CUE monitor hoort u het reeds opgenomen geluid weer afspelen.
I.p.v. op de [PLAY] knop te drukken kunt u ook op de [REC SELECT] knop drukken om uit te
prikken. In dat geval blijft de MD4 in Play Record Wait mode, zodat u nog eens kunt inprikken
met de [REC SELECT] knoppen.
7. Druk op de [STOP] knop om te stoppen met afspelen.
De volgende illustratie toon hoe het in/uitprikken werkt met de [REC] knop.
Opname & Mix Technieken
In Punt Uit Punt

23
MD4 - Nederlandse Handleiding
Met de Hand In/Uitprikken
Een Voetschakelaar Gebruiken
1. Sluit een los verkrijgbare voetschakelaar aan op de PUNCH I/O jack.
2. Lokaliseer een positie voor de plek waar u wilt inprikken.
3. Druk op de [REC SELECT] knop van de track die u wilt opnemen.
Een cirkel knippert rond de corresponderende track indicator.
4. Druk op de [REC] knop.
De REC indicators knipperen om aan te geven dat u in de Record Pause mode bent.
5. Druk op de voetschakelaar om te beginnen met afspelen.
Het afspelen begint en de PLAY indicators gaan branden. De REC indicators blijven knipperen.
6. Trap nog een keer op de voetschakelaar op het punt waar u in wilt prikken.
Het opnemen begint. De REC indicators gaan branden. De cirkel rond de track indicators stoppen
met knipperen en gaan branden. En de LAST REC IN indicator gaat branden om aan te geven
dat het IN punt is opgeslagen.
Als u de track afluistert via CUE hoort u de reeds opgenomen geluiden terug tot de voetschakelaar
wordt ingetrapt. Daarna hoort u het nieuwe geluid dat wordt opgenomen.
7. Trap nog een keer op de voetschakelaar op het punt waar u uit wilt prikken.
Het opnemen stopt. De REC indicators gaan uit. De cirkel rond de track indicators gaat knipperen.
En de LAST REC OUT indicator gaat branden om aan te geven dat het OUT punt is opgeslagen.
8. Trap nog een keer op de voetschakelaar om naar de Pause mode te gaan.
9. Druk op de [STOP] knop om te eindigen.
De volgende illustratie toont hoe het inprikken werkt met een voetswitch.
In Punt Uit Punt
Een voetschakelaar is ook in staat andere MD4 functies aan te sturen. Zie Voetschakelaar
Gebruiken op pag. 33 voor meer informatie.

24
MD4 - Nederlandse Handleiding
Opname & Mix Technieken
Automatisch In/Uitprikken
De Auto Puch In/Out functie automatiseert de in/uitprik procedure, zodat u zich kunt concentreren
op het zingen of het spelen. Automatisch In/Uitprikken gebeurt aan de hand van de LAST REC
IN en OUT punten, dus moet u deze punten eerst instellen. Heeft u ze eenmaal ingesteld kunt u
deze punten net zo vaak als u wilt, achter elkaar, oefenen.
De In/Uit Punten “On-the-Fly (onder het opnemen) Instellen
1. Lokaliseer een positie voor het punt waar u wilt inprikken.
2. Druk op de [REC SELECT] knop van de track die u wilt opnemen.
Een cirkel knippert rond de corresponderende track indiactor.
3. Druk op de [PLAY] knop om te beginnen met afspelen.
Het afspelen begint en de PLAY indicator gaat branden.
4. Druk op de [REHE] knop op het punt waar u het IN punt in wilt stellen.
De IN indicator verschijnt, om aan te geven dat het IN punt is ingesteld, en de REHE indicator
gaat branden. Het afspelen gaat door.
5. Druk op de [REHE] knop op het punt waar u het OUT punt in wilt stellen.
De OUT indicator verschijnt, om aan te geven dat het OUT punt is ingesteld, en de REHE
indicator gaat uit. Het afspelen gaat door.
6. Druk op de [STOP] knop om te stoppen met afspelen.
De volgende illustratie toont hoe de IN en OUT punten zijn ingesteld.
In Punt Uit Punt
De posities van de LAST REC IN en OUT punten kunnen met de hand worden gewijzigd
m.b.v. de Adjust functie. Zie het Afstellen van Markers op pag. 38 voor meer informatie.
Een Andere Manier Om de IN/OUT Punten Af Te Stellen
De IN en OUT punten kunnen ook worden ingesteld als de MD4 stilstaat of in Pause staat door
op de LAST REC SEARCH [IN] of LAST REC SEARCH [OUT] knop te drukken tot STORED
verschijnt in de display. Normaal gesproken lokaliseert de MD4 het IN of OUT punt als deze
knoppen worden ingedrukt.
De bovenstaande procedure kan ook gebruikt worden om de IN en OUT punten in te stellen
voor de Off Line Punch functie. Zie Track-naar-Track Kopiëren op pag. 47 voor meer informatie.

25
MD4 - Nederlandse Handleiding
Automatisch In/Uitprikken
Automatische Inprik Oefenen (Rehearse)
1. Druk op de [REC SELECT] knop van de track die u wilt opnemen.
Een cirkel knippert rond de corresponderende track indicator.
2. Druk op de [AUTO PUNCH I/O] knop.
Het Pre-Roll punt wordt automatisch gelokaliseerd en de PRE indicator knippert. De REHE
indicators knipperen en in de display staat De AUTO PUNCH en POST indi-
cators verschijnen. Dit is de Auto Punch Rehearse Standby mode.
Als u de track afluistert met CUE hoort u het geluid dat is toegewezen aan de geselecteerde
track.
Als u het automatisch in/uitprikken herhaaldelijk wilt oefenen moet u op de [REPEAT] knop
drukken. In de display verschijnt REPEAT.
3. Druk op de [PLAY] knop om de Automatische In/Uitprik sequence te beginnen.
Het afspelen begint en de PLAY indicators gaan branden. De REHE indicators blijven knipperen
om aan te geven dat u in de Play Rehearse mode bent.
Op het gespecificeerde IN punt begint de inprik (het oefenen). De REHE indicators stoppen
met knipperen en gaan branden. De IN indicator verschijnt.
Als u de track afluistert met CUE hoort de reeds opgenomen geluiden tot het IN punt. Daarna
hoort u het geluid dat u opneemt.
Op het gespecificeerde OUT punt begint de uitprik (het oefenen stopt). De REHE indicators
gaan uit en de OUT indicator verdwijnt.
Het afspelen gaat door tot het Post-Roll punt. Daarna wordt automatisch het Pre-Roll punt
gelokaliseerd en wacht de MD4 in Auto Punch Rehearse Standby mode. U kunt nu nog een
keer op de [PLAY] knop drukken voor een nieuwe oefening of door gaan naar het volgende
gedeelte om de In/Uitprik echt uit te voeren.
Als u in Stap 2 op de [REPEAT] knop had gedrukt, blijft de MD4 de Automatisch In/Uitprik
procedure uitvoeren tot u op de [STOP] knop drukt.
De volgende illustratie toont de Auto Punch Rehearse volgorde.
Pre-Roll Punt In Punt Uit Punt Post-Roll Punt

26
MD4 - Nederlandse Handleiding
Opname & Mix Technieken
De Automatische Inprik Daadwerkelijk Uitvoeren
1. Druk op de [REC SELECT] knop van de track die u wilt opnemen.
Een cirkel knippert rond de corresponderende track indicator.
2. Druk op de [AUTO PUNCH I/O] knop.
Het Pre-Roll punt wordt automatisch gelokaliseerd en de PRE indicator knippert. De REHE
indicators knipperen en in de display staat De AUTO PUNCH en POST indi-
cators verschijnen. Dit is de Auto Punch Rehearse Standby mode.
3. Druk op de [REC] knop.
De REC indicators knipperen en in de display staat
Dit is de Auto Punch Record Standby mode.
Als u de track afluistert met CUE kunt u het geluid horen dat aan de geselecteerde track is
toegewezen.
4. Druk op de [PLAY] knop om de Auto Punch In/Out procedure te starten.
Het afspelen begint en de PLAY indicators gaan branden. De REC indicators blijven knipperen
om aan te geven dat u in de Play Record Wait mode bent.
Op het gespecificeerde IN punt vindt de inprik plaats (het opnemen begint). De REC indicators
stoppen met knipperen en gaan branden. De IN indicator verschijnt.
Als u de track afluistert met CUE kunt u de reeds opgenomen geluiden terughoren tot het IN
punt. Daarna hoort u het geluid wat u op wilt nemen.
Op het gespecificeerde OUT punt vindt de uitprik plaats (het opnemen stopt). De REC indicators
gaan uit en de OUT indicator verdwijnt.
Het afspelen gaat door tot het Post-Roll punt. Hierna wordt automatisch het Pre-Roll punt
gelokaliseerd en wacht de MD4 in Play Pause mode. U kunt de opname beluisteren door op de
[PLAY] knop te drukken.
De volgende illustratie toont de Auto Punch Record sequence.
Pre-Roll Punt In Punt Uit Punt Post-Roll Punt

27
MD4 - Nederlandse Handleiding
Automatisch In/Uitprikken
Automatisch Prikken Met een Voetswitch
U kunt met een los verkrijgbare voetschakelaar de Automatische In/Uitprik volgorde starten.
1. Druk op de [REC SELECT] knop van de track die u wilt opnemen.
Een cirkel knippert om de corresponderende track indicator.
2. Druk op de [AUTO PUNCH I/O] knop.
Het Pre-Roll punt wordt automatisch gelokaliseerd en de PRE indicator knippert. De REHE
indicators knipperen en in de display staat De AUTO PUNCH en POST indi-
cators verschijnen. Dit is de Auto Punch Rehearse Standby mode.
3. Druk op de [REC] knop.
De REC indicators knipperen en in de display staat
Dit is de Auto Punch Record Standby mode.
4. Druk op de voetschakelaar om de Auto Punch In/Out volgorde te starten.
Het afspelen begint en de PLAY indicators gaan branden. De REC indicators blijven knipperen,
om aan te geven dat u in de Play Record Wait mode bent.
Op het gespecificeerde IN punt vindt de inprik plaats (het opnemen begint). De REC indicators
stoppen met knipperen en gaan branden. De IN indicator verschijnt.
Als u de track afluistert met CUE kunt u de reeds opgenomen geluiden terughoren tot het IN
punt. Daarna hoort u het geluid wat u op wilt nemen.
Op het gespecificeerde OUT punt vindt de uitprik plaats (het opnemen stopt). De REC indicators
gaan uit en de OUT indicator verdwijnt.
Het afspelen gaat door tot het Post-Roll punt. Hierna wordt automatisch het Pre-Roll punt
gelokaliseerd en wacht de MD4 in Play Pause mode. U kunt de opname beluisteren door op de
[PLAY] knop te drukken.
De volgende illustratie toont de Auto Punch Record volgorde met een voetswitch.
Pre-Roll Punt In Punt Uit Punt Post-Roll Punt

28
MD4 - Nederlandse Handleiding
Opname & Mix Technieken
Het instellen van de Pre-Roll & Post-Roll Tijden
Pre-Roll en Post-Roll worden gebruikt i.s.m.de Automatische In/Uitprik functie. Pre-Roll slaat
op de tijd voor het IN punt waar het afspelen begint. Post-Roll slaat op de tijd na het OUT punt
waar het afspelen stopt. De default (standaard) tijd van zowel de Pre- als Post-Roll tijd is 5
sekonden. U kunt deze waarden echter onafhankelijk wijzigen met de PrePost Roll functie,
zoals hieronder wordt uitgelegd. Deze instellingen worden overigens niet opgeslagen als u de
MD4 uitzet.
Pre-Roll Punt Post-Roll Punt
Pre-Roll Tijd Post-Roll Tijd
1. Druk op de [UTILITY] knop en selecteer de PrePost Roll functie met de
en knoppen.
2. Druk op de [ENTER] knop.
In de display staat
3. Zet de Pre-Roll tijd op 0-9 sekonden met de [-] en [+] DATA knoppen.
4. Druk op de [ENTER] knop.
In de display staat
5. Zet de Post-Roll tijd op 0-9 sekonden met de [-] en [+] DATA knoppen.
6. Druk op de [UTILITY] knop om te eindigen.

29
MD4 - Nederlandse Handleiding
Ping-Pong Opnamen
Ping-Pong Opnamen
De ping-pong opname techniek wordt gebruikt om tracks vrij te maken voor nieuwe opnamen.
Dit kan gerealiseerd worden door één of meer bestaande tracks naar een ongebruikte track te
mixen en op te nemen. De betreffende tracks kunnen dan weer opnieuw opgenomen worden.
Al is de MD4 een vier-track recorder, kunnen er toch meer dan vier tracks opgenomen worden.
Het enige nadeel is dat de tracks na het samenvoegen niet meer individueel gemixed kunnen
worden. U kunt echter tijdens het mixen de niveaus en de EQ naar wens instellen. De volgende
illustratie toont de ping-pong techniek.
Track 4
Track 3
Track 2
Track 1
Track 4
Track 3
Track 2
Track 1
Op tape gebaseerde multitrackers hadden altijd minimaal één ongebruikte track nodig om te
kunnen ping-pongen. De MD4 kan echter vier tracks ping-pongen. U kunt dus alle vier de
tracks opnemen, en deze vervolgens naar één van deze tracks ping-pongen. Dit is mogelijk
omdat de MD4 audio data van een track kan lezen alvorens er nieuwe data op te schrijven. Als
de ping-pong handeling echter klaar is, is de vorige audio data in de betreffende track gewist. U
kunt ping-pong handelingen echter oefenen. De volgende illustratie toont vier tracks die afspelen
met ping-pong.
Track 4
Track 3
Track 2
Track 1
Track 4
Track 3
Track 2
Track 1
Bron
Tracks
Bestemming Tracks
Bron
Tracks
Bestemming Tracks

30
MD4 - Nederlandse Handleiding
Opname & Mix Technieken
Ping-Pong Voorbereiden
1. Druk op de SONG SEARCH knop om het begin van de song te vinden.
2. Zet de input select schakelaars van de bron track op PB.
Dit stelt het disc afspeel signaal als de bron voor kanalen in.
3. Zet de fader van de bron kanalen op 7-8.
4. Wijs de signalen aan de bestemming track toe met de ASSIGN schakelaars
en PAN knoppen van de bron track kanalen.
Zie Opnemen Van de Eerste Track op pag. 13 voor meer informatie over het gebruik van de
ASSIGN schakelaars en PAN knoppen.
5. Druk op de [REC SELECT] knop van de bestemming track.
Een cirkel knippert rond de corresponderende track indicator.
6. Druk op de MONITOR SELECT [GROUP] schakelaar van de bestemming
track.
Dit zet de afluister bron op de bestemming track.
7. Zet de MONITOR LEVEL knop op de gewenste stand.
De Ping-Pong Oefenen
8. Druk op de [REHE] knop.
De REHE indicators knipperen.
9. Druk op de [PLAY] knop om het oefenen te beginnen.
Het oefenen begint en de PLAY indicators gaan branden. De REHE indicators stoppen met
knipperen en gaan nu branden.
U moet nu de gecombineerde bron tracks kunnen afluisteren.
10. Balanceer, indien noodzakelijk, de niveaus en pas EQ toe.
Om de individuele tracks af te luisteren moet u de MONITOR SELECT [CUE] knop indrukken
en gebruik maken van de individuele CUE LEVEL knoppen.
De Ping-Pong Daadwerkelijk Uitvoeren
11. Druk op de SONG SEARCH knop om het begin van de song te vinden.
12. Druk op de [REC] knop.
De REC indicators knipperen.
13. Druk op de [PLAY] knop om te beginnen met opnemen.
De ping-pong handeling start en de PLAY indicators gaan branden. De REC indicators stoppen
met knipperen en gaan branden.
14. Als de song klaar is moet u op de [STOP] knop drukken.

31
MD4 - Nederlandse Handleiding
Ping-Pong met Overdub
De Ping-Pong Handeling Controleren
15. Druk op de SONG SEARCH knop om het begin van de song te
vinden.
16. Druk op de MONITOR SELECT [GROUP] schakelaar die u eerder hebt
ingedrukt om de bestemmingstrack af te luisteren.
17. Druk op de MONITOR SELECT CUE switch.
18. Zet de CUE LEVEL knop die correspondeert met de bestemming track in
het midden.
19. Druk op de [PLAY] knop om te beginnen met afspelen.
Ping-Pong met Overdub
U kunt de ping-pong techniek combineren met overdub opnamen. Hierdoor wordt het mogelijk
om tracks te ping-pongen en tegelijkertijd een nieuw geluid op te nemen. In de volgende illustratie
worden Tracks 1, 2 en 3 naar Track 4 geping-ponged samen met een nieuw geluid dat komt van
input kanaal 4.
Track 4
Track 3
Track 2
Track 1
Track 4
Track 3
Track 2
Track 1
Bron Tracks
Overdub Bron
Bestemming Track
1. Sluit een geluidsbron aan op een ongebruikt kanaal (eentje die niet gebruikt
wordt door een bestaande bron track).
2. Stel de GAIN knop naar wens in.
3. Zet de input select schakelaar op MIC/LINE.
4. Zet de fader op 7-8.
5. Maak gebruik van de ASSIGN schakelaars en PAN knop om het signaal aan
de bestemmingstrack toe te wijzen.
6. Ga verder met
het Voorbereiden van Ping-Pong
op pag. 30.
Balanceer, tijdens het oefenen, de niveaus van de nieuwe bron met de bestaande tracks.

32
MD4 - Nederlandse Handleiding
Opname & Mix Technieken
Pitch (toonhoogte)
Met de Pitch functie kunt u de toonhoogte van het afspelen en opnemen afstellen. De pitch kan
±6% gewijzigd worden. Normaal geproken staat de Pitch echter op fixed (vast), hetgeen betekent
dat de pitch vast staat in één stand, voor normale bediening.
Zie Pitch op pag. 62 voor meer geavanceerde toepassingen van de Pitch functie.
Als normal pitch is geselecteerd staat er PITCH FIX in de display. Als variabele pitch is
geselecteerd staat er PITCH VARI.
Pitch Wijzigen
1. Druk op de [PITCH] knop.
In de display staat
2. Druk op de SELECT knop om VARI te selecteren.
VARI verschijnt in de display.
3. Wijzig de pitch met de [-] en [+] DATA knoppen.
Druk op de [CLEAR] knop om de pitch op 0.0% te zetten.
4. Druk op de [PITCH] knop als u klaar bent.
Het opnemen en afspelen gebeurt nu op de gespecificeerde toonhoogte. Om de pitch wijziging
te bereiken speelt de MD4 gewoon langzamer af om de toonhoogte te verlagen, en sneller af
om de toonhoogte te verhogen. Als u iets dus opneemt op een afwijkende pitch, moet u deze
ook afspelen op een andere snelheid. Vergeet dit niet.
Tip: Als u klaar bent met het opnemen op een andere snelheid, moet u niet vergeten de pitch
terug te zetten naar normal (Fix). Anders neemt iets anders misschien ook op de verkeerde
snelheid op.
De Pitch Resetten
1. Druk op de [PITCH] knop.
2. Druk op de SELECT knop om Fix te selecteren.
Fix verschijnt in de display.
3. Druk op de [PITCH] knop.
Het afspelen en opnemen gebeurt nu weer op de normale snelheid.

33
MD4 - Nederlandse Handleiding
Een Voetschakelaar Gebruiken
Een Voetschakelaar Gebruiken
Met een los verkrijgbare voetschakelaar kunt u de MD4 besturen. Afgezien van een aantal
kleine verschillen, is het bedienen van de voetschakelaar in principe hetzelfde als het indrukken
van de MD4 [PLAY] knop. U kunt de voetschakelaar aan de voorkant van de MD4 bij de
PUNCH I/O jack aansluiten.
Het volgende is een opsomming van voetschakelaar handelingen:
Normaal afspelen: Play Pause → Play → Play Pause → Play →
Automatisch In/Uitprikken: Record Pause → Play Record Wait → Record→
Play Pause →
Nieuwe Opname: New Record Pause → New Record → Stop→
De volgende tabel toont voetschakelaar handelingen voor alle MD4 modes. Het toont ook de
status van de REHE, REC en PLAY indicators van de verschillende modes.
Aan Knipperend
Mode Ervoor Mode Erna
1. [PAUSE] knop bediening.
2. Alleen effectief als er een [REC SELECT] knop is ingedrukt.
3. [STOP] knop bediening.
4. Na het lokaliseren van het Pre-Roll punt, begint de Auto Punch In/Out volgorde.
Bij de los verkrijgbare Yamaha FC5 Voetschakelaar wordt de handeling uitgevoerd
zodra de voetschakelaar wordt ingedrukt, niet wanneer hij wordt losgelaten. Dit kan
echter afwijken bij het gebruik van andere voetschakelaars.

34
MD4 - Nederlandse Handleiding
Opname & Mix Technieken
Effectprocessor Gebruiken
U kunt een externe effect processor aansluiten op de AUX SEND en AUX RETURN, en de
MD4 signalen voorzien van effecten. Effecten kunnen worden toegepast tijdens het opnemen,
tijdens ping-pong of tijdens het afmixen. Normaal gesproken wordt er vooral gebruik gemaakt
van reverb en delay effecten met deze aansluiting.
Met de input kanaal AUX knoppen kunt u signaal naar de effect processor sturen. Het gepro-
cesseerde signaal wordt vervolgens teruggestuurd naar de MD4 en gemixt met het originele,
ongeprocesseerde signaal om een bepaalde balans te bereiken alvorens een track op te nemen,
of naar de master recorder tijdens het afmixen.
Het signaal van de AUX knop wordt afgetakt na de fader. Dus u moet niet alleen de AUX knop
hoger zetten, maar ook de fader. Dit heeft als voordeel dat het niveau van het ongeproces-
seerde signaal tegelijk wordt bestuurd met het ongeprocesseerde signaal dat wordt bestuurd
door de fader.
1. Sluit de MD4 AUX SEND jack aan op de input van de effectprocessor.
2. Sluit de MD4 AUX RETURN jacks aan op de stereo outputs van de effect-
processor.
Het linker AUX RETURN signaal wordt gevoed door de Linker Stereo bus en Groups 1 en 3.
Het rechter AUX RETURN signaal wordt gevoed door de Rechter Stereo bus en Groups 2 en 4.
Dus als u het geprocesseerde signaal tijdens het afmixen zowel naar het linker- als rechter-
kanaal wilt sturen tijdens het afmixen, of beide oneven en even groepen tijdens het opnemen
van tracks, moet u beide AUX RETURN jacks aansluiten.
De volgende illustratie toont hoe u een externe effect processor moet aansluiten op de MD4.
Andere apparatuur hebben we voor de duidelijkheid even niet afgebeeld.
Effecten Gebruiken Tijdens het Afmixen
1. Om een signaal naar de effect processor te sturen, moet u de input kanaal
fader op 7-8 zetten en de AUX knop opendraaien.
Het signaal van het input kanaal wordt naar de effect processor en de Stereo Bus gestuurd.

35
MD4 - Nederlandse Handleiding
Effecten Gebruiken
2. Stel de effect processor naar wens in.
3. Om het geprocesseerde signaal terug te krijgen in de stereo mix, moet u aan
de AUX RETURN LEVEL knop draaien.
Balanceer het geprocesseerde signaal en het droge, ongeprocesseerde signaal dat direct van het
input kanaal komt met de AUX RETURN LEVEL knop. Stel het signaal van het ongepro-
cesseerde signaal af met de input kanaal fader.
U kunt hetzelfde effect toepassen op de andere kanalen m.b.v. de corresponderende AUX
knoppen.
Effecten Toepassen Tijdens het Opnemen
1. Om een input kanaal naar de effect processor te sturen, moet u de fader op
7-8 zetten en de AUX knop opendraaien.
Het input signaal wordt naar de effect processor gestuurd.
2. Gebruik de GROUP ASSIGN schakelaars bij het toewijzen van het input
kanaal signaal aan een track.
Het input signaal wordt naar de gespecificeerde track gestuurd.
3. Stel de effect processor naar wens in.
4. Om het geprocesseerde signaal naar de track te sturen moet u de AUX RE-
TURN GROUP ASSIGN schakelaar die correspondeert met de GROUP ASSIGN
schakelaar die u heeft ingedrukt in stap 2 indrukken, en vervolgens de AUX
RETURN LEVEL knop opendraaien.
Balanceer het geprocesseerde signaal en het ongeprocesseerde signaal dat direct van het input
kanaal komt met de AUX RETURN LEVEL knop. Pas het niveau van het ongeprocesseerde
signaal aan met de input kanaal fader.
Als de balans juist is, bent u klaar om op te nemen.
Effecten Gebruiken met Ping-Pong
1. Om een input kanaal signaal naar de effect processor te sturen moet u de
fader op 7-8 zetten en de AUX knop opendraaien.
Het input kanaal signaal wordt naar de effectprocessor gestuurd.
2. Wijs het input kanaal signaal toe aan de bestemming track met de GROUP
ASSIGN schakelaars.
Het signaal van het input kanaal wordt naar de bestemmingstrack gestuurd.
3. Stel de effect processor naar wens in.
4. Om het geprocesseerde signaal naar de track te sturen moet u op de AUX
RETURN GROUP ASSIGN schakelaar drukken die correspondeert met de GROUP
ASSIGN schakelaar die u heeft ingedrukt in stap 2, en de AUX RETURN LEVEL
knop opendraaien.
Balanceer het geprocesseerde signaal en het ongeprocesseerde signaal dat direct van het input
kanaal komt met de AUX RETURN LEVEL knop. Pas het niveau van het ongeprocesseerde
signaal aan met de input kanaal fader.
Als de balans juist is, bent u klaar om te ping-pongen.

36
MD4 - Nederlandse Handleiding
Snelzoek (Quick Search) Functies
Snelzoek (Quick Search) Functies
In dit hoofdstuk worden de snelzoek (lett. “Quick Search”) functies uitgelegd.
Zoeken Naar Songs
De en SONG SEARCH knoppen kunnen op ieder gewenst moment gebruikt worden,
behalve bij het lokaliseren van songs. De SONG SEARCH knop lokaliseert de vorige
song, en de SONG SEARCH knop de volgende. Als de SONG SEARCH knop wordt
ingedrukt midden in de song, wordt het begin van die song gezocht.
Als de SONG SEARCH knoppen worden gebruikt tijdens het afspelen wordt de song geloka-
liseerd en gaat het afspelen verder. Worden ze gebruikt in de Stop mode wordt de song geloka-
liseerd en gaat u naar de Pause mode.
Zoeken m.b.v. Tijd
U kunt specifieke punten in een song of op een disc lokaliseren door de exacte tijdpositie in te
geven in minuten en sekonden. Als de Time counter ofwel op ELAPSE of REMAIN staat, kan
een specifiek punt in de song gelokaliseerd worden. Staat de Time Counter op TOTAL kan een
punt op de gehele disc gelokaliseerd worden.
1. Druk, in Stop of Pause mode, tegelijkertijd de [-] en [+] DATA knoppen in.
De time counter punt knippert.
2. Geef een tijd in met de [-] en [+] DATA knoppen.
Druk de [-] en [+] knoppen tegelijk in om de tijd op 00:00.00 te zetten.
3. Druk op de [PLAY] knop.
De gespecificeerde tijd wordt gelokaliseerd en het afspelen begint.
Om het gespecificeerde punt te lokaliseren en de MD4 te laten wachten in Pause mode, moet u
de [ENTER] knop indrukken i.p.v. de [PLAY] knop.
Naar de Laatste Rec IN en OUT punten Zoeken
Als u opneemt of oefent, worden de start en eindpunten van de opname automatisch opgeslagen
als de LAST REC IN en OUT punten. Als de IN en OUT punten zijn ingesteld, verschijnt IN en
OUT in de display. Nu kunt u met de LAST REC [IN] en [OUT] knoppen deze punten lokaliseren.
Dit is handig bij het controleren van deze punten. U kunt de positie van de IN en OUT punten
wijzigen in stappen van één frame. Zie Markers Wijzigen op pag. 36 voor meer informatie. De
IN en OUT punten worden niet onthouden als de disc eruit is of de MD4 uitstaat.
De LAST REC IN en OUT punten zijn gebruikt in de Auto Punch In/Out functie en de Off Line
Punch functie. Zie Auto Punch In/Out op pag. 24 en Track-Naar-Track Kopiëren op pag. 47.
Zoeken naar Markers
Met de en MARK SEARCH knoppen kunt u markers zoeken in een song. De
lokaliseert de vorige marker en de vind de volgende.
Bij een song die geen markers bevat, kunt u alleen de Start en End markers lokaliseren.

37
MD4 - Nederlandse Handleiding
Markers Invoegen
Markers Invoegen
U kunt maximaal acht eigen markers invoegen in een song tijdens het opnemen of afspelen.
Markers zijn een handige manier om naar bepaalde punten in een song te gaan. Deze kunnen
worden gewijzigd of gewist. De Start- en End markers, die automatisch worden ingevoegd
tijdens het opnemen, kunnen niet gewijzigd of gewist worden.
Markers kunnen ook gebruikt worden om gedeelten van een song onder te brengen in een Cue
Lijst. Zie Cue Lijst Afspelen & Kopiëren op pag. 42 voor meer informatie.
1. Druk op [MARK] om een marker in te voegen tijdens het opnemen of afspelen
verschijnt een aantal sekonden in de display en de corresponderende marker box
knippert. Druk nog een keer op de [MARK] knop om meer markers in te voegen.
2. Als u klaar bent moet u op de [TOC] knop drukken om de TOC te updaten.
Als een nieuwe marker is ingevoegd tussen twee bestaande markers, worden opvolgende markers
opnieuw genummerd, zoals hieronder getoond wordt.
Marker Indicators
Marker indicators tonen de huidige songpositie gerelateerd aan de song markers. Als een song
is gepositioneerd op of achter een marker, knippert de corresponderende marker indicator. Als
de song positie verplaatst naar de volgende marker, knippert de volgende marker indicator.
Song met de
nieuwe Marker
Originele Song
[MARK] knop ingedrukt

38
MD4 - Nederlandse Handleiding
Snelzoek (Quick Search) Functies
Markers Wijzigen
Als ze eenmaal zijn ingevoegd kunnen markers heel precies worden bijgesteld in stappen van
één frame. De Start en End markers kunnen niet worden gewijzigd.
1. Druk op de [ADJUST] knop.
In de display staat
2. Selecteer de marker die u wilt wijzigen met de en knoppen.
Met IN en OUT wordt bedoeld de LAST REC IN en OUT punten.
3. Druk op de [ENTER knop].
In de display staat en tien sekonden geluidsdata (vijf sekonden aan beide kan-
ten) van de marker is in het geheugen geladen om snel afgespeeld te kunnen worden.
Als het laden compleet is, speelt de geluidsdata van 1,5 sekonden voor de marker tot 1,5 sekonden
na de marker, zoals hieronder getoond wordt.
De 1,5 sekonden geluidsdata voor de marker wordt op een lager volume afgespeeld, zodat u
precies kunt horen waar de marker staat. Om de eerste 1,5 sekonden op een normaal volume af
te stellen, en de rest van de sounddata op een lager niveau, moet u de knop indrukken.
U kunt tussen deze twee afspeel modes springen met de en SELECT knoppen.
Iedere keer dat u een SELECT knop indrukt wordt de geluidsdata afgespeeld.
4. Wijzig de marker met de [-] en [+] DATA knoppen en beluister de nieuwe
marker positie met de [PLAY] en en SELECT knoppen.
De marker kan worden afgesteld in stappen van één frame, tot een nieuwe positie binnen de 10
sekonden geluidsdata die in het geheugen zitten. Als u een marker wilt verplaatsen naar een
positie buiten dit bereik, moet u de meerdere malen gebruik maken van de Adjust functie. U
kunt een marker niet verder plaatsen dan de vorige of volgende marker.
5. Druk op de [ENTER] knop om de nieuwe positie op te slaan.
Druk op de [STOP] knop als u de nieuwe marker positie niet op wilt slaan.
6. Als u klaar bent moet u op de [TOC WRITE] knop drukken om de TOC te
updaten.
10 sekonden geluidsdata in het geheugen
Beluisteren
Afspeel
Volume

39
MD4 - Nederlandse Handleiding
Markers Wissen
Markers Wissen
1. Druk op de [ADJUST] knop.
In de display staat
2. Selecteer de marker die u wilt wissen met de en SELECT knoppen.
3. Druk op de [CLEAR] knop.
In de display staat
4. Druk op de [ENTER] knop om de marker te wissen.
5. Als u klaar bent moet u op de [TOC] knop drukken om de TOC te update’n.
Voor het wissen
Na het wissen
Marker die gewist wordt

40
MD4 - Nederlandse Handleiding
Repeat, Cue Lijst & Program Afspelen
Repeat, Cue Lijst & Program Afspelen
6
In dit hoofdstuk worden de Repeat (herhalen), Cue Lijst en Program Afspeel functies uitgelegd.
One Song Repeat (Één song herhalen)
Met One Song Repeat afspelen kunt u één song continue laten herhalen.
Song 1 Song 2 Song 3
1. Gebruik de [SONG SEARCH] knoppen om de song te selecteren die u wilt
herhalen.
2. Druk op de [REPEAT] knop
REPEAT 1 verschijnt in de display.
3. Druk op de [PLAY] knop om te beginnen met afspelen.
De geselecteerde song speelt achter elkaar af.
U kunt de One Song Repeat ook starten vanuit de Play of Pause mode.
4. Druk twee keer op de [REPEAT]knop om de One Song Repeat te annuleren.
One Song Repeat wordt automatisch geannuleerd als de [STOP] knop wordt ingedrukt.
All Song Repeat
Met One Song Repeat afspelen kunt u alle songs continue laten herhalen.
1. Druk twee keer op de [REPEAT] knop
REPEAT ALL verschijnt in de display.
2. Druk op de [PLAY] knop om te beginnen met afspelen.
Alle songs spelen achter elkaar af.
U kunt de All Song Repeat ook starten vanuit de Play of Pause mode.
4. Druk op de [REPEAT]knop om de All Song Repeat te annuleren.
All Song Repeat wordt automatisch geannuleerd als de [STOP] knop wordt ingedrukt.
Song 1 Song 2 Song 3
Wordt Herhaald
Wordt Herhaald

41
MD4 - Nederlandse Handleiding
A-B Repeat (herhaling)
A-B Repeat (herhaling)
A-B Repeat afspelen maakt het mogelijk om een bepaald gedeelte in een song te herhalen. Het
herhalen vind plaats tussen de gespecificeerde A en B punten.
1. Druk op de [PLAY] knop om te beginnen met afspelen.
2. Druk op de [MEMO A/B] knop zodra u het begin hoort van het gedeelte dat
u wilt herhalen.
REPEAT MEMO A verschijnt in de display. Punt A is ingegeven.
3. Druk nog eens op de [MEMO A/B] knop als u het einde hoort van het
gedeelte dat u wilt herhalen.
MEMO B verschijnt in de display. Punt B is ingegeven.
Het gedeelte tussen de punten A en B is ingegeven.
4. Druk op de [REPEAT] knop om de A-B Repeat te annuleren.
A-B Repeat afspelen wordt automatisch geannuleerd als de [STOP] knop wordt ingedrukt.
De gespecificeerde A en B punten worden niet onthouden als de A-B Repeat mode wordt
geannuleerd. Om de A-B punten aktief te houden moet u de [PAUSE] knop gebruiken i.p.v. de
[STOP] knop, om het A-B Repeat tijdelijk te stoppen.
De A-B Memo punten worden niet opgeslagen als de MD4 wordt uitgezet.
Song 1 Song 2 Song 3
Wordt Herhaald
A-Punt B-Punt

42
MD4 - Nederlandse Handleiding
Opname & Mix Technieken
Cue Lijst Afspelen & Kopiëren
Met de Cue Lijst functie kunt u een cue lijst maken (dat wil zeggen kleine stukjes cue die achter
elkaar afspelen) die gebruik maken van markers. Cues worden in het geheugen geladen om
continue, ongehinderd af te spelen. De Cue Lijst kan ook gekopieërd worden om een nieuwe
song te creëren.
Een Cue Lijst kan negen stappen bevatten. U kunt de start marker, end marker en het aantal dat
de stap herhaald moet worden bepalen.
Cue Lijst
1. Druk op de [UTILITY] knop en selecteer met de en SELECT
knoppen de Cue Lijst functie.
2. Druk op de [ENTER] knop.
In de display staat
3. Selecteer EDIT of NEW met de en SELECT knoppen.
Met EDIT kunt u de huidige lijst wijzigen. NEW reset de Cue Lijst.
4. Druk op de [ENTER] knop.
In de display staat (stp betekent dat de Cue Lijst ge-edit wordt).
5. Selecteer de parameters met de en SELECT knoppen en stel ze in
met de [-] en [+] DATA knoppen.
Druk op de [CLEAR] knop om het aantal herhalingen op nul te zetten.
6. Druk op de [ENTER] knop als u alle gewenste stappen hebt ingevuld.
In de display staat
Om de Cue Lijst naar een nieuwe song te kopiëren moet u op de [+] DATA knop drukken.
Hierop verandert de display in
7. Druk op de [ENTER] knop.
Als u koos voor wacht de MD4 in Pause mode. Druk op [PLAY] om de Cue
Lijst af te spelen. De time counter begint op nul, en blijft doortellen tot de laatste stap van de
Cue Lijst is afgespeeld. De display toont vervolgens de volgende stap.
bijvoorbeeld (STP betekent dat de Cue Lijst wordt afgespeeld).
Een nieuwe song die bestaat uit de cues in de Cue Lijst wordt gecreëerd als u gekozen had voor
8. Als u de Cue Lijst gewoon afspeelt, kunt u met de [-] en [+] DATA knoppen
de andere stappen selecteren en met de [PAUSE] knop het afspelen pauzeren.
Druk op de [STOP] knop om het afspelen van de Cue Lijst te stoppen.
In nauwelijks voorkomende omstandigheden speelt de Cue Lijst niet onafgebroken af (er zitten
een gaatje tussen de cues). Cue lijst instellingen worden opgeslagen als u de MD4 uitzet.

43
MD4 - Nederlandse Handleiding
Program Afspelen
Program Afspelen
Met de Program Play functie kunt u een programma maken van songs die op de door u gewenste
volgorde afspelen.
1. Druk op de [UTILITY] knop en selecteer met de en SELECT
knoppen de PRG Play functie.
2. Druk op de [ENTER] knop.
In de display staat EDIT NEW
3. Selecteer EDIT of NEW met de en SELECT knoppen.
Met EDIT kunt u het huidige Program wijzigen. NEW reset het Program.
4. Druk op de [ENTER] knop.
In de display staat s1: æ≥ æ≥ (de s betekent dat het Program ge-edit wordt).
5. Selecteer de stappen met de en SELECT knoppen en selecteer een
song voor iedere stap met de [-] en [+] DATA knoppen.
Druk op de [CLEAR] knop om een stap te resetten.
6. Druk op de [ENTER] knop als u alle gewenste stappen hebt ingevuld.
In de display staat S1: 1≥ 2, en de MD4 wacht in Pause mode (de S geeft aan dat het
Program wordt afgespeeld).
7. Druk op de [PLAY] knop om het Program af te spelen.
De songs spelen af volgende de volgorde die in het Program is ingegeven..
8. Selecteer andere stappen in het Program met de en SONG
SEARCH knoppen, en pauzeer het afspelen met de [PAUSE] knop.
Druk op de [STOP] knop om het afspelen van de Cue Lijst te stoppen.
Als het Program Afspelen is gepauzeerd, kunt u naar een bepaald punt zoeken door de TOTAL
Time Counter te selecteren. Zie Zoeken m.b.v. Tijd op pag. 36 voor meer informatie.
Program Play instellingen worden opgeslagen als u de MD4 uitzet.

44
MD4 - Nederlandse Handleiding
Songs & Tracks Editten
Songs & Tracks Editten
In dit hoofdstuk worden de song en tracks edit functies uitgelegd.
Een Song Kopiëren
Met de Song Copy functie kunt u een song dupliceren, inclusief titel, markers en Tempo Map.
Dit is erg handig bij het maken van een backup copy alvorens te ping-pongen of in/uitprikken.
Als de ping-pong of prik dan niet naar wens is, kunt u altijd nog terug naar de gedupliceerde
versie en het nog eens proberen.
1. Druk op de [UTILITY] knop en selecteer de Song Copy functie met de
en knop.
2. Druk op de [ENTER] knop.
In de display staat Copy æ≥ 3 (in dit geval zijn er al twee songs opgenomen, dus het nieuwe
duplicaat zal Song 3 zijn).
3. Selecteer de Song die u wilt kopiëren met de [-] en [+] DATA knoppen.
Bijvoorbeeld: Copy 1≥ 3.
4. Druk op de [ENTER] knop.
In de display staat Copy EXE?
5. Druk op de [ENTER] knop om door te gaan, of druk op de [CLEAR] knop om
te annuleren.
In de display staat CopyTo 3
Songs worden gekopiëerd op normale snelheid. U kunt op ieder gewenst moment de song copy
handeling annuleren door op de [STOP] knop te drukken. Data tot het moment dat u op [STOP]
drukt wordt niet gekopiëerd.
6. Druk op de [TOC WRITE] knop om de TOC te update’n.
De volgende illustratie toont hoe de Song Copy functie werkt.
Song 1 Song 2
Song 1 Song 2 Song 3
Voor Song Copy
Na Song Copy

45
MD4 - Nederlandse Handleiding
Song Divide (lett. verdelen)
Een Song Verdelen
Met de Song Divide functie kunt u songs in verschillende, onafhankelijk songs verdelen. Songs
kunnen ook tot Program gemaakt worden om af te spelen. Zie Programs Afspelen op pag. 43
voor meer informatie.
1. Zet de cursor op het punt waar u de song wilt verdelen en druk op de
[PAUSE] knop.
De PLAY indicators knipperen.
2. Druk op de [UTILITY] knop en selecteer de Song Divide functie met de
en knoppen.
3. Druk op de [ENTER] knop.
In de display staat Divide EXE?
4. Druk op de [ENTER] knop om door te gaan, of druk op de [CLEAR] knop om
te annuleren.
De Song wordt in tweëen verdeeld. Writing UTOC verschijnt in de display als de TOC wordt
ge-update.
Als de song markers bevat, blijven de markers die zich bevinden voor het verdeelpunt bij de
originele song, en de markers er na worden hernummerd en verplaatsen naar de volgende Song,
zoals wordt getoond in onderstaande illustratie.
Als een Song is verdeeld, worden de opvolgende Songs hernummerd. Als Song 1 bijvoorbeeld
wordt verdeeld in Song 1 en Song 2, wordt de vorige Song 2 Song 3, enzovoort.
Song 1
voor het verdelen
Song 1
na het verdelen
Song 2

46
MD4 - Nederlandse Handleiding
Songs & Tracks Editten
Song 1
voor het verdelen
Song 1
voor combineren
Song 2
voor combineren
Songs Combineren
Met de Song Combine functie kunt u Songs weer samenvoegen die verdeeld zijn met de Song
Divide functie. Songs die onafhankelijk zijn opgenomen kunnen niet gecombneerd worden.
1. Druk op de [UTILITY] knop en selecteer de Song Combine functie met de
en knoppen.
2. Druk op de [ENTER] knop.
In de display staat Cmbn æ+ æ
3. Selecteer de Songs die u wilt combineren met de [-] en [+] DATA knoppen.
Bijvoorbeeld Cmbn 1+ 2
4. Druk op de [ENTER] knop.
In de display staat Cmbn EXE?
5. Druk op de [ENTER] knop om door te gaan of de [CLEAR] knop om te
annuleren.
De Songs worden in één Song gecombineerd. Writing UTOC verschijnt in de display om
aan te geven dat de TOC wordt ge-update.
Een marker wordt toegevoegd op het punt waar de songs zijn gecombineerd en bestaande
markers in beide songs blijven gehandhaafd.
Als het totaal aantal markers inclusief de nieuwe marker op de las boven acht uitkomt, krijgt u
geen toegang meer tot de markers boven Marker nummer 8. Deze hogere markers zijn echter
nog steeds opgeslagen. Als u één van de andere markers wist, verschijnen ze weer een voor
een.
Als songs worden gecombineerd worden opvolgende songs hernummerd. Song 1 en Song 2
worden gecombineerd in Song 1, bijvoorbeeld. De volgende Song 3 wordt dan Song 2, enz.
Song 1
na Combineren
Combinatie Punt

47
MD4 - Nederlandse Handleiding
1. Druk op de [UTILITY] knop en selecteer met de en knoppen de
OffLinePunch functie.
2. Druk op de [ENTER] knop.
Als er niets gebeurd heeft u de LAST REC IN en OUT punten niet ingesteld. Zie de In/Out
Punten “On the Fly” Instellen op pag. 24 voor meer informatie.
Als u de IN en OUT punten wel ingesteld heeft verschijnt in de display PNCH æTr≥æTr
3. Selecteer de Bron Track met de [-] en [+] DATA knoppen.
Bijvoorbeeld: PNCH 1Tr≥4Tr
Bestaande data tussen de IN en OUT punten op de bestemmingstrack worden overschreven.
6. Druk op de [ENTER] knop.
In de display staat PNCH REHE
Op dit punt heeft u mogelijk te kiezen voor oefenen of daadwerkelijk kopiëren.
7. Selecteer PNCHPNCH
PNCHPNCH
PNCH REHEREHE
REHEREHE
REHE of PNCHPNCH
PNCHPNCH
PNCH EXE?EXE?
EXE?EXE?
EXE? met de [-] en [+] DATA knoppen.
8. Druk op de [ENTER] knop.
Als u gekozen had voor PNCH REHE wordt de copy handeling geoefend. U kunt de bestemming
track afluisteren tijdens het oefenen. De REC SELECT indicator van de bestemming track gaat
branden tijdens het oefenen.
Als u gekozen had voor PNCH EXE wordt de copy handeling uitgevoerd. Het kopiëren wordt
uitgevoerd op normale afspeel snelheid. Het kopiëren van een gedeelte van 1 minuut duurt dus
1 minuut.
U kunt het kopiëren op ieder moment afbreken door op de [STOP] knop te drukken. Data tot
het punt dat u [STOP] indrukt is dan al gekopieërd.
Track-naar-Track Kopiëren
Track-naar-Track Kopiëren
Met de Off Line Punch functie kunt u tracks naar tracks kopiëren. Het gedeelte van de bron
track dat gekopieërd moet worden, wordt bepaald door de LAST REC IN en OUT punten, en u
moet deze punten instellen voordat u deze functie kunt gebruiken. Omdat de handeling wordt
verricht door de recorder, heeft de mixer geen effect. De kopie wordt op hetzelfde volume
opgenomen als het origineel. U kunt de bestemmingstrack afluisteren tijdens het kopiëren. De
Off Line Punch functie bevat ook een Oefen (rehearsal) functie, dus u kunt eerst een oefenrun
draaien, alvorens de daadwerkelijk kopie te maken.
Bron Track
Bestemming Track

48
MD4 - Nederlandse Handleiding
Songs & Tracks Editten
Tracks Wissen
Met de Track Erase functie kunt u individuele tracks wissen.
1. Druk op de [UTILITY] knop en selecteer met de en SELECT
knoppen de Track Erase functie.
2. Druk op de [ENTER] knop.
In de display staat Erase ææææTr
3. Selecteer tracks met de en SELECT knoppen selecteer de tracks die
gewist moeten worden met de [-] en [+] DATA knoppen.
Bijvoorbeeld Erase æ2ææTr
4. Druk op de [ENTER] knop.
In de display staat Erase EXE?
5. Druk op de [ENTER] om door te gaan of op de [CLEAR] knop om te
annuleren.
Tracks worden gewist op de normale afspeelheid. Het wissen van een track van 4 minuten
duurt dus vier minuten. U kunt op ieder gewenst moment de track erase handeling annuleren
door op de [STOP] knop te drukken.
Songs Wissen
Met de Song Erase functie kunt u individuele songs wissen of alle songs tegelijk. Het wissen
van alle songs formateert een disc. Een disc die gebruikt is om computer data op te slaan moet
eerst geformatteerd worden om gebruikt te kunnen worden op de MD4.
1. Druk op de [UTILITY] knop en selecteer met de en SELECT
knoppen de Song Erase functie.
2. Druk op de [ENTER] knop.
In de display staat Song No. 1
3. Selecteer met de [-] en [+] DATA knoppen een enkele song of alle songs.
In de display staat Song No. 3
4. Druk op de [ENTER] knop.
In de display staat Erase EXE?
5. Druk op de [ENTER] om door te gaan of op de [CLEAR] knop om te
annuleren.
De geselecteerde song wordt gewist, en de opvolgende songs hernummerd. Writing UTOC
staat in de display nadat de TOC is ge-update.

49
MD4 - Nederlandse Handleiding
MD4 & MIDI
MD4 & MIDI
MIDI sequencers en MIDI bestuurde instrumenten zijn ondertussen onmisbare hulpmiddelen
bij de moderne manier van opnemen. Het is tegenwoordig vrij normaal om MIDI instrumenten
helemaal niet meer op band op te nemen. Dit heeft als voordeel dat alle track vrij blijven voor
akoestische instrumenten, en haalt de noodzaak voor recorders met heel veel tracks weg. De
MD4 is ideaal om akoestische instrumenten op te nemen en integreert heel gemakkelijk in een
MIDI systeem d.m.v. MTC (MIDI Timecode) of MIDI Clock.
MTC en MIDI Clock zijn MIDI gegevens die gebruikt worden bij het synchronizeren van
MIDI apparatuur. De MD4 is alleen in staat deze gegevens te versturen, hij kan ze niet ontvangen.
De MD4 moet dus als master apparaat gebruikt worden in een gesyncronizeerd MIDI systeem.
Dit betekent dat een MIDI sequencer reageert op MTC of MIDI Clock informatie van de MD4.
De MD4 ontvangt geen MTC of MIDI Clock van de sequencer.
De MD4 in een Gesynchronizeerd MIDI Systeem
U moet de MIDI OUT van de MD4 aansluiten op de MTC input van uw sequencer als u MTC
gebruikt, of de MIDI IN als u MIDI Clock gebruikt. De MD4 verstuurt MTC of MIDI Clock
tijdens het spelen, opnemen en het oefenen. Als de sequencer MTC of MIDI Clock ontvangt
van de MD4 springt deze naar het dezelfde punt in de song als de MD4, en speelt
gesynchronizeerd mee.
Iedere MD4 song begint op 00:00.00, dus u moet de sequencer song ook starten op 00:00.00.
Misschien kent uw sequencer een timecode offset. Hiermee kunt u de MIDI sequencer song op
een ander tijdstip in de song starten.
Over Tempo Map
Een Tempo Map gebruikt u met MIDI Clock, om song tempo en meter (maatsoort) te specificeren.
Iedere Tempo Map kan 26 tempo en maatsoort wijzigingen bevatten. Tempo en meter wijzigingen
worden verdeeld in stappen van A tot Z. U kunt stappen als u wilt invoegen en wissen die dan
automatisch worden gesorteerd. Als uw song geen tempo of meterwijzigingen bevat, bevat de
Tempo Map alleen een tempo instelling op de eerste tel van de eerste maat, Stap A.
Er kan slechts één Tempo Map per song opgeslagen worden. Als u een andere song laadt, moet
u eerst zijn Tempo Map laden. De Tempo Map wordt niet opgeslagen als u de MD4 uitzet. U
moet de Tempo Map iedere keer als u de MD4 aanzet laden.
Een Tempo Map Kaart wordt meegeleverd op pag. 56 om u te helpen bij het organizeren van
uw Tempo Mappen. Deze kunt u net zo vaak als wilt fotokopiëren.
8

50
MD4 - Nederlandse Handleiding
MD4 & MIDI
Een Gesynchroniseerd MIDI Systeem Opbouwen
In de volgende illustratie ziet u hoe de MD4 kan worden geïntegreerd in een MIDI-gebaseerd
Opname Systeem. In dit voorbeeld worden akoestische geluiden opgenomen op de MD4 en
wordt alle MIDI apparatuur bestuurd door de MIDI sequencer, die MTC of MIDI Clock ontvangt
van de MD4.
Dit voorbeeld toont ook hoe de MD4 DIRECT TRACK OUTs gebruikt kunnen worden om
signaal van de MD4 tracks direct uit te sturen. De geluiden van de individuele tracks worden
naar een andere mixer gestuurd om de geluiden daar te mixen met de MIDI Instrumenten.
Naar Monitor
Versterker
MIDI OUT TRACK DIRECT OUT
Gitaar Processor
Bass Processor
Computer & MIDI
Sequencer Software
MTC IN (voor MTC) of
MIDI IN (voor MIDI Clock)
MIDI IN
MIDI OUT
MIDI OUT
MIDI THRU
MIDI IN
Drum Computer

51
MD4 - Nederlandse Handleiding
MTC Gebruiken
MTC Gebruiken
De MD4 Instellen Voor MTC
1. Druk op de [UTILITY] knop en gebruik de en SELECT knoppen om
de MIDI Sync functie te selecteren.
2. Druk op de [ENTER] knop.
In de display staat OFF MTC CLK
3. Druk op de SELECT knop om MTC te selecteren.
MTC verschijnt in de display.
4. Druk op de [UTILITY] knop.
De MD4 is nu klaar om te synchronizeren.
Als MTC aan is, stopt de MD4 met spelen aan het einde van iedere song.
MTC wordt automatisch uitgezet als er gebruik wordt gemaakt van de Cue Lijst of Program
Play functie.
De MD4 genereert MTC op 30 frames/sekonde.
De MIDI Sequencer Instellen
De MIDI sequencer moet zo ingesteld worden dat hij MTC ontvangt en synchronizeert met
MIDI Timecode op 30 frames/sekonde. Zie de handleiding van uw MIDI sequencer voor meer
informatie.
MTC Aansluiting Opmerking
De Een Gesynchronizeerd MIDI Systeem Opstellen illustratie op pag. 50 laat zien dat de MIDI
kabel van de MD4 moet worden aangesloten op een aparte MTC input van de MIDI sequencer.
Dit is expres zo gedaan, omdat u MITC het best kan scheiden van andere MIDI data. Als uw
sequencer echter geen aparte MTC aansluiting heeft, kunt u het MTC signaal samenvoegen
(mergen) met de andere MIDI data en deze aansluiten op de normale MIDI IN. Als er echter
veel MIDI data is (vooral als er veel Control Changes zijn) kunnen er echter vertragingen
optreden. Het beste is het om MIDI data en MTC gescheiden te houden.

52
MD4 - Nederlandse Handleiding
8. Selecteer met de en SELECT knoppen de measure (maat) en time
signature (maatsoort) parameters, en stel deze in met de [-] en [+] DATA
knoppen.
De maat kan worden ingesteld van 1 tot 999. Als u de [-] en [+] DATA knoppen tegelijk indrukt
wordt de maatsoort teruggezet naar 000. Stap A is altijd maat 1. Als de measure parameter van
een nieuwe stap wordt geselecteerd (000), selecteert het indrukken van de [-] knop altijd de
laatste maat in de Tempo Map.
9. Druk op de [ENTER] knop.
De Tempo Map wordt automatisch gesorteerd en de cursor verplaatst naar de laatste stap.
MASTER verschijnt in de display om aan te geven dat de MD4 klaar is om MIDI Clock
informatie te genereren.
10. Gebruik de [-] en [+] DATA knoppen om andere stappen te selecteren en
stel deze in zoals wordt uitgelegd in stap 8.
6. Selecteer met de en SELECT knoppen EDIT of NEW.
Met EDIT kunt u de huidige Tempo Map wijzigen. NEW reset alle stappen in de Tempo Map.
MD4 & MIDI
MIDI Clock Gebruiken
De MIDI Sequencer Instellen
De MIDI Sequencer moet zo ingesteld zijn dat hij MIDI Clock kan ontvangen en kan
synchronizeren met een externe MIDI Clock bron. Zie de handleiding van de MIDI sequencer
voor meer informatie. De exacte MIDI Clock besturing hangt af van de functies die worden
ondersteund door de MIDI sequencer. Als deze alleen MIDI Clock ondersteunt, zal het afspelen
op 00:00.00 beginnen, maar zal deze niet in staat zijn om vanaf een ander punt dan 00:00.00 te
starten. In zulke gevallen moet u dus altijd aan het begin van de song beginnen. Als uw MIDI
sequencer MIDI Clock en MIDI Song Pointers ondersteunt kunt u op ieder willekeurig punt in
de song beginnen. In zulke gevallen zal uw MIDI sequencer naar het gewenste punt in de song
springen en gesynchronizeerd meespelen. Omdat de MD4 snel lokaliseert zijn sommige
sequencer echter niet in staat om onmiddelijk te synchronizeren, zeker als de MD4 in A-B
Repeat mode is.
Als MIDI Clock aan is, stopt de MD4 met spelen aan het einde van iedere song.
MIDI Clock wordt automatisch uitgezet als de Cue Lijst of Program Play functie wordt gebruikt.
Meter Wijzigingen Toevoegen Aan een Tempo Map
1. Druk op de [UTILITY] knop en selecteer met de en SELECT
knoppen de MIDI Sync functie.
2. Druk op de [ENTER] knop.
In de display staat OFF MTC CLK
3. Selecteer CLK met de SELECT knop.
4. Druk op de [ENTER] knop.
In de display staat Meter Tempo>
5. Druk op de [ENTER] knop.
In de display staat EDIT NEW
7. Druk op de [ENTER] knop.
Als u NEW had geselecteerd staat in de display A 001 4/4. Dit is de eerste stap in de
Tempo Map. Als uw hele song echter één maatsoort is, hoeft u alleen stap A in te vullen.

53
MD4 - Nederlandse Handleiding
MIDI Clock Gebruiken
Om naar het tempo gedeelte van de Tempo Map te gaan, moet u op de [CLEAR] knop drukken,
op de SELECT knop drukken en dan de [ENTER] knop indrukken.
11. Druk op de [UTILITY] knop.
De Tempo Map wordt niet opgeslagen als u de MD4 uitzet, dus moet u het op de disc opslaan.
Zie Tempo Map Op Disc Opslaan op pag. 55 voor meer informatie.
Tempo Wijzigingen Toevoegen aan een Tempo Map
1. Druk op de [UTILITY] knop en selecteer met de en SELECT knoppen
de MIDI Sync functie.
2. Druk op de [ENTER] knop.
In de display staat OFF MTC CLK
3. Selecteer CLK met de SELECT knop.
4. Druk op de [ENTER] knop.
In de display staat Meter Tempo>
6. Druk op de [ENTER] knop.
In de display staat EDIT NEW
7. Selecteer met de en SELECT knoppen EDIT of NEW.
Met EDIT kunt u de huidige Tempo Map wijzigen. NEW reset alle stappen in de Tempo Map.
5. Selecteer het tempo met de SELECT knop.
9. Selecteer met de en SELECT knoppen de measure (maat) en time
signature (maatsoort) parameters, en stel deze in met de [-] en [+] DATA
knoppen.
De maat kan worden ingesteld van 1 tot 999. De beat parameter is afhankelijk van het aantal
tellen in een maat, hetgeen bepaald wordt door de meter instelling. Bij een meter instelling van
4/4 bijvoorbeeld kan deze beat parameter ingesteld worden van 1 tot 4. Bij een meter instelling
van 6/8 bijvoorbeeld kan deze beat parameter ingesteld worden van 1 tot 6. Stap A staat altijd
op measure 1-beat 1 (001-1). Als u de [-] en [+] DATA knoppen tegelijk indrukt wordt de
measure en beat teruggezet naar 000-1. Als de measure-beat parameter van een nieuwe stap
wordt geselecteerd (000-0), selecteert het indrukken van de [-] knop altijd de laatste maat in de
Tempo Map.
10. Druk op de [ENTER] knop.
De Tempo Map wordt automatisch gesorteerd en de cursor verplaatst naar de laatste stap.
MASTER verschijnt in de display om aan te geven dat de MD4 klaar is om MIDI Clock
informatie te genereren.
11. Gebruik de [-] en [+] DATA knoppen om andere stappen te selecteren en
stel deze in zoals wordt uitgelegd in stap 9.
Om naar het tempo gedeelte van de Tempo Map te gaan, moet u op de [CLEAR] knop drukken,
op de SELECT knop drukken en dan de [ENTER] knop indrukken.
12. Druk op de [UTILITY] knop.
De Tempo Map wordt niet opgeslagen als u de MD4 uitzet, dus u moet deze zelf op disc
opslaan. Zie een Tempo Map Opslaan op pag. 55 voor meer informatie.
8. Druk op de [ENTER] knop.
Als u NEW had geselecteerd staat in de display A 001 120. Dit is de eerste stap in de
Tempo Map. Als uw hele song echter in één maatsoort is, hoeft u alleen stap A in te vullen.

54
MD4 - Nederlandse Handleiding
MD4 & MIDI
Stappen Toevoegen in een Tempo Map
De stappen in een Tempo Map worden automatisch gesorteerd als u op de [ENTER] knop
drukt. U kunt dus nieuwe meter of tempo stappen invullen in willekeurige volgorde. De volgende
voorbeelden tonen hoe het sorteren werkt als er een meter stap wordt ingevoegd.
Huidige Tempo Map Nieuwe Meter Stap Gesorteerde Tempo Map
Het volgende voorbeeld toont hoe het sorteren werkt als er een nieuwe tempo stap wordt
ingevoegd.
Huidige Tempo Map Nieuwe Meter Stap Gesorteerde Tempo Map
Stappen in een Tempo Map Wissen
Stappen die op een measure waarde 000 worden gezet, worden genegeerd. Als u dus een stap
wilt wissen, hoeft u de measure waarde alleen op 000 te zetten. Zodra u de [ENTER] knop
indrukt, wordt de Tempo Map gesorteerd. Het volgende voorbeeld toont hoe het sorteren werkt
als er een meter stap wordt gewist.
Huidige Tempo Map Meter Stap Om Te Wissen Gesorteerde Tempo Map
Huidige Tempo Map Meter Stap Om Te Wissen Gesorteerde Tempo Map
Het volgende voorbeeld toont hoe het sorteren werkt als er een tempo stap wordt gewist.

55
MD4 - Nederlandse Handleiding
MIDI Clock Gebruiken
Een Tempo Map Opslaan
1. Druk op de [UTILITY] knop en selecteer met de en SELECT knoppen
de MIDI Sync functie.
2. Druk op de [ENTER] knop.
In de display staat OFF MTC CLK
3. Selecteer met de en SELECT knoppen CLK.
4. Druk op de [ENTER] knop.
In de display staat Meter Tempo>
5. Druk twee keer op de SELECT knop
In de display staat < Save Load
6. Druk op de [ENTER] knop.
In de display staat Save EXE?
7. Druk op de [ENTER] knop om de Tempo Map op te slaan, of druk op
[CLEAR] om te annuleren.
De Tempo Map is opgeslagen op disc.
Het disc gedeelte dat gebruikt wordt om de Tempo Map data op te slaan, kan verschillende
Tempo Mappen bevatten die allen gebruik maken van 26 stappen. Als niet alle stappen van een
Tempo Map kunnen worden opgeslagen verschijnt in de display SaveWarn!
Een Tempo Inladen (Load)
1. Druk op de [UTILITY] knop en selecteer met de en SELECT knoppen
de MIDI Sync functie.
2. Druk op de [ENTER] knop.
In de display staat OFF MTC CLK
4. Druk op de [ENTER] knop.
In de display staat Meter Tempo>
5. Druk twee keer op de SELECT knop
In de display staat < Save Load
6. Druk op de [ENTER] knop.
In de display staat Load EXE?
7. Druk op de [ENTER] knop om de Tempo Map in te laden, of druk op
[CLEAR] om te annuleren.
De Tempo Map wordt geladen, en MASTER verschijnt in de display.
De MD4 is nu klaar voor gesynchroniseerd MIDI Clock gebruik.
3. Selecteer met de en SELECT knoppen CLK.

56
MD4 - Nederlandse Handleiding
MD4 & MIDI
Stap Maat Maatsoort Stap Maat-Tel Tempo

57
MD4 - Nederlandse Handleiding
MD4 Toepassingen
MD4 Toepassingen
In dit hoofdstuk worden verschillende toepassingen getoond van de MD4.
One-Take Opnamen
De One-Take opname techiek is ideaal voor live opnamen, en bij het opnemen van bands die
tegelijk willen spelen. In de onderstaande illustratie worden de zang, gitaar en drums opgenomen
met microfoons, en de bass m.b.v. een DI aansluiting. Met de los verkrijgbare voetschakelaar
die is aangesloten op de PUNCH I/O jack, kan één van de leden de opname stoppen en starten.
Als afluistering wordt er gebruik gemaakt van een koptelefoon.
Bij One-Take opnamen staan de [REC SELECT] knoppen van alle tracks op ON. Er kunnen
maximaal 8 markers worden ingevoegd tijdens het opnemen door op de [MARK] knop te
drukken. Markers helpen bij het vinden van een bepaald punt in de song.
Zodra de One -Take opname klaar is kunt u gebruik maken van de ping-pong techniek om
sporen vrij te maken om nog meer op te nemen. Zie Ping-Pong Opnamen op pag. 29 voor meer
informatie. Fouten kunnen verbeterd worden m.b.v. in/uitprik functies. Zie Met de Hand In/
Uitprikken op pag. pag. 21 en Automatisch In/Uitprikken op pag. 24 voor meer informatie.
Uiteindelijk kunt u tijdens het afmixen ook nog gebruik maken van EQ en effecten en het
geheel op een master recorder zetten.
9
Zang
Gitaar
Voetswitch
Koptelefoon

58
MD4 - Nederlandse Handleiding
MD4 Toepassingen
MIDI Home Studio
In het volgende voorbeeld van een MIDI home studio worden alle instrumenten opgenomen op
de recorder. Het opnemen van de MIDI instrumenten zou echter kunnen wachten tot het afmixen,
omdat de sequencer toch continue afspeelt en wordt gesynchronizeerd met de MD4 m.b.v.
MIDI Timecode. Staat het complete project echter een op MD4 disc wordt de zaak echter wel
minder gecompliceerd.
Een monitor versterker en luidsprekers worden gebruikt als geluidsversterking, aangevuld met
een koptelefoon. Een los verkrijgbare voetschakelaar maakt het mogelijk om met handen vrij
op te nemen en af te spelen. Een externe effect processor is aangesloten op de AUX SEND en
AUX RETURN jacks voor effect processing. Bij het afmixen wordt uiteindelijk nog gebruik
gemaakt van de EQ en effecten, waarna het eindresultaat naar een stereo master recorder gaat.
Luidsprekers
Monitor Versterker
Microfoon
Koptelefoon
Voetswitch

59
MD4 - Nederlandse Handleiding
De MD4 Gebruiken met een Sun-Mixer
De MD4 Gebruiken met een Sub-Mixer
De vier-kanaals mixer van de MD4 is flexibel genoeg om de meeste toepassingen aan te kunnen.
Is het echter noodzakelijk om het aantal beschikbare inputs te vergroten, kunt u een externe
sub-mixer gebruiken. De stereo outputs van de sub-mixer kunnen worden aangesloten op de
STEREO SUB IN jacks van de MD4. De signalen van STEREO SUB IN jacks kunnen
vervolgens naar de Stereo bus worden gestuurd om afgemixed te worden, of ze kunnen worden
toegewezen aan tracks om opgenomen te worden. De volgende illustratie toont de manier om
een sub-mixer aan te sluiten.
De Snel Start Systeem illustratie op pag. 12 laat zien hoe de STEREO SUB IN jacks moeten
worden aangesloten op een master recorder. Houd er echter rekening mee dat deze aansluiting
alleen nodig is om de uiteindelijk mix terug te kunnen spelen vanaf de master recorder. Tot dat
dat moment is aangebroken kunt u de STEREO SUB IN jacks gebruiken voor andere
toepassingen, zoals de bovenstaande.
Naar de Monitor
Versterker

60
MD4 - Nederlandse Handleiding
MD4 Toepassingen
Een Stereo Bron Opnemen
Om stereo op te nemen kan de MD4 in Stereo opname mode gezet worden. Hierdoor krijgt u
totaal 74 minuten opnametijd tot uw beschikking. Zie Opname Mode Instellen op pag. 19 voor
meer informatie.
Het volgende systeem voorbeeld toont twee microfoons die gebruikt worden voor stereo opname.
De daadwerkelijk bron kan echter ook een stereo apparaat zijn. U kunt bijvoorbeeld een stereo
cassette deck gebruiken om audio op te nemen van cassette op de MD4. Omdat MD DATA
discs nooit stuk kunnen gaan, en de audiokwaliteit niet achteruit gaat is de MD4 een uitstekend
backup en archief medium. Indien noodzakelijk kunt u zelfs nog gebruik maken van EQ en
effecten tijdens het kopiëren.
Er kunnen in totaal 8 markers worden ingevoegd tijdens het opnemen door op de [MARK]
knop te drukken. Markers maken het makkelijker om bepaalde punten in een Song te vinden.
In de Stereo opname mode gebruikt de MD4 alleen track 1 en 2. In het volgende voorbeeld
wordt Input Kanaal 1 dus toegewezen aan Track 1, en Input Kanaal 2 toegewezen aan Track 2.
Zie Opnemen Op de Eerste Track op pag. 13 voor meer informatie over het toewijzen van input
kanalen aan tracks. Om Track 1 en 2 af te luisteren moet u op de [1-3] en [2-4] MONITOR
SELECT GROUP schakelaars drukken. Zie Over Afluisteren op pag. 18 voor meer informatie.
Luidsprekers
Monitor Versterker
Microfoons
Koptelefoon

61
MD4 - Nederlandse Handleiding
Meer Dan Algemeen...
Meer Dan Algemeen...
10
In dir hoofdstuk geven we een aantal geavanceerde tips en technieken om op te nemen.
AUX RETURN
U hoeft niet persé de AUX RETURN te gebruiken. Hij kan ook gebruikt worden als extra
stereo input. Hij accepteert line niveau signalen die kunnen worden toegewezen aan tracks of
aan de stereo mix. Op dezelfde manier kan de STEREO SUB IN gebruikt worden als een extra
stereo input. Deze accepteert ook line niveau signalen en is uitgerust met GROUP ASSIGN
schakelaars en een LEVEL knop. Samen met de input kanalen heeft u 8 kanalen tot uw
beschikking.
EQ
EQ is niet alleen voor het afmixen. Als u vind dat de klankkleur van een geluidsbron moet
veranderen kunt u de EQ ook tijdens het opnemen gebruiken. U moet er rekening mee houden
dat de EQ op die manier wordt opgenomen op de disc, en deze later niet meer kan verwijderen.
Markers
Met markers kunt u ook gedeelten van een song in een cue lijst zetten. Hierdoor kunt u
experimenteren met song arrangementen. U kunt bijvoorbeeld markers gebruiken om het couplet,
refrein en tussenstukken te markeren, en vervolgens het arrangement re-arrangeren met de Cue
Lijst functie. U kunt vervolgens een nieuwe song creëeren met de Cue Lijst. U kunt zo nieuwe
songs creëeren net als op een sequencer. De volgende illustratie toont hoe u m.b.v. een Cue
Lijst een nieuwe song kunt creëeren door een bestaande song te re-arrangeren:
Intro Coup.A Coup. B Refr. A Coupl. B Refr. B. Brug Refr. B Einde
Cue Lijst
(begin de song met een dubbel intro)
(herhaal Couplet A twee keer)
(Couplet B voor Refr. B, als origineel)
(Plaats de Brug vroeg)
(Terug naar Refrein B, twee keer)
(Twee keer het Einde voor fade-out)
Nieuwe Song na Cue Lijst Kopie
Intro Intro Coup. A Coup. A Coupl. B Refr. A Brug Refr. B Refr. B Einde Einde

62
MD4 - Nederlandse Handleiding
Meer Dan Algemeen
Pitch (toonhoogte)
Het aanpassen van de toonhoogte is een algemene multitrack techniek. Het is handig bij het
opnemen van instrumenten die een beetje ontstemd zijn. Als u bijvoorbeeld drums en bas hebt
opgenomen en het is tijd om de akoestische piano op te nemen. De piano is echter een beetje te
hoog gestemd. Een makkelijke manier om dit op te lossen is door de piano partij op een iets la-
gere toonhoogte op te nemen terwijl de pianist een beetje langzamer speelt. Speelt u vervolgens
de opname op normale toonhoogte terug is alles goed gestemd.
De Pitch functie kan echter ook gebruikt worden bij het opnemen van een zanggedeelte dat de
zanger(es) niet haalt. Laten we stellen dat de drums, bas, gitaar en lead zang al is opgenomen.
Het is tijd om de achergrondzang op te nemen. De zanger(es) kan echter een aantal hoge noten
niet halen. De makkelijke manier om dit op te lossen is door de achtergrondzang op een iets la-
gere toonhoogte op te nemen terwijl de zanger(es) een beetje langzamer zingt. Speelt u vervolgens
de opname op normale toonhoogte terug is alles goed gestemd.
Een ander manier waarp de Pitch functie gebruikt kan worden is als er een super-snelle gitaarsolo
moet worden opgenomen, die lastig is om een aantal keren achter elkaar te herhalen. U kunt op
zo’n moment de stemming van de gitaar aanpassen zodat hij overkomt met de anders “gestemde”
MD4. Neem vervolgens de gitaarsolo op op een lagere toonhoogte en snelheid. Speelt u
vervolgens de opname op normale toonhoogte terug, is het resultaat een super-snelle gitaar die
perfect gestemd is met alle andere instrumenten.
Afluisteren
Of u gebruik maakt van CUE of STEREO afluistering hangt af van uw methode van opnemen.
Als u bijvoorbeeld na het opnemen van de eerste track niet meer van plan bent gebruik te
maken van input kanaal 1 (m.a.w. de andere geluiden gaan opgenomen worden m.b.v. de andere
input kanalen) kunt u gebruik maken van STEREO om kanaal 1 af te luisteren. Hierdoor wordt
het mogelijk gebruik te maken van de EQ en de panning. Feitelijk kunt u voor die track vast de
uiteindelijke instellingen maken voor de eindmix. Als u echter wel degelijk van plan bent om
nog gebruik te maken van input kanaal 1 om een andere muziekbron op te nemen, kunt u beter
gebruik maken van CUE om de track af te luisteren. Maakt u overigens gebruik van in/uitprik
functies dan moet u wel gebruik maken van CUE afluistering.

63
MD4 - Nederlandse Handleiding
Afmixen
Afmixen
In dit hoofdstuk staan tips en technieken om de perfecte afmix te bereiken op de MD4.
•Balans Niveaus - U heeft waarschijnlijk al een idee over hoe u het geluid wilt afmixen. Dit
hangt natuurlijk echter af van de toepassing en de instrumenten die zijn opgenomen. Begin met
het zetten van alle faders op 7-8. Dit is een optimale instelling wat betreft de mixer instelling en
zorgt er voor dat u nog wat headroom hebt, en later de faders nog wat hoger kunt zetten. Als een
bepaald instrument te zacht staat kunt u beter andere instrumenten zachter zetten i.p.v. het
betreffende instrument harder zetten. Als u de faders steeds hoger en hoger zet, staan weldra
alle faders op maximum en kunt niet verder afstellen. Zang en andere instrumenten moeten in
een goede balans staan om een goede mix te bereiken. Niets moet te hard staan, niets moet te
zacht staan. Wat goed hoorbaar moet zijn (zang, solo instrumenten) moet goed hoorbaar, en
achtergrond instrumenten moeten echt op de achtergrond staan.
•Geef de sounds een positie in het stereobeeld - met pan kunt u de geluiden rechts of
links in het stereobeeld plaatsen. Dit wordt over het algemeen gebruikt om ruimte te creëeren
voor andere instrumenten. Bassen en lead vocalen staan meestal in het midden. Ritme gitaren
kunnen bijvoorbeeld best een beetje links staan en lead gitaar en piano een beetje rechts,
•Balanceer de klankkleur - met de EQ kunt u ongewenste ruis, brom of frequentie abnorma-
liteiten in het geluid elimineren. Instrumenten met overlappende frequenties veroorzaken meestal
peaks op bepaalde punten in het audiobeeld tijdens het afmixen. Het goed EQ’en verbetert de
spreiding van instrumenten en maak het totaal tot een beter gebalanceerd geheel. Het algemene
geluid moet qua klankkleur gebalanceerd zijn, zodat het laag, midden en hoog een gelijke
hoeveelheid geluidsenergie bevatten. Te veel bas of treble leidt tot “vermoeide oren”. Bij EQ’s
is het over het algemeen beter te cut’ten dan te boosten.
•Individueel Tracks Afluisteren - tijdens het mengen van verschillende instrumenten is het
soms moeilijk om individueel te beoordelen welk instrument moet worden gecorrigeerd. Door
de input selector van de andere kanaalschakelaars tijdelijk op MIC/LINE te zetten kunt u iedere
track individueel afluisteren. Als u vervolgens bijgeluiden of andere ongewenste geluiden hoort
kunt u de betreffende track bijwerken.
•Gebruik maken van Effecten - zang en percussie geluiden hebben altijd voordeel bij een
beetje reverb. Reverb voegt díe sprankeling toe die men zo vaak hoort bij moderne opnamen.
Als u nog geen effect processor heeft is een reverb unit waarschijnlijk de meest bruikbare om
mee te beginnen. De MD4 is uitgerust met stereo AUX RETURNS, dus een stereo reverb unit
is de meest logische toekomstige aanschaf.

64
MD4 - Nederlandse Handleiding
V&A Gedeelte
V&A Gedeelte
11
In dit gedeelte worden al uw vragen over de MD4 en MD DATA discs beantwoord.
Wat is het verschil tussen MiniDiscs en MD DATA discs?
MiniDiscs zijn ontworpen om mono en stereo geluidsgegevens op te slaan. MD DATA discs
zijn origineel ontwikkeld om computer data op op te slaan. Ideaal voor gebruik met digitale
camera’s bijvoorbeeld. Er kan echter ook mono, stereo en vier-kanaals geluidsgegevens op
opgeslagen worden. Dat is de manier waarop de MD4 ze gebruikt.
Kan de MD4 normale MiniDiscs gebruiken?
Ja, om af te spelen. De MD4 kan alleen mono of stereo opnemen op MiniDiscs.
Wat gebeurt er als ik een MD DATA disc in een MiniDisc speler stop?
De disc wordt niet herkend. MiniDisc spelers kunnen geen MD DATA discs afspelen.
Hoe weet de MD4 wat voor soort disc ik er in stop?
MiniDiscs hebben een andere vorm op een hoek. Daarbij bevat de TOC op de disc andere
informatie die in relatie staat met het disc type.
Hoe lang gaat een MD DATA disc mee?
Zolang de disc niet fysiek beschadigd is, oneindig. Zelfs na een miljoen keer opnemen en
afspelen is er nog geen signaalverlies.
Moet ik een MD DATA disc formateren voordat de MD4 hem kan gebruiken?
Nee. De MD4 gebruikt de MD DATA disc rechtstreeks uit de verpakking. Geen gedoe. Een
MD DATA disc die echter gebruikt is op een computer moet wel eerst geformateerd worden op
de MD4. Zie Songs Wissen op pag. 48 voor meer informatie.
Kan ik mijn MD DATA disc beschermen tegen per ongeluk wissen?
Ja. MD DATA discs hebben een write protect tab.
Wat is de beschikbare opname-tijd?
Dit is afhankelijk van de Opname mode: 37 minuten bij vier-tracks (4TR), 74 minuten bij
stereo (2TR) en 148 minuten bij mono opnamen (MONO).
Wat is de frame counter (lett. teller)?
Een frame is een integraal onderdeel van het MD DATA disc formaat. Een frame bevat 11,6
msek. gegevens (m.a.w. 512 samples ATRAC geluidsdata op 44,1 kHz). Er gaan ongeveer 86
frames in een sekonde.
Wordt de geluidskwaliteit beïnvloedt door ping-pongen?
Nee - dankzij digitale opname technologie. Houdt er echter rekening mee dat de mixer van de
MD4 analoog is, dus er kan na vele ping-pong handelingen een vorm van geluidsverlies
plaatsvinden. Alhoewel dit onbeduidend is in vergelijking met analoge recorders.
Verlies ik een track bij het opnemen van timecode?
Nee. De MD4 genereert MTC (MIDI Timecode) of MIDI Clock met interne sync signalen.
Zelfs in een gesynchroniseerd MIDI systeem kunt u nog steeds vier tracks opnemen.
Hoeveel Songs kan ik opslaan op een MD DATA disc?
Maximaal 254.
Is de MD4 gevoelig voor stoten en schokken?
Binnen het redelijke, nee. De MD4 is uitgerust met een drie-sekonden buffer voor ononderbroken
bediening.

65
MD4 - Nederlandse Handleiding
Moet ik de koppen van de MD4 schoonmaken?
Nee. In een cassette recorder raken de koppen de tape aan. De MD4 koppen komen echter niet
in contact met de disc. De koppen van de MD4 zijn zeer geavanceerde elektronische onderdelen.
Raak ze nooit aan.
V&A Gedeelte

66
MD4 - Nederlandse Handleiding
Troubleshooting (“in de problemen”)
Troubleshooting (“in de problemen”)
Als u problemen hebt met het bedienen van de MD4, of iets werkt niet zoals u verwacht, kunt
u de symptomen in de volgende tabel opzoeken en het advies volgen.
Symptoom Advies
Zit het stroomsnoer in een geschikt stopcontact en in de AC IN connector
op de achterkant van de MD4?
Zorg er voor dat de MD4 POWER knop in de ON positie staat.
Als de MD4 nog steeds niet aangaat moet u contact opnemen met uw
Yamaha dealer
Zorg er voor dat de input selector schakelaar op MIC/LINE staat. Zet de
input kanaal fader hoger. Wijs het input kanaal toe aan een track met de
GROUP assign schakelaars. Druk op de corresponderende
MONITOR SELECT GROUP switch. Zet de MONITOR LEVEL knop op
een hoger niveau.
Let er op dat u gebruik maakt van een MD DATA disc, geen MiniDisc.
Let er op dat de disc write protect tab niet op protect staat.
Heeft u een [REC SELECT] knop ingedrukt, om een track toe te wijzen aan
de opname?
Zorg er voor dat u daadwerkelijk het signaal hebt toegewezen dat u wilt
opnemen op de track. Gebruik de CUE monitor knoppen om te zien of het
signaal werkelijk naar de track wordt gestuurd.
Normaal gesproken geven de level meters disc signaal niveaus aan. Om
een group signaal te zien moet u op de [REC] knop drukken zodat u naar
de Record Pause mode gaat en vervolgens op de corresponderende [REC
SELECT] knop drukken. Als er geen disc geladen is, geven de meters group
signaal niveaus aan.
U moet de LAST REC IN en OUT punten toegewezen hebben om gebruik
te kunnen maken van deze functie.
U kunt de eerste opname op een lege disc niet oefenen. Neem eerst iets
op, en maak dan gebruik van de Rehearse functie.
Misschien heeft u pitch aangepast alvorens een track op te nemen. Reset
de pitch.
U moet de LAST REC IN en OUT punten toegewezen hebben om gebruik
te kunnen maken van deze functie.
U moet niet alleen de AUX knop maar ook de kanaal fader opendraaien.
Dit is omdat het AUX SEND signaal vanaf de bron post-fader is (m.a.w.
na
de fader).
Zorg er voor dat de song een aantal markers bevat.
Zorg er voor dat niet alle stappen in de Cue Lijst op nul repeats staan
(n=0).
Zorg er voor dat cues op de volgorde zijn ingegeven (d.w.z. “s->e” of “3-
>4” i.p.v. “e->s” of “4->3”.
Controlleer of uw sequencer wel MTC of MIDI Clock ondersteunt. MTC
verschijnt in de display als MTC wordt gebruikt, en MASTER verschijnt als
u gebruik maakt van MIDI Clock.
Controllleer of uw sequencer ingesteld staat om te synchronizeren met
een externe MTC of MIDI Clock bron. Zie de handleiding van de sequencer.
De MD4 lokaliseert zo snel dat sommige MIDI sequencers niet zo snel
kunnen reageren, in het bijzonder als de MD4 in A-B repeat mode staat.
Controlleer of de disc wel goed geladen is.
Druk op [TOC] om TOC data naar disc te schrijven. Haal de disc eruit.
MD4 gaat niet aan!
Kan niet luisteren naar een
aangesloten muziekbron!
Kan niet opnemen!
De niveau meters geven geen
signaal niveaus aan!
Kan de Auto Punch In/Out niet
gebruiken!
Kan niet oefenen!
De opnamen spelen af op de
verkeerde toonhoogte!
Krijg geen toegang tot de Punch
Off Line functie!
Kan geen kanaal signaal sturen
naar de AUX SEND!
Kan niet naar de Cue Lijst functie!
Kan de Cue Lijst niet afspelen!
MIDI sequencer synchronizeert
niet met de MD4!
Disc is geladen, display zegt No Disc!
Disc wil er niet uit!

67
MD4 - Nederlandse Handleiding
Appendix
Geen Activiteit
Normaal afspelen
Afspelen is gepauzeerd
Quick preview, 2X of 4X afspeelsnelheid
Quick review, 2X of 4X afspeelsnelheid
Opname is gepauzeerd
Opname is bezig
Oefenen is gepauzeerd
Oefenen is bezig
Een nieuwe song wordt opgenomen
De nieuw op te nemen song is gepauzeerd
Auto Punch In/Out functie is actief en de
MD4 is standby om de Auto Punch opname
sequence te beginnen.
Auto Punch In/Out functie is actief en de
MD4 is standby om de Auto Punch oefening
sequence te beginnen.
Auto Punch In/Out opname sequence is
begonnen en is momenteel tussen het Pre-
Roll en Inprik punt.
Auto Punch In/Out oefening sequence is
begonnen en is momenteel tussen het Pre-
Roll en Inprik punt.
Appendix
MD4 Transport Modes
Aan Knipperend

68
MD4 - Nederlandse Handleiding
Appendix
Display Meldingen
ADJST Abort De [STOP] is ingedrukt, dus de Adjust functie is geannuleerd.
A. PNCH Abort De [STOP] is ingedrukt, dus de Auto Punch In/Out functie is geannuleerd.
Blank Disc De disc is leeg.
BLANK TOP De MD4 staat op de Blank Top (lett. leeg begin) positie.
CLK OFF! MIDI Clock is automatisch uitgezet omdat u de Program Play of Cue Lijst
functie hebt geaktiveerd.
CmbnProhibit De MD4 kan deze twee songs niet combineren omdat ze niet gesplitst zijn
de Song Divide functie, of de MD4 kan dit type song niet editten.
Copy Abort De [STOP] knop is ingedrukt, dus de Song Copy functie is geannuleerd.
CueList Err De Cue Lijst is niet geldig.
CueLst Abort De [STOP] knop is ingedrukt, dus de Cue Lijst Copy functie is geannuleerd.
Disc FULL De disc is vol. U kunt geen data meer opnemen.
Disc Locked U kunt de disc er niet uithalen omdat de MD4 aan het opnemen is of de TOC
ge-update moet worden.
DiscErr xx Er zit een kras op de disc, of een ander defect. Vervang de disc.
Erase Abort De [STOP] knop is ingedrukt, dus de Track Erase functie is geannuleerd.
Erase Warn! De song is schrijfbeveiligd door een andere recorder. Druk op [ENTER] om te
wissen, of op [CLEAR] om te annuleren.
Error xx Een fatale fout is opgetreden. Neem contact op met uw Yamaha dealer.
IN/OUT Err Het IN of OUT punt is niet geldig, dus kunt u geen gebruik maken van Auto
Punch In/Out.
Invalid Song Deze song is niet compatibel, dus de MD4 kan hem niet afspelen.
Load Err Er is geen Tempo Map voor deze song op de disc.
LoadProhibit Het data gedeelte van de Tempo Map UTOC sector 4) is anders geformateerd.
Load Warn !Niet alle Tempo Map stappen konden gevonden worden. De Tempo Map is
waarschijnlijk opgeslagen door een andere recorder.
Mark Failed Er kunnen geen markers meer ingevoegd worden omdat de song het maximum
aantal bereikt heeft, of u probeerde een marker in te voegen op de plek van
een reeds bestaande marker.
MTC OFF! MTC is automatisch uitgezet omdat u de Program Play of Cue Lijst functie
heeft geaktiveerd.
No Blank Er kan geen blanco gedeelte gevonden worden om opgenomen te worden.
No Disc Er is geen disc geladen.
OPEN Het disc compartiment staat open.
PNCH Abort De [STOP] knop is ingedrukt, dus de OffLine Punch functie is geannuleerd.
Read Cancel Het TOC lezen is geannuleerd omdat u op de Eject knop hebt gedrukt.
Reading TOC De MD4 is de TOC aan het inlezen van disc.
REC Prohibit Kan niet over deze song heen opnemen, u kunt deze song niet overschrijven.
REHEProhibit De MD4 kan niet opnemen in deze mode, dus kunt u geen opname oefenen
die deze song zou overschrijven.
Reload Disc De MD4 wacht op u om de disc te laden.
Save Err Er is geen song geselecteerd. U kunt geen Tempo Map opslaan in het Blank
Top gedeelte.
SaveProhibit De song is schrijfbeveiligd of het data gedeelte van de Tempo Map UTOC
sector 4) is anders geformateerd.
Save Warn !Niet alle Tempo Map stappen kunnen opgeslagen worden, omdat het data
gedeelte vol is.
UTOC FULL Het TOC gedeelte is vol dus de Song Titel of de Tempo kon niet in zijn geheel
opgeslagen worden.
Write Protect De write protect tab staat op beveiligd, dus kunt u niet opnemen.
Writing TOC De MD4 is TOC naar disc aan het schrijven.
Melding Betekenis

69
MD4 - Nederlandse Handleiding
De MD4 Gebruiken met een Sun-Mixer
De Signaalbaan

70
MD4 - Nederlandse Handleiding
Appendix
Specificaties
Sampling Frequentie: 44,1 kHz Compressie: ATRAC
Frequentie Respons: 20 Hz-20 kHz
THD+N: 0,01% typ. (1 kHz)
S/N: 85 dB typ.
onafhankelijke 4-track tegelijktijdige opname/afspelen (Opname tijd: 37 min.
Dubben met 4-track afspelen
Automatisch- en handmatig in/uitprikken (11,6ms accuraat)
Stereo & Mono opname mogelijkheden (stereo 74 min. Mono 148 min.)
Repeat Play A-B, SIngle Song, All Song
Vari-pitch (±6%)
Start- en eind punt van iedere song Direct Time Locate
8 mark locate punten voor iedere song Laatste opname In/Uit Punt
2- & 4X normale afspeelheid
Alle Erase
Divide, Combine, Erase
Cue Lijst-style afspelen voor iedere Song m.b.v. Mark Search functie
Disc Titel, Song Titel
REC SELECT knoppen 1-4
Transport knoppen: PLAY, STOP, PAUSE, REC, REHEARSAL, CUE, REVIEW, SONG SEARCH
Mode knoppen: AUTO PUNCH I/O, PITCH, TIME DISPLAY, ADJUST, UTILITY
Cursor knoppen: SELECT, DATA (-,+)
Locate knoppen: MARK, MARK SEARCH, LAST REC (IN/OUT), REPEAT, MEMO A/B
MIDI OUT
FLD (Fluorescent Display)
MIC/LINE INPUT X4 Phone jack (-50 tot -10 dB)
AUX RETURN (L, R) X1 Phone jack (-10 dB)
STEREO SUB IN (L, R) X1 Phono (-10 dB)
TRACK DIRECT OUT X4 Phono (-10 dB)
STEREO OUT (L, R) X1 Phono (10 dB)
MONITOR OUT (L, R) X1 Phono (-10 dB)
AUX SEND X1 Phone jack (-10 dB)
PHONES OUT X1 Stereo Phone jack (100mW/40Ohm)
3-Band, ±12 dB LOW: 80 Hz shelving, MID: 1 kHz Peaking, HIGH: 12 kHz Shelving
Stereo Fader (45 mm)
Playback Cue Level Knop 1-4
Monitor/Phone monitor select, Level knop
Level knop
Level knop
Digital/Audio
Rec/Play
Locate
Cue & Review
Song Editten
Titel Editten
MIDI
Paneel Knoppen
Display
Inputs
Outputs
EQ
Master Kanaal
kenmerken
Aux Return
Stereo Sub In
Lokaal AC
26 W
37,6 x 7,23 x 36,4 cm
4,9 kg
5C~35C
10%~95%
AC Stroomsnoer,
Nederlandstalige Handleiding
, MD DATA disc
FC5 Voetswitch
Voedingseisen
Voeding
Afmetingen
Gewicht
Temperatuur
Vochtigheidsgraad
Bedienings-
omstandigheden
Meegeleverde Accessoires
Los Verkrijgbare Accessoires
0 dB is gerefereerd aan 0,775 V r.m.a.
Algemeen
Mixer
Recorder

71
MD4 - Nederlandse Handleiding
Blok Schema
Blok Schema
Afmetingen
* Specificaties kunnen wijzigen zonder dat hier vantevoren notie over wordt gegeven

72
MD4 - Nederlandse Handleiding
Trefwoorden Lijst
Trefwoorden Lijst
Afmixen - Het proces waarbij alle individuele tracks tot één stereo mix gemaakt worden. Het
afmixen is de laatste stap in de multitrack opname procedure.
ATRAC - de afkorting van Adaptive Transform Acoustic Coding. Dit is een compressie techniek
die gebruikt wordt om dezelfde hoeveelheid data van een 120mm CD op een 64mm MiniDisc
te krijgen. Gebruik makend van het ATRAC systeem, biedt de MD4 4-track multitrack recording
van max. 37 minuten. ATRAC maakt gebruik van een gevestigd psychoakoestisch principe om
audio data terug te brengen tot ongeveer 20% van het origineel, met nauwelijks verlies van
kwaliteit. Het threshold of hearing principe stelt dat de gevoeligheid van het menselijk oor
frequentie afhankelijk is. Twee tonen op hetzelfde geluidsniveau maar op verschillende
frequenties zijn niet hoorbaar op hetzelfde volume. Een ander principe dat gehanteerd wordt is
het masking effect, hetgeen stelt dat zachte geluiden vaak onhoorbaar worden als er hardere
geluiden aanwezig zijn op vergelijkbare frequenties.
Bedieningsniveau - Dit is het signaal niveau waarop een apparaat is ontworpen om te
functioneren. De twee meest voorkomende niveaus zijn -10 dBV (316 mV), die wordt gebruikt
bijsemi-professionele apparatuur, en +4 dBu (1.23 V) die wordt gebruikt bij professionele
apparatuur.
Blank Top - Dit is het startpunt van een leeg gedeelte op een disc. Om een nieuwe song op te
nemen op een disc die al songs bevat, moet u eerst de Blank Top vinden. Zie Zoeken naar de
Blank Top (leeg gedeelte) op pag. 19 voor meer informatie.
Bus - Een doodgewone geleider die gebruikt wordt voor het distribueren van audio signalen.
De MD4 bevat vier Group bussen die de tracks “voeden”, een Stereo bus bestaande uit linker-
en rechter kanalen, een AUX bus voor de AUX SEND en een CUE bus voor de cue monitor.
Clipping - Het ongewenste effect van vervorming dat ontstaat zodra we een audio circuit
overladen met een signaal dat te groot is. U moet er goed op letten dat u de GAIN knoppen zo
instelt dat de opname electronica niet overladen wordt. Zie de Eerste Track Opnemen op pag.
13 voor meer informatie.
Cue - Er zijn drie soorten cue’s op de MD4. 1) Monitor CUE. 2) Cue Lijst cue. 3) FF CUE Zie
Monitor CUE, Cue Lijst en FF CUE.
Cue List - Met de Cue Lijst functie kunt u een cue lijst samenstellen (m.a.w. een opeenvolging
van stukjes om af te spelen) m.b.v. markers. Cues worden in het geheugen geladen zodat er
achter elkaar, onafgebroken afgespeeld kan worden. Een nieuwe song kan gecreëerd worden
m.b.v. de Cue Lijst en de Cue Lijst Kopie functie. Zie Cue Lijst Afspelen & Kopiëren op pag. 42
voor meer informatie.
DAT - Afkorting voor Digital Audio Tape. DAT recorders zijn in het bijzonder populair in
studio’s om de uiteindelijke eindmix op op te nemen.
DI (Direct Inject) - Een techniek waarbij een gitaar of bas direct op de mixer kan worden
aangesloten. De hoge impedantie van de gitaar wordt geconverteerd naar de lage impedantie
van de mixer m.b.v. een DI Box. Sommige instrument versterkers hebben een ingebouwde DI.
EQ - Afkorting voor Audio Equalizer. De MD4 is uitgerust met een drie-bands EQ.
EXE - Afkorting voor Execute (lett. uitvoeren). Dit verschijnt in de display van de MD4 als hij
u vraagt om het uitvoeren van een bepaalde functie te bevestigen.
FF CUE - Dit is de naam van de disc transport knop die het geluid op 2X of 4X de normale
afspeelsnelheid voorbeschouwd (lett. preview).

73
MD4 - Nederlandse Handleiding
Trefwoorden
Voetschakelaar - Een met de voet bediende switch. Verscheidene functies van de MD4 kunnen
bediend worden met een voetswitch.
Frame - Een integraal onderdeel van het MD DATA disc formaat. Één frame bevat 11,6 ms
data (512 ATRAC samples van geluidsgegevens op 44,1 kHz). Er zitten ongeveer 86 frames in
een sekonde.
Group - Een group is in feite hetzelfde als een track op de MD4. D.w.z., als een input kanaal
is toegewezen aan Group 3, wordt het signaal naar Track 3 gestuurd om opgenomen te worden.
Low-Level-Signaal - (lett. laag niveau signaal). Een signaal in het bereik -100 dB tot -20 dB.
Microfoons en gitaren vallen in dit bereik. De MD4 MIC/LINE inputs ondersteunen lage niveau
signalen. Staat in contrast met Line-Level-Signalen.
MiniDisc - Een compact data opslagmedium ontworpen om muziek op te slaan. Mini Discs
kunnen alleen mono of stereo afgespeeld en worden opgenomen op de MD4. Zie ook Random
Access, ATRAC en MD DATA disc.
MD DATA Disc - Een compact data opslagmedium ontworpen om computer-type dat op te
slaan. Alhoewel bijna gelijk aan MiniDiscs zijn ze niet uitwisselbaar. MD DATA discs zijn er in
twee soorten; alleen afspeelbaar en herschrijfbaar. De MD4 gebruikte de laatste om op te nemen.
Zie Discs Kopen Voor de MD4 op pag. 2 voor meer informatie.
MIDI - Afkorting van Musical Instruments Digital Interface. Internationale standaard waardoor
elektronische muziekinstrumenten en audio apparatuur met elkaar kunnen communiceren.
MIDI Clock - Een clock signaal wat wordt verstuurd als MIDI data. MIDI Clock doelt op een
timing signaal en Start, Stop en Continue commando’s. De MD4 kan MIDI Clock leveren aan
een MIDI sequencer voor gesynchroniseerde besturing.
MIDI Song Position Pointer - Een type MIDI gegeven dat wordt gebruikt om informatie te
verkrijgen van een MIDI Clock signaal. De MD4 genereert MIDI Song Position Pointers. Het
maakt niet meer uit in welk punt van de song u begint af te spelen, de MIDI sequencer zal dat
punt lokaliseren en dan gesynchroniseerd meespelen.
MIDI Timecode - Zie MTC.
Monitor CUE - Met de cue monitor kunt u individuele tracks afluisteren terwijl ze opgenomen
of afgespeeld worden. In Record Pause mode en tijdens het opnemen is de CUE monitor bron
het signaal wat opgenomen wordt (het zgn. input signaal). Bij het afspelen is de CUE monitor
bron vanaf disc (m.a.w. het signaal wat al is opgenomen op disc). Dit is bruikbaar bij de in/
uitprik functies omdat u het reeds opgenomen signaal kunt afluisteren tot het gespecificeerde
IN punt, en vervolgens het nieuw op te nemen signaal tot het OUT punt.
MTC (MIDI Timecode) - Een toevoeging op de MIDI standaard waarmee audioapparatuur
kan worden gesynchroniseerd. MIDI Timecode bevat clock en positie informatie. De MD4 kan
MTC leveren aan een sequencer om te synchroniseren.
Multitracker - Een alles-in-één opneem- en mix apparaat met meestal vier of acht tracks. De
MD4 is de eerste multitracker die het MD DATA disc formaat gebruikt.
Nominaal Niveau - Zie Bedieningsniveau
One-Take Opname - Een opname techniek waarbij alle geluiden in één keer worden
opgenomen (m.a.w. geen overdubs). Deze techniek wordt toegepast bij live opnamen.
Overdub Opnamen - Het proces van opnemen van toegevoegde geluiden tijdens het
afluisteren van eerder opgenomen tracks. Hierdoor kunt u een song track-voor-track opbouwen.
Panning - Een techniek die u in staat stelt het geluid een plek in het stereobeeld te geven.

74
MD4 - Nederlandse Handleiding
Trefwoorden
PB - De afkorting voor Playback (afspelen). Deze afkorting verschijnt naast de input selector
schakelaar op ieder input kanaal, en wordt gebruikt om het disc signaal als bron voor het input
kanaal toe te wijzen.
Phone Jack - Een 1/4-inch plug die vaak wordt gebruikt bij audio apparatuur.
Phono Jack - Ook wel bekend als RCA plug, dit type connector wordt vaak gebruikt op semi-
professionele audio- en videoapparatuur.
Ping-Pong - Een opnametechniek die wordt gebruikt om één of meerdere tracks over te brengen
naar andere tracks om de betreffende tracks weer vrij te maken voor nieuwe opnamen. De MD4
kan op vier sporen opnemen en dan nog ping-pongen (zgn. vier-track afspelen én ping-pongen).
Een kenmerk dat uniek is voor de MD4.
Pre-Roll Time - Bij het automatisch in/uitprikken is dit de tijd voor het IN punt waar het
afspelen begint. Zie het Instellen van de Pre-Roll & Post-Roll Tijden op pag. 28 voor meer
informatie.
Post-Roll Time - Bij het automatisch in/uitprikken is dit de tijd na het OUT punt waar het
afspelen stopt. Zie het Instellen van de Pre-Roll & Post-Roll Tijden op pag. 28 voor meer
informatie.
Program - Een compilatie van songs die op willekeurige volgorde kunnen worden afgespeeld.
Zie Programs Afspelen op pag. 43 voor meer informatie.
Punch In/Out - Een techniek waarmee u bepaalde gedeelten van een track opnieuw op kunt
nemen. De MD4 bevat zowel automatische- als handmatige inprik functies.
Random Access - De mogelijkheid om data onmiddelijk te manipuleren. De quick locate
functies van de MD4 geven u de mogelijk onmiddellijk een bepaald punt te lokaliseren. Tape
gebaseerde recorders hebben geen random access mogelijkheden omdat ze de band moeten
spoelen, hetgeen tijd kost.
Signaal - Geluid reist door audioapparatuur als elektrische signalen.
Signal to Noise Ratio (Signaal Ruis verhouding) - In een audio systeem wordt het
verschil tussen een nominaal signaal en de residue ruis bodem meestal uitgelegd als een
verhouding in decibels. Het wordt gebruikt als een manier om de prestaties van een audio
systeem te beoordelen.
Tempo Map - Een map die de tempo en meter informatie van een song bevat.
TOC - Een afkorting voor Table Of Contents. Het gaat hier om een gebied op de disc die
gebruikt wordt om informatie op te slaan van de inhoud van de disc; titel, song titels, enz.
Tracking - Het proces van het opnemen van tracks op een audio recorder. In het nederlands
gewoon opnemen. Het opnemen is de eerste fase van het multitrack recording proces.
Unity Gain - Het vermenigvuldigen met de waarde één, ofwel een toename van X1. D.w.z.
het signaal wordt verstuurd door een circuit op hetzelfde niveau waarop het werd ontvangen.
Eenmaal door de MIC/LINE versterker, minimaliseert een unity gain systeem ruis en vervorming.
De unity gain positie van de MD4 faders is 7-8.

74
MD4 - Nederlandse Handleiding
Troubleshooting (“in de problemen”)

75
MD4 - Nederlandse Handleiding
Index
Index
A
A_PNCH Abort, melding 68
A-B Repeat 41
Aansluitingen
AAN/UIT knop 11
AC IN 11
AUX RETURN 10
AUX SEND 10
MIC/LINE INPUTS 10
MIDI OUT 11
MONITOR OUT 10
PHONES 11
PUNCH I/O 11
STEREO OUT 10
STEREO SUB IN 10
TRACK DIRECT OUT 10
AC IN aansluiting 11
ADJST Abort, melding 68
ADJUST knop 8
Afluisteren
meer dan algemeen 62
over 18
overzicht 17
Afmetingen 71
Afmixen
bediening 16
definitie 73
effecten 34
meer dan algemeen 63
overzicht 17
Afspelen
beginnen 9
cue lijst 42
program 43
speel 67
Algemeen Multitracken 17
All Song Repeat 40
ATRAC, definitie 72
Auto Punch
indicator 7
gebruik 26
oefenen 25
voetschakelaar 27
AUTO PUNCH I/O knop 8
AUTO PUNCH indicator 7
Auto Punch Record Standby
mode 67
Auto Punch Rehearse Standby
mode 67
AUX knop 4
AUX RETURN
Meer dan algemeen 61
aansluiten 34
aansluitingen 10
GROUP ASSIGN
schakelaars 5
LEVEL knop 5
AUX SEND aansluiting 10
B
Bedieningsniveau, definitie 73
Blank Top, definitie 72
BLANK TOP, melding 68
Blok Schema 71
Bus, definitie 72
C
Clear knop 9
Clipping, defenitie 72
CLK OFF!, melding 68
CmbnProhibit, melding 68
Combineren van Songs 46
Copy Abort, melding 68
CUE
Level knoppen 5
MONITOR SELECT sw, 5
Cue FF 67
Cue Lijst
Kopiëren 42
definitie 72
afspelen 42
Cue, definitie 72
CueList Err. melding 68
CueLst Abort, melding 68
D
DAT, definitie 72
DATA knoppen 9
Direct Outputs 10
Discs inserteren 13
Disc Err, melding 68
Disc laden 13
Disc format indicators 6
Disc FULL, melding 68
Disc Locked, melding 68
Disc Transport knoppen 9
Discs
kopen 2
hoeveel songs 64
laden 13
titel display 7
titel geven 20
write protect 68
Display
disc format indicators 6
marker indicators 7
MASTER indicator 6
MTC indicator 6
pitch indicator 6
repeat mode indicator 7
status indicator 6
stereo level meters 7
time counter 7
time counter modes 7
TOC EDIT indicator 6
track level meters 7
track record indicators 7
E
Eerste track opnemen 13
Eerste sessie 12
Effecten
afmixen 34
toepassen 34
opnemen 35
ping-pong 35
EJECT knop 9
ELAPSE, time counter 7
ENTER knop 9
EQ
Meer dan algemeen 61
knoppen 4
response grafiek 4
specificaties 4
Erase Abort, melding 68
Erase Warn!, melding 68
Erase, zie wissen
Error, melding 68
EVEN, pan 14
EXE, definitie 72
F
Fader
input kanaal 4
master section 5

76
MD4 - Nederlandse Handleiding
Appendix
FF CUE knop 9
FIX 6
Flow chart 69
Frame, definitie 72
G
GAIN knop
over 4
instelling 14
Geavanceerd Multitracken 17
Group Assign
AUX RETURN 5
input kanalen 4
STEREO SUB IN 5
GROUP ASSIGN schakelaars
4
GROUP MONITOR SELECT
schakelaars 5
Group, definitie 72
H
Herhalen
A-B 41
all songs 40
indicators 7
one song 40
HIGH EQ 4
I
IN indicator 7
IN punt instelling 24
IN/OUT Err, melding 68
Input kanalen
AUX knop 4
EQ knoppen 4
fader 4
GAIN knop 4
GROUP ASSIGN sw. 4
Input source selector sw. 4
PAN knop 4
Invalid Song, melding 68
Instellingen
GAIN knop 14
IN/OUT punten 24
pitch (toonhoogte) 32
post-roll time 28
pre-roll time 28
K
Kanaal inputs 4
Kopiëren
cue lijst 42
songs 44
tracks 47
Koptelefoon aansluiting 11
Koptelefoon volume knop 5
L
Last REC
zoeken 36
SEARCH knoppen 9
Lege disc, melding 68
Level fader 4
Level meters
stereo outputs 7
tracks 7
Line niveau signal, definitie 72
Load Err, melding 68
LoadProhibit, melding 68
LOW EQ 4
Laag-niveau-signaal, definitie
73
M
Manual Punch in/out 21
MARK knop 9
MARK failed, melding 68
MARK SEARCH knoppen 9
Markers
afstellen 38
indicators 7, 37
invoegen 37
meer dan algemeen 61
wissen 39
zoeken 36
Master section
AUX RETURN GROUP
ASSIGN schakelaars 5
AUX RETURN LEVEL
knop 5
CUE LEVEL knoppen 5
MONITOR LEVEL knop 5
MONITOR SELECT
schakelaars 5
STEREO fader 5
STEREO SUB IN GROUP
ASSIGN schakelaars 5
STEREO SUB IN LEVEL
knop 5
MD DATA
definitie 73
disc indicators
disc leven 64
discs kopen 2
disc betitelen
MD4
aansluitingen
aanzetten 13
afmetingen 71
als een sub mixer 59
blik op de bovenkant 3
blokdiagram 71
discs 2
display 6
doorwandelen 3
input kanalen 4
kenmerken 1
master section 5
MIDI 49
opnamen beschermen 64
signaalbaan 69
specificaties 70
toepassingen 57
transport sectie
Meer dan algemeen 61
MEMO A/B knoppen 8
Meter, Tempo Map 52
MIC/LINE
Input aansluitingen 10
Input bron schakelaar 4
MID EQ 4
MIDI
definitie 73
home studio setup 58
implementation chart 79
MASTER indicator 6
MTC indicator 6
OUT aansluiting 11
synchronisatie 49
MIDI Clock
definitie 73
gebruik maken van 52
indicator 6
sequencer instellingen 52
systeem opstelling 50
MIDI Timecode zie MTC
MiniDisc

77
MD4 - Nederlandse Handleiding
Appendix
definitie 73
disc indicators 6
types 2
MONITOR
LEVEL knop 2
OUT aansluitingen 10
SELECT schakelaars 5
MTC
definitie 73
gebruik maken van 51
indicator 6
kabel opmerkingen 51
sequencer instellingen 51
systeem setup 50
MTC OFF!, melding 68
Multitrack Opname overzicht
17
Multitracker, definitie 73
Multitracking
algemeen 17
geavanceerd 17
N
Naam geven aan discs/songs
20
New Record mode 67
New Record Pause mode 67
No Blank, melding 68
No Disc, melding 68
Nominaal niveau, definitie 73
O
ODD, pan 14
Oefenen (rehearse)
auto punch 25
mode 67
ping-pong 30
OffLinePunch functie 47
ON/OFF schakelaar 11
One Song herhalen 40
One-Take opnamen 57
OPEN, melding 68
Openen disc compartiment 13
Opnemen
bediening 20
beschikbare tijd 19
de eerste track 13
disc bescherming 64
effecten 35
modes 19
nieuwe song 19
one-take 57
opnemen 17
overzicht 17
ping-pong 29
stereo source 60
track record indicators 7
OUT indicator 7
Out punt instelling 24
Overdubben
bediening 15
definitie 73
met ping-pong 31
overzicht 17
Overzicht van multitrack
P
PAN knop 4
Panning definitie 73
PAUSE knop 9
PB, input bron schakelaar 4
Phone jack, definitie 73
PHONES aansluiting 11
Phono jack, definitie 73
Ping-pong
bediening 30
definitie 74
effecten 35
met tegelijk overdub 31
oefenen 30
over 29
overzicht 17
voorbereiding 30
Pitch
afstellen 32
indicator 6
meer dan algemeen 62
resetten 32
PITCH knop 8
PLAY knop 9
Play Pause mode 67
Play Record Wait mode 67
Play Rehearse Wait mode 67
PNCH Abort, melding 68
Post fader, definitie 74
POST indicator 7
Post-roll instellingen 28
PRE indicator 7
Pre-post roll 28
Pre-roll instellingen 28
PRG Play 43
Program afspelen 43
Program Compile 43
Project studio setup 58
PUNCH in/out aansluiting 11
Punch in/out (in/uitprikken)
handmatig 21
overzicht 17
REC knop gebruiken 21
REC SELECT knoppen
gebruiken 22
voetschakelaar gebruiken 23
Q
Quick Search functies 36
R
Random access, definitie 74
Read Cancel, melding 68
Reading TOC, melding 68
REC knop 9
Rec mode 9
REC Prohibit, melding 68
REC SELECT knoppen 9
Record mode 67
Record Pause mode 67
REHE knop 9
Rehearse pause mode 67
REHEProhibit, melding 68
Reload Disc, melding 68
REMAIN, time counter 7
Repeat zie herhalen
REPEAT 1 indicator 7
REPEAT ALL indicator 7
REPEAT knop 8
REPEAT MEMO indicators 7
Resetten van de Pitch 32
REVIEW knop 9
Review mode 67
Ruis-signaal verhouding, def.
74
S
Save Err, melding 68
Save Warn!, melding 68
SaveProhibit, melding 68
SELECT knoppen 8
Signaalbaan overzicht 69

78
MD4 - Nederlandse Handleiding
Appendix
Snelstart systeem 12
Song kopiëren 44
Song Position Pointers,
defenitie 73
SONG SEARCH knoppen 9
Song splitten 45
Song verdelen (divide) 45
Song samenvoegen 46
Song wissen 48
Specificaties 70
Status indicators 6
Stereo bron opnemen 60
STERO fader 5
STEREO MONITOR SELECT
schakelaar 5
Stereo niveau meters 7
STEREO SUB IN
aansluiten 10
aansluitingen 59
GROUP ASSIGN
schakelaars 5
Level knop 5
Stop 67
STOP knop
Stroomsnoer
aansluiten 13
connector 11
SUB IN level knop 5
Sub mixer bediening 59
Synchronisatie
bediening 49
overzicht 17
systeem setup 50
T
Tempo Map
defenitie 74
kaart 56
laden 55
meter 52
opslaan 55
over 49
stappen wissen 54
stappen invoegen 54
tempo 53
Time counter 7
Time counter modes 7
TIME DISPLAY knop 8
Time search zie zoeken
Titels geven aan songs/discs 20
TOC
defenitie 74
update’n 2
TOC EDIT indicator 6
TOC WRITE knop 9
Toepassingen
MIDI Home Studio 58
One-Take opname 57
stereo opnamen 60
Toewijzen, zie Group Assign
Totaal, songs tellen 13
TOTAL, time counter 7
TRACK DIRECT OUT
aansluitingen 10
Track wis functie 48
Tracking, defenitie 74
Tracks
kopiëren 47
level meters 7
record indicators 7
wissen 48
Track-naar-track kopiëren 47
Transport
ADJUST knop 8
AUTO PUNCH I/O knop 8
CLEAR knop 9
DATA knop 9
EJECT knop 9
ENTER knop 9
FF CUE knop 9
LAST SEARCH knoppen 9
MARK knop 9
MARK SEARCH knoppen 9
MEMO A/B knoppen 8
modes 67
PAUSE knop 9
PITCH knop 8
PLAY knop 9
REC knop 9
REC SELECT knoppen 9
REHE knop 9
REPEAT knop 8
REVIEW knop 9
SELECT knoppen 8
SONG SEARCH knoppen 9
STOP knop 9
TIME DISPLAY knop 8
TOC WRITE knop 9
UTILITY knop 8
U
Unity gain, definitie 74
Update’n van TOC 2
UTILITY knop knop 8
UTILITY functies
Cue Lijst
MIDI Sync 49
OffLinePunch 47
PrePost Roll functie 28
PRG Play functie 43
Rec Mode functie 19
Song Combine 46
Song Copy 44
Song Divide 45
Song Erase 48
Track Erase 48
UTOC FULL, melding 68
V
VARI 6
Variëren van toonhoogte 32
Voetswitch
aansluiting 11
auto punch in/out 27
definitie 72
bedieningstabel 33
punch in/out bediening 23
W
Wissen
markers 39
songs 48
tracks 48
Write Protect, melding 68
Writing TOC, melding 68
Z
Zoeken (search)
met tijd 36
naar blank top 19
naar last rec IN/OUT 36
naar markers 36
naar Songs 36


