Yamaha MX12/6 MX20/6 Owner's Manual MX12 6S
User Manual: Yamaha MX12/6 MX20/6 Owner's Manual
Open the PDF directly: View PDF
.
Page Count: 16

MIXING CONSOLE
Manual de instrucciones
Muchas gracias por la adquisición de la consola de mezcla MX12/6 o MX20/6
YAMAHA. Las consolas MX12/6 y MX20/6 están diseñadas para proporcionar al
usuario un balance ideal de operabilidad, funcionalidad, y simpleza.
Para aprovechar al máximo la funcionalidad de las consolas de mezcla MX12/6 o
MX20/6 y disfrutar durante muchos años sin problemas, antes de utilizarlas lea todo
este manual de instrucciones y guárdelo para poderlo consultar en el futuro.
Características
• La MX12/6 proporciona 12 canales de entrada que pueden mezclarse en
salidas estéreo, monofónicas, o en cuatro grupos.
• La MX20/6 proporciona 20 canales de entrada que pueden mezclarse en
salidas estéreo, monofónicas, o en cuatro grupos.
• La toma C-R/PHONES proporciona la fácil conexión a un amplificador
secundario para monitorizar el sonido. Permite la monitorización de la
salida estéreo principal, de la entrada TAPE IN, y de las señales de los grupos
1/2, 3/4.
• La consola de mezcla está provista de una sección eficiente de efectos
digitales incorporada. Los efectos incorporados le permitirán crear mezcla
de sonido profesionales sin necesidad de equipo adicional. Se incorpora
también una toma EFFECT SEND para poder emplear unidades de efectos
externas.
• Se incorporan dos tomas AUX SEND/RETURN. Pueden usarse dos buses
AUX separados como medios de transmisión para unidades de efectos
externas o un sistema monitor.
• La consola de mezcla suministra alimentación fantasma para poder conectar
con facilidad micrófonos de condensador que necesitan alimentación
exterior.
• La consola de mezcla está provista de tomas INSERT I/O para los canales de
entrada 1-4 (MX12/6) o 1-8 (MX20/6) que permiten insertar efectos
individuales en canales individuales.
• Se incorporan tomas de entrada de micrófono del tipo XLR y tomas de
entrada de línea telefónica TRS en los canales 1-8 (MX12/6) o 1-16 (MX20/
6). Los canales de entrada 9-12 (MX12/6) o 17/20 (MX20/6) están provistos
de tomas de entrada de línea estéreo. La MX12/6 y la MX20/6 pueden
manipular una amplia gama de fuentes de sonido, desde micrófonos a
dispositivos de nivel de línea y sintetizadores de salida estéreo.
• Las tomas TAPE IN y las tomas REC OUT ofrecen la fácil conexión de
grabadoras de cinta para reproducción y grabación.
Índice
Paneles frontal y posterior ............... 2
Sección de control de canales ............. 2
Sección de control principal ................. 4
Sección de conectores ......................... 6
Panel posterior ..................................... 7
Aplicaciones ......................................... 9
Suplemento ........................................ 11
Especificaciones ................................ 11
Dimensiones ...................................... 12
Diagrama en bloques y de nivel ......... 13
Conserve este manual para futuras referencias.

MX12/6, 20/6 — Manual de instrucciones
FCC INFORMATION (U.S.A.)
1. IMPORTANT NOTICE: DO NOT MODIFY THIS UNIT! This product, when installed as indicated in the instructions contained in this manual, meets FCC
requirements. Modifications not expressly approved by Yamaha may void your authority, granted by the FCC, to use the product.
2. IMPORTANT: When connecting this product to accessories and/or another product use only high quality shielded cables. Cable/s supplied with this product MUST
be used. Follow all installation instructions. Failure to follow instructions could void your FCC authorization to use this product in the USA.
3. NOTE: This product has been tested and found to comply with the requirements listed in FCC Regulations, Part 15 for Class “B” digital devices. Compliance with
these requirements provides a reasonable level of assurance that your use of this product in a residential environment will not result in harmful interference with
other electronic devices. This equipment generates/uses radio frequencies and, if not installed and used according to the instructions found in the users manual, may
cause interference harmful to the operation of other electronic devices. Compliance with FCC regulations does not guarantee that interference will not occur in all
installations. If this product is found to be the source of interference, which can be determined by turning the unit “OFF” and “ON”, please try to eliminate the
problem by using one of the following measures: Relocate either this product or the device that is being affected by the interference. Utilize power outlets that are on
different branch (circuit breaker or fuse) circuits or install AC line filter/s. In the case of radio or TV interference, relocate/reorient the antenna. If the antenna lead-in
is 300 ohm ribbon lead, change the lead-in to coaxial type cable. If these corrective measures do not produce satisfactory results, please contact the local retailer
authorized to distribute this type of product. If you can not locate the appropriate retailer, please contact Yamaha Corporation of America, Electronic Service
Division, 6600 Orangethorpe Ave, Buena Park, CA 90620
The above statements apply ONLY to those products distributed by Yamaha Corporation of America or its subsidiaries.
WARNING: THIS APPARATUS MUST BE EARTHED
IMPORTANT
THE WIRES IN THIS MAINS LEAD ARE COLOURED IN
ACCORDANCE WITH THE FOLLOWING CODE:
GREEN-AND-YELLOW : EARTH
BLUE : NEUTRAL
BROWN : LIVE
As the colours of the wires in the mains lead of this apparatus may
not correspond with the coloured markings identifying the terminals in
your plug, proceed as follows:
The wire which is coloured GREEN and YELLOW must be
connected to the terminal in the plug which is marked by the letter E
or by the safety earth symbol or coloured GREEN and YELLOW.
The wire which is coloured BLUE must be connected to the terminal
which is marked with the letter N or coloured BLACK.
The wire which is coloured BROWN must be connected to the
terminal which is marked with the letter L or coloured RED.
* This applies only to products distributed by YAMAHA KEMBLE
MUSIC (U.K.) LTD.

MX12/6, 20/6 — Manual de instrucciones
Importante
Antes de utilizar el MX12/6, 20/6, lea lo siguiente
Importante 1
Advertencias
• No coloque recipientes con líquidos no objetos metálicos pequeños sobre la unidad. Si dentro de la
unidad entrasen líquidos u objetos metálicos, se podrían producir descargas eléctricas o un incendio.
• No permita que entre agua dentro de la unidad, ni que ésta se humedezca. Esto podría resultar en
descargas eléctricas.
• Conecte el cable de alimentación de esta unidad solamente a un tomacorriente de CA del tipo indicado
en este manual del propietario, o marcado en la unidad. Si no lo hiciese, se podría provocar el riesgo de
descargas eléctricas o de un incendio.
• No raye, doble, retuerza, tire, ni caliente el cable de alimentación. Un cable de alimentación dañado
podría causar descargas eléctricas o un incendio.
• No coloque objetos pesados, incluyendo esta unidad, sobre ningún cable de alimentación. Un cable de
alimentación dañado podría provocar el riesgo de descargas eléctricas o de un incendio. En especial,
tenga cuidado de no colocar objetos pesados sobre un cable de alimentación cubierto por una alfombra.
• Si nota cualquier anormalidad, como humo, olores, o ruido, o si algún objeto extraño ha caído dentro de
la unidad, desconecte inmediatamente su alimentación. Desenchufe el cable de alimentación del
tomacorriente de CA. Solicite la reparación de la unidad a su proveedor. La utilización de la unidad en
estas condiciones podría suponer el riesgo de descargas eléctricas o de un incendio.
• Si esta unidad, el adaptador de CA, o la fuente de alimentación han caído, o si la caja se ha dañado,
desconecte la alimentación, desconecte el enchufe de alimentación del tomacorriente de CA, y póngase
en contacto con su proveedor. Si continuase utilizando la unidad sin haber tenido en cuente estas
instrucciones, podría recibir descargas eléctricas.
• Si el cable de alimentación está dañado (es decir, cortado o con conductores al descubierto), solicite a su
proveedor que se lo reemplace. La utilización de la unidad con el cable de alimentación dañado podría
suponer el riesgo de descargas eléctricas o de un incendio.
• No extraiga la cubierta de la unidad. Podría sufrir una descarga eléctrica.
• No modifique la unidad. Si lo hiciese, supondría el riesgo de descargas eléctricas o de un incendio.
• En caso de que vaya a producirse una tormenta eléctrica, desconecte la alimentación de la unidad y
desenchufe el cable de alimentación del tomacorriente lo antes posible.
• Si existe la posibilidad de que caiga un rayo, no toque el cable de alimentación si está conectado. Si lo
hiciese podría recibir una descarga eléctrica.
Precauciones
• Para desconectar el cable de alimentación del tomacorriente de CA, tire del enchufe. No tire nunca del
propio cable. Un cable de alimentación dañado podría ser la causa de descargas eléctricas o de un
incendio.
• No toque nunca el enchufe con las manos desnudas. Si lo hiciese, podría recibir una descarga eléctrica.
Notas sobre la operación
• La utilización de un teléfono móvil cerca de esta unidad puede inducir ruido. Si se produce ruido, utilice
el teléfono alejado de la unidad.
• Los conectores de tipo TRS están cableados de la forma siguiente:
contacto 1: masa, contacto 2: activo (+), y contacto 3: pasivo (-).
• Tipo magnéticamente apantallado:
Este altavoz está magnéticamente apantallado. Sin embargo, si un monitor cercano ofrece colores
anormales, aléjelo del mismo.
• El rendimiento de los componentes don contactos móviles, tales como interruptores, controles girato-
rios, reguladores de nivel, y conectores se deteriorará con el tiempo. Este deterioro dependerá del entorno
de utilización, y es inevitable. Con respecto al reemplazo de componentes defectuosos, consulte a su
proveedor.

MX12/6, 20/6 — Manual de instrucciones
2Paneles frontal y posterior
q
y
t
o
u
e
ii
t
rr
w
El panel de la MX12/6 se emplea para todas las
ilustraciones de este manual.
Canales
1-8 (MX12/6)
1-16 (MX20/6)
(Monofónicos)
Canales
9-12 (MX12/6)
17-20 (MX20/6)
(Estéreo)
Respuesta [dB]
+5
+10
+15
–15
–10
–5
0
Frecuencia [Hz]
10k1k100 20k20
+20
–20
Paneles frontal y posterior
Sección de control de canales
qControl de ganancia (GAIN)
Ajusta el nivel de entrada de la señal que entra en la consola de
mezcla al nivel óptimo.
Para obtener el óptimo balance entre la relación de señal-ruido
y el margen dinámico, ajuste el nivel de modo que el indicador
de picos w se encienda de vez en cuando.
-60 a -16 indica el nivel de ajuste de entrada de MIC, y -34 a
+10 indica el nivel de ajuste de entrada de LINE.
wIndicador de picos (PEAK)
El indicador detecta los picos de la señal después de haber
pasado por el ecualizador.
El indicador se encenderá en rojo cuando el nivel llegue a +17
dB para avisar que el nivel de descrestamiento está cercano.
eEcualizador
Proporciona ±15 dB de control sobre las gamas ala, media y
baja en las frecuencias centrales siguientes.
HIGH (alta) : 10 kHz (aplanamiento)
MID (media) : 2,5 kHz (agudizamiento)
LOW (baja) : 100 Hz (aplanamiento)
La respuesta en frecuencia será plana cuando el control esté en
la posición “G”.
rControles de entrada auxiliar 1 y 2 (AUX1 y
AUX2)
tSelector POST
Controla individualmente el nivel de la señal enviada desde
cada canal a los buses de AUX1 y AUX2.
La señal se toma antes de que el control deslizante del canal se
ajuste a AUX1.
Dependiendo del ajuste del selector POST, la señal es tomada
antes (selector POST = ?) o después (selector POST = >) de
ajustar el control deslizante del canal a AUX2.
Cuando se emplea un canal estéreo, las señales L y R se
combinan y se envían a los buses AUX1 y AUX2.

MX12/6, 20/6 — Manual de instrucciones
yControl de efectos (EFFECT)
Controla el nivel de la señal enviada desde cada canal al bus EFFECT.
Este control está situado detrás del control deslizante del canal para que su nivel quede también
afectado por el ajuste del control deslizante del canal.
Cuando se emplea un canal estéreo, las señales L y R se combinan y se envían al bus EFFECT.
uControl de panoramización (PAN) (MX12/6: CH1-8, MX20/6: CH1-16)
Control de balance (BAL) (MX12/6: CH9-12, MX20/6: CH17-20)
Los controles PAN ajustan la posición dentro del campo estéreo de cada señal enviada al bus GROUP 1-
2, bus GROUP 3-4 y bus STEREO L-R.
Los controles BAL ajustan el balance entre los canales izquierdo y derecho y asignan las señales recibi-
das en INPUT L (MX12/6: CH9, 11, MX20/6: CH17, 19) a los buses GROUP 1/3 o bus STEREO L y las
señales recibidas en INPUT R (MX12/6: CH10, 12, MX20/6: CH18, 20) a los buses GROUP 2/4 o bus
STEREO R.
iSelectores de grupo y de estéreo (GROUP, ST)
Se emplean para transmitir la señal de cada canal al bus GROUP 1-2, bus GROUP 3-4, y bus STEREO
L-R. Cuando el selector está en ON (>), la señal se transmite al bus relacionado.
oControl deslizante de canal
Controla el nivel de salida de la señal del canal de entrada y ajusta el balance del volumen entre los
canales.
* Los niveles de los controles deslizantes no utilizados deben bajarse.
Paneles frontal y posterior 3
CH INPUT
MX12/6:1~4ch
MX20/6:1~8ch
MIC INPUT
[-60~-16dB]
LINE INPUT
[-34~+10dB]
INSERT I/O
[0dB]
PAD
PHANTOM
(8ch/sw)
from DC Power Supply
HA
GAIN
[-60dB~-16dB]
[-34dB~+10dB]
[0dB]
Lo
Mid
Hi
3-Stage EQ
PEAK
Ch.Fader
[-10dB]
BA
[0dB]
[0dB]
1-2
3-4
ST
[-6dB]
PAN
POST
AUX1
AUX2
EFFECT
CH INPUT
MX12/6:5~8ch
MX20/6:9~16ch
MIC INPUT
[-60~-16dB]
LINE INPUT
[-34~+10dB]
from DC Power Supply
PHANTOM
(8ch/sw)
PAD
HA
GAIN
[-60dB~-16dB]
[-34dB~+10dB]
[0dB]
Lo
Mid
Hi
3-Stage EQ
PEAK
Ch.Fader
[-10dB]
BA
[0dB]
[0dB]
1-2
3-4
ST
[-6dB]
PAN
POST
AUX1
AUX2
EFFECT
ST INPUT
MX12/6: 9/10ch, 11/12ch
MX20/6:17/18ch, 19/20ch
[-34~+10dB]
L
R
HA
HA
[0dB]
GAIN
[-34dB~+10dB]
3-Stage EQ
Lo
Mid
Hi
3-Stage EQ
PEAK
BA
BA
ST Ch.Fader
[-10dB]
[0dB]
SUM
BAL
[0dB]
POST
1-2
3-4
ST
[-6dB]
AUX1
AUX2
EFFECT
STEREO R
EFFECT
STEREO L
GROUP4
GROUP3
GROUP2
GROUP1
AUX1
AUX2

MX12/6, 20/6 — Manual de instrucciones
4Paneles frontal y posterior
q
!2
!0
er
i
w
!1
!3 !4
o
t y
u
qControl deslizante principal estéreo
(ST)
Controla el nivel de la señal que se envía a las tomas
ST OUT.
wControl monofónico (MONO)
Controla el nivel de la señal (la señal monofónica
que se forma al combinar las señales del bus
STEREO) que se envía a la toma MONO OUT.
eControles deslizantes de grupo 1-4
(GROUP 1-4)
rSelector de transmisión estéreo
(TO ST)
Controla el nivel de las señales de GRUPO 1-4, y
envía las señales a sus tomas GROUP OUTPUT 1-4
respectivas.
Adicionalmente, cuando el selector TO ST (está en
ON (>), las señales cuyo nivel se controla con los
controles deslizantes GROUP se envían también al
bus STEREO.
tTransmisión (SEND)
• Controles AUX1, AUX2
Controlan los niveles individuales de las señales
de AUX1 y AUX2 que se envían a la toma AUX1
SEND y toma AUX2 SEND.
• Control EFFECT
Controla el nivel de la señal del bus EFFECT que
se envía a la toma EFFECT SEND.
* Este control no está relacionado, y no tiene efecto en
la señal que se envía desde el bus EFFECT a los
efectos digitales incorporados.
yRetorno (RETURN)
• Controles AUX1, AUX2
Controlan los niveles de las señales (mezcla de L
con R) que se envían a los buses AUX1 y AUX2
desde las tomas RETURN L (MONO) y R.
• Control ST
Controla el nivel de la señal que se envía desde las
tomas RETURN L (MONO) y R al bus STEREO.
* Cuando sólo se emplea la toma RETURN L (MONO),
la misma señal también se envía al bus STEREO L y
R.
Sección de control principal

MX12/6, 20/6 — Manual de instrucciones
Paneles frontal y posterior 5
uEfectos digitales (DIGITAL EFFECT)
• Selector PROGRAM
Selecciona un programa de los efectos digitales incorporados.
VOCAL ECHO 1
VOCAL ECHO 2
VOCAL ECHO 3
VOCAL ECHO 4
VOCAL REVERB 1
VOCAL REVERB 2
VOCAL REVERB 3
VOCAL REVERB 4
• Control PARAMETER
Controla los parámetros (nivel de efectos, velocidad, etc.) del programa de efectos seleccionado.
• Interruptor ON
Activa, ON (>) o desactiva, OFF (?), el efecto digital incorporado. Cuando se pone en OFF, la señal
del efecto incorporado no se envía.
• Control de AUX1 y AUX2
Controla el nivel de la señal que se envía desde los efectos digitales incorporados a los buses AUX1 y
AUX2.
• Control ST
Controla el nivel de la señal que se envía desde los efectos digitales incorporados al bus STEREO.
iControl de entrada de cinta (TAPE IN)
Controla el nivel de la señal que se envía desde la toma TAPE IN al bus STEREO.
oEcualizador gráfico estéreo (ST GRAPHIC EQUALIZER)
Es un ecualizador gráfico estéreo de 7 bandas que ofrece ajustes del tono para la señal que se emite a las
tomas ST OUT.
Se proporciona una acentuación o corte de ±12 dB en cada una de las bandas de frecuencias de 125,
250, 500, 1 k, 2 k, 4 k, y 8 kHz.
!0 Selector de salida de C-R y auriculares (C-R/PHONES) y de medidor
Selecciona la señal que se envía a la toma C-R/PHONES y al medidor de nivel.
Se emplean tres selectores en combinación para seleccionar las señales de TAPE IN, ST, GROUP 1-2 y
GROUP 3-4.
HALL 1
HALL 2
HALL 3
ROOM
PLATE 1
PLATE 2
PLATE 3
GATE REVERB
Señal Selector
? 1-2 > 3-4 ? ST > GROUP ? > TAPE IN
TAPE IN No está disponible No está disponible > TAPE IN
ST No está disponible ? ST ?
GROUP 1-2 ? 1-2 > GROUP ?
GROUP 3-4 > 3-4 > GROUP ?
!1 Control de C-R y auriculares (C-R/PHONES)
Controla el nivel de la señal que se envía a la toma C-R/PHONES.
!2 Medidor de nivel (LEVEL)
Los LED indican el nivel de salida de la señal seleccionada con el selector de salida de C-R y auriculares
(C-R/PHONES) y de medidor !0. “0” indica un nivel normal, y el indicador PEAK se enciende cuando
el nivel de descrestamiento está cercano.
!3 Indicador de alimentación (POWER)
El indicador se enciende cuando se conecta (ON) la alimentación de la unidad principal.
!4 Conector de lámpara (LAMP)
Aquí puede enchufarse una lámpara del tipo BNC (CA o 12 V CC, 0,5 A Máx.).
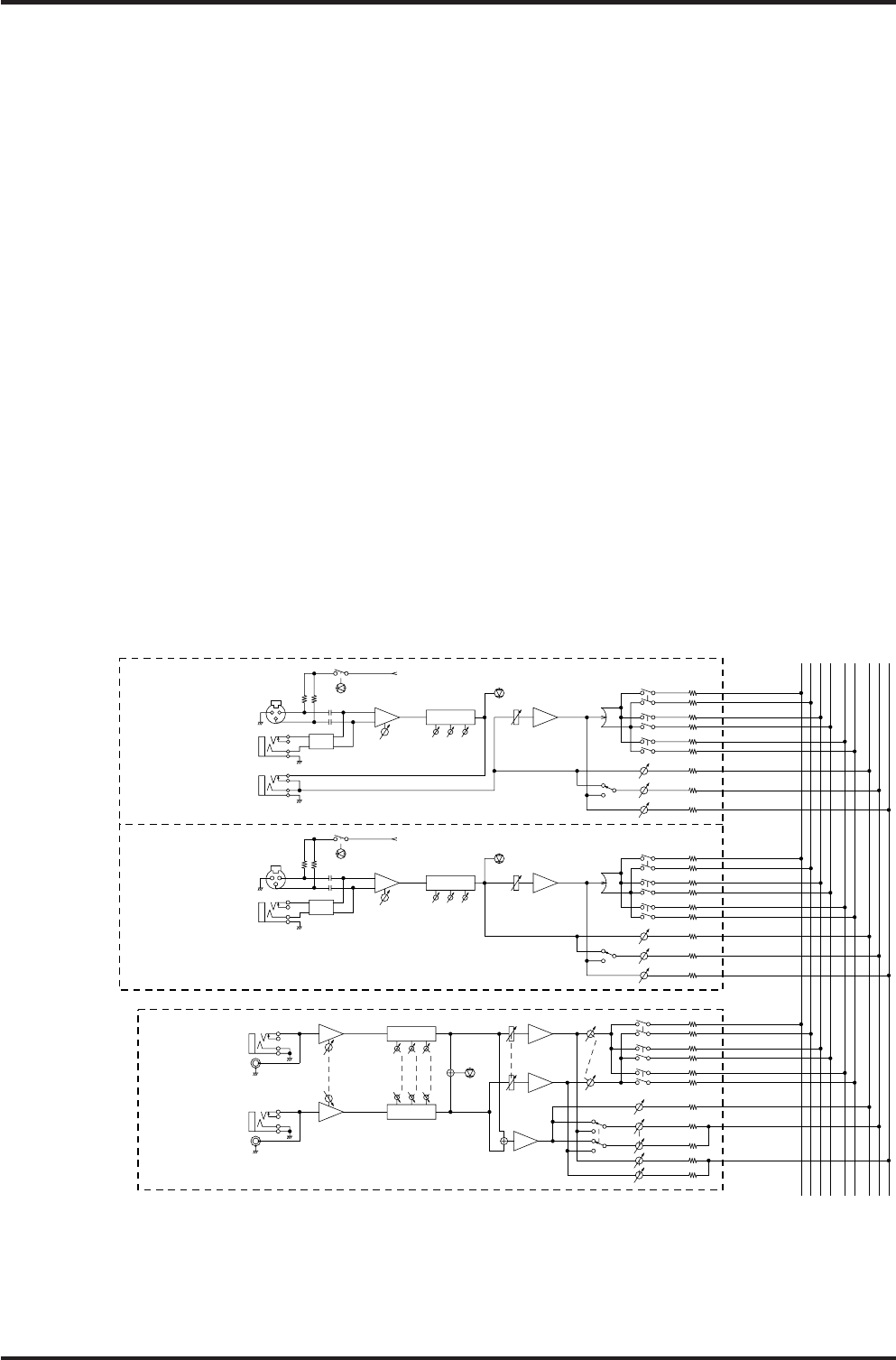
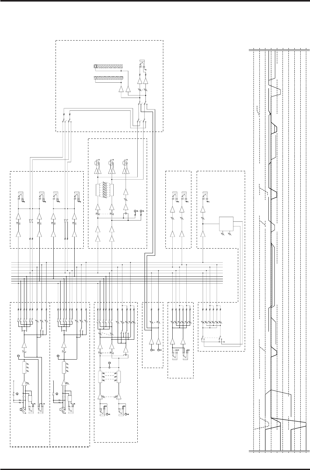
Consulte el diagrama en bloques de la página 13.

MX12/6, 20/6 — Manual de instrucciones
6Paneles frontal y posterior
qwrt
e
qTomas de entrada (INPUT) (MX12/6: CH1-8, MX20/6: CH1-16)
• MIC Tomas de entrada de micrófono del tipo XLR equilibradas (1: Masa, 2: Activo, 3: Pasivo).
Estas tomas de entrada son compatibles con micrófonos de 50-600 Ω.
• LINE Tomas de entrada de línea del tipo telefónico TRS equilibradas (T: Activo, R: Pasivo, S:
Masa). Estas tomas de entrada son compatibles con dispositivos de nivel de línea de 600 Ω.
Las tomas telefónicas desequilibradas pueden conectarse pero puede introducirse ruido en la
señal si los cables son demasiado largos o si el lugar es susceptible a interferencias electro-
magnéticas.
Sección de conectores
NOTA: No es posible emplear simultáneamente la toma MIC INPUT y la toma LINE INPUT en
ningún canal individual. Emplee sólo una de las dos tomas.
wTomas de entrada (INPUT) (MX12/6: CH9-12, MX20/6: CH17-20)
Tomas de entrada de línea estéreo del tipo clavija RCA y del tipo telefónico desequilibradas.
Estas entradas son compatibles con dispositivos de nivel de línea de 600 Ω.
NOTA: No es posible emplear simultáneamente las tomas del tipo de clavija de RCA y del tipo
telefónico en ningún canal de entrada individual. Emplee sólo una de las dos tomas.
eTomas de salida estéreo (ST OUT, L y R)
Tomas de salida del tipo XLR equilibradas con una salida nominal/impedancia de +4 dB/600 Ω.
Estas tomas suministran salida estéreo a la señal mezclada y se conectan a un amplificador de potencia,
etc. que excite los altavoces principales.
Las salidas también pueden utilizarse para grabar con el nivel de la señal controlada por el control
deslizante principal ST.
rToma de salida monofónica (MONO OUT)
Tomas de salida del tipo XLR equilibradas con una salida nominal/impedancia de +4 dB/600 Ω.
Esta señal es la mezcla monofónica de la señal estéreo del bus STEREO. Su nivel se controla con el
control MONO.
tToma de C-R y de auriculares (C-R/PHONES)
Toma de salida del tipo telefónico estéreo para conectar unos auriculares (salida nominal/impedancia
de 3 mW/40 Ω).
También podrá emplearse como una toma de salida del tipo telefónico estéreo para conectar un sistema
monitor (salida nominal/impedancia de +4 dB/10 kΩ).
La fuente que se monitoriza con esta toma se selecciona con el selector de salida de C-R y auriculares
(C-R/PHONES) y de medidor (sección de control principal).
NOTA: Cuando se conecta esta toma a un sistema monitor, podrá emplearse un cable de inserción
(cable de inserción opcional YAMAHA YIC025/050/070, etc.). (Punta: L, anillo: R, manguito: masa)

MX12/6, 20/6 — Manual de instrucciones
Paneles frontal y posterior 7
qToma de entrada/salida de inserción (INSERT I/O)
(MX12/6: CH1-4, MX20/6: CH1-8)
Son tomas de entrada/salida situadas entre el
ecualizador y el control deslizante del canal de
entrada.
Tienen una entrada nominal/impedancia de
0 dB/600 Ω y una salida nominal/impedancia de
0 dB/10 kΩ.
Estas tomas pueden emplearse para conectar
dispositivos tales como un ecualizador gráfico,
compresor, filtro de ruido, etc.
La toma telefónica del tipo TRS permite la
conexión bidireccional con la toma INSERT I/O.
La conexión de un dispositivo a estas tomas
requiere una cable de inserción especial como el
que se muestra en la ilustración de la derecha.
Emplee el cable de inserción opcional YAMAHA YIC025/050/070, etc.
wInterruptor de alimentación fantasma de +48 V (PHANTOM +48V)
Conecta y desconecta (ON/OFF) la alimentación fantasma de todos los canales 1-8.
La MX20/6 tiene un interruptor PHANTOM adicional para los canales 9-16.
Conecte (ON) el interruptor cuando emplee micrófonos de condensador, etc.
Cuando el interruptor esté en ON, se suministrarán +48 V CC a los contactos 2 y 3 de los conectores
MIC INPUT del tipo XLR.
Si no se requiere la alimentación fantasma, asegúrese de dejar este interruptor en la posición OFF.
Panel posterior
qerty
w
u
i
a la toma INSERT I/O
a la toma de entrada
del procesador externo
a la toma de salida del
procesador externo
PuntaManguito
Anillo
Punta
Manguito
NOTA: Cuando este interruptor se pone en ON, no será ningún problema la conexión de micrófo-
nos dinámicos equilibrados no dispositivos de nivel de línea, aunque puede producirse zumbido o
mal funcionamiento al conectar dispositivos desequilibrados o dispositivos para los que el centro
del transformador no está puesto a masa.
eToma de transmisión (SEND)
• AUX1, AUX2
Es una toma de salida del tipo telefónico de impedancia equilibrada con una salida nominal/
impedancia de +4 dB/600 Ω.
Las señales del bus AUX1 y 2 se emiten por sus tomas respectivas. Las tomas pueden utilizarse para
transmitir la señal a un sistema monitor como pueda ser una caja señalizadora.

MX12/6, 20/6 — Manual de instrucciones
8Paneles frontal y posterior
• EFFECT
Es una toma de salida del tipo telefónico de impedancia equilibrada con una salida nominal/
impedancia de +4 dB/600 Ω.
La señal del bus EFFECT se envía desde esta toma. Esta toma se emplea para enviar la señal a una
unidad de efectos externa, etc.
rTomas de retorno (RETURN L (MONO) y R)
Son tomas de entrada de línea del tipo telefónico de desequilibrada con una entrada nominal/
impedancia de +4 dB/600 Ω.
La señal recibida por estas tomas se envía al bus STEREO, y buses AUX1 y AUX2.
Estas tomas se usan normalmente para recibir una señal de retorno procedente de una unidad de
efectos externa, como pueda ser de reverberación, retado, etc., pero puede utilizarse como entrada
estéreo auxiliar. Si sólo se utiliza la toma L (MONO), la misma señal se enviara a las tomas R y L para
entrada monofónica.
tTomas de salida de grupo 1-4 (GROUP OUT 1-4)
Son tomas de salida del tipo telefónico de impedancia equilibrada que suministran las señales del bus
GROUP 1-4, con una salida nominal/impedancia de +4 dB/600 Ω.
Normalmente, estas tomas se conectan a las tomas de entrada de un MTR o consola de mezcla externa.
yTomas de entrada de cinta (TAPE IN, L y R)
Son tomas de entrada de línea para monitorizar una grabadora DAT o reproductor de CD externos. La
señal recibida por estas tomas se envía al bus STEREO. En este caso, se emplea el control TAPE IN para
ajustar el nivel de entrada de la señal. También podrá monitorizar directamente desde la toma C-R/
PHONES haciendo la selección apropiada con el selector de salida de C-R y auriculares (C-R/
PHONES) y de medidor (sección de control principal).
uTomas de salida de grabación (REC OUT, L y R)
Con una grabadora DAT o grabadora de casetes conectada a estas tomas, podrá grabar la misma señal
que se envía desde las tomas ST OUT.
La señal enviada desde estas tomas no queda afectada por el control deslizante ST ni por el ajuste del
ecualizador gráfico. Realice los ajustes del nivel de grabación en el dispositivo de grabación.
iInterruptor de la alimentación (POWER)
Cuando se pone este interruptor en la posición ON, se conecta la alimentación de la unidad.
Para conectar (ON) la alimentación, primero conecte la de la consola de mezcla, y luego la del
amplificador de potencia o altavoces autoamplificados que se hayan conectado a la consola de mezcla.
Además, para desconectar la alimentación, desconecte primero la alimentación del amplificador de
potencia o altavoces autoamplificados antes de desconectar la de la consola de mezcla.
Polaridad de los conectores
MIC INPUT, ST OUT,
MONO OUT
Contacto 1: masa
Contacto 2: activo (+)
Contacto 3: pasivo (–)
LINE INPUT, GROUP OUT,
AUX 1/AUX 2/EFFECT SEND
Punta: activo (+)
Anillo: pasivo (–)
Manguito: masa
INSERT I/O
Punta: Salida
Anillo: Entrada
Manguito: masa
C-R/PHONES
Punta: L
Anillo: R
Manguito: masa
STEREO INPUT, RETURN
PuntaManguito
Anillo
PuntaManguito
Punta: activo
Manguito: masa
INPUT OUTPUT

MX12/6, 20/6 — Manual de instrucciones
Aplicaciones 9
Aplicaciones
Ejemplo 1) Refuerzo del sonido para una
interpretación en directo
Procedimiento
qConecte los dispositivos de entrada o micrófonos a las tomas INPUT y conecte un amplificador de
potencia, que esté conectado a los altavoces principales, a las tomas ST OUT.
wEmplee el control GAIN de cada canal para ajustar el nivel de la señal de entrada desde el dispositivo o
micrófono que esté conectado al canal de entrada (consulte la página 2), y emplee el control deslizante
del canal para ajustar el nivel de la señal de salida que se envía a la sección principal. Básicamente,
deberá ajustar el control deslizante del canal cerca de la posición “0”.
ePresione a el selector GROUP “ST” de cada canal.
rEmplee el control deslizante principal ST para ajustar el nivel de la señal enviada al amplificador de
potencia. Básicamente deberá ajustar el control deslizante principal cerca de la posición “0”.
tEmplee el control(es) de volumen del amplificador de potencia para ajustar el volumen de los altavoces.
Si es necesario, emplee un dispositivo de monitorización (unos auriculares, altavoces monitores, etc.),
un dispositivo de grabación, una unidad de efectos, etc.
ST OUT
AUX 1
SEND
AUX 2 (PRE)
SEND INSERT I/O
C-R/PHONES
TAPE IN
REC OUT
RETURN
EFFECT
SEND
INPUT
GROUP OUT
1 – 4
MONO OUT
Micrófono, entrada de línea Controles deslizantes GROUP 1-4
Grabadora de CD, DAT, etc.
Altavoz de graves
secundarios, etc.
Altavoces principales
Unidad de efectos
Amplificador de
potencia
Amplificador
de potencia
Unidad de efectos
Control deslizante principal ST
Selector de salida C-R/PHONES y de medidor
Altavoces monitores
Auriculares
Ajuste el selector POST en “?”
(AUX2=PRE).
Selectores de grupo
Controles deslizantes de canal
Amplificador de
potencia
MTR

MX12/6, 20/6 — Manual de instrucciones
10 Aplicaciones
Ejemplo 2) Grabación en el hogar
AUX 2 (POST)
SEND
INSERT
I/O
C-R/PHONES
ST OUT
INPUT
(ST CH)
GROUP OUT
4
3
2
1
LINE OUT
LINE IN
RETURN
INPUT
Procedimiento
<Preparativos>
qConecte un generador de tonos, sintetizador, micrófono, etc. a las tomas INPUT y conecte una grabadora
principal, como pueda ser una de MD o CD, a las tomas ST OUT.
wConecte la toma LINE IN de la tarjeta de audio de un ordenador a las tomas GROUP 3, 4 y conecte unos
altavoces autoamplificados, etc. para monitorización a las tomas GROUP 1, 2.
eConecte la toma LINE OUT del ordenador a la toma INPUT del canal estéreo.
rEmplee el control GAIN para ajustar el nivel de la señal de entrada desde el generador de tonos,
sintonizador, o micrófono conectado a cada canal de entrada (consulte la página 2), y emplee el control
deslizante del canal para ajustar el nivel de la señal de salida que se envía a la sección principal. Básica-
mente, debe ajustar este control deslizante de canal cerca de la posición “0”.
<Grabación>
qSeleccione los canales que desee grabar en el ordenador presionando sus selectores GROUP “3-4”.
Seleccione también los canales que desee monitorizar presionando sus selectores GROUP “1-2”.*
wEmplee los controles deslizantes GROUP 3, 4 para ajustar el nivel de la señal enviada al ordenador.
*No presione los selectores GROUP “3-4” de los canales que lleven la señal desde el ordenador. De lo contrario,
ocasionaría un bucle que causaría realimentación acústica.
<Mezcla>
qSeleccione los canales que desee transmitir a la grabadora principal presionando sus selectores GROUP
ST. Seleccione también los canales que desee monitorizar simultáneamente presionando sus selectores
GROUP 1-2.
wEmplee el control deslizante principal ST para ajustar el nivel de salida de la señal para la grabadora
principal.
Generador de tonos, sintetizador, micrófono, etc.
Ordenador
(Tarjeta de audio, etc.)
Altavoces autoamplificados
(para monitorización)
(Tarjeta de audio, etc.)
Auriculares
Grabadora principal
Unidad de efectos
Unidad de
efectos

MX12/6, 20/6 — Manual de instrucciones
Respuesta en frecuencia 20Hz—20kHz +1dB, -3dB @+4dB, 600Ω (Control de ganancia al nivel mínimo)
Distorsión armónica total <0,1% (THD+N) @+14dB, 20Hz—20kHz, 600Ω
Zumbido y ruido -128dB Ruido de entrada equivalente
-95dB Ruido de salida equivalente
-64dB ST OUT:
Control deslizante principal y un control deslizante de canal
al nivel nominal, interruptor de asignación de canal en ON.
-88dB ST OUT:
Control deslizante principal al nivel nominal, todos los
interruptores de asignación de canal en OFF, todos los
interruptores de GROUP a ST en OFF.
-89dB GROUP OUT:
Control deslizante principal al nivel nominal, todos los
interruptores de asignación de canal en OFF.
-82dB AUX SEND, EFFECT SEND:
Control del nivel principal a nivel nominal, todos los
controladores de transmisión de canal al nivel mínimo.
Ganancia máxima de tensión 60dB CH MIC INPUT a CH INSERT OUT
84dB CH MIC INPUT a GROUP OUT
84dB CH MIC INPUT a ST OUT (CH a ST)
94dB CH MIC INPUT a ST OUT (GROUP a ST)
76dB CH MIC INPUT a AUX1 SEND, AUX2 SEND (PRE)
86dB CH MIC INPUT a AUX2 SEND (POST) , EFFECT SEND
58dB CH LINE INPUT a ST OUT (CH a ST)
58dB ST INPUT a ST OUT (CH a ST)
Control de ganancia INPUT monofónica Variable en 44dB
Control de ganancia INPUT estéreo Variable en 44dB
Diafonía @ 1kHz Entrada adyacente de -70dB
Entrada a salida de -70dB (CH INPUT)
Ecualización de canal de entrada ±15dB como máximo
HIGH (alta) 10kHz (aplanamiento)
MID (media) 2,5kHz (agudizamiento)
LOW (baja) 100Hz (aplanamiento)
* Frecuencia de transición/atenuación progresiva de aplanamiento: 3dB por
debajo del nivel variable máximo.
Indicadores de pico INPUT monofónico y Rojo: Cada canal, cuando el nivel de la señal de postecualización para cada canal
estéreo excede de +17 dB se enciende el indicador.
Medidores LED de 12 elementos x2
Ecualizador gráfico 7 bandas (125, 250, 500, 1k, 2k, 4k, 8kHz)
±12 dB como máximo
Procesador de sonido digital (DSP) interno 16 tipos
Alimentación fantasma
+48V (tipo equilibrado) : Suministrada cuando el interruptor PHANTOM +48V está en ON.
Conector de lámpara Tipo BNC (Compatibilidad de la lámpara: CA o 12 V CC, 0,5 A Máx.)
Opción Juego para montaje en bastidor RK124 (para la MX12/6)
Alimentación EE.UU. y Canadá: 120V CA 60Hz
General: 230V CA 50Hz
Consumo MX12/6: 45W MX20/6: 55W
Dimensiones (An x Al x Prf) MX12/6: 438 x 85 x 384 mm MX20/6: 658 x 85 x 384 mm
Peso MX12/6: 7,0kg MX20/6: 9,5kg
Modelo para Europa 0 dB = 0,775 Vrms
Información sobre el comprador/usuario especificada en EN55103-1 y EN55103-2.
Corriente de irrupción: 10A
Entorno de acuerdo con: E1, E2, E3 y E4
Suplemento
Especificaciones
■ Especificaciones generales
Suplemento 11
(Rs = 150 Ω, 20 Hz-20 kHz, INPUT GAIN-Máx.,
sensibilidad de entrada = -60 dB)
* Medido con un filtro de paso bajo de 12,7 kHz ,
-6 dB/oct.
(Equivalente a un filtro de 20 kHz, -∞ dB/oct.)
(CH MIC INPUT a ST, GROUP OUT/AUX, EFFECT SEND)
(CH MIC INPUT a ST, GROUP OUT/AUX, EFFECT SEND)
(relación señal/ruido
de 68dB)
(relación señal/ruido
de 92dB)
(relación señal/ruido
de 93dB)
(relación señal/ruido
de 86dB)

MX12/6, 20/6 — Manual de instrucciones
12 Suplemento
■ Especificaciones de entrada
Conectores
Control de
Impedancia Impedancia Nivel de entrada Tipo de conector
de entrada
ganancia
de entrada nominal Sensibilidad *1 Nominal
Máx. antes del descrestamiento
MIC INPUT -60 5kΩ50-600Ω,-80 dB (0,078mV) -60 dB (0,775mV) -40 dB (7,75mV) Tipo XLR-3-31 *2
(1-n *5) -16 micrófono -36 dB (12,3mV) -16 dB (123mV) +4 dB (1,23V)
LINE INPUT -34 50kΩ600Ω, línea -54 dB (1,55mV) -34 dB (15,5mV) -14 dB (155mV) Toma telefónica
(1-n *5) +10 -10 dB (245mV) +10 dB (2,45V) +30 dB (24,5V) (TRS) *2
ST INPUT -34 10kΩ600Ω, línea -54 dB (1,55mV) -34 dB (15,5mV) -14 dB (155mV) Toma fono RCA
(*7) +10 -10 dB (245mV) +10 dB (2,45V) +30 dB (24,5V) Toma telefónica *3
RETURN (L, R) 10kΩ600Ω, línea -12 dB (195mV) +4 dB (1,23V) +20 dB (7,75V) Toma telefónica *3
TAPE IN (L, R) 10kΩ600Ω, línea -26 dBV (50,1mV) -10 dBV (316mV) +10 dBV (3,16V) Toma fono RCA
CH INSERT IN 10kΩ600Ω, línea -20 dB (77,5mV) 0 dB (0,775V) +20 dB (7,75V) Toma telefónica
(1-n *6) (I/O) *4
*1 Sensibilidad de entrada: el nivel más bajo que produce el nivel de
salida nominal cuando la unidad está ajustada a ganancia máxima.
*2 Conector del tipo XLR, toma telefónica (TRS) (T = activo, R =
pasivo, S = masa): tipo equilibrado.
*3 Toma telefónica: tipo desequilibrada.
*4 Toma telefónica (I/O) (T = salida, R = entrada, S = masa): tipo desequilibrada.
*5 n=8 (MX12/6), n=16 (MX20/6)
*6 n=4 (MX12/6), n=8 (MX20/6)
*7 9/10, 11/12 (MX12/6), 17/18, 19/20 (MX20/6)
• 0 dB = 0,775 Vrms, 0 dBV = 1 Vrms
■ Especificaciones de salida
Conectores de salida Impedancia de Impedancia Nivel de salida Tipo de conector
salida nominal Nominal
Máx. antes del descrestamiento
ST OUT (L, R) , MONO OUT 150Ω600Ω, línea +4 dB (1,23V) +24 dB (12,3V) Tipo XLR-3-32 *1
GROUP OUT (1-4)
AUX SEND (1, 2) 75Ω600Ω, línea +4 dB (1,23V) +20 dB (7,75V) Toma telefónica (TRS) *2
EFFECT SEND
C-R/PHONES (L, R) 100Ω10kΩ, línea +4 dB (1,23V) +20 dB (7,75V) Toma telefónica estéreo
40Ω, auriculares 3mW 75mW (TRS) *3
REC OUT (L, R) 600Ω10kΩ, línea -10 dBV (316mV) +10 dBV (3,16V) Toma fono RCA
CH INSERT OUT (1-n *5) 600Ω10kΩ, línea 0 dB (0,775V) +20 dB (7,75V) Toma telefónica (TRS) *4
*1 Conector del tipo XLR: tipo equilibrado.
*2 Toma telefónica (TRS) ( T = activo, R = pasivo, S = masa): tipo
impedancia equilibrada.
*3 Toma telefónica ST (TRS)(T = L, R = R, S = masa): tipo
desequilibrada
*4 Toma telefónica (I/O) (T = salida, R = entrada, S = masa): tipo desequilibrada.
*5 n=4 (MX12/6), n=8 (MX20/6)
• 0 dB = 0,775 Vrms, 0 dBV = 1 Vrms
Dimensiones
35
658
588 35
118
3535
< MX20/6 >
< MX12/6 >
46
85 4,6
17,6
438
368
268
384
118
46
Unidades: mm
Las especificaciones están sujetas cambio sin previo aviso.

MX12/6, 20/6 — Manual de instrucciones
Suplemento 13
Diagrama en bloques y de nivel
+30dB +30dB
+20dB +20dB
+10dB +10dB
0dB 0dB
-10dB –10dB
-20dB –20dB
-30dB –30dB
-40dB –40dB
-50dB –50dB
-60dB –60dB
CH INPUT LINE IN
GAIN Min.[+10dB]
CH INPUT MIC IN
GAIN Min.[-16dB]
CH INPUT LINE IN
GAIN Max.[-34dB]
CH INPUT MIC IN
GAIN Max.[-60dB]
ST INPUT
GAIN Min.[+10dB]
ST INPUT
GAIN Min.[+10dB]
ST INPUT
GAIN Max.[-34dB]
Max. Before Clip
INSERT I/O [0dB]
Max. Before Clip
TAPE IN [-10dBV]
Fader
RETURN [+4dB] CH & ST INPUT to GROUP/STEREO [0dB]
RETURN to AUX/STEREO [-2dB]
CH & ST INPUT to AUX/EFFECT [-6dB]
TAPE IN & DSP to AUX/STEREO [-6dB]
Max. Before Clip
AUX SEND [+4dB]
EFFECT SEND [+4dB]
AUX
EFFECT
Control
Master GROUP
Fader
Master
Max. Before Clip
GROUP OUT [+4dB]
REC OUT [-10dBV]
ST
Fader
Master
MONO Master
Control
Max. Before Clip
ST OUT, MONO OUT [+4dB]
C-R/PHONES
C-R/PHONES [+4dB@10kohms]
C-R/PHONES
[3mW@40ohms]
CH INPUT
MX12/6:1~4ch
MX20/6:1~8ch
MIC INPUT
[-60~-16dB]
LINE INPUT
[-34~+10dB]
INSERT I/O
[0dB]
PAD
PHANTOM
(8ch/sw)
from DC Power Supply
HA
GAIN
[-60dB~-16dB]
[-34dB~+10dB]
[0dB]
Lo
Mid
Hi
3-Stage EQ
PEAK
Ch.Fader
[-10dB]
BA [0dB]
[0dB]
1-2
3-4
ST
[-6dB]
PAN
POST
AUX1
AUX2
EFFECT
CH INPUT
MX12/6:5~8ch
MX20/6:9~16ch
MIC INPUT
[-60~-16dB]
LINE INPUT
[-34~+10dB]
from DC Power Supply
PHANTOM
(8ch/sw)
PAD
HA
GAIN
[-60dB~-16dB]
[-34dB~+10dB]
[0dB]
Lo
Mid
Hi
3-Stage EQ
PEAK
Ch.Fader
[-10dB]
BA [0dB]
[0dB]
1-2
3-4
ST
[-6dB]
PAN
POST
AUX1
AUX2
EFFECT
ST INPUT
MX12/6: 9/10ch, 11/12ch
MX20/6:17/18ch, 19/20ch
[-34~+10dB]
L
R
HA
HA
[0dB]
GAIN
[-34dB~+10dB]
3-Stage EQ
Lo
Mid
Hi
3-Stage EQ
PEAK
BA
BA
ST Ch.Fader
[-10dB]
[0dB]
SUM
BAL
[0dB]
POST
1-2
3-4
ST
[-6dB]
AUX1
AUX2
EFFECT
TAPE IN
[-10dBV]
L
R
BA
BA
[0dB] [-6dB]
TAPE IN
RETURN
[+4dB]
L/MONO
R
BA
BA
[+4dB] [-2dB]
AUX2
ST
AUX1
[0dB]
DIGITAL
EFFECT
ON
[-6dB]
AUX2
ST
AUX1
STEREO R
EFFECT
STEREO L
GROUP4
GROUP3
GROUP2
GROUP1
AUX1
AUX2
STEREO R
EFFECT
STEREO L
GROUP4
GROUP3
GROUP2
GROUP1
AUX1
AUX2
GROUP1 Fader
[0dB]
INV
INV
INV
INV
SUM
SUM
SUM
SUM
[0dB]
[0dB]
[0dB]
[0dB]
[0dB]
[-10dB]
GROUP2 Fader
[-10dB]
GROUP3 Fader
[-10dB]
GROUP4 Fader
[-10dB]
GROUP OUT 1
[+4dB]
GROUP OUT 2
[+4dB]
GROUP OUT 3
[+4dB]
GROUP OUT 4
[+4dB]
SUM
SUM
INV
INV [0dB] [0dB]
BA
BA
ST Fader
[-10dB]
BA
SUM
REC OUT
[-10dBV]
[-6dB]
R
L
GEQ
GEQ
ST OUT L
[+4dB]
ST OUT R
[+4dB]
MONO OUT
[+4dB]
SUM
SUM
[0dB]
[0dB]
AUX1 SEND
[+4dB]
AUX2 SEND
[+4dB]
AUX1
[-6dB]
AUX2
[-6dB]
INV
INV
SUM INV EFFECT SEND
[+4dB]
EFFECT
[-6dB]
PROGRAM
PARAMETER
DIGITAL
EFFECT
(INV)
LO RO
[0dB]
IN
G1-2/G3-4
ST/GROUP TAPE IN C-R/PHONES
[-16dB]
BA
BA
DR
DR
C-R/PHONES
[3mW@40ohms]
[+4dB@10kohms]
LEVEL(LED) METER
PEAK PEAK
TO ST
TO ST
MONO

YAMAHA CORPORATION
Pro Audio & Digital Musical Instrument Division
P.O. Box 3, Hamamatsu, 430-8651, Japan
V630030 R2 1 CP 16
NP Printed in Taiwan