Yamaha QL5 QL5/QL1 Owner’s Manual User To The 5991a67c B3eb 4602 9648 2ac40f17e925
User Manual: Yamaha QL5 to the manual
Open the PDF directly: View PDF
.
Page Count: 58
- Contents
- PRECAUTIONS
- Introduction
- An overview of the QL series
- Controls and functions
- Touch screen
- Basic operation of the QL series
- Connection
- Quick Guide
- Connecting the devices
- Setting the input channels
- Sending an input channel signal to the STEREO bus
- Applying EQ/dynamics
- Setting the output channels
- Using GEQ
- Using Automixer
- Applying effects
- Changing the patch settings
- Grouping and linking
- Using talkback
- Routing the oscillator to an output channel
- Using scene memories
- Recording and playing audio using a USB flash drive
- Saving and loading the unit settings
- Other functions
- Troubleshooting
- Attaching the RK1 rackmount kit (sold separately)
- General specifications
- Dimensional Diagrams
- Index
- Block Diagram
- Level Diagram

EN
Owner’s Manual
Keep This Manual For Future Reference.

Owner’s Manual
2
Contents
PRECAUTIONS................................... 5
Introduction .................................... 8
Accessories.........................................................8
About utility software.........................................8
About firmware updates.....................................8
About the Owner’s Manual ................................8
Conventions in this manual................................8
An overview of the QL series ........... 9
Features .............................................................9
About the models ............................................10
Controls and functions .................. 11
Top panel ........................................................11
Front panel ......................................................15
Rear panel........................................................16
Touch screen.................................. 18
Basic touch screen operations ..........................18
On-screen user interface ..................................18
Viewing the touch screen.................................20
Using the tool buttons .....................................21
Basic operation of the QL series .... 22
Controlling selected channels
(Selected Channel section)........................22
Using the top panel (Channel Strip section) .....22
Assigning a name.............................................23
Using libraries ..................................................24
Initializing settings ...........................................28
Copying and pasting settings...........................28
Comparing two sets of settings........................29
Connection..................................... 30
About network connections .............................30
Connecting to I/O devices ...............................30
Audio input/output connections ......................32
Installing an optional card................................33
Quick Guide ................................... 34
Connecting the devices....................................34
Setting the input channels ...............................35
Sending an input channel signal to the
STEREO bus...............................................36
Applying EQ/dynamics.....................................36
Setting the output channels .............................37
Using GEQ .......................................................37
Using Automixer ..............................................38
Applying effects ...............................................38
Changing the patch settings ............................40
Grouping and linking.......................................41
Using talkback..................................................41
Routing the oscillator to an output
channel.....................................................42
Using scene memories .....................................42
Recording and playing audio using a USB
flash drive .................................................43
Saving and loading the unit settings ................44
Other functions ............................. 45
Adjusting the brightness of the touch
screen, lamps, and other indicators...........45
Setting the date and time of the internal
clock .........................................................45
Initializing the unit to factory default settings...46
Adjusting the faders
(Calibration function)................................46
Troubleshooting ............................ 48
Attaching the RK1 rackmount kit
(sold separately)............................ 50
General specifications ................... 51
Dimensional Diagrams................... 52
Index .............................................. 53
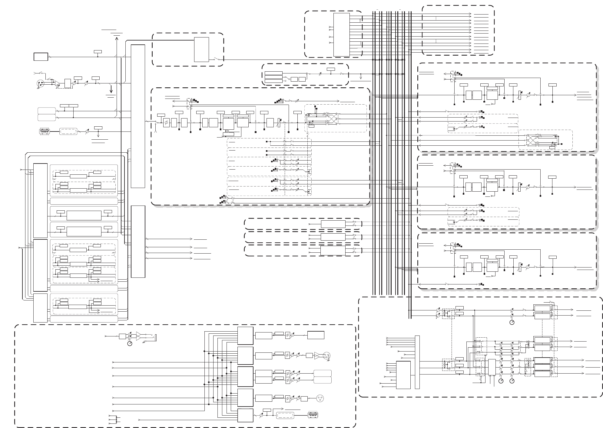
Block Diagram ............ End of Manual
Level Diagram............. End of Manual

Owner’s Manual 3
The above warning is located on the rear/side of the unit.
L’avertissement ci-dessus est situé sur le arrière/côté de l’appareil.
Explanation of Graphical Symbols
Explication des symboles
The lightning flash with arrowhead symbol within an equilateral triangle is intended to alert the user to the presence of uninsulated “dan-
gerous voltage” within the product’s enclosure that may be of sufficient magnitude to constitute a risk of electric shock to persons.
L’éclair avec une flèche à l’intérieur d’un triangle équilatéral est destiné à attirer l’attention de l’utilisateur sur la présence d’une « tension
dangereuse » non isolée à l’intérieur de l’appareil, pouvant être suffisamment élevée pour constituer un risque d’électrocution.
The exclamation point within an equilateral triangle is intended to alert the user to the presence of important operating and maintenance
(servicing) instructions in the literature accompanying the product.
Le point d’exclamation à l’intérieur d’un triangle équilatéral est destiné à attirer l’attention de l’utilisateur sur la présence d’instructions
importantes sur l’emploi ou la maintenance (réparation) de l’appareil dans la documentation fournie.
IMPORTANT SAFETY
INSTRUCTIONS
1 Read these instructions.
2 Keep these instructions.
3 Heed all warnings.
4 Follow all instructions.
5 Do not use this apparatus near water.
6 Clean only with dry cloth.
7 Do not block any ventilation openings. Install in accordance with
the manufacturer’s instructions.
8 Do not install near any heat sources such as radiators, heat regis-
ters, stoves, or other apparatus (including amplifiers) that produce
heat.
9 Do not defeat the safety purpose of the polarized or grounding-type
plug. A polarized plug has two blades with one wider than the
other. A grounding type plug has two blades and a third grounding
prong. The wide blade or the third prong are provided for your
safety. If the provided plug does not fit into your outlet, consult an
electrician for replacement of the obsolete outlet.
10 Protect the power cord from being walked on or pinched particu-
larly at plugs, convenience receptacles, and the point where they
exit from the apparatus.
11 Only use attachments/accessories specified by the manufacturer.
12 Use only with the cart, stand, tripod, bracket,
or table specified by the manufacturer, or
sold with the apparatus. When a cart is used,
use caution when moving the cart/apparatus
combination to avoid injury from tip-over.
13 Unplug this apparatus during lightning
storms or when unused for long periods of
time.
14 Refer all servicing to qualified service per-
sonnel. Servicing is required when the apparatus has been dam-
aged in any way, such as power-supply cord or plug is damaged,
liquid has been spilled or objects have fallen into the apparatus,
the apparatus has been exposed to rain or moisture, does not oper-
ate normally, or has been dropped.
(UL60065_03)
PRÉCAUTIONS CONCER-
NANT LA SÉCURITÉ
1 Lire ces instructions.
2 Conserver ces instructions.
3 Tenir compte de tous les avertissements.
4 Suivre toutes les instructions.
5 Ne pas utiliser ce produit à proximité d’eau.
6 Nettoyer uniquement avec un chiffon propre et sec.
7 Ne pas bloquer les orifices de ventilation. Installer l’appareil con-
formément aux instructions du fabricant.
8 Ne pas installer l’appareil à proximité d’une source de chaleur
comme un radiateur, une bouche de chaleur, un poêle ou tout autre
appareil (y compris un amplificateur) produisant de la chaleur.
9 Ne pas modifier le système de sécurité de la fiche polarisée ou de
la fiche de terre. Une fiche polarisée dispose de deux broches dont
une est plus large que l’autre. Une fiche de terre dispose de deux
broches et d’une troisième pour le raccordement à la terre. Cette
broche plus large ou cette troisième broche est destinée à assurer
la sécurité de l’utilisateur. Si la fiche équipant l’appareil n’est pas
compatible avec les prises de courant disponibles, faire remplacer
les prises par un électricien.
10 Acheminer les cordons d’alimentation de sorte qu’ils ne soient pas
piétinés ni coincés, en faisant tout spécialement attention aux
fiches, prises de courant et au point de sortie de l’appareil.
11 Utiliser exclusivement les fixations et accessoires spécifiés par le
fabricant.
12 Utiliser exclusivement le chariot, le stand, le
trépied, le support ou la table recommandés
par le fabricant ou vendus avec cet appareil.
Si l’appareil est posé sur un chariot, déplac-
er le chariot avec précaution pour éviter tout
risque de chute et de blessure.
13 Débrancher l’appareil en cas d’orage ou lor-
squ’il doit rester hors service pendant une
période prolongée.
14 Confier toute réparation à un personnel qualifié. Faire réparer
l’appareil s’il a subi tout dommage, par exemple si la fiche ou le
cordon d’alimentation est endommagé, si du liquide a coulé ou des
objets sont tombés à l’intérieur de l’appareil, si l’appareil a été
exposé à la pluie ou à de l’humidité, si l’appareil ne fonctionne pas
normalement ou est tombé.
(UL60065_03)
WARNING
TO REDUCE THE RISK OF FIRE OR ELECTRIC SHOCK, DO NOT
EXPOSE THIS APPARATUS TO RAIN OR MOISTURE.
AVERTISSEMENT
POUR RÉDUIRE LES RISQUES D’INCENDIE OU DE DÉCHARGE
ÉLECTRIQUE, N’EXPOSEZ PAS CET APPAREIL À LA PLUIE OU À
L’HUMIDITÉ.

Owner’s Manual
4
1. IMPORTANT NOTICE: DO NOT MODIFY THIS UNIT!
This product, when installed as indicated in the instructions con-
tained in this manual, meets FCC requirements. Modifications not
expressly approved by Yamaha may void your authority, granted by
the FCC, to use the product.
2. IMPORTANT: When connecting this product to accessories and/
or another product use only high quality shielded cables. Cable/s
supplied with this product MUST be used. Follow all installation
instructions. Failure to follow instructions could void your FCC
authorization to use this product in the USA.
3. NOTE: This product has been tested and found to comply with the
requirements listed in FCC Regulations, Part 15 for Class “B” digital
devices. Compliance with these requirements provides a reason-
able level of assurance that your use of this product in a residential
environment will not result in harmful interference with other elec-
tronic devices. This equipment generates/uses radio frequencies
and, if not installed and used according to the instructions found in
the users manual, may cause interference harmful to the operation
of other electronic devices. Compliance with FCC regulations does
* This applies only to products distributed by YAMAHA CORPORATION OF AMERICA. (class B)
not guarantee that interference will not occur in all installations. If
this product is found to be the source of interference, which can be
determined by turning the unit “OFF” and “ON”, please try to elimi-
nate the problem by using one of the following measures:
Relocate either this product or the device that is being affected by
the interference.
Utilize power outlets that are on different branch (circuit breaker or
fuse) circuits or install AC line filter/s.
In the case of radio or TV interference, relocate/reorient the
antenna. If the antenna lead-in is 300 ohm ribbon lead, change the
lead-in to co-axial type cable.
If these corrective measures do not produce satisfactory results,
please contact the local retailer authorized to distribute this type of
product. If you can not locate the appropriate retailer, please contact
Yamaha Corporation of America, Electronic Service Division, 6600
Orangethorpe Ave, Buena Park, CA90620
The above statements apply ONLY to those products distributed by
Yamaha Corporation of America or its subsidiaries.
FCC INFORMATION (U.S.A.)
IMPORTANT NOTICE FOR THE UNITED KINGDOM
Connecting the Plug and Cord
WARNING: THIS APPARATUS MUST BE EARTHED
IMPORTANT. The wires in this mains lead are coloured in accordance
with the following code:
As the colours of the wires in the mains lead of this apparatus may not
correspond with the coloured markings identifying the terminals in
your plug proceed as follows:
The wire which is coloured GREEN-and-YELLOW must be connected
to the terminal in the plug which is marked by the letter E or by the
safety earth symbol or colored GREEN or GREEN-and-YELLOW.
The wire which is coloured BLUE must be connected to the terminal
which is marked with the letter N or coloured BLACK.
The wire which is coloured BROWN must be connected to the terminal
which is marked with the letter L or coloured RED.
GREEN-AND-YELLOW : EARTH
BLUE : NEUTRAL
BROWN : LIVE
(3 wires)
ADVARSEL!
Lithiumbatteri—Eksplosionsfare ved fejlagtig håndtering. Udskiftning
må kun ske med batteri af samme fabrikat og type. Levér det brugte
batteri tilbage til leverandoren.
VARNING
Explosionsfara vid felaktigt batteribyte. Använd samma batterityp eller
en ekvivalent typ som rekommenderas av apparattillverkaren. Kassera
använt batteri enligt fabrikantens instruktion.
VAROITUS
Paristo voi räjähtää, jos se on virheellisesti asennettu. Vaihda paristo
ainoastaan laitevalmistajan suosittelemaan tyyppiin. Hävitä käytetty
paristo valmistajan ohjeiden mukaisesti.
(lithium caution)
NEDERLAND / THE NETHERLANDS
• Dit apparaat bevat een lithium batterij voor geheugen back-up.
• This apparatus contains a lithium battery for memory back-up.
• Raadpleeg uw leverancier over de verwijdering van de batterij op het
moment dat u het apparaat ann het einde van de levensduur of
gelieve dan contact op te nemen met de vertegenwoordiging van
Yamaha in uw land.
• For the removal of the battery at the moment of the disposal at the
end of life please consult your retailer or Yamaha representative
office in your country.
• Gooi de batterij niet weg, maar lever hem in als KCA.
• Do not throw away the battery. Instead, hand it in as small chemical
waste.
(lithium disposal)
This product contains a battery that contains perchlorate material.
Perchlorate Material—special handling may apply,
See www.dtsc.ca.gov/hazardouswaste/perchlorate.
* This applies only to products distributed by
YAMAHA CORPORATION OF AMERICA.
(Perchlorate)
* This applies only to products distributed by
YAMAHA CORPORATION OF AMERICA.
COMPLIANCE INFORMATION STATEMENT
(DECLARATION OF CONFORMITY PROCEDURE)
This device complies with Part 15 of the FCC Rules.
Operation is subject to the following two conditions:
1) this device may not cause harmful interference, and
2) this device must accept any interference received including interfer-
ence that may cause undesired operation.
See user manual instructions if interference to radio reception is sus-
pected.
Responsible Party: Yamaha Corporation of America
Address: 6600 Orangethorpe Ave., Buena Park, Calif.
90620
Telephone: 714-522-9011
Type of Equipment: Digital Mixing Console
Model Name: QL5/QL1
(FCC DoC)
(class b korea)

Owner’s Manual 5
PRECAUTIONS
PLEASE READ CAREFULLY
BEFORE PROCEEDING
Please keep this manual in a safe place for
future reference.
WARNING
Always follow the basic precautions listed below to avoid
the possibility of serious injury or even death from
electrical shock, short-circuiting, damages, fire or other
hazards. These precautions include, but are not limited
to, the following:
Power supply/power cord
• Do not place the power cord near heat sources such as
heaters or radiators, and do not excessively bend or otherwise
damage the cord, place heavy objects on it, or place it in a
position where anyone could walk on, trip over, or roll anything
over it.
• Only use the voltage specified as correct for the device. The
required voltage is printed on the name plate of the device.
• Use only the supplied power cord/plug.
If you intend to use the device in an area other than in the one
you purchased, the included power cord may not be
compatible. Please check with your Yamaha dealer.
• Check the electric plug periodically and remove any dirt or dust
which may have accumulated on it.
• Be sure to connect to an appropriate outlet with a protective
grounding connection. Improper grounding can result in
electrical shock, damage to the device(s), or even fire.
Do not open
• This device contains no user-serviceable parts. Do not open
the device or attempt to disassemble the internal parts or
modify them in any way. If it should appear to be
malfunctioning, discontinue use immediately and have it
inspected by qualified Yamaha service personnel.
Water warning
• Do not expose the device to rain, use it near water or in damp
or wet conditions, or place on it any containers (such as vases,
bottles or glasses) containing liquids which might spill into any
openings. If any liquid such as water seeps into the device, turn
off the power immediately and unplug the power cord from the
AC outlet. Then have the device inspected by qualified Yamaha
service personnel.
• Never insert or remove an electric plug with wet hands.
Fire warning
• Do not put burning items, such as candles, on the unit.
A burning item may fall over and cause a fire.
If you notice any abnormality
• When one of the following problems occur, immediately turn off
the power switch and disconnect the electric plug from the
outlet. Then have the device inspected by Yamaha service
personnel.
- The power cord or plug becomes frayed or damaged.
- It emits unusual smells or smoke.
- Some object has been dropped into the device.
- There is a sudden loss of sound during use of the device.
• If this device should be dropped or damaged, immediately turn
off the power switch, disconnect the electric plug from the
outlet, and have the device inspected by qualified Yamaha
service personnel.
CAUTION
Always follow the basic precautions listed below to avoid
the possibility of physical injury to you or others, or
damage to the device or other property. These
precautions include, but are not limited to, the following:
Power supply/power cord
• When removing the electric plug from the device or an outlet,
always hold the plug itself and not the cord. Pulling by the cord
can damage it.
• Remove the electric plug from the outlet when the device is not
to be used for extended periods of time, or during electrical
storms.
Location
• Do not place the device in an unstable position where it might
accidentally fall over.
• Do not block the vents. This device has ventilation holes at the
rear/sides to prevent the internal temperature from becoming
too high. In particular, do not place the device on its side or
upside down. Inadequate ventilation can result in overheating,
possibly causing damage to the device(s), or even fire.
• Keep device away from the reach of children.
• Do not place the device in a location where it may come into
contact with corrosive gases or salt air. Doing so may result in
malfunction.
• Avoid being near the device during a disaster, such as an
earthquake. Since the device may turn over or fall and cause
injury, stay away from the device quickly and move to a safe
place.
• Before moving the device, remove all connected cables.
• When setting up the device, make sure that the AC outlet you
are using is easily accessible. If some trouble or malfunction
occurs, immediately turn off the power switch and disconnect
the plug from the outlet. Even when the power switch is turned
off, electricity is still flowing to the product at the minimum level.
When you are not using the product for a long time, make sure
to unplug the power cord from the wall AC outlet.
• When setting up the device, make sure that the power switch
can be easily turned ON/OFF. If some trouble or malfunction
occurs, immediately turn off the power switch and disconnect
the plug from the AC outlet.
• When transporting or moving the device, always use two or
more people. Attempting to lift the device by yourself may
damage your back, result in other injury, or cause damage to
the device itself.
PA_en_2 1/2

Owner’s Manual
6
Connections
• Before connecting the device to other devices, turn off the
power for all devices. Before turning the power on or off for all
devices, set all volume levels to minimum.
Maintenance
• Remove the power plug from the AC outlet when cleaning the
device.
Handling caution
• Do not insert your fingers or hands in any gaps or openings on
the device (vents).
• Avoid inserting or dropping foreign objects (paper, plastic,
metal, etc.) into any gaps or openings on the device (vents) If
this happens, turn off the power immediately and unplug the
power cord from the AC outlet. Then have the device inspected
by qualified Yamaha service personnel.
• Do not rest your weight on the device or place heavy objects
on it, and avoid use excessive force on the buttons, switches or
connectors.
• Do not use headphones for a long period of time at a high or
uncomfortable volume level, since this can cause permanent
hearing loss. If you experience any hearing loss or ringing in
the ears, consult a physician.
Backup battery
• Do not replace the backup battery by yourself. Doing so may
cause an explosion and/or damage to the device(s).
If the backup battery power is fully depleted, have qualified
Yamaha service personnel replace the battery.
Yamaha cannot be held responsible for damage caused by
improper use or modifications to the device, or data that is
lost or destroyed.
PA_en_2 2/2

Owner’s Manual 7
NOTICE
To avoid the possibility of malfunction/damage to the
product, damage to data, or damage to other property,
follow the notices below.
Handling and Maintenance
• Do not use the device in the vicinity of a TV, radio, stereo
equipment, mobile phone, or other electric devices. Otherwise,
the device, TV, or radio may generate noise.
• Do not expose the device to excessive dust or vibration, or
extreme cold or heat (such as in direct sunlight, near a heater,
or in a car during the day), in order to prevent the possibility of
panel disfiguration, unstable operation, or damage to the
internal components.
• Do not place vinyl, plastic or rubber objects on the device,
since this might discolor the panel.
• When cleaning the device, use a dry and soft cloth. Do not use
paint thinners, solvents, cleaning fluids, or chemical-
impregnated wiping cloths.
• Condensation can occur in the device due to rapid, drastic
changes in ambient temperature—when the device is moved
from one location to another, or air conditioning is turned on or
off, for example. Using the device while condensation is
present can cause damage. If there is reason to believe that
condensation might have occurred, leave the device for several
hours without turning on the power until the condensation has
completely dried out.
• Avoid setting all equalizer controls and faders to their
maximum. Depending on the condition of the connected
devices, doing so may cause feedback and may damage the
speakers.
• Do not apply oil, grease, or contact cleaner to the faders. Doing
so may cause problems with electrical contact or fader motion.
• When turning on the AC power in your audio system, always
turn on the power amplifier/the device LAST, to avoid speaker
damage. When turning the power off, the power amplifier/the
device should be turned off FIRST for the same reason.
• The rubber feet included in this package can be attached to the
speaker to prevent slippage when it is to be used on a slippery
surface.
• Always turn the power off when the device is not in use.
Saving data
• This device has a built-in backup battery that maintains internal
clock data even when the device’s power is switched off.
However, the backup battery will eventually become depleted,
and when that happens the internal clock data will be reset.
Replace the backup battery before it becomes fully depleted.
When the backup battery is running low, the LCD display
indicates “Low Battery” when you start up the system.
In this case, contact your Yamaha dealer and have qualified
Yamaha service personnel replace the backup battery.
The average life of the backup battery is approximately five
years, depending on operating conditions.
Connectors
• XLR-type connectors are wired as follows (IEC60268
standard): pin 1: ground, pin 2: hot (+), and pin 3: cold (–).
Information
About copyrights
• Copying of the commercially available musical data including
but not limited to MIDI data and/or audio data is strictly
prohibited except for your personal use.
About this manual
• The illustrations and LCD screens as shown in this manual are
for instructional purposes only, and may appear somewhat
different from those on your device.
• Windows is a registered trademark of Microsoft® Corporation in
the United States and other countries.
• Apple, Mac, Macintosh and iPad are trademarks of Apple Inc.,
registered in the U.S. and other countries.
• The bitmap fonts used in this instrument have been provided
by and are the property of Ricoh Co., Ltd.
• MPEG Layer-3 audio coding technology licensed from
Fraunhofer IIS and Thomson.
• The company names and product names in this manual are the
trademarks or registered trademarks of their respective
companies.
(weee_eu_en_01)
Information for Users on Collection and
Disposal of Old Equipment
This symbol on the products, packaging,
and/or accompanying documents means
that used electrical and electronic products
should not be mixed with general household
waste.
For proper treatment, recovery and
recycling of old products, please take them
to applicable collection points, in
accordance with your national legislation
and the Directives 2002/96/EC.
By disposing of these products correctly, you will help to save
valuable resources and prevent any potential negative effects
on human health and the environment which could otherwise
arise from inappropriate waste handling.
For more information about collection and recycling of old
products, please contact your local municipality, your waste
disposal service or the point of sale where you purchased the
items.
[For business users in the European Union]
If you wish to discard electrical and electronic equipment,
please contact your dealer or supplier for further information.
[Information on Disposal in other Countries outside the
European Union]
This symbol is only valid in the European Union. If you wish to
discard these items, please contact your local authorities or
dealer and ask for the correct method of disposal.

Introduction
Owner’s Manual
8
Introduction
Thank you for choosing a Yamaha QL series QL5/QL1
Digital Mixing Console. To take full advantage of the
superior features and performance offered by your QL
series console, and to enjoy years of trouble-free use,
please read this owner’s manual carefully before
operating your console. After you have read the manual,
keep it in a safe place.
Accessories
•AC power cord
•Owner’s Manual (this document)
•Dante Virtual Soundcard license code
•Dust cover (QL5 only)
About utility software
QL series products can be used with a variety of utility
software. Information about downloading, installing and
setting up the software applications is available on the
Yamaha Pro Audio website. In addition, refer to the
installation guide that comes with each downloaded
application.
http://www.yamahaproaudio.com/
•QL Editor
This software application enables you to set up and
operate the unit from a connected computer. You can
also use the application to back up console settings or
set console parameters without connecting the unit.
• Console File Converter
This software application enables you to convert
between Yamaha PM5D, M7CL, LS9, CL and QL series
setting files.
•QL StageMix
This software application enables you to control the unit
remotely from an iPad on a WiFi network.
NOTE
iOS applications may not be supported in your area.
Please check with your Yamaha dealer.
About firmware updates
This product enables you to update the unit firmware to
improve the operation, add functions, and correct
possible malfunctions. The following two types of
firmware are available for the unit.
•Console firmware
•Dante module firmware
You must update each type of firmware separately.
Details on updating the firmware are available on the
following website. For information about updating and
setting up the unit, please refer to the firmware update
guide available on the website.
http://www.yamahaproaudio.com/
About the Owner’s Manual
Owner’s Manual (this document)
This book primarily explains panel controls and
functions and basic operation of the QL series.
In this manual, most explanations refer to the QL5.
Reference Manual (PDF format;
downloadable from the website)
This book primarily explains details about functions,
effects parameters, and MIDI.
The Reference Manual is an electronic file in PDF
format. Use PDF viewing software such as Adobe®
Reader® to read this manual. You can download the
latest Adobe Reader application from the website listed
below.
http://www.adobe.com/
Help file (XML file; downloadable
from the website)
You can read this Help file on the unit’s screen. Load the
file on the unit, then press the Help button on the display
to view related sections.
You can download the Reference Manual and Help file
from the following website.
http://www.yamahaproaudio.com/
Conventions in this manual
In this manual, switch-type controllers on the panel are
called “keys.” Control knobs on the panel are called
“knobs.” Some knobs rotate from a minimum value to a
maximum value, while others rotate endlessly.
Virtual buttons displayed on the screen are called
“buttons,” and virtual knobs are called “knobs.”
Controls located on the panel are enclosed in square
brackets [ ] (e.g., [CUE] key) to distinguish them from
virtual buttons and knobs displayed on screen. For some
controls, the name of the section is given before the [ ]
(e.g., SCENE MEMORY [STORE] key).

An overview of the QL series
Owner’s Manual 9
An overview of the
QL series
Features
QL series digital mixing consoles create high-quality,
refined, live-sound environments. These consoles carry
forward the digital evolution of a broad array of advanced
concepts that helps to make the consoles easy and
intuitive to use. The built-in effect processor and an
optional I/O devices can accommodate the most
demanding situations at the highest level of quality, while
retaining the flexibility necessary to configure a system
that meets your needs.
User interface friendly to newcomers
but familiar to seasoned users
The Selected Channel section located to the right of the
display lets you use the knobs to control the main
parameters (gain, EQ, dynamics threshold, etc.) for a
particular channel. This section can be operated much
like a module in an analog mixer.
The display is a touch screen. You can turn functions on
or off or select items simply by touching buttons or knobs
on the screen. You can use the [TOUCH AND TURN]
knob to adjust the parameters of the selected knob.
Groups of channels routed to the top-panel faders can
be selected and switched easily in a “Fader Bank”. The
Fader Bank holds input and output channel banks, as
well as custom fader banks. The custom fader banks
enable you to select various combinations of channels,
regardless of channel types. Each channel strip offers
easy visual identification. The channel name appears on
a display, and an indicator shows the channel color. You
can adjust the brightness of each indicator across a
broad range to accommodate dimly-lit environments.
Mix parameter settings, including gain and phantom
power for input channels, can be stored and recalled as
“scenes.” All faders on the panel are moving faders.
When you recall a scene, the recorded fader locations
will be reproduced immediately.
Flexible system configuration with
Dante
The Ethernet-compatible Dante audio network protocol
facilitates connecting QL series consoles to external
devices, such as the Rio3224-D I/O device. A connected
I/O device that has been assigned a unique unit ID will
automatically be recognized and will facilitate patching
functions.
Using an I/O rack, you can configure a redundant
network to defend against unforeseen difficulties that
can arise in large-scale Dante networks. If multiple QL
units share the same I/O device, the gain compensation
function will maintain network audio streams at a
constant level to help you enjoy the benefits of a
large-scale sound system.
The Dante Virtual Soundcard software enables you to
carry out multi-channel recording to DAW software
installed on a computer. Consequently, no other audio
interface is needed.
Integration of mixer and I/O device
with port-to-port functionality
Direct “port-to-port” patching functionality between input
ports and output ports allows direct routing of QL analog
inputs and outputs to/from external Dante devices
without passing through the mixing channels.
Further, you can remotely control the head amps from
other CL series and QL series consoles, allowing QL
series consoles to be used as remote I/O devices. You
can use recall safe in the port to port function to remove
a head amp from scene recall in QL series consoles so
that it is controlled only from another CL series or QL
series console.
Ultra-realistic digital reproduction of
analog sound by PREMIUM RACK
The QL series features PREMIUM RACK, which
employs VCM technology. This technology models
analog circuitry on a component level to faithfully
reproduce amazing analog sounds. PREMIUM RACK
creates authentic sounds by modeling and faithfully
capturing the sonic characteristics of analog circuitry
fine-tuned to be faithful to the original sound. The QL’s
PREMIUM RACK includes six models, including a
Portico 5033 EQ/Portico 5043 Compressor by Rupert
Neve Designs, a U76 Compressor, an Opt-2A Leveling
Amplifier, etc.
Sonic flexibility from versatile effects
and GEQ rack
Independent of the PREMIUM RACK, high-quality
multi-effect processors are built into your QL series
console, with up to eight available simultaneously.
Effects such as reverb, delay, multiband compression,
and various modulation effects can be routed via internal
buses or inserted into the desired channel.
In addition to the effects, the QL series features a GEQ
rack. This includes a 31-band graphic EQ, a Flex15GEQ,
and an Automixer function–each of which can be
inserted into any channel or bus. The Flex15GEQ allows
you to adjust the gain for any 15 of the 31 bands.
Automixer allows you to reduce noise and maintain
feedback margins, by automating the gain distribution for
multiple microphones, freeing the operator from making
constant fader adjustments. To use effects or the graphic
EQ, you mount them in virtual racks displayed on the
touch screen. The currently-mounted modules can be
seen at a glance, and you can switch modules and
change input/output patching in an intuitive manner.

An overview of the QL series
Owner’s Manual
10
I/O card and processing card
expansion
The rear panel provides two slots in which separately
sold mini-YGDAI cards can be installed. You can add
inputs and outputs by installing AD cards, DA cards, or
digital I/O cards in these slots. You can also expand
processing or effects by installing a DSP card.
Cascade connections in the digital
domain
You can cascade a second QL series unit or another
digital mixer, such as the Yamaha CL series, M7CL,
PM5D or LS9, connected via a digital I/O card installed
in a slot or a Dante connector. (Cascade connections via
a Dante connector are possible only between QL series
consoles.) You can cascade any of the MIX, MATRIX,
STEREO (L/R), MONO, and CUE (L/R) buses.
Recorder function useful for sound
checks and mix recording
The QL series features a USB memory recorder function
that enables you to record output from STEREO or MIX
buses onto a USB flash drive. It also enables you to play
audio files that reside on a USB flash drive by assigning
the files to input channels or monitor outputs. The MP3
format (MPEG-1 Audio Layer-3) is supported for
recording. For playback, MP3, WMA (Windows Media
Audio), and MPEG-4 AAC (Advanced Audio Coding)
formats are supported. This function can be useful if you
want to record certain bus mix outputs or play music for
a sound check through speakers.
Security functions at user or system
level
Functionality can be restricted for users other than the
administrator at three levels of security: administrator,
guest, and user. Passwords can be specified for the
administrator and for users to help prevent important
settings from being changed accidentally.
Information specific to each user (user level, system
settings, and user-defined key/knob settings) can be
stored on the unit or on a USB flash drive as a “user
authentication key.” By loading your own user
authentication key, you can instantly reconfigure the unit
for your own ideal operating environment.
Help file downloadable to the unit
You can download from the website a Help file that
explains the parameters and messages displayed on the
screen. Once you load the Help file, it will be stored
inside the unit so that you can use the Help function at
any time.
About the models
The QL series is available in two models: QL5 and QL1.
Model differences are shown in the table below.
Analog
inputs
Analog
outputs
Monaural
input
channels
Channel strips
QL5 32 16 64 Block A/B: 32
Master section: 2
QL1 16 8 32 Block A/B: 16
Master section: 2
Block A/B Master section
•QL5
Block A/B Master section
•QL1

Controls and functions
Owner’s Manual 11
Controls and functions
Top panel
The top panel of the QL series is divided into the following sections.
1Channel Strip section page 12
2SENDS ON FADER section page 12
3Display section page 13
4Selected Channel section page 13
5USB connector page 15
6USER DEFINED KEYS section page 14
7FADER BANK section page 14
8Master section page 14
NOTE
This illustration shows the top panel of the QL5.
32
18
6
7
54
(Block A/B)

Controls and functions
Owner’s Manual
12
Channel Strip section
1[SEL] key
Selects the channel that will be controlled in the
Channel Strip section and on the touch screen.
When a channel is selected, the key LED will light.
If you control an ST IN channel in the Channel Strip
section, the L channel will be routed to an
odd-numbered channel, and the R channel will be
routed to the adjacent even-numbered channel.
If you control the custom fader bank, and if you
assign L/R channels, the selected object of control
will alternate between the L and R channels each
time you press the [SEL] key.
NOTE
If you assign either the L or R channel, this key will simply
select the channel.
2[CUE] key
Selects the channel to be cue-monitored. If cue is
on, the LED will light.
3Meter LEDs
Indicate the channel level.
4[ON] key
Switches the channel on or off. If a channel is on,
the key LED will light. In SENDS ON FADER mode,
this is an on/off switch for signals sent from each
channel to the currently-selected MIX/MATRIX bus.
5Channel name display
Indicates the channel name, fader value, etc. You
can set the display so that it will indicate only the
channel name. The information to be shown can be
specified in the USER SETUP screen PREFERENCE
tab.
6Channel color indicator
Lights in the channel color specified on the
PATCH/NAME screen. You can select the channel
color from nine options, including OFF.
7Fader
Adjusts the input/output level of the channel. In
SENDS ON FADER mode, this fader adjusts the
send level of the signal from each channel to the
currently-selected MIX/MATRIX bus.
SENDS ON FADER section
1MIX/MATRIX buses [1]–[16]
For selecting the MIX/MATRIX buses whose send
levels will be adjusted in the Selected Channel
section. The LED of the key corresponding to the
currently selected bus will light (or flash, in the case
of a MATRIX bus).
In SENDS ON FADER mode, these keys select a
MIX/MATRIX bus as the send-destination. In this
case, the LED of the key corresponding to the
currently selected bus will flash, and the LED of keys
corresponding to selectable buses will light. For
MATRIX buses, the [9]–[16] keys will be dark and
cannot be selected.
1
2
3
4
5
6
7
1

Top panel
Owner’s Manual 13
Display section
This is a touch screen that you can operate by touching
the surface of the screen. You can touch your finger to
the screen to select menus or set parameters. Please
note that you cannot operate the unit by touching
multiple points simultaneously.
NOTICE
Never use a sharp or pointed object such as your fingernail
to operate the touch panel. Doing so may damage the
screen and render the touch functions inoperable.
NOTE
If the touch screen becomes dirty, wipe it with a soft dry
cloth.
Selected Channel section
This section enables you to set the mix parameters for
the currently-selected channel.
1[GAIN] knob
Adjusts the head amp’s analog gain for an input
channel.
Alternately, it adjusts the digital gain if GAIN KNOB
FUNCTION is set to DIGITAL GAIN in the
PREFERENCE tab of the USER SETUP screen.
This knob has no effect for other types of channels.
NOTE
•The PAD will be switched on or off internally when the HA
analog gain is adjusted between +17dB and +18dB. Keep
in mind that noise may be generated when using phantom
power if there is a difference between the hot and cold
output impedance of an external device connected to the
INPUT connector.
2[PAN] knob
When a monaural channel is selected, this knob
adjusts the panning of the signal sent to the
STEREO bus.
When a stereo channel is selected, this knob adjusts
the PAN or left/right balance, whichever is selected.
3[DYNAMICS 1] knob
4[DYNAMICS 2] knob
Adjust the THRESHOLD parameter of the gate,
compressor, etc.
The [DYNAMICS 2] knob has no effect if the MIX,
MATRIX, STEREO, or MONO channel is selected.
5[HPF] knob
Adjusts the HPF cutoff frequency for an input
channel. It has no effect on other types of channels.
6EQ [Q], EQ [FREQUENCY], EQ [GAIN] knobs
For each band of the four-band EQ, these knobs
adjust the Q, center frequency (cutoff frequency),
and gain.
Press the EQ [Q] and EQ [GAIN] knobs
simultaneously to reset the GAIN setting for each
band to the default value (0.0dB).
7EQ [LOW] key/EQ [LOW–MID] key/EQ
[HIGH–MID] key/EQ [HIGH] key
These keys select an EQ band that is controlled by
the knobs located above the keys. Press and turn
the EQ [Q] knob to switch between SHELVING, HPF
(OUT only), and LPF.
8[TOUCH AND TURN] knob
You can press a desired knob in the touch screen
and then use this knob to operate it. The LED below
this knob indicates the color of the knob selected
on the touch screen.
8
5
24
31
7
6

Controls and functions
Owner’s Manual
14
USER DEFINED KEYS section
USER DEFINED keys [1]–[12]
Execute functions as assigned by the
user (scene changes, switching the
talkback or internal oscillator on/off,
etc.). Make these assignments in the
USER SETUP screen.
FADER BANK section
1Bank Select keys [1–32]/[33–64]/
[STIN/DCA]/[MIX/MATRIX]
These keys switch the channel faders controlled in
the Channel Strip section.
Press the [1–32] key and [MIX/MATRIX] key
simultaneously to switch between fader bank A and
custom fader bank B.
For details on the custom fader banks, refer to
page 22.
Master section
This section is similar to the Channel Strip section, and
enables you to control the principal parameters of the
assigned channels. When the unit is in the default state,
STEREO/MONO channels are assigned.
1[SEL] key
Selects the channel you wish to control. Pressing
this key will cause the channel LED to light up, and
you will be able to control the channel in both the
Selected Channel section and on the touch screen.
If the STEREO bus has been assigned, the selected
object of control will alternate between the L and R
channels each time you press the [SEL] key.
2[CUE] key
Selects the channel to be cue-monitored. If cue is
on, the LED will light.
3[ON] key
Switches the channel on or off. If a channel is on,
the key LED will light.
If MONITOR has been assigned, this key switches
the monitor output on or off.
4Channel name display
5Channel color indicator
Same as that in the Channel Strip section.
1
1
2
3
4
5
6

Front panel
Owner’s Manual 15
6Fader
Adjusts the output level of the channel.
If MONITOR has been assigned, this fader adjusts
the monitor output level.
USB connector
You can connect a USB
flash drive to the USB
connector to record or play
audio files, and to save or
load internal data.
The Help file displayed on the unit screen is also loaded
from a connected USB flash drive.
You can also save “User authentication key” data on a
USB flash drive. This determines the user level and
limits the functionality to which each user has access.
NOTE
Operation is guaranteed only for a connection with a USB
flash drive.
USB flash drive capacities and formats
The operation of USB flash drives with capacities of up
to 32GB has been verified.
(However, this does not guarantee operation of all USB
flash drives.)
The FAT16 and FAT32 formats are supported.
Prevention of accidental erasure
Some USB flash drives have a write-protect setting that
lets you prevent data from being erased accidentally. If
your flash drive contains important data, it is a good idea
to use the write-protect setting to prevent accidental
erasure.
On the other hand, you will need to make sure that your
USB flash drive’s write-protect setting is turned off before
you save data onto it.
NOTICE
An ACCESS indicator appears in the function access area
while data is being accessed (saved, loaded, or deleted).
Do not disconnect the USB flash drive or power-off the QL
unit while this indicator is shown. Doing so may damage
your flash drive, or may damage the data in the QL unit or
on your media device.
Front panel
1PHONES LEVEL knob
Adjusts the level of the signal output from the
PHONES OUT jack.
2PHONES Out (headphone output) jack
Lets you monitor the MONITOR OUT or CUE
signal.
21

Controls and functions
Owner’s Manual
16
Rear panel
1LAMP connectors
Four-pin female XLR output jacks that supply
power to separately-sold gooseneck lamps (such as
the Yamaha LA1L). (The QL5 includes these
connectors at two locations. The QL1 includes
one.)
2OMNI OUT jacks
XLR-3-32 male output jacks for outputting analog
audio signals. (The QL5 has 16 of these jacks. The
QL1 has 8.) These jacks are used mainly to output
the signals of MIX channels or MATRIX channels.
The nominal output level is +4dBu.
NOTE
•The nominal output level of the OMNI OUT jacks is +4dBu
(maximum level +24dBu), but if necessary, this can be
changed to –2dBu (maximum level +18dBu) by setting an
internal switch (a fee will be charged). For details, contact
a Yamaha service center listed at the end of the owner’s
manual.
3INPUT jacks
Balanced XLR-3-31 female input jacks for inputting
analog audio signals from line level devices or
microphones. (The QL5 has 32 of these jacks, and
the QL1 has 16.) The input level range is from
–62dBu to +10dBu.
4Exhaust port
The QL series consoles have cooling fans. Please be
sure that you do not block the air intakes or exhaust
vents.
5| / (Power Switch)
This switch turns the power on/off (|/).
Caution
•Rapidly turning the unit on and off in succession can cause
it to malfunction. After turning the unit off, wait for at least 6
seconds before turning it on again.
•Even when the power switch is turned off, a small amount
of current is flowing through the unit. If you plan not to use
the unit for a long period of time, remove the power cable
from the AC outlet.
6AC IN connector
Connect the supplied AC power cord here. First
connect the AC power cable to the QL unit, then
insert the power cable plug into an AC power
outlet.
Insert the cable plug all the way until it locks in
securely. The supplied AC power cable features a
V-lock mechanism via a latch, which prevents the
power cable from coming off accidentally.
Caution
Be sure to turn the power off before connecting or
disconnecting the power cable.
To disconnect the power
cable, remove it while
pressing the latch on the
plug.
7Grounding screw
The supplied AC power cable is a 3-wire type.
Therefore, if the AC outlet used is properly
grounded, the QL will be grounded as well. Also,
grounding this screw may effectively eliminate
noise such as hum and interference.
984 76 0A5
321
BCDE F
Female XLR plug
1 (Ground)
3 (Cold)
2 (Hot)
Male XLR connector
1 (Ground)
3 (Cold)
2 (Hot)

Rear panel
Owner’s Manual 17
8MIDI IN/OUT connectors
Used to transmit and receive MIDI messages to and
from external MIDI devices. The MIDI IN connector
receives messages from an external device, and the
MIDI OUT connector transmits messages from the
QL unit.
These are used mainly to record QL parameter
operations or scene/library selections on an
external device, or to control QL parameters from
an external device.
9WORD CLOCK IN/OUT connectors
BNC connectors used to transmit and receive word
clock signals to and from an external device. The
WORD CLOCK IN connector features internal
75-ohm termination.
0GPI connector
D-sub 15-pin female connector that allows
communication (5-in, 5-out) with a GPI-equipped
external device.
ADIGITAL OUT connector
An AES/EBU (XLR-3-32 male) jack that outputs the
digital audio signal of a desired channel in AES/EBU
format. This is used mainly to output the signal of
the STEREO/MONO channel.
BSLOT 1–2
Allow for the installation of separately-sold DSP
cards, or mini-YGDAI I/O cards to expand the
number of input/output ports.
CDante PRIMARY/SECONDARY connectors
Used to connect to other Dante audio network
devices, such as an Rio3224-D I/O device.
Use standard Ethernet cables with Neutrik
etherCON CAT5e compatible RJ-45 plugs.
DLINK/ACT indicators
These indicators show the communication status of
the PRIMARY and SECONDARY connectors.
They flash rapidly if the Ethernet cables are
connected properly.
E1G Indicators
These indicators light when the Dante network is
functioning as Giga-bit Ethernet.
FNETWORK connector
This RJ-45 connector allows the QL unit to be
connected to a computer via an Ethernet cable
(CAT5e or higher recommended). This connector is
used mainly to control mix parameters or to edit
scene memories and libraries from the dedicated
“QL Editor” application program or the “QL
StageMix” iPad application.

Touch screen
Owner’s Manual
18
Touch screen
Basic touch screen
operations
This section explains the basic procedures you can
perform on the QL’s touch screen.
Pressing the touch screen
You will mainly use this operation to switch screens and
pages, to select parameters to be operated, and to turn
buttons on/off. Certain buttons let you specify a number
based on the area of the button itself that you touch.
NOTE
Typically, you will press a top panel key once, but in certain
cases you can access special functions by rapidly pressing
a key twice in succession.
Multiple selection (specifying a range)
While pressing your finger on the touch panel, move it in
the left or right direction to specify a range within a
character string. You will use this technique primarily
when assigning a name to a scene or library.
For the channel select buttons, you can select multiple
buttons by moving your finger across the touch screen
while continuing to press down.
NOTE
This makes it easy to select a range of buttons to be turned
on or off together.
Using the knobs on the top panel
The knobs on the top panel are rotated to change the
value of the corresponding parameter. Also, by pressing
a knob, you can recall a specific screen.
For certain parameters, you can adjust the value in finer
steps (greater detail) by simultaneously holding down
the knob and rotating it.
Using the [TOUCH AND TURN] knob
The [TOUCH AND TURN] knob is used to operate the
knobs selected for operation in the touch screen.
Press the touch screen to select the knob you want to
operate. When you press a knob, a highlight outline is
displayed around that knob. Turn the [TOUCH AND
TURN] knob to adjust the value for the corresponding
parameter.
NOTE
Pressing certain knobs a second time while the outline is
displayed will open a screen in which you can make
additional detailed settings.
On-screen user interface
The section below explains various user interface
components that appear in the touch screen, and how to
use them. Examples of screens appearing on the touch
screen are shown below.
USER DEFINED KEY SETUP window
Displayed when selecting items from a list, such as a list
of USER DEFINED keys.
The constantly highlighted item in the center is the
selected item. Press the / located below the list to
scroll the list upward or downward.
NOTE
•You can also scroll the list up or down by using the [TOUCH
AND TURN] knob.
•If there is more than one list in the screen, your operations
will apply to the list enclosed in a white frame.

On-screen user interface
Owner’s Manual 19
Keyboard window
Displayed when you need to assign a name or comment
to a scene or library, or when you need to assign a
channel name. Press characters in the window to enter
the desired characters.
HPF/EQ window
When you press a button or field for a specific parameter
in a screen, a window showing detailed parameters or
lists will appear.
If there are tabs in the window, you can press a tab to
switch pages.
Some windows show several buttons called “tool
buttons” at the top of the window. You can use these tool
buttons to recall or copy/paste library data.
Press the “X” (close) button to close the window and
return to the previous screen.
Dialog boxes
Dialog boxes similar to the following enable you to
confirm operations you just performed. Press the OK
button to execute the operation. The operation will be
canceled if you press the CANCEL button.
Tabs
Tabs enable you to switch between multiple pages. Each
tab indicates its page name.
Buttons
Buttons are used to execute specific functions, to switch
parameters on or off, or to select one of multiple choices.
Buttons that perform on/off operations appear in solid
colors while they are turned on, and are dark (ghosted)
when turned off.
When you press a button that has the following symbol,
a separate window will open, allowing you to make
detailed settings.
Faders/Knobs
Faders and knobs on screen move in tandem when you
operate the top panel faders and knobs. The current
value appears immediately below the fader or knob.
For display knobs that can be operated by the panel
[TOUCH AND TURN] knob, pressing the display knob
just once causes a highlight outline to appear around the
knob. This frame indicates that the knob has been
selected for operation.
Buttons
Tabs

Touch screen
Owner’s Manual
20
Viewing the touch screen
The touch screen of the QL series is broadly divided into
two areas.
Function access area
1Selected channel
This shows the number,
name, icon, and channel
color of the channel that is
currently selected for
operation. Pressing the
minus indication here will
switch to the preceding
channel, and pressing the
plus indication will switch
to the next channel.
2Time
This shows the current
time.
3Status Indicator
This shows the current
status. Normally it indicates
the name of the user who is
currently logged in (i.e., is
authenticated and able to
operate the system).
The following table shows
the displayed content and the corresponding
status.
* The type of signal being cue-monitored (IN/OUT/DCA/KEY
IN/EFFECT) is shown in the upper part of the cue meter.
NOTICE
An ACCESS indicator appears in the function access area
while data is being accessed (saved, loaded, or deleted).
Do not disconnect the USB flash drive or power-off the QL
unit while this indicator is shown. Doing so may damage
your flash drive, or may damage the data in the QL unit or
on your media device.
4HELP
Pressing this button will show on-line help in the
main area. To view the on-line Help, first you must
load the Help file into the QL series console from a
USB flash drive.
5SENDS ON FADER
Press this button to switch to SENDS ON FADER
mode, where you can use the faders of the top
panel to adjust the MIX/MATRIX send level. During
this time, the function access area will switch to a
screen that enables you to select the
send-destination MIX/MATRIX bus.
6CH JOB (Channel Job)
Press this button to display the CH JOB menu,
which you can make settings for channel grouping
and linking, and then select the function to
operate.
7I/O DEVICE
When you press this button, the I/O DEVICE screen
will appear in the main area, allowing you to make
I/O device settings and external head amp settings.
8MONITOR
When you press this button, the MONITOR screen
will appear in the main area, allowing you to edit
the monitor or oscillator settings.
9RACK
When you press this button, the VIRTUAL RACK
screen will appear in the main area, allowing you to
edit the GEQ or effect settings.
0MONITOR LEVEL KNOB
This control adjusts the monitor level.
AMETER
Displays the level of the STEREO bus (L/R), MONO
bus (M), and cue signal (CUE). When you press this
field, the METER screen will appear in the main area.
If you press the CUE meter area when the cue
monitor is on, the cue monitor will be canceled.
BSETUP
When you press this button, the SETUP screen will
appear in the main area, allowing you to make
basic system settings and user-specific settings.
CRECORDER
When you press this button, the recorder screen
will appear in the main area; here you can operate
and make settings for the recorder function
(USB/Nuendo Live) which allows you to record and
play back audio files.
DSCENE
This indicates the number and name of the scene
that was last stored or recalled. An “R” symbol is
displayed for read-only scenes, and a lock icon is
displayed for write-protected scenes. If you edit the
parameters from their last stored or recalled state,
an “E” symbol will appear in the lower right. When
you press this field, the SCENE LIST screen will
appear in the main area, allowing you to store or
recall scenes. In PREVIEW mode, this field is shown
in red.
Indication Status
OSC Oscillator enabled
TALKBACK Talkback enabled
CUE Cue monitor on*
ACCESS Accessing internal memory or USB memory
PATCHING Now performing Dante patching
ALT ALTERNATE mode enabled
PLAY Playing an audio file
REC Recording an audio file
Function access area
Main area
1
2
5
7
3
9
4
6
8
j
lm
n
k

Using the tool buttons
Owner’s Manual 21
When you press a button (7–0, B–D) to access the
corresponding screen, the button will be highlighted. In
this state, pressing the button once again will return
either to the most recently recalled SELECTED
CHANNEL VIEW screen or the OVERVIEW screen.
Main area
The contents of the main area will depend on the
currently selected function. Mixing operations will
involve mainly the following two types of screens.
SELECTED CHANNEL VIEW screen
This screen shows all mix parameters of the currently
selected channel. To access this screen, press one of
the knobs of the “Selected Channel section” (see
page 13).
OVERVIEW screen
The main parameters for 8 channels are displayed. This
screen appears when you press a USER DEFINED key
to which OVERVIEW is assigned.
Using the tool buttons
The title bar at the top of some windows contains tool
buttons that provide additional functions. You can use these
buttons to recall related libraries, or to copy the parameters
of a channel to a different
channel.
1LIBRARY button
This button opens the library associated with the
current window (EQ, dynamics, GEQ, effect, or
premium libraries).
2DEFAULT button
This button restores the currently selected channel
(EQ/dynamics) or rack (effect/premium rack) to the
default state.
NOTE
The GEQ does not have this button; the FLAT button in the
GEQ EDIT window will return the parameters to the default
state.
3COPY button
This button copies the settings of the currently
selected channel (EQ/dynamics) or rack
(GEQ/effect/premium rack). The copied settings
are copied to buffer memory (a memory area for
temporary storage).
4PASTE bu tton
This button pastes the settings copied to buffer
memory into the currently selected channel
(EQ/dynamics) or rack (GEQ/effect/premium rack).
5COMPARE button
This button exchanges the settings copied to buffer
memory with the settings of the currently selected
channel (EQ/dynamics) or rack
(GEQ/effect/premium rack).
For some windows, a variety of tool buttons also appear.
1 2 3 4 5

Basic operation of the QL series
Owner’s Manual
22
Basic operation of
the QL series
This section explains the basic operations of the QL
series.
QL series operations are divided into two main
categories. In general, you will operate the QL series for
mixing using a combination of these operations.
• Controlling selected channels
(Selected Channel section)
• Using the faders on the top panel
(Channel Strip section)
Controlling selected
channels (Selected Channel
section)
The Selected Channel section located at the right of the
display corresponds to a channel module of a
conventional analog mixer, and allows you to manually
adjust all the major parameters of the currently selected
channel. Operations in this section will affect the channel
that was most recently selected by its [SEL] key.
1. Press the appropriate Bank Select key (in the
FADER BANK section) of the bank containing
the channel that you want to control.
Select one of the preset or custom fader banks in
the Channel Strip section.
2. Press the [SEL] key to select the target channel.
3. Press one of the knobs in the Selected Channel
section.
The SELECTED CHANNEL VIEW screen for the
selected channel will appear. You can view the
actual setting values on screen.
4. Use the knobs of the Selected Channel section
and the buttons in the SELECTED CHANNEL
VIEW screen to edit the parameters of the
selected channel.
Even if a different screen is selected, the
currently-selected channel can be set using the
knobs of the Selected Channel section. In this case,
a mini window indicating the value of that
parameter will appear on screen when you operate
a knob.
Using the top panel
(Channel Strip section)
The Channel Strip section of the top panel enables you
to control the level, CUE, and other parameters for the
selected channels.
1. Use the Bank Select keys located in the Fader
Bank section to select the channels or DCA
groups that you want to control.
2. Use the controls of the Channel Strip section.
Each channel’s display indicates the currently
assigned channel information.
Custom fader bank settings
The B1, B2, B3, and B4 keys in the Fader Bank section
enable you to assign and recall a bank with your own
assortment of the channels or DCA groups. These
banks are called “custom fader banks.” Since the custom
fader banks enable you to assign a combination of
different types of channels, you can control different
types of channels as a group.
1. In the function access area, press the SETUP
button.
2. Press the USER SETUP button in the upper left of
the SETUP screen.
3. Press the CUSTOM FADER tab near the bottom
of the USER SETUP screen.
The CUSTOM FADER BANK/MASTER FADER page
will appear.
4. Select the custom fader bank you want to set.
The channel strip is divided into 1–16, 17–24 (QL5
only), and Master, from the left side of the console.
5. Press the Fader select button you want to set,
then press the [SEL] key for the channel that you
want to assign to that fader.
You can also select a channel in the display. Press
the button below the desired number to display the
CH SELECT screen. Use the list in the left column to
select the desired channel group, then use the
buttons in the right column to select channels.

Assigning a name
Owner’s Manual 23
6. To assign channels to other faders, repeat step
5.
7. When you have finished, press the X symbol in
the upper right corner of the screen, and press
the SETUP button again to return to the SELECT
CHANNEL VIEW screen.
Adjusting the send level to a MIX bus
or MATRIX bus (SENDS ON FADER
mode)
Each fader on the top panel enables you to adjust the
level of the corresponding channel, as well as the send
level of the signal routed from each channel to the
specified MIX/MATRIX bus (SENDS ON FADER mode).
1. Press the key for the
MIX/MATRIX bus to be used
to adjust the SENDS ON
FADER section.
The LED of the selected key
LED will light.
2. Press the same key of the
SENDS ON FADER section
once again.
The QL will switch to SENDS ON FADER mode. The
key will change from lit to flashing, and the LEDs of
the other keys in the SENDS ON FADER section will
light. The faders in the Channel Strip section will
change to indicate the send level of the signals that
are routed from each channel to the currently
selected MIX/MATRIX bus.
NOTE
•If the function for switching between MIX 1–16 and
MATRIX 1–8 is assigned to a USER DEFINED key, you
can switch between the two areas.
•Alternatively, press a SEND LEVEL knob in the Selected
Channel section to display the SELECTED CHANNEL
VIEW window, from which you can select a MIX/MATRIX
bus.
•You can also select a MIX/MATRIX bus by using the Bank
Select key [MIX/MATRIX] in the Fader Bank section.
•If you press the currently selected MIX/MATRIX bus select
button again, cue monitoring will be turned on for the
related MIX/MATRIX channel. This method is convenient if
you want to monitor the signal that is being sent to the
selected MIX/MATRIX bus.
3. Press the Bank Select key in the Fader Bank
section, including the input channel being
operated, and use the fader to adjust the send
level to the selected MIX/MATRIX bus.
4. Repeat steps 1–3 to adjust the send level for
other MIX/MATRIX buses in the same way.
5. When you’ve finished setting the MIX/MATRIX
send levels, press the key that is flashing in the
SENDS ON FADER section.
The function access area display will return to its
prior state, and the unit will return to normal mode.
NOTE
You can also use the buttons in the function access area to
switch and select buses.
1 ON FADER switch button
Pressing this button repeatedly
will switch between MIX and
MATRIX.
2 MIX/MATRIX bus select buttons
These buttons enable you to
select the destination
MIX/MATRIX buses. Two buses
that are paired in stereo are
represented by one button.
Assigning a name
On the QL series, you can assign a name to each input
channel, output channel, DCA group, and MUTE group,
and assign a title to scene and library data when saving
it.
To assign a name, you will use the keyboard window that
is shown in the main area.
1. Call up the keyboard window (from a
naming-relevant operation).
Below is an example of how to assign a name to a
channel.
The box shows the characters you have entered
and a cursor that indicates the current position.
1
2

Basic operation of the QL series
Owner’s Manual
24
2. Press the keyboard window in the touch screen
to enter the desired characters.
While entering characters, you can use the
following buttons in the keyboard window.
•COPY button
Copies the string of characters that are selected
(highlighted) in the text box.
•CUT button
Deletes and copies the string of characters that are
selected (highlighted) in the text box.
• PASTE button
Inserts the string of characters copied by COPY or
CUT at the cursor location (or overwrites the
currently selected range of characters).
• CLEAR button
Erases all characters that were entered in the text
input box.
•INS button
Inserts a space (blank) at the cursor position.
•DEL button
Deletes the character at the right of the cursor (or
the string of characters selected in the text box).
•BS (Backspace) button
Deletes the character at the left of the cursor (or the
string of characters selected in the text box).
•TAB button
Switches to the next item that can be selected. For
example in the SCENE STORE window you can use
this button to switch between two text input
boxes, and in the PATCH/NAME window you can
use this to switch channels.
•SHIFT LOCK button
Switches between uppercase and lowercase
alphabetical characters. You can enter uppercase
characters and symbols while this button is on, and
lowercase characters and numerals while this
button is off.
•ENTER button
Finalizes the name you entered.
3. When you’ve entered the name, press the
STORE button or the ENTER button.
The name you entered will be applied.
NOTE
•The basic procedure is the same in the windows that let
you assign names to channels or other types of library
data. When you enter a name for a channel, your input will
be reflected immediately without pressing the ENTER
button.
•Press in the text entry box to move the input position. If you
select a region of characters you’ve entered in the box and
then enter a new character, the newly entered character
will overwrite the selected region.
Using libraries
You can use libraries to store (save) or recall (load) the
settings of the currently selected channel
(EQ/dynamics) or rack (GEQ/effect/premium rack).
The method of operation is essentially the same for each
library.
The following libraries are provided.
•Input channel library
•Output channel library
•Input EQ library
•Output EQ library
•Dynamics library
•GEQ library
•Effect library
•Dante input patch library
•Premium Rack library
NOTE
Premium Rack library features a library for each Premium
Rack type.
Recalling settings from a library
1. Access a window that contains tool buttons.
To select a display page: For a channel library, first
display the SELECTED CHANNEL VIEW screen and
then proceed to Step 3.
[SELECTED CHANNEL VIEW screen]
Press a knob in the Selected Channel section.

Using libraries
Owner’s Manual 25
[HPF/EQ screen]/[DYNAMICS 1/2 screen]
In the SELECTED CHANNEL VIEW screen or the
OVERVIEW screen, press any knob in the
appropriate field for EQ or Dynamics 1/2. (In the
SELECTED CHANNEL VIEW screen, press any knob
twice; in the OVERVIEW screen, press the area
once.)
1 EQ field
2 Dynamics 1/2 field
[VIRTUAL RACK screen]
In the VIRTUAL RACK window that appears when
you press the RACK button in the function access
area, press a rack container in which a
GEQ/effect/Premium Rack is already mounted.
1 RACK button
2 RACK container
2.
Select the channel (EQ/dynamics) or rack
(GEQ/effect/Premium Rack) for which you want
to recall settings.
The method of selecting a channel/rack will depend
on the type of window that is currently displayed.
[HPF/EQ window (1ch)]
[DYNAMICS 1/2 window (1ch)]
Use the panel [SEL] keys or the channel select
button in the function access area to select a
channel.
[HPF/EQ window (8ch)]
[DYNAMICS 1/2 window (8ch)]
In addition to using the panel [SEL] keys or the
channel select button in the function access area,
you can also select a channel by pressing the
channel number/channel name buttons in the
window.
If you use the channel number/channel name
buttons in the 8ch (8-channel) window, you can
select multiple channels by selecting a region. In
this case, the same library data will be recalled to all
of the selected channels.
2
1
1
2
1
2
Channel select button
Channel number / Channel name buttons

Basic operation of the QL series
Owner’s Manual
26
[VIRTUAL RACK screen]
Use the rack select tabs at the bottom of the
window to select a rack.
NOTE
You cannot select a rack select tab of a rack in which no
GEQ, effect, or Premium Rack is mounted.
3. Press the LIBRARY button.
The screen for the selected library appears.
1CURRENT TYPE
(Only for output channel library)
This field displays the type of channel selected via
the [SEL] key.
2List
This shows the settings that are saved in the library.
The highlighted line indicates the data that is
selected for operations. Read-only data is indicated
by an “R” symbol.
NOTE
The right side of the list displays information regarding the
relevant setting data (such as the type of output channels,
dynamics type or effect type being used). The dynamics
library also displays symbols indicating whether the data
can be recalled into Dynamics 1 and/or Dynamics 2.
4. Rotate the [TOUCH AND TURN] knob to move
the highlight line up or down to select a library
item you want to recall.
In some cases, the data selected as the recall-source
cannot be recalled into the currently selected
channel/rack. Each library has the following
limitations.
• Channel library
If the type of channel selected via the [SEL] key is
different from the one selected in the list in the
output channel library, “CONFLICT” appears to the
right of CURRENT TYPE. You can recall the data
even if “CONFLICT” appears, although the data
would include different parameters. Parameters
that do not exist in the library will be set to the
default value.
• Dynamics library
The dynamics library contains three types of data:
Dynamics 1 and Dynamics 2 for input channels,
and Dynamics 1 for output channels. Recall is not
possible if you’ve selected a type that is not
supported by the corresponding dynamics
processor.
• GEQ library
The GEQ library holds two types of data:
31BandGEQ or Flex15GEQ. You cannot recall the
31BandGEQ library data into the Flex15GEQ library
if the data contains the gain settings for 16 or more
bands.
• Effect library
Effect library items that use effect types “HQ.Pitch”
or “Freeze” can be recalled only to effect racks 1, 3,
5 or 7. They cannot be recalled if any other rack is
selected.
5. Press the RECALL button.
The selected data will be loaded into the channel
(EQ/dynamics) or rack (GEQ/effect/Premium Rack)
you selected in step 2.
NOTE
•If you recall channel library data to a channel that is linked
to another channel, the link setting of the channel to which
data was recalled will be canceled.
•If you select a library number that cannot be recalled, it will
not be possible to press the RECALL button.
1
2

Using libraries
Owner’s Manual 27
Storing settings in a library
1. Access a window that contains tool buttons.
2. Select the channel (EQ/dynamics) or rack
(GEQ/effect/Premium Rack) whose settings you
want to store.
NOTE
You can select only one channel or rack as the source for
storing. If multiple channels are selected in the dynamics
or EQ window, you will not be able to perform the Store
operation.
3. Press the LIBRARY button.
The screen for the selected library appears.
4. Turn the [TOUCH AND TURN] knob to select the
store-destination library number.
NOTE
You cannot store to a library number that contains
read-only data (indicated by an R symbol).
5. When you’ve selected the store-destination,
press the STORE button.
The LIBRARY STORE window will appear, allowing
you to assign a name to the data. For details on
entering text, refer to “Assigning a name” (see
page 23).
6. When you’ve assigned a title to the settings,
press the STORE button in the keyboard
window.
A dialog box will ask you to confirm the Store
operation.
7. Press the OK button to execute the Store
operation.
The current settings will be stored to the library
number you selected in step 4. If you decide to
cancel the Store operation, press the CANCEL
button instead of the OK button.
NOTE
•Even after you have stored the settings, you can edit the
title of the settings by pressing the data title in the list to
access the LIBRARY TITLE EDIT window. However, you
can’t edit the title of a read-only library item (indicated by
an R symbol).
•Be aware that if you store settings to a location that already
contains data, the existing data will be overwritten.
(Read-only data cannot be overwritten.)
Erasing settings from a library
1. Access a window that contains tool buttons.
2. Press the LIBRARY button.
The screen for the selected library appears.
3. Turn the [TOUCH AND TURN] knob to select the
library number that you want to clear.
NOTE
You can’t clear read-only data (data indicated by an “R”
symbol).
4. Press the CLEAR button.
A dialog box will ask you to confirm the Clear
operation.
5. Press the OK button to execute the Clear
operation.
The data you selected in step 3 will be cleared. If
you decide to cancel the Clear operation, press the
CANCEL button instead of the OK button.

Basic operation of the QL series
Owner’s Manual
28
Initializing settings
Here’s how you can return the EQ/dynamics settings of
the currently selected channel or the effect settings of a
rack to their initial state. GEQ settings can be initialized
using the FLAT button in the screen.
1. Access a window that contains tool buttons.
2. Select the channel (EQ/dynamics) or rack
(effect/Premium Rack) whose settings you want
to initialize.
3. Press the DEFAULT button.
A dialog box will ask you to confirm the Initialize
operation.
4. Press the OK button to execute the Initialize
operation.
The EQ/dynamics settings of the channel you
selected in step 2 or the effect/processor settings of
the rack will be initialized. If you decide to cancel
the initialization, press the CANCEL button instead
of the OK button.
NOTE
In the case of EQ/dynamics, you can use the channel
number/channel name buttons in the 8ch/ALL window to
select a range of channels and initialize them
simultaneously.
Copying and pasting
settings
Here’s how you can copy the EQ/dynamics settings of
the currently selected channel or the
GEQ/effect/premium rack settings of the currently
selected rack to buffer memory, and then paste them to
a different channel or rack. Copy/paste is limited to the
following combinations.
•Between input channel EQ settings
•Between output channel EQ settings
•Between dynamics processors for which the
paste-destination has the same type (GATE,
DUCKING, COMPRESSOR, EXPANDER,
COMPANDER-H, COMPANDER-S, or DE-ESSER) as
the copy-source
•Between effects/GEQ mounted in a rack
•Between the same processors mounted in a premium
rack
NOTE
Only 31BandGEQ settings that use less than fifteen bands
can be copied to a Flex15GEQ.
1. Access a window that contains tool buttons.
2. Select the channel (EQ/dynamics) or rack
(GEQ/effect/premium rack) whose settings you
want to copy.
3. Press the COPY button.
The current settings will be copied to buffer
memory.
NOTE
•Be aware that if you copy other settings before you paste,
the buffer memory will be overwritten.
•You can select only one channel or rack as the
copy-source. If multiple channels are selected in the
8ch/ALL window, you won’t be able to press the COPY
button.
4. Select the paste-destination channel or rack.
NOTE
If you’re pasting EQ/dynamics settings, you can use the
8ch/ALL window to select multiple channels as the
paste-destination. In this case, the same content will be
pasted to all selected channels.
5. Press the PASTE button.
The settings of the channel (EQ/dynamics) or the
rack (GEQ/effect/premium rack) you selected in
step 2 will be pasted.
NOTE
•Be aware that when you paste, the settings will overwrite
the paste-destination.
•If nothing has been copied to the buffer memory, the
PASTE button cannot be used (is ghosted).
•Of the two types of GEQ, using the tool buttons in a rack
where a Flex15GEQ is selected will cause rack settings A
and B to be copied/pasted individually.
•You cannot paste effect settings that use effect types
“HQ.Pitch” or “Freeze” to racks 2, 4, 6 or 8.

Comparing two sets of settings
Owner’s Manual 29
Comparing two sets of
settings
You can use the COMPARE button to switch between
the settings copied to the buffer memory and the settings
of the currently selected channel (EQ/dynamics) or rack
(GEQ/effect/premium rack).
This is convenient when you want to copy an interim
result of your editing, and then compare it with
subsequent edits.
1. Access a window that contains tool buttons.
2. Select a channel (EQ/dynamics) or rack
(GEQ/effect/premium rack).
3. Press the COPY button to copy the current
settings to the buffer memory.
This will be the first version of your settings.
NOTE
Be aware that if you copy other settings before you
compare, the buffer memory will be overwritten.
4. Edit the settings of the currently selected
channel (EQ/dynamics) or rack
(GEQ/effect/premium rack).
This will be the second version of your settings.
NOTE
After you copy the first set of settings to the buffer memory,
you can initialize the channel or rack and edit the second
set of settings from an initialized (blank slate) state if
desired.
5. To compare the first set of settings with the
current settings (the second set), press the
COMPARE button.
You will return to the first version of your settings.
At this time, the second version of your settings will
be copied to buffer memory.
6. You can press the COMPARE button repeatedly
to compare the first and second sets of settings.
Each time you press the COMPARE button, the
current settings will be exchanged with the settings
copied to the buffer memory. Unlike the Paste
operation, this operation lets you return to the
previous settings at any time as long as the buffer
memory has not been overwritten.
NOTE
•The settings copied to buffer memory can also be used by
the Paste operation.
•If you operate the tool buttons for a rack in which
Flex15GEQ (of the two types of GEQ) is selected, the
rack’s A and B settings will be individually exchanged with
the buffer memory.
COPY
COMPARE
First set First set
Buffer memory
Edit the settings
(second set)
First set
First set
Second set
Buffer memory
Buffer memory

Connection
Owner’s Manual
30
Connection
About network connections
About Dante
This product features Dante technology as a protocol to
transmit audio signals. Dante is a network protocol
developed by Audinate. It is designed to deliver
multi-channel audio signals at various sampling and bit
rates, as well as device control signals over a Giga-bit
Ethernet (GbE) network. Dante also offers the following
benefits:
•It transmits up to 512 in/512 out, for a total 1024
channels (in theory) of audio over a GbE network.
(The QL series features QL5: 64 in/64 out, QL1: 32
in/32 out with a 24/32-bit resolution.)
•Dante-enabled devices will automatically configure
their network interfaces and find each other on the
network. You can label Dante devices and their audio
channels with descriptive names that make sense to
you.
•
Dante uses high accuracy network synchronization
standards to achieve sample-accurate playback with
extremely low latency and jitter. Five types of latency
are offered by the QL series: 0.25 msec, 0.5 msec, 1.0
msec, 2.0 msec, and 5.0 msec.
•A primary circuit and a secondary circuit provide
redundancy in the event of a problem.
•Connecting a Dante-enabled device to a computer
using an Ethernet connection enables you to directly
input or output audio signals without using any audio
interface devices.
•Audio can be transferred over distances up to 100
meters* between devices using CAT5e network
cables.
* Maximum practical distance may vary according to
the cable used.
Visit the Audinate website for more details on Dante.
http://www.audinate.com/
More information on Dante is also posted on the Yamaha
Pro Audio website:
http://www.yamahaproaudio.com/
NOTE
Please do not use the EEE function (*) of network switches
in a Dante network.
Although power management should be negotiated
automatically in switches that support EEE, some switches
do not perform the negotiation properly. This may cause
EEE to be enabled in Dante networks when it is not
appropriate, resulting in poor synchronization performance
and occasional dropouts.
Therefore we strongly recommend that:
•If you use managed switches, ensure that they allow
EEE to be disabled. Make sure that EEE is disabled on
all ports used for real-time Dante traffic.
•If you use unmanaged switches, make sure to not use
network switches that support the EEE function, since
EEE operation cannot be disabled in these switches.
* EEE (Energy Efficient Ethernet) is a technology that
reduces switch power consumption during periods of
low network traffic. It is also known as Green Ethernet
and IEEE802.3az.
About Dante Controller
Dante Controller is a software application that allows
configuration and audio routing of Dante networks. Use
this application if you wish to set up complicated signal
routings on a Dante network. More information is posted
on the following website.
http://www.yamahaproaudio.com/
Connecting to I/O devices
This section explains how to connect the QL series to I/O
devices (such as Rio3224-D) in a daisy chain network
and in a star network (redundant network). Before
connecting I/O devices, first perform “Setting up the
Dante network” (see page 34) and then turn off the
power to the QL series console.
Daisy chain network
A daisy chain is a wiring scheme in which multiple
devices are connected together in sequence. With this
method, networking is simple and requires no network
switches. This connection method is suitable for a
simple system with a small number of devices.
However, if a large number of devices are connected in
this way, the latency value must be increased. Also, if a
connection is broken in a daisy chain network, the signal
flow is interrupted at that point and no signal will be
transferred beyond that point.

Connecting to I/O devices
Owner’s Manual 31
Connecting QL series consoles and I/O
devices
Use the Dante connectors on the QL series console and
I/O devices to connect them as follows.
Setting rotary switches and DIP switches on
the I/O devices
Star network (redundant network)
In a star network, each device is connected to a central
switch. Using a GbE-compatible network switch enables
you to configure a wide-band, large-scale network. We
recommend a network switch that gives you the ability to
control and monitor the network (such as QoS, the
ability to assign priority to data flows - e.g., clock
synchronization or audio transmission on certain data
circuits).
With this topology, it is common to configure a redundant
network so that communication can continue without
affecting the audio even if an unexpected network
problem should occur.
About redundant networks
A redundant network consists of two circuits, a primary
circuit and a secondary circuit. Normally, the network
operates on the primary circuit. However, if the primary
connection is broken, the secondary circuit will
automatically take over communications. Therefore,
using a redundant network with a star topology is better
for increasing communication stability compared to a
daisy chain network.
Connecting QL series consoles and I/O
devices
Use the Dante connectors on the QL series console and
I/O devices to connect them as follows.
Setting rotary switches and DIP switches on
the I/O devices
QL5
Rio3224-D (ID#1)
Rio3224-D (ID#2)
SECONDARY
PRIMARY
PRIMARY
0
1
2
3
4
5
6
7
8
9
A
B
C
D
E
F
0
1
2
3
4
5
6
7
8
9
A
B
C
D
E
F
(ID#1)
(ID#2)
0
1
2
3
4
5
6
7
8
9
A
B
C
D
E
F
0
1
2
3
4
5
6
7
8
9
A
B
C
D
E
F
1 2 3 4 5 6 7 8
ON
1 2 3 4 5 6 7 8
ON
SECONDARY
SECONDARY
SECONDARY
PRIMARY
PRIMARY
PRIMARY
Rio3224-D
(ID#1)
Rio3224-D
(ID#2)
0
1
2
3
4
5
6
7
8
9
A
B
C
D
E
F
0
1
2
3
4
5
6
7
8
9
A
B
C
D
E
F
QL5
Network Switch
Network Switch
(ID#1)
(ID#2)
1 2 3 4 5 6 7 8
ON
1 2 3 4 5 6 7 8
ON
0
1
2
3
4
5
6
7
8
9
A
B
C
D
E
F
0
1
2
3
4
5
6
7
8
9
A
B
C
D
E
F

Connection
Owner’s Manual
32
Audio input/output
connections
Analog input connections
INPUT jacks on the console and I/O devices are used
mainly to connect microphones or monaural line-level
devices.
Analog output connections
To the OMNI OUT jacks on the QL series and the
OUTPUT jacks on I/O devices, you can patch the output
signals from output channels [MIX, MATRIX, STEREO
(L/R), MONO (C)], monitor signals (MONITOR OUT
L/R/C channels), and the direct out signals of the input
channels. For information about patches, refer to
“Patching the mixer output to the I/O device” (see
page 35) in the Quick Guide section.
The console’s front panel has a PHONES OUT jack for
monitoring, and this jack always lets you monitor the
signal that is selected as the monitoring source. By
assigning the MONITOR OUT L/R/C channels to the
desired output jacks, you can also monitor the same
signal through external speakers.
0
1
2
3
4
5
6
7
8
9
A
B
C
D
E
F
Rio3224-D
QL series
0
1
2
3
4
5
6
7
8
9
A
B
C
D
E
F
Rio3224-D
Main speakers
Monitor speakers
QL series

Installing an optional card
Owner’s Manual 33
Port-to-port function
The port-to-port function enables direct patching
between input ports and output ports. With this function,
the QL analog inputs and outputs can be directly routed
to/from external Dante devices without passing through
the mixing channels. If both a monitor console and I/O
device are required on the side of a stage, a single QL
series console can achieve both functions, reducing the
necessary equipment. In addition, by setting the QL
series as a remote I/O device as well as a monitor
console, the FOH console can share and remotely
control the head amps.
Digital input/output connections
Use the DIGITAL OUT jack to send the QL’s internal
signals to an external digital audio device. When the QL
is in the default state, the output signal of the STEREO
channel is patched to the DIGITAL OUT jack, which
enables you to record the main mix onto a CD recorder
or other device.
You can connect this jack to the AES/EBU jack on an I/O
device, such as Rio3224-D. Also, by installing separately
sold mini-YGDAI I/O cards in slots 1–2, you can add
input/output jacks to the QL or connect speaker
processor units.
Installing an optional card
Before you install I/O cards in slots 1–2, you must check
the Yamaha website to determine whether the card is
compatible with the QL series, and to verify the total
number of Yamaha or third-party cards that can be
installed in combination with that card.
http://www.yamahaproaudio.com/
Follow the steps below to install an optional mini-YGDAI
card.
1. Make sure that the power is turned off.
Caution
Before connecting a separately sold mini-YGDAI I/O
card to the QL, make sure to turn off the power switch
of the console’s power supply. Otherwise,
malfunctions or electric shock may occur.
2. Loosen the screws that fasten the slot, and
remove the slot cover.
Keep the cover and fixing screws in a safe place for
future use.
3. Align both edges of the card with the guide rails
inside the slot, and insert the card into the slot.
Push the card all the way into the slot so that the
connector at the end of the card is correctly
inserted into the connector inside the slot.
NOTE
When installing a card, carefully align both edges of the
card with the guide rails in the slot of the device.
4. Fasten the card using the screws attached to the
card.
Be aware that damage or malfunctions may occur
if the card is not fastened.
2221201918
1716151413121110987654321
2221201918
1716151413121110987654321
2221201918
1716151413121110987654321
2221201918
1716151413121110987654321
2221201918
1716151413121110987654321
2221201918
1716151413121110987654321
2221201918
1716151413121110987654321
2221201918
1716151413121110987654321
2221201918
1716151413121110987654321
2221201918
1716151413121110987654321
2221201918
1716151413121110987654321
2221201918
1716151413121110987654321
2221201918
1716151413121110987654321
2221201918
17161514131211109876
14
13
12
11
10
9
8
7
6
5
4
3
2
1
14
13
12
11
10
9
8
7
6
5
4
3
2
1
54321
2221201918
1716151413121110987654321
2221201918
1716151413121110987654321
2221201918
1716151413121187654321
2221201918
17161513121187654321
2221201918
1716151413121110987654321
2221201918
1716151413121110987654321
2221201918
1716151413121110987654321
2221201918
1716151413121110987654321
2221201918
1716151413121110987654321
2221201918
1716151413121110987654321
2221201918
1716151413121110987654321
2221201918
1716151413121110987654321
2221201918
1716151413121110987654321
2221201918
17161514131211109876
14
13
12
11
10
9
8
7
6
5
4
3
2
1
14
13
12
11
10
9
8
7
6
5
4
3
2
1
54321
Rio3224-D Rio3224-DRio3224-D
Monitor
(CL)
Monitor
(QL)
FOH (QL)FOH (CL)
Slot cover
Card

Quick Guide
Owner’s Manual
34
Quick Guide
This section explains the general procedures in a mixing
work flow. The example below is based on a system in
which one QL5, one I/O device, an amplifier and
speakers are connected. If there are multiple methods to
achieve the same result, this section describes the
simplest method.
For details on the functions and their parameters, refer
to the Reference Manual.
Connecting the devices
Setting up the Dante network
1. Press the SETUP button in the touch screen.
2. Press the DANTE SETUP button in the SETUP
screen.
3.
Press the SETUP tab in the lower part of the
DANTE SETUP screen.
4. Set CONSOLE ID to #1, and SECONDARY PORT
to DAISY CHAIN.
NOTE
Before changing the settings, first disconnect all
connections with I/O devices. Otherwise, communication
with I/O devices will not be performed correctly.
If changes have been made, press the APPLY
button. When a confirmation dialog appears, press
the OK button.
Wait approximately 30 seconds for the buttons that
have been changed to switch from red to white for
the settings to be applied.
5. Set BIT to 24, and LATENCY to 0.25.
Connecting an I/O device
1. Make sure that power to all devices to be
connected is turned off. Then, use an Ethernet
cable to connect the Dante PRIMARY connector
on the QL to the Dante PRIMARY connector on
the I/O device.
2. Set the ID of the I/O device.
NOTE
If there is one I/O device, set the I/O device’s ID to “1.”
If you plan to use multiple devices, you must assign a
unique ID number to each device.
3. Turn on the power in this order: 1) the I/O
device, 2) the QL series, and 3) the amplifier.
4. Press the SETUP button, DANTE SETUP button,
and DEVICE MOUNT tab in the touch screen.
5. Mount the I/O device.
NOTE
I/O devices other than the Rio3224-D must be mounted.
For more details, refer to the Reference Manual pdf
document.
6. Connect a mic or instrument to the I/O device.
Setting the word clock
1. Press the SETUP button and then WORD
CLOCK/SLOT button in the touch screen.
2. Select INT 48k or INT 44.1k.
3. Press the X symbol to close the screen.
➩

Setting the input channels
Owner’s Manual 35
Patching the input port
1. Press the I/O DEVICE button in the touch screen.
2. Press the DANTE PATCH tab in
the upper part of the I/O
DEVICE screen.
3. Press the DANTE INPUT PATCH
button in the I/O DEVICE
screen.
4. Press the AUTO SETUP button.
5. When a confirmation dialog appears, press the
OK button.
6. Press the X symbol to close the screen.
Patching the mixer output to the I/O
device
1. Press the I/O DEVICE button
and then the Rio tab in the
touch screen.
2. Press the OUTPUT display of the I/O device that
is the output destination.
3. Press the OUTPUT1 button in the
OUTPUT PATCH screen.
4. In PORT SELECT, select the output channels you
want to output to the rack.
5. Press the CLOSE button.
6. In the same way, set OUTPUT 2 and subsequent
outputs, if necessary.
Setting the input channels
Phantom power on/off
1. Press the [SEL] key for the channel that you want
to adjust in the Channel Strip section.
2. Press the GAIN knob in the SELECTED CHANNEL
VIEW screen.
3. For the microphone to be used, press the +48V
button in the GAIN/PATCH popup window, if
necessary.
NOTE
•The phantom power master switch on the I/O device must
be turned on first.
•Make sure that phantom power is turned OFF unless it is
needed.
•When turning phantom power ON, make sure that no
equipment other than phantom-powered devices such
condenser microphones are connected to the
corresponding INPUT connectors. Applying phantom
power to a device that does not require phantom power can
damage the connected device.
•Do not connect or disconnect a device to an INPUT while
phantom power is applied. Doing so can damage the
connected device and/or the unit itself.
•To prevent possible damage to speakers, make sure that
power amplifiers and/or powered speakers are turned OFF
when switching phantom power ON or OFF. We also
recommend setting all digital mixing console output
controls to minimum when turning phantom power ON or
OFF. Sudden high level peaks caused by the switching
operation can damage equipment as well as the hearing of
those present.
Adjusting the analog gain
1. Press the [SEL] key for the channel that you want
to adjust in the Channel Strip section.
2. Press the [CUE] key of the same channel.
3. While checking the sound level through the
headphones and meters, adjust the channel
[GAIN] knob of the Selected Channel section.
NOTE
Adjust the gain level as high as possible without allowing
the OVER segment of the channel strip level meter to light
at the highest input level.
GAIN knob
➩

Quick Guide
Owner’s Manual
36
4. Adjust the gain level for other channels in the
same way, by pressing their [SEL] and [CUE]
keys, and then rotating the [GAIN] knobs.
5. After adjustment is complete, switch the [CUE]
key off (the key LED turns off).
Sending an input channel
signal to the STEREO bus
1. Press the [SEL] key of the input channel you
want to control.
2. Press one of the knobs in the Selected Channel
section, to return to the SELECTED CHANNEL
VIEW screen.
3. In the TO ST PAN/BALANCE field, press the ST
button to turn it on (lights in pink).
4. In the top panel, press the [ON] key of the
corresponding input channel to turn it on.
5. In the Master section, turn on the [ON] key of
the STEREO channel, and raise the STEREO
channel fader to 0dB.
6. Raise the fader of the currently selected input
channel to an appropriate volume.
In this state, you should hear sound from the
speaker system patched to the STEREO channel.
If you don’t hear sound, check whether the L/R
meters are moving in the METER field of the
function access area.
If the L/R meters are moving:
It may be that the STEREO
channel is not correctly patched
to the output jacks that are
connected to your speaker
system. Check the output port
patching.
If the L/R meters are not
moving:
Make sure that signals are being
routed correctly to the patched
input channels.
7. To adjust the pan/balance of the signal sent
from the input channel to the STEREO bus,
rotate the [PAN] knob of the Selected Channel
section.
Applying EQ/dynamics
Applying EQ
1. Press the [SEL] key of the channel that you want
to control.
2. Press any one of the knobs in the Selected
Channel section, to return to the SELECTED
CHANNEL VIEW screen.
3. Adjust EQ of the EQ parameter field in the
Selected Channel section.
4. To make fine adjustments to EQ settings, press
the EQ parameter field in the touch screen.
5. Edit the EQ type and filter type in the HPF/EQ
window.

Setting the output channels
Owner’s Manual 37
Applying dynamics
1. Press the [SEL] key of the channel that you want
to control.
2. Press any one of the knobs in the Selected
Channel section, to return to the SELECTED
CHANNEL VIEW screen.
3. Press the ON button for DYNAMICS 1 in the
touch screen.
4. Press any one of the DYNAMICS 1 knobs twice.
5. Edit the dynamics type and parameters in the
DYNAMICS window.
Use the [TOUCH AND TURN] knob to operate the
parameters.
6. Edit the DYNAMICS 2 parameters in the same
way.
Setting the output channels
1. Use the Bank Select key of the Fader Bank
section to select the output channel bank.
2. Press the [SEL] key for the output channel that
you want to operate in the Channel Strip
section.
3. Press any one of the knobs in the Selected
Channel section.
4. Edit the EQ and dynamics parameters in the
same way as for the input channels.
Using GEQ
1. Press the RACK button in the touch screen.
2. Press the GEQ tab.
3. Press the INPUT PATCH button for GEQ1.
4. Select an input source in the left column of the
CH SELECT window, and then select a channel in
the right column.
5. Press the CLOSE button.
6. Press the corresponding GEQ rack container to
open the GEQ EDIT screen.
7. Press the FADER ASSIGN button.
8. Adjust using the faders.
(For QL1, press the FADER ASSIGN field to select
the region to operate.)
9. Perform the same operations for other GEQs as
desired.
NOTE
The graphic EQ of the GEQ rack is for output channels. To
use GEQ for input channels, mount a graphic EQ in the
EFFECT RACK.

Quick Guide
Owner’s Manual
38
Using Automixer
1. Press the RACK button in the touch screen.
2. Press the GEQ tab.
3. Press the rack mount button in the VIRTUAL
RACK screen.
4. Press the 8ch Automixer button in the RACK
MOUNTER screen.
5. Press the INPUT PATCH button for GEQ1.
6. Select an input source in the left column of the
CH SELECT window, and then select a channel in
the right column.
7. Press any one of the knobs in the Selected
Channel section, to return to the SELECTED
CHANNEL VIEW screen.
8. Press a [SEL] key on the top panel to select a
channel.
9. Press the popup button in the INSERT field in
the SELECTED CHANNEL VIEW screen.
10.Press the INSERT field farthest to the right for
the post fader in the INSERT/DIRECT OUT 1ch
screen.
11. Repeat steps 5 to 10 to set 8 channels.
12. Press the RACK button.
13. Press the rack container in which you mounted
Automixer.
14. Making sure no one is speaking into any
microphones, adjust the head amp gain (or
fader) until the level indicator remains green.
15. If necessary, operate the weight control to
adjust uniform sensitivity between input
channels.
Applying effects
Using EFFECT RACK with send/return
1. Press the RACK button in the touch screen.
2. Press the EFFECT tab.
3. Modify the INPUT CH/OUTPUT CH patch
settings, if necessary.
4. Press the center rack container to open the
EFFECT EDIT screen.
5. Press the effect type field.

Applying effects
Owner’s Manual 39
6. Select an effect you want to use from the EFFECT
TYPE window.
7. In the Fader Bank section, press the Bank Select
key for the Effect Send channel selected in step
3.
8. Press the [SEL] key for the channel used for
Effect Send in the Channel Strip section.
9. Use the faders to control effect sends.
10. In the Fader Bank section, press the Bank Select
key for the Effect Return channel selected in
step 3
11. Press the [SEL] key for the channel used for
Effect Return in the Channel Strip section.
12. Adjust the effect return level using the fader.
13. If necessary, press the RACK button, then the
rack container in the EFFECT tab, and then set
the effect parameters as desired.
Inserting PREMIUM RACK processors
1. Press the RACK button in the touch screen.
2. Press the PREMIUM tab.
3. Press the rack icon in the middle to open the
PREMIUM RACK MOUNTER window.
4. Select a processor you want to use from the
MODULE SELECT area, then press the OK
button.
5. Press the INPUT PATCH button.
6. Select an input source in the left column of the
CH SELECT window, and then select a channel in
the right column.
7. Press the CLOSE button.

Quick Guide
Owner’s Manual
40
8. In the Channel Strip section, select the bank that
includes the channel for the premium rack you
want to use.
9. Press the [SEL] key of the channel for the
premium rack you want to use.
10. Press the RACK EDIT button in the INSERT field
in the SELECTED CHANNEL VIEW screen.
11. Adjust the parameters in the PREMIUM RACK
window.
Changing the patch settings
Setting up INSERT or DIRECT OUT
1. Select the bank that contains the channel for
which you want to set up INSERT or DIRECT OUT
in the Channel Strip section.
2. Press the [SEL] key of the channel for which you
want to change the patching.
3. Press the popup button in the DIRECT OUT field
in the SELECTED CHANNEL VIEW screen.
4. Assign OUT and IN for INSERT or DIRECT OUT.
5. Press the ON button to enable it.
6. Modify the INSERT or DIRECT OUT point by
pressing it, if necessary.
Changing the signal output to each
output port
1. Press the SETUP button in the touch screen.
2. Press the OUTPUT PORT button in SYSTEM
SETUP.
3. Select the OUTPUT PORT tab you want to
change.

Grouping and linking
Owner’s Manual 41
4. Press the output channel select button to select
the output channel for which you want to
change the port.
Grouping and linking
Creating a channel link
1. Press the CH JOB button
in the touch screen.
2. Press the CH LINK button.
3. Select the bank that contains
the channels you want to link in the Channel
Strip section.
4. While pressing and holding down the [SEL] key
of one channel, press the [SEL] key of the other
channel that you want to link.
5. To release the link, press and hold down the
[SEL] key for one of the linked channels, and
press the [SEL] key for the other channel.
NOTE
You can also set or release a channel link in the display.
Setting a DCA or MUTE group
1. Press the [SEL] key of the channel that you want
to control.
2. Press the DCA tab or
MUTE tab in the
SELECTED CHANNEL
VIEW screen.
3. Press a group number
button.
4. To assign other channels to a group, select the
channel, then press DCA or MUTE group
numbers in the same way.
Using talkback
1. Plug the microphone to use for talkback into the
INPUT jack on the rear panel.
2. Press the MONITOR button in the touch screen.
3. Press the TALKBACK ASSIGN field in the
TALKBACK area.
4. In the ASSIGN field in the TALKBACK screen,
select a bus to which you want to send the
talkback signal.
5. Press the TALKBACK ON button.
6. Press the INPUT TO TALKBACK button to select
an input. Press the A.GAIN knob to enable it,
then, while observing the meter, use the knob
to adjust the level.

Quick Guide
Owner’s Manual
42
Routing the oscillator to an
output channel
1. Press the MONITOR button in the touch screen.
2. Press the OSCILLATOR display button.
3. Set the MODE, LEVEL, and FREQ (frequency)
parameters in the OSCILLATOR screen.
4. Press the desired OUTPUT tab to select the
output destination.
5. Return to the previous screen, then press the
OUTPUT button in the OSCILLATOR field.
Using scene memories
Storing a scene
1. Press the SCENE field in the function access area.
2. Turn the [TOUCH AND TURN] knob to select the
store-destination scene number.
3. Press the STORE button in the SCENE LIST
screen.
4. Enter the scene name and comments in the
SCENE STORE screen.
5. Press the STORE button in the SCENE STORE
screen.
6. Press the OK button in the STORE
CONFIRMATION dialog box to execute the Store
operation.
Recalling a scene
1. Press the SCENE field in the function access area.
2. Turn the [TOUCH AND TURN] knob to select the
scene number to recall.
3. Press the RECALL button in the SCENE LIST
screen.
NOTE
Scene 000 is a read-only scene that restores the mix
parameters to their default state. Be aware that when
scene number 000 is recalled, the input patch, output
patch, internal effect, and HA (Head Amp) settings will also
return to their default state.

Recording and playing audio using a USB flash drive
Owner’s Manual 43
Recording and playing audio
using a USB flash drive
Recording to USB flash drive
1. Connect a USB flash drive to the USB connector
of the QL unit.
2. Press the RECORDER button in the touch screen.
3. Press the USB tab.
4. Press the REC RATE button to switch the
recording bit rate for an MP3 file.
5. In the RECORDER INPUT area, select a recording
source channel and set the recording level.
6. Press the REC button to arm recording.
7. Press the PLAY button to start recording.
8. When you have finished recording, press the
STOP button.
Playing audio files from a USB flash
drive
1. Connect a USB flash drive that contains audio
files to the QL unit.
2. Press the RECORDER button in the touch screen.
3. In the PLAYBACK OUT area, select a channel
from which you want to play audio files.
4. Select an audio file to play from the list.
5. Press the Play button.
6. Adjust the gain using the PLAYBACK OUT GAIN
knob, then in the Channel Strip section use the
faders for the channels selected in the
PLAYBACK OUT area to adjust the volume level.

Quick Guide
Owner’s Manual
44
Saving and loading the unit
settings
Saving the unit settings to a USB flash
drive
1. Connect a USB flash drive to the USB connector
of the QL unit.
2. Press the SETUP button in the touch screen.
3. Press the SAVE/LOAD button.
4. If necessary, press the directory icon and change
the directory.
To move to the next higher level, press the arrow
button in the PATH field.
5. Press the SAVE button.
6. In the SAVE SELECT screen, select the data to be
saved, the data type, and the save destination,
and then press the SAVE button.
7. Enter the data name and comments, then press
the SAVE button.
Loading the unit settings from a USB
flash drive
1. Press the SETUP button in the touch screen.
2. Press the SAVE/LOAD button.
3. To select the file that you want to load, press the
name of the desired file in the file list, or rotate
the [TOUCH AND TURN] knob.
4. Press the LOAD button.
5. In the LOAD SELECT screen, select the data to
load, the data type, and the load destination.
6. Press the LOAD button to load the selected file.
Formatting a USB flash drive on the QL
unit
1. Connect a USB flash drive (that you want to
format) to the QL unit.
2. In the SAVE/LOAD screen, press the FORMAT
button.
3. Enter a name in the VOLUME NAME field, and
then press the FORMAT button.
4. When a confirmation dialog appears, press the
OK button.

Other functions
Owner’s Manual 45
Other functions
Adjusting the brightness of
the touch screen, lamps, and
other indicators
This operation lets you adjust the brightness of the touch
screen, top panel LEDs, channel name displays, and
lamps connected to the rear panel LAMP connectors.
1. In the function access area, press the SETUP
button.
2. In the field located in the bottom row of the
SETUP screen, press the BANK A or BANK B
button.
You can save two different brightness settings in
bank A and B, and switch between them if desired.
3. Use the [TOUCH AND TURN] knob to set the
following parameters.
CONTRAST field
•NAME
This knob adjusts the contrast of the characters of
the channel name displays on the top panel.
BRIGHTNESS field
•NAME
This knob adjusts the brightness of the channel
name displays on the top panel.
•CH COLOR
This knob sets the brightness balance of the
channel color indicator and the channel name
display on the top panel.
•SCREEN
This knob adjusts the brightness of the touch
screen.
If you have set the brightness to lower than level 2,
the QL will start up next time with a brightness
setting of 2 so that you will be able to see the
screen.
•PANEL
This knob adjusts the brightness of the top panel
LEDs.
•LAMP
This knob adjusts the brightness of the lamps
connected to the rear panel LAMP jacks.
4. If desired, switch between banks A/B and make
settings for the other bank in the same way.
Now you can switch between the BANK A and
BANK B buttons to change the brightness of the
touch screen, LCD, channel name displays, and
lamps in a single operation. You can also assign this
parameter to a USER DEFINED key (see the
Reference Manual), and press that key to switch
between banks A and B.
Setting the date and time of
the internal clock
This section explains how to set the date and time of the
clock built into the QL unit, and how to select a date and
time display format. The date and time you specify here
are used for the time stamp used when saving a scene.
1. In the function access area, press the SETUP
button.
2. Press the DATE/TIME button at the lower part of
the SETUP screen.
The DATE/TIME display appears.
•DATE
This field specifies the date of the internal clock.
•TIME
This field specifies the time of the internal clock.
•DISPLAY FORMAT
This field specifies the format in which the date and
time of the internal clock are displayed.
Date
MM/DD/YYYY (Month/Day/Year)
DD/MM/YYYY (Day/Month/Year)
YYYY/MM/DD (Year/Month/Day)
Time
24Hours (hours shown in the range of 0–23)
12Hours (hours shown from 0am–11am, and
0pm–11pm)
3. In the FORMAT field, press the MODE buttons
several times to select the desired format for
date and time display.
4. Use the [TOUCH AND TURN] knob to set the
current date and time.
5. When you have finished making settings, press
the OK button.
The date, time, and display format you specified
will be finalized, and the window will close. If you
press the CANCEL button or the X symbol instead
of the OK button, your changes will be discarded
and the window will close.

Other functions
Owner’s Manual
46
Initializing the unit to
factory default settings
If an error occurs in the QL’s internal memory, or if you
forget the password and cannot operate the unit, you
can use the following procedure to initialize the internal
memory. Use caution when performing the following
steps.
NOTICE
When you initialize the internal memory, all content that
had been saved in memory will be lost.
1. Press and hold the [SEL] key for Fader B in the
Master section on the panel while turning the
power on.
After the opening screen, the startup menu screen
will appear.
2. On the startup menu screen, select the
initialization method.
• INITIALIZE ALL MEMORIES
The entire memory including scene memories and
libraries will be returned to their initial settings,
except DANTE SETUP.
• INITIALIZE CURRENT MEMORIES
The entire memory, excluding scene memories and
libraries, will be returned to its initial settings,
except DANTE SETUP.
3. Press the INITIALIZE button in the dialog box to
confirm initialization.
4. Press the OK button in the confirmation dialog
box.
The Initialization operation starts.
NOTE
Do not press any buttons until initialization is complete.
5. A message indicates that the initialization
process is complete. Press the EXIT button.
The console will start up in normal operating
mode.
NOTE
Alternatively, you can continue operation by selecting a
different menu instead of pressing the EXIT button.
Adjusting the faders
(Calibration function)
Depending on the environment in which you use the
console, discrepancies may occur in the motion of the
motor faders. You can use the Calibration function to
correct these discrepancies. With this operation, the
specified faders in the channel strip section and Master
section will be semi-automatically calibrated.
NOTE
For information about adjusting the input gain or the
detection point of the touch screen, refer to the Reference
Manual.
1. Press and hold the [SEL] key for Fader B in the
Master section on the panel while turning the
power on.
After the opening screen, the startup menu screen
will appear.
This window will also appear if a problem is
detected in the fader settings while the QL is
starting up.
2. Press the FADER CALIBRATION button.
The FADER CALIBRATION MODE screen will
appear, where you can adjust the faders.
3. Press a [SEL] key to specify the faders that you
want to calibrate.
Faders for which a problem was detected at
start-up will already be selected.
4. Press the START button.
5. Press the OK button in the dialog box.
The fader specified in step 3 moves to –∞ (all the
way down).
6. If the fader position is not correct, move it
manually to –∞ (all the way down).
7. After you adjust the fader position, press the
[NEXT] button.
The process will proceed to the next fader position.

Adjusting the faders (Calibration function)
Owner’s Manual 47
8. Repeat steps 6 to 7 to adjust the fader position
to 20dB, 0dB, and +10dB (all the way up), in
order.
When adjustment to the +10dB position is
complete, calibration starts.
9. When calibration has been completed, press the
APPLY button.
The calibration settings will be saved in internal
memory. If the RESTART button appears,
calibration has failed. Press the RESTART button to
execute calibration once again.
10. Press the EXIT button.
The console will start up in normal operating
mode.
NOTE
Alternatively, you can continue operation by selecting a
different menu instead of pressing the EXIT button.

Troubleshooting
Owner’s Manual
48
Troubleshooting
A FAQ section is available on the Yamaha Pro Audio site.
http://www.yamahaproaudio.com/
Power does not turn on; panel LEDs and the LCD
display do not light.
Is the QL
’s power switch turned on?
Is the power cable connected to a proper AC outlet?
Is the power cable plug inserted all the way - has it
clicked and locked in securely?
If the power still does not turn on, contact your Yamaha
dealer.
The unit is not receiving an input signal.
Did you correctly set the UNIT ID and the DIP
switches on the I/O device connected to the QL
before turning on the power to the devices?
Is the DANTE SETUP for the unit appropriate?
Are the source devices delivering an appropriate sig-
nal?
Is the SIG indicator on the I/O device lit?
If a phantom-powered microphone is connected to
the QL unit, are the I/O device’s +48V MASTER
switch, QL
’s +48V MASTER ON/OFF switch, and
+48V button of each channel set to on?
Is the GAIN of the internal head amp, external head
amp, or I/O device set to an appropriate level?
Is the input port patched to an input channel?
Is the [ON] key indicator of the input channel lit?
Is the fader of the input channel raised?
Are EQ’s attenuators raised?
Could the insert be turned on even though it has not
been specified correctly?
If you are using an optional I/O card, is it installed
correctly?
Sound is not output from headphones or the
MONITOR OUT jacks.
Is the [PHONES] knob or monitor level set to an
appropriate volume?
Is the monitor fader set to an appropriate level?
Has the monitoring source been selected?
Could the DIMMER be applied?
Press the MONITOR button, then check the MONITOR
area on the display.
The sound level is too low.
Is the GAIN or digital gain on the head amplifier,
external head amp device or I/O device set to an
appropriate level?
Is the fader of the input channel raised?
Could the EQ gain be turned down excessively?
Are EQ’s attenuators raised?
Could the GATE/COMP threshold or ratio setting be
set to an extreme value?
Is the fader of the output channel raised?
Try using the various screens of the METER function
to check the levels.
Is the DCA fader assigned to that channel raised?
Could MUTE MASTER be turned on for the channel
assigned to a MUTE group?
Sound is distorted.
Is the word clock set correctly?
Is the GAIN of the internal head amp, external head
amp, or I/O device set to an appropriate level?
Was Gain Compensation turned on when analog
gain is not appropriate? Or, was the analog gain
raised to an extreme while the Gain Compensation is
turned on?
First turn the Gain Compensation function off, set the
analog gain to an appropriate level, and then turn Gain
Compensation back on.
Could the digital gain be set to an extremely high set-
ting?
Could the fader of the input channel be raised too
high?
Could the STEREO channel fader be raised too
high?
Could the EQ gain be set to an extremely high set-
ting?
Is the latency set too low on the DANTE SETUP
screen?
Sound is output even though it is not patched to an
output channel.
Could you have assigned an input channel to direct
out?
Could you have assigned an output channel as the
insert out?
The volume of a specific channel rises and falls.
Could DYNAMICS 1/2 be set to ducking or to an
extreme parameter value?
Operating a fader does not control the level as you
expect.
Could the function access area indicate MIX/MTRX
ON FADER? And could SENDS ON FADER mode
be engaged?
Only the sound of a specific channel is heard from
the MONITOR OUT or PHONES jack.
Could a [CUE] key be on?
Noise occurs from an externally connected recorder
or other device.
Is the word clock set correctly?
Could the input signal be unsynchronized?
Could the oscillator or talkback be turned on?
High frequency range is attenuated.
Could emphasis be applied? This problem will occur
if the input signal status does not match the empha-
sis data.
Could EQ be applied?

Troubleshooting
Owner’s Manual 49
There is insufficient headroom, especially when EQ
boost is applied.
Use the EQ attenuator function to lower the level.
An input signal is being input, but there is no
monitor output.
Could the DIMMER be applied?
Could the MONITOR CH be assigned even though
its output port has not been connected to an external
device?
Signal is delayed.
Check whether the delay setting for each INPUT
channel and OUTPUT PORT is set correctly.
Rotating a MIX knob does not change the send level
to the MIX bus.
Is the TO MIX SEND ON/OFF button turned on?
Is the MIX [ON] key turned on?
Is the MIX bus set to VARI type?
If the send point is set to POST, could the fader have
been lowered?
Cannot save scene memory or various library data.
Are you attempting to save the data to a read-only
scene/library or a protected scene?
Could user level restrictions have been specified?
Cannot save to a USB flash drive.
Could the USB flash drive be protected?
Does the USB flash drive have enough free capacity
to save the data?
When formatting the USB flash drive, format it in
FAT32 or FAT16 format.
Could the recorder be playing back?
Cannot transmit or receive MIDI data.
Is the MIDI PORT selected correctly?
Are the transmission and reception modes and chan-
nels selected correctly?
Has an event corresponding to the particular Pro-
gram Change message been specified?
When you recall a scene, some channels/parameters
are not updated.
Could that channel or parameter be set to Recall
Safe?
Could FOCUS be set in such a way that the channels
or parameters will not be updated?
Could user level restrictions have been specified?
You turn on a CUE button in the EFFECT EDIT screen,
but it is automatically defeated.
This is defeated automatically when you switch
screens in the display.
When you recall a scene, it takes a certain amount of
time for the faders to stop.
Could you have specified a fade time?
The panel LEDs or LCD display are too dark/too
bright.
This can be adjusted in the SETUP screen.
Signal level of a specific frequency is low.
Could the EQ gain be turned down excessively?
Routing a signal through a GEQ or EFFECT will
delay it relative to other signals. If this signal is mixed
with another signal that is routed via a different signal
path, a comb filtering effect will cause the level of a
specific frequency to be decreased.
Cannot control an I/O device.
Are the rotary switch and DIP switches on the I/O
devices set correctly?
Does the channel being controlled match the chan-
nel on the I/O device?
Cannot control the QL unit from QL Editor.
Is the computer connected to the unit’s Network jack
correctly?
Is the network setting on the QL unit specified cor-
rectly?
For details on settings, refer to the QL Editor installa-
tion guide posted on our website.
Cannot control the QL unit from StageMix.
Is the WiFi setting in QL StageMix set correctly?
Is the unit’s Network jack on the QL unit connected to
the WiFi access point correctly?
Is the network setting on the QL unit specified cor-
rectly?
Refer to the QL StageMix Owner’s Manual on our
website.
In the LCD display, there are some black points
(unlit) or white points (always lit).
Unfortunately, this is a common characteristic of
TFT-LCDs. This is not a malfunction.
In the channel name display, because of the response
speed of the GR meter display on each channel’s
voice input and output, the indication may be weak
or different than expected.
This is a common characteristic of LCDs and not a
malfunction. Depending on the input source, this
phenomenon may be more pronounced.

Attaching the RK1 rackmount kit (sold separately)
Owner’s Manual
50
Attaching the RK1 rackmount kit
(sold separately)
You can attach the optional RK-1 rackmount kit to the QL5 and QL1 and mount it in a rack or an installed system.
1. Make sure that the power is turned off.
2. Remove screws “A” and detach the side pads.
NOTE
Keep the side pad screws together with the pads you removed.
3. Use the screws included with RK1 to install the hardware.
Tighten the screws at the locations indicated by the arrows.
4. Attach the hardware to the other side in the same way.
NOTICE
When attaching the RK1 rackmount kit, you must turn off the power switch on the unit and use the screws that are included with the
RK1. Otherwise, malfunctions or electric shock may occur.
AAA
Side Pads

General specifications
Owner’s Manual 51
General specifications
*1. A 22kHz, 30dB/Oct filter is used to measure crosstalk.
*2. For more information about Mini-YGDAI card support, refer to the Yamaha pro audio website.
http://www.yamahaproaudio.com/
*3. An 80kHz, 18dB/Oct filter is used to measure total harmonic distortion.
*4. An A-Weight filter is used to measure hum & noise.
European Models
Inrush Current based on EN 55103-1:2009
5A (on initial switch-on)
3A (after a supply interruption of 5s)
Conforms to Environments: E1, E2, E3 and E4
Sampling Frequency
Internal Clock 44.1kHz
48kHz
External Clock
44.1kHz
+4.1667%, +0.1%, –0.1%, –4.0% ±200ppm
48kHz
+4.1667%, +0.1%, –0.1%, –4.0% ±200ppm
Signal Delays Less than 2.5ms, INPUT to OMNI OUT, Fs= 48kHz
Fader 100mm motorized, Resolution=1024steps, +10dB to –138dB, –∞dB all faders
Frequency Response +0.5, –1.5dB 20Hz–20kHz, refer to +4dBu output @1kHz, INPUT to OMNI OUT
Total Harmonic Distortion*3 Less than 0.05% 20Hz–20kHz@+4dBu into 600Ω, INPUT to OMNI OUT, Input Gain= Min.
Hum & Noise*4 –128dBu typ., Equivalent Input Noise, Input Gain= Max.,
–88dBu, Residual output noise, ST master off
Dynamic Range 112dB typ., DA Converter,
108dB typ., INPUT to OMNI OUT, Input Gain= Min.
Crosstalk @ 1kHz –100dB*1, adjacent INPUT/OMNI OUT channels, Input Gain= Min.
Dimensions (W x H x D)
and Net Weight
QL5: 828.4mm x 272mm x 563mm, 21.8kg
QL1: 468mm x 272mm x 562mm, 14.7kg
Power Requirements (in watts) QL5: 200W, QL1: 135W
Power Requirements (in volts,
Hz) 100–240V 50/60Hz
Temperature Range Operating temperature range: 0–40°C
Storage temperature range: –20–60°C
Included Accessories Owner’s Manual, dust cover (QL5 only), power cord
Optional Accessories Rackmount kit RK1, Mini-YGDAI cards*2, Gooseneck Lamp LA1L
Specifications and descriptions in this owner’s manual are for information purposes only. Yamaha Corp. reserves
the right to change or modify products or specifications at any time without prior notice. Since specifications,
equipment or options may not be the same in every locale, please check with your Yamaha dealer.

Dimensional Diagrams
Owner’s Manual
52
Dimensional Diagrams
19
828.4
272
563
QL5
468
272
562
19
QL1
Units: mm

Index
Owner’s Manual 53
Index
Top panel
USB connector . . . . . . . . . . . . . . . . . . . . . . . . . . . . . 15
USB flash drive
Load (unit settings) . . . . . . . . . . . . . . . . . . . . . . . . . 44
Save (unit settings) . . . . . . . . . . . . . . . . . . . . . . . . . 44
A
About Dante Controller . . . . . . . . . . . . . . . . . . . . . . . . . 30
Analog gain. . . . . . . . . . . . . . . . . . . . . . . . . . . . . . . . . . . . 35
Automixer . . . . . . . . . . . . . . . . . . . . . . . . . . . . . . . . . . . . . 38
B
Buttons. . . . . . . . . . . . . . . . . . . . . . . . . . . . . . . . . . . . . . . . 19
C
Calibrating the faders . . . . . . . . . . . . . . . . . . . . . . . . . . 46
Channel link . . . . . . . . . . . . . . . . . . . . . . . . . . . . . . . . . . . 41
Copy/Paste (library) . . . . . . . . . . . . . . . . . . . . . . . . . . . . 28
Custom fader bank. . . . . . . . . . . . . . . . . . . . . . . . . . . . . 22
D
Dante . . . . . . . . . . . . . . . . . . . . . . . . . . . . . . . . . . . . 9, 30, 34
INPUT PATCH. . . . . . . . . . . . . . . . . . . . . . . . . . . . . . 35
OUTPUT PATCH . . . . . . . . . . . . . . . . . . . . . . . . . . . 35
DCA group . . . . . . . . . . . . . . . . . . . . . . . . . . . . . . . . . . . . 41
Dialog boxes. . . . . . . . . . . . . . . . . . . . . . . . . . . . . . . . . . . 19
DIRECT OUT . . . . . . . . . . . . . . . . . . . . . . . . . . . . . . . . . . 40
Dynamics. . . . . . . . . . . . . . . . . . . . . . . . . . . . . . . . . . . . . . 36
E
EFFECT RACK . . . . . . . . . . . . . . . . . . . . . . . . . . . . . . . . 38
Effect rack . . . . . . . . . . . . . . . . . . . . . . . . . . . . . . . . . . . . . 38
Effects. . . . . . . . . . . . . . . . . . . . . . . . . . . . . . . . . . . . . . . . . 38
EQ . . . . . . . . . . . . . . . . . . . . . . . . . . . . . . . . . . . . . . . . . . . . 36
F
Factory set . . . . . . . . . . . . . . . . . . . . . . . . . . . . . . . . . . . . 46
Faders/Knobs. . . . . . . . . . . . . . . . . . . . . . . . . . . . . . . . . . 19
Front panel . . . . . . . . . . . . . . . . . . . . . . . . . . . . . . . . . . . . 15
Function access area . . . . . . . . . . . . . . . . . . . . . . . . . . 20
G
GEQ (Graphic EQ) . . . . . . . . . . . . . . . . . . . . . . . . . . . . . 37
GEQ rack. . . . . . . . . . . . . . . . . . . . . . . . . . . . . . . . . . . . . . 37
Grouping . . . . . . . . . . . . . . . . . . . . . . . . . . . . . . . . . . . . . . 41
H
Help. . . . . . . . . . . . . . . . . . . . . . . . . . . . . . . . . . . . . . . . . . . 20
I
I/O devices . . . . . . . . . . . . . . . . . . . . . . . . . . . . . . . . . . . . 30
Input port . . . . . . . . . . . . . . . . . . . . . . . . . . . . . . . . . . . . . . 35
INSERT . . . . . . . . . . . . . . . . . . . . . . . . . . . . . . . . . . . . . . . 40
K
Keyboard window . . . . . . . . . . . . . . . . . . . . . . . . . . . . . . 19
L
Lamp. . . . . . . . . . . . . . . . . . . . . . . . . . . . . . . . . . . . . . . . . . 45
Libraries . . . . . . . . . . . . . . . . . . . . . . . . . . . . . . . . . . . . . . . 24
Link . . . . . . . . . . . . . . . . . . . . . . . . . . . . . . . . . . . . . . . . . . . 41
M
Main area . . . . . . . . . . . . . . . . . . . . . . . . . . . . . . . . . . . . . 21
MIX/MATRIX buses. . . . . . . . . . . . . . . . . . . . . . . . . . . . 23
MUTE group . . . . . . . . . . . . . . . . . . . . . . . . . . . . . . . . . . 41
O
Optional I/O cards . . . . . . . . . . . . . . . . . . . . . . . . . . . . . 33
Oscillator. . . . . . . . . . . . . . . . . . . . . . . . . . . . . . . . . . . . . . 42
P
Patch . . . . . . . . . . . . . . . . . . . . . . . . . . . . . . . . . . . . . . . . . 40
PREMIUM RACK . . . . . . . . . . . . . . . . . . . . . . . . . . . . 9, 39
R
Rear panel . . . . . . . . . . . . . . . . . . . . . . . . . . . . . . . . . . . . 16
Recorder . . . . . . . . . . . . . . . . . . . . . . . . . . . . . . . . . . . . . . 43
Redundant network . . . . . . . . . . . . . . . . . . . . . . . . . . . . 31
S
Scene memory . . . . . . . . . . . . . . . . . . . . . . . . . . . . . . . . 42
Selected Channel section . . . . . . . . . . . . . . . . . . . . . . 13
SENDS ON FADER mode . . . . . . . . . . . . . . . . . . . . . 23
STEREO bus. . . . . . . . . . . . . . . . . . . . . . . . . . . . . . . . . . 36
T
Tabs . . . . . . . . . . . . . . . . . . . . . . . . . . . . . . . . . . . . . . . . . . 19
Talkback . . . . . . . . . . . . . . . . . . . . . . . . . . . . . . . . . . . . . . 41
Tool buttons. . . . . . . . . . . . . . . . . . . . . . . . . . . . . . . . . . . 21
Top panel
Channel Strip section . . . . . . . . . . . . . . . . . . . . . . . 12
Display section . . . . . . . . . . . . . . . . . . . . . . . . . . . . . 13
Master section. . . . . . . . . . . . . . . . . . . . . . . . . . . . . . 14
Selected Channel section . . . . . . . . . . . . . . . . . . . 13
USER DEFINED KEYS section . . . . . . . . . . . . . 14
TOUCH AND TURN knob . . . . . . . . . . . . . . . . . . . . . . 18
Touch screen. . . . . . . . . . . . . . . . . . . . . . . . . . . . . . . . . . 18
U
USB flash drive . . . . . . . . . . . . . . . . . . . . . . . . . . . . . . . . 43
Format . . . . . . . . . . . . . . . . . . . . . . . . . . . . . . . . . . . . . 44
W
Word clock . . . . . . . . . . . . . . . . . . . . . . . . . . . . . . . . . . . . 34


Block Diagram
4321
4321 2
POST ON
INSERT OUT
EFFECT
RACK IN
PATCH
64{32}
CASCADE
IN
SELECT
SLOT1 1-16
SLOT2 1-16
ATT
Keyin
Self PRE EQ
Self POST EQ
MIX 13-16 O UT
CH[1-8,9-16,17-24,25-32,33-40,41-48, 49-56, 57-64,ST IN 1L-8R]POST E Q(QL5)
CH[1-8,9-16,17-24,25-32,ST IN 1L-8R]POST EQ(QL1)
ON
4BAND
EQ
GATE
DUCK
EXPAND
COMP
GR METER
COMP
COMPAND
DE-ESSER
KEYIN CUE
HPF
PRE HPF POST EQ
INSERT
ME T E R
LEVEL/
DCA1-16
PRE FADER
PRE FADER POST ON
PRE FADER
INSERT OUT
PRE EQ
INSERT OUT
To OUTPUT PATCH
PRE EQ
INSERT POINT
POST ON INSERT OUT
PRE FADER INSERT OUT
PRE EQ INSERT OUT
GR METER
ME T E R
POST ON
ME T E R
DYNA2OUT
ME T E R
DYNA1OUT
ME T E R
EQ OUT
ME T E R
PRE EQ
PRE HPF / PRE EQ / PRE FADER/POST ON ON LEVEL DIRECT OUT 1-64{32}
To OUTPUT PATCH
PAN LINK
MATR IX1,3.. .7
MATR IX2,4.. .8
CUE R
MIX1,3...15
MIX2,4...16
CUE L
Keyin Filter
CH INSERT IN
1-64{32}
To RACKIN PATCH To OUTPUT PATCH
To RACKIN PATCH
(13-16)To KEYIN
To MONITOR SELECT
ATT 4BAND
EQ
COMP
COMPAND
EXPAND
INSERT
POST EQ
LEVEL
PRE EQ
INSERT OUT
PRE EQ
GR METER
ME T E R
DYNA OUT
ME T E R
EQ OUT
ME T E R
PRE EQ
Keyin
Self PRE EQ/Self POST EQ/MIX13-16 OUT/
MIX(1-8,9-16) POST EQ
PRE FADER
CUE ON (PRE FADER)PFL / (POST ON)AFL
INSERT
MIX 1-16
CH 1-64{32},ST IN 1L-8R
80
{48}
MA TRIX 1-8
CASCADE OUT
CASCADE IN
TALKBACK
INPUT
SELECT
ON
DANTE IN 1-64{32}
INPUT 1-32{16}
(PRE FADER)PFL / (POST ON)AFL / POST PAN L ON
ON
ST L
MO N O (C )
ST R
MIX
12 1516
ST
LR
M
O
N
O
(C)
MATRIX
12 78
CUE
LR
To OUTPUT PATCH
To OUTPUT PATCH
To OUTPUT PATCH
To OUTPUT PATCH
To OUTPUT PATCH
To OUTPUT PATCH
To OUTPUT PATCH
To OUTPUT PATCH
To OUTPUT PATCH
CUE CASCADE OUT LR
STEREO CASCADE OUT L,R,MONO(C)
MIX CASCADE OUT1-16
MATRIX CASCADE OUT1-8
To OUTPUT PATCH
To OUTPUT PATCH
To OUTPUT PATCH
To OUTPUT PATCH
ME T E R
PRE DG
[INPUT]
[1-32{16}]
ME T E R
HA
CH INSERT OUT
1-64{32}
PRE EQ / PRE FADER / POST ON ON LEVEL
ON LEVEL
LEVEL
PAN
ON
PRE EQ / PRE FADER / POST ON
To MATRIX
VARI
To MATRIX
VARI
STEREO
PRE EQ / PRE FADER / POST ON ON LEVEL
ON LEVEL
LEVEL
PAN
ON
PRE EQ / PRE FADER / POST ON
To MIX
VARI
To MIX
VARI
STEREO
To MIX
FIXED
POST ON ON
ON
To MIX
FIXED
STEREO
POST PAN L
POST PAN R
ON
ON
MIX INSE RT IN 1-16
STEREO INSERT IN L,R,MONO(C)
16
3
CH INSERT IN 1-64{32}
MATRIX INSERT IN 1-8
8
LEVE L ON
Pink Noise
Burst Noise HPF LPF
ME T E R
OSC
OSCILLATOR
Sine Wave
INPUT
PATCH
DANTE IN
1-64{32}
INPUT
1-32{16}
SLOT2 1-16
SLOT1 1-16
INSERT OUT
[CH 1-64{32},
MIX 1-16,
STEREO
L,R,MONO(C),
MA T RIX 1-8]
GEQ
RACK IN
PATCH
GEQ1 IN
A/B
GEQ2-8 IN
A/B
FX1 IN
A(L)/B(R)
FX2-8 IN
A(L)/B(R)
INSERT IN
PATCH
FX1-8 OUT
A(L)/B(R)
GEQ RACK1(GEQ1)
Flex15GEQ
ME T E R RACK IN A
ME T E R RACK IN B
ME T E R RACK OUT A
ME T E R RACK OUT B
GEQ RACK2-8(GEQ2-8) (same as GEQ RACK1)
EFFECT RACK2-8(FX2-8) (same as EFFECT RACK1)
EFFECT RACK1(FX1)
EFFECT
ME T E R RACK IN L
ME T E R RACK IN R
ME T E R RACK OUT L
ME T E R RACK OUT R
Flex15GEQ
ME T E R RACK IN A
ME T E R RACK IN B
ME T E R RACK OUT A
ME T E R RACK OUT B
EFFECT CUE
PAN
TO ST
LR MONO TO MONO
LCR TO LCR
CSR
POST PAN L
POST PAN R
(PRE FADER)PFL / (POST ON)AFL / POST PAN R
EFFECT CUE
KEYIN CH1-64{32},ST IN 1L-8R
KEYIN CUE
KEYIN CUE
SELECT
ON
POST ON
ME T E R
POST ON
MIX O UT1-16
INSERT
ME T E R
PRE FADER
PRE FADER
INSERT OUT
To OUTPUT PATCH
MIX
INSERT IN 1-16
To RACKIN PATCH
MIX
INSERT OUT 1-16
ST L
MO N O (C )
ST R
ONLEVEL
ONLEVEL
LEVEL
PAN/BAL
ON
To MATRIX
VARI
To MATRIX
VARI
STEREO
MATRIX1,3...7
MATRIX2,4...8
CUE ON (PRE FADER)PFL / (POST ON)AFL
To OUTPUT PATCH
To MONITOR SELECT
ATT 4BAND
EQ
COMP
COMPAND
EXPAND
INSERT
POST EQ
LEVEL
PRE EQ
INSERT OUT
PRE EQ
GR METER
ME T E R
DYNA OUT
ME T E R
EQ OUT
ME T E R
PRE EQ
Keyin
Self PRE E Q/Self POST EQ /MIX13-16 OUT/
ST(L,R,MONO(C)) POST EQ
PRE FADER
STEREO L,R,MONO(C)
ON
POST ON
ME T E R
POST ON
STEREO OUT
L,R,MONO(C)
INSERT
ME T E R
PRE FADER
BAL
PRE FADER
INSERT OUT
To OUTPUT PATCH
STEREO
INSERT IN L,R,MONO(C)
To RACKIN PATCH
STEREO
INSERT OUT L,R,MONO(C )
To OUTPUT PATCH
To MONITOR SELEC T
ATT 4BAND
EQ
COMP
COMPAND
EXPAND
INSERT
POST EQ
LEVEL
PRE EQ
INSERT OUT
PRE EQ
GR METER
ME T E R
DYNA OUT
ME T E R
EQ OUT
ME T E R
PRE EQ
Keyin
Self PRE E Q/Self POST EQ /MIX13-16 OUT/
MATR IX1-8 P O ST EQ
PRE FADER
ON
POST ON
ME T E R
POST ON
MA TRIX OUT 1-8
INSERT
ME T E R
PRE FADER
PRE FADER
INSERT OUT
To OUTPUT PATCH
MA T RI X
INSERT IN 1-8
To RACKIN PATCH
MA T RI X
INSERT OUT 1-8
CUE ON (PRE FADER)PFL / (POST ON)AFL
PAN MODE
PAN/BAL
TO ST LR MONO
TO MONO
LCR
TO LCR
CSR
POST ON
PAN MODE
PRE FADER / POST ON
PRE FADER / POST ON
PRE FADER / POST ON
31BandGEQ
ME T E R RACK IN ME T E R RACK OUT
31BandGEQ
ME T E R RACK IN ME T E R RACK OUT
To MATRIX INSERT IN
To STEREO INSERT IN
To MIX INSERT IN
To CH INSERT IN
PRE FADER / POST ON
ONLEVEL
ONLEVEL
LEVEL
PAN/BAL
ON
To MATRIX
VARI
To MATRIX
VARI
STEREO
MATRIX1,3...7
MATRIX2,4...8
FX1-8 OUT
A(L)/B(R)
To CASCADE IN
SELECT
[SLOT]
SLOT1
SLOT2
ME T E R
SLOTIN
16
16
ME T E R
SLOTIN
64{32}
[DANTE]
DANTE
INPUT
ME T E R
DANTE
IN
DELAY
Max
1000ms
INSERT
POST ON
INSERT OUT
INSERT
INSERT PO INT
POST ON INSERT OUT
PRE FADER INSERT OUT
PRE EQ INSERT OUT
INSERT PO INT POST ON INSERT OUT
PRE FADER INSERT OUT
PRE EQ INSERT OUT
POST ON
INSERT OUT
INSERT
POST ON
INSERT OUT
INSERT
INSERT PO INT
POST ON INSERT OUT
PRE FADER INSERT OUT
PRE EQ INSERT OUT
RECORDER CUE
SELECT
PLAYBACK OUT L/R
RECORDER CUE
ON
RECORDER IN L/R
To MONITOR SELECT
ME T E R
PLAYBACK OUT
RECORDER CUE
USB
[PLAYBACK OUT]
GAIN
DECODER
GEQ1-8
OUT
A/B
32{16}
Digital
GAIN
INPUT
1-32{16}
OSCILLATOR
BAL
BAL
ON
ON
ON
ON
ON
ON
ON
ON
ON
ON
ME T E R
POST DG
SLOT1 1-16
SLOT2 1-16
MONIT O R L
MONITOR R
MONIT O R MO NO (C )
MONITOR OUT MO NO(C )
MO NITOR OUT R
MO NITOR OUT L
To OUTPUT PATCH
To OUTPUT PATCH
To OUTPUT PATCH
MO N O
TALKBACK ON
CUE TRIM
(INPUT/OUTPUT/DCA)
CUE L
CUE R
MONO
ON
MONITOR
LEVEL
DIMMER
MONITOR DIMM ON
CUE LOGIC
+MONO(C)
MONITOR SE LEC T
MA T RIX O UT1-8
MIX O UT1-16
INPUT 25/26{9/10}
DEFINE
MIX
(MAX:8ch)
INPUT 27/28{11/12}
INPUT 29/30{13/14}
INPUT 31/32{15/16}
STEREO OUT L,R
STEREO OUT MONO(C)
STEREO OUT L,C,R
PHONES L
PHONES R
To PHONES OUT
To PHONES OUT
DELAY
(MAX:1000ms)
DELAY
(MAX:1000ms)
PHONES
LEVEL LINK
An output port delay becomes invalid by
assigning a monitor out to the output port.
CUE OUT L
CUE OUT R
To OUTPUT PATCH
To OUTPUT PATCH
CUE OUT ON
PLAYBACK OUT
INPUT 25/26{9/10}
INPUT 27/28{11/12}
INPUT 29/30{13/14}
INPUT 31/32{15/16}
PLAYBACK OUT
STEREO OUT L,R
STEREO OUT MONO(C)
CUE / MONITOR
DELAY
(MAX:1000ms)
DELAY
(MAX:1000ms)
DELAY
(MAX:1000ms)
MONITOR
FADER
CUE INTERRUPTION
CUE ON
DELAY
(MAX:1000ms)
DELAY
(MAX:1000ms)
ON
MONITOR DELAY AUTO BYPASS
PLAYBACK
OUT L/R
DANTE IN 1-64{32}
CUE OUT
LEVEL
INPUT 1-32{16}
DANTE IN
1-64{32}
To OUTPUT PATCH
ME T E R
ME T E R
ME T E R
ME T E R
ME T E R
+48V
+48V MASTER
ON +48V
ADINPUT
+
-
12
3
GAIN/TRIM
ME T E R
PRE GC
Compensation
Gain
OUTPUTS
PHONES OUT LR
[PHONES]
DA
PHONES LEVEL
2
Tip
Ring
Sleeve
OUTPUT
PATCH
OUTPUT
PATCH
STEREO OUT L
STEREO OUT MONO(C)
STEREO OUT R
STEREO L+C
STEREO R+C
OUTPUT
PATCH
SLOT1
SLOT2
[SLOT]
16
16
ME T E R
ME T E R
DELAY
(MAX:1000ms)
DELAY
(MAX:1000ms)
TRIMGAIN
DA
16{8}
+
-1
2
3
ME T E R
DELAY
(MAX:1000ms)
TRIM
GAIN
[OMNI OUT]
(1-16{8} )
[DANTE]
(1-64{32})
64{32}
ME T E R
DELAY
(MAX:1000ms)
GAIN
DANTE
OUTPUT
2
DIT
[DIGITAL OUT]
AES/EBU
DELAY
(MAX:1000ms)
ME T E R
TRIMGAIN
PR1-8 OUT L/R
FX1-8 OUT L/R EFFECT CUE
SELECT
INPUT 1-32{16}
DANTE IN 1-64{32}
CASCADE OUT [MIX1-16, STEREO L,R,MONO(C) ,MATRIX 1-8, CUE L,R]
INSERT OUT [CH1-64{32}, MIX1-16, STEREO L,R,MONO(C) ,MATRIX 1-8]
OUT [DIRECT 1-64{32}, MIX1-16, STEREO L,R,MONO(C) ,MATRIX 1-8]
OUT [MONITOR L,R,MONO(C) ,CUE L,R]
SLOT IN 1-2, 1-16
2
RECORDER CUE
USB
GAIN
ME T E R
ENCODER
[2TR RECORDER]
OUTPUT
PATCH
OUTPUT
PATCH
PREMIUM
RACK IN
PATCH
PR1 IN
A(L)/B(R)
PR2-8 IN
A(L)/B(R)
PREMIUM RACK2-8 (same as PREMIUM RACK1)
PREMIUM RACK1(PR1)
PROCESSOR
ME T E R RACK IN L
ME T E R RACK IN R
ME T E R RACK OUT L
ME T E R RACK OUT R
EFFECT CUE
Automixer 8ch RACK1-4 (GEQ1-4)
Automixer8ch
ME T E R ME T E R
8 8
Automixer 16ch RACK1-8 (GEQ1-8)
Automixer16ch
ME T E R ME T E R
16 16
GEQ1-4 IN
A/B
GEQ1-8 IN
A/B
PR1-2 OUT
A(L)/B(R)
PR1-8 OUT
A(L)/B(R)
OUT
[MIX 1-16,
STEREO
L,R,MONO(C),
MA T RIX 1-8]
To MONITOR
SELECT
To C H 1-64{32},ST IN 1L-8R
POST ON
INSERT OUT
ON
ON

Level Diagram
DA
Max. DSP Noise Floor
AD
Max. Output
0
1
2
3
4
5
6
7
8
9
10
11
12
13
14
15
16
17
18
19
20
21
22
23
24
25
26
27
28
29
30
31
32
33
Digital
Bit
34
35
36
0
-10
-20
-30
-40
-50
-60
-70
-80
-90
-100
-110
-120
-130
-140
-150
-160
-170
-190
-200
-210
GAIN
dBu
Analog
dBFS
-180
[0dBu = 0.775Vrms]
[0dBFS = Full Scale]
+20
+10
0
-10
-20
-30
-40
-50
-60
-70
-80
-90
-100
-110
-120
-130
-140
-150
-160
+24
+4
-170
-180
-190
DigitalAnalog Digital Analog
dBu
Analog
+20
+10
0
-10
-20
-30
-40
-50
-60
-70
-80
-90
-100
-110
-120
-130
-140
-150
-160
+24
+4
-170
-180
-190
Nominal Output
[+24dBu]
[+4dBu]
+30 +30
OMNI OUT 1-16{8}
[Default setting]
Nominal Output
(75mW@8Ω )
(150mW@8Ω )
Max Output
PHONES
INPUT 1-32{16} (GAIN MIN.)
INPUT 1-32{16} (GAIN MAX.)
Nominal Input [-62dBu]
Max. Input [-42dBu]
Nominal Input [+10dBu]
Max. Input [+30dBu]
DELAY
OUTPUT
PATCH
ATT.
EQ
(x4) DYN
φ
INSERT
MASTER
LEVEL
/BAL
MASTER
ON
ATT.
LEVEL
/ON PAN
BUS
Adder
DELAY DCA
EQ
(x4)
Φ
DYN
1
DYN
2INSERT
INSERT
Digital Clipping Level
CASCADE OUT
CASCADE IN

For details of products, please contact your nearest Yamaha
representative or the authorized distributor listed below.
Pour plus de détails sur les produits, veuillez-vous adresser à Yamaha ou
au distributeur le plus proche de vous figurant dans la liste suivante.
Die Einzelheiten zu Produkten sind bei Ihrer unten aufgeführten
Niederlassung und bei Yamaha Vertragshändlern in den jeweiligen
Bestimmungsländern erhältlich.
Para detalles sobre productos, contacte su tienda Yamaha más
cercana o el distribuidor autorizado que se lista debajo.
HEAD OFFICE Yamaha Corporation, Audio Products Sales and Marketing Division
Nakazawa-cho 10-1, Naka-ku, Hamamatsu, Japan 430-8650
CANADA
Yamaha Canada Music Ltd.
135 Milner Avenue, Toronto, Ontario,
M1S 3R1, Canada
Tel: 416-298-1311
U.S.A.
Yamaha Corporation of America
6600 Orangethorpe Avenue, Buena Park, CA 90620,
U.S.A.
Tel: 714-522-9011
MEXICO
Yamaha de México, S.A. de C.V.
Av. Insurgentes Sur 1647 Piso 9, Col. San José
Insurgentes, Delegación Benito Juárez, México,
D.F., C.P. 03900
Tel: 55-5804-0600
BRAZIL
Yamaha Musical do Brasil Ltda.
Rua Joaquim Floriano, 913 - 4º andar, Itaim Bibi,
CEP 04534-013 São Paulo, SP. BRAZIL
Tel: 011-3704-1377
ARGENTINA
Yamaha Music Latin America, S.A.,
Sucursal Argentina
Olga Cossettini 1553, Piso 4 Norte,
Madero Este-C1107CEK
Buenos Aires, Argentina
Tel: 011-4119-7000
VENEZUELA
Yamaha Music Latin America, S.A.,
Sucursal Venezuela
C.C. Manzanares Plaza P4
Ofic. 0401- Manzanares-Baruta
Caracas Venezuela
Tel: 58-212-943-1877
PANAMA AND OTHER LATIN
AMERICAN COUNTRIES/
CARIBBEAN COUNTRIES
Yamaha Music Latin America, S.A.
Torre Banco General, Piso No.7, Marbella,
Calle 47 y Aquilino de la Guardia,
Ciudad de Panamá, República de Panamá
Tel: +507-269-5311
THE UNITED KINGDOM/IRELAND
Yamaha Music Europe GmbH (UK)
Sherbourne Drive, Tilbrook, Milton Keynes,
MK7 8BL, U.K.
Tel: 01908-366700
GERMANY
Yamaha Music Europe GmbH
Siemensstraße 22-34, 25462 Rellingen, Germany
Tel: 04101-3030
SWITZERLAND/LIECHTENSTEIN
Yamaha Music Europe GmbH
Branch Switzerland in Zürich
Seefeldstrasse 94, 8008 Zürich, Switzerland
Tel: 044-387-8080
AUSTRIA/BULGARIA
Yamaha Music Europe GmbH Branch Austria
Schleiergasse 20, A-1100 Wien, Austria
Tel: 01-60203900
CZECH REPUBLIC/HUNGARY/
ROMANIA/SLOVAKIA/SLOVENIA
Yamaha Music Europe GmbH
Branch Austria (Central Eastern Europe Office)
Schleiergasse 20, A-1100 Wien, Austria
Tel: 01-60203900
POLAND/LITHUANIA/LATVIA/ESTONIA
Yamaha Music Europe GmbH
Branch Poland Office
ul. Wrotkowa 14 02-553 Warsaw, Poland
Tel: 022-500-2925
MALTA
Olimpus Music Ltd.
The Emporium, Level 3, St. Louis Street Msida
MSD06
Tel: 02133-2144
NETHERLANDS/BELGIUM/
LUXEMBOURG
Yamaha Music Europe Branch Benelux
Clarissenhof 5-b, 4133 AB Vianen, Netherlands
Tel: 0347-358 040
FRANCE
Ya m a h a M u s i c E u ro p e
7 rue Ambroise Croizat, Zone d’activites Pariest,
77183 Croissy-Beaubourg, France
Tel: 01-64-61-4000
ITALY
Yamaha Music Europe GmbH, Branch Italy
Viale Italia 88, 20020 Lainate (Milano), Italy
Tel: 02-935-771
SPAIN/PORTUGAL
Yamaha Music Europe GmbH Ibérica, Sucursal
en España
Ctra. de la Coruna km. 17,200, 28231
Las Rozas (Madrid), Spain
Tel: +34-91-639-88-88
GREECE
Philippos Nakas S.A. The Music House
147 Skiathou Street, 112-55 Athens, Greece
Tel: 01-228 2160
SWEDEN/FINLAND/ICELAND
Yamaha Music Europe GmbH Germany filial
Scandinavia
J. A. Wettergrensgata 1, Box 30053
S-400 43 Göteborg, Sweden
Tel: +46 31 89 34 00
DENMARK
Yamaha Music Europe GmbH, Tyskland – filial
Denmark
Generatorvej 6A, DK-2730 Herlev, Denmark
Tel: 44 92 49 00
NORWAY
Yamaha Music Europe GmbH Germany -
Norwegian Branch
Grini Næringspark 1, N-1361 Østerås, Norway
Tel: 67 16 78 00
RUSSIA
Yamaha Music (Russia) LLC.
Room 37, bld. 7, Kievskaya street, Moscow,
121059, Russia
Tel: 495 626 5005
OTHER EUROPEAN COUNTRIES
Yamaha Music Europe GmbH
Siemensstraße 22-34, 25462 Rellingen, Germany
Tel: +49-4101-3030
Ya m a h a M u s i c G u l f F Z E
Office JAFZA 16-512, P.O.Box 17328,
Jebel Ali - Dubai, UAE
Tel: +971-4-881-5868
TURKEY
Yamaha Music Europe GmbH
Merkezi Almanya Türkiye İstanbul Şubesi
Maslak Meydan Sokak No:5 Spring Giz Plaza
Bağımsız Böl. No:3, 34398 Şişli İstanbul
Tel: +90-212-999-8010
CYPRUS
Yamaha Music Europe GmbH
Siemensstraße 22-34, 25462 Rellingen, Germany
Tel: 04101-3030
OTHER COUNTRIES
Ya m a h a M u s i c G u l f F Z E
Office JAFZA 16-512, P.O.Box 17328,
Jebel Ali - Dubai, U.A.E
Tel: +971-4-881-5868
THE PEOPLE’S REPUBLIC OF CHINA
Yamaha Music & Electronics (China) Co.,Ltd.
2F, Yunhedasha, 1818 Xinzha-lu, Jingan-qu,
Shanghai, China
Tel: 021-6247-2211
INDIA
Yamaha Music India Pvt. Ltd.
Spazedge building, Ground Floor, Tower A, Sector
47, Gurgaon- Sohna Road, Gurgaon, Haryana, India
Tel: 0124-485-3300
INDONESIA
PT. Yamaha Musik Indonesia (Distributor)
Yamaha Music Center Bldg. Jalan Jend. Gatot
Subroto Kav. 4, Jakarta 12930, Indonesia
Tel: 021-520-2577
KOREA
Yamaha Music Korea Ltd.
8F, 9F, Dongsung Bldg. 158-9 Samsung-Dong,
Kangnam-Gu, Seoul, Korea
Tel: 02-3467-3300
MALAYSIA
Yamaha Music (Malaysia) Sdn., Bhd.
No.8, Jalan Perbandaran, Kelana Jaya, 47301
Petaling Jaya, Selangor, Malaysia
Tel: 03-78030900
SINGAPORE
Yamaha Music (Asia) Private Limited
Block 202 Hougang Street 21, #02-00,
Singapore 530202, Singapore
Tel: 65-6747-4374
TAIWAN
Yamaha Music & Electronics Taiwan Co.,Ltd.
3F, No.6, Section 2 Nan-Jing East Road, Taipei,
Taiwan R.O.C.
Tel: 02-2511-8688
THAILAND
Siam Music Yamaha Co., Ltd.
3, 4, 15 and 16th floor, Siam Motors Building,
891/1 Rama 1 Road, Wangmai,
Pathumwan, Bangkok 10330, Thailand
Tel: 02-215-2622
VIETNAM
Yamaha Music Vietnam Company Limited
15th Floor, Nam A Bank Tower, 201-203 Cach
Mang Thang Tam St., Ward 4, Dist.3,
Ho Chi Minh City, Vietnam
Tel: +84-8-3818-1122
OTHER ASIAN COUNTRIES
Yama h a C o r po r a ti o n
Sales & Marketing Division
Nakazawa-cho 10-1, Naka-ku, Hamamatsu,
Japan 430-8650
Tel: +81-53-460-2312
AUSTRALIA
Yama h a M u s ic A u st r a li a P t y. L t d .
Level 1, 99 Queensbridge Street, Southbank,
Victoria 3006, Australia
Tel: 3-9693-5111
COUNTRIES AND TRUST
TERRITORIES IN PACIFIC OCEAN
Yama h a C o r po r a ti o n
Sales & Marketing Division
Nakazawa-cho 10-1, Naka-ku, Hamamatsu,
Japan 430-8650
Tel: +81-53-460-2312
NORTH AMERICA
CENTRAL & SOUTH AMERICA
EUROPE
AFRICA
MIDDLE EAST
ASIA
OCEANIA
PA36

402MATO-A0
© 2014 Yamaha Corporation
C.S.G., PA Development Division
Printed in Japan
ZH99130
Yamaha Manual Library
http://www.yamaha.co.jp/manual/
Yamaha Pro Audio Global Web Site
http://www.yamahaproaudio.com/