Yamaha RX 500 OUNER'S MANUAL RX500kai
User Manual: Yamaha RX-500 OUNER'S MANUAL
Open the PDF directly:
View PDF
.
Page Count: 15
35220
cover
PRECAUTIONS
RX-500/U
FRONT PANEL DESCRIPTIONS
REMOTE CONTROL TRANSMITTER
CONNECTIONS
OPERATIONS
MULTIPATH INTERFERENCE
PREVIOUS-STATION MEMORY
TROUBLESHOOTING
SPECIFICATIONS
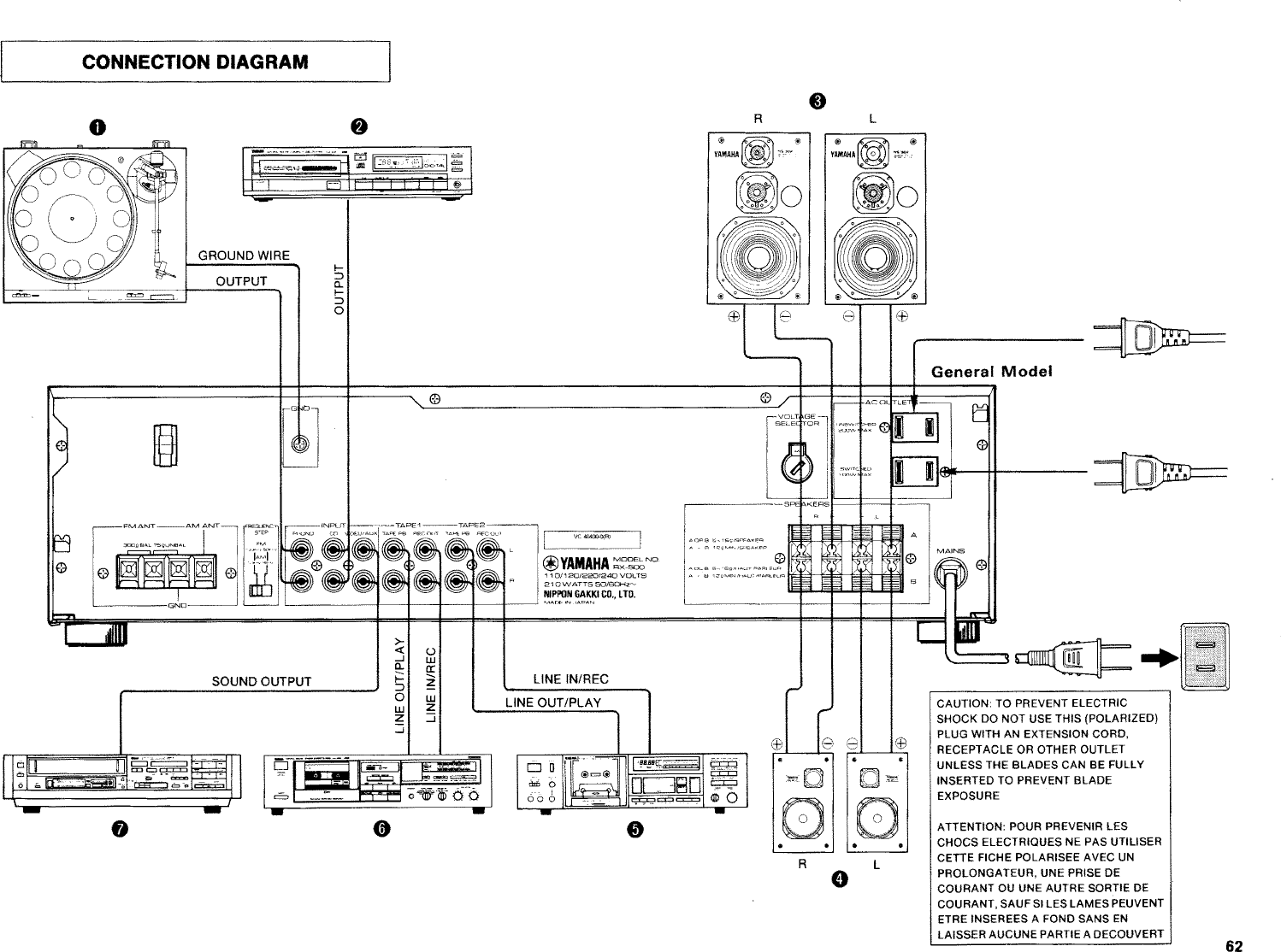
CONNECTION DIAGRAM