Yamaha Rx V595 Owners Manual 01RX E/f Cv1/4
Rx-V595-Owners-Manual yamaha-rx-v595-owners-manual-132258
RX-V595 OWNER'S MANUAL rx-v595
RX-V595 to the manual 06f40780-ecb5-40e5-b619-5409582bb9f9
2014-12-13
: Yamaha Rx-V595-Owners-Manual yamaha-rx-v595-owners-manual-132258 pdf
Open the PDF directly: View PDF
.
Page Count: 69
- RX-V595 (E/F)
- English
- SAFETY INSTRUCTIONS
- SUPPLIED ACCESSORIES
- FEATURES
- CONTENTS
- CAUTION
- FEATURES ON SOUND EFFECT
- CONTROLS AND THEIR FUNCTIONS
- SPEAKER SETUP
- CONNECTIONS
- ADJUSTMENTS BEFORE USING THIS UNIT
- BASIC OPERATIONS
- TUNING OPERATIONS
- SETTING THE SLEEP TIMER
- USING DIGITAL SOUND FIELD PROCESSOR ( DSP )
- ADJUSTMENTS IN THE “SET MENU” MODE
- REMOTE CONTROL TRANSMITTER
- SETUP CODES
- NOTES ABOUT THE REMOTE CONTROL TRANSMITTER
- TROUBLESHOOTING
- SPECIFICATIONS
- LIST OF MANUFACTURER’S CODES (Canada and China models)
- LIST OF MANUFACTURER’S CODES (Australia model)
- Quick Reference Card

Printed in Malaysia ID
V274950
YAMAHA ELECTRONICS CORPORATION, USA 6660 ORANGETHORPE AVE., BUENA PARK, CALIF. 90620, U.S.A.
YAMAHA CANADA MUSIC LTD. 135 MILNER AVE., SCARBOROUGH, ONTARIO M1S 3R1, CANADA
YAMAHA ELECTRONIK EUROPA G.m.b.H. SIEMENSSTR. 22-34, 25462 RELLINGEN BEI HAMBURG, F.R. OF GERMANY
YAMAHA ELECTRONIQUE FRANCE S.A. RUE AMBROISE CROIZAT BP70 CROISSY-BEAUBOURG 77312 MARNE-LA-VALLEE CEDEX02, FRANCE
YAMAHA ELECTRONICS (UK) LTD. YAMAHA HOUSE, 200 RICKMANSWORTH ROAD WATFORD, HERTS WD1 7JS, ENGLAND
YAMAHA SCANDINAVIA A.B. J A WETTERGRENS GATA 1, BOX 30053, 400 43 VÄSTRA FRÖLUNDA, SWEDEN
YAMAHA MUSIC AUSTRALIA PTY, LTD. 17-33 MARKET ST., SOUTH MELBOURNE, 3205 VIC., AUSTRALIA
RX-V595
RX-V595
Natural Sound AV Receiver
Récepteur audiovisuel
OWNER’S MANUAL
MODE D’EMPLOI
C A
01RX-V595-e/f cv1/4 6/23/99, 4:34 PM1

2
SAFETY INSTRUCTIONS
1Read Instructions – All the safety and operating instructions
should be read before the unit is operated.
2Retain Instructions – The safety and operating instructions
should be retained for future reference.
3Heed Warnings – All warnings on the unit and in the
operating instructions should be adhered to.
4Follow Instructions – All operating and other instructions
should be followed.
5Water and Moisture – The unit should not be used near
water – for example, near a bathtub, washbowl, kitchen
sink, laundry tub, in a wet basement, or near a swimming
pool, etc.
6Carts and Stands – The unit should be used only with a
cart or stand that is recommended by the
manufacturer.
6A A unit and cart combination should be moved
with care. Quick stops, excessive force, and
uneven surfaces may cause the unit and cart
combination to overturn.
7Wall or Ceiling Mounting – The unit should be mounted to a
wall or ceiling only as recommended by the manufacturer.
8Ventilation – The unit should be situated so that its location
or position does not interfere with its proper ventilation. For
example, the unit should not be situated on a bed, sofa,
rug, or similar surface, that may block the ventilation
openings; or placed in a built-in installation, such as a
bookcase or cabinet that may impede the flow of air
through the ventilation openings.
9Heat – The unit should be situated away from heat sources
such as radiators, stoves, or other appliances that produce
heat.
10 Power Sources – The unit should be connected to a power
supply only of the type described in the operating instruc-
tions or as marked on the unit.
11 Power-Cord Protection – Power-supply cords should be
routed so that they are not likely to be walked on or
pinched by items placed upon or against them, paying
particular attention to cords at plugs, convenience recep-
tacles, and the point where they exit from the unit.
12 Cleaning – The unit should be cleaned only as recom-
mended by the manufacturer.
13 Nonuse Periods – The power cord of the unit should be
unplugged from the outlet when left unused for a long
period of time.
14 Object and Liquid Entry – Care should be taken so that
objects do not fall into and liquids are not spilled into the
inside of the unit.
15 Damage Requiring Service – The unit should be serviced
by qualified service personnel when:
A. The power-supply cord or the plug has been
damaged; or
B. Objects have fallen, or liquid has been spilled into the
unit; or
C. The unit has been exposed to rain; or
D. The unit does not appear to operate normally or exhibits
a marked change in performance; or
E. The unit has been dropped, or the cabinet damaged.
16 Servicing – The user should not attempt to service the unit
beyond those means described in the operating instruc-
tions. All other servicing should be referred to qualified
service personnel.
17 Power Lines – An outdoor antenna should be located away
from power lines.
18 Grounding or Polarization – Precautions should be taken
so that the grounding or polarization is not defeated.
• Explanation of Graphical Symbols
The lightning flash with arrowhead symbol,
within an equilateral triangle, is intended to alert
you to the presence of uninsulated “dangerous
voltage” within the product’s enclosure that may
be of sufficient magnitude to constitute a risk of
electric shock to persons.
The exclamation point within an equilateral
triangle is intended to alert you to the presence
of important operating and maintenance
(servicing) instructions in the literature
accompanying the appliance.
WARNING
TO REDUCE THE RISK OF FIRE OR
ELECTRIC SHOCK, DO NOT EXPOSE THIS
UNIT TO RAIN OR MOISTURE.
CAUTION: TO REDUCE THE RISK OF
ELECTRIC SHOCK, DO NOT REMOVE
COVER (OR BACK). NO USER-SERVICEABLE
PARTS INSIDE. REFER SERVICING TO
QUALIFIED SERVICE PERSONNEL.
RISK OF ELECTRIC SHOCK
DO NOT OPEN
CAUTION
01RX-V595-e/f1 6/23/99, 4:09 PM2

3
English
19 For US customers only:
Outdoor Antenna Grounding – If an outside antenna is
connected to this unit, be sure the antenna system is
grounded so as to provide some protection against voltage
surges and built-up static charges. Article 810 of the
National Electrical Code, ANSI/NFPA 70, provides informa-
tion with regard to proper grounding of the mast and
supporting structure, grounding of the lead-in wire to an
antenna discharge unit, size of grounding conductors,
location of antenna discharge unit, connection to grounding
electrodes, and requirements for the grounding electrode.
FCC INFORMATION (for US customers only)
We Want You Listening For A Lifetime
YAMAHA and the Electronic Industries Association’s Consumer
Electronics Group want you to get the most out of your equip-
ment by playing it at a safe level. One that lets the sound come
through loud and clear without annoying blaring or distortion –
and, most importantly, without affecting your sensitive hearing.
Since hearing damage from loud sounds is often
undetectable until it is too late, YAMAHA and the
Electronic Industries Association’s Consumer
Electronics Group recommend you to avoid
prolonged exposure from excessive volume levels.
Compliance with FCC regulations does not guarantee
that interference will not occur in all installations. If this
product is found to be the source of interference, which
can be determined by turning the unit “OFF” and “ON”,
please try to eliminate the problem by using one of the
following measures:
Relocate either this product or the device that is being
affected by the interference.
Utilize power outlets that are on different branch (circuit
breaker or fuse) circuits or install AC line filter/s.
In the case of radio or TV interference, relocate/reorient
the antenna. If the antenna lead-in is 300 ohm ribbon
lead, change the lead-in to coaxial type cable.
If these corrective measures do not produce satisfac-
tory results, please contact the local retailer authorized
to distribute this type of product. If you can not locate
the appropriate retailer, please contact Yamaha
Electronics Corp., U.S.A. 6660 Orangethorpe Ave,
Buena Park, CA 90620.
The above statements apply ONLY to those products
distributed by Yamaha Corporation of America or its
subsidiaries.
1. IMPORTANT NOTICE : DO NOT MODIFY THIS UNIT!
This product, when installed as indicated in the
instructions contained in this manual, meets FCC
requirements. Modifications not expressly approved by
Yamaha may void your authority, granted by the FCC,
to use the product.
2. IMPORTANT : When connecting this product to
accessories and/or another product use only high
quality shielded cables. Cable/s supplied with this
product MUST be used. Follow all installation instruc-
tions. Failure to follow instructions could void your FCC
authorization to use this product in the USA.
3. NOTE : This product has been tested and found to
comply with the requirements listed in FCC Regula-
tions, Part 15 for Class “B” digital devices. Compliance
with these requirements provides a reasonable level of
assurance that your use of this product in a residential
environment will not result in harmful interference with
other electronic devices.
This equipment generates/uses radio frequencies and,
if not installed and used according to the instructions
found in the users manual, may cause interference
harmful to the operation of other electronic devices.
Note to CATV system installer:
This reminder is provided to call the CATV system
installer’s attention to Article 820-40 of the NEC that
provides guidelines for proper grounding and, in
particular, specifies that the cable ground shall be
connected to the grounding system of the building, as
close to the point of cable entry as practical.
EXAMPLE OF ANTENNA GROUNDING
MAST
GROUND
CLAMP
ANTENNA
LEAD IN
WIRE
ANTENNA
DISCHARGE UNIT
(NEC SECTION 810–20)
GROUNDING CONDUCTORS
(NEC SECTION 810–21)
GROUND CLAMPS
POWER SERVICE GROUNDING
ELECTRODE SYSTEM
(NEC ART 250. PART H)
ELECTRIC
SERVICE
EQUIPMENT
NEC
– NATIONAL ELECTRICAL CODE
01RX-V595-e/f1 6/23/99, 4:09 PM3

4
SUPPLIED ACCESSORIES
ACCESSOIRES FOURNIS
• After unpacking, check that the following parts are included.
• Après le déballage, vérifier que les pièces suivantes sont incluses.
• Indoor FM Antenna
• Antenne FM intérieure
• AM Loop Antenna
• Cadre-antenna AM
• Antenna adapter
(U.S.A. and Canada models only)
• Adaptateur d’antenne
(Modèle pour les Etats-Unis et le
Canada seulement)
• Batteries (size AA, R6, UM-3)
• Piles (taille AA, R6, UM-3)
• Remote control transmitter
• Télécommande
01RX-V595-e/f1 6/23/99, 4:09 PM4

5
English
●5 Speaker Configuration
<Canada model>
Main: 70 W + 70 W (8Ω) RMS Output
Power, 0.04% THD, 20 Hz – 20 kHz
Center: 70 W (8Ω) RMS Output
Power, 0.04% THD, 20 Hz – 20 kHz
Rear: 70 W + 70 W (8Ω) RMS Output
Power, 0.04% THD, 20 Hz – 20 kHz
<Australia and China models>
Main: 65 W + 65 W (8Ω) RMS Output
Power, 0.04% THD, 20 Hz – 20 kHz
Center: 65 W (8Ω) RMS Output
Power, 0.04% THD, 20 Hz – 20 kHz
Rear: 65 W + 65 W (8Ω) RMS Output
Power, 0.04% THD, 20 Hz – 20 kHz
●Digital Sound Field Processor
●Dolby Digital Decoder
●Dolby Pro Logic Surround Decoder
●CINEMA DSP: Theater-like Sound
Experience by the Combination of Dolby
Surround and YAMAHA DSP Technology
SUPPLIED ACCESSORIES........................................... 4
FEATURES .................................................................... 5
CAUTION ....................................................................... 6
●Introduction
FEATURES ON SOUND EFFECT ................................. 7
CONTROLS AND THEIR FUNCTIONS ......................... 9
●Preparation
SPEAKER SETUP ....................................................... 12
CONNECTIONS........................................................... 14
ADJUSTMENTS
BEFORE USING THIS UNIT .................................. 22
●Basic Oparation
BASIC OPERATIONS .................................................. 27
TUNING OPERATIONS ............................................... 31
SETTING THE SLEEP TIMER ..................................... 36
●Information about DSP
USING DIGITAL SOUND FIELD
PROCESSOR (DSP) .............................................. 37
●Advanced Information
ADJUSTMENTS
IN THE “SET MENU” MODE................................... 43
●Remote Control Transmitter
REMOTE CONTROL TRANSMITTER ......................... 45
SETUP CODES ........................................................... 50
NOTES ABOUT THE REMOTE CONTROL
TRANSMITTER ...................................................... 51
TROUBLESHOOTING ................................................. 52
SPECIFICATIONS ....................................................... 54
LIST OF MANUFACTURER’S CODES...................... 108
FEATURES
CONTENTS
●6-Channel External Decoder Input for DTS
and other future formats
●Automatic Input Balance Control for
Dolby Pro Logic Surround
●Test Tone Generator for Easier Speaker
Balance Adjustment
●Speaker Output Mode Changing
Capability
●40-Station Random Access Preset Tuning
●Automatic Preset Tuning
●Preset Station Shifting Capability
(Preset Editing)
●Video Signal Input/Output Capability
●SLEEP Timer
●Universal Remote Control
Transmitter with Preset Manufacturer
Codes
01RX-V595-e/f1 6/23/99, 4:09 PM5

6
CAUTION : READ THIS BEFORE OPERATING YOUR UNIT.
1. To assure the finest performance, please read this manual
carefully. Keep it in a safe place for future reference.
2. Install this unit in a cool, dry, clean place – away from
windows, heat sources, sources of excessive vibration,
dust, moisture and cold. Avoid sources of humming
(transformers, motors). To prevent fire or electrical shock,
do not expose the unit to rain or water.
3. Never open the cabinet. If something drops into the set,
contact your dealer.
4. Do not use force on switches, controls or connection wires.
When moving the unit, first disconnect the power plug and
the wires connected to other equipment. Never pull the
wires themselves.
5. The openings on the unit cover assure proper ventilation of
the unit. If these openings are obstructed, the temperature
inside the unit will rise rapidly. Therefore, avoid placing
objects against these openings, and install the unit in a
well-ventilated area to prevent fire and damage.
<Singapore model only>
Be sure to allow a space of at least 20 cm behind, 20 cm
on the both sides and 30 cm above the top panel of the unit
to prevent fire and damage.
6. The voltage used must be the same as that specified on
this unit. Using this unit with a higher voltage than speci-
fied is dangerous and may result in fire or other accidents.
YAMAHA will not be held responsible for any damage
resulting from use of this unit with a voltage other than
specified.
7. Digital signals generated by this unit may interfere with
other equipment such as tuners, receivers or TVs. Move
this unit farther away from such equipment if interference is
observed.
8. Always set the VOLUME control to “∞” before starting the
audio source play. Increase the volume gradually to an
appropriate level after playback has been started.
9. Do not attempt to clean the unit with chemical solvents; this
might damage the finish. Use a clean, dry cloth.
10. Be sure to read the “TROUBLESHOOTING” section
regarding common operating errors before concluding that
the unit is faulty.
11. When not planning to use this unit for long periods of time
(ie., vacation, etc.), disconnect the AC power plug from the
wall outlet.
12. To prevent lightning damage, disconnect the AC power
plug and disconnect the antenna cable when there is an
electrical storm.
13. Grounding or polarization – Precautions should be taken so
that the grounding or polarization of an appliance is not
defeated.
14. AC outlet
Do not connect audio equipment to the AC outlet on the
rear panel if that equipment requires more power than the
outlet is rated to provide.
15. Voltage Selector (China and General Models only)
The voltage selector on the rear panel of this unit must
be set for your local main voltage BEFORE plugging
into the AC main supply.
Voltages are 110/120/220/240 V AC, 50/60 Hz.
This unit is not disconnected from the AC power source as
long as it is connected to the wall outlet, even if this unit
itself is turned off. This state is called the standby mode.
In this state, this unit is designed to consume a very small
quantity of power.
FREQUENCY STEP switch
(China and General Models only)
Because the interstation frequency spacing differs in
different areas, set the FREQUENCY STEP switch (located
at the rear) according to the frequency spacing in your area.
Before setting this switch, disconnect the AC power plug of
this unit from the AC outlet.
IMPORTANT
Please record the serial number of this unit in the space
below.
Serial No.:
The serial number is located on the rear of the unit.
Retain this Owner’s Manual in a safe place for future
reference.
WARNING
TO REDUCE THE RISK OF FIRE OR ELECTRIC SHOCK,
DO NOT EXPOSE THIS UNIT TO RAIN OR MOISTURE.
FOR CANADIAN CUSTOMERS
TO PREVENT ELECTRIC SHOCK, MATCH WIDE BLADE
OF PLUG TO WIDE SLOT AND FULLY INSERT.
THIS CLASS B DIGITAL APPARATUS COMPLIES WITH
CANADIAN ICES-003.
01RX-V595-e/f1 6/23/99, 4:09 PM6

7
English
FEATURES ON SOUND EFFECT
This unit incorporates a sophisticated, multi-program digital
sound field processor. The processor allows you to electroni-
cally expand and change the shape of the audio sound field
from both audio and video sources, creating a theater-like
experience in your listening room. This unit has a total of 8
digital sound field processor (DSP) modes. You can create an
excellent audio sound field by selecting a suitable sound field
(this will, of course, depend on what you will be listening to),
and adding desired adjustments.
In addition, this unit incorporates a Dolby Pro Logic Surround
decoder and Dolby Digital decoder for multi-channel sound
reproduction of Dolby Surround encoded video sources. The
operation of the Dolby Pro Logic Surround or Dolby Digital
decoder can be controlled by selecting a corresponding DSP
program including combined operations of the YAMAHA DSP
and the Dolby Pro Logic Surround or Dolby Digital decoder.
Digital Sound Field Processing
What is it that makes live music so good? Today’s advanced
sound reproduction technology lets you get extremely close to
the sound of a live performance, but chances are you’ll still
notice something missing, the acoustic environment of the live
concert hall. Extensive research into the exact nature of the
sonic reflections that create the ambience of a large hall has
made it possible for YAMAHA engineers to bring you this same
sound in your listening room, so you’ll feel all the sound of a
live concert.
Furthermore, our technicians, armed with sophisticated
measuring equipment, have even made it possible to capture
the acoustics of a variety of actual concert halls, theaters, etc.
from around the world, to allow you to accurately re-create any
one of these live performance environments, all in your home.
Dolby Pro Logic Surround
This unit employs a Dolby Pro Logic Surround decoder similar
to professional Dolby Stereo decoders used in many movie
theaters. By using the Dolby Pro Logic Surround decoder, you
can experience the dramatic realism and impact of Dolby
Surround movie theater sound in your own home. Dolby Pro
Logic employs a four channel five speaker system. The Pro
Logic Surround system divides the input signal into four levels:
the left and right main channels, the center channel (used for
dialog), and the rear surround sound channels (used for sound
effects, background noise, and other ambient noises). The
center channel allows listeners seated in even less-than-ideal
positions to hear the dialog originating from the action on the
screen while experiencing good stereo imaging.
Dolby Surround is encoded on the sound track of pre-recorded
video tapes, laser discs, and some TV/cable broadcasts. When
you play a source encoded with Dolby Surround on this unit,
the Dolby Pro Logic Surround decoder decodes the signal and
distributes the surround-sound effects.
This Dolby Pro Logic Surround decoder employs a digital signal
processing system. This system improves the stability of sound
at each channel and crosstalk between channels, so that
positioning of sounds around the room is more accurate
compared with conventional analog signal processing systems.
In addition, this unit features a built-in automatic input balance
control. This always assures you the best performance without
manual adjustment.
Dolby Digital
The built-in Dolby Digital decoder leads you into a totally new
sound experiences.
Dolby Digital is a new generation of multi-channel digital audio
technology, or the newest spatial sound processing format
developed for 35 mm film-movies by employing a new kind of
low bit-rate audio coding.
Dolby Digital is a digital surround sound system that provides
completely independent multi-channel audio to consumers. In
multi-channel form, Dolby Digital provides five full range
channels in what is sometimes referred to as a “3/2” configura-
tion: three front channels (left, center and right), plus two
surround channels. A sixth bass-only effect channel is also
provided for output of LFE (low frequency effect), or low bass
effects that are independent of other channels. This channel is
counted as 0.1, thus giving rise to the term 5.1 channels in
total.
Compared to Dolby Pro Logic that is referred to a “3/1” system
(left front, center, right front and just one surround channel),
Dolby Digital features two surround channels, called stereo or
split surrounds, each offering the same full range fidelity as the
three front channels.
Sound of wide dynamic range reproduced by the five full range
channels presents listeners much excitement that has never
been experienced before. Precise sound orientation by the
discrete digital sound processing expands realism that the
original movie possesses.
LD and DVD are home audio formats that could benefit from
Dolby Digital. In the near future, Dolby Digital will also be
applied to DBS, CATV and HDTV. The ongoing release of
Dolby Stereo Digital theatrical films now underway will provide
an immediate source of Dolby Digital encoded video software.
01RX-V595-e/f1 6/23/99, 4:09 PM7

8
Manufactured under license from Dolby Laboratories Licensing
Corporation. “Dolby”, “Pro Logic”, and the double-D symbol are
trademarks of Dolby Laboratories Licensing Corporation.
Copyright 1992 Dolby Laboratories, Inc. All rights reserved.
The following original functions make the surround-sound effect
of Dolby Digital become the most suitable for your audio
system and the listening conditions.
• Dynamic range (sound scale) of source can be changed
so that it will be suitable for the listening conditions.
• Output of low bass from any channel can be assigned to
either the MAIN SPEAKERS terminals or SUBWOOFER
terminal to maximize system performance.
• Output of LFE can be assigned to either the MAIN
SPEAKERS terminals or SUBWOOFER terminal to
maximize system performance.
Dolby Surround + DSP (CINEMA DSP)
Dolby Surround sound system shows its full ability in a large
movie theater, because movie sounds are originally designed to
be reproduced in a large movie theater using many speakers.
It is difficult to create a sound environment similar to that of a
movie theater in your listening room, because the room size,
materials of inside walls, the number of speakers, etc. of your
listening room is much different from those of a movie theater.
YAMAHA DSP technology made it possible to present you with
nearly the same sound experience as that of a large movie
theater in your listening room by compensating for lack of
presence and dynamics in your listening room with its original
digital sound fields combined with Dolby Surround sound field.
CINEMA DSP
The YAMAHA “CINEMA DSP” logo indicates those programs
are created by the combination of Dolby Surround and
YAMAHA DSP technology.
Dolby Pro Logic + 2 Digital Sound Fields
Digital sound fields are created on the presence side and the
rear surround side of the Dolby Pro Logic Surround-decoded
sound field respectively. They create a wide acoustic
environment and emphasize surround-effect in the room,
letting you feel much presence as if you are watching a
movie in a popular Dolby Stereo theater.
This combination is available when the sound field program
DOLBY PRO LOGIC ENHANCED/DOLBY DIGITAL
ENHANCED, 70 mm MOVIE THEATER/DIGITAL MOVIE
THEATER or TV SPORTS is selected, and the input signal of
source is analog, PCM audio or encoded with the Dolby
Digital in 2-channel.
Dolby Digital + 3 Digital Sound Fields
Digital sound fields are created on the presence side and the
independent left and right surround sides of the Dolby Digital-
decoded sound field respectively. They create a wide
acoustic environment and much surround effect in the room
without losing high channel separation. With wide dynamic
range of Dolby Digital sound, this sound field combination lets
you feel as if you are watching a movie in the newest Dolby
Stereo Digital theater. This will be the most ideal home
theater sound at the present time.
This combination is available when the sound field program
DOLBY PRO LOGIC ENHANCED/DOLBY DIGITAL
ENHANCED, 70 mm MOVIE THEATER/DIGITAL MOVIE
THEATER or TV SPORTS is selected, and the input signal of
source is encoded with the Dolby Digital (except in 2-chan-
nel).
01RX-V595-e/f1 6/23/99, 4:09 PM8

9
English
CONTROLS AND THEIR FUNCTIONS
FRONT PANEL
1STANDBY/ON
Press this switch to turn the power of this unit on. Press it
again to turn this unit into the standby mode.
Standby mode
In this state, this unit consumes a very small quantity of
power to receive infrared-signals from the remote control
transmitter.
2Remote control sensor
Receives signals from the remote control transmitter.
3Display
Shows various information. (For details, refer to page 11.)
4MEMORY (MAN’L/AUTO FM)
Press this button to store the broadcasting stations.
When this button is pressed and held for more than three
seconds, the automatic preset tuning begins.
5EDIT
This button is used to exchange the places of two preset
stations with each other.
6TUNING MODE (AUTO/MAN’L MONO)
Press this button to switch the tuning mode to automatic or
manual. To select the automatic tuning mode, press this button
so that the “AUTO TUNING” indicator lights up on the display.
To select the manual tuning mode, press this button so that the
“AUTO TUNING” indicator goes off.
7FM/AM
Press this button to switch the reception band to FM or AM.
8TUNING UP/DOWN
This button is used for tuning. Press the UP side to tune in to
higher frequencies, and press the DOWN side to tune in to
lower frequencies.
9TAPE/MD MON / EXT. DECODER
Press this button to play a tape or an MD. The “TAPE/MD
MON” indicator lights up on the display.
When you press the button next, the “TAPE/MD MON” indicator
goes off and “EXT. DECDR” appears on the display and you
can play the signal connected to the EXTERNAL DECODER
INPUT terminals.
0INPUT
Turn this selector to select the program source (VCR, VIDEO
AUX, TV/DBS, DVD/LD, CD, TUNER, PHONO) to listen to or
watch.
The name of the selected program source appears on the
display.
01RX-V595-e/f1 6/23/99, 4:09 PM9

10
qINPUT MODE
Switches the DVD/LD and TV/DBS input signal mode (AUTO/
ANALOG).
wVOLUME
This control is used to raise or lower the volume level.
ePHONES jack
When you use headphones, connect the headphones to the
PHONES jack. You can listen to the sound to be output from
the main speakers through headphones.
When using headphones only, set both SPEAKERS A and B to
the OFF position and switch off the digital sound field processor
(so that no DSP program name appears on the display) by
pressing EFFECT.
PHONES
rSPEAKERS
Set A or B (or both A and B) to the ON position for the main
speaker system (connected to this unit) you will use. Set it (or
them) for the main speaker system you will not use to the OFF
position.
tA/B/C/D/E
Press this button to select a group (A to E) of preset stations.
yPreset station number selector
Select a preset station number (1 to 8).
uTone controls
These controls are effective only for the sound from the main
speakers.
BASS
Used to increase or decrease the low frequency response. The
“0” position produces flat response.
TREBLE
Used to increase or decrease the high frequency response.
The “0” position produces flat response.
iBALANCE
This control is effective only for the sound from the main
speakers.
Adjusts the balance of the output volume to the left and right
speakers to compensate for sound imbalance caused by
speaker location or listening room conditions.
oTIME/LEVEL
Press this button to select the setting of delay time or speaker
output levels in the TIME/LEVEL mode.
p+/–
These buttons are used to adjust settings of the SET MENU
mode and the TIME/LEVEL mode. In the TIME LEVEL mode,
press + to increase delay time or speaker output levels. Press
– to decrease delay time or speaker output levels.
aSET MENU
Press this button to select functions in the SET MENU mode.
sPROGRAM selector
Press or to select the DSP program.
The name of the selected program appears on the display.
dEFFECT
Switches on and off the output from the center and rear
speakers so that the sound becomes normal 2-channel.
* Even if the output from the center and rear speakers is off,
when the Dolby Digital is decoded, the signals at all channels
are distributed to the main channels and output from the main
speakers.
fVIDEO AUX terminals
Connect an auxiliary video or audio input source unit such as a
camcorder to these terminals. The source connected to these
terminals can be selected by INPUT.
01RX-V595-e/f1 6/23/99, 4:09 PM10

11
English
1Multi-information display
Displays various information, for example station frequency,
preset station number and name of selected input source.
2MEMORY indicator
When MEMORY is pressed, this indicator flashes for about five
seconds. During this period, the displayed station can be
stored to the memory.
3AUTO TUNING indicator
Lights up when this unit is in the automatic tuning mode.
4TAPE/MD MON indicator
Lights up when the tape deck (or MD recorder etc.) is selected as
the input source by pressing TAPE/MD MON / EXT. DECODER
on the front panel or TAPE/MD on the remote control transmitter.
5STEREO indicator
Lights up when an FM stereo broadcast with sufficient signal
strength is received.
DISPLAY PANEL
6Signal-level meter
Indicates the signal level of the received station.
If multipath interference is detected, the indication decreases.
7 , and indicators
“” lights up when the built-in Dolby Digital decoder is
on and the signals of selected source encoded with the Dolby
Digital is not in 2-channel. “ ” lights up when the built-in
digital sound field processor is on, and “ ” lights up
when the built-in Dolby Pro Logic Surround decoder is on.
Depending on the selected DSP program, both “ ” and
“”, or both “ ” and “ ” will light up.
8SLEEP indicator
Lights up while the built-in SLEEP timer is functioning.
01RX-V595-e/f1 6/23/99, 4:09 PM11

12
SPEAKER SETUP
This unit is designed to provide the best sound-field quality with
a 5-speaker configuration, using main speakers, rear speakers
and a center speaker.
The main speakers are used for the main source sound plus
the effect sounds. They will probably be the speakers from
your present stereo system. The rear speakers are used for
the effect and surround sounds, and the center speaker is for
the center sounds (dialog, vocals, etc.). If for some reason it is
not practical to use a center speaker, you can do without it.
Best results, however, are obtained with the full system.
The main speakers should be high performance models and
have enough power handling capacity to accept the maximum
output of your audio system.
Other speakers do not have to be equal to the main speakers.
For precise sound localization, however, it is ideal to use high
performance models that can reproduce sounds in the full
range for the center speaker and the rear speakers.
5-Speaker Configuration
This configuration is the most effective and recommended one.
When playing back a source using the DSP program,
DOLBY PRO LOGIC/DOLBY DIGITAL, DOLBY PRO LOGIC
ENHANCED/DOLBY DIGITAL ENHANCED, 70 mm MOVIE
THEATER/DIGITAL MOVIE THEATER, MONO MOVIE or TV
SPORTS, or when playing back a source which contains
center-channel signals (dialog, vocals, etc.) using any DSP
program with the Dolby Digital decoded, conversations will be
output from the center speaker and the ambience will be
excellent.
Note: Set the CNTR (CENTER SPEAKER) mode to the
“LARGE” or “SMALL” position. (For details, see
page 22.)
SPEAKER CONFIGURATION
Use of a subwoofer expands your sound field
It is also possible to further expand your system with the
addition of a subwoofer and amplifier. The use of a subwoofer
is effective not only for reinforcing bass frequencies from any or
all channels, but also for reproducing the LFE (low frequency
effect) sound with high fidelity when playing back a source with
the Dolby Digital decoded. You may wish to choose the
convenience of a YAMAHA Active Servo Processing Subwoofer
System, which has its own built-in power amplifier.
4-Speaker Configuration
The center speaker is not used in this configuration. When
playing back a source using the DSP program, DOLBY PRO
LOGIC/DOLBY DIGITAL, DOLBY PRO LOGIC ENHANCED/
DOLBY DIGITAL ENHANCED, 70 mm MOVIE THEATER/
DIGITAL MOVIE THEATER, MONO MOVIE or TV SPORTS, or
when playing back a source which contains center-channel
signals (dialog, vocals, etc.) using any DSP program with the
Dolby Digital decoded, the center sound is output from the left
and the right main speakers. However, the sound effect of
other programs will be the same as that of the 5-speaker
configuration.
Note: Be sure to set the CNTR (CENTER SPEAKER) mode to
the “NONE” position. (For details, see page 22.)
Main L Center Main R
Surround sound
Dialog
Surround sound
Rear L Rear R
Main L Main R
Surround sound
Dialog
Surround sound
Rear L Rear R
SPEAKERS TO BE USED
01RX-V595-e/f2 6/23/99, 4:09 PM12

13
English
SPEAKER PLACEMENT
When you place the speakers, refer to the following diagram:
Main: The position of your present stereo speaker
system.
Rear: Behind your listening position, facing slightly
inward. Nearly 1.8 m (approx. 6 feet) up from the
floor.
Center: Precisely between the main speakers. (To avoid
interference with TV sets, use a magnetically
shielded speaker.)
Subwoofer: The position of the subwoofer is not so critical
because low bass tones are not highly directional.
Main speaker Center speaker Rear speaker
Subwoofer
01RX-V595-e/f2 6/23/99, 4:09 PM13

14
CONNECTIONS
Never plug in this unit and other components until all connections are completed.
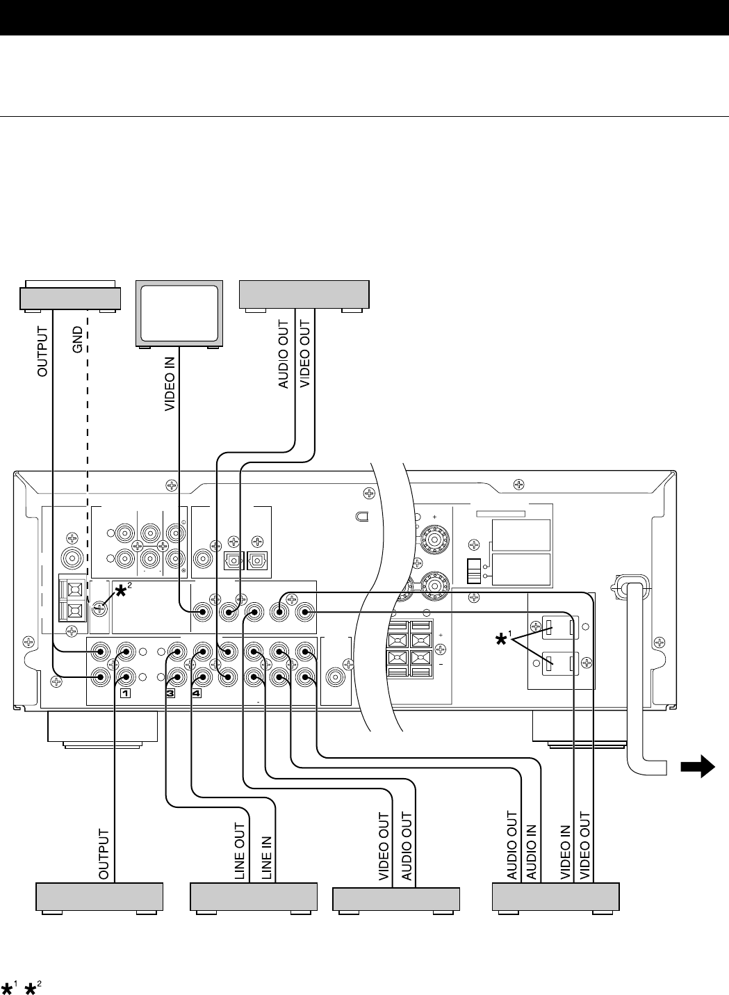
CONNECTIONS WITH OTHER COMPONENTS
When making connections between this unit and other components, be sure all connections are made correctly, that is to say L
(left) to L, R (right) to R, “+” to “+” and “–” to “–”. Also, refer to the owner’s manual for each component to be connected to this unit.
* If you have YAMAHA components numbered as !, #, $, etc. on the rear panel, connections can be made easily by making sure
to connect the output (or input) terminals of each component to the same-numbered terminals of this unit.
, : See the next page.
Turntable Monitor TV DVD player, LD player, etc.
CD player Tape deck,
MD recorder, etc.
TV/DBS tuner VCR
(Video cassette recorder)
To AC outlet
(U.S.A. model)
UAL FOR CORRECT SETTING.
L
R
75
Ω
UNBAL.
FM
ANT
AM
ANT
GND
EXTERNAL DECODER INPUT DIGITAL SIGNAL
MAIN CENTER
SURROUND
COAXIAL
DVD/LD
OPTICAL
DVD/LD TV/DBS
SUB WOOFER
GND
MONITOR
OUT DVD/LD TV/DBS
VIDEO SIGNAL
AUDIO SIGNAL OUTPUT
IN OUT
VCR
DVD/LD
SUB
WOOFER
TAPE/MD
IN
(PLAY)
OUT
(REC)
CDPHONO TV/DBS
IN OUT
VCR
R
L
R
L
R
L
REAR
(SORROUND)
L
MAINS
MAIN
A OR B: 4
Ω
MIN. /SPEAKER
A + B: 8
Ω
MIN. /SPEAKER
CENTER:
6
Ω
MIN. /SPEAKER
REAR
: 6
Ω
MIN. /SPEAKER
MAIN
A OR B: 8
Ω
MIN. /SPEAKER
A + B:I6
Ω
MIN. /SPEAKER
CENTER:
8
Ω
MIN. /SPEAKER
REAR
: 8
Ω
MIN. /SPEAKER
IMPEDANCE SELECTOR
SET BEFORE POWER ON
AC OUTLETS
SWITCHED
100W MAX. TOTAL
01RX-V595-e/f2 6/23/99, 4:09 PM14

15
English
6CH DISCRETE OUTPUT
MAIN CENTER
SURROUND
SUB
WOOFER
75
Ω
UNBAL.
EXTERNAL DECODER INPUT DIGITAL SIGNAL
MAIN CENTER
SURROUND
COAXIAL
DVD/LD
OPTICAL
DVD/LD TV/DBS
SUB WOOFER
GND
MONITOR
OUT DVD/LD TV/DBS
VIDEO SIGNAL
AUDIO SIGNAL OUTPUT
IN OUT
VCR
DVD/LD
SUB
WOOFER
TAPE/MD
IN
(PLAY)
OUT
(REC)
CDPHONO TV/DBS
IN OUT
VCR
R
L
R
L
R
L
R
L
R
L
FM
ANT
AM
ANT
GND
SWITCHED AC OUTLET(S)
(U.S.A., Canada, Singapore, China and General models)
........................................................... 2 SWITCHED OUTLETS
(Australia model) ...................................1 SWITCHED OUTLET
Use these to connect the power cords from your components to
this unit.
The power to the SWITCHED outlets is controlled by this unit’s
STANDBY/ON or the provided remote control transmitter’s
POWER and STANDBY. These outlets will supply power to
any component whenever this unit is turned on.
The maximum power (total power consumption of components)
that can be connected to the SWITCHED AC OUTLET(S) is
100 watts.
GND terminal (For turntable use)
Connecting the ground wire of the turntable to the GND
terminal will normally minimize hum, but in some cases better
results may be obtained with the ground wire disconnected.
CONNECTING TO AN EXTERNAL DECODER
When using the DTS or other decoder with 6-channel discrete outputs, connect the 6CH DISCRETE OUTPUT terminals of the
decoder to the EXTERNAL DECODER INPUT terminals of this unit.
DTS or other decoder with 6-channel
discrete outputs
DVD player, LD player or other
unit with digital outputs
(U.S.A. model)
01RX-V595-e/f2 6/23/99, 4:09 PM15

16
CONNECTING TO DIGITAL (COAXIAL AND/OR OPTICAL) TERMINALS
If your DVD (LD) player, TV/DBS tuner, etc. are equipped with
coaxial or optical digital audio signal output terminals, they can
be connected to this unit’s COAXIAL and/or OPTICAL digital
signal input terminals.
To make a connection between optical digital audio signal
terminals, remove the cover from each terminal, and then
connect them by using a commercially available optical fiber
cable that conforms to EIAJ standards. Other cables might not
function correctly.
Even if you connect an audio/video unit to the COAXIAL (or
OPTICAL) terminal of this unit, you must keep the unit con-
nected with the same named analog audio signal terminals of
this unit, because digital signal cannot be recorded by a tape
deck or VCR connected to this unit. You can switch the
selection of input signals between “digital” and “analog” easily.
(See page 29 for details.)
Notes
• When connecting an audio/video unit to both of the digital
and analog terminals of this unit, make sure to connect to
both terminals of the same name.
• Be sure to attach the covers when the OPTICAL terminals
are not being used, in order to protect the terminals from
dust.
• The input signal from the DVD/LD input terminals is selected
in the following order of priority.
(input mode: AUTO position)
1COAXIAL terminal
2OPTICAL terminal
3 ANALOG terminal
• All digital audio signal input terminals are applicable to the
sampling frequency of 32 kHz, 44.1 kHz and 48 kHz.
DVD or LD player TV/DBS tuner
(U.S.A. model)
75
Ω
UNBAL.
EXTERNAL DECODER INPUT DIGITAL SIGNAL
MAIN CENTER
SURROUND
COAXIAL
DVD/LD
OPTICAL
DVD/LD TV/DBS
SUB WOOFER
GND
MONITOR
OUT DVD/LD TV/DBS
VIDEO SIGNAL
AUDIO SIGNAL OUTPUT
IN OUT
VCR
DVD/LD
SUB
WOOFER
TAPE/MD
IN
(PLAY)
OUT
(REC)
CDPHONO TV/DBS
IN OUT
VCR
R
L
R
L
R
L
FM
ANT
AM
ANT
GND
01RX-V595-e/f2 6/23/99, 4:09 PM16

17
English
Camcorder
CONNECTING TO VIDEO AUX TERMINALS (ON THE FRONT PANEL)
These terminals are used to connect any video input source, such as a camcorder, to this unit.
L
VIDEO AUDIO R
VIDEO AUX
L
VIDEO
R
01RX-V595-e/f2 6/23/99, 4:09 PM17

18
CAUTION
SEE INSTRUCTION MANUAL FOR CORRECT SETTING.
RL
REAR
(SORROUND)
CENTER
MAIN
SUB
WOOFER
RL
OUTPUT
SPEAKERS
Note
Use speakers with the specified impedance shown on the
rear panel of this unit.
Note on main speaker connections:
One or two speaker systems can be connected to this unit. If
you use only one speaker system, connect it to either the
SPEAKERS A or B terminals.
Note on a subwoofer connection:
You may wish to add a subwoofer to reinforce low frequencies
or to output low bass sound from the subwoofer channel.
If you have a subwoofer with built-in amplifier, including the
YAMAHA Active Servo Processing Subwoofer System, connect
the SUBWOOFER OUTPUT terminal of this unit to the input
terminal of the subwoofer system.
If you have an amplifier and a subwoofer, connect the
SUBWOOFER OUTPUT terminal of this unit to the input
terminal of the subwoofer amplifier, and then connect the
speaker terminals of the subwoofer amplifier to the subwoofer.
When the input signals to this unit are in normal 2-channel
stereo, this terminal outputs only frequencies below 90 Hz from
the main and center channels. When discrete signals are input
to this unit and are selected as the input source, this terminal
outputs signals from the subwoofer channel.
Note on center speaker connection:
Center speaker can be connected to this unit. Place it on or
under the TV.
CONNECTING SPEAKERS
Rear speakers
Subwoofer system Center speaker
Right Left
Main speakers A Main speakers B
Right
Left
Right Left
(U.S.A. model)
01RX-V595-e/f2 6/23/99, 4:09 PM18

19
English
How to connect
Connect the SPEAKERS terminals to your speakers with wire of the proper gauge, cut as short as possible. If the connections are
faulty, no sound will be heard from the speakers. Make sure that the polarity of the speaker wires is correct, that is the + and –
markings are observed. If these wires are reversed, the sound will be unnatural and lack bass.
Caution
Do not let the bare speaker wires touch each other and do not let them touch any metal part of this unit. This could
damage this unit and/or speakers.
For connecting to the MAIN SPEAKERS
terminals
Red: positive (+)
Black: negative (–) 1Unscrew the knob.
2Insert the bare wire.
[Remove approx. 5 mm
(1/4”) insulation from the
speaker wires.]
3Tighten the knob and
secure the wire.
1Press the tab.
2Insert the bare wire.
[Remove approx. 5 mm
(1/4”) insulation from
the speaker wires.]
3Release the tab and
secure the wire.
For connecting to the REAR and CENTER
SPEAKERS terminals
Red: positive (+)
Black: negative (–)
Banana plug connections are also possible (except for
Singapore model). Simply insert the banana plug connector
into the corresponding terminal.
01RX-V595-e/f2 6/23/99, 4:09 PM19

20
IMPEDANCE SELECTOR SWITCH
Select the position whose requirements your speaker system
meets.
(Upper position)
Main: If you use one pair of main speakers, the impedance of
each speaker must be 4Ω or higher.
If you use two pairs of main speakers, the impedance
of each speaker must be 8Ω or higher.
Center: The impedance of the speaker must be 6Ω or higher.
Rear: The impedance of each speaker must be 6Ω or higher.
(Lower position)
Main: If you use one pair of main speakers, the impedance of
each speaker must be 8Ω or higher.
If you use two pairs of main speakers, the impedance
of each speaker must be 16Ω or higher.
Center: The impedance of the speaker must be 8Ω or higher.
Rear: The impedance of each speaker must be 8Ω or higher.
WARNING
Do not change the IMPEDANCE SELECTOR switch setting
while the power of this unit is on, otherwise this unit may be
damaged.
IF THIS UNIT FAILS TO TURN ON WHEN THE STANDBY/
ON SWITCH IS PRESSED, the IMPEDANCE SELECTOR
switch may not be fully set to either end. If so, set the switch
to either end fully.
IMPEDANCE SELECTOR
(U.S.A. model)
SWITCHED
100W MAX. TOTAL
MAINS
MAIN
A OR B: 4
Ω
MIN. /SPEAKER
A + B: 8
Ω
MIN. /SPEAKER
CENTER:
6
Ω
MIN. /SPEAKER
REAR
: 6
Ω
MIN. /SPEAKER
MAIN
A OR B: 8
Ω
MIN. /SPEAKER
A + B:I6
Ω
MIN. /SPEAKER
CENTER:
8
Ω
MIN. /SPEAKER
REAR
: 8
Ω
MIN. /SPEAKER
IMPEDANCE SELECTOR
SET BEFORE POWER ON
AC OUTLETS
L
01RX-V595-e/f2 6/23/99, 4:09 PM20

21
English
1
3
2
ANTENNA CONNECTIONS
Each antenna should be correctly connected to the designated terminals, referring to the following diagram.
Both AM and FM indoor antennas are included with this unit. In general, these antennas will probably provide sufficient signal
strength. Nevertheless, a properly installed outdoor antenna will give clearer reception than an indoor one. If you experience poor
reception quality, an outdoor antenna may result in improvement.
Connecting the AM loop antenna
* The AM loop antenna should be placed away from this unit. The antenna may be hung on a wall.
* The AM loop antenna always should be connected, even if an outdoor AM antenna is connected to this unit.
GND TERMINAL
For maximum safety and minimum interference, connect the
GND terminal to a good earth ground. A good earth ground is a
metal stake driven into moist earth.
Notes
• When connecting the indoor FM
antenna, insert its connector into the
FM ANT terminal firmly.
• If you need an outdoor FM antenna
to improve FM reception quality,
either 300-ohm feeder or coaxial
cable may be used. In locations
troubled by electrical interference, coaxial cable is preferable.
Orient so that the best
reception is obtained.
12 3
Outdoor FM antenna
75-ohm/300-ohm
antenna adapter
75-ohm coaxial cable
75-ohm/300-ohm
antenna adapter
300-ohm feeder
Ground
AM loop
antenna
(included)
Outdoor AM antenna
Indoor FM
antenna
(included)
75
Ω
UNBAL.
FM
ANT
GND
PHONO
AM
ANT
GND
(U.S.A. model)
01RX-V595-e/f2 6/23/99, 4:09 PM21

22
ADJUSTMENTS BEFORE USING THIS UNIT
SELECTING THE OUTPUT MODES
This unit provides you the following five functions to determine the method of distributing output signals to speakers suitable for
your audio system. When speaker connections are all completed, select a proper position on each function to make the best use of
your speaker system. (See “ADJUSTMENTS IN THE ‘SET MENU’ MODE” on page 43.)
1. CNTR (CENTER SPEAKER) 2. REAR (REAR SPEAKER) 3. MAIN (MAIN SPEAKER)
4. BASS (LFE/BASS OUT) 5. M.LVL (MAIN LEVEL)
DESCRIPTION OF EACH FUNCTION
1. CNTR (CENTER SPEAKER)
Choices: LARGE/SMALL/NONE
Preset position: LARGE
LARGE: Select this position when your center speaker is
approximately the same size as the main speakers.
SMALL: Select this position when you use a center speaker
that is smaller than the main speakers.
In this position, low bass signals (below 90 Hz) at the
center channel are output from the main speakers (or
the SUBWOOFER OUTPUT terminal if the SMALL
position is selected on “3. MAIN” and the SW position
is selected on “4. BASS”).
NONE: Select this position when you do not have a center
speaker. The center channel sound will be output
from the left and right main speakers.
2. REAR (REAR SPEAKER)
Choices: LARGE/SMALL
Preset position: LARGE
LARGE: Select this position if your rear speakers have a high
ability for bass reproduction, or a subwoofer is
connected to the rear speaker in parallel.
In this position, full range signals are output from the
rear speakers.
SMALL: Select this position if your rear speakers do not have
a high ability for bass reproduction.
In this position, low bass signals (below 90 Hz) at the
rear channels are output from the SUBWOOFER
OUTPUT terminal (or the main speakers if the MAIN
position is selected on “4. BASS”).
3. MAIN (MAIN SPEAKER)
Choices: LARGE/SMALL
Preset position: LARGE
LARGE: Select this position if your main speakers have a
high ability for bass reproduction.
In this position, full range signals present at the main
channels are output from the main speakers.
SMALL: Select this position if your main speakers do not
have a high ability for bass reproduction. However, if
your system does not include a subwoofer, do not
select this position.
In this position, low bass signals (below 90 Hz) at the
main channels are output from the SUBWOOFER
OUTPUT terminal if the SW or BOTH position is
selected on “4. BASS”.
4. BASS (LFE/BASS OUT)
Choices: SW/MAIN/BOTH
Preset position: SW
MAIN: Select this position if your system does not include a
subwoofer.
In this position, full range signals present at the main
channels, signals from the LFE channel and other
low bass signals that are selected on “1. CNTR” to
“3. MAIN” to be distributed from other channels are
output from the main speakers.
SW/BOTH:
Select either the SW or BOTH position if your
system includes a subwoofer.
In either position, signals at LFE channel and other
low bass signals that are selected on “1. CNTR” to
“3. MAIN” to be distributed from other channels are
output from the SUBWOOFER OUTPUT terminal.
When the LARGE position is selected on “3. MAIN”,
in the SW position, no signal is distributed from the
main channels to the SUBWOOFER OUTPUT
terminal, however in the BOTH position, low bass
signals from the main channels are output to both of
the main speakers and the SUBWOOFER OUTPUT
terminal.
5. M.LVL (MAIN LEVEL)
Choices: NORMAL (NRML)/–10 dB
Preset position: NORMAL (NRML)
NORMAL (NRML):
Normally select this position.
–10 dB: Select this position if the sound output from the main
speakers is too loud and cannot be balanced with
the sound output from the center and rear speakers.
In this position, the sound output from the main
speakers is attenuated.
01RX-V595-e/f2 6/23/99, 4:09 PM22

23
English
1
2
3
ADJUSTING METHOD
Operations should be made while watching the information on this unit’s display.
If you are using the remote control transmitter, set the
SELECTOR DIAL to the AMP/TUN or DSP position on the
remote control transmitter.
or
1Turn the power on.
Front panel Remote control
or
2Press SET MENU once or more to select the title
“1. CNTR” (so that “CNTR” appears on the display).
Front panel Remote control
or
* After pressing SET MENU once on the remote control
transmitter, you can also select the title by pressing .
(Pressing goes back one selection.)
Appears.
3Press + or – once or more to select the position you
want.
Front panel Remote control
or
Changes.
4Repeat steps 2 and 3 to change selections on
“2. REAR”, “3. MAIN”, “4. BASS” and/or “5. M.LVL” in
the same way.
1 2
3
01RX-V595-e/f2 6/23/99, 4:10 PM23

24
SPEAKER BALANCE ADJUSTMENT
This procedure lets you adjust the sound output level balance between the main, center and rear speakers using the built-in test
tone generator. When this adjustment is performed, the sound output level heard at the listening position will be the same from
each speaker. This is important for the best performance of the digital sound field processor, the Dolby Digital decoder and the
Dolby Pro Logic Surround decoder.
The adjustment of each speaker output level should be done at your listening position with the remote control transmitter.
After completing the adjustment of the output level for each speaker, use VOLUME ( ) on the remote control transmit-
ter at your listening position to check if the adjustments are satisfactory.
Set the SELECTOR DIAL to the AMP/TUN or DSP position
on the remote control transmitter.
or
1Set VOLUME to the “∞” position.
Front panel
2Turn the power on.
Front panel Remote control
or
3Select the main speakers to be used.
Front panel
* If you use two main speaker systems, press both A and B.
2
8
5,9
6
2 1
4,74
3
01RX-V595-e/f2 6/23/99, 4:10 PM24

25
English
6Turn up the volume.
Remote control
You will hear a test tone (like pink noise) from the left main
speaker, then the center speaker, then the right main
speaker, then the right rear speaker, and then the left rear
speaker, for about two seconds each. The display changes
as shown below.
* If the function “1. CNTR” in the SET MENU mode is set to
the NONE position, you will hear the center channel test
tone from the left and right main speakers.
7Adjust BALANCE so that the sound output level of the
left main speaker and the right main speaker is the
same.
Front panel
Main (L)
Center
Main (R)
Rear (R)
Rear (L)
4Set BASS, TREBLE and BALANCE to the “0” position.
Front panel
5Press TEST (so that “TEST LEFT” appears on the
display).
Remote control
Appears.
01RX-V595-e/f2 6/23/99, 4:10 PM25

26
8Adjust the sound output levels of the center speaker
and the rear speakers so that they become almost as
same as that of the main speakers.
Remote control
a) Press or once or more so that “CENTER”, “R SUR.”
or “L SUR.” appears on the display.
* Select “CENTER” to adjust the output level of the
center speaker and select “R SUR.” or “L SUR.” to
adjust the output level of the rear speakers.
Remote control
b) Adjust the level.
* Pressing raises and lowers the level.
* While adjusting, the test tone is fixed on the selected
speaker.
Remote control
9Press TEST once more to cancel the test tone.
Remote control
“TEST” disappears.
Notes
• Once you have completed these adjustments, you can adjust
the overall sound level on your audio system by using
VOLUME (or VOLUME ( ) on the remote control
transmitter) only.
• If you use external power amplifiers, you may also use their
volume controls to achieve the proper balance.
• If the function “1. CNTR” in the SET MENU mode is set to the
NONE position, the sound output level of the center speaker
cannot be adjusted in step 8. The center sound is automati-
cally output from the left and right main speakers.
• If there is insufficient sound output from the center and rear
speakers, you may decrease the main speaker output level
by setting “5. M.LVL” to “–10 dB”.
01RX-V595-e/f2 6/23/99, 4:10 PM26

27
English
3Select the desired input source by using INPUT.
(For video sources, turn the TV/monitor ON.)
See page 29 if you are using an external decoder or
playing a tape or an MD.
Front panel Remote control
or
The name of the selected input source will appear on the
display.
BASIC OPERATIONS
TO PLAY A SOURCE
Notes
• Set the SELECTOR DIAL to the AMP/TUN position on the remote control transmitter.
• To operate the CD player, DVD/LD player, tape deck, MD recorder, or other components using this remote control transmitter, set
the SELECTOR DIAL to the component to be used. (See “SETUP CODES” on page 50.)
1Set VOLUME to the “∞” position.
Front panel
2Turn the power on.
Front panel Remote control
or
2
5 4
3 1,7
2
7
3,4
01RX-V595-e/f3 6/23/99, 4:10 PM27

28
8If desired, adjust BASS, TREBLE, BALANCE, etc.
(see below) and use the digital sound field processor.
(see page 37.)
Selecting the SPEAKER system
Because one or two speaker systems (as main speakers) can
be connected to this unit, SPEAKERS allow you to select
speaker system A or B, or both at once.
Adjusting the BALANCE control
Adjust the balance of the output volume from the left and right
speakers to compensate for sound imbalances caused by
speaker location or listening room conditions.
Note
This control is effective only for the sound from the main
speakers.
Adjusting the BASS and TREBLE controls
BASS: Turn this clockwise to increase (or counter-clockwise
to decrease) the low frequency response.
TREBLE
:Turn this clockwise to increase (or counter-clockwise
to decrease) the high frequency response.
Note
These controls are effective only for the sound from the main
speakers.
4For the DVD/LD or TV/DBS source, the current input
mode is also shown.
* To change the input mode for the DVD/LD or TV/DBS
source, press INPUT MODE (or the button that you
have pressed to select the input source in step 3 on
the remote control transmitter) once or more until the
desired input mode (AUTO or ANALOG) is shown on
the display. (See page 29 for details on switching the
input mode.)
Front panel Remote control
or
Input mode
5Select the main speakers to be used.
Front panel
* If you use two main speaker systems, press both A and B.
6Play the source. (For detailed information on tuning,
see page 31.)
7Adjust the volume to the desired output level.
Front panel Remote control
or
01RX-V595-e/f3 6/23/99, 4:10 PM28

29
English
To play a tape or an MD
Press TAPE/MD MON / EXT. DECODER so that the “TAPE/MD
MON” indicator lights up on the display, then play the tape or MD.
Front panel Remote control
or
To stop playing the tape or MD, press TAPE/MD MON / EXT.
DECODER twice so that the “TAPE/MD MON” indicator and
“EXT. DECDR” disappear from the display and the play stops
(or press TAPE/MD once on the remote control transmitter).
To use a decoder connected to the EXTERNAL
DECODER INPUT terminals
Press TAPE/MD MON / EXT. DECODER once or more so that
the “EXT. DECDR” appears on the display.
Start the play by operating the DTS or other external decoder,
DVD player or LD player.
Front panel Remote control
or
To stop playing, press TAPE/MD MON / EXT. DECODER once
so that “EXT. DECDR” disappears from the display and the play
stops (or press EXT. DEC. on the remote control transmitter).
When you finish using this unit
Press STANDBY/ON on the front panel again or STANDBY on
the remote control transmitter to turn this unit into the standby
mode.
Notes on using INPUT
• By using INPUT, you can select the program sources
connected to the input terminals on the rear panel.
• To play a video source connected to the VIDEO AUX
terminals on the front panel, set INPUT to the VIDEO AUX
position.
• The audio source selected by INPUT will not be played if the
“TAPE/MD MON” indicator lights up or if “EXT. DECDR” is
displayed.
• If you select INPUT for a video source without canceling the
selection of TAPE/MD MON / EXT. DECODER on the front
panel (or, TAPE/MD or EXT. DEC. on the remote control
transmitter), the playback result will be the video image from
the video source and the sound from the input source
selected by TAPE/MD MON / EXT. DECODER on the front
panel (or, TAPE/MD or EXT. DEC. on the remote control
transmitter).
• Once you play a video source, its video image will not be
interrupted even if INPUT for an audio source is selected.
• When you select an input source by using INPUT, the DSP
program (or no DSP program) that was used when the same
input source was selected the last time, will be automatically
recalled.
Switching the input mode
(for DVD/LD and TV/DBS)
This unit allows you to switch the input mode only for sources
connected to the DVD/LD and TV/DBS input terminals (on the
rear panel of this unit) that input two or three types of signals.
The following two input modes are provided.
AUTO: For the source connected to the DVD/LD input
terminals:
This mode is automatically selected when you turn the
power of this unit on. In this mode, input signal is
automatically selected in the following order of priority.
1. Digital input signal from the COAXIAL terminal
2. Digital input signal from the OPTICAL terminal
3. Analog input signal
For the source connected to the TV/DBS input
terminals:
This mode is selected when you turn the power of this
unit on if the AUTO position is selected on “10. INPUT”
in the SET MENU mode. (For details, see page 44.)
In this mode, input signal is automatically selected in
the following order of priority.
1. Digital input signal from the OPTICAL terminal
2. Analog input signal
ANALOG:
In this mode, only analog input signal is selected even
if a digital signal is input at the same time.
Select this mode when you want to use the analog
input signal instead of the digital input signal.
Notes on input mode selection
• To playback a source with the Dolby Digital-decoded, set the
input mode to AUTO.
• For the TV/DBS source only, the input mode selected on the
function “10. INPUT” in the SET MENU mode is effective
when you turn the power of this unit on.
• When you want to enjoy a source which has normal
2-channel signals with a Dolby Pro Logic Surround program,
select the ANALOG mode.
• In the AUTO mode, there may be a case depending on some
LD players or DVD players that when you make a search on
a source encoded with the Dolby Digital during the play and
then the play is restored, sound output is interrupted for a
moment because the digital input signal is selected again.
01RX-V595-e/f3 6/23/99, 4:10 PM29

30
1Select the source to be recorded.
Front panel Remote control
or
2Play the source and then turn VOLUME up to confirm
the input source. (For detailed information on tuning,
see page 31.)
Front panel Remote control
or
3Begin recording on the tape deck, MD recorder or VCR
connected to this unit.
TO RECORD A SOURCE TO TAPE OR MD
4 1 2
2
1,4
4When the tape deck or MD recorder is used for
recording, you can monitor the sounds being recorded
by pressing TAPE/MD MON / EXT. DECODER so that
the “TAPE/MD MON” indicator lights up on the display.
Front panel Remote control
or
Notes
• The settings of DSP and VOLUME, BASS, TREBLE and
BALANCE have no effect on the material being recorded.
• A source that is connected to this unit through digital
terminals only cannot be recorded by a tape deck or VCR
connected to this unit.
• Please check the copyright laws in your country to record
from records, compact discs, radio, etc. Recording of
copyright material may infringe copyright laws.
If you watch a video software that uses scrambled or
encoded signals to prevent it from being dubbed, there may
be a case that the picture itself will be affected by those
signals.
01RX-V595-e/f3 6/23/99, 4:10 PM30

31
English
AUTOMATIC TUNING
1Select the reception band (FM or AM) confirming it on
the display.
Front panel
or
2Press TUNING MODE (so that the “AUTO TUNING”
indicator lights up on the display).
Front panel
Lights up.
3To tune in to a higher frequency, press the UP side of
TUNING once.
To tune in to a lower frequency, press the DOWN side
of TUNING once.
Front panel
* If the station where the tuning search stops is not the
desired one, press once more.
* If the tuning search does not stop at the desired station
(because the signal from the station is weak), operate the
manual tuning procedure.
TUNING OPERATIONS
Set the SELECTOR DIAL to the AMP/TUN position on the remote control transmitter and select the tuner by using INPUT.
Normally, if station signals are strong and there is no interference, quick automatic-search tuning (AUTOMATIC TUNING) is
possible. However, if the signal from the station you want to select is weak, you must tune in to it manually (MANUAL TUNING).
MANUAL TUNING
1Select the reception band (FM or AM) confirming it on
the display.
Front panel
or
2Press TUNING MODE.
Front panel
3Tune in to the desired station manually.
Front panel
* To continue the tuning search, press and hold the button.
Note
• If you tune in to an FM station manually, it is received in
monaural mode automatically to increase the signal quality.
Confirm that the “AUTO
TUNING’’ indicator goes
off.
23
1
01RX-V595-e/f3 6/23/99, 4:10 PM31

32
MANUAL PRESET TUNING
This unit can store station frequencies selected by tuning. With this function, you can recall any desired station simply by selecting
the preset station number with which it was stored. Up to 40 stations (8 stations x 5 groups) can be stored.
4Select the preset station number with which you want to
store the station before the “MEMORY” indicator goes
off from the display.
Front panel
The displayed station has been stored to A1.
* In the same way, store other stations to A2, A3 ... A8.
* You can store more stations to preset station numbers in
other groups in the same way by selecting other groups in
step 2.
To store stations
1Tune in to the desired station.
(See the previous page for tuning procedure.)
2Press A/B/C/D/E once or more to select the desired
group (A to E) of preset stations confirming it on the
display.
Front panel Remote control
or
3Press MEMORY (so that the “MEMORY” indicator
flashes for about five seconds).
Front panel
Flashes.
2,14,23
2
2,1
01RX-V595-e/f3 6/23/99, 4:10 PM32

33
English
To recall a preset station
(See the illustration on previous page.)
11Select the group of preset stations.
Front panel Remote control
or
22Select the preset station number.
Front panel Remote control
or
Notes
• A new setting can be stored in place of the former one.
• For presets, the setting of the reception mode (stereo or
monaural) is stored along with the station frequency.
Memory back-up
The memory back-up circuit prevents the stored data from
being lost even if this unit is turned into the standby mode, or
the power plug is disconnected from the AC outlet, or the power
is cut due to temporary power failure. If, however, the power is
cut for more than one week, the memory may be erased. If so,
it can be re-stored by simply following the preset tuning
procedures.
01RX-V595-e/f3 6/23/99, 4:10 PM33

34
To store stations
1Select the FM.
Front panel
2Press TUNING MODE (so that the “AUTO TUNING”
indicator lights up on the display).
Front panel
Lights up.
3Press MEMORY and hold for about three seconds.
Front panel
Flashes.
AUTOMATIC PRESET TUNING (For FM stations only)
You can also make use of an automatic preset tuning function for FM stations only. Using this function, this unit performs automatic
tuning and sequentially stores FM stations with strong signals. Up to 40 stations are stored automatically in the same way as in the
manual preset tuning method on page 32. Note that a new setting can be stored in place of the former one.
4To tune in to higher frequencies, press the UP side of
TUNING once.
To tune in to lower frequencies, press the DOWN side
of TUNING once.
Front panel
* If TUNING is not pressed, in a while, the automatic preset
tuning begins automatically toward higher frequencies.
The automatic preset tuning begins from the frequency
currently displayed. Received stations are stored to A1, A2
... A8 sequentially.
* If more than 8 stations are received, they are also stored
to the preset station numbers in other groups (B, C, D and
E) in that order.
If you want to store the first station received by the auto-
matic preset tuning to a desired preset station number.
For example, if you want to store the first received station to C5,
select “C5” while “A1”, the “MEMORY” indicator and the “AUTO
TUNING” indicator flash after pressing MEMORY in step 3. Then
press TUNING. The first received station is stored to C5, and
next stations to C6, C7 ... sequentially.
If stations are stored up to E8, automatic preset tuning stops
automatically.
When automatic preset tuning is finished
The display shows the frequency of the last preset station.
Check the contents and the number of preset stations by
following the procedures in the section “To recall a preset
station” on page 33.
3
24
1
01RX-V595-e/f3 6/23/99, 4:11 PM34

35
English
EXCHANGING PRESET STATIONS
You can exchange the places of two preset stations with each other as shown below.
Example
If you want to shift the preset station on E1 to A5, and vice versa.
1Recall the preset station on E1 (by following the
procedures in the section “To recall a preset station” on
page 33).
2Press EDIT.
Front Panel
Flashes.
3Next, recall the preset station on A5 by following the
same procedures as in step 1.
Flashes.
4Press EDIT once more.
Front Panel
Shows the exchange of
stations is completed.
2,4
Notes
• You can replace a preset station with another FM or AM station manually by simply following the procedures in the section “To
store stations” on page 32.
• Even if the number of received stations is not enough to be stored up to E8, the search is finished automatically after searching
all frequencies.
• With this function, only FM stations with sufficient signal strength are stored automatically. If the station you want to store is weak
in signal strength, tune in to it in monaural manually and store it by following the procedures in the section “To store stations” on
page 32.
01RX-V595-e/f3 6/23/99, 4:11 PM35

36
SETTING THE SLEEP TIMER
If you use the SLEEP timer of this unit, you can make this unit automatically switch to the standby mode. When you are going to
sleep while enjoying a broadcast or other desired input source, this timer function is useful. The SLEEP timer can be controlled
only with the remote control transmitter.
Notes
• To set the SLEEP timer for this unit, set the SELECTOR DIAL to a position other than the TV postition. To set the SLEEP timer
for your TV, set the SELECTOR DIAL to the TV position.
• The components on which the SLEEP timer is effective are the sources connected to the SWITCHED AC OUTLET(S) on the rear
panel of this unit.
To set the SLEEP time
1Press SLEEP once or more to select the desired
SLEEP time.
Remote control
Indicates the SLEEP time.
Flashes.
Whenever SLEEP is pressed, the SLEEP time will change
as follows.
(Minutes)
120 90 60 30
The SLEEP timer is off (SLEEP OFF).
(The state before SLEEP is
pressed.)
After a while, the “SLEEP” indicator lights up and the display
returns to the indication before the SLEEP timer was set.
2The unit will be switched to the standby mode automati-
cally at the selected SLEEP time.
To cancel the selected SLEEP time
Remote control
Press SLEEP once or more so that “SLEEP OFF” appears on
the display. (It will soon disappear and the “SLEEP” indicator
will go off from the display.)
Note
The SLEEP timer setting can also be canceled by tuning this
unit into the standby mode with STANDBY/ON on the front
panel (or STANDBY on the remote control transmitter) or
disconnecting the power plug of this unit from the AC outlet.
1
01RX-V595-e/f3 6/23/99, 4:11 PM36

37
English
FEATURE
Reproduces video discs, video tapes and similar sources which
are Dolby Surround encoded and bear the “DOLBY SUR-
ROUND” logo.
The built-in Dolby Pro Logic Surround decoder or Dolby Digital
decoder precisely reproduces sounds and sound effects of a
source encoded with Dolby Surround. The realization of a
highly efficient decoding process improves crosstalk and
channel separation and makes sound positioning smoother
and more precise.
Reproduces video discs, video tapes and similar sources which
are Dolby Surround encoded and bear the “DOLBY SUR-
ROUND” logo.
This program ideally simulates the multi-surround speaker
systems of the 35 mm film theater. The Dolby Surround
decoding and the digital sound field processing is precisely
performed without altering the original sound orientation. The
surround effects produced by this sound field folds around the
viewer naturally from the rear to the left and right and toward
the screen.
Note: If the main channel sound is considerably altered by
overadjustment of BASS or TREBLE, the relationship with the
rear channels may produce an unnatural effect.
Ideal for reproducing video discs, video tapes and similar
sources which are Dolby Surround encoded and bear the
“DOLBY SURROUND” logo.
This program is ideal for precisely reproducing the sound
design of the newest 70 mm/Dolby Digital multi-track films.
The sound field is made to be similar to that of the newest
movie theaters, so the reverberations of the sound field itself
are restrained as much as possible. The three dimensional
feeling of the sound field is emphasized, and dialog is precisely
oriented on the screen. You can enjoy watching Sci-Fi,
adventure movies, etc. with considerable presence.
No. PROGRAM
1 DOLBY PRO LOGIC ( )
Functions when the input signal is analog or PCM
audio, or encoded with the Dolby Digital in
2-channel.
Speaker output: main, center, rear
DOLBY DIGITAL ( )
Functions when the input signal is encoded with the
Dolby Digital (not in 2-channel).
Speaker output: main, center, rear
2 DOLBY PRO LOGIC ENHANCED
( )
Functions when the input signal is analog or PCM
audio, or encoded with the Dolby Digital in
2-channel.
Speaker output: main, center, rear
DOLBY DIGITAL ENHANCED
( )
Functions when the input signal is encoded with the
Dolby Digital (not in 2-channel).
Speaker output: main, center, rear
3 70 mm MOVIE THEATER
( )
Functions when the input signal is analog or PCM
audio, or encoded with the Dolby Digital in
2-channel.
Speaker output: main, center, rear
DIGITAL MOVIE THEATER
( )
Functions when the input signal is encoded with the
Dolby Digital (not in 2-channel).
Speaker output: main, center, rear
USING DIGITAL SOUND FIELD PROCESSOR (DSP)
This unit incorporates a sophisticated, multi-program digital sound field processor. The processor allows you to electronically
expand and change the shape of the audio sound field from both audio and video sources, creating a theater-like experience in
your listening room. You can create an excellent audio sound field by selecting a suitable sound field program (this will, of course,
depend on what you are listening to), and adding any desired adjustments.
The following list gives you a brief description of the sound fields produced by each of the DSP programs. Keep in mind that most
of these are precise digital recreations of actual acoustic environments. The data for these sound fields was recorded at actual
locations using sophisticated sound field measurement equipment.
Note
The channel level balance between the left and right rear speakers may vary depending on the sound field you are listen-
ing to. This is due to the fact that most of these sound field are re-creation of actual acoustic environments.
BRIEF OVERVIEW OF DIGITAL SOUND FIELD PROGRAMS
01RX-V595-e/f4 6/23/99, 4:11 PM37

38
FEATURE
This program is designed specifically to enhance mono source
programs. Compared to a strictly mono setting, the sound
image created in this mode is wider and slightly forward of the
speaker pair, lending an immediacy to the overall sound. It is
particularly effective when used with old mono movies, news
broadcasting and dialog.
This program is furnished with a tight sound field in which the
sound will not spread excessively on the front side, but the rear
surround side produces a dynamic sound expansion. This
program is the most suitable for sports programs.
This program recreates the acoustic environment of a lively
disco in the heart of a very lively city. The sound is dense and
highly concentrated. It is also characterized by a high-energy,
“immediate” sound.
This program is ideally suited for rock music. You will experi-
ence a very dynamic and lively sound field.
In this program, the center will appear to be deep behind the
main speakers, creating an expansive, large hall ambience.
Orchestra and opera music are suited to this sound field.
No. PROGRAM
4 MONO MOVIE
( )
Functions when the input signal is analog or PCM
audio, or encoded with the Dolby Digital in
2-channel.
Speaker output: main, center, rear
( )
Functions when the input signal is encoded with
the Dolby Digital (not in 2-channel).
Speaker output: main, center, rear
5 TV SPORTS
( )
Functions when the input signal is analog or PCM
audio, or encoded with the Dolby Digital in
2-channel.
Speaker output: main, center, rear
( )
Functions when the input signal is encoded with
the Dolby Digital (not in 2-channel).
Speaker output: main, center, rear
6 DISCO
( )
Functions when the input signal is analog or PCM
audio, or encoded with the Dolby Digital in
2-channel.
Speaker output: main, rear
( )
Functions when the input signal is encoded with
the Dolby Digital (not in 2-channel).
Speaker output: main, center, rear
7 ROCK CONCERT
( )
Functions when the input signal is analog or PCM
audio, or encoded with the Dolby Digital in
2-channel.
Speaker output: main, rear
( )
Functions when the input signal is encoded with
the Dolby Digital (not in 2-channel).
Speaker output: main, center, rear
8 CONCERT HALL
( )
Functions when the input signal is analog or PCM
audio, or encoded with the Dolby Digital in
2-channel.
Speaker output: main, rear
( )
Functions when the input signal is encoded with
the Dolby Digital (not in 2-channel).
Speaker output: main, center, rear
Note: When the NONE position is selected on “1. CNTR” in the SET MENU mode, no sound is output from the center speaker(s).
01RX-V595-e/f4 6/23/99, 4:11 PM38

39
English
2
2
PLAYING A SOURCE WITH THE DIGITAL SOUND FIELD PROCESSOR (DSP)
EFFECT
1Follow steps 1 to 7 shown in “BASIC OPERATIONS” on
pages 27 to 28.
2Select the desired DSP program that is suitable for the
source.
Front panel Remote control
or
Press DSP. While the indicator lights up for
about three seconds, select a DSP program
using the numeric buttons (1 to 8).
* If the SELECTOR DIAL is set to the DSP position, you
can also select a DSP program using the numeric buttons
(1 to 8).
The name of selected program appears on
the display.
3If desired, adjust the delay time and the output level of
each speaker. (For details, see pages 41 and 42.)
Notes
• You can select the program for each of the input sources.
Once you select a program, it is linked with the input source
selected at that time. So, when you select the input source
next time, the same program is automatically called.
• If you prefer to cancel the DSP, press EFFECT or EFCT ON/
OFF. The sound will be the normal 2-channel stereo without
surround sound effect.
• When a monaural sound source is played with DOLBY PRO
LOGIC or DOLBY PRO LOGIC ENHANCED, no sound is
heard from the main speakers and the rear speakers. Sound
is heard only from the center speaker. However, if the NONE
position is selected on “1. CNTR” in the SET MENU mode,
the main speakers output the sound of the center channel.
• If the main-source sound is considerably altered by
overadjustment of BASS or TREBLE when this unit’s Dolby
Pro Logic Surround decoder or Dolby Digital decoder is used,
the relationship between the center and rear channels may
produce an unnatural effect.
01RX-V595-e/f4 6/23/99, 4:11 PM39

40
To enjoy a video source with the Dolby Pro
Logic Surround or Dolby Digital decoded
When you select the program DOLBY PRO LOGIC/DOLBY
DIGITAL, DOLBY PRO LOGIC ENHANCED/DOLBY DIGITAL
ENHANCED or 70 mm MOVIE THEATER/DIGITAL MOVIE
THEATER, and the input signal of the source is 2-channel
stereo, Dolby Pro Logic Surround is decoded. When some
program is selected and the input signal of the source is
encoded with Dolby Digital, Dolby Digital is automatically
decoded.
* The following indicators on the display show you what sound
processing is being made.
Lights up when the Dolby Digital is being decoded and the
input signals of selected source encoded with Dolby Digital is
not in 2-channel.
Lights up when the digital sound field
processor is turned on.
Lights up when the Dolby Pro Logic Surround is being
decoded.
* In addition, for the program DOLBY PRO LOGIC/DOLBY
DIGITAL, DOLBY PRO LOGIC ENHANCED/DOLBY
DIGITAL ENHANCED or 70 mm MOVIE THEATER/DIGITAL
MOVIE THEATER, the name of the program on the display
will change according to the type of decoding. (For details,
see page 37.)
Note
If the input signals of the source are encoded with Dolby Digital
in 2-channel only, the sound processing for them is similar to
that for analog or PCM audio signals.
To cancel the effect sound
EFFECT on the front panel and EFCT ON/OFF on the remote
control transmitter make it simple to compare the normal stereo
sound with the fully processed effect sound.
To cancel the effect sound and monitor only the main sound,
press EFFECT or EFCT ON/OFF. Press EFFECT or EFCT
ON/OFF once more to turn effect sounds on.
Front panel Remote control
or
Notes
• If the effect sound is canceled when signals encoded with
Dolby Digital are input to this unit, signals of all channels are
mixed and are output from the main speakers.
• If EFFECT or EFCT ON/OFF is pressed to turn effect sounds
off when the Dolby Digital is decoded, it may happen that the
sound is output faintly or not output normally depending on
the source. In that case, press EFFECT or EFCT ON/OFF to
turn effect sounds on, or use input signals not encoded with
Dolby Digital.
This unit incorporates a Dolby Digital decoder and a Dolby Pro Logic Surround decoder for multi-channel sound reproduction of
sources encoded with Dolby Surround. The operation of these decoders can be controlled by selecting a corresponding DSP
program including the combined operation of YAMAHA DSP and Dolby Digital or Dolby Pro Logic Surround.
01RX-V595-e/f4 6/23/99, 4:11 PM40

41
English
2Press + or – to adjust the settings for delay time or
speaker output levels.
Front panel Remote control
or
3Repeat steps 1 to 3 to adjust settings on any other
item.
ADJUSTING DELAY TIME AND SPEAKER OUTPUT LEVELS
When using the digital sound field processor including the Dolby Pro Logic Surround decoder or the Dolby Digital decoder, you can
adjust the delay time between the main sound and effect sound, and each speaker’s output level as you prefer.
Adjusting method
If you are using the remote control transmitter, set the
SELECTOR DIAL to the AMP/TUN or DSP position on the
remote control transmitter.
or
1Press TIME/LEVEL once or more until the name of item
which you want to adjust appears on the display.
Front panel Remote control
or
* After pressing TIME/LEVEL once on the remote control
transmitter, you can also select the name of item by
pressing .
When pressed, the selection changes as follows:
DELAY
CENTER
R SUR.
L SUR.
SWFR
* Pressing on the remote control transmitter changes the
selection in the reverse order.
* Depending on the mode of this unit, you cannot select all
items.
1
2
2
1
Delay time
Center speaker output level
Right rear speaker output level
Left rear speaker output level
Subwoofer output level
01RX-V595-e/f4 6/23/99, 4:11 PM41

42
Adjusting delay time
You can adjust the time difference between the beginning of the
sound from the main speakers and the beginning of the effect
sound from the rear speakers.
The larger the value, the later the effect sound is generated.
This adjustment can be made to all programs individually.
Notes
• Adding too much delay will cause an unnatural effect with
some sources.
• When + or – is pressed, the sound is momentarily inter-
rupted.
Adjusting output level of the center, right rear and left rear speakers, and subwoofer
Program
1. DOLBY PRO LOGIC
DOLBY DIGITAL
2. DOLBY PRO LOGIC ENHANCED
DOLBY DIGITAL ENHANCED
3. 70 mm MOVIE THEATER
DIGITAL MOVIE THEATER
4. MONO MOVIE
5. TV SPORTS
6. DISCO
7. ROCK CONCERT
8. CONCERT HALL
If desired, you can adjust the sound output level of each
speaker even if the output level is already set in “SPEAKER
BALANCE ADJUSTMENT” on pages 24 to 26.
Notes
• Output level of the center speaker cannot be adjusted when
the program DISCO, ROCK CONCERT or CONCERT HALL
is selected, and the input signal is analog, PCM audio, or
encoded with Dolby Digital in 2-channel.
• If the function “1. CNTR” in the SET MENU mode is set to the
NONE position, the sound output level of the center speaker
cannot be adjusted. This is because, in this mode, the center
sound is automatically output from the left and right main
speakers.
• Once the output level is adjusted, the level will be the same
for all digital sound field programs.
Speakers
CENTER
RIGHT SURROUND (Rear)
LEFT SURROUND (Rear)
SUBWOOFER
Control range (dB)
MIN, –20 to +10
MIN, –20 to +10
MIN, –20 to +10
MIN, –20 to 0
Preset value
0
0
0
0
Preset value
20
5
20
5
20
16
49
9
40
16
44
Control range (ms)
15 to 30
0 to 15
15 to 30
0 to 15
15 to 30
1 to 99
1 to 99
1 to 99
1 to 99
1 to 99
1 to 99
Note
The values of the delay time, center/rear/subwoofer output level you set the last time will remain memorized even when this unit is
in the standby mode. However, if the power cord is kept disconnected for more than one week, these values will automatically
change back to the original factory settings.
01RX-V595-e/f4 6/23/99, 4:11 PM42

43
English
7. D.RNG (Adjusting dynamic range)
Choices: MAX/STD/MIN
Preset position: MAX
* This adjustment is effective only when the Dolby Digital is
decoded.
MAX: “Dynamic range” is the difference between the
maximum level and the minimum level of sounds.
Sounds on a movie originally designed for movie
theaters feature very wide dynamic range.
Dolby Digital technology can bring the original sound
track into a home audio format with this wide
dynamic range unchanged.
In this position, a source encoded with the Dolby
Digital is reproduced in the original sound track’s
wide dynamic range providing you with powerful
sounds just like in a movie theater.
Selecting this position will be even better if you can
listen to a source in a high output level in a room
specially soundproofed for audio/video enjoyment.
STD (Standard):
Powerful sounds of extremely wide dynamic range
are not always suitable for home use. Depending
upon the condition of your listening environment, it
may not be possible to increase the sound output
level as high as a movie theater. However, in a level
suitable for listening to in your room, the low level
parts of source sound often cannot be heard so well
because they will be lost among noises in your
environment.
Dolby Digital technology also made it possible to
reduce an original sound track’s dynamic range for a
home audio format by “compressing” the data of
sound.
In this position, a source encoded with the Dolby
Digital is reproduced in the “compressed” dynamic
range of the source suitable for low level listening.
MIN: In this position, dynamic range is more reduced than
in the STD position.
Selecting this position will be effective when you
must listen to a source at lower level.
ADJUSTMENTS IN THE “SET MENU” MODE
The following ten types of functions maximize the performance of your system and expand your enjoyment for audio listening and
video watching.
1. CNTR (CENTER SPEAKER)
2. REAR (REAR SPEAKER)
3. MAIN (MAIN SPEAKER)
4. BASS (LFE/BASS OUT)
5. M.LVL (MAIN LEVEL)
For details on “1. CNTR”, “2. REAR”, “3. MAIN”, “4. BASS” and
“5. M.LVL”, see page 22. (Once you have selected the
appropriate modes, you do not have to change settings unless
any alteration is made in your speaker system.)
6.
LFE [Adjusting the output level of the
LFE (low frequency effect) channel]
Control range: –20 dB to 0 dB (in 1 dB step)
Preset value: 0 dB
* This adjustment is effective only when the Dolby Digital is
decoded and the signals of selected source encoded with the
Dolby Digital contain LFE signals.
Adjusts the output level of the LFE (low frequency effect)
channel. If the LFE signals are mixed with signals of other
channels to output them from the same speakers, the ratio of
LFE signal level to the level of other signals are adjusted.
(See page 7 for details about the LFE channel.)
6. LFE (LFE LEVEL)
7. D.RNG (DYNAMIC RANGE)
8. C.DELAY (CENTER DELAY)
9. GUARD (MEMORY GUARD)
10. INPUT (INPUT MODE)
01RX-V595-e/f5 6/23/99, 4:11 PM43

44
8. C.DELAY [Adjusting the delay of
center sounds (dialog etc.)]
Control range: 0 ms to 5 ms (in 1 ms step)
Preset value: 0 ms
* This adjustment is effective only when the Dolby Digital is
decoded and the signals of selected source encoded with the
Dolby Digital contain center-channel signals.
Adjusts the delay between the main sounds (at the main
channels) and dialog etc. (at the center channel).
The larger the value, the later the dialog etc. is generated.
This is for making sounds from the left main, center and right
main speakers reach your listening position at the same time.
This is achieved by delaying the sound from the center speaker
if the distance from the center speaker to your listening position
is shorter than the distance from the left or right main speaker
to your listening position.
9. GUARD
Choices: ON/OFF
Preset position: OFF
If you wish to prevent accidental alteration to SET MENU and
other adjustments on this unit, select ON. The following
functions on this unit can be locked by this operation.
• Functions in the SET MENU mode
• Functions in the TIME/LEVEL mode
• Functions when using TEST
10. INPUT (Selecting the initial input
mode of the sources connected to
the TV/DBS input terminals)
For the sources connected to the TV/DBS input terminals of
this unit only, you can designate the input mode that is auto-
matically selected when the power of this unit is switched on.
AUTO: In this position, the AUTO input mode is always
selected when the power of this unit is switched on.
LAST: In this position, the input mode you selected last time
is memorized and will not be changed even if the
power of this unit is switched on.
* See page 29 for details on switching the input mode.
Adjusting method
Operations should be made while watching the information on
this unit’s display.
If you are using the remote control transmitter, set the
SELECTOR DIAL to the AMP/TUN or DSP position on the
remote control transmitter.
or
Press SET MENU once or more so that the title of function
which you want to change appears on the display.
Front panel Remote control
or
* After pressing SET MENU once on the remote control
transmitter, you can also select the title by pressing .
(Pressing goes back one selection.)
Press + or – to select any desired position or edit parameters
on the function.
Front panel Remote control
or
Repeat these steps to change and adjust settings on any other
function.
01RX-V595-e/f5 6/23/99, 4:11 PM44

45
English
You can use this remote control transmitter to control not only this unit but also other components connected to it. This is factory
set to control this unit and most YAMAHA audio components. To control other brands of components, you must preset the remote
control transmitter with the manufacturer’s codes listed from page 108.
2Press the desired operation button.
Note: Press the button with the remote control transmitter
aimed at the front panel.
REMOTE CONTROL TRANSMITTER
Basic Operations
1Select the component that you want to control by turning
the SELECTOR DIAL.
Note: Turn the SELECTOR DIAL until it stops with a click.
Components which can be controlled
There are nine positions that you can select to control connected components with this remote control transmitter. When turning the
SELECTOR DIAL, the position changes as follows:
SELECTOR
DIAL
Notes
1. The shaded positions in the diagram above indicate that you can preset the code for the manufacturer of your component.
Note that you can preset only one code for one position. For details, see “SETUP CODES” on page 50.
2. The DVD/LD and DVD MENU positions
• Be sure that the SELECTOR DIAL is set to the DVD/LD position when presetting the code for a DVD or an LD player. The
code that you preset to the DVD/LD position is also preset to the DVD MENU position simultaneously. You cannot preset the
code for a DVD player when the SELECTOR DIAL is set to the DVD MENU position.
• DVD MENU operations cannot be performed for some DVD players.
3. When using a second (and third) VCR (For details, see “To use a second (and third) VCR” on page 50.)
• If you are not using a CBL/DBS (cable TV or DBS tuner), the second (or third) VCR can be preset using the CBL/DBS
position.
• If you are not using a DVD player, the second (or third) VCR can be preset using the DVD MENU position. Note that in this
case you must preset a code for an LD player to the DVD/LD position even if an LD player is not used.
DVD/LD & DVD MENU:
An LD player can be controlled using the DVD/LD position.
A DVD player can be controlled using the DVD/LD and DVD
MENU position. When using the YAMAHA DVD player
(DVD-1000 or DVD-S700), be sure to preset the code number
“4490”.
AMP/TUN:
You can perform basic opera-
tions of this unit with the
SELECTOR DIAL set to this
position.
TAPE/MD:
The code for a YAMAHA tape deck is preset.
(Be sure to preset the proper code when operating a YAMAHA
MD recorder.)
CD:
The code for a YAMAHA CD player is preset.
DSP:
This unit can be controlled and DSP programs can be selected
directly.
VCR:
A VCR can be controlled.
CBL/DBS:
A cable television or
DBS tuner can be
controlled.
TV:
A television can be
controlled.
Indicator
The indicator will flash when the button
is pressed.
The component name is
displayed in this window.
01RX-V595-e/f6 6/23/99, 4:11 PM45

46
■ AMP/TUN Note: TV POWER and TV VOLUME function if you have preset the code for your TV.
1POWER
This button turns this unit on.
2INPUT
Press these buttons to select the program source.
3EXT. DEC.
Press this button when using a external decoder.
4A/B/C/D/E
Press this button to select a group of preset stations.
5DSP selector
Press this button. While the indicator lights up for about three
seconds, select a DSP program using the number buttons (1 to
8). No DSP program can be selected after the indicator goes off.
6PRESET (+/–)
Press these buttons to select the preset station number.
7VOLUME ( )
Press these buttons to adjust the volume level.
8MUTE
Press this button to mute the sound. To cancel mute, press this
button once more, or press the operation buttons of this unit.
9SLEEP
Press this button to set the SLEEP timer.
q (LEFT)
This button is used to adjust the settings of the SET MENU
mode and the TIME/LEVEL mode.
rTIME/LEVEL
Press this button to select the item in the TIME/LEVEL mode.
tSTANDBY
Press this button to turn this unit into Standby mode.
yTEST
Press this button to output a test tone for adjusting the output
level of the speakers.
uEFCT (EFFECT) ON/OFF
Press this button to switch the DSP program on or off.
p (BACK)
Press this button to go back one selection in the SET MENU
mode and TIME/LEVEL mode.
a (RIGHT)
This button is used to adjust the settings of the SET MENU
mode and the TIME/LEVEL mode.
s (NEXT)
Press this button to advance one selection in the SET MENU
mode and TIME/LEVEL mode.
fSET MENU
Press this button to select functions in the SET MENU mode.
2DSP program
Press these buttons to select the DSP program (1 to 8). When
you select the input source, set the SELECTOR DIAL to the
AMP/TUN position.
Note: The function of all buttons other than DSP program is
the same as with the AMP/TUN position.
t
1
2
3
7
5
4
8
9
u
y
f
s
a
p
r
q
6
2
■ DSP
Indicator:
Flashes in red
when the button
is pressed.
Indicator window:
Displays the names of
components which
can be controlled.
SELECTOR DIAL:
Selects the
component to be
controlled.
Faintly colored buttons do not function.
(TV VOLUME)
(TV POWER)
01RX-V595-e/f6 6/23/99, 4:11 PM46

47
English
Faintly colored buttons do not function. For the buttons which are not described here, see “AMP/TUN” on page 46.
For details, please refer to the owner’s manual for each component.
1
q
e
w
6
d
s
p
■CD
■TAPE/MD
Note: TV POWER, TV VOLUME and TV INPUT function if you have preset the code
for your TV.
1POWER
This button turns this unit on under the default settings. (The code for a YAMAHA CD
player is preset as the default code.) If other codes are preset, only those preset CD
players having a remote controller with a POWER button will be turned on.
6DISC SKIP (+/–)
Press this button to skip to the next or previous CD.
q , (SKIP)
Press to skip to the next track. Press to skip to the previous track.
w (PLAY)
Press this button to play a CD.
e (BACKWARD)
Press this button to backward the track that is playing.
p (PAUSE)
Press this button to pause operation. This button functions as PAUSE/STOP for
operating YAMAHA CD players under default settings.
s (STOP)
Press this button to stop operation. This button functions as PAUSE/STOP for
operating YAMAHA CD players under default settings.
d (FAST FORWARD)
Press this button to fast forward the track that is playing.
1
0
q
w
e
p
o
i
a
s
d
Notes: •TV POWER and TV VOLUME function if you have preset the code for your TV.
• Be sure to preset the proper code for your MD recorder.
TAPE
1POWER
This button turns this unit on under the default settings. (The
code for a YAMAHA tape deck is preset as the default code.)
If other codes are preset, only those preset tape decks having
a remote controller with a POWER button will be turned on.
0 (REC/PAUSE)
Press this button to pause recording on a tape deck.
q DIR A
Press this button to select the playing direction of deck A.
w (PLAY)
Press this button to play a tape.
e (REWIND)
Press this button to rewind a tape.
oDECK A/B
Press this button to select double cassette tape deck A or B.
a DIR B
Press this button to select the playing direction of deck B.
s (STOP)
Press this button to stop operation of a tape.
d (FAST FORWARD)
Press this button to fast forward a tape.
MD
1POWER
This button turns this unit on if
you have preset the code for
the YAMAHA MD recorder. If
other codes are preset, only
those preset MD recorders
having a remote controller with
a POWER button will be turned
on.
0 (REC/PAUSE)
q (SKIP)
w (PLAY)
e (BACKWARD)
iDISPLAY
p (PAUSE)
a (SKIP)
s (STOP)
d (FAST FORWARD)
(TV
VOLUME)
(TV
POWER)
(TV
VOLUME)
(TV
POWER) (TV INPUT)
DISPLAY
01RX-V595-e/f6 6/23/99, 4:12 PM47

48
■DVD MENU
Faintly colored buttons do not function. For the buttons which are not described here, see “AMP/TUN” on page 46.
For details, please refer to the owner’s manual for each component.
POWER
(DVD) This button turns this unit on under the default
settings. (The code for a YAMAHA DVD player is preset
as the default code.) If other codes are preset, only
those preset DVD players having a remote controller
with a POWER button will be turned on.
(LD) This button turns this unit on if you have preset the
code for the YAMAHA LD player. If other codes are
preset, only those preset LD players having a remote
controller with a POWER button will be turned on.
DISC SKIP
SKIP/SEARCH
PLAY
SUBTITLE (DVD)/BACKWARD (LD)
SUBTITLE ON/OFF (DVD)
DISPLAY
PAUSE
STOP
ANGLE (DVD)/FAST FORWARD (LD)
AUDIO (DVD)
POWER
(DVD) This button turns this unit on under the default
settings. (The code for a YAMAHA DVD player is preset
as the default code.) If other codes are preset, only
those preset DVD players having a remote controller
with a POWER button will be turned on.
Numeric buttons
+10
DISC SKIP
MENU LEFT
MENU SELECT
SET UP
TITLE
CLEAR
TITLE/INDEX
MENU UP
MENU RIGHT
MENU DOWN
RETURN
MENU
Note: TV POWER, TV VOLUME and TV INPUT
function if you have preset the code for your TV.
■DVD/LD
Note: TV POWER, TV VOLUME and TV INPUT
function if you have preset the code for your TV.
(TV POWER)
(TV VOLUME)
(TV INPUT)
(TV POWER)
(TV VOLUME)
(TV INPUT)
01RX-V595-e/f6 6/23/99, 4:12 PM48

49
English
■CBL/DBS
Note: TV POWER, TV VOLUME and TV
INPUT function if you have preset
the code for your TV.
■VCR
Note: TV POWER, TV VOLUME and TV INPUT function if you
have preset the code for your TV.
POWER
DISPLAY
CHANNEL
CHANNEL ENTER
VCR REC
Press this button twice
to start recording.
CHANNEL UP DOWN
PLAY
REWIND
PAUSE
STOP
FAST FORWARD
POWER
DISPLAY
CHANNEL
CHANNEL ENTER
MENU LEFT
CHANNEL UP DOWN
MENU SELECT
MENU UP
MENU RIGHT
MENU DOWN
+100
RECALL
MENU
■TV
Note: You can control your VCR if you have preset the code for
it.
DISPLAY
CHANNEL
CHANNEL ENTER
TV MUTE
CHANNEL UP DOWN
TV SLEEP
TV POWER TV INPUT
TV EFFECT ON/OFF
TV VOLUME
Faintly colored buttons do not function. For the buttons which are not described here, see “AMP/TUN” on page 46.
For details, please refer to the owner’s manual for each component.
(TV VOLUME)
(TV INPUT)
(TV POWER)
(TV VOLUME)
(TV INPUT)
(VCR REC
Press this button twice.)
(VCR REWIND)
(VCR PLAY)
(VCR PAUSE)
(VCR STOP)
(VCR FAST
FORWARD)
(TV POWER)
01RX-V595-e/f6 6/23/99, 4:12 PM49

50
SETUP CODES
To use a second (and third) VCR
You can use the CBL/DBS and/or DVD
MENU positions to control a second
VCR (and/or third) if a CBL (or DBS) or
DVD player is not used.
If you are using the DVD MENU position
for a second (or third) VCR, you must
preset a code for an LD player to the
DVD/LD position.
1. Turn on the VCR to be used.
2. Set the SELECTOR DIAL to the
CBL/DBS or DVD MENU position.
3. Press both VOLUME buttons (
) at the same time until the
indicator flashes twice.
4. Press MUTE.
5. Use the numeric buttons to enter the
four-digit code for a second (or third)
VCR. Make sure that the indicator
flashes twice. If the indicator does
not flash, repeat step 3 and 4, and
re-enter the code.
To control your components
(MD recorder, DVD player,
TV etc.)
1. Turn on the component to be used.
2. Set the SELECTOR DIAL to the
desired component (TAPE/MD,
DVD/LD, TV etc.).
3. Press both VOLUME buttons (
) at the same time until the
indicator flashes twice.
4. Use the numeric buttons to enter the
four-digit manufacturer’s code for
the component to be used. Make
sure that the indicator flashes twice.
If the indicator does not flash, repeat
step 3 and re-enter the code.
5. Press POWER (or any other button)
on the remote control transmitter to
check if you have preset the code
correctly. If the component cannot
be controlled using the remote
control transmitter, try entering
another code for the same manufac-
turer.
6. Press POWER (or any other button)
on the remote control transmitter to
check if you have preset the code
correctly. If the VCR cannot be
controlled using the remote control
transmitter, try entering another
code for the same manufacturer.
Returning to the default code
To return all components to the default
code, follow these steps.
1. Press both VOLUME buttons (
) at the same time until the
indicator flashes twice.
2. Enter the code number “9987”.
3. Make sure that the indicator flashes
twice.
To return each component to the default
code, follow these steps.
1. Set the SELECTOR DIAL to the
component to be return to the
default code.
2. Press both VOLUME buttons (
) at the same time until the
indicator flashes twice.
3. Enter the code number “9999”.
4. Make sure that the indicator flashes
twice.
The following codes are preset as the
default code.
Default codes
POSITION Component Code
*1
Code
*2
TV TV 0047 0037
CBL/DBS DBS tuner 2566 2455
VCR VCR 3060 3072
DVD/LD DVD player
4545 YAMAHA
CD CD player
6187 YAMAHA
TAPE/MD Tape deck
8524 YAMAHA
*1: Canada and China models
*2: Australia model
We recommend that you write all code
numbers you have preset on the “Quick
Reference Card”.
Presetting the remote control transmitter
Perform the presetting procedure for each component you want to control with this remote control transmitter.
Note: If your component does not respond to any of the codes listed for the manufacturer, use the original remote control that
came with the component.
01RX-V595-e/f6 6/23/99, 4:12 PM50

51
English
NOTES ABOUT THE REMOTE
CONTROL TRANSMITTER
Battery installation
Battery replacement
If the remote control transmitter operates only when it is closed
to this unit, the batteries are weak. Replace both batteries with
new ones.
Be sure to replace batteries within about two minutes. If it
takes longer than two minutes, the codes preset for the
remote control transmitter will return to the default codes.
Notes
• Use only AA, R6, UM-3 batteries for replacement.
• Be sure the polarities are correct. (See the illustration inside
the battery compartment.)
• Remove the batteries if the remote control transmitter will not
be used for an extended period of time.
• If batteries leak, dispose of them immediately. Avoid touch-
ing the leaked material or letting it come in contact with
clothing, etc. Clean the battery compartment thoroughly
before installing new batteries.
Remote control transmitter operation range
Notes
• There should be no large obstacles between the remote
control transmitter and this unit.
• If the remote control sensor is directly illuminated by strong
lighting (especially an inverter type of fluorescent lamp etc.),
it might cause the remote control transmitter not to work
correctly. In this case, reposition this unit to avoid direct
lighting.
1
2
3
Remote control
sensor
Within approximately
6 m (20 feet)
01RX-V595-e/f6 6/23/99, 4:12 PM51

52
SYMPTOM
The unit fails to turn on when
STANDBY/ON is pressed, or turns
into the standby mode suddenly
soon after the power is turned on.
The unit does not work normally.
No sound or no picture.
The sound suddenly goes off.
Only one side speaker outputs
sound.
A “humming” sound can be heard.
The volume level is low while playing
a record.
The volume level cannot be
increased, or the sound is distorted.
No sound from the rear speakers.
No sound from the center speaker.
CAUSE
Power cord is not plugged in or is not
completely inserted.
The IMPEDANCE SELECTOR switch
on the rear panel is not fully set to the
upper or lower end.
There is an influence of strong external
noise (lightning, excessive static
electricity, etc.) or a misoperation while
using this unit.
Incorrect output cord connections.
Appropriate input source is not
selected.
SPEAKERS are not set properly.
Speaker connections are not secure.
The protection circuit has been
activated because of short circuit etc.
The SLEEP timer has functioned.
Incorrect setting of BALANCE.
Incorrect cord connections.
Incorrect cord connections.
No connection from the turntable to the
GND terminal.
The record is being played on a
turntable with an MC cartridge.
The component connected to the REC
OUT terminals of this unit is in the
standby mode.
The sound output level of the rear
speakers is set to minimum.
A monaural sound source is being
played in DOLBY PRO LOGIC or
DOLBY PRO LOGIC ENHANCED
mode.
The sound output level of the center
speaker is set to minimum.
The center channel mode is in NONE
mode.
Incorrect sound field program selection.
REMEDY
Firmly plug in the power cord.
Set the switch fully to the upper or
lower end.
Turn this unit into the standby mode
and disconnect the AC power cord from
the AC outlet. After about 30 seconds
have passed, connect the power and
operate this unit again.
Connect the cords properly. If the
problem persists, the cords may be
defective.
Select an appropriate input source with
INPUT.
Set SPEAKERS corresponding to the
speakers in use to the ON position.
Secure the connections.
Turning the unit into the standby mode
and then on again will reset the
protection circuit.
Cancel the SLEEP timer function.
Adjust it to the appropriate position.
Connect the cords properly. If the
problem persists, the cords may be
defective.
Firmly connect the audio plugs. If the
problem persists, the cords may be
defective.
Make the GND connection between the
turntable and this unit.
The turntable should be connected to
the unit through the MC head amplifier.
Turn the power to the component on.
Raise the sound output level of the rear
speakers.
Select another sound field program
suitable for the monaural sound source.
Raise the sound output level of the
center speaker.
Select LARGE or SMALL.
Select the appropriate program.
Amplifier
TROUBLESHOOTING
If the unit fails to operate normally, check the following points to determine whether the fault can be corrected by the simple
measures suggested. If it cannot be corrected, or if the fault is not listed in the SYMPTOM column, disconnect the power cord and
contact your authorized YAMAHA dealer or service center for help.
01RX-V595-e/f7 6/23/99, 4:12 PM52

53
English
SYMPTOM
FM stereo reception is noisy.
There is distortion and clear
reception cannot be obtained even
with a good FM antenna.
The desired station cannot be tuned
in with the automatic tuning method.
Previously preset stations can no
longer be tuned in.
The desired station cannot be tuned
in with the automatic tuning method.
There are continuous crackling and
hissing noises.
There are buzzing and whining
noises (especially in the evening).
The remote control transmitter does
not work.
The sound is degraded when
listening with headphones to a
CD player or tape deck that is
connected to this unit.
CAUSE
Because of the characteristics of FM
stereo broadcasts, this is limited to
cases where the transmitter is too far
away or the antenna input is poor.
There is multipath interference.
The station is too weak.
This unit has been unplugged for a long
period.
Weak signal or loose antenna
connections.
Noises will result from ligtning,
fluorescent lamps, motors, thermostats
and other electrical equipment.
A television set is being used nearby.
Direct sunlight or lighting (of an inverter
type of fluorescent lamp etc.) is striking
the remote control sensor of the main
unit.
The manufacturer’s code is not set
properly.
The proper manufacturer’s code for the
component to be controlled is not set.
The component to be controlled is not
selected.
This unit is in the standby mode.
REMEDY
Check the antenna connections.
Try using a high quality directional FM
antenna.
Set TUNING MODE to the manual
tuning mode.
Adjust antenna placement to eliminate
multipath interference.
Use the manual tuning method.
Use a high quality directional FM
antenna.
Repeat the presetting procedure.
Tighten the AM loop antenna
connections and rotate it for best
reception.
Use the manual tuning method.
Use an outdoor antenna and a ground
wire. This will help somewhat but it is
difficult to eliminate all noise.
Relocate this unit away from the TV.
Change the position of the main unit.
Set the code again.
Try entering another code for the same
manufacturer.
Set the SELECTOR DIAL to the proper
position.
Turn the power of the unit on.
Remote control transmitter AM FM
Others
01RX-V595-e/f7 6/23/99, 4:12 PM53

54
AUDIO SECTION
Minimum RMS Output Power
8 ohms, 20 Hz to 20 kHz, 0.04% THD
[U.S.A. and Canada models]
MAIN L/R ........................... 70 W + 70 W
CENTER......................................... 70 W
REAR L/R .......................... 70 W + 70 W
[Australia, China, Singapore and General
models]
MAIN L/R ........................... 65 W + 65 W
CENTER......................................... 65 W
REAR L/R .......................... 65 W + 65 W
8 ohms, 1 kHz, 0.07% THD
[U.S.A. and Canada models]
MAIN L/R ........................... 85 W + 85 W
CENTER......................................... 85 W
REAR L/R .......................... 85 W + 85 W
[Australia, China, Singapore and General
models]
MAIN L/R ........................... 80 W + 80 W
CENTER......................................... 80 W
REAR L/R .......................... 80 W + 80 W
Maximum Power
[China and General models only]
8 ohms, 1 kHz, 10% THD
MAIN L/R ......................... 105 W + 105 W
CENTER ......................................... 105 W
REAR L/R ........................ 105 W + 105 W
Dynamic Power per Channel
(by IHF Dynamic Headroom measuring method)
[U.S.A. and Canada models]
8/6/4/2 ohms .............. 100/120/145/170 W
[Australia, China, Singapore and General
models]
8/6/4/2 ohms ................ 90/110/135/160 W
Dynamic Headroom (8 ohms)
[U.S.A. and Canada models only] ...... 1.55 dB
Power Band Width
8 ohms, 35 W, 0.1% THD ... 10 Hz to 50 kHz
Damping Factor (SPEAKERS A)
8 ohms, 20 Hz to 20 kHz ............ 60 or more
Input Sensitivity/Impedance
PHONO MM ................... 2.5 mV/47 k-ohms
CD/TAPE·MD/DVD·LD/TV·DBS/VCR/
VIDEO AUX ................... 150 mV/47 k-ohms
EXT. DECODER
MAIN L/R .................... 150 mV/47 k-ohms
CENTER/SURROUND L/R/SUBWOOFER
.................................... 150 mV/40 k-ohms
Maximum Input Signal
PHONO MM
1 kHz, 0.1% THD ............. 100 mV or more
CD/TAPE·MD/DVD·LD/TV·DBS/VCR/
VIDEO AUX (EFFECT ON)
1 kHz, 0.5% THD .................. 2.2V or more
Output Level/Impedance
REC OUT ..................... 150 mV/1.2 k-ohms
SUBWOOFER
(MAIN SP: SMALL) ........ 4.0 V/1.2 k-ohms
Headphones Jack Rated Output/Impedance
CD/TAPE·MD/DVD·LD/TV·DBS/VCR/
VIDEO AUX input,
1 kHz, 150mV, 8 ohms ....... 0.5 V/390 ohms
Frequency Response (20 Hz to 20 kHz)
CD/TAPE·MD/DVD·LD/TV·DBS/VCR/
VIDEO AUX to MAIN L/R SP OUT
.................................................... 0±0.5 dB
RIAA Equalization Deviation
PHONO MM .................................. 0±0.5 dB
Total Harmonic Distortion (20 Hz to 20 kHz)
PHONO MM to REC OUT
1 V........................................0.02% or less
Signal-to-Noise Ratio (IHF-A Network)
PHONO MM to REC OUT
[U.S.A., Canada, China and General
models]
(5 mV, Input Shorted) .......... 86 dB or more
[Australia and Singapore models]
(5mV, Input Shorted) ........... 81 dB or more
CD/TAPE·MD/DVD·LD/TV·DBS/VCR/
VIDEO AUX to SP OUT (EFFECT OFF)
(150 mV, Input Shorted) ...... 96 dB or more
Residual Noise (IHF-A Network)
MAIN L/R SP OUT................ 150 µV or less
Channel Separation
(Vol. –30 dB, EFFECT OFF)
PHONO MM
(Input Shorted, 1 kHz/10 kHz)
.................... 60 dB or more/55 dB or more
CD/TAPE·MD/DVD·LD/TV·DBS/VCR/
VIDEO AUX
(Input 5.1 k-ohms Terminated, 1 kHz/10 kHz)
.................... 60 dB or more/45 dB or more
Tone Control Characteristics
BASS: Boost/cut ............. ±10 dB (50 Hz)
Turnover Frequency ......... 350 Hz
TREBLE: Boost/cut ........... ±10 dB (20 kHz)
Turnover Frequency ........ 3.5 kHz
Filter Characteristics
MAIN L/R, REAR L/R (SPEAKER: SMALL)
(H.P.F.) .................... fc = 90 Hz, 12 dB/oct.
SUBWOOFER
(L.P.F.) ..................... fc = 90 Hz, 18 dB/oct.
VIDEO SECTION
Video Signal Type
[U.S.A. and Canada models] .............. NTSC
[Australia and Singapore models] ......... PAL
[China and General models] ....... NTSC/PAL
Video Signal Level ................ 1 Vp-p/75 ohms
Maximum Input Level .......... 1.5 Vp-p or more
Signal-to-Noise Ratio ...............50 dB or more
Monitor Out Frequency Response
.............................. 5 Hz to 10 MHz, –3 dB
FM SECTION
Tuning Range
[U.S.A. and Canada models]
..................................... 87.5 to 107.9 MHz
[Australia and Singapore models]
..................................... 87.5 to 108.0 MHz
[China and General models]
100 kHz step ................ 87.5 to 108.0 MHz
50 kHz step .............. 87.50 to 108.00 MHz
50 dB Quieting Sensitivity (IHF)
(100% mod., 1 kHz)
Mono................................. 1.6 µV (15.3 dBf)
Stereo ................................ 23 µV (38.5 dBf)
SPECIFICATIONS
01RX-V595-e/f7 6/23/99, 4:12 PM54

55
English
Usable Sensitivity (DIN)
[Australia and Singapore models]
Mono (S/N 26 dB) ........................... 0.9 µV
Stereo (S/N 46 dB)........................... 28 µV
Alternate Channel Selectivity (±400 kHz )
[U.S.A., Canada, China and General models
only] .................................................... 75 dB
Selectivity (two signals, 40 kHz Dev. ±300 kHz)
[Australia and Singapore models only]
......................................................... 55 dB
Signal-to-Noise Ratio
(IHF) Mono/Stereo
[U.S.A., Canada, China and General
models] .................................. 81 dB/75 dB
(DIN-Weighted, 40 kHz Dev.) Mono/Stereo
[Australia and Singapore models]
...............................................75 dB/69 dB
Harmonic Distortion (1 kHz)
Mono/Stereo .................................. 0.1/0.2%
Stereo Separation (1 kHz) .................... 48 dB
Frequency Response
20 Hz to 15 kHz ................................ 0±1 dB
Antenna Input .............. 75 ohms, Unbalanced
Output Level
[U.S.A., Canada, China and General
models]
(100% mod., 1 kHz) ...................... 550 mV
[Australia and Singapore models]
(40 kHz Dev., 1 kHz) ..................... 550 mV
AM SECTION
Tuning Range
[U.S.A. and Canada models]
....................................... 530 to 1,710 kHz
[Australia and Singapore models]
....................................... 531 to 1,611 kHz
[China and General models]
10 kHz step .................... 530 to 1,710 kHz
9 kHz step ...................... 531 to 1,611 kHz
Usable Sensitivity ............................ 300 µV/m
Signal-to-Noise Ratio ............................ 52 dB
Antenna .................................... Loop antenna
Output Level
(30% mod., 1 kHz) ........................ 150 mV
GENERAL
Power Supply
[U.S.A. and Canada models]
........................................ AC 120 V, 60 Hz
[Australia model] ................ AC 240 V, 50 Hz
[General model]
.............. AC 110/120/220/240 V, 50/60 Hz
[China model] .................... AC 220 V, 50 Hz
[Singapore model] ............. AC 230 V, 50 Hz
Power Consumption
[U.S.A. model] ................................... 280 W
[Canada model] .................... 310 W/410 VA
[Australia and Singapore models] ..... 300 W
[China and General models] .............. 310 W
Maximum Power Consumption
5 ch, 10% THD
[General model only] ......................... 650 W
AC Outlets
2 SWITCHED OUTLETS
[U.S.A., Canada, Singapore, China and
General models]............. 100 W max. total
1 SWITCHED OUTLET
[Australia model] ............ 100 W max. total
Dimensions (W x H x D)
.................................. 435 x 151 x 391 mm
(17-1/8” x 5-15/16” x 15-3/8”)
Weight .......................... 12.5 kg (27 lbs. 8 oz.)
Accessories ......................... AM loop antenna
Indoor FM antenna
Remote control transmitter
Batteries
Antenna adapter
(U.S.A. and Canada models only)
Specifications are subject to change without
notice.
01RX-V595-e/f7 6/23/99, 4:12 PM55
01RX-V595-e/f7 6/23/99, 4:12 PM56

108
TV
Manufacturer Code
A-Mark 0003
AOC 0030, 0019, 0003, 0052, 0185
Abex 0032
Acura 0009
Admiral 0093
Adventura 0046
Adyson 0032
Aiko 0092
Akai 0030, 0208
Akura 0264
Alaron 0179, 0216
Alba 0009, 0037
Ambassador 0177
Amstrad 0009, 0171, 0177
Anam 0180, 0004, 0009, 0068
Anam National 0161
Anitech 0009, 0068
Arcam 0216
Archer 0003
Audinac 0391
Audiosonic 0037, 0109
Audiovox 0451, 0180, 0003, 0092
BPL 0282
Basic Line 0009
Baur 0037, 0512, 0535, 0554
Baysonic 0180
Belcor 0019
Bell & Howell 0154, 0016
Beon 0037
Blaupunkt 0535, 0554
Blue Star 0282
Bradford 0180
Brandt 0109
Britannia 0216
Brockwood 0019
Broksonic 0236, 0463, 0003, 0426
Bush 0282, 0009, 0037
CCE 0037
CS Electronics 0216
CXC 0180
Candle 0030, 0056, 0046, 0186
Carnivale 0030
Carver 0054, 0170
Cascade 0009
Cathay 0037
Celebrity 0000
Centurion 0037
Cimline 0009
Cineral 0451, 0092
Citizen 0060, 0030, 0056, 0039,
0046, 0092, 0186, 0280
Clairtone 0185
Clarivox 0037
Concerto 0056
Contec 0180, 0009, 0185, 0216
Craig 0180, 0161
Crosley 0054
Crown 0180, 0039, 0009, 0037, 0418
Curtis Mathes 0047, 0054, 0154, 0051,
0451, 0093, 0060, 0030,
0145, 0056, 0016, 0039, 0166
Daewoo 0451, 0019, 0039, 0009,
0037, 0066, 0092
Dansai 0037
Dayton 0009
Daytron 0019
De Graaf 0208
Decca 0037
Denon 0145
Dixi 0004, 0009, 0037
Dumont 0017, 0019
Ectec 0391
Electroband 0000, 0185
Elin 0037
Elta 0009
Emerson 0154, 0236, 0463, 0180,
0282, 0178, 0019, 0179,
0039, 0177, 0185, 0280
Envision 0030
Erres 0037
Ferguson 0037, 0109, 0287, 0560
Fidelity 0216
Finlandia 0208
Finlux 0179, 0037
Firstline 0009, 0216
Fisher 0154, 0159, 0208
Formenti 0037
Frontech 0264
Fujitsu 0179
Funai 0180, 0179, 0171, 0264
Futuretech 0180
GE 0047, 0051, 0451, 0093,
0282, 0178, 0021, 0135
GEC 0037
Geloso 0009
Gibralter 0017, 0030, 0019
GoldStar 0030, 0178, 0019, 0056,
0001, 0002, 0032, 0037, 0109
Goodmans 0179, 0037
Gradiente 0053, 0056, 0170
Granada 0037, 0208, 0339, 0502
Grandin 0282
Grundig 0037, 0535, 0554
Grunpy 0180, 0179
HCM 0282, 0009
Hallmark 0178
Hanseatic 0037
Harley Davidson 0179
Harvard 0180, 0068
Hinari 0179, 0009, 0037, 0283
Hisawa 0282
Hitachi 0145, 0056, 0032,
0109, 0151, 0576
Huanyu 0216
Hypson 0282, 0037, 0264
ICE 0264
ITT 0283
Imperial 0418
Indiana 0037
Infinity 0054
Inteq 0017
Interbuy 0068
Interfunk 0037, 0512
Intervision 0037, 0068, 0264
JBL 0054
JCB 0000
JEC 0502
JVC 0053, 0069, 0160
Janeil 0046
KEC 0180
KTV 0180, 0030, 0039, 0185, 0280
Kaisui 0282, 0009, 0216
Kamp 0216
Kawasho 0216
Kaypani 0052
Kendo 0037
Kenwood 0030, 0019
Kingsley 0216
Kloss 0046
Korpel 0037
Koyoda 0009
LG 0056
LXI 0047, 0054, 0154, 0156, 0178
Leyco 0037, 0264
Liesenk & Tter 0037
Lloytron 0032
Loewe 0512
Logik 0016, 0001
Luxman 0056
M Electronic 0009, 0037, 0068,
0109, 0287
MEI 0185
MGA 0150, 0030, 0178, 0019
MTC 0060, 0030, 0019, 0056,
0185, 0216, 0512
Magnavox 0054, 0030, 0179,
0186, 0187
Majestic 0016
Manesth 0264
Marantz 0054, 0030, 0037
Mark 0037
Matsui 0009, 0035, 0037, 0177, 0208
Matsushita 0250
Mediator 0037
Megatron 0178, 0145, 0003
Memorex 0154, 0250, 0150, 0178,
0056, 0016, 0009
LIST OF MANUFACTURER’S CODES (Canada and China models)
LISTE DES CODES FABRICANTS (Modèles pour le Canada et la Chine)
01RX-V595-e/fCODE(US) 6/23/99, 4:14 PM108

109
Rex 0264
Rhapsody 0185, 0216
Roadstar 0009, 0264, 0418
Runco 0017, 0030
SBR 0037
SEG 0264
SEI 0177
SSS 0180, 0019
Saba 0109, 0287
Saisho 0009, 0177, 0264
Sampo 0030, 0039, 0032, 0052
Samsung 0060, 0030, 0178, 0019,
0056, 0039, 0009, 0032,
0037, 0090, 0264, 0427
Samsux 0039
Sandra 0216
Sansei 0451
Sansui 0463
Sanyo 0154, 0159, 0208, 0339
Schneider 0037
Scimitsu 0019
Scotch 0178
Scott 0236, 0180, 0178, 0019, 0179
Sears 0047, 0054, 0154, 0156, 0178,
0179, 0056, 0149, 0159, 0171
Semivox 0180
Semp 0156
Sentra 0035, 0283
Sharp 0093, 0165, 0039
Shogun 0019
Siemens 0037, 0535, 0554
Signature 0016
Simpson 0186, 0187
Sinudyne 0177
Solavox 0032
Sonitron 0208
Sonoko 0009, 0037
Sonolor 0208
Sontec 0037
Sony 0000, 0080
Soundesign 0180, 0178, 0179, 0186
Soundwave 0037, 0418
Spectricon 0003
Squareview 0171
Standard 0009
Starlite 0180
Supra 0056
Supre-Macy 0046
Supreme 0000
Sylvania 0054, 0030
Symphonic 0171
Sysline 0037
TMK 0178, 0056, 0177
Tandy 0093
Tatung 0003, 0037
Technics 0051, 0250
Technol Ace 0179
Techwood 0051, 0056, 0003
Teknika 0054, 0180, 0150, 0060,
0019, 0179, 0056, 0016,
0039, 0092, 0186
Telefunken 0056, 0109, 0252
Metz 0535
Midland 0047, 0017, 0051,
0039, 0032, 0135
Minerva 0535, 0554
Minutz 0021
Mitsubishi 0093, 0150, 0178,
0019, 0512, 0535
Mivar 0216
Motorola 0093
Multitech 0180, 0009, 0216
NAD 0156, 0178, 0166
NEC 0030, 0019, 0056, 0170
NEI 0037
NTC 0092
Neckermann 0037, 0554
Nesco 0179
Nikkai 0032, 0035, 0037, 0216, 0264
Nikko 0030, 0178, 0092
Nisato 0391
Nordmende 0109, 0287, 0560
Noshi 0018
Onwa 0180
Optimus 0154, 0250, 0166
Optonica 0093, 0165
Orion 0236, 0463, 0179, 0037, 0177
Osaki 0032, 0264
Osume 0032
Otto Versand 0037, 0512, 0535, 0554
Palladium 0418
Panama 0264
Panasonic 0051, 0250, 0226
Pathe Cinema 0216
Pausa 0009
Penney 0047, 0156, 0051, 0060, 0030,
0178, 0021, 0019, 0018, 0056,
0039, 0002, 0003,
0032, 0135, 0149
Phase 0032
Philco 0054, 0463, 0030, 0145, 0019
Philips 0054, 0037, 0554
Phonola 0037
Pilot 0030, 0019, 0039
Pioneer 0109, 0166, 0287
Portland 0019, 0039, 0092
Prism 0051
Profex 0009
Proscan 0047
Protech 0009, 0037, 0264, 0418
Proton 0178, 0003, 0052
Pulsar 0017, 0019
Quasar 0051, 0250, 0165
Quelle 0037, 0252, 0512, 0535, 0554
R-Line 0037
RCA 0047, 0051, 0093, 0019,
0018, 0090, 0135
Radio Shack 0047, 0154, 0165, 0180,
0030, 0178, 0019, 0056,
0039, 0032
Radiola 0037
Realistic 0154, 0165, 0180, 0030,
0178, 0019, 0056, 0039, 0032
Revox 0037
Teletech 0009
Teleton 0186
Texet 0216
Thomson 0109, 0287
Thorn 0035, 0037, 0512, 0535
Tomashi 0282
Toshiba 0154, 0156, 0060,
0035, 0149, 0502
Tosonic 0185
Totevision 0039
Triumph 0177
Ultra 0391
Universum 0037, 0264, 0535
Vector Research 0030
Vestel 0037
Victor 0053
Vidikron 0054
Vidtech 0178, 0019
Viking 0046
Wards 0054, 0165, 0030, 0178, 0021,
0019, 0179, 0056, 0016, 0080
Watson 0037
White Westinghouse 0037, 0216
Yamaha 0030, 0019
Yoko 0037, 0264
Zenith 0017, 0016, 0092
Zonda 0003
CABLE
Manufacturer Code
ABC 1003, 1008, 1014, 1011
Allegro 1315
Archer 1797
BBT 1267
Belcor 1056
British Telecom 1003
Cable Star 1056
Citizen 1315
Colour Voice 1031
Comtronics 1040
Contec 1019
Emerson 1797
Everquest 1015, 1040
Focus 1400
GC Electronics 1056
Gemini 1015
General Instrument 1476, 1011
GoldStar 1144, 1040
Goodmind 1797
Hamlin 1020, 1259, 1009, 1034
Hitachi 1011
Jasco 1315
Jerrold 1003, 1012, 1476, 1014,
1015, 1011, 1024
MNet 1019
Magnavox 1027
Memorex 1000
Movie Time 1063
01RX-V595-e/fCODE(US) 6/23/99, 4:14 PM109

110
NSC 1063
Novaplex 1618
Oak 1019
Optimus 1021
PVP Stereo Visual Matrix 1003
Panasonic 1000, 1107, 1021
Paragon 1000
Philips 1027, 1031
Pioneer 1144, 1533
Popular Mechanics 1400
Prelude 1770
Pulsar 1000
RCA 1021
Radio Shack 1015, 1315
Recoton 1400
Regal 1020, 1259
Rembrandt 1011
Runco 1000
SL Marx 1040
Samsung 1144, 1040
Scientific Atlanta 1008, 1477
Signal 1015, 1040
Signature 1011
Sprucer 1021
StarSight 1422
Starcom 1003, 1015
Stargate 1015, 1040, 1770, 1797
Starquest 1015
TV86 1063
TeleCaption 1221
Teleview 1040
Timeless 1418
Tocom 1012
Toshiba 1000
Tusa 1015
United Cable 1003
Universal 1056, 1191
Viewstar 1063, 1027
Zenith 1000, 1054, 1525
Zentek 1400
DBS TUNER
Manufacturer Code
AST 2321
Audio Ton 2364
Avalon 2396
Chaparral 2053, 2209
Connexions 2396
DNT 2396
Echostar 2396
Elta 2364
Expressvu 2775
Fuba 2396
Galaxis 2364
Galaxisat 2321
General Instrument 2361
Huth 2364
JSR 2364
JVC 2775
Jerrold 2361
Lemon 2692
NEC 2507
Neusat 2692
Next-Wave 2732
Primestar 2361
Radix 2396
SAT 2321
SatPartner 2692
Seemann 2396
Triad 2321
Wisi 2321, 2396
Zehnder 2321
(DSS)
AlphaStar 2772
Echostar 2775
General Instrument 2869
HTS 2775
Hitachi 2819
Hughes Network System 2749
Jerrold 2627
Magnavox 2724
Memorex 2724
Panasonic 2701
Philips 2724
Primestar 2627
RCA 2566
Sony 2639
Star Choice 2869
Toshiba 2790
Uniden 2724
VCR
Manufacturer Code
ASA 3037, 3081
Admiral 3048
Adventura 3000
Aiko 3278
Aiwa 3037, 3000
Akai 3041, 3061, 3281, 3288
Akiba 3072
Akura 3271
Alba 3209, 3072, 3278, 3020, 3295
Ambassador 3020
American High 3035
Amstrad 3000, 3278
Anitech 3072
Asha 3240
Asuka 3037
Audiovox 3037
Baird 3000, 3104, 3041
Basic Line 3072, 3278, 3020
Beaumark 3240
Bell & Howell 3104
Blaupunkt 3162, 3034, 3195,
3226, 3227
Brandt 3187, 3320
Brandt Electronic 3041
Broksonic 3184, 3121, 3209, 3002,
3295, 3361, 3479
Bush 3209, 3072, 3278
CCE 3072, 3278
CGE 3000
Calix 3037
Canon 3035
Capehart 3020
Carver 3081
Catron 3020
Cimline 3072
Cineral 3278
Citizen 3037, 3278
Clatronic 3020
Colt 3072
Condor 3020
Craig 3037, 3047, 3240, 3072, 3271
Crown 3072, 3278, 3020
Curtis Mathes 3060, 3035, 3041, 3162
Cybernex 3240
Cyrus 3081
Daewoo 3045, 3278, 3020
Dansai 3072
Daytron 3020
De Graaf 3042, 3166
Decca 3081, 3000
Denon 3042
Dual 3041
Dumont 3081, 3000, 3104
Dynatech 3000
ESC 3240, 3278
Elbe 3038
Elcatech 3072
Electrohome 3037
Electrophonic 3037
Emerex 3032
Emerson 3037, 3184, 3000, 3121,
3043, 3209, 3002, 3278,
3036, 3061, 3068, 3208,
3212, 3295, 3361, 3479
Ferguson 3041, 3320
Fidelity 3000
Finlandia 3081, 3104
Finlux 3081, 3000, 3042, 3104
Firstline 3037, 3045, 3043, 3209, 3072
Fisher 3047, 3104, 3046, 3054, 3066
Frontech 3020
Fuji 3035, 3033
Funai 3000
GE 3060, 3035, 3048, 3240, 3202
GEC 3081
Garrard 3000
General 3020
GoldHand 3072
GoldStar 3037, 3038, 3225, 3471
Goodmans 3037, 3000, 3072, 3278,
3062, 3020
Gradiente 3000, 3008
01RX-V595-e/fCODE(US) 6/23/99, 4:14 PM110

111
Graetz 3240, 3104, 3041
Granada 3081, 3104, 3046
Grandin 3037, 3000, 3072
Grundig 3081, 3072, 3195, 3226
HCM 3072
HI-Q 3047
Hanseatic 3037
Harley Davidson 3000
Harman/Kardon 3038
Harwood 3072, 3068
Headquarter 3046
Hinari 3240, 3072, 3208
Hitachi 3240, 3000, 3042,
3041, 3166, 3235
Hypson 3072
ITT 3240, 3104, 3041, 3046, 3384
ITV 3037, 3278
Imperial 3000
Interfunk 3081
JVC 3067, 3041, 3008, 3384
Jensen 3041
KEC 3037, 3278
KLH 3072
Kaisui 3072
Kendo 3209
Kenwood 3067, 3041, 3038, 3384
Kodak 3035, 3037
Korpel 3072
LXI 3037
Lenco 3278
Leyco 3072
LIoyd’s 3000, 3208
Loewe 3037, 3081
Logik 3240, 3072
Luxor 3048, 3104, 3043, 3062, 3046
M Electronic 3000
MEI 3035
MGA 3240, 3043, 3061
MGN Technology 3240
MTC 3240, 3000
Magnasonic 3278
Magnavox 3035, 3039, 3081, 3000
Magnin 3240
Manesth 3045, 3072
Marantz 3035, 3081, 3062, 3295
Marta 3037
Matsui 3209, 3036, 3208, 3295
Matsushita 3035, 3162
Memorex 3035, 3037, 3048, 3039,
3047, 3240, 3000, 3104,
3162, 3046
Memphis 3072
Metz 3162, 3195, 3227
Minerva 3195
Minolta 3042
Mitsubishi 3048, 3081, 3067, 3043,
3061, 3173, 3196
Motorola 3035, 3048
Multitech 3000, 3072
Murphy 3000
NEC 3104, 3067, 3041, 3038, 3040
Neckermann 3081
Nesco 3072
Nikko 3037
Nikon 3034
Noblex 3240
Nokia 3240, 3104, 3041, 3046
Nordmende 3041, 3320, 3384
Oceanic 3000, 3041
Olympus 3035, 3226
Optimus 3037, 3048, 3104, 3162
Optonica 3062
Orion 3184, 3121, 3209, 3002,
3036, 3208, 3295, 3479
Osaki 3037, 3000, 3072
Otto Versand 3081
Palladium 3037, 3041, 3072
Panasonic 3035, 3162, 3225,
3226, 3227
Pathe Cinema 3036
Pathe Marconi 3041
Penney 3035, 3037, 3240, 3042,
3038, 3040, 3054
Pentax 3042
Perdio 3000
Philco 3035, 3209, 3038, 3479
Philips 3035, 3081, 3062, 3384
Phonola 3081
Pilot 3037
Pioneer 3081, 3067, 3162, 3235
Portland 3020
Profitronic 3240
Proline 3000
Proscan 3060, 3202
Protec 3072
Pulsar 3039
Pye 3081
Quarter 3046
Quartz 3046
Quasar 3035, 3162
Quelle 3081
RCA 3060, 3035, 3048,
3240, 3042, 3202
Radio Shack 3037, 3000
Radiola 3081
Radix 3037
Randex 3037
Realistic 3035, 3037, 3048, 3047,
3000, 3104, 3062, 3046, 3066
Rex 3041, 3384
Ricoh 3034
Roadstar 3037, 3240, 3072, 3278
Runco 3039
SBR 3081
SEG 3240
SEI 3081
STS 3042
Saba 3041, 3320, 3384
Saisho 3209, 3036, 3208
Salora 3043, 3046
Samsung 3240, 3045
Sanky 3048, 3039
Sansui 3000, 3067, 3041, 3271, 3479
Sanyo 3047, 3240, 3104, 3046
Schaub Lorenz 3000, 3104, 3041
Schneider 3081, 3000, 3072
Scott 3184, 3045, 3121, 3043, 3212
Sears 3035, 3037, 3047, 3000, 3042,
3104, 3046, 3054, 3066
Seleco 3041
Semp 3045
Sentra 3020
Sharp 3048, 3062
Shintom 3104, 3072
Shogun 3240
Siemens 3037, 3081, 3104, 3054, 3195
Silva 3037
Singer 3045, 3072
Sinudyne 3081
Solavox 3020
Sonolor 3046
Sontec 3037
Sony 3035, 3032, 3000, 3033, 3034
Sunstar 3000
Suntronic 3000
Sylvania 3035, 3081, 3000, 3043
Symphonic 3000
TMK 3240, 3036, 3208
Tashiko 3000
Tatung 3081, 3000, 3041
Teac 3000, 3041
Tec 3020
Technics 3035, 3162, 3226
Teknika 3035, 3037, 3000
Teleavia 3041
Telefunken 3041, 3187, 3320, 3384
Tenosal 3072
Tensai 3000
Thomas 3000
Thomson 3041, 3320, 3384
Thorn 3104, 3041, 3036
Toshiba 3081, 3045, 3043, 3041,
3066, 3212, 3366, 3384
Totevision 3037, 3240
Triumph 3208
Uher 3240
Unitech 3240
Universum 3037, 3081, 3240,
3000, 3195
Vector 3045
Vector Research 3038, 3040
Video Concepts 3045, 3040, 3061
Videosonic 3240
Wards 3060, 3035, 3048, 3047,
3081, 3240, 3000, 3042,
3072, 3062, 3212
White Westinghouse 3278
XR-1000 3035, 3000, 3072
Yamaha 3038
Yamishi 3072
Yokan 3072
Yoko 3240, 3020
Zenith 3039, 3000, 3033, 3034
01RX-V595-e/fCODE(US) 6/23/99, 4:14 PM111

112
DVD PLAYER
Manufacturer Code
JVC 4558
Kenwood 4534
Magnavox 4503
Mitsubishi 4521
Onkyo 4503
Panasonic 4490
Philips 4503, 4539
Pioneer 4525
Proscan 4522
RCA 4522
Sony 4533
Technics 4490
Toshiba 4503
Yamaha 4490, 4545
Zenith 4503
LD PLAYER
Manufacturer Code
Aiwa 5203
Carver 5064, 5194, 5323
Denon 5059, 5172
Disco Vision 5023
Funai 5203
Hitachi 5023
Magnavox 5194, 5217
Marantz 5064, 5194
Mitsubishi 5059
NAD 5059
Panasonic 5204
Philips 5064, 5194
Pioneer 5059, 5023
Quasar 5204
Realistic 5203
Salora 5064
Samsung 5323
Sega 5023
Sony 5193, 5201
Technics 5204
Telefunken 5059
Theta Digital 5194
Yamaha 5217
CD PLAYER
Manufacturer Code
ADC 6018
Acoustic Research 6420
Adcom 6155
Aiwa 6157, 6012, 6124
Akai 6156
Arcam 6157
Audio Pro 6437
Audio Research 6157
Audio-Technica 6170
Audio Ton 6157
Audiolab 6157
Audiomeca 6157
BSR 6245
Bestar 6164
Burmester 6420
Bush 6245
California Audio Lab 6029
Carver 6157, 6179, 6437
Condor 6164
Crown 6122
Cyrus 6157
DAK 6245
DKK 6000
Denon 6003, 6034
Elektra 6393, 6437
Emerson 6305, 6155, 6164
Fisher 6179, 6048, 6088, 6342
Garrard 6420, 6393, 6245, 6280, 6425
Genexxa 6032, 6305, 6164, 6426
Goodmans 6305, 6245, 6280
Grundig 6157
Harman/Kardon 6426
Hitachi 6032, 6155
JVC 6072
Kenwood 6028, 6037, 6190, 6048
Kodak 6287
Krell 6157
Kyocera 6018
LXI 6305
Linn 6157
Luxman 6093
MCS 6029, 6043
MTC 6420
Magnavox 6157, 6305
Marantz 6029, 6157, 6180
Matsui 6157
Mclntosh 6287
Memorex 6032, 6305, 6155,
6164, 6180
Meridian 6157
Micromega 6157
Mission 6157
Mitsubishi 6156
NAD 6000
NEC 6043
NSM 6157
Nagaoka 6018
Naim 6157
Nakamichi 6147
Nikko 6164, 6170
Onkyo 6101
Optimus 6000, 6032, 6179, 6305,
6037, 6420, 6048, 6145,
6468, 6087, 6280, 6342,
6426, 6437
Panasonic 6029, 6303
Parasound 6420
Philips 6157, 6287
Pioneer 6032, 6305, 6468, 6244
Poppy 6164
Proton 6157
QED 6157
Quad 6157
Quasar 6029
RCA 6179, 6305, 6053, 6155
Realistic 6179, 6420, 6155, 6164, 6180
Revox 6157
Roadstar 6461
Rotel 6157, 6420
Royal 6420
SAE 6157
STS 6018
Sansui 6157, 6305, 6202
Sanyo 6179, 6048, 6087, 6342
Scott 6305, 6155, 6164
Sears 6305
Sharp 6037, 6180, 6261
Sherwood 6114, 6180, 6426
Shure 6043
Sony 6000, 6185
Soundesign 6145, 6425
Tascam 6420
Teac 6420, 6393, 6180
Technics 6029, 6303
Universum 6157, 6437
Victor 6072
Wards 6157, 6053
Yamaha 6036, 6187, 6261, 6082, 6712
Yorx 6461
MD RECORDER
Manufacturer Code
Kenwood 7826
Sony 7490
Yamaha 7888, 7490
01RX-V595-e/fCODE(US) 6/23/99, 4:14 PM112

113
TAPE DECK
Manufacturer Code
ADC 8171
Aiwa 8029, 8197
Akai 8283
Arcam 8076
Carver 8029
Denon 8076
Fisher 8074
Garrard 8308, 8309, 8375
GoldStar 8375
Grundig 8029, 8375
JVC 8244, 8274, 8303, 8304, 8310
Kenwood 8071, 8092, 8233, 8234
Kyocera 8171
Magnavox 8029
Marantz 8029, 8009
Memorex 8099
Mitsubishi 8283
Onkyo 8136, 8282
Optimus 8027, 8220, 8337
Panasonic 8229
Philips 8029
Phonotrend 8337
Pioneer 8027, 8220, 8099
Revox 8029, 8190
Sansui 8029, 8009
Sanyo 8074
Sharp 8231
Sherwood 8337
Sonic 8375
Sony 8243, 8170, 8291
Teac 8280, 8289, 8308, 8309
Technics 8229
Universum 8375
Victor 8274
Wards 8027
Yamaha 8097, 8094, 8478, 8524
01RX-V595-e/fCODE(US) 6/23/99, 4:14 PM113

114
TV
Manufacturer Code
Abex 0032
Acura 0009
Admiral 0093, 0163, 0213
Adyson 0217, 0032
Akai 0208, 0361
Akura 0218, 0264, 0369
Alaron 0216
Alba 0037, 0218, 0371, 0009,
0036, 0235
Allorgan 0294
Amplivision 0217
Amstrad 0371, 0009, 0362, 0369
Anam 0009, 0068
Anitech 0009, 0068, 0076
Arcam 0216, 0217
Asberg 0076
Asuka 0218
Atlantic 0206
Audiosonic 0037, 0109
Autovox 0206, 0076, 0336
BPL 0282
BSR 0294
BTC 0218
Baird 0343
Basic Line 0218, 0009
Baur 0037, 0010, 0554, 0349, 0361
Beko 0370
Beon 0037
Binatone 0217
Blaupunkt 0554, 0191, 0195, 0200,
0213, 0327, 0328
Blue Sky 0218
Blue Star 0282
Bondstec 0247
Boots 0217
Brandt 0109, 0196, 0198,
0205, 0333, 0335
Brionvega 0362
Britannia 0216
Bush 0037, 0218, 0374, 0371, 0294,
0009, 0282, 0036, 0349
CCE 0037, 0217
CGE 0074, 0076, 0084, 0247, 0306
CS Electronics 0216
CTC 0247
Carrefour 0036
Cascade 0009
Cathay 0037
Centurion 0037
Century 0213
Cimline 0009
Clarivox 0037
Clatronic 0370, 0076, 0247
Condor 0370, 0320
Contec 0216, 0009, 0036, 0157
Continental Edison 0196, 0198,
0205, 0333
Crosley 0074, 0076, 0084, 0213
Crown 0037, 0370, 0418, 0009, 0076
Crystal 0431
Curtis Mathes 0093
Cybertron 0218
Daewoo 0037, 0374, 0009
Dainichi 0218, 0215
Dansai 0037
Dayton 0009
De Graaf 0208
Decca 0037, 0072
Dixi 0037, 0009
Dual 0336, 0352
Dual Tec 0217
Dumont 0070
Elbe 0259
Elin 0037
Elite 0218, 0320
Elta 0009
Emerson 0282, 0213, 0361
Erres 0037, 0012
Expert 0206
Ferguson 0037, 0109, 0005, 0073,
0190, 0238, 0287, 0335, 0343
Fidelity 0216, 0361
Finlandia 0208, 0346, 0359
Finlux 0037, 0072, 0070, 0105, 0346
Firstline 0216, 0217, 0294, 0009,
0321, 0247
Fisher 0370, 0217, 0208, 0303
Flint 0455
Formenti 0037, 0320, 0213
Frontech 0264, 0431, 0163, 0247
Fujitsu 0072, 0206
Funai 0294, 0264, 0303
GE 0282, 0093
GEC 0037, 0217, 0072, 0043, 0205
GPM 0218
Geloso 0009, 0213
Genexxa 0218, 0163
GoldStar 0037, 0217, 0109,
0032, 0290
Goodmans 0037, 0217, 0374, 0371,
0072, 0036, 0235, 0317, 0343
Gorenje 0370
Gradiente 0053
Graetz 0163, 0361
Granada 0037, 0217, 0072, 0146,
0208, 0339, 0359
Grandin 0282
Grundig 0037, 0554, 0070, 0191,
0195, 0205
HCM 0009, 0282
Hanseatic 0037, 0320, 0361
Harley Davidson 0043
Harvard 0068
Hinari 0037, 0218, 0009, 0036
Hisawa 0282, 0455
Hitachi 0217, 0036, 0109, 0032, 0043,
0044, 0105, 0163, 0196,
0198, 0225, 0306, 0349
Huanyu 0216, 0374
Hypson 0037, 0282, 0264
ICE 0217, 0371, 0264
ICeS 0218
ITS 0371
ITT 0163, 0361
Imperial 0370, 0418, 0074, 0076,
0084, 0247
Indiana 0037
Ingelen 0163
Inno Hit 0072
Interbuy 0068
Interfunk 0037, 0163, 0247, 0361
Intervision 0037, 0217, 0264,
0102, 0068
Isukai 0218
JVC 0371, 0036, 0053, 0190, 0192
KTV 0217
Kaisui 0216, 0217, 0218, 0009, 0282
Kamp 0216
Kapsch 0206, 0163
Kawasho 0216
Kendo 0037, 0235, 0362
Kingsley 0216
Kneissel 0259
Korpel 0037
Koyoda 0009
Leyco 0037, 0294, 0072, 0264
Liesenk & Tter 0037
Lloytron 0032
Loewe 0075
Luma 0206
Luxor 0349, 0361
M Electronic 0037, 0217, 0374, 0009,
0109, 0068, 0105, 0163,
0287, 0346
MGA 0150
MTC 0216, 0349
Magnadyne 0102, 0247
Magnafon 0102, 0076, 0213
Magnavox 0036
Manesth 0217, 0320, 0264, 0235
Marantz 0037
Mark 0037
Matsui 0037, 0217, 0371, 0294,
0009, 0072, 0036, 0035,
0011, 0208, 0235
Matsushita 0250
McMichael 0043
LIST OF MANUFACTURER’S CODES (Australia model)
LISTE DES CODES FABRICANTS (Modèle pour l’Australie)
01RX-V595-e/fCODE(EU) 6/23/99, 4:14 PM114

115
Radio Shack 0032
Radiola 0037, 0012, 0323
Rank Arena 0036
Realistic 0032
Rediffusion 0361
Revox 0037
Rex 0206, 0264, 0163, 0259
Rhapsody 0216
Roadstar 0218, 0418, 0009, 0264
SBR 0037, 0012, 0043
SEG 0217, 0264, 0036, 0076
SEI 0294, 0102, 0213
Saba 0109, 0075, 0163, 0196, 0198,
0205, 0213, 0287, 0335, 0343
Saccs 0238
Saisho 0009, 0264, 0431, 0011, 0235
Salora 0163, 0349, 0359, 0361
Sambers 0102, 0076, 0213
Sampo 0032
Samsung 0037, 0370, 0217, 0009,
0264, 0032, 0090, 0290
Sandra 0216
Sanyo 0072, 0036, 0011, 0146, 0157,
0208, 0213, 0339
Schaub Lorenz 0361
Schneider 0037, 0218, 0371, 0247,
0303, 0323, 0336, 0352
Sears 0146
Sei-Sinudyne 0010
Seleco 0206, 0163, 0259, 0362
Sentra 0035
Sharp 0036, 0093, 0157
Shorai 0294
Siarem 0102, 0213
Siemens 0037, 0554, 0157, 0191,
0195, 0200, 0213, 0327, 0328
Silver 0036
Sinudyne 0294, 0102, 0213, 0235
Solavox 0032, 0163
Sonitron 0208
Sonoko 0037, 0009
Sonolor 0163, 0208, 0215
Sontec 0037
Sony 0036, 0010, 0011
Soundwave 0037, 0418
Standard 0217, 0218, 0009
Stern 0206, 0163, 0259
Sunkai 0294, 0321
Susumu 0218
Sysline 0037
Tandy 0217, 0218, 0072, 0093, 0163
Tashiko 0217, 0036, 0043, 0359
Tatung 0037, 0217, 0072
Tec 0217, 0247
Technema 0320
Technics 0250
Teknika 0150
Teleavia 0205, 0333, 0343
Telefunken 0109, 0005, 0074, 0084,
0101, 0213, 0262, 0306,
0335, 0343
Telemeister 0320
Mediator 0037, 0012
Memorex 0009, 0250, 0150
Memphis 0337
Metz 0213, 0367
Midland 0032
Minerva 0554, 0070
Minoka 0369
Mitsubishi 0036, 0093, 0108, 0150
Mivar 0216, 0290, 0291, 0292
Motion 0076
Motorola 0093
Multitech 0216, 0217, 0009, 0102, 0076
NEC 0455, 0036
NEI 0037, 0431, 0337
Neckermann 0037, 0554, 0191,
0213, 0349
Nikkai 0037, 0216, 0218, 0072,
0264, 0035, 0032, 0337
Nikko 0317
Nobliko 0102, 0076
Nokia 0361
Nordmende 0109, 0196, 0198,
0213, 0287, 0343
Oceanic 0163, 0215, 0361
Optimus 0250
Optonica 0093
Orion 0037, 0294, 0320, 0321, 0235
Osaki 0217, 0218, 0072, 0264, 0032
Oso 0218
Osume 0072, 0032, 0157
Otake 0317
Otto Versand 0037, 0217, 0320, 0036,
0010, 0554, 0191, 0213,
0343, 0349
Palladium 0370, 0418
Panama 0217, 0264
Panasonic 0250, 0163, 0213, 0214,
0226, 0367
Pathe Cinema 0216, 0320, 0213, 0238
Pathe Marconi 0196, 0198, 0205, 0333
Pausa 0009
Penney 0032
Perdio 0320
Phase 0032
Philco 0074, 0076, 0084, 0213, 0247
Philips 0037, 0374, 0554, 0012,
0043, 0323
Phonola 0037, 0012
Pioneer 0109, 0163, 0287
Profex 0009, 0076, 0361
Proline 0321
Protech 0037, 0217, 0418, 0009,
0264, 0102, 0431, 0247, 0337
Pye 0012
Quasar 0250
Quelle 0037, 0010, 0554, 0011,
0070, 0074, 0084, 0200,
0213, 0306, 0327, 0328, 0361
Questa 0036
R-Line 0037
RBM 0070
RCA 0090, 0093
Teletech 0009
Teleton 0217, 0206, 0349
Tensai 0218, 0294, 0320, 0317
Texet 0216, 0218
Thomson 0109, 0196, 0198, 0205,
0287, 0333, 0343, 0349
Thorn 0037, 0072, 0035, 0074,
0084, 0190, 0192, 0361
Thorn-Ferguson 0343
Tomashi 0282
Toshiba 0036, 0035, 0070, 0243
Trical 0157
Triumph 0243
Uher 0206, 0320, 0303
Ultra 0192
Ultravox 0102
Universum 0037, 0370, 0264,
0105, 0346
Vestel 0037
Victor 0053
Videosat 0247
Videotechnic 0217
Vidtech 0036
Vision 0320
Voxson 0163
Waltham 0217
Watson 0037, 0320
Watt Radio 0102
Wega 0036
White Westinghouse 0037, 0216, 0320
Yoko 0037, 0217, 0264, 0431
Zanussi 0206
CABLE
Manufacturer Code
ABC 1003, 1008, 1014, 1017
Birgmingham Cable Communications
1276
British Telecom 1003, 1105
Cabletime 1161, 1271, 1377
Clyde 1086
Contec 1019
Decsat 1423
Filmnet 1443
France Telecom 1451
GEC 1086
General Instrument 1276
GoldStar 1144
Jerrold 1003, 1276, 1014
MNet 1443, 1019
Magnavox 1032
Memorex 1000
Movie Time 1156
NSC 1156
Oak 1019
PVP Stereo Visual Matrix 1003
Panasonic 1000
Paragon 1000
01RX-V595-e/fCODE(EU) 6/23/99, 4:14 PM115

116
Pioneer 1144, 1260
Pulsar 1000
Runco 1000
STS 1156
Salora 1382
Samsung 1144
Satbox 1375
Scientific Atlanta 1008, 1277, 1017
Starcom 1003
Tele+1 1443
Teleservice 1281
Toshiba 1000
Tudi 1286
United Cable 1003
Videoway 1250
Westminster 1105
Zenith 1000
DBS TUNER
Manufacturer Code
AST 2321, 2351
Alba 2455, 2421, 2362, 2613
Aldes 2288
Allantide 2333
Amstrad 2080, 2252, 2345, 2461, 2501
Ankaro 2369, 2288, 2220, 2519, 2217
Anttron 2421, 2183
Arcon 2368
Armstrong 2243
Astra 2108, 2539
Astro 2520, 2173, 2358, 2501
Avalon 2396
Axis 2369, 2530
BT 2668
Barcom 2217
Beko 2189
Best 2369, 2217
Blaupunkt 2173
Boca 2243, 2513
Brain Wave 2332
Bush 2067
CNT 2520
Cambridge 2344
Channel Master 2362
Chaparral 2053, 2209
CityCom 2394
Commlink 2288
Connexions 2396
Crown 2243
Cyrus 2200
D-box 2723
DDC 2362
DNT 2396, 2200
Diskxpress 2217
Drake 2268
EIF 2417
Echostar 2396, 2871
Emanon 2421
FTE 2331
Ferguson 2183, 2067, 2189, 2336
Fidelity 2252
Finlux 2455, 2108, 2344, 2397
Fracarro 2871
Freecom 2421, 2335
Fuba 2421, 2369, 2396, 2217,
2297, 2417
G-Sat 2183
Galaxis 2288, 2834, 2863
Galaxisat 2321
GoldStar 2335
Gooding 2571
Goodmans 2189
Grothusen 2335
Grundig 2571, 2173, 2189, 2328
Harting und Helling 2333
Hinari 2183
Hirschmann 2502, 2173, 2573,
2287, 2333, 2397, 2398
Hitachi 2455
Houston 2668
Huth 2243, 2288, 2220, 2346
ITT 2108
InVideo 2871
Intervision 2592
JVC 2571
Johansson 2332
Kathrein 2173, 2200, 2092, 2331,
2358, 2394, 2442, 2480, 2504
Kosmos 2331, 2335
Kreiselmeyer 2173
Kyostar 2421
La Sat 2520, 2513, 2464
Lemon 2692
Lenco 2421, 2335
Lennox 2592
Lupus 2369
Luxor 2573, 2108
Manhattan 2455, 2592, 2520
Marantz 2200
Maspro 2092, 2328, 2336
Matsui 2571, 2344
Mediamarkt 2243
Micro Technology 2333, 2539
Minerva 2571
Morgan’s 2243, 2513
Multistar 2331, 2464
Muratto 2335
Navex 2332
Neuhaus 2501
Neusat 2692, 2834
Newhaus 2220
Nikko 2360
Nokia 2455, 2573, 2108, 2328,
2397, 2873
Nordmende 2362
Orbitech 2501
Oxford 2344
Pace 2455, 2183, 2067, 2328,
2336, 2791
Palcom 2297
Palladium 2571
Palsat 2501
Panda 2455
Philips 2455, 2571, 2200, 2292, 2328
Phonotrend 2288, 2592
Planet 2871
Plasmatic 2442
Polytron 2394
Promax 2455
Prosat 2288
Quadral 2362, 2519
RFT 2288, 2220, 2200
Radiola 2200
Radix 2396, 2882
SAT 2321, 2351, 2461
SEG 2421, 2369, 2539
STVI 2417
Saba 2520, 2336
Sabre 2455
Sagem 2820
Salora 2108
Samsung 2287
SatPartner 2421, 2332, 2520, 2502,
2335, 2692
Satcom 2605, 2346
Satec 2183, 2328
Satmaster 2346
Schwaiger 2183, 2394, 2504
Seemann 2396, 2530
Siemens 2173
Skymaster 2288, 2605, 2519
Star Trak 2421
Strong 2421
Sunstar 2513
TPS 2820
Tantec 2455, 2297, 2336
TechniSat 2262, 2501
Techniland 2346
Telefunken 2421
Teleka 2243, 2613
Telesat 2605
Thomson 2455
Tonna 2668, 2346
Triad 2321, 2333, 2335, 2351
Triasat 2501
Unitor 2332, 2217
Universum 2571, 2173
Vector 2333
Ventana 2200
Vortec 2421
Vtech 2351
Wevasat 2333
Winersat 2332
Wisi 2455, 2396, 2173, 2321,
2351, 2372, 2406, 2407
XSat 2889
Xcom Multimedia 2889
Zehnder 2520, 2321, 2331
01RX-V595-e/fCODE(EU) 6/23/99, 4:14 PM116

117
VCR
Manufacturer Code
ASA 3037, 3081
Admiral 3048
Adventura 3000
Aiko 3278
Aiwa 3000, 3037, 3307, 3348, 3352
Akai 3315, 3106, 3041, 3053
Akiba 3072
Alba 3072, 3020, 3278, 3209,
3315, 3352
Ambassador 3020
Amstrad 3000, 3278, 3325, 3332
Anitech 3072
Asha 3240
Asuka 3037
Audiovox 3037
Baird 3000, 3041, 3104, 3107
Basic Line 3072, 3020, 3278
Beaumark 3240
Bell & Howell 3104
Blaupunkt 3034, 3226, 3195,
3003, 3006, 3154,
3162, 3227, 3403
Brandt 3320, 3187, 3321
Brandt Electronic 3041
Broksonic 3209
Bush 3072, 3278, 3209, 3352
CCE 3072, 3278
CGE 3000
Calix 3037
Capehart 3020
Carver 3081
Catron 3020
Cimline 3072
Cineral 3278
Citizen 3037, 3278
Clatronic 3020
Colt 3072
Combitech 3352
Condor 3020
Craig 3072, 3037, 3047, 3240
Crown 3072, 3020, 3278
Curtis Mathes 3041, 3162
Cybernex 3240
Cyrus 3081
Daewoo 3020, 3278, 3045
Dansai 3072
Daytron 3020
De Graaf 3042, 3166
Decca 3000, 3081
Denon 3042
Dual 3041
Dumont 3000, 3081, 3104
Dynatech 3000
ESC 3278, 3240
Elbe 3038
Elcatech 3072
Electrohome 3037
Electrophonic 3037
Emerex 3032
Emerson 3000, 3037, 3278, 3209,
3036, 3043, 3088
Ferguson 3320, 3041, 3107, 3321
Fidelity 3000
Finlandia 3081, 3104
Finlux 3000, 3081, 3042, 3104
Firstline 3072, 3037, 3209,
3045, 3043
Fisher 3046, 3047, 3054, 3104
Frontech 3020
Fuji 3033
Funai 3000
GE 3048, 3240
GEC 3081
Garrard 3000
General 3020
Go Video 3432
GoldHand 3072
GoldStar 3037, 3038, 3225
Goodmans 3072, 3000, 3020,
3037, 3278, 3403
Gradiente 3000, 3008
Graetz 3005, 3041, 3104, 3240
Granada 3081, 3046, 3104
Grandin 3072, 3000, 3037
Grundig 3072, 3081, 3347, 3226,
3195, 3003, 3006, 3007,
3207, 3349, 3403
HCM 3072
HI-Q 3047
Hanseatic 3037
Harley Davidson 3000
Harman/Kardon 3038
Harwood 3072
Headquarter 3046
Hinari 3072, 3004, 3240, 3352
Hitachi 3000, 3004, 3042, 3041,
3166, 3235, 3240
Hypson 3072
ITT 3106, 3046, 3384, 3005,
3041, 3104, 3240
ITV 3037, 3278
Imperial 3000
Ingersol 3004
Interfunk 3081
JVC 3067, 3384, 3008, 3041,
3206, 3207, 3486
Jensen 3041
KEC 3037, 3278
KLH 3072
Kaisui 3072
Kendo 3209, 3106
Kenwood 3067, 3384, 3038, 3041
Kodak 3037
Korpel 3072
LXI 3037
Lenco 3278
Leyco 3072
LIoyd’s 3000
Loewe 3037, 3004, 3081, 3006
Logik 3072, 3004, 3240
Luxor 3106, 3048, 3046, 3043, 3104
M Electronic 3000
MGA 3043, 3240
MGN Technology 3240
MTC 3000, 3240
Magnasonic 3278
Magnavox 3000, 3081
Magnin 3240
Manesth 3072, 3045
Marantz 3081, 3003, 3006
Marta 3037
Matsui 3209, 3004, 3036,
3088, 3348, 3352
Matsushita 3162
Memorex 3000, 3037, 3048,
3046, 3047, 3104,
3162, 3240, 3307
Memphis 3072
Metz 3347, 3195, 3003,
3006, 3162, 3227
Minerva 3195, 3006
Minolta 3042
Mitsubishi 3081, 3067, 3048, 3043
Motorola 3048
Multitech 3072, 3000
Murphy 3000
NEC 3067, 3038, 3041, 3104
Neckermann 3081
Nesco 3072
Nikko 3037
Nikon 3034
Noblex 3240
Nokia 3106, 3046, 3041, 3104, 3240
Nordmende 3320, 3384, 3041,
3297, 3321
Oceanic 3000, 3041
Okano 3315, 3348
Olympus 3226
Optimus 3037, 3432, 3048, 3104, 3162
Orion 3209, 3004, 3036,
3088, 3348, 3352
Osaki 3072, 3000, 3037
Otto Versand 3081
Palladium 3072, 3037, 3006, 3041
Panasonic 3226, 3162, 3225, 3227
Pathe Cinema 3036
Pathe Marconi 3041
Penney 3037, 3042, 3038, 3054, 3240
Pentax 3042
Perdio 3000
Philco 3209, 3038
Philips 3081, 3384, 3403
Phonola 3081
Pilot 3037
Pioneer 3081, 3067, 3162, 3235
Portland 3020
Profex 3322
Profitronic 3240
Proline 3000
Protec 3072
Pye 3081
01RX-V595-e/fCODE(EU) 6/23/99, 4:14 PM117

118
Quarter 3046
Quartz 3046
Quasar 3162
Quelle 3081
RCA 3106, 3042, 3048, 3240
RFT 3403
Radio Shack 3000, 3037
Radiola 3081
Radix 3037
Randex 3037
Realistic 3000, 3037, 3048,
3046, 3047, 3104
Rex 3384, 3041
Ricoh 3034
Roadstar 3072, 3037, 3278, 3240
SBR 3081
SEG 3322, 3240
SEI 3004, 3081
STS 3042
Saba 3320, 3384, 3041, 3206,
3207, 3297, 3321
Saisho 3209, 3004, 3036, 3088
Salora 3106, 3046, 3043
Samsung 3432, 3045, 3053, 3240
Sanky 3048
Sansui 3000, 3067, 3041
Sanyo 3046, 3047, 3104, 3240
Saville 3352
Schaub Lorenz 3000, 3005,
3041, 3104
Schneider 3072, 3000, 3081
Scott 3045, 3043
Sears 3000, 3037, 3042, 3046,
3047, 3054, 3104
Seleco 3041
Semp 3045
Sentra 3020
Sharp 3048
Shintom 3072, 3104
Shogun 3240
Shorai 3004
Siemens 3037, 3081, 3195, 3003,
3006, 3054, 3104
Silva 3037
Singer 3072, 3045
Sinudyne 3004, 3081
Solavox 3020
Sonolor 3046
Sontec 3037
Sony 3000, 3032, 3033, 3034, 3011
Sunkai 3348
Sunstar 3000
Suntronic 3000
Sylvania 3000, 3081, 3043
Symphonic 3000
TMK 3036, 3240
Tashiko 3000
Tatung 3000, 3081, 3041
Teac 3000, 3041
Tec 3020
Technics 3226, 3162
Teknika 3000, 3037
Teleavia 3041
Telefunken 3320, 3384, 3041,
3187, 3321
Tenosal 3072
Tensai 3322, 3000
Thomas 3000
Thomson 3320, 3384, 3041
Thorn 3036, 3041, 3104
Toshiba 3081, 3045, 3384,
3041, 3043
Totevision 3037, 3240
Towada 3322
Uher 3240
Unitech 3240
Universum 3000, 3037, 3081, 3106,
3195, 3006, 3240, 3325
Vector 3045
Vector Research 3038
Video Concepts 3045
Videosonic 3240
Wards 3072, 3000, 3081, 3042,
3048, 3047, 3240
White Westinghouse 3278
XR-1000 3072, 3000
Yamaha 3038
Yamishi 3072
Yokan 3072
Yoko 3020, 3240
Zenith 3000, 3033, 3034
DVD PLAYER
Manufacturer Code
Kenwood 4534
Magnavox 4503
Onkyo 4503
Panasonic 4490
Philips 4539, 4503
Pioneer 4525
Sony 4533
Technics 4490
Thomson 4551
Toshiba 4503
Yamaha 4490, 4545
Zenith 4503
LD PLAYER
Manufacturer Code
Aiwa 5203
Carver 5064, 5194
Cyrus 5388
Denon 5059, 5172
Disco Vision 5023
Funai 5203
Hitachi 5023
Magnavox 5194, 5217
Marantz 5064, 5194
Mitsubishi 5059
NAD 5059
Panasonic 5204, 5496
Philips 5064, 5388, 5194
Pioneer 5023, 5059
Quasar 5204
Radiola 5388
Realistic 5203
Salora 5064
Sega 5023
Sharp 5001
Sony 5193, 5201
Technics 5204, 5496
Telefunken 5059
Theta Digital 5194
Thorn 5014
Yamaha 5217
CD PLAYER
Manufacturer Code
Aiwa 6124, 6157, 6419
Akai 6108, 6156, 6199
Alba 6536, 6288, 6334
Arcam 6157
Audio Research 6157
Audio Ton 6157
Audiolab 6157
Audiomeca 6157
BSR 6134
Bestar 6164
Binatone 6452
California Audio Lab 6029
Carver 6157, 6179
Condor 6134, 6164
Cyrus 6157
DKK 6000
Denon 6003, 6034
Dual 6196
Emerson 6164
Fisher 6048, 6179, 6342
GE 6334
Genexxa 6032, 6164
GoldStar 6525, 6383
Goodmans 6536
Grundig 6157
Harman/Kardon 6108, 6173
Hitachi 6032, 6291
JVC 6072
Kenwood 6037, 6523, 6028,
6048, 6190
Kodak 6287
Krell 6157
Linn 6157
Luxman 6328
M Electronic 6525
MCS 6029
Magnavox 6157, 6038, 6129
01RX-V595-e/fCODE(EU) 6/23/99, 4:14 PM118

119
Marantz 6157, 6029, 6038, 6129
Matsui 6157, 6288, 6307
Mclntosh 6287
Memorex 6032, 6164
Meridian 6157
Micromega 6157
Mission 6157
Mitsubishi 6108, 6156
NAD 6000
NSM 6157
Naim 6157
Nikko 6525, 6164
Onkyo 6101, 6102
Optimus 6000, 6032, 6037, 6536,
6048, 6179, 6196, 6342
Panasonic 6303, 6029, 6367
Philips 6157, 6274, 6287
Pioneer 6032
Poppy 6164
Proton 6157
QED 6157
Quad 6157
Quasar 6029
RCA 6179
Realistic 6164, 6179
Revox 6157, 6113
Roadstar 6461, 6525, 6527
Rotel 6157
SAE 6157
Sansui 6157, 6202, 6513
Sanyo 6048, 6179, 6342
Schneider 6134
Scott 6164
Sharp 6037, 6262, 6265
Sherwood 6114, 6196
Siemens 6516
Signature 6108
Sony 6000, 6490
Teac 6378
Technics 6207, 6303, 6029
Toshiba 6481
Universum 6157
Victor 6072
Wards 6157, 6108
Yamaha 6036, 6082, 6187, 6712
Yorx 6461
MD RECORDER
Manufacturer Code
Kenwood 7826
Sony 7490
Yamaha 7888, 7490
TAPE DECK
Manufacturer Code
Aiwa 8029, 8197, 8200
Akai 8188, 8189
Arcam 8076
Carver 8029
Denon 8076, 8412
Fisher 8074
Grundig 8029
Harman/Kardon 8182
JVC 8244, 8273, 8274
Kenwood 8070, 8071, 8092,
8205, 8233, 8234
Magnavox 8029
Marantz 8029, 8009
Memorex 8099, 8101
Mitsubishi 8189
Onkyo 8136, 8135
Optimus 8027, 8220
Panasonic 8229
Philips 8029
Pioneer 8027, 8099, 8101, 8220
Revox 8029
Sansui 8029, 8009
Sanyo 8074
Sharp 8205
Sony 8170, 8243
Technics 8229
Victor 8273, 8274
Wards 8027
Yamaha 8094, 8097, 8205, 8478, 8524
01RX-V595-e/fCODE(EU) 6/23/99, 4:14 PM119

Quick Reference Card
AMP/TUN
DSP
TAPE/MD CD DVD/LD
POWER
INPUT
EXT. DEC.
A/B/C/D/E
DSP selector
PRESET
UP DOWN
VOLUME
MUTE
SLEEP
(TV POWER)
TIME/LEVEL
DSP program
STANDBY
SELECTOR
DIAL
TEST
EFFECT
ON/OFF
(TV VOLUME)
POWER
(TV POWER)
REC/PAUSE
PLAY
DIR A (TAPE)
SKIP (MD)
REWIND (TAPE)
BACKWARD (MD)
INPUT
(TV VOLUME)
DISPLAY (MD)
PAUSE (MD)
DECK A/B (TAPE)
DIR B (TAPE)
SKIP (MD)
STOP
FAST
FORWARD
POWER
(TV POWER)
PLAY
SUBTITLE
ON/OFF (DVD)
SKIP/SEARCH
SUBTITLE (DVD)
BACKWARD (LD)
INPUT
(TV VOLUME)
DISPLAY
PAUSE
(TV INPUT)
STOP
ANGLE (DVD)
FAST
FORWARD (LD)
AUDIO (DVD)
POWER
(TV POWER)
DISC SKIP DISC SKIP
PLAY
SKIP
BACKWARD
INPUT
(TV VOLUME)
PAUSE
(TV INPUT)
STOP
FAST
FORWARD
DISPLAY
SET MENU
V296050