Yamaha Trb 5Ii Users Manual 5II/TRB 5IIF
TRB-5IIF to the manual d0aaf118-d9f3-4ff3-9354-68dc243e10c5
2014-12-13
: Yamaha Trb-5Ii-Users-Manual yamaha-trb-5ii-users-manual-134135 yamaha pdf
Open the PDF directly: View PDF
.
Page Count: 8

SERVICE MANUAL
ELECTRIC BASS
TRB-5II /TRB-5IIF
CONTENTS
OVERALL ASSEMBLY······································································ 2
ELECTRICAL PARTS········································································ 4
CIRCUIT BOARD ··············································································· 6
CIRCUIT DIAGRAM··········································································· 7
WIRING································································································ 8
SPECIFICATIONS·············································································· 8
EG 011389
HAMAMATSU, JAPAN
1.25K-611 Printed in Japan '98.02
TRB-5II

TRB-5II /TRB-5IIF
2
OVERALL ASSEMBLY
E20
E19
E18
E14
A01
G08
G07
F04
F02
E09
E08
G06
G03
G02
G01
E12
D01
F01
E22
E23
E23
E24
E23
E22
E07
E11
E27
E26
E02
E01
VOLUME: 5K
MID: 50K
BASS: 50K
PANPOT: 20K
F08
TREBLE: 50K
B02
B04
B01
B04
B02
B03
E11 Bridge Assembly BPX-5D ; GOLD (QC425400)

*
*
*
*
*
*
*
*
*
*
*
*
*
*
*
*
*
*
*
*
REF NO.
A01
A01
A01
A01
A01
A01a
D01
E01
E01
E02
E07
E08
E09
E11
E12
E14
E18
E19
E20
E22
E23
E24
E26
E27
F01
F02
F04
F08
G01
G02
G03
G06
G07
G08
H01
B01
B02
B03
B04
B04
PART NO.
DX809350
DX809360
DX809370
DX809380
DX809390
AA809390
QC028300
QC028400
EQ624100
QC428000
QC205200
VI825000
QC425400
QA170100
QC224600
ER635250
VB793700
QC205700
QC205800
QC429500
QC425800
EB620020
QC432100
VK505700
QC025000
QC437300
QC428900
QC325300
EM830230
QC429000
QC325300
EM830230
QC354000
QC425400
QC425500
QC425300
EA330400
AX818240
AX818250
DESCRIPTION
OVERALL ASSEMBLY
Neck Assembly
Neck Assembly
Neck Assembly
Neck Assembly
Neck Assembly
Square Washer
Body
Tuning Machine Assembly
Tuning Machine Assembly
Round Head Wood Screw
Nut
Neck Joint Bushing
Oval Head Tapping Screw
Bridge Assembly
Oval Head Tapping Screw
Strings
Strap Button
Oval Head Tapping Screw
Spacer Felt
Knob Assembly
Knob Assembly
Sheet, Instruction
Back Cover
Oval Head Wood Screw
Electrical Unit
Box for Dry Cell
Pan Head Tapping Screw
Electrical Unit (Jack Assy)
Pickup Assembly
Pickup Spring
Pan Head Tapping Screw
Pickup Assembly
Pickup Spring
Pan Head Tapping Screw
Accessory Unit (G-1)
Bridge Assembly
Bridge Base
Bridge Piece Assembly
Pan Head Screw
Spring
Spring
GB70L+GB7 (GOLD)
GB70+GB7 (GOLD)
2.4X10 GOLD
43mm
(BL)
5.0X40 FCM3BL
BPX-5D (GOLD)
4.0X35 GOLD
H4050
EP-B2 (GOLD)
3.5X25 GOLD
(BL)
LEX B-22
LEX B-18
Electrical (BL)
2.7X13 FCM3BL
(1) 3-BAND EQ.
(2)
3.0X8 FCM3BL
(3)
3.0X30 FCM3BL
3.0X30 FCM3BL
BPX-5D (GOLD)
(GOLD)
(GOLD) with screw
3.0X40 FCM3BL
(BL) 30mm
(BL) 25mm
REMARKS
TRB-5II /TRB-5IIF
TRB-5II AMT
TRB-5II MGB
TRB-5II TLBIII
TRB-5IIF AMT
TRB-5IIF TLBIII
(0370407)
1set (AA82119)
(0370663)
VOLUME, PANPOT
BASS, TREB, MID
Front
Rear
1set
P=18.0
with set screw (M3X12)
1-2 string
3-5 string
QTY
3
2
5
6
6
4
2
2
2
2
3
5
2
3
3
3
3
5
5
2
3
RANK
01
08
08
02
04
01
01
02
02
01
07
07
03
07
01
01
07
01
TRB-5II /TRB-5IIF
3
*:New Parts RANK:Japan only
WARNING: CHEMICAL CONTENT NOTICE!
The solder used in the production of this product contains LEAD. In addition, other electrical/electronic and/or plastic (where
applicable) components may also contain traces of chemicals found by the California Health and Welfare Agency (and possibly
other entities) to cause cancer and/or birth defects or other reproductive harm.
DO NOT PLACE SOLDER, ELECTRICAL/ELECTRONIC OR PLASTIC COMPONENTS IN YOUR MOUTH FOR ANY REASON
WHAT SO EVER!
Avoid prolonged, unprotected contact between solder and your skin! When soldering, do not inhale solder fumes or expose eyes
to solder/flux vapor!
If you come in contact with solder or components located inside the enclosure of this product, wash your hands before handling
food.

TRB-5II /TRB-5IIF
4
ELECTRICAL PARTS
REF NO.
IC1
IC2
IC3
IC4
Q1-4
D1-4
D5
VR1
VR2
VR3
VR4
VR5
VR7
VR8
CN1
CN2
CN3
CN4
L1-4
C1-4
C05
C06
C31
C32
C33
C34
C35
C36
C37
C38
C39
C40
C41
C42
C51
C52
C53
C61
C62
C63
C71
C72
C73
C74
C81
C82
C83
C84
C85
R1-4
R5-8
R09
R10
R11
R12
R13
R14
R15
R16
R21
R23
R31
R32
PART NO.
QC432100
IX808770
IG070700
IG070700
IX808780
IX808790
IX808800
QC183900
HX809140
HX809150
HX809160
HX809160
HX809160
HX809170
HX809170
LB918020
LB918020
LB918040
LB918020
GX804490
FP355100
FX804200
FX804200
UI137100
FG444100
FX804200
UI137100
FG444100
UI137100
FG444100
UI137100
UI166100
UI166100
FG444100
FG444100
FG212100
FG212100
FX804200
UA154330
UA155100
UI166100
UA154220
UA154220
FG212100
UA153100
UA153220
UA153150
FG212100
FG212330
FG212330
HF559100
HF559220
HF556680
HF556470
HF556680
HF556470
HF557100
HF557100
HF556470
HF556470
HF558470
HF557220
HF557330
HF557270
DESCRIPTION
ELECTRICAL PARTS
Electrical Unit
IC
IC
IC
IC
FET
Diode
Diode
Rotary Variable Resistor
Rotary Variable Resistor
Rotary Variable Resistor
Rotary Variable Resistor
Rotary Variable Resistor
Trimmer Potentiometer
Trimmer Potentiometer
Connector
Connector
Connector
Connector
Ciol
Tuntalum Capacitor
Electlytic Cap.
Electlytic Cap.
Electlytic Cap.
Ceramic Capacitor
Electlytic Cap.
Electlytic Cap.
Ceramic Capacitor
Electlytic Cap.
Ceramic Capacitor
Electlytic Cap.
Electlytic Cap.
Electlytic Cap.
Ceramic Capacitor
Ceramic Capacitor
Ceramic Capacitor
Ceramic Capacitor
Electlytic Cap.
Mylar Capacitor
Mylar Capacitor
Electlytic Cap.
Mylar Capacitor
Mylar Capacitor
Ceramic Capacitor
Mylar Capacitor
Mylar Capacitor
Mylar Capacitor
Ceramic Capacitor
Ceramic Capacitor
Ceramic Capacitor
Carbon Resistor
Carbon Resistor
Carbon Resistor
Carbon Resistor
Carbon Resistor
Carbon Resistor
Carbon Resistor
Carbon Resistor
Carbon Resistor
Carbon Resistor
Carbon Resistor
Carbon Resistor
Carbon Resistor
Carbon Resistor
3-BAND EQ.
OP200GP
TL062CP
TL062CP
TLC7662BEPA
2SK30ATM(O)
E-301
1SR139-100
EWCE6AF22B24 20K
EWCE6AF22A53 5K
EWCE6AF22B54 50K
EWCE6AF22B54 50K
EWCE6AF22B54 50K
EVND8AA0 BQ3 4.7K
EVND8AA0 BQ3 4.7K
B2B-XH-A 2P
B2B-XH-A 2P
B4B-XH-A 4P
B2B-XH-A 2P
ELEXG101KA 100uH
0.1uF/16V (35V)
22u/16V R3A-16V220
22u/16V R3A-16V220
10u/16V RC3-16V100
0.01uF
22u/16V R3A-16V220
10u/16V RC3-16V100
0.01uF
10u/16V RC3-16V100
0.01uF
10u/16V RC3-16V100
1u/16V RC3-50V010M
1u/16V RC3-50V010M
0.01uF
0.01uF
100pF
100pF
22u/16V R3A-16V220
0.033uF
0.1uF
1u/16V RC3-50V010M
0.022uF
0.022uF
100pF
1000pF
2200pF
1500pF
100pF
330pF
330pF
1.0M 1/6W J
2.2M 1/6W J
6.8K 1/6W J
4.7K 1/6W J
6.8K 1/6W J
4.7K 1/6W J
10K 1/6W J
10K 1/6W J
4.7K 1/6W J
4.7K 1/6W J
470K 1/6W J
22K 1/6W J
33K 1/6W J
27K 1/6W J
REMARKS
OP AMP
OP AMP
OP AMP
PANPOT
VOLUME
EQUALIZER BASS
EQUALIZER MID
EQUALIZER TREBLE
FRONT PICKUP
REAR PICKUP
OUTPUT JACK
BATTERY
QTY
RANK
07
07
01
01
01
01
01
02
01
01
01
01
01
01
01
01
01
01
01
01
01
01
01
01
01
01
01
01
01
01
01
*:New Parts RANK:Japan only
*
*
*
*
*
*
*
*
*
*
*
*
*
*
*
*
*
*
*
*
*
*
*
*
*
*
*
*
*
*
*
*
*

TRB-5II /TRB-5IIF
5
*
*
*
*
*
*
*
*
*
*
*
*
*
*
*
*
*
*
*
*
*
*
*
*
*
*
*:New Parts RANK:Japan only
REF NO.
R51
R52
R53
R54
R55
R56
R57
R61
R62
R63
R64
R65
R71
R72
R73
R74
R75
R76
R77
R78
R79
R80
R81
R82
R83
R84
R85
R86
R87
R88
R89
PART NO.
HF557470
HF557470
HF557220
HF554330
HF557180
HF557220
HF554330
HF557330
HF557330
HF557120
HF557680
HF557470
HF558100
HF557510
HF557270
HF557100
HF557100
HF557180
HF557100
HF556220
HF557470
HF557470
HF557330
HF557470
HF557100
HF557100
HF557220
HF557100
HF556330
HF557470
HF557470
QC434900
DESCRIPTION
Carbon Resistor
Carbon Resistor
Carbon Resistor
Carbon Resistor
Carbon Resistor
Carbon Resistor
Carbon Resistor
Carbon Resistor
Carbon Resistor
Carbon Resistor
Carbon Resistor
Carbon Resistor
Carbon Resistor
Carbon Resistor
Carbon Resistor
Carbon Resistor
Carbon Resistor
Carbon Resistor
Carbon Resistor
Carbon Resistor
Carbon Resistor
Carbon Resistor
Carbon Resistor
Carbon Resistor
Carbon Resistor
Carbon Resistor
Carbon Resistor
Carbon Resistor
Carbon Resistor
Carbon Resistor
Carbon Resistor
Hexagonal Nut
47K 1/6W J
47K 1/6W J
22K 1/6W J
33 1/6W J
18K 1/6W J
22K 1/6W J
33 1/6W J
33K 1/6W J
33K 1/6W J
12K 1/6W J
68K 1/6W J
47K 1/6W J
100K 1/6W J
51K 1/6W J
27K 1/6W J
10K 1/6W J
10K 1/6W J
18K 1/6W J
10K 1/6W J
2.2K 1/6W J
47K 1/6W J
47K 1/6W J
33K 1/6W J
47K 1/6W J
10K 1/6W J
10K 1/6W J
22K 1/6W J
10K 1/6W J
3.3K 1/6W J
47K 1/6W J
47K 1/6W J
REMARKS QTY
RANK
01
01
01
01
01
01

TRB-5II /TRB-5IIF
6
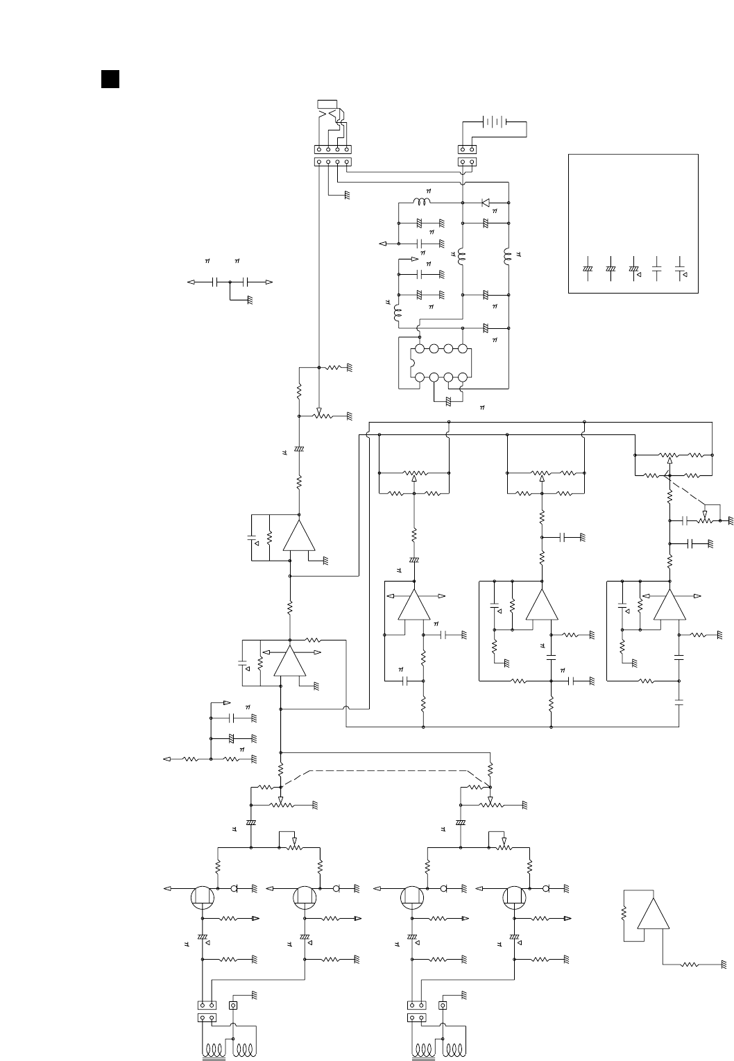
CIRCUIT BOARD
Pattern side
Component side
BASS MID TREB
PANPOT
NECK
PICKUP BRIDGE
PICKUP
FRONT PICKUP
REAR PICKUP
VOLUME
OUTPUT jack
Battery 9V
4NB70-QC43210

CN3
(OUTPUT
C42 C41
JACK)
0.01 0.01
9V
CN4
1
3
2
1
2
4
(BATTERY)
0.01 C37
L3
D5
C34
+
+
L1100 H
C33
A
0.01
+
+
C38
C35
C36
10 /16V
10 /16V
+
(M.VOL)
VR2
R55
5KA
318K
100p
-
6
7R54
IC1-2
R53
C52
22K
2
45
1
7
22K
R56
3
2
1
+
8
1 /50V
1 /50V
TC7662
IC4
6
L2
+ C40
5
12K
R65
3
+R63
1 /50V
C63
OP200GP
1
2
(BASS)
68K
R64
47K
+
A
+
+
VR5
50KB*2
(TREBLE)
3
1
47K
10K
2
47KR80
C74
1000p
R78
2
R79
47K
10K
R77
18K
R76
2.2K
1
3
22K
R85
C85
330p
330p
R89
R86
R87
2
1
3.3K
47K
R88
1
2
C32
4
8
+
-
47K
R52
47K
C51
3
100p
R51
0.01
IC1-1
4.7K
R13
1
3
2R15
C31
C5
10K
+
A
R31
33K27KR32
+
R74
C61
R61
33K
IC2-1
100p
R62
OP200GP
+
-8
4
0.1
33K
C73
TL062
3
2
0.033
C62
R57
33
(BAL)
R14
A
2
4.7K
B4.7K
C6 1
+
10K
VR1
20KB*2
PANPOT
+
Q2
C1
+
2.2M
R1
1M
2SK30
6.8K
E301
R9
2SK30
D1
R5
Q1
FRONT
2SK30
+
2.2M
R7
C3
1M
6.8K
1M
2.2M
R10
D2
R6
C2
R2
2SK30
Q4
R3
R11
E301
D3
Q3
E301
2
1
CN2
2
1
CN1
REAR
P.U.
P.U.
C82
10K
-
C81
10K
0.022
C72
R72
51K
100K
3IC3-1
IC2-2
+4
8
R84
R73
27K
2
R75
1500p2200p
100p
R71
C71
0.022
6
5
TL062
-
+
10K
C83R83
47K
R82
VR8
B4.7K
3
TL062
R81
33K
R4
IC3-2
TL062
7
E301
22K
1M
R8
C4
+
2.2M
4.7K
+
R12
D4
5
6R23
-
VR3
22 /16V
A
50KB
(MID)
VR4
Ceramic Capacitor
Electrolytic Capacitor
Electrolytic Capacitor
Mylar Capacitor
Tantalum Capacitor
(Audio)
50KB
C53
+33
4.7K VR7
C84
3
100 H
100 H
100 H
C39
470K
R21
10 /16V
L4
22 /16V
1
7
1
R16 10K
0.1 /16V
0.1 /16V
0.1 /16V
0.1 /16V
22 /16V
10 /16V
22 /16V
CIRCUIT DIAGRAM
TRB-5II /TRB-5IIF
7

TRB-5II /TRB-5IIF
8
WIRING
SPECIFICATIONS
7
2
4
QC43200
QC43220
QC43210
2
FRONT PICKUP REAR PICKUP
to bridge GND
VOLUME
5k
PANPOT
20k
Equalizer
50k x3
BASS
MID
TREB OUTPUT jack
Box for dry cell
STANDARD SPECIFICATIONS
Scale Length····················································································· 889.0mm
Body-Neck Construction··············································· Bolt On
Length········································································································ 1163.0mm
Width··········································································································· 334.5mm
Net Weight·························································································· 4.5kg
COLOR
Body
5II/5IIF:AMT············································································ Amber Burst
5II:MGB························································································· Magenta Burst
5II/5IIF:TLBIII··········································································· Translucent Blue
Neck
5II/5IIF:AMT············································································ Amber Burst
5II:MGB························································································· Magenta Burst
5II/5IIF:TLBIII··········································································· Translucent Blue
BODY
Material···································································································· Light Ash
Body Depth························································································ 41.0mm
FINGERBOARD
Material···································································································· Rosewood
Fingerboard Width·································································· 0-F 43.0mm,12-F 65.9mm
No.of Frets··························································································· 24
NECK
Material···································································································· Maple
Neck Thickness············································································ 1-F 20.5mm,12-F 25.0mm
PARTS
Hardware································································································ Gold Plated
Nut··················································································································· Bone
Bridge········································································································· BPX-5D:Gold
Strings········································································································ YAMAHA H4050
CONTROLS
Volume····································································································· 5k X1
Balance····································································································· 20k X1
Equalizer································································································ 50k X3
PICKUPS
Front/Rear···························································································· Double Coil
Magnet
Front/Rear···················································································· Alnico
V