Yamaha CL Owner’s Manual CL5/CL3/CL1 V4.0 Owner's Cl5 3 1 En Om F0
User Manual: Yamaha CL5/CL3/CL1 V4.0 Owner's Manual
Open the PDF directly: View PDF
.
Page Count: 67
- Contents
- PRECAUTIONS
- Introduction
- An overview of the CL series
- Controls and functions
- Touch screen
- Basic operation of the CL series
- Connections
- Setup
- Quick Guide
- Connecting the devices
- Setting the input channels
- Applying EQ/dynamics
- Setting the output channels
- Using GEQ
- Applying effects
- Changing the patch settings
- Grouping and linking
- Setting a custom fader bank
- Using talkback
- Routing the oscillator to an output channel
- Using scene memories
- Recording and playing audio using a USB flash drive
- Saving and loading the unit settings
- Other functions
- Troubleshooting
- Installing the MBCL meter bridge (option)
- Specifications
- Dimensions
- Index
- Block Diagram
- Level Diagram

EN
Owner’s Manual
Keep This Manual For Future Reference.

Owner’s Manual
2
Contents
PRECAUTIONS................................... 5
Introduction .................................... 7
Welcome! ..........................................................7
Accessories.........................................................7
About utility software.........................................7
About firmware updates.....................................7
About the Owner’s Manual ................................7
Conventions in this manual................................7
An overview of the CL series ........... 8
Features .............................................................8
About the models ..............................................9
Controls and functions .................. 10
Top panel ........................................................10
Front Panel ......................................................16
Rear Panel........................................................16
Touch screen.................................. 18
Basic touch screen operations ..........................18
The on-screen user interface ............................18
Viewing the touch screen.................................20
Entering names................................................21
Using the tool buttons .....................................22
Using libraries ..................................................23
Initializing settings ...........................................26
Copying/pasting settings .................................26
Comparing two settings...................................27
Basic operation of the CL series .... 28
Controlling selected channels
(SELECTED CHANNEL section) ..................28
Controlling eight channels as a group
(Centralogic section).................................28
Using the top panel
(Channel Strip section)..............................29
Connections ................................... 31
About network connections .............................31
Connecting to I/O devices ...............................31
Audio input/output connections ......................33
Installing an option card ..................................34
Setup.............................................. 35
Specifying the brightness of the touch screen,
LEDs, channel name displays, and lamps...35
Setting the date and time of the internal
clock .........................................................35
Word clock connections and settings ...............36
Making HA (Head Amp) analog gain settings...37
Sending an input channel signal to the
STEREO bus...............................................38
Quick Guide ................................... 40
Connecting the devices....................................40
Setting the input channels ...............................41
Applying EQ/dynamics.....................................42
Setting the output channels .............................42
Using GEQ .......................................................42
Applying effects ...............................................43
Changing the patch settings ............................45
Grouping and linking.......................................46
Setting a custom fader bank ............................47
Using talkback..................................................47
Routing the oscillator to an output channel......48
Using scene memories .....................................48
Recording and playing audio using a USB
flash drive .................................................49
Saving and loading the unit settings ................50
Other functions ............................. 51
Initializing the unit to factory default settings...51
Restoring the current scene to the default
state..........................................................51
Adjusting the faders (Calibration function) .......52
Troubleshooting ............................ 53
Installing the MBCL meter bridge
(option) ......................................... 55
Specifications................................. 56
General specifications ......................................56
Input/output characteristics .............................57
Pin Assignment ................................................58
Dimensions .................................... 59
Index .............................................. 60
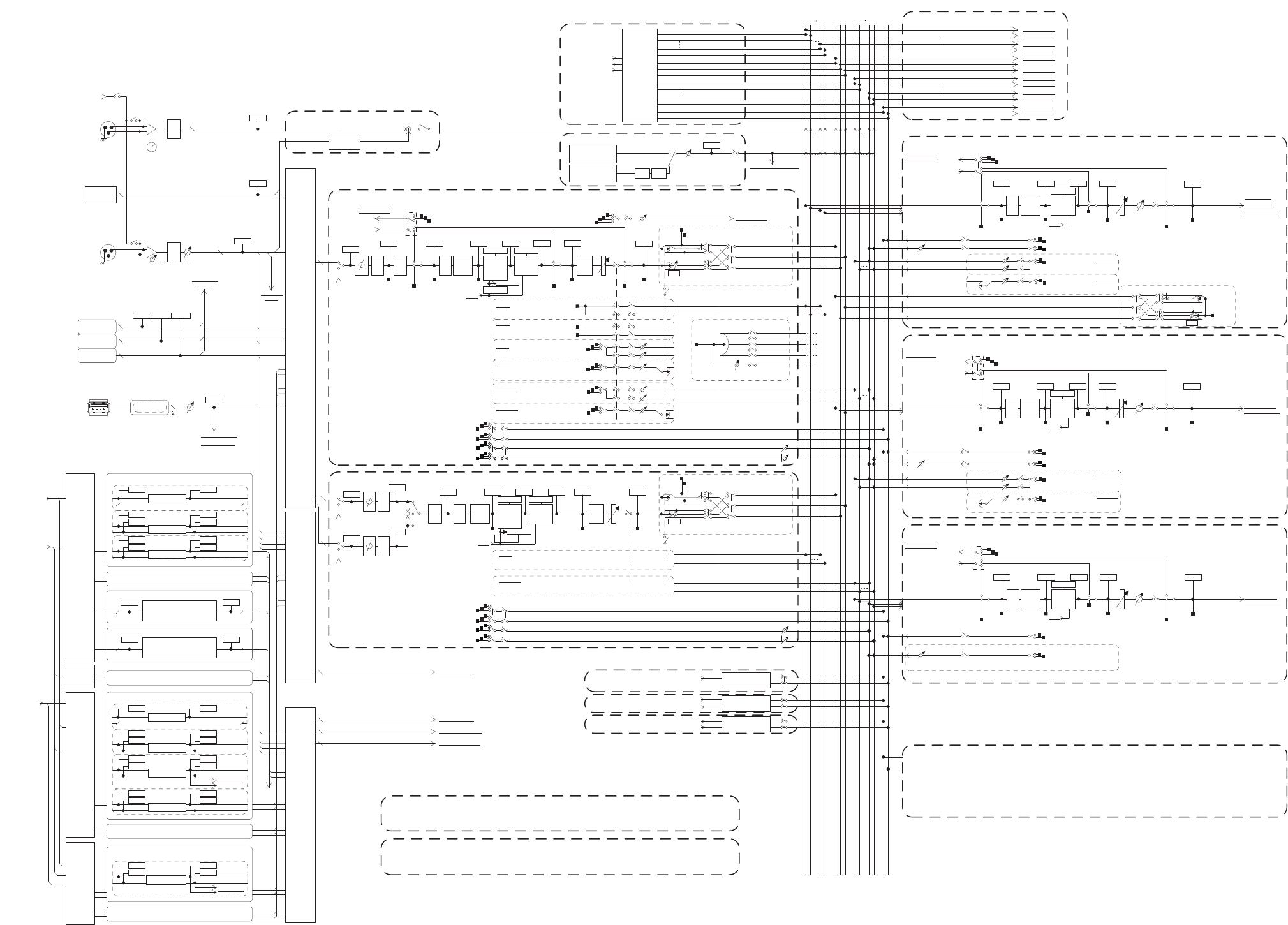
Block Diagram ............ End of Manual
Level Diagram............. End of Manual

Owner’s Manual 3
The above warning is located on the rear of the unit.
L’avertissement ci-dessus est situé sur l’arrière de l’unité.
Explanation of Graphical Symbols
Explication des symboles
The lightning flash with arrowhead symbol within an equilateral triangle is intended to alert the user to the presence of uninsulated “danger-
ous voltage” within the product’s enclosure that may be of sufficient magnitude to constitute a risk of electric shock to persons.
L’éclair avec une flèche à l’intérieur d’un triangle équilatéral est destiné à attirer l’attention de l’utilisateur sur la présence d’une « tension
dangereuse » non isolée à l’intérieur de l’appareil, pouvant être suffisamment élevée pour constituer un risque d’électrocution.
The exclamation point within an equilateral triangle is intended to alert the user to the presence of important operating and maintenance (ser-
vicing) instructions in the literature accompanying the product.
Le point d’exclamation à l’intérieur d’un triangle équilatéral est destiné à attirer l’attention de l’utilisateur sur la présence d’instructions
importantes sur l’emploi ou la maintenance (réparation) de l’appareil dans la documentation fournie.
IMPORTANT SAFETY
INSTRUCTIONS
1 Read these instructions.
2 Keep these instructions.
3 Heed all warnings.
4 Follow all instructions.
5 Do not use this apparatus near water.
6 Clean only with dry cloth.
7 Do not block any ventilation openings. Install in accordance with the
manufacturer’s instructions.
8 Do not install near any heat sources such as radiators, heat registers,
stoves, or other apparatus (including amplifiers) that produce heat.
9 Do not defeat the safety purpose of the polarized or grounding-type
plug. A polarized plug has two blades with one wider than the other. A
grounding type plug has two blades and a third grounding prong. The
wide blade or the third prong are provided for your safety. If the pro-
vided plug does not fit into your outlet, consult an electrician for
replacement of the obsolete outlet.
10 Protect the power cord from being walked on or pinched particularly
at plugs, convenience receptacles, and the point where they exit from
the apparatus.
11 Only use attachments/accessories specified by the manufacturer.
12 Use only with the cart, stand, tripod, bracket, or
table specified by the manufacturer, or sold with
the apparatus. When a cart is used, use caution
when moving the cart/apparatus combination to
avoid injury from tip-over.
13 Unplug this apparatus during lightning storms
or when unused for long periods of time.
14 Refer all servicing to qualified service personnel. Servicing is
required when the apparatus has been damaged in any way, such as
power-supply cord or plug is damaged, liquid has been spilled or
objects have fallen into the apparatus, the apparatus has been
exposed to rain or moisture, does not operate normally, or has been
dropped.
(UL60065_03)
PRÉCAUTIONS CONCER-
NANT LA SÉCURITÉ
1 Lire ces instructions.
2 Conserver ces instructions.
3 Tenir compte de tous les avertissements.
4 Suivre toutes les instructions.
5 Ne pas utiliser ce produit à proximité d’eau.
6 Nettoyer uniquement avec un chiffon propre et sec.
7 Ne pas bloquer les orifices de ventilation. Installer l’appareil confor-
mément aux instructions du fabricant.
8 Ne pas installer l’appareil à proximité d’une source de chaleur comme
un radiateur, une bouche de chaleur, un poêle ou tout autre appareil
(y compris un amplificateur) produisant de la chaleur.
9 Ne pas modifier le système de sécurité de la fiche polarisée ou de la
fiche de terre. Une fiche polarisée dispose de deux broches dont une
est plus large que l’autre. Une fiche de terre dispose de deux broches
et d’une troisième pour le raccordement à la terre. Cette broche plus
large ou cette troisième broche est destinée à assurer la sécurité de
l’utilisateur. Si la fiche équipant l’appareil n’est pas compatible avec
les prises de courant disponibles, faire remplacer les prises par un
électricien.
10 Acheminer les cordons d’alimentation de sorte qu’ils ne soient pas
piétinés ni coincés, en faisant tout spécialement attention aux fiches,
prises de courant et au point de sortie de l’appareil.
11 Utiliser exclusivement les fixations et accessoires spécifiés par le
fabricant.
12 Utiliser exclusivement le chariot, le stand, le tré-
pied, le support ou la table recommandés par le
fabricant ou vendus avec cet appareil. Si l’appa-
reil est posé sur un chariot, déplacer le chariot
avec précaution pour éviter tout risque de chute
et de blessure.
13 Débrancher l’appareil en cas d’orage ou
lorsqu’il doit rester hors service pendant une période prolongée.
14 Confier toute réparation à un personnel qualifié. Faire réparer l’appa-
reil s’il a subi tout dommage, par exemple si la fiche ou le cordon
d’alimentation est endommagé, si du liquide a coulé ou des objets
sont tombés à l’intérieur de l’appareil, si l’appareil a été exposé à la
pluie ou à de l’humidité, si l’appareil ne fonctionne pas normalement
ou est tombé.
(UL60065_03)
WARNING
TO REDUCE THE RISK OF FIRE OR ELECTRIC SHOCK, DO NOT
EXPOSE THIS APPARATUS TO RAIN OR MOISTURE.
AVERTISSEMENT
POUR RÉDUIRE LES RISQUES D’INCENDIE OU DE DÉCHARGE
ÉLECTRIQUE, N’EXPOSEZ PAS CET APPAREIL À LA PLUIE OU À
L’HUMIDITÉ.

Owner’s Manual
4
1. IMPORTANT NOTICE: DO NOT MODIFY THIS UNIT!
This product, when installed as indicated in the instructions con-
tained in this manual, meets FCC requirements. Modifications not
expressly approved by Yamaha may void your authority, granted by
the FCC, to use the product.
2. IMPORTANT: When connecting this product to accessories and/
or another product use only high quality shielded cables. Cable/s
supplied with this product MUST be used. Follow all installation
instructions. Failure to follow instructions could void your FCC
authorization to use this product in the USA.
3. NOTE: This product has been tested and found to comply with the
requirements listed in FCC Regulations, Part 15 for Class “B” digital
devices. Compliance with these requirements provides a reason-
able level of assurance that your use of this product in a residential
environment will not result in harmful interference with other elec-
tronic devices. This equipment generates/uses radio frequencies
and, if not installed and used according to the instructions found in
the users manual, may cause interference harmful to the operation
of other electronic devices. Compliance with FCC regulations does
* This applies only to products distributed by YAMAHA CORPORATION OF AMERICA. (class B)
not guarantee that interference will not occur in all installations. If
this product is found to be the source of interference, which can be
determined by turning the unit “OFF” and “ON”, please try to elimi-
nate the problem by using one of the following measures:
Relocate either this product or the device that is being affected by
the interference.
Utilize power outlets that are on different branch (circuit breaker or
fuse) circuits or install AC line filter/s.
In the case of radio or TV interference, relocate/reorient the
antenna. If the antenna lead-in is 300 ohm ribbon lead, change the
lead-in to co-axial type cable.
If these corrective measures do not produce satisfactory results,
please contact the local retailer authorized to distribute this type of
product. If you can not locate the appropriate retailer, please con-
tact Yamaha Corporation of America, Electronic Service Division,
6600 Orangethorpe Ave, Buena Park, CA90620
The above statements apply ONLY to those products distributed by
Yamaha Corporation of America or its subsidiaries.
FCC INFORMATION (U.S.A.)
IMPORTANT NOTICE FOR THE UNITED KINGDOM
Connecting the Plug and Cord
WARNING: THIS APPARATUS MUST BE EARTHED
IMPORTANT. The wires in this mains lead are coloured in accordance
with the following code:
GREEN-AND-YELLOW : EARTH
BLUE : NEUTRAL
BROWN : LIVE
As the colours of the wires in the mains lead of this apparatus may not
correspond with the coloured markings identifying the terminals in
your plug proceed as follows:
The wire which is coloured GREEN-and-YELLOW must be connected
to the terminal in the plug which is marked by the letter E or by the
safety earth symbol or colored GREEN or GREEN-and-YELLOW.
The wire which is coloured BLUE must be connected to the terminal
which is marked with the letter N or coloured BLACK.
The wire which is coloured BROWN must be connected to the termi-
nal which is marked with the letter L or coloured RED.
(3 wires)
ADVARSEL!
Lithiumbatteri—Eksplosionsfare ved fejlagtig håndtering. Udskiftning
må kun ske med batteri af samme fabrikat og type. Levér det brugte
batteri tilbage til leverandoren.
VARNING
Explosionsfara vid felaktigt batteribyte. Använd samma batterityp eller
en ekvivalent typ som rekommenderas av apparattillverkaren.
Kassera använt batteri enligt fabrikantens instruktion.
VAROITUS
Paristo voi räjähtää, jos se on virheellisesti asennettu. Vaihda paristo
ainoastaan laitevalmistajan suosittelemaan tyyppiin. Hävitä käytetty
paristo valmistajan ohjeiden mukaisesti.
(lithium caution)
NEDERLAND / THE NETHERLANDS
• Dit apparaat bevat een lithium batterij voor geheugen back-up.
• This apparatus contains a lithium battery for memory back-up.
• Raadpleeg uw leverancier over de verwijdering van de batterij op het
moment dat u het apparaat ann het einde van de levensduur of
gelieve dan contact op te nemen met de vertegenwoordiging van
Yamaha in uw land.
• For the removal of the battery at the moment of the disposal at the
end of life please consult your retailer or Yamaha representative
office in your country.
• Gooi de batterij niet weg, maar lever hem in als KCA.
• Do not throw away the battery. Instead, hand it in as small chemical
waste.
(lithium disposal)
This product contains a battery that contains perchlorate material.
Perchlorate Material—special handling may apply,
See www.dtsc.ca.gov/hazardouswaste/perchlorate.
* This applies only to products distributed by
YAMAHA CORPORATION OF AMERICA.
(Perchlorate)
* This applies only to products distributed by
YAMAHA CORPORATION OF AMERICA.
COMPLIANCE INFORMATION STATEMENT
(DECLARATION OF CONFORMITY PROCEDURE)
Responsible Party : Yamaha Corporation of America
Address : 6600 Orangethorpe Ave., Buena Park, Calif.
90620
Telephone : 714-522-9011
Type of Equipment : Digital Mixing Console
Model Name : CL5/CL3/CL1
This device complies with Part 15 of the FCC Rules.
Operation is subject to the following two conditions:
1) this device may not cause harmful interference, and
2) this device must accept any interference received including interfer-
ence that may cause undesired operation.
See user manual instructions if interference to radio reception is sus-
pected.
(FCC DoC)
This product contains a high intensity lamp that contains
a small amount of mercury. Disposal of this material
may be regulated due to environmental considerations.
For disposal information in the United States, refer to
the Electronic Industries Alliance web site:
www.eiae.org
(mercury)* This applies only to products distributed by
YAMAHA CORPORATION OF AMERICA.
(class b korea)

Owner’s Manual 5
PRECAUTIONS
PLEASE READ CAREFULLY BEFORE PROCEEDING
* Please keep this manual in a safe place for future reference.
WARNING
Always follow the basic precautions listed below to avoid
the possibility of serious injury or even death from
electrical shock, short-circuiting, damages, fire or other
hazards. These precautions include, but are not limited
to, the following:
• Do not place the power cord near heat sources such as heaters or radiators, and
do not excessively bend or otherwise damage the cord, place heavy objects on
it, or place it in a position where anyone could walk on, trip over, or roll anything
over it.
• Only use the voltage specified as correct for the device. The required voltage is
printed on the name plate of the device.
• Use only the supplied power cord/plug.
If you intend to use the device in an area other than in the one you purchased,
the included power cord may not be compatible. Please check with your Yamaha
dealer.
• Check the electric plug periodically and remove any dirt or dust which may have
accumulated on it.
• Be sure to connect to an appropriate outlet with a protective grounding
connection. Improper grounding can result in electrical shock.
• This device contains no user-serviceable parts. Do not open the device or
attempt to disassemble the internal parts or modify them in any way. If it should
appear to be malfunctioning, discontinue use immediately and have it inspected
by qualified Yamaha service personnel.
• Do not expose the device to rain, use it near water or in damp or wet conditions,
or place on it any containers (such as vases, bottles or glasses) containing
liquids which might spill into any openings. If any liquid such as water seeps
into the device, turn off the power immediately and unplug the power cord from
the AC outlet. Then have the device inspected by qualified Yamaha service
personnel.
• Never insert or remove an electric plug with wet hands.
• Do not put burning items, such as candles, on the unit. A burning item may fall
over and cause a fire.
• When one of the following problems occur, immediately turn off the power
switch and disconnect the electric plug from the outlet. Then have the device
inspected by Yamaha service personnel.
- The power cord or plug becomes frayed or damaged.
- It emits unusual smells or smoke.
- Some object has been dropped into the instrument.
- There is a sudden loss of sound during use of the device.
CAUTION
Always follow the basic precautions listed below to avoid
the possibility of physical injury to you or others, or
damage to the device or other property. These
precautions include, but are not limited to, the following:
• When removing the electric plug from the device or an outlet, always hold the
plug itself and not the cord. Pulling by the cord can damage it.
• Remove the electric plug from the outlet when the device is not to be used for
extended periods of time, or during electrical storms.
• Do not place the device in an unstable position where it might accidentally fall
over.
• Do not block the vents. This device has ventilation holes at the rear to prevent
the internal temperature from becoming too high. In particular, do not place the
device on its side or upside down. Inadequate ventilation can result in
overheating, possibly causing damage to the device(s), or even fire.
• Do not place the device in a location where it may come into contact with
corrosive gases or salt air. Doing so may result in malfunction.
• Before moving the device, remove all connected cables.
• When setting up the device, make sure that the AC outlet you are using is easily
accessible. If some trouble or malfunction occurs, immediately turn off the
power switch and disconnect the plug from the outlet. Even when the power
switch is turned off, electricity is still flowing to the product at the minimum
level. When you are not using the product for a long time, make sure to unplug
the power cord from the wall AC outlet.
• When transporting or moving the device, always use two or more people.
Attempting to lift the device by yourself may damage your back, result in other
injury, or cause damage to the device itself.
• Before connecting the device to other devices, turn off the power for all devices.
Before turning the power on or off for all devices, set all volume levels to
minimum.
• Remove the power plug from the AC outlet when cleaning the device.
• Do not insert your fingers or hands in any gaps or openings on the device
(vents).
• Avoid inserting or dropping foreign objects (paper, plastic, metal, etc.) into any
gaps or openings on the device (vents). If this happens, turn off the power
immediately and unplug the power cord from the AC outlet. Then have the
device inspected by qualified Yamaha service personnel.
• Do not rest your weight on the device or place heavy objects on it, and avoid use
excessive force on the buttons, switches or connectors.
• Do not use headphones for a long period of time at a high or uncomfortable
volume level, since this can cause permanent hearing loss. If you experience
any hearing loss or ringing in the ears, consult a physician.
Power supply/Power cord
Do not open
Water warning
Fire warning
If you notice any abnormality
Power supply/Power cord
Location
Connections
Maintenance
Handling caution
PA_en_1 1/2

Owner’s Manual
6
• This device has a built-in backup battery that maintains internal clock data even
when the device’s power is switched off.
However, the backup battery will eventually become depleted, and when that
happens the internal clock data will be reset. Replace the backup battery before it
becomes fully depleted.
When the backup battery is running low, the LCD display indicates “Low
Battery” when you start up the system.
In this case, contact your Yamaha dealer and have qualified Yamaha service
personnel replace the backup battery.
The average life of the backup battery is approximately five years, depending on
operating conditions.
NOTICE
To avoid the possibility of malfunction/ damage to the
product, damage to data, or damage to other property,
follow the notices below.
• Do not use the instrument in the vicinity of a TV, radio, stereo equipment, mobile
phone, or other electric devices. Otherwise, the instrument, TV, or radio may
generate noise.
• Do not expose the instrument to excessive dust or vibrations, or extreme cold or
heat (such as in direct sunlight, near a heater, or in a car during the day) to
prevent the possibility of panel disfiguration, damage to the internal
components or unstable operation.
(Verified operating temperature range: 5° – 40°C, or 41° – 104°F.)
• Do not place vinyl, plastic or rubber objects on the instrument, since this might
discolor the panel or keyboard.
• Condensation may occur if the ambient temperature around the device fluctuates
drastically (for example, if the device is relocated or placed under a fast-acting
air cooling or heating system, etc.).
Using the device while condensation is present may result in malfunction. Do
not turn on the power to the device for several hours until condensation
disappears. Only then is it safe to start the device.
• To protect against data loss through media damage, we recommend that you
save your important data onto two USB storage devices/external media.
Information
About copyrights
* Copying of the commercially available musical data including but not limited to
MIDI data and/or audio data is strictly prohibited except for your personal use.
About functions/data bundled with the instrument
* MPEG Layer-3 audio coding technology licensed from Fraunhofer
IIS and Thomson.
* Supply of this product does not convey a license nor imply any right
to distribute content created with this product in revenue-generating broadcast
systems (terrestrial, satellite, cable and/or other distribution channels),
streaming applications (via Internet, intranets, and/or other networks), other
content distribution systems(pay-audio or audio-on-demand applications and
the like) or on physical media (compact discs, digital versatile discs,
amiconductor chips, hard drives, memory cards and the like). An independent
license for such use is required.
For ditails, please visit http://mp3licensing.com/
About this manual
* The illustrations and LCD screens as shown in this manual are for instructional
purposes only, and may appear somewhat different from those on your
instrument.
* Windows is a registered trademark of Microsoft(R) Corporation in the United
States and other countries.
* Apple, Mac, Macintosh and iPad are trademarks of Apple Inc., registered in the
U.S. and other countries.
* The company names and product names in this manual are the trademarks or
registered trademarks of their respective companies.
Always turn the power off when the device is not in use.
(weee_eu)
Backup battery
Handling and Maintenance
Saving data
Yamaha cannot be held responsible for damage caused by improper use or
modifications to the device, or data that is lost or destroyed.
Information for Users on Collection and Disposal of Old
Equipment
This symbol on the products, packaging, and/or
accompanying documents means that used electrical
and electronic products should not be mixed with
general household waste.
For proper treatment, recovery and recycling of old
products, please take them to applicable collection
points, in accordance with your national legislation and
the Directives 2002/96/EC.
By disposing of these products correctly, you will help to save valuable
resources and prevent any potential negative effects on human health and the
environment which could otherwise arise from inappropriate waste handling.
For more information about collection and recycling of old products, please
contact your local municipality, your waste disposal service or the point of sale
where you purchased the items.
[For business users in the European Union]
If you wish to discard electrical and electronic equipment, please contact your
dealer or supplier for further information.
[Information on Disposal in other Countries outside the European
Union]
This symbol is only valid in the European Union. If you wish to discard these
items, please contact your local authorities or dealer and ask for the correct
method of disposal.
PA_en_1 2/2

Introduction
Owner’s Manual 7
Introduction
Welcome!
Thank you for choosing a Yamaha CL series CL5/CL3/CL1
Digital Mixing Console. To take full advantage of the
superior features and performance offered by your
CL-series console, and to enjoy years of trouble-free use,
please read this owner’s manual carefully before operating
your console. After you have read the manual, keep it in a
safe place.
Accessories
•AC power cord
•Owner’s Manual (this book)
•Dante Virtual Soundcard Token leaflet
About utility software
CL-series products can be used with a variety of utility
software.
•CL Editor
This software application enables you to set up and operate
the unit from a connected computer. You can also use the
application to back up console settings or set console
parameters without connecting the unit.
• Console File Converter
This software application enables you to convert Yamaha
PM5D, M7CL, or LS9 settings files to or from CL-series
setting files.
• CL StageMix
This software application enables you to control the unit
remotely from an iPad on a WiFi network.
• MonitorMix
This app allows you to use your mobile device and a Wi-Fi
connection to adjust the CL-series console’s monitor mix
remotely.
Information about these software applications is available
on the Yamaha pro audio website:
http://www.yamahaproaudio.com/
Information about downloading, installing and setting up
the software applications is available on the website listed
above. In addition, refer to the installation guide that
comes with each downloaded application.
About firmware updates
This product enables you to update the unit firmware to
improve the operation, add functions, and correct possible
malfunctions. The following two types of firmware are
available for the unit.
•Console firmware
•Dante module firmware
You must update each type of firmware separately.
Details on updating the firmware are available on the
following website:
http://www.yamahaproaudio.com/
For information about updating and setting up the unit,
please refer to the firmware update guide available on the
website.
About the Owner’s Manual
Owner’s Manual (this book)
This book primarily explains panel controls and functions
and basic operation of the CL series.
Reference Manual (PDF format;
downloadable from the website)
This book primarily explains details about functions,
effects parameters, and MIDI.
Using the PDF manual
The Reference Manual is an electronic file in PDF format.
You can read this book on a computer. Use Adobe® Reader®
to read this book on screen, search for words very quickly,
print specific pages, or click links to display sections of
special interest. The ability to search for words, or to follow
links directly to relevant sections in the document, are
helpful attributes of this electronic file format. We
encourage you to take advantage of these benefits.
You can download the latest Adobe Reader application
from the website listed below.
http://www.adobe.com/
Help file (XML file; downloadable from
the website)
You can read this Help file on the unit’s screen. Install the
file on the unit, then press the Help button on the display to
view related sections.
You can download the Reference Manual and Help file
from the following website.
http://www.yamahaproaudio.com/
Conventions in this manual
In this manual, switch-type controls on the panel are called
“keys.” Control knobs on the panel are called “knobs.”
Some knobs rotate from a minimum value to a maximum
value, while others rotate endlessly.
Virtual buttons displayed on the screen are called “buttons,”
and virtual knobs are called “knobs.”
Controls located on the panel are enclosed in square
brackets [ ] (e.g., [CUE] key) to distinguish them from
virtual buttons and knobs displayed on screen. For certain
controls, the name of the section appears before the
brackets (e.g., SCENE MEMORY [STORE] key).

An overview of the CL series
Owner’s Manual
8
An overview of the
CL series
Features
CL series digital mixing consoles create high-quality,
refined, live-sound environments.
These consoles carry forward the digital evolution of a
broad array of advanced concepts, including Yamaha’s
exclusive “CentralogicTM” control interface, which helps to
make the consoles easy and intuitive to use.
The built-in effect processor and an I/O device can
accommodate the most demanding situations at the
highest level of quality, while retaining the flexibility
necessary to configure a system that meets your needs.
User interface friendly to newcomers but
familiar to seasoned users
All channels routed to the top-panel faders are organized
into a “Fader Bank” that enables you to select and switch a
group of channels easily. The Fader Bank holds input and
output channel banks, as well as custom fader banks. The
custom fader banks enable you to select various
combinations of channels, regardless of channel types.
Each channel strip offers easy visual identification. The
channel name appears on a display, and an indicator shows
the channel color. You can adjust the brightness of each
indicator across a broad range to accommodate dimly-lit
environments.
The SELECTED CHANNEL section located to the left of
the display lets you use the knobs to control the main
parameters (gain, EQ, dynamics threshold, bus send levels,
etc.) for a particular channel. This section can be operated
much like a module in an analog mixer.
In the center of the top panel is the Centralogic section,
which enables you to control eight channels at once. You
can control fader, cue, on/off and other settings for the
eight channels or for DCA groups recalled to this section
by pressing a single key.
The display is a touch screen. You can turn functions on or
off or select items simply by touching buttons or knobs on
the screen.
Mix parameter settings, including gain and phantom
power for input channels, can be stored and recalled as
“scenes.” All faders on the panel are moving faders. When
you recall a scene, the recorded fader locations will be
reproduced immediately.
Flexible system configuration with Dante
The Ethernet-compatible Dante audio network protocol
facilitates connecting CL series consoles to external
devices, such as the Rio3224-D I/O device. A connected
I/O device that has been assigned a unique unit ID will
automatically be recognized and will facilitate patching
functions.
Using an I/O device, you can configure a redundant
network to defend against unforeseen difficulties that can
arise in large-scale Dante networks. If multiple CL units
share the same I/O device, the gain compensation function
will maintain network audio streams at a constant level to
help you enjoy the benefits of a large-scale sound system.
The Dante Virtual Soundcard software driver enables you
to carry out multi-channel recording to DAW software
installed on a computer. Consequently, no other audio
interface is needed.
Ultra-realistic digital reproduction of
analog sound by PREMIUM RACK
The CL series features PREMIUM RACK, which employs
VCM technology. This technology models analog circuitry
on a component level to faithfully reproduce amazing
analog sounds. PREMIUM RACK creates stunning sounds
by modeling and faithfully capturing the sonic
characteristics of analog circuitry fine-tuned to be faithful
to the original sound. The CL’s PREMIUM RACK includes
8 types, including a Portico 5033 EQ/Portico 5043
Compressor by Rupert Neve Designs, a U76 Compressor,
an Opt-2A Leveling Amplifier, etc.
Sonic flexibility from versatile effects and
GEQ rack
Independent of the PREMIUM RACK, high-quality
multi-effect processors are built into your CL series
console, with up to eight available simultaneously. Effects
such as reverb, delay, multiband compression, and various
modulation effects can be routed via internal buses or
inserted into the desired channel.
In addition to the effects, the CL series features a GEQ rack.
A 31BandGEQ, a Flex15GEQ, an 8BandPEQ, an 8ch
Automixer and a 16ch Automixer are included and can be
inserted into any output bus. The Flex15GEQ allows you to
adjust the gain for any 15 of the 31 bands. Since two GEQ
units can be mounted in one virtual rack, a total of up to 32
GEQ units can be used simultaneously. To use effects or the
graphic EQ, you mount them in virtual racks displayed on
the touch screen. The currently-mounted modules can be
seen at a glance, and you can switch modules and change
input/output patching in an intuitive manner.
Complete support tools
The CL-series can be used with a variety of utility software.
CL Editor, which can be installed on Windows or Mac
computers, enables you to edit the unit’s parameter settings.
It can also operate as a stand-alone and lets you set
parameters off-line without connecting to the console.
CL StageMix, an application for iPads, offers remote
control of a networked CL series console from anywhere
within wireless range via an intuitive graphical interface.
The software has been specifically designed to allow
engineers to adjust EQ while monitoring mixes from the
performers’ positions on stage, or to control mix
parameters from various spots in the venue while listening
to the sound.
MonitorMix is an iOS-compatible app that allows
performers to adjust the levels of the monitor mix directly
from the stage.
Console File Converter is an application that converts
PM5D/M7CL/LS9 settings files to or from the CL series
settings file format. You can use data from other models on
the CL series.

About the models
Owner’s Manual 9
I/O card and processing card expansion
The rear panel provides three slots in which separately sold
mini-YGDAI cards can be installed. You can add inputs
and outputs by installing AD cards, DA cards, or digital I/O
cards in these slots. You can also expand processing or
effects by installing a DSP card.
Cascade connections in the digital
domain
You can cascade a second CL series unit or a digital mixer,
such as the Yamaha M7CL, PM5D or LS9, connected via a
digital I/O card installed in a slot.
You can cascade any of the MIX, MATRIX, STEREO (L/R),
MONO, and CUE (L/R) buses.
Recorder function useful for sound checks
and mix recording
The CL series features a USB memory recorder function
that enables you to record output from STEREO or MIX
buses onto a USB flash drive.
It also enables you to play audio files that reside on a USB
flash drive by assigning the files to input channels or
monitor outputs. The MP3 format (MPEG-1 Audio
Layer-3) is supported for recording. For playback, MP3,
WMA (Windows Media Audio), and MPEG-4 AAC
(Advanced Audio Coding) formats are supported. This
function can be useful if you want to record certain bus mix
outputs or play music for a sound check through speakers.
Security functions at user or system level
Functionality can be restricted for users other than the
administrator at three levels of security: administrator,
guest, and user. Passwords can be specified for the
administrator and for users to help prevent important
settings from being changed accidentally
Information specific to each user (user level, system
settings, and user-defined key/knob settings) can be stored
in the console or on a USB flash drive as a “user
authentication key.” By loading your own user
authentication key, you can instantly set up the ideal
operating environment for yourself.
Help file downloadable to the unit
You can download from the website a Help file that explains
the parameters and messages displayed on the screen. Once
you download the Help file, it will be stored inside the unit
so that you can use the Help function at any time.
About the models
The CL series is available in three models: CL5, CL3, and
CL1. Each model features a different number of monaural
input channels and top-panel channel strips. In addition,
the CL5 features an Output Meter section. The CL3 and
CL1 allow you to install an optional MBCL meter bridge.
Other functions are common to all three models. Model
differences are shown in the table below.
NOTE
In this manual, most explanations refer to the CL5.
Monaural
input channels
Channel strips Output
meters
CL5 72
Block A: 16
Block B (Centralogic section): 8
Block C: 8
MASTER section: 2
Yes
CL3 64
Block A: 16
Block B (Centralogic section): 8
MASTER section: 2
Optional
MBCL
CL1 48
Block A: 8
Block B (Centralogic section): 8
MASTER section: 2
Optional
MBCL
Block A Centralogic section
(Block B)
Output meter
MASTER section
Block C
•CL5
Block A Centralogic section
(Block B)
MASTER section
Meter bridge
MBCL (optional)
•CL3
Block A Centralogic section
(Block B)
MASTER section
Meter bridge
MBCL (optional)
•CL1

Controls and functions
Owner’s Manual
10
Controls and functions
Top panel
The top panel of the CL series is divided into the following sections.
1Channel Strip section ➔ page 11
2SELECTED CHANNEL section ➔ page 12
3Display section ➔ page 13
4Centralogic section ➔ page 13
5SCENE MEMORY/MONITOR section ➔ page 14
6USER DEFINED KNOBS section ➔ page 14
7USER DEFINED KEYS section ➔ page 14
8Master section ➔ page 15
9USB connector ➔ page 15
0Meter section (for CL5 only) ➔ page 15
NOTE
This illustration shows the top panel of the CL5.
The CL3 and CL1 do not feature a Meter section, but enable you to install an optional MBCL meter bridge.
236j
118
5
9
47

Top panel
Owner’s Manual 11
Channel Strip section
1GAIN/PAN/ASSIGN knob
Adjusts the gain or pan of the channel. You can also
assign a parameter to this knob.
You can switch the function of the knob by using the
9 [GAIN/PAN/ASSIGN] key.
A gain parameter value indicated on the display or
channel name display indicates the amount of
amplification of a currently-input signal. Refer to the
Conversion Table for information on the relationship
to input sensitivity.
Conversion Table for Input Sensitivity
2[SEL] key
Selects a channel that will be controlled in the
Channel Strip section and on the touch screen. When
a channel is selected, the key LED will light.
If you control an ST IN channel in Block A of the
Channel Strip section, the L channel will be routed to
an odd-numbered channel, and the R channel will be
routed to the adjacent even-numbered channel.
If you control a channel in the CUSTOM bank or in
Block C of the Channel Strip section, and if you assign
L/R channels, the selected object of control will
alternate between the L and R channels each time you
press the [SEL] key.
NOTE
If you assign either the L or R channel, this key will simply
select the channel.
3[CUE] key
Selects the channel to be cue-monitored. If the cue is
on, the key LED will light.
4Meter LEDs
Indicate the channel level.
5[ON] key
Switches the channel on or off. If a channel is on, the
key LED will light. In SENDS ON FADER mode, this
is an on/off switch for signals sent from each channel
to the currently-selected MIX/MATRIX bus.
6Channel name display
Indicates the channel name, knob value, fader value,
etc. You can set the display so that it will indicate only
the channel name. Use the PREFERENCE tab in the
USER SETUP screen to select information to be
displayed.
7Channel color indicator
Lights in a color specified on the PATCH/NAME
screen. You can select the channel color from eight
options.
8Fader
Adjusts the input/output level of the channel. In
SENDS ON FADER mode, this fader adjusts the send
level of the signal from each channel to the
currently-selected MIX/MATRIX bus.
9[GAIN/PAN/ASSIGN] key
Switches the knob function for each block on the
channel strip. The LED for the selected function will
light. Use the USER DEFINED KNOBS tab in the
USER SETUP screen to select a parameter to control
when the ASSIGN function is selected.
0Bank Select keys
These keys switch the channel faders controlled in the
Channel Strip section. The [CUSTOM] keys enable
you to select your own custom fader bank. For details
on the custom fader banks, refer to page 47.
Gain Input Sensitivity
–6dB +10dBu
::
0 +4dBu
::
+66dB –62dBu
1
2
3
4
5
6
7
8
9
j

Controls and functions
Owner’s Manual
12
SELECTED CHANNEL section
This section enables you to set the mix parameters for the
currently-selected channel.
1[MIX1–16] key/[MIX17–24/MATRIX] key
Select a MIX or MATRIX bus that is controlled by the
knobs located below the keys.
2[1]–[16] knobs
Adjust the send level from currently-selected channels
to the MIX or MATRIX bus.
In SENDS ON FADER mode, push in a knob to select
the corresponding destination bus. Push the knob
again to turn the cue monitor on for the
corresponding MIX/MATRIX channel.
NOTE
If the SIGNAL TYPE of the destination bus is set to
STEREO, use the left knobs (odd-numbered channels) to
adjust PAN and the right knobs (even-numbered channels)
to adjust the send level.
3[GAIN] knob
Adjusts the head amp’s analog gain for an input
channel.
On the other hand, it adjusts the digital gain if GAIN
KNOB FUNCTION is set to DIGITAL GAIN in the
PREFERENCE tab of the USER SETUP screen.
This knob has no effect for other types of channels.
NOTE
•The PAD will be switched on or off internally when the HA
analog gain is adjusted between +17 dB and +18 dB.
Keep in mind that noise may be generated when using
phantom power if there is a difference between the Hot and
Cold output impedance of an external device connected to
the INPUT connector.
•The gain parameter value indicates the amount of
amplification of the currently-input signal. Refer to the
Conversion Table (page 11) for information on the
relationship to conventional input sensitivity values.
4[PAN] knob
When a monaural channel is selected, this knob
adjusts the panning of the signal sent to the STEREO
bus.
When a stereo channel is selected, this knob adjusts
the PAN or left/right balance, whichever is selected.
5[DYNAMICS 1] knob
6[DYNAMICS 2] knob
Adjust the THRESHOLD parameter of the gate,
compressor, etc.
The [DYNAMICS 2] knob has no effect if the MIX,
MATRIX, STEREO, or MONO channel is selected.
7[HPF] knob
Adjusts the HPF cutoff frequency for an input
channel. It has no effect on other types of channels.
8EQ [Q], EQ [FREQUENCY], EQ [GAIN] knobs
For each band of the four-band EQ, these knobs adjust
the Q, center frequency (cutoff frequency), and gain.
Press the EQ [Q] and EQ [GAIN] knobs
simultaneously to reset the GAIN setting for each
band to the default value (0.0 dB).
5
6
7
1
2
34
8

Top panel
Owner’s Manual 13
Display section
This is a touch screen that you can operate by touching the
surface of the screen. You can touch your finger to the
screen to select menus or set parameters. Please note that
you cannot operate the unit by touching multiple points
simultaneously.
NOTE
If the touch screen becomes dirty, wipe it with a soft dry
cloth.
NOTICE
Never use a sharp or pointed object such as your fingernail
to operate the touch panel. Doing so may scratch the
screen and render the touch screen inoperable.
Centralogic section
This section enables you to control up to eight channel
modules that are selected from channel groups, DCA
groups, or custom groups selected by the Bank Select keys.
1Bank Select keys
Select a bank to be controlled in the Centralogic
section. Press the [INPUT] key, then press one of the
Bank Select keys below to route the channel bank
(labeled to the left of the key) to the Centralogic
section. Press the [OUTPUT] key, then press one of
the Bank Select keys below to route the channel
(labeled to the right of the key) to the Centralogic
section.
2Multifunction knob
Controls the knob currently selected on the touch
screen. The knob function can vary depending on the
screen currently displayed.
3[SEL] key
4[CUE] key
5Meter LEDs
Same as those in the Channel Strip section.
6[ON] key
Switches the channel on or off. If a channel is on, the
key LED will light. In SENDS ON FADER mode, this
is an on/off switch for signals sent from each channel
2
3
4
5
6
7
8
9
1

Controls and functions
Owner’s Manual
14
to the currently-selected MIX/MATRIX bus. If the
graphic EQ is used, this key resets the gain to 0 dB.
7Channel name display
8Channel color indicator
Same as that in the Channel Strip section. If the
graphic EQ is used, this indicator displays the
frequency and gain parameter value.
9Fader
Adjusts the input/output level of the channel. You can
also make internal settings so that the fader will be
used as a controller to adjust the gain of each GEQ
band.
SCENE MEMORY/MONITOR section
In this section you can perform operations for scene
memory and monitoring.
1SCENE MEMORY [STORE] key
Stores the current mix parameter settings in a
dedicated scene memory.
2SCENE MEMORY [RECALL] key
Recalls a scene (previously-saved settings) from scene
memory.
3SCENE MEMORY [INC]/[DEC] keys
Select the scene number of a scene that you want to
store or recall. The number of the currently-selected
scene appears in the function access area on the right
of the touch screen.
Press the [INC]/[DEC] keys simultaneously to return
to the current scene number.
4[UNDO] key
Cancels the scene recall and recovers the status
obtained prior to recall. The key LED lights if you can
still cancel the scene recall.
5[PREVIEW] key
This key selects PREVIEW mode, which lets you view
the scene settings in the display and the panel without
affecting the signal processing of the current scene.
6[MONITOR LEVEL] knob
Adjusts the signal level of the monitor output. If the
PHONES LEVEL LINK function is turned on in the
MONITOR screen, this knob will also adjust the
signal level at the PHONES Out jack located on the
front panel.
USER DEFINED KNOBS
section
USER DEFINED knobs [A]–[D]
Control the parameters that have been
assigned by the user (input channel
digital gain, high-pass filter frequency,
etc.).
You can assign various parameters at will.
Use the USER SETUP popup window in
the SETUP screen to assign the
parameters.
USER DEFINED KEYS
section
USER DEFINED keys [1]–[16]
Execute functions as assigned by the user
(scene changes, switching the talkback or
internal oscillator on/off, etc.). Use the
USER SETUP popup window to assign
functions.
45
126
3

Top panel
Owner’s Manual 15
Master section
This section is similar to the Channel Strip section, and
enables you to control the principal parameters of the
assigned channels. When the unit is in the default state,
STEREO/MONO channels are assigned.
1GAIN/PAN/ASSIGN knob
Adjusts the gain or pan of the
channel. You can also assign
parameters to the knob.
On the CL5, switch the
function of the knob using the
[GAIN/PAN/ASSIGN] key
located to the left of the Master
section. On the CL3 and CL1,
switch the function of the knob
using the
[GAIN/PAN/ASSIGN] key
located in the upper right
corner of the Block A in the
Channel Strip section.
2[SEL] key
Selects the channel you wish to
control. Pressing this key will
cause the channel LED to light
up, and you will be able to
control the channel in both the
SELECTED CHANNEL
section and on the touch
screen.
If the STEREO bus has been
assigned, the selected object of
control will alternate between
the L and R channels each time
you press the [SEL] key.
3[CUE] key
Selects the channel to be
cue-monitored. If cue is on, the
LED will light.
4[ON] key
Switches the channel on or off. If a channel is on, the
key LED will light.
If MONITOR has been assigned, this key switches the
monitor output on or off.
5Channel name display
6Channel color indicator
Same as that in the Channel Strip section.
7Fader
Adjusts the output level of the channel.
If MONITOR has been assigned, this fader adjusts the
monitor output level.
USB connector
You can connect a USB flash drive to
the USB connector to record or play
audio files, and to save or load
internal data. The Help file displayed
on the unit screen is loaded from a
connected USB flash drive.
You can also save on a USB flash drive “User authentication
key” data that determines the user level and limit the
functionality to which the user has access.
NOTE
Operation is guaranteed only for a connection with a USB
flash drive.
■USB flash drive capacities and formats
The operation of USB flash drives with capacities of up to
32 GB has been verified. (However, this does not guarantee
operation of all USB flash drives.)
The FAT16 and FAT32 formats are supported.
■Prevention of accidental erasure
Some USB flash drives have a write-protect setting that lets
you prevent data from being erased accidentally. If your
flash drive contains important data, it is a good idea to use
the write-protect setting to prevent accidental erasure.
On the other hand, you will need to make sure that your
USB flash drive’s write-protect setting is turned off before
you save data onto it.
NOTICE
An ACCESS indicator appears in the Function Access
Area while data is being accessed (saved, loaded, or
deleted). During this time, do not disconnect the USB flash
drive or power-off the CL unit. Doing so may damage your
flash drive, or may damage the data in the CL unit or on
your media device.
Meter section (for CL5 only)
Indicates the level of MIX/MATRIX, STEREO/MONO and
CUE channels. You can select the monitoring position from
PRE EQ (immediately before EQ), PRE FADER
(immediately before the fader), or POST ON (immediately
after the [ON] key).
You can use this function on the CL3 or CL1 if you install
an optional MBCL meter bridge.
1
2
3
4
7
5
6

Controls and functions
Owner’s Manual
16
Front Panel
1PHONES LEVEL knob
Adjusts the level of the signal output from the
PHONES Out jack.
2PHONES Out (headphone output) jack
Lets you monitor the MONITOR OUT or CUE signal.
3TALKBACK jack
A balanced XLR-3-31 jack to which a talkback mic
can be connected. You can make settings in the screen
to supply +48V phantom power to this jack. This jack
sends instructions from the mixer operator to the
desired output channel.
4TALKBACK LEVEL knob
Adjusts the input level of the mic connected to the
TALKBACK jack.
Rear Panel
1LAMP connectors
Four-pin female XLR output jacks that supply power
to separately-sold gooseneck lamps (such as the
Yamaha LA1L). (The CL3 includes these connectors at
two locations. The CL1 includes one.)
2MIDI IN/OUT connectors
Used to transmit and receive MIDI messages to and
from external MIDI devices. The MIDI IN connector
receives messages from an external device, and the
MIDI OUT connector transmits messages from the
CL unit.
These are used mainly to record CL parameter
operations or scene/library selections on an external
device, or to control CL parameters from an external
device.
3WORD CLOCK IN/OUT connectors
BNC connectors used to transmit and receive word
clock signals to and from an external device. The
WORD CLOCK IN connector features internal
75-ohm termination.
4GPI connector
D-sub 15-pin female connector that allows
communication (5-in/5-out) with a GPI-equipped
external device.
5DIGITAL OUT connector
An AES/EBU (XLR-3-32 male) jack that outputs the
digital audio signal of a desired channel in AES/EBU
format.
6OMNI IN jacks
Balanced XLR-3-31 female input jacks that input
analog audio signals from line level devices or
microphones. Nominal input level is −62 dBu to
+10 dBu.
7OMNI OUT jacks
XLR-3-32 male output jacks that output analog audio
signals. These jacks are used mainly to output the
signals of MIX channels or MATRIX channels.
Nominal output level is +4 dBu.
12 34
21 3 4 5
876 A90 C D FEB
Male XLR plug 1 (Ground)
3 (Cold)
2 (Hot)
Female XLR plug
1 (Ground)
3 (Cold)
2 (Hot)

Rear Panel
Owner’s Manual 17
NOTE
Although OMNI OUT jacks feature a nominal input/output
level of +4 dBu (maximum level +24 dBu), an internal
switch allows this to be changed to –2 dBu (maximum level
+18 dBu) if necessary. (A fee will be charged for this
procedure.) For details, contact your Yamaha dealer.
8Dante PRIMARY/SECONDARY connectors
Used to connect to other Dante-compatible network
devices, such as an Rio3224-D I/O device.
Use standard Ethernet cables with Neutrik etherCON
CAT5 compatible RJ-45 plugs.
NOTE
Use STP (shielded twisted pair) cable to prevent
electromagnetic interference. Make sure that the metal
parts of the plugs are electrically connected to the STP
cable shield by conductive tape or comparable means.
9LINK/ACT Indicators
These indicators show the communication status of
the PRIMARY and SECONDARY connectors.
They flash fast if the Ethernet cables are connected
properly.
01G Indicators
These indicators light when the Dante network is
functioning as Giga-bit Ethernet.
ANETWORK connector
Allows the CL unit to be connected to a computer via
an Ethernet cable (CAT5e or higher recommended).
This connector is used mainly to control mix
parameters or to edit scene memories and libraries
from the dedicated “CL Editor” application program
or “StageMix” iPad application.
NOTE
Use STP (shielded twisted pair) cable to prevent
electromagnetic interference. Make sure that the metal
parts of the plugs are electrically connected to the STP
cable shield by conductive tape or comparable means.
BSLOT 1–3
Allow for the installation of separately-sold DSP
cards, or mini-YGDAI I/O cards to expand the
number of input/output ports.
CDC POWER INPUT connector
You can connect the separately-sold PW800W power
supply here as a backup external power supply. If the
PW800W is connected, the CL unit will continue
receiving power from the PW800W, even if its own
internal power supply shuts down due to a problem.
Caution
If you plan to connect the PW800W, be sure to first
power-off both the CL unit and the PW800W. Then, use the
power supply cable (PSL360) to make the connection.
Failure to observe this caution may cause malfunction or
electric shock.
NOTE
•If a PW800W is connected, the CL series will operate
correctly whether its own internal power supply and the
PW800W are both turned on, or just one of them is turned
on.
•If both power supplies are turned on, and an abnormality
is detected in one of the power supplies, the CL series will
automatically switch to the other power supply. If this
occurs, the touch screen will display a message to inform
you.
DAC IN connector
Connect the supplied AC power cable here. First
connect the AC power cable to the CL unit, then insert
the power cable plug into an AC power outlet.
The supplied AC power cable features a special
latching mechanism (V-LOCK) to prevent the power
cable from being disconnected accidentally.
Connect the power cable by inserting the cable plug
fully until it is locked.
Caution
Be sure to turn the power off before connecting or
disconnecting the power cable.
To disconnect the p ower
cable, press the latch button
on the plug.
E (Power Switch)
This switch turns power on or off. When the power
switch is set to , the power to the unit is on. When
the power switch is set to , the power to the unit is
off.
Caution
•Rapidly turning the unit on and off in succession can cause
it to malfunction. After turning the unit off, wait for at least 6
seconds before turning it on again.
•Even when the power switch is turned off, a small amount
of current is flowing through the unit. If you plan not to use
the unit for a long period of time, remove the power cable
from the AC outlet.
FGrounding screw
The supplied AC power cable is a 3-wire type.
Therefore, if the AC outlet used is properly grounded,
the CL will be grounded as well. Also, grounding this
screw may effectively eliminate noise such as hum and
interference.

Touch screen
Owner’s Manual
18
Touch screen
Basic touch screen
operations
This section explains the basic procedures you can perform
on the CL’s touch screen. In general, you will operate the CL
using an appropriate combination of the operations
explained here.
Pressing the touch screen
You will mainly use this operation to switch screens and
pages, to select a parameter to operate, and to turn a button
on or off. Certain buttons let you specify a number based
on the area of the button itself that you touch.
Multiple selection (specifying a range)
While pressing your finger on the touch panel, move it in
the left or right direction to specify a range within a
character string. You will use this technique primarily
when assigning a name to a scene or library.
For the channel select buttons, you can select multiple
buttons by moving your finger across the touch screen
while continuing to press down.
NOTE
This makes it easy to select a range of buttons to be turned
on or off together.
Special key operations
Typically, you will press a top panel key once, but in certain
cases you can access special functions by rapidly pressing a
key twice in succession.
Knob operations
Typically, knobs are rotated left or right to change the value
of the corresponding parameter. By pressing a knob, you
can recall a specific screen.
For certain parameters, you can adjust the value in finer
steps (greater detail) by rotating the knob while pressing it.
Multifunction knob operations
Multifunction knobs 1–8 are used to operate knobs
selected in the touch screen.
A thick line will be displayed around a selected knob if it
can be controlled by a multifunction knob. (Typically, a
knob of this type corresponds to the multifunction knob
located immediately below it and allows you to control up
to eight parameters simultaneously.)
While a knob is selected, turning the multifunction knob
located immediately below it will change the value of the
corresponding parameter.
In the SCENE LIST screen, you can select multiple items by
rotating a multifunction knob while pressing it.
The on-screen user interface
The section below explains various user interface
components that appear in the touch screen, and how to
use them.
Tabs
Tabs enable you to switch between multiple pages. Each tab
indicates its page name.
Buttons
Buttons are used to execute specific functions, to switch
parameters on or off, or to select one of the multiple
choices. Buttons that perform on/off operations appear in
solid colors while they are turned on, and dark while when
turned off.
When you press a button labeled with two overlaid “■”
symbols or a “▼” mark, a separate window will open,
allowing you to make detailed settings.
Faders / Knobs
Faders and knobs on screen move in tandem when you
operate the top panel faders and knobs. The current value
appears immediately below the fader or knob.
If you press once a knob that can be operated by a
multifunction knob, a thick frame appears around the
knob. This frame indicates that the knob has been selected
for operation.
NOTE
Pressing certain knobs a second time while a thick frame
is displayed around them will open a window in which you
can make additional detailed settings.
Buttons
Tabs

The on-screen user interface
Owner’s Manual 19
List windows
Windows similar to the following enable you to select items
from a list, such as a list of USER DEFINED keys.
The highlighted item in the middle indicates it has been
selected for operation. Press the arrow / below the list
to scroll the list up or down.
NOTE
•You can also scroll the list up or down by using the
multifunction knob.
•If there is more than one list on the screen, your operations
will apply to the list surrounded by a pink frame. You can
press the multifunction knob to move the focus of your
operations to the next column.
Keyboard window
The keyboard window enables you to assign a name or
comment to a scene or library, or to assign a name to a
channel. Press the keys in the window to enter the
corresponding character.
Popup windows
When you press a button or field for a specific parameter in
a screen, a window showing detailed parameters or lists
will appear. This type of window is called a “popup
window.”
You can switch between popup windows using tabs as
needed.
Some popup windows show several buttons called “tool
buttons” at the top of the window. You can use these tool
buttons to recall libraries or to perform copy and paste
operations.
Press the “X” symbol to close the popup window and
return to the previous screen.
Dialog boxes
Dialog boxes similar to the following enable you to confirm
operations you just performed.
Press the OK button to execute the operation. The
operation will be canceled if you press the CANCEL
button.

Touch screen
Owner’s Manual
20
Viewing the touch screen
The touch screen of the CL series is broadly divided into
two areas.
Function access area
1Selected channel
This field indicates the number,
name, icon and channel color
of the channel that is currently
selected for operation. Press the
left half of the selected channel
to switch to the preceding
channel; press the right half to
switch to the next channel.
2Time
This area indicates the
current time.
3Status Indicator
This area indicates the
current unit status. Normally
it indicates the name of the
user who is currently logged
in (i.e., is authenticated and
able to operate the system).
The following table shows the
indications and their
corresponding status.
*1 The signal type (IN/OUT/DCA/KEYIN/EFFECT) is shown in the
upper part of the CUE meter.
*2
This indicator appears when the operation switches from the primary
to the secondary Dante audio network in a redundant connection
.
NOTICE
An ACCESS indicator appears in the Function Access
Area while data is being accessed (saved, loaded, or
deleted). During this time, do not disconnect the USB flash
drive or power-off the CL unit. Doing so may damage your
flash drive, or may damage the data in the CL unit or on
your media device.
4HELP
Pressing this button will show on-line help in the
main area. To view the on-line Help, first you must
load the Help file from a USB flash drive. Once the
Help file has been loaded, it will be kept in internal
memory.
5SENDS ON FADER
Press this button to switch to SENDS ON FADER mode,
where you can use the faders of the top panel to adjust
the MIX/MATRIX send level. During this time, the
function access area will switch to a screen that enables
you to select the send-destination MIX/MATRIX bus.
6I/O DEVICE
When you press this button, the I/O DEVICE screen
will appear in the main area, allowing you to make
settings for I/O devices and external head amps.
7CH JOB (Channel Job)
When you press this button, the CH JOB menu which
allows you to group and link channels will appear,
allowing you to select the function you want to operate.
8RACK
When you press this button, the VIRTUAL RACK
screen will appear in the main area, allowing you to
edit the GEQ and effect settings.
9MONITOR
When you press this button, the MONITOR screen
will appear in the main area, allowing you to edit the
monitor or oscillator settings.
0METER
These are level meters that show the level of the
STEREO bus (L/R), MONO bus (M), and cue signal
(CUE). When you press this field, the METER screen
will appear in the main area. If you press part of the
CUE meters when the cue monitor is on, the cue
monitor will be canceled.
ASETUP
When you press this button, the SETUP screen will
appear in the main area, allowing you to make basic
system settings and user-specific settings.
BRECORDER
When you press this button, the recorder screen will
appear in the main area, allowing you to operate and
set up the recorder function (USB/Nuendo Live) for
audio recording and playback.
CSCENE
This area indicates the number and title of the scene
that was last stored or recalled. An “R” symbol is
displayed for read-only scenes, and a lock icon is
displayed for write-protected scenes. If you edit the
parameters from their last stored or recalled state, an
“E” symbol will appear in the lower right. When you
press this field, the SCENE LIST screen will appear in
the main area, allowing you to store or recall scenes.
In PREVIEW mode, this field is shown in red.
DUSER DEFINED KEY
This area indicates the bank for the USER DEFINED
key that is currently selected.
Indication Status
OSC Oscillator enabled
TALKBACK Talkback enabled
CUE Cue monitor on*1
ACCESS Accessing internal memory or USB memory
PATCHING Now performing Dante patching
ALT ALTERNATE mode enabled
PLAY Playing an audio file
REC Recording an audio file
SECONDARY
Switching to the secondary network *2
Function access areaMain area
1
2
3
8
6
4
5
7
9
kl
n
m
j

Entering names
Owner’s Manual 21
When you press a button (6, 8, 9, 0, A, B, C) to
access the corresponding screen, the button will be
highlighted. In this state, pressing the button once again
will return either to the most recently recalled SELECTED
CHANNEL VIEW screen or the OVERVIEW screen.
Main area
The contents of the main area will change depending on
the function that is currently selected. Mixing operations
will involve mainly the following two types of screens.
■SELECTED CHANNEL VIEW screen
This screen shows all the mix parameters for the
currently-selected channel. To access this screen, press one
of the knobs of the SELECTED CHANNEL section.
■OVERVIEW screen
This screen simultaneously shows the main parameters for
the (up to) eight channels currently assigned to the
Centralogic section. To access this screen, press one of the
BANK SELECT keys in the Centralogic section or one of
the multifunction knobs.
NOTE
While the HELP, METER or SCENE screen is displayed in
the main area, the OVERVIEW screen will not open even if
you press a BANK SELECT key in the Centralogic section.
To return to the OVERVIEW screen, press a user-defined
key to which the OVERVIEW function is assigned.
Alternatively, press the highlighted HELP, METER or
SCENE field once again.
Entering names
On the CL series, you can assign a name to each input
channel, output channel, and DCA group, and assign a title
to scene and library data when saving it.
To assign a name, you will use the keyboard window shown
in the main area.
1. Access the screen for assigning a name.
The screen shot below shows how to assign a name to
a channel.
The box shows the characters you have entered and a
cursor that indicates the current position.
2. Use the keyboard window in the touch screen
to enter the desired characters.
When you press a character key in the keyboard
window, the corresponding character will be entered
in the box, and the cursor will move to the right.
3. Input the subsequent characters in the same
way.
When entering characters, you can also use the
following buttons in the keyboard window.
• COPY button
Copies the selected (highlighted) string of characters
in the text box.
• CUT button
Deletes and copies the selected (highlighted) string of
characters in the text box.
• PASTE button
Inserts the string of characters copied by COPY or
CUT at the cursor location (or overwrites the
currently-selected range of characters).

Touch screen
Owner’s Manual
22
• CLEAR button
Deletes all characters that have been input in the text
entry box.
• INS button
Inserts a space (blank) at the cursor position.
• DEL button
Deletes the character at the right of the cursor (or the
string of characters selected in the text entry box).
•BS button
Deletes the character to the left of the cursor (or the
string of characters selected in the text box).
• TAB button
Accesses the next selectable item. For example in the
SCENE STORE window you can use this button to
switch between two text entry boxes, and in the
PATCH/NAME window you can use this to switch
channels.
•SHIFT LOCK button
Switches between uppercase and lowercase
alphabetical characters. You can enter uppercase
characters and symbols while this button is on, and
lowercase characters and numerals while this button
is off.
• ENTER button
Finalizes the name you entered.
4. After you enter the name, press the STORE
button or the ENTER button.
The name you entered will be applied.
NOTE
•This basic procedure also applies to screens in which you
enter names for channels or other library items. When you
enter a name for a channel, your input will be reflected
immediately without pressing the ENTER button.
•Press in the text entry box to move the input position. If you
select a region of characters entered in the box and then
enter a new character, the newly-entered character will
overwrite the selected region.
Using the tool buttons
In some popup windows, the title bar at the top of the
window contains tool buttons for additional functions. You
can use these buttons to access related libraries or to copy
parameters from one channel to another channel. This
section explains how to use the tool buttons.
About the tool buttons
In the HPF/EQ, DYNAMICS 1/2, GEQ, EFFECT, and
PREMIUM popup windows, the following tool buttons
appear.
1LIBRARY button
This button opens the library associated with the
current popup window (EQ, dynamics, GEQ, effect,
or Premium Rack libraries).
2DEFAULT button
This button returns the currently-selected channel
(EQ/dynamics) or rack (effect/Premium Rack) to its
default state.
NOTE
GEQ does not feature this button. To initialize GEQ, use
the FLAT button in the GEQ edit window.
3COPY button
This button copies the settings of the
currently-selected channel (EQ/dynamics) or rack
(GEQ/effect/Premium Rack). The copied content is
held in a buffer memory (a temporary memory area).
4PASTE button
This button pastes the settings from the buffer
memory to the currently-selected channel
(EQ/dynamics) or rack (GEQ/effect/Premium Rack).
5COMPARE button
This button exchanges and compares the settings in
the buffer memory with the settings of the
currently-selected channel (EQ/dynamics) or rack
(GEQ/effect/Premium Rack).
For some windows, some of the various tool buttons also
appear.
1 2 3 4 5

Using libraries
Owner’s Manual 23
Using libraries
This section explains basic operations for libraries.
Libraries allow you to store and recall settings for the
currently-selected channel (EQ/dynamics) or rack
(GEQ/effect/Premium Rack).
The following libraries are provided.
•Input channel library
•Output channel library
•Input EQ library
•Output EQ library
•Dynamics library
•GEQ library
•Effect library
•Dante input patch library
•Premium Rack library
The method of operation is essentially the same for each
library.
NOTE
Premium Rack library features a library for each Premium
Rack type.
■Recalling settings from a library
1. Open a popup window that provides the tool
buttons.
To access each popup window, proceed as follows. To
recall settings from a channel library, first display the
SELECTED CHANNEL VIEW screen. Then, proceed
to Step 3.
[SELECTED CHANNEL VIEW screen]
Press one of the knobs in the SELECTED CHANNEL
section to access the SELECTED CHANNEL VIEW
screen.
[HPF/EQ popup window]
[Dynamics 1/2 popup window]
In the SELECTED CHANNEL VIEW screen or the
OVERVIEW screen, press the appropriate field for EQ
or Dynamics 1/2.
1 EQ field
2 Dynamics 1/2 field
[GEQ/EFFECT/PREMIUM RACK popup
window]
In the VIRTUAL RACK window that appears when
you press the RACK button in the function access
area, press a rack in which a GEQ/effect/Premium
Rack is already mounted.
1 RACK button
2 Racks
2
1
1
2
1
2

Touch screen
Owner’s Manual
24
2.
Select the channel (EQ/dynamics) or rack
(GEQ/effect/Premium Rack) for which you
want to recall settings.
The method of selecting a channel or rack depends on
the type of popup window that is displayed.
[HPF/EQ popup window (1ch)]
[DYNAMICS 1/2 popup window (1ch)]
Use the panel [SEL] keys or the channel select button
in the function access area to select a channel.
[HPF/EQ popup window (8ch)]
[DYNAMICS 1/2 popup window (8ch)]
In addition to using the panel [SEL] keys or the
channel select button in the function access area, you
can also select a channel by pressing the channel
number / channel name buttons in the popup
window.
If you use the channel number/channel name buttons
in the 8ch popup window, you can select multiple
channels by selecting a region. In this case, the same
library data will be recalled to all the selected
channels.
[GEQ/EFFECT/PREMIUM RACK popup
window]
Use the rack select tabs at the bottom of the popup
window to select a rack.
NOTE
You cannot select a rack select tab of a rack in which no
GEQ, effect, or Premium Rack is mounted.
3. Press the LIBRARY tool button to open the
corresponding library window.
Library windows contain the following items.
1CURRENT TYPE
(Only for output channel library)
This field displays the type of channel selected via the
[SEL] key.
2List
This list shows the data saved in the library.
A highlighted line indicates that it is selected for
operations. Read-only data is indicated by an R
symbol.
NOTE
The right side of the list displays information regarding the
relevant setting data (such as the type of output channels,
dynamics type or effect type being used). The dynamics
library also displays symbols indicating whether the data
can be recalled into Dynamic 1 and/or Dynamics 2.
Channel select button
Channel number / Channel name buttons
Selected region
1
2
3

Using libraries
Owner’s Manual 25
3RECALL button
This button recalls the data selected in the list into the
currently-selected channel (EQ/dynamics) or rack
(GEQ/effect/Premium Rack).
4. Rotate any of the multifunction knobs to
move the highlight line up or down to select
a library item you want to recall.
Depending on the data you selected for recall, it may
not be possible to recall it into the currently-selected
channel or rack. Each library has the following
restrictions.
• Channel library
If the type of channel selected via the [SEL] key is
different from the one selected in the list in the output
channel library, “CONFLICT” appears to the right of
CURRENT TYPE. You can recall the data even if
“CONFLICT” appears, although the data would
include different parameters. Parameters that do not
exist in the library will be set to the default value.
• Dynamics library
The dynamics library contains three types of data:
Dynamics 1 and Dynamics 2 for input channels, and
Dynamics 1 for output channels. You cannot recall the
data if an inappropriate type of dynamics data is
selected in the library.
•GEQ library
The GEQ library contains two types of data:
31BandGEQ or Flex15GEQ. You cannot recall the
31BandGEQ library data into the Flex15GEQ library
if the data contains the gain settings for 16 or more
bands.
•Effect library
Effect library items that use effect types “HQ.Pitch” or
“Freeze” can be recalled only to effect racks 1, 3, 5 or
7. These cannot be recalled if any other rack is
selected.
If you select a library number that cannot be recalled,
it will not be possible to press the RECALL button.
5. Press the RECALL button.
6. The selected data will immediately be loaded
into the channel (EQ/dynamics) or rack
(GEQ/effect/Premium Rack) you selected in
step 2.
NOTE
If you recall channel library data to a channel that is linked
to another channel, the link setting of the channel to which
data was recalled will be canceled.
■Storing settings in a library
1. Open a popup window that provides the tool
buttons.
2. Select the channel (EQ/dynamics) or rack
(GEQ/effect/Premium Rack) for which you
want to store settings.
NOTE
You can select only one channel or rack as the source for
storing. If multiple channels are selected in the dynamics
or EQ popup window, you will not be able to perform the
Store operation.
3. At the top of the popup window, press the
LIBRARY button to access the library.
1STORE button
The settings of the currently-selected channel
(EQ/dynamics) or rack (GEQ/effect/Premium Rack)
will be stored to the position selected in the list.
4. Turn one of the multifunction knobs to select
the store-destination library number.
NOTE
You cannot store information to a library number that
contains read-only data (indicated by an R symbol).
5. Press the STORE button.
The LIBRARY STORE popup window will appear,
allowing you to assign a title to the settings. For details
on entering text, refer to “Entering names” (see
page 21).
6. After you assign a title to the settings, press
the STORE button in the LIBRARY STORE
popup window.
A dialog box will ask you to confirm the Store
operation.
7. To execute the Store operation, press the OK
button.
The current settings will be stored to the library
number you selected in step 4. If you decide to cancel
the Store operation, press the CANCEL button instead
of the OK button.
1

Touch screen
Owner’s Manual
26
NOTE
•Even after you have stored the settings, you can edit the
title of the settings by pressing the data title in the list to
access the LIBRARY TITLE EDIT popup window.
However, you cannot edit the title of a read-only library item
(indicated by an R symbol).
•Be aware that if you store settings to a location that already
contains data, the existing data will be overwritten.
(Read-only data cannot be overwritten.)
■Erasing settings from a library
1. Open a popup window that provides the tool
buttons.
2. At the top of the popup window, press the
LIBRARY button to access the library.
1CLEAR button
This button erases the settings that are selected in the
list.
3. Turn one of the multifunction knobs to select
the library item that you want to clear.
NOTE
You cannot clear read-only data (indicated by an R
symbol).
4. Press the CLEAR button.
A dialog box will ask you to confirm the Clear
operation.
5. To execute the Clear operation, press the OK
button.
The data you selected in step 3 will be cleared. If you
decide to cancel the Clear operation, press the
CANCEL button instead of the OK button.
Initializing settings
This section explains how to return the EQ/dynamics
settings of the currently-selected channel or the effect
settings of a rack to their default state. A GEQ can be
initialized by using the FLAT button on the screen.
1. Open a popup window that provides the tool
buttons.
2. Select the channel (EQ/dynamics) or rack
(effect/Premium Rack) for which you want to
initialize the settings.
3. Press the DEFAULT button.
A dialog box will ask you to confirm the initialization
operation.
4. To execute the initialization, press the OK
button.
The EQ/dynamics of the channel or the
effect/processor settings of the rack you selected in
step 2 will be initialized. If you decide to cancel the
initialization, press the CANCEL button instead of the
OK button.
NOTE
In the case of EQ/dynamics, you can use the channel
number / channel name buttons in the 8ch or ALL popup
window to select a range of channels and initialize them in
a single operation.
Copying/pasting settings
This section explains how to copy the EQ/dynamics
settings of the currently-selected channel or the
GEQ/effect/Premium Rack settings of a rack to a buffer
memory, and then paste them into another channel or rack.
Copy/paste operations are restricted to the following
combinations:
•Between input channel EQ settings
•Between output channel EQ settings
•Between dynamics processors for which the
paste-destination has the same type (GATE, DUCKING,
COMPRESSOR, EXPANDER, COMPANDER-H,
COMPANDER-S, or DE-ESSER) as the copy-source
•Between effects/GEQ mounted in a rack
•Between same processors mounted in a Premium Rack
NOTE
Only 31BandGEQ settings that use less than fifteen bands
can be copied to a Flex15GEQ.
1. Open a popup window that provides the tool
buttons.
2. Select the channel (EQ/dynamics) or rack
(GEQ/effect/Premium Rack) from which you
want to copy the settings.
3. Press the COPY button.
The current settings will be saved in the buffer
memory.
1

Comparing two settings
Owner’s Manual 27
NOTE
•Be aware that if you copy other settings before you paste,
the buffer memory will be overwritten.
•You can select only one channel or rack as the
copy-source. If multiple channels are selected in the 8
ch/ALL popup window, the COPY button will be
unavailable.
4. Select the paste-destination channel or rack.
NOTE
If you are pasting EQ/dynamics settings, you can use the
8ch or ALL popup window to select multiple channels as
the paste-destination. In this case, the same content will be
pasted to all selected channels.
5. Press the PASTE button.
The settings of the channel (EQ/dynamics) or the rack
(GEQ/effect/Premium Rack) you selected in step 2
will be pasted.
NOTE
•Be aware that when you paste, the settings will overwrite
the paste-destination.
•If nothing has been stored in the buffer memory, the PASTE
button cannot be pressed.
•Of the two types of GEQ, using the tool buttons in a rack in
which a Flex15GEQ is selected will cause the settings to
be copied/pasted for rack A and B individually.
•You cannot paste effect settings that use effect types
“HQ.Pitch” or “Freeze” to racks 2, 4, 6 or 8.
Comparing two settings
You can use the COMPARE button to exchange the settings
held in the buffer memory with the settings of the
currently-selected channel (EQ/dynamics) or rack
(GEQ/effect/Premium Rack). This is convenient if you
want to temporarily keep the settings at a certain point, and
compare them later with subsequently edited settings.
1. Open a popup window that provides the tool
buttons.
2. Select a channel (EQ/dynamics) or rack
(GEQ/effect/Premium Rack).
3. Press the COPY button to place the current
settings in the buffer memory.
This will be the first set of settings.
NOTE
Be aware that if you copy other settings before you
compare, the buffer memory will be overwritten.
4. Edit the settings of the currently-selected
channel (EQ/dynamics) or rack
(GEQ/effect/Premium Rack).
This will be the second set of settings.
NOTE
After you store the first set of settings in the buffer memory,
you can initialize the channel or rack and edit the second
set of settings from an initialized state if desired.
5. To compare the first set of settings with the
current settings (the second set), press the
COMPARE button.
You will return to the first set of settings. At this time,
the second set of settings will be held in the buffer
memory.
6. You can press the COMPARE button
repeatedly to compare the first and second
sets of settings.
Each time you press the COMPARE button, the
current settings will be exchanged with the settings
held in the buffer memory. Unlike the Paste operation,
the Compare operation always lets you return to the
previous settings as long as the buffer memory has not
been overwritten.
NOTE
•The settings in the buffer memory can also be used for the
Paste operation.
•Of the two types of GEQ, using the tool buttons in a rack in
which a Flex15GEQ is selected will cause the settings to
be replaced with the buffer memory data for rack A and B
individually.
COPY
COMPARE
The first set The first set
Buffer memory
Edit the settings
(The second set)
The first set
The first set
The second set
Buffer memory
Buffer memory

Basic operation of the CL series
Owner’s Manual
28
Basic operation of
the CL series
This section explains the basic operations of the CL series.
CL series operations are divided into three main categories:
• Controlling selected channels
(SELECTED CHANNEL section)
• Controlling eight channels as a group
(Centralogic section)
• Using the faders on the top panel
(Channel Strip section)
In general, you will operate the CL series for mixing using
a combination of these operations.
Controlling selected
channels (SELECTED
CHANNEL section)
The SELECTED CHANNEL section located to the left of
the display corresponds to the mixer module on a
conventional analog mixer, and allows you to manually
adjust all the major parameters of the currently-selected
channel. Operations in this section will affect the channel
that was most recently selected by its [SEL] key. The basic
procedure is as follows:
1. Press the Bank Select key of a bank that
includes the channel that you want to control.
Select one of the preset or custom fader banks in the
Channel Strip section or Centralogic section.
2. Use a [SEL] key to select the channel that you
want to control.
To select a MIX or MATRIX channel, use the Bank
Select keys to recall the desired channel to the
Centralogic section, and then press the [SEL] key for
the desired channel.
3. Press any one of the knobs in the SELECTED
CHANNEL section.
The SELECTED CHANNEL VIEW screen for the
selected channel will appear. You can view the actual
setting values on screen.
Even if a different screen is selected, the knobs of the
SELECTED CHANNEL section always affect the
currently-selected channel. In this case, a mini popup
window indicating the value of that parameter will
appear on screen when you operate a knob.
4. Use the knobs of the SELECTED CHANNEL
section and the buttons in the SELECTED
CHANNEL VIEW screen to edit the parameters
of the selected channel.
Controlling eight channels as
a group (Centralogic section)
The Centralogic section located below the touch screen lets
you recall and simultaneously control a set of up to eight
input channels, output channels, or DCA groups. Use the
Bank Select keys on the right side of the Centralogic
section to select the channels that you want to control.
When you press the keys, the corresponding channels or
DCA groups will be assigned to the Centralogic section,
and the touch screen will display the OVERVIEW screen
for those channels. The OVERVIEW screen displays the
main parameters, which you can control using the
Centralogic section’s faders and keys. The basic procedure
is as follows:
1. Use a Bank Select key to select the channel or
DCA group that you want to control.
Press the [INPUT] key to select from channel groups
labeled at the left of the Bank Select keys, and press the
[OUTPUT] key to select from channel groups labeled
at the right of the Bank Select keys.
When you press the Bank Select key, the touch screen
will display the OVERVIEW screen, and the
parameters of the eight channels you selected will
appear.
NOTE
When the SELECTED CHANNEL VIEW screen is
displayed, you can switch to the OVERVIEW screen by
pressing any of the multifunction knobs 1–8. This is
convenient when you want to quickly switch to the
OVERVIEW screen while leaving the same channels or
DCA groups selected for control.
2. Use the controls of the Centralogic section
and the fields in the OVERVIEW screen to
control the channels.
NOTE
•The bottom line of the OVERVIEW screen shows the
channels or DCA groups that can be controlled by the
faders, [ON] keys and [CUE] keys of the Centralogic
section.
•The top line of the OVERVIEW screen shows the channels
that can be controlled by the multifunction knobs 1–8.
Controlling another set of eight channels
in the OVERVIEW screen
You can retain channels or DCA groups controlled by the
faders, [ON] keys, meters, [CUE] keys and [SEL] keys of
the Centralogic section, and switch to another group of
eight channels for control in the OVERVIEW screen. In
this case, the multifunction knobs will control a different
set of eight channels than the Centralogic section’s
controls.
1. Press the Bank Select key for the channels or
DCA group that you want to retain for the
Centralogic section, and hold it down for two
seconds or longer.
The LED of the Bank Select key will start blinking.
The blinking indicates that the corresponding
channels or DCA groups are now retained for the
Centralogic section.

Using the top panel (Channel Strip section)
Owner’s Manual 29
2. Press a Bank Select key to select the eight
channels (other than the DCA groups) that
you want to control in the OVERVIEW screen.
The Bank Select key will light. The lit status indicates
that the corresponding channels can be controlled in
the OVERVIEW screen and by the multifunction
knobs.
3. To release the channels or DCA groups that
were retained for the Centralogic section,
press the Bank Select key you operated in step
1 once again, and hold it down until the Bank
Select key LED changes from blinking to lit.
When the Bank Select key LED changes to being lit, its
channels or DCA groups will be assigned to both the
Centralogic section and the OVERVIEW screen.
Using the top panel
(Channel Strip section)
The Channel Strip section of the top panel enables you to
control the level, gain, pan, CUE, and other parameters for
the selected channels. The basic procedure is as follows:
1. Use the Bank Select keys located on the right
of the Channel Strip section to select the
channels or DCA groups that you want to
control.
Each Bank Select key holds a “Bank,” which bundles a
group of multiple channels.
“CUSTOM” Bank Select keys enable you to assign and
recall a bank with your own assortment of the
channels or DCA groups. These banks are called
“custom fader banks.” Since the custom fader banks
enable you to assign a combination of different types
of channels, you can control different types of
channels as a group.
2. Use the controls of the Channel Strip section.
Use the channel knob to adjust a parameter selected
by the [GAIN/PAN/ASSIGN] key.
Each channel’s display indicates the
currently-assigned channel information. For the
channel display information, access SETUP→USER
SETUP→PREFERENCE, then set NAME DISPLAY to
NAME ONLY or FULL FUNCTION.
Custom fader bank settings
Follow the procedure below to set up a custom fader bank for
control on the Channel Strip section.
1. Press the SETUP button located in the
function access area in the display.
2. Press the USER SETUP button in the upper left
of the SETUP screen.
3. Press the CUSTOM FADER tab near the
bottom of the USER SETUP screen.
The CUSTOM FADER BANK / MASTER FADER
screen will appear.
These controls affect
INPUT channels 1–8
in the OVERVIEW
screen.
These controls affect
DCA groups 1–8.

Basic operation of the CL series
Owner’s Manual
30
4. Select a target custom fader bank.
Channel strips are categorized into four blocks; from
your left, block A, block B (Centralogic section), block
C (only for CL5), and Master.
5. Press the number in the FADER area, then
press the [SEL] key for the channel that you
want to assign to that fader.
You can also select a channel in the display. Press the
button below the desired number to display the CH
SELECT screen. First select the tab for a channel
group, then select individual channels. To return to
the previous screen, press the CLOSE button.
6. Repeat step 5 to select all channels that you
want to assign to the custom fader bank.
7. When you have finished, press the X symbol
in the upper right corner of the screen.
Adjusting the send level to a MIX bus or
MATRIX bus (SENDS ON FADER mode)
Each fader on the top panel enables you to adjust the level
of the corresponding channel, as well as the send level of
the signal routed from each channel to the
currently-selected MIX/MATRIX bus (SENDS ON
FADER mode).
Follow the procedure below to use the faders on the top
panel to adjust a signal that is sent from all input channels
to a specific MIX bus.
1. In the function access area
in the display, press the
SENDS ON FADER button.
The CL will switch to SENDS
ON FADER mode. The most
recently selected group of
MIX/MATRIX buses will be
assigned to the Centralogic
section. The faders in the
Channel Strip section will move
to indicate the send level of the
signals that are routed from each
channel to the currently-selected
MIX/MATRIX bus.
In SENDS ON FADER mode,
the function access area in the
display will show the button that
enables you to switch between MIX1–16 and
MIX17–24/MATRIX, and the buttons that enable you
to select the destination MIX/MATRIX buses.
1ON FADER switch button
Pressing this button repeatedly will switch between
MIX1–16 and MIX17–24/MATRIX.
2MIX/MATRIX bus select buttons
These buttons enable you to select the destination
MIX/MATRIX buses. Two buses that are paired in
stereo are represented by one button.
2. Press the ON FADER switch button repeatedly
to select MIX1–16 or MIX17–24/MATRIX.
In this way, you can use the MIX/MATRIX bus select
buttons to specify the destination MIX/MATRIX
buses.
3. Use the MIX or MATRIX bus select buttons in
the function access area to select the
send-destination MIX/MATRIX bus.
NOTE
•Alternatively, press a SEND LEVEL knob in the
SELECTED CHANNEL section to display a popup window,
from which you can select a MIX/MATRIX bus.
•You can also select a MIX/MATRIX bus by using the Bank
Select keys and the [SEL] keys in the Centralogic section.
If you select the MIX buses or MATRIX buses by pressing
the [SEL] keys, the setting of the MIX/MTRX ON FADER
switch button will be changed automatically.
•If you press the currently-selected MIX/MATRIX bus select
button again, cue monitoring will be turned on for the
related MIX/MATRIX channel. This method is convenient if
you want to monitor the signal that is being sent to the
selected MIX/MATRIX bus.
4. Use the faders in the INPUT section to adjust
the send level from the input channels to the
selected MIX/MATRIX bus.
NOTE
You can assign the SENDS ON FADER function to a USER
DEFINED key. This lets you quickly switch to SENDS ON
FADER mode for a specific MIX/MATRIX bus, and quickly
switch back again.
5. Repeat steps 3–4 to adjust the send level for
other MIX/MATRIX buses in the same way.
6. When you have finished adjusting the
MIX/MATRIX send levels, press the X symbol
in the function access area.
The function access area display will return to its prior
state, and the unit will return to normal mode.
1
2

Connections
Owner’s Manual 31
Connections
About network connections
About Dante
This product features Dante technology as a protocol to
transmit audio signals. Dante is a network protocol
developed by Audinate. It is designed to deliver
multi-channel audio signals at various sampling and bit
rates, as well as device control signals over a Giga-bit
Ethernet (GbE) network. Dante also offers the following
benefits:
•It transmits up to 512 in/512 out, for a total 1024
channels (in theory) of audio over a GbE network. (The
CL series features 64 in/64 out with a 24/32-bit
resolution.)
•Dante-enabled devices will automatically configure their
network interfaces and find each other on the network.
You can label Dante devices and their audio channels
with names that make sense to you.
•
Dante uses high accuracy network synchronization
standards to achieve sample-accurate playback with
extremely low latency and jitter. 5 types of latency are
offered by the CL series: 0.25 msec, 0.5 msec, 1.0 msec,
2.0 msec, and 5.0 msec.
•Dante supports resilient redundant connections against
unexpected network problems via primary and
secondary networks.
•Connecting a computer to Dante network using an
Ethernet connection enables you to directly input or
output audio signals without using any audio interface
devices.
•Audio can be transferred over distances up to 100
meters* between devices using CAT5e network cables.
* Maximum practical distance may vary
according to the cable used.
By taking advantage of these benefits, you can: skip any
complicated procedures to automate connections and
setups of Dante-enabled devices; remotely control I/O
devices from a mixing console; or make multi-track
recordings to a DAW, such as Nuendo, installed on a
computer in the network.
Visit the Audinate website for more details on Dante.
http://www.audinate.com/
Additional information on Dante is also posted on the
Yamaha Pro Audio website:
http://www.yamahaproaudio.com/
NOTE
Please do not use the EEE function (*) of network switches
in a Dante network.
Although power management should be negotiated
automatically in switches that support EEE, some switches
do not perform the negotiation properly. This may cause
EEE to be enabled in Dante networks when it is not
appropriate, resulting in poor synchronization performance
and occasional dropouts.
Therefore we strongly recommend that:
•If you use managed switches, ensure that they allow EEE
to be disabled. Make sure that EEE is disabled on all ports
used for real-time Dante traffic.
•If you use unmanaged switches, make sure to not use
network switches that support the EEE function, since
EEE operation cannot be disabled in these switches.
* EEE (Energy Efficient Ethernet) is a technology that
reduces switch power consumption during periods of
low network traffic. It is also known as Green Ethernet
and IEEE802.3az.
About Dante Controller
Dante Controller is a software application that allows
configuration and audio routing of Dante networks. Use
this application if you plan to connect or set up
Dante-enabled devices (such as Dante-MY16-AUD) that
do not feature CL native support, or if you wish to set up
complicated signal routings on a Dante network. More
information is posted on the following website.
http://www.yamahaproaudio.com/
To run Dante Controller, a computer must feature a
GbE-compatible Ethernet connector.
Refer to the Dante Controller owner’s manual for details on
Dante Controller.
Connecting to I/O devices
This section explains how to connect the CL series to I/O
devices (such as RIO3224-D) in a daisy chain network and
in a star network (redundant network). Before you make
connections with I/O devices, perform the steps described
in “Setting up the Dante network” (see page 40), and then
turn off the power of the CL series unit.
Daisy chain network
A daisy chain is a wiring scheme in which multiple devices
are connected together in sequence. In this way,
networking is simple and requires no network switches.
This connection method is suitable for a simple system
with a small number of devices.
However, if a large number of devices are connected, the
latency value must be increased. Also, if a connection is
broken in a daisy chain network, the signal flow is
interrupted at that point and no signal will be transferred
beyond that point.

Connections
Owner’s Manual
32
■Connecting I/O devices to the CL series
Make connections as shown below using the Dante
connectors of the CL series and the I/O devices, and set the
rotary switches and DIP switches of the I/O devices.
■Rotary switch and DIP switch settings of the I/O
devices
Star network (redundant network)
In a star network, each device is connected to a central hub.
Using a GbE-compatible network switch enables you to
configure a wide-band, large-scale network. We
recommend a network switch that gives you the ability to
control and monitor the network (such as QoS, the ability
to assign priority to data flows - e.g., clock synchronization
or audio transmission on certain data circuits).
With this topology, it is usual to configure a redundant
network so that even if an unexpected network problem
occurs, communication can occur without affecting the
audio.
About redundant networks
A redundant network consists of two circuits, a primary
circuit and a secondary circuit. Normally, the network
operates on the primary circuit. However, if the primary
connection is broken, the secondary circuit will
automatically take over communications. Therefore, using
a redundant network with a star topology would increase
communication stability relative to a daisy chain network.
■Connecting I/O devices to the CL series
Make connections as shown below using the Dante
connectors of the CL series and the I/O devices, and set the
rotary switches and DIP switches of the I/O devices.
CL5
Rio3224-D (ID#1)
Rio3224-D (ID#2)
SECONDARY
PRIMARY
PRIMARY
0
1
2
3
4
5
6
7
8
9
A
B
C
D
E
F
0
1
2
3
4
5
6
7
8
9
A
B
C
D
E
F
(ID#1)
(ID#2)
0
1
2
3
4
5
6
7
8
9
A
B
C
D
E
F
0
1
2
3
4
5
6
7
8
9
A
B
C
D
E
F
1 2 3 4 5 6 7 8
ON
1 2 3 4 5 6 7 8
ON
CL5 SECONDARY
SECONDARY
SECONDARY
PRIMARY
PRIMARY
PRIMARY
Rio3224-D
(ID#1)
Rio3224-D
(ID#2)
0
1
2
3
4
5
6
7
8
9
A
B
C
D
E
F
0
1
2
3
4
5
6
7
8
9
A
B
C
D
E
F
Network switch
Network switch

Audio input/output connections
Owner’s Manual 33
■Rotary switch and DIP switch settings of the I/O
devices
Audio input/output
connections
Analog input connections
The INPUT jacks on the I/O devices and the OMNI IN
jacks are used mainly to connect microphones or monaural
line-level devices.
NOTE
In the default state, the OMNI IN jacks are not patched. To
use the signals connected here as inputs, you will need to
make patch settings.
Analog output connections
To the OMNI OUT jacks on the CL series and the
OUTPUT jacks on the Rio3224-D units, you can patch the
output signals from output channels (MIX, MATRIX,
STEREO (L/R), MONO (C)), monitor signals (MONITOR
OUT L/R/C channels), and the direct out signals of the
input channels. For information about patches, refer to
“Patching the mixer output to the I/O device” (see page 41)
in the Quick Guide section.
The PHONES Out jack located on the front panel is for
monitoring, which always enables you to monitor the
monitoring source signal. By assigning the MONITOR
OUT L/R/C channels to the desired output jacks, you can
also monitor the same signal through external speakers.
Digital input/output connections
Use the DIGITAL OUT jack to send the CL’s internal
signals to an external digital audio device. When the CL is
in the default state, the output signal of the STEREO
channel is patched to the DIGITAL OUT jack, which
enables you to record the main mix onto a CD recorder or
other device.
You can connect this jack to the AES/EBU jack on an I/O
device, such as Rio3224-D. Also, by installing separately
sold mini-YGDAI I/O cards in slots 1–3, you can add
input/output jacks to the CL or connect speaker processor
units.
Refer to the Yamaha professional audio website for the
most recent information on available I/O cards.
http://www.yamahaproaudio.com/
(ID#1)
(ID#2)
1 2 3 4 5 6 7 8
ON
1 2 3 4 5 6 7 8
ON
0
1
2
3
4
5
6
7
8
9
A
B
C
D
E
F
0
1
2
3
4
5
6
7
8
9
A
B
C
D
E
F
0
1
2
3
4
5
6
7
8
9
A
B
C
D
E
F
Rio3224-D
CL series
0
1
2
3
4
5
6
7
8
9
A
B
C
D
E
F
Rio3224-D
Main speakers
Monitor speakers
CL series

Connections
Owner’s Manual
34
Installing an option card
Before you install I/O cards in slots 1–3, you must check the
Yamaha website to determine whether the card is
compatible with the CL series, and to verify the total
number of Yamaha or third-party cards that can be
installed in combination with that card.
Yamah a web sit e:
http://www.yamahaproaudio.com/global/en/
To install an optional mini-YGDAI card, proceed as
follows.
1. Make sure that the power is turned off.
2. Loosen the screws that hold the slot cover in
place, and remove the slot cover.
Keep the removed slot cover and screws in a safe
place.
3. Align the edges of the card with the guide
rails inside the slot, and insert the card into
the slot.
Push the card all the way into the slot so that the
connector at the end of the card is correctly inserted
into the connector inside the slot.
4. Use the screws included with the card to
fasten the card in place.
Malfunctions or incorrect operation may occur if the
card is not fastened.
Caution
Before connecting a separately sold mini-YGDAI I/O card
to the CL unit, you must turn off the power switches for the
CL and the PW800W power supply. Failure to observe this
will cause malfunction or electric shock.
Slot cover
Card

Setup
Owner’s Manual 35
Setup
This section explains the setup required when starting up
the CL series for the first time. This section will also discuss
basic operations for sending an input channel signal out
from the STEREO bus so that you can check the
connections.
Specifying the brightness of
the touch screen, LEDs,
channel name displays, and
lamps
Here is how to specify the brightness of the touch screen,
top panel LEDs, channel name displays, and lamps
connected to the rear panel LAMP connectors.
1. In the function access area, press the SETUP
button to access the SETUP screen.
2. In the field located in the right of the bottom
row of the SETUP screen, press the BANK A or
BANK B button.
You can save two different brightness settings in bank
A and B, and switch between them rapidly if desired.
3. Use the multifunction knobs to set the
following parameters.
CONTRAST field
•NAME
Adjusts the contrast of the characters of the channel
name displays on the top panel.
BRIGHTNESS field
•NAME
Adjusts the brightness of the channel name displays
on the top panel.
• CH COLOR
Specifies the balance of brightness between the top
panel channel color indicator and channel name
display.
•SCREEN
Adjusts the brightness of the touch screen.
If you have set the brightness to lower than level 2, the
CL will start up next time with a brightness setting of
2 so that you will be able to see the screen.
•PANEL
Adjusts the brightness of the top panel LEDs. If the
optional MBCL meter bridge is installed on the
CL3/CL1, this knob setting will also affect the LEDs
on the meter bridge.
•LAMP
Adjusts the brightness of the lamps connected to the
rear panel LAMP jacks.
4. If desired, switch between banks A and B and
make settings for the other bank in the same
way.
Now you can switch between the BANK A and BANK
B buttons to change the brightness of the touch
screen, LCD, channel name displays, and lamps in a
single operation. You can also assign this parameter to
a USER DEFINED key, and press that key to switch
between banks A and B.
Setting the date and time of
the internal clock
This section explains how to set the date and time of the
clock built into the CL unit, and how to select a date and
time display format.
The date and time you specify here will affect the time
stamp used when saving a scene.
1. In the function access area, press the SETUP
button to access the SETUP screen.
2. Press the DATE/TIME button located in the
bottom row of the SETUP screen, to open the
DATE / TIME popup window.
The popup window includes the following items.
1) DATE
This field specifies the date of the internal clock.
2) TIME
This field specifies the time of the internal clock.
3) DISPLAY FORMAT
This field specifies the format in which the time of the
internal clock is displayed.
3. In the DISPLAY FORMAT field, press the
MODE buttons several times to select the
desired format for date and time display.
You can select from the following display formats.
•Date
MM/DD/YYYY (Month/Day/Year)
DD/MM/YYYY (Day/Month/Year)
YYYY/MM/DD (Year/Month/Day)
•Time
24Hours (hours shown in a range of 0–23)
12Hours (hours shown from 0am–11am, and 0pm–
11pm)

Setup
Owner’s Manual
36
4. Use multifunction knobs 1–6 on the top panel
to specify the current date and time.
5. When you have finished making settings,
press the OK button.
The date, time, and display format you specified will
be finalized, and the popup window will close. If you
press the CANCEL button or the X symbol instead of
the OK button, your changes will be discarded and the
popup window will close.
Word clock connections and
settings
To send and receive digital audio signals between the CL
and a connected external device, the word clock of both
devices must be synchronized.
1. In the function access area, press the SETUP
button.
2. Press the WORD CLOCK/SLOT button in the
SYSTEM SETUP field in the middle of the
window.
3. In the WORD CLOCK SELECT field, select the
desired clock source.
• When using the internal word clock
Press the INT 48k or INT 44.1k button.
• When a device on the Dante network serves
as the clock master
Press the DANTE 48k or DANTE 44.1k button.
• When using clock data from a digital audio
signal as the clock source
Press a valid two-channel button for the
corresponding slot.
• When using word clock data from the WORD
CLOCK IN jack as the clock source
Press the WORD CLOCK IN button.
If the CL unit is operating correctly with the selected
clock, the symbol immediately above the
corresponding button will turn light blue.
NOTE
The clock data of the digital audio signal supplied via a
digital I/O card in one of the slots 1–3 can be selected in
two-channel units.
4. To close the WORD CLOCK/SLOT popup
window, press the X symbol located in the
upper right.
You will return to the SETUP screen.
5. To close the SETUP screen, press the SETUP
button in the function access area.

Making HA (Head Amp) analog gain settings
Owner’s Manual 37
Making HA (Head Amp)
analog gain settings
This section explains how to adjust the analog gain of the
HA (Head Amp) for each input channel to which a mic or
instrument is connected.
There are two ways to control channel parameters on the
CL unit: using the SELECTED CHANNEL section to make
settings for a single channel; and using the Centralogic
section to make settings for up to eight channels all
together.
Using the SELECTED CHANNEL section
(settings for one channel)
1. Connect a mic or instrument to an INPUT jack.
2. In the top panel Channel Strip section, press
the [SEL] key for the channel corresponding
to the INPUT jack that you want to control.
3. While playing a musical instrument or
speaking or singing into a microphone, rotate
the [GAIN] knob in the SELECTED CHANNEL
section to adjust the gain of the
currently-selected channel.
Adjust the gain level as high as possible without
allowing the OVER segment of the channel strip level
meter to light at the highest audio input level.
When you press one of the knobs in the SELECTED
CHANNEL section located to the left of the touch
screen, the SELECTED CHANNEL VIEW screen will
appear in the touch screen. When you rotate the
[GAIN] knob in the SELECTED CHANNEL section,
the knob in the HA field of the SELECTED
CHANNEL VIEW screen will move in tandem with
the knob.
4. Press the [SEL] key of another input channel,
and adjust the head amp gain in the same
way.
When you press a [SEL] key to select another channel,
the channel shown in the SELECTED CHANNEL
VIEW screen will change accordingly.
Using the Centralogic section
(settings for eight channels)
Use the Centralogic section and the OVERVIEW screen to
make head amp settings for up to eight channels. This
method is convenient when you want to adjust the same
parameter for multiple channels simultaneously.
1. Connect a mic or instrument to an INPUT jack.
2. Press a Bank Select key in the
Centralogic section so that the
input channels you want to
control are assigned to the
Centralogic section.
Press the [INPUT] key, then press
the key of the channels you want to
control.
If you want to control the STEREO
IN channels, press the [OUTPUT]
key, then press the [ST IN] key.
When you press a Bank Select key,
the OVERVIEW screen will appear
in the display, and the principal
parameters of the up to eight
selected channels will be shown
simultaneously.
3. Press a knob in the HA/PHASE field of the
screen to select it.
When you press a knob shown in the OVERVIEW
screen, a bold frame is displayed around the
horizontal row of knobs of the same type. This frame
indicates that you can use the multifunction knobs of
the Centralogic section to operate the corresponding
knobs.
4. While playing a musical instrument or
speaking or singing into a microphone, use
the Centralogic section’s multifunction knobs
1–8 to adjust the HA gain of each channel.
Adjust the level as high as possible without allowing
the OVER segment of the channel strip level meter in
the Centralogic section to light at the highest audio
input level.
The input level is also shown by the level meter of the
corresponding INPUT section or ST IN section.
5. Use the Bank Select keys to switch the eight
channels controlled by the Centralogic
section, and adjust the gain for the other
input channels in the same way.

Setup
Owner’s Manual
38
Sending an input channel
signal to the STEREO bus
This section explains how to adjust the level of a
gain-adjusted signal sent from an input channel to the
STEREO bus; adjust the pan/balance; and monitor signals
from external speakers connected to the STEREO channel.
The following procedure enables you to check whether the
connections with the mic, instrument, and main speakers
are appropriate.
In this case as well, you can either use the SELECTED
CHANNEL section to make settings for one channel at a
time, or use the Centralogic section to make settings for up
to eight channels collectively.
Using the SELECTED CHANNEL section
(settings for one channel)
1. Press the [SEL] key of the input channel that
you want to control.
2. Press one of the knobs in the SELECTED
CHANNEL section.
The SELECTED CHANNEL VIEW screen for the
selected channel will appear.
3. In the To ST PAN/BALANCE field of the
SELECTED CHANNEL VIEW screen, make sure
that the ST button is on (white characters on
a pink background).
In the TO ST PAN/BALANCE field you can switch
the signal sent from the input channel to the
STEREO/MONO buses on or off by using the
ST/MONO button. The knob in this field indicates the
pan/balance of the signal sent to the STEREO bus.
If the ST button is off (black characters on gray
background), press the button to switch it on.
4. Verify that in the top panel, the [ON] key of
the corresponding input channel is turned on.
If the [ON] key is off (the LED is dark), press the key
to turn it on (the LED will light).
5. In the STEREO/MONO MASTER section, make
sure that the [ON] key of the STEREO channel
is turned on, and raise the STEREO channel
fader to 0 dB.
6. Raise the fader of the currently-selected input
channel to an appropriate volume.
In this state, you should now hear sound from the
speaker system that is patched to the STEREO
channel.
If you do not hear sound, check whether the LR
meters are moving in the METER field of the function
access area.
If the LR meters are moving:
It may be that the STEREO channel is
not correctly patched to the output
jacks that are connected to your
speaker system. Check the output
port patching.
If the LR meters are not
moving:
Make sure that signals are being
routed correctly to the patched input
channels.
7. To adjust the pan/balance of the signal sent
from the input channel to the STEREO bus,
rotate the [PAN] knob of the SELECTED
CHANNEL section.
When you rotate the [PAN] knob, the knob in the TO
ST PAN/BALANCE field of the SELECTED
CHANNEL VIEW screen will move in tandem with
the [PAN] knob.
8. Press the [SEL] key of another input channel,
then repeat this procedure from step 2.
When you press a [SEL] key to select another channel,
the channel shown in the SELECTED CHANNEL
VIEW screen will change accordingly.

Sending an input channel signal to the STEREO bus
Owner’s Manual 39
Using the Centralogic section (settings
for eight channels)
Here is how to use the Centralogic section and
OVERVIEW screen to adjust the level and pan/balance of
the signals sent to the STEREO bus for up to eight channels
at a time.
1. Press a Bank Select key so that the input
channels you want to control are assigned to
the Centralogic section.
The selected eight channels are shown in the
OVERVIEW screen.
TO STEREO/MONO field
2. Make sure that in the TO STEREO/MONO field
of the screen, the ST symbol of each channel
is on (white characters on pink background).
The ST/MONO symbol in the OVERVIEW screen
indicates the on/off status of the signal sent from that
input channel to the STEREO/MONO buses. If the ST
symbol is off (gray characters on a black background),
press the TO ST PAN/BALANCE field of the
SELECTED CHANNEL VIEW page to display a
popup window, then switch the status on.
3. In the Centralogic section, verify that the
[ON] key of the corresponding input channel
is turned on.
4. In the STEREO/MONO MASTER section, make
sure that the [ON] key of the STEREO channel
is turned on, and raise the STEREO channel
fader to 0 dB.
5. In the Centralogic section, raise the fader of
the corresponding input channel to an
appropriate volume.
In this state, you should now hear sound from the
speaker system that is patched to the STEREO
channel.
6. To adjust the pan/balance of the signal sent
from each input channel to the STEREO bus,
press a knob in the TO STEREO/MONO field
of the screen to select it, and rotate the
multifunction knobs of the Centralogic
section.
When you rotate a multifunction knob, the knob in
the TO STEREO/MONO field of the OVERVIEW
screen will also rotate.
7. Use the Bank Select keys to switch the eight
channels controlled by the Centralogic
section, and control other input channels in
the same way.

Quick Guide
Owner’s Manual
40
Quick Guide
This section explains the general procedures in a mixing
workflow. The example below is based on a system in
which one CL5, one I/O device, an amplifier and speakers
are connected. If there are multiple methods to achieve the
same result, this section introduces the simplest method.
For details on the functions and their parameters, refer to
the Reference Manual.
Connecting the devices
Setting up the Dante network
1. Press the SETUP button in the touchscreen.
2. Press the DANTE SETUP button in the SETUP
screen.
3. In the lower part of the DANTE SETUP screen,
press the SETUP tab.
4. Set CONSOLE ID to #1, and SECONDARY
PORT to DAISY CHAIN.
NOTE
If you want to change the settings, you must first
disconnect all I/O devices before doing so. If you fail to do
so, communication with the I/O devices will become
impossible.
If you changed the settings, press the APPLY button;
when the confirmation screen appears, click the OK
button.
The button you changed will change from red back to
white; please wait approximately 30 seconds for the
settings to be applied.
5. Set BIT to 24, and LATENCY to 0.25.
Connecting I/O devices
1. Make sure that power to all devices to be
connected is turned off. Then, use an
Ethernet cable to connect the Dante
PRIMARY connector on the CL to the Dante
PRIMARY connector on the I/O device.
2. Specify the ID of the I/O device.
NOTE
If you plan to use one I/O device, set its ID number to “1.”
If you plan to use multiple devices, you must assign a
unique ID number to each device.
3. Turn on the power to the I/O device, the CL
series, and then the amplifier, in that order.
4. In the touchscreen, press the SETUP button,
then the DANTE SETUP button, and finally the
DEVICE MOUNT tab.
5. Check the I/O devices.
NOTE
If you’re connecting an I/O device other than the
Rio3224-D, you’ll need to mount it.
See the reference manual for details.
6. Connect mics or instruments to the I/O
device.
Setting the word clock
1. Press the SETUP button in
the display screen, then
press the WORD
CLOCK/SLOT button.
2. Select INT 48k or INT
44.1k.
3. Press the X symbol to close the screen.
➩

Setting the input channels
Owner’s Manual 41
Patching the input port
1.
Press the I/O DEVICE button in the touchscreen.
2. In the upper part of the I/O
DEVICE screen, press the
DANTE PATCH tab.
3. In the I/O DEVICE screen,
press the DANTE INPUT
PATCH button.
4. Press the AUTO SETUP button.
5. When a confirmation dialog appears, press
the OK button.
6. Press the X symbol to close the screen.
Patching the mixer output to the I/O device
1. Press the I/O DEVICE button
in the display screen, then
press the Rio tab.
2. Press the OUTPUT display area of the I/O
device that will be the output destination.
3. Press the OUTPUT 1 button.
4. In the PORT SELECT screen, select the output
channels you want to output to the rack.
5. Press the CLOSE button.
6. In the same way, set OUTPUT 2 and
subsequent outputs, if necessary.
Setting the input channels
Switching phantom power on or off
1. Press the [SEL] key for the channel that you
want to control in the Channel Strip section
or Centralogic section.
2. Press the GAIN knob in the SELECTED
CHANNEL section.
3. Press the +48V button in the GAIN/PATCH
popup window as necessary, depending on
the microphone you use.
NOTE
•The phantom power master switch on the I/O device must
be turned on first.
•Make sure that phantom power is turned OFF unless it is
needed.
•When turning phantom power on, pay careful attention to
the following to prevent damage or noise in the mixing
console or connected equipment.
-Turn the +48 button off if equipment that does not use
phantom power is connected to the OMNI IN jacks.
-Do not connect or disconnect a cable to or from the
OMNI IN jacks while the +48 button is on.
-Set all digital mixing console output controls to minimum
when turning phantom power ON or OFF.
Adjusting the analog gain
1. Press the [SEL] key for the channel that you
want to control in the Channel Strip section
or Centralogic section.
2. Press the [CUE] key of the same channel.
3. While checking the sound level through the
headphones and meters, adjust the channel
[GAIN] knob of the Channel Strip section.
4. Adjust the gain level for other channels in the
same way, by pressing their [SEL] and [CUE]
keys, and then rotating the [GAIN] knobs.
5. After adjustment is complete, switch the
[CUE] key off (the key LED turns off).
GAIN knob
➩

Quick Guide
Owner’s Manual
42
Applying EQ/dynamics
Applying EQ
1. Press the [SEL] key of the channel that you
want to control.
2. Adjust EQ in the SELECTED CHANNEL section.
3. Press the EQ area in the display screen.
4. Edit the EQ type and filter type in the HPF /
EQ popup window.
Applying dynamics
1. Press the [SEL] key of the channel that you
want to control.
2. Press the ON button of the DYNAMICS 1 field
in the display screen.
3. Press the DYNAMICS 1 area.
4. Edit the dynamics type and parameters in the
DYNAMICS popup window.
Use the knobs in the Centralogic section to edit the
parameters.
5. Edit the DYNAMICS 2 parameters in the same
way.
Setting the output channels
1. Use the [OUTPUT] key of the Centralogic
section, then Bank Select keys to select the
desired output channel bank.
2. Press the [SEL] key of the output channel that
you want to control.
3. Press any one of the knobs in the SELECTED
CHANNEL section.
4. Edit the EQ and dynamics parameters in the
same way as for the input channels.
Using GEQ
1. Press the RACK button in the display screen.
2. Press the GEQ 1–8 tab.
3. Press the INPUT PATCH button for GEQ1.

Applying effects
Owner’s Manual 43
4. Select an input source in the left column of
the CH SELECT popup window, then select a
channel in the right column.
5. Press the CLOSE button.
6. Press the GEQ icon to open the GEQ popup
window.
7. Press FADER ASSIGN to select the GEQ you
will control using the Centralogic section’s
faders.
8. Perform the same operations for other GEQs
as desired.
Applying effects
Using EFFECT RACK with send/return
1. Press the RACK button in the display screen.
2. Press the EFFECT tab.
3. Modify the INPUT CH/OUTPUT CH patch
settings, if necessary.
4. Press the rack icon in the middle to open the
EFFECT popup window.
5. Press the effect icon.
6. Select an effect you want to use from the
EFFECT TYPE popup window.
7. In the Channel Strip section, select the bank
that includes the channel to which you want
to apply the effect.

Quick Guide
Owner’s Manual
44
8. Press the SENDS ON FADER button in the
display screen.
9. In the Centralogic section, press the
[OUTPUT] key, then [MIX17–24/MATRIX] key.
10. From Fx1–Fx8 routed to the Centralogic
section, select and press the [SEL] key for the
effect channel that you want to use.
11. Use the faders of the Channel Strip section to
control effect sends.
12. Press the X symbol for the MIX1–16,
MIX17–24/MATRIX button to exit SENDS ON
FADER mode.
13. In the Centralogic section, press the
[OUTPUT] key, then [ST IN] key.
14. Adjust the effect return level using the fader
in the Centralogic section.
15. If necessary, press the RACK button, then the
effect track icon of the EFFECT tab, and then
set the effect parameters.
Inserting PREMIUM RACK processor
1. Press the RACK button in the display screen.
2. Press the PREMIUM tab.
3. Press the rack icon in the middle to open the
PREMIUM RACK popup window.
4. Select a processor you want to use from the
MODULE SELECT field, then press the OK
button.
5. Press the INPUT PATCH button.
6. Select an input source in the left column of
the CH SELECT popup window, and then
select a channel in the right column.
7. Press the CLOSE button.

Changing the patch settings
Owner’s Manual 45
8. In the Centralogic or Channel Strip section,
select the bank that includes the channel to
which you want to apply the processor.
9. Press the [SEL] key of the channel to which
you want to apply the processor.
10. In the INSERT field of the SELECTED
CHANNEL VIEW screen, press the button that
indicates the name of the inserted PREMIUM
RACK.
11. Adjust the parameters in the PREMIUM RACK
popup window.
Changing the patch settings
Setting up INSERT or DIRECT OUT
1. Select the bank that contains the channel for
which you want to set up INSERT or DIRECT
OUT in the Channel Strip section or
Centralogic section.
2. Press the [SEL] key of the channel for which
you want to change the patching.
3. Press the setting button in the DIRECT OUT
area of the SELECTED CHANNEL screen.
4. Assign OUT and IN for INSERT or DIRECT OUT.
5. Press the ON button to enable it.
6. Modify the INSERT or DIRECT OUT point by
pressing it, if necessary.

Quick Guide
Owner’s Manual
46
Changing the signal output to each
output port
1. Press the SETUP button in the display screen.
2. Press the OUTPUT PORT button in the
SYSTEM SETUP screen.
3. Select the OUTPUT PORT tab you want to
change.
4. Press the output channel select button to
select the output channel for which you want
to change the port.
Grouping and linking
Creating a channel link
1. Press the CH JOB button in
the display screen.
2. Press the CH LINK button.
3. Select the bank that contains the channels
you want to link in the Channel Strip section
or Centralogic section.
4. While pressing and holding down the [SEL]
key of one channel, press the [SEL] key of the
other channel that you want to link.
5. To release the link, press and hold down the
[SEL] key for one of the linked channels, and
press the [SEL] key for the other channel.
NOTE
You can also set or release a channel link in the display.
Setting a DCA or MUTE group
1. Press the [SEL] key of the channel that you
want to control.
2. Press the DCA tab or
MUTE tab in the
SELECTED CHANNEL
screen.
3. Press the desired
group number
button.
4. To assign other channels to a group, press
DCA or MUTE group numbers in the same
way.

Setting a custom fader bank
Owner’s Manual 47
Setting a custom fader bank
1. Press the SETUP button in the display screen.
2. Press the USER SETUP button in the CURRENT
USER area.
3. Press the CUSTOM FADER tab near the
bottom of the screen.
4. In the CUSTOM FADER BANK / MASTER
FADER screen, press the button for the
custom fader bank you want to set up.
5. In the FADER field, press the channel strip
number button.
6. Press the [SEL] key for the channel that you
want to assign in the Channel Strip section.
7. In the same way, select other channels that
you want to assign.
Using talkback
1. Connect a mic to the front panel TALKBACK
jack.
2. Press the MONITOR button in the display
screen.
3. Press the ASSIGN button in the TALKBACK
area.
4. In the ASSIGN area, select a bus to which you
want to send the talkback signal.
5. Press the TALKBACK ON button.
6. While observing the TALKBACK IN meter, use
the front panel VOLUME knob to adjust the
level.

Quick Guide
Owner’s Manual
48
Routing the oscillator to an
output channel
1. Press the MONITOR button in the display
screen.
2. Press the setting button in the OSCILLATOR
field.
3. Set the MODE, LEVEL, and FREQ parameters.
4. In the ASSIGN area, press the desired
OUTPUT tab to select the output destination.
5. Return to the previous screen, then press the
OUTPUT button in the OSCILLATOR area.
Using scene memories
Storing a scene
1. Use the [INC]/[DEC] keys in the SCENE
MEMORY section to select the
store-destination scene number.
2. Press the [STORE] key.
3. Enter the scene name and comments in the
SCENE STORE screen.
4. Press the [STORE] key.
5. When a confirmation dialog appears, press
the [STORE] key again.
Recalling a scene
1. Use the [INC]/[DEC] keys in the SCENE
MEMORY field to select the scene number
that you want to recall.
2. Press the [RECALL] key on the unit.

Recording and playing audio using a USB flash drive
Owner’s Manual 49
Recording and playing audio
using a USB flash drive
Recording audio to a USB flash drive
1. Connect a USB flash drive to the USB
connector of the CL unit.
2. Press the RECORDER button in the display
screen.
3. Press the USB tab.
4. Press the REC RATE button to switch the
recording bit rate for an MP3 file.
5. In the RECORDER INPUT field, select a
recording source channel and set the
recording level.
6. Press the Rec button to arm recording.
7. Press the Play button to start recording.
8. When you have finished recording, press the
Stop button.
Playing audio files from a USB flash drive
1. Connect a USB flash drive that contains audio
files to the CL unit.
2. Press the RECORDER button in the display
screen.
3. In the PLAYBACK OUT field, select a channel
from which you want to play audio files.
4. Select an audio file to play from the list.
5. Press the Play button.
6. Adjust the gain using the knob in the
PLAYBACK OUT area, then in the Channel
Strip section, use the faders for the channels
selected in the PLAYBACK OUT field to adjust
the volume level.

Quick Guide
Owner’s Manual
50
Saving and loading the unit
settings
Saving the unit settings to a USB flash
drive
1. Connect a USB flash drive to the USB
connector of the CL unit.
2. Press the SETUP button in the display screen.
3. Press the SAVE/LOAD button.
4. If necessary, press the directory icon and
change the directory.
To move to the next higher level, press the arrow
button in the PATH field.
5. Press the SAVE button.
6. Press the SAVE button in the SAVE SELECT
popup window.
7. Enter the data name and comments, then
press the SAVE button.
Loading the unit settings from a USB flash
drive
1. Press the SETUP button in the display screen.
2. Press the SAVE/LOAD button.
3. To select the file that you want to load, press
the name of the desired file in the file list, or
rotate a multifunction knob on the panel.
4. Press the LOAD button.
5. Press the LOAD button in the LOAD SELECT
popup window.
6. When a confirmation dialog appears, press
the OK button.
Formatting a USB flash drive on the CL
unit
1. Connect a USB flash drive (that you want to
format) to the CL unit.
2. Press the FORMAT button in the SAVE/LOAD
popup window.
3. Enter a name in the VOLUME NAME field, and
then press the FORMAT button.
4. When a confirmation dialog appears, press
the OK button.

Other functions
Owner’s Manual 51
Other functions
Initializing the unit to
factory default settings
If an error occurs in the CL’s internal memory, or if you
forget the password and cannot operate the unit, you can
use the following procedure to initialize the internal
memory.
NOTICE
The entire memory will be deleted if you initialize the
internal memory.
Proceed with the following operation only if you are very
sure you want to do this!
1. While holding down the SCENE MEMORY
[STORE] key on the panel, turn on the power
to the CL unit.
After the opening screen, the following startup menu
screen will appear.
2. Press one of the following buttons depending
on the type of initialization you want to
perform.
• INITIALIZE ALL MEMORIES
All memories including scene memories and libraries
will be returned to their initial settings except for
DANTE SETUP.
• INITIALIZE CURRENT MEMORIES
Memories other than scene memories and libraries
will be returned to their initial settings except for
DANTE SETUP.
3. A dialog box will ask you to confirm the
initialization. Press the INITIALIZE button.
A dialog box will ask you to reconfirm the operation.
4. Press the OK button in the confirmation
dialog box.
Initialization will begin.
NOTE
Do not press any buttons until initialization is complete.
5. A message indicates that the initialization
process is complete. Press the EXIT button.
The CL will start up in normal operating mode.
NOTE
•Alternatively, you can continue the operation by selecting a
different menu instead of pressing the EXIT button.
•DANTE SETUP will not be initialized.
Restoring the current scene
to the default state
Turn on the power to the CL unit, and recall (load) the
default setting scene (scene number 000).
NOTE
In the procedure described here, you are asked to recall
this default setting scene so that the remaining step in this
chapter can be performed appropriately. In actual
operation, there is no need to recall the default setting
scene each time.
1. Turn on the power to the CL unit.
When you turn on the power to the CL, you should
first power-on the CL, and then power-on your power
amp and monitor system. (Reverse this order when
turning the system off.)
NOTE
If a PW800W power supply is connected to the CL, the
power will turn on regardless of whether you first turn on
the power switch of the CL or of the PW800W.
2. Use the top panel SCENE MEMORY
[INC]/[DEC] keys to make scene number
“000” appear in the SCENE field in the
function access area of the display.
SCENE field
3. Press the top panel SCENE MEMORY [RECALL]
key.
Scene number “000” will be loaded, and the mix
parameters and bus settings will return to the default
state.
NOTE
Be aware that when scene number “000” is loaded, the
input patch, output patch, internal effect, and HA (Head
Amp) settings will also return to their default state.

Other functions
Owner’s Manual
52
Adjusting the faders
(Calibration function)
Depending on the environment in which you use the CL
series, discrepancies may occur in the motion of the motor
faders. You can use the Calibration function to correct
these discrepancies.
NOTE
For information about adjusting the input gain or the
detection point of the touch screen, refer to the Reference
Manual.
1. While holding down the SCENE MEMORY
[STORE] key on the panel, turn on the power
to the CL unit.
After the opening screen, the following startup menu
screen will appear.
2. Press the FADER CALIBRATION button.
The FADER CALIBRATION MODE screen will
appear, enabling you to adjust the faders.
The specified INPUT faders, Centralogic faders,
STEREO/MONO faders will be semi-automatically
calibrated. This window will also appear if a problem
is detected in the fader settings while the CL is starting
up.
3. Press a [SEL] key to specify the faders that you
want to calibrate.
Faders for which a problem was detected at start-up
will already be selected.
4. Press the START button.
A confirmation dialog box will appear.
5. Press the OK button in the dialog box.
6. Each of the specified faders will move to the
target positions in the following sequence.
Manually move the faders to the correct
positions.
1 –∞ (all the way down)
2 –20dB
3 0dB
4 +10dB (all the way up)
7. After you adjust the fader position, press the
[NEXT] button.
The process will proceed to the next fader position.
8. Repeat steps 6–7 to adjust the faders for
positions (1) through (4).
After the positions are corrected, automatic
motorized calibration will start.
9. When calibration is complete and the
RESTART button has not appeared, press the
APPLY button.
The calibration settings will be saved in internal
memory. If the RESTART button appears, calibration
has failed. Press the RESTART button to execute
calibration once again.
10. Press the EXIT button.
The CL unit will start up in normal operating mode.
NOTE
Alternatively, you can continue the operation by selecting a
different menu instead of pressing the EXIT button.

Troubleshooting
Owner’s Manual 53
Troubleshooting
Frequently asked questions are posted on the Yamaha Pro
Audio website:
http://www.yamahaproaudio.com/
Power does not turn on; panel LEDs and the LCD
display do not light.
❍Is the CL’s POWER switch turned on?
❍Is the power cable connected to a proper AC outlet?
❍Is the power cable plug inserted all the way — has it
clicked and locked in securely?
➥If the power still does not turn on, contact your Yamaha
dealer.
The unit is not receiving an input signal.
❍Did you correctly set the UNIT ID and the DIP
switches on the I/O device connected to the CL before
turning on the power to the devices?
❍Are the settings in the DANTE SETUP screen on the
unit specified correctly?
❍Is a signal being input from an external device?
❍Is the SIG indicator on the I/O device lit?
❍If a phantom-powered microphone is connected to the
CL unit, are the I/O device’s the [+48 MASTER] switch,
CL’s [+48V MASTER] switch, and [+48V] button of
each channel set to on?
❍Is the GAIN of the internal head amp, external head
amp, or I/O device set to an appropriate level?
❍Is the input port patched to an input channel?
❍Is the [ON] key indicator of the input channel lit?
❍Is the fader of the input channel raised?
❍Is the EQ attenuator raised?
❍Could the insert be turned on even though it has not
been specified correctly?
❍If you are using an optional I/O card, is it installed cor-
rectly?
Sound is not output from headphones or the
MONITOR OUT jacks.
❍Is the [PHONES] knob or [MONITOR LEVEL] knob
set to an appropriate volume?
❍Is the monitor fader set to an appropriate level?
❍Has the monitoring source been selected?
❍Could the DIMMER be applied to the signal?
➥Press the MONITOR button, then check the MONITOR
area on the display.
The sound level is too low.
❍Is the GAIN or digital gain on the head amplifier, exter-
nal head amp device or I/O device set to an appropriate
level?
❍Are the input channel faders raised?
❍Could the EQ gain be turned down excessively?
❍Are EQ’s attenuators raised?
❍Could the GATE/COMP threshold or ratio setting be
set to an extreme value?
❍Are the output channel faders raised?
❍Check the level in the corresponding METER function
screens.
❍Is the channel fader assigned to a DCA group raised?
❍Could MUTE MASTER be turned on for the channel
assigned to a MUTE group?
Sound is distorted.
❍Is the word clock set correctly?
❍Is the GAIN of the internal head amp, external head
amp, or I/O device set to an appropriate level?
❍Could you have turned gain compensation on while the
analog gain was set inappropriately? Alternatively,
could you have turned gain compensation on, and then
raised the analog gain to an extreme level?
➥Temporarily turn gain compensation off, then set analog
gain to an appropriate level, and then turn gain compen-
sation on again.
❍Could the digital gain be set to an extremely high set-
ting?
❍Could the input channel fader be raised too high?
❍Could the STEREO channel fader be raised too high?
❍Could the EQ gain be set to an extremely high setting?
❍Could the latency have been too low in the DANTE
SETUP screen?
Sound is output even though it is not patched to
an output channel.
❍Could you have assigned an input channel to direct
out?
❍Could you have assigned an output channel as the
insert out?
The volume of a specific channel rises and falls.
❍Could DYNAMICS1/2 be set to ducking or to an
extreme parameter value?
Operating a fader does not control the level as
you expect.
❍Could the function access area indicate MIX/MTRX
ON FADER? And could SENDS ON FADER mode be
engaged?
Only the sound of a specific channel is heard from
the MONITOR OUT or PHONES jack.
❍Could a [CUE] key be on?
Noise occurs from an externally connected
recorder or other device.
❍Is the word clock set correctly?
❍Could the input signal be unsynchronized?
❍Could the oscillator or talkback be turned on?

Troubleshooting
Owner’s Manual
54
High frequency range is attenuated.
❍Could emphasis be applied? This problem will occur if
the input signal status does not match the emphasis
data.
❍Could EQ be applied?
There is insufficient headroom, especially when
EQ boost is applied.
❍Use the EQ attenuator function to lower the level.
An input signal is being input, but there is no
monitor output.
❍Could the DIMMER be applied?
❍Could the MONITOR CH be assigned even though its
output port has not been connected to an external
device?
Signal is delayed.
❍Check whether the delay setting for each input channel
and output port is set correctly.
Rotating a MIX knob does not change the send
level to the MIX bus.
❍Is the TO MIX SEND ON/OFF button turned on?
❍Is the MIX [ON] key turned on?
❍Is the MIX bus set to VARI type?
❍Could the fader have been lowered if the send point is
set to POST?
Cannot save scene memory or various library
data.
❍Are you attempting to save the data to a read-only
scene/library or a protected scene?
❍Could user level restrictions have been specified?
Cannot save to a USB flash drive.
❍Could the USB flash drive be protected?
❍Does the USB flash drive have enough free capacity to
save the data?
❍When formatting the USB flash drive, format it in
FAT32 or FAT16 format.
❍Could the recorder be playing?
Cannot transmit or receive MIDI data.
❍Is the MIDI PORT selected correctly?
❍Are the transmission and reception modes and chan-
nels selected correctly?
❍Has an event corresponding to the particular Program
Change message been specified?
When you recall a scene, some
channels/parameters are not updated.
❍Could that channel or parameter be set to Recall Safe?
❍Could Focus be set in such a way that the channels or
parameters will not be updated?
❍Could user level restrictions have been specified?
You turn on a CUE button in the EFFECT screen,
but it is automatically defeated.
❍This is defeated automatically when you switch screens
in the display.
When you recall a scene, it takes a certain amount
of time for the faders to stop.
❍Could you have specified a fade time?
The panel LEDs or LCD display are too dark / too
bright.
❍This can be adjusted in the SETUP screen.
Signal level of a specific frequency is low.
❍Could the EQ gain be turned down excessively?
❍Routing a signal through a GEQ or effect will delay it
relative to other signals. If this signal is mixed with
another signal that is routed via a different signal path,
a comb filtering effect will cause the level of a specific
frequency to be decreased.
Cannot control an I/O device.
❍Are the rotary switch and DIP switches on the I/O
devices set correctly?
❍Does the channel being controlled match the channel
on the I/O device?
Cannot control the CL unit from CL Editor.
❍Is the computer connected to the unit’s Network jack
correctly?
❍
Is the network setting of the CL unit specified correctly?
❍For details on settings, refer to the CL Editor installa-
tion guide posted on our website.
Cannot control the CL unit from CL StageMix/
MonitorMix.
❍Is the WiFi setting in CL StageMix/MonitorMix set cor-
rectly?
❍Is the unit’s Network jack on the CL unit connected to
the WiFi access point correctly?
❍
Is the network setting of the CL unit specified correctly?
❍Refer to the CL StageMix Owner’s Manual on our web-
site.
In the LCD display, there are some black points
(unlit) or white points (always lit).
❍Unfortunately, this is a common characteristic of
TFT-LCDs and not a malfunction.

Installing the MBCL meter bridge (option)
Owner’s Manual 55
Installing the
MBCL meter
bridge (option)
1. On the back of the CL3/CL1 console’s touch
screen, loosen screws ‘A’ (three locations) so
that they are backed-out approximately
4mm.
The CL3 has screws ‘A’ in two locations. Choose one
or the other location as appropriate for your situation.
2. Hook holes ‘B’ of the MBCL mounting strap
onto screws ‘A’ of the CL3/CL1.
3. Tighten screws ‘A’ to secure the MBCL,
starting with the upper two screws.
4. Connect the MBCL connector ‘C’ to the
METER port ‘D’ on the CL3/CL1, and fasten
the locking screws.
NOTICE
Make sure that the console and the PW800W are
powered-off before you connect the MBCL meter bridge to
the console. Failure to observe this will cause malfunction
or electric shock.
A
A
4 mm
CL3 console
ABA
CL3 console
A
D
C
A
CL3 console

Specifications
Owner’s Manual
56
Specifications
General specifications
*1. Crosstalk is measured with a 30dB/octave filter @22kHz
*2. Excluded MBCL optional meter bridge.
*3. Refer to the Yamaha pro audio website for information on supported cards.
http://www.yamahaproaudio.com/
*4. Total Harmonic Distortion is measured with 18dB/octave filter @80kHz
*5. Hum & Noise are measured with A-Weight filter.
European Models
Purchaser/User Information specified in EN55103-1:2009 and EN55103-2:2009.
Inrush Current: 10A (on initial switch-on)
6A (after a supply interruption of 5s)
Conforms to Environments: E1, E2, E3 and E4
* The contents of this manual apply to the latest specifications as of the printing date. Since Yamaha makes continuous improvements to the
product, this manual may not apply to the specifications of your particular product. To obtain the latest manual, access the Yamaha website
then download the manual file. Since specifications, equipment or separately sold accessories may not be the same in every locale, please
check with your Yamaha dealer.
Sampling Frequency
Internal 44.1kHz
48kHz
External
44.1kHz
+4.1667%, +0.1%, –0.1%, –4.0% ±200ppm
48kHz
+4.1667%, +0.1%, –0.1%, –4.0% ±200ppm
Signal Delay Less than 2.5ms, OMNI IN to OMNI OUT, Fs= 48kHz
Fader 100mm motorized, Resolution=1024steps, +10dB to –138dB, –∞dB all faders
Frequency Response +0.5, –1.5dB 20Hz-20kHz, refer to +4dBu output @1kHz, OMNI IN to OMNI OUT
Total Harmonic Distortion*4 Less than 0.05% 20Hz-20kHz@+4dBu into 600Ω, OMNI IN to OMNI OUT, Input Gain= Min.
Hum&Noise*5 –128dBu typ., Equivalent Input Noise, Input Gain= Max.,
–88dBu, Residual output noise, ST master off
Dynamic Range 112dB typ., DA Converter,
108dB typ., OMNI IN to OMNI OUT, Input Gain= Min.
Crosstalk@1kHz –100dB*1, adjacent OMNI IN/OMNI OUT channels, Input Gain= Min.
Dimensions (W x H x D)
and Net Weight
CL5: 1053mm x 299mm x 667mm, 36kg
CL3: 839mm x 299mm*2 x 667mm, 29kg*2
CL1: 648mm x 299mm*2 x 667mm, 24kg*2
Power Requirements
(wattage)
CL5/CL3/CL1: 170W, Internal Power Supply
CL5/CL3/CL1: 200W, Simultaneous use of Internal PSU and External PW800W
Power Requirements
(voltage and hertz)
US/Canada: 120V 60Hz
Japan: 100V 50/60Hz
China: 110-240V 50/60Hz
Korea: 220V 60Hz
Other: 110-240V 50/60Hz
Temperature Range Operating temperature range: 0-40°C
Storage temperature range: –20-60°C
Included Accessories Owner’s Manual, Dust Cover, Power Cord
Optional Accessories Meter Bridge MBCL (CL3/CL1 only), Mini-YGDAI cards*3, Gooseneck Lamp LA1L
Power Supply PW800W, Power Supply Link Cable PSL360

Input/output characteristics
Owner’s Manual 57
Input/output characteristics
ANALOG INPUT CHARACTERISTICS
*1. Sensitivity is the lowest level that will produce an output of +4dBu (1.23V) or the nominal output level when the unit is set to maximum
gain. (all faders and level controls are maximum position.)
*2. XLR-3-31 type connectors are balanced. (1= GND, 2= HOT, 3= COLD)
*3. In these specifications, 0dBu= 0.775 Vrms.
*4. All input AD converters are 24bit linear, 128times oversampling.
*5. +48V DC ( phantom power ) is supplied to OMNI IN (1-8) and TALKBACK XLR type connectors via each individual software controlled
switches.
ANALOG OUTPUT CHARACTERISTICS
*1. XLR-3-32 type connectors are balanced. (1= GND, 2= HOT, 3= COLD)
*2. PHONES stereo phone jack is unbalanced. (Tip= LEFT, Ring= RIGHT, Sleeve= GND)
*3. In these specifications, 0dBu= 0.775 Vrms.
*4. All output DA converters are 24bit, 128times oversampling.
*5. There are switches inside the body to preset the maximum output level.
*6. The position of the level control is 10dB lowered from Max.
DIGITAL INPUT & OUTPUT CHARACTERISTICS
DIGITAL OUTPUT CHARACTERISTICS
*1. XLR-3-32 type connectors are balanced. (1= GND, 2= HOT, 3= COLD)
I/O SLOT (1-3) CHARACTERISTICS
Each I/O Slot accepts a mini-YGDAI card. Only Slot1 has a serial interface.
CONTROL I/O CHARACTERISTICS
*1. Input pin: TTL level, w/ internal pull-up (47kΩ)
Output pin: Open drain output (Vmax=12V, maximum sink current/pin=75mA)
Power supply pin: Output voltage Vp=5V, Max. output current Imax=300mA
*2. 4pin= +12V, 3pin= GND, Lamp rating 5W. Voltage control by software.
Input
Terminals GAIN Actual Load
Impedance
For Use With
Nominal
Input Level Connector
Sensitivity*1 Nominal Max. before clip
OMNI IN 1-8 +66dB 7.5kΩ 50-600Ω Mics
& 600Ω Lines
–82dBu (61.6μV) –62dBu (0.616mV) –42dBu (6.16mV) XLR-3-31 type
(Balanced)*2
–6dB –10dBu (245mV) +10dBu (2.45V) +30dBu (24.5V)
TALKBACK +64dB 10kΩ 50-600Ω Mics
& 600Ω Lines
–70dBu (0.245mV) –60dBu (0.775mV) –40dBu (7.75mV) XLR-3-31 type
(Balanced)*2
+20dB –26dBu (38.8mV) –16dBu (0.123V) +4dBu (1.23V)
Output
Terminals
Actual Source
Impedance
For Use With
Nominal
GAIN SW*5 Output Level Connector
Nominal Max. before clip
OMNI OUT 1-8 75Ω 600Ω Lines +24dB (default) +4dBu (1.23V) +24dBu (12.3V) XLR-3-32 type
(Balanced)*1
+18dB –2dBu (616mV) +18dBu (6.16V)
PHONES 15Ω 8Ω Phones – 75mW*6 150mW Stereo Phone Jack (TRS)
(Unbalanced)*2
40Ω Phones – 65mW*6 150mW
Terminal Format Data length Level Audio Connector
Primary/Secondary Dante 24bit or 32bit 1000Base-T 64ch Input/64ch Output @48kHz EtherCON Cat5e
Terminal Format Data Length Level Connector
DIGITAL OUT AES/EBU AES/EBU Professional Use 24bit RS422 XLR-3-32 type (Balanced)*1
Terminal Format Level Connector
MIDI IN MIDI – DIN Connector 5P
OUT MIDI – DIN Connector 5P
WORD CLOCK IN – TTL/75Ω terminated BNC Connector
OUT – TTL/75Ω BNC Connector
GPI (5IN/5OUT) – – D Sub Connector 15P (Female)*1
NETWORK IEEE802.3 10BASE-T/100Base-TX RJ-45
LAMP (CL5: x3, CL3: x2, CL1: x1) – 0V-12V*4 XLR-4-31 type*2
USB HOST USB 2.0 – USB A Connector (Female)
DC POWER INPUT – – JL05 Connector
METER (CL3/CL1 only) – – D Sub Connector 9P (Female)

Specifications
Owner’s Manual
58
Pin Assignment
DC POWER INPUT GPI
METER (CL3/CL1 only)
Pin Signal Name Pin Signal Name
1+24V13GND
2+24V14GND
3+24V15GND
4+24V16GND
5+24V17GND
6+24V18GND
7 +24V 19 CAUTION(+)
8 +24V 20 CAUTION(–)
9 +24V 21 DETECT A
10 GND 22 DETECT B
11 GND 23 DETECT GND
12 GND Frame GND
1
2
3
4
5
6789
10111213
14
15
16
17181920
21
22
23
Pin Signal Name Pin Signal Name
1GPO19GPO2
2 GPO310GPO4
3GPO511GND
4GND12GND
5 +5V 13 +5V
6 GPI1 14 GPI2
7 GPI3 15 GPI4
8GPI5
Pin Signal Name Pin Signal Name
1RESET6+3.3LD
2SDA7+3.3LD
3 DGND 8 LDGND
4SCL9LDGND
5 +3.3D
91011
8123
15
1
6
5
9

Dimensions
Owner’s Manual 59
Dimensions
1053
15
201
130
299
667
CL5
CL3
CL1
648
15
201
130
299
667
839
15
201
130
299
667
Unit: mm
90.4
374
70
184.5
26
29.2
MBCL

Index
Owner’s Manual
60
Index
A
Analog gain . . . . . . . . . . . . . . . . . . . . . . . . . . . . . . . . . . . . 37
B
Buttons . . . . . . . . . . . . . . . . . . . . . . . . . . . . . . . . . . . . . . . . 18
C
Calibration . . . . . . . . . . . . . . . . . . . . . . . . . . . . . . . . . . . . . 52
Channel link . . . . . . . . . . . . . . . . . . . . . . . . . . . . . . . . . . . 46
Comparing (Libraries) . . . . . . . . . . . . . . . . . . . . . . . . . . . 27
Copying/pasting (Libraries) . . . . . . . . . . . . . . . . . . . . . . 26
Custom fader bank . . . . . . . . . . . . . . . . . . . . . . . . . . . . . . 47
Custom fader bank settings . . . . . . . . . . . . . . . . . . . . . . . 29
D
Daisy chain network . . . . . . . . . . . . . . . . . . . . . . . . . . . . . 31
Dante . . . . . . . . . . . . . . . . . . . . . . . . . . . . . . . . . . . . . . . 8, 31
INPUT PATCH . . . . . . . . . . . . . . . . . . . . . . . . . . . . . 41
OUTPUT PATCH . . . . . . . . . . . . . . . . . . . . . . . . . . . 41
Dante Controller . . . . . . . . . . . . . . . . . . . . . . . . . . . . . . . . 31
DCA group . . . . . . . . . . . . . . . . . . . . . . . . . . . . . . . . . . . . 46
Dialog . . . . . . . . . . . . . . . . . . . . . . . . . . . . . . . . . . . . . . . . . 19
DIRECT OUT . . . . . . . . . . . . . . . . . . . . . . . . . . . . . . . . . . 45
Dynamics . . . . . . . . . . . . . . . . . . . . . . . . . . . . . . . . . . . . . . 42
E
EFFECT RACK . . . . . . . . . . . . . . . . . . . . . . . . . . . . . . . . . 43
Effects . . . . . . . . . . . . . . . . . . . . . . . . . . . . . . . . . . . . . . . . . 43
EQ . . . . . . . . . . . . . . . . . . . . . . . . . . . . . . . . . . . . . . . . . . . . 42
F
Factory set . . . . . . . . . . . . . . . . . . . . . . . . . . . . . . . . . . . . . 51
Faders
Calibration . . . . . . . . . . . . . . . . . . . . . . . . . . . . . . . . . . 52
Faders / Knobs . . . . . . . . . . . . . . . . . . . . . . . . . . . . . . . . . 18
Front Panel . . . . . . . . . . . . . . . . . . . . . . . . . . . . . . . . . . . . 16
Function access area . . . . . . . . . . . . . . . . . . . . . . . . . . . . . 20
G
GEQ . . . . . . . . . . . . . . . . . . . . . . . . . . . . . . . . . . . . . . . . . . 42
GEQ rack . . . . . . . . . . . . . . . . . . . . . . . . . . . . . . . . . . . . . . 42
Grouping . . . . . . . . . . . . . . . . . . . . . . . . . . . . . . . . . . . . . . 46
H
HA (Head Amp) . . . . . . . . . . . . . . . . . . . . . . . . . . . . . . . . 37
Help . . . . . . . . . . . . . . . . . . . . . . . . . . . . . . . . . . . . . . . . . . 20
I
I/O devices . . . . . . . . . . . . . . . . . . . . . . . . . . . . . . . . . . . . . 31
Initializing (Libraries) . . . . . . . . . . . . . . . . . . . . . . . . . . . 26
Initializing (Unit) . . . . . . . . . . . . . . . . . . . . . . . . . . . . . . . 51
Input channel . . . . . . . . . . . . . . . . . . . . . . . . . . . . . . . . . . 38
Input port . . . . . . . . . . . . . . . . . . . . . . . . . . . . . . . . . . . . . . 41
INSERT . . . . . . . . . . . . . . . . . . . . . . . . . . . . . . . . . . . . . . . 45
Internal clock . . . . . . . . . . . . . . . . . . . . . . . . . . . . . . . . . . . 35
K
Keyboard window . . . . . . . . . . . . . . . . . . . . . . . . . . . . . . . 19
L
Lamps . . . . . . . . . . . . . . . . . . . . . . . . . . . . . . . . . . . . . . . . . 35
Libraries . . . . . . . . . . . . . . . . . . . . . . . . . . . . . . . . . . . . . . . 23
Linking . . . . . . . . . . . . . . . . . . . . . . . . . . . . . . . . . . . . . . . . 46
List windows . . . . . . . . . . . . . . . . . . . . . . . . . . . . . . . . . . . 19
M
Main area . . . . . . . . . . . . . . . . . . . . . . . . . . . . . . . . . . . . . . 21
MIX/MATRIX bus . . . . . . . . . . . . . . . . . . . . . . . . . . . . . . 30
Multifunction knob . . . . . . . . . . . . . . . . . . . . . . . . . . . . . 18
MUTE group . . . . . . . . . . . . . . . . . . . . . . . . . . . . . . . . . . 46
N
Name displays . . . . . . . . . . . . . . . . . . . . . . . . . . . . . . . . . . 35
Network connections . . . . . . . . . . . . . . . . . . . . . . . . . . . 31
O
Option card . . . . . . . . . . . . . . . . . . . . . . . . . . . . . . . . . . . . 34
Oscillator . . . . . . . . . . . . . . . . . . . . . . . . . . . . . . . . . . . . . . 48
P
Patch . . . . . . . . . . . . . . . . . . . . . . . . . . . . . . . . . . . . . . . . . 45
Phantom power . . . . . . . . . . . . . . . . . . . . . . . . . . . . . . . . 41
Popup windows . . . . . . . . . . . . . . . . . . . . . . . . . . . . . . . . 19
PREMIUM RACK . . . . . . . . . . . . . . . . . . . . . . . . . . . . 8, 44
R
Rear Panel . . . . . . . . . . . . . . . . . . . . . . . . . . . . . . . . . . . . . 16
Recorder . . . . . . . . . . . . . . . . . . . . . . . . . . . . . . . . . . . . . . 49
Redundant network . . . . . . . . . . . . . . . . . . . . . . . . . . . . . 32
Restoring (Current scene) . . . . . . . . . . . . . . . . . . . . . . . . 51
S
Scene memories . . . . . . . . . . . . . . . . . . . . . . . . . . . . . . . . 48
SENDS ON FADER mode . . . . . . . . . . . . . . . . . . . . . . . 30
Setup . . . . . . . . . . . . . . . . . . . . . . . . . . . . . . . . . . . . . . . . . 35
Star network . . . . . . . . . . . . . . . . . . . . . . . . . . . . . . . . . . . 32
STEREO bus . . . . . . . . . . . . . . . . . . . . . . . . . . . . . . . . . . . 38
T
Tabs . . . . . . . . . . . . . . . . . . . . . . . . . . . . . . . . . . . . . . . . . . 18
Talkback . . . . . . . . . . . . . . . . . . . . . . . . . . . . . . . . . . . . . . 47
Tool buttons . . . . . . . . . . . . . . . . . . . . . . . . . . . . . . . . . . . 22
Top panel
Centralogic section . . . . . . . . . . . . . . . . . . . . . . . . . . 13
Channel Strip section . . . . . . . . . . . . . . . . . . . . . . . . 11
Display section . . . . . . . . . . . . . . . . . . . . . . . . . . . . . . 13
Master section . . . . . . . . . . . . . . . . . . . . . . . . . . . . . . 15
Meter section (for CL5 only) . . . . . . . . . . . . . . . . . . 15
SCENE MEMORY/MONITOR section . . . . . . . . . 14
SELECTED CHANNEL section . . . . . . . . . . . . . . . 12
USB connector . . . . . . . . . . . . . . . . . . . . . . . . . . . . . . 15
USER DEFINED KEYS section . . . . . . . . . . . . . . . . 14
USER DEFINED KNOBS section . . . . . . . . . . . . . . 14
Touch screen . . . . . . . . . . . . . . . . . . . . . . . . . . . . . . . . . . . 18
U
USB flash drive . . . . . . . . . . . . . . . . . . . . . . . . . . . . . . . . . 49
Formatting . . . . . . . . . . . . . . . . . . . . . . . . . . . . . . . . . 50
Loading (Unit settings) . . . . . . . . . . . . . . . . . . . . . . . 50
Playing . . . . . . . . . . . . . . . . . . . . . . . . . . . . . . . . . . . . . 49
Recording . . . . . . . . . . . . . . . . . . . . . . . . . . . . . . . . . . 49
Saving (Unit settings) . . . . . . . . . . . . . . . . . . . . . . . . 50
W
Word clock . . . . . . . . . . . . . . . . . . . . . . . . . . . . . . . . . . . . 36


MEMO
Owner’s Manual
62

Block Diagram
USB
1234
64
SL OT1 1 -1 6
SL OT 2 1 -1 6
SL OT3 1 -1 6
ATT
Key in
Self PRE EQ
Self P OST EQ
MIX2 1- 24 OU T
CH[1-8,9-16,17-24,25-32,33-40,41-48, 49-56, 57-64, 65-72]POST EQ(CL5)
CH[1-8,9-16,17-24,25-32,33-40,41-48, 49-56, 57-64]POST EQ(CL3)
CH[1-8,9-1 6,17-24,25-32,33-4 0,4 1-48]POS T EQ(CL1)
ON
4BAND
EQ
GATE
DUCK
EX PAN D
COMP
GR METER
COMP
COMPAND
DE-ESSER
KE Y IN CUE
HPF
POS T EQ
ME TER
LEVEL/
DCA1-16
PRE FA DER
PRE FA DER POS T ON
PRE FA DER
INSERT 1,2 OUT
PRE EQ
INSERT 1,2 OUT
To OUTPUT PAT CH
PRE EQ
INSERT POINT
POS T ON INSE RT 1,2 OUT
PRE FA DER INSE RT 1,2 OUT
PRE EQ INSERT 1,2 OUT
GR METER
ME TER
POS T ON
ME TER
DYNA2OUT
ME TER
DYNA1OUT
ME TER
EQ OUT
ME TER
PRE EQ
PRE HPF / PRE EQ / PRE FADER/POS T ON ON
LEVEL
DIRECT OUT 1-72{64,48} To OUTPU T PAT CH
PA N LI NK
MA TR IX1,3. ..7
MA TR IX 2,4 ...8
TB INPUT
ME TER
HA
MIX1 ,3 ...2 3
MIX2 ,4 ...2 4
Key in Filter
CH INSERT 1,2 IN
1-72{64,48}
To RACKIN PATCH To OUTPU T PAT CH
To RACKIN PATCH
(21-24)To KEYIN
To MONITOR SELECT
ATT
4BAND
EQ
COMP
COMPAND
EX PAN D
INSERT
POS T EQ
LEVEL
PRE EQ
INSERT 1,2 OUT
PRE EQ
GR METER
ME TER
DYNA OUT
METER
EQ OUT
ME TER
PRE EQ
Key in
Self PRE EQ/Self POST EQ/MIX21-24 OUT/
MIX(1-8,9-16,17-24) POST EQ
PRE FA DER
MIX 1-24
CH 1-72{64,48}
72
{64,
48}
CASCADE OUT
CASCADE IN
To MONITOR
SELECT
TALKBACK
INPUT
SELECT
ON
DANTE IN 1-64
OMNI IN 1-8
ST L
MO NO( C)
ST R
MIX
12 23
24
ST
LR
M
O
N
O
(C)
CU E ( A )
LR
To OUTPUT PAT CH
To OUTPUT PAT CH
To OUTPUT PAT CH
To OUTPUT PAT CH
To OUTPUT PAT CH
To OUTPUT PAT CH
To OUTPUT PAT CH
To OUTPUT PAT CH
To OUTPUT PAT CH
CUE(A) CASCADE OUT LR
STEREO CASCADE OUT L,R,MONO(C)
MIX CASCADE OUT1-24
MATRIX CASCADE OUT 1-6,7-8(CUE B L,R)
To OUTPUT PAT CH
To OUTPUT PAT CH
To OUTPUT PAT CH
To OUTPUT PAT CH
ME TER
PRE D.GAIN
+48V
+48V MASTER
+48V
AD
[TALKBACK
INPUT]
TALKBACK
INPUT
TALKBACK
LEVEL
ON
1
2
3
+
-
+48V
AD
[OMNI IN]
[1-8]
OMNI IN +
-
1
2
3
ME TER
HA
CH INSERT 1,2 OUT
1-72{64,48}
PRE EQ / PRE FA DER / POS T ON ON LEVEL
ON LEVEL
LEVEL
PA N
ON
PRE EQ / PRE FA DER / POS T ON
To M ATRIX
VA RI
To M ATRI X
VA RI
STEREO
PRE E Q / PRE FA DER / POST ON ON LEVEL
ON
LEVEL
LEVEL
PA N
ON
PRE E Q / PRE FA DER / POST ON
To M IX
VA RI
To M IX
VA RI
STE RE O
To M IX
FIXED
POS T ON ON
ON
To M IX
FIXED
STEREO
POS T PAN L
POST PAN R
ON
ON
PA N
TO ST
LR MONO TO MONO
LCR TO LCR
CSR
POS T PAN L
POS T PAN R
ON
POS T ON
ME TER
POS T ON
MI X O UT 1- 24
INSERT
ME TER
PRE FA DER
PRE FA DER
INSERT 1,2 OUT
To OUTPUT PAT CH
MIX
INSERT 1,2 IN 1-24
To RACKIN PATCH
MIX
INSERT 1,2 OUT 1-24
PA N MODE
GAIN/TRIM
To CASCADE IN
SELECT
[SLOT]
SLOT1
SLOT2
SLOT3
ME TER
SLOT IN
16
16
16
ME TER
SLOT I N
ME TER
SLOT IN
[DANTE]
DANT E
INPUT
ME TER
DANTE
IN
DELAY
Max
1000ms
POS T ON
INSERT 1,2 OUT
INSERT
INSERT POINT
POS T ON IN SE RT 1,2 OUT
PRE FA DER INSE RT 1,2 OUT
PRE EQ INSERT 1,2 OUT
8
1
Digital
GAIN
BA L
ON
ON
ON
ON
ON
ON
ON
ON
ON
ON
PR1-8 OUT
A(L)/B(R)
FX1-8 OUT
A(L)/B(R)
EFFECT
RACK IN
PA TCH
MIX IN SERT 1,2 IN 1-24
STE RE O INSERT 1,2 IN L ,R,MONO(C)
24
3MATRIX INSERT 1,2 IN 1-6,7-8(CUE B L,R)
8
Refer to CL5/CL3/CL1 Mixer Block Diagram 2/2
STEREO
L,R,MONO(C),
FX1 IN
A(L)/B(R)
FX2-8 IN
A(L)/B(R) EFFECT RACK2-8(FX2-8) (same as EFFECT RACK 1)
EFFECT RACK1(FX1)
EFFECT
ME TER RACK IN L
ME TER RACK IN R
ME TER RACK OUT L
ME TER RACK OUT R
EFFECT C UE
31BandGEQ
RACK IN RACK OUT
To MATRI X I NSERT 1,2 IN
To STEREO INSERT 1,2 IN
To MIX INSERT 1,2 IN
MATRIX
1-6,7-8(CUE B L , R)]
[MIX 1-24,
OUTPUTS
PREMIUM
RACK IN
PA TCH
PR1 IN
A(L)/B(R)
PR2-8 IN
A(L)/B(R)
PR1 OUT
A(L)/B(R)
PREMIUM RACK2-8 (same as PREMIUM RACK 1)
PREMIUM RACK1(PR1)
PROCESSOR
ME TER RACK IN L
ME TER RACK IN R
ME TER RACK OUT L
ME TER RACK OUT R
EFF E CT C U E
Flex15GEQ
ME TER RACK IN A
ME TER RACK IN B
ME TER RACK OUT A
ME TER RACK OUT B
8BandPEQ
ME TER RACK IN A
ME TER RACK IN B
ME TER RACK OUT A
ME TER RACK OUT B
Automixer 8ch RACK1-4 (GEQ1-4)
Automixer8ch
ME TER
8 8
ME TER
Automixer 16ch RACK 1-8 (GEQ1-8)
Automixer16ch
16 16
ME TER
ME TER
To R TA
LEVEL
ON
ME TER
OSC
OSCILLATOR
INSERT 1,2 IN
PATCH
(INPUT CH)
SL OT1 1 -1 6
SL OT2 1 -1 6
SL OT3 1 -1 6
OMNI IN 1-8
INPUT
PATCH
DANTE IN
1-64
OMNI IN
1-8
SL OT3 1 -1 6
SL OT2 1 -1 6
SL OT1 1 -1 6
PR1-2 OUT
A(L)/B(R)
FX1-8 OUT
A(L)/B(R)
INSERT 1,2 IN
PATCH
(OUTPUT CH)
FX2-8 OUT
A(L)/B(R)
SL OT1 1 -1 6
SL OT2 1 -1 6
SL OT3 1 -1 6
GEQ1-16
OUT
A(L)/B(R)
OMNI IN 1-8
PR2-8 OUT
A(L)/B(R)
FX1 OUT
A(L)/B(R)
GEQ RACK1(GEQ1)
31BandGEQ
ME TER RACK IN ME TER RACK OUT
Flex15GEQ
ME TER RACK IN A
ME TER RACK IN B
ME TER RACK OUT A
ME TER RACK OUT B
8BandPEQ
ME TER RACK IN A
ME TER RACK IN B
ME TER RACK OUT A
ME TER RACK OUT B
Refer to CL5/CL3/CL1 Mixer Block Diagram 2/2
RTA
Refer to CL5/CL3/CL1 Mixer Block Diagram 2/2
CUE(A) / MONITOR
INSERT INSERT INSERT
OS CILLA TO R
Sine Wave
Sine Wave 2CH
SURROUND PAN
MIX1-6
POS T ON
FX1-8 OUT
A(L)/B(R)
PR1-8 OUT
A(L)/B(R)
POS T ON
INSERT 1,2 OUT
To CH 1-72{64,48},ST IN 1L-8R
CASCADE
IN
SELECT
LFE
ME TER ME TER
HPF
LPF
Pink Noise
Burst Noise
OUT
GEQ
RACK IN
PA TCH
GEQ1 IN
A(L)/B(R)
GEQ2-8 IN
A(L)/B(R)
GEQ1-4 IN
A(L)/B(R)
GEQ1-8 IN
A(L)/B(R)
To MONITOR SELECT
ME TER
PL AY BA CK O UT
RECORDE R CUE
[PLAYBACK
OUT] GAIN
DECODER
GEQ RACK2-8(GEQ2-8) (same as GEQ RACK 1)
GEQ RACK9-16(GEQ9-16) (same as GEQ RACK 1)
GEQ9-16
IN
A(L)/B(R)
[MIX 1-24,
STEREO
L,R,MONO(C),
MATRIX
1-6,7-8(CUE B L , R )]
INSERT 1,2 OUT
INSERT 1,2 OUT
[CH 1-72{64,48}]
PRE HPF
ME TER
POS T DG
MATR IX
12 78
(USE 7-8
AS CUE B )
TO ST
ST L
MO NO(C)
ST R
PA N/ BA L
LR MONO
TO MONO
LCR
TO LCR
CSR
POS T ON
PA N MODE
PRE FA DER / POS T ON
PRE FA DER / POS T ON
ONLEVEL
ONLEVEL
LEVEL
PA N/BA L
ON
To M ATRIX
VA RI
To M ATRIX
VA RI
STE RE O
MA TR IX 1,3 ...7
MA TR IX 2,4 ...8
(PRE FADER)PFL / (POST ON)AFL
CUE(A) ON
MATRIX 1-6,7-8
(CUE B L ,R)
To OUTPUT PAT CH
To MONITOR SELECT
ATT 4BAND
EQ
COMP
COMPAND
EX PAN D
INSERT
POS T EQ
LEVEL
PRE EQ
INSERT 1,2 OUT
PRE EQ
GR METER
ME TER
DYNA OUT
ME TER
EQ OUT
ME TER
PRE EQ
Key in
Self PRE EQ/Self POST EQ/MIX21-24 OUT/
MA TRIX 1- 8 POS T EQ
PRE FA DER
ON
POS T ON
ME TER
POS T ON
MATRIX OUT 1-6,7-8(CUE B L ,R)
INSERT
ME TER
PRE FA DER
PRE FA DER
INSERT 1,2 OUT
To OUTPUT PAT CH
MATR IX
INSERT 1,2
IN 1-6,7-8(CUE B L,R)
To RACK I N PATC H
MATR IX
INSERT 1,2
OUT 1-6,7-8(CUE B L,R)
POS T ON
INSERT 1,2 OUT
INSERT
INSERT POINT
POS T ON INSE R T 1,2 OUT
PRE FA DER INSERT 1,2 OUT
PRE EQ INSERT 1,2 OUT
BA L
CH INSERT 1,2 IN 1-72{64,48}
To CH INSERT 1,2 I N
72{64,48}
PR1-8 OUT L/R
EFFECT CUE
ON
FX1-8 OUT L/R
PLAYBACK OUT L/R
RECORDER CUE
ON
RECORDER INL/R
KEY IN CH1-72{64,48}
KEY IN CUE
KEY IN CUE
SELECT
ON
EFFECT CUE
SELECT
RECORDER CUE
SELECT
ST IN 1L-8R
Key in Filter
8
ON
ME TER
LEVEL/
DCA1-16
PRE FA DER
PRE FA DER POST ON
ME TER
POS T ON
PA N LI NK
MA TR IX 1,3 ...7
MA TR IX 2,4 ...8
CUE(A) R
MIX1 ,3...23
MIX2 ,4 ...2 4
CUE(A) L
(PRE FADER)PFL / (POST ON)AFL / POST PAN L ON
ON
ST L
MO NO(C)
ST R
To M ATRIX
To M IX
SA ME a s IN PUT 1-7 2{6 4,4 8}
PA N/BA L
TO ST
LR MONO TO MONO
LCR
TO LCR
CSR
POS T PAN L
POS T PAN R
(PRE FADER)PFL / (POST ON)AFL / POST PAN R
PA N MODE
ST IN 1L –– 8R
Key in
Self PRE EQ
Self P OST EQ
MIX2 1-24 OU T
ST IN 1L-8R POS T EQ
4BAND
EQ
KE Y IN CUE
HPF
POS T EQ
ME TER
DYNA2OUT
ME TER
DYNA1OUT
ME TER
PRE EQ
DELAY
Max
1000ms
SA ME a s IN PUT 1-7 2{6 4,4 8}
ATT
COMP
COMPAND
DE-ESSER
GR METER
GATE
DUCK
EX PAN D
COMP
GR METER
ME TER
EQ OUT
L
R
8
OS CILLA TO R
OS CILLA TO R
ME TER
PRE D.GAIN
Digital
GAIN
ME TER
POS T DG
ME TER
PRE D.GAIN
Digital
GAIN
ME TER
POS T DG
CUE(A) ON 1-6
(PRE FADER)PFL / (POST ON)AFL
To OUTPUT PAT CH
To MONITOR SELECT
ATT 4BAND
EQ
COMP
COMPAND
EX PAN D
INSERT
POS T EQ
LEVEL
PRE EQ
INSERT 1,2 OUT
PRE EQ
GR METER
ME TER
DYNA OUT
ME TER
EQ OUT
ME TER
PRE EQ
Key in
Self PRE EQ/Self POST EQ/MIX21-24 OUT/
ST(L,R,MO NO(C)) POS T EQ
PRE FA DER
STEREO L,R,MONO(C)
ON
POS T ON
ME TER
POS T ON
STE RE O OUT
L,R,MONO(C)
INSERT
ME TER
PRE FA DER
BA L
PRE FA DER
INSERT 1,2 OUT
To OUTPUT PAT CH
STEREO
INSERT 1,2 IN L ,R,MONO(C)
To RACKIN PATCH
STE RE O
INSERT 1,2 OUT L,R,MONO(C)
INSERT POINT POST ON INSERT 1,2 OUT
PRE FA DER INSE RT 1,2 OUT
PRE EQ INSERT 1,2 OUT
POS T ON
INSERT 1,2 OUT
INSERT
To M ATRIX
VA RI
ONLEVEL
ONLEVEL
LEVEL
PA N/BA L
ON
To M ATRI X
VA RI
STE RE O
MA TR IX 1,3 ...7
MA TR IX 2,4 ...8
PRE FA DER / POS T ON
PRE FA DER / POS T ON
CUE B ON (PRE FADER)PFL / (POST ON)AFL
CUE(A)R
CUE(A) L
(PRE FADER)PFL / (POST ON)AFL / POST PAN L ON
ON
(PRE FADER)PFL / (POST ON)AFL / POST PAN R
CUE B R
CUE B L
(PRE FADER)PFL / (POST ON)AFL / POST PAN L ON
ON
(PRE FADER)PFL / (POST ON)AFL / POST PAN R
CUE(A) ON
(PRE FADER)PFL / (POST ON)AFL
CUE B R
CUE B L
(PRE FADER)PFL / (POST ON)AFL / POST PAN L ON
ON
(PRE FADER)PFL / (POST ON)AFL / POST PAN R
TRIM
TRIM
TRIM
CUE B ON (PRE FADER)PFL / (POST ON)AFL
TRIM
CUE B ON
(PRE FADER)PFL / (POST ON)AFL
TRIM
This section does not exist in MATRIX 7-8.

USB
1234
MONITOR L
MONITOR R
MONITOR MONO(C) MONITOR OUT MONO(C)
MONITOR OUT R
MONITOR OUT L To OUTPUT PAT CH
To OUTPUT PAT CH
To OUTPUT PAT CH
MO NO
ME TER MO NITOR R
ME TER MO NITOR MON O(C)
TALKBACK ON
ME TER MO NITOR L
CUE(A) TRIM
(INPUT/OUTPUT/DCA)
CUE(A) L
CUE(A) R
MO NO ME TER CUE(A) L
ME TER CUE(A) R
ON
MO NITOR
LEVEL
DIMMER
MO NITOR DIM M ON
CUE(A) LOGIC
+MONO(C)
MONITOR SELECT
MATRIX OUT
MIX OUT1-24
OMNI IN 1/2
DEFINE
MIX
(MAX:8ch)
OMNI IN 3/4
OMNI IN 5/6
OMNI IN 7/8
STEREO OUT L,R
STEREO OUT MONO(C)
STEREO OUT L,C,R
PHONES L
PHONES R
To P HO NES OUT
To P HO NES OUT
DELAY
(MAX:1000ms)
DELAY
(MAX:1000ms)
PHONES
LEVEL LINK
An output port delay becomes invalid by
assigning a monitor out to the output port.
CUE(A) OUT L
CUE(A) OUT R
To OUTPUT PAT CH
To OUTPUT PAT CH
CUE(A) OUT ON
PL AY BA CK O UT
OMNI IN 1/2
OMNI IN 3/4
OMNI IN 5/6
OMNI IN 7/8
PL AY BA CK O UT
STEREO OUT L,R
STEREO OUT MONO(C)
CUE(A) L BUS
CUE(A) R BUS
CUE(A) / STEREO MONITOR
DELAY
(MAX:1000ms)
DELAY
(MAX:1000ms)
DELAY
(MAX:1000ms)
MO NITOR
FADER
CUE(A) INTERRUPTION
CUE(A) ON
DELAY
(MAX:1000ms)
DELAY
(MAX:1000ms)
ON
MONITOR DELAY AUTO BYPASS
CUE(A) OUT
LEVEL
OUTPUTS
PHONES OUT LR [PHONES]
DA
PHONES LEVE L
2
Tip
Ring
Sleeve
SLOT1
SLOT2
SLOT3
[SLOT]
16
16
16
ME TER SLOT1OU T
ME TER SLOT2OU T
ME TER SLOT3OU T
DELAY
(MAX:1000ms)
DELAY
(MAX:1000ms)
DELAY
(MAX:1000ms)
DA [OMNI OUT] (1-8)
8
+
-1
2
3
ME TER OMNI OUT
DELAY
(MAX:1000ms)
TRIM
GAIN
OUTPUT
PATCH
2DIT [DIGITAL OUT]
AE S/ EB U
DELAY
(MAX:1000ms)
ME TER DIGITAL
OUT
TRIMGAIN
TRIMGAIN
[DANTE OUT] (1-64)
64
ME TER DANTE OUT
DELAY
(MAX:1000ms)
GAIN
OUTPUT
PATCH
DANTE
OUTPUT
MIX CASCADE OUT 1-24
STEREO CASCADE OUT L,R,MONO(C)
MATRIX CASCADE OUT 1-6,7-8(CUE B L,R)
CUE(A) CA SCADE OUT L,R
DIRECT OUT 1-72{64,48}
MATRIX OUT 1-6,7-8(CUE B L,R)
MIX OUT 1-24
STEREO OUT L,R,MONO(C)
MONITOR OUT L,R,MONO(C)
CUE(A) OUT L,R
CH INSERT 1,2 OUT 1-72{64,48}
MIX INSERT OUT 1-24
STEREO INSERT OUT L,R,MONO(C)
MATRIX INSERT OU T 1-6,7-8(CUE B L,R)
2
RECORDE R CUE
GAIN
ME TER
RECORDE R IN
OUTPUT
PATCH
ENCODER [2TR RECORDER]
OUTPUT
PATCH
STEREO L
MONO(C)
STEREO R
SURROUND MONITOR1-6
MONI TOR MATRIX OUT1-6
OMNI OUT
OUTPUT
PATCH
ME TER
CUE(A) TRIM
(INPUT/OUTPUT/DCA)
CUE(A) L
CUE(A) R
ME TER CUE(A) L
ME TER CUE(A) R
CUE(A) LOGIC
2ch
Monitor
Select
PHONES L
PHONES R
To P HO NES OUT
To P HO NES OUT
PHONES
LEVEL LINK
CUE(A) OUT L
CUE(A) OUT R
To OUTPUT PAT CH
To OUTPUT PAT CH
CUE(A) OUT ON
PLAYBACK OUT
CUE(A) L BUS
CUE(A) R BUS
CUE(A) / SURROUND MONITOR
CUE(A) INTERRUPTION
CUE(A) ON
DELAY
(MAX:1000ms)
DELAY
(MAX:1000ms)
ON
MONITOR DELAY AUTO BYPASS
CUE(A) OUT
LEVEL
DIMMER
6
MO NITOR MATRIX OUT
To SLOT
5.1 Solo
Down Mi x 5. 1 -> St ereo , Mono
SURROUND MONITOR
To OMNI OUT, SLOT
MO NITOR
LEVEL
EXT IN ST-1
2
EXT IN 5.1-2 6
EXT IN 5.1-3 6
MIX OUT 1-6 6
EXT IN 5.1-1 6
2ch selected
EXT IN ST-2
EXT IN ST-3
STEREO OUT L/R
MONO
MIX OUT1-24
MATRIX OUT 2
Surround
Monitor
Select
To OUTPUT PAT CH
To OUTPUT PAT CH
EXT IN ** are assignable from DA NTE , SLOT, OMNI IN
EXT IN ST-4
MONITOR MATRIX
(DOWNMIX)
MO NITOR
LEVEL
MO NITOR
FADER
SP EAK ER MUTE
DELAY
(MAX:1000ms)
DELAY
(MAX:1000ms)
L
DELAY
(MAX:1000ms)
R
DELAY
(MAX:1000ms)
C
DELAY
(MAX:1000ms)
Ls
DELAY
(MAX:1000ms)
An output p ort delay beco mes invalid by
assigning a monitor out to the output port.
Rs
DELAY
(MAX:1000ms)
LFE
DELAY
(MAX:1000ms)
RTA
GEQ RACK 1-16 OUT 32
EFFECT RACK 1-8 OUT 16
CH 1-72{64,48} POST EQ 72{64,48}
ST IN 1L-8R POST EQ 16
MIX1-24 POST EQ 24
RTA
STEREO L,R,MONO(C) POST EQ 3
MATRIX 1-6,7-8(CUE B L,R) POST EQ 8
MIX OUT 1-24 24
STEREO OUT L,R,MONO(C) 3
MATRIX OUT 1-6,7-8(CUE B L,R) 8
CUE(A) OUT L,R 2
1-6,7-8(CUE B L,R)
1-6,7-8(CUE B L,R)

Level Diagram
DA
Max. DSP Noise Floor
AD
Max. Output
0
1
2
3
4
5
6
7
8
9
10
11
12
13
14
15
16
17
18
19
20
21
22
23
24
25
26
27
28
29
30
31
32
33
Digital
Bit
34
35
36
0
-10
-20
-30
-40
-50
-60
-70
-80
-90
-100
-110
-120
-130
-140
-150
-160
-170
-190
-200
-210
GAIN
dBu
Analog
dBFS
-180
[0dBu = 0.775Vrms]
[0dBFS = Full Scale]
+20
+10
0
-10
-20
-30
-40
-50
-60
-70
-80
-90
-100
-110
-120
-130
-140
-150
-160
+24
+4
-170
-180
-190
Digital
Analog Digital Analog
dBu
Analog
+20
+10
0
-10
-20
-30
-40
-50
-60
-70
-80
-90
-100
-110
-120
-130
-140
-150
-160
+24
+4
-170
-180
-190
Nominal Output
[+24dBu]
[+4dBu]
+30 +30
OMNI OUT1-8
[Default setting]
Nominal Output
(75mW@8㱅)
(150mW@8㱅)
Max Output
㪲㪫㪿㪼㩷㫇㫆㫊㫀㫋㫀㫆㫅㩷㫆㪽㩷㫋㪿㪼㩷㫃㪼㫍㪼㫃
㪺㫆㫅㫋㫉㫆㫃㩷㫀㫊㩷㪈㪇㪻㪙㩷㫃㫆㫎㪼㫉㪼㪻
㪽㫉㫆㫄㩷㪤㪸㫏㪴
PHONES
OMNI IN 1-8 (GAIN MIN.)
㽲
㽳OMNI IN 1-8 (GAIN MAX.)
㽴TALKBACK (GAIN MIN.)
㽵Nominal Input [-60dBu]
㽳Nominal Input [-62dBu]
㽳Max. Input [-42dBu]
㽴Nominal Input [-16dBu]
㽲Nominal Input [+10dBu]
㽲Max. Input [+30dBu]
DELAY
OUTPUT
PATCH
ATT.
EQ
(x4) DYN
㱢㪃㪘㪫㪫㪃㩷
㪫㪩㪠㪤
INSERT
MASTER
LEVEL
/ BAL
MASTER
ON
㪠㪥㪧㪬㪫㩷
㪧㪘㪫㪚㪟 ATT.
LEVEL
/ON PAN
BUS
Adder
DELAY DCA
EQ
(x4)
㱂
㪆㪛㫀㪾㫀㫋㪸㫃
㪞㪸㫀㫅 㪟㪧㪝
DYN
1
DYN
2INSERT
INSERT
Digital Clipping Level
IN
OUT
IN
OUT
IN
OUT
CASCADE OUT
CASCADE IN
㽵TALKBACK (GAIN MAX.)
㽴Max. Input [+4dBu]
㽵Max. Input [-40dBu]

ADDRESS LIST
HEAD OFFICE Yamaha Corporation, Audio Products Sales and Marketing Division
10-1, Nakazawa-cho, Naka-ku, Hamamatsu, Japan 430-8650
CANADA
Yamaha Canada Music Ltd.
135 Milner Avenue, Toronto, Ontario,
M1S 3R1, Canada
Tel: +1-416-298-1311
U.S.A.
Yamaha Corporation of America
6600 Orangethorpe Avenue, Buena Park, CA 90620,
U.S.A.
Tel: +1-714-522-9011
MEXICO
Yamaha de México, S.A. de C.V.
Av. Insurgentes Sur 1647 Piso 9, Col. San José
Insurgentes, Delegación Benito Juárez, México,
D.F., C.P. 03900
Tel: +52-55-5804-0600
BRAZIL
Yamaha Musical do Brasil Ltda.
Rua Fidêncio Ramos, 302 – Cj 52 e 54 – Torre B – Vila
Olímpia – CEP 04551-010 – São Paulo/SP, Brazil
Tel: +55-11-3704-1377
ARGENTINA
Yamaha Music Latin America, S.A.,
Sucursal Argentina
Olga Cossettini 1553, Piso 4 Norte,
Madero Este-C1107CEK,
Buenos Aires, Argentina
Tel: +54-11-4119-7000
VENEZUELA
Yamaha Musical de Venezuela, C.A.
AV. Manzanares, C.C. Manzanares Plaza,
Piso 4, Oficina 0401, Baruta, Caracas, Venezuela
Tel: +58-212-943-1877
PANAMA AND OTHER LATIN
AMERICAN COUNTRIES/
CARIBBEAN COUNTRIES
Yamaha Music Latin America, S.A.
Edif. Torre Banco General, Piso 7, Urbanización
Marbella, Calle 47 y Aquilino de la Guardia,
Ciudad de Panamá, República de Panamá
Tel: +507-269-5311
THE UNITED KINGDOM/IRELAND
Yamaha Music Europe GmbH (UK)
Sherbourne Drive, Tilbrook, Milton Keynes,
MK7 8BL, U.K.
Tel: +44-1908-366700
GERMANY
Yamaha Music Europe GmbH
Siemensstrasse 22-34, 25462 Rellingen, Germany
Tel: +49-4101-303-0
SWITZERLAND/LIECHTENSTEIN
Yamaha Music Europe GmbH, Rellingen,
Branch Switzerland in Zürich
Seefeldstrasse 94, 8008 Zürich, Switzerland
Tel: +41-44-3878080
AUSTRIA/BULGARIA
Yamaha Music Europe GmbH Branch Austria
Schleiergasse 20, 1100 Wien, Austria
Tel: +43-1-60203900
CZECH REPUBLIC/HUNGARY/
ROMANIA/SLOVAKIA/SLOVENIA
Yamaha Music Europe GmbH
Branch Austria
Schleiergasse 20, 1100 Wien, Austria
Tel: +43-1-60203900
POLAND/LITHUANIA/LATVIA/ESTONIA
Yamaha Music Europe GmbH
Sp.z o.o. Oddzial w Polsce
ul. Wrotkowa 14, 02-553 Warsaw, Poland
Tel: +48-22-880-08-88
MALTA
Olimpus Music Ltd.
Valletta Road, Mosta MST9010, Malta
Tel: +356-2133-2093
NETHERLANDS/BELGIUM/
LUXEMBOURG
Yamaha Music Europe Branch Benelux
Clarissenhof 5b, 4133 AB Vianen, The Netherlands
Tel: +31-347-358040
FRANCE
Ya maha M u s i c Euro p e
7 rue Ambroise Croizat, Zone d'activités de Pariest,
77183 Croissy-Beaubourg, France
Tel: +33-1-6461-4000
ITALY
Yamaha Music Europe GmbH, Branch Italy
Viale Italia 88, 20020, Lainate (Milano), Italy
Tel: +39-02-93577-1
SPAIN/PORTUGAL
Yamaha Music Europe GmbH Ibérica, Sucursal
en España
Ctra. de la Coruna km. 17,200, 28231
Las Rozas de Madrid, Spain
Tel: +34-91-639-88-88
GREECE
Philippos Nakas S.A. The Music House
19th klm. Leof. Lavriou 190 02 Peania – Attiki,
Greece
Tel: +30-210-6686168
SWEDEN/FINLAND/ICELAND
Yamaha Music Europe GmbH Germany filial
Scandinavia
JA Wettergrensgata 1, 400 43 Göteborg, Sweden
Tel: +46-31-89-34-00
DENMARK
Yamaha Music Denmark,
Fillial of Yamaha Music Europe GmbH, Tyskland
Generatorvej 8C, ST. TH. , 2860 Søborg, Denmark
Tel: +45-44-92-49-00
NORWAY
Yamaha Music Europe GmbH Germany -
Norwegian Branch
Grini Næringspark 1, 1332 Østerås, Norway
Tel: +47-6716-7800
RUSSIA
Yamaha Music (Russia) LLC.
Room 37, entrance 7, bld. 7, Kievskaya street,
Moscow, 121059, Russia
Tel: +7-495-626-5005
OTHER EUROPEAN COUNTRIES
Yamaha Music Europe GmbH
Siemensstrasse 22-34, 25462 Rellingen, Germany
Tel: +49-4101-3030
Ya maha M u s i c G ulf FZ E
JAFZA-16, Office 512, P.O.Box 17328,
Jebel Ali FZE, Dubai, UAE
Tel: +971-4-801-1500
TURKEY
Yamaha Music Europe GmbH
Merkezi Almanya Türkiye İstanbul Şubesi
Maslak Meydan Sodak, Spring Giz Plaza Bagimsiz
Böl. No:3, Sariyer Istanbul, Turkey
Tel: +90-212-999-8010
CYPRUS
Yamaha Music Europe GmbH
Siemensstrasse 22-34, 25462 Rellingen, Germany
Tel: +49-4101-303-0
OTHER COUNTRIES
Ya maha M u s i c G ulf FZ E
JAFZA-16, Office 512, P.O.Box 17328,
Jebel Ali FZE, Dubai, UAE
Tel: +971-4-801-1500
THE PEOPLE’S REPUBLIC OF CHINA
Yamaha Music & Electronics (China) Co.,Ltd.
2F, Yunhedasha, 1818 Xinzha-lu, Jingan-qu,
Shanghai, China
Tel: +86-400-051-7700
INDIA
Yamaha Music India Private Limited
Spazedge Building, Ground Floor, Tower A,
Sector-47, Gurgaon- Sohna Road, Gurgaon-122002,
Haryana, India
Tel: +91-124-485-3300
INDONESIA
PT. Yamaha Musik Indonesia (Distributor)
Yamaha Music Center Bldg. Jalan Jend. Gatot
Subroto Kav. 4, Jakarta 12930, Indonesia
Tel: +62-21-520-2577
KOREA
Yamaha Music Korea Ltd.
8F, Dongsung Bldg. 21, Teheran-ro 87-gil,
Gangnam-gu, Seoul, 135-880, Korea
Tel: +82-2-3467-3300
MALAYSIA
Yamaha Music (Malaysia) Sdn. Bhd.
No.8, Jalan Perbandaran, Kelana Jaya, 47301
Petaling Jaya, Selangor, Malaysia
Tel: +60-3-78030900
SINGAPORE
Yamaha Music (Asia) Private Limited
Block 202 Hougang Street 21, #02-00,
Singapore 530202, Singapore
Tel: +65-6740-9200
TAIWAN
Yamaha Music & Electronics Taiwan Co.,Ltd.
2F., No.1, Yuandong Rd. Banqiao Dist.
New Taipei City 22063, Taiwan, R.O.C.
Tel: +886-2-7741-8888
THAILAND
Siam Music Yamaha Co., Ltd.
3, 4, 15, 16th Fl., Siam Motors Building,
891/1 Rama 1 Road, Wangmai,
Pathumwan, Bangkok 10330, Thailand
Tel: +66-2215-2622
VIETNAM
Yamaha Music Vietnam Company Limited
15th Floor, Nam A Bank Tower, 201-203 Cach
Mang Thang Tam St., Ward 4, Dist.3,
Ho Chi Minh City, Vietnam
Tel: +84-8-3818-1122
OTHER ASIAN COUNTRIES
Yama h a Co r por atio n
Sales & Marketing Division
10-1, Nakazawa-cho, Naka-ku, Hamamatsu,
Japan 430-8650
Tel: +81-53-460-2312
AUSTRALIA
Yama h a Mu s ic A ust r ali a Pty. Ltd .
Level 1, 99 Queensbridge Street, Southbank,
VIC 3006, Australia
Tel: +61-3-9693-5111
COUNTRIES AND TRUST
TERRITORIES IN PACIFIC OCEAN
Yama h a Co r por atio n
Sales & Marketing Division
10-1, Nakazawa-cho, Naka-ku, Hamamatsu,
Japan 430-8650
Tel: +81-53-460-2312
NORTH AMERICA
CENTRAL & SOUTH AMERICA
EUROPE
AFRICA
MIDDLE EAST
ASIA
OCEANIA
PA42

Published 4/2016 MATO-F0
© 2012 Yamaha Corporation
Manual Development Department
Printed in Japan
ZC58320
Yamaha Downloads
http://download.yamaha.com/
Yamaha Pro Audio global website
http://www.yamahaproaudio.com/