Yamaha Data Sheet (01V96VCM) Datasheet 01V96VCM En
User Manual: Yamaha Data Sheet (01V96VCM)
Open the PDF directly: View PDF
.
Page Count: 3

01V96VCM
Rear Panel
01V96VCM
• Precise 24-bit/96-kHz audio and high-performance head amps.
• Generous mixing capacity with up to 40 simultaneous inputs and 20 mix buses (20 buses: a main stereo program bus, 8
individual mixing buses, 2 solo buses, and 8 auxiliary buses) in a compact rack-size mixer.
• Digital I/O via 8-channel optical ADAT and coaxial 2-track inputs and outputs.
• I/O expansion slot accepts mini-YGDAI cards for up to 16 additional channels of I/O in a variety analog or digital
formats.
• Powerful channel functions with flexible control and digital patching capability.
• Four advanced multi-effect processors at 44.1/48 kHz, or two at 88.2/96 kHz
• Comprehensive interface with large LCD, 100-mm motor faders, and dedicated scene memory keys.
• Versatile channel pairing and grouping functions enhance mixing efficiency.
• Compatible with both Windows or Macintosh versions of Studio Manager version2 Software, allowing your PC and
console to work together seamlessly.
• Easy integration with computer-based DAWs (Digital Audio Workstations) or digital recorders.
• Cascade Link function allows two 01V96 consoles to be connected to provide up to 80 input channels.
• A new dimension of production power with the addition of Yamaha VCM Channel Strip and Rev-X effects.
Still Small and Professional —Now with VCM Effects.
Digital Mixing Console
OPTIONS
RK-1
Rack-mount Kit
AE-021
MASTER STRIP
AE-051
VINTAGE STOMP
13U

*1 Total Harmonic Distortion is measured with a 6dB/octave filter @80kHz.
*2 Hum & Noise are measured with a 6dB/ octave filter @12.7kHz;equivalent to a 20kHz filter with infinite dB/octave
attenuation.
A:XLR-3-31
type*
B:TRS Phone
jack*
TRS Phone
jack*
TRS Phone
jack**
RCA Pin jack**
XLR-3-32
type*
TRS Phone
jack*
TRS Phone
jack*
TRS Phone
jack**
RCA Pin
jack**
ST Phone
jack**
DIMENSIONS
436
150
540
unit : mm
01V96VCM
GENERAL SPECIFICATIONS
CONTROL I/O SPECIFICATIONS
ANALOG INPUT SPECIFICATIONS
ANALOG OUTPUT SPECIFICATIONS
-60dB
-16dB
CH INPUT
1 to 12 3kΩ
50-600Ω Mics
& 600Ω Lines
-70dBu
-26dBu
-6dBu
-36dBu
-6dBu
-26dB
+4dB
8Ω Lines
40Ω Lines
4mW
12mW
25mW
75mW
-60dBu
-16dBu
+4dBu
-26dBu
+4dBu
-40dBu
+4dBu
+24dBu
-6dBu
+24dBu
CH INPUT
13 to 16
CH INSERT IN 1 to 12
2TR IN [L,R]
10kΩ
10kΩ
10kΩ
600Ω Lines
600Ω Lines
600Ω Lines
-12dBu
-10dBV
-2dBu
-10dBV
+18dBu
+10dBV
0
20
STEREO OUT (L,R)
OMNI OUT 1 to 4
MONITOR OUT (L,R)
CH INSERT OUT 1 to 12
2TR OUT (L,R)
PHONES
150Ω
150Ω
150Ω
600Ω
10KΩ
100Ω
600Ω Lines
10kΩ Lines
10kΩ Lines
10kΩ Lines
600Ω Lines
+4dBu
+4dBu
+4dBu
-2dBu
-10dBV
+24dBu
+24dBu
+24dBu
+18dBu
+10dBV
DIGITAL INPUT SPECIFICATIONS
DIGITAL OUTPUT SPECIFICATIONS
Terminal Format Level ConnectorData Length
0.5Vpp/75Ω
-
IEC-60958
ADAT
24bit
24bit
RCA Pin Jack
OPTICAL
2TR IN DIGITAL
ADAT IN
Terminal Format Level ConnectorData Length
0.5Vpp/75Ω
-
IEC-60958
Consumer use
ADAT
24bit
24bit
RCA Pin Jack
OPTICAL
2TR OUT DIGITAL
ADAT OUT
I/O Port Format Level Connector in Console
B type USB connector
DIN Connector 5P
DIN Connector 5P
DIN Connector 5P
BNC Connector
BNC Connector
0V - 3.3V
-
-
-
TTL/75Ω
TTL/75Ω
TO HOST USB USB
MIDI
MIDI
MIDI
-
-
MIDI
WORD CLOCK
IN
OUT
THRU
IN
OUT
Input
Terminal GainPad
Actual Load
Impedance
For Use With
Nominal
Sensitivity
Max.
before Clip
Connector
Nominal
Output
Terminal
Actual Source
Impedance
For Use With
Nominal
Max.
before Clip
Connector
Nominal
Internal processing 32bit (Accumulator 58bit)
Number of scene memories 99
Sampling frequency Internal: 44.1kHz,48kHz,88.2kHz,96kHz
External: Normal rate: 44.1kHz (-10%) to 48kHz (+6%)
Double rate: 88.2kHz (-10%) to 96kHz (+6%)
Signal delay Less than 1.6ms CH INPUT to STEREO OUT (@fs=48kHz)
Less than 0.8ms CH INPUT to STEREO OUT (@fs=96kHz)
Total harmonic distortion *1 Less than 0.05%, 20Hz to 20kHz @+14dBu into 600Ω
CH INPUT to STEREO OUT Less than 0.01%, 1kHz @+24dBu into 600Ω
Input Gain=Min. (@fs=48kHz)
Less than 0.05%, 20Hz to 40kHz @+14dBu into 600Ω
Less than 0.01%, 1kHz @+24dBu into 600Ω
(@fs=96kHz)
Frequency response 20Hz - 20kHz, 0.5, -1.5dB, @+4dBu into 600Ω (@fs=48kHz)
CH INPUT to STEREO OUT 20Hz - 40kHz, 0.5, -1.5dB, @+4dBu into 600Ω (@fs=96kHz)
Dynamic range 110dB typ. DA Converter (STEREO OUT)
(maximum level to noise level) 105dB typ. AD+DA (to STEREO OUT)
Hum & noise level *2 -128dBu Equivalent Input Noise.
(20Hz to 20kHz), Rs=150Ω -86dBu residual output noise. STEREO OUT(STEREO OUT off.)
Input Gain=Max -86dBu (90dB S/N)STEREO OUT(STEREO fader at nominal
Input Pad=0dB level and all CH INPUT faders at minimum level.)
Input Pad=0dB -64dBu (68dB S/N) STEREO OUT
Input Sensitivity=-60dB (STEREO fader at nominal level andone CH INPUT fader at
nominal level)
Crosstalk (@1kHz) -80dB adjacent input channels (CH1-12)
Input GAIN=min -80dB adjacent input channels (CH13-16)
-80dB input to output
Power requirements Japan: AC100V 50/60Hz, 90W
North America: AC120V, 60Hz, 90W
Other Areas: AC220-240V, 50/60Hz, 90W
Dimensions (W x H x D) 436 x 150 x 540mm (16-15/16" x 5-5/16" x 21-1/4")
Weight 15.0kg (33.1lbs.)
Input Level
Output Level

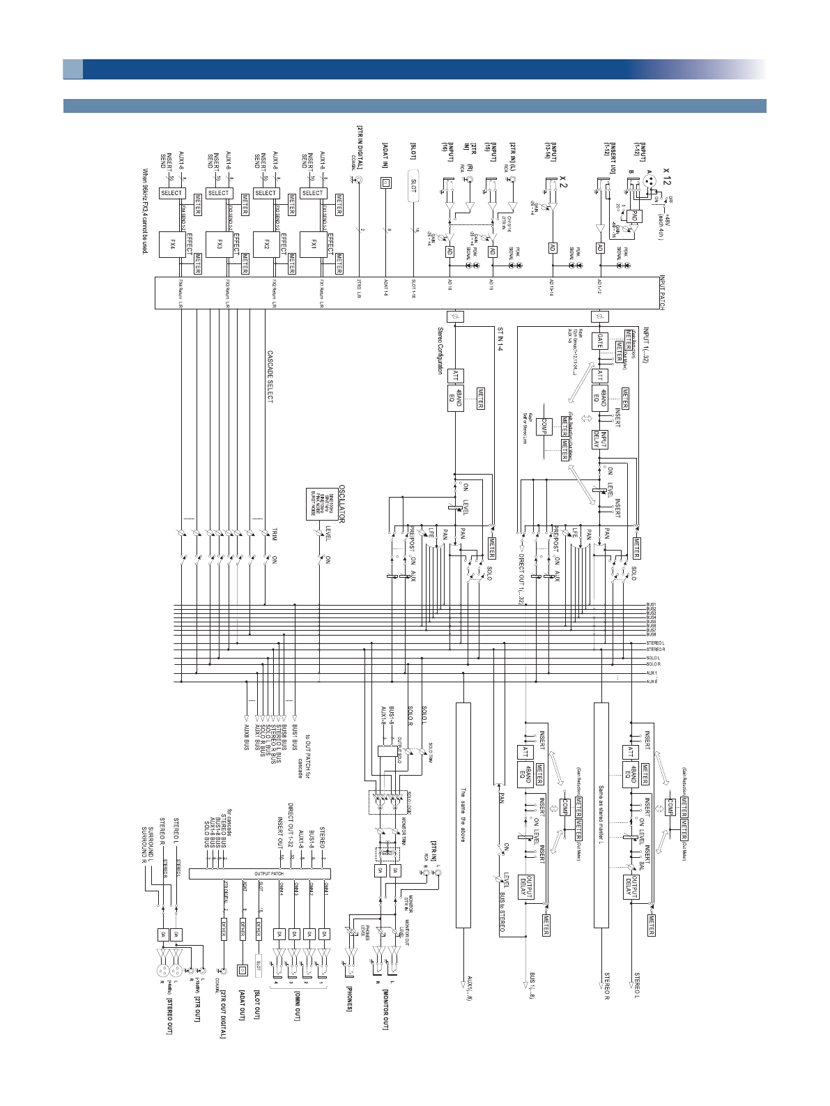
BLOCK DIAGRAM
01V96VCM