Yamaha DME64N/24N V2 Owner's Manual Dme64n Fr Om
User Manual: Yamaha DME64N/24N V2 Owner's Manual
Open the PDF directly: View PDF
.
Page Count: 76
- Avant-propos
- Présentation du DME64N/24N
- Commandes et connecteurs
- Préparation
- Connexion à un ordinateur
- Audio I/O Connection
- Connexion à un périphérique externe
- Fonctionnement du panneau et écrans
- Principe d'utilisation
- Ecran Main
- Ecrans Parameter Edit
- Ecran Spectrum
- Ecran Level Meter
- Initialisation du DME64N/ DME24N
- Ecrans Utility
- Les éléments accessibles via l'écran Utility
- Fonctionnement de l'écran Utility
- Page Info
- Page Network Settings (Net)
- Page Display Setup (Disp)
- Page Security Setup (Lock)
- Page Miscellaneous Setup (Misc)
- Page Word Clock Setup (WCLK)
- Page Slot Information (Slot)
- Page MIDI Setup (MIDI)
- Page GPI Setup (GPI)
- Page Head Amplifier Setup (HA)
- Page Cascade Setup (CASCAD)
- Page Check
- Annexe
- Index


The above warning is located on the top of the unit.
Explanation of Graphical Symbols
The lightning flash with arrowhead symbol
within an equilateral triangle is intended to alert
the user to the presence of uninsulated
“dangerous voltage” within the product’s
enclosure that may be of sufficient magnitude to
constitute a risk of electric shock to persons.
The exclamation point within an equilateral
triangle is intended to alert the user to the
presence of important operating and maintenance
(servicing) instructions in the literature
accompanying the product.
IMPORTANT SAFETY INSTRUCTIONS
1 Read these instructions.
2 Keep these instructions.
3 Heed all warnings.
4 Follow all instructions.
5 Do not use this apparatus near water.
6 Clean only with dry cloth.
7 Do not block any ventilation openings. Install in
accordance with the manufacturer’s instructions.
8 Do not install near any heat sources such as
radiators, heat registers, stoves, or other
apparatus (including amplifiers) that produce heat.
9 Do not defeat the safety purpose of the polarized
or grounding-type plug. A polarized plug has two
blades with one wider than the other. A grounding
type plug has two blades and a third grounding
prong. The wide blade or the third prong are
provided for your safety. If the provided plug does
not fit into your outlet, consult an electrician for
replacement of the obsolete outlet.
10 Protect the power cord from being walked on or
pinched particularly at plugs, convenience
receptacles, and the point where they exit from the
apparatus.
11 Only use attachments/accessories specified by
the manufacturer.
12 Use only with the cart, stand,
tripod, bracket, or table
specified by the manufacturer,
or sold with the apparatus.
When a cart is used, use
caution when moving the cart/
apparatus combination to avoid
injury from tip-over.
13 Unplug this apparatus during lightning storms or
when unused for long periods of time.
14 Refer all servicing to qualified service personnel.
Servicing is required when the apparatus has
been damaged in any way, such as power-supply
cord or plug is damaged, liquid has been spilled or
objects have fallen into the apparatus, the
apparatus has been exposed to rain or moisture,
does not operate normally, or has been dropped.
CAUTION: TO REDUCE THE RISK OF
ELECTRIC SHOCK, DO NOT REMOVE
COVER (OR BACK). NO USER-SERVICEABLE
PARTS INSIDE. REFER SERVICING TO
QUALIFIED SERVICE PERSONNEL.
CAUTION
RISK OF ELECTRIC SHOCK
DO NOT OPEN
WARNING
TO REDUCE THE RISK OF FIRE OR ELECTRIC SHOCK,
DO NOT EXPOSE THIS APPARATUS TO RAIN OR MOISTURE.

1. IMPORTANT NOTICE: DO NOT MODIFY THIS UNIT!
This product, when installed as indicated in the instructions con-
tained in this manual, meets FCC requirements. Modifications not
expressly approved by Yamaha may void your authority, granted by
the FCC, to use the product.
2. IMPORTANT:
When connecting this product to accessories and/
or another product use only high quality shielded cables. Cable/s
supplied with this product MUST be used. Follow all installation
instructions. Failure to follow instructions could void your FCC
authorization to use this product in the USA.
3. NOTE:
This product has been tested and found to comply with the
requirements listed in FCC Regulations, Part 15 for Class “B” digital
devices. Compliance with these requirements provides a reason-
able level of assurance that your use of this product in a residential
environment will not result in harmful interference with other elec-
tronic devices. This equipment generates/uses radio frequencies
and, if not installed and used according to the instructions found in
the users manual, may cause interference harmful to the operation
of other electronic devices. Compliance with FCC regulations does
* This applies only to products distributed by YAMAHA CORPORATION OF AMERICA. (class B)
not guarantee that interference will not occur in all installations. If
this product is found to be the source of interference, which can be
determined by turning the unit “OFF” and “ON”, please try to elimi-
nate the problem by using one of the following measures:
Relocate either this product or the device that is being affected by
the interference.
Utilize power outlets that are on different branch (circuit breaker or
fuse) circuits or install AC line filter/s.
In the case of radio or TV interference, relocate/reorient the
antenna. If the antenna lead-in is 300 ohm ribbon lead, change the
lead-in to co-axial type cable.
If these corrective measures do not produce satisfactory results,
please contact the local retailer authorized to distribute this type of
product. If you can not locate the appropriate retailer, please con-
tact Yamaha Corporation of America, Electronic Service Division,
6600 Orangethorpe Ave, Buena Park, CA90620
The above statements apply ONLY to those products distributed by
Yamaha Corporation of America or its subsidiaries.
FCC INFORMATION (U.S.A.)
IMPORTANT NOTICE FOR THE UNITED KINGDOM
Connecting the Plug and Cord
WARNING:
THIS APPARATUS MUST BE EARTHED
IMPORTANT. The wires in this mains lead are coloured in accordance
with the following code:
GREEN-AND-YELLOW : EARTH
BLUE : NEUTRAL
BROWN : LIVE
As the colours of the wires in the mains lead of this apparatus may not
correspond with the coloured markings identifying the terminals in
your plug proceed as follows:
The wire which is coloured GREEN-and-YELLOW must be connected
to the terminal in the plug which is marked by the letter E or by the
safety earth symbol or colored GREEN or GREEN-and-YELLOW.
The wire which is coloured BLUE must be connected to the terminal
which is marked with the letter N or coloured BLACK.
The wire which is coloured BROWN must be connected to the termi-
nal which is marked with the letter L or coloured RED.
• This applies only to products distributed by Yamaha-Kemble Music (U.K.) Ltd. (3 wires)
ADVARSEL!
Lithiumbatteri—Eksplosionsfare ved fejlagtig håndtering. Udskiftning
må kun ske med batteri af samme fabrikat og type. Levér det brugte
batteri tilbage til leverandoren.
VARNING
Explosionsfara vid felaktigt batteribyte. Använd samma batterityp eller
en ekvivalent typ som rekommenderas av apparattillverkaren.
Kassera använt batteri enligt fabrikantens instruktion.
VAROITUS
Paristo voi räjähtää, jos se on virheellisesti asennettu. Vaihda paristo
ainoastaan laitevalmistajan suosittelemaan tyyppiin. Hävitä käytetty
paristo valmistajan ohjeiden mukaisesti.
(lithium caution)
NEDERLAND / THE NETHERLANDS
• Dit apparaat bevat een lithium batterij voor geheugen back-up.
• This apparatus contains a lithium battery for memory back-up.
• Raadpleeg uw leverancier over de verwijdering van de batterij op het
moment dat u het apparaat ann het einde van de levensduur afdankt
of de volgende Yamaha Service Afdeiing:
Yamaha Music Nederland Service Afdeiing
Kanaalweg 18-G, 3526 KL UTRECHT
Tel. 030-2828425
• For the removal of the battery at the moment of the disposal at the
end of the service life please consult your retailer or Yamaha Service
Center as follows:
Yamaha Music Nederland Service Center
Address : Kanaalweg 18-G, 3526 KL UTRECHT
Tel : 030-2828425
• Gooi de batterij niet weg, maar lever hem in als KCA.
• Do not throw away the battery. Instead, hand it in as small chemical
waste.
(lithium disposal)

Mode d'emploi du DME64N/24N
4
PRECAUTIONS D'USAGE
PRIERE DE LIRE ATTENTIVEMENT AVANT DE PROCEDER
A TOUTE MANIPULATION
* Rangez soigneusement ce manuel pour pouvoir le consulter ultérieurement.
AVERTISSEMENT
Veillez à toujours observer les précautions élémentaires énumérées ci-après pour éviter de graves blessures, voire la
mort, causées par l'électrocution, les courts-circuits, dégâts, incendie et autres accidents. La liste des précautions
données ci-dessous n'est pas exhaustive :
• Utilisez seulement la tension requise pour l'appareil. Celle-ci est imprimée sur
la plaque du constructeur de l'appareil.
• Utilisez uniquement le cordon d'alimentation spécifié.
• Ne laissez pas le cordon d'alimentation à proximité de sources de chaleur, telles
que radiateurs ou appareils chauffants. Evitez de tordre et plier excessivement le
cordon ou de l'endommager de façon générale, de même que de placer dessus
des objets lourds ou de le laisser traîner là où l'on marchera dessus ou se
prendra les pieds dedans ; ne déposez pas dessus d'autres câbles enroulés.
• N’ouvrez pas l'appareil et ne tentez pas d'en démonter les éléments internes ou
de les modifier de quelque façon que ce soit. Aucun des éléments internes de
l'appareil ne prévoit pas d’intervention de l’utilisateur. Si l’appareil donne des
signes de mauvais fonctionnement, mettez-le immédiatement hors tension et
donnez-le à réviser au technicien Yamaha.
• Evitez de laisser l'appareil sous la pluie, de l'utiliser près de l'eau, dans
l'humidité ou lorsqu'il est mouillé. N’y déposez pas des récipients contenant des
liquides qui risquent de s'épancher dans ses ouvertures.
• Ne touchez jamais une prise électrique avec les mains mouillées.
• Si le cordon d'alimentation s'effiloche ou est endommagé ou si vous constatez
une brusque perte de son en cours d'interprétation ou encore si vous décèlez
une odeur insolite, voire de la fumée, coupez immédiatement l'interrupteur
principal, retirez la fiche de la prise et donnez l'appareil à réviser par un
technicien Yamaha.
• Si l'appareil tombe ou est endommagé, coupez immédiatement l'interrupteur
d'alimentation, retirez la fiche électrique de la prise et faites inspecter l'appareil
par un technicien Yamaha.
ATTENTION
Veillez à toujours observer les précautions élémentaires ci-dessous pour éviter à soi-même et à son entourage des
blessures corporelles, de détériorer l'appareil ou le matériel avoisinant. La liste de ces précautions n'est pas exhaustive :
• Débranchez l'adaptateur secteur lorsque l'on n'utilise plus l'instrument ou en
cas d’orage.
• Veillez à toujours saisir la fiche elle-même, et non le câble, pour la retirer de
l'appareil ou de la prise d'alimentation. Le fait de tirer sur le câble risque de
l'endommager.
• Débranchez tous les câbles connectés avant de déplacer l'appareil.
• Evitez de régler les commandes de l'égaliseur et les curseurs sur le niveau
maximum. En fonction de l'état des appareils connectés, un tel réglage peut
provoquer une rétroaction acoustique et endommager les haut-parleurs.
• N’abandonnez pas l'appareil dans un milieu trop poussiéreux ou un local
soumis à des vibrations. Evitez également les froids et chaleurs extrêmes
(exposition directe au soleil, près d'un chauffage ou dans une voiture exposée
en plein soleil) qui risquent de déformer le panneau ou d'endommager les
éléments internes.
• N’installez pas l'appareil dans une position instable où il risquerait de se
renverser.
• Ne bouchez pas les trous d'aération. Cet appareil possède des trous d'aération
sur la face avant et arrière pour empêcher la température interne de monter trop
haut. Veillez plus particulièrement à ne pas placer l'appareil sur le côté ou à
l'envers ou dans un endroit mal aéré, tel qu'une bibliothèque ou un placard.
• N’utilisez pas l'appareil à proximité d'une TV, d'une radio, d'un équipement
stéréo, d'un téléphone portable ou d'autres appareils électriques. En effet,
l'appareil, la TV ou la radio pourraient produire des bruits.
Alimentation/cordon d'alimentation
Ne pas ouvrir
Avertissement en cas de présence d'eau
En cas d'anomalie
Alimentation/cordon d'alimentation Emplacement
(5)-1
1/2

Mode d'emploi du DME64N/24N
5
• Avant de raccorder l'appareil à d'autres appareils, mettez ces derniers hors
tension. Et avant de mettre sous/hors tension tous les appareils, veillez à
toujours ramener le volume au minimum.
• Effectuez la connexion à une source d'alimentation correctement mise à la terre.
Une borne à vis à la terre est disponible sur le panneau arrière pour mettre
l'appareil à la terre en toute sécurité et évitez toute décharge électrique.
• Retirez la fiche d'alimentation de la prise secteur lors du nettoyage de l'appareil.
• Veillez à ne pas glisser les doigts ou la main dans les fentes ou une ouverture de
l'appareil (trous d'aération, ports, etc.).
• Evitez d'insérer ou de faire tomber des objets étrangers (papier, plastique, métal,
etc.) dans les fentes ou les ouvertures de l'appareil (trous d'aération, etc.). Si
c'est le cas, mettez immédiatement l'appareil hors tension et débranchez le
cordon d'alimentation de la prise secteur. Faites ensuite contrôler l'appareil par
une personne qualifiée du service Yamaha.
• N’utilisez pas l'appareil ou le casque trop
longtemps à des volumes trop élevés,
ce qui risque d'endommager durablement l'ouïe. Si vous constatez une baisse de
l'acuité auditive ou des sifflements d'oreille, consultez un médecin sans tarder.
• Ne vous appuyez pas sur l'appareil et n’y déposez pas des objets lourds. Ne
manipulez pas trop brutalement les boutons, commutateurs et connecteurs.
• Cet appareil dispose d'une pile de secours intégrée. Lorsque vous débranchez
le cordon d'alimentation de la prise secteur, les données internes SRAM sont
conservées. Cependant, si la pile de secours est totalement déchargée, ces
données seront perdues. Lorsque la pile de secours est faible, l'écran affiche «
Low Battery » (Pile faible) ou « No Battery » (Plus de pile). Dans ce cas, il faut
immédiatement sauvegarder les données sur un périphérique externe, tel qu'un
ordinateur, puis faire remplacer la pile par un technicien Yamaha qualifié.
Evitez de faire basculer le sélecteur [POWER] entre les états d'activation et de désactivation de manière répétée et rapide. Veillez à laisser passer six secondes au minimum
entre la mise hors tension puis sous tension de l'unité.
Yamaha n'est pas responsable des détériorations causées par une utilisation impropre de l'appareil ou par des modifications apportées par l'utilisateur, pas
plus qu'il ne peut couvrir les données perdues ou détruites.
Veillez à toujours laisser l'appareil hors tension lorsqu'il est inutilisé.
Les performances des composants possédant des contacts mobiles, tels que des sélecteurs, des commandes de volume et des connecteurs, diminuent avec le temps.
Consultez un technicien Yamaha qualifié s'il faut remplacer des composants défectueux.
Connexions
Entretien
Précautions d'utilisation
Pile de secours
• Les illustrations figurant dans ce document sont fournies à titre indicatif et peuvent être quelque peu différentes de celles qui
apparaissent réellement sur votre équipement.
• Les polices bitmap utilisées sur cet appareil sont fournies par Ricoh Co., Ltd et en sont la propriété.
• CobraNet et Peak Audio sont des marques commerciales de Cirrus Logic, Inc.
• Ethernet est une marque commerciale de Xerox Corporation.
• Toutes les autres marques commerciales sont la propriété de leurs détenteurs respectifs et sont reconnues comme telles par Yamaha.
(5)-1
2/2

Avant-propos
Mode d’emploi du DME64N/24N
6
Avant-propos
Merci d'avoir choisi le moteur de mixage numérique Yamaha DME64N/24N.
Le logiciel DME Designer fourni permet de configurer facilement les modèles DME64N et DME24N pour le
traitement d'une large gamme d'applications audio : installations audio institutionnelles, sous-mixage, contrôle
de système de haut-parleurs, matrice et routage, traitement à effets multiples et bien plus encore.
Pour bénéficier pleinement des fonctions et performances offertes par le DME64N/24N, nous vous
recommandons de lire attentivement ce mode d'emploi puis de le conserver dans un lieu sûr afin de vous y
référer ultérieurement.
Le site Internet de Yamaha Pro Audio est disponible à l'adresse suivante :
http://www.yamahaproaudio.com/

Table des matières
Mode d'emploi du DME64N/24N
7
Introduction
Présentation du
système audio
du DME64N/24N
Commandes et
connecteurs
Préparation
Annexe
Fonctionnement
du panneau et
écrans
Avant-propos 8
Accessoires (Assurez-vous que les éléments
suivants sont inclus dans l'emballage.) . . . . . . . . . . .8
Options . . . . . . . . . . . . . . . . . . . . . . . . . . . . . . . . . .8
A propos des noms de produits . . . . . . . . . . . . . . . .8
A propos de la version du microprogramme . . . . . . .8
Préparation . . . . . . . . . . . . . . . . . . . . . . . . . . . . . . .8
Connexion du cordon d'alimentation. . . . . . . . . . . . . . . . . . . .8
Mise sous et hors tension . . . . . . . . . . . . . . . . . . . . . . . . . . . . .8
Présentation du DME64N/24N 9
Différences entre les modèles DME64N/24N . . . . .9
Fonctionnalités du DME64N/24N . . . . . . . . . . . . .9
Réseau du système audio . . . . . . . . . . . . . . . . . . . . .9
Glossaire pour le DME64N/24N . . . . . . . . . . . . . . .9
Types de signaux . . . . . . . . . . . . . . . . . . . . . . . . . .11
Exemples de systèmes. . . . . . . . . . . . . . . . . . . . . . .12
A propos du DME Designer. . . . . . . . . . . . . . . . . .13
Commandes et connecteurs 14
Panneau avant . . . . . . . . . . . . . . . . . . . . . . . . . . . .14
Panneau arrière . . . . . . . . . . . . . . . . . . . . . . . . . . .16
Préparation 18
Configuration . . . . . . . . . . . . . . . . . . . . . . . . . . . .18
Installation de la carte d'E/S. . . . . . . . . . . . . . . . . .20
Cartes d'E/S compatibles . . . . . . . . . . . . . . . . . . . . . . . . . . . .20
Procédure d'installation de la carte d'E/S . . . . . . . . . . . . . . . .21
Connexion à un ordinateur 22
Connexion USB . . . . . . . . . . . . . . . . . . . . . . . . . . .22
Connexion Ethernet (Connecteur [NETWORK]) .23
Audio I/O Connection 26
Connexion audio analogique (Connecteurs [IN] et [OUT])
(DME24N uniquement) . . . . . . . . . . . . . . . . . . . . . . . . . . . .26
Connecteurs d'E/S . . . . . . . . . . . . . . . . . . . . . . . . . . . . . . . . .27
Connexion à un périphérique externe 28
Connexion à distance (connecteur [REMOTE]). . .28
Contrôle de préamplis micro externes depuis
le DME64N/24N . . . . . . . . . . . . . . . . . . . . . . . . . . . . . . . . .28
Contrôle du satellite DME depuis un périphérique externe . .28
Connexion MIDI. . . . . . . . . . . . . . . . . . . . . . . . . . . . . . . . . .29
Connexion CASCADE (DME64N uniquement) . . . . . . . . .30
Connexion WORD CLOCK. . . . . . . . . . . . . . . . . . . . . . . . .31
Connexion GPI . . . . . . . . . . . . . . . . . . . . . . . . . . . . . . . . . . .32
Fonctionnement du panneau
et écrans 33
Principe d'utilisation . . . . . . . . . . . . . . . . . . . . . . . 33
Ecran Main . . . . . . . . . . . . . . . . . . . . . . . . . . . . . .34
Ecrans Parameter Edit . . . . . . . . . . . . . . . . . . . . . .35
Edition de la touche User Defined . . . . . . . . . . . . . . . . . . . . 37
Commutation de l'assourdissement (Mute Switching). . . . . . 38
Contrôle du niveau de sortie (Output Level Control) . . . . . . 38
Rappel de scène (Scene Recall) . . . . . . . . . . . . . . . . . . . . . . . 38
Stockage de scène (Scene Store). . . . . . . . . . . . . . . . . . . . . . . 39
Contrôle (Monitoring) . . . . . . . . . . . . . . . . . . . . . . . . . . . . . 39
Ecran Spectrum . . . . . . . . . . . . . . . . . . . . . . . . . . .40
Ecran Level Meter . . . . . . . . . . . . . . . . . . . . . . . . .41
Initialisation du DME64N/DME24N . . . . . . . . . .42
Ecrans Utility. . . . . . . . . . . . . . . . . . . . . . . . . . . . . 43
Les éléments accessibles via l'écran Utility . . . . . . . . . . . . . . . 43
Fonctionnement de l'écran Utility. . . . . . . . . . . . . . . . . . . . . 45
Page Info. . . . . . . . . . . . . . . . . . . . . . . . . . . . . . . . . . . . . . . . 45
Page Network Settings (Net). . . . . . . . . . . . . . . . . . . . . . . . . 45
Page Display Setup (Disp). . . . . . . . . . . . . . . . . . . . . . . . . . . 46
Page Security Setup (Lock) . . . . . . . . . . . . . . . . . . . . . . . . . . 47
Page Miscellaneous Setup (Misc). . . . . . . . . . . . . . . . . . . . . . 48
Page Word Clock Setup (WCLK). . . . . . . . . . . . . . . . . . . . . 49
Page Slot Information (Slot) . . . . . . . . . . . . . . . . . . . . . . . . . 49
Page MIDI Setup (MIDI). . . . . . . . . . . . . . . . . . . . . . . . . . . 50
Page GPI Setup (GPI). . . . . . . . . . . . . . . . . . . . . . . . . . . . . . 52
Page Head Amplifier Setup (HA) . . . . . . . . . . . . . . . . . . . . . 52
Page Cascade Setup (CASCAD) . . . . . . . . . . . . . . . . . . . . . . 54
Page Check . . . . . . . . . . . . . . . . . . . . . . . . . . . . . . . . . . . . . . 54
Annexe 55
Options . . . . . . . . . . . . . . . . . . . . . . . . . . . . . . . . . 55
ICP1 . . . . . . . . . . . . . . . . . . . . . . . . . . . . . . . . . . . . . . . . . . . 55
CP4SW, CP4SF et CP1SF . . . . . . . . . . . . . . . . . . . . . . . . . . 55
Messages d'erreur. . . . . . . . . . . . . . . . . . . . . . . . . .56
Dépistage des pannes . . . . . . . . . . . . . . . . . . . . . . .58
Spécifications . . . . . . . . . . . . . . . . . . . . . . . . . . . . .59
Caractéristiques d'entrée/de sortie . . . . . . . . . . . . .60
E/S de contrôle. . . . . . . . . . . . . . . . . . . . . . . . . . . . 61
Affectation des broches de connecteur . . . . . . . . . .62
Dimensions . . . . . . . . . . . . . . . . . . . . . . . . . . . . . . 64
Format des données MIDI . . . . . . . . . . . . . . . . . . .65
Glossaire . . . . . . . . . . . . . . . . . . . . . . . . . . . . . . . . 70
Index 72
Table des matières

Introduction
Introduction
Mode d'emploi du DME64N/24N
8
Merci d'avoir choisi le satellite Digital Mixing Engine DME64N/24N de Yamaha.
Pour profiter pleinement des fonctionnalités et des performances qu'offre le DME64N/24N, nous vous invitons à lire
attentivement ce mode d'emploi avant de brancher ou d'utiliser l'appareil. Rangez soigneusement ce manuel pour pouvoir le
consulter par la suite.
Accessoires (Assurez-vous
que les éléments suivants
sont inclus dans
l'emballage.)
• Mode d'emploi du DME64N/DME24N
(ce document)
• Manuel d'installation du logiciel DME Designer
• CD-ROM
• Cordon d'alimentation secteur
• Pince de prise secteur
• Prise Euroblock (16P) x 2
• Prise Euroblock (8P) x 4 (DME64N uniquement)
• Prise Euroblock (3P) x 16 (DME24N uniquement)
Options
Panneaux de commandes
• Panneau de commandes intelligent ICP1
• Panneau de commandes CP4SW
• Panneau de commandes CP4SF
• Panneau de commandes CP1SF
A propos des noms de
produits
Dans ce manuel, les modèles DME64N, DME24N,
DME8i-C, DME8o-C et DME4io-C sont désignés comme
appartenant à la série DME alors que les modèles DME8i-C,
DME8o-C et DME4io-C font partie de la catégorie « DME
Satellite ».
A propos de la version du
microprogramme
Vous avez la possibilité de télécharger la dernière version du
microprogramme depuis le site Web de Yamaha.
http://www.yamahaproaudio.com/
Préparation
Connexion du cordon d'alimentation.
Branchez en premier l'extrémité de la fiche femelle du
cordon CA dans la prise [AC IN] située sur le panneau
arrière du DME64N/24N et la prise mâle dans une prise
secteur appropriée.
Prenez soin d'utiliser la tension spécifiée pour le
périphérique.
Mise sous et hors tension
1. Appuyez sur le commutateur [POWER] pour
mettre le satellite DME sous tension.
2. Appuyez à nouveau sur le commutateur
[POWER] pour l'éteindre.
Avant-propos
NOTE
Pour plus d'informations sur le panneau de commandes, reportez-
vous au mode d'emploi fourni avec le panneau de commandes,
ainsi qu'au mode d'emploi du DME Designer.
Assurez-vous d'avoir mis tous les périphériques hors
tension avant de brancher le secteur électrique.
Pour éviter que la hausse de puissance initiale ne génère
d'importantes perturbations par bruits impulsifs ou
n'endommage votre système de haut-parleurs, mettez les
périphériques sous tension dans l'ordre suivant : sources
audio, console de mixage (M7CL ou PM5D, par
exemple), DME64N/24N et, enfin, les amplificateurs.
Procédez en sens inverse pour la mise hors tension.
NOTE
Le DME64N/24N garde en mémoire les réglages de scène
lorsque vous éteignez l'appareil.
Lorsque vous mettez le DME64N/24N sous tension, il démarre
avec les mêmes réglages de scène.
Vous avez la possibilité de configurer le DME64N/24N de sorte
qu'il puisse rappeler, au démarrage, la scène qui était sélectionnée
avant la mise hors tension du périphérique. (page 48)
Ne mettez PAS le DME64N/24N hors tension pendant
la réception de données depuis le DME Designer ou sa
manipulation depuis un périphérique externe.
Un dysfonctionnement pourrait en effet se produire.
ATTENTION
ATTENTION
ATTENTION

Présentation du système audio du DME64N/24N
Différences entre les modèles DME64N/24N
Mode d'emploi du DME64N/24N
9
Différences entre les modèles DME64N/24N
Le DME64N dispose de quatre connecteurs de carte E/S alors que le DME24N possède un connecteur de
carte E/S et huit canaux d'E/S audio analogiques intégrées.
Une carte d'E/S pouvant traiter jusqu'à 16 canaux d'E/S audio, le DME64N est, par conséquent, capable de
traiter un total de 64 canaux E/S audio. Le DME24N peut traiter jusqu'à 24 canaux d'E/S audio.
Le DME64N dispose de près du double de la capacité de traitement DSP du DME24N.
Fonctionnalités du DME64N/24N
Outre les fonctions de sortie de matrice et de mixage de base, le DME64N/24N comprend des égaliseurs, des
compresseurs, un retard, etc., qu'il est possible de combiner à l'aide du DME Designer pour configurer tout
système audio requis.
Réseau du système audio
Plusieurs unités de la série DME interconnectées au sein d'un réseau via Ethernet fonctionnent en tant que
système audio unique.
Dans un système audio DME, un groupe de modèles identiques pouvant être utilisés de manière synchronisée
est appelé un « groupe de périphériques » ; les divisions de traitement audio qui accueillent plusieurs groupes
de périphériques sont appelées des « zones » ; et l'ensemble de la zone desservie par le système acoustique est
appelé une « région ».
Chaque groupe de périphériques inclut toujours une unité de la série DME qui fonctionne en tant que « maître
du groupe » et contrôle toutes les autres unités de la série DME appartenant au même groupe.
Si un ordinateur est connecté au réseau, vous pouvez l'utiliser pour contrôler tout un groupe de périphériques
via son maître.
Glossaire pour le DME64N/24N
Cette section explique la terminologie propre au DME64N/24N.
Composants et paramètres
Les modules de traitement audio individuels (égaliseurs, compresseurs, etc.) sont appelés des « composants ».
Des modules de commande des préamplificateurs micro externes sont également disponibles en tant que
composants.
La modification des paramètres des composants permet de contrôler le fonctionnement des composants.
Configuration
Une « configuration » est un ensemble complet de composants destinés à l'élaboration d'un système audio.
Chaque configuration détermine les fonctions audio de l'unité DME64N/24N correspondante.
Tous les jeux de paramètres inclus dans les composants d'une configuration sont appelés des « paramètres
prédéfinis ».
Une unité DME64N/24N possède plusieurs configurations et une configuration comporte plusieurs
paramètres prédéfinis.
Touches User Defined
L'affectation de paramètres à des touches User Defined (Définies par l'utilisateur) vous permet de contrôler le
périphérique à partir du panneau de commandes ICP1.
Reportez-vous au mode d'emploi du DME Designer pour les détails.
Présentation du DME64N/24N

Présentation du système audio du DME64N/24N
Glossaire pour le DME64N/24N
Mode d'emploi du DME64N/24N
10
Scène
La combinaison de toutes les configurations et de tous les paramètres prédéfinis est appelée une « scène ».
Les scènes peuvent être rappelées depuis un ICP1, un périphérique GPI, d'autres contrôleurs externes ou un
ordinateur.
Il est possible de stocker jusqu'à 999 scènes pour chaque groupe de périphériques.
Structure de la scène
Changement de scène
16 x 8
Scène
Scène 1
Scène 2
Scène 999 Composant
Configuration Paramètre
prédéfini
Ex. : Gate
• Attack
• Decay
• Range
• Threshold
• Key in
• Hold
Console de mixage
96kHz
88.2kHz
48kHz
44.1kHz
EXT.
CLOCK
MID
MASTER
NETWORK
PEAK
SIGNAL
PEAK
SIGNAL
IN
OUT
SCENE NUMBER
12345 678
12345 678
96kHz
88.2kHz
48kHz
44.1kHz
EXT.
CLOCK
MID
MASTER
NETWORK
PEAK
SIGNAL
PEAK
SIGNAL
IN
OUT
SCENE NUMBER
12345 678
12345 678
Premier acte Changement sombre/clair Deuxième acte
Orchestre
Pièce
Scène Scène Scène
Pièce
Orchestre
Orchestre
Pièce
Scène 1 Rappel de scène Scène 2

Présentation du système audio du DME64N/24N
Types de signaux
Mode d'emploi du DME64N/24N
11
Types de signaux
Les signaux du système audio du DME64N/24N peuvent être généralement classés comme suit :
1
Audio
Le DME64N/24N est utilisé pour envoyer et recevoir des signaux audio vers et en provenance d'autres unités
de la série DME ainsi que d'autres équipements audio.
La transmission et la réception du signal audio se produisent principalement via les connecteurs [INPUT]
(Entrée) et [OUTPUT] (Sortie) sur le DME24N.
2
Contrôle du groupe de périphériques
Les signaux de contrôle du groupe de périphériques commandent tous les périphériques de la série DME du
groupe.
Il existe deux types de signaux de contrôle du groupe de périphériques :
• Signaux de contrôle entre l'ordinateur et l'unité de la série DME maître du groupe
• Signaux de contrôle entre l'unité de la série DME maître du groupe et les autres unités
de la série DME
Vous pouvez utiliser l'application DME Designer pour contrôler l'ensemble du groupe de périphériques et
notamment l'envoi de composants aux périphériques et la configuration des paramètres selon les besoins.
3
Contrôle de périphérique
Ces signaux assurent la communication et le contrôle entre les périphériques individuels.
Sont inclus dans cette catégorie les messages MIDI transférés entre les connecteurs [USB], les signaux GPI
transférés entre les connecteurs [GPI] et les signaux de contrôle des préamplis micro distants traités via le
connecteur [REMOTE].
Type de signaux traités par le satellite DME
Connecteur Signal audio Groupe de périphériques Contrôle de périphérique Horloge de mots Page
Connecteur
[USB] – Signaux de contrôle de
l'ordinateur vers l'unité DME
maître du groupe de
périphériques.
Transmission/réception des
signaux de contrôle
(commandes MIDI) entre
l'ordinateur et le DME64N/24N.
–22
Connecteur
[NETWORK] –
• Signaux de contrôle entre l'ordinateur
et l'unité DME maître du groupe
• Signaux de contrôle entre l'unité DME
maître du groupe et les autres unités
de la série DME
Transmission/réception des
signaux de contrôle entre
l'ordinateur et les unités de la
série DME
–23
Connecteur
[MIDI] – – Transmission/réception des
signaux de contrôle
(commandes MIDI) entre le
contrôleur MIDI et le DME64N/
24N.
–29
Connecteur
[GPI] – – Entrée/sortie de signaux de
contrôle GPI entre le
périphérique GPI (contrôleur
GPI, etc.) et l'unité de la série
DME
–32
Connecteur
[CASCADE]
(DME64N
uniquement)
32 canaux
d'entrée/
sortie.
Signaux de contrôle entre le
mixeur et le DME64N maître
du groupe de périphériques.
– Transmission et réception
de l'horloge de mots vers
et depuis d'autres
périphériques.
30
Connecteur
[WORD
CLOCK]
– – – Transmission et réception
de l'horloge de mots vers
et depuis d'autres
périphériques.
31
Connecteur
[REMOTE] ––
• Transmission/réception de signaux de
contrôle vers/depuis un périphérique
externe (tel que le préamplificateur
micro AD8HR)
• Transmission/réception de messages
MIDI
–28
(Connecteurs
d'E/S audio)
(DME24N
uniquement)
8 canaux
d'entrée et de
sortie.
–––26
(Connecteur
d'E/S) Le nombre de
canaux d'E/S
dépend de la
carte.
– Signal de transmission /
réception en série (selon la
fonction de la carte).
Transmission et réception
de l'horloge de mots vers
et depuis d'autres
périphériques (selon la
fonction de la carte).
27

Présentation du système audio du DME64N/24N
Exemples de systèmes
Mode d'emploi du DME64N/24N
12
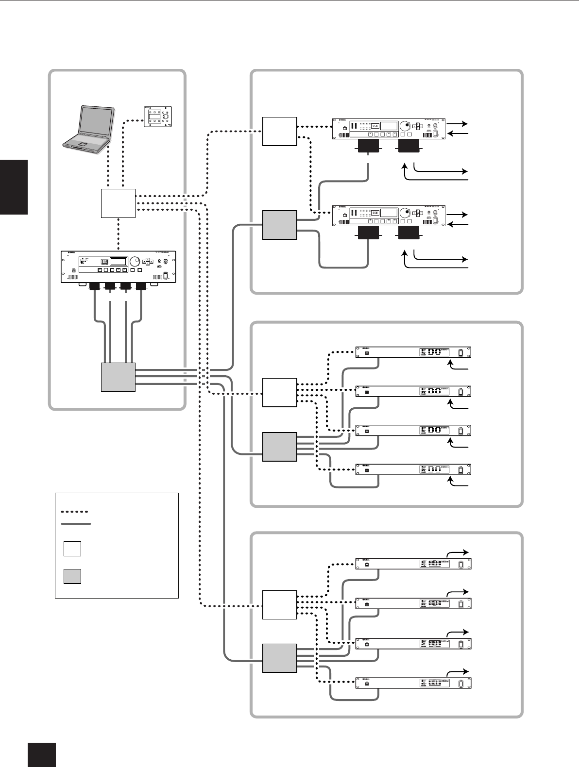
Exemples de systèmes
Plusieurs unités de la série DME : système à grande échelle
HOMEHOME UTILITYUTILITYSCENESCENE LEVELLEVEL MUTEMUTE ENTERENTERCANCELCANCEL
USB
PEAK
PEAK
SIGNAL
SIGNAL
PEAK
PEAK
SIGNAL
SIGNAL
PEAK
PEAK
SIGNAL
SIGNAL
INPUT
INPUT
DIGITAL MIXING ENGINE SATELLITE
USB
PEAK
PEAK
SIGNAL
SIGNAL
PEAK
PEAK
SIGNAL
SIGNAL
PEAK
PEAK
SIGNAL
SIGNAL
INPUT
INPUT
DIGITAL MIXING ENGINE SATELLITE
USB
PEAK
PEAK
SIGNAL
SIGNAL
PEAK
PEAK
SIGNAL
SIGNAL
PEAK
PEAK
SIGNAL
SIGNAL
INPUT
INPUT
DIGITAL MIXING ENGINE SATELLITE
USB
PEAK
PEAK
SIGNAL
SIGNAL
PEAK
PEAK
SIGNAL
SIGNAL
PEAK
PEAK
SIGNAL
SIGNAL
INPUT
INPUT
DIGITAL MIXING ENGINE SATELLITE
96kHz
88.2kHz
48kHz
44.1kHz
EXT.
CLOCK
MID
MASTER
NETWORK
PEAK
SIGNAL
PEAK
SIGNAL
IN
OUT
SCENE NUMBER
12345 678
12345 678
96kHz
88.2kHz
48kHz
44.1kHz
EXT.
CLOCK
MID
MASTER
NETWORK
PEAK
SIGNAL
PEAK
SIGNAL
IN
OUT
SCENE NUMBER
12345 678
12345 678
DME8o-C
DME8o-C
DME8o-C
DME8o-C
DME8i-C
DME8i-C
DME8i-C
DME8i-C
DME24N
DME64N
DME24N
MY16-CII MY8-ADDA96
MY16-CII x 4
MY8-ADDA96
ICP1
Ordinateur
Concen-
trateur
Concen-
trateur
Concen-
trateur
Concen-
trateur
Concen-
trateur
Concen-
trateur
Concen-
trateur
Concen-
trateur
Espace BEspace A
Espace C
Espace D
Entrée
analogique
Entrée
analogique
Entrée
analogique
Entrée
analogique
Sortie
analogique
Sortie
analogique
Sortie
analogique
Sortie
analogique
Entrée
analogique
Entrée
analogique
Entrée
analogique
Sortie
analogique
Sortie
analogique
Ethernet
CobraNet
Concentrateur de
commutation Ethernet
Concentrateur de
commutation CobraNet
Sortie
analogique
Entrée
analogique
Sortie
analogique

Présentation du système audio du DME64N/24N
A propos du DME Designer
Mode d'emploi du DME64N/24N
13
A propos du DME Designer
Le logiciel DME Designer vous permet d'intégrer, de configurer et de contrôler le système de la série DME
depuis un ordinateur connecté.
Vous pouvez créer le système audio de la série DME en utilisant des blocs graphiques du DME Designer qui
s'affichent sur l'écran de l'ordinateur.
Les réglages, la configuration et les données des paramètres de la série DME sont transférés de l'ordinateur vers
l'unité de la série DME via la connexion USB ou Ethernet.
Une fois les données transférées à l'unité, vous pouvez débrancher l'unité de la série DME de l'ordinateur et
l'utiliser en tant que processeur autonome.
Vous pouvez également contrôler l'unité de la série DME en temps réel depuis le DME Designer tant qu'elle
est connectée à l'ordinateur.
Si plusieurs unités de la série DME sont connectées au réseau, le DME Designer vous permet de créer une
configuration incluant ces unités.
Reportez-vous à la section « Connexion à un ordinateur » à la page 22 pour plus d'informations sur la
connexion d'un ordinateur au DME64N/24N. Reportez-vous au manuel d'installation du DME Designer
pour obtenir des informations détaillées sur l'installation de l'application DME Designer et des pilotes logiciels
requis.
Consultez le mode d'emploi de DME Designer pour des instructions sur l'installation et le fonctionnement.

Commandes et connecteurs
Panneau avant
Mode d'emploi du DME64N/24N
14
Panneau avant
1
Connecteur [USB]
Il est possible de connecter ici un ordinateur lorsqu'il
s'avère nécessaire de programmer ou de contrôler le
périphérique. Lors de l'utilisation d'une connexion USB, le
pilote USB-MIDI doit être installé sur l'ordinateur.
Reportez-vous au manuel d'installation de DME Designer
pour les instructions d'installation.
2
Voyant [EXT. CLOCK]
Lorsqu'un signal d'horloge provenant d'un périphérique
externe est sélectionné, le voyant s'allume en vert. Si le
signal d'horloge est inapproprié, le voyant clignotera en
rouge. Le voyant s'éteint dès que l'horloge de mots interne
est sélectionnée.
3
Voyant [96kHz] [88.2kHz] [48kHz]
[44.1kHz]
Normalement, le voyant correspondant à la fréquence
d'horloge de mots actuellement sélectionnée s'allume en
vert. Au moindre problème détecté au niveau de l'horloge
maître, tous ces voyants clignotent en rouge. L'horloge
interne est temporairement sélectionnée deux secondes
après la détection d'un problème au niveau de l'horloge
externe. Lorsque ceci se produit, le voyant correspondant à
la fréquence de l'horloge interne s'allume en vert, et tous
les autres voyants continuent de clignoter en rouge.
4
Voyant [NETWORK]
S'allume pendant la communication des données via les
connecteurs [USB], [NETWORK] ou [CASCADE]. Le
voyant s'allume en vert pendant la réception de données, et
en orange durant le transfert de données. Il s'allume en
rouge dès qu'un problème surgit.
Commandes et connecteurs
HOMEHOME UTILITYUTILITYSCENESCENE LEVELLEVEL MUTEMUTE ENTERENTERCANCELCANCEL
HOMEHOME UTILITYUTILITYSCENE LEVELLEVEL MUTEMUTE ENTERENTERCANCELCANCEL
1
1
24
5
6
7
8
7
8
9
9
)
)
^&
^&
º¡
™
£
º¡
™£
*(
*(
!@#$%
!@#$%
24
5
6
3
3
DME64N
DME24N

Commandes et connecteurs
Panneau avant
Mode d'emploi du DME64N/24N 15
5Voyant [MIDI]
S'allume pendant la communication des données via le
connecteur [MIDI]. Le voyant s'allume en vert pendant la
réception de données, et en orange durant le transfert de
données. Le voyant s'allume en vert en cas de réception et
de transmission simultanées de données. Il s'allume en
rouge dès qu'un problème surgit.
6Voyant [MASTER]
S'allume en vert lorsque le périphérique fonctionne comme
maître du groupe de périphériques (page 9). Le voyant ne
s'allume pas si le périphérique fonctionne en tant
qu'esclave au sein du groupe de périphériques. Reportez-
vous à la page 45 pour les instructions de configuration du
maître de zone.
7Voyant [PEAK] (DME24N uniquement)
S'allume en rouge lorsque l'entrée ou la sortie audio
analogique intégrée (connecteurs [IN] et [OUT]) atteint
ou dépasse -3 dB.
8Voyant [SIGNAL] (DME24N uniquement)
S'allume en vert lorsqu'un signal de niveau supérieur à
-40 dB est détecté sur les entrées ou les sorties audio
analogiques intégrées (connecteurs [IN] et [OUT]).
9Voyant [SCENE NUMBER]
Affiche le numéro de la scène actuellement sélectionnée.
)Ecran
Affiche les informations relatives aux scènes et les
paramètres du périphérique.
!Touche [SCENE]
Appelle l'écran de rappel ou de stockage de scène
(page 38). L'écran de stockage de scène apparaît si la
touche est maintenue enfoncée pendant plus de 2 secondes
(page 39). Le voyant s'allume en vert pendant l'affichage
de l'écran de rappel ou de stockage de la scène.
@Touche [HOME]
Rappelle directement l'écran d'accueil (principal). Si vous
maintenez la touche [HOME] enfoncée pendant
l'affichage de l'écran principal, vous ferez défiler les pages
de l'écran des paramètres définis par l'utilisateur (reportez-
vous à la page 37 de ce manuel).
#Touche [UTILITY]
Appelle l'écran du niveau de sortie.
Si vous maintenez cette touche enfoncée pendant plus de
2 secondes alors que l'écran principal est affiché, vous ferez
apparaître l'écran des utilitaires. Maintenez la touche
enfoncée durant l'affichage de l'écran Utility pour basculer
entre les pages de ce dernier.
$Touche [LEVEL]
Appelle l'écran de configuration du niveau de sortie
(page 41). Le voyant s'allume en vert.
%Touche [MUTE]
Appelle l'écran d'assourdissement (page 38). Le voyant
s'allume en orange lorsque l'assourdissement est activé. Le
voyant s'allume en vert lorsque l'assourdissement est
désactivé et l'écran d'assourdissement affiché, et il est éteint
lorsque l'écran d'assourdissement n'est pas affiché.
^Molette
Règle la valeur des paramètres sélectionnés.
&Touches [E] [▲] [ ▼ ] [F]
Déplace le curseur de l'écran dans les directions
correspondantes.
*Touche [CANCEL]
Ferme la fenêtre à l'écran.
(Touche [ENTER]
Confirme et entre une valeur ou un réglage.
ºPrise [PHONES]
Vous pouvez brancher ici un casque d'écoute.
¡Commande [PHONES LEVEL]
Règle le volume du casque d'écoute. Même lorsque la
commande est réglée sur le niveau minimal, le son du
casque n'est jamais complètement assourdi.
™Touche [MONITOR]
Appelle l'écran de sélection du connecteur du point de sortie
de contrôle (page 39). Lorsque vous appuyez sur la touche
[ENTER] pour sélectionner un connecteur, vous faites
apparaître l'écran de sélection du point de sortie de contrôle.
L'écran de l'analyseur de spectre s'affiche alors lorsque vous
appuyez sur la touche [ENTER] pour sélectionner un point
de sortie de contrôle. Le voyant s'allume en vert durant
l'affichage de l'écran du connecteur/point de sortie de
contrôle ou de l'analyseur de spectre.
£Commutateur [POWER]
Active ou désactive l'alimentation du secteur électrique.
NOTE
Le DME64N ne dispose d'aucune entrée ni sortie audio
analogique (connecteurs [IN] et [OUT]).

Commandes et connecteurs
Panneau arrière
Mode d'emploi du DME64N/24N
16
Panneau arrière
1Connecteur [AC IN]
Il s'agit du connecteur d'alimentation secteur tripolaire du
périphérique. Branchez-le à la prise secteur à l'aide du
cordon d'alimentation secteur fourni. Reportez-vous à la
section « Préparation », en page 18, pour plus de détails.
2Vis de mise à la terre
Le câble d'alimentation fourni est équipé d'une prise
tripolaire qui permet de mettre l'unité à la terre lorsqu'elle
est branchée sur une prise secteur tripolaire appropriée.
Pour se connecter sur une prise bipolaire dotée d'une vis de
mise à la terre, utilisez l'adaptateur secteur fourni et
branchez le conducteur de terre de l'adaptateur sur la vis de
mise à la terre. Lors de la connexion d'une prise de type
bipolaire ne possédant pas de vis de mise à la terre, veillez à
connecter la vis de mise à la terre du DME64N/24N sur
un point de mise à la terre confirmé. La mise à la terre
adéquate peut réduire considérablement le ronflement, le
bruit et les interférences, tout en stabilisant la phase et le
traitement de l'image.
3Connecteur [GPI]
Ce connecteur Euroblock fournit un accès à l'interface GPI
(Interface à usage général) de l'unité pour le transfert des
signaux de contrôle depuis et vers l'équipement externe. Le
DME64N dispose de 16 canaux d'entrée et de sortie GPI,
alors que le DME24N en possède 8. Chaque canal d'entrée
est doté d'une borne d'entrée IN et d'une borne +V. Les
canaux de sortie possèdent chacun une borne de sortie
OUT et une borne GND. La tension ouverte à la borne
+V est de 5 V, alors que la borne IN détecte des variations
de tension de 0 V à 5 V. Les bornes OUT émettent sur 0 V
ou sur 5 V. Reportez-vous à la section « Connexion GPI » à
la page 32 pour plus de détails sur la connexion.
3
8
32
21
)6574
1
9
5674
9
DME64N
DME24N
NOTE
Utilisez la pince du cordon d'alimentation fourni pour éviter
toute déconnexion accidentelle de ce dernier de la prise secteur.
NOTE
Pour connecter deux prises secteur bipolaires, utilisez l'adaptateur
de prise fourni.
NOTE
Assurez-vous que le périphérique est fermement mis à la terre par
l'intermédiaire d'un seul point de masse (soit via une connexion à
une prise secteur tripolaire ou via la vis de mise à la terre).
NOTE
Connectez le périphérique à un seul point de masse.
La connexion du périphérique à plusieurs points de masse peut
entraîner des boucles de terre susceptibles d'augmenter le bruit et
le ronflement.

Commandes et connecteurs
Panneau arrière
Mode d'emploi du DME64N/24N 17
4Connecteurs [MIDI IN] [MIDI OUT] [MIDI
THRU]
Il s'agit de connecteurs MIDI standard, qui traitent la
réception et la transmission des données MIDI : [MIDI
IN] reçoit les données MIDI, [MIDI OUT] transmet les
données MIDI et [MIDI THRU] re-transmet les données
MIDI reçues sur le connecteur [MIDI IN]. Reportez-vous
à la section « Connexion MIDI », à la page 29, pour plus
de détails sur la connexion.
5Connecteurs [WORD CLOCK IN] [WORD
CLOCK OUT]
Ces connecteurs BNC reçoivent et transmettent l'horloge
de mots de et vers les équipements externes. Reportez-vous
à la section « Connexion de l'horloge de mots », à la
page 31, pour plus de détails sur la connexion. Les réglages
de l'horloge de mots sont disponibles via la page WCLK de
l'écran Utility du périphérique (consultez la page 49 du
présent document).
6Connecteur [NETWORK]
C'est un connecteur Ethernet de type 100Base-TX/
10Base-T permettant de se brancher sur l'ordinateur ou sur
d'autres unités du DME64N/24N. Normalement, ce
connecteur est relié à un concentrateur réseau via un câble
Ethernet « droit ». Lorsque deux unités DME64N/24N
sont directement connectées, il est impératif d'utiliser un
câble « croisé ».
7Connecteur [REMOTE]
Ce connecteur D-SUB à 9 broches autorise la connexion aux
amplificateurs micro distants Yamaha AD824 ou AD8HR
ou à d'autres contrôleurs compatibles RS-232C. Reportez-
vous à la page 28 pour plus de détails sur la connexion.
8Connecteurs [IN] [OUT] (DME24N
uniquement)
Ce sont des connecteurs Euroblock équilibrés, destinés aux
entrée et sortie audio analogiques. Le signal analogique
provenant des microphones ou des sources de ligne,
comme par exemple les lecteurs CD, peut être reçu via les
connecteurs IN, alors que les connecteurs OUT délivrent
la sortie analogique vers les haut-parleurs ou le matériel
d'enregistrement. L'alimentation fantôme de 48 V peut
être fournie aux connecteurs IN (page 52). Reportez-vous à
la page 26 pour plus de détails sur la connexion de [IN] et
[OUT].
9Connecteurs d'E/S
Vous pouvez brancher ici des mini-cartes YGDAI de
Yamaha ou d'autres fabricants, proposées en option, pour
l'expansion du système. Le DME64N dispose de quatre
connecteurs d'E/S alors que le DME24N en possède un
seul.
Une seule carte d'extension peut être branchée dans chaque
connecteur. Reportez-vous à la section « Installation d'une
carte d'E/S », à la page 20, pour plus de détails sur
l'installation.
)Connecteurs [CASCADE IN] [CASCADE
OUT] (DME64N uniquement)
Ce connecteur D-SUB à 68 broches peut se brancher sur le
connecteur CASCADE d'autres périphériques via un câble
de cascade dédié. Le connecteur CASCADE transmet et
reçoit les signaux audio, de contrôle et d'horloge de mots.
Reportez-vous à la section « Connexion en cascade », en
page 30, pour plus de détails sur la connexion.
NOTE
Utilisez des câbles CAT5 STP (à paires torsadées blindées) pour
effectuer ces connexions, afin de protéger le système contre les
interférences électromagnétiques.
NOTE
Les connecteurs [IN] et [OUT] disposent chacun de 24 broches à
leur borne. Chacune des huit entrées et sorties utilise trois
broches : chaud, froid et masse. Servez-vous des prises Euroblock
à 3 broches fournies pour connecter les entrées et sorties
appropriées.

Préparation
Configuration
Mode d'emploi du DME64N/24N
18
Configuration
Suivez les étapes décrites ci-dessous pour préparer le DME64N/24N à fonctionner.
1. Installez toutes les cartes d'E/S requises.
Reportez-vous à la section « Installation d'une carte d'E/S », à la page 20, pour plus de détails.
2. Connectez le cordon d'alimentation secteur.
Assurez-vous d'avoir mis tous les périphériques hors tension avant de brancher le secteur électrique.
Fixez la pince du câble afin de prévenir toute déconnexion accidentelle.
Fixation de la pince de câble
Veillez à effectuer correctement la mise à la terre du périphérique afin d'éviter tout risque de choc électrique.
Branchez d'abord l'extrémité de la fiche femelle du cordon d'alimentation secteur dans la prise [AC IN] située
sur le panneau arrière du DME64N/24N, puis la prise mâle dans une prise secteur appropriée. Vérifiez que
l'alimentation secteur utilisée est conforme aux spécifications indiquées sur le couvercle supérieur du
périphérique.
Utilisez uniquement le câble d'alimentation secteur fourni avec le DME64N/24N. Si celui-ci est manquant ou
endommagé, contactez votre revendeur Yamaha. L'utilisation d'un câble de remplacement inadéquat risque de
provoquer un incendie ou un danger d'électrocution !
Le type de cordon d'alimentation secteur fourni avec le DME64N/24N peut différer en fonction du pays dans
lequel l'appareil a été acheté (une troisième fiche peut être fournie à des fins de mise à la terre). Un branchement
incorrect à la terre risque de provoquer un choc électrique. Ne modifiez PAS la prise fournie avec le DME64N/24N.
Si elle ne convient pas, faites installer une prise adéquate par un électricien. N'utilisez pas d'adaptateur pour
remplacer la prise de terre.
Préparation
Montage du couvercle de sécurité
Les trous des vis de montage du couvercle de sécurité (taille M3) sont situés sur le panneau avant de l'unité.
Les espacements sont respectivement de 423 mm de largeur et 96 mm (DME64N) / 52 mm (DME24N) de
hauteur. Reportez-vous à la section « Dimensions » en page 64 pour plus de détails. Un couvercle de sécurité
fabriqué par le client ou l'entrepreneur peut se fixer sur le panneau avant via ces trous de montage afin de
prévenir tout fonctionnement accidentel. Yamaha ne peut pas fournir un tel couvercle.
Lors du montage du couvercle, veillez à ne pas utiliser de vis qui s'enfoncent dans le panneau avant sur plus
de 15 millimètres de profondeur. Pour vérifier que le couvercle ne touche pas les commandes du panneau,
laissez un espace d'environ 20 millimètres entre le panneau avant et le couvercle.
ATTENTION
AVERTISSEMENT

Préparation
Configuration
Mode d'emploi du DME64N/24N 19
3. Installez le logiciel DME Designer ainsi que les pilotes requis sur l'ordinateur qui sera
utilisé pour le contrôle du groupe de périphériques.
Pour plus de détails, reportez-vous au manuel d'installation de DME Designer, fourni séparément.
4. Connectez les périphériques.
• Connexion réseau
Connexion Ethernet (page 23)
Connexion USB (page 22)
• Connexion analogique (page 26)
• Connexion des périphériques externes
Connexion à distance (page 28)
Connexion MIDI (page 29)
Connexion CASCADE (page 30)
Connexion WORD CLOCK (page 31)
Connexion GPI (page 32)
5. Mettez l'ordinateur sous tension, puis le DME64N/24N et les périphériques connexes.
Appuyez sur l'interrupteur d'alimentation [POWER] du DME64N/24N pour l'activer.
Pour empêcher la saute de puissance initiale de générer d'importantes perturbations par bruits impulsifs ou
d'entraîner l'endommagement de votre système de haut-parleurs, mettez les périphériques sous tension dans l'ordre
suivant : sources audio, mixeur et / ou enregistreurs, et en dernier, les amplificateurs de puissance. Procédez en sens
inverse pour la mise hors tension.
Aucune information ne s'affiche à l'écran à la première mise sous tension du périphérique. La scène appropriée
et les autres données doivent d'abord être transférées vers le périphérique à partir de DME Designer.
Pour les détails, reportez-vous au manuel de DME Designer.
Une fois les données appropriées transférées vers le périphérique, le numéro et le nom actuellement
sélectionnés apparaissent à l'écran :
En l'absence de données de scène stockées sur le DME64N/24N, c'est la scène actuellement sélectionnée et son
nom qui s'affichent.
6. Configurez les paramètres permettant de faire fonctionner le DME64N/24N.
Reportez-vous à la section « Ecran Utility » en page 43 pour plus de détails.
NOTE
Les réglages de la page « NET » doivent être configurés selon les besoins avant la première mise en service de l'unité.
ATTENTION

Préparation
Installation de la carte d'E/S
Mode d'emploi du DME64N/24N
20
7. Lancez l'application DME Designer, créez la configuration et effectuez le transfert.
Vous trouverez toutes les instructions relatives à la configuration, le fonctionnement et le transfert de données
de DME Designer dans le manuel de l'application.
La préparation du système du DME64N/24N est à présent terminée.
Installation de la carte d'E/S
Le DME64N dispose de quatre connecteurs de carte d'E/S alors que le DME24N n'en possède qu'un seul. Le nombre de
canaux d'entrée audio disponibles sur le DME64N/24N peut être augmenté en insérant la ou les mini-cartes YGDAI d'E/S
appropriées dans les emplacements de cartes prévus à cet effet.
Cartes d'E/S compatibles
A partir de juillet 2004, les mini-cartes YGDAI de Yamaha pouvant s'utiliser avec le DME64N/24N sont
comme suit :
Les numéros des entrées et sorties ci-dessus s'appliquent au fonctionnement à 44,1 / 48 kHz.
(*)
Sous la version 1.0, seules deux cartes MY16-C peuvent être utilisées simultanément sur le DME64N.
Cependant, si le numéro de série qui figure sur la face supérieure de votre DME64N apparaît ci-dessous, une mise à niveau du
matériel sera nécessaire.
KK, KL, KM, KN, KO, KP, KX, KY sont les troisième et quatrième chiffres du numéro de série.
La mise à niveau du matériel vous sera facturée.
Pour plus de détails, veuillez contacter le service clientèle de Yamaha, dont vous trouverez les coordonnées à la fin du « Mode
d'emploi du DME64N/24N ».
Pour obtenir les dernières informations sur les cartes pouvant être utilisées avec le DME64N/24N, visitez le site
Web de Yamaha Pro Audio à l'adresse suivante : http://www.yamahaproaudio.com/
Nom
de la carte Fonction Entrée Sortie
Nombre de cartes
disponibles
DME64N DME24N
MY8-AT ADAT 8 8 4 1
MY8-TD TDIF-1 8 8 4 1
MY8-AE AES/EBU 8 8 4 1
MY4-AD ANALOG IN 4 – 4 1
MY8-AD ANALOG IN 8 – 4 1
MY4-DA ANALOG OUT – 4 4 1
MY8-AD24 ANALOG IN 8 – 4 1
MY8-AD96 ANALOG IN 8 – 4 1
MY8-DA96 ANALOG OUT – 8 4 1
MY8-ADDA96 ANALOG IN/OUT 8 8 4 1
MY8-AE96S AES/EBU 8 8 4 1
MY8-AE96 AES/EBU 8 8 4 1
MY16-AT ADAT 16 16 4 1
MY16-AE AES/EBU 16 16 4 1
MY16-TD TDIF-1 16 16 4 1
MY16-C CobraNet 16 16 4(*) 1
MY16-CII Cobranet 16 16 4 1

Préparation
Installation de la carte d'E/S
Mode d'emploi du DME64N/24N 21
Procédure d'installation de la carte d'E/S
1. Vérifiez d'abord que le DME64N/24N est hors tension (OFF).
Si l'alimentation est activée, désactivez-la.
2. Desserrez les deux vis du connecteur de carte et retirez-en le couvercle, comme indiqué
sur le schéma.
3. Introduisez la carte d'E/S dans le connecteur, sur les rails de guidage, tel qu'indiqué dans
le schéma, et enfoncez-la à l'intérieur du logement.
Veillez à insérer complètement la carte dans le logement, de sorte qu'elle s'enclenche parfaitement dans le
connecteur.
4. Fixez la carte en vous servant des vis fournies.
Veillez à resserrer fermement les vis. Si les vis sont desserrés, le contact nécessaire pourra se perdre et causer un
dysfonctionnement ou un endommagement de l'unité.
NOTE
Le couvercle du connecteur et les vis doivent être fixés à nouveau, une fois que la carte est retirée par la suite. Il convient par
conséquent de les conserver dans un lieu sûr.
Rail de
guidage
ATTENTION

Préparation
Connexion USB
Mode d'emploi du DME64N/24N
22
Connexion USB
Les connexions USB peuvent être utilisées selon les deux méthodes suivantes :
(1) Connexion de l'ordinateur au DME64N/24N maître de zone et contrôle de ce dernier à l'aide de DME
Designer.
(2) Connexion à n'importe quel DME64N/24N individuel et contrôle de ce dernier à l'aide des commandes
MIDI à partir d'un séquenceur MIDI ou d'un logiciel de même type.
Connexion à un ordinateur
NOTE
• Reportez-vous au manuel d'installation du DME Designer fourni à part pour plus de détails sur l'installation du pilote
USB-MIDI et du DME Designer.
• Vérifiez que le paramètre THRU du pilote USB-MIDI est réglé sur « OFF ».
NOTE
• Vous pouvez utiliser le DME Designer pour contrôler tout un groupe de périphériques par le biais du maître du groupe.
• La correspondance entre les commandes MIDI à recevoir/transmettre et les paramètres de scène peut être configurée à
l'aide du DME Designer.
• Le port USB utilisé par le DME Designer ne peut pas être employé par un séquenceur MIDI ou une autre application.
USB
PEAK
PEAK
SIGNAL
SIGNAL
PEAK
PEAK
SIGNAL
SIGNAL
PEAK
PEAK
SIGNAL
SIGNAL
INPUT
INPUT
DIGITAL MIXING ENGINE SATELLITE
HOMEHOME UTILITYUTILITYSCENESCENE LEVELLEVEL MUTEMUTE ENTERENTERCANCELCANCEL
USB
PEAK
PEAK
SIGNAL
SIGNAL
PEAK
PEAK
SIGNAL
SIGNAL
PEAK
PEAK
SIGNAL
SIGNAL
INPUT
INPUT
DIGITAL MIXING ENGINE SATELLITE
Groupe de
périphériques Maître du groupe
Satellite DME
Ordinateur
(Exécutant le DME Designer.)
Ordinateur
(Exécutant
le séquenceur MIDI ou
une application similaire.)
Câble Ethernet
Concentrateur de
commutation
Câble Ethernet
Satellite DME
Câble Ethernet
droit
DME64N/24N
Câble USB
Câble USB

Préparation
Connexion Ethernet (Connecteur [NETWORK])
Mode d'emploi du DME64N/24N 23
Connexion Ethernet (Connecteur [NETWORK])
Pour commander le DME64N/24N depuis l'ordinateur via Ethernet, utilisez un câble Ethernet pour brancher
le connecteur [NETWORK] situé sur le panneau arrière du DME64N/24N à l'ordinateur, puis installez le
pilote réseau DME-N.
Deux satellites DME directement connectés via Ethernet
Vous pouvez brancher des périphériques appartenant au même groupe directement l'un à l'autre à l'aide de
câble Ethernet, sans passer par un concentrateur de commutation. Il faut utiliser un câble croisé pour connecter
les différentes unités DME64N/24N entre elles.
Si l'une des unités est un DME Satellite, il sera possible d'utiliser un câble croisé ou droit étant donné que les
modèles DME Stellite prennent en charge le commutateur Auto MDI/MDI-X. Dans ce cas, spécifiez le
paramètre Link Mode (Mode de lien de groupe) des deux unités sur le même réglage. Les périphériques
appartenant à des groupes de sous-réseau différents (adresses réseau différentes) peuvent être connectés via un
routeur ou un concentrateur de commutation conforme à 3 couches.
NOTE
• Reportez-vous au manuel d'installation de DME Designer fourni à part pour plus de détails sur l'installation du pilote
réseau DME-N.
• Les adresses IP appropriées doivent d'abord être affectées à tous les périphériques connectés au réseau Ethernet.
USB
PEAK
PEAK
SIGNAL
SIGNAL
PEAK
PEAK
SIGNAL
SIGNAL
PEAK
PEAK
SIGNAL
SIGNAL
INPUT
INPUT
DIGITAL MIXING ENGINE SATELLITE
USB
PEAK
PEAK
SIGNAL
SIGNAL
PEAK
PEAK
SIGNAL
SIGNAL
PEAK
PEAK
SIGNAL
SIGNAL
INPUT
INPUT
DIGITAL MIXING ENGINE SATELLITE
DME64N/24N
(Adresse IP : 192.168.0.10
(ID de maître : 2)
Satellite DME
(Adresse IP : 192.168.0.2)
Câble Ethernet
Câble USB
Maître du groupe

Préparation
Connexion Ethernet (Connecteur [NETWORK])
Mode d'emploi du DME64N/24N
24
Contrôle à partir d'un ordinateur du même groupe de sous-réseau
Contrôle depuis un ordinateur avec un sous-réseau différent
NOTE
• Les adresses IP contenues dans le schéma sont fournies à titre d'exemple.
• Utilisez un concentrateur de commutation compatible avec les vitesses réseau de type 100Base-TX/10Base-T.
La longueur maximale d'un câble reliant un concentrateur de commutation et l'unité DME ne doit pas excéder les
100 mètres. En raison des différences au niveau de la qualité des câbles et des performances du concentrateur de
commutation, le bon fonctionnement ne peut pas toujours être garanti lors de l'utilisation de la longueur maximale.
Utilisez un câble STP (à paires torsadées blindées) de catégorie 5 pour empêcher les interférences électromagnétiques.
• Si vous utilisez plusieurs unités de la série DME, configurez le mode de liaison des différentes unités sur la même valeur.
Yamaha vous conseile de sélectionner 100Base-TX en tant que paramètre Link Mode.
HOMEHOME UTILITYUTILITYSCENESCENE LEVELLEVEL MUTEMUTE ENTERENTERCANCELCANCEL
USB
PEAK
PEAK
SIGNAL
SIGNAL
PEAK
PEAK
SIGNAL
SIGNAL
PEAK
PEAK
SIGNAL
SIGNAL
INPUT
INPUT
DIGITAL MIXING ENGINE SATELLITE
USB
PEAK
PEAK
SIGNAL
SIGNAL
PEAK
PEAK
SIGNAL
SIGNAL
PEAK
PEAK
SIGNAL
SIGNAL
INPUT
INPUT
DIGITAL MIXING ENGINE SATELLITE
Groupe de
périphériques Maître du groupe
Satellite DME (Adresse IP : 192.168.0.7)
Câble Ethernet
Concentrateur de
commutation
Câble Ethernet droit
Ordinateur
(Adresse IP :
192.168.0.100)
Câble Ethernet Câble Ethernet
droit
Satellite DME
(Adresse IP : 192.168.0.3)
(ID de maître : 7) DME64N/24N
(Adresse IP : 192.168.0.250)
(ID de maître : 7)
HOMEHOME UTILITYUTILITYSCENESCENE LEVELLEVEL MUTEMUTE ENTERENTERCANCELCANCEL
USB
PEAK
PEAK
SIGNAL
SIGNAL
PEAK
PEAK
SIGNAL
SIGNAL
PEAK
PEAK
SIGNAL
SIGNAL
INPUT
INPUT
DIGITAL MIXING ENGINE SATELLITE
USB
PEAK
PEAK
SIGNAL
SIGNAL
PEAK
PEAK
SIGNAL
SIGNAL
PEAK
PEAK
SIGNAL
SIGNAL
INPUT
INPUT
DIGITAL MIXING ENGINE SATELLITE
Groupe de
périphériques
Maître du groupe
Satellite DME (Adresse IP : 192.168.0.5)
Câble Ethernet
Câble Ethernet
Câble Ethernet
droit
Câble
Ethernet
droit
Câble Ethernet
droit
Concentrateur de
commutation
Routeur ou
concen-
trateur de
commutation
conforme à
3 couches
Ordinateur
Réglages de port
• Adresse réseau de destination :
192.168.0.0
• Masque de sous-réseau : 255.255.255.0
• Passerelle : 192.168.0.254
Satellite DME
(Adresse IP : 192.168.0.3)
(ID de maître : 5)
DME64N/24N
(Adresse IP : 192.168.0.12)
(ID de maître : 5)

Préparation
Connexion Ethernet (Connecteur [NETWORK])
Mode d'emploi du DME64N/24N 25
Connexion de plusieurs groupes de périphériques
HOMEHOME UTILITYUTILITYSCENESCENE LEVELLEVEL MUTEMUTE ENTERENTERCANCELCANCEL HOMEHOME UTILITYUTILITYSCENESCENE LEVELLEVEL MUTEMUTE ENTERENTERCANCELCANCEL
USB
PEAK
PEAK
SIGNAL
SIGNAL
PEAK
PEAK
SIGNAL
SIGNAL
PEAK
PEAK
SIGNAL
SIGNAL
INPUT
INPUT
DIGITAL MIXING ENGINE SATELLITE
USB
PEAK
PEAK
SIGNAL
SIGNAL
PEAK
PEAK
SIGNAL
SIGNAL
PEAK
PEAK
SIGNAL
SIGNAL
INPUT
INPUT
DIGITAL MIXING ENGINE SATELLITE
USB
PEAK
PEAK
SIGNAL
SIGNAL
PEAK
PEAK
SIGNAL
SIGNAL
PEAK
PEAK
SIGNAL
SIGNAL
INPUT
INPUT
DIGITAL MIXING ENGINE SATELLITE
USB
PEAK
PEAK
SIGNAL
SIGNAL
PEAK
PEAK
SIGNAL
SIGNAL
PEAK
PEAK
SIGNAL
SIGNAL
INPUT
INPUT
DIGITAL MIXING ENGINE SATELLITE
Groupe de
périphériques 1 Groupe de
périphériques 2
Maître du groupe
Satellite DME
(Adresse IP : 192.168.0.2)
Maître du groupe
Satellite DME
(Adresse IP : 192.168.0.3)
Câble Ethernet Câble Ethernet
Câble Ethernet
droit
Câble Ethernet
DME64N/24N
(Adresse IP : 192.168.0.100)
(ID de maître : 2)
Satellite DME
(Adresse IP : 192.168.0.40)
(ID de maître : 2)
Satellite DME
(Adresse IP : 192.168.0.10)
(ID de maître : 3)
DME64N/24N
(Adresse IP : 192.168.0.200)
(ID de maître : 3)
Concentrateur de
commutation
Ordinateur
(Adresse IP : 192.168.0.1)
Concentrateur de
commutation
Câble Ethernet droit
Câble Ethernet droit
Câble Ethernet

Préparation
Connexion Ethernet (Connecteur [NETWORK])
Mode d'emploi du DME64N/24N
26
Connexion audio analogique (Connecteurs [IN] et [OUT]) (DME24N uniquement)
Le DME24N comporte des connecteurs [IN] et [OUT] pour 8 canaux d'entrée et de sortie audio analogiques.
Branchez les prises Euroblock fournies tel qu'indiqué ci-dessous. Les réglages de gain de préampli micro et
d'alimentation fantôme peuvent être effectués soit via la page HA de l'écran Utility, décrit en page 52 du
présent manuel, soit à l'aide de l'application DME Designer.
Connexion Euroblock
1. Préparez les câbles à relier aux prises Euroblock tel qu'indiqué ci-dessous.
Veillez à utiliser un câble blindé.
N'étamez pas (recouvrir de brasure) les sections exposées du câble.
2. Desserrez les vis de la borne.
3. Insérez les câbles.
4. Resserrez fermement les vis de la borne.
Tirez doucement sur les câbles pour vérifier qu'ils sont fermement reliés.
Audio I/O Connection
NOTE
Il est recommandé d'utiliser un tournevis pour écrous à fente doté d'une tige de
3 millimètres de largeur environ. 3 mm
7 mm
30 mm
Câble blindé
ATTENTION
ATTENTION
Desserrez.
Prise Euroblock
Tournevis pour écrous à fente
Vis de la borne

Préparation
Connexion Ethernet (Connecteur [NETWORK])
Mode d'emploi du DME64N/24N 27
5. Branchez la prise Euroblock dans le connecteur du panneau.
Connecteurs d'E/S
Le DME64N dispose de quatre connecteurs de carte d'E/S alors que le DME24N n'en possède qu'un seul.
Le nombre de canaux d'entrée audio diponibles sur le DME64N/24N peut être augmenté en insérant la ou les
mini-cartes YGDAI d'E/S appropriées dans les emplacements de cartes prévus à cet effet. Certains types de cartes
proposent également des fonctionnalités de contrôle et / ou de transmission et de réception d'horloge de mots.
Reportez-vous à la section « Installation d'une carte d'E/S », à la page 20 de ce manuel, pour les instructions
d'installation de la carte.
Pour obtenir les dernières informations sur les cartes pouvant être utilisées avec le DME64N/24N, visitez le site
Web de Yamaha Pro Audio à l'adresse suivante : http://www.yamahaproaudio.com/
Connexion CobraNet
Si une carte d'interface CobraNet MY16-C/MY-16CII est installée dans le connecteur à carte du
DME64N/24N, il sera possible de transférer les signaux audio, de contrôle et d'horloge de mots via un
réseau CobraNet. Les unités DME64N/24N équipées de carte d'interface MY16-C/MY-16CII peuvent être
connectées à n'importe quel équipement compatible CobraNet pour un élargissement des possibilités de
mise en réseau du signal audio et d'horloge de mots. Reportez-vous au mode d'emploi de la carte MY16-C/
MY-16CII pour plus de détails sur le réseau CobraNet.
Exemple : connexion aux périphériques CobraNet
NOTE
Il s'agit d'un système de réseau audio développé par Cirrus Logic, Inc., qui autorise la transmission et la réception en temps réel
de signaux audio numériques non comprimés via un câble réseau Fast Ethernet. Le réseau peut traiter simultanément jusqu'à
64 canaux d'entrée et de sortie, pour un total de 128 canaux (64 canaux dans le cas de l'utilisation de concentrateurs de
répéteur). En pratique, le nombre maximal de canaux pouvant être traités peut être inférieur, en raison des limitations de
performance imposées par l'équipement utilisé et la condition du signal audio concerné.
NOTE
Pour plus de détails, reportez-vous à la page d'accueil CobraNet :
http://www.cobranet.info/
DME Satellite
DME Satellite
DME24N
MY16-C
MY16-C
96kHz
88.2kHz
48kHz
44.1kHz
EXT.
CLOCK
MID
MASTER
NETWORK
PEAK
SIGNAL
PEAK
SIGNAL
IN
OUT
SCENE NUMBER
12345678
12345678
DME64N
USB
PEAK
PEAK
SIGNAL
SIGNAL
PEAK
PEAK
SIGNAL
SIGNAL
PEAK
PEAK
SIGNAL
SIGNAL
INPUT
INPUT
DIGITAL MIXING ENGINE SATELLITE
USB
PEAK
PEAK
SIGNAL
SIGNAL
PEAK
PEAK
SIGNAL
SIGNAL
PEAK
PEAK
SIGNAL
SIGNAL
INPUT
INPUT
DIGITAL MIXING ENGINE SATELLITE
Signaux audio et
de contrôle
Signaux audio et
de contrôle
Signal audio
Signal audio
Concentrateur de
commutation
Câble droit

Préparation
Connexion à distance (connecteur [REMOTE])
Mode d'emploi du DME64N/24N
28
Connexion à distance (connecteur [REMOTE])
Le connecteur [REMOTE] du satellite DME peut être branché sur des préamplis micro Yamaha AD8HR ou
AD824 contrôlables à distance ou des contrôleurs compatibles RS-232C (ceux de AMX ou Crestron, par
exemple). Le connecteur [REMOTE] transmet et reçoit également des messages MIDI.
Contrôle de préamplis micro externes depuis le DME64N/24N
Vous pouvez contrôler à distance les réglages du préampli micro AD8HR ou AD824 depuis le DME Designer.
Il est possible de connecter un total de huit préamplis micro AD8HR/AD824.
Lors de la connexion d'u adaptateur AD8HR ou AD824, veillez à régler le paramètre « Remote » de la page
« MISC » de l'écran « Utility » sur « HA Control (RS422) » (reportez-vous au manuel en page 48). Hormis le
paramètre « HA Control (RS422) », ne modifiez aucun autre réglage tant que l'unité est connectée, au risque
d'endommager celle-ci.
Lors de la connexion à une combinaison de préamplis micro AD8HR et AD824, placez les unités AD8HR le
plus près possible du satellite DME dans la chaîne, sinon ce dernier risque de ne pas reconnaître correctement
l'unité AD8HR ou AD824.
Contrôle du satellite DME depuis un périphérique externe
Vous pouvez contrôler à distance le DME64N/24N depuis un contrôleur compatible RS-232C ou RS-422
connecté, tel que ceux fournis par AMX ou Crestron.
Lors de la connexion d'un contrôleur à distance via RS-232C ou RS-422, veillez à régler le paramètre
« Remote » de la page « MISC » sur l'écran « Utility » (reportez-vous au manuel en page 48), afin de le faire
correspondre au contrôleur en cours de connexion. Vous devriez également modifier ce réglage pendant que
l'unité est connectée, au risque d'endommager celle-ci.
Connexion à un périphérique externe
NOTE
Seuls des signaux de contrôle sont transmis et reçus via la connexion REMOTE. Les connexions audio doivent se faire
séparément.
NOTE
Reportez-vous à la page « DME-N Remote Control Protocol Specifications » sur le site web de Yamaha pour plus
d'informations sur les protocoles de communication utilisés pour contrôler le DME64N/24N depuis un périphérique externe
(d'AMX ou de Crestron, par exemple).
http://www.yamahaproaudio.com/
USB
PEAK
PEAK
SIGNAL
SIGNAL
PEAK
PEAK
SIGNAL
SIGNAL
PEAK
PEAK
SIGNAL
SIGNAL
INPUT
INPUT
DIGITAL MIXING ENGINE SATELLITE
Câble D-SUB à 9 broches (câble de conjugaison croisé)
REMOTE
HA REMOTE 2HA REMOTE 1 HA REMOTE 1 HA REMOTE 2
AD8HR AD8HR
AD824 AD824 AD824
DME64N/24N
COM PC/RS-422 COM RS-422 COM PC/RS-422 COM RS-422 COM PC/RS-422
Réglez le
paramètre sur la
valeur HA Control
(RS-422)

Préparation
Connexion à distance (connecteur [REMOTE])
Mode d'emploi du DME64N/24N 29
Connexion MIDI
Dans ce cas, la connexion se fait via les connecteurs [MIDI] du panneau arrière. Les commandes MIDI sont
envoyées vers le DME64N/24N à partir d'un périphérique MIDI.
En reliant la borne [MIDI OUT] d'un mixeur numérique (tel que le DM2000) à la borne [MIDI OUT] du
DME64N/24N, et en effectuant les réglages appropriés sur le mixeur et le DME64N/24N, vous pouvez
modifier les scènes en envoyant les messages de changement de programme à partir du mixeur.
Si le connecteur [MIDI OUT] du DME64N/24N est relié au connecteur [MIDI IN] d'un SPX2000 ou d'une
unité d'effets numériques de même type, et si le DME64N/24N et le SPX2000 sont correctement configurés,
les opérations de modification de programme du DME64N/24N entraîneront le rappel de l'effet
correspondant sur l'unité d'effets.
NOTE
Reportez-vous à la section « Page MIDI » en page 50 pour plus de détails sur la configuration MIDI.
NOTE
Il est possible d'utiliser le logiciel DME Designer pour configurer le système de sorte que les opérations de rappel de scène et le
contrôle de paramètres se fassent à partir des périphériques MIDI connectés. Reportez-vous au manuel de DME Designer pour
les détails.
MIDI OUT MIDI IN
DME64N/24N
Câble MIDI
Mixeur numérique DM2000 ou autre contrôleur
MIDI OUT MIDI IN
DME64N/24N
Câble MIDI
SPX2000 ou autre unité d'effets numériques

Préparation
Connexion à distance (connecteur [REMOTE])
Mode d'emploi du DME64N/24N
30
Connexion CASCADE (DME64N uniquement)
Le connecteur [CASCADE] sur le panneau arrière peut se brancher sur le connecteur [CASCADE] d'un autre
DME64N/24N ou périphérique compatible, à l'aide d'un câble de cascade dédié au transfert bidirectionnel des
signaux audio, de contrôle et d'horloge de mots. La communication passe automatiquement en mode
unidirectionnel lors de la connexion d'un mixeur tel que le PM5D et en bidirectionnel lors de la connexion
d'une autre unité DME64N/24N.
En mode unidirectionnel, le flux du signal audio passe du connecteur [CASCADE OUT] au connecteur
[CASCADE IN] En mode bidirectionnel, le flux du signal circule également en sens inverse via le même câble.
Le nombre total de canaux audio susceptibles de se connecter à un mixeur ou une unité DME64N/24N est de 32.
L'horloge de mots est continuellement émise depuis les deux connecteurs [CASCADE IN] et [CASCADE OUT]
et reçue sur le connecteur [CASCADE IN] ou [CASCADE OUT] correspondant sur le périphérique relié.
Dans tous les cas de figure, le connecteur [CASCADE OUT] d'un périphérique doit être relié au connecteur
[CASCADE IN] de l'autre. Ne reliez pas [CASCADE IN] à [CASCADE IN] ou [CASCADE OUT] à
[CASCADE OUT].
Exemple de connexion en cascade
NOTE
Longueur maximale fournie par les câbles de cascade dédiés, proposés en option
Connexion en cascade unidirectionnelle : 200 m (44,1/48 kHz), 100 m (88,2/96 kHz)
Connexion en cascade bi-directionnelle : 100 m (44,1/48 kHz), 30 m (88,2/96 kHz)
NOTE
Ne créez jamais une boucle de cascade complète uniquement à l'aide d'unités DME64N.
NOTE
Il est également possible de contrôler à distance les unités DME64N/24N à partir d'un système PM5D via une connexion
CASCADE. Dans ce cas, il faut affecter l'unité DME64N la plus proche de la console PM5D comme maître du groupe de
périphériques.
Une autre méthode de contrôle à distance d'un DME64N/24N à partir d'un système PM5D se fait par le biais d'une
connexion CobraNet à une carte MY16-C ou MY16-CII.
Dans les deux cas, la console PM5D ne peut communiquer qu'avec un seul maître de groupe de périphériques. De ce fait, il est
impératif que toutes les unités DME64N/24N devant être contrôlées depuis le système PM5D appartiennent au même groupe
de périphériques et que l'adresse hôte du maître du groupe de périphériques concerné soit spécifiée sur « 2 ».
DME64NDME64N
IN
OUT
PM5D DME64N DME64N
IN OUT
OUT
IN OUT
IN
Connexion en cascade unidirectionnell
e
Connexion en cascade bidirectionnelle
Câble D-SUB, mi-hauteur de ton
à 68 broches
Câble D-SUB, mi-hauteur de ton à 68 broches
Câble D-SUB,
mi-hauteur de ton
à 68 broches
Câble D-SUB,
mi-hauteur de ton
à 68 broches

Préparation
Connexion à distance (connecteur [REMOTE])
Mode d'emploi du DME64N/24N 31
Connexion WORD CLOCK
Les signaux d'horloge de mots sont transférés vers et depuis des périphériques externes via les connecteurs
[WORD CLOCK IN] et [WORD CLOCK OUT]. Le connecteur [WORD CLOCK OUT] peut servir à
fournir l'horloge de mots du DME64N/24N à un équipement externe. L'horloge de mots est continuellement
émise par le DME64N/24N dans les conditions de fonctionnement normal de l'unité. Il est possible de
recevoir le signal de l'horloge de mots provenant d'un périphérique extérieur via le connecteur [WORD
CLOCK IN].
Il existe deux méthodes de distribution du signal de l'horloge de mots entre un périphérique et plusieurs
périphériques esclaves : à l'aide d'un boîtier de distribution de l'horloge de mots ou via une connexion en
guirlande.
Connexion d'un boîtier de distribution
Connexion en guirlande
NOTE
L'horloge de mots peut également être reçue et transmise via une mini-carte YGDAI installée dans le connecteur d'E/S ou à
l'aide des connecteurs [CASCADE IN] et [CASCADE OUT]. Il est nécessaire de spécifier si le DME64N/24N utilise
l'horloge de mots interne ou une horloge externe pour la synchronisation. Reportez-vous à la page WCLK de l'écran Utility,
décrite en page 49 du présent manuel, pour plus de détails.
NOTE
Le périphérique transmettant un signal d'horloge de mots qui sera utilisé par d'autres périphériques pour la synchronisation
constitue l'« horloge de mots maître » alors que les périphériques recevant l'horloge de mots sont considérés comme des
« horloges de mots esclaves ».
WC OUT
(BNC) WC IN
(BNC)
DME64N/24N
Horloge de mots
maître
Horloge de mots esclave
WC OUT (BNC)
WC IN (BNC) WC IN (BNC) WC IN (BNC) WC IN (BNC)
DME64N/24N DME64N/24N DME64N/24N DME64N/24N
Horloge de mots
maître
Boîtier de
distribution
d'horloge de mots
Horloge de mots esclave Horloge de mots esclave Horloge de mots esclave Horloge de mots esclave
WC OUT
(BNC) WC OUT
(BNC)
WC OUT (BNC)
WC IN
(BNC) WC IN
(BNC)
WC IN
(BNC)
DME64N/24N DME64N/24N DME64N/24N
Horloge de mots
maître
Horloge de mots esclave Horloge de mots esclave Horloge de mots esclave

Préparation
Connexion à distance (connecteur [REMOTE])
Mode d'emploi du DME64N/24N
32
Connexion GPI
Le périphérique GPI (Interface à usage général) (contrôleur GPI, etc.) peut se connecter sur les connecteurs
[GPI] du panneau arrière. L'utilisation de l'interface GPI permet de transférer une variété de signaux de
contrôle entre le DME64N/24N et les contrôleurs externes ou d'autres périphériques. Les panneaux de
commandes CP4SW, CP4SF ou CP1SF, fournis en option, se connectent également via GPI.
Le DME64N dispose de 16 canaux d'entrée et de sortie GPI, alors que le DME24N en possède 8. Chaque
canal dispose d'une borne IN, d'une borne a +V, d'une borne OUT et d'une borne GND. Les canaux de sortie
possèdent chacun une borne de sortie OUT et une borne GND. Les bornes IN peuvent détecter une plage
entière de tensions d'entrée de 0 V à 5 V alors que les bornes OUT émettent un signal « L » ou « H » de niveau
TTL.
Les paramètres de chaque entrée et sortie GPI sont affectés via l'application DME Designer.
Les connecteurs Euroblock sont utilisés pour toutes les connexions d'entrée et de sortie GPI. Les méthodes de
connexion Euroblock sont décrites à la section « Connexion Euroblock » en page 26 de ce manuel.
NOTE
Pour plus d'informations sur les panneaux de commande CP4SW, CP4SF et CP1SF, reportez-vous à la section « CP4SW,
CP4SF et CP1SF » dans l'Annexe de ce manuel (page 55).
NOTE
Il est possible d'utiliser le logiciel DME Designer pour configurer le système de sorte que les opérations de rappel de scène et le
contrôle des paramètres utilisateur se fassent à partir des périphériques de contrôle GPI connectés. Reportez-vous au manuel de
DME Designer pour les détails.
NOTE
La procédure de calibrage des connecteurs GPI est décrite page 52 du présent manuel, à la page GPI de l'écran Utility.
IN +V IN +V GND OUT GND
Exemple : contrôle du
DME64N/24N à partir d'un
commutateur.
Connexion GPI
Exemple : contrôle du
DME64N/24N via un
potentiomètre linéaire à
10 kilohm.
Connexion GPI
Potentiomètre
en continu
Connexion GPI
Exemple : affichage des voyants
DEL externes à partir du
DME64N/24N.
Max. 16 mA
Vérifiez que le courant entre les
connecteurs [GPI] OUT et GND est
inférieur à 16 mA.
A
TTENTIO
N

Fonctionnement du panneau et écrans
Principe d'utilisation
Mode d'emploi du DME64N/24N
33
Principe d'utilisation
En appuyant sur les touches de panneau, il est possible de sélectionner les écrans Main (Principal), Utility (Utilitaires) et
Parameter Edit (Edition des paramètres) du DME64N/24N afin d'éditer et de changer les réglages individuels. Reportez-vous
aux pages indiquées ci-dessous pour plus de détails sur chaque écran.
Touche [HOME]
➔
Ecran Main (Page 34)
Vous pouvez rappeler l'écran Main directement à partir de n'importe quel autre écran en appuyant sur la
touche [HOME]. L'écran Main affiche les informations relatives à la scène actuellement sélectionnée.
Touche [HOME]
➔
Sélection de la page User-defined Parameter (Paramètres définis par
l'utilisateur) (Page 37)
En appuyant sur la touche [HOME] lorsque l'écran Main est affiché, vous sélectionnez dans un ordre
séquentiel les quatre pages User Defined Button.
Touche [MUTE]
➔
Ecran Mute (Assourdissement) (Page 38)
Touche [LEVEL]
➔
Ecran Output Level (Niveau de sortie) (Page 38)
Touche [SCENE]
➔
Ecran Scene Recall (Rappel de scène) (Page 38) / Ecran Scene Store
(Stockage de scène) (Page 39)
Vous pouvez appuyer sur ces touches à partir des écrans Main ou Utility pour appeler directement les écrans
d'édition de paramètres connexes.
Touche [MONITOR]
➔
Ecran Monitor Point Selection (Sélection du point de contrôle)
(Page 39)
Cette fonction est utile pour le contrôle du niveau de sortie. Lorsque vous appuyez sur cette touche, l'écran de
sélection du point de contrôle apparaît, et l'écran de l'analyseur de spectre s'affiche dès que vous effectuez une
sélection.
Touche [UTILITY]
➔
Ecran Utility (Page 43)
L'écran Utility apparaît lorsque vous appuyez sur la touche [UTILITY] pendant plusieurs secondes durant
l'affichage de l'écran Main.
L'écran Utility comporte un nombre de pages que vous pouvez sélectionner en séquence en appuyant de façon
répétée sur la touche [UTILITY].
Fonctionnement du panneau et écrans
HOMEHOME
HOMEHOME
Ecran Main Permet de basculer entre les différentes pages
User Defined Button

Fonctionnement du panneau et écrans
Ecran Main
Mode d'emploi du DME64N/24N
34
Ecran Main
L'écran Main s'ouvre quelques secondes après la mise sous
tension. L'écran Main affiche les informations relatives à la
scène actuellement sélectionnée.
Il est possible d'accéder à un total de 24 paramètres à partir
du DME64N/24N ou du panneau de commandes ICP1
pour chaque scène. L'écran Main peut afficher jusqu'à six
paramètres simultanément.
1
Informations relatives aux scènes
Les nom et numéro de la scène actuellement sélectionnée.
Il est possible d'entrer les noms de scène à l'aide de
l'application DME Designer.
Le nom de scène peut comporter un total de 12 caractères
(romains) d'un octet. Lorsque des caractères de « deux
octets » sont utilisés dans des langues comme le japonais, le
nombre total de caractères affichables se réduit en
conséquence.
A la mise sous tension, la dernière scène sélectionnée avant
la mise hors tension est automatiquement rappelée.
2
Indicateur Edit (Edition)
Si un paramètre est changé après le rappel d'une scène, un
point s'affichera sur l'indicateur du numéro de scène et la
mention « EDIT » apparaîtra à l'écran.
3
Noms des touches User Defined
Affiche la touche User Defined. Ces touches sont spécifiées
à l'aide de l'application DME Designer.
Les réglages « No Assign » (Aucune affectation) dans DME
Designer s'affichent en lignes pointillées. Lorsque le réglage
[Parameter Value Edit] (Edition de la valeur du paramètre)
est sélectionné, l'affichage revêt l'apparance d'une ligne en
traits pleins. Lorsque les paramètres [Direct Parameter
Value] (Valeur des paramètres directs), [Scene Change]
(Modification de scène), [GPI Out] (Sortie GPI) et [Play
Wav File] (Lecture de fichier Wav) sont sélectionnés,
l'affichage est inversé.
Un total de 24 touches sont disponibles pour le contrôle
utilisateur, mais seules six d'entre elles s'affichent
simultanément sur une page d'écran. Appuyez sur la
touche [HOME] pour basculer sur les autres pages de
touches disponibles. Un nom de touche peut comporter
jusqu'à 8 caractères (romains) d'un octet. Lorsque des
caractères de « deux octets » sont utilisés dans des langues
comme le japonais, le nombre total de caractères
affichables se réduit en conséquence.
Sélectionnez les touches pour l'édition à l'aide des touches
de curseur – [E
] [
▲
] [
▼
] [F
] – puis appuyez sur
[ENTER].
4
Barre de défilement de page
La barre de défilement indique la page de paramètre qui est
actuellement affichée. Il existe 4 pages disponibles. La barre
de défilement se déplace d'une position vers la droite à
chaque fois que vous appuyez sur la touche [HOME] et
qu'une nouvelle page de paramètres est sélectionnée, puis
la barre revient sur la position la plus à gauche, une fois la
position à l'extrême droite atteinte.
5
Voyant de l'assourdissement
Affiche l'état d'activation ou de désactivation (ON/OFF)
actuel de l'assourdissement.
: Assourdissement activé
: Assourdissement désactivé
6
Voyant du niveau de sortie
Affiche le niveau de sortie actuel par incréments de 10.
Plus la « barre » est longue plus élevé le niveau de sortie.
7
Icône de verrouillage du panneau
Cette icône apparaît lorsque la fonction de verrouillage du
panneau est activée.
: le verrouillage du panneau est activé (les commandes
du panneau sont verrouillées)
NOTE
Rien n'apparaîtra à l'écran si aucune donnée de scène n'est
stockée dans la mémoire de scènes du DME64N/24N (c'est le cas
par exemple lorsque l'unité est initialement livrée).
3
1
2
6
4
3
5
7
NOTE
Les réglages des touches User Defined sont communs à un groupe
de périphériques.
NOTE
Le fonctionnement de la barre de défilement est indépendant
pour chaque unité DME64N/DME24N et n'est en aucun cas lié
à un groupe de périphériques donné.

Fonctionnement du panneau et écrans
Ecrans Parameter Edit
Mode d'emploi du DME64N/24N
35
Ecrans Parameter Edit
Les écrans Parameter Edit s'affichent lorsque vous appuyez
sur les touches [SCENE], [MUTE], [MONITOR] ou tout
autre touche permettant d'effectuer des modifications de
scène, un réglage de niveau ou d'autres réglages à éditer
selon les besoins. Les écrans Parameter Edit servent
également à éditer les paramètres utilitaires.
Dans la plupart des cas, vous accédez à la page d'édition de
paramètre souhaitée en sélectionnant l'élément que vous
voulez modifier dans l'écran approprié à l'aide des touches
du curseur [E
], [
▲
], [
▼
] et [F
], puis en appuyant
sur la touche [ENTER].
Il existe essentiellement trois types de paramètres
accessibles via l'écran Parameter Edit :
• Valeurs numériques
• Listes
• Commutateurs d'activation/désactivation ON/OFF
Paramètres numériques
Les paramètres numériques peuvent être édités de
différentes façons, et selon le paramètre, on verra s'afficher
un fader, un bouton ou des valeurs minimales ou
maximales à gauche de la valeur numérique.
Valeur numérique avec fader
Valeur numérique avec bouton
1
Nom du paramètre sélectionné pour l'édition
2
Fader
3
Bouton
4
Valeurs minimales et maximales
5
Value actuelle
Verrouillage du panneau
Les commandes du panneau peuvent être « verrouillées »
afin de prévenir toute mauvaise manipulation accidentelle.
Pour activer la fonction de verrouillage du panneau,
appuyez simultanément sur les touches [HOME] et
[ENTER] et maintenez-les enfoncées pendant plusieurs
secondes.
L'icône de verrouillage du panneau apparaît sur l'écran
Main lorsque le panneau est verrouillé.
Pour activer la fonction de verrouillage du panneau,
appuyez simultanément sur les touches [HOME] et
[ENTER] et maintenez-les enfoncées pendant plusieurs
secondes.
NOTE
La fonction de verrouillage de panneau peut être configurée de
sorte à verrouiller les touches de panneau uniquement (« Key
Only ») ou les touches de panneau et les commandes de
l'interface GPI (« Key + GPI »). Vous pouvez également choisir
d'activer ou non la fonction de verrouillage de panneau
automatiquement à la mise sous tension initiale de l'unité. Cette
sélection peut se faire via la page « Lock » (Verrouillage) de l'écran
Utility (reportez-vous à la page 47).
Icône de verrouillage du panneau
1
2
5
4
1
3
5
4

Fonctionnement du panneau et écrans
Ecrans Parameter Edit
Mode d'emploi du DME64N/24N
36
Certains écrans Parameter Edit ont uniquement un seul
paramètre numérique, alors que d'autres peuvent en avoir
deux ou plusieurs.
1.
Vous pouvez modifier les valeurs numériques
en tournant la molette. La rotation de la molette
entraîne le changement immédiat de la valeur
sélectionnée correspondante.
2.
Appuyez sur la touche [ENTER] pour fermer
l'écran Parameter Edit une fois que les
modifications de valeurs souhaitées ont été
effectuées.
1.
Utilisez les touches de curseur – [E
] [
▲
]
[
▼
] [F
] – pour sélectionner la valeur à éditer.
2.
Faites tourner la molette pour changer la valeur
selon les besoins.
3.
Répétez l'étape 1 pour sélectionner la valeur
suivante à éditer, utilisez la molette pour
changer la valeur selon les besoins et répétez
la procédure pour toutes les modifications de
valeurs requises.
4.
Une fois que toutes les valeurs ont été éditées,
appuyez sur la touche [ENTER]. Une fenêtre de
confirmation s'affiche : appuyez à nouveau sur
[ENTER] pour confirmer les modifications, puis
fermez la fenêtre.
Ecran Parameter Edit avec un seul paramètre
numérique
Ecran Parameter Edit avec plusieurs paramètres
numériques
NOTE
Vous pouvez fermer la fenêtre sans changer aucune valeur, il suffit
pour cela d'appuyer sur la touche [CANCEL] au lieu de
[ENTER].
ENTERENTER
ENTERENTER

Fonctionnement du panneau et écrans
Ecrans Parameter Edit
Mode d'emploi du DME64N/24N
37
Listage des paramètres
Le listage de paramètres vous permet d'effectuer votre
sélection parmi une liste de possibilités.
Faites tourner la molette pour faire défiler la liste vers le
haut ou le bas. Dans certains cas, l'élément le plus au centre
de l'écran est constamment mis en surbrillance au fur et à
mesure que la liste défile, et dans d'autres cas de figure, c'est
toujours le même élément qui est en surbrillance, que le
déroulement se fasse vers le haut ou le bas.
1.
Servez-vous de la molette pour faire défiler la
liste vers le haut ou le bas.
Au fur et à mesure du déroulement de la liste, l'élément le
plus au centre est mis en surbrillance.
2.
Appuyez sur la touche [ENTER] pour
sélectionner l'élément mis en surbrillance et
fermez la fenêtre.
1.
Servez-vous de la molette pour faire défiler la
liste vers le haut ou le bas.
Lorsque vous déroulez la liste, la sélection mise en
surbrillance reste en surbrillance et défile vers le haut ou le
bas, dans le sens du défilement de la liste.
2.
Appuyez sur la touche [ENTER] pour mettre en
surbrillance l'élément le plus au centre de l'écran.
3.
Appuyez sur la touche [ENTER] pour
sélectionner l'élément mis en surbrillance et
fermez la fenêtre.
Paramètres d'activation/désactivation
(ON/OFF)
Les paramètres ne servant ni à l'activation ni à la
désactivation sont édités via ce type d'écran (comme par
ex. l'écran Mute Parameter Edit, à la section
« Commutation de l'assourdissement », page 38) .
1.
Faites tourner la molette dans le sens des
aiguilles d'une montre pour sélectionner
l'activation ON, et dans le sens inverse pour
sélectionner la désactivation OFF.
2.
Appuyez sur la touche [ENTER] pour confirmer
la sélection et fermez la fenêtre.
Les écrans Parameter Edit s'affichent également lorsque
vous appuyez sur d'autres touches, notamment [SCENE],
[MUTE] et [MONITOR].
Ces écrans vous permettent d'effectuer des modifications
de scène, des réglages de niveau et d'autres changements de
réglages requis.
Edition de la touche User Defined
1.
Si l'écran Main ne s'affiche pas, appuyez sur la
touche [HOME] pour le rappeler.
2.
Appuyez sur la touche [HOME] jusqu'à ce que
la page contenant le paramètre à éditer
s'affiche.
3.
Utilisez les touches [E
] [
▲
] [
▼
] [F
] pour
sélectionner le paramètre à éditer.
4.
Appuyez sur la touche [ENTER].
L'écran Parameter Edit relatif à la touche User Defined
sélectionnée s'affiche.
5.
Editez la touche User Defined selon les
besoins.
Reportez-vous à la section « Ecrans Parameter Edit » en
page 35 pour les détails sur les procédures d'édition.
Listage des paramètres avec l'élément central
constamment mis en surbrillance
Listage des paramètres avec mise en surbrillance en
cours de défilement
NOTE
Dans certains cas, un dialogue de confirmation apparaît dès que
vous appuyez sur la touche [ENTER]. Si cela se produit, appuyez
à nouveau sur la touche [ENTER] pour poursuivre l'opération.
NOTE
La touche User Defined peut appartenir à l'un des trois types
suivants : touche numérique, touche de liste et touche
d'activation/désactivation.
NOTE
Lors de l'édition à partir d'un panneau de commandes ICP1, les
touches [F1] ~ [F6] sont utilisées pour la sélection de touche.
NOTE
Tous les changements apportés aux valeurs de touches User
Defined seront perdus si l'unité est mise hors tension ou les scènes
modifiées. Pour préserver les valeurs modifiées, stockez les
données de scène concernées.

Fonctionnement du panneau et écrans
Ecrans Parameter Edit
Mode d'emploi du DME64N/24N
38
Commutation de l'assourdissement
(Mute Switching)
Active ou désactive la fonction d'assourdissement du
DME64N/24N.
1. Appuyez sur la touche [MUTE].
L'écran Mute Parameter Edit (Edition de paramètre
d'assourdissement) s'affiche.
2. Sélectionnez Mute ON ou OFF.
La fonction d'assourdissement est activée ou désactivée tel
qu'indiqué dans la section « Paramètres d'activation/
désactivation (ON/OFF) » à la page 37.
Contrôle du niveau de sortie
(Output Level Control)
Réglez le niveau de sortie du DME64N/24N.
1. Appuyez sur la touche [LEVEL].
L'écran « Output Level » de Parameter Edit s'affiche.
2. Réglez le paramètre de niveau de sortie
numérique selon les besoins.
Le paramètre Output Level se règle selon les modalités
indiquées dans la section « Paramètres numériques » en
page 35. Le fader graphique fournit une indication
visuelle du réglage de niveau de sortie actuellement
sélectionné.
Rappel de scène (Scene Recall)
Cette procédure rappelle une nouvelle scène (reportez-vous
à la page 10).
1. Appuyez sur la touche [SCENE].
L'écran Scene Recall (Rappel de scène) s'affiche.
2. Sélectionnez une nouvelle scène.
Les scènes sont sélectionnées tel qu'indiqué dans la section
« Listage des paramètres » en page 37.
3. Appuyez sur la touche [ENTER].
Une fenêtre de confirmation s'affiche.
4. Appuyez à nouveau sur la touche [ENTER].
La nouvelle scène est alors sélectionnée.
NOTE
Pour accéder à cette fonction à partir du panneau de commandes
ICP1, maintenez la touche [F6] enfoncée pendant plusieurs
secondes.
NOTE
Toutes les sorties du groupe de périphériques, dont la prise
[PHONES], sont assourdies.
NOTE
Les réglages du niveau de sortie s'appliquent séparément à chaque
unité DME64N/24N. Il n'existe pas de réglage global de groupe
de périphériques. Il est impossible d'accéder à cette fonction à
partir d'un panneau de commandes ICP1.
NOTE
La même procédure est utilisée pour le rappel de scène à partir
d'un panneau de commandes ICP1.
NOTE
Il est également possible de modifier les scènes à partir d'un
ordinateur ou d'un contrôleur GPI/MIDI relié au périphérique.
L'application DME Designer est utilisée pour procéder à des
modifications de scène depuis un ordinateur. Si un contrôleur
GPI/MIDI sert à opérer des changements, il devra être initialement
configuré pour le contrôle de scène à l'aide de DME Designer.

Fonctionnement du panneau et écrans
Ecrans Parameter Edit
Mode d'emploi du DME64N/24N 39
Stockage de scène (Scene Store)
Stocke les données de la scène actuellement sélectionnée
pour un rappel ultérieur.
1. Maintenez la touche [SCENE] enfoncée
pendant plusieurs secondes.
Une fenêtre de confirmation apparaît à l'écran.
2. Appuyez sur la touche [ENTER].
Ceci stocke les données de scène dans la mémoire de scène
actuellement sélectionnée.
Contrôle (Monitoring)
Les fonctions de contrôle vous permettent de surveiller le
signal audio aux entrées et sorties des connecteurs d'E/S,
les points entre les composants et d'autres points de
contrôle critiques.
1. Appuyez sur la touche [MONITOR].
Les connecteurs disponibles pour le contrôle s'affichent
dans la liste de paramètres.
2. Sélectionnez la source de contrôle souhaitée à
partir de la liste.
Les sélections de scènes sont décrites dans la section
« Listage des paramètres » à la page 37.
Vous avez le choix entre les cinq types de position
suivants :
1 Borne d'entrée/de sortie du connecteur
2 Borne d'entrée/de sortie CASCADE (DME64N
uniquement)
3 Borne IN (DME24N uniquement)
4 Borne OUT (DME24N uniquement)
5 User Defined
Par le biais des connexions 1 à 4 dans DME Designer,
vous sélectionnez la borne d'entrée/de sortie.
Vous pouvez sélectionner 5 en modifiant la liste des points
de contrôle du DME Designer.
NOTE
Si des paramètres de préamplificateurs micro sont inclus dans les
données de la scène rappelée, les réglages de préamplificateur
micro seront modifiés en conséquence.
NOTE
Cette fonction est accessible de la même façon à partir du
panneau de commandes ICP1.
NOTE
Appuyez sur la touche [CANCEL] si vous souhaitez abandonner
l'opération de stockage de scène.
NOTE
Si les réglages de préamplificateur micro sont inclus dans la scène,
les réglages de la page HA de l'écran Utility seront également
stockés. Si les réglages de préamplificateur micro ne sont pas
inclus dans la scène, les réglages de la page HA seront stockés
comme réglages de démarrage de préamplificateur micro.
NOTE
Tous les changements apportés aux valeurs des paramètres par les
contrôleurs GPI/MIDI seront perdus si l'unité est mise hors
tension ou les scènes modifiées. Pour préserver les valeurs
modifiées, stockez les données de scène concernées.
NOTE
Les fonctions de contrôle définies par l'utilisateur, telles que le
contrôle aux points situés entre les composants, doivent être
spécifiées via l'application DME Designer.
NOTE
Il est impossible d'accéder à ces fonctions à partir du panneau de
commandes ICP1.

Fonctionnement du panneau et écrans
Ecran Spectrum
Mode d'emploi du DME64N/24N
40
3. Sélectionnez le point de contrôle souhaité
dans la liste.
Le signal audio en provenance du point de contrôle
sélectionné est émis via la prise PHONES. Le voyant
[MONITOR] s'allume.
Fonctions Probe Monitor
La fonction Probe Monitor (Contrôle de vérification)
permet de sélectionner les points de contrôle à partir de
l'application DME Designer. Pour plus de détails,
reportez-vous au mode d'emploi de DME Designer.
Lorsque la fonction Probe Monitor est utilisée, le point de
contrôle est modifié et le voyant [MONITOR] clignote.
Ecran Spectrum
Les fonctions de contrôle fournissent également un écran
du niveau d'analyseur de spectre du signal au point de
contrôle sélectionné.
Procédure
1. Sélectionnez le point de contrôle pour lequel
vous souhaitez faire afficher un écran de
spectre à partir de la liste.
2. Appuyez sur la touche [ENTER].
Un écran du spectre du signal audio sur le point de
contrôle sélectionné s'affiche.
1Fréquence
Il s'agit des bandes de fréquence distinctes affichées.
2Niveau de sortie de bande
Le niveau de signal s'affiche séparément pour les 31 bandes
de fréquences distinctes. Le niveau de sortie s'affiche en
12 étapes.
3Peak Hold
Lorsque la fonction Peak Hold (Maintien du niveau de
crête) est activée (ON), les niveaux de crête depuis que le
point de contrôle actuel a été sélectionné sont maintenus
indéfiniment. Les niveaux de crête sont supprimés une
seconde après la désactivation (OFF) de la fonction de
maintien du niveau de crête.
Pour activer (ON) ou désactiver (OFF) la fonction de
maintien du niveau de crête, déplacez le curseur vers le
réglage PEAK HOLD ON/OFF puis appuyez sur la
touche [ENTER] pour l'activer ou le désactiver.
NOTE
Appuyez sur la touche [CANCEL] pour revenir sur l'écran
d'édition précédent.
NOTE
Lorsque la fonction de contrôle est activée (le voyant
[MONITOR] reste allumé), vous pouvez la désactiver en
appuyant sur la touche [MONITOR].
NOTE
Le point de contrôle sélectionné dans le DME64N/24N est
désactivé.
NOTE
L'écran Spectrum (Spectre) est indisponible sur le panneau de
commandes du ICP1.
2
341

Fonctionnement du panneau et écrans
Ecran Level Meter
Mode d'emploi du DME64N/24N 41
4Sélection L/R
Spécifie si l'écran de spectre est destiné au canal de gauche
ou de droite. Le même écran de spectre s'affiche pour les
canaux L (G) et R (D) de tous les points de contrôle autres
que les points définis par l'utilisateur spécifiés via
l'application DME Designer.
Pour basculer entre les écrans L et R, déplacez le curseur
vers le réglage CHANNEL L/R (Canal G/D) puis appuyez
sur la touche [ENTER] pour sélectionner alternativement
L ou R.
Ecran Level Meter
Affiche le niveau d'entrée/sortie pour chaque canal
séparément.
1. Vérifiez que l'écran Main s'affiche.
Si l'écran Main ne s'affiche pas, appuyez sur la touche
[CANCEL] pour retourner sur l'écran précédent.
2. Appuyez sur la touche [UTILITY].
L'écran de l'indicateur de niveau apparaît.
1Connecteur de l'écran Level
Faites votre choix parmi [SLOT1] ~ [SLOT4], [A/D D/A],
[CASCADE IN] ou [CASCADE OUT].
2Nombre de canaux
Un total de 32 canaux [CASCADE IN]/[CASCADE
OUT] sont susceptibles d'apparaître à l'écran, alors que
16 canaux au maximum peuvent s'afficher dans tous les
autres cas.
3Ecran Input/Output Level
Affiche les niveaux sur les entrées et sorties individuelles.
4Peak Hold
Lorsque la fonction de maintien du niveau de crête est
activée (ON), les niveaux de crête sont maintenus
indéfiniment. Les niveaux de crête sont supprimés une
seconde après la désactivation (OFF) de la fonction de
maintien du niveau de crête.
Pour activer (ON) ou désactiver (OFF) la fonction de
maintien du niveau de crête, déplacez le curseur vers le
réglage PEAK HOLD ON/OFF puis appuyez sur la
touche [ENTER] pour l'activer ou le désactiver.
NOTE
La vitesse de chute des indicateurs peut être spécifiée depuis la
page « Disp » de l'écran Utility.
NOTE
L'affichage de niveau est indisponible sur le panneau de
commandes du ICP1.
NOTE
[SLOT2] ~ [SLOT4] et [CASCADE IN], [CASCADE OUT] ne
sont disponibles que sur le DME64N, alors que [A/D D/A] est
disponible uniquement sur le DME24N.
1 4
2
3

Fonctionnement du panneau et écrans
Initialisation du DME64N/DME24N
Mode d'emploi du DME64N/24N
42
Initialisation du DME64N/
DME24N
Les mémoires internes du DME64N/DME24N et du
panneau ICP1 peuvent être initialisées de la manière
suivante.
Commencez l'opération en ayant mis l'unité hors tension.
Procédez à la mise sous tension tout en maintenant les
touches [SCENE] et [ENTER] enfoncées et ce, jusqu'à ce
que le logo Yamaha apparaisse.
L'écran d'initialisation s'affiche, ce qui vous permet de
choisir l'une des trois options suivantes.
01.Initialize DME (Initialiser le DME) :
Les composants restent tels quels alors que les scènes et les
paramètres présélectionnés sont effacés. Tous les réglages
UTILITY sont réinitialisés sur leurs valeurs respectives par
défaut.
02.Delete All Data (Supprimer toutes les
données) :
Tous les composants stockés en interne ainsi que les scènes,
les paramètres présélectionnés, les fichiers wave ainsi que
les fichiers stockés à l'aide de la fonction File Storage sont
effacés. Tous les réglages UTILITY sont réinitialisés sur
leurs valeurs respectives par défaut. Servez-vous de cette
option lorsqu'un problème survient au niveau des données
stockées dans le périphérique. Après l'initialisation, tous les
composants nécessaires doivent être envoyés à nouveau à
partir de l'application DME Designer.
03. ==>Exit Diag Mode (Quitter mode dialogue) :
Quitte l'écran d'initialisation et redémarre l'unité.
Ne procédez pas à la mise hors tension durant la
réinitialisation, au risque d'endommager l'unité.
HOMEHOME UTILITYUTILITYSCENESCENE LEVELLEVEL MUTEMUTE ENTERENTERCANCELCANCEL
1. Maintenez les touches [SCENE]
et [ENTER] enfoncées.
2. Appuyez sur
le bouton [POWER].
Branchez l'adaptateur secteur PA-300 tout en maintenant
les touches [SCENE] et [ENTER] enfoncées.

Fonctionnement du panneau et écrans
Ecrans Utility
Mode d'emploi du DME64N/24N 43
Ecrans Utility
Les fonctions élémentaires du DME64N/24N sont accessibles via l'écran Utility.
Les éléments accessibles via l'écran Utility
Page Elément Description Page du
manuel
Info
Etat actuel et réglages des paramètres de base des périphériques.
Page 45
Label
Affichage du nom.
Version
Le numéro de version actuelle du périphérique.
Date
Etat actuel et configuration de l'horloge ou du calendrier internes.
Battery
Affiche l'état de la pile interne.
Net
Etat actuel et réglages du réseau Ethernet.
Page 45
Groupe de
périphériques
Affiche l'état actuel et détermine si le périphérique est maître de groupe ou non.
IP Adr.
Etat actuel et configuration de l'adresse IP du périphérique.
Master ID
Affiche et définit l'adresse hôte du maître du groupe de périphériques.
Link Mode
Etat actuel et configuration du connecteur [NETWORK].
MAC Adr.
Affiche l'adresse MAC du périphérique.
Disp
Etat actuel et configuration du mode écran, etc.
Page 46
LCD Contrast
Etat actuel et configuration du contraste de l'écran d'affichage.
LCD Backlight
Etat actuel et configuration du rétroéclairage de l'écran d'affichage.
Meter Peak Hold
Etat actuel et configuration de la fonction de maintien de crête de l'indicateur.
Meter Fall Time
Etat actuel et configuration du temps de chute de l'indicateur.
Lock
Etat actuel et configuration du verrouillage de panneau et des fonctions connexes.
Page 47
Utility
Etat actuel et configuration des réglages de l'écran Utility.
Panel Lock Boot
Etat actuel et configuration de l'état de verrouillage du panneau à la mise sous tension.
Panel Lock Target
Etat actuel et configuration de la cible de verrouillage du panneau.
User Defined Lock
Verrouillage du panneau et configuration de chaque page de la touche User Defined.
Misc
Etat actuel et configuration des réglages non inclus dans d'autres pages.
Page 48
Scene Store
Etat actuel et configuration de l'accessibilité au stockage de scène.
Last Mem.
Resume
Indique et détermine si le contenu de la mémoire sera conservé au redémarrage de l'unité.
Event Scheduler
Etat actuel et configuration, que la configuration de la planification de l'événement dans DME
Designer soit exécutée ou non.
Remote
Etat actuel et configuration du connecteur [REMOTE].
WCLK
Etat actuel et sélection de l'horloge de mots du DME64N/24N.
Page 49
Fs
Affiche la fréquence de l'horloge de mots.
Int
Etat actuel de l'horloge de mots interne.
WCIN
Etat actuel de l'horloge de mots reçue sur le connecteur [WORD CLOCK IN].
Cascade
Etat actuel de l'horloge de mots reçue via les connecteurs [CASCADE IN] et [CASCADE OUT].
SLOT1-4
Etat actuel de l'horloge de mots reçue via les cartes insérées dans les connecteurs de carte d'E/S.
Slot
Affiche les informations relatives à la carte d'E/S installée dans un connecteur d'E/S du
DME64N/24N.
Page 49
Card name
Affiche le nom de la carte installée.
(sans titre)
Réinitialise la carte installée.
Format
Affiche le format audio
–
88,2 ou 96 kHz.
MIDI
Etat actuel et configuration des fonctions MIDI.
Page 50
Port
Etat actuel et configuration du port MIDI.
DAW
Etat actuel et configuration des périphériques MIDI reliés.
CH
Etat actuel et configuration des canaux de transmission et de réception MIDI.
Program Change
Etat actuel et configuration de la réception/transmission des changements de programme, de
l'activation d'Omni et de l'activation/désactivation de l'écho.
Control Change
Etat actuel et configuration de la réception/transmission des changements de commande, de
l'activation d'Omni et de l'activation/désactivation de l'écho.
Param Change
Etat actuel et configuration de la réception/transmission des changements de paramètre, de
l'activation d'Omni et de l'activation/désactivation de l'écho.
GPI
Calibrage du connecteur GPI et affichage de l'état.
Page 52
Reset
Réinitialise le calibrage GPI.
Max
Règle la valeur maximale de calibrage.
Min
Règle la valeur minimale de calibrage.
(sans titre)
Etat de calibrage actuel.
HA
Etat actuel et configuration des préamplificateurs micro internes et externes connectés.
Page 52
HA
Etat actuel et configuration du type de préamplificateur micro.
WCLK
Etat actuel et configuration de l'horloge de mots utilisée par le(s) préamplificateur(s) micro.
(sans titre)
Affiche le format audio 88,2/96 kHz.
Gain
Etat actuel et configuration du gain individuel des canaux de préamplificateur micro.
+48V
Etat actuel et configuration de l'alimentation dérivée des canaux de préamplificateur micro (+48V
ON/OFF) individuellement.
(sans titre)
Affiche l'état actuel du commutateur d'alimentation dérivée maître.
HPF
Etat actuel et configuration de l'activation/désactivation du filtre passe-haut des canaux de
préamplificateur micro individuellement.
Frq
Etat actuel et configuration de l'activation/désactivation du filtre passe-haut des canaux de
préamplificateur micro individuellement.

Fonctionnement du panneau et écrans
Ecrans Utility
Mode d'emploi du DME64N/24N
44
CASCAD
(DME64N
unique-
ment)
Affiche l'état actuel des connecteurs [CASCADE]. Page 54
Head Margin Affiche l'état actuel de la marge dynamique du signal audio traité via les connecteurs
[CASCADE].
Unit No. Affiche le nombre de périphériques reliés à l'unité depuis le début de la connexion en
cascade.
Mixer I/O Affiche l'état actuel des canaux à utiliser pour les signaux audio connectés en cascade à un
mixeur.
Check Mode Etat actuel et configuration de la connexion en relais. Page 54
Page Elément Description Page du
manuel

Fonctionnement du panneau et écrans
Ecrans Utility
Mode d'emploi du DME64N/24N 45
Fonctionnement de l'écran Utility
La procédure générale à suivre pour le fonctionnement des
écrans Utility est décrite ci-dessous.
1. Maintenez la touche [UTILITY] enfoncée
pendant plusieurs secondes pour basculer de
l'écran Main vers l'écran Utility.
2. Appuyez sur la touche [UTILITY] autant de fois
que nécessaire pour faire apparaître la page du
paramètre souhaité.
3. Utilisez les touches curseurs [E] [ ▲ ] [ ▼ ]
[F] pour sélectionner le paramètre à éditer.
4. Appuyez sur la touche [ENTER].
Ceci confirme la sélection ou l'édition ou appelle la page
d'édition du paramètre approprié.
Page Info
1Label
Affiche le nom. Le nom peut être modifié via l'application
DME Designer s'exécutant sur un ordinateur connecté à
cette unité.
2Version du programme
Il s'agit du numéro de version du microprogramme actuel.
3Date
Affiche la date et l'heure actuellement définies. L'horloge et
le calendrier internes peuvent être réglés ici.
Effectuez les modifications à l'aide de la procédure d'édition
des « Paramètres numériques » décrite à la page 35.
4Battery
Affiche l'état de la pile interne. La mention « Low Battery »
(Pile faible) s'affiche lorsque la pile nécessite d'être
remplacée, et « No Battery » (Pas de pile) apparaît lorsqu'il
n'y a pas de pile dans le périphérique.
Page Network Settings (Net)
Affiche l'adresse du réseau Ethernet et d'autres paramètres.
1Device Group
Indique si le périphérique fonctionne comme maître du
groupe de périphériques : « Master » (Maître) ou « Slave »
(Esclave).
Master : le périphérique est maître du groupe de
périphériques.
Slave : le périphérique est esclave du groupe.
Effectuez les modifications à l'aide de la procédure
d'édition de « Listage des paramètres » décrite à la page 37.
NOTE
Sur le panneau de commandes ICP1, les touches de fonction sont
utilisées à la place des touches curseurs de la façon suivante :
Touche [F1] : gauche
Touche [F2] : haut
Touche [F3] : droite
Touche [F5] : bas
NOTE
La date et l'heure (3) ainsi que l'état de la pile interne (4) ne
s'affichent pas sur l'écran du panneau de commandes ICP1.
NOTE
Le nom ne peut pas être changé à partir des commandes du
DME64N/24N.
1
2
3
4
NOTE
Il est impossible d'utiliser le réglage « Zone slave » (Esclave de
zone) pour ce paramètre.
Dialogue d'édition des paramètres de date et d'heure
NOTE
L'état du groupe de périphériques du panneau de commandes
ICP1 est défini sur « Slave ». Ce réglage ne peut pas être modifié.
Année • Mois • Jour Heure : Minute : Seconde
1
2
3
4
5

Fonctionnement du panneau et écrans
Ecrans Utility
Mode d'emploi du DME64N/24N
46
2IP Adr.
Il s'agit de l'adresse IP du périphérique.
Effectuez les modifications à l'aide de la procédure d'édition
des « Paramètres numériques » décrite à la page 35.
3Master ID
Affiche et définit l'adresse hôte du maître du groupe de
périphériques.
4Link Mode
Affiche l'état du connecteur [NETWORK]. Le connecteur
[NETWORK] peut être réglé pour fonctionner en mode
« 10Base-T » ou « 100Base-TX ».
10Base-T : le connecteur [NETWORK] est compatible
pour fonctionner sous 10Base-T.
100Base-TX : la borne [NETWORK] fonctionne en
tant que 100Base-TX lorsque c'est possible. Si
l'environnement réseau ne prend pas en charge 100Base-
TX, il fonctionnera en tant que 10Base-T.
Effectuez les modifications à l'aide de la procédure
d'édition de « Listage des paramètres » décrite à la page 37.
5MAC Adr.
Il s'agit de l'adresse MAC (Contrôle d'accès au support) du
périphérique.
Page Display Setup (Disp)
Fournit l'accès à un certain nombre de paramètres
d'affichage.
1LCD Contrast
Le réglage de contraste actuel de l'écran LCD. Ce
paramètre peut être réglé de 0 % à 100 %.
Effectuez les modifications à l'aide de la procédure d'édition
des « Paramètres numériques » décrite à la page 35.
2LCD Backlight
Spécifie le fonctionnement du rétroéclairage de l'écran
LCD. Deux réglages sont disponibles : « ON » et « OFF ».
ON : l'écran est continuellement éclairé.
OFF : l'écran s'allume dès qu'une commande est
actionnée et s'éteint dix secondes après l'arrêt des
opérations de panneau.
Appuyez sur la touche [ENTER] pour passer
alternativement sur « ON » ou « OFF ».
3Meter Fall Time
Détermine le temps de chute des indicateurs de niveau :
« Fast » (Rapide) ou « Slow » (Lent).
Fast : les indicateurs suivent rapidement les
modifications apportées au niveau de signal.
Slow : les indicateurs chutent plus lentement que les
modifications réelles du niveau de signal, ce qui facilite la
lecture dans certains cas.
Effectuez les modifications à l'aide de la procédure
d'édition de « Listage des paramètres » décrite à la page 37.
NOTE
Assurez-vous qu'une unité maître est désignée au sein de chaque
groupe de périphériques. En l'absence d'attribution de maître de
groupe, aucune information de scène n'apparaît à l'écran et
aucune commande de scène n'est alors possible. Il est également
impossible d'effectuer une opération d'assourdissement.
NOTE
Les adresses réseau respectives des périphériques d'un même
groupe de périphériques doivent être identiques.
NOTE
L'adresse IP d'un maître de groupe peut être modifiée via
l'application DME Designer s'exécutant sur un ordinateur
connecté à cette unité.
NOTE
L'ID maître ne s'affiche pas sur le groupe de périphériques maître.
Adresse réseau Adresse de l'hôte
NOTE
L'adresse MAC, également appelée adresse Ethernet, est une
adresse indépendante affectée à tous les périphériques Ethernet. Il
est impossible à deux périphériques d'avoir la même adresse, où
qu'ils soient dans le monde.
NOTE
Le temps de chute de l'indicateur (3) ne s'affiche pas sur l'écran
du panneau de commandes ICP1.
1
2
3

Fonctionnement du panneau et écrans
Ecrans Utility
Mode d'emploi du DME64N/24N 47
Page Security Setup (Lock)
Verrouillage de panneau et réglages connexes.
1Utility
L'état de verrouillage des réglages de l'écran Utility. Ce
paramètre peut être spécifié sur « Unlock » (Déverrouillé)
ou « Lock » (Verrouillé).
Unlock : l'écran Utility est accessible sans mot de passe.
Lock : il faut entrer un mot de passe pour accéder à
l'écran Utility.
Lorsque le réglage « Lock » est sélectionné, une fenêtre de
saisie de mot de passe s'ouvre dès que vous appuyez sur la
touche [UTILITY] pour accéder aux pages d'utilitaires.
Utilisez les touches [E] et [F] pour positionner le
curseur et la molette afin d'entrer le caractère souhaité à
l'emplacement du curseur. Lorsque tous les caractères du
mot de passe ont été saisis selon les besoins, appuyez sur la
touche [ENTER].
Le mot de passe est également requis pour passer du mode
« Unlock » au mode « Lock ».
2Panel Lock Boot
Détermine si le verrouillage du panneau est activé à la mise
sous tension du périphérique. Ce paramètre peut être
spécifié sur « Unlock » ou « Lock ».
Unlock : le verrouillage du panneau est désactivé (OFF)
à la mise sous tension du périphérique.
Lock : le verrouillage du panneau est activé (ON) à la
mise sous tension du périphérique.
3Panel Lock Target
Détermine les commandes (fonctions de contrôle) affectées
par le verrouillage du panneau. Les réglages disponibles
sont « Key Only » (Touche uniquement) et « Key+GPI »
(Touche + GPI).
Key Only : le verrouillage du panneau affecte
uniquement les touches de panneau.
Key+GPI : le verrouillage du panneau s'applique aux
touches de panneau aussi bien qu'à l'entrée de commande
GPI.
4User Defined Lock
Règle l'état de verrouillage individuellement pour chacune
des quatre pages User Defined Button.
ON : la touche User Defined correspondante n'apparaît
pas à l'écran.
OFF : la touche User Defined correspondante s'affiche à
l'écran.
Pour modifier les réglages, utilisez les touches [E] et
[F] pour déplacer le curseur vers le réglage de la page
souhaitée, puis appuyez sur la touche [ENTER] pour
activer (ON) ou désactiver (OFF) le réglage.
NOTE
La sécurité et la gestion du mot de passe sont très importants !
Si vous oubliez votre mot de passe, vous ne pourrez pas faire
fonctionner l'unité !
Si vous oubliez votre mot de passe, contactez l'administrateur du
système.
Si le mot de passe devient irrécupérable pour une raison
quelconque et que vous avez besoin de déverrouiller le système,
veuillez contacter votre représentant Yamaha.
1
2
3
4
NOTE
Reportez-vous à la page 35 pour plus de détails sur l'utilisation de
la fonction Panel lock.
NOTE
Ce paramètre s'affiche mais ne peut pas être modifié sur l'écran
du panneau de commandes ICP1.
NOTE
Les touches User Defined sont accessibles tel qu'indiqué dans la
section « Ecran Parameter Edit » en page page 35.

Fonctionnement du panneau et écrans
Ecrans Utility
Mode d'emploi du DME64N/24N
48
Page Miscellaneous Setup (Misc)
Cette page regroupe les paramètres indisponibles sur les
autres pages.
1Scene Store (Stockage de scène)
Détermine si les opérations de stockage de scène sont
autorisées ou non. Ce paramètre peut être spécifié sur
« Enable » (Activer) ou « Disable » (Désactiver).
Enable : les opérations de stockage de scène sont
autorisées.
Disable : les opérations de stockage de scène ne sont pas
autorisées.
Effectuez les modifications à l'aide de la procédure
d'édition de « Listage des paramètres » décrite à la page 37.
2Last Mem. Resume
Ce paramètre affiche et définit le rappel, au prochain
redémarrage du DME64N/DME24N, de la scène
actuellement sélectionnée ou du contenu de la mémoire
lors de la dernière mise hors tension. Les réglages possibles
sont « ON » ou « OFF ».
ON : le contenu de la mémoire lors de la dernière mise
hors tension de l'unité sera rappelé au redémarrage.
OFF : la scène actuellement sélectionnée sera rappelée
au redémarrage.
3Event Scheduler
Détermine si la configuration d'une planification
d'événement dans DME Designer sera exécutée ou non, et
affiche l'état actuel. Ce paramètre peut être activé (« ON »)
ou désactivé (« OFF »).
ON : l'événement sera exécuté.
OFF : la planification de l'événement ne sera pas
exécutée.
Pour modifier ce réglage, il faut recourir à la procédure
d'édition « Liste des paramètres » décrite en page 37.
3Remote
Détermine le mode de communication du connecteur
[REMOTE].
Effectuez les modifications à l'aide de la procédure
d'édition de « Listage des paramètres » décrite à la page 37.
Affiche les réglages de la borne [REMOTE].
HA Control (422)
Autorise la commande du préampli micro à distance.
Utilisez toujours ce réglage lorsqu'une unité de préampli
micro (AD8HR, AD824) est connectée. Il ne faut pas
modifier le réglage lorsqu'un préampli micro est connecté.
Vous risquez sinon d'endommager l'unité.
COM (232C)
Autorise la commande des unités DME64N/DME24N
depuis des contrôleurs externes de type AMX et Crestron
à l'aide du protocole de communications DME*.
COM (422)
Autorise la commande des unités DME64N/DME24N
depuis des contrôleurs externes de type AMX et Crestron
via l'interface RS-232C à l'aide du protocole de
communications DME*.
MIDI (232C)
Autorise la commande des unités DME64N/DME24N
depuis des contrôleurs MIDI externes via l'interface
RS-232C.
MIDI (422)
Autorise la commande des unités DME64N/DME24N
depuis des contrôleurs MIDI externes via l'interface
RS-422.
Remote Ctrl (232C)
Autorise la commande des unités DME64N/DME24N
depuis des périphériques externes via l'interface RS-232C.
Remote Ctrl (422)
Autorise la commande des unités DME64N/DME24N
depuis des périphériques externes via l'interface RS-232C.
NOTE
Le réglage Remote (2) n'apparaît pas à l'écran du panneau de
commandes ICP1.
NOTE
Reportez-vous à la page 39 pour plus de détails sur la procédure
de stockage de scène.
NOTE
Même lorsque l'unité du DME64N/24N est réglée sur « Disable »,
les opérations de stockage de scène sont possibles via une autre
unité DME64N/24N située dans la même zone et spécifiée sur
« Enable ».
NOTE
Ce paramètre peut être modifié exclusivement à partir du groupe
de périphériques maître.
1
2
3
4
NOTE
Ce paramètre peut être modifié exclusivement à partir du groupe
de périphériques maître.

Fonctionnement du panneau et écrans
Ecrans Utility
Mode d'emploi du DME64N/24N 49
* Pour les détails sur le protocole de communication DME,
reportez-vous au document intitulé « Spécifications du
protocole de commande à distance de DME-N ». Les
informations relatives au document « Spécifications du
protocole de commande à distance de DME-N » sont
disponibles sur le site Web Yamaha Pro Audio
(<http://www.yamahaproaudio.com/>).
Page Word Clock Setup (WCLK)
Affiche l'état des signaux d'horloge de mots entrants, et
permet de configurer l'horloge de mots maître du
DME64N/24N.
Procédure de sélection de l'horloge
maître
1. Utilisez les touches curseurs [E], [ ▲ ], [ ▼ ],
[F] pour sélectionner l'un des blocs carrés
représentant les sources d'horloge maître
disponibles.
2. Appuyez sur la touche [ENTER] pour
sélectionner l'horloge maître.
1Fs
Il s'agit de la fréquence d'échantillonnage actuellement
sélectionnée de l'horloge de mots maître. La valeur
montrée ici est déterminée par le signal de l'horloge de
mots maître du système. Pour sélectionner l'horloge de
mots à utiliser comme horloge maître, déplacez le curseur
vers l'indication de l'horloge de mots appropriée sur cet
écran, l'horloge [WORD CLOCK IN], l'horloge reliée en
cascade ou une horloge de connecteur, par exemple, puis
appuyez sur la touche [ENTER].
2Int
Règle la fréquence de l'horloge de mots interne : 44,1 kHz,
48 kHz, 88,2 kHz ou 96 kHz.
3WCIN
Affiche l'état du signal de l'horloge de mots sur le
connecteur [WORD CLOCK IN].
4Cascade
Affiche l'état du signal de l'horloge de mots sur les
connecteurs [CASCADE IN] et [CASCADE OUT].
5SLOT1~4
Affiche l'état du signal de l'horloge de mots entrant via les
cartes d'E/S installés dans les connecteurs d'E/S.
Les icônes d'état
Page Slot Information (Slot)
Affiche le nom de la carte installée dans le connecteur de
carte d'E/S. Certaines cartes peuvent également être
réinitialisées via cette page.
1Card Name
Le nom de la carte installée apparaît ici.
2Reset
Réinitialise la carte installée.
3Format
Affiche le mode de transfert du signal audio à 88,2/96 kHz.
Le réglage d'entrée se trouve à gauche et le réglage de sortie
à droite.
Absence d'affichage (réglage par défaut) :
transfert de signal audio à 44,1/48 kHz.
SP (Double vitesse) : une carte à 88,2/96 kHz de
capacité est installée, autorisant le transfert direct à 88,2
ou 96 kHz.
CH (Canal double) : une carte à 44,1/48 kHz est
installée et un signal audio de 88,2 ou 96 kHz est transféré
à l'aide de deux canaux de 44,1/48 kHz afin de transférer
sur chaque canal un signal audio de 88,2/96 kHz. Le
nombre de canaux audio pouvant être traités sous ce mode
représente la moitié du nombre de canaux normalement
géré par la carte.
NOTE
Cette page ne s'affiche pas sur un panneau de commandes ICP1.
1
2
3
4
5
Un signal d'horloge de mots est présent, et ce
signal peut être sélectionné comme l'horloge de
mots du DME64N/24N.
Aucun signal d'horloge (ne peut être sélectionné
comme horloge maître).
Un signal d'horloge de mots est présent, mais il
n'est pas en synchronisation avec l'horloge de
mots maître.
Signal sélectionné actuellement comme horloge de
mots du DME64N/24N.
Signal sélectionné actuellement comme horloge de
mots du DME64N/24N, mais le signal de l'horloge
n'est pas exploitable.
Canal de connecteur inactif ou aucune carte d'E/S
présente dans le connecteur.
NOTE
Cette page ne s'affiche pas sur un panneau de commandes ICP1.
12 3

Fonctionnement du panneau et écrans
Ecrans Utility
Mode d'emploi du DME64N/24N
50
Page MIDI Setup (MIDI)
1Host
Détermine le port MIDI activé : MIDI, USB-1, USB-2,
SLOT-1, SLOT-2, SLOT-3 ou SLOT-4.
MIDI : le connecteur MIDI est le port MIDI
actuellement activé.
USB-1, USB-2 : le port USB correspondant est
sélectionné pour l'entrée MIDI.
SLOT-1, SLOT-2, SLOT-3, SLOT-4 : une carte
installée dans le connecteur d'E/S correspondant est
actuellement sélectionnée pour l'entrée MIDI.
Effectuez les modifications à l'aide de la procédure
d'édition de « Listage des paramètres » décrite à la page 37.
2DAW
Spécifie le type de périphérique MIDI (surface de
commande DAW, etc.) à connecter. Les choix disponibles
sont OFF, TYPE1 et TYPE2.
OFF : utilisez ce réglage pour connecter n'importe quel
périphérique MIDI autre qu'un contrôleur Protools
universel (protocole HUI) ou un contrôleur Logic
universel ou encore un contrôleur Cubase universel
(protocole Mackie Control).
TYPE1 : utilisez ce réglage pour connecter un contrôleur
Protools universel (protocole HUI).
TYPE2 : utilisez ce réglage pour connecter un contrôleur
Logic universel ou un contrôleur Cubase universel
(protocole Mackie Control).
Effectuez les modifications à l'aide de la procédure
d'édition de « Listage des paramètres » décrite à la page 37.
Reportez-vous au mode d'emploi du contrôleur DAW et
au manuel du logiciel DME Designer pour plus de détails
sur la configuration.
Les paramètres suivants sont disponibles lorsque le
paramètre DAW est désactivé (OFF).
3CH
Spécifie le canal de transmission et de réception MIDI du
périphérique :
1 ~ 16.
Effectuez les modifications à l'aide de la procédure
d'édition de « Listage des paramètres » décrite à la page 37.
4Program Change
Active la transmission et la réception, le mode omni et
l'activation ON ou la désactivation OFF de l'écho pour les
messages de changement de programme MIDI.
Déplacez le curseur vers le paramètre requis, puis appuyez
sur la touche [ENTER] pour basculer entre les états
d'activation (ON) ou de désactivation (OFF) de celui-ci.
5Control Change
Active la transmission et la réception, le mode omni et
l'activation ON ou la désactivation OFF de l'écho pour les
messages de changement de commande MIDI.
Déplacez le curseur vers le paramètre requis, puis appuyez
sur la touche [ENTER] pour basculer entre les états
d'activation (ON) ou de désactivation (OFF) de celui-ci.
6Parameter Change (Changement de
paramètre)
Active la transmission et la réception, et l'activation ON ou
la désactivation OFF de l'écho pour les messages de
changement de paramètre MIDI.
Déplacez le curseur vers le paramètre requis, puis appuyez
sur la touche [ENTER] pour basculer entre les états
d'activation (ON) ou de désactivation (OFF) de celui-ci.
NOTE
Cette page ne s'affiche pas sur l'écran du panneau de commandes
ICP1.
NOTE
Lorsque le DME64N/24N fonctionne comme groupe de
périphériques maître, connecté à un ordinateur exécutant
l'application DME Designer via USB, le port MIDI utilisé par
DEM Designer n'est pas disponible.
1
2
4
5
6
3
NOTE
« DAW » est le sigle de Digital Audio Workstation ou Station de
travail audionumérique. ProTools, Logic et Cubase sont des
applications DAW. Ce paramètre fournit une compatibilité
directe avec le nombre de surfaces de commande physiques
disponibles pour être utilisées avec ces progiciels DAW.

Fonctionnement du panneau et écrans
Ecrans Utility
Mode d'emploi du DME64N/24N 51
DAW Control (Contrôle DAW)
1. Fonction Parameter Control (Contrôle de paramètres)
Permet de contrôler les paramètres du DME64N/24N à
l'aide d'un contrôleur DAW.
Par exemple, si le paramètre PAN (Panoramique) est
attribué au CH1 (Canal 1) du contrôleur DAW, vous
pourrez contrôler ce paramètre en manipulant un bouton.
La fonction de contrôle de paramètres dispose des deux
modes suivants :
(1) Mode de contrôle général des paramètres
Les commandes [KNOB] et [CH FADER] sont utilisées
pour contrôler les paramètres internes et configurer leur
affectation dans DME Designer.
Pour les réglages détaillés, reportez-vous au mode
d'emploi de DME Designer.
(2) Mode de contrôle des paramètres au stade de la
sortie finale
Les paramètres au stade de la sortie finale sont contrôlés à
l'aide des commandes [MUTE] et [CH FADER].
Dans ce mode, les commandes et leurs paramètres
compatibles sont fixes, contrairement au mode de
contrôle général des paramètres.
[Mode opératoire]
[
▲
] : bascule vers le mode de contrôle général des
paramètres internes.
[
▼
] : bascule vers le mode de contrôle des paramètres au
stade de la sortie finale.
[BANK <][BANK >] : les canaux visés par l'opération
sont décalés d'un nombre égale à celui des canaux intégrés
dans le contrôleur DAW.
[CH <][CH >] : les canaux visés par l'opération sont
décalés d'un canal à la fois.
[SELECT] : bascule le mode d'affichage sur le contrôleur
DAW.
Lorsque ce paramètre est désactivé, un écran général
apparaît. Lorsqu'un canal est activé, un écran détaillé
apparaît pour ce canal.
Pour plus d'informations sur les écrans généraux et
détaillés, reportez-vous à l'élément suivant, « Fonction
d'affichage des réglages et des noms des paramètres ».
[KNOB] : modifie les paramètres attribués dans le mode
de contrôle général des paramètres internes.
Ce réglage n'est pas utilisé dans le mode de contrôle des
paramètres au stade de la sortie finale.
[MUTE] : ceci n'est pas utilisé dans le mode de contrôle
général des paramètres internes.
Ce paramètre active (ON) ou désactive (OFF)
l'assourdissement du canal correspondant dans le mode
de contrôle des paramètres au stade de la sortie finale.
[CH FADER] : modifie les paramètres attribués dans le
mode de contrôle général des paramètres internes.
Ce paramètre règle le volume du canal correspondant
dans le mode de contrôle des paramètres au stade de la
sortie finale.
NOTE
Vous ne pouvez affecter qu'un seul paramètre à un canal donné.
2. Fonction d'affichage des réglages et des noms de
paramètres
Affiche les réglages et les noms des paramètres sur l'écran
LCD du contrôleur DAW.
Il y a deux méthodes d'affichage : l'affichage global et
l'affichage détaillé.
Affichage global :
cet affichage montre les noms des paramètres attribués et
les réglages, triés par canaux DAW.
Affichage détaillé :
cet affichage vous permet de sélectionner le paramètre de
votre choix. Seules les informations concernant ce
paramètre apparaissent sur l'écran LCD du contrôleur
DAW.
NOTE
Le nombre de caractères affichables est limité par la taille
de l'écran LCD du contrôleur DAW.
3. Fonction User Label (Etiquette utilisateur)
Permet d'affecter des noms à des paramètres attribués.
Pour les détails sur les réglages, reportez-vous au mode
d'emploi de DME Designer.

Fonctionnement du panneau et écrans
Ecrans Utility
Mode d'emploi du DME64N/24N
52
Page GPI Setup (GPI)
Paramètres de calibrage d'entrée du connecteur [GPI].
1Reset
Réinitialise le calibrage GPI.
Pour réinitialiser le calibrage, utilisez les touches [
E
] [
▲
]
[
▼
] [
F
] et sélectionnez ALL afin de réinitialiser toutes
les entrées. Vous pouvez alternativement sélectionner une
entrée individuelle à réinitialiser, parmi les entrées 1 à 16,
puis appuyer sur la touche [ENTER].
2MAX
Règle la valeur maximale de calibrage.
Pour spécifier la valeur maximale MAX, utilisez les touches
[E] [ ▲ ] [ ▼ ] [F] et sélectionnez ALL afin de régler
toutes les entrées. Vous pouvez également sélectionner une
entrée individuelle à régler, parmi les entrées 1 à 16, puis
appuyer sur la touche [ENTER] afin de paramétrer la
valeur MAX sur la tension d'entrée actuelle.
3MIN
Règle la valeur minimale de calibrage.
Pour spécifier la valeur minimale MIN, utilisez les touches
[E] [ ▲ ] [ ▼ ] [F] et sélectionnez ALL afin de régler
toutes les entrées. Vous pouvez également sélectionner une
entrée individuelle à régler, parmi les entrées 1 à 16, puis
appuyer sur la touche [ENTER] afin de paramétrer la
valeur MIN sur la tension d'entrée actuelle.
4Info relatives au calibrage
Affiche les réglages de calibrage ainsi que la tension
d'entrée actuelle.
Page Head Amplifier Setup (HA)
Fournit l'accès aux réglages de préamplificateur micro.
Reportez-vous à la section « Connexion REMOTE » en
page 28 pour plus de détails sur la connexion du signal de
contrôle d'un préamplificateur micro.
Préamplificateur micro interne (DME24N
uniquement)
AD8HR
AD824
1HA
Spécifie le type de préamplificateur micro à configurer. Les
options disponibles sont : AD8HR, AD824 et HA intégré
(DME24N uniquement). Lorsque les types AD8HR et
AD824 sont sélectionnés, un nombre s'affiche indiquant
l'ordre de connexion.
Effectuez les modifications à l'aide de la procédure
d'édition de « Listage des paramètres » décrite à la page 37.
NOTE
Cette page ne s'affiche pas sur l'écran du panneau de commandes
ICP1.
1
2
3
4
NOTE
Cette page ne s'affiche pas sur l'écran du panneau de commandes
ICP1.
NOTE
Certaines scènes comportent des réglages de préamplificateur
micro. Dans ce cas, les réglages de la page HA sont sauvegardés
avec la scène lors du stockage de cette dernière.
1
4
5
1 3
2
5
4
7
8
6
1 2
4
5

Fonctionnement du panneau et écrans
Ecrans Utility
Mode d'emploi du DME64N/24N 53
2WCLK (AD8HR/AD824 uniquement)
Spécifie le signal d'horloge de mots à utiliser par le(s)
préamplificateur(s) micro.
Les réglages disponibles pour l'AD8HR sont : « D OUT
A », « WCLK IN », « INT44.1K », « INT48K »,
« INT88.2K » et « INT96K ».
D OUT A :
définit le signal de l'horloge de mots sur
l'entrée numérique comme horloge maître de l'AD8HR.
WCLK IN :
définit le signal de l'horloge de mots sur le
connecteur BNC comme horloge maître de l'AD8HR.
INT44.1K :
définit l'horloge de mots interne sur 44,1 kHz
comme horloge maître de l'AD8HR.
INT48K :
définit l'horloge de mots interne sur 48 kHz
comme horloge maître de l'AD8HR.
INT88.2K :
définit l'horloge de mots interne sur 88,2 kHz
comme horloge maître de l'AD8HR.
INT96K :
définit l'horloge de mots interne sur 96 kHz
comme horloge maître de l'AD8HR.
Les réglages disponibles de l'AD824 sont : « SLOT »,
« BNC », « INT44.1K » et « INT48K ».
SLOT A : définit l'entrée du signal de l'horloge de mots
via les cartes d'E/S installées dans les connecteurs d'E/S
comme horloge maître de l'AD824.
BNC : définit le signal de l'horloge de mots sur le
connecteur BNC comme horloge maître de l'AD824.
INT44.1K : définit l'horloge de mots interne sur
44,1 kHz comme horloge maître de l'AD824.
INT48K : définit l'horloge de mots interne sur 48 kHz
comme horloge maître de l'AD824.
3Format (AD8HR uniquement)
Affiche le mode de transfert du signal audio à 88,2/
96 kHz. Le réglage d'entrée se trouve à gauche et le réglage
de sortie à droite.
Absence d'affichage (réglage par défaut) :
transfert de signal audio à 44,1/48 kHz.
SP (Double vitesse) : autorise un transfert direct à
88,2 ou 96 kHz.
CH (Canal double) : un signal audio de 88,2 ou
96 kHz est transféré à l'aide de deux canaux à 44,1/
48 kHz afin de transférer les canaux audio de 88,2 et
96 kHz respectivement. Le nombre de canaux audio
pouvant être traités sous ce mode représente la moitié du
nombre de canaux normalement géré par l'AD8HR.
4Gain
Règle individuellement le gain de chaque canal de
préamplificateur micro.
Effectuez les modifications à l'aide de la procédure d'édition
des « Paramètres numériques » décrite à la page 35.
5+48V
Active (ON) ou désactive (OFF) l'alimentation dérivée
pour chaque canal de préamplificateur micro séparément.
Utilisez les touches [E] et [F] pour positionner le
curseur sur le canal souhaité, puis appuyez sur la touche
[ENTER] afin d'activer (ON) ou de désactiver (OFF)
l'alimentation dérivée pour ce canal.
• Veillez toujours à désactiver l'alimentation dérivée
lorsqu'elle n'est pas requise.
• L'alimentation dérivée devrait s'utiliser uniquement
avec des microphones à condensateur alimentés en
fantôme. L'activation de l'alimentation dérivée (ON)
lorsque d'autres types d'équipement sont connectés peut
provoquer l'endommagement de l'unité. Cependant, les
microphones dynamiques équilibrés ne sont pas affectés
par l'alimentation dérivée.
• Pour éviter d'endomamger les haut-parleurs ainsi que
votre ouïe, veillez à désactiver les amplificateurs (OFF)
lorsque vous activez ou désactivez l'alimentation
dérivée. Il peut également s'avérer très utile de baisser
complètement le niveau de sortie (page 38).
6Commutateur principal de l'alimentation
dérivée (AD8HR uniquement)
Affiche l'activation (ON) ou la désactivation (OFF) de
l'alimentation dérivée.
7HPF (Filtre passe-haut) (AD8HR uniquement)
Active ou désactive le filtre passe-haut pour chaque canal de
préamplificateur micro de l'AD8HR individuellement. Ce
paramètre n'est disponible que sur le préamplificateur
micro de l'AD8HR.
Utilisez les touches [E] et [F]
pour sélectionner un canal, puis appuyez sur la touche
[ENTER] afin d'activer (ON) ou de désactiver (OFF) le
filtre HPF pour ce canal.
8Frq (Fréquence de filtre passe-haut) (AD8HR
uniquement)
Règle individuellement la fréquence du filtre passe-haut
pour chaque canal de préamplificateur micro de l'AD8HR
séparément. Ce paramètre n'est disponible que sur le
préamplificateur micro de l'AD8HR.
Effectuez les modifications à l'aide de la procédure d'édition
des « Paramètres numériques » décrite à la page 35.
NOTE
Le gain des préamplificateurs micro internes du DME24N
peuvent être réglés de +10 dB à –60 dB par incréments de 1 dB.
Les circuits internes basculent sur un point de –45 dB environ, et
le signal est automatiquement assourdi sur ce point pour éviter la
génération de bruit.
Le gain de l'AD8HR peut être réglé sur une plage de +10 dB à
-62 dB en pas de 1 dB, et le gain de l'AD824 sur une plage allant
de +10 dB à -62 dB par pas de 6 dB.
ATTENTION

Fonctionnement du panneau et écrans
Ecrans Utility
Mode d'emploi du DME64N/24N
54
Page Cascade Setup (CASCAD)
Affiche l'état des connecteurs [CASCADE]. Pour plus de
détails sur la connexion, reportez-vous à la section
« Connexion CASCADE » en page 30.
Les réglages sont effectués depuis l'application DME
Designer s'exécutant sur l'ordinateur connecté.
1Head Margin
Affiche l'état de la marge dynamique du signal audio traité
via les connecteurs [CASCADE].
0dB : la marge dynamique est égale à 0 dB.
-18dB : la marge dynamique est égale à -18 dB.
2Unit No
Spécifie le nombre de périphériques reliés à l'unité depuis
le début de la connexion en cascade.
3Mixer I/O
Affiche l'état des canaux à utiliser pour les signaux audio
connectés en cascade à un mixeur.
■ : Le signal audio du canal est transmis vers et reçu
depuis le mixeur.
: Le signal audio de canal est transféré entre les unités
DME64N/24N.
Page Check
Même dans un environnement dépourvu d'ordinateur,
vous pouvez vérifier les connexions sans utiliser DME
Designer en connectant directement l'entrée/la sortie du
DME64N/24N.
L'indicateur ne fonctionne pas lors d'une vérification des
connexions.
MODE : OFF
Effectue les connexions au sein de la configuration utilisée
dans la scène en cours.
Ce paramètre est réglé sur OFF au démarrage de l'unité.
MODE : Thru
Connecte directement l'entrée et la sortie de chaque
logement un à un pour chaque canal.
Lorsque des cartes d'entrée uniquement ou de sortie
uniquement (cartes AN ou NA, par exemple) sont insérées
dans les logements, vous ne pouvez pas effectuer de
vérification dans ce mode.
Sur le DME24N, les cartes AN internes et NA internes
sont directement connectées à chaque canal.
MODE : Summing
Additionne tous les signaux entrants en provenance des
entrées (-12 dB), quel que soit le type de périphérique ou
de carte, et les envoie à toutes les sorties.
NOTE
Cette page n'apparaît que sur le DME64N.
NOTE
Le réglage Head Margin s'applique uniquement lorsque l'unité
est connectée à un mixeur. Dans le cas contraire, la marge
dynamique est automatiquement réglée sur 0 dB.
NOTE
Vérifiez que le réglage Mixer I/O est le même pour toutes les
unités DME64N/24N connectées en cascade.
1
2
3
PM5D DME64N DME64N
IN OUT
OUT
DME64N
ININ OUT
Unit No = 01 Unit No = 02 Unit No = 03
NOTE
Cette page ne s'affiche pas sur l'écran du panneau de commandes
ICP1.

Annexe
Options
Mode d'emploi du DME64N/24N 55
Options
Les contrôleurs ICP1, CP4SW, CP1SF et CP4SF sont disponibles en option pour le contrôle externe à distance du
DME64N/24N. Le contrôleur ICP1 se connecte via Ethernet alors que les contrôleurs CP4SW, CP1SF et CP4SF se
connectent via l'interface GPI.
ICP1
Ce contrôleur se connecte au DME64N/24N via Ethernet. Comme pour le DME64N/24N, chaque unité
ICP1 possède sa propre adresse IP. Avec un écran qui se présente comme une réplique de celui du DME64N/
24N, l'ICP1 permet d'exercer un contrôle global et familier depuis des emplacements distants.
CP4SW, CP4SF et CP1SF
Ces contrôleurs se connectent au DME64N/24N via une interface GPI. Ils contrôlent uniquement l'unité
DME64N/24N avec laquelle ils sont directement reliés.
Le CP4SW est une unité à quatre commutateurs dotée de quatre voyants DEL, alors que les CP1SF et CP4SF
possèdent respectivement un et quatre faders, des commutateurs et des voyants DEL. Les paramètres que les
commutateurs et les faders de ces contrôleurs doivent contrôler peuvent être spécifiés via l'application DME
Designer.
Annexe
CONTROL PANEL
CP4SW
10
0
CONTROL PANEL
CP1SF
10
0
10
0
10
0
10
0
CONTROL PANEL
CP4SF

Annexe
Messages d'erreur
Mode d'emploi du DME64N/24N
56
Messages d'erreur
Message Signification Action
Messages d'erreur
Cannot Select Aucun élément susceptible d'être sélectionné n'est
disponible dans la scène ou l'écran de la liste des points de
contrôle.
Effectuez les réglages appropriés via l'application DME
Designer.
Critical Battery La pile interne est presque déchargée. Les données de la
mémoire sont peut-être perdues. Si vous mettez l'unité hors tension, les réglages
actuellement sélectionnés seront perdus et réinitialisés sur
leurs valeurs respectives par défaut. Arrêtez l'unité et
contactez un revendeur Yamaha pour faire remplacer la pile.
Flash Rom Full La mémoire morte flash est pleine. Réduisez le nombre de scènes stockées.
Invalid Password Un mot de passe invalide a été entré. Entrez le mot de passe correct. Si vous avez perdu ou
oublié votre mot de passe, contactez votre représentant
Yamaha ou le service technique agréé par Yamaha.
Low Battery La pile auxiliaire est faible. Ceci n'affecte toutefois pas le fonctionnement de l'unité.
Cependant, si vous persistez à utiliser l'unité, les réglages
pourront être perdus et réinitialisés sur leurs valeurs
respectives par défaut. Contactez un revendeur Yamaha
pour procéder à un remplacement de pile aussi vite que
vous pouvez.
MIDI Port In Use Le réglage du port MIDI est spécifié sur la même valeur que
l'application DME Designer. Réglez le paramètre « Port » de la page Utility MIDI sur un
port différent.
No Battery La pile interne est complètement déchargée ou non
installée. Si vous mettez l'unité hors tension, les réglages
actuellement sélectionnés seront perdus et réinitialisés sur
leurs valeurs respectives par défaut. Arrêtez l'unité et
contactez un revendeur Yamaha pour faire remplacer la pile.
Param Access Err Impossible d'afficher le réglage actuel. Réessayez.
Param Set Err Impossible de modifier le réglage actuel. Réessayez.
Resume Data Lost!
Recall a Scene! Le réglage actuellement sélectionné a été perdu. Rappelez la scène à nouveau.
Si le problème persiste, consultez votre revendeur Yamaha.
Saving Failed Echec de l'opération de sauvegarde. Arrêtez immédiatement le périphérique et contactez votre
représentant Yamaha ou le service technique agréé par
Yamaha.
Slots Overloaded La tension utilisée par toutes les cartes installées dans les
connecteurs d'E/S dépasse la limite nominale autorisée. Veillez à ce que la consommation totale des cartes ne
dépasse pas la limite autorisée.
Store Disable Le paramètre de stockage de scène est réglé sur
« Disable ». Réglez le paramètre de stockage de scène sur « Enable »
via la page « Lock » de l'écran Utility.
Messages d'état
Cable Disconnect Aucun câble réseau n'est branché. Veillez à ce que le câble réseau soit correctement
connecté, et que tous les périphériques réseau
fonctionnent normalement.
Cannot be assigned Aucune affectation de paramètre. —
Cannot Store Les données de scène sont protégées. Réglez le paramètre de protection sur « OFF » via
l'application DME Designer.
CAS. In Sync Err L'horloge du DME64N/24N n'est pas synchronisée sur le
signal d'horloge reçu sur le connecteur [CASCADE IN]. Vérifiez que le DME64N/24N et la carte ou la source
d'alimentation externe de l'horloge de mots sont réglés de
sorte à utiliser la même horloge.
CAS. Out Sync Err L'horloge du DME64N/24N n'est pas synchronisée sur le
signal d'horloge reçu sur le connecteur [CASCADE OUT]. Vérifiez que le DME64N/24N et la carte ou la source
d'alimentation externe de l'horloge de mots sont réglés de
sorte à utiliser la même horloge.
Connection to Master
DME is Lost
Interruption de la communication avec le périphérique DME
maître. Vérifiez que tous les câbles sont correctement connectés,
et que les concentrateurs, routeurs et périphériques
connexes fonctionnent de manière appropriée.
Connection to Slave
SME is Lost
Interruption de la communication avec le périphérique DME
esclave. Vérifiez que tous les câbles sont correctement connectés,
et que les concentrateurs, routeurs et périphériques
connexes fonctionnent de manière appropriée.
Download Success Le programme a été mis à jour avec succès. —
Downloading
Do not turn off Mise à jour de programme en cours. Ne mettez PAS l'unité
hors tension tant que ce message reste affiché. —
DSP Power Shortage Aucune réception ni émission de données audio, qui sont
assourdies en raison de l'insuffisance des ressources DSP. Cette erreur se produit parfoirs lorsque vous essayez de
faire fonctionner une configuration à 96 kHZ créée à l'aide
d'une horloge de mots à 48 kHz. Pour faire fonctionner une
configuration indépendamment du réglage de l'horloge de
mots, utilisez DME Designer pour créer une configuration à
l'aide d'une horloge de mots paramétrée sur 96 kHz.
Dupulicate IP Adr. Duplication des adresses IP. Modifiez les adresses IP de sorte à éliminer toute
duplication d'adresse.
Err: Wrong Device
Group Settings
La configuration du groupe de périphériques définie via
DME Designer ne correspond pas à la configuration réelle. Utilisez DME Designer pour passer hors ligne, créez une
configuration correspondant réellement à la configuration
en place puis retournez en ligne afin de synchroniser la
configuration choisie.
Executing Configuration en cours directement à partir des touches
définies par l'utilisateur. —

Annexe
Messages d'erreur
Mode d'emploi du DME64N/24N 57
File Opening
Do not turn off Une opération liée au fichier est en cours d'exécution qui
requiert la manipulation des données de scène via
l'ordinateur. Ne mettez pas l'unité hors tension
tant que ce message reste affiché.
—
Illegal MAC Adr. Une adresse MAC illégale a été trouvée. Ceci pourrait résulter d'un dysfonctionnement matériel.
Soumettez ce problème à un revendeur Yamaha.
Invalid IP Adr. L'adresse IP de réseau est inappropriée. Spécifiez une adresse IP réseau adéquate.
Network Busy Il y trop de circulation sur le réseau. La communication est
impossible. Vérifiez les périphériques reliés au réseau. S'il y trop de
périphériques connectés, réduisez-en le nombre.
Network Error Une des erreurs suivantes s'est produite sur le réseau :
• Un câble a été débranché.
• Le courant d'alimentation du concentrateur ou du routeur
a été coupé.
• Un câble se trouve dans un état inadéquat (par ex., un
objet lourd a été placé sur le câble, etc.). L'électricité
statique peut également provoquer des erreurs.
Localisez et éliminez la cause de l'erreur.
Network Setup Préparation de la connexion réseau. —
No Current Scene Il n'y a pas de données dans la scène actuellement
sélectionnée. Envoyez les données de scène appropriées à partir d'un
ordinateur exécutant l'application DME Designer.
No MAC Adr. L'adresse MAC n'est pas spécifiée. Ceci pourrait résulter d'un dysfonctionnement matériel.
Soumettez ce problème à un revendeur Yamaha.
Panel Locked Le maniement du panneau n'est pas autorisé. Appuyez sur la touche [CANCEL] pendant plusieurs
secondes pour désengager le verrouillage du panneau et
autoriser son maniement.
Panel Unlocked Le verrouillage du panneau a été désactivé. Il est à présent
possible d'exécuter des opérations via le panneau. —
Recovering
Do not turn off La tentative de mise à jour d'un programme a échoué et la
restitution de l'ancien programme est en cours. Ne mettez PAS l'unité hors tension tant que ce message
reste affiché. Si la tentative de mise à jour échoue de
manière répétée, il pourra y avoir un dysfonctionnement
matériel. Soumettez ce problème à un revendeur Yamaha.
Saving HA Info
Do not turn off Sauvegarde en cours des infos relatives au préampli micro.
(Ne mettez pas l'unité hors tension). —
Saving Setup Info
Do not turn off Sauvegarde en cours des infos configurées à partir de
l'écran Utility (autres que les infos relatives au préampli
micro).
(Ne mettez pas l'unité hors tension).
—
Scene Recalling Rappel de scène en cours. —
Scene Storing
Do not turn off Stockage de scène en cours. Ne mettez PAS l'unité hors
tension tant que ce message reste affiché. —
Searching for Master
DME Unit...
Recherche en cours de l'unité DME maître. —
Searching for Slave
DME Unit...
Recherche en cours de l'unité DME esclave. —
SLOT1 Sync Err L'horloge du DME64N/24N n'est pas synchronisée sur
l'horloge de la carte installée dans le connecteur 1 d'E/S. Vérifiez que le DME64N/24N et la carte ou la source
d'alimentation externe de l'horloge de mots sont réglés de
sorte à utiliser la même horloge.
SLOT2 Sync Err L'horloge du DME64N n'est pas synchronisée sur l'horloge
de la carte installée dans le connecteur 2 d'E/S. Vérifiez que le DME64N et la carte ou la source
d'alimentation externe de l'horloge de mots sont réglés de
sorte à utiliser la même horloge.
SLOT3 Sync Err L'horloge du DME64N n'est pas synchronisée sur l'horloge
de la carte installée dans le connecteur 3 d'E/S. Vérifiez que le DME64N et la carte ou la source
d'alimentation externe de l'horloge de mots sont réglés de
sorte à utiliser la même horloge.
SLOT4 Sync Err L'horloge du DME64N n'est pas synchronisée sur l'horloge
de la carte installée dans le connecteur 4 d'E/S. Vérifiez que le DME64N et la carte ou la source
d'alimentation externe de l'horloge de mots sont réglés de
sorte à utiliser la même horloge.
Synchronizing
Do not turn off Les données sont en cours de réception depuis
l'ordinateur. Ne mettez PAS l'unité hors tension tant que ce
message reste affiché.
—
Updating Les données sont en cours de réception depuis
l'ordinateur. Ne mettez PAS l'unité hors tension tant que ce
message reste affiché.
—
WCLK Unlocked Impossible de recevoir ou de détecter un signal d'horloge
de mots exploitable. Vérifiez à nouveau toutes les connexions et les paramètres
internes de l'horloge de mots.
WCLK In Sync Err L'horloge du DME64N/24N n'est pas synchronisée sur le
signal d'horloge reçu sur le connecteur [WORD CLOCK
IN].
Vérifiez que le DME64N/24N et la carte ou la source
d'alimentation externe de l'horloge de mots sont réglés de
sorte à utiliser la même horloge.
Message Signification Action

Annexe
Dépistage des pannes
Mode d'emploi du DME64N/24N
58
Dépistage des pannes
Impossible de mettre le DME64N/24N
sous tension ; ni les voyants du panneau
ni l'écran LCD ne s'allument.
• Le câble d'alimentation est-il correctement branché ?
• L'interrupteur POWER est-il positionné sur ON ?
• Si aucun des deux éléments précédents ne constitue la source du problème, contactez votre
représentant Yamaha ou le service technique agréé par Yamaha.
Impossible d'échanger des données
entre le DME64N/24N et DME Designer. • Les câbles réseau sont-ils connectés correctement ?
• Le pilote USB-MIDI a-t-il été correctement installé ?
• Si vous utilisez le connecteur [NETWORK], le pilote DME-N Network Driver a-t-il été correctement
configuré ?
• La configuration MIDI a-t-elle été correctement effectuée ?
• Le port MIDI a-t-il été correctement affecté (page 50) ?
• Utilisez-vous une version de DME Designer supérieure à 2.0.0 ?
Aucune entrée de son. • Les câbles sont-ils correctement connectés ?
• Le signal envoyé par le périphérique externe est-il adéquat ?
• Le GAIN du préampli micro interne (DME24N) ou du préampli micro externe est-il défini sur un
niveau approprié ?
Aucune émission de son. • Les câbles sont-ils correctement connectés ?
• Vérifiez que le niveau de sortie n'est pas réglé sur zéro (page 38).
• Le paramètre MUTE est-il activé (ON) (page 38) ?
• Avez-vous utilisé DME Designer pour sélectionner une scène qui n'émet pas de données audio ?
• Etes-vous en train d'exécuter une configuration incompatible avec un fonctionnement à 96 kHz
précisément sur 96 kHz ?
Impossible de transmettre ou de
recevoir des messages MIDI. • Le(s) périphérique(s) MIDI est-il (sont-ils) sous tension ?
• Les ports MIDI sont-ils correctement configurés (page 50) ?
• Les canaux des périphériques de réception et de transmission sont-ils correctement réglés ?
Les scènes ne sont pas rappelées lors
de la réception de messages de
modification de programme MIDI.
• Les réglages requis pour recevoir des messages de modification de programme ont-ils été
correctement effectués (page 50) ?
• Utilisez l'application DME Designer pour configurer le tableau de modifications de programme
MIDI selon les besoins.
Le contrôle de paramètre ne fonctionne
pas même lors de la réception de
messages de modification de
commande MIDI.
• Réglez les paramètres appropriés afin d'autoriser la réception des modifications de commande.
• Utilisez l'application DME Designer pour configurer le tableau de modifications de commande
MIDI selon les besoins.
Le contrôle de paramètre ne fonctionne
pas même en cas de réception de
messages de modification de paramètre
MIDI.
• Les réglages requis pour recevoir des messages de modification de paramètre ont-ils été
correctement effectués (page 50) ?
• Utilisez l'application DME Designer pour configurer le tableau de modifications de paramètre MIDI
selon les besoins.
Ralentissement du transfert de
données. • Réglez LINK MODE sur 100Base-TX (page 46).
Impossible de rappeler la scène
souhaitée. • Enregistrez les données de scène requises depuis DME Designer sur le DME64N/24N.
Les scènes sont inopinément rappelées. • Le signal entrant est-il reçu depuis le périphérique externe ou à partir du DME Designer ?
• Utilisez DME Designer pour vérifier les réglages du tableau de modifications de programme MIDI.
• Utilisez l'application DME Designer pour vérifier les affectations d'entrée GPI.
• Utilisez DME Designer pour vérifier les affectations de la liste de configurations de commandes à
distance.
Les scènes peuvent être rappelées mais
pas stockées. • Réglez le stockage de scène sur la valeur « Enable » (page 48).
Les voyants 96 kHz/88,2 kHz/48kHz/
44,1 kHz clignotent en rouge. • Sélectionnez une source différente pour l'horloge de mots (page 49).
• Lorsqu'un périphérique externe fonctionne comme horloge de mots maître, vérifiez que les câbles
sont correctement branchés.
Du bruit est généré aux sorties
analogiques lorsqu'un périphérique
externe sert d'horloge de mots maître et
la source de l'horloge maître est
modifiée.
• Réduisez le niveau du volume de l'amplificateur pour prévenir tout risque d'endommagement des
haut-parleurs ou veillez d'abord à désactiver le DME64N/24N avant d'activer les sources de
l'horloge.
Les réglages de touches définis par
l'utilisateur changent inopinément. • Utilisez la fonction de verrouillage du panneau (page 37) afin d'empêcher tout fonctionnement
non souhaitable des commandes de panneau sur des unités DME64N/24N ou ICP1 spécifiques.
Les réglages des touches définies par
l'utilisateur ne peuvent pas être
modifiés.
• Utilisez DME Designer pour vérifier que vous n'avez pas affecté plusieurs touches définies par
l'utilisateur à un même paramètre.
• Désactivez la fonction User Defined Lock (page 37).
Impossible de manier les commandes
de panneau. • La fonction de verrouillage du panneau est-elle activée (page 35) ?
L'écran Utility ne s'ouvre pas. • La fonction de verrouillage de l'écran Utility est-elle activée (page 47) ? Si vous avez perdu ou
oublié votre mot de passe, contactez votre représentant Yamaha ou le service technique agréé
par Yamaha.

Annexe
Spécifications
Mode d'emploi du DME64N/24N 59
Spécifications
Les spécifications et descriptions de ce mode d'emploi sont uniquement données à titre d'information. Yamaha Corp. se
réserve le droit de changer ou de modifier les produits et leurs caractéristiques techniques à tout moment, sans aucun préavis.
Les spécifications, les équipements et les options pouvant différer d'un pays à l'autre, veuillez vous adresser au distributeur
Yamaha le plus proche.
*1. Disponible sur le DME24N uniquement
Modèles européens
Informations pour l'acquéreur/utilisateur spécifiées dans EN55103-1 et EN55103-2.
Courant de démarrage : 39A
Conformité à l'environnement : E1, E2, E3 et E4
Fréquence
d'échantillonnage
Interne 44,1 kHz, 48 kHz, 88,2 kHz, 96 kHz
Externe Vitesse normale : 39,69 – 50,88 kHz
Vitesse double : 79,39 – 101,76 kHz
Retard du signal (Fs = 96kHz)
DME64N : 0,85 msec (entrée de MY8-AD96 vers sortie de MY8-DA96)
DME24N : 0,5 msec (port [IN] vers port [OUT])
Mémoire Configuration 16 (selon la taille des données)
Scène 999 (selon la taille des données)
Ecran Ecran LCD à 160 x 64 pixels, avec rétro-éclairage
Numéro de scène Voyants DEL à 7 segments x 3
Voyants Horloge de mots EXT.CLOCK, 96 kHz, 88,2 kHz, 48 kHz, 44,1 kHz
Contrôle externe NETWORK, MIDI
Configuration de
zone MASTER
Entrée analogique*1SIGNAL x 8, PEAK x 8
Sortie analogique*1SIGNAL x 8, PEAK x 8
Alimentation 120V CA, 60 Hz (USA, Canada)
230V CA, 50 Hz (Europe)
100V CA, 50/60 Hz (Japon)
Consommation d'énergie DME64N : 80 W
DME24N : 75 W
Dimensions (L x H x P) DME64N : 480 x 145 x 411,5mm, 3U
DME24N : 480 x 101 x 411,5mm, 2U
Poids DME64N : 9,5 kg
DME24N : 8 kg
Plage de températures En fonctionnement 10 – 35 °C
Stockage -20 – 60 °C
Longueur du cordon d'alimentation secteur 2,5 m
Accessoires fournis Cordon d'alimentation, CD-ROM (application DME Designer), mode
d'emploi, Manuel d'installation du logiciel DME Designer, Pince de
prise secteur, prise Euroblock à 16 broches x 2, prise Euroblock à 8
broches x 4 (DME64N), prise Euroblock à 3 broches x 16 (DME24N)

Annexe
Caractéristiques d'entrée/de sortie
Mode d'emploi du DME64N/24N
60
Caractéristiques
d'entrée/de sortie
DME24N ANALOG INPUT CHARACTERISTICS
• 0dBu = 0.775 Vrms
• All AD converters (CH1-8) are 24-bit linear, 128 times oversampling.
• +48V DC (phantom power) is supplied to CH INPUT (1-8) connectors via each individual
controlled switch.
DME64N ANALOG OUTPUT CHARACTERISTICS
• 0dBu = 0.775 Vrms
• Stereo Phone Jack = unbalanced (Tip = LEFT, Ring = RIGHT, Sleeve = GND)
DME24N ANALOG OUTPUT CHARACTERISTICS
• 0dBu = 0.775 Vrms
• All AD converters (CH1-8) are 24-bit linear, 128 times oversampling.
• Stereo Phone Jack = unbalanced (Tip = LEFT, Ring = RIGHT, Sleeve = GND)
DME24N ANALOG CHARACTERISTICS
(Output impedance of signal generator: 150Ω)
Frequency Response 20Hz – 20kHz, reference to the nominal output level
@1kHz
Frequency Response fs = 96kHz@20Hz – 40kHz, reference to the nominal
output level @1kHz
Gain Error @1kHz
Total Harmonic Distortion fs = 48kHz
Total Harmonic Distortion fs=96kHz
Hum & Noise EIN = Equivalent Input Noise
• Hum & Noise are measured with a 6dB/octave filter @12.7kHz; equivalent to a 20kHz filter
with infinite dB/octave attenuation.
Dynamic Range
• Dynamic range are measured with a 6dB/octave filter @12.7kHz; equivalent to a 20kHz filter
with infinite dB/octave attenuation.
Crosstalk@1kHz
Maximum Voltage Gain@1kHz
Phantom Voltage
PEAK/SIGNAL Indicator Level
Terminals Gain Actual
Load
Impedance
For Use
With
Nominal
Input Level Connector
Nominal Max.
before clip
CH INPUT
1 – 8 -60dB 3kΩ50 – 600Ω
Mics &
600Ω
Lines
-60dBu
(0.775mV) -40dBu
(7.75mV) Euroblock
10dB 10dBu
(2.451V) 30dBu
(24.511V)
Output
Terminals
Actual
Source
Impedance
For Use With
Nominal
Output Level Connector
Nominal Max. before
clip
PHONES 15Ω8Ω75mW 150mW Stereo
Phone Jack
40Ω65mW 150mW
Output
Terminals
Actual
Source
Impedance
For Use With
Nominal
Output Level Connector
Nominal Max. before
clip
OUTPUT
1 – 8 150Ω600Ω Lines +4dBu
(1.23V) +24dBu
(12.28) Euroblock
PHONES 15Ω8Ω75mW 150mW Stereo
Phone Jack
40Ω65mW 150mW
Input Output RL Conditions Min. Typ. Max. Units
CH INPUT
1 – 8 CH
OUTPUT
1 – 8
600ΩGAIN = -60dB -1.5 0.0 0.5 dB
Internal
OSC PHONES 8Ω-3.0 0.0 0.5 dB
Input Output RL Conditions Min. Typ. Max. Units
CH INPUT
1 – 8 CH
OUTPUT
1 – 8
600ΩGAIN = -60dB -1.5 0.0 0.5 dB
Internal
OSC PHONES 8Ω-3.0 0.0 0.5 dB
Input Output RL Conditions Min. Typ. Max. Units
CH INPUT
1 – 8 CH
OUTPUT
1 – 8
600ΩGAIN = -60dB 2.0 4.0 6.0 dBu
GAIN = +10dB 2.0 4.0 6.0 dBu
Internal
OSC PHONES 8Ω-30dBFS @1kHz,
phones level control:
max.
-2.0 0.0 2.0 dBu
Input Output RL Conditions Min. Typ. Max. Units
CH INPUT
1 – 8 CH
OUTPUT
1 – 8
600ΩGAIN = -60dB
@20Hz – 20kHz
@+14dBu
0.1 %
GAIN = +10dB
@20Hz – 20kHz
@+14dBu
0.05 %
Internal
OSC PHONES 8Ω-30dBFS @1kHz,
phones level control:
max.
0.1 %
Input Output RL Conditions Min. Typ. Max. Units
CH INPUT
1 – 8 CH
OUTPUT
1 – 8
600ΩGAIN = -60dB
@20Hz – 20kHz
@+14dBu
0.1 %
GAIN = +10dB
@20Hz – 20kHz
@+14dBu
0.05 %
Internal
OSC PHONES 8Ω-30dBFS @1kHz,
phones level control:
max.
0.1 %
Input Output RL Conditions Min. Typ. Max. Units
CH INPUT
1 – 8 CH
OUTPUT
1 – 8
600ΩGAIN = -60dB
Master fader at
nominal level and
one Ch fader at
nominal level.
(Mixer mode)
-128
EIN dBu
-64 dBu
600ΩGAIN = +10dB
Master fader at
nominal level and
one Ch fader at
nominal level.
(Mixer mode)
-82 dBu
Internal
OSC PHONES 8ΩResidual output
noise, phones level
control: min.
-86 dBu
Input Output RL Conditions Min. Typ. Max. Units
CH INPUT
1 – 8 CH
OUTPUT
1 – 8
600ΩGAIN = +10dB 106 dB
From/To To/From Conditions Min. Typ. Max. Units
CH N CH (N-1) or
(N+1) CH1 – 8, adjacent
inputs -80 dB
Input Output RL Conditions Min. Typ. Max. Units
CH INPUT
1 – 8 CH
OUTPUT
1 – 8
600ΩGAIN = -60dB 64 dB
Output Conditions Min. Typ. Max. Units
CH INPUT
1 – 8 hot, cold: No load 46 48 50 V
Input Output Conditions Min. Typ. Max. Units
CH INPUT
1 – 8 CH
OUTPUT
1 – 8
GAIN = +10dB PEAK
red LED: ON 19 21 23 dBu
GAIN = +10dB SIGNAL
green LED: ON -18 -16 -14 dBu

Annexe
E/S de contrôle
Mode d'emploi du DME64N/24N 61
E/S de contrôle
DME64N : 16 entrées GPI et 16 sorties GPI
DME24N : 8 entrées GPI et 8 sorties GPI
Bornes Format Niveau Connecteur
REMOTE - RS232C Connecteur D-SUB à 9 broches (mâle)
Débit en bauds = 38 400 bps
Données = 8 bits
Bit d'arrêt = 1 bit
PARITE = NON
- RS422
MIDI IN/OUT/THRU - DIN 5P
WORDCLOCK IN/OUT TTL/75ΩBNC
Ethernet Ethernet - RJ-45
USB USB 0 -3,3 V Connecteur USB de type B (femelle)
GPI IN 0 -5 V Euroblock
OUT TTL
+V 5 V

Annexe
Affectation des broches de connecteur
Mode d'emploi du DME64N/24N
62
Affectation des broches de connecteur
Connecteurs [CASCADE IN/OUT] (DME64N uniquement)
CASCADE IN CASCADE OUT
N° de
bro-
che Signal N° de
bro-
che Signal N° de
bro-
che Signal N° de
bro-
che Signal
1 GND 35 GND 1 GND 35 GND
2 INPUT 1-2 (+) 36 INPUT 1-2 (-) 2 OUTPUT 1-2 (+) 36 OUTPUT 1-2 (-)
3 INPUT 3-4 (+) 37 INPUT 3-4 (-) 3 OUTPUT 3-4 (+) 37 OUTPUT 3-4 (-)
4 INPUT 5-6 (+) 38 INPUT 5-6 (-) 4 OUTPUT 5-6 (+) 38 OUTPUT 5-6 (-)
5 INPUT 7-8 (+) 39 INPUT 7-8 (-) 5 OUTPUT 7-8 (+) 39 OUTPUT 7-8 (-)
6 INPUT 9-10 (+) 40 INPUT 9-10 (-) 6 OUTPUT 9-10 (+) 40 OUTPUT 9-10 (-)
7 INPUT 11-12 (+) 41 INPUT 11-12 (-) 7 OUTPUT 11-12 (+) 41 OUTPUT 11-12 (-)
8 INPUT 13-14 (+) 42 INPUT 13-14 (-) 8 OUTPUT 13-14 (+) 42 OUTPUT 13-14 (-)
9 INPUT 15-16 (+) 43 INPUT 15-16 (-) 9 OUTPUT 15-16 (+) 43 OUTPUT 15-16 (-)
10 DTR IN (+) 44 DTR IN (-) 10 DTR OUT (+) 44 DTR OUT (-)
11 RTS OUT (+) 45 RTS OUT (-) 11 RTS IN (+) 45 RTS IN (-)
12 GND 46 GND 12 GND 46 GND
13 WORD CLOCK IN (+) 47 WORD CLOCK IN (-) 13 WORD CLOCK OUT (+) 47 WORD CLOCK OUT (-)
14 WORD CLOCK OUT (+) 48 WORD CLOCK OUT (-) 14 WORD CLOCK IN (+) 48 WORD CLOCK IN (-)
15 CONTROL IN (+) 49 CONTROL IN (-) 15 CONTROL OUT (+) 49 CONTROL OUT (-)
16 CONTROL OUT (+) 50 CONTROL OUT (-) 16 CONTROL IN (+) 50 CONTROL IN (-)
17 GND 51 ID6 IN 17 GND 51 ID6 OUT
18 GND 52 ID6 OUT 18 GND 52 ID6 IN
19 INPUT 17-18 (+) 53 INPUT 17-18 (-) 19 OUTPUT 17-18 (+) 53 OUTPUT 17-18 (-)
20 INPUT 19-20 (+) 54 INPUT 19-20 (-) 20 OUTPUT 19-20 (+) 54 OUTPUT 19-20 (-)
21 INPUT 21-22 (+) 55 INPUT 21-22 (-) 21 OUTPUT 21-22 (+) 55 OUTPUT 21-22 (-)
22 INPUT 23-24 (+) 56 INPUT 23-24 (-) 22 OUTPUT 23-24 (+) 56 OUTPUT 23-24 (-)
23 INPUT 25-26 (+) 57 INPUT 25-26 (-) 23 OUTPUT 25-26 (+) 57 OUTPUT 25-26 (-)
24 INPUT 27-28 (+) 58 INPUT 27-28 (-) 24 OUTPUT 27-28 (+) 58 OUTPUT 27-28 (-)
25 INPUT 29-30 (+) 59 INPUT 29-30 (-) 25 OUTPUT 29-30 (+) 59 OUTPUT 29-30 (-)
26 INPUT 31-32 (+) 60 INPUT 31-32 (-) 26 OUTPUT 31-32 (+) 60 OUTPUT 31-32 (-)
27 ID0 IN 61 ID1 IN 27 ID0 OUT 61 ID1 OUT
28 ID2 IN 62 ID3 IN 28 ID2 OUT 62 ID3 OUT
29 ID4 IN 63 ID5 IN 29 ID4 OUT 63 ID5 OUT
30 ID0 OUT 64 ID1 OUT 30 ID0 IN 64 ID1 IN
31 ID2 OUT 65 ID3 OUT 31 ID2 IN 65 ID3 IN
32 ID4 OUT 66 ID5 OUT 32 ID4 IN 66 ID5 IN
33 MSB //LSB IN 67 2CH//4CH IN 33 MSB //LSB OUT 67 2CH//4CH OUT
34 FG 68 FG 34 FG 68 FG

Annexe
Affectation des broches de connecteur
Mode d'emploi du DME64N/24N 63
Connecteur [NETWORK] (100Base-TX Ethernet, RJ-45)
Détails de câblage : câbles droits / croisés
Câbles droits Câbles croisés
Broche Connexion
1 TxD+
2 TxD–
3 RxD+
4 Inutilisé
5 Inutilisé
6 RxD–
7 Inutilisé
8 Inutilisé
Broches Broches
1 —— 1 1 —— 3
2 —— 2 2 —— 6
3 —— 3 3 —— 1
4 —— 4 4 —— 4
5 —— 5 5 —— 5
6 —— 6 6 —— 2
7 —— 7 7 —— 7
8 —— 8 8 —— 8

Annexe
Dimensions
Mode d'emploi du DME64N/24N
64
Dimensions
DME64N
DME24N
480
132
145
394
405
12.5 388 11
411.5
278
53.5
300
90 90
423
96
17.5 18.5
4-M3
30
394
405
388 11
411.5
278
88
101
52 18
18
12.5
53.5
423
4-M3
480
300
90 90
30

Annexe
Format des données MIDI
Mode d'emploi du DME64N/24N 65
Format des données MIDI
1. Fonctions MIDI du DME64N/24N
1.1 Changement de scène
Le rappel de scène se produit conformément aux affectations du « Tableau des changements de programme MIDI » lorsque
les messages de sélection de banque MSB/LSB et de changement de programme MIDI sont reçus par le DME64N/24N.
Les messages de sélection de banque MSB/LSB et de changement de programme MIDI correspondants sont également
transmis par le DME64N/24N lorsqu'une opération de rappel de scène est exécutée via les commandes de panneau, selon
qu'il est spécifié dans les affectations du « Tableau des changements de programme MIDI ».
Il n'y pas de transmission durant un changement de configuration.
1.2 Contrôle de paramètre
Les messages de changement de commande et de changement de paramètre MIDI transmis au DME64N/24N peuvent
être utilisés pour contrôler les paramètres selon les affectations du « Tableau des changements de commande MIDI » et du
« Tableau des changements de paramètre MIDI ».
Les messages de changement de commande et de paramètre MIDI correspondants sont également transmis par le
DME64N/24N lorsqu'un paramètre est édité via les commandes de panneau, tel qu'il est spécifié dans les affectations du
« Tableau des changements de commande MIDI » et du « Tableau des changements de paramètre MIDI ».
2. Flux des données MIDI
SW1 : Program Change Rx Switch [On/Off] (Commutateur de réception de changement de
programme, activation/désactivation)
SW2 : Control Change Rx Switch [On/Off] (Commutateur de réception de changement de
commande, activation/désactivation)
SW3 : Parameter Change Rx Switch [On/Off] (Commutateur de réception de changement de
paramètre, activation/désactivation)
SW4 : Program Change Echo Back Switch [On/Off] (Commutateur de retour d'écho de
changement de programme, activation/désactivation)
SW5 : Control Change Echo Back Switch [On/Off] (Commutateur de retour d'écho de
changement de commande, activation/désactivation)
SW6 : Parameter Change Echo Back Switch [On/Off] (Commutateur de retour d'écho de
changement de paramètre, activation/désactivation)
SW7 : Program Change Tx Switch [On/Off] (Commutateur de transmission de changement de
programme, activation/désactivation)
SW8 : Control Change Tx Switch [On/Off] (Commutateur de transmission de changement de
commande, activation/désactivation)
SW9 : Parameter Change (Changement de paramètre)
MIDI Rx CH : MIDI Rx Channel (1-16) (Canal de réception MIDI, 1-16)
MIDI Tx CH : MIDI Tx Channel (1-16) (Canal de transmission MIDI, 1-16)
MIDI IN
MIDI OUT
MIDI Rx CH Bank Select MSB/LSB
Program Change
(Scene Recall)
Bank Select MSB/LSB
Program Change
(Echo Back)
Bank Select MSB/LSB
Program Change
MIDI THRU
Control Change
(Parameter Edit)
Control Change
(Echo Back)
Control Change
Parameter Change
(Parameter Edit)
Parameter Change
Parameter Change
(Echo Back)
MIDI Tx CH
SW1
SW2
SW3
SW4
SW5
SW6
SW7
SW8
SW9

Annexe
Format des données MIDI
Mode d'emploi du DME64N/24N
66
3. Configuration MIDI
Spécifie le fonctionnement de base de MIDI.
3.1 Host Select
Sélectionne le port d'entrée / de sortie à utiliser pour la communication MIDI.
3.2 DAW Controller
Spécifie le type de contrôleur DAW lorsqu'une commande de surface DAW est utilisée pour contrôler le DME64N/24N.
Lorsque le réglage Type 1/2 est sélectionné, le paramètre Host Select est automatiquement spécifié sur MIDI.
3.3 MIDI Tx Channel
Spécifie le canal de transmission MIDI (1 ~ 16).
3.4 MIDI Rx Channel
Spécifie le canal de réception MIDI (1 ~ 16).
3.5 MIDI Tx Switch
Program Change Tx Switch : active ou désactive la sélection de banque MSB/LSB et la transmission du changement de
programme.
Control Change Tx Switch : active ou désactive la transmission du changement de commande.
Parameter Change Tx Switch : active ou désactive la transmission du changement de paramètre.
3.6 MIDI Rx Switch
Program Change Rx Switch : active ou désactive la sélection de banque MSB/LSB et la réception du changement de
programme.
Control Change Rx Switch : active ou désactive la réception du changement de commande.
Parameter Change Rx Switch : active ou désactive la réception du changement de paramètre.
3.7 MIDI Omni Switch
Program Change Omni Switch : active ou désactive la sélection de banque MSB/LSB et le mode omni du changement de
programme.
Control Change Omni Switch : active ou désactive le mode omni du changement de commande.
3.8 MIDI Echo Back Switch
Program Change Echo Back Switch : active ou désactive la sélection de banque MSB/LSB et le retour d'écho du
changement de programme.
Control Change Echo Back Switch : active ou désactive le retour d'écho du changement de commande.
Parameter Change Echo Back Switch : active ou désactive le retour d'écho du changement de paramètre.
4. Format MIDI
Tableau du format MIDI (Rx : réception, Tx : transmission)
Notation du format des numéros
Les numéros finissant avec « h » sont au format hexadécimal, alors que les numéros se terminant par « b » sont au format
binaire. Les caractères « A » à « F » dans les numéraux hexadécimaux représentent les valeurs décimales 10 à 15. D'autres
caractères minuscules (généralement « n » ou « x ») représentent n'importe quel numéro.
Commande Rx/Tx Fonction
Message de canaux Control Change (Bnh) Rx/Tx Parameter Change
Program Change (Cnn) Rx/Tx Scene Recall
Messages système en temps
réel
TIMING CLOCK (F8h) Rx MIDI Clock Receive
ACTIVE SENSING (FEH) Rx MIDI Cable Check
Message exclusif au
système
Parameter Change Rx/Tx Parameter Change

Annexe
Format des données MIDI
Mode d'emploi du DME64N/24N 67
4.1 Program Change (Cnh)
Réception
Lorsque l'option « Program Change Rx Switch » est activée, les messages de changement de programme sont reçus sur le
canal MIDI spécifié par le paramètre « MIDI Rx Channel ».
Si l'option « Program Change Omni Switch » est également activée, les messages de changement de programme seront
toutefois reçus sur tous les canaux MIDI quel que soit le réglage du paramètre « MIDI Rx Channel ».
Lorsqu'un message de changement de programme est reçu, la scène affectée au numéro de programme reçu dans le
« Tableau des changements de programme MIDI » est rappelé.
La plage acceptable de Bank Select et Program Change est comme suit :
Bank Select MSB : 0
Bank Select LSB : 0 ~ 7
Program Change No. : 0 ~ 127
Transmission
Lorsque l'option « Program Change Tx Switch » est activée, le numéro de changement de programme correspondant est
transmis tel que spécifié dans les réglages du « Tableau des changements de programme MIDI » et « MIDI Tx Channel ».
Il n'y pas de transmission durant un changement de configuration.
Si plusieurs numéros de changement de programme sont affectés à une seule scène, les numéros de Bank Select MSB/LSB
et Program Change correspondant au plus petit numéro seront transmis.
Bank Select MSB
Bank Select LSB
Program Change No.
4.2 Active Sensing (FEh)
Réception
La communication MIDI est initialisée si aucune donnée n'est reçue dans les 300 ms après réception (par ex., l'état en cours
sera effacé).
Active Sensing
4.3 Control Change (Bnh)
Réception
Lorsque l'option « Control Change Rx Switch » est activée, les messages de changement de commande sont reçus sur le
canal MIDI spécifié par le paramètre « MIDI Rx Channel ».
Si la fonction « Control Change Omni Switch » est également activée, les messages de changement de commande seront
toutefois reçus sur tous les canaux MIDI quel que soit le réglage du paramètre « MIDI Rx Channel ».
La résolution du paramètre Control Change est de 128, quelle que soit la plage effective des paramètres. Pour les réglages
plus affinés, utilisez Parameter Change.
Transmission
Lorsque l'option « Control Change Tx Switch » est activée, les données de changement de commande appropriées seront
transmises si un paramètre est édité via les commandes de panneau, tel qu'indiqué dans le «Tableau des changements de
commande MIDI » et les réglages de « MIDI Tx Channel ».
Il n'y pas de transmission durant un changement de configuration.
Reportez-vous à la section « Informations complémentaire 1 » pour les cas dans lesquels plusieurs messages sont affectés à
un seul paramètre.
4.4 Parameter Change (F0h ~ F7h)
Réception
Lorsque l'option « Parameter Change Rx Switch » est activée, les messages de changement de paramètre sont reçus sur le
canal MIDI spécifié par le paramètre « Device ID (Rx Ch) ».
Status Bnh (1101nnnnb) Control Change
Data 00h (00000000b) Control Change No. 0 (Bank Select MSB)
Data nnh (0nnnnnnnb) Control Value (Bank Select MSB No.)
Status Bnh (1101nnnnb) Control Change
Data 20h (00100000b) Control Change No. 32 (Bank Select MSB)
nnh (0nnnnnnnb) Control Value (Bank Select LSB No.)
Status Cnh (1100nnnnb) Program Change
Data nnh (0nnnnnnnb) Program Change No. (0-127)
Status FEh (11111110b) Active Sensing
Status Bnh (1011nnnnb) Control Change
Data cch (0cccccccb) Control Change No. (1-31,33-95,102-119)
vvh (0vvvvvvvb) Control Value (0-127)

Annexe
Format des données MIDI
Mode d'emploi du DME64N/24N
68
Transmission
Lorsque l'option « Parameter Change Tx Switch » est activée, les données de changement de paramètre appropriées seront
transmises si un paramètre est édité via les commandes de panneau, tel qu'indiqué dans le « Tableau des changements de
paramètre MIDI » et les réglages de « MIDI Tx Channel ».
Reportez-vous à la section « Informations complémentaire 1 » pour les cas dans lesquels plusieurs messages sont affectés à
un seul paramètre.
Reportez-vous à la section « Informations complémentaire 2 » pour obtenir des détails sur le réglage des valeurs de
Parameter Data.
Informations complémentaires 1
Messages transmis lorsque plusieurs messages sont affectés au même paramètre
Les messages de transmission MIDI du DME64N/24N sont spécifiés via le « Tableau des changements de commande
MIDI » et le « Tableau des changements de paramètre MIDI ». Le « Tableau des changements de commande MIDI » et le
« Tableau des changements de paramètre MIDI » peuvent être configurés via l'application DME Designer.
Les messages multiples peuvent être affectés à un seul paramètre, mais le DME64N/24N ne transmet qu'un seul des
messages affectés.
Les messages transmis sont comme suit :
• Si un message de changement de commande et un message de changement de paramètre sont affectés au même paramètre
→, le message de changement de commande sera transmis.
• Si plusieurs numéros de changement de commande sont affectés au même paramètre →, le message du numéro de
changement de commande le plus petit sera transmis.
• Si plusieurs numéros de changement de paramètre sont affectés au même paramètre →, le message du numéro de
changement de paramètre le plus petit sera transmis.
Informations complémentaires 2
Réglage des valeurs de données de paramètre du message de changement de paramètre
Les valeurs des paramètres de changement de paramètre s'expriment sous forme de nombres entier de 32 bits avec ou sans parité.
• Bit de parité (positif : 0, negatif : 1) est ajouté au bit de la valeur la plus significative (bit 31).
• Les paramètres fractionnaires sont convertis selon la table des nombres entiers.
• Pour les nombres entiers avec parité, les nombres négatifs s'expriment comme complément de 2.
Status F0h (11110000b) System Exclusive Message
ID No. 43h (01000011b) Manufacturer's ID No.(YAMAHA)
DEVICE ID. 10h (0001xxxxb) Rx/Tx Channel (0-15)
GROUP ID. 3Eh (00111110b) Digital Mixer
MODEL ID. 10h (00010000b) Device Code (DME)
Parameter
Address
aah (0aaaaaaab) Parameter Address High
aah (0aaaaaaab) Parameter Address Low
Parameter
Data Value
ddh (0dddddddb) data 0
ddh (0dddddddb) data 1
ddh (0dddddddb) data 2
ddh (0dddddddb) data 3
ddh (0dddddddb) data 4
EOX F7h (11110111b) End of Exclusive
00000000000000000000000001111101000
00111111111111111111111110000011000
data 0 data 1 data 2 data 3 data 4
000003E8
data 0 = 00h data 1 = 00h data 2 = 00h data 3 = 07h data 4 = 68h
bit0
bit1
bit2
bit3
bit4
bit5
bit6
bit7
bit8
bit9
bit10
bit11
bit12
bit13
bit14
bit15
bit16
bit17
bit18
bit19
bit20
bit21
bit22
bit23
bit24
bit25
bit26
bit27
bit28
bit29
bit30
bit31
sign
00
Exemple
• Lorsque la valeur est de 1000 (décimale) / 3E8h (hexadécimale) :
• Lorsque la valeur est 1000 (décimale) / FFFFFC18h (hexadécimale ; en 2ème complément de 3E8h) :
+
-FFFFF C18
data 0 = 1Fh data 1 = 7Fh data 2 = 7Fh data 3 = 78h data 4 = 18h

Annexe
Format des données MIDI
Mode d'emploi du DME64N/24N 69
TransmittedFunction... Recognized Remarks
Basic
Channel
Note
Number : True voice
Velocity
After
Touch
Pitch Bend
Control
Change
Prog
Change : True #
System Exclusive
: Song Pos.
Common : Song Sel.
: Tune
System : Clock
Real Time : Commands
: All Sound Off
Aux :
Reset
All
Cntrls
: Local ON/OFF
Mes- : All Notes OFF
sages: Active Sense
: Reset
Notes:
Mode
Default
Changed
Note ON
Note OFF
Key's
Ch's
0,32
1-31,33-95,102-119
1 - 16
1 - 16
˛
˛
˛
˛
Ø *1
Ø *2
Ø 0 - 127 *1
**************
˛
˛
˛
˛
˛
˛
˛
˛
˛
˛
˛
not include "DAW controller" command
*1 transmit/receive if program change switch is on.
*2 transmit/receive if control change switch is on.
*3 transmit/receive if parameter change switch is on.
˛
˛
**************
˛
**************
Ø *3
Mode 1 : OMNI ON , POLY Mode 2 : OMNI ON ,MONO
Mode 3 : OMNI OFF, POLY Mode 4 : OMNI OFF,MONO
˛
1 - 16
1 - 16
˛
˛
˛
˛
Ø *1
Ø *2
˛
˛
˛
˛
˛
˛
˛
˛
˛
Ø
˛
˛
˛
˛
˛
˛
Ø *3
˛
Ø : Yes
˛ : No
Default
Messages
Altered
YAMAHA [Digital Mixing Engine] Date :31-MAR-2004
Model DME64N/24N MIDI Implementation Chart Version : 1.0
Memorized
Bank Select
Assignable
Ø0 - 127 *1
0 - 127
Assignable

Annexe
Glossaire
Mode d'emploi du DME64N/24N
70
Glossaire
Termes Explications
100Base-TX Spécification physique d'une connexion de réseau Ethernet à 100 Mbps (méga-octets par
seconde) à l'aide d'un câble à paires torsadées non blidées de type 5 à 2 conducteurs,
inclus dans la norme IEEE 802.3u. La distance de transfert de données maximum est de
100 mètres.
10Base-T Spécification physique d'une connexion de réseau Ethernet à 10 Mbps (méga-octets par
seconde) à l'aide d'un câble à paires torsadées non blidées de type 3 à 2 conducteurs,
inclus dans la norme IEEE 802.3u. La distance de transfert de données maximum est de
100 mètres.
ADAT (Bande audionumérique Alesis) Format de connexion audionumérique utilisé par les périphériques audionumériques
conformes ADAT. Huit canaux audionumériques peuvent être transportés par un seul câble
optique « Tos-Link ».
Adresse MAC (Media Access Control,
Contrôle d'accès au support)
L'adresse MAC, également appelée adresse Ethernet, est une adresse indépendante
affectée à tous les périphériques Ethernet du monde. Il est impossible à deux
périphériques d'avoir la même adresse.
AES/EBU (Association des ingénieurs audio /
Union européenne de radio-télévision)
Format audionumérique mis au point conjointement par l'AES et l'EBU. Utilisé
essentiellement pour le transfert audionumérique entre les équipements professionnels.
Deux canaux audionumériques peuvent être gérés via un seul connecteur (Gauche :
nombre impair, Droite : nombre pair). Les connecteurs XLR standard sont généralement
utilisés pour ce type de connexion.
Alimentation dérivée/fantôme Système de puissance de sortie permettant d'alimenter des périphériques en signaux
audio via des câbles audio équilibrés standard. Le terme « fantôme » est utilisé parce que
le système utilise les conducteurs audio pour fournir une puissance de sortie sans
interrompre le signal audio, ce qui fait que l'alimentation n'est pas « perçue » par le signal
audio.
BNC (Bayonet Nut Connector
ou Bayonet Neill Concelman)
Type de connecteur utilisé pour les connexions haute fréquence à l'aide d'un câble coaxial
mince.
Un ressort intérieur assure une connexion solide.
Câble à paire torsadée non blindée Câble de transmission de données composé d'une paire torsadée non blindée. Ce type de
câble est moins onéreux et plus communément répandu que le câble à paire torsadée
blindée, et il est largement utilisé pour les connexions réseau de type 10Base-T et
100Base-TX.
Câble STP (à paire torsadée blindée) Câble de transmission de données composé d'une paire torsadée blindée. Ce type de
câble est plus résistant au bruit et aux interférences que le câble à paire torsadée non
blindée.
Cascade Méthode de connexion d'un équipement audionumérique Yamaha, permettant le transfert
des signaux audio, de contrôle et d'horloge de mots. Les connexions en cascade Yamaha
utilisent des connecteurs D-Sub, mi-hauteur, à 68 broches.
CobraNet Système de réseau audio développé par Peak Audio (une division de Cirrus Logic, Inc.),
qui autorise la transmission et la réception en temps réel de canaux multiples de signaux
audionumériques non comprimés via un réseau Fast Ethernet (100 méga-octets par
seconde).
Composant Modules de base se combinant pour créer les systèmes audio du DME64N/24N. Outre les
compléments de processeurs audio tels que les mixeurs, les compresseurs, les effets, les
chevauchements, etc., une variété de fonctions moins importantes tels que les faders, les
commutateurs, les commandes de panoramique et les indicateurs sont également
disponibles. Les composants peuvent également être personnalisés.
Concentrateur de commutation Concentrateur réseau qui connecte automatiquement les seuls ports actuellement utilisés
pour la communication. Cela réduit la charge du réseau tout en maximalisant la sécurité.
Ce type de concentrateur sert souvent de médiateur entre les périphériques disposant de
vitesses et de normes de transmission différentes.
Configuration Ensemble de composants et de connexions qui constituent le système audio du
DME64N/24N.
D-Sub Une autre forme de connecteur commun qui tire son nom de sa forme en « D ». Ce type de
connecteur peut être fermement fixé à l'aide de vis. Des « broches » individuelles sont
utilisées pour connecter chaque conducteur de câble. Les connecteurs D-Sub sont
disponibles avec 9 broches, 15 broches, 25 broches, 37 broches et d'autres tailles encore.
DSP (Digital Signal processor, processeur de
signal numérique)
Puce à semi-conducteurs (LSI) ou périphérique contenant une ou plusieurs puces de ce
type, développée spécialement pour traiter de gros volumes de données en temps réel.
Idéale pour le traitement des données audionumériques.
Ethernet Protocole réseau développé conjointement par Xerox, DEC et Intel, et codifié dans la
norme de l'industrie IEEE 802.3. Les vitesses de transfert ont augmenté jusqu'à 100 Mbps,
1000 Mbps et 10 Gbps par rapport aux 10 Mbps intiaux, tout en maintenant la
compatibilité réseau.
Euroblock Système de connecteurs comprenant des composants de prise complète mâle et femelle,
qui autorise un câblage sans soudure pour une variété d'installations et de périphériques. Il
suffit d'insérer le câble dans le connecteur de la prise, de resserrer la vis et de la brancher
pour terminer la connexion.

Annexe
Glossaire
Mode d'emploi du DME64N/24N 71
Fréquence d'échantillonnage Nombre de fois par seconde qu'un signal audio analogique est échantillonné lorsqu'il est
converti en données audionumériques.
GPI (Interface à usage général) Interface de commande à usage général, dont l'utilisation permet de contrôler le DME64N/
24N via des périphériques externes et des contrôleurs sur mesure. Les connexions sont
effectuées via un connecteur Euroblock. Les panneaux de commandes CP4SW, CP1SF et
CP4SF, fournis en option, se connectent également via GPI.
Horloge de mots Signal utilisé pour synchroniser plusieurs périphériques audionumériques interconnectés.
La fréquence d'horloge de mots est la même que celle de l'échantillonnage du signal audio
traité.
MIDI (Musical Instrument Digital Interface,
Interface numérique des instruments de
musique)
Norme internationale pour la communication de données entre les instruments de musique
électroniques et les périphériques audio.
Mini-carte YGDAI (Yamaha General Digital
Audio Interface, Interface audionumérique
universelle Yamaha)
Norme pour les cartes d'E/S pouvant être installées sur les produits audio Yamaha.
Paramètre présélectionné L'ensemble des paramètres de tous les composants inclus dans une configuration.
Réglages initiaux Valeurs et réglages initiaux de tous les paramètres susceptibles d'être édités et qui
prennent effet lorsqu'un périphérique est mis sous tension pour la première fois après sa
livraison de l'usine. Ces réglages sont également appelés « Réglages par défaut » ou
« Réglages initiaux d'usine ».
RJ-45 Connecteur modulaire à 8 conducteurs utilisé pour le câble Ethernet et les connexions de
téléphone RNIS. En apparence, ce connecteur est similaire aux connecteurs RJ-11 utilisés
pour les lignes téléphoniques, mais il est légèrement plus grand. « RJ » sont les initiales de
« Registered Jack » (Prise homologuée). Il s'agit d'un type de connecteur compris dans les
normes Bell System USOC (Universal Service Ordering Codes).
Routeur Equipement qui transfère les données dans le réseau en sélectionnant la route la plus
efficace.
RS-232C Protocole de communication permettant de transférer des données sur des distances de
plus de 15 mètres. Les interfaces RS232C utilisent généralement des connecteurs D-sub à
9 broches. « RS » signifie « Recommended Standard » (Norme recommandée). C'est une
des normes développées par l'EIA (Electronic Industry Alliance).
RS-422 Protocole de communication série équilibré, permettant de transférer des données sur des
distances supérieures à 1 kilomètre. RS-422 offre des taux de données supérieurs et une
plus grande fiabilité que le protocole RS-232C.
Scène Configuration audio complète, comprenant des données de configuraiton et des
paramètres présélectionnés de composants connexes. Il est possible de stocker jusqu'à
999 scènes dans chaque zone sur un système audio DME64N/24N.
TDIF (Tascam Digital Interface Format) Interface numérique standard utilisée par la société TEAC (TASCAM). Huit canaux d'entrée
et de sortie audionumériques sont traités via un connecteur D-Sub à 25 broches.
Type 3 Spécifications électriques pour un type de câble à paires torsadées non blindées mis au
point conjointement par la TIA (Telecommunications Industry Association, Association de
l'industrie des télécommunications) et l'EIA (Electronic Industry Alliance, Alliance de
l'industrie électronique). Plusieurs catégories sont spécifiées selon les caractéristiques
électriques, les numéros de catégorie plus élevés dénotant des câbles de meilleure
qualité. Le câble de type 3 peut être utilisé pour les vitesses de transmission allant jusqu'à
10 MHz.
Type 5 Spécifications électriques pour un type de câble à paires torsadées non blindées mis au
point conjointement par la TIA (Telecommunications Industry Association) et l'EIA
(Electronic Industry Alliance). Plusieurs catégories sont spécifiées selon les
caractéristiques électriques, les numéros de catégorie plus élevés dénotant des câbles de
meilleure qualité. Le câble de type 5 peut être utilisé pour les vitesses de transmission
allant jusqu'à 100 MHz.
USB (Universal Serial Bus) Bus série essentiellement utilisé pour la connexion de périphériques aux équipements
informatiques.
La norme USB 1.1 autorise des vitesses de transfert de données allant jusqu'à 12 Mbps.
Termes Explications

Annexe
Mode d'emploi du DME64N/24N
72
+48V ........................................................................................... 53
[
E
] [
▲
] [
▼
] [
F
], Touches .............................................. 15
100Base-TX (glossaire) ................................................................ 70
10Base-T (glossaire) ..................................................................... 70
[96kHz] [88.2kHz] [48kHz] [44.1kHz], Voyant ......................... 14
A
A propos du DME Designer ........................................................ 13
[AC IN], Connecteur ..................................................................16
ADAT (Bande audionumérique Alesis) (glossaire) .......................70
Adresse MAC (Media Access Control, Contrôle d'accès au support)
(glossaire) ..................................................................................... 70
AES/EBU (Association des ingénieurs audio / Union européenne
de radio-télévision) (glossaire) ...................................................... 70
Affectation des broches de connecteur .........................................62
Alimentation dérivée/fantôme (glossaire) .....................................70
B
Barre de défilement de page ......................................................... 34
Battery ......................................................................................... 45
BNC (Bayonet Nut Connector ou Bayonet Neill Concelman)
(glossaire) ..................................................................................... 70
Boucle de cascade ........................................................................30
C
Câble à paire torsadée non blindée (glossaire) ..............................70
Câble STP (à paire torsadée blindée) (glossaire) ...........................70
[CANCEL], Touche .................................................................... 15
Card Name .................................................................................. 49
Carte d'E/S (procédure d'installation) .......................................... 21
Carte E/S ..................................................................................... 20
CASCAD Page ............................................................................ 54
Cascade (glossaire) ....................................................................... 70
Cascade (Page WCLK) ................................................................ 49
[CASCADE IN] [CASCADE OUT], Connecteurs ............... 17, 30
Cascade Setup (CASCAD) Page .................................................. 54
CASCADE, Connexion ............................................................... 30
CH (Canal double) (Page Slot) .................................................... 49
CH (Page MIDI) ......................................................................... 50
CobraNet (glossaire) .................................................................... 70
CobraNet, Connexion ................................................................. 27
Commutateur principal de l'alimentation dérivée ........................53
Commutation de l'assourdissement .............................................38
Composant (glossaire) .................................................................. 70
Composants ................................................................................... 9
Concentrateur de commutation (glossaire) ..................................70
Configuration ................................................................................ 9
Configuration (glossaire) ............................................................. 70
Connecteurs d'E/S ....................................................................... 17
Connexion distante ...................................................................... 28
Control Change .......................................................................... 50
Contrôle ...................................................................................... 39
Contrôle du niveau de sortie ........................................................ 38
CP1SF ......................................................................................... 55
CP4SF ......................................................................................... 55
CP4SW ....................................................................................... 55
D
Date ............................................................................................ 45
DAW .......................................................................................... 50
dépistage des pannes .................................................................... 58
Device Group (Page Net) ............................................................ 45
Dimensions ................................................................................. 64
Disp Page .................................................................................... 46
Display Setup (Disp) Page ........................................................... 46
DSP (Digital Signal processor, processeur de signal numérique)
(glossaire) .................................................................................... 70
D-Sub (glossaire) ......................................................................... 70
E
E/S de contrôle ............................................................................ 61
Ecran ........................................................................................... 15
[ENTER], Touche ...................................................................... 15
Ethernet (glossaire) ...................................................................... 70
Ethernet, Connexion ................................................................... 23
Euroblock .................................................................................... 26
Euroblock (glossaire) ................................................................... 70
Exemples de systèmes .................................................................. 12
[EXT. CLOCK], Voyant ............................................................. 14
F
Filtre passe-haut .......................................................................... 53
Fonction Probe Monitor ............................................................. 40
Format (Page HA) ....................................................................... 53
Format (Page Slot) ...................................................................... 49
Format des données MIDI .......................................................... 65
Fréquence .................................................................................... 40
Fréquence d'échantillonnage (glossaire) ....................................... 71
Fréquence de filtre passe-haut ...................................................... 53
Frq .............................................................................................. 53
Fs ................................................................................................ 49
G
Gain ............................................................................................ 53
GPI (Interface à usage général) .................................................... 32
GPI (Interface à usage général) (glossaire) .................................... 71
[GPI], Connecteur ................................................................ 16, 32
GPI, Connexion .......................................................................... 32
Groupe de périphériques ............................................................... 9
Index

Annexe
Mode d'emploi du DME64N/24N 73
H
HA .............................................................................................. 52
HA Page ...................................................................................... 52
Head Amplifier Setup (HA) Page ................................................52
Head Margin ............................................................................... 54
[HOME], Touche ....................................................................... 15
Horloge de mots (glossaire) .......................................................... 71
Horloge de mots esclave ............................................................... 31
Horloge de mots maître ............................................................... 31
Host ............................................................................................ 50
HPF ............................................................................................ 53
I
Icône de verrouillage du panneau ................................................. 34
ICP1 ............................................................................................ 55
[IN] et [OUT], Connecteurs ................................................. 17, 26
Info Page ..................................................................................... 45
Info relatives au calibrage ............................................................. 52
Informations relatives aux scènes .................................................. 34
Input/Output Level (Niveau d'entrée/sortie), Ecran .................... 41
Int ............................................................................................... 49
IP Adr. ......................................................................................... 46
L
Label ............................................................................................ 45
LCD Backlight ............................................................................ 46
LCD Contrast ............................................................................. 46
Level Meter (Indicateur de niveau), Ecran ................................... 41
[LEVEL], Touche ........................................................................ 15
Link Mode ................................................................................... 46
Listage des paramètres .................................................................. 37
Lock Page ....................................................................................47
M
MAC Adr. ................................................................................... 46
Main, Ecran ................................................................................. 34
Maître du groupe ........................................................................... 9
[MASTER], Voyant ....................................................................15
MAX ........................................................................................... 52
Message d'erreur .......................................................................... 56
Message d'état .............................................................................. 56
Meter Fall Time .......................................................................... 46
MIDI (Musical Instrument Digital Interface, Interface numérique
des instruments de musique) (glossaire) ....................................... 71
[MIDI IN] [MIDI OUT] [MIDI THRU], Connecteurs ............. 17
MIDI Page .................................................................................. 50
MIDI Setup (MIDI) Page ........................................................... 50
MIDI, Connexion ....................................................................... 29
[MIDI], Voyant ........................................................................... 15
MIN ............................................................................................ 52
Mini-carte YGDAI (Yamaha General Digital Audio Interface,
Interface audionumérique universelle Yamaha) (glossaire) ............ 71
Misc Page .................................................................................... 48
Miscellaneous Setup (Misc) Page ................................................. 48
Mixer I/O .................................................................................... 54
Molette ........................................................................................ 15
[MONITOR], Touche ................................................................ 15
Montage du couvercle de sécurité ................................................ 18
[MUTE], Touche ........................................................................ 15
N
Net Page ...................................................................................... 45
[NETWORK], Connecteur .................................................. 17, 23
Network Settings (Net) Page ....................................................... 45
[NETWORK], Voyant ............................................................... 14
Niveau de sortie de bande ............................................................ 40
Noms des touches User Defined .................................................. 34
O
Options ....................................................................................... 55
P
Page Head Amplifier Setup (HA) ................................................ 54
Panel Lock (Page Lock) ............................................................... 47
Panel Lock Boot .......................................................................... 47
Panneau arrière ............................................................................ 16
Panneau avant ............................................................................. 14
Parameter Change (Changement de paramètre) ........................... 50
Parameter Edit, Ecrans ................................................................ 35
Paramètre d'activation/désactivation (ON/OFF) ......................... 37
Paramètre numérique .................................................................. 35
Paramètre présélectionné (glossaire) ............................................. 71
Paramètres ..................................................................................... 9
Paramètres présélectionnés ............................................................. 9
Peak Hold (écran Level Meter) .................................................... 41
Peak Hold (écran Spectrum) ....................................................... 40
[PEAK], Voyant .......................................................................... 15
[PHONES LEVEL], Commande ................................................ 15
[PHONES], Prise ........................................................................ 15
Pince de câble .............................................................................. 18
[POWER], Commutateur ........................................................... 15
Préparation ................................................................ 18, 22, 26, 28
Program Change ......................................................................... 50
R
Rappel de scène ........................................................................... 38
Région ........................................................................................... 9
Réglages initiaux (glossaire) ......................................................... 71
Remote (Page Misc) .................................................................... 48
[REMOTE], Connecteur ............................................................ 17
Reset (Page GPI) ......................................................................... 52
Reset (Page Slot) .......................................................................... 49
RJ-45 (glossaire) .......................................................................... 71
Routeur (glossaire) ....................................................................... 71
RS-232C (glossaire) ..................................................................... 71
RS-422 (glossaire) ....................................................................... 71

Annexe
Mode d'emploi du DME64N/24N
74
S
Scène ........................................................................................... 10
Scène (glossaire) ........................................................................... 71
[SCENE NUMBER], Voyant .....................................................15
Scene Store (Page Misc) ............................................................... 48
[SCENE], Touche ....................................................................... 15
Security Setup (Lock) Page .......................................................... 47
Sélection L/R ............................................................................... 41
[SIGNAL], Voyant ...................................................................... 15
Slot Information (Slot) Page ........................................................ 49
Slot Page ...................................................................................... 49
SLOT1~4 .................................................................................... 49
SP (Double vitesse) ...................................................................... 49
Spécifications ............................................................................... 59
Spectrum, Ecran .......................................................................... 40
Stockage de scène (Fonctionnement) ........................................... 39
T
TDIF (Tascam Digital Interface Format) (glossaire) ....................71
Touche User Defined .................................................................... 9
Touche User Defined (Edition) ................................................... 37
Touches User Defined \(Paramètres définis par l'utilisateur\) ......... 9
Type 3 (glossaire) ......................................................................... 71
Type 5 (glossaire) ......................................................................... 71
Types de signaux ......................................................................... 11
U
Unit No ....................................................................................... 54
USB (Universal Serial Bus) (glossaire) .......................................... 71
[USB], Connecteur ...................................................................... 14
USB, Connexion ......................................................................... 22
User Defined Lock ....................................................................... 47
Utility (Fonctionnement), Ecran .................................................45
Utility (page Lock) ....................................................................... 47
[UTILITY], Touche .................................................................... 15
Utility, Ecran ............................................................................... 43
V
Verrouillage du panneau .............................................................. 35
Version du microprogramme ......................................................... 8
Vis de mise à la terre .................................................................... 16
Voyant de l'assourdissement ........................................................ 34
Voyant du niveau de sortie ..........................................................34
W
WCIN ......................................................................................... 49
WCLK (Page HA) ....................................................................... 53
WCLK Page ................................................................................ 49
[WORD CLOCK IN] et [WORD CLOCK OUT],
Connecteurs .......................................................................... 17, 31
Word Clock Setup (WCLK) Page ............................................... 49
WORD CLOCK, Connexion ..................................................... 31
Z
Zones ............................................................................................. 9

For details of products, please contact your nearest Yamaha
representative or the authorized distributor listed below.
Pour plus de détails sur les produits, veuillez-vous adresser à Yamaha ou
au distributeur le plus proche de vous figurant dans la liste suivante.
Die Einzelheiten zu Produkten sind bei Ihrer unten aufgeführten
Niederlassung und bei Yamaha Vertragshändlern in den jeweiligen
Bestimmungsländern erhältlich.
Para detalles sobre productos, contacte su tienda Yamaha más cercana
o el distribuidor autorizado que se lista debajo.
CANADA
Yamaha Canada Music Ltd.
135 Milner Avenue, Scarborough, Ontario,
M1S 3R1, Canada
Tel: 416-298-1311
U.S.A.
Yamaha Corporation of America
6600 Orangethorpe Ave., Buena Park, Calif. 90620,
U.S.A.
Tel: 714-522-9011
MEXICO
Yamaha de México S.A. de C.V.
Calz. Javier Rojo Gómez #1149,
Col. Guadalupe del Moral
C.P. 09300, México, D.F., México
Tel: 55-5804-0600
BRAZIL
Yamaha Musical do Brasil Ltda.
Av. Reboucas 2636-Pinheiros CEP: 05402-400
Sao Paulo-SP. Brasil
Tel: 011-3085-1377
ARGENTINA
Yamaha Music Latin America, S.A.
Sucursal de Argentina
Viamonte 1145 Piso2-B 1053,
Buenos Aires, Argentina
Tel: 1-4371-7021
PANAMA AND OTHER LATIN
AMERICAN COUNTRIES/
CARIBBEAN COUNTRIES
Yamaha Music Latin America, S.A.
Torre Banco General, Piso 7, Urbanización Marbella,
Calle 47 y Aquilino de la Guardia,
Ciudad de Panamá, Panamá
Tel: +507-269-5311
THE UNITED KINGDOM
Yamaha-Kemble Music (U.K.) Ltd.
Sherbourne Drive, Tilbrook, Milton Keynes,
MK7 8BL, England
Tel: 01908-366700
GERMANY
Yamaha Music Central Europe GmbH
Siemensstraße 22-34, 25462 Rellingen, Germany
Tel: 04101-3030
SWITZERLAND/LIECHTENSTEIN
Yamaha Music Central Europe GmbH,
Branch Switzerland
Seefeldstrasse 94, 8008 Zürich, Switzerland
Tel: 01-383 3990
AUSTRIA
Yamaha Music Central Europe GmbH,
Branch Austria
Schleiergasse 20, A-1100 Wien, Austria
Tel: 01-60203900
THE NETHERLANDS
Yamaha Music Central Europe,
Branch Nederland
Clarissenhof 5-b, 4133 AB Vianen, The Netherlands
Tel: 0347-358 040
BELGIUM/LUXEMBOURG
Yamaha Music Central Europe GmbH,
Branch Belgium
Rue de Geneve (Genevastraat) 10, 1140 - Brussels,
Belgium
Tel: 02-726 6032
FRANCE
Yamaha Musique France
BP 70-77312 Marne-la-Vallée Cedex 2, France
Tel: 01-64-61-4000
ITALY
Yamaha Musica Italia S.P.A.
Combo Division
Viale Italia 88, 20020 Lainate (Milano), Italy
Tel: 02-935-771
SPAIN/PORTUGAL
Yamaha-Hazen Música, S.A.
Ctra. de la Coruna km. 17, 200, 28230
Las Rozas (Madrid), Spain
Tel: 91-639-8888
SWEDEN
Yamaha Scandinavia AB
J. A. Wettergrens Gata 1
Box 30053
S-400 43 Göteborg, Sweden
Tel: 031 89 34 00
DENMARK
YS Copenhagen Liaison Office
Generatorvej 8B
DK-2730 Herlev, Denmark
Tel: 44 92 49 00
NORWAY
Norsk filial av Yamaha Scandinavia AB
Grini Næringspark 1
N-1345 Østerås, Norway
Tel: 67 16 77 70
OTHER EUROPEAN COUNTRIES
Yamaha Music Central Europe GmbH
Siemensstraße 22-34, 25462 Rellingen, Germany
Tel: +49-4101-3030
Yamaha Corporation,
Asia-Pacific Music Marketing Group
Nakazawa-cho 10-1, Hamamatsu, Japan 430-8650
Tel: +81-53-460-2313
TURKEY/CYPRUS
Yamaha Music Central Europe GmbH
Siemensstraße 22-34, 25462 Rellingen, Germany
Tel: 04101-3030
OTHER COUNTRIES
Yamaha Music Gulf FZE
LB21-128 Jebel Ali Freezone
P.O.Box 17328, Dubai, U.A.E.
Tel: +971-4-881-5868
THE PEOPLE’S REPUBLIC OF CHINA
Yamaha Music & Electronics (China) Co.,Ltd.
25/F., United Plaza, 1468 Nanjing Road (West),
Jingan, Shanghai, China
Tel: 021-6247-2211
INDONESIA
PT. Yamaha Music Indonesia (Distributor)
PT. Nusantik
Gedung Yamaha Music Center, Jalan Jend. Gatot
Subroto Kav. 4, Jakarta 12930, Indonesia
Tel: 21-520-2577
KOREA
Yamaha Music Korea Ltd.
Tong-Yang Securities Bldg. 16F 23-8 Yoido-dong,
Youngdungpo-ku, Seoul, Korea
Tel: 02-3770-0660
MALAYSIA
Yamaha Music Malaysia, Sdn., Bhd.
Lot 8, Jalan Perbandaran, 47301 Kelana Jaya,
Petaling Jaya, Selangor, Malaysia
Tel: 3-78030900
SINGAPORE
Yamaha Music Asia Pte., Ltd.
#03-11 A-Z Building
140 Paya Lebor Road, Singapore 409015
Tel: 747-4374
TAIWAN
Yamaha KHS Music Co., Ltd.
3F, #6, Sec.2, Nan Jing E. Rd. Taipei.
Taiwan 104, R.O.C.
Tel: 02-2511-8688
THAILAND
Siam Music Yamaha Co., Ltd.
891/1 Siam Motors Building, 15-16 floor
Rama 1 road, Wangmai, Pathumwan
Bangkok 10330, Thailand
Tel: 02-215-2626
OTHER ASIAN COUNTRIES
Yamaha Corporation,
Asia-Pacific Music Marketing Group
Nakazawa-cho 10-1, Hamamatsu, Japan 430-8650
Tel: +81-53-460-2317
AUSTRALIA
Yamaha Music Australia Pty. Ltd.
Level 1, 99 Queensbridge Street, Southbank,
Victoria 3006, Australia
Tel: 3-9693-5111
COUNTRIES AND TRUST
TERRITORIES IN PACIFIC OCEAN
Yamaha Corporation,
Asia-Pacific Music Marketing Group
Nakazawa-cho 10-1, Hamamatsu, Japan 430-8650
Tel: +81-53-460-2313
NORTH AMERICA
CENTRAL & SOUTH AMERICA
EUROPE
AFRICA
MIDDLE EAST
ASIA
OCEANIA
HEAD OFFICE Yamaha Corporation, Pro Audio & Digital Musical Instrument Division
Nakazawa-cho 10-1, Hamamatsu, Japan 430-8650
Tel: +81-53-460-2441
PA10
