Yamaha MG12XU/MG12 Technical Specifications Mg12xu En Ts E0
User Manual: Yamaha MG12XU/MG12 Technical Specifications
Open the PDF directly: View PDF
.
Page Count: 2

1
General Specifications
0 dBu = 0.775 Vrms, Output impedance of signal generator (Rs) = 150 Ω
All level controls are nominal if not specified.
*1 Noise is measured with A-weighting filter.
*2 Crosstalk is measured with 1 kHz band pass filter.
The contents of this manual apply to the latest specifications as of the publishing date. To obtain the latest manual, access the Yamaha website then download
the manual file.
Frequency Response Input to STEREO OUT +0.5 dB/-1.5 dB (20 Hz to 48 kHz),
refer to the nominal output level @ 1 kHz, GAIN knob: Min
Total Harmonic Distortion
(THD+N)
Input to STEREO OUT 0.03 % @ +14 dBu (20 Hz to 20 kHz), GAIN knob: Min
0.005 % @ +24 dBu (1 kHz), GAIN knob: Min
Hum & Noise *1
(20 Hz to 20 kHz)
Equivalent Input Noise -128 dBu (Mono Input Channel, Rs: 150 Ω, GAIN knob: Max)
Residual Output Noise -102 dBu (STEREO OUT, STEREO master fader: Min)
Crosstalk(1 kHz) *2 -78 dB
Input Channels 12 channels: Mono [MIC/LINE]: 4, Mono/Stereo [MIC/LINE]: 2, Stereo [LINE]: 2
Output Channels STEREO OUT: 2, PHONES: 1, MONITOR OUT: 1, AUX SEND: 2, GROUP OUT: 2
Bus STEREO : 1, GROUP: 2, AUX: 2 (MG12XU: incl. FX)
Input Channel Function PAD CH 1 – CH 4 26 dB
HPF CH 1 – CH 4,
CH 5/6 (MIC),
CH 7/8 (MIC)
80 Hz, 12 dB/oct
COMP CH 1 – CH 4 1 knob compressor (Gain/Threshold/Ratio)
Threshold: +22 dBu to -8 dBu, Ratio: 1:1 to 4:1,
Output level: 0 dB to 7 dB, Attack time: approx. 25 msec,
Release time: approx. 300 msec
EQ CH 1 – CH 7/8 HIGH: Gain: +15 dB/-15 dB, Frequency: 10 kHz shelving
MID: Gain: +15 dB/-15 dB, Frequency: 2.5 kHz peaking
LOW: Gain: +15 dB/-15 dB, Frequency: 100 Hz shelving
CH 9/10,
CH 11/12
HIGH: Gain: +15 dB/-15 dB, Frequency: 10 kHz shelving
LOW: Gain: +15 dB/-15 dB, Frequency: 100 Hz shelving
PEAK LED CH 1 – CH 7/8 LED turns on when post EQ signal reaches 3 dB below clipping level.
Level Meter Pre Monitor LEVEL 2 × 12 -segment LED meter [PEAK, +10, +6, +3, 0, -3, -6, -10, -15, -20, -25, -30 dB]
Built-in Effect (MG12XU) SPX Algorithm 24 programs, PARAMETER control: 1, FOOT SW: 1 (FX RTN CH on/off)
USB Audio (MG12XU) 2 IN / 2 OUT USB Audio Class 2.0 compliant, Sampling Frequency: Max 192 kHz, Bit Depth: 24-bit
Phantom Power Voltage +48 V
Power Requirements AC 100-240 V, 50 Hz/60 Hz
Power Consumption 22 W
Dimensions (W × H × D) 308 mm × 118 mm × 422 mm (12.1" × 4.6" × 16.6")
Net Weight MG12XU: 4.2 kg (9.3 lbs), MG12: 4.0 kg (8.8 lbs)
Included Accessory AC Power Cord, CUBASE AI DOWNLOAD INFORMATION (MG12XU), Owner’s Manual,
Technical Specifications (this leaflet)
Optional Accessory Rack-Mount Kit: RK-MG12, Foot Switch: FC5 (MG12XU)
Operating Temperature 0 to +40 °C
Analog Input Characteristics
0 dBu = 0.775 Vrms
*1 Sensitivity is the lowest level that will produce an output of +4 dBu (1.228 V) or the nominal output level when the unit is set to maximum gain.
(All level controls are at their maximum position.)
*2 1&Sleeve = GND, 2&Tip = HOT, 3&Ring = COLD
*3 1 = GND, 2 = HOT, 3 = COLD
*4 Tip = Signal, Sleeve = GND
Analog Output Characteristics
0 dBu = 0.775 Vrms
*3 1 = GND, 2 = HOT, 3 = COLD
*5 Tip = HOT, Ring = COLD, Sleeve = GND
Digital Input / Output Characteristics (MG12XU)
Input Jack PAD
26 dB
GAIN Trim
Position
Actual Load
Impedance
For Use with
Nominal
Input Level Connector
Sensitivity *1 Nominal Max. Before Clip
MIC/LINE
1 - 4
OFF
+64 dB
3 kΩ 50–600 Ω
Mics/Lines
-80 dBu
(0.077 mV)
-60 dBu
(0.775 mV)
-40 dBu
(7.75 mV)
Combo jack *2
(Balanced)
+20 dB -36 dBu
(12.3 mV)
-16 dBu
(122.8 mV)
+4 dBu
(1.228 V)
ON
+38 dB -54 dBu
(1.55 mV)
-34 dBu
(15.46 mV)
-14 dBu
(154.6 mV)
-6 dB -10 dBu
(245 mV)
+10 dBu
(2.451 V)
+30 dBu
(24.51 V)
MIC
5/6, 7/8 —
+64 dB
3 kΩ 50–600 Ω
Mics
-80 dBu
(0.077 mV)
-60 dBu
(0.775 mV)
-40 dBu
(7.75 mV) XLR-3-31 *3
(Balanced)
+20 dB -36 dBu
(12.3 mV)
-16 dBu
(122.8 mV)
-6 dBu
(388.2 mV)
LINE
5/6, 7/8 —
+38 dB
10 kΩ 600 Ω Lines
-54 dBu
(1.55 mV)
-34 dBu
(15.46 mV)
-14 dBu
(154.6 mV) Phone jack *4
(Unbalanced)
-6 dB -10 dBu
(245 mV)
+10 dBu
(2.451 V)
+30 dBu
(24.51 V)
LINE
9/10, 11/12 — — 10 kΩ 600 Ω Lines -30 dBu
(24.5 mV)
-10 dBu
(245 mV)
+10 dBu
(2.45 V)
Phone jack *4
RCA pin
(Unbalanced)
Output Terminal Actual Source
Impedance For Use with Nominal Output Level Connector
Nominal Max. Before Clip
STEREO OUT [L, R] 75 Ω 600 Ω Lines +4 dBu (1.228 V) +24 dBu (12.28 V)
XLR-3-32 *3
Phone jack *5
(Balanced)
MONITOR OUT [L, R]
GROUP OUT [1, 2]
AUX SEND [1, 2]
150 Ω 10 kΩ Lines +4 dBu (1.228 V) +20 dBu (7.750 V) Phone jack *5
(Impedance Balanced)
PHONES 110 Ω 40 Ω Phones 3 mW + 3 mW 100 mW + 100 mW Stereo phone jack
Terminal Format Data Length Sampling Frequency Connector
USB USB Audio Class 2.0 16-bit/24-bit 44.1 kHz, 48 kHz, 88.2 kHz, 96 kHz, 176.4 kHz, 192 kHz USB Standard-B
ZT57320
Technical Specifications

2
Dimensions
Unit: mm
This illustration shows the MG12XU.
308118
115
422
416
Manual Development Group
© 2014 Yamaha Corporation
Published 08/2016 POLE*.*-01E0
Printed in Malaysia
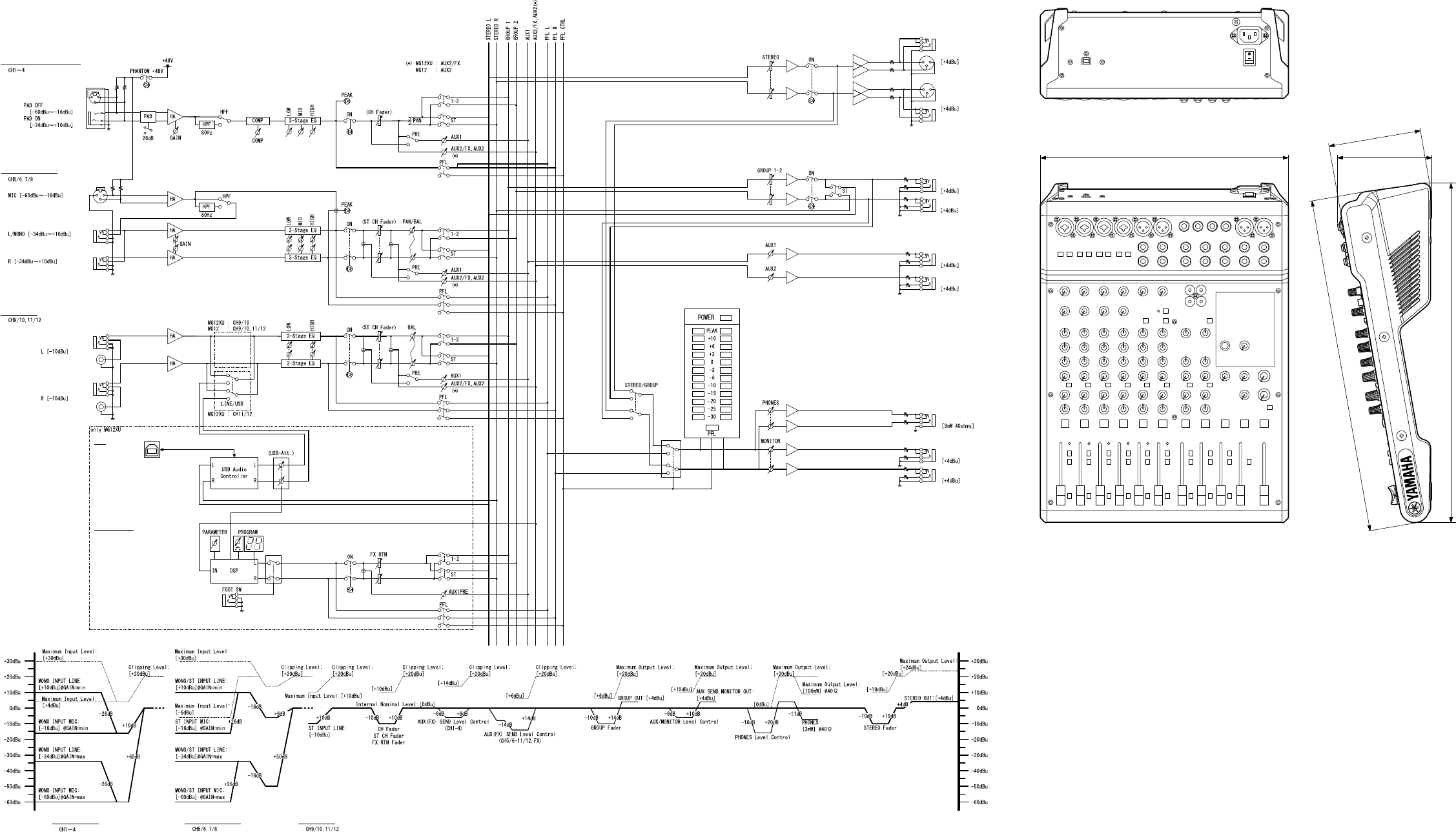
Block and Level Diagrams
USB
MONO/ST CH INPUT
MONO CH INPUT MONO/ST CH INPUT
MONO CH INPUT (MIC/LINE)
ST CH INPUT
SEND AUX2
SEND AUX1
GROUP OUT 1
GROUP OUT 2
STEREO OUT L
STEREO OUT R
Digital EFFECT
PHONES
MONITOR OUT L
MONITOR OUT R
ST CH INPUT