Yamaha MG20XU/MG20/MG16XU/MG16/MG12XU/MG12 Owner's Manual MG20XU/MG20 Mg20xu En Om E0
[5.4MB] mg20xu_en_om_e0 Manual Library - Yamaha - United States
[5.4MB] mg20xu_en_om_e0 Manual Library - Yamaha - United States
User Manual: Yamaha MG20XU/MG20 Owner's Manual
Open the PDF directly: View PDF
.
Page Count: 40

MG20XU/MG20/MG16XU/MG16/MG12XU/MG12 Owner’s Manual 3
The above warning is located on the rear of the unit.
L’avertissement ci-dessus est situé à l’arrière de l’appareil.
Explanation of Graphical Symbols
Explication des symboles
The lightning flash with arrowhead symbol within an equilateral triangle is intended to alert the user to the presence of uninsulated
“dangerous voltage” within the product’s enclosure that may be of sufficient magnitude to constitute a risk of electric shock to persons.
L’éclair avec une flèche à l’intérieur d’un triangle équilatéral est destiné à attirer l’attention de l’utilisateur sur la présence d’une « ten-
sion dangereuse » non isolée à l’intérieur de l’appareil, pouvant être suffisamment élevée pour constituer un risque d’électrocution.
The exclamation point within an equilateral triangle is intended to alert the user to the presence of important operating and maintenance
(servicing) instructions in the literature accompanying the product.
Le point d’exclamation à l’intérieur d’un triangle équilatéral est destiné à attirer l’attention de l’utilisateur sur la présence d’instructions
importantes sur l’emploi ou la maintenance (réparation) de l’appareil dans la documentation fournie.
IMPORTANT SAFETY
INSTRUCTIONS
1 Read these instructions.
2 Keep these instructions.
3 Heed all warnings.
4 Follow all instructions.
5 Do not use this apparatus near water.
6 Clean only with dry cloth.
7 Do not block any ventilation openings. Install in accordance with
the manufacturer’s instructions.
8 Do not install near any heat sources such as radiators, heat regis-
ters, stoves, or other apparatus (including amplifiers) that produce
heat.
9 Do not defeat the safety purpose of the polarized or grounding-type
plug. A polarized plug has two blades with one wider than the other.
A grounding type plug has two blades and a third grounding prong.
The wide blade or the third prong are provided for your safety. If the
provided plug does not fit into your outlet, consult an electrician for
replacement of the obsolete outlet.
10 Protect the power cord from being walked on or pinched particu-
larly at plugs, convenience receptacles, and the point where they
exit from the apparatus.
11 Only use attachments/accessories specified by the manufacturer.
12 Use only with the cart, stand, tripod, bracket,
or table specified by the manufacturer, or sold
with the apparatus. When a cart is used, use
caution when moving the cart/apparatus com-
bination to avoid injury from tip-over.
13 Unplug this apparatus during lightning storms
or when unused for long periods of time.
14 Refer all servicing to qualified service personnel. Servicing is
required when the apparatus has been damaged in any way, such as
power-supply cord or plug is damaged, liquid has been spilled or
objects have fallen into the apparatus, the apparatus has been
exposed to rain or moisture, does not operate normally, or has been
dropped.
(UL60065_03)
PRÉCAUTIONS CONCER-
NANT LA SÉCURITÉ
1 Lire ces instructions.
2 Conserver ces instructions.
3 Tenir compte de tous les avertissements.
4 Suivre toutes les instructions.
5 Ne pas utiliser ce produit à proximité d’eau.
6 Nettoyer uniquement avec un chiffon propre et sec.
7 Ne pas bloquer les orifices de ventilation. Installer l’appareil confor-
mément aux instructions du fabricant.
8 Ne pas installer l’appareil à proximité d’une source de chaleur
comme un radiateur, une bouche de chaleur, un poêle ou tout autre
appareil (y compris un amplificateur) produisant de la chaleur.
9 Ne pas modifier le système de sécurité de la fiche polarisée ou de la
fiche de terre. Une fiche polarisée dispose de deux broches dont
une est plus large que l’autre. Une fiche de terre dispose de deux
broches et d’une troisième pour le raccordement à la terre. Cette
broche plus large ou cette troisième broche est destinée à assurer
la sécurité de l’utilisateur. Si la fiche équipant l’appareil n’est pas
compatible avec les prises de courant disponibles, faire remplacer
les prises par un électricien.
10 Acheminer les cordons d’alimentation de sorte qu’ils ne soient pas
piétinés ni coincés, en faisant tout spécialement attention aux
fiches, prises de courant et au point de sortie de l’appareil.
11 Utiliser exclusivement les fixations et accessoires spécifiés par le
fabricant.
12 Utiliser exclusivement le chariot, le stand, le
trépied, le support ou la table recommandés
par le fabricant ou vendus avec cet appareil.
Si l’appareil est posé sur un chariot, déplacer
le chariot avec précaution pour éviter tout ris-
que de chute et de blessure.
13 Débrancher l’appareil en cas d’orage ou
lorsqu’il doit rester hors service pendant une période prolongée.
14 Confier toute réparation à un personnel qualifié. Faire réparer
l’appareil s’il a subi tout dommage, par exemple si la fiche ou le cor-
don d’alimentation est endommagé, si du liquide a coulé ou des
objets sont tombés à l’intérieur de l’appareil, si l’appareil a été
exposé à la pluie ou à de l’humidité, si l’appareil ne fonctionne pas
normalement ou est tombé.
(UL60065_03)
WARNING
TO REDUCE THE RISK OF FIRE OR ELECTRIC SHOCK, DO NOT
EXPOSE THIS APPARATUS TO RAIN OR MOISTURE.
AVERTISSEMENT
POUR RÉDUIRE LES RISQUES D’INCENDIE OU DE DÉCHARGE
ÉLECTRIQUE, N’EXPOSEZ PAS CET APPAREIL À LA PLUIE OU À
L’HUMIDITÉ.

MG20XU/MG20/MG16XU/MG16/MG12XU/MG12 Owner’s Manual
4
IMPORTANT NOTICE FOR THE UNITED KINGDOM
Connecting the Plug and Cord
WARNING: THIS APPARATUS MUST BE EARTHED IMPOR-
TANT. The wires in this mains lead are coloured in accordance
with the following code:
GREEN-AND-YELLOW : EARTH
BLUE : NEUTRAL
BROWN : LIVE
As the colours of the wires in the mains lead of this apparatus
may not correspond with the coloured markings identifying the
terminals in your plug proceed as follows:
The wire which is coloured GREEN-and-YELLOW must be con-
nected to the terminal in the plug which is marked by the letter E
or by the safety earth symbol or colored GREEN or GREEN-
and-YELLOW.
The wire which is coloured BLUE must be connected to the ter-
minal which is marked with the letter N or coloured BLACK.
The wire which is coloured BROWN must be connected to the
terminal which is marked with the letter L or coloured RED.
(3 wires)
1. IMPORTANT NOTICE: DO NOT MODIFY THIS UNIT!
This product, when installed as indicated in the instructions
contained in this manual, meets FCC requirements. Modifica-
tions not expressly approved by Yamaha may void your
authority, granted by the FCC, to use the product.
2. IMPORTANT: When connecting this product to accessories
and/or another product use only high quality shielded cables.
Cable/s supplied with this product MUST be used. Follow all
installation instructions. Failure to follow instructions could
void your FCC authorization to use this product in the USA.
3. NOTE: This product has been tested and found to comply
with the requirements listed in FCC Regulations, Part 15 for
Class “B” digital devices. Compliance with these require-
ments provides a reasonable level of assurance that your use
of this product in a residential environment will not result in
harmful interference with other electronic devices. This equip-
ment generates/uses radio frequencies and, if not installed
and used according to the instructions found in the users
manual, may cause interference harmful to the operation of
other electronic devices. Compliance with FCC regulations
does not guarantee that interference will not occur in all
* This applies only to products distributed by YAMAHA CORPORATION OF AMERICA. (class B)
installations. If this product is found to be the source of inter-
ference, which can be determined by turning the unit “OFF”
and “ON”, please try to eliminate the problem by using one of
the following measures:
Relocate either this product or the device that is being
affected by the interference.
Utilize power outlets that are on different branch (circuit
breaker or fuse) circuits or install AC line filter/s.
In the case of radio or TV interference, relocate/reorient the
antenna. If the antenna lead-in is 300 ohm ribbon lead,
change the lead-in to co-axial type cable.
If these corrective measures do not produce satisfactory
results, please contact the local retailer authorized to distrib-
ute this type of product. If you can not locate the appropriate
retailer, please contact Yamaha Corporation of America,
Electronic Service Division, 6600 Orangethorpe Ave, Buena
Park, CA90620
The above statements apply ONLY to those products distrib-
uted by Yamaha Corporation of America or its subsidiaries.
FCC INFORMATION (U.S.A.)
(weee_eu_en_02)
Information for users on collection and disposal of old equipment:
This symbol on the products, packaging, and/or accompanying documents means that used electrical and electronic
products should not be mixed with general household waste.
For proper treatment, recovery and recycling of old products, please take them to applicable collection points, in accor-
dance with your national legislation.
By disposing of these products correctly, you will help to save valuable resources and prevent any potential negative
effects on human health and the environment which could otherwise arise from inappropriate waste handling.
For more information about collection and recycling of old products, please contact your local municipality, your waste
disposal service or the point of sale where you purchased the items.
For business users in the European Union:
If you wish to discard electrical and electronic equipment, please contact your dealer or supplier for further information.
Information on Disposal in other Countries outside the European Union:
This symbol is only valid in the European Union. If you wish to discard these items, please contact your local authorities
or dealer and ask for the correct method of disposal.
이 기기는 가정용(B급) 전자파적합기기로서 주로 가정에서 사용
하는 것을 목적으로 하며, 모든 지역에서 사용할 수 있습니다.
(class b korea)
COMPLIANCE INFORMATION STATEMENT
(DECLARATION OF CONFORMITY PROCEDURE)
Responsible Party : Yamaha Corporation of America
Address : 6600 Orangethorpe Ave., Buena Park,
Calif. 90620
Telephone : 714-522-9011
Type of Equipment : Mixing Console
Model Name : MG20XU/MG16XU/MG12XU
This device complies with Part 15 of the FCC Rules.
Operation is subject to the following two conditions:
1) this device may not cause harmful interference, and
2) this device must accept any interference received including
interference that may cause undesired operation.
See user manual instructions if interference to radio reception is
suspected.
* This applies only to products distributed by
YAMAHA CORPORATION OF AMERICA.
(FCC DoC)
In Finland: Laite on liitettävä suojamaadoituskoskettimilla var-
ustettuun pistorasiaan.
In Norway: Apparatet må tilkoples jordet stikkontakt.
In Sweden: Apparaten skall anslutas till jordat uttag.
(class I hokuo)

MG20XU/MG20/MG16XU/MG16/MG12XU/MG12 Owner’s Manual 5
PRECAUTIONS
PLEASE READ CAREFULLY
BEFORE PROCEEDING
Please keep this manual in a safe place for
future reference.
WARNING
Always follow the basic precautions listed below to
avoid the possibility of serious injury or even death
from electrical shock, short-circuiting, damages, fire or
other hazards. These precautions include, but are not
limited to, the following:
Power supply/power cord
• Do not place the power cord near heat sources such as
heaters or radiators, and do not excessively bend or
otherwise damage the cord, place heavy objects on it, or
place it in a position where anyone could walk on, trip over,
or roll anything over it.
• Only use the voltage specified as correct for the device. The
required voltage is printed on the name plate of the device.
• Use only the supplied power cord/plug.
If you intend to use the device in an area other than in the
one you purchased, the included power cord may not be
compatible. Please check with your Yamaha dealer.
• Check the electric plug periodically and remove any dirt or
dust which may have accumulated on it.
• Be sure to connect to an appropriate outlet with a protective
grounding connection. Improper grounding can result in
electrical shock, damage to the device(s), or even fire.
Do not open
• This device contains no user-serviceable parts. Do not open
the device or attempt to disassemble the internal parts or
modify them in any way. If it should appear to be
malfunctioning, discontinue use immediately and have it
inspected by qualified Yamaha service personnel.
Water warning
• Do not expose the device to rain, use it near water or in
damp or wet conditions, or place on it any containers (such
as vases, bottles or glasses) containing liquids which might
spill into any openings. If any liquid such as water seeps
into the device, turn off the power immediately and unplug
the power cord from the AC outlet. Then have the device
inspected by qualified Yamaha service personnel.
• Never insert or remove an electric plug with wet hands.
Fire warning
• Do not put burning items, such as candles, on the unit.
A burning item may fall over and cause a fire.
If you notice any abnormality
• When one of the following problems occur, immediately turn
off the power switch and disconnect the electric plug from
the outlet. Then have the device inspected by Yamaha
service personnel.
- The power cord or plug becomes frayed or damaged.
- It emits unusual smells or smoke.
- Some object has been dropped into the device.
- There is a sudden loss of sound during use of the device.
• If this device should be dropped or damaged, immediately
turn off the power switch, disconnect the electric plug from
the outlet, and have the device inspected by qualified
Yamaha service personnel.
CAUTION
Always follow the basic precautions listed below to
avoid the possibility of physical injury to you or others,
or damage to the device or other property. These
precautions include, but are not limited to, the following:
Power supply/power cord
• When removing the electric plug from the device or an
outlet, always hold the plug itself and not the cord. Pulling
by the cord can damage it.
• Remove the electric plug from the outlet when the device is
not to be used for extended periods of time, or during
electrical storms.
Location
• Do not place the device in an unstable position where it
might accidentally fall over.
• Do not block the vents. This device has ventilation holes at
the bottom/sides to prevent the internal temperature from
becoming too high. In particular, do not place the device on
its side or upside down. Inadequate ventilation can result in
overheating, possibly causing damage to the device(s), or
even fire.
• Do not place the device in a location where it may come into
contact with corrosive gases or salt air. Doing so may result
in malfunction.
• Before moving the device, remove all connected cables.
• When setting up the device, make sure that the AC outlet
you are using is easily accessible. If some trouble or
malfunction occurs, immediately turn off the power switch
and disconnect the plug from the outlet. Even when the
power switch is turned off, electricity is still flowing to the
product at the minimum level. When you are not using the
product for a long time, make sure to unplug the power cord
from the wall AC outlet.
• When rackmounting the device, always use two or more
people. Attempting to lift the device by yourself may
damage your back, result in other injury, or cause damage
to the device itself.
• If the device is mounted in an EIA standard rack, carefully
read the section “Precautions for Rack Mounting” on page
35. Inadequate ventilation can result in overheating,
possibly causing damage to the device(s), malfunction, or
even fire.
Connections
• Before connecting the device to other devices, turn off the
power for all devices. Before turning the power on or off for
all devices, set all volume levels to minimum.
PA_en_2 1/2
Precautions

MG20XU/MG20/MG16XU/MG16/MG12XU/MG12 Owner’s Manual
6
Maintenance
• Remove the power plug from the AC outlet when cleaning
the device.
Handling caution
• Do not insert your fingers or hands in any gaps or openings
on the device (vents).
• Avoid inserting or dropping foreign objects (paper, plastic,
metal, etc.) into any gaps or openings on the device (vents).
If this happens, turn off the power immediately and unplug
the power cord from the AC outlet. Then have the device
inspected by qualified Yamaha service personnel.
• Do not rest your weight on the device or place heavy
objects on it, and avoid use excessive force on the buttons,
switches or connectors.
• Do not use speakers or headphones for a long period of
time at a high or uncomfortable volume level, since this can
cause permanent hearing loss. If you experience any
hearing loss or ringing in the ears, consult a physician.
NOTICE
To avoid the possibility of malfunction/damage to the product, damage to data, or damage to other property, follow the notices
below.
Handling and Maintenance
• Do not use the device in the vicinity of a TV, radio, stereo equipment, mobile phone, or other electric devices. Otherwise, the
device, TV, or radio may generate noise.
• Do not expose the device to excessive dust or vibration, or extreme cold or heat (such as in direct sunlight, near a heater, or
in a car during the day), in order to prevent the possibility of panel disfiguration, unstable operation, or damage to the inter-
nal components.
• Do not place vinyl, plastic or rubber objects on the device, since this might discolor the panel.
• When cleaning the device, use a dry and soft cloth. Do not use paint thinners, solvents, cleaning fluids, or chemical-impreg-
nated wiping cloths.
• Condensation can occur in the device due to rapid, drastic changes in ambient temperature—when the device is moved
from one location to another, or air conditioning is turned on or off, for example. Using the device while condensation is
present can cause damage. If there is reason to believe that condensation might have occurred, leave the device for several
hours without turning on the power until the condensation has completely dried out.
• Avoid setting all equalizer controls and faders to their maximum. Depending on the condition of the connected devices,
doing so may cause feedback and may damage the speakers.
• Do not apply oil, grease, or contact cleaner to the faders. Doing so may cause problems with electrical contact or fader motion.
• When turning on the AC power in your audio system, always turn on the power amplifier LAST, to avoid speaker damage.
When turning the power off, the power amplifier should be turned off FIRST for the same reason.
• Always turn the power off when the device is not in use.
Connectors
XLR-type connectors are wired as follows (IEC60268 standard): pin 1: ground, pin 2: hot (+), and pin 3: cold (-).
Information
About this manual
• The illustrations as shown in this manual are for instructional purposes only, and may appear somewhat different from those
on your device.
• Steinberg and Cubase are registered trademarks of Steinberg Media Technologies GmbH.
• The company names and product names in this manual are the trademarks or registered trademarks of their respective
companies.
• This manual covers the MG20XU/MG20, MG16XU/MG16, and MG12XU/MG12 mixing consoles. In cases where different
features need to be described for each model, the features for the MG16XU/MG16 and MG12XU/MG12 will be enclosed in
brackets. (Example: CH13/14 – 19/20 {CH9/10 – 15/16} {CH1 – 7/8})
• In this manual, the term “MG” refers to all models collectively. The term “XU models” refers to the MG20XU, MG16XU, and
MG12XU.
• Throughout this manual, all panel illustrations show the panel of the MG16XU, unless noted otherwise.
Yamaha cannot be held responsible for damage caused
by improper use or modifications to the device, or data
that is lost or destroyed.
The model number, serial number, power requirements, etc., may be found on or near the name plate, which is at
the rear of the unit. You should note this serial number in the space provided below and retain this manual as a per-
manent record of your purchase to aid identification in the event of theft.
Model No.
Serial No.
(rear_en_01)
PA_en_2 2/2

MG20XU/MG20/MG16XU/MG16/MG12XU/MG12 Owner’s Manual 7
Thank you for purchasing the Yamaha MG20XU/MG20/MG16XU/MG16/
MG12XU/MG12 mixing console. Please read this manual thoroughly to get the
most out of the product and ensure long-term, trouble-free use. After reading
this manual, please keep it available for future reference.
Contents
Precautions..................................... 5
Contents......................................... 7
Main Features .................................. 8
Quick Start Guide .............................. 9
Step 1 Preparing the Power Supply..................9
Step 2 Making Connections ..............................9
Step 3 Powering Up the System........................9
Step 4 Getting Sound to the Speakers ...........10
Step 5 Using the Built-in Effects
(XU Models Only) ..................................11
Setup............................................12
Setup Examples ................................................12
Controls and Connectors ....................14
Front Panel.........................................................14
Rear Panel..........................................................15
Input Channel Block .........................................16
Built-in Effects Block (XU Models Only) .........22
Master Block......................................................24
Power Block.......................................................27
USB Block (XU Models Only)...........................28
Troubleshooting ...............................29
When No Sound Is Output ...............................29
Other ..................................................................31
Appendix....................................... 32
General Specifications..................................... 32
Effect Programs................................................ 33
Jack and Connector List.................................. 34
Connector Types .............................................. 34
Rack Mounting.................................................. 35
Index.................................................................. 36

MG20XU/MG20/MG16XU/MG16/MG12XU/MG12 Owner’s Manual
8
Main Features
D-PRE and High-Quality Operational Amplifiers
Mono input channels are equipped with “D-PRE” Class-A discrete microphone preamplifiers. The D-PRE head amplifier
features an inverted Darlington circuit used in high-end audio devices. This circuit uses multi-stage amplifying elements to
ensure high current and low impedance, for an audio texture with crispness and richness in the low and mid frequencies.
Combined with the specially-designed “MG01” operational amp, the overall result is full-bodied reproduction of low fre-
quencies as well as sustained high frequencies. Input channels feature combo jacks, which can accept both XLR and TRS
connectors. In addition, PAD circuitry allows line level input, to accommodate a wide variety of instruments.
Improved Convenience with Built-in Universal Switching Power Supply
The MG series features a universal switching power supply. This power supply supports input voltages of 100 V to 240 V,
for stable operation even in environments where power voltage fluctuates easily. Lowering the impedance of the power sup-
ply has resulted in improved sound quality with a faster attack. An AC inlet allows simple installation in environments
where portability is required, as well as when mounting the mixing console in a rack.
24 High-Quality Digital Effects (XU Models)
The XU models (MG20XU/MG16XU/MG12XU) feature 24 built-in effects that are based on SPX algorithms used by pro-
fessionals. In particular, the high-quality reverb and delay expand the spatial quality of the sound with remarkable realism
and naturalness.
24-bit/192 kHz USB Audio Interface (XU Models)
The XU models (MG20XU/MG16XU/MG12XU) feature a USB 2.0 audio interface capable of 24-bit/192 kHz sound qual-
ity. With the audio interface you can play back music from your computer, or use DAW software such as Cubase AI to
record the mixer output. The XU models support USB Audio Class 2.0 so you can use them with USB Audio Class 2.0
compliant tablets and other devices, without the need to install drivers. The USB protocol uses asynchronous data transfer.
Audio data is transferred based on a highly precise audio clock signal from the MG, for high quality recording and play-
back.
Accessories (Please check that they are included with your mixing console.)
• AC Power Cord
• Rack-Mount Kit (The RK-MG12 for the MG12XU/MG12 is sold separately.)
• Cubase AI Download Information (XU models):
Contains the access code necessary for downloading the Steinberg DAW software “Cubase AI”.
Visit the following Yamaha website for details on downloading and installing Cubase AI, and making necessary set-
tings.
http://www.yamahaproaudio.com/mg_xu/
• Technical Specifications (English only):
Includes general specifications, input/output characteristics, dimensions, as well as a block diagram and level dia-
gram.
• Owner’s Manual (this book)

MG20XU/MG20/MG16XU/MG16/MG12XU/MG12 Owner’s Manual 9
Quick Start Guide
We’ll begin this guide by connecting a pair of speakers and generating some stereo output. Note that the operations
and procedures will vary somewhat according to the input devices you are using.
Step 1 Preparing the Power Sup-
ply
1. Make sure that the power switch of the unit is
set to the “ ” position (off).
2. Connect the socket of the included power cord
to the [AC IN] jack on the rear panel.
3. Plug the power cord into a power outlet.
Step 2 Making Connections
1. Turn all the faders and [GAIN] knobs com-
pletely down.
2. Connect the microphones, instruments, and/or
speakers you intend to use.
For details on making connections, see “Setup Examples”
(pages 12 – 13), “Front Panel” and “Rear Panel” (pages 14 –
15).
Step 3 Powering Up the System
To prevent an unwanted burst of noise from the
speakers, power up the devices in the following
order: peripheral devices (instruments, micro-
phones, etc.) mixing console power amps
(or powered speakers).
Reverse this order when turning the power off.
WARNING
Be sure to turn the power on/off in the order given in Step 3
above every time you use the mixer. Failure to do so may
result in loud noise bursts that can damage your equipment,
your ears, or both.
NOTICE
If you are using condenser microphones that require phantom
power, turn the mixer’s [PHANTOM +48V] switch on before
turning on the power to the power amps or powered speakers.
See page 17 for details. Also, read the details about the
[PHANTOM +48V] switch on page 17 before turning the switch
on.
• Power switch (rear panel)
• [AC IN] jack (rear panel)
[GAIN] knobs
Faders
MG20XU MG16XU MG12XU

Quick Start Guide
MG20XU/MG20/MG16XU/MG16/MG12XU/MG12 Owner’s Manual
10
Step 4 Getting Sound to the Speakers
1. Turn on ( ) the [PFL] switches for each chan-
nel you are using.
NOTE
• When you turn on the [PFL] switch for a channel, you can
monitor the signal for that channel through headphones con-
nected to the [Phones] jack. The level of the signal is also
shown on the level meter indicator, allowing you to more
accurately check signal levels. After checking levels, turn the
[PFL] switches off.
• When a [PFL] switch is turned on, the [PFL] indicator below
the level meter flashes.
2. While playing your instrument or speaking into
a microphone, adjust the input signal with the
[GAIN] knob until it goes past the “0” (<) posi-
tion on the level meter only occasionally.
NOTE
If you connect a portable audio player, synthesizer, or other
equipment to a stereo input channel that has no [GAIN] knob,
adjust the output level on the connected device.
3. Turn on ( ) the [ON] switches for each chan-
nel you are using.
4. Turn on ( ) the [ST] switches for each chan-
nel you are using.
5. Turn off ( ) all [PFL] switches.
Confirm that the [PFL] indicator below the level meter is off.
6. Turn on ( ) the [ON] switch for the [STEREO]
master.
7. Raise the [STEREO] master fader to the “0”
position.
8. Set the channel faders to create the desired
initial balance.
9. Adjust the overall volume of the [STEREO]
master fader.
The overall headphone level is adjusted by the [PHONES]
knob.
NOTE
If the level meter [PEAK] indicator lights frequently, slightly
lower the channel faders to avoid distortion.
[GAIN] knobs
Channel [ON] switches
Channel [ST] switches
Channel [PFL] switches [STEREO] master fader
[PHONES] jack
Level meter [PEAK] indicator
Level meter
[PFL] indicator
[PHONES] knob
[STEREO] master [ON] switch
Channel faders
Adjusting Tone and Level
• Equalizer ([HIGH]/[MID]/[LOW]) ............................... page 18
• [COMP] knobs.......................................................... page 17
• [GAIN] knobs ............................................................ page 17
• Channel faders......................................................... page 19

MG20XU/MG20/MG16XU/MG16/MG12XU/MG12 Owner’s Manual 11
Quick Start Guide
Step 5 Using the Built-in Effects (XU Models Only)
1. Turn the [PROGRAM] knob to select the
desired effect, and then press the knob to
enable it.
The selected effect program number flashes in the display.
For details about available effects, see the Effect Programs on
page 33.
2. Turn on ( ) the [ON] switch for [FX RTN].
3. Turn on ( ) the [ST] switch for [FX RTN].
4. Raise the [FX RTN] fader to the “0” position.
5. Use the [AUX (2, 4)/FX] knobs to adjust the
effect depth for each channel.
6. Use the [FX RTN] fader to adjust the overall
effect depth of the selected effect.
You can use the [PARAMETER] knob (page 23) to adjust
effect parameters such as reverb time and delay time. For
details about the parameters of each effect that can be
adjusted with the [PARAMETER] knob, see page 33.
[AUX (2, 4)/FX] knobs
Display
[PROGRAM] knob*
[PARAMETER] knob*
[ON] switch for [FX RTN]
[ST] switch for [FX RTN]
[FX RTN] fader
(The MG20XU has an [FX RTN LEVEL] knob.)
* The [PROGRAM] knob and
[PARAMETER] knob on the
MG20XU are in slightly different
locations than shown here.
Using Reverb and Delay
Your mixes can be further enhanced by using the built-in ambience effects such as reverb or delay.
Reverb and Delay Time
The optimum reverb time for a piece of music will depend on the music’s tempo and density, but as a general rule longer reverb times
are good for ballads, while shorter reverb times are more suited to up-tempo tunes. Delay times can be adjusted to create a wide vari-
ety of repeating rhythmic effects. When adding a delay to a vocal, for example, try setting the delay time to dotted eighth notes ( e. )
corresponding to the tune’s tempo.
Reverb Level
While working for many hours on a mix, your sense of hearing will start to dull slightly. This can lead to the perception that tracks with
excess processing sound like the perfect mix. To avoid falling into this trap, start with reverb level all the way down, then gradually bring
the reverb into the mix until you can just hear the difference. Any more than this normally becomes a special effect or, worse yet,
makes the sound muddy and indistinct. In general, you don’t want reverb to dominate the mix, so you should apply it judiciously.

MG20XU/MG20/MG16XU/MG16/MG12XU/MG12 Owner’s Manual
12
Setup
DI
Setup Examples
1. Sound Reinforcement for Live Performance
Front Panel
NOTE
On the MG20XU/MG20, the [SEND] jack, [GROUP OUT] jack,
[MONITOR OUT], jack, and [STEREO OUT] jack are located on
the rear panel.
Drum
Bass guitar
Microphones
3
Electric acoustic
guitar
Electric guitar
Microphones
2
Powered speakers
(for musician monitoring)
Powered speakers
(main)
Mono input jacks accept both XLR
connectors and phone connectors.
Synthesizer
Foot switch
(Yamaha FC5)
(The [FOOT SW] jack
is on XU models only.)
Portable audio player
Headphones
Rear Panel
Computer (for music
playback and/or recording)
(The [USB 2.0] jack is
on XU models only.)

MG20XU/MG20/MG16XU/MG16/MG12XU/MG12 Owner’s Manual 13
Setup
2. For Events and Parties
Front Panel
NOTE
On the MG20XU/MG20, the [SEND] jack, [GROUP OUT] jack,
[MONITOR OUT], jack, and [STEREO OUT] jack are located on
the rear panel.
Power amp
Microphones DVD player (voice) Powered speakers
Headphones
CD player
Speakers
Rear Panel
Computer (for music
playback and/or recording)
(The [USB 2.0] jack is
on XU models only.)
DJ mixer

MG20XU/MG20/MG16XU/MG16/MG12XU/MG12 Owner’s Manual
14
Controls and Connectors
Front Panel
The number and locations of jacks and controls vary slightly by model. Carefully check the name indicated near each jack and control
while referring to this manual.
Mono input channels (page 16)
Mono/stereo input channels (page 16)
Stereo input channels (page 16)
Master block jacks
(page 24)
• The master block jacks on
the MG16XU/MG16/
MG12XU/MG12 are all
located on the front panel.
• The master block jacks on
the MG20XU/MG20 are all
located on the rear panel,
except the [PHONES] jack.
[MONITOR] section
(page 25)
[SEND MASTER] section
(page 26)
[GROUP] section
(page 26)
[STEREO] section
(page 27)
Input Channel Block (pages 16–21)
Built-in Effects Block (XU models only) (pages 22–23)
Master Block (pages 24–27)

Controls and Connectors
MG20XU/MG20/MG16XU/MG16/MG12XU/MG12 Owner’s Manual
16
Input Channel Block qMono input jacks
• [MIC/LINE]: Accepts both XLR connectors and phone
connectors. Connect the microphones and or
instruments you intend to use.
wMono/stereo input jacks
• [MIC]: Balanced XLR microphone input jacks
(1: ground, 2: hot, 3: cold)
• [LINE (L/MONO, R)]: Unbalanced phone type line ste-
reo input jacks (Unbalanced phone-type and
RCA stereo input jacks on the MG20XU/MG20)
NOTE
On any given channel, you may use either a phone jack or
RCA jack, but not both.
eStereo input jacks
• LINE [L, R]: These are stereo input jacks (unbalanced
input) for connecting line-level instruments, such
as electric keyboards and audio equipment. Two
jack types are provided: phone type and RCA pin
type.
NOTE
On any given channel, you may use either a phone jack or
RCA jack, but not both. If both types of jack are used, only the
phone jack will function.
!7
!6
!7
!6
!7
!6
!4
!3
!2
!3
!2
to
i
!3
!2
u
y y
q
t
r
!5
!4
!5!5 !5!5
!1 !1 !1
!0 !0
w
!0
e
Mono input
channels
1 – 12
(MG20XU/MG20)
1 – 8
(MG16XU/MG16)
1 – 4
(MG12XU/MG12)
Mono/stereo input
channels
13/14 – 19/20
(MG20XU/MG20)
9/10 – 11/12
(MG16XU/MG16)
5/6 – 7/8
(MG12XU/MG12)
Stereo input
channels
13/14 – 15/16
(MG16XU/MG16)
9/10 – 11/12
(MG12XU/MG12)
MG16XU
MG20XU/MG20: 1 – 12
MG16XU/MG16: 1 – 8
MG12XU/MG12: 1 – 4
MG20XU/MG20:
13/14 – 19/20
MG16XU/MG16:
9/10 – 11/12
MG12XU/MG12:
5/6 – 7/8
MG20XU/MG20
MG16XU/MG16
MG12XU/MG12
MG20XU
MG20
Phone type
MG16XU/MG16: 13/14 – 15/16
MG12XU/MG12: 9/10 – 11/12
RCA type
MG16XU/MG16: 13/14 – 15/16
MG12XU/MG12: 9/10 – 11/12

MG20XU/MG20/MG16XU/MG16/MG12XU/MG12 Owner’s Manual 17
Controls and Connectors
r[PAD] switch
When this switch is turned on ( ), the input signal from
the [MIC/LINE] jack of the mono input channel is attenuated
by 26 dB. Turn this switch off ( ) if you’ve connected a
microphone or other device with a low input level to the
channel. Turn it on ( ) if you’ve connected a line-level
device.
NOTE
There may be some noise when operating switches. To prevent
this, turn the [ON] switch of a channel off before operating
other switches.
t[HPF] (High Pass Filter) switch
Turning this switch on ( ) will apply a high-pass filter that
attenuates frequencies below 80 Hz in the signal by a slope of
12 dB/octave.
NOTE
Turning the [HPF 80Hz (MIC)] switch on will apply a dedicated
high-pass filter only to the signal from the [MIC] jacks.
y[GAIN] knobs
For adjusting the gain of the input signal. Mono input chan-
nels have a [PAD] switch r that lets you change the range of
this control.
The adjustable gain range is as follows.
u[COMP] knobs
For adjusting the amount of compression applied to the chan-
nel. As the [COMP] knob is turned to the right the threshold,
ratio, and output gain are adjusted simultaneously.
• Threshold: +22 dBu to -8 dBu
• Ratio: 1:1 to 4 :1
• Output gain: 0 dB to +7 dB
• Attack time: Approximately 25 ms
• Release time: Approximately 300 ms
NOTE
Avoid setting the compression too high; since the resulting
higher average output level may lead to feedback.
i[PHANTOM +48V] switch and indicator
This switch toggles phantom power on and off. Turn this
switch on ( ) to supply DC+48 V to the XLR input jacks.
The indicator lights when this switch is on. Turn this switch
on when using one or more phantom-powered condenser
microphones.
NOTICE
• Be sure to leave this switch off ( ) if you do not need
phantom power.
• When turning phantom power on ( ), pay careful
attention to the following to prevent damage or noise in
the mixing console or connected equipment.
- Turn this switch off if equipment that does not use
phantom power is connected to the XLR input jacks.
- Do not disconnect XLR connector cables while this
switch is on.
- Set output controls such as the [STEREO] master
fader and the [GROUP] fader to their minimum levels
before turning phantom power on or off.
o[LINE /USB ] switch (XU models)
Switches the audio source input on CH19/20 USB IN {CH15/
16 USB IN} {CH11/12USB IN} between the [LINE] stereo
input jack and the [USB 2.0] jack.
NOTE
The volume input from computers through [USB 2.0] jack can
be adjusted by Attenuator Function. Please see Attenuator
Function (page 28).
[PAD] switch Range
ON -6 dB to +38 dB
OFF +20 dB to +64 dB
MG20XU/MG20: 1 – 12 13/14 – 19/20
MG16XU/MG16: 1 – 8 9/10 – 11/12
MG12XU/MG12: 1 – 4 5/6 – 7/8

Controls and Connectors
MG20XU/MG20/MG16XU/MG16/MG12XU/MG12 Owner’s Manual
18
!0 Equalizer ([HIGH]/[MID]/[LOW])
Equalization Types and Characteristics
The equalizer shapes the high, mid, and low audio frequen-
cies. Turning the knob to the right amplifies (boosts) the cor-
responding frequency band, while turning it to the left
attenuates (cuts) the band. Setting the knob to the middle “t”
position produces a flat response in the corresponding band.
The upper knob sets the variable mid frequency, while the
lower knob sets the amount of attenuation or boost (counter-
clockwise/clockwise) for the range.
The following table shows the EQ type, frequency, and cut/
boost range for each of the three bands.
* The signals from mono input jacks of the MG20XU/MG20
and MG16XU/MG16 can be adjusted from 250 Hz to 5 kHz.
!1 [AUX 1 – 4] knobs
[PRE] switches
[AUX (2, 4)/FX] knobs
The levels of each signal sent to the AUX 1 –
4 buses from each channel can be adjusted
independently. On stereo input channels, the
Line L (odd) and Line R (even) input signals
are mixed before being sent to each AUX
bus. Adjust the knobs so that they are near or
at the “t” (nominal) position.
NOTE
• The [AUX1] knob indicated “PRE” adjusts the level of the pre-
fader signal (before fader adjustment).
• The [PRE] switch on [AUX1] and [AUX2] can be used to
select whether the pre-fader ( ) (the signal before fader
adjustment) or post fader ( ) (the signal after fader adjust-
ment) signal is sent to the AUX bus by the [PRE] switch.
• The [AUX4/FX] and [AUX2/FX] knobs are used to adjust the
level of the signal sent to the FX bus (built-in effects) in addi-
tion to the AUX bus. The same signal level is sent to the AUX
buses and FX buses connected to these knobs.
!2 [PAN] knobs
[PAN/BAL] knobs
[BAL] knobs
• PAN: Sets the position of the sound image within the
stereo field. This knob adjusts the volume bal-
ance of each channel sent to the STEREO L/R
bus. When the knob is set to the 12 o’clock posi-
tion, the channel’s sound will be sent to the L and
R of the STEREO L/R bus at the same volume. In
this case, the sound image is positioned at the
center. If the bus assign switch [1-2] or [3-4] is
pressed, this knob adjusts the volume balance
sent to the GROUP bus. When the knob is set to
the 12 o’clock position, the same volume is sent
to each GROUP bus. If the knob is turned com-
pletely to the left, the signal is sent to the GROUP
1 or GROUP 3 bus only; if the knob is turned
completely to the right, the signal is sent to the
GROUP 2 or GROUP 4 bus only.
3 Band
[MID] Sweep 3 Band 2 Band
MG20XU/
MG20 CH 1 – 12 CH 13/14 –
19/20 —
MG16XU/
MG16 CH 1 – 8 CH 9/10 –
15/16 —
MG12XU/
MG12 — CH 1 – 7/8 CH 9/10 –
11/12
Band Type Frequency Cut/Boost
range
HIGH Shelving 10 kHz
±15 dBMID Peaking 2.5 kHz*
LOW Shelving 100 Hz
3 Band
[MID] Sweep
3 Band 2 Band
MG20XU/MG16XU: [AUX1],
[AUX2 – 3], [AUX4/FX]
MG20/MG16: [AUX1], [AUX2 – 4]
MG12XU: [AUX1], [AUX2/FX]
MG12: [AUX1 – 2]

MG20XU/MG20/MG16XU/MG16/MG12XU/MG12 Owner’s Manual 19
Controls and Connectors
• BAL: Sets the volume balance of the signal sent from
each stereo input channel (L/R) to the STEREO
L/R bus or GROUP bus. When this knob is set to
the 12 o’clock position, the sound of the stereo
input channels (L/R) will be sent to the STEREO
L/R bus or GROUP 1, 3/2, 4 bus at the same vol-
ume.
• PAN/BAL: This knob performs both [PAN] and [BAL]
functions. You can use this as a [PAN] control
when sound is input to the [LINE] (L/MONO) jack,
and as a [BAL] control when sound is input to
both the [LINE] (L) and [LINE] (R) jacks.
!3 [ON] switches
Turn this switch on ( ) to send the respective channel’s
signal to the buses. The switch lights when on. When this
switch is off ( ), the respective signal input is not sent to
the AUX bus or GROUP bus.
NOTE
• Even if the [ON] switch is off, the PFL signal from each chan-
nel can still be monitored via the [PHONES] jack.
• To minimize noise, turn the [ON] switch off for any unused
channels.
!4 [PEAK] indicators
The peak level of the post-EQ signal is detected, and the
PEAK indicator lights red when the level reaches 3 dB below
clipping.
!5 Bus assign switch
These switches determine the bus(es) to which each channel’s
signal is sent. Turn the switch on ( ) to output the signal to
the corresponding buses.
• [1-2] switch: Assigns the channel’s signal to the
GROUP 1-2 buses.
• [3-4] switch: Assigns the channel’s signal to the
GROUP 3-4 buses.
• [ST] switch: Assigns the channel’s signal to the STE-
REO L/R buses.
NOTE
To send the signal to each bus, engage the [ON] switch !3.
!6 [PFL] (Pre-fader Listen) switch
When the [PFL] switch is on ( ), the channel pre-fader
signal is output to the [MONITOR OUT] and [PHONES]
jacks for monitoring. In this condition, the audio from the
STEREO L/R buses or GROUP buses that could be heard in
the [MONITOR OUT] and [PHONES] jacks can no longer be
heard. When a [PFL] switch is turned on, the [PFL] indicator
below the level meter flashes.
!7 Channel faders
For adjusting the level of the channel signal. Use these con-
trols to adjust the balance between the various channels.
NOTE
To minimize noise, set the fader sliders for any unused chan-
nels all the way down.
STEREO L bus,
GROUP 1 bus,
GROUP 3 bus
STEREO R bus,
GROUP 2 bus,
GROUP 4 bus
BAL
LINE L
LINE R
MG20XU/MG20
MG16XU/MG16
MG12XU/MG12

Controls and Connectors
MG20XU/MG20/MG16XU/MG16/MG12XU/MG12 Owner’s Manual
20
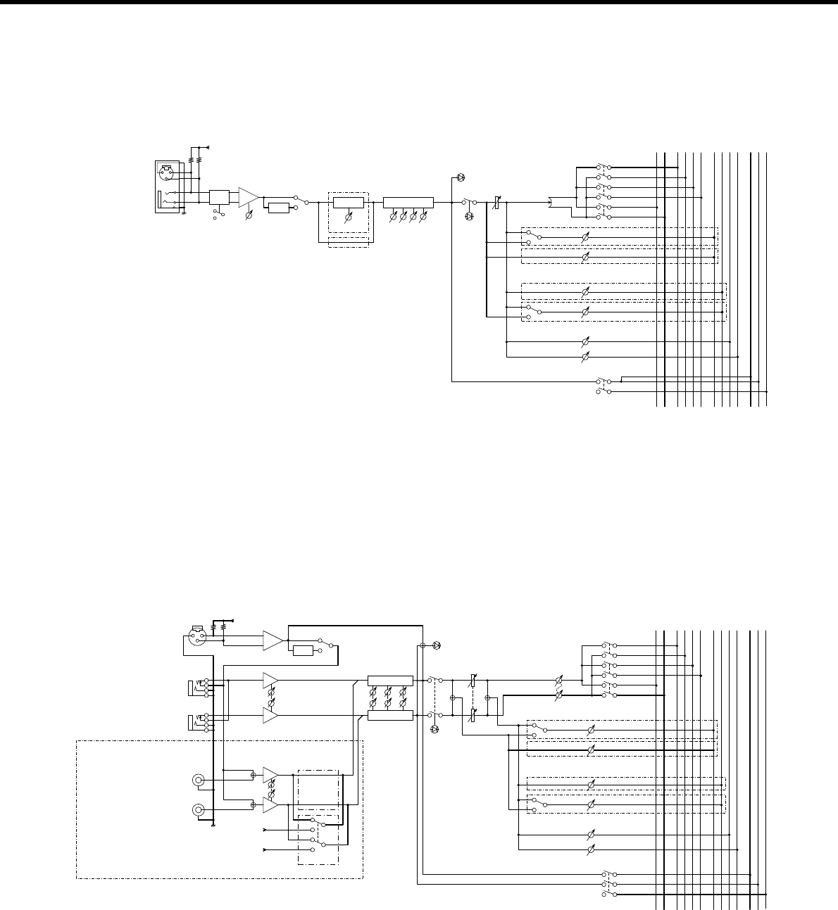
-Mono input channels
-Mono/stereo input channels
HPF
LOW
MID
HIGH
3-Stage EQ
MID f (*)
COMP
PEAK
ON (CH Fader)
PAN
STEREO L
STEREO R
PFL L
PFL R
PAD OFF
[-60dBu – -16dBu]
PAD ON
[-34dBu – +10dBu]
GROUP 2
GROUP 1
GROUP 3 (*)
GROUP 4 (*)
ST
1-2
3-4 (*)
PFL CTRL
PAD HA
26dB GAIN
HPF
MG20XU/MG20 : CH1–12
MG16XU/MG16 : CH1–8
MG12XU/MG12 : CH1–4
PHANTOM
80Hz
MG20XU/MG20 : CH1–8
MG16XU/MG16 : CH1–8
MG12XU/MG12 : CH1–4
MG20XU/MG20 : CH9–12
COMP
PFL
(*) Only MG20XU, MG20, MG16XU and MG16
AUX2/FX, AUX2
AUX1
AUX3 (*)
AUX4/FX, AUX4 (*)
PRE AUX1
MG20XU/MG20/MG16XU/MG16
MG12XU/MG12
PRE AUX2
MG12XU/MG12
MG20XU/MG20/MG16XU/MG16
AUX3 (*)
AUX4/FX, AUX4 (*)
AUX1PRE
AUX2/FX, AUX2
HPF
LOW
MID
HIGH
3-Stage EQ
PEAK
ON (ST CH Fader)
STEREO L
STEREO R
PFL L
PFL R
GROUP 2
GROUP 1
GROUP 3 (*)
GROUP 4 (*)
ST
1-2
3-4 (*)
PFL CTRL
HA HPF
MG20XU/MG20 : CH13/14–19/20
MG16XU/MG16 : CH9/10,11/12
MG12XU/MG12 : CH5/6,7/8
PHANTOM
80Hz
PFL
HA
USB-PLAY-L
USB-PLAY-R
MIC [-60dBu – -16dBu]
L/MONO [-34dBu – +10dBu]
R [-34dBu – +10dBu] HA
MG20XU/MG20 : CH13/14,15/16
MG16XU/MG16 : CH9/10,11/12
MG12XU/MG12 : CH5/6,7/8
L [-34dBu – +10dBu]
R [-34dBu – +10dBu]
MG20XU/MG20 : CH17/18,19/20
HA
HA
MG20XU : CH17/18
MG20 : CH17/18
CH19/20
MG20XU : CH19/20
3-Stage EQ
GAIN
GAIN
PAN/BAL
Only MG20XU and MG20
AUX2/FX, AUX2
AUX1
AUX3 (*)
(*) Only MG20XU, MG20, MG16XU and MG16
AUX4/FX, AUX4 (*)
PRE AUX1
MG20XU/MG20/MG16XU/MG16
MG12XU/MG12
AUX1PRE
PRE AUX2
MG12XU/MG12
MG20XU/MG20/MG16XU/MG16
AUX3 (*)
AUX4/FX, AUX4 (*)
LINE/USB
AUX2/FX, AUX2

MG20XU/MG20/MG16XU/MG16/MG12XU/MG12 Owner’s Manual 21
Controls and Connectors
-Stereo input channels
LOW
MID (*)
HIGH
EQ
ON (ST CH Fader)
STEREO L
STEREO R
PFL L
PFL R
GROUP 2
GROUP 1
GROUP 3 (*)
GROUP 4 (*)
ST
1-2
3-4 (*)
PFL CTRL
MG16XU/MG16 : CH13/14,15/16
MG12XU/MG12 : CH9/10,11/12
PFL
(*) Only MG16XU and MG16
HA
USB-PLAY-L
USB-PLAY-R
L [-10dBu]
R [-10dBu]
HA EQ
BAL
MG16XU : CH15/16
MG12XU : CH11/12
AUX2/FX, AUX2
AUX1
AUX3 (*)
AUX4/FX, AUX4 (*)
PRE AUX1
MG16XU/MG16
MG12XU/MG12
AUX1PRE
PRE AUX2
MG12XU/MG12
MG16XU/MG16
AUX4/FX, AUX4 (*)
AUX3 (*)
MG16XU/MG16 : 3-Stage
MG12XU/MG12 : 2-Stage
LINE/USB
AUX2/FX, AUX2
MG16XU : CH13/14
MG16 : CH13/14,15/16
MG12XU : CH9/10
MG12 : CH9/10,11/12

Controls and Connectors
MG20XU/MG20/MG16XU/MG16/MG12XU/MG12 Owner’s Manual
22
Built-in Effects Block
(XU Models Only)
qDisplay
Indicates the effect program number selected with the [PRO-
GRAM] knob e. The number flashes during selection; how-
ever, if several seconds pass without a selection being made,
the program returns to the last number selected.
wEffect program list
This is the list of built-in effect programs. For details about
these programs, see the “Effect Programs” on page 33.
e[PROGRAM] knob
Selects one of the 24 built-in effects. Turn the knob to select
the desired effect, and then press the knob to enable it.
NOTE
• You can also select the desired effect by turning the knob
while holding it down.
• The [PROGRAM] knob can be used to adjust the volume of
audio playback from a computer.
For details, see the “Attenuator Function” (page 28).
MG16XU MG20XU
oo
r
e
y
i
y
r
w
q
!0
u
t
e
DSP
PARAMETER PROGRAM
USB-Att.
FOOT SW
LEVEL
ON FX RTN
ST
3-4(*)
1-2
AUX1PRE
AUX2PRE (*)
AUX3PRE (*)
PFL
FX ON
STEREO L
STEREO R
GROUP 2
GROUP 1
GROUP 3 (*)
GROUP 4 (*)
AUX1
AUX2 (*)
AUX3 (*)
PFL L
PFL R
PFL CTRL
MG20XU/MG16XU : AUX4/FX
MG12XU : AUX2/FX
L
R
IN
MG20XU
MG16XU
MG12XU
(*) Only MG16XU

MG20XU/MG20/MG16XU/MG16/MG12XU/MG12 Owner’s Manual 23
Controls and Connectors
r[PARAMETER] knob
For adjusting the parameter (depth, speed, etc.) for the
selected effect. The last value used with each effect type is
saved.
NOTE
When you change to a different effect type, the mixer automati-
cally restores the value that was previously used with the newly
selected effect (regardless of the current position of the
[PARAMETER] knob).
t[AUX1 – 3] knobs (MG16XU)
[AUX1] knob (MG12XU)
For adjusting the level of the signal sent from
the built-in effect unit to the AUX bus.
NOTE
• The [AUX1] knob indicated “PRE” adjusts
the level of the pre-fader signal(before fader
adjustment).
• The [FX RTN] fader does not affect the level
of the signal sent to the AUX bus.
y[FX ON] switch (MG20XU)
[ON] switch (MG16XU/MG12XU)
This button turns the corresponding built-in effect on or off.
When the function is on ( ), the switch lights.
NOTE
If this switch is on and the foot switch ([FOOT SW] jack !0) is
used to turn off the built-in effect, the switch flashes.
uBus assign switch (MG16XU/MG12XU)
These switches determine the bus(es) to which the signal of
the built-in effects is sent. Turn the switch on ( ) to output
the signal to the corresponding buses.
• [1-2] switch: Assigns to the GROUP 1-2 buses.
• [3-4] switch: Assigns to the GROUP 3-4 buses.
• [ST] switch: Assigns to the STEREO L/R bus.
i[PFL] (Pre-fader Listen) switch
(MG16XU/MG12XU)
When the [PFL] switch is on ( ), the [FX RTN] pre-fader
(MG16XU/MG12XU only) signal is output to the [MONI-
TOR OUT] and [PHONES] jack for monitoring.
o[FX RTN LEVEL] knob (MG20XU)
[FX RTN] fader (MG16XU/MG12XU)
These adjust the level of the effect sent from the built-in
effects to the GROUP 1-2 (MG16XU, MG12XU), 3-4
(MG16XU), and STEREO L/R buses.
!0 [FOOT SW] (Foot Switch) jack
Connect a foot switch to this phone type input jack. An
optional Yamaha FC5 foot switch (sold separately) can be
used to toggle the effects ON and OFF.
MG20XU MG16XU/MG12XU
MG16XU MG12XU
MG20XU MG16XU/MG12XU

Controls and Connectors
MG20XU/MG20/MG16XU/MG16/MG12XU/MG12 Owner’s Manual
24
Master Block q[SEND] jacks
You use these jacks, for example, to connect to an external
effect device or a stage/studio monitoring system. These are
impedance-balanced* phone-type output jacks.
w[GROUP OUT] jacks
These impedance-balanced TRS phone jacks output the
[GROUP 1-2 and 3-4] (MG20XU/MG20/MG16XU/MG16)
signals. Use these jacks to connect to the inputs of a multi-
track recorder, external mixer, or another similar device.
e[MONITOR OUT] jacks
Connect these impedance-balanced TRS phone jacks to your
operator monitoring system.
NOTE
When the [PFL] indicator is flashing, the signal for channels
where the [PFL] switch is pressed is output.
When the [PFL] indicator is off, the signal for the buses
selected in the [MONITOR] section y is output.
y
o
t
r
eq
w
u
i
rewq
MG16XU
MG20XU Rear Panel
* Impedance-balanced
Since the hot and cold terminals of impedance-balanced
output jacks have the same impedance, these output jacks
are less affected by induced noise.
MG20XU/MG20/MG16XU/MG16: [AUX1 – 4]
MG12XU/MG12: [AUX1 – 2]

MG20XU/MG20/MG16XU/MG16/MG12XU/MG12 Owner’s Manual 25
Controls and Connectors
r[STEREO OUT] jacks
These are XLR type and TRS phone-type balanced output
jacks that output the mixed stereo signal. The signal level is
adjusted by the [STEREO] master fader before it is output.
You can use these jacks, for example, to connect to the power
amplifier driving your main speakers.
t[PHONES] jack
Connect a pair of headphones to this TRS phone jack.
NOTE
• The [PHONES] jack outputs the same signal as the [MONI-
TOR OUT] jacks.
• When the [PFL] indicator is flashing, the signal for channels
where the [PFL] switch is pressed is output. When the [PFL]
indicator is off, the signal for the buses selected in the [MON-
ITOR] section y is output.
y[MONITOR] section
• [POWER] indicator
This indicator lights up when the mixer’s power is on
().
• Level meter
The level meter LED shows the level of the signal in
the STEREO L/R and GROUP buses, or selected with
[PFL] switches. The “0” (< ) segment corresponds to
the nominal output level. The level meter [PEAK] indi-
cator lights when output reaches the clipping level.
• [PFL] indicator
When the [PFL] switch is on, the indicator flashes.
• [MONITOR LEVEL] knob
For adjusting the level of the signal output to the
[MONITOR OUT] jack.
• [PHONES] knob
For adjusting the level of the signal output to the
[PHONES] jack.
• [SOURCE]/[SOURCE SELECT] (Monitor signal
selection switch)
Sets the signal sent to the [MONITOR OUT] jack,
[PHONES] jack, and level meter. You can use this
switch to select the signal from the STEREO L/R
buses, GROUP 1-2 buses, or GROUP 3-4 buses
(MG20XU/MG20/MG16XU/MG16).
•MG12XU/MG12
STEREO L/R buses: [STEREO] ( )
GROUP 1-2 buses: [GROUP] ( )
• MG20XU/MG20/MG16XU/MG16
STEREO L/R buses: [STEREO] ( )
GROUP 1-2 buses: [GROUP] ( ), [1-2] ( )
GROUP 3-4 buses: [GROUP] ( ), [3-4] ( )
PHONES
MONITOR
PFL L
PFL R
PFL CTRL
STR MONI
STL MONI
G2 MONI
G3 MONI
G4 MONI
G1 MONI
MG20XU/MG20
MG16XU/MG16
MG12XU/
MG12
1-2/3-4
STEREO/
GROUP
POWER
PEAK
+10
+6
+3
0
-3
-6
-10
-15
-20
-25
PFL
-30 PHONES
[3mW 40ohms]
MONITOR OUT L
[+4dBu]
MONITOR OUT R
[+4dBu]
MG20XU/MG20
MG16XU/MG16
MG12XU/MG12

Controls and Connectors
MG20XU/MG20/MG16XU/MG16/MG12XU/MG12 Owner’s Manual
26
u[SEND MASTER] section
For adjusting the levels of the signals output to the [SEND]
jacks and [AUX1 – 4].
i[GROUP] section
• [ON] switch
Turn this switch on ( ) to activate the [GROUP]
fader. The switch lights when on.
• [GROUP 1-2] fader
For adjusting the level of the signal output to the
[GROUP OUT 1, 2] jacks.
• [GROUP 3-4] fader (MG20XU/MG20/MG16XU/
MG16)
For adjusting the signal level to the [GROUP OUT 3, 4]
jacks.
• [ST] switch
If this switch is on ( ), the signals are sent to the
STEREO L/R bus via the [GROUP 1-2, 3-4] faders.
The GROUP 1 and 3 signal goes to the STEREO L
bus, and the GROUP 2 and 4 signal goes to the STE-
REO R bus.
AUX1
AUX2/FX, AUX2
AUX1
AUX3 (*)
AUX4/FX, AUX4 (*)
AUX2
(*) AUX3
AUX4
(*) Only MG20XU, MG20, MG16XU and MG16
SEND AUX1
[+4dBu]
SEND AUX2
[+4dBu]
SEND AUX3
[+4dBu]
SEND AUX4
[+4dBu]
MG20XU/MG20/MG16XU/MG16: [AUX1 – 4] knobs
MG12XU/MG12: [AUX1 – 2] knobs
MG20XU/MG20
MG16XU/MG16
MG12XU/
MG12
GROUP 2
GROUP 1
GROUP 3 (*)
GROUP 4 (*)
STEREO L
STEREO R
GROUP 1-2 G2 MONI
G3 MONI
G4 MONI
ST
ST
ON
ON
GROUP 3-4
G1 MONI
(*)
(*) Only MG20XU, MG20, MG16XU and MG16
GROUP OUT 1
[+4dBu]
GROUP OUT 2
[+4dBu]
GROUP OUT 3
[+4dBu]
GROUP OUT 4
[+4dBu]

MG20XU/MG20/MG16XU/MG16/MG12XU/MG12 Owner’s Manual 27
Controls and Connectors
o[STEREO] section
• [ON] switch
Turn this switch on ( ) to enable the [STEREO]
master fader. The switch lights when on.
• [STEREO] master fader
For adjusting the level of the signal output to the [STE-
REO OUT] jack.
Power Block
• [/] POWER switch
Turns power to the unit on or off. Press the switch to the
“ ” position to turn on the power. Press the switch to the
“ ” position to turn off the power.
NOTICE
• Note that the trace current continues to flow even while
the switch is in the off position. If you do not plan to use
the mixer for a while, be sure to unplug the power cord
from the wall outlet.
• Rapidly turning the unit on and off in succession can
cause it to malfunction. After turning the unit off, wait for
at least 6 seconds before turning it on again.
• [AC IN] jack
Connect the included power cord here. First, connect the
power cord to this unit, and then plug it into an AC outlet.
STEREO L
STEREO R
STEREO
STR MONI
ON
STL MONI
USB-REC-R
USB-REC-L
STEREO OUT L
[+4dBu]
STEREO OUT R
[+4dBu]

Controls and Connectors
MG20XU/MG20/MG16XU/MG16/MG12XU/MG12 Owner’s Manual
28
USB Block (XU Models Only)
• [USB 2.0] jack
Connects to a computer via a USB cable. The signal from the
STEREO L/R buses is output to the computer. (This signal is
not affected by the [STEREO] master fader.) A USB driver
might be required for computer input/output. You can down-
load the driver from the following Yamaha website, and
install it on your computer.
http://www.yamahaproaudio.com/mg_xu
When the [ST] switch of a channel which has a [LINE /
USB ] switch is on while DAW software is being used, a
loop is formed and feedback or howling may result.
[USB 2.0] Connection Precautions
Be sure to observe the following points when connecting to a
computer’s [USB 2.0] interface. Failure to observe these rules
can result in computer freezes/hang-ups and possibly data
loss or corruption. If the mixer or computer does hang up,
restart the application and/or computer and turn the power to
the mixer off and then on again.
NOTICE
• Use an A/B type USB cable. The cable should be no
more than 1.5 meters long. A USB 3.0 cable cannot be
used.
• Be sure to wake the computer from sleep/suspended/
standby mode before making a connection to the com-
puter’s [USB 2.0] connector.
• Connect the mixer to the computer before turning the
mixer power on.
• Always perform the following two operations before turn-
ing the mixer’s power on or off, or connecting or discon-
necting the USB cable.
- Exit all applications.
- Confirm that no data is being sent from the mixer.
• Allow at least six (6) seconds between turning the mixer
on or off, and plugging or unplugging the USB cable.
USB-REC-L
USB-REC-R
USB-PLAY-L
USB-PLAY-R
USB Audio
Controller
USB-Att.
only MG20XU/MG16XU/MG12XU
(USB-Att.)
Attenuator Function
The [PROGRAM] knob e (page 22) can be used to adjust the
volume of audio playback from a computer.
1. Press the [PROGRAM] knob five times consecutively to dis-
play the attenuation value (dB).
2. Turn the [PROGRAM] knob to set it between -24 dB to 0
dB. (The minus sign is not displayed.)
3. Press the [PROGRAM] knob again to exit the setting.
When the attenuator is enabled, the dot lights at the lower right
of the display.

MG20XU/MG20/MG16XU/MG16/MG12XU/MG12 Owner’s Manual 29
Troubleshooting
When No Sound Is Output
Refer to this section when no sound is output or the volume is very low. This information is for when sound is output from the [STEREO
OUT] jacks or the [PHONES] jack.
For details about these functions, see “Controls and Connectors” on pages 14 – 28.
STEP 1 Connections and Signal Flow
Check if the instruments, microphones, and speakers are connected correctly, and if any of the cables are damaged.
DI
[STEREO OUT] jacks
[PHONES] jack
When connecting gui-
tars or basses to the
MG, use DI boxes.
1
Signal is input from
a microphone or
instrument.
2
Adjust tone and
level for each
channel.
3Route signals from channels to buses, and then on to the master block.
4
Make final adjustments
to the level of the signal
routed through buses.
5
The signal is output
to speakers and/or
headphones.

Troubleshooting
MG20XU/MG20/MG16XU/MG16/MG12XU/MG12 Owner’s Manual
30
STEP 2 Setting Switches and Controls
Check the overall balance
Use the settings shown in the illustration to check the overall balance from speakers or headphones.
To monitor the signal of each channel
You can use the level meter and headphones to check the pre-fader signal for each channel.
•[PFL] switches: Turn on ( ) for the channel(s) you want to check.
•[MONITOR LEVEL] knob: Adjust the level.
[GAIN] knobs
Turn until the [PEAK] indi-
cator begins to flash inter-
mittently.
[PHANTOM +48V] switch
Turn this switch on (the indicator lit) when using a condenser microphone.
• To prevent an unwanted burst of noise from the speakers, turn off powered speak-
ers (or power amps) before turning on the [PHANTOM +48V] switch.
[ON] switches
On (lit)
[ST] switches
On ( )
[PEAK]
indicators
[PFL] switches
All off ( )
• When [PFL] switches are on, only the sig-
nals from those channels are sent to the
level meter and headphones. Therefore, you
will be unable to check the overall sound.
• If the [PFL] indicator below the level meter is
flashing, one or more [PFL] switches are on.
Channel faders
For adjusting the level
for each channel.
[STEREO] master fader
For adjusting the overall volume,
with “0” as the nominal level.
[SOURCE]/[SOURCE SELECT]
(Monitor signal selection switch)
Use to monitor the sound via the level
meter and/or headphones.
•MG12XU/MG12
STEREO L/R buses: [STEREO] ( )
GROUP 1-2 buses: [GROUP] ( )
• MG20XU/MG20/MG16XU/MG16
STEREO L/R buses: [STEREO] ( )
GROUP 1-2 buses: [GROUP] ( ),
[1-2] ( )
GROUP 3-4 buses: [GROUP] ( ),
[3-4] ( )
[PHONES] knob
For adjusting the headphone
level.
Level meter
If the level meter [PEAK] indica-
tor flashes frequently, lower the
faders for each channel.

MG20XU/MG20/MG16XU/MG16/MG12XU/MG12 Owner’s Manual 31
Troubleshooting
Other
If any specific problem should persist, please contact your Yamaha dealer.
The power does not come
on.
Is the mixer connected to an independent power source (generator, etc.) or a power strip with
switches? Check that the power of that device is turned on.
No sound is output. Are external instruments (including microphones) and speakers connected correctly?
Are your cables shorted?
Are the [GAIN] knobs for each channel, channel faders, [STEREO] master fader, and [GROUP] fad-
ers adjusted to appropriate levels?
Are the bus assign switches and [LINE /USB ] switch set appropriately?
No sound is output from the
[STEREO OUT] jack.
Are the [ON] switch and [ST] switch for the channels you are using turned on?
Is the [STEREO] master [ON] switch turned on?
No sound is output from the
[SEND (AUX1 – 4)] jacks
Are the [SEND MASTER] knobs and [AUX 1 – 4] for each channel set appropriately?
Are the [ON] switches for the channels you are using turned on?
No sound is output from the
[MONITOR OUT] jack or
[PHONES] jack.
Are the [PFL] switches for the channels you are not using turned on?
Turn the [PFL] switches off.
The sound is low, distorted,
or noisy.
Is the microphone connected to a [MIC] jack or a [MIC/LINE] jack?
When using a condenser microphone, is the [PHANTOM +48V] switch turned on?
Is the [PAD] switch on? Turn this switch off for sources with low output levels, such as microphones.
Is the output signal level for the instrument connected to the mixer appropriate?
When connecting an instrument with an output level of +4 dBu, either turn on the [PAD] switch on a
mono input channel or use a stereo input channel.
Where an input channel provides both a XLR input jack and a phone input jack, or a phone input
jack and an RCA pin jack, are there connections made at both jacks? Use only one of these jacks.
Are the [GAIN] knobs for each channel, channel faders, [STEREO] master fader, and [GROUP] fad-
ers adjusted to appropriate levels?
Are effect or compressor levels too high? Use the [FX] knob, [FX RTN] fader, [FX RTN LEVEL]
knob, and [COMP] knob to lower their levels.
Effects are not applied. Are the [FX] knobs for each channel adjusted to appropriate levels?
Is the [ON] button for [FX RTN] turned on?
Are the [PARAMETER] knob and [FX RTN] fader adjusted to appropriate levels?
Is the [FX RTN] bus assign switch set appropriately?
If external effects are connected to the [SEND(AUX1 – 4)] jacks, are the [AUX1 – 4] knobs for
[SEND MASTER] set appropriately?
Speaking voices are not
clear.
Is the [HPF] switch turned on?
Is the equalizer ([HIGH]/[MID]/[LOW]) adjusted appropriately?
No mixer monitor signal is
output.
Are powered speakers connected to the [MONITOR OUT] jacks?
Use the [MONITOR LEVEL] knob to adjust the signal output from the [MONITOR OUT] jacks.
Left and right levels are dif-
ferent for a stereo signal
input.
Is [PAN] set to the center? If panned to the center, try reversing the left and right input connections.
If, after switching the left and right connections, the side with the low volume level also switches,
check the instrument or device that is the source of the signal.
Are you using the same type of cable to connect both the left and right input signals? Cables with
built-in resistors will attenuate the signal.
The sound level is unstable
and inconsistent.
Is the compressor level set too high? Use the [COMP] knob to lower the level.
The volume of audio play-
back from a computer need
to be adjusted.
Use the “Attenuator Function”. For details, see page 28.

MG20XU/MG20/MG16XU/MG16/MG12XU/MG12 Owner’s Manual
32
Appendix
General Specifications
0 dBu = 0.775 Vrms, Output impedance of signal generator (Rs) = 150 Ω
All level controls are nominal if not specified.
For other specifications, see the included “Technical Specifications.”
The contents of this manual apply to the latest specifications as of the publishing date. To obtain the latest manual, access the Yamaha web-
site then download the manual file.
European Models
Inrush Current based on EN 55103-1:2009
3.0 A (on initial switch-on)
2.0 A (after a supply interruption of 5s)
Conforms to Environments: E1, E2, E3 and E4
MG12XU
MG12
MG16XU
MG16
MG20XU
MG20
Input channels Mono: MIC/LINE 4 8 12
Mono/Stereo: MIC/LINE 2 2 4
Stereo: LINE 2 2 0
Output channels STEREO OUT 2
MONITOR OUT 1
PHONES 1
AUX SEND244
GROUP OUT 2 4 4
BusSTEREO111
GROUP 2 4 4
AUX 2 (MG12XU: incl. FX) 4 (MG16XU: incl. FX) 4 (MG20XU: incl. FX)
Input Channel
Function
PAD 26 dB
HPF 80 Hz, 12 dB/oct (Mono/Stereo: MIC only)
COMP 1 knob compressor (Gain/Threshold/Ratio)
Threshold: +22 dBu to -8 dBu, Ratio: 1:1 to 4:1, Output level: 0 dB to 7 dB
Attack time: approx. 25 msec, Release time: approx. 300 msec
EQ HIGH: Gain: +15 dB/-15 dB, Frequency: 10 kHz shelving
MID:
Gain: +15 dB/-15 dB
Frequency: 2.5 kHz
peaking
MID:
Gain: +15 dB/-15 dB
Frequency: Mono 250 Hz – 5 kHz peaking
Stereo 2.5 kHz peaking
LOW: Gain: +15 dB/-15 dB, Frequency: 100 Hz shelving
PEAK LED LED turns on when post EQ signal reaches 3 dB below clipping level
Level Meter Pre Monitor LEVEL 2 × 12 -segment LED meter [PEAK, +10, +6, +3, 0, -3, -6, -10, -15, -20, -25, -30 dB]
Built-in Effect
(XU Models)
SPX Algorithm 24 programs, PARAMETER control: 1, FOOT SW: 1 (FX RTN CH on/off)
USB Audio
(XU Models)
2 IN / 2 OUT USB Audio Class 2.0 compliant, Sampling Frequency: Max 192 kHz, Bit Depth: 24-bit
Phantom Power Voltage +48 V
Power Requirements AC 100 – 240 V, 50 / 60 Hz
Power Consumption 22 W 30 W 36 W
Dimensions (W × H × D)
308 mm × 118 mm × 422 mm
(12.1" × 4.6" × 16.6")
444 mm × 130 mm × 500 mm
(17.5" × 5.1" × 19.7")
444 mm × 130 mm × 500 mm
(17.5" × 5.1" × 19.7")
Net Weight MG12XU: 4.2 kg (9.3 lbs)
MG12: 4.0 kg (8.8 lbs)
MG16XU: 6.8 kg (15.0 lbs)
MG16: 6.6 kg (14.6 lbs)
MG20XU: 7.1 kg (15.7 lbs)
MG20: 6.9 kg (15.2 lbs)
Included Accessory
Owner’s Manual, Technical Specifications, Cubase AI Download Information (XU models)
Rack-Mount Kit (MG20XU, MG20, MG16XU, MG16), AC Power Cord
Optional Accessory Rack-Mount Kit: RK-MG12 (MG12XU, MG12), Foot Switch: FC5 (XU models)
Operating Temperature 0 to + 40°C

MG20XU/MG20/MG16XU/MG16/MG12XU/MG12 Owner’s Manual 33
Appendix
Effect Programs
* “LFO” stands for Low Frequency Oscillator. An LFO is normally used to periodically modulate another signal, using different waveform
shapes and modulation speeds.
No. Program Parameter Description
1 REV HALL 1 Reverb Time Reverb simulating a large space such as a concert hall.
2 REV HALL 2 Reverb Time
3 REV ROOM 1 Reverb Time Reverb simulating the acoustics of a small space (room).
4 REV ROOM 2 Reverb Time
5 REV STAGE 1 Reverb Time Reverb simulating a large stage.
6 REV STAGE 2 Reverb Time
7 REV PLATE Reverb Time Simulation of a metal-plate reverb unit, producing a more hard-edged rever-
beration.
8 DRUM AMB Reverb Time A short reverb that is ideal for use with a drum kit.
9 EARLY REF Room Size An effect which isolates only the early reflection components from reverbera-
tion, creating a ‘flashier’ effect than conventional reverb.
10 GATE REV Room Size An effect which cuts halfway the tail-end of the reverberation, making a more
powerful sound.
11 SINGLE DLY Delay Time An effect which repeats the same sound only once. Shortening the delay time
produces a doubling effect.
12 DELAY Delay Time Feedback delay adding multiple delayed signals.
13 VOCAL ECHO Delay Time Echo designed for conventional vocals.
14 KARAOKE Delay Time Echo designed for karaoke (sing-along) applications.
15 PHASER LFO* Freq Cyclically changes the phase to add modulation to the sound.
16 FLANGER LFO* Freq Adds modulation to the sound, producing an effect similar to the rise and fall
sound of a jet engine.
17 CHORUS 1 LFO* Freq Creates a thicker ensemble-like sound by adding the multiple sounds with dif-
ferent delay times.
18 CHORUS 2 LFO* Freq
19 SYMPHONIC LFO* Depth Multiplies the sound for thicker texture.
20 TREMOLO LFO* Freq An effect which cyclically modulates the volume.
21 AUTO WAH LFO* Freq A wah-wah effect with cyclical filter modulation. The [PARAMETER] knob
adjusts the speed of the LFO* that modulates the “wah” filter.
22 RADIO VOICE Cutoff Offset Recreates the lo-fi sound of an AM radio. The [PARAMETER] knob adjusts
the frequency band to be emphasized.
23 DISTORTION Drive Adds a sharp-edged distortion to the sound.
24 PITCH CHANGE Pitch An effect which changes the pitch of the signal.

Appendix
MG20XU/MG20/MG16XU/MG16/MG12XU/MG12 Owner’s Manual
34
Jack and Connector List
* These jacks also can be connected with TS phone connectors. If you use TS phone connectors, the connection will be unbalanced.
Connector Types
Jacks and Connectors Polarities Configurations
MIC/LINE, MIC, STEREO OUT
Pin 1: Ground
Pin 2: Hot (+)
Pin 3: Cold (–)
XLR Jack
MIC/LINE*, AUX SEND,
GROUP OUT, MONITOR OUT,
STEREO OUT
Tip: Hot (+)
Ring: Cold (–)
Sleeve: Ground
TRS Phone Connector
PHONES
Tip: L
Ring: R
Sleeve: Ground
LINE (stereo input channels) Tip: Hot
Sleeve: Ground
TS Phone Connector
XLR
This 3-pin connector is resistant to externally induced noise, and is used pri-
marily for balanced connections. With properly designed receiving circuitry,
cables with this type of connector can also be used for unbalanced signals.
XLR type connectors are the standard for microphone connections as well as
most professional audio gear.
Phone
Phone connectors are available in TRS and TS types. TRS types are used for
stereo headphone jacks, insert jacks, and also for carrying balanced signals in
many cases. TS types are used to carry unbalanced signals -for example,
electric guitar cables.
RCA Pin
This type of unbalanced connector is most commonly found on home audio
and video equipment. RCA type pin jacks are often color coded: white for left
audio channel and red for right audio channel, for example.
INPUT OUTPUT
Ring
TipSleeve
Sleeve Tip
Male
Female
TRS Phone
TS Phone
White
Red

MG20XU/MG20/MG16XU/MG16/MG12XU/MG12 Owner’s Manual 35
Appendix
Rack Mounting
The MG12XU/MG12 require at least 10 U* of rack space. To take
into account the cable connections, we recommend to ensure 11
U* of rack space. The MG20XU/MG20/MG16XU/MG16 require
at least 12 U* of rack space. To take into account the cable con-
nections, we recommend to ensure 14 U* of rack space.
* 10 U is approximately 445 mm, 11 U is approximately 489 mm, 12
U is approximately 533 mm, and 14 U is approximately 623 mm.
Precautions for Rack Mounting
-This unit is rated for operation at ambient temperatures
ranging from 0 to 40 degrees Celsius. If you install this unit
along with other devices in a poorly ventilated rack, the
ambient temperature inside the rack may rise, resulting in
inefficient performance. Be sure to rack-mount in the fol-
lowing conditions so the unit does not overheat.
• When mounting the unit in a rack with devices such as
power amplifiers that generate a significant amount of
heat, leave more than 1 U of space between the MG and
other equipment. Also, either leave the open spaces
uncovered or install appropriate ventilating panels to
minimize the possibility of heat buildup.
• To ensure sufficient airflow, leave the rear of the rack
open and position it at least 10 centimeters from walls or
other surfaces. If the rear of the rack cannot be left open,
install a commercially available fan or similar ventilating
option to secure sufficient airflow. If you’ve installed a
fan kit, there may be cases in which closing the rear of the
rack will produce a greater cooling effect. Refer to the
rack and/or fan unit manual for details.
Mounting Procedures
(The illustration shows the MG12XU.)
1. Use a screwdriver to loosen the screws on the
sides of the mixer (six total).
2. Use the screws removed in Step 1 to install the
rack-mount kit (included with MG20XU/MG20/
MG16XU/MG16, optional RK-MG12 for the
MG12XU/MG12 sold separately) on the mixer.
NOTICE
Be sure to use the screws removed in Step 1. Using other
screws can cause damage.
3. Mount the unit into the rack, and fasten it into
place.
CAUTION
This unit is heavy, and should be lifted by two people
when mounting it into a rack.
* The MG20XU/MG20/MG16XU/MG16 require at least 12 U of rack
space. To take into account the cable connections, we recom-
mend to ensure 14 U of rack space.
Rack-Mount Kit
Right and Left
Designation of
Rack-Mount Kit
MG20XU/
MG20 Accessories —
MG16XU/
MG16 Accessories —
MG12XU/
MG12
Option sold separately
Model Name: RK-MG12
Indicated L/R
(Locate the bracket des-
ignated ‘L’ on the left,
and the bracket desig-
nated ‘R’ on the right)
10 U* 11 U *

MG20XU/MG20/MG16XU/MG16/MG12XU/MG12 Owner’s Manual
36
Index
Numerics
[1-2] switch .......................................................19, 23
[3-4] switch .......................................................19, 23
A
[AC IN] jack ............................................................27
Attenuator Function ................................................28
[AUX1] knob ...........................................................23
[AUX1 – 3] knob .....................................................23
[AUX1 – 4] knob .....................................................18
[AUX (2, 4)/FX] knob ..............................................18
B
[BAL] knob ..............................................................18
Bus assign switch .............................................19, 23
C
[COMP] knob ..........................................................17
D
DI (direct box) .........................................................29
D-PRE ......................................................................8
E
Effect program list ..................................................22
Equalizer ([HIGH]/[MID]/[LOW]) .............................18
F
[FOOT SW] (Foot Switch) jack ...............................23
[FX ON] switch .......................................................23
[FX RTN] fader .......................................................23
[FX RTN LEVEL] knob ...........................................23
G
[GAIN] knob ............................................................17
[GROUP] section ....................................................26
[GROUP 1-2] fader .................................................26
[GROUP 3-4] fader .................................................26
[GROUP OUT] jack ................................................24
H
[HPF] (High Pass Filter) switch ..............................17
L
Level meter ............................................................25
[LINE /USB ] switch ......................................17
M
[MIC/LINE] ..............................................................16
[MONITOR] section ................................................25
[MONITOR LEVEL] knob .......................................25
[MONITOR OUT] jack ............................................24
Mono input jack ......................................................16
Mono/stereo input jack ...........................................16
O
[ON] switch .......................................... 19, 23, 26, 27
P
[PAD] switch .......................................................... 17
[PAN] knob ............................................................ 18
[PAN/BAL] knob .................................................... 18
[PARAMETER] knob ............................................. 23
[PEAK] indicator .................................................... 19
Peaking ................................................................. 18
[PFL] indicator ....................................................... 25
[PFL] (Pre-fader Listen) switch .................. 10, 19, 23
[PHANTOM +48V] switch and indicator ................ 17
Phone .................................................................... 34
[PHONES] jack ...................................................... 25
[PHONES] knob .................................................... 25
[ / ] POWER switch .......................................... 27
[PRE] switch .......................................................... 18
[PROGRAM] knob ................................................. 22
R
Rack-Mount Kit ...................................................... 35
RCA Pin ................................................................. 34
Reverb and Delay Time ......................................... 11
S
[SEND] jack ........................................................... 24
[SEND MASTER] section ...................................... 26
Shelving ................................................................. 18
[SOURCE]/[SOURCE SELECT] ............................ 25
[ST] switch ................................................. 19, 23, 26
Stereo input jack .................................................... 16
[STEREO] master fader ........................................ 27
[STEREO] section ................................................. 27
[STEREO OUT] jack .............................................. 25
U
[USB 2.0] jack ........................................................ 28
X
XLR ....................................................................... 34
Appendix
MG20XU/MG20/MG16XU/MG16/MG12XU/MG12 Owner’s Manual 37
MEMO

MG20XU/MG20/MG16XU/MG16/MG12XU/MG12 Owner’s Manual
38

ADDRESS LIST
HEAD OFFICE Yamaha Corporation, Audio Products Sales and Marketing Division
10-1, Nakazawa-cho, Naka-ku, Hamamatsu, Japan 430-8650
CANADA
Yamaha Canada Music Ltd.
135 Milner Avenue, Toronto, Ontario,
M1S 3R1, Canada
Tel: +1-416-298-1311
U.S.A.
Yamaha Corporation of America
6600 Orangethorpe Avenue, Buena Park, CA 90620,
U.S.A.
Tel: +1-714-522-9011
MEXICO
Yamaha de México, S.A. de C.V.
Av. Insurgentes Sur 1647 Piso 9, Col. San José
Insurgentes, Delegación Benito Juárez, México,
D.F., C.P. 03900
Tel: +52-55-5804-0600
BRAZIL
Yamaha Musical do Brasil Ltda.
Rua Fidêncio Ramos, 302 – Cj 52 e 54 – Torre B – Vila
Olímpia – CEP 04551-010 – São Paulo/SP, Brazil
Tel: +55-11-3704-1377
ARGENTINA
Yamaha Music Latin America, S.A.,
Sucursal Argentina
Olga Cossettini 1553, Piso 4 Norte,
Madero Este-C1107CEK,
Buenos Aires, Argentina
Tel: +54-11-4119-7000
VENEZUELA
Yamaha Musical de Venezuela, C.A.
AV. Manzanares, C.C. Manzanares Plaza,
Piso 4, Oficina 0401, Baruta, Caracas, Venezuela
Tel: +58-212-943-1877
PANAMA AND OTHER LATIN
AMERICAN COUNTRIES/
CARIBBEAN COUNTRIES
Yamaha Music Latin America, S.A.
Edif. Torre Banco General, Piso 7, Urbanización
Marbella, Calle 47 y Aquilino de la Guardia,
Ciudad de Panamá, República de Panamá
Tel: +507-269-5311
THE UNITED KINGDOM/IRELAND
Yamaha Music Europe GmbH (UK)
Sherbourne Drive, Tilbrook, Milton Keynes,
MK7 8BL, U.K.
Tel: +44-1908-366700
GERMANY
Yamaha Music Europe GmbH
Siemensstrasse 22-34, 25462 Rellingen, Germany
Tel: +49-4101-303-0
SWITZERLAND/LIECHTENSTEIN
Yamaha Music Europe GmbH, Rellingen,
Branch Switzerland in Zürich
Seefeldstrasse 94, 8008 Zürich, Switzerland
Tel: +41-44-3878080
AUSTRIA/BULGARIA
Yamaha Music Europe GmbH Branch Austria
Schleiergasse 20, 1100 Wien, Austria
Tel: +43-1-60203900
CZECH REPUBLIC/HUNGARY/
ROMANIA/SLOVAKIA/SLOVENIA
Yamaha Music Europe GmbH
Branch Austria
Schleiergasse 20, 1100 Wien, Austria
Tel: +43-1-60203900
POLAND/LITHUANIA/LATVIA/ESTONIA
Yamaha Music Europe GmbH
Sp.z o.o. Oddzial w Polsce
ul. Wrotkowa 14, 02-553 Warsaw, Poland
Tel: +48-22-880-08-88
MALTA
Olimpus Music Ltd.
Valletta Road, Mosta MST9010, Malta
Tel: +356-2133-2093
NETHERLANDS/BELGIUM/
LUXEMBOURG
Yamaha Music Europe Branch Benelux
Clarissenhof 5b, 4133 AB Vianen, The Netherlands
Tel: +31-347-358040
FRANCE
Yamaha Music Europe
7 rue Ambroise Croizat, Zone d'activités de Pariest,
77183 Croissy-Beaubourg, France
Tel: +33-1-6461-4000
ITALY
Yamaha Music Europe GmbH, Branch Italy
Viale Italia 88, 20020, Lainate (Milano), Italy
Tel: +39-02-93577-1
SPAIN/PORTUGAL
Yamaha Music Europe GmbH Ibérica, Sucursal
en España
Ctra. de la Coruna km. 17,200, 28231
Las Rozas de Madrid, Spain
Tel: +34-91-639-88-88
GREECE
Philippos Nakas S.A. The Music House
19th klm. Leof. Lavriou 190 02 Peania – Attiki,
Greece
Tel: +30-210-6686168
SWEDEN/FINLAND/ICELAND
Yamaha Music Europe GmbH Germany filial
Scandinavia
JA Wettergrensgata 1, 400 43 Göteborg, Sweden
Tel: +46-31-89-34-00
DENMARK
Yamaha Music Denmark,
Fillial of Yamaha Music Europe GmbH, Tyskland
Generatorvej 8C, ST. TH. , 2860 Søborg, Denmark
Tel: +45-44-92-49-00
NORWAY
Yamaha Music Europe GmbH Germany -
Norwegian Branch
Grini Næringspark 1, 1332 Østerås, Norway
Tel: +47-6716-7800
RUSSIA
Yamaha Music (Russia) LLC.
Room 37, entrance 7, bld. 7, Kievskaya street,
Moscow, 121059, Russia
Tel: +7-495-626-5005
OTHER EUROPEAN COUNTRIES
Yamaha Music Europe GmbH
Siemensstrasse 22-34, 25462 Rellingen, Germany
Tel: +49-4101-3030
Yam a h a M u s i c G u l f F Z E
JAFZA-16, Office 512, P.O.Box 17328,
Jebel Ali FZE, Dubai, UAE
Tel: +971-4-801-1500
TURKEY
Yamaha Music Europe GmbH
Merkezi Almanya Türkiye İstanbul Şubesi
Maslak Meydan Sodak, Spring Giz Plaza Bagimsiz
Böl. No:3, Sariyer Istanbul, Turkey
Tel: +90-212-999-8010
CYPRUS
Yamaha Music Europe GmbH
Siemensstrasse 22-34, 25462 Rellingen, Germany
Tel: +49-4101-303-0
OTHER COUNTRIES
Yam a h a M u s i c G u l f F Z E
JAFZA-16, Office 512, P.O.Box 17328,
Jebel Ali FZE, Dubai, UAE
Tel: +971-4-801-1500
THE PEOPLE’S REPUBLIC OF CHINA
Yamaha Music & Electronics (China) Co.,Ltd.
2F, Yunhedasha, 1818 Xinzha-lu, Jingan-qu,
Shanghai, China
Tel: +86-400-051-7700
INDIA
Yamaha Music India Private Limited
Spazedge Building, Ground Floor, Tower A,
Sector-47, Gurgaon- Sohna Road, Gurgaon-122002,
Haryana, India
Tel: +91-124-485-3300
INDONESIA
PT. Yamaha Musik Indonesia (Distributor)
Yamaha Music Center Bldg. Jalan Jend. Gatot
Subroto Kav. 4, Jakarta 12930, Indonesia
Tel: +62-21-520-2577
KOREA
Yamaha Music Korea Ltd.
8F, Dongsung Bldg. 21, Teheran-ro 87-gil,
Gangnam-gu, Seoul, 135-880, Korea
Tel: +82-2-3467-3300
MALAYSIA
Yamaha Music (Malaysia) Sdn. Bhd.
No.8, Jalan Perbandaran, Kelana Jaya, 47301
Petaling Jaya, Selangor, Malaysia
Tel: +60-3-78030900
SINGAPORE
Yamaha Music (Asia) Private Limited
Block 202 Hougang Street 21, #02-00,
Singapore 530202, Singapore
Tel: +65-6740-9200
TAIWAN
Yamaha Music & Electronics Taiwan Co.,Ltd.
2F., No.1, Yuandong Rd. Banqiao Dist.
New Taipei City 22063, Taiwan, R.O.C.
Tel: +886-2-7741-8888
THAILAND
Siam Music Yamaha Co., Ltd.
3, 4, 15, 16th Fl., Siam Motors Building,
891/1 Rama 1 Road, Wangmai,
Pathumwan, Bangkok 10330, Thailand
Tel: +66-2215-2622
VIETNAM
Yamaha Music Vietnam Company Limited
15th Floor, Nam A Bank Tower, 201-203 Cach
Mang Thang Tam St., Ward 4, Dist.3,
Ho Chi Minh City, Vietnam
Tel: +84-8-3818-1122
OTHER ASIAN COUNTRIES
Yamaha Corporation
Sales & Marketing Division
10-1, Nakazawa-cho, Naka-ku, Hamamatsu,
Japan 430-8650
Tel: +81-53-460-2312
AUSTRALIA
Yamaha Music Australia Pty. Ltd.
Level 1, 99 Queensbridge Street, Southbank,
VIC 3006, Australia
Tel: +61-3-9693-5111
COUNTRIES AND TRUST
TERRITORIES IN PACIFIC OCEAN
Yamaha Corporation
Sales & Marketing Division
10-1, Nakazawa-cho, Naka-ku, Hamamatsu,
Japan 430-8650
Tel: +81-53-460-2312
NORTH AMERICA
CENTRAL & SOUTH AMERICA
EUROPE
AFRICA
MIDDLE EAST
ASIA
OCEANIA
PA42

Manual Development Group
© 2014 Yamaha Corporation
Published 08/2016 POLE*.*-01E0
Printed in Malaysia
ZT44570
Yamaha Pro Audio global website
http://www.yamahaproaudio.com/
Yamaha Downloads
http://download.yamaha.com/

