Yamaha MT400 Owner's Manual It
User Manual: Yamaha MT400 Owner's Manual
Open the PDF directly: View PDF .
Page Count: 47

3
—Manuale di istruzioni
Benvenuti nel mondo dell’MT400
Caratteristiche dell’MT400
L’MT400 consiste di tre sezioni principali: una sezione Mixer che vi consente di mixare i
suoni (con otto ingressi e un’uscita stereo); una sezione Recorder che registra ed esegue il
suono (con quattro tracce e quattro canali) e sezioni utilitarie che includono misuratori,
interruttore di accensione ecc.
Mixer
• Controlli di GAIN variabili continuamente nei canali di ingresso da 1 a 4 consentono
all’MT400 di gestire con facilità qualsiasi tipo di sorgente di input, compresi segnali di
livello-linea e microfono come i sintetizzatori.
• Equalizzatore musicale a tre bande su ciascun canale di ingresso, e prese jack INSERT I/O sui
canali di ingresso 1 e 2 per il patching del processore esterno sonsentono una registrazione di
alta qualità.
• Due mandate ausiliarie per il riverbero esterno e altri patching del processore di effetti.
• Due jack di ingresso stereo per il collegamento di un sintetizzatore e altri strumenti livello-
linea dotati di uscite stereo. Questi jack possono essere usati anche per il ritorno dei segnali
elaborati dai processori di segnale esterni.
• Configurazione in-linea che vi consente di controllare simultaneamente i segnali di ingresso e
quelli di playback del nastro. Potete monitorare i segnali della traccia regolati dai controlli
CUE, mentre effettuate una registrazione su tutti i quattro canali di ingresso. Durante il
mixdown, potete effettuare il playback dei segnali delle quattro tracce attraverso i canali di
ingresso, mentre mixate i segnali di input per mezzo dei controlli CUE.
Recorder
• Il sistema di riduzione rumore dbx™ fornisce un rapporto segnale-rumore in eccesso a 80 dB.
• Funzioni di Punch in/out usando un interruttore a pedale o l’interruttore sul pannello.
• SYNC OUT emette un segnale di traccia sync (Traccia 4), fornendo un funzionamento
sincronizzato tra l’MT400 e un sequencer MIDI. Nel modo SYNC, la riduzione rumore dbx
può essere disattivata per la traccia 4, assicurando una sincronizzazione affidabile.
• La velocità del nastro è commutabile tra 9.5 cm/secondo e 4.8 cm/secondo. La velocità
standard del nastro dell’MT400 è di 9.5 cm/secondo per una maggiore performance del
suono. Una velocità di 4.8 cm/secondo è uguale a quella di un normale rehistratore a cassette,
raddoppiando il tempo di registrazione relativo alla velocità standard dell’MT400. Il pitch
control vi consente la microregolazione del pitch o intonazione tra –10% e +10%.

4
—Manuale di istruzioni
L’acquisto delle cassette per l’MT400
È importante che voi acquistiate il tipo corretto di cassette a nastro da usare con l’MT400.
Dovreste acquistare cassette al cromo di alta qualità tipo II (High Bias, 70
µ
s EQ) di 90 minuti o
durata inferiore come le TDK SA o MAXELL CDXL II.
Alla velocità normale, una cassetta da 60-minuti fornisce circa 16 minuti di tempo di
registrazione. Ciò è dovuto al fatto che il nastro scorre a una velocità doppia rispetto ad un
registratore normale a cassette e voi potete usare soltanto un lato del nastro.
La tabella seguente vi mostra i tempi di registrazione disponibili con le tre misure standard:
Formato di registrazione dell’MT400
Un registratore a cassette normale usa soltanto due tracce (cioè i canali stereo sinistro e destro) per
ciascun lato (A e B). La direzione di scorrimento del lato A è opposta a quella del lato B. L’MT400
utilizza soltanto un lato della cassetta e registra ed esegue fino a quattro tracce simultaneamente o una
per volta. Di conseguenza, i nastri con tutte le quattro tracce registrate sull’MT400 non possono essere
eseguiti su registratori a cassette normali. Se provate ad effettuare con un normale registratore a
cassette il playback di un nastro registrato sull’MT400, ascolterete l’esecuzione al contrario delle
tracce 3 e 4.
Tracce di un registratore a cassette normale
Tracce dell’MT400
La velocità del nastro dei registratori a cassette normali è di 4.8 cm/secondi. D’altra parte,
l’MT400 usa 9.5 cm/secondo come velocità standard per raggiungere un suono di alta qualità.
Cassetta Tempo di registrazione
dell’MT400 (con la velocità
standard)
C90 Circa 22.5 minuti
C60 Circa 15 minuti
C46 Circa 11.5 minuti
Note:
Vi raccomandiamo di usare una cassetta vergine per le registrazioni importanti. Se registrate
su un nastro usato più volte, il suono registrato potrebbe saltare oppure la qualità del suono potrebbe
deteriorarsi.
direzione di
scorrimento
direzione di
scorrimento
Lato B (canale sinistro)
Lato B (canale destro)
Lato A (canale destro)
Lato A (canale sinistro)
direzione di
scorrimento
Traccia 1
Traccia 2
Traccia 3
Traccia 4

5
—Manuale di istruzioni
Informazioni circa la riduzione del rumore dbx
L’MT400 utilizza il sistema di riduzione rumore dbx per ridurre il fruscìo del nastro e per
fornirvi delle registrazioni pulite e cristalline. Per un’ottimizzazone delle prestazioni, si
raccomanda l’utilizzo di tale sistema (dbx) per tutte le registrazioni. Dovreste sempre usare il
sistema di riduzione rumore dbx per effettuare il playback di nastri che sono stati registrati
con l’inserimento di tale sistema.
Glossario
Questa sezione descrive la terminologia base usata in questo manuale.
■
Canale di input
Un percorso (canale) per il segnale audio tra un jack di ingresso mixer e il bus (vedere qui di
seguito). L’ingresso del segnale in un jack di input viene regolato in questa sede per il livello
del volume e per la qualità del tono prima di essere inviato al bus.
■
Traccia
L’MT400 può registrare simultaneamente quattro sorgenti di suono individuali sulle quattro
sezioni di un nastro a cassetta. Ciò non significa che il nastro viene tagliato in quattro pezzi. Il
nastro forma quattro bande magnetiche per tutta la lunghezza del nastro. Ciascuna banda di
registrazione magnetica viene chiamata “traccia”. L’MT400 può utilizzare fino a quattro
tracce (tracce 1–4).
■
Bus
Un percorso in cui più segnali audio vengono mixati in uno. L’MT400 offre i seguenti bus
utilizzabili in base allo scopo.
Bus stereo L/R
— Viene usato per creare un segnale stereo. Il segnale bus stereo
viene emesso dai jack STEREO OUT L/R. Potete registrare il segnale stereo bus L in
entrambe le tracce 1 e 3 della sezione Recorder, e il segnale bus stereo R su entrambe le
tracce 2 e 4. Per monitorare i segnali bus stereo, usate i jack MONITOR OUT L/R.
Potete monitorarli anche via cuffie.
Bus Cue
— Viene usato per creare un segnale monofonico per il monitoraggio, emesso
dai jack MONITOR OUT L/R. Potete monitorarlo anche via cuffie.
Bus AUX 1 e 2
— Vengono usati per inviare dai jack AUX SEND 1 e 2 segnali
monofonici ai processori di effetti collegati. Potete monitorare i segnali via cuffia.
■
Overdubbing
L’overdubbing è una tecnica usata per registrare nuovi suoni su tracce vuote, mentre si
ascoltano i suoni già registrati su altre.
■
Registrazione Ping-pong
Ping-pong è una tecnica di registrazione utilizzata per liberare una o due tracce esistenti
riversandone il contenuto "miscelato" su una non ancora utilizzata.
■
Mixdown
Mixdown è una tecnica usata per mixare o miscelare i suoni in un mix stereo bilanciato e per
registrarlo in un registratore master stereo. Viene anche definito “tracking down”.

6
—Manuale di istruzioni
Uno sguardo all’MT400
Questa parte del manuale vi consente di effettuare un rapido tour sull’MT400, identificandone
le varie parti per consentirvi di acquisire la necessaria familiarità con il vostro nuovo
registratore.
Canali d’Ingresso
A
Controllo GAIN
Questo controllo rotante regola la sensibilità del jack
INPUTMIC/LINE
T
in modo da facilitare la gestione dei
segnali microfonici e di livello linea (es. quelli di un synth).
B
Controllo EQ
Questi controlli rotanti vengono adoperati per regolare
indipendentemente la qualità tonale delle bande ad alta,
media e bassa frequenza. Enfatizzano (amplificano) e
riducono (attenuano) la relativa frequenza base nella gamma
di
±
12 dB. Una regolazione lineare cioè senza boost o cut,
vale a dire assenza di enfatizzazione o riduzione) è
rapidamente impostabile grazie alla dentinatura centrale.
HIGH: Frequenza base 12 kHz (tipo shelving)
MID: Frequenza base 1 kHz (tipo peaking)
LOW: Frequenza base 80 Hz (tipo shelving)
C
Controlli AUX
Questi controlli rotanti vengono usati per inviare il segnale del canale d’ingresso (1–4) alle
uscite AUX SEND 1 e 2. Vengono usate solitamente per regolare il livello del segnale inviato
ai processori di effetti esterni.
D
Controllo CUE
Serve a regolare il livello del segnale d’ingresso della traccia (1–4) e del playback trasmesso
al bus cue. I segnali bus CUE sono trasmessi dal jack PHONES o MONITOR OUT per il
monitoraggio. La fonte del segnale CUE dipende dall’interruttore [INPUT-FLIP]
5
.
Note:
I controlli AUX gestiscono i segnali post-fader (quelli, cioè, che sono passati
attraverso i fader
7
). Se i fader vengono abbassati completamente, le regolazioni del
controllo AUX non sono operative.
GAIN
HIGH
10
9
8
7
6
5
4
3
2
1
0
LINE MIC
–12 +12
MID
–12 +12
LOW
–12 +12
AUX
1
010
AUX
2
MIX CUE
010
010
PAN
INPUT-FLIP
TAPE
TAPE
MIC/
LINE
MIC/LINE
to L
LR
1
2
3
1
4
5
6
7
1
2
3
4
5
6
7
10k 20k1k10020
–15
–10
–5
0
5
10
15
Frequency (Hz)
50 5k2k500200
Response (dB)
Frequenza (Hz)
Risposta (dB)
1
2
3
4

7
—Manuale di istruzioni
E
Interruttore INPUT-FLIP
Questo interruttore viene usato per selezionare la destinazione del segnale di ingresso dai jack
MIC/LINE INPUT e il segnale del nastro. Con l’interruttore in posizione MIC/LINE ( ), il
segnale di ingresso MIC/LINE viene immesso nel bus ST bus attraverso il canale di ingresso e
il segnale del nastro viene immesso nel bus CUE.
Con l’interruttore in posizione TAPE ( ), il segnale di ingresso MIC/LINE 1, 3 (2, 4) viene
immesso nel bus ST L (ST R) e il segnale del nastro viene immesso nel bus ST attraverso il
canale di ingresso.
F
Controllo PAN
Questo controllo rotante viene usato per regolare la posizione stereo (sinistra o destra) del
segnale del canale di ingresso che verrà inviato al bus Stereo. Per la registrazione via bus
Stereo (vedere pagina 22), ruotate questo controllo completamente a sinistra per assegnare il
segnale alle tracce dispari (1, 3), e completamente a destra per assegnare il segnale alle tracce
pari (2, 4). Per il mixdown potete usarlo per effettuare il pan del segnale di playback nel mix
stereo.
G
Fader
Per la registrazione (interruttore [INPUT-FLIP]: MIC/LINE), usate il fader per regolare il
livello del segnale del canale di ingresso che viene registrato in una traccia. Per il mixdown
(interruttore [INPUT-FLIP]: TAPE), usatelo per regolare il livello di playback di ciascuna
traccia. Il guadagno unitario (unity gain) si ottiene quando il fader è posizionato all’incirca sul
segno 7–8.
Unity gain
: La condizione in cui il segnale di uscita e quello di ingresso sono sullo stesso
livello, con l’ottimizzazione del rapporto segnale-rumore e distorsione.
INPUT-FLIP
TAPE MIC/
LINE
GAIN
HIGH
LINE MIC
–12 +12
MID
–12 +12
LOW
–12 +12 MIX CUE
010
INPUT-FLIP
TAPE MIC/
LINE
GAIN
HIGH
LINE MIC
–12 +12
MID
–12 +12
LOW
–12 +12 MIX CUE
010
Al bus CUE Al bus ST
Al bus ST
e al nastro
Al bus ST
e al nastro
segnale nastro
dell'MT400
Ingresso segnale
strum. musicale dal
jack MIC/LINE INPUT
Ingresso segnale
strum. musicale dal
jack MIC/LINE INPUT
segnale nastro
dell'MT400
Quando l'interruttore INPUT-FLIP
è MIC/LINE ( ) Quando l'interruttore INPUT-FLIP
è TAPE ( )
5
6
7

8
—Manuale di istruzioni
Ingressi Stereo
H
Controlli LEVEL
Questi controlli rotanti vengono usati per regolare il
livello dei segnali di ingresso stereo immessi nei jack
STEREO INPUT 5 e 6 oppure 7 e 8. Questi segnali
vengono solitamente inviati al bus Stereo per il
mixaggio con i segnali Input Channel 1–4 e quelli del
nastro.
Sezione Monitor/Master
I
Controllo MONITOR LEVEL
Questo controllo rotante regola il livello del segnale
di monitor inviato ai jack MONITOR OUT
c
e
PHONES
X
.
J
Interruttore di selezione Monitor
Viene usato per selezionare la sorgente di segnale per
MONITOR OUT
c
e PHONES
X
.
STEREO
....Questa posizione seleziona il bus Stereo
e vi consente di monitorare il segnale
STEREO OUT.
ST+CUE
....Questa posizione seleziona il bus Stereo
e il bus CUE come sorgente monitor.
CUE
............Questa posizione seleziona il bus CUE
come sorgente monitor.
K
Fader STEREO
Usate questo fader per regolare il livello del segnale
stereo inviato ai jack STEREO OUT. Il guadagno
unitario (o Unity gain) viene ottenuto quando il fader
è posizionato all’incirca sul segno 7–8.
Unity gain
: Vedere
7
Fader.
LEVEL
7L–8R
010
LEVEL
5L–6R
010
8
8
MONITOR/PHONES
STEREO
ST+CUE
CUE
STEREO
LEVEL
MIN MAX
10
9
8
7
6
5
4
3
2
1
0
9
J
K
9
:
A
8
9
:
A

9
—Manuale di istruzioni
Sezione Recorder
L
Controllo PITCH
Questo controllo rotante regola la velocità del nastro nella gamma di
±
10%.
M
Interruttore velocità nastro
Viene usato per selezionare 4.8 cm/secondo oppure 9.5 cm/secondo per la velocità del nastro.
Impostate l’interruttore su 9.5 ( ) per la registrazione normale, e su 4.8 ( ) per il playback
di un nastro registrato con un normale registratore a cassette.
N
Interruttori REC SELECT
Vengono usati per selezionare sorgenti di registrazione per le tracce.
–
...I segnali del canale di ingresso (1–4) vengono convogliati direttamente alle tracce
corrispondenti per la registrazione (registrazione diretta).
OFF
..............Le tracce corrispondenti vengono disabilitate per la registrazione.
L/R
...............Le tracce corrispondenti sono pronte per la registrazione e per la ricezione dei segnali del
canale L (tracce 1 e 3) o R (tracce 2 e 4).
O
Interruttore METER SELECT
Seleziona il livello di segnale da visualizzare sui misuratori di livello
Q
.
.............I misuratori di livello visualizzano i livelli del segnale di ingresso della traccia durante la
registrazione e i livelli del segnale di uscita della traccia durante il playback.
STEREO
....I misuratori di livello visualizzano i livelli del segnale bus Stereo (segnale emesso dai
jack STEREO OUT).
P
Interruttore dbx
Usatelo per attivare e disattivare il sistema di riduzione rumore dbx.
ON
...............Il sistema di riduzione rumore dbx è attivato per tutte le tracce.
OFF
.............Il sistema di riduzione rumore dbx è disattivato per tutte le tracce.
SYNC
..........Il sistema di riduzione rumore dbx è disattivato solo per la traccia 4.
Note:
L’impostazione SYNC viene usata per un’applicazione speciale in cui la traccia 4 è
usata per la sincronizzazione.Vedere pagina 41 per ulteriori informazioni.
4TR4 STEREO
METER SELECTREC SELECT
ZERO STOP
PITCH
NOISE REDUCTION SYSTEM
TAPE SPEED CONTROL
OFF
R
3
OFF
L
2
OFF
R
1
OFF
L
ON
OFF
ON
OFF
SYNC
4.8/ 9.5
–+
ONLM
QP
R
S
T
B
CD E
H
I
J
FG
1 4
4TR
B
D
E
F
C

10
—Manuale di istruzioni
QInterruttore ZERO STOP
Usatelo per attivare o disattivare la funzione Zero Stop. Se esso è posizionato su (ON), il
riavvolgimento del nastro si arresta automaticamente quando il contatore ritorna al punto
immediatamente prima di “000”.
RContatore nastro
Questo contatore del nastro, a 3 cifre, serve ad indicare la posizione del nastro. .
SPulsante di reset del contatore
Questo pulsante serve a riportare il valore del contatore del nastro su“000”.
TComparto cassette
È qui che va inserito il nastro a cassette.
Sezione Trasporto Nastro
U Pulsante(●)
Premendolo si attiva (on) il pulsante PLAY L ed ha inizio la registrazione sulle tracce rese
disponibili in quel momento. Se premete questo pulsante durante il playback, la registrazione
ha inizio dal punto in cui lo premete. Questo pulsante è disabilitato se non è inserito il nastro
o se sono rotte le linguette di protezione da scrittura situate sul telaietto della cassetta.
VPulsante PLAY (®)
Usate questo pulsante per dare inizio al playback delle tracce.
WPulsante REW ( )
Usate questo pulsante per riavvolgere il nastro.
XPulsante FF ( )
Usate questo pulsante per far avanzare rapidamente il nastro.
YPulsante STOP (■)
Usate questo pulsante per arrestare il nastro.
ZPulsante PAUSE ( )
Usate questo pulsante per mettere in pausa la registrazione o il playback. Premendo questo
pulsante per l’arresto della registrazione o del playback e ripremendolo si riprenderà la
registrazione o il playback.
REC PLAY REW FF STOP PAUSE
UVWXYZ
KLMNOP
REC
G
H
I
J
K
L
M
N
O
P

11
—Manuale di istruzioni
Sezione Misurazione Livelli
aMisuratori di livello
Questi misuratori mostrano i livelli di segnale da –10 dB a +6 dB. Se l’interruttore METER
SELECT E è impostato su “ ”, essi mostrano i livelli di segnali durante la registrazione
e il playback. Se l’interruttore METER SELECT è impostato su “STEREO”, essi mostrano i
livelli del segnale STEREO OUT .
bIndicatore REC SELECT
Questi indicatori mostrano quali tracce sono selezionate per la registrazione. Lampeggiano
quando selezionate le sorgenti o fonti di registrazione mediante gli interruttorie REC
SELECT D, e restano accesi con continuità quando premete il pulsante per dare
inizio alla registrazione.
cIndicatore POWER
Si accende quando accendete l’MT400.
Sezione Input/Output
dMIC/LINE Input 1–4
Usate questi ingressi phone jack TRS da 1/4" per collegare all’ MT400 microfoni e altri
strumenti musicali elettronici, come un synth.
eINSERT I/O
Usate questi ingressi phone jack TRS per l’uscita e il successivo ingresso dei segnali dei
canali 1 e 2. Solitamente, i processori di segnale come compressori, limiter, e noise gate
vanno collegati a queste prese jack. I segnali emessi dalla sezione mixer vengono elaborati
dal processore d’effetti e reinviati al mixer attraverso questi jack. (vedere pagina 28)
fSTEREO INPUT
Usate questi jack phone da 1/4" per collegare sorgenti sonore di livello-linea che abbiano
uscite stereo, come un sintetizzatore o un riproduttore CD. Servono anche a riportare i segnali
stereo elaborati da un processore esterno, quale un’unità di riverbero. (vedere pagina 29)
gAUX SEND
Usate questi jack phone da 1/4" per trasmettere i segnali di canale regolati dai controlli AUX
3. Potete usarli come mandate effetti collegandoli agli ingressi dei processori di effetti
(vedere pagina 29)
4
+6
+3
0
–5
–10
+6
+3
0
–5
–10
POWER
321 RL
REC
a
b
c
Q
R
S
4TR
REC
AUX SEND
STEREO INPUT
MIC/LINE INPUT
INSERT I/O
INSERT I/O
12
1
2
345L6R8R7L
ge
d
f
U
T
VW
Q
R
S
T
V
U
W

12
—Manuale di istruzioni
Pannello frontale
hPHONES
Qui possono essere inserite le cuffie stereo headphones per
consentire il monitoraggio. Il segnale delle cuffie è uguale a
quello relativo a MONITOR OUT.
iPUNCH I/O
Qui può essere inserito un interruttore opzionale, come un
FC5 Yamaha, per effettuare il punch in/out, controllato via
pedale.
Pannello posteriore
jInterruttore POWER ON/OFF
Serve ad attivare (on) e disattivare (off) l’MT400.
kDC 12V
Qui va collegato l’adattatore per corrente alternata (CA).
lSYNC OUT
Usate questo jack phono per l’uscita individuale dei segnali di sincronizzazione FSK e
SMPTE registrati sulla traccia sync (Traccia 4).
mMONITOR OUT
Usate questi jack phono per inviare segnali monitor. È qui che va collegato il vostro sistema
hi-fi o le casse amplificate.
nSTEREO OUT
Usate questi jack phono per trasmettere il segnale del bus Stereo, regolato mediante il fader
STEREO. Collegate queste uscite agli ingressi stereo del vostro registratore master per
effettuare il mixdown.
PHONES PUNCH I/O
hi
Y
X
SYNC OUT MONITOR OUT STEREO OUT
RLRL
DC 12VPOWER
ON/ OFF
lkj nm
Za bcd
X
Y
Z
a
b
c
d

13
—Manuale di istruzioni
La prima sessione
Questo capitolo vi spiega come registrare individualmente quattro tracce ed effettuare il mix
della vostra prima sessione di registrazione con l’MT400 su un master recorder.
Preparazione
Quick-Start System
4
4TR4 STEREO
+6
+3
0
–5
–10
+6
+3
0
–5
–10
POWER
AUX SEND
STEREO INPUT
METER SELECTREC SELECT
MONITOR/PHONES
ZERO STOP
PITCH
NOISE REDUCTION SYSTEM
TAPE SPEED CONTROL
321 RL
REC
REC PLAY REW FF STOP PAUSE
OFF
R
3
OFF
L
2
OFF
R
1
OFF
L
ON
OFF
ON
OFF
SYNC
STEREO
ST+CUE
CUE
MULTITRACK CASSETTE RECORDER
MIC/LINE INPUT
INSERT I/O
INSERT I/O
12
1
2
345L6R8R7L
4.8/ 9.5
–+
LEVEL
STEREO
7L–8R
010
LEVEL
5L–6R
010
LEVEL
MIN MAX
10
9
8
7
6
5
4
3
2
1
0
GAIN
HIGH
10
9
8
7
6
5
4
3
2
1
0
LINE MIC
–12 +12
MID
–12 +12
LOW
–12 +12
AUX
1
010
AUX
2
MIX CUE MIX CUE MIX CUE MIX CUE
010
010
PAN
INPUT-FLIP
TAPE
TAPE
MIC/
LINE
MIC/LINE
to L
LR
1
GAIN
HIGH
10
9
8
7
6
5
4
3
2
1
0
LINE MIC
–12 +12
MID
–12 +12
LOW
–12 +12
AUX
1
010
AUX
2
010
010
PAN
INPUT-FLIP
TAPE
TAPE
MIC/
LINE
MIC/LINE
to R
LR
2
GAIN
HIGH
10
9
8
7
6
5
4
3
2
1
0
LINE MIC
–12 +12
MID
–12 +12
LOW
–12 +12
AUX
1
010
AUX
2
010
010
PAN
INPUT-FLIP
TAPE
TAPE
MIC/
LINE
MIC/LINE
to L
LR
3
GAIN
HIGH
10
9
8
7
6
5
4
3
2
1
0
LINE MIC
–12 +12
MID
–12 +12
LOW
–12 +12
AUX
1
010
AUX
2
010
010
PAN
INPUT-FLIP
TAPE
TAPE
MIC/
LINE
MIC/LINE
to R
LR
4
PHONES PUNCH I/O
SYNC OUT MONITOR OUT STEREO OUT
RLRL
DC 12VPOWER
ON/ OFF
YAMAHA YAMAHA
YAMAHA
Adattatore per CA
Master recorder
Casse amplificate /
Sistema Hi-fi stereo
Cuffie
Programmatore
di ritmi
Microfono
Chitarra
Tastiera
Processore effetti
per chitarra

14
—Manuale di istruzioni
Accensione dell’MT400
1. Accertatevi che la spina dell’adattatore per
CA sia ben collegata al jack DC12V posto sul
retro dell’MT400.
2. Inserite l’altra estremità dell’adattatore in una
presa di corrente alimentata.
3. Premete l’interruttore POWER posto sul retro
dell’MT400. Si accende la spia POWER nella
sezione di misurazione livelli.
Caricamento nastro a cassetta
Prima di inserire una cassetta, accertatevi che il suo
nastro non sia allentato. Accertatevi, inoltre, che le
linguette di protezione da scrittura non siano rotte. La
loro rottura impedisce la registrazione.
1. Aprite il coperchio dello scomparto cassette.
2. Inserite la cassetta con il lato A rivolto verso
l’alto.
3. Richiudete il coperchio.
Se il nastro inserito è nuovo, fate un avanzamento
rapido ed un riavvolgimento per evitare un cattivo
trascinamento. Ciò può accadere perché in fase di
costruzione, il nastro potrebbe essere stretto troppo.
4. Premete il pulsante [PLAY] per dare inizio al
playback, e arrestatelo dopo 20 secondi.
È consigliabile non utilizzare i primi e gli ultimi 20
secondi di un nastro, poiché la giunzione fra l’attacco
alla bobina ed il nastro può causare distorsione.
L’ MT400 consente la registrazione diretta dei segnali immessi in MIC/LINE INPUT 1–4
rispettivamente sulle tracce 1–4 ( “direct recording”). Collegando una sorgente sonora al
MIC/LINE INPUT 1 si predispone per la registrazione automaticamente la traccia 1, e
collegandone un’altra al MIC/LINE INPUT 3 si predisporrà la traccia 3. Ciò è comodo per
registrare una sola sorgente sonora per volta.
Questo paragrafo vi spiega come registrare la prima sorgente sonora sulla traccia 1.
Preparazione alla Registrazione
5
4
3
9
6
1
7
A
C
2
8
–+
STEREO
+6
+3
0
–5
–10
+6
+3
0
–5
–10
POWER
AUX SEND
STEREO INPUT
METER SELECTREC SELECT
MONITOR/PHONES
ZERO STOP
PITCH
NOISE REDUCTION SYSTEM
TAPE SPEED CONTROL
RL
REC
PLAY REW FF STOP PAUSE
OFF
R
OFF
L
OFF
R
OFF
L
ON
OFF
ON
OFF
SYNC
STEREO
ST+CUE
CUE
MULTITRACK CASSETTE RECORDER
MIC/LINE INPUT
INSERT I/O
INSERT I/O
12
1
2
345L6R8R7L
4.8/ 9.5
LEVEL
STEREO
7L–8R
010
LEVEL
5L–6R
010
LEVEL
MIN MAX
10
9
8
7
6
5
4
3
2
1
0
GAIN
HIGH
10
9
8
7
6
5
4
3
2
1
0
LINE MIC
–12 +12
MID
–12 +12
LOW
–12 +12
AUX
1
010
AUX
2
MIX CUE MIX CUE MIX CUE MIX CUE
010
010
PAN
INPUT-FLIP
TAPE
TAPE
MIC/
LINE
MIC/LINE
to L
LR
1
GAIN
HIGH
10
9
8
7
6
5
4
3
2
1
0
LINE MIC
–12 +12
MID
–12 +12
LOW
–12 +12
AUX
1
010
AUX
2
010
010
PAN
INPUT-FLIP
TAPE
TAPE
MIC/
LINE
MIC/LINE
to R
LR
2
GAIN
HIGH
10
9
8
7
6
5
4
3
2
1
0
LINE MIC
–12 +12
MID
–12 +12
LOW
–12 +12
AUX
1
010
AUX
2
010
010
PAN
INPUT-FLIP
TAPE
TAPE
MIC/
LINE
MIC/LINE
to L
LR
3
GAIN
HIGH
10
9
8
7
6
5
4
3
2
1
0
LINE MIC
–12 +12
MID
–12 +12
LOW
–12 +12
AUX
1
010
AUX
2
010
010
PAN
INPUT-FLIP
TAPE
TAPE
MIC/
LINE
MIC/LINE
to R
LR
4
4321
431 4TR2
REC
B 0
9
3
4
1
7
C
A
2
8
B:65
Registrare la prima traccia

15
—Manuale di istruzioni
Selezione della traccia da registrare
1Collegate una sorgente sonora al MIC/LINE
INPUT 1.
È meglio registrare prima uno strumento ritmico,
come un programmatore digitale, una batteria, o una
chitarra ritmica.
2Impostate l’interruttore [INPUT-FLIP] sul
canale d’ingresso su “MIC/LINE ( )”.
Ciò fa sì che il segnale MIC/LINE INPUT venga
inviato al canale corrispondente.
3Impostate l’interruttore [REC SELECT] della
traccia 1 su “ ”.
Gli interruttori [REC SELECT] consentono la
selezione della sorgente sonora per ciascuna traccia.
Con l’interruttore [REC SELECT] della traccia 1
impostato su “ ”, la traccia 1 è pronta per la
registrazione, ed il segnale sul canale d’ingresso 1
viene inviato alla traccia 1. Inoltre, la spia REC
SELECT della traccia 1 lampeggia.
Controllo livello di registrazione
Per ottenere la migliore qualità sonora, è essenziale
impostare un appropriato livello di registrazione.
Accertatevi di regolare il livello prima di ogni
sessione di registrazione.
4Impostate l’interruttore [METER SELECT] su
“”.
L’interruttore [METER SELECT] serve a selezionare
un segnale monitorato sui misuratori di livello. Con
l’impostazione“ ”potete monitorare il livello
d’ingresso della sorgente di registrazione sulle tracce
di registrazione/pausa di registrazione, ed il livello di
segnale nastro sulle tracce di playback.
5Premete il pulsante [PAUSE].
6Premete il pulsante .
La spia REC SELECT della traccia 1 smette di
lampeggiare e resta accesa continuamente, e l’MT400
entra nel modo di pausa-registrazione. Poiché avevate
premuto il pulsante [PAUSE], la registrazione non ha
inizio.
7Ruotate il controllo GAIN sul canale di
ingresso (Input Channel) 1 completamente
verso LINE.
8Alzate il fader su Input Channel 1 fino a metà
corsa fra i segni 7 e 8.
9Suonate la sorgente sonora e ruotate il
controllo GAIN mentre controllate il
misuratore di livello per regolare il livello di
registrazione. Impostate su “ON” gli
interruttori [dbx] e [ZERO STOP].
Regolate il controllo GAIN in modo che il segmento
+5 del misuratore di livello si accenda
momentaneamente sui suoni più alti se il dbx è stato
disattivato, e il segmento +6 del misuratore di livello
si accenda momentaneamente se il dbx è stato
attivato.
Se il livello di registrazione è molto alto anche se il
controllo GAIN è ruotato completamente verso LINE,
abbassate il livello di uscita sulla sorgente sonora.
Monitorare il segnale di registrazione
della traccia
0Impostate su “CUE” l’interruttore monitor
select.
L’interruttore per la selezione del monitor vi consente
di selezionare una sorgente di monitoraggio.
L’impostazione “CUE” invia il segnale del bus CUE
(monofonico) al sistema audio collegato o alle cuffie
per il monitoraggio via jack PHONES e MONITOR
OUT.
AImpostate il controllo CUE sul canale di
ingresso 1 all’incirca a metà corsa.
I controlli CUE sui canali di ingresso1–4 regolano il
livello dei segnali (segnali della sorgente di
registrazione sulle tracce di registrazione/
registrazione-pausa, e i segnali del nastro sulle tracce
di playback) che vengono inviati dalle tracce 1–4 al
bus CUE.
BMentre monitorate il segnale attraverso le
cuffie o il sistema audio, usate il controllo
MONITOR LEVEL per regolare il suono del
monitoraggio sul livello desiderato.
CSe necessario, usate i controlli EQ per
regolare la qualità tonale.
Regolando i controlli EQ cambierà anche il livello di
registrazione. Dopo aver regolato i controlli EQ,
regolate di nuovo il controllo GAIN, se necessario,
per il livello di registrazione.
1
1
4TR
4TR
REC
1
2
3
:
4
A
9
7
5
6
C
B
8

16
—Manuale di istruzioni
La prima fase di registrazione
Inizio della registrazione
1Premete il pulsante di reset del contatore per
impostare il contatore del nastro su “000”.
2Premete il pulsante [PAUSE] per annullare il
modo di pausa.
Ciò avvia la registrazione. Suonate la sorgente sonora
per la registrazione.
3Premete il pulsante [STOP] per interrompere
la registrazione.
Lampeggia l’indicatore REC SELECT della traccia 1.
Ascolto della prima traccia
4Premete il pulsante [REW] per riavvolgere il
nastro.
Se l’interruttore [ZERO STOP] è impostato su ON, il
nastro si riavvolge fino a quando il contatore
raggiunge “000” e si ferma automaticamente.
5Premete il pulsante [PLAY] per avviare il
playback.
Se l’interruttore [INPUT-FLIP] sul canale di ingresso
1 è impostato su “MIC/LINE ( )”, potete
monitorare il suono di playback della traccia 1
(inviato via bus CUE) attraverso i jack PHONES o
MONITOR OUT.
Per registrare di nuovo, riavvolgete il nastro fino
all’inizio e premete il pulsante . Se desiderate
registrare nuovamente parte della registrazione,
eseguite la registrazione punch in/out. vedere
pagina 34 per ulteriori informazioni.
6Se siete soddisfatti della vostra prima fase di
registrazione sulla traccia 1, impostate su
“OFF” l’interruttore [REC SELECT] sulla
traccia 1.
L’indicatore REC SELECT della traccia 1 si spegne.
–+
STEREO
+6
+3
0
–5
–10
+6
+3
0
–5
–10
POWER
AUX SEND
STEREO INPUT
METER SELECTREC SELECT
MONITOR/PHONES
ZERO STOP
PITCH
NOISE REDUCTION SYSTEM
TAPE SPEED CONTROL
RL
REC
PLAY REW FF STOP PAUSE
OFF
R
OFF
L
OFF
R
OFF
L
ON
OFF
ON
OFF
SYNC
STEREO
ST+CUE
CUE
MULTITRACK CASSETTE RECORDER
MIC/LINE INPUT
INSERT I/O
INSERT I/O
12
1
2
345L6R8R7L
4.8/ 9.5
LEVEL
STEREO
7L–8R
010
LEVEL
5L–6R
010
LEVEL
MIN MAX
10
9
8
7
6
5
4
3
2
1
0
GAIN
HIGH
10
9
8
7
6
5
4
3
2
1
0
LINE MIC
–12 +12
MID
–12 +12
LOW
–12 +12
AUX
1
010
AUX
2
MIX CUE MIX CUE MIX CUE MIX CUE
010
010
PAN
INPUT-FLIP
TAPE
TAPE
MIC/
LINE
MIC/LINE
to L
LR
1
GAIN
HIGH
10
9
8
7
6
5
4
3
2
1
0
LINE MIC
–12 +12
MID
–12 +12
LOW
–12 +12
AUX
1
010
AUX
2
010
010
PAN
INPUT-FLIP
TAPE
TAPE
MIC/
LINE
MIC/LINE
to R
LR
2
GAIN
HIGH
10
9
8
7
6
5
4
3
2
1
0
LINE MIC
–12 +12
MID
–12 +12
LOW
–12 +12
AUX
1
010
AUX
2
010
010
PAN
INPUT-FLIP
TAPE
TAPE
MIC/
LINE
MIC/LINE
to L
LR
3
GAIN
HIGH
10
9
8
7
6
5
4
3
2
1
0
LINE MIC
–12 +12
MID
–12 +12
LOW
–12 +12
AUX
1
010
AUX
2
010
010
PAN
INPUT-FLIP
TAPE
TAPE
MIC/
LINE
MIC/LINE
to R
LR
4
4321
431 4TR2
REC
2
6
35 4
1
5
1
6
432
REC
1
3
2
4
5
6

17
—Manuale di istruzioni
Flusso del segnale durante la registrazione
Note: Accertatevi di disattivare l’interruttore [REC SELECT] per la traccia 1
posizionandolo su “OFF”. Altrimenti, la registrazione sulla traccia1 verrà cancellata quando
passate alla traccia successiva.
GAIN
HIGH
10
9
8
7
6
5
4
3
2
1
0
LINE MIC
–12 +12
MID
–12 +12
LOW
–12 +12
AUX
1
010
AUX
2
MIX CUE
010
010
PAN
INPUT-FLIP
TAPE
TAPE
MIC/
LINE
MIC/LINE
to L
LR
1
MIC/LINE INPUT 1
PHONES
MONITOR OUT
Traccia 1
Traccia 2
Traccia 3
Traccia 4
Bus CUE (monofonico)

18
—Manuale di istruzioni
Overdubbing
Potente registrare su un’altra traccia una sorgente sonora differente mentre ascoltate il suono
registrato sulla traccia 1. La procedura per l’overdubbing è uguale a quella della prima sessione.
Selezione della traccia di registrazione
1Collegate una sorgente sonora all’Input
MIC/LINE 2.
2Impostate l’interruttore [INPUT-FLIP] relativo
al canale d’ingresso 2 di “MIC/LINE su ( )”.
Lasciate l’interruttore [INPUT-FLIP] del canale
d’ingresso 1 di “MIC/LINE su “MIC/LINE ( )”.
3Impostate l’interruttore [REC SELECT] della
traccia 2 su “ ”.
La spia REC SELECT relativa alla traccia 2
lampeggia e la traccia 1 è pronta per essere registrata.
4Premete il pulsante [PAUSE], quindi il
pulsante .
5Mentre controllate il misuratore di livello, con
il controllo GAIN e il fader sul canale
d’ingresso 2 regolate il livello di ascolto
ottimale.
Monitoraggio sorgente di registrazione e
playback nastro simultanei
6Mentre è in esecuzione la sorgente di
registrazione, azionate il controllo CUE sul
canale d’ingresso 2.
Il controllo CUE 2 regola il livello di monitoraggio
del segnale registrato sulla traccia 2. Regolatelo sul
livello desiderato, mentre ascoltate il suono via cuffia
o tramite gli altoparlanti monitor . Quando iniziate la
registrazione, il playback della traccia 1 e la sorgente
di registrazione della traccia 2 verranno miscelati in
un segnale monofonico ed inviati al bus CUE per il
monitoraggio.
–+
STEREO
+6
+3
0
–5
–10
+6
+3
0
–5
–10
POWER
AUX SEND
STEREO INPUT
METER SELECTREC SELECT
MONITOR/PHONES
ZERO STOP
PITCH
NOISE REDUCTION SYSTEM
TAPE SPEED CONTROL
RL
REC
PLAY REW FF STOP PAUSE
OFF
R
OFF
L
OFF
R
OFF
L
ON
OFF
ON
OFF
SYNC
STEREO
ST+CUE
CUE
MULTITRACK CASSETTE RECORDER
MIC/LINE INPUT
INSERT I/O
INSERT I/O
12
1
2
345L6R8R7L
4.8/ 9.5
LEVEL
STEREO
7L–8R
010
LEVEL
5L–6R
010
LEVEL
MIN MAX
10
9
8
7
6
5
4
3
2
1
0
GAIN
HIGH
10
9
8
7
6
5
4
3
2
1
0
LINE MIC
–12 +12
MID
–12 +12
LOW
–12 +12
AUX
1
010
AUX
2
MIX CUE MIX CUE MIX CUE MIX CUE
010
010
PAN
INPUT-FLIP
TAPE
TAPE
MIC/
LINE
MIC/LINE
to L
LR
1
GAIN
HIGH
10
9
8
7
6
5
4
3
2
1
0
LINE MIC
–12 +12
MID
–12 +12
LOW
–12 +12
AUX
1
010
AUX
2
010
010
PAN
INPUT-FLIP
TAPE
TAPE
MIC/
LINE
MIC/LINE
to R
LR
2
GAIN
HIGH
10
9
8
7
6
5
4
3
2
1
0
LINE MIC
–12 +12
MID
–12 +12
LOW
–12 +12
AUX
1
010
AUX
2
010
010
PAN
INPUT-FLIP
TAPE
TAPE
MIC/
LINE
MIC/LINE
to L
LR
3
GAIN
HIGH
10
9
8
7
6
5
4
3
2
1
0
LINE MIC
–12 +12
MID
–12 +12
LOW
–12 +12
AUX
1
010
AUX
2
010
010
PAN
INPUT-FLIP
TAPE
TAPE
MIC/
LINE
MIC/LINE
to R
LR
4
4321
431 4TR2
REC
784
3, 9
5
1
6
2
487
39
,
1
5
6
2
Note: Accertatevi che l’interruttore [REC
SELECT] della traccia 1 sia impostato su “OFF”.
2
REC
6
1
2
3
4
5

19
—Manuale di istruzioni
Inizio della registrazione
7Premete il pulsante [PAUSE] per dare inizio
alla registrazione.
Premete il pulsante [STOP] per bloccare la
registrazione.
Ascolto della registrazione
8Premete il pulsante [REW] per riavvolgere il
nastro fino all’inizio e premete il pulsante
[PLAY] per dare inizio al playback.
9Se siete soddisfatti della vostra registrazione,
mettete su“OFF” l’interruttore [REC SELECT]
della traccia 2.
Ripetete questa procedura fino a quando avete
registrato tutte le tracce.
Flusso del segnale durante l’overdubbing
GAIN
HIGH
10
9
8
7
6
5
4
3
2
1
0
LINE MIC
–12 +12
MID
–12 +12
LOW
–12 +12
AUX
1
010
AUX
2
MIX CUE MIX CUE
010
010
PAN
INPUT-FLIP
TAPE
TAPE
MIC/
LINE
MIC/LINE
to L
LR
1GAIN
HIGH
10
9
8
7
6
5
4
3
2
1
0
LINE MIC
–12 +12
MID
–12 +12
LOW
–12 +12
AUX
1
010
AUX
2
010
010
PAN
INPUT-FLIP
TAPE
TAPE
MIC/
LINE
MIC/LINE
to R
LR
2
MIC/LINE INPUT 1
PHONES
MONITOR OUT
Traccia 1
Traccia 2
Traccia 3
Traccia 4
Bus CUE (monofonico)
9
8
7

20
—Manuale di istruzioni
Mixdown
Dopo aver registrato tutte le tracce, siete pronti a miscelarle per realizzare un mix stereo, che
trasferirete in uno master recorder stereo.
Collegamento con un master recorder
1Collegate le prese STEREO OUT sul pannello
posteriore dell’ MT400 ai jack d’ingresso di
un master recorder, e collegate le uscite
stereo di quest’ultimo ai jack STEREO INPUT
5L/6R sul pannello superiore dell’MT400.
Invio del playback della registrazione su
nastro ai canali d’ingresso
2Impostate su “TAPE ( )” gli interruttori
[INPUT-FLIP] sui canali d’ingresso 1–4 .
Quando gli interruttori [INPUT-FLIP] sono impostati
su “TAPE ( )”, il suono del playback delle relative
tracce viene inviato ai canali d’ingresso, dove è
possibile regolare la qualità "tonale" utilizzando i
controlli EQ e la posizione dei suoni nell’immagine
stereo con il controllo PAN. Il playback dei suoni
relativi ai canali d’ingresso 1–4 viene indirizzato al
bus STEREO per il mix stereo e trasmesso dai jack
STEREO OUT.
3Impostate su “STEREO” l’interruttore di
selezione monitor.
Il bus stereo viene selezionato come sorgente di
monitoraggio e voi potrete ascoltare i segnali
STEREO OUT via cuffia o attraverso un sistema
audio collegato ai jack PHONES o MONITOR OUT.
4Impostate su “STEREO” l’interruttore [METER
SELECT].
I misuratori di livello L ed R sulla sinistra indicano il
livello del segnale del bus Stereo emesso dai jack
STEREO OUT.
–+
STEREO
+6
+3
0
–5
–10
+6
+3
0
–5
–10
POWER
AUX SEND
STEREO INPUT
METER SELECTREC SELECT
MONITOR/PHONES
ZERO STOP
PITCH
NOISE REDUCTION SYSTEM
TAPE SPEED CONTROL
RL
REC
PLAY REW FF STOP PAUSE
OFF
R
OFF
L
OFF
R
OFF
L
ON
OFF
ON
OFF
SYNC
STEREO
ST+CUE
CUE
MULTITRACK CASSETTE RECORDER
MIC/LINE INPUT
INSERT I/O
INSERT I/O
12
1
2
345L6R8R7L
4.8/ 9.5
LEVEL
STEREO
7L–8R
010
LEVEL
5L–6R
010
LEVEL
MIN MAX
10
9
8
7
6
5
4
3
2
1
0
GAIN
HIGH
10
9
8
7
6
5
4
3
2
1
0
LINE MIC
–12 +12
MID
–12 +12
LOW
–12 +12
AUX
1
010
AUX
2
MIX CUE MIX CUE MIX CUE MIX CUE
010
010
PAN
INPUT-FLIP
TAPE
TAPE
MIC/
LINE
MIC/LINE
to L
LR
1
GAIN
HIGH
10
9
8
7
6
5
4
3
2
1
0
LINE MIC
–12 +12
MID
–12 +12
LOW
–12 +12
AUX
1
010
AUX
2
010
010
PAN
INPUT-FLIP
TAPE
TAPE
MIC/
LINE
MIC/LINE
to R
LR
2
GAIN
HIGH
10
9
8
7
6
5
4
3
2
1
0
LINE MIC
–12 +12
MID
–12 +12
LOW
–12 +12
AUX
1
010
AUX
2
010
010
PAN
INPUT-FLIP
TAPE
TAPE
MIC/
LINE
MIC/LINE
to L
LR
3
GAIN
HIGH
10
9
8
7
6
5
4
3
2
1
0
LINE MIC
–12 +12
MID
–12 +12
LOW
–12 +12
AUX
1
010
AUX
2
010
010
PAN
INPUT-FLIP
TAPE
TAPE
MIC/
LINE
MIC/LINE
to R
LR
4
4321
431 4TR2
REC
SYNC OUT MONITOR OUT STEREO OUT
RLRL
DC 12VPOWER
ON/ OFF
11
4
7
23
65
0
1
4
3
1
:
7
2
56
1
2
3
4

21
—Manuale di istruzioni
5Innalzate il fader STEREO sul valore 7–8.
6Premete il pulsante [REW] per riavvolgere il
nastro, e premete il pulsante [PLAY] per far
partire il playback.
7Durante l’ascolto in cuffia o tramite gli
altoparlanti monitor, regolate i fader, i
controlli PAN e quelli relativi a EQ sui canali
d’ingresso 1–4.
Usate prima i fader per la regolazione del
bilanciamento livelli fra le tracce, in modo che i
segmenti +3 dei misuratori di livello si accendano
occasionalmente in concomitanza dei picchi più alti.
Se necessario, usate il fader STEREO per effettuare
regolazioni più fini. Quindi adoperate i controlli PAN
per il posizionamento stereo dei suoni. Infine, usate i
controlli EQ per regolare i toni e dare il tocco finale
alla musica da voi registrata, regolando nuovamente -
se necessario - il livello del volume.
Registrazione su un master recorder
Registrate il mix finale su un master recorder stereo.
8Cominciate a registrare sul master recorder e
fate partire dall’inizio il playback della song
registrata sull’MT400.
9Terminato il mixdown, cioè il trasferimento,
fermate sia l’MT400 sia il master recorder.
0Effettuate il play del master recorder
dall’inizio e ruotate i controlli LEVEL 5–6 per
gli ingressi (STEREO INPUT) al fine di
ascoltare il mix. Per l’ascolto del mix regisrato
sul master recorder, dovete collegare le uscite
iack del master recorder agli ingressi STEREO
INPUT 5 e 6 dell’MT400 per effettuare il
monitoraggio via Stereo bus. Per regolare il
livello di ascolto o monitoraggio, usate il
controllo LEVEL 5–6 relativo agli ingressi
stereo (STEREO INPUT) e il fader STEREO .
Flusso del segnale durante il mixdown
GAIN
HIGH
10
9
8
7
6
5
4
3
2
1
0
LINE MIC
–12 +12
MID
–12 +12
LOW
–12 +12
AUX
1
010
AUX
2
MIX CUE MIX CUE MIX CUE MIX CUE
010
010
PAN
INPUT-FLIP
TAPE
TAPE
MIC/
LINE
MIC/LINE
to L
LR
1GAIN
HIGH
10
9
8
7
6
5
4
3
2
1
0
LINE MIC
–12 +12
MID
–12 +12
LOW
–12 +12
AUX
1
010
AUX
2
010
010
PAN
INPUT-FLIP
TAPE
TAPE
MIC/
LINE
MIC/LINE
to R
LR
2GAIN
HIGH
10
9
8
7
6
5
4
3
2
1
0
LINE MIC
–12 +12
MID
–12 +12
LOW
–12 +12
AUX
1
010
AUX
2
010
010
PAN
INPUT-FLIP
TAPE
TAPE
MIC/
LINE
MIC/LINE
to L
LR
3GAIN
HIGH
10
9
8
7
6
5
4
3
2
1
0
LINE MIC
–12 +12
MID
–12 +12
LOW
–12 +12
AUX
1
010
AUX
2
010
010
PAN
INPUT-FLIP
TAPE
TAPE
MIC/
LINE
MIC/LINE
to R
LR
4
PHONES
MONITOR OUT
STEREO OUT
Bus Stereo L, R
STEREO
10
9
8
7
6
5
4
3
2
1
0
Traccia 1
Traccia 2
Traccia 3
Traccia 4
5
6
7
8
9
:

22
—Manuale di istruzioni
Tecniche avanzate di registrazione
Questo capitolo vi presenta varie tecniche avanzate di registrazione con l’MT400.
Registrazione simultanea multicanale
Oltre alla registrazione delle singole tracce come abbiamo finora spiegato, talvolta potreste
voler registrare più sorgenti sonore simultanee su una sola traccia o su due. (Ad esempio,
potreste registrare batteria, basso e chitarra ritmica in stereo su due tracce.) A tale scopo,
potete miscelare i segnali d’ingresso in un mix stereo attraverso il bus Stereo e registrare il
mix su due tracce. La procedura seguente spiega come effettuare il mix di quattro sorgenti
sonore collegate agli ingressi MIC/LINE 1–4 in stereo e registrare il mix sulle tracce 1 e 2.
1Collegate agli ingressi MIC/LINE 1–4 le
sorgenti sonore.
Potete anche mixare il suono di uno strumento di
livello-linea, come un synth, collegato agli ingressi
stereo 5L/6R o 7L/8R.
2Posizionate su “MIC/LINE ( )” gli
interruttori [INPUT–FLIP] presenti sui canali
d’ingresso 1–4.
3Impostate gli interruttori [REC SELECT] delle
tracce 1–2 rispettivamente su “L” ed “R”.
Gli indicatori o spie REC SELECT delle tracce 1 e 2
lampeggiano.
Con gli interruttori [INPUT-FLIP] impostati su “MIC/
LINE ( )”, i segnali dei canali d’ingresso 1–4
vengono inviati al bus Stereo. Impostando gli
interruttori [REC SELECT] su “L” ed “R” si
seleziona rispettivamente il canale L (sinistro) e R
(destro) del segnale del bus Stereo come sorgente di
registrazione. In questo esempio, il segnale del canale
sinistro L è selezionato per la traccia 1, e il destro R
per la traccia 2.
4Impostate l’interruttore [METER SELECT] su
“”.
–+
STEREO
+6
+3
0
–5
–10
+6
+3
0
–5
–10
POWER
AUX SEND
STEREO INPUT
METER SELECTREC SELECT
MONITOR/PHONES
ZERO STOP
PITCH
NOISE REDUCTION SYSTEM
TAPE SPEED CONTROL
RL
REC
PLAY REW FF STOP PAUSE
OFF
R
OFF
L
OFF
R
OFF
L
ON
OFF
ON
OFF
SYNC
MULTITRACK CASSETTE RECORDER
MIC/LINE INPUT
INSERT I/O
INSERT I/O
12
1
2
345L6R8R7L
4.8/ 9.5
LEVEL
7L–8R
010
LEVEL
5L–6R
010
LEVEL
MIN MAX
GAIN
HIGH
10
9
8
7
6
5
4
3
2
1
0
LINE MIC
–12 +12
MID
–12 +12
LOW
–12 +12
AUX
1
010
AUX
2
MIX CUE MIX CUE MIX CUE MIX CUE
010
010
PAN
INPUT-FLIP
TAPE
TAPE
MIC/
LINE
MIC/LINE
to L
LR
1
GAIN
HIGH
10
9
8
7
6
5
4
3
2
1
0
LINE MIC
–12 +12
MID
–12 +12
LOW
–12 +12
AUX
1
010
AUX
2
010
010
PAN
INPUT-FLIP
TAPE
TAPE
MIC/
LINE
MIC/LINE
to R
LR
2
GAIN
HIGH
10
9
8
7
6
5
4
3
2
1
0
LINE MIC
–12 +12
MID
–12 +12
LOW
–12 +12
AUX
1
010
AUX
2
010
010
PAN
INPUT-FLIP
TAPE
TAPE
MIC/
LINE
MIC/LINE
to L
LR
3
GAIN
HIGH
10
9
8
7
6
5
4
3
2
1
0
LINE MIC
–12 +12
MID
–12 +12
LOW
–12 +12
AUX
1
010
AUX
2
010
010
PAN
INPUT-FLIP
TAPE
TAPE
MIC/
LINE
MIC/LINE
to R
LR
4
4321
431 4TR2
REC
1
4
3, B
05 A
7
STEREO
ST+CUE
CUE
STEREO
10
9
8
7
6
5
4
3
2
1
0
6
8
9
2
1
7
9
2
65A:
8
4
3 ,B
4TR
4
1
2
3

23
—Manuale di istruzioni
5Premete il pulsante [PAUSE], quindi il
pulsante .
Le spie REC SELECT delle tracce 1 e 2 restano accese
e l’MT400 entra nel modo pausa.
6Regolate il fader su ciascun canale d’ingresso
e il fader STEREO sul valore 7–8.
7Mentre controllate i misuratori di livello,
regolate il livello di registrazione mediante i
controlli GAIN e i fader sui canali d’ingresso
1–4 ed il fader STEREO. Regolate anche la
posizione stereo del suono delle sorgenti
sonore mediante i controlli PAN presenti sui
canali d’ingresso1–4.
È meglio suonare prima ogni sorgente sonora mentre
regolate i controlli GAIN, quindi utilizzare i fader dei
singoli canali d’ingresso e il fader STEREO per
ottenere un buon bilanciamento fra i suoni.
8Posizionate su “CUE” l’interruttore di
selezione monitor ed usate i controlli CUE per
regolare il livello di monitoraggio sulle tracce
1 e 2.
Potete monitorare le sorgenti di registrazione per le
tracce 1 e 2 (in questo esempio, i segnali dei canali
d’ingresso 1–4) mediante il bus CUE.
9Regolate il livello e il pan di ciascun segnale di
canale mentre monitorate il suono attraverso
le cuffie o il sistema audio. Regolate la qualità
tonale, se necessario, con i controlli EQ.
0Premete il pulsante [PAUSE] per annullare il
modo pausa e dare inizio alla registrazione.
APremete il pulsante [STOP] per interrompere
la registrazione.
Lampeggiano gli indicatori REC SELECT delle
tracce 1 e 2.
BRiavvolgete il nastro all’inizio e ascoltate la
registrazione.
Se siete soddisfatti della registrazione, impostate su
“OFF” gli interruttori [REC SELECT] sulle tracce 1 e 2.
REC Note: Il segnale di monitoraggio del bus CUE è
mono. Per monitorare un segnale stereo, posizionate
il selettore monitor su “STEREO” per selezionare il
bus Stereo anziché CUE. (È comodo se s’intende
monitorare la posizione stereo di ciascun canale.)
MIC/LINE INPUT 1
GAIN
HIGH
10
9
8
7
6
5
4
3
2
1
0
LINE MIC
–12 +12
MID
–12 +12
LOW
–12 +12
AUX
1
010
AUX
2
MIX CUE MIX CUE MIX CUE MIX CUE
010
010
PAN
INPUT-FLIP
TAPE
TAPE
MIC/
LINE
MIC/LINE
to L
LR
1GAIN
HIGH
10
9
8
7
6
5
4
3
2
1
0
LINE MIC
–12 +12
MID
–12 +12
LOW
–12 +12
AUX
1
010
AUX
2
010
010
PAN
INPUT-FLIP
TAPE
TAPE
MIC/
LINE
MIC/LINE
to R
LR
2GAIN
HIGH
10
9
8
7
6
5
4
3
2
1
0
LINE MIC
–12 +12
MID
–12 +12
LOW
–12 +12
AUX
1
010
AUX
2
010
010
PAN
INPUT-FLIP
TAPE
TAPE
MIC/
LINE
MIC/LINE
to L
LR
3GAIN
HIGH
10
9
8
7
6
5
4
3
2
1
0
LINE MIC
–12 +12
MID
–12 +12
LOW
–12 +12
AUX
1
010
AUX
2
010
010
PAN
INPUT-FLIP
TAPE
TAPE
MIC/
LINE
MIC/LINE
to R
LR
4
MIC/LINE INPUT 2 MIC/LINE INPUT 3 MIC/LINE INPUT 4
PHONES
MONITOR OUT
STEREO OUT
STEREO
10
9
8
7
6
5
4
3
2
1
0
Traccia 1
Traccia 2
Traccia 3
Traccia 4
Bus Stereo
L
R
Flusso del segnale durante il mixaggio multi-canale
9
5
6
7
8
:
A
B

24
—Manuale di istruzioni
Registrazione Ping-Pong
La tecnica di registrazione ping-pong vi consente di mixare e registrare numerose tracce in
un’altra traccia vuota.Viene usata spesso per liberare tracce per ulteriori registrazioni, poiché
quelle tracce originali vengono usate per altre registrazioni. Questa tecnica è utile quando si
desidera registrare individualmente molti strumenti differenti o sorgenti di suono.
L’illustrazione seguente mostra che la tecnica di ping-pong e l’overdubbing consentono di
registrare sette sorgenti di suono.
Questa sezione spiega come mixare e registrare, ad esempio, i dati delle tracce esistenti 1–3
nella traccia 4.
1Impostate gli interruttori [INPUT–FLIP] sui
canali di ingresso 1–3 su “TAPE ( )”, e
l’interruttore [INPUT-FLIP] sul canale di
ingresso 4 su “MIC/LINE ( )”.
Il suono del playback sulle tracce 1–3 viene inviato al
bus Stereo via canali di ingresso 1–3.
2Impostate l’interruttore [REC SELECT] sulla
traccia 4 su “R”.
Lampeggia l’indicatore REC SELECT della traccia 4, e il
canale R del segnale bus Stereo viene selezionato come
sorgente di registrazione per la traccia 4. Impostate su
“OFF” l’interruttore [REC SELECT] sulle tracce 1–3.
A
B
C
F
G
D+E
A+B+C
A
B
C
A+B+C
D
E
C
A+B+C
D
E
D+E
A+B+C
Registrazione
ping-pong
La prima registrazione,
( + Overdubbing) Registrazione
ping-pong
Overdubbing Overdubbing
Track 1
Track 2
Track 3
Track 4
–+
STEREO
+6
+3
0
–5
–10
+6
+3
0
–5
–10
POWER
AUX SEND
STEREO INPUT
METER SELECTREC SELECT
MONITOR/PHONES
ZERO STOP
PITCH
NOISE REDUCTION SYSTEM
TAPE SPEED CONTROL
RL
REC
PLAY REW FF STOP PAUSE
OFF
R
OFF
L
OFF
R
OFF
L
ON
OFF
ON
OFF
SYNC
STEREO
ST+CUE
CUE
MULTITRACK CASSETTE RECORDER
MIC/LINE INPUT
INSERT I/O
INSERT I/O
12
1
2
345L6R8R7L
4.8/ 9.5
LEVEL
STEREO
7L–8R
010
LEVEL
5L–6R
010
LEVEL
MIN MAX
10
9
8
7
6
5
4
3
2
1
0
GAIN
HIGH
10
9
8
7
6
5
4
3
2
1
0
LINE MIC
–12 +12
MID
–12 +12
LOW
–12 +12
AUX
1
010
AUX
2
MIX CUE MIX CUE MIX CUE MIX CUE
010
010
PAN
INPUT-FLIP
TAPE
TAPE
MIC/
LINE
MIC/LINE
to L
LR
1
GAIN
HIGH
10
9
8
7
6
5
4
3
2
1
0
LINE MIC
–12 +12
MID
–12 +12
LOW
–12 +12
AUX
1
010
AUX
2
010
010
PAN
INPUT-FLIP
TAPE
TAPE
MIC/
LINE
MIC/LINE
to R
LR
2
GAIN
HIGH
10
9
8
7
6
5
4
3
2
1
0
LINE MIC
–12 +12
MID
–12 +12
LOW
–12 +12
AUX
1
010
AUX
2
010
010
PAN
INPUT-FLIP
TAPE
TAPE
MIC/
LINE
MIC/LINE
to L
LR
3
GAIN
HIGH
10
9
8
7
6
5
4
3
2
1
0
LINE MIC
–12 +12
MID
–12 +12
LOW
–12 +12
AUX
1
010
AUX
2
010
010
PAN
INPUT-FLIP
TAPE
TAPE
MIC/
LINE
MIC/LINE
to R
LR
4
4321
431 4TR2
REC
4
3
2
8
1
6
A
509 7
B
2
4
B
A
3
1
6
8
597:
12

25
—Manuale di istruzioni
3Impostate l’interruttore monitor select su “STEREO”.
Il segnale del bus Stereo viene selezionato come sorgente
monitor, il che vi consente di ascoltare il playback sulle
tracce 1–3 attraverso le cuffie o il sistema audio.
4Impostate l’interruttore [METER SELECT] su “STEREO”.
5Impostate il fader STEREO sul segno 7–8.
6Ruotate completamente a destra (R) i
controlli PAN sui canali di ingresso 1–3.
7Premete il pulsante [REW] per riavvolgere il nastro,
e premete il pulsante [PLAY] per avviare il playback.
8Mentre ascoltate tramite le cuffie o gli
altoparlanti monitor, regolate i fader sui canali
di ingresso 1–3 per impostare il bilanciamento
della traccia. Usate i controlli EQ, se
necessario, per regolare la qualità tonale.
9Dopo aver impostato il livello ottimale di
registrazione, premete il pulsante per
avviare la registrazione ping-pong.
0Premete il pulsante [STOP] per interrompere la
registrazione ping-pong, e riavvolgete il nastro all’inizio.
AImpostate su “CUE” l’interruttore monitor
select e impostate a metà corsa (verso l’alto)
il controllo CUE sul canale di ingresso 4.
A questo punto, ruotate comlpletamente a 0 i controlli
CUE sui canali di ingresso 1–3.
BSuonate il nastro dall’inizio e ascoltate il
playback sulla traccia 4 mentre regolate il
livello di monitoraggio con il controllo
MONITOR LEVEL.
Flusso del segnale durante la registrazione ping-pong
Note: Fate attenzione quando impostate il livello di
registrazione ping-pong. Se il livello di uscita è troppo alto,
la traccia 4 può talvolta generare un rumore oscillante.
REC
GAIN
HIGH
10
9
8
7
6
5
4
3
2
1
0
LINE MIC
–12 +12
MID
–12 +12
LOW
–12 +12
AUX
1
010
AUX
2
MIX CUE MIX CUE MIX CUE MIX CUE
010
010
PAN
INPUT-FLIP
TAPE
TAPE
MIC/
LINE
MIC/LINE
to L
LR
1GAIN
HIGH
10
9
8
7
6
5
4
3
2
1
0
LINE MIC
–12 +12
MID
–12 +12
LOW
–12 +12
AUX
1
010
AUX
2
010
010
PAN
INPUT-FLIP
TAPE
TAPE
MIC/
LINE
MIC/LINE
to R
LR
2GAIN
HIGH
10
9
8
7
6
5
4
3
2
1
0
LINE MIC
–12 +12
MID
–12 +12
LOW
–12 +12
AUX
1
010
AUX
2
010
010
PAN
INPUT-FLIP
TAPE
TAPE
MIC/
LINE
MIC/LINE
to L
LR
3GAIN
HIGH
10
9
8
7
6
5
4
3
2
1
0
LINE MIC
–12 +12
MID
–12 +12
LOW
–12 +12
AUX
1
010
AUX
2
010
010
PAN
INPUT-FLIP
TAPE
TAPE
MIC/
LINE
MIC/LINE
to R
LR
4
PHONES
MONITOR OUT
STEREO
10
9
8
7
6
5
4
3
2
1
0
Bus Stereo R
Traccia 1
Traccia 2
Traccia 3
Traccia 4
Bus CUE
R
3
4
5
6
7
8
9
:
A
B

26
—Manuale di istruzioni
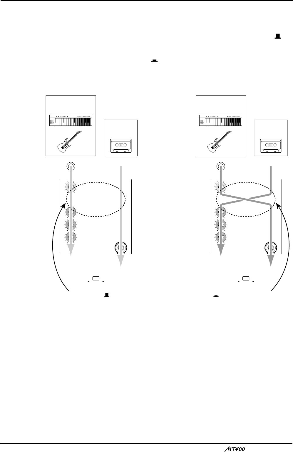
Mixaggio multi-sorgente
La sezione mixer dell’MT400 vi consente di controllare simultaneamente i segnali di ingresso e
i segnali di playback del nastro. Per esempio, potete mixare sorgenti di suono esterne con le
tracce del nastro. Questa tecnica è utile quando si desidera aggiungere note di abbellimento o un
pad alla parte introduttiva di una song già completata. Questa sezione spiega come mixare le
sorgenti di suono collegate ai MIC/LINE INPUT 1 e 2 in aggiunta alle tracce del nastro.
1Collegate le sorgenti di suono ai MIC/LINE
INPUT 1 e 2.
2Impostate gli interruttori [INPUT-FLIP] sul
canale di ingresso 1–4 su “TAPE ( )”.
Con gli interruttori [INPUT-FLIP] impostati su
“TAPE ( )”, i segnali MIC/LINE INPUT vengono
inviati al bus Stereo come segue.
MIC/LINE INPUT 1 e 3
Inviati al canale sinistro (L) del bus Stereo.
MIC/LINE INPUT 2 e 4
Inviati al canale destro (R) del bus Stereo.
3Impostate l’interruttore monitor select su
“STEREO”.
4Impostate l’interruttore [METER SELECT] su
“STEREO”.
5Suonate le sorgenti sonore collegate a MIC/
LINE INPUT 1 e 2, e regolate i livelli di ingresso
con i controlli CUE sui canali di ingresso 1 e 2.
Quando l’interruttore [INPUT-FLIP] è impostato su
“TAPE ( )”, usate i corrispondenti controlli CUE
per regolare il livello dei segnali immessi nei MIC/
LINE INPUT.
–
+
STEREO
+6
+3
0
–5
–10
+6
+3
0
–5
–10
POWER
AUX SEND
STEREO INPUT
METER SELECTREC SELECT
MONITOR/PHONES
ZERO STOP
PITCH
NOISE REDUCTION SYSTEM
TAPE SPEED CONTROL
RL
REC
PLAY REW FF STOP PAUSE
OFF
R
OFF
L
OFF
R
OFF
L
ON
OFF
ON
OFF
SYNC
STEREO
ST+CUE
CUE
MULTITRACK CASSETTE RECORDER
MIC/LINE INPUT
INSERT I/O
INSERT I/O
12
1
2
345L6R8R7L
4.8/ 9.5
LEVEL
STEREO
7L–8R
010
LEVEL
5L–6R
010
LEVEL
MIN MAX
10
9
8
7
6
5
4
3
2
1
0
GAIN
HIGH
10
9
8
7
6
5
4
3
2
1
0
LINE MIC
–12 +12
MID
–12 +12
LOW
–12 +12
AUX
1
010
AUX
2
MIX CUE MIX CUE MIX CUE MIX CUE
010
010
PAN
INPUT-FLIP
TAPE
TAPE
MIC/
LINE
MIC/LINE
to L
LR
1
GAIN
HIGH
10
9
8
7
6
5
4
3
2
1
0
LINE MIC
–12 +12
MID
–12 +12
LOW
–12 +12
AUX
1
010
AUX
2
010
010
PAN
INPUT-FLIP
TAPE
TAPE
MIC/
LINE
MIC/LINE
to R
LR
2
GAIN
HIGH
10
9
8
7
6
5
4
3
2
1
0
LINE MIC
–12 +12
MID
–12 +12
LOW
–12 +12
AUX
1
010
AUX
2
010
010
PAN
INPUT-FLIP
TAPE
TAPE
MIC/
LINE
MIC/LINE
to L
LR
3
GAIN
HIGH
10
9
8
7
6
5
4
3
2
1
0
LINE MIC
–12 +12
MID
–12 +12
LOW
–12 +12
AUX
1
010
AUX
2
010
010
PAN
INPUT-FLIP
TAPE
TAPE
MIC/
LINE
MIC/LINE
to R
LR
4
4321
431 4TR2
REC
4
7
3
6
1
2
5
1
5
2
7
6
3
4
Note: Potete anche mixare i segnali STEREO
INPUT per il mixdown. In questo caso, i segnali su
STEREO INPUT 5L/7L vengono inviati al canale
sinistro (L), e i segnali su STEREO INPUT 6R/8R
vengono inviati al canale destro (R).
1
2
3
4
5

27
—Manuale di istruzioni
6Premete il pulsante [REW] per riavvolgere il
nastro, e premete il pulsante [PLAY] per dare
inizio al playback.
7Mentre ascoltate tramite le cuffie o gli
altoparlanti monitor, regolate i fader, i
controlli PAN e i controlli EQ sui canali di
ingresso 1–4. Inoltre, usate i controlli CUE sui
canali di ingresso 1 e 2 per regolare il livello
dei segnali dai MIC/LINE INPUT 1 e 2.
8Avviate la registrazione sul master recorder e
cominciate a suonare dall’inizio della song
sull’MT400.
Dopo la registrazione, suonate il master recorder per
ascoltare il mixdown.
Potete aggiungere segnali esterni durante la
registrazione ping-pong usando la stessa procedura.
Per esempio, se mixate e registrate i suoni delle tracce
1–3 nella traccia 4 via canale R del bus Stereo, potete
collegare sorgenti sonore esterne ai MIC/LINE
INPUT 2 e 4 oppure STEREO INPUT 6R e 8R.
Flusso del segnale durante il mixing multi-sorgente
HIGH
10
9
8
7
6
5
4
3
2
1
0
–12 +12
MID
–12 +12
LOW
–12 +12
AUX
1
010
AUX
2
010
PAN
INPUT-FLIP
TAPE MIC/
LINE
LR
GAIN
LINE MIC
MIX CUE
010
1
MIC/LINE INPUT 1
HIGH
10
9
8
7
6
5
4
3
2
1
0
–12 +12
MID
–12 +12
LOW
–12 +12
AUX
1
010
AUX
2
010
PAN
INPUT-FLIP
TAPE MIC/
LINE
LR
MIX CUE
GAIN
LINE MIC
010
2
MIC/LINE INPUT 2
MIX CUE MIX CUE
GAIN
HIGH
10
9
8
7
6
5
4
3
2
1
0
LINE MIC
–12 +12
MID
–12 +12
LOW
–12 +12
AUX
1
010
AUX
2
010
010
PAN
INPUT-FLIP
TAPE
TAPE
MIC/
LINE
MIC/LINE
to L
LR
3GAIN
HIGH
10
9
8
7
6
5
4
3
2
1
0
LINE MIC
–12 +12
MID
–12 +12
LOW
–12 +12
AUX
1
010
AUX
2
010
010
PAN
INPUT-FLIP
TAPE
TAPE
MIC/
LINE
MIC/LINE
to R
LR
4
STEREO OUT
LR
Bus Stereo
Traccia 1
Traccia 2
Traccia 3
Traccia 4
6
7
8

28
—Manuale di istruzioni
Impiego degli effetti
Questa sezione spiega come collegare i processori di effetti esterni e applicare quindi gli
effetti ai segnali dell’MT400 durante la registrazione o il mixdown. Potete usare sia le prese
INSERT I/O sia le prese AUX SEND per applicare gli effetti ai segnali del canale di ingresso
e alle tracce del nastro.
Impiego di INSERT I/O
I canali di ingresso 1 e 2 dell’MT400 dispongono di prese jack INSERT I/O per collegare i
processori di effetti esterni. Ciò facilita l’applicazione di effetti a certi canali e tracce durante
la registrazione mixdown delle tracce stesse. Solitamente, potete usare compressori, limiter,
noise gate, equalizzatori ed altre unità di effetto che elaborano le dinamiche e il tono del
suono.
I collegamenti INSERT I/O, che utilizzano jack phone TRS (Tip, Ring, Sleeve) con il tip
(punta) che trasporta i segnali del canale di ingresso dall’MT400 al processore esterno e con il
ring (anello) che trasporta il segnale elaborato dal processore esterno nuovamente ai canali di
ingresso dell’MT400.
Percorso del segnale attraverso il jack phone TRS
Avrete bisogno di un cavo speciale per l’inserimento, come mostrato in figura, per collegare i
processori effetti esterni alle prese jack INSERT I/O. I cavi opzionali per l’inserimento
(YIC025/050/070) sono disponibili dalla Yamaha. Fate riferimento al diagramma seguente
per il collegamento con il processore degli effetti.
INSERT I/O
To fader
HIGH
–12 +12
MID
–12 +12
LOW
–12 +12
AUX
1
010
Sleeve Tip
SleeveRingTip
To processor’s input
To processor’s output
Al fader
All’ingresso del processore
All’uscita del processore
Puntale Anello Bussola

29
—Manuale di istruzioni
Collegamento del processore degli effetti con un cavo di inserimento
Una volta collegato, l’operazione è uguale a quella della registrazione e del mixdown normali.
Gli effetti vengono applicati al segnale di ingresso MIC/LINE 1 o 2 con l’interruttore
[INPUT-FLIP] impostato su “MIC/LINE ( )”. Se l’interruttore [INPUT-FLIP] è impostato
su “TAPE ( )” gli effetti vengono applicati al segnale della traccia 1 o 2.
Impiego di AUX SEND
I jack AUX SEND vi permettono di collegare processori di effetti esterni e applicare gli effetti
ai segnali dell’MT400. Ciò vuol dire che i canali di ingresso sull’MT400 possono condividere
gli stessi processori. Ad esempio, gli effetti di tipo delay e reverb con diverse regolazioni di
intensità per ciascun canale (o per ciascuna traccia) sono applicabili a più suoni quando si
effettua il loro mix o la loro registrazione su due tracce oppure in fase di mixdown.
Per usare i processori di effetti esterni con le prese AUX SEND, collegate AUX SEND 1 e 2
agli ingressi dei processori di effetto e collegate le uscite a STEREO INPUT 5L/6R o 7L/8R.
Collegamento di processori di effetti esterni ad AUX SEND
4
4TR4 STEREO
+6
+3
0
–5
–10
+6
+3
0
–5
–10
POWER
AUX SEND
STEREO INPUT
METER SELECTREC SELECT
PITCH
TAPE SPEED CONTROL
321 RL
REC
OFF
R
3
OFF
L
2
OFF
R
1
OFF
L
MULTITRACK CASSETTE RECORDER
MIC/LINE INPUT
INSERT I/O
INSERT I/O
12
1
2
345L6R8R7L
4.8/ 9.5
–
+
LEVEL
7L–8R
010
LEVEL
5L–6R
010
GAIN
HIGH
LINE MIC
–12 +12
MID
–12 +12
LOW
–12 +12
AUX
1
010
1GAIN
HIGH
LINE MIC
–12 +12
MID
–12 +12
LOW
–12 +12
AUX
1
010
2GAIN
HIGH
LINE MIC
–12 +12
MID
–12 +12
LOW
–12 +12
AUX
1
010
3GAIN
HIGH
LINE MIC
–12 +12
MID
–12 +12
LOW
–12 +12
AUX
1
010
4
Effects processor
Insert cable
OutputInput
Ingresso Uscita
Cavo per l’inserimento
Processore di effetti
4
4TR4 STEREO
+6
+3
0
–5
–10
+6
+3
0
–5
–10
POWER
AUX SEND
STEREO INPUT
METER SELECTREC SELECT
PITCH
TAPE SPEED CONTROL
321 RL
REC
OFF
R
3
OFF
L
2
OFF
R
1
OFF
L
MULTITRACK CASSETTE RECORDER
MIC/LINE INPUT
INSERT I/O
INSERT I/O
12
1
2
345L6R8R7L
4.8/ 9.5
–
+
LEVEL
7L–8R
010
LEVEL
5L–6R
010
GAIN
HIGH
LINE MIC
–12 +12
MID
–12 +12
LOW
–12 +12
AUX
1
010
1GAIN
HIGH
LINE MIC
–12 +12
MID
–12 +12
LOW
–12 +12
AUX
1
010
2GAIN
HIGH
LINE MIC
–12 +12
MID
–12 +12
LOW
–12 +12
AUX
1
010
3GAIN
HIGH
LINE MIC
–12 +12
MID
–12 +12
LOW
–12 +12
AUX
1
010
4
Outputs OutputsInput Input
Effects processor 1 Effects processor 2
Processore di effetti 1 Processore di effetti 2
Uscite Ingresso Ingresso
Uscite

30
—Manuale di istruzioni
Con questa configurazione, quando ruotate i controlli AUX 1/2 sui canali di ingresso, i segnali
di canale vengono miscelati in mono e vengono trasmessi dalle AUX SEND 1 e 2 ai
processori di effetti ad esse collegati. I segnali elaborati emessi dai processori di effetti
vengono reimmessi al bus stereo attraverso STEREO INPUT 5L/6R o 7L/8R. Solitamente
vengono usati gli effetti di tipo delay, reverb e chorus che vengono applicati ad un segnale non
elaborato. Con questo tipo di collegamento, i processori degli effetti dovrebbero essere
impostati in modo che soltanto il segnale “processato” venga reinviato dai processori degli
effetti all’MT400 (attraverso gli ingressi stereo al bus stereo) e miscelati con l’originale, cioè
con il segnale dry o senza effetti (il quale viene indirizzato dai canali di ingresso al bus
stereo).
Applicazione degli effetti a canali multipli in fase di
registrazione
Talvolta potreste voler applicare gli effetti di riverbero o delay quando effettuate il mix di
canali multipli e quando li registrate su una traccia o su due tracce. In questo caso, utilizzate la
connessione AUX SEND per applicare due tipi di effetti ai segnali dei canali di ingresso da 1
a 4.
–+
STEREO
+6
+3
0
–5
–10
+6
+3
0
–5
–10
POWER
AUX SEND
STEREO INPUT
METER SELECTREC SELECT
MONITOR/PHONES
ZERO STOP
PITCH
NOISE REDUCTION SYSTEM
TAPE SPEED CONTROL
RL
REC
PLAY REW FF STOP PAUSE
OFF
R
OFF
L
OFF
R
OFF
L
ON
OFF
ON
OFF
SYNC
STEREO
ST+CUE
CUE
MULTITRACK CASSETTE RECORDER
MIC/LINE INPUT
INSERT I/O
INSERT I/O
12
1
2
345L6R8R7L
4.8/ 9.5
LEVEL
STEREO
7L–8R
010
LEVEL
5L–6R
010
LEVEL
MIN MAX
10
9
8
7
6
5
4
3
2
1
0
GAIN
HIGH
10
9
8
7
6
5
4
3
2
1
0
LINE MIC
–12 +12
MID
–12 +12
LOW
–12 +12
AUX
1
010
AUX
2
MIX CUE MIX CUE MIX CUE MIX CUE
010
010
PAN
INPUT-FLIP
TAPE
TAPE
MIC/
LINE
MIC/LINE
to L
LR
1
GAIN
HIGH
10
9
8
7
6
5
4
3
2
1
0
LINE MIC
–12 +12
MID
–12 +12
LOW
–12 +12
AUX
1
010
AUX
2
010
010
PAN
INPUT-FLIP
TAPE
TAPE
MIC/
LINE
MIC/LINE
to R
LR
2
GAIN
HIGH
10
9
8
7
6
5
4
3
2
1
0
LINE MIC
–12 +12
MID
–12 +12
LOW
–12 +12
AUX
1
010
AUX
2
010
010
PAN
INPUT-FLIP
TAPE
TAPE
MIC/
LINE
MIC/LINE
to L
LR
3
GAIN
HIGH
10
9
8
7
6
5
4
3
2
1
0
LINE MIC
–12 +12
MID
–12 +12
LOW
–12 +12
AUX
1
010
AUX
2
010
010
PAN
INPUT-FLIP
TAPE
TAPE
MIC/
LINE
MIC/LINE
to R
LR
4
4321
431 4TR2
REC
4
6
7
C
8
12
9
A
5
0
9
A
5
:
421
C
6
7
8

31
—Manuale di istruzioni
1Collegate AUX SEND 1 e 2 agli ingressi dei
processori degli effetti esterni.
2Collegate le uscite dei processori degli effetti
agli ingressi stereo (STEREO INPUT 5L/6R o
7L/8R).
3Impostate i processori in modo che essi
emettano soltanto i segnali elaborati.
4Collegate le sorgenti sonore agli ingressi
MIC/LINE 1-4.
5Impostate gli interruttori [INPUT-FLIP] sui
canali di ingresso 1-4 su “MIC/LINE ( )”.
6Impostate l’interruttore [REC SELECT] di una
traccia di registrazione su “L” o “R”.
Quando state usando AUX SEND per applicare gli
effetti durante la registrazione della traccia, il bus
stereo viene usato per la registrazione. Con
un’impostazione di registrazione diretta, il segnale
“processato” ritornato dalle unità di effetti al bus
stereo non può essere registrato.
7Impostate l’interruttore di selezione monitor
su “CUE”.
Per il monitoraggio durante la registrazione normale
viene usato un segnale mono del bus CUE. Tuttavia,
se desiderate controllare il suono degli effetti stereo,
dovete impostare tale interruttore selettore su
“STEREO”, per monitorare il segnale del bus Stereo.
8Premete il pulsante [PAUSE], quindi il
pulsante .
9Quando fate suonare le sorgenti sonore,
usate i controlli GAIN e i fader sui canali di
ingresso da 1 a 4, nonché il fader STEREO per
regolare il livello della registrazione.
0Usate i controlli PAN e i fader sui canali di
ingresso 1-4 per ottenere un bilanciamento
dei mix tra le sorgenti sonore.
AMentre suonate le varie sorgenti sonore,
azionate i controlli AUX 1 e 2 dei canali di
ingresso sui quali intendete applicare gli
effetti.
Quando aumentate il controllo relativo da AUX 1, il
segnale del canale corrispondente viene inviato al bus
Stereo e al processore di effetti collegato ad AUX
SEND 1. Analogamente, quando aumentate il
controllo AUX 2, il segnale del canale corrispondente
viene inviato al bus Stereo e al processore di effetti
collegato ad AUX SEND 2.
BRegolate il livello di ingresso dei processori
degli effetti, se fosse necessario.
CAumentate il controllo LEVEL degli ingressi
Stereo 5L/6R o 7L/8R.
Il suono elaborato dal processore di effetti viene
mixato nel segnale del bus Stereo. Più aumentate il
controllo LEVEL, e più il suono degli effetti viene
mixato, ed aumenta ovviamente il grado degli effetti.
Note: I segnali per i controlli AUX 1 e 2 vengono
prelevati post-fader. Pertanto, mentre cambiate i
fader del canale, l’entità degli effetti varia.
REC
1
2
3
4
5
6
7
8
9
A
B
C
:

32
—Manuale di istruzioni
Applicazione degli effetti solo al segnale Monitor
Usando la registrazione diretta e l’interruttore di selezione monitor potete applicare gli effetti
solo al segnale di monitoraggio mentre registrate il suono non processato su una traccia. Ad
esempio, potete registrare una voce su una traccia, senza applicare alcun effetto, mentre
ascoltate l’effetto della voce con l’applicazione del riverbero. Questa sezione vi spiega come
registrare una voce sulla traccia 4 mentre ad esempio monitorate le tracce 1-3.
1Collegate AUX SEND 1 all’ingresso del
processore di effetti e collegate le uscite di
quest’ultimo agli STEREO INPUT 5L e 6R.
Impostate il processore degli effetti in modo
che esso trasmetta soltanto il segnale
processato.
2Collegate un microfono per voce all’ingresso
4 MIC/LINE.
3Impostate gli interruttori [INPUT-FLIP] sui
canali di ingresso 1-4 su “MIC/LINE ( )”.
4Impostate gli interruttori [REC SELECT] sulle
tracce 1-3 su “OFF”.
5Impostate gli interruttori [REC SELECT] sulla
traccia 4, posizionandoli su “ ”.
La voce verrà registrata direttamente sulla traccia 4.
6Aumentate i controlli CUE sui canali di
ingresso 1-4.
Potete monitorare il playback sulle tracce 1-3 e
registrare la sorgente (la voce senza gli effetti) sulla
traccia 4, attraverso il bus CUE.
7Aumentate il controllo AUX 1 sul canale di
ingresso 4.
Il segnale della voce viene inviato al processore degli
effetti collegato alla presa jack AUX SEND 1.
8Aumentate il controllo LEVEL per gli ingressi
stereo 5L/6R.
Il segnale della voce elaborato viene inviato al bus
Stereo.
9Impostate l’interruttore di selezione monitor
su “ST+CUE”.
A questo punto potete monitorare i segnali del bus
CUE (tracce del nastro 1-3 e la voce senza effetto,
cioè dry) mixati con il segnale del bus Stereo (la voce
con l’applicazione dell’effetto).
–+
STEREO
+6
+3
0
–5
–10
+6
+3
0
–5
–10
POWER
AUX SEND
STEREO INPUT
METER SELECTREC SELECT
MONITOR/PHONES
ZERO STOP
PITCH
NOISE REDUCTION SYSTEM
TAPE SPEED CONTROL
RL
REC
PLAY REW FF STOP PAUSE
OFF
R
OFF
L
OFF
R
OFF
L
ON
OFF
ON
OFF
SYNC
STEREO
ST+CUE
CUE
MULTITRACK CASSETTE RECORDER
MIC/LINE INPUT
INSERT I/O
INSERT I/O
12
1
2
345L6R8R7L
4.8/ 9.5
LEVEL
STEREO
7L–8R
010
LEVEL
5L–6R
010
LEVEL
MIN MAX
10
9
8
7
6
5
4
3
2
1
0
GAIN
HIGH
10
9
8
7
6
5
4
3
2
1
0
LINE MIC
–12 +12
MID
–12 +12
LOW
–12 +12
AUX
1
010
AUX
2
MIX CUE MIX CUE MIX CUE MIX CUE
010
010
PAN
INPUT-FLIP
TAPE
TAPE
MIC/
LINE
MIC/LINE
to L
LR
1
GAIN
HIGH
10
9
8
7
6
5
4
3
2
1
0
LINE MIC
–12 +12
MID
–12 +12
LOW
–12 +12
AUX
1
010
AUX
2
010
010
PAN
INPUT-FLIP
TAPE
TAPE
MIC/
LINE
MIC/LINE
to R
LR
2
GAIN
HIGH
10
9
8
7
6
5
4
3
2
1
0
LINE MIC
–12 +12
MID
–12 +12
LOW
–12 +12
AUX
1
010
AUX
2
010
010
PAN
INPUT-FLIP
TAPE
TAPE
MIC/
LINE
MIC/LINE
to L
LR
3
GAIN
HIGH
10
9
8
7
6
5
4
3
2
1
0
LINE MIC
–12 +12
MID
–12 +12
LOW
–12 +12
AUX
1
010
AUX
2
010
010
PAN
INPUT-FLIP
TAPE
TAPE
MIC/
LINE
MIC/LINE
to R
LR
4
4321
431 4TR2
REC
4
7
39
8
5
2 1
6
7
6
3
21
8
4
5
9
4
1
2
3
4
5
6
7
8
9

33
—Manuale di istruzioni
Applicazione degli effetti al Mixdown
Uno degli usi tipici dei processori di effetti esterni collegato agli AUX SEND è quello di
applicare gli effetti di riverbero ai segnali della traccia, in fase di mixdown. In questo caso,
potete regolare la quantità degli effetti per ciascuna traccia singolarmente usando i controlli
AUX 1 e AUX 2.
1Collegate AUX SEND 1 all’ingresso di un
processore di effetti e collegate le uscite del
processore degli effetti agli ingressi stereo
STEREO INPUT 5L/6R. Impostate il processore
in modo che esso emetta soltanto il segnale
elaborato o processato.
2Impostate gli interruttori [INPUT-FLIP] sui
canali di ingresso 1-4 sulla posizione “TAPE
( )”.
I segnali delle tracce 1-4 vengono inviati ai canali di
ingresso 1-4.
3Posizionate l’interruttore di selezione monitor
su “STEREO”.
4Mentre fate suonare il nastro, usate i fader, i
controlli PAN e i controlli EQ situati sui canali
di ingresso 1-4 per regolare il bilanciamento
di volume, l’immagine stereo del suono e la
qualità timbrica di ciascuna traccia.
5Aumentate il controllo AUX 1 del canale di
ingresso al quale desiderate applicare gli
effetti.
I segnali del canale (suono di playback delle tracce 1-
4) vengono inviati al processore di effetti collegato ad
AUX SEND 1. Regolate il livello di ingresso sui
processori di effetti, se ciò fosse necessario.
6Aumentate il controllo LEVEL relativamente
gli ingressi stereo 5L e 6R STEREO INPUT.
Il segnale processato viene restituito dal processore
degli effetti ed aggiunto al bus stereo dell’MT400. Più
aumentate il controllo LEVEL e maggiore è la
quantità degli effetti ottenuta.
–+
STEREO
+6
+3
0
–5
–10
+6
+3
0
–5
–10
POWER
AUX SEND
STEREO INPUT
METER SELECTREC SELECT
MONITOR/PHONES
ZERO STOP
PITCH
NOISE REDUCTION SYSTEM
TAPE SPEED CONTROL
RL
REC
PLAY REW FF STOP PAUSE
OFF
R
OFF
L
OFF
R
OFF
L
ON
OFF
ON
OFF
SYNC
STEREO
ST+CUE
CUE
MULTITRACK CASSETTE RECORDER
MIC/LINE INPUT
INSERT I/O
INSERT I/O
12
1
2
345L6R8R7L
4.8/ 9.5
LEVEL
STEREO
7L–8R
010
LEVEL
5L–6R
010
LEVEL
MIN MAX
10
9
8
7
6
5
4
3
2
1
0
GAIN
HIGH
10
9
8
7
6
5
4
3
2
1
0
LINE MIC
–12 +12
MID
–12 +12
LOW
–12 +12
AUX
1
010
AUX
2
MIX CUE MIX CUE MIX CUE MIX CUE
010
010
PAN
INPUT-FLIP
TAPE
TAPE
MIC/
LINE
MIC/LINE
to L
LR
1
GAIN
HIGH
10
9
8
7
6
5
4
3
2
1
0
LINE MIC
–12 +12
MID
–12 +12
LOW
–12 +12
AUX
1
010
AUX
2
010
010
PAN
INPUT-FLIP
TAPE
TAPE
MIC/
LINE
MIC/LINE
to R
LR
2
GAIN
HIGH
10
9
8
7
6
5
4
3
2
1
0
LINE MIC
–12 +12
MID
–12 +12
LOW
–12 +12
AUX
1
010
AUX
2
010
010
PAN
INPUT-FLIP
TAPE
TAPE
MIC/
LINE
MIC/LINE
to L
LR
3
GAIN
HIGH
10
9
8
7
6
5
4
3
2
1
0
LINE MIC
–12 +12
MID
–12 +12
LOW
–12 +12
AUX
1
010
AUX
2
010
010
PAN
INPUT-FLIP
TAPE
TAPE
MIC/
LINE
MIC/LINE
to R
LR
4
4321
431 4TR2
REC
3
6
4
5
2
1
4
5
2
1
6
3
1
2
3
4
5
6

34
—Manuale di istruzioni
Registrazione Punch In/Out
Questa sezione spiega le tecniche di registrazione punch in/out dell’MT400. La funzione
punch in/out vi permette di ri-registrare sezioni specifiche di una traccia. Potete correggere
errori iniziando la registrazione della vostra performance in un certo punto (definito punch in)
e arrestandola (punch out). L’MT400 vi permette di effettuare le operazioni di punch in/out
utilizzando l’interruttore [REC SELECT] oppure un interruttore opzionale, l’FC5 Yamaha.
Punch in/out
Impiego dell’interruttore REC SELECT
L’impiego dell’interruttore [REC SELECT] sull’MT400 è il modo più semplice per effettuare
la registrazione di tipo punch in/out. Questa sezione spiega come effettuare questo tipo di
registrazione con una sorgente sonora collegata all’ingresso 4 MIC/LINE nella traccia 4.
Punch in Punch out
Mistakes
Re-record
Errori
Ri-registrazione
–+
STEREO
+6
+3
0
–5
–10
+6
+3
0
–5
–10
POWER
AUX SEND
STEREO INPUT
METER SELECTREC SELECT
MONITOR/PHONES
ZERO STOP
PITCH
NOISE REDUCTION SYSTEM
TAPE SPEED CONTROL
RL
REC
PLAY REW FF STOP PAUSE
OFF
R
OFF
L
OFF
R
OFF
L
ON
OFF
ON
OFF
SYNC
STEREO
ST+CUE
CUE
MULTITRACK CASSETTE RECORDER
MIC/LINE INPUT
INSERT I/O
INSERT I/O
12
1
2
345L6R8R7L
4.8/ 9.5
LEVEL
STEREO
7L–8R
010
LEVEL
5L–6R
010
LEVEL
MIN MAX
10
9
8
7
6
5
4
3
2
1
0
GAIN
HIGH
10
9
8
7
6
5
4
3
2
1
0
LINE MIC
–12 +12
MID
–12 +12
LOW
–12 +12
AUX
1
010
AUX
2
MIX CUE MIX CUE MIX CUE MIX CUE
010
010
PAN
INPUT-FLIP
TAPE
TAPE
MIC/
LINE
MIC/LINE
to L
LR
1
GAIN
HIGH
10
9
8
7
6
5
4
3
2
1
0
LINE MIC
–12 +12
MID
–12 +12
LOW
–12 +12
AUX
1
010
AUX
2
010
010
PAN
INPUT-FLIP
TAPE
TAPE
MIC/
LINE
MIC/LINE
to R
LR
2
GAIN
HIGH
10
9
8
7
6
5
4
3
2
1
0
LINE MIC
–12 +12
MID
–12 +12
LOW
–12 +12
AUX
1
010
AUX
2
010
010
PAN
INPUT-FLIP
TAPE
TAPE
MIC/
LINE
MIC/LINE
to L
LR
3
GAIN
HIGH
10
9
8
7
6
5
4
3
2
1
0
LINE MIC
–12 +12
MID
–12 +12
LOW
–12 +12
AUX
1
010
AUX
2
010
010
PAN
INPUT-FLIP
TAPE
TAPE
MIC/
LINE
MIC/LINE
to R
LR
4
4321
431 4TR2
REC
3
4
1
60
5
8, A, B
7
9
2
1
5
8,A,B
9
7
2
4:6
3

35
—Manuale di istruzioni
1Collegate una sorgente sonora a MIC/LINE 4.
2Impostate gli interruttori [INPUT-FLIP] sui
canali di ingresso 1-4 posizionandoli su “TAPE
( )”.
3Impostate gli interruttori [REC SELECT] sulle
tracce 1-3 su “OFF” e l’interruttore [REC
SELECT] sulla traccia 4 su “ ”.
4Posizionate l’interruttore di selezione monitor
su “CUE”.
L’interruttore di selezione monitor dovrebbe essere
impostato su “CUE” in modo da consentirvi l’ascolto
del playback del suono esistente fino al punch in,
dopo di che potrete udire il nuovo suono che sta per
essere registrato.
5Impostate l’interruttore [METER SELECT] su
“”.
6Premete il pulsante [PAUSE], quindi il
pulsante .
Ora potete controllare il livello di registrazione del
segnale inviato dall’INPUT 4 MIC/LINE alla traccia 4
sul misuratore di livello.
7Mentre osservate il misuratore di livello, usate
il controllo GAIN e il fader sul canale di
ingresso 4 per regolare il livello di ingresso
della sorgente sonora.
8Premete il pulsante [STOP] per cancellare il
modo pause. Inoltre, impostate l’interruttore
[REC SELECT] sulla traccia 4, posizionandolo
su “OFF”.
9Cominciate a far suonare il nastro ed usate i
controlli CUE sui canali di ingresso 1-4 e il
controllo MONITOR LEVEL per regolare il
livello di monitoraggio.
0Individuate una posizione fra il punto in cui
intendete effettuare il punch in e premete il
pulsante .
Il playback inizia ma la registrazione non comincia
poiché gli interruttori [REC SELECT] sono impostati
su “OFF”.
ANel punto in cui intendete effettuare il punch
in, impostate l’interruttore [REC SELECT] su
“ ” e cominciate a suonare la sorgente di
suono.
La registrazione ha inizio non appena impostate
l’interruttore [REC SELECT] su “ ”. Udirete il
nuovo suono in playback, anziché il suono esistente.
BNel punto in cui intendete effettuare il punch
out (cioè uscire dalla registrazione) impostate
l’interruttore [REC SELECT] sulla traccia 4 su
“OFF” e premete il pulsante [STOP].
La registrazione si arresta non appena impostate
l’interruttore [REC SELECT] della traccia 4 su
“OFF”. Potrete udire il playback del suono esistente
attraverso il controllo CUE sul canale di ingresso 4.
Impiego di un interruttore a pedale
Il punch in/out può essere eseguito collegando un interruttore a pedale opzionale, l’FC5
Yamaha, al jack PUNCH IN/OUT situato sul pannello anteriore dell’MT400. Questa tecnica
consente di disporre delle mani ed è utile se suonate uno strumento e dovete azionare
contemporaneamente l’MT400 proprio per la registrazione punch in/out. Questa sezione
spiega come effettuare il punch in di una sorgente sonora collegata all’ingresso MIC/LINE 4
sulla traccia 4.
Collegamento di un interruttore a pedale
4
4TR
REC
Note: Premendo il pulsante [STOP] per bloccare la
registrazione anziché impostare l’interruttore [REC
SELECT] su “OFF” può provocare del rumore nella
registrazione. Accertatevi di usare l’interruttore
[REC SELECT] per arrestare la registrazione, quindi
di premere il pulsante [STOP].
REC
4
4
PHONES PUNCH I/O
Footswitch
Interruttore a pedale
1
2
3
4
5
6
7
8
9
:
A
B

36
—Manuale di istruzioni
1Collegate una sorgente sonora per effettuare
il punch in in MIC/LINE 4.
2Collegate un interruttore a pedale al jack
PUNCH IN/OUT.
3Impostate gli interruttori [INPUT-FLIP] sui canali
di ingresso 1-4 sulla posizione “TAPE ( )”.
4Impostate l’interruttore [REC SELECT] sulla
traccia 4 su “ ”.
Lampeggia la spia REC SELECT relativa alla traccia 4.
5Impostate l’interruttore [METER SELECT] su
“”.
6Mentre osservate il misuratore di livello, usate
il controllo GAIN e il fader sul canale di
ingresso 4 per regolare il livello di ingresso
della sorgente di suono.
7Impostate su “CUE” l’interruttore di selezione
monitor.
8Cominciate a far suonare il nastro ed usate i
controlli CUE sui canali di ingresso 1-4 e il
controllo MONITOR LEVEL per regolare il
livello di monitoraggio.
9Individuate una posizione prima del punto in
cui intendete effettuare il punch in, e
premete il pulsante [PLAY].
Ha inizio il playback sulle tracce 1-4.
0Nel punto in cui intendete effettuare il punch in,
premete una sola volta l’interruttore a pedale e
cominciate a suonare la sorgente sonora.
La registrazione ha inizio non appena voi percuotete
l’interruttore a pedale. Udirete il nuovo suono in
playback anziché quello esistente.
ANel punto in cui intendete effettuare il punch
out, uscire cioè dalla ri-registrazione,
ripremete l’interruttore a pedale.
La registrazione si arresta non appena voi premete
l’interruttore a pedale, ed udirete il playback del
suono esistente attraverso il controllo CUE sul canale
di ingresso 4.
BPremete il pulsante [STOP] per arrestare il playback.
–+
STEREO
+6
+3
0
–5
–10
+6
+3
0
–5
–10
POWER
AUX SEND
STEREO INPUT
METER SELECTREC SELECT
MONITOR/PHONES
ZERO STOP
PITCH
NOISE REDUCTION SYSTEM
TAPE SPEED CONTROL
RL
REC
PLAY REW FF STOP PAUSE
OFF
R
OFF
L
OFF
R
OFF
L
ON
OFF
ON
OFF
SYNC
STEREO
ST+CUE
CUE
MULTITRACK CASSETTE RECORDER
MIC/LINE INPUT
INSERT I/O
INSERT I/O
12
1
2
345L6R8R7L
4.8/ 9.5
LEVEL
STEREO
7L–8R
010
LEVEL
5L–6R
010
LEVEL
MIN MAX
10
9
8
7
6
5
4
3
2
1
0
GAIN
HIGH
10
9
8
7
6
5
4
3
2
1
0
LINE MIC
–12 +12
MID
–12 +12
LOW
–12 +12
AUX
1
010
AUX
2
MIX CUE MIX CUE MIX CUE MIX CUE
010
010
PAN
INPUT-FLIP
TAPE
TAPE
MIC/
LINE
MIC/LINE
to L
LR
1
GAIN
HIGH
10
9
8
7
6
5
4
3
2
1
0
LINE MIC
–12 +12
MID
–12 +12
LOW
–12 +12
AUX
1
010
AUX
2
010
010
PAN
INPUT-FLIP
TAPE
TAPE
MIC/
LINE
MIC/LINE
to R
LR
2
GAIN
HIGH
10
9
8
7
6
5
4
3
2
1
0
LINE MIC
–12 +12
MID
–12 +12
LOW
–12 +12
AUX
1
010
AUX
2
010
010
PAN
INPUT-FLIP
TAPE
TAPE
MIC/
LINE
MIC/LINE
to L
LR
3
GAIN
HIGH
10
9
8
7
6
5
4
3
2
1
0
LINE MIC
–12 +12
MID
–12 +12
LOW
–12 +12
AUX
1
010
AUX
2
010
010
PAN
INPUT-FLIP
TAPE
TAPE
MIC/
LINE
MIC/LINE
to R
LR
4
4321
431 4TR2
REC
PHONES PUNCH I/O
1
0, A
6
B
2
9
5
4
7
8
3
3
8
6
1
4
5
7
:,A
2
9B
4
4TR
Note: La registrazione punch in/out mediante un
interruttore a pedale non utilizza il pulsante .
Se premete accidentalmente questo pulsante, la
registrazione ha inizio immediato.
REC
1
2
3
4
5
6
7
8
9
:
A
B

37
—Manuale di istruzioni
Sincronizzazione MIDI
L’MT400 è ideale per registrare la voce, la chitarra e altri suoni acustici e può essere
facilmente integrato in un sistema MIDI che comprenda un sequencer MIDI o il software del
sequencer disponibile su un computer. Questa sezione descrive come sincronizzare l’MT400
ad un sequencer MIDI.
Sincronizzazione dell’MT400 con un sequencer MIDI
Per usare l’MT400 in un sistema MIDI sincronizzato, dovete registrare un segnale “SYNC”
sulla traccia 4 dell’MT400 prima di registrare qualsiasi altra cosa. (Usate sempre la traccia 4
per registrare un segnale SYNC). Un segnale SYNC è un’informazione di temporizzazione
sotto forma di segnale audio, che è preso come riferimento da un sequencer MIDI per il suo
funzionamento. Avete bisogno di registrare questo segnale SYNC solo una volta sulla traccia
4 dell’MT400. Durante il playback, il segnale SYNC viene emesso dall’MT400 e viene
inviato ad un sequencer MIDI, il quale lo legge ed effettua il playback in sincronismo con
l’MT400. Quando l’MT400 viene fermato, si ferma anche il sequencer MIDI. In tal modo,
l’MT400 funziona come un dispositivo di controllo master all’interno di un sistema MIDI
sincronizzato.
Vi sono molte applicazioni nel sistema di sincronizzazione che utilizza l’MT400 ed un
sequencer MIDI. Un’applicazione tipica è quella di registrare suoni acustici, come voce e
chitarra sulle tracce dell’MT400 e registrare altre parti suonandone i dati di performance MIDI
sul sequencer MIDI collegato. Più precisamente, potete registrare la voce o la chitarra sulle
tracce dell’MT400 mentre ascoltate i dati di performance MIDI, quindi effettuare il mixdown,
cioè il riversamento dei suoni, delle tracce 1-3 con le sorgenti sonore MIDI. (Non potete usare la
traccia 4 per la registrazione poiché, vi ricordiamo, essa è dedicata al segnale SYNC.)
Formati del segnale SYNC
Vi sono due formati principali di segnale SYNC: timecode SMPTE e FSK. La differenza
sostanziale fra questi due formati è che l’FSK contiene soltanto informazioni di clock basati
sul tempo della song, mentre il timecode SMPTE contiene sia le informazioni di clock sia
quelle di posizione, che rappresentano il tempo assoluto. Ciò vuol dire che il timecode
SMPTE vi consente di far partire il playback sull’MT400 in un punto qualsiasi e che il
sequencer MIDI effettuerà il playback in sincrono. Con l’FSK, tuttavia, dovete sempre
riavvolgere il nastro ed iniziare il playback sull’MT400 dall’inizio del segnale SYNC affinché
il sequencer MIDI possa sincronizzarsi correttamente. Tuttavia, recentemente è disponibile
qualche cosa definito come ”smart FSK” che contiene le informazioni di clock e di posizione,
consentendo il playback da qualsiasi posizione all’interno di una song.
Per usare il timecode SMPTE, dovete avere un dispositivo chiamato “convertitore MTC/
SMPTE”. Questo dispositivo converte l’uscita MTC da un sequencer MIDI (timecode MIDI;
informazione del tempo assoluto del sequencer) in un timecode SMPTE (segnale audio).
Alcune interfacce MIDI per computer dispongono di questa caratteristica.
Per usare l’FSK avete bisogno di un dispositivo chiamato “convertitore MIDI/FSK”. Questo
dispositivo converte l’uscita MIDI Clock da un sequencer (l’informazione clock del
sequencer) in FSK (segnale audio). Alcuni convertitori MIDI/FSK supportano lo “smart
FSK”, sopra citato.
Questi dispositivi convertono i segnali MTC o MIDI Clock in segnali registrabili su nastro.
Durante il playback, lo stesso dispositivo viene usato per convertire il timecode SMPTE o il
segnale FSK (segnale audio) nuovamente in segnali MTC o MIDI Clock.
Note: Potete anche usare i controlli di trasporto sul sequencer MIDI, ma risponderà soltanto
il sequencer MIDI.

38
—Manuale di istruzioni
Collegamento dell’MT400 a un sistema MIDI
Sistema FSK/MIDI
In questo sistema, viene usato un convertitore FSK/MIDI come uno Yamaha YMC-10 per
generare il segnale FSK che viene registrato sulla traccia 4 dell’MT400. Durante il playback,
il segnale FSK viene emesso dal SYNC OUT (uscita dedicata della traccia 4) e convertito in
un segnale MIDI Clock. Quando il programmatore digitale di ritmi e la workstation synth sul
sequencer incorporato (onboard) ricevono il segnale di MIDI Clock, entrambi suonano in
sincrono.
4
4TR4 STEREO
+6
+3
0
–5
–10
+6
+3
0
–5
–10
POWER
AUX SEND
STEREO INPUT
METER SELECTREC SELECT
MONITOR/PHONES
ZERO STOP
PITCH
NOISE REDUCTION SYSTEM
TAPE SPEED CONTROL
321 RL
REC
REC PLAY REW FF STOP PAUSE
OFF
R
3
OFF
L
2
OFF
R
1
OFF
L
ON
OFF
ON
OFF
SYNC
STEREO
ST+CUE
CUE
MULTITRACK CASSETTE RECORDER
MIC/LINE INPUT
INSERT I/O
INSERT I/O
12
1
2
345L6R8R7L
4.8/ 9.5
–+
LEVEL
STEREO
7L–8R
010
LEVEL
5L–6R
010
LEVEL
MIN MAX
10
9
8
7
6
5
4
3
2
1
0
GAIN
HIGH
10
9
8
7
6
5
4
3
2
1
0
LINE MIC
–12 +12
MID
–12 +12
LOW
–12 +12
AUX
1
010
AUX
2
MIX CUE MIX CUE MIX CUE MIX CUE
010
010
PAN
INPUT-FLIP
TAPE
TAPE
MIC/
LINE
MIC/LINE
to L
LR
1
GAIN
HIGH
10
9
8
7
6
5
4
3
2
1
0
LINE MIC
–12 +12
MID
–12 +12
LOW
–12 +12
AUX
1
010
AUX
2
010
010
PAN
INPUT-FLIP
TAPE
TAPE
MIC/
LINE
MIC/LINE
to R
LR
2
GAIN
HIGH
10
9
8
7
6
5
4
3
2
1
0
LINE MIC
–12 +12
MID
–12 +12
LOW
–12 +12
AUX
1
010
AUX
2
010
010
PAN
INPUT-FLIP
TAPE
TAPE
MIC/
LINE
MIC/LINE
to L
LR
3
GAIN
HIGH
10
9
8
7
6
5
4
3
2
1
0
LINE MIC
–12 +12
MID
–12 +12
LOW
–12 +12
AUX
1
010
AUX
2
010
010
PAN
INPUT-FLIP
TAPE
TAPE
MIC/
LINE
MIC/LINE
to R
LR
4
SYNC OUT
Rhythm machine
FSK/MIDI
Converter
Synthesizer (workstation type)
FSK INFSK OUT
MIDI OUT
MIDI IN
MIDI OUT
MIDI IN
MIDI IN
MIDI OUT
Synth (tipo workstation)
Programmatore digitale di ritmi
Convertitore
FSK/MIDI

39
—Manuale di istruzioni
Sistema SMPTE/MTC
In questo sistema, viene usato un convertitore SMPTE/MIDI per generare un timecode SMPTE
che sia registrato sulla traccia 4 dell’MT400. Durante il playback, il timecode SMPTE viene
emesso dal SYNC OUT (uscita dedicata della traccia 4) e convertito in timecode MIDI.
L’esempio sotto riportato utilizza un’interfaccia MIDI che dispone di due jack MIDI IN/OUT. Se avete
soltanto una coppia di jack MIDI IN/OUT, modificate il collegamento come descritto qui di seguito.
• Creazione dei dati di sequenza
Collegate MIDI IN dell’interfaccia MIDI a MIDI OUT della tastiera MIDI.
Collegate MIDI OUT dell’interfaccia MIDI a MIDI IN del generatore di suono MIDI o
al synth.
• Registrazione di un segnale SYNC
Collegate MIDI OUT dell’interfaccia MIDI a MIDI IN del convertitore SMPTE/MTC.
• Funzionamento in sincrono
Collegate MIDI IN dell’interfaccia MIDI a MIDI OUT del convertitore SMPTE/MTC.
Collegate MIDI OUT dell’interfaccia MIDI al MIDI IN del generatore di suono MIDI
o al sintetizzatore.
SYNC OUT
4
4TR4 STEREO
+6
+3
0
–5
–10
+6
+3
0
–5
–10
POWER
AUX SEND
STEREO INPUT
METER SELECTREC SELECT
MONITOR/PHONES
ZERO STOP
PITCH
NOISE REDUCTION SYSTEM
TAPE SPEED CONTROL
321 RL
REC
REC PLAY REW FF STOP PAUSE
OFF
R
3
OFF
L
2
OFF
R
1
OFF
L
ON
OFF
ON
OFF
SYNC
STEREO
ST+CUE
CUE
MULTITRACK CASSETTE RECORDER
MIC/LINE INPUT
INSERT I/O
INSERT I/O
12
1
2
345L6R8R7L
4.8/ 9.5
–+
LEVEL
STEREO
7L–8R
010
LEVEL
5L–6R
010
LEVEL
MIN MAX
10
9
8
7
6
5
4
3
2
1
0
GAIN
HIGH
10
9
8
7
6
5
4
3
2
1
0
LINE MIC
–12 +12
MID
–12 +12
LOW
–12 +12
AUX
1
010
AUX
2
MIX CUE MIX CUE MIX CUE MIX CUE
010
010
PAN
INPUT-FLIP
TAPE
TAPE
MIC/
LINE
MIC/LINE
to L
LR
1
GAIN
HIGH
10
9
8
7
6
5
4
3
2
1
0
LINE MIC
–12 +12
MID
–12 +12
LOW
–12 +12
AUX
1
010
AUX
2
010
010
PAN
INPUT-FLIP
TAPE
TAPE
MIC/
LINE
MIC/LINE
to R
LR
2
GAIN
HIGH
10
9
8
7
6
5
4
3
2
1
0
LINE MIC
–12 +12
MID
–12 +12
LOW
–12 +12
AUX
1
010
AUX
2
010
010
PAN
INPUT-FLIP
TAPE
TAPE
MIC/
LINE
MIC/LINE
to L
LR
3
GAIN
HIGH
10
9
8
7
6
5
4
3
2
1
0
LINE MIC
–12 +12
MID
–12 +12
LOW
–12 +12
AUX
1
010
AUX
2
010
010
PAN
INPUT-FLIP
TAPE
TAPE
MIC/
LINE
MIC/LINE
to R
LR
4
SMPTE/MTC
Converter
Synthesizer
SMPTE INSMPTE OUT
MIDI IN
LR
MIDI IN
MIDI OUT
MIDI OUT
MIDI OUT 1
MIDI OUT 2
MIDI IN 1
MIDI IN 2
MIDI tone generator
Convertitore
SMPTE/MTC
Generatore di suono MIDI
Sintetizzatore

40
—Manuale di istruzioni
Registrazione di un segnale SYNC sul nastro
1Collegate l’MT400 al convertitore FSK/MIDI
al convertitore SMPTE/MTC come mostrato
nei diagrammi di pagina 38 e 39.
2Impostate l’interruttore [INPUT-FLIP] sul
canale di ingresso 4 sulla posizione “MIC/
LINE ( )”.
3Impostate l’interruttore [REC SELECT] della
traccia 4 su “ ”.
L’indicatore REC SELECT della traccia 4 lampeggia.
Un segnale emesso dal convertitore viene inviato alla
traccia 4 attraverso l’ingresso 4 MIC/LINE
dell’MT400.
4Impostate l’interruttore [METER SELECT] su
“”.
5Premete il pulsante [PAUSE], quindi il
pulsante .
6Preparate il sequencer MIDI e il convertitore
FSK/MIDI o SMPTE/MIDI per l’uscita del
segnale SYNC.
7Fate partire il sequencer MIDI o il convertitore
SMPTE/MTC.
Viene inviato dal convertitore alla traccia 4 un segnale
SYNC via il canale di ingresso 4.
8Mentre controllate il misuratore di livello,
usate il controllo GAIN e il fader sul canale di
ingresso 4 per regolare il livello del segnale
SYNC.
A questo punto impostate tutti i controlli EQ a metà
corsa.
–+
STEREO
+6
+3
0
–5
–10
+6
+3
0
–5
–10
POWER
AUX SEND
STEREO INPUT
METER SELECTREC SELECT
MONITOR/PHONES
ZERO STOP
PITCH
NOISE REDUCTION SYSTEM
TAPE SPEED CONTROL
RL
REC
PLAY REW FF STOP PAUSE
OFF
R
OFF
L
OFF
R
OFF
L
ON
OFF
ON
OFF
SYNC
STEREO
ST+CUE
CUE
MULTITRACK CASSETTE RECORDER
MIC/LINE INPUT
INSERT I/O
INSERT I/O
12
1
2
345L6R8R7L
4.8/ 9.5
LEVEL
STEREO
7L–8R
010
LEVEL
5L–6R
010
LEVEL
MIN MAX
10
9
8
7
6
5
4
3
2
1
0
GAIN
HIGH
10
9
8
7
6
5
4
3
2
1
0
LINE MIC
–12 +12
MID
–12 +12
LOW
–12 +12
AUX
1
010
AUX
2
MIX CUE MIX CUE MIX CUE MIX CUE
010
010
PAN
INPUT-FLIP
TAPE
TAPE
MIC/
LINE
MIC/LINE
to L
LR
1
GAIN
HIGH
10
9
8
7
6
5
4
3
2
1
0
LINE MIC
–12 +12
MID
–12 +12
LOW
–12 +12
AUX
1
010
AUX
2
010
010
PAN
INPUT-FLIP
TAPE
TAPE
MIC/
LINE
MIC/LINE
to R
LR
2
GAIN
HIGH
10
9
8
7
6
5
4
3
2
1
0
LINE MIC
–12 +12
MID
–12 +12
LOW
–12 +12
AUX
1
010
AUX
2
010
010
PAN
INPUT-FLIP
TAPE
TAPE
MIC/
LINE
MIC/LINE
to L
LR
3
GAIN
HIGH
10
9
8
7
6
5
4
3
2
1
0
LINE MIC
–12 +12
MID
–12 +12
LOW
–12 +12
AUX
1
010
AUX
2
010
010
PAN
INPUT-FLIP
TAPE
TAPE
MIC/
LINE
MIC/LINE
to R
LR
4
4321
431 4TR2
REC
C5A
4
3
0
8
2
2
8
3
4
:
A
5
C
4
4TR
REC
Note: Se il livello del segnale SYNC è troppo alto,
talvolta può interessare una traccia adiacente. Se
invece è troppo basso, potreste non essere in grado di
ottenere una sincronizzazione corretta. Impostate il
livello in modo che il segmento 0 dB del misuratore
di livello sia acceso.
7
8
1
2
3
4
5
6

41
—Manuale di istruzioni
9Bloccate il sequencer MIDI o il convertitore
SMPTE/MTC.
0Mettete su “SYNC” l’interruttore [dbx].
Il sistema di riduzione dbx viene cancellato soltanto
sulla traccia sync (traccia 4).
APremete il pulsante [PAUSE] per iniziare la
registrazione.
L’indicatore REC SELECT della traccia 4 si accende
con continuità.
BDopo circa cinque secondi, fate partire il
sequencer MIDI dall’inizio.
Il segnale SYNC è registrato sulla traccia 4.
CAspettate un po’ dopo che il sequencer MIDI ha
raggiunto la fine del brano (song), quindi
fermate il sequencer MIDI. Premete il pulsante
[STOP] sull’MT400 per arrestare la registrazione.
È una buona idea registrare il segnale SYNC oltre la
fine della song o brano. Ciò vi consente di estendere
facilmente la song. Non potete estendere il segnale
SYNC una volta che è stato registrato.
Registrazione sincronizzata
Con il segnale SYNC registrato sulla traccia 4 dell’MT400, potete registrare la voce, la
chitarra e altri strumenti sulle tracce da 1 a 3, mentre ascoltate il sequencer MIDI. Questa
parte del manuale spiega come registrare la vostra performance sulla traccia 1 mentre
ascoltate la sorgente sonora MIDI collegata agli ingressi stereo 5 e 6.
–+
STEREO
+6
+3
0
–5
–10
+6
+3
0
–5
–10
POWER
AUX SEND
STEREO INPUT
METER SELECTREC SELECT
MONITOR/PHONES
ZERO STOP
PITCH
NOISE REDUCTION SYSTEM
TAPE SPEED CONTROL
RL
REC
PLAY REW FF STOP PAUSE
OFF
R
OFF
L
OFF
R
OFF
L
ON
OFF
ON
OFF
SYNC
STEREO
ST+CUE
CUE
MULTITRACK CASSETTE RECORDER
MIC/LINE INPUT
INSERT I/O
INSERT I/O
12
1
2
345L6R8R7L
4.8/ 9.5
LEVEL
STEREO
7L–8R
010
LEVEL
5L–6R
010
LEVEL
MIN MAX
10
9
8
7
6
5
4
3
2
1
0
GAIN
HIGH
10
9
8
7
6
5
4
3
2
1
0
LINE MIC
–12 +12
MID
–12 +12
LOW
–12 +12
AUX
1
010
AUX
2
MIX CUE MIX CUE MIX CUE MIX CUE
010
010
PAN
INPUT-FLIP
TAPE
TAPE
MIC/
LINE
MIC/LINE
to L
LR
1
GAIN
HIGH
10
9
8
7
6
5
4
3
2
1
0
LINE MIC
–12 +12
MID
–12 +12
LOW
–12 +12
AUX
1
010
AUX
2
010
010
PAN
INPUT-FLIP
TAPE
TAPE
MIC/
LINE
MIC/LINE
to R
LR
2
GAIN
HIGH
10
9
8
7
6
5
4
3
2
1
0
LINE MIC
–12 +12
MID
–12 +12
LOW
–12 +12
AUX
1
010
AUX
2
010
010
PAN
INPUT-FLIP
TAPE
TAPE
MIC/
LINE
MIC/LINE
to L
LR
3
GAIN
HIGH
10
9
8
7
6
5
4
3
2
1
0
LINE MIC
–12 +12
MID
–12 +12
LOW
–12 +12
AUX
1
010
AUX
2
010
010
PAN
INPUT-FLIP
TAPE
TAPE
MIC/
LINE
MIC/LINE
to R
LR
4
4321
431 4TR2
REC
C5B
98
6
4
7
2
3
0
4
2
7
3
:
6
9
85
C
B
C
B
9
:
A

42
—Manuale di istruzioni
1Collegate l’MT400 al convertitore FSK/MIDI o
SMPTE/MTC come mostrato nei diagrammi
di pagine 38 e 39.
2Collegate la sorgente sonora che intendete
registrare sulla traccia 1 all’ingresso 1 MIC/
LINE e collegate la sorgente sonora MIDI agli
ingressi stereo 5L e 6R.
3Impostate l’interruttore [INPUT-FLIP] sul
canale di ingresso 1, posizionandolo su
“MIC/LINE ( )”. Accertatevi che
l’interruttore [dbx] sia impostato su “SYNC”.
4Impostate l’interruttore [REC SELECT] sulla
traccia 1 su “ ”.
L’indicatore REC SELECT della traccia 1 lampeggia.
5Premete il pulsante [PAUSE], quindi il
pulsante .
6Impostate l’interruttore [METER SELECT] su
“”.
Il misuratore di livello mostra il livello di ingresso
della sorgente di registrazione relativa alla traccia 1.
7Mentre controllate il misuratore di livello,
usate il controllo GAIN e il fader sul canale di
ingresso 1 per regolare il livello di
registrazione.
8Impostate l’interruttore di selezione monitor
su “ST+CUE”.
Per effettuare una registrazione mentre sincronizzate
il sequencer MIDI, dovete monitorare sia i segnali
della sorgente sonora MIDI (inviata dagli ingressi
STEREO 5 e 6 al bus Stereo) sia il segnale di
registrazione traccia (inviato dalla traccia 1 al bus
CUE). A tale scopo, dovete impostare l’interruttore di
selezione monitor su “ST+CUE”.
9Mentre fate suonare il sequencer MIDI, usate
il fader STEREO e il controllo volume del
generatore di suono MIDI per la regolazione
del livello di monitoraggio della sorgente
MIDI.
0Usate il controllo CUE sul canale di ingresso 1
per regolare il livello di monitoraggio del
suono registrato sulla traccia 1.
AImpostate il sequencer MIDI in modo che
esso sia sincronizzato al Clock MIDI oppure
all’MTC esterno.
APremete il pulsante [PAUSE] per iniziare la
registrazione.
Il sequencer MIDI dovrebbe sincronizzarsi e suonare
assieme all’MT400. Ora potete registrare il suono
sulla traccia 1, mentre monitorate i dati della
performance MIDI (sul bus Stereo) e mentre registrate
il suono sulla traccia 1 (nel bus CUE).
BPremete il pulsante [STOP] per bloccare la
registrazione.
Registrate le tracce 2 e 3, allo stesso modo.
Note: La presa SYNC OUT trasmette sempre il
segnale della traccia 4, qualunque sia la regolazione
relativa al canale di ingresso 4.
Note: Il segnale della sorgente sonora MIDI inviato
al bus Stereo non viene registrato sulle tracce.
1
REC
4TR
1
2
3
4
5
6
7
8
B
C
9
:
A

43
—Manuale di istruzioni
Mixdown sincronizzato
Dopo la registrazione sincronizzata con l’MT400 e il sequencer MIDI, potete effettuare il mix
delle tracce del nastro con i dati di performance MIDI e registrarli su un master recorder.
Questo paragrafo vi spiega come effettuare le operazioni di mix del nastro delle tracce 1-3
con le sorgenti sonore MIDI collegate agli ingressi MIC/LINE da 1 a 4.
1Collegate le sorgenti sonore MIDI agli
ingressi MIC/LINE da 1 a 4.
Potete usare, se necessario, gli ingressi STEREO 5L/
6R o 7L/8R.
2Posizionate l’interruttore [INPUT-FLIP] sui
canali di ingresso da 1 a 4 su “TAPE ( )”.
Le tracce del nastro da 1 a 4 vengono inviate al bus stereo
attraverso i canali di ingresso. I segnali di ingresso agli
ingressi MIC/LINE da 1 a 3 e all’ingresso STEREO 5L
o 7L vengono convogliati sul canale L del bus Stereo,
mentre i segnali di ingresso all’ingresso MIC/LINE 2 e 4
e all’ingresso STEREO 6R o 8R vengono indirizzati al
canale R del bus Stereo.
3Impostate l’interruttore di selezione monitor
su “STEREO”.
4Impostate l’interruttore [METER SELECT] su
“STEREO”.
5Accertatevi che l’interruttore [dbx] sia
impostato su “SYNC”
6Impostate il sequencer MIDI in modo che esso sia
sincronizzato con il Clock MIDI o l’MTC esterno.
7Innalzate il livello del fader STEREO sul valore
7-8.
8Premete il pulsante [PLAY] per effettuare il
playback del nastro.
Il sequencer MIDI dovrebbe sincronizzarsi e i dati di
performance MIDI dovrebbero essere eseguiti
assieme a quelli dell’MT400.
9Usate i fader, i controlli PAN e i controlli EQ
sui canali di ingresso da 1 a 3 per regolare il
livello di volume, il pan, e la qualità timbrica
delle tracce 1-3. Usate i controlli CUE sui
canali di ingresso da 1 a 4 per regolare il
livello di volume dei dati di performance
MIDI.
A questo punto, accertatevi che il fader sul canale di
ingresso 4 sia abbassato sul valore 0.
0Cominciate a registrare sul master recorder e
iniziate il playback dall’inizio della song
sull’MT400.
Dopo la registrazione, mandate in play il master
recorder per ascoltare il risultato del mixdown.
–+
STEREO
+6
+3
0
–5
–10
+6
+3
0
–5
–10
POWER
AUX SEND
STEREO INPUT
METER SELECTREC SELECT
MONITOR/PHONES
ZERO STOP
PITCH
NOISE REDUCTION SYSTEM
TAPE SPEED CONTROL
RL
REC
PLAY REW FF STOP PAUSE
OFF
R
OFF
L
OFF
R
OFF
L
ON
OFF
ON
OFF
SYNC
STEREO
ST+CUE
CUE
MULTITRACK CASSETTE RECORDER
MIC/LINE INPUT
INSERT I/O
INSERT I/O
12
1
2
345L6R8R7L
4.8/ 9.5
LEVEL
STEREO
7L–8R
010
LEVEL
5L–6R
010
LEVEL
MIN MAX
10
9
8
7
6
5
4
3
2
1
0
GAIN
HIGH
10
9
8
7
6
5
4
3
2
1
0
LINE MIC
–12 +12
MID
–12 +12
LOW
–12 +12
AUX
1
010
AUX
2
MIX CUE MIX CUE MIX CUE MIX CUE
010
010
PAN
INPUT-FLIP
TAPE
TAPE
MIC/
LINE
MIC/LINE
to L
LR
1
GAIN
HIGH
10
9
8
7
6
5
4
3
2
1
0
LINE MIC
–12 +12
MID
–12 +12
LOW
–12 +12
AUX
1
010
AUX
2
010
010
PAN
INPUT-FLIP
TAPE
TAPE
MIC/
LINE
MIC/LINE
to R
LR
2
GAIN
HIGH
10
9
8
7
6
5
4
3
2
1
0
LINE MIC
–12 +12
MID
–12 +12
LOW
–12 +12
AUX
1
010
AUX
2
010
010
PAN
INPUT-FLIP
TAPE
TAPE
MIC/
LINE
MIC/LINE
to L
LR
3
GAIN
HIGH
10
9
8
7
6
5
4
3
2
1
0
LINE MIC
–12 +12
MID
–12 +12
LOW
–12 +12
AUX
1
010
AUX
2
010
010
PAN
INPUT-FLIP
TAPE
TAPE
MIC/
LINE
MIC/LINE
to R
LR
4
4321
431 4TR2
REC
1
4
9
5
3
78
2
1
4
5
2
9
3
78
7
8
9
1
2
3
4
5
6
:

44
—Manuale di istruzioni
Appendice
Inconvenienti e rimedi
Se avete qualche difficoltà operativa con l’MT400 oppure se vi sembra che esso non funzioni
come vi aspettate, date un’occhiata al prospetto seguente, ai sintomi elencati e seguite il
consiglio suggerito.
Sintomo Consiglio
L’MT400 non si accende.
Accertatevi che il cavo dell’adattatore per corrente alternata sia colle-
gato ad una presa di corrente alimentata e che sia ben inserito nella
presa DC 12V situata sul retro dell’MT400.
Accertatevi che venga usato un adattatore per CA corretto.
Accertatevi che l’interruttore POWER dell’MT400 sia sulla posizione ON.
Non è possibile ascoltare la sorgente
musicale collegata.
Accertatevi che l’interruttore [INPUT-FLIP] e l’interruttore di selezione
monitor siano impostati sulle posizioni appropriate. Quando un
interruttore [INPUT-FLIP] è impostato su “MIC/LINE ( )”, aumen-
tate il fader del canale di ingresso corrispondente e il fader STEREO, e
impostate l’interruttore si selezione monitor su “STEREO” o
“ST+CUE”. Se un interruttore [INPUT-FLIP] è impostato su “TAPE
( )”, aumentate il controllo CUE del canale corrispondente e il
fader STEREO, ed impostate l’interruttore di selezione monitor su
“STEREO” o “ST+CUE”.
Non è possibile inserire il pulsante . Accertatevi che le linguette di protezione da scrittura del nastro siano intatte.
Non è possibile registrare.
Accertatevi che l’interruttore [REC SELECT] non sia impostato su “OFF”.
Accertatevi di aver assegnato il segnale che intendete registrare alla
traccia. Usate il controllo CUE per vedere se il segnale viene effettiva-
mente inviato alla traccia.
I misuratori di livello non indicano i
livelli del segnale. Accertatevi che l’interruttore [METER SELECT] sia impostato correttamente.
Accertatevi che la traccia di registrazione non si trovi nel modo pausa.
Le registrazioni sono rumorose. Usate la riduzione di rumore dbx.
Accertatevi che il livello di registrazione sia impostato correttamente. Un
livello di segnale troppo basso renderà molto evidente il fruscìo del nastro.
Le registrazioni risultano distorte. Accertatevi che il livello di registrazione sia impostato correttamente.
Un segnale eccessivamente alto causerà distorsione.
Le registrazioni risultano insoddisfacenti.
Il fruscìo del nastro è anomalo.
Wow e flutter.
Livello di uscita fluttuante.
Pulite la testina di registrazione-riproduzione e altri componenti del
trasporto nastro. Smagnetizzate la testina.
Il playback delle registrazioni viene
effettuato con il pitch più basso o più
alto di un’ottava. Per il nastro usate la stessa velocità adottata per la registrazione.
Non è possibile inviare un segnale di
canale all’AUX SEND.
Oltre ad aumentare il controllo AUX, dovete anche innalzare il fader
del canale. Ciò è dovuto al fatto che il segnale AUX SEND è posizio-
nato post-fader (cioè dopo il fader).
Il sequencer MIDI non si sincronizza
all’MT400.
Accertatevi che il convertitore FSK/MIDI oppure SMPTE/MIDI siano
impostati in modo da convertire il segnale SYNC registrato nel Clock
MIDI o MTC.
Accertatevi che il vostro sequencer MIDI sia impostato in maniera da
sincronizzarsi con il Clock MIDI esterno o MTC. Fate riferimento al
manuale di istruzioni relativo al sequencer MIDI.
REC

45
—Manuale di istruzioni
Manutenzione dell’MT400
L’MT400 richiede una manutenzione regolare per restare in ottime condizioni di
funzionamento per un lungo periodo di tempo.
Pulizia della testina di registrazione/riproduzione, testina di
cancellazione, del perno e del rullino pressore
Quando il nastro passa sopra la testina di registrazione-riproduzione, una minuscola quantità di
ossido residuo rimane sulla testina. Se non pulite questa testina, queste particelle possono
accumularsi fino al punto da graffiare la superficie del nastro oppure i suoni dell’alta gamma
diventano piuttosto insoddisfacenti e piatti. Perciò dovreste pulire questa testina ad intervalli
regolari. Inoltre le particelle magnetiche e di polvere che si accumulano sul pernino, sul rullino
pressore e sugli altri componenti possono causare il deterioramento della qualità del suono.
Per pulire la testina di registrazione/riproduzione, la testina di cancellazione e il perno, usate un
kit di pulizia disponibile in commercio. Questi kit solitamente sono costituiti da appositi
bastoncini di cotone e da una soluzione di pulizia a base di alcol isopropilico e sono disponibili
nei negozi audio e di elettronica. Seguite le istruzioni riportate sul kit, pulendo attentamente la
testina e il pernino con il bastoncino di cotone imbevuto della soluzione per la pulizia.
È meglio pulire i rullini con una soluzione adatta per la gomma, non contenente cioè alcool,
che spesso è già prevista nei kit di pulizia. L’alcool infatti tende ad essiccare e a corrodere la
parte gommosa del rullino.
Si raccomanda di pulire la testa di registrazione-riproduzione, il pernino, il rullino pressore e
la testina di cancellazione prima di ogni nuova sessione di registrazione oppure ogni dieci ore
di impiego, per ottimizzare la qualità della registrazione. Testine sporche possono distorcere il
suono o indurre del rumore. Nel peggiore dei casi, potreste non essere in grado di effettuare
sia il playback sia la registrazione.
Smagnetizzazione della testina
Il nastro di registrazione passa sulla testina di registrazione e tende a depositare un sottile velo
di particelle magnetiche. La testina nel tempo raccoglie queste particelle magnetiche e quindi
si magnetizza. Pertanto, dovete smagnetizzarla usando uno smagnetizzatore disponibile in
commercio (sono disponibili prevalentemente nella maggior parte dei negozi audio e di
elettronica). Leggete attentamente le istruzioni riportate sullo smagnetizzatore, poiché se non
viene usato correttamente è possibile addirittura danneggiare la testina. Lo smagnetizzatore
emette un forte campo magnetico e può cancellare tutte le informazioni presenti sul nastro.
Accertatevi quindi di tener lontani i nastri dal demagnetizzatore.
È meglio smagnetizzare la testina di registrazione ogni 10 ore di uso. Pulite le testine e gli
altri componenti e smagnetizzate la testina di registrazione-riproduzione per ottimizzare le
condizioni prima di effettuare una sessione di registrazione per voi importante.
Pinch roller
Record/play head
Erase head
Capstan
Clean the shaded areas.
Testina per cancellazione
Testina per registrazione-riascolto
Rullino pressore
Pernino
Queste parti devono essere pulite

46
—Manuale di istruzioni
Specifiche tecniche
Trasporto Nastro
Mixer
Recorder
Collegamenti
Specifiche di I/O
Tipo di nastro nastri a cassetta C46–90 (Tipo II)
Configurazione tracce 4-tracce/4-canali, registrazione-ascolto unidirezionale
Testine registrazione-ascolto 4-tracce, Hard Permalloy x 1, cancellazione
4-tracce, Ferrite x1
Motore servomotore CC x1
Velocità del nastro 4.8 cm/s, 9.5 cm/s
Controllo del Pitch Circa ±10%
Wow & Flutter 0.12% WRMS (9.5 cm/s)
Tempo di riavvolgimento Circa 120 secondi per un nastro C60
Risposta in frequenza 20 Hz–20 kHz, +1/–4 dB, MIC IN—STEREO OUT
LINE IN—MONITOR OUT
Rapporto S/N (a livelli di
ingresso e uscita) 65 dB/IHF-A, MIC IN—STEREO OUT (GAIN TRIM MAX)
70 dB/IHF-A, LINE IN—STEREO OUT (GAIN TRIM MIN)
EQ LOW/Shelving Frequenza base: 80 Hz, Range: ±12 dB
MID/Peaking Frequenza base: 1 kHz, Range: ±12 dB
HIGH/Shelving Frequenza base: 12 kHz, Range: ±12 dB
Risposta in frequenza globale 50 Hz–14 kHz, +3/–5 dB (9.5 cm/s, NR OUT)
Rapporto S/N globale 80 dB/IHF-A (NR IN) [al livello di distorsione 3%]
Distorsione totale 2.0% (400 Hz, –10 dB)
Valore di cancellazione 55 dB (1 kHz, 0 dB, BPF)
Riduzione rumore dbx TYPE II
# di I/Os
MIC/LINE x4
INSERT I/O x2
STEREO IN x2
AUX SEND x2
STEREO OUT L, R x1
MONITOR OUT L, R x1
SYNC OUT x1
PHONES L, R x1
MIC/LINE
Impedenza di ingresso: 10 kΩ
Livello di ingresso nominale: da –10 a –50 dB (CH fader ai livelli
nominali)
Livello min. di ingresso: –56 dB (Gain trim max. CH fader max)
INSERT IN CH 1, 2 Impedenza di ingresso: 10 kΩ
Livello di ingresso nominale: –10 dB (CH fader ai livelli nominali)
Livello min. di ingresso: –16 dB (CH fader max)
STEREO IN Impedenza di ingresso: 10 kΩ
Livello di ingresso nominale: –10 dB (CH fader ai livelli nominali)
Livello min. di ingresso: –16 dB (max Volume)

47
—Manuale di istruzioni
Jack di controllo
Caratteristiche generali
0 dB=0.775 Vrms.
INSERT OUT CH 1, 2 Impedenza di uscita: 100Ω
Impedenza di carico nominale: 10 kΩ o più alto
Livello di uscita nominale: –10 dB (carico 10 kΩ)
STEREO OUT L, R Impedenza di uscita: 1 kΩ
Impedenza di carico nominale: 10 kΩ o più alto
Livello di uscita nominale: –10 dB (carico 10 kΩ)
AUX SEND Impedenza di uscita: 1 kΩ
Impedenza di carico nominale: 10 kΩ o più alto
Livello di uscita nominale: –10 dB (carico 10 kΩ)
MONITOR OUT Impedenza di uscita: 1 kΩ
Impedenza di carico nominale: 10 kΩ o più alto
Livello di uscita nominale: –10 dB (carico 10 kΩ)
SYNC OUT Impedenza di uscita: 1 kΩ
Impedenza di carico nominale: 10 kΩ o più alto
Livello di uscita nominale: –10 dB (carico 10 kΩ)
PHONES (STEREO) Impedenza di carico nominale: da 8 a 40Ω
Livello di uscita nominale: 30 mW+30 mW (carico 40Ω)
PUNCH I/O Interruttore a pedale: FC5 (opzionale)
Alimentazione richiesta CC 12V (650 mA o più alta)
Dimensioni (LxAxP) 388 x 102 x 354 mm
Peso 2.8 kg
Accessori Adattatore a CC: PA-12065

48
—Manuale di istruzioni
Dimensioni
Le specifiche tecniche e l’aspetto sono soggetti a variazioni senza alcun preavviso.
H:102
D:354
W:388
Unità: mm

49
—Manuale di istruzioni
Diagramma a blocchi
REC SELECT
REC SELECT
REC SELECT
REC SELECT
Ch4 : come Ch1
tranne senza INSERT I/O
tranne senza INSERT I/O
Ch3 : come Ch1
Ch2 : come Ch1
tranne SYNC OUT
come Tr1
Recorder Tr4
Recorder Tr3
come Tr1
come Tr1
Recorder Tr2
R
R
4
3
2
OFF
OFF
L
OFF
4
3
1
OFF
4TR
STEREO
METER SELECT
INPUT
STEREO
SYNC OUT
to Meter
from
Tr1
Tr2
Tr3
Tr4
CUE (/ MIX) L
ST+CUE
STEREO
CUE
LEVEL
2
1
MIC/LINE
INPUT
6R, 8R
5L, 7L
LEVEL
STEREO
INPUT
MID
TAPE
3 Band EQ
LINE
MIC/
2
1
FLIP
Rec
PB
PHONES
MONITOR
OUT
R
L
AUX SEND
R
L
OUT
STEREO
PB
Tr1
Recorder
REC
PAN
21CUE
AUX
RL
ST
AUX 2
a R
a R
a L
AUX 1
HIGH
LOW
INSERT I/O
HA
GAIN