Yamaha MTX Setup Manual Sm It F0
User Manual: Yamaha MTX Setup Manual
Open the PDF directly: View PDF
.
Page Count: 157 [warning: Documents this large are best viewed by clicking the View PDF Link!]
- Introduzione
- Flusso di configurazione
- Esempio 1) Esempio base di sistema MTX3 (connessioni analogiche)
- Uso della procedura guidata di configurazione del dispositivo per creare la configurazione del dispositivo
- Realizzazione delle impostazioni preliminari in MTX-MRX Editor
- Connessione dell'apparecchiatura
- Accensione di MTX
- Accensione dell'amplificatore
- Specificazione dell'indirizzo TCP/IP del computer
- Connessione di MTX-MRX Editor
- Verifica dell'applicazione delle impostazioni
- Esempio 2) Sistema ad alta qualità audio con connessioni XMV e YDIF (connessioni digitali)
- Uso della procedura guidata di configurazione del dispositivo per creare la configurazione del dispositivo
- Realizzazione delle impostazioni preliminari in MTX-MRX Editor
- Connessione dell'apparecchiatura
- Accensione di MTX
- Accensione dell'amplificatore
- Specificazione dell'indirizzo TCP/IP del computer
- Connessione di MTX-MRX Editor
- Effettuazione delle impostazioni XMV
- Verifica dell'applicazione delle impostazioni
- Esempio 3) Uso della modalità a cascata per aggiungere i canali di ingresso MTX (connessione analogica)
- Uso della procedura guidata di configurazione del dispositivo per creare la configurazione del dispositivo
- Realizzazione delle impostazioni preliminari in MTX-MRX Editor
- Connessione dell'apparecchiatura
- Accensione di MTX
- Accensione dell'amplificatore
- Impostazione dell'ID unità di MCP1
- Specificazione dell'indirizzo TCP/IP del computer
- Connessione di MTX-MRX Editor
- Effettuazione delle impostazioni XMV
- Verifica dell'applicazione delle impostazioni
- Esempio 4) Un sistema che utilizza Dante
- Utilizzo della procedura guidata di configurazione del dispositivo per creare l'impostazione del dispositivo
- Definizione delle impostazioni preliminari in MTX-MRX Editor
- Impostazioni Dante tra sistemi
- Connessione dell'apparecchiatura
- Accensione dell'unità MTX
- Accensione dell'amplificatore
- Specifica dell'indirizzo TCP/IP del computer
- Connessione di MTX-MRX Editor
- Definizione delle impostazioni dell'unità XMV
- Verifica dell'applicazione delle impostazioni
- Esempio 5) Sistema di paging mediante l'unità PGM1
- Utilizzo della procedura guidata di configurazione del dispositivo per creare l'impostazione del dispositivo
- Realizzazione delle impostazioni preliminari in MTX-MRX Editor
- Connessione dell'apparecchiatura
- Accensione dello switch di rete Gigabit dotato di PoE
- Accensione di apparecchiature diverse dagli amplificatori e dalle casse amplificate
- Accensione degli amplificatori e delle casse amplificate
- Specifica dell'indirizzo TCP/IP del computer
- Connessione di MTX-MRX Editor
- Effettuazione delle impostazioni XMV
- Verifica dell'applicazione delle impostazioni
- Domande e risposte
- Disinstallazione del software (rimozione dell'applicazione)

Manuale di configurazione MTX 1
Manuale di configurazione MTX
Questo manuale presenta metodi di installazione ed esempi di applicazione possibili per i processori
DSP serie MTX usati assieme al software di controllo MTX-MRX Editor.
Consultare il manuale di istruzioni di un dispositivo per i dettagli su MTX e fare riferimento al
"Manuale utente di MTX-MRX Editor" (file PDF) per i dettagli su MTX-MRX Editor.
Avviso speciale
• Il software e il presente manuale sono tutelati da copyright esclusivo di Yamaha Corporation.
• È espressamente vietato copiare il software o riprodurre il presente manuale in tutto o in parte con qualsiasi mezzo in assenza
di autorizzazione scritta del produttore.
• Yamaha non rilascia dichiarazioni o garanzie in relazione all'uso del software e della documentazione e declina qualsiasi responsabilità
in merito ai risultati prodotti dall'uso del presente manuale e del software.
• Eventuali futuri aggiornamenti del software applicativo e di sistema e qualsiasi variazione nelle specifiche tecniche e nelle funzioni
verranno comunicati sul seguente sito Web:
http://www.yamahaproaudio.com/
• Le schermate riprodotte nel presente manuale hanno finalità puramente didattiche e possono variare rispetto a quanto effettivamente
visualizzato nel computer dell'utente.
• Fatta eccezione per l'uso personale, è severamente vietato copiare i dati musicali commercialmente disponibili compresi, tra gli altri,
i dati MIDI e/o i dati audio.
• Ethernet è un marchio di Xerox Corporation.
• Windows è un marchio registrato di Microsoft® Corporation negli Stati Uniti e in altri paesi.
• Bonjour è un marchio di Apple Inc. registrato negli Stati Uniti e in altri paesi.
• I loghi SDHC e SD sono marchi di SD-3C, LLC.
• Tecnologia di codifica audio MPEG Layer-3 su licenza di Fraunhofer IIS e Thomson.
• I nomi di società e prodotti presenti in questo manuale sono marchi o marchi registrati delle rispettive società.
Manuale di configurazione MTX
IT

Manuale di configurazione MTX 2
Il manuale di configurazione MTX spiega come creare delle configurazioni usando MTX e MTX-MRX Editor.
A titolo esemplificativo, verranno fornite semplici spiegazioni delle configurazioni tipiche descritte di seguito.
Per informazioni dettagliate su queste impostazioni, fare riferimento al "Manuale utente di MTX-MRX Editor" e ai
manuali di istruzione e di installazione di XMV, MTX, DCP, MCP1 e PGM1.
Quando si installa MTX-MRX Editor, i cinque file di esempio descritti in questo documento sono disponibili nelle seguenti
cartelle.
-Sistema operativo a 32 bit
C:\Program Files\Yamaha\MTX-MRX Editor\V*.*\ProjectFile
-Sistema operativo a 64 bit
C:\Program Files(x86)\Yamaha\MTX-MRX Editor\V*.*\ProjectFile
*.* sarà la versione del MTX-MRX Editor installato.
Esempio 1: MTX3 basic system-*.mtx
Esempio 2: MTX3 XMV digital system-*.mtx
Esempio 3: MTX3+MCP1 cascade example-*.mtx
Esempio 4: MTX5-D Dante system-*.mtx
Esempio 5: MTX5-D+PGM1 Shopping mall-*.mtx
-* è un numero di gestione. In alcuni casi, -* non sarà presente.
Esempio 1) Esempio base di sistema MTX3 (connessioni analogiche)
Questo esempio presuppone che si stia usando l'apparecchiatura seguente.
•MTX3 × 1
• DCP1V4S × 4
• Amplificatori (quattro canali di amplificazione)
• Altoparlanti (il numero necessario)
• Scheda di memoria SD × 1
• Sorgente musicale di sottofondo come un lettore CD × 1
• Microfoni per sistemi di chiamata con interruttore × 2
• Ricevitori microfoni wireless (2 canali)
• Microfoni wireless × 2
Il numero di altoparlanti non è specificato; scegliere gli amplificatori adatti per la propria configurazione
degli altoparlanti. Inoltre, sarà necessario fornire il numero appropriato di cavi.
Introduzione
DCP
ID=3
Cucina
(Zona 4)
Hall A
(Zona 1)
Hall B
(Zona 2)
Ingresso
(Zona 3)
DCP
ID=1
Microfono
Ch=2
Microfono
Ch=1
Microfono
Ch=4
DCP
ID=0
Sala degli
amplificatori
DCP
ID=2
Microfono
Ch=3
MTX3 ID=01
Lettore CD
Amplificatore 1
Amplificatore 2
Lettore BGM
Ricevitore microfono wireless

Introduzione
Manuale di configurazione MTX 3
Esempio 2) Sistema ad alta qualità audio con connessioni XMV e YDIF (connessioni digitali)
Questo ripete il sistema dell'esempio 1, sostituendo gli amplificatori con un'unità della serie XMV.
Questo esempio presuppone che si stia usando l'apparecchiatura seguente.
•MTX3 × 1
• DCP1V4S × 4
• XMV4280 (quattro canali di amplificazione) × 1
• Altoparlanti (il numero necessario)
• Scheda di memoria SD × 1
• Sorgente musicale di sottofondo come un lettore CD × 1
• Commutatore di rete × 1
• Microfoni per sistemi di chiamata con interruttore × 2
• Ricevitori microfoni wireless (2 canali)
• Microfoni wireless × 2
Il numero di altoparlanti non è specificato; scegliere gli amplificatori adatti per la propria configurazione
degli altoparlanti. Inoltre, sarà necessario fornire il numero appropriato di cavi.
XMV4280 ID
=1A
Lettore BGM
DCP
ID=3
Cucina
(Zona 4)
Hall A
(Zona 1)
Hall B
(Zona 2)
Ingresso
(Zona 3)
DCP
ID=1
Microfono
Ch=2
Microfono
Ch=1
Microfono
Ch=4
DCP
ID=0
Sala degli
amplificatori
DCP
ID=2
Microfono
Ch=3
MTX3 ID=01
Lettore CD
Ricevitore microfono wireless

Introduzione
Manuale di configurazione MTX 4
Esempio 3) Uso della modalità a cascata per aggiungere i canali di ingresso MTX
(connessione analogica)
La modalità a cascata consente di condividere i bus di matrice tra le unità MTX. Questa modalità permette di
usare due unità MTX per accrescere il numero di ingressi, e di combinare i segnali provenienti dai vari ingressi
incanalandoli verso un unico amplificatore.
Nella modalità a cascata, l'audio non può essere trasmesso a XMV tramite YDIF.
Questo esempio presuppone che si stia usando l'apparecchiatura seguente.
•MTX3 × 2
•MCP1 × 1
• XMV4280 (o un amplificatore con ingresso analogico) × 1
• Sorgente musicale di sottofondo come un lettore CD × 1
• Altoparlanti (il numero necessario)
• Switch di rete Gigabit con PoE x 1
• Microfono con interruttore (per MC o presidente) × 1
• Ricevitori microfoni wireless (11 canali)
• Microfoni wireless × 11
Il numero di altoparlanti non è specificato; scegliere gli amplificatori adatti per la propria configurazione
degli altoparlanti. Inoltre, sarà necessario fornire il numero appropriato di cavi.
MCP1
ID=90
W/L Mic 1
Ch1 (MTX ID=01)
W/L Mic 5
Ch1 (MTX ID=02)
W/L Mic 9
Ch5 (MTX ID=01)
W/L Mic 2
Ch2 (MTX ID=01)
W/L Mic 6
Ch2 (MTX ID=02)
W/L Mic 10
Ch6 (MTX ID=01)
W/L Mic 3
Ch3 (MTX ID=01)
W/L Mic 7
Ch3 (MTX ID=02)
W/L Mic 11
Ch7 (MTX ID=01)
W/L Mic 4
Ch4 (MTX ID=01)
W/L Mic 8
Ch4 (MTX ID=02)
Rack
Microfono
Ch8 (MTX ID=01)
MTX3 ID=01
MTX3 ID=02
Lettore CD
XMV4280 ID
=1A
Room
Ricevitori
microfoni wireless

Manuale di configurazione MTX 5
Esempio 4) Un sistema che utilizza Dante
In questo esempio, gli amplificatori esistenti continuano a essere utilizzati, mentre viene impostato un nuovo
sistema in una posizione distante, con collegamenti effettuati utilizzando Dante.
Il sistema che utilizza gli amplificatori esistenti è etichettato Sistema A, mentre il nuovo sistema è etichettato
Sistema B.
Nell'esempio 4 la spiegazione sarà incentrata sulle impostazioni di rete. Per ulteriori informazioni sull'aumento
del numero di microfoni, impostazioni DCP o preset, fare riferimento all'esempio 2.
Questo esempio presuppone che si stia utilizzando l'apparecchiatura seguente.
* Come switch di rete per collegamenti Dante, è consigliabile utilizzare un modello che fornisca la funzionalità
di snooping IGMP.
Il numero di altoparlanti non è specificato; scegliere gli amplificatori adatti per la propria configurazione degli
altoparlanti. Inoltre, sarà necessario fornire il numero appropriato di cavi.
Sistema A
Microfono Ch1 Microfono Ch1
Amplicatore
Sala A
Amplicatore
Sala B
Sistema B Amplicatore
Sala A
Amplicatore
Sala B
ID EXi8=02
ID MTX5-D=01
Amplicatore 3
Amplicatore 4
Switch di rete per MTX-MRX Editor
ID MTX5-D=04
ID XMV4280=30
Switch di rete per unità principale
Switch di rete per unità secondaria
ID XMV4280-D=31
ID EXo8=03
Amplicatore 1
Amplicatore 2
Sistema A
•MTX5-D × 1
• Exi8 × 1
•EXo8 × 1
• Amplificatori (otto canali di amplificazione)
• Switch di rete × 1
• Altoparlanti (il numero necessario)
• Scheda di memoria SD × 1
• Microfoni per sistemi di chiamata con interruttore
×
1
Sistema B
•MTX5-D × 1
• XMV4280 × 1
• XMV4280-D × 1
• Switch di rete × 2*
• Altoparlanti (il numero necessario)
• Scheda di memoria SD × 1
• Microfoni per sistemi di chiamata con
interruttore × 1

Introduzione
Manuale di configurazione MTX 6
Esempio 5) Sistema di paging mediante l'unità PGM1
Questo esempio presuppone che si stia utilizzando l'unità PGM1, installata in un'area commerciale come un centro
commerciale.
Anche se non mostrate qui, le toilette si trovano in varie posizioni.
Questo esempio presuppone che si stia usando l'apparecchiatura seguente.
•MTX5-D × 1
• XMV8280-D × 2
•PGM1 × 1
•PGX1 × 1
• Switch di rete Gigabit con PoE, ad esempio SWR2100P-5G ∋ 1
• Altoparlanti (il numero necessario)
• Scheda di memoria SD × 1
• Sorgente musicale di sottofondo come un lettore Blu Ray × 3
Il numero di altoparlanti non è specificato; scegliere gli amplificatori adatti per la propria configurazione degli
altoparlanti. Inoltre, sarà necessario fornire il numero appropriato di cavi.
Laxuary Area (Area di lusso) Casual Area A (Area casuale A)
Casual Area B (Area casuale B) Casual Area C (Area casuale C)
Food Court
Entrance
Event
Space
Amp
Room
Amp
Room
Information

Flusso di configurazione
Manuale di configurazione MTX 7
La tabella seguente mostra il flusso di lavoro per il collegamento di apparecchiature quali i matrix mixer della serie MTX
e gli amplificatori della serie XMV al computer, e per la realizzazione delle impostazioni in MTX-MRX Editor.
Installazione di MTX-MRX Editor
Scaricare MTX-MRX Editor dalla pagina "Download" del sito Web Yamaha Pro Audio per collegare i dispositivi della
serie MTX al computer.
http://www.yamahaproaudio.com/
Requisiti di sistema
Esempio 1 Esempio 2 Esempio 3 Esempio 4 Esempio 5
Installazione di MTX-MRX Editor Pagina 7
Avvio di MTX-MRX Editor Pagina 8
Utilizzo della procedura guidata di configurazione del dispositivo
per creare l'impostazione del dispositivo Pagina 9 Pagina 30 Pagina 55 Pagina 81 Pagina 125
Definizione
delle
impostazioni
preliminari in
MTX-
MRX Editor
Definizione delle impostazioni
EXT. I/O
YDIF — Pagina 35 — Pagina 94 —
XMV
(analogico) — — Pagina 60 — —
XMV (Dante) — — — Pagina 106 Pagina 132
Impostazioni dei parametri per l'unità MTX
e dispositivi esterni (Impostazioni dei parametri,
ad esempio per jack e canali) Pagina 14 Pagina 39 Pagina 63 Pagina
98, 111 Pagina 136
Impostazioni nella schermata "DCA" (Impostazioni
che controllano il livello o l'esclusione di più canali in
una singola operazione)
— — Pagina 72 — —
Impostazioni del Pannello di controllo digitale (DCP)
Pagina 21 Pagina 46 — — —
Impostazioni MCP1 — — Page 73 — —
Memorizzazione di un preset
(impostazioni di preset e filtro di richiamo) Pagina 23 Pagina 48 Pagina 74 — Pagina 148
Impostazioni Dante tra sistemi — — — Pagina 114 —
Connessione dell'apparecchiatura Pagina 26 Pagina 51 Pagina 77 Pagina 118 Pagina 149
Accensione dei dispositivi in ordine Pagina 26 Pagina 52 Pagina 78 Pagina 120 Pagina 150
Impostazione dell'ID unità di MCP1 — — Pagina 78 — —
Specifica dell'indirizzo TCP/IP del computer Pagina 27 Pagina 52 Pagina 78 Pagina 120 Pagina 150
Connessione di MTX-MRX Editor Pagina 28 Pagina 53 Pagina 80 Pagina 122 Pagina 152
Definizione delle impostazioni dell'unità XMV — Pagina 54 Pagina 80 Pagina 122 Pagina 152
Verifica dell'applicazione delle impostazioni Pagina 29 Pagina 54 Pagina 80 Pagina 123 Pagina 153
Sistema operativo
Windows 7 (32 bit/64 bit)
Windows 8.1 (32/64 bit)
Windows 10 (32 bit/64 bit)
CPU Core i3/5 o superiore
Memoria 4 GB o superiore
H.D.D Almeno 230 MB di spazio libero (quando si installa, almeno 480 MB di spazio libero.)
Altro È necessario installare Bonjour, Ethernet (1000BASE-T o superiore)
NOTA
I requisiti di sistema descritti in precedenza sono validi per MTX-MRX Editor versione 3.1.0. È possibile verificare le informazioni sulla
versione più recente di ogni programma e i relativi requisiti di sistema nel seguente sito Web:
http://www.yamahaproaudio.com/
I requisiti di sistema possono differire leggermente a seconda del computer in uso.
Flusso di configurazione

Flusso di configurazione
Manuale di configurazione MTX 8
Per installare MTX-MRX Editor, seguire la procedura descritta di seguito.
1. Dopo aver decompresso il file scaricato, fare doppio clic su "setup.exe" nella posizione
del file decompresso.
Verrà visualizzata la procedura guidata di configurazione MTX-MRX Editor.
2. Proseguire l'installazione seguendo le indicazioni visualizzate.
Avvio di MTX-MRX Editor
Per avviare MTX-MRX Editor, attenersi alla procedura descritta di seguito.
1. Fare doppio clic sull'icona di MTX-MRX Editor sul desktop.
2. Se viene visualizzata la finestra di dialogo "Network Setup" (Configurazione di rete)
fare clic su [OK] o [Cancel].
La configurazione verrà eseguita durante il passaggio "Making settings in MTX-MRX Editor" (Realizzazione delle
impostazioni in MTX-MRX Editor).
3. Verrà visualizzata la finestra di dialogo "Startup" (Avvio); fare clic su [New file] e su [OK].
Verrà avviata la procedura guidata di configurazione del dispositivo. Ora è possibile procedere con la regolazione
delle impostazioni di base.
Useremo degli esempi specifici per spiegare l'"Uso della procedura guidata di configurazione del dispositivo per creare
la configurazione del dispositivo" e i passaggi successivi.
NOTA
Se sul computer in uso non è installato Bonjour, verrà visualizzata una schermata che richiede di installarlo.
Se viene richiesto di installare Bonjour, scaricarlo dal sito Web Yamaha Pro Audio e installarlo. Installare nuovamente
MTX-MRX Editor.
http://www.yamahaproaudio.com/
NOTA
Potrebbe essere visualizzata la finestra di dialogo "User Account Control" (Controllo account utente). Fare clic sul pulsante
[Continue] (Continua) o [Yes] (Sì).
"Uso della procedura guidata di configurazione del dispositivo per creare la configurazione
del dispositivo" per l'esempio 1: pagina 9
"Uso della procedura guidata di configurazione del dispositivo per creare la configurazione
del dispositivo" per l'esempio 2: pagina 30
"Uso della procedura guidata di configurazione del dispositivo per creare la configurazione
del dispositivo" per l'esempio 3: pagina 55
"Utilizzo della procedura guidata di configurazione del dispositivo per creare l'impostazione
del dispositivo" per l'esempio 4: pagina 82
"Utilizzo della procedura guidata di configurazione del dispositivo per creare l'impostazione
del dispositivo" per l'esempio 5: pagina 125

Manuale di configurazione MTX 9
Uso della procedura guidata di configurazione del dispositivo per creare
la configurazione del dispositivo
Verrà usata la procedura guidata di MTX-MRX Editor per regolare le impostazioni del dispositivo prima di effettuare
il collegamento dell'apparecchiatura.
Dopo avere regolato le impostazioni principali, sarà possibile stampare le informazioni sul cablaggio del sistema
e sui numeri ID.
Per effettuare le impostazioni principali utilizzare la procedura riportata di seguito.
1. Digitare un nome per il sistema MTX/MRX che si sta realizzando e fare clic su [Next>].
Esempio 1) Esempio base di sistema MTX3 (connessioni analogiche)

Esempio 1) Esempio base di sistema MTX3 (connessioni analogiche)
Manuale di configurazione MTX 10
2. Specificare il numero di unità che saranno collegate nel sistema MTX/MRX e fare clic
su [Next>].
In "YDIF Connected" specificare 1 come numero di unità MTX3.
3. Verificare che l'ID UNITÀ di MTX sia 1 e fare clic su [Next>].
A meno che non si abbiano ragioni specifiche per farlo, usare l'ID UNITÀ assegnata.

Esempio 1) Esempio base di sistema MTX3 (connessioni analogiche)
Manuale di configurazione MTX 11
4. Impostare lo switch rotante [UNIT ID] e lo switch DIP di MTX.
Al completamento della procedura guidata, verrà impostato l'indirizzo IP del computer, in "Specificazione
dell'indirizzo TCP/IP del computer".
Se MTX non si trova nelle immediate vicinanze, regolare le impostazioni durante il passaggio "Connessione
dell'apparecchiatura".
Definire le seguenti impostazioni.
5. Al termine della regolazione delle impostazioni dello switch rotante e dello switch DIP
dell'MTX [UNIT ID], fare clic su [Next>].
MTX3
ID UNITÀ = 01
Switch rotante [UNIT ID] = 1
Gli switch DIP sono tutti disattivati (rivolti verso l'alto)

Esempio 1) Esempio base di sistema MTX3 (connessioni analogiche)
Manuale di configurazione MTX 12
6. Verificare che sia visualizzato l'MTX e fare clic su [Next>].
7. Scegliere il modello del DCP che è collegato all'unità MTX, inserire un nome del dispositivo,
e fare clic su [Finish].
Definire le impostazioni per quattro unità, dal momento che verranno collegate quattro unità DCP1V4S.

Esempio 1) Esempio base di sistema MTX3 (connessioni analogiche)
Manuale di configurazione MTX 13
8. Quando viene visualizzata la finestra di dialogo "Display the configuration diagram?
The diagram can also be printed". (Visualizzare il diagramma di configurazione?
È possibile stampare il diagramma.) Fare clic su [Yes].
Verrà visualizzato un diagramma di cablaggio. Se lo si desidera, fare clic su [Print] per stampare il diagramma.
Fare clic su [Close] per chiudere la schermata.
Impostare gli switch DIP delle unità DCP come mostrato nella sezione "Digital Control Panel" (Pannello di controllo
digitale) del diagramma schematico.
Per l'ultimo DCP (ID=3), impostare lo switch DIP 4 su ON (rivolto verso l'alto).
Se si desidera usare la procedura guidata di configurazione del dispositivo per modificare la configurazione
del dispositivo, fare clic sul pulsante [Device Config] nella schermata Project.
NOTA
Se si desidera visualizzare nuovamente il diagramma di cablaggio, selezionare il menu [File] → [Print Configuration Diagram].
1
ON
2 3 4

Esempio 1) Esempio base di sistema MTX3 (connessioni analogiche)
Manuale di configurazione MTX 14
Realizzazione delle impostazioni preliminari in MTX-MRX Editor
Di seguito viene descritto come effettuare impostazioni dettagliate del sistema MTX/MRX in MTX-MRX Editor.
Al termine della regolazione delle impostazioni, è necessario salvarle facendo clic su [Save] nel menu [File].
Specificare la configurazione MTX.
Qui verrà specificato il modo in cui saranno gestiti gli ingressi e le uscite di MTX.
Passare alla schermata System facendo clic sulla scheda del nome sistema specificato nel passaggio 1 di
"Uso della procedura guidata di configurazione del dispositivo per creare la configurazione del dispositivo".
Nel menu [System], fare clic su [MTX Configuration] per aprire la finestra di dialogo "MTX Configuration".
Nella schermata sottostante sono visualizzate le impostazioni di default. È possibile apportare modifiche a seconda
delle necessità. In questo esempio, verranno usate le impostazioni di default senza modifiche.
NOTA
Potrebbe essere visualizzata la finestra di dialogo "User Account Control" (Controllo account utente). Fare clic sul pulsante
[Continue] o [Yes].

Esempio 1) Esempio base di sistema MTX3 (connessioni analogiche)
Manuale di configurazione MTX 15
Impostazioni nella schermata "MAIN"
Nella schermata "MAIN" è possibile effettuare impostazioni generali per ogni canale.
Per ulteriori informazioni su ciascun parametro, fare riferimento al "Manuale utente di MTX-MRX Editor".
In questa schermata si definiscono le seguenti impostazioni.
• Nome canale
• Attivazione/disattivazione del canale
• Gain e alimentazione phantom
• (Se necessario) impostazioni EQ

Esempio 1) Esempio base di sistema MTX3 (connessioni analogiche)
Manuale di configurazione MTX 16
-Impostazioni INGRESSO
Pulsante di selezione della porta
Quando si fa clic su questo pulsante, si apre la finestra di dialogo "Input Patch"
(Assegnazione ingresso). In questo esempio vengono utilizzate le impostazioni
di default, ma se si desidera passare a una porta di ingresso diversa da MTX,
fare clic su questo pulsante, scegliere la porta di ingresso desiderata e fare clic
sul pulsante [Close].
Pulsante di accesso al parametro
Porta/Dispositivo esterno
Questo pulsante permette di regolare il gain
e di attivare/disattivare l'alimentazione
phantom. Quando si fa clic sul pulsante,
viene visualizzata una finestra che consente
di regolare il gain e attivare/disattivare
l'alimentazione phantom. Configurare le
impostazioni desiderate, quindi in alto a destra fare clic su × per chiudere
la finestra. Il livello di gain appropriato dipende dai dispositivi collegati,
pertanto impostare il livello in base ai dispositivi in uso.
Per i canali da 1 a 8, il gain è impostato a 30 dB di default. Dal momento che
i microfoni a condensatore sono collegati a CH1 e 2, lasciare il gain a 30 dB
e attivare l'alimentazione phantom. Dal momento che i microfoni wireless sono
collegati a CH3 e 4, portare il gain a 0 dB.
EQ/HPF (High Pass Filter)
Fare clic su pulsante per accedere alla schermata "CHANNEL EDIT"
(Modifica canale). Regolare EQ e HPF a seconda del microfono in uso.
Per ST IN, è disponibile esclusivamente EQ.
Fare clic sul pulsante [MAIN], per tornare alla schermata "MAIN".
FBS (Soppressore di feedback)
FBS è fornito sui canali di ingresso da 1 a 4. Consigliamo di collegare gli
ingressi microfono, e, in particolare, i microfoni mobili come i microfoni
wireless, ai canali da 1 a 4. Quando si fa clic su questo pulsante, si accede
alla schermata delle impostazioni FBS.
Fare clic sul pulsante [MAIN] per tornare alla schermata "MAIN".
Per ulteriori informazioni sulle impostazioni FBS, fare riferimento
al "Manuale utente di MTX-MRX Editor".
Pulsante [ON]
Consente di attivare/disattivare il canale. I canali non utilizzati devono
essere disattivati.
Fader
Consente di regolare il livello d'ingresso. Lasciare il fader su -∞ nché
il sistema è online.
Nome canale
È inoltre possibile fare doppio clic per modificare il nome.
In questo esempio, i nomi sono stati assegnati come segue.
CH1 Entrance (Ingresso)
CH2 Kitchen (Cucina)
CH3 W.Mic1
CH4 W.Mic2
STIN1 CD Player (Lettore CD)
STIN2 BGM
SDIN SD Player (Lettore SD)
Pulsante di selezione
della porta
Pulsante di accesso
al parametro Porta/
Dispositivo esterno
EQ/HPF
FBS (Soppressore
di feedback)
Pulsante [ON]
Fader
Nome canale

Esempio 1) Esempio base di sistema MTX3 (connessioni analogiche)
Manuale di configurazione MTX 17
-Impostazioni di USCITA
Pulsante di selezione della porta
Fare clic per aprire la finestra di dialogo "Output Patch" (Assegnazione uscita).
In questo esempio verranno usate le impostazioni di default, ma se si desidera
usare una porta di uscita diversa di MTX, fare clic su questo pulsante, scegliere
la porta di uscita desiderata e fare clic sul pulsante [Close].
Pulsante di accesso al parametro Porta/
Dispositivo esterno
Quando si fa clic su questo pulsante viene visualizzata la schermata
a comparsa per la modifica del parametro del connettore di uscita
dell'unità MTX. Verificare che il GAIN sia impostato su 0,0 dB.
DELAY/Room EQ
Fare clic per passare a una schermata dove è possibile impostare delay e room EQ.
Processore per altoparlanti
Fare clic per passare alla schermata "CHANNEL EDIT". Eseguire le impostazioni
appropriate per gli altoparlanti che verranno collegati.
Pulsante [ON]
Questo pulsante consente di attivare e disattivare il canale. Disattivare i canali
non utilizzati.
Fader
Consente di regolare il livello di uscita.
Nome canale
È anche possibile fare doppio clic per modificare il nome.
In questo esempio, i nomi sono stati assegnati come segue.
NOTA
La libreria preinstallata contiene dei file del processore dell'altoparlante
adeguati per la risposta dei vari altoparlanti. Usando questi file è possibile
regolare facilmente le impostazioni del processore dell'altoparlante.
OUT1 Hall A
OUT2 Hall B
OUT3 Entrance (Ingresso)
OUT4 Kitchen (Cucina)
Pulsante di selezione
della porta
Pulsante di accesso
al parametro Porta/
Dispositivo esterno
DELAY/Room EQ
Processore
per altoparlanti
Pulsante [ON]
Fader
Nome canale

Esempio 1) Esempio base di sistema MTX3 (connessioni analogiche)
Manuale di configurazione MTX 18
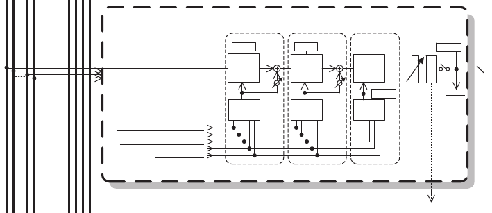
Impostazioni nella schermata "MATRIX"
Consente di specificare quale canale di ingresso verrà inviato a quale zona. Per ulteriori informazioni sul livello
send e altri parametri, fare riferimento al "Manuale utente di MTX-MRX Editor".
In questo esempio, effettuare le impostazioni mostrate nell'illustrazione soprastante. Facendo clic su un punto incrociato
(un quadrato) o trascinando i punti incrociati si attiva/disattiva. Se si fa clic con il pulsante destro del mouse su un punto
incrociato, viene visualizzato un menu contestuale. È possibile selezionare [All OFF] per disattivare tutti i punti
incrociati. Il punto incrociato mostra il livello send in verde.
Con le impostazioni mostrate qui, i due microfoni nella hall A (CH3 e 4) sono trasmessi solo alla hall A. Inoltre,
CD/BGM/SD (STIN1-3) sono trasmessi all'intero edificio. Il microfono nell'ingresso (CH1) è assegnato per essere
trasmesso all'intero edificio in caso di emergenza, e pertanto è assegnato nella schermata "ZONE" (descritta di seguito)
come 1st PRIORITY. Se il canale 1 viene attivato nel matrix, il segnale dal matrix (attenuato) e il segnale da Priority
verranno combinati e trasmessi. Similmente, il microfono nella cucina (CH2) è assegnato come 2nd PRIORITY che
è valida solo nella zona 4 (Cucina), e pertanto non è specificato nel matrix.
Per i fader del canale di ingresso in basso a sinistra nella schermata, i fader grigi mostrano i livelli di ingresso mentre
gli altri fader mostrano i livelli send del canale di ingresso. Non è possibile utilizzare i fader grigi in questa schermata.
PRIORITY
DUCKER ANC
AMBIENT
SOURCE
From INPUT CHANNEL POST ON 1-8
*1 From YDIF IN 1-16
From ANC BUS 1-2
From STEREO INPUT CHANNEL POST ON 1L-3R
ZONE 1-8
ZONE OUT
To YDIF
OUTPUT
PATCH
MIXMIX
2nd PRIORITY 1st PRIORITY ANC
PRIORITY
SOURCE
PRIORITY
SOURCE
From DIRECT INPUT POST ON 9-16
8
PRIORITY
DUCKER
METER
ON
D
C
A
MASTER
LEVEL
GR GR
AMBIENT
METER
To other MTXs
*1 DISTRIBUTION MODE only
Flusso del segnale Priority

Esempio 1) Esempio base di sistema MTX3 (connessioni analogiche)
Manuale di configurazione MTX 19
Impostazioni nella schermata "ZONE"
Nella schermata "ZONE" è possibile regolare le impostazioni Priority DUCKER. La funzione Priority Ducker
attenua temporaneamente gli ingressi da altri canali quando l'audio è trasmesso da un canale di ingresso specificato,
assicurando che l'audio proveniente dal canale di ingresso specificato sia trasmesso chiaramente. La priorità è data
nell'ordine di "1st PRIORITY >, 2nd PRIORITY > Matrix Out signals".
In questo esempio, si presuppone che il microfono nell'ingresso (CH1) sia usato per parlare all'intero edificio.
Pertanto selezionare CH1 come 1st PRIORITY SOURCE per le zone da 1 a 4, e fare clic sul pulsante [ON] posto a destra
di 1st PRIORITY affinché si accenda. Selezionare il microfono cucina (CH2) come la 2nd PRIORITY SOURCE solo per
la zona 4 (Cucina), quindi fare clic sul pulsante [ON] posto sulla destra della 2nd PRIORITY affinché si accenda.
Dal momento che non c'è bisogno di effettuare le impostazioni per le zone da 5 a 8, assicurarsi che i pulsanti [ON]
alla destra della 1st PRIORITY e della 2nd PRIORITY siano spenti (disattivati).
Usare i pulsanti di selezione ZONE per cambiare zona.
Per ulteriori informazioni su ciascun parametro, fare riferimento al "Manuale utente di MTX-MRX Editor".
Pulsante
di selezione
ZONE

Esempio 1) Esempio base di sistema MTX3 (connessioni analogiche)
Manuale di configurazione MTX 20
Impostazioni nella schermata "ROUTER"
Nella schermata "ROUTER" è possibile assegnare delle zone alle uscite.
In questo esempio le impostazioni di default rimarranno immutate, dal momento che le assegnazioni sono
ZONE1=OUTPUT 1, ZONE2=OUTPUT 2, ZONE3=OUTPUT 3 e ZONE4=OUTPUT 4.

Esempio 1) Esempio base di sistema MTX3 (connessioni analogiche)
Manuale di configurazione MTX 21
Impostazioni del Pannello di controllo digitale (DCP)
Qui viene mostrato come assegnare le funzioni al DCP installato in ogni zona.
Per effettuare le impostazioni, scegliere il menu [Controller] in [Digital Control Panel].
Verrà usato l'esempio del DCP posizionato nella Hall A della libreria Preset 01 Basic.
Utilizzare l'elenco a tendina in alto nella schermata per selezionare il DCP per cui si desidera configurare le impostazioni.
Quando si fa clic su uno dei pulsanti numerati, comparirà la finestra di dialogo "Settings" e si potrà procedere
all'assegnazione dei parametri ai comandi. Se si assegna [SD Song Select & Play], inserire il nome del file che
si desidera riprodurre.
Dopo avere eseguito le assegnazioni, fare clic per selezionare "01 [No data]", quindi fare clic sul pulsante [Save].
Nella finestra di dialogo "Save Library" modificare il nome in "Basic", quindi fare clic su [OK].
In Basic, lo switch 1 è lo switch di selezione preimpostato per le impostazioni Party. Gli switch 3 e 4 permettono
di controllare la pausa/ripresa per la riproduzione di sorgenti audio sulla scheda di memoria SD. La knob consente
di controllare il livello di uscita della zona 1.

Esempio 1) Esempio base di sistema MTX3 (connessioni analogiche)
Manuale di configurazione MTX 22
Dopodiché, fare clic sul pulsante [Copy], quindi su "02 [No Data]" per selezionare il secondo elemento della libreria.
Con l'elemento selezionato, fare clic sul pulsante [Paste]. Verrà copiato l'elemento della libreria creato come "Basic".
Dopo avere modificato il PARAMETRO dell'interruttore 1 in "01", fare doppio clic su "Basic" in "02 Basic"
posizionato sul lato sinistro dello schermo e modificare il nome dell'elemento della libreria in "Party" (dopo avere
immesso il nome, premere il tasto <Enter> per confermarne la modifica). Dopo avere eseguito questa impostazione,
fare clic sul pulsante [Save] per sovrascrivere/salvare l'elemento della libreria.
In Party, lo switch 1 è lo switch di selezione preimpostato per le impostazioni Basic. Le altre impostazioni sono
identiche a quelle utilizzate per Basic.

Esempio 1) Esempio base di sistema MTX3 (connessioni analogiche)
Manuale di configurazione MTX 23
Impostazioni esemplificative per altre unità DCP
Memorizzazione di un preset
Verrà ora descritto come memorizzare le impostazioni effettuate finora come preset.
Richiamando i preset dallo stesso MTX o dal DCP, è possibile modificare le impostazioni a seconda delle varie situazioni.
Per memorizzare o richiamare un preset, fare clic sull'icona della fotocamera nella parte superiore di MTX-MRX Editor.
Quando si fa clic sull'icona della fotocamera, si apre la finestra di dialogo "Preset". È possibile creare fino a 50 preset.
Fare clic sul numero di preset che si desidera memorizzare; la riga verrà selezionata. Quindi fare clic sul pulsante
[Store], specificare il nome del preset e fare clic sul pulsante [OK].
Fare doppio clic su una posizione in cui la colonna DCP indica "No Assign" e scegliere una libreria specificata nel DCP.
1 (Hall B) 2 (Ingresso) 3 (Cucina)
Basic Party Basic Party Basic Party
Switch 1
Identico a ID=0
(Hall A) Identico a ID=0
(Hall A)
Input Ch ON (CH1) Input Ch ON (CH2)
Switch 2
No Assign No AssignSwitch 3
Switch 4
Knob 1 ZONE Out Level
(ZONE2) Input Ch Level (CH1) Input Ch Level (CH2)
ID del DCP
Nome
della libreria
Suggerimenti
Facendo clic sul pulsante del menu ( ), è possibile copiare e incollare le impostazioni Parameter Assign and
Dimmer & Lock (Assegnazione parametro e attenuatore e blocco) dell'elemento della libreria visualizzato. Copiando
le impostazioni ID=0 in ID=1, è possibile velocizzare il flusso di lavoro. Allo stesso modo, è possibile configurare le
impostazioni di base per ID=2 e successivamente copiarle in Party (Festa) o in ID=4.

Esempio 1) Esempio base di sistema MTX3 (connessioni analogiche)
Manuale di configurazione MTX 24
Fino a questo punto, sono state realizzate impostazioni separate per la zona 1 e la zona 2. Tuttavia, in alcuni casi, come
una festa, si potrebbe volere rimuovere il confine tra la zona 1 e la zona 2 in modo che possano diventare un'unica area
di meeting. In tal caso, effettuare le impostazioni nella schermata "ROUTER" per indirizzare la zona 1 all'uscita 2,
in modo tale che la zona 1 e la zona 2 possano essere usate come un singolo spazio.

Esempio 1) Esempio base di sistema MTX3 (connessioni analogiche)
Manuale di configurazione MTX 25
Se si memorizzano queste impostazioni come un preset diverso, sarà possibile passare facilmente alle impostazioni
adatte alla situazione.
Se viene usato il Filtro di recall per specificare che siano richiamate solo le impostazioni ROUTER e DCP, le altre
impostazioni come il gain rimarranno nelle impostazioni Basic anche se si richiama un preset per feste.
Questo passaggio completa le impostazioni nello stato offline. Salvare nuovamente le impostazioni.

Esempio 1) Esempio base di sistema MTX3 (connessioni analogiche)
Manuale di configurazione MTX 26
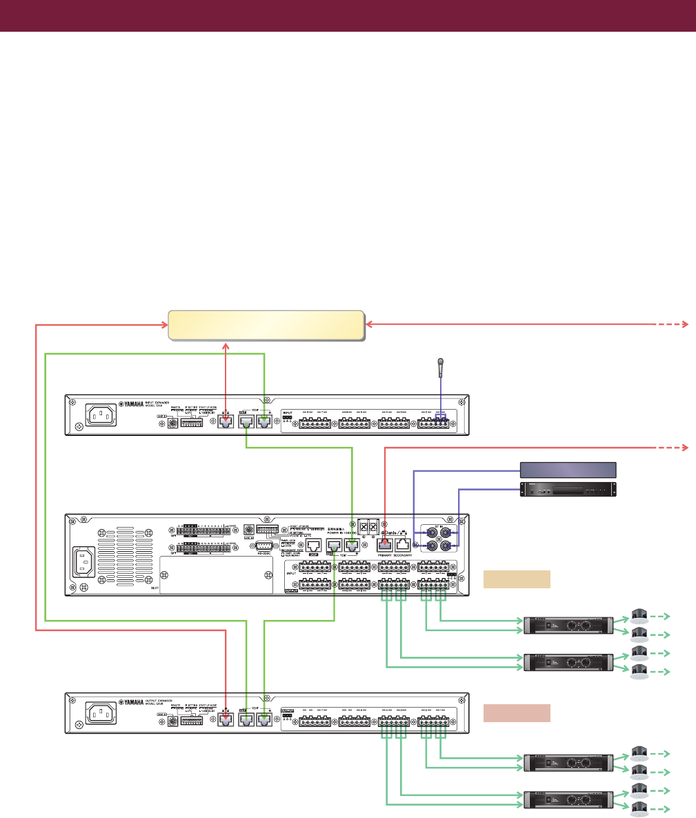
Connessione dell'apparecchiatura
Dopo avere montato in rack l'MTX e le altre apparecchiature, collegare l'MTX e le altre apparecchiature come mostrato
di seguito. Se le sorgenti audio sono state copiate su una scheda di memoria SD, inserire la scheda nell'MTX.
Utilizzare un cavo CAT5e o superiore in cui sono collegati tutti gli otto pin per collegare l'MTX al computer.
Accensione di MTX
Accendere l'unità MTX.
Disattivare l'amplificatore prima di spegnere l'unità MTX.
Accensione dell'amplificatore
Accendere l'amplificatore.
Per impedire l'emissione di suoni indesiderati, si consiglia di disattivare le impostazioni dell'attenuatore di tutti i canali
sull'amplificatore stesso prima di accenderlo.
Amplicatore 1
Amplicatore 2
Microfono wireless
Ricevitore
Lettore BGM
Lettore CD
DCP
ID=3
DCP
ID=2
DCP
ID=1
DCP
ID=0 Computer
Microfono
ingresso
Microfono
cucina

Esempio 1) Esempio base di sistema MTX3 (connessioni analogiche)
Manuale di configurazione MTX 27
Specificazione dell'indirizzo TCP/IP del computer
Per consentire la comunicazione tra MTX e computer, specificare TCP/IP del computer come descritto di seguito.
1. Fare clic su [Network Setup] nel menu [System].
Verrà visualizzata la finestra di dialogo "Network Setup" (Configurazione di rete).
2. Fare clic su [Open Network Connection].
Comparirà la finestra "Network Connections" (Connessioni di rete).
3. Fare clic con il tasto destro sull'adattatore al quale è collegato l'MTX e scegliere [Properties].
Comparirà la finestra di dialogo "Proprietà della connessione alla rete locale".
4. Scegliere [Internet Protocol Version 4 (TCP/IPv4)], quindi fare clic su [Properties].
Comparirà la finestra di dialogo "Internet Protocol Version 4 (TCP/IPv4)" (Proprietà Protocollo Internet versione 4).
5. Fare clic su [Use the following IP address (S)].
6. Nella finestra [IP address] immettere "192.168.0.253", mentre nella finestra [Subnet mask]
inserire "255.255.255.0".
7. Fare clic su [OK].
NOTA
L'indirizzo IP di MTX3 è impostato su "192.168.0.1".
NOTA
In alcuni casi, il firewall di Windows potrebbe bloccare MTX-MRX Editor quando si definisce tale impostazione. Selezionare la
casella di controllo [Private Network], quindi fare clic su [Allow Access].

Esempio 1) Esempio base di sistema MTX3 (connessioni analogiche)
Manuale di configurazione MTX 28
Connessione di MTX-MRX Editor
Premere il pulsante [Online] in alto a destra nella schermata di MTX-MRX Editor. Quando l'unità è online, l'indicatore 1 si
illumina in blu.
Quando compare la finestra di dialogo "Synchronization" (Sincronizzazione), selezionare "To Device" (Al dispositivo)
e fare clic sul pulsante [OK]. Quando l'indicazione nella finestra di dialogo cambia, selezionare il sistema da collegare
online, quindi fare clic sul pulsante [Online].
Il progetto creato in MTX-MRX Editor verrà inviato a MTX.

Esempio 1) Esempio base di sistema MTX3 (connessioni analogiche)
Manuale di configurazione MTX 29
Verifica dell'applicazione delle impostazioni
Di seguito sono riportati i punti più importanti da verificare. Per ulteriori informazioni su ciascuna impostazione
del parametro, fare riferimento al "Manuale utente di MTX-MRX Editor".
1. Richiamare il preset Basic.
2. Usando l'oscillatore nella schermata "ROUTER", regolare il livello di uscita.
Regolare il valore dell'attenuatore dell'amplificatore a un livello appropriato.
3. Specificare il gain dal microfono.
Nella finestra di dialogo che compare quando si preme il pulsante di richiamo del parametro è possibile impostare
il gain per una porta o un dispositivo esterno di un canale di ingresso nella schermata "MAIN". Osservare l'indicatore
dell'ingresso e regolare correttamente l'impostazione.
4. Impostare i livelli di ingresso e di uscita.
Regolare i livelli usando i fader di ingresso/uscita nella schermata "MAIN". Se necessario, applicare il limitatore
di uscita nella schermata "CHANNEL EDIT" per impedire che gli altoparlanti vengano danneggiati.
Regolare i valori dell'attenuatore dell'amplificatore fino a ottenere il rapporto S/N ottimale.
Inoltre, se necessario, effettuare le impostazioni FBS.
5. Memorizzare il preset Basic.
Memorizzare sovrascrivendo il contenuto precedentemente specificato.
6. Richiamare il preset Party.
Verificare che l'audio proveniente dal microfono wireless si senta anche nella Hall B.
Se non si sta usando il Filtro di recall, eseguire i passaggi da 2 a 4 prima di sovrascrivere/memorizzare il preset Party.
7. Verificare le impostazioni DCP.
Verificare che il DCP funzioni come da aspettative.
Verificare questi passaggi per ogni preset.
Dopo aver eseguito tutte le impostazioni necessarie, salvare il progetto e disconnettere MTX-MRX Editor.
Ciò completa le impostazioni per l'esempio 1.

Manuale di configurazione MTX 30
Uso della procedura guidata di configurazione del dispositivo per creare
la configurazione del dispositivo
Verrà usata la procedura guidata di MTX-MRX Editor per regolare le impostazioni del dispositivo prima di effettuare
il collegamento dell'apparecchiatura.
Dopo avere regolato le impostazioni principali, sarà possibile stampare le informazioni sul cablaggio del sistema
e sui numeri ID.
Per effettuare le impostazioni principali utilizzare la procedura riportata di seguito.
1. Digitare un nome per il sistema MTX/MRX che si sta realizzando e fare clic su [Next>].
Esempio 2) Sistema ad alta qualità audio con connessioni
XMV e YDIF (connessioni digitali)

Esempio 2) Sistema ad alta qualità audio con connessioni XMV e YDIF (connessioni digitali)
Manuale di configurazione MTX 31
2. Specificare il numero di unità che saranno collegate nel sistema MTX/MRX e fare clic
su [Next>].
Specificare "1" come il numero di unità MTX3 in "YDIF Connected" e "1" come il numero di unità XMV4280
da collegare.
3. Specificare l'ID UNITÀ di ogni dispositivo, e fare clic su [Next>].
A meno che non si abbiano ragioni specifiche per farlo, usare l'ID UNITÀ assegnata.
In questo esempio, impostare l'ID UNITÀ di XMV su 1A in modo da potere spiegare come modificare l'ID UNITÀ.

Esempio 2) Sistema ad alta qualità audio con connessioni XMV e YDIF (connessioni digitali)
Manuale di configurazione MTX 32
4. Impostare lo switch rotante [UNIT ID] e lo switch DIP di MTX e XMV.
Al completamento della procedura guidata, verrà impostato l'indirizzo IP del computer, in "Specificazione
dell'indirizzo TCP/IP del computer".
Se MTX e XMV sono lontani, è possibile regolarli durante il passaggio "Connessione dell'apparecchiatura".
Definire le seguenti impostazioni.
5. Al termine della regolazione delle impostazioni dello switch rotante [UNIT ID] e dello
switch DIP di MTX e XMV, fare clic su [Next>].
MTX3
ID UNITÀ = 01
Switch rotante [UNIT ID] = 1
Gli switch DIP sono tutti disattivati (rivolti verso l'alto)
XMV
ID UNITÀ = 1A
Switch rotante [UNIT ID] = A
Lo switch DIP 1 è attivo (rivolto verso il basso),
gli altri sono disattivati (rivolti verso l'alto)
NOTA
Utilizzare lo switch DIP per specificare la cifra superiore dell'ID UNITÀ, e usare lo switch rotante [UNIT ID] per specificare
la cifra inferiore. Per ulteriori informazioni, fare riferimento al manuale di istruzioni di ogni unità.
UNIT ID = 1 A
Cifra inferiore: specificare usando lo switch rotante
Cifra superiore: specificare usando lo switch DIP 1-3

Esempio 2) Sistema ad alta qualità audio con connessioni XMV e YDIF (connessioni digitali)
Manuale di configurazione MTX 33
6. Verificare che MTX e XMV siano visualizzati sullo schermo e fare clic su [Next>].
Dal momento che sono presenti solo un'unità MTX e un'unità XMV, non è necessario modificare l'ordine.
7. Scegliere il modello del DCP che è collegato all'unità MTX, inserire un nome del dispositivo,
e fare clic su [Finish].
Definire le impostazioni per quattro unità, dal momento che verranno collegate quattro unità DCP1V4S.

Esempio 2) Sistema ad alta qualità audio con connessioni XMV e YDIF (connessioni digitali)
Manuale di configurazione MTX 34
8. Quando viene visualizzata la finestra di dialogo "Display the configuration diagram?
The diagram can also be printed". (Visualizzare il diagramma di configurazione?
È possibile stampare il diagramma.) Fare clic su [Yes].
Verrà visualizzato un diagramma di cablaggio. Se lo si desidera, fare clic su [Print] per stampare il diagramma.
Fare clic su [Close] per chiudere la schermata.
Impostare gli switch DIP delle unità DCP come mostrato nella sezione "Digital Control Panel" del diagramma schematico.
Per l'ultimo DCP (ID=3), impostare lo switch DIP 4 su ON (rivolto verso l'alto).
Se si desidera usare la procedura guidata di configurazione del dispositivo per modificare la configurazione del
dispositivo, fare clic sul pulsante [Device Config] nella schermata Project.
NOTA
Se si desidera visualizzare nuovamente il diagramma di cablaggio, selezionare il menu [File] → [Print Configuration Diagram].
1
ON
2 3 4

Esempio 2) Sistema ad alta qualità audio con connessioni XMV e YDIF (connessioni digitali)
Manuale di configurazione MTX 35
Realizzazione delle impostazioni preliminari in MTX-MRX Editor
Di seguito viene descritto come effettuare impostazioni dettagliate del sistema MTX/MRX in MTX-MRX Editor.
Al termine della regolazione delle impostazioni, è necessario salvarle facendo clic su [Save] nel menu [File].
Effettuazione delle impostazioni EXT. I/O
In questo campo è possibile configurare le impostazioni per l'inserimento dell'audio digitale nell'unità XMV.
Passare alla schermata System facendo clic sulla scheda del nome sistema specificato al passaggio 1 di
"Uso della procedura guidata di configurazione del dispositivo per creare la configurazione del dispositivo".
1. Fare clic sul pulsante [EXT. I/O].
Verrà visualizzata la schermata "EXT. I/O" in cui è possibile definire le impostazioni di ingresso/uscita per
i dispositivi esterni. Dal momento che saranno effettuare le impostazioni per YDIF 1-8, non è necessario cambiare
le schermate, è sufficiente realizzare le impostazioni in questa schermata.
NOTA
Potrebbe essere visualizzata la finestra di dialogo "User Account Control" (Controllo account utente). Fare clic sul pulsante
[Continue] o [Yes].
Passo 2

Esempio 2) Sistema ad alta qualità audio con connessioni XMV e YDIF (connessioni digitali)
Manuale di configurazione MTX 36
2.
Verificare che per l'unità MTX con ID UNITÀ=01 i pulsanti posizionati sotto YDIF 1 fino
a YDIF 4 siano impostati su OUT1 (OUTPUT 1) fino a OUT 4 (OUTPUT 4) rispettivamente.
Se le impostazioni sono diverse, fare clic sul pulsante e modificare l'impostazione.
3. Fare clic sul pulsante [EDIT].
Ora è possibile specificare gli ingressi da YDIF 1-8 dell'unità XMV.
Pulsante [EDIT]
Pulsante di selezione
del routing di uscita

Esempio 2) Sistema ad alta qualità audio con connessioni XMV e YDIF (connessioni digitali)
Manuale di configurazione MTX 37
4. Fare clic sul pulsante di selezione del routing di uscita dell'unità XMV4280 per YDIF 1.
Viene visualizzata la finestra di dialogo "YDIF Out Patch" (Patch uscita YDIF).
5. Per CHANNEL, fare clic sul pulsante [A].
La schermata indica che il segnale YDIF 1 viene trasmesso al CH A dell'unità XMV.

Esempio 2) Sistema ad alta qualità audio con connessioni XMV e YDIF (connessioni digitali)
Manuale di configurazione MTX 38
6. Modificare la destinazione di uscita nella casella di riepilogo [YDIF Out:] per assegnare
da YDIF 2 a YDIF 4 ai canali da CH B a CH D dell'unità XMV, quindi fare clic sul
pulsante [Close].
7. Fare clic sul pulsante [EDIT] per confermare le modifiche.
Pulsante [EDIT]

Esempio 2) Sistema ad alta qualità audio con connessioni XMV e YDIF (connessioni digitali)
Manuale di configurazione MTX 39
Specificare la configurazione MTX
Qui verrà specificato il modo in cui saranno gestiti gli ingressi e le uscite di MTX.
Nel menu [System], fare clic su [MTX Configuration] per aprire la finestra di dialogo "MTX Configuration".
Nella schermata sottostante sono visualizzate le impostazioni di default. È possibile apportare modifiche a seconda
delle necessità. In questo esempio, verranno usate le impostazioni di default senza modifiche.

Esempio 2) Sistema ad alta qualità audio con connessioni XMV e YDIF (connessioni digitali)
Manuale di configurazione MTX 40
Impostazioni nella schermata "MAIN"
Nella schermata "MAIN" è possibile effettuare impostazioni generali per ogni canale.
Fare clic sul pulsante [01 MTX3] per accedere alla schermata "MAIN" di MTX.
Per ulteriori informazioni su ciascun parametro, fare riferimento al "Manuale utente di MTX-MRX Editor".
In questa schermata di definiscono le seguenti impostazioni.
• Nome canale
• Attivazione/disattivazione del canale
• Gain e alimentazione phantom
• (Se necessario) impostazioni EQ

Esempio 2) Sistema ad alta qualità audio con connessioni XMV e YDIF (connessioni digitali)
Manuale di configurazione MTX 41
-Impostazioni INGRESSO
Pulsante di selezione della porta
Quando si fa clic su questo pulsante, si apre la finestra di dialogo "Input Patch".
In questo esempio vengono utilizzate le impostazioni di default, ma se si desidera
passare a una porta di ingresso diversa di MTX, fare clic su questo pulsante,
scegliere la porta di ingresso desiderata e fare clic sul pulsante [Close].
Pulsante di accesso al parametro
Porta/Dispositivo esterno
Questo pulsante permette di regolare il gain
e di attivare/disattivare l'alimentazione
phantom. Quando si fa clic sul pulsante,
viene visualizzata una finestra che consente
di regolare il gain e attivare/disattivare
l'alimentazione phantom. Configurare le
impostazioni desiderate, quindi in alto a destra fare clic su × per chiudere la
finestra. Il livello di gain appropriato dipende dai dispositivi collegati, pertanto
impostare il livello in base ai dispositivi in uso.
Per i canali da 1 a 8, il gain è impostato a 30 dB di default. Dal momento che
i microfoni a condensatore sono collegati a CH1 e 2, lasciare il gain a 30 dB
e attivare l'alimentazione phantom. Dal momento che i microfoni wireless sono
collegati a CH3 e 4, portare il gain a 0 dB.
EQ/HPF (High Pass Filter)
Fare clic su pulsante per accedere alla schermata "CHANNEL EDIT".
Regolare EQ e HPF a seconda del microfono in uso. Per ST IN, è disponibile
esclusivamente EQ.
Fare clic sul pulsante [MAIN], per tornare alla schermata "MAIN".
FBS (Soppressore di feedback)
FBS è fornito sui canali di ingresso da 1 a 4. Si consiglia di collegare gli
ingressi microfono, e, in particolare i microfoni mobili come i microfoni
wireless, ai canali da 1 a 4. Quando si fa clic su questo pulsante, si accede
alla schermata delle impostazioni FBS.
Fare clic sul pulsante [MAIN] per tornare alla schermata "MAIN".
Per ulteriori informazioni sulle impostazioni FBS, fare riferimento
al "Manuale utente di MTX-MRX Editor".
Pulsante [ON]
Consente di attivare/disattivare il canale. I canali non utilizzati devono
essere disattivati.
Fader
Consente di regolare il livello d'ingresso. Lasciare il fader su -∞ nché
il sistema è online.
Nome canale
È anche possibile fare doppio clic per modificare il nome.
In questo esempio, i nomi sono stati assegnati come segue.
CH1 Entrance (Ingresso)
CH2 Kitchen (Cucina)
CH3 W.Mic1
CH4 W.Mic2
STIN1 CD Player (Lettore CD)
STIN2 BGM
SDIN SD Player (Lettore SD)
Pulsante di selezione
della porta
Pulsante di accesso
al parametro Porta/
Dispositivo esterno
EQ/HPF
FBS (Soppressore
di feedback)
Pulsante [ON]
Fader
Nome canale

Esempio 2) Sistema ad alta qualità audio con connessioni XMV e YDIF (connessioni digitali)
Manuale di configurazione MTX 42
-Impostazioni di USCITA
Pulsante di selezione della porta
Fare clic per aprire la finestra di dialogo "Output Patch". In questo esempio
verranno usate le impostazioni di default, ma se si desidera usare una porta
di uscita diversa di MTX, fare clic su questo pulsante, scegliere la porta di
uscita desiderata e fare clic sul pulsante [Close].
Pulsante di accesso al parametro Porta/
Dispositivo esterno
Quando si fa clic su questo pulsante, viene visualizzata una finestra
a comparsa che consente di impostare i parametri del connettore di
uscita dell'unità MTX e i parametri del dispositivo esterno associato
al canale. Verificare che il GAIN sia impostato su 0,0 dB.
In questo esempio, i parametri di uscita MTX sono sopra,
mentre i parametri XMV sotto. Collegare il sistema alla rete
prima di modificare le impostazioni di questi parametri.
Quando si fa clic su questo pulsante viene visualizzata la schermata
a comparsa per la modifica del parametro del connettore di uscita
dell'unità MTX. Verificare che il GAIN sia impostato su 0,0 dB.
DELAY/Room EQ
Fare clic per passare a una schermata dove è possibile impostare
delay e room EQ.
Processore per altoparlanti
Fare clic per passare alla schermata "CHANNEL EDIT".
Eseguire le impostazioni appropriate per gli altoparlanti che verranno collegati.
Pulsante [ON]
Questo pulsante consente di attivare e disattivare il canale.
Disattivare i canali non utilizzati.
Fader
Consente di regolare il livello di uscita.
Nome canale
È inoltre possibile fare doppio clic per modificare il nome.
In questo esempio, i nomi sono stati assegnati come segue.
NOTA
La libreria preinstallata contiene dei file del processore dell'altoparlante
adeguati per la risposta dei vari altoparlanti. Usando questi file è possibile
regolare facilmente le impostazioni del processore dell'altoparlante.
OUT1 Hall A
OUT2 Hall B
OUT3 Entrance (Ingresso)
OUT4 Kitchen (Cucina)
Pulsante di selezione
della porta
Pulsante di accesso
al parametro Porta/
Dispositivo esterno
DELAY/Room EQ
Processore
per altoparlanti
Pulsante [ON]
Fader
Nome canale

Esempio 2) Sistema ad alta qualità audio con connessioni XMV e YDIF (connessioni digitali)
Manuale di configurazione MTX 43
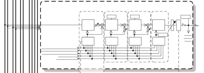
Impostazioni nella schermata "MATRIX"
Consente di specificare quale canale di ingresso verrà inviato a quale zona. Per ulteriori informazioni sul livello
send e altri parametri, fare riferimento al "Manuale utente di MTX-MRX Editor".
In questo esempio, effettuare le impostazioni mostrate nell'illustrazione soprastante. Facendo clic su un punto incrociato
(un quadrato) o trascinando i punti incrociati si attiva/disattiva. Se si fa clic con il pulsante destro del mouse su un punto
incrociato, viene visualizzato un menu contestuale. È possibile selezionare [All OFF] per disattivare tutti i punti
incrociati. Il punto incrociato mostra il livello send in verde.
Con le impostazioni mostrate qui, i due microfoni nella hall A (CH3 e 4) sono trasmessi solo alla hall A. Inoltre,
CD/BGM/SD (STIN1-3) sono trasmessi all'intero edificio. Il microfono nell'ingresso (CH1) è assegnato per essere
trasmesso all'intero edificio in caso di emergenza, e pertanto è assegnato nella schermata "ZONE" (descritta di seguito)
come 1st PRIORITY. Se il canale 1 viene attivato nel matrix, il segnale dal matrix (attenuato) e il segnale da Priority
verranno combinati e trasmessi. Similmente, il microfono nella cucina (CH2) è assegnato come 2nd PRIORITY che
è valida solo nella zona 4 (Cucina), e pertanto non è specificato nel matrix.
Per i fader del canale di ingresso in basso a sinistra nella schermata, i fader grigi mostrano i livelli di ingresso mentre
gli altri fader mostrano i livelli send del canale di ingresso. Non è possibile utilizzare i fader grigi in questa schermata.
PRIORITY
DUCKER ANC
AMBIENT
SOURCE
From INPUT CHANNEL POST ON 1-8
*1 From YDIF IN 1-16
From ANC BUS 1-2
From STEREO INPUT CHANNEL POST ON 1L-3R
ZONE 1-8
ZONE OUT
To YDIF
OUTPUT
PATCH
MIXMIX
2nd PRIORITY 1st PRIORITY ANC
PRIORITY
SOURCE
PRIORITY
SOURCE
From DIRECT INPUT POST ON 9-16
8
PRIORITY
DUCKER
METER
ON
D
C
A
MASTER
LEVEL
GR GR
AMBIENT
METER
To other MTXs
*1 DISTRIBUTION MODE only
Flusso del segnale Priority

Esempio 2) Sistema ad alta qualità audio con connessioni XMV e YDIF (connessioni digitali)
Manuale di configurazione MTX 44
Impostazioni nella schermata "ZONE"
Nella schermata "ZONE" è possibile regolare le impostazioni Priority DUCKER. La funzione Priority Ducker
attenua temporaneamente gli ingressi da altri canali quando l'audio è trasmesso da un canale di ingresso specificato,
assicurando che l'audio proveniente dal canale di ingresso specificato sia trasmesso chiaramente. La priorità è data
nell'ordine di "1st PRIORITY > 2nd PRIORITY > Matrix Out signals".
Questo esempio presuppone che il microfono nell'ingresso (CH1) sia usato per trasmettere all'intero edificio.
Pertanto, selezionare CH1 come 1st PRIORITY SOURCE per le zone da 1 a 4, e fare clic sul pulsante [ON] posto
adestra di 1
st PRIORITY affinché si accenda. Selezionare il microfono cucina (CH2) come la 2nd PRIORITY
SOURCE solo per la zona 4 (Cucina), quindi fare clic sul pulsante [ON] posto sulla destra della 2nd PRIORITY
affinché si accenda. Dal momento che non c'è bisogno di effettuare le impostazioni per le zone da 5 a 8, assicurarsi
che i pulsanti [ON] alla destra della 1st PRIORITY e della 2nd PRIORITY siano spenti (disattivati).
Usare i pulsanti di selezione ZONE per cambiare zona.
Per ulteriori informazioni su ciascun parametro, fare riferimento al "Manuale utente di MTX-MRX Editor".
Pulsante
di selezione
ZONE

Esempio 2) Sistema ad alta qualità audio con connessioni XMV e YDIF (connessioni digitali)
Manuale di configurazione MTX 45
Impostazioni nella schermata "ROUTER"
Nella schermata "ROUTER" è possibile assegnare delle zone alle uscite.
In questo esempio le impostazioni di default rimarranno immutate, dal momento che le assegnazioni sono
ZONE1=OUTPUT 1, ZONE2=OUTPUT 2, ZONE3=OUTPUT 3, e ZONE4=OUTPUT 4.

Esempio 2) Sistema ad alta qualità audio con connessioni XMV e YDIF (connessioni digitali)
Manuale di configurazione MTX 46
Impostazioni del Pannello di controllo digitale (DCP)
Qui viene mostrato come assegnare le funzioni al DCP installato in ogni zona.
Per effettuare le impostazioni, scegliere il menu [Controller] in [Digital Control Panel].
Verrà usato l'esempio del DCP posizionato nella Hall A della libreria Preset 01 Basic.
Utilizzare l'elenco a tendina in alto nella schermata per selezionare il DCP per cui si desidera configurare le impostazioni.
Quando si fa clic su uno dei pulsanti numerati, comparirà la finestra di dialogo "Settings" e si potrà procedere
all'assegnazione dei parametri ai comandi. Se si assegna [SD Song Select & Play], inserire il nome del file che
si desidera riprodurre.
Dopo avere eseguito le assegnazioni, fare clic per selezionare "01 [No data]", quindi fare clic sul pulsante [Save].
Nella finestra di dialogo "Save Library" modificare il nome in "Basic", quindi fare clic su [OK].
In Basic, lo switch 1 è lo switch di selezione preimpostato per le impostazioni Party. Gli switch 3 e 4 permettono
di controllare la pausa/ripresa per la riproduzione di sorgenti audio sulla scheda di memoria SD. La knob consente
di controllare il livello di uscita della zona 1.

Esempio 2) Sistema ad alta qualità audio con connessioni XMV e YDIF (connessioni digitali)
Manuale di configurazione MTX 47
Dopodiché, fare clic sul pulsante [Copy], quindi su "02 [No Data]" per selezionare il secondo elemento della libreria.
Con l'elemento selezionato, fare clic sul pulsante [Paste]. Verrà copiato l'elemento della libreria creato come "Basic".
Dopo avere modificato il PARAMETRO dell'interruttore 1 in "01", fare doppio clic su "Basic" in "02 Basic"
posizionato sul lato sinistro dello schermo e modificare il nome dell'elemento della libreria in "Party" (dopo avere
immesso il nome, premere il tasto <Enter> per confermarne la modifica). Dopo avere eseguito questa impostazione,
fare clic sul pulsante [Save] per sovrascrivere/salvare l'elemento della libreria.
In Party, lo switch 1 è lo switch di selezione preimpostato per le impostazioni Basic. Le altre impostazioni sono
identiche a quelle utilizzate per Basic.

Esempio 2) Sistema ad alta qualità audio con connessioni XMV e YDIF (connessioni digitali)
Manuale di configurazione MTX 48
Impostazioni esemplificative per altre unità DCP
Memorizzazione di un preset
Verrà ora descritto come memorizzare le impostazioni effettuate finora come preset.
Richiamando i preset dallo stesso MTX o dal DCP, è possibile modificare le impostazioni a seconda delle varie situazioni.
Per memorizzare o richiamare un preset, fare clic sull'icona della fotocamera nella parte superiore di MTX-MRX Editor.
Quando si fa clic sull'icona della fotocamera, si apre la finestra di dialogo "Preset". È possibile creare fino a 50 preset.
Fare clic sul numero di preset che si desidera memorizzare; la riga verrà selezionata. Quindi fare clic sul pulsante
[Store], specificare il nome del preset e fare clic sul pulsante [OK].
Fare doppio clic su una posizione in cui la colonna DCP indica "No Assign" e scegliere una libreria specificata nel DCP.
1 (Hall B) 2 (Ingresso) 3 (Cucina)
Basic Party Basic Party Basic Party
Switch 1
Identico a ID=0
(Hall A) Identico a ID=0
(Hall A)
Input Ch ON (CH1) Input Ch ON (CH2)
Switch 2
No Assign No AssignSwitch 3
Switch 4
Knob 1 ZONE Out Level
(ZONE2) Input Ch Level (CH1) Input Ch Level (CH2)
ID del DCP
Nome
della libreria
Suggerimenti
Facendo clic sul pulsante del menu ( ), è possibile copiare e incollare le impostazioni Parameter Assign and
Dimmer & Lock (Assegnazione parametro e attenuatore e blocco) dell'elemento della libreria visualizzato. Copiando
le impostazioni ID=0 in ID=1, è possibile velocizzare il flusso di lavoro. Allo stesso modo, è possibile configurare le
impostazioni di base per ID=2 e successivamente copiarle in Party (Festa) o in ID=4.

Esempio 2) Sistema ad alta qualità audio con connessioni XMV e YDIF (connessioni digitali)
Manuale di configurazione MTX 49
Fino a questo punto, sono state realizzate impostazioni separate per la zona 1 e la zona 2. Tuttavia, in alcuni casi, come
una festa, si potrebbe volere rimuovere il confine tra la zona 1 e la zona 2 in modo che possano diventare un'unica area
di meeting. In tal caso, effettuare le impostazioni nella schermata "ROUTER" per indirizzare la zona 1 all'uscita 2,
in modo tale che la zona 1 e la zona 2 possano essere usate come un singolo spazio.

Esempio 2) Sistema ad alta qualità audio con connessioni XMV e YDIF (connessioni digitali)
Manuale di configurazione MTX 50
Se si memorizzano queste impostazioni come un preset diverso, sarà possibile passare facilmente alle impostazioni
adatte alla situazione.
Se viene usato il Filtro di recall per specificare che siano richiamate solo le impostazioni ROUTER e DCP, le altre
impostazioni come il gain rimarranno nelle impostazioni Basic anche se si richiama un preset per feste. Anche per
I/O esterno, premere il pulsante [All Off] in modo tale che siano estese tutte le impostazioni.
Questo passaggio completa le impostazioni nello stato offline. Salvare nuovamente le impostazioni.

Esempio 2) Sistema ad alta qualità audio con connessioni XMV e YDIF (connessioni digitali)
Manuale di configurazione MTX 51
Connessione dell'apparecchiatura
Dopo avere montato in rack l'MTX e le altre apparecchiature, collegare l'MTX e le altre apparecchiature come mostrato
di seguito. Se le sorgenti audio sono state copiate su una scheda di memoria SD, inserire la scheda nell'MTX.
Utilizzare un cavo CAT5e o superiore in cui sono collegati tutti gli otto pin per collegare l'MTX al computer.
1 2 3 4 5 6 7 8
ON
ON
Lettore BGM
Switch di rete
Lettore CD
DCP
ID=3
DCP
ID=2
DCP
ID=1
DCP
ID=0
Computer
MTX
ID=01
XMV
ID=1A
Microfono
cucina
Microfono
ingresso
Microfono wireless
Ricevitore

Esempio 2) Sistema ad alta qualità audio con connessioni XMV e YDIF (connessioni digitali)
Manuale di configurazione MTX 52
Accensione di MTX
Accendere l'unità MTX.
Disattivare l'amplificatore prima di spegnere l'unità MTX.
Accensione dell'amplificatore
Sul pannello posteriore dell'unità XMV, impostare lo switch DIP [SPEAKERS], quindi accendere gli amplificatori (XMV).
Per impedire l'emissione di suoni indesiderati, si consiglia di disattivare le impostazioni dell'attenuatore di tutti i canali
sull'amplificatore stesso prima di accenderlo.
Per modificare l'impostazione dell'attenuatore dell'unità XMV, premere il pulsante del canale appropriato e accendere
l'encoder.
Specificazione dell'indirizzo TCP/IP del computer
Per consentire la comunicazione tra MTX e computer, specificare TCP/IP del computer come descritto di seguito.
1. Fare clic su [Network Setup] nel menu [System].
Verrà visualizzata la finestra di dialogo "Network Setup".
2. Fare clic su [Open Network Connection].
Comparirà la finestra "Network Connections".
3. Fare clic con il tasto destro sull'adattatore al quale è collegato l'MTX e scegliere [Properties].
Comparirà la finestra di dialogo "Local Area Connection Properties".
4. Scegliere [Internet Protocol Version 4 (TCP/IPv4)], quindi fare clic su [Properties].
Comparirà la finestra di dialogo "Internet Protocol Version 4 (TCP/IPv4)".
5. Fare clic su [Use the following IP address (S)].
NOTA
• Con le impostazioni di fabbrica, gli attenuatori dell'unità XMV sono impostati sul valore inferiore.
• Per ulteriori informazioni sullo switch DIP [SPEAKERS], fare riferimento al manuale di istruzioni dell'unità XMV.

Esempio 2) Sistema ad alta qualità audio con connessioni XMV e YDIF (connessioni digitali)
Manuale di configurazione MTX 53
6. Nella finestra [IP address] immettere "192.168.0.253", mentre nella finestra [Subnet mask]
inserire "255.255.255.0".
7. Fare clic su [OK].
Connessione di MTX-MRX Editor
Quando l'unità è online, l'indicatore 1 sulla sinistra diventa blu.
Quando compare la finestra di dialogo "Synchronization", selezionare "To Device" e fare clic sul pulsante [OK].
Quando l'indicazione nella finestra di dialogo cambia, selezionare il sistema da collegare online, quindi fare clic
sul pulsante [Online].
Il progetto creato in MTX-MRX Editor verrà inviato a MTX.
NOTA
L'indirizzo IP di MTX3 è impostato su "192.168.0.1", mentre l'indirizzo IP di XMV è impostato su "192.168.0.26".
NOTA
In alcuni casi, il firewall di Windows potrebbe bloccare MTX-MRX Editor quando si definisce tale impostazione. Selezionare la
casella di controllo [Private Network], quindi fare clic su [Allow Access].

Esempio 2) Sistema ad alta qualità audio con connessioni XMV e YDIF (connessioni digitali)
Manuale di configurazione MTX 54
Effettuazione delle impostazioni XMV
Se necessario, usare il pannello anteriore di XMV per effettuare le impostazioni come il filtro high pass. Per maggiori
informazioni sulle impostazioni effettuabili sull'unità XMV, fare riferimento al manuale dell'utente XMV.
Verifica dell'applicazione delle impostazioni
Di seguito sono riportati i punti più importanti da verificare. Per ulteriori informazioni su ciascuna impostazione
del parametro, fare riferimento al "Manuale utente di MTX-MRX Editor".
1. Richiamare il preset Basic.
2. Usando l'oscillatore nella schermata "ROUTER", regolare il livello di uscita.
Regolare il valore dell'attenuatore dell'amplificatore a un livello appropriato.
3. Specificare il gain dal microfono.
Nella finestra di dialogo che compare quando si preme il pulsante di richiamo del parametro è possibile impostare
il gain per una porta o un dispositivo esterno di un canale di ingresso nella schermata "MAIN". Osservare l'indicatore
dell'ingresso e regolare correttamente l'impostazione.
4. Impostare i livelli di ingresso e di uscita.
Regolare i livelli usando i fader di ingresso/uscita nella schermata "MAIN". Se necessario, applicare il limitatore
di uscita nella schermata "CHANNEL EDIT" per impedire che gli altoparlanti vengano danneggiati.
Regolare i valori dell'attenuatore dell'amplificatore fino a ottenere il rapporto S/N ottimale.
Inoltre, effettuare le impostazioni FBS se necessario.
5. Memorizzare il preset Basic.
Memorizzare sovrascrivendo il contenuto precedentemente specificato.
6. Richiamare il preset Party.
Verificare che l'audio proveniente dal microfono wireless si senta anche nella Hall B.
Se non si sta usando il Filtro di recall, eseguire i passaggi da 2 a 4 prima di sovrascrivere/memorizzare il preset Party.
7. Verificare le impostazioni DCP.
Verificare che il DCP funzioni come da aspettative.
Verificare questi passaggi per ogni preset.
Dopo aver eseguito tutte le impostazioni necessarie, salvare il progetto e disconnettere MTX-MRX Editor.
Ciò completa le impostazioni per l'esempio 2.

Manuale di configurazione MTX 55
Uso della procedura guidata di configurazione del dispositivo per creare
la configurazione del dispositivo
Verrà usata la procedura guidata di MTX-MRX Editor per regolare le impostazioni del dispositivo prima di effettuare
il collegamento dell'apparecchiatura.
Dopo avere regolato le impostazioni principali, sarà possibile stampare le informazioni sul cablaggio del sistema
e sui numeri ID.
Per effettuare le impostazioni principali, utilizzare la procedura riportata di seguito.
1. Digitare un nome per il sistema MTX/MRX che si sta realizzando e fare clic su [Next>].
Esempio 3) Uso della modalità a cascata per aggiungere i canali
di ingresso MTX (connessione analogica)

Esempio 3) Uso della modalità a cascata per aggiungere i canali di ingresso MTX (connessione analogica)
Manuale di configurazione MTX 56
2.
Specificare il numero di unità che saranno collegate nel sistema MTX/MRX e fare clic su [Next>].
Specificare "2" come numero di unità MTX3 in "YDIF Connected", specificare "1" come numero di unità XMV4280
in "ANALOG Connected" e specificare "1" come numero di MCP1.
3. Specificare la MODALITÀ YDIF come a CASCATA e fare clic su [Next>].
Quando si cambia tale impostazione in CASCADE, viene visualizzata una finestra di dialogo; fare clic su [OK].
A meno che non si abbiano ragioni specifiche per farlo, usare l'ID UNITÀ assegnata.
In questo esempio, impostare l'ID UNITÀ di XMV su 1A in modo da potere spiegare come modificare l'ID UNITÀ.

Esempio 3) Uso della modalità a cascata per aggiungere i canali di ingresso MTX (connessione analogica)
Manuale di configurazione MTX 57
4. Impostare lo switch rotante [UNIT ID] e lo switch DIP di MTX e XMV.
Al completamento della procedura guidata, verrà impostato l'indirizzo IP del computer, in "Specificazione
dell'indirizzo TCP/IP del computer".
Se MTX e XMV sono lontani, è possibile regolarli durante il passaggio "Connessione dell'apparecchiatura".
L'ID unità di MCP1 sarà impostato durante il passaggio "Connessione dell'apparecchiatura".
Definire le seguenti impostazioni.
5. Al termine della regolazione delle impostazioni dello switch rotante [UNIT ID] e dello
switch DIP di MTX e XMV, fare clic su [Next>].
MTX3
ID UNITÀ = 01
Switch rotante [UNIT ID] = 1
Gli switch DIP sono tutti disattivati (rivolti verso l'alto)
MTX3
ID UNITÀ = 02
Switch rotante [UNIT ID] = 2
Gli switch DIP sono tutti disattivati (rivolti verso l'alto)
XMV
ID UNITÀ = 1A
Switch rotante [UNIT ID] = A
Lo switch DIP 1 è attivo (rivolto verso il basso),
gli altri sono disattivati (rivolti verso l'alto)
NOTA
Utilizzare lo switch DIP per specificare la cifra superiore dell'ID UNITÀ, e usare lo switch rotante [UNIT ID] per specificare
la cifra inferiore. Per ulteriori informazioni, fare riferimento al manuale di istruzioni di ogni unità.
UNIT ID = 1 A
Cifra inferiore: specificare usando lo switch rotante
Cifra superiore: specificare usando lo switch DIP 1-3

Esempio 3) Uso della modalità a cascata per aggiungere i canali di ingresso MTX (connessione analogica)
Manuale di configurazione MTX 58
6. Verificare che MTX, XMV e MCP1 siano visualizzati sullo schermo e fare clic su [Next>].
7. Scegliere il modello del DCP che è collegato all'unità MTX, inserire un nome del dispositivo,
e fare clic su [Finish].
In questo esempio non viene utilizzato un DCP, quindi mantenere invariate le impostazioni.

Esempio 3) Uso della modalità a cascata per aggiungere i canali di ingresso MTX (connessione analogica)
Manuale di configurazione MTX 59
8. Quando viene visualizzata la finestra di dialogo "Display the configuration diagram?
The diagram can also be printed". (Visualizzare il diagramma di configurazione?
È possibile stampare il diagramma.) Fare clic su [Yes].
Verrà visualizzato un diagramma di cablaggio. Se lo si desidera, fare clic su [Print] per stampare il diagramma.
Fare clic su [Close] per chiudere la schermata.
Se si desidera usare la procedura guidata di configurazione del dispositivo per modificare la configurazione del
dispositivo, fare clic sul pulsante [Device Config] nella schermata Project.
NOTA
Se si desidera visualizzare nuovamente il diagramma di cablaggio, selezionare il menu [File] → [Print Configuration Diagram].

Esempio 3) Uso della modalità a cascata per aggiungere i canali di ingresso MTX (connessione analogica)
Manuale di configurazione MTX 60
Realizzazione delle impostazioni preliminari in MTX-MRX Editor
Di seguito viene descritto come effettuare impostazioni del sistema MTX/MRX dettagliate in MTX-MRX Editor.
Al termine della regolazione delle impostazioni, è necessario salvarle facendo clic su [Save] nel menu [File].
Effettuazione delle impostazioni EXT. I/O
In questo campo è possibile configurare le impostazioni per l'inserimento dell'audio analogico nell'unità XMV.
Passare alla schermata System facendo clic sulla scheda del nome sistema specificato al passaggio 1 di "Uso della
procedura guidata di configurazione del dispositivo per creare la configurazione del dispositivo".
Se si sta utilizzando un amplificatore diverso da XMV, procedere da "Specificare la configurazione MTX".
1. Fare clic sul pulsante [EXT. I/O].
Verrà visualizzata la schermata delle impostazioni di uscita.
NOTA
Potrebbe essere visualizzata la finestra di dialogo "User Account Control" (Controllo account utente). Fare clic sul pulsante
[Continue] o [Yes].

Esempio 3) Uso della modalità a cascata per aggiungere i canali di ingresso MTX (connessione analogica)
Manuale di configurazione MTX 61
2. Fare clic sul pulsante [ANALOG].
Verrà visualizzata la schermata delle impostazioni di uscita analogiche di MTX.
3. Fare clic sul pulsante posizionato sotto OUT1.
Verrà visualizzata la finestra di dialogo "Line Out Patch".
Passo 3

Esempio 3) Uso della modalità a cascata per aggiungere i canali di ingresso MTX (connessione analogica)
Manuale di configurazione MTX 62
4. Fare clic sul pulsante "CHANNEL" [A].
La schermata mostrerà che con queste impostazioni, l'uscita analogica 1 dell'MTX ID=01 è collegata all'ingresso
analogico CH A dell'unità XMV.
5. Modificare la destinazione di uscita nella casella di riepilogo [Out:] per assegnare
i canali CH B a CH D dell'unità XMV da OUT 2 a OUT 4, quindi fare clic sul
pulsante [Close].

Esempio 3) Uso della modalità a cascata per aggiungere i canali di ingresso MTX (connessione analogica)
Manuale di configurazione MTX 63
Specificare la configurazione MTX
Qui verrà specificato il modo in cui saranno gestiti gli ingressi e le uscite di MTX.
Nel menu [System], fare clic su [MTX Configuration] per aprire la finestra di dialogo "MTX Configuration".
Nella schermata sottostante sono visualizzate le impostazioni di default. È possibile apportare modifiche a seconda
delle necessità. In questo esempio, verranno usate le impostazioni di default senza modifiche.

Esempio 3) Uso della modalità a cascata per aggiungere i canali di ingresso MTX (connessione analogica)
Manuale di configurazione MTX 64
Impostazioni nella schermata "MAIN"
Nella schermata "MAIN" è possibile effettuare impostazioni generali per ogni canale.
Per ulteriori informazioni su ciascun parametro, fare riferimento al "Manuale utente di MTX-MRX Editor".
Le impostazioni verranno effettuate per entrambe le unità MTX, ID UNITÀ=01 e ID UNITÀ=02.
In questa schermata si definiscono le seguenti impostazioni.
• Nome canale
• Attivazione/disattivazione del canale
• Gain e alimentazione phantom
• (Se necessario) impostazioni EQ
-ID=01

Esempio 3) Uso della modalità a cascata per aggiungere i canali di ingresso MTX (connessione analogica)
Manuale di configurazione MTX 65
-ID=02

Esempio 3) Uso della modalità a cascata per aggiungere i canali di ingresso MTX (connessione analogica)
Manuale di configurazione MTX 66
-Impostazioni INGRESSO
Pulsante di selezione della porta
Quando si fa clic su questo pulsante, si apre la finestra di dialogo "Input Patch"
(Assegnazione ingresso). In questo esempio vengono utilizzate le impostazioni
di default, ma se si desidera passare a una porta di ingresso diversa di MTX,
fare clic su questo pulsante, scegliere la porta di ingresso desiderata e fare
clic sul pulsante [Close].
Pulsante di accesso al parametro
Porta/Dispositivo esterno
Questo pulsante permette di regolare il gain
e di attivare/disattivare l'alimentazione
phantom. Quando si fa clic sul pulsante,
viene visualizzata una finestra che consente
di regolare il gain e attivare/disattivare
l'alimentazione phantom. Configurare le
impostazioni desiderate, quindi in alto a destra fare clic su × per chiudere
la finestra. Il livello di gain appropriato dipende dai dispositivi collegati,
pertanto impostare il livello in base ai dispositivi in uso.
Per i canali da 1 a 8, il gain è impostato a 30 dB di default. Dal momento che un
microfono a condensatore è collegato a CH8 dell'ID UNITÀ, lasciare il gain
a 30 dB e attivare l'alimentazione phantom. Per gli altri canali ai quali sono
collegati i microfoni wireless, portare il gain a 0 dB.
EQ/HPF (High Pass Filter)
Fare clic su pulsante per accedere alla schermata "CHANNEL EDIT"
(Modifica canale). Regolare EQ e HPF a seconda del microfono in uso.
Per ST IN, è disponibile esclusivamente EQ.
Fare clic sul pulsante [MAIN], per tornare alla schermata "MAIN".
FBS (Soppressore di feedback)
FBS è fornito sui canali di ingresso da 1 a 4. Si consiglia di collegare gli
ingressi microfono, e, in particolare i microfoni mobili come i microfoni
wireless, ai canali da 1 a 4. Quando si fa clic su questo pulsante, si accede
alla schermata delle impostazioni FBS.
Fare clic sul pulsante [MAIN] per tornare alla schermata "MAIN".
Per ulteriori informazioni sulle impostazioni FBS, fare riferimento
al "Manuale utente di MTX-MRX Editor".
Pulsante [ON]
Consente di attivare/disattivare il canale. I canali non utilizzati devono
essere disattivati.
Fader
Consente di regolare il livello d'ingresso. Lasciare il fader su -∞ nché
il sistema è online.
Nome canale
È anche possibile fare doppio clic per modificare il nome.
In questo esempio, i nomi sono stati assegnati come segue.
L'ID UNITÀ = 01 MTX è l'unità di base, mentre l'ID UNITÀ = 02 MTX serve
per espandere il numero di microfoni. Dal momento che i microfoni wireless
sono suscettibili al feedback a causa della loro mobilità, vengono assegnati
preferibilmente dal CH1 al CH4, che sono dotati di FBS (soppressore di feedback).
Pulsante di selezione
della porta
Pulsante di accesso
al parametro Porta/
Dispositivo esterno
EQ/HPF
FBS (Soppressore
di feedback)
Pulsante [ON]
Fader
Nome canale
ID UNITÀ
= 01
CH1 W.Mic1
CH2 W.Mic2
CH3 W.Mic3
CH4 W.Mic4
CH5 W.Mic9
CH6 W.Mic10
CH7 W.Mic11
CH8 Chairman
(Presidente)
STIN1 Lettore CD
STIN2 Computer
STIN3 Lettore SD
ID UNITÀ
= 02
CH1 W.Mic5
CH2 W.Mic6
CH3 W.Mic7
CH4 W.Mic8

Esempio 3) Uso della modalità a cascata per aggiungere i canali di ingresso MTX (connessione analogica)
Manuale di configurazione MTX 67
-Impostazioni di USCITA
Pulsante di selezione della porta
Fare clic per aprire la finestra di dialogo "Output Patch" (Assegnazione uscita).
In questo esempio verranno usate le impostazioni di default, ma se si desidera
usare una porta di uscita diversa di MTX, fare clic su questo pulsante, scegliere
la porta di uscita desiderata e fare clic sul pulsante [Close].
Pulsante di accesso al parametro Porta/
Dispositivo esterno
Quando si fa clic su questo pulsante, viene visualizzata una finestra
a comparsa che consente di impostare i parametri del connettore di
uscita dell'unità MTX e i parametri del dispositivo esterno (XMV)
associato al canale.
Verificare che il GAIN sia impostato su 0.0 dB.
DELAY/Room EQ
Fare clic per passare a una schermata dove è possibile impostare
delay e room EQ.
Processore per altoparlanti
Fare clic per passare alla schermata "CHANNEL EDIT".
Eseguire le impostazioni appropriate per gli altoparlanti
che verranno collegati.
Pulsante [ON]
Questo pulsante consente di attivare e disattivare il canale.
Disattivare i canali non utilizzati.
Fader
Consente di regolare il livello di uscita.
Nome canale
È anche possibile fare doppio clic per modificare il nome.
In questo esempio, i nomi sono stati assegnati come segue.
NOTA
La libreria preinstallata contiene dei file del processore dell'altoparlante
adeguati per la risposta dei vari altoparlanti. Usando questi file è possibile
regolare facilmente le impostazioni del processore dell'altoparlante.
ID UNITÀ = 01 OUT1 Room
Pulsante di selezione
della porta
Pulsante di accesso
al parametro Porta/
Dispositivo esterno
DELAY/Room EQ
Processore
per altoparlanti
Pulsante [ON]
Fader
Nome canale

Esempio 3) Uso della modalità a cascata per aggiungere i canali di ingresso MTX (connessione analogica)
Manuale di configurazione MTX 68
Impostazioni nella schermata "MATRIX"
Consente di specificare quale canale di ingresso verrà inviato a quale zona. Per ulteriori informazioni sul livello
send e altri parametri, fare riferimento al "Manuale utente di MTX-MRX Editor".
-ID=01
-ID=02

Esempio 3) Uso della modalità a cascata per aggiungere i canali di ingresso MTX (connessione analogica)
Manuale di configurazione MTX 69
In questo esempio, effettuare le impostazioni mostrate nell'illustrazione soprastante. Facendo clic su un punto incrociato
(un quadrato) o trascinando i punti incrociati si attiva/disattiva. Se si fa clic con il pulsante destro del mouse su un punto
incrociato, viene visualizzato un menu contestuale. È possibile selezionare [All OFF] per disattivare tutti i punti
incrociati. Il punto incrociato mostra il livello send in verde.
Con queste impostazioni, tutti i segnali di ingresso diversi dal microfono al posto del presidente (CH8 di ID=1) sono
gestiti nello stesso modo. Per dare una priorità maggiore al microfono che si trova al posto del presidente rispetto agli
altri segnali, viene assegnato alla 1st Priority nella schermata "ZONE" seguente. Quando CH8 viene attivato in MATRIX,
il segnale dal matrix (attenuato) verrà combinato con il segnale da Priority, e trasmessi insieme.
Per i fader del canale di ingresso in basso a sinistra nella schermata, i fader grigi mostrano i livelli di ingresso mentre
gli altri fader mostrano i livelli send del canale di ingresso. Non è possibile utilizzare i fader grigi in questa schermata.
PRIORITY
DUCKER ANC
AMBIENT
SOURCE
From INPUT CHANNEL POST ON 1-8
*1 From YDIF IN 1-16
From ANC BUS 1-2
From STEREO INPUT CHANNEL POST ON 1L-3R
ZONE 1-8
ZONE OUT
To YDIF
OUTPUT
PATCH
MIXMIX
2nd PRIORITY 1st PRIORITY ANC
PRIORITY
SOURCE
PRIORITY
SOURCE
From DIRECT INPUT POST ON 9-16
8
PRIORITY
DUCKER
METER
ON
D
C
A
MASTER
LEVEL
GR GR
AMBIENT
METER
To other MTXs
*1 DISTRIBUTION MODE only
Flusso del segnale Priority

Esempio 3) Uso della modalità a cascata per aggiungere i canali di ingresso MTX (connessione analogica)
Manuale di configurazione MTX 70
Impostazioni nella schermata "ZONE"
Nella schermata "ZONE" è possibile regolare le impostazioni Priority DUCKER. La funzione Priority Ducker
attenua temporaneamente gli ingressi da altri canali quando l'audio è trasmesso da un canale di ingresso specificato,
assicurando che l'audio proveniente dal canale di ingresso specificato sia trasmesso chiaramente. La priorità è data
nell'ordine di "1st PRIORITY > 2nd PRIORITY > Matrix Out signals".
In questo esempio, il microfono del presidente (assegnato a CH8 dell'ID UNITÀ=01) ha la priorità più alta.
Quindi, selezionare CH8 come SORGENTE PRIORITY per 1st PRIORITY nella ZONE 1, e fare clic sul pulsante
[ON] posto sulla desta di 1st PRIORITY affinché si accenda. Dal momento che non c'è bisogno di effettuare le
impostazioni per le zone da 2 a 8, assicurarsi che i pulsanti [ON] alla destra della 1st PRIORITY e della
2nd PRIORITY siano spenti (disattivati).
Usare i pulsanti di selezione ZONE per cambiare zona.
Per ulteriori informazioni su ciascun parametro, fare riferimento al "Manuale utente di MTX-MRX Editor".
Pulsante
di selezione
ZONE

Esempio 3) Uso della modalità a cascata per aggiungere i canali di ingresso MTX (connessione analogica)
Manuale di configurazione MTX 71
Impostazioni nella schermata "ROUTER"
Nella schermata "ROUTER" è possibile assegnare delle zone alle uscite.
In questo esempio, dal momento che la ZONE1 verrà incanalata in uscita alle uscite da 1 a 4, impostare le unità MTX
dell'ID=01 e 02 come mostrato nell'illustrazione.

Esempio 3) Uso della modalità a cascata per aggiungere i canali di ingresso MTX (connessione analogica)
Manuale di configurazione MTX 72
Impostazioni nella schermata "DCA" (INPUT CH MUTE)
Nella schermata "DCA" è possibile impostare il livello e il muto per più canali in un'unica operazione.
-ID=01
-ID=02
In questo esempio, premere il pulsante [INPUT CH MUTE] sul pannello di controllo digitale collocato al posto del
presidente per disattivare l'audio di tutti i microfoni diversi dal microfono del presidente. Attivare i canali da CH1
a CH7 dell'ID=01, e i canali da CH1 a CH4 dell'ID=02.

Esempio 3) Uso della modalità a cascata per aggiungere i canali di ingresso MTX (connessione analogica)
Manuale di configurazione MTX 73
Impostazioni MCP1
Qui viene mostrato come assegnare le funzioni a MCP1 collocato al posto del presidente.
Per configurare queste impostazioni, scegliere la voce [MCP1] del menu [Controller].
Quando si fa clic su uno dei pulsanti numerati, comparirà la finestra di dialogo "Settings" e si potrà procedere
all'assegnazione dei parametri ai comandi.
Fare clic sul pulsante [Label] per aprire la relativa finestra di dialogo. Da qui è possibile effettuare le impostazioni per il
display di MCP1, per indicare il ruolo che verrà eseguito da ciascun pulsante.
Dopo avere eseguito le assegnazioni, fare clic per selezionare "01 [No data]", quindi fare clic sul pulsante [Save].
Nella finestra di dialogo "Save Library" modificare il nome in "Basic", quindi fare clic su [OK].
Assegnare i parametri. Se è stato assegnato [SD Song Select & Play], inserire il nome del file che si desidera riprodurre
o il nome della cartella che contiene il file che si desidera riprodurre.
Lo switch L1 attiva/disattiva l'audio per gli ingressi microfono diversi dal posto del presidente. Lo switch L2 attiva/
disattiva il microfono del presidente. Lo switch L3 consentirà l'accesso alla schermata per regolare il livello di ingresso
dal microfono del presidente.

Esempio 3) Uso della modalità a cascata per aggiungere i canali di ingresso MTX (connessione analogica)
Manuale di configurazione MTX 74
Memorizzazione di un preset
Verrà ora descritto come memorizzare le impostazioni effettuate finora come preset.
Richiamando i preset dallo stesso MTX o dal DCP, è possibile modificare le impostazioni a seconda delle varie situazioni.
Per memorizzare o richiamare un preset, fare clic sull'icona della fotocamera nella parte superiore di MTX-MRX Editor.
Quando si fa clic sull'icona della fotocamera, si apre la finestra di dialogo "Preset". È possibile creare fino a 50 preset.
Fare clic sul numero di preset che si desidera memorizzare; la riga verrà selezionata. Quindi fare clic sul pulsante
[Store], specificare il nome del preset e fare clic sul pulsante [OK].
Fare doppio clic su una posizione in cui la colonna MCP1 indica "No Assign" e scegliere una libreria specificata nel MCP1.

Esempio 3) Uso della modalità a cascata per aggiungere i canali di ingresso MTX (connessione analogica)
Manuale di configurazione MTX 75
Fino a questo punto, le impostazioni usano tutti i microfoni collegati alle unità MTX dell'ID UNITÀ =01 e 02,
ma potrebbero verificarsi dei casi in cui si desidera usare un numero diverso di microfoni. In tali casi, è possibile
limitare il numero di microfoni disattivando i canali dei microfono non utilizzati nella schermata "MAIN".
NOTA
Se non si memorizza il preset, verra indicato l'avviso numero 61.

Esempio 3) Uso della modalità a cascata per aggiungere i canali di ingresso MTX (connessione analogica)
Manuale di configurazione MTX 76
-ID=01
-ID=02
Se si memorizzano queste impostazioni come un preset diverso, sarà possibile passare facilmente alle impostazioni con
un numero limitato di microfoni. Nell'esempio sopra, i microfoni wireless da 9 a 11 non sono usati, pertanto FBS viene
usato su tutti i microfoni wireless (da 1 a 8) in uso.
Questo passaggio completa le impostazioni nello stato offline. Salvare nuovamente le impostazioni.

Esempio 3) Uso della modalità a cascata per aggiungere i canali di ingresso MTX (connessione analogica)
Manuale di configurazione MTX 77
Connessione dell'apparecchiatura
Dopo avere montato in rack l'MTX e le altre apparecchiature, collegare l'MTX e le altre apparecchiature come mostrato
di seguito. Se le sorgenti audio sono state copiate su una scheda di memoria SD, inserire la scheda nell'MTX.
Utilizzare un cavo CAT5e o superiore in cui sono collegati tutti gli otto pin per collegare l'MTX al computer.
1 2 3 4 5 6 7 8
ON
ON
Ricevitori microfoni wireless
Ricevitori microfoni wireless
Lettore CD
MCP1
ID=90
Microfono
presidente
Switch di rete
Computer
Computer
MTX
ID=01
MTX
ID=02
XMV
ID=1A

Esempio 3) Uso della modalità a cascata per aggiungere i canali di ingresso MTX (connessione analogica)
Manuale di configurazione MTX 78
Accensione di MTX
Accendere l'unità MTX.
Disattivare l'amplificatore prima di spegnere l'unità MTX.
Accensione dell'amplificatore
Sul pannello posteriore dell'unità XMV, impostare lo switch DIP [SPEAKERS], quindi accendere gli amplificatori (XMV).
Per impedire l'emissione di suoni indesiderati, si consiglia di disattivare le impostazioni dell'attenuatore di tutti i canali
sull'amplificatore stesso prima di accenderlo.
Per modificare l'impostazione dell'attenuatore dell'unità XMV, premere il pulsante del canale appropriato e accendere
l'encoder.
Impostazione dell'ID unità di MCP1
Impostare l'ID unità di MCP1. Per informazioni sull'impostazione dell'ID unità, consultare il "Manuale di installazione
di MCP1".
Specificazione dell'indirizzo TCP/IP del computer
Per consentire la comunicazione tra MTX e computer, specificare TCP/IP del computer come descritto di seguito.
1. Fare clic su [Network Setup] nel menu [System].
Verrà visualizzata la finestra di dialogo "Network Setup" (Configurazione di rete).
2. Fare clic su [Open Network Connection].
Comparirà la finestra "Network Connections" (Connessioni di rete).
3. Fare clic con il tasto destro sull'adattatore al quale è collegato l'MTX e scegliere [Properties].
Comparirà la finestra di dialogo "Local Area Connection Properties" (Proprietà della connessione all'area locale).
4. Scegliere [Internet Protocol Version 4 (TCP/IPv4)], quindi fare clic su [Properties].
Comparirà la finestra di dialogo "Internet Protocol Version 4 (TCP/IPv4)" (Protocollo Internet versione 4 (TCP/IPv4)).
5. Fare clic su [Use the following IP address (S)].
NOTA
• Con le impostazioni di fabbrica, gli attenuatori dell'unità XMV sono impostati sul valore inferiore.
• Per ulteriori informazioni sullo switch DIP [SPEAKERS], fare riferimento al manuale di istruzioni dell'unità XMV.

Esempio 3) Uso della modalità a cascata per aggiungere i canali di ingresso MTX (connessione analogica)
Manuale di configurazione MTX 79
6. Nella finestra [IP address] immettere "192.168.0.253", mentre nella finestra [Subnet mask]
inserire "255.255.255.0".
7. Fare clic su [OK].
Connessione di MTX-MRX Editor
Premere il pulsante [Online] in alto a destra nella schermata di MTX-MRX Editor. Quando l'unità è online, l'indicatore 1
sulla sinistra diventa blu.
Quando compare la finestra di dialogo "Synchronization" (Sincronizzazione), selezionare "To Device" (Al dispositivo)
e fare clic sul pulsante [OK].
Il progetto creato in MTX-MRX Editor verrà inviato a MTX.
NOTA
L'indirizzo IP di MTX3 è impostato su "192.168.0.1"e "192.168.0.2", mentre l'indirizzo IP di XMV è impostato su "192.168.0.26".
NOTA
In alcuni casi, il firewall di Windows potrebbe bloccare MTX-MRX Editor quando si definisce tale impostazione. Selezionare la
casella di controllo [Private Network], quindi fare clic su [Allow Access].

Esempio 3) Uso della modalità a cascata per aggiungere i canali di ingresso MTX (connessione analogica)
Manuale di configurazione MTX 80
Effettuazione delle impostazioni XMV
Se necessario, usare il pannello anteriore di XMV per effettuare le impostazioni come il filtro high pass. Per maggiori
informazioni sulle impostazioni effettuabili sull'unità XMV, fare riferimento al manuale dell'utente XMV.
Verifica dell'applicazione delle impostazioni
Di seguito sono riportati i punti più importanti da verificare. Per ulteriori informazioni su ciascuna impostazione
del parametro, fare riferimento al "Manuale utente di MTX-MRX Editor".
1. Richiamare il preset Basic.
2. Usando l'oscillatore nella schermata "ROUTER", regolare il livello di uscita.
Regolare il valore dell'attenuatore dell'amplificatore a un livello appropriato.
3. Specificare il gain dal microfono.
Nella finestra di dialogo che compare quando si preme il pulsante di richiamo del parametro è possibile impostare
il gain per una porta o un dispositivo esterno di un canale di ingresso nella schermata "MAIN". Osservare l'indicatore
dell'ingresso e regolare correttamente l'impostazione.
4. Impostare i livelli di ingresso e di uscita.
Regolare i livelli usando i fader di ingresso/uscita nella schermata "MAIN". Se necessario, applicare il limitatore
di uscita nella schermata "CHANNEL EDIT" per impedire che gli altoparlanti vengano danneggiati.
Regolare i valori dell'attenuatore dell'amplificatore fino a ottenere il rapporto S/N ottimale.
Inoltre, effettuare le impostazioni FBS se necessario.
5. Memorizzare il preset Basic.
Memorizzare sovrascrivendo il contenuto precedentemente specificato.
6. Verificare le impostazioni MCP1.
Verificare che il MCP1 funzioni come da aspettative.
Dopo aver eseguito tutte le impostazioni necessarie, salvare il progetto e disconnettere MTX-MRX Editor.
Ciò completa le impostazioni per l'esempio 3.

Manuale di configurazione MTX 81
Questo esempio presuppone un flusso del segnale audio come quello riportato di seguito.
Esempio 4) Un sistema che utilizza Dante
Sistema A
Sistema B
EXi8
MTX5-D
MTX5-D
Amplificatore
Amplificatore
XMV4280
XMV4280-D
EXo8
Microfono
principale
CH1
OUTPUT 1 (YDIF)
INPUT 1 (YDIF)
OUTPUT 1–4 (analogico)
OUTPUT 5–8 (YDIF)
INPUT 9/10 (Dante):
il canale 9 è il microfono
principale per il Sistema B.
OUTPUT 9/10 (Dante):
il canale 9 è il microfono
principale per il Sistema A.
INPUT 1–4 (YDIF)
CH1–4 (analogico)
OUTPUT 9/10 (Dante)INPUT 9/10 (Dante)
Microfono
principale
OUTPUT 1–4 (YDIF)
OUTPUT 5–8 (Dante)
CHANNEL A–D
(YDIF)
CHANNEL A–D
(Dante)
INPUT 1

Esempio 4) Un sistema che utilizza Dante
Manuale di configurazione MTX 82
Utilizzo della procedura guidata di configurazione del dispositivo per creare
l'impostazione del dispositivo
Verrà utilizzata la procedura guidata di MTX-MRX Editor per creare la configurazione del dispositivo prima di effettuare il
collegamento dell'apparecchiatura.
Una volta definite le impostazioni di base, sarà possibile stampare le informazioni sul cablaggio del sistema e sui numeri ID.
Definire le impostazioni di base per il Sistema A, quindi per il Sistema B.
Per definire le impostazioni di base, utilizzare la procedura riportata di seguito.
1. Immettere un nome per il sistema MTX/MRX, definito Sistema A, quindi fare clic su [NEXT>].
2.
Specificare il numero di unità che saranno collegate nel sistema MTX/MRX, quindi fare clic su [Next>].
In "YDIF Connected" ("YDIF collegato"), specificare 1 ognuno come numero dei dispositivi MTX5-D, EXi8 e EXo8.
Per eseguire le impostazioni per EXo8, utilizzare la barra di scorrimento per rendere visibile EXo8.

Esempio 4) Un sistema che utilizza Dante
Manuale di configurazione MTX 83
3. Specificare l'ID UNITÀ di ogni dispositivo, quindi fare clic su [Next>].
Impostare UNIT ID in modo che l'unità MTX5-D sia 01, l'unità EXi8 sia 02 e l'unità EXo8 sia 03.
4. Impostare lo switch rotante [UNIT ID] o lo switch DIP dei dispositivi.
Al completamento della procedura guidata, verrà impostato l'indirizzo IP del computer, in "Specifica dell'indirizzo
TCP/IP del computer".
Se i dispositivi non sono vicini, è possibile impostarli durante il passaggio "Connessione dell'apparecchiatura".

Esempio 4) Un sistema che utilizza Dante
Manuale di configurazione MTX 84
Definire le seguenti impostazioni.
5. Al termine dell'impostazione dello switch rotante [UNIT ID] o dello switch DIP dei
dispositivi, fare clic su [Next>].
6. Verificare che i dispositivi vengano visualizzati nella schermata, quindi fare clic su [Next>].
MTX5-D
ID UNITÀ = 01
Switch rotante [UNIT ID] = 1
Gli switch DIP sono tutti disattivati (rivolti verso l'alto)
EXi8
ID UNITÀ = 02
Switch rotante [UNIT ID] = 2
Gli switch DIP sono tutti disattivati (rivolti verso l'alto)
EXo8
ID UNITÀ = 03
Switch rotante [UNIT ID] = 3
Gli switch DIP sono tutti disattivati (rivolti verso l'alto)

Esempio 4) Un sistema che utilizza Dante
Manuale di configurazione MTX 85
7. Selezionare la scheda Mini-YGDAI, quindi fare clic su [NEXT>].
In questo esempio non viene utilizzata una scheda Mini-YGDAI, quindi mantenere l'impostazione [No Assign]
e fare clic su [Next>].
8. Scegliere il modello del DCP collegato all'unità MTX, inserire un nome per il dispositivo,
quindi fare clic su [Finish].
In questo esempio non viene utilizzato un DCP, quindi mantenere invariate le impostazioni.

Esempio 4) Un sistema che utilizza Dante
Manuale di configurazione MTX 86
9. Quando viene visualizzata la finestra di dialogo "Display the configuration diagram?
The diagram can also be printed". (Visualizzare il diagramma di configurazione?
È possibile stampare il diagramma.), fare clic su [Yes].
Verrà visualizzato un diagramma di cablaggio. Se si desidera, fare clic su [Print] per stampare il diagramma.
Fare clic su [Close] per chiudere la schermata.
Se si desidera utilizzare la procedura guidata di configurazione del dispositivo per modificare la configurazione
del dispositivo, fare clic sul pulsante [Device Config] nella schermata Project.
NOTA
Se si desidera visualizzare nuovamente il diagramma di cablaggio, selezionare il menu [File] → [Print Configuration Diagram].

Esempio 4) Un sistema che utilizza Dante
Manuale di configurazione MTX 87
10. Per definire le impostazioni di base per il Sistema B, fare clic sul tab di selezione
del sistema [2 No Assign].
11. Fare clic su [Device Config].
Viene visualizzata la procedura guidata di configurazione del dispositivo per il Sistema B.
12.
Immettere un nome per il sistema MTX/MRX, definito Sistema B, quindi fare clic su [NEXT>].
Passo 11 Tab di selezione del sistema

Esempio 4) Un sistema che utilizza Dante
Manuale di configurazione MTX 88
13. Specificare il numero di unità che saranno collegate nel sistema MTX/MRX, quindi fare clic
su [Next>].
Nell'area "YDIF Connected" (YDIF collegato), specificare 1 ognuno come numero di unità MTX5-D e XMV4280;
nell'area "Dante Connected" (Dante collegato), specificare 1 come numero dei dispositivi XMV4280-D.
14. Specificare l'ID UNITÀ di ogni dispositivo, quindi fare clic su [Next>].
Impostare UNIT ID in modo che l'unità MTX5-D sia 04, l'unità XMV4280 sia 30 e l'unità XMV4280-D sia 31.

Esempio 4) Un sistema che utilizza Dante
Manuale di configurazione MTX 89
15. Impostare lo switch rotante [UNIT ID] o lo switch DIP dei dispositivi.
Al completamento della procedura guidata, verrà impostato l'indirizzo IP del computer, in "Specifica dell'indirizzo
TCP/IP del computer".
Se i dispositivi non sono vicini, è possibile impostarli durante il passaggio "Connessione dell'apparecchiatura".
Definire le seguenti impostazioni.
MTX5-D
ID UNITÀ = 04
Switch rotante [UNIT ID] = 4
Gli switch DIP sono tutti disattivati (rivolti verso l'alto)
XMV4280
ID UNITÀ = 30
Switch rotante [UNIT ID] = 0
Gli switch DIP 1 e 2 sono attivati (rivolti verso il basso),
gli altri sono disattivati (rivolti verso l'alto)
XMV4280-D
ID UNITÀ = 31
Switch rotante [UNIT ID] [HIGH] = 3
Switch rotante [UNIT ID] [LOW] = 1
[HIGH]
[LOW]

Esempio 4) Un sistema che utilizza Dante
Manuale di configurazione MTX 90
16. Al termine dell'impostazione dello switch rotante [UNIT ID] o dello switch DIP
dei dispositivi, fare clic su [Next>].
17. Verificare che i dispositivi vengano visualizzati nella schermata, quindi fare clic su [Next>].
NOTA
Sull'unità XMV4280, la cifra superiore dell'ID UNITÀ è impostata dallo switch DIP, mentre la cifra inferiore dallo switch rotante
[UNIT ID]. Per ulteriori informazioni, fare riferimento al manuale di istruzioni di ciascun dispositivo.
UNIT ID = 3 0
Cifra inferiore: specificare utilizzando lo switch rotante
Cifra superiore: specificare utilizzando lo switch DIP 1-3

Esempio 4) Un sistema che utilizza Dante
Manuale di configurazione MTX 91
18. Selezionare la scheda Mini-YGDAI, quindi fare clic su [NEXT>].
In questo esempio non viene utilizzata una scheda Mini-YGDAI, quindi mantenere l'impostazione [No Assign] e fare
clic su [Next>].
19. Scegliere il modello del DCP collegato all'unità MTX, inserire un nome per il dispositivo,
quindi fare clic su [Finish].
In questo esempio non viene utilizzato un DCP, quindi mantenere invariate le impostazioni.

Esempio 4) Un sistema che utilizza Dante
Manuale di configurazione MTX 92
20. Quando viene visualizzata la finestra di dialogo "Display the configuration diagram?
The diagram can also be printed". (Visualizzare il diagramma di configurazione?
È possibile stampare il diagramma.), fare clic su [Yes].
Verrà visualizzato un diagramma di cablaggio. Se si desidera, fare clic su [Print] per stampare il diagramma.
Fare clic su [Close] per chiudere la schermata.
Se si desidera utilizzare la procedura guidata di configurazione del dispositivo per modificare la configurazione del
dispositivo, fare clic sul pulsante [Device Config] nella schermata Project.
NOTA
Se si desidera visualizzare nuovamente il diagramma di cablaggio, selezionare il menu [File] → [Print Configuration Diagram].

Esempio 4) Un sistema che utilizza Dante
Manuale di configurazione MTX 93
Definizione delle impostazioni preliminari in MTX-MRX Editor
Di seguito viene descritto come definire le impostazioni del sistema MTX/MRX dettagliate in MTX-MRX Editor.
Al termine della definizione delle impostazioni, è necessario salvarle facendo clic su [Save] nel menu [File].
Per passare dal Sistema A al Sistema B e viceversa, utilizzare i tab di selezione del sistema nella schermata "Project".
Il sistema MTX/MRX attualmente selezionato è indicato dai tab di selezione del sistema e dal tab SYSTEM.
NOTA
Potrebbe essere visualizzata la finestra di dialogo "User Account Control" (Controllo account utente). Fare clic su [Continue] o [Yes].
Tab SYSTEM Tab di selezione del sistema

Esempio 4) Un sistema che utilizza Dante
Manuale di configurazione MTX 94
Verranno innanzitutto definite le impostazioni per il Sistema A.
Definizione delle impostazioni EXT. I/O
Definire le impostazioni per l'ingresso e l'uscita dell'audio digitale. Innanzitutto, verranno definite le impostazioni
YDIF per il Sistema A. Fare clic sul tab SYSTEM per accedere alla schermata delle impostazioni.
1. Fare clic sul pulsante [EXT. I/O].
Verrà visualizzata la schermata "EXT. I/O" in cui è possibile definire le impostazioni di ingresso/uscita
per i dispositivi esterni. Poiché verranno definite le impostazioni per YDIF 1–8, non è necessario cambiare
le schermate; è sufficiente configurare le impostazioni in questa schermata.
2. Fare clic sul pulsante [EDIT].
Qui è possibile specificare le impostazioni di ingresso/uscita di YDIF 1–8 per EXi8 e EXo8.
3. Fare clic sul pulsante di selezione del routing di ingresso di EXi8 per YDIF 1.
Viene visualizzata la finestra di dialogo "YDIF In Patch" (Patch ingresso YDIF).
Pulsanti di
selezione del
routing di
ingresso
Pulsante [EDIT]

Esempio 4) Un sistema che utilizza Dante
Manuale di configurazione MTX 95
4. Per CHANNEL, fare clic su [1], quindi sul pulsante [Close].
Il pulsante di selezione del routing di ingresso YDIF 1 mostra che CH 1 dell'unità EXi8 il cui ID UNITÀ = 02
è stato assegnato su YDIF 1.
5. Verificare che per l'unità MTX5-D con ID UNITÀ=01 i pulsanti posizionati sotto YDIF 5
fino a YDIF 8 siano impostati su OUT5 (OUTPUT 5) fino a OUT 8 (OUTPUT 8)
rispettivamente.
Se le impostazioni sono diverse, fare clic sul pulsante e modificare l'impostazione.

Esempio 4) Un sistema che utilizza Dante
Manuale di configurazione MTX 96
6. Fare clic sul pulsante di selezione del routing di uscita di EXo8 per YDIF 5.
Viene visualizzata la finestra di dialogo "YDIF Out Patch" (Patch uscita YDIF).
7. Per CHANNEL, fare clic sul pulsante [1].
La schermata indica che il segnale YDIF 5 viene trasmesso al CH 1 di EXo8..

Esempio 4) Un sistema che utilizza Dante
Manuale di configurazione MTX 97
8.
Modificare la destinazione di uscita nella casella di riepilogo [YDIF Out:] per assegnare da
YDIF 6 a YDIF 8 a CH 2 fino a CH 4 dell'unità EXo8, quindi fare clic sul pulsante "Close".
9. Fare clic sul pulsante [EDIT] per confermare le modifiche.
Pulsante [EDIT]

Esempio 4) Un sistema che utilizza Dante
Manuale di configurazione MTX 98
Impostazioni nella schermata "MAIN"
Nella schermata "MAIN" è possibile definire le impostazioni generali per ogni canale.
Fare clic sul pulsante [01 MTX5-D] per accedere alla schermata "MAIN" dell'unità MTX.
Per ulteriori informazioni su ciascun parametro, fare riferimento al "Manuale utente di MTX-MRX Editor".
In questa schermata si definiscono le seguenti impostazioni.
• Nome canale
• Attivazione/disattivazione del canale
• Gain e alimentazione phantom
• (Se necessario) impostazioni EQ

Esempio 4) Un sistema che utilizza Dante
Manuale di configurazione MTX 99
-Impostazioni INGRESSO
Definire le seguenti impostazioni di ingresso.
Pulsante di selezione della porta
Quando si fa clic su questo pulsante, si apre la finestra di dialogo "Input Patch"
(Patch ingresso). In questo esempio vengono apportate le seguenti modifiche alle
impostazioni predefinite.
Pulsante di accesso al parametro
Porta/Dispositivo esterno
Questo pulsante consente di definire le
impostazioni del connettore di ingresso
per le unità MTX e EXi8. Quando si fa
clic sul pulsante, viene visualizzata una
finestra a comparsa. Definire le
impostazioni desiderate, quindi fare clic
sul simbolo × in alto a destra per chiudere
la finestra a comparsa.
Il livello di gain appropriato dipende dai
dispositivi collegati, pertanto impostare
il livello in base ai dispositivi in uso.
Per CH1, definire le impostazioni per il connettore di ingresso 1 dell'unità EXi8.
Il gain dell'unità EXi8 è impostato su -6 dB per impostazione predefinita.
Poiché il microfono del condensatore è collegato a CH1, mantenere il gain
a 30 dB e attivare l'alimentazione phantom.
Pulsante [ON]
Questo pulsante consente di attivare/disattivare il canale. I canali non utilizzati
devono essere disattivati.
Fader
Questo pulsante consente di regolare il livello di ingresso. Lasciare il fader su -∞
finché il sistema è online.
Nome canale
È possibile fare doppio clic per modificare il nome.
In questo esempio, i nomi sono stati assegnati come segue.
CH1 Segnale dal microfono principale del Sistema A, collegato all'unità EXi8
CH9 Segnale dal microfono principale del Sistema B
CH10 Segnale del Sistema B diverso dal microfono principale
STIN1 L/R Segnale dal lettore CD collegato a ST IN1
STIN2 L/R Segnale dal lettore della musica di sottofondo collegato a ST IN2
STIN3 L/R Lettore SD integrato nell'unità MTX5-D
CH1 YDIF [1] (Microfono principale del Sistema A collegato all'unità EXi8)
CH9 DANTE [9] (Segnale dal microfono principale del Sistema B)
CH10 DANTE [10] (Segnale del Sistema B diverso dal microfono principale)
CH1 Microfono principale
CH9 Sys B9
CH10 Sys B10
STIN1 Lettore CD
STIN2 BGM
STIN3 Lettore SD
Pulsante di selezione
della porta
Pulsante di accesso
al parametro Porta/
Dispositivo esterno
Pulsante [ON]
Fader
Nome canale

Esempio 4) Un sistema che utilizza Dante
Manuale di configurazione MTX 100
-Impostazioni di USCITA
Definire le seguenti impostazioni di uscita.
Pulsante di selezione della porta
Fare clic per aprire la finestra di dialogo "Output Patch" (Patch uscita). In questo
esempio vengono apportate le seguenti modifiche alle impostazioni predefinite.
Pulsante di accesso al parametro Porta/Dispositivo esterno
Quando si fa clic su questo pulsante, viene visualizzata una finestra a comparsa.
Per OUT1 fino a OUT4, definire le impostazioni per connettori di uscita
dell'unità MTX da 1 a 4.
Per OUT5 fino a OUT8, definire le impostazioni per connettori di uscita
dell'unità EXo8 da 1 a 4.
Per OUT9 fino a OUT10, definire le impostazioni per l'uscita sulla rete Dante.
Verificare che ogni GAIN sia impostato su 0,0 dB.
DELAY/Room EQ
Fare clic su questo pulsante per passare a una schermata dove è possibile
impostare delay ed EQ della sala.
Poiché OUT9 e OUT10 sono utilizzati per la trasmissione al Sistema B, non
definire alcuna impostazione.
Processore per altoparlanti
Fare clic su questo pulsante per passare alla schermata "CHANNEL EDIT".
Definire le impostazioni appropriate per gli altoparlanti che verranno collegati.
Poiché OUT9 e OUT10 sono utilizzati per la trasmissione al Sistema B, non
definire alcuna impostazione.
Pulsante [ON]
Questo pulsante consente di attivare e disattivare il canale. Disattivare i canali
non utilizzati.
Nome canale
È possibile fare doppio clic per modificare il nome.
In questo esempio, i nomi sono stati assegnati come segue.
CH1–4 Uscita sugli amplificatori nella sala degli amplificatori A utilizzando le uscite analogiche dell'unità MTX5-D
CH5–8
Uscita sugli amplificatori della sala degli amplificatori GB utilizzando CH1-4 dell'unità EXo8 collegati tramite YDIF
CH9 Uscita del segnale del microfono principale collegato all'unità EXi8 sul Sistema B tramite Dante [9]
CH10 Uscita di un segnale diverso dal microfono principale sul Sistema B tramite Dante [10]
NOTA
La libreria preinstallata contiene dei file del processore dell'altoparlante adeguati per
la risposta dei vari altoparlanti. Mediante questi file è possibile definire facilmente le
impostazioni del processore dell'altoparlante.
Pulsante di selezione
della porta
Pulsante di accesso
al parametro Porta/
Dispositivo esterno
DELAY/Room EQ
Processore per
altoparlanti
Pulsante [ON]
Nome canale
OUT1 OUTPUT [1]
OUT2 OUTPUT [2]
OUT3 OUTPUT [3]
OUT4 OUTPUT [4]
OUT5 YDIF [5]
OUT6 YDIF [6]
OUT7 YDIF [7]
OUT8 YDIF [8]
OUT9 DANTE [9]
OUT10 DANTE [10]
OUT11–
OUT16 Nessuna impostazione
OUT1 RoomA1
OUT2 RoomA2
OUT3 RoomA3
OUT4 RoomA4
OUT5 RoomB1
OUT6 RoomB2
OUT7 RoomB3
OUT8 RoomB4
OUT9 Sys B9
OUT10 Sys B10

Esempio 4) Un sistema che utilizza Dante
Manuale di configurazione MTX 101
Impostazioni nella schermata "MATRIX"
In questa schermata è possibile specificare quale canale di ingresso verrà inviato a quale zona. Per ulteriori
informazioni sul livello send e altri parametri, fare riferimento al "Manuale utente di MTX-MRX Editor".
Quando si definiscono le impostazioni per il Sistema A, "questo sistema MTX/MRX" si riferisce al Sistema A
e "l'altro sistema MTX/MRX" si riferisce al Sistema B.
Quando si definiscono le impostazioni per il Sistema B, "questo sistema MTX/MRX" si riferisce al Sistema B,
"l'altro sistema MTX/MRX" si riferisce al Sistema A.

Esempio 4) Un sistema che utilizza Dante
Manuale di configurazione MTX 102
In questo esempio, definire le impostazioni riportate nell'illustrazione nella pagina precedente. Facendo clic su un
punto incrociato (un quadrato) o trascinando i punti incrociati si attiva/disattiva. Se si fa clic con il pulsante destro del
mouse su un punto incrociato, viene visualizzato un menu contestuale. È possibile selezionare [All OFF] per disattivare
tutti i punti incrociati. Il punto incrociato mostra il livello send in verde.
Per ogni zona, questa impostazione corrisponderà a quanto segue.
Zona 1: il canale di ingresso 1, CD/BGM/SD (SDIN1–3), e l'audio dall'altro sistema MTX/MRX vengono
trasmessi a questo intero sistema MTX/MRX. Poiché il microfono (CH1) di questo sistema MTX/MRX
e il microfono (CH9) dell'altro sistema MTX/MRX sono assegnati per annunci di emergenza e simili per
l'intero edificio, specificarne la priorità nella schermata "ZONE" seguente.
Quando si attivano CH1 e CH9 nella matrice, il segnale (attenuato) dalla matrice sarà combinato con il
segnale dalla priorità e dall'uscita.
Zona 2:
questa zona è utilizzata per la trasmissione della voce dal microfono principale (CH1) all'altro sistema MTX/MRX.
Zona 3: questa zona è utilizzata per la trasmissione dei segnali diversi da quelli del microfono principale all'altro
sistema MTX/MRX.
Per i fader del canale di ingresso in basso a sinistra nella schermata, i fader grigi mostrano i livelli di ingresso mentre
gli altri fader mostrano i livelli send del canale di ingresso. Non è possibile utilizzare i fader grigi in questa schermata.
Priority signal flow
*1 DISTRIBUTION MODE only
PAGING
SOURCE
PRIORITY
SOURCE
PRIORITY
SOURCE
AMBIENT
SOURCE
PRIORITY
DUCKER ANC
GR GR
PAGING
DUCKER
PRIORITY
DUCKER MIXMIX
MIX
ZONE OUT
MASTER
LEVEL METER
8
METER
AMBIENT
ANC1st PRIORITY
PAGING 2nd PRIORITY
ON
ZONE 1-8
To YDIF
OUTPUT
PATCH
From INPUT CHANNEL POST ON 1-16
From DIRECT INPUT POST ON 9-16
From ANC BUS 1-2
*1 From YDIF IN 1-16
From STEREO INPUT CHANNEL POST ON 1L-3R
D
C
A

Esempio 4) Un sistema che utilizza Dante
Manuale di configurazione MTX 103
Impostazioni nella schermata "ZONE"
Nella schermata "ZONE" è possibile definire le impostazioni Priority DUCKER. La funzione Priority Ducker
attenua temporaneamente gli ingressi da altri canali quando l'audio è trasmesso da un canale di ingresso specificato,
assicurando che l'audio proveniente dal canale di ingresso specificato sia trasmesso chiaramente. La priorità è data
nell'ordine di "1st PRIORITY > 2nd PRIORITY > Matrix Out signals".
In questo esempio, si presume che il microfono principale A (CH1) e quello dell'altro sistema MTX/MRX (CH9) verrà
utilizzato per la trasmissione nell'intero edificio. Pertanto, per 1st PRIORITY, viene impostata la PRIORITY SOURCE
su CH1; per la 2nd PRIORITY SOURCE, viene selezionato CH9 in ZONE1, quindi fare clic sul pulsante [ON] posto
sulla destra affinché si accenda. Dal momento che non è necessario definire le impostazioni per le zone da 2 a 8,
assicurarsi che i pulsanti [ON] alla destra della 1st PRIORITY e della 2nd PRIORITY siano spenti (disattivati).
Utilizzare i pulsanti di selezione ZONE per cambiare zona.
Per ulteriori informazioni su ciascun parametro, fare riferimento al "Manuale utente di MTX-MRX Editor".
Pulsante di
selezione
ZONE

Esempio 4) Un sistema che utilizza Dante
Manuale di configurazione MTX 104
Impostazioni nella schermata "ROUTER"
Nella schermata "ROUTER" è possibile assegnare delle zone alle uscite.
In questo esempio, impostare ZONE1=OUTPUT 1 fino a 8, ZONE2=OUTPUT 9 e ZONE3=OUTPUT 10.
Con tali impostazioni, questo sistema MTX/MRX trasmetterà tutto il proprio audio, nonché tutto l'audio dell'altro
sistema MTX/MRX, il microfono principale di questo sistema MTX/MRX verrà inviato al canale 9 di Dante e i segnali
di questo sistema MTX/MRX diversi dal microfono principale verranno inviati al canale 10 di Dante.
Sono così completate le impostazioni per questo sistema MTX/MRX.

Esempio 4) Un sistema che utilizza Dante
Manuale di configurazione MTX 105
Verranno quindi definite le impostazioni per il Sistema B.
Il Sistema B avrà molte impostazioni uguali a quelle del Sistema A. Per le impostazioni del Sistema B, verranno spiegate le
impostazioni definite nella schermata "EXT I/O" e le impostazioni definite nella schermata "MAIN". Le altre impostazioni
saranno uguali a quanto spiegato in precedenza.
Al termine delle impostazioni per il Sistema B, passare a "Impostazioni Dante tra sistemi".
Innanzitutto, selezionare il Sistema B nella schermata "Project".

Esempio 4) Un sistema che utilizza Dante
Manuale di configurazione MTX 106
Definizione delle impostazioni EXT. I/O
Definire le impostazioni per l'ingresso e l'uscita dell'audio digitale. Innanzitutto, definire le impostazioni YDIF e Dante
per il Sistema B. Fare clic sul tab SYSTEM per accedere alla schermata delle impostazioni.
1. Fare clic sul pulsante [EXT. I/O].
Verrà visualizzata la schermata "EXT. I/O" in cui è possibile definire le impostazioni di ingresso/uscita
per i dispositivi esterni. Poiché verranno definite le impostazioni per YDIF 1-8, non è necessario cambiare
le schermate; è sufficiente configurare le impostazioni in questa schermata.
2. Fare clic sul pulsante [EDIT].
Ora è possibile specificare gli ingressi da YDIF 1-8 dell'unità XMV.
3. Fare clic sul pulsante di selezione del routing di uscita dell'unità XMV per YDIF 1.
Viene visualizzata la finestra di dialogo "YDIF Out Patch" (Patch uscita YDIF).
Routing di uscita
pulsanti di
selezione
Pulsante [EDIT]

Esempio 4) Un sistema che utilizza Dante
Manuale di configurazione MTX 107
4. Per CHANNEL, fare clic sul pulsante [A].
La schermata indica che il segnale YDIF 1 viene trasmesso al CH A dell'unità XMV.
5. Modificare la destinazione di uscita nella casella di riepilogo [YDIF Out:] per assegnare
da YDIF 2 a YDIF 4 ai canali da CH B a CH D dell'unità XMV4280, quindi fare clic sul
pulsante [Close].

Esempio 4) Un sistema che utilizza Dante
Manuale di configurazione MTX 108
6. Fare clic sul pulsante [EDIT] per confermare le modifiche.
7. Fare clic sul pulsante [DANTE].
Verrà visualizzata la schermata delle impostazioni Dante, dove è possibile specificare l'uscita sull'unità
XMV4280-D.
Pulsante [EDIT]

Esempio 4) Un sistema che utilizza Dante
Manuale di configurazione MTX 109
8. Nella parte superiore sinistra, fare clic sul pulsante [EDIT].
È quindi possibile definire le impostazioni di ingresso/uscita Dante.
Se la casella di controllo [Preserve the Dante settings configured by Dante Controller] è selezionata,
deselezionarla.
9. Fare clic su [04 MTX5-D] in [Transmitters] quindi fare su [31 XMV4280-D] in [Receivers].
Viene visualizzata una griglia di assegnazione.

Esempio 4) Un sistema che utilizza Dante
Manuale di configurazione MTX 110
10. Fare clic sulle posizioni della griglia dove i valori da 5 a 8 dell'unità MTX5-D
si intersecano con i valori da A a D dell'unità XMV4280-D.
Un simbolo viene visualizzato sulla griglia.
11. Nella parte superiore sinistra, fare clic sul pulsante [EDIT] per bloccare le impostazioni.

Esempio 4) Un sistema che utilizza Dante
Manuale di configurazione MTX 111
Impostazioni nella schermata "MAIN"
Nella schermata "MAIN" è possibile definire le impostazioni generali per ogni canale.
Fare clic sul pulsante [04 MTX5-D] per accedere alla schermata "MAIN" dell'unità MTX.
Per ulteriori informazioni su ciascun parametro, fare riferimento al "Manuale utente di MTX-MRX Editor".
In questa schermata si definiscono le seguenti impostazioni.
• Nome canale
• Attivazione/disattivazione del canale
• Gain e alimentazione phantom
• (Se necessario) impostazioni EQ

Esempio 4) Un sistema che utilizza Dante
Manuale di configurazione MTX 112
-Impostazioni INGRESSO
Definire le seguenti impostazioni di ingresso.
Pulsante di selezione della porta
Quando si fa clic su questo pulsante, si apre la finestra di dialogo "Input Patch"
(Patch ingresso). In questo esempio vengono apportate le seguenti modifiche alle
impostazioni predefinite.
Pulsante di accesso al parametro
Porta/Dispositivo esterno
Questo pulsante consente di definire le
impostazioni del connettore di ingresso
per l'unità MTX. Quando si fa clic sul
pulsante, viene visualizzata una finestra
a comparsa. Definire le impostazioni
desiderate, quindi fare clic sul simbolo ×
in alto a destra per chiudere la finestra a comparsa.
Il livello di gain appropriato dipende dai dispositivi collegati, pertanto impostare
il livello in base ai dispositivi in uso.
Per CH1, definire le impostazioni per il connettore di ingresso 1 dell'unità MTX.
Il gain è impostato su -30 dB per impostazione predefinita.
Poiché il microfono del condensatore è collegato a CH1, mantenere il gain
a 30 dB e attivare l'alimentazione phantom.
Pulsante [ON]
Questo pulsante consente di attivare/disattivare il canale. I canali non utilizzati
devono essere disattivati.
Fader
Questo pulsante consente di regolare il livello di ingresso. Lasciare il fader su -∞
finché il sistema è online.
Nome canale
È possibile fare doppio clic per modificare il nome.
In questo esempio, i nomi sono stati assegnati come segue.
CH1 Segnale dal microfono principale del Sistema B, collegato all'unità MTX5-D
CH9 Segnale dal microfono principale del Sistema A
CH10 Segnale del Sistema A diverso dal microfono principale
STIN1 L/R Segnale dal lettore CD collegato a ST IN1
STIN2 L/R Segnale dal lettore della musica di sottofondo collegato a ST IN2
STIN3 L/R Lettore SD integrato nell'unità MTX5-D
CH9 DANTE [9] (Segnale dal microfono principale del Sistema A)
CH10 DANTE [10] (Segnale del Sistema A diverso dal microfono principale)
CH1 Microfono principale
CH9 Sys A9
CH10 Sys A10
STIN1 Lettore CD
STIN2 BGM
STIN3 Lettore SD
Pulsante di selezione
della porta
Pulsante di accesso
al parametro Porta/
Dispositivo esterno
Pulsante [ON]
Fader
Nome canale

Esempio 4) Un sistema che utilizza Dante
Manuale di configurazione MTX 113
-Impostazioni di USCITA
Definire le seguenti impostazioni di uscita.
Pulsante di selezione della porta
Fare clic per aprire la finestra di dialogo "Output Patch" (Patch uscita). In questo
esempio vengono apportate le seguenti modifiche alle impostazioni predefinite.
Pulsante di accesso al parametro Porta/Dispositivo esterno
Quando si fa clic su questo pulsante, viene visualizzata una finestra a comparsa
che consente di impostare i parametri del connettore di uscita dell'unità MTX.
Per OUT1 fino a OUT4, definire le impostazioni per connettori di uscita
dell'unità XMV4280 da A a D.
Per OUT5 fino a OUT8, definire le impostazioni per connettori di uscita
dell'unità XMV4280-D da A a D.
Per OUT9 fino a OUT10, definire le impostazioni per l'uscita sulla rete Dante.
Verificare che il GAIN sia impostato su 0,0 dB.
DELAY/Room EQ
Fare clic su questo pulsante per passare a una schermata dove è possibile
impostare delay ed EQ della sala.
Poiché OUT9 e OUT10 sono per la trasmissione al Sistema A, non definire
alcuna impostazione.
Processore per altoparlanti
Fare clic su questo pulsante per passare alla schermata "CHANNEL EDIT".
Definire le impostazioni appropriate per gli altoparlanti che verranno collegati.
Poiché OUT9 e OUT10 sono per la trasmissione al Sistema A, non definire
alcuna impostazione.
Pulsante [ON]
Questo pulsante consente di attivare e disattivare il canale. Disattivare i canali
non utilizzati.
Nome canale
È possibile fare doppio clic per modificare il nome.
In questo esempio, i nomi sono stati assegnati come segue.
CH1–4 Uscita tramite YDIF sull'unità XMV4280 nella sala degli amplificatori A
CH5–8 Uscita tramite Dante sull'unità XMV4280-D nella sala degli amplificatori B
CH9 Uscita del segnale del microfono principale sul Sistema A tramite Dante [9]
CH10 Uscita di un segnale diverso dal microfono principale sul Sistema A tramite Dante [10]
NOTA
La libreria preinstallata contiene dei file del processore dell'altoparlante adeguati per
la risposta dei vari altoparlanti. Mediante questi file è possibile definire facilmente le
impostazioni del processore dell'altoparlante.
Pulsante di selezione
della porta
Pulsante di accesso
al parametro Porta/
Dispositivo esterno
DELAY/Room EQ
Processore per
altoparlanti
Pulsante [ON]
Nome canale
OUT1 YDIF [1]
OUT2 YDIF [2]
OUT3 YDIF [3]
OUT4 YDIF [4]
OUT5 DANTE [5]
OUT6 DANTE [6]
OUT7 DANTE [7]
OUT8 DANTE [8]
OUT9 DANTE [9]
OUT10 DANTE [10]
OUT11–
OUT16 Nessuna impostazione
OUT1 RoomA1
OUT2 RoomA2
OUT3 RoomA3
OUT4 RoomA4
OUT5 RoomB1
OUT6 RoomB2
OUT7 RoomB3
OUT8 RoomB4
OUT9 Sys A9
OUT10 Sys A10

Esempio 4) Un sistema che utilizza Dante
Manuale di configurazione MTX 114
Le successive impostazioni in MTX-MRX Editor sono uguali a quelle della schermata "MATRIX" del Sistema A tramite le
impostazioni della schermata "ROUTER". Definire le Impostazioni nella schermata "MATRIX" tramite le impostazioni
nella schermata "ROUTER".
Impostazioni Dante tra sistemi
In questa schermata vengono definite le impostazioni per il Sistema A e il Sistema B.
Indipendentemente dal fatto che queste impostazioni vengano definite nel Sistema A o nel Sistema B, verranno applicate
a entrambi i sistemi. Per questo esempio, nella spiegazione verrà utilizzata la schermata del Sistema B.
1. Fare clic sul pulsante [EXT. I/O].
Verrà visualizzata la schermata "EXT. I/O" in cui è possibile definire le impostazioni di ingresso/uscita per
i dispositivi esterni.
Se la schermata delle impostazioni Dante non viene visualizzata, fare clic sul pulsante [DANTE] per accedere
a tale schermata.

Esempio 4) Un sistema che utilizza Dante
Manuale di configurazione MTX 115
2. Nella parte superiore sinistra, fare clic sui pulsanti [EDIT].
È quindi possibile definire le impostazioni di ingresso/uscita Dante.
Se la casella di controllo [Preserve the Dante settings configured by Dante Controller] è selezionata, deselezionarla.
3. Fare clic su MTX5-D in [Receivers] e [Transmitters] per ingrandire il display.
Se il display [04 MTX5-D] è già ingrandito, non intervenire.
Pulsante [EDIT]

Esempio 4) Un sistema che utilizza Dante
Manuale di configurazione MTX 116
4. Fare clic sulle posizioni della griglia dove i valori 9 e 10 delle rispettive unità MTX5-D
si intersecano.
Un simbolo viene visualizzato sulla griglia.
5. Nella parte superiore sinistra, fare clic sui pulsanti [EDIT] per bloccare le impostazioni.

Esempio 4) Un sistema che utilizza Dante
Manuale di configurazione MTX 117
Memorizzazione di un preset
Verrà ora descritto come memorizzare le impostazioni effettuate finora come preset.
Per memorizzare o richiamare un preset, fare clic sull'icona della fotocamera nella parte superiore di MTX-MRX
Editor.
Quando si fa clic sull'icona della fotocamera, si apre la finestra di dialogo "Preset". È possibile creare fino a 50 preset.
Fare clic sul numero di preset che si desidera memorizzare; la riga verrà selezionata. Quindi, fare clic sul pulsante
[Store], specificare il nome del preset e fare clic sul pulsante [OK].
Questo passaggio completa le impostazioni nello stato offline. Salvare nuovamente le impostazioni.
NOTA
Se non si memorizza il preset, verrà indicato l'avviso numero 61.

Esempio 4) Un sistema che utilizza Dante
Manuale di configurazione MTX 118
Connessione dell'apparecchiatura
Dopo avere montato in rack l'unità MTX e le altre apparecchiature, collegarle come mostrato di seguito.
Se le sorgenti audio sono state copiate su una scheda di memoria SD, inserire la scheda nell'unità MTX.
In questa sezione verrà illustrato un esempio di collegamenti Dante ridondanti. Se si utilizzano collegamenti a margherita,
fare riferimento alla sezione Domande e risposte.
Collegamenti del Sistema A
ON
ON
Microfono
principale
Switch di rete
EXi8
ID=02
MTX5-D
ID=01
EXo8
ID=03
Lettore BGM
Lettore CD
Amplicatore 1
Amplicatore 2
Amplicatore 3
Amplicatore 4
Sala A
Sala B
allo switch di rete del Sistema B per l'unità principale
allo switch di rete del Sistema B
per l'unità secondaria

Esempio 4) Un sistema che utilizza Dante
Manuale di configurazione MTX 119
Collegamenti del Sistema B
Utilizzare un cavo CAT5e o superiore in cui sono collegati tutti gli otto pin per collegare l'unità MTX al computer.
1 2 3 4 5 6 7 8
Attivato
Attivato
Attivato
1 2 3 4 5 6 7 8
Attivato
Microfono
principale
Switch di rete per unità principale
Switch di rete per unità secondaria
Computer
MTX5-D
ID=04
XMV4280
ID=30
XMV4280-D
ID=31
Lettore BGM
Lettore CD
dallo switch di rete del Sistema A
dal connettore SECONDARY
dell'unità MTX5-D del Sistema A

Esempio 4) Un sistema che utilizza Dante
Manuale di configurazione MTX 120
Accensione dell'unità MTX
Accendere l'unità MTX.
Disattivare l'amplificatore prima di spegnere l'unità MTX.
Accensione dell'amplificatore
Sul pannello posteriore dell'unità XMV, impostare lo switch DIP [SPEAKERS], quindi accendere gli amplificatori (XMV).
Per impedire l'emissione di suoni indesiderati, si consiglia di disattivare le impostazioni dell'attenuatore di tutti i canali
sull'amplificatore stesso prima di accenderlo.
Per modificare l'impostazione dell'attenuatore dell'unità XMV, premere il pulsante del canale appropriato e accendere
l'encoder.
Specifica dell'indirizzo TCP/IP del computer
Per consentire la comunicazione tra l'unità MTX e il computer, specificare il TCP/IP del computer come descritto
di seguito.
1. Fare clic su [Network Setup] nel menu [System].
Verrà visualizzata la finestra di dialogo "Network Setup" (Configurazione di rete).
2. Fare clic su [Open Network Connection].
Viene visualizzata la finestra "Network Connections" (Connessioni di rete).
3. Fare clic con il tasto destro sull'adattatore al quale è collegato l'unità MTX e scegliere
[Properties].
Viene visualizzata la finestra di dialogo "Local Area Connection Properties" (Proprietà della connessione all'area locale).
4. Scegliere [Internet Protocol Version 4 (TCP/IPv4)], quindi fare clic su [Properties].
Viene visualizzata la finestra di dialogo "Internet Protocol Version 4 (TCP/IPv4)" (Protocollo Internet versione 4
(TCP/IPv4)).
5. Fare clic su [Use the following IP address (S)].
NOTA
• Con le impostazioni di fabbrica, gli attenuatori dell'unità XMV sono impostati sul valore inferiore.
• Per ulteriori informazioni sullo switch DIP [SPEAKERS], fare riferimento al manuale di istruzioni dell'unità XMV.

Esempio 4) Un sistema che utilizza Dante
Manuale di configurazione MTX 121
6. Nella finestra [IP address] immettere "192.168.0.253", mentre nella finestra [Subnet mask]
inserire "255.255.255.0".
7. Fare clic su [OK].
NOTA
L'indirizzo IP di ciascun dispositivo è impostato come segue.
Sistema A: MTX5-D: 192.168.0.1
EXi8: 192.168.0.2
EXo8: 192.168.0.3
Sistema B: MTX5-D: 192.168.0.4
XMV4280: 192.168.0.48
XMV4280-D: 192.168.0.49
NOTA
In alcuni casi, il firewall di Windows potrebbe bloccare MTX-MRX Editor quando si definisce tale impostazione. Selezionare la
casella di controllo [Private Network], quindi fare clic su [Allow Access].

Esempio 4) Un sistema che utilizza Dante
Manuale di configurazione MTX 122
Connessione di MTX-MRX Editor
Premere il pulsante [Online] in alto a destra nella schermata di MTX-MRX Editor. Quando l'unità è online, gli indicatori 1
e 2 sulla sinistra diventano blu.
Quando viene visualizzata la finestra di dialogo "Synchronization" (Sincronizzazione), selezionare "To Device"
(Al dispositivo) e fare clic sul pulsante [OK]. Quando l'indicazione nella finestra di dialogo cambia, selezionare
il sistema da collegare online, quindi fare clic sul pulsante [Online].
Il progetto creato in MTX-MRX Editor verrà inviato all'unità MTX.
Definizione delle impostazioni dell'unità XMV
Se necessario, utilizzare il pannello anteriore dell'unità XMV per definire le impostazioni come il filtro high pass.
Per maggiori informazioni sulle impostazioni configurabili sull'unità XMV, fare riferimento al manuale dell'utente XMV.

Esempio 4) Un sistema che utilizza Dante
Manuale di configurazione MTX 123
Verifica dell'applicazione delle impostazioni
Di seguito sono riportati i punti più importanti da verificare. Per ulteriori informazioni su ciascuna impostazione dei parametri,
fare riferimento al "Manuale utente di MTX-MRX Editor". Effettuare questi controlli per ogni sistema MTX/MRX.
1. Utilizzando l'oscillatore nella schermata "ROUTER", regolare il livello di uscita.
Regolare il valore dell'attenuatore dell'amplificatore a un livello appropriato.
I valori dell'attenuatore dell'unità XMV possono essere regolati nella finestra a comparsa visualizzabile tramite il
pulsante di accesso al parametro porta/dispositivo esterno posizionato nell'area del canale di uscita della
schermata "MAIN".
2. Specificare il gain dal microfono.
Nella finestra di dialogo che compare quando si preme il pulsante di richiamo del parametro è possibile impostare il
gain per una porta o un dispositivo esterno di un canale di ingresso nella schermata "MAIN". Osservare l'indicatore
dell'ingresso e regolare correttamente l'impostazione.
3. Impostare i livelli di ingresso e di uscita.
Regolare i livelli utilizzando i fader di ingresso/uscita nella schermata "MAIN". Se necessario, applicare il limitatore
di uscita nella schermata "CHANNEL EDIT" per impedire che gli altoparlanti vengano danneggiati.
Regolare i valori dell'attenuatore dell'amplificatore fino a ottenere il rapporto S/N ottimale.
Inoltre, definire le impostazioni FBS se necessario.
4. Memorizzare il preset.
Dopo aver eseguito tutte le impostazioni necessarie, salvare il progetto e disconnettere MTX-MRX Editor.
Sono così completate le impostazioni per l'esempio 4.

Manuale di configurazione MTX 124
Posizionare il componente "Paging" e assegnare le destinazioni di trasmissione (zone, gruppi di zone) o i messaggi
preregistrati ai pulsanti di selezione della zona e/o del messaggio dell'unità PGM1.
È possibile utilizzare i pulsanti per selezionare la destinazione di trasmissione (sono consentite più selezioni) e riprodurre
i messaggi preregistrati dalla scheda SD.
È possibile collegare fino a quattro unità PGM1 a un sistema MTX/MRX che include un'unità MTX5-D. Un'unità PGM1
può controllare un'unità MTX5-D e, insieme, questa unità PGM1 e l'unità MTX5-D sono definite gruppo di dispositivi di
paging. Una delle unità PGM1 del gruppo di dispositivi di paging è il microfono con priorità assoluta; questa unità può
trasmettere assumendo la priorità rispetto alle altre unità PGM1.
L'unità PGM1 può essere utilizzata in tre modi.
Trasmissione dal microfono
1. Utilizzare i pulsanti di selezione della zona e/o del messaggio per selezionare l'area di
trasmissione.
2. Premere il pulsante PTT.
Se specificato, si sente il chime di apertura.
3. Se l'indicatore di stato è rosso, parlare nel microfono.
4. Quando si termina di parlare, premere il pulsante PTT.
Se specificato, si sente il chime di chiusura.
Esempio 5) Sistema di paging mediante l'unità PGM1
P
P
PGX1
ID=0 PGX1
ID=1
PGM1
ID=60
PGX1
ID=0 PGX1
ID=1
PGM1
ID=61
PGX1
ID=0 PGX1
ID=1
PGM1
ID=62
MRX7-D ID=01
MTX5-D ID=02
PGX1
ID=0 PGX1
ID=1
PGM1
ID=63
SWR2100P-10G
Gruppo di dispositivi di paging 1
Gruppo di dispositivi di paging 2
=microfono con priorità
P

Esempio 5) Sistema di paging mediante l'unità PGM1
Manuale di configurazione MTX 125
Riproduzione di un messaggio preregistrato dalla scheda SD
1. Utilizzare i pulsanti di selezione della zona e/o del messaggio per selezionare l'area di
trasmissione.
2. Utilizzare i pulsanti di selezione della zona e/o del messaggio per selezionare il
messaggio che si desidera riprodurre.
3. Premere il pulsante PTT.
Se specificato, si sente il chime di apertura.
Quando l'indicatore di stato diventa rosso, il messaggio viene riprodotto.
Al termine della riproduzione del messaggio, PTT si disattiva automaticamente.
Se specificato, si sente il chime di chiusura.
Utilizzo della pianificazione degli eventi per riprodurre un messaggio
preregistrato dalla scheda SD
Pubblicando un evento di paging, il messaggio specificato viene riprodotto nella zona o nel gruppo di zone specificato.
Utilizzo della procedura guidata di configurazione del dispositivo per creare
l'impostazione del dispositivo
Verrà utilizzata la procedura guidata di MTX-MRX Editor per creare la configurazione del dispositivo prima di effettuare il
collegamento dell'apparecchiatura.
Una volta definite le impostazioni di base, sarà possibile stampare le informazioni sul cablaggio e sui numeri ID.
Per definire le impostazioni di base, utilizzare la procedura riportata di seguito.
1.
Digitare un nome per il sistema MTX-MRX che si sta realizzando e fare clic su [Next>] (Avanti).

Esempio 5) Sistema di paging mediante l'unità PGM1
Manuale di configurazione MTX 126
2. Specificare il numero di unità che saranno collegate nel sistema MTX/MRX, quindi fare clic
su [Next>].
Impostare il numero delle unità MTX5 in "YDIF Connected" (YDIF collegato) su 1, il numero delle unità PGM1 in
"DANTE Connected" (DANTE collegato) su 1 e il numero di unità XMV8280-D su 2.
3. Specificare l'ID unità di ogni dispositivo e fare clic su [Next>].
A meno che non si abbiano ragioni specifiche per farlo, utilizzare l'ID unità assegnato.

Esempio 5) Sistema di paging mediante l'unità PGM1
Manuale di configurazione MTX 127
4. Impostare lo switch rotante [UNIT ID] (ID UNITÀ) o lo switch DIP dei dispositivi.
Al completamento della procedura guidata, impostare l'indirizzo IP del computer in "Specifica dell'indirizzo TCP/IP
del computer".
Se MTX, XMV o PGM1 sono lontani, è possibile regolarli durate il passaggio "Connessione dell'apparecchiatura".
Effettuare le impostazioni riportate di seguito.
MTX5-D
ID unità = 01
Switch rotante [UNIT ID] = 1
Switch DIP = tutti disattivati (rivolti verso l'alto)
XMV
ID unità = 30
Switch rotante [UNIT ID] = 0
Switch DIP = 1 e 2 sono attivati (rivolti verso il basso), gli altri
sono disattivati (rivolti verso l'alto)
XMV
ID unità = 31
Switch rotante [UNIT ID] = 1
Switch DIP = 1 e 2 sono attivati (rivolti verso il basso), gli altri
sono disattivati (rivolti verso l'alto)
NOTA
Utilizzare lo switch DIP per specificare la cifra superiore dell'ID unità e usare lo switch rotante [UNIT ID] per specificare la cifra
inferiore. Per ulteriori informazioni, fare riferimento al manuale di istruzioni o a quello di installazione di ciascuna unità.
UNIT ID = 3 1
Cifra inferiore: specificare utilizzando lo switch rotante
Cifra superiore: specificare utilizzando lo switch DIP 1-3

Esempio 5) Sistema di paging mediante l'unità PGM1
Manuale di configurazione MTX 128
5. Al termine dell'impostazione dello switch rotante e dello switch DIP del dispositivo [UNIT
ID], fare clic su [Next>].
6. Verificare che i dispositivi vengano visualizzati nella schermata, quindi fare clic su [Next>].
7. Impostare il numero delle unità PGX1 su 1.

Esempio 5) Sistema di paging mediante l'unità PGM1
Manuale di configurazione MTX 129
8. Impostare lo switch rotante [UNIT ID] e lo switch DIP di PGM1.
Se il dispositivo non è vicino, è possibile impostarlo durante il passaggio "Connessione dell'apparecchiatura".
Effettuare le impostazioni riportate di seguito.
9. Al termine della regolazione delle impostazioni dello switch rotante e dello switch DIP di
PGM1 [UNIT ID], fare clic su [Next>].
10. Selezionare la scheda Mini-YGDAI, quindi fare clic su [Next>].
Dal momento che in questo esempio non viene utilizzata una scheda Mini-YGDAI, lasciare questa impostazione
come [No Assign] (Nessuna assegnazione) e fare clic su [Next>].
PGM1
ID unità = 60
Switch rotante [UNIT ID] = 0
Switch DIP = 2 e 3 sono attivati (rivolti verso il basso),
gli altri sono disattivati (rivolti verso l'alto)

Esempio 5) Sistema di paging mediante l'unità PGM1
Manuale di configurazione MTX 130
11. Scegliere il modello del DCP che sarà collegato all'unità MTX, inserire un nome per il
dispositivo, quindi fare clic su [Finish] (Fine).
Dal momento che in questo esempio non viene utilizzato un DCP, lasciare l'impostazione invariata.
12. Quando viene visualizzata la finestra di dialogo "Display the configuration diagram? The
diagram can also be printed". (Visualizzare il diagramma di configurazione? È possibile
stampare il diagramma.), fare clic su [Yes] (Sì).

Esempio 5) Sistema di paging mediante l'unità PGM1
Manuale di configurazione MTX 131
Verrà visualizzato un diagramma di cablaggio. Se si desidera, fare clic su [Print] (Stampa) per stampare il diagramma.
Fare clic su [Close] (Chiudi) per chiudere la schermata.
Se si desidera usare la procedura guidata di configurazione del dispositivo per modificare la configurazione del
dispositivo, fare clic sul pulsante [Device Config] (Config dispositivo) nella schermata Project (Progetto).
NOTA
Se si desidera visualizzare nuovamente il diagramma di cablaggio, scegliere il menu [File] → [Print Configuration Diagram] (Stampa
diagramma di configurazione).

Esempio 5) Sistema di paging mediante l'unità PGM1
Manuale di configurazione MTX 132
Realizzazione delle impostazioni preliminari in MTX-MRX Editor
Di seguito viene descritto come definire le impostazioni del sistema MTX/MRX dettagliate in MTX-MRX Editor.
Al termine della definizione delle impostazioni, è necessario salvarle facendo clic su [Save] (Salva) nel menu [File].
Impostazioni EXT. I/O (I/U EST)
In questa schermata è possibile definire le impostazioni per l'ingresso e l'uscita dell'audio digitale. Fare clic sulla
scheda SYSTEM (SISTEMA) per accedere alla schermata di impostazione.
Passare alla schermata di impostazione facendo clic sulla scheda del nome del sistema specificato nel passaggio 1 di
"Utilizzo della procedura guidata di configurazione del dispositivo per creare l'impostazione del dispositivo".
1. Fare clic sul pulsante [EXT. I/O].
Verrà visualizzata la schermata "EXT. I/O".
NOTA
Potrebbe essere visualizzata la finestra di dialogo "User Account Control" (Controllo account utente). Fare clic su [Continue] (Continua)
o[Yes].

Esempio 5) Sistema di paging mediante l'unità PGM1
Manuale di configurazione MTX 133
2. Fare clic sul pulsante [DANTE].
Verrà visualizzata la schermata delle impostazioni Dante.
3. Fare clic sul pulsante [EDIT] (MODIFICA).
È quindi possibile specificare le impostazioni di ingresso/uscita Dante.

Esempio 5) Sistema di paging mediante l'unità PGM1
Manuale di configurazione MTX 134
4. Fare clic su MTX5-D in [Receivers] (Ricevitori) e [Transmitters] (Trasmettitori), quindi su
XMV8280-D in [Receivers] in modo che vengano espanse.
Se sono già espanse, lasciarle come sono.
5. Fare clic sulla posizione in cui gli "1"di PGM1 e MTX5-D si intersecano.
Nella griglia viene visualizzato un .

Esempio 5) Sistema di paging mediante l'unità PGM1
Manuale di configurazione MTX 135
6. Scorrere in modo da rendere visibili gli ingressi di XMV.
7. Facendo clic sulle posizioni nella griglia dove gli ingressi di XMV e le uscite di MRX si
intersecano, impostare A e B dell'unità XMV UNIT ID 30 su 1, C e D su 2 ed E ed F su 3;
impostare G e H dell'unità XMV UNIT ID 31 su 8.

Esempio 5) Sistema di paging mediante l'unità PGM1
Manuale di configurazione MTX 136
8. Fare clic sul pulsante [EDIT] per confermare le modifiche.
Specifica della configurazione MTX
In questa sezione verrà specificato il modo in cui saranno gestiti i jack di ingresso e uscita di MTX.
Nel menu [System] (Sistema) fare clic su [MTX Configuration] (Configurazione MTX) per aprire la finestra di dialogo
corrispondente.
In questo esempio applicare le modifiche seguenti.
-INPUT (INGRESSO)
Modificare SD IN L/R (IN SD S/D) da [STEREO] a [SUM]; successivamente, nell'area "INPUT CHANNEL
SETUP" (CONFIGURAZIONE CANALE DI INGRESSO) modificare 11/12, 13/14 e 15/16 da [MONO × 2]
a [STEREO].

Esempio 5) Sistema di paging mediante l'unità PGM1
Manuale di configurazione MTX 137
-OUTPUT (USCITA)
Nell'area "MATRIX BUS SETUP" (CONFIGURAZIONE BUS MATRIX) modificare MATRIX7/8 da [STEREO]
a [MONO × 2].
Dopo aver effettuato le impostazioni, fare clic su [OK] per confermarle.

Esempio 5) Sistema di paging mediante l'unità PGM1
Manuale di configurazione MTX 138
Impostazioni nella schermata "MAIN" (PRINCIPALE)
Nella schermata "MAIN" è possibile definire le impostazioni generali per ogni canale.
Fare clic sul pulsante [01 MTX5-D] per accedere alla schermata "MAIN" dell'unità MTX.
Per ulteriori informazioni su ciascun parametro, fare riferimento al "Manuale utente di MTX-MRX Editor".
In questa sezione verranno definite le seguenti impostazioni.
• Impostazioni delle porte di ingresso/uscita
• Impostazioni dei nomi dei canali
• Impostazioni di attivazione/disattivazione dei canali
• Impostazioni del guadagno e dell'alimentazione phantom
• (Se necessario) impostazioni EQ

Esempio 5) Sistema di paging mediante l'unità PGM1
Manuale di configurazione MTX 139
-Impostazioni INPUT
In INPUT è possibile effettuare le impostazioni riportate di seguito.
Pulsante di selezione della porta
Fare clic per aprire la finestra di dialogo "Input Patch" (Patch ingresso).
In questo esempio applicare le modifiche seguenti. Una volta definite le
impostazioni, fare clic sul pulsante [Close].
Pulsante di accesso al parametro
Port/External Device
Questo pulsante permette di regolare il
guadagno e di attivare/disattivare
l'alimentazione phantom. Quando si fa clic
sul pulsante, viene visualizzata una finestra
che consente di regolare il guadagno
e attivare/disattivare l'alimentazione
phantom. Configurare le impostazioni
desiderate, quindi in alto a destra fare clic su × per chiudere la finestra. Il livello
di guadagno appropriato dipende dai dispositivi collegati, pertanto impostare il
livello in base ai dispositivi in uso.
Poiché le sorgenti audio per musica di sottofondo sono collegate a CH11/12,
CH13/14 e a CH15/16, portare il guadagno a 0 dB.
EQ/HPF (High Pass Filter, filtro passa-alto)
Fare clic sul pulsante per accedere alla schermata "CHANNEL EDIT"
(MODIFICA CANALE). Regolare EQ e HPF a seconda del microfono in uso.
Per ST IN, è disponibile esclusivamente EQ.
Fare clic sul pulsante [MAIN] per tornare alla schermata "MAIN".
FBS (Soppressore di feedback)
FBS è disponibile su INPUT da CH1 a CH8. È consigliabile che gli ingressi dei
microfoni e in particolare i microfoni mobili, ad esempio quelli wireless, siano
collegati ai canali da CH1 a CH8. Quando si fa clic in quest'area, si passerà alla
schermata delle impostazioni FBS.
Fare clic sul pulsante [MAIN] per tornare alla schermata "MAIN".
Per informazioni dettagliate sulle impostazioni FBS, fare riferimento al
"Manuale utente di MTX-MRX Editor".
Pulsante [ON]
Questo pulsante consente di attivare e disattivare il canale. Disattivare i canali
non utilizzati.
Fader
Questo pulsante consente di regolare il livello di ingresso. Lasciare il fader su -∞
finché il sistema non è online.
Nome canale
È possibile fare doppio clic per modificare il nome.
In questo esempio, i nomi sono stati assegnati come segue.
CH1 DANTE 1
Da CH2 a CH8
Da CH17 a CH24
No assignment (Nessuna assegnazione) (fare clic su un
pulsante assegnato per specificare nessuna assegnazione)
Da CH9 a CH16 Da INPUT 1 a INPUT 8
Pulsante di selezione
della porta
Pulsante di accesso al
parametro Port/External
Device (Porta/
Dispositivo esterno)
Pulsante [ON]
Fader
Nome canale
EQ/HPF
FBS (Soppressore di
feedback)
.
CH1
1
st
Mic (1° mic)
CH9
Event Space Mic1 (Spazio
eventi Mic1)
CH10
Event Space Mic2 (Spazio
eventi Mic2)
CH11/12
BGM (Luxury) (BGM (Lusso)
CH13/14
BGM (Casual1) (BGM
(Casuale1)
CH15/16
BGM (Casual2) BGM (Casuale2)
STIN1
BGM1
STIN2
BGM2
STIN3
SD

Esempio 5) Sistema di paging mediante l'unità PGM1
Manuale di configurazione MTX 140
-Impostazioni di OUTPUT
In OUTPUT è possibile definire le impostazioni riportate di seguito.
Pulsante di selezione della porta
Fare clic per aprire la finestra di dialogo "Output Patch" (Patch uscita). In questo
esempio applicare le modifiche seguenti. Una volta definite le impostazioni, fare
clic sul pulsante [Close].
Pulsante di accesso al parametro Port/External Device
Quando si fa clic su questo pulsante, viene visualizzata la schermata di modifica
del parametro jack di uscita MTX.
DELAY/Room EQ
Fare clic su questo pulsante per passare a una schermata dove è possibile
impostare delay ed EQ della sala.
Processore per altoparlanti
Fare clic sul pulsante per accedere alla schermata "CHANNEL EDIT". Definire
le impostazioni appropriate per gli altoparlanti che verranno collegati.
Pulsante [ON]
Questo pulsante consente di attivare e disattivare il canale. Disattivare i canali
non utilizzati.
Fader
Consente di regolare il livello di uscita.
Nome canale
È possibile fare doppio clic per modificare il nome.
In questo esempio, i nomi sono stati assegnati come segue.
Da CH1 a CH8 Da DANTE 1 a DANTE 8
Da CH9 a CH16 Nessuna assegnazione (fare clic su un pulsante
assegnato per specificare nessuna assegnazione)
NOTA
La libreria preinstallata contiene dei file del processore dell'altoparlante adeguati per la
risposta dei vari altoparlanti. Mediante questi file è possibile definire facilmente le
impostazioni del processore dell'altoparlante.
OUT1 (USC1) Luxury (Lusso)
OUT2 (USC2) Casual1 (Casuale1)
OUT3 (USC3) Casual2 (Casuale2)
OUT4 (USC4) Casual3 (Casuale3)
OUT5 (USC5) Event Space (Spazio eventi)
OUT6 (USC6) Food Court (Area ristorazione)
OUT7 (USC7) Entrance (Ingresso)
OUT8 (USC8) Restrooms (Toilette)
Pulsante di selezione
della porta
Pulsante di accesso
al parametro Port/
External Device
Pulsante [ON]
Fader
Nome canale
DELAY/Room EQ
(DELAY/EQ sala)
Processore per
altoparlanti

Esempio 5) Sistema di paging mediante l'unità PGM1
Manuale di configurazione MTX 141
Impostazioni nella schermata "MATRIX"
In questa schermata è possibile specificare quale canale di ingresso verrà inviato a quale zona. Per ulteriori
informazioni sul livello mandata e su altri parametri, fare riferimento al "Manuale utente di MTX-MRX Editor".
In questo esempio, effettuare le impostazioni mostrate nell'illustrazione sopra indicata. Facendo clic su un punto
incrociato (un quadrato), o trascinandolo, quest'ultimo verrà attivato/disattivato. Facendo clic con il pulsante destro del
mouse su un punto incrociato verrà visualizzato un menu contestuale. Selezionando [All OFF] (Disattiva tutti)
è possibile disattivare tutti i punti incrociati. Il punto incrociato mostra il livello mandata in verde.
Con queste impostazioni, Event Space Mic1/2 vengono inviati all'area Event Space, BGM (Luxury) viene inviato all'area
Luxury, BGM (Casual1) viene inviato all'area Casual 1, BGM (Casual2) viene inviato all'area Casual 2 e all'area Casual 3,
BGM1 viene inviato all'area Food Court e BGM2 viene inviato all'area Entrance e all'area Restrooms.
Il PGM1 assegnato a CH1 viene specificato nella schermata "ZONE" (ZONA) seguente. Se CH1 è attivato in
MATRIX, l'ingresso da PGM1 viene trasmesso alla zona anche se PTT è disattivato.
I fader dei canali di ingresso in basso a sinistra nella schermata indicano il livello di ingresso per i fader che sono
visualizzati in grigio e il livello di mandata del canale di ingresso per i fader che non sono visualizzati in grigio.
Non è possibile utilizzare i fader grigi in questa schermata.
Flusso del segnale di paging
*1 DISTRIBUTION MODE only
PAGING
SOURCE
PRIORITY
SOURCE
PRIORITY
SOURCE
AMBIENT
SOURCE
PRIORITY
DUCKER ANC
GR GR
PAGING
DUCKER
PRIORITY
DUCKER MIXMIX
MIX
ZONE OUT
MASTER
LEVEL METER
8
METER
AMBIENT
ANC1st PRIORITY
PAGING 2nd PRIORITY
ON
ZONE 1-8
To YDIF
OUTPUT
PATCH
From INPUT CHANNEL POST ON 1-16
From DIRECT INPUT POST ON 9-16
From ANC BUS 1-2
*1 From YDIF IN 1-16
From STEREO INPUT CHANNEL POST ON 1L-3R
D
C
A

Esempio 5) Sistema di paging mediante l'unità PGM1
Manuale di configurazione MTX 142
Impostazioni nella schermata "ZONE"
Nella schermata "ZONE" è possibile definire le impostazioni di PGM1. Fare clic sul pulsante [PAGING] per passare
alla schermata di impostazione per la trasmissione del paging.
1. Nell'area "PAGING SOURCE" (ORIGINE PAGING) scegliere [NONE] (NESSUNO) per le
caselle di riepilogo da MIC 2 a MIC 4.

Esempio 5) Sistema di paging mediante l'unità PGM1
Manuale di configurazione MTX 143
2. Nell'area ZONE GROUP (GRUPPO DI ZONE) fare doppio clic su [Group 1] (Gruppo 1)
e modificare il nome in "All ZONE" (Tutte le ZONE); successivamente, attivare da
ZONE1 (ZONA1) a ZONE8 (ZONA8) (da Luxury a Restrooms). Analogamente,
rinominare [Group 2] (Gruppo 2) con "Exclude Evt. Spc" (Escludi sp ev) e attivare da
ZONE1 a ZONE8 con l'eccezione di ZONE5 (ZONA5) (Event Space).
All ZONE è il gruppo di zone per la trasmissione nell'intero edificio ed Exclude Evt. Spc è un gruppo per la
trasmissione nell'intero edificio senza interrompere un evento in corso.
3. Fare clic sul pulsante [Settings] (Impostazioni).
Verrà visualizzata la finestra di dialogo "PGM1/PGX1".

Esempio 5) Sistema di paging mediante l'unità PGM1
Manuale di configurazione MTX 144
4. Eseguire le assegnazioni ai pulsanti di selezione della zona e/o del messaggio.
In questo esempio, effettuare le seguenti assegnazioni.
PGM1
1
Zone (Zona)
1:Luxury
22:Casual 1
33:Casual 2
44:Casual 3
5 5:Event Space
6 6:Food Court
7 7:Entrance
8 8:Restrooms
0 PGX1
1 Zone Group 1:All ZONE
2SD Message
(Messaggio SD) File di messaggio da riprodurre
3No Assign
(Nessuna
assegnazione)
—
4
5 Zone Group 2: Exclude Evt. Spc
6No Assign
—
7
8All Zone Off (Tutte
le zone disattivate)

Esempio 5) Sistema di paging mediante l'unità PGM1
Manuale di configurazione MTX 145
5. Se necessario, fare clic sul pulsante [Label Creator] (Creatore etichette) per creare le
etichette per PGM1/PGX1.
Verrà avviata l'applicazione "PGM1 Label Creator" (Creatore etichette PGM1). Da qui è possibile creare
un'immagine di stampa da utilizzare come etichetta per le unità PGM1/PGX1.
6. Progettare l'etichetta che si desidera stampare.
Per informazioni dettagliate sulle impostazioni, fare riferimento all'applicazione "PGM1 Label Creator" nel
"Manuale dell'utente di MTX-MRX Editor".

Esempio 5) Sistema di paging mediante l'unità PGM1
Manuale di configurazione MTX 146
7. Fare clic sul pulsante [Print] per stampare o sul pulsante [Export] (Esporta) per salvare
un file; quindi fare clic su [OK].
8. Fare clic sulla scheda [Properties] (Proprietà).
Si passerà a una schermata in cui è possibile effettuare le impostazioni che consentono di specificare il
funzionamento di PGM1.
9. Attivare il pulsante di opzione [Block paging except for 1st priority PGM1] (Blocco
paging eccetto per 1° priorità PGM1).

Esempio 5) Sistema di paging mediante l'unità PGM1
Manuale di configurazione MTX 147
10. Selezionare le caselle di controllo [Opening Chime] (Chime di apertura) e [Closing
Chime] (Chime di chiusura).
11. Fare clic sul pulsante [OK] per chiudere la finestra di dialogo.

Esempio 5) Sistema di paging mediante l'unità PGM1
Manuale di configurazione MTX 148
Memorizzazione di un preset
Verrà ora descritto come memorizzare le impostazioni effettuate finora come preset.
Per memorizzare o richiamare un preset, fare clic sull'icona della fotocamera nella parte superiore di MTX-MRX Editor.
Quando si fa clic sull'icona della fotocamera, si apre la finestra di dialogo "Preset". È possibile creare fino a 50 preset.
Fare clic sul numero del preset che si desidera salvare, verrà selezionata l'intera riga. Quindi, fare clic sul pulsante
[Store] (Memorizza), specificare il nome del preset e fare clic sul pulsante [OK].
Specificare le impostazioni dei filtri di richiamo, se necessario. In questo esempio, le impostazioni impediscono il
richiamo dei canali di uscita dell'unità XMV.
Questo passaggio completa le impostazioni nello stato offline. Salvare nuovamente le impostazioni.
NOTA
Se il preset non viene salvato, verrà generato l'avviso numero 61.

Esempio 5) Sistema di paging mediante l'unità PGM1
Manuale di configurazione MTX 149
Connessione dell'apparecchiatura
Dopo avere montato in rack l'unità MTX e le altre apparecchiature, collegarle come mostrato di seguito. Se le sorgenti
audio sono state copiate su una scheda di memoria SD, inserire la scheda nell'MTX.
Computer
-MTX5-D BGM (Casual 2)
PGM1
BGM (Casual 1) BGM (Laxury)
BGM2
BGM1
Event
Microphone 1 (Microfono 1 evento)
Event
Microphone 2 (Microfono 2 evento)
SWR2100P-10G
-XMV8280-D
ID=30
Casual 1
Laxuary
Casual 2
Casual 3
Event Space
Food Court
-XMV8280-D
ID=31
Entrance
Restrooms

Esempio 5) Sistema di paging mediante l'unità PGM1
Manuale di configurazione MTX 150
Accensione dello switch di rete Gigabit dotato di PoE
Viene avviata l'unità PGM1.
Accensione di apparecchiature diverse dagli amplificatori e dalle casse
amplificate
Accendere apparecchiature diverse dagli amplificatori e dalle casse amplificate.
Quando si spegne un'apparecchiatura diversa dagli amplificatori e dalle casse amplificate, iniziare spegnendo gli
amplificatori e le casse amplificate.
Accensione degli amplificatori e delle casse amplificate
Accendere gli amplificatori e le casse amplificate.
Per impedire l'emissione di suoni indesiderati, si consiglia di ridurre al minimo le impostazioni dell'attenuatore di tutti
i canali sull'amplificatore o sulla cassa amplificata prima di accenderlo.
Specifica dell'indirizzo TCP/IP del computer
Per consentire la comunicazione tra l'unità MTX e il computer, specificare il TCP/IP del computer come descritto di seguito.
1. Nel menu [System] (Sistema) di MTX-MRX Editor fare clic su [Network Setup]
(Configurazione di rete).
Verrà visualizzata la finestra di dialogo "Network Setup" (Configurazione di rete).
2. Fare clic su [Open Network Connection] (Apri connessione di rete).
Viene visualizzata la finestra "Network Connections" (Connessioni di rete).
3. Fare clic con il tasto destro sull'adattatore al quale è collegato l'unità MTX e scegliere
[Properties].
Viene visualizzata la finestra di dialogo "Local Area Connection Properties" (Proprietà della connessione all'area locale).
4. Scegliere [Internet Protocol Version 4 (TCP/IPv4)], quindi fare clic su [Properties].
Viene visualizzata la finestra di dialogo "Internet Protocol Version 4 (TCP/IPv4)" (Protocollo Internet versione 4
(TCP/IPv4)).
5. Fare clic su [Use the following IP address (S)] (Usa il seguente indirizzo IP (S)).

Esempio 5) Sistema di paging mediante l'unità PGM1
Manuale di configurazione MTX 151
6. Nella finestra [IP address] (Indirizzo IP) immettere "192.168.0.253", mentre nella finestra
[Subnet mask] inserire "255.255.255.0".
7. Fare clic su [OK].
NOTA
L'indirizzo IP di ciascun dispositivo è impostato come segue.
MTX5-D: 192.168.0.1
XMV8280-D: 192.168.0.48
PGM1: 192.168.0.96
NOTA
Quando si configurano queste impostazioni, il firewall di Windows potrebbe bloccare MTX-MRX Editor. Selezionare la casella di
controllo [Private Network] (Rete privata), quindi fare clic su [Allow Access] (Consenti accesso).

Esempio 5) Sistema di paging mediante l'unità PGM1
Manuale di configurazione MTX 152
Connessione di MTX-MRX Editor
Premere il pulsante [Online] in alto a destra nella schermata di MTX-MRX Editor. Quando l'unità è online, l'indicatore 1
sulla sinistra diventa blu.
Quando viene visualizzata la finestra di dialogo "Synchronization" (Sincronizzazione), selezionare "To Device"
(Al dispositivo) e fare clic sul pulsante [OK]. Quando l'indicazione della finestra di dialogo cambia, selezionare le caselle
di controllo dei sistemi che si desidera portare online, quindi fare clic sul pulsante [Online].
Il progetto creato in MTX-MRX Editor verrà inviato a MTX.
Effettuazione delle impostazioni XMV
Se necessario, utilizzare il pannello frontale dell'unità XMV per effettuare le impostazioni, ad esempio per il filtro passa-alto.
Per maggiori informazioni sulle impostazioni configurabili sull'unità XMV, fare riferimento al manuale dell'utente XMV.

Esempio 5) Sistema di paging mediante l'unità PGM1
Manuale di configurazione MTX 153
Verifica dell'applicazione delle impostazioni
Di seguito sono riportati i punti più importanti da verificare. Per ulteriori informazioni sulle impostazioni di ciascun
parametro, fare riferimento al "Manuale utente di MTX-MRX Editor".
1. Utilizzare l'oscillatore nella schermata "ROUTER" per regolare il livello di uscita.
Regolare i valori dell'attenuatore degli amplificatori ai livelli appropriati.
I valori dell'attenuatore dell'unità XMV possono essere regolati in una finestra a comparsa che viene richiamata tramite
il pulsante di accesso al parametro porta/dispositivo esterno nell'area del canale di uscita della schermata "MAIN".
2. Specificare il guadagno dai microfoni.
Specificare il guadagno nella finestra di dialogo richiamata tramite il pulsante di accesso al parametro porta/
dispositivo esterno nell'area del canale di ingresso della schermata "MAIN". Osservare l'indicatore dell'ingresso
e regolare correttamente l'impostazione.
3. Specificare i livelli di ingresso e di uscita.
Utilizzando i fader di ingresso/uscita nella schermata "MAIN", specificare i livelli. Se necessario, applicare il
limitatore di uscita nella schermata "CHANNEL EDIT" per impedire che gli altoparlanti vengano danneggiati.
Regolare il valore dell'attenuatore dell'amplificatore fino a ottenere il rapporto S/N ottimale.
Inoltre, definire le impostazioni FBS se necessario.
4. Memorizzare il preset.
Dopo aver configurato tutte le impostazioni necessarie, salvare il progetto e disconnettere MTX Editor.
Ciò completa le impostazioni per l'esempio 5.

Manuale di configurazione MTX 154
D: Se i collegamenti YDIF sono ad anello, è importante l'ordine dei collegamenti?
R: L'ordine è molto importante. Se si ignora l'ordine, non sarà possibile specificare correttamente il routing YDIF.
Effettuare i collegamenti in base al "Configuration Diagram" (Diagramma di configurazione) visualizzato nel menu
[File] → [Print Configuration Diagram].
D: Come devo effettuare il collegamento a margherita delle connessioni di rete Dante nell'esempio 4?
R: Effettuare i collegamenti come segue.
Non instradare il collegamento dallo switch di rete del Sistema B all'unità XMV4280-D del Sistema B tramite
lo switch di rete del Sistema A. In caso contrario, verrà creato un loop della rete Dante nel Sistema B, rendendo
impossibile la comunicazione.
-Sistema A
Domande e risposte
Attivato
Attivato
Switch di rete
EXi8
ID=02
MTX5-D
ID=01
EXo8
ID=03
Lettore BGM
Lettore CD
Amplicatore 1
Amplicatore 2
Amplicatore 3
Amplicatore 4
Sala A
Sala B
Microfono
principale
allo switch di rete del Sistema B per l'unità principale
all'unità XMV4280-D del Sistema B

Domande e risposte
Manuale di configurazione MTX 155
-Sistema B
1 2 3 4 5 6 7 8
ON
ON
ON
1 2 3 4 5 6 7 8
ON
Switch di rete per unità principale
Computer
MTX5-D
ID=04
XMV4280
ID=30
XMV4280-D
ID=31
Microfono
principale
Lettore BGM
Lettore CD
dallo switch di rete del Sistema A
dall'unità MTX5-D del Sistema A

Manuale di configurazione MTX 156
D: Come devo effettuare il collegamento a margherita delle connessioni di rete Dante nell'esempio 5?
R: Effettuare i collegamenti come segue.
In questo esempio modificare un iniettore PoE da uno switch di rete PoE. Collegare l'unità PGM1 a una porta che
fornisce alimentazione.
Computer
-MTX5-D BGM (Casual 2)
BGM (Casual 1) BGM (Laxury)
BGM2
BGM1
Event
Microphone 1
Event
Microphone 2
-XMV8280-D
ID=30
Casual 1
Laxuary
Casual 2
Casual 3
Event Space
Food Court
-XMV8280-D
ID=31
Entrance
Restrooms
PGM1
Iniettore PoE

Disinstallazione del software (rimozione dell'applicazione)
Manuale di configurazione MTX 157
Usare "Control Panel" per disinstallare il software.
Nel Pannello di controllo, fare clic su [Programs and functions] (Programmi e funzionalità) o [Unistall a program]
(Disinstalla un programma), quindi selezionare l'elemento che si desidera disinstallare e fare clic su [Uninstall or change]
(Disinstalla o modifica).
Comparirà una finestra di dialogo, seguire le istruzioni sullo schermo per disinstallare il software.
Se compare la finestra di dialogo "User Account Control", fare clic su [Continue] (Continua) o [Yes] (Sì).
Il modo per accedere al Pannello di controllo dipende dal sistema operativo in uso.
-Utenti di Windows 7
Fare clic su [Start] → [Control Panel] (Pannello di controllo).
-Utenti di Windows 8.1/10
Fare clic col tasto destro su [Start] → [Control Panel] (Pannello di controllo).
Disinstallazione del software (rimozione dell'applicazione)
Manual Development Group
© 2013 Yamaha Corporation
Published 07/2017 LB-F0