Yamaha 740cov_d.p65 PSR 740/640 Owner's Manual Psr740 Da
User Manual: Yamaha PSR-740/640 Owner's Manual
Open the PDF directly: View PDF
.
Page Count: 185 [warning: Documents this large are best viewed by clicking the View PDF Link!]

Dansk Vejledning

2
Dette keyboard bruger batterier eller en ekstern
strømforsyning (adapter). Forbind IKKE keyboardet
til andre forsyninger eller adaptere end de, der er
nævnt i vejledningen, betegnet på navnepladen,
eller andet, som er anbefalet af Yamaha.
Dette keyboard bør kun bruges sammen med de
dele, der medfølger, eller med dele som f.eks. stativ,
der er anbefalet af Yamaha. Hvis der bruges PC
indstikskort eller lignende, bør alle forskrifter og
instruktioner overholdes til punkt og prikke.
MULIGE ÆNDRINGER AF SPECIFIKATIONER:
Alle oplysninger i denne vejledning var korrekte på det
tidspunkt, hvor vejledningen blev skrevet. Men Yamaha
forbeholder sig ret til at ændre specifikationerne uden
varsel for at opdatere firmaets keyboards.
Dette keyboard — enten alene, med hovedtelefoner eller
med en ekstern forstærker — kan give lydtryk, der er så
høje, at det resulterer i permanente tab i hørelsen. Altså:
Brug ikke i længere tid meget kraftig lydstyrke! Hvis du
mærker et tab i hørelsen, eller får en rigning for ørene,
bør du konsultere en læge.
VIGTIGT: Jo kraftigere lydstyrke, des kortere tid er der,
til høreskader opstår.
BEMERK:
Beløb for service, der er begrundet i manglende kendskab
til dette keyboard og dets funktioner og effekter, dækkes
ikke af fabrikantens garanti. Fejlbetjening er alene bruge-
rens ansvar. Læs derfor denne vejledning grundigt og tal
med din forhandler, før du ønsker service på keyboardet.
NOGET OM MILJØET:
Yamaha sigter imod at gøre produkterne ”grønne” for dig
og for omgivelserne. Vi er sikker på, at vores metoder i
produktionen og valget af materialer lever op til vores krav
i denne henseende. For at overholde lovenes bogstaver
og ånd vil vi bede dig om at overholde disse retningslinier:
Batterier:
Dette instrument KAN have et indbygget batteri, som ikke
kan genoplades. Det er i så fald loddet fast. Levetiden for
et sådant batteri er cirka fem år. Udskiftning bør foretages
af en fagmand.
Der kan måske også findes almindelige batterier. Nogle af
disse kan måske genoplades. vær sikker på hvilken type,
batterierne i dette instrument er.
Ved udskiftning af batterier må man ikke blande nye og
gamle batterier, eller blande batterier af forskellige slags.
Batterierne SKAL sættes i på den rigtige måde. Over-
holdes disse regler ikke, kan det forårsage skader på
batterier og instrumentet.
Advarsel:
Prøv ikke at adskille eller destruere batterierne. Hold
batterierne langt væk fra børn. Batterier skal kasseres
efter de normale regler i dit område. Se efter hvilke
forretninger, der opsamler gamle batterier.
Skrotning:
Skulle dette instrument blive så beskadiget, at det ikke kan
repareres, eller for den sags skyld blive udtjent på grund
af alder, skal det skrottes ifølge de regler, der gælder i din
kommune. Bemærk at det gælder bly, batterier, plastik
med mere. Hvis der er tvivl, kan man kontakte Yamaha
direkte.
PLACERING AV NAVNEPLADEN:
Navnepladen er placeret i bunden af instrumentet.
Her kan man se nummeret på modellen, serie nummeret,
strømforsyning m.m. Disse data bør noteres herunder,
og det bør opbevares til måske senere brug.
Model
Serienummer
Købsdato
GEM VENLIGST DENNE
VEJLEDNING
SPECIELLE MEDDELSER

3
• Brug ikke mange kræfter på at betjene knapperne, eller på at lægge tunge ting
— inklusiv dig selv — på keyboardet.
• Brug kun det stativ, der er beregnet til dette instrument. Og brug kun de vedlagte
skruer. Ellers kan instrumentet blive beskadiget, eller det kan vælte for nemt.
• Brug ikke instrumentet i for lang tid med stor lydstyrke, fordi det kan give
høreskader. Hvis du konstaterer tab i hørelsen eller hører ringning for ørerne,
bør du søge læge.
■GEM DINE DATA
• Med jævne mellemrum bør du gemme dine data på disketten. Det kan du måske
senere få glæde af, hvis der sker fejl med keyboardet.
Yamaha kan ikke gøres ansvarlig for fejl, der skyldes ændringer i eller forkert brug
af instrumentet, eller for data, der mistes.
Sluk altid for strømmen, når instrumentet ikke bruges.
REGLER OM FORSIGTIGHED
LÆS VENLIGST DETTE FØRST
* Læg venligst denne vejledning på et godt sted — måske bliver der brug for den senere.
ADVARSEL
Følg altid de nævnte regler om forsigtighed for at undgå skader som følge af elektriske stød, kortslutninger, skader og ildebrand
med mere. Disse forholdsregler omfatter — men er ikke begrænset til — følgende:
• Luk ikke instrumentet op, eller rør ved de interne komponenter. Instrumentet
rummer ikke nogle dele, der kan indstilles på. Skulle der opstå problemer med
funktionen, bør man afbryde strømforsyningen og kontakte forhandleren.
• Udsæt ikke instrumentet for regn eller damp, eller andre fugtige omgivelser.
Og hold flasker og glas med drikkevarer langt væk fra instrumentet. Det kan
ikke tåle fugtighed i elektronikken.
• Hvis adapteren bliver beskadiget, eller hvis lyden lige pludselig mistes, skal
man straks slukke for instrumentet og strømforsyningen. Tag forbindelsen til
lysnettet ud, og kontakt din forhandler.
• Brug kun en adapter PA-6 (eller anden, som Yamaha anbefaler). Forkert adapter
kan forårsage skader på såvel instrumentet som adapteren.
• Ved rengøring af instrumentet skal man altid først fjerne forbindelsen til lysnettet.
Og gør det aldrig med våde hænder.
• Kontroller med jævne mellemrum forbindelsen til lysnettet. Eventuelt støv og
snavs skal fjernes.
ADVARSEL
Følg altid de nævnte regler om forsigtighed for at undgå skader som følge af elektriske stød, kortslutninger, skader og ildebrand,
skader på instrumentet med mere. Disse forholdsregler omfatter — men er ikke begrænset til — følgende:
• Lysnet adapterens ledning må ikke placeres tæt ved varmekilder som f.eks.
radiatorer, og ledningen må ikke bøjes for meget. Der må heller ikke placeres
tunge ting oven på ledningen. Ledningen må heller ikke lægge de steder, hvor
man træder eller kører tunge ting over.
• Tag altid fat i stikket, men ikke i ledningen, hvis stikket skal fjernes fra
stikkontakten.
• Brug aldrig et ”juletræ” af forbindelser. Mange samtidige kontakter kan forringe
lyden af instrumentet, og i værste tilfælde forårsage opvarmning af stikket.
• Fjern stikket, hvis instrumentet ikke skal bruges i længere tid, eller under et
tordenvejr.
• Sluk altid for apparaterne, hvis der skal kobles nogle til dette instrument. Samtidig
skal knapperne for lydstyrkerne sættes til minimum. Når forbindelserne er
etableret, kan lydstyrkerne tilpasses et rimeligt niveau.
• Udsæt ikke instrumentet for støv, kraftige vibrationer eller stærk varme (direkte
sollys eller dagligt i bilen). Det er for at undgå forkerte visninger på displayet,
samt ødelæggelse af instrumentets integrerede kredse.
• Brug ikke instrumentet tæt ved andre elektriske apparater som for eksempel
TV-apparater eller højttalere. Det er for at undgå interferens mellem instrumentet
og de andre apparater.
• Sæt ikke instrumentet på steder, hvor det ved uheld kan falde på gulvet.
• Hvis instrumentet skal flyttes, skal man sørge for, at alle ledningsforbindelser
er taget fra.
• Ved rengøring af instrumentet bruges en tør og blød klud. Brug aldrig opløs-
ningsmidler eller klude, der er imprægneret med rengøringsmidler. Og sæt
ikke ting af vinyl, plastik eller gummi på instrumentet, da det kan resultere i
misfarvning af keyboardet.
1

4
Tillykke!
Du er nu den lykkelige ejer af et flot keyboard. Yamaha PSR-640 og PSR-740
PortaTone er en kombination af den mest avancerede tonegenerering og elektronisk
teknologi, som tilsammen giver den mest musikalske fornøjelse ved at spille.
Et stort display giver sammen med et let-at-bruge interface det ekstra nemt at bruge
instrumentet. Men for at kunne bruge alle de faciliteter, der er i instrumentet, bør du
læse denne vejledning godt. Og gem denne vejledning, for der kan nok blive brug for
den senere.
Liste over tilbehør
Kontroller venligst, at disse dele er leveret sammen med keyboard PSR-640 / PSR-740.
• Keyboard PSR-740/PSR-640 • Nodestativ (side 14)
• Diskette • Brugerens vejledning
Dette produkt (PSR-740) er fremstillet under licens fra U.S Patents nr. 5231671,
5301259, 5428708 og 5567901 gennem IVL Technologies Ltd.
2

5
Hvordan vejledningen bruges
Indstilling side 12
Det anbefales stærkt at læse dette afsnit, inden der fortsættes. Det viser,
hvordan man nemmest begynder med at spille på det nye PSR-640 og
PSR-740
Vigtige fordele side 8
Når indstillingen af keyboardet er klar, kan man læse dette kapitel for at
orientere sig om de mange specielle fordele og funktioner, der er hos
PSR-640 og PSR-740.
Grundleggende funktioner side 17
Dette afsnit omtaler de grundlæggende funktioner hos PSR-640 og
PSR-740. Det er om editering af forskellige indstillinger, samt brugen
af Help og Direct Access funktionerne.
Inhold side 6
Samtlige funktioner og specielle fordele er listet her i den rækkefølde,
de er nævnt i vejledningen.
Kontrollene på panelet side 10
Dette afsnit omhandler alle de knapper og kontroller, der er på panelet
hos PSR-640 og PSR-740.
Visninger på displayet side 16
Afsnittet omhandler visningerne på displayet og forklarer, hvordan man
får maksimal ydelse af at forstå dem.
Funktions træet side 22
Her vises alle funktionerne hos PSR-640 og PSR-740, samt hvordan
de hører sammen. Det letter oversigten over sammenhængene af
funktionerne, og man får en let beskrivelse af informationerne.
Appendiks side 140
Her kan ses en liste over forskellige vigtige ting som f.eks. Voice List, Preset
Style List, Effect List, MIDI Data List, samt MIDI Implementation Chart.
Fejlfinding side 162
Hvis PSR-640 eller PSR-740 ikke fungerer som forventet, bør dette
afsnit læses, inden der aktiveres en Yamaha servicemand. Mange
problemer er egentlig ret simple, og kan snildt løses hos dig selv.
Index side 181
Her kan man læse om alle funktioner m.m. i alfabetisk rækkefølge.
Man finder så let og hurtigt de informationer, som man søger.
Illustrationerne og billederne af displayet er kun til instruktion, og de kan være forskellige fra dit
instrument. De fleste illustrationer stammer fra PSR-740.
3

6
Indhold
Pakke liste 4
Hvordan bruges vejledningen 5
Vigtige fordele 8
Panel logos ................................................... 9
Panel kontroller og terminaler 10
Forreste panel kontroller ............................. 11
Bageste panel kontroller.............................. 11
Indstilling 12
Strømforsyning ...................................................... 12
Fodkontakt ............................................................. 12
Forbindelse til HiFi udstyr ...................................... 13
Mikrofon (PSR-740) ............................................... 13
Eksternt MIDI apparat ............................................ 14
Nodestativ .................................................. 14
Afspilning af Demo melodier 15
Visninger på displayet 16
Grundlæggende operationer 17
Aktivering af Operation Display ............................. 17
Læsning af Help/Operation Guide ......................... 18
Valg af menu .......................................................... 19
Skift (editering) værdierne ..................................... 20
Navngivning ........................................................... 21
Direkte adgang ...................................................... 21
Funktions træet 22
Direkte adgang onversigt ........................... 24
Mode (funktion) 25
Style mode ............................................................. 25
Song (melodi) mode .............................................. 25
Record mode ......................................................... 25
Disk mode .............................................................. 25
Spil med klange 26
Vælg en klang ........................................................ 26
Spil samtidig med to klange (R1, R2) .................... 27
Spil med forskellige klange
imed venstre og højre hånd ............................. 28
Keyboardets funktioner .......................................... 29
Transpose .............................................................. 30
Pitch Bend hjulet .................................................... 30
Modulation hjulet (PSR-740).................................. 30
Sustain ................................................................... 31
Keyboard Percussion ............................................. 31
Organ Flutes (PSR-740) 32
Editering af Organ Flutes ....................................... 33
Auto Accompaniment 34
Brugen af Auto Accompaniment (kun rytmesporet)....
34
Brugen af Auto Accompaniment (alle spor) ........... 35
Akkompagnement sektioner .................................. 36
Tempo/Tap ............................................................. 38
Dæmpning af akkompagnement spor.................... 39
Akkompagnement lydstyrke................................... 39
Akkorder ................................................................ 40
Akkompagnement Split Point................................. 42
Synchro Stop ......................................................... 43
One Touch Setting ................................................. 44
Groove (PSR-740) 45
Brugen af Groove & Dynamics .............................. 45
Editering af Groove og Dynamics effekterne ......... 46
Multi Pads 48
Spil med Multi Pads ............................................... 48
Chord Match .......................................................... 48
Vælg en Multi Pad bank......................................... 49
Tænd og sluk for Chord Match .............................. 49
Digital effekter 50
Reverb ................................................................... 50
Chorus ................................................................... 52
DSP (PSR-640) ..................................................... 53
System og Insertion effekter .................................. 54
Multi Effekter (DSP1-3) (PSR-740) ........................ 54
Harmony/Echo ....................................................... 56
Master EQ (PSR-740)............................................ 59
Registration Memory 62
Registrering af Panel Indstillinger .......................... 63
Genkald panel indstillinger..................................... 63
Valg af Registrering bank ....................................... 64
Navngiv en registrering bank ................................. 64
4

7
Indhold
MIDI funktioner 122
Hvad er MIDI?...................................................... 122
Hvad kan man gøre med MIDI?........................... 124
MIDI Data Kompatibility ....................................... 125
Forbindelse til en computer ................................. 126
MIDI Template...................................................... 128
Indstilling af MIDI transmission ............................ 130
Indstilling af MIDI modtagelse.............................. 131
Lokal kontrol ........................................................ 132
Clock .................................................................... 132
Initial Setup Send................................................. 133
Andre funktioner 134
Metronom............................................................. 134
Oktav ................................................................. 135
Master Tuning (stemning) .................................... 135
Skala Tuning ........................................................ 135
Split Point............................................................. 135
Anslagsfølsomhed ............................................... 136
Indstilling af klang ................................................ 136
Fodkontakt ........................................................... 137
Lydstyrke, pedal ................................................... 138
Pitch Bend område .............................................. 139
Modulation hjulet (PSR-740)................................ 139
Appendiks
Voice List ............................................................. 140
PSR-740 Panel Voice List ........................ 140
PSR-640 Panel Voice List ........................ 143
PSR-740/640 XG Voice List ..................... 145
Drum Kit List ........................................................ 148
Style List .............................................................. 150
Multi Pad Bank List .............................................. 151
About the Digital Effects (Reverb/Chorus/DSP) .. 152
Reverb Type List (PSR-740/640) ............. 154
Chorus Type List (PSR-740/640) ............. 154
DSP Type List (PSR-640) ......................... 154
DSP Type List (PSR-740) ......................... 155
DSP 1-4 Type List (PSR-740)................... 156
Harmony/Echo Type List ...................................... 157
Vocal Harmony Type List (PSR-740) ................... 158
Data Backup og Initialisering ............................... 159
Fejlmeddelelser (Alert Message List) .................. 160
Fejlfinding ............................................................ 162
MIDI Data Format ................................................ 163
MIDI Implementation Chart .................................. 178
Index .................................................................... 181
Specifications....................................................... 184
Disk operationer 65
Brugen af Floppy Disk Drive (FDD) og
disketter ................................................ 66
Disk med eksempler .............................................. 67
Format ................................................................... 68
Save ....................................................................... 68
Load ....................................................................... 70
Song (melodi) kopi ................................................. 72
Delete (slet) ........................................................... 75
Afspilning af melodi på diskette 76
Song (melodi) afspil ............................................... 76
Dæmpning af spor ................................................. 78
Melodiens lydstyrke ............................................... 78
Afspil fra en bestemt takt ....................................... 79
Gentaget afspilning (Repeat) ................................. 80
Transponering af melodien .................................... 81
Vocal Harmony (PSR-740) 82
Indstilling ................................................................ 82
Brugen af Vocal Harmony effekten ........................ 83
Ændring af Harmony indstillinger........................... 84
Talk (tale) indstilling ............................................... 86
Indstilling af Part 88
Ændring af klang.................................................... 89
Mixer ...................................................................... 90
Editering af parametre ........................................... 91
Song (melodi) indspilning 92
Hurtig indspilning ................................................... 94
Multi spor indspilning ............................................. 96
Om-indspilning — Punch In / Out og start takten .. 98
Quantize .............................................................. 100
Editering af Setup data ........................................ 102
Navngivning af brugerens melodier ..................... 104
Sletning af data for en melodi .............................. 105
Multi Pad indspilning 106
Multi Pad indspilning ............................................ 106
Chord Match ........................................................ 108
Navngivning af User Pads ................................... 108
Sletning af User Pads data .................................. 109
Style indspilning — Rytme sporet 110
Style indspilning — Rhythm sporet ....................... 112
Style indspilning —
Bass/Phrase/Pad/Chord spor ......................... 114
Quantize ...............................................................116
Navngiv User Styles ............................................. 118
Sletning af User Styles data ................................. 118
CTAB Parametre................................................... 119
5

8
Vigtige fordele
Fordi PSR-640 og PSR-740 rummer så mange funktioner, kan det umiddelbart være lidt uoverskueligt. Hvordan
skal man bruge dem, og hvordan er sammenhængen med musikken. Men bare rolig. Det er faktisk nemt at spille
på keyboardet, og alle funktioner — lige meget hvor avanceret — kan styres let. Dette kapitel vil vise hvordan.
Og så får du et indstryk af, hvordan PSR-640 og PSR-740 skal betjenes. Der introduceres med korte forklaringer
samt henvisninger til de sider, hvor funktionerne forklares mere indgående. Læs om de funktioner, der er mest
interessante for dig, og gå til de sider, hvor de mere detaljerede forklaringer findes.
Grundlæggende operationer
• PSR-640 og PSR-740 er fuld af
sofistikerede funktioner, men
alligevel nem at bruge. Knapperne
på panelet bruges hurtigt og effektivt, og der er
let at hente hjælp ved ”on-line” meddelelserne på
displayet (→ side 17)
• Direct Access funktionen bruges til straks at finde
en bestemt menu eller display, som der lige nu er
brug for (→ side 21)
Auto accompaniment (Styles)
• Det automatiske akkompagnement giver dig et fuldt
”backing” orkester med tilsammen 160 Styles (rytme og
akkompagnement) (→ side 34)
• One Touch Setting funktionen bruges til umiddelbart at
vælge passende klange og effekter til den valgte Style
— blot ved et tryk på en knap (→ side 44)
• Hos PSR-740 findes en avanceret Groove funktion, som
kan ændre ”følingen” af den valgte Style med rytme og
akkompagnement (→ side 45)
• Man kan også komponere eget specielle akkompagnement
og indspille dem direkte fra keyboardet (→ side 110)
Multi Pads
• Man kan spille korte melodiske eller rytmiske fraser ved at
trykke på en Multi Pad knap.
• Man kan også selv danne Multi Pad fraser, og indspille dem
direkte med keyboardet (→ side 106)
Registration Memory
• Via Registration Memory funktionen kan man gemme
praktisk taget alle panelindstillinger i en af de 128 Regi-
stration Memory pladser. Derefter kan disse indstillinger
straks genkaldes blot ved at trykke på en knap (→ side 62)
Song (melodi) indspilning
• Brug den effektive Song Recording funktion til at danne
dine egne komplette og fuldt orkestrerede kompositioner,
og derefter at gemme dem på en diskette som en User
Song. Hver enkelt User Song kan indspilles i 16 uafhængi-
ge spor (→ side 92)
* Man kan nemt omsætte sine musikalske ideer til
komplette melodier, når man bruger Quick Recording
metoden (→ side 94)
* Man kan også opbygge en melodi del for del og spor for
spor med Multi Track Recording metoden (→ side 96)
* Man kan også ”fin-stemme” en indspillet melodi med de
effektive editeringer i PSR-640 og PSR-740 (→ siderne
98-105)
Organ Flutes (PSR-740)
• Denne specielle funktion kan danne en rig og grænsende til
forførisk orgel klang. Man kan selv indstille klangen, som på
et traditionelt orgel, ved at indstille mængden af lyd fra de
forskellige orgelpiber. Dertil kan tilføjes forskellige
Percussions (→ side 32)
Digital effekter
• Der er indbygget mange digitale effekter i PSR-640 og
PSR-740, og med disse effekter kan klangene ændres på
mange måder. Disse effekter inkluderer Reverb, Chorus,
DSP, Harmony / Echo og (hos PSR-740) også Master EQ
(→ side 50)
* Reverb kan bruges til mange forskellige efterklange som
for eksempel koncertsal eller den mere dæmpede natklub
(→ side 50)
Lyt til PSR-740/640
• PSR-640 og PSR-740 rummer
mange melodier i forskellige
genre (→ side 15)
• Hertil kommer 10 melodier, der findes på den
vedlagte diskette (→ side 76)
• En rigtig stærk Auto Akkompagnement funktion
rummer 160 Styles (rytme + akkompagnement),
hvilket giver et professionelt back-up af din musik
(→ side 34)
• Specielle Multi Pads gør det muligt at spille korte,
rytmiske sekvenser, som kan give variation i din
musik (→ side 48)
At spille på PSR-740/640
• PSR-640 og PSR-740 keyboards
har 61 tangenter, hvor alle er
anslags følsomme (Touch Response).
Det giver en dejlig følsom styring af musikken
(→ side 136)
• Der kan bruges en stor mængde forskellige
instrumenter og klange hos PSR-640 og PSR-740
(→ side 26)
Der er to forskellige slags klange: Panel klangene
og XG klangene.
* PSR-740 rummer 267 panel klange, 13 tromme-
sæt samt 480 XG klange.
* PSR-640 rummer 223 panel klange, 12 tromme-
sæt samt 480 XG klange.
• Med klangene i R1, R2 og L kan man samtidig
spille med to klange (stemmer), eller spille med
forskellige klange i højre og venstre hånd
(→ siderne 27, 28)
6

9
Vigtige fordele
Panel logoer
De logoer, der er trykt på panelet af PSR-640 og PSR-740 viser de standarder og formater, som ligger i keyboardet.
GM System Level 1
”GM System Level 1” er en udvidelse af MIDI standarden, hvilket garanterer, at alle data, som
opfylder standarden, vil blive spillet nøjagtigt med en hvilken som helst GM-kompatibel tone
generator eller synth fra enhver fabrik.
XG
XG er en ny Yamaha MIDI standard, der afgørende forbedrer GM System Level 1 standarden.
Man får større frihed til at styre klangene og effekterne samtidig med, at man bibeholder den
fulde kompatibilitet med GM. Ved at bruge XG stemmerne i PSR-640 og PSR-740, er det muligt
at indspille XG-kompatible melodi-filer.
XF
Yamaha XF format udvider yderligere SMF (Standard MIDI File) standarden med forberedelse
til fremtiden. PSR-640 og PSR-740 kan vise tekster, når der afspilles en XF fil indeholdende
sangtekster.
Vocal Harmony
Vocal Harmony er en flot digital processing funktion, som automatisk lægger harmoniske
stemmer til det, der synges i mikrofonen. Med Vocal Harmony kan man oven i købet ændre
karakter af sangstemmen og give et stort antal harmoni effekter.
DOC
DOC klangenes format gør, at der kan afspilles melodier sammen med mange andre Yamaha
instrumenter og MIDI apparater, inklusive Yamaha Clavinova pianoer.
Style File Format
Style File Format — SFF — er Yamaha’s eget format. Det bruger en helt speciel konvertering
til at give HiFi Auto Accompaniment med rigtig mange akkorder. Både PSR-640 og PSR-740
bruger internt SFF formatet, kan læse optiske SFF Style disketter, og kan indspille SFF Styles
med Style Recording funktionen.
* Chorus funktionen gør klangene varmere og mere fyldige
— som hvis der spilles på flere instrumenter samtidig
(→ side 52)
* DSP effekterne gør uventede ting ved klangene — for
eksempel indfører forvrængning (distortion) eller tremolo
til udvalgte dele. PSR-640 har èt DSP system, og PSR-
740 har tre DSP systemer, som kan bruges samtidig
(→ side 53-55)
* Harmony / Echo funktionerne gør, at man kan overføre
harmonier og ekko til spillet med højre hånd (→ side 56)
* Master EQ (hos PSR-740) bruges til at styre klangene i
fem separate frekvensområder (→ side 59)
Disk Drive
• Både PSR-640 og PSR-740 er forsynet med et disk drev.
Her kan man gemme vigtige data (som f.eks. User Songs,
User Styles, User Multi Pads, Registration Memory og så
videre) og så senere genkalde dem (→ side 65)
Vocal Harmony (PSR-740)
• Den flotte funktion Vocal Harmony (hos PSR-740) giver en
”backing group”, når der synges i mikrofonen. Og man kan
endog lade den ”backing group” klinge med kvindestemmer
eller som mandskor efter ønske (→ side 82)
MIDI
• MIDI (Musical Instrument Digital Interface) er en verdens-
standard, hvormed elektroniske musik instrumenter,
computere og andre apparater kan kommunikere med
hinanden. Ved hjælp af MIDI kan PSR-640 og PSR-740
let integreres med forskellige systemer som for eksempel:
* Spil på andre instrumenter med PSR-640 / 740
(→ side 124)
* Spil med klangene (incl. Auto Accompaniment) hos
PSR-640 / 740 via tangenterne fra et andet keyboard
(→ side 124)
* Man kan forbinde PSR-640 / 740 direkte til en computer,
hvor man så kan indspille, editere og afspille melodi data
(→ side 126)
* Brug for-programmerede registreringer for at indstille
PSR-640 / 740 omgående til et bestemt MIDI system og
formål (→ side 128)
7

10
Panel kontroller og forbindelser
PSR-740
PSR-640
PSR-740/640
GROOVE ON/OFF
PAR T
ON/OFF
FINGERING
ON/OFF REVERB DSP4 TALK VOICE L VOICE R1 VOICE R2
ACMP ON/OFF
SYNC STARTSYNC STOP
DISK IN USE
MAIN/AUTO FILL
COUNT
INTRO INTRO
ACMP
SONG
SIMPLE
ENDING ENDING FREEZE
BACK NEXT
C1
CLICK
36 T37 S39 F1 41
R
G1 43
L
D2 50
M
E2 52
H
42 44 A1 45
L
B1 47
M
C2 48
H51 F2
L53 G2
H5554 56 A2 57
L
D3 62
H
B2 59
M
L
C3 60
M
H
58 61
C
1
A3 69
C
2
63
R
1
B3 71
R
2
E3 64 F3 65
R66 G3 67
S68 70 C4 72
H73
L
D4 74 75
H
E4 76
L
F4 77
H78
L
G4 79
H80
L
A4 81 82 B4 83
H
C5 84
L85
S87
D5 86
L
E5 88
H
F5 89
L M 90 G5
O91 A5 9392
D1 38 E1 40 46 49
START/STOP MEMORY
1234
REGISTRATION MEMORY
ONE TOUCH SETTING
STOP MULTI PAD
1234
LOAD SAVE
UTILITY
DISK
12 13 14 15 16
EXIT
12345678910111213141516
A B C D
1234567891011
qe
#6 #7
!4 !5
#9 $0
#8
y
u
r
!3
t
w
i
o
!0
!2
!1 !6
!7 !8 #0 #1
#2 #3
#4 #5
$1 $2 $4
$3 $5
$6 $7
$9
%0
12345678910111213141516
SONG
PAR T
ON/OFF
FINGERING
VOICE L VOICE R1 VOICE R2
ACMP ON/OFF
DISK IN USE
LOAD SAVE
UTILITY
DISK
MULTI PADSTOP
1234
FREEZE
MEMORY
REGISTRATION MEMORY
ONE TOUCH SETTING
BACK NEXT EXIT
C1
CLICK
36
T
37
S
39
F1
41
R
G1
43
L
D2
50
M
E2
52
H
42 44
A1
45
L
B1
47
M
C2
48
H
51
F2
L
53
G2
H
5554 56
A2
57
L
D3
62
H
B2
59
M
L
C3
60
M
H
58 61
C
1
A3
69
C
2
63
R
1
B3
71
R
2
E3
64
F3
65
R
66
G3
67
S
68 70
C4
72
H
73
L
D4
74 75
H
E4
76
L
F4
77
H
78
L
G4
79
H
80
L
A4
81 82
B4
83
H
C5
84
L
85
S
87
D5
86
L
E5
88
H
F5
89
L M
90
G5
O
91
A5
9392
D1
38
E1
40 46 49
MAIN/AUTO FILL
SONG
ACMP
START/STOP
A B C D
INTRO
ENDING
12345678910111213141516
PHONES
ACCOMPANIMENT
RHYTHM
SUB RHYTHM
MAIN BASS CHORD
1CHORD
2PAD PHRASE
1PHRASE
2
1234
SYNC STARTSYNC STOP
qe
#6 #7
!4 !5
$0
y
u
r
!3
w
o
!0
!2
!1 !6
!7
@2 #0 #1
#2 #3
#4 #5
$1 $2 $4
$3 $5
$6
$9
%4 %5 %6 %7%3%2%1
$8
$8
8

11
Kontroller på frontpanelet
qSTANDBY/ON kontakt ............................... 12
wMASTER VOLUME kontrol ........................15
eDEMO/SPROG knappen ........................... 15
rHJÆLP/DIREKTE ADGANG knap .......18, 21
tINPUT VOLUME kontrol (PSR-740) .......... 13
yRECORD knappen......... 17, 25, 92, 106, 110
uDSP............................................................ 50
DSP1, DSP2, DSP3 knapper (PSR-740)
DSP knappen (PSR-640)
FAST/SLOW knappen
iMASTER EQ knappen (PSR-740) .............50
oHARMONY/ECHO knappen ...................... 50
!0 TOUCH knappen......................................136
!1 SUSTAIN knappen .....................................31
!2 BACK og NEXT knapperne ........................17
!3 LCD display ................................................ 16
!4 VOICE CHANGE knappen......................... 89
!5 MIXER knappen .........................................90
!6 TRACK 1 - 16 knapperne..................... 39, 78
!7 EXIT knappen ............................................17
!8 ORGAN FLUTES knappen (PSR-740) ...... 32
!9 GROOVE knappen (PSR-740) .................. 45
@0 MULTI EFFECT knappen (PSR-740) ......... 54
@1 VOCAL HARMONY knappen (PSR-740) ...82
@2 VOICE L knappen ......................................28
@3 VOICE R1 knappen ................................... 27
@4 VOICE R2 knappen ................................... 27
@5 FUNCTION knappen.................... 17, 91, 134
@6 SONG knappen.............................. 17, 25, 76
@7 STYLE knappen .............................17, 25, 34
@8 TEMPO/TAP knappen ................................ 38
@9 TRANSPOSE knappen ..............................30
#0 ACMP/SONG VOLUME knappen ........39, 78
#1 Tal tastaturet
[1]-[0], [-/NO], [+/YES] ........................... 20
#2 Data drejeknappen..................................... 20
#3 DISK
SAVE knappen ................................ 17, 68
LOAD knappen ............................... 17, 70
UTILITY knappen ......................17, 72, 75
#4 SYNC STOP knappen................................ 43
#5 SYNC START knappen .............................. 35
#6 ACMP ON/OFF knappen ..................... 25, 35
#7 FINGERING knappen ................................40
#8 GROOVE ON/OFF knappen (PSR-740) ....45
#9 VOCAL HARMONY
ON/OFF knappen (PSR-740)................ 83
REVERB knappen (PSR-740) .............. 83
DSP4 knappen (PSR-740) ....................83
TALK knappen (PSR-740) ....................83
$0 PART ON/OFF
VOICE L knappen .................................28
VOICE R1 knappen .............................. 28
VOICE R2 knappen .............................. 28
$1 START/STOP knappen ........................34, 76
$2 Auto Accompaniment delen .......................36
INTRO knappen
COUNT INTRO knappen (PSR-740)
MAIN A, B, C, D knapperne
ENDING knappen
SIMPLE ENDING knappen (PSR-740)
$3 REGISTRATION MEMORY knapper ......... 62
$4 ONE TOUCH SETTING knapper ...............44
$5 MULTI PAD knapper .................................. 48
$6 PITCH BEND hjulet.................................... 30
$7 MODULATION hjulet (PSR-740)................ 30
$8 Disk Drive................................................... 65
$9 PHONES udgang .......................................13
%0 MIC/LINE IN forbindelse (PSR-740) .......... 13
Bageste panel
%1 Stik til FOOT VOLUME .............................. 12
%2 TO HOST forbindelse................................. 14
%3 HOST SELECT omskifter.........................126
%4 MIDI IN/OUT forbindelser........................... 14
%5 Stik til FOOT SWITCH ............................... 12
%6 AUX OUT R, L/L+R stik ............................. 13
%7 DC IN 10-12V stik ......................................12
Panel kontroller og forbindelser
94 B5 95 C6 96
94
B5
95
C6
96
9

12
Indstillinger
Dette afsnit indeholder oplysninger om indstilling af PSR-640 og PSR-740, før man begynder at spille.
Læs venligst dette afsnit grundigt, inden der tændes for keyboardet.
VIGTIGT
•
Afbryd aldrig strømforsy-
ningen (f.eks. ved at tage
stikket ud af stikkontakten),
mens PSR-640 eller PSR-740
er midt i en operation. Man
kan risikere at miste data.
Forbindelse af strømforsyning
1
Kontroller at STANDBY/ON omskifteren på
PSR-640 eller PSR-740 er stillet til STANDBY.
ADVARSEL
• Brug KUN en Yamaha PA-6
lysnet adapter (eller en
anden, der anbefales af
Yamaha). Brug af andre
adaptere kan resultere i
fatale fejl på såvel adapter
som keyboard.
• Tag adapteren ud af
stikkontakten, hvis
keyboardet ikke skal
bruges i længere tid, eller
under et tordenvejr.
3
Sæt adapterens stik i stikkontakten, og tænd for
STANDBY/ON knappen.
Man afbryder for strømmen ved at trykke endnu
en gang på STANDBY/ON knappen.
Forbindelse af en fodkontakt
■ FOOT SWITCH bøsningen
Sustain funktionen gør, at du kan bestemme, hvornår der skal tilføres en naturlig
efterklang ved at trykke på fodkontakten. Sæt en Yamaha fodkontakt FC4 eller FC5
(ekstra udstyr) til denne bøsning, og brug den til at sætte sustain til og fra.
Fodkontakten kan omstilles til styring af andre funktioner som for eksempel til at
starte og stoppe auto akkompagnement (side 137).
OBS
• Tryk ikke på fodkontakten,
når der tændes for
keyboardet. Dette vil
medføre, at funktionen af
fodkontakten bliver byttet om.
• Når man bruger Sustain eller
Sostenuto pedal funktioner-
ne (side 137), kan nogle
klange lyde vedvarende
eller have en meget lang
udklingningstid (decay),
når man slipper tangenten
med fodkontakten aktiveret.
2
Forbind den inkluderede lysnet adapter (PA-6 eller
andre, der anbefales af Yamaha) til stikket på det
bageste panel.
■ FOOT VOLUME bøsningen
En Yamaha FC7 (ekstra udstyr) er en pedal, der forbindes denne bøsning. Med den
kan man styre lydstyrken for hele keyboardet (expression function). Funktionen af
denne pedal kan omstilles til kun at gælde lydstyrken for akkompagnementet eller
melodien (side 138).
10

13
Indstillinger
Forbindelse til HiFi udstyr
■ AUX OUT R og L/L+R bøsningerne
Udgangssignaler kan hentes på bagsiden via AUX OUT R og L/L+R bøsningerne.
Så kan keyboardet kobles sammen med andet udstyr som for eksempel stereo system,
mikser konsol eller båndoptager. Ved sammenkobling til et mono system, bruges kun
L/L+R udgangen hos PSR-640 og PSR-740. Så vil højre og venstre kanal mikses
sådan, at man ikke mister noget.
VIGTIGT
• Når keyboardet kan kobles
sammen med andet
elektronisk udstyr, bør der
være slukket for alle
apparater. Forebyg skader
på højttalere ved at sætte
alle lydstyrke kontroller til
minimum, før der tændes.
Hvis disse anvisninger
ikke følges, kan der opstå
skader på apparaterne.
■ PHONES bøsning
Et almindeligt sæt hovedtelefoner kan tilsluttes her, hvis man vil øve sig uden at
forstyrre andre. Når et jack stik sættes i, afbrydes de indbyggede højttalere automatisk.
Lyt ikke for længe med hovedtelefoner og stor lydstyrke. Man kan risikere høretab.
Forbindelse af en mikrofon (PSR-740)
■ MIC/LINE IN bøsningen
PSR-740 har en indgang for mikrofon eller Line, hvor en almindelig dynamisk
mikrofon med et 1/4" jackstik kan tilkobles. Det anbefales at bruge en 250 ohm
mikrofon. Mikrofon og Line indgangen kan bruges sammen med Vocal Harmony
funktionen hos PSR-740 (side 82). Kontakten MIC/LINE indstilles til den tilsvarende
lydkilde, og INPUT VOLUME indstilles til en passende lydstyrke. Den ideelle ind-
stilling kan kontrolleres via SIGNAL og OVER lamperne på panelet: Den grønne
SIGNAL lampe lyser, når der er signal på indgangen, mens den røde OVER lampe
viser, hvis styrken er for høj, og så bør der skrues ned med INPUT VOLUME knappen.
Hvis dette ikke er tilstrækkeligt, skal der dæmpes for lydkildens styrke.
• Det anbefales at bruge
Yamaha MZ106s mikrofon
sammen med PSR-740.
• Lydstyrken kan variere alt
efter hvilken mikrofon, der
bruges.
• Drej INPUT VOLUME helt
ned ved til- og frakobling af
en mikrofon.
• En mikrofon, der er tilsluttet
PSR-740 må ikke placeres
for tæt ved keyboardet eller
ved eksternt udstyr med
forstærker og højtalere, der
er sat til PSR-740. Man kan
risikere akustisk tilbage-
kobling (rundhyl). Find en
god placering, og indstil
såvel INPUT VOLUME som
MASTER VOLUME til en
passende lydstyrke, så
rundhyl undgås.
OBS
Stereo System
11

14
Forbindelse af eksterne MIDI apparater
Nodestativ
Indstillinger
Der følger et nodestativ med PSR-640 og PSR-740. Dette skal monteres i slidsen
ved bagsiden af panelet.
Se side 123, hvor der er mere information om MIDI.
12

15
Demo Song Playback
Når PSR-640 eller PSR-740 er sat op og tilsluttet, kan man prøve at lytte til de forprogrammerede
demo melodier. Der er 8 demo melodier i PSR-640, og 10 i PSR-740
VIGTIGT
• I STANDBY position
bruges der en lille smule
strøm i keyboardet.
Hvis keyboardet ikke skal
bruges i længere tid,
bør man fjerne stikket fra
stikkontakten.
2
Tryk på [DEMO/LANGUAGE] knappen.
3
Vælg en demo melodi
Man vælger en bestemt demo melodi med Data drejeknappen, [+/YES]
knappen, [-/NO] knappen eller via tal tastaturet [1] - [0].
4
Den valgte demo melodi startes med [START/STOP] knappen.
5
Indstil til passende lydstyrke med [MASTER VOLUME]
knappen.
1
Tænd for strømmen ved at sætte [STANDBY/ON] knappen til ON stilling.
Der slukkes senere ved et nyt tryk på [STANDBY/ON] knappen.
6
Demo’en stoppes ved at trykke endnu en gang på
[START/STOP] knappen.
COUNT
INTRO INTRO
ACMP
SONG
START/STOP
13

16
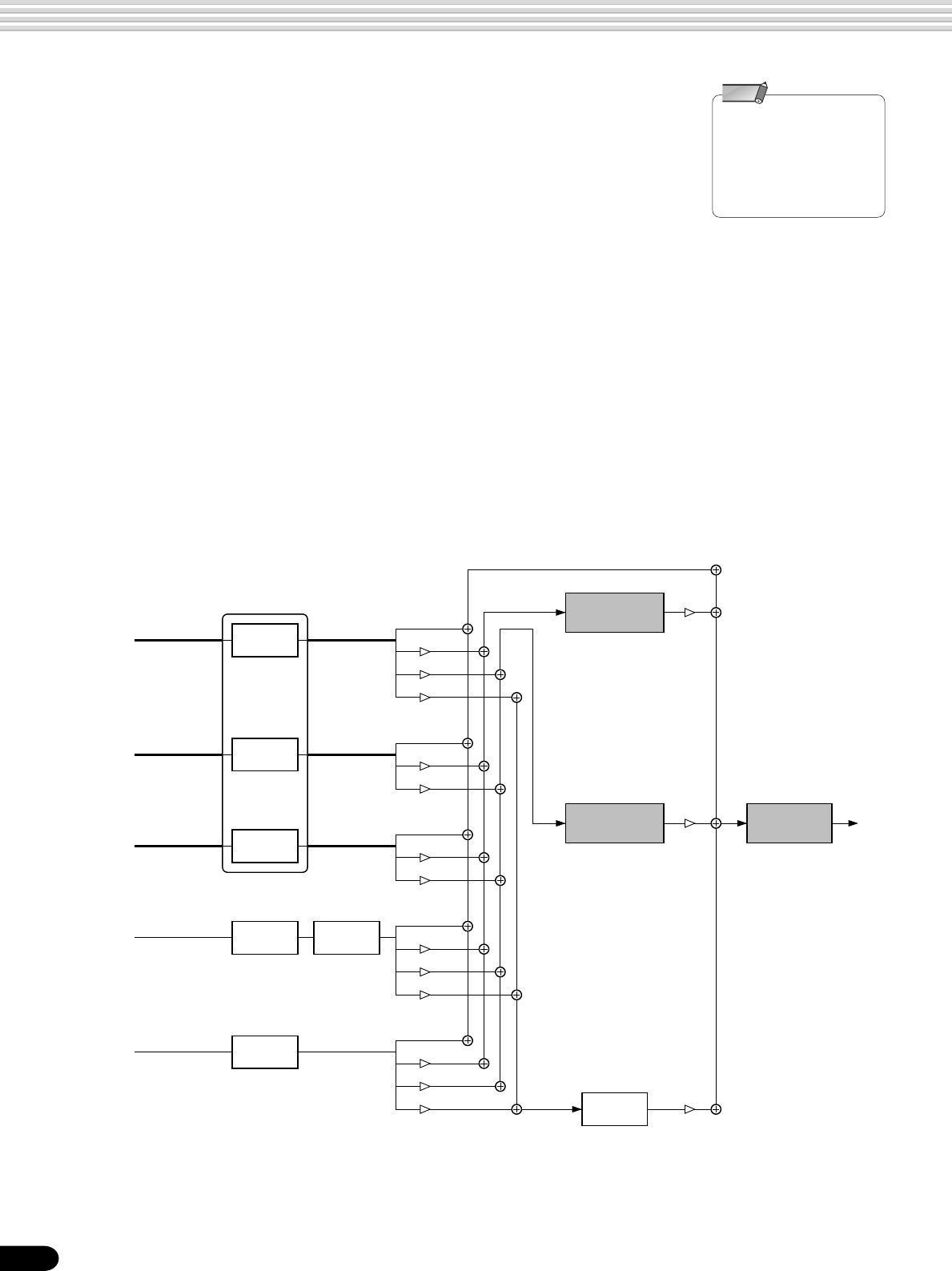
Visninger på displayet
Der er stort multi-funktions display på PSR-640 og PSR-740. Her kan man se alle de vigtigste indstillinger.
Dette afsnit beskriver kort betydningen af de forskellige indikeringer og ikoner på displayet.
q Menu display
Her ses menuerne for hver funktion hos PSR-640 og
SPR-740. Her vises også relevante meddelelser for den
øjeblikkelige operation.
Se afsnittet ”Grundlæggende operationer” (side 17),
hvor menu og meddelelser forklares nærmere.
w Akkorder
Her vises navnet på den øjeblikkelige akkord ved
AUTO ACCOMPANIMENT, eller ved SONG ind-
og afspilning (side 35).
y Taktslag (Beat)
Markeringerne blinker i takt med det indstillede tempo
under auto akkompagnement og Song afspilning.
qMenu
display
w Akkord
e Transponering r Tempo t Takt
y Taktslag
u Melodi spor / Akkompagnement spor
e Transponering
Viser den øjeblikkelige værdi af transponering
(Transpose) (side 30).
r Tempo
Her ses det øjeblikkelige tempo for akkompagnementet
eller Song afspilning (side 38).
t Takt
Viser nummeret på den øjeblikkelige takt under Song
(melodi) ind- og afspilning.
u Melodi spor / Akkompagnement spor
• Med Song funktionen (side 25) og med Demo
Song funktionen (side 15):
Ikonerne viser alle spor og deres ON/OFF status
og indstilling af lydstyrke og anslag.
•I Style funktionen (side 25):
Ikonerne for sporene 9 - 16 vises ON/OFF status
samt indstillinger af lydstyrke og anslag for hvert
af de 8 spor for akkompagnementet.
•Med Record funktionen (side 25):
Ikonerne viser ON/OFF status samt indstillinger af
lydstyrke og anslag. ”REC” mærket indikerer status
indspilning.
12345678910111213141516
14
OBS
•Efter længere tids brug, kan displayet miste
kontrasten og blive vanskelig af aflæse. Skulle det
ske, kontaktes forhandleren, som så — for et aftalt
beløb — kan sørge for en udskiftning af displayet.
Cm
AkkordtypeGrundtone
4/4 time 3/4 time
1st beat
2nd beat
3rd beat
4th beat
4/4 takt 3/4 takt
1.taktslag
2.taktslag
3.taktslag
4.taktslag

17
DISK IN USE
LOAD SAVE
UTILITY
DISK
GROOVE O
N
FINGERING
N
/OFF
BACK NEXT
EXIT
Grundlæggende Operationer
I dette afsnit introduceres de grundlæggende operationer for PSR-640 og PSR-740.
Du vil her lære, hvordan displayet for Menu og Meddelelser på panelet kan bruges.
• Aktivering af display for operationerne ............................................................... side 17
• Hjælp .................................................................................................................. side 18
• Valg af menu ....................................................................................................... side 19
• Ændring (Editering) af værdier ........................................................................... side 20
• Navngivning ........................................................................................................ side 21
• Direkte adgang ................................................................................................... side 21
Aktivering af display for operationerne
Tryk på de knapper, er nævnes herunder, for at aktivere displayet for de forskellige
funktioner hos PSR-640 og PSR-740.
Et tryk på en af disse knapper fremkalder øjeblikkelig det relevante display for vedkommende
funktion. Se side 22, hvor der er detaljer herom.
Hvis man har valgt flere funktioner efter hinanden, kan man ”spore” frem og tilbage
i rækkefølgen med [BACK] og [NEXT] knapperne til venstre for displayet. Naturligvis
kan man også vælge en ønsket funktion ved at trykke på dens knap (som i listen herover).
• DEMO/LANGUAGE knappen .................. siderne 15, 18
• VOICE R1 knappen ............................................ side 27
• VOICE R2 knappen ............................................ side 27
• VOICE L knappen ............................................... side 28
• STYLE knappen....................................... siderne 25, 34
• SONG knappen ....................................... siderne 25, 76
• MIXER knappen.................................................. side 90
• VOICE CHANGE knappen ................................. side 89
• FUNCTION knappen ............................. siderne 91, 134
• ACMP/SONG VOLUME knappen ................. side 39, 78
• TRANSPOSE knappen ....................................... side 30
• TEMPO/TAP knappen......................................... side 38
• FINGERING knappen ......................................... side 40
• DISK LOAD knappen ......................................... side 70
• DISK SAVE knappen ......................................... side 68
• DISK UTILITY knappen .......................... siderne 72, 75
• RECORD knappen .................. siderne 25, 92, 106, 110
• ORGAN FLUTES knappen (PSR-740) ............... side 32
• GROOVE knappen (PSR-740) ........................... side 45
• MULTI EFFECT knappen (PSR-740).................. side 54
• VOCAL HARMONY knappen (PSR-740)............ side 82
Hvordan man forlader det øjeblikkelige display
Som vist i oversigten (side 22) er der en stor mængde funktioner i PSR-640 og PSR-740.
Hver funktion har sit eget display. Hvis man vil forlade display visningerne, skal man blot
trykke på [EXIT] knappen.
Siden der er så mange forskellige displays i keyboardet, kan man godt blive lidt forvirret
en gang i mellem. Hvis det sker, kommer man retur til udgangspunktet ved at trykke flere
gange på [EXIT] knappen. Så vil man se det samme display, som når der tændes for
instrumentet.
15
* Denne illustration stammer fra PSR-740.

18
Grundlæggende Operationer
Help — Hvordan man læser hjælpe og operations vejledningen
Afhængig af den valgte funktion eller operation, kan PSR-640 og PSR-740 vise
mange displays og indikationer. Inkluderet heri er ”Help” meddelelser, som kan
guide dig igennem forskellige operationer.
Der er to typer meddelelser som vist herunder.
● Help
Hold [HELP/DIRECT ACCESS] knappen nede, hvorefter der vises en ”taleboble”,
som hjælper dig til at forstå den valgte funktion, og finder en passende operation.
Hvordan det læses
Denne meddelelse betyder
”Vælg en klang med data
drejeknappen, med [+/YES],
med [-/NO] knapperne, eller med
taltastaturets knapper [1] - [0]”.
● Operation Guide
Her gives relevante oplysninger om den øjeblikkelige operation, og displayet slettes først,
når den næste operation aktiveres.
Hvordan det læses
Denne meddelelse betyder
”Tryk på [+/YES] knappen
for at aktivere SAVE (gem)
operationen”.
Vælg det sprog, der skal bruges ved Help meddelelserne
Help meddelelserne kan vises med et af følgende sprog: Engelsk, japansk, tysk, fransk,
spansk og italiensk.
1
Tryk på [DEMO/LANGUAGE] knappen.
2
Tryk på [NEXT] knappen.
3
Vælg det ønskede sprog.
Brug Data drejeskiven, [+/YES] eller [-/NO] knapperne.
BACK NEXT
OBS
•Alle eksempler i Operation
Guide er vist på engelsk.

19
Valg af menu
Der er bestemte operationer hos PSR-640 og PSR-740, hvor man ikke behøver
at vælge forskellige menuer på displayet.
Dette display herunder (for valg af Function) fremkommer, når der trykkes på
[FUNCTION] knappen.
Herefter kan man vælge den ønskede funktion med Data drejeknappen,
eller flytte markeringen med [+/YES] og [-/NO] knapperne.
Hvis man drejer knappen med
uret, flyttes markeringen nedad,
men markeringen flyttes opad
ved at dreje mod uret.
Grundlæggende Operationer
Displayet herunder (at vælge klange) kommer, hvis der trykkes på [VOICE R1]
knappen.
Et tryk på [+/YES] knappen
flytter markeringen nedad,
og den flyttes opad ved at
trykke på [-/NO] knappen.
Her kan man også vælge den ønskede klang med data drejeknappen eller med [+/YES]
og [-/NO] knapperne som nævnt tidligere. Men man kan også indtaste klangens
nummer direkte på tal tastaturet med knapperne [1] - [0] (se næste side).
17

20
Ændring (Editering) af værdier
I dette afsnit omtales, hvordan man indstiller de numeriske værdier i PSR-640
og PSR-740, som for eksempel klang (Voice) nummer, Song/Style nummer samt
forskellige parametre. Numrene indstilles fra tal tastaturet med knapperne [1] - [0],
eller med [+/YES] og [-/NO] knapperne.
Numerisk indtastning
OBS
•1- og 2-cifrede tal kan
indtastes uden indledende
nuller.
For at vælge tallet ”12”,
trykkes på tal knapperne
[1] og [2]. Bjælkerne under
nummeret på displayet
blinker et par sekunder.
De forsvinder, når keyboardet
har accepteret indtastningen.
•I nogle tilfælde ses ”- - -” på
displayet ved aktivering af
Part Value parameteren.
Det indikerer, at man har
indtastet en forkert værdi,
eller at parameteren ikke kan
ændres (med reference til de
øjeblikkelige indstillinger af
panelet).
• Indtastning af tal med tre cifre
Indtastningen af nummeret på den ønskede klang sker direkte med knapperne på
tal tastaturet. Så behøver man ikke at steppe igennem hele rækken af klange.
Klang nr. 106 indtastes med talknapperne [1], [0] og [6] i denne rækkefølge.
Grundlæggende Operationer
Denne forklaring gælder kun for funktioner, som har et maksimum af tre cifre som
for eksempel for klange og rytmer (Voices og Styles).
• Indtastning af 1- og 2-cifrede numre
1- og 2-cifrede kan indtastes med et eller to indledende nuller. For eksempel indtastes ”12”
med tallene ”012” ved at trykke på tal tasterne i samme rækkefølge [0], [1] og [2].
Drej data
drejeknappen
med uret for at øge
værdierne, og mod
uret for at mindske
dem.
Tal knapperne [1] -[0]
beskrives herunder.
Et tryk på [+/YES] knappen øger værdien med 1.
Et tryk på [-/NO] knappen mindsker værdien med 1.
Hvis en af de to knapper holdes nede, sker ændringen
kontinuert. For funktioner, der er ”født” med en bestemt
værdi, kan denne genkaldes ved at trykke samtidig på
[+/YES] og [-/NO] knapperne.
18

21
Navngivning
Man kan navngive sine egne kompositioner som for eksempel Songs, Style
og indstillinger i Registration Memory. Og man kan også navngive de data,
der nævnes herunder.
Indtast et originalt navn ved hjælp af tangenterne.
Direkte Adgang
Ved at bruge [HELP/DIRECT ACCESS] knappen kan man direkte aktivere et ønsket
display. Hvis man for eksempel trykker på [REGISTRATION MEMORY] knappen,
mens [HELP/DIRECT ACCESS knappen holdes nede, kan man vælge display for
indprogrammering navnet på en Registration Memory bank.
• Disk files (User melodier, etc) .... siderne 69, 73, 74, 104
• User Styles (rytmer) ...........................................side 118
• User Pad banker ............................................... side 108
• Registration Memory banker............................... side 64
I dette eksempel vises displayet, hvis man vil navngive en melodi på en Floppy disk
(side 69).
Grundlæggende Operationer
Indtastning af karakter Med hver tangent kan der indtastes den karakter,
der er mærket lige over tangenten.
Flytning af markering Brug A#5 og B5 tangenterne til at flytte markeringen frem
og tilbage i filens navn.
Indtastning af navn med små bogstaver
C1 tangenten bruges til at skifte mellem små og store
bogstaver: Hold denne tangent nede mens der trykkes på
en karakter tangent, så får man små karakterer.
Delete (slet) Delete tangenten (C6) sletter den karakter,
der er markeret.
Bogstaver og
karakterer er markeret
over tangenterne.
C1
MEMORY
19
OBS
•Små bogstaver kan ikke
bruges i filnavne.

22
Liste over funktioner
Knap Visning på display Funktion Se side
DEMO/LANGUAGE DEMO ............................................... Valg af Demo melodi.......................................................................... 15
LANGUAGE...................................... Hjælpe sektionens sprog ................................................................... 18
VOICE R1 VOICE RIGHT1 ................................ Valg af klang R1................................................................................. 26
VOICE GROUP RIGHT1 .................. Valg af klanggruppe R1 ..................................................................... 26
DSP
TYPE ...................................... Valg af DSP type (kun sammen med Style Record for PSR-740) ..... 50
RETURN LEVEL .................... DSP Return niveau (kun sammen med Style Record for PSR-740) . 50
DEPTH ................................... DSP dybde (kun sammen med Style Record for PSR-740) .............. 50
VOICE R2 VOICE RIGHT2 ................................ Valg af klang R2................................................................................. 27
VOICE GROUP RIGHT2 .................. Valg af klanggruppe R2 ..................................................................... 27
VOICE L VOICE L ........................................... Valg af klang L ................................................................................... 28
VOICE GROUP L ............................. Valg af klanggruppe L ........................................................................ 28
STYLE STYLE .............................................. Valg af akkompagnement rytme ........................................................ 34
STYLE GROUP ................................ Valg af akkompagnement rytme gruppe ............................................ 34
SONG SONG ............................................... Valg af Song (melodi) ........................................................................ 76
SONG UTILITY
SONG PLAY MODE ............... Valg af Song Play metode ................................................................. 77
SONG START MEASURE ...... Starttakt for Song afspilning .............................................................. 79
SONG REPEAT ...................... Indstilling af Song repetering ............................................................. 80
SONG TRANSPOSE.............. Indstilling af Song transponering ....................................................... 81
VOICE CHANGE VOICE .............................................. Valg af del R1/R2/L/Style/Song Track ............................................... 89
VOICE GROUP ................................ Valg af klanggruppe R1/R2/L/Style/Song .......................................... 89
MIXER R1/R2/L ............................................ Lydstyrke indstilling R1/R2/L ................................. 1, 2, 3 ......... 90
STYLE .............................................. Lydstyrke indstilling af akkompagnementet ....................................... 90
SONG ............................................... Lydstyrke indstilling af Song sporet ................................................... 90
VOCAL HARMONY .......................... Lydstyrken for Vocal Harmony delen (PSR-740) ............................... 90
ORGAN FLUTES FOOTAGE ........................................ Indstilling af ”fod” klang (PSR-740) .................................................... 32
ATTACK MODE ................................ Indstilling af Attack (PSR-740) ........................................................... 32
ORGAN TYPE .................................. Indstilling af orgel type (PSR-740) ..................................................... 32
SPEED ............................................. Indstilling af hastighed (PSR-740) ..................................................... 32
GROOVE GROOVE TYPE ............................... Indstilling af Groove type (PSR-740) ................................................. 45
GROOVE SWING............................. Indstilling af Groove Swing (PSR-740) .............................................. 45
DYNAMICS TYPE ............................ Valg af Dynamic type (PSR-740) ....................................................... 45
DYNAMICS DEPTH ......................... Indstilling ad Dynamic dybde (PSR-740) ........................................... 45
MULTI EFFECT MULTI EFFECT CONNECTION ....... Indstilling af Multi Effect forbindelse (PSR-740) ................................ 54
MULTI EFFECT BLOCK SETTING .. Indstilling af Multi Effect Part (PSR-740) ........................................... 54
MULTI EFFECT TYPE ...................... Valg af Multi Effect type (PSR-740) ....................... 4, 5, 6, 7 ..... 54
MULTI EFFECT DRY/WET ............... Indstilling af Multi Effect Dry/Wet (PSR-740) ..................................... 54
VOCAL HARMONY
VOCAL HARMONY TYPE ................ Valg af Vocal Harmony (PSR-740) ........................ 8 ................. 85
VOCAL HARMONY LEAD GENDER TYPE ....
Valg af Gender type (PSR-740) ......................................................... 85
VOCAL HARMONY LEAD PITCH CORRECTION .....
Retning af Lead stemning (PSR-740) ................................................ 85
VOCAL HARMONY PITCH TO NOTE ....
Indstilling af ”stemning til node” (PSR-740) ....................................... 85
VOCAL HARMONY PART ................ Indstilling af Part (PSR-740) .............................................................. 85
VOCAL HARMONY SONG TRACK . Indstilling af Song spor (PSR-740) .................................................... 85
ACMP/SONG VOLUME
ACMP VOLUME ............................... Indstilling af akkompagnement lydstyrke ........................................... 39
SONG VOLUME ............................... Indstilling af melodi lydstyrke ............................................................. 78
TRANSPOSE TRANSPOSE ................................... Indstilling af transponering ................................................................. 30
TEMPO/TAP TEMPO ............................................. Indstilling af tempo ............................................................................. 38
FINGERING FINGERING...................................... Valg af Fingering ................................................................................ 40
DISK LOAD DISK LOAD ...................................... Hent (Load) data fra disk ................................................................... 70
DISK SAVE DISK SAVE ....................................... Gem (Save) data til disk .................................................................... 68
DISK UTILTY DISK UTILTY
FORMAT ................................ Formattering af disk ........................................................................... 68
COPY ..................................... Kopiering af melodi på disk ............................................................... 72
DELETE ................................. Sletning af en fil på disk ..................................................................... 75
20

23
Liste over funktioner
Knap Visning på display Funktion Se side
FUNCTION F1 MULTI PAD
BANK ..................................... Valg af Multi bank .................................................. 9 ................. 49
CHORD MATCH ..................... Indstilling af Chord Match On/Off .......................... 10 ............... 48
F2 REGISTRATION MEMORY
BANK ..................................... Valg af Registration Memory bank ......................... 11 ............... 64
NAME ..................................... Navngiv Registration Memory bank ....................... 12 ............... 64
F3 DIGITAL EFFECT
REVERB
TYPE ............................ Valg af Reverb type ........................................................................... 50
RETURN LEVEL .......... Indstilling af Reverb Return niveau .................................................... 51
CHORUS
TYPE ............................ Valg af Chorus type ........................................................................... 52
RETURN LEVEL .......... Indstilling af Chorus Return niveau .................................................... 52
DSP
TYPE ............................ Valg af DSP type (PSR-640).................................. 13 ............... 53
RETURN LEVEL .......... Indstilling af DSP Return niveau (PSR-640) ...................................... 53
HARMONY/ECHO
TYPE ............................ Valg af Harmony/Echo ........................................... 14............... 56
VOLUME ...................... Indstilling af Harmony/Echo lydstyrke ................................................ 57
PART ............................ Indstilling af Harmony part ................................................................. 58
EQ TYPE LOAD ..................... Valg af Master EQ type/loading (PSR-740) ....................................... 60
EQ GAIN ................................
Indstilling af Master EQ forstærkning (PSR-740) .......
15 ............... 61
F4 UTILITY
METRONOME........................ Indstilling af Metronome On/Off ............................. 16 .............. 134
PART OCTAVE ....................... Indstilling af Part oktav .......................................... 17, 18, 19 .. 135
MASTER TUNING.................. Indstilling af Master tuning ................................................................ 135
SCALE TUNING ..................... Indstilling af skala tuning .................................................................. 135
SPLIT POINT ......................... Indstilling af Split Point (delested) ......................... 20 .............. 135
TOUCH SENSITIVITY............ Indstilling af anslagsfølsomhed ............................. 21 .............. 136
VOICE SET ............................ Indstilling af Voice On/Off ................................................................. 136
FOOT SWITCH ...................... Vælg funktion for fodkontakt .................................. 22 .............. 137
FOOT VOLUME ..................... Vælg funktion for fodpedal lydstyrke ..................... 23 .............. 138
PITCH BEND RANGE ............ Indstilling af Pitch Bend område ............................ 24 .............. 139
MODULATION WHEEL .......... Valg for Modulation hjulet (PSR-740) .................... 25 .............. 139
F5 MIDI
TEMPLATE ............................. Valg af MIDI Template....................................................................... 128
TRANSMIT ............................. Indstilling af MIDI Transmit kanal ...................................................... 130
RECEIVE................................ Indstilling af MIDI Receive kanal ...................................................... 131
LOCAL CONTROL ................. Indstilling af Local Control On/Off ..................................................... 132
CLOCK ................................... Valg af intern eller ekstern Clock ...................................................... 132
INITIAL SETUP SEND ........... Initial Setup data send ...................................................................... 133
F6 PARAMETER EDIT
OCTAVE R1/R2/L .................. Indstilling af oktav for klangene R1/ R2/L .......................................... 91
OCTAVE SONG ..................... Indstilling af oktav for Song sporet .................................................... 91
PAN R1/R2/L ......................... Indstilling af panorering for klangene R1/R2/L .................................. 91
PAN STYLE ........................... Indstilling af pan for akkompagnementets spor ................................. 91
PAN SONG............................ Indstilling af pan for Song sporet ....................................................... 91
PAN VOCAL HARMONY ....... Indstilling af pan for Vocal Harmony (PSR-740) ................................ 91
REVERB DEPTH R1/R2/L .... Indstilling af Reverb dybden for klangene R1/R2/L ........................... 91
REVERB DEPTH STYLE ...... Indstilling af Reverb dybden for akkompagnement sporet ................ 91
REVERB DEPTH SONG ....... Indstilling af Reverb dybden for Song sporet ..................................... 91
REVERB DEPTH VOCAL HARMONY ..
Indstilling af Reverb dybden for Harmony (PSR-740) ...............
26 ............... 91
CHORUS DEPTH R1/R2/L ... Indstilling af Chorus dybden for klangene R1/R2/L ........................... 91
CHORUS DEPTH STYLE ..... Indstilling af Chorus dybden for akkompagnement sporet ................ 91
CHORUS DEPTH SONG ...... Indstilling af Chorus dybden for Song sporet ..................................... 91
CHORUS DEPTH VOCAL HARMONY .
Indstilling af Chorus dybden for Harmony (PSR-740) ....................... 91
DSP DEPTH R1/R2/L ............ Indstilling af DSP dybden for klangene R1/R2/L (PSR-640) .............. 91
DSP DEPTH STYLE ............. Indstilling af DSP dybden for akkompagnement sporet (PSR-640) ... 91
DSP DEPTH SONG .............. Indstilling af DSP dybden for Song sporet (PSR-640) ....................... 91
F7 TALK SETTING
TALK VOLUME ...................... Indstilling af mikrofon lydstyrke (PSR-740) ............ 27 ............... 86
TOTAL VOLUME ATTENUATER .
Indstilling af Master lydstyrke (ikke MIC.) (PSR-740) ........................ 86
DSP TYPE .............................. Valg af Vocal Harmony DSP type (PSR-740) .................................... 86
VOCAL HARMONY TYPE ...... Valg af Vocal Harmony type (PSR-740) ............................................ 86
PARAMETER EDIT ................ Editering af Vocal Harmony parameter (PSR-740) (PSR-740).......... 86
21

24
Liste over Direct Access
Liste over funktioner
Funktionens nummer/funktion Operation: + knapperne i listen herunder
1 Indstilling af lydstyrke for klang L PART ON/OFF [VOICE L]
2 Indstilling af lydstyrke for klang R1 PART ON/OFF [VOICE R1]
3 Indstilling af lydstyrke for klang R2 PART ON/OFF [VOICE R2]
4 Valg af Multi effekt type (DSP1) PSR-740 [DSP1]
5 Valg af Multi effekt type (DSP2) PSR-740 [DSP2]
6 Valg af Multi effekt type (DSP3) PSR-740 [DSP3]
7 Valg af Multi effekt type PSR-740 VOCAL HARMONY [DSP4]
(DSP4 for mikrofon lyden)
8 Valg af Vocal Harmony type PSR-740 VOCAL HARMONY [ON/OFF]
9 Valg af Multi Pad bank MULTI PAD [STOP]
10 Chord Match indstilling (On/Off) MULTI PAD [1]-[4]
11 Valg af Registration Memory bank REGISTRATION MEMORY [1]-[4]
12 Navngiv Registration Memory bank REGISTRATION MEMORY [MEMORY]
13 Valg af DSP type PSR-640 [DSP]
14 Valg af Harmony/Echo type [HARMONY/ECHO]
15 Indstilling af Master EQ styrke PSR-740 [MASTER EQ]
16 Indstilling af Metronome On/Off [TEMPO/TAP]
17 Indstilling af Part Octave Voice L [VOICE L]
18 Indstilling af Part Octave Voice R1 [VOICE R1]
19 Indstilling af Part Octave Voice R2 [VOICE R2]
20 Indstilling af Split Point [ACMP ON/OFF]
21 Indstilling af anslags følsomhed [TOUCH]
22 Valg af fodkontaktens funktion Footswitch
23 Valg af fodpedalens lydstyrke Foot Volume
24 Indstilling af Pitch Bend området Pitch bend hjulet
25 Valg af Modulation Wheel funktion PSR-740 Modulation Wheel
26 Reverb dybde for Vocal Harmony PSR-740 VOCAL HARMONY [REVERB]
27 Indstilling af Talk lydstyrke PSR-740 VOCAL HARMONY [TALK]
Knap Visning på display Funktion Se side
RECORD SONG
QUICK .................................... User Song Quick indspilning ............................................................. 94
MULTI TRACK ........................ User Song Multi spor indspilning ....................................................... 96
PUNCH IN/OUT ........... Punch In/Out indstilling ...................................................................... 98
START MEASURE ....... Start takt ved afspilning ..................................................................... 98
EDIT
QUANTIZE ................... Quantize ........................................................................................... 100
SETUP DATA ............... Editering af Setup data ..................................................................... 102
NAME ........................... Navngivning af User melodi .............................................................. 104
CLEAR ......................... Sletning af User Song data ............................................................... 105
STYLE
RECORD ................................ User Style indspilning ........................................................................112
EDIT
QUANTIZE ................... Quantize ........................................................................................... 116
NAME ........................... Navngivning af User Styles ...............................................................118
CLEAR ......................... Sletning af User Styles ......................................................................118
CTAB EDIT................... CTAB indstilling..................................................................................119
NOTE LIMIT ......................................................................................................................119
HIGH KEY .........................................................................................................................119
SOURCE CHORD .............................................................................................................119
PAD
RECORD ................................ User Pad indspilning ......................................................................... 106
EDIT
CHORD MATCH .......... Chord Match On/Off indstilling .......................................................... 108
NAME ........................... Navngivning af User Pads ................................................................ 108
CLEAR ......................... Sletning af User Pad data ................................................................. 109
22

25
Mode (funktion)
Afhængig af indstillingen af panelets knapper findes der mange fundamentale konditioner (eller
operationer) hos PSR-640 og PSR-740. Hver af disse konditioner eller funktioner kaldes en Mode.
I dette afsnit forklares de vigtigste Modes hos instrumentet.
Style Mode side 34
Record Mode
Denne funktion eller Mode vælges ved at trykke på
[STYLE] knappen. Dette er forprogrammeret, når der
tændes for keyboardet. Style Mode bruges til at spille på
hele keyboardet, og når man bruger Auto Accompaniment.
Styles er rytme og akkompagnement mønstre, der spilles
med Auto Accompagniment funktionen.
Vælg funktionen ved at trykke på [SONG] knappen eller
at indsætte en disk med Song data i disk drive. Song Mode
bruges normalt til at spille på hele keyboardet, eller til at
afspille melodier
Vælg denne funktion ved at trykke på [RECORD] knappen.
Med Record funktionen kan man indspille egne fremførelser og melodier,
danne originale Styles og Multi Pad fraser.
Vælg denne funktion ved at trykke på [LOAD] knappen, [SAVE] knappen eller
[UTILITY] knappen.
Med Disk funktionen kan man gemme og genkalde vigtige data (side 65). Når Disk Mode er
aktiv, kan man ikke bruge andre panel operationer undtagen de, der bruges til disk operationer.
● Song record funktion ................. side 92
• Prøvning Mode (Sync Start off)
• Indspil (Synchronized Start) standby
• Indspilning
● Style record mode .....................side 110
• Indspil (Synchronized Start on/off)
standby
• Indspilning
Hvis indspilning er (Sync Start) aktiveret under Standby, begynder indspilningen samtidig med, at der spilles
på en tangent på klaviaturet. Hvis [SYNC START] funktionen allerede er aktiveret, vil den blive aflyst (takt
indikatorerne bliver slukket), og PSR-640 og PSR-740 går over til Rehearsel (prøve) funktionen.
● Auto accompaniment (ACMP) On/Off........................................................ side 35
[ACMP ON/OFF] lampen tændes og slukkes.
Når Auto Accompaniment er aktiveret, bruges venstre del af klaviaturet
til at spille akkorder.
● Synkroniseret start (SYNC START) On/Off ............................................... side 35
[SYNC START] lampen tændes og slukkes.
Når Sync Start er aktiveret, begynder Auto Accompaniment i det øjeblik,
der trykkes på tangenterne i venstre del af klaviaturet.
DISK IN USE
LOAD SAVE
UTILITY
DISK
COUNT
INTRO INTRO
ACMP
SONG
START/STOP
COUNT
INTRO INTRO
ACMP
SONG
START/STOP
ACMP ON/OFF
SYNC START
● Pad record mode ...................... side 106
• Prøvning (Sync Start off)
• Indspil (Synchronized Start) standby
• Indspilning
Song Mode side 76
Disk Mode
23

26
Spil med klangene
Der er en stor samling forskellige instrumenter i PSR-640 og PSR-740, som man kan bruge i sit spil.
Prøv at spille med forskellige klange (Voices), og se på listen i slutningen af manualen (side 156).
At vælge og spille med en klang af forskellige instrumenter
• Valg af klang ................................................................................................. side 26
• Keyboard Percussion (slaginstrumenter) ...................................................... side 31
Vælg tre forskellige klange til keyboardet og spil dem
• At spille med to klange (R1 og R2) samtidig ................................................. side 27
• Spil forskellige klange med venstre (L) og højre (R1, R2) hænder ............... side 28
• Keyboardets funktioner ................................................................................. side 29
Andre klang-relaterede funktioner
• Pitch Bend hjulet ........................................................................................... side 30
• Modulation hjulet (PSR-740) ......................................................................... side 30
• Transpose (transponering)............................................................................ side 30
• Sustain .......................................................................................................... side 31
• Følsomhed for anslag (Touch Sensitivity) ................................................... side 136
Valg af en klang (stemme)
1
Tryk på [VOICE R1] knappen.
2
Vælg en klang (Voice)
Brug Data drejeknappen, [+/YES] eller [-/NO] knapperne, eller knapperne på
tal tastaturet [1] - [0].
Se listen over Voices (klange) på side 156.
3
Spil og indstil lydstyrken.
Klangene i PSR-640 og PSR-740 er inddelt i forskellige grupper eller
kategorier. Man kan vælge en bestemt gruppe af klange (i rækkefølge) ved at
trykke på [NEXT] knappen. At vælge en gruppe af klange gør det nemmere
at udpege en bestemt stemme, idet udvalget på denne måde gør det lettere
indenfor den valgte kategori.
Tryk på [BACK] knappen for at komme tilbage til VOICE RIGHT displayet.
BACK NEXT

27
Spil med to stemmer (R1 og R2) samtidig
1
Tryk på [PART ON / OFF VOICE R2] knappen.
Vælg en klag for VOICE 2
2
Vælg en klang
Brug Data drejeknappen, [+/YES] eller [-/NO] knapperne, eller knapperne
på tal tastaturet [1] - [0].
Tryk på [NEXT] knappen for at komme frem til den ønskede Voice gruppe,
eller på [BACK] knappen for at komme tilbage.
Se listen over Voices (klange) på side 156.
3
Spil med de valgte klange.
Playing Different Voices with the Left and Right Spil
2
Spil med klangene.
To forskellige klange (stemmer) kan høres samtidig.
Klang R1 (RIGHT 1) har den første prioritet, og det er meningen, at den skal
spilles med højre hånd. Den næste klang kaldes R2 (RIGHT 2), og den skal
også spilles med højre hånd.
Spil med klangene
1
Tryk på [VOICE R2] knappen.
PART
ON/OFF
VOICE L VOICE R1 VOICE R2
25
24

28
Spil med forskellige klange (stemmer) med højre og venstre hånd
1
Tryk på [PART ON/OFF VOICE L] knappen.
2
Spil med klangene.
Tonerne, der spilles med højre og venstre hånd har forskellige klange.
OBS
• Det sted på klaviaturet, hvor
de to klange L og R1 skilles,
kaldes ”Split Point” (side 29).
Voice R1 (RIGHT 1) skal spilles med højre hånd. Voice L (LEFT) skal
spilles med venstre hånd.
Valg af klang for VOICE L
2
Vælg en klang.
Brug data drejeskiven, [+/YES] og [-/NO] knapperne, eller knapperne
[1] - [0] på tal tastaturet.
Se listen over klange på side 156.
De klange, der kan vælges for VOICE L er de samme, der kan bruges for
VOICE R1 (se side 26).
3
Spil med klangene
Spil med klangene
1
Tryk på [VOICE L] knappen.
Split Point
Voice L Voice R1
Split Point
Voice L Voice R1
PART
ON/OFF
VOICE L VOICE R1 VOICE R2
26

29
Split Point (delested)
Keyboardets funktioner
Som tidlige forklaret kan keyboardet spille samtidig med tre klange. Her er en kort oversigt af de forskellige måder
at bruge keyboardet.
● Spil med en enkelt klang
● Spil med to klange
● Spil med forskellige
klange med højre og
venstre hånd
Foruden at kunne spille med forskellige klange, er der andre vigtige funktioner i PSR-640 og PSR-740
(vises herunder).
● Auto Accompaniment delen
Når Auto Accompaniment er aktiveret (side 35), er området for L klangen også området for akkompagnementet.
● Navngivning
Tangenterne kan også bruges til at sætte navn på Song filer, User Styles, User Pad bank
og Registration Memory banker på en diskette (side 21).
Spil med klangene
Det sted på keyboardet, der adskiller klangen L fra klangene R1 og R2, kaldes
”Split Point”.
Split Point er sat til F#2/G2 fra fabrikken, man kan sætte Split Point til et andet ønsket
sted, se side 135.
OBS
• Hver tangent har et
nodenavn. For eksempel
er den dybeste tone på
keyboardet kaldt C1,
og den højeste tone
kaldes C6 (se senere
om detaljer).
Hver tangent har et nodenavn. For eksempel er den dybeste tone på keyboardet kaldt C1, og den højeste tone kaldes C6.
Voice L
Split Point (F#2/G2)
Voice R1/R2
Voice R1 + R2
PART
ON/OFF
VOICE L VOICE R1 VOICE R2
Voice R1
PART
ON/OFF
VOICE L VOICE R1 VOICE R2
Voice R1 + R2
Voice L
PART
ON/OFF
VOICE L VOICE R1 VOICE R2
Voice R1
Voice L
PART
ON/OFF
VOICE L VOICE R1 VOICE R2
C1
C1 - B1
D1 E1 F1 G1 A1 B1
C#1D#1F#1G#1A#1
C2 - B2 C3 - B3 C4 - B4 C5 - B5 C6
Auto Accompaniment
section
Split Point
Voice R1/R2
GROOVE ON/OFF
FINGERINGACMP ON/OFF
27

30
Transpose (transponering)
Med denne funktion kan man ændre stemning hos PSR-640 og PSR-740
op og ned med halve toner indenfor en oktav.
OBS
• Transpose funktionen kan
ikke bruges sammen med
trommesættene (side 31).
• Tryk samtidig på [+/YES]
og [-/NO] knapperne for at
vende tilbage til den normale
stemning (værdien ”0”).
• Den nye Transpose tone
høres, når der anslås en ny
tangent.
• Negative værdier kan
indtastes med tal tastaturet,
mens [-/NO] knappen holdes
nede.
1
Tryk på [TRANSPOSE] knappen.
2
Indstil af transponering.
Brug data drejeskiven, [+/YES] og [-/NO] knapperne, eller knapperne [1] - [0]
på tal tastaturet.
Pitch Bend hjulet
Brug Pitch Bend hjulet på PSR-640 og PSR-740 til at glide tonerne op (tril
hjulet væk fra dig) eller ned (tril hjulet imod dig). Hjulet er selv-centrerende
sådan, at når det slippes, vender det selv tilbage til stillingen i midten med
normal stemning.
OBS
• Toneområdet for Pitch Bend
kan indstilles via Pitch Bend
Range funktionen i Utility
gruppen af funktioner
(side 139).
Spil med klangene
OBS
• For at undgå uheldige
påvirkninger af modulation,
indstilles modulation hjulet
til minimum.
• Man kan også bruge MODU-
LATION hjulet til at styre
andre funktioner (side 139).
Modulation funktionen giver en vibrato effekt til tonerne, der spilles på
keyboardet. Drej væk fra dig for at få den kraftigste modulering, og drej
imod dig for at undgå modulering.
Modulation hjulet (PSR-740)

31
OBS
• Transpose funktionen kan
ikke bruges sammen med
trommesættene (side 30).
• Hver tangent har et
nodenavn. For eksempel
er den dybeste tone på
keyboardet kaldt C1, og den
højeste tone kaldes C6
(se også side 29).
[Standard Kit 1]
Seq Click H
Bell Tree
Jingle Bell
Triangle Open
Cuica Open
Wood Block L
Wood Block H
Guiro Long
Samba Whistle L
Samba Whistle H
Cabasa
Agogo H
Timbale H
Conga L
Conga H Mute
Bongo H
Ride Cymbal 2
Crash Cymbal 2
Splash Cymbal
Ride Cymbal Cup
Chinese Cymbal
High Tom
Mid Tom H
Mid Tom L
Low Tom
Floor Tom H
Floor Tom L
Snare H Hard
Snare M
Bass Drum
Bass Drum Hard
Bass Drum Soft
Snare H Soft
Snare Roll
Brush Tap Swirl
Brush Swirl
Brush Tap
Shaker
Triangle Mute
Cuica Mute
Claves
Guiro Short
Maracas
Agogo L
Timbale L
Conga H Open
Bongo L
Vibraslap
Cowbell
Tambourine
Ride Cymbal 1
Crash Cymbal 1
Hi-Hat Open
Hi-Hat Pedal
Hi-Hat Closed
Hand Clap
Side Stick
Open Rim Shot
Sticks
Castanet
Brush Slap
C1 C2 C3 C4 C5 C6
4
Tryk på [BACK] knappen for at komme tilbage til VOICE valg
display.
5
Spil med klangen.
Se på tegningen herunder og i listen over trommesæt sidst i vejledningen
(side 164).
Klangene for trommer og andre perkussions instrumenter for standard
trommesættet (Std.Kit 1) vises med symboler ved tangenterne.
Sustain
Alle de toner, der spilles på keyboardet, vil klinge langsomt ud, hvis SUSTAIN
funktionen ar aktiveret (ON). Funktionen sættes ON og OFF ved at trykke på
[SUSTAIN] knappen.
Keyboard Percussion
1
Tryk på [VOICE R1] knappen.
2
Tryk på [NEXT] knappen for at få ”VOICE GROUP” frem
på displayet
3
Vælg Voice gruppen ”Drum Kit” (trommesæt)
Brug data drejeskiven, [+/YES] eller [-/NO] knapperne.
Spil med klangene

32
Organ Flutes (PSR-740)
Organ Flutes funktionen gør, at man kan danne sine egne orgel klange som på et traditionelt orgel.
Man kan øge og mindske lyden fra de forskellige stemmer, og man kan tilføje perkussions klange.
Din egen indstilling gemmes i klang nummer 761 (Organ Flutes), hvor den så senere kan hentes og
bruges.
■ Parametre
●Organ Type
Her bestemmes typen af orgel klangen eller tone generering, der skal
efterlignes: Sinus eller Rock. Vibrato modulation giver forskellige flotte
effekter.
Indstillinger:
• SINE1
• SINE2
• SINE3
• SINE4
• VINTAGE1
• VINTAGE2
• VINTAGE3
• VINTAGE4
●Vibrato Speed
Denne bestemmer hastigheden af vibrato effekten (hvis der er valt en
Organ Type med vibrato).
●Attack funktionen
Her bestemmes, hvordan Attack (eller perkussion) lyden sættes til Organ Flutes:
First og Each. Hvis der vælges FIRST, vil Attack lyden kun komme sammen med
den første node i en akkord. Vælges EACH, kommer anslaget lige meget til alle
toner.
●Attack Footage
Bestemmer lydniveauet af hver perkussion klang af stemmen.
Footage (fod-stemmen) er 4', 2-2/3' og 2'.
●Length
Dette bestemmer decay (udklingning) af lyden, eller hvor længe en Attack lyd
skal høres. Højere værdi for Decay, des længere udklingningstid.
●Response
Denne parameter giver Sustain delen af Organ Flutes, øger eller nedsætter
Respons tiden mellem aktivering og afslutning, baseret på FOOTAGE
parameteren (se herunder). Jo højere værdi, des langsommere dæmpning
og aflysning.
●Footage
Indstillingen af Footage bestemmer den grundlæggende klang for orglet.
Betegnelsen ”Footage” stammer oprindelig fra længden af orgelpiberne,
hvor klangen dannes af piber med forskellige længder (målt i fod). Jo længere
piben er, des dybere bliver tonen. Her er 16' piben den dybeste klang, mens 1'
piben giver den højeste tone. Jo højere indstilling af alle piberne, des kraftigere
bliver lydstyrken. Man kan blande lydstyrkerne og dermed danne sine egne
orgel klange.
30

33
Editering af Organ Flutes
1
Tryk på [VOICE R1] knappen.
Organ Flutes (PSR-740)
TRACK[1] - [8]
knapper
2
Tryk på [ORGAN FLUTES] knappen.
3
Indstil nu de forskellige parametre.
1) Tryk på en af [TRACK 1] - [TRACK 16] knapperne for at vælge
den ønskede parameter.
Se detaljer om hver parameter på side 32.
● TRACK [1] ................. Orgel type
● TRACK [2] ................. Vibrato hastighed
● TRACK [3] ................. Attack funktion
● TRACK [4]-[6] ............ Attack Footage
● TRACK [7] ................. Attack længde
● TRACK [8] ................. Attack Response
● TRACK [9]-[16] .......... Footage
TRACK[9] - [16]
knapper
31
2) Indstil ved at bruge data drejeskiven, [+/YES] og [-/NO] knapperne,
eller knapperne [1] - [0] på tal tastaturet.
4
Spil den indstillede klang.

34
Auto Akkompagnement
Funktionen Auto Accompaniment giver et fuldt orkester til dine fingerspidser. Du skal bare tage
akkorderne med venstre hånd, og Auto Accompaniment sørger for, at der spilles rytmisk i den Style,
du har valgt. Og Auto Accompaniment følger fint skift i akkorder. Det kan faktisk komme til at lyde
som om, at melodi stemmen følges op af et helt orkester.
Der er i alt 160 rytmer (Styles) i PSR-640 og PSR-740 (Styles numrene 1 - 160), som rummer en
stor variation af forskellige musiske genrer. Prøv at vælge nogle af de forskellige Styles (side 166),
og spil dem sammen med Auto Accompaniment.
To måder at spille med Auto Accompaniment
• Brug Auto Accompaniment (kun rytme sporet) ............................................. side 34
• Brug Auto Accompaniment (alle spor) .......................................................... side 35
Ekstra funktioner for at få mest ud af Auto Accompaniment
• Akkompagnement sektionerne ..................................................................... side 36
• Tempo/Tap .................................................................................................... side 38
• Dæmpning af akkompagnement sporet ........................................................ side 39
• Lydstyrken for akkompagnementet ............................................................... side 39
Auto Accompaniment funktioner relateret til akkorderne i venstre hånd
• Chord Fingerings .......................................................................................... side 40
• Akkompagnement Split Point ........................................................................ side 42
• Synchro Stop ................................................................................................ side 43
Automatisk One-Touch valg mellem mange specielt programmerede panel indstillinger,
som passer til den indstillede Style
• One Touch indstilling ..................................................................................... side 44
At bruge Auto Accompaniment (rytme sporet alene)
1
Tryk på [STYLE] knappen.
2
Vælg en Style.
Indstil ved at bruge data drejeskiven, [+/YES] og [-/NO] knapperne,
eller knapperne [1] - [0] på tal tastaturet.
Se Style listen på side 166.
3
Tryk på [START/STOP] knappen for at starte rytme sporene
for Auto Accompaniment, minus bas og akkord sporene.
4
Akkompagnementet stoppes med endnu et tryk på
[START/STOP] knappen.
COUNT
INTRO INTRO
ACMP
SONG
START/STOP
32

35
Brugen af Auto Accompaniment (alle spor)
1
Tryk på [STYLE] knappen (side 34).
2
Vælg en Style (side 34).
Indstil ved at bruge data drejeskiven, [+/YES] og [-/NO] knapperne,
eller knapperne [1] - [0] på tal tastaturet.
Se Style listen på side 166.
3
Aktivering af AUTO ACCOMPANIMENT.
Tryk på [ACMP ON/OFF] knappen sådan, at lampen lyser.
Den valgte sektion for venstre hånden af klaviaturet bliver nu ”Auto Accom-
paniment” delen. De akkorder, der spilles her, bliver så grundlaget for et fuldt
automatisk akkompagnement sammen med den valgte Style.
4
Aktiver SYNCHRONIZED START.
Tryk på [SYNC START] knappen sådan, at dens lampe lyser.
Takt lampen blinker i det valgte tempo. Denne indstilling kaldes
”Synchronized Start Standby”. Der er flere oplysninger på side 25.
5
Akkompagnementet starter, når der trykkes på en tangent
i venstre delen.
Tag for eksempel en C dur akkord (som vist herunder).
6
Prøv andre akkorder med venstre hånd.
Information om akkorder findes i afsnittet ”Chord Fingerings” på side 40.
7
Akkompagnementet stoppes ved at trykke endnu en gang
på [START/STOP] knappen.
Auto Akkompagnement
OBS
• [ACMP] er en forkortelse af
[ACCOMPANIMENT].
OBS
• [SYNC START] er en
forkortelse af
[SYNCHRONIZED START].
Auto Accompaniment
section
Split Point
Split Point
Auto Accompaniment
section
Split Point
Auto Accompaniment
section
GROOVE ON/OFF
FINGERINGACMP ON/OFF
SYNC STARTSYNC STOP
33
(delested)

36
Auto Akkompagnement
Sektionerne
Der er forskellige slags Auto Accompaniment typer, som giver dig mulighed for at
variere akkompagnementet passende til den melodi, som du spiller. Disse er: Intro,
Main (A, B, C, D), Fill In (A, B, C, D) samt Ending. Man kan veksle imellem dem
og derved give musikken en dynamisk klang med et professionelt anstrøg.
1
Tryk på [STYLE] knappen (side 34).
2
Vælg en Style (side 34).
Indstil ved at bruge data drejeskiven, [+/YES] og [-/NO] knapperne,
eller knapperne [1] - [0] på tal tastaturet.
3
Sæt AUTO ACCOPANIMENT til ON (side 35).
● INTRO delen
Funktionen bruges i begyndelsen af en melodi. Når Intro er spillet færdig, fortsættes
der med det almindelige akkompagnement.
Længden (i takter) af Intro afhænger af den valgte Style. Hos PSR-740 er der to typer
Intro: INTRO og COUNT INTRO.
● MAIN delen
Denne funktion bruges til at spille melodien. Den spiller akkompagnement mønstret
i flere takter (2 - 4 takt), og den repeteres uendeligt, indtil der trykkes på en knap for
en anden funktion. Der er fire variationer i mønsteret, A - D, og akkompagnementet
ændres harmonisk med de akkorder, der spilles med venstre hånd.
● FILL-IN delen
Fill-In sektionerne tilføjer dynamiske variationer og ”breaks” i akkompagnementets rytme,
og det giver musikken et mere professionelt anstrøg. Tryk blot på en af knapperne
MAIN/AUTO FILL (A, B, C, D) mens der spilles, og den valgte Fill-In giver et ekstra
krydderi på musikken. Når den valgte Fill-In er færdig, kommer der en glidende overgang
til den valgte Main sektion. Der er fire variationer af Fill-In, som hver for sig er designet til
den valgte Main sektion.
● ENDING delen
Denne funktion bruges ved afslutningen af en melodi. Når Ending er færdig, standser
det automatiske akkompagnement. Længden af en Ending (i takter) afhænger af den
valgte rytme. Der er to typer Ending hos PSR-740: ENDING og SIMPLE ENDING.
OBS
• [ACMP] er en forkortelse af
[ACCOMPANIMENT] og
[SYNC START] er en
forkortelse af
[SYNCHRONIZED START].
PSR-740
PSR-640
4
Aktiver SYNCHRONIZED START side 35).
MAIN/AUTO FILL
COUNT
INTRO INTRO
SIMPLE
ENDING ENDING
A B C D
MAIN/AUTO FILL
A B C D
INTRO
ENDING
34

37
Auto Akkompagnement
5
Tryk på [MAIN A] knappen.
6
Tryk på [INTRO] knappen.
7
Auto Accompaniment begynder i samme øjeblik, der tages
en akkord med venstre hånd.
Tag en C dur akkord som her i eksemplet (som vist herunder).
Hvordan man skal tage akkorderne omtales i ”Chord Fingering” afsnittet side 40.
Når afspilningen af Intro er færdig, er der en glidende overgang til Main A
sektionen.
OBS
•
Lampen for MAIN A/B/C/D
vil blinke, mens den
tilsvarende Fill-In spilles.
I denne tid kan man
ombestemme sig ved at
trykke på MAIN/FILL [A], [B],
[C] eller [D] knappen.
• Man kan også bruge Intro
sektionen i midten af en
melodi, blot ved at trykke på
[INTRO] knappen.
• Hvis MAIN/AUTO FILL
A/B/C/D knappen trykkes
efter, at tonen før den sidste
takt er færdig, vil Fill-In
begynde i den næste takt.
8
Tryk på [MAIN B] knappen.
Der høres en Fill-In, der automatisk følges af Main B sektionen.
9
Under spillet kan man trykke på en ønsket MAIN knap.
Den ønskede Main sektion svarende til den knap, der trykkes, spiller efter
en Fill-In.
10
Tryk på [ENDING] knappen.
Dette aktiverer et Ending mønster. Når denne Ending er spillet, vil Auto
Accompaniment stoppe automatisk.
Man kan sænke tempoet langsomt (ritardando) ved at trykke to gange hurtigt
på [ENDING] knappen.
OBS
• Hvis der trykkes på
INTRO eller COUNT INTRO
knappen, mens der er gang
i ENDING, vil Intro starte,
når Ending er færdig.
• Hvis der trykkes på
MAIN/AUTO FILL knappen,
mens Ending spilles, vil
Fill-In akkompagnementet
starte umiddelbart med
Main Sektionen.
• Hvis der trykkes på
[SYNC START] knappen,
mens akkompagnementet
spilles, standses
akkompagnementet,
og status for keyboardet
vil gå over til SYNC START
Standby status.
• Man kan begynde
akkompagnementet ved at
bruge Ending i stedet for
Intro.
MAIN/AUTO FILL
COUNT
INTRO INTRO
ABC D
SIMPLE
ENDING ENDING
MAIN/AUTO FILL
COUNT
INTRO INTRO
ABC D
SIMPLE
ENDING ENDING
Split Point
Auto Accompaniment
section
MAIN/AUTO FILL
COUNT
INTRO INTRO
ABCD
SIMPLE
ENDING ENDING
MAIN/AUTO FILL
COUNT
INTRO INTRO
ABCD
SIMPLE
ENDING ENDING
MAIN/AUTO FILL
COUNT
INTRO INTRO
ABC D
SIMPLE
ENDING ENDING
35

38
Auto Akkompagnement
*Hvis der er valgt en 3/4 takt,
anslå tre gange.
Tempo/Tap
Hver Style hos PSR-640 og PSR-740 er programmeret med et standard tempo.
Men dette kan dog ændres efter ønske ved at bruge [TEMPO/TAP] knappen.
De følgende anvisninger kan også anvendes ved Play Back.
1
Tryk på [TEMPO/TAP] knappen.
2
Ændring af tempo.
Brug data drejeskiven, [+/YES] og [-/NO] knapperne eller knapperne [1] - [0]
på tal tastaturet.
3
Man aktiverer det originale tempo ved at trykke samtidig på
[+/YES] og [-/NO] knapperne.
At bruge Tap funktionen
Auto Accompaniment starter automatisk i det tempo, der er angivet på
TAP knappen.
OBS
• Tempoet kan også ændres
under afspilning ved at
trykke på TEMPO/TAP
knappen to gange i det
ønskede tempo.
Auto Accompaniment kan startes i et ønsket tempo ved at ”tappe” tempoet
med [TEMPO/TAP] knappen.
1
Tryk på [STYLE] knappen (side 34).
2
Vælg en Style (side 34).
Brug data drejeskiven, [+/YES] og [-/NO] knapperne eller knapperne [1] - [0]
på tal tastaturet.
3
Tryk på [TEMPO/TAP] knappen fire gange i den ønskede
hastighed (i en fast rytme)
OBS
• Hvis man vælger en anden
Style, mens akkompagne-
mentet er stoppet, aktiveres
samtidig det tempo, der er
programmeret for vedkom-
mende Style. Hvis akkom-
pagnementet spiller ved det
nye valg, fortsættes der
i samme tempo.
● Hvis der er valgt en 4/4 rytme
Anslå fire gange
789
10
789
10
36

39
Auto Akkompagnement
Dæmpning af akkompagnement sporene
Der er i alt 8 spor til akkompagnementet i PSR-640 og PSR-740 — RHYTHM SUB, RHYTHM MAIN, BASS,
CHORD 1, CHORD 2, PAD, PHRASE 1 og PHRASE 2 — og de kan hver dæmpes eller fremhæves sådan,
at man selv bestemmer, hvordan akkompagnementet skal lyde. Når der vælges en Style, vil ikonerne for sporene,
der indeholder data, lyse op.
De enkelte spor i akkompagnementet kan sættes OFF (muted) eller ON ved at trykke på TRACK knapperne
(9 - 16). [M] ikonet ses, hvis et spor et dæmpet (muted). Man kan danne mange arrangementer ved at sætte de
forskellige spor ON og OFF.
Sporenes indhold
Lydstyrke kontrol for Accompaniment
Den separate kontrol for akkompagnementets lydstyrke bruges til at indstille til optimal
balance mellem melodi og akkompagnement.
1
Start akkompagnementet (side 35).
2
Tryk på [ACMP/SONG VOLUME] knappen.
● RHYTHM SUB, RHYTHM MAIN
Dette er selve rytmerne. RHYTHM sporene indeholder trommer
og andre slaginstrumenter.
● BASS
Bas sporet spiller bas figurerne, men klangen kan ændres for at
passe til den valgte Style — akustisk bas, synth bas, tuba og så
videre.
● CHORD 1, CHORD 2
Disse spor giver det rytmiske akkompagnement, passende til
Style. Der kan høres piano, guitar og andre instrumentet her.
● PAD
Der spille lange akkorder i dette spor, og der bruges instrumenter,
der er ”sustained” som for eksempel strenge, orgel, kor.
● PHRASE 1, PHRASE 2
Her findes den musikalske pynt.
PHRASE sporene rummer blandt andet arpeggio akkorder, som gør akkompagnementet
mere interessant.
3
Indstil lydstyrken for akkompagnementet.
Brug data drejeskiven, [+/YES] og [-/NO] knapperne eller knapperne [1] - [0]
på tal tastaturet.
Indstil lydstyrken mens der spilles melodi med højre hånd, og find derved den
bedste balance mellem melodi og akkompagnement.
OBS
• [ACMP] er en forkortelse af
[ACCOMPANIMENT].
4
Stop akkompagnementet (side 35).
9 10111213141516
9 10111213141516
13
37

40
Auto Akkompagnement
Chord Fingerings
Den måde, hvorpå akkorderne tages med venstre hånd (i akkompagnement delen af keyboardet),
kaldes ”Fingering”. Der er fem slags Fingerings som beskrevet herunder.
• Multi Finger
• Single Finger
OBS
• Når der tændes, er
indstillingen ”Multi Finger”.
1
Tryk på [FINGERING] knappen.
2
Vælg den ønskede Fingering funktion.
Brug data drejeskiven eller [+/YES] og [-/NO] knapperne.
SINGLE FINGER funktionen
Single Finger funktionen gør det meget nemt at danne fuldt orkestrerede akkompagnement med akkorder
i dur, mol, septim og mol septim, blot ved at trykke på et minimum antal tangenter i delen for AUTO
ACCOMPANIMENT på keyboardet. De følgende akkorder kan bruges:
FINGERED 1 funktionen
Fingered 1 funktionen gør, at du selv tager akkorderne i ACCOMPANIMENT delen af keyboardet
(= alle tangenter til venstre for Split Point). Herefter sørger PSR-640 eller PSR-740 for rytmer, bas
og harmonisk akkompagnement passende til den valgte Style.
FINGERED 1 funktionen ”genkender” følgende akkorder:
• Fingered 1
• Fingered 2
• Tryk kun på akkordens grundtone.
•
Tryk samtidig på akkordens grundtone og en sort
tangent til venstre for den for at få en mol akkord.
• Tryk samtidig på akkordens grundtone og en hvid
tangent til venstre for den for at få en septim akkord.
•
Tryk samtidig på akkordens grundtone og en hvid og en sort
tangent til venstre for den for at få en mol septim akkord
• Fuldt Keyboard
38
GROOVE ON/OFF
FINGERINGACMP ON/OFF
Cm
C
Cm
7
C
7

41
Auto Akkompagnement
C
Cm
7
C
( )
CM
( )
7
C
(9)
C
( )
(9)
6
Caug Cm
6
Cm
7
( )
Cm
b5
7
CmM
b5
7
Cm
( )
(9)
7
Cm
(9)
CmM
7
( )
CmM
(9)
7
( )
Cdim Cdim
7
C
(9)
7
( )
C
(13)
7
( )
C
(b9)
7
( )
C
(b13)
7
Csus
4
C
1+2+5
C
b5
7
C
6
( )
( )
CM
7(9) 7
CM
(#11)
( )
7
CM
b5
C
(b5)
( )
C
(#11)
7
C
(#9)
7
( )
C aug
7
Cm
7(11)
( )
( )
CM aug
7
( )
C sus
4
7
( )
● Eksempler på ”C” akkorder
OBS
• Noder i parentes kan
udelades.
• Hvis der spilles på tre
sideliggende tangenter
(incl. de sorte) aflyses
Chord funktionen, og kun
rytmen høres (CHORD
CANCEL funktionen).
• Hvis der spilles på en enkelt
tangent, eller to i samme
oktav, høres en dur akkord
med tangenten som
grundtone.
• En perfekt ”5’er” (1 + 5) viser
et akkompagnement, der er
baseret på grundtonen og
den 5te tone med både dur
og mol akkorder.
• De viste akkorder er alle
med grundtonen som
udgangspunkt. Men der kan
bruges inversioner — med
følgende undtagelser:
m7, m7
b
5, 6, m6, sus4,
forhøjet, formindsket 7,
7
b
5, 6(9), m7(11), 1+2+5.
• Inversion af 7sus4 akkorden
”genkendes” ikke, hvis den
5te udelades.
• Det kan ske, at AUTO
ACCOMPANIMENT
akkorder ikke ændres.
Det er, hvis sammen-
hængene akkorder spilles
i rækkefølge (for eksempel
hvis en mol akkord følges af
en mol7 akkord).
• To-toner Fingering resulterer
i akkorder, der bestemmes af
den tidligere spillede akkord.
Akkordens navn [forkortelse] Normal klang
Major [M] 1 - 3 - 5
Add ninth [(9)] 1 - 2 - 3 - 5
Sixth [6] 1 - (3) - 5 - 6
Sixth ninth [6(9)] 1 - 2 - 3 - (5) - 6
Major seventh [M7] 1 - 3 - (5) - 7 or
1 - (3) - 5 - 7
Major seventh ninth [M7(9)] 1 - 2 - 3 - (5) - 7
Major seventh add sharp eleventh [M7(#11)] 1 - (2) - 3 - #4 - 5 - 7 or
1 - 2 - 3 - #4 - (5) - 7
Flatted fifth [(b5)] 1 - 3 - b5
Major seventh flatted fifth [M7b5] 1 - 3 - b5 - 7
Suspended fourth [sus4] 1 - 4 - 5
Augmented [aug] 1 - 3 - #5
Major seventh augmented [M7aug] 1 - (3) - #5 - 7
Minor [m] 1 - b3 - 5
Minor add ninth [m(9)] 1 - 2 - b3 - 5
Minor sixth [m6] 1 - b3 - 5 - 6
Minor seventh [m7] 1 - b3 - (5) - b7
Minor seventh ninth [m7(9)] 1 - 2 - b3 - (5) - b7
Minor seventh add eleventh [m7(11)] 1 - (2) - b3 - 4 - 5 - (b7)
Minor major seventh [mM7] 1 - b3 - (5) - 7
Minor major seventh ninth [mM7(9)] 1 - 2 - b3 - (5) - 7
Minor seventh flatted fifth [m7b5] 1 - b3 - b5 - b7
Minor major seventh flatted fifth [mM7b5] 1 - b3 - b5 - 7
Diminished [dim] 1 - b3 - b5
Diminished seventh [dim7] 1 - b3 - b5 - 6
Seventh [7] 1 - 3 - (5) - b7 or
1 - (3) - 5 - b7
Seventh flatted ninth [7(b9)] 1 - b2 - 3 - (5) - b7
Seventh add flatted thirteenth [7(b13)] 1 - 3 - 5 - b6 - b7
Seventh ninth [7(9)] 1 - 2 - 3 - (5) - b7
Seventh add sharp eleventh [7(#11)] 1 - (2) - 3 - #4 - 5 - b7 or
1 - 2 - 3 - #4 - (5) - b7
Seventh add thirteenth [7(13)] 1 - 3 - (5) - 6 - b7
Seventh sharp ninth [7(#9)] 1 - #2 - 3 - (5) - b7
Seventh flatted fifth [7b5] 1 - 3 - b5 - b7
Seventh augmented [7aug] 1 - 3 - #5 - b7
Seventh suspended fourth [7sus4] 1 - 4 - (5) - b7
One plus two plus five [1+2+5] 1 - 2 - 5
Akkord (C)
Display
CC
C(9) C(9)
C6 C6
C6(9) C6(9)
CM7 CM7
CM7(9) CM7(9)
CM7(#11) CM7(#11)
C(b5) C(b5)
CM7b5 CM7b5
Csus4 Csus4
Caug Caug
CM7aug CM7aug
Cm Cm
Cm(9) Cm(9)
Cm6 Cm6
Cm7 Cm7
Cm7(9) Cm7(9)
Cm7(11) Cm7(11)
CmM7 CmM7
CmM7(9) CmM7(9)
Cm7b5 Cm7b5
CmM7b5 CmM7b5
Cdim Cdim
Cdim7 Cdim7
C7 C7
C7(b9) C7(b9)
C7(b13) C7(b13)
C7(9) C7(9)
C7(#11) C7(#11)
C7(13) C7(13)
C7(#9) C7(#9)
C7b5C7b5
C7aug C7aug
C7sus4 C7sus4
C1+2+5 C
39

42
Auto Akkompagnement
Akkompagnement Split Point
Denne funktion bruges til at dele klaviaturet i en venstre og en højre del.
Det sted på klaviaturet deles i delen for akkompagnement og melodi stemmer,
kaldes ”Split Point”.
Den oprindelige indstilling for Split Point er F#2/G2 tangenterne. Men dette sted kan
ændres efter ønske. Se side 135, hvor der er instruktioner til ændring af Split Point.
Egentlig er det samme funktion som FINGERED 1, bortset fra, at FINGERED 2 kan
styres til at spille med den dybeste tone i hver akkord — altså at den dybeste tone
i akkorden bestemmer bassens akkompagnement. Det betyder at du kan bestemme
”On Bass” akkorderne, selvom bas noden ikke svarer til akkordens grundtone.
Ved invertering af en C akkord, kan man bruge enten E eller G som dybeste tone,
og det resulterer i bassens tone.
Når man vælger FULL KEYBOARD funktionen, vil PSR-640 og PSR-740 automatisk
give et passende akkompagnement, mens man spiller på hele klaviaturet. Man behøver
ikke at bekymre sig om at specificere de enkelte akkorder for akkompagnementet.
Navnet på akkorden vises på displayet.
OBS
• Når FULL KEYBOARD
funktionen er aktiveret,
har Split Point indstillingen
ingen betydning.
MULTI-FINGER funktionen
Dette er den forprogrammerede funktion. MULTI-FINGER funktionen detekterer
automatisk, om man spiller med SINGLE FINGER eller FINGERING 1 akkorder,
så man kan spille med den funktion, som man har lyst til.
OBS
• I MULTI-FINGER funktionen
kan man spille SINGLE
FINGER mol, septim og mol
septim, ved at trykke på
grundtonen samtidig med
den hvide og/eller sorte
tangent til venstre for den
— prøv det.
FULL KEYBOARD funktionen
C C on E C on G
Auto Accompaniment
section
Split Point (F#2/G2)
40
FINGERED 2 funktionen

43
Auto Akkompagnement
Synchro Stop
Akkompagnementet vil stoppe i samme øjeblik, tangenterne i keyboardets venstre side
slippes. Samtidig aktiveres Sync Start sådan, at akkompagnementet forsætter, når der
igen tages en akkord. Under pausen blinker BEAT indikatoren for at vise den
indstillede takt.
OBS
• Sync Start kan ikke bruges
sammen med Full Keyboard,
eller hvis Auto
Accompaniment er sat til Off
på panelet. Sync Stop
aflyses automatisk, hvis
keyboardet indstilles til “Full
Keyboard”, eller hvis Auto
Accompaniment aflyses.
• [SYNC STOP] er
forkortelsen for
[SYNCHRONIZED STOP].
1
Tryk på [STYLE] knappen (side 34).
2
Aktiver AUTO ACCOMPANIMENT (side 35).
3
Aktiver SYNCHRONIZED START (side 35).
4
Aktiver SYNCHRONIZED STOP.
Tryk på [SYNC STOP] knappen.
5
Spil en akkord med venstre hånd, og Auto Accompaniment
starter.
Spil for eksempel en C-dur akkord (vist herunder).
6
Det automatiske akkompagnement stopper,
når tangenterne med venstre hånd slippes.
7
Den næste akkord med venstre hånd aktiverer igen
akkompagnementet.
Akkompagnementet startes og stoppes i takt med akkorderne.
8
Afslut SYNCHRONIZED STOP.
Tryk igen på [SYNC STOP] knappen.
Når Sync Stop aflyses, stopper det automatiske akkompagnement ikke,
før tangenterne slippes med venstre hånd.
9
Stop akkompagnementet (side 34).
SYNC STARTSYNC STOP
Split Point
Auto Accompaniment
section
SYNC STARTSYNC STOP
41

44
Auto Akkompagnement
One Touch Setting
Med One Touch Setting funktionen kan man med et tryk på en knap finde de
registreringer, der passer til den valgte Style.
1
Tryk på One Touch Setting knappen for at vælge en af
One Touch Setting funktionerne.
OBS
• Man kan ændre de
oprindelige indstillinger og
lave sine egne One Touch
indstillinger. Hvis de skal
kunne genkaldes, skal de
gemmes med Registration
Memory funktionen (side 62).
• Hvis User Style (numrene
161 - 163) er aktiveret, kan
man ikke bruge One Touch
Setting.
2
Tryk på en af [ONE TOUCH SETTING] knapperne [1] - [4].
Trin #1 - #4 for Auto Accompaniment kan indstilles ved at trykke på en af
[ONE TOUCH SETTING] knapperne. Samtidig omstilles mange af panel
indstillingerne (som for eksempel klange og effekter m.m.) til det, der passer
til den valgte Style (se herunder).
3
Auto Accompaniment starter, når der tages en akkord med
venstre hånd.
Tag for eksempel en C dur akkord (som vist herunder).
4
Stop akkompagnementet.
• Part on/off (VOICE R1, R2) ............................................................................. side 29
• Voice Change setting (VOICE R1, R2) ............................................................ side 89
• Mixer indstilling (VOICE R1, R2) ..................................................................... side 90
• Parameter Edit setting (VOICE R1, R2) .......................................................... side 91
• Auto accompaniment = ON .............................................................................. side 35
• Accompaniment sporet = ON ........................................................................... side 39
• Synchro Start = ON* ........................................................................................ side 35
• HARMONY/ECHO on/off, type, lydstyrke, part ................................................ side 56
• DSP on/off, type, Return niveau og FAST/SLOW............................................ side 50
• Multi Pad bank nummer ................................................................................... side 49
• Part oktav (VOICE R1, R2) .............................................................................. side 135
* Kan kun bruges, hvis akkompagnementet ikke spiller.
Parameter liste for One Touch Setting
Split Point
Auto Accompaniment
section
Hos PSR-640 og PSR-740 er der fire One Touch indstillinger for hver af de 160
Auto Accompaniment Styles. Hver af dem er specielt programmeret til at passe til
den valgte Style. Det inkluderer kombination af klange, digital effekter og meget mere
for den valgte Style. Et enkelt tryk på en knap [ONE TOUCH SETTING] kan ændre
hele indstillingen af panelets funktioner. Man får altså de bedste klange uden at skulle
indstille hele panelet.
FREEZE
MEMORY
1234
REGISTRATION MEMORY
ONE TOUCH SETTING
42

45
Groove (PSR-740)
Groove og Dynamics funktionen hos PSR-740 gør, at man umiddelbart kan ændre ”følingen” med
akkompagnementet. Specielt kan man påvirke timingen, hastigheden og Gate Time af tonerne,
mens man spiller med en Accompaniment Style.
●Groove
Får musikken til at swinge og ændrer ”følelsen” hos takterne ved at skifte
timingen af akkompagnementet svagt.
• Groove Type
Bestemmer typen af Groove timingen. For eksempel vil ”16 til 8” indstillingen
omsætte alle 1/16 noder til 1/8.
• Groove Swing
Her bestemmes hvor meget ”swing”, der skal sættes til akkompagnementet.
●Dynamics
Dette ændrer hastigheden (eller accenten) hos forskellige toner i
akkompagnementet, eller sørger for ændringer af Groove indstillingen.
• Dynamics Type
Her bestemmes den type af Dynamics funktion, der skal sættes til
akkompagnementet. Hver type er en egen ”skabelon”, hvor timingen af
hastigheden er programmeret.
• Dynamics Dybde
Bestemmer hvor kraftigt den valgte Dynamics type skal tilføres
akkompagnementet (udtrykt i procent). Højere værdier giver kraftigere effekt.
Hver gang, der trykkes på [GROOVE] knappen, sættes Groove og Dynamics
til værdier, der passer til den valgte Style.
Brugen af Groove & Dynamics
1
Vælg en Style og start akkompagnementet (side 35).
2
Tryk på [GROOVE ON/OFF] knappen.
Groove & Dynamics effekten lægges til akkompagnementet.
3
Groove effekten afsluttes ved at trykke endnu en gang
på [GROOVE ON/OFF] knappen.
4
Stop akkompagnementet (side 35).
GROOVE ON/OFF
FINGERINGACMP ON/OFF
GROOVE ON/OFF
FINGERINGACMP ON/OFF
43

46
Groove (PSR-740)
Editering af Groove og Dynamics effekterne
Når man vælger en Style og aktiverer [GROOVE ON/OFF] knappen, indstilles der
automatisk til en Groove og Dynamics, der passer bedst til den valgte Style. Altså:
At tænde for Groove funktionen er at påvirke rytmen. Men det er dog muligt selv at
bestemme, hvordan Groove og Dynamics skal lyde sammen med den valgte rytme.
1
Tryk på [GROOVE] knappen.
2
Vælg en Groove type.
Brug data drejeskiven eller [+/YES] og [-/NO] knapperne.
Se listen over Groove effekter på side 47.
3
Tryk på [NEXT] knappen for at se Groove SWING displayet.
6
Vælg en Dynamics type.
Brug data drejeskiven eller [+/YES] og [-/NO] knapperne eller knapperne på
tal tastaturet [1] - [0].
Se også listen over Dynamics typer på side 47.
7
Tryk på [NEXT] knappen for at se Dynamics DEPTH (dybde)
displayet.
8
Vælg en Dynamics Depth.
Brug data drejeskiven eller [+/YES] og [-/NO] knapperne eller knapperne på
tal tastaturet [1] - [0].
4
Vælg en Groove Swing.
Brug data drejeskiven eller [+/YES] og [-/NO] knapperne.
5
Tryk på [NEXT] knappen for at se Dynamics TYPE displayet.
BACK NEXT
BACK NEXT
BACK NEXT
44
OBS
•Afhængig af den valgte
Groove type, kan Groove
Swing måske ikke indstilles.

47
Groove (PSR-740)
■Liste over Groove typer ■Liste over Dynamics typer
8
16
16 TO 8
16 TO 12
12 TO 8
12 TO 16A
12 TO 16B
24 TO 8
24 TO 16
24 TO 12
THRU
8BEAT ON
8BEAT OFF
16BEAT ON
16BEAT OFF
2nd BEAT OFF
DANCE
DISCO
TECHNO
FUSION
REGGAE1
REGGAE2
BOSSA NOVA
TANGO
RHUMBA BASS
RHUMBA CHORD
LATIN
SAMBA
THRU
45

48
46
Multi Pads
Multi Pads hos PSR-640 og PSR-740 kan bruges til at spille et antal korte rytme og melodiske
sekvenser, som så kan bruges til at give variationer i dit spil. Man kan også indspille sine egne
Multi Pad fraser som beskrevet i afsnittet ”Multi Pad Indspilning” på side 106.
Nogle fraser afspilles som de er, mens andre hænger nøje sammen med ”Chord Match”, og de bliver
automatisk transponeret ved brugen af PSR-640 og PSR-740 Auto Accompaniment funktionen.
• Spil med Multi Pads ......................................... side 48
• Chord Match .................................................... side 48
• Vælg en Multi Pad bank .................................. side 49
• Tænd og sluk for Chord Match ........................ side 49
At spille med Multi Pads
Tryk på en af Multi Pads knapperne.
Den tilsvarende frase (Pad nr. 1 på tegningen) begynder at spille i samme
øjeblik, der trykkes på knappen. Afspilningen kan standses med et tryk på
[STOP] knappen.
OBS
• Tryk bare på en af Multi Pad
knapperne hver gang, du vil
have spillet en frase i det
øjeblikkelige tempo.
• Man kan også spille to, tre
og fire fraser samtidig.
• Hvis der trykkes på en Pad
knap, mens en frase spilles,
starter den forfra.
Chord Match
1
Tryk på [STYLE] knappen (side 34).
2
Aktiver AUTO ACCOMPANIMENT (side 35).
3
Spil en akkord med venstre hånd.
Spil for eksempel en F-dur akkord.
4
Tryk på en Multi Pad knap.
I dette eksempel vil frasen for Pad nr. 1 blive transponeret til F-dur,
når den afspilles. Prøv at tage andre akkorder og andre Multi Pads.
OBS
• Chord Match ON og OFF
afhænger af den valgte Multi
Pad. Se listen over Multi Pad
bankerne på side 147.
36 banker
MULTI PAD
1234
Split Point
Auto Accompaniment
section
STOP MULTI PAD
1234
STOP MULTI PAD
1234

49
47
Vælg en Multi Pad bank
1
Tryk på [FUNCTION] knappen.
3
Tryk på [NEXT] knappen for at se Multi Pad BANK displayet.
2
Vælg ”Multi Pad”.
Brug Data drejeskiven, [+/YES] eller [-/NO] knapperne.
4
Vælg en bank.
Brug Data drejeskiven, [+/YES] eller [-/NO] knapperne, eller knapperne på tal
tastaturet [1] - [0].
Indstilling af Chord Match ON og OFF
1
-
3
Brug samme fremgangsmåde som ved ”Valg af Multi Pad
Bank” herover.
4
Tryk igen på [NEXT] knappen.
OBS
• Chord Match funktionen har
ingen indflydelse på Pads,
der har perkussions fraser.
• Chord Match ON og OFF
resettes til den originale
indstilling, når der vælges en
preset Multi Pad Bank.
• Hvis en Chord Match ON
eller OFF status i en User
Bank ændres, vil den nye
status blive gemt sammen
med Multi Pad data.
5
Vælg den ønskede PAD.
Brug [NEXT] og [BACK] knapperne.
6
Sæt CHORD MATCH funktionen ON og OFF.
Brug Data drejeskiven, [+/YES] eller [-/NO] knapperne.
Multi Pads
BACK NEXT
BACK NEXT
BACK NEXT

50
48
Digital Effects
Med de digitale effekter, der er programmeret ind i PSR-640 og PSR-740, kan man variere sin musik
på mange flotte måder. For eksempel med Reverb som i en koncertsal, eller med harmonier, der giver
en imponerende klang.
Specielt hos PSR-740 er der ekstra funktioner som for eksempel Multi Effect og mange flere, hvor man
via Digital Equalizer kan styre lydstyrken i fem frekvens områder.
● Reverb ........................................................................................................ side 50
Man kan vælge sin egen Reverb (efterklang) til musikken, om det så svarer
til en stor koncertsal eller mere intime omgivelser.
Hos PSR-640 og PSR-740 er der i alt 24 forskellige Reverb effekter at vælge
imellem.
OBS
• Se side 140, hvor der
forklares mere om Digital
Effects (Reverb, Chorus,
DSP, Multi Effect, Digital
Equalizer).
● Chorus........................................................................................................ side 52
Man kan tillægge en Chorus effekt, hvor det lyder som om, at der spilles på
flere instrumenter samtidig.
Chorus er altid parat hos PSR-640 og PSR-740. For PSR-640 kan man vælge
mellem 16 typer, og hos PSR-740 er der 20 forskellige typer.
● DSP
Foruden de nævnte effekter er der hos PSR-640 og PSR-740 specielle
DSP effekter (Digital Signal Processing). Disse bruges sammen med
forskellige dele, og det gælder for eksempel Distorsion og Tremolo.
PSR-740 : I PSR-740 er der fem DSP systemer:
• DSP
Systemet er altid aktivt. Der er mulighed for 102 forskellige DSP typer,
som dog kun kan aktiveres sammen med Style Record funktionen.
• DSP 1 - 3 (Multi Effect)
Der er tre DSP-systemer i PSR-740, og de kan tændes og slukkes med
en knap på panelet (side 54). Der er i alt 74 DSP typer at vælge imellem.
• DSP 4
Dette system vedrører indgangen for mikrofon, og det kan tændes og slukkes
med en knap på panelet (side 82).
I alt kan man vælge mellem 74 forskellige DSP typer.
PSR-640 : Hos PSR-640 er der èt DSP system, som kan tændes og slukkes
med en knap på panelet.
Der er i alt 74 forskellige DSP typer at vælge imellem.
[FAST/SLOW] knappen kan bruges til at skifte mellem DSP variationer.
For eksempel kan man bruge denne funktion sammen med Rotary Speaker
(roterende højttaler) funktionen.
● Harmony/Echo ........................................................................................... side 56
Man kan tilsætte harmonier til melodien, der spilles med højre hånd (side 29),
eller tilføje tremolo og andre effekter.
● Master EQ (PSR-740) ................................................................................ side 59
Her kan man indstille klangen for PSR-740 i fem forskellige frekvens områder,
og dermed finindstille lydene.
Reverb
Valg af Reverb type
1
Tryk på [FUNCTION] knappen.
(PSR-740) (PSR-640)

51
49
Justering af Reverb dybden.
2
Vælg ”Digital Effect”.
Brug Data drejeskiven, [+/YES] eller [-/NO] knapperne.
3
Tryk på [NEXT] knappen for at se Digital Effect displayet.
5
Tryk på [NEXT] knappen.
6
Vælg en Reverb type.
Brug Data drejeskiven, [+/YES] eller [-/NO] knapperne.
Se listen over Reverb typer på side 142.
7
Spil på tangenterne.
Prøv nogle af de forskellige Reverb typer.
OBS
• Hvis der skiftes til en ny
Style, vil Reverb nok også
ændres samtidig.
8
Tryk på [NEXT] knappen.
● Reverb Depth (send niveau)................................................................................... side 91
Indstiller Reverb dybden for den specificerede klang eller spor, og dermed styrken af
Reverb effekten
● Reverb Return niveau .........................................................................................se senere
Indstiller styrken af det signal, der kommer tilbage fra Reverb Effect trinnet.
Dermed kan niveauet indstilles for hele musikken.
Digital Effects
Der er to parametre, der betyder noget for dybden af Reverb.
9
Indstil Reverb Return niveauet.
Brug Data drejeskiven, [+/YES] eller
[-/NO] knapperne, eller knapperne på
tal tastaturet [1] - [0].
BACK NEXT
BACK NEXT
4
Vælg ”Reverb.”
Brug Data drejeskiven, [+/YES]
eller [-/NO] knapperne.

52
50
Chorus
Vælg en Chorus type
5
Tryk på [NEXT] knappen.
6
Vælg en Chorus type.
Brug Data drejeskiven, [+/YES] eller [-/NO] knapperne.
Se listen over Chorus typer på side 142.
7
Spil på keyboardet.
Prøv også de andre Chorus typer.
OBS
• Hvis man vælger en anden
Style, vil Chorus typen skifte
samtidig.
Indstilling af Chorus dybden
● Chorus Depth (Send Level) .................................................................................... side 91
Indstiller Chorus dybden for valgte klange eller spor, og dermed styrken af
Chorus effekten.
● Chorus Return Level ....................................................................................... se herunder
Bestemmer mængden af lyd, der sendes tilbage efter Chorus effekt trinnet.
Derved kan man blande Chorus klangen passende til keyboardets toner.
9
Indstil Chorus Return niveauet.
Brug Data drejeskiven, [+/YES] eller [-/NO] knapperne, eller knapperne
på tal tastaturet [1] - [0].
8
Tryk på [NEXT] knappen.
Digital Effects
1
-
3
Brug samme procedure som for ”Reverb” (side 50).
4
Vælg ”Chorus.”
Brug Data drejeskiven, [+/YES] eller [-/NO] knapperne.
To parametre bestemmer dybden for Chorus effekten.
BACK NEXT
BACK NEXT

53
51
DSP (PSR-640)
Brugen af DSP effekten
Effekten (Digital Signal Processing) berører R1, R2 og L
klangene, når der spilles på keyboardet.
Hertil kommer, at man kan aktivere en mængde andre
effekter ved at trykke på [FAST/SLOW] knappen. Hvis
for eksempel den valgte DSP effekt er ”Rotary Speaker” eller ”Tremolo”,
bliver hastigheden af modulationen hurtigere eller langsommere.
OBS
• Hvis Voice Set funktionen
er ON (side 136), vil FAST
og SLOW for DSP effekten
ændres sammen med den
valgte R1 klang.
Valg af DSP type
6
Vælg en DSP type.
Brug Data drejeskiven, [+/YES] eller [-/NO] knapperne.
Se listen over DSP typer på side 142.
7
Spil på keyboardet.
Prøv også de andre DSP typer.
Indstilling af DSP dybden
● DSP dybden (Send level)........................................................................................side 91
Indstiller DSP dybden for valgte klange eller spor, og dermed styrken af
DSP effekten.
● DSP Return Level............................................................................................se herunder
Bestemmer mængden af lyd, der sendes tilbage efter DSP effekt trinnet.
Derved kan man blande DSP klangen passende til keyboardets toner.
OBS
• Hvis DSP Insertion effekten
er aktiveret, kan man ikke
indstille DSP Return
niveauet.
8
Tryk på [NEXT] knappen.
9
Indstilling af DSP Return niveau.
Brug Data drejeskiven, [+/YES] eller [-/NO] knapperne, eller knapperne på
tal tastaturet [1] - [0].
Digital Effects
Tryk på [DSP] knappen.
1
-
3
Brug samme procedure som for ”Reverb” (page 50).
4
Vælg ”DSP”
Brug Data drejeskiven, [+/YES] eller [-/NO] knapperne.
5
Tryk på [NEXT] knappen.
Der er to parametre, der bestemmer dybden af DSP effekten.
BACK NEXT
BACK NEXT
OBS
• Hvis en DSP type vælges
som Insertion effekt (siderne
54 og 140), vil DSP effekten
kun berøre klangen R1.

54
Digital Effects
RETURNSEND
(Depth)
Speaker
Amplifier
System Effect
Insertion Effect
Mixer
52
System effekter og Insertion effekter
Reverb, Chorus og DSP effekterne er egentlig opdelt i to forskellige typer eller metoder
m.h.t. operationen.
De to forskellige typer af digitale effekter er: System effekter og Insertion effekter.
● System effekter
Kan sættes til alle de effekter, der sendes til mixeren. Man kan indstille værdien
af det, der sendes, samt det der returneres. Både Reverb og Chorus er system
effekter.
● Insertion effekter
Påvirker kun den originale klang, før den sendes til mixeren. Man kan derfor
udnytte funktionen effektivt ved at bruge en ønsket effekt alene til en ønsket klang.
Man kan kun indstille DSP dybden for Insertion effekterne.
Tegningen herunder viser, hvordan forskellige klange (instrumenter, effekt apparater og en
mixer) repræsenterer den indre funktion af DSP effekterne for PSR-640 og PSR-740.
● Reverb
Alle typer virker som system effekter.
● Chorus
Alle typer virker som system effekter.
● DSP (PSR-640)
Afhængig af den valgte type er funktionen
enten en System effekt eller en Insertion effekt.
● DSP1-3 (PSR-740)
Alle funktioner er Insertion effekter.
Se også side 140, hvor der en liste over typer
for digitale effekter.
Multi Effects (DSP1-3) (PSR-740)
PSR-7740 har et Multi effekt system med tre separate DSP effekt blokke.
Disse tre blokke kan forbindes i en af seks måder, og det giver et utroligt
fleksibelt system af klangenes lyde.
Bruges af DSP effekter
Tryk på en af [DSP 1] - [DSP 3] knapperne.
Afhængig af indstilling af effekt (se her-
under), kan DSP Multi effekt sættes til
en af keyboardets klange (R1, R2 eller L).
OBS
• Når man har aktiveret Voice
Set funktionen (side 136),
bliver Multi Effect (DSP 1 - 3,
FAST/SLOW) blive indstillet
automatisk for klangen R1.
• Enkelte af Song ind-
spilningerne kan indeholde
Multi Effect indstillinger.
Hvis man afspiller en sådan
melodi, kan knapperne for
DSP og FAST/SLOW
automatisk sættes OFF.
Multi effekt indstilling
1
Tryk på [MULTI EFFECT] knappen.

55
Digital Effects
53
2
Angiv Multi Effect forbindelsen
Brug Data drejeskiven, [+/YES] eller [-/NO] knapperne.
Der er seks typer som vist herunder.
RIGHT1 RIGHT2 LEFT
DSP1mDSP2mDSP3
DSP1mDSP2 DSP3
DSP1mDSP2 DSP3
DSP1 DSP2 DSP3
DSP1 DSP2mDSP3
DSP1 DSP2mDSP3
OBS
•
Med Voice Set ”ON” (side 136)
vil Multi Effekt forbindelserne
afhænge den aktuelt valgte
Panel Voice for R1 klangen.
3
Tryk på [NEXT] knappen.
4
Vælg det ønskede Multi Effect system.
Brug Data drejeskiven, [+/YES] eller [-/NO] knapperne.
DSP 4 gælder for mikrofon lyden (side 83).
5
Tryk på [NEXT] knappen.
6
Vælg effekt typen for DSP 1 - 3.
Brug Data drejeskiven, [+/YES] eller [-/NO] knapperne.
Se listen over Multi Effect typer på side 144.
OBS
• DSP 1/2/3 typerne vil ændre
indstilling, når det vælges en
ny klang for R1.
7
Tryk på [NEXT] knappen.
8
Indstil Effect dybden for DSP 1 - 3.
Brug Data drejeskiven, [+/YES] eller [-/NO] knapperne, eller knapperne på
tal tastaturet [1] - [0].
Wet/Dry indstillingerne betyder noget for balancen mellem den direkte lyd
og effekt lyden. Ordet ”Dry” betyder, at der ikke er tilført nogen effekt klang,
mens ordet ”Wet” refererer til den klang, der er behandlet med effekten.
● Dry/Wet [1] ........... Der høres kun Dry lyden.
● Dry/Wet [64] ......... Lige balance mellem Dry og Wet niveauerne.
● Dry/Wet [127] ....... Kun Wet klangen høres.
OBS
• Der er nogle indstillinger,
hvor man ikke kan ændre
Dry/Wet valget for DSP
1/2/3 typerne.
• DSP 1/2/3 typerne vil ændre
indstilling, når der vælges en
ny klang for R1.
9
Spil på keyboardet.
Prøv de forskellige indstillinger og typer.
BACK NEXT

56
Digital Effects
54
4
Vælg ”Harmony/Echo”.
Brug Data drejeskiven, [+/YES]
eller [-/NO] knapperne.
5
Tryk på [NEXT] knappen.
6
Vælg Harmony/Echo typen.
Brug Data drejeskiven, [+/YES] eller [-/NO] knapperne.
Se listen over Harmony / Echo på side 145.
OBS
• Når Voice Set funktionen er
“ON”, kan Harmony/Echo
typen afhænge af den valgte
Panel klang for R1.
Brugen af Harmony/Echo effekten
4
Tryk på [HARMONY/ECHO]
knappen.
OBS
• Funktionen for Harmony/
Echo kan ikke bruges
sammen med valget af “Full
Keyboard”. Hvis man vælger
denne indstilling, aflyses
Harmony/Echo automatisk,
hvis den altså er aktiveret.
1
Tryk på [STYLE] knappen (side 34).
2
Aktiver AUTO ACCOMPANIMENT (side 35).
3
Spil en akkord med din venstre hånd.
Prøv med en C-dur akkord.
Split Point
Auto Accompaniment
section
Harmony og Echo
Valg af Harmony og Echo typer
2
Vælg ”Digital Effect”.
Brug Data drejeskiven, [+/YES] eller [-/NO] knapperne.
3
Tryk på [NEXT] knappen for at se Digital Effect displayet.
1
Tryk på [FUNCTION] knappen.

57
Digital Effects
55
5
Spil nogle toner med højre
hånd.
Indstilling af Harmony/Echo lydstyrke
5
Tryk på [NEXT] knappen for at se Type Selection på displayet.
6
Tryk på [NEXT] knappen for at se Harmony/Echo VOLUME
displayet.
OBS
• Når Voice Set funktionen er
aktiveret, kan Harmony/Echo
indstilles automatisk til den
valgte R1 klang.
• Man kan ikke høre
ændringer i lydstyrken for
Harmony lyden for nogle af
R1 klangene (for eksempel
orgel klangene), hvis man
har valgt typerne ”Duet” -
”Strum” for Harmony/Echo.
7
Juster Harmony/Echo volume.
Brug Data drejeskiven, [+/YES] eller [-/NO] knapperne, eller knapperne på
tal tastaturet [1] - [0].
Lydstyrken for Harmony/Echo kan indstilles separat på denne måde:
1
Tryk på [FUNCTION] knappen.
2
Vælg ”Digital Effect”.
Brug Data drejeskiven, [+/YES] eller [-/NO] knapperne.
3
Tryk på [NEXT] knappen for at se Digital Effect displayet.
BACK NEXT
4
Vælg ”Harmony/Echo”.
Brug Data drejeskiven, [+/YES]
eller [-/NO] knapperne.
● Hvis der er valgt en Harmony type (Duet) er valgt
Denne type aktiverer automatisk en eller flere harmonier til en tone,
der spilles med højre hånd.
● Hvis der er valgt en Echo type
Der tilsættes ekko til de toner, der spilles på keyboardet,
og i det aktuelle tempo.
Trin #1 - #3 er ikke nødvendige for denne type.
● Hvis der er valgt en Tremolo type
Tremolo effekten sættes til de toner, der spilles på keyboardet,
og med det aktuelle tempo.
Trin #1 - #3 er ikke nødvendige for denne type.
● Hvis en Trill type er valgt
Der alterneres mellem to toner, der spilles på keyboardet.
Trin #1 - #3 er ikke nødvendige for denne type.

58
Digital Effects
56
Ændring af klangen for Harmony/Echo effekten
2
Vælg ”Digital Effect”.
3
Tryk på [NEXT] knappen for at se Digital Effect displayet.
4
Vælg ”Harmony/Echo”.
Brug Data drejeskiven, [+/YES] eller [-/NO] knapperne.
5
Tryk på [NEXT] knappen for at se valget for Type.
6
Tryk på [NEXT] knappen for at se Harmony/Echo VOLUME
displayet.
7
Tryk på [NEXT] knappen for at se HARMONY PART displayet.
● Auto .......... Harmony/Echo tonerne sættes automatisk til klangene
for R1 og R2.
● R1............. Harmony/Effect sættes kun til klangen for R1.
Hvis Voice R1 er sat til ”OFF”, høres der ingen effekt.
● R2............. Harmony/Effect sættes kun til klangen for R2.
Hvis Voice R2 er sat til “OFF”, høres der ingen effekt.
Med denne funktion kan man vælge den klang, der skal bruges til Harmony eller Echo effekten.
1
Tryk på [FUNCTION] knappen.
8
Indstil ”PART”.
Brug Data drejeskiven, [+/YES] eller [-/NO] knapperne.
BACK NEXT
OBS
• Hvis Voice Set funktionen
er aktiveret (side 136), kan
Harmony/Echo funktionen
ændres med den valgte
R1 Panel Voice klang.

59
Digital Effects
57
Master EQ (PSR-740)
Normalt bruges en Equalizer for et tilpasse lyden fra forstærkeren / højttalerne
til rummets specielle forhold. Lyden inddeles i flere bånd med hensyn til frekvenserne.
Og indstillingerne kan så gøres separat i de forskellige bånd. Indstillingen kan så
afhænge af den valgte musik — klassisk kan blive mere raffineret, Pop musik kan få
sine egne klange, og Rock kan blive mere dynamisk. Der er altså mange muligheder
for at ændre karakteren af musikken, og gøre spillet mere interessant og sjovt.
I PSR-740 er der en 5-bånd equalizer. Den kan bruges til at styre instrumentets klang.
Frekvens båndene (5 i alt)
LowGain (dybeste område)
LowMidGain (midterste område)
MidGain
HighMidGain (mellemste høje område)
HighGain (højeste område)
OBS
• Der kan ændres ved
frekvensområder for de fem
frekvensbånd, når der
modtages data fra et tilsluttet
MIDI apparat til PSR-640
eller PSR-740 (se side 167).
Digital Equalizer indstiller lydstyrken for hvert af de fem områder indenfor et område
fra -12 til 0 til +12 dB.
Der er forprogrammeret fem indstillinger af Master EQ, og de kan aktiveres ret hurtigt
sammen med den stil og musik, du spiller.
Equalizeren kan indstilles på to måder:
● Vælg en af de fem forprogrammerede indstillinger... side 60
● Manuel indstilling af de fem frekvensbånd ............. side 61
LowGain
+12
0
+7 -2 0 +2 +7
-12 LowMidGain MidGain HighMidGain HighGain
LowGain
+12
0
+3 0 -1 0 +5
-12 LowMidGain MidGain HighMidGain HighGain
LowGain
+12
0
+7 -2 -1 +2 +7
-12 LowMidGain MidGain HighMidGain HighGain
LowGain
+12
0
+2 +2 -2 -5 0
-12 LowMidGain MidGain HighMidGain HighGain
LowGain
+12
0
-12 -3 +10 -2 -10
-12 LowMidGain MidGain HighMidGain HighGain
01 Standard
02 Disco
03 Mild
04 Bright
05 Lo Fi

60
Digital Effects
58
Brugen af Equalizer
Lyt til forskellen på lyden, der spilles med Auto Accompaniment,
Demo og Songs.
2
Afslut Equalizer effekten ved at trykke på [MASTER EQ]
knappen igen.
Vælg en Master EQ type
1
Tryk på [MASTER EQ] knappen
Så får du Equalizer effekten til alle klangene.
1
-
3
Brug samme fremgangsmåde som for ”Reverb” (side 50).
4
Vælg ”EQ Type Load”.
Brug Data drejeskiven, [+/YES] eller [-/NO] knapperne.
5
Tryk på [NEXT] knappen.
6
Vælg en Master EQ type.
Brug Data drejeskiven, [+/YES] eller [-/NO] knapperne.
Se listen over Equalizer typerne på side 59.
7
Tryk på [NEXT] knappen.
8
Tryk på [+/YES] knappen for at acceptere den nye indstilling.
Tryk på [-/NO] knappen for at fortryde operationen.
BACK NEXT

61
Digital Effects
59
Indstilling af lydstyrken
1
-
3
Brug samme fremgangsmåde som for ”Reverb” (side 50).
4
Vælg ”EQ Gain”.
Brug Data drejeskiven, [+/YES] eller [-/NO] knapperne.
5
Tryk på [NEXT] knappen.
6
Indstilling af hvert bånd.
Brug Data drejeskiven, [+/YES] eller [-/NO] knapperne, eller knapperne på
tal tastaturet [1] - [0].
BACK NEXT

62
60
Registration Memory
Siden PSR-640 og PSR-740 er så avancerede instrumenter med mange kontroller og funktioner —
klange, rytmer, Auto Accompaniment og effekter, bare for at nævne nogle få — er Registration Memory
meget værdifuldt for instrumentet. Her kan man gemme alle de vigtigste indstillinger i en bestemt
Memory Register, hvorfra den senere kan hentes ved et tryk på en knap.
Der er i alt 128 indstillinger, der kan gemmes i Registration Memory (32 banker med hver 4 pladser).
OBS
• Den oprindelige indstilling
af Registration Memory i
PSR-640 og PSR-740 svarer
til de panel indstillinger,
der er, når der tændes for
instrumentet første gang.
• Registrering af panel indstillinger ..................................................................side 63
• Genkald panel indstillinger ............................................................................side 63
• Valg af en Registration bank..........................................................................side 64
• Navngiv en Registration bank........................................................................side 64
OBS
• Data i Registration Memory
slettes ikke, når der slukkes
på STANDBY kontakten så
længe, at instrumentet er
tilsluttet lysnettet (side 149).
Men det er altid en god ide
at overføre indstillingerne til
en diskette, hvor man så kan
opbygge sit eget bibliotek
(side 65).
Data der gemmes i Registration Memory
■ PARAMETRE FOR KLANGENE
• Part on/off (VOICE R1, R2, L) .......................................................................side 29
• Ændring af Voice (VOICE R1, R2, L) ............................................................side 89
• Indstilling af Mixer (VOICE R1, R2, L, Vocal Harmony).................................side 90
• Indstilling af Parameter Edit (VOICE R1, R2, L) ............................................side 91
• Anslags følsomhed ......................................................................................side 136
• DSP on/off, FAST/SLOW on/off, DSP Type og Return Level (PSR-640) ......side 53
• HARMONY/ECHO on/off, type, lydstyrke, part..............................................side 56
• TOUCH on/off ..............................................................................................side 136
• SUSTAIN on/off .............................................................................................side 31
• Pitch Bend område ......................................................................................side 139
• Scale stemning ............................................................................................side 135
• Fodkontaktens funktion ...............................................................................side 137
• Fodpedalens funktion ..................................................................................side 138
• Transpose ......................................................................................................side 30
• Indstilling af Part oktav ................................................................................side 135
• Funktion for Modulation hjulet (PSR-740) ...................................................side 139
• Indstilling af Organ Flutes (PSR-740) ............................................................side 32
• Indstilling af Vocal Harmony (PSR-740) ........................................................side 82
• Indstilling af Multi Effect (PSR-740) ...............................................................side 54
■ ACCOMPANIMENT PARAMETRE
• Auto Accompaniment on/off ...........................................................................side 35
• Style nummer ................................................................................................side 34
• Tempo ............................................................................................................side 38
• Fingering funktion ..........................................................................................side 40
• Split Point ....................................................................................................side 135
• Akkompagnement lydstyrke...........................................................................side 39
• Akkompagnement delen ................................................................................side 36
• Indstilling af Groove on/off (PSR-740) ...........................................................side 45
• Indstilling af spor on/off..................................................................................side 39
• Indstilling af Voice Change ............................................................................side 89
• Indstilling af Mixer ..........................................................................................side 90
• Indstilling af parameter Edit ...........................................................................side 91
• Multi Pad nummer, Chord Match on/off .........................................................side 49
• Indstilling af Reverb .......................................................................................side 50
• Indstilling af Chorus .......................................................................................side 52
• DSP indstilling (PSR-740) .............................................................................side 50
Data i Registration Memory kan gemmes i og hentes fra en floppy diskette (side 65).
32 banker
1234
REGISTRATION MEMORY

63
FREEZE
MEMORY
1234
REGISTRATION MEMORY
ONE TOUCH SETTING
FREEZE
MEMORY
1234
REGISTRATION MEMORY
ONE TOUCH SETTING
61
Registrering af panel indstillinger
1
Indstil panel kontrollerne som ønsket.
2
Tryk på den runde Registration Memory knap for at
aktivere Registration Memory funktionen.
OBS
• Data i hukommelsen vil blive
slettet, når der gemmes nye
data. Indholder i Registration
Memory slettes ikke, selvom
der slukkes for strømmen
(se side 149).
I eksemplet bliver panel indstillingerne gemt i knap nummer 1.
Genkald gemte Panel indstillinger
Tryk på en af REGISTRATION MEMORY knapperne [1] - [4].
OBS
• Registration data kan ikke
genkaldes, hvis One Touch
funktionen er aktiveret.
• Afhængig af den valgte
Mode, kan nogle parametre
ikke genkaldes. For eksem-
pel kan man ikke genkalde
klangene R2/L, når Style
Record eller Pad Record
funktionerne er aktive.
Det nytter ikke noget at
trykke på Registration
Memory knapperne, fordi
klangen R1 bruges i de
nævnte funktioner.
I dette eksempel genkaldes panel indstillingerne fra hukommelse nummer 3.
OBS
• Der er flere detaljer om
Accompaniment
parametrene på side 62.
• Freeze funktionen aktiveres
automatisk, når en af disse
funktioner sættes ”ON”:
Song, Style Record eller
Pad Record.
2
Tryk på en af REGISTRATION MEMORY knapperne:[1] - [4].
I dette eksempel vil kun klangparametrene (undtagen L klangen) genkaldes
fra knap nummer 1.
3
Mens [MEMORY] knappen holdes nede, skal der trykkes på
en af REGISTRATION MEMORY knapperne: [1] - [4].
Registration Memory
Når FREEZE funktionen er aktiveret, kan indholdet i en anden hukommelse ikke
kunne ændre akkompagnementet og klangen for L, mens alle andre parametre vil
kunne ændres. Derved kan man ændre registreringer lynhurtigt, uden at det påvirker
akkompagnementet, og uden at det medfører brud i akkompagnementet.
1
Tryk på [FREEZE] knappen.
[FREEZE] lampen lyser.
Accompaniment Freeze (frys) funktionen
FREEZE
MEMORY
1234
REGISTRATION MEMORY
ONE TOUCH SETTING
FREEZE
MEMORY
1234
REGISTRATION MEMORY
ONE TOUCH SETTING
ONE TOUCH SETTING
FREEZE
MEMORY
1234
REGISTRATION MEMORY

64
Registration Memory
62
Vælg en Registration Bank
1
Tryk på FUNCTION] knappen.
3
Tryk på [NEXT] knappen for at se Regist Memory BANK
på displayet.
4
Vælg en bank.
Brug Data drejeskiven, [+/YES] eller [-/NO] knapperne, eller knapperne på
tal tastaturet [1] - [0].
Navngivning af Registration banker
1
Tryk på FUNCTION] knappen.
2
Vælg ”Regist Memory”.
Brug Data drejeskiven, [+/YES] eller [-/NO] knapperne.
3
Tryk på [NEXT] knappen for at se Regist Memory BANK
på displayet.
4
Tryk på [NEXT] knappen for at se NAME på displayet.
5
Indtast det ønskede navn på banken.
Brug keyboardet til at indtaste navnet, Der kan max. bruges 16 karakterer.
BACK NEXT
2
Vælg ”Regist Memory”.
Brug Data drejeskiven, [+/YES] eller [-/NO] knapperne.
BACK NEXT

65
Disk Operationer
63
Der er indbygget et Disk Drive i PSR-640 og PSR-740. Sæt en diskette i drevet, og så er der adgang
til en masse gode funktioner som for eksempel at ind- og afspille User melodier (side 92), at gemme og
genkalde User Styles (side 110), User Pads (side 106) og Registration Memory data (side 62).
Man kan gemme et antal User Styles / Pads og Registration data på disketten, oprette sit eget
Song bibliotek, og finde nye måder at spille på PSR-640 og PSR-740.
●Både PSR-640 og PSR-740 kan afspille melodierne på den vedlagte diskette.
Man kan bruge disketter, hvor der er gemt melodier i følgende formater med
disse logos (side 9):
Hvis disketten er forsynet med dette logo,
er filerne i GM format.
Man kan afspille filer i XG format, der er en
forbedring af GM formatet.
Man kan afspille filer, der er gemt i Yamaha’s
DOC format.
OBS
• Se side 9, hvor der står mere
om Logos.
●Endvidere kan PSR-640 og PSR-740 bruge de rytmer, som findes på vedlagte
demo diskette, samt andre Disk Styles, som er indspillet i et format, der vises
med dette logo (side 9):
Findes dette logo på disketten, kan den bruges i keyboardet.
●Man kan indspille sine egne User Songs og afspille dem senere (side 92).
OBS
• Måske kan der ikke
indspilles 60 filer på
disketten. Det afhænger
af filernes længde.
●PSR-640 og PSR-740 har specielle User Style, User Pad og Registration
Memory funktioner. Data med disse funktioner kan gemmes på disketten indivi-
duelt eller i en hvilken som helst kombination. På samme måde kan man gen-
kalde data (filer) fra disketten til keyboardet i en hvilken som helst kombination.
OBS
• Max. antallet af filer kan
variere i forhold til type og
længde (side 69).
User data, der er kompatible med PSR-640 og PSR-740 vises i nedenstående tabel.
OBS
• Data bør gemmes på
disketter, der er formateret
i keyboardet.
• De tre bogstaver, der
kommer efter filnavnet
(efter et punktum), kaldes
filens ”extension”.
Den afslører typen af filen.
• User Songs indspilles til
disketten, mens du spiller,
og kan læses fra disketten
under afspilning. Når det
sker, er Save/Load
funktionerne sat til ”OFF”.
Copy og Delete funktionerne
relateret til User Songs
kan bruges.
●Der er andre disk funktioner:
• Format ................................................................ side 68
• Copy ................................................................... side 72
• Delete (slet) ........................................................ side 75
User Song
Record
Playback
(Direct save)
(Direct read) Maximum of 60 files
can be saved.
Floppy
Disk
Save
Load
Floppy
Disk
User Style
User Pad
Registration Memory
Save or load individually
or gathered together
Up to 32 “All” type files (page 69)
can be recorded on a 2HD disk.
Up to 13 “All” type files can be
recorded on a 2DD disk.
● Data, der kan gemmes og hentes med PSR-640 og PSR-740
Data Type Extension Save Load
User song
(Standard MIDI format0) .MID – –
User style
(Style file format) .USR O O
User pad .USR O O
Registration Memory .USR O O
Der kan max. gemmes 60 filer.
Save og Load kan indi-
viduelt samles sammen
Max. 32 “All” type filer (side 69) kan ind-
spilles på en 2HD diskette. Max. 13 ”All”
filer kan gemmes på en 2DD diskette.
Direkte Read
Floppy
diskette
Direkte Save

66
Disk Operationer
64
DISK IN USE
LOAD SAVE
UTILITY
DISK
Såvel floppy diskette som disk drevet skal behandles
med forsigtighed. Følg disse anvisninger.
■ Diskette typer
3,5" 2DD og 2HD type floppy disketter kan bruges.
■ Isætning og udtagning af disketter
●For at sætte en diskette ind i drevet:
• Hold disketten sådan, at etiketten vender op,
og beskyttelsesklappen vender ind mod drevet.
Sæt disketten langsomt ind i drevet så langt,
at der høres et klik, og knappen til udtagning
springer ud.
■
Rensning af diskette Read/Write hovedet
●Rens Read/Write hovedet med jævne mellemrum.
Disk drevet indeholder et magnetisk læse-/ skrivehoved,
der arbejder med stor præcision. Efter længere tid
arbejde, kan hovedet opsamle små magnetiske
partikler fra disketterne, og dette kan måske føre til
læse- og skrivefejl.
●Yamaha anbefaler, at man cirka en gang om måneden
renser læse-/skrivehovedet med en Head Cleaning
diskette. Spørg hos din Yamaha forhandler efter en
sådan.
●Put aldrig andet end disketter ind i drevet.
Andre objekter kan skade drevet.
■ Lidt om disketterne
●Gør sådan, for at passe på disketterne:
• Undlad at sætte tunge genstande ovenpå disket-
terne, at bøje dem, eller at udsætte dem for pres.
Placer disketterne i en boks (æske), når de ikke
er i brug.
• Udsæt ikke disketterne for direkte sollys, ekstreme
høje eller lave temperaturer, høj fugtighed, støv og
væsker.
• Luk ikke dækslet op og rør ved selve disketten
• Udsæt ikke disketten for magnetiske felter af den
slags, der stammer fra TV-apparater, højttalere,
motorer o.s.v., idet sådanne felter helt eller delvis
kan slette data på disketten.
• Brug aldrig disketter med mekaniske fejl.
• Sæt ikke andre klistermærker end de vedlagte
labels på disketterne. Du skal sikre dig, at labels
sættes på det rigtige sted på disketten.
●At beskytte sine data (Write Protect Tab):
• Man kan forhindre, at data på disketten kan
overskrives med nye data, ved at skyde diskettens
Write Protect Tab hen i stillingen ”Protect” (åben).
Brugen af Floppy Disk Drive (FDD) og floppy disketter.
OBS
• Når der tændes for PSR-640 og PSR-740, vil lampen
på drevet lyse for at vise, at drevet er klar til brug.
●Udtagning af disketten:
• Før udtagning skal man sikre sig, at drevet er
stoppet (kontroller at DISK IN USE lampen er
slukket). Tryk knappen til udtagning (Eject) helt ind,
og disketten springer delvis ud. Herefter tages
disketten helt ud med hånden.
• Hvis der trykkes for hurtigt på knappen for udtag-
ning, eller hvis knappen ikke trykkes helt i bund,
kommer disketten ikke helt ud. Knappen bliver
kun halvt påvirket, og disketten kan ikke fjernes.
Prøv ikke på det, da drevet og diskette så bliver
beskadiget. I sådant tilfælde kan man prøve at
trykke på knappen igen, eller trykke disketten
helt ind i drevet og gentage manøvren.
●Tag aldrig en diskette ud, og sluk aldrig for keyboardet,
mens drevet er aktiv med at gemme, læse eller afspille
m.m. Dette kan ødelægge disketten og måske også
drevet.
●Tag altid disketten ud af drevet, når der skal slukkes
for keyboardet. En diskette, der efterlades i drevet
i længere til, kan nemt fange noget støv og snavs,
hvilket kan medføre fejl i data.
●Data backup
• For max. sikkerhed anbefaler Yamaha, at man tager
en ekstra kopi af de vigtigste data. Derved har du
mulighed for at genskabe data, selvom data på den
ene diskette ødelægges.
Write Protect Tab
ON
(skrivebeskyttet)
Write Protect Tab
OFF
(ikke skrivebeskyttet)
DISK IN USE
Denne lampe lyser, når der
er en diskette i drevet, og
når drevet er i gang med en
operation (indspilning, af-
spilning, formattering o.s.v.).
Denne lampe lyser altid,
når der tændt for keyboardet,
uanset disk operation.

67
Disk Operationer
COUNT
INTRO INTRO
ACMP
SONG
START/STOP
65
Sample diskette
Disk Song afspilning
1
Sæt Sample disketten i drevet.
OBS
• Hvis disketten allerede er sat
i drevet, skal der trykkes på
[SONG] knappen for at
aktivere Song displayet.
2
Vælg en Song (melodi).
Brug Data drejeknappen, [+/YES], [-/NO] knapperne, eller knapperne [1] - [0]
på tal tastaturet.
3
Tryk på [START/STOP] knappen for at starte melodien.
4
Tryk på [START/STOP] knappen igen for at stoppe melodien.
12345678910111213141516

68
Disk Operationer
BACK NEXT
DISK IN USE
LOAD SAVE
UTILITY
DISK
66
Format
Klargøring af en ny diskette til brug i PSR-640 og PSR-740 kaldes ”formattering”.
Man kan også bruge funktionen til at rense en allerede formateret diskette for uønskede
filer. Men vær forsigtig med formattering, siden funktionen sletter alle filer på
disketten.
OBS
• Kapaciteten efter formatte-
ring er 1,44 Mb på en 2HD
diskette, og 720 Kb på en
2DD diskette.
1
Sæt en diskette i drevet.
Når en ny, blank diskette sættes i drevet, ses en advarende meddelelse på
displayet. I dette tilfælde skal man trykke på [EXIT] for at få ”OK to format
disk?” frem på displayet. Herefter følges proceduren i punkt 5.
2
Tryk på [UTILITY] knappen.
OBS
• Når Protect Tab på disketten
er sat til ”ON” (se side 66),
eller hvis disketten er
”Copy Protected”, ses en
meddelelse herom på
displayet.
Format funktionen er ikke
mulig.
3
Vælg ”Format”.
Brug Data drejeknappen, eller [+/YES], [-/NO] knapperne.
4
Tryk på [NEXT] knappen for at se Format displayet.
ADVARSEL
• Hvis der allerede ligger
data på disketten,
skal man være forsigtig
med at formatere den.
Ved formattering slettes
nemlig alle tidligere data.
• Tag aldrig disketten ud
af drevet, eller slukke for
keyboardet, mens en
diskette bliver formateret.
• Hvis man sætter en
diskette ind i drevet på
PSR-640 / PSR-740, som
ikke kan læses, bliver
den opfattet som en ikke-
formateret diskette.
Pas på ikke at slette
vigtige data ved uheldigvis
at formatere disketten.
5
Start Format funktionen.
Save
Man kan gemme User Styles på en diskette i PSR-640 og PSR-740. Det gælder også
User Pad (bankerne 37 - 40) og Registration Memory data (bankerne 01 - 32).
OBS
• Hvis diskettens Write Protect
Tab er sat til ”ON”, eller
hvis det drejer sig om en
skrivebeskyttet diskette,
kommer der en meddelelse
på displayet om, at Save
funktionen ikke kan udføres.
1
Sæt en diskette i drevet.
2
Tryk på [SAVE] knappen.
Format operationen
er færdig ...
DISK IN USE
LOAD SAVE
UTILITY
DISK
Tryk på [+/YES] knappen for at
starte Format funktionen.
Tryk på [-/NO] knappen for at
fortryde Format funktionen.

69
Disk Operationer
67
3
Vælg fil type.
Brug Data drejeknappen, eller [+/YES], [-/NO] knapperne.
Se listen herunder:
OBS
• Selvom data for User Style,
User Pad og Registration
Memory kan gemmes i èn fil,
kan disse data genkaldes
individuelt i PSR-640 og
PSR-740.
4
Tryk på [NEXT] knappen for at se FILE valget på displayet.
OBS
• Hvis man prøver at omdøbe
en fil i den hensigt at slette
den, giver som resultat, at
der i stedet oprettes en ny fil
med samme data, men med
et nyt navn.
5
Vælg Destination fil.
Brug Data drejeknappen, eller [+/YES], [-/NO] knapperne.
Vælg NEW ved oprettelse af en ny fil.
6
Tryk på [NEXT] knappen for at se NAME valget på displayet.
ADVARSEL
• Mens data gemmes, må
disketten ikke tages ud af
drevet, og der må ikke
slukkes for keyboardet.
OBS
• Hvis der ikke er plads nok
på disketten, kommer der
en meddelelse på displayet,
og data gemmes ikke.
Man kan slette unødige filer
på disketten (side 75), eller
bruge en anden diskette.
• Sker der en skrivefejl under
en Save operation, kommer
der en meddelelse på
displayet. Hvis fejlen sker
igen efter fornyet Save, er
der noget galt med disketten.
Isæt en ny diskette, og
gentag Save operationen.
7
Indtast navnet direkte på keyboardet (side 21).
9
Fuldfør Save operationen.
All Gemmer alle User Style (161 - 163), User Pad (bank 37 - 40),
Registration Memory (bank 01 - 32), samt alle Setup data i en enkelt fil.
Style + Reg. Gemmer alle User Style (161 - 163), User Pad (bank 37 - 40) og
Registration Memory (bank 01 - 32) i en enkelt fil.
Style Gemmer alle User Style (161 - 163) i en enkelt fil.
Multi Pad Gemmer alle User Pad (bank 37 - 40) i en enkelt fil.
Regist Gemmer alle Registration Memory (bank 01 - 32) i en enkelt fil.
SAVE operationen
er færdig ...
8
Tryk på [NEXT] knappen for at se Save Operation
på displayet.
Tryk på [+/YES] knappen for at
starte Format funktionen.
Tryk på [-/NO] knappen for at
fortryde Format funktionen.

70
Disk Operationer
DISK IN USE
LOAD SAVE
UTILITY
DISK
68
Load
Efter at have Savet data for User Style (161 - 163, User Pad (bankerne 37 - 40, og Registration
Memory (bankerne 01 - 32) på disketten kan de senere hentes igen (Loades) til PSR-640 og PSR-740.
1
Sæt en diskette i drevet.
2
Tryk på [LOAD] knappen.
3
Vælg den fil, der skal indlæses.
Brug Data drejeknappen, eller [+/YES], [-/NO] knapperne.
4
Tryk på [NEXT] knappen for at se valget af DATA TYPE
på displayet.
5
Vælg den data type, der skal indlæses.
Brug Data drejeknappen, eller [+/YES], [-/NO] knapperne.
Følg venligst de trin, der er nævnt herover, idet de forskellige funktioner
følger forskellige procedurer.
Data typer, der kan indlæses
All, Style, Pad, Regist Til trin 10
Style+Reg. Til trin 10
Style Til trin 6
Multi Pad Til trin 6
Regist Til trin 6

71
Disk Operationer
69
6
Tryk på [NEXT] knappen.
7
Vælg de data, der skal indlæses.
Brug Data drejeknappen, eller [+/YES], [-/NO] knapperne.
Hvis ”All” er valgt, kan man springe frem til trin 10.
8
Tryk på [NEXT] knappen for at se LOAD TO på displayet.
9
Vælg destination.
Brug Data drejeknappen, eller [+/YES], [-/NO] knapperne.
10
Tryk på [NEXT] knappen for at se LOAD operationen
på displayet.
11
Udfør LOAD operationen.
Tryk på [+/YES] knappen for at udføre LOAD operationen.
Tryk på [-/NO] knappen for at fortryde LOAD operationen.
ADVARSEL
• Når data overføres fra en
diskette til keyboardet,
vil data i keyboardet blive
slettet og erstattes af de
nye. Gem vigtige data på
en diskette, inden der
indlæses nye data fra
en diskette med Load
funktionen.
• Mens data indlæses, må
disketten ikke tages ud af
drevet, og der må ikke
slukkes for keyboardet.
OBS
• Der kommer en meddelelse
på displayet, hvis man
prøver at indlæse en
mængde data, der ikke er
plads til i RAM hukommelsen
i PSR-640 og PSR-740.
Det kan også ske, hvis der
er fejl på disketten, eller
hvis dens data er ødelagt.
SAVE operationen
er færdig ...

72
Disk Operationer
70
Song Copy
Ved hjælp af denne funktion kan man lave ”Backup” af dine vigtigste data. Først og
fremmest er den god ved indspilning og editering af dine melodi data. For eksempel
hvis man har indspillet en melodi, og derefter vil ”Quantize” melodiens spor (side 100)
— hvilket laver permanente rettelser af det indspillede — kan man gemme den origi-
nale indspilning. Skulle man ikke blive tilfreds med Quantizing, kan man altid gen-
kalde den originale melodi, og så prøve på en anden måde. Det kunne være en god ide
at have en diskette med backup af melodierne. På den måde kan man have en ny kopi
af melodierne for hver gang, man retter i dem.
Kopiering af Song data fra en diskette til en anden
Gør først en diskette klar ved at formatere den. Kun èn fil kan kopieres ad gangen.
Som tegninger herunder viser, overføres filen fra den originale diskette til keyboardets
hukommelse, og herfra til den anden diskette.
Hvis filen er meget stor, kan det blive nødvendigt at kopiere i flere omgange.
OBS
• Når mål-diskettens Write
Protect Tab er sat til ”ON”
(se side 66), eller disketten
er skrivebeskyttet med
overlæg, får man en
meddelelse om, at kopi
funktionen er umulig.
1
Indsæt den originale diskette, der skal kopieres (Source Disk) i drevet.
2
Tryk på [UTILITY] knappen.
PSR-740/640
Internal Memory
copycopy
Source Destination
5
Vælg ”ANOTHER” (en anden).
Brug Data drejeknappen, eller [+/YES], [-/NO] knapperne.
6
Tryk på [NEXT] knappen for at se FILE valget på displayet.
DISK IN USE
LOAD SAVE
UTILITY
DISK
BACK NEXT
BACK NEXT
3
Vælg ”Copy.”
Brug Data drejeknappen, eller [+/YES], [-/NO] knapperne.
4
Tryk på [NEXT] knappen for at se Disk valget på displayet.

73
Disk Operationer
71
7
Vælg den ønskede Source (kilde) Song fil.
Brug Data drejeknappen, eller [+/YES], [-/NO] knapperne.
8
Tryk på [NEXT] knappen for at se NAME valget på displayet.
9
Indtast destination Song filens navn direkte med tangenterne
(side 21).
10
Tryk på [NEXT] knappen for at se COPY operationen
på displayet.
11
Udfør COPY operationen.
Tryk på [+/YES] knappen for at udføre COPY operationen.
Tryk på [-/NO] knappen for at fortryde COPY operationen.
OBS
• Hvis man indsætter en
forkert diskette under
operationen, kommer der en
meddelelse om fejl på
displayet.
BACK NEXT
Hvis filen fylder
meget, er det
muligt, at der
skal kopieres af
flere omgange.
Kopiering af data fra keyboardet
til mål-disketten
Kopiering af data fra Source disketten
til hukommelsen
i keyboardet
Hvis man ønsker at fortryde
kopiering på dette trin,
skal der trykkes på [EXIT]
knappen.
ADVARSEL
•Under kopiering må
disketten ikke tages ud af
drevet, og der må ikke
slukkes for keyboardet.
ADVARSEL
•Under kopiering må
disketten ikke tages ud af
drevet, og der må ikke
slukkes for keyboardet.
Copy operationen er slut ...
Indsæt Source (kilde)
disketten

74
Disk Operationer
72
Kopiering af data fra èt sted til et andet på samme diskette
1
-
4
Brug samme fremgangsmåge som ved ”Kopiering af
data fra èn diskette til en anden” (side 72).
5
Vælg ”SAME”.
Brug Data drejeknappen, eller [+/YES], [-/NO] knapperne.
6
Tryk på [NEXT] knappen for at se FILE valget på displayet.
7
Vælg Song Source filen.
Brug Data drejeknappen, eller [+/YES], [-/NO] knapperne.
8
Tryk på [NEXT] knappen for at se NAME på displayet.
9
Indtast navnet direkte på keyboardet (side 21).
10
Tryk på [NEXT] knappen for at se COPY operationen
på displayet.
11
Udfør COPY operationen.
Tryk på [+/YES] knappen for at udføre COPY operationen.
Tryk på [-/NO] knappen for at fortryde COPY operationen.
ADVARSEL
• Under kopiering må
disketten ikke tages ud af
drevet, og der må ikke
slukkes for keyboardet.
Copy operationen
er slut ...
BACK NEXT
BACK NEXT

75
Disk Operationer
73
Delete (sletning)
Man kan slette individuelle filer på disketten (User Songs, User Styles, User Pads
eller Registration Memory).
1
Sæt disketten i drevet.
2
Tryk på [UTILITY] knappen.
OBS
• Når mål-diskettens Write
Protect Tab er sat til ”ON”
(se side 66), eller disketten
er skrivebeskyttet med
overlæg, får man en
meddelelse om, at kopi
funktionen er umulig.
3
Vælg ”Delete”.
Brug Data drejeknappen, eller [+/YES], [-/NO] knapperne.
4
Tryk på [NEXT] knappen for at se FILE valget på displayet.
5
Vælg den fil, der skal slettes.
Brug Data drejeknappen, eller [+/YES], [-/NO] knapperne.
6
Tryk på [NEXT] knappen for at se Delete operationen
på displayet.
7
Udfør DELETE operationen.
Tryk på [+/YES] knappen for at udføre Delete operationen.
Tryk på [-/NO] knappen for at fortryde Delete operationen.
Delete operationen
er slut ...
DISK IN USE
LOAD SAVE
UTILITY
DISK
BACK NEXT
BACK NEXT
ADVARSEL
• Under kopiering må
disketten ikke tages ud af
drevet, og der må ikke
slukkes for keyboardet.

76
Disk Song Playback
BACK NEXT
74
Song (melodi) afspilning
1
Indsæt disketten med melodierne i drevet.
PSR-640 og PSR-740 skifter automatisk til Song Mode.
OBS
• Hvis en diskette tidligere er
sat i drevet, skal man trykke
på [SONG] knappen for at se
Song displayet.
• Disketter uden Song data
kan ikke aktivere Song
displayet automatisk.
2
Vælg den ønskede melodi.
Brug data drejeknappen, [+/YES] / [-/NO] knapperne, eller knapperne [1] - [0]
på tal tastaturet.
3
Tryk på [NEXT] knappen.
Man kan afspille en hel masse forskellige melodier på PSR-640 og PSR-740, inklusiv de indbyggede
Demo melodier, melodierne på den vedlagte Sample diskette, de User Songs, du selv indspiller på
diskette, samt melodier, der leveres på XG / GM disketter. Der skal indsættes en diskette i drevet,
undtagen ved de indbyggede Demo melodier.
Man kan afspille melodier fra disketter, der bærer logoet for
GM standarden.
Man kan afspille melodier i XG formatet, der er en udvidelse af
GM standarden, som giver en meget bedre lydkvalitet.
Man kan afspille melodier i dette format med klange,
der svarer til Yamaha’s DOC format.
●Foruden Sample disketten kan følgende formater bruges til afspilning i PSR-640
og PSR-740. Se også side 9 om forklaring på disse logos.
●Disse melodier kan afspilles på fem forskellige måder .................... side 77
• SINGLE (enkelt)
• SINGLE REPEAT
• ALL alle)
• ALL REPEAT
• RANDOM (tilfældig rækkefølge)
●Hertil kommer andre Playback funktioner:
• Song Track dæmpning ........................................................... side 78
• Tempo/Tap .............................................................................. side 38
• Song lydstyrke kontrol ............................................................ side 78
• Song transponering ................................................................ side 81
• Afspil fra en bestemt takt ........................................................ side 79
• Repeat afspilning ................................................................... side 80
VIGTIGT
• Læs omhyggeligt afsnittet
om at bruge ”Floppy Disk
Drive (FFD) og Floppy
Disks” på side 66.

77
Disk Song Playback
BACK NEXT
COUNT
INTRO INTRO
ACMP
SONG
START/STOP
12345678910111213141516
75
4
Vælg ”Play Mode”.
Brug Data drejeknappen, eller [+/YES], [-/NO] knapperne.
5
Tryk på [NEXT] knappen for at se Song Play Mode
på displayet.
6
Vælg den ønskede Play Mode.
Brug Data drejeknappen, eller [+/YES], [-/NO] knapperne.
● SINGLE ................................ Spil den valgte melodi og stop.
● SINGLE REPEAT ................. Spil den valgte melodi gentagne gange.
● ALL ....................................... Spil alle melodierne på disketten.
● ALL REPEAT ........................ Spil alle melodierne gentagne gange.
● RANDOM ............................. Spil alle melodierne i tilfældig rækkefølge.
7
Tryk på [START/STOP] knappen for at spille melodien.
8
Tryk på [START/STOP] knappen igen for at stoppe melodien.
OBS
• Hvis melodien også
indeholder sangtekst
(standard MIDI format 0),
kan man samtidig læse
teksten på displayet.
Keyboardet kan vise
seks sprog: Engelsk, tysk,
fransk, spansk, italiensk
og japansk.

78
Disk Song Playback
12345678910111213141516
12345678910111213141516
6
76
Song spor dæmpning (Muting)
1
Tryk på [START/STOP] knappen for at spille melodien.
2
Tryk på en af TRACK knapperne under displayet.
[M] ikonen kan ses på displayet. Samtidig sættes vedkommende spor
til ”OFF”, og den del bliver dæmpet.
Tryk på den samme knap for igen at høre musikken i sporet.
3
Tryk på [START/STOP] knappen igen for at stoppe melodien.
Song lydstyrken
1
Tryk på [START/STOP] knappen for at spille melodien.
2
Tryk på [ACMP/SONG VOLUME] knappen.
3
Indstil lydstyrken for Song.
Brug data drejeknappen, [+/YES] / [-/NO] knapperne, eller knapperne [1] - [0]
på tal tastaturet.
OBS
•
Lydstyrken af det, der spilles
manuelt på keyboardet, berøres
ikke af denne operation.
4
Tryk på [START/STOP] knappen igen for at stoppe melodien.

79
Disk Song Playback
BACK NEXT
77
Afspilning fra en bestemt takt
1
Tryk på [SONG] knappen.
4
Tryk på [NEXT] knappen for at se Song Start Measure
på displayet.
5
Angiv den ønskede takt, hvorfra melodien skal begynde.
Brug data drejeknappen, [+/YES] / [-/NO] knapperne, eller knapperne [1] - [0]
på tal tastaturet.
6
Tryk på [START/STOP] knappen for at spille melodien
fra den ønskede takt.
7
Tryk på [START/STOP] knappen igen for at stoppe melodien.
2
Tryk på [NEXT] knappen for at se UTILITY displayet.
3
Vælg ”Start Measure” (takt).
Brug data drejeknappen, [+/YES] eller [-/NO] knapperne.
OBS
• Den valgte takt slettes
automatisk, når der vælges
en anden melodi.

80
Disk Song Playback
BACK NEXT
78
MAIN/AUTO FILL
ABC D
MAIN/AUTO FILL
ABCD
Repeat afspilning
1
Tryk på [SONG] knappen.
2
Tryk på [NEXT] knappen for at se Song UTILITY displayet.
3
Vælg ”A-B Repeat”.
Brug data drejeknappen, [+/YES] eller [-/NO] knapperne.
4
Tryk på [NEXT] knappen for at se A-B Repeat på displayet.
5
Tryk på [START/STOP] knappen for at spille melodien.
6
Tryk på [MAIN A] knappen ved start stedet (A), hvorfra
der skal repeteres.
7
Tryk på [MAIN B] knappen ved slut stedet (B), hvortil
der skal repeteres.
OBS
• Hvis man kun bestemmer
”A” stedet, bliver melodien
repeteret herfra og til
slutningen.
Repeat Playback er nu indstillet, og det valgte afsnit gentages,
lige til man stopper det med nedennævnte procedure.
8
Tryk på [MAIN A] knappen igen for at fortryde Repeat
funktionen og gentage melodi afspilningen.
9
Tryk på [START/STOP] knappen igen for at stoppe melodien.
OBS
• Repeat Playback aflyses
automatisk, hvis der vælges
en anden melodi.

81
Disk Song Playback
BACK NEXT
79
Song (melodi) transponering
1
Tryk på [SONG] knappen.
2
Tryk på [NEXT] knappen for at se Song UTILITY displayet.
OBS
• Denne operation har ingen
betydning for de manuelt
spillede toner.
• Transponering, der er udført
med proceduren på side 30,
berører hele lyden fra
keyboardet inklusiv Song
Transpose indstillingen.
• Når man afslutter ”Record
Mode” for en User Song,
vender keyboardet
automatisk tilbage til den
normale stemning.
3
Vælg ”Song Transpose”.
Brug data drejeknappen, [+/YES] eller [-/NO] knapperne.
4
Tryk på [NEXT] knappen for at se Song Transpose displayet.
5
Indstil værdien for transponeringen.
Brug data drejeknappen, [+/YES] / [-/NO] knapperne, eller knapperne [1] - [0]
på tal tastaturet.
Transpose områder går fra -12 til +12 halve toner. Der svarer til transponering
på + / - en oktav. Den normale indstilling er ”0”
OBS
• Negative værdier indtastes
ved at holde [-/NO] knappen
nede, mens der trykkes på
tal knapperne.
6
Tryk på [START/STOP] knappen for at spille melodien.
7
Tryk på [START/STOP] knappen igen for at stoppe melodien.
OBS
• Trin #1 - #5 kan udføres
under afspilning.

82
Vocal Harmony (PSR-740)
80
Indstilling
1
Sæt INPUT VOLUME knappen til ”MIN”.
2
Tilslut mikrofonen til MIC/LINE IN
bøsningen på PSR-740.
3
Sæt MIC/LINE omskifteren på panelet til ”MIC”.
Denne helt ekstraordinære stærke funktion bruger en virkelig avanceret teknologi til at sætte harmonier
til en sangstemme. Fire distinkte harmoni funktioner samt et stort udvalg af Preset harmonier er der at
vælge imellem. I tillæg til de normale harmonier, kan man med PSR-740 skifte til en tydelig adskillelse
mellem harmoni og/eller sangstemme (Lead Vocal Sound). Hvis man for eksempel selv synger med
mandsstemme, kan man blive ”backed up” af to-stemmet kvindestemmer. Der er et stort sæt parametre,
der bruges til præcise og fleksible indstillinger af Vocal Harmony Sound funktionen.
OBS
• Det anbefales at bruge en
standard dynamisk mikrofon
med en impedans omkring
250 ohm. PSR-740 fungerer
ikke med en Phantom-
forsynet kondensator eller
electret mikrofon.
4
Indstil INPUT VOLUME kontrollen, mens der synges
i mikrofonen.
Se på SIGNAL og OVER lamperne for at finde den rigtige
indstilling.
Med INPUT VOLUME knappen i minimum, skal man
synge eller tale med det højest forventede lydniveau.
Gradvist kan man så skrue knappen op imod ”MAX”,
indtil SIGNAL lampen lyser, og OVER lampen lyser med mellemrum.
Derefter skrues der ned igen sådan, at OVER lampen holder op med at
blinke. Dette skulle være den optimale indstilling.
OBS
• Hvis OVER lampen lyser
konstant uanset indstillingen
af VOLUME, er lydniveauet
af signalet alt for højt.
Prøv at reducere lydkildens
lydniveau.
Brugen af ”LINE” indstillingen
ADVARSEL
•
Brug aldrig ”MIC” ind-
stillingen sammen med
signaler fra CD-spiller,
kassette- spiller eller
lignende. Det kan altså
ødelægge indgangen
og dens funktioner hos
PSR-740.
Sådan gøres det:
1Sæt INPUT VOLUME knappen til ”MIN”.
2Sæt lydkilden i forbindelse med MIC/LINE IN
bøsningen. Brug et stereo-til-mono kabel
eller et ”Y” kabel for at kombinere venstre
og højre kanaler fra lydkilden til PSR-740’s
mono MIC/LINE IN forbindelsen.
3Indstil MIC/LINE IN omskifteren til ”LINE”.
4Indstil INPUT VOLUME knappen.
Afspil lydkilden med den højest tænkelige lydstyrke, og indstil INPUT VOLUME knappen
for at få det maksimale signal (som ved de ovennævnte indstillinger).
CD player, etc.
Hvis du normalt bruger mikrofon, vil du nok sjældent eller aldrig få brug for ”LINE” funktionen.
Og dog: Det kan alligevel være smart i nogle tilfælde at man kan bruge Harmony effekten
sammen med noget indspillet på f.eks. tape eller CD. Det bedste resultat kommer dog kun,
hvis det forindspillede er gjort uden harmonier, for det er muligt, at forindspilningen har brugt
andre harmonier end de, PSR-740 vælger.

83
Vocal Harmony (PSR-740)
ON/OFF REVERB DSP4 TALK
ON/OFF REVERB DSP4 TALK
81
Brugen af Vocal Harmony effekterne
1
Tilslut en mikrofon i bøsningen MIC/LINE IN på PSR-740
(side 13).
ADVARSEL
Hvis der opsamles støj
via mikrofonen og dens
ledning, kan Vocal Harmony
lyden blive forvrænget.
•Hold mikrofonen længst
væk fra keyboardets
højttalere.
4
Spil på keyboardet, mens du synger i mikrofonen.
Vocal Harmony effekten kan styres med de akkorder, som du spiller.
Hvordan man bruger akkorderne til at styre funktionen, afhænger af indstil-
lingen af Vocal Harmony. Her er nogle eksempler (flere detaljer på side 85).
●Når Harmony Mode er sat til VOCODER, og Harmony
Part er sat til UPPER:
Spil med højre hånd, mens du synger i mikrofonen.
Vocal Harmony skifter akkorder og toner sammen med det,
du spiller med højre hånd på tangenterne over Split Point.
●Når Harmony Mode er sat til CHORDAL:
Først aktiveres Auto Accompaniment (side 35).
Spil akkompagnementet med venstre hånd. Vocal Harmoni
effekten styres så med de akkorder, der tages under Split
Point stedet (Accompaniment delen af keyboardet).
Vocal Harmony effekten fungerer der mange indstillinger,
blandt andet kvaliteten af Harmony klangene og hvilke
5
Tryk på [REVERB], [DSP 4] og [TALK] knapperne for at
aktivere respektive funktioner.
● REVERB................... Dette er den samme REVERB, som er beskrevet på side
50. Med knappen bestemmes, om den valgte Reverb også
skal bruges til mikrofonen — eller ikke.
● DSP4 ........................ PSR-740 har en DSP effekt (DSP 4) specielt for lyden
i mikrofonen, og denne knap sætter DSP 4 effekten On
og Off. Typen af DSP 4 indstilles via Multi Effect displayet,
eller via Talk Setting displayet.
● TALK ........................ Aktiverer Talk indstillingerne, der hænger sammen med
lyden fra mikrofonen. Dette inkluderer balancen mellem
mikrofonen og de andre klange i PSR-740 og Vocal
Harmony samt DSP type.
3
Syng i mikrofonen.
akkorder, der betyder noget for Vocal Harmony.
2
Tryk på VOCAL HARMONY [ON/OFF] knappen for at aktivere
funktionen
OBS
• Hvis man hører forvrængede
eller falske toner fra Vocal
Harmony, kan det være,
at mikrofonen eller ledningen
samler forkerte signaler op
— for eksempel lyden fra
Auto Accompaniment.
Det er specielt bas tonerne,
der kan have indflydelse på
Vocal Harmony funktionen.
Løsningen må være at
forhindre, at fremmede
signaler forstyrrer
mikrofonen:
• Syng så tæt på mikrofonen
som muligt.
• Brug en mikrofon med
super-nyre karakteristik
(uni-directional).
• Skru ned for MASTER
VOLUME, ACMP VOLUME
samt SONG VOLUME.
6
Indstil INPUT VOLUME til minimum og sluk for keyboardet.

84
Vocal Harmony (PSR-740)
82
Ændring af indstillinger for Harmony
Vocal Harmony effekten har en masse forskellige indstillinger, så man kan bestemme
karakteren af harmonierne, og hvordan Harmony kan styres. Disse indstillinger
aktiveres ved at trykke på VOCAL HARMONY [ON/OFF] knappen.
Følg denne vejledning for at ændre indstilling.
1
Tryk på [VOCAL HARMONY] knappen.
2
Vælg en Vocal Harmony type.
Brug data drejeknappen, [+/YES] eller [-/NO]
knapperne.
Harmony Mode (side 85) aktiveres automatisk,
når Type er valgt.
3
Vælg en Lead Gender type.
Brug data drejeknappen, [+/YES] eller [-/NO]
knapperne.
4
Vælg Pitch (stemning).
Brug data drejeknappen, [+/YES] eller [-/NO]
knapperne.
5
Vælg Pitch to Note indstilling.
Brug data drejeknappen, [+/YES] eller [-/NO]
knapperne.
6
Vælg Harmony Part.
Brug data drejeknappen, [+/YES] eller [-/NO]
knapperne.
7
Vælg Song spor.
Brug data drejeknappen, [+/YES] eller [-/NO]
knapperne.
Gælder kun, hvis ”Song” er valgt i trin 6 herover.
[BACK] knappen [NEXT] knappen
[BACK] knappen [NEXT] knappen
[BACK] knappen [NEXT] knappen
[BACK] knappen [NEXT] knappen
[BACK] knappen [NEXT] knappen
Vocal Harmony Mode

85
Vocal Harmony (PSR-740)
83
Lidt om parametrene
OBS
• Når man vælger og spiller
en Song med Vocal
Harmony data, bliver
ocal Harmony typen blive
valgt automatisk.
Men man kan dog ændre
dette ved at vælge
Harmony Type direkte
på panelet.
● Vocal Harmony type
Man kan vælge mellem i alt 50 Vocal Harmony typer. Der er virkelig mange muligheder,
men se listen over disse typer på side 146.
● Lead Gender type
Denne bestemmer karakteren (eller mand/kvinde stemmen) af Harmony typen:
• OFF...............Harmony karakteren ændres ikke.
• UNISON.........Harmony lyder med en klang mellem mands- og kvindestemme.
• MALE.............Harmony lyder med en mandsstemme.
• FEMALE........Harmony lyder med en kvindestemme.
● Pitch (stemning) korrektion
Skulle du (naturligvis mod forventning) synge en lille smule falsk, kan dine toner justeres,
så de passer til det, der spilles på keyboardet. Pitch korrektion kan ikke bruges, hvis Lead
Gender Type er ”OFF”, eller hvis Vocal Harmony Mode er sat til Detune.
● Pitch to Note
Med denne funktion kan man få et valgt instrument til at spille med den toneart, du synger i.
Vælg den Part, der skal styres med din stemme.
● Harmony Part
Vocal Harmony effekten styres med de toner, der spilles. Parameteren lader dig bestemme
hvilke toner (Keyboard position, Accompaniment eller Song data), der skal styre harmonierne.
Harmony Part kan kun indstilles, hvis man har valgt Vocal Harmony Mode til Vocoder.
• OFF...............Der høres ingen harmoni.
• UPPER..........Toner, der spilles til højre for Split Point, styrer harmonierne.
• LOWER.........Toner der spilles til venstre for Split Point, bestemmer harmonierne.
● Song sporet
Når man afspiller en melodi fra disketten, vil tonerne i det indspillede Song spor bestemme
harmonierne.
Vocal Harmony typerne findes i fire kategorier eller ”Modes”, som danner harmonier på
forskellige måder. Disse ”Modes” kan ikke indstilles direkte, da de er fastsat til hver Vocal
Harmony type. De indstilles automatisk, når en type vælges. Harmony effekten afhænger altså
helt af den valgte Harmony Mode, og parameteren bestemmer harmonien sammen med din
stemme. De fire kategorier eller ”Modes” beskrives her.
● Chordal
Med denne funktion vil akkorderne, der spilles med venstre hånd, styre harmonierne.
Hvis man bruger Song Mode, vil disse akkorder bruges til Harmony.
● Vocoder
Harmony tonerne bestemmes af de toner, der spilles på keyboardet (VOICE R1, R2 og L).
● Chromatic
Denne funktion giver automatisk en harmoni med en toneart, der bestemmes med din egen
sang. Funktionen er helt uafhængig af alt det, der spilles på keyboardet.
● Detune
Denne funktion giver automatisk en let ”falsk” klang, sammenlignet med din stemme.
Det kan give en flot kor-effekt. Effekten er uafhængig af de toner, der spilles på keyboardet.
Vocal Harmony Modes

86
Vocal Harmony (PSR-740)
[BACK] knappen [NEXT] knappen
[BACK] knappen [NEXT] knappen
[BACK] knappen [NEXT] knappen
[BACK] knappen [NEXT] knappen
[BACK] knappen [NEXT] knappen
84
Indstilling af Talk
Man kan aktivere Talk indstillingerne ved at trykke på VOCAL HARMONY [TALK] knappen.
1
Tryk på [FUNCTION] knappen.
2
Vælg ”Talk Setting”.
Brug data drejeknappen, [+/YES] eller [-/NO]
knapperne.
3
Indstil lydstyrken for Talk.
Brug data drejeknappen, [+/YES] / [-/NO] knapperne,
eller knapperne [1] - [0] på tal tastaturet.
4
Indstil hele lydstyrken.
Brug data drejeknappen, [+/YES] / [-/NO] knapperne,
eller knapperne [1] - [0] på tal tastaturet.
5
Vælg en DSP type.
Brug data drejeknappen, [+/YES] eller [-/NO]
knapperne.
6
Vælg en Harmony type.
Brug data drejeknappen, [+/YES] eller [-/NO]
knapperne.
7
Indstil Pan, Reverb dybden, Chorus dybden
og DSP Dry/Wet.
Brug data drejeknappen, [+/YES] / [-/NO] knapperne,
eller knapperne [1] - [0] på tal tastaturet.

87
Vocal Harmony (PSR-740)
85
Lidt om de forskellige parametre
● Talk lydstyrke...................... Fastsætter lydstyrken for din stemme i mikrofonen i et
område fra 0 til 127.
● Total lydstyrke .................... Fastsætter den samlede lydstyrke for PSR-740 (eksklusiv
lyden fra mikrofonen) over et område fra 0 til -20 dB.
● DSP 4 Type .......................... Her bestemmes typen for DSP 4 effekten, som hænger
sammen med lyden fra mikrofonen. Funktionen kan også
indstilles via Multi Effekt displayet. Når [TALK] knappen er i
”OFF”, kan DSP 4 typen indstilles med Multi Effect displayet.
● Vocal Harmony Type .......... Dette er de samme parametre, der er beskrevet på side 85.
Hvis man trykker på [TALK] knappen, ses den aktuelle type.
● Pan, Reverb Depth, ............ Pan, Reverb Depth og Chorus Depth indstillingerne er de
Chorus Depth, samme, som parametrene. Når [TALK] knappen er aktiveret,
og DSP Dry/Wet bliver også de aktuelle parametre kaldt frem. Når denne
knap er aflyst, bliver parametrene resat til de oprindelige
værdier.
DSP Dry/Wet parameteren bestemmer mængden af DSP 4
effekten, der skal sættes til Harmony lyden.

88
86
Indstillinger af Parts
Udover de klange, som PSR-640 og PSR-740 kan indstilles til, er der mange flere forskellige
instrumentale ”Parts”, der inkluderer Auto Accompaniment, Song Playback og Vocal Harmony.
Brug disse funktioner for at ændre klang for hver Part.
● Voice ændring ........................................................................................................................ side 89
Med denne funktion kan man ændre klangen for hver part.
● Mixer........................................................................................................................................ side 90
Her styres lydstyrken og balancen mellem de forskellige parter (dele).
● Parameter editering ............................................................................................................... side 91
Her kan man ændre indstillingen for hver part:
• Oktav
Skifter stemning en eller to oktaver op eller ned.
Indstillingen ”0” giver den normale stemning.
• Pan
Styrer lyden fra venstre til midten og til højre som for en stereo virkning.
Indstillingen ”-7” er fuldt venstre, ”0” er i midsten, og ”+7” er fuldt højre.
Andre indstillinger bevæger sig mellem disse yderpunkter.
• Reverb dybde
Man kan indstille Reverb dybden for hver klang eller spor, og hvor meget,
den skal betyde for disse.
• Chorus dybden
Man kan indstille Chorus dybden for hver klang eller spor, og hvor meget,
den skal betyde for disse.
• DSP dybden
Man kan indstille DSP dybden for hver klang eller spor, og hvor meget,
DSP skal betyde for disse.
De parametre, der kan indstilles, ses i tabellen herunder.
● Style funktionen
Part
Keyboard VOICE R1
VOICE R2
VOICE L
Auto Akkompagnement RHYTHM SUB
RHYTHM MAIN
BAS
AKKORD 1
AKKORD 2
PAD
PHRASE1
PHRASE2
Vocal Harmony MIC
(PSR-740) HARMONY
● Song mode
Part
Keyboard VOICE R1
VOICE R2
VOICE L
Song Spor 1
Spor 2
Spor 3
Spor 4
:
Spor 15
Spor 16
Vocal Harmony MIC
(PSR-740) HARMONY
● Parametre
Parameter Voice Style Song Vocal Range Function
R1, R2, L Harmony
Voice number O O O – Refer to the Voice Voice Change
List (page 140)
Volume O O O O 0 – 127 Mixer
Octave O – O – -2 – 2 Parameter Edit
Pan O O O O -64 – 63 Parameter Edit
Reverb depth O O O O 0 – 127 Parameter Edit
Chorus depth O O O O 0 – 127 Parameter Edit
DSP depth O O O O 0 – 127 Parameter Edit
O : er mulig

89
Den valgte del, hvor
klangen skal ændres.
[NEXT] knappen[BACK] knappen
87
OBS
● Voice R1, R2, L
• Når der aktiveres en DSP type, der hører sammen med Insertion
effekten (side 54), vil denne kun berøre klangen for R1, og ikke for
R2 / L klangene. Derfor kan man ikke ændre DSP dybden for R2
og L klangene. For PSR-640 findes der også nogle begrænsninger
i mulighederne for at ændre DSP dybden.
• Gem dine indstillinger i Registration Memory i PSR-640 og PSR-740
(side 62). Indstillinger af forskellige Parts er midlertidige, og de tabes,
hvis der slukkes for keyboardet, eller hvis der vælges andre indstil-
linger. Det gælder også, hvis man vælger en anden Voice Set funk-
tion (side 136) eller hvis en anden Registration Memory genkaldes.
● Song
• Kontroller først, om du har valgt den ønskede melodi (Song), hvor der
skal ændres nogle parametre, inden det relevante display aktiveres.
• Indstillingerne mistes, hvis man slukker for keyboardet, vælger en
anden Song, eller vælger en anden Style funktion. Man kan gemme
sine indstillinger på en diskette (side 92) sådan, at man senere kan
genkalde dem.
● Auto Accompaniment
• Kun trommesættene (side 31) kan vælges for RHYTHM MAIN sporet.
• Når man anvender Auto Accompaniment indstillingerne for RHYTHM
SUB sporet, kan man vælge vilkårlige klange, men der ændres ikke
på akkorderne ved brug af Auto Accompaniment.
• Kontroller først, at den ønskede Style er valgt, før der skal indstilles
Part med det relevante display.
• Parts for Auto Accompaniment kan også indstilles, mens
akkompagnementet spiller.
• Part indstillingerne for Auto Accompaniment berører alle dele
af den valgte Style.
• Gem de indstillinger, som du vil beholde for PSR-640 eller PSR-7740
i Registration Memory. Alle nye indstillinger for Auto Accompaniment
mistes, hvis der slukkes for keyboardet, hvis der vælges en ny Style,
mens Voice Set er ”ON” (side 136) eller hvis en Registration Memory
genkaldes.
Voice Change
Udover at kunne ændre klangene for det, der spilles på keyboardet (R1, R2 og L),
kan man også ændre klangene i de enkelte spor i Auto Accompaniment og Songs.
1
Tryk på [VOICE CHANGE] knappen.
2
Vælg den del, hvor klangen skal ændres.
Delen vælges med disse knapper (afhængig af den valgte Mode:
Style eller Song):
● Voice ................................. PART ON/OFF [VOICE R1], [VOICE R2], [VOICE l]
knapperne
● Accompaniment sporet ..... [SPOR9]-[SPOR16] knapperne (Style Mode)
● Song sporet....................... [SPOR1]-[SPOR16] knapperne (Song Mode)
3
Vælg en klang
Brug Data drejeknappen, [+/YES] eller [-/NO] knapperne, eller knapperne
[1] - [0] på tal tastaturet.
Se listen over Voice på side 156.
4
Tryk på [EXIT] knappen for at forlade VOICE CHANGE displayet.
Indstillinger af Parts

90
[TALK] knappen
[VOCAL HARMONY ON/OFF] knappen
PART ON/OFF
[VOICE R1] knappen
[VOICE R2] knappen
[VOICE L] knappen
[SPOR1]-[SPOR16] knapperne PART ON/OFF
[VOICE R1] knappen
[VOICE R2] knappen
[VOICE L] knappen
[TRACK1]-[TRACK16] knapperne
88
Mixer
1
Tryk på [MIXER] knappen.
MIXER lampen blinker.
2
Indstil lydstyrken via det respektive display.
Der er tre grundlæggende displays: Et for klangene, et for akkompagnementet
og et for Vocal Harmony. Tegningen herunder viser, hvordan man vælger
mellem de forskellige displays.
For at indstille den ønskede lydstyrke, bruges Data drejeknappen, [+/YES] eller
[-/NO] knapperne, eller knapperne [1] - [0] på tal tastaturet.
3
Tryk på [EXIT] knappen for at komme tilbage til MIXER displayet.
Indstillinger af Parts
● Style mode
● Song mode
[TALK] knappen
[VOCAL HARMONY ON/OFF] knappen
PART ON/OFF
[VOICE R1] knappen
[VOICE R2] knappen
[VOICE L] knappen
[TALK] knappen
[VOCAL HARMONY ON/OFF] knappen
[SPOR9]-[SPOR16] knapperne PART ON/OFF
[VOICE R1] knappen
[VOICE R2] knappen
[VOICE L] knappen
[TALK] knappen
[VOCAL HARMONY ON/OFF] knappen
[SPOR9]-[SPOR16] knapperne

91
[BACK] knappen [NEXT] knappen
(PSR-640)
[BACK] knappen [NEXT] knappen
[BACK] knappen [NEXT] knappen
[BACK] knappen [NEXT] knappen
89
Editering af parametre
1
Tryk på [FUNCTION] knappen.
2
Vælg ”Parameter Edit”.
Brug Data drejeknappen, [+/YES] eller [-/NO] knapperne.
3
Tryk på [NEXT] knappen for at se Parameter Edit displayet.
4
Indstil værdien for parameteren via det respektive display.
• Brug Data drejeknappen, [+/YES] eller [-/NO] knapperne, eller knapperne
[1] - [0] på tal tastaturet.
• Man kan skifte mellem Parts som med Mixer funktionen.
• Skift mellem Parameter displays med [NEXT] og [BACK] knapperne
som vist herunder.
Indstillinger af Parts
OBS
• Negative værdier indtastes
ved at holde [-/NO] knappen
nede, mens værdien
indtastes.

92
90
Song Recording
Med den stærke og let-at-bruge funktion for indspilning, kan man indspille
sine egne melodier på en diskette som en User Song, samt danne sine helt
egne komplette og fuldt orkestrerede kompositioner.
Hver User Song kan indspilles i op til 16 uafhængige spor. Dette inkluderer
ikke alene det, der spilles på tangenterne (R1, R2, L), men også Auto Accom-
pagnement, samt for PSR-740 Vocal Harmony (side 82).
PSR-640 og PSR-740 har to metoder til indspilning: Quick indspilning og Multi Track indspilning.
Hertil kommer, at man med Edit funktionen kan ”finstemme” de indspillede data for melodien.
● Quick indspilning ................................................................................................................... side 94
Med denne metode kan man hurtigt og nemt indspille en melodi, uden at skulle
udføre detaljerede indstillinger.
● Multi Track indspilning ............................................................................................................ side 96
Med denne metode indspilles de 16 spor èt ad gangen.
• Punch In og Out ................................................................................................................... side 98
Med denne funktion kan man udpege og rette bestemte passager i et Song spor
(bestemme takterne for start og slut for passagen).
• Start takten........................................................................................................................... side 98
Bestemmer den takt, hvor indspilningen begynder. Det bruges, hvis man vil rette
noget midt i en melodi. Men husk at tidligere data i så tilfælde bliver slettet.
● Editering ............................................................................................................................... side 100
Der er fire funktioner til editering af tidligere indspillede melodi data.
• Quantize............................................................................................................................. side 100
Denne funktion retter i ”timingen” af den indspillede melodi.
• Setup Data Editing ............................................................................................................. side 102
Med denne funktion kan man ændre en række indstillinger.
• Navngivning af User Songs ............................................................................................... side 104
Man kan navngive en melodi med op til 12 karakterer.
• Sletning af User Song data ................................................................................................ side 105
Man kan slette data - enten en bestemt del eller hele molodien.
Når man har indspillet en User melodi, kan den afspilles igen på samme måde som de,
der er indspillet som Songs på disketten.
OBS
• User melodier kan indspilles
på en diskette. Så de kan
ikke indspilles, før der sættes
en diskette i drevet.
■ Data der kan indspilles i en User Song
• Tempo ...................................................................................................... side 38
• Takt ........................................................................................................... side 16
• Akkompagnement Style nummer ............................................................. side 34
• Section ændringer og deres timing .......................................................... side 36
• Akkord ændringer og deres timing ........................................................... side 40
• Akkompagnement lydstyrke ..................................................................... side 39
• Toner ON og OFF (tangent ned eller op) ............................................... side 122
• Anslaget ................................................................................................. side 122
• Pitch Bend, Pitch Bend område ....................................................... side 30, 139
• Modulation hjulet (PSR-740) ............................................................ side 30, 139
• Fod kontakt ON eller OFF ........................................................................ side 12
• Fodpedal lydstyrke ON eller OFF............................................................. side 12
• Indstillinger af Voice ændring ................................................................... side 89
• Indstilling af Mixer .................................................................................... side 90
• Indstilling af Parameter Edit ..................................................................... side 91
• Indstilling af Reverb og type ..................................................................... side 50
• Indstilling af Chorus og type ..................................................................... side 52
• DSP (incl. FAST/SLOW) ON og OFF samt type (PSR-640) .................... side 53
• DSP 1-3 (inkl. FAST/SLOW) ON og OFF samt type (PSR-740) .............. side 54
• Harmony/Echo ON og OFF samt type ..................................................... side 56
• Indstilling af Master EQ (PSR-740) .......................................................... side 59
• Stemning af skalaen............................................................................... side 135
• Sustain ON og OFF.................................................................................. side 31
• Indstilling af Vocal Harmony )PSR-740) ................................................... side 82
• Indstilling af Organ Flutes (PSR-740) ...................................................... side 32
OBS
• User melodier kan indspilles
på en diskette. Så de kan
ikke indspilles, før der sættes
en diskette i drevet.
OBS
• Når der indspilles melodier
i PSR-640 og PSR-740 sker
det som SMF (format 0) filer.
Der er mere information
herom på side 125.
• Når det er muligt at indspille
en tone og dens anslag
betyder det, at man indspiller
med forte eller piano,
crescendo eller diminuendo
nøjagtigt, som du spiller på
keyboardet.
• Tone ON (tangent ned), tone
OFF (tangent sluppet) samt
anslaget (hårdt eller blødt)
gemmes som MIDI data
(se også side 122).
Der er plads til højst 65.000 noder i Song Memory med en 2DD diskette, eller
130.000 toner på en 2HD diskette.

93
91
■ User Song sporene
De spor, der kan indspilles med User Songs, kan læses i nedenstående tabel.
OBS
Følgende kommentarer
er vigtige at huske, når der
indspilles en melodi.
• Det kan være smart at bruge
Metronome funktionen (side
134) ved indspilningen.
• Det er også en god ide at
bruge Registration Memory
(side 62) under indspil-
ningen, fordi forskellige
indstillinger (f.eks. Voices)
kan aktiveres med et tryk
på en knap.
Når Record funktionen er
aktiveret, bliver Registration
Memory Freeze funktionen
samtidig aktiveret. Denne
funktion kan altså ikke
aflyses, så længe Record
funktionen er aktiv.
• Når Record funktionen er
aktiveret, bliver Synchro
Stop funktionen aflyst og kan
ikke aktiveres så længe,
Record funktionen er aktiv.
• Når der indspilles på en
diskette, bliver tidligere
indspillede data slettet.
• Der kan indspilles på
disketter, der er forindspil-
lede med melodier, og som
ikke er skrive-beskyttet.
Det er også muligt at rette i
disse data med PSR-640 og
PSR-740. Hvis disse SONG
data har et andet format end
Song data hos PSR-640 og
PSR-740, spørges der på
displayet, om formatet skal
laves om. Ved at trykke på
[+/YES] knappen bliver disse
Song data konverteret til et
format, som kan ”forstås” af
PSR-640 og PSR-740. Når
denne konvertering er klar,
kan man rette i data med
PSR-640 og PSR-740.
• Hvis disketten bliver fyldt op
under indspilning, kommer
der en besked på displayet,
og indspilningen standser
automatisk.
• Under indspilning må der
ikke slukkes for keyboardet,
da data i så fald mistes.
Der er mulighed for at indspille med to metoder i PSR-640 og PSR-740:
Quick indspilning og Multi Track (spor) indspilning.
● Lidt om Multi Track indspilning
Med Multi Track indspilning kan man selv bestemme, hvad der skal lægges
i de forskellige spor (se tabellen herover). Flere spor kan indspilles samtidig.
Udover at indspille i de tomme spor, kan man også rette i de tidligere indspillede
spor.
● Lidt om Quick indspilning
Med Quick indspilning kan man hurtigt indspille en melodi uden at skulle
bekymre sig om de forskellige spor. Ved Quick indspilning tildeles de forskellige
data automatisk til disse spor.
• Når Record (indspilning) metoden er indstillet til ”MELODY”
Spillet på keyboardet (VOICE R1, R2, L) indspilles i sporene 1 - 3.
• Når Record metoden er indstillet til ”ACMP”
Auto Accompaniment indspilles til sporene 9 - 16
• Når Record metoden er indstillet til ”MELODY + ACMP”
Melodien indspilles med VOICE R1 og R2 samt L i sporene 1 - 3,
og med Auto Accompaniment i sporene 9 - 16.
Der er forskel på Quick Recording og Multi Track Recording, men i begge tilfælde
indspilles der i spor 1 - 16.
Man skal bruge Multi Track Recording ved gen-indspilning af en User Song,
der oprindelig var indspillet med Easy Recording metoden.
Song Recording
Spor Andre funktioner Forindstillet
1 VOICE R1, R2, L, Accompaniment Style track, Vocal Harmony VOICE R1
2 VOICE R1, R2, L, Accompaniment Style track, Vocal Harmony VOICE R2
3 VOICE R1, R2, L, Accompaniment Style track, Vocal Harmony VOICE L
4 VOICE R1, R2, L, Accompaniment Style track, Vocal Harmony VOICE R1
5 VOICE R1, R2, L, Accompaniment Style track, Vocal Harmony VOICE R1
6 VOICE R1, R2, L, Accompaniment Style track, Vocal Harmony VOICE R1
7 VOICE R1, R2, L, Accompaniment Style track, Vocal Harmony VOICE R1
8 VOICE R1, R2, L, Accompaniment Style track, Vocal Harmony VOICE R1
9 VOICE R1, R2, L, Accompaniment Style track, Vocal Harmony Accompaniment Style RHYTHM SUB
10 — Accompaniment Style RHYTHM MAIN
11 VOICE R1, R2, L, Accompaniment Style track, Vocal Harmony Accompaniment Style BASS
12 VOICE R1, R2, L, Accompaniment Style track, Vocal Harmony Accompaniment Style CHORD1
13 VOICE R1, R2, L, Accompaniment Style track, Vocal Harmony Accompaniment Style CHORD2
14 VOICE R1, R2, L, Accompaniment Style track, Vocal Harmony Accompaniment Style PAD
15 VOICE R1, R2, L, Accompaniment Style track, Vocal Harmony Accompaniment Style PHRASE1
16 VOICE R1, R2, L, Accompaniment Style track, Vocal Harmony Accompaniment Style PHRASE2

94
92
Quick indspilning
1
Sæt en diskette i drevet.
2
Tryk på [RECORD] knappen for at aktivere Record funktionen.
3
Vælg ”SONG”.
Brug Data drejeknappen, [+/YES] eller [-/NO] knapperne.
4
Tryk på [NEXT] knappen.
5
Tryk på [NEXT] knappen igen.
8
Vælg Record metoden.
Brug Data drejeknappen, [+/YES] eller [-/NO] knapperne.
● MELODY ................. Indspiller melodien med klangene R1, R2 og L uden
Auto Accompaniment.
● ACMP ...................... Indspiller kun Auto Accompaniment. Ved valget sættes
automatisk Auto Accompaninement til ”ON”.
● MELODY + ACMP... Hele melodien incl. akkompagnementet indspilles.
Song Recording
6
Vælg ”Quick”.
7
Tryk på [NEXT] knappen igen.

95
93
9
Tryk på [NEXT] knappen for at se RECORD Ready displayet.
Takt indikatoren blinker med det indstillede tempo, hvilket viser, at der er klar
til indspilning samt at Synchro Start funktionen er aktiveret.
10
Start indspilningen.
• Hvis der er valgt [MELODY] eller [MELODY + ACMP] i trin #8,
starter indspilningen i samme øjeblik, der trykkes på en tangent.
• Hvis der er valgt [ACMP] i trin #8 starter indspilningen, når der spilles
i venstre side af keyboardet.
• Indspilning kan også startes med [START/STOP] knappen.
OBS
• Auto Accompaniment
kan ikke sættes ON og OFF
under indspilning.
11
Stopindspilning.
• Hvis der er valgt [MELODY] i trin #8, stoppes der ved at trykke på
[START/STOP] knappen.
• Hvis der blev valgt [ACMP] eller [MELODY + ACMP] i trin #8, kan
indspilningen stoppes ved at trykke på [START/STOP] knappen eller på
[ENDING] knappen. Hvis man under indspilning trykker på [ENDING]
knappen, stopper indspilningen af sig selv, når Ending passagen er færdig.
12
Vælg om de nye indspillede data skal gemmes eller ikke.
• Man kan aflyse Save operationen (hvis man f.eks. vil fortryde indspilning)
ved at trykke på [-/NO] knappen og starte forfra i trin #8, når displayet er
vendt tilbage til TRACK visningen.
• Gem data på diskette gøres ved at trykke på [+/YES] knappen.
13
Afslut Rrecord funktionen.
Tryk igen på [RECORD] knappen.
ADVARSEL
• Der må ikke afbrydes
for keyboardet under
indspilning, og disketten
må ikke udløses.
Song Recording

96
12345678910111213141516
94
Multi Track indspilning
1
-
3
Brug samme fremgangsmåde som ved ”Quick
indspilning” på side 94.
4
Tryk på [NEXT] knappen for at se FILE valget på displayet.
5
Tryk på [NEXT] knappen.
8
Vælg det ønskede spor og Part til indspilning.
OBS
• Se side 98 for mere
information om Punch In
og Start Measure.
1) Vælg et spor.
Tryk på en af [TRACK1]-[TRACK16] knapperne.
2) Vælg en del (Part).
Brug Data drejeknappen,
[+/YES] eller [-/NO] knapperne.
3) Vælg det ønskede spor for
”REC”.
Brug [NEXT] knappen og brug
Data drejeknappen, [+/YES]
eller [-/NO] knapperne.
• Alle ønskede indstillinger for de enkelte spor kan gøres ved at gentage
trin 1) til 3) herover.
OBS
• Se side 93 for mere informa-
tion om Track Assignments
(tildeling af spor).
• Hvis Auto Accompaniment
data skal indspilles, skal
[ACMP] knappen være sat til
”ON”.
• Den samme del kan ikke
indspilles i flere spor.
Song Recording
[BACK] button [NEXT] button
6
Vælg ”Multi Track”.
Brug Data drejeknappen, [+/YES] eller [-/NO] knapperne.
7
Tryk på [NEXT] knappen tre gange for at se PART indstilling
på displayet.

97
95
9
Tryk på [NEXT] knappen for at se Rehearsel displayet.
Klange og rytmer kan indstilles via dette display. Når indstillingerne er klar,
skal der trykkes på [EXIT] knappen.
10
Tryk på [NEXT] knappen for at se RECORD Ready displayet.
Lamperne, der viser takten, vil blinke i det indstillede tempo, og det viser,
at der er klar til indspilning, og at Synchro Start er aktiveret.
11
Start indspilningen.
• Indspilningen starter, når der trykkes på en tangent.
• Hvis du aktiverede Auto Accompaniment sporet for indspilning (trin #8),
starter indspilningen samtidig med, at du trykker på en tangent i venstre del
af keyboardet.
• Indspilningen kan også startes ved at trykke på [START/STOP] knappen.
OBS
• Under indspilning kan Auto
Accompaniment ikke skiftes
mellem ON og OFF.
12
Stop indspilningen.
• Hvis Auto Accompaniment sporet ikke er aktiveret til indspilning, stoppes
der ved at trykke på [START/STOP] knappen.
• Hvis Auto Accompaniment blev aktiveret i trin #8, kan man stoppe
indspilningen ved at trykke på [START/STOP] knappen eller på [ENDING]
knappen. Hvis man trykker på [ENDING] knappen under indspilningen,
standser indspilningen automatisk, når Ending delen er færdig.
13
Gem de indspillede data på en diskette.
• Man kan fortryde det, man er begyndt på, ved at trykke på [-/NO] knappen
i trin #8 og starte forfra med PART displayet for indstilling.
• Gem dine data ved at trykke på [+/YES] knappen.
14
Afslut indspilningen ved at trykke igen på [RECORD] knappen.
ADVARSEL
• Under indspilning
må der ikke slukkes for
keyboardet, og disketten
må ikke tages ud.
Song Recording

98
● Før gen-indspilningen
● Efter gen-indspilning
12345678
12345678
Recording start
(Punch In) Recording stop
(Punch Out)
Previously
played data Newly played data Previously
played data
96
Gen-indspilning — Punch In og Out, samt Start takt
Dette afsnit omhandler, hvordan man kan gen-indspille en bestemt del af et allerede
indspillet stykke musik. I det 8.dels eksempel herunder skal der gen-indspilles takterne
fra den 3. til den 5.
1
Sæt disketten i drevet.
2
Tryk på [RECORD] knappen for at aktivere Record funktionen.
3
Vælg ”Song”.
4
Tryk på [NEXT] knappen for at se valg af FILE på displayet.
5
Vælg den fil, der skal rettes i.
Brug Data drejeknappen, [+/YES] eller [-/NO] knapperne.
6
Tryk på [NEXT] knappen.
7
Vælg ”Multi Track”.
Brug Data drejeknappen, [+/YES] eller [-/NO] knapperne.
Song Recording
Indspilning start
(Punch In) Indspilning stop
(Punch Out)
Nye dataTidligere
indspillede data Tidligere
indspillede data

99
97
8
Tryk på [NEXT] knappen for at se PUNCH IN/OUT
på displayet.
9
Vælg ”ON”
Brug Data drejeknappen, [+/YES] eller [-/NO] knapperne.
10
Tryk på [NEXT] knappen for at se taktdisplayet for
PUNCH IN/OUT.
11
Vælg Punch In takten og Punch Out takten.
Brug Data drejeknappen, [+/YES], [-/NO] knapperne eller tal tastaturet
[1] - [0].
• Cursoren flyttes fra ”PUNCH IN” til ”PUNCH OUT” med
[NEXT] knappen.
• Cursoren flyttes fra ”PUNCH OUT” til ”PUNCH IN” med
[BACK] knappen.
12
Tryk på [NEXT] knappen for at se START MEASURE (takten)
på displayet.
13
Indstil Start takten, hvor afspilningen skal begynde
Brug Data drejeknappen, [+/YES], [-/NO] knapperne eller tal tastaturet
[1] - [0].
14
Tryk på [NEXT] knappen for at se PART displayet.
OBS
• Punch Out taktens nummer
kan ikke sættes lavere end
Punch In taktens nummer.
OBS
• Punch In/Out indspilning
gælder ikke for Auto
Accompaniment sporene
eller en Vocal Harmony del.
• Under indspilning kan man
bruge TRACK knapperne til
at tænde og slukke for
tidligere indspillede spor.
Song Recording
15
Indspil ved at bruge samme fremgangsmåde som ved
”Multi Track indspilning”, side 96 og start med trin #7.

100
98
Quantize
Ved hjælp af Quantize funktionen kan man ”stramme op” på takterne i et tidligere
indspillet spor. For eksempel er følgende passage skrevet med 1/4 og 1/8 nodeværdier.
Selvom man føler, at passagen er korrekt indspillet, kan nogle af tonerne godt være
indspillet lidt før eller lidt efter den angivne takt. Med Quantize funktionen kan man
rette alle tonerne i et spor korrekt på plads.
1
-
4
Brug samme metode som ved ”Re-Recording” (side 98).
5
Vælg den melodi, der skal Quantized.
Brug Data drejeknappen, [+/YES] eller [-/NO] knapperne.
6
Tryk på [NEXT] knappen.
9
Vælg ”Quantize”.
Brug Data drejeknappen, [+/YES] eller [-/NO] knapperne.
10
Tryk på [NEXT] knappen for at se valget af TRACK (spor)
på displayet.
11
Vælg det spor, der skal Quantized.
Brug Data drejeknappen, [+/YES] eller [-/NO] knapperne.
Song Recording
7
Vælg ”Edit” funktionen.
Brug Data drejeknappen, [+/YES] eller [-/NO] knapperne.
8
Tryk på [NEXT] knappen.

101
99
12
Tryk på NEXT knappen.
13
Vælg Quantize Size (opløsning).
Brug Data drejeknappen, [+/YES] eller [-/NO] knapperne.
Vælg den Quantize værdi, der svarer til den mindste nodeværdi.
I eksemplet er der brugt både 1/4 og 1/8 del nodeværdier, så her skal der vælges
1/8 del. Hvis man vælger 1/4 del, bliver 1/8 noden flyttet hen ovenpå en 1/4 del
node.
14
Tryk på [NEXT] knappen for at se Quantize funktionen
på displayet.
15
Tryk på [+/YES] knappen for at udføre Quantize operationen
Fortryd funktionen ved at trykke på [-/NO] knappen
ADVARSEL
• Tag ikke disketten ud af
drevet, og sluk ikke for
keyboardet, når Quantize
operationen er aktiv.
16
Tryk på [RECORD] knappen for at afslutte Record funktionen.
Song Recording
● Quantize Size (værdi)
Værdi Node
1/4 Kvart node
1/6 Forlænget kvart node
1/8 Ottendedels node
1/12 Forlænget 1/8 node
1/16 Sekstendedels node
1/24
Forlænget sekstendedels node
1/32 Toogtredivedels node
En takt af 8-dels noder før Quantization
Efter Quantization
Quantize operationen er
færdig ...

102
100
Editering af Setup Data
Med denne funktion kan man ændre i de indstillinger (Setup data) for hvert spor
i en indspillet melodi. Disse parametre kan ændres:
● Voice (klang) ............... Bestemmer nummeret for en klang i et valgt spor.
● Volume (lydstyrke) ...... Indstiller lydstyrken for et bestemt spor.
● Octave (oktav)............. Ændrer stemningen af et bestemt spor en eller to oktaver
op eller ned. Indstillingen ”0” er det normale.
● Pan (panorering) ......... Lægger lyden for et spor fra venstre til højre side.
Indstillingen ”-7” er helt til venstre, og ”+7” er helt til højre.
”0” er i midten, og alle andre indstillinger giver positioner
her imellem.
● Reverb dybde.............. Indstiller Reverb dybden for et udpeget spor, og dermed
mængden af sporets Reverb effekt.
● Chorus dybde.............. Indstiller Chorus dybden for et udpeget spor, og dermed
mængden af sporets Chorus effekt.
● DSP dybde .................. Indstiller DSP dybden for et udpeget spor, og dermed
mængden af sporets DSP effekt.
OBS
• Kun en af Setup
parametrene kan indspilles
i hvert spor. Alle parametre,
der ændres i midten af en
melodi, bliver slettet.
Dette gælder dog ikke for
parameteren ”Volume”
(lydstyrke).
1
-
4
Brug samme fremgangsmåde som for ”Re-Recording” (side 98).
5
Vælg den fil (melodi), hvor der skal ændres Setup data.
Brug Data drejeknappen, [+/YES] eller [-/NO] knapperne.
6
Tryk på [NEXT] knappen for at se MODE valget på displayet.
7
Vælg ”Edit”.
Brug Data drejeknappen, [+/YES] eller [-/NO] knapperne.
8
Tryk på [NEXT] knappen.
9
Vælg ”Setup Data”
Brug Data drejeknappen, [+/YES] eller [-/NO] knapperne.
10
Tryk på [NEXT] knappen for at se SETUP DATA på displayet.
Song Recording

103
101
11
Editering ad Setup data.
Tryk på [NEXT] og [BACK] knapperne til at skifte mellem de displays,
der vises her.
12
Tryk på [NEXT] knappen for at se Setup data Saving
displayet.
13
Gem de ændrede data på disketten.
14
Der afsluttes ved at trykke på [RECORD] knappen igen.
ADVARSEL
• Tag ikke disketten ud af
drevet, og sluk ikke for
keyboardet, når en Save
rutine er i gang.
Song Recording
Save operationen
er færdig ...
• Man kan fortryde det, der er
lavet, ved at trykke på [-/NO]
knappen. Herefter kan der
fortsættes med at rette data fra
trin #11, når displayet er vendt
tilbage til SETUP DATA billedet.
• Man gemmer de rettede data ved
at trykke på [+/YES] knappen.
• Vælg et spor ved at trykke på en af
[TRACK 1] - [TRACK 16]
knapperne
• Brug Data drejeknappen, [+/YES]
eller [-/NO] knapperne for at ændre
den ønskede værdi i hvert display.
[NEXT] knappen[BACK] knappen
• Voice
(klang)
• Volume
(lydstyrke)
• Octave
(oktav)
• Pan
• DSP
dybde
• Chorus
dybde
• Reverb
dybde
[NEXT] knappen[BACK] knappen
[NEXT] knappen[BACK] knappen
[NEXT] knappen[BACK] knappen
[NEXT] knappen[BACK] knappen
[NEXT] knappen[BACK] knappen

104
102
Navngivning af en User Song (melodi)
1
-
4
Brug samme fremgangsmåde som for ”Re-Recording” (side 98).
5
Vælg den fil (melodi), som skal have ændret navnet.
Brug Data drejeknappen, [+/YES] eller [-/NO] knapperne.
6
Tryk på [NEXT] knappen.
9
Vælg ”Name” (navn).
Brug Data drejeknappen, [+/YES] eller [-/NO] knapperne.
10
Tryk på [NEXT] knappen for at se NAME displayet.
11
Indtast det ønskede navn for melodien.
Brug tangenterne til indtastningen (side 21).
Der kan bruges op til 12 karakterer.
12
Der afsluttes ved at trykke på [RECORD] knappen igen.
Song Recording
7
Vælg ”Edit”.
Brug Data drejeknappen, [+/YES] eller [-/NO] knapperne.
8
Tryk på [NEXT] knappen.

105
103
Sletning af en User melodi
1
-
4
Brug samme fremgangsmåde som for ”Re-Recording” (side 98).
5
Vælg den Song fil, der skal slettes.
Brug Data drejeknappen, [+/YES] eller [-/NO] knapperne.
6
Tryk på [NEXT] knappen for at se MODE valget på displayet.
7
Vælg ”Edit”.
Brug Data drejeknappen, [+/YES] eller [-/NO] knapperne.
8
Tryk på [NEXT] knappen for at se Song Edit displayet.
9
Vælg ”Clear” (slet).
Brug Data drejeknappen, [+/YES] eller [-/NO] knapperne.
10
Tryk på [NEXT] knappen.
11
Vælg det spor, der skal slettes.
Brug Data drejeknappen, [+/YES] eller [-/NO] knapperne.
Hele melodien slettes ved<at vælge ”ALL TRACKS”.
12
Tryk på [NEXT] knappen.
13
Tryk på [+/YES] knappen for af udføre sletningen.
Fortryd operationen ved at trykke på [-/NO] knappen.
ADVARSEL
• Tag ikke disketten ud af
drevet, og sluk ikke for
keyboardet, når en Save
rutine er i gang.
Song Recording
14
Der afsluttes ved at trykke på [RECORD] knappen igen.

106
104
Multi Pad Recording
Dit spil på keyboardet (med R1 klangen) kan indspilles til en User Pad.
Chord Match data (side 48) kan også indspilles.
• Multi Pad indspilning ...............................................................................side 106
• Chord Match ........................................................................................... side 108
• Navngiv User Pads .................................................................................side 108
• Sletning af User Pads .............................................................................side 109
I tillæg til de forprogrammerede Multi Pads lyde, kan man i PSR-640 og PSR-740 selv indspille
16 kreationer. Disse originale User Multi Pads bruges på samme måde, som de forprogrammerede.
User Multi Pads data kan også gemmes på og hentes fra en diskette.
■ Data, som kan indspilles til User Pads
• Tone ON/OFF (tangent ned eller op)
• Anslaget (styrken af anslaget)
• Pitch Bend, Pitch Bend område)
• Sustain knappen ON/OFF
• Modulation hjulet (PSR-740)
• Fodkontakt ON/OFF (sustain, sostenuto, soft)
• Fodpedalen for lydstyrke ON/OFF
• Ændring af Voice indstilling
• Indstilling af Mixer
• Indstilling af Parameter Edit
Der kan indspilles cirka 2.000 noder i PSR-640 og PSR-740 USER MULTI PADS.
OBS
• User Pad data indspilles
med R1 klangen. R2 og L
klangene samt Auto
Accompaniment kan ikke
bruges.
• Det indspillede bliver i
hukommelsen, hvis der er
tilsluttet en lysnet adapter,
selvom der slukkes på
keyboardet (side 149).
Ikke desto mindre er det en
god ide at lave backup på en
diskette sådan, at disse
data altid kan genkaldes
(side 65).
Multi Pad indspilning
1
Tryk på [RECORD] knappen for at aktivere Record funktionen.
OBS
Følgende anvisninger
er vigtige at huske,
når der skal indspilles
Multi Pad data.
• Ved bruge metronomen
(side 134) kan man gøre
indspilningen meget mere
effektiv.
• Ved at bruge Registration
Memory (side 62), kan man
gøre indspilningen lettere,
fordi forskellige indstillinger
(klange o.s.v.) kan aktiveres
med et enkelt tryk på en
knap. Når Record funktionen
er aktiv, er også Registration
Memory Freeze funktionen
aktiveret. Den kan ikke
afbrydes, mens Record
funktionen er aktiv.
• Når der indspilles noget
i et spor, vi det tidligere
indspillede data blive slettet.
• Der kommer en advarsel
på displayet, hvis
hukommelsen bliver fyldt op,
og indspilningen stopper.
• Man kan miste data, hvis
der slukkes for keyboardet
eller lysnet adapteren under
indspilning.
2
Vælg ”Multi Pad”.
Brug Data drejeknappen, [+/YES] eller [-/NO] knapperne.
3
Tryk på [NEXT] knappen.
4
Vælg en Multi Pad Bank til indspilningen.
Brug Data drejeknappen, [+/YES] eller [-/NO] knapperne.

107
105
5
Tryk på [NEXT] knappen.
8
Vælg nummeret på den Pad, der skal indspilles.
Brug Data drejeknappen, [+/YES] eller [-/NO] knapperne.
9
Tryk på [NEXT] knappen for at se ”Rehearsel” displayet.
Klangene kan indstilles via dette display. Efter indstillingerne afsluttes
der ved at trykke på [EXIT] knappen.
10
Tryk på [NEXT] knappen for at se RECORD Ready displayet.
Takt indikatorens prikker for at vise det indstillede tempo og for at angive,
at Synchro Start funktionen er aktiveret.
11
Start indspilningen.
• Indspilningen startes ved at trykke på en tangent.
• Indspilningen kan også startes med [START/STOP] knappen.
12
Indspilningen stoppes ved at trykke på [START/STOP] knappen.
13
Tryk på [RECORD] knappen for at afslutte Record funktionen.
Multi Pad Recording
CSC CSC
C = akkord toner
C, S = skala toner
6
Vælg ”Record”.
Brug Data drejeknappen, [+/YES] eller [-/NO] knapperne.
7
Tryk på [NEXT] knappen.
Hvis man ønsker at spille en Chord Match frase, bør man kun bruge
CM7 tonerne, for eksempel C, D, E, G, A og B.
BACK NEXT

108
106
Chord Match
1
-
5
Brug den samme fremgangsmåde som ved
”Multi Pad indspilning”.
6
Vælg ”Edit”.
Brug Data drejeknappen, [+/YES] eller [-/NO] knapperne.
7
Tryk på [NEXT] knappen.
10
Tænd og sluk for Chord Match funktionen.
• Brug Data drejeknappen, [+/YES] eller [-/NO] knapperne.
• Brug [NEXT]/[BACK] knappen for at vælge en bestemt Pad.
11
Record funktionen afsluttes ved at trykke på [RECORD] knappen.
Navngivning af User Pads
1
-
7
Brug samme fremgangsmåde som ved Chord Match.
8
Vælg ”Name”.
Brug Data drejeknappen, [+/YES] eller [-/NO] knapperne.
9
Tryk på [NEXT] knappen for at se NAME displayet.
Multi Pad Recording
8
Vælg ”Chord Match” (tilpasning af akkorder).
Brug Data drejeknappen, [+/YES] eller [-/NO] knapperne.
9
Tryk på [NEXT] knappen.

109
107
10
Indtast det ønskede navn for filen.
Brug tangenterne til indtastning af navnet (side 21).
Der kan bruges op til 8 karakterer.
11
Der afsluttes ved at trykke på [RECORD] knappen.
Sletning af User Pad Data
1
-
7
Brug den samme fremgangsmåde som for ”Chord
Match” funktionen.
8
Vælg ”Clear”.
Brug Data drejeknappen, [+/YES] eller [-/NO] knapperne.
9
Tryk på [NEXT] knappen.
10
Vælg det Pad nummer, der skal slettes.
Brug Data drejeknappen, [+/YES] eller [-/NO] knapperne.
Sletning af alle fire Pads data sker ved at vælge ”ALL PADS”.
11
Tryk på [NEXT] knappen.
12
Udfør sletningen.
Tryk på [+/YES] knappen for at udføre sletningen.
Tryk på [-/NO] knappen for at fortryde.
Multi Pad Recording
13
Afslut funktionen ved at trykke på [RECORD] knappen.

110
OBS
• Hvis der er tilsluttet en
lysnetadapter, mistes data
ikke, selvom der slukkes for
keyboardet (side 149).
Men det er alligevel en god
ide at gemme sine data på
en diskette (side 65).
Style Recording
Man kan indspille op til tre originale Styles i PSR-640 og PSR-740, og de kan så senere bruges til
akkompagnement lige som de forprogrammerede Styles. User Styles kan også gemmes på og hentes
fra en diskette (side 65).
Man kan danne en User Style ud fra en af de forprogrammerede Styles. Vælg den Style,
der er nærmest den Style, du ønsker at danne, og indspil akkompagnement mønsteret i et af
delens spor.
Der er to grundlæggende metoder hos PSR-640 og PSR-740:
• Style indspilning — Rhythm spor ....................................................................................... side 112
• Style indspilning — Bass / Phrase / Chord sporene .......................................................... side 114
Der er fire funktioner til at rette i allerede indspillede data.
• Quantize............................................................................................................................. side 116
Denne funktion retter ”timingen”, så de passer med en bestemt nodeværdi.
• Navngivning af User Styles ................................................................................................ side 118
Med denne funktion kan man navngive en User Style.
• Sletning af User Style data ................................................................................................ side 118
Funktionen kan slette hele eller dele af en indspillet Style.
• CTAB Parameters .............................................................................................................. side 119
Denne parameter bestemmer, hvordan stemningen af akkompagnementet skal
tilpasses med de akkorder, der spilles i venstre del af keyboardet.
■ User Style sporene
Sporene til indspilning af User Styles er organiseret som vist i tabellen.
I PSR-740 kan i alt 96 spor (12 dele x 8 spor) indspilles til et enkelt spor.
I PSR-640 kan i alt 80 spor (10 dele x 8 spor) indspilles til et spor.
■ Data, der kan indspilles som User Style
• Tone ON/OFF • Anslaget
(tangent ned eller op) (hvor hårdt tangenten trykkes ned)
• Pitch Bend, Pitch Bend område •
Voice nummer (trommesæt nummer)*
• Mixer indstillinger* • Parameter Edit indstillinger*
• Tempo • Reverb type og indstillinger
• Chorus type og indstilling • DSP type og indstillinger (PSR-740)
• Modulation hjulet (PSR-740) • Fodpedal lydstyrke ON/OFF
Op til cirka 1.950 toner for en sektion (i alt cirka 7.150 toner) kan indspilles
i Style sporene hos PSR-640 og PSR-740.
De funktioner, der er mærket med en *, kan indspilles i hvert af sektionens spor.
OBS
• User Style data indspilles
med klangen R1.
R2 og L klangene samt
Auto Accompaniment
kan ikke bruges.
● PSR-740
Del Spor
COUNT RHYTHM SUB CHORD1 PHRASE1 BASS
INTRO RHYTHM MAIN CHORD2 PHRASE2 PAD
INTRO RHYTHM SUB CHORD1 PHRASE1 BASS
RHYTHM MAIN CHORD2 PHRASE2 PAD
MAIN A RHYTHM SUB CHORD1 PHRASE1 BASS
RHYTHM MAIN CHORD2 PHRASE2 PAD
MAIN B RHYTHM SUB CHORD1 PHRASE1 BASS
RHYTHM MAIN CHORD2 PHRASE2 PAD
MAIN C RHYTHM SUB CHORD1 PHRASE1 BASS
RHYTHM MAIN CHORD2 PHRASE2 PAD
MAIN D RHYTHM SUB CHORD1 PHRASE1 BASS
RHYTHM MAIN CHORD2 PHRASE2 PAD
FILL IN A RHYTHM SUB CHORD1 PHRASE1 BASS
RHYTHM MAIN CHORD2 PHRASE2 PAD
FILL IN B RHYTHM SUB CHORD1 PHRASE1 BASS
RHYTHM MAIN CHORD2 PHRASE2 PAD
FILL IN C RHYTHM SUB CHORD1 PHRASE1 BASS
RHYTHM MAIN CHORD2 PHRASE2 PAD
FILL IN D RHYTHM SUB CHORD1 PHRASE1 BASS
RHYTHM MAIN CHORD2 PHRASE2 PAD
SIMPLE RHYTHM SUB CHORD1 PHRASE1 BASS
ENDING RHYTHM MAIN CHORD2 PHRASE2 PAD
ENDING RHYTHM SUB CHORD1 PHRASE1 BASS
RHYTHM MAIN CHORD2 PHRASE2 PAD
● PSR-640
Del Spor
INTRO RHYTHM SUB CHORD1 PHRASE1 BASS
RHYTHM MAIN CHORD2 PHRASE2 PAD
MAIN A RHYTHM SUB CHORD1 PHRASE1 BASS
RHYTHM MAIN CHORD2 PHRASE2 PAD
MAIN B RHYTHM SUB CHORD1 PHRASE1 BASS
RHYTHM MAIN CHORD2 PHRASE2 PAD
MAIN C RHYTHM SUB CHORD1 PHRASE1 BASS
RHYTHM MAIN CHORD2 PHRASE2 PAD
MAIN D RHYTHM SUB CHORD1 PHRASE1 BASS
RHYTHM MAIN CHORD2 PHRASE2 PAD
FILL IN A RHYTHM SUB CHORD1 PHRASE1 BASS
RHYTHM MAIN CHORD2 PHRASE2 PAD
FILL IN B RHYTHM SUB CHORD1 PHRASE1 BASS
RHYTHM MAIN CHORD2 PHRASE2 PAD
FILL IN C RHYTHM SUB CHORD1 PHRASE1 BASS
RHYTHM MAIN CHORD2 PHRASE2 PAD
FILL IN D RHYTHM SUB CHORD1 PHRASE1 BASS
RHYTHM MAIN CHORD2 PHRASE2 PAD
ENDING RHYTHM SUB CHORD1 PHRASE1 BASS
RHYTHM MAIN CHORD2 PHRASE2 PAD
108

111
OBS
• ”CTAB” er en forkortelse for
”Channel Table” (tabel over
kanalerne).
■ Lidt om indspilning af User Styles
Ved indspilning af en User Song, anvender PSR-640 og PSR-740 indspilning med
MIDI data. Men indspilning af User Styles bruger en noget anden metode. Her næv-
nes nogle af de detaljer, hvor Style indspilning adskiller sig fra Song indspilning.
Style Recording
Indspilning i en sløjfe (Loop)
Auto Accompaniment repeterer mønsteret i en eller flere takter, og det samme
gør så User Style. Hvis man for eksempel starter med at indspille en 2-takter
rytme, vil disse to takter ligge inde i en sløjfe. Bemærk at indspilningen afspilles
fra den næste repetition (Loop), sådan at man kan høre, hvad der tidligere er
indspillet.
Dubbing indspilning
Hermed menes, at der er mulighed for at indspille nye data uden at slette
det tidligere indspillede. Med Style indspilning slettes de indspillede data ikke,
undtagen hvis man bruger Clear funktionen (side 118) eller Drum Cancel (slet)
(side 113.
Hvis man for eksempel indspiller to takter grundrytme, bliver disse repeteret
mange gange. Det, der så indspilles, høres fra den næste repetition, og man
kan så indspille nye data, mens man hører de gamle.
Brugen af Preset Styles
OBS
Det er vigtigt at være
opmærksom på disse
anvisninger ved indspilning
af User Styles.
• Husk at slette mindst en af
de tre User Styles ved
indspilning af en ny User
Style. Indspilning er spærret,
hvis der er data i alle tre
User Styles.
• Pas på ikke at miste data
under indspilningen. Lysnet
adapteren må ikke fjernes
fra stikket.
• Ved at bruge Registration
Memory (side 62), kan man
gøre indspilningen lettere,
fordi forskellige indstillinger
(klange o.s.v.) kan aktiveres
med et enkelt tryk på en
knap. Når Record funktionen
er aktiv, er også Registration
Memory Freeze funktionen
aktiveret. Den kan ikke
afbrydes, mens Record
funktionen er aktiv.
• Ved bruge metronomen
(side 134) kan man gøre
indspilningen meget mere
effektiv.
• I Record Ready funktionen
kan man skifte eller rette
i Voice data i de indspillede
spor. Der bruges metoden,
der er beskrevet på side 89,
Mixer på side 90 og
Parameter Edit på side 91.
• Hvis hukommelsen fyldes op
under en indspilning, ses en
advarsel på displayet, og
indspilningen stopper
automatisk.
• Fordi indspilningen afhænger
af takt-enheder, skal man
først vælge en Style, der har
takter, som passer til din
indspilning.
• Hvis ingen af Preset Styles
er gode, skal man vælge en,
der har samme takt og antal
af takter så tæt på det, du
ønsker at indspille.
Herefter bruges Clear (slet)
funktionen (side 118) til at
slette alle Preset data, før
man indspiller sine egne.
Style Re-
cording —
Preset style data
Copy
Internal memory for
User style recording
Som man kan se på tegningen til venstre,
kan en Preset Style kopieres ind i hukommelsen.
Så hvis man vælger den Style, der er nærmest
det ønskede, har man et godt udgangspunkt.
Man kan så danne sin egen Style ved at slette
eller tilføje data i denne hukommelse.
Alle spor (undtagen sporet for rytmen), skal slettes
før den nye indspilning (side 115).
■ Style File (Auto Accompaniment) formatet
Style File Format (SFF) kombinerer alle de gode funktioner hos Yamaha’s
Auto Accompaniment i et enkelt specielt format.
Ved at bruge User Style funktionen, kan have nytte af kraften hos SSF formatet,
og man kan frit danne sin egen User Style.
CTAB ........................................... side 119
Tegningen til venstre viser, hvordan akkom-
pagnementet afspilles. Dette gælder ikke for
Rhythm sporet.
Grundrytmen i tegningen er de originale Style
data. Som omtalt på side 115, vil grundrytmen
blive indspillet ved Style indspilning.
Det aktuelle akkompagnement bestemmes af
flere indstillinger af parametre og ændringer af
akkorder (spillet i akkompagnement delen på
keyboardet) for at danne den egentlige Style.
CTAB er en gruppe af parametre, der bestemmer akkordernes stemning i forhold
til de akkorder, der spilles i akkompagnement delen på keyboardet. User Style
funktionen giver en meget flot og detaljeret styring, fordi man kan indspille rytme
mønster for hvert spor, samt indstille CTAB parameter for hvert spor. Der kan
indstilles følgende CTAB parametre hos PSR-640 og PSR-740:
• Akkordens grundtone
• Akkordens type
• Højeste tangent
• Tonernes område (High Limit, Low Limit) (grænser)
Se side 119 for flere oplysninger om CTAB parametrene.
Source pattern
(recorded data)
Note transposition
(Source Chord Root/Type)
Chord change
Accompaniment
Highest key setting
Note key settings
(Low Limit, High Limit)
109
Kopi
Intern hukommelse til
User Style indspilning
Grundmønster
(indspillede data)
Ændring af
akkord
Transponering (Grund-
akkordens grundtone/type)
Indstilling av højeste
tangent
- - - - - - - - - - - - - - - -
Indstilling av dybeste
tangent
(High Limit, Low Limit)
Akkompagnement
Preset Style data

112
Style indspilning — rytme sporet
Med denne funktion kan man danne sine egne rytmer ved at rette data i det
eksisterende Rhythm spor (perkussions instrumenter) fra en Preset Style.
1
Tryk på [RECORD] knappen for at aktivere Record
(indspilning) funktionen.
2
Vælg ”Style”.
Brug Data drejeknappen, [+/YES] eller [-/NO] knapperne.
3
Tryk på [NEXT] knappen..
4
Vælg en Style til at begynde med.
Brug Data drejeknappen, [+/YES] eller [-/NO] knapperne, eller knapperne
[1] - [0] på tal tastaturet.
5
Tryk på [NEXT] knappen.
6
Vælg ”Record”.
Brug Data drejeknappen, [+/YES] eller [-/NO] knapperne.
7
Tryk på [NEXT knappen for at se valg af SECTION
på displayet.
8
Vælg den sektion, der skal indspilles.
9
Tryk på [NEXT] knappen for at se valget af TRACK (spor)
displayet.
OBS
• Der kan ikke indspilles
i flere spor samtidig.
Style Recording
110

113
10
Vælg det rytme spor, der skal indspilles.
Vælg ”RHYTHM MAIN” eller ”RHYTHM SUB” med Data drejeknappen,
[+/YES] eller [-/NO] knapperne.
OBS
• Der kan kun indspilles
èt spor ad gangen.
11
Tryk på [NEXT] knappen for at se RECORD Ready (klar)
displayet.
12
Vælg et af trommesættene.
Vælg et ønsket trommesæt ved at trykke på [VOICE R1] knappen (side 26).
Vend tilbage til det originale display ved at trykke på [EXIT] knappen (side 17).
13
Start indspilningen.
Man kan indspille på en af disse måder:
• Tryk på [START/STOP] knappen.
Følgende afspilles: Style valgt i #4, Section valgt i #8,
samt Rhythm valgt i #10.
• Tryk på [SYNC START] knappen for at aktivere den synkrone start
(side 25), og spil så på tangenterne. Afspilning begynder som nævnt
i den første metode.
Fordi rytme mønsteret spilles kontinuert, kan man lytte til det, mens man
tilføjer (dubbing) ved hjælp af andre tangenter. Se på ikonerne, som er trykt
under tangenterne, for at finde det ønskede perkussions instrument.
OBS
• Benyt ikonerne under
tangenterne til at finde de
rytmeinstrumenter, der skal
indspilles i RHYTHM
sporene. Se også “Keyboard
Percussion” på side 31 for at
spille med de enkelte tromme
og andre perkussions
instrumenter.
Man kan også slette bestemte perkussions lyde på denne måde:
1) Tryk på [NEXT] knappen.
2) Tryk på tangenten for den lyd, der skal slettes.
3) Afslut ved at trykke på [BACK] knappen.
14
Tryk på [START/STOP] knappen for at standse indspilningen.
15
Forlad indspilningen ved at trykke på [RECORD] knappen
Man bør gemme de indspillede data, før Recording funktionen forlades
(se side 114).
Style Recording
111

114
Afslut Style Record (indspilning) funktionen
Man afslutter ved at følge instruktionerne i tabellen herunder.
Style Indspilning — Bass/Phrase/Pad/Chord Sporene
I dette afsnit forklares det, hvordan man indspiller i sporene (i andre end for rytmen),
ved at bruge Preset Styles.
Til forskel fra Rhythm sporet er det nødvendigt at slette alle data i sporet, før der kan
indspilles nye data.
1
-
9
Brug samme fremgangsmåde som ved
”Style Indspilning — Rhythm sporet”.
10
Vælg det spor, der skal indspilles.
Brug Data drejeknappen, [+/YES] eller [-/NO] knapperne.
Vælg mellem ”BASS”, ”CHORD 1”, ”CHORD 2”, ”PAD”, ”PHRASE 1”
og ”PHRASE 2”.
OBS
• Der kan kun indspilles
èt spor ad gangen.
11
Tryk på [NEXT] knappen.
Style Recording
Press the [-/NO] button to exit from the
Style Record mode without storing the
performance data to Internal Memory.
Press the [+/YES] button to exit from the Style
Record mode after storing the performance data to
Internal Memory.
Press the [RECORD] button.
Press the [+/YES] button.
Press the [NEXT] button.
Select a style number
(destination).
112
Tryk på [RECORD] knappen.
Tryk på [+/YES] knappen.
Tryk på [NEXT] knappen.
Tryk på [+YES] knappen for at avslutte Style Record
funktionen efter at have gemt de indspillede data i den
interne hukommelse
Tryk på [-/NO] knappen for at
afslutte Style Record funktionen
uden at gemme de indspillede
data i den interne hukommelse.
Vælg et Style nummer.

115
13
Vælg en klang (Voice) for det spor, der skal indspilles.
Vælg klangen ved at trykke på [VOICE R1] knappen (side 26).
Der vendes tilbage til det forrige display ved at trykke på [EXIT] knappen.
14
Start indspilningen.
Indspilningen startes på en af disse måder:
• Tryk på [START/STOP] knappen
• Tryk på [SYNC START] knappen for at aktivere denne funktion (side 25),
og spil på keyboardet.
Indspilningen fortsætter i en sløjfe, indtil den stoppes.
Bemærk, at man kan høre det tidligere indspillede, mens man indspiller
noget mere.
Der er disse regler ved indspilning af MAIN og FILL delene:
• Brug kun toner i CM7 skalaen ved indspilning af BASS og PHRASE sporene
(for eksempel C, D, E, G, A og B).
• Brug kun toner i akkorden ved indspilning af CHORD og PAD sporene
(for eksempel C, E, G og B).
En passende akkord eller akkord forløb kan bruges til INTRO og ENDING
sektionerne.
Den grundlæggende akkord for akkompagnementet kaldes ”Source” akkorden.
Den forprogrammerede Source akkord er CM7 (Cmaj7), men man kan ændre
den til hvad som helst, der falder nemmest. Nærmere forklaret i ”Style File
(Auto Accompaniment) Format” på side 111.
15
Tryk på [START/STOP] knappen for at afslutte indspilningen.
16
Tryk på [RECORD] knappen for at afslutte funktionen.
At afslutte funktionen er beskrevet på side 114.
Style Recording
12
Slet gamle data i det valgte spor.
Tryk på [+/YES] knappen for at slette sporet.
Tryk på [-/NO] knappen for at fortryde.
CSC CSC
C = akkord toner
C, S = skala toner
113

116
Quantize
Quantize funktionen bruges til at rette takterne ind i et tidligere indspillet spor.
I det nedenstående eksempel er en passage noteret med 1/4 og 1/8 noder.
Selvom man tror, at man har spillet noderne i den helt præcise takt, kan der godt være
nogle små fejl, enten lidt for tidligt eller lidt for sent. Med Quantize funktionen kan
man så senere rette takterne helt præcist ind.
1
-
5
Brug den samme fremgangsmåde som for
”Style indspilning — Rhythm sporet” på side 112.
6
Vælg ”Edit”.
Brug Data drejeknappen, [+/YES] eller [-/NO] knapperne.
7
Tryk på [NEXT] knappen.
8
Vælg ”Quantize”.
Brug Data drejeknappen, [+/YES] eller [-/NO] knapperne.
9
Tryk på [NEXT] knappen.
10
Vælg den sektion, der skal ”Quantized”.
Brug Data drejeknappen, [+/YES] eller [-/NO] knapperne.
11
Tryk på [NEXT] knappen.
Style Recording
12
Vælg det spor, der skal ”Quantized”
Brug Data drejeknappen, [+/YES] eller [-/NO] knapperne.
114

117
13
Tryk på [NEXT] knappen.
14
Vælg Quantize Size (opløsning).
Brug Data drejeknappen, [+/YES] eller [-/NO] knapperne.
Opløsningen svarer til den korteste node, der arbejdes med.
I eksemplet bruges 1/4 og 1/8 node, og derfor bør der vælges
1(8 node som opløsning (Size). Hvis man vælger 1/4 node,
bliver alle 1/8 noder flyttet hen til 1/4 noderne.
15
Tryk på [NEXT] knappen.
• Man kan kontrolhøre resultatet i dette trin, før der rent faktisk rettes
i indspilningen. Man skal blot trykke på [START/STOP] knappen.
16
Udfør Quantize operationen.
Tryk på [+/YES] knappen for at udføre Quantize operationen.
Fortryd det hele ved at trykke på [-/NO] knappen.
17
Afslut Record funktionen ved at trykke på
[RECORD] knappen.
Mere information herom findes på side 114.
Style Recording
● Quantize opløsning
Opløsning Node
1/4 En fjerdedel
1/6 En forlænget fjerdedel
1/8 En ottendedel
1/12 En forlænget ottendedel
1/16 En sekstendedel
1/24 En forlænget sekstendedel
1/32 En toogtredivedel
En takt af 1/8 toner for Quantization
Efter Quantization
115

118
Navngivning af User Styles
1
-
7
Brug samme metode som ved ”Quantize” (side 116).
8
Vælg ”Name”.
Brug Data drejeknappen, [+/YES] eller [-/NO] knapperne.
9
Tryk på [NEXT] knappen for at se NAME displayet.
10
Indtast navnet for Style.
Brug tangenterne til indtastningen (se side 21).
Der kan bruges op til 16 karakterer.
11
Afslut Record funktionen ved at trykke på [RECORD] knappen.
Der er flere oplysninger herom på side 114.
Sletning af User Style data
1
-
7
Brug samme fremgangsmåde som ved ”Quantize” (side 116).
9
Tryk på [NEXT] knappen for at se SECTION displayet.
10
Vælg den sektion (del), der skal slettes.
Brug Data drejeknappen, [+/YES] eller [-/NO] knapperne.
Når der vælges ”All Sect”, bliver alle Style data i alle sektioner
og alle spor slettet. I dette tilfælde kan man springe #11 og #12
over og gå direkte til #13.
11
Tryk på [NEXT] knappen for at se valget af TRACK (spor)
displayet.
12
Vælg det spor, der skal slettes.
Brug Data drejeknappen, [+/YES] eller [-/NO] knapperne.
Style Recording
116
8
Vælg ”Clear”.
Brug Data drejeknappen,
[+/YES] eller [-/NO] knapperne.

119
CM
E3-G3-C4
FM
F3-A3-C4
C#M
F3-G#3-C#4
Root change
Notes played
Example) When low limit is “C3” and high limit is “D4.”
CM
C3-E3-G3
FM
F3-A3-C4
F#M
F#2-A#2-C#3
C#M
C#3-F3-G#3
Root change
Notes played
Example) When highest key is “F”.
OBS
• Forskellen mellem ”High
Limit” og ”Low Limit” kan ikke
indstilles til mindre end en
oktav.
OBS
• Indstillingen af High tonen
kan kun gøres for BASS,
PHRASE 1 og PHRASE 2.
Den kan ikke indstilles for
de andre spor.
13
Tryk på [NEXT] knappen for at se Clear operation displayet.
14
Udfør Clear operationen.
Tryk på [+/YES] knappen for at udføre sletningen.
Tryk på [-/NO] knappen for at fortryde det hele.
15
Forlad Record funktionen ved at trykke på [RECORD]
knappen.
Flere oplysninger herom på side 114.
Style Recording
CTAB Parametre
Lidt om CTAB parametrene
CTAB parametrene bestemmer den tonehøjde (stemning), der for det indspillede svarer til de akkorder,
der spilles i venstre side af keyboardet (når man bruger Auto Accompaniment).
● NOTE LIMIT ..................
Node område (Low Limit, High Limit (grænser) indstillinger
Indstiller node området (Low og High Limits) for de toner, der er indspillet i sporene for
User Style. Ved at indstille dette tone område, kan man undgå at en bas lyder med alt for
høje toner, eller en piccolofløjte lyder med alt for dybe toner.
● HIGH TONE ..................
Indstilling af den højeste tone
Indstilling af den højeste tone (Upper Limit af oktaven) af den transponerede tone
for grundtonens område. Toner, der spilles i et højere område, bliver transponeret
en oktav ned.
● SOURCE CHORD.........
Source mønster, akkordens grundtone og type
Indstiller tonearten, som Source mønsteret skal følge ved dannelsen af en User Style.
Den forprogrammerede indstilling er CM7 (Cmaj7). Source grundtone er ”C”, og Source
typen er ”M7”. Se også side 121.
117
Eksempel: Low Limit er “C3” og High Limit er “D4”.
Grundtoner
De hørte toner
Eksempel: Hvis den højeste tone er ”F”.
Grundtoner
Spillede toner

120
Indstilling af CTAB parametre
1
-
7
Brug samme operationer som for ”Quantize” på side 116.
8
Vælg ”CTAB Edit”.
Brug Data drejeknappen, [+/YES] eller [-/NO] knapperne.
9
Tryk på [NEXT] knappen for at se SECTION valget
på displayet.
10
Vælg den ønskede del til indstilling af CTAB parametre.
Brug Data drejeknappen, [+/YES] eller [-/NO] knapperne.
11
Tryk på [NEXT] knappen for at se valget af TRACK
på displayet.
12
Vælg det ønskede spor til indstilling af CTAB parametre.
Brug Data drejeknappen, [+/YES] eller [-/NO] knapperne.
13
Tryk på [NEXT] knappen
14
Vælg den ønskede CTAB parameter.
Brug Data drejeknappen, [+/YES] eller [-/NO] knapperne.
Se side 119, hvor der er flere oplysninger.
15
Tryk på [NEXT] knappen for at se displayet for indstilling af
CTAB parametre.
16
Indstil værdien for CTAB parameteren.
• For NOTE LIMIT (toneområdet), som er valgt i trin #14:
Brug Data drejeknappen, [+/YES] eller [-/NO] knapperne.
• For HIGH KEY (oktavens øverste grænse), som er valgt i trin #14:
Brug Data drejeknappen, [+/YES] eller [-/NO] knapperne.
Style Recording
118

121
CSC CS CSC C SCCSC C CSCSC C CS
C
CCC CS
CCC C CSCCC C SCCSC
SCS
CS CS
C
CS CCS
C
CCS
CC
CS
SSCCC
CC SC
C
CC SC
CC
CS CC
CC
CS C CS
C
CC SC C
C
CS
CCS
CS S SC
CCS
CCC
C
CCC
C
CSC
CC
CCC C
C
CSC CS
CC
CSC CC
C
CCC
CC
CCCS
SCC
CCC
SCC
CSC CSS
C
CSC
SCC
CCCCS CCCCS CS
CM
Cm
7
C
CM7
7
C(9) C(9)
6Caug Cm6
Cm777
Cm b5
7Cm (9) Cm (11)
CmM77
CmM (9) Cdim Cdim7
C(9)
7C(13)
7
C(b9)
7
Csus4C1+2+5
C1+8 C1+5
C b5
7
CM6
Cm(9)
7
CM (#11)
C(#11)
7
C(#9)
7C aug
7
CM aug
7
C sus4
7
CM add9
C(b13)
7
[Maj]
[Maj7(9)] [Maj6(9)] [aug] [min] [min6]
[min7] [min7b5] [min(9)] [min7(9)]
[minMaj7]
[7sus4]
[7(b9)]
[1+8] [1+5] [1+2+5][sus4]
[7(b13)] [7(#9)] [Maj7aug] [7aug]
[7b5] [7(9)] [7(#11)] [7(13)]
[dim] [dim7] [7]
[minMaj7(9)]
[min7(11)]
[Maj6] [Maj7] [Maj(9)][Maj7(#11)]
• For SOURCE CHORD (Source akkord og type), som er valgt i trin #14:
Brug Data drejeknappen, [+/YES] eller [-/NO] knapperne.
17
Gentag om ønsket trin #14 - #16.
Tryk på [BACK] knappen for at komme tilbage til trin #14.
18
Forlag Record funktionen ved at trykke på [RECORD] knappen.
Mere information herom på side 114.
Indspilning med Source akkord typer
Hvis man ændrer akkorderne i Source mønsteret fra den forprogrammerede CM7 type,
vil alle akkord og skala toner ændres i overensstemmelse hermed. Se side 115 for at få
oplysninger om akkord noder og skala noder.
Style Recording
[NEXT] knappen[BACK] knappen
• Indstilling af
akkordens
grundtone.
• Indstilling af
akkordens
type.
Eksempel: Source akkordens grundtone er “C”.
119

122
MIDI funktioner
120
OBS
• MIDI indstillingerne
kan ikke ændres, når
Record funktionen er aktiv,
eller under Song/Auto
Accompaniment spiller.
På bagsiden af PSR-640 og PSR-740 finder man MIDI terminalerne (MIDI IN, MIDI OUT), en TO HOST
terminal samt en HOST SELECT omskifter. Man kan udvide sine musikalske muligheder ved at bruge
MIDI funktionerne. I dette afsnit forklares, hvad MIDI er, og hvordan man bruger MIDI på keyboardet.
● Hvis du ikke kender noget til MIDI, er det en god ide at læse disse afsnit først:
• Hvad er MIDI? .........................................................................................side 122
• Hvad man kan gøre med MIDI ................................................................ side 124
• MIDI Data Compatibilitet .........................................................................side 125
● Hvis keyboardet skal bruges sammen med en computer:
• Forbindelse til en PC ..............................................................................side 126
● Der kan gøres følgende MIDI indstillinger:
• MIDI Template (skabelon) .......................................................................side 128
• MIDI Transmit indstilling (sende) ............................................................side 130
• MIDI Receive indstilling (modtage) .........................................................side 131
• Local kontrol ........................................................................................... side 132
• Clock .......................................................................................................side 132
• Initial Data Send .....................................................................................side 133
Hvad er MIDI?
Du har uden tvivl hørt betegnelserne ”akustisk instrument” og ”digitalt instrument”. Der findes i dag disse to
grundlæggende typer instrumenter. Lad os for eksempel tage et akustisk piano og en klassisk guitar som repræsen-
tanter for de akustiske instrumenter. De er nemme at forstå. På pianoet anslår man en tangent, en hammer slår på en
streng, og der høres en tone. På en guitar knipser man direkte på strengen for at danne toner. Men hvordan dannes
tonerne i et digitalt instrument?
Tegningen herover illustrerer, at en ”samplet” tone (tidligere indspillet tone) er lagt ind i instrumentets hukommelse
(et elektronisk kredsløb), og den kan afspilles med grundlag af det, der spilles på tangenterne. Men hvilke informa-
tioner får generatoren fra tangenterne?
Lad os for eksempel spille 1/4 node ”C” med Grand Piano klangen på PSR-640 eller PSR-740. Et akustisk instru-
ment vil spille med en resonans tone, men på et elektronisk instrument arbejder med oplysninger som ”med hvilken
klang”, ”med hvilken tangent”, ”hvor hårdt anslag”, ”hvornår blev tangenten trykket ned” og ”hvornår blev den
sluppet”. Hver af disse informationer omdannes til tal, som sendes videre til tone generatoren. Med basis i disse tal,
spiller tone generatoren en tone af de, der er gemt i hukommelsen.
● Eksempler på keyboard indformationer
Klang nummer (med hvilken klang) 01 (grand piano)
Node nummer (med hvilken tangent) 60 (C3)
Tangent ON (hvornår blev den trykket ned) og
Numerisk angivelse af tiden (1/4 node)
Tangent OFF (hvornår blev den sluppet)
Anslag (hvor hårdt anslag) 120
Sampling
Note Sampling
Note
Tone Generator
(Electric circuit)
Playing the keyboard
RL
● Tonerne dannes på en akustisk guitar
Knips til en streng, og kroppens
resonans forstærker tonen.
● Tonerne dannes i et digitalt instrument
En ”samplet” tone i en tonegenerator spilles i højttalerne,
når der trykkes på en tangent

123
MIDI funktioner
M
IDI er en forkortelse for Musical Instrument Digital Interface. Det gør, at elektroniske musikinstrumenter kan
kommunikere med hinanden ved at sende og modtage toner, skift i kontrollerne og programmerne og mange andre
slags MIDI data.
P
SR-640 og PSR-740 kan styre et MIDI apparat ved at sende data for toner og andre slags data. Keyboardet kan
også selv styres af modtagne MIDI data, som for eksempel for tone generatoren, MIDI kanalerne, klange og
effekter, samt mange andre parametre.
MIDI data er opdelt i to grupper: Kanal data og System data. Herunder er der en forklaring på de typer af
MIDI data, som keyboardet kan sende og modtage.
● Kanal data
Keyboardet er et elektronisk instrument, der kan håndtere data i 16 kanaler.
Det kalder man populært, at det kan spille på 16 instrumenter samtidig. Kanal data
sender informationer som f.eks. Tangent ON / OFF, Skift i Program m.m. for hver
af de 16 kanaler.
● System data
Dette er data, der er fælles for hele MIDI systemet. System data inkluderer
meddelelser som Exclusive Messages, som transmitterer unikke data for de enkelte
instrumenter, som er specielle for hvert fabrikat, samt Realtime meddelelser,
som kan styre et MIDI apparat.
De data, der kan sendes og modtages via keyboardet kan ses i MIDI Data Format
og MIDI Implementation tabellen på siderne 167 og 182.
OBS
• De spillede toner, Styles og
Multi Pads er alle MIDI data.
Data navn PSR-640 og PSR-740 Operation/Panel Indstilling
Tangent ON/OFF Data der dannes, når der spilles på tangenterne.
Hvert data inkluderer nummeret for tonen samt hvor hårdt,
der trykkes på tangenten
Skift i Program Indstilling af klang (Control Change Bank valg af MSB/LSB
indstilling)
Skift i Kontrol Mixer, Parameter Edit indstilling (Lydstyrke, Pan o.s.v.)
Meddelelsens navn PSR-640 og PSR-740 Operation/Panel Indstilling
Exclusive meddelelse Reverb/Chorus/DSP indstillinger o.s.v.
Realtidsmeddelelse Clock indstilling
Start/Stop operation
MIDI og TO HOST terminalerne
For at kunne udveksle data mellem forskellige MIDI apparater, må disse apparater
forbindes med en ledning (et kabel).
Der er to muligheder for forbindelser: Fra MIDI terminalerne på keyboardet til MIDI
terminalerne på et eksternt MIDI apparat, Eller fra TO HOST terminalen på keyboardet
til en seriel port på en computer med et specielt kabel. Hvis man kobler TO HOST på
keyboardet sammen med en PC, vil PSR-640 og PSR-740 blive brugt som et MIDI
interface apparat, og det betyder, at et specielt eksternt MIDI interface ikke er nødvendigt.
På bagsiden af keyboardet findes der to slags terminaler: MIDI terminaler og
TO HOST terminalen.
● MIDI IN .........Modtager MIDI data fra et tilsluttet MIDI apparat.
● MIDI OUT .....Sender MIDI data fra keyboardet til et eksternt
MIDI apparat.
● TO HOST .....Sender og modtager MIDI data til og fra
en computer.
OBS
• Når man kobler TO HOST
terminalen sammen med
en PC under Windows,
skal der i PC’en installeres
en Yamaha MIDI Driver.
Den vedlagte diskette
indeholder en Yamaha
MIDI Driver.
• Specielle MIDI kabler er
ekstra tilbehør, og disse
kabler kan købes i
musikforretningerne.
• Brug aldrig MIDI kabler
længere end 15 meter.
Længere kabler kan opsamle
støj sådan, at der kommer
fejl i data.

124
MIDI funktioner
122
PSR-640 og PSR-740 er nogle elektroniske musikinstrumenter, der kan sende og modtage MIDI data via
16 kanaler. Man kan forestille sig, at der er 16 ledninger i MIDI kablet. Ved transmission af MIDI data fra
keyboardet til et eksternt MIDI apparat, sendes de forskellige MIDI data gennem sin egen MIDI kanal til
det andet MIDI apparat.
For eksempel kan der sendes data for flere spor samtidig, inklusiv data for Auto Accompagnement
(som vist herunder).
Hvad man kan gøre med MIDI
●At bruge PSR-640 eller PSR-740 som en multi tone generator
(og spille med 16 kanaler på èn gang).
Som man kan se er det vigtigt at bestemme hvilke data, der skal sendes gennem bestemte MIDI kanaler
(side 130).
Indstilling:
Receive (modtage) funktionen for
alle kanaler indstilles til ”XG/GM”. Indstilling af Receive, se side 131.
OBS
• Hvis man vil bruge en PC,
er det nødvendigt med en
speciel software (Sequencer
software).
●Spil musik på et tilsluttet keyboard (uden egen tone generator), ved at bruge tone
generatorerne i PSR-640 og PSR-740.
Indstilling: MIDI modtage, se side 131.
●Indspilning af melodi data (1 - 16 kanaler) ved at bruge keyboardets Auto
Accompaniment sammen med en ekstern Sequencer (f.eks. en computer).
Efter indspilning kan man rette i de indspillede data, og derefter afspille
dem igen via PSR-640 og PSR-740.
Indstilling: MIDI transmit (side 130).
Initial Data send (side 133).
Personal computer,
QY700, etc.
MIDI OUT
MIDI receive
MIDI IN
PSR-740/640
MIDI receive
(playback)
MIDI transmit
Personal computer,
QY700, etc.
Can be used to edit and
arrange after recording
MIDI OUTMIDI IN
MIDI INMIDI OUT
PSR-740/640
Voice R1 Channel 1 Track 1
Voice L Channel 2 Track 2
Auto Accompaniment Bass Channel 3 Track 3
Auto Accompaniment Chord 1 Channel 4 Track 4
Auto Accompaniment Chord 2 Channel 5 Track 5
Auto Accompaniment Pad Channel 6 Track 6
Auto Accompaniment Phrase 1 Channel 7 Track 7
Auto Accompaniment Phrase 2 Channel 8 Track 8
Auto Accompaniment Rhythm Main Channel 9 Track 9
Auto Accompaniment Rhythm Sub Channel 10 Track 10
Voice R2 Channel 11 Track 11
MIDI cable External sequencerPSR-740/640 part
When recording performance data using the Auto
Accompaniment on an external sequencer
MIDI keyboard with
no tone generator
MIDI OUTMIDI IN
MIDI receive
PSR-740/640
Sådan overføres melodi data og Auto
Accompaniment til en ekstern Sequencer

125
MIDI funktioner
123
MIDI Data Compatibility
Dette afsnit omhandler de grundlæggende funktioner med hensyn til data kompatibilitet: Om et MIDI apparats
data kan anvende MIDI data fra PSR-640 og PSR-740 eller ikke. Det drejer sig også om musik data på disketter,
der er beregnet til andre instrumenter, eller til en computer.
Afhængig af MIDI apparatet eller data karakteren, kan man afspille data uden problemer, eller måske skal der
udføres nogle specielle operationer, før data kan afspilles. Hvis man støder ind i problemer med afspilningen,
bør man kikke på nedenstående informationer.
Sequence format
Voice allocation format
Med MIDI bliver klangene tildelt specifikke numre, der kaldes ”Program Numre”. Standarden for numrene
(rækkefølgen ved Voice Allocation) betegnes som ”Voice Allocation Format”.
Klangene bliver måske ikke afspillet på den forventede måde på det tilsluttede MIDI apparat. Dette vil skyldes,
at der ikke er overensstemmelse af Voice Allocation Format mellem keyboardet og det tilsluttede MIDI apparat.
● SMF (Standard MIDI File)
Dette er det mest almindelige Sequence format.
Standard MIDI Files findes normalt i to typer: Format 0 eller Format 1.De fleste MIDI apparate
er kompatible med Format 0, og de fleste kommercielle programmer er indspillet i Format 0.
• PSR-640 og PSR-740 er kompatible med både Format 0 og Format 1.
• Melodier på PSR-640 og PSR-740 bliver automatisk indspillet med SMF Format 0.
● ESEQ
Dette Sequence format er kompatibelt med mange Yamaha MIDI apparater, inklusive serien
af Clavinova digitale pianoer. Dette er et almindeligt format for forskellige Yamaha software.
• PSR-640 og PSR-740 er kompatibel med ESEQ.
● XF
Yamaha XF formatet er en udvidelse af SMF (Standard MIDI Format) med større funktionalitet
og muligheder for senere forbedringer i fremtiden.
• PSR-640 og PSR-740 kan vise teksten til sangene, hvis man bruger en XF fil,
der indeholder sangtekster.
● Style File
Style File Format — SFF — er Yamaha’s originale format, som bruger et helt enestående
konverteringssystem til Auto Accompaniment. Ved hjælp af dette system råder man over et
stort antal akkord typer.
• PSR-640 og PSR-740 arbejder internt med SFF, kan læse disketter med SFF Styles,
og gemmer SFF Styles formatet på disketter.
● GM System Level 1
Dette er et af de mest almindelige Voice Allocation formater.
Mange MIDI apparater kompatible med GM Level 1 systemet, ligesom de fleste
PC programmer.
• PSR-640 og PSR-740 er kompatible med GM System Level 1.
● XG
XG er en kraftig udvidelse af GM System Level 1, som er udviklet af Yamaha.
Systemet giver større kontrol over de forskellige funktioner, og det er i stor grad
fremtidssikret.
• PSR-640 og PSR-740 er kompatible med XG.
● DOC
Voice Allocation Format er kompatible med mange af Yamaha’s MIDI apparater,
inklusive Clavinova piano serien.
Det er også et fælles format for Yamaha’s software.
• PSR-640 og PSR-740 er kompatible med DOC.
OBS
• Selvom apparater og data
imødekommer de krav, der
er nævnt her, kan det være,
at data ikke er fuldt
kompatible. Det afhænger af
apparatets spcifikationer og
formatet af data.

126
MIDI funktioner
124
Forbindelse til en Personal Computer (PC)
Man kan have fornøjelse af forskellig PC software,
hvis man forbinder keyboardets TO HOST terminal
med MIDI terminalerne på en PC.
• Forbind ved at bruge MIDI terminalerne hos PSR-640 og PSR-740
• Forbind ved at bruge TO HOST terminalen
●Når man vil bruge MIDI interface sammen med en Macintosh computer,
skal computerens RS422 terminalen (modem eller printer) forbindes til MIDI
interfacet. Derefter skal interfacets MIDI OUT forbindes til MIDI IN på
keyboardet, og MIDI IN på interfacet til MIDI OUT på keyboardet som vist
i nedenstående tegning. TO HOST omskifteren på PSR-640 og PSR-740 skal
indstilles til ”MIDI”.
• Når HOST SELECT omskifteren er i ”MIDI” stilling, ignoreres IN og OUT
signaler til TO HOST omskifteren.
• Ved anvendelse af en Macintosh computer skal man være omhyggelig med at
få Clock indstillingen i softwaren til at passe sammen med keyboardets clock.
Læs herom i Owners Manual for softwaren.
Forbind ved at bruge MIDI terminalerne hos PSR-640 og PSR-740
Hvis der er installeret et MIDI interface i computeren, kan dette sættes i forbindelse
med MIDI terminalerne på keyboardet.
Brug et specielt MIDI kabel til forbindelsen.
●Hvis der er et MIDI interface i PC’en, skal PC’ens MIDI OUT kobles til
keyboardets MIDI IN terminalen. Omskifteren HOST SELECT sættes til
positionen ”MIDI”.
Computer
(sequencer software)
MIDI INMIDI OUT
MIDI OUTMIDI IN
PSR-740/640
Computer
(sequencer software)
MIDI IN
RS-422
MIDI OUT
MIDI
interface
PSR-740/640

127
MIDI funktioner
125
Forbind en seriel port (RS-232C eller RS-422 terminalen) på PC’en til TO HOST
terminalen på PSR-640 eller PSR-740.
Kablet, der skal bruges, skal passe til din type PC (kablet er ekstra udstyr).
Forbind via TO HOST terminalerne
● IBM-PC/AT serierne
Forbind RS-232C terminalerne på computeren til TO HOST terminalen på
keyboardet ved hjælp af et serielt kabel (D-SUB 9 pin → MINI DIN 8 pin kryds
kabel). Indstil keyboardets HOST SELECT til stillingen ”PC-2”.
Hvis der bruges et D-SUB 25 pin → MINI DIN 8 pin kabel, skal der bruges
et overgangsstykke fra D-SUB 25 pin til D-SUB 9 pin.
● Macintosh computere
Forbind RS-422 terminalen (modem eller printer terminalen) på computeren
til TO HOST terminalen på PSR-640 / PSR-740 med et serielt kabel (System
Periphal kabel, 8-bit). Indstil HOST SELECT omskifteren til ”Mac” position.
I din software skal MIDI interface Clock indstilles til 1 MHz (Megahertz).
Se i softwarens vejledning om hvordan, det skal gøres.
Detaljer om de nødvendige MIDI indstillinger kan læses i vejledningen
for den anvendte Sequencer software.
• Macintosh er indregistreret navn af Apple Computer, Inc.
• IBM PC/AT er indregistreret navn for International Business Machine Corp.
• Andre firmanavne og betegnelser for produkter m.m. i denne vejledning er indregistreret hos respektive firmaer.
mini DIN 8-pin
D-SUB 9-pin
PSR-740/640
mini DIN 8-pin
D-SUB 25-pin D-SUB 9-pin
PSR-740/640
mini DIN 8-pin mini DIN 8-pin
PSR-740/640

128
MIDI funktioner
126
MIDI Template
PSR-640 og PSR-740 kan sende og modtage MIDI data gennem 16 kanaler.
Det betyder, at man skal bestemme hvilke data, der skal transmitteres i hvilke kanaler.
MIDI Template (skabelon) funktionen bruges til at konfigurere alle nødvendige
indstillinger af transmissionen blot ved at enkelt tryk på en knap.
2
Vælg ”MIDI”.
Brug Data drejeknappen, [+/YES] eller [-/NO] knapperne.
3
Tryk på [NEXT] knappen for at se MIDI displayet.
4
Vælg ”MIDI Template”.
Brug Data drejeknappen, [+/YES] eller [-/NO] knapperne.
5
Tryk på [NEXT] knappen for at se MIDI Template displayet.
6
Vælg MIDI Template.
Brug Data drejeknappen, [+/YES] eller [-/NO] knapperne.
Flere detaljer herom på side 129.
1
Tryk på [FUNCTION] knappen.
BACK NEXT
BACK NEXT

129
MIDI funktioner
127
7
Tryk på [NEXT] knappen
8
Hent den valgte MIDI Template.
Tryk på [+/YES] knappen for at hente den valgte Template indstilling.
Fortryd operationen ved at trykke på [-/NO] knappen.
● Liste over MIDI Template
TX1 KEYBOARD OUT Transmit kanalerne indstilles som dette:
ch. 1 : Klangen R1 ch. 3 : Klangen L
ch. 2 : Klangen R2 chs. 4-16 : Off
Bruges til at transmittere melodi data (data for toner ON/OFF).
Bruges når der spilles på keyboardet sammen med en ekstern
tone generator, samt ved at indspille melodi data til en ekstern
Sequencer.
TX2 ACMP OUT Transmissions kanalerne 9 - 16 indstilles til akkompagnement
sporene.
chs. 9-10: Rytmerne ch. 14: Pad
ch. 11: Bas chs. 15-16: Phrases
chs. 12-13: Akkorder
Bruges til Style data. Bruges for at spille på keyboardet og sende
akkompagnement data til en ekstern tonegenerator, og for at
indspille data i en ekstern Sequencer.
TX3 SONG OUT Alle Transmit kanalerne indstilles til Song sporene 1 - 16,
hvis man vil sende Song data. Bruges til at sende Song data
fra PSR-640 og PSR-740 til en ekstern tonegenerator, og for at
indspille hele molevitten til en ekstern Sequencer.
TX4 MASTER KEYBOARD
For at bruge PSR-640 og PSR-740 som er Master Keyboard.
Med andre ord: Keyboardet bruges kun til at sende data,
uden at bruge de interne lyde.
RX1 XG MODULE Alle modtage kanaler indstilles til ”XG / GM”. Bruges for at
udnytte de mange klange, der er i keyboardet.
RX2 MIDI ACCORDION Modtage kanalerne indstilles sådan:
ch. 1: Remote ch. 3: Bas
ch. 2: Akkord chs. 4-16: Off
Bruges når PSR-640 - PSR-740 spilles via et eksternt
MIDI Accordion. Det tilsluttede MIDI Accordion kan spille på
keyboardet og detektere akkorder og bas i keyboardets
Auto Accompagnement sektion.
RX3 MIDI PEDAL Alle modtage kanaler indstilles til ”Root”.
Bruges til at spille på PSR-640 og PSR-740 med en tilsluttet
MIDI pedal (ekstra udstyr). Den tilsluttede MIDI pedal detekterer
akkorder og bas i Auto Accompaniment sektionen, sådan at man
kan spille ON-BASS akkorder.
BACK NEXT

130
128
MIDI funktioner
Indstilling af MIDI sending
PSR-640 og PSR-740 kan samtidig sende data via alle 16 kanaler. Transmit kanalerne
og Transmit sporene funktionen bestemmer, hvad keyboardet skal sende i hvilke MIDI
kanaler.
1
Tryk på [FUNCTION] knappen.
2
Vælg ”MIDI”.
Brug Data drejeknappen, [+/YES] eller [-/NO] knapperne.
3
Tryk på [NEXT] knappen for at se MIDI displayet.
4
Vælg ”Transmit Channel”.
Brug Data drejeknappen, [+/YES] eller [-/NO] knapperne.
5
Tryk på [NEXT] knappen for at se MIDI Transmit displayet.
6
Indstil en MIDI Transmit Channel og Transmit Track.
● Tryk på en af [TRACK1]-[TRACK16] knapperne for at vælge en MIDI kanal.
●
Vælg et spor ved at bruge Data drejeknappen, [+/YES] eller [-/NO] knapperne.
OFF Intet transmitteres
RIGHT1 Spillet med højre hånd* (VOICE R1)**
RIGHT2 Spillet med højre hånd* (VOICE R2)**
LEFT Spillet med venstre hånd* (VOICE L)**
UPPER Spillet med højre hånd*
(Sender MIDI data normalt som omtalt på side 29)
LOWER Spillet med venstre hånd*
(Sender MIDI data normalt som omtalt på side 29)
RHYTHM SUB Auto Accompaniment RHYTHM SUB sporet
RHYTHM MAIN Auto Accompaniment RHYTHM MAIN sporet
BASS Auto Accompaniment BASS sporet
CHORD1 Auto Accompaniment CHORD 1 sporet
CHORD2 Auto Accompaniment CHORD 2 sporet
PAD Auto Accompaniment PAD sporet
PHRASE1 Auto Accompaniment PHRASE 1 sporet
PHRASE2 Auto Accompaniment PHRASE 2 sporet
TRACK1-16 Melodispor 1-16
OBS
• Hvis et spor tildeles flere
MIDI kanaler, transmitteres
data via den lavest
nummererede kanal.
• Indstillingen af MIDI transmit
sporene huskes, selvom der
slukkes for keyboardet.
Se mere herom på side 149.
• De forprogrammerede kanal
spor er:
• ch. 1 = RIGHT1
• ch. 2 = RIGHT2
• ch. 3 = LEFT
• ch. 4 = OFF
• ch. 5 = OFF
• ch. 6 = OFF
• ch. 7 = OFF
• ch. 8 = OFF
• ch. 9 = RHYTHM SUB
• ch. 10 = RHYTHM MAIN
• ch. 11 = BASS
• ch. 12 = CHORD1
• ch. 13 = CHORD2
• ch. 14 = PAD
• ch. 15 = PHRASE1
• ch. 16 = PHRASE2
• Man kan undgå ”sløjfer”
i MIDI systemet ved at
kontrollere indstillingen af
keyboardets Local Control
og MIDI THRU indstillingerne
i et eksternt MIDI apparat.
* ”Spillet med højre hånd” og ”spillet med venstre hånd” gælder det, der adskilles
ved Split Point på keyboardet.
** Sende MIDI data for respektive Oktav indstillinger for klangene R1, R2 og L.
[TRACK9]-[TRACK16] knapperne[TRACK1]-[TRACK8] knapperne

131
129
MIDI funktioner
Indstilling af MIDI modtage
PSR-640 og PSR-740 kan samtidig modtage data i 16 kanaler. Derfor kan keyboardet
fungere som en tone generator med mange klange samtidig. Valget af modtage
kanalerne og modtage funktionen bestemmer, hvordan hver kanal reagerer på de
modtagne MIDI data.
1
Tryk på [FUNCTION] knappen.
2
Vælg ”MIDI”.
Brug Data drejeknappen, [+/YES] eller [-/NO] knapperne.
3
Tryk på [NEXT] knappen for at se MIDI displayet.
4
Vælg ”Receive Channel” (modtage kanal).
Brug Data drejeknappen, [+/YES] eller [-/NO] knapperne.
5
Tryk på [NEXT] knappen for at se MIDI Receive displayet.
6
Vælg en MIDI modtage kanal og en modtage funktion.
● Tryk på en af [TRACK1]-[TRACK16] knapperne for at vælge en MIDI kanal.
● Vælg en modtage funktion ved at bruge Data drejeknappen, [+/YES] eller
[-/NO] knapperne.
OFF Der modtages ingen MIDI data i de kanaler, der er ”OFF”.
XG/GM Modtagne MIDI data sendes direkte til tonegeneratoren i PSR-640 og
PSR-740. Hvis alle kanaler er indstillet til “XG/GM” fungerer keyboardet
som en tone generator med 16 klange.
KEYBOARD De modtagne MIDI databehandles på samme måde som data for de
tangenter, der bruges på keyboardet. Med andre ord kan et eksternt
keyboard bruges til at styre for eksempel AUTO ACCOMPANIMENT
funktionerne hos PSR-640 og PSR-740.
CHORD Noderne ”ON” og ”OFF” data, som modtages i de indstillede ”CHORD”
kanaler, ”opfattes” som Fingering akkorder i akkompagnement delen.
Det sker i overensstemmelse med den valgte ”Fingering” funktion hos
PSR-640 og PSR-740. Akkorderne detekteres uafhængigt af indstillingen af
Split Point samt Accompaniment ON/OFF på PSR-640 og PSR-740.
ROOT Data for node ON/OFF, der modtages i den eller de kanaler, som er indstillet
til ”ROOT”, bliver bassens grundtone i delen for akkompagnementet.
Bas tonen er uafhængig af akkompagnement ON og Off, og af Split Point
indstillingen på keyboardet.
V.HARMONY Modtagne toner bliver forøget med Vocal Harmony Vocoder toner.
(PSR-740)
OBS
• Den forprogrammerede
indstilling fra Yamaha er for
alle kanaler ”XG/GM”.
• Indstillingen af MIDI modtage
funktionen huskes også, når
der slukkes for keyboardet.
Se detaljer på side 149.
[TRACK9]-[TRACK16] knapperne[TRACK1]-[TRACK8] knapperne

132
MIDI funktioner
130
Local Control
Local Control refererer normalt til det, at PSR-640 og PSR-740 selv styrer den interne
tone generator, og derfor kan de forskellige klange spilles direkte på tangenterne. Denne
situation kaldes ”Local Control ON”. Denne funktion kan imidlertid slås væk sådan, at
keyboardet ikke kan spille med sine egne klange. Men MIDI data sendes dog alligevel ud
fra keyboardet, når der spilles på det. Samtidig kan den interne tone generator reagere på
indkomne MIDI data på de kanaler, der er indstillet til ”XG/GM” funktionen via MIDI IN
terminalen. Det betyder, at mens for eksempel en ekstern MIDI Sequencer spiller med
klangene i PSR-640 eller PSR-740, kan man styre en ekstern tone generator via keyboardet.
Clock
Man kan modtage eller overse MIDI Clock signaler fra eksterne apparater. Når der er
valgt ”Disabled”, vil alle tids-baserede funktioner (Auto Accompaniment, SONG ind-
og afspilning og så videre) blive styret af keyboardets egen Clock. Hvis MIDI Clock
er aktiveret, vil al ”timing” blive bestemt af Clock frekvensen hos det eksterne MIDI
apparat. I dette tilfælde er TEMPO indstillingen hos PSR-640 og PSR-740 sat ud af
kraft. Den forprogrammerede indstilling er ”INTERNAL”.
1
Tryk på [FUNCTION] knappen.
2
Vælg ”MIDI”.
Brug Data drejeknappen, [+/YES] eller [-/NO] knapperne.
OBS
• Den forprogrammerede
indstilling af Local Control
er ”ON”.
1
Tryk på [FUNCTION] knappen.
2
Vælg ”MIDI”.
Brug Data drejeknappen, [+/YES] eller [-/NO] knapperne.
3
Tryk på [NEXT] knappen for at se MIDI displayet.
4
Vælg ”Local Control”.
Brug Data drejeknappen, [+/YES] eller [-/NO] knapperne.
5
Tryk på [NEXT] knappen for at se Local Control displayet.
6
Sæt Local Control ON eller OFF
Brug Data drejeknappen, [+/YES] eller [-/NO] knapperne.

133
MIDI funktioner
131
3
Tryk på [NEXT] nappen for at se MIDI displayet.
4
Vælg ”Clock”.
Brug Data drejeknappen, [+/YES] eller [-/NO] knapperne.
5
Tryk på [NEXT] knappen for at se CLOCK displayet.
6
Indstil Clock til ”Internal” eller ”External”.
Brug Data drejeknappen, [+/YES] eller [-/NO] knapperne.
Send
Sender alle de øjeblikkelige indstillinger på panelet til et andet PSR-640 eller PSR-740
eller et helt andet apparat, der kan gemme MIDI data.
Hvis man ønsker at få en melodi afspillet med de indstillinger, der blev brugt til
indspilningen, skal man bruge Initial Data Send funktionen for indspilning af en
melodi til en ekstern Sequencer.
1
Tryk på [FUNCTION] knappen.
2
Vælg ”MIDI”.
Brug Data drejeknappen, [+/YES] eller [-/NO] knapperne.
3
Tryk på [NEXT] knappen for at se MIDI displayet.
4
Vælg ”Initial Setup Send”.
Brug Data drejeknappen, [+/YES] eller [-/NO] knapperne.
5
Tryk på [NEXT] knappen for at se Initial Setup Send
displayet.
6
Udfør Initial Setup Send operationen.
Tryk på [+/YES] knappen for at udføre INITIAL SEND operationen.
Fortryk det hele ved at trykke på [-/NO] knappen.
OBS
• Den forprogrammerede
indstilling er ”INTERNAL”.
• Når Clock indstillingen er
”EXTERNAL”, kan Auto
Accompaniment spille ikke
starters med [START/STOP]
knappen eller med Synchro
Start funktionen. Også Multi
Pad kan ikke aktiveres fra
keyboardet.
• Når Clock indstillingen er
”EXTERNAL”, ses ”EC” på
displayet, og tempoet kan
ikke ændres med knapperne
på keyboardet.
Initial Setup

134
132
Andre funktioner (Utility)
Dette afsnit i vejledningen omhandler nogle vigtige funktioner hos PSR-640 og PSR-740,
der ikke har været beskrevet tidligere. Disse funktioner findes i Utility menuen under ”Function”.
• Metronome .................................................................................................. side 134
• Part Octave ................................................................................................. side 135
• Master Tuning ............................................................................................. side 135
• Scale Tuning ............................................................................................... side 135
• Split Point .................................................................................................... side 135
• Touch Sensitivity ......................................................................................... side 136
• Voice Set ..................................................................................................... side 136
• Footswitch ................................................................................................... side 137
• Foot Volume ................................................................................................ side 138
• Pitch Bend Range ....................................................................................... side 139
• Modulation Wheel ....................................................................................... side 139
Metronom
Når metronomen er ”ON”, indstilles tempoet til disse funktioner:
• Afspilning af akkompagnement
• Afspilning af Song
• Synchro Start klar
• Indspilning Standby
• Indspilning
• Sæt metronomen ON og OFF med data drejeknappen, [+/YES] eller [-/NO]
knappen.
1
Tryk på [FUNCTION] knappen.
Hver af de nævnte funktioner beskrives herunder.
Operationerne for trin #6 forklares følgende.
2
Vælg ”Utility”.
3
Tryk på [NEXT] knappen.
4
Vælg en funktion.
5
Tryk på [NEXT] knappen.
6
Indstil værdien.
OBS
• Der kan ikke tændes for
metronomen, når der er valgt
frit tempo for Song data
i Song funktionen.
• Tempoet er forudbestemt
i nogle kommercielle
programmer. Disse melodier
kaldes ”Fri Tempo Software”.
Når de afspilles på
keyboardet, vil tempo
displayet vise ”- - -”,
og takt displayet blinker ikke.
Takt nummeret passer ikke
med det spillede, og det
giver kun en ide om, hvor
meget af melodien, der er
spillet.

135
133
Part Oktav
Dette bestemmer de relative oktav indstillinger for klangene R1, R2 og L.
• Vælg delen (R1, R2, L) ved at trykke på PART ON/OFF knapperne
(VOICE R1, VOICE R2, VOICE L).
• Indstil værdien med data drejeknappen, [+/YES] eller [-/NO] knappen.
Master Tuning (Stemning)
Med Master Tuning indstilles stemningen for hele keyboardet.
• Indstil værdien med data drejeknappen, [+/YES] eller [-/NO] knappen.
Skala Stemning
Denne funktion bruges til at finstemme enkelte toner indenfor oktaven. Det kan gøres
indenfor et område på -64 procent til +63 procent i step på 1 procent = 1/100 del af en
halv tone. Derved kan man få keyboardet til at stemme med andre instrumenter,
klassiske eller arabiske instrumenter.
Såvel akkompagnementet som Multi Pad tonerne følger Skala Stemningen.
• Vælg den tone, der skal finstemmes, med [NEXT]/[BACK] knappen.
• Finstem tonen med data drejeknappen, [+/YES] eller [-/NO] knappen.
OBS
• Skala stemningen er fælles
for hele keyboardet.
• Negative værdier indtastes
med tal tastaturets knapper,
mens [-/NO] knappen holdes
nede.
Split Point
Stedet på keyboardet, som deler akkompagnement delen og melodi delen kaldes
”Split Point”.
• Med aktivt Auto Accompaniment styres akkompagnementet med de toner,
der spilles med venstre hånd (side 35).
• Med aflyst Auto Accompagniment høres kun klangen, der er valgt for ”L”
(side 28).
• Indstil værdien med data drejeknappen, [+/YES] eller [-/NO] knappen.
OBS
• Den forprogrammerede
indstilling for Split Point er
”F
#
2/G2.”
Andre funktioner (Utility)

136
134
Følsomhed for anslag
Keyboardene PSR-640 og PSR-740 har en funktion for anslags følsomhed, som giver dig
fuld kontrol over dine musikalske udtryk — nøjagtigt som på et akustisk instrument.
Parametrene for anslags følsomheden giver den måde, hvorpå følsomheden skal reagere
på dit spil.
Voice Indstilling
VOICE SET funktionen aktiverer automatisk en række funktioner, der passer perfekt til
den valgte rytme. De parametre, der indstilles med VOICE SET funktionen, ses herunder.
Man kan tænde og slukke for funktionerne, som man ønsker det.
Når der tændes for keyboardet, er Voice Set funktionen automatisk indstillet til ”ON”.
● Indstilling af Voice Set parametre
• Voice R1 (Volume, octave, pan, reverb depth, chorus depth, DSP depth*)
• Voice R2 (Voice number, volume, octave, pan, reverb depth, chorus depth, DSP depth*)
• DSP on/off, type, return level and FAST/SLOW on/off
• Harmony Type, Volume, Part
• DSP1-3 dry/wet (PSR-740)
• Multi Effect connection (PSR-740)
* PSR-640
• Indstil værdien med data drejeknappen, [+/YES] eller [-/NO] knappen
eller knapperne [1] - [0] på tal tastaturet.
Jo højere værdi, des mere følsomt bliver klaviaturet for den måde, du spiller på
tangenterne.
Indstillingen ”0” er uden anslags følsomhed, og det betyder ikke noget hvor hård, du slår
på tangenterne. Denne indstilling er helt fin, når der spilles med klange som for eksempel
orgel og harpsichord, hvor de akustiske instrumenter ikke har nogen føling med anslaget.
Man opnår samme effekt ved af slukke ved at trykke på [TOUCH] knappen sådan,
at lampen slukkes.
• Indstil Voice Set ved at bruge data drejeknappen, [+/YES] eller [-/NO]
knappen.
Andre funktioner (Utility)

137
135
Press the [NEXT] button.
Use the data dial, the
[+/YES] button or the [-/NO]
button.
Use the data dial, the
[+/YES] button or the [-/NO]
button.
Fodkontakt (ekstra udstyr)
Forskellige funktioner kan styres med en tilsluttet fodkontakt til SUSTAIN bøsningen.
Polariteten af fodkontakten kan også bestemmes.
• Indstil den funktion, der skal bestemmes med fodkontakten.
• Indstil polariteten af fodkontakten til NORMAL eller REVERSE.
● Funktioner, der kan styres med fodkontakten
SUSTAIN Når fodkontakten trykkes ned,
får tonerne en lang efterklang
(sustain).
SOSTENUTO Når der trykkes på fodkontakten,
bliver tonerne dæmpet.
SOFT Når fodkontakten trykkes ned, bliver der tilført en Soft effekt.
REGISTRATION+ Når fodkontakten påvirkes, skiftes der til den næste højere registrering.
Hvis man for eksempel spiller med registreringen nummer 3 i bank 2,
skifter der til nummer 4 i samme bank.
REGISTRATION- Med fodkontakten kan man skifte til den nærmeste lavere registrering.
Hvis man for eksempel spiller med registreringen nummer 4 i bank 2,
skiftes der til nummer 3 i samme bank.
START/STOP Fodkontakten får samme funktion som START/STOP knappen på panelet.
SYNCHRO STOP Fodkontakten får samme funktion som SYNC STOP knappen på panelet.
BASS HOLD Bassens grundtone holdes så længe, der trykkes på fodkontakten.
BREAK Akkompagnementet stopper, når der trykkes på fodkontakten.
Hvis foden tages væk, fortsætter akkompagnementet fra den næste takt.
TAP TEMPO Fodkontakten får den samme funktion, som TAP TEMPO knappen på panelet.
● Polaritet
Funktionen bruges for at tilpasse kontaktens egenskaber til PSR-640 og
PSR-740. Hvis fodkontakten fungerer ”omvendt” (hvis det ingen effekt giver,
når der trykkes på kontakten, men hvis kontakten slippes), kan man regulere
dette med skift af polaritet. Den forprogrammerede indstilling er ”NORMAL”.
Andre funktioner (Utility)
For ”SOSTENUTO”: Hvis man trykker på fodkontakten
her (pilen), får kun den første tone efterklang, og de
øvrige dæmpes.
Holdes fodkontakten nede, bliver disse toner forsynet
med efterklang.
OBS
• Hvis man bruger
”REGISTRATION+” eller
”REGISTRATION-” med
fodkontakten, skal man
sikre sig, at der ligger de
ønskede registreringer
i hukommelsen.
Brug data drejeknappen,
[+/YES] eller [-/NO] knappen.
Brug data drejeknappen,
[+/YES] eller [-/NO] knappen.
Tryk på [NEXT] knappen.

138
Fodpedal til lydstyrken
Der kan indstilles forskellige funktioner for lydstyrke pedalen, der er tilsluttet
FOOT VOL. terminalen. Polariteten for denne pedal kan også skiftes.
• Vælg den funktion, der skal styres med fodpedalen.
• Indstil polariteten for pedalen til ”NORMAL” eller ”REVERSE”.
● Funktioner, der kan styres med fodpedalen
MASTER Styrer lydstyrken for hele keyboardet PSR-640 og PSR-740.
KEYBOARD Samtidig styring af din musik via R1, R2 og L klangene
RIGHT1 Styrer lydstyrken af klangen R1.
RIGHT2 Styrer lydstyrken af klangen R2.
LEFT Styrer lydstyrken af klangen L.
ACMP/SONG Styrer lydstyrken af akkompagnement og Song.
SUSTAIN
SOSTENUTO
SOFT
REGISTRATION+
REGISTRATION-
START/STOP
SYNC STOP
BREAK
BASS HOLD
TAP TEMPO
● Polaritet
Denne funktion gør, at man kan ”omvende” fodpedalens funktion.
Tryk ned - og der sker intet, men ”slip”, og der sker det, som pedalen
er indstillet til. Det hele virker omvendt.
Den forprogrammerede indstilling er ”NORMAL”.
Press the [NEXT] button.
Use the data dial, the
[+/YES] button or the [-/NO]
button.
Use the data dial, the
[+/YES] button or the [-/NO]
button.
Alle disse funktioner svarer til de, der blev omtalt for fodkontakten
(side 137). De først omtalte funktioner er alene for fodpedalen.
136
Andre funktioner (Utility)
Brug data drejeknappen,
[+/YES] eller [-/NO] knappen.
Brug data drejeknappen,
[+/YES] eller [-/NO] knappen.
Tryk på [NEXT] knappen.

139
Modulation hjulet (PSR-740)
Med denne funktion kan man bruge MODULATION hjulet til andre ting.
• Vælg en ønsket funktion ved at bruge data drejeknappen, [+/YES]
eller [-/NO] knappen.
● Liste over funktionerne for Modulation hjulet
MODULATION Giver en vibrato effekt til de toner, der spilles på keyboardet.
BRIGHTNESS Fastsætter klangens diskant for de toner, der spilles på keyboardet.
Et høje tal giver stærkere diskant.
RESONANCE Giver en resonans til de toner, der spilles på keyboardet.
137
Pitch Bend (område)
Funktionen bestemmer det toneområde, der kan bruges med PITCH BEND hjulet.
Området er fra ”0” til ”12”, hvor hvert tal svarer til en halv tone.
• Indstil Pitch Bend Range ved at bruge data drejeknappen, [+/YES] eller
[-/NO] knappen, eller knapperne [1] - [0] på tal tastaturet.
Andre funktioner (Utility)

140
Appendix Voice List
PSR-740/640 Voices
The PSR-740/640 actually includes two voice sets: the “panel” voices and percussion kits, and the XG voices. The panel voices
include 267 “pitched” voices (223 “pitched” voices for PSR-640) and 13 drum kits (12 drum kits for PSR-640), while the XG voice
set includes 480 voices.
The panel voices are specially recorded and programmed voices exclusive to the PSR-740/640 and other PortaTone instruments.
The XG voices conform to Yamaha’s XG format; they also conform to the GM (General MIDI) standard. This allows you to
accurately play back any GM- or XG-compatible song data directly on the PSR-740/640 itself, without having to change voices or
make special settings. It also allows you to record songs for other GM- or XG-compatible instruments, and have them play back on
those instruments as intended.
OBS
• The Voice List includes
MIDI program change
numbers for each voice.
Use these program change
numbers when playing the
PSR-740/640 via MIDI from
an external device.
• When the sustain or
sostenuto pedal functions
are being used (page 137),
some voices may sound
continuously or have a long
decay after the notes have
been released while the
pedal is held.
● Maximum Polyphony
The PSR-740 has 64-note maximum polyphony and the PSR-640 has 32. Auto Accompaniment uses a number of the available
notes, so when Auto Accompaniment is used the total number of notes that can be played on the keyboard is correspondingly
reduced. The same applies to the Voice R2, Voice L, Multi Pad, and Song functions. When the maximum polyphony is exceeded,
notes are played using last-note priority.
● Voices Panel Voices Drum Kits XG Voices Organ Flutes
(Panel Voices)
PSR-740 1-267 268-280 281-760 761
PSR-640 1-223 224-235 236-715 —
[PSR-740]
Panel Voice List
138
42 0 114 17 Theater Organ 2
43 0 112 19 Pipe Organ
44 0 113 19 Chapel Organ 1
45 0 114 19 Chapel Organ 2
46 0 115 19 Chapel Organ 3
47 0 112 20 Reed Organ
Accordion
48 0 113 21 Trad.Accordion
49 0 112 21 MusetteAccordion
50 0 112 23 Tango Accordion
51 0 113 23 Bandoneon
52 0 114 21 Soft Accordion
53 0 115 21 Small Accordion
54 0 116 21 Accordion
55 0 113 22 Modern Harp
56 0 112 22 Harmonica
57 0 114 22 Blues Harp
Guitar
58 0 113 24 Spanish Guitar
59 0 112 24 Classic Guitar
60 0 112 25 Folk Guitar
61 0 113 25 12Strings Guitar
62 0 114 24 SmoothNylonGuitr
63 0 115 25 Campfire Guitar
64 0 112 26 Jazz Guitar
65 0 113 26 Octave Guitar
66 0 114 26 Hawaiian Guitar
67 0 118 27 Solid Guitar
68 0 116 27 BrightCleanGuitr
69 0 112 27 Clean Guitar
70 0 119 27 Elec.12StrGuitar
71 0 113 27 Tremolo Guitar
72 0 114 27 Slap Guitar
73 0 113 28 Funk Guitar
74 0 112 28 Muted Guitar
75 0 113 30 Crunch Guitar
76 0 113 29 Feedback Guitar
77 0 112 29 OverdrivenGuitar
78 0 112 30 DistortionGuitar
79 0 122 27 Wah Guitar
80 0 115 27 PedalSteelGuitar
81 0 114 25 Mandolin
82 0 121 27 SolidChordGuitar
83 0 114 30 StackCrunchGuitr
Piano
1 0 112 0 Aco.Grand Piano
2 0 112 1 Bright Aco.Piano
3 0 112 3 Honky Tonk Piano
4 0 114 2 Rock Piano
5 0 112 2 Midi Grand Piano
6 0 113 2 CP 80
7 0 112 6 Harpsichord
8 0 113 6 GrandHarpsichord
E.Piano
9 0 114 4 Galaxy El.Piano
10 0 117 4 Stage El.Piano
11 0 115 4 Polaris El.Piano
12 0 118 4 SuitcaseEl.Piano
13 0 117 5 SuperDX El.Piano
14 0 112 5 DXModernEl.Piano
15 0 116 4 Vintage El.Piano
16 0 112 4 Funk El.Piano
17 0 115 5 Modern El.Piano
18 0 113 5 Hyper Tines
19 0 116 5 New Tines
20 0 114 5 Venus El.Piano
21 0 113 4 Tremolo El.Piano
22 0 112 7 Clavi
23 0 113 7 Wah Clavi
Organ
24 0 117 18 Rotor Organ
25 0 112 16 Jazz Organ 1
26 0 113 16 Jazz Organ 2
27 0 120 16 Glass Jazz Organ
28 0 112 17 Click Organ
29 0 113 17 Dance Organ
30 0 115 16 Drawbar Organ
31 0 115 17 MellowDrawOrgan
32 0 116 16 BrightDrawOrgan
33 0 112 18 Rock Organ 1
34 0 113 18 Rock Organ 2
35 0 118 18 Vintage Organ
36 0 114 18 Purple Organ
37 0 115 18 FullRockerOrgan
38 0 116 18 Rotary Drive Org
39 0 116 17 60’s Organ
40 0 118 17 Electric Organ
41 0 114 16 Theater Organ 1
Bank Select MIDI
Voice Program Voice Name
Number MSB LSB Change
Number
Bank Select MIDI
Voice Program Voice Name
Number MSB LSB Change
Number

141
Voice List
139
84 0 120 27 VintageTremGuitr
85 0 117 27 60’sCleanGuitar
Bass
86 0 112 33 Finger Bass
87 0 112 32 Acoustic Bass
88 0 113 32 Upright Bass
89 0 114 32 Aco.Bass&Cymbal
90 0 112 34 Pick Bass
91 0 112 35 Fretless Bass
92 0 113 35 Jaco Bass
93 0 112 36 Slap Bass
94 0 112 37 Funk Bass
95 0 113 36 Fusion Bass
96 0 112 38 Synth Bass
97 0 112 39 Analog Bass
98 0 115 39 Touch Bass
99 0 114 39 Snap Bass
100 0 115 38 Click Bass
101 0 113 39 Dance Bass
102 0 113 38 Hi-Q Bass
103 0 114 38 Rave Bass
Strings
104 0 112 48 String Ensemble
105 0 116 49 ClassicalStrings
106 0 113 48 OrchestraStrings
107 0 114 48 SymphonicStrings
108 0 116 48 Bow Strings
109 0 113 49 SlowAttackStrngs
110 0 114 49 Strings Quartet
111 0 115 48 Concerto Strings
112 0 115 49 Marcato Strings
113 0 112 49 Chamber Strings
114 0 112 44 Tremolo Strings
115 0 112 45 PizzicatoStrings
116 0 112 50 Synth Strings
117 0 112 51 Analog Strings
118 0 112 55 Orchestra Hit
119 0 112 40 Solo Violin
120 0 113 40 Soft Violin
121 0 112 110 Fiddle
122 0 112 41 Viola
123 0 112 42 Cello
124 0 112 43 Contrabass
125 0 112 46 Harp
126 0 113 46 Hackbrett
127 0 112 106 Shamisen
128 0 112 107 Koto
129 0 112 104 Sitar
130 0 112 105 Banjo
Choir
131 0 114 52 Hah Choir
132 0 112 52 Choir
133 0 115 52 Uuh Choir
134 0 112 54 Air Choir
135 0 113 53 Gothic Vox
136 0 113 54 Voices
137 0 113 52 Vocal Ensemble
138 0 112 53 Vox Humana
Trumpet
139 0 115 56 Sweet Trumpet
140 0 112 56 Solo Trumpet
141 0 114 56 Soft Trumpet
142 0 116 56 Jazz Trumpet
143 0 117 56 Air Trumpet
144 0 113 56 Flugel Horn
145 0 112 59 Muted Trumpet
146 0 112 57 Solo Trombone
147 0 116 57 Trombone
148 0 114 57 Mellow Trombone
149 0 115 57 Soft Trombone
150 0 112 60 French Horn
151 0 112 58 Tuba
Brass
152 0 113 61 Big Band Brass
153 0 121 61 Big Brass
154 0 112 61 Brass Section
155 0 116 61 Mellow Brass
156 0 117 61 Small Brass
157 0 118 61 Pop Brass
158 0 119 61 Mellow Horns
159 0 124 61 Step Brass
160 0 123 61 Soft Brass
161 0 113 59 Ballroom Brass
162 0 114 61 Full Horns
163 0 115 61 High Brass
164 0 120 61 Bright Brass
165 0 122 61 Trumpet Ensemble
166 0 113 57 Trombone Section
167 0 112 62 Synth Brass
168 0 112 63 Analog Brass
169 0 113 62 Jump Brass
170 0 114 62 Techno Brass
Saxophone
171 0 117 66 Sweet Tenor Sax
172 0 114 65 Sweet Alto Sax
173 0 114 71 Sweet Clarinet
174 0 118 66 Growl Sax
175 0 114 66 BreathyTenorSax
176 0 113 65 Breathy Alto Sax
177 0 112 64 Soprano Sax
178 0 112 65 Alto Sax
179 0 112 66 Tenor Sax
180 0 112 67 Baritone Sax
181 0 113 67 RockBaritoneSax
182 0 116 66 Sax Section
183 0 115 66 Sax Combo
184 0 112 71 Clarinet
185 0 113 71 Mellow Clarinet
186 0 113 66 WoodwindEnsemble
187 0 112 68 Oboe
188 0 112 69 English Horn
189 0 112 70 Bassoon
Flute
190 0 114 73 Sweet Flute
191 0 112 73 Flute
192 0 115 73 Classical Flute
193 0 113 73 Pan Flute
194 0 112 72 Piccolo
195 0 112 75 Ethnic Flute
196 0 112 77 Shakuhachi
197 0 112 78 Whistle
198 0 112 74 Recorder
199 0 112 79 Ocarina
200 0 112 109 Bagpipe
Synth Lead
201 0 116 81 Fire Wire
202 0 120 81 Wire Lead
203 0 112 80 Square Lead
204 0 112 81 Sawtooth Lead
205 0 113 81 Big Lead
Bank Select MIDI
Voice Program Voice Name
Number MSB LSB Change
Number
Bank Select MIDI
Voice Program Voice Name
Number MSB LSB Change
Number

142
140
Voice List
Drum Kits
268 127 0 0 Standard Kit 1
269 127 0 1 Standard Kit 2
270 127 0 4 Hit Kit
271 127 0 8 Room Kit
272 127 0 16 Rock Kit
273 127 0 24 Electronic Kit
274 127 0 25 Analog Kit
275 127 0 27 Dance Kit
276 127 0 32 Jazz Kit
277 127 0 40 Brush Kit
278 127 0 48 Symphony Kit
279 126 0 0 SFX Kit 1
280 126 0 1 SFX Kit 2
Bank Select MIDI
Voice Program Voice Name
Number MSB LSB Change
Number
206 0 112 98 Stardust
207 0 114 81 Blaster
208 0 115 81 Analogon
209 0 113 84 Adrenaline
210 0 113 80 Vintage Lead
211 0 113 98 Sun Bell
212 0 112 83 Aero Lead
213 0 114 80 Mini Lead
214 0 115 80 Vinylead
215 0 117 81 Warp
216 0 116 80 Hi Bias
217 0 117 80 Meta Wood
218 0 118 80 Tiny Lead
219 0 118 81 Sub Aqua
220 0 119 81 Fargo
221 0 112 84 Portatone
222 0 112 96 Synchronize
223 0 113 87 Impact
224 0 121 81 Funky Lead
225 0 113 96 Rhythmatic
226 0 119 80 Synth Flute
227 0 112 87 Under Heim
228 0 114 96 Clockwork
Synth Pad
229 0 113 94 Insomnia
230 0 115 88 Golden Age
231 0 112 90 Krypton
232 0 113 99 Cyber Pad
233 0 112 95 Wave 2001
234 0 112 94 Equinox
235 0 114 88 Stargate
236 0 112 92 DX Pad
237 0 112 93 Loch Ness
238 0 114 93 Glass Pad
239 0 112 88 Fantasia
240 0 112 91 Xenon Pad
241 0 112 101 Skydiver
242 0 112 97 Far East
243 0 114 95 Template
244 0 112 89 Area 51
245 0 112 99 Atmosphere Pad
246 0 113 89 Dark Moon
247 0 115 94 Ionosphere
248 0 113 93 Phase IV
249 0 113 88 Symbiont
250 0 114 94 Solaris
251 0 116 88 Time Travel
252 0 117 88 Millenium
253 0 113 95 Transform
254 0 112 103 Baroque
255 0 114 89 Dunes
Percussion
256 0 113 11 Jazz Vibraphone
257 0 112 11 Vibraphone
258 0 112 12 Marimba
259 0 112 13 Xylophone
260 0 112 114 Steel Drums
261 0 112 8 Celesta
262 0 112 9 Glockenspiel
263 0 112 10 Music Box
264 0 112 14 Tubular Bells
265 0 112 108 Kalimba
266 0 112 47 Timpani
267 0 112 15 Dulcimer
Bank Select MIDI
Voice Program Voice Name
Number MSB LSB Change
Number

143
141
Voice List
[PSR-640]
Panel Voice List
Piano
1 0 112 0 Aco.Grand Piano
2 0 112 1 Bright Aco.Piano
3 0 112 3 Honky Tonk Piano
4 0 114 2 Rock Piano
5 0 112 2 Midi Grand Piano
6 0 113 2 CP 80
7 0 112 6 Harpsichord
8 0 113 6 GrandHarpsichord
E.Piano
9 0 114 4 Galaxy El.Piano
10 0 115 4 Polaris El.Piano
11 0 118 4 SuitcaseEl.Piano
12 0 117 5 SuperDX El.Piano
13 0 112 5 DXModernEl.Piano
14 0 112 4 Funk El.Piano
15 0 115 5 Modern El.Piano
16 0 113 5 Hyper Tines
17 0 116 5 New Tines
18 0 114 5 Venus El.Piano
19 0 113 4 Tremolo El.Piano
20 0 112 7 Clavi
21 0 113 7 Wah Clavi
Organ
22 0 117 18 Rotor Organ
23 0 112 16 Jazz Organ 1
24 0 113 16 Jazz Organ 2
25 0 120 16 Glass Jazz Organ
26 0 112 17 Click Organ
27 0 113 17 Dance Organ
28 0 115 16 Drawbar Organ
29 0 115 17 MellowDrawOrgan
30 0 116 16 BrightDrawOrgan
31 0 112 18 Rock Organ 1
32 0 113 18 Rock Organ 2
33 0 114 18 Purple Organ
34 0 116 17 60’s Organ
35 0 117 17 Blues Organ
36 0 117 16 16+1 Organ
37 0 118 16 16+2 Organ
38 0 119 16 16+4 Organ
39 0 118 17 Electric Organ
40 0 114 16 Theater Organ 1
41 0 114 17 Theater Organ 2
42 0 112 19 Pipe Organ
43 0 113 19 Chapel Organ 1
44 0 114 19 Chapel Organ 2
45 0 115 19 Chapel Organ 3
46 0 112 20 Reed Organ
Accordion
47 0 113 21 Trad.Accordion
48 0 112 21 MusetteAccordion
49 0 112 23 Tango Accordion
50 0 113 23 Bandoneon
51 0 114 21 Soft Accordion
52 0 115 21 Accordion
53 0 112 22 Harmonica
Guitar
54 0 113 24 Spanish Guitar
55 0 112 24 Classic Guitar
56 0 112 25 Folk Guitar
57 0 113 25 12Strings Guitar
Bank Select MIDI
Voice Program Voice Name
Number MSB LSB Change
Number
58 0 114 24 SmoothNylonGuitr
59 0 115 25 Campfire Guitar
60 0 112 26 Jazz Guitar
61 0 113 26 Octave Guitar
62 0 114 26 Hawaiian Guitar
63 0 118 27 Solid Guitar
64 0 116 27 BrightCleanGuitr
65 0 112 27 Clean Guitar
66 0 119 27 Elec.12StrGuitar
67 0 113 27 Tremolo Guitar
68 0 114 27 Slap Guitar
69 0 113 28 Funk Guitar
70 0 112 28 Muted Guitar
71 0 113 30 Crunch Guitar
72 0 113 29 Feedback Guitar
73 0 112 29 OverdrivenGuitar
74 0 112 30 DistortionGuitar
75 0 115 27 PedalSteelGuitar
76 0 114 25 Mandolin
77 0 121 27 SolidChordGuitar
78 0 120 27 VintageTremGtr
79 0 117 27 60’sCleanGuitar
Bass
80 0 112 33 Finger Bass
81 0 112 32 Acoustic Bass
82 0 114 32 Aco.Bass&Cymbal
83 0 112 34 Pick Bass
84 0 112 35 Fretless Bass
85 0 113 35 Jaco Bass
86 0 112 36 Slap Bass
87 0 112 37 Funk Bass
88 0 113 36 Fusion Bass
89 0 112 38 Synth Bass
90 0 112 39 Analog Bass
91 0 113 39 Dance Bass
92 0 113 38 Hi-Q Bass
93 0 114 38 Rave Bass
Strings
94 0 112 48 String Ensemble
95 0 113 48 OrchestraStrings
96 0 114 48 SymphonicStrings
97 0 113 49 SlowAttackStrngs
98 0 114 49 Strings Quartet
99 0 115 48 Concerto Strings
100 0 115 49 Marcato Strings
101 0 112 49 Chamber Strings
102 0 112 44 Tremolo Strings
103 0 112 45 PizzicatoStrings
104 0 112 50 Synth Strings
105 0 112 51 Analog Strings
106 0 112 55 Orchestra Hit
107 0 112 40 Solo Violin
108 0 113 40 Soft Violin
109 0 112 110 Fiddle
110 0 112 41 Viola
111 0 112 42 Cello
112 0 112 43 Contrabass
113 0 112 46 Harp
114 0 113 46 Hackbrett
115 0 112 106 Shamisen
116 0 112 107 Koto
117 0 112 104 Sitar
Bank Select MIDI
Voice Program Voice Name
Number MSB LSB Change
Number

144
142
118 0 112 105 Banjo
Choir
119 0 112 52 Choir
120 0 112 54 Air Choir
121 0 113 53 Gothic Vox
122 0 113 52 Vocal Ensemble
123 0 112 53 Vox Humana
Trumpet
124 0 115 56 Sweet Trumpet
125 0 112 56 Solo Trumpet
126 0 114 56 Soft Trumpet
127 0 113 56 Flugel Horn
128 0 112 59 Muted Trumpet
129 0 112 57 Trombone
130 0 114 57 Mellow Trombone
131 0 112 60 French Horn
132 0 112 58 Tuba
Brass
133 0 113 61 Big Band Brass
134 0 112 61 Brass Section
135 0 116 61 Mellow Brass
136 0 117 61 Small Brass
137 0 118 61 Pop Brass
138 0 119 61 Mellow Horns
139 0 113 59 Ballroom Brass
140 0 114 61 Full Horns
141 0 115 61 High Brass
142 0 120 61 Bright Brass
143 0 113 57 Trombone Section
144 0 112 62 Synth Brass
145 0 112 63 Analog Brass
146 0 113 62 Jump Brass
147 0 114 62 Techno Brass
Saxophone
148 0 117 66 Sweet Tenor Sax
149 0 114 65 Sweet Alto Sax
150 0 114 71 Sweet Clarinet
151 0 114 66 BreathyTenorSax
152 0 113 65 Breathy Alto Sax
153 0 112 64 Soprano Sax
154 0 112 65 Alto Sax
155 0 112 66 Tenor Sax
156 0 112 67 Baritone Sax
157 0 116 66 Sax Section
158 0 115 66 Sax Combo
159 0 112 71 Clarinet
160 0 113 71 Mellow Clarinet
161 0 113 66 WoodwindEnsemble
162 0 112 68 Oboe
163 0 112 69 English Horn
164 0 112 70 Bassoon
Flute
165 0 112 73 Flute
166 0 113 73 Pan Flute
167 0 112 72 Piccolo
168 0 112 75 Ethnic Flute
169 0 112 77 Shakuhachi
170 0 112 78 Whistle
171 0 112 74 Recorder
172 0 112 79 Ocarina
173 0 112 109 Bagpipe
Synth Lead
174 0 116 81 Fire Wire
175 0 112 80 Square Lead
176 0 112 81 Sawtooth Lead
Bank Select MIDI
Voice Program Voice Name
Number MSB LSB Change
Number
177 0 113 81 Big Lead
178 0 112 98 Stardust
179 0 114 81 Blaster
180 0 115 81 Analogon
181 0 113 80 Vintage Lead
182 0 113 98 Sun Bell
183 0 112 83 Aero Lead
184 0 114 80 Mini Lead
185 0 115 80 Vinylead
186 0 117 81 Warp
187 0 116 80 Hi Bias
188 0 117 80 Meta Wood
189 0 118 80 Tiny Lead
190 0 118 81 Sub Aqua
191 0 119 81 Fargo
Synth Pad
192 0 113 94 Insomnia
193 0 115 88 Golden Age
194 0 112 90 Krypton
195 0 113 99 Cyber Pad
196 0 112 95 Wave 2001
197 0 112 94 Equinox
198 0 114 88 Stargate
199 0 112 92 DX Pad
200 0 112 93 Loch Ness
201 0 112 88 Fantasia
202 0 112 91 Xenon Pad
203 0 112 89 Area 51
204 0 112 99 Atmosphere Pad
205 0 113 89 Dark Moon
206 0 115 94 Ionosphere
207 0 113 93 Phase IV
208 0 113 88 Symbiont
209 0 114 94 Solaris
210 0 117 88 Millenium
211 0 113 95 Transform
Percussion
212 0 113 11 Jazz Vibraphone
213 0 112 11 Vibraphone
214 0 112 12 Marimba
215 0 112 13 Xylophone
216 0 112 114 Steel Drums
217 0 112 8 Celesta
218 0 112 9 Glockenspiel
219 0 112 10 Music Box
220 0 112 14 Tubular Bells
221 0 112 108 Kalimba
222 0 112 47 Timpani
223 0 112 15 Dulcimer
Drum Kits
224 127 0 0 Standard Kit 1
225 127 0 1 Standard Kit 2
226 127 0 8 Room Kit
227 127 0 16 Rock Kit
228 127 0 24 Electronic Kit
229 127 0 25 Analog Kit
230 127 0 27 Dance Kit
231 127 0 32 Jazz Kit
232 127 0 40 Brush Kit
233 127 0 48 Symphony Kit
234 126 0 0 SFX Kit 1
235 126 0 1 SFX Kit 2
Bank Select MIDI
Voice Program Voice Name
Number MSB LSB Change
Number
Voice List

145
143
Voice List
[PSR-740/640]
XG Voice List
281 236 0 0 0 Aco.Grand Piano
282 237 0 1 0 Grand Piano KSP
283 238 0 18 0 MellowGrandPiano
284 239 0 40 0 Piano Strings
285 240 0 41 0 Dream
286 241 0 0 1 Bright Aco.Piano
287 242 0 1 1 Bright Piano KSP
288 243 0 0 2 Elec.Grand Piano
289 244 0 1 2 ElecGrndPianoKSP
290 245 0 32 2 Detuned CP80
291 246 0 40 2 Layered CP 1
292 247 0 41 2 Layered CP 2
293 248 0 0 3 Honkytonk Piano
294 249 0 1 3 HonkytonkPnoKSP
295 250 0 0 4 Electric Piano 1
296 251 0 1 4 Elec.Piano 1 KSP
297 252 0 18 4 MellowEl.Piano1
298 253 0 32 4 ChorusEl.Piano1
299 254 0 40 4 Hard El.Piano
300 255 0 45 4 VlXfadeEl.Piano1
301 256 0 64 4 60’s El.Piano 1
302 257 0 0 5 Electric Piano 2
303 258 0 1 5 Elec.Piano 2 KSP
304 259 0 32 5 ChorusEl.Piano2
305 260 0 33 5 DX El.Piano Hard
306 261 0 34 5 DX Legend
307 262 0 40 5 DX PhaseEl.Piano
308 263 0 41 5 DX+AnalogElPiano
309 264 0 42 5 DX Koto El.Piano
310 265 0 45 5 VlXfadeEl.Piano2
311 266 0 0 6 Harpsichord
312 267 0 1 6 Harpsichord KSP
313 268 0 25 6 Harpsichord 2
314 269 0 35 6 Harpsichord 3
315 270 0 0 7 Clavi.
316 271 0 1 7 Clavi.KSP
317 272 0 27 7 Clavi.Wah
318 273 0 64 7 Pulse Clavi.
319 274 0 65 7 Pierce Clavi.
320 275 0 0 8 Celesta
321 276 0 0 9 Glockenspiel
322 277 0 0 10 Music Box
323 278 0 64 10 Orgel
324 279 0 0 11 Vibraphone
325 280 0 1 11 Vibraphone KSP
326 281 0 45 11 Hard Vibraphone
327 282 0 0 12 Marimba
328 283 0 1 12 Marimba KSP
329 284 0 64 12 Sine Marimba
330 285 0 97 12 Balimba
331 286 0 98 12 Log Drums
332 287 0 0 13 Xylophone
333 288 0 0 14 Tubular Bells
334 289 0 96 14 Church Bells
335 290 0 97 14 Carillon
336 291 0 0 15 Dulcimer
337 292 0 35 15 Dulcimer 2
338 293 0 96 15 Cimbalom
339 294 0 97 15 Santur
340 295 0 0 16 Drawbar Organ
341 296 0 32 16
DetunedDrawOrgan
342 297 0 33 16 60sDrawbarOrgan1
343 298 0 34 16 60sDrawbarOrgan2
344 299 0 35 16 70sDrawbarOrgan1
345 300 0 36 16 Drawbar Organ 2
346 301 0 37 16 60sDrawbarOrgan3
347 302 0 38 16 Even Bar Organ
348 303 0 40 16 16+2’2/3 Organ
349 304 0 64 16 Organ Bass
PSR-740 PSR-640 Bank Select MIDI
Voice Voice Program
Voice Name
Number Number
MSB LSB
Change
Number
PSR-740 PSR-640 Bank Select MIDI
Voice Voice Program
Voice Name
Number Number
MSB LSB
Change
Number
PSR-740 PSR-640 Bank Select MIDI
Voice Voice Program
Voice Name
Number Number
MSB LSB
Change
Number
350 305 0 65 16 70sDrawbarOrgan2
351 306 0 66 16 Cheezy Organ
352 307 0 67 16 Drawbar Organ 3
353 308 0 0 17 Percussive Organ
354 309 0 24 17 70s Perc.Organ 1
355 310 0 32 17 DetunedPercOrgan
356 311 0 33 17 Light Organ
357 312 0 37 17 PercussiveOrgan2
358 313 0 0 18 Rock Organ
359 314 0 64 18 Rotary Organ
360 315 0 65 18 SlowRotaryOrgan
361 316 0 66 18 FastRotaryOrgan
362 317 0 0 19 Church Organ
363 318 0 32 19 Church Organ 3
364 319 0 35 19 Church Organ 2
365 320 0 40 19 Notre Dame
366 321 0 64 19 Organ Flute
367 322 0 65 19 Trem.Organ Flute
368 323 0 0 20 Reed Organ
369 324 0 40 20 Puff Organ
370 325 0 0 21 Accordion
371 326 0 32 21 Accord It
372 327 0 0 22 Harmonica
373 328 0 32 22 Harmonica 2
374 329 0 0 23 Tango Accordion
375 330 0 64 23 TangoAccordion2
376 331 0 0 24 Nylon Guitar
377 332 0 16 24 Nylon Guitar 2
378 333 0 25 24 Nylon Guitar 3
379 334 0 43 24 Velo.GuitarHarmo
380 335 0 96 24 Ukulele
381 336 0 0 25 Steel Guitar
382 337 0 16 25 Steel Guitar 2
383 338 0 35 25 12-string Guitar
384 339 0 40 25 Nylon&Steel Gtr
385 340 0 41 25 Steel Gtr & Body
386 341 0 96 25 Mandolin
387 342 0 0 26 Jazz Guitar
388 343 0 18 26 Mellow Guitar
389 344 0 32 26 Jazz Amp
390 345 0 0 27 Clean Guitar
391 346 0 32 27 Chorus Guitar
392 347 0 0 28 Muted Guitar
393 348 0 40 28 Funk Guitar 1
394 349 0 41 28 MutedSteelGuitar
395 350 0 43 28 Funk Guitar 2
396 351 0 45 28 Jazz Man
397 352 0 0 29 OverdrivenGuitar
398 353 0 43 29 Guitar Pinch
399 354 0 0 30 DistortionGuitar
400 355 0 40 30 Feedback Guitar
401 356 0 41 30 FeedbackGuitar2
402 357 0 0 31 Guitar Harmonics
403 358 0 65 31 Guitar Feedback
404 359 0 66 31 GuitarHarmonics2
405 360 0 0 32 Acoustic Bass
406 361 0 40 32 Jazz Rhythm
407 362 0 45 32 VelXfUprightBass
408 363 0 0 33 Finger Bass
409 364 0 18 33 Finger Bass Dark
410 365 0 27 33 Flange Bass
411 366 0 40 33 Bass&DistortedEG
412 367 0 43 33 Finger Slap Bass
413 368 0 45 33 Finger Bass 2
414 369 0 65 33 Modulated Bass
415 370 0 0 34 Pick Bass
416 371 0 28 34 Muted Pick Bass
417 372 0 0 35 Fretless Bass
418 373 0 32 35 Fretless Bass 2
419 374 0 33 35 Fretless Bass 3
420 375 0 34 35 Fretless Bass 4
421 376 0 96 35 Synth Fretless
422 377 0 97 35 Smooth Fretless
423 378 0 0 36 Slap Bass 1
424 379 0 27 36 Resonant Slap
425 380 0 32 36 Punch Thumb Bass
426 381 0 0 37 Slap Bass 2
427 382 0 43 37 Velocity Sw.Slap
428 383 0 0 38 Synth Bass 1
429 384 0 18 38 SynthBass1Dark
430 385 0 20 38 FastResonantBass
431 386 0 24 38 Acid Bass
432 387 0 35 38 Clavi Bass
433 388 0 40 38 TechnoSynthBass
434 389 0 64 38 Orbiter
435 390 0 65 38 Square Bass
436 391 0 66 38 Rubber Bass
437 392 0 96 38 Hammer
438 393 0 0 39 Synth Bass 2
439 394 0 6 39 MellowSynthBass
440 395 0 12 39 Sequenced Bass
441 396 0 18 39 Click Synth Bass
442 397 0 19 39 SynthBass2Dark
443 398 0 32 39 SmoothSynthBass
444 399 0 40 39 ModularSynthBass
445 400 0 41 39 DX Bass
446 401 0 64 39 X Wire Bass
447 402 0 0 40 Violin
448 403 0 8 40 SlowAttackViolin
449 404 0 0 41 Viola
450 405 0 0 42 Cello
451 406 0 0 43 Contrabass
452 407 0 0 44 Tremolo Strings
453 408 0 8 44 SlwAtkTremStrngs
454 409 0 40 44 Suspense Strings
455 410 0 0 45 PizzicatoStrings
456 411 0 0 46 Orchestral Harp
457 412 0 40 46 Yang Chin
458 413 0 0 47 Timpani
459 414 0 0 48 StringEnsemble1
460 415 0 3 48 Stereo Strings
461 416 0 8 48 SlowAttackStrngs
462 417 0 24 48 Arco Strings
463 418 0 35 48 60’s Strings
464 419 0 40 48 Orchestra
465 420 0 41 48 Orchestra 2
466 421 0 42 48 TremoloOrchestra
467 422 0 45 48 Velocity Strings
468 423 0 0 49 StringEnsemble2
469 424 0 3 49 StereoSlowStrngs
470 425 0 8 49 Legato Strings
471 426 0 40 49 Warm Strings
472 427 0 41 49 Kingdom
473 428 0 64 49 70’s Strings
474 429 0 65 49 StringEnsemble3
475 430 0 0 50 Synth Strings 1
476 431 0 27 50 Resonant Strings
477 432 0 64 50 Synth Strings 4
478 433 0 65 50 Synth Strings 5
479 434 0 0 51 Synth Strings 2
480 435 0 0 52 Choir Aahs
481 436 0 3 52 Stereo Choir
482 437 0 16 52 Choir Aahs 2
483 438 0 32 52 Mellow Choir
484 439 0 40 52 Choir Strings
485 440 0 0 53 Voice Oohs
486 441 0 0 54 Synth Voice
487 442 0 40 54 Synth Voice 2

146
144
PSR-740 PSR-640 Bank Select MIDI
Voice Voice Program
Voice Name
Number Number
MSB LSB
Change
Number
PSR-740 PSR-640 Bank Select MIDI
Voice Voice Program
Voice Name
Number Number
MSB LSB
Change
Number
PSR-740 PSR-640 Bank Select MIDI
Voice Voice Program
Voice Name
Number Number
MSB LSB
Change
Number
488 443 0 41 54 Choral
489 444 0 64 54 Analog Voice
490 445 0 0 55 Orchestra Hit
491 446 0 35 55 Orchestra Hit 2
492 447 0 64 55 Impact
493 448 0 0 56 Trumpet
494 449 0 16 56 Trumpet 2
495 450 0 17 56 Bright Trumpet
496 451 0 32 56 Warm Trumpet
497 452 0 0 57 Trombone
498 453 0 18 57 Trombone 2
499 454 0 0 58 Tuba
500 455 0 16 58 Tuba 2
501 456 0 0 59 Muted Trumpet
502 457 0 0 60 French Horn
503 458 0 6 60 French Horn Solo
504 459 0 32 60 French Horn 2
505 460 0 37 60 Horn Orchestra
506 461 0 0 61 Brass Section
507 462 0 35 61 Trp&TrbSection
508 463 0 40 61 Brass Section 2
509 464 0 41 61 High Brass
510 465 0 42 61 Mellow Brass
511 466 0 0 62 Synth Brass 1
512 467 0 12 62 Quack Brass
513 468 0 20 62 Reso Synth Brass
514 469 0 24 62 Poly Brass
515 470 0 27 62 Synth Brass 3
516 471 0 32 62 Jump Brass
517 472 0 45 62 AnalogVeloBrass1
518 473 0 64 62 Analog Brass 1
519 474 0 0 63 Synth Brass 2
520 475 0 18 63 Soft Brass
521 476 0 40 63 Synth Brass 4
522 477 0 41 63 Choir Brass
523 478 0 45 63 AnalogVeloBrass2
524 479 0 64 63 Analog Brass 2
525 480 0 0 64 Soprano Sax
526 481 0 0 65 Alto Sax
527 482 0 40 65 Sax Section
528 483 0 43 65 Hyper Alto Sax
529 484 0 0 66 Tenor Sax
530 485 0 40 66 BreathyTenorSax
531 486 0 41 66 Soft Tenor Sax
532 487 0 64 66 Tenor Sax 2
533 488 0 0 67 Baritone Sax
534 489 0 0 68 Oboe
535 490 0 0 69 English Horn
536 491 0 0 70 Bassoon
537 492 0 0 71 Clarinet
538 493 0 0 72 Piccolo
539 494 0 0 73 Flute
540 495 0 0 74 Recorder
541 496 0 0 75 Pan Flute
542 497 0 0 76 Blown Bottle
543 498 0 0 77 Shakuhachi
544 499 0 0 78 Whistle
545 500 0 0 79 Ocarina
546 501 0 0 80 Square Lead
547 502 0 6 80 Square Lead 2
548 503 0 8 80 LM Square
549 504 0 18 80 Hollow
550 505 0 19 80 Shroud
551 506 0 64 80 Mellow
552 507 0 65 80 Solo Sine
553 508 0 66 80 Sine Lead
554 509 0 0 81 Sawtooth Lead
555 510 0 6 81 Sawtooth Lead 2
556 511 0 8 81 Thick Sawtooth
557 512 0 18 81 Dynamic Sawtooth
558 513 0 19 81 Digital Sawtooth
559 514 0 20 81 Big Lead
560 515 0 24 81 Heavy Synth
561 516 0 25 81 Waspy Synth
562 517 0 40 81 Pulse Sawtooth
563 518 0 41 81 Dr. Lead
564 519 0 45 81 Velocity Lead
565 520 0 96 81 Sequenced Analog
566 521 0 0 82 Calliope Lead
567 522 0 65 82 Pure Pad
568 523 0 0 83 Chiff Lead
569 524 0 64 83 Rubby
570 525 0 0 84 Charang Lead
571 526 0 64 84 Distorted Lead
572 527 0 65 84 Wire Lead
573 528 0 0 85 Voice Lead
574 529 0 24 85 Synth Aahs
575 530 0 64 85 Vox Lead
576 531 0 0 86 Fifths Lead
577 532 0 35 86 Big Five
578 533 0 0 87 Bass & Lead
579 534 0 16 87 Big & Low
580 535 0 64 87 Fat & Perky
581 536 0 65 87 Soft Whirl
582 537 0 0 88 New Age Pad
583 538 0 64 88 Fantasy
584 539 0 0 89 Warm Pad
585 540 0 16 89 Thick Pad
586 541 0 17 89 Soft Pad
587 542 0 18 89 Sine Pad
588 543 0 64 89 Horn Pad
589 544 0 65 89 Rotary Strings
590 545 0 0 90 Poly Synth Pad
591 546 0 64 90 Poly Pad 80
592 547 0 65 90 Click Pad
593 548 0 66 90 Analog Pad
594 549 0 67 90 Square Pad
595 550 0 0 91 Choir Pad
596 551 0 64 91 Heaven
597 552 0 66 91 Itopia
598 553 0 67 91 CC Pad
599 554 0 0 92 Bowed Pad
600 555 0 64 92 Glacier
601 556 0 65 92 Glass Pad
602 557 0 0 93 Metallic Pad
603 558 0 64 93 Tine Pad
604 559 0 65 93 Pan Pad
605 560 0 0 94 Halo Pad
606 561 0 0 95 Sweep Pad
607 562 0 20 95 Shwimmer
608 563 0 27 95 Converge
609 564 0 64 95 Polar Pad
610 565 0 66 95 Celestial
611 566 0 0 96 Rain
612 567 0 45 96 Clavi Pad
613 568 0 64 96 Harmo Rain
614 569 0 65 96 African Wind
615 570 0 66 96 Carib
616 571 0 0 97 Sound Track
617 572 0 27 97 Prologue
618 573 0 64 97 Ancestral
619 574 0 0 98 Crystal
620 575 0 12 98 Synth Drum Comp
621 576 0 14 98 Popcorn
622 577 0 18 98 Tiny Bells
623 578 0 35 98 Round Glocken
624 579 0 40 98 Glocken.Chimes
625 580 0 41 98 Clear Bells
626 581 0 42 98 Chorus Bells
627 582 0 64 98 Synth Mallet
628 583 0 65 98 Soft Crystal
629 584 0 66 98 LoudGlockenspiel
630 585 0 67 98 Christmas Bells
631 586 0 68 98 Vibraphone Bells
632 587 0 69 98 Digital Bells
633 588 0 70 98 Air Bells
634 589 0 71 98 Bell Harp
635 590 0 72 98 Gamelimba
636 591 0 0 99 Atmosphere
637 592 0 18 99 Warm Atmosphere
638 593 0 19 99 Hollow Release
639 594 0 40 99 Nylon El.Piano
640 595 0 64 99 Nylon Harp
641 596 0 65 99 Harp Vox
642 597 0 66 99 Atmosphere Pad
643 598 0 67 99 Planet
644 599 0 0 100 Brightness
645 600 0 64 100 Fantasy Bells
646 601 0 96 100 Smokey
647 602 0 0 101 Goblins
648 603 0 64 101 Goblins Synth
649 604 0 65 101 Creeper
650 605 0 66 101 Ring Pad
651 606 0 67 101 Ritual
652 607 0 68 101 To Heaven
653 608 0 70 101 Night
654 609 0 71 101 Glisten
655 610 0 96 101 Bell Choir
656 611 0 0 102 Echoes
657 612 0 8 102 Echoes 2
658 613 0 14 102 Echo Pan
659 614 0 64 102 Echo Bells
660 615 0 65 102 Big Pan
661 616 0 66 102 Synth Piano
662 617 0 67 102 Creation
663 618 0 68 102 Star Dust
664 619 0 69 102 Resonant&Panning
665 620 0 0 103 Sci-Fi
666 621 0 64 103 Starz
667 622 0 0 104 Sitar
668 623 0 32 104 Detuned Sitar
669 624 0 35 104 Sitar 2
670 625 0 96 104 Tambra
671 626 0 97 104 Tamboura
672 627 0 0 105 Banjo
673 628 0 28 105 Muted Banjo
674 629 0 96 105 Rabab
675 630 0 97 105 Gopichant
676 631 0 98 105 Oud
677 632 0 0 106 Shamisen
678 633 0 0 107 Koto
679 634 0 96 107 Taisho-kin
680 635 0 97 107 Kanoon
681 636 0 0 108 Kalimba
682 637 0 0 109 Bagpipe
683 638 0 0 110 Fiddle
684 639 0 0 111 Shanai
685 640 0 64 111 Shanai 2
686 641 0 96 111 Pungi
687 642 0 97 111 Hichiriki
688 643 0 0 112 Tinkle Bell
689 644 0 96 112 Bonang
690 645 0 97 112 Altair
691 646 0 98 112 Gamelan Gongs
692 647 0 99 112 Stereo Gamelan
693 648 0 100 112 Rama Cymbal
694 649 0 101 112 Asian Bells
695 650 0 0 113 Agogo
696 651 0 0 114 Steel Drums
697 652 0 97 114 Glass Percussion
698 653 0 98 114 Thai Bells
699 654 0 0 115 Woodblock
700 655 0 96 115 Castanets
701 656 0 0 116 Taiko Drum
702 657 0 96 116 Gran Cassa
703 658 0 0 117 Melodic Tom
Voice List

147
145
Voice List
PSR-740 PSR-640 Bank Select MIDI
Voice Voice Program
Voice Name
Number Number
MSB LSB
Change
Number
704 659 0 64 117 Melodic Tom 2
705 660 0 65 117 Real Tom
706 661 0 66 117 Rock Tom
707 662 0 0 118 Synth Drum
708 663 0 64 118 Analog Tom
709 664 0 65 118 Electronic Perc.
710 665 0 0 119 Reverse Cymbal
711 666 0 0 120 GuitarFretNoise
712 667 0 0 121 Breath Noise
713 668 0 0 122 Seashore
714 669 0 0 123 Bird Tweet
715 670 0 0 124 Telephone Ring
716 671 0 0 125 Helicopter
717 672 0 0 126 Applause
718 673 0 0 127 Gunshot
719 674 64 0 0 Cutting Noise
720 675 64 0 1 Cutting Noise 2
721 676 64 0 3 String Slap
722 677 64 0 16 Flute Key Click
723 678 64 0 32 Shower
724 679 64 0 33 Thunder
725 680 64 0 34 Wind
726 681 64 0 35 Stream
727 682 64 0 36 Bubble
728 683 64 0 37 Feed
729 684 64 0 48 Dog
730 685 64 0 49 Horse
731 686 64 0 50 Bird Tweet 2
732 687 64 0 54 Ghost
733 688 64 0 55 Maou
734 689 64 0 64 Phone Call
735 690 64 0 65 Door Squeak
736 691 64 0 66 Door Slam
737 692 64 0 67 Scratch Cut
738 693 64 0 68 Scratch Split
739 694 64 0 69 Wind Chime
740 695 64 0 70 Telephone Ring 2
741 696 64 0 80 CarEngineIgntion
742 697 64 0 81 Car Tires Squeal
743 698 64 0 82 Car Passing
744 699 64 0 83 Car Crash
745 700 64 0 84 Siren
746 701 64 0 85 Train
747 702 64 0 86 Jet Plane
748 703 64 0 87 Starship
749 704 64 0 88 Burst
750 705 64 0 89 Roller Coaster
751 706 64 0 90 Submarine
752 707 64 0 96 Laugh
753 708 64 0 97 Scream
754 709 64 0 98 Punch
755 710 64 0 99 Heartbeat
756 711 64 0 100 FootSteps
757 712 64 0 112 Machine Gun
758 713 64 0 113 Laser Gun
759 714 64 0 114 Explosion
760 715 64 0 115 Firework

148
146
• “<——” indicates that the drum kit is the same as “Standard Kit1”.
• Each percussion voice uses one note.
• The note numbers and note names printed on the keyboard are one
octave higher than the MIDI note numbers and note names shown
in the list. For example, the note number and note name, #36 and
C1, on the keyboard correspond to the MIDI note number and note
name, #24 and C0, shown in the list.
Bank MSB
Bank LSB
Prgram Number
Note # Note
13 C#-1
14 D-1
15 D#-1
16 E-1
17 F-1
18 F#-1
19 G-1
20 G#-1
21 A-1
22 A#-1
23 B-1
24 C0
25 C#0
26 D0
27 D#0
28 E0
29 F0
30 F#0
31 G0
32 G#0
33 A0
34 A#0
35 B0
36 C1
37 C#1
38 D1
39 D#1
40 E1
41 F1
42 F#1
43 G1
44 G#1
45 A1
46 A#1
47 B1
48 C2
49 C#2
50 D2
51 D#2
52 E2
53 F2
54 F#2
55 G2
56 G#2
57 A2
58 A#2
59 B2
60 C3
61 C#3
62 D3
63 D#3
64 E3
65 F3
66 F#3
67 G3
68 G#3
69 A3
70 A#3
71 B3
72 C4
73 C#4
74 D4
75 D#4
76 E4
77 F4
78 F#4
79 G4
80 G#4
81 A4
82 A#4
83 B4
84 C5
85 C#5
86 D5
87 D#5
88 E5
89 F5
90 F#5
91 G5
E1
F1 F#1
G1 G#1
A1 A#1
B1
C1
D#1
D1 C#1
E2
F2 F#2
G2 G#2
A2 A#2
B2
C2
D#2
D2 C#2
E3
F3 F#3
G3 G#3
A3 A#3
B3
C3
D#3
D3 C#3
E4
F4 F#4
G4 G#4
A4 A#4
B4
C4
D#4
D4 C#4
E5
F5 F#5
G5 G#5
A5 A#5
B5
C5
D#5
D5 C#5
C6
127 127 127 127 127 127 127
0000000
0 1 4 8 16 24 25
Standard Kit 1 Standard Kit 2
Hit Kit
(PSR-740 only)
Room Kit Rock Kit Electronic Kit Analog Kit
Surdo Mute <—— <—— <—— <—— <—— <——
Surdo Open <—— <—— <—— <—— <—— <——
Hi Q <—— <—— <—— <—— <—— <——
Whip Slap <—— <—— <—— <—— <—— <——
Scratch Push <—— <—— <—— <—— <—— <——
Scratch Pull <—— <—— <—— <—— <—— <——
Finger Snap <—— <—— <—— <—— <—— <——
Click Noise <—— <—— <—— <—— <—— <——
Metronome Click <—— <—— <—— <—— <—— <——
Metronome Bell <—— <—— <—— <—— <—— <——
Seq Click L <—— <—— <—— <—— <—— <——
Seq Click H <—— <—— <—— <—— <—— <——
Brush Tap <—— <—— <—— <—— <—— <——
Brush Swirl <—— <—— <—— <—— <—— <——
Brush Slap <—— <—— <—— <—— <—— <——
Brush Tap Swirl <—— <—— <—— <—— Reverse Cymbal Reverse Cymbal
Snare Roll <—— <—— <—— <—— <—— <——
Castanet <—— <—— <—— <—— Hi Q 2 Hi Q 2
Snare H Soft Snare H Soft 2 Snare Electro <—— SD Rock H Snare L SD Rock H
Sticks <—— <—— <—— <—— <—— <——
Bass Drum Soft <—— BD Hard L <—— <—— Bass Drum H Bass Drum H
Open Rim Shot Open Rim Shot 2 Snare Pitched <—— <—— <—— <——
Bass Drum Hard <—— BD Wet <—— Bass Drum H BD Rock BD Analog L
Bass Drum Bass Drum 2 BD Hard H <—— BD Rock BD Gate BD Analog H
Side Stick <—— Stick Ambient <—— <—— <—— Analog Side Stick
Snare M Snare M 2 Snare Ambient SD Room L SD Rock L SD Rock L Analog Snare 1
Hand Clap <—— <—— <—— <—— <—— <——
Snare H Hard <—— Snare H Hard 2 SD Room H SD Rock Rim SD Rock H Analog Snare 2
Floor Tom L <—— Hybrid Tom 1 Room Tom 1 Rock Tom 1 E Tom 1 Analog Tom 1
Hi-Hat Closed <—— Hi-Hat Closed <—— <—— <——
Analog HH Closed 1
Floor Tom H <—— Hybrid Tom 2 Room Tom 2 Rock Tom 2 E Tom 2 Analog Tom 2
Hi-Hat Pedal <—— Hi-Hat Pedal <—— <—— <——
Analog HH Closed 2
Low Tom <—— Hybrid Tom 3 Room Tom 3 Rock Tom 3 E Tom 3 Analog Tom 3
Hi-Hat Open <—— Hi-Hat Open <—— <—— <—— Analog HH Open
Mid Tom L <—— Hybrid Tom 4 Room Tom 4 Rock Tom 4 E Tom 4 Analog Tom 4
Mid Tom H <—— Hybrid Tom 5 Room Tom 5 Rock Tom 5 E Tom 5 Analog Tom 5
Crash Cymbal 1 <—— <—— <—— <—— <—— Analog Cymbal
High Tom <—— Hybrid Tom 6 Room Tom 6 Rock Tom 6 E Tom 6 Analog Tom 6
Ride Cymbal 1 <—— <—— <—— <—— <—— <——
Chinese Cymbal <—— <—— <—— <—— <—— <——
Ride Cymbal Cup <—— <—— <—— <—— <—— <——
Tambourine <—— Tambourine Light <—— <—— <—— <——
Splash Cymbal <—— <—— <—— <—— <—— <——
Cowbell <—— <—— <—— <—— <—— Analog Cowbell
Crash Cymbal 2 <—— <—— <—— <—— <—— <——
Vibraslap <—— <—— <—— <—— <—— <——
Ride Cymbal 2 <—— <—— <—— <—— <—— <——
Bongo H <—— <—— <—— <—— <—— <——
Bongo L <—— <—— <—— <—— <—— <——
Conga H Mute <—— <—— <—— <—— <—— Analog Conga H
Conga H Open <—— <—— <—— <—— <—— Analog Conga M
Conga L <—— <—— <—— <—— <—— Analog Conga L
Timbale H <—— <—— <—— <—— <—— <——
Timbale L <—— <—— <—— <—— <—— <——
Agogo H <—— <—— <—— <—— <—— <——
Agogo L <—— <—— <—— <—— <—— <——
Cabasa <—— <—— <—— <—— <—— <——
Maracas <—— <—— <—— <—— <—— Analog Maracas
Samba Whistle H <—— <—— <—— <—— <—— <——
Samba Whistle L <—— <—— <—— <—— <—— <——
Guiro Short <—— <—— <—— <—— <—— <——
Guiro Long <—— <—— <—— <—— <—— <——
Claves <—— <—— <—— <—— <—— Analog Claves
Wood Block H <—— <—— <—— <—— <—— <——
Wood Block L <—— <—— <—— <—— <—— <——
Cuica Mute <—— <—— <—— <—— Scratch Push Scratch Push
Cuica Open <—— <—— <—— <—— Scratch Pull Scratch Pull
Triangle Mute <—— <—— <—— <—— <—— <——
Triangle Open <—— <—— <—— <—— <—— <——
Shaker <—— <—— <—— <—— <—— <——
Jingle Bell <—— <—— <—— <—— <—— <——
Bell Tree <—— <—— <—— <—— <—— <——
Drum Kit List

149
147
Bank MSB
Bank LSB
Prgram Number
Note # Note
13 C#-1
14 D-1
15 D#-1
16 E-1
17 F-1
18 F#-1
19 G-1
20 G#-1
21 A-1
22 A#-1
23 B-1
24 C0
25 C#0
26 D0
27 D#0
28 E0
29 F0
30 F#0
31 G0
32 G#0
33 A0
34 A#0
35 B0
36 C1
37 C#1
38 D1
39 D#1
40 E1
41 F1
42 F#1
43 G1
44 G#1
45 A1
46 A#1
47 B1
48 C2
49 C#2
50 D2
51 D#2
52 E2
53 F2
54 F#2
55 G2
56 G#2
57 A2
58 A#2
59 B2
60 C3
61 C#3
62 D3
63 D#3
64 E3
65 F3
66 F#3
67 G3
68 G#3
69 A3
70 A#3
71 B3
72 C4
73 C#4
74 D4
75 D#4
76 E4
77 F4
78 F#4
79 G4
80 G#4
81 A4
82 A#4
83 B4
84 C5
85 C#5
86 D5
87 D#5
88 E5
89 F5
90 F#5
91 G5
E1
F1 F#1
G1 G#1
A1 A#1
B1
C1
D#1
D1 C#1
E2
F2 F#2
G2 G#2
A2 A#2
B2
C2
D#2
D2 C#2
E3
F3 F#3
G3 G#3
A3 A#3
B3
C3
D#3
D3 C#3
E4
F4 F#4
G4 G#4
A4 A#4
B4
C4
D#4
D4 C#4
E5
F5 F#5
G5 G#5
A5 A#5
B5
C5
D#5
D5 C#5
C6
127 127 127 127 126 126
000000
27 32 40 48 0 1
Dance Kit Jazz Kit Brush Kit Symphonic Kit SFX Kit 1 SFX Kit 2
<—— <—— <—— <——
<—— <—— <—— <——
<—— <—— <—— <——
<—— <—— <—— <——
<—— <—— <—— <——
<—— <—— <—— <——
<—— <—— <—— <——
<—— <—— <—— <——
<—— <—— <—— <——
<—— <—— <—— <——
<—— <—— <—— <——
<—— <—— <—— <——
<—— <—— <—— <——
<—— <—— <—— <——
<—— <—— <—— <——
Reverse Cymbal <—— <—— <——
<—— <—— <—— <——
Hi Q 2 <—— <—— <——
AnSD Snappy SD Jazz H Light Brush Slap L <——
<—— <—— <—— <——
AnBD Dance-1 <—— <—— Bass Drum L
AnSD OpenRim <—— <—— <——
AnBD Dance-2 <—— <—— Gran Cassa
AnBD Dance-3 BD Jazz BD Jazz Gran Cassa Mute Cutting Noise Phone Call
Analog Side Stick <—— <—— <—— Cutting Noise 2 Door Squeak
AnSD Q SD Jazz L Brush Slap Marching Sn M Door Slam
<—— <—— <—— <—— String Slap Scratch Cut
AnSD Ana+Acoustic SD Jazz M Brush Tap Marching Sn H Scratch
Analog Tom 1 <—— Brush Tom 1 <—— Wind Chime
Analog HH Closed 3 <—— <—— <—— Telephone Ring 2
Analog Tom 2 <—— Brush Tom 2 <——
Analog HH Closed 4 <—— <—— <——
Analog Tom 3 <—— Brush Tom 3 <——
Analog HH Open 2 <—— <—— <——
Analog Tom 4 <—— Brush Tom 4 <——
Analog Tom 5 <—— Brush Tom 5 <——
Analog Cymbal <—— <—— Hand Cym. L
Analog Tom 6 <—— Brush Tom 6 <——
<—— <—— <—— Hand Cym.Short L
<—— <—— <—— <—— Flute Key Click Car Engine Ignition
<—— <—— <—— <—— Car Tires Squeal
<—— <—— <—— <—— Car Passing
<—— <—— <—— <—— Car Crash
Analog Cowbell <—— <—— <—— Siren
<—— <—— <—— Hand Cym. H Train
<—— <—— <—— <—— Jet Plane
<—— <—— <—— Hand Cym.Short H Starship
<—— <—— <—— <—— Burst
<—— <—— <—— <—— Roller Coaster
Analog Conga H <—— <—— <—— Submarine
Analog Conga M <—— <—— <——
Analog Conga L <—— <—— <——
<—— <—— <—— <——
<—— <—— <—— <——
<—— <—— <—— <——
<—— <—— <—— <—— Shower Laugh
<—— <—— <—— <—— Thunder Scream
Analog Maracas <—— <—— <—— Wind Punch
<—— <—— <—— <—— Stream Heartbeat
<—— <—— <—— <—— Bubble FootSteps
<—— <—— <—— <—— Feed
<—— <—— <—— <——
Analog Claves <—— <—— <——
<—— <—— <—— <——
<—— <—— <—— <——
Scratch Push <—— <—— <——
Scratch Pull <—— <—— <——
<—— <—— <—— <——
<—— <—— <—— <——
<—— <—— <—— <——
<—— <—— <—— <——
<—— <—— <—— <—— Dog Machine Gun
Horse Laser Gun
Bird Tweet 2 Explosion
Firework
Ghost
Maou
Drum Kit List

150
148
Style List
TRADITIONAL
126 U.S. March
127 German March
128 6/8 March 1
129 Polka
130 Polka Pop 1
131 Polka Pop 2
132 Polka Oberkrainer
133 Tarantella
134 Hully Gully
WALTZ
135 Pop Waltz
136 Jazz Waltz 1
137 Country Waltz
138 Vienna Waltz
139 Slow Waltz 1
140 Orch. Waltz
141 Waltz Oberkrainer
142 Musette
143 Guitar Waltz
PIANIST
144 Stride
145 Boogie 3
146 Swing 3
147 Pianoman
148 8Beat 4
149 Ballad 1
150 Ballad 2
151 6/8 Ballad
152 Ragtime
153 March
154 6/8 March 2
155 Bossa Nova 3
156 Beguine 2
157 Samba 2
158 Waltz
159 Slow Waltz 2
160 Jazz Waltz 2
Style Style Name
Number
Style Style Name
Number DISCO
64 70’s Disco
65 90’s Disco
66 Disco Soul
67 Miami Pop
68 Disco Tropic
69 Disco Hands
70 Electro Pop
SWING & JAZZ
71 Swing 1
72 Big Band 1
73 Big Band Ballad
74 Jazz Ballad
75 Jazz Trio
76 Boogie 1
77 Dixieland 1
78 Big Band Boogie
79 Gypsy Swing
80 Bebop
81 Swing 2
82 Big Band 2
83 Boogie 2
84 Dixieland 2
R & B
85 Gospel Shuffle
86 R & B 1
87 Motown
88 Soul
89 Soul Shuffle
90 R & B 2
91 6/8 Blues
COUNTRY
92 Country Rock
93 Country 8Beat
94 Country Pop
95 Country Shuffle
96 Country Swing
97 Bluegrass
98 Country Ballad
99 Two Step
100 Cowboy Boogie
101 Hoedown
LATIN
102 Samba Rio
103 Bossa Nova 1
104 Bossa Nova 2
105 Reggae
106 Swing Reggae
107 Guitar Rhumba
108 Guitar Bossa
109 Salsa
110 Mambo
111 Jazz Samba
112 Pop Bossa 1
113 Pop Bossa 2
114 Pop Reggae
115 Pop Cha Cha
BALLROOM
116 Slow Fox
117 Quickstep
118 Tango
119 Cha Cha Cha
120 Samba 1
121 Rhumba
122 Pasodoble
123 Jive
124 Beguine 1
125 Foxtrot
Style Style Name
Number 8BEAT
1 8Beat 1
2 8Beat 2
3 8Beat Adria
4 8Beat Pop 1
5 8Beat Pop 2
6 British Pop
7 8Beat Rock
8 8Beat Soft
9 8Beat 3
16BEAT
10 16Beat 1
11 16Beat 2
12 16Beat 3
13 16Beat 4
14 16Beat 5
15 Soft Fusion
16 Hip Hop Pop
17 16Beat Funk
18 Funky Pop
19 80’s Fusion
20 Jazz Rock
21 Fusion Shuffle
22 16Beat 6
8BEAT BALLAD
23 Piano Ballad
24 U.S. Ballad
25 Slow Rock 1
26 Slow Rock 2
27 Modern 6/8
28 Guitar Ballad
29 Organ Ballad
30 Blues Ballad
31 Epic Ballad
16BEAT BALLAD
32 16Beat Ballad 1
33 16Beat Ballad 2
34 Rock Ballad
35 Slow Ballad
36 Analog Pop
37 Pop Ballad 1
38 Pop Ballad 2
39 Cool Night
40 Pop Ballad 3
ROCK
41 Rock 1
42 Hard Rock
43 Rock & Roll 1
44 Rock Shuffle
45 Twist 1
46 4/4 Blues
47 Rock 2
48 8Beat Heat
49 Rock & Roll 2
50 Twist 2
51 Blues Rock
52 6/8 Rock
DANCEFLOOR
53 Clubdance
54 Techno
55 Entrance
56 Eurobeat
57 Trance 1
58 Trance 2
59 Cool Dance
60 Funky Trip Hop
61 House
62 Handbag
63 Tip

151
Multi Pad Bank List
Bank name Chord Match Repeat
Pad1 Pad2 Pad3 Pad4 Pad1 Pad2 Pad3 Pad4
Fanfare O O O – ––––
Crystal O O O O ––––
Gothic_V O O O O ––––
TechSyn1 O OOOOOOO
TechSyn2 O OOOOOOO
TechSyn3 O O – – O O O O
TechSyn4 O O – – O O O O
PianoSeq O O O O ––––
OrcheHit O O O O ––––
Traffic ––––––––
Chirp – – – – ––––
HorrorSE – – – – ––––
Noises – – – – ––––
WaterSE – – – – ––––
AnalogKit – – – – ––––
TechKit – – – – ––––
RockKit – – – – ––––
TomFlam – – – – ––––
LatinPerc1 – – – – ––––
LatinPerc2 – – – – ––––
Brassy1 O O O O ––––
Brassy2 O O O O ––––
Swingy O OOOOOOO
SynBrass O O O O ––––
GuitarPlay1 O OOOOOOO
GuitarPlay2 O OOOOOOO
GuitarPlay3 O OOOOOOO
GuitarPlay4 O OOOOOOO
PianoMan O OOOOOO–
SalsaPiano O OOOOOOO
SambaShow – – – – O O O O
Accordion O O O O ––––
Arpeggio O O O O ––––
Classic O O O O ––––
Twinkle O O O O ––––
TimbalesRoll – – – – ––––
O : available
There are two types of Multi Pad data: some types will play back once and stop
when they reach to the end. Others will play back repeatedly until you press the
[STOP] button.
149

152
OUT
Rev Send
VOICE R1
Dry
DSP Send
When DSP type is selected
as a System effect
Multi effect
Cho Send
Rev Send
VOICE R2
Dry
Cho Send
Rev Send
VOICE L
Dry
Cho Send
Rev Send
STYLE
Dry
Cho Send
DSP Send
CHORUS Master EQ
REVERB
DRY LINE
DSP
Chorus
Return
DSP
Return
Reverb
Return
Rev Send
MIC
Dry
DSP Send
Cho Send
DSP4
DSP
Vocal
Harmony
When DSP type is selected
as an Insertion effect
DSP3
DSP2
DSP1
■ PSR-740
● Reverb (System effect)
Reverb effect type/depth can be set by panel operation.
When you select a different style, the appropriate reverb type will be selected accordingly.
● Chorus (System effect)
Chorus effect type/depth can be set by panel operation.
When you select a different style, the appropriate chorus type will be selected accordingly.
● DSP (System/Insertion effect)
DSP effect type/depth can be set by a panel operation in the Style record mode.
When you select a different style, the appropriate chorus type will be selected accordingly.
● DSP1 - 3 (Insertion effect)
The PSR-740 has a multi effect system featuring three separate DSP effect blocks.
Multi effect on/off status, type and depth can be set by panel operation.
● DSP4
DSP4 is the effect for the microphone sound.
DSP4 effect on/off status, type and depth can be set by panel operation.
● Master EQ
Master EQ on/off status, type and depth can be set by panel operation.
OBS
• Although not all the effect
settings cannot be made by
operating the PSR-740 panel
manually, some of them may
be accessible through MIDI.
Refer to the MIDI data format
for details.
About the Digital Effects (Reverb/Chorus/DSP)
150

153
About the Digital Effects (Reverb/Chorus/DSP)
OUT
Rev Send
VOICE R1
Dry
Cho Send
DSP Send
When DSP type is selected
as a System effect
When DSP type is selected
as an Insertion effect
Rev Send
VOICE R2
Dry
Cho Send
DSP Send
Rev Send
VOICE L
Dry
Cho Send
DSP Send
Rev Send
STYLE
Dry
Cho Send
DSP Send
CHORUS
REVERB
DRY LINE
DSP
Chorus
Return
DSP
Return
Reverb
Return
DSP
effect
■ PSR-640
● Reverb (System effect)
Reverb effect type/depth can be set by panel operation.
When you select a different style, the appropriate reverb type will be selected accordingly.
● Chorus (System effect)
Chorus effect type/depth can be set by panel operation.
When you select a different style, the appropriate chorus type will be selected accordingly.
● DSP (System/Insertion effect)
DSP effect on/off status, type and depth can be set by panel operation.
DSP effect will function as either System or Insertion effect. Whether DSP effect is System or
Insertion depends on the selected type. DSP effect configuration will differ between System and
Insertion effects as follows:
OBS
• Although not all the effect
settings cannot be made by
operating the PSR-640 panel
manually, some of them may
be accessible through MIDI.
Refer to the MIDI data format
for details.
151

154
About the Digital Effects (Reverb/Chorus/DSP)
● Reverb Type List (PSR-740/640)
Reverb Type System/Insertion Description
Hall1-5 System Concert hall reverb.
Room1-7 System Small room reverb.
Stage1-4 System Reverb for solo instruments.
Plate1-3 System Simulated steel plate reverb.
White Room System A unique short reverb with a bit of initial delay.
Tunnel System Simulation of a tunnel space expanding to left and right.
Canyon System A hypothetical acoustic space which extends without limit.
Basement System A bit of initial delay followed by reverb with a unique resonance.
No Effect — No effect.
● Chorus Type List (PSR-740/640)
Chorus Type System/Insertion Description
Chorus1-8 System Conventional chorus program with rich, warm chorusing.
Celeste1, 2 System A 3-phase LFO adds modulation and spaciousness to the sound.
Flanger1-5 System Pronounced three-phase modulation with slight metallic sound.
Symphonic1, 2 System A multi-phase version of Celeste. (PSR-740)
Phaser System Pronounced, metallic modulation with periodic phase change. (PSR-740)
Ensemble Detune System Chorus effect without modulation, created by adding a slightly pitch-shifted sound. (PSR-740)
No Effect — No effect.
● DSP Type List (PSR-640)
DSPType System/Insertion Description
Hall1-5 System Concert hall reverb.
Room1-7 System Small room reverb.
Stage1-4 System Reverb for solo instruments.
Plate1-3 System Simulated steel plate reverb.
Delay Left - Center - System Three independent delays, for the left, right and center stereo positions.
Right1, 2
Delay Left - Right System Initial delay for each stereo channel, and two separate feedback delays.
Echo System Stereo delay, with independent feedback level settings for each channel.
Cross Delay System Complex effect that sends the delayed repeats “bouncing” between the left and right channels.
ER1, 2 System This effect isolates only the early reflection components of the reverb.
Gate Reverb System Gated reverb effect, in which the reverberation is quickly cut off for special effects.
Reverse Gate System Similar to Gate Reverb, but with a reverse increase in reverb.
Karaoke1-3 System A delay with feedback of the same types as used for karaoke reverb.
Chorus1-8 System Conventional chorus program with rich, warm chorusing.
Celeste1, 2 System A 3-phase LFO adds modulation and spaciousness to the sound.
Flanger1-5 System Pronounced three-phase modulation with slight metallic sound.
Symphonic1, 2 System A multi-phase version of Celeste.
Rotary Speaker1-6 Insertion Rotary speaker simulation.
Tremolo1-3 Insertion Rich Tremolo effect with both volume and pitch modulation.
Guitar Tremolo Insertion Simulated electric guitar tremolo.
Auto Pan1, 2 Insertion Several panning effects that automatically shift the sound position (left, right, front, back).
Phaser1, 2 System Pronounced, metallic modulation with periodic phase change.
Distortion Hard Insertion Hard-edge distortion.
Distortion Soft Insertion Soft, warm distortion.
Distortion Heavy Insertion Heavy distortion.
Overdrive Insertion Adds mild distortion to the sound.
Amp Simulator Insertion A simulation of a guitar amp.
EQ Disco Insertion Equalizer effect that boosts both high and low frequencies, as is typical in most disco music.
EQ Telephone Insertion Equalizer effect that cuts both high and low frequencies, to simulate the sound heard through a
telephone receiver.
3Band EQ (MONO) Insertion A mono EQ with adjustable LOW, MID, and HIGH equalizing.
2Band EQ (STEREO) Insertion A stereo EQ with adjustable LOW and HIGH. Ideal for drum Parts.
Auto Wah1, 2 Insertion Cyclically modulates the center frequency of a wah filter.
No Effect — No effect.
Through — Bypass without applying an effect.
152

155
● DSP Type List (PSR-740)
DSP Type System/Insertion Description
Hall1-5 System Concert hall reverb.
Room1-7 System Small room reverb.
Stage1-4 System Reverb for solo instruments.
Plate1-3 System Simulated steel plate reverb.
Delay Left - Center - System Three independent delays, for the left, right and center stereo positions.
Right1, 2
Delay Left - Right System Initial delay for each stereo channel, and two separate feedback delays.
Echo System Stereo delay, with independent feedback level settings for each channel.
Cross Delay System Complex effect that sends the delayed repeats “bouncing” between the left and right channels.
ER1, 2 System This effect isolates only the early reflection components of the reverb.
Gate Reverb System Gated reverb effect, in which the reverberation is quickly cut off for special effects.
Reverb Gate System Similar to Gate Reverb, but with a reverse increase in reverb.
White Room System A unique short reverb with a bit of initial delay.
Tunnel System Simulation of a tunnel space expanding to left and right.
Canyon System A hypothetical acoustic space which extends without limit.
Basement System A bit of initial delay followed by reverb with a unique resonance.
Karaoke1-3 System A delay with feedback of the same types as used for karaoke reverb.
Chorus1-8 System Conventional chorus program with rich, warm chorusing.
Celeste1, 2 System A 3-phase LFO adds modulation and spaciousness to the sound.
Flanger1-5 System Pronounced three-phase modulation with slight metallic sound.
Symphonic1, 2 System A multi-phase version of Celeste.
Rotary Speaker 1-6 System Rotary speaker simulation.
2way Rotary Speaker System Rotary speaker simulation.
Tremolo1-3 System Rich Tremolo effect with both volume and pitch modulation.
Guitar Tremolo System Simulated electric guitar tremolo.
Auto Pan1, 2 System Several panning effects that automatically shift the sound position (left, right, front, back).
Phaser 1, 2 System Pronounced, metallic modulation with periodic phase change.
Distortion Hard System Hard-edge distortion.
Distortion Soft System Soft, warm distortion.
Distortion Heavy System Heavy distortion.
Overdrive System Adds mild distortion to the sound.
Comp + Distortion System Since a Compressor is included in the first stage, steady distortion can be produced regardless of
changes in input level.
Amp Simulator System A simulation of a guitar amp.
EQ Disco System Equalizer effect that boosts both high and low frequencies, as is typical in most disco music.
EQ Telephone System Equalizer effect that cuts both high and low frequencies, to simulate the sound heard through a
telephone receiver.
3Band EQ (MONO) System A mono EQ with adjustable LOW, MID, and HIGH equalizing.
2Band EQ (STEREO) System A stereo EQ with adjustable LOW and HIGH. Ideal for drum Parts.
Auto Wah1, 2 System Cyclically modulates the center frequency of a wah filter.
Touch Wah1, 2 System Changes the center frequency of a wah filter according to the input level.
AWah+Distortion System The output of an Auto Wah can be distorted by Distortion.
AWah+Overdrive System The output of an Auto Wah can be distorted by Overdrive.
HarmonicEnhancer System This effect adds new overtones to the input signal to make the sound stand out.
TWah+Distortion System The output of a Touch Wah can be distorted by Distortion.
TWah+Overdrive System The output of a Touch Wah can be distorted by Overdrive.
Compressor System Holds down the output level when a specified input level is exceeded. A sense of attack can also
be added to the sound.
Noise Gate System Gates the input when the input signal falls below a specified level.
Pitch change 1, 2 System Changes the pitch of the input signal.
Voice Cancel System Attenuates the vocal part of a CD or other source.
Ensemble Detune System Chorus effect without modulation, created by adding a slightly pitch-shifted sound.
Ambience System Blurs the stereo positioning of the sound to add spatial width.
Talking Modulator System Talking Modulator.
Lo-Fi System Degrades the audio quality of the input signal.
Distortion+Delay System DISTORTION and DELAY are connected in series.
Overdrive+Delay System OVERDRIVE and DELAY are connected in series.
Comp+Dist+Delay System COMPRESSOR, DISTORTION and DELAY are connected in series.
Comp+OD+Delay System COMPRESSOR, OVERDRIVE and DELAY are connected in series.
Wah+Dist+Delay System TOUCH WAH, DISTORTION and DELAY are connected in series.
Wah+OD+Delay System TOUCH WAH, OVERDRIVE and DELAY are connected in series.
No Effect — No effect.
Through — Bypass without applying an effect.
About the Digital Effects (Reverb/Chorus/DSP)
153

156
● DSP 1-4 Type List (PSR-740)
DSP Type System/Insertion Description
Hall1-5 Insertion Concert hall reverb.
Room1-7 Insertion Small room reverb.
Stage1-4 Insertion Reverb for solo instruments.
Plate1-3 Insertion Simulated steel plate reverb.
Delay Left - Center - Insertion Three independent delays, for the left, right and center stereo positions.
Right1, 2
Delay Left - Right Insertion Initial delay for each stereo channel, and two separate feedback delays.
Echo Insertion Stereo delay, with independent feedback level settings for each channel.
Cross Delay Insertion Complex effect that sends the delayed repeats “bouncing” between the left and right channels.
Karaoke1-3 Insertion A delay with feedback of the same types as used for karaoke reverb.
Chorus1-8 Insertion Conventional chorus program with rich, warm chorusing.
Celeste1, 2 Insertion A 3-phase LFO adds modulation and spaciousness to the sound.
Flanger1-5 Insertion Pronounced three-phase modulation with slight metallic sound.
Symphonic1, 2 Insertion A multi-phase version of Celeste.
Rotary Speaker 1-6 Insertion Rotary speaker simulation.
Tremolo1-3 Insertion Rich Tremolo effect with both volume and pitch modulation.
Guitar Tremolo Insertion Simulated electric guitar tremolo.
Auto Pan1, 2 Insertion Several panning effects that automatically shift the sound position (left, right, front, back).
Phaser Insertion Pronounced, metallic modulation with periodic phase change.
Distortion Hard Insertion Hard-edge distortion.
Distortion Soft Insertion Soft, warm distortion.
Distortion Heavy Insertion Heavy distortion.
Overdrive Insertion Adds mild distortion to the sound.
Amp Simulator Insertion A simulation of a guitar amp.
EQ Disco Insertion Equalizer effect that boosts both high and low frequencies, as is typical in most disco music.
EQ Telephone Insertion Equalizer effect that cuts both high and low frequencies, to simulate the sound heard through a
telephone receiver.
3Band EQ (MONO) Insertion A mono EQ with adjustable LOW, MID, and HIGH equalizing.
2Band EQ (STEREO) Insertion A stereo EQ with adjustable LOW and HIGH. Ideal for drum Parts.
Auto Wah1, 2 Insertion Cyclically modulates the center frequency of a wah filter.
HarmonicEnhancer Insertion This effect adds new overtones to the input signal to make the sound stand out.
Touch Wah1, 2 Insertion Changes the center frequency of a wah filter according to the input level.
Compressor Insertion Holds down the output level when a specified input level is exceeded. A sense of attack can also
be added to the sound.
Noise Gate Insertion Gates the input when the input signal falls below a specified level.
Ensemble Detune Insertion Chorus effect without modulation, created by adding a slightly pitch-shifted sound.
Through — Bypass without applying an effect.
About the Digital Effects (Reverb/Chorus/DSP)
154

157
Harmony/Echo Type List
Category Type Description
Harmony Duet An extra note is added to the note played on the keyboard to produce duet type harmony.
1+5 A parallel voice is produced a fifth above the note played on the keyboard.
Country One note is added above the note played on the keyboard for a country-style harmony feel.
Trio Two notes are added below the note played on the keyboard for three-part harmony.
Block Three or four notes are added to the note played on the keyboard to produce four or five-
note chords.
4Way Close1 Three harmony notes are generated to produce a four-note chord.
4Way Close2 Similar to the preceding type, but depending on the chords played this type will sometimes
produce a more colorful sound.
4Way Open Four-note chords with open voice (large intervals between the notes). The result is a very
“open” sound. Since the harmony notes can be as much as two octaves below the note
played on the keyboard, avoid playing in the lower registers.
Octave One note is added an octave below the note played on the keyboard.
Strum The notes and assignments are the same as in the Block type, but the notes are
arpeggiated.
Echo Echo 1/4 An echo effect is applied to the note played on the keyboard at the currently set tempo.
Echo 1/6
3
Echo 1/8
Echo 1/12
3
Tremolo Tremolo 1/8 A tremolo effect is applied to the note played on the keyboard at the currently set tempo.
Tremolo 1/12
3
Tremolo 1/16
Tremolo 1/32
Trill Trill 1/12
3
Two notes played on the keyboard are played alternately at the currently set tempo.
Trill 1/16
Trill 1/24
3
Trill 1/32
155

158
Vocal Harmony Type List (PSR-740)
Standard Duet
Girl In Duet
Lisa & Tina
Sing B+G
Dream Girls
Men Choir
Women Choir
Closed Choir
Mixed Choir
Country Men
Country Girls
Barber Shop
Jazz Men Choir
Jazz Women Choir
Jazz Closed Choir
Jazz Mixed Choir
Diatonic Jazz
Diatonic Girl
A Cappella Boy
A Cappella Mix
A Cappella Diatonic
Falsetto Duet
Falsetto Trio
Falsetto Diatonic
Falsetto Jazz
Falsetto A Cappella
2 Unison Low
2 Unison High
3 Unison Low
3 Unison High
Voice & Instrument
Chordal XG
Vocoder Auto Up
Vocoder Auto Lo
Vocoder Mode Up
Vocoder Mode Lo
Vocoder Girl Up
Vocoder Girrl Lo
Vocoder Pitch Up
Vocoder Pitch Lo
156
Karaoke Auto
Karaoke Mode
Karaoke Girl
Karaoke Pitch
Vocoder XG
Sing Bass
Speedy Mouse
Chromatic XG
Detune XG
Thru

159
157
Data Backup og Initialisering
■ Data Backup
Med undtagelse af de data, der er i nedenstående liste, bliver alle panel indstillingerne
hos PSR-640 og PSR-740 resat til deres initiale værdier, når der tændes for keyboardet.
De data, der står i listen herunder, huskes så længe, at keyboardet er tilsluttet en tændt
stikkontakt via lysnet adapteren.
■ Data Initialisering
Alle data kan resettes til de indstillinger, som fabrikken har sørget for. Tryk og hold
nede den yderste hvide tangent til højre, mens der tændes for keyboardet. Samtidig
ses ”Now initializing the internal memory...” på displayet i kort tid.
• User Style data ......................................................side 110
• User Pad data ....................................................... side 106
• Registration Memory data....................................... side 62
• Registration Memory Bank nummer ....................... side 64
• Registration Memory/One Touch indstilling ............ side 63
• Freeze ON/OFF ...................................................... side 63
• Indstilling af MIDI Transmit ................................... side 130
• Indstilling af MIDI Receive .................................... side 131
• Voice Set ON/OFF ................................................ side 136
• Voice L (Voice Change, Mixer, Parameter Edit) ...... side 88
• Indstilling af Organ Flutes (PSR-740) ..................... side 32
• Indstilling af Vocal Harmony (PSR-740) ................. side 82
• Indstilling af Talk (PSR-740) ................................... side 86
• Indstilling af Master EQ (PSR-740) ......................... side 59
ADVARSEL
• Alle registreringer og
User Style/Pad Memory
data samt andre
indstillinger bliver slettet
og/eller erstattet med
andet ved initialisering
af keyboardet
• Data initialisering
proceduren vil normalt
resette keyboardet til de
oprindelige indstillinger.
Initialisering kan for
eksempel bruges, hvis
PSR-640 eller PSR-740
låser sig fast eller reagerer
unormalt.
• Fingering funktionen ............................................... side 40
• Split Point.............................................................. side 135
• Sustain ON/OFF ..................................................... side 31
• Part Octave indstilling ........................................... side 135
• Pitch Bend område ................................................. side 30
• Modulation hjulets funktion ..................................... side 30
• Scale Tuning ......................................................... side 135
• Transponering ......................................................... side 30
• Fodkontakt funktion, polaritet................................ side 137
• Fodvolume, polaritet ............................................. side 138
• Touch ON/OFF, følsomhed ................................... side 136
• Indstilling af Multi Pad ............................................. side 48
• Master Tuning (stemning) ..................................... side 135
• Metronom ON/OFF ............................................... side 134

160
Liste over fejlmeddelelser
Filen er sandsynligvis ”Copy-Protected” på disketten.
Kopifunktionen er ikke mulig.
Der er ingen filer på disketten, som kan hentes, kopieres eller slettes.
Isæt en diskette med de filer, der skal hentes, kopieres eller slettes.
Disketten er ikke formateret.
Der opstod en fejl under diskette operationen.
Prøv af skifte diskette.
Denne meddelelse kan også komme under en Load operation,
hvis hukommelsen er fyldt op.
Disketten er skrivebeskyttet.
Tag disketten ud og sæt Write-Protect til OFF, isæt disketten og
prøv operationen igen.
Der er ingen diskette i drevet.
Isæt en diskette.
Der opstod en fejl, fordi disketten blev taget ud af drevet midt under en
operation. Lad altid disketten blive i disk drevet under disk operationer,
fordi en udtagning kan skade såvel disketten som drevet.
Diskettens plads er fyldt op, og der kan ikke indspilles flere data.
Slet en eller flere unødige melodier (brug funktionen Delete),
og gentag operationen
Meddelelsen kommer, hvis der er forskel på kildedisketten og
modtagedisketten.
Tag disketten ud og prøv med en anden (rigtigt formateret) diskette.
Flere end èn fil på disketten har samme navn.
Udskift navnet.
Der kan maksimalt indspilles 60 melodier.
Slet en eller flere unødvendige melodier, og prøv så med
Song indspilning igen.
Den interne hukommelse fyldes op under Style eller Pad indspilning.
Meddelelsen kommer på displayet, og indspilningen stoppes.
158
Denne meddelelse ses under Quantize eller Recording operationerne
(under Style Recording Mode), når den interne hukommelse ikke kan
rumme mere.
No file on disk!
Insert another disk.
Unformatted disk!
Disk error!
Disk write-protected!
Disk file protected!
Can’t copy or record
this file.
No disk!
Insert a disk.
Disk removed!
Disk full!
Cannot continue.
Wrong disk!
Reinsert
the proper disk.
Same name on disk!
Change the file name.
Cannot record!
Maximum of 60 songs
can be recorded.
Memory full!
Cannot continue.
Memory full!
Clear unnecessary data.

161
Liste over fejlmeddelelser
I Record funktionen: Man ser denne meddelelse, hvis man prøver at
editere, quantize eller slette spor, hvor der ikke findes nogle data.
Denne meddelelse ses, hvis man prøver at indspille en ny User Style,
hvis der allerede er data i alle tre User Style pladser. Man skal derfor
først slette èn af de tidligere indspillede User Styles.
Dette ses, hvis man prøver at editere eller Qantizere i det spor (andre end
RHYTHM), som rummer Preset Data i Style Record funktionen.
Denne funktion kan ikke bruges samtidig med indspilning af Song, Pad
eller Style.
MIDI funktionerne kan ikke indstilles under indspilning, afspilning eller
diskette operationer.
Harmony funktionen kan ikke aktiveres under indspilning af Style eller Pad.
DSP funktionen kan ikke aktiveres under indspilning af Style eller Pad.
Meddelelsen ses, hvis man prøver at bruge vedkommende funktion,
når man har valgt Multi Pad funktionen eller Multi Pad Record funktionen.
Backup data (side 149) har fejl.
Brug data initialisering (side 149).
Alle data kan initialiseres og resettes til fabrikkens indstillinger.
Hold den hvide tangent yderst til højre ned, mens der tændes for
keyboardet fra STANDBY til ON.
Kan ses, hvis Host Selector er indstillet korrekt og ledningen til TO HOST
er sat i stikket, men ikke i PC’ens serielle port. Eller hvis forbindelserne er
i orden, men at der ikke er tændt for computeren.
159
Data not found!
User style full!
Cannot quantize the
preset data.
Cannot operate
during recording.
Cannot set the MIDI
function during disk
operations, etc.
Cannot turn harmony
ON during Style/Pad
recording.
Cannot turn DSP ON
during Style/Pad
recording.
Cannot enter the
functions during Pad
recording.
Backup error!
Now initializing
the internal memory...
Host is offline!

162
160
Fejlfinding
Sandsynlig forklaring / løsning
Dette er normalt og skal ikke give anledning til bekymringer.
Når der bruges en bærbar telefon tæt ved keyboardet, kan der høres nogle
interferens toner. Hold derfor telefonen lidt væk fra keyboardet.
• R1 / R2 lydstyrkerne er indstillet for lavt. Kontroller at lydstyrkerne (Mixer)
er indstillet til et godt niveau (side 90).
•
Local Control funktionen er måske aflyst. Kontroller at Local Control er indstillet til ”ON” (side 132).
•
Kontroller at diskette operationerne hos PSR-640 og PSR-740 er aktiveret eller ikke. Hvis en af disse
disk operationer er i gang, kan man ikke spille samtidig på keyboardet. Hvis navngivning funktionen
for Registration Memory eller Song indspilning er aktiveret (side 62) er aktiveret, kan man ikke
samtidig spille på keyboardet.
Måske er det maksimale antal af samtidige toner nået. PSR-640 kan spille med
32 toner, og PSR-740 samtidig med 64 toner samtidig — inklusive klangene for
R1, R2 og L, samt Auto Accompaniment, Song og Multi Pad. Toner ud over dette
område bliver ignoreret.
Kontroller om diskette funktionerne er aktiveret.
Hvis en af diskette funktionerne er aktiv, er knapperne på panelet sat ud af drift.
Kom tilbage til det normale display ved at trykke på [EXIT] knappen.
Måske er MIDI CLOCK indstillet til ”EXTERNAL”.
Der skal omstilles til ”INTERNAL” (side 132).
Auto Accompaniment starter kun, hvis der spilles på tangenterne i den venstre del
af klaviaturet (til venstre for Split Point).
Kontroller om Song funktionen er aktiveret eller ikke (side 25). Hvis Song funktionen
er aktiv, kan ingen af Auto Accompaniment funktionerne bruges.
Kontroller at Scale Tuning for disse toner er indstillet til ”0” (side 135).
Kontroller om Fingering funktionen er indstillet til ”Full”. Hvis det er tilfældet, kan
man spille akkorder på alle tangenterne, uanset hvordan Split Point er indstillet.
• Harmony funktionen kan ikke aktiveres, hvis der er valgt ”Full” keyboard,
eller hvis der er indstillet til et af trommesættene. Vælg en passende Fingering
funktion eller Voice.
•
Hvis der er valgt et trommesæt for klangen R1, kan Harmony funktionen ikke aktiveres.
MIDI fungerer kun korrekt, hvis TO HOST omskifteren er indstillet til ”MIDI”.
De andre indstillinger (”Mac”, ”PC-1” og ”PC-2”) er beregnet for tilkobling til
en computer.
Løsningen på problemet er at undgå, at der kommer forstyrrelser til mikrofonen:
• Hold mikrofonen tæt på munden.
• Brug en retningsbestemt mikrofon.
• Skru ned for MASTER VOLUME, ACMP eller SONG lydstyrkerne.
• Hold mikrofonen langt væk fra keyboardets højttalere.
Problem
• Der høres et “pop” i højttalerne, når der tændes
og slukkes for keyboardet.
• Der høres støj, når der bruges en mobil telefon.
• Der høres intet, når der spilles på keyboardet.
• Man hører ikke alle toner, der spilles.
• Nogle af Auto Accompaniment tonerne
springes over.
• Det ser ikke ud til, at noget som helst fungerer,
når der trykkes på panelets knapper.
For eksempel starter akkompagnementet ikke,
når der trykkes på [START] knappen.
• Akkompagnementet eller Song høres ikke,
selvom der trykkes på [START] knappen.
• Multi Pads høres ikke, selvom der trykkes på en
af MULTI PAD knapperne.
• Auto Accompaniment starter ikke, selvom
Synchro Start er aktiveret, og der trykkes på
tangenterne.
• Følgende knapper for Auto Accompaniment
virker ikke:
• [SYNC START] knappen
• [SYNC STOP] knappen
• [ACMP ON/OFF] knappen
• REGISTRATION MEMORY [FREEZE] knappen
• Enkelte toner er falske.
• Akkompagnementets akkorder spilles uanset
hvor på keyboardet, man tager tangenterne.
• Harmony funktionen fungerer ikke.
• MIDI data kan hverken sendes eller modtages,
selvom MIDI kablet er monteret korrekt.
• Hvis man oplever en forvrænget eller helt lyd
med Vocal Harmony funktionen, samler mikro-
fonen og ledningen til den måske støjsignaler
(andet end din stemme) op. Det kan måske være
fra keyboardets Auto Accompaniment. Specielt
kan bas tonerne forårsage forstyrrelser i Vocal
Harmony funktionen.

163
MIDI Data Format
161
Many MIDI messages listed in the MIDI Data Format are expressed in decimal numbers,
binary numbers and hexadecimal numbers.
Hexadecimal numbers may include the letter “H” as a suffix. Also, “n” can freely be defined
as any whole number.
To enter data/values, refer to the table below.
(1) TRANSMIT FLOW
MIDI ← NOTE ON/OFF 9nH
OUT CONTROL CHANGE BnH
BANK SELECT MSB BnH,00H
BANK SELECT LSB BnH,20H
DATA ENTRY MSB BnH,06H
DATA ENTRY LSB BnH,26H
MUDULATION BnH,01H (PSR-740 ONLY)
MAIN VOLUME BnH,07H
PANPOT BnH,0AH
EXPRESSION BnH,0BH
SUSTAIN BnH,40H
SOSTENUTE BnH,42H
SOFT PEDAL BnH,43H
HARMONIC CONTENT BnH,47H (PSR-740 ONLY)
RELEASE TIME BnH,48H
BRIGHTNESS BnH,4AH (PSR-740 ONLY)
REVERB SEND LEVEL BnH,5BH
CHORUS SEND LEVEL BnH,5DH
VARIATION SEND LEVEL BnH,5EH
NRPN LSB BnH,62H (PSR-740 ONLY)
NRPN MSB BnH,63H (PSR-740 ONLY)
VIBRATO RATE BnH,63H,01H,62H,08H,06H,mmH
VIBRATO RATE DEPTH
BnH,63H,01H,62H,09H,06H,mmH
RPN LSB BnH,64H
RPN MSB BnH,65H
PITCH BEND SENS. BnH,65H,00H,64H,00H,06H,mmH
PROGRAM CHANGE CnH
PITCH BEND CHANGE EnH
SYSTEM EXCLUSIVE MESSAGE
<YAMAHA MIDI FORMAT>
<UNIVERSAL>
UNIVERSAL NON-REALTIME F0H 7EH.....F7H
<XG STANDARD>
XG PARAMETER CHANGE F0H 43H 1nH 4CH aaH aaH aaH
ddH.....ddH F7H
XG BULK DUMP F0H 43H 0nH 4CH bbH bbH aaH aaH
aaH ddH.....ddH ccH F7H
SPECIAL OPERATORS
SYSTEM REALTIME MESSAGE
MIDI CLOCK F8H
START FAH
STOP FCH
ACTIVE SENSING FEH
• Except the table above, for example 144-159(decimal)/9nH/1001 0000-1001 1111(binary)
displays the Note On Message for each channel (1-16).
176-191/BnH/1011 0000-1011 1111 displays the Control Change Message for each
channel (1-16).
192-207/CnH/1100 0000-1100 1111 displays the Program Change Message for each
channel (1-16).
240/FOH/1111 0000 denotes the start of a System Exclusive Message.
247/F7H/1111 0111 denotes the end of a System Exclusive Message.
• aaH (hexidecimal)/0aaaaaaa (binary) denotes the data address. The address contains
High, Mid, and Low.
• aaH (hexidecimal)/0aaaaaaa (binary) denotes the data address. The address contains
High, Mid, and Low.
• bbH/0bbbbbbb denotes the byte count.
• ccH/0ccccccc denotes the check sum.
• ddH/0ddddddd denotes the data/value.
Decimal Hexadecimal Binary
0 00 0000 0000
1 01 0000 0001
2 02 0000 0010
3 03 0000 0011
4 04 0000 0100
5 05 0000 0101
6 06 0000 0110
7 07 0000 0111
8 08 0000 1000
9 09 0000 1001
10 0A 0000 1010
11 0B 0000 1011
12 0C 0000 1100
13 0D 0000 1101
14 0E 0000 1110
15 0F 0000 1111
16 10 0001 0000
17 11 0001 0001
18 12 0001 0010
19 13 0001 0011
20 14 0001 0100
21 15 0001 0101
22 16 0001 0110
23 17 0001 0111
24 18 0001 1000
25 19 0001 1001
26 1A 0001 1010
27 1B 0001 1011
28 1C 0001 1100
29 1D 0001 1101
30 1E 0001 1110
31 1F 0001 1111
32 20 0010 0000
33 21 0010 0001
34 22 0010 0010
35 23 0010 0011
36 24 0010 0100
37 25 0010 0101
38 26 0010 0110
39 27 0010 0111
40 28 0010 1000
41 29 0010 1001
42 2A 0010 1010
43 2B 0010 1011
44 2C 0010 1100
45 2D 0010 1101
46 2E 0010 1110
47 2F 0010 1111
48 30 0011 0000
49 31 0011 0001
50 32 0011 0010
51 33 0011 0011
52 34 0011 0100
53 35 0011 0101
54 36 0011 0110
55 37 0011 0111
56 38 0011 1000
57 39 0011 1001
58 3A 0011 1010
59 3B 0011 1011
60 3C 0011 1100
61 3D 0011 1101
62 3E 0011 1110
63 3F 0011 1111
Decimal Hexadecimal Binary
64 40 0100 0000
65 41 0100 0001
66 42 0100 0010
67 43 0100 0011
68 44 0100 0100
69 45 0100 0101
70 46 0100 0110
71 47 0100 0111
72 48 0100 1000
73 49 0100 1001
74 4A 0100 1010
75 4B 0100 1011
76 4C 0100 1100
77 4D 0100 1101
78 4E 0100 1110
79 4F 0100 1111
80 50 0101 0000
81 51 0101 0001
82 52 0101 0010
83 53 0101 0011
84 54 0101 0100
85 55 0101 0101
86 56 0101 0110
87 57 0101 0111
88 58 0101 1000
89 59 0101 1001
90 5A 0101 1010
91 5B 0101 1011
92 5C 0101 1100
93 5D 0101 1101
94 5E 0101 1110
95 5F 0101 1111
96 60 0110 0000
97 61 0110 0001
98 62 0110 0010
99 63 0110 0011
100 64 0110 0100
101 65 0110 0101
102 66 0110 0110
103 67 0110 0111
104 68 0110 1000
105 69 0110 1001
106 6A 0110 1010
107 6B 0110 1011
108 6C 0110 1100
109 6D 0110 1101
110 6E 0110 1110
111 6F 0110 1111
112 70 0111 0000
113 71 0111 0001
114 72 0111 0010
115 73 0111 0011
116 74 0111 0100
117 75 0111 0101
118 76 0111 0110
119 77 0111 0111
120 78 0111 1000
121 79 0111 1001
122 7A 0111 1010
123 7B 0111 1011
124 7C 0111 1100
125 7D 0111 1101
126 7E 0111 1110
127 7F 0111 1111
(2) RECEIVE FLOW
MIDI → NOTE OFF 8nH
IN NOTE ON/OFF 9nH
CONTROL CHANGE
BANK SELECT MSB BnH,00H
BANK SELECT LSB BnH,20H
MODULATION BnH,01H
PORTAMENTO TIME BnH,05H
DATA ENTRY MSB BnH,06H
DATA ENTRY LSB BnH,26H
MAIN VOLUME BnH,07H
PANPOT BnH,0AH
EXPRESSION BnH,0BH
SUSTAIN BnH,40H
PORTAMENTO BnH,41H
SOSTENUTO BnH,42H
SOFT PEDAL BnH,43H
HARMONIC CONTENT BnH,47H
RELEASE TIME BnH,48H
ATTACK TIME BnH,49H
BRIGHTNESS BnH,4AH
PORTAMENTO CONTROL BnH,54H
REVERB SEND LEVEL BnH,5BH
CHORUS SEND LEVEL BnH,5DH
VARIATION SEND LEVEL BnH,5EH
DATA INCREMENT BnH,60H
DATA DECREMENT BnH,61H
NRPN LSB BnH,62H
NRPN MSB BnH,63H
VIBRATO RATE BnH,63H,01H,62H,08H,06H,mmH
VIBRATO DEPTH BnH,63H,01H,62H,09H,06H,mmH
VIBRATO DELAY BnH,63H,01H,62H,0AH,06H,mmH
FILTER CUTOFF FREQ. BnH,63H,01H,62H,20H,06H,mmH
FILTER RESONANCE BnH,63H,01H,62H,21H,06H,mmH
EQ BASS BnH,63H,01H,62H,30H,06H,mmH
(PSR-740 ONLY)
EQ TREBLE BnH,63H,01H,62H,31H,06H,mmH
(PSR-740 ONLY)
EQ BASS FREQ BnH,63H,01H,62H,34H,06H,mmH
(PSR-740 ONLY)
EQ TREBLE FREQ BnH,63H,01H,62H,35H,06H,mmH
(PSR-740 ONLY)
AEG ATTACK TIME BnH,63H,01H,62H,63H,06H,mmH
AEG DECAY TIME BnH,63H,01H,62H,64H,06H,mmH
AEG RELEASE BnH,63H,01H,62H,66H,06H,mmH
DRUM INST
CUTOFF FREQ. BnH,63H,14H,62H,rrH,06H,mmH
FILTER RESONANCE
BnH,63H,15H,62H,rrH,06H,mmH
AEG ATTACK RATE
BnH,63H,16H,62H,rrH,06H,mmH
AEG DECAY RATE
BnH,63H,17H,62H,rrH,06H,mmH
PITCH COARSE BnH,63H,18H,62H,rrH,06H,mmH
PITCH FINE BnH,63H,19H,62H,rrH,06H,mmH
LEVEL BnH,63H,1AH,62H,rrH,06H,mmH
PANPOT BnH,63H,1CH,62H,rrH,06H,mmH
REVERB SEND BnH,63H,1DH,62H,rrH,06H,mmH
CHORUS SEND BnH,63H,1EH,62H,rrH,06H,mmH
VARIATION SEND BnH,63H,1FH,62H,rrH,06H,mmH

164
MIDI Data Format
162
VOCAL HARMONY
HARMONY MUTE BnH,63H,00H,62H,01H,06H,mmH
(PSR-740 ONLY)
DETUNE MODULATION
BnH,63H,01H,62H,1AH,06H,mmH
(PSR-740 ONLY)
HARMONY1 VOLUME
BnH,63H,02H,62H,10H,06H,mmH
(PSR-740 ONLY)
HARMONY2 VOLUME
BnH,63H,02H,62H,11H,06H,mmH
(PSR-740 ONLY)
HARMONY1 PAN BnH,63H,02H,62H,20H,06H,mmH
(PSR-740 ONLY)
HARMONY2 PAN BnH,63H,02H,62H,21H,06H,mmH
(PSR-740 ONLY)
HARMONY1 DETUNE
BnH,63H,02H,62H,30H,06H,mmH
(PSR-740 ONLY)
HARMONY2 DETUNE
BnH,63H,02H,62H,31H,06H,mmH
(PSR-740 ONLY)
RPN LSB BnH,64H
RPN MSB BnH,65H
PITCH BEND SENS. BnH,65H,00H,64H,00H,06H,mmH
FINE TUNING BnH,65H,00H,64H,01H,06H,mmH,
26H,llH
COARSE TUNING BnH,65H,00H,64H,02H,06H,mmH
NULL BnH,65H,7FH,64H,7FH
ALL SOUND OFF BnH,78H,00H
RESET ALL CONTROLLERS BnH,79H,00H
ALL NOTES OFF BnH,7BH,00H
OMNI OFF BnH,7CH,00H
OMNI ON BnH,7DH,00H
MONO BnH,7EH
POLY BnH,7FH
PROGRAM CHANGE CnH
CHANNEL AFTER TOUCH DnH
PITCH BEND CHANGE EnH
SYSTEM EXCLUSIVE MESSAGE
<YAMAHA MIDI FORMAT>
<UNIVERSAL>
UNIVERSAL REALTIME F0H 7FH.....F7H
UNIVERSAL NON-REALTIME F0H 7EH.....F7H
<XG STANDARD>
XG PARAMETER CHANGE F0H 43H 1nH 4CH aaH aaH aaH ddH
.....ddH F7H
XG BULK DUMP F0H 43H 0nH 4CH bbH bbH aaH aaH aaH
ddH.....ddH ccH F7H
PARAMETER REQUEST F0H 43H 3nH 4CH aaH aaH aaH F7H
DUMP REQUEST F0H 43H 2nH 4CH aaH aaH aaH F7H
SPECIAL OPERATORS
Others
SYSTEM REALTIME MESSAGE
MIDI CLOCK F8H
START FAH
STOP FCH
ACTIVE SENSING FEH
(3) TRANSMIT/RECEIVE DATA
(3-1) CHANNEL VOICE MESSAGES
(3-1-1) NOTE OFF (Receive only)
STATUS 1000nnnn(8nH) n = 0 - 15 VOICE CHANNEL NUMBER
NOTE NUMBER 0kkkkkkk k = 0 (C-2) - 127 (G8)
VELOCITY 0vvvvvvv v: ignored
(3-1-2) NOTE ON/OFF
STATUS 1001nnnn(9nH) n = 0 - 15 VOICE CHANNEL NUMBER
NOTE NUMBER 0kkkkkkk k = 0 (C-2) - 127 (G8)
VELOCITY 0vvvvvvv (v 0) NOTE ON
00000000 (v=0) NOTE OFF
(3-1-3) PROGRAM CHANGE
STATUS 1100nnnn(CnH) n = 0 - 15 VOICE CHANNEL NUMBER
PROGRAM NUMBER 0ppppppp p = 0 - 127
* PROGRAM NUMBER: XG DRUM VOICE number correspondence
P = 0 Standard Kit
P = 1 Standard2 Kit
P = 4 Hit Kit
P = 8 Room Kit
P = 16 Rock Kit
P = 24 Elctrnic Kit
P = 25 Analog Kit
P = 27 Dance Kit
P = 32 Jazz Kit
P = 40 Brush Kit
P = 48 Symphony Kit
* PROGRAM NUMBER: XG SFX KIT number correspondence
P = 0 SFX1 Kit
P = 1 SFX2 Kit
When DRUM VOICE is selected and program change data for a different DRUM VOICE is
received, the currently selected DRUM VOICE will be replaced with the new DRUM VOICE.
(3-1-4) CHANNEL AFTER TOUCH (Receive only)
STATUS 1101nnnn(DnH) n = 0 - 15 VOICE CHANNEL NUMBER
VALUE 0vvvvvvv v = 0 - 127 AFTER TOUCH VALUE
(3-1-5) PITCH BEND CHANGE
STATUS 1110nnnn(EnH) n = 0 - 15 VOICE CHANNEL NUMBER
LSB 0vvvvvvv PITCH BEND CHANGE LSB
MSB 0vvvvvvv PITCH BEND CHANGE MSB
(3-1-6) CONTROL CHANGE
STATUS 1011nnnn(BnH) n = 0 - 15 VOICE CHANNEL NUMBER
CONTROL NUMBER 0ccccccc
CONTROL VALUE 0vvvvvvv
* Transmit CONTROL NUMBER.
c = 0 BANK SELECT MSB ; v = 0:XG NORMAL,
64:SFX NORMAL,
126:XG SFX KIT,
127:XG DRUM
c = 32 BANK SELECT LSB ; v = 0 - 127
c = 1 MODULATION ; v = 0 - 127 *2
(PSR-740 ONLY)
c = 6 DATA ENTRY MSB ; v = 0 - 127 *1
c = 38 DATA ENTRY LSB ; v = 0 - 127 *1
c = 7 MAIN VOLUME ; v = 0 - 127
c = 10 PANPOT ; v = 0 - 127
c = 11 EXPRESSION ; v = 0 - 127
c = 64 SUSTAIN ; v = 0-63:OFF , 64-127:ON *2
c = 66 SOSTENUTO ; v = 0-63:OFF , 64-127:ON *2
c = 67 SOFT PEDAL ; v = 0-63:OFF , 64-127:ON *2
c = 71 HARMONIC CONTENT ; v = 0:-64 - 64:0 - 127:+63 *2
(PSR-740 ONLY)
c = 72 RELEASE TIME ; v = 0:-64 - 64:0 - 127:+63
c = 74 BRIGHTNESS ; v = 0:-64 - 64:0 - 127:+63 *2
(PSR-740 ONLY)
c = 91 REVERB SEND LEVEL ; v = 0 - 127
c = 93 CHORUS SEND LEVEL ; v = 0 - 127
c = 94 VARIATION SEND LEVEL ; v = 0 - 127
(When only Connection = 1[System])
c = 98 NRPN LSB Refer to “(3-4)NON-REGISTERED
PARAMETER NUMBER”
c = 99 NRPN MSB Refer to “(3-4)NON-REGISTERED
PARAMETER NUMBER”
c = 100 RPN LSB Refer to “(3-3)REGISTERED
PARAMETER NUMBER”
c = 101 RPN MSB Refer to “(3-3)REGISTERED
PARAMETER NUMBER”
* Receive CONTROL NUMBER.
c = 0 BANK SELECT MSB ; v = 0:XG NORMAL,
64:SFX NORMAL,
126:XG SFX KIT,
127:XG DRUM
c = 32 BANK SELECT LSB ; v = 0 - 127
c = 1 MODULATION ; v = 0 - 127 *2
c = 5 PORTAMENTO TIME ; v = 0 - 127 *2
c = 6 DATA ENTRY MSB ; v = 0 - 127 *1
c = 38 DATA ENTRY LSB ; v = 0 - 127 *1
c = 7 MAIN VOLUME ; v = 0 - 127
c = 10 PANPOT ; v = 0 - 127
c = 11 EXPRESSION ; v = 0 - 127
c = 64 SUSTAIN ; v = 0-63:OFF , 64-127:ON *2
c = 65 PORTAMENTO ; v = 0-63:OFF , 64-127:ON *2
c = 66 SOSTENUTO ; v = 0-63:OFF , 64-127:ON *2
c = 67 SOFT PEDAL ; v = 0-63:OFF , 64-127:ON *2
c = 71 HARMONIC CONTENT ; v = 0:-64 - 64:0 - 127:+63 *2
c = 72 RELEASE TIME ; v = 0:-64 - 64:0 - 127:+63 *2
c = 73 ATTACK TIME ; v = 0:-64 - 64:0 - 127:+63 *2
c = 74 BRIGHTNESS ; v = 0:-64 - 64:0 - 127:+63 *2
c = 84 PORTAMENT CONTROL ; v = 0 - 127 *2
c = 91 REVERB SEND LEVEL ; v = 0 - 127
c = 93 CHORUS SEND LEVEL ; v = 0 - 127
c = 94 VARIATION SEND LEVEL ; v = 0 - 127
(When only Connection=1[System])
c = 96 DATA INCREMENT ; v = 0 - 127 *1
c = 97 DATA DECREMENT ; v = 0 - 127 *1
c = 98 NRPN LSB Refer to “(3-4)NON-REGISTERED
PARAMETER NUMBER”
c = 99 NRPN MSB Refer to “(3-4)NON-REGISTERED
PARAMETER NUMBER”
c = 100 RPN LSB Refer to “(3-3)REGISTERED
PARAMETER NUMBER”
c = 101 RPN MSB Refer to “(3-3)REGISTERED
PARAMETER NUMBER”
*1 Only when setting the appointed parameter with RPN, NRPN.
*2 Does not effect Rhythm Voice.
• Until a PROGRAM CHANGE message is received, the BANK SELECT operation will be
suspended.
When a Voice, including VOICE BANK, is changed, set the BANK SELECT and Program
Change Message, and transmit in the following order, BANK SELECT MSB, LSB,
PROGRAM CHANGE.
• MODULATION controls the Vibrato Depth.
• PORTAMENTO TIME controls the Pitch Change Speed when the Portamento Switch = ON.
0 being the shortest time, and 127 being the longest.
• PANPOT changes the value for the melody voice and rhythm voice in relation to the preset value.
• Portamento time is fixed to 0 when the PORTAMENTO CONTROL is used.
• HARMONIC CONTENT applies adjustment to the resonance value that is set by the voice.
This parameter specifies relative change with the value of 64 producing 0 adjustment.
As values get higher the sound becomes increasingly eccentric.
Note that for some voices the effective parameter range is narrower than the legal parameter range.
• RELEASE TIME applies adjustment to the envelope release time set by the voice.
This parameter specifies relative change with the value of 64 producing 0 adjustment.
• ATTACK TIME applies adjustment to the envelope attack time set by the voice.
This parameter specifies relative change with the value of 64 producing 0 adjustment.
• BRIGHTNESS applies adjustment to the cut-off frequency set by the voice.
This parameter specifies relative change with the value of 64 producing 0 adjustment. Lower
voices produce a softer sound.
For some voices the effective parameter range is narrower than the legal parameter range.
(3-2) CHANNEL MODE MESSAGES
STATUS 1011nnnn(BnH) n = 0 - 15 VOICE CHANNEL NUMBER
CONTROL NUMBER 0ccccccc c = CONTROL NUMBER
CONTROL VALUE 0vvvvvvv v = DATA VALUE
(3-2-1) ALL SOUND OFF (Receive only) (CONTROL NUMBER = 78H , DATA VALUE = 0)
Switches off all sound from the channel.
Does not reset Note On and Hold On conditions established by Channel Messages.

165
MIDI Data Format
163
(3-2-2) RESET ALL CONTROLLERS (Receive only)
(CONTROL NUMBER = 79H , DATA VALUE = 0)
Resets controllers as follows.
PITCH BEND CHANGE 0 (Center)
AFTER TOUCH 0 (min.)
MODULATION 0 (min.)
EXPRESSION 127 (max.)
SUSTAIN 0 (off)
SOSTENUTO 0 (off)
SOFT PEDAL 0 (off)
NRPN Sets number to null. (Internal data remains unchanged)
RPN Sets number to null. (Internal data remains unchanged)
PORTAMENT CONTROL Resets portamento source note number
PORTAMENTO 0 (off)
(3-2-3) ALL NOTES OFF (Receive only) (CONTROL NUMBER = 7BH , DATA VALUE = 0)
Switches off all of the channel’s “on” notes.
However, any notes being held by SUSTAIN or SOSTENUTO continue to sound until
SUSTAIN/SOSTENUTO goes off.
(3-2-4) OMNI OFF (Receive only) (CONTROL NUMBER = 7CH , DATA VALUE = 0)
Same processing as for All Notes Off.
(3-2-5) OMNI ON (Receive only) (CONTROL NUMBER = 7DH , DATA VALUE = 0)
Same processing as for All Notes Off. Omni On is not executed.
(3-2-6) MONO (Receive only) (CONTROL NUMBER = 7EH , DATA VALUE = 0)
Same processing as for All Notes Off.
If the 3rd byte is in a range of 0-16 the corresponding channel will be changed to Mode 4
(m=1).
(3-2-7) POLY (Receive only) (CONTROL NUMBER = 7FH , DATA VALUE = 0)
Same processing as for All Sounds Off and the corresponding channel will be changed to Mode
3.
(3-3) REGISTERED PARAMETER NUMBER (RPN)
STATUS 1011nnnn(BnH) n = 0 - 15 VOICE CHANNEL NUMBER
RPN LSB 01100100(64H)
RPN LSB NUMBER 0ppppppp p = RPN LSB(refer to the list below)
RPN MSB 01100101(65H)
RPN MSB 0qqqqqqq q = RPN MSB(refer to the list below)
DATA ENTRY MSB 00000110(06H)
DATA VALUE 0mmmmmmm m = Data Value
DATA ENTRY LSB 00100110(26H)
DATA VALUE 0lllllll l = Data Value
First appoints the parameter for RPN MSB/LSB, then sets the parameter value for data entry
MSB/LSB.
RPN D.ENTRY
MSB LSB MSB LSB PARAMETER NAME DATA RANGE
00H 00H mmH — PITCH BEND SENSITIVITY 00H - 18H(0 - 24 semitones)
01H 00H mmH llH FINE TUNE {mmH,llH} =
{00H,00H}-{40H,00H}-{7FH,7FH}
(-8192*100/8192) - 0 - (+8192*100/8192)
02H 00H mmH — COARSE TUNE
28H - 40H - 58H (-24 - 0 - +24 semitones)
7FH 7FH — — NULL Clears the current RPN number setting.
Does not change the internal parameter settings.
(3-4) NON-REGISTERED PARAMETER NUMBER (NRPN) (PSR-640 Receive only)
STATUS 1011nnnn(BnH) n = 0 - 15 VOICE CHANNEL NUMBER
NRPN LSB 01100010(62H)
NRPN LSB NUMBER 0ppppppp p = NRPN LSB(refer to the list below)
NRPN MSB 01100011(63H)
NRPN MSB NUMBER 0qqqqqqq q = NRPN MSB(refer to the list below)
DATA ENTRY MSB 00000110(06H)
DATA VALUE 0mmmmmmm m = Data Value
First appoints the parameter for NRPN MSB/LSB, then sets the parameter value for data entry
MSB/LSB.
NRPN D.ENTRY
MSB LSB MSB LSB PARAMETER NAME DATA RANGE
01H 08H mmH — VIBRATO RATE 00H - 40H - 7FH (-64 - 0 - +63)
01H 09H mmH — VIBRATO DEPTH 00H - 40H - 7FH (-64 - 0 - +63)
01H 0AH mmH — VIBRATO DELAY 00H - 40H - 7FH (-64 - 0 - +63)
01H 20H mmH —
FILTER CUTOFF FREQUENCY
00H - 40H - 7FH (-64 - 0 - +63)
01H 21H mmH — FILTER RESONANCE 00H - 40H - 7FH (-64 - 0 - +63)
01H 30H mmH — EQ BASS 00H - 40H - 7FH (-64 - 0 - +63)
(PSR-740 ONLY)
01H 31H mmH — EQ TREBLE 00H - 40H - 7FH (-64 - 0 - +63)
(PSR-740 ONLY)
01H 34H mmH — EQ BASS FREQUENCY 00H - 40H - 7FH (-64 - 0 - +63)
(PSR-740 ONLY)
01H 35H mmH — EQ TREBLE FREQUENCY 00H - 40H - 7FH (-64 - 0 - +63)
(PSR-740 ONLY)
01H 63H mmH — EG ATTACK TIME 00H - 40H - 7FH (-64 - 0 - +63)
01H 64H mmH — EG DECAY TIME 00H - 40H - 7FH (-64 - 0 - +63)
01H 66H mmH — EG RELEASE 00H - 40H - 7FH (-64 - 0 - +63)
14H rrH mmH —
DRUM FILTER CUTOFF FREQ.
00H - 40H - 7FH (-64 - 0 - +63)
15H rrH mmH —
DRUM FILTER RESONANCE
00H - 40H - 7FH (-64 - 0 - +63)
16H rrH mmH — DRUM AEG ATTACK RATE 00H - 40H - 7FH (-64 - 0 - +63)
17H rrH mmH — DRUM AEG DECAY RATE 00H - 40H - 7FH (-64 - 0 - +63)
18H rrH mmH — DRUM PITCH COARSE 00H - 40H - 7FH (-64 - 0 - +63)
19H rrH mmH — DRUM PITCH FINE 00H - 40H - 7FH (-64 - 0 - +63)
1AH rrH mmH — DRUM LEVEL 00H - 7FH (0 - max.)
1CH rrH mmH — DRUM PANPOT 00H,01H - 40H - 7FH
(random,left - center - right)
1DH rrH mmH —
DRUM REVERB SEND LEVEL
00H - 7FH (0 - max.)
1EH rrH mmH —
DRUM CHORUS SEND LEVEL
00H - 7FH (0 - max.)
1FH rrH mmH —
DRUM VARIATION SEND LEVEL
00H - 7FH (0 - max.)
00H 01H mmH — HARMONY MUTE (PSR-740 ONLY)
01H 1AH mmH — DETUNE MODULATION (PSR-740 ONLY)
02H 10H mmH — HARMONY1 VOLUME (PSR-740 ONLY)
02H 11H mmH — HARMONY2 VOLUME (PSR-740 ONLY)
02H 20H mmH — HARMONY1 PAN (PSR-740 ONLY)
02H 21H mmH — HARMONY2 PAN (PSR-740 ONLY)
02H 30H mmH — HARMONY1 DETUNE (PSR-740 ONLY)
02H 31H mmH — HARMONY2 DETUNE (PSR-740 ONLY)
The MSG14H-1FH (for drums) message is accepted as long as the channel is set with a drum
voice.
rrH : drum instrument note number
(3-5) SYSTEM REALTIME MESSAGES
(3-5-1) MIDI CLOCK
STATUS 11111000 (F8H)
Transmission: 96 clocks per measure are transmitted.
Reception: If the instrument’s clock is set to external, after FAH is received from the external
device the instrument’s clock will sync with the 96 beats per measure received from the
external device.
Decides whether the internal clock, or Timing Clocks received via the MIDI IN will be used.
(3-5-2) START
STATUS 11111010 (FAH)
Transmission: Transmitted when instrument’s Rhythm or Song playback is started.
Reception: Depending upon the condition, Rhythm, Song Playback, or Song Rec will start.
(3-5-3) STOP
STATUS 11111100 (FCH)
Transmission: Transmitted when instrument’s Rhythm or Song playback is stopped.
Reception: Depending upon the condition, Rhythm, Song Playback, or Song Rec will stop.
(3-5-4) ACTIVE SENSING
STATUS 11111110 (FEH)
Transmission: Transmitted approximately once every 200msec.
Reception: Depending upon the condition, Rhythm, Song Playback, or Song Rec will stop.
(3-6) SYSTEM EXCLUSIVE MESSAGE
(3-6-1) YAMAHA MIDI FORMAT
(3-6-1-1) SECTION CONTROL
(PSR-640)
binary hexadecimal
11110000 F0 Exclusive status
01000011 43 YAMAHA ID
01111110 7E Style
00000000 00
0sssssss SS Switch No.
00H : INTRO A
01H : INTRO B
02H : INTRO C
03H - 07H : INTRO D
08H : MAIN A
09H : MAIN B
0AH : MAIN C
0BH - 0FH : MAIN D
10H : FILL IN A
11H : FILL IN B
12H : FILL IN C
13H - 17H : FILL IN D
18H : BREAK FILL IN A
19H : BREAK FILL IN B
1AH : BREAK FILL IN C
1BH - 1FH : BREAK FILL IN D
20H : ENDING A
21H : ENDING B
22H : ENDING C
23H - 27H : ENDING D
0ddddddd DD Switch On/Off: 00H(Off),7FH(On)
11110111 F7 End of Exclusive
(PSR-740)
binary hexadecimal
11110000 F0 Exclusive status
01000011 43 YAMAHA ID
01111110 7E Style
00000000 00
0sssssss SS Switch No.
00H : INTRO A
01H : INTRO B
02H : INTRO C
03H : INTRO D
04H : COUNT INTRO A
05H : COUNT INTRO B
06H : COUNT INTRO C
07H : COUNT INTRO D
08H : MAIN A
09H : MAIN B
0AH : MAIN C
0BH - 0FH : MAIN D
10H : FILL IN A
11H : FILL IN B
12H : FILL IN C
13H - 17H : FILL IN D
18H : BREAK FILL IN A
19H : BREAK FILL IN B
1AH : BREAK FILL IN C
1BH - 1FH : BREAK FILL IN D
20H : ENDING A
21H : ENDING B
22H : ENDING C
23H : ENDING D
24H : SIMPLE ENDING A
25H : SIMPLE ENDING B
26H : SIMPLE ENDING C
27H : SIMPLE ENDING D
0ddddddd DD Switch On/Off: 00H(Off),7FH(On)
11110111 F7 End of Exclusive
When an ON code is received, the appointed section will be changed.

166
164
(3-6-1-2) TEMPO CONTROL
binary hexadecimal
11110000 F0 Exclusive status
01000011 43 YAMAHA ID
01111110 7E Style
00000000 01
0ttttttt TT Tempo4
0ttttttt TT Tempo3
0ttttttt TT Tempo2
0ttttttt TT Tempo1
11110111 F7 End of Exclusive
The internal clock will be set to the received Tempo value.
Tempo Meta Event is a large data block (24-bit),it is divided into 4 groups with 7-bits going
into each of the Tempos 1-4 (4 receives the remaining 3 bits).
(3-6-2) UNIVERSAL SYSTEM EXCLUSIVE
(3-6-2-1) UNIVERSAL REALTIME MESSAGE
(3-6-2-1-1) MIDI MASTER VOLUME (Receive only)
binary hexadecimal
11110000 F0 Exclusive status
01111111 7F Universal Realtime
01111111 7F ID of target Device
00000100 04 Sub-ID #1=Device Control Message
00000001 01 Sub-ID #2=Master Volume
0sssssss SS Volume LSB
0ttttttt TT Volume MSB
11110111 F7 End of Exclusive
or
11110000 F0 Exclusive status
01111111 7F Universal Realtime
0xxxnnnn XN When N is received N=0-F,
whichever is received.
When N is transmitted N always=0.
X = don’t care
00000100 04 Sub-ID #1=Device Control Message
00000001 01 Sub-ID #2=Master Volume
0sssssss SS Volume LSB
0ttttttt TT Volume MSB
11110111 F7 End of Exclusive
The volume for all channels will be changed simultaneously.
The TT value is used as the MIDI Master Volume value. (the ss value is ignored.)
(3-6-2-2) UNIVERSAL NON REALTIME MESSAGE
(3-6-2-2-1) GENERAL MIDI SYSTEM ON
binary hexadecimal
11110000 F0 Exclusive status
01111110 7E Universal Non-Realtime
01111111 7F ID of target Device
00001001 09 Sub-ID #1=General MIDI Message
00000001 01 Sub-ID #2=General MIDI On
11110111 F7 End of Exclusive
or
11110000 F0 Exclusive status
01111110 7E Universal Non-Realtime
0xxxnnnn XN When N is received N=0-F, whichever is received.
When N is transmitted N always=0.
X = don’t care
00001001 09 Sub-ID #1=General MIDI Message
00000001 01 Sub-ID #2=General MIDI On
11110111 F7 End of Exclusive
Depending upon the received ON message, the System Mode will be changed to XG.
Except MIDI Master Tuning, all control data be reset to default values.
This message requires approximately 50ms to execute, so sufficient time should be allowed
before the next message is sent.
The bank select message for the channel 10 and the NRPN message are not received in the GM
mode.
(3-6-3) XG STANDARD
(3-6-3-1) XG PARAMETER CHANGE
(3-6-3-1-1) XG SYSTEM ON
binary hexadecimal
11110000 F0 Exclusive status
01000011 43 YAMAHA ID
0001nnnn 1N Device Number
01001100 4C Model ID
00000000 00 Address High
00000000 00 Address Mid
01111110 7E Address Low
00000000 00 Data
11110111 F7 End of Exclusive
Depending upon the received ON message, the SYSTEM MODE will be changed to
XG.Controllers will be reset, all values of Multi Part and Effect, and All System values denoted
by “XG” data within All System will be reset to default values in the table.
This message requires approximately 50ms to execute, so sufficient time should be allowed
before the next message is sent.
(3-6-3-1-2) XG PARMETER CHANGE
binary hexadecimal
11110000 F0 Exclusive status
01000011 43 YAMAHA ID
0001nnnn 1N Device Number
01001100 4C Model ID
0aaaaaaa AA Address High
0aaaaaaa AA Address Mid
0aaaaaaa AA Address Low
0ddddddd DD Data
| |
11110111 F7 End of Exclusive
For parameters with data size of 2 or 4, transmit the appropriate number of data bytes.
For more information on Address and Parameters, refer to < Table 1-2 > - < Table 1-8 >.
The data types listed below are transmitted and received.
System Data
Multi Effect1 Data
Multi EQ Data (PSR-740 ONLY)
Multi Effect2 Data (PSR-740 ONLY)
Special Effect Data (PSR-740 ONLY)
Multi Part Data
A/D Part Data (PSR-740 ONLY)
Drums Setup Data
(3-6-3-2) XG BULK DUMP
binary hexadecimal
01110000 F0 Exclusive status
01000011 43 YAMAHA ID
0000nnnn 0N Device Number
01001100 4C Model ID
0bbbbbbb BB ByteCount MSB
0bbbbbbb BB ByteCount LSB
0aaaaaaa AA Address High
0aaaaaaa AA Address Mid
0aaaaaaa AA Address Low
0ddddddd DD Data
| |
0ccccccc CC Check sum
11110111 F7 End of Exclusive
For more information on Address and Byte Count, refer to < Table 1-2 > - < Table 1-8 >.
The Check Sum value is set such that the sum of Byte Count, Address, Data, and Check Sum
has value zero in its seven least significant bits.
If the top of the block is appointed to the Address the XG Bulk Dump, Bulk Request will be
received.
The Block is a unit that consists of the data, arranged in the list, as the Total Size.
The data types listed below are transmitted and received.(These are transmitted only after a
Bulk Dump request is received.)
System Data
System Information (Transmit ONLY)
Multi Effect1 Data
Multi EQ Data (PSR-740 ONLY)
Multi Effect2 Data (PSR-740 ONLY)
Special Effect Data (PSR-740 ONLY)
Multi Part Data
A/D Part Data (PSR-740 ONLY)
Drums Setup Data
(3-6-3-3) XG PARAMETER REQUEST (Receive only)
binary hexadecimal
11110000 F0 Exclusive status
01000011 43 YAMAHA ID
0011nnnn 3n Device Number
01001100 4C Model ID
0aaaaaaa AA Address High
0aaaaaaa AA Address Mid
0aaaaaaa AA Address Low
11110111 F7 End of Exclusive
For more information on Address and Byte Count refer to < Table 1-2 > - < Table1-8 >.
The data types listed below are received.
System Data
Multi Effect1 Data
Multi EQ Data (PSR-740 ONLY)
Multi Effect2 Data (PSR-740 ONLY)
Special Effect Data (PSR-740 ONLY)
Multi Part Data
A/D Part Data (PSR-740 ONLY)
Drums Setup Data
(3-6-3-4) XG DUMP REQUEST (Receive only)
binary hexadecimal
11110000 F0 Exclusive status
01000011 43 YAMAHA ID
0010nnnn 2n Device Number
01001100 4C Model ID
00aaaaaaa AA Address High
00aaaaaaa AA Address Mid
00aaaaaaa AA Address Low
11110111 F7 End of Exclusive
For more information on Address and Byte Count refer to < Table 1-2 > - < Table1-8 >.
The data types listed below are received.
System Data
System Information
Multi Effect1 Data
Multi EQ Data (PSR-740 ONLY)
Multi Effect2 Data (PSR-740 ONLY)
Special Effect Data (PSR-740 ONLY)
Multi Part Data
A/D Part Data (PSR-740 ONLY)
Drums Setup Data
MIDI Data Format

167
165
(3-6-4) CLAVINOVA MIDI COMPLIANCE
(3-6-4-1) DOC MULTI TIMBRE ON / OFF (Receive only)
binary hexadecimal
11110000 F0 Exclusive status
01000011 43 YAMAHA ID
01110011 73 Clavinova ID
00000001 01 Clavinova commmon ID
00010nnn 1N N: 3(DOC Multi Timbre Off),
4(DOC Multi Timbre On)
11110111 F7 End of Exclusive
(3-6-4-2) MIDI FA CANCEL(Receive only)
binary hexadecimal
11110000 F0 Exclusive status
01000011 43 YAMAHA ID
01110011 73 Clavinova ID
00000001 01 Clavinova common ID
01100001 61 MIDI FA Cancel
11110111 F7 End of Exclusive
If this message is received, even if FAH is received the accompaniment/song will not start.
(3-6-4-3) BULK DATA ORGAN FLUTE DATA (PSR-740 ONLY)
binary hexadecimal
11110000 F0 Exclusive status
01000011 43 YAMAHA ID
01110011 73 Clavinova ID
00000001 01 Clavinova common ID
00000110 06 Bulk ID
00001011 0B Bulk No.(0BH : ORGAN FLUTE DATA)
00000000 00 Data Length
00000000 00 Data Length
00000001 01 Data Length
00000110 06 Data Length
0ddddddd d1 Bulk Data 1st
:
0ddddddd d22 Bulk Data 22th
00ccccccc cc don’t care
11110111 F7 End of Exclusive
[BULK DATA]
1st 0nH n: channel No. Discription
2nd Drawber [1'] 00 - 07H 0 : - [dB]
3rd [1 1/3'] 00 - 07H 1 : -12 [dB]
4th [aux. 1] 00H 2 : -9 [dB]
5th [2'] 00 - 07H 3 : -6 [dB]
6th [2 2/3'] 00 - 07H 4 : -4.5 [dB]
7th [4'] 00 - 07H 5 : -3 [dB]
8th [5 1/3'] 00 - 07H 6 : -1.5 [dB]
9th [8'] 00 - 07H 7 : 0 [dB]
10th [16'] 00 - 07H
11th [Attack 2'] 00 - 07H
12th [Attack 2 2/3'] 00 - 07H
13th [Attack 4'] 00 - 07H
14th Settings [Attack Length] 00 - 07H
15th [Response] 00 - 07H
16th [Attack Mode] 00 - 01H 00H : Each, 01 : First
17th [Wave Variation] 00 - 01H 00H: Sine, 01H: Tone Wheel
18th [Volume] 00 - 08H
19th [aux. 4] 00H
20th [aux. 5] 00H
21th [aux. 6] 00H
22th [aux. 7] 00H
(3-6-5) SPECIAL OPERATORS
(3-6-5-1) VOLUME ,EXPRESSION AND PAN REALTIME CONTROL OFF
binary hexadecimal
11110000 F0 Exclusive status
01000011 43 YAMAHA ID
01110011 73 Clavinova ID
00000001 01 Clavinova common ID
00010001 11 Sub ID
0000nnnn 0N N = MIDI Channel
01000101 45 Volume and Expression Realtime Control Off
0vvvvvvv VV Value VV: Off=7FH, on=OOH
11110111 F7 End of Exclusive
When “On” is received, subsequent volume, expression, and PAN changes are only valid after
the reception of the next key on.
Normal operation resumes when “Off” is received.
(3-6-5-2) Vocal Harmony Pitch to Note (PSR-740 ONLY)
binary hexadecimal
11110000 F0 Exclusive status
01000011 43 YAMAHA ID
01110011 73 Clavinova ID
00000001 01 Clavinova common ID
00010001 11 Sub ID
00000000 00 Channel No. (always 00 )
01010000 50 Vocal Harmony Additional Parameter Control No.
00000000 00 Pitch to Note Parameter No.
0sssssss SS Pitch To Note switch
00H : Off
01H : On
11110111 F7 End of Exclusive
(3-6-5-3) Vocal Harmony Pitch to Note Part (PSR-740 ONLY)
binary hexadecimal
11110000 F0 Exclusive status
01000011 43 YAMAHA ID
01110011 73 Clavinova ID
00000001 01 Clavinova common ID
00010001 11 Sub ID
00000000 00 Channel No. (always 00 )
01010000 50 Vocal Harmony Additional Parameter Control No.
00000001 01 Pitch to Note Part Parameter No.
0sssssss SS Pitch To Note Part No.
00H : Right1
01H : Right2
02H : Left
04H : Upper
11110111 F7 End of Exclusive
(3-6-5-4) Vocal Harmony Vocoder Part (Harmony Part(Panel)) (PSR-740 ONLY)
binary hexadecimal
11110000 F0 Exclusive status
01000011 43 YAMAHA ID
01110011 73 Clavinova ID
00000001 01 Clavinova common ID
00010001 11 Sub ID
00000000 00 Channel No. (always 00 )
01010000 50 Vocal Harmony Additional Parameter Control No.
00010000 10 Vocoder Part Parameter No.
0sssssss SS Harmony Part No.
00H : Off
01H : Upper
02H : Lower
11110111 F7 End of Exclusive
(3-6-5-5) Voval Harmony Additional Reverb Depth(Receive only) (PSR-740 ONLY)
binary hexadecimal
11110000 F0 Exclusive status
01000011 43 YAMAHA ID
01110011 73 Clavinova ID
00000001 01 Clavinova common ID
00010001 11 Sub ID
00000000 00 Channel No. (always 00 )
01010000 50 Vocal Harmony Additional Parameter Control No.
00010001 11
Voval Harmony Additional Reverb Depth Parameter No.
0sssssss SS Value (0 - 7FH)
11110111 F7 End of Exclusive
(3-6-5-6) Vocal Harmony Additional Chorus Depth(Receive only) (PSR-740 ONLY)
binary hexadecimal
11110000 F0 Exclusive status
01000011 43 YAMAHA ID
01110011 73 Clavinova ID
00000001 01 Clavinova common ID
00010001 11 Sub ID
00000000 00 Channel No. (always 00 )
01010000 50 Vocal Harmony Additional Parameter Control No.
00010010 12
Voval Harmony Additional Chorus Depth Parameter No.
0sssssss SS Value (0 - 7FH)
11110111 F7 End of Exclusive
(3-6-6) Others
(3-6-6-1) MIDI MASTER TUNING(Receive only)
binary hexadecimal
11110000 F0 Exclusive status
01000011 43 YAMAHA ID
0001nnnn 1N When N is received N=0-F, whichever is received.
When N is transmitted N always=0.
00100111 27 Model ID
00110000 30 Sub ID
00000000 00
00000000 00
0mmmmmmm MM Master Tune MSB
0lllllll LL Master Tune LSB
0ccccccc CC don’t care
11110111 F7 End of Exclusive
Changes tuning of all channels.
MM, LL values are used to define the MIDI Master Tuning value.
T = M-128
T : Tuning value (-99cent - +99cent)
M : A single byte value (28-228) consists of bytes 0-3 of MM = MSB,
bytes 0-3 of LL = LSB.
In this setting, GM System ON, XG System ON will not be reset.
MIDI Data Format

168
166
< Table 1-1> Parmeter Basic Address
Parameter Change
Address
(H) (M) (L) Description
SYSTEM 00 00 00 System
00 00 7D Drum Setup Reset
00 00 7E XG System On
00 00 7F All Parameter Reset
INFORMATION 01 00 00 System Information
EFFECT 1 02 01 00 Effect1(Reverb,Chorus,Variation)
MULTI EQ 02 40 00 Multi EQ(PSR-740 ONLY)
EFFECT 2 03 00 00 Effect2(PSR-740 ONLY)
SPECIAL EFFECT 04 00 00 Special Effect2(PSR-740 ONLY)
MULTI PART 08 00 00 Multi Part 1
:
08 0F 00 Multi Part 16
A/D PART 10 00 00 A/D Part 1(PSR-740 ONLY)
DRUM 30 0D 00 Drum Setup 1 → Address Parameter
31 0D 00 Drum Setup 2 : :
3n 0D 0 note number 13
3n 0E 0 note number 14
: :
3n 5B 0 note number 91
<Table 1-2> MIDI Parameter Change table (SYSTEM)
Address Size Data Prameter Name Description Default Value
(H) (H) (H) (H)
00 00 00 4 0000 Master Tune -102.4..+102.3[cent] 00 04 00 00
01 ..07FF 1st bit3-0 → bit15-12 (400)
02 2nd bit3-0 → bit11-8 (With XG, GM On, it will not reset.)
03 3rd bit3-0 → bit7-4
4th bit3-0 → bit3-0
04 1 00..7F Master Volume 0..127 7F
05 1 Not Used
06 1 28..58 Transpose -24..+24[semitones] 40
7D 0n Drum Setup Reset n=Drum Setup Number
7E 00 XG System On 00=XG Sytem on
7F 00 All Parameter Reset 00=on (receive only)
TOTAL SIZE 7
<Table 1-3> MIDI Parameter table (System information)
Address Size Data Prameter Name Description
(H) (H) (H)
01 00 00 E 20..7F Model Name 32..127(ASCII)
:
0D
0E 1 00
0F 1 00
TOTAL SIZE 10
(Transmitted by Dump Request. Not received. Bulk Dump Only)
<Table 1-4> MIDI Parameter Change table (EFFECT 1)
Address Size Data Prameter Name Description Default Value
(H) (H) (H) (H)
02 01 00 2 00..7F Reverb Type MSB Refer to the Ef. Type List 01(=HALL1)
00..7F Reverb Type LSB 00 : basic type 00
02 1 00..7F Reverb Parameter 1 Refer to the Ef. Parameter List Depend on Reverb type
03 1 00..7F Reverb Parameter 2 Refer to the Ef. Parameter List Depend on Reverb type
04 1 00..7F Reverb Parameter 3 Refer to the Ef. Parameter List Depend on Reverb type
05 1 00..7F Reverb Parameter 4 Refer to the Ef. Parameter List Depend on Reverb type
06 1 00..7F Reverb Parameter 5 Refer to the Ef. Parameter List Depend on Reverb type
07 1 00..7F Reverb Parameter 6 Refer to the Ef. Parameter List Depend on Reverb type
08 1 00..7F Reverb Parameter 7 Refer to the Ef. Parameter List Depend on Reverb type
09 1 00..7F Reverb Parameter 8 Refer to the Ef. Parameter List Depend on Reverb type
0A 1 00..7F Reverb Parameter 9 Refer to the Ef. Parameter List Depend on Reverb type
0B 1 00..7F Reverb Parameter 10 Refer to the Ef. Parameter List Depend on Reverb type
0C 1 00..7F Reverb Return - ..0..+6dB(0..64..127) 40
0D 1 01..7F Reverb Pan L63..C..R63(1..64..127) 40
TOTAL SIZE 0E
02 01 10 1 00..7F Reverb Parameter 11 Refer to the Ef. Parameter List Depend on Reverb type
11 1 00..7F Reverb Parameter 12 Refer to the Ef. Parameter List Depend on Reverb type
12 1 00..7F Reverb Parameter 13 Refer to the Ef. Parameter List Depend on Reverb type
13 1 00..7F Reverb Parameter 14 Refer to the Ef. Parameter List Depend on Reverb type
14 1 00..7F Reverb Parameter 15 Refer to the Ef. Parameter List Depend on Reverb type
15 1 00..7F Reverb Parameter 16 Refer to the Ef. Parameter List Depend on Reverb type
TOTAL SIZE 6
02 01 20 2 00..7F Chorus Type MSB Refer to the Ef. Type List 41(=Chorus1)
00..7F Chorus Type LSB 00 : basic type 00
22 1 00..7F Chorus Parameter 1 Refer to the Ef. Parameter List Depend on Chorus Type
23 1 00..7F Chorus Parameter 2 Refer to the Ef. Parameter List Depend on Chorus Type
24 1 00..7F Chorus Parameter 3 Refer to the Ef. Parameter List Depend on Chorus Type
25 1 00..7F Chorus Parameter 4 Refer to the Ef. Parameter List Depend on Chorus Type
26 1 00..7F Chorus Parameter 5 Refer to the Ef. Parameter List Depend on Chorus Type
27 1 00..7F Chorus Parameter 6 Refer to the Ef. Parameter List Depend on Chorus Type
28 1 00..7F Chorus Parameter 7 Refer to the Ef. Parameter List Depend on Chorus Type
29 1 00..7F Chorus Parameter 8 Refer to the Ef. Parameter List Depend on Chorus Type
2A 1 00..7F Chorus Parameter 9 Refer to the Ef. Parameter List Depend on Chorus Type
2B 1 00..7F Chorus Parameter 10 Refer to the Ef. Parameter List Depend on Chorus Type
2C 1 00..7F Chorus Return - ..0..+6dB(0..64..127) 40
2D 1 01..7F Chorus Pan L63..C..R63(1..64..127) 40
2E 1 00..7F Send Chorus To Reverb - ..0..+6dB(0..64..127) 00
TOTAL SIZE 0F
02 01 30 1 00..7F Chorus Parameter 11 Refer to the Ef. Parameter List Depend on Chorus Type
31 1 00..7F Chorus Parameter 12 Refer to the Ef. Parameter List Depend on Chorus Type
32 1 00..7F Chorus Parameter 13 Refer to the Ef. Parameter List Depend on Chorus Type
33 1 00..7F Chorus Parameter 14 Refer to the Ef. Parameter List Depend on Chorus Type
34 1 00..7F Chorus Parameter 15 Refer to the Ef. Parameter List Depend on Chorus Type
35 1 00..7F Chorus Parameter 16 Refer to the Ef. Parameter List Depend on Chorus Type
TOTAL SIZE 6
MIDI Data Format

169
167
Address Size Data Prameter Name Description Default Value
(H) (H) (H) (H)
02 01 40 2 00..7F Variation Type MSB Refer to the Ef. Type List 05(=DELAY L,C,R)
00..7F Variation Type LSB 00 : basic type 00
42 2 00..7F Vari. Param. 1 MSB Refer to the Ef. Parameter List Depend on Vari. Type
00..7F Vari. Param. 1 LSB Refer to the Ef. Parameter List Depend on Vari. Type
44 2 00..7F Vari. Param. 2 MSB Refer to the Ef. Parameter List Depend on Vari. Type
00..7F Vari. Param. 2 LSB Refer to the Ef. Parameter List Depend on Vari. Type
46 2 00..7F Vari. Param. 3 MSB Refer to the Ef. Parameter List Depend on Vari. Type
00..7F Vari. Param. 3 LSB Refer to the Ef. Parameter List Depend on Vari. Type
48 2 00..7F Vari. Param. 4 MSB Refer to the Ef. Parameter List Depend on Vari. Type
00..7F Vari. Param. 4 LSB Refer to the Ef. Parameter List Depend on Vari. Type
4A 2 00..7F Vari. Param. 5 MSB Refer to the Ef. Parameter List Depend on Vari. Type
00..7F Vari. Param. 5 LSB Refer to the Ef. Parameter List Depend on Vari. Type
4C 2 00..7F Vari. Param. 6 MSB Refer to the Ef. Parameter List Depend on Vari. Type
00..7F Vari. Param. 6 LSB Refer to the Ef. Parameter List Depend on Vari. Type
4E 2 00..7F Vari. Param. 7 MSB Refer to the Ef. Parameter List Depend on Vari. Type
00..7F Vari. Param. 7 LSB Refer to the Ef. Parameter List Depend on Vari. Type
50 2 00..7F Vari. Param. 8 MSB Refer to the Ef. Parameter List Depend on Vari. Type
00..7F Vari. Param. 8 LSB Refer to the Ef. Parameter List Depend on Vari. Type
52 2 00..7F Vari. Param. 9 MSB Refer to the Ef. Parameter List Depend on Vari. Type
00..7F Vari. Param. 9 LSB Refer to the Ef. Parameter List Depend on Vari. Type
54 2 00..7F Vari. Param. 10 MSB Refer to the Ef. Parameter List Depend on Vari. Type
00..7F Vari. Param. 10 LSB Refer to the Ef. Parameter List Depend on Vari. Type
56 1 00..7F Variation Return - ..0..+6dB(0..64..127) 40
57 1 01..7F Variation Pan L63..C..R63(1..64..127) 40
58 1 00..7F Send Vari. To Reverb - ..0..+6dB(0..64..127) 00
59 1 00..7F Send Vari. To Chorus - ..0..+6dB(0..64..127) 00
5A 1 00..01 Variation Connection 0:insertion,1:system 00
5B 1 00..7F Variation Part part1..16(0..15),AD1(64),off(16..63,65..127) 7F
5C 1 00..7F MW Vari. Ctrl Depth -64..+63 40
5D 1 00..7F PB Vari. Ctrl Depth -64..+63 40
5E 1 00..7F CAT Vari. Ctrl Depth -64..+63 40
5F 1 00..7F Not Used
60 1 00..7F Not Used
TOTAL SIZE 21
02 01 70 1 00..7F Variation Parameter 11 option Parameter Depend on Variation Type
71 1 00..7F Variation Parameter 12 option Parameter Depend on Variation Type
72 1 00..7F Variation Parameter 13 option Parameter Depend on Variation Type
73 1 00..7F Variation Parameter 14 option Parameter Depend on Variation Type
74 1 00..7F Variation Parameter 15 option Parameter Depend on Variation Type
75 1 00..7F Variation Parameter 16 option Parameter Depend on Variation Type
TOTAL SIZE 6
< Table 1-5 > MIDI Parameter Change table (MULTI EQ)(PSR-740 ONLY)
Address Size Data Prameter Name Description Default Value
(H) (H) (H) (H)
02 40 00 1 34..4C EQ Type 0:FLAT 00
1:JAZZ
2:POPS
3:ROCK
4:CLASSIC
01 1 34..4C EQ Gain1 -12..+12[dB] 40
02 1 04..28 EQ Frequency1 32..2000[Hz] 0C
03 1 01..78 EQ Q1 0.1..12.0 07
04 1 00..01 EQ Shape1 00:Shelving,01:Peaking 00
05 1 34..4C EQ Gain2 -12..+12[dB] 40
06 1 0E..36 EQ Frequency2 0.1..10[KHz] 1C
07 1 01..78 EQ Q2 0.1..12.0 07
08 1 Not Used
09 1 34..4C EQ Gain3 -12..+12[dB] 40
0A 1 0E..36 EQ Frequency3 0.1..10[KHz] 22
0B 1 01..78 EQ Q3 0.1..12.0 07
0C 1 Not Used
0D 1 34..4C EQ Gain4 -12..+12[dB] 40
0E 1 0E..36 EQ Frequency4 0.1..10[KHz] 2E
0F 1 01..78 EQ Q4 0.1..12.0 07
10 1 Not Used
11 1 34..4C EQ Gain5 -12..+12[dB] 40
12 1 1C..3A EQ Frequency5 0.5..16.0[KHz] 34
13 1 01..78 EQ Q5 0.1..12.0 07
14 1 00..01 EQ Shape5 00:Shelving,01:Peaking 00
TOTAL SIZE 15
< Table 1-6 > MIDI Parameter change table (Effect2)(PSR-740 ONLY)
Address Size Data Prameter Name Description Default Value
(H) (H) (H) (H)
03 0n 00 2 00..7F Insertion Type MSB Refer to the Ef. Type List “49(=DISTORTION)”
00..7F Insertion Type LSB 00 : basic type 00
02 1 00..7F Insertion Parameter1 Refer to the Ef. Parameter List Depend on Insertion Type
03 1 00..7F Insertion Parameter2 Refer to the Ef. Parameter List Depend on Insertion Type
04 1 00..7F Insertion Parameter3 Refer to the Ef. Parameter List Depend on Insertion Type
05 1 00..7F Insertion Parameter4 Refer to the Ef. Parameter List Depend on Insertion Type
06 1 00..7F Insertion Parameter5 Refer to the Ef. Parameter List Depend on Insertion Type
07 1 00..7F Insertion Parameter6 Refer to the Ef. Parameter List Depend on Insertion Type
08 1 00..7F Insertion Parameter7 Refer to the Ef. Parameter List Depend on Insertion Type
09 1 00..7F Insertion Parameter8 Refer to the Ef. Parameter List Depend on Insertion Type
0A 1 00..7F Insertion Parameter9 Refer to the Ef. Parameter List Depend on Insertion Type
0B 1 00..7F Insertion Parameter10 Refer to the Ef. Parameter List Depend on Insertion Type
0C 1 00..7F Insertion Part Part1..16,OFF 7F
0D 1 00..7F MW INS CTRL DPT 40
0E 1 00..7F BEND INS CTRL DPT 40
0F 1 00..7F CAT INS CTRL DPT 40
10 1 00..7F Not Used
11 1 00..7F Not Used
TOTAL SIZE 12
03 0n 20 1 00..7F Insertion Parameter11 Refer to the Ef. Parameter List Depend on Insertion 1 Type
21 1 00..7F Insertion Parameter12 Refer to the Ef. Parameter List Depend on Insertion 1 Type
22 1 00..7F Insertion Parameter13 Refer to the Ef. Parameter List Depend on Insertion 1 Type
23 1 00..7F Insertion Parameter14 Refer to the Ef. Parameter List Depend on Insertion 1 Type
24 1 00..7F Insertion Parameter15 Refer to the Ef. Parameter List Depend on Insertion 1 Type
25 1 00..7F Insertion Parameter16 Refer to the Ef. Parameter List Depend on Insertion 1 Type
TOTAL SIZE 06
MIDI Data Format

170
168
03 0n 30 2 00..7F Ins. Param.1 MSB Refer to the Ef. Parameter List Depend on Insertion Type
00..7F Ins. Param.1 LSB Refer to the Ef. Parameter List Depend on Insertion Type
03 0n 32 2 00..7F Ins. Param.2 MSB Refer to the Ef. Parameter List Depend on Insertion Type
00..7F Ins. Param.2 LSB Refer to the Ef. Parameter List Depend on Insertion Type
03 0n 34 2 00..7F Ins. Param.3 MSB Refer to the Ef. Parameter List Depend on Insertion Type
00..7F Ins. Param.3 LSB Refer to the Ef. Parameter List Depend on Insertion Type
03 0n 36 2 00..7F Ins. Param.4 MSB Refer to the Ef. Parameter List Depend on Insertion Type
00..7F Ins. Param.4 LSB Refer to the Ef. Parameter List Depend on Insertion Type
03 0n 38 2 00..7F Ins. Param.5 MSB Refer to the Ef. Parameter List Depend on Insertion Type
00..7F Ins. Param.5 LSB Refer to the Ef. Parameter List Depend on Insertion Type
03 0n 3A 2 00..7F Ins. Param.6 MSB Refer to the Ef. Parameter List Depend on Insertion Type
00..7F Ins. Param.6 LSB Refer to the Ef. Parameter List Depend on Insertion Type
03 0n 3C 2 00..7F Ins. Param.7 MSB Refer to the Ef. Parameter List Depend on Insertion Type
00..7F Ins. Param.7 LSB Refer to the Ef. Parameter List Depend on Insertion Type
03 0n 3E 2 00..7F Ins. Param.8 MSB Refer to the Ef. Parameter List Depend on Insertion Type
00..7F Ins. Param.8 LSB Refer to the Ef. Parameter List Depend on Insertion Type
03 0n 40 2 00..7F Ins. Param.9 MSB Refer to the Ef. Parameter List Depend on Insertion Type
00..7F Ins. Param.9 LSB Refer to the Ef. Parameter List Depend on Insertion Type
03 0n 42 2 00..7F Ins. Param.10 MSB Refer to the Ef. Parameter List Depend on Insertion Type
00..7F Ins. Param.10 LSB Refer to the Ef. Parameter List Depend on Insertion Type
TOTAL SIZE 14
For effect types that do not require MSB, the Parameters for Address 02-0B will be received. Address 30-42 will not be received.
For effect types that require MSB, the Parameters for Address 30-42 will be received. Address 02-0B will not be received.
When Bulk Dumps that include Effect Type data are transmitted, the Parameters for Address 02 - 0B will always be transmitted.
But, effects that require MSB, when the bulk dump is received the Parameters for Address 02 - 0B will not be received.
n=Insertion Effect No.(0-1)
< Table 1-7 > MIDI Parameter Change table (SPECIAL EFFECT) (PSR-740 ONLY)
Address Size Data Prameter Name Description Default Value
(H) (H) (H) (H) (H)
04 00 00 2 00..7F Insertion Effect Type MSB Refer to the Effect Map 49(=DISTORTION)
00..7F Insertion Effect Type LSB 00 : basic type 00
02 1 00..7F Insertion Effect Parameter1 Refer to the Ef. Parameter List depends on insertion 1 type
03 1 00..7F Insertion Effect Parameter2 Refer to the Ef. Parameter List depends on insertion 1 type
04 1 00..7F Insertion Effect Parameter3 Refer to the Ef. Parameter List depends on insertion 1 type
05 1 00..7F Insertion Effect Parameter4 Refer to the Ef. Parameter List depends on insertion 1 type
06 1 00..7F Insertion Effect Parameter5 Refer to the Ef. Parameter List depends on insertion 1 type
07 1 00..7F Insertion Effect Parameter6 Refer to the Ef. Parameter List depends on insertion 1 type
08 1 00..7F Insertion Effect Parameter7 Refer to the Ef. Parameter List depends on insertion 1 type
09 1 00..7F Insertion Effect Parameter8 Refer to the Ef. Parameter List depends on insertion 1 type
0A 1 00..7F Insertion Effect Parameter9 Refer to the Ef. Parameter List depends on insertion 1 type
0B 1 00..7F Insertion Effect Parameter10 Refer to the Ef. Parameter List depends on insertion 1 type
0C 1 00..7F Insertion Effect Part Part1...16(0...15) 7F
AD1(64)
Off(16...63, 65...127)
0D 1 00..7F Not Used
0E 1 00..7F Not Used
0F 1 00..7F Not Used
10 1 00..7F Not Used
11 1 00..7F Not Used
TOTAL SIZE 12
04 00 14 1 00..7F Unique Insertion Effect External 1...16(0...15) 7F
Control CH1(Harmony Channel) Off(127)
15 1 00..7F Unique Insertion Effect External 1...16(0...15) 7F
Control CH2(Melody Channel) Off(127)
TOTAL SIZE 2
04 00 20 1 00..7F Insertion Effect Parameter11 Refer to the Ef. Parameter List depends on insertion 1 type
21 1 00..7F Insertion Effect Parameter12 Refer to the Ef. Parameter List depends on insertion 1 type
22 1 00..7F Insertion Effect Parameter13 Refer to the Ef. Parameter List depends on insertion 1 type
23 1 00..7F Insertion Effect Parameter14 Refer to the Ef. Parameter List depends on insertion 1 type
24 1 00..7F Insertion Effect Parameter15 Refer to the Ef. Parameter List depends on insertion 1 type
25 1 00..7F Insertion Effect Parameter16 Refer to the Ef. Parameter List depends on insertion 1 type
TOTAL SIZE 6
< Table 1-8 > MIDI Parameter Change table (MULTI PART)
Address Size Data Prameter Name Description Default Value
(H) (H) (H) (H)
08 nn 00 1 00..20 Element Reserve 0..32 0(Part10),2(Others)
nn 01 1 00..7F Bank Select MSB 0..127 7F(Part10),00(Others)
nn 02 1 00..7F Bank Select LSB 0..127 00
nn 03 1 00..7F Program Number 1..128 00
nn 04 1 00..0F, Rcv Channel 0..16;1..16,127;off Part No.
7F
nn 05 1 00..01 Mono/Poly Mode 0:mono,1:poly 01
nn 06 1 00..02 Same Note Number 0:single 00
Key On Assign 1:multi
2:inst (for DRUM)
nn 07 1 00..03 Part Mode 0:normal 00 (Except Part10)
1..3:drum thru,drum1..2 02 (Part10)
nn 08 1 28..58 Note Shift -24..+24[semitones] 40
nn 09 2 00..FF Detune -12.8..+12.7[Hz] 08 00
nn 0A 1st bit3..0 → bit7..4 (80)
2nd bit3..0 → bit3..0
nn 0B 1 00..7F Volume 0..127 64
nn 0C 1 00..7F Velocity Sense Depth 0..127 40
nn 0D 1 00..7F Velocity Sense Offset 0..127 40
nn 0E 1 00..7F Pan 0:random 40
L63..C..R63(1..64..127)
nn 0F 1 00..7F Note Limit Low C-2..G8 00
nn 10 1 00..7F Note Limit High C-2..G8 7F
nn 11 1 00..7F Dry Level 0..127 7F
nn 12 1 00..7F Chorus Send 0..127 00
nn 13 1 00..7F Reverb Send 0..127 28
nn 14 1 00..7F Variation Send 0..127 00
nn 15 1 00..7F Vibrato Rate -64..+63 40
nn 16 1 00..7F Vibrato Depth -64..+63 40
nn 17 1 00..7F Vibrato Delay -64..+63 40
nn 18 1 00..7F Filter Cutoff Freq. -64..+63 40
nn 19 1 00..7F Filter Resonance -64..+63 40
nn 1A 1 00..7F EG Attack Time -64..+63 40
nn 1B 1 00..7F EG Decay Time -64..+63 40
nn 1C 1 00..7F EG Release Time -64..+63 40
Address Size Data Prameter Name Description Default Value
(H) (H) (H) (H)
MIDI Data Format

171
169
nn 1D 1 28..58 MW Pitch Control -24..+24[semitones] 40
nn 1E 1 00..7F MW Filter Control -9600..+9450[cent] 40
nn 1F 1 00..7F MW Amp. Control -100..+100[%] 40
nn 20 1 00..7F MW LFO PMod Depth 0..127 0A
nn 21 1 00..7F MW LFO FMod Depth 0..127 00
nn 22 1 00..7F MW LFO AMod Depth 0..127 00
nn 23 1 28..58 Bend Pitch Control -24..+24[semitones] 42
nn 24 1 00..7F Bend Filter Control -9600..+9450[cent] 40
nn 25 1 00..7F Bend Amp. Control -100..+100[%] 40
nn 26 1 00..7F Bend LFO PMod Depth 0..127 00
nn 27 1 00..7F Bend LFO FMod Depth 0..127 00
nn 28 1 00..7F Bend LFO AMod Depth 0..127 00
TOTAL SIZE 29
nn 30 Not Used
: :
nn 40 Not Used
nn 41 1 00..7F Scale Tuning C -64..+63[cent] 40
nn 42 1 00..7F Scale Tuning C# -64..+63[cent] 40
nn 43 1 00..7F Scale Tuning D -64..+63[cent] 40
nn 44 1 00..7F Scale Tuning D# -64..+63[cent] 40
nn 45 1 00..7F Scale Tuning E -64..+63[cent] 40
nn 46 1 00..7F Scale Tuning F -64..+63[cent] 40
nn 47 1 00..7F Scale Tuning F# -64..+63[cent] 40
nn 48 1 00..7F Scale Tuning G -64..+63[cent] 40
nn 49 1 00..7F Scale Tuning G# -64..+63[cent] 40
nn 4A 1 00..7F Scale Tuning A -64..+63[cent] 40
nn 4B 1 00..7F Scale Tuning A# -64..+63[cent] 40
nn 4C 1 00..7F Scale Tuning B -64..+63[cent] 40
nn 4D 1 28..58 CAT Pitch Control -24..+24[semitones] 40
nn 4E 1 00..7F CAT Filter Control -9600..+9450[cent] 40
nn 4F 1 00..7F CAT Amplitude Control -100..+100[%] 40
nn 50 1 00..7F CAT LFO PMod Depth 0..127 00
nn 51 1 00..7F CAT LFO FMod Depth 0..127 00
nn 52 1 00..7F CAT LFO AMod Depth 0..127 00
nn 53 Not Used
: :
66 Not Used
nn 67 1 00..01 Portamento Switch off/on 00
nn 68 1 00..7F Portamento Time 0..127 00
nn 69 Not Used
: :
6E Not Used
TOTAL SIZE 3F
nn = PartNumber
If there is a Drum Voice assigned to the Part, the following parameters are ineffective.
• Bank Select LSB • Soft Pedal
• Pitch EG • Mono/Poly
• Portamento • Scale Tuning
< Table 1-9 > MIDI Parameter Change table (A/D PART) (PSR-740 ONLY)
Address Size Data Prameter Name Description Default Value
(H) (H) (H) (H)
10 nn 00 1 Not Use
01 1 Not Use
02 1 Not Use
03 1 Not Use
04 1 00..0F, 7F Rcv Channel A1...A16, OFF 7F
05 1 Not Use
:
0A 1 Not Use
0B 1 00..7F Volume 0...127 00
0C 1 Not Use
0D 1 Not Use
0E 1 01...7F Pan L63...C...R63 (1...127) 40
0F 1 Not Use
10 1 Not Use
11 1 00..7F Dry Level 0...127 7F
12 1 00..7F Chorus Send 0...127 00
13 1 00..7F Reverb Send 0...127 00
14 1 00..7F Variation Send 0...127 00
TOTAL SIZE 15
< Table 1-10 > MIDI Parameter Change table (DRUM SETUP)
Address Size Data Prameter Name Description Default Value
(H) (H) (H) (H) (H)
3n rr 00 1 00..7F Pitch Coarse -64..+63 40
3n rr 01 1 00..7F Pitch Fine -64..+63[cent] 40
3n rr 02 1 00..7F Level 0..127 Depend on the Note
3n rr 03 1 00..7F Alternate Group 0:off,1..127 Depend on the Note
3n rr 04 1 00..7F Pan 0:random Depend on the Note
L63..C..R63(1..64..127)
3n rr 05 1 00..7F Reverb Send Level 0..127 Depend on the Note
3n rr 06 1 00..7F Chorus Send Level 0..127 Depend on the Note
3n rr 07 1 00..7F Variation Send Level 0..127 7F
3n rr 08 1 00..01 Key Assign 0:single,1:multi 00
3n rr 09 1 00..01 Rcv Note Off off/on Depend on the Note
3n rr 0A 1 00..01 Rcv Note On off/on 01
3n rr 0B 1 00..7F Filter Cutoff Freq. -64..63 40
3n rr 0C 1 00..7F Filter Resonance -64..63 40
3n rr 0D 1 00..7F EG Attack Rate -64..63 40
3n rr 0E 1 00..7F EG Decay1 Rate -64..63 40
3n rr 0F 1 00..7F EG Decay2 Rate -64..63 40
TOTAL SIZE 10
n:Drum Setup Number(0 - 1)
rr:note number(0DH - 5BH)
If XG SYSTEM ON and/or GM On message is received, all Drum Setup Parameter will be reset to default values.
According to the Drum Setup Reset message, individual Drum Setup Parameters can be reset to default values.
Address Size Data Prameter Name Description Default Value
(H) (H) (H) (H)
MIDI Data Format

172
MIDI Data Format
< Table 1-11 > Effect Type List
XG ESSENTIAL EFFECT
Same as LSB=0
XG OPTION EFFECT
XG OPTION EFFECT(Only PSR-740)
Expanded type for PSR-740/640
* If the received value does not contain an effect type in the TYPE LSB, the LSB will be directed to TYPE 0.
* Panel Effects are based on the “[Number] Effect Name”.
REVERB TYPE (PSR-740/640)
TYPE MSB TYPE LSB
DEC HEX 00 01 02 03...07 08 09...15 16 17 18 19 20
000 00 NO EFFECT
001 01 [1]HALL1 [5]HALL2 [2]HALL2 [3]HALL3 [4]HALL4
002 02 [10]ROOM1 [11]ROOM2 [12]ROOM3 [6]ROOM1 [7]ROOM2 [8]ROOM3 [9]ROOM4
003 03 [15]STAGE1 [16]STAGE2 [13]STAGE1 [14]STAGE2
004 04 [19]PLATE [17]PLATE1 [18]PLATE2
005 05 NO EFFECT
:::
015 0F NO EFFECT
016 10 [20]WHITE ROOM
017 11 [21]TUNNEL
018 12 [22]CANYON
019 13 [23]BASEMENT
020 14 NO EFFECT
:::
127 7F NO EFFECT
CHORUS TYPE (PSR-740/640)
TYPE MSB TYPE LSB
DEC HEX 00 01 02 03...07 08 09...15 16 17 18 19 20
000 00 NO EFFECT
001 01 NO EFFECT
:::
064 40 NO EFFECT
065 41 [6]CHORUS1 [7]CHORUS2 [5]CHORUS5 [8]CHORUS4
066 42 [9]CELESTE1 [4]CHORUS4 [10]CELESTE3 [2]CHORUS2 [3]CHORUS3 [1]CHORUS1
067 43 [15]FLANGER 1 [14]FLANGER4 [11]FLANGER1 [12]FLANGER2 [13]FLANGER3
068 44 [17]SYMPHONIC [16]Symphonic
(PSR-740) (PSR-740)
069 45 NO EFFECT
:::
071 47 NO EFFECT
072 48 [18]PHASER 1
(PSR-740)
073 49 NO EFFECT
:::
086 56 NO EFFECT
087 57 [19]ENSEMBLE
DETUNE(PSR-740)
088 58 NO EFFECT
:::
127 7F NO EFFECT
VARIATION TYPE (0-63) (PSR-640)
TYPE MSB TYPE LSB
DEC HEX 00 01 02 03...07 08 09...15 16 17 18 19 20
000 00 NO EFFECT
001 01 [1]HALL1 [5]HALL2 [2]HALL2 [3]HALL3 [4]HALL4
002 02 [10]ROOM1 [11]ROOM2 [12]ROOM3 [6]ROOM1 [7]ROOM2 [8]ROOM3 [9]ROOM4
003 03 [15]STAGE1 [16]STAGE2 [13]STAGE1 [14]STAGE2
004 04 [19]PLATE [17]PLATE1 [18]PLATE2
005 05 [21]DELAY L,C,R [20]Delay LCR
006 06 [22]DELAY L,R
007 07 [23]ECHO
008 08 [24]CROSS DELAY
009 09 [25]ER1 [26]ER2
010 0A [27]GATE REVERB
011 0B [28]REVERS GATE
012 0C NO EFFECT or THRU*
:::
019 13 NO EFFECT or THRU*
020 14 [29]KARAOKE 1 [30]KARAOKE 2 [31]KARAOKE 3
021 15 NO EFFECT or THRU*
:::
063 3F NO EFFECT or THRU*
* No effect when Effect Connection = System.
Through when Effect Connection = Insertion.
VARIATION TYPE (64-127) (PSR-640)
TYPE MSB TYPE LSB
DEC HEX 00 01 02 03...07 08 09...15 16 17 18 19 20
064 40 THRU
065 41 [37]CHORUS1 [38]CHORUS2 [36]CHORUS5 [39]CHORUS4
066 42 [40]CELESTE1 [35]CHORUS4 [41]CELESTE3 [33]CHORUS2 [34]CHORUS3 [32]CHORUS1 [53]Rotary Sp5
067 43 [46]FLANGER 1 [45]FLANGER 4 [42]FLANGER1 [43]FLANGER2 [44]FLANGER3
068 44 [48]SYMPHONIC [47]Symphonic
069 45 [54]ROTARY SP. [49]Rotary Sp1
070 46 [57]TREMOLO [55]Tremolo1 [52]Rotary Sp4
071 47 [60]AUTO PAN [59]AutoPan [50]Rotary Sp2 [51]Rotary Sp3 [56]Tremolo2 [58]Gtr Tremolo
072 48 [61]PHASER [62]PHASER 2
073 49 [65]DISTORTION
074 4A [66]OVER DRIVE
075 4B [67]AMP SIM. [63]DIST.HARD [64]DIST.SOFT
076 4C [70]3BAND EQ [68]EQ DISCO [69]EQ TEL
077 4D [71]2BAND EQ
078 4E [73]AUTO WAH [72]Auto Wah
079 4F NO EFFECT or THRU*
:::
127 7F NO EFFECT or THRU*
* No effect when Effect Connection = System.
Through when Effect Connection = Insertion.
170

173
MIDI Data Format
VARIATION TYPE (0-63) (PSR-740)
TYPE MSB TYPE LSB
DEC HEX 00 01 02 03...07 08 09...15 16 17 18 19 20
000 00 NO EFFECT
001 01 [1]HALL1 [5]HALL2 [2]HALL2 [3]HALL3 [4]HALL4
002 02 [10]ROOM1 [11]ROOM2 [12]ROOM3 [6]ROOM1 [7]ROOM2 [8]ROOM3 [9]ROOM4
003 03 [15]STAGE1 [16]STAGE2 [13]STAGE1 [14]STAGE2
004 04 [19]PLATE [17]PLATE1 [18]PLATE2
005 05 [21]DELAY L,C,R [20]Delay LCR
006 06 [22]DELAY L,R
007 07 [23]ECHO
008 08 [24]CROSS DELAY
009 09 [25]ER1 [26]ER2
010 0A [27]GATE REVERB
011 0B [28]REVERS GATE
012 0C NO EFFECT or THRU*
:::
015 0F NO EFFECT or THRU*
016 10 [29]WHITE ROOM
017 11 [30]TUNNEL
018 12 [31]CANYON
019 13 [32]BASEMENT
020 14 [33]KARAOKE 1
[34]KARAOKE 2 [35]KARAOKE 3
021 15 NO EFFECT or THRU*
:::
063 3F NO EFFECT or THRU*
* No effect when Effect Connection = System.
Through when Effect Connection = Insertion.
VARIATION TYPE (64-127) (PSR-740)
TYPE MSB TYPE LSB
DEC HEX 00 01 02 03...07 08 09...15 16 17 18 19 20
064 40 THRU
065 41 [41]CHORUS1 [42]CHORUS2 [40]CHORUS5 [43]CHORUS4
066 42 [44]CELESTE1 [39]CHORUS4 [45]CELESTE3 [37]CHORUS2 [38]CHORUS3 [36]CHORUS1 [57]Rotary Sp5
067 43 [50]FLANGER 1 [49]FLANGER 4 [46]FLANGER1 [47]FLANGER2 [48]FLANGER3
068 44 [52]SYMPHONIC [51]Symphonic
069 45 [58]ROTARY SP. [53]Rotary Sp1
070 46 [62]TREMOLO [60]Tremolo1 [56]Rotary Sp4
071 47 [65]AUTO PAN [64]AutoPan [54]Rotary Sp2 [55]Rotary Sp3 [61]Tremolo2 [63]Gtr Tremolo
072 48 [66]PHASER [67]PHASER 2
073 49 [70]DISTORTION [72]COMP
+DISTORTION
074 4A [71]OVER DRIVE
075 4B [73]AMP SIM. [68]DIST.HARD [69]DIST.SOFT
076 4C [76]3BAND EQ [74]EQ DISCO [75]EQ TEL
077 4D [77]2BAND EQ
078 4E [79]AUTO WAH [82]AUTO WAH [83]AUTO WAH [78]Auto Wah
+DIST +OVERDRIVE
079 4F THRU
080 50 [89]PITCH CHANGE1 [90]PITCH
CHANGE2
081 51
[84]HARMONIC ENHANCER
082 52 [80]TOUCH WAH 1
[85]TOUCH WAH [86]TOUCH WAH
[81]TOUCH
+DIST +OVERDRIVE WAH 2
083 53 [87]COMPRESSOR
084 54 [88]NOISE GATE
085 55 [91]VOICE CANCEL
086 56 [59]2WAY ROTARY SP
087 57
[92]ENSEMBLE DETUNE
088 58 [93]AMBIENCE
089 59 THRU
::
092 5C THRU
093 5D
[94]TALKING MODULATOR
094 5E [95]LO-FI
095 5F [96]DIST+DELAY
[97]OVERDRIVE
+DELAY
096 60 [98]COMP+DIST [99]COMP
+DELAY +OVERDRIVE
+DELAY
097 61 [100]WAH+DIST [101]WAH
+DELAY +OVERDRIVE
+DELAY
098 62 THRU
::
127 7F THRU
INSERTION TYPE (PSR-740)
TYPE MSB TYPE LSB
DEC HEX 00 01 02 03...07 08 09...15 16 17 18 19 20
000 0 THRU
001 1 [1]HALL 1 [5]HALL 2 [2]HALL2 [3]HALL3 [4]HALL4
002 2 [10]ROOM 1 [11]ROOM 2 [12]ROOM 3 [6]ROOM1 [7]ROOM2 [8]ROOM3 [9]ROOM4
003 3 [15]STAGE 1 [16]STAGE 2 [13]STAGE1 [14]STAGE2
004 4 [19]PLATE [17]PLATE1 [18]PLATE2
005 5 [21]DELAY L,C,R [20]Delay LCR
006 6 [22]DELAY L,R
007 7 [23]ECHO
008 8 [24]CROSS DELAY
009 9 THRU
:::
019 13 THRU
020 14 [25]KARAOKE 1 [26]KARAOKE 2 [27]KARAOKE 3
021 15 THRU
:::
064 40 THRU
065 41 [33]CHORUS 1 [34]CHORUS 2 [32]CHORUS 3 [35]CHORUS 4
066 42 [36]CELESTE 1 [31]CELESTE 2 [37]CELESTE 3 [29]CELESTE 4 [30]CHORUS3 [28]CHORUS1 [49]Rotary Sp5
067 43 [42]FLANGER 1 [41]FLANGER 2 [38]FLANGER 3 [39]FLANGER2 [40]FLANGER3
068 44 [44]SYMPHONIC [43]Symphonic
069 45 [50]
ROTARY SPEAKER 1
[45]Rotary Sp1
070 46 [53]TREMOLO [51]Tremolo1 [48]Rotary Sp4
071 47 [56]AUTO PAN [55]AutoPan [46]Rotary Sp2 [47]Rotary Sp3 [52]Tremolo2 [54]Gtr Tremolo
072 48 [57]PHASER 1
073 49 [60]DISTORTION
074 4A [61]OVER DRIVE
075 4B [62]AMP SIMULATOR [58]DIST.HARD [59]DIST.SOFT
076 4C [65]3-BAND EQ [63]EQ DISCO [64]EQ TEL
077 4D [66]2-BAND EQ
078 4E [68]AUTO WAH(LFO) [67]Auto Wah
079 4F THRU
080 50 THRU
081 51
[69]HARMONIC ENHANCER
082 52 [70]TOUCH WAH 1
[71]TOUCH WAH 2
083 53 [72]COMPRESSOR
084 54 [73]NOISE GATE
085 55 THRU
086 56 THRU
087 57
[74]ENSEMBLE DETUNE
088 58 THRU
:::
127 7F THRU
171

174
172
EARLY REF1,EARLY REF2(variation block)
No. Parameter Display Value See Table Comment Control
1 Type S-H, L-H, Rdm, Rvs, Plt, Spr 0-5
2 Room Size 0.1-7.0 0-44 table#6
3 Diffusion 0-10 0-10
4 Initial Delay 0.1mS-99.3mS 0-63 table#5
5 Feedback Level -63-+63 1-127
6 HPF Cutoff Thru-8.0kHz 0-52 table#3
7 LPF Cutoff 1.0k-Thru 34-60 table#3
8
9
10 Dry/Wet D63>W - D=W - D<W63 1-127 ●
11 Liveness 0-10 0-10
12 Density 0-3 0-3
13 High Damp 0.1-1.0 1-10
14
15
16
GATE REVERB, REVERSE GATE (variation block)
No. Parameter Display Value See Table Comment Control
1 Type TypeA,TypeB 0-1
2 Room Size 0.1-20.0 0-127 table#6
3 Diffusion 0-10 0-10
4 Initial Delay 0.1mS-200.0mS 0-127 table#5
5 Feedback Level -63-+63 1-127
6 HPF Cutoff Thru-8.0kHz 0-52 table#3
7 LPF Cutoff 1.0k-Thru 34-60 table#3
8
9
10 Dry/Wet D63>W - D=W - D<W63 1-127 ●
11 Liveness 0-10 0-10
12 Density 0-3 0-3
13 High Damp 0.1-1.0 1-10
14
15
16
KARAOKE1,2,3 (variation, insertion block)
No. Parameter Display Value See Table Comment Control
1 Delay Time 0.1mS-400.0mS 0-127 table#7
2 Feedback Level -63-+63 1-127
3 HPF Cutoff Thru-8.0kHz 0-52 table#3
4 LPF Cutoff 1.0k-Thru 34-60 table#3
5
6
7
8
9
10 Dry/Wet D63>W - D=W - D<W63 1-127 ●
11
12
13
14
15
16
CHORUS1,2,3,4, CELESTE1,2,3,4 (chorus, variation, insertion block)
No. Parameter Display Value See Table Comment Control
1 LFO Frequency 0.00Hz-39.7Hz 0-127 table#1
2 LFO Depth 0-127 0-127
3 Feedback Level -63-+63 1-127
4 Delay Offset 0.0mS-50mS 0-127 table#2
5
6 EQ Low Frequency 32Hz-2.0kHz 4-40 table#3 PSR-740
50Hz-2.0kHz 8-40 table#3 PSR-640
7 EQ Low Gain -12-+12dB 52-76
8 EQ High Frequency 500Hz-16.0kHz 28-58 table#3
9 EQ High Gain -12-+12dB 52-76
10 Dry/Wet D63>W - D=W - D<W63 1-127 ●
11 EQ Mid Frequency
100Hz-10.0kHz (variation block)
14-54 table#3
PSR-740 only
12 EQ Mid Gain -12-+12dB (variation block) 52-76
PSR-740 only
13 EQ Mid Width 1.0-12.0 (variation block) 10-120
PSR-740 only
14
15 Input Mode mono/stereo 0-1
16
FLANGER1,2,3 (chorus, variation, insertion block)
No. Parameter Display Value See Table Comment Control
1 LFO Frequency 0.00Hz-39.7Hz 0-127 table#1
2 LFO Depth 0-127 0-127
3 Feedback Level -63-+63 1-127
4 Delay Offset 0.0mS-50mS 0-127 table#2
5
6 EQ Low Frequency 32Hz-2.0kHz 4-40 table#3 PSR-740
50Hz-2.0kHz 8-40 table#3 PSR-640
7 EQ Low Gain -12-+12dB 52-76
8 EQ High Frequency 500Hz-16.0kHz 28-58 table#3
9 EQ High Gain -12-+12dB 52-76
10 Dry/Wet D63>W - D=W - D<W63 1-127 ●
11 EQ Mid Frequency
100Hz-10.0kHz (variation block)
14-54 table#3
PSR-740 only
12 EQ Mid Gain -12-+12dB (variation block) 52-76
PSR-740 only
13 EQ Mid Width 1.0-12.0 (variation block) 10-120
PSR-740 only
14 LFO Phase Difference
-180-+180deg(resolution=3deg.)
4-124
15
16
SYMPHONIC (chorus, variation, insertion block)
No. Parameter Display Value See Table Comment Control
1 LFO Frequency 0.00Hz-39.7Hz 0-127 table#1
2 LFO Depth 0-127 0-127
3 Delay Offset 0.0mS-50mS 0-127 table#2
4
5
6 EQ Low Frequency 32Hz-2.0kHz 4-40 table#3 PSR-740
50Hz-2.0kHz 8-40 table#3 PSR-640
7 EQ Low Gain -12-+12dB 52-76
8 EQ High Frequency 500Hz-16.0kHz 28-58 table#3
9 EQ High Gain -12-+12dB 52-76
10 Dry/Wet D63>W - D=W - D<W63 1-127 ●
11 EQ Mid Frequency
100Hz-10.0kHz (variation block)
14-54 table#3
PSR-740 only
12 EQ Mid Gain -12-+12dB (variation block) 52-76
PSR-740 only
13 EQ Mid Width 1.0-12.0 (variation block) 10-120
PSR-740 only
14
15
16
ENSEMBLE DETUNE (chorus, variation, insertion block)
No. Parameter Display Value See Table Comment Control
1 Detune -50-+50cent 14-114
2 Lch Init Delay 0.0mS-50mS 0-127 table#2
3 Rch Init Delay 0.0mS-50mS 0-127 table#2
4
5
6
7
8
9
10 Dry/Wet D63>W - D=W - D<W63 1-127 ●
11 EQ Low Frequency 32Hz-2.0kHz 4-40 table#3
(variation, insertion block)
12 EQ Low Gain -12-+12dB 52-76
(variation, insertion block)
13 EQ High Frequency 500Hz-16.0kHz 28-58 table#3
(variation, insertion block)
14 EQ High Gain -12-+12dB 52-76
(variation, insertion block)
15
16
HALL1,HALL2, ROOM1,ROOM2,ROOM3, STAGE1,STAGE2, PLATE (reverb, variation, insertion block)
No. Parameter Display Value See Table Comment Control
1 Reverb Time 0.3-30.0s 0-69 table#4
2 Diffusion 0-10 0-10
3 Initial Delay 0.1mS-99.3mS 0-63 table#5
4 HPF Cutoff Thru-8.0kHz 0-52 table#3
5 LPF Cutoff 1.0k-Thru 34-60 table#3
6
7
8
9
10 Dry/Wet D63>W - D=W - D<W63 1-127 ●
11 Rev Delay 0.1mS-99.3mS 0-63 table#5
12 Density 0-4 (reverb, variation block) 0-4 PSR-740
0-4 (reverb, variation block) 0-3 PSR-640
0-2 (insertion block) 0-2
13 Er/Rev Balance E63>R - E=R - E<R63 1-127
14 High Damp 0.1-1.0 1-10
15 Feedback Level -63-+63 1-127
16
WHITE ROOM, TUNNEL, CANYON, BASEMENT (reverb, variation block)
No. Parameter Display Value See Table Comment Control
1 Reverb Time 0.3-30.0s 0-69 table#4
2 Diffusion 0-10 0-10
3 Initial Delay 0.1mS-99.3mS 0-63 table#5
4 HPF Cutoff Thru-8.0kHz 0-52 table#3
5 LPF Cutoff 1.0k-Thru 34-60 table#3
6 Width 0.5-10.2m 0-37 table#11
7 Heigt 0.5-20.2m 0-73 table#11
8 Depth 0.5-30.2m 0-104 table#11
9 Wall Vary 0-30 0-30
10 Dry/Wet D63>W - D=W - D<W63 1-127 ●
11 Rev Delay 0.1mS-99.3mS 0-63 table#5
12 Density 0-4 0-4 PSR-740
0-4 0-3 PSR-640
13 Er/Rev Balance E63>R - E=R - E<R63 1-127
14 High Damp 0.1-1.0 1-10
PSR-740 only
15 Feedback Level -63-+63 1-127
16
DELAY L,C,R (variation, insertion block)
No. Parameter Display Value See Table Comment Control
1 Lch Delay 0.1-715.0ms (variation block) 1-7150
0.1-715.0ms (Insertion block) 1-7150
2 Rch Delay 0.1-715.0ms (variation block) 1-7150
0.1-715.0ms (Insertion block) 1-7150
3 Cch Delay 0.1-715.0ms (variation block) 1-7150
0.1-715.0ms (Insertion block) 1-7150
4 Feedback Delay 0.1-715.0ms (variation block) 1-7150
0.1-715.0ms (Insertion block) 1-7150
5 Feedback Level -63-+63 1-127
6 Cch Level 0-127 0-127
7 High Damp 0.1-1.0 1-10
8
9
10 Dry/Wet D63>W - D=W - D<W63 1-127 ●
11
12
13 EQ Low Frequency 32Hz-2.0kHz 4-40 table#3 PSR-740
50Hz-2.0kHz 8-40 table#3 PSR-640
14 EQ Low Gain -12-+12dB 52-76
15 EQ High Frequency 500Hz-16.0kHz 28-58 table#3
16 EQ High Gain -12-+12dB 52-76
DELAY L,R (variation, insertion block)
No. Parameter Display Value See Table Comment Control
1 Lch Delay 0.1-715.0ms (variation block) 1-7150
0.1-715.0ms (Insertion block) 1-7150
2 Rch Delay 0.1-715.0ms (variation block) 1-7150
0.1-715.0ms (Insertion block) 1-7150
3 Feedback Delay 1 0.1-715.0ms (variation block) 1-7150
0.1-715.0ms (Insertion block) 1-7150
4 Feedback Delay 2 0.1-715.0ms (variation block) 1-7150
0.1-715.0ms (Insertion block) 1-7150
5 Feedback Level -63-+63 1-127
6 High Damp 0.1-1.0 1-10
7
8
9
10 Dry/Wet D63>W - D=W - D<W63 1-127 ●
11
12
13 EQ Low Frequency 32Hz-2.0kHz 4-40 table#3 PSR-740
50Hz-2.0kHz 8-40 table#3 PSR-640
14 EQ Low Gain -12-+12dB 52-76
15 EQ High Frequency 500Hz-16.0kHz 28-58 table#3
16 EQ High Gain -12-+12dB 52-76
ECHO (variation, insertion block)
No. Parameter Display Value See Table Comment Control
1 Lch Delay1 0.1-355.0ms (variation block) 1-3550
0.1-355.0ms (insertion block) 1-3550
2 Lch Feedback Level -63-+63 1-127
3 Rch Delay1 0.1-355.0ms (variation block) 1-3550
0.1-355.0ms (insertion block) 1-3550
4 Rch Feedback Level -63-+63 1-127
5 High Damp 0.1-1.0 1-10
6 Lch Delay2 0.1-355.0ms (variation block) 1-3550
0.1-355.0ms (insertion block) 1-3550
7 Rch Delay2 0.1-355.0ms (variation block) 1-3550
0.1-355.0ms (insertion block) 1-3550
8 Delay2 Level 0-127 0-127
9
10 Dry/Wet D63>W - D=W - D<W63 1-127 ●
11
12
13 EQ Low Frequency 32Hz-2.0kHz 4-40 table#3 PSR-740
50Hz-2.0kHz 8-40 table#3 PSR-640
14 EQ Low Gain -12-+12dB 52-76
15 EQ High Frequency 500Hz-16.0kHz 28-58 table#3
16 EQ High Gain -12-+12dB 52-76
CROSS DELAY (variation, insertion block)
No. Parameter Display Value See Table Comment Control
1 L->R Delay 0.1-355.0ms (variation block) 1-3550
0.1-355.0ms (insertion block) 1-3550
2 R->L Delay 0.1-355.0ms (variation block) 1-3550
0.1-355.0ms (insertion block) 1-3550
3 Feedback Level -63-+63 1-127
4 Input Select L,R,L&R 0-2
5 High Damp 0.1-1.0 1-10
6
7
8
9
10 Dry/Wet D63>W - D=W - D<W63 1-127 ●
11
12
13 EQ Low Frequency 32Hz-2.0kHz 4-40 table#3 PSR-740
50Hz-2.0kHz 8-40 table#3 PSR-640
14 EQ Low Gain -12-+12dB 52-76
15 EQ High Frequency 500Hz-16.0kHz 28-58 table#3
16 EQ High Gain -12-+12dB 52-76
< Table 1-12 > Effect Parameter List
MIDI Data Format

175
173
AMBIENCE (variation block)
No. Parameter Display Value See Table Comment Control
1 Delay Time 0.0mS-50mS 0-127 table#2
2 Output Phase normal/invers 0-1
3
4
5
6 EQ Low Frequency 32Hz-2.0kHz 4-40 table#3
7 EQ Low Gain -12-+12dB 52-76
8 EQ High Frequency 500Hz-16.0kHz 28-58 table#3
9 EQ High Gain -12-+12dB 52-76
10 Dry/Wet D63>W - D=W - D<W63 1-127 ●
11
12
13
14
15
16
ROTARY SPEAKER (variation, insertion block)
No. Parameter Display Value See Table Comment Control
1 LFO Frequency 0.00Hz-39.7Hz 0-127 table#1 ●
2 LFO Depth 0-127 0-127
3
4
5
6 EQ Low Frequency 32Hz-2.0kHz 4-40 table#3 PSR-740
50Hz-2.0kHz 8-40 table#3 PSR-640
7 EQ Low Gain -12-+12dB 52-76
8 EQ High Frequency 500Hz-16.0kHz 28-58 table#3
9 EQ High Gain -12-+12dB 52-76
10 Dry/Wet D63>W - D=W - D<W63 1-127
11 EQ Mid Frequency
100Hz-10.0kHz (variation block)
14-54 table#3
PSR-740 only
12 EQ Mid Gain -12-+12dB (variation block) 52-76
PSR-740 only
13 EQ Mid Width 1.0-12.0 (variation block) 10-120
PSR-740 only
14
15
16
2WAY ROTARY SPEAKER (variation block)
No. Parameter Display Value See Table Comment Control
1 Rotor Speed 0.0Hz-39.7Hz 0-127 table#1 ●
2 Drive Low 0-127 0-127
3 Drive High 0-127 0-127
4 Low/High L63>H - L=H - L<H63 1-127
5
6 EQ Low Frequency 32Hz-2.0kHz 4-40 table#3
7 EQ Low Gain -12-+12dB 52-76
8 EQ High Frequency 500Hz-16.0kHz 28-58 table#3
9 EQ High Gain -12-+12dB 52-76
10
11 Crossover Frequency 100Hz-10.0kHz 14-54 table#3
12 Mic L-R Angle
0deg-180deg(resolution=3deg.)
0-60
13
14
15
16
TREMOLO (variation, insertion block)
No. Parameter Display Value See Table Comment Control
1 LFO Frequency 0.00Hz-39.7Hz 0-127 table#1 ●
2 AM Depth 0-127 0-127
3 PM Depth 0-127 0-127
4
5
6 EQ Low Frequency 32Hz-2.0kHz 4-40 table#3 PSR-740
50Hz-2.0kHz 8-40 table#3 PSR-640
7 EQ Low Gain -12-+12dB 52-76
8 EQ High Frequency 500Hz-16.0kHz 28-58 table#3
9 EQ High Gain -12-+12dB 52-76
10
11 EQ Mid Frequency
100Hz-10.0kHz (variation block)
14-54 table#3
PSR-740 only
12 EQ Mid Gain -12-+12dB (variation block) 52-76
PSR-740 only
13 EQ Mid Width 1.0-12.0 (variation block) 10-120
PSR-740 only
14 LFO Phase Difference
-180-+180deg(resolution=3deg.)
4-124
15 Input Mode mono/stereo 0-1
16
AUTO PAN (variation, insertion block)
No. Parameter Display Value See Table Comment Control
1 LFO Frequency 0.00Hz-39.7Hz 0-127 table#1 ●
2 L/R Depth 0-127 0-127
3 F/R Depth 0-127 0-127
4 PAN Direction
L<->R,L->R,L<-R,Lturn,Rturn,L/R
0-5
5
6 EQ Low Frequency 32Hz-2.0kHz 4-40 table#3 PSR-740
50Hz-2.0kHz 8-40 table#3 PSR-640
7 EQ Low Gain -12-+12dB 52-76
8 EQ High Frequency 500Hz-16.0kHz 28-58 table#3
9 EQ High Gain -12-+12dB 52-76
10
11 EQ Mid Frequency
100Hz-10.0kHz (variation block)
14-54 table#3
PSR-740 only
12 EQ Mid Gain -12-+12dB (variation block) 52-76
PSR-740 only
13 EQ Mid Width 1.0-12.0 (variation block) 10-120
PSR-740 only
14
15
16
PHASER 1 (chorus, variation, insertion block)
No. Parameter Display Value See Table Comment Control
1 LFO Frequency 0.00Hz-39.7Hz 0-127 table#1
2 LFO Depth 0-127 0-127
3 Phase Shift Offset 0-127 0-127
4 Feedback Level -63-+63 1-127
5
6 EQ Low Frequency 32Hz-2.0kHz 4-40 table#3 PSR-740
50Hz-2.0kHz 8-40 table#3 PSR-640
7 EQ Low Gain -12-+12dB 52-76
8 EQ High Frequency 500Hz-16.0kHz 28-58 table#3
9 EQ High Gain -12-+12dB 52-76
10 Dry/Wet D63>W - D=W - D<W63 1-127 ●
11 Stage 4,5,6 (chorus, insertion block) 4-6
4-12 (variation block) 4-12 PSR-740
6-10 (variation block) 6-10 PSR-640
12 Diffusion mono/stereo 0-1
13
14
15
16
PHASER 2 (variation block)
No. Parameter Display Value See Table Comment Control
1 LFO Frequency 0.00Hz-39.7Hz 0-127 table#1
2 LFO Depth 0-127 0-127
3 Phase Shift Offset 0-127 0-127
4 Feedback Level -63-+63 1-127
5
6 EQ Low Frequency 32Hz-2.0kHz 4-40 table#3 PSR-740
50Hz-2.0kHz 8-40 table#3 PSR-640
7 EQ Low Gain -12-+12dB 52-76
8 EQ High Frequency 500Hz-16.0kHz 28-58 table#3
9 EQ High Gain -12-+12dB 52-76
10 Dry/Wet D63>W - D=W - D<W63 1-127 ●
11 Stage 3,4,5,6 3-6 PSR-740
12 3,4,5 3-5 PSR-640
13 LFO Phase Difference -180deg-+180deg 4-124
(resolution=3deg.)
14
15
16
DISTORTION, OVERDRIVE (variation, insertion block)
No. Parameter Display Value See Table Comment Control
1 Drive 0-127 0-127 ●
2 EQ Low Frequency 32Hz-2.0kHz 4-40 table#3 PSR-740
50Hz-2.0kHz 8-40 table#3 PSR-640
3 EQ Low Gain -12-+12dB 52-76
4 LPF Cutoff 1.0k-Thru 34-60 table#3
5 Output Level 0-127 0-127
6
7 EQ Mid Frequency 100Hz-10.0kHz 14-54 table#3 PSR-740
500Hz-10.0kHz 28-54 table#3 PSR-640
8 EQ Mid Gain -12-+12dB 52-76
9 EQ Mid Width 1.0-12.0 10-120
10 Dry/Wet D63>W - D=W - D<W63 1-127
11 Edge(Clip Curve) 0-127 0-127 mild-sharp
12
13
14
15
16
COMP+DIST (variation block)
No. Parameter Display Value See Table Comment Control
1 Drive 0-127 0-127 ●
2 EQ Low Frequency 32Hz-2.0kHz 4-40 table#3
3 EQ Low Gain -12-+12dB 52-76
4 LPF Cutoff 1.0k-Thru 34-60 table#3
5 Output Level 0-127 0-127
6
7 EQ Mid Frequency 100Hz-10.0kHz 14-54 table#3
8 EQ Mid Gain -12-+12dB 52-76
9 EQ Mid Width 1.0-12.0 10-120
10 Dry/Wet D63>W - D=W - D<W63 1-127
11 Edge(Clip Curve) 0-127 0-127 mild-sharp
12 Attack 1ms-40ms 0-19 table#8
13 Release 10ms-680ms 0-15 table#9
14 Threshold -48dB—6dB 79-121
15 Ratio 1.0-20.0 0-7 table#10
16
AMP SIMULATOR (variation, insertion block)
No. Parameter Display Value See Table Comment Control
1 Drive 0-127 0-127 ●
2 AMP Type Off,Stack,Combo,Tube 0-3
3 LPF Cutoff 1.0k-Thru 34-60 table#3
4 Output Level 0-127 0-127
5
6
7
8
9
10 Dry/Wet D63>W - D=W - D<W63 1-127
11 Edge(Clip Curve) 0-127 0-127 mild-sharp
12
13
14
15
16
3BAND EQ(MONO) (variation, insertion block)
No. Parameter Display Value See Table Comment Control
1 EQ Low Gain -12-+12dB 52-76
2 EQ Mid Frequency 100Hz-10.0kHz 14-54 table#3 PSR-740
500Hz-10.0kHz 28-54 table#3 PSR-640
3 EQ Mid Gain -12-+12dB 52-76
4 EQ Mid Width 1.0-12.0 10-120
5 EQ High Gain -12-+12dB 52-76
6 EQ Low Frequency 50Hz-2.0kHz 8-40 table#3
7 EQ High Frequency 500Hz-16.0kHz 28-58 table#3
8
9
10
11
12
13
14
15 Input Mode mono/stereo 0-1
16
2BAND EQ(STEREO) (variation, insertion block)
No. Parameter Display Value See Table Comment Control
1 EQ Low Frequency 32Hz-2.0kHz 4-40 table#3 PSR-740
50Hz-2.0kHz 8-40 table#3 PSR-640
2 EQ Low Gain -12-+12dB 52-76
3 EQ High Frequency 500Hz-16.0kHz 28-58 table#3
4 EQ High Gain -12-+12dB 52-76
5
6
7
8
9
10
11
12
13
14
15
16
AUTO WAH (variation, insertion block)
No. Parameter Display Value See Table Comment Control
1 LFO Frequency 0.00Hz-39.7Hz 0-127 table#1
2 LFO Depth 0-127 0-127
3 Cutoff Frequency Offset 0-127 0-127 ●
4 Resonance 1.0-12.0 10-120
5
6 EQ Low Frequency 32Hz-2.0kHz 4-40 table#3 PSR-740
50Hz-2.0kHz 8-40 table#3 PSR-640
7 EQ Low Gain -12-+12dB 52-76
8 EQ High Frequency 500Hz-16.0kHz 28-58 table#3
9 EQ High Gain -12-+12dB 52-76
10 Dry/Wet D63>W - D=W - D<W63 1-127
11 Drive 0-127(variation block) 0-127
12
13
14
15
16
AUTO WAH+DIST, AUTO WHA+ODRV (variation block)
No. Parameter Display Value See Table Comment Control
1 LFO Frequency 0.00Hz-39.7Hz 0-127 table#1
2 LFO Depth 0-127 0-127
3 Cutoff Frequency Offset 0-127 0-127 ●
4 Resonance 1.0-12.0 10-120
5
6 EQ Low Frequency 32Hz-2.0kHz 4-40 table#3
7 EQ Low Gain -12-+12dB 52-76
8 EQ High Frequency 500Hz-16.0kHz 28-58 table#3
9 EQ High Gain -12-+12dB 52-76
10 Dry/Wet D63>W - D=W - D<W63 1-127
11 Drive 0-127 0-127
12 EQ Low Gain(distortion) -12-+12dB 52-76
13 EQ Mid Gain(distortion) -12-+12dB 52-76
14 LPF Cutoff 1.0kHz-thru 34-60 table#3
15 Output Level 0-127 0-127
16
MIDI Data Format

176
174
NO EFFECT (reverb, chorus, variation block), THRU (variation, insertion block)
No. Parameter Display Value See Table Comment Control
1
2
3
4
5
6
7
8
9
10
11
12
13
14
15
16
HARMONIC ENHANCER (variation block)
No. Parameter Display Value See Table Comment Control
1 HPF Cutoff 500Hz-16kHz 28-58 table#3
2 Drive 0-127 0-127
3 Mix Level 0-127 0-127
4
5
6
7
8
9
10
11
12
13
14
15
16
TALKING MODULATION (variation block)
No. Parameter Display Value See Table Comment Control
1 Vowel a,i,u,e,o 0-4
2 Move speed 1-62 1-62
3 Drive 0-127 0-127
4 Output Level 0-127 0-127
5
6
7
8
9
10
11
12
13
14
15
16
LO-FI (variation block)
No. Parameter Display Value See Table Comment Control
1 Sampling Freq Control a,i,u,e,o 0-4
2 Word Length 1-62 1-62
3 Output Gain 0-127 0-127
4 LPF Cutoff 0-127 0-127
5 Filter Type
Thru,PowerBass,Radio,Tel,Clean,Low
0-5
6 LPF Resonance 1.0-12.0 10-120
7 Bit Assign 0-6 0-6
8 Emphasis Off/On 0-1
9
10 Dry/Wet D63>W - D=W - D<W63 1-127 ●
11
12
13
14
15 Input Mode mono/stereo
16
DIST+DELAT (variation block), OVERDRIVE+DELAT (variation block)
No. Parameter Display Value See Table Comment Control
1 Lch Delay Time 0.1-1486.0ms 1-14860
2 Rch Delay Time 0.1-1486.0ms 1-14860
3 Delay Feedback Time 0.1-1486.0ms 1-14860
4 Delay Feedback Level -63-+63 1-127
5 Delay Mix 0-127 0-127
6 Dist Drive 0-127 0-127
7 Dist Output Level 0-127 0-127
8 Dist EQ Low Gain -12-+12dB 52-76
9 Dist EQ Mid Gain -12-+12dB 52-76
10 Dry/Wet D63>W - D=W - D<W63 1-127 ●
11
12
13
14
15
16
COMP+DIST+DELAT (variation block), COMP+OVERDRIVE+DELAT (variation block)
No. Parameter Display Value See Table Comment Control
1 Delay Time 0.1-1486.0ms 1-14860
2 Delay Feedback Level -63-+63 1-127
3 Delay Mix 0-127 0-127
4 Dist Drive 0-127 0-127
5 Dist Output Level 0-127 0-127
6 Dist EQ Low Gain -12-+12dB 52-76
7 Dist EQ Mid Gain -12-+12dB 52-76
8
9
10 Dry/Wet D63>W - D=W - D<W63 1-127 ●
11 Comp. Attack 1ms-40ms 0-19 table#8
12 Comp. Release 10ms-680ms 0-15 table#9
13 Comp. Threshold -48dB—6dB 79-121
14 Comp. Ratio 1.0-20.0 0-7 table#10
15
16
WAH+DIST+DELAT (variation block), WAH+OVERDRIVE+DELAT (variation block)
No. Parameter Display Value See Table Comment Control
1 Delay Time 0.1-1486.0ms 1-14860
2 Delay Feedback Level -63-+63 1-127
3 Delay Mix 0-127 0-127
4 Dist Drive 0-127 0-127
5 Dist Output Level 0-127 0-127
6 Dist EQ Low Gain -12-+12dB 52-76
7 Dist EQ Mid Gain -12-+12dB 52-76
8
9
10 Dry/Wet D63>W - D=W - D<W63 1-127 ●
11 Wah Sensitive 0-127 0-127
12 Wah Cutoff Freq Offset 0-127 0-127
13 Wah Resonance 1.0-12.0 10-120
14 Wah Release 10-680ms 52-67
15
16
* “Dry/Wet” is avilable when variation connection = Insertion.
TOUCH WAH 1 (variation, insertion block), TOUCH WAH+DIST (variation block)
No. Parameter Display Value See Table Comment Control
1 Sensitive 0-127 0-127
2 Cutoff Frequency Offset 0-127 0-127 ●
3 Resonance 1.0-12.0 10-120
4
5
6 EQ Low Frequency 32Hz-2.0kHz 4-40 table#3
7 EQ Low Gain -12-+12dB 52-76
8 EQ High Frequency 500Hz-16.0kHz 28-58 table#3
9 EQ High Gain -12-+12dB 52-76
10 Dry/Wet D63>W - D=W - D<W63 1-127
11 Drive 0-127(variation block) 0-127
12
13
14
15
16
TOUCH WAH 2 (variation, insertion block), TOUCH WAH+ODRV (variation block)
No. Parameter Display Value See Table Comment Control
1 Sensitive 0-127 0-127
2 Cutoff Frequency Offset 0-127 0-127 ●
3 Resonance 1.0-12.0 10-120
4
5
6 EQ Low Frequency 32Hz-2.0kHz 4-40 table#3
7 EQ Low Gain -12-+12dB 52-76
8 EQ High Frequency 500Hz-16.0kHz 28-58 table#3
9 EQ High Gain -12-+12dB 52-76
10 Dry/Wet D63>W - D=W - D<W63 1-127
11 Drive 0-127(variation block) 0-127
12 EQ Low Gain(distortion) -12-+12dB(variation block) 52-76
13 EQ Mid Gain(distortion) -12-+12dB(variation block) 52-76
14 LPF Cutoff 1.0kHz-thru(variation block) 34-60 table#3
15 Output Level 0-127(variation block) 0-127
16 Release 10-680ms 52-67
PITCH CHANGE 1 (variation block)
No. Parameter Display Value See Table Comment Control
1 Pitch -24-+24 40-88
2 Initial Delay 0.1mS-400.0mS 0-127 table#7
3 Fine 1 -50-+50 14-114
4 Fine 2 -50-+50 14-114
5 Feedback Level -63-+63 1-127
6
7
8
9
10 Dry/Wet D63>W - D=W - D<W63 1-127 ●
11 Pan 1 L63-R63 1-127
12 Output Level 1 0-127 0-127
13 Pan 2 L63-R63 1-127
14 Output Level 2 0-127 0-127
15
16
PITCH CHANGE 2 (variation block)
No. Parameter Display Value See Table Comment Control
1 Pitch -24-+24 40-88
2 Initial Delay 0.1mS-400.0mS 0-127 table#7
3 Fine 1 -50-+50cent 14-114
4 Fine 2 -50-+50cent 14-114
5 Feedback Level -63-+63 1-127
6
7
8
9
10 Dry/Wet D63>W - D=W - D<W63 1-127 ●
11 Pan 1 L63-R63 1-127
12 Output Level 1 0-127 0-127
13 Pan 2 L63-R63 1-127
14 Output Level 2 0-127 0-127
15
16
COMPRESSOR (variation, insertion block)
No. Parameter Display Value See Table Comment Control
1 Attack 1-40ms 0-19 table#8
2 Release 10-680ms 0-15 table#9
3 Threshold -48—6dB 79-121
4 Ratio 1.0-20.0 0-7 table#10
5 Output Level 0-127 0-127
6
7
8
9
10
11
12
13
14
15
16
NOISE GATE (variation, insertion block)
No. Parameter Display Value See Table Comment Control
1 Attack 1-40ms 0-19 table#8
2 Release 10-680ms 0-15 table#9
3 Threshold -72—30dB 55-97
4 Output Level 0-127 0-127
5
6
7
8
9
10
11
12
13
14
15
16
VOICE CANCEL (variation block)
No. Parameter Display Value See Table Comment Control
1
2
3
4
5
6
7
8
9
10
11 Low Adjust 0-26 0-26
12 High Adjust 0-26 0-26
13
14
15
16
MIDI Data Format

177
175
Table#11
Reverb Width;Depth;Height
Data Value Data Value Data Value Data Value
0 0.5 32 8.8 64 17.6 96 27.5
1 0.8 33 9.1 65 17.9 97 27.8
2 1.0 34 9.4 66 18.2 98 28.1
3 1.3 35 9.6 67 18.5 99 28.5
4 1.5 36 9.9 68 18.8 100 28.8
5 1.8 37 10.2 69 19.1 101 29.2
6 2.0 38 10.4 70 19.4 102 29.5
7 2.3 39 10.7 71 19.7 103 29.9
8 2.6 40 11.0 72 20.0 104 30.2
9 2.8 41 11.2 73 20.2
10 3.1 42 11.5 74 20.5
11 3.3 43 11.8 75 20.8
12 3.6 44 12.1 76 21.1
13 3.9 45 12.3 77 21.4
14 4.1 46 12.6 78 21.7
15 4.4 47 12.9 79 22.0
16 4.6 48 13.1 80 22.4
17 4.9 49 13.4 81 22.7
18 5.2 50 13.7 82 23.0
19 5.4 51 14.0 83 23.3
20 5.7 52 14.2 84 23.6
21 5.9 53 14.5 85 23.9
22 6.2 54 14.8 86 24.2
23 6.5 55 15.1 87 24.5
24 6.7 56 15.4 88 24.9
25 7.0 57 15.6 89 25.2
26 7.2 58 15.9 90 25.5
27 7.5 59 16.2 91 25.8
28 7.8 60 16.5 92 26.1
29 8.0 61 16.8 93 26.5
30 8.3 62 17.1 94 26.8
31 8.6 63 17.3 95 27.1
Table#7
Delay Time(400.0ms)
Data Value Data Value Data Value Data Value
0 0.1 32 100.9 64 201.6 96 302.4
1 3.2 33 104.0 65 204.8 97 305.5
2 6.4 34 107.2 66 207.9 98 308.7
3 9.5 35 110.3 67 211.1 99 311.8
4 12.7 36 113.5 68 214.2 100 315.0
5 15.8 37 116.6 69 217.4 101 318.1
6 19.0 38 119.8 70 220.5 102 321.3
7 22.1 39 122.9 71 223.7 103 324.4
8 25.3 40 126.1 72 226.8 104 327.6
9 28.4 41 129.2 73 230.0 105 330.7
10 31.6 42 132.4 74 233.1 106 333.9
11 34.7 43 135.5 75 236.3 107 337.0
12 37.9 44 138.6 76 239.4 108 340.2
13 41.0 45 141.8 77 242.6 109 343.3
14 44.2 46 144.9 78 245.7 110 346.5
15 47.3 47 148.1 79 248.9 111 349.6
16 50.5 48 151.2 80 252.0 112 352.8
17 53.6 49 154.4 81 255.2 113 355.9
18 56.8 50 157.5 82 258.3 114 359.1
19 59.9 51 160.7 83 261.5 115 362.2
20 63.1 52 163.8 84 264.6 116 365.4
21 66.2 53 167.0 85 267.7 117 368.5
22 69.4 54 170.1 86 270.9 118 371.7
23 72.5 55 173.3 87 274.0 119 374.8
24 75.7 56 176.4 88 277.2 120 378.0
25 78.8 57 179.6 89 280.3 121 381.1
26 82.0 58 182.7 90 283.5 122 384.3
27 85.1 59 185.9 91 286.6 123 387.4
28 88.3 60 189.0 92 289.8 124 390.6
29 91.4 61 192.2 93 292.9 125 393.7
30 94.6 62 195.3 94 296.1 126 396.9
31 97.7 63 198.5 95 299.2 127 400.0
Table#8
Compressor Attack Time
Data Value
01
12
23
34
45
56
67
78
89
910
10 12
11 14
12 16
13 18
14 20
15 23
16 26
17 30
18 35
19 40
Table#9
Compressor Release Time
Data Value
010
115
225
335
445
555
665
775
885
9 100
10 115
11 140
12 170
13 230
14 340
15 680
Table#10
Compressor Ratio
Data Value
0 1.0
1 1.5
2 2.0
3 3.0
4 5.0
5 7.0
6 10.0
7 20.0
Table#4
Reverb time
Data Value Data Value Data Value
0 0.3 32 3.5 64 17.0
1 0.4 33 3.6 65 18.0
2 0.5 34 3.7 66 19.0
3 0.6 35 3.8 67 20.0
4 0.7 36 3.9 68 25.0
5 0.8 37 4.0 69 30.0
6 0.9 38 4.1
7 1.0 39 4.2
8 1.1 40 4.3
9 1.2 41 4.4
10 1.3 42 4.5
11 1.4 43 4.6
12 1.5 44 4.7
13 1.6 45 4.8
14 1.7 46 4.9
15 1.8 47 5.0
16 1.9 48 5.5
17 2.0 49 6.0
18 2.1 50 6.5
19 2.2 51 7.0
20 2.3 52 7.5
21 2.4 53 8.0
22 2.5 54 8.5
23 2.6 55 9.0
24 2.7 56 9.5
25 2.8 57 10.0
26 2.9 58 11.0
27 3.0 59 12.0
28 3.1 60 13.0
29 3.2 61 14.0
30 3.3 62 15.0
31 3.4 63 16.0
Table#5
Delay Time(200.0ms)
Data Value Data Value Data Value Data Value
0 0.1 32 50.5 64 100.8 96 151.2
1 1.7 33 52.0 65 102.4 97 152.8
2 3.2 34 53.6 66 104.0 98 154.4
3 4.8 35 55.2 67 105.6 99 155.9
4 6.4 36 56.8 68 107.1 100 157.5
5 8.0 37 58.3 69 108.7 101 159.1
6 9.5 38 59.9 70 110.3 102 160.6
7 11.1 39 61.5 71 111.9 103 162.2
8 12.7 40 63.1 72 113.4 104 163.8
9 14.3 41 64.6 73 115.0 105 165.4
10 15.8 42 66.2 74 116.6 106 166.9
11 17.4 43 67.8 75 118.2 107 168.5
12 19.0 44 69.4 76 119.7 108 170.1
13 20.6 45 70.9 77 121.3 109 171.7
14 22.1 46 72.5 78 122.9 110 173.2
15 23.7 47 74.1 79 124.4 111 174.8
16 25.3 48 75.7 80 126.0 112 176.4
17 26.9 49 77.2 81 127.6 113 178.0
18 28.4 50 78.8 82 129.2 114 179.5
19 30.0 51 80.4 83 130.7 115 181.1
20 31.6 52 81.9 84 132.3 116 182.7
21 33.2 53 83.5 85 133.9 117 184.3
22 34.7 54 85.1 86 135.5 118 185.8
23 36.3 55 86.7 87 137.0 119 187.4
24 37.9 56 88.2 88 138.6 120 189.0
25 39.5 57 89.8 89 140.2 121 190.6
26 41.0 58 91.4 90 141.8 122 192.1
27 42.6 59 93.0 91 143.3 123 193.7
28 44.2 60 94.5 92 144.9 124 195.3
29 45.7 61 96.1 93 146.5 125 196.9
30 47.3 62 97.7 94 148.1 126 198.4
31 48.9 63 99.3 95 149.6 127 200.0
Table#6
Room Size
Data Value Data Value Data Value Data Value
0 0.1 32 5.1 64 10.1 96 15.1
1 0.3 33 5.3 65 10.3 97 15.3
2 0.4 34 5.4 66 10.4 98 15.5
3 0.6 35 5.6 67 10.6 99 15.6
4 0.7 36 5.7 68 10.8 100 15.8
5 0.9 37 5.9 69 10.9 101 15.9
6 1.0 38 6.1 70 11.1 102 16.1
7 1.2 39 6.2 71 11.2 103 16.2
8 1.4 40 6.4 72 11.4 104 16.4
9 1.5 41 6.5 73 11.5 105 16.6
10 1.7 42 6.7 74 11.7 106 16.7
11 1.8 43 6.8 75 11.9 107 16.9
12 2.0 44 7.0 76 12.0 108 17.0
13 2.1 45 7.2 77 12.2 109 17.2
14 2.3 46 7.3 78 12.3 110 17.3
15 2.5 47 7.5 79 12.5 111 17.5
16 2.6 48 7.6 80 12.6 112 17.6
17 2.8 49 7.8 81 12.8 113 17.8
18 2.9 50 7.9 82 12.9 114 18.0
19 3.1 51 8.1 83 13.1 115 18.1
20 3.2 52 8.2 84 13.3 116 18.3
21 3.4 53 8.4 85 13.4 117 18.4
22 3.5 54 8.6 86 13.6 118 18.6
23 3.7 55 8.7 87 13.7 119 18.7
24 3.9 56 8.9 88 13.9 120 18.9
25 4.0 57 9.0 89 14.0 121 19.1
26 4.2 58 9.2 90 14.2 122 19.2
27 4.3 59 9.3 91 14.4 123 19.4
28 4.5 60 9.5 92 14.5 124 19.5
29 4.6 61 9.7 93 14.7 125 19.7
30 4.8 62 9.8 94 14.8 126 19.8
31 5.0 63 10.0 95 15.0 127 20.0
Table#1
LFO Frequency
Data Value Data Value Data Value Data Value
0 0.00 32 1.35 64 2.69 96 8.41
1 0.04 33 1.39 65 2.78 97 8.75
2 0.08 34 1.43 66 2.86 98 9.08
3 0.13 35 1.47 67 2.94 99 9.42
4 0.17 36 1.51 68 3.03 100 9.76
5 0.21 37 1.56 69 3.11 101 10.1
6 0.25 38 1.60 70 3.20 102 10.8
7 0.29 39 1.64 71 3.28 103 11.4
8 0.34 40 1.68 72 3.37 104 12.1
9 0.38 41 1.72 73 3.45 105 12.8
10 0.42 42 1.77 74 3.53 106 13.5
11 0.46 43 1.81 75 3.62 107 14.1
12 0.51 44 1.85 76 3.70 108 14.8
13 0.55 45 1.89 77 3.87 109 15.5
14 0.59 46 1.94 78 4.04 110 16.2
15 0.63 47 1.98 79 4.21 111 16.8
16 0.67 48 2.02 80 4.37 112 17.5
17 0.72 49 2.06 81 4.54 113 18.2
18 0.76 50 2.10 82 4.71 114 19.5
19 0.80 51 2.15 83 4.88 115 20.9
20 0.84 52 2.19 84 5.05 116 22.2
21 0.88 53 2.23 85 5.22 117 23.6
22 0.93 54 2.27 86 5.38 118 24.9
23 0.97 55 2.31 87 5.55 119 26.2
24 1.01 56 2.36 88 5.72 120 27.6
25 1.05 57 2.40 89 6.06 121 28.9
26 1.09 58 2.44 90 6.39 122 30.3
27 1.14 59 2.48 91 6.73 123 31.6
28 1.18 60 2.52 92 7.07 124 33.0
29 1.22 61 2.57 93 7.40 125 34.3
30 1.26 62 2.61 94 7.74 126 37.0
31 1.30 63 2.65 95 8.08 127 39.7
Table#2
Modulation Delay Offset
Data Value Data Value Data Value Data Value
0 0.0 32 3.2 64 6.4 96 9.6
1 0.1 33 3.3 65 6.5 97 9.7
2 0.2 34 3.4 66 6.6 98 9.8
3 0.3 35 3.5 67 6.7 99 9.9
4 0.4 36 3.6 68 6.8 100 10.0
5 0.5 37 3.7 69 6.9 101 11.1
6 0.6 38 3.8 70 7.0 102 12.2
7 0.7 39 3.9 71 7.1 103 13.3
8 0.8 40 4.0 72 7.2 104 14.4
9 0.9 41 4.1 73 7.3 105 15.5
10 1.0 42 4.2 74 7.4 106 17.1
11 1.1 43 4.3 75 7.5 107 18.6
12 1.2 44 4.4 76 7.6 108 20.2
13 1.3 45 4.5 77 7.7 109 21.8
14 1.4 46 4.6 78 7.8 110 23.3
15 1.5 47 4.7 79 7.9 111 24.9
16 1.6 48 4.8 80 8.0 112 26.5
17 1.7 49 4.9 81 8.1 113 28.0
18 1.8 50 5.0 82 8.2 114 29.6
19 1.9 51 5.1 83 8.3 115 31.2
20 2.0 52 5.2 84 8.4 116 32.8
21 2.1 53 5.3 85 8.5 117 34.3
22 2.2 54 5.4 86 8.6 118 35.9
23 2.3 55 5.5 87 8.7 119 37.5
24 2.4 56 5.6 88 8.8 120 39.0
25 2.5 57 5.7 89 8.9 121 40.6
26 2.6 58 5.8 90 9.0 122 42.2
27 2.7 59 5.9 91 9.1 123 43.7
28 2.8 60 6.0 92 9.2 124 45.3
29 2.9 61 6.1 93 9.3 125 46.9
30 3.0 62 6.2 94 9.4 126 48.4
31 3.1 63 6.3 95 9.5 127 50.0
Table#3
EQ Frequency
Data Value Data Value
0 THRU(0) 32 800
1 22 33 900
2 25 34 1.0k
3 28 35 1.1k
4 32 36 1.2k
5 36 37 1.4k
6 40 38 1.6k
7 45 39 1.8k
8 50 40 2.0k
9 56 41 2.2k
10 63 42 2.5k
11 70 43 2.8k
12 80 44 3.2k
13 90 45 3.6k
14 100 46 4.0k
15 110 47 4.5k
16 125 48 5.0k
17 140 49 5.6k
18 160 50 6.3k
19 180 51 7.0k
20 200 52 8.0k
21 225 53 9.0k
22 250 54 10.0k
23 280 55 11.0k
24 315 56 12.0k
25 355 57 14.0k
26 400 58 16.0k
27 450 59 18.0k
28 500 60 THRU(20.0k)
29 560
30 630
31 700
< Table 1-13 > Effect Data Value Assign Table
MIDI Data Format

178
MIDI Implementation Chart
176
[Portable Keyboard] Date :3-MAR-1999
Model : PSR-740 MIDI Implementation Chart Version : 1.0
Function... Transmitted Recognized Remarks
Basic Default 1 - 16 *1 1 - 16 *2
Channel Changed 1 - 16 *1 1 - 16 *2
Default 3 3
Mode Messages x x
Altered ************** x
Note 0 - 127 0 - 127
Number :True voice ************** 0 - 127
Velocity Note ON o 9nH,v=1-127 o 9nH,v=1-127
Note OFF x 9nH,v=0 x
After Key’s x x
Touch Ch’s x o
Pitch Bend o o
0,32 o o Bank Select
1,7,10,11 o o
5 x o Portamento Time
6,38 o o Data Entry
Control 64,66-67 o o
65 x o Portamento
Change 71-72,74 o o Sound Controller
73 x o Sound Controller
84 x o Portament Cntrl
91,93-94 o o Effect SendLevel
96-97 x o Data Inc,Dec
98-99 o o NRPN LSB,MSB
100-101 o o RPN LSB,MSB
Prog o 0 - 127 o 0 - 127
Change :True # **************
System Exclusive o o
: Song Pos. x x
Common : Song Sel. x x
: Tune x x
System : Clock o o
Real Time : Commands o o
: All Sound Off x o
Aux :
Reset All Cntrls
xo
: Local ON/OFF x x
Mes- : All Notes OFF x o(123-127)
sages : Active Sense o o
: Reset x x
Mode 1 : OMNI ON , POLY Mode 2 : OMNI ON ,MONO o : Yes
Mode 3 : OMNI OFF, POLY Mode 4 : OMNI OFF,MONO” x : No

179
177
[Portable Keyboard] Date :3-MAR-1999
Model : PSR-640 MIDI Implementation Chart Version : 1.0
Function... Transmitted Recognized Remarks
Basic Default 1 - 16 *1 1 - 16 *2
Channel Changed 1 - 16 *1 1 - 16 *2
Default 3 3
Mode Messages x x
Altered ************** x
Note 0 - 127 0 - 127
Number :True voice ************** 0 - 127
Velocity Note ON o 9nH,v=1-127 o 9nH,v=1-127
Note OFF x 9nH,v=0 x
After Key’s x x
Touch Ch’s x o
Pitch Bend o o
0,32 o o Bank Select
1,5 x o
7,10,11 o o
6,38 o o Data Entry
Control 64,66-67 o o
65 x o Portamento
Change 72 o o Sound Controller
71,73-74 x o Sound Controller
84 x o Portament Cntrl
91,93-94 o o Effect SendLevel
96-97 x o Data Inc,Dec
98-99 x o NRPN LSB,MSB
100-101 o o RPN LSB,MSB
Prog o 0 - 127 o 0 - 127
Change :True # **************
System Exclusive o o
: Song Pos. x x
Common : Song Sel. x x
: Tune x x
System : Clock o o
Real Time : Commands o o o
: All Sound Off x o
Aux :
Reset All Cntrls
xo
: Local ON/OFF x x
Mes- : All Notes OFF x o(123-127)
sages : Active Sense o o
: Reset x x
Mode 1 : OMNI ON , POLY Mode 2 : OMNI ON ,MONO o : Yes
Mode 3 : OMNI OFF, POLY Mode 4 : OMNI OFF,MONO x : No
MIDI Implementation Chart

180
178
*1 The tracks for each channel can be selected on the panel.
See page 130 for more information.
*2 Incoming MIDI messages control the PSR-740/640 as 16 channel
multi timbral tone generator when initially shipped (factory set).
The MIDI messages don’t affect the panel controls including the
Panel Voice selection since they are directly sent to the tone
generator of the PSR-740/640.
However, the following MIDI messages affects the panel controls
such as Panel Voice, Style, Multi Pad and Song settings:
• MIDI MASTER TUNE, MASTER TUNE (XG System Param-
eter).
• TRANSPOSE (XG System Parameter).
• System Exclusive Messages related to the REVERB, CHO-
RUS, DSP EFFECT and MULTI EFFECT (PSR-740 only)
settings.
• XG MULTI EQ PARAMETER (PSR-740 only)
Also, the MIDI messages affect the panel settings when one of
the folowing MIDI reception modes is selected.
These modes can be selected on the panel (see page 131).
Keyboard : The Note On/Off messages received at the desig-
nated Keyboard (receive) channel are processed the
same as the notes normally played on the keyboard.
In this mode, only the following channel messages
will be recognized:
• Note On/Off
• Control Changes
Bank Select (R1 voice only)
Modulation
Volume(R1 voice only)
Data entry
Pan (R1 voice only)
Expression
Sustain
Sostenuto
MIDI Implementation Chart
Soft Pedal
Harmonic Content
Release time
Brightness
Reverb send level (R1 voice only)
Chorus send level (R1 voice only)
Variation send level (R1 voice only)
NRPN (Vibrato rate, Vibrato depth) (R1 voice only)
(PSR-740 only)
RPN (Pich bend sensitivity)
All Notes Off
• Program Change (R1 voice only)
• Pitch Bend
Root : The note on/off messages received at the channel(s)
set to “Root” are recognized as the bass notes in the
accompaniment section.
The bass notes will be detected regardless of the
accompaniment on/off the PSR-740/640.
However, the following MIDI messages affects and
split point settings on the PSR-740/640 panel.
Chord : The note on/off messages received at the channel(s)
set to “Chord” are recognized as the fingerings in the
accompaniment section.
The chords to be detected Parameter. depend on the
fingering mode on the PSR-740/640.
The chords will be detected regardless of the ac-
companiment on/off and split point settings on the
PSR-740/640 panel.
V. Harmony : See “Vocal Harmony MIDI Specifications” (see
below). (PSR-740 only)
Off : The MIDI channel messages will not be received at
the designated channel.
Vocal Harmony MIDI Specifications (PSR-740 ONLY)
Channel message
1) Note on / off Harmony ch Melody ch
9n kk vv note on message OOSpecifies pitch in the Vocoder mode.
Velocity not recognized.
Also used as Gender Threshold source for the Melody channel.
8n kk vv note off message OOTurns the current note off in the Vocoder mode.
9n kk 00 Also used as Gender Threshold source for the Melody channel.
2) Control change
Bn 40 vv damper pedal OO
64 RPN OO
65 RPN OO
62 NRPN OO
63 NRPN OO
06 Data entry MSB OO
64 Data Increment OO
26 Data Decrement OO
7B All note off OO
3) RPN
MSB LSB
00 00 Pitch bend sensitivity OO
7F 7F NULL OO
4) NRPN
MSB LSB
00 00 Harmony mute OX
01 08 Vibrato rate modulation OO
01 09 Vibrato depth modulation OO
01 0A Vibrato delay modulation OO
01 1A Detune modulation OXControls the overall amount of detune.
02 10 Harmony 1 volume OX
02 11 Harmony 2 volume OX
02 20 Harmony 1 pan OX
02 21 Harmony 2 pan OX
02 30 Harmony 1 detune OX
02 31 Harmony 2 detune OX
5) Pitch bend
E0 nn nn OOOnly effective when melody channel Lead Gender ON.

181
Index
A
AC adaptor ......................................................................12
Accompaniment..............................................................34
Accompaniment style .....................................................34
Accompaniment track.....................................................39
Accompaniment volume .................................................39
ACMP .............................................................................35
Attack .............................................................................32
Auto Accompaniment .....................................................34
Auto Accompaniment on/off ....................................25, 35
Auto Accompaniment section...................................35, 36
Auto Fill..........................................................................36
AUX OUT ......................................................................13
B
BACK .............................................................................17
Backup ..........................................................................159
Bank..........................................................................49, 64
BASS ......................................................................39, 110
Bass Hold......................................................................137
Beat indicators ................................................................16
Break.............................................................................137
Brightness .....................................................................139
C
Chord ..................................................................16, 35, 40
Chord Fingerings ............................................................40
Chord Match ...........................................................48, 108
CHORD1 ................................................................39, 110
CHORD2 ................................................................39, 110
Chorus.............................................................................52
Clear .............................................................105, 109, 118
Clock.............................................................................132
Control Change.............................................................123
Copy ...............................................................................72
Count Intro......................................................................36
CTAB ....................................................................111, 119
D
Data dial..........................................................................20
DC IN 10-12V jack ........................................................12
Default ............................................................................20
Delete........................................................................21, 75
Demo song ......................................................................15
Digital effect ...........................................................50, 152
Direct Access ............................................................21, 24
Disk drive........................................................................66
DISK IN USE .................................................................66
Disk mode.......................................................................25
Display............................................................................16
DOC....................................................................9, 76, 125
Drum Cancel.................................................................113
Drum Kit.................................................................31, 148
DSP ...............................................................50, 53, 54, 83
Dynamics ..................................................................45, 46
Dynamics Type List ........................................................47
E
Echo ........................................................................56, 157
Edit .........................................................91, 102, 116, 120
Ending.............................................................................36
EQ Gain ..........................................................................61
ESEQ ............................................................................125
EXIT ...............................................................................17
External.........................................................................132
F
FAST...................................................................50, 53, 54
Fingered1 ........................................................................40
Fingered2 ..................................................................40, 42
Fingering...................................................................17, 40
Floppy disk .....................................................................66
Foot Volume ............................................................12, 138
Footage .....................................................................32, 33
Footswitch ..............................................................12, 137
Format.............................................................................68
Freeze .............................................................................63
Frequency Bands ............................................................59
Full Keyboard ...........................................................40, 42
Function ..................................................................17, 134
Function Tree ..................................................................22
G
GM (General MIDI) .....................................9, 65, 76, 125
Groove ............................................................................45
Groove Type List ............................................................47
H
Harmony ...................................................................56, 82
Harmony/Echo Type List..............................................157
Harmony/Echo volume ...................................................57
Headphone ......................................................................13
Help ................................................................................18
High Key.......................................................................120
HOST SELECT ............................................................127
I
Initial Data Send ...........................................................133
Initialization..................................................................159
Insertion effect ................................................54, 152, 153
Internal..........................................................................132
Intro ................................................................................36
K
Keyboard ........................................................................29
Keyboard Percussion ......................................................31
179

182
Index
L
Language ........................................................................18
Left .................................................................................29
Length .............................................................................32
Load ................................................................................70
Local Control ................................................................132
Loop recording .............................................................111
Lower ......................................................................85, 130
M
Main ................................................................................36
Master EQ.......................................................................59
Master Tuning ...............................................................135
Master Volume ................................................................15
Maximum Polyphony ...................................................140
Measure ..............................................................16, 79, 98
Menu ...............................................................................16
Metronome ...................................................................134
MIC/LINE IN jack ...................................................13, 82
Microphone sound ..........................................................83
MIDI .............................................................................122
MIDI Data Format ........................................................163
MIDI Implementation Chart .........................................178
MIDI terminals .............................................................123
Mixer ..................................................................17, 88, 90
Mode ...............................................................................25
Modulation Wheel ..................................................30, 139
Multi Effect.....................................................................54
Multi Finger ..............................................................40, 42
Multi Pad ................................................................48, 106
Multi Track Recording .......................................92, 93, 96
Music stand.....................................................................14
N
Name...........................................21, 64, 69, 104, 108, 118
NEXT .............................................................................17
Note Limit ............................................................111, 120
Note on/off....................................................................122
Number buttons ..............................................................20
O
Octave .............................................................88, 102, 135
One Touch Setting ..........................................................44
Operation Guide .............................................................18
Organ Flutes ...................................................................32
Overdub ........................................................................111
P
Packing List ......................................................................4
PAD ........................................................................39, 110
Pan ..........................................................................88, 102
Panel voice ....................................................................140
Parameter Edit ..........................................................88, 91
Part Octave....................................................................135
PART ON/OFF ...................................................27, 28, 29
PHRASE1 .......................................................39, 110, 114
PHRASE2 .......................................................39, 110, 114
Pitch Bend ......................................................................30
Pitch Bend Range .........................................................139
Polarity .................................................................137, 138
Program Change ...........................................................123
Punch In/Out...................................................................98
Q
Quantize................................................................100, 116
Quick Recording.................................................92, 93, 94
R
Receive .........................................................................131
Record.......................................................17, 92, 106, 110
Record mode ...................................................................25
Regist + .................................................................137, 138
Regist -..................................................................137, 138
Registration Memory ......................................................62
Rehearsal mode ..............................................................25
Repeat .......................................................................77, 80
Resonance .....................................................................139
Response .........................................................................32
Return Level .......................................................51, 52, 53
Reverb .......................................................................50, 83
RHYTHM MAIN ...................................................39, 110
RHYTHM SUB ......................................................39, 110
Right ...............................................................................29
Ritardando ......................................................................37
Root ..............................................................................131
S
Sample Disk....................................................................67
Save ................................................................................68
Scale Tuning .................................................................135
Section ............................................................................36
Send Level ..........................................................51, 52, 53
Setting up ........................................................................12
Shift ................................................................................21
Simple Ending ................................................................36
Single Finger ..................................................................40
SLOW .................................................................50, 53, 54
Soft .......................................................................137, 138
Song Copy ......................................................................72
Song mode ......................................................................25
Song Play mode ..............................................................77
Song volume ...................................................................78
Sostenuto ..............................................................137, 138
Source Chord ........................................................111, 119
Specification .................................................................184
Split Point .........................................................29, 42, 135
180

183
181
Index
Standard MIDI ..............................................................125
STANDBY switch ..........................................................15
Start Measure ..................................................................79
START/STOP .........................25, 34, 77, 95, 97, 107, 113
Style ........................................................................34, 112
Style File.............................................................9, 65, 125
Style mode ......................................................................25
Sustain ............................................................31, 137, 138
SYNC START ..........................................................25, 35
SYNC STOP...................................................................43
Synchro Start ............................................................25, 35
Synchro Stop ..................................................43, 137, 138
Synchronized Start standby ............................................25
System effect ..................................................54, 152, 153
T
Talk Setting.....................................................................86
Tap ..................................................................38, 137, 138
Tempo .............................................................................38
Time signature ................................................................92
TO HOST .....................................................................123
TOUCH ........................................................................136
Touch Sensitivity ..........................................................136
Track ...................................................................39, 78, 93
Transmit ........................................................................130
Transpose ..................................................................30, 81
Tremolo ..................................................................57, 157
Trill .........................................................................57, 157
Troubleshooting ............................................................162
U
Upper ......................................................................85, 130
User Pad........................................................................106
User Song .................................................................92, 93
User Style .....................................................................110
Utility....................................................17, 68, 72, 75, 134
V
Velocity .........................................................................122
Vibrato ............................................................................32
Vocal Harmony ...............................................................82
Voice ...............................................................................26
Voice Change ......................................................17, 88, 89
Voice L ......................................................................28, 29
Voice List ......................................................................140
Voice R1 .............................................................26, 27, 29
Voice R2 ...................................................................27, 29
Voice Set .......................................................................136
Volume ..........................................26, 39, 78, 88, 102, 138
W
Write-protect tab.............................................................66
X
XG ................................................................9, 65, 76, 145
XG/GM .........................................................................131

184
Specifications
Keyboards
• 61 standard-size keys (C1 — C6) with
touch response.
Display
• Large multi-function LCD display
Setup
• STANDBY/ON
• Master Volume : MIN — MAX
• Input Volume : MIC/LINE (PSR-740)
Demo
• PSR-740 : 10 Songs
• PSR-640 : 8 Songs
Language
• English, German, French, Spanish,
Italian, Japanese
Realtime Controls
• Pitch Bend wheel
• Modulation wheel (PSR-740)
Control & Number Buttons
• VOICE L
• VOICE R1
• VOICE R2
• FUNCTION
• SONG
• STYLE
• TEMPO/TAP
• TRANSPOSE
• ACMP/SONG VOLUME
• VOICE CHANGE
• MIXER
• ORGAN FLUTE (PSR-740)
• GROOVE (PSR-740)
• MULTI EFFECT (PSR-740)
• VOCAL HARMONY (PSR-740)
• DIRECT ACCESS
• NEXT/BACK
• EXIT
• Data dial, [1] — [0], [+/YES], [–/NO]
Voice
PSR-740
• 267 Panel Voices +13 Drum Kits + 480
XG Voices + 1 Organ Voice
• Polyphony : 64
PSR-640
• 223 Panel Voices +12 Drum Kits + 480
XG Voices
• Polyphony : 32
• Voice Set
• R1/R2/L Voices
• Part on/off (R1/R2/L)
• Voice Change : Voice number
• Mixer : Volume
• Parameter Edit : Octave, Pan, Reverb
Depth, Chorus Depth, DSP Depth
Organ Flutes (PSR-740)
• Organ type : 8 types
• Vibrato Speed
• Attack Mode
• Attack Footage
• Length
• Response
• Footage
Auto Accompaniment
• 160 Styles
• Accompaniment Track : RHYTHM1/2,
BASS, CHORD 1/2, PAD, PHRASE1/2
• Accompaniment Track Settings : ON/OFF
• Accompaniment Control : ACMP ON/OFF,
SYNC START, SYNC STOP, START/
STOP,COUNT INTRO (PSR-740), INTRO,
MAIN/AUTO FILL, SIMPLE ENDING/rit.
(PSR-740), ENDING/rit.
• Beat Indicator
• Accompaniment Volume
• Voice Change : Voice number
• Mixer : Volume
• Parameter Edit : Pan, Reverb depth,
Chorus depth, DSP depth (PSR-640)
• One Touch Setting
• Fingering Mode : Multi Finger/Single
Finger/Fingered 1/Fingered 2/Full
Keyboard
Groove (PSR-740)
• Groove type : 11 types
• Dynamics type : 18 types
Multi Pads
• 36 Multi Pad Banks
• 4 Pads + STOP
• Chord Match
• Naming
Digital Effects
PSR-740
• Reverb : 24 types
• Chorus : 20 types
• DSP (system/insertion) : 102 types
• DSP1 - 3 (Multi Effect) : 74 types
• DSP4 (microphone sound) : 74 types
• Harmony/Echo : 22 types
• Master EQ : 5types
PSR-640
• Reverb : 24 types
• Chorus : 16 types
• DSP (system/insertion) : 74 types
• Harmony/Echo : 22 types
Registration Memory
• 32 Registration Banks : 1 — 4
• Naming
• Accompaniment Freeze
Disk Operations
• Song playback/recording
• Load
• Save
• Utility : Format, Song Copy, Delete File
Song
• Song Volume
• Song Track Settings : ON/OFF
• Repeat Play
• Song Transpose
Song Recording
• Quick Record, Multi Record
• Recording Tracks: 1 — 16
• Punch In/Punch Out
• Quantize
• Naming
• Clear
• Setup Data : Volume, Octave, Pan,
Reverb depth, Chorus depth, DSP depth
Multi Pad Recording
• User Pad Bank : 4 (37 — 40)
• Naming
• Clear
• Chord Match
Style Recording
• User Styles : 3 (161 — 163)
• Recording Tracks
PSR-740 : 12 Sections x 8 tracks
PSR-640 : 10 Sections x 8 tracks
• Drum Cancel
• Quantize
• Naming
• Clear
• Ctab :
MIDI
• Transmit settings
• Receive settings
• Local Control
• Clock
• Initial Data Send
• MIDI template
Other functions
• Metronome
• Part Octave
• Master Tuning
• Scale Tuning
• Split Point
• Touch Sensitivity
• Voice Set
• Footswitch function
• Foot Volume function
• Pitch Bend Range
• Modulation Wheel function (PSR-740)
Auxiliary Jacks
• DC IN 10-12V
• PHONES
• FOOT SWITCH
• FOOT VOLUME
• AUX OUT (R, L+R/L)
• MIDI IN/OUT, TO HOST
• MIC/LINE IN (PSR-740)
Amplifiers
• 6W + 6W
Speakers
• 12 cm (4-3/4") x 2 + 5cm x 2
Power Consumption
• 24W
Power Supply
• Adaptor : Yamaha PA-6 power adaptor
Rated Voltage DC 10-12V
Rated Current 2A
Dimensions (W x D x H)
• 973 x 399 x 161 (mm)
(38-5/16" x 15-11/16" x 6-5/16")
Weight
• PSR-740 : 10.2kg
• PSR-640 : 10kg
Supplied Accessories
• Sample Disk
• Music Stand
• Owner’s Manual
Optional Accessories
• Headphones : HPE-150
• AC Power Adaptor : PA-6
• Foot Switch : FC4, FC5
• Keyboard Stand : L-6, L-7
* Specifications and descriptions in this owner’s
manual are for information purposes only. Yamaha
Corp. reserves the right to change or modify
products or specifications at any time without prior
notice. Since specifications, equipment or options
may not be the same in every locale, please check
with your Yamaha dealer.
182

Dansk Vejledning