Yazoo Kees Kkh36152 Kkh48152 Users Manual OM, Kutter Series, 2003 09, Walkbehind Mower, KKW32132, KKW36132, KKH36132, KKW48152, KKH32132, KKH36152, (Turf Care)
!! Yazoo-Kees-34 Yazoo Lawn Mower Manuals - Lawn Mower Manuals – The Best Lawn Mower Manuals Collection
!! YOEN2005-106474R02 King Kutter Lawn Mower Manuals - Lawn Mower Manuals – The Best Lawn Mower Manuals Collection
Preview ! YOEN2005-106474R02 King Kutter Lawn Mower Manuals - Lawn Mower Manuals – The Best Lawn Mower Manuals Collection
KKW32132, KKW36132, KKH36132, KKW48152, KKH32132, KKH36152, KKH48152 to the manual 911cde86-c604-4588-b68f-9829c6b252cf
2015-02-03
: Yazoo-Kees Kees-Kkh36152-Kkh48152-Users-Manual yazoo-kees-kkh36152-kkh48152-users-manual-474387 yazoo-kees pdf
Open the PDF directly: View PDF
.
Page Count: 16

MANUAL 106474 REV. 02(09/11/03)
Professional Quality Lawn Care Equipment
since 1945
Yazoo/Kees Power Equipment policy is to improve its products whenever it is
possible and practical to do so. In an effort to keep pace with changes in technology,
Yazoo/Kees reserves the right to make changes or improvements at any time without
incurring any obligation to make such changes on products previously manufactured.
MODELS: KKW32132
KKW36132
KKH36132
KKW48152
KKH32132
KKH36152
KKH48152
Operator's Manual for

2
SAFETY :SAFETY :
SAFETY :SAFETY :
SAFETY :
Training
Preparation
Operation
Maintenance
TABLE OF CONTENTSTABLE OF CONTENTS
TABLE OF CONTENTSTABLE OF CONTENTS
TABLE OF CONTENTS INTRODUCTIONINTRODUCTION
INTRODUCTIONINTRODUCTION
INTRODUCTION
This manual has been prepared for the operators of the
YAZOO/KEES KUTTER 32", 36" and 48" commercial
mowers. Read, understand, and follow the safety and
operating instructions.
Always stop the engine and blades, place the traction
levers in drive, and place the mower in gear when
leaving unattended.
As an additional safety feature, these mowers are
equipped with an Operators Presence System. This is
an electrical interlock safety system which is activated
by depressing either one or both of the Operator
Presence Levers above the handle grips. Releasing
both Operators Presence Levers while mowing or
transporting will break the electrical circuit and cause
the engine and mower to stop. The mower will not stop
imediately after releasing the O.P. levers, some travel
does occur.
EQUIPTMENT SETUP AND ADJUSTMENTS :EQUIPTMENT SETUP AND ADJUSTMENTS :
EQUIPTMENT SETUP AND ADJUSTMENTS :EQUIPTMENT SETUP AND ADJUSTMENTS :
EQUIPTMENT SETUP AND ADJUSTMENTS :
Front casters
Axle adjustment
Cutting height chart
Brake adjustment
Operator presence switches
Belt adjustments
OPERATING INSTRUCTIONS :OPERATING INSTRUCTIONS :
OPERATING INSTRUCTIONS :OPERATING INSTRUCTIONS :
OPERATING INSTRUCTIONS :
Emergency stopping
Normal stopping
Pre-start
Operating instructions
SERVICE :SERVICE :
SERVICE :SERVICE :
SERVICE :
Interlock system
Cutting deck
Cutter housing
Belt replacement
Winter storage
Maintenance chart
The steering system of this mower uses indvidual right
and left traction levers on the handle bars. Squeezing
the traction lever will reduce tension on the wheel drive
belt eliminating power to that wheel. With the opposite
wheel still under power a turn is accomplished. If the
traction lever is squeezed even tighter the brake will be
applied to that wheel and a tighter more abrupt turn is
accomplished. LEARN HOW TO USE THESE
IMPORTANT STEERING/BRAKE CONTROLS!
THE ENGINE EXHAUST FROM THIS
PRODUCT CONTAINS CHEMICALS
KNOWN TO THE STATE OF
CALIFORNIA TO CAUSE CANCER,
BIRTH DEFECTS OR
OTHER REPRODUCTIVE HARM.
! WARNING !
3
7. Mow only in daylight or good artificial light.
8. Never operate mower in wet grass. Always be sure
of your footing; keep a firm grip on the handle and walk,
never run.
OPERATIONOPERATION
OPERATIONOPERATION
OPERATION
1. Do not change engine governor settings or overspeed
the engine.
2. Keep hands, feet, and clothing away from rotating
parts when operating mower.
3. Disengage blade drive when crossing gravel drives,
walks, roads or under any condition where thrown objects
might be a hazard.
4. After striking a foreign object or if mower vibrates
abnormally, stop the engine and disconnect the spark
plug. Inspect the mower for any damage and repair the
damage.
5. Stop the engine and wait for the blades to stop rotating
whenever you leave the operating position for any
reason, including emptying the grass catcher or making
any adjustments or repairs.
6. Mow across slopes, never up and down. Use caution
when changing direction on slopes. Always turn uphill.
Do not mow very steep slopes. Do not use sulky on any
slopes.
7. When parking mower, stop engine and leave drive
levers down in DRIVE position with transmission in gear
to prevent rolling. Never park mower on a slope.
8. NEVER OPERATE THIS EQUIPMENT, WITH8. NEVER OPERATE THIS EQUIPMENT, WITH
8. NEVER OPERATE THIS EQUIPMENT, WITH8. NEVER OPERATE THIS EQUIPMENT, WITH
8. NEVER OPERATE THIS EQUIPMENT, WITH
ENGINE RUNNING, IN AN ENCLOSED ORENGINE RUNNING, IN AN ENCLOSED OR
ENGINE RUNNING, IN AN ENCLOSED ORENGINE RUNNING, IN AN ENCLOSED OR
ENGINE RUNNING, IN AN ENCLOSED OR
CONFINED AREA WITHOUT PROPER VENTILATIONCONFINED AREA WITHOUT PROPER VENTILATION
CONFINED AREA WITHOUT PROPER VENTILATIONCONFINED AREA WITHOUT PROPER VENTILATION
CONFINED AREA WITHOUT PROPER VENTILATION
OF THE ENGINE EXHAUST.OF THE ENGINE EXHAUST.
OF THE ENGINE EXHAUST.OF THE ENGINE EXHAUST.
OF THE ENGINE EXHAUST.
MAINTENANCEMAINTENANCE
MAINTENANCEMAINTENANCE
MAINTENANCE
1. Keep all nuts, bolts, and screws tight to keep mower
in safe operating condition.
2. Never store the mower with gas in the tank inside a
building where fumes can reach an open flame or spark.
Allow engine to cool before storing in an enclosure.
3. To reduce fire hazard, keep mower free of grass,
leaves, or excessive grease.
4. Check grass catcher assembly frequently for wear or
deterioration. Replace bag if loose seams or tears are
evident.
5.Have your mower inspected and serviced each year
by an authorized YAZOO/KEES dealer. Determine if
any additional devices are available which might upgrade
the saftey of your mower.
6. Use only authentic YAZOO\KEES replacement parts
to insure the saftey and quality of your mower is
maintained.
7. Saftey decals should be replaced if they are missing
or illegible. Decals may be purchased from your
YAZOO/KEES dealer or from YAZOO/KEES.
WARNING: Failure to comply with the followingWARNING: Failure to comply with the following
WARNING: Failure to comply with the followingWARNING: Failure to comply with the following
WARNING: Failure to comply with the following
instructions may result in serious injury to theinstructions may result in serious injury to the
instructions may result in serious injury to theinstructions may result in serious injury to the
instructions may result in serious injury to the
operator or other persons. The owner mustoperator or other persons. The owner must
operator or other persons. The owner mustoperator or other persons. The owner must
operator or other persons. The owner must
understand these instructions, and must allowunderstand these instructions, and must allow
understand these instructions, and must allowunderstand these instructions, and must allow
understand these instructions, and must allow
only persons who understand these instructionsonly persons who understand these instructions
only persons who understand these instructionsonly persons who understand these instructions
only persons who understand these instructions
to operate the mower. Each person operatingto operate the mower. Each person operating
to operate the mower. Each person operatingto operate the mower. Each person operating
to operate the mower. Each person operating
the mower must be of sound mind and body andthe mower must be of sound mind and body and
the mower must be of sound mind and body andthe mower must be of sound mind and body and
the mower must be of sound mind and body and
must not be under the influence of any mindmust not be under the influence of any mind
must not be under the influence of any mindmust not be under the influence of any mind
must not be under the influence of any mind
altering substance.altering substance.
altering substance.altering substance.
altering substance.
If you have any questions pertaining to yourIf you have any questions pertaining to your
If you have any questions pertaining to yourIf you have any questions pertaining to your
If you have any questions pertaining to your
mower which your dealer cannot answer call ormower which your dealer cannot answer call or
mower which your dealer cannot answer call ormower which your dealer cannot answer call or
mower which your dealer cannot answer call or
write,write,
write,write,
write,
YAZOO/KEES POWER EQUIPMENT L.L.C., P.O.YAZOO/KEES POWER EQUIPMENT L.L.C., P.O.
YAZOO/KEES POWER EQUIPMENT L.L.C., P.O.YAZOO/KEES POWER EQUIPMENT L.L.C., P.O.
YAZOO/KEES POWER EQUIPMENT L.L.C., P.O.
Box 8, Beatrice, NE 68310 (402)-223-2391Box 8, Beatrice, NE 68310 (402)-223-2391
Box 8, Beatrice, NE 68310 (402)-223-2391Box 8, Beatrice, NE 68310 (402)-223-2391
Box 8, Beatrice, NE 68310 (402)-223-2391
TRAININGTRAINING
TRAININGTRAINING
TRAINING
1. Read this manual carefully and question your
dealer if something is not clear. Should the dealer be
unable or unavailable to answer your questions, call
or write our factory.
2. Be thouroughly familiar with the controls and proper
use of the equipment.
3. DO NOT allow children in the yard or area when the
mower is operating.
4. DO NOT allow pre-teenage children to operate
mower.
5. Allow only responsible teenagers with mature
judgment to operate mower and only when being
supervised.
6. Keep the area clear of all persons, particularly
small children and pets.
PREPARATIONPREPARATION
PREPARATIONPREPARATION
PREPARATION
1. The use of personal protective equipment, such as
(but not limited to) protection for the eyes, ears, feet
and head is highly recommended.
2. Never operate the mower without proper guards,
covers, safety switches and devices in place and
properly functioning. Inspect to determine that these
safety devices are installed properly, are in good
condition and operate properly. If the condition of any
of these devices is questionable, they must be
replaced or repaired before using the mower.
3. Thoroughly inspect the area and remove all stones,
sticks, wire and other debris. Also note other possible
hazards such as holes, stumps, sprinkler heads etc..
4. Do not operate the mower when barefoot or wearing
open shoes. Always wear substantial footwear and
long pants.
5. Fill gasoline tank before starting the engine. Only
use an approved gasoline container. Do not smoke
near open gasoline containers. Do not fill gasoline
tank indoors or when engine is running or hot. Wipe
off any spilled gasoline before starting engine.
6. Never attempt to make any adjustments (even the
smallest) when engine is running.
SAFETY

4
SETUP AND ADJUSTMENTS FORSETUP AND ADJUSTMENTS FOR
SETUP AND ADJUSTMENTS FORSETUP AND ADJUSTMENTS FOR
SETUP AND ADJUSTMENTS FOR
YAZOO/KEES KUTTER 32", 36" AND 48" COMMERCIAL MOWERSYAZOO/KEES KUTTER 32", 36" AND 48" COMMERCIAL MOWERS
YAZOO/KEES KUTTER 32", 36" AND 48" COMMERCIAL MOWERSYAZOO/KEES KUTTER 32", 36" AND 48" COMMERCIAL MOWERS
YAZOO/KEES KUTTER 32", 36" AND 48" COMMERCIAL MOWERS
FRONT CASTER WHEELSFRONT CASTER WHEELS
FRONT CASTER WHEELSFRONT CASTER WHEELS
FRONT CASTER WHEELS
1. Mount front caster wheel assemblies. Installation
includes fastening casters to front of the cutter deck
using 3/8 x 1" hex head capscrews.
HANDLE ASSEMBLYHANDLE ASSEMBLY
HANDLE ASSEMBLYHANDLE ASSEMBLY
HANDLE ASSEMBLY
1. Align the upper mounting holes in handle with the
upper hole in the tank support.
2. Install two 3/8" x 1" screws through matched holes and
loosely install 3/8" nuts.
3. Align the lower holes and install hardware as above,
tighten upper and lower hardware.
LINKAGE INSTALLATIONLINKAGE INSTALLATION
LINKAGE INSTALLATIONLINKAGE INSTALLATION
LINKAGE INSTALLATION
1. Install traction linkage to swivels in bellcrank mounted
to the tank support on each side of the mower. Traction
linkages are located on the upper handle, fastened to
the traction levers. To fasten linkage to swivel, first
disconnect linkage from traction levers, then screw
linkage into swivel. Reassemble linkage into traction
lever.
2. Install shifter to transmission with 1/4" x 1" screws.
The shifter is located in the inner box and hardware is
preassembled into the bracket on the transmission.
3. Install blade control rod into the bellcrank on the left
side of the tank support. Secure rod with ring type
retainer.
4. Refer to the section of this manual on adjustments for
the proper adjustment of the linkages you are
installing.The linkages were set at the factory but must
be checked before operating mower to insure of the
proper setting. Always check 100% of the adjustments
before you operate the mower.
5. Connect the two halves of the wiring harness together.
The four prong connectors have a locking tab that
shows which way to line them up and guarantees that
they are connected properly when the lock snaps.
6. Install the chute deflector to the side of the mower
deck. Bolt it into place using the two 5/16" x 1" screws and
nuts preassembled into the mounting tabs on the deck.
Tighten the screws very securely with the chute
completely covering the discharge opening and tight
against the side of deck.
THROTTLE INSTALLATIONTHROTTLE INSTALLATION
THROTTLE INSTALLATIONTHROTTLE INSTALLATION
THROTTLE INSTALLATION
1. Connect the throttle cable end to the throttle
mechanism on engine, leaving the cable clamp loose.
Push throttle lever on console completely forward. Then
pull the cable through the clamp on engine and tighten
the cable clamp. Move the throttle lever back and forth
to ensure proper installation.
GAS LINE INSTALLATIONGAS LINE INSTALLATION
GAS LINE INSTALLATIONGAS LINE INSTALLATION
GAS LINE INSTALLATION
1. The gas line is factory installed on the engine. Attach
loose end to fuel tank hose barb and secure with hose
clamp.
POSITIONING THE FRONT CASTER SPACERSPOSITIONING THE FRONT CASTER SPACERS
POSITIONING THE FRONT CASTER SPACERSPOSITIONING THE FRONT CASTER SPACERS
POSITIONING THE FRONT CASTER SPACERS
1. Using the cutting height chart, find the correct number
of spacers to be placed under the caster swivel.
2. Remove the lynch pin and washer from the top of
caster and reposition spacers to the desired cutting
height from the chart. See figure # 2
AXLE HEIGHT ADJUSTMENTAXLE HEIGHT ADJUSTMENT
AXLE HEIGHT ADJUSTMENTAXLE HEIGHT ADJUSTMENT
AXLE HEIGHT ADJUSTMENT
1.To adjust rear axle, stop engine and place drive
levers in the neutral lock position, remove spark plug
wire.
2. Remove lower belt shield from underside of rear deck
for better access to axle adjustment bolts.
3. Loosen axle pivot bolts and axle adjustment bolts.
See figure # 1.
4. Place a jack under center of rear deck raise the jack
slightly so axle adjustment bolts may be removed.
5. With the jack raise or lower the rear deck to the desired
position using the chart to ensure proper height. Reinstall
the axle adjustment bolts and tighten.
A tapered punch may be used to help align the holes.
See figure #1.
It may be necessary to readjust drive and brake linkages.
NOTE:
NOTE:
To achive the best quality cut, the blades should be
level with the ground or slightly tipped forward.

5
AXLE ADJUSTMENT
BOLTS
POSITION A
POSITION B
POSITION C
POSITION D
AXLE PIVOT BOLTS
PLACE JACK HERE
Figure 1
REAR AXLE HEIGHT ADJUSTMENTREAR AXLE HEIGHT ADJUSTMENT
REAR AXLE HEIGHT ADJUSTMENTREAR AXLE HEIGHT ADJUSTMENT
REAR AXLE HEIGHT ADJUSTMENT
CASTER
SWIVEL
1/2" SPACERS
MACHINERY BUSHING
CASTER HEIGHT ADJUSTMENTCASTER HEIGHT ADJUSTMENT
CASTER HEIGHT ADJUSTMENTCASTER HEIGHT ADJUSTMENT
CASTER HEIGHT ADJUSTMENT
Figure 2
LOOSEN BOLTS EACH SIDE

6
SETUP AND ADJUSTMENTS FORSETUP AND ADJUSTMENTS FOR
SETUP AND ADJUSTMENTS FORSETUP AND ADJUSTMENTS FOR
SETUP AND ADJUSTMENTS FOR
YAZOO/KEES KUTTER 32", 36" AND 48" COMMERCIAL MOWERSYAZOO/KEES KUTTER 32", 36" AND 48" COMMERCIAL MOWERS
YAZOO/KEES KUTTER 32", 36" AND 48" COMMERCIAL MOWERSYAZOO/KEES KUTTER 32", 36" AND 48" COMMERCIAL MOWERS
YAZOO/KEES KUTTER 32", 36" AND 48" COMMERCIAL MOWERS
CUTTING HEIGHT ADJUSTMENT CHARTCUTTING HEIGHT ADJUSTMENT CHART
CUTTING HEIGHT ADJUSTMENT CHARTCUTTING HEIGHT ADJUSTMENT CHART
CUTTING HEIGHT ADJUSTMENT CHART
AXLE
POSITION
NUMBER OF
SPACERS BELOW
CASTER ARM
NUMBER OF 1/4" BLADE SPACERS
UNDER CUTTER HOUSING
CUTTING HEIGHT
(IN INCHES)
1 1/2
1 3/4
2
2 1/4
2 1/2
1 3/4
2
2 1/4
2 1/2
2 3/4
2 1/2
2 3/4
3
3 1/4
3 1/2
3
3 1/4
3 1/2
3 3/4
4
3 1/4
3 1/2
3 3/4
4
4 1/4
3 1/2
3 3/4
4
4 1/4
4 1/2
3 3/4
4
4 1/4
4 1/2
4 3/4
4
4 1/4
4 1/2
4 3/4
5
4
3
2
1
0
4
3
2
1
0
4
3
2
1
0
4
3
2
1
0
4
3
2
1
0
4
3
2
1
0
4
3
2
1
0
4
3
2
1
0
1. To quickly achive small changes in cutting heights,
move the spacers from under the cutter housing to
above the cutter pulley. (Each spacer moved will give
an additional 1/4" of cutting height ).
0
1
2
3
5
3
4
4
B
A
D
C
USE ONLY 4 BLADE SPACERS MAXIMUM

7
BRAKE / TRACTION ADJUSMENTBRAKE / TRACTION ADJUSMENT
BRAKE / TRACTION ADJUSMENTBRAKE / TRACTION ADJUSMENT
BRAKE / TRACTION ADJUSMENT
1. Disconnect the brake linkage from the brake band
arm.
2. With the mower in gear, place the traction levers in the
drive position. Firmly pull back on the handles until the
tires slide to seat the wheel drive belts into the pulleys.
3. Measure the clearance between the bottom of the
traction lever rod and the bottom of the thumb latch slot.
It should be between 3/16" to 1/4", but not exceeding 1/
4". See Figure # 3
4. If the clearance is less than 3/16", disconnect the
traction rod from the traction lever by removing the
hairpin cotter.
5. Adjust the traction rod to the proper clearance by
screwing it out of the swivel if clearance is less than 3 /
16".
NOTE:NOTE:
NOTE:NOTE:
NOTE:
More or less brake pressure may be desired depending
on the operator or conditions of operation. To increase
pressure tighten the wing nut on the brake linkage.
1. Remove front deck belt shield.
2. Loosen whiz nut on turnbuckle.
3. Set belt tension when engagement lever is in the
engaged position.
4. To increase belt tension rotate turnbuckle toward the
rear of the mower until desired tension is gained. Do not
over tighten belts, to much tension will reduce belt and
spindle bearing life. See figure # 6
SETUP AND ADJUSTMENTS FORSETUP AND ADJUSTMENTS FOR
SETUP AND ADJUSTMENTS FORSETUP AND ADJUSTMENTS FOR
SETUP AND ADJUSTMENTS FOR
YAZOO/KEES KUTTER 32", 36" AND 48" COMMERCIAL MOWERSYAZOO/KEES KUTTER 32", 36" AND 48" COMMERCIAL MOWERS
YAZOO/KEES KUTTER 32", 36" AND 48" COMMERCIAL MOWERSYAZOO/KEES KUTTER 32", 36" AND 48" COMMERCIAL MOWERS
YAZOO/KEES KUTTER 32", 36" AND 48" COMMERCIAL MOWERS
HANDLE
TRACTION
LEVER
THUMB LATCH
3/16" to 1/4" CLEARANCE
O.P. LEVER
OPERATOR PRESENCE SWITCH ADJUSTMENTOPERATOR PRESENCE SWITCH ADJUSTMENT
OPERATOR PRESENCE SWITCH ADJUSTMENTOPERATOR PRESENCE SWITCH ADJUSTMENT
OPERATOR PRESENCE SWITCH ADJUSTMENT
The operator presence switches can be adjusted by
loosening the screws on the side of the O.P. lever
linkage and sliding the switch up or down. The O.P.
switch should have a 1/32" to 1/16" gap between the
plunger and the bottom side of the control panel when
operator presence levers are released.
BLADE SWITCH ADJUSTMENTBLADE SWITCH ADJUSTMENT
BLADE SWITCH ADJUSTMENTBLADE SWITCH ADJUSTMENT
BLADE SWITCH ADJUSTMENT
The blade engagement switch can be adjusted by
loosening the screws on the flange under the control
panel and moving the switch in or out. The blade switch
should be adjusted so the plunger is fully depressed
when the engagement lever is fully disengaged.
ADJUSTMENTS - DRIVE BELTSADJUSTMENTS - DRIVE BELTS
ADJUSTMENTS - DRIVE BELTSADJUSTMENTS - DRIVE BELTS
ADJUSTMENTS - DRIVE BELTS
For all drive belts, tension should be set so that belt
vibration is minimized or eliminated when belts are
moving during normal operation. A properly tensioned
belt should have 1/4" to 3/8" deflection at the center of
belt span between pulleys when blades are engaged.
Blade drive belt tension is pre-set at the factory.
NOTE:NOTE:
NOTE:NOTE:
NOTE:
DO NOT over tighten belt. Excessive tension will
decrease belt and spindle bearing life.
BLADE DRIVE BELT ADJUSTMENTSBLADE DRIVE BELT ADJUSTMENTS
BLADE DRIVE BELT ADJUSTMENTSBLADE DRIVE BELT ADJUSTMENTS
BLADE DRIVE BELT ADJUSTMENTS
WARNINGWARNING
WARNINGWARNING
WARNING
BEFORE PERFORMING ADJUSTMENTS ONBEFORE PERFORMING ADJUSTMENTS ON
BEFORE PERFORMING ADJUSTMENTS ONBEFORE PERFORMING ADJUSTMENTS ON
BEFORE PERFORMING ADJUSTMENTS ON
BLADE BELT, TURN MOWER OFF, CLOSE FUELBLADE BELT, TURN MOWER OFF, CLOSE FUEL
BLADE BELT, TURN MOWER OFF, CLOSE FUELBLADE BELT, TURN MOWER OFF, CLOSE FUEL
BLADE BELT, TURN MOWER OFF, CLOSE FUEL
VALVE, AND DISCONNECT SPARK PLUG WIRE.VALVE, AND DISCONNECT SPARK PLUG WIRE.
VALVE, AND DISCONNECT SPARK PLUG WIRE.VALVE, AND DISCONNECT SPARK PLUG WIRE.
VALVE, AND DISCONNECT SPARK PLUG WIRE.
AUXILIARY BLADE DRIVE BELTAUXILIARY BLADE DRIVE BELT
AUXILIARY BLADE DRIVE BELTAUXILIARY BLADE DRIVE BELT
AUXILIARY BLADE DRIVE BELT
(48" MODELS ONLY)(48" MODELS ONLY)
(48" MODELS ONLY)(48" MODELS ONLY)
(48" MODELS ONLY)
To adjust tension of the auxiliary belt rotate nut on
linkage that is attached to deck strap located on the right
side of cutter deck.
Figure 3

8
SETUP AND ADJUSTMENTS FORSETUP AND ADJUSTMENTS FOR
SETUP AND ADJUSTMENTS FORSETUP AND ADJUSTMENTS FOR
SETUP AND ADJUSTMENTS FOR
YAZOO/KEES KUTTER 32", 36" AND 48" COMMERCIAL MOWERSYAZOO/KEES KUTTER 32", 36" AND 48" COMMERCIAL MOWERS
YAZOO/KEES KUTTER 32", 36" AND 48" COMMERCIAL MOWERSYAZOO/KEES KUTTER 32", 36" AND 48" COMMERCIAL MOWERS
YAZOO/KEES KUTTER 32", 36" AND 48" COMMERCIAL MOWERS
BLADE ENGAGEMENT LEVERBLADE ENGAGEMENT LEVER
BLADE ENGAGEMENT LEVERBLADE ENGAGEMENT LEVER
BLADE ENGAGEMENT LEVER
The blade engagement lever needs to be adjusted so
the lever does not come in contact with control panel
when the lever is in the off position.
To adjust, remove the clevis pin from the yoke and
adjust by turning the yoke. The clevis pin connects the
blade engagement lever to the yoke, and the yoke is
connected to the blade engagement rod that runs to the
bellcrank on the rear deck.
TRANSMISSION DRIVE BELTTRANSMISSION DRIVE BELT
TRANSMISSION DRIVE BELTTRANSMISSION DRIVE BELT
TRANSMISSION DRIVE BELT
To increase the tension of the transmission belt, loosen
the nut on the underside of the transmission idler pulley
located under the rear deck, slide the idler assembly
inward to increase tension and tighten the nut to secure.
See figures 4 & 5.
BELT GUDIESBELT GUDIES
BELT GUDIESBELT GUDIES
BELT GUDIES
Belt guides under rear deck are adjusted as shown in
figures 4 and 5
TRANSMISSION IDLER PULLEY
NOTE:The blades should come to a stop fromNOTE:The blades should come to a stop from
NOTE:The blades should come to a stop fromNOTE:The blades should come to a stop from
NOTE:The blades should come to a stop from
maximum speed within 7 seconds aftermaximum speed within 7 seconds after
maximum speed within 7 seconds aftermaximum speed within 7 seconds after
maximum speed within 7 seconds after
disengaging.disengaging.
disengaging.disengaging.
disengaging. 32" & 36" MODEL32" & 36" MODEL
32" & 36" MODEL32" & 36" MODEL
32" & 36" MODEL 48" MODEL48" MODEL
48" MODEL48" MODEL
48" MODEL
Figure 4 Figure 5
Figure 6
AUXILARY BELT ADJUSTMENT
ROD
IDLER PIVOT POINT
TURNBUCKLE
ENGAGEMENT IDLER
ASSEMBLY
1/4"
TRANSMISSION IDLER PULLEY
TRANSMISSION BELT
1/4" CLEARANCE
1/2"
ENGINE
PULLEY
1/8" CLEARANCE
1/8" CLEARANCE
TRANSMISSION BELT
1/8" CLEARANCE
1/2"
ENGINE
PULLEY
102036
103463
103462 102036 103462
103462

9
OPERATING INSTRUCTIONSOPERATING INSTRUCTIONS
OPERATING INSTRUCTIONSOPERATING INSTRUCTIONS
OPERATING INSTRUCTIONS
BEFORE OPERATINGBEFORE OPERATING
BEFORE OPERATINGBEFORE OPERATING
BEFORE OPERATING
Be thoroughly familiar with all controls and how to use
them before operating the mower. Know beforehand
how to stop the engine, drive wheels, and mower blades
in preparation for possible emergency.
NORMAL OPERATING STOPNORMAL OPERATING STOP
NORMAL OPERATING STOPNORMAL OPERATING STOP
NORMAL OPERATING STOP
1. Pull both traction levers firmly toward the handle grips
to stop forward motion.
2. Use thumb latches to lock traction levers in the neutral
position.
3. Move the throttle control to the slow position.
4. Move blade engagement lever to the off position.
5. Move shift lever to the neutral position.
6. Stop engine by pulling throttle control lever all the way
back to the off position.(Kohler Only)
7. Turn off key switch (Kawasaki Only)
NOTE
PRE-START CHECKLISTPRE-START CHECKLIST
PRE-START CHECKLISTPRE-START CHECKLIST
PRE-START CHECKLIST
Make the following checks and perform the services as
required before each start up.
1. If required make cutting height adjustments and drive
linkage adjustments. Refer to pages 5 and 6
2.Check tires for proper inflation (front caster tire pressure
to be 50 lbs max. / rear tire pressure to be 14 lbs max.
3. Check guards, deflectors, and covers to make sure
all are in place and secure.
4. Check blade belts for wear and correct tension if worn
or damaged, replace with original part.
5. Clean interior and exterior surfaces of the cutting deck
and clean engine of any accumulation of dirt or debris.
Keep engine air intake clear at all times.
6. Check engine oil add if needed (do not overfill)
refer to engine manual for oil specs.
7. Add fuel to tank after pushing the mower outside
where fumes can dissipate. Make sure cap is tight after
refueling.
NOTE
DO NOT ADD FUEL WHILE ENGINE
IS RUNNING OR WHILE ENGINE IS HOT.
NOTE
USE FRESH, CLEAN, LEAD FREE
GASOLINE. DO NOT USE GASOLINE
THAT HAS BEEN STORED FOR LONG
PERIODS. LEADED GASOLINE OR
GASOHOL IS NOT RECOMMENDED.
STARTING AND OPERATINGSTARTING AND OPERATING
STARTING AND OPERATINGSTARTING AND OPERATING
STARTING AND OPERATING
ENGINE: START ENGINE AS FOLLOWS:ENGINE: START ENGINE AS FOLLOWS:
ENGINE: START ENGINE AS FOLLOWS:ENGINE: START ENGINE AS FOLLOWS:
ENGINE: START ENGINE AS FOLLOWS:
1. Move blade engagement lever to the off position so
the interlock will allow engine to start.
2. Check gear shifter to be sure it is in the neutral position.
3. While on level terrain, lock both traction levers into the
neutral position.
4. Open fuel shut-off valve
5. Set throttle control all the way forward to the choke
position. Turn on key switch (Kawasaki Only)
Figure 7
EMERGENCY STOPEMERGENCY STOP
EMERGENCY STOPEMERGENCY STOP
EMERGENCY STOP
Pull both traction levers firmly against handle grips and
hold them securely in place. Use thumb latches to lock
both traction levers in neutral position, then stop engine
by pulling throttle control back to the off position. See
figure # 7
HANDLE
TRACTION LEVER
NEUTRAL POSITION
THUMB LATCH
THUMB LATCH
O.P. LEVER
POINT
CLOSE FUEL VALVE AT THE END OF
EACH MOWING JOB !!

10
OPERATING INSTRUCTIONSOPERATING INSTRUCTIONS
OPERATING INSTRUCTIONSOPERATING INSTRUCTIONS
OPERATING INSTRUCTIONS
6. Pull starter rope until engine starts.
7. Warm engine momentarily, then move the throttle
control out of the choke position until engine runs
smoothly, approximately 1/2 throttle. Engage the blades
and set the desired rpm. The best cutting and bagging
is obtained with engine at or near top rpm.
NOTE: DO NOT engage the blades at full rpm. ToNOTE: DO NOT engage the blades at full rpm. To
NOTE: DO NOT engage the blades at full rpm. ToNOTE: DO NOT engage the blades at full rpm. To
NOTE: DO NOT engage the blades at full rpm. To
extend belt life engage and disengage belts at 1/extend belt life engage and disengage belts at 1/
extend belt life engage and disengage belts at 1/extend belt life engage and disengage belts at 1/
extend belt life engage and disengage belts at 1/
2 throttle.2 throttle.
2 throttle.2 throttle.
2 throttle.
8. Depress one operator presence lever and shift
transmission to the desired gear.
9. Unlock the traction levers by pushing the thumb
latches forward. Slowly release both traction levers at
the same time to begin forward motion.
10. The steering system of this mower uses indvidual
right and left traction levers on the handle bars. Squeezing
the traction lever will reduce tension on the wheel drive
belt eliminating power to that wheel. With the opposite
wheel still under power a turn is accomplished. If the
traction lever is squeezed even tighter the brake will be
applied to that wheel and a tighter more abrupt turn is
accomplished. - turn left by squeezing the left hand
traction lever or turn right by squeezing the right hand
traction lever. If you squeeze both levers the mower will
stop.

11
SERVICESERVICE
SERVICESERVICE
SERVICE
SERVICE ASSISTANCE -SERVICE ASSISTANCE -
SERVICE ASSISTANCE -SERVICE ASSISTANCE -
SERVICE ASSISTANCE -
REPLACEMENT PARTSREPLACEMENT PARTS
REPLACEMENT PARTSREPLACEMENT PARTS
REPLACEMENT PARTS
To retain the quality of your mower, use genuine YAZOO/
KEES replacement parts only. Contact your local
YAZOO/KEES dealer for parts and service assistance.
For the correct part or information for your particular
mower, always mention model and serial number. We
recommend returning your mower to an authorized
YAZOO/KEES dealer on a yearly basis for inspection
and addition of any new devices which might upgrade
the performance and saftey of your mower. For engine
parts and service, look in the yellow pages for the engine
manufacturer's dealers under the heading engines -
gasoline.
WARNINGWARNING
WARNINGWARNING
WARNING
BEFORE PERFORMING SERVICE ON THEBEFORE PERFORMING SERVICE ON THE
BEFORE PERFORMING SERVICE ON THEBEFORE PERFORMING SERVICE ON THE
BEFORE PERFORMING SERVICE ON THE
MOWER TURN ENGINE OFF, CLOSE THE FUELMOWER TURN ENGINE OFF, CLOSE THE FUEL
MOWER TURN ENGINE OFF, CLOSE THE FUELMOWER TURN ENGINE OFF, CLOSE THE FUEL
MOWER TURN ENGINE OFF, CLOSE THE FUEL
VALVE, AND DISCONNECT THE BATTERY ANDVALVE, AND DISCONNECT THE BATTERY AND
VALVE, AND DISCONNECT THE BATTERY ANDVALVE, AND DISCONNECT THE BATTERY AND
VALVE, AND DISCONNECT THE BATTERY AND
ALLOW ENGINE TO COOL. DISCONNECT THEALLOW ENGINE TO COOL. DISCONNECT THE
ALLOW ENGINE TO COOL. DISCONNECT THEALLOW ENGINE TO COOL. DISCONNECT THE
ALLOW ENGINE TO COOL. DISCONNECT THE
SPARK PLUG WIRE. IF THE MOWER IS TO BESPARK PLUG WIRE. IF THE MOWER IS TO BE
SPARK PLUG WIRE. IF THE MOWER IS TO BESPARK PLUG WIRE. IF THE MOWER IS TO BE
SPARK PLUG WIRE. IF THE MOWER IS TO BE
RAISED OR TILTED, MAKE SURE TO SECURERAISED OR TILTED, MAKE SURE TO SECURE
RAISED OR TILTED, MAKE SURE TO SECURERAISED OR TILTED, MAKE SURE TO SECURE
RAISED OR TILTED, MAKE SURE TO SECURE
THE MOWER IN PLACE.THE MOWER IN PLACE.
THE MOWER IN PLACE.THE MOWER IN PLACE.
THE MOWER IN PLACE.
MODULE SYSTEMMODULE SYSTEM
MODULE SYSTEMMODULE SYSTEM
MODULE SYSTEM
The interlock modules function is to prevent the engine
from starting if the blade and/or traction systems are
engaged. It also causes engine shutdown if the operator
falls from, or attempts to leave the operator position
while the blades or traction drives are engaged. After
the engine starts, the operator must hold either the left or
right O.P. lever down before engaging the blades or
shifting the transmission into gear. If niether O.P. lever is
held the engine will stop.
NOTENOTE
NOTENOTE
NOTE
ALL MOWERS SHOULD BE TILTED WITHALL MOWERS SHOULD BE TILTED WITH
ALL MOWERS SHOULD BE TILTED WITHALL MOWERS SHOULD BE TILTED WITH
ALL MOWERS SHOULD BE TILTED WITH
THE CARBURETOR SIDE UPTHE CARBURETOR SIDE UP
THE CARBURETOR SIDE UPTHE CARBURETOR SIDE UP
THE CARBURETOR SIDE UP
CAUTIONCAUTION
CAUTIONCAUTION
CAUTION
DO NOT BY-PASS THE INTERLOCK SWITCHESDO NOT BY-PASS THE INTERLOCK SWITCHES
DO NOT BY-PASS THE INTERLOCK SWITCHESDO NOT BY-PASS THE INTERLOCK SWITCHES
DO NOT BY-PASS THE INTERLOCK SWITCHES
THEY ARE FOR YOUR PROTECTION! CHECKTHEY ARE FOR YOUR PROTECTION! CHECK
THEY ARE FOR YOUR PROTECTION! CHECKTHEY ARE FOR YOUR PROTECTION! CHECK
THEY ARE FOR YOUR PROTECTION! CHECK
THE OPERATOR PRESENCE SYSTEM DAILYTHE OPERATOR PRESENCE SYSTEM DAILY
THE OPERATOR PRESENCE SYSTEM DAILYTHE OPERATOR PRESENCE SYSTEM DAILY
THE OPERATOR PRESENCE SYSTEM DAILY
ALONG WITH THE TRACTION DRIVE SWITCHESALONG WITH THE TRACTION DRIVE SWITCHES
ALONG WITH THE TRACTION DRIVE SWITCHESALONG WITH THE TRACTION DRIVE SWITCHES
ALONG WITH THE TRACTION DRIVE SWITCHES
AND BLADE SWITCH FOR PROPER OPERATION.AND BLADE SWITCH FOR PROPER OPERATION.
AND BLADE SWITCH FOR PROPER OPERATION.AND BLADE SWITCH FOR PROPER OPERATION.
AND BLADE SWITCH FOR PROPER OPERATION.
REPAIR IMMEDIATELY IF AREPAIR IMMEDIATELY IF A
REPAIR IMMEDIATELY IF AREPAIR IMMEDIATELY IF A
REPAIR IMMEDIATELY IF A
PROBLEM IN THE SYSTEM IS FOUND. DO NOTPROBLEM IN THE SYSTEM IS FOUND. DO NOT
PROBLEM IN THE SYSTEM IS FOUND. DO NOTPROBLEM IN THE SYSTEM IS FOUND. DO NOT
PROBLEM IN THE SYSTEM IS FOUND. DO NOT
OPERATE MOWER IN A DAMAGED CONDITION.OPERATE MOWER IN A DAMAGED CONDITION.
OPERATE MOWER IN A DAMAGED CONDITION.OPERATE MOWER IN A DAMAGED CONDITION.
OPERATE MOWER IN A DAMAGED CONDITION.
INTERLOCK SAFTEY SYSTEMINTERLOCK SAFTEY SYSTEM
INTERLOCK SAFTEY SYSTEMINTERLOCK SAFTEY SYSTEM
INTERLOCK SAFTEY SYSTEM
Check the function of the safety electrical system on a
regular basis.
1. Engine must kill if blades are engaged without O.P.
levers held down.
2. Engine must kill if transmission is taken out of neutral
without holding down O.P. levers.
3. Engine must not start unless blades are off and
transmission is in the neutral position.
4. Do not operate the mower if the interlock saftey
system allows operating or starting in any unsafe
condition.
NEUTRAL LOCK THUMB LATCHNEUTRAL LOCK THUMB LATCH
NEUTRAL LOCK THUMB LATCHNEUTRAL LOCK THUMB LATCH
NEUTRAL LOCK THUMB LATCH
The point between neutral and drive on the slot of the
thumb latches should be checked every 50 hours. If the
point is rounded it should be replaced.
See figure 7 on page 9.
BLADESBLADES
BLADESBLADES
BLADES
If blades are in good condition, sharpen at an angle of
22 to 28 degrees about 2-1/2" in from the tips.
NOTENOTE
NOTENOTE
NOTE
AFTER SHARPENING, CHECK BLADES FORAFTER SHARPENING, CHECK BLADES FOR
AFTER SHARPENING, CHECK BLADES FORAFTER SHARPENING, CHECK BLADES FOR
AFTER SHARPENING, CHECK BLADES FOR
PROPER BALANCE, IF NEEDED CORRECTPROPER BALANCE, IF NEEDED CORRECT
PROPER BALANCE, IF NEEDED CORRECTPROPER BALANCE, IF NEEDED CORRECT
PROPER BALANCE, IF NEEDED CORRECT
BALANCE TO PREVENT EXCESSIVE VIBRATIONBALANCE TO PREVENT EXCESSIVE VIBRATION
BALANCE TO PREVENT EXCESSIVE VIBRATIONBALANCE TO PREVENT EXCESSIVE VIBRATION
BALANCE TO PREVENT EXCESSIVE VIBRATION
CUTTING DECK SERVICECUTTING DECK SERVICE
CUTTING DECK SERVICECUTTING DECK SERVICE
CUTTING DECK SERVICE
If mower is cutting improperly, check the following:
1. Ground speed - too fast for proper cutting. Shift to a
lower gear.
2. Engine speed - too low for proper cutting. Increase
engine speed.
3. Cutting height - too low for ground/grass conditions.
Adjust to higher cut.
4. Blade spacers - not positoned properly on all blade
shafts. Visually inspect and replace or adjust as
necessary.
5. Front casters - spacers not in correct relationship with
rear axle. Adjust as necessary.
6. Belt slippage - causing bad cutting pattern or uneven
cut. Adjust belt tension
7. Tire pressure - uneven tire pressure can cause an
uneven cut from one side of the deck to the other.
Equalize tire pressure.

12
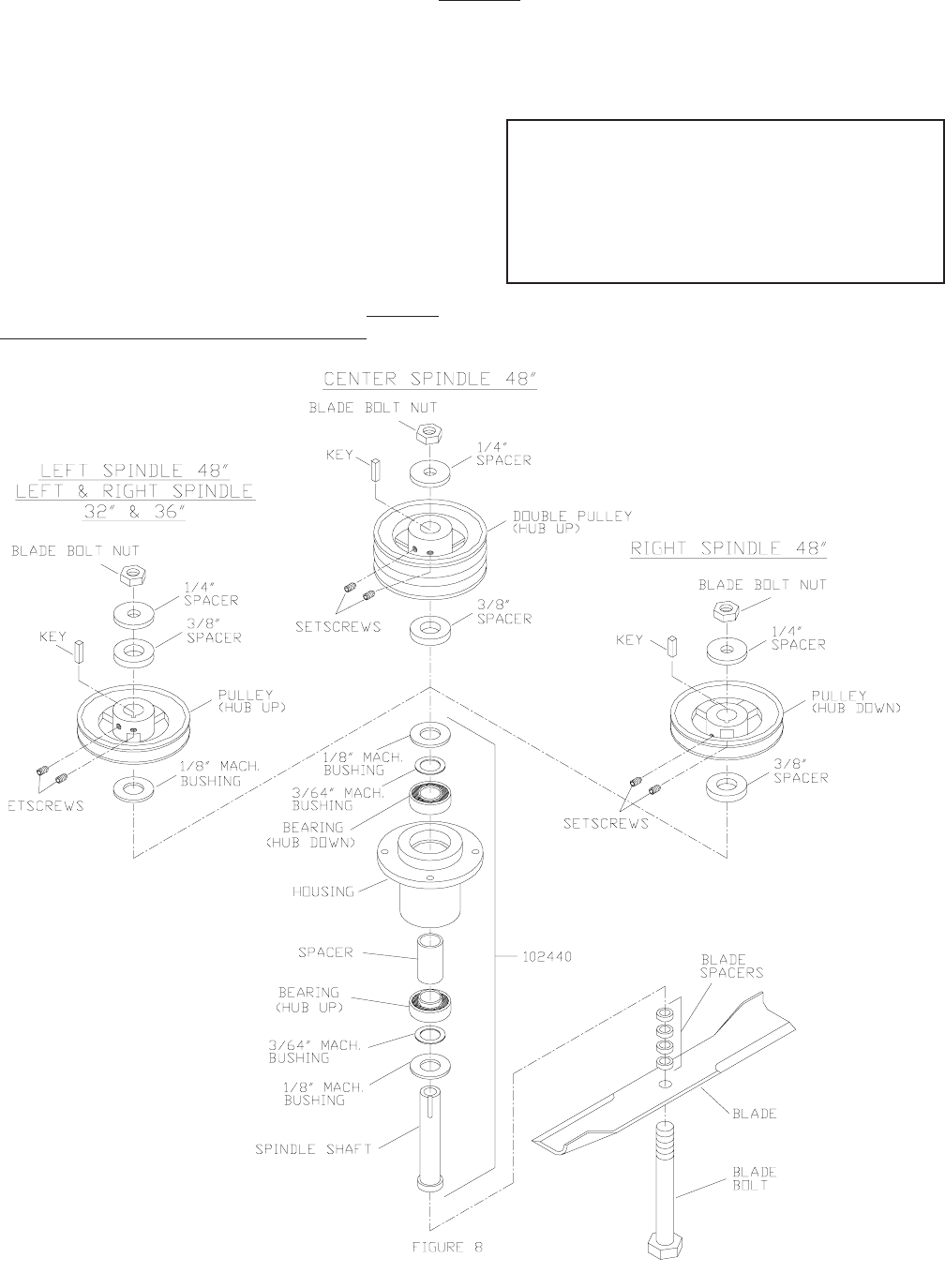
CUTTER HOUSING SPINDLE ASSEMBLYSCUTTER HOUSING SPINDLE ASSEMBLYS
CUTTER HOUSING SPINDLE ASSEMBLYSCUTTER HOUSING SPINDLE ASSEMBLYS
CUTTER HOUSING SPINDLE ASSEMBLYS
The cutter housing assembly is designed with a slip fit
inner race and pulley. The sole purpose of the setscrew
in the pulley is to hold the housing assembly together.
The setscrew is not ment to secure the pulley. The
pulley is secured by pinching the pulley to the inner race
of the bearings using the blade bolt and nut. Tighten the
setscrews after you have pinched the assembly together
with the blade bolt and nut.
Each cutter spindle on 48" Models have a different stack
up of spacers and pulleys, to achieve proper belt
alignment. The left cutter spindle on 48" Models is the
same as 32" and 36" Models. See figure #8 (Refer to
the Kutter parts manual when ordering parts.)
SERVICESERVICE
SERVICESERVICE
SERVICE
Cutter housing assemblys use sealed bearings and
are maintance free.
NOTENOTE
NOTENOTE
NOTE
WHEN PRESSING A BEARING IN OR OUT OF AWHEN PRESSING A BEARING IN OR OUT OF A
WHEN PRESSING A BEARING IN OR OUT OF AWHEN PRESSING A BEARING IN OR OUT OF A
WHEN PRESSING A BEARING IN OR OUT OF A
CUTTER HOUSING APPLY CONSTANTCUTTER HOUSING APPLY CONSTANT
CUTTER HOUSING APPLY CONSTANTCUTTER HOUSING APPLY CONSTANT
CUTTER HOUSING APPLY CONSTANT
PRESSURE TO THE RACE OR RACES THATPRESSURE TO THE RACE OR RACES THAT
PRESSURE TO THE RACE OR RACES THATPRESSURE TO THE RACE OR RACES THAT
PRESSURE TO THE RACE OR RACES THAT
HAVE AN INTERFERENCE FIT.HAVE AN INTERFERENCE FIT.
HAVE AN INTERFERENCE FIT.HAVE AN INTERFERENCE FIT.
HAVE AN INTERFERENCE FIT.
NEVER BEAT A BEARING IN OR OUT. NEVER BEAT A BEARING IN OR OUT.
NEVER BEAT A BEARING IN OR OUT. NEVER BEAT A BEARING IN OR OUT.
NEVER BEAT A BEARING IN OR OUT.

13
SERVICESERVICE
SERVICESERVICE
SERVICE
WHEEL DRIVE BELT REPLACEMENTWHEEL DRIVE BELT REPLACEMENT
WHEEL DRIVE BELT REPLACEMENTWHEEL DRIVE BELT REPLACEMENT
WHEEL DRIVE BELT REPLACEMENT
WHEEL DRIVE BELT: If belts are worn or damaged,
wheels will not drive properly. To replace either belt,
proceed as follows:
1. Unhook brake linkage from brake band arm. Located
between the rear deck and the rear tire.
2. Unhook traction linkage from bellcrank. The traction
linkage connects the traction levers on the handle to the
bellcranks on each side of the mower. The bellcranks
are located behind the rear tires.
3. Unhook spring from belt guard. Located on the sides
of the tank support.
4. Remove belt guard.
5. Loosen bellcrank pivot and belt guard mounting
bolts, slide spacers off of bolts to gain clearance for belt
removal.
6. Remove belt.
7. To replace belt reverse the procedure and make any
needed adjustments.
AUXILARY BELT REPLACEMENTAUXILARY BELT REPLACEMENT
AUXILARY BELT REPLACEMENTAUXILARY BELT REPLACEMENT
AUXILARY BELT REPLACEMENT
(48" MOWERS)(48" MOWERS)
(48" MOWERS)(48" MOWERS)
(48" MOWERS)
1. Loosen the auxilary belt adjusting rod. To relieve
tension on the belt. See figure 6 on page 8.
2. Remove belt guides from the center spindle.
3. Remove belt.
4. Reverse procedure for replacement. Adjust belt to
proper tension.
BLADE DRIVE BELT REPLACEMENTBLADE DRIVE BELT REPLACEMENT
BLADE DRIVE BELT REPLACEMENTBLADE DRIVE BELT REPLACEMENT
BLADE DRIVE BELT REPLACEMENT
(32", 36" & 48" MOWERS)(32", 36" & 48" MOWERS)
(32", 36" & 48" MOWERS)(32", 36" & 48" MOWERS)
(32", 36" & 48" MOWERS)
BLADE DRIVE BELT: If the belt is worn or damaged,
blades will not drive properly. To replace this belt,
proceed as follows:
1. Close fuel tank shut-off valve and remove spark plug
wire.
2. Remove the belt cover from the mower deck.
3. Loosen the snubber bolt on the engagement idler so
belt can be removed. The engagement idler is located
on the front deck towards the rear. See figure 6 on page
8.
4. Raise the rear of mower and block up the rear tires to
gain access to the underside of rear deck.
5. Remove the rear belt shield from the underside of rear
deck.
6. Loosen the engine bolts with belt guides and rotate
them away from the engine pulley. Belt guides can be
seen in figures 4 and 5 on page 8.
7. Loosen the belt guides located around the pulleys on
the front deck. Belt guides are 5/16" bolts and must be
loosened to remove the belt.
8. Remove belt.
9. To replace belt - reverse the procedure and make
any needed adjustments to belt guides or belt tension.
TRANSMISSION BELT REPLACEMENTTRANSMISSION BELT REPLACEMENT
TRANSMISSION BELT REPLACEMENTTRANSMISSION BELT REPLACEMENT
TRANSMISSION BELT REPLACEMENT
(32", 36" & 48" MOWERS)(32", 36" & 48" MOWERS)
(32", 36" & 48" MOWERS)(32", 36" & 48" MOWERS)
(32", 36" & 48" MOWERS)
1. Blade drive belt must be removed from engine pulley
before transmission belt can be removed. See blade
drive replacement, use steps 4, 5, and 6. Also see
figures 4 and 5 on page 8.
2. Loosen nut on the transmission idler pulley and slide
pulley in slot to relieve tension on belt.
3. Remove the belt from the transmission pulley and the
engine pulley.
4. Reverse the procedure for replacement.
WINTER STORAGEWINTER STORAGE
WINTER STORAGEWINTER STORAGE
WINTER STORAGE
To prepare your Yazoo/Kees mower for winter storage,
perform the routine maintenance and necessary
adjustments and record the part numbers of worn or
broken parts so they may be ordered and replaced
before the next mowing season. Use only authentic
Yazoo/Kees replacement parts to insure proper fit and
the saftey of your mower is maintained.
Treat the fuel in the tank with a fuel stablizer (such as
STA-BIL). This will minimize the formation of fuel gum
deposits during storage. Read and follow the mix ratio
on the container. Run the engine for at least 10 minutes
after adding the stablizer to bring it into the carburetor.
These few tips will help make your mower readyThese few tips will help make your mower ready
These few tips will help make your mower readyThese few tips will help make your mower ready
These few tips will help make your mower ready
when needed for the next mowing season andwhen needed for the next mowing season and
when needed for the next mowing season andwhen needed for the next mowing season and
when needed for the next mowing season and
insure many years of dependable service.insure many years of dependable service.
insure many years of dependable service.insure many years of dependable service.
insure many years of dependable service.

14
ITEMITEM
ITEMITEM
ITEM
REAR TIRES
FRONT TIRES
UNDERSIDE OF MOWING DECK
MOWER DECK
UNDERSIDE OF REAR DECK
BLADE PULLEYS
ENGINE PULLEY
FRONT WHEEL BEARINGS
CASTER SHAFTS
ENGINE OIL LEVEL
REAR WHEELS
BRAKE ARMS
BLADE ENGAGEMENT
BELLCRANK
TRANSMISSION SHAFTS
BLADES
ENGINE AIR FILTER
LINKAGES AND ADJUSTMENTS
FUEL FILTER (IN-LINE)
POINT ON THUMB LATCH
BETWEEN NEUTRAL AND
DRIVE
WINTER STORAGE
DRIVE WHEEL IDLER ARMS
BEFORE EACH MOWING
BEFORE EACH MOWING
AFTER EACH MOWING
DAILY
AFTER EACH MOWING
WHENEVER REMOVED
WHENEVER REMOVED
DAILY
DAILY
DAILY/CHANGE PER MANUAL
DAILY
DAILY
DAILY
WEEKLY
EVERY SHARPENING
100HRS. PAPER/25HRS FOAM
100 HRS.
100 HRS.
250 HRS/REPLACE EACH
MOWING SEASON
THE END OF MOWING SEASON
DAILY
INFLATE TO PROPER
PRESSURE
INFLATE TO PROPER
PRESSURE
REMOVE GRASS & DEBRIS
INSPECT FOR CRACKS/LOOSE
HARDWARE
REMOVE GRASS & DEBRIS
LOCTITE TO SHAFT
ANTI-SEIZE TO SHAFT
LUBE WITH GREASE
LUBE WITH GREASE
FILL AS NEEDED
LUBE WITH GREASE
LUBE WITH GREASE
LUBE WITH GREASE
LUBE WITH GREASE
REPLACE IF DAMAGED
SERVICE PER MANUAL
INSPECT & REPLACE IF WORN
OR DAMAGED
REPLACE WITH NEW
IF POINT WORN, REPLACE
SEE SECTION ON STORAGE
LUBE WITH GREASE
FREQUENCYFREQUENCY
FREQUENCYFREQUENCY
FREQUENCY REQUIRED SERVICEREQUIRED SERVICE
REQUIRED SERVICEREQUIRED SERVICE
REQUIRED SERVICE
MAINTENANCE CHARTMAINTENANCE CHART
MAINTENANCE CHARTMAINTENANCE CHART
MAINTENANCE CHART
15
