Yazoo Kees Zt Max Zkh52222 Users Manual OM, ZKH52222, ZKH52223, ZKH52252, ZKH52253, ZKH61252, ZKH61253, ZKHP52233, ZKHP61253, ZKW52233, ZKW6123, 2000 10, ZERO TURN
ZKH52252 to the manual 022386e2-a805-4236-a3c7-9cdd6a41186c
2015-02-03
: Yazoo-Kees Kees-Zt-Max-Zkh52222-Users-Manual yazoo-kees-zt-max-zkh52222-users-manual-474519 yazoo-kees pdf
Open the PDF directly: View PDF
.
Page Count: 21

MANUAL 103413 REV.06 (10/10/00)
Professional Quality Lawn Care Equipment
since 1945
Thank you for buying a YAZOO/KEES ZT Max! Before operating your new mower, read,
understand and follow the important safety instructions and the other instructions con-
tained in this manual. Lawnmowers and all power equipment, can be potentially danger-
ous if used improperly. SAFETY REQUIRES GOOD JUDGEMENT, CAREFUL USE IN
ACCORDANCE WITH INSTRUCTIONS AND COMMON SENSE.
Operator’s Manual for
MODELS: ZKH52222
ZKH52223
ZKH52252
ZKH52253
ZKH61252
ZKH61253
ZKHP52233
ZKHP52253
ZKHP61253
ZKW52233
ZKW61233

2
Continuous dedication to improve our products require that specifications and design are
subject to change without notice.
Congratulations on the purchase of your Yazoo/Kees mower. This manual has been pre-
pared for the owners and operators of the ZT MAX™ 52" and 61" commercial mowers. Read,
understand and follow the saftey and operating instructions.
! WARNING
Failure to follow cautious operating practices can result in serious injury to the operator or
other persons. The owner must understand these instructions, and must allow only trained
persons who understand these instructions to operate the mower. Each person operating
the mower must be of sound mind and body and must not be under the influence of any mind
altering substance.
If you have any questions pertaining to your mower contact your dealer.
! CAUTION
1. Keep all shields, guards and safety devices in place and in proper working condition.
2. Stop engine and remove spark plug wires or remove key before adjusting, servicing, or
performing maintenance.
WARNING: Engine exhaust, some of it’s constituents, and certain vehicle componets
contain or emit chemicals known to the State of California to cause cancer and birth
defects or other reproductive harm.
WARNING: Battery posts, terminals and related accessories contain lead and lead
compounds, chemicals known to the State of California to cause cancer and
birth defects or other reproductive harm. Wash hands after handling.

3
TABLE OF CONTENTS
SAFETY:
1. Training
2. Preparation
3. Operation
4. Transportation
5. Maintenance
SETUP AND ADJUSTMENTS:
1. Park brake
2. Cutting height
3. Mower deck leveling
4. Mule drive belt tension
5.Throttle lever tension
6. Reverse spring detent adjustment
7. Motion control linkage adjustment
OPERATING INSTRUCTIONS:
1. Controls
2. Starting and operation
MAINTENANCE:
1. Engine oil level
2. Pump drive belt compartment
3. Mower blades
4. Safety interlock system
5. Hardware
6. Air cleaner
7. Engine oil
8. Hydraulic oil
9. Tire presure
10. Battery
11. Belts
12. Lubrication
13. Fuel filter
14. Hydraulic filter and oil
15. Caster swivel nuts
SPECIFICATIONS:
TROUBLE SHOOTING:
MOTION
CONTROL
LEVER
KEY SWITCH
DECK LIFT
THROTTLE
CHOKE
KICK PLATE
FOOT PLATE BATTERY
FUEL TANK
PARK BRAKE
CONSOLE
BLADE
ENGAGEMENT
SWITCH
FUEL VALVE

4
SAFETY
TRAINING:
1. Read this manual carefully and question your dealer if something is not clear.
2. Be thoroughly familiar with the controls and proper use of the equipment.
3. Never allow children, teenagers, or people unfamiliar with these instructions to use the
mower.
4. Do not mow while people, particularly children, or pets are nearby.
PREPARATION:
1. The use of personal protective equipment such as (but not limited to) protection for the
eyes, ears, feet and head is recommended.
2. Never operate the mower without proper guards, covers, safety switches and devices in
place and properly functioning. Inspect these items daily for their condition and proper op-
eration. If the condition or operation of any of these devices is questionable they must be
replaced or repaired before using the mower.
3. Thoroughly inspect the area to be mowed and remove all stones, sticks, wire and other
debris that may be thrown by the mower. Also note or mark other obstacles such as holes,
stumps, etc..
4. Do not operate the mower when barefoot or wearing open shoes. Always wear substantial
footwear and long pants.
5. Fill gas tank(s) before starting mower. DO NOT SMOKE near gasoline containers. Do not
fill gas tank indoors or when engine is hot or running. Clean off any spilled gasoline before
starting the mower.
OPERATION:
1. Mow only in daylight or good artificial light.
2. Do not operate the mower in wet grass if possible.
3. Mow up and down slopes. Use extreme caution when mowing or turning on slopes.
Always turn to the downhill side. Do not mow excessively steep slopes ( mower may tip
over and cause injury or death ).
4. Use caution when backing up.
5. Stop the blades when crossing surfaces other than grass; or when traveling to and from
the area to be mowed.
6. Never operate the mower with defective, broken or excessively worn parts. Keep all
guards, shields, and safety devices in place and in proper working order.
7. Do not change the engine governor settings or over speed the engine. Operating the
engine at excessive speeds will increase the hazard of injury and can severely damage your
machine.
8. Keep hands, feet and clothing away from rotating parts when operating mower.
9. Stop the blades and engine and set park brake before leaving the operators position for
any reason.
10. Never make adjustments to the mower while engine and/or blades are running.
11. After striking a foreign object, stop mower and remove key. Inspect the mower for any
damage and repair it immediately before continuing to mow.
12. Never operate this equipment in an enclosed or confined area without proper ventilation
of the engine exhaust.
13. Do not allow any passengers to ride on the mower. It is designed for the operator only.
Keep others away from the mower when in operation.

5
SAFETY
TRANSPORTATION:
Use a heavy duty trailer to haul mower. Set park brake, turn off fuel valve and strap mower to
trailer. NOTE: Park brake will not hold mower in place when transporting. Be sure to tie down
the mower to the trailer. Always back onto the trailer to prevent possible tipover.
1. Keep all nuts, bolts and screws tight to keep mower in safe operating condition.
2. Engine maintenance should comply with engine manufactures specifications. See the
engine manual for specifications.
3. Never store the mower with gas in the tank inside a building where fumes can reach an
open flame or spark.
4. To reduce the risk of fire, keep the mower free of grass, leaves and excessive grease or
oil.
5. Have your mower inspected and serviced each year by an authorized Yazoo/Kees dealer.
6. Use only authentic Yazoo/Kees replacement parts to insure the safety and quality of your
mower is maintained.
7. Safety decals should be replaced if they are missing or illegible. Decals can be purchased
from your Yazoo/Kees dealer.
8. The hydraulic system including all hoses and fittings should be checked frequently for
wear or leaks. Never check for leaks with your hands, use a piece of cardboard or wood.
Hydraulic oil under pressure could be injected into your body and must be surgically removed
within a few hours.
14. Do not operate in an unsafe manner. Use caution when making maneuvers. Sharp
cornering, turning & slopes can be unsafe if caution isn’t used.

6
EQUIPMENT SETUP AND ADJUSTMENTS
1. Uncrate mower
2. Mount drive wheels using the four lug nuts installed on the hub.
3. Check tire pressure in all four tires. Pressure for all four tires is 15 psi
4. Remove the motion control levers and install on the outside of the control arms (See figure
1). Tabs on the motion control levers should be directed to the rear of the mower. Align the
levers so they are even in the neutral position. (See figure 6)
5. Install seat rod to the seat frame with 5/16" hardware. Seat rod is located under the seat in
the hydraulic pump area. Attach the rod to the tab on the seat frame.
6. Check engine oil with dip stick. Add if needed per engine manufactures specifications.
(See Kohler engine manual or page 14 of this manual for Kohler engine specifications.)
Normally filled with Quaker State 10W30 and ran in at the factory.
7. See enclosed literature for proper installation, care and charging of battery.
8. Loosen the discharge chute slightly and lower into position. Chute should be snug but still
pivot freely.
Figure 1

7
ADJUSTMENTS
PARK BRAKE:
1. Stop engine and remove key. Release park brake and measure the length of the spring.
The distance between the washers on each end of the spring should be 2-7/8" (See Fig 2 ).
2. If adjustment is needed, loosen the nut below the spring. Then rotate nut to desired
position so the proper distance between the washers is obtained. Check other side for proper
adjustment.
3. Engage the brake lever and measure the distance between the trunnion pin and the collar
welded to the brake rod. Distance should be 3/16" to 1/4" (See Fig 2 ).
4. If adjustment is needed, loosen the lock nut directly below the yoke. Using a wrench,
rotate the rod by turning the double nuts using the nuts below the yoke and the nut you just
loosened, to obtain the 3/16" to 1/4" distance. Tighten nut against yoke and check other side
for proper adjustment.
CUTTING HEIGHT:
1. Stop the mower and disengage the blades.
2. Raise the deck height lever to the transport position.
3. Remove the height adjustment pin and place it in the desired cutting height hole. Move
deck height lever down onto the pin and mow. NOTE: anti-scalp rollers must be in the proper
position for maximum deck floatation. See the decal on the front deck.
MOWER DECK LEVELING:
1. Position mower on a flat surface and stop engine.
2. Check the tire pressure of all four tires. Inflation should be 15 psi.
3. Place two 2x4’s on edge under the cutting deck from front to rear and lower the deck down
onto the 2x4’s.
4. Adjust the four upper chain bolts to the center of the slot in the deck lift arms. NOTE: make
sure deck lift blocks are tightly bolted to the frame (See Fig 3).
5. Return the deck height lever to the transport position (5" cutting height) and check the
center to center distance of the swivels. Distance should be 19-1/2"
6. Check the distance between the washers on the deck lift springs. Distance should be
11-3/4" (See Fig 3).
7. Check chains for equal tension. If unequal, adjust upper chain bolt in slot.
8. Place deck in the 5" cutting height and measure from the cutting edge of the blade to a flat
surface to check deck cutting height.
FIGURE 2

8
ADJUSTMENTS
MULE DRIVE BELT TENSION:
1. Stop engine and remove the key.
2. Check to make sure the bolt head in the spring loaded idler pulley, on the left side of the
engine deck is positioned between the two alignment holes in the left support plate
(See Fig 4).
3. If adjustment is necessary, loosen the adjustable idler pulley on the right hand side of the
engine deck so it can move up and down in the slot. Place a wrench on the 3/8" nut in the
center of the spring loaded idler pulley and rotate the idler upward to relieve the tension on
the belt. Reposition the right side pulley in the slot and tighten. Recheck alignment of the
bolt on the spring loaded idler.
Figure 3
Figure 4
THROTTLE LEVER TENSION:
1. Stop engine and remove key.
2. If throttle lever becomes loose, tension may be adjusted by tightening the pivot bolt. The
pivot bolt holds the throttle arm to the throttle mounting bracket which is located under the
console. Access is gained by removing the foot plate and the kick plate. See page 3.
REVERSE SPRING DETENT ADJUSTMENT:
1. Stop engine and remove key.
2. Rotate seat latches out to release seat. Located at the bottom rear of seat. Put seat in rear
slide position, tilt seat forward, remove seat stop rod bolt and nut, tilt seat forward to rest on
front frame.
3. Start with either the right or left motion control lever. Move the motion control lever to the
neutral position then pull the lever back until the clevis pin (on the arm below the pivot shaft)
comes into contact with the end of the slot. At this point slight spring pressure should be felt
( See Fig 5a).
4. Check where motion control lever is relative to the neutral slot in the console. The lever
should be centered to allow it to pivot outward into the neutral slot.

9
Figure 5A
Figure 5B
5. If adjustment is necessary, loosen the nut against the yoke. Apply slight rearward pres-
sure to the motion control lever and turn the head of the adjustment bolt in the proper direc-
tion until the lever is centered in the neutral slot. NOTE: if properly adjusted the motion
control levers will return to neutral from the reverse position and reverse motion will stop if
levers are released.
ADJUSTMENTS
10
ADJUSTMENTS
MOTION CONTROL LINKAGE ADJUSTMENT:
1. This adjustment must be made with the drive wheels rotating. Raise rear of the unit and
block it up so the wheels are free to rotate. CAUTION: Keep hands, feet and clothing away
from rotating tires.
2. Tilt seat forward and remove the seat rod from seat so the seat can rotate down onto the
frame. Make sure the seat is adjusted toward the rear of the unit so it clears the controls on
the console.
3. Place a 2x4 board approximatly 10 to 12 inches long between the foot plate and the center
of the seat to engage the seat safety switch. NOTE: You may want to cover the end of the 2x4
with a rag to protect the seat from marring.
4. The reverse spring detent must be adjusted correctly before the motion control linkages
may be adjusted.(See reverse spring detent adjustment section.)
5. Loosen the nuts directly behind each ball joint on both rods that connect the pump arm to
the motion control assemblies. (See Fig 5 )
6. Start the engine. The park brake must be engaged and the motion control levers must be
in the neutral slot (See figure 6 page10) to start the engine. Run engine at approximately 1/
2 throttle.
7. Release park brake to allow wheels to rotate. CAUTION: Keep hands, feet and clothing
away from rotating tires.
8. Begin with either side and put the motion control lever into the neutral position. Adjust the
motion control linkage by rotating the double nuts on the rod in the proper direction until the
wheel stops rotating (See Fig 5 ).
Move the motion control lever forward then into the neutral position and place it into the
neutral slot. The wheel must be stopped completely at this point. Now do the same in reverse
and release the lever. The lever should return to neutral on its own. If not see reverse spring
detent adjustment section.
9. Run engine at full throttle to make sure wheels do not rotate. Readjust if any rotation
occurs.
10. Repeat on the opposite side and tighten nuts against ball joints.
11. Remove the 2x4 board and make sure the seat wiring is connected to the wiring harness.
WARNING: Seat must be connected for safety interlock system to properly function.
OPERATING INSTRUCTIONS
CONTROLS:
1. Be thoroughly familiar with all controls their function and how to operate them before
operating the mower.
2. Motion control levers located on each side of the console control direction of movement.
The left lever controls the flow of oil from the left hydro pump to the left wheel motor. The right
lever controls the flow of oil from the right hydro pump to the right wheel motor.

11
OPERATING INSTRUCTIONS
NOTE: To begin motion the operator must be in the seat and the brake disengaged before
the levers can be moved from the neutral slots or the engine will kill.
By moving the levers an equal amount forward or back the mower will move in a straight line
in that direction.
Movement of the right lever forward will cause the right wheel to rotate in a forward direction.
Movement of the left lever forward will cause the left wheel to rotate in a forward direction. To
stop forward travel pull levers back into the neutral position.
To turn right while moving in a forward direction pull the right lever back towards the neutral
position, this will slow the right wheel and cause the mower to turn in that direction.
To turn left while moving in forward direction pull the left lever back towards the neutral
position, this will slow the left wheel and cause the mower to turn in that direction.
To zero turn pull one lever back beyond neutral while holding the other slightly ahead of
neutral. NOTE: The direction of the zero turn will be determined by which lever is pulled back
beyond neutral. Thus, left lever back, left turn and opposite for right turn. Use caution when
using this maneuver unit can spin very rapidly if one lever is positioned too much
ahead of the other.
3. Blade engagement switch: Located on the console. Pull up on switch to engage blades,
push down to turn blades off. See page 3
4. Choke control: Located on the console. Pull out on knob to set choke. Use when starting
cold engine do not run choke when engine is warm. See page 3
5. Throttle control: Located on the console. Used to control engine RPM. See page 3
6. Park brake: Located at the left end of the console. Pull lever back to engage the park
brake, push lever forward to release brake. NOTE: Use tie downs when transporting unit, the
park brake is not enough to hold the unit in place in this situation. See page 3
7. Key switch: Located on the console. The operator must be in the seat, park brake on,
motion control levers out in the neutral slots and blade switch off before engine will start. See
page 3
8. Fuel shut off valve: Located on the front of console at the top of the kick plate. The valve
has three positions left tank, right tank and straight down is the off position. See page 3
9. Pump release valves: Located at the top left corner of the pumps. Used to release the
system so unit may be moved by hand when not running. Tilt the seat up to gain access to the
pumps. Rotate valve towards the front of the unit to release the system using a 5/8 wrench.
NOTE: Only rotate about a 1/4 of a turn to release system.

12
OPERATING INSTRUCTIONS
STARTING AND OPERATION:
1. Operator must be sitting in the seat. Engage park brake, blades off and place the motion
control levers in the neutral slots. (See figure 6)
2. Adjust throttle to 1/2 and set choke (if needed) turn key and release as soon as engine
starts.
3. Release park brake.
4. Close motion control levers.
5. Engage blades and set RPM to maximum. NOTE: Be sure all persons are clear of area
before engaging the blades. To prolong spindle bearing and belt life engage and disengage
blades at approximately 1\2 throttle Figure 6
IMPORTANT !
WARNING
1. Mow only in daylight or good artificial
light.
2. Do not operate the mower in wet grass if
possible.
3. Mow up and down slopes. Use caution
when mowing or turning on slopes. Always
turn to the downhill side. Do not mow ex-
cessively steep slopes ( mower may tip
over and cause injury or death).
4. Use caution when backing up.
5. Stop the blades when crossing surfaces
other than grass; or when traveling to and
from the area to be mowed.
6. Do not operate in an unsafe manner. Use
caution when making maneuvers. Sharp
cornering, turning, & slopes can be unsafe
if caution isn’t used.
Sharp, high speed, manuevers on
pavement or asphalt may reduce the life
of the traction drive components. Slow
down when manuvering, loading or
unloading especially on pavement or
asphalt.
Do not alter any drive component,
including pumps, motors, wheels, rims
and tires.

13
5. Hardware: Stop engine and remove key thoroughly inspect the entire machine for any missing or
loose hardware. Check daily.
6. Air cleaner: Stop engine and remove key. Remove plastic cover and loosen wingnut on the air
cleaner. Remove the foam pre-cleaner and wash or replace if needed. Inspect paper filter and
replace if dirty. Check every 25 hours, daily if in very dirty conditions. Fuel efficiency, engine RPM,
and available power goes down rapidly if the air filter is dirty. Prolonged effects could damage the
engine.
7. Engine oil: Change oil to manufacturers specifications. Stop engine and remove key. Drain oil
when engine is warm. Thoroughly clean around cap before removing. Remove oil drain cap
from the end of drain hose located at the right rear of unit allow to drain and replace drain cap.
Remove oil filter and replace. Put a light coat of clean oil on the filter gasket before installing. Fill
engine with oil using manufacturers specs, see specification sheet. The factory
uses Quaker State Super Blend 10w-30. Start engine and idle slowly to allow the oil to recoat the
interior of the engine and then inspect for leaks.
8. Hydraulic oil: Check daily. Stop engine and tilt seat forward.Thoroughly clean around cap.
Remove cap. Oil level should be 1/4” to 1” below the neck of the tank. If not, add oil. NOTE: Use
MAINTENANCE
1. Engine oil level: Check daily with engine cold and on a flat surface. Remove the dipstick
and wipe clean. Reinsert the dipstick all the way. Remove the dipstick and check oil level. If
oil level is low remove oil fill cap and add oil. Use engine manufacturers specs for type of oil.
2. Pump drive belt compartment: Stop engine and remove key. Tilt seat forward and lift rubber
flap. Clean all debris from inside. Inspect rubber flap for proper fit and replace if needed.
NOTE: Cleaning may need to be done more frequently in dry conditions.
3. Mower blades: Stop engine and remove key. Lift deck into the transport position and in-
spect blades. Sharpen or replace as needed. Check daily or more often if needed. The
machine requires more power with dull blades and gives a poor cut. If blades get bent,
replace them. Blades shouldn’t have any notches from hitting objects. The air foil on top of
the blade should be sufficient to raise the grass for cutting. If blades are in good condition,
sharpen at an angle of 22 to 28 degrees about 2-1/2 inches in from the tips. Note: After
sharpening, check blades for proper balance, if needed correct balance to prevent excessive
vibration.
4. Safety interlock system: Check daily and never operate the mower if this system is not
functioning properly. The starter should crank only when the operator is in the seat, the park
brake set, blades off and the motion control levers in the neutral slots. If the mower starts with
any of these controls on or in an operating position, turn the mower off and repair the system
immediately.

14
13. Fuel filter: Replace annually or as needed.
14. Hydraulic filter and oil: Change every 500 hours or yearly. Stop engine and remove key.
Tilt seat forward and clean around the filter and the fittings under the hydraulic tank. Remove
the filter and allow any oil to drain from the filter head. Then replace with new filter. Use only
Yazoo/Kees p/n 102606, filter which has a bypass valve it and the correct micron filter. Loosen
hose from fitting under hydraulic tank and allow tank to drain, reinstall hose to fitting. Fill tank
with 20w - 50 motor oil to 1/4” to 1” below neck of tank and replace cap. Block up the rear of
unit until wheels will rotate freely and start engine at a slow idle, move the motion control
levers forward and run for several minutes. Stop engine and recheck oil level. If wheels don’t
response an air lock has occured within the hydraulic system. Bleed air from lines, or let
stand overnight to allow the air time to dissipate out of the oil. Retry responses & check the
oil level. Note: Serious damage to the pumps and wheel motors can occur if the system is
ran with an air lock. See the specification sheet for the correct kind of oil. The factory uses
Quaker State Deluxe Motor Oil 20w-50.
15. Caster swivel nuts: Check at 250 hours for tightness. Remove cotter pin and tighten
castle nut. Do not over tighten. Rotate nut back so a slot in the castle nut lines up with the
hole in the spindle and install cotter pin.
MAINTENANCE
9. Tire pressure: Check every 25 to 50 hours. All four tires require 15 psi.
10. Battery: Check every 25 hours. Check electrolyte level. If needed fill to the full line marked
on the side of the battery. Fill with distilled water. Do not try starting the engine with a weak
battery. Recharge or replace the battery. The engine condensers and electronic iginition
can be damaged internally with less than or more than the required 12 volts.
11. Belts: Check every 25 hours. Stop engine and remove key. Check the condition of all
belts. The pump belt located under the seat and rubber engine flap. The front deck belt and
the mule drive belt. Front caster pivots
Front wheels
Deck lift blocks
12. Lubrication (every 25 hours): Park brake assemblies
Struts
Deck lift pivot
Pump idler pivot
Deck idler pivot
(Clean grease zerk thoroughly before greasing)
15
Engine: . . . (Ref. see Kohler Manual)
Power (@3600 rpm):
CH22 . . . . . . . . . 16.4 kW (22hp)
CH25 . . . . . . . . . 18.6 kW (25hp)
Peak Torque:
CH22 . . . . . . . . . 45 N*m (33 ft.lbs.)
CH25 . . . . . . . . . 53 N*m (39.5 ft.lbs.)
Bore
CH22 . . . . . . . . . 77 mm (3.03 in.)
CH25 . . . . . . . . . 83 mm (3.27 in.)
Stroke: . . . . . . . . . . 67 mm (2.64 in.)
Displacement:
CH22 . . . . . . . . . 624cc (38 cu.in.)
CH25 . . . . . . . . . 725cc (44 cu.in.)
Compression Ratio:
CH22 . . . . . . . . . 8.5:1
CH25 . . . . . . . . . 9.0:1
Dry Weight:
CH22 . . . . . . . . . 41 kg (90 lbs.)
CH25 . . . . . . . . . 43 kg (94 lbs.)
Oil Capacity (with filter):
CH22 . . . . . . . . . 2.0 U.S. qts. (1.9 L)
CH25 . . . . . . . . . 2.1 U.S. qts. (2.0 L)
Angle of Operation -- Maximum
(at full oil level) all directions: 25 deg.
Ignition:
Spark Plug Type: (Champion) RC12YC
Spark Plug Gap: . . . 1.02 mm (.40 in.)
Spark Plug Torque: . 24.4/29.8 N*m
(18/22 ft.lbs.)
Oil Filter Torque: . . . 5.7/9.0 N*m
(50/80 in.lbs.)
Engine Oil Type:
API (American Petroleum Institute)
Service Class SF, SG, or SH.
Viscosity based on air temperature
10W-30 from 0-100+ deg. F.
Fuel Type:
Clean, fresh unleaded gasoline
with an octane rating of 87 or higher
CH22 precleaner: . . . Kohler #24 083 02
CH25 Precleaner: . . . Kohler #24 083 05
CH22 Air Filter: . . . . . Kohler #47 083 03
CH25 Air Filter: . . . . . Kohler #24 083 03
Oil Filter: . . . . . . . . . . Kohler #12 050 01
Mower Specifications:
Engine: Kohler Command V-Twin
Horsepower: 22 or 25
Models: CH22S OR CH25S
Decks: 52” or 61”
Cutting Height: 1.5” to 5.0” in 1/2” increments
(38mm to 127mm in 13mm increments)
Blades: 18” - 52” deck
21” - 61” deck
Deck Engagement: Warner Electro-magnetic
Maintenance-free clutch
Hydrostatic Drive: dual Sunstrand/Hydro
Gear pumps and Ross wheel drive motors
Hydraulic Oil Capacity: 2 gal. (7.6 L)
20W-50 oil, nylon reservoir
Electrical System: 12 volt with
15 amp charging system
Speed Range: Infinitly variable 0-9.0 mph
(14.6 kph) forward, 0-4.0 mph (6.4 kph)
reverse
Fuel Capacity: 10 gal. (30 liters) - twin 5 gal.
polyethylene saddle tanks
Front Tires: 4 ply 13 x 5.00 - 6 tubless pne-
matic
Drive Tires: 4 ply 23 x 10.5 - 12 tubless pne-
matic turf tread
Tread Width: 41”
Overall Height: 43.5”
Overall Length: 79”
Overall Width 52” Deck: 53” (chute down) 63”
Overall Width 61” Deck: 62” (chute down) 72”
Weight with 52” Deck: 1045 lbs.
Weight with 61” Deck: 1065 lbs.
Standard features: Hydraulic oil cooler
Park brake
Engine hour meter
Models: ZKH52222 . . . 22hp 52” Deck
ZKH52252 . . . 25hp 52” Deck
ZKH61252 . . . 25hp 61” Deck
Hydraulic Oil specifications: API 20W-50 SF
or CD motor oil with a minimum of .125%
zinc anti-wear additive. Viscosity 50 sus.
Minimum operating temperature -20 deg. F.,
compatible to BUNA-N seals.
SPECIFICATIONS

16
TROUBLE SHOOTING
PROBLEM POSSIBLE CAUSES
Engine won’t start
Mower will not move
or moves slowly or hard
1. Blade switch on.
2. Drive levers not in the neutral slots.
3. Operator not in seat.
4. Park brake disengaged.
5. Dead battery or cable off.
....(Ignition switch left on)
6. Fuel valve closed or in the wrong position.
7. No fuel.
8. Spark plug wires off.
9. Bad spark plugs.
1. Park brake on.
2. Pump bypass valves open.
3. Pump drive belt loose or off.
4. Hydraulic system failure.
5. Air in the hydraulic system.
Blades won’t engage
Uneven cut
Cut is ragged
Mower moves when
in neutral position
Mower pulls left or right
When a problem occurs, do not overlook the simple causes.
For example, no fuel or battery disconnected when the engine will not start.
1. Tire pressure uneven.
2. Motion control linkage adjustment.
3. Soft terrian.
4. Slope too steep.
1. Motion control linkage out of adjustment.
2. Pump arms loose or out of adjustment.
3. Park brake adjustment, brake pad worn,
or brake mounting hardware loose.
1. Blades dull.
2. Ground speed too fast.
3. Grass accumulation under deck.
1. Deck not level.
2. Tire pressure uneven. (15 psi all tires)
3. Blades bent (check tip to tip one blade thickness)
4. Air foil of blade worn or bent.
1. Blade belt off of pulleys or mule drive belt off.
2. Clutch unhooked from harness.
...(wire ties need to allow room for clutch movement)
3. Blade switch failure.
4. Fuse burnt out.

17
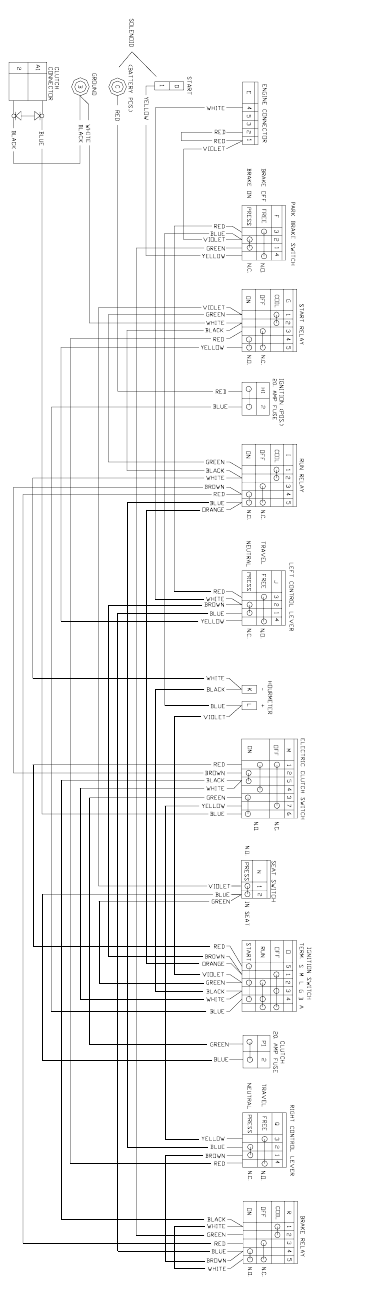
WIRING DIAGRAM

18
SERVICE RECORD
DESCRIPTION OF WORK DONE
DATE SERVICE DONE BY
19
Yazoo/Kees Limited Two Year Warranty
1. This Limited two-year Warranty is issued by Yazoo/Kees Power Equipment, only to the
original purchaser. The warranty period is limited to ninety (90) days when product is or
has been used for rental purposes.
2. Yazoo/Kees warrants that all new equipment manufactured by Yazoo/Kees (Yazoo/Kees
Products), listed in paragraph 9 hereof, shall be free of defects in material and workmanship
for the term described in paragraph 4 below. Component parts, equipment, and accessories
not manufactured by Yazoo/Kees are not warranted hereunder, but are warranted by the
original manufacturer only to the extent of any original manufacturer’s warranty, with the
exception of the following; two years on wheel motors, ninety days on belts, hoses, tires, and
battery, one year on electrical components, and one year on Peerless model 700 transmissions
(first ninety days warranted by Peerless, remainder by Yazoo/Kees).
3. In the event that any Yazoo/Kees Product warranted hereunder shall be defective or fail to
conform with this limited warranty, Yazoo/Kees shall, subject to the provisions hereof, pay
for, or provide labor and materials for, the repair or replacement of such defective Yazoo/
Kees Product.
4. This limited warranty is for two years (24 months) from purchase date for Yazoo/Kees Prod-
ucts.
5. To obtain limited warranty service on a Yazoo/Kees Product use this procedure:
a. Locate the nearest Yazoo/Kees dealer or distributor.
b. If you have moved, notify any Yazoo/Kees dealer or distributor in your area. You
must be able to confirm purchase date to validate your warranty.
c. Make arrangements to have the equipment delivered to the dealer or distributor
(refer to paragraph 6a).
d. If you have questions concerning the Yazoo/Kees Limited Warranty, they should be
referred to :
Yazoo/Kees Power Equipment
P.O. Box 8
700 Park Street
Beatrice, NE 68310
Attention: Customer Service Department
(401) 223-2391
e. Warranty service on Yazoo/Kees Products must be performed by an authorized Yazoo/
Kees dealer.
6. This limited warranty does not cover the following:
a. Transportation to and from the Yazoo/Kees dealer or distributor.
20
b. Normal maintenance services and normal maintenance items such as brakes, brake
shoes, spark plugs, oil, air filters, mower blades, gauge wheels, skids and other wear
items.
c. Any Yazoo/Kees Product which had been altered or modified in any way.
d. Any repair or replacement caused by customer neglect or lack of maintenance. (The
purchaser is responsible for making sure that Yazoo/Kees Products are operated and
serviced as directed in the applicable manual or service instruction. Incorrect use or
maintenance will void this Limited Warranty.
7. YAZOO/KEES MAKES NO OTHER EXPRESS OR IMPLIED WARRANTY, OR WAR-
RANTIES AS TO THE MERCHANTABILITY OR FITNESS FOR A PARTICULAR PUR-
POSE. ALL WARRANTIES ARE LIMITED IN DURATION TO THE TERMS SET OUT
IN PARAGRAPH 4, ABOVE. YAZOO/KEES SHALL HAVE NO LIABILITY FOR ANY
INCIDENTAL OR CONSEQUENTIAL DAMAGES RESULTING FROM THE BREACH
OF ANY WARRANTY, INCLUDING, BUT NOT LIMITED TO, LIABILITY FOR INCON-
VENIENCE, RENTAL OR PURCHASES OF REPLACEMENT EQUIPMENT, OR FOR
LOSS OF PROFITS OR OTHER COMMERCIAL LOSS. SOME STATES DO NOT AL-
LOW A LIMITATION ON HOW LONG AN IMPLIED WARRANTY LASTS, SO THE
ABOVE STATEMENT MAY NOT APPLY TO YOU. SOME STATES DO NOT ALLOW
THE EXCLUSION OR LIMITATION OF INCIDENTAL OR CONSEQUENTIAL DAM-
AGES, SO THE ABOVE LIMITATION OR EXCLUSION MAY NOT APPLY TO YOU.
8. This warranty is not subject to change or modification by anyone, including Yazoo/Kees
dealers or distributors, and no Yazoo/Kees dealer or distributor is authorized to make any
representations on behalf of Yazoo/Kees Power Equipment.
Note: This Warranty is for the following machines or products:
•ZTMax Midmount Riding Mowers
•Kutter Midsize Walk-behind Rotary Mowers
•Power Rake Dethatchers
•Power Slicer Aerators
•Core Plugger Aerators
•Classic High-wheel Walk-behind Rotary Mowers
