Yazoo Kees Zvkh52231 Zvkh61251 Zvke61261 Users Manual OM, Max 2 Series, 2002 10, Zero Turn Rider Mower, ZVKH52231, ZVKH61251, ZVKE61261, ZVKH61271, ZVKE72261, ZVKH72271, ZVKHL61231,
ZVKH52231, ZVKH61251, ZVKE61261, ZVKH61271, ZVKE72261, ZVKH72271, ZVKHL61231, ZVKW52251, ZVKW61231, ZVKW61251, ZVKW52231, ZVHO52 to the manual aa08a44d-f0fd-4989-9971-1bab5f9d254f
2015-02-03
: Yazoo-Kees Kees-Zvkh52231-Zvkh61251-Zvke61261-Users-Manual yazoo-kees-zvkh52231-zvkh61251-zvke61261-users-manual-474546 yazoo-kees pdf
Open the PDF directly: View PDF
.
Page Count: 24

Operators manual ZVKH52231
ZVKH61251
ZVKE61261
ZVKH61271
ZVKE72261
ZVKH72271
ZVKHL61231
ZVKW52251
ZVKW61231
ZVKW61251
ZVKW52231
ZVHO52241
ZVHO61241
Models:
Please read these instructions carefully and make
sure you understand them before using the machine.
MANUAL NO. 107979 REV. IR (10/30/02)

2
Congratulations on the purchase of your YAZOO/KEES mower. This manual has been prepared
for the owners and operators of the models called out on the front cover of this manual. Read,
understand and follow the safety and operating instructions.
Continuous dedication to improve our products require that specifications and design are sub-
ject to change without notice.
! WARNING
Failure to follow cautious operating practices can result in serious injury to the operator or other per-
sons. The owner must understand these instructions, and must allow only trained persons who un-
derstand these instructions to operate the mower. Each person operating the mower must be of
sound mind and body and must not be under the influence of any mind altering substance.
! CAUTION
1. Keep all shields, guards and safety devices in place and in proper working condition.
2. Stop engine and remove spark plug wires or remove key before adjusting, servicing, or performing
maintenance.
TECHNICAL ASSISTANCE
If you have any questions pertaining to your mower contact your dealer. To locate the nearest dealer
please call: 1-877-368-8873 or for more information go our web site at www.yazookees.com
For technical assistance please write: Yazoo/Kees, 700 Park Street, Beatrice, Ne 68310
or call:1-877-368-8873
WARNING: Engine exhaust, some of it’s constituents, and certain vehicle components
contain or emit chemicals known to the State of California to cause cancer and birth defects
or other reproductive harm.
WARNING: Battery posts, terminals and related accessories contain lead and lead com-
pounds, chemicals known to the State of California to cause cancer and
birth defects or other reproductive harm. Wash hands after handling.
©2002 Yazoo/Kees Power Equipment. All Rights Reserved.
Beatrice, NE. Printed in U.S.A.
3
CONTENTS
SAFETY INSTRUCTIONS.................... 4
General use and safety rules...... 4,5
Driving on slopes ........................ 5
Children safety............................ 5
Service safety ............................. 5,6
Transportation ............................ 6
PRESENTATION................................... 7
SETUP AND ADJUSTMENTS.............. 8
Setup .......................................... 8
Cutting height ............................. 8
Mower deck leveling ................... 9
Throttle lever tension .................. 9
Reverse spring detent adj........... 9
Park brake adj............................. 10
Motion control lever adj. .............. 10,11
OPERATING INSTRUCTIONS ............ 11
Starting and operation................. 11
Controls ...................................... 11,12
MAINTENANCE .................................... 13
Engine oil .................................... 13
Mower blades ............................. 13
Safety interlock system .............. 13
Hardware .................................... 14
Air filter........................................ 14
Hydraulic system ........................ 14
Deck belt .................................... 14
Pump belt ................................... 15
Lubrication .................................. 15
Tire pressure .............................. 15
Caster wheels ............................ 15
Fuel filter ..................................... 15
Winter storage ............................ 15
TORQUE SPECIFICATIONS ............... 16
MAINTENANCE SCHEDULE ............... 17
TROUBLE SHOOTING ........................ 18
WIRING DIAGRAMS ............................. 19-21

4
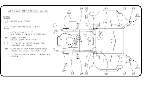
SAFETY INSTRUCTIONS
IMPORTANT !
This cutting machine is capable of amputat-
ing hands and feet and throwing objects.
Failure to observe the following safety
instructions could result in serious injury or
death. FIG - 1
General use and safety rules:
Read , understand and follow all instructions in
the manual and on the machine before starting.
Make yourself familiar with the controls and how
to stop quickly.
Only allow adults who are familiar with the
instructions and the machine to operate it.
The use of PPE’s such as (but not limited to)
protection for the eyes, ears, feet and head is
recommended.
Never use the machine barefoot or with open
toed shoes. Wear substantial footwear and long
pants.
Never wear loose fitting clothes which can catch
in rotating or moving parts.
Clear the area of objects such as rocks, stones,
toys, wire etc., which could be picked up and
thrown by the blades.
Be sure the area is clear of all people and pets
before mowing. Stop the machine if anyone
enters the area.
Never carry passengers.
Do not cut in reverse unless absolutely neces-
sary.
Always look down and behind before and during
reversing.
Be aware of the mower discharge direction and
do not direct it towards anyone.
FIG - 1
5
Never operate the mower without the entire
grass catcher or discharge chute in place.
Slow down before turning.
Never leave the machine unattended when the
engine is running. Always turn off the blades, set
the parking brake, stop the engine and take out
the keys before leaving the machine.
Stop the blades when crossing surfaces other
than grass; or when traveling to and from the
area to be mowed.
Mow only in daylight or good artificial light.
Never use the machine when under the influ-
ence of alcohol or drugs.
Watch out for traffic when operating near or
crossing roadways.
Use extra care when loading and unloading the
machine onto a trailer or truck.
Never pull anything with the machine unless it is
an authorized attachment from Husqvarna. A
pull type trailer will not allow zero turn capabili-
ties and could cause serious injury or damage
to machine.
Driving on slopes
Slopes are a major factor related to loss-of-
control and tip over accidents, which can result
in serious injury or death. All slopes require extra
caution. If you cannot reverse up the slope or
you feel uncertain avoid mowing it.
Mow up and down slopes, not across.
Watch for holes, ruts or bumps. Uneven terrain
could cause the machine to overturn.
Keep all movement on slopes slow and gradual.
Do not make sudden changes in speed or
direction.
When turning on slopes always turn to the
downhill side.
Do not mow excessively steep slopes.
SAFETY INSTRUCTIONS
Use extra care when using a grass catcher on
slopes.
Avoid stopping and starting on slopes.
Do not cut wet grass. The tires will loose grip
and the machine can slide.
Children safety
Tragic accidents can occur if the driver does not
pay close attention to children in the area.
Children are often attracted to the machine and
the work of mowing. Never assume that children
stay where you saw them last.
Keep children away from the mowing area and
under adult supervision.
Be alert and turn off the machine if children
enter the mowing area.
Never allow children to ride on the machine.
Never allow children to operate the machine.
Service safety
Use extra care in handling gasoline and other
fuels. They are flammable and vapors are
explosive.
Store fuel in approved containers.
Never fill up the machine with fuel when it is
running. Allow engine to cool before refueling.
Do not smoke.
Never fill up with fuel indoors.
Never store machine or fuel containers inside
where there is an open flame.
Never run the machine inside a closed area.
Keep all nuts and bolts tight to keep machine in
safe operating condition.
Never tamper with safety devices. Check their
proper operation regularly.

6
Never operate the machine without proper
guards, covers, safety switches and devices in
place and properly functioning. Inspect these
items regularly. If their condition or operation is
questionable they must be replaced before
using the machine. FIG - 2
Keep machine free of grass, leaves and other
debris. Clean up oil, grease and fuel spills.
Stop and inspect the machine if you strike an
foreign object. Repair any damage before
restarting the machine.
Be extra careful when handling battery acid.
Acid can cause severe burns.
Never smoke when performing maintenance on
the battery. The battery can explode.
Do not alter the setting of the governor and do
not race the engine.
Never make adjustments with the engine run-
ning.
Grass catcher components are subject to wear,
damage and deterioration, which could expose
moving parts or allow objects to be thrown.
Frequently check components and replace with
genuine parts, when necessary. FIG - 2
Mower blades are sharp and can cut. Wrap the
blades or use leather gloves. Always use cau-
tion when handling them.
The machine is tested for safety and approved
only for equipment supplied or recommended by
Husqvarna.
Check the functioning of the brakes regularly.
Adjust and maintain them as needed.
Transportation
Use a heavy duty trailer to haul the machine. Set
parking brake, turn off fuel valve and strap
machine to trailer. NOTE: Parking brake will not
hold machine when transporting. Be sure to tie
down the machine to trailer. Back on the trailer
to prevent possible tip over.
SAFETY INSTRUCTIONS
THE MOWER SHALL NOT BE OPERATED WITHOUT
OPENING UNTIL BLADE OR BLADES HAVE STOPPED.
CHUTE DEFLECTOR FROM THE GRASS DISCHARGE
OPENING. DO NOT REMOVE THE GRASS CATCHER OR
DEFLECTOR COVERING THE GRASS DISCHARGE
EITHER THE ENTIRE GRASS CATCHER OR THE CHUTE
DANGER
!
FIG - 2

7
PRESENTATION
FUEL CAP
MOTION CONTROL
LEVERS
PARKING
BRAKE
DECK LIFT
LEVER
FOOT
PLATE
KEY SWITCH
BLADE
ENGAGEMENT
SWITCH
THROTTLE
Presentation
Thank you for buying a YAZOO/KEES! Before
operating your new mower, read, understand
and follow the safety instructions and other
directions in this manual.
Lawnmowers and all power equipment, can be
potentially dangerous if used improperly. Safety
requires good judgement, careful use in accor-
dance with these instructions and common
sense.

8
SETUP AND ADJUSTMENTS
WARNING: No settings or adjustments are
to be made unless: Engine is stopped, key
has been removed, park brake is on and
battery cable removed from battery.
Setup
Uncrate machine.
Mount rear drive wheels using the lug nuts
installed on the hubs.
Check the tire pressure in all four tires. All tires
should be 15 psi.
Remove top bolt in control arm and loosen
bottom bolt, rotate the control levers to the
upright position. Align the levers so they are
even in the neutral position. Reinstall hardware
and tighten. FIG - 3
Install seat rod to the seat frame with cotter pin
in plastic bag. Seat rod is located under the seat
in the hydraulic pump area.
Check engine oil with dip stick. Add if needed
per the engine manufactures specifications.
See engine manual for oil type and filling specifi-
cations. FIG - 4
Loosen the discharge chute slightly and lower
into position. Chute should be snug but still pivot
freely.
Install armrests to seat. Hardware and armrests
are in the plastic bag.
Assemble the air cleaner hood to the inlet of the
air filter, (EFI models only).
Adjustments
Cutting Height
Stop the mower and disengage the blades.
Raise the deck height lever to the transport
position.
Remove the height adjustment pin and place it
in the desired cutting height hole. Lower the lift
lever down onto pin. NOTE: Anti-scalp rollers
must be in the proper position for maximum
deck floatation. See the decal on the front deck
for proper settings. FIG - 5
Lift Lever
Deck Height
Adjustment
Plates
Motion
Control
Lever
Control
Arm
“F” Full
Mark
Operating
Range
FIG - 3
FIG - 4
FIG - 5

9
SETUP AND ADJUSTMENTS
Mower Deck Leveling
Position machine on a flat surface. Preferably
level concrete.
Check the tire pressure in all four tires. Inflation
should be 15 psi.
Place 2x4’s on edge under the cutting deck from
front to rear and lower the deck down onto
2x4’s.
Adjust the four lower chain bolts to the center
slots on the deck. FIG - 6 NOTE: Make sure the
lift blocks under the frame are tightly bolted to
the frame.
Check the chains for equal tension. If unequal
adjust lower chain bolt in slot.
Place the deck in the 6” cutting height and
measure from the cutting edge of the blade to
the flat level surface to check the deck cutting
height.
Throttle Lever Tension
Stop engine and remove key.
Throttle lever tension may be adjusted by
tightening the pivot bolt. The pivot bolt secures
the throttle arm to the mounting bracket which is
mounted to the console. Access is gained by
removing the console.
Reverse Spring Detent Adjustment
Stop engine and remove key.
Pull the motion control lever back to the reverse
position and release the lever. When the lever
stops it should be in line with the neutral slot, so
you can move the lever into neutral slot with out
hitting the side of the console frame.
If adjustment is required put the seat in the rear
most position on the slide, tilt the seat forward,
remove the seat rod from seat frame and fold
seat over forward onto the frame.
On the back of the console where the spring is
fastened, loosen the 3/8” nut and bolt enough to
allow the bolt to slide in the slot. FIG - 7
Motion
Control
Lever
Reverse Detent
Adjustment Slot
Reverse Detent
Spring
Deck Lift Arm
Slots For Chain
Adjustment
Rotate the motion control lever out into the
neutral slot. While the lever is swung out into the
neutral slot pull it against the back edge of the
neutral slot. Holding the lever adjust the spring
by sliding the bolt in the slot to remove all the
slop and retighten the bolt.
Check your adjustment by repeating the second
step in this process.
If no more adjustment is needed reassemble
the seat rod to the seat frame.
FIG - 6
FIG - 7

10
Motion Control Linkage Adjustment
This adjustment must be made with the rear
wheels rotating. Raise the rear of the machine
and block it up so the wheels are free to rotate.
CAUTION: Keep hands, feet and clothing
away from rotating tires.
Tilt seat forward and remove the seat rod so the
seat may rotate forward onto the frame.
Place a 2x4 board between the foot plate and
the center of the seat to engage the seat safety
switch.
Loosen the nuts directly behind each ball joint
on both rods that connect the pump arm to the
motion control assemblies. FIG - 9
Start the engine. The park brake must be en-
gaged and the motion control levers in the
neutral slots to start the engine. Run the engine
approximately half throttle
Release park brake to allow the wheels to
rotate.
SETUP AND ADJUSTMENTS
Turn Here
To Adjust
Loosen Here
Loosen Here
(Lt. Hand Thds.)
Motion
Control
Lever
Park Brake Adjustment
When park brake is in the engaged position the
distance between the trunion and the bolt head
at the rear of the assembly should measure 1/8”
to 1/4” and the spring should measure 1.25”. To
adjust the gap between the trunion and the bolt
head loosen the nut against the yoke then turn
the bolt head the proper direction to achieve the
proper gap. To adjust the length of the spring
turn the nut against the spring the proper direc-
tion to lengthen or shorten the spring. This
adjustment is the same for both sides. FIG - 8
• If brake lever trys to catch as you engage the
brake the spring needs to be tightened. When
you change the spring length you also have to
maintain the 1/8” to 1/4” gap between the bolt
head and the trunion.
NOTE: Do not force the brake lever into the on
position if it is catching this will cause damage
to the brake assembly.
• If brake squeaks while the machine is in use.
The spring may be to tight or the gap between
the bolt head and the trunion may be to large.
Loosen here
1/4” Gap
Spring
FIG - 8
FIG - 9
Begin with either side and put the motion control
lever into the neutral position. Adjust the motion
control linkage by rotating the double nuts in the
proper direction until the wheel stops rotating.
FIG - 9 Move the motion control lever forward
then into the neutral position and place it into the
neutral slot. The wheel must be stopped com-
pletely at this point. Now do the same in reverse
and release the lever. The lever should return to
neutral on its own. If not see reverse spring
detent adjustment.

11
Run engine full throttle to make sure wheels do
not rotate. Readjust if any rotation occurs.
Repeat the whole process for the opposite side
and tighten the nuts against the ball joints.
Turn machine off.
Reinstall the seat rod and check the wiring
harness to the seat safety switch for a good
connection and return the seat to the normal
position.
OPERATING INSTRUCTIONS
Starting and operation
Operator must be sitting in the seat. Engage the
park brake, blades disengaged and the motion
control levers in the neutral slots.
Set choke (if needed) turn key and release as
soon as engine starts. Adjust throttle to half and
shut choke off.
Release parking brake.
Close motion control levers.
Engage blades and set RPM to maximum.
CAUTION: Be sure all persons are clear of the
area before engaging blades.
Controls
Be familiar with all controls their function and
how to operate them before starting the ma-
chine.
Motion control levers on each side of the con-
sole control the direction of movement. See
page 7. The left lever controls the flow of oil
from the left hydro pump to the left wheel motor.
The right lever controls the flow of oil from the
right hydro pump to the right wheel motor.
NOTE: To begin motion the operator must be in
the seat and the parking brake disengaged
before the motion control levers can be moved
from the neutral slots or the engine will kill. FIG -
10
Operating instructions
Motion Control Lever Pattern
(Right Side)
FIG - 10

12
By moving the levers an equal amount forward
or back the machine will move in a straight line
in that direction. FIG - 11
Movement of either lever forward will cause the
right or left wheel to rotate in a forward direction.
To stop movement pull both levers into the
neutral position.
To turn right while moving in a forward direction
pull the right lever back towards the neutral
position, this will slow the rotation of the right
wheel and cause the machine to turn in that
direction.
To turn left while moving in a forward direction
pull the left lever back towards the neutral
position, this will slow the rotation of the left
wheel and cause the machine to turn in that
direction.
To zero turn pull one lever back beyond neutral
while holding the other slightly ahead of neutral.
NOTE: The direction of the zero turn will be
determined by which lever is pulled back beyond
neutral. Thus left lever back, left zero turn and
opposite for right zero turn. Use extra care
when using this maneuver the machine can
spin very rapidly if one lever is positioned
to far ahead of the other.
Blade engagement switch located on the con-
sole is engaged by pulling up on the switch and
pushed down to disengage. FIG - 12
Choke control is located on the console. To
choke engine pull knob push to release. FIG - 12
Throttle control is located on the console. Used
to control engine RPM. FIG - 12
Parking brake is located on the left side of the
machine and directly in front of the fuel tank. Pull
the lever back to engage the brake and push
lever forward to release the brake.
Key switch is located on the console. Used to
start the machine. NOTE: Do not run the starter
for more than 5 seconds at a time. If the engine
will not start, wait about 10 seconds before
trying again. FIG - 12
OPERATING INSTRUCTIONS
Key Switch
Throttle
Choke
Blade
Engagement
Motion Control Lever Pattern
(Right Side)
FIG - 11
FIG - 12

13
Fuel shut off valve is located at the right rear of
the seat. The valve has three positions a right
tank, left tank and center is the off position. FIG -
13. NOTE: EFI models the left position is the off
position.
Pump release valves located at the right front
corner of the pumps. Used to release the
system so the machine may be moved by hand
when not running. Tilt seat forward to gain
access to the pumps. Use a 5/8” wrench to
open valve. NOTE: Only rotate valve 1/4 turn to
release system.
Maintenance
WARNING: No settings, adjustments or
maintenance is to be made unless: Engine
is stopped, key has been removed, park
brake is on and battery cable removed from
battery.
Annual inspection and maintenance from an
authorized Yazoo/Kees dealer is recom-
mended to keep your machine in the best
condition mechanically and ensures safe
operation.
Engine oil
Should be checked daily before starting the
machine. See the engine manufacturers manual
for specifications on type of oil, filling instruc-
tions and service intervals. FIG - 14
Mower blades
Inspect blades and sharpen or replace as
needed. Check blades daily or as needed. Bent,
cracked or blades with large notches in them
should be replaced. Sharpen to an angle of 22
to 28 degrees. Always check the balance of the
blades after sharpening to prevent excessive
vibration.
MAINTENANCE
Safety interlock system
Check daily and never operate the machine if
the system is not functioning properly. The
starter should crank only when the operator is in
the seat, the parking brake is applied, blade
switch off and the motion control levers in the
neutral slots. If the machine starts with any of
these controls in an operating position, turn the
machine off an repair the system immediately.
“F” Full
Mark
Operating
Range
Fuel Valve
FIG - 13
FIG - 14

14
Hardware
Check daily. Inspect the entire machine for
loose or missing hardware.
Air filter
See engine manufacturers specifications for
cleaning and replacement intervals.
Hydraulic system
Check oil level in tank daily. Oil level should be
3/4” to 1” below the top of the tank. Check all
fittings, hoses and lines for damage or leaks.
Replace or repair any questionable lines or
fittings.
Change the oil and filter after the first 250 hours
of operation then annually after that. Drain tank
and remove filter, be sure to clean around the
tank and filter head before removal. Replace
filter and drain plug and refill hydraulic tank. Only
use MOBIL 1 synthetic oil. FIG - 15
Raise and block up the rear of the machine so
the drive wheels can rotate freely. Start the
engine at the lowest RPM possible, move the
motion control levers forward and run machine
for several minutes. Stop engine and recheck
the oil level.
If the wheels do not respond an air lock has
occurred within the system. The system must
be bled off of air or let the machine set overnight
to allow the air time to dissipate out of the oil.
DO NOT run the machine with an air lock
serious damage can occur to the pumps and
wheel motors.
Deck belt
Check every 75 to 100 hours of operation.
Check for severe cracking and large nicks.
NOTE: The belt will show some small cracks in
normal operation.
To replace belt lower the deck to its lowest
position. Remove the foot plate and belt shields.
Use a ratchet with a 9/16” socket on the spring
idler bolt to relieve the tension on the belt. Slide
the belt off of pulley and fully remove the belt.
Reverse the procedure for installation. See the
decal on the top of deck for belt routing informa-
tion. FIG - 16. After installation is complete
check the belt for twists.
MAINTENANCE
Tri-Synthetic Formula
0
ONLY USE
FIG - 15
FIG - 16

15
MAINTENANCE
Pump belt
Check belt every 100 hours for excessive wear.
To replace belt. Relieve tension on the deck belt
and remove deck belt from clutch. See deck belt
instructions on previous page. Loosen bolt on
the clutch tie down and rotate out of the way.
Using a 1/2” drive ratchet inserted into the
square hole in the pump idler arm relieve the
tension on the pump belt and remove belt. To
reinstall belt. Swing pump idler pulley out toward
engine to route belt around it. Then route belt
around right side pulley first as you are looking
up from the underside of machine. Reinstall
idler spring and use the ratchet to rotate idler so
the belt may be installed all the way around the
last pulley.
Lubrication
See service decal under foot plate for service
points and maintenance intervals. Clean grease
zerks thoroughly before greasing. See engine
manual for engine service. FIG - 17
Tire pressure
Check every 25 hours. All four tires require 15
psi.
Caster Wheels
Check every 200 hours. Lift front of unit off of
ground so caster wheels can rotate freely.
Tighten caster bolt then back off 1/2 turn. Check
that wheel rotates freely. If wheel does not rotate
freely back the caster bolt off in 1/4 turn incre-
ments until wheel rotates freely.
Fuel filter
Replace every 500 hours or annually. In ex-
tremely dirty conditions replacement may need
to be at shorter intervals.
SERVICE DECAL
FIG - 17
Winter storage
To prepare the machine for storage. Clean the
machine, especially under the deck. Touch-up
the paint or spray the underside of deck with a
light coat of oil.
Inspect the machine for damage and loose
hardware.
Change the oil.
Drain the fuel system or add stabilizer to fuel.
Make sure to run the machine after to circulate
stabilizer throughout system.
Remove the plugs and add 1 tablespoon of oil in
each cylinder. Install plugs and crank the engine
two or three revolutions.
Grease all zerks.
Remove battery and store inside and protect it
from freezing temperatures.
16
Torque Specifications
·Engine crankshaft bolt 67 Nm(50 ft/lb)
·Deck pulley bolts 61 Nm (45 ft/lb)
·Hydraulic tube nuts 41 Nm (30 ft/lb)
·Wheel motor hub nut 122 Nm (90 ft/lb)
·Lug nuts 100 Nm (75 ft/lb)
·Blade bolt 122 Nm (90 ft/lb)
·Standard ¼” fasteners 12 Nm (9 ft/lb)
·Standard 5/16” fasteners 25 Nm (18 ft/lb)
·Standard 3/8” fasteners 44 Nm (33 ft/lb)
·Standard 7/16” fasteners 70 Nm (52 ft/lb)
·Standard ½” fasteners 110 Nm (80 ft/lb)
MAINTENANCE

17
Maintenance Schedule
For ZTH Riders
Maintenance Maintenance Interval (hours)
Daily 25 50 100 200 250 500
Engine (4)
Check oil level X
Change oil and filter (1) X
Clean the air filter’s (3) X
Replace air filter’s (3) X
Check for fuel and oil leakage X
Clean cooling flanges (3) X
Check cooling air inlet X
Check fuel pump’s air filter X
Replace fuel filter X
Replace plugs X
Hydraulics
Check oil level X
Check for oil leaks X
Change hydraulic oil (2) XX
Change oil filter (2) XX
Electrical
Check battery X
Check the safety system X
Lubricate
Left and right brakes X
Left and right motion control shafts X
Left and right deck struts X
Deck idler arm X
Pump idler arm X
Caster swivels X
Caster tires X
Deck lift lever X
Throttle cable X
Choke cable X
General
Check bolts and nuts X
Check cutting deck X
Clean cutting deck (3) X
Clean pump compartment (3) X
Check tire pressure (15 psi) X
Check belts X
Check and adjust throttle cable X
Notes: 1. Change engine oil and filter after first 50 hours and then every 100 hours.
2. Change hydraulic oil and filter after the first 250 hours or season and then every 500 hours.
3. During dusty or dry conditions cleaning and replacement should be more frequent.
4. Refer to engine manual for more information.
MAINTENANCE

18
TROUBLE SHOOTING
PROBLEM POSSIBLE CAUSES
ENGINE WILL NOT START.
Blade switch on.
Drive levers not in the neutral slots.
Operator not in seat.
Park brake disengaged.
Dead battery.
Fuel valve closed or in the wrong position.
No fuel.
Spark plugs defective.
Spark plug wires off.
MACHINE WILL NOT MOVE OR MOVES
SLOWLY OR HARD.
Park brake on.
Pump bypass valves open.
Pump drive belt loose or off.
Hydraulic system failure.
Air in the hydraulic system.
BLADES WILL NOT ENGAGE.
Blade belt off.
Clutch unhooked form wiring harness.
Blade switch failure or unhooked from harness.
Fuse burnt out.
UNEVEN CUT
Tire pressure uneven.
Blades bent.
Deck chains uneven.
Deck lift blocks loose.
Anti-scalp rollers set uneven.
CUT IS RAGGED
Blades dull.
Ground speed to fast.
Grass to long.
Grass accumulation under deck.
MACHINE VIBRATION Blades loose.
Blades unbalanced.
Engine loose from mounts.

19
WIRING DIAGRAMS
CONSOLE HARNESS
Frame
Harness
Engine
Clutch
Left
Motion
Control
Hour
Meter
Blade
Switch
Seat
Starter
Switch
Right
Motion
Control
P/N
104414

20
WIRING DIAGRAMS
CONSOLE HARNESS

21
FRAME HARNESS
WIRING DIAGRAMS
Clutch
Engine
Pigtail
Ground to
Engine
Starter
Solenoid
Park
Brake
Console
Harness
Brake
Relay
Start
Relay
Run
Relay
P/N
104964

22
WIRING DIAGRAMS
FRAME HARNESS

23
WIRING DIAGRAMS
EFI HARNESS
