Yazoo Kees Zvkw61252 Zvho61242 Users Manual OM, Max2 Series, 2004 09, Zero Turn Rider Mower, ZVKH61272, ZVKH72272, ZVKW52252, ZVKW61252, (Turf Care)
ZVKH61272, ZVKH72272, ZVKW52252, ZVKW61252, ZVHO61242 to the manual 8eb58cc6-bd9b-49cc-bd4f-f2c5c7e82794
2015-02-03
: Yazoo-Kees Kees-Zvkw61252-Zvho61242-Users-Manual yazoo-kees-zvkw61252-zvho61242-users-manual-474555 yazoo-kees pdf
Open the PDF directly: View PDF
.
Page Count: 30

Operators manual
ZVKH61272
ZVKH72272
ZVKW52252
ZVKW61252
ZVHO61242
Models:
Please read these instructions carefully and make
sure you understand them before using the machine.
MANUAL NO. 110970 REV. IR (09/13/04)
2
©2004 Yazoo/Kees Power Equipment. All Rights Reserved.
Beatrice, NE. Printed in U.S.A.
3
CONTENTS
INTRODUCTION .................................. 4-5
SYMBOLS & DECALS ......................... 6
SAFETY INSTRUCTIONS.................... 7
General use and safety rules...... 7-8
Driving on slopes ........................ 9
Children safety............................ 10
Maintenance safety..................... 10-12
Transportation ............................ 12
ROPS safety .............................. 13
Customer responsibilities ........... 13
PRESENTATION................................... 14
SETUP AND ADJUSTMENTS .............. 15
Setup .......................................... 15
ROPS assembly ........................ 15
Tires ........................................... 15
Control arms .............................. 16
Seat install .................................. 16
Engine oil .................................... 16
Cutting height ............................. 16
Mower deck leveling ................... 17
Throttle lever tension .................. 17
Motion control lever adjustment .. 17
Park brake adjustment ............... 18
OPERATING INSTRUCTIONS ............ 19
Roll bar and seat belt.................. 19
Starting and operation ................. 19
Controls ...................................... 19-20
MAINTENANCE .................................... 21
Engine oil .................................... 21
Mower blades ............................. 21
Safety interlock system .............. 21
Cutter housings .......................... 21
Hardware .................................... 22
Air filter........................................ 22
Hydraulic system ........................ 22
Deck belt .................................... 22
Pump belt ................................... 23
Lubrication .................................. 23
Tire pressure .............................. 23
Caster wheels ............................ 23
Fuel filter ..................................... 23
Winter storage............................ 23
TORQUE SPECIFICATIONS ............... 24
MAINTENANCE SCHEDULE ............... 25
TROUBLE SHOOTING........................ 26
WIRING DIAGRAMS ............................. 28-29
4
Introduction
Congratulations
Thank you for purchasing a Yazoo/Kees ride-on mower. This machine is built for the greatest efficiency
and rapid mowing of large areas. Convenient controls and a hydrostatic transmission regulated by
steering levers also contribute to the machine’s performance.
This manual is a valuable document. Following the instructions (use, service, maintenance, etc.) can
considerably increase the life-span of your machine and even increase its resale value.
If you sell your machine, be sure to give the operator’s manual to the new owner.
The final chapter of this operator’s manual comprises a Service Journal. Ensure that service and
repair work is documented. A well kept service journal reduces service costs of the season-based
maintenance and affects the machine’s resale value. Take the operator’s manual along when the
machine is left at the service center for service.
General
In this operator’s manual, left and right, backward and forward are used in relation to the machine’s
normal driving direction.
Driving and Transport on Public Roads
Check applicable road traffic regulations before driving and transporting on public roads. If the machine
is transported, you should always use approved fastening equipment and ensure that the machine is
well anchored.
Operating
This machine is constructed only for mowing grass on lawns and other free and even ground without
obstacles such as stones, tree stubs, etc. The machine can also be used for other tasks when equipped
with special accessories provided by the manufacturer, for which the operating instructions are pro-
vided in conjunction with delivery. All other types of use are incorrect. The manufacturer’s directions
concerning operation, maintenance, and repairs must be carefully followed.
The machine must only be operated, maintained, and repaired by persons that are familiar with the
machine’s special characteristics and who are well versed in the safety instructions.
Accident prevention regulations, other general safety regulations, occupational safety rules, and traffic
regulations must be followed without fail.
Unauthorized modifications to the design of the machine may absolve the manufacturer from liability
for any resulting personal injury or property damage.
INTRODUCTION

5
INTRODUCTION
Good Service
Yazoo/Kees products are sold all over the world and only in specialized retail stores with complete
service. This ensures that you as a customer receive only the best support and service. Before the
product is delivered, the machine has, for example, been inspected and adjusted by your retailer, see
the certificate in the Service Journal in this operator’s manual.
When you need spare parts or support in service questions, warranty issues, etc., please consult the
following professional:
This Operator’s Manual belongs to the
machine with manufacturing number: Engine Transmission
Manufacturing Number
The machine’s manufacturing number can be found on the printed decal affixed to the left side of the
frame under the seat.
•The machine’s type designation (I.D.).
•The manufacturer’s type number (Model).
•The machine’s serial number (Serial no.)
Please state the type designation and serial number when ordering spare parts.
The engine’s manufacturing number is stated on a decal. This is placed on the right side on the top
of the engine.
•The engine’s serial number (E/NO).
•The engine’s type designation (Code).
Please state these when ordering spare parts.
The hydraulic pump’s manufacturing number is stated on a barcode decal affixed to the left side of
the pump housing. The plate states:
•The pump’s type designation.
•The pump’s serial number.
The hydraulic motor’s manufacturing number is stated on a round metal plate. This is placed on the
gable inside the motor. The plate states:
•The hydraulic motor’s type designation and design version.
•The hydraulic motor’s serial number.

6
SYMBOLS AND DECALS
Symbols and Decals
These symbols are found on the machine and in the operator’s manual.
Study them carefully so that you know what they mean.
Used in this publication to notify the reader of a risk of personal injury, particularly if the reader should
neglect to follow instructions given in the manual.
IMPORTANT INFORMATION
Xxxxxxx xxxx xxxxxxxx xxx xxx
xxxx xxxxxx xx.
Used in this publication to notify the reader of a risk of material damage, particularly if the reader
should neglect to follow instructions given in the manual. Used also when there is a potential for mis-
use or misassembly.
R
N
Reverse Neutral Fast Slow Fuel
Ignition
Stop Run Start Warning
Danger
Caution
Parking brake
Do not stand here
Warning! Rotating
blades, keep away from
the discharge deck Do not touch rotating parts
Battery acid is corrosive,
explosive, and flammable
Use on a slope no greater
than 10°.
No
passengers
Careful going
forward, watch
for other people.
Careful backing
up, watch for
other people.
WARNING!
Xxxxxxxxxx xxx xxxxx xxxxxxxx.
Xxxxxx xxxxx xxxxxxxxx
xxxxx xxxxx xxx x xxxxx.
Shut off engine
and remove key
before performing
any maintenace
or repair work.
Read
Operators
Manual.
Whole body
exposure to
thrown objects.
Severing of
fingers and toes.
Do not open
or remove
safety shields
while engine
is running.
Keep a safe
distance from
the machine.

7
SAFETY INSTRUCTIONS
Safety Instructions
These instructions are for your safety. Read them carefully.
General Use
•Read all instructions in this operator’s manual
and on the machine before starting it. Ensure
that you understand them and then abide by
them.
•Learn how to use the machine and its con-
trols safely and learn how to stop quickly. Also
learn to recognize the safety decals.
•Only allow the machine to be used by adults
who are familiar with its use.
•Make sure nobody else is in the vicinity of the
machine when you start the engine, engage
the drive, or run the machine.
•Make sure animals and people maintain a safe
distance from the machine.
•Stop the machine if someone enters the work
area.
•Clear the area of objects such as stones, toys,
steel wire, etc. that may become caught in
the blades and thrown out.
•Beware of the discharge deck and do not point
it at any one. Do not use the machine without
the discharge deck in place.
•Stop the engine and prevent it from starting
before you clean the discharge deck.
•Remember that the operator is responsible
for dangers or accidents.
•Never take passengers. The machine is only
intended for use by one person.
•Always look down and behind before and dur-
ing reversing maneuvers. Keep a look out for
both large and small obstacles.
•Slow down before turning.
•Shut down the blades when not mowing.
8011-512
Read the operator’s manual before starting the machine.
8011-513
Clear the area of objects before mowing.
8011-520
Never take passengers.
WARNING!
This symbol means that important safety instructions need to be emphasized. It
concerns your safety.

8
SAFETY INSTRUCTIONS
•Be careful when rounding fixed objects, so that
the blades do not hit them. Never drive over
foreign objects.
•Only use the machine in daylight or in other
well-lit conditions. Keep the machine a safe
distance from holes or other irregularities in
the ground. Pay attention to other possible
risks.
•Never use the machine if you are tired, if you
have consumed alcohol, or if you are taking
other drugs or medication that can affect your
vision, judgement, or coordination.
•Beware of traffic when working near or cross-
ing a road.
•Never leave the machine unsupervised with
the engine running. Always shut down the
blades, pull back the parking brake, stop the
engine, and remove the ignition key before
leaving the machine.
•Never allow children or other persons not
trained in the use of the machine to use or
service it. Local laws may regulate the age of
the user.
•Make sure that you have first aid equipment
close at hand when using the machine.
•Never use the machine when barefoot. Always
wear protective shoes or boots, preferably with
steel toecaps.
•Always wear approved protective glasses or
a full visor when assembling or driving.
•Never wear loose clothing that can get caught
in moving parts.
8011-292
Personal protective equipment.
8011-518
Keep children away from the work area.
Engine exhaust and certain vehicle
components contain or emit chemi-
cals considered to cause cancer,
birth defects, or other reproductive
system damage. The engine ex-
haust contains carbon monoxide,
which is colorless, poisonous gas.
Do not use the machine in en-
closed spaces.
WARNING!
WARNING!
When using the machine, approved personal protective equipment shall be used.
Personal protective equipment cannot eliminate the risk of injury but it will reduce
the degree of injury if an accident does happen. Ask your retailer for help in choosing
the right equipment.

9
6003-004
Mow up and down, not side-to-side.
Driving on Slopes SAFETY INSTRUCTIONS
Driving on slopes is one of the operations where
the risk is greatest that the driver will lose control
or the machine will tip over, which can result in
serious injury or death. All slopes require extra
caution. If you cannot reverse up a slope or if feel
unsure, do not mow the slope.
Do as follows:
•Remove obstacles such as stones, tree
branches, etc.
•Mow up and down, not side-to-side.
•Never drive the rider on terrain that slopes
more than 10°.
•Avoid starting or stopping on a slope, If the
tires begin to slip, shut down the blades and
drive slowly down the slope.
•Always drive evenly and slowly on slopes.
•Make no sudden changes in speed or direc-
tion.
•Avoid unnecessary turns on slopes, and if it
proves necessary, turn slowly and gradually
downward, if possible.
•Watch out for and avoid driving over furrows,
holes, and bumps. On uneven terrain, the
machine can tip more easily. Long grass can
hide obstacles.
•Drive slowly. Use small movements of the
steering controls.
•Be extra cautious with any additional equip-
ment, which can alter the machine’s stability.
•Do not mow near verges, ditches, or banks.
The machine can suddenly spin around if a
wheel goes over the edge of a drop or ditch,
or if an edge gives way.
•Do not mow wet grass. It is slippery, and the
tires can lose their grip, so that the machine
slides.
•Try not to stabilize the machine by putting a
foot on the ground.
•When cleaning the chassis, the machine may
never be driven near verges or ditches.
8011-519
Be extra cautious when driving on slopes.
•Avoid starting or stopping on a slope. If tires
lose traction, disengage the blades and pro-
ceed slowly straight down the slope.
•If machine stops while going uphill, disengage
blades and back down slowly.
•Do not turn on slopes unless necessary, and
then, turn slowly and gradually downhill, if pos-
sible.

10
SAFETY INSTRUCTIONS
Children:
•Serious accidents may occur if you fail to be
on guard for children in the vicinity of the ma-
chine. Children are often attracted to the ma-
chine and mowing work. Never assume that
children will stay put where you last saw them.
•Keep children away from the mowing area and
under close supervision by another adult.
•Keep an eye out and shut off the machine if
children enter the work area.
•Before and during a reversing maneuver, look
backward and downward for small children.
•Never allow a child to ride with you. They can
fall off and injure themselves seriously or pre-
vent risk-free maneuvering of the machine.
•Never allow children to operate the machine.
•Be particularly cautious near corners, bushes,
trees, or other objects that block your view.
•Stop the engine. Prevent the engine from start-
ing by removing the ignition key before mak-
ing any adjustments or performing mainte-
nance.
•Never fill the fuel tank indoors.
•Fuel and fuel fumes are poisonous and ex-
tremely flammable. Be especially cautious
when handling fuel, as carelessness can re-
sult in personal injury or fire.
•Only store fuel in containers approved for the
purpose.
•Never remove the fuel tank cap and never fill
the fuel tank while the engine is running.
Maintenance:
8011-517
Never allow children to operate the machine.
8011-516
Never fill the fuel tank indoors.
WARNING!
The engine must not be started when the driver’s floor plate or any protective
plate for the mower deck’s drive belt is removed.

11
•Allow the engine to cool before refueling. Do
not smoke. Do not fill fuel in the vicinity of
sparks or open flames.
•If leaks arise in the fuel system, the engine
must not be started until the problem has been
resolved.
•Store the machine and fuel in such a way that
there is no risk of leaking fuel or fuel vapor
leading to damages.
•Check the fuel level before each use and leave
space for the fuel to expand, because the heat
from the engine and the sun may otherwise
cause the fuel to expand and overflow.
•Avoid overfilling. If you spill fuel on the machine,
wipe up the spill and wait until it has evapo-
rated before starting the engine. If you have
spilled fuel on your clothing, change your
clothing.
•Allow the machine to cool before taking any
actions in the engine compartment.
•Be very careful when handling battery acid.
Acid on skin can cause serious corrosive
burns. If you spill battery acid on your skin,
rinse immediately with water.
•Acid in the eyes can cause blindness, con-
tact a doctor immediately.
•Be careful when servicing the battery. Explo-
sive gases form in the battery. Never perform
maintenance on the battery when smoking or
near open flames or sparks. The battery can
explode and cause serious injury/damage.
•Ensure that nuts and bolts, especially the fas-
tening bolts for the blade attachments, are
properly tightened and that the equipment is
in good condition.
•Do not modify safety equipment. Check regu-
larly to be sure it works properly. The machine
must not be driven with defective or un-
mounted protective plates, protective cowl-
ings, safety switches, or other protective de-
vices.
•Do not change the settings of governors and
avoid running the engine with overly high en-
gine speed. If you run the engine too fast, you
risk damaging the machine components.
8011-563
Do not smoke when performing maintenance on the
battery. The battery can explode and cause serious
injury/damage.
SAFETY INSTRUCTIONS
The engine, the exhaust system,
and the hydraulic system’s compo-
nents become very warm during
operation.
Risk for burns if touched.
WARNING!
The battery contains lead and lead
compounds, chemicals that are
considered to cause cancer, birth
defects, and other reproductive
system damage.
Wash your hands after touching the
battery.
WARNING!

12
•Never use the machine indoors or in spaces
lacking proper ventilation. The exhaust fumes
contain carbon monoxide, and odorless, poi-
sonous, and lethal gas.
•Stop and inspect the equipment if you run over
or into anything. If necessary, make repairs
before starting.
•Never make adjustments with the engine run-
ning.
•The machine is tested and approved only with
the equipment originally provided or recom-
mended by the manufacturer.
•The blades are sharp and can cause cuts and
gashes. Wrap the blades or us protective
gloves when handling them.
•Check the parking brake’s functionality regu-
larly. Adjust and service as necessary.
•The mulch deck shall only be used when higher
quality mowing is desired in familiar areas.
•Reduce the risk of fire by removing grass,
leaves, and other debris that may have accu-
mulated on the machine. Allow the machine
to cool before putting it in storage.
SAFETY INSTRUCTIONS
Transport:
•The machine is heavy and can cause serious
crushing injuries. Be extra cautious when it is
loaded on or unloaded from a vehicle or trailer.
•Use an approved trailer to transport the ma-
chine. Activate the parking brake, turn off the
fuel supply, and fasten the machine with ap-
proved fastening devices, such as bands,
chains, or ropes, when transporting.
•Check and abide by local traffic regulations
before transporting or driving the machine on
any road.
8011-515
Never drive the machine in an enclosed space.
8011-514
Clean the machine regularly.
The parking brake is not sufficient to lock
the machine in place during transport.
Ensure that the machine is well fastened
to the transport vehicle. Reverse the ma-
chine onto the transport vehicle to avoid
tipping it over.
IMPORTANT INFORMATION
•If a hydraulic leak is suspected, use a piece of
cardboard or wood, NOT your hands to check
for leaks.
•Escaping hydraulic oil under pressure can have
sufficient force to penetrate the skin, causing
serious injury. If injured by escaping fluid, see
a doctor at once. Serious infection or reaction
can develop if proper medical treatment is not
administered immdediately.

13
SAFETY INSTRUCTIONS
WARNING!
This structure’s capability may be imparired by structural damage if overturned, or al-
teration occurs. If any of these conditions take place, the total structure MUST be re-
placed.
DO NOT use ROPS as a lifting, attaching or anchoring point.
DO NOT exceed Max GVW: 2822; ROPS mass 42 lbs./19 kg.
Read machine operator’s manual before each use.
Securely fasten your seat belt if the unit has a ROPS.
Where possible, avoid operating the unit near ditches, embankments and holes.
Reduce speed when turning, crossing slopes and on rough, slick or muddy surfaces.
Stay off slopes too steep for safe operation.
Watch where you are going, expecially at row ends, on roads and around trees.
DO NOT permit others to ride.
Operate the mower smoothly-no jerky turns, starts or stops.
Hitch only to the drawbar and the thitch points recommended by the mower manufac-
turer.
When mower is stopped, set brakes securely and use park brake.
ROPS bar is NOT intended for use in sub zero temperatures.
If any part of ROPS is damaged, the total ROPS MUST BE replaced.
CHECK ALL BOLTS including seat belt for correct torque before each use.
Check ROPS structure for damaged before each use.
Roll Over Protection System
Customer Responsibilities
• Read and observe the safety rules.
• Follow a regular schedule in maintaining, caring for and using your mower.
• Follow the instructions under “Maintenance” and “Storage” sections of this owner’s manual.
WARNING!
This mower is equipped with an internal combustion engine and should not be used on or
near any unimporved froest-covered, brush-cocvered or grass-covered land unless the
engine’s exhaust system is equipped with a spark arrester meeting applicable local or state
laws (if any). If a spark arrester is used, it should be maintained in effective working order
by the operator.

14
PRESENTATION
FUEL CAP
MOTION
CONTROL
LEVERS
PARKING
BRAKE
DECK LIFT
LEVER
FOOT
PLATE
KEY SWITCH
BLADE
ENGAGEMENT
SWITCH
THROTTLE
Presentation
Thank you for buying a YAZOO/KEES! Before
operating your new mower, read, understand
and follow the safety instructions and other
directions in this manual.
Lawnmowers and all power equipment, can be
potentially dangerous if used improperly. Safety
requires good judgement, careful use in accor-
dance with these instructions and common
sense.
HOUR
METER
ROPS

15
SETUP AND ADJUSTMENTS
Setup
Uncrate machine.
WARNING!
No settings or adjustments are to be
made unless: Engine is stopped, key has
been removed, park brake is on and bat-
tery cable removed from battery.
ROPS Assembly
(Roll Over Protection System)
ROPS Assembly Components
1 - Top Loop
1 - Left Side Post
1 - Right Side Post
1 - Hardware Bag
2 - 1/2” Latch Pins w/lanyard
2 - 1/2C x 3 1/4” Cap screws
6 - 1/2C Centerlock Nuts
4 - 1/2C X 4” Cap screws
2 - Knobs
(all hardware Grade 5).
1. Remove roll bar and parts bag from the box.
2. Install roll bar side posts.
a. Locate the LEFT and RIGHT side posts.
b. Slilde the left side post into the left side
receiver on the frame, do the same on
the right side.
c. Using 1/2C x 3 1/4 cap screws, two per
post, align the holes in the side post with
the frame receiver.
d. Install the 1/2C centerlock nuts finger tight
to the side post bolts.
3. Install roll bar top loop.
a. Align the holes of the top loop with the left
and right side posts.
b. Slide the latch pins thru the front hole on
the left and right side to connect the top
loop to the side posts and secure with the
hairpin.
c. Using 1/2C x 3 1/4 cap scrws thru the
rear hole on the left and right side.
d. Install the 1/2C centerlock nuts finger
tight.
4. Torque all 1/2” hardware to 80 ft./lbs. (110 N•m).
5. Install and tighten knobs against the side
post.
LATCH PIN
1/2C X 3 1/4
CAPSCREW
KNOB
1/2C CENTERLOCK
NUT
LEFT SIDE
POST
RIGHT SIDE
POST
TOP LOOP
1/2C CENTERLOCK
NUTS
1/2C X 4
CAPSCREWS
Mount rear drive wheels using the lug nuts installed
on the hubs.
Check the tire pressure in all four tires. All tires
should be 15 psi.
Tires

16
SETUP AND ADJUSTMENTS
Lift Lever
Deck Height
Adjusment Plates
FIG - 3
Cutting Height
Stop the mower and disengage the blades.
Raise the deck height lever to the transport posi-
tion.
Remove the height adjustment pin and place it in
the desired cutting height hole. Lower the lift lever
down onto pin. NOTE: Anti-scalp rollers must be
in the proper position for maximum deck floata-
tion. See the decal on the front deck for proper
settings. FIG - 3
Control Arms
Remove top bolt in control arm and loosen bot-
tom bolt, rotate the control levers to the upright
position. Align the levers so they are even in the
neutral position. Reinstall hardware and tighten.
FIG - 1
Seat Install
1. Remove seat assembly from the crate.
2. Remove the four 5/16C nyloc nuts or 5/16C
studed knobs from the bottom of the seat.
Retain for use later.
3. Align the seat bottom with the holes in the seat
frame. Place seat on top of the seat frame
and secure with the four nuts or knobs re-
moved in step 2.
4. Connect the wire harness from the seat to the
frame harness.
Engine Oil
Check engine oil with dip stick. Add if needed per
the engine manufactures specifications. See en-
gine manual for oil type and filling specifications.
FIG - 2
Loosen the discharge chute slightly and lower into
position. Chute should be snug but still pivot freely.
Motion
Control
Lever
Control
Arm
“F” Full
Mark
Operating
Range
FIG - 1
FIG - 2
Adjustments

17
SETUP AND ADJUSTMENTS
Mower Deck Leveling
Position machine on a flat surface. Preferably level
concrete.
Check the tire pressure in all four tires. Inflation
should be 15 psi.
Place 2x4’s on edge under the cutting deck from
front to rear and lower the deck down onto 2x4’s.
Adjust the four lower chain bolts to the center slots
on the deck. FIG - 4 NOTE: Make sure the lift
blocks under the frame are tightly bolted to the
frame.
Check the chains for equal tension. If unequal
adjust lower chain bolt in slot.
Place the deck in the 6” cutting height and mea-
sure from the cutting edge of the blade to the flat
level surface to check the deck cutting height.
Deck Lift Arm
Slots For Chain
Adjustment
FIG - 4
Stop engine and remove key.
Throttle lever tension may be adjusted by tighten-
ing the pivot bolt. The pivot bolt secures the throttle
arm to the mounting bracket which is mounted to
the console. Access is gained by removing the
console.
Motion Control Linkage Adjustment
This adjustment must be made with the rear
wheels rotating. Raise the rear of the machine
and block it up so the wheels are free to rotate.
CAUTION: Keep hands, feet and clothing away
from rotating tires.
Throttle Lever Tension
Tilt seat forward and remove the seat rod so the
seat may rotate forward onto the frame.
Place a 2x4 board between the foot plate and the
center of the seat to engage the seat safety switch.
Run engine full throttle to make sure wheels do
not rotate. Readjust if any rotation occurs.
Repeat the whole process for the opposite side
and tighten the nuts against the ball joints.
Turn machine off.
Reinstall the seat rod and check the wiring har-
ness to the seat safety switch for a good connec-
tion and return the seat to the normal position.
Loosen the nuts directly behind each ball joint on
both rods that connect the pump arm to the mo-
tion control assemblies. FIG - 5
Start the engine. The park brake must be engaged
and the motion control levers in the neutral slots
to start the engine. Run the engine approximately
half throttle
Release park brake to allow the wheels to rotate.
FIG - 5
Begin with either side and put the motion control
lever into the neutral position. Adjust the motion con-
trol linkage by rotating the double nuts in the proper
direction until the wheel stops rotating. FIG - 5 Move
the motion control lever forward then into the neutral
position and place it into the neutral slot. The wheel
must be stopped completely at this point. Now do
the same in reverse and release the lever. The lever
should return to neutral on its own.
Turn Here
To Adjust
Loosen Here
Loosen Here
(Lt. Hand Thds.)
Motion
Control
Lever
Pump
Arm

18
SETUP AND ADJUSTMENTS
Park Brake Adjustment
When the park brake is on, the spring should
measure 2 3/4” to2 7/8” and have a 1/4”-3/8” gap
between the brake yoke and the washer on the
lower brake rod.
If the spring needs adjusting follow these steps:
1. Apply the park brake.
2. Keep the lower brake rod from turning using a
9/16” wrench on the double nuts.
3. Turn the 3/8F nut at the the end of the spring
the proper direction to achieve the correct
measurement (2 3/4” - 2 7/8”).
4. Repeat on otherside if necessary.
Spring
FIG - 6
If the 1/4” gap is not adjusted follow these step:
1. Place the park brake in the off position.
2. Loosen the 3/8F nut holding the yoke and re-
move the clevis pin.
3. Turn the yoke clockwise to increase the gap.
4. Reinstall the yoke to the brake lever using the
clevis pin and tighten the 3/8F nut to the yoke.
5. With the park brake on check your gap on both
sides.
6. If necessary repeat the above steps.
If each side requires a different gap adjustment.
1. Place the park brake on.
2. Loosen the 3/8F nut next to the trunion.
3. Turn the brake rod clockwise to increase the
gap.
4. Retighten the 3/8F nut to the trunion.
5. Repeat on the otherside if necessary.
3/8F
Nut
Brake Bellcrank
Upper Brake Rod
3/8F
Nut
Yoke
Park Brake Lever
Clevis
Pin
Trunion
3/8F
Nut
3/8F Nut
(Double Nuts) Lower
Brake Rod
Brake Yoke
1/4”-3/8”
Gap

19
OPERATING INSTRUCTIONS
Starting and operation
Operator must be sitting in the seat. Engage the
park brake, blades disengaged and the motion
control levers in the neutral slots.
Set choke (if needed) turn key and release as soon
as engine starts. Adjust throttle to half and shut
choke off.
Release parking brake.
Close motion control levers.
Engage blades and set RPM to maximum. CAU-
TION: Be sure all persons are clear of the area
before engaging blades.
CONTROLS
Be familiar with all controls their function and how
to operate them before starting the machine.
Motion Control Levers
Motion control levers on each side of the console
control the direction of movement. The left lever
controls the flow of oil from the left hydro pump to
the left wheel motor. The right lever controls the
flow of oil from the right hydro pump to the right
wheel motor.
NOTE: To begin motion the operator must be in
the seat and the parking brake disengaged before
the motion control levers can be moved from the
neutral slots or the engine will kill. FIG - 7
Operating instructions
FIG - 7
Roll Bar and Seat Belt
Operate the unit with the roll bar in the raised and
locked position and use seat belt. There is no
rollover protection when the roll bar is down. If it is
necessary to lower roll bar do not wear the seat
belt. Raise the roll bar as soon as clearance per-
mits.
Motion Control Lever Pattern
(Right Side)
Neutral Slot
Neutral Lock
Front of
Mower
Reverse
Neutral
Forward
By moving the levers an equal amount forward or
back the machine will move in a straight line in
that direction. FIG - 7
Movement of either lever forward will cause the
right or left wheel to rotate in a forward direction.
To stop movement pull both levers into the neutral
position.
To turn right while moving in a forward direction
pull the right lever back towards the neutral posi-
tion, this will slow the rotation of the right wheel
and cause the machine to turn in that direction.
To turn left while moving in a forward direction pull
the left lever back towards the neutral position,
this will slow the rotation of the left wheel and
cause the machine to turn in that direction.
To zero turn pull one lever back beyond neutral
while holding the other slightly ahead of neutral.
NOTE: The direction of the zero turn will be deter-
mined by which lever is pulled back beyond neu-
tral. Thus left lever back, left zero turn and oppo-
site for right zero turn. Use extra care when us-
ing this maneuver the machine can spin very
rapidly if one lever is positioned to far ahead
of the other.
Blade Switch
Blade engagement switch located on the console
is engaged by pulling up on the switch and pushed
down to disengage. FIG - 8
Choke Control
Choke control is located on the console. To choke
engine pull knob push to release. FIG - 8
Throttle Control
Throttle control is located on the console. Used to
control engine RPM. FIG - 8
Parking Brake
Parking brake is located on the left side of the
machine and directly in front of the fuel tank. Pull
the lever back to engage the brake and push lever
forward to release the brake.

20
Fuel Valve
FIG - 9
OPERATING INSTRUCTIONS
Key Switch
Throttle
Choke
Blade
Engagement
FIG - 8
Hour Meter
Hour Meter
The hour meter displays the total operating time
and reminds of service intervals.
The meter will indicate “CHG OIL” for engine oil
and “SVC” for general service at preset intervals.
The hour meter will reset itself at predetermined
times.
Engine “CHG” will come on after the first ten (10)
hours of operation, and will stay on for one (1)
hour of operation before it will reset itself. It will
come on every 99 hours thereafter, and stay on
for five (5) hours of operation before resetting.
Mower “SVC” message will come on every 50
hours to remind to lubricate the unit, check blades
and fasteners, etc. This message will stay on for
two (2) hours of operation before resetting.
Key Switch
Key switch is located on the console. Used to start
the machine. NOTE: Do not run the starter for
more than 5 seconds at a time. If the engine will
not start, wait about 10 seconds before trying
again. FIG - 8
Fuel Shut Off
Fuel shut off valve is located at the right rear of the
seat. The valve has three positions a right tank, left
tank and center is the off position. FIG - 9.
Tracking
The tracking knob is located in front of the left con-
trol lever. Rotating this knob allows fine tuning ad-
justments so that the machine tracks straight with
the drive levers in the full forward position.
Rotate the knob clockwise (as viewed from the
operating position) to increase the speed or coun-
terclockwise to decrease the speed on the left
control lever. Example: If control levers are full for-
ward and the unit turns to the right, turn the track-
ing knob counterclockwise to decrease the speed
on the left control lever.
Pump Release Valves
Pump release valves located at the right front cor-
ner of the pumps. Used to release the system so
the machine may be moved by hand when not
running. Tilt seat forward to gain access to the
pumps. Use a 5/8” wrench to open valve. NOTE:
Only rotate valve 1/4 turn to release system.

21
Maintenance
MAINTENANCE
Safety interlock system
Check daily and never operate the machine if the
system is not functioning properly. The starter
should crank only when the operator is in the seat,
the parking brake is applied, blade switch off and
the motion control levers in the neutral slots. If the
machine starts with any of these controls in an
operating position, turn the machine off an repair
the system immediately.
“F” Full
Mark
Operating
Range
FIG - 10
Cutter Housings
Grease housings once weekly or every 40 to 50
hours of use. Use a good synthetic grease. Pump
grease in until a small amount purges from the
popet on the underside of the deck. Check the
torque of the pulley bolt (45 ft/lbs) should be main-
tained.
Annual inspection and maintenance from an au-
thorized Yazoo/Kees dealer is recommended to
keep your machine in the best condition mechani-
cally and ensures safe operation.
Engine oil
Should be checked daily before starting the ma-
chine. See the engine manufacturers manual for
specifications on type of oil, filling instructions and
service intervals. FIG - 10
Mower blades
Inspect blades and sharpen or replace as needed.
Check blades daily or as needed. Bent, cracked
or blades with large notches in them should be
replaced. Sharpen to an angle of 22 to 28 degrees.
Always check the balance of the blades after
sharpening to prevent excessive vibration.
WARNING!
No settings or adjustments are to be
made unless: Engine is stopped, key has
been removed, park brake is on and bat-
tery cable removed from battery.

22
Hardware
Check daily. Inspect the entire machine for loose
or missing hardware.
Air filter
See engine manufacturers specifications for
cleaning and replacement intervals.
Hydraulic system
Check oil level in tank daily. Oil level should be 3/
4” to 1” below the top of the tank. Check all fit-
tings, hoses and lines for damage or leaks. Re-
place or repair any questionable lines or fittings.
Change the oil and filter after the first 250 hours of
operation then annually after that. Drain tank and
remove filter, be sure to clean around the tank and
filter head before removal. Replace filter and drain
plug and refill hydraulic tank. Only use MOBIL 1
synthetic oil. FIG - 11
Raise and block up the rear of the machine so the
drive wheels can rotate freely. Start the engine at
the lowest RPM possible, move the motion con-
trol levers forward and run machine for several
minutes. Stop engine and recheck the oil level.
If the wheels do not respond an air lock has oc-
curred within the system. The system must be
bled off of air or let the machine set overnight to
allow the air time to dissipate out of the oil. DO
NOT run the machine with an air lock serious dam-
age can occur to the pumps and wheel motors.
MAINTENANCE
Tri-Synthetic Formula
0
ONLY USE
FIG - 11
FIG - 12
Deck belt
Check every 75 to 100 hours of operation. Check
for severe cracking and large nicks. NOTE: The
belt will show some small cracks in normal op-
eration.
To replace belt lower the deck to its lowest posi-
tion. Remove the foot plate and belt shields. Use
a ratchet with a 9/16” socket on the spring idler
bolt to relieve the tension on the belt. Slide the belt
off of pulley and fully remove the belt. Reverse the
procedure for installation. See the decal on the
top of deck for belt routing information. FIG - 12.
After installation is complete check the belt for
twists.
WARNING!
If a leak is suspected, use a piece of card-
board or wood, NOT your hands. to check
for leaks.
Escaping hydraulic oil under pressure can
have sufficient force to penetrate the
skin, causing serious injury.
If injured by escaping fluid, see a doctor
at once. Serious infection or reaction can
develop if proper medical treatment is not
administered immdediately.

23
MAINTENANCE
Pump belt
Check belt every 100 hours for excessive wear.
To replace belt. Relieve tension on the deck belt
and remove deck belt from clutch. See deck belt
instructions on previous page. Loosen bolt on the
clutch tie down and rotate out of the way. Using a
1/2” drive ratchet inserted into the square hole in
the pump idler arm relieve the tension on the pump
belt and remove belt. To reinstall belt. Swing pump
idler pulley out toward engine to route belt around
it. Then route belt around right side pulley first as
you are looking up from the underside of machine.
Reinstall idler spring and use the ratchet to rotate
idler so the belt may be installed all the way around
the last pulley.
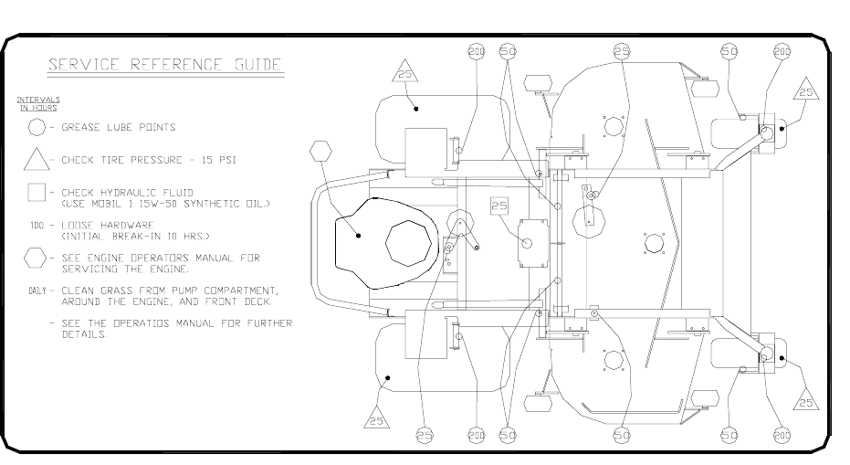
Lubrication
See service decal under foot plate for service
points and maintenance intervals. Clean grease
zerks thoroughly before greasing. See engine
manual for engine service. FIG - 13
Tire pressure
Check every 25 hours. All four tires require 15 psi.
Caster Wheels
Check every 200 hours. Lift front of unit off of
ground so caster wheels can rotate freely. Tighten
caster bolt then back off 1/2 turn. Check that wheel
rotates freely. If wheel does not rotate freely back
SERVICE DECAL
FIG - 13
Winter storage
To prepare the machine for storage. Clean the
machine, especially under the deck. Touch-up the
paint or spray the underside of deck with a light
coat of oil.
Inspect the machine for damage and loose hard-
ware.
Change the oil.
Drain the fuel system or add stabilizer to fuel. Make
sure to run the machine after to circulate stabi-
lizer throughout system.
Remove the plugs and add 1 tablespoon of oil in
each cylinder. Install plugs and crank the engine
two or three revolutions.
Grease all zerks.
Remove battery and store inside and protect it
from freezing temperatures.
Fuel filter
Replace every 500 hours or annually. In extremely
dirty conditions replacement may need to be at
shorter intervals.
the caster bolt off in 1/4 turn increments until wheel
rotates freely.
NOTE: DO NOT add any type of tire liner or foam
fill material to the tires. Excessive loads created
by foam filled tires will cause premature failures.
Only use O.E.M. specified tires. Foam filled tires
or solid tires will void the warranty
24
Torque Specifications
·Engine crankshaft bolt 67 Nm(50 ft/lb)
·Deck pulley bolts 61 Nm (45 ft/lb)
·Hydraulic tube nuts 41 Nm (30 ft/lb)
·Wheel motor hub nut 122 Nm (90 ft/lb)
·Lug nuts 100 Nm (75 ft/lb)
·Blade bolt 122 Nm (90 ft/lb)
·Standard ¼” fasteners 12 Nm (9 ft/lb)
·Standard 5/16” fasteners 25 Nm (18 ft/lb)
·Standard 3/8” fasteners 44 Nm (33 ft/lb)
·Standard 7/16” fasteners 70 Nm (52 ft/lb)
·Standard ½” fasteners 110 Nm (80 ft/lb)
MAINTENANCE

25
Maintenance Schedule
For ZTH Riders
Maintenance Maintenance Interval (hours)
Daily 25 50 100 200 250 500
Engine (4)
Check oil level X
Change oil and filter (1) X
Clean the air filter’s (3) X
Replace air filter’s (3) X
Check for fuel and oil leakage X
Clean cooling flanges (3) X
Check cooling air inlet X
Check fuel pump’s air filter X
Replace fuel filter X
Replace plugs X
Hydraulics
Check oil level X
Check for oil leaks X
Change hydraulic oil (2) XX
Change oil filter (2) XX
Electrical
Check battery X
Check the safety system X
Lubricate
Left and right brakes X
Left and right motion control shafts X
Left and right deck struts X
Deck idler arm X
Pump idler arm X
Caster swivels X
Caster tires (5) X
Deck lift lever X
Throttle cable X
Choke cable X
Cutter housings X
General
Check bolts and nuts X
Check cutting deck X
Clean cutting deck (3) X
Clean pump compartment (3) X
Check tire pressure (15 psi) X
Check belts X
Check and adjust throttle cable X
Notes: 1. Change engine oil and filter after first 50 hours and then every 100 hours.
2. Change hydraulic oil and filter after the first 250 hours or season and then every 500 hours.
3. During dusty or dry conditions cleaning and replacement should be more frequent.
4. Refer to engine manual for more information.
5. Foam filled tires or solid tires will void the warranty.
MAINTENANCE

26
TROUBLE SHOOTING
PROBLEM POSSIBLE CAUSES
ENGINE WILL NOT START.
Blade switch on.
Drive levers not in the neutral slots.
Operator not in seat.
Park brake disengaged.
Dead battery.
Fuel valve closed or in the wrong position.
No fuel.
Spark plugs defective.
Spark plug wires off.
MACHINE WILL NOT MOVE OR MOVES
SLOWLY OR HARD.
Park brake on.
Pump bypass valves open.
Pump drive belt loose or off.
Hydraulic system failure.
Air in the hydraulic system.
BLADES WILL NOT ENGAGE.
Blade belt off.
Clutch unhooked form wiring harness.
Blade switch failure or unhooked from harness.
Fuse burnt out.
UNEVEN CUT
Tire pressure uneven.
Blades bent.
Deck chains uneven.
Deck lift blocks loose.
Anti-scalp rollers set uneven.
CUT IS RAGGED
Blades dull.
Ground speed to fast.
Grass to long.
Grass accumulation under deck.
MACHINE VIBRATION Blades loose.
Blades unbalanced.
Engine loose from mounts.
27

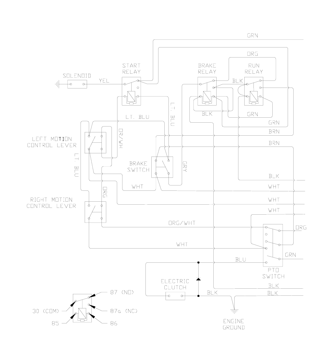
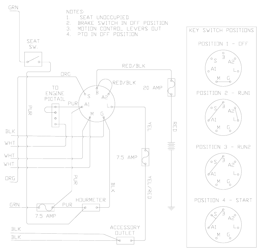
28
WIRING DIAGRAMS

29
WIRING DIAGRAMS
