York Uq Latitude R410A Technical Guide
2015-09-09
: York Uq-Latitude-R410A-Technical-Guide york-uq-latitude-r410a-technical-guide-812034 york pdf
Open the PDF directly: View PDF
.
Page Count: 52
- Description
- Table of Contents
- Component Location
- Nomenclature
- Features and Benefits
- Guide Specifications
- Physical Data
- Capacity Performance
- Airflow Performance
- Sound Performance
- Electrical Data
- NM024-060 Cooling Only With/Without Electric Heat
- UQ024-060 Cooling Only With/Without Electric Heat
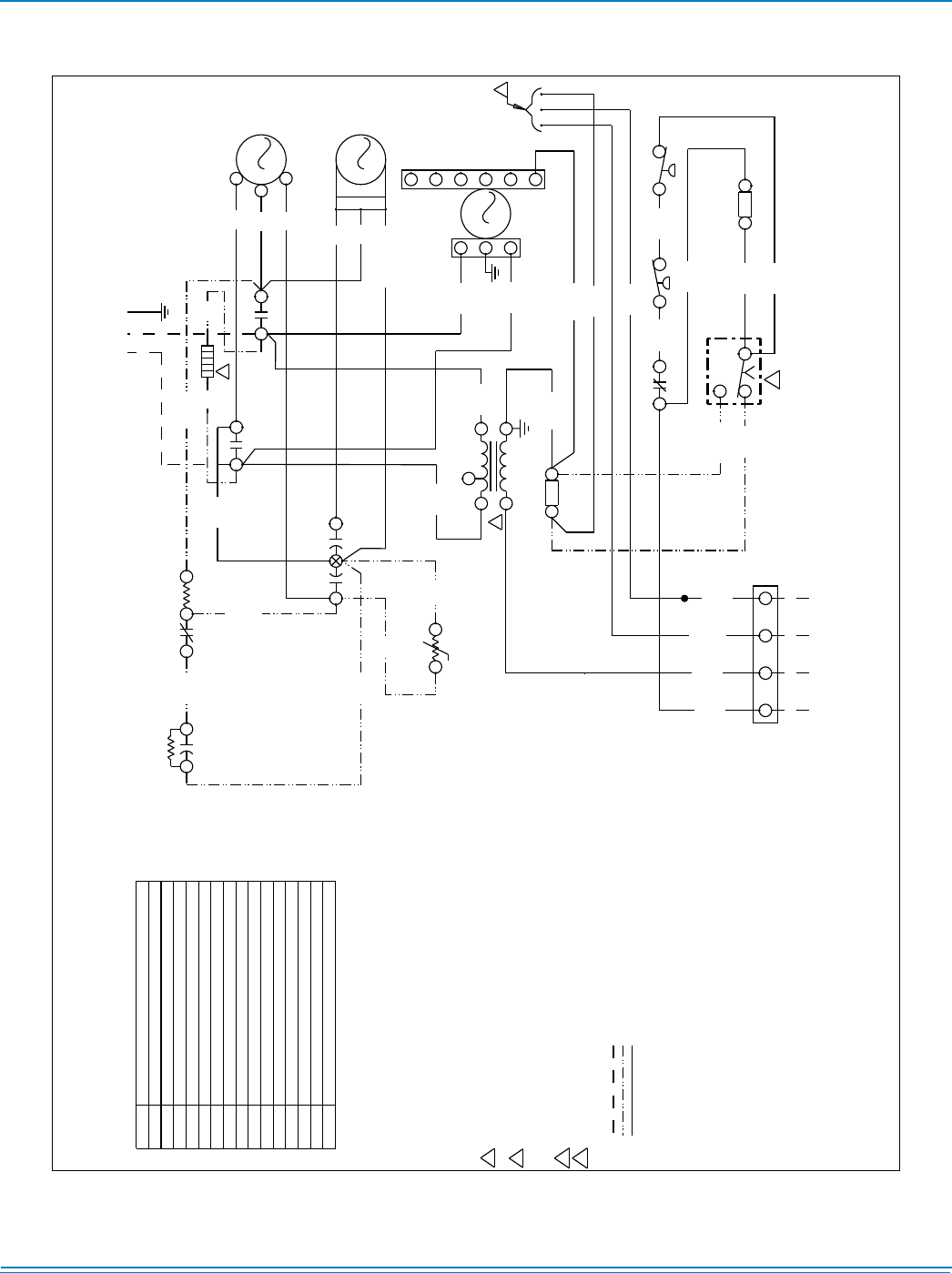
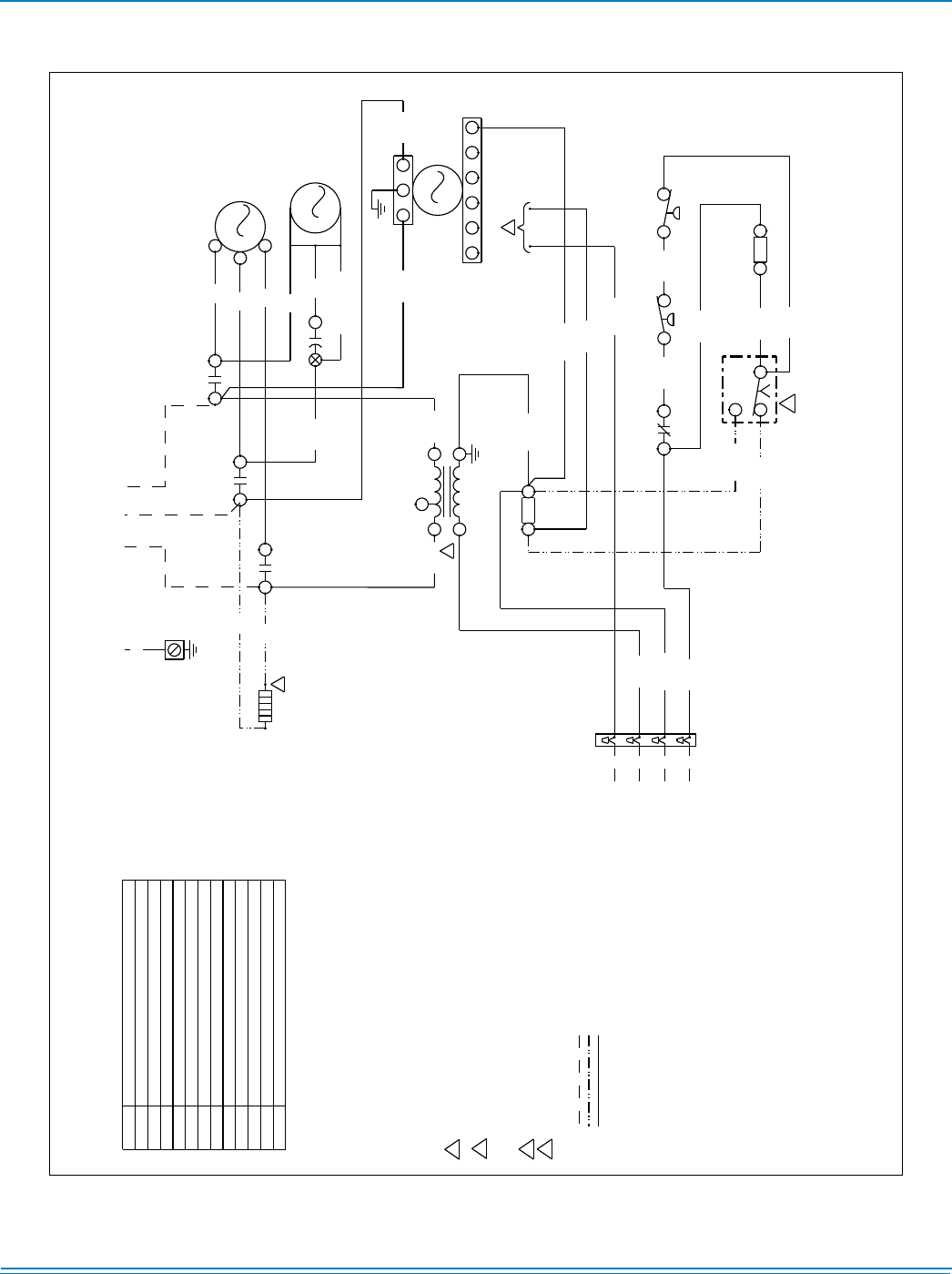
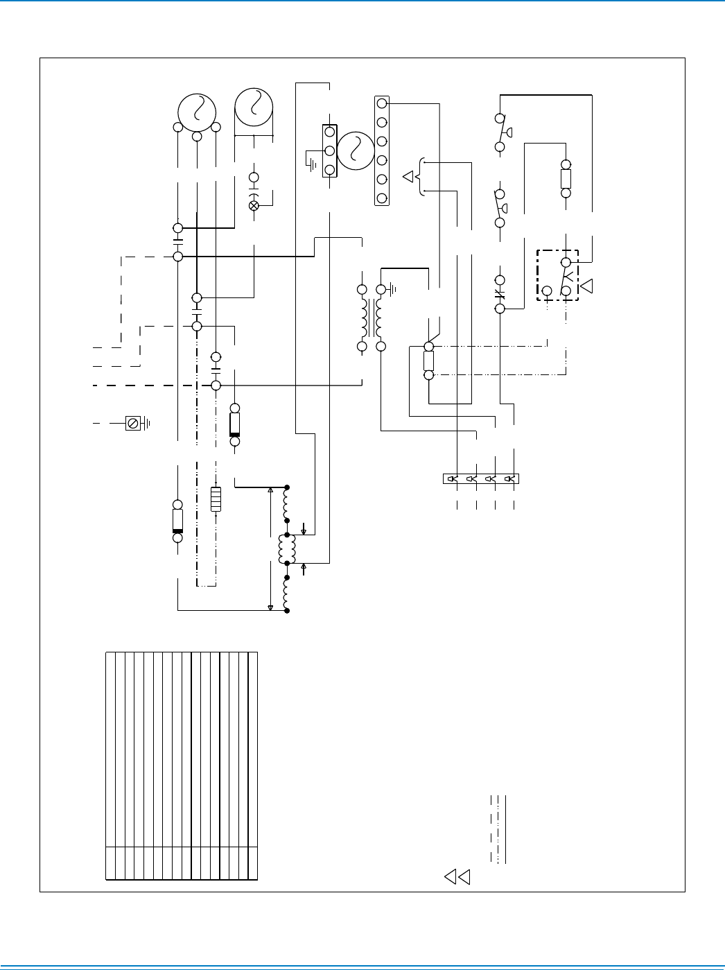
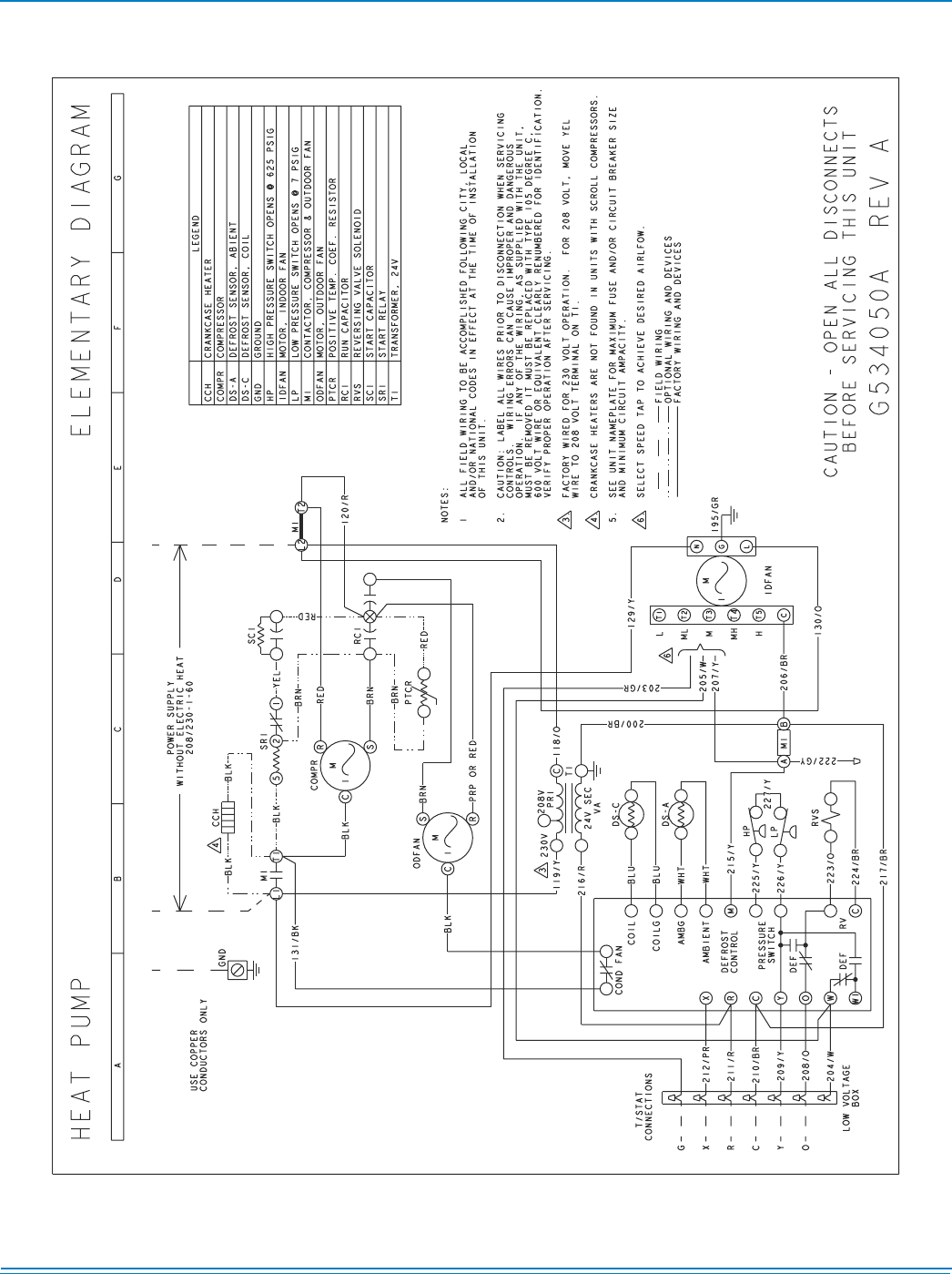
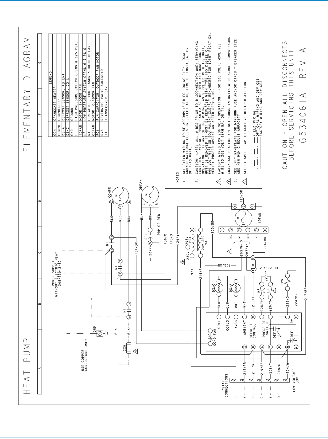
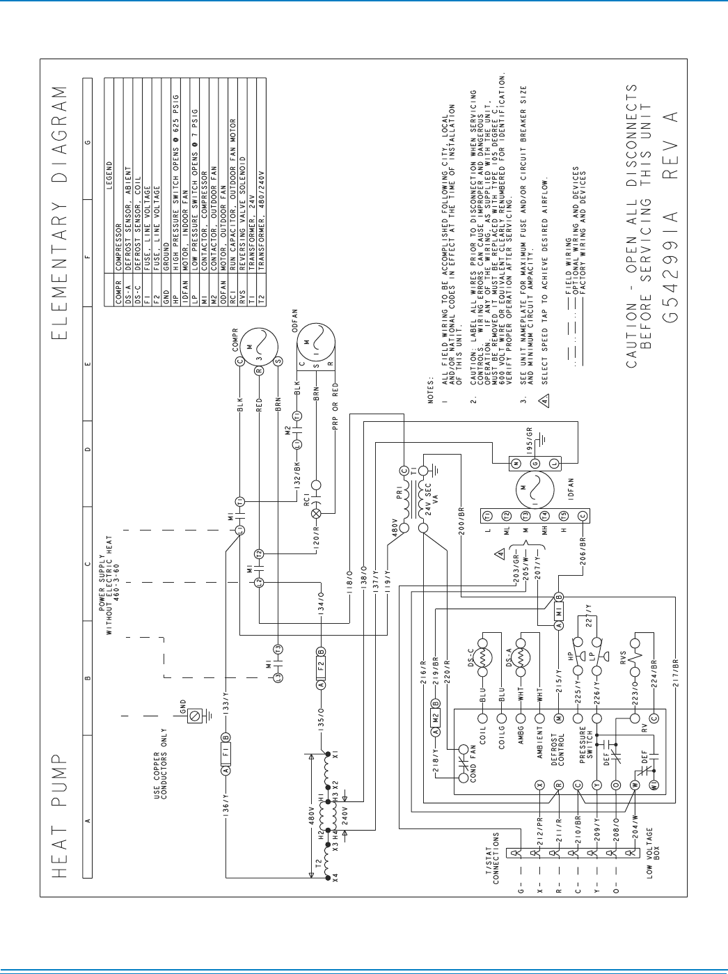
- NM/UQ024-060 Typical Wiring Diagrams
- NM024, 030 and 036 Typical Cooling Unit 208/230-1-60 volt Wiring Diagram
- NM036 Typical Cooling Unit 208/230-3-60 volt Wiring Diagram
- NM042, 048 and 060 Typical Cooling Unit 208/230-1-60 volt Wiring Diagram
- NM048 and 060 Typical Cooling Unit 208/230-3-60 volt Wiring Diagram
- NM048 and 060 Typical Cooling Unit 460-3-60 volt Wiring Diagram
- UQ024-060 Typical Heat Pump 208/230-1-60 volt Wiring Diagram
- UQ036, 048 and 060 Typical Heat Pump 208/230-3-60 volt Wiring Diagram
- UQ060 Typical Heat Pump 460-3-60 volt Wiring Diagram
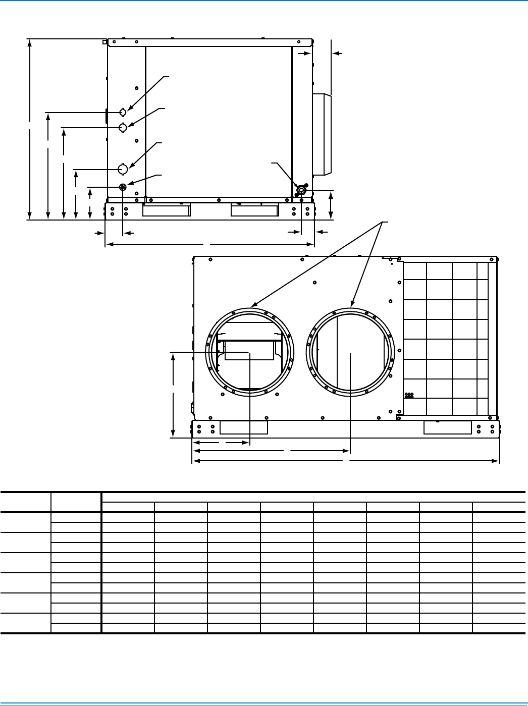
- Weights and Dimensions

FOR DISTRIBUTION USE ONLY - NOT TO BE USED AT POINT OF RETAIL SALE
546039-YTG-E-0712
TECHNICAL GUIDE Description
These York® Latitude™ packaged cooling/heating air
conditioners are designed for outdoor installation. Only utility
and duct connections are required at the point of installation.
Field-installed electric heater accessories are available to
provide electric heat, if required. (Single phase only)
R-410A, 13 SEER
LATITUDE™ SERIES
60 Hertz
Tested in accordance with:
ISO 9001
Certified Quality
Management System

546039-YTG-E-0712
2 Unitary Products Group
Table of Contents
Description . . . . . . . . . . . . . . . . . . . . . . . . . . . . . . . . . . . . . . . . . . . . . . . . . . . . . . . . . . . . . . . . . . . . . . . . . . . . . . . . . . . . . . . . . . . . 1
Table of Contents . . . . . . . . . . . . . . . . . . . . . . . . . . . . . . . . . . . . . . . . . . . . . . . . . . . . . . . . . . . . . . . . . . . . . . . . . . . . . . . . . . . . . . . 2
Component Location . . . . . . . . . . . . . . . . . . . . . . . . . . . . . . . . . . . . . . . . . . . . . . . . . . . . . . . . . . . . . . . . . . . . . . . . . . . . . . . . . . . . 2
Nomenclature . . . . . . . . . . . . . . . . . . . . . . . . . . . . . . . . . . . . . . . . . . . . . . . . . . . . . . . . . . . . . . . . . . . . . . . . . . . . . . . . . . . . . . . . . . 3
Features and Benefits . . . . . . . . . . . . . . . . . . . . . . . . . . . . . . . . . . . . . . . . . . . . . . . . . . . . . . . . . . . . . . . . . . . . . . . . . . . . . . . . . . . . 3
Guide Specifications . . . . . . . . . . . . . . . . . . . . . . . . . . . . . . . . . . . . . . . . . . . . . . . . . . . . . . . . . . . . . . . . . . . . . . . . . . . . . . . . . . . . . 4
Physical Data . . . . . . . . . . . . . . . . . . . . . . . . . . . . . . . . . . . . . . . . . . . . . . . . . . . . . . . . . . . . . . . . . . . . . . . . . . . . . . . . . . . . . . . . . . . 6
Capacity Performance . . . . . . . . . . . . . . . . . . . . . . . . . . . . . . . . . . . . . . . . . . . . . . . . . . . . . . . . . . . . . . . . . . . . . . . . . . . . . . . . . . . 9
Airflow Performance . . . . . . . . . . . . . . . . . . . . . . . . . . . . . . . . . . . . . . . . . . . . . . . . . . . . . . . . . . . . . . . . . . . . . . . . . . . . . . . . . . . . 35
Sound Performance . . . . . . . . . . . . . . . . . . . . . . . . . . . . . . . . . . . . . . . . . . . . . . . . . . . . . . . . . . . . . . . . . . . . . . . . . . . . . . . . . . . . 39
Electrical Data . . . . . . . . . . . . . . . . . . . . . . . . . . . . . . . . . . . . . . . . . . . . . . . . . . . . . . . . . . . . . . . . . . . . . . . . . . . . . . . . . . . . . . . . . 39
Weights and Dimensions . . . . . . . . . . . . . . . . . . . . . . . . . . . . . . . . . . . . . . . . . . . . . . . . . . . . . . . . . . . . . . . . . . . . . . . . . . . . . . . . 49
Component Location
Cooling Unit and Heat Pump
Direct Drive
Condenser Fan Motor
High Efficiency Enhanced
Copper Tube/Aluminum Fin
or
Micro-Channel Aluminum
Tube/Aluminum Fin
Outdoor Coil
High Efficiency
Compressor Rigidly
Mounted
Decorative Protective
Coil Guard
High Efficiency Enhanced
Copper Tube/Aluminum Fin
Outdoor Coil
Blower Service
Access Panel
X13 or PSC
Direct Drive
Blower Motor
Refrigerant
Connections
Control Box Service
Access Panel
Heavy Gauge
Base Rails

546039-YTG-E-0712
Unitary Products Group 3
Nomenclature
Cooling Unit
Heat Pump
Features and Benefits
Standard Features
•Operating Efficiency - All cooling units provide a SEER
of 13.0.
All heat pump units provide operating efficiency of 13.0
SEER and 7.7 HSPF. All efficiencies meet legislated
minimum levels.
•Lower Installation Cost - Installation time and costs are
reduced by easy power and control wiring connections.
The small base dimension means less space is required
on the ground or roof, plus, the installer can fit this unit
between the wheel wells of full size pick-up truck. All
models are well under 400 pounds.
All units are completely wired, charged with R-410A and
tested prior to shipment. Unique test stations using a new
state of the art computerized process system are used to
insure product quality. Refrigerant charge and component
part numbers are verified via computers at assembly. Vital
run test statistics such as system pressure, motor
currents, air velocity and temperature, unit vibration, and
gas system safeties are monitored and recorded by the
system to insure unit performance.
Equal size, side supply and return duct connections
allows easy hook-up of ducts to match low crawl spaces
without transition pieces.
•Coil Technology - All cooling units utilize Micro-Channel
"all-aluminum" condensers which provide improved heat
transfer capabilities, and reduced charge volumes. All
evaporators utilize a conventional copper tube/aluminum
fin design for proven reliability and performance.
N M
036 C 00
AA
1 A A 1 A
Product Category
N = Single Package Air Conditioner, R-410A
Heat Type & Nominal Heat Capacity
C00 = Cooling Only
Product Identifier
M = 13 SEER A/C
Airflow
A = Standard Drive
Installation Options
A = No Options Installed
Voltage Code
1 = 208/230-1-60
2 = 208/230-3-60
4 = 460-3-60
Product Style
A = Style A
Additional Options
AA = None
Product Generation
1 = First Generation
2 = Second Generation
3 = Third Generation
042 = 3.5 Ton
048 = 4.0 Ton
060 = 5.0 Ton
024 = 2.0 Ton
030 = 2.5 Ton
036 = 3.0 Ton
Nominal Cooling Capacity (MBH)
U Q
036 C 00
AA
1 A A 1 A
Product Category
U = Single Package Heat Pump, R-410A
Heat Type & Nominal Heat Capacity
C00 = Cooling Only
Product Identifier
Q = 13 SEER Heat Pump
Airflow
A = Standard Drive
Installation Options
A = No Options Installed
Voltage Code
1 = 208/230-1-60
2 = 208/230-3-60
4 = 460-3-60
Product Style
A = Style A
Additional Options
AA = None
Product Generation
1 = First Generation
2 = Second Generation
Nominal Cooling Capacity (MBH)
042 = 3.5 Ton
048 = 4.0 Ton
060 = 5.0 Ton
024 = 2.0 Ton
030 = 2.5 Ton
036 = 3.0 Ton

546039-YTG-E-0712
4 Unitary Products Group
•Utility Connections Made Easy - Electric utility
knockouts are provided through the side of the unit. Utility
connections can be made quickly and with a minimum
amount of field labor. A field supplied and field installed
electrical disconnect switch must be installed.
•Round Duct Flanges - (Factory Supplied - Field
Installed) Equal size, side supply and return duct flanges
allow easy hook-up of ducts.
•Condensate Pan - A non-corrosive, long-lasting, water-
tight pan is positioned below the evaporator coil to collect
and drain all condensate. Less collection of stagnate
condensate will build-up. The condensate pan conforms
to ASHRAE 62-89 standards (Ventilation for Acceptable
Indoor Air Quality).
•Condensate Drain - The 3/4 inch NPTF connection is
rigidly mounted to assure proper fit and leak tight seal.
•Durable Finish - The cabinet is made of pre-painted
steel. The pre-treated galvanized steel provides a better
paint to steel bond, which resists corrosion and rust creep.
Special primer formulas and matted-textured finish insure
less fading when exposed to sunlight.
•Full Perimeter Base Rails - The base rails provide a
solid foundation for the entire unit and protects the unit
during shipment. The rails provide fork lift access from all
sides. On applications where the unit is placed on a pad,
the base will keep the unit off the pad to deter corrosion.
•More Attractive Appearance - A single piece Water
Shed top cover containing a top discharge condenser fan
arrangement requires less square footage on installation
and provides a wider variety of installations. The one
piece design adds greater water integrity.
•Top Discharge - The top discharge condenser fan does
not disrupt neighboring areas or dry-out vegetation
surrounding the unit. The warm air from the top mounted
fan is blown up away from the structure and any
landscaping. This allows compact location on multi-unit
applications.
•Condenser Coil Grille - All models utilize a decorative
"Wire Form" coil guard to provide impact protection
against large objects.
•Low Operating Sound Level - The upward air flow
carries the normal operating noise up and away from the
living area. The rigid top panel effectively isolates any
motor sound. Isolator mounted compressor and the
rippled fins of the condenser coil muffle the normal fan
motor and compressor operating sounds.
•Fan System - 2, 2-1/2 and 3 Ton A/C models operate with
a 3-speed PSC (Permanent Split Capacitor) fan motor. 4
and 5 Ton A/C and all Heat Pump models operate with a
constant torque (X Motor) fan motor with 5 speed taps. All
these units easily match all types of applications and
provide greater on site flexibility to match comfort
requirements.
•Protected Compressor - The compressor is internally
protected against high pressure and temperature. This is
accomplished by the simultaneous operation of high
pressure relief valve and a temperature sensor which protect
the compressor if undesirable operating conditions occur.
•Pressure Switches - High pressure and low pressure/
loss of charge switches standard in all units. On Heat
Pump models, when abnormal conditions are sensed
through the pressure switches, the unit will lock-out
preventing further operation until reset or the problem is
corrected.
•Exclusive Coil Design - Grooved copper tubes and
enhanced aluminum fin construction on all indoor coils
and heat pump outdoor coils improve heat transfer for
maximum efficiency and durability or Micro-Channel
aluminum tube, aluminum fin on all cooling outdoor coils
for long lasting durability and efficient operation.
•Low Maintenance - Long life, permanently lubricated
condenser and evaporator fan motor bearings need no
annual maintenance adding greater reliability to the unit.
•Secured Service Access Ports - Protected, externally
mounted, re-usable service access ports are provided on
both the high and low lines for ease of evacuating and
charging the system. No final field mounting required.
•Easy Service Access - A large, single panel covers the
electrical controls makes servicing easy. The blower
compartment has a large panel which when removed will
allow the blower fan assembly to slide-out for ease of
maintenance and trouble shooting.
•Replacement Parts - The installer requires no special
training to replace any of the components of these units
and does not need to maintain an inventory of unique
parts.
Field Installed Accessories
•Wall Thermostat - The units are designed to operate with
24-volt electronic and electro-mechanical thermostats.
•Electric Heat Kit - Available in 4 different kW capacities
(5, 7, 10 and 15 kW). (Single phase only)
•Start Assist Kits - Available for all models.
•Outdoor Thermostat - Available for all heat pump models.
Guide Specifications
GENERAL
Units shall be factory-assembled, single packaged, Electric
Cooling units, designed for outdoor mounted installation. Units
shall have minimum SEER ratings of 13.0. Heat pump 7.7 HSPF.
The units shall be factory wired, piped, charged with R-410A
refrigerant and factory tested prior to shipment. All unit wiring
shall be color coded.
All units shall be manufactured in a facility certified to ISO 9001
standards, and the cooling performance shall be rated in
accordance with DOE and ARI test procedures. Units shall be
certified to UL 1995/CAN/CSA C22.2 No. 236 standards.

546039-YTG-E-0712
Unitary Products Group 5
UNIT CABINET
1. Unit cabinet shall be constructed of G-90, pre-paint
textured steel, certified at 500 hours salt spray test per
ASTM-B117 standards.
2. The unit top shall be a single piece "Water Shed" design.
3. Unit shall have a rigidly mounted condenser coil guard to
provide protection from objects and personnel after
installation.
4. Indoor blower section shall be insulated with up to 3/4"
thick insulation.
5. Cabinet panels shall be "large" size, easily removable for
servicing and maintenance.
6. Unit shall be built on a formed, "Super-Structure" design
base pan, with embossments at critical points to add
strength, rigidity and aid in minimizing sound.
7. Full perimeter base rails shall be provided to assure
reliable transit of equipment.
8. Condensate pan shall be internally sloped and conform to
ASHARE 62-89 self-draining standards, with 3/4" NPTF
ridged mount connection.
INDOOR (EVAPORATOR) FAN ASSEMBLY
1. Fan shall be direct drive, either 3 speed PSC (Permanent
Split Capacitor) or 5 speed constant torque (X Motor)
design.
2. Fan wheel shall be double-inlet type with forward-curved
blades, dynamically balanced to operate smoothly
throughout the entire range of operation. Airflow design
shall be constant air volume.
3. Bearings shall be sealed and permanently lubricated for
longer life and no maintenance.
4. Fan assembly shall be accessible via removable inlet ring.
OUTDOOR (CONDENSER) FAN ASSEMBLY
1. The outdoor fan shall be of the direct-driven propeller type,
discharge air vertically, have aluminum blades riveted to
corrosion resistant steel spider bracket and shall be
statically balanced for smooth operation.
2. The outdoor fan motor shall be totally enclosed with
permanently lubricated bearings and internally protected
against overload conditions.
REFRIGERANT COMPONENTS
Compressors:
a. Shall be fully hermetic reciprocating, rotary or scroll type,
direct drive, internally protected with internal high-
pressure relief and over temperature protection. The
hermetic motor shall be suction gas cooled and have a
voltage range of + or - 10% of the unit nameplate
voltage.
b. Shall have internal isolation and sound muffling to
minimize vibration and noise, and be externally isolated
on a dedicated, independent mounting.
Coils:
a. Evaporator coils shall have aluminum plate fins
mechanically bonded to seamless internally enhanced
copper tubes with all joints brazed.
b. Evaporator coil shall be of the direct expansion, blow
through design.
c. Condenser coils shall have aluminum plate fins
mechanically bonded to seamless internally enhanced
copper tubes with all joints brazed or Micro-Channel
aluminum tube, aluminum fins.
d. Condenser coil shall be draw through design.
Refrigerant Circuit and Refrigerant Safety Components shall
include:
a. Independent fixed-orifice or TXV expansion devices.
b. Filter/strainer to eliminate any foreign matter.
c. Accessible service gage connections on both suction
and discharge lines to charge, evacuate, and measure
refrigerant pressure during any necessary servicing or
troubleshooting, without losing charge and without
disrupting condenser or evaporator air flow.
Unit Controls:
a. Controls shall be mounted in a large control box, allowing
easy access for trouble shooting and maintenance
without affecting the normal system operation pressures.
b. Unit shall have large, easily removable panels, covering
electrical controls and compressor, allowing easy access
for any necessary maintenance or servicing.
ELECTRIC HEATING SECTION
1. An electric heating section, with nickel chromium elements,
shall be provided in a range of 5 thru 15 KW, single phase
only.
2. The heating section shall have a primary limit control(s)
and automatic reset, to prevent the heating element
system from operating at an excessive temperature.
3. The heating section assembly shall slide out of the unit for
easy maintenance and service.
UNIT OPERATING CHARACTERISITCS
1. Unit shall be capable of starting and running at 125° F
outdoor temperature, exceeding maximum load criteria of
ARI Standard 210/240.
2. The compressor, with standard controls, shall be capable
of cooling operation down to 45° F outdoor temperature.
ELECTRICAL REQUIREMENTS
All unit power wiring shall enter unit cabinet at a single factory
provided location.
Separate openings shall be provided for the control wiring.

546039-YTG-E-0712
6 Unitary Products Group
Physical Data
NM024-060 Physical Data
Component Models
NM024 NM030 NM036 NM042 NM048 NM060
Nominal Tonnage 2.0 2.5 3.0 3.5 4.0 5.0
ARI COOLING PERFORMANCE
Gross Capacity @ ARI A point (Btu) 24000 31500 37000 41400 48100 57000
ARI net capacity (Btu) 23400 30200 35400 40200 46500 55500
EER 11 11.4 11 10.8 11.2 10.8
SEER 13 13 13 13 13 13
Nominal CFM 850 1000 1200 1150 1450 1700
System power (KW) 2.13 2.64 3.21 3.72 4.15 5.14
Refrigerant type R-410A R-410A R-410A R-410A R-410A R-410A
Refrigerant charge (lb-oz)
System 1 4-0 4-6 4-8 4-8 4-12 4-11
DIMENSIONS (inches)
Length 47-1/4 47-1/4 47-1/4 47-1/4 57-9/16 57-9/16
Width 32-13/16 32-13/16 32-13/16 32-13/16 32-13/16 32-13/16
Height 30-15/16 30-15/16 30-15/16 30-15/16 34-15/16 34-15/16
OPERATING WT. (lbs.) 276 279 315 315 357 350
COMPRESSORS
Type Scoll Recip Recip Recip Recip Scroll
Quantity 111111
CONDENSER COIL DATA
Face area (Sq. Ft.) 11.2 11.2 11.2 11.2 15.1 15.1
Rows 111111
Fins per inch 23 23 23 23 23 23
Tube diameter (in.) .71/18 .71/18 .71/18 .71/18 .71/18 .71/18
Circuitry Type 2-pass Microchannel 2-pass Microchannel 2-pass Microchannel 2-pass Microchannel 2-pass Microchannel 2-pass Microchannel
EVAPORATOR COIL DATA
Face area (Sq. Ft.) 4.67 4.67 4.67 4.67 5.44 5.44
Rows 334434
Fins per inch 13 13 13 13 13 13
Tube diameter 3/8 3/8 3/8 3/8 3/8 3/8
Circuitry Type Intertwined Intertwined Intertwined Intertwined Intertwined Intertwined
Refrigerant control Orifice Orifice Orifice Orifice Orifice TXV
CONDENSER FAN DATA
Quantity 111111
Fan diameter (Inch) 20 20 20 20 22 22
Type Prop Prop Prop Prop Prop Prop
Drive type Direct Direct Direct Direct Direct Direct
No. speeds 111111
Number of motors 111111
Motor HP each 1/4 1/4 1/4 1/3 1/3 1/3
RPM 1100 1100 1100 1100 1100 1100
Nominal total CFM 2800 2800 2800 3000 3200 3200
DIRECT DRIVE EVAP FAN DATA
Quantity 111111
Fan Size (Inch) 10 x 7 10 x 7 10 x 7 10 x 7 11 x 10 11 x 10
Fan type Centrifugal Centrifugal Centrifugal Centrifugal Centrifugal Centrifugal
Drive type Direct Direct Direct Direct Direct Direct
No. speeds 333555
Number of Motors 111111
Motor HP each 1/2 1/2 1/2 1/2 1 1
RPM 1075 1075 1075 1100 1100 1100
Frame size 48 48 48 48 48 48
FILTERS
Quantity - Size - -----

546039-YTG-E-0712
Unitary Products Group 7
UQ024-060 Physical Data
Component Models
UQ024 UQ030 UQ036 UQ042 UQ048 UQ060
Nominal Tonnage 2.0 2.5 3.0 3.5 4.0 5.0
ARI COOLING PERFORMANCE
Gross Capacity @ ARI A point (Btu) 23220 28750 37000 44000 47500 54384
ARI net capacity (Btu) 22600 28000 35200 42000 46000 53000
EER 11.2 11.2 11.2 11.0 11.0 10.8
SEER 13 13 13 13 13 13
Nominal CFM 900 1000 1200 1450 1600 1650
System power (KW) 2.02 2.50 3.16 3.82 4.18 4.84
Refrigerant type R-410A R-410A R-410A R-410A R-410A R-410A
Refrigerant charge (lb-oz)
System 1 7-7 9-4 9-10 12-8 13-0 12-8
ARI HEATING PERFORMANCE
47°F Capacity Rating (MBH) 20000 26500 32000 38000 40000 50000
System Power KW/COP 1720/3.4 2386/3.25 2930/3.2 3480/3.20 3663/3.20 4523/3.25
17°F Capacity Rating (MBH) 11000 14800 18400 22000 24000 29200
System Power KW/COP 1610/2.00 2122/2.04 2598/2.04 3224/2.0 3517/2.0 4057/2.10
HSPF BTU/Watts-hr 7.7 7.7 7.7 7.7 7.7 7.7
DIMENSIONS (inches)
Length 47-1/4 47-1/4 47-1/4 57-9/16 57-9/16 57-9/16
Width 32-13/16 32-13/16 32-13/16 32-13/16 32-13/16 32-13/16
Height 30-15/16 30-15/16 30-15/16 34-15/16 34-15/16 34-15/16
OPERATING WT. (lbs.) 325 340 340 372 382 390
COMPRESSORS
Type Scroll Scroll Scroll Scroll Scroll Scroll
Quantity 111111
CONDENSER COIL DATA
Face area (Sq. Ft.) 11.1 11.28 11.28 16 16 20
Rows 122222
Fins per inch 20 15 20 15 15 20
Tube diameter (in.) 3/8 3/8 3/8 3/8 3/8 3/8
Circuitry Type Intertwined Intertwined Intertwined Intertwined Intertwined Intertwined
Refrigerant Control TXV TXV TXV TXV TXV TXV
EVAPORATOR COIL DATA
Face area (Sq. Ft.) 4.67 4.67 4.67 5.44 5.44 5.44
Rows 333444
Fins per inch 13 13 16 13 13 13
Tube diameter 3/8 3/8 3/8 3/8 3/8 3/8
Circuitry Type Intertwined Intertwined Intertwined Intertwined Intertwined Intertwined
Refrigerant control Orifice Orifice Orifice Orifice Orifice TXV
CONDENSER FAN DATA
Quantity 111111
Fan diameter (Inch) 20 20 20 22 22 22
Fan type Prop Prop Prop Prop Prop Prop
Drive type Direct Direct Direct Direct Direct Direct
No. speeds 111111
Number of motors 111111
Motor HP each 1/4 1/4 1/4 1/3 1/3 1/3
RPM 850 850 1100 1100 1100 1100
Nominal total CFM 2500 2500 2850 3200 3200 3200
DIRECT DRIVE EVAP FAN DATA
Quantity 111111
Fan diameter (Inch) 10 x 7 10 x 7 10 x 7 11 x 10 11 x 10 11 x 10
Fan type Centrifugal Centrifugal Centrifugal Centrifugal Centrifugal Centrifugal
Drive type Direct Direct Direct Direct Direct Direct
No. speeds 555555
Number of motors 111111
Motor HP each 1/2 1/2 1/2 1 1 1
RPM 1100 1100 1100 1100 1100 1100
Frame size 48 48 48 48 48 48
FILTERS
Size / Quantity - - ----

546039-YTG-E-0712
8 Unitary Products Group
NM and UQ Unit Limitations
Size
(Tons) Model Unit Voltage
Unit Limitations
Applied Voltage Outdoor DB Temp
Min Max Max (°F)
024
(2.0)
NM
UQ 208/230-1-60 187 252 125
030
(2.5)
NM
UQ 208/230-1-60 187 252 125
036
(3.0)
NM
UQ
208/230-1-60 187 252 125
208/230-3-60 187 252 125
042
(3.5)
NM
UQ 208/230-1-60 187 252 125
048
(4.0)
NM
UQ
208/230-1-60 187 252 125
208/230-3-60 187 252 125
460-3-60 432 504 125
060
(5.0)
NM
UQ
208/230-1-60 187 252 125
208/230-3-60 187 252 125
460-3-60 432 504 125

546039-YTG-E-0712
Unitary Products Group 9
Capacity Performance
NM024-060 Cooling Capacities
NM024 (2.0 Ton)
Air on
Evaporator Coil Temperature of Air on Condenser Coil
Total
Capacity1
(MBh)
Total
Input
(kW)2
Sensible Capacity (MBh) Total
Capacity1
(MBh)
Total
Input
(kW)2
Sensible Capacity (MBh)
CFM WB
(°F)
Return Dry Bulb (°F) Return Dry Bulb (°F)
90 85 80 75 70 65 90 85 80 75 70 65
75°F 85°F
500
77 28.7 1.3 13.5 10.7 8.5 - - - 27.4 1.5 12.4 10.2 7.9 - - -
72 26.5 1.3 16.3 14.0 11.8 9.6 - - 25.1 1.5 15.6 13.4 11.2 9.0 - -
67 24.3 1.3 19.0 17.3 15.1 12.9 10.7 - 22.8 1.5 18.8 16.6 14.4 12.2 10.0 -
62 22.3 1.3 22.3 22.3 18.5 16.3 14.1 11.9 20.9 1.4 20.9 20.9 17.5 15.3 13.1 10.9
600
77 29.6 1.3 14.3 11.8 9.3 - - - 28.3 1.5 13.8 11.2 8.7 - - -
72 27.4 1.3 17.9 15.4 12.9 10.3 - - 25.9 1.5 17.3 14.8 12.2 9.7 - -
67 25.2 1.3 21.5 19.0 16.5 13.9 11.4 - 23.5 1.5 20.8 18.3 15.8 13.2 10.7 -
62 23.1 1.3 23.1 23.1 20.2 17.7 15.1 12.6 21.5 1.4 21.5 21.5 19.1 16.5 14.0 11.5
57 18.8 1.2 18.8 18.8 17.7 15.1 12.6 10.1 19.6 1.4 19.6 19.6 17.8 15.3 12.7 10.2
700
77 30.6 1.3 15.1 12.8 10.0 - - - 29.2 1.5 15.2 12.3 9.4 - - -
72 28.3 1.3 19.6 16.8 13.9 11.1 - - 26.7 1.5 19.0 16.1 13.2 10.4 - -
67 26.0 1.3 24.1 20.7 17.8 15.0 12.1 - 24.2 1.5 22.8 20.0 17.1 14.2 11.3 -
62 23.9 1.3 23.9 23.9 21.8 19.0 16.2 13.3 22.2 1.5 22.2 22.2 20.7 17.8 14.9 12.1
57 19.5 1.2 19.5 19.5 19.1 16.3 13.4 10.6 20.2 1.4 20.2 20.2 19.3 16.4 13.5 10.7
800
77 31.6 1.3 15.9 13.9 10.8 - - - 30.0 1.5 16.6 13.3 10.1 - - -
72 29.2 1.3 21.3 18.1 15.0 11.8 - - 27.5 1.5 20.7 17.5 14.3 11.1 - -
67 26.8 1.3 26.6 22.3 19.2 16.0 12.9 - 24.9 1.5 24.8 21.6 18.4 15.2 12.0 -
62 24.6 1.3 24.6 24.6 23.5 20.4 17.2 14.1 22.9 1.5 22.9 22.9 22.3 19.1 15.9 12.7
57 20.1 1.2 20.1 20.1 20.1 17.4 14.3 11.1 20.8 1.4 20.8 20.8 20.8 17.6 14.4 11.2
900
72 29.8 1.3 22.5 19.1 15.7 12.3 - - 28.0 1.5 22.0 18.5 15.1 11.6 - -
67 27.4 1.3 27.3 23.5 20.1 16.8 13.4 - 25.4 1.5 25.3 22.9 19.4 16.0 12.5 -
62 25.2 1.3 25.2 25.2 24.6 21.2 17.8 14.4 23.3 1.5 23.3 23.3 23.0 19.5 16.1 12.6
57 20.5 1.2 20.5 20.5 20.5 17.4 14.0 10.6 21.2 1.4 21.2 21.2 21.2 17.7 14.2 10.8
1000
72 30.5 1.3 23.8 20.1 16.5 12.9 - - 28.5 1.5 23.3 19.6 15.9 12.1 - -
67 28.0 1.3 28.0 24.8 21.1 17.5 13.9 - 25.8 1.5 25.8 24.2 20.4 16.7 13.0 -
62 25.7 1.3 25.7 25.7 25.7 22.0 18.4 14.8 23.7 1.5 23.7 23.7 23.7 20.0 16.2 12.5
57 21.0 1.2 21.0 21.0 21.0 17.3 13.7 10.1 21.5 1.4 21.5 21.5 21.5 17.8 14.1 10.4
95°F 105°F
500
77 26.2 1.7 11.2 9.6 7.4 - - - 24.4 1.9 10.4 8.7 6.7 - - -
72 23.7 1.7 14.9 12.8 10.6 8.4 - - 21.8 1.9 14.2 12.0 9.8 7.6 - -
67 21.2 1.6 18.7 15.9 13.7 11.5 9.4 - 19.2 1.9 17.9 15.2 12.9 10.7 8.5 -
62 19.4 1.6 19.4 19.4 16.4 14.2 12.0 9.9 17.3 1.9 17.3 17.3 14.3 12.2 10.0 7.8
600
77 26.9 1.7 13.2 10.6 8.1 - - - 25.0 2.0 12.9 10.0 7.4 - - -
72 24.4 1.7 16.7 14.1 11.6 9.0 - - 22.3 1.9 15.9 13.3 10.8 8.2 - -
67 21.8 1.7 20.1 17.6 15.0 12.5 9.9 - 19.7 1.9 18.8 16.7 14.1 11.6 9.0 -
62 20.0 1.6 20.0 20.0 18.0 15.4 12.9 10.3 17.7 1.9 17.7 17.7 15.8 13.2 10.6 8.1
57 20.3 1.6 20.3 20.3 17.9 15.4 12.8 10.3 18.7 1.9 18.7 18.7 16.3 13.8 11.2 8.6
700
77 27.7 1.7 15.2 11.7 8.8 - - - 25.6 2.0 15.5 11.2 8.1 - - -
72 25.1 1.7 18.4 15.5 12.6 9.7 - - 22.9 2.0 17.6 14.7 11.8 8.8 - -
67 22.4 1.7 21.6 19.3 16.3 13.4 10.5 - 20.2 2.0 19.8 18.2 15.4 12.5 9.5 -
62 20.5 1.6 20.5 20.5 19.5 16.6 13.7 10.8 18.2 1.9 18.2 18.2 17.2 14.3 11.3 8.4
57 20.9 1.7 20.9 20.9 19.5 16.6 13.6 10.7 19.2 1.9 19.2 19.2 17.8 14.9 11.9 9.0
800
77 28.5 1.7 17.2 12.8 9.5 - - - 26.2 2.0 18.0 12.5 8.8 - - -
72 25.8 1.7 20.1 16.8 13.6 10.3 - - 23.4 2.0 19.3 16.0 12.7 9.4 - -
67 23.0 1.7 23.0 20.9 17.6 14.4 11.1 - 20.7 2.0 20.7 19.6 16.7 13.4 10.1 -
62 21.1 1.7 21.1 21.1 21.1 17.8 14.5 11.3 18.6 1.9 18.6 18.6 18.6 15.3 12.0 8.7
57 21.5 1.7 21.5 21.5 21.0 17.7 14.5 11.2 19.7 1.9 19.7 19.7 19.3 16.0 12.7 9.3
900
72 26.1 1.7 21.5 17.9 14.4 10.8 - - 23.8 2.0 20.8 17.2 13.6 9.9 - -
67 23.4 1.7 23.4 22.3 18.7 15.2 11.6 - 21.0 2.0 21.0 20.4 17.8 14.2 10.6 -
62 21.4 1.7 21.4 21.4 21.4 17.9 14.3 10.8 18.9 1.9 18.9 18.9 18.9 15.3 11.7 8.1
57 21.8 1.7 21.8 21.8 21.6 18.0 14.5 10.9 20.0 1.9 20.0 20.0 19.8 16.2 12.6 9.0
1000
72 26.5 1.7 22.9 19.0 15.2 11.4 - - 24.2 2.0 22.2 18.3 14.4 10.5 - -
67 23.7 1.7 23.7 23.6 19.8 15.9 12.1 - 21.4 1.9 21.4 21.3 18.9 15.0 11.0 -
62 21.7 1.7 21.7 21.7 21.7 17.9 14.1 10.3 19.2 1.9 19.2 19.2 19.2 15.3 11.4 7.5
57 22.1 1.7 22.1 22.1 22.1 18.3 14.4 10.6 20.3 1.9 20.3 20.3 20.3 16.4 12.5 8.6

546039-YTG-E-0712
10 Unitary Products Group
115°F 125°F
500
77 22.5 2.2 9.6 7.9 6.1 - - - 20.7 2.4 10.1 6.5 5.4 - - -
72 19.9 2.2 13.4 11.2 9.0 6.9 - - 17.9 2.5 12.6 10.4 8.3 6.1 - -
67 17.2 2.2 17.2 14.6 12.0 9.8 7.6 - 15.2 2.5 15.2 14.1 11.1 8.9 6.7 -
62 15.1 2.2 15.1 15.1 12.3 10.1 7.9 5.7 13.0 2.4 13.0 13.0 10.2 8.0 5.8 3.6
600
77 23.0 2.2 12.7 9.3 6.7 - - - 21.1 2.5 13.3 8.6 6.1 - - -
72 20.3 2.2 15.1 12.5 10.0 7.4 - - 18.2 2.5 14.3 11.8 9.2 6.6 - -
67 17.5 2.2 17.5 15.8 13.2 10.7 8.1 - 15.4 2.5 15.4 14.9 12.3 9.7 7.2 -
62 15.5 2.2 15.5 15.5 13.5 11.0 8.4 5.8 13.2 2.5 13.2 13.2 11.3 8.8 6.2 3.6
57 17.1 2.2 17.1 17.1 14.7 12.2 9.6 7.0 15.6 2.5 15.6 15.6 13.1 10.6 8.0 5.4
700
77 23.5 2.2 15.8 10.7 7.4 - - - 21.4 2.5 16.5 10.8 6.7 - - -
72 20.7 2.2 16.8 13.9 10.9 8.0 - - 18.5 2.5 16.1 13.1 10.1 7.1 - -
67 17.9 2.2 17.9 17.0 14.5 11.5 8.6 - 15.7 2.5 15.7 15.7 13.6 10.6 7.6 -
62 15.8 2.2 15.8 15.8 14.8 11.9 8.9 6.0 13.4 2.5 13.4 13.4 12.5 9.5 6.5 3.6
57 17.5 2.2 17.5 17.5 16.1 13.2 10.2 7.3 15.8 2.5 15.8 15.8 14.5 11.5 8.5 5.5
800
77 24.0 2.3 18.8 12.2 8.0 - - - 21.8 2.5 19.7 12.9 7.3 - - -
72 21.1 2.3 18.6 15.2 11.9 8.5 - - 18.8 2.5 17.8 14.4 11.0 7.7 - -
67 18.3 2.3 18.3 18.3 15.7 12.4 9.1 - 15.9 2.5 15.9 15.9 14.8 11.4 8.0 -
62 16.1 2.2 16.1 16.1 16.1 12.8 9.4 6.1 13.6 2.5 13.6 13.6 13.6 10.3 6.9 3.5
57 17.9 2.2 17.9 17.9 17.5 14.2 10.8 7.5 16.1 2.5 16.1 16.1 15.8 12.4 9.0 5.7
900
72 21.5 2.2 20.1 16.4 12.7 9.0 - - 19.2 2.5 19.2 15.6 11.9 8.2 - -
67 18.6 2.2 18.6 18.6 16.9 13.2 9.5 - 16.3 2.5 16.3 16.3 15.9 12.2 8.5 -
62 16.4 2.2 16.4 16.4 16.4 12.8 9.1 5.4 13.9 2.5 13.9 13.9 13.9 10.2 6.5 2.7
57 18.2 2.2 18.2 18.2 18.0 14.4 10.7 7.0 16.4 2.5 16.4 16.4 16.3 12.5 8.8 5.1
1000
72 21.9 2.2 21.6 17.6 13.6 9.6 - - 19.6 2.5 19.6 16.8 12.7 8.6 - -
67 19.0 2.2 19.0 19.0 18.0 14.0 10.0 - 16.6 2.5 16.6 16.6 16.6 13.0 8.9 -
62 16.7 2.2 16.7 16.7 16.7 12.7 8.7 4.7 14.2 2.5 14.2 14.2 14.2 10.1 6.1 2.0
57 18.5 2.2 18.5 18.5 18.5 14.5 10.5 6.5 16.8 2.4 16.8 16.8 16.8 12.7 8.6 4.5
1. These capacities are Net capacities.
2. These ratings include the compressor, condenser fan and supply air blower motors.
NM024 (2.0 Ton) (Continued)
Air on
Evaporator Coil Temperature of Air on Condenser Coil
Total
Capacity1
(MBh)
Total
Input
(kW)2
Sensible Capacity (MBh) Total
Capacity1
(MBh)
Total
Input
(kW)2
Sensible Capacity (MBh)
CFM WB
(°F)
Return Dry Bulb (°F) Return Dry Bulb (°F)
90 85 80 75 70 65 90 85 80 75 70 65

546039-YTG-E-0712
Unitary Products Group 11
NM030 (2.5 Ton)
Air on
Evaporator Coil Temperature of Air on Condenser Coil
Total
Capacity1
(MBh)
Total
Input
(kW)2
Sensible Capacity (MBh) Total
Capacity1
(MBh)
Total
Input
(kW)2
Sensible Capacity (MBh)
CFM WB
(°F)
Return Dry Bulb (°F) Return Dry Bulb (°F)
90 85 80 75 70 65 90 85 80 75 70 65
75°F 85°F
675
77 40.4 2.2 17.2 14.5 11.8 - - - 37.9 2.4 16.5 13.7 11.0 - - -
72 37.2 2.2 21.6 18.9 16.2 13.5 - - 34.4 2.4 20.7 17.9 15.2 12.4 - -
67 34.1 2.1 26.0 23.3 20.6 17.9 15.2 - 30.9 2.3 24.9 22.1 19.4 16.6 13.9 -
62 30.8 2.1 30.8 29.8 24.9 22.2 19.5 16.8 27.2 2.3 27.2 26.7 23.4 20.6 17.9 15.1
750
77 41.6 2.2 18.3 15.4 12.5 - - - 39.0 2.4 17.5 14.6 11.6 - - -
72 38.4 2.2 23.0 20.1 17.1 14.2 - - 35.5 2.4 22.0 19.0 16.0 13.0 - -
67 35.2 2.2 27.7 24.7 21.8 18.8 15.9 - 31.9 2.4 26.4 23.4 20.5 17.5 14.5 -
62 31.8 2.1 31.8 31.1 26.3 23.4 20.4 17.5 28.0 2.3 28.0 27.7 24.7 21.7 18.7 15.7
57 29.1 2.1 29.1 29.1 27.9 25.0 22.0 19.1 26.5 2.3 26.5 26.5 25.4 22.5 19.5 16.5
825
77 42.9 2.2 19.5 16.3 13.1 - - - 40.2 2.5 18.6 15.4 12.2 - - -
72 39.6 2.2 24.4 21.2 18.0 14.9 - - 36.5 2.4 23.3 20.1 16.9 13.6 - -
67 36.3 2.2 29.3 26.1 22.9 19.8 16.6 - 32.8 2.4 28.0 24.8 21.5 18.3 15.1 -
62 32.8 2.2 32.8 32.4 27.7 24.5 21.3 18.2 28.9 2.4 28.9 28.7 26.0 22.8 19.5 16.3
57 30.0 2.2 30.0 30.0 29.4 26.2 23.0 19.9 27.3 2.4 27.3 27.3 26.8 23.6 20.3 17.1
900
77 44.2 2.3 20.6 17.2 13.8 - - - 41.4 2.5 19.7 16.2 12.8 - - -
72 40.8 2.3 25.7 22.3 18.9 15.5 - - 37.6 2.5 24.6 21.1 17.7 14.2 - -
67 37.4 2.2 30.9 27.5 24.1 20.7 17.3 - 33.8 2.4 29.5 26.1 22.6 19.2 15.7 -
62 33.7 2.2 33.7 33.7 29.1 25.6 22.2 18.8 29.7 2.4 29.7 29.7 27.3 23.8 20.4 16.9
57 30.9 2.2 30.9 30.9 30.9 27.4 24.0 20.6 28.1 2.4 28.1 28.1 28.1 24.7 21.2 17.8
1075
72 42.0 2.3 29.1 24.9 20.7 16.5 - - 38.7 2.6 27.6 23.5 19.4 15.3 - -
67 38.5 2.3 35.2 30.5 26.3 22.1 17.9 - 34.8 2.5 32.6 28.9 24.8 20.7 16.6 -
62 34.7 2.3 34.7 34.7 32.4 28.2 24.0 19.8 30.6 2.5 30.6 30.6 29.3 25.2 21.1 17.0
57 31.7 2.3 31.7 31.7 31.7 27.5 23.3 19.1 28.9 2.5 28.9 28.9 28.9 24.8 20.7 16.6
1250
72 43.1 2.4 32.5 27.5 22.5 17.5 - - 39.8 2.6 30.6 25.8 21.1 16.3 - -
67 39.5 2.4 39.5 33.6 28.6 23.6 18.6 - 35.7 2.6 35.7 31.7 26.9 22.2 17.4 -
62 35.7 2.4 35.7 35.7 35.7 30.7 25.7 20.7 31.4 2.6 31.4 31.4 31.4 26.6 21.9 17.1
57 32.6 2.4 32.6 32.6 32.6 27.6 22.6 17.6 29.7 2.6 29.7 29.7 29.7 25.0 20.2 15.4
95°F 105°F
675
77 35.4 2.6 15.7 12.9 10.1 - - - 32.4 2.8 14.6 11.7 8.9 - - -
72 31.5 2.6 19.7 16.9 14.1 11.3 - - 28.3 2.8 18.4 15.6 12.8 10.0 - -
67 27.7 2.5 23.8 21.0 18.1 15.3 12.5 - 24.2 2.7 22.3 19.6 16.8 14.0 11.1 -
62 23.5 2.5 23.5 23.5 21.9 19.1 16.3 13.4 20.8 2.7 20.8 20.8 18.6 15.8 13.0 10.2
750
77 36.4 2.6 16.7 13.7 10.7 - - - 33.0 2.9 16.0 12.4 9.3 - - -
72 32.5 2.6 21.0 17.9 14.9 11.9 - - 28.9 2.8 19.6 16.5 13.5 10.5 - -
67 28.5 2.6 25.2 22.2 19.1 16.1 13.1 - 24.7 2.8 23.1 20.7 17.6 14.6 11.6 -
62 24.2 2.5 24.2 24.2 23.1 20.0 17.0 14.0 21.2 2.7 21.2 21.2 19.6 16.5 13.5 10.5
57 23.9 2.5 23.9 23.9 23.0 19.9 16.9 13.9 20.6 2.7 20.6 20.6 19.5 16.5 13.4 10.4
825
77 37.5 2.7 17.8 14.5 11.2 - - - 33.7 2.9 17.5 13.1 9.8 - - -
72 33.4 2.6 22.2 18.9 15.7 12.4 - - 29.4 2.9 20.7 17.4 14.2 10.9 - -
67 29.4 2.6 26.7 23.4 20.1 16.9 13.6 - 25.2 2.8 23.9 21.8 18.5 15.3 12.0 -
62 24.9 2.6 24.9 24.9 24.3 21.0 17.7 14.5 21.6 2.7 21.6 21.6 20.6 17.3 14.0 10.8
57 24.6 2.6 24.6 24.6 24.2 20.9 17.6 14.4 21.0 2.8 21.0 21.0 20.5 17.2 13.9 10.7
900
77 38.6 2.7 18.8 15.3 11.8 - - - 34.3 3.0 19.0 13.8 10.3 - - -
72 34.4 2.7 23.4 19.9 16.5 13.0 - - 30.0 2.9 21.8 18.3 14.8 11.3 - -
67 30.2 2.6 28.1 24.6 21.1 17.6 14.1 - 25.7 2.8 24.7 22.9 19.4 15.9 12.4 -
62 25.7 2.6 25.7 25.7 25.5 22.0 18.5 15.0 22.1 2.8 22.1 22.1 21.5 18.1 14.6 11.1
57 25.4 2.6 25.4 25.4 25.4 21.9 18.4 14.9 21.4 2.8 21.4 21.4 21.4 18.0 14.5 11.0
1075
72 35.4 2.8 26.1 22.1 18.0 14.0 - - 31.1 3.0 24.5 20.4 16.4 12.4 - -
67 31.1 2.7 30.0 27.2 23.2 19.2 15.2 - 26.6 2.9 26.1 24.7 21.4 17.4 13.4 -
62 26.4 2.7 26.4 26.4 26.3 22.3 18.3 14.3 22.8 2.9 22.8 22.8 22.6 18.5 14.5 10.5
57 26.1 2.7 26.1 26.1 26.1 22.1 18.1 14.1 22.2 2.9 22.2 22.2 22.2 18.2 14.1 10.1
1250
72 36.4 2.9 28.7 24.2 19.6 15.1 - - 32.1 3.1 27.2 22.6 18.0 13.4 - -
67 31.9 2.8 31.9 29.8 25.2 20.7 16.2 - 27.5 3.0 27.5 26.4 23.5 18.9 14.3 -
62 27.1 2.8 27.1 27.1 27.1 22.6 18.1 13.6 23.6 3.0 23.6 23.6 23.6 19.0 14.4 9.8
57 26.8 2.8 26.8 26.8 26.8 22.3 17.8 13.3 23.0 3.0 23.0 23.0 23.0 18.4 13.8 9.2

546039-YTG-E-0712
12 Unitary Products Group
115°F 125°F
675
77 29.5 3.1 13.4 10.4 7.6 - - - 26.5 3.3 14.2 8.6 6.4 - - -
72 25.1 3.0 17.1 14.3 11.5 8.7 - - 21.9 3.2 15.8 13.0 10.2 7.4 - -
67 20.8 2.9 20.8 18.2 15.4 12.6 9.8 - 17.4 3.1 17.4 17.4 14.0 11.2 8.4 -
62 18.1 2.8 18.1 18.1 15.3 12.5 9.7 6.9 15.4 3.0 15.4 15.4 12.0 9.2 6.4 3.6
750
77 29.6 3.1 15.3 11.0 8.0 - - - 26.3 3.3 16.3 10.2 6.7 - - -
72 25.3 3.0 18.1 15.1 12.1 9.0 - - 21.7 3.2 16.7 13.7 10.7 7.6 - -
67 20.9 2.9 20.9 19.2 16.1 13.1 10.1 - 17.1 3.1 17.1 17.1 14.6 11.6 8.6 -
62 18.2 2.9 18.2 18.2 16.1 13.0 10.0 7.0 15.2 3.1 15.2 15.2 12.6 9.6 6.5 3.5
57 17.3 2.9 17.3 17.3 16.0 13.0 10.0 6.9 14.0 3.1 14.0 14.0 12.5 9.5 6.5 3.5
825
77 29.8 3.1 17.3 11.6 8.4 - - - 26.0 3.4 18.4 11.9 7.0 - - -
72 25.5 3.1 19.2 15.9 12.6 9.4 - - 21.5 3.3 17.6 14.4 11.1 7.9 - -
67 21.1 3.0 21.1 20.2 16.9 13.6 10.4 - 16.9 3.2 16.9 16.9 15.3 12.0 8.8 -
62 18.3 2.9 18.3 18.3 16.8 13.6 10.3 7.1 15.0 3.1 15.0 15.0 13.1 9.9 6.6 3.4
57 17.4 3.0 17.4 17.4 16.8 13.5 10.3 7.0 13.8 3.2 13.8 13.8 13.1 9.8 6.6 3.3
900
77 30.0 3.2 19.2 12.3 8.8 - - - 25.7 3.4 20.4 13.5 7.3 - - -
72 25.6 3.1 20.2 16.7 13.2 9.7 - - 21.2 3.3 18.6 15.1 11.6 8.1 - -
67 21.2 3.0 21.2 21.2 17.7 14.2 10.7 - 16.7 3.2 16.7 16.7 15.9 12.5 9.0 -
62 18.5 3.0 18.5 18.5 17.6 14.1 10.6 7.2 14.9 3.2 14.9 14.9 13.7 10.2 6.7 3.2
57 17.5 3.0 17.5 17.5 17.5 14.1 10.6 7.1 13.6 3.2 13.6 13.6 13.6 10.2 6.7 3.2
1075
72 26.8 3.2 22.9 18.8 14.7 10.7 - - 22.4 3.4 21.3 17.2 13.1 9.0 - -
67 22.1 3.1 22.1 22.1 19.7 15.6 11.5 - 17.7 3.3 17.7 17.7 17.7 13.9 9.7 -
62 19.3 3.1 19.3 19.3 18.9 14.8 10.7 6.6 15.7 3.3 15.7 15.7 15.1 11.0 6.9 2.8
57 18.3 3.1 18.3 18.3 18.3 14.2 10.2 6.1 14.4 3.3 14.4 14.4 14.4 10.3 6.2 2.1
1250
72 27.9 3.3 25.6 20.9 16.3 11.6 - - 23.7 3.6 23.7 19.3 14.6 9.8 - -
67 23.1 3.2 23.1 23.1 21.7 17.1 12.4 - 18.7 3.4 18.7 18.7 18.7 15.2 10.5 -
62 20.1 3.2 20.1 20.1 20.1 15.4 10.8 6.1 16.6 3.4 16.6 16.6 16.6 11.8 7.1 2.3
57 19.1 3.2 19.1 19.1 19.1 14.4 9.8 5.1 15.3 3.4 15.3 15.3 15.3 10.5 5.7 1.0
1. These capacities are Net capacities.
2. These ratings include the compressor, condenser fan and supply air blower motors.
NM030 (2.5 Ton) (Continued)
Air on
Evaporator Coil Temperature of Air on Condenser Coil
Total
Capacity1
(MBh)
Total
Input
(kW)2
Sensible Capacity (MBh) Total
Capacity1
(MBh)
Total
Input
(kW)2
Sensible Capacity (MBh)
CFM WB
(°F)
Return Dry Bulb (°F) Return Dry Bulb (°F)
90 85 80 75 70 65 90 85 80 75 70 65

546039-YTG-E-0712
Unitary Products Group 13
NM036 (3.0 Ton)
Air on
Evaporator Coil Temperature of Air on Condenser Coil
Total
Capacity1
(MBh)
Total
Input
(kW)2
Sensible Capacity (MBh) Total
Capacity1
(MBh)
Total
Input
(kW)2
Sensible Capacity (MBh)
CFM WB
(°F)
Return Dry Bulb (°F) Return Dry Bulb (°F)
90 85 80 75 70 65 90 85 80 75 70 65
75°F 85°F
750
77 49.2 2.7 22.2 18.5 15.2 - - - 45.1 2.9 19.7 16.5 13.2 - - -
72 44.4 2.6 26.7 23.4 20.2 16.9 - - 40.7 2.8 24.7 21.4 18.2 14.9 - -
67 39.7 2.6 31.2 28.4 25.1 21.9 18.6 - 36.3 2.8 29.7 26.4 23.2 19.9 16.6 -
62 35.0 2.6 35.0 30.9 27.9 24.6 21.4 18.2 32.2 2.8 32.2 28.1 24.9 21.6 18.4 15.1
900
77 50.2 2.7 23.4 19.6 15.8 - - - 46.2 2.9 21.5 17.8 14.0 - - -
72 45.4 2.6 28.5 24.7 20.9 17.2 - - 41.7 2.9 26.8 23.0 19.2 15.4 - -
67 40.6 2.6 33.6 29.8 26.0 22.3 18.5 - 37.1 2.8 32.1 28.3 24.5 20.7 16.9 -
62 35.7 2.6 35.7 32.7 28.9 25.2 21.4 17.6 33.0 2.8 33.0 30.1 26.3 22.5 18.7 14.9
57 32.8 2.6 32.8 32.8 31.8 28.1 24.3 20.5 29.8 2.8 29.8 29.8 28.1 24.3 20.5 16.7
1050
77 51.3 2.7 24.6 20.7 16.4 - - - 47.3 3.0 23.4 19.0 14.7 - - -
72 46.3 2.7 30.2 26.0 21.7 17.4 - - 42.6 2.9 28.9 24.6 20.2 15.9 - -
67 41.4 2.6 35.9 31.2 26.9 22.6 18.3 - 38.0 2.9 34.5 30.1 25.8 21.4 17.1 -
62 36.5 2.6 36.5 34.5 30.0 25.7 21.4 17.1 33.7 2.9 33.7 32.0 27.7 23.3 19.0 14.7
57 33.5 2.6 33.5 33.5 33.0 28.7 24.4 20.1 30.4 2.9 30.4 30.4 29.6 25.3 20.9 16.6
1200
77 52.3 2.7 25.8 21.8 17.0 - - - 48.3 3.0 25.2 20.3 15.4 - - -
72 47.3 2.7 32.0 27.2 22.4 17.6 - - 43.6 3.0 31.0 26.1 21.3 16.4 - -
67 42.3 2.7 38.3 32.6 27.8 23.0 18.2 - 38.8 2.9 36.9 32.0 27.1 22.2 17.3 -
62 37.2 2.7 37.2 36.2 31.0 26.2 21.4 16.6 34.5 2.9 34.5 34.0 29.1 24.2 19.3 14.4
57 34.2 2.7 34.2 34.2 34.2 29.4 24.6 19.8 31.1 2.9 31.1 31.1 31.1 26.2 21.3 16.4
1350
72 48.9 2.8 34.7 29.4 24.2 18.9 - - 44.8 3.0 33.5 28.2 22.8 17.4 - -
67 43.7 2.7 41.7 35.3 30.0 24.7 19.5 - 39.9 3.0 38.9 34.4 29.0 23.6 18.2 -
62 38.5 2.7 38.5 38.0 33.4 28.2 22.9 17.6 35.4 3.0 35.4 35.2 31.2 25.8 20.4 15.0
57 35.3 2.7 35.3 35.3 35.3 30.1 24.8 19.5 32.0 3.0 32.0 32.0 32.0 26.6 21.2 15.8
1500
72 50.4 2.9 37.4 31.6 25.9 20.2 - - 46.0 3.1 36.1 30.2 24.3 18.4 - -
67 45.1 2.8 45.1 37.9 32.2 26.5 20.7 - 41.0 3.1 41.0 36.8 30.9 25.0 19.2 -
62 39.7 2.8 39.7 39.7 35.8 30.1 24.4 18.7 36.4 3.0 36.4 36.4 33.2 27.3 21.5 15.6
57 36.5 2.8 36.5 36.5 36.5 30.7 25.0 19.3 32.8 3.0 32.8 32.8 32.8 26.9 21.0 15.2
95°F 105°F
750
77 41.1 3.1 17.3 14.4 11.2 - - - 37.5 3.4 21.1 17.5 14.3 - - -
72 37.0 3.1 22.7 19.4 16.2 12.9 - - 33.3 3.3 24.0 20.7 17.5 14.3 - -
67 32.8 3.0 28.1 24.5 21.2 17.9 14.7 - 29.2 3.2 26.8 24.0 20.8 17.5 14.3 -
62 29.4 3.0 29.4 25.3 21.9 18.6 15.3 12.1 25.5 3.2 25.5 23.5 21.5 18.2 15.0 11.8
900
77 42.2 3.2 19.7 15.9 12.1 - - - 38.3 3.4 22.7 18.2 14.5 - - -
72 37.9 3.1 25.1 21.3 17.5 13.7 - - 34.1 3.4 25.5 21.7 17.9 14.1 - -
67 33.7 3.1 30.6 26.7 22.9 19.1 15.3 - 29.8 3.3 28.2 25.1 21.3 17.5 13.7 -
62 30.2 3.0 30.2 27.5 23.6 19.8 16.0 12.2 26.1 3.3 26.1 24.7 22.0 18.2 14.4 10.6
57 26.7 3.0 26.7 26.7 24.4 20.5 16.7 12.9 22.9 3.3 22.9 22.9 21.7 17.9 14.1 10.3
1050
77 43.3 3.2 22.2 17.4 13.0 - - - 39.2 3.5 24.3 19.0 14.6 - - -
72 38.9 3.2 27.6 23.2 18.8 14.4 - - 34.8 3.4 27.0 22.6 18.2 13.9 - -
67 34.6 3.1 33.0 29.0 24.6 20.2 15.8 - 30.5 3.4 29.7 26.2 21.8 17.5 13.1 -
62 31.0 3.1 31.0 29.6 25.4 21.0 16.6 12.2 26.7 3.3 26.7 26.0 22.6 18.2 13.8 9.5
57 27.4 3.1 27.4 27.4 26.2 21.8 17.4 13.0 23.4 3.3 23.4 23.4 22.8 18.4 14.0 9.7
1200
77 44.3 3.3 24.6 18.8 13.9 - - - 40.0 3.6 25.8 19.7 14.8 - - -
72 39.9 3.2 30.0 25.1 20.1 15.2 - - 35.6 3.5 28.5 23.5 18.6 13.6 - -
67 35.4 3.2 35.4 31.3 26.3 21.4 16.4 - 31.1 3.4 31.1 27.3 22.4 17.4 12.5 -
62 31.7 3.2 31.7 31.7 27.2 22.2 17.3 12.3 27.3 3.4 27.3 27.3 23.1 18.2 13.2 8.3
57 28.0 3.2 28.0 28.0 28.0 23.1 18.1 13.1 23.9 3.4 23.9 23.9 23.9 18.9 14.0 9.0
1350
72 40.7 3.3 32.4 26.9 21.4 15.9 - - 36.3 3.6 31.1 26.6 21.1 15.5 - -
67 36.1 3.3 36.1 33.5 28.0 22.5 17.0 - 31.8 3.5 31.8 29.6 25.2 19.7 14.2 -
62 32.4 3.2 32.4 32.4 28.9 23.4 17.9 12.4 27.8 3.5 27.8 27.8 25.1 19.6 14.1 8.6
57 28.6 3.2 28.6 28.6 28.6 23.1 17.6 12.1 24.4 3.5 24.4 24.4 24.4 18.9 13.4 7.8
1500
72 41.5 3.4 34.8 28.7 22.7 16.6 - - 37.1 3.6 33.7 29.6 23.5 17.5 - -
67 36.9 3.3 36.9 35.7 29.7 23.6 17.6 - 32.4 3.6 32.4 31.9 28.0 21.9 15.9 -
62 33.0 3.3 33.0 33.0 30.6 24.6 18.5 12.5 28.4 3.5 28.4 28.4 27.2 21.1 15.0 9.0
57 29.2 3.3 29.2 29.2 29.2 23.1 17.1 11.0 24.9 3.5 24.9 24.9 24.9 18.8 12.7 6.7

546039-YTG-E-0712
14 Unitary Products Group
115°F 125°F
750
77 33.9 3.7 25.0 20.6 17.4 - - - 30.3 4.0 31.2 23.6 20.5 - - -
72 29.7 3.6 25.2 22.0 18.9 15.7 - - 26.0 3.8 26.5 23.4 20.2 17.1 - -
67 25.5 3.5 25.5 23.5 20.3 17.2 14.0 - 21.8 3.7 21.8 23.1 19.9 16.8 13.6 -
62 21.6 3.4 21.6 21.6 21.1 17.9 14.7 11.5 17.7 3.7 17.7 17.7 18.9 17.5 14.4 11.3
900
77 34.5 3.7 25.7 20.6 16.8 - - - 30.7 4.0 30.2 22.9 19.2 - - -
72 30.2 3.6 25.8 22.0 18.3 14.5 - - 26.4 3.9 26.1 22.4 18.6 14.9 - -
67 25.9 3.5 25.9 23.5 19.7 15.9 12.2 - 22.0 3.8 22.0 21.8 18.1 14.3 10.6 -
62 22.0 3.5 22.0 22.0 20.4 16.6 12.9 9.1 17.9 3.7 17.9 17.9 17.9 15.0 11.3 7.6
57 19.1 3.5 19.1 19.1 19.1 15.3 11.5 7.8 15.2 3.7 15.2 15.2 15.2 12.7 8.9 5.2
1050
77 35.1 3.8 26.3 20.6 16.3 - - - 31.0 4.1 29.2 22.2 17.9 - - -
72 30.7 3.7 26.4 22.0 17.7 13.3 - - 26.7 4.0 25.7 21.4 17.1 12.7 - -
67 26.4 3.6 26.4 23.4 19.0 14.7 10.3 - 22.3 3.8 22.3 20.6 16.2 11.9 7.6 -
62 22.4 3.6 22.4 22.4 19.7 15.4 11.0 6.7 18.1 3.8 18.1 18.1 16.9 12.6 8.2 3.9
57 19.4 3.6 19.4 19.4 19.4 15.0 10.7 6.3 15.4 3.8 15.4 15.4 15.4 11.7 7.3 3.0
1200
77 35.7 3.9 27.0 20.6 15.7 - - - 31.4 4.2 28.2 21.5 16.6 - - -
72 31.3 3.8 26.9 22.0 17.0 12.1 - - 27.0 4.0 25.4 20.4 15.5 10.6 - -
67 26.8 3.7 26.8 23.3 18.4 13.4 8.5 - 22.5 3.9 22.5 19.3 14.4 9.5 4.6 -
62 22.8 3.6 22.8 22.8 19.0 14.1 9.2 4.2 18.3 3.9 18.3 18.3 15.0 10.1 5.1 0.2
57 19.7 3.6 19.7 19.7 19.7 14.8 9.8 4.9 15.6 3.9 15.6 15.6 15.6 10.6 5.7 0.8
1350
72 31.9 3.8 29.8 26.2 20.7 15.2 - - 27.6 4.1 27.6 25.9 20.4 14.9 - -
67 27.4 3.7 27.4 25.6 22.3 16.8 11.3 - 23.0 4.0 23.0 21.7 19.5 14.0 8.5 -
62 23.3 3.7 23.3 23.3 21.4 15.9 10.4 4.9 18.7 3.9 18.7 18.7 17.6 12.1 6.6 1.1
57 20.1 3.7 20.1 20.1 20.1 14.6 9.1 3.6 15.9 3.9 15.9 15.9 15.9 10.4 4.9 -0.6
1500
72 32.6 3.9 32.6 30.5 24.4 18.3 - - 28.2 4.2 28.2 28.2 25.3 19.2 - -
67 28.0 3.8 28.0 28.0 26.3 20.2 14.2 - 23.5 4.0 23.5 23.5 23.5 18.5 12.4 -
62 23.7 3.8 23.7 23.7 23.7 17.7 11.6 5.5 19.1 4.0 19.1 19.1 19.1 14.2 8.1 2.0
57 20.6 3.8 20.6 20.6 20.6 14.5 8.4 2.3 16.3 4.0 16.3 16.3 16.3 10.2 4.1 -2.0
1. These capacities are Net capacities.
2. These ratings include the compressor, condenser fan and supply air blower motors.
NM036 (3.0 Ton) (Continued)
Air on
Evaporator Coil Temperature of Air on Condenser Coil
Total
Capacity1
(MBh)
Total
Input
(kW)2
Sensible Capacity (MBh) Total
Capacity1
(MBh)
Total
Input
(kW)2
Sensible Capacity (MBh)
CFM WB
(°F)
Return Dry Bulb (°F) Return Dry Bulb (°F)
90 85 80 75 70 65 90 85 80 75 70 65

546039-YTG-E-0712
Unitary Products Group 15
NM042 (3.5 Ton)
Air on
Evaporator Coil Temperature of Air on Condenser Coil
Total
Capacity1
(MBh)
Total
Input
(kW)2
Sensible Capacity (MBh) Total
Capacity1
(MBh)
Total
Input
(kW)2
Sensible Capacity (MBh)
CFM WB
(°F)
Return Dry Bulb (°F) Return Dry Bulb (°F)
90 85 80 75 70 65 90 85 80 75 70 65
75°F 85°F
975
77 53.1 3.2 22.7 18.8 15.0 - - - 48.8 3.6 21.3 17.5 13.7 - - -
72 49.2 3.2 28.6 24.8 20.9 17.1 - - 45.2 3.5 27.2 23.4 19.5 15.7 - -
67 45.4 3.1 34.6 30.7 26.8 23.0 19.1 - 41.6 3.4 33.1 29.2 25.4 21.5 17.7 -
62 40.0 3.0 40.0 40.0 34.9 31.0 27.2 23.3 36.7 3.3 36.7 35.4 30.5 26.7 22.8 19.0
1050
77 53.9 3.2 24.2 20.0 15.8 - - - 49.7 3.6 22.7 18.6 14.5 - - -
72 50.0 3.2 30.4 26.3 22.1 17.9 - - 46.0 3.5 28.9 24.8 20.7 16.6 - -
67 46.0 3.1 36.7 32.5 28.4 24.2 20.0 - 42.3 3.4 35.1 31.0 26.9 22.8 18.7 -
62 40.6 3.1 40.6 40.6 36.9 32.7 28.6 24.4 37.4 3.3 37.4 36.5 32.4 28.2 24.1 20.0
57 38.6 3.0 38.6 38.6 35.8 31.7 27.5 23.3 35.5 3.3 35.5 35.5 33.0 28.9 24.8 20.7
1125
77 54.7 3.3 25.7 21.2 16.7 - - - 50.5 3.6 24.0 19.7 15.3 - - -
72 50.7 3.2 32.3 27.8 23.3 18.8 - - 46.8 3.5 30.6 26.2 21.9 17.5 - -
67 46.7 3.1 38.9 34.4 29.9 25.4 20.9 - 43.1 3.4 37.2 32.8 28.4 24.1 19.7 -
62 41.2 3.1 41.2 41.2 38.9 34.4 29.9 25.5 38.0 3.4 38.0 37.6 34.2 29.8 25.4 21.1
57 39.1 3.1 39.1 39.1 37.8 33.3 28.8 24.3 36.1 3.3 36.1 36.1 34.9 30.5 26.1 21.7
1200
77 55.4 3.3 27.1 22.3 17.5 - - - 51.4 3.6 25.4 20.8 16.1 - - -
72 51.4 3.2 34.1 29.3 24.5 19.7 - - 47.6 3.5 32.3 27.7 23.0 18.4 - -
67 47.3 3.2 41.0 36.2 31.4 26.6 21.8 - 43.8 3.4 39.2 34.6 29.9 25.3 20.7 -
62 41.8 3.1 41.8 41.8 40.9 36.1 31.3 26.5 38.7 3.4 38.7 38.7 36.0 31.4 26.7 22.1
57 39.7 3.1 39.7 39.7 39.7 34.9 30.1 25.3 36.7 3.3 36.7 36.7 36.7 32.1 27.4 22.8
1350
72 51.6 3.3 36.0 30.8 25.6 20.4 - - 47.9 3.6 34.6 29.4 24.2 19.1 - -
67 47.5 3.2 44.4 38.0 32.8 27.6 22.4 - 44.1 3.5 41.8 36.7 31.5 26.4 21.2 -
62 42.0 3.2 42.0 42.0 42.0 36.9 31.7 26.5 38.9 3.4 38.9 38.9 37.6 32.4 27.2 22.1
57 39.9 3.1 39.9 39.9 39.9 34.7 29.4 24.2 36.9 3.4 36.9 36.9 36.9 31.8 26.6 21.5
1500
72 51.8 3.3 37.9 32.3 26.7 21.1 - - 48.2 3.6 36.8 31.1 25.4 19.8 - -
67 47.7 3.3 47.7 39.9 34.2 28.6 23.0 - 44.3 3.5 44.3 38.8 33.1 27.4 21.7 -
62 42.1 3.2 42.1 42.1 42.1 37.7 32.1 26.5 39.1 3.5 39.1 39.1 39.1 33.4 27.8 22.1
57 40.0 3.2 40.0 40.0 40.0 34.4 28.8 23.2 37.2 3.4 37.2 37.2 37.2 31.5 25.8 20.1
95°F 105°F
975
77 44.5 3.9 20.0 16.2 12.3 - - - 41.1 4.3 18.2 15.0 11.2 - - -
72 41.2 3.8 25.8 22.0 18.1 14.3 - - 37.4 4.1 24.4 20.6 16.7 12.9 - -
67 37.8 3.7 31.6 27.8 23.9 20.1 16.3 - 33.8 4.0 30.6 26.2 22.3 18.5 14.6 -
62 33.4 3.6 33.4 30.0 26.2 22.3 18.5 14.7 29.8 3.9 29.8 28.1 23.5 19.7 15.9 12.0
1050
77 45.5 3.9 21.2 17.2 13.1 - - - 41.9 4.3 20.3 16.0 12.0 - - -
72 42.1 3.8 27.4 23.3 19.3 15.2 - - 38.2 4.1 26.1 22.0 17.9 13.8 - -
67 38.6 3.7 33.5 29.5 25.4 21.4 17.4 - 34.4 4.0 31.9 28.0 23.9 19.8 15.7 -
62 34.1 3.6 34.1 31.9 27.8 23.8 19.7 15.7 30.3 3.9 30.3 29.2 25.2 21.1 17.0 12.9
57 32.4 3.6 32.4 32.4 30.2 26.1 22.1 18.0 28.8 3.9 28.8 28.8 26.5 22.4 18.3 14.2
1125
77 46.4 3.9 22.4 18.2 13.9 - - - 42.7 4.3 22.4 17.1 12.7 - - -
72 42.9 3.8 29.0 24.7 20.4 16.2 - - 38.9 4.1 27.7 23.4 19.1 14.8 - -
67 39.4 3.7 35.5 31.2 27.0 22.7 18.4 - 35.1 4.0 33.1 29.8 25.5 21.1 16.8 -
62 34.8 3.6 34.8 33.7 29.5 25.2 20.9 16.7 30.9 3.9 30.9 30.4 26.8 22.5 18.2 13.9
57 33.1 3.6 33.1 33.1 32.0 27.7 23.4 19.2 29.4 3.9 29.4 29.4 28.2 23.9 19.6 15.2
1200
77 47.4 4.0 23.6 19.2 14.7 - - - 43.5 4.3 24.5 18.1 13.5 - - -
72 43.8 3.8 30.5 26.1 21.6 17.1 - - 39.6 4.2 29.4 24.8 20.3 15.7 - -
67 40.2 3.7 37.4 33.0 28.5 24.0 19.5 - 35.7 4.0 34.3 31.6 27.0 22.4 17.9 -
62 35.5 3.6 35.5 35.5 31.1 26.6 22.2 17.7 31.5 3.9 31.5 31.5 28.5 23.9 19.3 14.8
57 33.8 3.6 33.8 33.8 33.8 29.3 24.8 20.3 29.9 3.9 29.9 29.9 29.9 25.4 20.8 16.2
1350
72 44.2 3.9 33.1 28.0 22.9 17.8 - - 40.0 4.2 31.8 26.6 21.5 16.3 - -
67 40.6 3.8 39.2 35.3 30.2 25.1 20.0 - 36.1 4.1 35.4 33.2 28.6 23.5 18.3 -
62 35.8 3.7 35.8 35.8 33.0 27.9 22.8 17.7 31.8 3.9 31.8 31.8 30.0 24.8 19.7 14.5
57 34.0 3.7 34.0 34.0 34.0 28.9 23.8 18.7 30.2 4.0 30.2 30.2 30.2 25.0 19.9 14.7
1500
72 44.5 3.9 35.7 30.0 24.2 18.5 - - 40.3 4.3 34.2 28.5 22.7 17.0 - -
67 40.9 3.8 40.9 37.7 31.9 26.2 20.5 - 36.4 4.1 36.4 34.8 30.3 24.5 18.8 -
62 36.1 3.7 36.1 36.1 34.9 29.2 23.4 17.7 32.1 4.0 32.1 32.1 31.4 25.7 20.0 14.2
57 34.3 3.7 34.3 34.3 34.3 28.6 22.8 17.1 30.4 4.0 30.4 30.4 30.4 24.7 19.0 13.2

546039-YTG-E-0712
16 Unitary Products Group
115°F 125°F
975
77 37.6 4.6 16.4 13.8 10.0 - - - 34.2 5.0 17.7 11.6 8.8 - - -
72 33.7 4.4 23.0 19.2 15.4 11.5 - - 29.9 4.7 21.7 17.8 14.0 10.1 - -
67 29.7 4.2 29.7 24.6 20.7 16.9 13.0 - 25.6 4.5 25.6 23.5 19.1 15.2 11.4 -
62 26.1 4.1 26.1 26.1 20.9 17.1 13.2 9.4 22.5 4.4 22.5 22.5 18.3 14.5 10.6 6.8
1050
77 38.3 4.6 19.3 14.9 10.8 - - - 34.7 5.0 21.0 13.8 9.6 - - -
72 34.2 4.5 24.8 20.7 16.6 12.4 - - 30.3 4.8 23.5 19.3 15.2 11.0 - -
67 30.2 4.3 30.2 26.4 22.3 18.2 14.1 - 26.0 4.5 26.0 24.9 20.8 16.6 12.5 -
62 26.6 4.1 26.6 26.6 22.6 18.4 14.3 10.2 22.8 4.4 22.8 22.8 19.9 15.8 11.6 7.5
57 25.2 4.2 25.2 25.2 22.8 18.7 14.6 10.4 21.6 4.5 21.6 21.6 19.1 15.0 10.8 6.7
1125
77 38.9 4.7 22.3 15.9 11.6 - - - 35.2 5.0 24.2 15.9 10.4 - - -
72 34.8 4.5 26.5 22.1 17.7 13.4 - - 30.8 4.8 25.3 20.9 16.4 12.0 - -
67 30.7 4.3 30.7 28.3 23.9 19.6 15.2 - 26.4 4.6 26.4 26.4 22.4 18.0 13.5 -
62 27.0 4.1 27.0 27.0 24.2 19.8 15.4 11.0 23.1 4.4 23.1 23.1 21.6 17.1 12.7 8.2
57 25.7 4.2 25.7 25.7 24.4 20.1 15.7 11.3 22.0 4.5 22.0 22.0 20.7 16.2 11.8 7.3
1200
77 39.6 4.7 25.3 17.0 12.3 - - - 35.7 5.0 27.5 18.0 11.2 - - -
72 35.4 4.5 28.3 23.6 18.9 14.3 - - 31.2 4.8 27.1 22.4 17.6 12.9 - -
67 31.2 4.3 31.2 30.2 25.6 20.9 16.2 - 26.7 4.6 26.7 26.7 24.1 19.4 14.6 -
62 27.5 4.2 27.5 27.5 25.8 21.2 16.5 11.9 23.4 4.4 23.4 23.4 23.2 18.4 13.7 9.0
57 26.1 4.2 26.1 26.1 26.1 21.4 16.8 12.1 22.3 4.5 22.3 22.3 22.3 17.5 12.8 8.0
1350
72 35.8 4.5 30.5 25.3 20.1 14.9 - - 31.5 4.8 29.2 23.9 18.7 13.4 - -
67 31.5 4.3 31.5 31.0 27.1 21.9 16.7 - 27.0 4.6 27.0 27.0 25.5 20.3 15.1 -
62 27.7 4.2 27.7 27.7 26.9 21.7 16.5 11.3 23.7 4.5 23.7 23.7 23.7 18.6 13.4 8.1
57 26.3 4.2 26.3 26.3 26.3 21.1 15.9 10.8 22.5 4.5 22.5 22.5 22.5 17.3 12.0 6.8
1500
72 36.1 4.6 32.7 27.0 21.2 15.5 - - 31.9 4.9 31.2 25.5 19.7 14.0 - -
67 31.8 4.4 31.8 31.8 28.6 22.9 17.1 - 27.3 4.7 27.3 27.3 27.0 21.2 15.5 -
62 28.0 4.2 28.0 28.0 28.0 22.3 16.5 10.8 23.9 4.5 23.9 23.9 23.9 18.8 13.1 7.3
57 26.6 4.3 26.6 26.6 26.6 20.9 15.1 9.4 22.7 4.6 22.7 22.7 22.7 17.0 11.3 5.5
1. These capacities are Net capacities.
2. These ratings include the compressor, condenser fan and supply air blower motors.
NM042 (3.5 Ton) (Continued)
Air on
Evaporator Coil Temperature of Air on Condenser Coil
Total
Capacity1
(MBh)
Total
Input
(kW)2
Sensible Capacity (MBh) Total
Capacity1
(MBh)
Total
Input
(kW)2
Sensible Capacity (MBh)
CFM WB
(°F)
Return Dry Bulb (°F) Return Dry Bulb (°F)
90 85 80 75 70 65 90 85 80 75 70 65

546039-YTG-E-0712
Unitary Products Group 17
NM048 (4.0 Ton)
Air on
Evaporator Coil Temperature of Air on Condenser Coil
Total
Capacity1
(MBh)
Total
Input
(kW)2
Sensible Capacity (MBh) Total
Capacity1
(MBh)
Total
Input
(kW)2
Sensible Capacity (MBh)
CFM WB
(°F)
Return Dry Bulb (°F) Return Dry Bulb (°F)
90 85 80 75 70 65 90 85 80 75 70 65
75°F 85°F
1000
77 61.4 3.2 25.2 21.3 17.3 - - - 56.5 3.4 23.8 19.8 15.8 - - -
72 56.9 3.1 32.1 28.1 24.2 20.2 - - 52.3 3.4 30.6 26.6 22.6 18.5 - -
67 52.4 3.0 38.9 35.0 31.0 27.1 23.1 - 48.1 3.3 37.4 33.3 29.3 25.3 21.3 -
62 46.3 3.1 46.3 46.2 40.3 36.4 32.4 28.5 42.4 3.3 42.4 40.3 35.3 31.3 27.2 23.2
1200
77 62.3 3.4 26.9 22.6 18.3 - - - 57.4 3.6 25.5 21.1 16.7 - - -
72 57.8 3.3 34.1 29.8 25.5 21.2 - - 53.2 3.6 32.7 28.3 23.9 19.5 - -
67 53.2 3.2 41.4 37.1 32.8 28.5 24.2 - 48.9 3.5 39.9 35.5 31.1 26.7 22.3 -
62 47.0 3.3 47.0 46.9 42.6 38.3 34.0 29.7 43.2 3.5 43.2 41.8 37.4 33.0 28.6 24.2
57 44.6 3.2 44.6 44.6 41.4 37.1 32.8 28.5 41.0 3.4 41.0 41.0 38.1 33.7 29.3 24.9
1400
77 63.2 3.5 28.6 23.9 19.3 - - - 58.4 3.8 27.2 22.4 17.7 - - -
72 58.6 3.5 36.2 31.5 26.9 22.3 - - 54.1 3.8 34.8 30.0 25.3 20.5 - -
67 54.0 3.4 43.8 39.2 34.5 29.9 25.2 - 49.8 3.7 42.4 37.6 32.8 28.1 23.3 -
62 47.6 3.5 47.6 47.6 44.9 40.3 35.6 31.0 43.9 3.7 43.9 43.2 39.5 34.7 29.9 25.2
57 45.2 3.3 45.2 45.2 43.6 39.0 34.3 29.7 41.7 3.6 41.7 41.7 40.3 35.5 30.7 25.9
1600
77 64.1 3.7 30.3 25.3 20.3 - - - 59.4 4.0 28.9 23.8 18.6 - - -
72 59.4 3.6 38.3 33.3 28.3 23.3 - - 55.0 3.9 36.9 31.8 26.6 21.4 - -
67 54.7 3.5 46.3 41.3 36.3 31.3 26.3 - 50.6 3.9 44.9 39.8 34.6 29.4 24.3 -
62 48.3 3.6 48.3 48.3 47.2 42.3 37.3 32.3 44.7 3.9 44.7 44.7 41.6 36.4 31.3 26.1
57 45.9 3.5 45.9 45.9 45.9 40.9 35.9 30.9 42.5 3.8 42.5 42.5 42.4 37.3 32.1 27.0
1800
72 59.7 3.8 40.3 34.9 29.6 24.2 - - 55.4 4.1 39.1 33.6 28.0 22.4 - -
67 55.0 3.7 49.7 43.3 37.9 32.5 27.2 - 50.9 4.0 47.5 42.0 36.4 30.8 25.3 -
62 48.5 3.8 48.5 48.5 48.5 43.3 38.0 32.6 45.0 4.0 45.0 45.0 43.4 37.9 32.3 26.7
57 46.1 3.6 46.1 46.1 46.1 40.7 35.3 30.0 42.7 3.9 42.7 42.7 42.7 37.1 31.6 26.0
2000
72 59.9 3.9 42.3 36.6 30.8 25.1 - - 55.7 4.2 41.4 35.4 29.4 23.4 - -
67 55.2 3.8 53.1 45.3 39.6 33.8 28.1 - 51.3 4.1 50.2 44.2 38.2 32.2 26.3 -
62 48.7 3.9 48.7 48.7 48.7 44.4 38.7 32.9 45.2 4.1 45.2 45.2 45.2 39.3 33.3 27.3
57 46.3 3.8 46.3 46.3 46.3 40.5 34.8 29.0 43.0 4.0 43.0 43.0 43.0 37.0 31.0 25.0
95°F 105°F
1000
77 51.5 3.7 22.4 18.3 14.3 - - - 47.5 4.1 20.1 17.0 12.9 - - -
72 47.6 3.6 29.1 25.0 21.0 16.9 - - 43.3 4.0 27.6 23.5 19.3 15.2 - -
67 43.7 3.6 35.8 31.7 27.6 23.6 19.5 - 39.0 3.9 35.1 29.9 25.8 21.7 17.5 -
62 38.6 3.5 38.6 34.4 30.2 26.1 22.0 18.0 34.4 3.8 34.4 32.3 28.0 23.8 19.7 15.6
1200
77 52.6 3.9 24.2 19.7 15.2 - - - 48.4 4.3 23.0 18.4 13.8 - - -
72 48.6 3.8 31.3 26.8 22.3 17.8 - - 44.1 4.2 29.8 25.3 20.7 16.1 - -
67 44.7 3.8 38.4 33.9 29.4 24.9 20.4 - 39.8 4.1 36.7 32.2 27.6 23.0 18.4 -
62 39.4 3.7 39.4 36.6 32.1 27.6 23.1 18.6 35.1 4.0 35.1 33.7 29.9 25.3 20.8 16.2
57 37.5 3.7 37.5 37.5 34.9 30.4 25.9 21.4 33.3 4.0 33.3 33.3 30.6 26.0 21.4 16.9
1400
77 53.7 4.1 25.9 21.0 16.1 - - - 49.3 4.5 25.9 19.7 14.7 - - -
72 49.6 4.0 33.4 28.5 23.6 18.7 - - 45.0 4.4 32.1 27.1 22.1 17.0 - -
67 45.6 4.0 41.0 36.1 31.1 26.2 21.3 - 40.6 4.3 38.2 34.4 29.4 24.4 19.4 -
62 40.3 3.9 40.3 38.8 34.0 29.1 24.2 19.3 35.7 4.2 35.7 35.0 31.9 26.9 21.9 16.8
57 38.2 3.9 38.2 38.2 36.9 32.0 27.1 22.2 34.0 4.2 34.0 34.0 32.6 27.6 22.6 17.5
1600
77 54.8 4.3 27.6 22.3 17.0 - - - 50.3 4.7 28.8 21.1 15.6 - - -
72 50.7 4.2 35.6 30.3 24.9 19.6 - - 45.8 4.6 34.3 28.9 23.4 18.0 - -
67 46.5 4.2 43.5 38.2 32.9 27.6 22.3 - 41.3 4.5 39.8 36.7 31.2 25.8 20.3 -
62 41.1 4.1 41.1 41.1 35.9 30.6 25.3 20.0 36.4 4.4 36.4 36.4 33.8 28.4 22.9 17.5
57 39.0 4.1 39.0 39.0 39.0 33.7 28.4 23.0 34.6 4.4 34.6 34.6 34.6 29.1 23.7 18.2
1800
72 51.1 4.4 38.0 32.2 26.5 20.7 - - 46.2 4.7 36.7 30.7 24.8 18.9 - -
67 46.9 4.3 45.4 40.7 34.9 29.1 23.4 - 41.7 4.6 40.9 38.3 33.1 27.2 21.3 -
62 41.4 4.2 41.4 41.4 38.1 32.4 26.6 20.8 36.7 4.5 36.7 36.7 35.1 29.2 23.3 17.3
57 39.3 4.2 39.3 39.3 39.3 33.6 27.8 22.0 34.9 4.5 34.9 34.9 34.9 29.0 23.1 17.1
2000
72 51.5 4.5 40.4 34.2 28.0 21.8 - - 46.6 4.8 39.0 32.6 26.2 19.9 - -
67 47.3 4.4 47.3 43.1 36.9 30.7 24.5 - 42.1 4.7 42.1 40.0 35.0 28.6 22.2 -
62 41.8 4.3 41.8 41.8 40.3 34.1 27.9 21.7 37.1 4.6 37.1 37.1 36.3 30.0 23.6 17.2
57 39.7 4.3 39.7 39.7 39.7 33.5 27.2 21.0 35.2 4.6 35.2 35.2 35.2 28.8 22.4 16.1

546039-YTG-E-0712
18 Unitary Products Group
115°F 125°F
1000
77 43.5 4.4 17.9 15.7 11.6 - - - 39.5 4.8 19.5 13.1 10.2 - - -
72 38.9 4.3 26.1 21.9 17.7 13.6 - - 34.6 4.6 24.6 20.4 16.1 11.9 - -
67 34.3 4.1 34.3 28.1 23.9 19.7 15.6 - 29.6 4.4 29.6 26.9 22.1 17.8 13.6 -
62 30.2 4.1 30.2 30.2 25.7 21.5 17.4 13.2 26.0 4.3 26.0 26.0 24.3 19.2 15.0 10.8
1200
77 44.3 4.6 21.9 17.1 12.5 - - - 40.1 5.0 23.9 15.8 11.1 - - -
72 39.6 4.5 28.4 23.8 19.1 14.5 - - 35.1 4.8 27.0 22.3 17.5 12.8 - -
67 34.9 4.3 34.9 30.4 25.8 21.1 16.5 - 30.1 4.6 30.1 28.7 24.0 19.3 14.5 -
62 30.7 4.2 30.7 30.7 27.7 23.1 18.4 13.8 26.3 4.5 26.3 26.3 25.5 20.8 16.1 11.3
57 29.2 4.3 29.2 29.2 26.3 21.7 17.0 12.4 25.0 4.6 25.0 25.0 22.1 17.3 12.6 7.9
1400
77 45.0 4.8 25.9 18.5 13.4 - - - 40.7 5.2 28.3 18.5 12.0 - - -
72 40.3 4.7 30.7 25.6 20.5 15.4 - - 35.6 5.0 29.4 24.2 19.0 13.7 - -
67 35.5 4.5 35.5 32.8 27.7 22.5 17.4 - 30.5 4.8 30.5 30.5 25.9 20.7 15.5 -
62 31.2 4.4 31.2 31.2 29.7 24.6 19.5 14.4 26.7 4.7 26.7 26.7 26.7 22.3 17.1 11.9
57 29.7 4.5 29.7 29.7 28.2 23.1 18.0 12.9 25.4 4.8 25.4 25.4 23.9 18.7 13.5 8.2
1600
77 45.8 5.0 30.0 19.8 14.3 - - - 41.3 5.4 32.7 21.3 12.9 - - -
72 40.9 4.9 33.1 27.5 21.9 16.3 - - 36.1 5.2 31.8 26.1 20.4 14.6 - -
67 36.1 4.7 36.1 35.1 29.5 23.9 18.4 - 30.9 5.0 30.9 30.9 27.8 22.1 16.4 -
62 31.8 4.6 31.8 31.8 31.7 26.1 20.6 15.0 27.1 4.9 27.1 27.1 27.1 23.9 18.2 12.5
57 30.2 4.7 30.2 30.2 30.1 24.6 19.0 13.4 25.7 4.9 25.7 25.7 25.7 20.0 14.3 8.6
1800
72 41.3 5.0 35.3 29.3 23.2 17.1 - - 36.5 5.4 34.0 27.8 21.6 15.4 - -
67 36.5 4.9 36.5 36.0 31.3 25.2 19.2 - 31.2 5.2 31.2 31.2 29.5 23.3 17.0 -
62 32.1 4.8 32.1 32.1 32.0 26.0 19.9 13.8 27.4 5.0 27.4 27.4 27.4 22.8 16.6 10.3
57 30.5 4.8 30.5 30.5 30.4 24.4 18.3 12.2 26.0 5.1 26.0 26.0 26.0 19.8 13.6 7.3
2000
72 41.7 5.2 37.6 31.1 24.5 18.0 - - 36.9 5.5 36.2 29.5 22.8 16.1 - -
67 36.8 5.0 36.8 36.8 33.1 26.5 20.0 - 31.6 5.3 31.6 31.6 31.1 24.4 17.7 -
62 32.4 4.9 32.4 32.4 32.4 25.8 19.3 12.7 27.7 5.2 27.7 27.7 27.7 21.7 14.9 8.2
57 30.7 4.9 30.7 30.7 30.7 24.2 17.6 11.1 26.3 5.2 26.3 26.3 26.3 19.6 12.8 6.1
1. These capacities are Net capacities.
2. These ratings include the compressor, condenser fan and supply air blower motors.
NM048 (4.0 Ton) (Continued)
Air on
Evaporator Coil Temperature of Air on Condenser Coil
Total
Capacity1
(MBh)
Total
Input
(kW)2
Sensible Capacity (MBh) Total
Capacity1
(MBh)
Total
Input
(kW)2
Sensible Capacity (MBh)
CFM WB
(°F)
Return Dry Bulb (°F) Return Dry Bulb (°F)
90 85 80 75 70 65 90 85 80 75 70 65

546039-YTG-E-0712
Unitary Products Group 19
NM060 (5.0 Ton)
Air on
Evaporator Coil Temperature of Air on Condenser Coil
Total
Capacity1
(MBh)
Total
Input
(kW)2
Sensible Capacity (MBh) Total
Capacity1
(MBh)
Total
Input
(kW)2
Sensible Capacity (MBh)
CFM WB
(°F)
Return Dry Bulb (°F) Return Dry Bulb (°F)
90 85 80 75 70 65 90 85 80 75 70 65
75°F 85°F
1400
77 71.8 3.6 34.3 28.6 22.9 - - - 72.6 4.1 34.8 29.0 23.2 - - -
72 68.7 3.6 43.5 37.8 32.1 26.4 - - 67.5 4.0 43.1 37.3 31.5 25.6 - -
67 65.7 3.5 52.7 47.0 41.3 35.6 29.9 - 62.4 3.9 51.3 45.5 39.7 33.9 28.1 -
62 64.5 3.4 64.5 58.2 53.2 47.5 41.8 36.1 61.0 3.9 61.0 56.7 50.9 45.1 39.3 33.5
1500
77 70.9 3.7 34.8 29.0 23.2 - - - 71.8 4.1 35.4 29.4 23.5 - - -
72 67.9 3.6 44.1 38.3 32.4 26.6 - - 66.8 4.0 43.8 37.8 31.9 25.9 - -
67 64.9 3.5 53.4 47.5 41.7 35.9 30.1 - 61.8 4.0 52.2 46.2 40.2 34.3 28.3 -
62 63.8 3.5 63.8 59.5 53.7 47.9 42.0 36.2 60.3 3.9 60.3 57.5 51.5 45.6 39.6 33.6
57 58.1 3.5 58.1 58.1 54.5 48.7 42.8 37.0 55.1 3.9 55.1 55.1 51.3 45.3 39.4 33.4
1600
77 70.1 3.7 35.3 29.3 23.4 - - - 71.0 4.1 36.0 29.9 23.8 - - -
72 67.1 3.6 44.7 38.7 32.7 26.8 - - 66.0 4.0 44.5 38.4 32.3 26.1 - -
67 64.1 3.5 54.0 48.1 42.1 36.2 30.2 - 61.1 4.0 53.0 46.9 40.7 34.6 28.5 -
62 63.0 3.5 63.0 60.9 54.2 48.3 42.3 36.3 59.7 3.9 59.7 58.3 52.2 46.1 39.9 33.8
57 57.4 3.5 57.4 57.4 55.0 49.1 43.1 37.1 54.5 3.9 54.5 54.5 51.9 45.8 39.7 33.6
1700
77 69.3 3.7 35.8 29.7 23.6 - - - 70.2 4.1 36.6 30.3 24.1 - - -
72 66.3 3.6 45.2 39.1 33.1 27.0 - - 65.3 4.1 45.2 38.9 32.7 26.4 - -
67 63.4 3.5 54.7 48.6 42.5 36.4 30.3 - 60.4 4.0 53.8 47.5 41.3 35.0 28.7 -
62 62.3 3.5 62.3 62.3 54.7 48.6 42.6 36.5 59.0 3.9 59.0 59.0 52.8 46.6 40.3 34.0
57 56.7 3.5 56.7 56.7 55.6 49.5 43.4 37.3 53.9 3.9 53.9 53.9 52.6 46.3 40.0 33.7
2100
72 69.2 3.6 48.7 41.8 34.9 27.9 - - 67.8 4.1 49.7 42.3 35.0 27.7 - -
67 66.1 3.5 60.7 51.8 44.9 37.9 31.0 - 62.7 4.0 58.9 51.6 44.3 36.9 29.6 -
62 65.0 3.5 65.0 65.0 58.2 51.3 44.3 37.4 61.3 4.0 61.3 61.3 56.7 49.4 42.1 34.8
57 59.2 3.5 59.2 59.2 58.6 51.6 44.7 37.8 55.9 3.9 55.9 55.9 55.3 48.0 40.7 33.4
2500
72 72.1 3.6 52.2 44.5 36.7 28.9 - - 70.3 4.1 54.1 45.8 37.4 29.1 - -
67 68.8 3.5 66.7 55.0 47.2 39.4 31.6 - 65.0 4.0 64.0 55.6 47.3 38.9 30.6 -
62 67.7 3.5 67.7 67.7 61.7 53.9 46.1 38.3 63.5 4.0 63.5 63.5 60.5 52.2 43.8 35.5
57 61.6 3.5 61.6 61.6 61.6 53.8 46.0 38.2 58.0 4.0 58.0 58.0 58.0 49.7 41.3 33.0
95°F 105°F
1400
77 73.4 4.5 35.2 29.3 23.4 - - - 68.6 5.0 34.0 28.1 22.1 - - -
72 66.3 4.4 42.6 36.7 30.8 24.9 - - 61.7 5.0 41.2 35.2 29.2 23.2 - -
67 59.2 4.4 50.0 44.1 38.1 32.2 26.3 - 54.7 5.0 48.4 42.3 36.4 30.4 24.4 -
62 57.4 4.3 57.4 55.3 48.6 42.7 36.7 30.8 54.1 4.9 54.1 52.0 45.4 39.4 33.4 27.4
1500
77 72.6 4.5 36.0 29.9 23.8 - - - 68.1 5.1 34.8 28.7 22.5 - - -
72 65.6 4.5 43.5 37.4 31.3 25.2 - - 61.2 5.0 42.1 35.9 29.7 23.5 - -
67 58.6 4.4 51.0 44.9 38.8 32.7 26.6 - 54.3 5.0 49.3 43.2 37.0 30.8 24.6 -
62 56.9 4.4 56.9 55.5 49.4 43.3 37.2 31.1 53.7 4.9 53.7 52.3 46.1 40.0 33.8 27.6
57 52.1 4.3 52.1 52.1 48.1 42.0 35.9 29.8 47.6 4.9 47.6 47.6 43.9 37.7 31.6 25.4
1600
77 71.9 4.5 36.7 30.4 24.1 - - - 67.6 5.1 35.6 29.2 22.9 - - -
72 65.0 4.5 44.3 38.0 31.8 25.5 - - 60.8 5.0 43.0 36.6 30.2 23.9 - -
67 58.0 4.4 51.9 45.7 39.4 33.1 26.8 - 54.0 5.0 50.3 44.0 37.6 31.2 24.9 -
62 56.3 4.4 56.3 55.6 50.1 43.9 37.6 31.3 53.3 4.9 53.3 52.6 46.9 40.6 34.2 27.8
57 51.6 4.3 51.6 51.6 48.8 42.6 36.3 30.0 47.3 4.9 47.3 47.3 44.7 38.3 31.9 25.6
1700
77 71.2 4.5 37.5 31.0 24.5 - - - 67.2 5.1 36.4 29.8 23.2 - - -
72 64.3 4.5 45.2 38.7 32.3 25.8 - - 60.4 5.1 43.9 37.3 30.7 24.2 - -
67 57.4 4.5 52.9 46.5 40.0 33.5 27.1 - 53.6 5.0 51.3 44.8 38.3 31.7 25.1 -
62 55.7 4.4 55.7 55.7 50.9 44.5 38.0 31.5 52.9 4.9 52.9 52.9 47.7 41.2 34.6 28.0
57 51.0 4.4 51.0 51.0 49.6 43.1 36.7 30.2 46.9 5.0 46.9 46.9 45.4 38.9 32.3 25.7
2100
72 66.4 4.5 50.6 42.9 35.2 27.5 - - 61.8 5.1 49.9 41.9 33.9 26.0 - -
67 59.3 4.5 57.1 51.3 43.7 36.0 28.3 - 54.8 5.0 53.7 49.2 42.2 34.2 26.3 -
62 57.6 4.4 57.6 57.6 55.2 47.5 39.8 32.1 54.1 5.0 54.1 54.1 51.5 43.6 35.6 27.6
57 52.7 4.4 52.7 52.7 52.0 44.3 36.6 29.0 48.0 5.0 48.0 48.0 47.3 39.3 31.3 23.3
2500
72 68.5 4.5 56.0 47.1 38.2 29.3 - - 63.2 5.1 55.9 46.5 37.1 27.7 - -
67 61.2 4.5 61.2 56.2 47.3 38.4 29.5 - 56.1 5.1 56.1 53.6 46.2 36.8 27.4 -
62 59.4 4.4 59.4 59.4 59.4 50.5 41.6 32.7 55.4 5.0 55.4 55.4 55.4 46.0 36.6 27.2
57 54.4 4.4 54.4 54.4 54.4 45.5 36.6 27.7 49.1 5.0 49.1 49.1 49.1 39.7 30.3 20.9

546039-YTG-E-0712
20 Unitary Products Group
115°F 125°F
1400
77 63.9 5.6 32.9 26.8 20.8 - - - 59.1 6.2 31.0 25.6 19.5 - - -
72 57.1 5.6 39.8 33.7 27.7 21.6 - - 52.4 6.1 38.4 32.3 26.1 20.0 - -
67 50.3 5.5 46.7 40.6 34.6 28.5 22.4 - 45.8 6.1 45.8 38.9 32.8 26.6 20.5 -
62 50.7 5.5 50.7 48.7 42.1 36.1 30.0 23.9 47.3 6.0 47.3 45.4 38.9 32.8 26.6 20.5
1500
77 63.6 5.6 33.7 27.4 21.2 - - - 59.1 6.2 32.9 26.2 19.9 - - -
72 56.8 5.6 40.7 34.5 28.2 21.9 - - 52.5 6.1 39.3 33.0 26.7 20.3 - -
67 50.1 5.5 47.7 41.5 35.2 28.9 22.7 - 45.8 6.1 45.8 39.8 33.4 27.1 20.8 -
62 50.5 5.5 50.5 49.2 42.9 36.7 30.4 24.2 47.3 6.0 47.3 46.1 39.7 33.4 27.0 20.7
57 43.1 5.5 43.1 43.1 39.7 33.5 27.2 21.0 38.6 6.1 38.6 38.6 35.6 29.2 22.9 16.6
1600
77 63.4 5.6 34.5 28.0 21.6 - - - 59.1 6.2 34.7 26.8 20.3 - - -
72 56.6 5.6 41.6 35.2 28.7 22.3 - - 52.5 6.2 40.3 33.7 27.2 20.6 - -
67 49.9 5.6 48.7 42.3 35.9 29.4 22.9 - 45.8 6.1 45.8 40.6 34.1 27.6 21.0 -
62 50.3 5.5 50.3 49.7 43.7 37.3 30.8 24.4 47.3 6.0 47.3 46.7 40.5 34.0 27.4 20.9
57 42.9 5.5 42.9 42.9 40.5 34.0 27.6 21.1 38.6 6.1 38.6 38.6 36.3 29.8 23.2 16.7
1700
77 63.2 5.7 35.4 28.6 22.0 - - - 59.1 6.2 36.6 27.4 20.7 - - -
72 56.4 5.6 42.5 35.9 29.2 22.6 - - 52.5 6.2 41.2 34.5 27.7 21.0 - -
67 49.7 5.6 49.7 43.2 36.5 29.9 23.2 - 45.9 6.1 45.9 41.5 34.8 28.0 21.3 -
62 50.1 5.5 50.1 50.1 44.5 37.9 31.2 24.6 47.3 6.0 47.3 47.3 41.3 34.6 27.8 21.1
57 42.8 5.5 42.8 42.8 41.2 34.6 27.9 21.3 38.7 6.1 38.7 38.7 37.0 30.3 23.5 16.8
2100
72 57.1 5.6 49.2 40.9 32.7 24.4 - - 52.5 6.2 48.5 40.0 31.4 22.8 - -
67 50.3 5.6 50.3 47.0 40.8 32.5 24.2 - 45.8 6.1 45.8 44.9 39.4 30.8 22.2 -
62 50.7 5.5 50.7 50.7 47.9 39.7 31.4 23.1 47.3 6.1 47.3 47.3 44.3 35.7 27.2 18.6
57 43.3 5.6 43.3 43.3 42.5 34.3 26.0 17.7 38.6 6.1 38.6 38.6 37.8 29.2 20.6 12.1
2500
72 57.8 5.7 55.9 46.0 36.1 26.2 - - 52.4 6.2 52.4 45.5 35.1 24.7 - -
67 50.9 5.6 50.9 50.9 45.1 35.2 25.3 - 45.8 6.2 45.8 45.8 44.0 33.6 23.2 -
62 51.3 5.5 51.3 51.3 51.3 41.4 31.5 21.7 47.3 6.1 47.3 47.3 47.3 36.9 26.5 16.1
57 43.8 5.6 43.8 43.8 43.8 33.9 24.0 14.1 38.5 6.2 38.5 38.5 38.5 28.1 17.7 7.4
1. These capacities are Net capacities.
2. These ratings include the compressor, condenser fan and supply air blower motors.
NM060 (5.0 Ton) (Continued)
Air on
Evaporator Coil Temperature of Air on Condenser Coil
Total
Capacity1
(MBh)
Total
Input
(kW)2
Sensible Capacity (MBh) Total
Capacity1
(MBh)
Total
Input
(kW)2
Sensible Capacity (MBh)
CFM WB
(°F)
Return Dry Bulb (°F) Return Dry Bulb (°F)
90 85 80 75 70 65 90 85 80 75 70 65

546039-YTG-E-0712
Unitary Products Group 21
UQ024-060 Cooling Capacities
UQ024 (2.0 Ton)
Air on
Evaporator Coil Temperature of Air on Condenser Coil
Total
Capacity1
(MBh)
Total
Input
(kW)2
Sensible Capacity (MBh) Total
Capacity1
(MBh)
Total
Input
(kW)2
Sensible Capacity (MBh)
CFM WB
(°F)
Return Dry Bulb (°F) Return Dry Bulb (°F)
90 85 80 75 70 65 90 85 80 75 70 65
75°F 85°F
500
77 34.7 1.6 16.5 13.8 11.6 - - - 27.0 1.8 11.7 9.9 7.6 - - -
72 30.0 1.6 18.2 16.1 13.9 11.7 - - 24.4 1.7 15.3 13.0 10.8 8.5 - -
67 25.2 1.5 20.0 18.3 16.2 14.1 11.9 - 21.7 1.7 19.0 16.2 13.9 11.6 9.3 -
62 23.8 1.5 23.8 23.8 21.6 19.4 17.2 15.1 19.3 1.7 19.3 19.3 16.2 13.9 11.7 9.4
600
77 34.8 1.7 17.5 14.9 12.3 - - - 27.9 1.8 13.7 11.0 8.4 - - -
72 29.9 1.6 19.6 16.9 14.3 11.7 - - 25.1 1.8 17.1 14.5 11.8 9.2 - -
67 25.0 1.6 21.6 18.9 16.3 13.7 11.0 - 22.4 1.8 20.5 17.9 15.3 12.6 10.0 -
62 23.7 1.6 23.7 23.7 22.3 19.6 17.0 14.4 19.8 1.7 19.8 19.8 17.8 15.2 12.5 9.9
57 27.0 1.6 27.0 27.0 25.2 22.6 19.9 17.3 21.6 1.8 21.6 21.6 19.4 16.7 14.1 11.4
700
77 34.9 1.7 18.6 16.0 12.9 - - - 28.7 1.9 15.7 12.2 9.2 - - -
72 29.9 1.7 20.9 17.8 14.7 11.6 - - 25.9 1.8 18.9 15.9 12.9 9.9 - -
67 24.9 1.6 23.2 19.5 16.4 13.3 10.2 - 23.0 1.8 22.1 19.6 16.6 13.6 10.6 -
62 23.7 1.6 23.7 23.7 23.0 19.9 16.8 13.7 20.4 1.8 20.4 20.4 19.4 16.4 13.4 10.4
57 27.0 1.7 27.0 27.0 26.1 23.0 19.9 16.8 22.2 1.8 22.2 22.2 21.1 18.1 15.1 12.1
800
77 35.0 1.8 19.6 17.1 13.6 - - - 29.5 1.9 17.7 13.3 9.9 - - -
72 29.9 1.7 22.2 18.6 15.0 11.5 - - 26.6 1.9 20.7 17.3 14.0 10.6 - -
67 24.7 1.6 24.7 20.1 16.5 12.9 9.3 - 23.7 1.8 23.7 21.4 18.0 14.7 11.3 -
62 23.7 1.6 23.7 23.7 23.7 20.1 16.5 13.0 21.0 1.8 21.0 21.0 21.0 17.7 14.3 10.9
57 27.1 1.7 27.1 27.1 27.1 23.5 20.0 16.4 22.9 1.9 22.9 22.9 22.9 19.5 16.1 12.8
900
72 31.1 1.7 24.5 20.6 16.6 12.7 - - 27.3 1.9 22.3 18.6 14.8 11.1 - -
67 25.8 1.6 25.8 22.9 18.5 14.5 10.6 - 24.3 1.8 24.3 22.9 19.1 15.4 11.6 -
62 24.6 1.6 24.6 24.6 24.6 20.7 16.7 12.8 21.6 1.8 21.6 21.6 21.6 17.8 14.1 10.3
57 28.1 1.7 28.1 28.1 28.1 24.2 20.3 16.3 23.5 1.9 23.5 23.5 23.5 19.7 16.0 12.2
1000
72 32.3 1.7 26.8 22.5 18.2 13.9 - - 28.0 1.9 23.9 19.8 15.7 11.5 - -
67 26.8 1.6 26.8 25.6 20.5 16.2 11.8 - 25.0 1.8 25.0 24.4 20.2 16.1 11.9 -
62 25.6 1.6 25.6 25.6 25.6 21.3 17.0 12.6 22.2 1.8 22.2 22.2 22.2 18.0 13.9 9.7
57 29.2 1.7 29.2 29.2 29.2 24.9 20.6 16.2 24.1 1.9 24.1 24.1 24.1 19.9 15.8 11.7
95°F 105°F
500
77 19.3 1.9 6.8 6.0 3.7 - - - 20.1 2.2 8.7 6.1 4.6 - - -
72 18.8 1.9 12.4 10.0 7.6 5.2 - - 18.3 2.1 12.5 10.2 7.9 5.7 - -
67 18.2 1.9 17.9 14.0 11.6 9.2 6.8 - 16.5 2.1 16.4 14.4 11.3 9.0 6.7 -
62 14.7 1.8 14.7 14.7 10.8 8.5 6.1 3.7 14.0 2.1 14.0 14.0 10.4 8.1 5.8 3.5
600
77 20.9 2.0 9.8 7.2 4.5 - - - 21.0 2.2 11.8 7.9 5.3 - - -
72 20.3 2.0 14.7 12.0 9.4 6.7 - - 19.1 2.2 14.5 11.9 9.3 6.7 - -
67 19.7 1.9 19.5 16.9 14.2 11.6 8.9 - 17.3 2.1 17.2 15.9 13.3 10.7 8.1 -
62 16.0 1.9 16.0 16.0 13.3 10.7 8.1 5.4 14.6 2.1 14.6 14.6 12.3 9.6 7.0 4.4
57 16.2 1.9 16.2 16.2 13.5 10.9 8.2 5.6 14.8 2.1 14.8 14.8 12.4 9.8 7.2 4.6
700
77 22.5 2.0 12.8 8.3 5.4 - - - 21.8 2.3 15.0 9.8 6.0 - - -
72 21.8 2.0 16.9 14.0 11.1 8.2 - - 19.9 2.2 16.5 13.6 10.6 7.7 - -
67 21.2 2.0 21.1 19.8 16.9 14.0 11.1 - 18.0 2.2 18.0 17.3 15.2 12.3 9.4 -
62 17.2 1.9 17.2 17.2 15.8 12.9 10.0 7.1 15.3 2.2 15.3 15.3 14.1 11.1 8.2 5.3
57 17.4 2.0 17.4 17.4 16.1 13.2 10.3 7.4 15.5 2.2 15.5 15.5 14.3 11.3 8.4 5.5
800
77 24.1 2.1 15.8 9.5 6.2 - - - 22.6 2.3 18.1 11.6 6.8 - - -
72 23.4 2.1 19.2 16.1 12.9 9.7 - - 20.7 2.3 18.5 15.2 12.0 8.7 - -
67 22.6 2.1 22.6 22.6 19.6 16.4 13.2 - 18.8 2.3 18.8 18.8 17.2 14.0 10.7 -
62 18.4 2.0 18.4 18.4 18.4 15.2 12.0 8.9 15.9 2.2 15.9 15.9 15.9 12.6 9.4 6.2
57 18.6 2.1 18.6 18.6 18.6 15.4 12.3 9.1 16.1 2.2 16.1 16.1 16.1 12.9 9.6 6.4
900
72 23.6 2.1 20.1 16.6 13.0 9.5 - - 21.2 2.3 18.0 15.1 12.2 9.3 - -
67 22.9 2.1 22.9 22.9 19.8 16.2 12.6 - 19.3 2.3 19.3 19.3 17.5 14.6 11.7 -
62 18.5 2.0 18.5 18.5 18.5 15.0 11.4 7.9 16.3 2.2 16.3 16.3 16.1 13.2 10.3 7.4
57 18.8 2.1 18.8 18.8 18.8 15.2 11.7 8.1 16.5 2.3 16.5 16.5 16.3 13.4 10.5 7.6
1000
72 23.8 2.1 21.1 17.1 13.2 9.2 - - 21.7 2.3 17.5 14.9 12.4 9.8 - -
67 23.1 2.1 23.1 23.1 20.0 16.0 12.1 - 19.7 2.3 19.7 19.7 17.7 15.1 12.6 -
62 18.7 2.0 18.7 18.7 18.7 14.8 10.8 6.9 16.7 2.3 16.7 16.7 16.4 13.8 11.2 8.6
57 19.0 2.1 19.0 19.0 19.0 15.0 11.1 7.1 16.9 2.3 16.9 16.9 16.6 14.0 11.4 8.9

546039-YTG-E-0712
22 Unitary Products Group
115°F 125°F
500
77 20.9 2.4 10.6 6.2 5.5 - - - 21.7 2.7 14.1 8.3 5.7 - - -
72 17.9 2.4 12.7 10.5 8.3 6.1 - - 17.4 2.6 12.9 10.7 8.6 6.5 - -
67 14.8 2.3 14.8 14.8 11.1 8.9 6.7 - 13.1 2.5 13.1 13.1 11.0 8.7 6.6 -
62 13.3 2.3 13.3 13.3 10.0 7.8 5.6 3.4 12.5 2.5 12.5 12.5 9.6 7.5 5.4 3.2
600
77 21.0 2.5 13.9 8.7 6.1 - - - 21.1 2.7 16.0 10.9 6.9 - - -
72 17.9 2.4 14.4 11.8 9.2 6.6 - - 16.8 2.7 14.2 11.7 9.1 6.6 - -
67 14.9 2.4 14.9 14.9 12.3 9.8 7.2 - 12.5 2.6 12.5 12.5 11.4 8.9 6.3 -
62 13.3 2.3 13.3 13.3 11.2 8.6 6.0 3.4 12.0 2.6 12.0 12.0 10.1 7.5 5.0 2.4
57 13.5 2.3 13.5 13.5 11.3 8.7 6.2 3.6 12.2 2.5 12.2 12.2 10.2 7.7 5.1 2.6
700
77 21.1 2.5 17.1 11.2 6.7 - - - 20.4 2.8 17.8 13.4 8.0 - - -
72 18.0 2.5 16.0 13.1 10.1 7.2 - - 16.1 2.7 15.6 12.6 9.6 6.7 - -
67 14.9 2.4 14.9 14.9 13.6 10.7 7.7 - 11.8 2.6 11.8 11.8 11.8 9.0 6.0 -
62 13.4 2.4 13.4 13.4 12.3 9.3 6.4 3.5 11.5 2.6 11.5 11.5 10.5 7.5 4.6 1.6
57 13.6 2.4 13.6 13.6 12.5 9.5 6.6 3.6 11.6 2.6 11.6 11.6 10.7 7.7 4.7 1.8
800
77 21.2 2.6 20.4 13.8 7.3 - - - 19.7 2.8 19.7 15.9 9.2 - - -
72 18.1 2.5 17.7 14.4 11.1 7.8 - - 15.4 2.7 15.4 13.5 10.2 6.8 - -
67 15.0 2.5 15.0 15.0 14.8 11.5 8.2 - 11.1 2.7 11.1 11.1 11.1 9.1 5.7 -
62 13.4 2.4 13.4 13.4 13.4 10.1 6.8 3.5 10.9 2.7 10.9 10.9 10.9 7.6 4.2 0.8
57 13.6 2.4 13.6 13.6 13.6 10.3 7.0 3.7 11.1 2.6 11.1 11.1 11.1 7.7 4.3 1.0
900
72 18.9 2.5 15.8 13.6 11.3 9.1 - - 16.5 2.8 13.7 12.1 10.5 8.9 - -
67 15.6 2.5 15.6 15.6 15.2 12.9 10.7 - 12.0 2.7 12.0 12.0 12.0 11.3 9.7 -
62 14.0 2.5 14.0 14.0 13.7 11.4 9.2 6.9 11.7 2.7 11.7 11.7 11.3 9.7 8.1 6.5
57 14.2 2.5 14.2 14.2 13.9 11.6 9.4 7.1 11.9 2.6 11.9 11.9 11.4 9.8 8.2 6.6
1000
72 19.7 2.6 14.0 12.8 11.6 10.4 - - 17.6 2.8 10.4 10.6 10.8 10.9 - -
67 16.3 2.5 16.3 16.3 15.5 14.3 13.1 - 12.9 2.7 12.9 12.9 12.9 12.9 12.9 -
62 14.6 2.5 14.6 14.6 14.0 12.8 11.6 10.4 12.5 2.7 12.5 12.5 11.6 11.8 12.0 12.2
57 14.8 2.5 14.8 14.8 14.2 13.0 11.8 10.6 12.7 2.7 12.7 12.7 11.8 12.0 12.1 12.3
1. These capacities are Net capacities.
2. These ratings include the compressor, condenser fan and supply air blower motors.
UQ024 (2.0 Ton) (Continued)
Air on
Evaporator Coil Temperature of Air on Condenser Coil
Total
Capacity1
(MBh)
Total
Input
(kW)2
Sensible Capacity (MBh) Total
Capacity1
(MBh)
Total
Input
(kW)2
Sensible Capacity (MBh)
CFM WB
(°F)
Return Dry Bulb (°F) Return Dry Bulb (°F)
90 85 80 75 70 65 90 85 80 75 70 65

546039-YTG-E-0712
Unitary Products Group 23
UQ030 (2.5 Ton)
Air on
Evaporator Coil Temperature of Air on Condenser Coil
Total
Capacity1
(MBh)
Total
Input
(kW)2
Sensible Capacity (MBh) Total
Capacity1
(MBh)
Total
Input
(kW)2
Sensible Capacity (MBh)
CFM WB
(°F)
Return Dry Bulb (°F) Return Dry Bulb (°F)
90 85 80 75 70 65 90 85 80 75 70 65
75°F 85°F
900
77 33.7 2.1 16.6 12.8 9.4 - - - 33.3 2.2 15.4 12.5 9.1 - - -
72 31.8 2.0 21.0 17.5 14.0 10.6 - - 31.1 2.2 20.6 17.1 13.7 10.3 - -
67 30.0 2.0 25.3 22.1 18.7 15.2 11.7 - 28.8 2.2 25.7 21.8 18.3 14.9 11.5 -
62 27.4 2.0 27.4 27.4 23.5 20.0 16.6 13.1 26.3 2.1 26.3 26.3 21.9 18.5 15.1 11.7
950
77 34.7 2.1 17.6 13.9 10.3 - - - 33.9 2.2 17.2 13.6 9.9 - - -
72 32.8 2.0 22.6 19.0 15.3 11.7 - - 31.6 2.2 22.3 18.6 14.9 11.3 - -
67 30.9 1.9 27.7 24.1 20.4 16.8 13.1 - 29.4 2.2 27.3 23.6 20.0 16.3 12.6 -
62 28.2 1.9 28.2 28.2 25.7 22.0 18.4 14.7 26.8 2.1 26.8 26.8 23.9 20.2 16.6 12.9
57 27.1 1.9 27.1 27.1 24.5 20.8 17.2 13.5 26.3 2.1 26.3 26.3 23.5 19.8 16.1 12.5
1000
77 35.7 2.0 18.5 15.0 11.1 - - - 34.5 2.2 19.1 14.6 10.7 - - -
72 33.7 2.0 24.3 20.5 16.7 12.8 - - 32.2 2.2 24.0 20.1 16.2 12.3 - -
67 31.7 1.9 30.2 26.0 22.2 18.3 14.5 - 29.9 2.2 28.9 25.5 21.6 17.7 13.8 -
62 29.0 1.9 29.0 29.0 27.9 24.1 20.2 16.4 27.3 2.1 27.3 27.3 25.9 22.0 18.1 14.2
57 27.9 1.9 27.9 27.9 26.5 22.7 18.9 15.0 26.8 2.1 26.8 26.8 25.4 21.5 17.6 13.7
1050
77 36.7 2.0 19.4 16.0 12.0 - - - 35.1 2.2 20.9 15.7 11.5 - - -
72 34.7 1.9 26.0 22.0 18.0 14.0 - - 32.8 2.2 25.7 21.5 17.4 13.2 - -
67 32.6 1.9 32.6 27.9 23.9 19.9 15.9 - 30.4 2.2 30.4 27.4 23.2 19.1 15.0 -
62 29.8 1.9 29.8 29.8 29.8 26.1 22.0 18.0 27.8 2.1 27.8 27.8 27.8 23.7 19.5 15.4
57 28.6 1.9 28.6 28.6 28.6 24.6 20.6 16.6 27.3 2.1 27.3 27.3 27.3 23.2 19.0 14.9
1150
72 34.6 2.1 27.0 22.8 18.6 14.4 - - 32.6 2.3 26.8 22.4 18.1 13.7 - -
67 32.5 2.0 32.5 29.7 24.8 20.6 16.4 - 30.3 2.3 30.3 28.5 24.2 19.8 15.5 -
62 29.7 2.0 29.7 29.7 29.7 25.7 21.5 17.3 27.7 2.2 27.7 27.7 27.7 23.3 19.0 14.6
57 28.6 2.0 28.6 28.6 28.6 24.4 20.2 16.0 27.2 2.2 27.2 27.2 27.2 22.8 18.5 14.1
1250
72 34.5 2.2 28.0 23.6 19.3 14.9 - - 32.5 2.4 27.8 23.3 18.8 14.2 - -
67 32.5 2.1 32.5 31.4 25.7 21.3 16.9 - 30.1 2.4 30.1 29.6 25.1 20.5 16.0 -
62 29.7 2.1 29.7 29.7 29.7 25.3 20.9 16.6 27.5 2.4 27.5 27.5 27.5 23.0 18.4 13.9
57 28.5 2.1 28.5 28.5 28.5 24.1 19.8 15.4 27.0 2.4 27.0 27.0 27.0 22.5 18.0 13.4
95°F 105°F
900
77 32.9 2.4 14.2 12.2 8.8 - - - 33.9 2.7 14.0 11.4 8.7 - - -
72 30.3 2.4 20.2 16.8 13.4 10.0 - - 30.3 2.7 20.0 16.6 13.2 9.8 - -
67 27.7 2.4 26.1 21.4 18.0 14.6 11.2 - 26.7 2.7 25.9 21.8 17.7 14.3 10.9 -
62 25.2 2.3 25.2 25.2 20.4 17.0 13.6 10.3 24.8 2.6 24.8 24.3 19.1 15.7 12.3 8.9
950
77 33.1 2.4 16.9 13.2 9.6 - - - 33.1 2.7 17.2 12.9 9.3 - - -
72 30.5 2.4 21.9 18.2 14.5 10.9 - - 29.6 2.7 21.4 17.7 14.1 10.4 - -
67 27.9 2.4 26.9 23.2 19.5 15.8 12.2 - 26.1 2.7 25.6 22.5 18.9 15.2 11.5 -
62 25.4 2.4 25.4 25.4 22.1 18.4 14.8 11.1 24.2 2.6 24.2 23.9 20.4 16.7 13.0 9.3
57 25.6 2.4 25.6 25.6 22.5 18.8 15.1 11.5 26.0 2.6 26.0 25.3 21.9 18.2 14.6 10.9
1000
77 33.3 2.4 19.6 14.3 10.3 - - - 32.2 2.7 20.4 14.4 9.8 - - -
72 30.7 2.4 23.6 19.6 15.7 11.7 - - 28.9 2.7 22.8 18.9 14.9 11.0 - -
67 28.1 2.4 27.6 25.0 21.0 17.1 13.1 - 25.5 2.7 25.2 23.3 20.0 16.1 12.2 -
62 25.6 2.4 25.6 25.6 23.8 19.9 15.9 11.9 23.6 2.7 23.6 23.4 21.6 17.7 13.7 9.8
57 25.8 2.4 25.8 25.8 24.2 20.3 16.3 12.3 25.3 2.7 25.3 24.9 23.2 19.3 15.4 11.4
1050
77 33.6 2.4 22.3 15.3 11.1 - - - 31.4 2.8 23.6 15.9 10.4 - - -
72 30.9 2.4 25.3 21.1 16.8 12.5 - - 28.1 2.8 24.2 20.0 15.8 11.6 - -
67 28.3 2.4 28.3 26.8 22.5 18.3 14.0 - 24.9 2.7 24.9 24.1 21.2 17.0 12.8 -
62 25.8 2.4 25.8 25.8 25.5 21.3 17.0 12.8 23.0 2.7 23.0 23.0 22.9 18.7 14.5 10.3
57 26.0 2.4 26.0 26.0 26.0 21.7 17.5 13.2 24.6 2.7 24.6 24.6 24.6 20.4 16.2 11.9
1150
72 30.7 2.5 26.5 22.0 17.5 13.0 - - 27.8 2.9 24.9 20.5 16.0 11.5 - -
67 28.1 2.5 28.1 27.3 23.5 19.0 14.5 - 24.6 2.8 24.6 24.3 21.4 17.0 12.5 -
62 25.6 2.5 25.6 25.6 25.5 21.0 16.5 12.0 22.8 2.8 22.8 22.8 22.6 18.1 13.7 9.2
57 25.8 2.5 25.8 25.8 25.8 21.3 16.8 12.3 24.4 2.8 24.4 24.4 24.2 19.7 15.2 10.8
1250
72 30.4 2.6 27.7 23.0 18.3 13.5 - - 27.6 3.0 25.6 20.9 16.2 11.4 - -
67 27.8 2.6 27.8 27.8 24.5 19.8 15.1 - 24.4 2.9 24.4 24.4 21.7 16.9 12.2 -
62 25.4 2.6 25.4 25.4 25.4 20.7 16.0 11.2 22.6 2.9 22.6 22.6 22.3 17.6 12.8 8.1
57 25.6 2.6 25.6 25.6 25.6 20.9 16.1 11.4 24.1 2.9 24.1 24.1 23.8 19.1 14.3 9.6

546039-YTG-E-0712
24 Unitary Products Group
115°F 125°F
900
77 35.0 3.0 13.9 10.7 8.6 - - - 36.1 3.4 14.5 9.5 8.2 - - -
72 30.4 3.0 19.8 16.4 13.0 9.6 - - 30.4 3.3 19.6 16.2 12.8 9.3 - -
67 25.7 2.9 25.7 22.1 17.4 14.0 10.6 - 24.8 3.2 24.8 22.5 17.1 13.7 10.2 -
62 24.4 2.9 24.4 23.3 17.8 14.4 10.9 7.5 23.9 3.2 23.9 22.3 16.5 13.0 9.6 6.2
950
77 33.1 3.1 17.6 12.6 9.0 - - - 33.0 3.4 18.4 12.3 8.7 - - -
72 28.7 3.0 20.9 17.3 13.6 9.9 - - 27.8 3.3 20.5 16.8 13.1 9.5 - -
67 24.3 3.0 24.3 21.9 18.2 14.6 10.9 - 22.5 3.2 22.5 21.3 17.6 13.9 10.3 -
62 23.0 2.9 23.0 22.3 18.6 14.9 11.3 7.6 21.8 3.2 21.8 20.7 16.9 13.2 9.5 5.9
57 26.3 2.9 26.3 25.0 21.3 17.6 14.0 10.3 26.7 3.2 26.7 24.7 20.7 17.0 13.4 9.7
1000
77 31.1 3.1 21.2 14.6 9.4 - - - 30.0 3.4 22.3 15.1 9.2 - - -
72 27.0 3.0 22.1 18.1 14.2 10.3 - - 25.1 3.3 21.3 17.4 13.5 9.6 - -
67 22.9 3.0 22.9 21.7 19.1 15.1 11.2 - 20.3 3.3 20.3 20.0 18.1 14.2 10.3 -
62 21.7 3.0 21.7 21.3 19.5 15.5 11.6 7.7 19.7 3.2 19.7 19.1 17.3 13.4 9.5 5.6
57 24.8 2.9 24.8 24.1 22.3 18.3 14.4 10.5 24.3 3.2 24.3 23.3 21.3 17.4 13.5 9.6
1050
77 29.2 3.1 24.9 16.6 9.8 - - - 27.0 3.5 26.2 17.9 9.7 - - -
72 25.3 3.1 23.2 19.0 14.8 10.7 - - 22.5 3.4 22.1 18.0 13.8 9.7 - -
67 21.4 3.0 21.4 21.4 19.9 15.7 11.5 - 18.0 3.3 18.0 18.0 18.0 14.4 10.3 -
62 20.3 3.0 20.3 20.3 20.3 16.1 11.9 7.8 17.5 3.3 17.5 17.5 17.5 13.5 9.4 5.3
57 23.2 3.0 23.2 23.2 23.2 19.1 14.9 10.7 21.9 3.2 21.9 21.9 21.9 17.7 13.6 9.5
1150
72 25.0 3.2 23.4 18.9 14.4 10.0 - - 22.2 3.5 21.8 17.4 12.9 8.4 - -
67 21.2 3.1 21.2 21.2 19.4 14.9 10.4 - 17.8 3.4 17.8 17.8 17.3 12.8 8.4 -
62 20.1 3.1 20.1 20.1 19.8 15.3 10.8 6.4 17.3 3.4 17.3 17.3 16.9 12.5 8.0 3.6
57 23.0 3.1 23.0 23.0 22.6 18.2 13.7 9.2 21.5 3.4 21.5 21.5 21.0 16.6 12.1 7.7
1250
72 24.7 3.3 23.6 18.8 14.1 9.3 - - 21.8 3.7 21.5 16.7 12.0 7.2 - -
67 20.9 3.2 20.9 20.9 18.8 14.1 9.3 - 17.5 3.6 17.5 17.5 16.0 11.2 6.5 -
62 19.8 3.2 19.8 19.8 19.2 14.5 9.7 5.0 17.0 3.5 17.0 17.0 16.2 11.4 6.6 1.8
57 22.7 3.2 22.7 22.7 22.0 17.3 12.5 7.8 21.2 3.5 21.2 21.2 20.2 15.5 10.7 5.9
1. These capacities are Net capacities.
2. These ratings include the compressor, condenser fan and supply air blower motors.
UQ030 (2.5 Ton) (Continued)
Air on
Evaporator Coil Temperature of Air on Condenser Coil
Total
Capacity1
(MBh)
Total
Input
(kW)2
Sensible Capacity (MBh) Total
Capacity1
(MBh)
Total
Input
(kW)2
Sensible Capacity (MBh)
CFM WB
(°F)
Return Dry Bulb (°F) Return Dry Bulb (°F)
90 85 80 75 70 65 90 85 80 75 70 65

546039-YTG-E-0712
Unitary Products Group 25
UQ036 (3.0 Ton)
Air on
Evaporator Coil Temperature of Air on Condenser Coil
Total
Capacity1
(MBh)
Total
Input
(kW)2
Sensible Capacity (MBh) Total
Capacity1
(MBh)
Total
Input
(kW)2
Sensible Capacity (MBh)
CFM WB
(°F)
Return Dry Bulb (°F) Return Dry Bulb (°F)
90 85 80 75 70 65 90 85 80 75 70 65
75°F 85°F
1000
77 44.4 2.5 22.6 16.9 12.4 - - - 41.0 2.7 19.5 15.1 10.6 - - -
72 41.2 2.5 26.9 22.4 17.9 13.4 - - 37.8 2.7 25.0 20.5 16.1 11.6 - -
67 37.9 2.4 31.1 27.8 23.4 18.9 14.4 - 34.7 2.7 30.4 26.0 21.5 17.1 12.6 -
62 34.9 2.4 34.9 34.9 29.9 25.4 21.0 16.5 31.1 2.7 31.1 31.1 25.9 21.5 17.0 12.6
1100
77 45.8 2.5 22.8 18.2 13.5 - - - 42.6 2.8 21.2 16.5 11.8 - - -
72 42.5 2.5 28.7 24.0 19.3 14.7 - - 39.4 2.8 27.2 22.5 17.8 13.2 - -
67 39.1 2.5 34.6 29.9 25.2 20.5 15.9 - 36.1 2.8 33.2 28.5 23.9 19.2 14.5 -
62 36.1 2.5 36.1 36.1 32.4 27.7 23.0 18.4 32.3 2.7 32.3 32.3 28.7 24.0 19.4 14.7
57 35.5 2.5 35.5 35.5 32.7 28.0 23.4 18.7 32.6 2.8 32.6 32.6 29.4 24.7 20.0 15.3
1200
77 47.2 2.6 23.1 19.4 14.5 - - - 44.3 2.9 22.8 17.9 13.0 - - -
72 43.8 2.6 30.5 25.7 20.8 15.9 - - 40.9 2.8 29.4 24.5 19.6 14.7 - -
67 40.3 2.6 38.0 31.9 27.1 22.2 17.3 - 37.5 2.8 36.0 31.1 26.2 21.3 16.4 -
62 37.2 2.5 37.2 37.2 34.9 30.0 25.1 20.2 33.6 2.8 33.6 33.6 31.5 26.6 21.7 16.8
57 36.6 2.5 36.6 36.6 35.2 30.3 25.4 20.6 33.9 2.8 33.9 33.9 32.2 27.3 22.4 17.5
1300
77 48.6 2.7 23.3 20.7 15.6 - - - 45.9 2.9 24.4 19.3 14.1 - - -
72 45.1 2.6 32.4 27.3 22.2 17.2 - - 42.4 2.9 31.6 26.5 21.3 16.2 - -
67 41.5 2.6 41.4 34.0 28.9 23.8 18.7 - 38.9 2.9 38.8 33.7 28.5 23.4 18.2 -
62 38.3 2.6 38.3 38.3 37.3 32.3 27.2 22.1 34.8 2.9 34.8 34.8 34.3 29.2 24.1 18.9
57 37.7 2.6 37.7 37.7 37.7 32.6 27.5 22.4 35.1 2.9 35.1 35.1 35.1 30.0 24.8 19.7
1350
72 46.0 2.7 33.4 28.2 22.9 17.7 - - 42.9 3.0 32.4 27.0 21.7 16.4 - -
67 42.4 2.7 42.3 35.1 29.8 24.6 19.4 - 39.3 3.0 39.3 34.4 29.1 23.7 18.4 -
62 39.1 2.6 39.1 39.1 38.6 33.3 28.1 22.9 35.2 2.9 35.2 35.2 35.0 29.6 24.3 19.0
57 38.4 2.7 38.4 38.4 38.4 33.2 27.9 22.7 35.5 2.9 35.5 35.5 35.5 30.2 24.9 19.5
1400
72 46.9 2.8 34.5 29.1 23.7 18.2 - - 43.3 3.0 33.1 27.6 22.1 16.6 - -
67 43.2 2.7 43.2 36.2 30.8 25.4 20.0 - 39.7 3.0 39.7 35.1 29.6 24.1 18.6 -
62 39.8 2.7 39.8 39.8 39.8 34.4 29.0 23.6 35.6 3.0 35.6 35.6 35.6 30.1 24.6 19.1
57 39.2 2.7 39.2 39.2 39.2 33.8 28.4 23.0 35.9 3.0 35.9 35.9 35.9 30.4 24.9 19.4
95°F 105°F
1000
77 37.6 3.0 16.5 13.2 8.8 - - - 35.6 3.4 16.5 11.9 8.1 - - -
72 34.5 3.0 23.1 18.7 14.3 9.9 - - 32.0 3.3 21.9 17.6 13.3 8.9 - -
67 31.5 3.0 29.7 24.1 19.7 15.3 10.9 - 28.3 3.3 27.4 23.3 18.5 14.1 9.8 -
62 27.3 2.9 27.3 27.3 21.9 17.5 13.1 8.7 25.4 3.3 25.4 25.4 20.0 15.7 11.4 7.0
1100
77 39.5 3.0 19.5 14.8 10.1 - - - 37.2 3.4 19.9 13.9 9.3 - - -
72 36.3 3.0 25.7 21.0 16.3 11.6 - - 33.4 3.4 24.5 19.8 15.2 10.6 - -
67 33.1 3.0 31.9 27.2 22.5 17.8 13.2 - 29.6 3.4 29.0 25.8 21.1 16.5 11.9 -
62 28.6 3.0 28.6 28.6 25.0 20.4 15.7 11.0 26.5 3.3 26.5 26.5 23.0 18.3 13.7 9.1
57 29.7 3.0 29.7 29.7 26.0 21.4 16.7 12.0 28.0 3.2 28.0 28.0 24.3 19.6 15.0 10.4
1200
77 41.3 3.1 22.5 16.3 11.4 - - - 38.8 3.5 23.4 15.9 10.5 - - -
72 38.0 3.1 28.3 23.3 18.4 13.4 - - 34.9 3.5 27.0 22.1 17.2 12.2 - -
67 34.6 3.1 34.0 30.3 25.3 20.4 15.5 - 30.9 3.4 30.6 28.3 23.8 18.9 14.0 -
62 30.0 3.1 30.0 30.0 28.2 23.3 18.3 13.4 27.7 3.4 27.7 27.7 25.9 21.0 16.1 11.1
57 31.2 3.1 31.2 31.2 29.3 24.4 19.4 14.5 29.2 3.2 29.2 29.2 27.3 22.4 17.5 12.6
1300
77 43.2 3.2 25.5 17.9 12.7 - - - 40.4 3.5 26.9 17.9 11.7 - - -
72 39.7 3.2 30.8 25.6 20.4 15.2 - - 36.3 3.5 29.5 24.3 19.1 13.9 - -
67 36.2 3.2 36.2 33.4 28.2 23.0 17.7 - 32.2 3.5 32.2 30.8 26.5 21.3 16.1 -
62 31.4 3.1 31.4 31.4 31.4 26.1 20.9 15.7 28.8 3.5 28.8 28.8 28.8 23.6 18.4 13.2
57 32.6 3.2 32.6 32.6 32.6 27.4 22.2 16.9 30.4 3.3 30.4 30.4 30.4 25.2 20.0 14.8
1350
72 39.7 3.2 31.3 25.9 20.5 15.1 - - 36.3 3.6 30.0 24.6 19.2 13.8 - -
67 36.2 3.2 36.2 33.7 28.3 22.9 17.5 - 32.2 3.6 32.2 30.9 26.7 21.3 15.9 -
62 31.3 3.2 31.3 31.3 31.3 25.9 20.5 15.1 28.8 3.5 28.8 28.8 28.8 23.4 18.0 12.6
57 32.6 3.2 32.6 32.6 32.6 27.2 21.8 16.4 30.4 3.3 30.4 30.4 30.4 25.0 19.6 14.2
1400
72 39.7 3.3 31.8 26.2 20.6 15.0 - - 36.3 3.6 30.5 24.9 19.3 13.7 - -
67 36.2 3.3 36.2 34.0 28.4 22.8 17.2 - 32.2 3.6 32.2 31.1 26.8 21.2 15.6 -
62 31.3 3.2 31.3 31.3 31.3 25.7 20.1 14.5 28.8 3.6 28.8 28.8 28.8 23.2 17.6 12.0
57 32.6 3.3 32.6 32.6 32.6 27.0 21.4 15.8 30.4 3.4 30.4 30.4 30.4 24.8 19.2 13.6

546039-YTG-E-0712
26 Unitary Products Group
115°F 125°F
1000
77 33.7 3.7 16.4 10.6 7.4 - - - 31.7 4.1 17.3 9.0 6.6 - - -
72 29.4 3.7 20.8 16.5 12.3 8.0 - - 26.8 4.0 19.7 15.5 11.3 7.1 - -
67 25.1 3.6 25.1 22.5 17.2 13.0 8.7 - 22.0 4.0 22.0 22.0 16.0 11.8 7.6 -
62 23.5 3.6 23.5 23.5 18.2 13.9 9.7 5.4 21.6 4.0 21.6 21.6 16.3 12.1 8.0 3.8
1100
77 35.0 3.8 20.4 13.0 8.5 - - - 32.7 4.2 21.5 12.4 7.6 - - -
72 30.6 3.7 23.3 18.7 14.1 9.6 - - 27.7 4.1 22.1 17.5 13.0 8.5 - -
67 26.1 3.7 26.1 24.4 19.8 15.2 10.6 - 22.7 4.0 22.7 22.7 18.4 13.9 9.4 -
62 24.4 3.7 24.4 24.4 20.9 16.3 11.7 7.2 22.3 4.0 22.3 22.3 18.8 14.3 9.8 5.2
57 26.3 3.3 26.3 26.3 22.5 17.9 13.3 8.8 24.6 3.4 24.6 24.6 20.7 16.2 11.6 7.1
1200
77 36.3 3.9 24.3 15.5 9.6 - - - 33.8 4.2 25.6 15.9 8.6 - - -
72 31.7 3.8 25.7 20.8 16.0 11.1 - - 28.6 4.2 24.5 19.6 14.7 9.9 - -
67 27.1 3.8 27.1 26.2 22.3 17.5 12.6 - 23.4 4.1 23.4 23.4 20.8 16.0 11.1 -
62 25.4 3.7 25.4 25.4 23.6 18.7 13.8 8.9 23.1 4.1 23.1 23.1 21.3 16.4 11.5 6.7
57 27.3 3.3 27.3 27.3 25.4 20.5 15.6 10.7 25.4 3.4 25.4 25.4 23.4 18.5 13.7 8.8
1300
77 37.6 3.9 28.3 17.9 10.7 - - - 34.8 4.3 29.7 19.3 9.7 - - -
72 32.9 3.9 28.2 23.0 17.8 12.6 - - 29.4 4.2 26.9 21.7 16.5 11.3 - -
67 28.1 3.8 28.1 28.1 24.9 19.7 14.5 - 24.1 4.1 24.1 24.1 23.3 18.1 12.9 -
62 26.3 3.8 26.3 26.3 26.3 21.1 15.9 10.7 23.8 4.1 23.8 23.8 23.8 18.5 13.3 8.1
57 28.3 3.4 28.3 28.3 28.3 23.1 17.9 12.7 26.1 3.5 26.1 26.1 26.1 20.9 15.7 10.5
1350
72 32.9 3.9 28.7 23.3 17.9 12.5 - - 29.5 4.3 27.5 22.0 16.6 11.2 - -
67 28.1 3.9 28.1 28.1 25.1 19.7 14.3 - 24.1 4.2 24.1 24.1 23.5 18.1 12.7 -
62 26.3 3.9 26.3 26.3 26.3 20.9 15.5 10.0 23.8 4.2 23.8 23.8 23.8 18.4 12.9 7.5
57 28.3 3.4 28.3 28.3 28.3 22.9 17.5 12.0 26.2 3.6 26.2 26.2 26.2 20.7 15.3 9.9
1400
72 32.9 4.0 29.3 23.7 18.0 12.4 - - 29.5 4.4 28.0 22.4 16.8 11.1 - -
67 28.1 4.0 28.1 28.1 25.3 19.6 14.0 - 24.1 4.3 24.1 24.1 23.7 18.1 12.4 -
62 26.3 3.9 26.3 26.3 26.3 20.7 15.1 9.4 23.8 4.3 23.8 23.8 23.8 18.2 12.5 6.9
57 28.3 3.5 28.3 28.3 28.3 22.7 17.1 11.4 26.2 3.6 26.2 26.2 26.2 20.5 14.9 9.3
1. These capacities are Net capacities.
2. These ratings include the compressor, condenser fan and supply air blower motors.
UQ036 (3.0 Ton) (Continued)
Air on
Evaporator Coil Temperature of Air on Condenser Coil
Total
Capacity1
(MBh)
Total
Input
(kW)2
Sensible Capacity (MBh) Total
Capacity1
(MBh)
Total
Input
(kW)2
Sensible Capacity (MBh)
CFM WB
(°F)
Return Dry Bulb (°F) Return Dry Bulb (°F)
90 85 80 75 70 65 90 85 80 75 70 65

546039-YTG-E-0712
Unitary Products Group 27
UQ042 (3.5 Ton)
Air on
Evaporator Coil Temperature of Air on Condenser Coil
Total
Capacity1
(MBh)
Total
Input
(kW)2
Sensible Capacity (MBh) Total
Capacity1
(MBh)
Total
Input
(kW)2
Sensible Capacity (MBh)
CFM WB
(°F)
Return Dry Bulb (°F) Return Dry Bulb (°F)
90 85 80 75 70 65 90 85 80 75 70 65
75°F 85°F
875
77 38.7 2.8 18.0 13.5 9.9 - - - 40.9 3.1 18.4 14.8 11.3 - - -
72 38.5 2.7 23.8 20.2 16.6 13.1 - - 38.6 3.1 24.1 20.5 17.0 13.4 - -
67 38.3 2.7 29.5 26.9 23.3 19.8 16.2 - 36.3 3.1 29.8 26.2 22.7 19.2 15.6 -
62 32.4 2.7 32.4 32.2 25.7 22.2 18.6 15.0 31.7 3.0 31.7 31.6 25.8 22.2 18.7 15.1
1050
77 44.0 2.8 20.9 16.5 12.2 - - - 45.3 3.1 22.1 17.7 13.4 - - -
72 43.7 2.7 29.0 24.6 20.3 16.0 - - 42.7 3.1 28.8 24.5 20.2 15.9 - -
67 43.4 2.7 37.1 32.8 28.4 24.1 19.7 - 40.2 3.1 35.6 31.3 27.0 22.7 18.4 -
62 36.7 2.7 36.7 36.6 31.4 27.0 22.7 18.3 35.0 3.0 35.0 35.0 30.6 26.3 22.0 17.7
57 33.3 2.6 33.3 33.3 30.4 26.0 21.7 17.3 33.6 3.0 33.6 33.6 30.4 26.0 21.7 17.4
1225
77 49.4 2.7 23.7 19.6 14.4 - - - 49.6 3.1 25.7 20.6 15.6 - - -
72 48.9 2.7 34.2 29.1 24.0 18.9 - - 46.8 3.1 33.6 28.5 23.4 18.3 - -
67 48.5 2.7 44.7 38.6 33.5 28.4 23.3 - 44.0 3.0 41.4 36.4 31.3 26.2 21.1 -
62 41.1 2.6 41.1 41.0 37.0 31.9 26.8 21.7 38.4 3.0 38.4 38.4 35.5 30.4 25.4 20.3
57 37.3 2.6 37.3 37.3 35.9 30.7 25.6 20.5 36.8 3.0 36.8 36.8 35.2 30.1 25.0 19.9
1400
77 54.7 2.7 26.5 22.6 16.7 - - - 54.0 3.1 29.4 23.5 17.7 - - -
72 54.1 2.7 39.4 33.5 27.6 21.8 - - 50.9 3.0 38.3 32.5 26.6 20.8 - -
67 53.5 2.6 52.3 44.5 38.6 32.7 26.8 - 47.9 3.0 47.3 41.4 35.6 29.7 23.9 -
62 45.4 2.6 45.4 45.4 42.7 36.8 30.9 25.0 41.8 3.0 41.8 41.8 40.4 34.5 28.7 22.8
57 41.3 2.6 41.3 41.3 41.3 35.5 29.6 23.7 40.0 3.0 40.0 40.0 40.0 34.2 28.3 22.4
1575
72 52.2 2.7 40.6 34.2 27.8 21.4 - - 50.0 3.0 40.0 33.6 27.2 20.9 - -
67 51.7 2.7 51.1 45.2 38.8 32.4 26.0 - 47.1 3.0 46.8 42.7 36.4 30.0 23.6 -
62 43.8 2.6 43.8 43.8 42.4 36.0 29.6 23.2 41.1 3.0 41.1 41.1 40.4 34.0 27.6 21.3
57 39.8 2.6 39.8 39.8 39.8 33.4 27.0 20.6 39.3 3.0 39.3 39.3 39.3 33.0 26.6 20.2
1750
72 50.2 2.7 41.7 34.8 27.9 21.0 - - 49.2 3.0 41.6 34.7 27.8 21.0 - -
67 49.9 2.7 49.9 45.9 39.0 32.1 25.2 - 46.2 3.0 46.2 44.1 37.2 30.3 23.4 -
62 42.2 2.6 42.2 42.2 42.2 35.3 28.4 21.5 40.3 3.0 40.3 40.3 40.3 33.5 26.6 19.7
57 38.2 2.6 38.2 38.2 38.2 31.3 24.4 17.5 38.6 3.0 38.6 38.6 38.6 31.8 24.9 18.0
95°F 105°F
875
77 43.2 3.5 18.7 16.2 12.7 - - - 39.0 3.9 17.5 15.3 11.9 - - -
72 38.7 3.5 24.4 20.9 17.4 13.8 - - 34.9 3.9 23.1 19.7 16.2 12.8 - -
67 34.3 3.4 30.1 25.6 22.1 18.5 15.0 - 30.8 3.9 28.7 24.0 20.6 17.1 13.7 -
62 31.0 3.4 31.0 31.0 25.8 22.3 18.8 15.2 28.3 3.8 28.3 28.3 23.8 20.4 16.9 13.5
1050
77 46.5 3.5 23.2 19.0 14.7 - - - 42.3 3.9 22.4 18.0 13.8 - - -
72 41.7 3.4 28.7 24.4 20.1 15.8 - - 37.8 3.9 27.2 23.0 18.8 14.6 - -
67 36.9 3.4 34.1 29.8 25.6 21.3 17.0 - 33.4 3.9 32.0 28.1 23.9 19.7 15.5 -
62 33.4 3.4 33.4 33.4 29.9 25.6 21.4 17.1 30.6 3.8 30.6 30.6 27.7 23.5 19.3 15.1
57 33.8 3.4 33.8 33.8 30.3 26.1 21.8 17.5 31.0 3.8 31.0 31.0 27.8 23.7 19.5 15.3
1225
77 49.8 3.4 27.7 21.7 16.7 - - - 45.5 3.9 27.4 20.6 15.7 - - -
72 44.7 3.4 33.0 27.9 22.9 17.8 - - 40.7 3.9 31.3 26.4 21.4 16.5 - -
67 39.6 3.4 38.2 34.1 29.1 24.0 18.9 - 36.0 3.8 35.3 32.2 27.2 22.3 17.3 -
62 35.7 3.4 35.7 35.7 34.0 29.0 23.9 18.9 33.0 3.8 33.0 33.0 31.5 26.6 21.6 16.7
57 36.3 3.4 36.3 36.3 34.5 29.4 24.4 19.3 33.4 3.8 33.4 33.4 31.7 26.8 21.8 16.9
1400
77 53.2 3.4 32.3 24.5 18.7 - - - 48.8 3.9 32.3 23.3 17.6 - - -
72 47.7 3.4 37.2 31.4 25.6 19.8 - - 43.7 3.9 35.4 29.7 24.1 18.4 - -
67 42.2 3.4 42.2 38.4 32.5 26.7 20.9 - 38.6 3.8 38.6 36.2 30.5 24.8 19.2 -
62 38.1 3.3 38.1 38.1 38.1 32.3 26.5 20.7 35.3 3.8 35.3 35.3 35.3 29.6 24.0 18.3
57 38.7 3.3 38.7 38.7 38.6 32.8 27.0 21.2 35.7 3.8 35.7 35.7 35.6 29.9 24.2 18.5
1575
72 47.9 3.4 39.4 33.0 26.7 20.4 - - 43.5 3.9 37.5 31.3 25.1 18.9 - -
67 42.4 3.4 42.4 40.3 33.9 27.6 21.3 - 38.4 3.8 38.4 37.1 31.8 25.7 19.5 -
62 38.3 3.3 38.3 38.3 38.3 32.0 25.6 19.3 35.2 3.8 35.2 35.2 35.2 29.0 22.8 16.6
57 38.9 3.3 38.9 38.9 38.9 32.5 26.2 19.9 35.6 3.8 35.6 35.6 35.5 29.3 23.1 16.9
1750
72 48.2 3.4 41.5 34.6 27.8 21.0 - - 43.3 3.9 39.5 32.8 26.1 19.4 - -
67 42.6 3.4 42.6 42.2 35.3 28.5 21.6 - 38.2 3.8 38.2 38.0 33.2 26.5 19.8 -
62 38.5 3.3 38.5 38.5 38.5 31.6 24.8 18.0 35.0 3.8 35.0 35.0 35.0 28.3 21.6 14.9
57 39.1 3.4 39.1 39.1 39.1 32.2 25.4 18.5 35.4 3.8 35.4 35.4 35.4 28.7 22.0 15.3

546039-YTG-E-0712
28 Unitary Products Group
115°F 125°F
875
77 34.8 4.3 16.2 14.4 11.1 - - - 30.7 4.8 17.1 13.2 10.3 - - -
72 31.1 4.3 21.8 18.5 15.1 11.7 - - 27.3 4.7 20.5 17.2 14.0 10.7 - -
67 27.4 4.3 27.4 22.5 19.1 15.7 12.4 - 24.0 4.7 24.0 20.9 17.6 14.4 11.1 -
62 25.5 4.3 25.5 25.5 21.8 18.4 15.1 11.7 22.8 4.7 22.8 22.8 19.8 16.5 13.2 9.9
1050
77 38.0 4.3 21.6 17.0 12.9 - - - 33.8 4.8 22.2 16.0 12.0 - - -
72 34.0 4.3 25.8 21.7 17.6 13.5 - - 30.1 4.7 24.3 20.3 16.3 12.3 - -
67 29.9 4.3 29.9 26.3 22.2 18.1 14.0 - 26.4 4.7 26.4 24.6 20.6 16.6 12.6 -
62 27.9 4.3 27.9 27.9 25.4 21.3 17.2 13.1 25.1 4.7 25.1 25.1 23.1 19.1 15.1 11.1
57 28.1 4.3 28.1 28.1 25.3 21.3 17.2 13.1 25.2 4.7 25.2 25.2 22.8 18.8 14.8 10.8
1225
77 41.2 4.3 27.0 19.5 14.7 - - - 36.9 4.8 27.3 18.8 13.7 - - -
72 36.8 4.3 29.7 24.9 20.0 15.2 - - 32.8 4.8 28.1 23.3 18.6 13.9 - -
67 32.4 4.3 32.4 30.2 25.4 20.5 15.7 - 28.8 4.7 28.8 28.3 23.5 18.8 14.1 -
62 30.2 4.3 30.2 30.2 29.0 24.1 19.3 14.5 27.4 4.7 27.4 27.4 26.4 21.7 17.0 12.3
57 30.4 4.3 30.4 30.4 28.9 24.1 19.3 14.4 27.5 4.7 27.5 27.5 26.1 21.4 16.7 12.0
1400
77 44.4 4.3 32.4 22.1 16.5 - - - 40.0 4.8 32.4 21.6 15.4 - - -
72 39.6 4.3 33.6 28.1 22.5 16.9 - - 35.6 4.8 31.8 26.4 21.0 15.5 - -
67 34.9 4.3 34.9 34.1 28.5 22.9 17.4 - 31.2 4.7 31.2 31.2 26.5 21.1 15.6 -
62 32.5 4.3 32.5 32.5 32.5 27.0 21.4 15.8 29.7 4.7 29.7 29.7 29.7 24.3 18.9 13.4
57 32.8 4.3 32.8 32.8 32.5 26.9 21.4 15.8 29.8 4.7 29.8 29.8 29.4 24.0 18.5 13.1
1575
72 39.0 4.3 35.6 29.6 23.5 17.4 - - 34.6 4.8 33.7 27.8 21.9 16.0 - -
67 34.4 4.3 34.4 34.0 29.8 23.7 17.6 - 30.3 4.7 30.3 30.3 27.7 21.7 15.8 -
62 32.0 4.3 32.0 32.0 32.0 26.0 19.9 13.9 28.9 4.7 28.9 28.9 28.9 23.0 17.1 11.1
57 32.3 4.3 32.3 32.3 32.1 26.1 20.0 14.0 29.0 4.7 29.0 29.0 28.8 22.9 16.9 11.0
1750
72 38.4 4.3 37.6 31.0 24.5 17.9 - - 33.6 4.7 33.6 29.2 22.8 16.4 - -
67 33.8 4.3 33.8 33.8 31.0 24.4 17.9 - 29.5 4.7 29.5 29.5 28.8 22.4 16.0 -
62 31.6 4.3 31.6 31.6 31.6 25.0 18.4 11.9 28.1 4.7 28.1 28.1 28.1 21.7 15.3 8.9
57 31.8 4.3 31.8 31.8 31.8 25.2 18.7 12.1 28.2 4.7 28.2 28.2 28.2 21.8 15.3 8.9
1. These capacities are Net capacities.
2. These ratings include the compressor, condenser fan and supply air blower motors.
UQ042 (3.5 Ton) (Continued)
Air on
Evaporator Coil Temperature of Air on Condenser Coil
Total
Capacity1
(MBh)
Total
Input
(kW)2
Sensible Capacity (MBh) Total
Capacity1
(MBh)
Total
Input
(kW)2
Sensible Capacity (MBh)
CFM WB
(°F)
Return Dry Bulb (°F) Return Dry Bulb (°F)
90 85 80 75 70 65 90 85 80 75 70 65

546039-YTG-E-0712
Unitary Products Group 29
UQ048 (4.0 Ton)
Air on
Evaporator Coil Temperature of Air on Condenser Coil
Total
Capacity1
(MBh)
Total
Input
(kW)2
Sensible Capacity (MBh) Total
Capacity1
(MBh)
Total
Input
(kW)2
Sensible Capacity (MBh)
CFM WB
(°F)
Return Dry Bulb (°F) Return Dry Bulb (°F)
90 85 80 75 70 65 90 85 80 75 70 65
75°F 85°F
1000
77 61.0 2.9 28.1 23.2 18.8 - - - 56.5 3.3 26.2 21.8 17.4 - - -
72 55.9 2.8 34.7 30.3 25.8 21.4 - - 51.8 3.2 33.0 28.6 24.2 19.7 - -
67 50.8 2.8 41.3 37.3 32.9 28.4 24.0 - 47.1 3.2 39.9 35.4 31.0 26.6 22.1 -
62 46.3 2.7 46.3 46.3 39.7 35.2 30.8 26.3 42.8 3.2 42.8 42.8 37.4 33.0 28.6 24.1
1200
77 62.7 2.9 30.2 25.1 19.9 - - - 58.2 3.3 28.7 23.6 18.5 - - -
72 57.5 2.8 37.7 32.5 27.4 22.3 - - 53.3 3.2 36.0 30.9 25.8 20.7 - -
67 52.3 2.8 45.1 40.0 34.9 29.7 24.6 - 48.5 3.2 43.2 38.1 33.0 27.9 22.8 -
62 47.7 2.7 47.7 47.7 42.1 36.9 31.8 26.6 44.0 3.2 44.0 44.0 39.9 34.8 29.7 24.6
57 44.8 2.7 44.8 44.8 42.8 37.6 32.5 27.4 43.0 3.2 43.0 43.0 40.4 35.3 30.2 25.1
1400
77 64.5 2.9 32.4 26.9 21.1 - - - 59.8 3.3 31.2 25.4 19.6 - - -
72 59.1 2.8 40.7 34.8 29.0 23.1 - - 54.8 3.2 38.9 33.1 27.4 21.6 - -
67 53.7 2.8 48.9 42.7 36.9 31.0 25.2 - 49.8 3.2 46.6 40.9 35.1 29.3 23.6 -
62 49.0 2.7 49.0 49.0 44.5 38.6 32.8 26.9 45.3 3.1 45.3 45.3 42.4 36.6 30.8 25.1
57 46.0 2.7 46.0 46.0 45.2 39.4 33.5 27.7 44.2 3.2 44.2 44.2 42.9 37.2 31.4 25.7
1600
77 66.2 2.9 34.5 28.8 22.2 - - - 61.5 3.3 33.7 27.2 20.8 - - -
72 60.7 2.8 43.6 37.1 30.5 24.0 - - 56.4 3.2 41.8 35.4 29.0 22.5 - -
67 55.2 2.8 52.7 45.4 38.8 32.3 25.7 - 51.2 3.2 50.0 43.6 37.2 30.7 24.3 -
62 50.3 2.7 50.3 50.3 46.9 40.3 33.8 27.2 46.6 3.1 46.6 46.6 44.9 38.4 32.0 25.6
57 47.3 2.7 47.3 47.3 47.3 41.1 34.6 28.0 45.5 3.1 45.5 45.5 45.5 39.0 32.6 26.2
1800
72 60.7 2.8 45.7 38.7 31.7 24.6 - - 56.3 3.2 44.0 37.1 30.1 23.2 - -
67 55.2 2.8 54.0 47.3 40.3 33.3 26.2 - 51.2 3.2 50.6 45.6 38.6 31.7 24.8 -
62 50.3 2.7 50.3 50.3 48.6 41.6 34.5 27.5 46.5 3.2 46.5 46.5 45.7 38.7 31.8 24.9
57 47.3 2.7 47.3 47.3 47.3 40.4 33.4 26.4 45.4 3.2 45.4 45.4 45.4 38.5 31.5 24.6
2000
72 60.7 2.9 47.8 40.3 32.8 25.3 - - 56.3 3.3 46.2 38.8 31.3 23.8 - -
67 55.2 2.8 55.2 49.2 41.7 34.2 26.7 - 51.2 3.2 51.2 47.6 40.1 32.7 25.2 -
62 50.3 2.8 50.3 50.3 50.3 42.8 35.3 27.8 46.5 3.2 46.5 46.5 46.5 39.1 31.6 24.1
57 47.3 2.8 47.3 47.3 47.3 39.8 32.3 24.8 45.4 3.2 45.4 45.4 45.4 37.9 30.5 23.0
95°F 105°F
1000
77 52.0 3.7 24.4 20.3 15.9 - - - 48.4 4.2 21.8 18.8 14.5 - - -
72 47.6 3.7 31.4 26.9 22.5 18.1 - - 44.4 4.2 29.8 25.4 21.1 16.7 - -
67 43.3 3.6 38.4 33.5 29.1 24.7 20.3 - 40.3 4.1 37.8 32.0 27.7 23.3 19.0 -
62 39.2 3.6 39.2 39.2 35.2 30.7 26.3 21.9 36.5 4.1 36.5 36.5 32.1 27.7 23.4 19.0
1200
77 53.6 3.7 27.2 22.1 17.1 - - - 49.5 4.2 25.6 20.5 15.5 - - -
72 49.1 3.7 34.3 29.2 24.1 19.1 - - 45.3 4.2 32.6 27.6 22.6 17.6 - -
67 44.6 3.6 41.3 36.3 31.2 26.2 21.1 - 41.2 4.1 39.5 34.6 29.6 24.7 19.7 -
62 40.4 3.6 40.4 40.4 37.7 32.7 27.6 22.6 37.3 4.1 37.3 37.3 34.3 29.3 24.3 19.4
57 41.2 3.6 41.2 41.2 38.1 33.0 28.0 22.9 38.2 4.1 38.2 38.2 35.0 30.0 25.0 20.1
1400
77 55.2 3.7 30.0 23.9 18.2 - - - 50.6 4.2 29.4 22.2 16.5 - - -
72 50.6 3.6 37.1 31.5 25.8 20.1 - - 46.3 4.2 35.3 29.7 24.1 18.4 - -
67 45.9 3.6 44.3 39.0 33.3 27.7 22.0 - 42.1 4.1 41.2 37.2 31.6 26.0 20.3 -
62 41.6 3.6 41.6 41.6 40.3 34.6 28.9 23.2 38.1 4.1 38.1 38.1 36.6 31.0 25.3 19.7
57 42.4 3.6 42.4 42.4 40.7 35.0 29.3 23.6 39.0 4.1 39.0 39.0 37.3 31.7 26.1 20.5
1600
77 56.8 3.7 32.8 25.7 19.4 - - - 51.6 4.2 33.2 23.8 17.6 - - -
72 52.0 3.6 40.0 33.7 27.4 21.1 - - 47.3 4.2 38.1 31.8 25.6 19.3 - -
67 47.3 3.6 47.3 41.8 35.5 29.2 22.8 - 43.0 4.1 43.0 39.8 33.5 27.3 21.0 -
62 42.8 3.6 42.8 42.8 42.8 36.5 30.2 23.9 38.9 4.1 38.9 38.9 38.9 32.6 26.3 20.1
57 43.6 3.6 43.6 43.6 43.2 36.9 30.6 24.3 39.8 4.1 39.8 39.8 39.6 33.4 27.1 20.9
1800
72 52.0 3.6 42.3 35.5 28.6 21.7 - - 47.1 4.2 40.3 33.5 26.7 19.9 - -
67 47.2 3.6 47.2 43.9 37.0 30.1 23.3 - 42.7 4.1 42.7 40.9 35.0 28.2 21.4 -
62 42.8 3.6 42.8 42.8 42.8 35.9 29.1 22.2 38.7 4.1 38.7 38.7 38.7 31.9 25.0 18.2
57 43.6 3.6 43.6 43.6 43.4 36.5 29.7 22.8 39.6 4.1 39.6 39.6 39.5 32.7 25.9 19.1
2000
72 51.9 3.6 44.6 37.2 29.8 22.4 - - 46.8 4.2 42.6 35.2 27.8 20.4 - -
67 47.2 3.6 47.2 46.0 38.5 31.1 23.7 - 42.5 4.1 42.5 41.9 36.5 29.1 21.8 -
62 42.7 3.6 42.7 42.7 42.7 35.3 27.9 20.5 38.5 4.1 38.5 38.5 38.5 31.1 23.7 16.4
57 43.5 3.6 43.5 43.5 43.5 36.1 28.7 21.3 39.5 4.1 39.5 39.5 39.5 32.1 24.7 17.3

546039-YTG-E-0712
30 Unitary Products Group
115°F 125°F
1000
77 44.9 4.7 19.2 17.4 13.1 - - - 41.4 5.2 19.0 15.1 11.7 - - -
72 41.1 4.6 28.2 24.0 19.7 15.4 - - 37.8 5.1 26.7 22.5 18.3 14.0 - -
67 37.3 4.6 37.3 30.5 26.3 22.0 17.7 - 34.3 5.1 34.3 29.0 24.8 20.6 16.4 -
62 33.7 4.6 33.7 33.7 29.0 24.7 20.4 16.1 30.9 5.0 30.9 30.9 25.8 21.6 17.4 13.2
1200
77 45.4 4.7 24.0 18.9 14.0 - - - 41.3 5.2 24.0 17.3 12.4 - - -
72 41.6 4.7 30.9 25.9 21.0 16.1 - - 37.8 5.2 29.2 24.3 19.4 14.6 - -
67 37.8 4.6 37.8 33.0 28.1 23.1 18.2 - 34.3 5.1 34.3 31.3 26.5 21.6 16.7 -
62 34.1 4.6 34.1 34.1 30.9 26.0 21.1 16.2 30.9 5.1 30.9 30.9 27.5 22.7 17.8 12.9
57 35.2 4.6 35.2 35.2 32.0 27.0 22.1 17.2 32.3 5.1 32.3 32.3 28.9 24.0 19.2 14.3
1400
77 45.9 4.7 28.8 20.4 14.9 - - - 41.3 5.2 29.0 19.5 13.2 - - -
72 42.1 4.7 33.5 27.9 22.4 16.8 - - 37.8 5.2 31.7 26.2 20.6 15.1 - -
67 38.2 4.6 38.2 35.4 29.8 24.3 18.7 - 34.3 5.1 34.3 33.6 28.1 22.6 17.1 -
62 34.5 4.6 34.5 34.5 32.9 27.3 21.8 16.2 30.9 5.1 30.9 30.9 29.2 23.7 18.2 12.7
57 35.6 4.6 35.6 35.6 34.0 28.4 22.9 17.3 32.3 5.1 32.3 32.3 30.7 25.2 19.6 14.1
1600
77 46.5 4.7 33.6 22.0 15.8 - - - 41.3 5.2 34.0 21.7 14.0 - - -
72 42.5 4.7 36.1 29.9 23.7 17.5 - - 37.8 5.2 34.2 28.0 21.8 15.7 - -
67 38.6 4.6 38.6 37.8 31.6 25.4 19.2 - 34.3 5.2 34.3 34.3 29.7 23.6 17.4 -
62 34.9 4.6 34.9 34.9 34.9 28.7 22.5 16.2 30.9 5.1 30.9 30.9 30.9 24.7 18.6 12.4
57 36.0 4.6 36.0 36.0 36.0 29.8 23.6 17.4 32.2 5.1 32.2 32.2 32.2 26.3 20.1 14.0
1800
72 42.2 4.7 38.3 31.5 24.8 18.0 - - 37.2 5.2 36.3 29.5 22.8 16.1 - -
67 38.3 4.6 38.3 37.9 33.0 26.3 19.5 - 33.8 5.2 33.8 33.8 31.1 24.4 17.6 -
62 34.6 4.6 34.6 34.6 34.6 27.8 21.0 14.3 30.4 5.1 30.4 30.4 30.4 23.7 17.0 10.3
57 35.7 4.6 35.7 35.7 35.7 28.9 22.2 15.4 31.8 5.1 31.8 31.8 31.8 25.2 18.4 11.7
2000
72 41.8 4.7 40.5 33.1 25.8 18.5 - - 36.7 5.2 36.7 31.1 23.8 16.6 - -
67 37.9 4.7 37.9 37.9 34.5 27.1 19.8 - 33.3 5.2 33.3 33.3 32.4 25.2 17.9 -
62 34.2 4.6 34.2 34.2 34.2 26.9 19.6 12.3 30.0 5.1 30.0 30.0 30.0 22.7 15.4 8.2
57 35.4 4.6 35.4 35.4 35.4 28.1 20.7 13.4 31.3 5.1 31.3 31.3 31.3 24.0 16.8 9.5
1. These capacities are Net capacities.
2. These ratings include the compressor, condenser fan and supply air blower motors.
UQ048 (4.0 Ton) (Continued)
Air on
Evaporator Coil Temperature of Air on Condenser Coil
Total
Capacity1
(MBh)
Total
Input
(kW)2
Sensible Capacity (MBh) Total
Capacity1
(MBh)
Total
Input
(kW)2
Sensible Capacity (MBh)
CFM WB
(°F)
Return Dry Bulb (°F) Return Dry Bulb (°F)
90 85 80 75 70 65 90 85 80 75 70 65

546039-YTG-E-0712
Unitary Products Group 31
UQ060 (5.0 Ton)
Air on
Evaporator Coil Temperature of Air on Condenser Coil
Total
Capacity1
(MBh)
Total
Input
(kW)2
Sensible Capacity (MBh) Total
Capacity1
(MBh)
Total
Input
(kW)2
Sensible Capacity (MBh)
CFM WB
(°F)
Return Dry Bulb (°F) Return Dry Bulb (°F)
90 85 80 75 70 65 90 85 80 75 70 65
75°F 85°F
1350
77 74.4 3.9 28.7 23.0 17.3 - - - 65.9 4.4 28.8 23.6 18.4 - - -
72 65.5 3.9 37.1 31.4 25.7 20.0 - - 59.5 4.4 36.5 31.3 26.1 20.9 - -
67 56.6 3.8 45.5 39.8 34.1 28.4 22.8 - 53.0 4.3 44.2 39.0 33.8 28.6 23.4 -
62 54.2 3.8 54.2 52.9 39.8 34.1 28.4 22.8 49.3 4.3 49.3 48.6 40.9 35.7 30.5 25.3
1500
77 75.1 4.0 30.6 24.9 19.2 - - - 67.0 4.5 31.2 25.5 19.8 - - -
72 66.1 4.0 39.9 34.1 28.4 22.7 - - 60.5 4.4 39.5 33.8 28.0 22.3 - -
67 57.1 3.9 49.1 43.4 37.6 31.9 26.2 - 54.0 4.4 47.8 42.1 36.3 30.6 24.9 -
62 54.6 3.9 54.6 53.8 44.0 38.3 32.5 26.8 50.2 4.4 50.2 49.7 44.0 38.3 32.6 26.8
57 50.0 3.9 50.0 50.0 42.4 36.7 30.9 25.2 47.7 4.3 47.7 47.7 43.2 37.5 31.8 26.0
1650
77 75.8 4.1 32.6 26.8 21.0 - - - 68.2 4.6 33.7 27.4 21.2 - - -
72 66.6 4.1 42.7 36.9 31.1 25.3 - - 61.6 4.5 42.5 36.3 30.0 23.8 - -
67 57.5 4.0 52.7 46.9 41.2 35.4 29.6 - 54.9 4.5 51.4 45.1 38.9 32.6 26.4 -
62 55.1 4.0 55.1 54.6 48.2 42.4 36.6 30.8 51.1 4.5 51.1 50.8 47.1 40.9 34.6 28.4
57 50.4 4.0 50.4 50.4 46.5 40.7 34.9 29.1 48.6 4.4 48.6 48.6 46.3 40.0 33.7 27.5
1800
77 76.4 4.2 34.6 28.7 22.9 - - - 69.4 4.7 36.1 29.3 22.6 - - -
72 67.2 4.2 45.5 39.6 33.8 27.9 - - 62.6 4.6 45.6 38.8 32.0 25.2 - -
67 57.9 4.1 56.4 50.5 44.7 38.8 33.0 - 55.9 4.6 55.0 48.2 41.5 34.7 27.9 -
62 55.5 4.1 55.5 55.5 52.4 46.5 40.6 34.8 51.9 4.5 51.9 51.9 50.2 43.4 36.7 29.9
57 50.7 4.1 50.7 50.7 50.5 44.7 38.8 33.0 49.4 4.5 49.4 49.4 49.3 42.5 35.7 29.0
2150
72 69.0 4.5 51.3 42.4 33.6 24.8 - - 63.7 4.9 50.5 41.9 33.4 24.8 - -
67 59.6 4.5 58.8 53.5 44.6 35.8 26.9 - 56.8 4.9 56.4 51.8 43.2 34.7 26.1 -
62 57.1 4.4 57.1 57.1 55.5 46.7 37.9 29.0 52.8 4.8 52.8 52.8 51.9 43.4 34.8 26.3
57 52.2 4.4 52.2 52.2 52.1 43.3 34.5 25.6 50.2 4.8 50.2 50.2 50.2 41.6 33.1 24.5
2500
72 70.9 4.8 57.1 45.3 33.5 21.7 - - 64.7 5.2 55.4 45.1 34.8 24.4 - -
67 61.2 4.8 61.2 56.5 44.5 32.7 20.9 - 57.7 5.2 57.7 55.3 45.0 34.7 24.4 -
62 58.6 4.7 58.6 58.6 58.6 46.8 35.1 23.3 53.7 5.1 53.7 53.7 53.7 43.3 33.0 22.7
57 53.6 4.7 53.6 53.6 53.6 41.9 30.1 18.3 51.0 5.1 51.0 51.0 51.0 40.7 30.4 20.1
95°F 105°F
1350
77 57.3 4.9 28.9 24.1 19.4 - - - 52.3 5.4 27.7 22.7 17.6 - - -
72 53.4 4.8 35.8 31.1 26.4 21.7 - - 48.9 5.3 35.0 29.9 24.7 19.6 - -
67 49.4 4.8 42.8 38.1 33.4 28.7 24.0 - 45.6 5.3 42.2 37.0 31.9 26.8 21.7 -
62 44.4 4.7 44.4 44.4 42.0 37.3 32.6 27.9 40.9 5.3 40.9 40.9 38.6 33.5 28.4 23.3
1500
77 59.0 5.0 31.8 26.1 20.4 - - - 53.9 5.5 30.1 24.2 18.5 - - -
72 54.9 4.9 39.1 33.4 27.7 22.0 - - 50.4 5.4 37.4 31.7 26.0 20.3 - -
67 50.9 4.9 46.4 40.7 35.0 29.3 23.6 - 46.9 5.4 44.7 39.2 33.5 27.8 22.1 -
62 45.7 4.8 45.7 45.7 44.0 38.3 32.6 26.9 42.1 5.4 42.1 42.1 40.6 34.9 29.1 23.4
57 45.5 4.8 45.5 45.5 44.0 38.3 32.6 26.9 41.9 5.3 41.9 41.9 40.5 34.8 29.1 23.3
1650
77 60.7 5.1 34.7 28.0 21.3 - - - 55.5 5.6 32.6 25.7 19.3 - - -
72 56.5 5.0 42.4 35.7 29.0 22.3 - - 51.9 5.5 39.8 33.5 27.2 20.9 - -
67 52.3 4.9 50.1 43.3 36.6 29.9 23.2 - 48.3 5.5 47.1 41.4 35.1 28.8 22.4 -
62 47.0 4.9 47.0 47.0 46.1 39.4 32.6 25.9 43.3 5.5 43.3 43.3 42.5 36.2 29.9 23.5
57 46.8 4.9 46.8 46.8 46.0 39.3 32.6 25.9 43.1 5.4 43.1 43.1 42.4 36.1 29.8 23.5
1800
77 62.4 5.2 37.7 30.0 22.3 - - - 57.0 5.7 35.0 27.1 20.2 - - -
72 58.1 5.1 45.7 38.0 30.3 22.5 - - 53.3 5.6 42.3 35.4 28.4 21.5 - -
67 53.8 5.0 53.7 46.0 38.3 30.5 22.8 - 49.7 5.6 49.6 43.6 36.7 29.7 22.8 -
62 48.3 5.0 48.3 48.3 48.1 40.4 32.7 25.0 44.5 5.6 44.5 44.5 44.4 37.5 30.6 23.7
57 48.1 5.0 48.1 48.1 48.1 40.4 32.6 24.9 44.3 5.5 44.3 44.3 44.3 37.4 30.5 23.6
2150
72 58.3 5.4 49.7 41.4 33.1 24.8 - - 53.6 5.9 46.9 39.2 31.3 23.4 - -
67 54.0 5.3 53.9 50.1 41.9 33.6 25.3 - 49.9 5.9 49.9 46.9 40.3 32.5 24.6 -
62 48.5 5.3 48.5 48.5 48.4 40.1 31.8 23.5 44.8 5.8 44.8 44.8 44.7 36.8 29.0 21.1
57 48.3 5.3 48.3 48.3 48.3 40.0 31.7 23.4 44.6 5.8 44.6 44.6 44.6 36.7 28.8 20.9
2500
72 58.5 5.7 53.7 44.9 36.0 27.2 - - 53.9 6.1 51.5 43.0 34.1 25.3 - -
67 54.2 5.6 54.2 54.2 45.5 36.7 27.8 - 50.2 6.1 50.2 50.2 44.0 35.2 26.3 -
62 48.7 5.6 48.7 48.7 48.7 39.8 31.0 22.1 45.0 6.0 45.0 45.0 45.0 36.2 27.4 18.5
57 48.4 5.6 48.4 48.4 48.4 39.6 30.7 21.8 44.8 6.0 44.8 44.8 44.8 36.0 27.1 18.3

546039-YTG-E-0712
32 Unitary Products Group
115°F 125°F
1350
77 47.3 5.8 26.5 21.3 15.7 - - - 42.4 6.3 28.6 19.8 13.9 - - -
72 44.5 5.8 34.1 28.6 23.1 17.6 - - 40.1 6.3 33.2 27.3 21.4 15.5 - -
67 41.7 5.8 41.7 35.9 30.4 24.9 19.4 - 37.8 6.4 37.8 34.8 28.9 23.0 17.1 -
62 37.3 5.8 37.3 37.3 35.3 29.8 24.3 18.8 33.7 6.3 33.7 33.7 31.9 26.0 20.1 14.2
1500
77 48.8 5.9 28.4 22.3 16.6 - - - 43.7 6.4 29.0 20.4 14.6 - - -
72 45.9 5.9 35.7 30.0 24.3 18.5 - - 41.3 6.5 34.0 28.3 22.5 16.8 - -
67 42.9 5.9 42.9 37.7 32.0 26.2 20.5 - 39.0 6.5 39.0 36.1 30.4 24.7 19.0 -
62 38.4 5.9 38.4 38.4 37.1 31.4 25.7 19.9 34.8 6.4 34.8 34.8 33.6 27.9 22.2 16.5
57 38.3 5.9 38.3 38.3 37.0 31.3 25.5 19.8 34.7 6.4 34.7 34.7 33.5 27.7 22.0 16.3
1650
77 50.2 6.1 30.4 23.3 17.4 - - - 45.0 6.5 29.3 20.9 15.4 - - -
72 47.2 6.1 37.3 31.4 25.4 19.5 - - 42.6 6.6 34.7 29.2 23.7 18.1 - -
67 44.2 6.1 44.2 39.4 33.5 27.6 21.7 - 40.2 6.6 40.2 37.5 32.0 26.4 20.9 -
62 39.6 6.0 39.6 39.6 38.9 33.0 27.1 21.1 35.9 6.5 35.9 35.9 35.3 29.8 24.3 18.7
57 39.4 6.0 39.4 39.4 38.8 32.9 26.9 21.0 35.8 6.5 35.8 35.8 35.2 29.6 24.1 18.5
1800
77 51.7 6.2 32.3 24.3 18.2 - - - 46.4 6.7 29.7 21.5 16.1 - - -
72 48.6 6.2 38.9 32.8 26.6 20.5 - - 43.9 6.7 35.5 30.2 24.8 19.5 - -
67 45.5 6.2 45.5 41.2 35.1 28.9 22.8 - 41.4 6.7 41.4 38.8 33.5 28.2 22.8 -
62 40.7 6.1 40.7 40.7 40.7 34.6 28.5 22.3 36.9 6.6 36.9 36.9 36.9 31.7 26.4 21.0
57 40.6 6.1 40.6 40.6 40.6 34.5 28.3 22.2 36.8 6.6 36.8 36.8 36.8 31.5 26.2 20.8
2150
72 49.0 6.4 44.1 36.9 29.4 22.0 - - 44.3 6.9 41.3 34.6 27.6 20.5 - -
67 45.8 6.4 45.8 43.7 38.8 31.3 23.8 - 41.8 6.9 41.8 40.5 37.2 30.2 23.1 -
62 41.0 6.3 41.0 41.0 41.0 33.6 26.1 18.6 37.3 6.8 37.3 37.3 37.3 30.3 23.2 16.2
57 40.9 6.3 40.9 40.9 40.9 33.4 26.0 18.5 37.2 6.8 37.2 37.2 37.2 30.2 23.1 16.0
2500
72 49.3 6.6 49.3 41.1 32.3 23.4 - - 44.7 7.1 44.7 39.1 30.4 21.6 - -
67 46.2 6.6 46.2 46.2 42.5 33.7 24.9 - 42.2 7.1 42.2 42.2 41.0 32.2 23.4 -
62 41.3 6.5 41.3 41.3 41.3 32.5 23.7 14.9 37.7 7.0 37.7 37.7 37.7 28.9 20.1 11.3
57 41.2 6.5 41.2 41.2 41.2 32.4 23.6 14.8 37.6 7.0 37.6 37.6 37.6 28.8 20.0 11.3
1. These capacities are Net capacities.
2. These ratings include the compressor, condenser fan and supply air blower motors.
UQ060 (5.0 Ton) (Continued)
Air on
Evaporator Coil Temperature of Air on Condenser Coil
Total
Capacity1
(MBh)
Total
Input
(kW)2
Sensible Capacity (MBh) Total
Capacity1
(MBh)
Total
Input
(kW)2
Sensible Capacity (MBh)
CFM WB
(°F)
Return Dry Bulb (°F) Return Dry Bulb (°F)
90 85 80 75 70 65 90 85 80 75 70 65

546039-YTG-E-0712
Unitary Products Group 33
Heating Capacities
UQ024-060
Size
(Tons) Model Air Over Evaporator
Coil Capacity & kW Outdoor Temperature (°F @ 72% RH)
CFM DB (°F)-100 102030405060
024
(2.0) UQ
600
55 MBH 7.03 8.39 10.00 11.91 14.17 16.86 20.04 23.81
KW 1.27 1.33 1.39 1.45 1.51 1.57 1.63 1.69
70 MBH 6.20 7.56 9.17 11.08 13.34 16.03 19.21 22.98
KW 1.47 1.53 1.59 1.65 1.71 1.77 1.83 1.89
80 MBH 4.90 6.26 7.87 9.78 12.04 14.73 17.91 21.68
KW 1.67 1.73 1.79 1.85 1.91 1.97 2.03 2.09
800
55 MBH 8.18 9.54 11.15 13.06 15.32 18.01 21.19 24.96
KW 1.17 1.23 1.29 1.35 1.41 1.47 1.53 1.59
70 MBH 7.35 8.71 10.32 12.23 14.49 17.18 20.36 24.13
KW 1.37 1.43 1.49 1.55 1.61 1.67 1.73 1.79
80 MBH 6.05 7.41 9.02 10.93 13.19 15.88 19.06 22.83
KW 1.57 1.63 1.69 1.75 1.81 1.87 1.93 1.99
1000
55 MBH 8.56 9.92 11.53 13.44 15.70 18.39 21.57 25.34
KW 1.14 1.20 1.26 1.32 1.38 1.44 1.50 1.56
70 MBH 7.73 9.09 10.70 12.61 14.87 17.56 20.74 24.51
KW 1.34 1.40 1.46 1.52 1.58 1.64 1.70 1.76
80 MBH 6.43 7.79 9.40 11.31 13.57 16.26 19.44 23.21
KW 1.54 1.60 1.66 1.72 1.78 1.84 1.90 1.96
030
(2.5) UQ
750
55 MBH 8.50 10.31 12.54 15.26 18.59 22.67 27.67 33.79
KW 1.54 1.60 1.66 1.72 1.78 1.84 1.90 1.96
70 MBH 6.95 8.76 10.99 13.71 17.04 21.12 26.12 32.24
KW 2.05 2.11 2.17 2.23 2.29 2.35 2.41 2.47
80 MBH 6.25 8.06 10.29 13.01 16.34 20.42 25.42 31.54
KW 2.21 2.27 2.33 2.39 2.45 2.51 2.57 2.63
1000
55 MBH 9.65 11.46 13.69 16.41 19.74 23.82 28.82 34.94
KW 1.44 1.50 1.56 1.62 1.68 1.74 1.80 1.86
70 MBH 8.10 9.91 12.14 14.86 18.19 22.27 27.27 33.39
KW 1.95 2.01 2.07 2.13 2.19 2.25 2.31 2.37
80 MBH 7.40 9.21 11.44 14.16 17.49 21.57 26.57 32.69
KW 2.11 2.17 2.23 2.29 2.35 2.41 2.47 2.53
1250
55 MBH 10.25 12.06 14.29 17.01 20.34 24.42 29.42 35.54
KW 1.48 1.54 1.60 1.66 1.72 1.78 1.84 1.90
70 MBH 8.70 10.51 12.74 15.46 18.79 22.87 27.87 33.99
KW 1.99 2.05 2.11 2.17 2.23 2.29 2.35 2.41
80 MBH 8.00 9.81 12.04 14.76 18.09 22.17 27.17 33.29
KW 2.15 2.21 2.27 2.33 2.39 2.45 2.51 2.57
036
(3.0) UQ
900
55 MBH 9.45 11.66 14.32 17.54 21.42 26.11 31.77 38.60
KW 2.18 2.29 2.41 2.52 2.63 2.75 2.86 2.97
70 MBH 8.15 10.36 13.02 16.24 20.12 24.81 30.47 37.30
KW 2.49 2.60 2.72 2.83 2.94 3.06 3.17 3.28
80 MBH 5.90 8.11 10.77 13.99 17.87 22.56 28.22 35.05
KW 2.86 2.97 3.09 3.20 3.31 3.43 3.54 3.65
1200
55 MBH 11.92 14.13 16.79 20.01 23.89 28.58 34.24 41.07
KW 2.01 2.12 2.24 2.35 2.46 2.58 2.69 2.80
70 MBH 10.62 12.83 15.49 18.71 22.59 27.28 32.94 39.77
KW 2.32 2.43 2.55 2.66 2.77 2.89 3.00 3.11
80 MBH 8.37 10.58 13.24 16.46 20.34 25.03 30.69 37.52
KW 2.69 2.80 2.92 3.03 3.14 3.26 3.37 3.48
1500
55 MBH 12.26 14.46 17.12 20.34 24.22 28.91 34.57 41.40
KW 2.23 2.34 2.46 2.57 2.68 2.80 2.91 3.02
70 MBH 10.96 13.16 15.82 19.04 22.92 27.61 33.27 40.10
KW 2.54 2.65 2.77 2.88 2.99 3.11 3.22 3.33
80 MBH 8.71 10.91 13.57 16.79 20.67 25.36 31.02 37.85
KW 2.91 3.02 3.14 3.25 3.36 3.48 3.59 3.70

546039-YTG-E-0712
34 Unitary Products Group
042
(3.5) UQ
1050
55 MBH 11.46 14.09 17.27 21.11 25.76 31.39 38.19 46.42
KW 2.72 2.84 2.96 3.08 3.20 3.32 3.44 3.56
70 MBH 8.96 11.59 14.77 18.62 23.27 28.89 35.69 43.92
KW 3.14 3.26 3.38 3.50 3.62 3.74 3.86 3.99
80 MBH 7.02 9.65 12.83 16.67 21.32 26.95 33.75 41.98
KW 3.49 3.61 3.73 3.85 3.97 4.09 4.21 4.33
1400
55 MBH 15.04 17.67 20.85 24.69 29.34 34.97 41.77 50.00
KW 2.36 2.48 2.60 2.72 2.84 2.97 3.09 3.21
70 MBH 12.54 15.17 18.35 22.19 26.84 32.47 39.27 47.50
KW 2.78 2.90 3.02 3.14 3.27 3.39 3.51 3.63
80 MBH 10.60 13.23 16.41 20.25 24.90 30.53 37.33 45.56
KW 3.13 3.25 3.37 3.49 3.61 3.73 3.85 3.98
1750
55 MBH 18.52 21.15 24.32 28.17 32.82 38.44 45.25 53.48
KW 2.46 2.59 2.71 2.83 2.95 3.07 3.19 3.31
70 MBH 16.02 18.65 21.83 25.67 30.32 35.95 42.75 50.98
KW 2.89 3.01 3.13 3.25 3.37 3.49 3.61 3.73
80 MBH 14.08 16.70 19.88 23.73 28.38 34.00 40.81 49.04
KW 3.23 3.35 3.47 3.59 3.72 3.84 3.96 4.08
048
(4.0) UQ
1200
55 MBH 13.79 16.66 20.07 24.12 28.93 34.65 41.45 49.53
KW 2.70 2.80 2.90 3.00 3.10 3.21 3.31 3.41
70 MBH 11.53 14.40 17.81 21.86 26.67 32.39 39.19 47.27
KW 3.19 3.29 3.39 3.49 3.59 3.69 3.80 3.90
80 MBH 9.51 12.37 15.78 19.83 24.65 30.37 37.17 45.25
KW 3.64 3.74 3.84 3.94 4.04 4.14 4.24 4.34
1600
55 MBH 17.47 20.34 23.75 27.80 32.61 38.33 45.13 53.21
KW 2.64 2.74 2.84 2.94 3.05 3.15 3.25 3.35
70 MBH 15.21 18.08 21.49 25.54 30.35 36.07 42.87 50.95
KW 3.13 3.23 3.33 3.43 3.53 3.64 3.74 3.84
80 MBH 13.19 16.06 19.46 23.51 28.33 34.05 40.85 48.93
KW 3.58 3.68 3.78 3.88 3.98 4.08 4.18 4.28
2000
55 MBH 20.32 23.19 26.60 30.65 35.46 41.18 47.98 56.06
KW 2.75 2.85 2.95 3.05 3.15 3.25 3.36 3.46
70 MBH 18.06 20.93 24.34 28.39 33.20 38.92 45.72 53.80
KW 3.24 3.34 3.44 3.54 3.64 3.74 3.84 3.95
80 MBH 16.04 18.91 22.31 26.36 31.18 36.90 43.70 51.78
KW 3.69 3.79 3.89 3.99 4.09 4.19 4.29 4.39
060
(5.0) UQ
1500
55 MBH 21.38 24.86 28.91 33.63 39.13 45.54 53.02 61.72
KW 3.34 3.47 3.60 3.73 3.86 3.99 4.12 4.25
70 MBH 18.08 21.56 25.61 30.33 35.83 42.24 49.72 58.42
KW 3.84 3.97 4.10 4.23 4.36 4.49 4.62 4.75
80 MBH 16.76 20.24 24.29 29.01 34.51 40.92 48.40 57.10
KW 4.27 4.40 4.53 4.66 4.79 4.92 5.05 5.18
2000
55 MBH 24.32 27.80 31.85 36.57 42.07 48.48 55.96 64.66
KW 3.34 3.47 3.60 3.73 3.86 3.99 4.12 4.25
70 MBH 21.02 24.50 28.55 33.27 38.77 45.18 52.66 61.36
KW 3.84 3.97 4.10 4.23 4.36 4.49 4.62 4.75
80 MBH 19.70 23.18 27.23 31.95 37.45 43.86 51.34 60.04
KW 4.27 4.40 4.53 4.66 4.79 4.92 5.05 5.18
2500
55 MBH 27.72 31.20 35.25 39.97 45.47 51.88 59.36 68.06
KW 3.49 3.62 3.75 3.88 4.01 4.14 4.27 4.40
70 MBH 24.42 27.90 31.95 36.67 42.17 48.58 56.06 64.76
KW 3.99 4.12 4.25 4.38 4.51 4.64 4.77 4.90
80 MBH 23.10 26.58 30.63 35.35 40.85 47.26 54.74 63.44
KW 4.42 4.55 4.68 4.81 4.94 5.07 5.20 5.33
UQ024-060 (Continued)
Size
(Tons) Model Air Over Evaporator
Coil Capacity & kW Outdoor Temperature (°F @ 72% RH)
CFM DB (°F)-100 102030405060

546039-YTG-E-0712
Unitary Products Group 35
Airflow Performance
Size
(Tons) Model Unit Speed) External Static Pressure (Inch Water Gauge)
0.2 0.4 0.6 0.8 1.0
SCFM W RPM SCFM W RPM SCFM W RPM SCFM W RPM SCFM W RPM
024
(2.0)
NM
Low 1048 398 862 1008 377 937 927 347 1005 813 310 1056 644 266 1100
Medium 1273 491 980 1194 457 1028 1084 416 1064 944 374 1094 754 322 1119
High 1410 572 1069 1302 532 1090 1160 487 1109 1002 444 1127 801 395 1142
UQ
Low 786 113 709 720 127 803 653 141 893 560 156 1004 467 170 1115
Low/Medium 889 149 760 831 163 843 757 179 939 703 191 1005 649 203 1072
Medium 1037 223 840 984 237 911 914 253 993 857 264 1057 799 276 1121
Medium/High 1185 297 920 1137 311 979 1071 326 1048 1010 338 1109 949 349 1170
High 1336 471 1031 1263 479 1081 1154 446 1114 1027 397 1133 853 340 1153
030
(2.5)
NM
Low 1048 398 862 1008 377 937 927 347 1005 813 310 1056 644 266 1100
Medium 1273 491 980 1194 457 1028 1084 416 1064 944 374 1094 754 322 1119
High 1410 572 1069 1302 532 1090 1160 487 1109 1002 444 1127 801 395 1142
UQ
Low 786 113 709 720 127 803 653 141 893 560 156 1004 467 170 1115
Low/Medium 1003 196 822 950 210 891 886 225 966 820 240 1049 754 255 1132
Medium 1115 262 883 1061 275 947 998 292 1021 916 293 1085 834 294 1150
Medium/High 1227 327 945 1172 341 1003 1109 358 1076 1011 345 1121 913 332 1167
High 1336 471 1031 1263 479 1081 1154 446 1114 1027 397 1133 853 340 1153
036
(3.0)
NM
Low 1048 398 862 1008 377 937 927 347 1005 813 310 1056 644 266 1100
Medium 1273 491 980 1194 457 1028 1084 416 1064 944 374 1094 754 322 1119
High 1410 572 1069 1302 532 1090 1160 487 1109 1002 444 1127 801 395 1142
UQ
Low 1017 219 835 954 236 910 878 251 980 821 269 1053 751 281 1125
Low/Medium 1166 306 912 1101 323 977 1037 338 1042 977 351 1102 833 321 1139
Medium 1211 346 942 1135 362 1004 1073 375 1065 987 368 1113 837 325 1143
Medium/High 1255 385 971 1169 400 1030 1109 412 1087 996 384 1123 841 328 1146
High 1336 471 1031 1263 479 1081 1154 446 1114 1027 397 1133 853 340 1153
042
(3.5)
NM
Low 1095 233 853 1037 255 936 979 269 1003 904 283 1079 829 297 1154
Low/Medium 1161 276 897 1104 298 973 1043 312 1040 978 325 1105 913 337 1171
Medium 1166 306 912 1101 323 977 1037 338 1042 977 351 1102 833 321 1139
Medium/High 1255 385 971 1169 400 1030 1109 412 1087 996 384 1123 841 328 1146
High 1336 471 1031 1263 479 1081 1154 446 1114 1027 397 1133 853 340 1153
UQ
Low 1152 224 759 934 263 892 796 282 965 643 318 1086 490 354 1207
Low/Medium 1265 273 802 1110 312 916 902 339 1005 786 360 1076 670 381 1147
Medium 1364 318 824 1222 358 933 1012 396 1043 905 417 1101 798 438 1159
Medium/High 1849 647 990 1734 688 1072 1519 662 1136 1090 535 1161 - - -
High 2227 978 1086 1976 889 1129 1677 757 1151 ------
048
(4.0)
NM
Low 1264 206 684 1160 228 763 968 258 875 871 274 927 774 290 979
Low/Medium 1307 227 706 1212 249 780 1060 277 878 924 300 947 788 323 1016
Medium 1340 250 726 1245 274 803 1100 311 900 996 329 967 892 347 1034
Medium/High 1854 554 898 1776 583 957 1695 617 1022 1612 643 1077 1529 669 1132
High 2250 944 1039 2175 964 1081 2034 912 1114 1827 822 1136 1620 732 1158
UQ
Low 1260 275 807 1096 313 915 910 336 992 804 355 1057 774 290 979
Low/Medium 1471 375 870 1338 415 968 1118 455 1079 963 474 1110 788 323 1016
Medium 1546 394 865 1391 439 975 1187 479 1080 1062 501 1088 892 347 1034
Medium/High 1597 434 893 1460 476 989 1277 518 995 1079 515 1050 1529 669 1132
High 2227 978 1086 1976 889 1129 1677 757 1151 1827 822 1136 1620 732 1158
060
(5.0)
NM
Low 1368 331 849 1229 369 953 1015 397 1045 898 420 1106 781 443 1167
Low/Medium 1546 394 865 1391 439 975 1187 479 1080 1062 501 1088 937 523 1096
Medium 1612 480 923 1488 522 1018 1318 570 1127 1059 515 1157 - - -
Medium/High 1922 687 995 1804 732 928 1566 682 1140 1121 542 1160 - - -
High 2227 978 1086 1976 889 1129 1677 757 1151 ------
UQ
Low 1368 331 849 1229 369 953 1015 397 1045 898 420 1106 781 443 1167
Low/Medium 1612 480 923 1488 522 1018 1318 570 1127 1059 515 1157 - - -
Medium 1849 647 990 1734 688 1072 1519 662 1136 1090 535 1161 - - -
Medium/High 2033 820 1050 1856 808 1115 1546 684 1145 1065 535 1166 - - -
High 2227 978 1086 1976 889 1129 1677 757 1151 ------

546039-YTG-E-0712
36 Unitary Products Group
Additional Static Resistance
Size
(Tons) Model CFM Wet Indoor Coil Electric Heat, kW
5 6.5 10 15
024
(2.0) NM
UQ
400 0.05 0.05 0.05 0.06 0.07
500 0.06 0.06 0.06 0.07 0.08
600 0.07 0.07 0.07 0.08 0.09
700 0.08 0.08 0.08 0.09 0.10
800 0.09 0.09 0.09 0.10 0.12
900 0.1 0.10 0.10 0.11 0.13
1000 0.12 0.12 0.12 0.13 0.15
1100 0.13 0.13 0.13 0.14 0.17
1200 0.15 0.15 0.15 0.16 0.19
1300 0.17 0.17 0.17 0.18 0.21
1400 0.19 0.19 0.19 0.20 0.23
030
(2.5) NM
UQ
400 0.05 0.05 0.05 0.06 0.07
500 0.06 0.06 0.06 0.07 0.08
600 0.07 0.07 0.07 0.08 0.09
700 0.08 0.08 0.08 0.09 0.10
800 0.09 0.09 0.09 0.10 0.12
900 0.1 0.10 0.10 0.11 0.13
1000 0.12 0.12 0.12 0.13 0.15
1100 0.13 0.13 0.13 0.14 0.17
1200 0.15 0.15 0.15 0.16 0.19
1300 0.17 0.17 0.17 0.18 0.21
1400 0.19 0.19 0.19 0.20 0.23
036
(3.0) NM
UQ
400 0.05 0.05 0.05 0.06 0.07
500 0.06 0.06 0.06 0.07 0.08
600 0.07 0.07 0.07 0.08 0.09
700 0.08 0.08 0.08 0.09 0.10
800 0.09 0.09 0.09 0.10 0.12
900 0.1 0.10 0.10 0.11 0.13
1000 0.12 0.12 0.12 0.13 0.15
1100 0.13 0.13 0.13 0.14 0.17
1200 0.15 0.15 0.15 0.16 0.19
1300 0.17 0.17 0.17 0.18 0.21
1400 0.19 0.19 0.19 0.20 0.23
042
(3.5)
NM
400 0.05 0.05 0.05 0.06 0.07
500 0.06 0.06 0.06 0.07 0.08
600 0.07 0.07 0.07 0.08 0.09
700 0.08 0.08 0.08 0.09 0.10
800 0.09 0.09 0.09 0.10 0.12
900 0.1 0.10 0.10 0.11 0.13
1000 0.12 0.12 0.12 0.13 0.15
1100 0.13 0.13 0.13 0.14 0.17
1200 0.15 0.15 0.15 0.16 0.19
1300 0.17 0.17 0.17 0.18 0.21
1400 0.19 0.19 0.19 0.20 0.23
UQ
500 0.09 0.09 0.09 0.10 0.12
600 0.1 0.10 0.10 0.11 0.13
700 0.12 0.12 0.12 0.13 0.15
800 0.13 0.13 0.13 0.14 0.17
900 0.15 0.15 0.15 0.16 0.19
1000 0.17 0.17 0.17 0.18 0.21
1100 0.19 0.19 0.19 0.20 0.23
1200 0.21 0.21 0.21 0.22 0.25
1300 0.23 0.23 0.23 0.24 0.27
1400 0.25 0.25 0.25 0.26 0.29
1500 0.27 0.27 0.27 0.28 0.31
1600 0.29 0.29 0.29 0.30 0.33
1700 0.31 0.31 0.31 0.32 0.35
1800 0.33 0.33 0.33 0.34 0.37
1900 0.35 0.35 0.35 0.36 0.39
2000 0.37 0.37 0.37 0.38 0.41
2100 0.39 0.39 0.39 0.40 0.43
2200 0.41 0.41 0.41 0.42 0.45

546039-YTG-E-0712
Unitary Products Group 37
048
(4.0)
NM
800 0.09 0.09 0.09 0.10 0.12
900 0.1 0.10 0.10 0.11 0.13
1000 0.12 0.12 0.12 0.13 0.15
1100 0.13 0.13 0.13 0.14 0.17
1200 0.15 0.15 0.15 0.16 0.19
1300 0.17 0.17 0.17 0.18 0.21
1400 0.19 0.19 0.19 0.20 0.23
1500 0.21 0.21 0.21 0.22 0.25
1600 0.23 0.23 0.23 0.24 0.27
1700 0.25 0.25 0.25 0.26 0.29
1800 0.27 0.27 0.27 0.28 0.31
1900 0.29 0.29 0.29 0.30 0.33
2000 0.31 0.31 0.31 0.32 0.35
2100 0.33 0.33 0.33 0.34 0.37
2200 0.35 0.35 0.35 0.36 0.39
UQ
500 0.09 0.09 0.09 0.10 0.12
600 0.1 0.10 0.10 0.11 0.13
700 0.12 0.12 0.12 0.13 0.15
800 0.13 0.13 0.13 0.14 0.17
900 0.15 0.15 0.15 0.16 0.19
1000 0.17 0.17 0.17 0.18 0.21
1100 0.19 0.19 0.19 0.20 0.23
1200 0.21 0.21 0.21 0.22 0.25
1300 0.23 0.23 0.23 0.24 0.27
1400 0.25 0.25 0.25 0.26 0.29
1500 0.27 0.27 0.27 0.28 0.31
1600 0.29 0.29 0.29 0.30 0.33
1700 0.31 0.31 0.31 0.32 0.35
1800 0.33 0.33 0.33 0.34 0.37
1900 0.35 0.35 0.35 0.36 0.39
2000 0.37 0.37 0.37 0.38 0.41
2100 0.39 0.39 0.39 0.40 0.43
2200 0.41 0.41 0.41 0.42 0.45
060
(5.0)
NM
800 0.09 0.09 0.09 0.10 0.12
900 0.1 0.10 0.10 0.11 0.13
1000 0.12 0.12 0.12 0.13 0.15
1100 0.13 0.13 0.13 0.14 0.17
1200 0.15 0.15 0.15 0.16 0.19
1300 0.17 0.17 0.17 0.18 0.21
1400 0.19 0.19 0.19 0.20 0.23
1500 0.21 0.21 0.21 0.22 0.25
1600 0.23 0.23 0.23 0.24 0.27
1700 0.25 0.25 0.25 0.26 0.29
1800 0.27 0.27 0.27 0.28 0.31
1900 0.29 0.29 0.29 0.30 0.33
2000 0.31 0.31 0.31 0.32 0.35
2100 0.33 0.33 0.33 0.34 0.37
2200 0.35 0.35 0.35 0.36 0.39
UQ
500 0.09 0.09 0.09 0.10 0.12
600 0.1 0.10 0.10 0.11 0.13
700 0.12 0.12 0.12 0.13 0.15
800 0.13 0.13 0.13 0.14 0.17
900 0.15 0.15 0.15 0.16 0.19
1000 0.17 0.17 0.17 0.18 0.21
1100 0.19 0.19 0.19 0.20 0.23
1200 0.21 0.21 0.21 0.22 0.25
1300 0.23 0.23 0.23 0.24 0.27
1400 0.25 0.25 0.25 0.26 0.29
1500 0.27 0.27 0.27 0.28 0.31
1600 0.29 0.29 0.29 0.30 0.33
1700 0.31 0.31 0.31 0.32 0.35
1800 0.33 0.33 0.33 0.34 0.37
1900 0.35 0.35 0.35 0.36 0.39
2000 0.37 0.37 0.37 0.38 0.41
2100 0.39 0.39 0.39 0.40 0.43
2200 0.41 0.41 0.41 0.42 0.45
Additional Static Resistance (Continued)
Size
(Tons) Model CFM Wet Indoor Coil Electric Heat, kW
5 6.5 10 15

546039-YTG-E-0712
38 Unitary Products Group
Electric Heat Minimum Supply Air
Size
(Tons) Model Voltage Minimum Supply Air (CFM)
Heater kW
5.0 6.5 10 15
024
(2.0) NM 208/230-1-60 800 800 800 775
030
(2.5) NM 208/230-1-60 800 800 800 775
036
(3.0) NM 208/230-1-60 800 800 800 775
042
(3.5) NM 208/230-1-60 800 800 800 775
048
(4.0) NM 208/230-1-60 1300 1300 1270 1160
060
(5.0) NM 208/230-1-60 1300 1300 1270 1160
024
(2.0) UQ 208/230-1-60 800 800 800 750
030
(2.5) UQ 208/230-1-60 800 800 800 750
036
(3.0) UQ 208/230-1-60 800 800 800 750
042
(3.5) UQ 208/230-1-60 1300 1300 1270 1270
048
(4.0) UQ 208/230-1-60 1300 1300 1270 1270
060
(5.0) UQ 208/230-1-60 1300 1300 1270 1270
Indoor Blower Specifications
Size
(Tons) Model Motor
HP RPM Eff. SF Frame
024
(2.0) UM 1/2 1075 0.8 1.0 48
030
(2.5) UM 1/2 1075 0.8 1.0 48
036
(3.0) UM 1/2 1075 0.8 1.0 48
042
(3.5) UM 1/2 1100 0.8 1.0 48
048
(4.0) UM 1 1100 0.8 1.0 48
060
(5.0) UM 1 1100 0.8 1.0 48
024
(2.0) UQ 1/2 1100 0.8 1.0 48
030
(2.5) UQ 1/2 1100 0.8 1.0 48
036
(3.0) UQ 1/2 1100 0.8 1.0 48
042
(3.5) UQ 1 1100 0.8 1.0 48
048
(4.0) UQ 1 1100 0.8 1.0 48
060
(5.0) UQ 1 1100 0.8 1.0 48
Electric Heat Multipliers
Voltage kW Capacity Multipliers1
1. Electric heaters are rated at nominal voltage. Use this table to determine the electric heat
capacity for heaters applied at lower voltages.
Nominal Applied
240 208 0.75
230 0.92

546039-YTG-E-0712
Unitary Products Group 39
Sound Performance
Electrical Data
Outdoor Sound Power Levels
Size
(Tons) Model Sound Rating1
dB (A)
1. Rated in accordance with ARI 270 standard.
Octave Band Centerline Frequency (Hz)
125 250 500 1000 2000 4000 8000
024
(2.0)
NM 76 56.7 62.8 68.6 71.5 69.6 65.4 58.4
UQ 82 61.5 77.7 68.4 76.3 76.5 73.5 61.1
030
(2.5)
NM 78 61.1 67.5 71.2 72.3 69.4 70.0 59.5
UQ 81 63.1 68.6 78.8 75.5 69.4 69.7 63.9
036
(3.0
NM 80 65.6 70.6 73.5 74.9 74.1 68.8 61.5
UQ 81 65.5 68.7 73.1 77.2 73.9 67.5 63
042
(3.5)
NM 80 65.1 68.9 73.7 75.1 71.8 67 64.8
UQ 83 67.5 70.5 78 78.8 75.9 70.1 66.6
048
(4.0)
NM 83 67.7 73.8 77.9 79.2 74.9 70.1 65
UQ 81 66 71.9 75.3 76.6 73.8 70.3 63.3
060
(5.0)
NM 83 64.6 70.5 77 78.4 74.8 71 64.9
UQ 82 65.6 71.8 75.8 76.6 74.3 73 64.2
NM024-060 Cooling Only With/Without Electric Heat
Size
(Tons) Volt Compressors
(each)
OD Fan
Motors
(each)
Supply
Blower
Motor Electric Heat Option MCA1
(Amps)
1. Minimum Circuit Ampacity.
MOCP2
(Amps)
2. Maximum Over Current Protection per standard UL 1995.
Factory
Fuse3/
Size
(Amps)
3. Fuse or HACR circuit breaker size installed at factory or field installed.
RLA LRA MCC FLA FLA Model kW Stages Amps
024
(2.0) 208/230-1 13.4 58.3 21.0 1.2 3.3
None - - - 21.3 30 30
2PH08520506 3.6/4.8 1 17.2/19.9 25.7/29 30/30 30/30
2PH08520706 4.9/6.5 1 23.5/27.1 33.5/38 35/40 35/40
2PH08521006 7.2/9.6 1 34.5/39.8 47.2/53.9 50/60 50/60
2PH08521506 10.8/14.3 1 51.7/59.7 68.8/78.8 70/80 70/80
030
(2.5) 208/230-1-60 10.6 54.0 16.6 1.4 3.3
None – – – 18.0 25 25
2PH08520506 3.6/4.8 1 17.2/19.9 25.7/29.0 30/30 30/30
2PH08520706 4.9/6.5 1 23.5/27.1 33.5/38.0 35/40 35/40
2PH08521006 7.2/9.6 1 34.5/39.8 47.2/53.9 50/60 50/60
2PH08521506 10.8/14.3 1 51.7/59.7 68.8/78.8 70/80 70/80
036
(3.0) 208/230-1-60 14.7 74.0 23.0 1.4 3.3
None – – – 23.1 30 30
2PH08520506 3.6/4.8 1 17.2/19.9 25.7/29.0 35/35 35/35
2PH08520706 4.9/6.5 1 23.5/27.1 33.5/38.0 35/40 35/40
2PH08521006 7.2/9.6 1 34.5/39.8 47.2/53.9 50/60 50/60
2PH08521506 10.8/14.3 1 51.7/59.7 68.8/78.8 70/80 70/80
208/230-3-60 9.1 68.0 14.2 1.4 3.3 None – – – 16.1 25 25
042
(3.5) 208/230-1-60 16.0 84.0 25.0 1.7 4.1
None – – – 25.8 35 35
2PH08520506 3.6/4.8 1 17.2/19.9 26.7/30.0 35/40 35/40
2PH08520706 4.9/6.5 1 23.5/27.1 34.5/39.0 40/40 40/40
2PH08521006 7.2/9.6 1 34.5/39.8 48.2/54.9 50/60 50/60
2PH08521506 10.8/14.3 1 51.7/59.7 69.8/79.8 70/80 70/80
048
(4.0)
208/230-1-60 18.6 102.0 29.0 1.7 7.6
None – – – 32.6 45 45
2PH08520506 3.6/4.8 1 17.2/19.9 32.6/34.4 45/45 45/45
2PH08520706 4.9/6.5 1 23.5/27.1 38.8/43.4 50/50 50/50
2PH08521006 7.2/9.6 1 34.5/39.8 52.6/59.3 60/60 60/60
2PH08521506 10.8/14.3 1 51.7/59.7 74.2/84.1 80/90 80/90
208/230-3-60 12.2 88.0 19.0 1.7 7.6 None – – – 24.6 35 35
460-3-60 5.8 44.0 9.0 0.9 3.8 None – – – 12.0 15 15
060
(5.0)
208/230-1-60 26.4 134.0 41.2 1.7 7.6
None - - - 42.3 60 60
2PH08520506 3.6/4.8 1 17.2/19.9 42.3/42.3 60/60 60/60
2PH08520706 4.9/6.5 1 23.5/27.1 42.3/43.4 60/60 60/60
2PH08521006 7.2/9.6 1 34.5/39.8 52.6/59.3 60/60 60/60
2PH08521506 10.8/14.3 1 51.7/59.7 74.2/84.1 80/90 80/90
208/230-3-60 15.9 110.0 24.9 1.7 7.6 None - - - 29.2 40 40
460-3-60 7.7 52.0 12.1 0.9 3.8 None - - - 14.3 20 20

546039-YTG-E-0712
40 Unitary Products Group
UQ024-060 Cooling Only With/Without Electric Heat
Size
(Tons) Volt Compressors
(each)
OD Fan
Motors
(each)
Supply
Blower
Motor Electric Heat Option MCA1
(Amps)
1. Minimum Circuit Ampacity.
MOCP2
(Amps)
2. Maximum Over Current Protection per standard UL 1995.
Factory
Fuse3/
Size
(Amps)
3. Fuse or HACR circuit breaker size installed at factory or field installed.
RLA LRA MCC FLA FLA Model kW Stages Amps
024
(2.0) 208/230-1-60 13.4 58.3 21.0 1.2 4.1
None - - - 22.1 30 30
2PH08520506 3.6/4.8 1 17.2/19.9 43.6/46.9 50/50 50/50
2PH08520706 4.9/6.5 1 23.5/27.1 51.4/55.9 60/60 60/60
2PH08521006 7.2/9.6 1 34.5/39.8 65.2/71.8 70/80 70/80
2PH08521506 10.8/14.3 1 51.7/59.7 86.7/96.7 90/100 90/100
030
(2.5) 208/230-1-60 14.1 73.0 22.0 1.2 4.1
None - - - 22.9 30 30
2PH08520506 3.6/4.8 1 17.2/19.9 44.5/47.8 50/50 50/50
2PH08520706 4.9/6.5 1 23.5/27.1 52.3/56.8 60/60 60/60
2PH08521006 7.2/9.6 1 34.5/39.8 66/72.7 70/80 70/80
2PH08521506 10.8/14.3 1 51.7/59.7 87.6/97.6 90/100 90/100
036
(3.0) 208/230-1-60 16.6 79.0 26.0 1.4 4.1
None - - - 26.3 35 35
2PH08520506 3.6/4.8 1 17.2/19.9 47.8/51.1 60/60 60/60
2PH08520706 4.9/6.5 1 23.5/27.1 55.6/60.1 60/70 60/70
2PH08521006 7.2/9.6 1 34.5/39.8 69.4/76 70/80 70/80
2PH08521506 10.8/14.3 1 51.7/59.7 90.9/100.9 100/110 100/110
208/230-3-60 10.4 73.0 16.3 1.4 4.1 None - - - 18.5 25 25
042
(3.5) 208/230-1 19.8 109.0 31.0 2.2 7.6
None - - - 34.6 45 45
2PH08520506 3.6/4.8 1 17.2/19.9 56.1/59.4 70/70 70/70
2PH08520706 4.9/6.5 1 23.5/27.1 63.9/68.4 70/80 70/80
2PH08521006 7.2/9.6 1 34.5/39.8 77.7/84.3 80/90 80/90
2PH08521506 10.8/14.3 1 51.7/59.7 99.2/109.2 110.0 110.0
048
(4.0) 208/230-1 21.8 117.0 34.0 2.2 7.6
None - - - 37.1 50 50
2PH08520506 3.6/4.8 1 17.2/19.9 58.6/61.9 70/70 70/70
2PH08520706 4.9/6.5 1 23.5/27.1 66.4/70.9 80/80 80/80
2PH08521006 7.2/9.6 1 34.5/39.8 80.2/86.8 90/90 90/90
2PH08521506 10.8/14.3 1 51.7/59.7 101.7/111.7 110/125 110/125
208/230-3 13.7 83.1 21.4 2.2 7.6 None - - - 26.9 35 35
060
(5.0)
208/230-1-60 25.0 134.0 39.0 2.2 7.6
None - - - 41.1 60 60
2PH08520506 3.6/4.8 1 17.2/19.9 62.6/65.9 80/80 80/80
2PH08520706 4.9/6.5 1 23.5/27.1 70.4/74.9 80/90 80/90
2PH08521006 7.2/9.6 1 34.5/39.8 84.2/90.8 100/100 100/100
2PH08521506 10.8/14.3 1 51.7/59.7 105.7/115.7 110/125 110/125
208/230-3-60 15.9 110.0 24.8 2.2 7.6 None - - - 29.7 40 40
460-3-60 7.0 52.0 11.0 1.1 3.8 None - - - 13.7 20 20

546039-YTG-E-0712
Unitary Products Group 41
NM/UQ024-060 Typical Wiring Diagrams
NM024, 030 and 036 Typical Cooling Unit 208/230-1-60 volt Wiring Diagram

546039-YTG-E-0712
42 Unitary Products Group
NM036 Typical Cooling Unit 208/230-3-60 volt Wiring Diagram

546039-YTG-E-0712
Unitary Products Group 43
NM042, 048 and 060 Typical Cooling Unit 208/230-1-60 volt Wiring Diagram
LEGEND
ASCT ANTI-SHORT CYCLE TIMER (OPTIONAL)
CCH CRANKCASE HEATER
COMPR COMPRESSOR
GND GROUND
HP HIGH PRESSURE SWITCH OPENS @ 625 PSIG
IDFAN MOTOR, INDOOR FAN
LP LOW PRESSURE SWITCH OPENS @ 50 PSIG
LR LOCK OUT RELAY
M1 CONTACTOR, COMPRESSOR & OUTDOOR FAN
ODFAN MOTOR, OUTDOOR FAN
PTCR POSITIVE TEMP. COEF. RESISTOR
RC1 RUN CAPACITOR - COMP/ OUTDOOR FAN
SC1 START CAPACITOR
SR1 START RELAY
T1 TRANSFORMER, 75VA
COOLING UNIT ELEMENTARY DIAGRAM
875687-UWD-A-0612
RED
BLK
BRN
BRN
BLK
PRP OR RED
BLK BLK
RED
BRN
POWER SUPPLY
208/230-1-60
USE COPPER
CONDUCTORS ONLY
NOTES:
1 ALL FIELD WIRING TO BE ACCOMPLISHED FOLLOWING CITY, LOCAL
AND/OR NATIONAL CODES IN EFFECT AT THE TIME OF INSTALLATION
OF THIS UNIT.
2. CAUTION: LABEL ALL WIRES PRIOR TO DISCONNECTION WHEN SERVICING
CONTROLS. WIRING ERRORS CAN CAUSE IMPROPER AND DANGEROUS
OPERATION. IF ANY OF THE WIRING, AS SUPPLIED WITH THE UNIT,
MUST BE REMOVED IT MUST BE REPLACED WITH TYPE 105 DEGREE C,
600 VOLT WIRE OR EQUIVALENT CLEARLY RENUMBERED FOR IDENTIFICATION.
VERIFY PROPER OPERATION AFTER SERVICING.
3. FACTORY WIRED FOR 230 VOLT OPERATION. FOR 208 VOLT, MOVE ORN
WIRE TO 208 VOLT TERMINAL ON T1.
4. CRANKCASE HEATERS ARE NOT FOUND IN UNITS WITH SCROLL COMPRESSORS.
5. SEE UNIT NAMEPLATE FOR MAXIMUM FUSE AND/OR CIRCUIT BREAKER SIZE
AND MINIMUM CIRCUIT AMPACITY.
6. SELECT SPEED TAP TO ACHIEVE DESIRED AIRFLOW.
7. IF ASCT IS PRESENT WIRE 228/Y & 232/Y ARE CONNECTED TO ASCT-3.
IF LR ONLY IS PRESENT, WIRE 228/Y & 232/Y ARE CONNECTED TO M1-A COIL.
TO THERMOSTAT
NEC CLASS 2 WIRING
E6, F7
YRGW
CAUTION - OPEN ALL DISCONNECTS
BEFORE SERVICING THIS UNIT
ELECTRIC HEAT
ONLY
(HI)
(MED/HI)
(MED)
(LOW/MED)
(LOW)
M1-2
123/BK125/Y
124/BR
126/R
120/R
118/O
119/Y
129/Y
130/O
201/R
203/GR
204/W
205/W
207/Y
200/BR
206/BR
229/Y
233/Y 227/Y
232/Y
228/Y
231/Y
821/Y
820/BR
M
1
COMPR
R
C
S
C
PRI
24V SEC
75
208V
230V
T1
L1 T1
M1-1
M1AB
RC1
T2L2
M
1
S
C
R
P
ODFAN
SC1
125
SR1
M
1
N
G
L
T1
T2
T3
T4
T5
C
IDFAN
PTCR
CCH
GND
LOW VOLTAGE BOX
3
4
FIELD WIRING
OPTIONAL WIRING AND DEVICES
FACTORY WIRING AND DEVICES
6
HP LP
1
2
3
ASCT
7
LR
72
LRBA

546039-YTG-E-0712
44 Unitary Products Group
NM048 and 060 Typical Cooling Unit 208/230-3-60 volt Wiring Diagram
LEGEND
ASCT ANTI-SHORT CYCLE TIMER (OPTIONAL)
CCH CRANKCASE HEATER
COMPR COMPRESSOR
GND GROUND
HP HIGH PRESSURE SWITCH OPENS @ 625 PSIG
IDFAN MOTOR, INDOOR FAN
LP LOW PRESSURE SWITCH OPENS @ 50 PSIG
LR LOCK OUT RELAY
M1 CONTACTOR, COMPRESSOR & OUTDOOR FAN
ODFAN MOTOR, OUTDOOR FAN
RC1 RUN CAPACITOR - COMP/ OUTDOOR FAN
T1 TRANSFORMER, 75VA
COOLING UNIT ELEMENTARY DIAGRAM
CAUTION - OPEN ALL DISCONNECTS
BEFORE SERVICING THIS UNIT
BLK
YEL
BLU
BLK
BRN
PRP OR RED
BLK
BLK
L ML M MH H
NOTES:
1 ALL FIELD WIRING TO BE ACCOMPLISHED FOLLOWING CITY, LOCAL
AND/OR NATIONAL CODES IN EFFECT AT THE TIME OF INSTALLATION
OF THIS UNIT.
2. CAUTION: LABEL ALL WIRES PRIOR TO DISCONNECTION WHEN SERVICING
CONTROLS. WIRING ERRORS CAN CAUSE IMPROPER AND DANGEROUS
OPERATION. IF ANY OF THE WIRING, AS SUPPLIED WITH THE UNIT,
MUST BE REMOVED IT MUST BE REPLACED WITH TYPE 105 DEGREE C,
600 VOLT WIRE OR EQUIVALENT CLEARLY RENUMBERED FOR IDENTIFICATION.
VERIFY PROPER OPERATION AFTER SERVICING.
3. FACTORY WIRED FOR 230 VOLT OPERATION. FOR 208 VOLT, MOVE ORN
WIRE TO 208 VOLT TERMINAL ON T1.
4. CRANKCASE HEATERS ARE NOT FOUND IN UNITS WITH SCROLL COMPRESSORS.
5. SEE UNIT NAMEPLATE FOR MAXIMUM FUSE AND/OR CIRCUIT BREAKER SIZE
AND MINIMUM CIRCUIT AMPACITY.
6. SELECT SPEED TAP TO ACHIEVE DESIRED AIRFLOW.
7. IF ASCT IS PRESENT WIRE 228/Y & 232/Y ARE CONNECTED TO ASCT-3.
IF LR ONLY IS PRESENT, WIRE 228/Y & 232/Y ARE CONNECTED TO M1-A COIL.
POWER SUPPLY
WITHOUT ELECTRIC HEAT
208/230-3-60
USE COPPER
CONDUCTORS ONLY
F6,E7,D8
M1-1
M1-2
M1-3
120/R
129/Y 130/O
203/GR
207/Y
118/O
200/BR
206/BR
201/R
221/BR
119/Y
229/Y
821/Y
233/Y 227/Y
232/Y
231/Y
228/Y
820/BR
M
3
COMPR
C
R
S
M
1
C
S
R
ODFAN
L1 T1
L2 T2
L3 T3
M1AB
RC1
CCH
M
1
NGL
T1 T2 T3 T4 T5 C
IDFAN
C
PRI
24V SEC
VA
208V
230V
T1
3
G
R
C
Y
LOW VOLTAGE
BOX
6
4
FIELD WIRING
OPTIONAL WIRING AND DEVICES
FACTORY WIRING AND DEVICES
GND
HP LP
1
2
3
ASCT
7
LR
72
LRBA
875686-UWD-A-0612

546039-YTG-E-0712
Unitary Products Group 45
NM048 and 060 Typical Cooling Unit 460-3-60 volt Wiring Diagram
LEGEND
ASCT ANTI-SHORT CYCLE TIMER (OPTIONAL)
CCH CRANKCASE HEATER
COMPR COMPRESSOR
F1 FUSE, LINE VOLTAGE
F2 FUSE, LINE VOLTAGE
GND GROUND
HP HIGH PRESSURE SWITCH OPENS @ 625 PSIG
IDFAN MOTOR, INDOOR FAN
LP LOW PRESSURE SWITCH OPENS @ 50 PSIG
LR LOCK OUT RELAY
M1 CONTACTOR, COMPRESSOR & OUTDOOR FAN
ODFAN MOTOR, OUTDOOR FAN
RC1 RUN CAPACITOR, OUTDOOR FAN MOTOR
T1 TRANSFORMER, 24V
T2 TRANSFORMER, 480/240V
COOLING UNIT ELEMENTARY DIAGRAM
CAUTION - OPEN ALL DISCONNECTS
BEFORE SERVICING THIS UNIT
BLK
YEL
BLU
BLK
BRN
PRP OR RED
L ML M MH H
NOTES:
1 ALL FIELD WIRING TO BE ACCOMPLISHED FOLLOWING CITY, LOCAL
AND/OR NATIONAL CODES IN EFFECT AT THE TIME OF INSTALLATION
OF THIS UNIT.
2. CAUTION: LABEL ALL WIRES PRIOR TO DISCONNECTION WHEN SERVICING
CONTROLS. WIRING ERRORS CAN CAUSE IMPROPER AND DANGEROUS
OPERATION. IF ANY OF THE WIRING, AS SUPPLIED WITH THE UNIT,
MUST BE REMOVED IT MUST BE REPLACED WITH TYPE 105 DEGREE C,
600 VOLT WIRE OR EQUIVALENT CLEARLY RENUMBERED FOR IDENTIFICATION.
VERIFY PROPER OPERATION AFTER SERVICING.
3. SEE UNIT NAMEPLATE FOR MAXIMUM FUSE AND/OR CIRCUIT BREAKER SIZE
AND MINIMUM CIRCUIT AMPACITY.
4. SELECT SPEED TAP TO ACHIEVE DESIRED AIRFLOW.
5. IF ASCT IS PRESENT WIRE 228/Y & 232/Y ARE CONNECTED TO ASCT-3.
IF LR ONLY IS PRESENT, WIRE 228/Y & 232/Y ARE CONNECTED TO M1-A COIL.
POWER SUPPLY
WITHOUT ELECTRIC HEAT
460-3-60
USE COPPER
CONDUCTORS ONLY
F6,E7,E8
BLK
BLK
M1-1
M1-2
M1-3
136/Y
135/O 134/O
138/O137/Y
120/R
203/GR
207/Y
118/O
201/R
221/BR
200/BR
206/BR
133/Y
119/Y
233/Y 227/Y
232/Y
231/Y
228/Y
229/Y
821/Y
820/BR
M
3
COMPR
C
R
S
M
1
C
S
R
ODFAN
L1 T1
L2 T2
L3 T3
M1AB
RC1
M
1
NGL
T1 T2 T3 T4 T5 C
IDFAN
C
PRI
24V SEC
VA
480V
T1
G
R
C
Y
LOW VOLTAGE
BOX
4
FIELD WIRING
OPTIONAL WIRING AND DEVICES
FACTORY WIRING AND DEVICES
GND
X4 X3 X2 X1H3
H1H2
H4
480V
240V
T2
F1
F2
CCH
HP LP
1
2
3
ASCT
5
LR
72
LRBA
875685-UWD-A-0612

546039-YTG-E-0712
46 Unitary Products Group
UQ024-060 Typical Heat Pump 208/230-1-60 volt Wiring Diagram

546039-YTG-E-0712
Unitary Products Group 47
UQ036, 048 and 060 Typical Heat Pump 208/230-3-60 volt Wiring Diagram

546039-YTG-E-0712
48 Unitary Products Group
UQ060 Typical Heat Pump 460-3-60 volt Wiring Diagram

546039-YTG-E-0712
Unitary Products Group 49
Weights and Dimensions
NM and UQ Unit Weights
Unit 4 Point Load Weights
Size
(Tons) Model Weight (lbs.) Center of Gravity 4 Point Load Location (lbs.)
Shipping Operating X Y A B C D
024
(2.0)
NM 279 276 23.5 16 68 71 71 68
UQ 328 325 21.75 14 75 67 86 96
030
(2.5)
NM 282 279 23.5 16 68 71 71 68
UQ 343 340 21.75 14 78 70 90 101
036
(3.0)
NM 318 315 22 15.5 80 73 78 85
UQ 348 345 23.5 15 79 83 94 90
042
(3.5)
NM 318 315 22 15.5 80 73 78 85
UQ 375 372 23.5 15 100 69 83 120
048
(4.0)
NM 360 357 29 16 86 87 93 91
UQ 388 385 28.75 16.25 95 95 98 98
060
(5.0)
NM 353 350 29 16 84 86 91 89
UQ 395 392 28.75 16.25 97 97 99 99
C
X
Y
CG
D
AB
Right Left
Front
Rear

546039-YTG-E-0712
50 Unitary Products Group
Unit Dimensions
Unit Dimensions
Size
(Tons) Model Dimensions
“A” “B” “C” “D” “E” “F” “G” “H”
024
(2.0)
NM 32 13/16 30 15/16 47 1/4 12 9/16 8 1/2 24 1/16 12 2 3/4
UQ 32 13/16 30 15/16 47 1/4 12 9/16 8 1/2 24 1/16 12 2 3/4
030
(2.5)
NM 32 13/16 30 15/16 47 1/4 12 9/16 8 1/2 24 1/16 12 2 3/4
UQ 32 13/16 30 15/16 47 1/4 12 9/16 8 1/2 24 1/16 12 2 3/4
036
(3.0)
NM 32 13/16 30 15/16 47 1/4 12 9/16 8 1/2 24 1/16 12 2 3/4
UQ 32 13/16 30 15/16 47 1/4 12 9/16 8 1/2 24 1/16 12 2 3/4
042
(3.5)
NM 32 13/16 30 15/16 47 1/4 12 9/16 8 1/2 24 1/16 12 2 3/4
UQ 32 13/16 34 15/16 57 9/16 11 9/16 10 5/16 28 7/8 14 2 3/4
048
(4.0)
NM 32 13/16 34 15/16 57 9/16 11 9/16 10 5/16 28 7/8 14 2 3/4
UQ 32 13/16 34 15/16 57 9/16 11 9/16 10 5/16 28 7/8 14 2 3/4
060
(5.0)
NM 32 13/16 34 15/16 57 9/16 11 9/16 10 5/16 28 7/8 14 2 3/4
UQ 32 13/16 34 15/16 57 9/16 11 9/16 10 5/16 28 7/8 14 2 3/4
LOW VOLTAGE
CONN. Ø7/8"
BUSHING
HIGH VOLTAGE
CONN.
Ø1 3/8"
KNOCKOUT
HIGH VOLTAGE
CONN.
Ø1 3/32"
KNOCKOUT
HIGH VOLTAGE
CONN. Ø7/8"
KNOCKOUT
DUCT FLANGE
ØG
A
B
C
4-3/8
1-15/16
2-9/16
4-13/16
13-9/16
7-7/16
15-13/16
E
F
D
CONDENSATE
DRAIN 3/4" NPT
H

546039-YTG-E-0712
Unitary Products Group 51
Unit Clearances
Direction Distance
(in.) Direction Distance
(in.)
Top1
1. Units must be installed outdoors. Over hanging structure or shrubs should not obscure condenser air
discharge outlet.
60 Right 24
Front 36 Left 24
Rear2
2. Unit may be positioned to draw air from underneath structure.
18 Bottom 0

Subject to change without notice. Printed in U.S.A. 546039-YTG-E-0712
Copyright © 2012 by Unitary Products Group. All rights reserved. Supersedes: 546039-YTG-D-0711
York International Corporation
5005 York Drive
Norman, OK 73069