York Ycal0014Sc Users Manual Form 150.62 NM1 (700), Millennium Air Cooled Liquid Chillers Hermetic Scroll, Installation, Operation, Maintenance
YCAL0080SC to the manual 218e2793-4af8-4ff9-9d11-673f0dafa221
2015-02-02
: York Ycal0014Sc-Users-Manual york-ycal0014sc-users-manual-455357 york pdf
Open the PDF directly: View PDF
.
Page Count: 136 [warning: Documents this large are best viewed by clicking the View PDF Link!]
- Form 150.62-NM1 (700)
- GENERAL SAFETY GUIDELINES
- TABLE OF CONTENTS AND TABLES
- PRODUCT IDENTIFICATION NUMBER (PIN)
- REFRIGERANT FLOW DIAGRAM
- INSTALLATION
- INSTALLATION CHECK LIST
- HANDLING
- INSPECTION
- LOCATION AND CLEARANCES
- FOUNDATION
- GROUND LEVEL LOCATIONS
- ROOFTOP LOCATIONS
- NOISE SENSITIVE LOCATIONS
- SPRING ISOLATORS (OPTIONAL)
- COMPRESSOR MOUNTING
- REMOTE COOLER OPTION
- CHILLED WATER PIPING
- WIRING
- EVAPORATOR PUMP START CONTACTS
- SYSTEM RUN CONTACTS
- ALARM STATUS CONTACTS
- REMOTE START/STOP CONTACTS
- REMOTE EMERGENCY CUTOFF
- PWM INPUT
- LOAD LIMIT INPUT
- FLOW SWITCH INPUT
- STANDARD POWER SUPPLY WIRING – (0014 - 0080)
- OPTIONAL SINGLE POINT POWER SUPPLY WIRING – (0040 - 0080)
- OPTIONAL SINGLE-POINT POWER SUPPLY WIRING N-F DISC SW OR CIRC BKR (0014 - 0080)
- CONTROL WIRING
- ELECTRICAL NOTES
- ELECTRICAL DATA
- ELECTRICAL DATA – STANDARD SINGLE POINT POWER YCAL0014SC - YCAL0034SC
- ELECTRICAL DATA – STANDARD DUAL POINT POWER YCAL0040SC - YCAL0080SC
- ELECTRICAL DATA – OPTIONAL SINGLE POINT POWER YCAL0014SC - YCAL0034SC
- ELECTRICAL DATA – OPTIONAL SINGLE POINT POWER YCAL0040SC - YCAL0060SC
- ELECTRICAL DATA – OPTIONAL SINGLE POINT POWER YCAL0064SC - YCAL0080SC
- OPERATIONAL LIMITATIONS (ENGLISH)
- OPERATIONAL LIMITATIONS (METRIC)
- TABLE 11 – TEMPERATURES AND FLOWS
- VOLTAGE LIMITATIONS
- PHYSICAL DATA (ENGLISH) YCAL0014SC - YCAL0080SC
- PHYSICAL DATA (METRIC) YCAL0014SC - YCAL0080SC
- DIMENSIONS (ENGLISH) YCAL0014SC - YCAL0020SC
- DIMENSIONS (ENGLISH) YCAL0024SC - YCAL0034SC
- DIMENSIONS (ENGLISH) YCAL0040SC - YCAL0060SC
- DIMENSIONS (ENGLISH) YCAL0064SC - YCAL0080SC
- DIMENSIONS (METRIC) YCAL0014SC - YCAL0020SC
- DIMENSIONS (METRIC) YCAL0024SC - YCAL0034SC
- DIMENSIONS (METRIC) YCAL0040SC - YCAL0060SC
- DIMENSIONS (METRIC) YCAL0064SC - YCAL0080SC
- PRE-STARTUP CHECKLIST
- UNIT OPERATING SEQUENCE
- UNIT CONTROLS YORK MILLENNIUM CONTROL CENTER
- “STATUS” KEY
- STATUS KEY MESSAGES
- DISPLAY/PRINT KEYS
- “ENTRY” KEYS
- “SETPOINTS” KEYS
- “UNIT” KEYS
- UNIT OPERATION
- CAPACITY CONTROL
- LEAVING CHILLED LIQUID CONTROL
- FIG. 6 – LEAVING WATER TEMPERATURE CONTROL
- TABLE 32 – LEAVING CHILLED LIQUID CONTROL FOR 6 COMPRESSORS (8 STEPS)
- TABLE 33 – LEAVING CHILLED LIQUID CONTROL FOR 4 COMPRESSORS (6 STEPS)
- TABLE 34 – LEAVING CHILLED LIQUID CONTROL FOR 3 COMPRESSORS (SINGLE SYSTEM)
- TABLE 35 – LEAVING CHILLED LIQUID CONTROL FOR 2 COMPRESSORS (SINGLE SYSTEM)
- RETURN CHILLED LIQUID CONTROL (DUAL SYSTEM 4 AND 6 COMP UNITS ONLY)
- Compressor Staging for Return Water Control – 6 Compressors Cooling Setpoint = 45° F (7.2° C) Range = 10° F (5.6° C)
- EVAPORATOR PUMP CONTROL
- EVAPORATOR HEATER CONTROL
- CONDENSER FAN CONTROL
- TABLE 39 – CONDENSER FAN CONTROL USING OUTDOOR AMBIENT TEMPERATURE AND DISCHARGE PRESSURE
- TABLE 40 – CONDENSER FAN CONTROL USING DISCHARGE PRESSURE ONLY
- LOW AMBIENT CONDENSER FAN CONTROL
- TABLE 41 – LOW AMBIENT CONDENSER FAN CONTROL – AMBIENT TEMPERATURE AND DISCHARGE PRESSURE CONTROL
- TABLE 42 – LOW AMBIENT CONDENSER FAN CONTROL – DISCHARGE PRESSURE CONTROL
- PUMPDOWN (LLSV) CONTROL
- LOAD LIMITING
- ALARM STATUS
- COMPRESSOR SEQUENCING
- TABLE 43 – COMPRESSOR OPERATION – LOAD LIMITING
- EMS-PWM REMOTE TEMPERATURE RESET
- BAS/EMS TEMPERATURE RESET OPTION
- FIG. 7 – FIELD AND FACTORY ELECTRICAL CONNECTIONS OPTIONAL REMOTE TEMPERATURE RESET BOARD
- SERVICE AND TROUBLESHOOTING
- CLEARING HISTORY BUFFERS
- SOFTWARE VERSION
- SERVICE MODE
- SERVICE MODE - DIGITAL OUTPUTS
- SERVICE MODE - INPUTS
- CONTROL INPUTS/OUTPUTS
- TABLE 44 – MICROBOARD BINARY INPUTS
- TABLE 45 – MICROBOARD ANALOG INPUTS
- TABLE 46 – MICROBOARD OUTPUTS
- FIG. 8 – MICROBOARD LAYOUT
- CHECKING INPUTS AND OUTPUTS
- BINARY INPUTS
- ANALOG INPUTS – Temperature
- TABLE 47 – OUTDOOR AIR SENSOR TEMPERATURE/VOLTAGE/ RESISTANCE CORRELATION
- TABLE 48 – ENTERING AND LEAVING CHILLED LIQUID TEMP. SENSOR TEMPERATURE/VOLTAGE/ RESISTANCE CORRELATION
- ANALOG INPUTS – Pressure
- DIGITAL OUTPUTS
- FIG. 9 – MICROBOARD RELAY CONTACT ARCHITECTURE
- KEYPAD
- TABLE 49 – KEYPAD PIN ASSIGNMENT MATRIX
- OPTIONAL PRINTER INSTALLATION
- MAINTENANCE
- ISN CONTROL
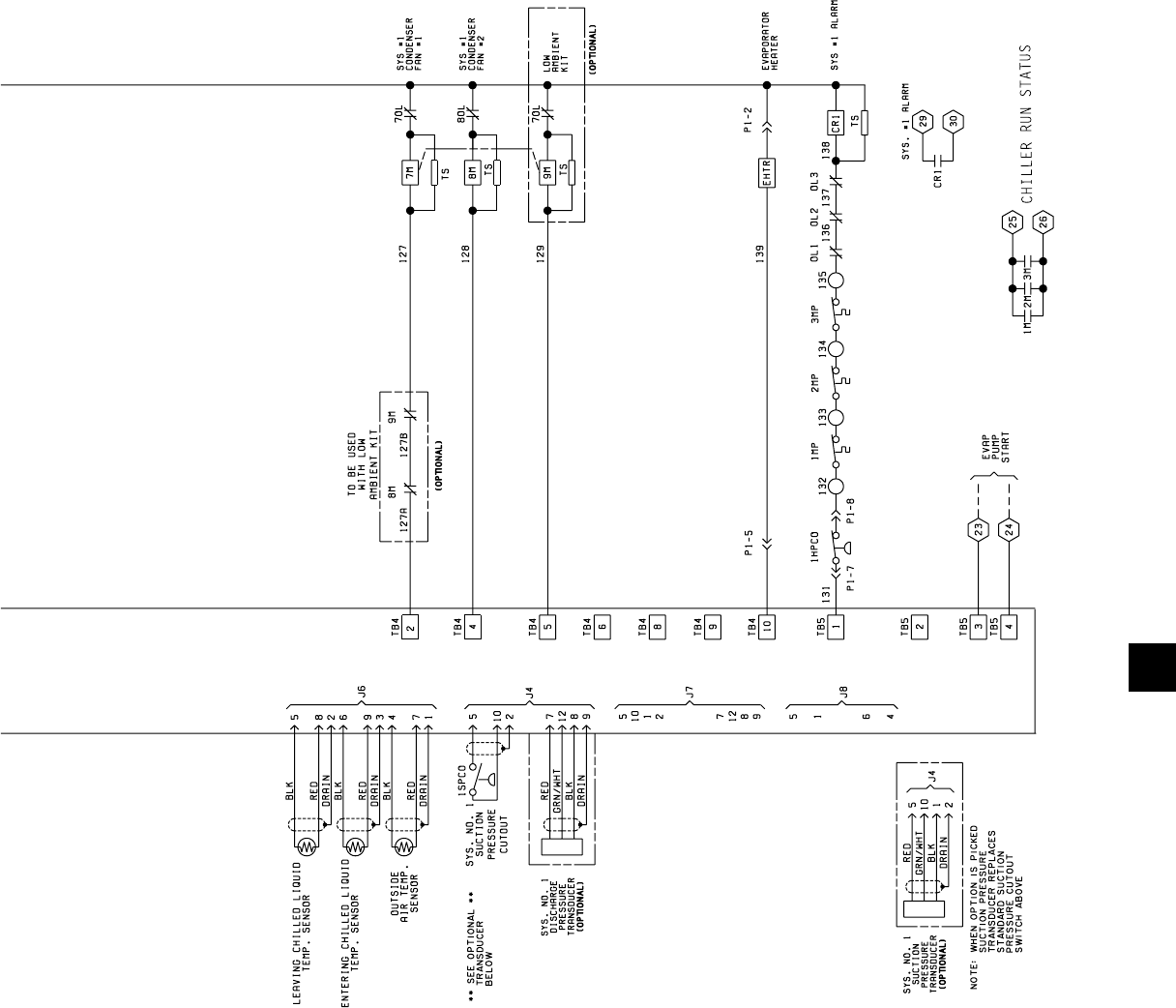
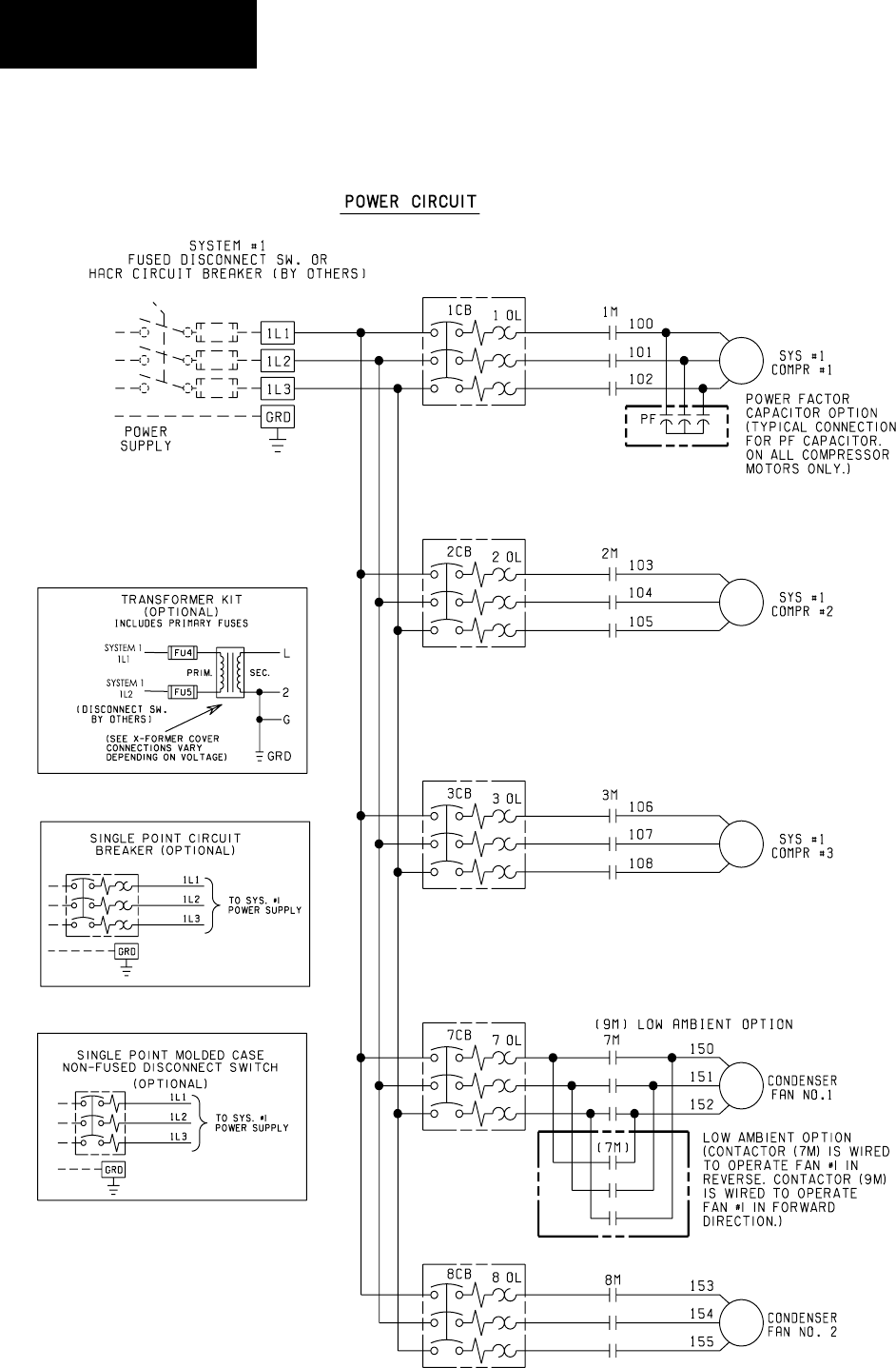
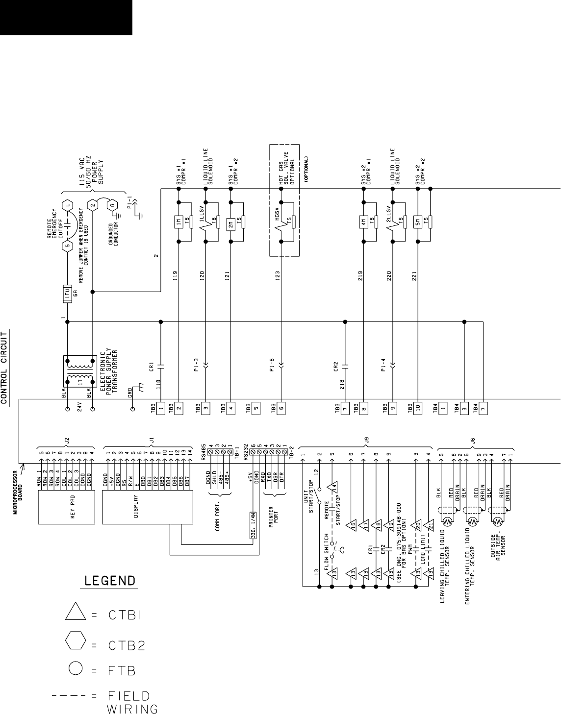
- ELEMENTARY DIAGRAM YCAL0014SC – YCAL0030SC
- ELEMENTARY DIAGRAM YCAL0014SC – YCAL0030SC
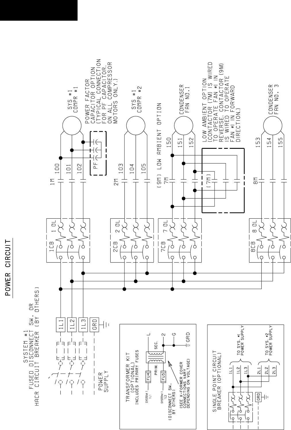
- ELEMENTARY DIAGRAM YCAL0034SC
- ELEMENTARY DIAGRAM YCAL0034SC
- ELEMENTARY DIAGRAM YCAL0040SC – YCAL0060SC
- ELEMENTARY DIAGRAM YCAL0040SC – YCAL0060SC
- ELEMENTARY DIAGRAM YCAL0064SC – YCAL0080SC
- ELEMENTARY DIAGRAM YCAL0064SC – YCAL0080SC
- APPENDIX 1 (ALUMINUM FINS)
- APPENDIX 1 (COPPER FINS)
- APPENDIX 1 (DIMENSIONS)
- INSTALLATION AND ADJUSTING INSTALLATIONS TYPE CP MOUNTING
- “AEQM” SPRING-FLEX MOUNTING INSTALLATION AND ADJUSTMENT INSTRUCTIONS

YCAL0014SC - YCAL0080SC
Standard, Glycol & Metric Models, Combined
200-3-60
230-3-60
380-3-60
460-3-60
575-3-60
MODELS ONLY
29224(R)A
INSTALLATION, OPERATION, MAINT.
MILLENNIUM
®
AIR-COOLED LIQUID CHILLERS
HERMETIC SCROLL
Supersedes: 150.62-NM1 (899) Form 150.62-NM1 (700)

YORK INTERNATIONAL
2
GENERAL SAFETY GUIDELINES
This equipment is a relatively complicated apparatus. During installation, opera-
tion, maintenance or service, individuals may be exposed to certain components or
conditions including, but not limited to: refrigerants, oils, materials under pressure,
rotating components, and both high and low voltage. Each of these items has the
potential, if mis-used or handled improperly, to cause bodily injury or death. It is the
obligation and responsibility of operating/service personnel to identify and recog-
nize these inherent hazards, protect themselves, and proceed safely in completing
their tasks. Failure to comply with any of these requirements could result in serious
damage to the equipment and the property in which it is situated, as well as severe
personal injury or death to themselves and people at the site.
This document is intended for use by owner-authorized operating/service person-
nel. It is expected that this individual possesses independent training that will en-
able them to perform their assigned tasks properly and safely. It is essential that,
prior to performing any task on this equipment, this individual shall have read and
understood this document and any referenced materials. This individual shall also
be familiar with and comply with all applicable governmental standards and regula-
tions pertaining to the task in question.
SAFETY SYMBOLS
The following symbols are used in this document to alert the reader to areas of
potential hazard:
DANGER indicates an imminently hazardous situation which, if not avoided,
will result in death or serious injury.
WARNING indicates a potentially hazardous situation which, if not avoided,
could result in death or serious injury.
IMPORTANT!
READ BEFORE PROCEEDING!

YORK INTERNATIONAL 3
FORM 150.62-NM1
CAUTION identifies a hazard which could lead to damage to the machine,
damage to other equipment and/or environmental pollution. Usually an
instruction will be given, together with a brief explanation.
NOTE is used to highlight additional information which may be helpful to
you.
CHANGEABILITY OF THIS DOCUMENT
In complying with YORK’s policy for continuous product improvement, the informa-
tion contained in this document is subject to change without notice. While YORK
makes no commitment to update or provide current information automatically to the
manual owner, that information, if applicable, can be obtained by contacting the
nearest YORK Engineered Systems Service office.
It is the responsibility of operating/service personnel to verify the applicability of
these documents to the equipment in question. If there is any question in the mind
of operating/service personnel as to the applicability of these documents, then prior
to working on the equipment, they should verify with the owner whether the equip-
ment has been modified and if current literature is available.

YORK INTERNATIONAL
4
TABLE OF CONTENTS AND TABLES
PAGE
PRODUCT IDENTIFICATION NUMBER .......................................................... 7
REFRIGERANT FLOW DIAGRAM................................................................... 9
SECTION 1 INSTALLATION .......................................................................... 10
ELECTRICAL DATA ....................................................................................... 20
OPERATIONAL LIMITATIONS ....................................................................... 30
PHYSICAL DATA ............................................................................................ 34
DIMENSIONS & CLEARANCES .................................................................... 38
PRE-STARTUP CHECKLIST ......................................................................... 54
INITIAL STARTUP.......................................................................................... 55
UNIT OPERATING SEQUENCE .................................................................... 57
SECTION 2 UNIT CONTROLS ...................................................................... 58
STATUS KEY.................................................................................................. 60
DISPLAY/PRINT KEYS .................................................................................. 66
ENTRY KEYS ................................................................................................. 73
SETPOINTS KEY ........................................................................................... 74
UNIT KEYS .................................................................................................... 81
UNIT OPERATION ......................................................................................... 85
SECTION 3 SERVICE AND TROUBLESHOOTING ...................................... 95
OPTIONAL PRINTER INSTALLATION ......................................................... 104
TROUBLESHOOTING CHARTS.................................................................. 105
MAINTENANCE ........................................................................................... 108
ISN CONTROL ............................................................................................. 109
SECTION 4 WIRING DIAGRAMS ............................................................... 112
SECTION 5 APPENDIX 1 – ISOLATORS .................................................... 128
YORK APPLIED SYSTEMS FIELD OFFICE LISTING ................................. 134
TABLES
1 MICROPANEL POWER SUPPLY ............................................................ 20
2 STANDARD SINGLE POINT POWER ..................................................... 21
3 STANDARD DUAL POINT POWER ................................................ 22 – 23
4 OPTIONAL SINGLE POINT POWER .............................................. 24 – 25
5 OPTIONAL SINGLE POINT POWER .............................................. 26 – 27
6 OPTIONAL SINGLE POINT POWER .............................................. 28 – 29
7 TEMPERATURES AND FLOWS (ENGLISH) .......................................... 30
8 VOLTAGE LIMITATIONS (ENGLISH)....................................................... 30
9 COOLER PRESSURE DROPS (ENGLISH)............................................. 31
10 ETHYLENE GLYCOL CORRECTION FACTORS .................................... 31
11 TEMPERATURES AND FLOWS (METRIC) ............................................ 32
12 VOLTAGE LIMITATIONS (METRIC) ........................................................ 32

YORK INTERNATIONAL 5
FORM 150.62-NM1
TABLES AND FIGURES
PAGE
TABLES
13 COOLER PRESSURE DROPS (METRIC)............................................. 33
14 ETHYLENE GLYCOL CORRECTION FACTORS .................................. 33
15 PHYSICAL DATA (ENGLISH) ........................................................ 34 – 35
16 PHYSICAL DATA (METRIC) .......................................................... 36 – 37
17 WEIGHT DISTRIBUTION/CENTER OF GRAVITY (ENGLISH) ............. 39
18 WEIGHT DISTRIBUTION/CENTER OF GRAVITY (ENGLISH) ............. 41
19 WEIGHT DISTRIBUTION/CENTER OF GRAVITY (ENGLISH) ............. 43
20 WEIGHT DISTRIBUTION/CENTER OF GRAVITY (ENGLISH) ............. 45
21 WEIGHT DISTRIBUTION/CENTER OF GRAVITY (METRIC) ............... 47
22 WEIGHT DISTRIBUTION/CENTER OF GRAVITY (METRIC) ............... 49
23 WEIGHT DISTRIBUTION/CENTER OF GRAVITY (METRIC) ............... 51
24 WEIGHT DISTRIBUTION/CENTER OF GRAVITY (METRIC) ............... 53
25 SETPOINT ENTRY LIST ....................................................................... 54
26 STATUS KEY MESSAGES .................................................................... 65
27 OPERATOR DATA QUICK REFERENCE .............................................. 69
28 COOLING SETPOINTS PROGRAMMABLE LIMITS & DEFAULTS ....... 76
29 PROGRAM KEY LIMITS & DEFAULTS ................................................. 79
30 SETPOINTS KEY QUICK REFERENCE ............................................... 80
31 UNIT KEYS QUICK REFERENCE ......................................................... 84
32 LEAVING CHILLED LIQUID CONTROL – 6 COMPRESSORS ............. 86
33 LEAVING CHILLED LIQUID CONTROL – 4 COMPRESSORS ............. 86
34 LEAVING CHILLED LIQUID CONTROL – 3 COMPRESSORS ............. 87
35 LEAVING CHILLED LIQUID CONTROL – 2 COMPRESSORS ............. 87
36 COMPRESSOR STAGING FOR RETURN WATER CONTROL ............ 89
37 RETURN CHILLED LIQUID CONTROL – 6 COMPRESSORS.............. 89
38 RETURN CHILLED LIQUID CONTROL – 4 COMPRESSORS.............. 89
39 CONDENSER FAN CONTROL USING OUTDOOR AMBIENT
TEMPERATURE AND DISCHARGE ..................................................... 90
40 CONDENSER FAN CONTROL USING DISCHARGE ONLY ................. 90
41 LOW AMBIENT CONDENSER FAN CONTROL – AMBIENT
TEMPERATURE AND DISCHARGE PRESSURE CONTROL............. 91
42 LOW AMBIENT CONDENSER FAN CONTROL – DISCHARGE
PRESSURE CONTROL ....................................................................... 91
43 COMPRESSOR OPERATION – LOAD LIMITING ................................. 92
44 MICROBOARD BINARY INPUTS .......................................................... 97
45 MICROBOARD ANALOG INPUTS ........................................................ 97
46 MICROBOARD OUTPUTS .................................................................... 97
47 OUTDOOR AIR SENSOR VALUES....................................................... 99

YORK INTERNATIONAL
6
TABLES/FIGURES
PAGE
TABLES
48 ENTERING & LEAVING CHILLED LIQUID TEMPERATURE
SENSOR VALUES ............................................................................ 100
49 KEYPAD PIN ASSIGNMENT MATRIX ................................................. 103
50 TROUBLESHOOTING CHARTS ............................................... 105 – 107
51 ISN RECEIVED DATA .......................................................................... 109
52 ISN TRANSMITTED DATA .................................................................. 109
53 ISN TRANSMITTED DATA .................................................................. 110
54 ISN OPERATIONAL & FAULT CODES .................................................111
FIGURES
1 REFRIGERANT FLOW DIAGRAM .......................................................... 9
2 STANDARD POWER SUPPLY WIRING ................................................ 14
3 OPTIONAL SINGLE POINT POWER SUPPLY WIRING ....................... 15
4 OPTIONAL SINGLE POINT POWER SUPPLY WIRING –
N-F DISC SW OR CIRC BKR ............................................................. 16
5 CONTROL WIRING .............................................................................. 17
6 LEAVING WATER TEMPERATURE CONTROL –
COMPRESSOR STAGING .................................................................. 86
7 FIELD & FACTORY ELECTRICAL CONNECTIONS –
REMOTE TEMPERATURE RESET BOARD ....................................... 94
8 MICROBOARD LAYOUT ....................................................................... 98
9 MICROBOARD RELAY CONTACTS ARCHITECTURE....................... 103
10 PRINTER TO MICROBOARD ELECTRICAL CONNECTIONS ........... 104
11 ELEMENTARY DIAGRAM ................................................................... 112
12 ELEMENTARY DIAGRAM – POWER CIRCUIT .................................. 114
13 ELEMENTARY DIAGRAM ................................................................... 116
14 ELEMENTARY DIAGRAM – POWER CIRCUIT .................................. 118
15 ELEMENTARY DIAGRAM ................................................................... 120
16 ELEMENTARY DIAGRAM – POWER CIRCUIT .................................. 122
17 ELEMENTARY DIAGRAM ................................................................... 124
18 ELEMENTARY DIAGRAM – POWER CIRCUIT .................................. 126
19 TYPE CP 1........................................................................................... 130
20 TYPE CP 2........................................................................................... 130
21 R SPRING SEISMIC ISOLATOR ......................................................... 131
22 TYPE CP MOUNTING ......................................................................... 132
23 “AEQM” SPRING-FLEX MOUNTING ................................................... 133

YORK INTERNATIONAL 7
FORM 150.62-NM1
PRODUCT IDENTIFICATION NUMBER (PIN)
YCAL0080SC46xAA
BASIC MODEL NUMBER
: Standard Unit : Design Series A
: Engineering
Change
or PIN Level
: R-22 : 200 / 3/ 60
: 230 / 3 / 60
: 380 / 3 / 60
: 460 / 3 / 60
: 380-415 / 3 / 50
: 575 / 3 / 60
: Across the Line
1 2 3 4 5 6 7 8 9 10 11 12 13 14 15
BASE PRODUCT TYPE NOMINAL CAPACITY UNIT DESIGNATOR REFRIGERANT VOLTAGE/STARTER DESIGN/DEVELOPMENT LEVEL
Y 0### S C 1 7 A
C 1### 2 8 A
A40
U46
50
L58X
: YORK
: Chiller
: Air-Cooled
: Condensing
Unit
: Scroll
Even Number: 60 HZ Nominal Tons
Odd Number: 50 HZ Nominal kW
EXAMPLES:
12345678910 11 12 13 14 15
YCAS1385EA50YFA
YCAL0080SC46XAA

YORK INTERNATIONAL
8
PRODUCT IDENTIFICATION NUMBER (PIN)
EXAMPLES:
16 17 18 19 20 21 22 23 24 25 26 27 28 29 30 31 32 33 34 35 36 37 38 39 40 41 42 43 44 45 46 47 48 49 50 51 52 53 54 55
XXXXXXXXLXXXXXXXXXXXXXXXXXAXXXXXXXXXXXXX
SDTCATSRLXPRS25CX1XXXX3DWSARXBXX4BXXLXSD
OPTIONS MODEL NUMBER
MP = Multiple Point
SP = Single Point
NF = Non-Fused
TB = Terminal Block
Ser. = Service
Ind. Sys. Brkr. & L. Ext. Handles = Individual
System Breaker & Lockable External
Handle
: Aluminum
: Copper
: Black Fin
: Phenolic
: TEAO Fan
Motors
EVAP. FIELD CONDENSER FIELD CABINET FIELD
: Wire Condenser Headers Only (factory)
: Wire (Full Unit) Enc. Panels (factory)
: Wire (Full Unit) Enc. Panels (field)
: Wire/Louvered Enc. Panels (factory)
: Wire/Louvered Enc. Panels (field)
: Louvered (Cond. Only) Enc. Panels (factory)
: Louvered (Cond. Only) Enc. Panels (field)
: Louvered (Full Unit) Enc. Panels (factory)
: Louvered (Full Unit) Enc. Panels (field)
: Acoustic Sound Blanket
: Low Sound Fans
: 1" Deflection
: Seismic
: Neoprene Pads
55
EXTENDED FIELD
X
B
C
D
E
F
G
H
: 1st Year Parts Only
: 1st Year Parts & Labor
: 2nd Year Parts Only
: 2nd Year Parts & Labor
: 5 Year Compressor Parts Only
: 5 Year Compressor Parts & Labor Only
: 5 Year Units Parts Only
: 5 Year Unit Parts & Labor
NOTES:
1. Q :DENOTES SPECIAL / S.Q.
2. # :DENOTES STANDARD
3. X :w/in OPTIONS FIELD, DENOTES NO OPTION SELECTED
4. Agency Files (i.e. U.L. / E.T.L.; C.E.; ARI; ETC.) will contain info. based on the first 14 characters only.
38 39 40 41 42 43 44 45 46 47 48 49 50 51 52 53 54
3Xx
DC1
WB2
VP3
SX4
A 5
6
R7
8B
L
1
S
N
: Low Ambient Kit (factory)
: High Ambient Kit (factory)
: Both Low / High Ambient (factory)
: BAS/EMS Temp. Reset / Offset
: Spanish LCD & Keypad Display
: French LCD & Keypad Display
: German LCD & Keypad Display
: Discharge Pressure Transducers/
Readout Kit
: Suction Pressure Transducers /
Readout Kit
: Both Discharge & Suction Pressure
Transducers / Readout
: N. American Safety Code
(cU.L./cE.T.L.)
: No Listing (typically 50 HZ non-C.E.,
non-U.L.
: Remote Control Panel
: Sequence Control & Automatic
Lead Transfer
16 17 18 19 20 21 22 23 24 25 26 27 28 29 30 31 32 33 34 35 36 37
POWER FIELD CONTROLS FIELD COMPRESSOR / PIPING FIELD
XX L ##
XX H
SX A C
SD T
BX S
F
G 1
TI
CR E
S
B
L
N
C
RS
:Leaving Supply Temp.
:Chicago Relief Code
:Hot Gas By-Pass
(# circuits)
:Compressor External
Overload
: 300 PSIG DWP Waterside
: Double Thick Insulation
: Weld Flange Kit
: Victaulic Flange Kit
: Flow Switch
: ASME Pressure Vessel &
Associated Codes
: Remote DX Cooler
: SP Supply TB
: MP Supply TB
: SP Supply TB
: SP NF Disconnect Switch
: SP Circuit Breaker w/ Lockable Handle
: Control Transformer (factory)
: Power Factor Capacitor

YORK INTERNATIONAL 9
FORM 150.62-NM1
2 OR 3 COMPRESSORS PER SYSTEM
OIL EQUALIZING
LINE
AIR COOLED CONDENSERS
DX COOLER
LEAVING CHILLED WATER
ENTERING CHILLED WATER
SERVICE VALVE
OPTIONAL DISCHARGE
PRESSURE TRANSDUCER
HIGH PRESSURE
CUTOUT SWITCH
SERVICE
VALVE
LOW PRESSURE SWITCH OR
SUCTION PRESSURE TRANSDUCER
LEAVING
CHILLED WATER
TEMP. SENSOR
RETURN WATER
TEMP. SENSOR
DISCHARGE LINE
BALL VALVE
HOT DISCHARGE
GAS LINE
LIQUID LINE
SERVICE VALVE
LIQUID LINE FILTER / DRIER
LIQUID LINE
SOLENOID VALVE
SIGHT GLASS /
MOISTURE INDICATOR
SOLENOID OPERATED
HOT GAS BY PASS VALVE
*
SUCTION LINE
BALL VALVE
EQUALIZER
LINE
TXV
RELIEF VALVE
300 PSIG
(20.68 BARG)
YCAL REFRIGERANT FLOW DIAGRAM
(INCLUDING TEMPERATURE SENSORS & PRESSURE TRANSDUCERS)
NOTE: YCAL0040-0080 HAVE TWO REFRIGERANT
SYSTEMS AND ONE DX COOLER.
* HOT GAS OPTION - SYSTEM 1 ONLY
LD03844
REFRIGERANT FLOW DIAGRAM
FIG. 1 – REFRIGERANT FLOW DIAGRAM

YORK INTERNATIONAL
10
29224(RIG)A
To ensure warranty coverage, this
equipment must be commissioned and
serviced by an authorized YORK ser-
vice mechanic or a qualified service
person experienced in chiller instal-
lation. Installation must comply with
all applicable codes, particularly in
regard to electrical wiring and other
safety elements such as relief valves,
HP cut-out settings, design working
pressures, and ventilation require-
ments consistent with the amount and
type of refrigerant charge.
Lethal voltages exist within the con-
trol panels. Before servicing, open and
tag all disconnect switches.
INSTALLATION CHECK LIST
The following items, 1 thru 5, must be checked before
placing the units in operation.
1. Inspect the unit for shipping damage.
2. Rig unit using spreader bars.
3. Open the unit only to install water piping system. Do
not remove protective covers from water connections
until piping is ready for attachment. Check water pip-
ing to insure cleanliness.
4. Pipe unit using good piping practice (see ASHRAE
handbook section 215 and 195.
5. Check to see that the unit is installed and operated
within limitations (Refer to LIMITATIONS).
The following pages outline detailed procedures to be
followed to install and start-up the chiller.
HANDLING
These units are shipped as completely assembled units
containing full operating charge, and care should be
taken to avoid damage due to rough handling.
INSTALLATION
INSPECTION
Immediately upon receiving the unit, it should be in-
spected for possible damage which may have occurred
during transit. If damage is evident, it should be noted
in the carrier’s freight bill. A written request for inspec-
tion by the carrier’s agent should be made at once. See
“Instruction” manual, Form 50.15-NM for more infor-
mation and details.
LOCATION AND CLEARANCES
These units are designed for outdoor installations on
ground level, rooftop, or beside a building. Location
should be selected for minimum sun exposure and to
insure adequate supply of fresh air for the condenser.
The units must be installed with sufficient clearances
for air entrance to the condenser coil, for air discharge
away from the condenser, and for servicing access.
In installations where winter operation is intended and
snow accumulations are expected, additional height
must be provided to insure normal condenser air flow.
Clearances are listed under “Notes” in the “DIMEN-
SIONS” section.
The unit should be lifted by inserting hooks through
the holes provided in unit base rails. Spreader bars
should be used to avoid crushing the unit frame
rails with the lifting chains. See below.
Installation

YORK INTERNATIONAL 11
FORM 150.62-NM1
FOUNDATION
The unit should be mounted on a flat and level founda-
tion, floor, or rooftop capable of supporting the entire
operating weight of the equipment. See PHYSICAL
DATA for operating weight. If the unit is elevated be-
yond the normal reach of service personnel, a suitable
catwalk must be capable of supporting service person-
nel, their equipment, and the compressors.
GROUND LEVEL LOCATIONS
It is important that the units be installed on a substantial
base that will not settle. A one piece concrete slab with
footers extended below the frost line is highly recom-
mended. Additionally, the slab should not be tied to the
main building foundations as noise and vibration may
be transmitted. Mounting holes are provided in the steel
channel for bolting the unit to its foundation. (See DI-
MENSIONS.)
For ground level installations, precautions should be
taken to protect the unit from tampering by or injury to
unauthorized persons. Screws and/or latches on access
panels will prevent casual tampering. However, further
safety precautions such as a fenced-in enclosure or
locking devices on the panels may be advisable.
ROOFTOP LOCATIONS
Choose a spot with adequate structural strength to safely
support the entire weight of the unit and service per-
sonnel. Care must be taken not to damage the roof.
Consult the building contractor or architect if the roof is
bonded. Roof installations should have wooden beams
(treated to reduce deterioration), cork, rubber, or vibra-
tion isolators under the base to minimize vibration.
NOISE SENSITIVE LOCATIONS
Efforts should be made to assure that the chiller is not
located next to occupied spaces or noise sensitive ar-
eas where chiller noise level would be a problem. Chiller
noise is a result of compressor and fan operation. Con-
siderations should be made utilizing noise levels pub-
lished in the YORK Engineering Guide for the specific
chiller model. Sound blankets for the compressors and
low sound fans are available.
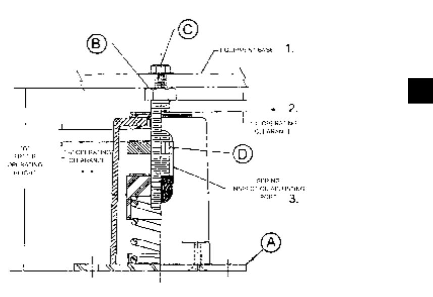
SPRING ISOLATORS (OPTIONAL)
When ordered, four (4) isolators will be furnished.
Identify the isolator, and locate at the proper mounting
point, and adjust per instructions. See Appendix 1.
COMPRESSOR MOUNTING
The compressors are mounted on four (4) rubber isola-
tors. The mounting bolts should not be loosened or ad-
justed at installation of the chiller.
REMOTE COOLER OPTION
For units using remote cooler option, refer to instruc-
tions included with miscellaneous cooler parts kit.
The unit is shipped with a 6 lb. (2.7 kg) holding charge.
The remainder of the charge must be weighed-in ac-
cording to the operating charge listed under Physical
Data. Additional charge must also be added for the re-
frigerant lines.
CHILLED WATER PIPING
General – When the unit has been located in its final
position, the unit water piping may be connected. Nor-
mal installation precautions should be observed in or-
der to receive maximum operating efficiencies. Piping
should be kept free of all foreign matter. All chilled wa-
ter evaporator piping must comply in all respects with
local plumbing codes and ordinances.
Since elbows, tees and valves decrease pump capac-
ity, all piping should be kept as straight and as simple
as possible possible. All piping must be supported
independent of the chiller.
Consideration should be given to com-
pressor access when laying out water
piping. Routing the water piping too
close to the unit could make compres-
sor servicing/replacement difficult.
1

YORK INTERNATIONAL
12
Hand stop valves should be installed in all lines to facili-
tate servicing.
Piping to the inlet and outlet connections of the chiller
should include high-pressure rubber hose or piping loops
to insure against transmission of water pump vibration.
The necessary components must be obtained in the
field.
Drain connections should be provided at all low points
to permit complete drainage of the cooler and system
water piping.
A small valve or valves should be installed at the high-
est point or points in the chilled water piping to allow
any trapped air to be purged. Vent and drain connec-
tions should be extended beyond the insulation to make
them accessible.
The piping to and from the cooler must be designed to
suit the individual installation. It is important that the
following considerations be observed:
1. The chilled liquid piping system should be laid out so
that the circulating pump discharges directly into the
cooler. The suction for this pump should be taken
from the piping system return line and not the cooler.
This piping scheme is recommended, but is not man-
datory.
2. The inlet and outlet cooler connection sizes are 3"
(YCAL0014 - 0030), 4" (YCAL0034 - 0060), or 6"
(YCAL0064 - 0080).
3. A strainer, preferably 40 mesh, must be installed in
the cooler inlet line just ahead of the cooler. This is
important to protect the cooler from entrance of large
particles which could cause damage to the evapora-
tor.
4. All chilled liquid piping should be thoroughly flushed
to free it from foreign material before the system is
placed into operation. Use care not to flush any for-
eign material into or through the cooler.
5. As an aid to servicing, thermometers and pressure
gauges should be installed in the inlet and outlet wa-
ter lines.
6. The chilled water lines that are exposed to outdoor
ambients should be wrapped with supplemental
heater cable and insulated to protect against freeze-
up during low ambient periods, and to prevent for-
mation of condensation on lines in warm humid lo-
cations.
7. A chilled water flow switch, (either by YORK or oth-
ers) MUST be installed in the leaving water piping of
the cooler. There should be a straight horizontal run
of at least 5 diameters on each side of the switch.
Adjust the flow switch paddle to the size of the pipe
in which it is to be installed. (See manufacturer’s in-
structions furnished with the switch.) The switch is to
be wired to terminals 13 – 14 of CTB1 located in the
control panel, as shown on the unit wiring diagram.
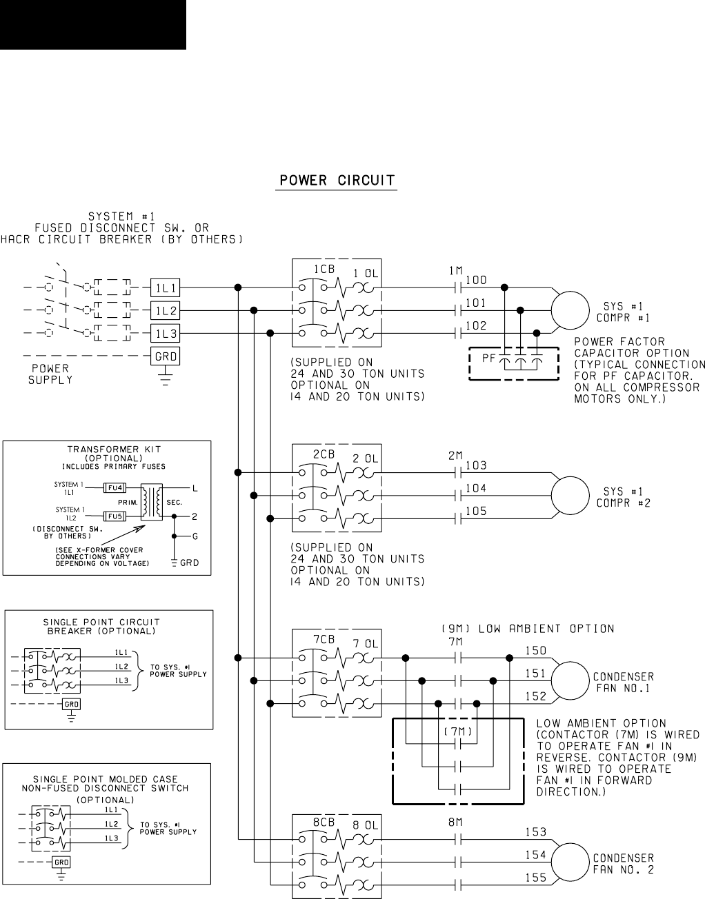
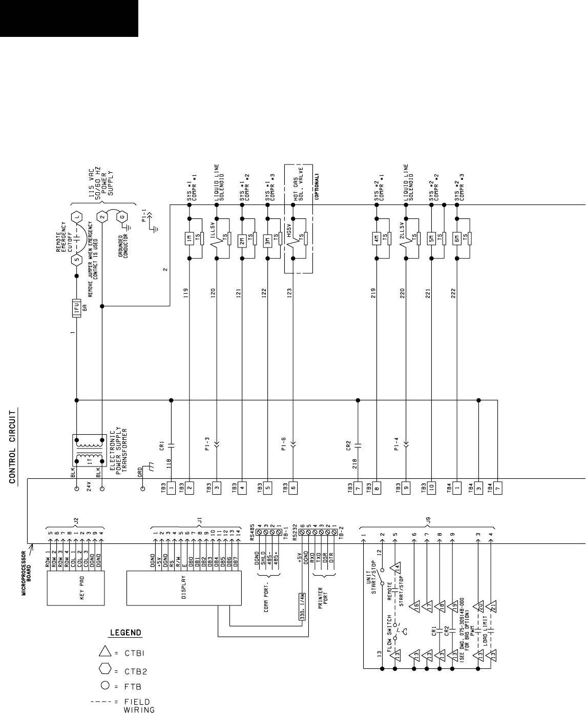
WIRING
Liquid Chillers are shipped with all factory mounted con-
trols wired for operation.
Field Wiring – Power wiring must be provided through
a fused disconnect switch to the unit terminals (or op-
tional molded disconnect switch) in accordance with
N.E.C. or local code requirements. Minimum circuit
ampacity and maximum dual element fuse size are given
in the Tables 2 – 6.
A 120-1-60, 15 amp source must be supplied for the
control panel through a fused disconnect when a con-
trol panel transformer (optional) is not provided. Refer
to Table 1 and Figures 2 - 4.
See Figures 2 - 5 and unit wiring diagrams for field and
power wiring connections, chilled water pump starter
contacts, alarm contacts, compressor run status con-
tacts, PWM input, and load limit input. Refer to section
on UNIT OPERATION for a detailed description of op-
eration concerning aforementioned contacts and inputs.
Installation
The Flow Switch MUST NOT be used
to start and stop the chiller (i.e. start-
ing and stopping the chilled water
pump). It is intended only as a safety
switch.

YORK INTERNATIONAL 13
FORM 150.62-NM1
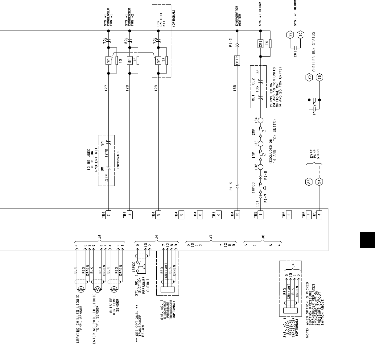
EVAPORATOR PUMP START CONTACTS
Terminal block CTB2 - terminals 23 to 24, are normally
open contacts that can be used to switch field supplied
power to provide a start signal to the evaporator pump
contactor. The contacts will be closed when any of the
following conditions occur:
1. Low Leaving Chilled Liquid Fault
2. Any compressor is running.
3. Daily schedule is not programmed OFF and the
Unit Switch is ON.
The pump will not run if the micropanel has been pow-
ered up for less than 30 seconds, or if the pump has
run in the last 30 seconds, to prevent pump motor over-
heating. Refer to figure 5 and unit wiring diagram.
SYSTEM RUN CONTACTS
Contacts are available to monitor system status.
Normally-open auxiliary contacts from each compressor
contactor are wired in parallel with CTB2 - terminals 25
to 26 for system 1, and CTB2 - terminals 27 to 28 for
system 2 (YCAL0040 - YCAL0080). Refer to Figure 5
and unit wiring diagram.
ALARM STATUS CONTACTS
Normally-open contacts are available for each refrigerant
system. These normally-open contacts close when the
system if functionally normally. The respective contacts
will open when the unit is shut down on a unit fault, or
locked out on a system fault. Field connections are at
CTB2 terminals 29 to 30 (system 1), and terminals 31 to
32 (system 2 YCAL0040 - YCAL0080).
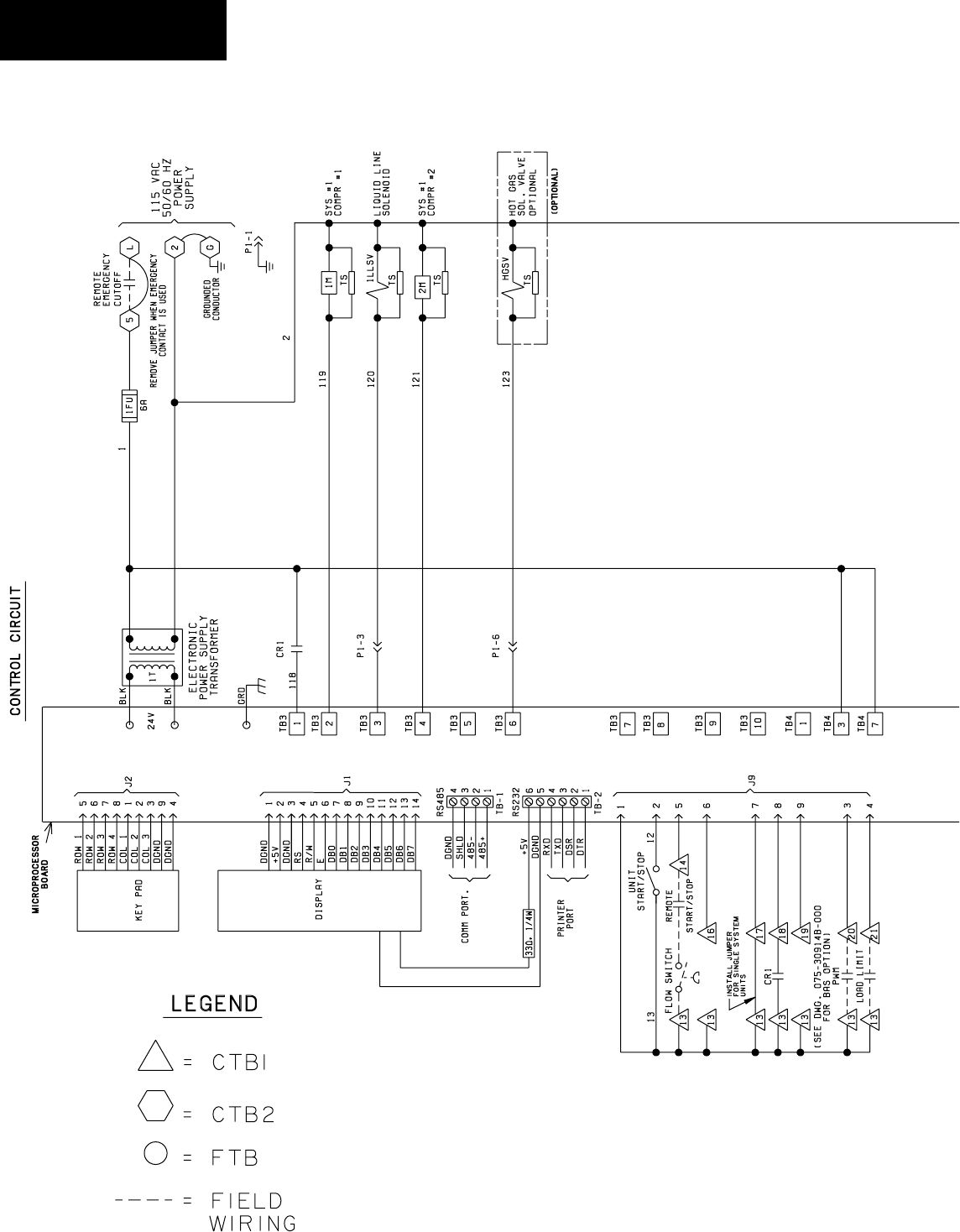
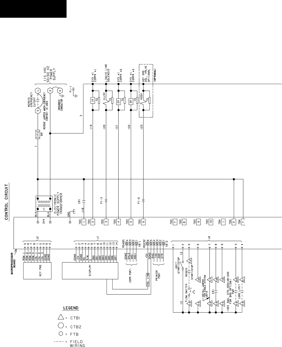
REMOTE START/STOP CONTACTS
To remotely start and stop the chiller, dry contacts can
be wired in series with the flow switch and CTB1 - termi-
nals 13 to 14. Refer to Figure 5 and unit wiring diagram.
REMOTE EMERGENCY CUTOFF
Immediate shutdown of the chiller can be accomplished
by opening a field installed dry contact to break the elec-
trical circuit between terminals 5 to L on terminal block
CTB2. The unit is shipped with a factory jumper installed
between terminals 5 to L, which must be removed if
emergency shutdown contacts are installed. Refer to
Figure 5 and unit wiring diagram.
PWM INPUT
The PWM input allows reset of the chilled liquid set-
point by supplying a “timed” contact closure. Field wir-
ing should be connected to CTB1 - terminals 13 to 20.
A detailed explanation is provided in the Unit Control
section. Refer to Figure 5 and unit wiring diagram.
LOAD LIMIT INPUT
Load limiting is a feature that prevents the unit from
loading beyond a desired value. The unit can be “load
limited” either 33%, 50%, or 66%, depending on the
number of compressors on unit. The field connections
are wired to CTB1 - terminals 13 to 21, and work in
conjunction with the PWM inputs. A detailed explana-
tion is provided in the Unit Control section. Refer to fig-
ure 5 and unit wiring diagram.
When using the Load Limit feature,
the PWM feature will not function -
SIMULTANEOUS OPERATION OF
LOAD LIMITING AND TEM-
PERATURE RESET (PWM INPUT)
CANNOT BE DONE.
FLOW SWITCH INPUT
The flow switch is field wired to CTB1 terminals 13 - 14.
See Figure 5 and unit wiring diagram.
1

YORK INTERNATIONAL
14
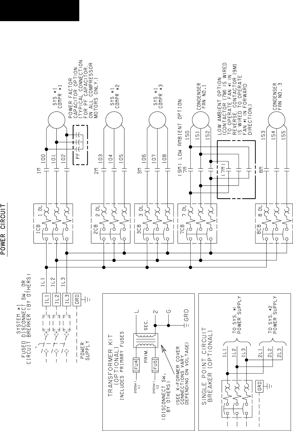
Control Panel
*Circuit # 2
Circuit # 1
See electrical note 9
Power Panel
Field 120-1-60 Micropanel
Power Supply if control
transformer not supplied
Micropanel
Field Unit Power
Supply
GRD
1L1
1L2
1L3
2L1
2L2
2L3
GRD
2
L
CTB2 13 14
CTB1
Flow Switch
FIG. 2 – MULTI POINT POWER SUPPLY WIRING
STANDARD POWER SUPPLY WIRING – (0014 - 0080)
Electrical Notes and Legend located on Page 18 and 19.
LD04483
IT IS POSSIBLE THAT MULTIPLE SOURCES OF POWER CAN BE SUPPLYING
THE UNIT POWER PANEL. TO PREVENT SERIOUS INJURY OR DEATH, THE
TECHNICIAN SHOULD VERIFY THAT NO LETHAL VOLTAGES ARE PRESENT
INSIDE THE PANEL AFTER DISCONNECTING POWER, PRIOR TO WORKING ON
EQUIPMENT.
THE UNIT EVAPORATOR HEATER USES 120 VAC. DISCONNECTING 120 VAC
POWER FROM THE UNIT, AT OR BELOW FREEZING TEMPERATURES, CAN
RESULT IN DAMAGE TO THE EVAPORATOR AND UNIT AS A RESULT OF THE
CHILLED LIQUID FREEZING.
Installation

YORK INTERNATIONAL 15
FORM 150.62-NM1
Control Panel
Power Panel
Micropanel
Field Unit Power Supply
Field 120-1-60 Micropanel
Power Supply if control
transformer not supplied
See electrical note 9
1L1
1L2
1L3
GRD
13 14
CTB1
2
L
CTB2 Flow Switch
Electrical Notes and Legend located on Page 18 and 19.
FIG. 3 – OPTIONAL SINGLE POINT POWER SUPPLY WIRING
OPTIONAL SINGLE POINT POWER SUPPLY WIRING – (0040 - 0080)
LD04484
IT IS POSSIBLE THAT MULTIPLE SOURCES OF POWER CAN BE SUPPLYING
THE UNIT POWER PANEL. TO PREVENT SERIOUS INJURY OR DEATH, THE
TECHNICIAN SHOULD VERIFY THAT NO LETHAL VOLTAGES ARE PRESENT
INSIDE THE PANEL AFTER DISCONNECTING POWER, PRIOR TO WORKING ON
EQUIPMENT.
THE UNIT EVAPORATOR HEATER USES 120 VAC. DISCONNECTING 120 VAC
POWER FROM THE UNIT, AT OR BELOW FREEZING TEMPERATURES, CAN
RESULT IN DAMAGE TO THE EVAPORATOR AND UNIT AS A RESULT OF THE
CHILLED LIQUID FREEZING.
1

YORK INTERNATIONAL
16
Control Panel
See electrical note 9
Power Panel
Micropanel
Field Unit Power
Supply
1L1 1L2 1L3
N-F Disconnect
Sw. OR Molded
Case Circuit
Bkr.
Field 120-1-60 Micropanel
Power Supply if control
transformer not supplied
GRD
CTB2
2
L
13 14
CTB1
Flow Switch
Electrical Notes and Legend located on Page 18 and 19.
FIG. 4 – OPTIONAL SINGLE POINT POWER WIRING
OPTIONAL SINGLE-POINT POWER SUPPLY WIRING
N-F DISC SW OR CIRC BKR (0014 - 0080)
LD04485
IT IS POSSIBLE THAT MULTIPLE SOURCES OF POWER CAN BE SUPPLYING
THE UNIT POWER PANEL. TO PREVENT SERIOUS INJURY OR DEATH, THE
TECHNICIAN SHOULD VERIFY THAT NO LETHAL VOLTAGES ARE PRESENT
INSIDE THE PANEL AFTER DISCONNECTING POWER, PRIOR TO WORKING ON
EQUIPMENT.
THE UNIT EVAPORATOR HEATER USES 120 VAC. DISCONNECTING 120 VAC
POWER FROM THE UNIT, AT OR BELOW FREEZING TEMPERATURES, CAN
RESULT IN DAMAGE TO THE EVAPORATOR AND UNIT AS A RESULT OF THE
CHILLED LIQUID FREEZING.
Installation

YORK INTERNATIONAL 17
FORM 150.62-NM1
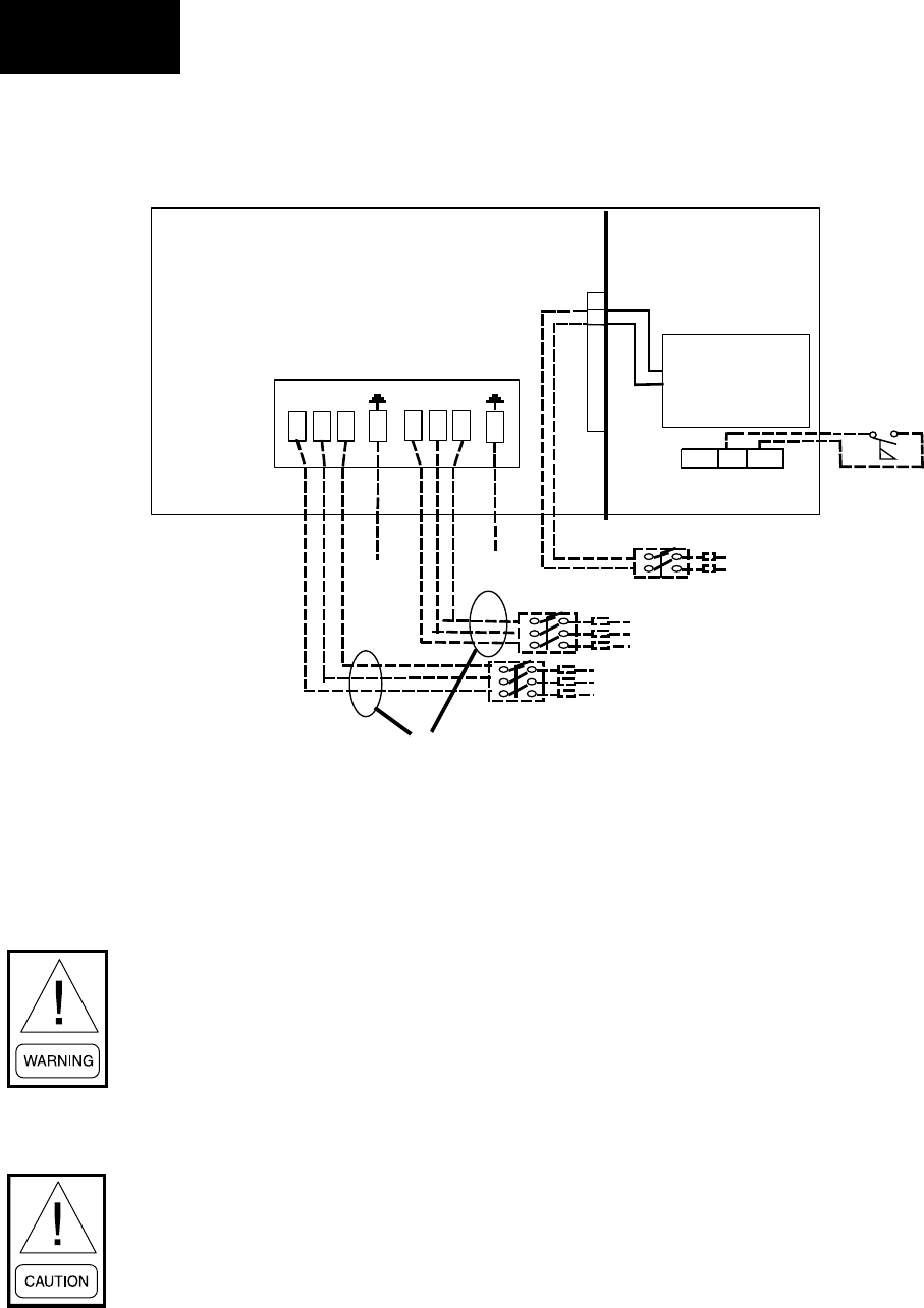
CTB1
21
13
20
13
14
13
FLOW SW REMOTE START/STOP
PWM INPUT
LOAD LIMIT INPUT
FIG. 5 – CONTROL WIRING
CONTROL WIRING
*
* Factory wired with optional transformer.
LD03611
LD03819
IT IS POSSIBLE THAT MULTIPLE SOURCES OF POWER CAN BE SUPPLYING
THE UNIT POWER PANEL. TO PREVENT SERIOUS INJURY OR DEATH, THE
TECHNICIAN SHOULD VERIFY THAT NO LETHAL VOLTAGES ARE PRESENT
INSIDE THE PANEL AFTER DISCONNECTING POWER, PRIOR TO WORKING ON
EQUIPMENT.
THE UNIT EVAPORATOR HEATER USES 120 VAC. DISCONNECTING 120 VAC
POWER FROM THE UNIT, AT OR BELOW FREEZING TEMPERATURES, CAN
RESULT IN DAMAGE TO THE EVAPORATOR AND UNIT AS A RESULT OF THE
CHILLED LIQUID FREEZING.
1

YORK INTERNATIONAL
18
NOTES:
1. Minimum Circuit Ampacity (MCA) is based on 125% of the rated load amps for the largest motor plus 100% of
the rated load amps for all other loads included in the circuit, per N.E.C. Article 430-24. If the Factory Mounted
Control Transformer is provided, add the following to the system MCA values in the electrical tables for the
system supplying power to the optional transformer. -17, add 2.5 amps; -28, add 2.3 amps; -40, add 1.5 amps, -
46, add 1.3 amps; -58, add 1 amp.
2. The minimum recommended disconnect switch is based on 115% of the rated load amps for all loads included in
the circuit, per N.E.C. Article 440.
3. Minimum fuse size is based upon 150% of the rated load amps for the largest motor plus 100% of the rated load
amps for all other loads included in the circuit to avoid nuisance trips at start-up due to lock rotor amps. It is not
recommended in applications where brown outs, frequent starting and stopping of the unit, and/or operation at
ambient temperatures in excess of 95 °F is anticipated.
4. Maximum fuse size is based upon 225% of the rated load amps for the largest motor plus 100% of the rated load
amps for all other loads included in the circuit, per N.E.C. Article 440-22.
5. Circuit breakers must be U.L. listed and CSA certified and maximum size is based on 225% of the rated load
amps for the largest motor plus 100% of the rated load amps for all other loads included in the circuit. Exception:
YCA0014 and YCAL0020 must have the optional factory overloads installed to use a standard circuit breaker.
Otherwise, an HACR-type circuit breakers must be used. Maximum HACR circuit breaker rating is based on
225% of the rated load amps for the largest motor plus 100% of the rated load amps for all other loads included
in the circuit.
6. The “INCOMING WIRE RANGE” is the minimum and maximum wire size that can be accommodated by the unit
wiring lugs. The (2) preceding the wire range indicates the number of termination points available per phase of
the wire range specified. Actual wire size and number of wires per phase must be determined based on the
National Electrical Code, using copper connectors only. Field wiring must also comply with local codes.
7. A ground lug is provided for each compressor system to accommodate a field grounding conductor per N.E.C.
Table 250-95. A control circuit grounding lug is also supplied.
8. The supplied disconnect is a “Disconnecting Means” as defined in the N.E.C. 100, and is intended for isolating
the unit for the available power supply to perform maintenance and troubleshooting. This disconnect is not
intended to be a Load Break Device.
9. Field Wiring by others which complies to the National Electrical Code and Local Codes.
ELECTRICAL NOTES
Installation

YORK INTERNATIONAL 19
FORM 150.62-NM1
VOLTAGE CODE
-17 = 200-3-60
-28 = 230-3-60
-40 = 380-3-60
-46 = 460-3-60
-58 = 575-3-60
ELECTRICAL NOTES
LEGEND
ACR-LINE ACROSS THE LINE START
C.B. CIRCUIT BREAKER
D.E. DUAL ELEMENT FUSE
DISC SW DISCONNECT SWITCH
FACT MOUNT CB FACTORY MOUNTED CIRCUIT BREAKER
FLA FULL LOAD AMPS
HZ HERTZ
MAX MAXIMUM
MCA MINIMUM CIRCUIT AMPACITY
MIN MINIMUM
MIN NF MINIMUM NON FUSED
RLA RATED LOAD AMPS
S.P. WIRE SINGLE POINT WIRING
UNIT MTD SERV SW UNIT MOUNTED SERVICE (NON-FUSED DISCONNECT
SWITCH)
LRA LOCKED ROTOR AMPS
LEGEND: Field Wiring
Factory Wiring
1

YORK INTERNATIONAL
20
TABLE 1 – MICROPANEL POWER SUPPLY
OVER CURRENT PROTECTION,
UNIT VOLTAGE UNIT VOLTAGE CONTROL POWER MCA SEE NOTE B NF DISC Sw
NOTE A MIN MAX
MODELS w/o
CONTROL TRANS 115-1-60/50 15A 10A 15A 30 A / 240V
-17 200-1-60 15A 10A 15A 30 A / 240V
-28 230-1-60 15A 10A 15A 30 A / 240V
MODELS w/ -40 380-1-60 15A 10A 15A 30 A / 480V
CONTROL TRANS -46 460-1-60 15A 10A 15A 30 A / 480V
-58 575-1-60 15A 10A 15A 30 A / 600V
A. Minimum #14 AWG, 75
°
C, Copper Recommended
B. Minimum and Maximum Over Current Protection, Dual Element Fuse or Circuit Breaker
ELECTRICAL DATA
IT IS POSSIBLE THAT MULTIPLE SOURCES OF POWER CAN BE SUPPLYING
THE UNIT POWER PANEL. TO PREVENT SERIOUS INJURY OR DEATH, THE
TECHNICIAN SHOULD VERIFY THAT NO LETHAL VOLTAGES ARE PRESENT
INSIDE THE PANEL AFTER DISCONNECTING POWER, PRIOR TO WORKING ON
EQUIPMENT.
THE UNIT EVAPORATOR HEATER USES 120 VAC. DISCONNECTING 120 VAC
POWER FROM THE UNIT, AT OR BELOW FREEZING TEMPERATURES, CAN
RESULT IN DAMAGE TO THE EVAPORATOR AND UNIT AS A RESULT OF THE
CHILLED LIQUID FREEZING.
Installation

YORK INTERNATIONAL 21
FORM 150.62-NM1
ELECTRICAL DATA – STANDARD SINGLE POINT POWER
YCAL0014SC - YCAL0034SC
TABLE 2 – STANDARD SINGLE POINT POWER
SINGLE POINT FIELD SUPPLIED WIRING SYSTEM #1 COMPRESSOR & FAN
MODEL INCOMING
YCAL VOLT HZ MCA1MIN N/F D.E. FUSE CKT. BKR.5WIRE COMPR. #1 COMPR. #2 COMPR. #3 FANS
DISC SW2MIN3MAX4MIN MAX RANGE6RLA LRA RLA LRA RLA LRA QTY FLA (EA)
0014SC
200 60 75 100 90 100 90 100 # 4 - # 1 26.0 195 26.0 195 ——2 8.2
230 60 70 100 80 90 80 90 # 4 - # 1 24.1 195 24.1 195 ——2 7.8
380 60 42 60 45 50 45 50 # 8 - # 4 14.0 113 14.0 113 ——2 4.8
460 60 34 60 40 40 40 40 # 10 - # 6 11.5 98 11.5 98 ——2 3.8
575 60 27 30 30 35 30 35 # 10 - # 6 9.2 80 9.2 80 ——2 3.1
0020SC
200 60 100 150 110 125 110 125 # 2 - 1/0 37.0 237 37.0 237 ——2 8.2
230 60 93 100 110 125 110 125 # 2 - 1/0 34.3 237 34.3 237 ——2 7.8
380 60 52 60 60 60 60 60 # 6 - # 2 18.5 154 18.5 154 ——2 4.8
460 60 45 60 50 60 50 60 # 8 - # 4 16.3 130 16.3 130 ——2 3.8
575 60 36 60 40 45 40 45 # 8 - # 4 13.1 85 13.1 85 ——2 3.1
0024SC
200 60 127 150 150 175 150 175 # 1 - 2/0 49.1 298 49.1 298 ——2 8.2
230 60 118 150 150 150 150 150 # 1 - 2/0 45.5 298 45.5 298 ——2 7.8
380 60 76 100 90 100 90 100 # 4 - # 1 29.5 235 29.5 235 — —2 4.8
460 60 57 60 70 70 70 70 # 6 - # 2 21.7 170 21.7 170 — —2 3.8
575 60 46 60 50 60 50 60 # 8 - # 4 17.3 140 17.3 140 — —2 3.1
0030SC
200 60 140 150 175 175 175 175 1/0 - 3/0 54.7 420 54.7 420 — —2 8.2
230 60 130 150 150 175 150 175 1/0 - 3/0 50.7 420 50.7 420 — —2 7.8
380 60 75 100 90 100 90 100 # 4 - # 1 28.7 235 28.7 235 — —2 4.8
460 60 62 100 70 80 70 80 # 6 - # 2 24.1 175 24.1 175 — —2 3.8
575 60 50 60 60 60 60 60 # 6 - # 2 19.3 140 19.3 140 — —2 3.1
0034SC
200 60 183 200 200 225 200 225 3/0 - 250 51.2 298 51.2 298 51.2 298 2 8.2
230 60 170 200 200 200 200 200 2/0 - 4/0 47.4 298 47.4 298 47.4 298 2 7.8
380 60 103 150 110 125 110 125 # 2 - 1/0 28.7 235 28.7 235 28.7 235 2 4.8
460 60 81 100 90 100 90 100 # 4 - # 1 22.6 175 22.6 175 22.6 175 2 3.8
575 60 65 100 70 80 70 80 # 4 - # 1 18 140 18 140 18 140 2 3.1
See notes and legend on pages 18 and 19.
1

YORK INTERNATIONAL
22
ELECTRICAL DATA – STANDARD DUAL POINT POWER
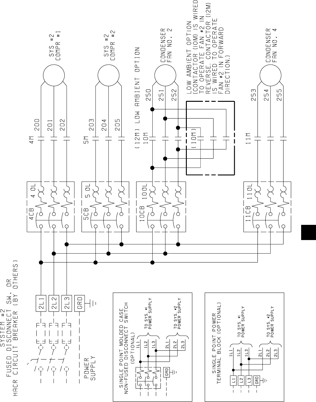
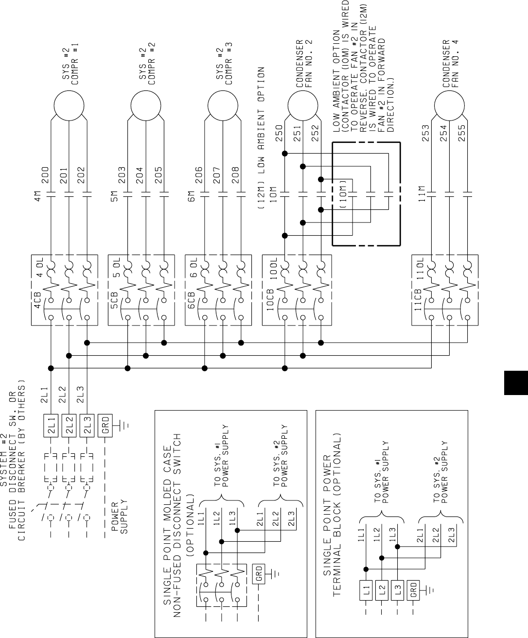
YCAL0040SC - YCAL0080SC
See notes and legend on pages 18 and 19.
SYSTEM #1 FIELD SUPPLIED WIRING SYSTEM #1 COMPRESSOR & FAN
MODEL INCOMING
YCAL VOLT HZ MCA1MIN N/F D.E. FUSE CKT. BKR.5WIRE COMPR. #1 COMPR. #2 COMPR. #3 FANS
DISC SW2MIN3MAX4MIN MAX RANGE6RLA LRA RLA LRA RLA LRA QTY FLA (EA)
0040SC
200 60 91 100 100 110 100 110 # 2 - 1/0 32.9 265 32.9 265 ——2 8.2
230 60 85 100 100 110 100 110 # 4 - # 1 30.5 265 30.5 265 ——2 7.8
380 60 54 60 60 70 60 70 # 6 - # 2 19.4 155 19.4 155 ——2 4.8
460 60 41 60 45 50 45 50 # 8 - # 4 14.5 120 14.5 120 ——2 3.8
575 60 33 60 40 40 40 40 # 10 - # 6 11.6 80 11.6 80 ——2 3.1
0044SC
200 60 130 150 150 175 150 175 # 1 - 2/0 50.2 298 50.2 298 ——2 8.2
230 60 121 150 150 150 150 150 # 1 - 2/0 46.5 298 46.5 298 ——2 7.8
380 60 73 100 80 100 80 100 # 4 - # 1 28.1 235 28.1 235 ——2 4.8
460 60 58 60 70 70 70 70 # 6 - # 2 22.1 170 22.1 170 ——2 3.8
575 60 47 60 60 60 60 60 # 8 - # 4 17.7 140 17.7 140 ——2 3.1
0050SC
200 60 146 200 175 200 175 200 1/0 - 3/0 57.4 420 57.4 420 ——2 8.2
230 60 136 150 150 175 150 175 1/0 - 3/0 53.1 420 53.1 420 ——2 7.8
380 60 79 100 90 100 90 100 # 4 - # 1 30.8 235 30.8 235 ——2 4.8
460 60 65 100 80 80 80 80 # 4 - # 1 25.3 175 25.3 175 ——2 3.8
575 60 52 60 60 70 60 70 # 6 - # 2 20.2 140 20.2 140 — —2 3.1
0060SC
200 60 141 150 175 175 175 175 1/0 - 3/0 55.0 420 55.0 420 ——2 8.2
230 60 131 150 150 175 150 175 1/0 - 3/0 50.9 420 50.9 420 ——2 7.8
380 60 77 100 90 100 90 100 # 4 - # 1 29.6 235 29.6 235 ——2 4.8
460 60 63 100 70 80 70 80 # 6 - # 2 24.2 175 24.2 175 ——2 3.8
575 60 50 60 60 60 60 60 # 6 - # 2 19.4 140 19.4 140 ——2 3.1
0064SC
200 60 187 200 200 225 200 225 3/0 - 250 52.4 298 52.4 298 52.4 298 2 8.2
230 60 174 200 200 200 200 200 2/0 - 4/0 48.6 298 48.6 298 48.6 298 2 7.8
380 60 105 150 125 125 125 125 # 2 - 1/0 29.3 235 29.3 235 29.3 235 2 4.8
460 60 83 100 90 100 90 100 # 4 - # 1 23.1 170 23.1 170 23.1 170 2 3.8
575 60 67 100 80 80 80 80 # 4 - # 1 18.5 140 18.5 140 18.5 140 2 3.1
0070SC
200 60 185 200 200 225 200 225 3/0 - 250 51.8 298 51.8 298 51.8 298 2 8.2
230 60 172 200 200 200 200 200 2/0 - 4/0 48.0 298 48.0 298 48.0 298 2 7.8
380 60 104 150 125 125 125 125 # 2 - 1/0 29.0 235 29.0 235 29.0 235 2 4.8
460 60 82 100 90 100 90 100 # 4 - # 1 22.9 170 22.9 170 22.9 170 2 3.8
575 60 66 100 80 80 80 80 # 4 - # 1 18.3 140 18.3 140 18.3 140 2 3.1
0074SC
200 60 208 250 225 250 225 250 4/0 - 300 58.9 420 58.9 420 58.9 420 2 8.2
230 60 193 250 225 225 225 225 3/0 - 250 54.5 420 54.5 420 54.5 420 2 7.8
380 60 113 150 125 125 125 125 # 2 - 1/0 31.6 235 31.6 235 31.6 235 2 4.8
460 60 92 100 100 110 100 110 # 2 - 1/0 26.0 175 26.0 175 26.0 175 2 3.8
575 60 74 100 80 90 80 90 # 4 - # 1 20.8 140 20.8 140 20.8 140 2 3.1
0080SC
200 60 207 250 225 250 225 250 4/0 - 300 58.6 420 58.6 420 58.6 420 2 8.2
230 60 192 250 225 225 225 225 3/0 - 250 54.2 420 54.2 420 54.2 420 2 7.8
380 60 112 150 125 125 125 125 # 2 - 1/0 31.5 235 31.5 235 31.5 235 2 4.8
460 60 92 100 100 110 100 110 # 2 - 1/0 25.8 175 25.8 175 25.8 175 2 3.8
575 60 74 100 80 90 80 90 # 4 - # 1 20.7 140 20.7 140 20.7 140 2 3.1
TABLE 3 – STANDARD DUAL POINT POWER
Installation

YORK INTERNATIONAL 23
FORM 150.62-NM1
SYSTEM #2 FIELD SUPPLIED WIRING SYSTEM #2 COMPRESSOR & FAN
MCA1MIN N/F D.E. FUSE CKT. BRK.5INCOMING COMPR. #1 COMPR. #2 COMPR. #3 FANS
DISC SW2MIN3MAX4MIN MAX
WIRE
RLA LRA RLA LRA RLA LRA QTY FLA (EA)RANGE6
91 100 100 110 100 110 # 2 - 1/0 32.9 265 32.9 265 — —2 8.2
85 100 100 110 100 110 # 4 - # 1 30.5 265 30.5 265 ——2 7.8
54 60 60 70 60 70 # 6 - # 2 19.4 155 19.4 155 — —2 4.8
41 60 45 50 45 50 # 8 - # 4 14.5 120 14.5 120 — —2 3.8
33 60 40 40 40 40 # 10 - # 6 11.6 80 11.6 80 ——2 3.1
130 150 150 175 150 175 # 1 - 2/0 50.2 298 50.2 298 — —2 8.2
121 150 150 150 150 150 # 1 - 2/0 46.5 298 46.5 298 — —2 7.8
73 100 80 100 80 100 # 4 - # 1 28.1 235 28.1 235 — —2 4.8
58 60 70 70 70 70 # 6 - # 2 22.1 170 22.1 170 — —2 3.8
47 60 60 60 60 60 # 8 - # 4 17.7 140 17.7 140 — —2 3.1
130 150 150 175 150 175 # 1 - 2/0 49.5 298 49.5 298 — —2 8.2
121 150 150 150 150 150 # 1 - 2/0 45.9 298 45.9 298 ——2 7.8
73 100 80 100 80 100 # 4 - # 1 27.8 235 27.8 235 ——2 4.8
58 60 70 70 70 70 # 6 - # 2 21.8 170 21.8 170 —–2 3.8
47 60 60 60 60 60 # 8 - # 4 17.5 140 17.5 140 ——2 3.1
141 150 175 175 175 175 1/0 - 3/0 55.0 420 55.0 420 ——2 8.2
131 150 150 175 150 175 1/0 - 3/0 50.9 420 50.9 420 ——2 7.8
77 100 90 100 90 100 # 4 - # 1 29.6 235 29.6 235 ——2 4.8
63 100 70 80 70 80 # 6 - # 2 24.2 175 24.2 175 ——2 3.8
50 60 60 60 60 60 # 6 - # 2 19.4 140 19.4 140 ——2 3.1
128 150 150 150 150 150 # 1 - 2/0 34.2 265 34.2 265 34.2 265 2 8.2
119 150 150 150 150 150 # 1 - 2/0 31.6 265 31.6 265 31.6 265 2 7.8
76 100 90 90 90 90 # 4 - # 1 20.2 155 20.2 155 20.2 155 2 4.8
57 100 70 70 70 70 # 6 - # 2 15.1 120 15.1 120 15.1 120 2 3.8
46 60 50 50 50 50 # 8 - # 4 12.0 80 12.0 80 12.0 80 2 3.1
185 200 200 225 200 225 3/0 - 250 51.8 298 51.8 298 51.8 298 2 8.2
172 200 200 200 200 200 2/0 - 4/0 48.0 298 48.0 298 48.0 298 2 7.8
104 150 125 125 125 125 # 2 - 1/0 29.0 235 29.0 235 29.0 235 2 4.8
82 100 90 100 90 100 # 4 - # 1 22.9 170 22.9 170 22.9 170 2 3.8
66 100 80 80 80 80 # 4 - # 1 18.3 140 18.3 140 18.3 140 2 3.1
181 200 200 225 200 225 3/0 - 250 50.5 298 50.5 298 50.5 298 2 8.2
168 200 200 200 200 200 2/0 - 4/0 46.8 298 46.8 298 46.8 298 2 7.8
102 150 110 125 110 125 # 2 - 1/0 28.3 235 28.3 235 28.3 235 2 4.8
80 100 90 100 90 100 # 4 - # 1 22.3 170 22.3 170 22.3 170 2 3.8
65 100 70 80 70 80 # 6 - # 2 17.8 140 17.8 140 17.8 140 2 3.1
207 250 225 250 225 250 4/0 - 300 58.6 420 58.6 420 58.6 420 2 8.2
192 250 225 225 225 225 3/0 - 250 54.2 420 54.2 420 54.2 420 2 7.8
112 150 125 125 125 125 # 2 - 1/0 31.5 235 31.5 235 31.5 235 2 4.8
92 100 100 110 100 110 # 2 - 1/0 25.8 175 25.8 175 25.8 175 2 3.8
74 100 80 90 80 90 # 4 - # 1 20.7 140 20.7 140 20.7 140 2 3.1
ELECTRICAL DATA – STANDARD DUAL POINT POWER
YCAL0040SC - YCAL0080SC
1

YORK INTERNATIONAL
24
ELECTRICAL DATA – OPTIONAL SINGLE POINT POWER
YCAL0014SC - YCAL0034SC
TABLE 4 – OPTIONAL SINGLE POINT POWER
SINGLE POINT FIELD SUPPLIED WIRING
MODEL INCOMING WIRE RANGE6
YCAL VOLT HZ MCA1MIN N/F D.E. FUSE CKT. BKR.5FACTORY SUPPLIED OPTIONAL
DISC SW2MIN3MAX4MIN MAX DISCONNECT BREAKER
0014SC
200 60 75 100 90 100 90 100 # 4 - # 1 # 4 - # 1
230 60 70 100 80 90 80 90 # 4 - # 1 # 4 - # 1
380 60 42 60 45 50 45 50 # 8 - # 4 # 8 - # 4
460 60 34 60 40 40 40 40 # 10 - # 6 # 10 - # 6
575 60 27 30 30 35 30 35 # 10 - # 6 # 10 - # 6
0020SC
200 60 100 150 110 125 110 125 # 2 - 1/0 # 2 - 1/0
230 60 93 100 110 125 110 125 # 2 - 1/0 # 2 - 1/0
380 60 52 60 60 60 60 60 # 6 - # 2 # 6 - # 2
460 60 45 60 50 60 50 60 # 8 - # 4 # 8 - # 4
575 60 36 60 40 45 40 45 # 8 - # 4 # 8 - # 4
0024SC
200 60 127 150 150 175 150 175 # 1 - 2/0 # 1 - 2/0
230 60 118 150 150 150 150 150 # 1 - 2/0 # 1 - 2/0
380 60 76 100 90 100 90 100 # 4 - # 1 # 4 - # 1
460 60 57 60 70 70 70 70 # 6 - # 2 # 6 - # 2
575 60 46 60 50 60 50 60 # 8 - # 4 # 8 - # 4
0030SC
200 60 140 150 175 175 175 175 1/0 - 3/0 1/0 - 3/0
230 60 130 150 150 175 150 175 1/0 - 3/0 1/0 - 3/0
380 60 75 100 90 100 90 100 # 4 - # 1 # 4 - # 1
460 60 62 100 70 80 70 80 # 6 - # 2 # 6 - # 2
575 60 50 60 60 60 60 60 # 6 - # 2 # 6 - # 2
0034SC
200 60 183 200 200 225 200 225 3/0 - 250 3/0 - 250
230 60 170 200 200 200 200 200 2/0 - 4/0 2/0 - 4/0
380 60 103 150 110 125 110 125 # 2 - 1/0 # 2 - 1/0
460 60 81 100 90 100 90 100 # 4 - # 1 # 4 - # 1
575 60 65 100 70 80 70 80 # 4 - # 1 # 4 - # 1
See notes and legend on pages 18 and 19.
Installation

YORK INTERNATIONAL 25
FORM 150.62-NM1
ELECTRICAL DATA – OPTIONAL SINGLE POINT POWER
YCAL0014SC - YCAL0034SC
SYSTEM #1 COMPRESSOR & FAN
COMPR. #1 COMPR. #2 COMPR. #3 FANS
RLA LRA RLA LRA RLA LRA QTY FLA (EA)
26.0 195 26.0 195 —— 2 8.2
24.1 195 24.1 195 — —2 7.8
14.0 113 14.0 113 — —2 4.8
11.5 98 11.5 98 — —2 3.8
9.2 80 9.2 80 — —2 3.1
37.0 237 37.0 237 — —2 8.2
34.3 237 34.3 237 — —2 7.8
18.5 154 18.5 154 — —2 4.8
16.3 130 16.3 130 —— 2 3.8
13.1 85 13.1 85 —— 2 3.1
49.1 298 49.1 298 —— 2 8.2
45.5 298 45.5 298 —— 2 7.8
29.5 235 29.5 235 —— 2 4.8
21.7 170 21.7 170 —— 2 3.8
17.3 140 17.3 140 —— 2 3.1
54.7 420 54.7 420 —— 2 8.2
50.7 420 50.7 420 —— 2 7.8
28.7 235 28.7 235 —— 2 4.8
24.1 175 24.1 175 —— 2 3.8
19.3 140 19.3 140 —— 2 3.1
51.2 298 51.2 298 51.2 298 2 8.2
47.4 298 47.4 298 47.4 298 2 7.8
28.7 235 28.7 235 28.7 235 2 4.8
22.6 175 22.6 175 22.6 175 2 3.8
18 140 18 140 18 140 2 3.1
1

YORK INTERNATIONAL
26
ELECTRICAL DATA – OPTIONAL SINGLE POINT POWER
YCAL0040SC - YCAL0060SC
TABLE 5 – OPTIONAL SINGLE POINT POWER
See notes and legend on pages 18 and 19.
SINGLE POINT FIELD SUPPLIED WIRING
MODEL INCOMING WIRE RANGE6
YCAL VOLT HZ MCA1MIN N/F D.E. FUSE CKT. BKR.5FACTORY SUPPLIED OPTIONAL
DISC SW2MIN3MAX4MIN MAX SINGLE POINT DISCONNECT BREAKER
0040SC
200 60 173 200 200 200 200 200 2/0 - 4/0 2/0 - 4/0 2/0 - 4/0
230 60 161 200 175 175 175 175 2/0 - 4/0 2/0 - 4/0 2/0 - 4/0
380 60 102 150 110 110 110 110 # 2 - 1/0 # 2 - 1/0 # 2 - 1/0
460 60 77 100 90 90 90 90 # 4 - # 1 # 4 - # 1 # 4 - # 1
575 60 62 100 70 70 70 70 # 6 - # 2 # 6 - # 2 # 6 - # 2
0044SC
200 60 247 400 300 300 300 300 250 - 350 250 - 350 250 - 350
230 60 229 250 250 250 250 250 4/0 - 300 4/0 - 300 4/0 - 300
380 60 139 200 150 150 150 150 1/0 - 3/0 1/0 - 3/0 1/0 - 3/0
460 60 110 150 125 125 125 125 # 2 - 1/0 # 2 - 1/0 # 2 - 1/0
575 60 88 100 100 100 100 100 # 2 - 1/0 # 2 - 1/0 # 2 - 1/0
0050SC
200 60 261 400 300 300 300 300 300 - 400 300 - 400 300 - 400
230 60 243 400 300 300 300 300 250 - 350 250 - 350 250 - 350
380 60 145 200 175 175 175 175 1/0 - 3/0 1/0 - 3/0 1/0 - 3/0
460 60 116 150 125 125 125 125 # 1 - 2/0 # 1 - 2/0 # 1 - 2/0
575 60 93 150 100 110 100 110 # 2 - 1/0 # 2 - 1/0 # 2 - 1/0
0060SC
200 60 267 400 300 300 300 300 300 - 400 300 - 400 300 - 400
230 60 248 400 300 300 300 300 250 - 350 250 - 350 250 - 350
380 60 145 200 175 175 175 175 1/0 - 3/0 1/0 - 3/0 1/0 - 3/0
460 60 119 150 125 125 125 125 # 1 - 2/0 # 1 - 2/0 # 1 - 2/0
575 60 95 150 100 110 100 110 # 2 - 1/0 # 2 - 1/0 # 2 - 1/0
Installation

YORK INTERNATIONAL 27
FORM 150.62-NM1
ELECTRICAL DATA – OPTIONAL SINGLE POINT POWER
YCAL0040SC - YCAL0060SC
SYSTEM #1 COMPRESSOR & FAN SYSTEM #2 COMPRESSOR & FAN
COMPR. #1 COMPR. #2 COMPR. #3 FANS COMPR. #1 COMPR. #2 COMPR. #3 FANS
RLA LRA RLA LRA RLA LRA QTY FLA (EA) RLA LRA RLA LRA RLA LRA QTY FLA (EA)
32.9 265 32.9 265 ——2 8.2 32.9 265 32.9 265 ——2 8.2
30.5 265 30.5 265 ——2 7.8 30.5 265 30.5 265 ——2 7.8
19.4 155 19.4 155 ——2 4.8 19.4 155 19.4 155 ——2 4.8
14.5 120 14.5 120 ——2 3.8 14.5 120 14.5 120 ——2 3.8
11.6 80 11.6 80 ——2 3.1 11.6 80 11.6 80 ——2 3.1
50.2 298 50.2 298 ——2 8.2 50.2 298 50.2 298 ——2 8.2
46.5 298 46.5 298 ——2 7.8 46.5 298 46.5 298 ——2 7.8
28.1 235 28.1 235 ——2 4.8 28.1 235 28.1 235 ——2 4.8
22.1 170 22.1 170 — —2 3.8 22.1 170 22.1 170 ——2 3.8
17.7 140 17.7 140 — —2 3.1 17.7 140 17.7 140 ——2 3.1
57.4 420 57.4 420 — —2 8.2 49.5 298 49.5 298 ——2 8.2
53.1 420 53.1 420 — —2 7.8 45.9 298 45.9 298 ——2 7.8
30.8 235 30.8 235 ——2 4.8 27.8 235 27.8 235 ——2 4.8
25.3 175 25.3 175 ——2 3.8 21.8 170 21.8 170 ——2 3.8
20.2 140 20.2 140 ——2 3.1 17.5 140 17.5 140 ——2 3.1
55.0 420 55.0 420 ——2 8.2 55.0 420 55.0 420 ——2 8.2
50.9 420 50.9 420 ——2 7.8 50.9 420 50.9 420 ——2 7.8
29.6 235 29.6 235 ——2 4.8 29.6 235 29.6 235 ——2 4.8
24.2 175 24.2 175 ——2 3.8 24.2 175 24.2 175 ——2 3.8
19.4 140 19.4 140 ——2 3.1 19.4 140 19.4 140 ——2 3.1
1

YORK INTERNATIONAL
28
ELECTRICAL DATA – OPTIONAL SINGLE POINT POWER
YCAL0064SC - YCAL0080SC
Installation
TABLE 6 – OPTIONAL SINGLE POINT POWER
SINGLE POINT FIELD SUPPLIED WIRING
MODEL INCOMING WIRE RANGE6
YCAL VOLT HZ MCA1MIN N/F D.E. FUSE CKT. BKR.5FACTORY SUPPLIED OPTIONAL
DISC SW2MIN3MAX4MIN MAX SINGLE POINT DISCONNECT BREAKER
0064SC
200 60 306 400 350 350 350 350 350 - 500 350 - 500 350 - 500
230 60 284 400 300 300 300 300 300 - 400 300 - 400 300 - 400
380 60 175 200 200 200 200 200 3/0 - 250 3/0 - 250 3/0 - 250
460 60 136 150 150 150 150 150 1/0 - 3/0 1/0 - 3/0 1/0 - 3/0
575 60 109 150 125 125 125 125 # 2 - 1/0 # 2 - 1/0 # 2 - 1/0
0070SC
200 60 357 400 400 400 400 400 500 - (2) 4/0 500 - (2) 4/0 500 - (2) 4/0
230 60 332 400 350 350 350 350 400 - 600 400 - 600 400 - 600
380 60 201 250 225 225 225 225 4/0 - 300 4/0 - 300 4/0 - 300
460 60 159 200 175 175 175 175 2/0 - 4/0 2/0 - 4/0 2/0 - 4/0
575 60 127 150 150 150 150 150 # 1 - 2/0 # 1 - 2/0 # 1 - 2/0
0074SC
200 60 376 600 400 400 400 400 500 - (2) 4/0 500 - (2) 4/0 500 - (2) 4/0
230 60 349 400 400 400 400 400 500 - (2) 4/0 500 - (2) 4/0 500 - (2) 4/0
380 60 207 250 225 225 225 225 4/0 - 300 4/0 - 300 4/0 - 300
460 60 167 200 175 175 175 175 2/0 - 4/0 2/0 - 4/0 2/0 - 4/0
575 60 134 150 150 150 150 150 1/0 - 3/0 1/0 - 3/0 1/0 - 3/0
0080SC
200 60 399 600 450 450 450 450 600 - (2) 250 600 - (2) 250 600 - (2) 250
230 60 371 600 400 400 400 400 500 - (2) 4/0 500 - (2) 4/0 500 - (2) 4/0
380 60 216 250 225 225 225 225 4/0 - 300 4/0 - 300 4/0 - 300
460 60 177 200 200 200 200 200 3/0 - 250 3/0 - 250 3/0 - 250
575 60 142 200 150 150 150 150 1/0 - 3/0 1/0 - 3/0 1/0 - 3/0
See notes and legend on pages 18 and 19.

YORK INTERNATIONAL 29
FORM 150.62-NM1
ELECTRICAL DATA – OPTIONAL SINGLE POINT POWER
YCAL0064SC - YCAL0080SC
1
SYSTEM #1 COMPRESSOR & FAN SYSTEM #2 COMPRESSOR & FAN
COMPR. #1 COMPR. #2 COMPR. #3 FANS COMPR. #1 COMPR. #2 COMPR. #3 FANS
RLA LRA RLA LRA RLA LRA QTY FLA (EA) RLA LRA RLA LRA RLA LRA QTY FLA (EA)
52.4 298 52.4 298 52.4 298 2 8.2 34.2 265 34.2 265 34.2 265 2 8.2
48.6 298 48.6 298 48.6 298 2 7.8 31.6 265 31.6 265 31.6 265 2 7.8
29.3 235 29.3 235 29.3 235 2 4.8 20.2 155 20.2 155 20.2 155 2 4.8
23.1 170 23.1 170 23.1 170 2 3.8 15.1 120 15.1 120 15.1 120 2 3.8
18.5 140 18.5 140 18.5 140 2 3.1 12.0 80 12.0 80 12.0 80 2 3.1
51.8 298 51.8 298 51.8 298 2 8.2 51.8 298 51.8 298 51.8 298 2 8.2
48.0 298 48.0 298 48.0 298 2 7.8 48.0 298 48.0 298 48.0 298 2 7.8
29.0 235 29.0 235 29.0 235 2 4.8 29.0 235 29.0 235 29.0 235 2 4.8
22.9 170 22.9 170 22.9 170 2 3.8 22.9 170 22.9 170 22.9 170 2 3.8
18.3 140 18.3 140 18.3 140 2 3.1 18.3 140 18.3 140 18.3 140 2 3.1
58.9 420 58.9 420 58.9 420 2 8.2 50.5 298 50.5 298 50.5 298 2 8.2
54.5 420 54.5 420 54.5 420 2 7.8 46.8 298 46.8 298 46.8 298 2 7.8
31.6 235 31.6 235 31.6 235 2 4.8 28.3 235 28.3 235 28.3 235 2 4.8
26.0 175 26.0 175 26.0 175 2 3.8 22.3 170 22.3 170 22.3 170 2 3.8
20.8 140 20.8 140 20.8 140 2 3.1 17.8 140 17.8 140 17.8 140 2 3.1
58.6 420 58.6 420 58.6 420 2 8.2 58.6 420 58.6 420 58.6 420 2 8.2
54.2 420 54.2 420 54.2 420 2 7.8 54.2 420 54.2 420 54.2 420 2 7.8
31.5 235 31.5 235 31.5 235 2 4.8 31.5 235 31.5 235 31.5 235 2 4.8
25.8 175 25.8 175 25.8 175 2 3.8 25.8 175 25.8 175 25.8 175 2 3.8
20.7 140 20.7 140 20.7 140 2 3.1 20.7 140 20.7 140 20.7 140 2 3.1

YORK INTERNATIONAL
30
OPERATIONAL LIMITATIONS (ENGLISH)
YCAL00
LEAVING WATER COOLER FLOW (GPM3) AIR ON CONDENSER (°F)
TEMPERATURE (°F )
MIN1MAX2MIN MAX MIN4MAX5
14SC 40 55 30 60 25 125
20SC 40 55 30 60 25 125
24SC 40 55 35 70 25 125
30SC 40 55 45 75 25 125
34SC 40 55 75 110 25 125
40SC 40 55 75 250 25 125
44SC 40 55 75 250 25 125
50SC 40 55 75 250 25 125
60SC 40 55 75 250 25 125
64SC 40 55 130 390 25 125
70SC 40 55 130 390 25 125
74SC 40 55 130 390 25 125
80SC 40 55 120 430 25 125
TABLE 7 – TEMPERATURES AND FLOWS
NOTES:
1. Standard units cannot be operated below 40°F leaving chilled water temperature.
2. For leaving water temperature higher than 55°F, contact the nearest YORK Office for application guidelines.
3. The evaporator is protected against freeze-up to -20.0°F with an electrical heater as standard.
4. Operation below 25°F requires Optional Low Ambient Kit for operation to 0°F.
5. Operation above 115°F requires Optional High Ambient Kit for operation to 125°F.
VOLTAGE LIMITATIONS
The following voltage limitations are absolute and op-
eration beyond these limitations may cause serious dam-
age to the compressor.
TABLE 8 – VOLTAGES
UNIT POWER MIN. MAX.
200-3-60 180 220
230-3-60 207 253
380-3-60 355 415
460-3-60 414 506
575-3-60 517 633
Installation
Excessive flow will cause damage to
the cooler. Do not exceed max. cooler
flow. Special care should be taken
when multiple chillers are fed by a
single pump.

YORK INTERNATIONAL 31
FORM 150.62-NM1
OPERATIONAL LIMITATIONS (ENGLISH)
1
Cooler Pressure Drop
YCAL0030
Flow, GPM
60.00
50.00
40.00
30.00
20.00
10.00
0.00 10 20 30 40 50 60 70 80 90 100 110 120 130 140 150
Press. Drop, Ft. H2O
LD04966
40.00
30.00
20.00
10.00
0.0010 20 30 40 50 60 70 80 90 100 110 120 130 140 150
Press. Drop, Ft. H2O
Flow, GPM
Cooler Pressure Drop
YCAL0034
LD04967
TABLE 9 – COOLER PRESSURE DROP CURVES
MODEL YCAL00 COOLER CURVE
14SC, 20SC, A
24SC B
30SC NEW
34SC NEW
40SC, 44SC, 50SC, C
60SC
64SC, 70SC, 74SC D
80SC E
% WT FACTORS FREEZE
ETHYLENE POINT
TONS COMPR. DELTA GPM/
°
F/ (
°
F)GLYCOL kW P TON
10 .994 .997 1.03 24.1 26
20 .986 .993 1.06 24.9 16
30 .979 .990 1.09 25.9 5
40 .970 .985 1.13 27.3 -10
50 .959 .980 1.16 29.0 -32
TABLE 10 –ETHYLENE GLYCOL CORRECTION
FACTORS

YORK INTERNATIONAL
32
OPERATIONAL LIMITATIONS (METRIC)
TABLE 11 – TEMPERATURES AND FLOWS
YCAL00
LEAVING WATER COOLER FLOW (L/S) AIR ON CONDENSER (°C)
TEMPERATURE (°C)
MIN1MAX2MIN MAX MIN4MAX5
14SC 4.4 12.8 1.9 3.8 -3.9 51.7
20SC 4.4 12.8 1.9 3.8 -3.9 51.7
24SC 4.4 12.8 2.2 4.4 -3.9 51.7
30SC 4.4 12.8 2.8 4.7 -3.9 51.7
34SC 4.4 12.8 4.7 6.9 -3.9 51.7
40SC 4.4 12.8 4.7 15.8 -3.9 51.7
44SC 4.4 12.8 4.7 15.8 -3.9 51.7
50SC 4.4 12.8 4.7 15.8 -3.9 51.7
60SC 4.4 12.8 4.7 15.8 -3.9 51.7
64SC 4.4 12.8 8.2 24.6 -3.9 51.7
70SC 4.4 12.8 8.2 24.6 -3.9 51.7
74SC 4.4 12.8 8.2 24.6 -3.9 51.7
80SC 4.4 12.8 7.6 27.1 -3.9 51.7
NOTES:
1. Standard units cannot be operated below 4.4°C leaving chilled water temperature.
2. For leaving water temperature higher than 12.8°C, contact the nearest YORK Office for application guidelines.
3. The evaporator is protected against freeze-up to -28.9°C with an electrical heater as standard.
4. Operation below -3.9°C requires Optional Low Ambient Kit for operation to -17.8 °C.
5. Operation above 46.1°C requires Optional High Ambient Kit for operation to 51.7°C.
VOLTAGE LIMITATIONS
The following voltage limitations are absolute and op-
eration beyond these limitations may cause serious
damage to the compressor.
UNIT POWER MIN. MAX.
200-3-60 180 220
230-3-60 207 253
380-3-60 355 415
460-3-60 414 506
575-3-60 517 633
TABLE 12 – VOLTAGES
Installation
Excessive flow will cause damage to
the cooler. Do not exceed max. cooler
flow. Special care should be taken
when multiple chillers are fed by a
single pump.
1

YORK INTERNATIONAL 33
FORM 150.62-NM1
OPERATIONAL LIMITATIONS (METRIC)
TABLE 13 – COOLER PRESSURE DROP CURVES
MODEL YCAL00 COOLER CURVE
14SC, 20SC, 24SC, A
30SC
34SC B
40SC, 44SC, 50SC, C
60SC
64SC, 70SC, 74SC, D
80SC E
% WT FACTORS FREEZE
ETHYLE- POINT
NE TONS COMPR. DELTA GPM/
°
F/ (
°
C)
GLYCOL kW P TON
10 .994 .997 1.03 24.1 -3
20 .986 .993 1.06 24.9 -9
30 .979 .990 1.09 25.9 -15
40 .970 .985 1.13 27.3 -23
50 .959 .980 1.16 29.0 -36
TABLE 14 –ETHYLENE GLYCOL CORRECTION
FACTORS
Cooler Pressure Drop
YCAL0034
Flow l/s
90
100
80
70
60
50
40
30
20
10 345678910
Press. Drop, kPa
LD04969
180
160
140
120
100
80
60
40
20
00510
Cooler Press. Drop
YCAL0030
Flow l/s
Press. Drop, kPa
LD04968

YORK INTERNATIONAL
34
TABLE 15 – PHYSICAL DATA (ENGLISH)
PHYSICAL DATA (ENGLISH)
YCAL0014SC - YCAL0080SC
Model YCAL00 14SC 20SC 24SC 30SC 34SC 40SC 44SC
Nominal Tons 13.6 17.9 23.3 27.1 34.7 38.2 47.4
Number of Refrigerant Circuits 1111122
Compressors per circuit 2222322
Compressors per unit 2222344
Condenser
Total Face Area ft247.2 47.2 66.1 66.1 66.1 128.0 128.0
Number of Rows 2 2 23322
Fins per Inch 14 14 14 14 14 14 14
Condenser Fans
Number of Fans total 2 2 22244
Fan hp/kw 2 / 1.4 2 / 1.4 2 / 1.4 2 / 1.4 2 / 1.4 2 / 1.4 2 / 1.4
Fan RPM 1140 1140 1140 1140 1140 1140 1140
Number of Blades 3 3 33333
Total Chiller CFM 16257 16257 23500 23500 23500 47360 47360
Evaporator, Direct Expansion
Diameter x Length 8"x6' 8"x6' 8"x6.5' 8"x7' 10"x7' 11"x8' 11"x8'
Water Volume, gallons 9.6 9.6 9.6 10.8 12 24 24
Maximum Water Side Pressure, PSIG 150 150 150 150 150 150 150
Maximum Refrigerant Side Pressure, PSIG 300 300 300 300 300 300 300
Minimum Chiller Water Flow Rate, gpm 30 30 35 45 75 75 75
Maximum Chiller Water Flow Rate, gpm 60 60 70 75 110 250 250
Water Connections, inches 3 3 33444
Shipping Weight
Aluminum Fin Coils, lbs 2152 2168 2356 2560 3007 4123 4222
Copper Fin Coils, lbs 2319 2329 2540 2860 3358 4510 4610
Operating Weight
Aluminum Fin Coils, lbs 2225 2241 2435 2647 3117 4363 4462
Copper Fin Coils, lbs 2392 2402 2619 2947 3468 4750 4850
Refrigerant Charge, R22, ckt1 / ckt2, lbs 32 38 58 65 69 45/45 54/54
Oil Charge, ckt1 / ckt2, gallons 1.7 1.7 2.1 3.5 3.2 2.0/2.0 2.1/2.1
Installation

YORK INTERNATIONAL 35
FORM 150.62-NM1
PHYSICAL DATA (ENGLISH)
YCAL0014SC - YCAL0080SC
50SC 60SC 64SC 70SC 74SC 80SC
49.9 54.0 62.4 69.4 74.0 79.1
22 2 2 22
22 3 3 33
44 6 6 66
128.0 128.0 149.3 149.3 149.3 149.3
23 2 2 33
14 14 14 16 12 14
44 4 4 44
2 / 1.4 2 / 1.4 2 / 1.7 2 / 1.7 2 / 1.7 2 / 1.7
1140 1140 1140 1140 1140 1140
33 3 3 33
47360 46080 55253 55253 54550 53760
11"x8' 11"x8' 14"x8' 14"x8' 14"x8' 14"x8'
24 24 41 41 41 38
150 150 150 150 150 150
300 300 300 300 300 300
75 75 130 130 130 120
250 250 390 390 390 430
44 6 6 66
4300 4596 5207 5322 5569 5819
4688 5275 5735 5925 6247 6611
4540 4836 5501 5616 5863 6128
4928 5515 6029 6219 6541 6919
60/54 72/72 75/62 75/75 92/83 100/100
3.5/2.1 3.5/3.5 3.2/3.0 3.2/3.2 5.2/3.2 5.2/5.2
1

YORK INTERNATIONAL
36
PHYSICAL DATA (METRIC)
YCAL0014SC - YCAL0080SC
TABLE 16 – PHYSICAL DATA (METRIC)
Model YCAL00 14SC 20SC 24SC 30SC 34SC 40SC 44SC
Nominal kW 46.8 63.0 82.0 95.3 121.9 135.6 168.0
Number of Refrigerant Circuits 1111122
Compressors per circuit 2222322
Compressors per unit 2222344
Condenser
Total Face Area meters2446661212
Number of Rows 2223322
Fins per mm 518 518 518 518 518 518 518
Condenser Fans
Number of Fans total 2222244
Fan hp/kw 2 / 1.4 2 / 1.4 2 / 1.4 2 / 1.4 2 / 1.4 2 / 1.4 2 / 1.4
Fan RPM 1140 1140 1140 1140 1140 1140 1140
Number of Blades 3333333
Total Chiller Airflow l/s 7672 7672 11091 11091 11091 22351 22351
Evaporator, Direct Expansion
Diameter x Length 203x1829 203x1830 203x1981 203x2134 254x2134 279x2438 279x2438
Water Volume, liters 36 36 36 41 45 91 91
Maximum Water Side Pressure, bar 10 10 10 10 10 10 10
Maximum Refrigerant Side Pressure, bar 21 21 21 21 21 21 21
Minimum Chiller Water Flow Rate, l/s 2223555
Maximum Chiller Water Flow Rate, l/s 444571616
Water Connections, inches 3333444
Shipping Weight
Aluminum Fin Coils, kg 976 983 1069 1161 1364 1870 1915
Copper Fin Coils, kg 1052 1057 1152 1297 1523 2046 2091
Operating Weight
Aluminum Fin Coils, kg 1009 1016 1104 1201 1414 1979 2024
Copper Fin Coils, kg 1085 1090 1188 1337 1573 2155 2200
Refrigerant Charge, R22, ckt1 / ckt2, kg 15 17 24 30 31 21/21 25/25
Oil Charge, ckt1 / ckt2, liters 6 6 8 13 12 8.0/8.0 8.0/8.0
Installation

YORK INTERNATIONAL 37
FORM 150.62-NM1
PHYSICAL DATA (METRIC)
YCAL0014SC - YCAL0080SC
50SC 60SC 64SC 70SC 74SC 80SC
177.1 191.6 221.3 246.0 262.6 278.1
222222
223333
446666
12 12 14 14 14 14
232233
518 518 518 518 518 518
444444
2 / 1.4 2 / 1.4 2 / 1.7 2 / 1.7 2 / 1.7 2 / 1.7
1140 1140 1140 1140 1140 1140
333333
22351 21747 26076 26076 25744 25371
279x2438 279x2438 356x2438 356x2438 356x2438 356x2438
91 91 155 155 155 144
10 10 10 10 10 10
21 21 21 21 21 21
558888
16 16 25 25 25 27
446666
1950 2085 2362 2414 2526 2640
2126 2393 2601 2687 2834 2999
2059 2194 2495 2547 2659 2780
2235 2502 2735 2821 2967 3138
27/25 33/33 34/28 34/34 42/38 46/46
13/8 13/13 12/11.4 12.0/12.0 20/12 20/20
1

YORK INTERNATIONAL
38
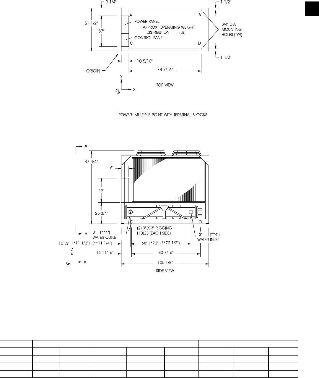
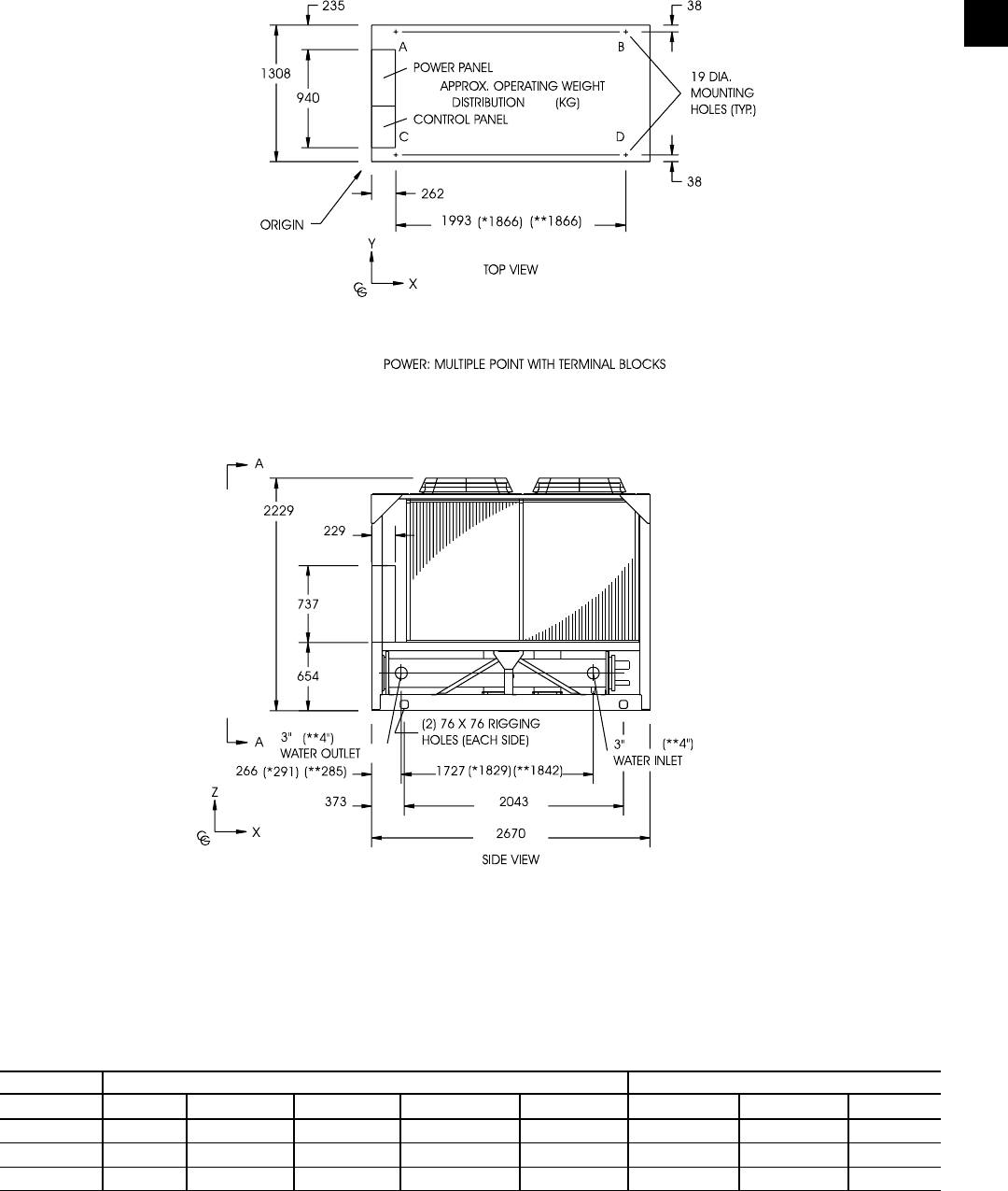
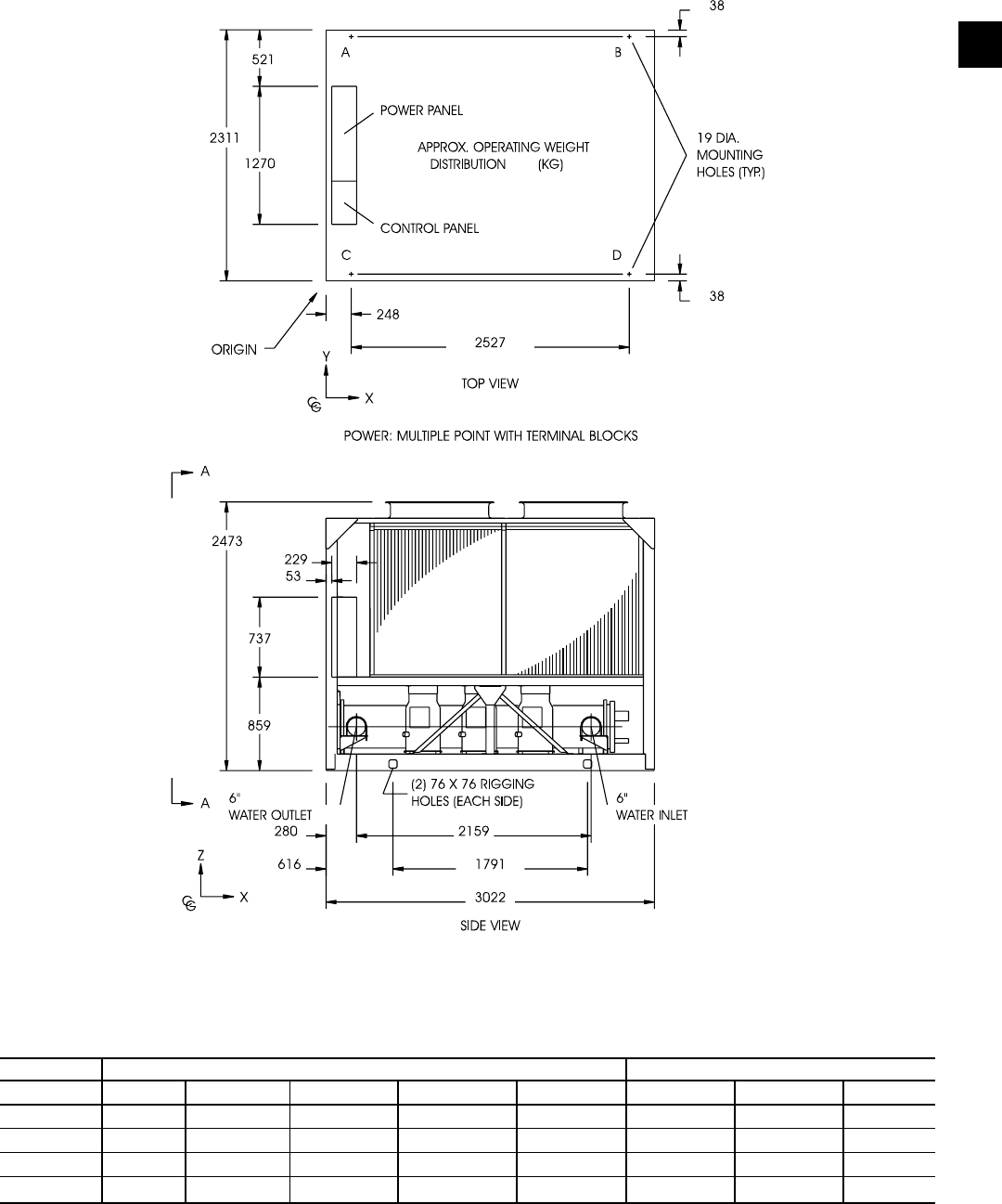
DIMENSIONS (ENGLISH)
YCAL0014SC - YCAL0020SC
Placement on a level surface of free of obstructions (including snow, for winter operation) or air circulation ensures rated
performance, reliable operation, and ease of maintenance. Site restrictions may compromise minimum clearances indicated
below, resulting in unpredictable airflow patterns and possible diminished performance. YORK’s unit controls will optimize
operation without nuisance high-pressure safety cutouts; however, the system designer must consider potential performance
degradation. Access to the unit control center assumes the unit is no higher than on spring isolators. Recommended mini-
mum clearances: Side to wall – 6'; rear to wall – 6'; control panel to end wall – 4'0; top – no obstructions allowed; distance
between adjacent units – 10'. No more than one adjacent wall may be higher than the unit.
LD03848
InstallationInstallation

YORK INTERNATIONAL 39
FORM 150.62-NM1
DIMENSIONS (ENGLISH)
YCAL0014SC - YCAL0020SC
TABLE 17 – WEIGHT DISTRIBUTION/CENTER OF GRAVITY
LD03847
MODEL WEIGHT DISTRIBUTION CENTER OF GRAVITY
YCAL00 A B C D TOTAL X Y Z
14SC 587 525 587 525 2225 50.1 25.8 23.3
20SC 591 529 591 529 2241 50.2 25.9 23.2
11

YORK INTERNATIONAL
40
DIMENSIONS (ENGLISH)
YCAL0024SC - YCAL0034SC
Placement on a level surface of free of obstructions (including snow, for winter operation) or air circulation ensures rated
performance, reliable operation, and ease of maintenance. Site restrictions may compromise minimum clearances indicated
below, resulting in unpredictable airflow patterns and possible diminished performance. YORK’s unit controls will optimize
operation without nuisance high-pressure safety cutouts; however, the system designer must consider potential performance
degradation. Access to the unit control center assumes the unit is no higher than on spring isolators. Recommended mini-
mum clearances: Side to wall – 6'; rear to wall – 6'; control panel to end wall – 4'; top – no obstructions allowed; distance
between adjacent units – 10'. No more than one adjacent wall may be higher than the unit.
LD03846
Installation
* Refers to Model YCAL0030SC
** Refers to Model YCAL0034SC

YORK INTERNATIONAL 41
FORM 150.62-NM1
DIMENSIONS (ENGLISH)
YCAL0024SC - YCAL0034SC
TABLE 18 – WEIGHT DISTRIBUTION/CENTER OF GRAVITY
LD03845
MODEL WEIGHT DISTRIBUTION CENTER OF GRAVITY
YCAL00 A B C D TOTAL X Y Z
24SC 636 581 636 581 2435 50.6 25.9 28.5
30SC 692 632 692 632 2647 50.6 25.8 28.9
34SC 868 690 868 690 3129 48.0 25.4 26.9
1

YORK INTERNATIONAL
42
DIMENSIONS (ENGLISH)
YCAL0040SC - YCAL0060SC
Placement on a level surface of free of obstructions (including snow, for winter operation) or air circulation ensures rated
performance, reliable operation, and ease of maintenance. Site restrictions may compromise minimum clearances indicated
below, resulting in unpredictable airflow patterns and possible diminished performance. YORK’s unit controls will optimize
operation without nuisance high-pressure safety cutouts; however, the system designer must consider potential performance
degradation. Access to the unit control center assumes the unit is no higher than on spring isolators. Recommended mini-
mum clearances: Side to wall – 6'; rear to wall – 6'; control panel to end wall – 4'; top – no obstructions allowed; distance
between adjacent units – 10'. No more than one adjacent wall may be higher than the unit.
LD03850
Installation

YORK INTERNATIONAL 43
FORM 150.62-NM1
DIMENSIONS (ENGLISH)
YCAL0040SC - YCAL0060SC
LD03849
TABLE 19 – WEIGHT DISTRIBUTION/CENTER OF GRAVITY
MODEL WEIGHT DISTRIBUTION CENTER OF GRAVITY
YCAL00 A B C D TOTAL X Y Z
40SC 1110 1071 1110 1071 4363 58.6 40.3 28.9
44SC 1133 1098 1133 1098 4462 58.7 40.3 28.6
50SC 1151 1119 1151 1119 4540 58.8 40.5 28.4
60SC 1217 1201 1217 1201 4836 59.2 40.3 29.9
1

YORK INTERNATIONAL
44
DIMENSIONS (ENGLISH)
YCAL0064SC - YCAL0080SC
Placement on a level surface of free of obstructions (including snow, for winter operation) or air circulation ensures rated
performance, reliable operation, and ease of maintenance. Site restrictions may compromise minimum clearances indicated
below, resulting in unpredictable airflow patterns and possible diminished performance. YORK’s unit controls will optimize
operation without nuisance high-pressure safety cutouts; however, the system designer must consider potential performance
degradation. Access to the unit control center assumes the unit is no higher than on spring isolators. Recommended mini-
mum clearances: Side to wall – 6'; rear to wall – 6'; control panel to end wall – 4'; top – no obstructions allowed; distance
between adjacent units – 10'. No more than one adjacent wall may be higher than the unit.
LD03852
Installation

YORK INTERNATIONAL 45
FORM 150.62-NM1
DIMENSIONS (ENGLISH)
YCAL0064SC - YCAL0080SC
TABLE 20 – WEIGHT DISTRIBUTION/CENTER OF GRAVITY
LD03851
MODEL WEIGHT DISTRIBUTION CENTER OF GRAVITY
YCAL00 A B C D TOTAL X Y Z
64SC 1463 1288 1463 1288 5501 56.3 46.0 30.1
70SC 1492 1315 1492 1315 5616 56.3 45.6 30.1
74SC 1551 1380 1551 1380 5863 56.5 45.9 31.0
80SC 1620 1444 1620 1444 6128 56.6 45.6 30.8
1

YORK INTERNATIONAL
46
DIMENSIONS (METRIC)
YCAL0014SC - YCAL0020SC
Placement on a level surface of free of obstructions (including snow, for winter operation) or air circulation ensures rated
performance, reliable operation, and ease of maintenance. Site restrictions may compromise minimum clearances indicated
below, resulting in unpredictable airflow patterns and possible diminished performance. YORK’s unit controls will optimize
operation without nuisance high-pressure safety cutouts; however, the system designer must consider potential performance
degradation. Access to the unit control center assumes the unit is no higher than on spring isolators. Recommended mini-
mum clearances: Side to wall – 2m; rear to wall – 2m; control panel to end wall – 1.2m; top – no obstructions allowed;
distance between adjacent units – 3m. No more than one adjacent wall may be higher than the unit.
LD03854
All dimensions in millimeters unless otherwise noted.
Installation

YORK INTERNATIONAL 47
FORM 150.62-NM1
DIMENSIONS (METRIC)
YCAL0014SC - YCAL0020SC
TABLE 21 – WEIGHT DISTRIBUTION/CENTER OF GRAVITY
LD03853
All dimensions in millimeters unless otherwise noted.
MODEL WEIGHT DISTRIBUTION (kg) CENTER OF GRAVITY (mm)
YCAL00 A B C D TOTAL X Y Z
14SC 266 238 266 238 1009 1273 655 592
20SC 268 240 268 240 1016 1275 658 589
1

YORK INTERNATIONAL
48
DIMENSIONS (METRIC)
YCAL0024SC - YCAL0034SC
Placement on a level surface of free of obstructions (including snow, for winter operation) or air circulation ensures rated
performance, reliable operation, and ease of maintenance. Site restrictions may compromise minimum clearances indicated
below, resulting in unpredictable airflow patterns and possible diminished performance. YORK’s unit controls will optimize
operation without nuisance high-pressure safety cutouts; however, the system designer must consider potential performance
degradation. Access to the unit control center assumes the unit is no higher than on spring isolators. Recommended mini-
mum clearances: Side to wall – 2m; rear to wall – 2m; control panel to end wall – 1.2m; top – no obstructions allowed;
distance between adjacent units – 3m. No more than one adjacent wall may be higher than the unit.
LD03856
All dimensions in millimeters unless otherwise noted.
Installation

YORK INTERNATIONAL 49
FORM 150.62-NM1
DIMENSIONS (METRIC)
YCAL0024SC - YCAL0034SC
TABLE 22 – WEIGHT DISTRIBUTION/CENTER OF GRAVITY
LD03855
All dimensions in millimeters unless otherwise noted.
MODEL WEIGHT DISTRIBUTION CENTER OF GRAVITY
YCAL00 A B C D TOTAL X Y Z
24SC 288 264 288 264 1104 1285 658 724
30SC 314 287 314 287 1201 1285 655 734
34SC 390 317 390 317 1414 1219 645 683
1

YORK INTERNATIONAL
50
DIMENSIONS (METRIC)
YCAL0040SC - YCAL0060SC
Placement on a level surface of free of obstructions (including snow, for winter operation) or air circulation ensures rated
performance, reliable operation, and ease of maintenance. Site restrictions may compromise minimum clearances indicated
below, resulting in unpredictable airflow patterns and possible diminished performance. YORK’s unit controls will optimize
operation without nuisance high-pressure safety cutouts; however, the system designer must consider potential performance
degradation. Access to the unit control center assumes the unit is no higher than on spring isolators. Recommended mini-
mum clearances: Side to wall – 2m'; rear to wall – 2m'; control panel to end wall – 1.2m'; top – no obstructions allowed;
distance between adjacent units – 3m'. No more than one adjacent wall may be higher than the unit.
LD03858
All dimensions in millimeters unless otherwise noted.
Installation

YORK INTERNATIONAL 51
FORM 150.62-NM1
DIMENSIONS (METRIC)
YCAL0040SC - YCAL0060SC
TABLE 23 – WEIGHT DISTRIBUTION/CENTER OF GRAVITY
LD03857
All dimensions in millimeters unless otherwise noted.
MODEL WEIGHT DISTRIBUTION CENTER OF GRAVITY
YCAL00 A B C D TOTAL X Y Z
40SC 503 486 503 486 1979 1488 1024 734
44SC 514 498 514 498 2024 1491 1024 726
50SC 522 508 522 508 2059 1494 1029 721
60SC 552 545 552 545 2194 1504 1024 759
1

YORK INTERNATIONAL
52
DIMENSIONS (METRIC)
YCAL0064SC - YCAL0080SC
Placement on a level surface of free of obstructions (including snow, for winter operation) or air circulation ensures rated
performance, reliable operation, and ease of maintenance. Site restrictions may compromise minimum clearances indicated
below, resulting in unpredictable airflow patterns and possible diminished performance. YORK’s unit controls will optimize
operation without nuisance high-pressure safety cutouts; however, the system designer must consider potential performance
degradation. Access to the unit control center assumes the unit is no higher than on spring isolators. Recommended mini-
mum clearances: Side to wall – 2m; rear to wall – 2m; control panel to end wall – 1.2m; top – no obstructions allowed;
distance between adjacent units – 3m. No more than one adjacent wall may be higher than the unit.
LD03860
All dimensions in millimeters unless otherwise noted.
Installation

YORK INTERNATIONAL 53
FORM 150.62-NM1
DIMENSIONS (METRIC)
YCAL0064SC - YCAL0080SC
TABLE 24 – WEIGHT DISTRIBUTION/CENTER OF GRAVITY
LD03859
All dimensions in millimeters unless otherwise noted.
MODEL WEIGHT DISTRIBUTION CENTER OF GRAVITY
YCAL00 A B C D TOTAL X Y Z
64SC 664 584 664 584 2495 1430 1168 765
70SC 677 596 677 596 2547 1430 1158 765
74SC 704 626 704 626 2659 1435 1166 787
80SC 735 655 735 655 2780 1438 1158 782
1

YORK INTERNATIONAL
54
PRE-STARTUP CHECKLIST
G8. Visually inspect wiring (power and control). Wir-
ing MUST meet N.E.C. and local codes. See Fig-
ures 2- 5, pages 14 - 17.
G9. Check tightness of power wiring inside the power
panel on both sides of the motor contactors and
overloads.
G10. Check for proper size fuses in main and control
circuits, and verify overload setting corresponds
with RLA and FLA values in electrical tables.
G11. Assure 120VAC Control Power to CTB2 has 15
AMP minimum capacity. See Table 1, page 20.
G12. Be certain all water temp sensors are inserted
completely in their respective wells and are
coated with heat conduc-
tive compound.
G13. Assure that evaporator TXV bulbs are strapped
onto the suction lines at 4 or 8 o’clock positions.
PANEL CHECKS
(POWER ON – BOTH UNIT SWITCH OFF)
G1. Apply 3-phase power and verify its value. Volt-
age imbalance should be no more than 2% of the
average voltage.
G2. Apply 120VAC and verify its value on the termi-
nal block in the Power Panel. Make the measure-
ment between terminals 5 and 2 of CTB2. The
voltage should be 120VAC +/- 10%.
JOB NAME: ______________________________
SALES ORDER #: _________________________
LOCATION: _______________________________
SOLD BY: ________________________________
INSTALLING
CONTRACTOR: ___________________________
START-UP
TECHNICIAN/
COMPANY: _______________________________
START-UP DATE : _________________________
CHILLER MODEL #: _______________________
SERIAL #: ________________________________
CHECKING THE SYSTEM
PRIOR TO INITIAL START (NO POWER)
Unit Checks
G1. Inspect the unit for shipping or installation
damage.
G2. Assure that all piping has been completed.
G3. Visually check for refrigerant piping leaks.
G4. Open suction line ball valve, discharge line
ballvalve, and liquid line valve for each system.
G5.The compressor oil level should be maintained so
that an oil level is visible in the sight glass.The oil
level can only be tested when the compressor is
running in stabilized conditions, guaranteeing that
there is no liquid refrigerant in the lower shell of
the compressor. In this case, the oil should be
between 1/4 and 3/4 in the sight glass. At shut-
down, the oil level can fall to the bottom limit of
the oil sight glass.
G6. Assure water pumps are on. Check and adjust
water pump flow rate and pressure drop across
the cooler (see LIMITATIONS). Verify flow switch
operation.
Excessive flow may cause catastrophic
damage to the evaporator.
G7. Check the control panel to assure it is free of
foreign material (wires, metal chips, etc.).
OPTIONS
Display Language
Sys 1 Switch
Sys 2 Switch
Unit Type
Chilled Liquid
Ambient Control
Local/ Remote Mode
Control Mode
Display Units
Lead/Lag Control
Fan Control
Manual Override
COOLING SETPOINTS
Cooling Setpoint
Range
EMS-PWM Max. Setpoint
PROGRAM
Discharge Pressure Cutout
Suct. Pressure Cutout
Low Amb. Temp. Cutout
Leaving Liquid Temp. Cutout
Anti-Recycle Time
Fan Control On-Pressure
Fan Differential Off-Pressure
Total # of Compressors
TABLE 25 – SETPOINTS
Installation

YORK INTERNATIONAL 55
FORM 150.62-NM1
G3. Program/verify the Cooling Setpoints, Program
Setpoints, and unit Options. Record the values
below (see sections on Setpoints and Unit keys
for programming instruction).
G4. Put the unit into Service Mode (as described un-
der the Control Service And Troubleshooting sec-
tion) and cycle each condenser fan to ensure
proper rotation.
G5. Prior to this step, turn system 2 off (if applicable -
refer to Option 2 under “Unit Keys” section for
more information on system switches.) Connect
a manifold gauge to system 1 suction and dis-
charge service valves.
Place the Unit Switch in the control panel to the
ON position. As each compressor cycles on,
ensure that the discharge pressure rises and
the suction pressure decreases. If this does
not occur, the compressor being tested is oper-
ating in the reverse direction and must be cor-
rected. After verifying proper compressor rotation,
turn the Unit Switch to “OFF.”
The chilled liquid setpoint may need
to be temporarily lowered to ensure all
compressors cycle “on.”
This unit uses scroll compressors
which can only operate in one direc-
tion. Failure to observe these steps
could lead to compressor failure.
G6. YCAL0040 - YCAL0080 units only – Turn system
1 off and system 2 on (refer to Option 2 under
“Unit Keys” section for more information on sys-
tem switches.)
Place the Unit Switch in the control panel to the
ON position. As each compressor cycles “on,”
ensure that the discharge pressure rises and
the suction pressure decreases. If this does
not occur, the compressor being tested is oper-
ating in the reverse direction and must be cor-
rected. After verifying proper compressor rotation,
turn the Unit Switch to “OFF.”
The chilled liquid setpoint may need
to be temporarily lowered to ensure all
compressors cycle “on.”
G7. After verifying compressor rotation, return the Unit
Switch to the off position and ensure that both
Systems are programmed for “ON” (refer to Op-
tion 2 under “Unit Keys” section for more infor-
mation on system switches).
INITIAL START-UP
After the preceding checks have been completed and
the control panel has been programmed as required in
the pre-startup checklist, the chiller may be placed into
operation.
G1. Place the Unit Switch in the control panel to the
ON position.
G2. The first compressor will start and a flow of re-
frigerant will be noted in the sight glass. After sev-
eral minutes of operation, the vapor in the sight
glass will clear and there should be a solid col-
umn of liquid when the TXV stabilizes.
G3. Allow the compressor to run a short time, being
ready to stop it immediately if any unusual noise
or adverse conditions develop.
G4. Check the system operating parameters. Do this
by selecting various displays such as pressures
and temperatures and comparing these readings
to pressures and temperatures taken with mani-
fold gauges and temperature sensors.
G5. With an ammeter, verify that each phase of the
condenser fans and compressors are within the
RLA as listed under Electrical Data.
CHECKING SUPERHEAT AND SUBCOOLING
The subcooling and superheat should always be
checked when charging the system with refrigerant.
When the refrigerant charge is correct, there will be no
vapor in the liquid sight glass with the system operating
under full load conditions, and there will be 15°F (8.34°C)
subcooled liquid leaving the condenser.
An overcharged system should be guarded against. The
temperature of the liquid refrigerant out of the condenser
should be no more than 15°F (8.34°C) subcooled at
design conditions.
1

YORK INTERNATIONAL
56
The subcooling temperature of each system can be cal-
culated by recording the temperature of the liquid line
at the outlet of the condenser and subtracting it from
the liquid line saturation temperature at the liquid stop
valve (liquid line saturation temp. is converted from a
temperature/pressure chart).
Example:
Liquid line pressure =
202 PSIG converted to 102°F
minus liquid line temp. - 87°F
SUBCOOLING = 15°F
The subcooling should be adjusted to 15°F at design
conditions.
G1. Record the liquid line pressure and its correspond-
ing temperature, liquid line temperature and
subcooling below:
SYS 1 SYS 2
Liq Line Press = _______ _______ PSIG
Saturated Temp = _______ _______ °F
Liq Line Temp = _______ _______ °F
Subcooling = _______ _______ °F
After the subcooling is verified, the suction superheat
should be checked. The superheat should be checked
only after steady state operation of the chiller has been
established, the leaving water temperature has been
pulled down to the required leaving water temperature,
and the unit is running in a fully loaded condition. Cor-
rect superheat setting for a system is 10°F (5.56°C) 18"
(46 cm) from the cooler.
The superheat is calculated as the difference between
the actual temperature of the returned refrigerant gas
in the suction line entering the compressor and the tem-
perature corresponding to the suction pressure as
shown in a standard pressure/temperature chart.
Example: Suction Temp = 46°F
minus Suction Press
60 PSIG converted to Temp - 34°F
Superheat = 12°F
When adjusting the expansion valve, the adjusting screw
should be turned not more than one turn at a time, al-
lowing sufficient time (approximately 15 minutes) be-
tween adjustments for the system and the thermal ex-
pansion valve to respond and stabilize.
Assure that superheat is set at 10°F (5.56°C).
G2. Record the suction temperature, suction pressure,
suction saturation temperature, and superheat of
each system below:
SYS 1 SYS 2
Suction temp = _______ _______ °F
Suction Pressure = _______ _______ PSIG
Saturation Temp = _______ _______ °F
Superheat = _______ _______ °F
LEAK CHECKING
G1. Leak check compressors, fittings, and piping to
assure no leaks.
If the unit is functioning satisfactorily during the initial
operating period, no safeties trip and the compressors
cycle to control water temperature to setpoint, the chiller
is ready to be placed into operation.
Installation

YORK INTERNATIONAL 57
FORM 150.62-NM1
The operating sequence described below relates to op-
eration on a hot water start after power has been ap-
plied, such as start-up commissioning. When a com-
pressor starts, internal timers limit the minimum time
before another compressor can start to 1 minute.
1. For the chiller system to run, the Flow Switch must
be closed, any remote cycling contacts must be
closed, the Daily Schedule must not be scheduling
the chiller off, and temperature demand must be
present.
2. When power is applied to the system, the micropro-
cessor will start a 2 minute timer. This is the same
timer that prevents an instantaneous start after a
power failure.
3. At the end of the 2 minute timer, the microprocessor
will check for cooling demand. If all conditions allow
for start, the first compressor on the lead system will
start and the liquid line solenoid will open. The com-
pressor with the least run time in that system will be
the first to start. Coincident with the start, the anti-
coincident timer will be set and begin counting down-
ward from “60” seconds to “0” seconds.
If the unit is programmed for Auto Lead/Lag, the
system with the shortest average run-time of the com-
pressors will be assigned as the “lead” system. A
new lead/lag assignment is made whenever all sys-
tems shut down.
4. Several seconds after the compressor starts, that
systems first condenser fan will be cycled on (out-
door air temperature > 25°F (-4°C)). See the section
on Operating Controls for details concerning con-
denser fan cycling.
5. After 1 minutes of compressor run time, the next
compressor in sequence will start when a system
has to load. This compressor will be the one with the
least run time that is currently not running in that sys-
tem. Additional compressors will be started at 60
second intervals as needed to satisfy temperature
setpoint.
6. If demand requires, the lag system will cycle on with
the same timing sequences as the lead system. Re-
fer to the section on Capacity Control for a detailed
explanation of system and compressor staging.
7. As the load decreases below setpoint, the compres-
sors will be shut down in sequence. This will occur
at intervals of either 60, 30, or 20 seconds based on
water temperature as compared to setpoint, and con-
trol mode. See the section on Capacity Control for a
detailed explanation.
8. When the last compressor in a “system” (two or three
compressors per system), is to be cycled off, the
system will initiate a pump-down. Each “system” has
a pump-down feature upon shut-off. On a non-safety,
non-unit switch shutdown, the LLSV will be turned
off, and the last compressor will be allowed to run
until the suction pressure falls below the suction pres-
sure cutout or for 180 seconds, which ever comes
first.
UNIT OPERATING SEQUENCE
1

YORK INTERNATIONAL
58
UNIT CONTROLS
YORK
MILLENNIUM
CONTROL CENTER
The YORK MicroComputer Control Center is a micro-
processor based control system designed to provide the
entire control for the liquid chiller. The control logic em-
bedded in the microprocessor based control system will
provide control for the chilled liquid temperatures, as
well as sequencing, system safeties, displaying status,
and daily schedules. The MicroComputer Control Cen-
ter consists of four basic components, 1) microproces-
sor board, 2) transformer, 3) display and 4) keypad. The
keypad allows programming and accessing setpoints,
pressures, temperatures, cutouts, daily schedule, op-
tions, and fault information.
Remote cycling, demand limiting and chilled liquid tem-
perature reset can be accomplished by field supplied
contacts.
Compressor starting/stopping and loading/unloading de-
cisions are performed by the Microprocessor to main-
tain leaving or return chilled liquid temperature. These
decisions are a function of temperature deviation from
setpoint.
A Master ON/Off switch is available to activate or deac-
tivate the unit.
INTRODUCTION MICROPROCESSOR BOARD
The Microprocessor Board is the controller and deci-
sion maker in the control panel. System inputs such as
pressure transducers and temperature sensors are con-
nected directly to the Microprocessor Board. The Mi-
croprocessor Board circuitry multiplexes the analog in-
puts, digitizes them, and scans them to keep a con-
stant watch on the chiller operating conditions. From
this information, the Microprocessor then issues com-
mands to the Relay Outputs to control contactors, so-
lenoids, etc. for Chilled Liquid Temperature Control and
to react to safety conditions.
Keypad commands are acted upon by the micro to
change setpoints, cutouts, scheduling, operating re-
quirements, and to provide displays.
The on-board power supply converts 24VAC from the
1T transformer to a +12VDC and +5VDC regulated
supply located on the Microprocessor Board. This volt-
age is used to operate integrated circuitry on the board.
The 40 character display and unit sensors are supplied
power from the micro board 5VDC supply.
24VAC is rectified and filtered to provide unregulated
+30 VDC to supply the flow switch, PWM remote tem-
perature reset, and demand limit circuitry which is avail-
able to be used with field supplied contacts.
00065VIP
Unit Controls

YORK INTERNATIONAL 59
FORM 150.62-NM1
The Microprocessor Board energizes on-board relays
to output 120VAC to motor contactors, solenoid valves,
etc. to control system operation.
UNIT SWITCH
A UNIT ON/OFF switch is just underneath the keypad.
This switch allows the operator to turn the entire unit
OFF if desired. The switch must be placed in the ON
position for the chiller to operate.
DISPLAY
The 40 Character Display (2 lines of 20 characters) is a
liquid crystal display used for displaying system param-
eters and operator messages.
The display in conjunction with the keypad, allows the
operator to display system operating parameters as well
as access programmed information already in memory.
The display has a lighted background for night viewing
and for viewing in direct sunlight.
When a key is pressed, such as the OPER DATA key,
system parameters will be displayed and will remain on
the display until another key is pressed. The system
parameters can be scrolled with the use of the up and
down arrow keys. The display will update all informa-
tion at a rate of about 2 seconds.
Display Messages may show characters indicating
“greater than” (>) or “less than” (<). These characters
indicate the actual values are greater than or less than
the limit values which are being displayed.
KEYPAD
The 12 button non-tactile keypad allows the user to re-
trieve vitals system parameters such as system pres-
sures, temperatures, compressor running times and
starts, option information on the chiller, and system
setpoints. This data is useful for monitoring chiller op-
eration, diagnosing potential problems, troubleshooting,
and commissioning the chiller.
It is essential the user become familiar with the use of
the keypad and display. This will allow the user to make
full use of the capabilities and diagnostic features avail-
able.
BATTERY BACK-UP
The Microprocessor Board contains a Real Time Clock
integrated circuit chip with an internal battery back-up.
The purpose of this battery back-up is to assure any
programmed values (setpoints, clock, cutouts, etc.) are
not lost during a power failure regardless of the time
involved in a power cut or shutdown period.
UNIT STATUS
Pressing the STATUS key will enable the operator to
determine current chiller operating status. The mes-
sages displayed will include running status, cooling de-
mand, fault status, external cycling device status, load
limiting and anti-recycle/coincident timer status. The
display will be a single message relating to the highest
priority message as determined by the micro. Status
messages fall into the categories of General Status and
Fault Status.
2

YORK INTERNATIONAL
60
“STATUS” KEY
The following messages are displayed when the “Sta-
tus” key is pressed. Following each displayed message
is an explanation pertaining to that particular display.
GENERAL STATUS MESSAGES
In the case of messages which apply to individual sys-
tems, SYS 1 and, SYS 2 messages will both be dis-
played and may be different. In the case of single sys-
tem units, all SYS 2 messages will be blank.
This message informs the operator that the UNIT switch
on the control panel is in the OFF position which will not
allow the unit to run.
The REMOTE CONTROLLED SHUTDOWN message
indicates that either an ISN or BAS system has turned
the unit off, not allowing it to run.
The DAILY SCHEDULE SHUTDOWN message indi-
cates that the daily/holiday schedule programmed is
keeping the unit from running.
NO RUN PERM shows that either the flow switch is
open or a remote start/stop contact is open in series
with the flow switch.
UNIT SWITCH OFF
SHUTDOWN
REMOTE CONTROL LED
SHUTDOWN
DA I LY SCHEDULE
SHUTDOWN
FLOW SWI TCH/REM STOP
NO RUN PERMI SS I VE
00066VIP
Unit Controls

YORK INTERNATIONAL 61
FORM 150.62-NM1
Sys Switch Off tells that the system switch under OP-
TIONS is turned off. The system will not be allowed to
run until the switch is turned back on.
These messages inform the operator that the chilled
liquid temperature is below the point (determined by the
setpoint and control range) that the micro will bring on a
system or that the micro has not loaded the lead sys-
tem far enough into the loading sequence to be ready
to bring the lag system ON. The lag system will display
this message until the loading sequence is ready for
the lag system to start.
The COMPS RUNNING message indicates that the re-
spective system is running due to demand. The “X” will
be replaced with the number of compressors in that sys-
tem that are running.
The anti-recycle timer message shows the amount of
time left on the respective systems anti-recycle timer.
This message is displayed when the system is unable
to start due the anti-recycle timer being active.
The anti-coincident timer is a software feature that
guards against 2 systems starting simultaneously. This
assures instantaneous starting current does not become
excessively high due to simultaneous starts. The micro
limits the time between compressor starts to 1 minute
regardless of demand or the anti-recycle timer being
timed out. The anti-coincident timer is only present on
two system units.
When this message appears, discharge pressure limit-
ing is in effect. The Discharge Pressure Limiting fea-
ture is integral to the standard software control; how-
ever the discharge transducer is optional. Therefore, it
is important to keep in mind that this control will not
function unless the optional discharge transducer is in-
stalled in the system.
The limiting pressure is a factory set limit to keep the
system from faulting on the high discharge pressure
cutout due to high load or pull down conditions. When
the unload point is reached, the micro will automatically
unload the affected system by deenergizing one com-
pressor. The discharge pressure unload will occur when
the discharge pressure gets within 15 PSIG of the pro-
grammed discharge pressure cutout. This will only hap-
pen if the system is fully loaded and will shut only one
compressor off. If the system is not fully loaded, dis-
charge limiting will not go into effect. Reloading the af-
fected system will occur when the discharge pressure
drops to 85% of the unload pressure and 10 minutes
have elapsed.
SYS 1 NO COOL LOAD
SYS 2 NO COOL LOAD
SYS 1 SYS SWI TCH OFF
SYS 2 SYS SWI TCH OFF
SYS 1 AR T IMER XX S
SYS 2 AR T IMER XX S
SYS 1 COMPS RUN X
SYS 2 COMPS RUN X
SYS 1 AC T IMER XX S
SYS 2 AC T IMER XX S
SYS 1 DSCH L IMI T I NG
SYS 2 DSCH L IMI T I NG
2

YORK INTERNATIONAL
62
When this message appears, suction pressure limiting
is in effect. Suction Pressure Limiting is only available
on units that have the suction pressure transducer in-
stalled. If a low pressure switch is installed instead, suc-
tion pressure limiting will not function.
The suction pressure limit is a control point that limits
the loading of a system when the suction pressure drops
to within 15% above the suction pressure cutout. On a
standard system programmed for 44 PSIG/3.0 Bar suc-
tion pressure cutout, the micro would inhibit loading of
the affected system with the suction pressure less than
or equal to 1.15 * 44 PSIG/3.0 Bar = 50 PSIG/3.5 Bar.
The system will be allowed to load after 60 seconds
and after the suction pressure rises above the suction
pressure limit point.
This message indicates that load limiting is in effect and
the percentage of the limiting in effect. This limiting could
be due to the load limit/pwm input or an ISN controller
could be sending a load limit command.
If MANUAL OVERRIDE mode is selected, the STATUS
display will display this message. This will indicate that
the Daily Schedule is being ignored and the chiller will
start-up when chilled liquid temperature allows, Remote
Contacts, UNIT switch and SYSTEM switches permit-
ting. This is a priority message and cannot be overrid-
den by anti-recycle messages, fault messages, etc.
when in the STATUS display mode. Therefore, do not
expect to see any other STATUS messages when in
the MANUAL OVERRIDE mode. MANUAL OVERRIDE
is to only be used in emergencies or for servicing.
Manual override mode automatically disables itself af-
ter 30 minutes.
The PUMPING DOWN message indicates that a com-
pressor in the respective system is presently in the pro-
cess of pumping the system down. When pumpdown is
initiated, the liquid line solenoid will close and a com-
pressor will continue to run. When the suction pressure
decreases to the suction pressure cutout setpoint, the
compressor will cycle off. If pump down cannot be
achieved three minutes after the liquid line solenoid
closes, the compressor will cycle off.
FAULT STATUS MESSAGES
Safeties are divided into two categories - system safe-
ties and unit safeties. System safeties are faults that
cause the individual system to be shut down. Unit safe-
ties are faults that cause all running compressors to be
shut down. Following are display messages and expla-
nations.
SYSTEM SAFETIES
System safeties are faults that cause individual systems
to be shut down if a safety threshold is exceeded for 3
seconds. They are auto reset faults in that the system
will be allowed to restart automatically after the fault
condition is no longer present. However, if 3 faults on
the same system occur within 90 minutes, that system
will be locked out on the last fault. This condition is then
a manual reset. The system switch (under OPTIONS
key) must be turned off and then back on to clear the
lockout fault.
SYS 1 SUCT L IMI T I NG
SYS 2 SUCT L IMI T I NG
SYS 1 LOAD L IMI T XX%
SYS 2 LOAD L IMI T XX%
MANUAL
OVERR I DE
SYS 1 PUMP I NG DOWN
SYS 2 PUMP I NG DOWN
Unit Controls

YORK INTERNATIONAL 63
FORM 150.62-NM1
The Discharge Pressure Cutout is a software cutout in
the microprocessor and is backed-up by a mechanical
high pressure cutout switch located in the refrigerant
circuit. It assures that the system pressure does not
exceed safe working limits. The system will shutdown
when the programmable cutout is exceeded and will
be allowed to restart when the discharge pressure falls
below the cutout.
Discharge transducers must be in-
stalled for this function to operate.
The Suction Pressure Cutout is a software cutout that
protects the chiller from an evaporator freeze-up should
the system attempt to run with a low refrigerant charge
or a restriction in the refrigerant circuit.
At system start, the cutout is set to 10% of programmed
value. During the next 3 minutes the cutout point is
ramped up to the programmed cutout point. If at any
time during this 3 minutes the suction pressure falls
below the ramped cutout point, the system will stop.
This cutout is ignored for the first 90 seconds of sys-
tem run time to avoid nuisance shutdowns, especially
on units that utilize a low pressure switch in place of
the suction pressure transducer.
After the first 3 minutes, if the suction pressure falls
below the programmed cutout setting, a “transient pro-
tection routine” is activated. This sets the cutout at 10%
of the programmed value and ramps up the cutout over
the next 30 seconds. If at any time during this 30 sec-
onds the suction pressure falls below the ramped cut-
out, the system will stop. This transient protection
scheme only works if the suction pressure transducer
is installed. When using the mechanical LP switch, the
operating points of the LP switch are: opens at 23 PSIG
+/- 5 PSIG (1.59 barg +/- .34 barg), and closes at 35
PSIG +/- 5 PSIG (2.62 barg +/- .34 barg).
The Motor Protector/Mechanical High Pressure Cutout
protect the compressor motor from overheating or the
system from experiencing dangerously high discharge
pressure. This fault condition is present when CR1 (SYS 1)
or CR2 (SYS 2) relays de-energize due to the HP switch
or the motor protector opening. This causes the respec-
tive CR contacts to open causing 0 VDC to be read on
the inputs to the microboard. The fault condition is
cleared when a 30 VDC signal is restored to the input.
The internal motor protector opens at 185°F - 248°F
(85°C - 120°C) and auto resets. The mechanical HP
switch opens at 405 PSIG +/- 10 PSIG (27.92 barg +/-
.69 barg) and closes at 330 PSIG +/- 25 PSIG (22.75
barg +/- 1.72 barg).
UNIT SAFETIES
Unit safeties are faults that cause all running compres-
sors to be shut down. Unit faults are auto reset faults in
that the unit will be allowed to restart automatically after
the fault condition is no longer present.
SYS 1 H IGH DSCH PRES
SYS 2 H IGH DSCH PRES
SYS 1 LOW SUCT PRESS
SYS 2 LOW SUCT PRESS
SYS 1 MP / HPCO FAULT
SYS 2 MP / HPCO FAULT
2

YORK INTERNATIONAL
64
Restart is allowed after the unit is fully powered again
and the anti-recycle timers have finished counting down.
UNIT WARNING
The following message is not a unit safety and will not
be logged to the history buffer. It is a
unit warning
and
will not auto-restart. Operator intervention is required
to allow a re-start of the chiller.
The Low Battery Warning can only occur at unit power-
up. On micro panel power-up, the RTC battery is
checked. If a low battery is found, all programmed
setpoints, program values, options, time, schedule, and
history buffers will be lost. These values will all be reset
to their default values which may not be the desired
operating values. Once a faulty battery is detected, the
unit will be prevented from running until the PROGRAM
key is pressed. Once PROGRAM is pressed the anti-
recycle timers will be set to the programmed anti-re-
cycle time to allow the operator time to check setpoints,
program values, and options.
If a low battery is detected, it should be replaced as
soon as possible. The programmed values will all be
lost and the unit will be prevented from running on the
next power interruption. The RTC/battery is located at
U17 on the microboard.
The Low Ambient Temp Cutout is a safety shutdown
designed to protect the chiller from operating in a low
ambient condition. If the outdoor ambient temperature
falls below the programmable cutout, the chiller will shut
down. Restart can occur when temperature rises 2°F
above the cutoff.
The Low Leaving Chilled Liquid Temp Cutout protects
the chiller form an evaporator freeze-up should the
chilled liquid temperature drop below the freeze point.
This situation could occur under low flow conditions or
if the micro panel setpoint values are improperly pro-
grammed. Anytime the leaving chilled liquid tempera-
ture (water or glycol) drops below the cutout point, the
chiller will shutdown. Restart can occur when chilled
liquid temperature rises 2°F above the cutout.
The Under Voltage Safety assures that the system is
not operated at voltages where malfunction of the mi-
croprocessor could result in system damage. When
the115VAC to the micro panel drops below a certain
level, a unit fault is initiated to safely shut down the unit.
UN I T FAULT :
LOW AMB I ENT TEMP
UN I T FAULT :
115VAC UNDER VOLTAGE
UN I T FAULT :
LOW L I QU I D TEMP
!! LOW BATTERY !!
CHECK PROG / SETP / OPTN
Unit Controls

YORK INTERNATIONAL 65
FORM 150.62-NM1
STATUS KEY MESSAGES
TABLE 26 – STATUS KEY MESSAGES
STATUS KEY MESSAGES
General Messages Fault Messages
Unit Switch Off
Shutdown
Remote Controlled
Shutdown
Daily Schedule
Shutdown
Flow Switch/Rem Stop
No Run Permissive
System X Switch Off
System X Comps Run
System X AR Timer
System X AC Timer
System X Disch Limiting
System X Suction Limiting
System X Percentage Load Limiting
Manual Overide Status
System X Pumping Down (on shutdown)
Unit Safeties
System Safeties
Low Ambient TempSystem X High Disch Pressure
System X Low Suct Pressure Low Liquid Temp
System X MP/HPCO Fault 115 VAC Undervoltage
Low Battery
Check Prog/Step/Optn
(Unit Warning Message)
System X
No Cooling load
LD04144
2

YORK INTERNATIONAL
66
The Display/Print keys allow the user to retrieve sys-
tem and unit information that is useful for monitoring
chiller operation, diagnosing potential problems, trouble-
shooting, and commissioning the chiller.
System and unit information, unit options, setpoints, and
scheduling can also be printed out with the use of a
printer. Both real-time and history information are avail-
able.
OPER DATA Key
The OPER DATA key gives the user access to unit and
system operating parameters. When the OPER DATA
key is pressed, system parameters will be displayed
and remain on the display until another key is pressed.
After pressing the OPER DATA key, the various operat-
ing data screens can be scrolled through by using the
UP and DOWN arrow keys located under the “ENTRY”
section.
DISPLAY/PRINT KEYS
With the “UNIT TYPE” programmed as a liquid chiller
(under the Options key), the following is a list of operat-
ing data screens in the order that they are displayed:
This display shows chilled leaving and return liquid tem-
peratures. The minimum limit on the display for these
parameters are 9.2°F (-12.7°C). The maximum limit
on the display is 85.4°F (29.7°C).
This display shows the ambient air temperature. The
minimum limit on the display is 0.4°F (-17.6°C).The
maximum limit on the display is 131.2°F (55.1°C).
LCHLT = 46 . 2 °F
RCHLT = 5 7 . 4 °F°
AMB I ENT A I R TEMP
=87.5°F
00067VIP
Unit Controls

YORK INTERNATIONAL 67
FORM 150.62-NM1
SYS 1 SP = 72.1 PSIG
DP =227.0 PSIG
These displays show suction and discharge pressures
for systems 1 & 2. The discharge pressure transducer
is optional on all models
If the
optional
discharge transducer is not installed, the
discharge pressure would display 0 PSIG (0 barg).
Some models come factory wired with a low pressure
switch in place of the suction transducer. In this case,
the suction pressure would only be displayed as the
maximum suction pressure reading of >200 PSIG (13.79
barg) when closed, or < 0 PSIG (0 barg) when open.
The minimum limits for the display are:
Suction Pressure: 0 PSIG (0 barg)
Discharge Pressure: 0 PSIG (0 barg)
The maximum limits for the display are:
Suction Pressure: 200 PSIG (13.79 barg)
Discharge Pressure: 400 PSIG (27.58 barg)
The above two messages will appear sequentially for
each system. The first display shows accumulated run-
ning hours of each compressor for the specific system.
The second message shows the number of starts for
each compressor on each system.
This display of the load and unload timers indicate the
time in seconds until the unit can load or unload.
Whether the systems loads or unloads is determined
by how far the actual liquid temperature is from setpoint.
A detailed description of unit loading and unloading is
covered under the topic of Capacity Control.
The display of COOLING DEMAND indicates the cur-
rent “step” in the capacity control scheme. The number
of available steps are determined by how many com-
pressors are in the unit. In the above display, the “2”
does not mean that two compressor are running but
only indicates that the capacity control scheme is on
step 2 of 8. Capacity Control is covered in more detail
in this publication which provides specific information
on compressor staging.
This display indicates the current LEAD system. In this
example system 2 is the LEAD system, making system
1 the LAG compressor. The LEAD system can be manu-
ally selected or automatic. Refer to the programming
under the “Options” key.
A unit utilizing hot gas bypass should
be programmed for MANUAL with
system 1 as the lead system. Failure to
do so will prevent hot gas operation if
system 2 switches to the lead system
when programmed for AUTOMATIC
LEAD/LAG.
SYS 2 SP = 73.6 PSIG
DP =219.8 PSIG
SYS X HOURS 1=XXXXX
2=XXXXX, 3=XXXXX
COOL I NG DEMAND
2 OF 8 STEPS
LEAD SYSTEM I S
SYSTEM NUMBER 2
LOAD T IMER = 58 SEC
UNLOAD TI MER = 0 SEC
SYS X STARTS 1=XXXXX
2=XXXXX, 3=XXXXX
2

YORK INTERNATIONAL
68
EVAP PUMP I S ON
EVAP HEATER I S OFF
SYS X RUNT IME
XX-XX-XX-XX D-H-M-S
SYS X NUMBER OF
COMPS RUNN I NG X
SYS X LLSV I S ON
HOT GAS SOL I S OFF
SYS X FAN STAGE 3
This display indicates the status of the evaporator pump
contacts and the evaporator heater.
The evaporator pump dry contacts are energized when
any compressor is running, or the unit is not OFF on
the daily schedule and the unit switch is on, or the unit
has shutdown on a Low Leaving Chilled Liquid fault.
However, even if one of above is true, the pump will not
run if the micro panel has been powered up for less
than 30 seconds or if the pump has run in the last 30
seconds to prevent pump motor overheating.
The evaporator heater is controlled by ambient air tem-
perature. When the ambient temperature drops below
40°F the heater is turned on. When the temperature rises
above 45°F the heater is turned off. An under voltage
condition will keep the heater off until full voltage is re-
stored to the system.
There are several types of remote systems that can be
used to control or monitor the unit. The following mes-
sages indicate the type of remote control mode active:
NONE – no remote control active. Remote monitoring
may be via ISN
ISN – YorkTalk via ISN (Remote Mode)
*LOAD LIM – load limiting enabled. Can be either stage
1 or stage 2 of limiting.
*PWM TEMP – EMS-PWM temperature reset
*Refer to the section on Operating Controls
The above four message will appear sequentially, first
for system 1, then for system 2.
The first message indicates the system and number of
compressors that are being commanded on by the mi-
cro board.
The second message indicates the system run time in
days – hours – minutes – seconds. Please note that this
is not accumulated run time but pertains only to the cur-
rent system cycle.
The third message indicates the system, and whether
the liquid line solenoid and hot gas solenoid are being
commanded on by the micro board. Please note that
hot gas in not available for system 2, so there is no mes-
sage pertaining to the hot gas solenoid when system 2
message is displayed.
The fourth message indicates what stage of condenser
fan operation is active. Unless a low ambient kit is added,
only stages 1 and 2 will be used to cycle the condenser
fans. However, stage 3 may be shown in this display
without a low ambient kit added, but it has no effect.
See the section on Condenser Fan Control in the Unit
Operation section.
ACT I VE REMOTE CTRL
NONE
Unit Controls

YORK INTERNATIONAL 69
FORM 150.62-NM1
TABLE 27 – OPERATION DATA
OPER DATA Quick Reference List
The following table is a quick reference list for informa-
tion available under the OPER DATA key.
* Block of information repeats for each system
Oper Data Key
Leaving & Chilled Liquid Temps
Ambient Air Temperature
System 1 Discharge & Suction Pressure
System 2 Discharge & Suction Pressure
*System X Accumulated Run Times
*System X Accumulated Starts
Load and Unload Timers
Cooling Demand Steps
Lead System Indicator
Evaporator Pump Contacts & Heater Status
Remote Control Active?
*System X Number of Comp. Running
*System X Run Time
Sys 1 LLSV & HGSV Status
*System X Condenser Fan Staging
LD03684
2

YORK INTERNATIONAL
70
PRINT Key
The PRINT key allows the operator to obtain a printout
of real-time system operating data or a printout of sys-
tem data at the “instant of the fault” on the last six faults
which occurred on the unit. An optional printer is re-
quired for the printout.
See Service And Troubleshooting sec-
tion for Printer Installation informa-
tion.
YORK INTERNATIONAL CORPORATION
MILLENNIUM LIQUID CHILLER
UNIT STATUS
2:04PM 01 JAN 99
SYS 1 NO COOLING LOAD
SYS 2 COMPRESSORS RUNNING 2
OPTIONS
CHILLED LIQUID WATER
AMBIENT CONTROL STANDARD
LOCAL/REMOTE MODE REMOTE
CONTROL MODE LEAVING LIQUID
LEAD/LAG CONTROL AUTOMATIC
FAN CONTROL AMB & DSCH PRESS
PROGRAM VALUES
DSCH PRESS CUTOUT 395 PSIG
SUCT PRESS CUTOUT 44 PSIG
LOW AMBIENT CUTOUT 25.0 DEGF
LEAVING LIQUID CUTOUT 25.0 DEGF
ANTI RECYCLE TIME 600 SECS
FAN CONTROL ON PRESS 230 PSIG
FAN DIFF OFF PRESS 80 PSIG
NUMBER OF COMPRESSORS 6
UNIT DATA
RETURN LIQUID TEMP 58.2 DEGF
LEAVING LIQUID TEMP 53.0 DEGF
DISCHARGE AIR TEMP 55.3 DEGF
COOLING RANGE 42.0 +/- 2.0 DEGF
SYS 1 SETPOINT 70 +/- 3 PSIG
SYS 2 SETPOINT 70 +/-3 PSIG
AMBIENT AIR TEMP 74.8 DEGF
LEAD SYSTEM SYS 2
EVAPORATOR PUMP ON
EVAPORATOR HEATER OFF
ACTIVE REMOTE CONTROL NONE
SOFTWARE VERSION C.M02.01.00
SYSTEM 1 DATA
COMPRESSORS STATUS OFF
RUN TIME 0- 0- 0- 0 D-H-M-S
SUCTION PRESSURE 66 PSIG
DISCHARGE PRESSURE 219 PSIG
SUCTION TEMPERATURE 52.8 DEGF
LIQUID LINE SOLENOID OFF
HOT GAS BYPASS VALVE OFF
CONDENSER FAN STAGES OFF
SYSTEM 2 DATA
COMPRESSORS STATUS 2
RUN TIME 0- 0- 1-46 D-H-M-S
SUCTION PRESSURE 51 PSIG
DISCHARGE PRESSURE 157 PSIG
LIQUID LINE SOLENOID ON
CONDENSER FAN STAGES 3
DAILY SCHEDULE
S M T W T F S *=HOLIDAY
MON START=00:00AM STOP=00:00AM
TUE START=00:00AM STOP=00:00AM
WED START=00:00AM STOP=00:00AM
THU START=00:00AM STOP=00:00AM
FRI START=00:00AM STOP=00:00AM
SAT START=00:00AM STOP=00:00AM
HOL START=00:00AM STOP=00:00AM
Unit Controls
OPERATING DATA PRINTOUT
Pressing the PRINT key and then OPER DATA key al-
lows the operator to obtain a printout of current
systemoperating parameters. When the OPER DATA
key is pressed, a snapshot will be taken of system op-
erating conditions and panel programming selections.
This data will be temporarily stored in memory and trans-
mission of this data will begin to the printer. A sample
Oper Data printout is shown below.

YORK INTERNATIONAL 71
FORM 150.62-NM1
HISTORY PRINTOUT
Pressing the PRINT key and then the HISTORY key
allows the operator to obtain a printout of information
relating to the last 6 Safety Shutdowns which occurred.
The information is stored at the instant of the fault, re-
gardless of whether the fault caused a lockout to occur.
The information is also not affected by power failures
(long term internal memory battery back-up is built into
the circuit board) or manual resetting of a fault lock-out.
When the HISTORY key is pressed, a printout is trans-
mitted of all system operating conditions which were
stored at the “instant the fault occurred” for each of the
6 Safety Shutdowns buffers. The printout will begin with
the most recent fault which occurred. The most recent
fault will always be stored as Safety Shutdown No. 1.
Identically formatted fault information will then be printed
for the remaining safety shutdowns.
Information contained in the Safety Shutdown buffers
is very important when attempting to troubleshoot a sys-
tem problem. This data reflects the system conditions
at the instant the fault occurred and often reveals other
system conditions which actually caused the safety
threshold to be exceeded.
The history printout is similar to the operational data
printout shown in the previous section. The differences
are in the header and the schedule information. The
daily schedule is not printed in a history print.
One example history buffer printout is shown below. The
data part of the printout will be exactly the same as the
operational data print so it is not repeated here. The
difference is that the Daily Schedule is not printed in
the history print and the header will be as shown below.
YORK INTERNATIONAL CORPORATION
MILLENNIUM LIQUID CHILLER
SAFETY SHUTDOWN NUMBER 1
SHUTDOWN @ 3:56PM 29 JAN 99
SYS 1 HIGH DSCH PRESS SHUTDOWN
SYS 2 NO FAULTS
HISTORY DISPLAYS
The HISTORY key gives the user access to many unit
and system operating parameters at the time of a unit
or system safety shutdown. When the HISTORY key
is pressed the following message is displayed.
While this message is displayed, the UP or DOWN ar-
row keys can be used to select any of the six history
buffers. Buffer number 1 is the most recent, and buffer
number 6 is the oldest safety shutdown that was saved.
After selecting the shutdown number, pressing the EN-
TER key displays the following message which shows
when the shutdown occurred.
SHUT DOWN OCCURRED
11:23 PM 29 MAY 98
DISPLAYSAFETYSHUT-
DOWN NO . 1 (1 TO6 )
2

YORK INTERNATIONAL
72
The UP and DOWN arrows are used to scroll forwards
and backwards through the history buffer to display the
shutdown conditions. Following is a list of displayed his-
tory data screens in the order that they are displayed:
Explanation of the above displays are covered under
the STATUS, DISPLAY/PRINT, SETPOINTS, or UNIT
keys.
LOW AMB I ENT TEMP
CUTOUT = XXX . X °F
SUCT ION PRESSURE
CUTOUT = XXXX PS IG
D I SCHARGE PRESSURE
CUTOUT = XXXX PS IG
CH I LLED L I QU I D
XXXXX
LEAD / LAG CONTROL
XXXXXXXX
LOCAL / REMOTE MODE
XXXXXXXXX
AMB I ENT CONTROL
XXXXXXXXXX
UN I T FAULT :
LOW L I QU I D TEMP
LEAV ING L IQU ID TEMP
CUTOUT = XXX . X °F
SYS X FAN STAGE XXX
ACT I VE REMOTE CTRL
XXXX
S YS X SP = XXXX PS IG
DP = XXXX PS IG
SYS X RUN T IME
XX-XX-XX-XX D-H-M-S
SYS X NUMBER OF
COMPS RUNN I NG X
SETPO I NT = XX . X °F
RANGE = + / - °F
EVAP PUMP I S XXX
EVAP HEATER I S XXX
LEAD SYSTEM I S
SYSTEM NUMBER X
AMB I ENT A I R T EMP
= XXX . X °F
LCHLT = XXX . X °F
RCHLT = XXX . X °F
SYS X LLSV I S XXX
HOT GAS SOL I S XXX
MANUAL OVERR I DE MODE
XXXXXXXXX
UNI T TYPE
LIQUID CHILLER
CONTROL MODE
LEAV ING L IQU ID
FAN CONTROL
D I SCHARGE PRESSURE
FAN CONTROL ON
PRESSURE=XXX PS IG
F A N D I F F E R E N T I A L OFF
PRESSURE= PS I G
Unit Controls

YORK INTERNATIONAL 73
FORM 150.62-NM1
The Entry Keys allows the user to view, change pro-
grammed values. The ENTRY keys consist of an UP
ARROW key, DOWN ARROW key, and an ENTER/ADV
key.
UP AND DOWN ARROW KEYS
Used in conjunction with the OPER DATA and HISTORY
keys, the UP and DOWN arrow keys allow the user to
scroll through the various data screens. Refer to the
section on “Display/Print” keys for specific information
on the displayed information and specific use of the
UP and DOWN arrow keys.
The UP and DOWN arrow keys are also used for pro-
gramming the control panel such as changing cooling
“ENTRY” KEYS
setpoints, setting the daily schedule, changing safety
setpoints, chiller options, and setting the clock.
ENTER/ADV key
The ENTER key must be pushed after any change is
made to the cooling setpoints, daily schedule, safety
setpoints, chiller options, and the clock. Pressing this
key “enters” the new values into memory. If the EN-
TER key is not pressed after a value is changed, the
changes will not be “entered” and the original values
will be used to control the chiller.
Programming and a description on the use of the UP
and DOWN arrow and ENTER/ADV keys are covered
in detail under the SETPOINTS, and UNIT keys.
00068VIP
2

YORK INTERNATIONAL
74
be displayed for a few seconds, and then the setpoint
entry screen will be displayed.
Following are the four possible messages that can be
displayed after pressing the COOLING SETPOINT key,
indicating the cooling mode:
This message indicates that the cooling setpoint is un-
der LOCAL control. That is, the cooling setpoint is con-
trolling to the
locally
programmed setpoint. The mes-
sage also indicates that the control point is based on
LEAVING water temperature out of the evaporator.
This message indicates that the cooling setpoint is un-
der LOCAL control (the cooling setpoint is controlling to
the
locally
programmed cooling setpoint). However, un-
like the previous message, it is now indicating that the
control point is based on RETURN water temperature
into the evaporator.
Unit must first be programmed for
“Unit Type” Liquid Chiller under Op-
tion S key to allow programming of ap-
propriate setpoints.
Programming of the cooling setpoints, daily sched-
ule, and safeties is accomplished by using the keys
located under the SETPOINTS section.
The three keys involved are labeled COOLING
SETPOINTS, SCHEDULE/ADVANCE DAY, and PRO-
GRAM.
Following are instructions for programming the respec-
tive setpoints. The same instruction should be used to
view the setpoints with the exception that the setpoint
will not be changed.
COOLING SETPOINTS
The Cooling setpoint and Range can be programmed
by pressing the COOLING SETPOINTS key. After
pressing the COOLING SETPOINTS key, the Cooling
Mode (leaving chilled liquid or return chilled liquid) will
“SETPOINTS” KEYS
LOCAL LEAV I NG
WA T E R T EMP CON T RO L
LOCAL RETURN
WA T E R T EMP CON T RO L
00069IP
Unit Controls

YORK INTERNATIONAL 75
FORM 150.62-NM1
After using the UP and DOWN arrows to adjust to the
desired setpoint, the ENTER/ADV key must be pressed
to enter this number into memory and advance to the
RANGE SETPOINT.
This will be indicated by the cursor moving under the
current RANGE setpoint. The UP and DOWN arrow keys
are used to set the RANGE, in .5 °F increments, to the
desired RANGE setpoint. After adjusting the setpoint,
the ENTER/ADV key must be pressed to enter the data
into memory.
Notice that the RANGE was programmed for
+/-
X.X° F.
This indicates the SETPOINT to be in the
center
of the
control range. If the control mode has been programmed
for RETURN LIQUID control, the message below would
be displayed in place of the previous message.
(return chilled liquid control)
Notice that the range no longer has a
+/- X.X °F
, but only
a
+ X.X °F
RANGE setpoint. This indicates that the
setpoint is not centered within the RANGE but could be
described as the bottom of the control range A listing of
the limits and the programmable values for the COOL-
ING SETPOINTS are shown in Table 27.
The SETPOINT and RANGE displays just described
were based on LOCAL control. If the unit was pro-
grammed for REMOTE control (under the OPTIONS
key), the above programmed setpoints would have no
effect.
Both LEAVING and RETURN control are described in
detail under the section on Capacity Control.
This message indicates that the cooling setpoint is un-
der REMOTE control. When under remote control, the
cooling setpoint will be determined by a remote device
such as an ISN control. The message also indicates
that the control point is based on LEAVING water tem-
perature out of the evaporator.
This message indicates that the cooling setpoint is un-
der REMOTE control. When under remote control, the
cooling setpoint will be determined by a remote device
such as an ISN control. This message also indicates
that the control point is based on RETURN water tem-
perature into the evaporator.
Immediately after the control mode message is dis-
played, the COOLING SETPOINT entry screen will be
displayed. If the unit is programmed for LEAVING liquid
control the following message will be displayed:
(leaving chilled water control)
The above message shows the current chilled water tem-
perature SETPOINT at 45.0°F (notice the cursor posi-
tioned under the number 5). Pressing either the UP or
DOWN arrow will change the setpoint in .5°F increments.
REM0TE LEAV ING
WA T E R T EMP CON T RO L
SETPO I NT = 45.0°F
RANGE = +/- 2 . 0 °F
REMOTE RETURN
WA T E R T EMP CON T RO L
SETPOI NT = 45.0 °F
RANGE = +2 . 0 °F
2

YORK INTERNATIONAL
76
Pressing the COOLING SETPOINTS key a second time
will display the remote setpoint and cooling range. This
display automatically updates about every 2 seconds.
Notice that these setpoints are not “locally” program-
mable, but are controlled by a remote device such as
an ISN control. These setpoints would only be valid if
the unit was operating in the REMOTE mode.
The messages below illustrate both leaving chilled liq-
uid control and return chilled liquid control respectively
(leaving chilled liquid control)
(return chilled liquid control)
The low limit, high limit, and default values for the keys
under “SETPOINTS” are listed in Table 28.
REM SETP = 44 . 0 °F
RANGE = + / - 2 . 0 °F
REM SETP = 44 . 0 °F
RANGE = 1 0 . 0 °F
* Refer to Engineering Guide for operation below 30°F (-1.1°C). Alternate thermal expansion valves must be used
below 30°F (-1.1°C).
* When using glycol, Leaving Chilled Liquid Setpoint should not be set below 20°F (-6.7°C).
** Do not exceed 55°F (12.8°C) setpoint before contacting the nearest York Office for application
guidelines.
TABLE 28 – COOLING SETPOINTS PROGRAMMABLE LIMITS AND DEFAULTS
SETPOINT KEY MODEL LOW LIMIT HIGH LIMIT DEFAULT
LEAVING CHILLED LIQUID SETPOINT
WATER COOLING 40.0°F **70.0°F 44.0°F
4.4°C 21.1°C 6.7°C
GLYCOL COOLING *10.0°F **70.0°F 44.0°F
-12.2°C 21.1°C 6.7°C
LEAVING CHILLED LIQUID —1.5°F 2.5°F 2.0°F
CONTROL RANGE 0.8°C 1.4°C 1.1°C
RETURNED CHILLED LIQUID SETPOINT
WATER COOLING 40.0°F 70.0°F 44.0°F
4.4°C 21.1°C 6.7°C
GLYCOL COOLING 10.0°F 70.0°F 44.0°F
-12.2°C 21.1°C 6.7°C
RETURN CHILLED LIQUID —4.0°F 20.0°F 10.0°F
CONTROL RANGE 2.2°C 11.1°C 5.6°C
MAX EMS-PWM REMOTE —2°F40°F20°F
TEMPERATURE RESET 1.0°C 22.0°C 11.0°C
Pressing the COOLING SETPOINTS a third time will
bring up the display that allows the Maximum EMS-
PWM Temperature Reset to be programmed. This
message is shown below.
The Temp Reset value is the maximum allowable reset
of the temperature setpoint. The setpoint can be
reset
upwards by the use of a contact closure on the PWM
Temp Reset input (CTB1 terminals 13 - 20)). See the
section on Operating Controls for a detailed explana-
tion of this feature.
As with the other setpoints, the Up Arrow and Down
Arrow keys are used to change the Temp Reset value.
After using the UP and DOWN ARROWS to adjust to
the desired setpoint, the ENTER/ADV key must be
pressed to enter this number into memory.
M A X E M S - P W M R E M O T E
TEMP RESET = + 2 0°F
Unit Controls

YORK INTERNATIONAL 77
FORM 150.62-NM1
SCHEDULE/ADVANCE DAY key
The SCHEDULE is a seven day daily schedule that al-
lows one start/stop time per day. The schedule can be
programmed Monday through Sunday with an alternate
holiday schedule available. If no start/stop times are pro-
grammed, the unit will run on demand, providing the
chiller is not shut off on a unit or system shutdown. The
daily schedule is considered “not programmed” when
the times in the schedule are all zeros (00:00 AM).
To set the schedule, press the SCHEDULE/ADVANCE
DAY
key. The display will immediately show the follow-
ing display.
The line under the 0 is the cursor. If the value is wrong,
it may be changed by using the UP and DOWN arrow
keys until correct. Pressing the ENTER/ADV key will
enter the times and then move the cursor to the minute
box. The operation is then repeated if necessary. This
process may be followed until the hour, minutes, and
meridian (AM or PM) of both the START and STOP
points are set. After changing the meridian of the stop
time, pressing the ENTER/ADV key will advance the
schedule to the next day.
Whenever the daily schedule is
changed for Monday, all the other days
will change to the new Monday sched-
ule. This means if the Monday times
are not applicable for the whole week
then the exceptional days would need
to be reprogrammed to the desired
schedule.
To page to a specific day press the SCHEDULE/
AD-
VANCE DAY
key. The start and stop time of each day
may be programmed differently using the UP and
DOWN arrow, and ENTER/ADV keys.
After SUN (Sunday) schedule appears on the display a
subsequent press of the SCHEDULE/ADVANCE DAY
key will display the Holiday schedule. This is a two part
display. The first reads:
The times may be set using the same procedure as
described above for the days of the week. After chang-
ing the meridian of the stop time, pressing the ENTER/
ADV key will advance the schedule to the following dis-
play:
The line below the empty space next to the S is the
cursor and will move to the next empty space when the
ENTER/ADV key is pressed. To set the Holiday, the
cursor is moved to the space following the day of the
week of the holiday and the UP arrow key is pressed.
An * will appear in the space signifying that day as a
holiday. The * can be removed by pressing the DOWN
arrow key.
The Holiday schedule must be programmed weekly-
once the holiday schedule runs , it will revert to the nor-
mal daily schedule.
HOL START = 0 0 : 0 0 AM
STOP = 00 : 00 AM
S_M T W T F S
HOL I DAY NOTED BY *
MON START = 0 0 : 0 0 AM
STOP = 00 : 00 AM 2

YORK INTERNATIONAL
78
PROGRAM key
There are six operating parameters under the PRO-
GRAM key that are programmable. These setpoints can
be changed by pressing the PROGRAM key, and then
the ENTER/ADV key to enter
Program Mode
. Continu-
ing to press the ENTER/ADV key will display each op-
erating parameter. While a particular parameter is be-
ing displayed, the UP and DOWN arrow keys can be
used to change the value. After the value is changed,
the ENTER/ADV key must be pressed to enter the data
into memory. Table 29 shows the programmable limits
and default values for each operating parameter.
Following are the displays for the programmable val-
ues in the order they appear:
DISCHARGE PRESSURE CUTOUT is the discharge
pressure at which the system will shutdown as moni-
tored by the
optional
discharge transducer. This is a
software shutdown that acts as a backup for the me-
chanical high pressure switch located in the refrigerant
circuit. The system can restart when the discharge pres-
sure drops 40 PSIG (2.76 BARG) below the cutout point.
If the optional discharge pressure transducer is not in-
stalled, this programmable safety would not apply. It
should be noted that every system has a
mechanical
high pressure cutout that protects against excessive high
discharge pressure regardless of whether or not the op-
tional discharge pressure is installed.
The SUCTION PRESSURE CUTOUT protects the
chiller from an evaporator freeze-up. If the suction pres-
sure drops below the cutout point, the system will shut
down.
There are some exceptions when the
suction pressure is permitted to tem-
porarily drop below the cutout point.
Details are explained under the topic
of System Safeties.
The LOW AMBIENT TEMP CUTOUT allows the user
to select the chiller outside ambient temperature cutout
point. If the ambient falls below this point, the chiller will
shut down. Restart can occur when temperature rises
2°F (1.11°C) above the cutout setpoint.
The LEAVING LIQUID TEMP CUTOUT protects the
chiller from an evaporator freeze-up. Anytime the leav-
ing chilled liquid temperature drops to the cutout point,
the chiller shuts down. Restart will be permitted when
the leaving chilled liquid temperature rises 2°F (1.11°C)
above the cutout setpoint.
When water cooling mode is programmed (Options key),
the value is fixed at 36.0°F (2.22°C) and cannot be
changed. Glycol cooling mode can be programmed to
values listed in Table 28.
The anti-recycle timer message shows the amount of
time left on the respective systems anti-recycle timer.
The programmed ANTI RECYCLE TIME will start to
count down at the start of the systems number one com-
pressor. In effect, this is the minimum time start-to-start
on the respective systems number one compressor.
@D I SCHARGE PRESSURE
CUTOUT = 395 PSIG
LOW AMB I ENT TEMP
CUTOUT = 2 5 . 0 °F
LEAV I NG L IQU ID TEMP
CUTOUT = 3 6 . 0 °F
SUCT ION PRESSURE
CUTOUT = 4 4 . 0 PS I G
ANT I RECYCLE T IME
= 600 SEC
Unit Controls

YORK INTERNATIONAL 79
FORM 150.62-NM1
Another anti-recycle timer is started each time the sys-
tems number one compressor cycles off. This anti-re-
cycle time is fixed at 120 seconds and starts to count-
down when the systems number one compressor cycles
off.
The anti-recycle message is displayed when the sys-
tem is unable to start due to either of the anti-recycle
timers being active (counting down). The actual time
displayed will be the longer of the two timers, start-to-
start or stop-to-start.
The Fan Control On Pressure is the programmed pres-
sure value that is used to stage the condenser fans on,
in relation to discharge pressure. Refer to Condenser
Fan Control in the UNIT OPERATION section and
Tables 38, 39, and 40, 41.
The Fan Differential Off Pressure is the programmed
differential pressure value that is used to stage the con-
denser fans off, in relation to discharge pressure. Refer
to Condenser Fan Control in the UNIT OPERATION
section and Tables 38, 39 and 40, 41.
The TOTAL NUMBER OF COMPRESSORS are the
amount of compressors in the chiller, and determines
the stages of cooling available. Notice in Table 29 the
chiller is a single or dual refrigerant circuit.
This must be programmed correctly to
assure proper chiller operation.
TOTAL NUMBER OF
COMPRESSORS = 6
FAN CONTROL ON
PRESSURE= XXXPS I G
FAN DIFFERENTIAL OFF
PRESSURE = XXX PS I G
TABLE 29 – PROGRAM KEY LIMITS AND DEFAULTS
PROGRAM VALUE MODEL LOW LIMIT HIGH LIMIT DEFAULT
DISCHARGE PRESSURE CUTOUT —200 PSIG 399 PSIG 395 PSIG
13.8 BARS 27.5 BARS 27.2 BARS
SUCTION PRESSURE CUTOUT
WATER COOLING 44.0 PSIG 70.0 PSIG 44.0 PSIG
3.03 BARS 4.83 BARS 3.03 BARS
GLYCOL COOLING 20.0 PSIG 70.0 PSIG 44.0 PSIG
1.38 BARS 4.83 BARS 3.03 BAR
LOW AMBIENT TEMP. CUTOUT STANDARD AMBIENT 25.0°F 60.0°F 25.0°F
-3.9°C 15.6°C -3.9°C
LOW AMBIENT 0°F 60.0°F 25.0°F
-17.8°C 15.6°C -3.9°C
LEAVING CHILLED LIQUID WATER COOLING — —36°F
2.2°C
TEMP. CUTOUT GLYCOL COOLING 8.0°F 36.0°F 36.0°F
-13.3°C 2.2°C 2.2°C
ANTI-RECYCLE TIMER —300 SEC. 600 SEC. 600 SEC.
FAN CONTROL ON-PRESSURE —225 PSIG 300 PSIG 230 PSIG
15.5 BARS 20.7 BARS 15.9 BARS
FAN DIFFERENTIAL OFF-PRESSURE —50 PSIG 150 PSIG 80 PSIG
3.45 BARS 10.3 BARS 5.52 BARS
TOTAL NUMBER OF COMPRESSORS SINGLE SYSTEM 2 3 3
TWO SYSTEMS 4 6 6
2

YORK INTERNATIONAL
80
TABLE 30 – SETPOINTS QUICK REFERENCE LIST
Table 30 provides a quick reference of the setpoints list
for the Setpoints Keys.
Cooling Setpoints Key Schedule/ Program Mode
(press key to adv.) Advance Day Key (press enter to adv.)
Local Leaving Mon. – Sun. Discharge
Water Temp Control & Pressure
(Display Only) Holiday Cutout
Schedule
Chilled Liquid Suction
Setpoint Pressure
& Cutout
Range
Remote Setpoint Low Ambient Temp.
& Cutout
Range
(Display Only)
Leaving Liquid
EMS - PWM Temperature
Remote Temp Cutout
Reset Setpoint
Anti-Recycle
Timer
Fan Control
On-Pressure
Fan Differential
Off-Pressure
Total Numbers
of
Compressors
Quick Reference Programming Chart
Setpoints Section
LD03685
Unit Controls

YORK INTERNATIONAL 81
FORM 150.62-NM1
“UNIT” KEYS
OPTIONS key
There are eleven programmable options (nine for units
with a single refrigerant system) under the OPTIONS
key. The OPTIONS key is used to scroll through the list
of options by repeatedly pressing the OPTIONS key .
After the selected option has been displayed, the UP
and DOWN arrow keys are then used to change that
particular option. After the option is changed, the EN-
TER/ADV key must be pressed to enter the data into
memory. Table 31 shows the programmable options.
Following are the displays in the order they appear:
Option 1 – Language
Option 2 – System Switches (two system units only)
This allows both systems to run
or
SYS 1 SWI TCH ON
SYS 2 SWI TCH ON
DISPLAY LANGUAGE
ENGL I SH
SYS 1 SWI TCH ON
SYS 2 SWI TCH OFF
SYS 1 SWI TCH OFF
SYS 2 SWI TCH ON
CH I LLED L I QU I D
WAT ER
This keeps system 2 off
or
This keeps system 1 off
Option 3 – Unit Type
selected for YCAL Chillers
or
selected for YCUL Condensing units.
Option 4 – Chilled Liquid Cooling Type
The chilled liquid is water. The Cooling Setpoint can be
programmed from 40°F to 70°F (4.4°C to 21.1°C)
UNI T TYPE
LIQUID CHILLER
UN I T TYPE
CONDENS I NG UN I T
00070VIP
2

YORK INTERNATIONAL
82
ABCDEFGH I JKLMNOPQRST
1234567890°,./%-()*X
ABCDEFGH I JKLMNOPQRST
1234567890°,./%-()*X
or
The chilled liquid is glycol. The Cooling Setpoint can be
programmed from 10°F to 70°F (-12.2°C to 21.1°C).
Option 5 – Ambient Control Type
The low ambient cutout is adjustable from 25°F to 60°F
(-3.9°C to 15.6°C).
or
The low ambient cutout is programmable down to 0°F
(-17.8°C). A low ambient kit MUST be installed for this
option to be chosen.
Option 6 – Local/Remote Control Type
When programmed for LOCAL, an ISN or RCC control
can be used to monitor only. The micro panel will oper-
ate on locally programmed values and ignore all com-
mands from the remote devices. The chiller will com-
municate and send data to the remote monitoring de-
vices.
or
This mode should be selected when an ISN or RCC
control is to be used to control the chiller. This mode will
allow the ISN to control the following items: Remote
Start/Stop, Cooling Setpoint, Load Limit, and History
Buffer Request. If the unit receives no valid ISN trans-
mission for 5 minutes, it will revert back to the locally
programmed values.
Option 7 – Unit Control Mode
Unit control is based on return chilled liquid temp. It can
only be selected on units that have 4 or 6 compressors
(dual system units).
or
Unit control is based on leaving chilled liquid temp.
Refer to section on Capacity Control for details on load-
ing and unloading sequences.
LOCAL / REMOTE MODE
REMOTE
AMB I ENT CONTROL
STANDARD
CH I LLED L I QU I D
GLYCOL
AMB I ENT CONTROL
LOW AMB I ENT
LOCAL / REMOTE MODEL
LOCAL
CONTROL MODE
RETURN L I QU I D
CONTROL MODE
LEAV I NG L IQU ID
Unit Controls

YORK INTERNATIONAL 83
FORM 150.62-NM1
Condenser fans are controlled by ambient tempera-
ture and discharge pressure. This mode must be cho-
sen if the discharge pressure transducers are not in-
stalled, or if the fan cycling is a concern.
Option 11 – Manual Override Mode
This option allows overriding of the daily schedule that
is programmed. MANUAL OVERRIDE MODE-DISABLED
indicates that override mode has no effect.
or
Manual Override Mode is enabled. This is a service func-
tion and when enabled, will allow the unit to start when
shut down on the daily schedule. It will automatically be
disabled after 30 minutes.
CLOCK
The CLOCK display shows the current day, time, and
date. Pressing the CLOCK key will show the current
day, time, and date.
It is important that the date and time be correct, other-
wise the daily schedule will not function as desired if
programmed. In addition, for ease of troubleshooting
via the History printouts, the day, time, and date should
be correct.
To change the day, time, and date press the CLOCK
key. The display will show something similar to the fol-
lowing:
The line under the F is the cursor. If the day is correct,
press the ENTER/ADV key. The cursor will move under
the 0 in 08 hours. If the day is incorrect, press the UP or
DOWN
arrow keys until the desired day is displayed
and then press the ENTER/ADV key at which time the
day will be accepted and the cursor will move under the
0. In a similar manner, the hour, minute, meridian, month,
day, and year may be programmed, whenever the cur-
sor is under the first letter/numeral of the item.
Jumper J11 on the microboard must
be set to the “CLKON” position to turn
on the clock. If this is not done the
clock will not function.
Option 8 – Units Type
Display messages will show units of measure in
Imperial units (°F or PSI). or
Display messages will show units of measure in SI
units (°C or Bar).
Option 9 – Lead/Lag Type (two systems only)
SYS 1 selected as lead compressor.
or
SYS 2 selected as lead compressor.
or
In this mode the micro determines which system is as-
signed to the lead and lag. A new lead/lag assignment
is made whenever all compressors shut down. The mi-
cro will then assign the “lead” to the compressor with
the shortest average run time.
Option 10 – Condensed Fan Control Mode
Condenser fans are controlled by discharge pressure
only. This mode may only be chosen when discharge
pressure transducers are installed, or if fan cycling is
not a concern. or
DISPLAY UNITS
IMPERIAL
DISPLAY UNITS
SI
LEAD / LAG CONTROL
MANUAL SYS 1 LEAD
LEAD / LAG CONTROL
AUTOMAT I C
LEAD / LAG CONTROL
MANUAL SYS 2 LEAD
MANUAL OVERR I DE MODE
D I SABLED
FAN CONTROL
D I SCHARGE PRESSURE
FAN CONTROL
AMB I ENT & DSCH PRESS
MANUAL OVERR I DE MODE
ENABLED
TODAY I S FR I 08 : 51AM
1MAY98
2

YORK INTERNATIONAL
84
TABLE 31 – UNIT KEYS PROGRAMMING QUICK REFERENCE LIST
Table 31 provides a quick reference list for the Unit key
setpoints.
Options Key Clock
(press key to adv.)
Display Language Day – Time – Date
System Switches
on/off
Unit Type
(Chiller or Condensing Unit)
Chilled Liquid Type
(water or glycol)
Ambient Control
(standard or low)
Local/Remote Mode
Unit Control
Mode
(Based on Unit Type)
Display Units
(English or Metric)
Lead/Lag Control
Fan Control Mode
Override Mode
Quick Reference Programming Chart
Unit Keys Section
LD03686
Unit Controls

YORK INTERNATIONAL 85
FORM 150.62-NM1
CAPACITY CONTROL
To initiate the start sequence of the chiller, all run per-
missive inputs must be satisfied (flow/remote start/stop
switch), and no chiller or system faults exist.
The first phase of the start sequence is initiated by the
Daily Schedule Start or a Remote Cycling Device. If the
unit is shut down on the daily schedule, the chilled wa-
ter pump microboard contacts (TB5 3-4) will close when
the daily schedule start time has been reached. Once
flow has been established and the flow switch closes,
capacity control functions are initiated.
If unit cycling is accomplished with a remote cycling
device wired in series with the flow switch, the chilled
water pump contacts will always be energized as long
as the unit switch is turned on. When the flow switch
and remote cycling contacts are closed, the capacity
control functions will be initiated.
It should be noted that the chilled water pump contacts
(TB5 3-4) are not required to be used to cycle the chilled
water pump. However, in all cases the flow switch must
be closed to allow unit operation.
The control system will evaluate the need for cooling by
comparing the actual leaving or return chilled liquid tem-
perature to the desired setpoint, and regulate the leav-
ing or return chilled liquid temperature to meet that de-
sired setpoint.
LEAVING CHILLED LIQUID CONTROL
The setpoint, when programmed for Leaving Chilled Liq-
uid Control, is the temperature the unit will control to
within +/- the cooling range. The Setpoint High Limit is
the Setpoint plus the Cooling Range. The Setpoint Low
Limit is the Setpoint minus the Cooling Range. See Fig-
ure 6.
If the leaving chilled liquid temperature is above the
Setpoint High Limit, the lead compressor on the lead
system will be energized along with the liquid line sole-
noid. Upon energizing any compressor, the 60 second
Anti-Coincidence timer will be initiated.
If after 60 seconds of run-time the leaving chilled liquid
temperature is still above the Setpoint High Limit, the
next compressor in sequence will be energized. Addi-
tional loading stages are energized at a rate of once
every 60 seconds if the chilled liquid temperature re-
mains above the Setpoint High Limit. In this case, the
load timer will be 60 seconds.
If the chilled liquid temperature falls below the Setpoint
High Limit but is greater than the Setpoint Low Limit,
loading and unloading do not occur. This area of con-
trol is called the control range.
If the chilled liquid temperature drops to less than 0.5°F
(.28°C) below the Setpoint Low Limit, unloading occurs
at a rate of 60 seconds. If the chilled liquid temperature
falls to a value greater than 0.5°F (.28°C) below the
Setpoint Low Limit but not greater than 1.5°F (.83°C)
below the Setpoint Low Limit, unloading occurs at a rate
of 30 seconds. If the chilled liquid temperature falls to a
value greater than 1.5°F (.83°C) below the Setpoint Low
Limit, unloading occurs at a rate of 20 seconds.
The leaving chilled liquid setpoint is programmable from
40°F to 70°F (4.4°C to 21.1°C) in water chilling mode
and from 10°F to 70°F (-12.2°C to 21.1°C) in glycol chill-
ing mode. In both modes, the cooling range can be from
+/-1.5°F to +/-2.5°F (+/-.83°C to 1.39°C).
The sequences of Capacity Control (compressor stag-
ing) for loading and unloading are shown in Table 32
through Table 35.
UNIT OPERATION
2

YORK INTERNATIONAL
86
FIG. 6 – LEAVING WATER TEMPERATURE CONTROL
TABLE 32 – LEAVING CHILLED LIQUID CONTROL FOR 6 COMPRESSORS (8 STEPS)
TABLE 33 – LEAVING CHILLED LIQUID CONTROL FOR 4 COMPRESSORS (6 STEPS)
20 sec. 30 sec. 60 sec. control range 60 sec.
unloading unloading unloading (no compressor staging) loading
42.5°F 43.5°F 44.0°F 46.0°F 48.0°
(5.8°C) (6.4°C) (6.7°C) (7.8°C) (8.9°C)
Low Limit Setpoint High limit
Leaving Water Temp. Control – Compressor Staging
Setpoint = 46.0°F (7.8°C) Range = +/- 2°F(1.1°C)
LWT
LEAD SYSTEM LAG SYSTEM
*STEP COMP 1 COMP 2 COMP 3 COMP 1 COMP 2 COMP 3
0OFF OFF OFF OFF OFF OFF
1ON+HG OFF OFF SEE NOTE 1 OFF OFF OFF
2ON OFF OFF OFF OFF OFF
3ON OFF OFF SEE NOTE 2 ON OFF OFF
4ON ON OFF SEE NOTE 3 OFF OFF OFF
5ON ON OFF ON OFF OFF
6ON ON OFF ON ON OFF
7ON ON ON ON ON OFF
8ON ON ON ON ON ON
LEAD SYSTEM LAG SYSTEM
*STEP COMP 1 COMP 2 COMP 1 COMP 2
0OFF OFF OFF OFF
1ON+HG OFF SEE NOTE 1 OFF OFF
2ON OFF OFF OFF
3ON OFF SEE NOTE 2 ON OFF
4ON ON SEE NOTE 3 OFF OFF
5ON ON ON OFF
6ON ON ON ON
* STEP can be viewed using the OPER DATA key and scrolling to COOLING DEMAND.
Unit Controls

YORK INTERNATIONAL 87
FORM 150.62-NM1
Notes:
1. Step 1 is Hot Gas Bypass and is skipped when loading occurs. Hot Gas Bypass operation is inhibited during Pumpdown. For Leaving
Chilled Liquid Control the Hot Gas Bypass solenoid is energized only when the lead compressor is running and the LWT < SP, the Hot Gas
Bypass solenoid is turned off when the LWT > SP + CR/2
2. Step 3 is skipped when loading occurs.
3. Step 4 is skipped when unloading occurs.
* STEP can be viewed using the OPER DATA key and scrolling to COOLING DEMAND.
TABLE 34 – LEAVING CHILLED LIQUID CONTROL FOR 3 COMPRESSORS (SINGLE SYSTEM)
TABLE 35 – LEAVING CHILLED LIQUID CONTROL FOR 2 COMPRESSORS (SINGLE SYSTEM)
*STEP COMP 1 COMP 2 COMP 3
0OFF OFF OFF
1ON+HG OFF OFF SEE NOTE 1
2ON OFF OFF
3ON ON OFF
4ON ON ON
*STEP COMP 1 COMP 2
0OFF OFF
1ON+HG OFF SEE NOTE 1
2ON OFF
3ON ON 2

YORK INTERNATIONAL
88
RETURN CHILLED LIQUID CONTROL
(DUAL SYSTEM 4 AND 6 COMP UNITS ONLY)
Return chilled liquid control is based on staging the com-
pressors to match the cooling load. The chiller will be
fully loaded when the return water temperature is equal
to the Cooling Setpoint plus the Range Setpoint. The
chiller will be totally unloaded (all compressors off) when
the return water temperature is equal to the Cooling
Setpoint. At return water temperatures between the
Cooling Setpoint, and Cooling Setpoint plus Range
Setpoint, compressor loading and unloading will be de-
termined by the formulas in Table 37 or Table 38.
Normal loading will occur at intervals of 60 seconds ac-
cording to the temperatures determined by the formu-
las. Unloading will occur at a rate of 30 seconds ac-
cording the temperatures determined in the formulas.
The return chilled liquid setpoint is programmable from
40°F to 70°F (4.4°C to 21.1°C) in water chilling mode
and from 10°F to 70°F (-12.2°C to 21.1°C) in glycol chill-
ing mode. In both modes, the cooling range can be from
4°F to 20°F (2.2° to 11.1°C).
As an example of compressor staging (refer to Table
36 and Table 37), a chiller with six compressors using a
Cooling Setpoint programmed for 45°F (7.20°C) and a
Range Setpoint of 10°F (5.56°C). Using the formulas in
Table 37, the control range will be split up into six (seven
including hot gas) segments, with the Control Range
determining the separation between segments. Note
also that the Cooling Setpoint is the point at which all
compressors are off, and Cooling Setpoint plus Range
Setpoint is the point all compressors are on. Specifi-
cally, if the return water temperature is 55°F (12.8°C),
then all compressors will be on, providing full capacity.
At nominal gpm, this would provide approximately 45°F
(7.2°C) leaving water temperature out of the evapora-
tor.
If the return water temperature drops to 53.3°F (11.8°C),
one compressor would cycle off leaving five compres-
sors running. The compressors would continue to cycle
off approximately every 1.7°F (.94°C), with the excep-
tion of hot gas bypass. Notice that the hot gas bypass
would be available when the return water temperature
dropped to 46.25°F (7.9°C). At this point one compres-
sor would be running.
Should the return water temperature rise from this point
to 46.7°F (8.2°C), the hot gas bypass would shut off,
still leaving one compressor running. As the load in-
creased, the compressors would stage on every 1.7°F
(.94°C).
Also notice that Tables 37 and 38 not only provide the
formulas for the loading (ON POINT) and unloading
(OFF POINT) of the system, the “STEP” is also shown
in the tables. The “STEP” is that sequence in the ca-
pacity control scheme that can be viewed under the
OPER DATA key. Please refer to the section on the DIS-
PLAY/PRINT keys for specific information on the OPER
DATA key.
Unit Controls

YORK INTERNATIONAL 89
FORM 150.62-NM1
Compressor Staging for Return Water Control –
6 Compressors
Cooling Setpoint = 45° F (7.2° C) Range = 10° F (5.6° C)
Notes:
1. Step 1 is Hot Gas Bypass and is skipped when loading occurs. Hot Gas Bypass operation is inhibited during Pumpdown.
2. Step 3 is skipped when loading occurs.
3. Step 4 is skipped when unloading occurs.
TABLE 38 – RETURN CHILLED LIQUID CONTROL FOR 4 COMPRESSORS (6 STEPS)
*STEP COMPRESSOR ON POINT COMPRESSOR OFF POINT
0
1SETPOINT
2SP + CR/4 SP + CR/8 SEE NOTE 1
3SP + 2*CR/4 SP + CR/4 SEE NOTE 2
4SP + 2*CR/4 SP + CR/4 SEE NOTE 3
5SP + 3*CR/4 SP + 2*CR/4
6SP + CR SP + 3*CR/4
TABLE 37 – RETURN CHILLED LIQUID CONTROL FOR 6 COMPRESSORS (8 STEPS)
*STEP COMPRESSOR ON POINT COMPRESSOR OFF POINT
0
1SETPOINT
2SP + CR/6 SP + CR/8 SEE NOTE 1
3SP + 2*CR/6 SP + CR/6 SEE NOTE 2
4SP + 2*CR/6 SP + CR/6 SEE NOTE 3
5SP + 3*CR/6 SP + 2*CR/6
6SP + 4*CR/6 SP + 3*CR/6
7SP + 5*CR/6 SP + 4*CR/6
8SP + CR SP + 5*CR/6
TABLE 36 – COMPRESSOR STAGING FOR RETURN WATER CONTROL
*Unloading only
# OF COMP ON 0 *1+HG 123456
RWT 45°F 46.25°F 46.7°F 48.3°F 50.0°F 51.7°F 53.4°F 55.0°F
(7.2°C) (7.9°C) (8.2°C) (9.1°C) (10.0°C) (11.0°C) (11.9°C) (12.8°C)
* STEP can be viewed using the OPER DATA key and scrolling to COOLING DEMAND.
2

YORK INTERNATIONAL
90
EVAPORATOR PUMP CONTROL
The evaporator pump dry contacts (CTB2 - terminals
23 - 24) are energized when any of the following condi-
tions are true:
1. Low Leaving Chilled Liquid Fault
2. Any compressor is running
3. Daily Schedule is not programmed OFF and
Unit Switch is ON.
The pump will not run if the micro panel has been pow-
ered up for less than 30 seconds or if the pump has run
in the last 30 seconds to prevent pump motor overheat-
ing.
EVAPORATOR HEATER CONTROL
The evaporator heater is controlled by ambient air tem-
perature. When the ambient temperature drops below
40°F (4.4°C) the heater is turned on. When the tem-
perature rises above 45°F (7.2°C) the heater is turned
off. An under voltage condition will keep the heater off
until full voltage is restored to the system.
CONDENSER FAN CONTROL
Condenser fan operation must be programmed with the
Options key under “Fan Control.” Condenser fan con-
trol can be selected for Ambient Temp. and Disch. Pres-
sure, or Discharge Pressure Only.
The condenser fan control by “Ambient Temperature
and Discharge Pressure” is a feature that is integral to
the standard software control. If the optional discharge
transducer is not installed, the condenser fans will op-
erate based on outdoor ambient temperature only. See
Table 39.
The condenser fan control by “Discharge Pressure” is
a feature that can be selected if the discharge pressure
transducer is installed and fan recycling is not a con-
cern. Fan control by discharge pressure will work ac-
cording to Table 40. The fan control on-pressure
(ctrl_press) and fan differential off-pressure (diff_press)
are programmable under the PROGRAM key.
TABLE 39 –CONDENSER FAN CONTROL USING OUTDOOR AMBIENT TEMPERATURE AND DISCHARGE
PRESSURE
TABLE 40 – CONDENSER FAN CONTROL USING DISCHARGE PRESSURE ONLY
Unit Controls
FAN STAGE ON OFF
1OAT >25° F (-3.9°C) OAT < 20° F (-6.7°C)
1 FAN FWD OR AND
DP > ctrl_press DP < ctrl_press - diff_press
2 OAT >45° F (7.2°C) OAT < 40° F (4.4°C)
2 FANS FWD OR AND
DP > ctrl_press + 20 PSIG (1.38 Bars) DP < ctrl_press - diff_press + 20 PSIG (1.38 Bars)
FAN STAGE ON OFF
1
1 FAN FWD DP > ctrl_press DP < ctrl_press - diff_press
2
2 FANS FWD DP > ctrl_press + 20 PSIG (1.38 Bars) DP < ctrl_press - diff_press + 20 PSIG (1.38 Bars)

YORK INTERNATIONAL 91
FORM 150.62-NM1
LOW AMBIENT CONDENSER FAN CONTROL
For unit operation below 25°F (-3.9°C) a low ambient
kit is required. The kit consists of a discharge pressure
transducer(s) and reversing contactors.
With the low ambient kit installed and the unit pro-
grammed for low ambient operation, the condenser fans
will operate as shown in Tables 41 and 42.
TABLE 41 –LOW AMBIENT CONDENSER FAN CONTROL – AMBIENT TEMPERATURE AND DISCHARGE
PRESSURE CONTROL
Again, notice that condenser fan operation can be pro-
grammed for either “temperature and discharge pres-
sure control,” or “discharge pressure control only” as
described under Condenser Fan Control.
The fan control on-pressure (ctrl_press) and the fan def-
erential off-pressure (diff_press) are programmable un-
der the PROGRAM key.
TABLE 42 – LOW AMBIENT CONDENSER FAN CONTROL – DISCHARGE PRESSURE CONTROL
2
FAN STAGE ON OFF
1OAT >25° F (-3.9°C) OAT < 20° F (-6.7°C)
1 FAN REV OR AND
DP > ctrl_press DP < ctrl_press - diff_press
2OAT >45°F (7.2°C) OAT < 40°F (-4.40°C)
1 FAN FWD OR AND
DP > ctrl_press + 20 PSIG (1.38 Bars) DP < ctrl_press - diff_press + 20 PSIG (1.38 Bars)
3OAT > 65°F (18.3°C) OAT < 60°F (15.6°C)
2 FANS FWD OR AND
DP > ctrl_press + 40 PSIG (2.76 Bars) DP < ctrl_press - diff_press + 40 PSIG (2.76 Bars)
FAN STAGE ON OFF
1
1 FAN REV DP > ctrl_press DP < ctrl_press - diff_press
2
1 FAN FWD DP > ctrl_press + 20 PSIG (1.38 Bars) DP < ctrl_press - diff_press + 20 PSIG (1.38 Bars)
3
2 FANS FWD DP > ctrl_press + 40 PSIG (2.76 Bars) DP < ctrl_press - diff_press + 40 PSIG (2.76 Bars)

YORK INTERNATIONAL
92
PUMPDOWN (LLSV) CONTROL
Each system has a Pumpdown feature upon shut-off.
On a non-safety, non-unit switch shutdown, all compres-
sors but one in the system will be shut off. The LLSV
will also be turned off. The final compressor will be al-
lowed to run until the suction pressure falls below the
cutout or for 180 seconds, which ever comes first.
Manual pumpdown from the keypad is not possible.
LOAD LIMITING
Load Limiting is a feature that prevents the unit from
loading beyond the desired value. 2 and 4 compressor
units can be load limited to 50%. This would allow only
1 compressor per system to run. 3 and 6 compressor
units can be load limited to 33% or 66%. The 66% limit
would allow up to 2 compressors per system to run,
and the 33% limit would allow only 1 compressor per
system to run. No other values of limiting are available.
There are two ways to load limit the unit. The first is
through remote communication via an ISN.
A second way to load limit the unit is through closing
contacts connected to the Load Limit (CTB1-Terminals
13-21) and PWM inputs (CTB1-Terminals 13-20). Stage
1 of load limiting involves closing the Load Limit input.
Stage 2 of load limiting involves closing both the Load
Limit and PWM inputs. The first stage of limiting is ei-
ther 66% or 50%, depending on the number of com-
pressors on the unit. The second stage of limiting is
33% and is only available on 3 and 6 compressor units.
Table 43 shows the load limiting permitted for the vari-
ous number of compressors.
NOTE: Simultaneous operation of Load Limiting and
EMS-PWM Temperature Reset (described on
following pages) cannot occur.
COMPRESSOR RUN STATUS
Compressor run status is indicated by closure of con-
tacts at CTB2 – terminals 25 to 26 for system 1 and
CTB2 – terminals 27 to 28 for system 2.
ALARM STATUS
System or unit shutdown is indicated by normally-open
alarm contacts opening whenever the unit shuts down
on a unit fault, or locks out on a system fault. System 1
alarm contacts are located at CTB2 - terminals 29 to
30. System 2 alarm contacts are located at CTB2 - ter-
minals 31 to 32. The alarm contacts will close when
conditions allow the unit to operate.
COMPRESSOR SEQUENCING
The unit control will attempt to equalize the total run
hours on individual compressors within a system. When
a system is about to start, the compressor with the least
run time in that system will be the first to start. When
the system has to load, the next compressor to start
will be the one with the least run time that is currently
not running in that system.
TABLE 43 – COMPRESSOR OPERATION – LOAD LIMITING
COMPRESSORS IN UNIT STAGE 1 STAGE 2
250% –
366% 33%
450% –
666% 33%
Unit Controls

YORK INTERNATIONAL 93
FORM 150.62-NM1
EMS-PWM REMOTE TEMPERATURE RESET
EMS-PWM Remote Temperature Reset is a value that
resets the Chilled Liquid Setpoint based on a PWM in-
put (timed contact closure) to the microboard. This PWM
input would typically be supplied by an Energy Man-
agement System.
A contact closure on the PWM Temp Reset input at
CTB 1 terminals 13 - 20, will reset the chilled liquid
setpoint based on the length of time the contacts re-
main closed. The maximum temperature reset is
achieved at a contact closure of 11 seconds. This is the
longest contact closure time allowed. One second is
the shortest time allowed and causes the Chilled Liquid
Setpoint to revert back to the Local programmed value.
The reset value is always added to the Chilled Liquid
Setpoint, meaning that this function never lowers the
Chilled Liquid Setpoint below the locally programmed
value, it can only reset to a higher value. The micro-
board must be refreshed between 30 seconds and 30
minutes. Any contact closure occurring sooner than 30
seconds will be ignored. If more than 30 minutes elapse
before the next contact closure, the setpoint will revert
back to the locally programmed value. The new chilled
liquid setpoint is calculated by the following equations:
setpoint = local chilled liquid setpoint + °reset
°reset = (Contact Closure - 1) x (*Max. Reset Value)
10
Example:
Local Chilled Liquid Setpoint = 45°F (7.22°C).
*Max Reset Value = 10°F (5.56°C)
Contact Closure Time = 6 Seconds.
(English)
(6 sec. - 1) (10°F/10) = 5°F Reset
So...the new chilled liquid setpoint = 45°F + 5°F= 50°F.
This can be viewed by pressing the Cooling Setpoints
key twice. The new value will be displayed as “REM SETP
= 50.0°F.”
(Metric)
(6 sec - 1) * (5.56°C/10) = 2.78°C
Reset Cooling Setpoint = 7.22°C + 2.78°C = 10.0°C
So...the new reset Cooling Setpoint = 7.22 °C + 2.78°C =
10°C. This can be viewed by pressing the Cooling Setpoints
key twice. The new value will be displayed as “REM SETP =
10.0°C.”
BAS/EMS TEMPERATURE RESET OPTION
The Remote Reset Option allows the Control Center of
the unit to reset the chilled liquid setpoint using a 0 - 10
VDC input, a 4-20mA input, or a contact closure input.
The Remote Reset circuit board converts the signals
mentioned above into pulse width modulated (PWM)
signals which the microprocessor can understand.
Whenever a reset is called for, the change may be noted
by pressing the Cooling Setpoints key twice. The new
value will be displayed as “REM SETP = XXX°F”
The optional Remote Reset option would be used when
reset of the chilled liquid setpoint is required and a PWM
signal (timed contact closure) cannot be supplied by an
Energy Management System. The Remote Temp. Re-
set Board will convert a voltage, current, or contact sig-
nal that is available from an EMS to a PWM signal, and
every 80 seconds provide a PWM input to the micro-
board. Figure 3 shows a diagram of the field and fac-
tory electrical connections.
If a 0 - 10VDC signal is available, it is applied to termi-
nals A+ and A-, and jumpers are applied to JU4 and
JU2 on the reset board. This dc signal is conditioned to
a 1 - 11 second PWM output and supplied to the PWM
input on the microboard at CTB 1 terminals 13 - 20. To
calculate the reset chilled liquid setpoint for values be-
tween 0VDC and 10VDC use the following formula:
setpoint = local chilled liquid setpoint + °reset
°reset = (dc voltage signal) x (*Max Reset Value)
10
Example:
Local Chilled Liquid Setpoint = 45°F (7.22°C)
*Max Reset Value = 20°F (11.11°C)
Input Signal = 6 VDC
(English)
°reset = 6VDC x 20°F = 12°F reset
10
setpoint = 45 °F + 12 °F = 57°F
(Metric)
°reset = 6VDC x 11. 11°C = 6.67°C reset
10
setpoint = 7.22°C + 6.67°C = 13.89°C
*
Max Reset Value is the “Max EMS-PWM Remote Temp. Reset” setpoint value described in the programming section under Cooling
Setpoints. Programmable values are from 2°F to 40°F (1.11°C to 22.22°C).
2

YORK INTERNATIONAL
94
FIG. 7 – FIELD AND FACTORY ELECTRICAL CONNECTIONS
OPTIONAL REMOTE TEMPERATURE RESET BOARD
If a 4-20mA signal is available, it is applied to termi-
nals A+ and A- and jumpers are applied to JU5 and
JU3 on the reset board. The mA signal is conditioned to
a 1-11 second PWM output. The PWM output is then
supplied to the PWM input on the microboard at CTB 1
terminals 13 - 20. To calculate the chilled liquid setpoint
for values between 4mA and 20 ma use the following
formula:
setpoint = local chilled liquid setpoint + °reset
°reset = (mA signal - 4) x (*Max Reset Value)
16
Example:
Local Chilled Liquid Setpoint = 45° (7.22°C)
*Max Reset Value = 10°F (5.56°C)
Input Signal = 12 mA
(English)
°reset = 8mA x 10°F = 5°F reset
16
setpoint = 45°F + 5°F = 50°F
(Metric)
°reset = 8mA x 5.56°C = 2.78°C reset
16
setpoint = 7.22°C + 2.78°C = 10.0°C
If the Contact Closure input is used. The connections
are made to terminals C and D and only jumper JUI
must be in place on the reset board. This input is used
when a
single
reset value is needed. When the contacts
are closed, the remote temperature reset board will con-
vert this contact closure to a PWM signal that is applied
to CTB 1 terminals 13 - 20.
To set the PWM output, the contacts must be closed on
inputs C - D, and potentiometer R11 (located on the front
edge of the PC board) is adjusted to 10VDC as mea-
sured at TP3 to terminal 10 on the circuit board. The
reset value will be the “Max EMS-PWM Remote Temp.
Reset” setpoint value programmed in the SETPOINTS
section under the Cooling Setpoints key.
NOTE: The coil of any added relay used for reset must
be suppressed to prevent possible component
damage. Use YORK PN031-00808-000
suppressor.
LD03875
035-15961-000
035-15961-000
+
–
Unit Controls
A 240-24 Volt Ratio Transformer (T3)
is used to derive nominal 12 volt out-
put from the 120 volt supply.
* Max Reset Value is the “Max EMS-PWM Remote Temp. Reset” setpoint value described in the programming section under Cooling Setpoints.
Programmable values are from 2°F to 40°F (1.11°C to 11.11°C).

YORK INTERNATIONAL 95
FORM 150.62-NM1
SERVICE AND TROUBLESHOOTING
CLEARING HISTORY BUFFERS
The history buffers may be cleared by pressing the HIS-
TORY key and then repeatedly pressing the UP arrow
key until you scroll past the last history buffer choice.
The following message will be displayed:
Pressing the ENTER/ADV key at this display will cause
the history buffers to be cleared. Pressing any other
key will cancel the operation.
SOFTWARE VERSION
The software version may be viewed by pressing the
HISTORY key and then repeatedly pressing the DOWN
arrow key until you scroll past the first history buffer
choice. The following message is an example of what
will be displayed:
SERVICE MODE
Service Mode is a mode that allows the user to view all
the inputs to the microboard and enable or disable all of
the outputs (except compressors) on the unit. Some in-
ternal timers and counters will be viewable and modifi-
able as well.
To enter Service Mode, turn the unit switch off and press
the following keys in the sequence shown; PROGRAM,
UP ARROW, UP ARROW, DOWN ARROW, DOWN
ARROW, ENTER.
SERVICE MODE - DIGITAL OUTPUTS
After pressing the key sequence as described, the con-
trol will enter the Service Mode permitting the
digital out-
puts (except compressors), operating hours, and start
counters to be viewed/modified
. The ENTER/ADV key
is used to advance through the digital outputs. Using
the UP/DOWN ARROW keys will turn the respective
digital output on/off.
Following is the order of digital outputs that will appear
as the ENTER/ADV key is pressed:\
SYS 1 COMPRESSOR 1
SYS 1 LIQUID LINE SOLENOID VALVE
SYS 1 COMPRESSOR 2
SYS 1 COMPRESSOR 3
SYS 1 HOT GAS BYPASS SOLENOID VALVE
SYS 2 COMPRESSOR 1
SYS 2 LIQUID LINE SOLENOID VALVE
SYS 2 COMPRESSOR 2
SYS 2 COMPRESSOR 3
SYS 1 FAN STAGE 1
SYS 1 FAN STAGE 2
SYS 1 FAN STAGE 3
SYS 2 FAN STAGE 1
SYS 2 FAN STAGE 2
SYS 2 FAN STAGE 3
EVAPORATOR HEATER
SYS 1 ALARM
SYS 2 ALARM
EVAPORATOR PUMP
SYS 1 & 2 ACCUM RUN TIME/STARTS
Each display will also show the output connection on
the microboard for the respective digital output status
shown. For example:
This display indicates that the system 1 liquid line sole-
noid valve is OFF, and the output connection from the
microboard is coming from terminal block 3 - pin 2.
Pressing the UP Arrow key will energize the liquid line
solenoid valve and OFF will change to ON in the dis-
play as the LLSV is energized.
The last display shown on the above list is for the accu-
mulated run and start timers for each system. These
values can also be changed using the UP and Down
ARROW keys, but under normal circumstances would
not be advised.
1INITIALIZE HISTORY
ENTER = YES
SOFTWARE VERS I ON
C.MMC.01.01
SYS 1 LLSV STATUS
TB3 - 2 I S OFF
3

YORK INTERNATIONAL
96
SERVICE MODE - INPUTS
After entering the Service Mode,
all digital and analog
inputs to the microboard can be viewed by pressing the
OPER DATA key.
After pressing the OPER DATA key,
the UP ARROW and DOWN ARROW keys are used to
scroll through the analog and digital inputs.
Following is the order of analog and digital inputs that
will appear when sequenced with the ARROW keys:
(analog inputs)
SYS 1 *SUCT PRESSURE
SYS 1 SPARE
SYS 1 **DISCH PRESSURE
SYS 1 SUCT TEMP (YCUL ONLY)
SYS 2 SUCT TEMP (YCUL ONLY)
SPARE
SPARE
AMBIENT AIR
LEAVING LIQUID
RETURN LIQUID
SYS 2 *SUCTION PRESSURE
SYS 2 SPARE
SYS 2 **DISCH PRESSURE
SYS 1 GRND FLT
SYS 2 GRND FLT
(binary inputs)
PWM TEMP RESET INPUT
LOAD LIMIT INPUT
FLOW SW / REM START
SYS 2 ZONE THERM (YCUL ONLY)
SINGLE SYSTEM SELECT
SYS 1 MP / HPCO INPUT
SYS 2 MP / HPCO INPUT
The analog inputs will display the input connection, the
temperature or pressure, and corresponding input volt-
age such as:
This example indicates that the system 1 suction pres-
sure input is connected to plug 4 - pin 10 (J4-10) on the
microboard. It indicates that the voltage is 2.1 volts dc
which corresponds to 81 PSIG (5.6 bars) suction pres-
sure.
The digital inputs will display the input connection and
ON/OFF status such as:
This indicates that the flow switch/remote start input is
connected to plug 9- pin 5 (J9-5) on the microboard,
and is ON (ON = +30 VDC unregulated input, OFF = O
VDC input on digital inputs).
CONTROL INPUTS/OUTPUTS
Tables 44 and 45 are a quick reference list providing
the connection points and a description of the binary
and analog inputs respectively. Table 46 lists the con-
nection points for the outputs. All input and output con-
nections pertain to the connections at the microboard.
Figure 8 illustrates the physical connections on the mi-
croboard.
FLOW SW/REM START
J9-5 IS ON
SYS 1 SUCT PR J4 - 10
2.1VDC=81PSIG
* The suction pressure transducer is optional on YCAL0014 - YCAL0060. A low pressure switch is standard on these models in place of the
suction transducer.
** The discharge pressure transducer is optional on all models.
Service and Troubleshooting

YORK INTERNATIONAL 97
FORM 150.62-NM1
* The 30 dc unregulated supply is not an input. This voltage originates on the microboard and is used to supply the contacts for the binary
inputs.
TABLE 46 – MICROBOARD OUTPUTS
TB3-2 SYSTEM 1 COMPRESSOR 1
TB3-3 SYS 1 LIQUID LINE SOLENOID VALVE
TB3-4 SYSTEM 1 COMPRESSOR 2
TB3-5 SYSTEM 1 COMPRESSOR 3
TB3-6 SYSTEM 1 HOT GAS BYPASS VALVE
TB3-8 SYSTEM 2 COMPRESSOR 1
TB3-9 SYS 2 LIQUID LINE SOLENOID VALVE
TB3-10 SYSTEM 2 COMPRESSOR 2
TB4-1 SYSTEM 2 COMPRESSOR 3
TB4-2 SYS 1 CONDENSER FAN STAGE 1
TB4-4 SYS 1 CONDENSER FAN STAGE 2
TB4-5 SYS 1 CONDENSER FAN STAGE 3
TB4-6 SYS 2 CONDENSER FAN STAGE 1
TB4-8 SYS 2 CONDENSER FAN STAGE 2
TB4-9 SYS 2 CONDENSER FAN STAGE 3
TB4-10 EVAPORATOR HEATER
TB5-1 SYSTEM 1 ALARM
TB5-2 SYSTEM 2 ALARM
TB5-3 EVAPORATOR PUMP STARTER
TABLE 44 – MICROBOARD BINARY INPUTS
*J9-1 30VDC UNREGULATED SUPPLY
J9-2 UNIT ON/OFF SWITCH
J9-3 PWM TEMP RESET
OR LOAD LIMIT STAGE 2 ON 3 & 6 COMP UNITS
J9-4 LOAD LIMIT STAGE 1
J9-5 FLOW SWITCH AND REMOTE START / STOP
(SYS 1 ZONE THERMOSTAT - YCUL ONLY)
J9-6 SYSTEM 2 ZONE THERMOSTAT - YCUL ONLY
J9-7 SINGLE SYSTEM SELECT
(JUMPER = SINGLE SYS, NO JUMPER=TWO
SYS)
J9-8 CR1 (SYS 1 MOTOR PROTECTOR / HIGH
PRESS CUTOUT)
J9-9 CR2 (SYS 2 MOTOR PROTECTOR / HIGH
PRESS CUTOUT)
TABLE 45 – MICROBOARD ANALOG INPUTS
J4-10 Sys 1 Suction Press Transducer or
Sys 1 Low Press Switch
J4-11 SPARE
J4-12 Sys 1 Discharge Pressure Transducer (optional)
J5-12 Sys 1 Suction Temp Sensor - YCUL Option
J5-13 Sys 2 Suction Temp Sensor - YCUL Option
J5-14 SPARE
J5-15 SPARE
J6-7 Ambient Air Temperature Sensor
J6-8 Leaving Chilled Liquid Temperature Sensor
J6-9
Return Chilled Liquid Temperature Sensor
or
Discharge Air Temp Sensor - YCUL Only
J7-10 Sys 2 Suct Press Transducer
or
Sys 2 Low Press Switch
J7-11 SPARE
J7-12 Sys 2 Discharge Pressure Transducer (optional)
J8-5 Sys 1 Ground Fault Circuit
J8-6 Sys 2 Ground Fault Circuit
3

YORK INTERNATIONAL
98
FIG. 8 – MICROBOARD LAYOUT
J4
J8
J6
J5
J7
J9
TB3
TB4
TB5
00071VIP
TB1 TB2
Service and Troubleshooting
CLOCK
ON/OFF
JUMPER

YORK INTERNATIONAL 99
FORM 150.62-NM1
CHECKING INPUTS AND OUTPUTS
BINARY INPUTS
Refer to the unit wiring diagram. All binary inputs are
connected to J9 of the microboard. The term “binary”
refers to two states –- either on or off. As an example,
when the flow switch is closed, 30 volts
dc
will be ap-
plied to J9, pin 5 (J9-5) of the microboard. If the flow
switch is open, 0 volts dc will then be present at J9-5.
Pin 1 of J9 is an
unregulated
30VDC that is the
dc
volt-
age
source
used to supply the dc voltage to the various
contacts, unit switch, flow switch, etc. This dc source is
factory wired to CTB1, terminal 13. Any switch or con-
tact used as a binary input would be connected to this
terminal, with the other end connecting to it’s respective
binary input on the microboard. Anytime a switch or con-
tact is closed, 30VDC would be applied to that particular
binary input. Anytime a switch or contact is open, 0VDC
would be applied to that particular binary input.
Typically, as high as 34VDC could be measured for the
dc voltage on the binary inputs. This voltage is in refer-
ence to ground. The unit case should be sufficient as a
reference point when measuring binary input voltages.
ANALOG INPUTS – Temperature
Refer to the unit wiring diagram. Temperature inputs are
connected to the microboard on plug J6. These
analog
inputs represent varying dc signals corresponding to
varying temperatures. All voltages are in reference to
the unit case (ground). Following are the connections
for the temperature sensing inputs:
Outside Air Sensor
J6-4 = +5VDC regulated supply to sensor.
J6-7 = VDC input signal to the microboard. See Table
47 for voltage readings that correspond to
specific outdoor temperatures.
J6-1 = drain (shield connection = 0VDC)
TABLE 47 –OUTDOOR AIR SENSOR
TEMPERATURE/VOLTAGE/
RESISTANCE CORRELATION
TEMP °F VOLTAGE RESISTANCE TEMP C°
0 0.7 85398 -18
5 0.8 72950 -15
10 0.9 62495 -12
15 1.0 53685 -9
20 1.1 46240 -7
25 1.2 39929 -4
30 1.4 34565 -1
35 1.5 29998 2
40 1.7 26099 4
45 1.8 22673 7
50 2.0 19900 10
55 2.2 17453 13
60 2.3 15309 16
65 2.5 13472 18
70 2.6 11881 21
75 2.8 10501 24
80 2.9 9298 27
85 3.1 8250 29
90 3.2 7332 32
95 3.4 6530 35
100 3.5 5827 38
105 3.6 5209 41
110 3.7 4665 43
115 3.8 4184 46
120 3.9 3759 49
125 4.0 3382 52
130 4.1 3048 54
3

YORK INTERNATIONAL
100
Entering Chilled Liquid Sensor
J6-6 = +5VDC regulated supply to sensor.
J6-9 = VDC input signal to the microboard. See Table
48 for voltage readings that correspond to
specific liquid temperatures.
J6-3 = drain (shield connection = 0VDC)
Leaving Chilled Liquid Temp. Sensor
J6-5 = +5VDC regulated supply to sensor.
J6-8 = VDC input signal to the microboard. See Table
48 for voltage readings that correspond to
specific liquid temperatures.
J6-2 = drain (shield connection = 0VDC)
TABLE 48 –ENTERING AND LEAVING CHILLED
LIQUID TEMP. SENSOR
TEMPERATURE/VOLTAGE/
RESISTANCE CORRELATION
TEMP °F VOLTAGE RESISTANCE TEMP °C
0 1.71 25619 -18
2 1.78 24046 -17
4 1.85 22580 -16
6 1.93 21214 -14
8 2.00 19939 -13
10 2.07 18749 -12
12 2.15 17637 -11
14 2.22 16599 -10
16 2.30 15629 -9
18 2.37 14721 -8
20 2.45 13872 -7
22 2.52 13077 -6
24 2.59 12333 -4
26 2.67 11636 -3
28 2.74 10982 -2
30 2.81 10370 -1
32 2.88 9795 0
34 2.95 9256 1
36 3.02 8750 2
38 3.08 8276 3
40 3.15 7830 4
42 3.21 7411 6
44 3.27 7017 7
46 3.33 6647 8
48 3.39 6298 9
50 3.45 5970 10
52 3.51 5661 11
54 3.56 5370 12
56 3.61 5096 13
58 3.67 4837 14
60 3.72 4593 16
62 3.76 4363 17
64 3.81 4145 18
66 3.86 3941 19
68 3.90 3747 20
70 3.94 3564 21
72 3.98 3392 22
74 4.02 3228 23
76 4.06 3074 24
78 4.10 2928 26
80 4.13 2790 27
Service and Troubleshooting

YORK INTERNATIONAL 101
FORM 150.62-NM1
ANALOG INPUTS – Pressure
Refer to the unit wiring diagram. Pressure inputs are
connected to the microboard on plugs J4 and J7. These
analog
inputs represent varying dc signals correspond-
ing to varying pressures. All voltages are in reference
to the unit case (ground).
System 1 discharge and suction pressures will be con-
nected to J4 of the microboard. System 2 discharge
and suction pressure transducers will be connected to
J7 of the microboard.
The discharge transducers are optional on all units. If
the discharge transducers are not installed, no connec-
tions are made to the microboard and the discharge
pressure readout on the display would be zero.
The suction pressure transducers are optional on
YCAL0014 - YCAL0060. If the suction transducers are
not installed, a mechanical low pressure switch will be
installed in its place, and the suction pressure readout
on the display will be 0 PSIG when the LP switch is
open, and 200 PSIG (13.79 BARG) when the LP switch
is closed.
The discharge transducers have a range from 0 to 400
PSIG. The output will be linear from .5VDC to 4.5VDC
over the 400 PSIG (27.5 BARG) range. Following is the
formula that can be used to verify the voltage output of
the transducer. All voltage reading are in reference to
ground (unit case).
V = (Pressure in PSIG x .01) + .5
or
V = (Pressure in BARG x .145) + .5
where V = dc voltage output
Pressure = pressure sensed by transducer
The microboard connections for the Discharge Trans-
ducers:
System 1 Discharge Transducer
J4-7 = +5VDC regulated supply to transducer.
J4-12 = VDC input signal to the microboard. See the
formula above for voltage readings that
correspond to specific discharge pressures.
J4-8 = +5VDC return
J4-9 = drain (shield connection = 0VDC)
System 2 Discharge Transducer
J7-7 = +5VDC regulated supply to transducer.
J7-12 = VDC input signal to the microboard. See the
formula above for voltage readings that
correspond to specific discharge pressures.
J7-8 = +5VDC return
J7-9 = drain (shield connection = 0VDC) 3

YORK INTERNATIONAL
102
The suction transducers have a range from 0 to 200
PSIG (13.79 BARG). The output will be linear from .5
VDC to 4.5 VDC over the 200 PSIG (13.79 BARG)
range. Following is a formula that can be used to verify
the voltage output of the transducer. All voltage reading
are in reference to ground (unit case).
V = (Pressure in PSIG x .02) + .5
or
V = (Pressure in BARG x .29) + .5
where V = dc voltage input to micro
Pressure = pressure sensed by transducer
Following are the microboard connections for the Suc-
tion Transducer:
System 1 Suction Transducer
J4-5 = +5VDC regulated supply to transducer.
J4-10 = VDC input signal to the microboard. See
the formula above for voltage readings that
correspond to specific suction pressures.
J4-1 = +5VDC return
J4-2 = drain (shield connection = 0VDC)
System 2 Suction Transducer
J7-5 = +5VDC regulated supply to transducer.
J7-10 = VDC input signal to the microboard. See
the formula above for voltage readings that
correspond to specific suction pressures.
J7-1 = +5VDC return
J7-2 = drain (shield connection = 0VDC)
If the optional Suction Transducer is not used on the
YCAL0014 - YCAL0060, a Low Pressure switch will be
used. Following are the microboard connections for the
Low Pressure switch.
System 1 Low Pressure Switch
J4-5 = +5VDC regulated supply to LP switch.
J4-10 = input signal to the microboard. 0VDC =
open switch / +5 VDC = closed switch.
J4-2 = drain (shield connection = 0VDC)
System 2 Low Pressure Switch
J7-5 = +5VDC regulated supply to LP switch.
J7-10 = input signal to the microboard. 0VDC = open
switch / +5VDC = closed switch.
J7-2 = drain (shield connection = 0VDC)
DIGITAL OUTPUTS
Refer to the unit wiring diagram and Table 46. The digi-
tal outputs are located on TB3, TB4, and TB5 of the
microboard. ALL OUTPUTS ARE 120VAC with the ex-
ception of TB5-3 to TB5-4. TB5-3 to TB5-4 are the con-
tacts that can be used for an evaporator pump start sig-
nal. The voltage applied to either of these terminals would
be determined by field wiring.
Each output is controlled by the microprocessor by
switching 120VAC to the respective output connection
energizing contactors, evap. heater, and solenoids ac-
cording to the operating sequence.
120 vac is supplied to the microboard via connections
at TB3-1, TB3-7, TB4-3, and TB4-7. Figure 9 illustrates
the relay contact architecture on the microboard.
Service and Troubleshooting

YORK INTERNATIONAL 103
FORM 150.62-NM1
KEYPAD
The operator keypad is connected to the microboard
by a ribbon cable, which is connected to J2 on the mi-
croboard.
The integrity of a specific “button” on the keypad can be
verified by doing a continuity check across two specific
.
FIG. 9 –MICROBOARD RELAY CONTACT
ARCHITECTURE
LD03842 TABLE 49 – KEYPAD PIN ASSIGNMENT MATRIX
KEYPAD PIN CONNECTIONS
STATUS 1 TO 5
OPER DATA 1 TO 7
PRINT 1 TO 6
HISTORY 1 TO 8
UP ARROW 2 TO 5
DOWN ARROW 2 TO 7
ENTER/ADV 2 TO 6
COOLING SETPOINTS 2 TO 8
SCHEDULE/ADVANCE DAY 3 TO 5
PROGRAM 3 TO 7
OPTIONS 3 TO 6
CLOCK 3 TO 8
3
points (or pins), that represent one of twelve “buttons”
on the keypad.
Table 49 lists the key/pin assignments for the keypad.
Power to the microboard must be turned off, and
the ribbon cable disconnected from the microboard
prior to conducting the tests, or component dam-
age may result.
After the ribbon cable is disconnected from microboard,
ohmmeter leads are connected to the pins represent-
ing the specific “button” to be tested. After connecting
the meter leads, the “button” being checked is pressed
and a reading of zero ohms should be observed. After
releasing the “button”, the resistance value should be
infinite (open circuit).
Pin 1 is usually identified by a stripe
on the ribbon cable

YORK INTERNATIONAL
104
The micro panel is capable of supplying a printout of
chiller conditions or fault shutdown information at any
given time. This allows operator and service personnel
to obtain data and system status with the touch of the
keypad. In addition to manual print selection, the micro
panel will provide an automatic printout whenever a fault
occurs. Detailed explanation of the print function is given
under “Print Key” located in the Keypad and Display sec-
tion.
YORK recommends the field tested WEIGH-TRONIX
model 1220 printer (or former IMP 24). This is a com-
pact low cost printer that is ideal for service work and
data logging.
The WEIGH-TRONIX printer can be obtained by con-
tacting WEIGH-TRONIX for purchase information at:
WEIGH-TRONIX
2320 Airport Blvd.
Santa Rosa, CA 95402
Phone: 1-800-982-6622 or 1-707-527-5555
(International Orders Only)
The part number for the printer that is packaged specifi-
cally for YORK is P/N 950915576. The cable to connect
the printer can either be locally assembled from the parts
listed, or ordered directly from WEIGH-TRONIX under
part number 287-040018.
Parts
The following parts are required:
1. WEIGH-TRONIX model 1220 printer.
2. 2.25" (5.7cm) wide desk top calculator paper.
3. 25 ft. (7.62m) maximum length of Twisted Pair
Shielded Cable (minimum 3 conductor), #18 AWG
stranded, 300V minimum insulation.
4. One 25 pin Cannon connector and shell.
Connector: Cannon P/N DB-25P or equivalent.
Shell: Cannon P/N DB-C2-J9.
Assembly and Wiring
All components should be assembled and wired as
shown in Figure 10. Strip the outside insulation back
several inches and individual wires about 3/8” (9.5 mm)
to connect the cable at the Microboard. Do not connect
the shield at the printer-end of the cable.
Obtaining a Printout
A printout is obtained by pressing the “PRINT” key on
the keypad and then pressing either the “OPER DATA”
key or “HISTORY” key.
FIG. 10 – PRINTER TO MICROBOARD ELECTRICAL CONNECTIONS
LD03843
Service and Troubleshooting
OPTIONAL PRINTER INSTALLATION

YORK INTERNATIONAL 105
FORM 150.62-NM1
TROUBLESHOOTING
PROBLEM CAUSE SOLUTION
No display on panel. 1. No 115VAC to 1T. 1a. Check wiring and fuse
Unit will not operate. 3FU
b. Check wiring emergency
stop contacts 5 to L of CTB2
Terminal Block.
c. Replace 1T
2. No 24VAC to Microboard 2. Check wiring 1T to
Microboard.
3. 1T defective, no 3. Replace 1T
24VAC output.
4. Short in wire to temp. sensors 4. Unplug connections at
or pressure transducers. Microboard to isolate.
5. Defective Microboard 5. Replace Microboard.
or Display board.
NOTE: Contact YORK
Service before
Replacing circuit Boards!
“FLOW SWITCH/REM 1. No chilled liquid flow. 1. Check chilled liquid flow.
STOP NO RUN PERMISSIVE”2. Flow switch improperly 2. Check that the flow switch
installed. is installed according to
manufacturer’s
instructions.
3. Defective flow switch. 3. Replace flow switch.
4. Remote cycling device open. 4. Check cycling devices
connected to terminals
13 & 14 of the CTB1
Terminal Block.
“LOW SUCTION PRESSURE”1. Improper suction pressure 1. Adjust per recommended
FAULT cut-outs adjustments. settings.
2. Low refrigerant charge. 2. Repair leak if necessary
and add refrigerant.
3. Fouled filter dryer. 3. Change dryer/core.
TABLE 50 – TROUBLESHOOTING
CONT’D
3

YORK INTERNATIONAL
106
PROBLEM CAUSE SOL
“LOW SUCTION PRESSURE”4. TXV defective. 4. Replace TXV.
FAULT (CONT’D) 5. Reduced flow of chilled 5. Check GPM (See “Limitations”
liquid through the cooler. in Installation section). Check
operation of pump, clean
pump strainer, purge chilled
liquid system of air.
6. Defective suction pressure 6. Replace transducer/low
transducer/low pressure pressure switch or faulty
switch or wiring wiring. Refer to “Service”
section for pressure/voltage
formula.
7. LLSV defective 7. Replace LLSV
“HIGH DISCHARGE 1. Condenser fans not operating 1. Check fan motor, fuses,
PRESSURE” FAULT or operating backwards. and contactors. Assure fan
blows air upward.
2. Too much refrigerant. 2. Remove refrigerant.
3. Air in refrigerant system. 3. Evacuate and recharge
system.
4. Defective discharge 4. Replace discharge pressure
pressure transducer. transducer. Refer to Service
section for pressure/voltage
formula.
“LOW LIQUID TEMP”1. Improperly adjusted leaving 1. Re-program the leaving
FAULT chilled liquid temp cut-out chilled liquid temp. cut-out.
(glycol only).
2. Micropanel setpoint/range 2. Re-adjust setpoint/range.
values improperly programmed.
3. Chilled liquid flow too low. 3. Increase chilled liquid flow –
refer to Limitations in Instal-
lation section.
4. Defective LWT or RWT sensor. 4. Compare sensor against a
(assure the sensor is properly known good temperature
installed in the bottom of the well sensing device. Refer to
with a generous amount of heat Service section for temp/
conductive compound) voltage table.
CONT’D
Service and Troubleshooting

YORK INTERNATIONAL 107
FORM 150.62-NM1
PROBLEM CAUSE SOLUTION
“MP / HPCO” FAULT 1. Compressor internal motor 1. Verify refrigerant charge is
protector (MP) open. not low. Verify superheat
setting of °10 - 15°F (5.6° -
8.3°C). Verify correct com-
pressor rotation. Verify
compressor is not over
loaded.
2. External overload tripped. 2. Determine cause and reset.
3. HPCO switch open 3. See “High Press. Disch.”
Fault
4. Defective HPCO switch 4. Replace HPCO switch
5. Defective CR relay 5. Replace relay
COMPRESSOR(S) WON’T1. Demand not great enough. 1. No problem. Consult
START “Installation” Manual to aid
in understanding compres-
sor operation and capacity
control.
2. Defective water temperature 2. Compare the display with a
sensor. thermometer. Should be
within +/- 2 degrees. Refer
to Service section for RWT/
LWT temp./voltage table.
3. Contactor/Overload failure 3. Replace defective part.
4. Compressor failure 4. Diagnose cause of failure
and replace.
LACK OF COOLING EFFECT 1. Fouled evaporator surface. 1. Contact the local YORK
Low suction pressure will service representative.
be observed.
2. Improper flow through the 2. Reduce flow to within chiller
evaporator. design specs. See Limita-
tions in Installation section.
3. Low refrigerant charge. 3. Check subcooling and add
Low suction pressure will charge as needed.
be observed.
3

YORK INTERNATIONAL
108
MAINTENANCE
It is the responsibility of the equipment owner to pro-
vide maintenance on the system.
IMPORTANT
If system failure occurs due to improper maintenance
during the warranty period, YORK will not be liable for
costs incurred to return the system to satisfactory op-
eration. The following is intended only as a guide and
covers only the chiller unit components. It does not cover
other related system components which may or may
not be furnished by YORK. System components should
be maintained according to the individual manufacture’s
recommendations as their operation will affect the op-
eration of the chiller.
COMPRESSORS
Oil Level check:
The oil level can only be tested when the compressor is
running in stabilized conditions, to ensure that there is
no liquid refrigerant in the lower shell of the compres-
sor. When the compressor is running at stabilized con-
ditions, the oil level must be between 1/4 and 3/4 in
the oil sight glass. Note: at shutdown, the oil level can
fall to the bottom limit of the oil sight glass. Use YORK
“F” oil when adding oil.
Oil Analysis:
The oil used in these compressors is pale yellow in color
(mineral oil). If the oil color darkens or exhibits a change
in color, this may be an indication of contaminants in
the refrigerant system. If this occurs, an oil sample
should be taken and analyzed. If contaminants are
present, the system must be cleaned to prevent com-
pressor failure.
Never use the scroll compressor to
pump the refrigerant system down into
a vacuum. Doing so will cause inter-
nal arcing of the compressor motor
which will result in failure of compres-
sor.
CONDENSER FAN MOTORS
Condenser fan motors are permanently lubricated and
require no maintenance.
CONDENSER COILS
Dirt should not be allowed to accumulate on the con-
denser coil surfaces. Cleaning should be as often as
necessary to keep coil clean.
Exercise care when cleaning the coil
so that the coil fins are not damaged.
OPERATING PARAMETERS
Regular checks of the system should be preformed to
ensure that operating temperatures and pressures are
within limitations, and that the operating controls are
set within proper limits. Refer to the Operation, Start-
Up, and Installation sections of this manual.
ON-BOARD BATTERY BACK-UP
U17 is the Real Time Clock chip that maintains the date/
time and stores customer programmed setpoints. Any-
time the chiller is to be off (no power to the microboard)
for an extended time (weeks/months), the clock should
be turned off to conserve power of the on-board bat-
tery. To accomplish this, the J11 jumper on the micro-
board must be moved to the “CLKOFF” position while
power is still supplied to the microboard.
THE UNIT EVAPORATOR HEATER
IS 120 VAC. DISCONNECTING
120VAC POWER FROM THE UNIT,
AT OR BELOW FREEZING TEM-
PERATURES, CAN RESULT IN
DAMAGE TO THE EVAPORATOR
AND UNIT AS A RESULT OF THE
CHILLED LIQUID FREEZING.
OVERALL UNIT INSPECTION
In addition to the checks listed on this page, periodic
overall inspections of the unit should be accomplished
to ensure proper equipment operation. Items such as
loose hardware, component operation, refrigerant leaks,
unusual noises, etc. should be investigated and cor-
rected immediately.
Service and Troubleshooting

YORK INTERNATIONAL 109
FORM 150.62-NM1
RECEIVED DATA (CONTROL DATA)
The Middle Market receives 8 data values from the ISN.
The first 4 are analog values and the last 4 are digital
values. These 8 data values are used as control pa-
rameters when in REMOTE mode. When the unit is in
LOCAL mode, these 8 values are ignored. If the unit
receives no valid ISN transmission for 5 minutes it will
revert back to all local control values. Table 51 lists the
5 control parameters. These values are found under
feature 54 on the ISN.
TRANSMITTED DATA
After receiving a valid transmission from the ISN, the
unit will transmit either operational data or history buffer
data depending on the “History Buffer Request” in page
10. Data must be transmitted for every ISN page under
feature 54. If there is no value to be sent to a particular
page, a zero will be sent. Tables 52 - 53 show the data
values and page listings for this unit.
ISN CONTROL
TABLE 51 – ISN RECEIVED DATA
TABLE 52 – ISN TRANSMITTED DATA
ISN PAGE CONTROL DATA
P03 SETPOINT
P04 LOAD LIMIT STAGE (0,1, 2)
P05 COOLING RANGE (DAT MODE ONLY)
P06 —
P07 START/STOP COMMAND
P08 —
P09 —
P10 HISTORY BUFFER REQUEST
ISN PAGE TYPE DATA
P11 ANALOG LEAVING CHILLED LIQUID TEMP.
P12 ANALOG RETURN CHILLED LIQUID TEMP.
P13 ANALOG MIXED CHILLED LIQUID TEMP.
P14 ANALOG DISCHARGE AIR TEMP.
P15 ANALOG —
P16 ANALOG AMBIENT AIR TEMP.
P17 ANALOG —
P18 ANALOG SYS 1 RUN TIME (SECONDS)
P20 ANALOG SYS 1 DISCHARGE PRESSURE
P21 ANALOG —
P22 ANALOG —
P23 ANALOG —
P24 ANALOG SYS 1 ANTI-RECYCLE TIMER
P25 ANALOG ANTI-COINCIDENT TIMER
P27 ANALOG SYS 2 RUN TIME (SECONDS)
P28 ANALOG SYS 2 SUCTION PRESSURE
P29 ANALOG SYS 2 DISCHARGE PRESSURE
P33 ANALOG SYS 2 ANTI-RECYCLE TIMER
P35 ANALOG NUMBER OF COMPRESSORS
P36 DIGITAL SYS 1 ALARM
P37 DIGITAL SYS 2 ALARM
P38 DIGITAL EVAPORATOR HEATER STATUS
P39 DIGITAL EVAPORATOR PUMP STATUS
P40 DIGITAL —
P41 DIGITAL —
3

YORK INTERNATIONAL
110
Service and Troubleshooting
* The operational and fault codes sent to pages 56 through 59 are defined in Table 54. Note that this table of fault and op codes is for all
DX products. The codes that are grayed out are not used on this unit.
TABLE 53 – ISN TRANSMITTED DATA
ISN PAGE TYPE DATA
P42 DIGITAL SYS 1 LIQUID LINE SOLENOID
VALVE
P43 DIGITAL SYS HOT GAS BYPASS VALVE
P44 DIGITAL —
P45 DIGITAL —
P46 DIGITAL SYS 2 LIQUID LINE SOLENOID
VALVE
P47 DIGITAL LEAD SYSTEM (0=SYS 1, 1 SYS 2)
P48 DIGITAL —
P49 DIGITAL —
P50 DIGITAL CHILLED LIQUID TYPE
(0=WATER, 1=GLYCOL)
P51 DIGITAL AMBIENT CONTROL MODE
(0=STD, 1 = AMB)
P52 DIGITAL LOCAL / REMOTE CONTROL
MODE (0=LOCAL, 1=REMOTE)
P53 DIGITAL UNITS (0=IMPERIAL, 1=SI)
P54 DIGITAL LEAD/LAG CONTROL MODE
(0=MANUAL, 1=AUTO)
P55 DIGITAL —
P56 CODED *SYS 1 OPERATIONAL CODE
P57 CODED *SYS 1 FAULT CODE
P58 CODED *SYS 2 OPERATIONAL CODE
P59 CODED *SYS 2 FAULT CODE
P60 CODED SYS 1 COMP RUNNING
ISN PAGE TYPE DATA
P61 CODED SYS 1 COND FANS RUNNING
P62 CODED SYS 2 COMP RUNNING
P63 CODED SYS 2 COND FANS RUNNING
P64 CODED —
P65 ANALOG
UNIT CONTROL MODE
0=LEAVING WATER,
1=RETURN WATER
2=DISCHARGE AIR,
3= SUCTION PRESSURE
P66 ANALOG ANTI-RECYCLE TIME
(PROGRAMMED)
P67 ANALOG LEAVING CHILLED LIQUID
TEMP CUTOUT
P68 ANALOG LOW AMBIENT TEMP CUTOUT
P69 ANALOG —
P70 ANALOG LOW SUCTION PRESS CUTOUT
P71 ANALOG HIGH DISCHARGE PRESS
CUTOUT
P72 ANALOG SETPOINT
P73 ANALOG COOLING RANGE
P74 ANALOG SETPOINT 2
(SP CONTROL)
P75-P84 —NO DATA
ALL ZEROS

YORK INTERNATIONAL 111
FORM 150.62-NM1
TABLE 54 – ISN OPERATIONAL AND FAULT CODES
P56/58 OPERATIONAL CODE P57/59 FAULT CODE
0NO ABNORMAL CONDITION 0NO FAULT
1UNIT SWITCH OFF 1VAC UNDERVOLTAGE
2SYSTEM SWITCH OFF 2LOW AMBIENT TEMPERATURE
3LOCK-OUT 3HIGH AMBIENT TEMPERATURE
4UNIT FAULT 4LOW LEAVING CHILLED LIQUID TEMP
5SYSTEM FAULT 5HIGH DISCHARGE PRESSURE
6REMOTE SHUTDOWN 6HIGH DIFFERENTIAL OIL PRESSURE
7DAILY SCHEDULE SHUTDOWN 7LOW SUCTION PRESSURE
8NO RUN PERMISSIVE 8HIGH MOTOR CURRENT
9NO COOL LOAD 9LLSV NOT ON
10 ANTI-COINCIDENCE TIMER ACTIVE 10 LOW BATTERY WARNING
11 ANTI-RECYCLE TIMER ACTIVE 11 HIGH OIL TEMPERATURE
12 MANUAL OVERRIDE 12 HIGH DISCHARGE TEMPERATE
13 SUCTION LIMITING 13 IMPROPER PHASE ROTATION
14 DISCHARGE LIMITING 14 LOW MOTOR CURRENT /MP / HPCO
15 CURRENT LIMITING 15 MOTOR CURRENT UNBALANCED
16 LOAD LIMITING 16 LOW DIFFERENTIAL OIL PRESSURE
17 COMPRESSOR(S) RUNNING 17 GROUND FAULT
18 18 MP /HPCO
19 19 LOW EVAPORATOR TEMPERATURE
20 20 INCORRECT REFRIGERANT
PROGRAMMED
21 21 POWER FAILURE, MANUAL RESET
REQUIRED
22 22 I/O BOARD FAILURE
23 23 OIL TEMP INHIBIT (LOW OIL TEMP)
3

YORK INTERNATIONAL
112
ELEMENTARY DIAGRAM
YCAL0014SC – YCAL0030SC
FIG. 11 –ELEMENTARY DIAGRAM
Wiring Diagrams

YORK INTERNATIONAL 113
FORM 150.62-NM1
20
LD03531
ELEMENTARY DIAGRAM
YCAL0014SC – YCAL0030SC
FIG. 11 –ELEMENTARY DIAGRAM (Cont’d)
4

YORK INTERNATIONAL
114
ELEMENTARY DIAGRAM
YCAL0014SC – YCAL0030SC
LD03532
FIG. 12 –ELEMENTARY DIAGRAM
Wiring Diagrams

YORK INTERNATIONAL 115
FORM 150.62-NM1
This page intentionally left blank.
4

YORK INTERNATIONAL
116
ELEMENTARY DIAGRAM
YCAL0034SC
FIG. 13 –ELEMENTARY DIAGRAM
Wiring Diagrams

YORK INTERNATIONAL 117
FORM 150.62-NM1
FIG. 13 –ELEMENTARY DIAGRAM (Cont’d)
LD03533
ELEMENTARY DIAGRAM
YCAL0034SC
4

YORK INTERNATIONAL
118
FIG. 14 –ELEMENTARY DIAGRAM
ELEMENTARY DIAGRAM
YCAL0034SC
LD03534
Wiring Diagrams

YORK INTERNATIONAL 119
FORM 150.62-NM1
This page intentionally left blank.
4

YORK INTERNATIONAL
120
ELEMENTARY DIAGRAM
YCAL0040SC – YCAL0060SC
FIG. 15 –ELEMENTARY DIAGRAM
Wiring Diagrams

YORK INTERNATIONAL 121
FORM 150.62-NM1
ELEMENTARY DIAGRAM
YCAL0040SC – YCAL0060SC
LD03535
FIG. 15 –ELEMENTARY DIAGRAM (Cont’d)
4

YORK INTERNATIONAL
122
ELEMENTARY DIAGRAM
YCAL0040SC – YCAL0060SC
FIG. 16 –ELEMENTARY DIAGRAM
Wiring Diagrams

YORK INTERNATIONAL 123
FORM 150.62-NM1
ELEMENTARY DIAGRAM
YCAL0040SC – YCAL0060SC
LD03536
FIG. 16 –ELEMENTARY DIAGRAM (Cont’d)
4

YORK INTERNATIONAL
124
ELEMENTARY DIAGRAM
YCAL0064SC – YCAL0080SC
FIG. 17 –ELEMENTARY DIAGRAM
Wiring Diagrams

YORK INTERNATIONAL 125
FORM 150.62-NM1
ELEMENTARY DIAGRAM
YCAL0064SC – YCAL0080SC
LD03537
FIG. 17 –ELEMENTARY DIAGRAM (Cont’d)
4

YORK INTERNATIONAL
126
ELEMENTARY DIAGRAM
YCAL0064SC – YCAL0080SC
FIG. 18 –ELEMENTARY DIAGRAM
Wiring Diagrams

YORK INTERNATIONAL 127
FORM 150.62-NM1
LD03538
ELEMENTARY DIAGRAM
YCAL0064SC – YCAL0080SC
FIG. 18 –ELEMENTARY DIAGRAM (Cont’d)
4

YORK INTERNATIONAL
128
ISOLATOR SPRING IDENTIFICATION TABLE
1" DEFLECTION SEISMIC
MODEL PART- # COLOR MODEL PART # COLOR
CP-1-27 308439-27 ORANGE AEQM-97 301055-97 WHITE
CP-1-28 308439-28 GREEN AEQM-98 301055-98 GRAY
CP-1-31 308439-31 GRAY AEQM-1300 301060-1300 YELLOW
CP-1-27 308692-27 ORANGE AEQM-1600 301060-1600 GRAY
CP-2-28 308692-28 GREEN AEQM-1625 301060-1625 RED
CP-2-31 308692-31 GRAY
SEISMIC WEIGHT DISTRIBUTION POINT SPRING LOCATION
Refer to Dimensions for Weight Distribution Point Location A – D
MODEL # ABCD
YCAL0014 AEQM-97 AEQM-97 AEQM-97 AEQM-97
YCAL0020 AEQM-97 AEQM-97 AEQM-97 AEQM-97
YCAL0024 AEQM-97 AEQM-97 AEQM-97 AEQM-97
YCAL0030 AEQM-98 AEQM-97 AEQM-98 AEQM-97
YCAL0034 AEQM-98 AEQM-98 AEQM-98 AEQM-98
YCAL0040 AEQM-1600 AEQM-1300 AEQM-1600 AEQM-1300
YCAL0044 AEQM-1600 AEQM-1300 AEQM-1600 AEQM-1300
YCAL0050 AEQM-1600 AEQM-1600 AEQM-1600 AEQM-1600
YCAL0060 AEQM-1600 AEQM-1600 AEQM-1600 AEQM-1600
YCAL0064 AEQM-1625 AEQM-1600 AEQM-1625 AEQM-1600
YCAL0070 AEQM-1625 AEQM-1600 AEQM-1625 AEQM-1600
YCAL0074 AEQM-1625 AEQM-1625 AEQM-1625 AEQM-1625
YCAL0080 AEQM-1625 AEQM-1625 AEQM-1625 AEQM-1625
APPENDIX 1
(ALUMINUM FINS)
1" DEFLECTION – WEIGHT DISTRIBUTION POINT SPRING LOCATION
Refer to Dimensions for Weight Distribution Point Location A – D
MODEL # ABCD
YCAL0014 CP-1-27 CP-1-27 CP-1-27 CP-1-27
YCAL0020 CP-1-27 CP-1-27 CP-1-27 CP-1-27
YCAL0024 CP-1-27 CP-1-27 CP-1-27 CP-1-27
YCAL0030 CP-1-27 CP-1-27 CP-1-27 CP-1-27
YCAL0034 CP-1-28 CP-1-28 CP-1-28 CP-1-28
YCAL0040 CP-2-27 CP-2-27 CP-2-27 CP-2-27
YCAL0044 CP-2-27 CP-2-27 CP-2-27 CP-2-27
YCAL0050 CP-2-27 CP-2-27 CP-2-27 CP-2-27
YCAL0060 CP-2-27 CP-2-27 CP-2-27 CP-2-27
YCAL0064 CP-2-28 CP-2-28 CP-2-28 CP-2-28
YCAL0070 CP-2-28 CP-2-28 CP-2-28 CP-2-28
YCAL0074 CP-2-31 CP-2-28 CP-2-31 CP-2-28
YCAL0080 CP-2-31 CP-2-28 CP-2-31 CP2-28
Appendix 1 – Isolators

YORK INTERNATIONAL 129
FORM 150.62-NM1
SEISMIC WEIGHT DISTRIBUTION POINT SPRING LOCATION
Refer to Dimensions for Weight Distribution Point Location A – D
MODEL # ABCD
YCAL0014 AEQM-97 AEQM-97 AEQM-97 AEQM-97
YCAL0020 AEQM-97 AEQM-97 AEQM-97 AEQM-97
YCAL0024 AEQM-97 AEQM-97 AEQM-97 AEQM-97
YCAL0030 AEQM-98 AEQM-98 AEQM-98 AEQM-98
YCAL0034 AEQM-98 AEQM-98 AEQM-98 AEQM-98
YCAL0040 AEQM-1600 AEQM-1600 AEQM-1600 AEQM-1600
YCAL0044 AEQM-1600 AEQM-1600 AEQM-1600 AEQM-1600
YCAL0050 AEQM-1600 AEQM-1600 AEQM-1600 AEQM-1600
YCAL0060 AEQM-1625 AEQM-1625 AEQM-1625 AEQM-1625
YCAL0064 AEQM-1628 AEQM-1625 AEQM-1628 AEQM-1625
YCAL0070 AEQM-1628 AEQM-1625 AEQM-1628 AEQM-1625
YCAL0074 AEQM-1628 AEQM-1628 AEQM-1628 AEQM-1628
YCAL0080 AEQM-1628 AEQM-1628 AEQM-1628 AEQM-1628
APPENDIX 1
(COPPER FINS)
1" DEFLECTION – WEIGHT DISTRIBUTION POINT SPRING LOCATION
Refer to Dimensions for Weight Distribution Point Location A – D
MODEL # ABCD
YCAL0014 CP-1-27 CP-1-27 CP-1-27 CP-1-27
YCAL0020 CP-1-27 CP-1-27 CP-1-27 CP-1-27
YCAL0024 CP-1-27 CP-1-27 CP-1-27 CP-1-27
YCAL0030 CP-1-27 CP-1-28 CP-1-27 CP-1-28
YCAL0034 CP-1-28 CP-1-28 CP-1-28 CP-1-28
YCAL0040 CP-2-27 CP-2-27 CP-2-27 CP-2-27
YCAL0044 CP-2-27 CP-2-27 CP-2-27 CP-2-27
YCAL0050 CP-2-27 CP-2-27 CP-2-27 CP-2-27
YCAL0060 CP-2-28 CP-2-28 CP-2-28 CP-2-28
YCAL0064 CP-2-31 CP-2-28 CP-2-31 CP-2-28
YCAL0070 CP-2-31 CP-2-28 CP-2-31 CP-2-28
YCAL0074 CP-2-31 CP-2-31 CP-2-31 CP-2-31
YCAL0080 CP-2-31 CP-2-31 CP-2-31 CP-2-31
ISOLATOR SPRING IDENTIFICATION TABLE
1" DEFLECTION SEISMIC
MODEL PART- # COLOR MODEL PART # COLOR
CP-1-27 308439-27 ORANGE AEQM-97 301055-97 WHITE
CP-1-28 308439-28 GREEN AEQM-98 301055-98 GRAY
CP-2-27 308692-27 ORANGE AEQM-1600 301060-1625 GRAY
CP-2-28 308692-28 GREEN AEQM-1625 301060-1625 RED
CP-2-31 308692-31 GRAY AEQM-1628 301060-1628 GRAY/GREEN
5

APPENDIX 1
(DIMENSIONS)
FIG. 19 – TYPE CP 1
FIG. 20 – TYPE CP 2
LD03839
LD03840
Appendix 1 – Isolators

APPENDIX 1
(DIMENSIONS)
MODEL # A B C D E F G H J
AEQM-97 75-½4-½2-½A!7-!A @
AEQM-98 75-½4-½2-½A!7-!A @
AEQM-99 75-½4-½2-½A!7-!A @
AEQM-1000 8-½6-½6 4-½¾ @8-@B ½
AEQM-1300 8-½6-½6 4-½¾ @8-@B ½
AEQM-1600 8-½6-½6 4-½¾ @8-@B ½
AEQM-1625 8-½6-½6 4-½¾ @8-@B ½
AEQM-1628 8-½6-½6 4-½¾ @8-@B ½
LD04045
FIG. 21 – R SPRING SEISMIC ISOLATORS
5

YORK INTERNATIONAL
132
INSTALLATION AND ADJUSTING INSTALLATIONS
TYPE CP MOUNTING
APPENDIX 1
Mountings are shipped completely assembled, ready
to install.
1. Locate mountings under equipment at positions
shown on tags or on VM layout drawings, or as indi-
cated on packing slip or correspondence.
2. Set mountings on subbase, shimming or grouting
where required to provide flat and level surface at
the same elevation for all mountings (1/4" maximum
difference in elevation can be tolerated). Support the
full underside of the base plate - do not straddle gaps
or small shims.
3. Unless specified, mountings need not be fastened
to floor in any way. If required, bolt mountings to floor
through slots.
4. Set the machine or base on
the mountings. The
weight of the machine will cause the upper housing
of the mount to go down, possibly resting on the lower
housing.
5. If clearance “X” is less than 1/4" on any mounting,
with wrench turn up one complete turn
on
the adjust-
ing bolt of each mounting. Repeat this procedure until
1/4”, clearance at “X” is obtained on
one or more
mountings.
6. Take additional turns on all mountings having less
than 1/4” clearance, until all mountings have at least
this clearance.
7. Level the machine by taking additional turns on all
mounts at the low side. Clearance should not ex-
ceed 1/2" - greater clearance indicates that mount-
ings were not all installed at the same elevation, and
shims are required. This completes adjustment.
FIG. 22 – TYPE CP MOUNTING
LD03837
Appendix 1 – Isolators

YORK INTERNATIONAL 133
FORM 150.62-NM1
“AEQM” SPRING-FLEX MOUNTING
INSTALLATION AND ADJUSTMENT INSTRUCTIONS
APPENDIX 1
1. Isolators are shipped fully assembled and are to be
spaced and located in accordance with installation
drawings or as otherwise recommended.
1a. Locate spring port facing outward from equip-
ment or base so that spring is visible.
2. To facilitate installation, prior to installing, VMC rec-
ommends turning adjusting bolt “B” so that the “Op-
erating Clearance” marked “*” is approximately 1"
to 1-1/2" for 1" deflection units, 1-1/2" to 2" for 1-1/2"
deflection units, and 2" to 2-1/2" for 2" deflection units.
3. Locate isolators on floor or subbase as required, en-
suring that the isolator centerline matches the equip-
ment or equipment base mounting holes. Shim and/
or grout as required to level all isolator base plates
“A”. A 1/4" maximum difference in elevation can be
tolerated.
4. Anchor all isolators to floor or subbase as required.
For installing on concrete VMC recommends HILTI
type HSL heavy duty anchors or equal.
5. Remove cap screw “C” and save. Gently place ma-
chine or machine base on top of bolt “B”. Install cap
screw “C” but DO NOT tighten.
6. The weight of the machine will cause the spring and
thus bolt “B” to descend.
7. Adjust all isolators by turning bolt “B” so that the op-
erating clearance “*” is approximately 1/4". NOTE:
It may be necessary to adjust rebound plate “D” for
clearance.
6. Check equipment level and fine adjust isolators to
level equipment.
9. Adjust rebound plate “D” so that the operating clear-
ance “**” is no more than 1/4".
10.Tighten cap screw “C”. Adjustment is complete.
FIG. 23 – “AEQM” SPRING-FLEX MOUNTING
LD03838
5
YORK INTERNATIONAL
134
ALABAMA
Birmingham
YORK International Corp.
(205) 987-0458
ARIZONA
Phoenix
YORK International Corp.
(602) 220-9400
CALIFORNIA
Los Angeles
YORK International Corp.
(714) 897-0997
San Francisco
YORK International Corp.
(510) 426-1166
COLORADO
Denver
YORK International Corp.
(303) 649-1500
CONNECTICUT
Danbury
YORK International Corp.
(203) 730-8100
FLORIDA
Miami
YORK International Corp.
(305) 389-9675
Tampa
YORK International Corp.
(381) 621-1323
Orlando
YORK International Corp.
(407) 444-2261
GEORGIA
Atlanta
YORK International Corp.
(404) 925-0346
HAWAII
Honolulu
YORK International Corp.
(808) 596-0761
ILLINOIS
Chicago
YORK International Corp.
(708) 520-1910
INDIANA
Indianapolis
YORK International Corp.
(317) 595-3050
KENTUCKY
Louisville
YORK International Corp.
(502) 499-6020
LOUISIANA
New Orleans
YORK International Corp.
(504) 464-6941
MARYLAND
Baltimore/Washington
YORK International Corp.
(410) 720-6383
MASSACHUSETTS
Boston
YORK International Corp.
(781) 769-7950
MICHIGAN
Detroit
YORK International Corp.
(810) 689-7277
MINNESOTA
Minneapolis
YORK International Corp.
(612) 780-4446
MISSOURI
Kansas City
YORK International Corp.
(816) 221-9675
St. Louis
YORK International Corp.
(314) 770-0909
NEW JERSEY
Newark
YORK International Corp.
(908) 225-0606
NEVADA
Las Vegas
YORK International Corp.
(702) 873-2200
NEW YORK
Buffalo
YORK International Corp.
(716) 633-2172
New York
YORK International Corp.
(212) 843-1602
NORTH CAROLINA
Charlotte
YORK International Corp.
(704) 598-0000
Greensboro
YORK International Corp.
(336) 299-9675
Raleigh
YORK International Corp.
(919) 829-1700
OHIO
Cincinnati
YORK International Corp.
(513) 489-8871
Cleveland
YORK International Corp.
(216) 447-0696
Columbus
YORK International Corp.
(614) 841-5242
PENNSYLVANIA
Philadelphia
YORK International Corp.
(610) 640-2320
Pittsburgh
YORK International Corp.
(412) 364-6600
York (HQ)
YORK International Corp.
(717) 771-6561
SOUTH CAROLINA
Greenville
YORK International Corp.
(803) 297-4822
TENNESSEE
Kingsport
YORK International Corp.
(615) 349-2450
Nashville
YORK International Corp.
(615) 833-9675
TEXAS
Austin
YORK International Corp.
(512) 458-4575
Dallas
YORK International Corp.
(214) 241-1219
Houston
YORK International Corp.
(713) 782-5200
San Antonio
YORK International Corp.
(210) 496-6631
UTAH
Salt Lake City
YORK International Corp.
(801) 261-1200
VIRGINIA
Richmond
YORK International Corp.
(804) 359-2600
Newport News
YORK International Corp.
(804) 873-0362
WASHINGTON
Seattle
YORK International Corp.
(206) 251-9145
YORK Applied Systems field office listing subject to change.
See us on the web at http://www.york.com for additional information.
CANADA Ottawa, Ontario Toronto, Ontario Laval, Quebec
(613) 596-9111 (905) 890-6812 (514) 387-6000
YORK INTERNATIONAL 135
FORM 150.62-NM1
This page intentionally left blank.

P.O. Box 1592, York, Pennsylvania USA 17405-1592 Subject to change without notice. Printed in USA
Copyright © by York International Corporation 2000 ALL RIGHTS RESERVED
Form 150.62-NM1 (700)
Supersedes: 150.62-NM1 (899)
150.62-NM1 (399)
Tele. 800-851-1001
www.york.com