York Air Conditioner Ahe18 Thru 60 Users Manual 680210 YTG B 0311
AHE18 THRU 60' to the manual 0d7f1bb4-8f1b-45c0-933e-149457b8cc72
2015-02-02
: York York-Air-Conditioner-Ahe18-Thru-60-Users-Manual york-york-air-conditioner-ahe18-thru-60-users-manual-455232 york pdf
Open the PDF directly: View PDF
.
Page Count: 14

TECHNICAL GUIDE
SINGLE PIECE STANDARD ECM
AIR HANDLERS
FOR USE WITH SPLIT-SYSTEM
COOLING & HEAT PUMPS
MODELS: AHE18 THRU 60*
Due to continuous product improvement,
specifications are subject to change without notice.
Visit us on the web at:
www.york.com
Additional rating information can be found at:
www.ahridirectory.org
WARRANTY
Standard 5-year limited parts warranty.
Extended 10-year limited parts warranty when product is
registered online within 90 days of purchase for replace-
ment or closing for new home construction.
ISO 9001
Certified Quality
Management System
FOR DISTRIBUTION USE ONLY - NOT TO BE USED AT POINT OF RETAIL SALE
680210-YTG-B-0311
DESCRIPTION
The Air Handler line offers the ultimate in comfort, sound and
application flexibility. The air handler is shipped ready to be
installed in upflow, horizontal left or right position, with minor
adjustments. No special kits are required to install this deluxe
product.
All JCI Unitary Products air handlers and coils use a TXV to pro-
vide our customers with the optimum performance and refriger-
ant control. Air handlers are shipped with “Flex-coils” without a
factory installed metering device. For added flexibility, an R-22
or R-410A TXV or orifice can be field installed to meet your
refrigerant choice.
FEATURE
Thermal Expansion Valve - Provides the ultimate refrigerant
control required for today’s high efficient product. The UPG bolt-
on TXV provides easy installation to convert the air handler to
the required refrigerant, which is a true bolt-on design that does
not require brazing to replace or install.
Insulated Cabinet - All air handler cabinets are thermally insu-
lated with 3/4” foil faced insulation to prevent sweating.
Factory Sealed - Achieves 2% or less total airflow leakage rate
at duct blaster field test conditions for system airflow verifica-
tion.
Durable Finish Inside and Out - Air handler casings are made
of pre-painted galvanized steel which provides a better paint to
steel bond that resists corrosion and rust creep. All internal coil
sheet metal parts are made of G60 galvanized or prepainted
G30 galvanized.
Filters - All models have internal filter racks provided for use
with 1” thick standard size filters.
Electric Heat Kits - New 6HK series of field installed electric
heat kits are available for installation friendly and easy service
applications. These 6HK kits are unique to these new models.
High Efficiency Blowers - All models use high efficiency
brushless DC motors to provide cooling SEER rating enhance-
ment.

2Johnson Controls Unitary Products
680210-YTG-B-0311
DIMENSIONS & DUCT CONNECTION DIMENSIONS
J
D
Blower
Compartment
Circuit Breaker
Panel
Drain Pan Connections
for Horizontal Applications
Refrigerant
Connections Drain Connections
for Upflow
Applications
7-11/32”
B
A
K
C
1-1/2”
Top Outlet
Dimensions
Filter
Access
18-9/32” E
Bottom Inlet
Dimensions
13”
F
Dimensions
Models
Dimensions Wiring Knockouts Refrigerant
Connections
Line Size
ABC DEF JK
Height Width Depth Power Control Liquid Vapor
AHE18B3XH21 46” 17 1/2”
21 1/2”
16 1/2” 13-29/32" 16 1/2”
7/8" (1/2")1
1-3/8"(1")
1-23/32" (1-1/4")
7/8" (1/2") 3/8"
3/4"
AHE24B3XH21 46” 17 1/2” 16 1/2” 13-29/32" 16 1/2”
AHE30B3XH21 46” 17 1/2” 16 1/2” 13-29/32" 16 1/2”
AHE36C3XH21 52” 21” 21 1/2” 17-13/32" 20”
AHE42D3XH21 57’ 24 1/2” 26” 20-29/32" 23-1/2”
7/8"AHE48D3XH21 57” 24 1/2” 26” 20-29/32" 23-1/2”
AHE60D3XH21 57” 24 1/2” 26” 20-29/32" 23-1/2”
1. Actual size (Conduit size).
COIL TECHNICAL DATA
Models Application Refrig.
Conn. Types Face Area
(Sq. Ft.) Rows
Deep Fin
Per In. Coil Size Tube
Geometry Tube
Dia. Fin
Type
AHE18B3XH21 Cooling /
Heat Pump Sweat 3.40 2 14 (2) 14 x 17.5 1 x 0.866 3/8 Enhanced
AHE24B3XH21 Cooling /
Heat Pump Sweat 3.90 3 12 (2) 16 x 17.5 1 x 0.866 3/8 Enhanced
AHE30B3XH21 Cooling /
Heat Pump Sweat 3.90 3 12 (2) 16 x 17.5 1 x 0.866 3/8 Enhanced
AHE36C3XH21 Cooling /
Heat Pump Sweat 4.86 3 12 (2) 20 x 17.5 1 x 0.866 3/8 Enhanced
AHE42D3XH21 Cooling /
Heat Pump Sweat 5.35 3 12 (2) 22 x 17.5 1 x 0.866 3/8 Enhanced
AHE48D3XH21 Cooling /
Heat Pump Sweat 5.83 3 11 (2) 24 x 17.5 1 x 0.866 3/8 Enhanced
AHE60D3XH21 Cooling /
Heat Pump Sweat 6.80 3 12 (2) 28 x 17.5 1 x 0.866 3/8 Enhanced

Johnson Controls Unitary Products 3
680210-YTG-B-0311
COOLING CAPACITY
Models Rated CFM Entering Air °F
(Dry/Wet Bulb)
MBH@ Evaporator Temperature and Corresponding Pressure °F/PSIG
35/61.5 40/68.5 45/76.0 50/84.0
FULL-CASED “A” TYPE MULTI-POSITION
AHE18B3XH21
610
72 37.9 33.7 28.3 23.3
67 31.8 27.0 22.5 17.6
62 26.4 21.5 16.7 11.6
57 20.7 18.4 15.8 13.5
850
72 49.7 43.2 36.9 28.4
67 42.1 35.1 28.8 22.5
62 33.7 28.0 21.4 14.7
57 26.5 23.8 20.3 16.9
AHE24B3XH21
585
72 38.7 34.4 30.1 24.7
67 33.6 28.9 23.9 18.9
62 27.2 22.7 17.8 12.8
57 21.2 18.6 16.2 13.7
795
72 50.8 45.2 38.4 32.0
67 43.7 36.8 31.0 24.0
62 35.7 29.5 23.1 16.1
57 27.9 24.5 21.0 17.6
985
72 64.9 54.0 45.6 37.8
67 52.3 44.6 36.9 28.4
62 42.2 35.2 26.8 19.3
57 33.6 29.6 25.4 21.4
AHE30B3XH21
585
72 38.7 34.4 30.1 24.7
67 33.6 28.9 23.9 18.9
62 27.2 22.7 17.8 12.8
57 21.2 18.6 16.2 13.7
795
72 50.8 45.2 38.4 32.0
67 43.7 36.8 31.0 24.0
62 35.7 29.5 23.1 16.1
57 27.9 24.5 21.0 17.6
985
72 64.9 54.0 45.6 37.8
67 52.3 44.6 36.9 28.4
62 42.2 35.2 26.8 19.3
57 33.6 29.6 25.4 21.4
AHE36C3XH21
730
72 49.3 45.2 38.3 31.4
67 43.0 37.3 31.0 24.0
62 34.7 28.8 22.8 16.2
57 26.8 23.4 20.4 16.9
855
72 59.1 51.0 44.1 36.5
67 49.3 42.4 35.4 27.6
62 39.9 33.1 26.1 18.2
57 31.1 26.9 23.5 19.7
1000
72 65.2 59.5 51.2 41.3
67 56.4 48.3 39.9 31.3
62 45.8 38.1 29.7 20.8
57 35.7 31.2 26.9 22.6
1190
72 67.5 65.9 59.8 48.7
67 64.9 56.7 46.2 35.7
62 53.5 43.2 34.1 24.0
57 41.4 36.6 31.5 26.2
For notes see Page 4.

4Johnson Controls Unitary Products
680210-YTG-B-0311
Note: Airflow is calculated for each system tonnage. Capacity varies with O.D. product.
AHE42D3XH21
820
72 56.6 51.1 42.8 35.6
67 48.6 41.1 34.8 27.6
62 39.4 33.0 26.0 18.3
57 30.5 26.6 23.1 19.6
1000
72 65.7 61.0 52.7 42.9
67 58.0 49.6 41.1 32.1
62 46.7 38.9 30.4 21.8
57 36.4 31.6 27.6 23.3
1180
72 67.9 71.4 60.2 48.8
67 65.6 56.9 47.1 37.1
62 53.8 45.2 34.7 24.6
57 42.2 37.1 31.9 27.0
1385
72 69.4 81.0 68.0 57.2
67 77.1 65.4 54.1 41.6
62 62.1 51.0 39.8 28.1
57 48.1 42.5 36.8 30.6
AHE48D3XH21
1000
72 69.0 59.8 51.3 41.5
67 56.5 48.2 39.7 29.9
62 45.1 36.8 28.3 18.9
57 34.4 31.0 26.8 22.5
1195
72 79.5 69.7 59.9 48.6
67 65.2 55.5 45.5 34.9
62 52.2 42.5 32.6 21.8
57 40.1 36.1 31.1 26.2
1385
72 90.0 78.1 66.0 54.5
67 73.5 62.7 51.3 38.7
62 59.2 48.2 36.9 24.0
57 45.2 41.0 35.4 29.7
1600
72 102.2 90.0 74.3 60.4
67 83.6 70.6 57.2 43.1
62 66.1 54.0 41.2 27.0
57 50.7 46.1 39.8 33.4
AHE60D3XH21
1190
72 83.6 73.7 62.9 51.6
67 68.2 58.4 48.4 37.1
62 54.9 45.3 34.8 23.9
57 42.2 37.3 31.9 26.9
1390
72 95.9 84.1 71.9 58.8
67 79.2 67.4 54.4 41.6
62 62.4 51.2 39.7 26.9
57 48.0 42.5 36.8 30.6
1565
72 106.3 94.2 78.5 63.5
67 87.6 73.9 60.2 45.9
62 69.3 56.8 43.5 29.7
57 53.1 46.9 40.5 34.1
1835
72 122.1 107.1 90.9 72.6
67 100.2 85.9 69.8 51.8
62 79.7 65.3 49.8 32.9
57 60.8 54.1 46.4 38.7
COOLING CAPACITY (Continued)
Models Rated CFM Entering Air °F
(Dry/Wet Bulb)
MBH@ Evaporator Temperature and Corresponding Pressure °F/PSIG
35/61.5 40/68.5 45/76.0 50/84.0
FULL-CASED “A” TYPE MULTI-POSITION

Johnson Controls Unitary Products 5
680210-YTG-B-0311
APPLICATION FACTORS - RATED CFM VS. ACTUAL CFM
% Of Rated Airflow (CFM) 80% 90% 100% 110% 120%
Capacity Factor 0.96 0.98 1.00 1.02 1.03
PHYSICAL & ELECTRICAL DATA - COOLING ONLY (60 Hz)
Models AHE18B AHE24B AHE30B AHE36C AHE42D AHE48D AHE60D
Blower - Diameter x Width 10 x 8 10 x 8 10 x 8 11 x 10 11 x 10 11 x 10 11 x 10
Motor HP 1/3 HP 1/3 HP 1/3 HP 1/2 HP 1/2 HP 3/4 HP 3/4 HP
Nominal RPM 1050 1050 1050 1050 1050 1050 1050
Voltage 208/230 208/230 208/230 208/230 208/230 208/230 208/230
Amps Full Load (230) 2.8 2.8 2.8 4.1 4.1 6.0 6.0
Filter1
Type DISPOSABLE OR PERMANENT
Size 16 x 20 x 1 16 x 20 x 1 16 x 20 x 1 20 x 20 x 1 22 x 20 x 1 22 x 20 x 1 22 x 20 x 1
Permanent Type Kit 1PF0601BK 1PF0601BK 1PF0601BK 1PF0602BK 1PF0603BK 1PF0603BK 1PF0603BK
Shipping / Operating Weight (lbs.) 115/103 120/105 120/105 152/137 168/150 171/153 174/156
1. Field Supplied.
KW & MBH CONVERSIONS - FOR TOTAL POWER INPUT REQUIREMENT
FOR
208V
OPERATION MULTIPLY
240V
TABULATED KW & MBH BY
.751
230V 240V .918
220V 240V .840
ELECTRICAL DATA - COOLING ONLY (60 Hz)
Models
Total Motor Amps Minimum Circuit Ampacity Max. O.C.P.1
Amps/Type
Minimum Wire
Size A.W.G.
60 Hertz 60 Hertz
208V 230V 208V 230V
AHE MODELS
AHE18B3XH21 2.8 2.8 3.5 3.5 15 14
AHE24B3XH21 2.8 2.8 3.5 3.5 15 14
AHE30B3XH21 2.8 2.8 3.5 3.5 15 14
AHE36C3XH21 4.1 4.1 5.1 5.1 15 14
AHE42D3XH21 4.1 4.1 5.1 5.1 15 14
AHE48D3XH21 6.0 6.0 7.5 7.5 15 14
AHE60D3XH21 6.0 6.0 7.5 7.5 15 14
1. OCP = Over Current Protection device, must be HACR type Circuit Breaker or Time Delay fuse.
* May be 0 (no Circuit Breaker) or 1 (with Circuit Breaker).

6Johnson Controls Unitary Products
680210-YTG-B-0311
ELECTRICAL DATA - 208/230-1-60
Models Heater
Models* Max.
Static ECM Min.
Speed Tap
Total Heat1kW Staging
kW MBH W1 Only W1 + W2
208V 230V 208V 230V 208V 230V 208V 230V
AHE18B3XH21
6HK*6500206 0.3 Med Low #2 1.8 2.2 6.1 7.5 1.8 2.2 1.8 2.2
6HK*6500506 0.3 Med Low #2 3.6 4.4 12.3 15.0 3.6 4.4 3.6 4.4
6HK*6500806 0.3 Med High #4 5.8 7.0 19.7 24.0 5.8 7.0 5.8 7.0
6HK*6501006 0.3 Med High #4 7.2 8.8 24.6 29.9 7.2 8.8 7.2 8.8
AHE24B3XH21
6HK*6500206 0.3 Low #1 1.8 2.2 6.1 7.5 1.8 2.2 1.8 2.2
6HK*6500506 0.3 Med Low #2 3.6 4.4 12.3 15.0 3.6 4.4 3.6 4.4
6HK*6500806 0.3 Med #3 5.8 7.0 19.7 24.0 5.8 7.0 5.8 7.0
6HK*6501006 0.3 Med High #4 7.2 8.8 24.6 29.9 7.2 8.8 7.2 8.8
6HK16501306 0.3 Med High #4 9.4 11.4 31.9 38.9 3.1 3.8 9.4 11.4
6HK16501506 0.3 High #5 10.8 13.2 36.9 44.9 3.6 4.4 10.8 13.2
AHE30B3XH21
6HK*6500206 0.3 Low #1 1.8 2.2 6.1 7.5 1.8 2.2 1.8 2.2
6HK*6500506 0.3 Med Low #2 3.6 4.4 12.3 15.0 3.6 4.4 3.6 4.4
6HK*6500806 0.3 Med #3 5.8 7.0 19.7 24.0 5.8 7.0 5.8 7.0
6HK*6501006 0.3 Med High #4 7.2 8.8 24.6 29.9 7.2 8.8 7.2 8.8
6HK16501306 0.3 Med High #4 9.4 11.4 31.9 38.9 3.1 3.8 9.4 11.4
6HK16501506 0.3 High #5 10.8 13.2 36.9 44.9 3.6 4.4 10.8 13.2
AHE36C3XH21
6HK*6500206 0.3 Low #1 1.8 2.2 6.1 7.5 1.8 2.2 1.8 2.2
6HK*6500506 0.3 Med Low #2 3.6 4.4 12.3 15.0 3.6 4.4 3.6 4.4
6HK*6500806 0.3 Med #3 5.8 7.0 19.7 24.0 5.8 7.0 5.8 7.0
6HK*6501006 0.3 Med High #4 7.2 8.8 24.6 29.9 7.2 8.8 7.2 8.8
6HK16501306 0.3 Med High #4 9.4 11.4 31.9 38.9 3.1 3.8 9.4 11.4
6HK16501506 0.3 Med High #4 10.8 13.2 36.9 44.9 3.6 4.4 10.8 13.2
6HK16501806 0.3 High #5 13.0 15.8 44.2 53.9 6.5 7.9 13.0 15.8
6HK16502006 0.3 High #5 14.4 17.5 49.1 59.9 7.2 8.8 14.4 17.6
AHE42D3XH21
6HK*6500206 0.3 Low #1 1.8 2.2 6.1 7.5 1.8 2.2 1.8 2.2
6HK*6500506 0.3 Med #3 3.6 4.4 12.3 15.0 3.6 4.4 3.6 4.4
6HK*6500806 0.3 Med #3 5.8 7.0 19.7 24.0 5.8 7.0 5.8 7.0
6HK*6501006 0.3 Med High #4 7.2 8.8 24.6 29.9 7.2 8.8 7.2 8.8
6HK16501306 0.3 High #5 9.4 11.4 31.9 38.9 3.1 3.8 9.4 11.4
6HK16501506 0.3 High #5 10.8 13.2 36.9 44.9 3.6 4.4 10.8 13.2
AHE48D3XH21
6HK*6500206 0.3 Low #1 1.8 2.2 6.1 7.5 1.8 2.2 1.8 2.2
6HK*6500506 0.3 Low #1 3.6 4.4 12.3 15.0 3.6 4.4 3.6 4.4
6HK*6500806 0.3 Med Low #2 5.8 7.0 19.7 24.0 5.8 7.0 5.8 7.0
6HK*6501006 0.3 Med Low #2 7.2 8.8 24.6 29.9 7.2 8.8 7.2 8.8
6HK16501306 0.3 Med #3 9.4 11.4 31.9 38.9 3.1 3.8 9.4 11.4
6HK16501506 0.3 Med #3 10.8 13.2 36.9 44.9 3.6 4.4 10.8 13.2
6HK16501806 0.3 Med High #4 13.0 15.8 44.2 53.9 6.5 7.9 13.0 15.8
6HK16502006 0.3 High #5 14.4 17.5 49.1 59.9 7.2 8.8 14.4 17.6
AHE60D3XH21
6HK*6500206 0.3 Low #1 1.8 2.2 6.1 7.5 1.8 2.2 1.8 2.2
6HK*6500506 0.3 Low #1 3.6 4.4 12.3 15.0 3.6 4.4 3.6 4.4
6HK*6500806 0.3 Low #1 5.8 7.0 19.7 24.0 5.8 7.0 5.8 7.1
6HK*6501006 0.3 Med Low #2 7.2 8.8 24.6 29.9 7.2 8.8 7.2 8.8
6HK16501306 0.3 Med #3 9.4 11.4 31.9 38.9 3.1 3.8 9.4 11.4
6HK16501506 0.3 Med #3 10.8 13.2 36.9 44.9 3.6 4.4 10.8 13.2
6HK16501806 0.3 Med High #4 13.0 15.8 44.2 53.9 6.5 7.9 13.0 15.8
6HK16502006 0.3 Med High #4 14.4 17.5 49.1 59.9 7.2 8.8 14.4 17.6
6HK16502506 0.3 High #5 18.0 21.9 61.4 74.9 7.2 8.8 18.0 22.0
1. See conversion table on Page 5.

Johnson Controls Unitary Products 7
680210-YTG-B-0311
ELECTRICAL DATA - (FOR SINGLE SOURCE POWER SUPPLY) - COPPER WIRE - 208/230-1-60
Models Heater
Models*
Heater
Amps
240V
Field Wiring
Min. Circuit Ampacity Max. O.C.P.1 Amps/Type 75°C Wire Size - AWG
208V 230V 208V 230V 208V 230V
AHE18B3XH21
6HK*6500206 10.0 14.33 15.48 15 20 12 12
6HK*6500506 20.0 25.17 27.46 30 30 10 10
6HK*6500806 32.0 38.17 41.83 40 45 8 8
6HK*6501006 40.0 46.83 51.42 50 60 8 6
AHE24B3XH21
6HK*6500206 10.0 14.33 15.48 15 20 12 12
6HK*6500506 20.0 25.17 27.46 30 30 10 10
6HK*6500806 32.0 38.17 41.83 40 45 8 8
6HK*6501006 40.0 46.83 51.42 50 60 8 6
6HK16501306 52.0 59.83 65.79 60 70 6 4
6HK16501506 60.0 68.50 75.38 70 80 4 4
AHE30B3XH21
6HK*6500206 10.0 14.33 15.48 15 20 12 12
6HK*6500506 20.0 25.17 27.46 30 30 10 10
6HK*6500806 32.0 38.17 41.83 40 50 8 8
6HK*6501006 40.0 46.83 51.42 50 60 6 6
6HK16501306 52.0 59.83 65.79 60 70 6 4
6HK16501506 60.0 68.50 75.38 70 80 4 4
AHE36C3XH21
6HK*6500206 10.0 15.96 17.10 20 20 12 12
6HK*6500506 20.0 26.79 29.08 30 30 10 10
6HK*6500806 32.0 39.79 43.46 40 45 8 8
6HK*6501006 40.0 48.46 53.04 50 60 8 6
6HK16501306 52.0 61.46 67.42 70 70 6 4
6HK16501506 60.0 70.13 77.00 80 80 4 4
6HK16501806 72.0 83.13 91.38 90 100 3 3
6HK16502006 80.0 91.79 100.96 100 110 3 2
AHE42D3XH21
6HK*6500206 10.0 15.96 17.10 20 20 12 12
6HK*6500506 20.0 26.79 29.08 30 30 10 10
6HK*6500806 32.0 39.79 43.46 40 45 8 8
6HK*6501006 40.0 48.46 53.04 50 60 6 6
6HK16501306 52.0 61.46 67.42 70 70 6 4
6HK16501506 60.0 70.13 77.00 80 80 4 4
AHE48D3XH21
6HK*6500206 10.0 18.3 19.5 20 20 12 12
6HK*6500506 20.0 29.2 31.5 30 35 10 10
6HK*6500806 32.0 42.2 45.8 45 50 8 8
6HK*6501006 40.0 50.8 55.4 60 60 6 6
6HK16501306 52.0 63.8 69.8 70 70 4 4
6HK16501506 60.0 72.5 79.4 80 80 4 4
6HK16501806 72.0 85.5 93.8 90 100 3 3
6HK16502006 80.0 94.2 103.3 100 110 3 2
AHE60D3XH21
6HK*6500206 10.0 18.3 19.5 20 20 12 12
6HK*6500506 20.0 29.2 31.5 30 35 10 10
6HK*6500806 32.0 42.2 45.8 45 50 8 8
6HK*6501006 40.0 50.8 55.4 60 60 6 6
6HK16501306 52.0 63.8 69.8 70 70 4 4
6HK16501506 60.0 72.5 79.4 80 80 4 4
6HK16501806 72.0 85.5 93.8 90 100 3 3
6HK16502006 80.0 94.2 103.3 100 110 3 2
6HK16502506 100.0 115.8 127.3 120 130 1 1
1. O.C.P. = Over Current Protection device, must be HACR type Circuit Breaker or Time Delay fuse.
* May be 0 (no Circuit Breaker) or 1 (with Circuit Breaker).

8Johnson Controls Unitary Products
680210-YTG-B-0311
ELECTRICAL DATA - (FOR MULTI-SOURCE POWER SUPPLY) - COPPER WIRE - 208/230-1-601
Models Heater
Models
Min. Circuit Ampacity Max. O.C.P.2 Amps/Type 75°C Wire Size - AWG
Circuit Circuit Circuit
1st 2nd 1st 2nd 1st 2nd
208/230 208/230 208/230 208/230 208/230 208/230
AHE24B3XH21 6HK16501306 37.5/41.3 22.3/24.2 40/45 25/25 8/8 12/12
6HK16501506 43.3/47.8 25.1/27.4 45/50 30/30 8/8 10/10
AHE30B3XH21 6HK16501306 37.5/41.3 22.3/24.2 40/45 25/25 8/8 12/12
6HK16501506 43.3/47.8 26.8/27.4 45/50 30/30 8/8 10/10
AHE36C3XH21
6HK16501306 37.5/41.3 23.9/25.8 40/45 25/30 8/8 12/10
6HK16501506 43.3/47.8 27.7/29.0 45/50 30/30 8/8 10/10
6HK16501806 38.9/42.9 44.1/48.0 40/45 45/50 8/8 8/8
6HK16502006 43.3/47.8 48.4/53.0 45/50 50/60 8/8 6/6
AHE42D3XH21 6HK16501306 37.5/41.3 23.9/25.8 45/45 25/30 8/8 12/10
6HK16501506 43.3/47.8 27.7/29.0 45/50 30/30 8/8 10/10
AHE48D3XH21
6HK16501306 37.5/41.3 26.3/28.2 40/45 30/30 8/8 10/10
6HK16501506 43.3/47.8 29.1/31.4 45/50 30/35 8/8 10/10
6HK16501806 38.9/42.9 46.4/50.4 40/45 50/60 8/8 8/8
6HK16502006 43.3/47.8 50.8/55.3 45/50 60/60 8/8 6/6
AHE60D3XH21
6HK16501306 37.5/41.3 26.3/28.2 40/45 30/30 8/8 10/10
6HK16501506 43.3/47.8 29.1/31.4 45/50 30/35 8/8 10/10
6HK16501806 38.9/42.9 46.4/50.4 40/45 50/60 8/8 8/8
6HK16502006 43.3/47.8 50.8/55.3 45/50 60/60 8/8 6/6
6HK16502506 64.9/71.7 50.8/55.3 70/80 60/60 4/4 6/6
1. If wire other than non-plated, 75° ambient, copper wire is used. consult applicable tables of the NEC and local codes.
2. O.C.P. = Over Current Protection device, must be HACR type Circuit Breaker or Time Delay fuse.
Electrical Data - 208/230-3-60
Models Heat Kit -
Three Phase Max. Static Min.
Speed Tap
Total Heat1KW Staging
KW MBH W1 Only W1 + W2
208V 230V 208V 230V 208V 230V 208V 230V
AHE24B3XH21 6HK06501525 0.3 High #5 10.8 14.4 36.9 49.1 10.8 14.4 10.8 14.4
AHE30B3XH21 6HK06501525 0.3 High #5 10.8 14.4 36.9 49.1 10.8 14.4 10.8 14.4
AHE36C3XH21 6HK06501525 0.3 Med High #4 10.8 14.4 36.9 49.1 10.8 14.4 10.8 14.4
6HK16502025 0.3 High #5 14.4 19.2 49.1 65.5 7.2 9.6 14.4 19.2
AHE42D3XH21 6HK06501525 0.3 High #5 10.8 14.4 36.9 49.1 10.8 14.4 10.8 14.4
6HK16502025 0.3 High #5 14.4 19.2 49.1 65.5 7.2 9.6 14.4 19.2
AHE48D3XH21 6HK06501525 0.3 High #5 10.8 14.4 36.9 49.1 10.8 14.4 10.8 14.4
6HK16502025 0.3 High #5 14.4 19.2 49.1 65.5 7.2 9.6 14.4 19.2
AHE60D3XH21
6HK06501525 0.3 High #5 10.8 14.4 36.9 49.1 10.8 14.4 10.8 14.4
6HK16502025 0.3 High #5 14.4 19.2 49.1 65.5 7.2 9.6 14.4 19.2
6HK16502525 0.3 High #5 18 24 61.4 81.9 9.0 12.0 18.0 24.0
1. See conversion table on Page 5.

Johnson Controls Unitary Products 9
680210-YTG-B-0311
2. Heaters are 3 Phase.
TYPICAL APPLICATIONS
ACCESSORIES
Refer to Price Manual for specific model numbers where not
shown.
TXV Kits - TXV kits are available for “Flex-coil” applications and
converting R-22 to R-410A or as a service replacement. All kits
are bolt-on and require no brazing to install.
Electric Heaters - 6HK models shown under electrical data
include sequential operation and temperature dual limit
switches for safe, efficient operation. Circuit breakers are pro-
vided where shown.
LIMITATIONS
These units must be wired and installed in accordance with all
national and local safety codes.
Voltage limits are as follows:
Airflow must be within the minimum and maximum limits
approved for electric heat, evaporator coils and outdoor units.
Electrical Data - (For Single Source Power Supply) - Copper Wire - 208/230-3-60
Models Heat Kit -
Three Phase
Heater
Amps
240V
Field Wiring
Min. Circuit Ampacity Max. O.C.P.1 Amps/Type 75°C Wire Size - AWG
208V 230V 208V 230V 208V 230V
AHE24B3XH21 6HK06501525 34.6 41.0 44.95 45 50 8 8
AHE30B3XH21 6HK06501525 34.6 41.0 44.95 45 50 8 8
AHE36C3XH21 6HK06501525 34.6 42.6 46.57 45 50 8 8
6HK16502025 46.2 55.2 60.47 60 70 6 4
AHE42D3XH21 6HK06501525 34.6 42.6 46.57 45 50 8 8
6HK16502025 46.2 55.2 60.47 60 70 6 4
AHE48D3XH21 6HK06501525 34.6 45.0 48.95 50 50 8 8
6HK16502025 46.2 57.6 62.84 60 70 6 4
AHE60D3XH21
6HK06501525 34.6 45.0 48.95 50 50 8 8
6HK16502025 46.2 57.6 62.84 60 70 6 4
6HK16502525 57.7 70.0 76.62 80 80 4 4
1. O.C.P. = Over Current Protection device, must be HACR type Circuit Breaker or Time Delay fuse.
Electrical Data - (For Multi-Source Power Supply) - Copper Wire - 208/230-3-60
Models Heater
Model
Minimum Circuit Ampacity Max. O.C.P.1 Amps/Type 75°C Wire Size - AWG
Circuit
1st 2nd 1st 2nd 1st 2nd
208/230 208/230 208/230 208/230 208/230 208/230
AHE36C3XH21 6HK16502025 30.1/34.0 25/28.9 35/35 30/30 10/10 10/10
AHE42D3XH21 6HK16502025 30.1/34.0 25/28.9 35/35 30/30 10/10 10/10
AHE48D3XH21 6HK16502025 32.5/36.4 25/28.9 35/40 30/30 10/8 10/10
AHE60D3XH21 6HK16502025 32.5/36.4 25/28.9 35/40 30/30 10/8 10/10
6HK16502525 38.8/43.6 31.3/36.1 40/45 35/40 8/8 10/8
1. O.C.P. = Over Current Protection device, must be HACR type Circuit Breaker or Time Delay fuse.
UPFLOW
HORIZONTAL RIGHT
HORIZONTAL LEFT
HEAT
HEAT
HEAT
Air Handler Voltage Voltage code 1Normal Operating
Voltage Range
1. Rated in accordance with ARI Standard 110, utilization range “A”.
208/230-1-60 06 187-253
Entering Air Temperature Limits
Wet Bulb Temp.°F Dry Bulb Temp. °F
Min. Max. Min. Max.
57 72 65 95

10 Johnson Controls Unitary Products
680210-YTG-B-0311
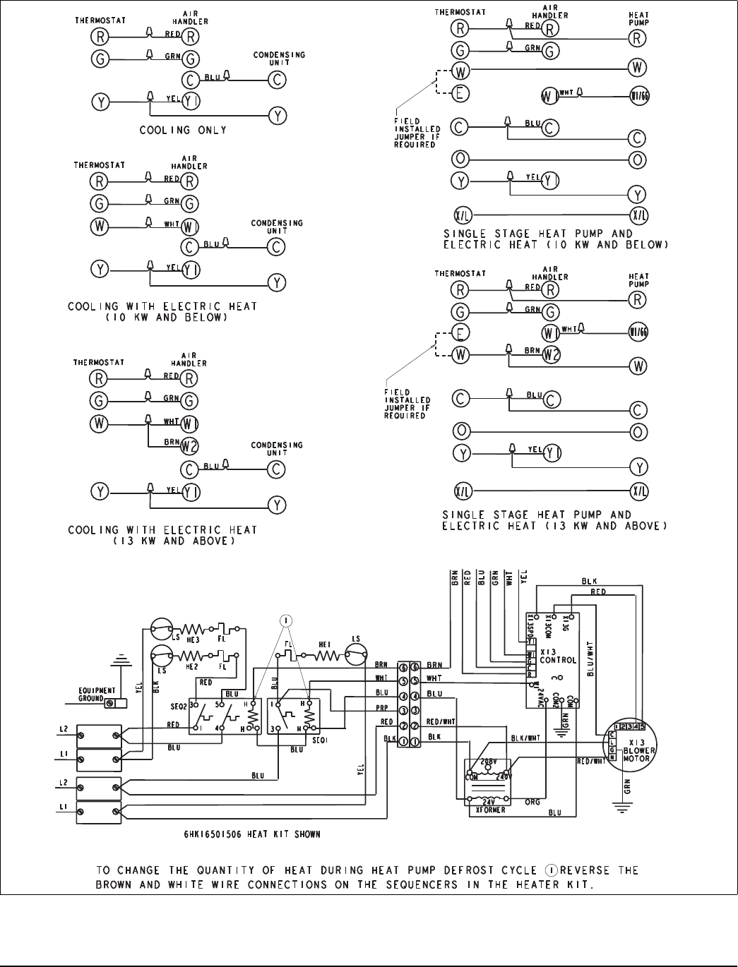
TYPICAL THERMOSTAT CONNECTION

Johnson Controls Unitary Products 11
680210-YTG-B-0311
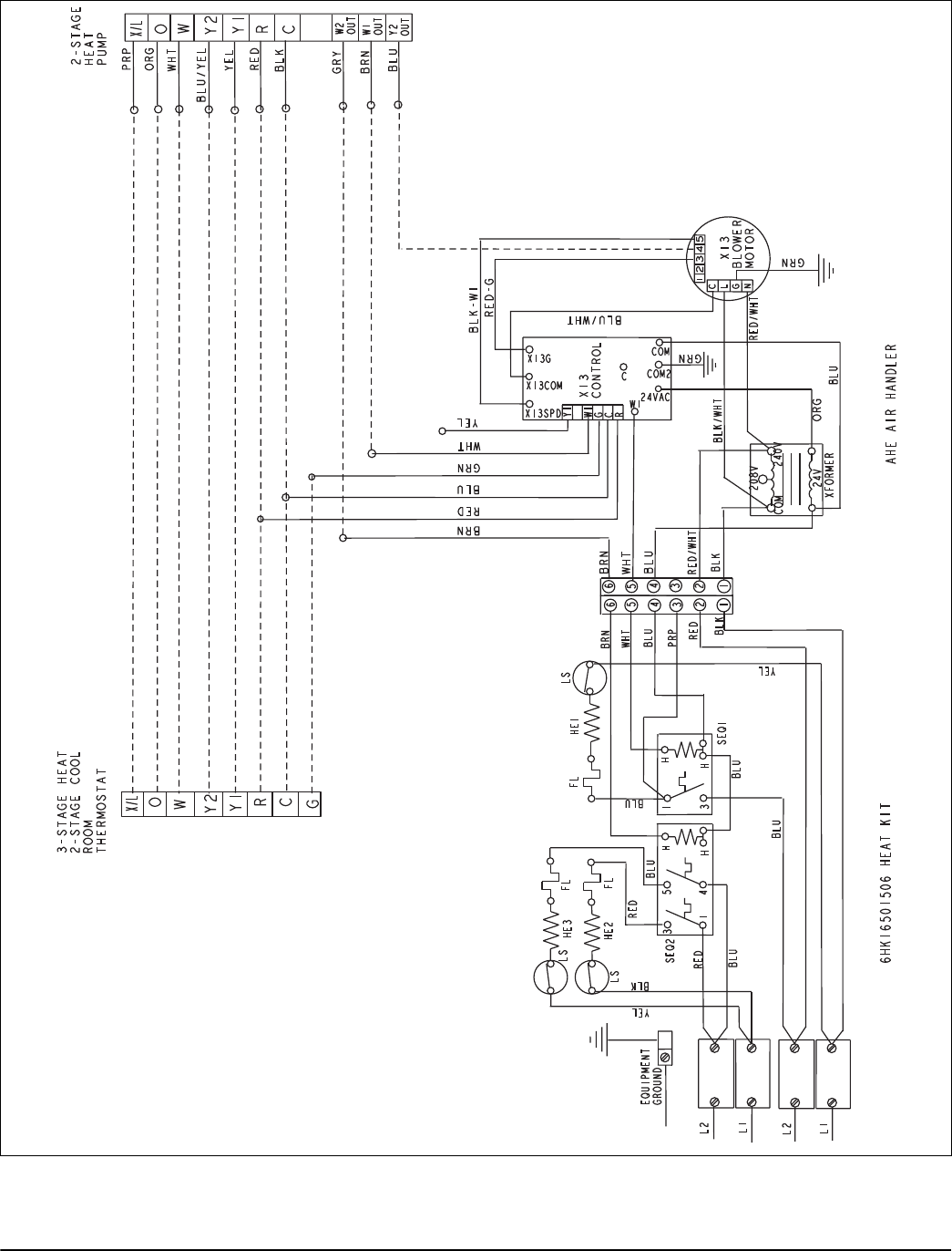
TYPICAL THERMOSTAT WIRING FOR 2-STAGE HEAT PUMP WITH ECM BLOWER MOTOR

12 Johnson Controls Unitary Products
680210-YTG-B-0311
AIR FLOW
AIR FLOW DATA - 60 Hz MODELS - 208 VOLT
Models Blower
Motor Speed CFM1 @ External Static Pressure - IWC
1. Dry coil conditions only, tested without filters.
Air handler units are CSA listed to UL 1995/CSA C22.2 236-05 up to 0.30" w.c. external static pressure, including air filter, wet coil, and largest kW size heater, unless
otherwise noted.
Operation not recommended in shaded areas.
0.10 0.20 0.30 0.40 0.50 0.60 0.70
208 Volt
AHE18B3XH21
High #5 1074 1029 999 954 911 865 812
Med High #4 895 846 802 759 701 630 526
Med #3 663 610 556 482 334 219 173
Med Low #2 630 466 346 196 170 67 23
Low #1 630 466 346 196 170 67 23
AHE24B3XH21
High #5 1147 1107 1076 1040 992 942 861
Med High #4 1009 974 941 903 859 811 762
Med #3 826 785 744 690 639 566 501
Med Low #2 654 590 556 479 419 307 251
Low #1 580 491 425 317 224 189 73
AHE30B3XH21
High #5 1147 1107 1076 1040 992 942 861
Med High #4 1009 974 941 903 859 811 762
Med #3 826 785 744 690 639 566 501
Med Low #2 654 590 556 479 419 307 251
Low #1 580 491 425 317 224 189 73
AHE36C3XH21
High #5 1473 1417 1361 1304 1241 1171 1109
Med High #4 1257 1204 1138 1076 1000 928 856
Med #3 1069 997 912 831 772 697 617
Med Low #2 994 800 705 621 554 488 432
Low #1 904 692 411 329 256 152 NA
AHE42D3XH21
High #5 1619 1577 1531 1484 1428 1372 1307
Med High #4 1434 1391 1346 1292 1235 1164 1054
Med #3 1243 1192 1135 1073 978 882 778
Med Low #2 1141 1027 952 842 724 572 559
Low #1 1025 851 465 418 253 208 123
AHE48D3XH21
High #5 1847 1812 1775 1725 1684 1645 1600
Med High #4 1675 1640 1597 1561 1522 1479 1421
Med #3 1436 1394 1349 1301 1246 1182 1095
Med Low #2 1250 1211 1157 1100 1013 924 854
Low #1 1151 1029 965 857 779 720 639
AHE60D3XH21
High #5 2083 2042 2002 1959 1921 1875 1829
Med High #4 1893 1856 1815 1776 1728 1688 1639
Med #3 1642 1609 1564 1512 1467 1416 1340
Med Low #2 1443 1401 1360 1307 1242 1160 1062
Low #1 1259 1198 1140 1067 972 900 797

Johnson Controls Unitary Products 13
680210-YTG-B-0311
AIR FLOW DATA - 60 Hz MODELS - 230 VOLT
Models Blower
Motor Speed CFM1 @ External Static Pressure - IWC
0.10 0.20 0.30 0.40 0.50 0.60 0.70
230 Volt
AHE18B3XH21
High #5 1075 1041 1003 970 930 885 842
Med High #4 895 845 808 767 709 647 561
Med #3 663 618 557 490 348 267 192
Med Low #2 629 468 356 197 175 68 23
Low #1 629 468 356 197 175 68 23
AHE24B3XH21
High #5 1156 1120 1093 1056 1014 951 862
Med High #4 1021 987 952 918 873 836 787
Med #3 829 789 754 698 654 585 532
Med Low #2 681 621 575 496 435 336 262
Low #1 598 503 437 340 259 203 74
AHE30B3XH21
High #5 1156 1120 1093 1056 1014 951 862
Med High #4 1021 987 952 918 873 836 787
Med #3 829 789 754 698 654 585 532
Med Low #2 681 621 575 496 435 336 262
Low #1 598 503 437 340 259 203 74
AHE36C3XH21
High #5 1465 1415 1360 1307 1246 1183 1118
Med High #4 1260 1204 1142 1075 1008 946 876
Med #3 1088 1022 939 862 782 721 626
Med Low #2 998 810 717 630 562 493 444
Low #1 903 707 411 323 265 152 NA
AHE42D3XH21
High #5 1632 1589 1542 1494 1446 1391 1335
Med High #4 1430 1390 1346 1294 1238 1168 960
Med #3 1238 1198 1145 1082 993 908 805
Med Low #2 1118 1020 947 851 734 666 563
Low #1 998 772 477 418 349 NA NA
AHE48D3XH21
High #5 1861 1823 1787 1750 1708 1666 1620
Med High #4 1674 1640 1599 1562 1516 1472 1432
Med #3 1442 1405 1358 1311 1262 1197 1108
Med Low #2 1257 1220 1163 1103 1031 942 864
Low #1 1153 1031 967 867 764 718 633
AHE60D3XH21
High #5 2091 2053 2016 1975 1937 1906 1869
Med High #4 1903 1868 1832 1791 1748 1703 1660
Med #3 1634 1598 1562 1516 1468 1422 1350
Med Low #2 1447 1404 1361 1318 1257 1164 1092
Low #1 1268 1203 1148 1073 978 907 839
1. Dry coil conditions only, tested without filters.
Air handler units are CSA listed to UL 1995/CSA C22.2 236-05 up to 0.30" w.c. external static pressure, including air filter, wet coil, and largest kW size heater, unless
otherwise noted.
Operation not recommended in shaded areas.

Subject to change without notice. Published in U.S.A. 680210-YTG-B-0311
Copyright © 2011 by Johnson Controls, Inc. All rights reserved. Supersedes: 680210-YTG-A-0211
Johnson Controls Unitary Products
5005 York Drive
Norman, OK 73069