York Zf Sunline R410A Users Manual
2015-09-09
: York Zf-Sunline-R410A-Users-Manual york-zf-sunline-r410a-users-manual-812391 york pdf
Open the PDF directly: View PDF
.
Page Count: 104 [warning: Documents this large are best viewed by clicking the View PDF Link!]

®
FOR DISTRIBUTION USE ONLY - NOT TO BE USED AT POINT OF RETAIL SALE
251934-YTG-Z-0714
TECHNICAL GUIDE
R-410A
ZJ/ZR/ZF SERIES
15 - 25 TON
60 Hertz
ZJ/ZR Shown
Description
YORK® ZJ Series Sunline Magnum™ /ZR Series
MagnaDRY™/ZF Series Sunline™ units are convertible single
package high efficiency rooftops. All models have independent
refrigeration circuits for efficient part load operation.
Although the units are primarily designed for curb mounting on
a roof, they can also be slab-mounted at ground level or set on
steel beams above a finished roof.
All ZJ/ZR/ZF units are self-contained and assembled on rigid
full perimeter base rails allowing for overhead rigging. Every
unit is completely charged, wired, piped, and tested at the
factory to provide a quick and easy field installation.
All models (including those with an economizer) are convertible
between bottom and horizontal duct connections.
ZJ/ZR/ZF units are available in the following configurations:
cooling only, cooling with electric heat, and cooling with gas
heat. Electric heaters are available as factory-installed options
only.
Tested in accordance with:

251934-YTG-Z-0714
2Johnson Controls Unitary Products
Table of Contents
Description . . . . . . . . . . . . . . . . . . . . . . . . . . . . . . . . . . . . . . . . . . . . . . . . . . . . . . . . . . . . . . . . . . . . . . . . . . . . . . . . . . . . . . . . . . . . 1
Table of Contents . . . . . . . . . . . . . . . . . . . . . . . . . . . . . . . . . . . . . . . . . . . . . . . . . . . . . . . . . . . . . . . . . . . . . . . . . . . . . . . . . . . . . . . 2
Component Location . . . . . . . . . . . . . . . . . . . . . . . . . . . . . . . . . . . . . . . . . . . . . . . . . . . . . . . . . . . . . . . . . . . . . . . . . . . . . . . . . . . . 3
Nomenclature . . . . . . . . . . . . . . . . . . . . . . . . . . . . . . . . . . . . . . . . . . . . . . . . . . . . . . . . . . . . . . . . . . . . . . . . . . . . . . . . . . . . . . . . . . 4
Features and Benefits. . . . . . . . . . . . . . . . . . . . . . . . . . . . . . . . . . . . . . . . . . . . . . . . . . . . . . . . . . . . . . . . . . . . . . . . . . . . . . . . . . . . 5
Guide Specifications. . . . . . . . . . . . . . . . . . . . . . . . . . . . . . . . . . . . . . . . . . . . . . . . . . . . . . . . . . . . . . . . . . . . . . . . . . . . . . . . . . . . . 9
Physical Data . . . . . . . . . . . . . . . . . . . . . . . . . . . . . . . . . . . . . . . . . . . . . . . . . . . . . . . . . . . . . . . . . . . . . . . . . . . . . . . . . . . . . . . . . . 15
Capacity Performance . . . . . . . . . . . . . . . . . . . . . . . . . . . . . . . . . . . . . . . . . . . . . . . . . . . . . . . . . . . . . . . . . . . . . . . . . . . . . . . . . . 21
Airflow Performance . . . . . . . . . . . . . . . . . . . . . . . . . . . . . . . . . . . . . . . . . . . . . . . . . . . . . . . . . . . . . . . . . . . . . . . . . . . . . . . . . . . . 49
Sound Performance . . . . . . . . . . . . . . . . . . . . . . . . . . . . . . . . . . . . . . . . . . . . . . . . . . . . . . . . . . . . . . . . . . . . . . . . . . . . . . . . . . . . 69
Electrical Data . . . . . . . . . . . . . . . . . . . . . . . . . . . . . . . . . . . . . . . . . . . . . . . . . . . . . . . . . . . . . . . . . . . . . . . . . . . . . . . . . . . . . . . . . 70
Weights and Dimensions . . . . . . . . . . . . . . . . . . . . . . . . . . . . . . . . . . . . . . . . . . . . . . . . . . . . . . . . . . . . . . . . . . . . . . . . . . . . . . . . 96

251934-YTG-Z-0714
Johnson Controls Unitary Products 3
Component Location
(ZJ shown)
Simplicity® SE Control Board
110 Volt Convenience
Outlet (“Powered” or
“Non-Powered” Optional)
Disconnect Location
(Optional Disconnect Switch)
Bottom Power and
Control Wiring Entry
Power Ventor Motor
Electric Heater Location
(Optional Electric/Electric Units)
Belt Drive
Blower Motor
14 Gauge
Base Rails
with Lifting Holes
Filter Drier
(Solid Core)
Thermal
Expansion
Valve
Copper Tube/
Aluminum Fin
Evaporator
Coils
2” Disposable Filters
(4” Filters Optional)
Slide In/ Plug In
Internal Economizer
(Optional)
1” NPT
Condensate Drain
Location of VFD (Optional)
Location of VFD Bypass (Optional)
High Efficiency Scroll Compressors
Copper Tube/Aluminum Fin
Condenser Coils
Compressor #4 Compressor #1
Compressor #2
Compressor #3
Outdoor Fan #3
Outdoor Fan #4
Outdoor Fan #1
Outdoor Fan #2

251934-YTG-Z-0714
4Johnson Controls Unitary Products
Nomenclature
Z J 180 N24 A 2 A AA 3 0 1 2 4 A
Z = A/C, Single Pkg., R-410A
Product Category
Airflow
3 = Third Generation
Product Generation
C00 = Cooling Only. No field installed
electric heat
Heat Type and Nominal Heat Capacity
E18 = 18 KW
E36 = 36 KW
E54 = 54 KW
E72 = 72 KW
Gas Heat Options
Electric Heat Options
180 = 15 Ton
Nominal Cooling Capacity
210 = 17.5 Ton
240 = 20 Ton
300 = 25 Ton
Product Identifier
J = 11.0+ EER A/C
R = 90.1 w/Reheat
F = 10 thru 11 EER A/C
Voltage
2 = 208/230-3-60
4 = 460-3-60
5 = 575-3-60
Product Style
A = Style A
AA = None
Standard Cabinet
AB = Phase Monitor
AC = Coil Guard
AD = Dirty Filter Switch
AE = Phase Monitor & Coil Guard
AF = Phase Monitor & Dirty Filter Switch
AG = Coil Guard & Dirty Filter Switch
AH = Phase Monitor, Coil Guard & Dirty Filter Switch
RC = Coil Guard & American Flag
TA = Technicoat Condenser Coil
TJ = Technicoat Evaporator Coil
TS = Technicoat Evaporator & Condenser Coils
BA = Hinged Filter Door & Tool Free Access Panels
Additional Options
Hinged Filter Door & Tool Free Access Cabinet
BB = Phase Monitor, Hinged Filter Door & Tool Free
Access Panels
BC = Coil Guard, Hinged Filter Door & Tool Free
Access Panels
BD = Dirty Filter Switch, Hinged Filter Door &
Tool Free Access Panels
BE = Phase Monitor & Coil Guard, Hinged Filter
Door & Tool Free Access Panels
BF = Phase Monitor & Dirty Filter Switch, Hinged
Filter Door & Tool Free Access Panels
BG = Coil Guard & Dirty Filter Switch, Hinged Filter
Door & Tool Free Access Panels
BH = Phase Monitor, Coil Guard & Dirty Filter Switch,
Hinged Filter Door & Tool Free Access Panels
15-25 Ton Sunline Magnum™ Model Number Nomenclature
ZZ = If desired option combination is not listed above, ZZ will be assigned and configuration options will be
located in digits 15-18.
SS Drain Pan
Configuration Options (not required for all units)
These four digits will not be assigned until a quote is requested, or an order placed.
CPC Controller, DFS, APS
Johnson Controller UNT 1126 (N2 protocol), DFS, APS
Honeywell Controller, DFS, APS
Novar Controller, DFS, APS
Simplicity®Smart Equipment w/ BAS Option (BACnet, MS/TP)
FDD (Fault Detecter Diagnostics)
York Commercial Comfort System (YCCS) Rtu Controller
2" Pleated Filters, MERV 7
4" Pleated Filters, MERV 13
BAS Ready Economizer w/Belimo
1
Double Wall Construction
2
Any Combination of Additional Options that Don’t Have an Option Code Pre-assigned
Hot Gas Bypass (Standard on VAV, Optional on CV)
Variable Air Volume, VFD (not available with factory installed BAS options)
Variable Air Volume, VFD with BAS Option (BACnet, MS/TP) (not available with factory installed BAS options)
Variable Air Volume, VFD and Manual Bypass (not available with factory installed BAS options)
Variable Air Volume, VFD and Manual Bypass with BAS Option (BACnet, MS/TP) (not available with factory installed BAS options)
Variable Air Volume, VFD (BAS ready)
Variable Air Volume, VFD and Manual Bypass (BAS ready)
Variable Air Volume, VFD Ready (for customer provided, field installed drive)
Variable Air Volume, VFD Ready with BAS Option (BACnet, MS/TP) (for customer-provided, field-installed drive)
A = No Options Installed
Installation Options
B = Option 1
C = Option 2
D = Options 1 & 2
E = Option 3
F = Option 4
G = Options 1 & 3
H = Options 1 & 4
J = Options 1, 2 & 3
K = Options 1, 2, & 4
L = Options 1,3 & 4
M = Options 1, 2, 3, & 4
1 = Disconnect
2 = Non-Pwr'd Conv. Outlet
3 = Smoke Detector S.A.
4 = Smoke Detector R.A.
5 = Pwr'd Conv. Outlet
Options
N = Options 2 & 3
P = Options 2 & 4
Q = Options 2, 3, & 4
R = Options 3 & 4
S = Option 5
T = Options 1 & 5
U = Options 1, 3, & 5
V = Options 1, 4, & 5
W = Options 1, 3, 4, & 5
X = Options 3 & 5
Y = Options 4 & 5
Z = Options 3, 4 & 5
A = Std. Motor
D = Std. Motor/Motorized Damper
E = Std. Motor/Motorized Damper/Barometric Relief
F = Std. Motor/Low Leak Econ
G = Std. Motor/Low Leak Econ/Power Exhaust
1
H = Std. Motor/Low Leak Econ/Barometric Relief
N = Hi Static
L = Hi Static/Low Leak Econ
M = Hi Static/Low Leak Econ/Power Exhaust
1
R = Hi Static/Motorized Damper
K = Hi Static/Motorized Damper/Barometric Relief
T = Hi Static/Low Leak Econ/Barometric Relief
2 = Low Static
2
6 = Low Static/Motorized Damper/Barometric Relief
2
U = Low Static/Low Leak Econ
2
5 = Low Static/Motorized Damper
2
V = Low Static/Low Leak Econ/Power Exhaust
1,2
W = Low Static/Low Leak Econ/Barometric Relief
2
EA = E-Coat Condenser Coil
EJ = E-Coat Evaporator Coil
ES = E-Coat Cond & Evap Coils
IntelliSpeed with VFD
IntelliSpeed, VFD and Manual Bypass
IntelliSpeed, VFD Ready (for customer-provided, field-installed drive)
Notes:
1. Downflow Only
2. Available only in the ZJ300, ZR300 and ZF300.
Notes:
1. BAS Ready econ requires input from a field installed BAS control. Not available with
factory installed BAS controls.
2. Double wall available on ZJ and ZR units only
N24 = 240 MBH Output Aluminized Steel
N32 = 300 MBH Output Aluminized Steel
1
N32 = 320 MBH Output Aluminized Steel
S24 = 240 MBH Output Stainless Steel
S32 = 300 MBH Output Stainless Steel
1
S32 = 320 MBH Output Stainless Steel
Note:
1. ZF180 Only

251934-YTG-Z-0714
Johnson Controls Unitary Products 5
Features and Benefits
Standard Features
•High Efficiency - High efficiency units reach as high as
12.4 EER. Gas/electric units have electronic spark ignition
and power vented combustion with steady state efficiencies
of 80%. These efficiencies exceed all legislated minimum
levels and provide low operating costs.
•Balanced Heating -
•Gas Heat - All gas heat units are built with two heating
sections for two equal stages of capacity control. Each
section includes a durable heat exchanger with
aluminized steel or optional stainless steel tubes, a
redundant gas valve, spark ignition, power venting, an
ignition module for 100% shut-off and all of the safety
controls required to meet the latest ANSI standards.
The gas supply piping can be routed into the heating
compartment through a hole in the base pan of the unit
or through a knockout in the piping panel on the front of
the unit.
•Electric Heat - All electric heat models (factory installed
only) are wired for a single power source and include a
bank of nickel chromium elements mounted at the
discharge of the supply air blower to provide a high velocity
and uniform distribution of air across the heating elements.
Every element is fully protected against excessive current
and temperature by fuses and two thermal limit switches.
The power supply wiring can be routed into the control
box through a threaded pipe connection in the base pan
of the unit or through a knockout in the wiring panel on
the front of the unit.
•BAS Controls - York's Sunline™ series units offer factory
mounted BAS controls such as Simplicity® SE with BAS
Option, CPC, JOHNSON, HONEYWELL, NOVAR, YORK
COMMERCIAL COMFORT SYSTEM (YCCS).
•Convertible Airflow Design - All models (including those
with an economizer) are suitable for either bottom or
horizontal duct connections. Models with factory
installed power exhaust are suitable for bottom duct
connections only. For bottom duct, you remove the sheet
metal panels from the supply and return air openings
through the base of the unit. For horizontal duct, you
replace the supply and return air panels on the rear of the
unit with a side duct flange accessory.
•Factory Mounted Outdoor Air Dampers - All models are
available with these "factory mounted" outdoor air damper
options:
• Single enthalpy economizer with or without power
exhaust
• BAS-ready economizer with or without power exhaust
• Motorized outdoor air damper
• Barometric Relief Damper
A fixed outdoor air intake assembly will be shipped in the
return air compartment of all units ordered without an
economizer or motorized outdoor air damper option. The
assembly includes a rain hood with a baffle that can be set
for 10, 15 or 25% outdoor air. With bottom duct connections,
the fixed outdoor air intake assembly should be mounted
over the opening in the return air panel. With horizontal
ductwork, it should be mounted on the return air duct.
•System Protection - Suction line freezestats are supplied
on all units to protect against loss of charge and coil frosting
when the economizer operates at low outdoor air
temperatures while the compressors are running. Every unit
has solid-core liquid line filter-driers and high and low-
pressure switches. Internal compressor protection is
standard on all compressors. Phase Monitors are optional
on all units. This accessory monitors the incoming power to
the unit and protects the unit from phase loss and reversed
phase rotation.
•Advanced Controls - ZJ/ZR/ZF Models have Simplicity®
SE control boards that standardized a number of features
previously available only as options or by utilizing
additional controls.
•Low Ambient - An integrated low-ambient control
allows all units to operate in the cooling mode down to
0F outdoor ambient without additional assistance.
Optionally, the control board can be programmed to
lockout the compressors when the outdoor air
temperature is low or when free cooling is available.
•Anti-Short Cycle Protection - To aid compressor life,
an anti-short cycle delay is incorporated into the
standard controls. Compressor reliability is further
ensured by programmable minimum run times. For
testing, the anti-short cycle delay can be temporarily
overridden with the push of a button.
•Lead-Lag - An integrated Lead-Lag option allows equal
run time hours on all compressors, thereby extending
the life of all compressors. This option is selectable on
the unit control board.
•Fan Delays - Fan on and fan off delays are fully
programmable. Furthermore, the heating and cooling
fan delay times are independent of one another. All units
are programmed with default values based upon their
configuration of cooling and heat.
•Safety Monitoring - The control board monitors the
high and low-pressure switches, the freezestats, the gas
valve, if applicable, and the temperature limit switch on
gas and electric heat units. The unit control board will
The Simplicity™ SE control board used in this
product will effectively operate the cooling system
down to 0°F when this product is applied in a comfort
cooling application for people. An economizer is
typically included in this type of application. When
applying this product for process cooling applications
(computer rooms, switchgear, etc.), please
reference applications bulletin AE-011-07 or call the
applications department for Unitary Products @ 1-
877-UPG-SERV for guidance. Additional
accessories may be needed for stable operation at
temperatures below 30°F.

251934-YTG-Z-0714
6Johnson Controls Unitary Products
alarm on ignition failures, compressor lockouts and
repeated limit switch trips.
•Nuisance Trip Protection and Strikes - To prevent
nuisance trouble calls, the control board uses a “three
times, you’re out” philosophy. The high and low-
pressure switches and the freezestats must trip three
times within two hours before the unit control board will
lock out the associated compressor.
•On Board Diagnostics - Each alarm will energize a
trouble light on the thermostat, if so equipped, and flash
an alarm code on the control board LED. Each high and
low-pressure switch alarm as well as each freezestat
alarm has its own flash code. The control board saves
the five most recent alarms in memory, and these alarms
can be reviewed at any time. Alarms and programmed
values are retained through the loss of power.
•Reliable - From the beginning - All units undergo
computer automated testing before they leave the factory.
Units are tested for refrigerant charge and pressure, unit
amperage, and 100% functionality. For the long term - All
units are painted with a long lasting, powder paint that
stands up over the life of the unit. The paint used has
been proven by a 1000 hour salt spray test.
•Full Perimeter Base Rails - The permanently attached
base rails provide a solid foundation for the entire unit and
protect the unit during shipment. The rails offer rigging
holes so that an overhead crane can be used to place the
units on a roof.
•Easy Installation - Gas and electric utility knockouts are
supplied in the unit underside as well as the side of the
unit. Utility connections can be made quickly and with a
minimum amount of field labor. All units are shipped with
2" throw-away filters installed.
•Wide Range of Indoor Airflows - All supply air blowers
are equipped with a belt drive that can be adjusted to
meet the exact requirements of the job. A high static drive
option is available for applications with a higher CFM and/
or static pressure requirement.
•Warranty - All models include a 1-year limited warranty
on the complete unit. Compressors and electric heater
elements each carry a 5-year warranty. Aluminized steel
and stainless steel tubular heat exchangers carry a 10-
year warranty.
Factory Installed Options
YORK® offers several equipment options factory installed, for
the ZJ/ZR/ZF Series.
•Single Input Electronic Enthalpy Economizers - All
units offer a variety of optional factory installed down flow
economizers that are shipped, installed and wired with low
leak dampers designed to meet ASHRAE 90.1-2010,
AMCA 511 Class 1A damper, and the International
Energy Conservation Code (IECC) certification
requirements by achieving leakage rates of 3 cfm/sq. ft. at
1" of static pressure. Each economizer goes through a
rigorous 60,000 cycle test. Dry bulb, single enthalpy, and
dual enthalpy (with field installed kit) can be selected. All
economizer options are fully integrated into the
Simplicity® SE controls. The economizer has spring
return, fully modulating damper actuators and is capable
of introducing up to 100% outdoor air. As the outdoor air
intake dampers open, the return air dampers close. The
changeover from mechanical refrigeration to economizer
operation is regulated by the outdoor air dry bulb
temperature or the outdoor air enthalpy input. The dual
enthalpy kit provides a second input used to monitor the
return air (field installed). The installer needs only to
assemble the outdoor air hood, attach the enthalpy control
the hood and mount the hood to the unit (Hood and
control are provided).
•Power Exhaust - Our economizer options are available
with power exhaust. Whenever the outdoor air intake
dampers are opened for free cooling, the exhaust fan will
be energized to prevent the conditioned space from being
over-pressurized during economizer operation.
The exhaust fan, motor and controls are installed and
wired at the factory. The rain hood must be assembled
and installed in the field.
The power exhaust option can only be used on bottom
duct configurations.
•Motorized Outdoor Air Intake Damper - Includes a
slide-in / plug-in damper assembly with a 2- position,
spring return motor actuator which opens to a pre-set
position whenever the supply air blower is operating and
will drive fully closed when the blower unit shuts down.
The rain hood is painted to match the basic unit and must
be field assembled before installing.
•Barometric Relief Damper - This damper option can be
used to relieve internal building air pressure on units with
an economizer without power exhaust. This accessory
includes a rain hood, a bird screen and a fully assembled
damper. With bottom duct connections, the damper
should be mounted over the opening in the return air
panel. With horizontal ductwork, the accessory should be
mounted on the return air duct.
• Technicoat Condenser Coils - The condenser coils are
coated with a phenolic coating for protection against
corrosion due to harsh environments.
• Technicoat Evaporator Coil - The evaporator coils are
coated with a phenolic coating for protection against
corrosion due to harsh environments.
• E-Coat Condenser Coils - The condenser coils are
coated with an epoxy polymer coating to protect against
corrosion.
• E-Coat Evaporator Coils - The evaporator coils are
coated with an epoxy polymer coating to protect against
corrosion.
•Electric Heaters - wired for single point power supply.
These nickel chromium heater elements are provided with
limit and automatic reset capability to prevent operation at
excessive temperatures.
•Variable Air Volume (VAV) - A factory-installed variable
frequency drive (VFD), mounted in the Blower Access
compartment, is used to control the speed of the indoor
blower motor in order to maintain a constant static
pressure in the supply duct. A pressure transducer and

251934-YTG-Z-0714
Johnson Controls Unitary Products 7
VAV control board are mounted inside the control box.
The drive comes completely wired and pre-programmed
from the factory.
An optional, factory-installed manual bypass switch
available with factory-installed VFD can be found in the
Blower Motor Access compartment. The switch can be
used to either route power to the VFD for modulating
control of the blower motor, to bypass the drive and
operate the motor at full speed, or to power the drive (and
not the motor) for diagnostic purposes.
Due to space limitations, VAV is not available with any of
the factory-installed BAS options described below, but is
available with ‘BAS-ready’ models. Terminal blocks are
provided in the control box for field wiring of the customer-
installed BAS.
A ‘VFD-ready’ option provides the provisions for a
customer-installed drive. The unit comes with a mounting
bracket installed in the Blower Access compartment which
may accommodate other vendor’s drives depending on
their size. In order to utilize the unit’s mounting bracket,
the maximum recommended drive dimensions are as
follows:
For 5-hp motor applications........................ 13” H x 6” W x 7” D
For 7.5 thru 15-hp motor applications ........ 13” H x 8” W x 8” D
If the drive will not fit in the allotted space, then it will have
to be mounted elsewhere; either within the building on a
perpendicular wall which is not subjected to excessive
temperature, vibration, humidity, dust, corrosive gas,
explosive gas, etc., or within an appropriate enclosure
rated for outside installation to safeguard against
moisture, dust and excessive heat.
A terminal block located in the control box is provided for
field connection of the VFD controls.
•IntelliSpeed™ Supply Fan Control Option (ASHRAE
90.1 compliant, section 6.4.3.10) - Units configured with
the IntelliSpeed™ Supply Fan Option will contain a VFD
for variable volume supply fan operation. This option
allows the supply fan RPM to vary based on the number
of compressors or heating stages energized. The
economizer's minimum position will also be configurable
to vary based on the supply fan VFD frequency output.
•Hot Gas Bypass - To allow for low cooling load operation,
a direct-acting pressure-modulating bypass control valve
installed on the system #1 discharge line is used to divert
high temperature, high pressure refrigerant around the
TXV in order to maintain a desired minimum evaporator
pressure. HGBP is standard on all units with VAV and
optional with CV units.
•Filter Options - Standard units are shipped with 2" throw-
away filters installed. 2" pleated and 4" pleated filters are
offered as a factory installed option.
•Convenience Outlet - This 110 volt outlet can be
"powered" by the unit with a stepdown transformer or you
may order the unit with a "non-powered" convenience
outlet that can be wired in the field.
•Disconnect Switch - For gas heat units and cooling units
with electric heat, a HACR breaker sized to the unit is
provided. For cooling only units, a switch sized to the
largest electric heat available for the particular unit is
provided. Factory installed option only.
•Double Wall Construction - Optional double wall
construction is available to provide smooth inner surfaces
for easy and effective cleaning to reduce risk of dirt and
bacterial accumulation. Fiberglass insulation is sandwiched
between heavy gauge steel sheets to form a durable, rigid
casing to withstand higher working pressures and impact
forces. The heavy-duty construction provides excellent
acoustic and thermal insulation and eliminates erosion of
insulation material and contamination of the air stream.
•York Commercial Comfort System (YCCS) - Provides
rooftop system integration for YCCS single zone, change-
over bypass and VAV systems.
•Smoke Detectors - (supply air & return air) The smoke
detectors stop operation of the unit by interrupting power
to the control board if smoke is detected within the air
compartment.
•Coil Guard - Customers can purchase a coil guard kit to
protect the condenser coil from damage. This is not a hail
guard kit.
•Stainless Steel Heat Exchanger - For applications in
corrosive environments, this option provides a full
stainless steel heat exchanger assembly.
•Stainless Steel Drain Pan - An optional rustproof
stainless steel drain pan is available to provide years of
trouble-free operation in corrosive environments.
•Phase Monitors - Designed to prevent unit damage. The
phase monitor will shut the unit down in an out-of phase
condition.
•High Static Drive - May include a belt, blower pulley,
motor pulley or a motor change to enhance blower
performance.
•Low Static Drive - May include a belt, blower pulley,
motor pulley or a motor change when standard airflow is
not required. (ZJ/ZR/ZF300 only).
•Dirty Filter Switch - This kit includes a differential
pressure switch that energizes the fault light on the unit
thermostat, indicating that there is an abnormally high
pressure drop across the filters. Factory installed option or
field installed accessory.
•Hinged Filter Door/"Tool Free" Blower And Access
Panels (Not Hinged) - This option allows for easy access
and maintenance.
NOTE: Knobs are shipped separately within the unit to prevent
shipping damage. These must be field installed for tool
free operation.
Factory installed smoke detectors in the return air, may
be subjected to freezing temperatures during “off” times
due to out side air infiltration. these smoke detectors have
an operational limit of 32°F to 131°F. smoke detectors
installed in areas that could be out side those limitations
will have to be moved to prevent having false alarms.

251934-YTG-Z-0714
8Johnson Controls Unitary Products
•Hinged/"Tool Free" Blower, Blower Motor, Filter And
Electric Access Panels - This option allows for complete
hinged and tool free access to the unit’s blower, blower
motor, filters and electrical panel sections.
Control Options
• BAS - Building Automation System Controls
Simplicity® SE with BAS Option Control - The York®
Simplicity® INTELLI-CO2 sensor to perform Differential
Demand Ventilation. It uses a Patented Comfort
Ventilation algorithm to provide comfortable ventilation air
temperature. The patented economizer-loading algorithm
will protect the equipment when harsh operating
conditions exist. Humidity in the occupied space or return
duct can be monitored and controlled via humidity sensors
and the on-board connection for hot gas re-heat system. It
uses the INTELLI-Start™ algorithm to maximize energy
savings by recovering the building from the Unoccupied
Setpoints to the Occupied Setpoints just in time for the
Occupied Time Period to begin. The Simplicity® SE
balances space temperature, ventilation air temperature,
CO2 and humidity for ultimate comfort.
Simplicity® SE with BAS Option Control - The York®
Simplicity® SE with BAS Option Control is factory
installed. It includes all the features of the Simplicity® SE
control with an additional control to translate
communications from MODBUS to the BACnet MSTP
protocol.
Novar® BAS Control - The Novar® building automation
system controller is factory installed. Incudes supply air
sensor, return air sensor, dirty filter indicator switch, and
air proving switch.
Johnson Controls BAS Control - The Johnson Control
YK-UNT-1126 building automation system controller is
factory installed. Includes supply air sensor, return air
sensor, dirty filter indicator switch, and air proving switch.
CPC BAS Control - The Computer Process Controls
Model 810-3060 ARTC Advanced Rooftop building
automation system controller is factory installed. Includes
supply air sensor, return air sensor, dirty filter indicator
switch and air proving switch.
Honeywell BAS Control - The Honeywell W7750C
building automation system controller is factory installed.
Includes air supply sensor, return air sensor, dirty filter
indicator switch, and air proving switch.
Field Installed Accessories
YORK® offers several equipment accessories for field
installation, for the ZJ/ZR/ZF Series.
•Single Input Electronic Enthalpy Economizers - All
units offer a variety of optional factory installed down flow
economizers that are shipped, installed and wired with low
leak dampers designed to meet ASHRAE 90.1-2010,
AMCA 511 Class 1A damper, and the International
Energy Conservation Code (IECC) certification
requirements by achieving leakage rates of 3 cfm/sq. ft. at
1" of static pressure. Each economizer goes through a
rigorous 60,000 cycle test. Dry bulb, single enthalpy, and
dual enthalpy (with field installed kit) can be selected. All
economizer options are fully integrated into the Simplicity
SE controls. The economizer has spring return, fully
modulating damper actuators and is capable of
introducing up to 100% outdoor air. As the outdoor air
intake dampers open, the return air dampers close. The
changeover from mechanical refrigeration to economizer
operation is regulated by the outdoor air dry bulb
temperature or the outdoor air enthalpy input. The dual
enthalpy kit provides a second input used to monitor the
return air (field installed). The installer needs only to
assemble the outdoor air hood, attach the enthalpy control
the hood and mount the hood to the unit (Hood and
control are provided).
•Motorized Outdoor Air Intake Damper - Includes a
slide-in / plug-in damper assembly with a 2-position,
spring return motor actuator which opens to some pre-set
position whenever the supply air blower is operating and
will drive fully closed when the blower unit shuts down.
The rain hood is painted to match the basic unit and must
be field assembled before installing.
•Roof Curbs - Fourteen-inch high roof curbs provide a
water-tight seal between the unit and the finished roof.
These full perimeter curbs meet the requirements of the
National Roofing Contractors Association (NRCA) and are
shipped knocked-down for field assembly.
They're designed to fit inside the base rails of the unit and
include both a wood nailing strip and duct hanger supports.
•High Altitude Natural Gas - Burner orifices and pilot
orifices are provided for proper furnace operation at
altitudes up to 6,000 feet.
•Propane - Burner orifices, pilot orifices and gas valve parts
are provided to convert a natural gas furnace to propane.
•High Altitude Propane - Burner orifices and pilot orifices
are provided for proper furnace operation at altitudes up
to 6,000 feet. This accessory supplements the basic
propane conversion kit.
•Side Duct Flanges - One-inch flanges replace the supply
and return air panels on the rear of the unit to accommodate
horizontal duct connections. These flanges can also be used
individually for bottom supply / horizontal return or horizontal
supply/bottom return. They cannot be used on units with
power exhaust.
•Barometric Relief Damper - This damper accessory can
be used to relieve internal building air pressure on units
with an economizer without power exhaust. This
accessory includes a rain hood, a bird screen and a fully
assembled damper. With bottom duct connections, the
damper should be mounted over the opening in the return
air panel. With horizontal ductwork, the accessory should
be mounted on the return air duct.
•High Static Drive - May include a belt, blower pulley,
motor pulley or a motor change to enhance blower
performance.
•Enthalpy Accessory Control Kit - This kit contains the
required components to convert a single enthalpy
economizer to dual enthalpy.

251934-YTG-Z-0714
Johnson Controls Unitary Products 9
•Burglar Bars - Mount in the supply and return openings
to prevent entry into the duct work.
•Flue Exhaust Extension Kit - In locations with wind or
weather conditions which may interfere with proper
exhausting of furnace combustion products, this kit can be
installed to prevent the flue exhaust from entering nearby
fresh air intakes.
•Wood Skid - Allows unit to be handled with 90" forks.
•CO2 Sensor - Senses CO2 levels and automatically
overrides the economizer when levels rise above the
present limits.
•Coil Guard - Customers can purchase a coil guard kit to
protect the condenser coil from damage. This is not a hail
guard kit.
•Phase Monitors - Designed to prevent unit damage. The
phase monitor will shut the unit down in an out-of phase
condition.
Guide Specifications
General
Units shall be manufactured by Johnson Controls Unitary
Products in an ISO 9001 certified facility.
York's ZJ/ZR/ZF units are convertible single package units. ZJ
models have four independent refrigerant circuits and ZR/ZF
models have dual independent refrigerant circuits for efficient
part load operation and maximum comfort control. Although the
units are primarily designed for curb mounting on a roof, they
can also be slab-mounted at ground level or set on steel beams
above a finished roof. Cooling only, cooling with gas heat and
cooling with electric heat models are available with a wide
variety of factory-mounted options and field-installed
accessories to make them suitable for almost every application.
All units are self-contained and assembled on full perimeter
base rails with holes in the four corners for overhead rigging.
Every unit is completely piped, wired, charged and tested at the
factory to simplify the field installation and to provide years of
dependable operation. All models (including those with an
economizer) are suitable for either bottom or horizontal duct
connections. Models with power exhaust are suitable for bottom
duct connections only. For bottom duct, remove the sheet metal
panels from the supply and return air openings through the
base of the unit. For horizontal duct, replace the supply and
return air panels on the rear of the unit with a side duct flange
accessory. All supply air blowers are equipped with a belt drive
that can be adjusted to meet the exact requirements of the job.
A high static drive option is available for applications with a
higher CFM and/or static pressure requirement.
ZJ/ZR models have 4 condenser fan motors and ZF models
have 2 condenser fan motors. All compressors include
crankcase heat and internal pressure relief. Every refrigerant
circuit includes an expansion valve, a liquid line filter-drier, a
discharge line high pressure switch and a suction line with a
freezestat and low pressure/loss of charge switch. The unit
control circuit includes a 75 VA transformer, a 24-volt circuit
breaker and a relay board with two compressor lockout circuits,
a terminal strip for thermostat wiring, plus an additional set of
pin connectors to simplify the interface of additional field
controls. All units have long lasting powder paint cabinets with
1000 hour salt spray test approval under ASTM-B117
procedures. All models are CSA approved. All models include a
1-year limited warranty on the complete unit. Compressors and
electric heater elements carry an additional 4-year warranty.
Aluminized steel tubular heat exchangers carry an additional 9-
year warranty.
Description
ZJ units shall be factory-assembled, single packaged, ZJ***N
Electric Cooling/Gas Heat, ZJ***C/E Electric Cooling/Optional
Electric Heat, designed for outdoor mounted installation. The 15
ton unit shall have a minimum EER rating of 12.4. The 17.5 ton
unit shall have a minimum EER rating of 12.1. The 20 ton unit
shall have a minimum EER rating of 11.6. The 25 ton unit shall
have a minimum EER rating of 10.4.
ZR units shall be factory-assembled, single packaged, ZR***N
Electric Cooling/Gas Heat, ZR***C/E Electric Cooling/Optional
Electric Heat, designed for outdoor mounted installation. The 15
ton unit shall have a minimum EER rating of 11.6. The 20 ton
unit shall have a minimum EER rating of 12.1. The 25 ton unit
shall have a minimum EER rating of 10.5.
ZF units shall be factory-assembled, single packaged, ZF***N
Electric Cooling/Gas Heat, ZF***C/E Electric Cooling/Optional
Electric Heat, designed for outdoor mounted installation. The 15
and 17.5 ton units shall have a minimum EER rating of 11.0.
The 20 and 25 ton units shall have a minimum EER rating of 10.
They shall have built-in field convertible duct connections for
down discharge supply/return or horizontal discharge supply/
return, and be available with factory installed options or field
installed accessories. The units shall be factory wired, piped,
charged with R-410A refrigerant and factory tested prior to
shipment. All unit wiring shall be both numbered and color
coded. All units shall be manufactured in a facility certified to
ISO 9001 standards and the cooling performance shall be rated
in accordance with DOE and AHRI test procedures. Units shall
be CSA listed, classified to ANSIZ21.47 standards, UL 1995/
CAN/CSA No. 236-M90 conditions.
Unit Cabinet
Unit cabinet shall be constructed of galvanized steel, with
exterior surfaces coated with a non-chalking, powdered paint
finish, certified at 1000 hours salt spray test per ASTM-B117
standards. Indoor blower section shall be insulated with a
minimum 1/2" thick insulation, coated on the airside. Aluminum
foil faced insulation shall be used in the furnace compartment
and be fastened with ridged fasteners to prevent insulation from
entering the air stream. Cabinet panels shall be "large" size,
easily removable for servicing and maintenance. Full perimeter
base rails shall be provided to assure reliable transit of
equipment, overhead rigging and proper sealing on roof curb
applications. Disposable 2" filters shall be furnished and be
accessible through a removable access door, sealed airtight.
Units filter track shall be designed to accommodate either 2" or
4" filters. Fan performance measuring ports shall be provided
on the outside of the cabinet to allow accurate air

251934-YTG-Z-0714
10 Johnson Controls Unitary Products
measurements of evaporator fan performance without removing
panels or creating air by-pass of the coils. Condensate pan
shall be internally sloped and conform to ASHRAE 62-89 self-
draining standards. Condensate connection shall be a minimum
of 1" I.D. female and be a ridged mount connection. Unit shall
incorporate a fixed outdoor air damper with an outdoor air
intake opening covered with a bird screen and a rain hood
painted to match the exterior of the unit.
Indoor (Evaporator) Fan Assembly
Fan shall be a belt drive assembly and include an adjustable-
pitch motor pulley. Job site selected (B.H.P.) brake horsepower
shall not exceed the motors nameplate horsepower rating, plus
the service factor. Units shall be designed not to operate above
service factor. Fan wheel shall be double-inlet type with
forward-curved blades, dynamically balanced to operate
smoothly throughout the entire range of operation. Airflow
design shall be constant air volume.
A variable air volume (VAV) option using a variable frequency
drive (VFD) is available for applications requiring a constant
supply duct static pressure. Units equipped for VAV shall be
controlled by a duct pressure transducer with a 0 - 5” WC
pressure range. The pressure transducer shall provide a 0 - 5
VDC output signal to a VAV control board which, in turn shall
provide a 2 - 10 VDC speed reference signal to the VFD. The
VAV control board shall operate using factory-installed Supply
Air, Return Air and Outside Air Temperature Sensors. Units
equipped with VFD’s shall have factory-installed manual bypass
as an option.
Outdoor (Condenser) Fan Assembly
The outdoor fans shall be of the direct-driven propeller type,
discharge air vertically, have aluminum blades riveted to
corrosion resistant steel spider brackets and shall be
dynamically balanced for smooth operation. The 4 outdoor fan
motors shall be totally enclosed with permanently lubricated
bearings, internally protected against overload conditions and
staged independently.
Refrigerant Components
Compressors:
a. Shall be Scroll compressors internally protected with
internal high-pressure relief and over temperature
protection.
b. Shall have internal spring isolation and sound muffling to
minimize vibration and noise, and be externally isolated
on a dedicated, independent mounting.
Coils:
a. Evaporator and condenser coils shall have aluminum
plate fins mechanically bonded to seamless internally
enhanced copper tubes with all joints brazed. Special
Phenolic coating shall be available as a factory option.
b. Evaporator and Condenser coils shall be of the direct
expansion, draw-thru, design.
Refrigerant Circuit and Refrigerant Safety Components shall
include:
a. Balance-port thermostatic expansion valve with
independent circuit feed system.
b. Filter drier/strainer to eliminate any moisture or foreign
matter.
c. Accessible service gage connections on both suction
and discharge lines to charge, evacuate, and measure
refrigerant pressure during any necessary servicing or
troubleshooting, without losing charge.
d. The refrigeration system shall provide at least 15° F of
sub-cooling at design conditions.
e. All models shall have four independent circuits.
f. Hot gas bypass option shall be factory-installed on
compressor #1 discharge line to provide cooling in low-
load applications. HGBP shall be a standard feature on
VAV models and an optional feature on CV models.
Unit Controls
a. Unit shall be complete with self-contained low-voltage
control circuit protected by a resettable circuit breaker on
the 24-volt transformer side.
b. Unit shall incorporate a lockout circuit which provides
reset capability at the space thermostat or base unit,
should any of the following standard safety devices trip
and shut off compressor.
c. Loss-of-charge/Low-pressure switch.
1. High-pressure switch.
2. Freeze-protection thermostat, evaporator coil. If any of
the above safety devices trip, a LED (light-emitting
diode) indicator shall flash a diagnostic code that
indicates which safety switch has tripped.
d. Unit shall incorporate "AUTO RESET" compressor over
temperature, over current protection.
e. Unit shall operate with conventional thermostat designs
and have a low voltage terminal strip for easy hook-up.
f. Unit control board shall have on-board diagnostics and
fault code display.
g. Standard controls shall include anti-short cycle and low
voltage protection, and permit cooling operation down to
0 °F.
h. Control board shall monitor each refrigerant safety switch
independently.
Gas Heating Section (ZJ/ZR/ZF***N Models)
Shall be designed with induced draft combustion with post purge
logic and energy saving direct spark ignition, redundant main gas
valve. Ventor wheel shall be constructed of stainless steel for
corrosion resistance. The heat exchanger shall be of the tubular
type, constructed of T1-40 aluminized steel for corrosion
resistance and allowing minimum mixed air entering temperature
of 25 °F. Burners shall be of the in-shot type, constructed of
aluminum coated steel and contain air mixture adjustments. All

251934-YTG-Z-0714
Johnson Controls Unitary Products 11
gas piping shall enter the unit cabinet at a single location through
either the side or curb, without any field modifications. An
integrated control board shall provide timed control of evaporator
fan functioning and burner ignition. Heating section shall be
provided with the following minimum protection:
a. Primary and auxiliary high-temperature limit switches.
b. Induced draft motor speed sensor.
c. Flame roll out switch (automatic reset).
d. Flame proving controls. Unit shall have two independent
stages of capacity.
Electric Heating (ZJ/ZR/ZF***C/E Models)
Nickel chromium electric heating elements shall be provided as
required by the application with 1 or 2 stage control, as
required, from 13.5 KW to 72 KW capacities. The heating
section shall have a primary limit control(s) and automatic reset
to prevent the heating element system from operating at an
excessive temperature. Units with Electric Heating shall be
wired for a single point power supply with branch circuit fusing
(where required).
Unit Operating Characteristics
Unit shall be capable of starting and running at 125° F outdoor
temperature, exceeding maximum load criteria of AHRI
Standard 340/360. The compressor, with standard controls,
shall be capable of operation down to 25° F outdoor
temperature. Accessory low ambient kit shall be available for
operation to 0° F. Unit shall be provided with fan time delay to
prevent cold air delivery before heat exchanger warms up (Gas
heat only).
Electrical Requirements
All unit power wiring shall enter unit cabinet at a single factory
provided location and be capable of side or bottom entry, to
minimize roof penetrations and avoid unit field modifications.
Separate side and bottom openings shall be provided for the
control wiring.
Standard Limited Warranties
• Compressor 5 Years
• Heat Exchanger 10 Years
• Electric Heat Element 5 Years
• Other Parts 1 Year
Optional Outdoor Air (Shall be made available by either/or):
•Electronic Enthalpy Automatic Economizer - Outdoor
and return air dampers that are interlocked and positioned
by a fully-modulating, spring-return damper actuator. The
maximum leakage rate for the outdoor air intake dampers
shall be designed to meet ASHRAE 90.1-2010, AMCA
511 Class 1A damper, and the International Energy
Conservation Code (IECC) certification requirements by
achieving leakage rates of 3 cfm/sq. ft. at 1" of static
pressure. During economizer operation, a mixed-air
temperature control shall modulate the outdoor and return
air damper assembly to prevent the supply air
temperature from dropping below 55°F. Changeover from
compressor to economizer operation shall be provided by
an integral electronic enthalpy control that feeds input into
the basic module. The outdoor intake opening shall be
covered with a rain hood that matches the exterior of the
unit. Water eliminator/filters shall be provided.
Simultaneous economizer/compressor operation is also
possible. Dampers shall fully close on power loss.
•Motorized Outdoor Air Dampers - Outdoor and return
air dampers that are interlocked and positioned by a 2-
position, spring-return damper actuator. A unit-mounted
potentiometer shall be provided to adjust the outdoor and
return air damper assembly to take in the design CFM of
outdoor air to meet the ventilation requirements of the
conditioned space during normal operation. Whenever the
indoor fan motor is energized, the dampers open up to
one of two pre-selected positions - regardless of the
outdoor air enthalpy. Dampers return to the fully closed
position when the indoor fan motor is de-energized.
Dampers shall fully close on power loss.
Other Pre-engineered Accessories Available
•Roof Curb - 14" high, full perimeter curb with wood nailer
(shipped knocked-down).
•100% Barometric Relief Damper - Contains a rain hood,
air inlet screen, exhaust damper and mounting hardware.
Used to relieve internal air pressure through the unit.
•Propane Conversion Kit - Contains new orifices and gas
valve parts to convert from natural to L.P. gas. One per
unit required.
•High Altitude - Natural Gas - Contains orifices required
for applications between 2000 and 6000 feet altitude.
•High Altitude - Propane Gas - Contains orifices required
for applications between 2000 and 6000 feet altitude.
Must be used with propane conversion kit.
•Burglar Bars - Designed to work with above roof curbs,
depending on unit model. Fits duct openings of curb
supply and return air openings.
•Side Duct Flange - Supply and return air duct flanges for
side duct applications. Do not use on units with power
exhaust.
•High Static Drive - May include a belt, blower pulley,
motor pulley or a motor change to enhance blower
performance.
•Wood Skid - Allows unit to be handled with 90" forks.
•Economizer/motorized Damper Rain Hood
(ZJ/ZR/ZFN/E/C300 only) - Contains all hood panels and
the hardware for assembling.
•Anti-Recycle Timer - Assures 5-minute off time between
compressor cycles.
•Low Ambient Kit - Provides unit cooling operation down
to 0 °F.
•Coil Guard Kit - Guard for cooling coil.
Other Factory Installed Options
•Power Exhaust Option - To work in conjunction with
economizers.
• Stainless Steel Heat Exchanger

251934-YTG-Z-0714
12 Johnson Controls Unitary Products
• Stainless Steel Drain Pan
• Technicoat Phenolic Coated Condenser And
Evaporator Coil
•E-Coat Epoxy Polymer Coated Condenser And
Evaporator Coil
•Electronic Single Enthalpy Economizer
• Dirty Filter Switch
• Double Wall
• Phase Monitor
•Coil Guard
• Powered GFI Convenience Outlet
• Non-powered GFI Convenience Outlet
•Bas Controls - Simplicity® SE with BAS Option, CPC,
JOHNSON, HONEYWELL, NOVAR, YORK
COMMERCIAL COMFORT SYSTEM (YCCS)
•BAS Ready Economizer (2-10 V.D.C. Actuator With
Simplicity® SE Controller)
• Hinged Filter Door Access And Tool Free Access
Panels
• Hinged Tool Free Blower, Blower Motor, Filter And
Electrical Access Panels
• High Static Drive
• Low Static Drive (ZJ/ZR/ZF300 only)
• 2" Pleated Filters, MERV 7
• 4" Pleated Filters, MERV 13
• Disconnect Switch
• Supply Air Smoke Detector
• Return Air Smoke Detector
Reheat Mode Sequence Of Operation
The reheat control board allows the user to select two different
modes of operation via a jumper connection on the board. (See
Reheat Control Board.) Each mode is described below. Refer to
Reheat Controls - Part 1 and Part 2 when reading this section.
“Normal” Mode
When the reheat control board (RCB) detects a need for
dehumidification (24VAC) at "HUM" via the field supplied
dehumidistat connected to RHTB-1 and RHTB-2 and there is
not a call for cooling, it energizes the hot gas relay (HGR),
which energizes the 3-way valve (SOL 3), the condenser coil
valve (SOL 2), and de-energizes the reheat coil bleed valve
(SOL 1). The Y1 signal is passed to the unit control board
(UCB), which engages circuit # 1, resulting in circuit #1 reheat
mode operation.
When the room thermostat calls for first stage cooling, with or
without a call for dehumidification, the RCB senses a signal
through "Y1", de-energizing the HGR, which de-energizes SOL
3 and SOL 2, and energizes SOL 1, engaging circuit # 1,
resulting in circuit #1 cooling mode operation.
When the room thermostat calls for second stage cooling, the
RCB senses a signal through "Y1" & "Y2" and engages circuit
#1 and circuit #2 in the cooling mode.
Indoor blower operation is initiated upon a call for first stage
cooling, second stage cooling or dehumidification.
Anytime there is a call for 2 stages of cooling, the unit will not
operate in the reheat mode, even if there is a call for
dehumidification at "HUM".
The unit will not operate in the reheat mode if there is any call
for heating.
On units with economizers, the unit will not operate in the
reheat mode if there is a call for cooling and the economizer is
operating as first stage of cooling.
All safety devices function as previously described.
"Alternate” Mode
When the RCB detects a need for dehumidification (24VAC) at
"HUM" via the field supplied dehumidistat connected to RHTB-1
and RHTB-2, and there is not a call for cooling, it energizes the
HGR, which energizes the SOL 3, SOL 2, and de-energizes
SOL 1. The unit then operates with circuit #1 in reheat mode
and circuit #2 in cooling mode.
When the room thermostat calls for first stage cooling while
there is still a call for dehumidification, no operational change is
made. The call for cooling is ignored and the unit continues to
operate with circuit #1 in reheat mode and circuit #2 in cooling
mode.
When the room thermostat calls for second stage cooling, the
RCB senses a signal through "Y1" & "Y2" and de-energizes the
HGR, which de-energizes SOL 3 and SOL 2, and energizes
SOL 1. Both circuits operate in the cooling mode.
Indoor blower operation is initiated upon a call for first stage
cooling, second stage cooling or dehumidification.
Anytime there is a call for 2 stages of cooling, the unit will not
operate in the reheat mode, even if there is still a call for
dehumidification at "HUM".
The unit will not operate in the reheat mode if there is any call
for heating.
All safety devices function as previously described.

251934-YTG-Z-0714
Johnson Controls Unitary Products 13
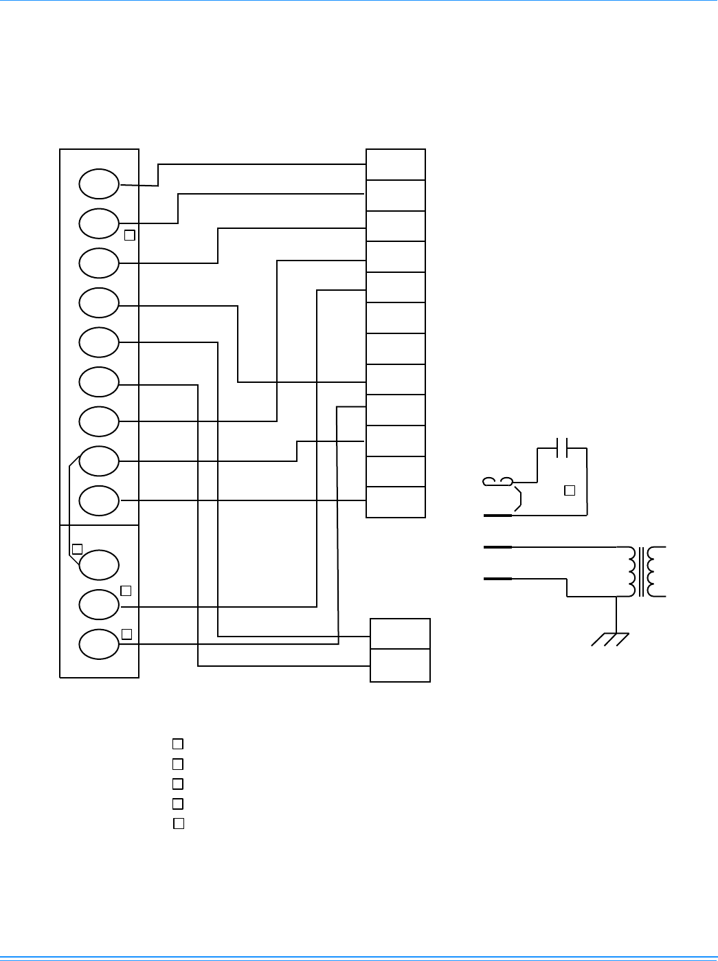
Reheat Control Board
Reheat Controls - Part 1
R
Y1
Y2
G
W1
OCC
C
W2
P4
P5
P6 P3
COM
HGRR
HGR HUM
K1
K2
K4
K3
`
MODE
SELECTION
JUMPER
DEHUMIDISTAT
HARNESS
CONNECTION

251934-YTG-Z-0714
14 Johnson Controls Unitary Products
Reheat Controls - Part 2
UCB
UNIT CONTROL
BOARD
RHB
REHEAT CONTROL
BOARD
RHTB
REHEAT
TERMINAL
BLOCK
HUM
HUMIDIFY
TERMINAL
RHR
REHEAT
RELAY
REHEAT
SOLENOID
3
REHEAT
SOLENOID 1
REHEAT
SOLENOID 2
RHB
REHEAT
CONTROL
BOARD
UCB
UNIT CONTROL
BOARD

251934-YTG-Z-0714
Johnson Controls Unitary Products 15
Physical Data
ZJ180-300 Physical Data
Component Models
ZJ180 ZJ210 ZJ240 ZJ300
Nominal Tonnage 15 17.5 20 25
AHRI COOLING PERFORMANCE
Gross Capacity @ AHRI A point (Btu) 181400 208000 255000 290000
AHRI net capacity (Btu) 172000 202000 240000 280000
EER 12.2 12.1 11.0 10.5
SEER - - - -
IEER 12.3 13 12 10.6
CFM 4500 5800 7000 7000
System power (KW) 14.10 16.70 21.82 26.67
Refrigerant type R-410a R-410a R-410a R-410a
Refrigerant charge (lb-oz)
System 1 12-0 14-0 12-0 12-4
System 2 11-12 12-8 13-0 12-8
System 3 12-4 12-8 12-0 12-8
System 4 13-8 12-8 12-0 12-8
AHRI HEATING PERFORMANCE
Heating model 24 32 24 32 24 32 24 32
Heat input (K Btu) 300 400 300 400 300 400 300 400
Heat output (K Btu) 240 320 240 320 240 320 240 320
AFUE % ------- -
Steady state efficiency (%) 80 80 80 80 80 80 80 80
No. burners 6868686 8
No. stages 2222222 2
Temperature Rise Range (ºF) 20-50 30-60 20-50 30-60 20-50 30-60 20-50 30-60
Gas Limit Setting (ºF) 195 195 195 195 195 195 195 195
Gas piping connection (in.) 1111111 1
DIMENSIONS (inches)
Length 180-19/32
Width 92
Height 52-5/8
OPERATING WT. (lbs.) 2609 2665 2697 2783
COMPRESSORS
Type Scroll Scroll Scroll Scroll
Quantity 4 4 4 4
Unit Capacity Steps (%) 25 / 50 / 75 / 100 25 / 50 / 75 / 100 25 / 50 / 75 / 100 25 / 50 / 75 / 100
CONDENSER COIL DATA
Face area (Sq. Ft.) 63.8 63.8 63.8 63.8
Rows 2 2 2 2
Fins per inch 20 20 20 20
Tube diameter (in.) 3/8 3/8 3/8 3/8
Circuitry Type Split-face Split-face Split-face Split-face
EVAPORATOR COIL DATA
Face area (Sq. Ft.) 25 25 25 25
Rows 4 4 4 4
Fins per inch 13.5 13.5 13.5 13.5
Tube diameter 3/8 3/8 3/8 3/8
Circuitry Type Split-face Split-face Split-face Split-face
Refrigerant control TXV TXV TXV TXV

251934-YTG-Z-0714
16 Johnson Controls Unitary Products
CONDENSER FAN DATA
Quantity 4 4 4 4
Fan diameter (Inch) 24 24 30 30
Type Prop Prop Prop Prop
Drive type Direct Direct Direct Direct
No. speeds 1 1 1 1
Number of motors 2 4 4 2
Motor HP each 1/3 1/3 1/3 1/3
RPM 850 850 870 870
Total CFM 16000 16000 20000 20000
BELT DRIVE EVAP FAN DATA
Quantity 1 1 1 1
Fan Size (Inch) 15 X 15 18 X 15 18 X 15 18 X 15
Type Centrifugal Centrifugal Centrifugal Centrifugal
Motor Sheave 1VP65 1VP65 1VP60 1VP60 1VP60 1VP60 1VP60 1VP75X 1VP75X
Blower Sheave BK110 BK090 BK110 BK090 BK110 BK090 1B5V94 1B5V110 1B5V94
Belt BX83 BX81 BX78 BX75 BX78 BX75 BX78 5VX840 5VX860
Motor HP each 5 5 5 7.5 5 7.5 7.5 10 15
RPM 1725 1725 1725 1725 1725 1725 1725 1725 1725
Frame size 184T 184T 184T 213T 184T 213T 213T 215T 254T
FILTERS
Quantity - Size
12 - (12 x 24 x 2)1,2 12 - (12 x 24 x 2)1,2 12 - (12 x 24 x 2)1,2 12 - (12 x 24 x 2)1,2
2 - (20 x 24 x 4),
4 - (24 x 24 x 4)32 - (20 x 24 x 4),
4 - (24 x 24 x 4)32 - (20 x 24 x 4),
4 - (24 x 24 x 4)32 - (20 x 24 x 4),
4 - (24 x 24 x 4)3
1. 2 In. Throwaway, Standard, MERV (Minimum Efficiency Reporting Value) 3.
2. 2 In. Pleated, Optional, MERV 7.
3. 4 In. Pleated, Optional, MERV 13.
ZJ180-300 Physical Data (Continued)
Component Models
ZJ180 ZJ210 ZJ240 ZJ300
Nominal Tonnage 15 17.5 20 25

251934-YTG-Z-0714
Johnson Controls Unitary Products 17
ZR180-300 Physical Data
Component Models
ZR180 ZR240 ZR300
Nominal Tonnage 15 20 25
AHRI COOLING PERFORMANCE
Gross Capacity @ AHRI A point (Btu) 189 243 303
AHRI net capacity (Btu) 180 236 288
EER 11.2 12.1 10.0
SEER - - -
IEER 12.4 12.9 10.5
CFM 5000 6000 7600
System power (KW) 14.40 20.10 28.50
Refrigerant type R-410a R-410a R-410a
Refrigerant charge (lb-oz)
System 1 22 24 25
System 2 22 24 24-8
AHRI HEATING PERFORMANCE
Heating model 24 32 24 32 24 32
Heat input (K Btu) 300 400 300 400 300 400
Heat output (K Btu) 240 320 240 320 240 320
AFUE % ----- -
Steady state efficiency (%) 80 80 80 80 80 80
No. burners 68686 8
No. stages 22222 2
Temperature Rise Range (ºF) 20-50 30-60 20-50 30-60 20-50 30-60
Gas Limit Setting (ºF) 195 195 195 195 195 195
Gas piping connection (in.) 11111 1
DIMENSIONS (inches)
Length 180-19/32
Width 92
Height 52-5/8
OPERATING WT. (lbs.) 2360 2660 2760
COMPRESSORS
Type Scroll Scroll Scroll
Quantity 2 2 2
Unit Capacity Steps (%) 50 / 100 50 / 100 50 / 100
CONDENSER COIL DATA
Face area (Sq. Ft.) 63.8 63.8 63.8
Rows 2 2 2
Fins per inch 20 20 20
Tube diameter (in.) 3/8 3/8 3/8
Circuitry Type Split-face Split-face Split-face
EVAPORATOR COIL DATA
Face area (Sq. Ft.) 20 20 20.52
Rows 3 4 4
Fins per inch 13.5 13.5 13.5
Tube diameter 3/8 3/8 3/8
Circuitry Type Intertwined Intertwined Intertwined
Refrigerant control TXV TXV TXV
REHEAT COIL DATA
Face area (Sq. Ft.) 17.2 17.2 17.2
Rows 2 2 2
Fins per inch 13 13 13
Tube diameter 3/8 3/8 3/8

251934-YTG-Z-0714
18 Johnson Controls Unitary Products
CONDENSER FAN DATA
Quantity 4 4 4
Fan diameter (Inch) 24 30 30
Type Prop Prop Prop
Drive type Direct Direct Direct
No. speeds 1 1 1
Number of motors 4 4 4
Motor HP each 1/3 3/4 3/4
RPM 850 870 870
Total CFM 16000 20000 20000
BELT DRIVE EVAP FAN DATA
Quantity 1 1 1
Fan Size (Inch) 15 X 15 18 X 15 18 X 15
Type Centrifugal Centrifugal Centrifugal
Motor Sheave 1VP65 1VP65 1VP60 1VP60 1VP60 1VP75X 1VP75X
Blower Sheave BK110 BK090 BK110 BK090 1B5V94 1B5V110 1B5V94
Belt BX83 BX81 BX78 BX75 BX78 5VX840 5VX860
Motor HP each 5 7.5 7.5 10 7.5 10 15
RPM 1725 1725 1725 1725 1725 1725 1725
Frame size 184T 213T 213T 215T 213T 215T 254T
FILTERS
Quantity - Size
4 - (16 x 25 x 2),
4 - (16 x 20 x 2)1,2 4 - (16 x 25 x 2),
4 - (16 x 20 x 2)1,2 4 - (16 x 25 x 2),
4 - (16 x 20 x 2)1,2
4 - (16 x 25 x 4),
4 - (16 x 20 x 4)34 - (16 x 25 x 4),
4 - (16 x 20 x 4)34 - (16 x 25 x 4),
4 - (16 x 20 x 4)3
1. 2 In. Throwaway, Standard, MERV (Minimum Efficiency Reporting Value) 3.
2. 2 In. Pleated, Optional, MERV 7.
3. 4 In. Pleated, Optional, MERV 13.
ZR180-300 Physical Data (Continued)
Component Models
ZR180 ZR240 ZR300
Nominal Tonnage 15 20 25

251934-YTG-Z-0714
Johnson Controls Unitary Products 19
ZF180-300 Physical Data
Component Models
ZF180 ZF210 ZF240 ZF300
Nominal Tonnage 15 17.5 20 25
AHRI COOLING PERFORMANCE
Gross Capacity @ AHRI A point (K Btu) 171 208 254.5 279
AHRI net capacity (K Btu) 165 204 240 270
EER 11.0 11.0 10 10.0
SEER - - - -
IEER 12.1 11.9 11.0 10.5
CFM 4430 5300 6200 6750
System power (KW) 15.0 18.5 24.7 27.0
Refrigerant type R-410a R-410a R-410a R-410a
Refrigerant charge (lb-oz)
System 1 20-0 23-8 22 22
System 2 20-0 23-8 23-8 23-4
AHRI HEATING PERFORMANCE
Heating model 24 32 24 32 24 32 24 32
Heat input (K Btu) 300 400 300 400 300 400 300 400
Heat output (K Btu) 240 320 240 320 240 320 240 320
AFUE% ------- -
Steady state efficiency (%) 80 80 80 80 80 80 80 80
No. burners 6868686 8
No. stages 2222222 2
Temperature Rise Range (ºF) 20-50 35-65 20-50 30-60 20-50 30-60 20-50 30-60
Gas Limit Setting (ºF) 195 195 195 195 195 195 195 195
Gas piping connection (in.) 1111111 1
DIMENSIONS (inches)
Length 125-1/4 136-1/4 136-1/4 136-1/4
Width 92 92 92 92
Height 48-5/8 52-5/8 52-5/8 52-5/8
OPERATING WT. (lbs.) 1870 2006 2533 2597
COMPRESSORS
Type Scroll Scroll Scroll Scroll
Quantity 2 2 2 2
Unit Capacity Steps (%) 50 / 100 50 / 100 50 / 100 50 / 100
CONDENSER COIL DATA
Face area (Sq. Ft.) 36.0 43.3 43.3 43.3
Rows 3 3 3 3
Fins per inch 18 15 15 15
Tube diameter (in.) 3/8 3/8 3/8 3/8
Circuitry Type Split-face Split-face Split-face Split-face
EVAPORATOR COIL DATA
Face area (Sq. Ft.) 15.5 25 20 25
Rows 4 4 4 4
Fins per inch 14 13.5 13.5 13.5
Tube diameter 3/8 3/8 3/8 3/8
Circuitry Type Intertwined Split-face Intertwined Split-face
Refrigerant control TXV TXV TXV TXV

251934-YTG-Z-0714
20 Johnson Controls Unitary Products
CONDENSER FAN DATA
Quantity 2 2 2 2
Fan diameter (Inch) 30 24 30 30
Type Prop Prop Prop Prop
Drive type Direct Direct Direct Direct
No. speeds 1 1 1 1
Number of motors 2 2 2 2
Motor HP each 1.25 1.25 1.25 1.25
RPM 1140 1140 1140 1140
Total CFM 11530 14000 14000 14000
BELT DRIVE EVAP FAN DATA
Quantity 1 1 1 1
Fan Size (Inch) 15 X 15 18 X 15 18 X 15 18 X 15
Type Centrifugal Centrifugal Centrifugal Centrifugal
Motor Sheave 1VP65 1VP65 1VP60 1VP60 1VP60 1VP60 1VP60 1VP75X 1VP75X
Blower Sheave BK110 BK090 BK110 BK090 BK110 BK090 1B5V94 1B5V110 1B5V94
Belt BX75 BX70 BX78 BX75 BX78 BX75 BX78 5VX840 5VX860
Motor HP each 5 5 5 7.5 5 7.5 7.5 10 15
RPM 1725 1725 1725 1725 1725 1725 1725 1725 1725
Frame size 184T 184T 184T 213T 184T 213T 213T 215T 254T
FILTERS
Quantity - Size
5 - (18 x 24 x 2)1,2 12 - (12 x 24 x 2)1,2 4 - (16 x 25 x 2), 12 - (12 x 24 x 2)1,2
- - 4 - (16 x 20 x 2)1,2 -
5 - (18 x 24 x 4)32 - (20 x 24 x 4), 4 - (16 x 25 x 4), 2 - (20 x 24 x 4),
- 4 - (24 x 24 x 4)34 - (16 x 20 x 4)34 - (24 x 24 x 4)3
1. 2 In. Throwaway, Standard, MERV (Minimum Efficiency Reporting Value) 3.
2. 2 In. Pleated, Optional, MERV 7.
3. 4 In. Pleated, Optional, MERV 13.
ZJ/ZR/ZF180-300 Unit Limitations
Size
(Tons) Unit Voltage
Unit Limitations
Applied Voltage Outdoor DB Temp
Min Max Max (°F)
180
(15)
208/230-3-60 187 252 125
460-3-60 432 504 125
575-3-60 540 630 125
210
(17.5)
208/230-3-60 187 252 125
460-3-60 432 504 125
575-3-60 540 630 125
240
(20)
208/230-3-60 187 252 125
460-3-60 432 504 125
575-3-60 540 630 125
300
(25)
208/230-3-60 187 252 125
460-3-60 432 504 125
575-3-60 540 630 125
ZF180-300 Physical Data (Continued)
Component Models
ZF180 ZF210 ZF240 ZF300
Nominal Tonnage 15 17.5 20 25

251934-YTG-Z-0714
Johnson Controls Unitary Products 21
Capacity Performance
ZJ180-300 Cooling Capacities
ZJ180 (15 Ton)
Air on
Evaporator Coil Temperature of Air on Condenser Coil
Total
Capacity1
(MBh)
Total
Input
(kW)2
Sensible Capacity (MBh) Total
Capacity1
(MBh)
Total
Input
(kW)2
Sensible Capacity (MBh)
CFM WB
(°F) Return Dry Bulb (°F) Return Dry Bulb (°F)
90 85 80 75 70 65 90 85 80 75 70 65
75°F 85°F
3750
77 157.5 10.3 69.2 51.6 34.0 - - - 178.0 11.7 80.1 62.9 45.6 - - -
72 175.9 10.2 112.5 94.9 77.3 59.7 - - 180.7 11.6 114.6 97.4 80.1 62.9 - -
67 194.3 10.0 155.9 138.3 120.7 103.1 85.5 - 183.3 11.4 149.2 131.9 114.7 97.4 80.1 -
62 177.4 9.7 177.4 173.1 149.4 131.8 114.2 96.6 169.1 11.3 169.1 166.5 141.9 124.6 107.4 90.1
4500
77 165.1 10.4 76.8 56.9 37.0 - - - 184.8 11.8 88.7 69.1 49.6 - - -
72 184.0 10.2 124.0 104.1 84.2 64.3 - - 187.6 11.6 126.2 106.7 87.1 67.6 - -
67 203.0 10.0 171.1 151.2 131.4 111.5 91.6 - 190.3 11.5 163.8 144.2 124.7 105.1 85.5 -
62 185.4 9.8 185.4 182.5 162.6 142.8 122.9 103.0 175.5 11.4 175.5 173.8 154.3 134.7 115.2 95.6
57 184.1 10.0 184.1 184.1 164.6 144.7 124.8 105.0 177.5 11.4 177.5 175.2 155.7 136.1 116.6 97.0
5250
77 172.6 10.4 84.4 62.2 40.1 - - - 191.6 11.8 97.3 75.4 53.6 - - -
72 192.2 10.2 135.4 113.2 91.1 68.9 - - 194.5 11.6 137.8 116.0 94.1 72.3 - -
67 211.8 10.0 186.3 164.2 142.0 119.9 97.8 - 197.3 11.5 178.4 156.5 134.7 112.8 91.0 -
62 193.4 9.8 193.4 192.0 175.9 153.7 131.6 109.4 182.0 11.4 182.0 181.1 166.7 144.8 123.0 101.1
57 192.1 10.0 192.1 192.1 178.0 155.8 133.7 111.5 184.0 11.4 184.0 182.9 168.2 146.3 124.5 102.6
6000
77 180.1 10.4 92.0 67.6 43.1 - - - 198.5 11.8 105.8 81.7 57.5 - - -
72 200.3 10.2 146.8 122.3 97.9 73.5 - - 201.4 11.7 149.4 125.2 101.1 77.0 - -
67 220.5 10.1 201.6 177.1 152.7 128.3 103.9 - 204.3 11.5 193.0 168.8 144.7 120.5 96.4 -
62 201.4 9.8 201.4 201.4 189.1 164.7 140.2 115.8 188.5 11.4 188.5 188.5 179.0 154.9 130.7 106.6
57 200.1 10.0 200.1 200.1 191.3 166.9 142.5 118.1 190.6 11.4 190.6 190.6 180.7 156.5 132.4 108.2
6750
72 201.8 10.3 155.2 129.2 103.1 77.0 - - 203.6 11.7 158.2 132.5 106.8 81.1 - -
67 222.2 10.1 212.8 186.9 160.9 134.8 108.7 - 206.6 11.5 200.9 178.6 152.9 127.1 101.4 -
62 203.0 9.9 203.0 203.0 196.8 170.8 144.7 118.6 190.6 11.4 190.6 190.6 185.8 160.1 134.4 108.7
57 201.7 10.0 201.7 201.7 197.3 171.2 145.1 119.1 192.7 11.4 192.7 192.7 187.7 162.0 136.3 110.6
7500
72 203.3 10.3 163.7 136.0 108.3 80.5 - - 205.9 11.7 167.1 139.8 112.5 85.3 - -
67 224.0 10.1 224.0 196.7 169.0 141.3 113.6 - 208.9 11.5 208.9 188.3 161.0 133.8 106.5 -
62 204.6 9.9 204.6 204.6 204.6 176.9 149.2 121.4 192.6 11.4 192.6 192.6 192.6 165.4 138.1 110.8
57 203.2 10.1 203.2 203.2 203.2 175.5 147.8 120.1 194.8 11.4 194.8 194.8 194.8 167.5 140.3 113.0
95°F 105°F
3750
77 198.6 13.2 91.0 74.1 57.2 - - - 186.8 14.9 81.5 68.5 51.8 - - -
72 185.5 13.0 116.7 99.8 82.9 66.0 - - 173.0 14.8 110.5 93.8 77.2 60.5 - -
67 172.4 12.9 142.4 125.5 108.6 91.7 74.8 - 159.2 14.7 139.5 119.2 102.5 85.8 69.2 -
62 160.7 12.9 160.7 160.0 134.4 117.4 100.5 83.6 152.1 14.7 152.1 148.6 123.7 107.0 90.4 73.7
4500
77 204.6 13.2 100.6 81.3 62.1 - - - 191.2 14.9 94.2 75.2 56.3 - - -
72 191.1 13.0 128.5 109.3 90.0 70.8 - - 177.1 14.8 121.7 102.8 83.8 64.9 - -
67 177.6 12.9 156.4 137.2 117.9 98.7 79.5 - 163.0 14.7 149.2 130.3 111.4 92.4 73.5 -
62 165.7 12.9 165.7 165.1 145.9 126.7 107.4 88.2 155.7 14.7 155.7 153.3 134.4 115.5 96.5 77.6
57 170.9 12.8 170.9 166.0 146.8 127.5 108.3 89.1 159.0 14.6 159.0 154.0 135.1 116.2 97.2 78.3
5250
77 210.7 13.2 110.1 88.6 67.0 - - - 195.6 14.9 106.9 82.0 60.8 - - -
72 196.8 13.0 140.3 118.7 97.1 75.6 - - 181.2 14.8 132.9 111.7 90.5 69.3 - -
67 182.9 12.9 170.4 148.8 127.3 105.7 84.2 - 166.8 14.7 158.9 141.4 120.2 99.0 77.8 -
62 170.6 12.9 170.6 170.3 157.5 135.9 114.3 92.8 159.2 14.7 159.2 158.1 145.1 123.9 102.7 81.5
57 176.0 12.8 176.0 173.5 158.4 136.8 115.3 93.7 162.7 14.6 162.7 160.2 145.9 124.7 103.5 82.2
6000
77 216.8 13.2 119.7 95.8 71.9 - - - 200.0 14.9 119.6 88.8 65.3 - - -
72 202.5 13.1 152.0 128.1 104.3 80.4 - - 185.3 14.8 144.1 120.7 97.2 73.7 - -
67 188.2 12.9 184.4 160.5 136.6 112.7 88.9 - 170.5 14.7 168.6 152.6 129.1 105.6 82.1 -
62 175.5 13.0 175.5 175.5 169.0 145.1 121.3 97.4 162.8 14.7 162.8 162.8 155.8 132.3 108.8 85.4
57 181.0 12.8 181.0 181.0 170.0 146.1 122.3 98.4 166.3 14.6 166.3 166.3 156.6 133.1 109.7 86.2
6750
72 205.5 13.0 161.3 135.9 110.5 85.2 - - 189.0 14.8 153.2 128.2 103.3 78.3 - -
67 191.0 12.9 189.0 170.2 144.8 119.5 94.1 - 174.0 14.7 173.0 161.5 137.2 112.2 87.3 -
62 178.1 12.9 178.1 178.1 174.8 149.5 124.1 98.8 166.1 14.6 166.1 166.1 162.6 137.7 112.7 87.8
57 183.7 12.8 183.7 183.7 178.2 152.9 127.5 102.1 169.7 14.6 169.7 169.7 164.9 139.9 114.9 90.0
7500
72 208.5 13.0 170.5 143.7 116.8 90.0 - - 192.8 14.7 162.2 135.8 109.4 82.9 - -
67 193.7 12.9 193.7 179.9 153.1 126.2 99.4 - 177.5 14.6 177.5 170.5 145.3 118.8 92.4 -
62 180.7 12.9 180.7 180.7 180.7 153.9 127.0 100.2 169.5 14.6 169.5 169.5 169.5 143.0 116.6 90.1
57 186.4 12.8 186.4 186.4 186.4 159.6 132.7 105.9 173.1 14.5 173.1 173.1 173.1 146.7 120.2 93.8

251934-YTG-Z-0714
22 Johnson Controls Unitary Products
115°F 125°F
3750
77 175.1 16.6 71.9 62.9 46.5 - - - 163.4 18.3 63.0 56.6 41.1 - - -
72 160.6 16.6 104.2 87.8 71.4 55.0 - - 148.2 18.3 98.0 81.8 65.7 49.5 - -
67 146.1 16.5 136.6 112.8 96.4 79.9 63.5 - 133.0 18.3 133.0 106.4 90.2 74.1 57.9 -
62 143.5 16.4 143.5 137.2 113.0 96.6 80.2 63.8 134.8 18.1 134.8 125.9 102.4 86.2 70.0 53.9
4500
77 177.8 16.6 87.8 69.2 50.5 - - - 164.4 18.4 82.5 63.1 44.7 - - -
72 163.1 16.6 114.9 96.3 77.6 59.0 - - 149.1 18.3 108.1 89.8 71.4 53.1 - -
67 148.4 16.5 142.0 123.4 104.8 86.1 67.5 - 133.8 18.3 133.8 116.5 98.2 79.8 61.5 -
62 145.7 16.4 145.7 141.5 122.9 104.3 85.6 67.0 135.7 18.1 135.7 129.7 111.4 93.0 74.7 56.4
57 147.1 16.5 147.1 142.1 123.4 104.8 86.2 67.5 135.2 18.3 135.2 130.1 111.8 93.4 75.1 56.8
5250
77 180.5 16.7 103.7 75.4 54.6 - - - 165.5 18.4 102.0 69.6 48.3 - - -
72 165.6 16.6 125.6 104.7 83.9 63.0 - - 150.0 18.4 118.2 97.7 77.2 56.7 - -
67 150.6 16.5 147.5 134.0 113.2 92.3 71.4 - 134.5 18.4 134.5 126.6 106.1 85.6 65.1 -
62 147.9 16.4 147.9 145.8 132.7 111.9 91.0 70.2 136.5 18.2 136.5 133.6 120.4 99.9 79.4 58.9
57 149.3 16.5 149.3 146.8 133.3 112.5 91.6 70.8 136.0 18.3 136.0 133.5 120.8 100.3 79.8 59.3
6000
77 183.3 16.7 119.6 81.7 58.6 - - - 166.5 18.4 121.5 76.1 52.0 - - -
72 168.1 16.6 136.2 113.2 90.1 67.0 - - 150.9 18.4 128.4 105.7 83.0 60.3 - -
67 152.9 16.6 152.9 144.6 121.6 98.5 75.4 - 135.3 18.4 135.3 135.3 114.0 91.3 68.7 -
62 150.1 16.5 150.1 150.1 142.6 119.5 96.4 73.4 137.4 18.2 137.4 137.4 129.4 106.7 84.0 61.3
57 151.6 16.5 151.6 151.6 143.2 120.2 97.1 74.0 136.8 18.3 136.8 136.8 129.9 107.2 84.5 61.8
6750
72 172.6 16.5 145.1 120.5 96.0 71.4 - - 156.2 18.3 137.0 112.9 88.7 64.5 - -
67 157.0 16.5 157.0 152.9 129.5 105.0 80.4 - 140.1 18.2 140.1 140.1 121.9 97.7 73.5 -
62 154.2 16.4 154.2 154.2 150.4 125.8 101.3 76.7 142.2 18.1 142.2 142.2 138.2 114.0 89.9 65.7
57 155.7 16.4 155.7 155.7 151.5 126.9 102.4 77.8 141.6 18.2 141.6 141.6 138.2 114.0 89.8 65.7
7500
72 177.2 16.4 154.0 127.9 101.9 75.8 - - 161.5 18.1 145.7 120.0 94.4 68.8 - -
67 161.2 16.4 161.2 161.2 137.5 111.4 85.4 - 144.9 18.1 144.9 144.9 129.7 104.0 78.4 -
62 158.2 16.3 158.2 158.2 158.2 132.2 106.1 80.1 147.0 17.9 147.0 147.0 147.0 121.3 95.7 70.0
57 159.8 16.3 159.8 159.8 159.8 133.7 107.7 81.7 146.4 18.1 146.4 146.4 146.4 120.8 95.2 69.5
1. These capacities are gross ratings. For net capacity, deduct air blower motor, MBh = 3.415 x kW. Refer to the appropriate Blower
Performance Table for the kW of the supply air blower motor.
2. These ratings include the condenser fan motors (total 1 kW) and the compressor motors but not the supply air blower motor.
ZJ180 (15 Ton) (Continued)
Air on
Evaporator Coil Temperature of Air on Condenser Coil
Total
Capacity1
(MBh)
Total
Input
(kW)2
Sensible Capacity (MBh) Total
Capacity1
(MBh)
Total
Input
(kW)2
Sensible Capacity (MBh)
CFM WB
(°F) Return Dry Bulb (°F) Return Dry Bulb (°F)
90 85 80 75 70 65 90 85 80 75 70 65

251934-YTG-Z-0714
Johnson Controls Unitary Products 23
ZJ210 (17.5 Ton)
Air on
Evaporator Coil Temperature of Air on Condenser Coil
Total
Capacity1
(MBh)
Total
Input
(kW)2
Sensible Capacity (MBh) Total
Capacity1
(MBh)
Total
Input
(kW)2
Sensible Capacity (MBh)
CFM WB
(°F) Return Dry Bulb (°F) Return Dry Bulb (°F)
90 85 80 75 70 65 90 85 80 75 70 65
75°F 85°F
4375
77 271.8 12.4 121.1 101.3 82.1 - - - 251.8 13.7 111.3 92.2 73.2 - - -
72 250.4 11.9 149.0 129.8 110.6 91.3 - - 232.9 13.3 141.1 122.1 103.1 84.0 - -
67 229.0 11.5 176.9 158.3 139.1 119.8 100.6 - 214.0 13.0 171.0 152.0 133.0 113.9 94.9 -
62 227.9 11.4 227.9 197.5 176.9 157.7 138.5 119.3 211.8 13.0 211.8 192.5 168.6 149.5 130.5 111.5
5250
77 276.3 12.3 132.4 110.1 87.7 - - - 256.2 13.6 122.7 100.5 78.4 - - -
72 254.5 11.9 162.9 140.5 118.1 95.8 - - 237.0 13.3 154.7 132.5 110.4 88.2 - -
67 232.8 11.4 193.3 170.9 148.6 126.2 103.9 - 217.7 13.0 186.7 164.6 142.4 120.2 98.1 -
62 231.6 11.4 231.6 211.4 189.0 166.7 144.3 121.9 215.5 12.9 215.5 202.7 180.5 158.4 136.2 114.0
57 223.9 11.5 223.9 215.9 193.5 171.2 148.8 126.5 211.0 13.0 211.0 203.9 181.7 159.6 137.4 115.3
6125
77 280.7 12.2 143.8 118.8 93.4 - - - 260.6 13.6 134.2 108.9 83.6 - - -
72 258.6 11.8 176.7 151.2 125.7 100.2 - - 241.0 13.3 168.3 143.0 117.7 92.4 - -
67 236.5 11.3 209.6 183.6 158.1 132.6 107.1 - 221.5 13.0 202.4 177.1 151.8 126.5 101.3 -
62 235.3 11.3 235.3 225.2 201.1 175.6 150.1 124.6 219.2 12.9 219.2 212.8 192.5 167.2 141.9 116.6
57 227.5 11.5 227.5 223.5 205.9 180.4 154.9 129.4 214.6 13.0 214.6 211.1 193.8 168.5 143.2 117.9
7000
77 285.2 12.2 155.2 127.6 99.0 - - - 265.0 13.6 145.6 117.2 88.8 - - -
72 262.7 11.7 190.6 161.9 133.3 104.7 - - 245.1 13.3 181.8 153.4 125.0 96.6 - -
67 240.2 11.3 226.0 196.2 167.6 139.0 110.3 - 225.2 12.9 218.1 189.7 161.3 132.8 104.4 -
62 239.1 11.2 239.1 239.1 213.2 184.6 156.0 127.3 222.9 12.9 222.9 222.9 204.4 176.0 147.6 119.2
57 231.1 11.4 231.1 231.1 218.3 189.7 161.1 132.4 218.3 12.9 218.3 218.3 205.8 177.4 149.0 120.6
7875
72 269.7 11.8 206.7 175.9 145.1 114.3 - - 251.0 13.3 196.4 166.0 135.6 105.2 - -
67 246.7 11.4 239.5 213.3 182.5 151.7 120.9 - 230.6 13.0 227.1 205.3 174.9 144.5 114.1 -
62 245.4 11.3 245.4 245.4 232.5 201.8 171.0 140.2 228.3 12.9 228.3 228.3 219.0 188.7 158.3 127.9
57 237.3 11.5 237.3 237.3 230.9 200.1 169.4 138.6 223.5 13.0 223.5 223.5 217.3 186.9 156.5 126.1
8750
72 276.7 11.9 222.8 189.8 156.9 124.0 - - 256.9 13.3 211.0 178.6 146.2 113.8 - -
67 253.1 11.4 253.1 230.3 197.4 164.5 131.6 - 236.1 13.0 236.1 221.0 188.6 156.2 123.9 -
62 251.8 11.4 251.8 251.8 251.8 218.9 186.0 153.1 233.7 13.0 233.7 233.7 233.7 201.3 168.9 136.6
57 243.5 11.6 243.5 243.5 243.5 210.6 177.6 144.7 228.8 13.0 228.8 228.8 228.8 196.4 164.0 131.7
95°F 105°F
4375
77 231.8 14.9 101.5 83.2 64.3 - - - 213.0 16.6 89.8 75.0 56.3 - - -
72 215.4 14.7 133.3 114.4 95.6 76.7 - - 198.0 16.5 124.6 105.9 87.2 68.5 - -
67 198.9 14.5 165.1 145.7 126.9 108.0 89.2 - 183.1 16.4 159.5 136.8 118.1 99.4 80.7 -
62 195.7 14.5 195.7 187.6 160.2 141.3 122.5 103.7 180.2 16.3 180.2 172.1 144.9 126.2 107.5 88.7
5250
77 236.1 15.0 113.0 91.0 69.1 - - - 217.2 16.7 104.0 82.4 60.9 - - -
72 219.4 14.8 146.6 124.6 102.6 80.7 - - 202.0 16.5 137.5 115.9 94.4 72.9 - -
67 202.7 14.6 180.1 158.2 136.2 114.3 92.3 - 186.8 16.4 171.0 149.4 127.9 106.4 84.8 -
62 199.4 14.5 199.4 194.0 172.0 150.0 128.1 106.1 183.8 16.4 183.8 178.4 156.8 135.3 113.8 92.2
57 198.1 14.5 198.1 191.9 170.0 148.0 126.0 104.1 183.3 16.3 183.3 176.9 155.4 133.8 112.3 90.8
6125
77 240.5 15.0 124.5 98.9 73.8 - - - 221.4 16.7 118.2 89.9 65.5 - - -
72 223.5 14.8 159.8 134.8 109.7 84.6 - - 205.9 16.6 150.3 126.0 101.6 77.2 - -
67 206.5 14.6 195.2 170.6 145.6 120.5 95.4 - 190.4 16.4 182.5 162.0 137.7 113.3 88.9 -
62 203.1 14.5 203.1 200.4 183.8 158.7 133.7 108.6 187.4 16.4 187.4 184.7 168.8 144.4 120.1 95.7
57 201.8 14.5 201.8 198.7 181.6 156.6 131.5 106.4 186.8 16.4 186.8 183.7 167.2 142.9 118.5 94.1
7000
77 244.9 15.0 136.0 106.7 78.5 - - - 225.6 16.7 132.3 97.3 70.1 - - -
72 227.6 14.8 173.1 144.9 116.7 88.5 - - 209.8 16.6 163.2 136.0 108.8 81.6 - -
67 210.2 14.6 210.2 183.1 154.9 126.7 98.5 - 194.0 16.5 194.0 174.6 147.4 120.3 93.1 -
62 206.8 14.5 206.8 206.8 195.6 167.4 139.3 111.1 191.0 16.4 191.0 191.0 180.7 153.6 126.4 99.2
57 205.4 14.5 205.4 205.4 193.3 165.1 136.9 108.7 190.4 16.4 190.4 190.4 179.1 151.9 124.7 97.5
7875
72 232.3 14.8 186.1 156.1 126.1 96.1 - - 213.0 16.5 175.8 146.6 117.5 88.3 - -
67 214.6 14.6 214.6 197.4 167.4 137.4 107.4 - 197.0 16.4 197.0 185.4 159.2 130.0 100.9 -
62 211.2 14.5 211.2 211.2 205.6 175.6 145.5 115.5 193.8 16.4 193.8 193.8 188.7 159.6 130.4 101.2
57 209.7 14.5 209.7 209.7 203.7 173.7 143.7 113.7 193.3 16.3 193.3 193.3 187.6 158.4 129.3 100.1
8750
72 237.1 14.7 199.1 167.3 135.5 103.7 - - 216.2 16.5 188.4 157.3 126.2 95.0 - -
67 219.0 14.5 219.0 211.7 179.8 148.0 116.2 - 199.9 16.4 199.9 196.2 171.0 139.8 108.7 -
62 215.5 14.5 215.5 215.5 215.5 183.7 151.8 120.0 196.7 16.3 196.7 196.7 196.7 165.6 134.4 103.3
57 214.1 14.4 214.1 214.1 214.1 182.2 150.4 118.6 196.1 16.3 196.1 196.1 196.1 165.0 133.8 102.7

251934-YTG-Z-0714
24 Johnson Controls Unitary Products
115°F 125°F
4375
77 194.1 18.3 78.2 66.9 48.2 - - - 175.3 20.0 66.6 58.7 40.2 - - -
72 180.7 18.3 116.0 97.4 78.8 60.2 - - 163.4 20.1 107.4 88.9 70.4 51.9 - -
67 167.3 18.3 153.8 128.0 109.4 90.8 72.2 - 151.5 20.1 148.2 119.1 100.6 82.2 63.7 -
62 164.7 18.2 164.7 156.7 129.6 111.0 92.4 73.8 149.3 20.0 149.3 141.2 114.3 95.8 77.3 58.9
5250
77 198.2 18.4 95.0 73.9 52.7 - - - 179.2 20.0 86.0 65.3 44.6 - - -
72 184.5 18.3 128.4 107.3 86.2 65.0 - - 167.1 20.1 119.4 98.6 77.9 57.2 - -
67 170.8 18.3 161.8 140.7 119.6 98.4 77.3 - 154.9 20.1 152.7 132.0 111.3 90.5 69.8 -
62 168.2 18.2 168.2 162.8 141.7 120.6 99.4 78.3 152.6 20.1 152.6 147.2 126.5 105.8 85.1 64.4
57 168.4 18.2 168.4 161.9 140.8 119.7 98.6 77.4 153.6 20.1 153.6 147.0 126.2 105.5 84.8 64.1
6125
77 202.3 18.4 111.8 80.9 57.2 - - - 183.2 20.1 105.4 71.9 49.0 - - -
72 188.3 18.3 140.8 117.2 93.5 69.9 - - 170.7 20.1 131.3 108.4 85.4 62.5 - -
67 174.3 18.3 169.8 153.4 129.8 106.1 82.5 - 158.3 20.2 157.2 144.8 121.9 98.9 76.0 -
62 171.7 18.2 171.7 169.0 153.8 130.1 106.5 82.8 155.9 20.1 155.9 153.3 138.7 115.8 92.8 69.9
57 171.9 18.2 171.9 168.6 152.8 129.2 105.5 81.9 156.9 20.1 156.9 153.6 138.4 115.5 92.5 69.6
7000
77 206.4 18.4 128.6 87.9 61.7 - - - 187.1 20.1 124.9 78.5 53.3 - - -
72 192.1 18.4 153.2 127.0 100.9 74.7 - - 174.4 20.1 143.3 118.1 92.9 67.7 - -
67 177.9 18.3 177.9 166.2 140.0 113.8 87.6 - 161.7 20.2 161.7 157.7 132.5 107.3 82.1 -
62 175.1 18.3 175.1 175.1 165.8 139.7 113.5 87.3 159.3 20.1 159.3 159.3 150.9 125.8 100.6 75.4
57 175.4 18.3 175.4 175.4 164.8 138.6 112.5 86.3 160.3 20.1 160.3 160.3 150.6 125.4 100.2 75.1
7875
72 193.7 18.3 165.5 137.1 108.8 80.5 - - 174.3 20.1 155.1 127.7 100.2 72.7 - -
67 179.3 18.3 179.3 173.4 151.0 122.7 94.4 - 161.6 20.1 161.6 161.5 142.9 115.4 87.9 -
62 176.5 18.2 176.5 176.5 171.9 143.6 115.3 86.9 159.2 20.0 159.2 159.2 155.1 127.6 100.1 72.7
57 176.8 18.2 176.8 176.8 171.5 143.2 114.9 86.6 160.3 20.1 160.3 160.3 155.4 127.9 100.5 73.0
8750
72 195.2 18.2 177.7 147.3 116.8 86.4 - - 174.3 20.0 167.0 137.2 107.5 77.7 - -
67 180.7 18.2 180.7 180.7 162.1 131.7 101.2 - 161.6 20.0 161.6 161.6 153.2 123.5 93.7 -
62 178.0 18.1 178.0 178.0 178.0 147.5 117.0 86.6 159.2 20.0 159.2 159.2 159.2 129.4 99.6 69.9
57 178.2 18.1 178.2 178.2 178.2 147.7 117.3 86.8 160.2 20.0 160.2 160.2 160.2 130.5 100.7 70.9
1. These capacities are gross ratings. For net capacity, deduct air blower motor, MBh = 3.415 x kW. Refer to the appropriate Blower
Performance Table for the kW of the supply air blower motor.
2. These ratings include the condenser fan motors (total 1 kW) and the compressor motors but not the supply air blower motor.
ZJ210 (17.5 Ton) (Continued)
Air on
Evaporator Coil Temperature of Air on Condenser Coil
Total
Capacity1
(MBh)
Total
Input
(kW)2
Sensible Capacity (MBh) Total
Capacity1
(MBh)
Total
Input
(kW)2
Sensible Capacity (MBh)
CFM WB
(°F) Return Dry Bulb (°F) Return Dry Bulb (°F)
90 85 80 75 70 65 90 85 80 75 70 65

251934-YTG-Z-0714
Johnson Controls Unitary Products 25
ZJ240 (20 Ton)
Air on
Evaporator Coil Temperature of Air on Condenser Coil
Total
Capacity1
(MBh)
Total
Input
(kW)2
Sensible Capacity (MBh) Total
Capacity1
(MBh)
Total
Input
(kW)2
Sensible Capacity (MBh)
CFM WB
(°F) Return Dry Bulb (°F) Return Dry Bulb (°F)
90 85 80 75 70 65 90 85 80 75 70 65
75°F 85°F
5000
77 238.8 14.8 123.2 101.7 80.3 - - - 227.1 16.7 113.0 91.9 70.7 - - -
72 247.3 14.4 166.1 144.6 123.2 101.7 - - 235.2 16.4 155.7 134.6 113.4 92.3 - -
67 255.8 14.0 209.0 187.5 166.1 144.6 123.1 - 243.3 16.1 198.4 177.3 156.1 135.0 113.9 -
62 247.0 13.8 247.0 235.5 206.5 185.1 163.6 142.1 226.8 15.9 226.8 221.1 192.5 171.4 150.3 129.1
6000
77 251.1 14.8 135.6 111.1 86.7 - - - 237.5 16.7 125.1 101.0 76.9 - - -
72 260.0 14.5 181.8 157.4 132.9 108.4 - - 246.0 16.5 171.6 147.4 123.3 99.2 - -
67 268.9 14.1 228.1 203.6 179.1 154.6 130.2 - 254.5 16.2 218.0 193.9 169.7 145.6 121.4 -
62 259.6 13.9 259.6 251.9 222.8 198.3 173.9 149.4 237.2 15.9 237.2 233.4 209.3 185.1 161.0 136.8
57 253.1 13.8 253.1 253.1 229.7 205.2 180.8 156.3 235.3 15.9 235.3 235.3 213.9 189.8 165.6 141.5
7000
77 263.3 14.9 148.0 120.6 93.1 - - - 247.9 16.8 137.3 110.2 83.0 - - -
72 272.7 14.5 197.6 170.1 142.6 115.2 - - 256.8 16.5 187.5 160.3 133.2 106.0 - -
67 282.0 14.2 247.1 219.7 192.2 164.7 137.3 - 265.7 16.2 237.6 210.4 183.3 156.2 129.0 -
62 272.1 14.0 272.1 268.3 239.1 211.6 184.2 156.7 247.6 16.0 247.6 245.7 226.0 198.9 171.7 144.6
57 265.4 13.8 265.4 265.4 246.5 219.0 191.6 164.1 245.7 16.0 245.7 245.7 231.0 203.9 176.7 149.6
8000
77 275.6 15.0 160.4 130.0 99.5 - - - 258.4 16.8 149.5 119.3 89.2 - - -
72 285.4 14.6 213.3 182.8 152.4 121.9 - - 267.6 16.6 203.3 173.2 143.0 112.9 - -
67 295.2 14.2 266.2 235.7 205.3 174.8 144.3 - 276.8 16.3 257.2 227.0 196.9 166.7 136.6 -
62 284.7 14.0 284.7 284.7 255.4 224.9 194.5 164.0 258.1 16.0 258.1 258.1 242.8 212.6 182.4 152.3
57 277.7 13.9 277.7 277.7 263.3 232.9 202.4 171.9 256.0 16.0 256.0 256.0 248.1 218.0 187.8 157.7
8700
72 294.0 14.6 223.0 190.9 158.8 126.7 - - 275.6 16.6 212.6 180.8 149.0 117.3 - -
67 304.1 14.2 278.1 246.0 213.9 181.8 149.7 - 285.1 16.3 268.7 236.9 205.2 173.4 141.6 -
62 293.4 14.0 293.4 293.4 268.4 236.3 204.2 172.1 265.8 16.1 265.8 265.8 253.0 221.2 189.4 157.6
57 286.2 13.9 286.2 286.2 276.7 244.6 212.5 180.4 263.6 16.0 263.6 263.6 258.6 226.8 195.0 163.2
9400
72 302.7 14.6 232.7 199.0 165.2 131.5 - - 283.6 16.6 221.9 188.5 155.1 121.6 - -
67 313.1 14.2 290.0 256.3 222.6 188.8 155.1 - 293.4 16.3 280.3 246.9 213.4 180.0 146.6 -
62 302.0 14.0 302.0 302.0 281.3 247.6 213.9 180.2 273.5 16.1 273.5 273.5 263.2 229.8 196.3 162.9
57 294.6 13.9 294.6 294.6 290.0 256.3 222.6 188.8 271.3 16.0 271.3 271.3 269.0 235.6 202.2 168.7
95°F 105°F
5000
77 215.3 18.6 102.7 82.0 61.2 - - - 201.4 20.9 94.7 76.5 55.7 - - -
72 223.1 18.4 145.3 124.5 103.7 82.9 - - 209.6 20.7 139.6 118.8 98.0 77.2 - -
67 230.8 18.2 187.8 167.0 146.2 125.4 104.7 - 217.7 20.6 184.6 161.1 140.3 119.5 98.7 -
62 206.6 18.0 206.6 206.6 178.5 157.7 136.9 116.2 200.7 20.4 200.7 200.7 170.5 149.7 128.9 108.1
6000
77 223.9 18.6 114.7 90.9 67.1 - - - 207.9 21.0 108.4 84.6 60.9 - - -
72 232.0 18.4 161.3 137.5 113.7 89.9 - - 216.3 20.8 154.6 130.9 107.2 83.4 - -
67 240.0 18.2 207.9 184.1 160.3 136.5 112.7 - 224.7 20.6 200.9 177.2 153.4 129.7 106.0 -
62 214.9 18.0 214.9 214.9 195.7 171.9 148.1 124.3 207.1 20.4 207.1 207.1 186.4 162.7 139.0 115.2
57 217.5 18.1 217.5 217.5 198.1 174.3 150.5 126.7 207.3 20.4 207.3 207.3 186.7 163.0 139.2 115.5
7000
77 232.6 18.7 126.6 99.8 72.9 - - - 214.4 21.0 122.1 92.8 66.1 - - -
72 240.9 18.5 177.3 150.5 123.7 96.9 - - 223.1 20.9 169.6 143.0 116.3 89.7 - -
67 249.3 18.3 228.1 201.2 174.4 147.6 120.8 - 231.7 20.7 217.2 193.2 166.5 139.9 113.2 -
62 223.2 18.0 223.2 223.2 212.9 186.1 159.3 132.4 213.5 20.5 213.5 213.5 202.4 175.7 149.0 122.4
57 225.9 18.1 225.9 225.9 215.5 188.7 161.9 135.0 213.8 20.4 213.8 213.8 202.6 176.0 149.3 122.6
8000
77 241.2 18.7 138.5 108.7 78.8 - - - 220.9 21.1 135.8 100.9 71.3 - - -
72 249.8 18.5 193.4 163.5 133.7 103.8 - - 229.8 20.9 184.7 155.1 125.5 95.9 - -
67 258.5 18.3 248.2 218.3 188.5 158.7 128.8 - 238.7 20.7 233.5 209.2 179.6 150.0 120.4 -
62 231.4 18.1 231.4 231.4 230.1 200.3 170.4 140.6 219.9 20.5 219.9 219.9 218.3 188.7 159.1 129.5
57 234.2 18.1 234.2 234.2 232.9 203.1 173.2 143.4 220.2 20.5 220.2 220.2 218.6 189.0 159.4 129.8
8700
72 257.2 18.5 202.2 170.8 139.3 107.8 - - 237.0 20.9 193.6 162.4 131.1 99.8 - -
67 266.1 18.3 259.4 227.9 196.4 164.9 133.5 - 246.2 20.7 242.8 219.0 187.7 156.4 125.2 -
62 238.2 18.1 238.2 238.2 237.6 206.1 174.6 143.1 226.8 20.5 226.8 226.8 226.0 194.7 163.5 132.2
57 241.1 18.1 241.1 241.1 240.4 209.0 177.5 146.0 227.1 20.5 227.1 227.1 226.3 195.0 163.8 132.5
9400
72 264.5 18.5 211.1 178.0 144.9 111.8 - - 244.2 20.9 202.6 169.7 136.7 103.8 - -
67 273.7 18.3 270.5 237.4 204.3 171.2 138.1 - 253.7 20.7 252.1 228.7 195.8 162.8 129.9 -
62 245.0 18.1 245.0 245.0 245.0 211.9 178.8 145.7 233.7 20.5 233.7 233.7 233.7 200.8 167.8 134.9
57 248.0 18.1 248.0 248.0 248.0 214.9 181.8 148.7 234.0 20.5 234.0 234.0 234.0 201.1 168.2 135.2

251934-YTG-Z-0714
26 Johnson Controls Unitary Products
115°F 125°F
5000
77 187.6 23.2 86.6 71.0 50.2 - - - 173.7 25.6 75.9 65.6 44.8 - - -
72 196.0 23.1 134.0 113.1 92.3 71.5 - - 182.5 25.4 128.3 107.5 86.6 65.8 - -
67 204.5 22.9 181.3 155.2 134.4 113.6 92.8 - 191.4 25.3 178.1 149.3 128.5 107.7 86.9 -
62 194.7 22.8 194.7 194.7 162.5 141.7 120.9 100.1 188.7 25.1 188.7 188.7 154.5 133.7 112.9 92.0
6000
77 191.9 23.3 102.1 78.4 54.8 - - - 175.9 25.7 95.8 72.2 48.6 - - -
72 200.6 23.2 147.9 124.3 100.6 77.0 - - 184.9 25.5 141.3 117.7 94.1 70.5 - -
67 209.3 23.0 193.8 170.2 146.5 122.9 99.2 - 193.9 25.4 186.8 163.2 139.6 116.1 92.5 -
62 199.2 22.8 199.2 199.2 177.1 153.5 129.8 106.2 191.4 25.2 191.4 191.4 167.9 144.3 120.7 97.1
57 197.1 22.7 197.1 197.1 175.3 151.6 128.0 104.3 187.0 25.0 187.0 187.0 163.9 140.3 116.7 93.1
7000
77 196.3 23.4 117.5 85.8 59.3 - - - 178.2 25.8 115.6 78.8 52.4 - - -
72 205.2 23.2 161.9 135.5 109.0 82.5 - - 187.3 25.6 154.3 127.9 101.6 75.3 - -
67 214.1 23.1 206.3 185.1 158.6 132.1 105.6 - 196.5 25.5 195.5 177.1 150.7 124.4 98.1 -
62 203.8 22.9 203.8 203.8 191.8 165.3 138.8 112.3 194.1 25.3 194.1 194.1 181.2 154.9 128.5 102.2
57 201.6 22.8 201.6 201.6 189.8 163.3 136.8 110.3 189.5 25.1 189.5 189.5 176.9 150.5 124.2 97.9
8000
77 200.7 23.5 133.0 93.1 63.8 - - - 180.4 25.9 135.4 85.4 56.3 - - -
72 209.8 23.3 175.9 146.6 117.3 87.9 - - 189.7 25.7 167.2 138.2 109.1 80.0 - -
67 218.9 23.2 218.9 200.1 170.7 141.4 112.1 - 199.0 25.6 199.0 190.9 161.9 132.8 103.7 -
62 208.3 23.0 208.3 208.3 206.4 177.1 147.7 118.4 196.8 25.4 196.8 196.8 194.6 165.5 136.4 107.3
57 206.1 22.9 206.1 206.1 204.2 174.9 145.6 116.2 192.1 25.2 192.1 192.1 189.9 160.8 131.7 102.6
8700
72 216.9 23.3 185.1 154.0 122.9 91.9 - - 196.7 25.7 176.5 145.6 114.8 83.9 - -
67 226.3 23.2 226.3 210.1 179.0 147.9 116.9 - 206.4 25.6 206.4 201.1 170.3 139.4 108.6 -
62 215.4 23.0 215.4 215.4 214.4 183.4 152.3 121.2 203.9 25.4 203.9 203.9 202.9 172.0 141.1 110.3
57 213.1 22.9 213.1 213.1 212.2 181.1 150.0 119.0 199.1 25.2 199.1 199.1 198.0 167.2 136.3 105.5
9400
72 224.0 23.3 194.2 161.4 128.6 95.8 - - 203.7 25.7 185.7 153.1 120.5 87.9 - -
67 233.7 23.2 233.7 220.0 187.3 154.5 121.7 - 213.7 25.6 213.7 211.3 178.7 146.1 113.5 -
62 222.4 23.0 222.4 222.4 222.4 189.6 156.9 124.1 211.1 25.4 211.1 211.1 211.1 178.5 145.9 113.3
57 220.1 22.8 220.1 220.1 220.1 187.3 154.5 121.8 206.2 25.2 206.2 206.2 206.2 173.5 140.9 108.3
1. These capacities are gross ratings. For net capacity, deduct air blower motor, MBh = 3.415 x kW. Refer to the appropriate Blower
Performance Table for the kW of the supply air blower motor.
2. These ratings include the condenser fan motors (total 1 kW) and the compressor motors but not the supply air blower motor.
ZJ240 (20 Ton) (Continued)
Air on
Evaporator Coil Temperature of Air on Condenser Coil
Total
Capacity1
(MBh)
Total
Input
(kW)2
Sensible Capacity (MBh) Total
Capacity1
(MBh)
Total
Input
(kW)2
Sensible Capacity (MBh)
CFM WB
(°F) Return Dry Bulb (°F) Return Dry Bulb (°F)
90 85 80 75 70 65 90 85 80 75 70 65

251934-YTG-Z-0714
Johnson Controls Unitary Products 27
ZJ300 (25 Ton)
Air on
Evaporator Coil Temperature of Air on Condenser Coil
Total
Capacity1
(MBh)
Total
Input
(kW)2
Sensible Capacity (MBh) Total
Capacity1
(MBh)
Total
Input
(kW)2
Sensible Capacity (MBh)
CFM WB
(°F) Return Dry Bulb (°F) Return Dry Bulb (°F)
90 85 80 75 70 65 90 85 80 75 70 65
75°F 85°F
6250
77 389.1 20.4 142.8 116.5 90.2 - - - 365.0 22.0 147.7 121.4 95.1 - - -
72 357.9 19.7 193.0 166.7 140.4 114.1 - - 336.4 21.6 194.0 167.7 141.4 115.1 - -
67 326.6 18.9 243.2 216.9 190.6 164.3 138.0 - 307.7 21.1 240.3 214.0 187.8 161.5 135.2 -
62 303.2 18.5 303.2 273.8 231.8 205.5 179.2 152.9 285.3 20.6 285.3 270.6 231.5 205.2 179.0 152.7
7500
77 399.6 20.6 160.8 131.0 101.1 - - - 374.4 22.3 163.0 133.5 104.1 - - -
72 367.5 19.8 216.8 186.9 157.1 127.2 - - 345.0 21.8 213.7 184.2 154.8 125.3 - -
67 335.4 19.0 272.7 242.9 213.0 183.2 153.3 - 315.6 21.3 264.4 234.9 205.5 176.0 146.6 -
62 311.4 18.6 311.4 291.8 259.2 229.4 199.5 169.7 292.6 20.9 292.6 282.8 253.4 224.0 194.5 165.1
57 315.1 18.5 315.1 294.6 263.1 233.2 203.4 173.5 296.1 20.7 296.1 285.8 256.4 226.9 197.5 168.0
8750
77 410.1 20.8 178.8 145.4 112.0 - - - 383.7 22.6 178.3 145.7 113.1 - - -
72 377.2 20.0 240.6 207.2 173.7 140.3 - - 353.6 22.1 233.4 200.7 168.1 135.5 - -
67 344.2 19.2 302.3 268.9 235.5 202.1 168.6 - 323.5 21.6 288.4 255.8 223.2 190.6 158.0 -
62 319.6 18.7 319.6 309.8 286.6 253.2 219.8 186.4 300.0 21.1 300.0 295.1 275.3 242.7 210.1 177.5
57 323.4 18.6 323.4 313.1 290.9 257.5 224.0 190.6 303.5 21.0 303.5 298.4 278.5 245.9 213.3 180.7
10000
77 420.6 20.9 196.9 159.9 122.9 - - - 393.1 22.8 193.6 157.8 122.0 - - -
72 386.8 20.1 264.4 227.4 190.4 153.4 - - 362.3 22.3 253.0 217.3 181.5 145.7 - -
67 353.0 19.3 331.8 294.9 257.9 220.9 183.9 - 331.4 21.8 312.5 276.7 241.0 205.2 169.4 -
62 327.8 18.9 327.8 327.8 314.1 277.1 240.1 203.2 307.3 21.4 307.3 307.3 297.1 261.4 225.6 189.8
57 331.7 18.8 331.7 331.7 318.7 281.7 244.7 207.8 310.9 21.2 310.9 310.9 300.6 264.9 229.1 193.3
11250
72 410.4 20.7 265.2 224.4 183.7 143.0 - - 384.5 22.8 264.6 224.7 184.9 145.1 - -
67 374.5 19.8 330.8 290.1 249.4 208.7 168.0 - 351.8 22.3 325.2 285.3 245.5 205.6 165.8 -
62 347.7 19.4 347.7 347.7 304.2 263.5 222.7 182.0 326.1 21.8 326.1 326.1 302.7 262.9 223.0 183.2
57 351.8 19.3 351.8 351.8 308.2 267.5 226.8 186.1 330.0 21.7 330.0 330.0 306.3 266.4 226.6 186.7
12500
72 433.9 21.2 266.0 221.5 177.0 132.6 - - 406.7 23.3 276.1 232.2 188.3 144.4 - -
67 396.0 20.4 329.8 285.4 240.9 196.5 152.0 - 372.1 22.8 337.8 293.9 250.0 206.1 162.2 -
62 367.7 19.9 367.7 367.7 294.3 249.8 205.4 160.9 345.0 22.3 345.0 345.0 308.3 264.4 220.4 176.5
57 372.0 19.8 372.0 372.0 297.8 253.3 208.9 164.4 349.0 22.2 349.0 349.0 311.9 268.0 224.1 180.1
95°F 105°F
6250
77 340.9 23.6 152.5 126.3 100.0 - - - 314.7 26.6 135.4 114.9 89.2 - - -
72 314.9 23.5 195.0 168.7 142.4 116.2 - - 292.2 26.3 183.4 157.6 131.8 106.1 - -
67 288.9 23.3 237.4 211.2 184.9 158.6 132.4 - 269.6 26.1 231.3 200.2 174.5 148.7 122.9 -
62 267.4 22.8 267.4 267.4 231.3 205.0 178.7 152.5 254.2 25.5 254.2 250.8 211.9 186.2 160.4 134.6
7500
77 349.1 24.0 165.1 136.1 107.0 - - - 320.4 27.0 153.8 125.1 96.3 - - -
72 322.5 23.8 210.6 181.5 152.5 123.5 - - 297.4 26.8 200.0 171.2 142.5 113.8 - -
67 295.9 23.7 256.0 227.0 197.9 168.9 139.9 - 274.4 26.5 246.1 217.4 188.6 159.9 131.2 -
62 273.9 23.1 273.9 273.9 247.6 218.6 189.5 160.5 258.7 25.9 258.7 256.4 229.1 200.3 171.6 142.9
57 277.0 23.0 277.0 277.0 249.7 220.6 191.6 162.6 260.0 25.7 260.0 256.5 228.6 199.9 171.2 142.4
8750
77 357.4 24.4 177.7 145.9 114.1 - - - 326.0 27.5 172.3 135.2 103.5 - - -
72 330.1 24.2 226.1 194.3 162.5 130.7 - - 302.6 27.2 216.6 184.9 153.2 121.5 - -
67 302.9 24.0 274.6 242.8 211.0 179.2 147.4 - 279.2 27.0 260.9 234.5 202.8 171.1 139.4 -
62 280.3 23.5 280.3 280.3 263.9 232.1 200.3 168.5 263.2 26.3 263.2 262.1 246.2 214.5 182.8 151.1
57 283.6 23.3 283.6 283.6 266.1 234.3 202.5 170.7 264.5 26.2 264.5 262.8 245.7 214.0 182.3 150.6
10000
77 365.6 24.7 190.3 155.7 121.1 - - - 331.6 27.9 190.7 145.4 110.7 - - -
72 337.7 24.6 241.7 207.1 172.6 138.0 - - 307.8 27.6 233.2 198.5 163.8 129.2 - -
67 309.9 24.4 293.2 258.6 224.0 189.5 154.9 - 284.0 27.4 275.7 251.6 217.0 182.3 147.6 -
62 286.8 23.9 286.8 286.8 280.2 245.6 211.1 176.5 267.7 26.7 267.7 267.7 263.3 228.7 194.0 159.3
57 290.1 23.7 290.1 290.1 282.6 248.0 213.5 178.9 269.0 26.6 269.0 269.0 262.8 228.1 193.4 158.8
11250
72 358.6 25.0 264.0 225.0 186.1 147.1 - - 328.4 28.1 250.8 211.8 172.7 133.7 - -
67 329.0 24.8 319.5 280.5 241.5 202.6 163.6 - 303.0 27.9 298.2 267.7 228.7 189.6 150.6 -
62 304.5 24.3 304.5 304.5 301.2 262.3 223.3 184.3 285.7 27.2 285.7 285.7 277.3 238.3 199.3 160.2
57 308.1 24.1 308.1 308.1 304.3 265.3 226.4 187.4 287.1 27.1 287.1 287.1 277.1 238.0 199.0 160.0
12500
72 379.5 25.5 286.3 242.9 199.5 156.2 - - 349.0 28.6 268.4 225.0 181.7 138.3 - -
67 348.2 25.3 345.8 302.4 259.0 215.7 172.3 - 322.0 28.3 320.8 283.7 240.4 197.0 153.6 -
62 322.3 24.7 322.3 322.3 322.3 278.9 235.5 192.2 303.6 27.7 303.6 303.6 291.3 247.9 204.6 161.2
57 326.0 24.6 326.0 326.0 326.0 282.6 239.3 195.9 305.1 27.5 305.1 305.1 291.3 248.0 204.6 161.2

251934-YTG-Z-0714
28 Johnson Controls Unitary Products
115°F 125°F
6250
77 288.6 29.5 118.2 103.6 78.4 - - - 262.4 32.4 96.9 89.6 67.5 - - -
72 269.4 29.2 171.7 146.5 121.2 95.9 - - 246.7 32.0 160.1 135.3 110.6 85.8 - -
67 250.3 28.9 225.2 189.3 164.0 138.8 113.5 - 231.0 31.7 220.7 178.4 153.6 128.9 104.1 -
62 241.1 28.1 241.1 234.1 192.6 167.3 142.1 116.8 227.9 30.8 227.9 217.5 173.3 148.5 123.8 99.0
7500
77 291.6 30.0 142.5 114.1 85.7 - - - 262.8 33.0 131.2 103.1 75.0 - - -
72 272.3 29.7 189.4 160.9 132.5 104.1 - - 247.1 32.6 178.8 150.6 122.5 94.4 - -
67 252.9 29.4 236.2 207.8 179.3 150.9 122.5 - 231.4 32.2 226.3 198.1 170.0 141.9 113.7 -
62 243.6 28.6 243.6 239.0 210.5 182.1 153.7 125.2 228.5 31.4 228.5 221.5 192.0 163.9 135.8 107.6
57 242.9 28.5 242.9 236.0 207.6 179.2 150.7 122.3 225.8 31.3 225.8 215.5 186.5 158.4 130.3 102.1
8750
77 294.6 30.5 166.8 124.6 93.0 - - - 263.2 33.6 165.5 116.6 82.4 - - -
72 275.1 30.2 207.0 175.4 143.8 112.2 - - 247.6 33.2 197.4 165.9 134.4 102.9 - -
67 255.5 29.9 247.2 226.2 194.6 163.0 131.4 - 231.9 32.8 231.9 217.9 186.4 154.9 123.4 -
62 246.1 29.1 246.1 243.8 228.5 196.9 165.3 133.7 229.0 32.0 229.0 225.6 210.8 179.3 147.8 116.2
57 245.4 29.0 245.4 242.0 225.3 193.7 162.1 130.5 226.3 31.8 226.3 221.2 204.9 173.3 141.8 110.3
10000
77 297.6 31.1 191.1 135.0 100.3 - - - 263.7 34.2 199.9 130.1 89.8 - - -
72 277.9 30.7 224.6 189.9 155.1 120.3 - - 248.0 33.8 216.1 181.2 146.3 111.4 - -
67 258.2 30.4 258.2 244.7 209.9 175.1 140.3 - 232.3 33.4 232.3 232.3 202.8 167.9 133.0 -
62 248.7 29.6 248.7 248.7 246.4 211.7 176.9 142.1 229.6 32.5 229.6 229.6 229.5 194.7 159.8 124.9
57 247.9 29.5 247.9 247.9 243.0 208.2 173.4 138.6 226.8 32.4 226.8 226.8 223.2 188.3 153.4 118.5
11250
72 298.2 31.2 237.6 198.5 159.4 120.4 - - 268.0 34.4 224.4 185.2 146.1 107.0 - -
67 277.0 30.9 277.0 254.9 215.8 176.7 137.7 - 251.0 34.0 251.0 242.1 202.9 163.8 124.7 -
62 266.8 30.1 266.8 266.8 253.4 214.3 175.2 136.1 248.0 33.0 248.0 248.0 229.4 190.3 151.2 112.1
57 266.1 30.0 266.1 266.1 249.8 210.7 171.7 132.6 245.0 32.9 245.0 245.0 222.6 183.4 144.3 105.2
12500
72 318.5 31.8 250.5 207.2 163.8 120.4 - - 288.0 34.9 232.6 189.3 145.9 102.6 - -
67 295.9 31.4 295.9 265.1 221.7 178.3 135.0 - 269.8 34.5 269.8 246.4 203.0 159.7 116.3 -
62 285.0 30.6 285.0 285.0 260.3 216.9 173.6 130.2 266.4 33.6 266.4 266.4 229.3 186.0 142.6 99.2
57 284.2 30.5 284.2 284.2 256.6 213.3 169.9 126.6 263.3 33.4 263.3 263.3 222.0 178.6 135.3 91.9
1. These capacities are gross ratings. For net capacity, deduct air blower motor, MBh = 3.415 x kW. Refer to the appropriate Blower
Performance Table for the kW of the supply air blower motor.
2. These ratings include the condenser fan motors (total 1 kW) and the compressor motors but not the supply air blower motor.
ZJ300 (25 Ton) (Continued)
Air on
Evaporator Coil Temperature of Air on Condenser Coil
Total
Capacity1
(MBh)
Total
Input
(kW)2
Sensible Capacity (MBh) Total
Capacity1
(MBh)
Total
Input
(kW)2
Sensible Capacity (MBh)
CFM WB
(°F) Return Dry Bulb (°F) Return Dry Bulb (°F)
90 85 80 75 70 65 90 85 80 75 70 65

251934-YTG-Z-0714
Johnson Controls Unitary Products 29
ZR180-300 Cooling and Reheat Capacities
ZR180 (15 Ton)
Air on
Evaporator Coil Temperature of Air on Condenser Coil
Total
Capacity1
(MBh)
Total
Input
(kW)2
Sensible Capacity (MBh) Total
Capacity1
(MBh)
Total
Input
(kW)2
Sensible Capacity (MBh)
CFM WB
(°F) Return Dry Bulb (°F) Return Dry Bulb (°F)
90 85 80 75 70 65 90 85 80 75 70 65
75°F 85°F
4500
77 243.6 12.1 109.3 87.9 66.5 - - - 234.2 13.1 110.4 89.0 67.6 - - -
72 224.6 11.7 138.8 117.5 96.1 74.7 - - 216.5 12.8 140.8 119.4 98.0 76.6 - -
67 205.7 11.2 168.4 147.0 125.6 104.2 82.8 - 198.8 12.5 171.2 149.8 128.4 107.0 85.6 -
62 189.9 11.1 189.9 180.0 154.9 133.5 112.1 90.7 183.9 12.3 183.9 178.9 157.6 136.2 114.8 93.4
57 187.0 10.9 187.0 187.0 161.2 139.8 118.4 97.0 181.3 12.2 181.3 181.3 163.1 141.7 120.4 99.0
5250
77 254.7 12.1 124.4 99.9 74.6 - - - 242.3 13.2 123.8 98.5 73.2 - - -
72 235.0 11.7 158.3 133.0 107.8 82.5 - - 224.0 12.8 156.7 131.4 106.2 80.9 - -
67 215.2 11.3 192.2 166.2 140.9 115.6 90.4 - 205.6 12.5 189.6 164.4 139.1 113.8 88.6 -
62 198.7 11.1 198.7 193.7 173.7 148.4 123.1 97.9 190.3 12.3 190.3 187.8 170.7 145.4 120.2 94.9
57 195.6 11.0 195.6 195.6 180.7 155.4 130.2 104.9 187.6 12.3 187.6 187.6 176.7 151.5 126.2 100.9
6000
77 265.9 12.2 139.6 111.8 82.7 - - - 250.4 13.2 137.2 108.0 78.9 - - -
72 245.3 11.7 177.8 148.6 119.4 90.3 - - 231.4 12.9 172.6 143.5 114.3 85.2 - -
67 224.7 11.3 216.0 185.4 156.2 127.0 97.9 - 212.5 12.6 208.1 179.0 149.8 120.6 91.5 -
62 207.4 11.1 207.4 207.4 192.5 163.3 134.2 105.0 196.6 12.4 196.6 196.6 183.8 154.7 125.5 96.4
57 204.2 11.0 204.2 204.2 200.2 171.0 141.9 112.7 193.8 12.3 193.8 193.8 190.3 161.2 132.0 102.8
6750
72 249.5 11.8 191.8 158.6 125.4 92.2 - - 234.5 13.0 187.4 154.2 121.0 87.8 - -
67 228.5 11.4 224.1 197.1 163.9 130.7 97.5 - 215.3 12.6 213.2 191.8 158.6 125.4 92.2 -
62 211.0 11.2 211.0 211.0 203.5 170.3 137.1 103.9 199.3 12.5 199.3 199.3 192.9 159.7 126.4 93.2
57 207.7 11.1 207.7 207.7 205.7 172.5 139.3 106.1 196.4 12.4 196.4 196.4 194.7 161.5 128.3 95.0
7500
72 253.7 11.9 205.8 168.5 131.3 94.0 - - 237.6 13.0 202.2 165.0 127.7 90.5 - -
67 232.3 11.5 232.3 208.9 171.7 134.4 97.2 - 218.2 12.7 218.2 204.6 167.3 130.1 92.8 -
62 214.5 11.3 214.5 214.5 214.5 177.3 140.0 102.7 201.9 12.5 201.9 201.9 201.9 164.6 127.4 90.1
57 211.2 11.2 211.2 211.2 211.2 174.0 136.7 99.4 199.0 12.4 199.0 199.0 199.0 161.8 124.5 87.2
95°F 105°F
4500
77 224.8 14.1 111.4 90.0 68.6 - - - 208.7 15.6 103.5 82.1 60.7 - - -
72 208.3 13.9 142.7 121.3 99.9 78.5 - - 192.4 15.5 133.9 112.5 91.1 69.7 - -
67 191.8 13.7 173.9 152.6 131.2 109.8 88.4 - 176.0 15.3 164.2 142.8 121.4 100.0 78.7 -
62 177.9 13.5 177.9 177.9 160.3 138.9 117.5 96.1 163.9 15.1 163.9 163.9 149.1 127.8 106.4 85.0
57 175.6 13.5 175.6 175.6 165.1 143.7 122.3 100.9 163.3 15.1 163.3 163.3 149.3 127.9 106.5 85.2
5250
77 229.8 14.2 123.1 97.1 71.8 - - - 214.4 15.7 120.4 90.0 64.7 - - -
72 212.9 14.0 155.1 129.8 104.6 79.3 - - 197.6 15.5 147.7 122.4 97.1 71.9 - -
67 196.0 13.8 187.1 162.6 137.3 112.0 86.7 - 180.8 15.4 174.9 154.8 129.5 104.3 79.0 -
62 181.8 13.6 181.8 181.8 167.7 142.5 117.2 91.9 168.4 15.2 168.4 168.4 159.1 133.8 108.6 83.3
57 179.5 13.6 179.5 179.5 172.8 147.5 122.2 96.9 167.8 15.2 167.8 167.8 159.2 133.9 108.6 83.4
6000
77 234.8 14.3 134.8 104.2 75.0 - - - 220.2 15.7 137.3 97.9 68.7 - - -
72 217.5 14.1 167.5 138.4 109.2 80.0 - - 202.9 15.6 161.5 132.3 103.2 74.0 - -
67 200.3 13.8 200.3 172.6 143.4 114.2 85.1 - 185.7 15.4 185.7 166.8 137.6 108.5 79.3 -
62 185.8 13.6 185.8 185.8 175.2 146.0 116.9 87.7 172.9 15.2 172.9 172.9 169.1 139.9 110.8 81.6
57 183.4 13.6 183.4 183.4 180.5 151.3 122.1 93.0 172.3 15.2 172.3 172.3 169.1 139.9 110.8 81.6
6750
72 219.6 14.1 183.1 149.9 116.7 83.5 - - 204.8 15.6 176.9 143.7 110.5 77.2 - -
67 202.2 13.9 202.2 186.4 153.2 120.0 86.8 - 187.4 15.4 187.4 177.0 147.4 114.1 80.9 -
62 187.5 13.7 187.5 187.5 182.2 149.0 115.8 82.6 174.5 15.2 174.5 174.5 172.6 139.4 106.2 73.0
57 185.1 13.7 185.1 185.1 183.6 150.4 117.2 84.0 173.9 15.2 173.9 173.9 172.3 139.1 105.8 72.6
7500
72 221.6 14.1 198.7 161.4 124.1 86.9 - - 206.6 15.6 192.3 155.0 117.7 80.5 - -
67 204.0 13.9 204.0 200.3 163.0 125.8 88.5 - 189.1 15.4 189.1 187.2 157.1 119.8 82.5 -
62 189.3 13.7 189.3 189.3 189.3 152.0 114.7 77.5 176.1 15.2 176.1 176.1 176.1 138.8 101.6 64.3
57 186.8 13.7 186.8 186.8 186.8 149.6 112.3 75.0 175.5 15.3 175.5 175.5 175.5 138.2 100.9 63.7

251934-YTG-Z-0714
30 Johnson Controls Unitary Products
115°F 125°F
4500
77 192.6 17.1 95.7 74.3 52.9 - - - 176.4 18.6 87.8 66.4 45.0 - - -
72 176.4 17.0 125.1 103.7 82.3 60.9 - - 160.4 18.5 116.2 94.9 73.5 52.1 - -
67 160.2 16.9 154.5 133.1 111.7 90.3 68.9 - 144.5 18.5 144.5 123.3 101.9 80.6 59.2 -
62 150.0 16.7 150.0 150.0 138.0 116.6 95.2 73.9 136.0 18.3 136.0 136.0 126.9 105.5 84.1 62.7
57 151.0 16.7 151.0 151.0 133.5 112.2 90.8 69.4 138.8 18.3 138.8 138.8 117.8 96.4 75.0 53.6
5250
77 199.0 17.2 117.8 82.9 57.7 - - - 183.7 18.6 115.1 75.9 50.6 - - -
72 182.3 17.0 140.3 115.0 89.7 64.5 - - 167.1 18.6 132.9 107.6 82.3 57.0 - -
67 165.6 16.9 162.8 147.1 121.8 96.5 71.2 - 150.4 18.5 150.4 139.3 114.0 88.8 63.5 -
62 155.0 16.7 155.0 155.0 150.5 125.2 99.9 74.7 141.6 18.3 141.6 141.6 141.6 116.6 91.3 66.1
57 156.1 16.8 156.1 156.1 145.6 120.3 95.1 69.8 144.5 18.4 144.5 144.5 132.0 106.8 81.5 56.2
6000
77 205.5 17.2 139.9 91.6 62.4 - - - 190.9 18.7 142.5 85.3 56.2 - - -
72 188.3 17.1 155.5 126.3 97.2 68.0 - - 173.7 18.6 149.5 120.3 91.1 62.0 - -
67 171.0 17.0 171.0 161.0 131.9 102.7 73.6 - 156.4 18.5 156.4 155.3 126.1 97.0 67.8 -
62 160.1 16.8 160.1 160.1 163.0 133.8 104.6 75.5 147.2 18.3 147.2 147.2 147.2 127.7 98.5 69.4
57 161.2 16.8 161.2 161.2 157.7 128.5 99.4 70.2 150.2 18.4 150.2 150.2 146.3 117.1 88.0 58.8
6750
72 190.0 17.1 170.7 137.5 104.2 71.0 - - 175.2 18.6 164.4 131.2 98.0 64.8 - -
67 172.6 17.0 172.6 167.6 141.5 108.3 75.1 - 157.8 18.5 157.8 157.8 135.6 102.4 69.2 -
62 161.5 16.8 161.5 161.5 162.9 129.7 96.5 63.3 148.5 18.3 148.5 148.5 148.5 120.1 86.9 53.7
57 162.7 16.8 162.7 162.7 160.9 127.7 94.5 61.3 151.4 18.4 151.4 151.4 149.5 116.3 83.1 49.9
7500
72 191.6 17.1 185.8 148.6 111.3 74.1 - - 176.7 18.6 176.7 142.2 104.9 67.7 - -
67 174.1 17.0 174.1 174.1 151.1 113.8 76.6 - 159.1 18.5 159.1 159.1 145.1 107.9 70.6 -
62 162.9 16.8 162.9 162.9 162.9 125.7 88.4 51.1 149.8 18.3 149.8 149.8 149.8 112.5 75.2 38.0
57 164.1 16.8 164.1 164.1 164.1 126.8 89.6 52.3 152.7 18.4 152.7 152.7 152.7 115.5 78.2 41.0
1. These capacities are gross ratings. For net capacity, deduct air blower motor, MBh = 3.415 x kW. Refer to the appropriate Blower
Performance Table for the kW of the supply air blower motor.
2. These ratings include the condenser fan motors (total 1 kW) and the compressor motors but not the supply air blower motor.
ZR180 (15 Ton) (Continued)
Air on
Evaporator Coil Temperature of Air on Condenser Coil
Total
Capacity1
(MBh)
Total
Input
(kW)2
Sensible Capacity (MBh) Total
Capacity1
(MBh)
Total
Input
(kW)2
Sensible Capacity (MBh)
CFM WB
(°F) Return Dry Bulb (°F) Return Dry Bulb (°F)
90 85 80 75 70 65 90 85 80 75 70 65

251934-YTG-Z-0714
Johnson Controls Unitary Products 31
ZR180 (15 Ton) Alternate Reheat Mode
Air on
Evaporator Coil Temperature of Air on Condenser Coil
Total
Capacity1
(MBh)
Total
Input
(kW)2
Sensible Capacity (MBh) Total
Capacity1
(MBh)
Total
Input
(kW)2
Sensible Capacity (MBh)
CFM WB
(°F) Return Dry Bulb (°F) Return Dry Bulb (°F)
85 80 75 70 65 85 80 75 70 65
35°F 45°F
4500
72 134.0 9.8 125.8 10.4
67 120.5 9.0 50.1 28.8 7.4 113.0 9.7 46.0 24.6 3.2
62 104.5 8.1 87.0 85.0 64.0 60.0 98.6 8.9 95.0 75.0 53.0 45.0
57 100.8 8.0 100.8 85.0 76.0 35.0 10.0 95.7 8.8 95.7 80.0 75.0 30.0 5.0
5250
72 138.8 9.8 130.4 10.4
67 124.8 9.0 55.0 5.2 117.2 9.7 31.2 5.9
62 108.2 8.1 95.0 90.0 65.0 50.0 102.2 8.9 100.0 80.0 55.0 38.0
57 104.3 8.0 104.3 100.0 90.0 46.0 15.0 99.1 8.8 99.1 93.0 80.0 40.0 12.0
6000
72 143.6 9.7 24.7 135.1 10.4
67 129.0 9.0 45.0 121.4 9.7 48.5
62 111.8 8.1 98.0 95.0 70.0 45.0 105.8 8.9 105.0 85.0 60.0 35.0
57 107.8 8.0 107.8 105.0 126.7 69.9 23.0 102.6 8.8 102.6 102.0 110.4 60.5 19.2
6750
72 150.2 10.0 140.9 10.6
67 135.0 9.2 51.8 18.6 126.6 9.8 52.1 18.9
62 117.2 8.3 108.0 102.8 69.6 36.4 110.5 9.0 110.5 97.3 64.1 30.9
57 113.1 8.2 113.1 110.0 106.8 56.8 25.0 107.2 8.9 107.2 105.0 94.6 48.9 20.0
7500
72 156.9 10.2 146.7 10.8
67 141.0 9.4 92.8 55.6 18.3 131.8 10.0 87.8 50.6 13.3
62 122.5 8.5 112.9 110.0 85.0 65.0 115.1 9.2 107.4 130.0 75.0 50.0
57 118.3 8.4 118.3 118.3 81.1 78.0 45.0 111.8 9.1 111.8 111.8 74.5 25.8 35.0
55°F 65°F
4500
72 117.5 11.1 109.2 11.8
67 105.6 10.4 41.9 20.5 98.2 11.1 37.7 16.4
62 92.7 9.7 85.0 65.0 42.0 30.0 86.7 10.4 75.0 55.0 31.0 15.0
57 90.5 9.6 90.5 75.0 65.0 25.0 85.4 10.3 85.4 70.0 55.0 20.0
5250
72 122.0 11.1 113.6 11.8
67 109.7 10.4 31.8 6.6 102.2 11.1 32.5 7.2
62 96.2 9.7 90.0 70.0 45.0 26.0 90.3 10.4 80.0 60.0 35.0 14.0
57 94.0 9.5 94.0 86.0 70.0 34.0 10.0 88.8 10.3 88.8 79.0 60.0 28.0
6000
72 126.6 11.1 15.2 118.0 11.8 10.5
67 113.8 10.4 21.8 106.2 11.1 27.3 15.0
62 99.8 9.6 95.0 75.0 50.0 25.0 93.8 10.4 85.0 65.0 40.0 15.0
57 97.4 9.5 97.4 94.0 92.0 51.0 15.0 92.3 10.3 92.3 86.0 77.7 41.6
6750
72 131.5 11.2 122.1 11.8
67 118.2 10.5 52.3 19.1 109.8 11.2 52.5 19.3
62 103.7 9.8 103.7 91.8 58.6 25.4 97.0 10.5 97.0 86.4 53.1 19.9
57 101.4 9.7 101.4 98.0 60.0 30.0 25.0 95.5 10.4 89.3 87.0 70.3 32.9
7500
72 136.4 11.4 126.2 11.9
67 122.7 10.6 82.8 45.6 8.3 113.5 11.3 77.8 40.6 3.3
62 107.7 9.9 102.0 100.0 65.0 35.0 100.3 10.6 96.5 95.0 55.0 20.0
57 105.3 9.8 105.3 105.3 74.0 40.0 30.0 98.7 10.5 98.7 98.7 61.5 45.0

251934-YTG-Z-0714
32 Johnson Controls Unitary Products
75°F 85°F
4500
72 100.9 12.5 92.6 13.1
67 90.8 11.8 33.6 12.2 83.3 12.5 29.5 8.1
62 80.8 11.2 65.0 45.0 20.0 74.9 12.0 55.0 35.0 9.0
57 80.2 11.1 80.2 65.0 45.0 15.0 75.1 11.9 70.0 60.0 35.0 10.0
5250
72 105.2 12.5 96.8 13.1
67 94.6 11.8 33.2 7.9 87.1 12.5 33.9 8.6
62 84.3 11.2 70.0 50.0 25.0 2.0 78.3 12.0 60.0 40.0 15.0
57 83.6 11.1 83.6 72.0 50.0 22.0 78.5 11.9 78.5 65.0 40.0 16.0
6000
72 109.5 12.4 5.7 101.0 13.1 1.0
67 98.5 11.8 32.8 3.6 90.9 12.5 38.3 9.1
62 87.8 11.2 75.0 55.0 30.0 5.0 81.7 12.0 65.0 45.0 20.0
57 87.1 11.1 87.1 78.0 61.3 32.2 81.9 11.9 81.9 70.0 45.0 22.8
6750
72 112.7 12.5 103.3 13.1
67 101.4 11.8 52.8 19.6 93.0 12.5 53.0 19.8
62 90.3 11.2 90.3 80.9 47.7 14.4 83.6 12.0 83.6 75.4 42.2 9.0
57 89.6 11.1 89.6 87.0 58.2 24.9 83.8 11.9 90.0 83.4 46.0 17.0
7500
72 115.9 12.5 105.7 13.1
67 104.3 11.9 72.8 35.5 95.1 12.5 67.8 30.5
62 92.9 11.3 91.0 85.0 45.0 5.0 85.5 12.0 85.5 70.0 35.0
57 92.2 11.2 92.2 92.2 55.0 17.7 85.7 11.9 85.7 85.7 48.4 15.0
1. These capacities are gross ratings. For net capacity, deduct air blower motor, MBh = 3.415 x kW. Refer to the appropriate
Blower Performance Table for the kW of the supply air blower motor.
2. These ratings include the condenser fan motors (total 1 kW) and the compressor motors but not the supply air blower motor.
ZR180 (15 Ton) Alternate Reheat Mode (Continued)
Air on
Evaporator Coil Temperature of Air on Condenser Coil
Total
Capacity1
(MBh)
Total
Input
(kW)2
Sensible Capacity (MBh) Total
Capacity1
(MBh)
Total
Input
(kW)2
Sensible Capacity (MBh)
CFM WB
(°F) Return Dry Bulb (°F) Return Dry Bulb (°F)
85 80 75 70 65 85 80 75 70 65
No Sensible Cooling Capacity

251934-YTG-Z-0714
Johnson Controls Unitary Products 33
ZR240 (20 Ton)
Air on
Evaporator Coil Temperature of Air on Condenser Coil
Total
Capacity1
(MBh)
Total
Input
(kW)2
Sensible Capacity (MBh) Total
Capacity1
(MBh)
Total
Input
(kW)2
Sensible Capacity (MBh)
CFM WB
(°F) Return Dry Bulb (°F) Return Dry Bulb (°F)
90 85 80 75 70 65 90 85 80 75 70 65
75°F 85°F
6000
77 321.3 15.4 155.2 126.7 98.2 - - - 306.0 16.6 147.9 119.4 90.9 - - -
72 295.4 14.9 191.2 162.7 134.2 105.7 - - 281.6 16.3 185.5 157.0 128.5 100.0 - -
67 269.5 14.5 227.2 198.7 170.2 141.7 113.2 - 257.2 16.0 223.2 194.7 166.2 137.6 109.1 -
62 244.8 14.4 244.8 240.1 211.6 183.1 154.6 126.1 236.6 15.8 236.6 233.5 205.0 176.5 148.0 119.5
57 242.1 14.2 242.1 242.1 216.7 188.1 159.6 131.1 232.5 15.7 232.5 232.5 207.6 179.1 150.5 122.0
7000
77 334.5 15.4 169.8 140.9 107.2 - - - 316.5 16.7 166.4 132.7 99.0 - - -
72 307.6 15.0 213.9 180.2 146.5 112.8 - - 291.3 16.4 207.3 173.7 140.0 106.3 - -
67 280.6 14.6 258.0 219.5 185.8 152.1 118.4 - 266.0 16.1 248.3 214.6 180.9 147.2 113.5 -
62 254.9 14.4 254.9 252.6 231.0 197.3 163.6 129.9 244.7 15.9 244.7 243.2 223.3 189.6 155.9 122.2
57 252.1 14.3 252.1 252.1 236.5 202.8 169.2 135.5 240.5 15.7 240.5 240.5 226.0 192.3 158.6 124.9
8000
77 347.7 15.4 184.3 155.1 116.2 - - - 327.1 16.7 184.8 145.9 107.1 - - -
72 319.7 15.0 236.6 197.7 158.8 120.0 - - 301.0 16.4 229.1 190.3 151.4 112.5 - -
67 291.7 14.6 288.9 240.4 201.5 162.6 123.7 - 274.9 16.1 273.5 234.6 195.7 156.8 118.0 -
62 265.0 14.4 265.0 265.0 250.5 211.6 172.7 133.8 252.9 15.9 252.9 252.9 241.5 202.6 163.7 124.9
57 262.0 14.3 262.0 262.0 256.4 217.5 178.7 139.8 248.5 15.8 248.5 248.5 244.5 205.6 166.7 127.9
9000
72 325.0 15.1 250.5 206.2 161.9 117.6 - - 305.0 16.5 243.3 199.0 154.7 110.5 - -
67 296.5 14.7 295.1 249.6 205.4 161.1 116.8 - 278.6 16.2 277.9 244.3 200.1 155.8 111.5 -
62 269.5 14.5 269.5 269.5 255.3 211.0 166.7 122.5 256.3 16.0 256.3 256.3 246.8 202.6 158.3 114.0
57 266.4 14.4 266.4 266.4 263.6 219.3 175.0 130.8 251.8 15.8 251.8 251.8 249.8 205.6 161.3 117.0
10000
72 330.3 15.1 264.3 214.7 165.0 115.3 - - 309.1 16.5 257.5 207.8 158.1 - - -
67 301.4 14.7 301.4 258.9 209.2 159.5 109.9 - 282.3 16.2 282.3 254.1 204.4 154.7 105.0 -
62 273.9 14.6 273.9 273.9 260.1 210.4 160.8 111.1 259.7 16.0 259.7 259.7 252.2 202.5 152.8 103.2
57 270.8 14.4 270.8 270.8 270.8 221.1 171.4 121.7 255.2 15.9 255.2 255.2 255.2 205.5 155.8 106.1
95°F 105°F
6000
77 290.7 17.9 140.6 112.1 83.6 - - - 269.2 19.8 129.8 101.2 72.7 - - -
72 267.8 17.7 179.9 151.4 122.8 94.3 - - 247.9 19.6 170.7 142.2 113.7 85.2 - -
67 244.9 17.5 219.1 190.6 162.1 133.6 105.1 - 226.7 19.4 211.7 183.2 154.7 126.1 97.6 -
62 228.4 17.3 228.4 226.9 198.4 169.9 141.4 112.9 210.6 19.2 210.6 209.9 182.3 153.8 125.3 96.7
57 222.9 17.2 222.9 222.9 198.5 170.0 141.5 112.9 209.2 19.1 209.2 203.5 177.1 148.6 120.1 91.5
7000
77 298.5 18.0 163.0 124.4 90.8 - - - 276.9 19.8 157.7 113.2 79.5 - - -
72 275.0 17.8 200.8 167.1 133.4 99.7 - - 255.0 19.6 191.7 158.0 124.3 90.6 - -
67 251.5 17.6 238.6 209.7 176.0 142.3 108.6 - 233.1 19.5 225.6 202.8 169.1 135.4 101.7 -
62 234.5 17.4 234.5 233.8 215.5 181.8 148.1 114.4 216.6 19.2 216.6 216.3 199.2 165.5 131.8 98.1
57 228.9 17.2 228.9 228.9 215.5 181.8 148.1 114.4 215.2 19.2 215.2 212.3 193.5 159.8 126.1 92.4
8000
77 306.4 18.0 185.3 136.8 97.9 59.0 - - 284.5 19.8 185.7 125.1 86.2 47.3 - -
72 282.2 17.9 221.7 182.8 143.9 105.1 - - 262.0 19.7 212.6 173.7 134.8 96.0 - -
67 258.1 17.7 258.1 228.8 190.0 151.1 112.2 - 239.6 19.5 239.6 222.4 183.5 144.6 105.7 -
62 240.7 17.4 240.7 240.7 232.5 193.6 154.8 115.9 222.6 19.2 222.6 222.6 216.2 177.3 138.4 99.5
57 234.9 17.3 234.9 234.9 232.6 193.7 154.8 115.9 221.1 19.2 221.1 221.1 209.9 171.0 132.1 93.3
9000
72 285.1 17.9 236.1 191.9 147.6 103.3 - - 264.7 19.7 226.7 182.5 138.2 93.9 - -
67 260.7 17.7 260.7 239.0 194.8 150.5 106.2 - 242.0 19.5 242.0 229.9 188.0 143.7 99.5 -
62 243.1 17.4 243.1 243.1 238.4 194.1 149.8 105.6 224.8 19.2 224.8 224.8 221.3 177.0 132.7 88.5
57 237.3 17.3 237.3 237.3 236.1 191.8 147.5 103.3 223.4 19.2 223.4 223.4 213.9 169.6 125.4 81.1
10000
72 287.9 17.9 250.6 200.9 151.2 101.5 - - 267.3 19.7 240.9 191.2 141.5 91.8 - -
67 263.3 17.7 263.3 249.2 199.6 149.9 100.2 - 244.4 19.5 244.4 237.3 192.5 142.9 93.2 -
62 245.5 17.4 245.5 245.5 244.3 194.6 144.9 95.2 227.1 19.2 227.1 227.1 226.4 176.8 127.1 77.4
57 239.6 17.3 239.6 239.6 239.6 189.9 140.3 90.6 225.6 19.2 225.6 225.6 217.9 168.2 118.6 68.9

251934-YTG-Z-0714
34 Johnson Controls Unitary Products
115°F 125°F
6000
77 247.7 21.6 118.9 90.4 61.9 - - - 226.2 23.5 108.1 79.6 51.1 - - -
72 228.1 21.5 161.6 133.1 104.5 76.0 - - 208.3 23.3 152.4 123.9 95.4 66.9 - -
67 208.5 21.3 204.2 175.7 147.2 118.7 90.2 - 190.3 23.2 190.3 168.2 139.7 111.2 82.7 -
62 192.9 21.0 192.9 192.9 166.1 137.6 109.1 80.6 175.2 22.9 175.2 175.2 150.0 121.5 93.0 64.4
57 195.6 21.1 195.6 184.2 155.7 127.2 98.6 70.1 181.9 23.1 181.9 164.8 134.3 105.8 77.2 48.7
7000
77 255.2 21.6 152.5 101.9 68.2 - - - 233.5 23.5 147.2 90.6 56.9 - - -
72 235.0 21.5 182.5 148.8 115.1 81.4 - - 214.9 23.3 173.4 139.7 106.0 72.3 - -
67 214.8 21.3 212.6 195.8 162.1 128.4 94.7 - 196.4 23.2 196.4 188.8 155.2 121.5 87.8 -
62 198.7 21.0 198.7 198.7 183.0 149.3 115.6 81.9 180.8 22.9 180.8 180.8 166.7 133.0 99.3 65.6
57 201.5 21.1 201.5 195.8 171.5 137.8 104.1 70.4 187.7 23.1 187.7 179.2 149.4 115.7 82.0 48.3
8000
77 262.6 21.6 186.0 113.3 74.5 - - - 240.7 23.5 186.3 101.6 62.7 - - -
72 241.8 21.5 203.5 164.6 125.7 86.9 - - 221.6 23.3 194.4 155.5 116.6 77.8 - -
67 221.0 21.3 221.0 215.9 177.0 138.2 99.3 - 202.5 23.2 202.5 202.5 170.6 131.7 92.8 -
62 204.5 21.0 204.5 204.5 199.8 160.9 122.1 83.2 186.4 22.8 186.4 186.4 183.5 144.6 105.7 66.8
57 207.3 21.2 207.3 207.3 187.2 148.4 109.5 70.6 193.6 23.1 193.6 193.6 164.6 125.7 86.8 47.9
9000
72 244.2 21.5 217.3 173.0 128.8 84.5 - - 223.8 23.3 207.9 163.6 119.4 75.1 - -
67 223.2 21.3 223.2 220.7 181.3 137.0 92.7 - 204.5 23.2 204.5 204.5 174.6 130.3 86.0 -
62 206.6 21.1 206.6 206.6 204.2 159.9 115.7 71.4 188.3 22.9 188.3 188.3 187.1 142.8 98.6 54.3
57 209.4 21.2 209.4 209.4 191.7 147.4 103.2 58.9 195.5 23.1 195.5 195.5 169.5 125.3 81.0 36.7
10000
72 246.7 21.5 231.1 181.5 131.8 82.1 - - 226.0 23.3 221.4 171.7 122.1 72.4 - -
67 225.4 21.3 225.4 225.4 185.5 135.9 86.2 - 206.5 23.2 206.5 206.5 178.5 128.8 79.2 -
62 208.6 21.1 208.6 208.6 208.6 158.9 109.3 59.6 190.2 22.9 190.2 190.2 190.2 141.1 91.4 41.7
57 211.5 21.2 211.5 211.5 196.2 146.5 96.9 47.2 197.4 23.1 197.4 197.4 174.5 124.8 75.2 25.5
1. These capacities are gross ratings. For net capacity, deduct air blower motor, MBh = 3.415 x kW. Refer to the appropriate Blower
Performance Table for the kW of the supply air blower motor.
2. These ratings include the condenser fan motors (total 1 kW) and the compressor motors but not the supply air blower motor.
ZR240 (20 Ton) (Continued)
Air on
Evaporator Coil Temperature of Air on Condenser Coil
Total
Capacity1
(MBh)
Total
Input
(kW)2
Sensible Capacity (MBh) Total
Capacity1
(MBh)
Total
Input
(kW)2
Sensible Capacity (MBh)
CFM WB
(°F) Return Dry Bulb (°F) Return Dry Bulb (°F)
90 85 80 75 70 65 90 85 80 75 70 65

251934-YTG-Z-0714
Johnson Controls Unitary Products 35
ZR240 (20 Ton) Alternate Reheat Mode
Air on
Evaporator Coil Temperature of Air on Condenser Coil
Total
Capacity1
(MBh)
Total
Input
(kW)2
Sensible Capacity (MBh) Total
Capacity1
(MBh)
Total
Input
(kW)2
Sensible Capacity (MBh)
CFM WB
(°F) Return Dry Bulb (°F) Return Dry Bulb (°F)
85 80 75 70 65 85 80 75 70 65
35°F 45°F
6000
72 115.8 9.8 119.0 11.3 1.1
67 102.1 9.0 60.3 31.8 3.3 105.6 10.5 55.9 27.4
62 119.8 8.5 98.0 97.6 69.1 40.6 12.0 117.3 9.9 95.0 84.6 56.1 27.6
57 105.3 8.5 105.3 100.0 90.2 61.7 33.2 104.4 11.3 104.4 102.5 74.0 45.5 17.0
7000
72 175.1 12.6 17.1 165.3 13.4 15.4
67 160.5 11.8 72.0 38.3 4.6 151.0 12.6 67.9 34.2 0.5
62 154.3 11.0 103.7 102.3 68.6 34.9 1.2 144.7 11.8 100.3 93.9 60.2 26.5
57 142.9 10.9 142.9 134.1 100.4 66.8 33.1 134.0 11.7 134.0 121.2 87.5 53.8 20.1
8000
72 185.0 12.7 36.5 174.5 13.5 29.6
67 169.6 11.9 83.7 44.8 5.9 159.5 12.7 79.9 41.0 2.1
62 163.1 11.1 125.0 107.0 68.2 29.3 152.8 11.9 110.0 103.2 64.3 25.4
57 151.0 11.0 151.0 149.6 110.7 71.8 32.9 141.5 11.8 141.5 139.9 101.0 62.1 23.2
9000
72 182.8 12.8 37.1 172.1 13.5 31.0
67 167.6 12.0 92.4 48.1 3.8 157.3 12.7 88.0 43.7
62 161.0 11.1 110.0 118.4 74.1 29.8 150.6 11.9 107.0 112.6 68.3 24.0
57 149.1 11.0 149.1 148.4 104.1 59.8 15.6 139.5 11.8 139.5 138.7 94.4 50.1 5.8
10000
72 180.6 12.8 37.7 169.7 13.5 32.4
67 165.5 12.0 124.4 51.4 1.7 155.0 12.8 114.8 46.5
62 159.0 11.1 138.0 129.7 80.0 30.3 148.5 11.9 125.0 122.0 72.3 22.6
57 147.2 11.0 147.2 147.2 97.5 115.0 137.5 11.8 137.5 135.0 87.8 95.0
55°F 65°F
6000
72 122.2 12.7 4.5 125.4 14.2 7.9
67 109.1 12.0 51.5 22.9 112.5 13.5 47.0 18.5
62 114.7 11.4 100.2 71.7 43.2 14.7 112.2 12.9 87.3 58.8 30.2 1.7
57 103.4 11.3 103.4 86.4 57.9 29.4 0.8 102.5 13.2 102.5 70.2 41.7 13.2
7000
72 155.4 14.2 13.6 145.6 14.9 11.9
67 141.5 13.4 63.7 30.0 132.0 14.2 59.6 25.9
62 135.1 12.7 96.9 85.5 51.8 18.1 125.5 13.5 93.4 77.1 43.4 9.7
57 125.1 12.6 125.1 108.3 74.6 40.9 7.2 116.2 13.4 116.2 95.3 61.6 27.9
8000
72 164.0 14.2 22.8 153.6 15.0 15.9
67 149.4 13.5 76.0 37.2 139.2 14.2 72.2 33.3
62 142.5 12.7 110.0 99.3 60.4 21.5 132.3 13.5 95.0 85.0 56.5 17.6
57 132.0 12.6 132.0 130.1 91.3 52.4 13.5 122.5 13.4 122.5 120.4 81.5 42.7 3.8
9000
72 161.5 14.2 25.0 150.8 15.0 18.9
67 147.0 13.5 83.6 39.3 136.7 14.3 79.2 35.0
62 140.2 12.7 120.0 106.8 62.5 18.2 129.9 13.6 101.0 101.0 56.7 12.4
57 129.9 12.6 129.9 129.0 84.7 40.4 120.3 13.5 120.3 119.2 74.9 30.7
10000
72 158.9 14.3 27.2 148.0 15.0 21.9
67 144.6 13.5 105.2 41.5 134.1 14.3 95.6 36.6
62 137.9 12.8 115.0 114.3 64.6 14.9 127.4 13.6 116.0 106.6 56.9 7.2
57 127.8 12.7 127.8 127.8 78.1 75.0 118.0 13.5 118.0 118.0 68.4 55.0

251934-YTG-Z-0714
36 Johnson Controls Unitary Products
75°F 85°F
6000
72 128.6 15.7 11.3 131.8 17.1 14.7
67 116.0 15.0 42.6 14.1 119.4 16.4 38.2 9.6
62 109.6 14.3 74.3 45.8 17.3 107.1 15.8 61.4 32.9 4.4
57 101.6 14.2 101.6 54.1 25.5 100.7 15.2 66.4 37.9 9.4
7000
72 135.8 15.7 10.2 126.0 16.5 8.4
67 122.5 15.0 55.5 21.8 113.0 15.8 51.4 17.7
62 115.8 14.3 90.0 68.7 35.0 1.3 106.2 15.2 86.6 60.2 26.5
57 107.3 14.2 107.3 82.4 48.7 15.0 98.4 15.1 95.0 69.4 35.7 2.0
8000
72 143.1 15.7 9.0 132.6 16.5 2.1
67 129.1 15.0 68.4 29.5 118.9 15.8 64.6 25.7
62 122.0 14.4 91.0 91.5 52.6 13.7 111.7 15.2 90.0 87.6 48.7 9.9
57 113.0 14.3 113.0 110.7 71.8 32.9 103.5 15.1 103.5 101.0 62.1 23.2
9000
72 140.1 15.7 12.9 129.4 16.5 6.8
67 126.4 15.0 74.9 30.6 116.1 15.8 70.5 26.2
62 119.5 14.4 98.0 95.2 50.9 6.6 109.1 15.2 95.0 89.4 45.1 0.8
57 110.7 14.3 110.7 109.5 65.2 20.9 101.1 15.1 101.1 99.8 55.5 11.2
10000
72 137.1 15.7 16.7 126.3 16.5 11.5
67 123.7 15.0 86.0 31.7 113.2 15.8 76.4 26.7
62 116.9 14.4 100.0 98.9 49.2 106.4 15.2 84.0 80.0 41.5
57 108.3 14.3 108.3 108.3 58.6 35.0 98.6 15.1 98.6 98.6 48.9 15.0
1. These capacities are gross ratings. For net capacity, deduct air blower motor, MBh = 3.415 x kW. Refer to the appropriate
Blower Performance Table for the kW of the supply air blower motor.
2. These ratings include the condenser fan motors (total 1 kW) and the compressor motors but not the supply air blower motor.
ZR240 (20 Ton) Alternate Reheat Mode (Continued)
Air on
Evaporator Coil Temperature of Air on Condenser Coil
Total
Capacity1
(MBh)
Total
Input
(kW)2
Sensible Capacity (MBh) Total
Capacity1
(MBh)
Total
Input
(kW)2
Sensible Capacity (MBh)
CFM WB
(°F) Return Dry Bulb (°F) Return Dry Bulb (°F)
85 80 75 70 65 85 80 75 70 65
No Sensible Cooling Capacity

251934-YTG-Z-0714
Johnson Controls Unitary Products 37
ZR300 (25 Ton)
Air on
Evaporator Coil Temperature of Air on Condenser Coil
Total
Capacity1
(MBh)
Total
Input
(kW)2
Sensible Capacity (MBh) Total
Capacity1
(MBh)
Total
Input
(kW)2
Sensible Capacity (MBh)
CFM WB
(°F) Return Dry Bulb (°F) Return Dry Bulb (°F)
90 85 80 75 70 65 90 85 80 75 70 65
75°F 85°F
7500
77 395.3 19.2 235.2 199.6 164.0 - - - 382.3 21.2 212.1 176.5 140.9 - - -
72 367.6 19.1 261.5 225.9 190.2 154.6 - - 352.6 21.2 246.0 210.3 174.7 139.1 - -
67 339.9 19.0 287.8 252.2 216.5 180.9 145.2 - 322.8 21.2 279.8 244.2 208.5 172.9 137.3 -
62 309.6 18.4 309.6 295.9 260.2 224.6 189.0 153.3 297.0 20.5 297.0 285.0 249.4 213.7 178.1 142.4
57 304.6 18.4 304.6 304.6 271.5 235.8 200.2 164.5 291.1 20.6 291.1 291.1 257.7 222.1 186.5 150.8
8750
77 406.1 19.5 253.6 216.9 174.8 - - - 391.6 21.5 235.1 193.0 150.9 - - -
72 377.6 19.4 286.8 244.7 202.6 160.5 - - 361.1 21.5 271.4 229.3 187.2 145.0 - -
67 349.1 19.3 320.1 272.5 230.4 188.3 146.2 - 330.6 21.5 307.6 265.5 223.4 181.3 139.2 -
62 318.1 18.7 318.1 311.2 277.0 234.9 192.8 150.6 304.2 20.8 304.2 298.2 267.1 225.0 182.9 140.8
57 312.9 18.7 312.9 312.9 289.0 246.9 204.7 162.6 298.1 20.8 298.1 298.1 276.1 234.0 191.9 149.7
10000
77 416.9 19.8 271.9 234.2 185.6 - - - 400.8 21.8 258.1 209.5 160.9 - - -
72 387.6 19.7 312.2 263.6 215.0 166.4 - - 369.6 21.8 296.8 248.2 199.6 151.0 - -
67 358.4 19.6 352.4 292.9 244.3 195.7 147.1 - 338.4 21.8 335.5 286.9 238.3 189.7 141.1 -
62 326.5 19.0 326.5 326.5 293.7 245.1 196.5 147.9 311.4 21.1 311.4 311.4 284.9 236.3 187.7 139.1
57 321.2 19.0 321.2 321.2 306.5 257.9 209.3 160.7 305.1 21.1 305.1 305.1 294.5 245.9 197.3 148.7
11250
72 394.3 20.5 329.3 273.9 218.6 163.2 - - 374.6 22.4 313.0 257.7 202.3 147.0 - -
67 364.5 20.5 361.5 303.9 248.6 193.2 137.9 - 343.0 22.4 341.5 296.8 241.5 186.1 130.8 -
62 332.1 19.8 332.1 332.1 298.8 243.5 188.1 132.8 315.6 21.7 315.6 315.6 288.8 233.4 178.1 122.7
57 326.7 19.8 326.7 326.7 311.7 256.4 201.0 145.7 309.3 21.7 309.3 309.3 298.4 243.1 187.7 132.4
12500
72 400.9 21.4 346.4 284.3 222.2 160.1 - - 379.6 23.0 329.2 267.1 205.0 142.9 - -
67 370.6 21.3 370.6 314.9 252.8 190.7 128.6 - 347.6 23.0 347.6 306.8 244.7 182.6 120.5 -
62 337.7 20.6 337.7 337.7 303.9 241.8 179.7 117.6 319.8 22.3 319.8 319.8 292.6 230.5 168.4 106.3
57 332.2 20.6 332.2 332.2 317.0 254.9 192.8 130.7 313.4 22.3 313.4 313.4 302.4 240.3 178.2 116.1
95°F 105°F
7500
77 369.4 23.3 189.1 153.4 117.8 - - - 342.9 26.5 167.4 131.8 96.1 - - -
72 337.6 23.4 230.5 194.8 159.2 123.5 - - 313.5 26.3 214.9 179.2 143.6 107.9 - -
67 305.8 23.5 271.9 236.2 200.6 164.9 129.3 - 284.0 26.1 262.3 226.7 191.0 155.4 119.8 -
62 284.4 22.7 284.4 274.1 238.5 202.8 167.2 131.6 264.2 25.5 264.2 259.0 223.3 187.7 152.1 116.4
57 277.5 22.7 277.5 277.5 244.0 208.4 172.7 137.1 257.8 25.5 257.8 257.8 225.5 189.9 154.2 118.6
8750
77 377.1 23.6 216.7 169.2 127.0 - - - 350.8 26.6 199.9 146.2 104.1 - - -
72 344.6 23.7 256.0 213.8 171.7 129.6 - - 320.7 26.5 239.8 197.7 155.6 113.5 - -
67 312.1 23.7 295.2 258.5 216.4 174.3 132.1 - 290.6 26.3 279.7 249.2 207.1 165.0 122.8 -
62 290.3 23.0 290.3 285.2 257.3 215.2 173.0 130.9 270.3 25.7 270.3 267.7 242.1 199.9 157.8 115.7
57 283.3 22.9 283.3 283.3 263.2 221.1 179.0 136.9 263.8 25.7 263.8 263.8 244.4 202.3 160.1 118.0
10000
77 384.8 23.8 244.4 184.9 136.3 - - - 358.7 26.8 232.4 160.7 112.1 - - -
72 351.6 23.9 281.5 232.9 184.3 135.7 - - 327.9 26.7 264.8 216.2 167.6 119.0 - -
67 318.5 24.0 318.5 280.8 232.2 183.6 135.0 - 297.2 26.5 297.2 271.7 223.1 174.5 125.9 -
62 296.2 23.2 296.2 296.2 276.1 227.5 178.9 130.3 276.4 25.9 276.4 276.4 260.8 212.2 163.6 115.0
57 289.1 23.2 289.1 289.1 282.4 233.8 185.2 136.6 269.7 25.8 269.7 269.7 263.3 214.7 166.1 117.5
11250
72 355.0 24.3 296.7 241.4 186.0 130.7 - - 331.0 27.1 279.8 224.5 169.1 113.8 - -
67 321.5 24.4 321.5 289.7 234.4 179.0 123.7 - 299.9 26.9 299.9 280.5 225.2 169.8 114.5 -
62 299.0 23.6 299.0 299.0 278.7 223.3 168.0 112.6 278.9 26.3 278.9 278.9 263.2 207.8 152.5 97.1
57 291.8 23.6 291.8 291.8 285.1 229.8 174.4 119.1 272.2 26.3 272.2 272.2 265.7 210.4 155.0 99.7
12500
72 358.3 24.7 312.0 249.9 187.8 125.7 - - 334.0 27.6 294.9 232.8 170.7 108.6 - -
67 324.6 24.8 324.6 298.7 236.6 174.5 112.4 - 302.7 27.4 302.7 289.3 227.2 165.1 103.0 -
62 301.8 23.9 301.8 301.8 281.3 219.2 157.1 95.0 281.5 26.8 281.5 281.5 265.6 203.5 141.4 79.3
57 294.6 23.9 294.6 294.6 287.8 225.7 163.6 101.5 274.7 26.7 274.7 274.7 268.2 206.1 144.0 81.9

251934-YTG-Z-0714
38 Johnson Controls Unitary Products
115°F 125°F
7500
77 316.4 29.6 145.7 110.1 74.5 - - - 289.9 32.7 124.1 88.4 52.8 - - -
72 289.3 29.1 199.3 163.6 128.0 92.3 - - 265.2 32.0 183.7 148.0 112.4 76.7 - -
67 262.3 28.7 252.8 217.1 181.5 145.9 110.2 - 240.6 31.3 240.6 207.6 172.0 136.3 100.7 -
62 243.9 28.3 243.9 243.8 208.2 172.5 136.9 101.3 223.7 31.1 223.7 223.7 193.0 157.4 121.7 86.1
57 238.1 28.2 238.1 238.1 207.0 171.4 135.7 100.1 218.4 31.0 218.4 218.4 188.5 152.9 117.2 81.6
8750
77 324.6 29.7 183.1 123.2 81.1 - - - 298.3 32.8 166.2 100.3 58.2 - - -
72 296.8 29.3 223.7 181.6 139.4 97.3 - - 272.9 32.1 207.6 165.4 123.3 81.2 - -
67 269.1 28.8 264.3 239.9 197.8 155.7 113.5 - 247.5 31.4 247.5 230.6 188.5 146.3 104.2 -
62 250.2 28.4 250.2 250.2 226.8 184.7 142.6 100.5 230.2 31.2 230.2 230.2 211.6 169.5 127.4 85.2
57 244.2 28.4 244.2 244.2 225.5 183.4 141.3 99.2 224.7 31.1 224.7 224.7 206.7 164.6 122.5 80.4
10000
77 332.7 29.8 220.4 136.4 87.8 - - - 306.7 32.8 208.4 112.1 63.5 - - -
72 304.3 29.4 248.1 199.5 150.9 102.3 - - 280.6 32.1 231.4 182.8 134.2 85.6 - -
67 275.8 29.0 275.8 262.6 214.0 165.4 116.8 - 254.5 31.5 254.5 253.6 205.0 156.4 107.8 -
62 256.5 28.6 256.5 256.5 245.5 196.9 148.3 99.7 236.7 31.3 236.7 236.7 230.2 181.6 133.0 84.4
57 250.4 28.5 250.4 250.4 244.1 195.5 146.9 98.3 231.0 31.1 231.0 231.0 224.9 176.3 127.7 79.1
11250
72 307.0 29.9 263.0 207.6 152.3 96.9 - - 283.0 32.7 246.1 190.8 135.4 80.1 - -
67 278.3 29.5 278.3 271.3 216.0 160.6 105.3 - 256.7 32.0 256.7 256.7 206.7 151.4 96.0 -
62 258.8 29.1 258.8 258.8 247.7 192.3 137.0 81.6 238.7 31.8 238.7 238.7 232.2 176.8 121.5 66.1
57 252.6 29.0 252.6 252.6 246.3 190.9 135.6 80.2 233.0 31.7 233.0 233.0 226.9 171.5 116.2 60.8
12500
72 309.7 30.4 277.8 215.7 153.6 91.5 - - 285.5 33.3 260.8 198.7 136.6 74.5 - -
67 280.8 30.0 280.8 280.0 217.9 155.8 93.7 - 258.9 32.6 258.9 258.9 208.5 146.4 84.3 -
62 261.1 29.6 261.1 261.1 249.9 187.8 125.7 63.6 240.8 32.4 240.8 240.8 234.2 172.1 110.0 47.9
57 254.9 29.5 254.9 254.9 248.5 186.4 124.3 62.2 235.0 32.2 235.0 235.0 228.8 166.7 104.6 42.5
1. These capacities are gross ratings. For net capacity, deduct air blower motor, MBh = 3.415 x kW. Refer to the appropriate Blower
Performance Table for the kW of the supply air blower motor.
2. These ratings include the condenser fan motors (total 1 kW) and the compressor motors but not the supply air blower motor.
ZR300 (25 Ton) (Continued)
Air on
Evaporator Coil Temperature of Air on Condenser Coil
Total
Capacity1
(MBh)
Total
Input
(kW)2
Sensible Capacity (MBh) Total
Capacity1
(MBh)
Total
Input
(kW)2
Sensible Capacity (MBh)
CFM WB
(°F) Return Dry Bulb (°F) Return Dry Bulb (°F)
90 85 80 75 70 65 90 85 80 75 70 65

251934-YTG-Z-0714
Johnson Controls Unitary Products 39
ZR300 (25 Ton) Alternate Reheat Mode
Air on
Evaporator Coil Temperature of Air on Condenser Coil
Total
Capacity1
(MBh)
Total
Input
(kW)2
Sensible Capacity (MBh) Total
Capacity1
(MBh)
Total
Input
(kW)2
Sensible Capacity (MBh)
CFM WB
(°F) Return Dry Bulb (°F) Return Dry Bulb (°F)
85 80 75 70 65 85 80 75 70 65
35°F 45°F
7500
72 203.3 15.3 51.6 16.0 190.6 16.6 47.9 12.3
67 180.0 14.8 61.9 26.2 170.0 16.1 58.2 22.5
62 170.1 13.9 62.1 50.0 159.6 15.2 71.4 50.0
57 167.8 13.0 150.0 87.2 51.6 15.9 156.7 15.0 135.0 89.6 53.9 18.3
8750
72 206.6 15.7 51.4 45.0 194.0 17.0 49.0 41.0
67 182.7 15.2 63.5 58.0 172.9 16.4 60.9 54.0
62 172.9 14.3 102.0 58.0 162.4 15.5 104.0 66.0
57 170.5 14.0 157.0 124.9 82.4 40.2 159.6 15.0 140.0 121.2 78.7 36.6
10000
72 209.8 16.1 51.2 2.6 197.5 17.3 50.1 1.5
67 185.4 15.6 65.3 19.7 175.9 16.8 63.7 17.5
62 175.6 14.7 130.0 125.0 90.0 17.2 165.3 15.8 119.0 115.0 75.0 11.0
57 173.3 14.0 147.0 100.0 62.0 49.2 3.6 162.4 15.0 143.0 100.0 59.0 42.6
11250
72 204.7 17.1 79.2 23.8 194.1 18.3 73.8 18.4
67 180.2 16.5 85.9 30.5 172.4 17.7 81.7 26.4
62 171.2 15.5 135.0 130.9 57.3 162.5 16.7 122.0 116.0 52.9
57 169.4 15.0 157.0 147.5 88.9 25.3 159.9 16.0 150.0 141.8 83.9 21.9
12500
72 199.6 18.0 65.6 55.0 190.8 19.2 64.2 52.0
67 175.0 17.4 99.8 85.0 169.0 18.6 94.4 80.0
62 166.9 16.4 137.0 135.0 53.8 27.2 159.7 17.6 126.0 104.0 50.3 16.6
57 165.4 16.0 165.0 148.0 93.0 16.9 157.4 17.0 157.4 146.0 87.0 14.9
55°F 65°F
7500
72 177.9 17.9 44.2 8.6 165.2 19.2 40.5 4.8
67 160.0 17.4 54.5 25.0 150.1 18.7 50.7 15.1
62 149.0 16.5 80.6 30.0 4.1 138.4 17.8 89.8 37.4 15.1
57 145.6 16.0 145.6 91.9 56.3 20.6 134.5 17.0 134.5 94.2 58.6 22.9
8750
72 181.5 18.2 46.6 37.0 169.0 19.4 44.2 33.0
67 163.2 17.6 58.3 50.0 153.5 18.8 55.6 46.0
62 152.0 16.8 106.0 74.0 3.2 141.6 18.0 108.0 82.0 14.1
57 148.6 16.0 148.6 117.4 75.1 33.0 137.6 18.0 137.6 113.7 71.4 29.3
10000
72 185.1 18.5 49.0 0.4 172.8 19.6 47.9
67 166.4 17.9 62.1 15.3 156.9 19.0 60.6 13.2
62 155.1 17.0 118.0 105.0 60.0 4.8 144.8 18.2 117.0 95.0 45.0
57 151.6 17.0 137.0 115.0 56.0 36.1 140.7 18.0 131.0 100.0 53.0 29.5
11250
72 183.6 19.5 68.4 13.0 173.0 20.7 62.9 7.6
67 164.7 18.9 77.5 22.2 157.0 20.0 73.3 18.0
62 153.7 17.9 120.0 114.9 48.6 145.0 19.2 116.0 107.0 44.3
57 150.4 17.0 150.4 136.2 78.9 18.6 141.0 19.0 141.0 130.6 74.0 15.3
12500
72 182.0 20.5 62.8 49.0 173.2 21.7 61.4 46.0
67 163.0 19.9 88.9 75.0 157.0 21.1 83.5 70.0
62 152.4 18.9 122.0 102.7 46.9 6.1 145.2 20.1 118.0 101.3 43.4
57 149.3 18.0 149.3 140.0 81.0 12.9 141.2 20.0 141.2 134.0 75.0 11.0

251934-YTG-Z-0714
40 Johnson Controls Unitary Products
75°F 85°F
7500
72 152.5 20.6 36.8 1.1 139.7 21.9 33.1
67 140.1 19.9 47.0 11.4 130.2 21.2 43.3 7.7
62 127.9 19.1 99.0 55.0 26.0 117.3 20.5 108.2 72.6 36.9 1.3
57 123.4 16.5 123.4 96.6 60.9 25.3 112.3 20.1 112.3 98.9 63.3 27.6
8750
72 156.4 20.7 41.8 29.0 143.9 21.9 39.4 25.0
67 143.8 20.0 53.0 42.0 134.1 21.2 50.4 38.0
62 131.2 19.2 110.0 90.0 25.0 120.8 20.5 112.0 98.0 35.9
57 126.6 17.0 126.6 110.0 67.8 25.7 115.7 20.2 115.7 106.3 64.2 22.0
10000
72 160.4 20.8 46.7 148.1 21.9 45.6
67 147.4 20.1 59.0 11.0 137.9 21.2 57.4 8.8
62 134.6 19.3 116.0 85.0 30.0 124.3 20.5 115.0 75.0 15.0
57 129.9 17.7 125.0 100.0 50.0 23.0 119.0 20.2 119.0 100.0 47.0 16.5
11250
72 162.4 21.9 57.5 2.2 151.9 23.1 52.1
67 149.2 21.2 69.2 13.8 141.5 22.4 65.0 9.6
62 136.2 20.4 120.0 99.0 40.0 127.5 21.6 120.0 91.0 35.7
57 131.5 18.6 131.5 125.0 69.0 12.0 122.1 21.2 122.1 119.4 64.0 8.7
12500
72 164.4 23.0 60.0 43.0 155.7 24.2 58.6 40.0
67 151.0 22.3 78.0 65.0 145.0 23.5 72.5 60.0
62 137.9 21.4 114.0 100.0 40.0 130.7 22.7 110.0 98.7 36.6
57 133.2 19.6 133.2 128.0 69.0 9.0 125.1 22.3 125.1 122.0 63.0 7.0
1. These capacities are gross ratings. For net capacity, deduct air blower motor, MBh = 3.415 x kW. Refer to the appropriate
Blower Performance Table for the kW of the supply air blower motor.
2. These ratings include the condenser fan motors (total 1 kW) and the compressor motors but not the supply air blower motor.
ZR300 (25 Ton) Alternate Reheat Mode (Continued)
Air on
Evaporator Coil Temperature of Air on Condenser Coil
Total
Capacity1
(MBh)
Total
Input
(kW)2
Sensible Capacity (MBh) Total
Capacity1
(MBh)
Total
Input
(kW)2
Sensible Capacity (MBh)
CFM WB
(°F) Return Dry Bulb (°F) Return Dry Bulb (°F)
85 80 75 70 65 85 80 75 70 65
No Sensible Cooling Capacity

251934-YTG-Z-0714
Johnson Controls Unitary Products 41
ZF180-300 Cooling Capacities
ZF180 (15 Ton)
Air on
Evaporator Coil Temperature of Air on Condenser Coil
Total
Capacity1
(MBh)
Total
Input
(kW)2
Sensible Capacity (MBh) Total
Capacity1
(MBh)
Total
Input
(kW)2
Sensible Capacity (MBh)
CFM WB
(°F) Return Dry Bulb (°F) Return Dry Bulb (°F)
90 85 80 75 70 65 90 85 80 75 70 65
75°F 85°F
3750
77 219.1 11.4 101.6 85.2 68.7 - - - 207.3 12.5 93.4 77.4 61.4 - - -
72 204.6 11.0 126.7 110.3 93.8 77.3 - - 192.6 12.2 118.6 102.6 86.6 70.7 - -
67 190.1 10.7 151.8 135.4 118.9 102.4 86.0 - 177.9 12.0 143.7 127.8 111.8 95.9 79.9 -
62 173.8 10.4 173.8 173.8 152.3 135.9 119.4 102.9 165.1 11.8 165.1 165.1 141.2 125.2 109.3 93.3
4500
77 225.7 11.5 110.6 92.2 73.8 - - - 212.9 12.6 102.4 84.4 66.4 - - -
72 210.7 11.1 137.5 119.1 100.7 82.2 - - 197.8 12.3 129.6 111.6 93.7 75.7 - -
67 195.8 10.8 164.4 146.0 127.6 109.2 90.7 - 182.7 12.0 156.9 138.9 120.9 103.0 85.0 -
62 179.1 10.5 179.1 179.1 163.5 145.1 126.6 108.2 169.5 11.8 169.5 169.5 152.7 134.7 116.8 98.8
57 177.5 10.5 177.5 177.5 162.4 144.0 125.6 107.2 168.4 11.8 168.4 168.4 151.4 133.4 115.4 97.5
5250
77 232.3 11.6 119.6 99.2 78.8 - - - 218.4 12.6 111.4 91.4 71.4 - - -
72 216.9 11.2 148.3 127.9 107.5 87.2 - - 202.9 12.4 140.7 120.7 100.7 80.8 - -
67 201.5 10.9 177.0 156.6 136.2 115.9 95.5 - 187.4 12.1 170.0 150.0 130.0 110.1 90.1 -
62 184.4 10.6 184.4 184.4 174.6 154.2 133.9 113.5 174.0 11.9 174.0 174.0 164.2 144.2 124.2 104.3
57 182.7 10.6 182.7 182.7 173.5 153.1 132.8 112.4 172.8 11.9 172.8 172.8 162.8 142.8 122.8 102.9
6000
77 238.9 11.7 128.5 106.2 83.9 - - - 224.0 12.7 120.4 98.4 76.4 - - -
72 223.1 11.3 159.0 136.7 114.4 92.1 - - 208.1 12.5 151.7 129.8 107.8 85.8 - -
67 207.2 11.0 189.6 167.2 144.9 122.6 100.3 - 192.2 12.2 183.1 161.1 139.1 117.2 95.2 -
62 189.6 10.8 189.6 189.6 185.8 163.4 141.1 118.8 178.4 12.0 178.4 178.4 175.7 153.7 131.7 109.8
57 187.9 10.8 187.9 187.9 184.6 162.3 139.9 117.6 177.2 12.0 177.2 177.2 174.2 152.2 130.2 108.2
6750
72 224.2 11.5 168.1 144.2 120.2 96.3 - - 209.5 12.6 160.9 137.4 113.8 90.2 - -
67 208.2 11.1 199.4 176.2 152.3 128.3 104.4 - 193.5 12.3 188.9 170.5 146.9 123.3 99.8 -
62 190.5 10.9 190.5 190.5 188.6 164.7 140.7 116.8 179.6 12.1 179.6 179.6 178.2 154.7 131.1 107.5
57 188.8 10.9 188.8 188.8 187.2 163.2 139.3 115.4 178.4 12.1 178.4 178.4 176.9 153.3 129.8 106.2
7500
72 225.2 11.6 177.1 151.6 126.1 100.5 - - 210.9 12.7 170.1 145.0 119.8 94.7 - -
67 209.2 11.2 209.2 185.2 159.6 134.1 108.6 - 194.8 12.4 194.8 179.8 154.7 129.5 104.4 -
62 191.4 11.0 191.4 191.4 191.4 165.9 140.4 114.8 180.8 12.2 180.8 180.8 180.8 155.6 130.5 105.3
57 189.7 11.0 189.7 189.7 189.7 164.2 138.7 113.1 179.6 12.1 179.6 179.6 179.6 154.4 129.3 104.1
95°F 105°F
3750
77 195.6 13.6 85.1 69.6 54.2 - - - 182.2 15.1 75.9 64.3 49.2 - - -
72 180.7 13.4 110.4 94.9 79.4 64.0 - - 168.0 14.9 104.2 89.2 74.1 59.0 - -
67 165.8 13.3 135.7 120.2 104.7 89.3 73.8 - 153.8 14.7 132.6 114.0 98.9 83.8 68.7 -
62 156.4 13.1 156.4 155.6 130.1 114.6 99.1 83.7 146.8 14.6 146.8 144.4 119.6 104.5 89.4 74.3
4500
77 200.1 13.6 94.1 76.6 59.1 - - - 185.6 15.2 88.1 71.0 53.9 - - -
72 184.8 13.5 121.7 104.2 86.7 69.2 - - 171.1 15.0 115.3 98.2 81.0 63.9 - -
67 169.6 13.3 149.3 131.8 114.3 96.8 79.2 - 156.6 14.8 142.4 125.3 108.2 91.1 74.0 -
62 160.0 13.1 160.0 159.4 141.9 124.4 106.9 89.3 149.5 14.7 149.5 147.9 130.8 113.7 96.6 79.5
57 159.3 13.1 159.3 157.8 140.3 122.8 105.3 87.8 149.2 14.6 149.2 146.5 129.4 112.3 95.2 78.1
5250
77 204.6 13.7 103.2 83.6 64.0 - - - 188.9 15.3 100.4 77.7 58.5 - - -
72 188.9 13.5 133.1 113.5 93.9 74.3 - - 174.2 15.1 126.3 107.2 88.0 68.9 - -
67 173.3 13.4 163.0 143.4 123.8 104.2 84.7 - 159.5 14.8 152.2 136.7 117.5 98.4 79.3 -
62 163.6 13.2 163.6 163.3 153.8 134.2 114.6 95.0 152.2 14.7 152.2 151.4 142.1 122.9 103.8 84.7
57 162.9 13.1 162.9 162.1 152.0 132.5 112.9 93.3 151.9 14.7 151.9 150.6 140.5 121.4 102.3 83.1
6000
77 209.0 13.8 112.2 90.6 69.0 - - - 192.3 15.3 112.6 84.3 63.2 - - -
72 193.1 13.6 144.4 122.8 101.2 79.5 - - 177.3 15.1 137.3 116.2 95.0 73.8 - -
67 177.1 13.5 176.6 155.0 133.4 111.7 90.1 - 162.3 14.9 162.1 148.0 126.9 105.7 84.5 -
62 167.1 13.3 167.1 167.1 165.6 144.0 122.3 100.7 154.9 14.8 154.9 154.9 153.3 132.2 111.0 89.9
57 166.4 13.2 166.4 166.4 163.8 142.1 120.5 98.9 154.6 14.7 154.6 154.6 151.7 130.5 109.3 88.2
6750
72 194.8 13.6 153.8 130.6 107.4 84.2 - - 178.7 15.2 146.5 123.8 101.0 78.3 - -
67 178.7 13.5 178.5 164.7 141.5 118.3 95.1 - 163.6 15.0 163.5 155.0 134.9 112.1 89.4 -
62 168.6 13.3 168.6 168.6 167.9 144.7 121.5 98.3 156.2 14.8 156.2 156.2 155.4 132.6 109.9 87.1
57 167.9 13.2 167.9 167.9 166.6 143.4 120.2 97.0 155.9 14.8 155.9 155.9 154.4 131.6 108.9 86.1
7500
72 196.6 13.7 163.1 138.3 113.6 88.8 - - 180.2 15.2 155.8 131.4 107.0 82.7 - -
67 180.4 13.5 180.4 174.5 149.7 124.9 100.1 - 164.9 15.0 164.9 162.0 142.9 118.6 94.2 -
62 170.2 13.3 170.2 170.2 170.2 145.4 120.6 95.8 157.4 14.9 157.4 157.4 157.4 133.1 108.7 84.3
57 169.5 13.3 169.5 169.5 169.5 144.7 119.9 95.1 157.1 14.9 157.1 157.1 157.1 132.8 108.4 84.0

251934-YTG-Z-0714
42 Johnson Controls Unitary Products
115°F 125°F
3750
77 168.8 16.7 66.6 59.0 44.3 - - - 155.4 18.3 57.3 53.1 39.4 - - -
72 155.3 16.4 98.1 83.4 68.7 54.0 - - 142.6 18.0 92.0 77.6 63.3 49.0 - -
67 141.8 16.2 129.6 107.8 93.0 78.3 63.6 - 129.7 17.6 126.5 101.5 87.2 72.9 58.5 -
62 137.2 16.1 137.2 133.2 109.0 94.3 79.6 64.9 127.6 17.7 127.6 122.1 98.5 84.2 69.9 55.6
4500
77 171.1 16.8 82.1 65.4 48.7 - - - 156.5 18.4 76.0 59.8 43.5 - - -
72 157.4 16.5 108.8 92.1 75.4 58.7 - - 143.6 18.0 102.4 86.1 69.8 53.5 - -
67 143.7 16.2 135.5 118.8 102.1 85.4 68.7 - 130.7 17.7 128.7 112.4 96.1 79.8 63.5 -
62 139.1 16.2 139.1 136.4 119.7 103.0 86.3 69.6 128.6 17.7 128.6 124.9 108.6 92.3 76.0 59.8
57 139.1 16.2 139.1 135.2 118.5 101.8 85.1 68.4 129.1 17.7 129.1 123.8 107.5 91.2 74.9 58.7
5250
77 173.3 16.8 97.5 71.7 53.0 - - - 157.7 18.4 94.8 66.4 47.5 - - -
72 159.5 16.6 119.5 100.8 82.1 63.4 - - 144.7 18.1 112.7 94.5 76.2 58.0 - -
67 145.6 16.3 141.5 129.9 111.2 92.6 73.9 - 131.7 17.7 130.8 123.2 105.0 86.7 68.5 -
62 140.9 16.3 140.9 139.6 130.4 111.7 93.0 74.3 129.6 17.8 129.6 127.7 118.7 100.4 82.2 63.9
57 141.0 16.2 141.0 139.0 129.0 110.3 91.6 72.9 130.1 17.8 130.1 127.4 117.5 99.2 81.0 62.7
6000
77 175.6 16.9 113.0 78.0 57.4 - - - 158.9 18.5 113.6 73.1 51.5 - - -
72 161.5 16.6 130.2 109.5 88.9 68.2 - - 145.8 18.1 123.1 102.9 82.7 62.5 - -
67 147.5 16.4 147.5 141.0 120.4 99.7 79.0 - 132.7 17.8 132.7 132.7 113.8 93.6 73.4 -
62 142.8 16.3 142.8 142.8 141.0 120.4 99.7 79.0 130.6 17.8 130.6 130.6 128.8 108.6 88.3 68.1
57 142.8 16.3 142.8 142.8 139.6 118.9 98.2 77.5 131.1 17.9 131.1 131.1 127.5 107.3 87.0 66.8
6750
72 162.6 16.7 139.3 117.0 94.7 72.4 - - 146.5 18.2 132.1 110.2 88.4 66.5 - -
67 148.5 16.4 148.5 145.3 128.3 105.9 83.6 - 133.3 17.9 133.3 133.3 121.6 99.8 77.9 -
62 143.7 16.4 143.7 143.7 142.9 120.5 98.2 75.9 131.3 17.9 131.3 131.3 130.3 108.5 86.6 64.8
57 143.8 16.4 143.8 143.8 142.2 119.8 97.5 75.2 131.7 17.9 131.7 131.7 129.9 108.1 86.2 64.3
7500
72 163.7 16.8 148.4 124.5 100.5 76.6 - - 147.3 18.3 141.0 117.5 94.0 70.5 - -
67 149.5 16.5 149.5 149.5 136.2 112.2 88.3 - 134.0 18.0 134.0 134.0 129.4 105.9 82.4 -
62 144.7 16.5 144.7 144.7 144.7 120.7 96.8 72.9 131.9 18.0 131.9 131.9 131.9 108.4 84.9 61.4
57 144.8 16.4 144.8 144.8 144.8 120.8 96.9 73.0 132.4 18.0 132.4 132.4 132.4 108.9 85.4 61.9
1. These capacities are gross ratings. For net capacity, deduct air blower motor, MBh = 3.415 x kW. Refer to the appropriate Blower
Performance Table for the kW of the supply air blower motor.
2. These ratings include the condenser fan motors (total 1 kW) and the compressor motors but not the supply air blower motor.
ZF180 (15 Ton) (Continued)
Air on
Evaporator Coil Temperature of Air on Condenser Coil
Total
Capacity1
(MBh)
Total
Input
(kW)2
Sensible Capacity (MBh) Total
Capacity1
(MBh)
Total
Input
(kW)2
Sensible Capacity (MBh)
CFM WB
(°F) Return Dry Bulb (°F) Return Dry Bulb (°F)
90 85 80 75 70 65 90 85 80 75 70 65

251934-YTG-Z-0714
Johnson Controls Unitary Products 43
ZF210 (17.5 Ton)
Air on
Evaporator Coil Temperature of Air on Condenser Coil
Total
Capacity1
(MBh)
Total
Input
(kW)2
Sensible Capacity (MBh) Total
Capacity1
(MBh)
Total
Input
(kW)2
Sensible Capacity (MBh)
CFM WB
(°F) Return Dry Bulb (°F) Return Dry Bulb (°F)
90 85 80 75 70 65 90 85 80 75 70 65
75°F 85°F
4375
77 266.4 14.9 105.7 87.4 69.1 - - - 252.5 16.1 104.8 86.2 67.5 - - -
72 246.6 14.5 139.2 120.9 102.6 84.2 - - 233.7 15.7 137.6 118.9 100.2 81.6 - -
67 226.7 14.0 172.7 154.4 136.0 117.7 99.4 - 215.0 15.4 170.3 151.6 133.0 114.3 95.6 -
62 209.7 14.0 209.7 194.9 165.5 147.2 128.9 110.5 198.6 15.2 198.6 191.2 163.3 144.6 126.0 107.3
5250
77 276.8 14.8 119.5 97.9 76.4 - - - 261.8 16.1 117.3 95.7 74.2 - - -
72 256.2 14.4 156.5 135.0 113.4 91.9 - - 242.4 15.7 153.3 131.7 110.1 88.5 - -
67 235.5 14.0 193.5 172.0 150.5 129.0 107.4 - 223.0 15.4 189.3 167.7 146.1 124.5 102.9 -
62 217.8 13.9 217.8 207.9 183.1 161.5 140.0 118.5 205.9 15.2 205.9 201.0 179.4 157.8 136.2 114.6
57 219.1 13.8 219.1 216.4 189.4 167.9 146.3 124.8 205.8 15.1 205.8 204.4 182.8 161.2 139.6 118.0
6125
77 287.1 14.8 133.2 108.5 83.7 - - - 271.2 16.1 129.9 105.3 80.8 - - -
72 265.7 14.4 173.8 149.1 124.3 99.6 - - 251.1 15.7 169.1 144.5 120.0 95.5 - -
67 244.3 14.0 214.4 189.7 164.9 140.2 115.4 - 231.0 15.4 208.3 183.7 159.2 134.7 110.2 -
62 225.9 13.9 225.9 221.0 200.7 175.9 151.2 126.4 213.3 15.2 213.3 210.9 195.5 171.0 146.5 122.0
57 227.3 13.8 227.3 225.9 207.6 182.8 158.1 133.3 213.1 15.2 213.1 212.5 199.2 174.7 150.2 125.7
7000
77 297.5 14.7 147.0 119.0 91.1 - - - 280.6 16.1 142.4 114.9 87.5 - - -
72 275.3 14.3 191.1 163.2 135.2 107.2 - - 259.8 15.7 184.8 157.4 129.9 102.5 - -
67 253.1 13.9 235.3 207.3 179.4 151.4 123.4 - 239.0 15.4 227.2 199.8 172.3 144.9 117.4 -
62 234.1 13.9 234.1 234.1 218.3 190.3 162.3 134.4 220.7 15.2 220.7 220.7 211.7 184.2 156.8 129.3
57 235.4 13.8 235.4 235.4 225.7 197.8 169.8 141.8 220.5 15.2 220.5 220.5 215.7 188.2 160.8 133.3
7875
72 278.8 14.5 203.0 173.1 143.2 113.3 - - 262.4 15.8 195.7 166.4 137.2 107.9 - -
67 256.4 14.1 247.5 219.9 190.0 160.1 130.2 - 241.4 15.5 235.5 211.2 182.0 152.7 123.4 -
62 237.1 14.0 237.1 237.1 229.2 199.3 169.4 139.5 222.9 15.3 222.9 222.9 218.4 189.1 159.8 130.6
57 238.5 13.9 238.5 238.5 233.6 203.7 173.8 143.9 222.7 15.3 222.7 222.7 220.3 191.0 161.7 132.5
8750
72 282.4 14.6 214.9 183.1 151.3 119.4 - - 264.9 15.9 206.6 175.5 144.4 113.3 - -
67 259.6 14.2 259.6 232.5 200.7 168.8 137.0 - 243.7 15.6 243.7 222.6 191.6 160.5 129.4 -
62 240.1 14.1 240.1 240.1 240.1 208.2 176.4 144.6 225.0 15.4 225.0 225.0 225.0 194.0 162.9 131.8
57 241.5 14.0 241.5 241.5 241.5 209.6 177.8 146.0 224.9 15.3 224.9 224.9 224.9 193.8 162.7 131.6
95°F 105°F
4375
77 238.5 17.2 104.0 84.9 65.9 - - - 222.3 19.0 92.0 77.9 59.4 - - -
72 220.9 17.0 135.9 116.9 97.9 78.9 - - 205.9 18.7 128.5 110.0 91.5 73.0 - -
67 203.4 16.7 167.9 148.9 129.9 110.9 91.9 - 189.4 18.4 165.0 142.1 123.6 105.1 86.6 -
62 187.5 16.4 187.5 187.5 161.1 142.1 123.1 104.1 177.4 18.2 177.4 176.9 148.8 130.3 111.8 93.3
5250
77 246.9 17.3 115.2 93.6 71.9 - - - 230.2 19.0 108.4 86.8 65.3 - - -
72 228.7 17.0 150.1 128.5 106.8 85.1 - - 213.2 18.7 143.7 122.1 100.6 79.0 - -
67 210.5 16.7 185.0 163.4 141.7 120.0 98.4 - 196.2 18.4 179.0 157.4 135.9 114.3 92.7 -
62 194.1 16.5 194.1 194.1 175.8 154.1 132.4 110.8 183.7 18.2 183.7 183.4 163.5 141.9 120.4 98.8
57 192.5 16.5 192.5 192.5 176.2 154.6 132.9 111.3 182.2 18.2 182.2 182.2 164.7 143.1 121.6 100.0
6125
77 255.3 17.3 126.5 102.2 77.9 - - - 238.2 19.0 124.7 95.7 71.1 - - -
72 236.5 17.1 164.3 140.0 115.7 91.4 - - 220.6 18.7 158.8 134.2 109.6 85.0 - -
67 217.7 16.8 202.1 177.8 153.5 129.2 104.9 - 203.0 18.4 192.9 172.7 148.1 123.5 98.9 -
62 200.7 16.5 200.7 200.7 190.4 166.1 141.8 117.5 190.1 18.2 190.1 189.9 178.2 153.6 129.0 104.4
57 199.0 16.5 199.0 199.0 190.9 166.6 142.3 118.0 188.5 18.2 188.5 188.5 179.5 154.9 130.3 105.7
7000
77 263.7 17.4 137.8 110.8 83.9 - - - 246.1 19.1 141.1 104.6 77.0 - - -
72 244.3 17.1 178.5 151.5 124.6 97.7 - - 227.9 18.7 174.0 146.3 118.7 91.0 - -
67 224.9 16.8 219.2 192.2 165.3 138.4 111.4 - 209.7 18.4 206.9 188.0 160.4 132.7 105.1 -
62 207.3 16.6 207.3 207.3 205.1 178.1 151.2 124.2 196.4 18.2 196.4 196.4 192.9 165.3 137.6 110.0
57 205.6 16.6 205.6 205.6 205.6 178.7 151.7 124.8 194.8 18.2 194.8 194.8 194.3 166.7 139.0 111.4
7875
72 245.9 17.2 188.3 159.7 131.1 102.4 - - 229.0 18.8 182.2 153.3 124.5 95.6 - -
67 226.4 16.9 223.5 202.5 173.9 145.3 116.6 - 210.7 18.5 209.3 196.1 168.2 139.3 110.4 -
62 208.7 16.6 208.7 208.7 207.5 178.9 150.3 121.7 197.3 18.3 197.3 197.3 195.6 166.7 137.8 108.9
57 206.9 16.6 206.9 206.9 206.9 178.3 149.7 121.0 195.7 18.3 195.7 195.7 195.5 166.6 137.7 108.8
8750
72 247.5 17.2 198.2 167.9 137.5 107.2 - - 230.1 18.9 190.5 160.4 130.3 100.2 - -
67 227.8 16.9 227.8 212.8 182.5 152.2 121.8 - 211.7 18.6 211.7 204.2 176.0 145.9 115.8 -
62 210.0 16.7 210.0 210.0 210.0 179.7 149.4 119.1 198.2 18.4 198.2 198.2 198.2 168.1 138.0 107.9
57 208.2 16.7 208.2 208.2 208.2 177.9 147.6 117.3 196.6 18.4 196.6 196.6 196.6 166.5 136.4 106.3

251934-YTG-Z-0714
44 Johnson Controls Unitary Products
115°F 125°F
4375
77 206.1 20.8 80.0 70.9 52.9 - - - 190.0 22.6 66.6 63.7 46.3 - - -
72 190.8 20.5 121.1 103.1 85.1 67.1 - - 175.7 22.2 113.6 96.1 78.7 61.2 - -
67 175.5 20.2 162.1 135.3 117.3 99.3 81.3 - 161.5 21.9 160.3 128.5 111.0 93.5 76.0 -
62 167.3 20.0 167.3 166.3 136.4 118.4 100.5 82.5 157.2 21.8 157.2 155.7 124.1 106.6 89.1 71.6
5250
77 213.6 20.8 101.5 80.1 58.6 - - - 196.9 22.5 94.7 73.3 51.9 - - -
72 197.7 20.5 137.2 115.8 94.3 72.8 - - 182.2 22.2 130.8 109.4 88.0 66.7 - -
67 181.8 20.1 172.9 151.5 130.0 108.5 87.1 - 167.5 21.8 166.9 145.5 124.2 102.8 81.4 -
62 173.3 20.0 173.3 172.7 151.2 129.8 108.3 86.9 163.0 21.7 163.0 162.0 139.0 117.6 96.3 74.9
57 172.0 20.0 172.0 172.0 153.1 131.7 110.2 88.7 161.7 21.8 161.7 161.7 141.6 120.2 98.8 77.5
6125
77 221.1 20.7 123.0 89.2 64.3 - - - 203.9 22.4 122.7 82.9 57.5 - - -
72 204.6 20.4 153.4 128.4 103.5 78.6 - - 188.7 22.1 147.9 122.7 97.4 72.2 - -
67 188.2 20.1 183.7 167.6 142.7 117.8 92.9 - 173.4 21.8 173.4 162.6 137.3 112.1 86.9 -
62 179.4 19.9 179.4 179.1 166.0 141.1 116.2 91.3 168.7 21.6 168.7 168.3 153.8 128.6 103.4 78.2
57 178.0 20.0 178.0 178.0 168.1 143.2 118.3 93.3 167.5 21.7 167.5 167.5 156.7 131.5 106.2 81.0
7000
77 228.5 20.7 144.5 98.4 70.1 - - - 210.9 22.4 150.7 92.5 63.1 - - -
72 211.5 20.4 169.5 141.1 112.7 84.4 - - 195.1 22.0 165.0 135.9 106.8 77.7 - -
67 194.5 20.1 194.5 183.8 155.4 127.1 98.7 - 179.4 21.7 179.4 179.4 150.5 121.4 92.3 -
62 185.5 19.9 185.5 185.5 180.8 152.4 124.1 95.7 174.5 21.6 174.5 174.5 168.7 139.6 110.5 81.4
57 184.0 19.9 184.0 184.0 183.1 154.7 126.3 97.9 173.2 21.6 173.2 173.2 171.8 142.7 113.6 84.5
7875
72 212.1 20.5 176.1 147.0 117.9 88.7 - - 195.2 22.1 170.0 140.6 111.3 81.9 - -
67 195.0 20.1 195.0 189.7 162.5 133.4 104.2 - 179.4 21.7 179.4 179.4 156.8 127.4 98.0 -
62 185.9 20.0 185.9 185.9 183.6 154.5 125.4 96.2 174.6 21.6 174.6 174.6 171.7 142.3 112.9 83.5
57 184.5 20.0 184.5 184.5 184.0 154.9 125.8 96.6 173.3 21.7 173.3 173.3 172.6 143.2 113.8 84.4
8750
72 212.6 20.5 182.7 152.9 123.0 93.1 - - 195.2 22.2 175.0 145.4 115.7 86.0 - -
67 195.6 20.2 195.6 195.6 169.6 139.7 109.8 - 179.4 21.8 179.4 179.4 163.1 133.4 103.8 -
62 186.4 20.0 186.4 186.4 186.4 156.6 126.7 96.8 174.7 21.7 174.7 174.7 174.7 145.0 115.3 85.7
57 185.0 20.1 185.0 185.0 185.0 155.1 125.2 95.3 173.3 21.7 173.3 173.3 173.3 143.7 114.0 84.3
1. These capacities are gross ratings. For net capacity, deduct air blower motor, MBh = 3.415 x kW. Refer to the appropriate Blower
Performance Table for the kW of the supply air blower motor.
2. These ratings include the condenser fan motors (total 1 kW) and the compressor motors but not the supply air blower motor.
ZF210 (17.5 Ton) (Continued)
Air on
Evaporator Coil Temperature of Air on Condenser Coil
Total
Capacity1
(MBh)
Total
Input
(kW)2
Sensible Capacity (MBh) Total
Capacity1
(MBh)
Total
Input
(kW)2
Sensible Capacity (MBh)
CFM WB
(°F) Return Dry Bulb (°F) Return Dry Bulb (°F)
90 85 80 75 70 65 90 85 80 75 70 65

251934-YTG-Z-0714
Johnson Controls Unitary Products 45
ZF240 (20 Ton)
Air on
Evaporator Coil Temperature of Air on Condenser Coil
Total
Capacity1
(MBh)
Total
Input
(kW)2
Sensible Capacity (MBh) Total
Capacity1
(MBh)
Total
Input
(kW)2
Sensible Capacity (MBh)
CFM WB
(°F) Return Dry Bulb (°F) Return Dry Bulb (°F)
90 85 80 75 70 65 90 85 80 75 70 65
75°F 85°F
5000
77 307.7 17.9 145.7 125.9 106.2 - - - 303.2 20.6 133.1 113.2 93.4 - - -
72 291.0 17.8 178.9 159.2 139.4 119.6 - - 282.6 20.3 168.1 148.2 128.4 108.5 - -
67 274.4 17.6 212.2 192.4 172.7 152.9 133.1 - 261.9 20.0 203.1 183.2 163.3 143.5 123.6 -
62 257.5 17.5 257.5 240.0 219.4 199.7 179.9 160.1 244.0 19.7 244.0 226.9 202.9 183.0 163.2 143.3
6000
77 319.5 18.3 157.8 135.3 112.8 - - - 311.3 20.8 144.5 122.1 99.8 - - -
72 302.1 18.1 193.0 170.5 148.0 125.5 - - 290.1 20.5 181.8 159.5 137.1 114.8 - -
67 284.7 18.0 228.2 205.7 183.2 160.7 138.2 - 268.9 20.2 219.2 196.9 174.5 152.2 129.8 -
62 267.1 17.9 267.1 255.5 233.0 210.5 188.0 165.5 250.5 19.9 250.5 239.1 216.8 194.4 172.1 149.7
57 265.0 17.2 265.0 263.6 241.1 218.6 196.1 173.6 249.9 19.6 249.9 243.5 221.2 198.8 176.5 154.1
7000
77 331.2 18.6 169.9 144.6 119.4 - - - 319.3 21.0 155.8 131.0 106.1 - - -
72 313.1 18.5 207.1 181.8 156.6 131.4 - - 297.6 20.7 195.6 170.7 145.9 121.1 - -
67 294.9 18.3 244.3 219.0 193.8 168.6 143.3 - 275.8 20.4 235.4 210.5 185.7 160.8 136.0 -
62 276.8 18.2 276.8 270.9 246.5 221.2 196.0 170.8 257.0 20.1 257.0 251.3 230.6 205.8 180.9 156.1
57 274.6 17.6 274.6 273.9 255.2 229.9 204.7 179.4 256.4 19.8 256.4 253.2 235.3 210.5 185.6 160.8
8000
77 343.0 19.0 181.9 154.0 126.0 - - - 327.4 21.3 167.2 139.9 112.5 - - -
72 324.1 18.9 221.1 193.2 165.2 137.2 - - 305.1 20.9 209.4 182.0 154.7 127.3 - -
67 305.2 18.7 260.3 232.3 204.4 176.4 148.4 - 282.8 20.6 251.5 224.2 196.8 169.5 142.1 -
62 286.4 18.6 286.4 286.4 260.0 232.0 204.0 176.1 263.5 20.4 263.5 263.5 244.5 217.1 189.8 162.5
57 284.2 17.9 284.2 284.2 269.2 241.2 213.2 185.3 262.8 20.1 262.8 262.8 249.4 222.1 194.8 167.4
9000
72 329.1 18.6 240.3 209.7 179.1 148.5 - - 311.4 20.9 226.2 196.3 166.4 136.4 - -
67 310.0 18.5 284.6 252.3 221.7 191.1 160.6 - 288.7 20.6 271.6 241.6 211.7 181.7 151.8 -
62 290.9 18.3 290.9 290.9 277.7 247.1 216.5 186.0 269.0 20.3 269.0 269.0 259.5 229.5 199.6 169.6
57 288.6 17.7 288.6 288.6 281.1 250.6 220.0 189.4 268.3 20.0 268.3 268.3 261.6 231.7 201.7 171.8
10000
72 334.2 18.4 259.4 226.2 193.1 159.9 - - 317.8 20.8 243.1 210.6 178.0 145.5 - -
67 314.8 18.3 308.9 272.3 239.1 205.9 172.7 - 294.6 20.5 291.7 259.1 226.6 194.0 161.4 -
62 295.4 18.1 295.4 295.4 295.4 262.2 229.1 195.9 274.5 20.2 274.5 274.5 274.5 241.9 209.4 176.8
57 293.1 17.5 293.1 293.1 293.1 259.9 226.7 193.6 273.8 19.9 273.8 273.8 273.8 241.3 208.7 176.2
95°F 105°F
5000
77 298.7 23.2 120.5 100.5 80.6 - - - 268.4 25.6 111.2 93.6 74.1 - - -
72 274.1 22.8 157.2 137.3 117.3 97.4 - - 247.8 25.2 149.0 129.5 110.0 90.5 - -
67 249.5 22.3 193.9 174.0 154.0 134.1 114.2 - 227.1 24.8 186.8 165.4 145.9 126.4 106.9 -
62 230.5 21.9 230.5 213.9 186.4 166.4 146.5 126.5 213.5 24.5 213.5 201.2 173.3 153.8 134.3 114.9
6000
77 303.0 23.3 131.1 108.9 86.8 - - - 273.2 25.7 123.7 101.9 80.1 - - -
72 278.1 22.9 170.7 148.5 126.3 104.1 - - 252.2 25.3 162.5 140.7 118.9 97.1 - -
67 253.1 22.4 210.2 188.0 165.8 143.6 121.4 - 231.2 24.9 201.3 179.5 157.7 135.9 114.1 -
62 233.8 22.0 233.8 222.8 200.6 178.4 156.2 134.0 217.4 24.6 217.4 209.1 187.3 165.5 143.7 121.9
57 234.8 22.0 234.8 223.4 201.2 179.0 156.8 134.6 219.3 24.6 219.3 208.3 186.4 164.6 142.8 121.0
7000
77 307.4 23.4 141.8 117.4 92.9 - - - 278.0 25.8 136.2 110.2 86.0 - - -
72 282.1 22.9 184.1 159.7 135.2 110.8 - - 256.6 25.4 176.1 151.9 127.8 103.6 - -
67 256.7 22.5 226.4 202.0 177.5 153.1 128.6 - 235.3 25.0 215.9 193.7 169.5 145.4 121.2 -
62 237.2 22.1 237.2 231.7 214.8 190.3 165.9 141.4 221.2 24.7 221.2 217.1 201.3 177.2 153.0 128.9
57 238.2 22.1 238.2 232.5 215.4 191.0 166.5 142.1 223.1 24.7 223.1 217.6 200.4 176.2 152.1 127.9
8000
77 311.7 23.5 152.5 125.8 99.0 - - - 282.8 25.9 148.7 118.5 92.0 - - -
72 286.0 23.0 197.6 170.9 144.2 117.5 - - 261.1 25.5 189.6 163.1 136.7 110.2 - -
67 260.4 22.6 242.7 216.0 189.3 162.6 135.9 - 239.3 25.1 230.5 207.8 181.3 154.8 128.3 -
62 240.5 22.2 240.5 240.5 229.0 202.3 175.6 148.9 225.1 24.8 225.1 225.1 215.3 188.8 162.3 135.9
57 241.5 22.2 241.5 241.5 229.7 203.0 176.3 149.6 227.0 24.8 227.0 227.0 214.3 187.8 161.3 134.8
9000
72 293.7 23.1 212.2 182.9 153.6 124.3 - - 267.7 25.5 203.8 174.8 145.9 116.9 - -
67 267.4 22.6 258.5 231.0 201.7 172.3 143.0 - 245.4 25.1 240.9 222.5 193.5 164.6 135.6 -
62 247.0 22.2 247.0 247.0 241.3 211.9 182.6 153.3 230.7 24.8 230.7 230.7 225.8 196.9 167.9 139.0
57 248.1 22.3 248.1 248.1 242.1 212.8 183.5 154.2 232.7 24.8 232.7 232.7 226.4 197.4 168.5 139.5
10000
72 301.5 23.1 226.9 194.9 163.0 131.1 - - 274.2 25.6 217.9 186.5 155.1 123.7 - -
67 274.4 22.7 274.4 246.0 214.0 182.1 150.2 - 251.4 25.2 251.4 237.2 205.8 174.4 143.0 -
62 253.5 22.3 253.5 253.5 253.5 221.6 189.7 157.7 236.4 24.9 236.4 236.4 236.4 205.0 173.5 142.1
57 254.6 22.3 254.6 254.6 254.6 222.6 190.7 158.8 238.4 24.9 238.4 238.4 238.4 207.0 175.6 144.2

251934-YTG-Z-0714
46 Johnson Controls Unitary Products
115°F 125°F
5000
77 238.2 28.0 101.8 86.6 67.5 - - - 207.9 30.4 88.1 79.6 61.0 - - -
72 221.5 27.7 140.7 121.7 102.7 83.6 - - 195.2 30.1 132.5 113.9 95.4 76.8 - -
67 204.8 27.3 179.6 156.8 137.8 118.8 99.7 - 182.4 29.8 175.0 148.3 129.7 111.1 92.5 -
62 196.6 27.1 196.6 188.5 160.3 141.3 122.2 103.2 179.7 29.7 179.7 175.7 147.2 128.7 110.1 91.5
6000
77 243.4 28.1 116.2 94.8 73.4 - - - 213.6 30.5 108.8 87.7 66.7 - - -
72 226.4 27.7 154.4 132.9 111.5 90.1 - - 200.5 30.2 146.2 125.2 104.1 83.1 - -
67 209.3 27.4 192.5 171.1 149.6 128.2 106.8 - 187.4 29.9 183.7 162.6 141.6 120.5 99.5 -
62 200.9 27.2 200.9 195.5 174.1 152.6 131.2 109.7 184.5 29.8 184.5 181.9 160.8 139.7 118.7 97.6
57 203.7 27.2 203.7 193.1 171.7 150.3 128.8 107.4 188.2 29.8 188.2 178.0 157.0 135.9 114.8 93.8
7000
77 248.7 28.2 130.6 103.0 79.2 - - - 219.3 30.6 129.5 95.8 72.3 - - -
72 231.2 27.8 168.0 144.2 120.3 96.5 - - 205.8 30.3 160.0 136.4 112.9 89.3 - -
67 213.8 27.5 205.4 185.3 161.5 137.6 113.8 - 192.3 30.0 192.3 177.0 153.5 129.9 106.4 -
62 205.3 27.3 205.3 202.5 187.8 164.0 140.1 116.3 189.3 29.9 189.3 188.0 174.4 150.8 127.3 103.7
57 208.1 27.3 208.1 202.8 185.3 161.4 137.6 113.7 193.0 29.8 193.0 188.0 170.2 146.7 123.1 99.6
8000
77 253.9 28.3 145.0 111.2 85.0 - - - 225.0 30.7 150.1 104.0 77.9 - - -
72 236.1 27.9 181.7 155.4 129.1 102.9 - - 211.1 30.4 173.7 147.7 121.6 95.6 - -
67 218.3 27.6 218.3 199.6 173.3 147.1 120.8 - 197.3 30.1 197.3 191.4 165.4 139.3 113.3 -
62 209.6 27.4 209.6 209.6 201.6 175.4 149.1 122.8 194.1 29.9 194.1 194.1 187.9 161.9 135.9 109.8
57 212.5 27.4 212.5 212.5 198.9 172.6 146.4 120.1 197.9 29.9 197.9 197.9 183.5 157.4 131.4 105.4
9000
72 241.6 28.0 195.3 166.8 138.2 109.6 - - 215.5 30.4 186.9 158.7 130.5 102.3 - -
67 223.3 27.6 223.3 214.0 185.4 156.9 128.3 - 201.3 30.1 201.3 201.3 177.3 149.1 120.9 -
62 214.4 27.4 214.4 214.4 210.4 181.9 153.3 124.7 198.1 30.0 198.1 198.1 195.0 166.8 138.6 110.4
57 217.4 27.4 217.4 217.4 210.6 182.0 153.4 124.8 202.0 30.0 202.0 202.0 194.8 166.6 138.4 110.2
10000
72 247.0 28.0 209.0 178.1 147.2 116.3 - - 219.8 30.5 200.1 169.7 139.3 108.9 - -
67 228.4 27.7 228.4 228.4 197.5 166.6 135.7 - 205.4 30.2 205.4 205.4 189.3 158.9 128.5 -
62 219.3 27.4 219.3 219.3 219.3 188.3 157.4 126.5 202.1 30.0 202.1 202.1 202.1 171.7 141.3 110.9
57 222.3 27.4 222.3 222.3 222.3 191.4 160.5 129.6 206.1 30.0 206.1 206.1 206.1 175.8 145.4 115.0
1. These capacities are gross ratings. For net capacity, deduct air blower motor, MBh = 3.415 x kW. Refer to the appropriate Blower
Performance Table for the kW of the supply air blower motor.
2. These ratings include the condenser fan motors (total 1 kW) and the compressor motors but not the supply air blower motor.
ZF240 (20 Ton) (Continued)
Air on
Evaporator Coil Temperature of Air on Condenser Coil
Total
Capacity1
(MBh)
Total
Input
(kW)2
Sensible Capacity (MBh) Total
Capacity1
(MBh)
Total
Input
(kW)2
Sensible Capacity (MBh)
CFM WB
(°F) Return Dry Bulb (°F) Return Dry Bulb (°F)
90 85 80 75 70 65 90 85 80 75 70 65

251934-YTG-Z-0714
Johnson Controls Unitary Products 47
ZF300 (25 Ton)
Air on
Evaporator Coil Temperature of Air on Condenser Coil
Total
Capacity1
(MBh)
Total
Input
(kW)2
Sensible Capacity (MBh) Total
Capacity1
(MBh)
Total
Input
(kW)2
Sensible Capacity (MBh)
CFM WB
(°F) Return Dry Bulb (°F) Return Dry Bulb (°F)
90 85 80 75 70 65 90 85 80 75 70 65
75°F 85°F
6250
77 368.2 22.7 163.8 139.5 115.2 - - - 335.6 23.9 144.4 118.0 91.7 - - -
72 343.8 21.9 213.3 189.1 164.8 140.5 - - 312.8 23.2 190.6 164.2 137.8 111.5 - -
67 319.5 21.0 262.9 238.6 214.3 190.0 165.7 - 290.0 22.6 236.7 210.4 184.0 157.6 131.3 -
62 296.8 20.6 296.8 296.8 273.1 248.8 224.5 200.2 268.9 22.1 268.9 268.6 231.3 204.9 178.5 152.2
7500
77 379.3 22.6 176.4 148.7 120.9 - - - 352.1 24.0 158.7 129.4 100.2 - - -
72 354.3 21.8 227.4 199.7 171.9 144.2 - - 328.2 23.3 209.1 179.9 150.7 121.4 - -
67 329.3 20.9 278.5 250.7 223.0 195.2 167.5 - 304.3 22.6 259.6 230.3 201.1 171.9 142.7 -
62 305.9 20.5 305.9 305.9 284.5 256.8 229.1 201.3 282.2 22.2 282.2 282.0 252.8 223.6 194.3 165.1
57 295.4 20.5 295.4 295.4 281.6 253.9 226.1 198.4 276.0 22.1 276.0 276.0 252.6 223.4 194.2 165.0
8750
77 390.5 22.5 189.0 157.8 126.6 - - - 368.7 24.0 172.9 140.8 108.7 - - -
72 364.7 21.7 241.5 210.3 179.1 147.9 - - 343.6 23.3 227.7 195.6 163.5 131.4 - -
67 339.0 20.8 294.0 262.8 231.6 200.4 169.2 - 318.6 22.7 282.4 250.3 218.2 186.2 154.1 -
62 315.0 20.4 315.0 315.0 296.0 264.8 233.6 202.4 295.5 22.2 295.5 295.4 274.3 242.2 210.1 178.0
57 304.0 20.4 304.0 304.0 292.7 261.5 230.3 199.1 289.0 22.1 289.0 289.0 274.1 242.1 210.0 177.9
10000
77 401.6 22.4 201.6 167.0 132.3 - - - 385.3 24.1 187.2 152.2 117.3 - - -
72 375.2 21.6 255.6 220.9 186.3 151.6 - - 359.1 23.4 246.2 211.3 176.3 141.4 - -
67 348.8 20.7 309.6 274.9 240.2 205.6 170.9 - 332.9 22.7 305.3 270.3 235.4 200.4 165.5 -
62 324.0 20.3 324.0 324.0 307.5 272.8 238.2 203.5 308.8 22.3 308.8 308.8 295.8 260.9 225.9 191.0
57 312.6 20.3 312.6 312.6 303.7 269.1 234.4 199.8 302.0 22.2 302.0 302.0 295.6 260.7 225.7 190.8
11250
72 372.4 21.4 275.6 234.4 193.1 151.9 - - 354.6 23.3 263.4 222.6 181.8 141.0 - -
67 346.2 20.6 326.6 290.4 249.2 207.9 166.7 - 328.7 22.6 314.9 283.5 242.7 201.9 161.1 -
62 321.6 20.1 321.6 321.6 313.4 272.1 230.9 189.6 304.9 22.1 304.9 304.9 298.4 257.6 216.8 176.0
57 310.4 20.2 310.4 310.4 305.9 264.7 223.4 182.2 298.2 22.1 298.2 298.2 295.0 254.2 213.4 172.6
12500
72 369.6 21.3 295.6 247.8 200.0 152.2 - - 350.1 23.1 280.6 234.0 187.4 140.7 - -
67 343.6 20.4 343.6 305.9 258.1 210.3 162.5 - 324.5 22.5 324.5 296.7 250.1 203.4 156.8 -
62 319.2 20.0 319.2 319.2 319.2 271.4 223.6 175.8 301.0 22.0 301.0 301.0 301.0 254.4 207.7 161.1
57 308.1 20.1 308.1 308.1 308.1 260.3 212.4 164.6 294.4 21.9 294.4 294.4 294.4 247.8 201.1 154.5
95°F 105°F
6250
77 303.0 25.1 125.0 96.6 68.2 - - - 287.2 27.1 154.1 129.0 101.8 - - -
72 281.7 24.6 167.8 139.3 110.9 82.5 - - 267.0 26.8 184.2 157.0 129.7 102.5 - -
67 260.4 24.1 210.5 182.1 153.7 125.3 96.8 - 246.8 26.5 214.3 184.9 157.7 130.4 103.2 -
62 241.1 23.7 241.1 230.8 189.5 161.0 132.6 104.2 232.0 26.0 232.0 226.9 192.4 165.1 137.9 110.7
7500
77 325.0 25.3 140.9 110.2 79.5 - - - 305.7 27.2 173.9 144.2 114.6 - - -
72 302.1 24.8 190.8 160.1 129.4 98.7 - - 284.2 26.9 206.1 176.4 146.7 117.1 - -
67 279.3 24.3 240.7 210.0 179.3 148.6 117.9 - 262.6 26.6 238.3 208.6 178.9 149.2 119.6 -
62 258.5 23.9 258.5 251.7 221.0 190.3 159.6 128.9 246.9 26.2 246.9 243.4 218.4 188.7 159.0 129.3
57 256.6 23.6 256.6 254.4 223.7 193.0 162.3 131.6 245.1 26.2 245.1 244.0 218.5 188.8 159.1 129.5
8750
77 346.9 25.5 156.8 123.8 90.9 - - - 324.2 27.4 193.8 159.5 127.3 - - -
72 322.5 25.0 213.8 180.8 147.9 114.9 - - 301.3 27.0 228.0 195.9 163.8 131.6 - -
67 298.1 24.5 270.8 237.8 204.9 171.9 138.9 - 278.5 26.7 262.3 232.3 200.2 168.1 135.9 -
62 276.0 24.1 276.0 272.6 252.6 219.6 186.6 153.7 261.7 26.3 261.7 260.0 244.4 212.2 180.1 147.9
57 274.0 23.8 274.0 272.9 255.6 222.6 189.7 156.7 259.9 26.3 259.9 259.3 244.6 212.5 180.3 148.2
10000
77 368.9 25.7 172.7 137.4 102.2 - - - 342.6 27.5 213.6 174.7 140.1 - - -
72 343.0 25.2 236.8 201.6 166.3 131.1 - - 318.5 27.2 250.0 215.4 180.8 146.2 - -
67 317.0 24.7 300.9 265.7 230.5 195.2 160.0 - 294.3 26.9 286.3 256.0 221.5 186.9 152.3 -
62 293.5 24.3 293.5 293.5 284.1 248.9 213.6 178.4 276.6 26.4 276.6 276.6 270.4 235.8 201.2 166.6
57 291.3 24.0 291.3 291.3 287.5 252.3 217.1 181.8 274.6 26.5 274.6 274.6 270.7 236.1 201.5 166.9
11250
72 336.7 25.1 251.2 210.9 170.5 130.2 - - 311.7 27.4 261.2 224.8 184.6 144.3 - -
67 311.3 24.6 303.2 276.6 236.3 195.9 155.6 - 288.0 27.1 284.0 264.4 226.2 186.0 145.7 -
62 288.2 24.1 288.2 288.2 283.5 243.1 202.8 162.4 270.7 26.7 270.7 270.7 267.6 227.3 187.1 146.8
57 286.0 23.9 286.0 286.0 284.1 243.8 203.4 163.1 268.7 26.7 268.7 268.7 266.8 226.5 186.3 146.0
12500
72 330.5 25.0 265.7 220.2 174.7 129.2 - - 304.9 27.6 272.5 234.3 188.4 142.5 - -
67 305.5 24.5 305.5 287.6 242.1 196.6 151.1 - 281.8 27.3 281.8 272.8 231.0 185.1 139.2 -
62 282.8 24.0 282.8 282.8 282.8 237.3 191.9 146.4 264.8 26.9 264.8 264.8 264.8 218.9 173.0 127.1
57 280.7 23.8 280.7 280.7 280.7 235.3 189.8 144.3 262.9 26.9 262.9 262.9 262.9 217.0 171.1 125.2

251934-YTG-Z-0714
48 Johnson Controls Unitary Products
115°F 125°F
6250
77 271.5 29.1 183.2 161.5 135.4 - - - 255.7 31.1 221.3 193.9 169.1 - - -
72 252.3 28.9 200.6 174.6 148.5 122.5 - - 237.6 31.1 217.0 192.2 167.4 142.5 - -
67 233.1 28.8 218.0 187.7 161.6 135.6 109.6 - 219.5 31.2 219.5 190.5 165.6 140.8 116.0 -
62 222.9 28.4 222.9 222.9 195.3 169.2 143.2 117.2 213.8 30.8 213.8 213.8 198.2 173.4 148.5 123.7
7500
77 286.4 29.1 207.0 178.3 149.6 - - - 267.2 31.0 244.2 212.4 184.7 - - -
72 266.2 29.0 221.4 192.8 164.1 135.4 - - 248.3 31.1 236.8 209.1 181.5 153.8 - -
67 246.0 28.9 235.9 207.2 178.6 149.9 121.2 - 229.3 31.2 229.3 205.9 178.2 150.6 122.9 -
62 235.2 28.5 235.2 235.2 215.7 187.1 158.4 129.7 223.5 30.8 223.5 223.5 213.1 185.4 157.8 130.1
57 233.5 28.8 233.5 233.5 213.3 184.7 156.0 127.3 222.0 31.4 222.0 222.0 208.2 180.5 152.9 125.2
8750
77 301.4 29.2 230.8 195.1 163.8 - - - 278.6 31.0 267.1 230.8 200.3 - - -
72 280.1 29.1 242.3 211.0 179.7 148.3 - - 258.9 31.1 256.5 226.0 195.6 165.1 - -
67 258.8 28.9 253.8 226.8 195.5 164.2 132.9 - 239.2 31.2 239.2 221.3 190.8 160.3 129.8 -
62 247.5 28.5 247.5 247.5 236.2 204.9 173.5 142.2 233.2 30.8 233.2 233.2 228.0 197.5 167.0 136.5
57 245.7 28.8 245.7 245.7 233.6 202.3 170.9 139.6 231.6 31.4 231.6 231.6 222.5 192.1 161.6 131.1
10000
77 316.4 29.3 254.6 212.0 178.0 - - - 290.1 31.0 290.1 249.2 215.9 - - -
72 294.0 29.1 263.1 229.2 195.2 161.3 - - 269.5 31.1 269.5 243.0 209.7 176.3 - -
67 271.7 29.0 271.7 246.4 212.4 178.5 144.5 - 249.0 31.1 249.0 236.7 203.4 170.1 136.8 -
62 259.7 28.6 259.7 259.7 256.6 222.7 188.7 154.8 242.9 30.8 242.9 242.9 242.9 209.6 176.3 142.9
57 257.9 28.9 257.9 257.9 253.8 219.8 185.9 151.9 241.2 31.3 241.2 241.2 236.9 203.6 170.3 137.0
11250
72 286.6 29.7 271.2 238.8 198.7 158.5 - - 261.6 32.0 261.6 252.8 212.7 172.7 - -
67 264.8 29.6 264.8 252.2 216.2 176.0 135.9 - 241.6 32.1 241.6 240.0 206.1 166.1 126.1 -
62 253.2 29.2 253.2 253.2 251.7 211.5 171.4 131.3 235.8 31.7 235.8 235.8 235.8 195.7 155.7 115.7
57 251.5 29.5 251.5 251.5 249.4 209.2 169.1 129.0 234.2 32.2 234.2 234.2 232.0 192.0 152.0 111.9
12500
72 279.3 30.3 279.3 248.4 202.1 155.8 - - 253.6 32.9 253.6 253.6 215.8 169.1 - -
67 258.0 30.1 258.0 258.0 219.9 173.6 127.3 - 234.3 33.0 234.3 234.3 208.9 162.1 115.4 -
62 246.7 29.7 246.7 246.7 246.7 200.4 154.1 107.7 228.7 32.6 228.7 228.7 228.7 181.9 135.2 88.4
57 245.0 30.0 245.0 245.0 245.0 198.7 152.3 106.0 227.1 33.1 227.1 227.1 227.1 180.4 133.6 86.9
1. These capacities are gross ratings. For net capacity, deduct air blower motor, MBh = 3.415 x kW. Refer to the appropriate Blower
Performance Table for the kW of the supply air blower motor.
2. These ratings include the condenser fan motors (total 1 kW) and the compressor motors but not the supply air blower motor.
ZF300 (25 Ton) (Continued)
Air on
Evaporator Coil Temperature of Air on Condenser Coil
Total
Capacity1
(MBh)
Total
Input
(kW)2
Sensible Capacity (MBh) Total
Capacity1
(MBh)
Total
Input
(kW)2
Sensible Capacity (MBh)
CFM WB
(°F) Return Dry Bulb (°F) Return Dry Bulb (°F)
90 85 80 75 70 65 90 85 80 75 70 65

251934-YTG-Z-0714
Johnson Controls Unitary Products 49
Airflow Performance
ZJ180-300 Side Duct Application
ZJ180 (15 Ton) Side Duct
Air Flow
(CFM)
Available External Static Pressure - IWG1
1. Blower performance includes gas heat exchangers and 2” filters. See STATIC RESISTANCE table for additional applications.
2. See RPM SELECTION table to determine desired motor sheave setting and to determine the maximum continuous BHP.
3. kW = BHP x 0.898.
0.4 0.6 0.8 1.0 1.2 1.4 1.6 1.8 2.0 2.2 2.4 2.6
RPM BHP RPM BHP RPM BHP RPM BHP RPM BHP RPM BHP RPM BHP RPM BHP RPM BHP RPM BHP RPM BHP RPM BHP
Standard 5 HP & Field Supplied Drive Standard 5 HP & Drive High Static 5 HP & Drive
4000 727 1.14 765 1.47 806 1.77 848 2.04 891 2.29 934 2.52 977 2.73 1020 2.93 1061 3.12 1101 3.30 1138 3.48 1174 3.67
4400 753 1.51 792 1.84 832 2.14 874 2.41 917 2.66 960 2.88 1004 3.09 1046 3.29 1087 3.48 1127 3.67 1165 3.85 1200 4.03
4800 781 1.92 820 2.25 861 2.55 903 2.82 946 3.06 989 3.29 1032 3.50 1074 3.70 1116 3.89 1155 4.08 1193 4.26 1228 4.44
5200 812 2.37 850 2.70 891 3.00 933 3.27 976 3.52 1019 3.74 1062 3.95 1105 4.15 1146 4.34 1186 4.53 1223 4.71 1259 4.89
5600 844 2.86 882 3.19 923 3.49 965 3.76 1008 4.01 1051 4.23 1094 4.45 1137 4.64 1178 4.83 1218 5.02 1255 5.20 1291 5.39
6000 877 3.39 916 3.72 957 4.02 999 4.29 1042 4.54 1085 4.76 1128 4.98 1170 5.17 1212 5.36 1251 5.55 1289 5.73 - -
6400 912 3.96 951 4.29 992 4.59 1034 4.86 1077 5.10 1120 5.33 1163 5.54 1205 5.74 --------
6800 949 4.56 988 4.89 1028 5.19 1070 5.46 1113 5.71 --------------
7200 986 5.20 1025 5.53 --------------------
5 HP & Field Supplied Drive
ZJ210 (17.5 Ton) Side Duct
Air Flow
(CFM)
Available External Static Pressure - IWG1
1. Blower performance includes gas heat exchangers and 2” filters. See STATIC RESISTANCE table for additional applications.
2. See RPM SELECTION table to determine desired motor sheave setting and to determine the maximum continuous BHP.
3. kW = BHP x 0.838.
0.4 0.6 0.8 1.0 1.2 1.4 1.6 1.8 2.0 2.2 2.4 2.6
RPM BHP RPM BHP RPM BHP RPM BHP RPM BHP RPM BHP RPM BHP RPM BHP RPM BHP RPM BHP RPM BHP RPM BHP
Standard 5 HP & Field Supplied Drive Standard 5 HP & Drive High Static 7.5 HP & Drive
4400 636 0.65 672 1.14 709 1.60 745 2.03 780 2.43 815 2.78 849 3.09 882 3.35 914 3.55 944 3.70 973 3.78 999 3.79
4800 649 0.99 685 1.48 721 1.94 757 2.37 793 2.77 828 3.12 862 3.43 895 3.69 927 3.89 957 4.04 985 4.12 1012 4.13
5200 663 1.34 700 1.83 736 2.29 772 2.72 808 3.11 843 3.47 877 3.78 910 4.04 942 4.24 972 4.39 1000 4.47 1027 4.48
5600 680 1.71 717 2.20 753 2.66 789 3.09 825 3.48 860 3.84 894 4.15 927 4.41 959 4.61 989 4.76 1017 4.84 1044 4.85
6000 699 2.11 735 2.60 772 3.06 808 3.49 844 3.88 879 4.24 913 4.55 946 4.80 977 5.01 1007 5.15 1036 5.24 1062 5.25
6400 719 2.55 756 3.03 792 3.49 828 3.92 864 4.32 899 4.67 933 4.98 966 5.24 998 5.45 1028 5.59 1056 5.67 1083 5.68
6800 742 3.02 778 3.51 814 3.97 850 4.40 886 4.79 921 5.15 955 5.46 988 5.72 1020 5.92 1050 6.07 1078 6.15 1105 6.16
7200 765 3.54 802 4.03 838 4.49 874 4.92 910 5.32 945 5.67 979 5.98 1012 6.24 1044 6.44 1074 6.59 1102 6.67 1129 6.68
7600 790 4.11 827 4.60 863 5.06 899 5.49 935 5.88 970 6.24 1004 6.55 1037 6.81 1069 7.01 1099 7.16 1127 7.24 1154 7.25
8000 817 4.72 853 5.21 890 5.67 926 6.10 962 6.50 997 6.85 1031 7.16 1064 7.42 1095 7.62 1125 7.77 1154 7.85 1180 7.86
8400 845 5.38 881 5.87 918 6.33 954 6.76 990 7.16 1025 7.51 1059 7.82 1092 8.08 1123 8.28 1153 8.43 1182 8.51 1208 8.52
8800 874 6.09 911 6.58 947 7.04 983 7.47 1019 7.86 1054 8.22 1088 8.53 ----------
7.5 HP & Field Supplied Drive

251934-YTG-Z-0714
50 Johnson Controls Unitary Products
ZJ240 (20 Ton) Side Duct
Air Flow
(CFM)
Available External Static Pressure - IWG1
1. Blower performance includes gas heat exchangers and 2” filters. See STATIC RESISTANCE table for additional applications.
2. See RPM SELECTION table to determine desired motor sheave setting and to determine the maximum continuous BHP.
3. kW = BHP x 0.838.
0.4 0.6 0.8 1.0 1.2 1.4 1.6 1.8 2.0 2.2 2.4 2.6
RPM BHP RPM BHP RPM BHP RPM BHP RPM BHP RPM BHP RPM BHP RPM BHP RPM BHP RPM BHP RPM BHP RPM BHP
Standard 5 HP & Field
Supplied Drive Standard 5 HP & Drive High Static 7.5 HP & Drive
5200 663 1.34 700 1.83 736 2.29 772 2.72 808 3.11 843 3.47 877 3.78 910 4.04 942 4.24 972 4.39 1000 4.47 1027 4.48
5600 680 1.71 717 2.20 753 2.66 789 3.09 825 3.48 860 3.84 894 4.15 927 4.41 959 4.61 989 4.76 1017 4.84 1044 4.85
6000 699 2.11 735 2.60 772 3.06 808 3.49 844 3.88 879 4.24 913 4.55 946 4.80 977 5.01 1007 5.15 1036 5.24 1062 5.25
6400 719 2.55 756 3.03 792 3.49 828 3.92 864 4.32 899 4.67 933 4.98 966 5.24 998 5.45 1028 5.59 1056 5.67 1083 5.68
6800 742 3.02 778 3.51 814 3.97 850 4.40 886 4.79 921 5.15 955 5.46 988 5.72 1020 5.92 1050 6.07 1078 6.15 1105 6.16
7200 765 3.54 802 4.03 838 4.49 874 4.92 910 5.32 945 5.67 979 5.98 1012 6.24 1044 6.44 1074 6.59 1102 6.67 1129 6.68
7600 790 4.11 827 4.60 863 5.06 899 5.49 935 5.88 970 6.24 1004 6.55 1037 6.81 1069 7.01 1099 7.16 1127 7.24 1154 7.25
8000 817 4.72 853 5.21 890 5.67 926 6.10 962 6.50 997 6.85 1031 7.16 1064 7.42 1095 7.62 1125 7.77 1154 7.85 1180 7.86
8400 845 5.38 881 5.87 918 6.33 954 6.76 990 7.16 1025 7.51 1059 7.82 1092 8.08 1123 8.28 1153 8.43 1182 8.51 1208 8.52
8800 874 6.09 911 6.58 947 7.04 983 7.47 1019 7.86 1054 8.22 1088 8.53 ----------
9200 905 6.85 941 7.33 977 7.79 1014 8.22 1049 8.62 --------------
9600 936 7.65 973 8.13 1009 8.59 ------------------
100009698.49----------------------
7.5 HP & Field Supplied Drive

251934-YTG-Z-0714
Johnson Controls Unitary Products 51
ZJ300 (25 Ton) Side Duct
Air Flow
(CFM)
Available External Static Pressure - IWG1
0.4 0.6 0.8 1.0 1.2 1.4 1.6 1.8
RPM BHP RPM BHP RPM BHP RPM BHP RPM BHP RPM BHP RPM BHP RPM BHP
Low Static 7.5 HP &
Field Supplied Drive Low Static 7.5 HP & Drive
6600 760 2.51 793 3.11 824 3.68 856 4.23 887 4.74 919 5.23 950 5.70 983 6.15
7000 775 2.99 808 3.60 839 4.17 871 4.71 902 5.22 934 5.72 966 6.19 998 6.64
7400 792 3.51 824 4.11 856 4.69 887 5.23 918 5.74 950 6.24 982 6.70 1014 7.16
Standard 10 HP & Drive
7800 809 4.07 841 4.67 873 5.24 904 5.78 935 6.30 967 6.79 999 7.26 1031 7.71
8200 826 4.66 859 5.27 890 5.84 922 6.38 953 6.89 985 7.39 1016 7.86 1049 8.31
8600 845 5.30 877 5.90 909 6.47 940 7.01 972 7.53 1003 8.02 1035 8.49 1067 8.94
9000 864 5.97 896 6.57 928 7.14 960 7.69 991 8.20 1022 8.69 1054 9.16 1087 9.61
9400 884 6.68 916 7.28 948 7.86 980 8.40 1011 8.91 1042 9.41 1074 9.88 1107 10.33
9800 905 7.43 937 8.04 969 8.61 1000 9.15 1032 9.67 1063 10.16 1095 10.63 1127 11.08
10200 926 8.22 958 8.83 990 9.40 1021 9.94 1053 10.46 1084 10.95 1116 11.42 1148 11.87
10600 948 9.05 980 9.66 1012 10.23 1043 10.77 1075 11.29 1106 11.78 1138 12.25 1170 12.70
11000 970 9.92 1003 10.52 1034 11.09 1066 11.64 1097 12.15 1128 12.64 1160 13.11 1193 13.56
11400 993 10.82 1025 11.43 1057 12.00 1089 12.54 1120 13.06 1151 13.55 1183 14.02 1216 14.47
11800 1017 11.76 1049 12.37 1081 12.94 1112 13.48 1143 14.00 1175 14.49 1207 14.96 1239 15.41
12200 1040 12.74 1073 13.34 1104 13.91 1136 14.46 1167 14.97 1199 15.46 1231 15.93 1263 16.38
12600 1065 13.75 1097 14.35 1129 14.92 1160 15.47 1192 15.98 1223 16.47 1255 16.94 - -
High Static 15 HP & Drive
Air Flow
(CFM)
Available External Static Pressure - IWG1
1. Blower performance includes gas heat exchangers and 2” filters. See STATIC
RESISTANCE table for additional applications.
2. See RPM SELECTION table to determine desired motor sheave setting and to
determine the maximum continuous BHP.
3. kW = BHP x 0.82.
2.0 2.2 2.4 2.6 2.8 3.0 3.2 3.4
RPM BHP RPM BHP RPM BHP RPM BHP RPM BHP RPM BHP RPM BHP RPM BHP
Standard 10 HP & Drive High Static 15 HP & Drive
6600 1016 6.59 1050 7.00 1086 7.41 1123 7.81 1161 8.19 1202 8.58 1244 8.95 1289 9.33
7000 1031 7.07 1065 7.49 1101 7.89 1138 8.29 1176 8.68 1217 9.06 1259 9.44 1304 9.82
7400 1047 7.59 1081 8.01 1117 8.41 1154 8.81 1192 9.20 1233 9.58 1275 9.96 1320 10.34
7800 1064 8.14 1098 8.56 1134 8.97 1171 9.36 1209 9.75 1250 10.13 1292 10.51 1337 10.89
8200 1082 8.74 1116 9.16 1152 9.56 1189 9.96 1227 10.35 1268 10.73 1310 11.11 1355 11.49
8600 1101 9.37 1135 9.79 1170 10.20 1207 10.59 1246 10.98 1286 11.36 1329 11.74 1374 12.12
9000 1120 10.05 1154 10.46 1189 10.87 1226 11.27 1265 11.65 1305 12.04 1348 12.41 1393 12.79
9400 1140 10.76 1174 11.18 1209 11.58 1246 11.98 1285 12.37 1325 12.75 1368 13.13 1413 13.51
9800 1160 11.51 1195 11.93 1230 12.33 1267 12.73 1306 13.12 1346 13.50 1389 13.88 1434 14.26
10200 1182 12.30 1216 12.72 1251 13.12 1288 13.52 1327 13.91 1367 14.29 1410 14.67 1455 15.05
10600 1204 13.13 1238 13.55 1273 13.95 1310 14.35 1349 14.74 1389 15.12 1432 15.50 1477 15.88
11000 1226 14.00 1260 14.41 1296 14.82 1332 15.22 1371 15.60 1412 15.99 1454 16.36 1499 16.74
11400 1249 14.90 1283 15.32 1318 15.72 1355 16.12 1394 16.51 1434 16.89 ----
11800 1272 15.84 1306 16.26 1342 16.66 1379 17.06 --------
12200 1296 16.82 1330 17.23 ------------
12600 ----------------
15 HP & Field Supplied Drive

251934-YTG-Z-0714
52 Johnson Controls Unitary Products
ZJ180-300 Bottom Duct Application
ZJ180 (15 Ton) Bottom Duct
Air Flow
(CFM)
Available External Static Pressure - IWG1
1. Blower performance includes gas heat exchangers and 2” filters. See STATIC RESISTANCE table for additional applications.
2. See RPM SELECTION table to determine desired motor sheave setting and to determine the maximum continuous BHP.
3. kW = BHP x 0.898.
0.4 0.6 0.8 1.0 1.2 1.4 1.6 1.8 2.0 2.2 2.4 2.6
RPM BHP RPM BHP RPM BHP RPM BHP RPM BHP RPM BHP RPM BHP RPM BHP RPM BHP RPM BHP RPM BHP RPM BHP
Standard 5 HP &
Field Supplied Drive Standard 5 HP & Drive High Static 5 HP & Drive
4000 768 1.24 806 1.55 846 1.83 888 2.09 930 2.32 972 2.53 1015 2.73 1056 2.91 1097 3.09 1136 3.27 1173 3.44 1208 3.61
4400 797 1.65 835 1.96 875 2.24 916 2.49 959 2.72 1001 2.93 1043 3.13 1085 3.32 1126 3.50 1165 3.67 1202 3.84 1237 4.02
4800 828 2.09 866 2.40 906 2.68 947 2.93 989 3.16 1032 3.38 1074 3.58 1116 3.76 1157 3.94 1196 4.11 1233 4.28 1267 4.46
5200 860 2.57 898 2.88 938 3.16 980 3.41 1022 3.65 1064 3.86 1107 4.06 1148 4.24 1189 4.42 1228 4.59 1265 4.77 1300 4.94
5600 894 3.09 932 3.40 972 3.68 1014 3.93 1056 4.16 1098 4.38 1141 4.57 1182 4.76 1223 4.94 1262 5.11 1299 5.28 1334 5.46
6000 930 3.64 968 3.95 1008 4.23 1049 4.48 1091 4.71 1134 4.93 1176 5.12 1218 5.31 1259 5.49 1298 5.66 ----
6400 966 4.22 1005 4.53 1045 4.81 1086 5.06 1128 5.30 1171 5.51 1213 5.71 ----------
6800 1005 4.84 1043 5.14 1083 5.42 1124 5.68 - - --------------
7200 1044 5.48 ----------------------
5 HP & Field Supplied Drive
ZJ210 (17.5 Ton) Bottom Duct
Air Flow
(CFM)
Available External Static Pressure - IWG1
1. Blower performance includes gas heat exchangers and 2” filters. See STATIC RESISTANCE table for additional applications.
2. See RPM SELECTION table to determine desired motor sheave setting and to determine the maximum continuous BHP.
3. kW = BHP x 0.838.
0.4 0.6 0.8 1.0 1.2 1.4 1.6 1.8 2.0 2.2 2.4 2.6
RPM BHP RPM BHP RPM BHP RPM BHP RPM BHP RPM BHP RPM BHP RPM BHP RPM BHP RPM BHP RPM BHP RPM BHP
Standard 5 HP &
Field Supplied Drive Standard 5 HP & Drive High Static 7.5 HP & Drive
4400 661 0.74 697 1.19 733 1.62 768 2.03 803 2.40 838 2.73 871 3.02 904 3.26 935 3.45 964 3.59 992 3.66 1018 3.67
4800 677 1.07 712 1.53 748 1.96 784 2.36 819 2.73 853 3.06 887 3.35 919 3.59 950 3.79 980 3.92 1008 4.00 1034 4.01
5200 694 1.43 730 1.89 766 2.32 801 2.72 836 3.09 871 3.42 904 3.71 937 3.95 968 4.14 997 4.28 1025 4.35 1051 4.37
5600 713 1.82 749 2.27 785 2.71 820 3.11 856 3.48 890 3.81 923 4.10 956 4.34 987 4.53 1017 4.67 1045 4.74 1071 4.75
6000 734 2.25 770 2.70 806 3.13 841 3.53 877 3.90 911 4.23 944 4.52 977 4.77 1008 4.96 1038 5.09 1066 5.17 1092 5.18
6400 757 2.71 793 3.17 829 3.60 864 4.00 899 4.37 934 4.70 967 4.99 1000 5.23 1031 5.42 1060 5.56 1088 5.64 1114 5.65
6800 781 3.22 817 3.68 853 4.11 888 4.51 923 4.88 958 5.21 991 5.50 1024 5.74 1055 5.94 1085 6.07 1112 6.15 1139 6.16
7200 807 3.78 843 4.23 878 4.66 914 5.07 949 5.44 983 5.77 1017 6.06 1049 6.30 1081 6.49 1110 6.63 1138 6.70 1164 6.71
7600 834 4.38 870 4.83 905 5.26 941 5.67 976 6.04 1010 6.37 1044 6.66 1076 6.90 1108 7.09 1137 7.23 1165 7.30 1191 7.31
8000 862 5.02 898 5.48 934 5.91 969 6.31 1004 6.68 1039 7.01 1072 7.30 1105 7.55 1136 7.74 1166 7.87 1194 7.95 1220 7.96
8400 892 5.71 928 6.17 963 6.60 999 7.00 1034 7.37 1069 7.70 1102 7.99 1134 8.24 1166 8.43 1195 8.56 ----
8800 923 6.45 959 6.91 994 7.34 1030 7.74 1065 8.11 1099 8.44 ------------
7.5 HP & Field Supplied Drive

251934-YTG-Z-0714
Johnson Controls Unitary Products 53
ZJ240 (20 Ton) Bottom Duct
Air Flow
(CFM)
Available External Static Pressure - IWG1
1. Blower performance includes gas heat exchangers and 2” filters. See STATIC RESISTANCE table for additional applications.
2. See RPM SELECTION table to determine desired motor sheave setting and to determine the maximum continuous BHP.
3. kW = BHP x 0.838.
0.4 0.6 0.8 1.0 1.2 1.4 1.6 1.8 2.0 2.2 2.4 2.6
RPM BHP RPM BHP RPM BHP RPM BHP RPM BHP RPM BHP RPM BHP RPM BHP RPM BHP RPM BHP RPM BHP RPM BHP
Standard 5
HP & Field
Supplied
Drive
Standard 5 HP & Drive High Static 7.5 HP & Drive
5200 694 1.43 730 1.89 766 2.32 801 2.72 836 3.09 871 3.42 904 3.71 937 3.95 968 4.14 997 4.28 1025 4.35 1051 4.37
5600 713 1.82 749 2.27 785 2.71 820 3.11 856 3.48 890 3.81 923 4.10 956 4.34 987 4.53 1017 4.67 1045 4.74 1071 4.75
6000 734 2.25 770 2.70 806 3.13 841 3.53 877 3.90 911 4.23 944 4.52 977 4.77 1008 4.96 1038 5.09 1066 5.17 1092 5.18
6400 757 2.71 793 3.17 829 3.60 864 4.00 899 4.37 934 4.70 967 4.99 1000 5.23 1031 5.42 1060 5.56 1088 5.64 1114 5.65
6800 781 3.22 817 3.68 853 4.11 888 4.51 923 4.88 958 5.21 991 5.50 1024 5.74 1055 5.94 1085 6.07 1112 6.15 1139 6.16
7200 807 3.78 843 4.23 878 4.66 914 5.07 949 5.44 983 5.77 1017 6.06 1049 6.30 1081 6.49 1110 6.63 1138 6.70 1164 6.71
7600 834 4.38 870 4.83 905 5.26 941 5.67 976 6.04 1010 6.37 1044 6.66 1076 6.90 1108 7.09 1137 7.23 1165 7.30 1191 7.31
8000 862 5.02 898 5.48 934 5.91 969 6.31 1004 6.68 1039 7.01 1072 7.30 1105 7.55 1136 7.74 1166 7.87 1194 7.95 1220 7.96
8400 892 5.71 928 6.17 963 6.60 999 7.00 1034 7.37 1069 7.70 1102 7.99 1134 8.24 1166 8.43 1195 8.56 ----
8800 923 6.45 959 6.91 994 7.34 1030 7.74 1065 8.11 1099 8.44 ------------
9200 955 7.23 991 7.68 1026 8.11 1062 8.52 - - --------------
9600 988 8.05 1024 8.51 --------------------
7.5 HP & Field Supplied Drive

251934-YTG-Z-0714
54 Johnson Controls Unitary Products
ZJ300 (25 Ton) Bottom Duct
Air Flow
(CFM)
Available External Static Pressure - IWG1
0.4 0.6 0.8 1.0 1.2 1.4 1.6
RPM BHP RPM BHP RPM BHP RPM BHP RPM BHP RPM BHP RPM BHP
Low Static
7.5 HP &
Field
Supplied
Drive
Low Static 7.5 HP & Drive
6600 787 2.67 819 3.23 850 3.76 881 4.27 912 4.75 943 5.21 974 5.65
7000 804 3.18 835 3.74 867 4.27 898 4.78 928 5.26 959 5.72 991 6.16
7400 821 3.72 853 4.28 884 4.82 915 5.32 946 5.80 977 6.26 1008 6.70
Standard 10 HP & Drive
7800 839 4.30 871 4.86 902 5.40 933 5.90 964 6.39 995 6.85 1026 7.28
8200 858 4.92 890 5.48 921 6.02 952 6.52 983 7.01 1013 7.47 1045 7.90
8600 877 5.58 909 6.14 940 6.68 971 7.18 1002 7.66 1033 8.12 1064 8.56
9000 898 6.28 929 6.84 960 7.37 991 7.88 1022 8.36 1053 8.82 1084 9.26
9400 918 7.01 950 7.57 981 8.10 1012 8.61 1043 9.09 1074 9.55 1105 9.99
9800 940 7.78 972 8.34 1003 8.87 1034 9.38 1064 9.86 1095 10.32 1127 10.76
10200 962 8.58 994 9.14 1025 9.68 1056 10.18 1086 10.67 1117 11.13 1149 11.56
10600 984 9.42 1016 9.98 1047 10.52 1078 11.02 1109 11.51 1140 11.96 1171 12.40
11000 1007 10.30 1039 10.86 1070 11.39 1101 11.90 1132 12.38 1163 12.84 1194 13.28
11400 1031 11.20 1063 11.76 1094 12.30 1125 12.80 1156 13.29 1187 13.75 1218 14.18
11800 1055 12.14 1087 12.70 1118 13.24 1149 13.74 1180 14.23 1211 14.69 1242 15.12
12200 1080 13.11 1111 13.68 1142 14.21 1173 14.72 1204 15.20 1235 15.66 1266 16.10
12600 1104 14.12 1136 14.68 1167 15.21 1198 15.72 1229 16.20 1260 16.66 1291 17.10
High Static 15 HP & Drive
Air Flow
(CFM)
Available External Static Pressure - IWG1
1. Blower performance includes gas heat exchangers and 2” filters. See STATIC RESISTANCE table
for additional applications.
2. See RPM SELECTION table to determine desired motor sheave setting and to determine the
maximum continuous BHP.
3. kW = BHP x 0.82.
1.8 2.0 2.2 2.4 2.6 2.8 3.0 3.2 3.4
RPM BHP RPM BHP RPM BHP RPM BHP RPM BHP RPM BHP RPM BHP RPM BHP RPM BHP
Standard 10 HP & Drive High Static 15 HP & Drive
6600 1006 6.07 1039 6.48 1072 6.87 1107 7.25 1144 7.62 1182 7.98 1221 8.33 1263 8.68 1307 9.04
7000 1023 6.58 1055 6.98 1089 7.37 1124 7.75 1160 8.12 1198 8.48 1238 8.84 1280 9.19 1324 9.54
7400 1040 7.12 1072 7.53 1106 7.92 1141 8.30 1177 8.67 1215 9.03 1255 9.38 1297 9.74 1341 10.09
7800 1058 7.71 1090 8.11 1124 8.50 1159 8.88 1195 9.25 1233 9.61 1273 9.97 1315 10.32 1359 10.67
8200 1077 8.33 1109 8.73 1143 9.12 1178 9.50 1214 9.87 1252 10.23 1292 10.59 1334 10.94 1378 11.29
8600 1096 8.98 1129 9.39 1162 9.78 1197 10.16 1234 10.53 1272 10.89 1311 11.24 1353 11.60 1397 11.95
9000 1116 9.68 1149 10.08 1183 10.47 1218 10.85 1254 11.22 1292 11.58 1332 11.94 1373 12.29 1418 12.64
9400 1137 10.41 1170 10.82 1203 11.21 1238 11.59 1275 11.95 1313 12.32 1352 12.67 1394 13.02 1438 13.37
9800 1159 11.18 1191 11.59 1225 11.98 1260 12.35 1296 12.72 1334 13.09 1374 13.44 1416 13.79 1460 14.14
10200 1181 11.99 1213 12.39 1247 12.78 1282 13.16 1318 13.53 1356 13.89 1396 14.25 1438 14.60 1482 14.95
10600 1203 12.82 1236 13.23 1269 13.62 1304 14.00 1341 14.37 1379 14.73 1418 15.08 1460 15.44 1504 15.79
11000 1226 13.70 1259 14.10 1293 14.49 1327 14.87 1364 15.24 1402 15.60 1441 15.96 1483 16.31 1528 16.66
11400 1250 14.61 1282 15.01 1316 15.40 1351 15.78 1387 16.15 1425 16.51 1465 16.87 1507 17.22 - -
11800 1274 15.55 1307 15.95 1340 16.34 1375 16.72 1411 17.09 --------
12200 1298 16.52 1331 16.92 --------------
12600 ------------------
15 HP & Field Supplied Drive

251934-YTG-Z-0714
Johnson Controls Unitary Products 55
ZR180-300 Side Duct Application
ZR180 (15 Ton) Side Duct
Air Flow
(CFM)
Available External Static Pressure - IWG1
1. Blower performance includes gas heat exchangers and 2” filters. See STATIC RESISTANCE table for additional applications.
2. See RPM SELECTION table to determine desired motor sheave setting and to determine the maximum continuous BHP.
3. kW = BHP x 0.898.
0.4 0.6 0.8 1.0 1.2 1.4 1.6 1.8 2.0 2.2 2.4 2.6
RPM BHP RPM BHP RPM BHP RPM BHP RPM BHP RPM BHP RPM BHP RPM BHP RPM BHP RPM BHP RPM BHP RPM BHP
Standard 5 HP & Field Supplied Drive Standard 5 HP & Drive High Static 7.5 HP & Drive
4000 696 0.94 735 1.23 776 1.49 818 1.73 861 1.95 904 2.15 947 2.34 990 2.52 1031 2.68 1071 2.84 1109 3.01 1144 3.17
4400 724 1.27 763 1.56 804 1.83 846 2.07 889 2.29 932 2.49 976 2.68 1018 2.85 1060 3.02 1100 3.18 1137 3.34 1173 3.50
4800 756 1.66 795 1.95 835 2.21 878 2.45 921 2.67 964 2.87 1007 3.06 1050 3.24 1091 3.40 1131 3.56 1169 3.72 1204 3.89
5200 790 2.09 829 2.38 870 2.65 912 2.89 955 3.11 998 3.31 1041 3.49 1084 3.67 1125 3.84 1165 4.00 1203 4.16 1238 4.32
5600 826 2.57 865 2.87 906 3.13 948 3.37 991 3.59 1035 3.79 1078 3.98 1120 4.15 1162 4.32 1202 4.48 1239 4.64 1275 4.81
6000 865 3.11 904 3.40 945 3.66 987 3.90 1030 4.12 1073 4.32 1117 4.51 1159 4.69 1201 4.85 1241 5.01 1278 5.18 1314 5.34
6400 906 3.69 945 3.98 986 4.24 1028 4.48 1071 4.70 1114 4.90 1158 5.09 1200 5.27 1242 5.43 1282 5.59 1319 5.76 1355 5.92
6800 949 4.31 988 4.60 1029 4.87 1071 5.11 1114 5.33 1157 5.53 1201 5.72 1243 5.89 1285 6.06 1324 6.22 1362 6.38 1398 6.54
7200 994 4.98 1033 5.27 1074 5.54 1116 5.78 1159 6.00 1202 6.20 1245 6.39 1288 6.56 1329 6.73 1369 6.89 1407 7.05 1442 7.21
7600 1040 5.70 1079 5.99 1120 6.25 1162 6.49 1205 6.71 1249 6.91 1292 7.10 1334 7.27 1376 7.44 1416 7.60 1453 7.76 1489 7.93
7.5 HP & Field Supplied Drive
ZR240 (20 Ton) Side Duct
Air Flow
(CFM)
Available External Static Pressure - IWG1
1. Blower performance includes gas heat exchangers and 2” filters. See STATIC RESISTANCE table for additional applications.
2. See RPM SELECTION table to determine desired motor sheave setting and to determine the maximum continuous BHP.
3. kW = BHP x 0.838.
0.4 0.6 0.8 1.0 1.2 1.4 1.6 1.8 2.0 2.2 2.4 2.6
RPM BHP RPM BHP RPM BHP RPM BHP RPM BHP RPM BHP RPM BHP RPM BHP RPM BHP RPM BHP RPM BHP RPM BHP
Standard
7.5 HP &
Field
Supplied
Drive
Standard 7.5 HP & Drive High Static 10 HP & Drive
5200 693 1.36 730 1.83 766 2.27 802 2.68 838 3.06 873 3.40 907 3.69 940 3.94 971 4.14 1002 4.28 1030 4.35 1057 4.37
5600 714 1.77 750 2.24 786 2.68 822 3.09 858 3.47 893 3.81 927 4.11 960 4.36 992 4.55 1022 4.69 1050 4.77 1077 4.78
6000 736 2.23 772 2.70 809 3.14 845 3.55 880 3.93 915 4.27 949 4.56 982 4.81 1014 5.01 1044 5.15 1073 5.23 1099 5.24
6400 760 2.73 796 3.20 832 3.64 869 4.05 904 4.43 939 4.77 973 5.06 1006 5.31 1038 5.51 1068 5.65 1096 5.72 1123 5.74
6800 785 3.28 821 3.74 858 4.18 894 4.60 930 4.97 965 5.31 999 5.61 1032 5.86 1063 6.05 1094 6.19 1122 6.27 1148 6.28
7200 812 3.87 848 4.33 885 4.78 921 5.19 957 5.57 992 5.91 1026 6.20 1059 6.45 1090 6.65 1120 6.79 1149 6.86 1175 6.88
7600 840 4.51 877 4.98 913 5.42 949 5.83 985 6.21 1020 6.55 1054 6.84 1087 7.09 1119 7.29 1149 7.43 1177 7.50 1204 7.52
8000 870 5.20 907 5.66 943 6.10 979 6.52 1015 6.89 1050 7.23 1084 7.53 1117 7.78 1148 7.98 1179 8.11 1207 8.19 1233 8.20
8400 901 5.93 938 6.40 974 6.84 1010 7.25 1046 7.63 1081 7.97 1115 8.27 1148 8.51 1179 8.71 1210 8.85 1238 8.93 1265 8.94
8800 933 6.71 970 7.18 1006 7.62 1042 8.03 1078 8.41 1113 8.75 1147 9.05 1180 9.30 1212 9.49 1242 9.63 1270 9.71 1297 9.72
9200 967 7.54 1003 8.01 1040 8.45 1076 8.86 1111 9.24 1146 9.58 1180 9.87 1213 10.12 1245 10.32 1275 10.46 1304 10.54 1330 10.55
9600 1001 8.41 1038 8.88 1074 9.32 1110 9.73 1146 10.11 1181 10.45 1215 10.74 1248 10.99 1280 11.19 1310 11.33 1338 11.41 1365 11.42
10000 1037 9.33 1073 9.79 1110 10.23 1146 10.65 1182 11.02 1217 11.36 ------------
10 HP & Field Supplied Drive

251934-YTG-Z-0714
56 Johnson Controls Unitary Products
ZR300 (25 Ton) Side Duct
Air Flow
(CFM)
Available External Static Pressure - IWG1
0.4 0.6 0.8 1.0 1.2 1.4 1.6 1.8
RPM BHP RPM BHP RPM BHP RPM BHP RPM BHP RPM BHP RPM BHP RPM BHP
Low Static 7.5 HP &
Field Supplied Drive Low Static 7.5 HP & Drive
6600 758 3.03 790 3.47 822 3.88 854 4.27 885 4.65 916 5.00 948 5.34 981 5.66
7000 781 3.56 813 4.00 845 4.42 876 4.81 908 5.18 939 5.53 971 5.87 1003 6.20
7400 806 4.14 838 4.58 870 5.00 901 5.39 933 5.76 964 6.12 996 6.45 1028 6.78
Standard 10 HP
& Drive
7800 833 4.78 865 5.22 897 5.63 928 6.03 959 6.40 991 6.75 1023 7.09 1055 7.41
8200 861 5.47 893 5.91 925 6.33 956 6.72 988 7.09 1019 7.45 1051 7.78 1083 8.11
8600 891 6.23 923 6.67 955 7.08 986 7.47 1018 7.85 1049 8.20 1081 8.54 1113 8.86
9000 922 7.05 955 7.48 986 7.90 1018 8.29 1049 8.66 1080 9.02 1112 9.36 1145 9.68
9400 955 7.93 987 8.37 1019 8.78 1050 9.17 1082 9.54 1113 9.90 1145 10.24 1177 10.56
9800 989 8.87 1021 9.31 1053 9.73 1084 10.12 1115 10.49 1147 10.84 1179 11.18 1211 11.51
10200 1024 9.88 1056 10.32 1088 10.74 1119 11.13 1150 11.50 1182 11.86 1214 12.19 1246 12.52
10600 1060 10.96 1092 11.40 1124 11.81 1155 12.20 1186 12.58 1218 12.93 1250 13.27 1282 13.59
11000 1096 12.10 1129 12.54 1160 12.95 1192 13.34 1223 13.72 1255 14.07 1286 14.41 1319 14.73
11400 1134 13.30 1166 13.74 1198 14.16 1230 14.55 1261 14.92 1292 15.27 1324 15.61 1357 15.94
11800 1173 14.57 1205 15.01 1237 15.42 1268 15.82 1299 16.19 1331 16.54 1363 16.88 1395 17.20
12200 1212 15.90 1244 16.34 1276 16.75 1308 17.14 --------
High Static 15 HP & Drive
15 HP &
Field
Supplied
Drive
Air Flow
(CFM)
Available External Static Pressure - IWG1
1. Blower performance includes gas heat exchangers and 2” filters. See STATIC
RESISTANCE table for additional applications.
2. See RPM SELECTION table to determine desired motor sheave setting and to
determine the maximum continuous BHP.
3. kW = BHP x 0.82.
2.0 2.2 2.4 2.6 2.8 3.0 3.2 3.4
RPM BHP RPM BHP RPM BHP RPM BHP RPM BHP RPM BHP RPM BHP RPM BHP
Standard 10 HP & Drive High Static 15 HP & Drive
6600 1014 5.98 1048 6.28 1083 6.57 1120 6.86 1159 7.15 1199 7.44 1242 7.72 1287 8.01
7000 1037 6.51 1071 6.81 1106 7.11 1143 7.40 1182 7.68 1222 7.97 1265 8.26 1310 8.54
7400 1061 7.09 1096 7.39 1131 7.69 1168 7.98 1207 8.27 1247 8.55 1290 8.84 1335 9.13
7800 1088 7.73 1122 8.03 1158 8.33 1195 8.62 1233 8.90 1274 9.19 1316 9.47 1361 9.76
8200 1117 8.42 1151 8.72 1186 9.02 1223 9.31 1262 9.60 1302 9.88 1345 10.17 1390 10.45
8600 1146 9.18 1181 9.48 1216 9.77 1253 10.06 1292 10.35 1332 10.63 1375 10.92 1420 11.21
9000 1178 9.99 1212 10.30 1247 10.59 1284 10.88 1323 11.17 1363 11.45 1406 11.74 1451 12.03
9400 1210 10.87 1245 11.18 1280 11.47 1317 11.76 1356 12.05 1396 12.33 1439 12.62 1484 12.91
9800 1244 11.82 1279 12.12 1314 12.42 1351 12.71 1389 12.99 1430 13.28 1473 13.57 1517 13.85
10200 1279 12.83 1313 13.13 1349 13.43 1386 13.72 1424 14.01 1465 14.29 1507 14.58 1552 14.87
10600 1315 13.91 1349 14.21 1385 14.50 1422 14.79 1460 15.08 1501 15.37 1543 15.65 1588 15.94
11000 1352 15.05 1386 15.35 1422 15.64 1459 15.93 1497 16.22 1538 16.51 1580 16.79 1625 17.08
11400 1390 16.25 1424 16.55 1459 16.85 1496 17.14 --------
11800 ----------------
12200 ----------------
15 HP & Field Supplied Drive

251934-YTG-Z-0714
Johnson Controls Unitary Products 57
ZR180-300 Bottom Duct Application
ZR180 (15 Ton) Bottom Duct
Air Flow
(CFM)
Available External Static Pressure - IWG1
1. Blower performance includes gas heat exchangers and 2” filters. See STATIC RESISTANCE table for additional applications.
2. See RPM SELECTION table to determine desired motor sheave setting and to determine the maximum continuous BHP.
3. kW = BHP x 0.898.
0.4 0.6 0.8 1.0 1.2 1.4 1.6 1.8 2.0 2.2 2.4 2.6
RPM BHP RPM BHP RPM BHP RPM BHP RPM BHP RPM BHP RPM BHP RPM BHP RPM BHP RPM BHP RPM BHP RPM BHP
Standard 5 HP & Field Supplied Drive Standard 5 HP & Drive High Static 7.5 HP & Drive
4000 735 1.20 773 1.46 813 1.70 855 1.92 897 2.12 939 2.30 982 2.47 1023 2.63 1064 2.78 1103 2.93 1140 3.07 1175 3.22
4400 767 1.56 805 1.83 845 2.07 886 2.28 929 2.48 971 2.66 1013 2.83 1055 2.99 1096 3.14 1135 3.29 1172 3.44 1207 3.58
4800 802 1.98 840 2.24 880 2.48 921 2.70 963 2.89 1006 3.08 1048 3.25 1090 3.40 1131 3.56 1170 3.70 1207 3.85 1242 3.99
5200 839 2.44 877 2.70 917 2.94 959 3.16 1001 3.35 1043 3.54 1086 3.70 1127 3.86 1168 4.01 1207 4.16 1244 4.31 1279 4.45
5600 879 2.94 917 3.21 957 3.44 998 3.66 1041 3.86 1083 4.04 1125 4.21 1167 4.37 1208 4.52 1247 4.67 1284 4.81 1319 4.96
6000 921 3.49 959 3.76 999 4.00 1040 4.21 1082 4.41 1125 4.59 1167 4.76 1209 4.92 1250 5.07 1289 5.22 1326 5.36 1361 5.51
6400 965 4.09 1003 4.35 1043 4.59 1084 4.81 1126 5.01 1169 5.19 1211 5.36 1253 5.51 1294 5.67 1333 5.81 1370 5.96 1405 6.11
6800 1010 4.72 1049 4.99 1089 5.23 1130 5.44 1172 5.64 1215 5.82 1257 5.99 1299 6.15 1339 6.30 1379 6.45 1416 6.59 1450 6.74
7200 1058 5.40 1096 5.66 1136 5.90 1177 6.12 1220 6.32 1262 6.50 1304 6.67 1346 6.82 1387 6.98 1426 7.12 1463 7.27 1498 7.42
7600 1107 6.11 1145 6.37 1185 6.61 1226 6.83 1269 7.03 1311 7.21 1353 7.38 1395 7.54 1436 7.69 1475 7.84 1512 7.98 1547 8.13
7.5 HP & Field Supplied Drive
ZR240 (20 Ton) Bottom Duct
Air Flow
(CFM)
Available External Static Pressure - IWG1
1. Blower performance includes gas heat exchangers and 2” filters. See STATIC RESISTANCE table for additional applications.
2. See RPM SELECTION table to determine desired motor sheave setting and to determine the maximum continuous BHP.
3. kW = BHP x 0.838.
0.4 0.6 0.8 1.0 1.2 1.4 1.6 1.8 2.0 2.2 2.4 2.6
RPM BHP RPM BHP RPM BHP RPM BHP RPM BHP RPM BHP RPM BHP RPM BHP RPM BHP RPM BHP RPM BHP RPM BHP
Standard 7.5 HP & Drive High Static 10 HP & Drive
5200 727 1.51 763 1.95 799 2.36 835 2.75 870 3.10 904 3.42 938 3.70 970 3.93 1001 4.11 1031 4.24 1059 4.32 1085 4.33
5600 750 1.96 786 2.39 822 2.81 857 3.19 892 3.55 927 3.86 960 4.14 993 4.37 1024 4.56 1054 4.69 1082 4.76 1108 4.77
6000 774 2.45 810 2.88 846 3.30 882 3.68 917 4.04 951 4.35 985 4.63 1017 4.86 1048 5.05 1078 5.18 1106 5.25 1132 5.26
6400 800 2.98 836 3.42 872 3.83 908 4.22 943 4.57 977 4.89 1011 5.16 1043 5.40 1074 5.58 1104 5.71 1132 5.78 1158 5.79
6800 828 3.56 864 4.00 899 4.41 935 4.80 970 5.15 1004 5.47 1038 5.74 1070 5.98 1102 6.16 1131 6.29 1159 6.36 1185 6.37
7200 857 4.19 892 4.62 928 5.03 964 5.42 999 5.77 1033 6.09 1067 6.37 1099 6.60 1130 6.79 1160 6.92 1188 6.99 1214 7.00
7600 887 4.86 923 5.29 958 5.71 994 6.09 1029 6.44 1063 6.76 1097 7.04 1129 7.27 1160 7.46 1190 7.59 1218 7.66 1244 7.67
8000 918 5.57 954 6.01 990 6.42 1025 6.81 1060 7.16 1095 7.48 1128 7.75 1161 7.99 1192 8.17 1222 8.30 1249 8.37 1276 8.38
8400 951 6.33 987 6.77 1022 7.18 1058 7.56 1093 7.92 1127 8.23 1161 8.51 1193 8.74 1224 8.93 1254 9.06 1282 9.13 1308 9.14
8800 984 7.13 1020 7.57 1056 7.98 1092 8.36 1127 8.72 1161 9.04 1195 9.31 1227 9.55 1258 9.73 1288 9.86 1316 9.93 1342 9.94
9200 1019 7.97 1055 8.41 1091 8.82 1126 9.21 1162 9.56 1196 9.88 1229 10.15 1262 10.39 1293 10.57 1323 10.70 1351 10.77 1377 10.79
9600 1055 8.85 1091 9.29 1127 9.70 1162 10.09 1197 10.44 1232 10.76 1265 11.04 1298 11.27 1329 11.45 - - ----
10000 1092 9.78 1128 10.21 1164 10.62 1199 11.01 1234 11.36 --------------
10 HP & Field Supplied Drive

251934-YTG-Z-0714
58 Johnson Controls Unitary Products
ZR300 (25 Ton) Bottom Duct
Air Flow
(CFM)
Available External Static Pressure - IWG1
0.4 0.6 0.8 1.0 1.2 1.4 1.6 1.8 2.0 2.2 2.4 2.6
RPM BHP RPM BHP RPM BHP RPM BHP RPM BHP RPM BHP RPM BHP RPM BHP RPM BHP RPM BHP RPM BHP RPM BHP
Low Static 7.5 HP & Drive Standard 10 HP & Drive
6600 796 3.24 827 3.65 859 4.04 890 4.40 920 4.75 951 5.08 983 5.40 1014 5.70 1047 6.00 1081 6.28 1116 6.55 1152 6.82
7000 821 3.81 853 4.22 884 4.61 915 4.97 946 5.32 977 5.65 1008 5.97 1040 6.27 1073 6.57 1106 6.85 1141 7.12 1177 7.39
7400 848 4.43 880 4.84 911 5.23 942 5.60 973 5.95 1004 6.28 1035 6.59 1067 6.90 1100 7.19 1134 7.47 1168 7.75 1205 8.02
7800 877 5.12 909 5.53 940 5.91 971 6.28 1002 6.63 1033 6.96 1064 7.28 1096 7.58 1129 7.87 1162 8.16 1197 8.43 1234 8.70
8200 908 5.86 940 6.27 971 6.65 1002 7.02 1032 7.37 1063 7.70 1095 8.02 1127 8.32 1159 8.61 1193 8.90 1228 9.17 1264 9.44
8600 940 6.66 971 7.07 1002 7.46 1033 7.82 1064 8.17 1095 8.50 1126 8.82 1158 9.12 1191 9.42 1225 9.70 1259 9.97 1296 10.24
9000 973 7.52 1004 7.93 1035 8.32 1066 8.69 1097 9.04 1128 9.37 1159 9.68 1191 9.99 1224 10.28 1258 10.56 1292 10.84 1329 11.11
9400 1007 8.45 1038 8.86 1070 9.24 1101 9.61 1131 9.96 1162 10.29 1194 10.61 1225 10.91 1258 11.20 1292 11.49 1327 11.76 1363 12.03
9800 1042 9.43 1074 9.84 1105 10.23 1136 10.60 1167 10.95 1198 11.28 1229 11.59 1261 11.90 1293 12.19 1327 12.47 1362 12.75 1398 13.02
10200 1078 10.48 1110 10.89 1141 11.28 1172 11.64 1203 11.99 1234 12.32 1265 12.64 1297 12.94 1330 13.24 1363 13.52 1398 13.79 1434 14.06
10600 1115 11.59 1147 12.00 1178 12.38 1209 12.75 1240 13.10 1271 13.43 1302 13.75 1334 14.05 1367 14.34 1400 14.62 1435 14.90 1472 15.17
11000 1153 12.75 1185 13.16 1216 13.55 1247 13.91 1278 14.26 1309 14.59 1340 14.91 1372 15.21 1405 15.51 1438 15.79 1473 16.06 1510 16.34
11400 1192 13.97 1224 14.38 1255 14.77 1286 15.14 1317 15.49 1348 15.82 1379 16.13 1411 16.44 1444 16.73 1477 17.01 ----
11800 1232 15.25 1264 15.66 1295 16.05 1326 16.42 1356 16.77 1387 17.10 ------------
12200 1272 16.59 1304 17.00 --------------------
High Static 15 HP & Drive 15 HP & Field Supplied Drive
Air Flow
(CFM)
Available External Static Pressure - IWG1
1. Blower performance includes gas heat exchangers and 2” filters. See STATIC
RESISTANCE table for additional applications.
2. See RPM SELECTION table to determine desired motor sheave setting and to
determine the maximum continuous BHP.
3. kW = BHP x 0.82.
2.8 3.0 3.2 3.4
RPM BHP RPM BHP RPM BHP RPM BHP
High Static 15 HP & Drive
6600 1190 7.09 1230 7.36 1272 7.62 1316 7.89
7000 1215 7.66 1255 7.93 1297 8.19 1341 8.46
7400 1243 8.29 1282 8.55 1324 8.82 1369 9.08
7800 1272 8.97 1311 9.23 1353 9.50 1397 9.77
8200 1302 9.71 1342 9.97 1384 10.24 1428 10.51
8600 1334 10.51 1374 10.78 1415 11.04 1460 11.31
9000 1367 11.37 1407 11.64 1448 11.90 1493 12.17
9400 1401 12.30 1441 12.56 1483 12.83 1527 13.10
9800 1436 13.28 1476 13.55 1518 13.82 1562 14.08
10200 1472 14.33 1512 14.60 1554 14.86 1598 15.13
10600 1510 15.44 1549 15.70 1591 15.97 1635 16.23
11000 1548 16.60 1587 16.87 1629 17.13 - -
11400 --------
11800 --------
12200 --------
15 HP & Field Supplied Drive

251934-YTG-Z-0714
Johnson Controls Unitary Products 59
ZF180-300 Side Duct Application
ZF180 (15 Ton) Side Duct
Air Flow
(CFM)
Available External Static Pressure - IWG1
1. Blower performance includes gas heat exchangers and 2” filters. See STATIC RESISTANCE table for additional applications.
2. See RPM SELECTION table to determine desired motor sheave setting and to determine the maximum continuous BHP.
3. kW = BHP x 0.838.
0.4 0.6 0.8 1.0 1.2 1.4 1.6 1.8 2.0 2.2 2.4 2.6
RPM BHP RPM BHP RPM BHP RPM BHP RPM BHP RPM BHP RPM BHP RPM BHP RPM BHP RPM BHP RPM BHP RPM BHP
Standard 5 HP & Field
Supplied Drive Standard 5 HP & Drive High Static 5 HP & Drive
4400 760 1.56 798 1.90 835 2.20 878 2.47 950 2.81 1014 3.11 1069 3.38 1115 3.61 1154 3.81 1184 3.97 1205 4.09 1218 4.18
4800 786 1.93 824 2.27 861 2.57 904 2.84 976 3.18 1040 3.48 1095 3.75 1142 3.98 1180 4.18 1210 4.34 1231 4.46 1244 4.55
5200 815 2.34 853 2.68 890 2.98 933 3.25 1005 3.59 1068 3.89 1123 4.16 1170 4.39 1208 4.59 1238 4.75 1260 4.87 1273 4.96
5600 845 2.79 883 3.13 920 3.43 963 3.70 1035 4.04 1099 4.34 1154 4.61 1200 4.84 1239 5.04 1269 5.20 1290 5.32 1303 5.41
6000 877 3.28 915 3.62 952 3.92 995 4.19 1067 4.53 1131 4.83 1186 5.10 1232 5.33 1271 5.53 1301 - ----
6400 911 3.81 949 4.15 986 4.45 1029 4.72 1101 5.06 1164 5.36 1219 5.63 ----------
6800 946 4.38 984 4.72 1021 5.02 1064 5.29 - - --------------
7200 982 4.98 1020 5.32 1057 5.62 ------------------
5 HP & Field Supplied Drive
ZF210 (17.5 Ton) Side Duct
Air Flow
(CFM)
Available External Static Pressure - IWG1
1. Blower performance includes gas heat exchangers and 2” filters. See STATIC RESISTANCE table for additional applications.
2. See RPM SELECTION table to determine desired motor sheave setting and to determine the maximum continuous BHP.
3. kW = BHP x 0.838.
0.4 0.6 0.8 1.0 1.2 1.4 1.6 1.8 2.0 2.2 2.4 2.6
RPM BHP RPM BHP RPM BHP RPM BHP RPM BHP RPM BHP RPM BHP RPM BHP RPM BHP RPM BHP RPM BHP RPM BHP
Standard 5 HP & Field Supplied Drive Standard 5 HP & Drive High Static 7.5 HP & Drive
4400 636 0.65 672 1.14 709 1.60 745 2.03 780 2.43 815 2.78 849 3.09 882 3.35 914 3.55 944 3.70 973 3.78 999 3.79
4800 649 0.99 685 1.48 721 1.94 757 2.37 793 2.77 828 3.12 862 3.43 895 3.69 927 3.89 957 4.04 985 4.12 1012 4.13
5200 663 1.34 700 1.83 736 2.29 772 2.72 808 3.11 843 3.47 877 3.78 910 4.04 942 4.24 972 4.39 1000 4.47 1027 4.48
5600 680 1.71 717 2.20 753 2.66 789 3.09 825 3.48 860 3.84 894 4.15 927 4.41 959 4.61 989 4.76 1017 4.84 1044 4.85
6000 699 2.11 735 2.60 772 3.06 808 3.49 844 3.88 879 4.24 913 4.55 946 4.80 977 5.01 1007 5.15 1036 5.24 1062 5.25
6400 719 2.55 756 3.03 792 3.49 828 3.92 864 4.32 899 4.67 933 4.98 966 5.24 998 5.45 1028 5.59 1056 5.67 1083 5.68
6800 742 3.02 778 3.51 814 3.97 850 4.40 886 4.79 921 5.15 955 5.46 988 5.72 1020 5.92 1050 6.07 1078 6.15 1105 6.16
7200 765 3.54 802 4.03 838 4.49 874 4.92 910 5.32 945 5.67 979 5.98 1012 6.24 1044 6.44 1074 6.59 1102 6.67 1129 6.68
7600 790 4.11 827 4.60 863 5.06 899 5.49 935 5.88 970 6.24 1004 6.55 1037 6.81 1069 7.01 1099 7.16 1127 7.24 1154 7.25
8000 817 4.72 853 5.21 890 5.67 926 6.10 962 6.50 997 6.85 1031 7.16 1064 7.42 1095 7.62 1125 7.77 1154 7.85 1180 7.86
8400 845 5.38 881 5.87 918 6.33 954 6.76 990 7.16 1025 7.51 1059 7.82 1092 8.08 1123 8.28 1153 8.43 1182 8.51 1208 8.52
8800 874 6.09 911 6.58 947 7.04 983 7.47 1019 7.86 1054 8.22 1088 8.53 ----------
High Static 7.5 HP &
Field Supplied Drive

251934-YTG-Z-0714
60 Johnson Controls Unitary Products
ZF240 (20 Ton) Side Duct
Air Flow
(CFM)
Available External Static Pressure - IWG1
1. Blower performance includes gas heat exchangers and 2” filters. See STATIC RESISTANCE table for additional applications.
2. See RPM SELECTION table to determine desired motor sheave setting and to determine the maximum continuous BHP.
3. kW = BHP x 0.838.
0.4 0.6 0.8 1.0 1.2 1.4 1.6 1.8 2.0 2.2 2.4 2.6
RPM BHP RPM BHP RPM BHP RPM BHP RPM BHP RPM BHP RPM BHP RPM BHP RPM BHP RPM BHP RPM BHP RPM BHP
Standard 5 HP & Field
Supplied Drive Standard 5 HP & Drive High Static 7.5 HP & Drive
5200 678 1.35 715 1.83 751 2.28 787 2.70 823 3.09 858 3.43 892 3.74 925 3.99 957 4.19 987 4.33 1015 4.41 1042 4.42
5600 697 1.74 733 2.22 770 2.67 806 3.09 842 3.48 876 3.82 911 4.13 944 4.38 975 4.58 1005 4.72 1034 4.80 1060 4.82
6000 717 2.17 754 2.65 790 3.10 826 3.52 862 3.90 897 4.25 931 4.55 964 4.81 996 5.01 1026 5.15 1054 5.23 1081 5.24
6400 740 2.64 776 3.11 812 3.57 848 3.99 884 4.37 919 4.72 953 5.02 986 5.28 1018 5.48 1048 5.62 1076 5.70 1103 5.71
6800 763 3.15 800 3.63 836 4.08 872 4.50 908 4.88 943 5.23 977 5.53 1010 5.79 1042 5.99 1072 6.13 1100 6.21 1127 6.22
7200 789 3.71 825 4.18 861 4.63 898 5.05 933 5.44 968 5.79 1002 6.09 1035 6.34 1067 6.55 1097 6.69 1126 6.77 1152 6.78
7600 815 4.31 852 4.79 888 5.24 924 5.66 960 6.04 995 6.39 1029 6.69 1062 6.95 1094 7.15 1124 7.29 1152 7.37 1179 7.38
8000 844 4.96 880 5.44 916 5.89 952 6.31 988 6.70 1023 7.04 1057 7.34 1090 7.60 1122 7.80 1152 7.94 1180 8.02 1207 8.03
8400 873 5.66 909 6.13 946 6.59 982 7.01 1018 7.39 1053 7.74 1087 8.04 1120 8.30 1151 8.50 1182 8.64 1210 8.72 1236 8.73
8800 904 6.40 940 6.88 977 7.33 1013 7.75 1048 8.14 1083 8.48 1117 8.79 ----------
9200 936 7.19 972 7.67 1009 8.12 1045 8.54 1080 8.93 --------------
9600 969 8.03 1005 8.50 1042 8.96 ------------------
10000 1003 8.91 ----------------------
High Static 7.5 HP & Field Supplied Drive

251934-YTG-Z-0714
Johnson Controls Unitary Products 61
ZF300 (25 Ton) Side Duct
Air Flow
(CFM)
Available External Static Pressure - IWG1
0.4 0.6 0.8 1.0 1.2 1.4 1.6 1.8
RPM BHP RPM BHP RPM BHP RPM BHP RPM BHP RPM BHP RPM BHP RPM BHP
Low Static 7.5 HP &
Field Supplied Drive Low Static 7.5 HP & Drive
6600 760 2.51 793 3.11 824 3.68 856 4.23 887 4.74 919 5.23 950 5.70 983 6.15
7000 775 2.99 808 3.60 839 4.17 871 4.71 902 5.22 934 5.72 966 6.19 998 6.64
7400 792 3.51 824 4.11 856 4.69 887 5.23 918 5.74 950 6.24 982 6.70 1014 7.16
Standard 10 HP & Drive
7800 809 4.07 841 4.67 873 5.24 904 5.78 935 6.30 967 6.79 999 7.26 1031 7.71
8200 826 4.66 859 5.27 890 5.84 922 6.38 953 6.89 985 7.39 1016 7.86 1049 8.31
8600 845 5.30 877 5.90 909 6.47 940 7.01 972 7.53 1003 8.02 1035 8.49 1067 8.94
9000 864 5.97 896 6.57 928 7.14 960 7.69 991 8.20 1022 8.69 1054 9.16 1087 9.61
9400 884 6.68 916 7.28 948 7.86 980 8.40 1011 8.91 1042 9.41 1074 9.88 1107 10.33
9800 905 7.43 937 8.04 969 8.61 1000 9.15 1032 9.67 1063 10.16 1095 10.63 1127 11.08
10200 926 8.22 958 8.83 990 9.40 1021 9.94 1053 10.46 1084 10.95 1116 11.42 1148 11.87
10600 948 9.05 980 9.66 1012 10.23 1043 10.77 1075 11.29 1106 11.78 1138 12.25 1170 12.70
11000 970 9.92 1003 10.52 1034 11.09 1066 11.64 1097 12.15 1128 12.64 1160 13.11 1193 13.56
11400 993 10.82 1025 11.43 1057 12.00 1089 12.54 1120 13.06 1151 13.55 1183 14.02 1216 14.47
11800 1017 11.76 1049 12.37 1081 12.94 1112 13.48 1143 14.00 1175 14.49 1207 14.96 1239 15.41
12200 1040 12.74 1073 13.34 1104 13.91 1136 14.46 1167 14.97 1199 15.46 1231 15.93 1263 16.38
12600 1065 13.75 1097 14.35 1129 14.92 1160 15.47 1192 15.98 1223 16.47 1255 16.94 - -
High Static 15 HP & Drive
Air Flow
(CFM)
Available External Static Pressure - IWG1
1. Blower performance includes gas heat exchangers and 2” filters. See STATIC
RESISTANCE table for additional applications.
2. See RPM SELECTION table to determine desired motor sheave setting and to
determine the maximum continuous BHP.
3. kW = BHP x 0.82.
2.0 2.2 2.4 2.6 2.8 3.0 3.2 3.4
RPM BHP RPM BHP RPM BHP RPM BHP RPM BHP RPM BHP RPM BHP RPM BHP
Standard 10 HP & Drive High Static 15 HP & Drive
6600 1016 6.59 1050 7.00 1086 7.41 1123 7.81 1161 8.19 1202 8.58 1244 8.95 1289 9.33
7000 1031 7.07 1065 7.49 1101 7.89 1138 8.29 1176 8.68 1217 9.06 1259 9.44 1304 9.82
7400 1047 7.59 1081 8.01 1117 8.41 1154 8.81 1192 9.20 1233 9.58 1275 9.96 1320 10.34
7800 1064 8.14 1098 8.56 1134 8.97 1171 9.36 1209 9.75 1250 10.13 1292 10.51 1337 10.89
8200 1082 8.74 1116 9.16 1152 9.56 1189 9.96 1227 10.35 1268 10.73 1310 11.11 1355 11.49
8600 1101 9.37 1135 9.79 1170 10.20 1207 10.59 1246 10.98 1286 11.36 1329 11.74 1374 12.12
9000 1120 10.05 1154 10.46 1189 10.87 1226 11.27 1265 11.65 1305 12.04 1348 12.41 1393 12.79
9400 1140 10.76 1174 11.18 1209 11.58 1246 11.98 1285 12.37 1325 12.75 1368 13.13 1413 13.51
9800 1160 11.51 1195 11.93 1230 12.33 1267 12.73 1306 13.12 1346 13.50 1389 13.88 1434 14.26
10200 1182 12.30 1216 12.72 1251 13.12 1288 13.52 1327 13.91 1367 14.29 1410 14.67 1455 15.05
10600 1204 13.13 1238 13.55 1273 13.95 1310 14.35 1349 14.74 1389 15.12 1432 15.50 1477 15.88
11000 1226 14.00 1260 14.41 1296 14.82 1332 15.22 1371 15.60 1412 15.99 1454 16.36 1499 16.74
11400 1249 14.90 1283 15.32 1318 15.72 1355 16.12 1394 16.51 1434 16.89 ----
11800 1272 15.84 1306 16.26 1342 16.66 1379 17.06 --------
12200 1296 16.82 1330 17.23 ------------
12600 ----------------
High Static 15 HP & Field Supplied Drive

251934-YTG-Z-0714
62 Johnson Controls Unitary Products
ZF180-300 Bottom Duct Application
ZF180 (15 Ton) Bottom Duct
Air Flow
(CFM)
Available External Static Pressure - IWG1
1. Blower performance includes gas heat exchangers and 2” filters. See STATIC RESISTANCE table for additional applications.
2. See RPM SELECTION table to determine desired motor sheave setting and to determine the maximum continuous BHP.
3. kW = BHP x 0.838.
0.4 0.6 0.8 1.0 1.2 1.4 1.6 1.8 2.0 2.2 2.4 2.6
RPM BHP RPM BHP RPM BHP RPM BHP RPM BHP RPM BHP RPM BHP RPM BHP RPM BHP RPM BHP RPM BHP RPM BHP
Standard 5
HP & Field
Supplied
Drive
Standard 5 HP & Drive High Static 5 HP & Drive
4400 803 1.70 841 2.00 877 2.28 919 2.52 991 2.84 1055 3.13 1110 3.38 1155 3.59 1193 3.78 1221 3.93 1242 4.04 1253 4.12
4800 832 2.11 870 2.42 906 2.69 948 2.93 1020 3.25 1084 3.54 1139 3.79 1185 4.01 1222 4.19 1250 4.34 1271 4.45 1282 4.53
5200 863 2.55 900 2.86 936 3.14 979 3.38 1051 3.70 1115 3.99 1169 4.24 1215 4.46 1253 4.64 1281 4.79 1301 4.90 1313 4.98
5600 896 3.03 933 3.34 969 3.62 1011 3.86 1084 4.19 1147 4.47 1202 4.73 1248 4.94 1285 5.13 1314 5.27 1334 5.39 1345 5.47
6000 930 3.54 967 3.86 1003 4.13 1045 4.38 1118 4.70 1181 4.99 1236 5.24 1282 5.46 --------
6400 965 4.09 1002 4.41 1038 4.68 1081 4.93 1153 5.25 1217 5.54 ------------
6800 1002 4.67 1039 4.99 1075 5.27 1117 5.51 - - --------------
7200 1040 5.28 1077 5.60 --------------------
5 HP & Field Supplied Drive
ZF210 (17.5 Ton) Bottom Duct
Air Flow
(CFM)
Available External Static Pressure - IWG1
1. Blower performance includes gas heat exchangers and 2” filters. See STATIC RESISTANCE table for additional applications.
2. See RPM SELECTION table to determine desired motor sheave setting and to determine the maximum continuous BHP.
3. kW = BHP x 0.838.
0.4 0.6 0.8 1.0 1.2 1.4 1.6 1.8 2.0 2.2 2.4 2.6
RPM BHP RPM BHP RPM BHP RPM BHP RPM BHP RPM BHP RPM BHP RPM BHP RPM BHP RPM BHP RPM BHP RPM BHP
Standard 5 HP &
Field Supplied Drive Standard 5 HP & Drive High Static 7.5 HP & Drive
4400 661 0.74 697 1.19 733 1.62 768 2.03 803 2.40 838 2.73 871 3.02 904 3.26 935 3.45 964 3.59 992 3.66 1018 3.67
4800 677 1.07 712 1.53 748 1.96 784 2.36 819 2.73 853 3.06 887 3.35 919 3.59 950 3.79 980 3.92 1008 4.00 1034 4.01
5200 694 1.43 730 1.89 766 2.32 801 2.72 836 3.09 871 3.42 904 3.71 937 3.95 968 4.14 997 4.28 1025 4.35 1051 4.37
5600 713 1.82 749 2.27 785 2.71 820 3.11 856 3.48 890 3.81 923 4.10 956 4.34 987 4.53 1017 4.67 1045 4.74 1071 4.75
6000 734 2.25 770 2.70 806 3.13 841 3.53 877 3.90 911 4.23 944 4.52 977 4.77 1008 4.96 1038 5.09 1066 5.17 1092 5.18
6400 757 2.71 793 3.17 829 3.60 864 4.00 899 4.37 934 4.70 967 4.99 1000 5.23 1031 5.42 1060 5.56 1088 5.64 1114 5.65
6800 781 3.22 817 3.68 853 4.11 888 4.51 923 4.88 958 5.21 991 5.50 1024 5.74 1055 5.94 1085 6.07 1112 6.15 1139 6.16
7200 807 3.78 843 4.23 878 4.66 914 5.07 949 5.44 983 5.77 1017 6.06 1049 6.30 1081 6.49 1110 6.63 1138 6.70 1164 6.71
7600 834 4.38 870 4.83 905 5.26 941 5.67 976 6.04 1010 6.37 1044 6.66 1076 6.90 1108 7.09 1137 7.23 1165 7.30 1191 7.31
8000 862 5.02 898 5.48 934 5.91 969 6.31 1004 6.68 1039 7.01 1072 7.30 1105 7.55 1136 7.74 1166 7.87 1194 7.95 1220 7.96
8400 892 5.71 928 6.17 963 6.60 999 7.00 1034 7.37 1069 7.70 1102 7.99 1134 8.24 1166 8.43 1195 8.56 ----
8800 923 6.45 959 6.91 994 7.34 1030 7.74 1065 8.11 1099 8.44 ------------
High Static 7.5 HP & Field Supplied Drive

251934-YTG-Z-0714
Johnson Controls Unitary Products 63
ZF240 (20 Ton) Bottom Duct
Air Flow
(CFM)
Available External Static Pressure - IWG1
1. Blower performance includes gas heat exchangers and 2” filters. See STATIC RESISTANCE table for additional applications.
2. See RPM SELECTION table to determine desired motor sheave setting and to determine the maximum continuous BHP.
3. kW = BHP x 0.838.
0.4 0.6 0.8 1.0 1.2 1.4 1.6 1.8 2.0 2.2 2.4 2.6
RPM BHP RPM BHP RPM BHP RPM BHP RPM BHP RPM BHP RPM BHP RPM BHP RPM BHP RPM BHP RPM BHP RPM BHP
Standard 5
HP & Field
Supplied
Drive
Standard 5 HP & Drive High Static 7.5 HP & Drive
5200 711 1.47 747 1.92 782 2.34 818 2.73 853 3.09 887 3.42 921 3.70 953 3.94 985 4.13 1014 4.26 1042 4.34 1068 4.35
5600 732 1.89 768 2.33 803 2.76 839 3.15 874 3.51 908 3.84 942 4.12 974 4.36 1005 4.54 1035 4.68 1063 4.75 1089 4.76
6000 754 2.35 790 2.79 826 3.21 862 3.61 897 3.97 931 4.29 965 4.58 997 4.81 1028 5.00 1058 5.14 1086 5.21 1112 5.22
6400 779 2.85 814 3.29 850 3.71 886 4.11 921 4.47 955 4.79 989 5.08 1021 5.31 1052 5.50 1082 5.64 1110 5.71 1136 5.72
6800 804 3.39 840 3.84 876 4.26 912 4.65 947 5.01 981 5.34 1015 5.62 1047 5.86 1078 6.05 1108 6.18 1136 6.26 1162 6.27
7200 832 3.98 868 4.43 903 4.85 939 5.24 974 5.60 1008 5.93 1042 6.21 1074 6.45 1105 6.64 1135 6.77 1163 6.85 1189 6.86
7600 860 4.62 896 5.06 932 5.49 967 5.88 1002 6.24 1037 6.56 1070 6.85 1103 7.09 1134 7.27 1164 7.41 1192 7.48 1218 7.49
8000 890 5.30 926 5.74 962 6.17 997 6.56 1032 6.92 1067 7.24 1100 7.53 1133 7.77 1164 7.95 1194 8.09 1222 8.16 1248 8.17
8400 921 6.02 957 6.47 993 6.89 1028 7.28 1064 7.64 1098 7.97 1131 8.25 1164 8.49 1195 8.68 1225 8.81 ----
8800 954 6.79 989 7.24 1025 7.66 1061 8.05 1096 8.41 1130 8.74 ------------
9200 987 7.60 1023 8.05 1059 8.47 1094 8.86 - - --------------
9600 1021 8.45 1057 8.90 --------------------
100005464.895645.11--------------------
High Static 7.5 HP & Field Supplied Drive

251934-YTG-Z-0714
64 Johnson Controls Unitary Products
ZF300 (25 Ton) Bottom Duct
Air Flow
(CFM)
Available External Static Pressure - IWG1
0.4 0.6 0.8 1.0 1.2 1.4 1.6
RPM BHP RPM BHP RPM BHP RPM BHP RPM BHP RPM BHP RPM BHP
Low Static
7.5 HP &
Field
Supplied
Drive
Low Static 7.5 HP & Drive
6600 787 2.67 819 3.23 850 3.76 881 4.27 912 4.75 943 5.21 974 5.65
7000 804 3.18 835 3.74 867 4.27 898 4.78 928 5.26 959 5.72 991 6.16
7400 821 3.72 853 4.28 884 4.82 915 5.32 946 5.80 977 6.26 1008 6.70
Standard 10 HP & Drive
7800 839 4.30 871 4.86 902 5.40 933 5.90 964 6.39 995 6.85 1026 7.28
8200 858 4.92 890 5.48 921 6.02 952 6.52 983 7.01 1013 7.47 1045 7.90
8600 877 5.58 909 6.14 940 6.68 971 7.18 1002 7.66 1033 8.12 1064 8.56
9000 898 6.28 929 6.84 960 7.37 991 7.88 1022 8.36 1053 8.82 1084 9.26
9400 918 7.01 950 7.57 981 8.10 1012 8.61 1043 9.09 1074 9.55 1105 9.99
9800 940 7.78 972 8.34 1003 8.87 1034 9.38 1064 9.86 1095 10.32 1127 10.76
10200 962 8.58 994 9.14 1025 9.68 1056 10.18 1086 10.67 1117 11.13 1149 11.56
10600 984 9.42 1016 9.98 1047 10.52 1078 11.02 1109 11.51 1140 11.96 1171 12.40
11000 1007 10.30 1039 10.86 1070 11.39 1101 11.90 1132 12.38 1163 12.84 1194 13.28
11400 1031 11.20 1063 11.76 1094 12.30 1125 12.80 1156 13.29 1187 13.75 1218 14.18
11800 1055 12.14 1087 12.70 1118 13.24 1149 13.74 1180 14.23 1211 14.69 1242 15.12
12200 1080 13.11 1111 13.68 1142 14.21 1173 14.72 1204 15.20 1235 15.66 1266 16.10
12600 1104 14.12 1136 14.68 1167 15.21 1198 15.72 1229 16.20 1260 16.66 1291 17.10
High Static 15 HP & Drive
Air Flow
(CFM)
Available External Static Pressure - IWG1
1. Blower performance includes gas heat exchangers and 2” filters. See STATIC RESISTANCE table
for additional applications.
2. See RPM SELECTION table to determine desired motor sheave setting and to determine the
maximum continuous BHP.
3. kW = BHP x 0.82.
1.8 2.0 2.2 2.4 2.6 2.8 3.0 3.2 3.4
RPM BHP RPM BHP RPM BHP RPM BHP RPM BHP RPM BHP RPM BHP RPM BHP RPM BHP
Standard 10 HP & Drive High Static 15 HP & Drive
6600 1006 6.07 1039 6.48 1072 6.87 1107 7.25 1144 7.62 1182 7.98 1221 8.33 1263 8.68 1307 9.04
7000 1023 6.58 1055 6.98 1089 7.37 1124 7.75 1160 8.12 1198 8.48 1238 8.84 1280 9.19 1324 9.54
7400 1040 7.12 1072 7.53 1106 7.92 1141 8.30 1177 8.67 1215 9.03 1255 9.38 1297 9.74 1341 10.09
7800 1058 7.71 1090 8.11 1124 8.50 1159 8.88 1195 9.25 1233 9.61 1273 9.97 1315 10.32 1359 10.67
8200 1077 8.33 1109 8.73 1143 9.12 1178 9.50 1214 9.87 1252 10.23 1292 10.59 1334 10.94 1378 11.29
8600 1096 8.98 1129 9.39 1162 9.78 1197 10.16 1234 10.53 1272 10.89 1311 11.24 1353 11.60 1397 11.95
9000 1116 9.68 1149 10.08 1183 10.47 1218 10.85 1254 11.22 1292 11.58 1332 11.94 1373 12.29 1418 12.64
9400 1137 10.41 1170 10.82 1203 11.21 1238 11.59 1275 11.95 1313 12.32 1352 12.67 1394 13.02 1438 13.37
9800 1159 11.18 1191 11.59 1225 11.98 1260 12.35 1296 12.72 1334 13.09 1374 13.44 1416 13.79 1460 14.14
10200 1181 11.99 1213 12.39 1247 12.78 1282 13.16 1318 13.53 1356 13.89 1396 14.25 1438 14.60 1482 14.95
10600 1203 12.82 1236 13.23 1269 13.62 1304 14.00 1341 14.37 1379 14.73 1418 15.08 1460 15.44 1504 15.79
11000 1226 13.70 1259 14.10 1293 14.49 1327 14.87 1364 15.24 1402 15.60 1441 15.96 1483 16.31 1528 16.66
11400 1250 14.61 1282 15.01 1316 15.40 1351 15.78 1387 16.15 1425 16.51 1465 16.87 1507 17.22 - -
11800 1274 15.55 1307 15.95 1340 16.34 1375 16.72 1411 17.09 --------
12200 1298 16.52 1331 16.92 --------------
12600 ------------------
High Static 15 HP & Field Supplied Drive

251934-YTG-Z-0714
Johnson Controls Unitary Products 65
RPM Selection
Size
(Tons) Model HP Max
BHP Motor
Sheave Blower
Sheave 6 Turns
Open 5 Turns
Open 4 Turns
Open 3 Turns
Open 2 Turns
Open 1 Turn
Open Fully
Closed
180
(15) ZJ/ZF 5 5.75 1VP65 BK110 815 850 885 920 950 985 N/A
5 5.75 1VP65 BK090 1010 1055 1095 1135 1180 1220 N/A
210
(17.5) ZJ/ZF 5 5.75 1VP60 BK110 730 765 800 835 870 905 N/A
7.5 8.63 1VP60 BK090 905 950 990 1035 1075 1120 N/A
240
(20) ZJ/ZF 5 5.75 1VP60 BK110 730 765 800 835 870 905 N/A
7.5 8.63 1VP60 BK090 905 950 990 1035 1075 1120 N/A
300
(25) ZJ/ZF
7.5 8.63 1VP60 1B5V94 810 850 885 920 960 1000 N/A
10 11.50 1VP75X 1B5V110 975 1005 1040 1070 1100 1135 1165
15 17.25 1VP75X 1B5V94 1140 1180 1215 1255 1290 1330 1365
180
(15) ZR 5 5.75 1VP65 BK110 815 850 885 920 950 985 N/A
7.5 8.63 1VP65 BK090 1010 1055 1095 1135 1180 1220 N/A
240
(20) ZR 7.5 8.63 1VP60 BK110 730 765 800 835 870 905 N/A
10 11.50 1VP60 BK090 905 950 990 1035 1075 1120 N/A
300
(25) ZR
7.5 8.63 1VP60 1B5V94 810 850 885 920 960 1000 N/A
10 11.50 1VP75X 1B5V110 975 1005 1040 1070 1100 1135 1165
15 17.25 1VP75X 1B5V94 1140 1180 1215 1255 1290 1330 1365
Additional Static Resistance
Size
(Tons) Model CFM Cooling Only1
1. Add these values to the available static resistance in the respective Blower Performance Tables.
Economizer2 3
2. Deduct these values from the available external static pressure shown in the respective Blower Performance Tables.
3. The pressure drop through the economizer is greater for 100% outdoor air than for 100% return air. If the resistance of the
return air duct is less than 0.25 IWG, the unit will deliver less CFM during full economizer operation.
Electric Heat kW2
18 36 54 72
180
(15)
ZJ
ZR
ZF
4500 0.10 0.10 0.10 0.10 0.20 0.20
6000 0.10 0.10 0.10 0.20 0.30 0.40
7500 0.10 0.10 0.10 0.30 0.40 0.60
210 (17.5)
240 (20)
300 (25)
ZJ
ZR
ZF
6000 0.10 0.10 0.10 0.10 0.20 0.20
7500 0.10 0.10 0.10 0.20 0.30 0.40
9000 0.15 0.15 0.10 0.30 0.40 0.60
10500 0.15 0.15 0.20 0.40 0.60 0.80
12000 0.20 0.20 0.30 0.50 0.70 0.90

251934-YTG-Z-0714
66 Johnson Controls Unitary Products
Drive Selection
1. Determine side or bottom supply duct application.
2. Determine desired airflow
3. Calculate or measure the amount of external static pressure.
4. Using the operating point determined from steps 1, 2 & 3, locate this point on the appropriate supply air blower performance
table. (Linear interpolation may be necessary.)
5. Noting the RPM and BHP from step 4, locate the appropriate motor and/or drive on the RPM selection table.
6. Review the BHP compared to the motor options available. Select the appropriate motor and/or drive.
7. Review the RPM range for the motor options available. Select the appropriate drive if multiple drives are available for the
chosen motor.
8. Determine turns open to obtain the desired operation point.
Example
1. 6800 CFM
2. 2.0 iwg
3. Using the supply air blower performance table below, the following data point was located: 1020 RPM & 5.92 BHP.
4. Using the RPM selection table below, Size X and Model Y is found.
5. 5.92 BHP exceeds the maximum continuous BHP rating of the 5.0 HP motor. The 7.5 HP motor is required.
6. 1020 RPM is within the range of the 7.5 HP drives.
7. Using the 7.5 HP motor and drive, 3.5 turns open will achieve 1020 RPM.
Example Supply Air Blower Performance
Air Flow
(CFM)
Available External Static Pressure - IWG
0.4 0.6 0.8 1.0 1.2 1.4 1.6 1.8 2.0 2.2 2.4 2.6
RPM BHP RPM BHP RPM BHP RPM BHP RPM BHP RPM BHP RPM BHP RPM BHP RPM BHP RPM BHP RPM BHP RPM BHP
Standard
5 HP & Field
Supplied
Drive
Standard 5 HP & Drive High Static 7.5 HP & Drive
6400 719 2.55 756 3.03 792 3.49 828 3.92 864 4.32 899 4.67 933 4.98 966 5.24 998 5.45 1028 5.59 1056 5.67 1083 5.68
6800 742 3.02 778 3.51 814 3.97 850 4.40 886 4.79 921 5.15 955 5.46 988 5.72 1020 5.92 1050 6.07 1078 6.15 1105 6.16
7200 765 3.54 802 4.03 838 4.49 874 4.92 910 5.32 945 5.67 979 5.98 1012 6.24 1044 6.44 1074 6.59 1102 6.67 1129 6.68
7600 790 4.11 827 4.60 863 5.06 899 5.49 935 5.88 970 6.24 1004 6.55 1037 6.81 1069 7.01 1099 7.16 1127 7.24 1154 7.25
7.5 HP & Field
Supplied Drive
Table X: RPM Selection
Size
(Tons) Model HP Max
BHP Motor
Sheave Blower
Sheave 6 Turns
Open 5 Turns
Open 4 Turns
Open 3 Turns
Open 2 Turns
Open 1 Turn
Open Fully
Closed
XY5 5.75 1VP60 BK110 730 765 800 835 870 905 N/A
7.5 8.63 1VP60 BK090 905 950 990 1035 1075 1120 N/A

251934-YTG-Z-0714
Johnson Controls Unitary Products 67
Altitude/Temperature Correction Factors
Air
Temp. Altitude (Ft.)
0 1000 2000 3000 4000 5000 6000 7000 8000 9000 10000
40 1.060 1.022 0.986 0.950 0.916 0.882 0.849 0.818 0.788 0.758 0.729
50 1.039 1.002 0.966 0.931 0.898 0.864 0.832 0.802 0.772 0.743 0.715
60 1.019 0.982 0.948 0.913 0.880 0.848 0.816 0.787 0.757 0.729 0.701
70 1.000 0.964 0.930 0.896 0.864 0.832 0.801 0.772 0.743 0.715 0.688
80 0.982 0.947 0.913 0.880 0.848 0.817 0.787 0.758 0.730 0.702 0.676
90 0.964 0.929 0.897 0.864 0.833 0.802 0.772 0.744 0.716 0.689 0.663
100 0.946 0.912 0.880 0.848 0.817 0.787 0.758 0.730 0.703 0.676 0.651
Gas Heat Minimum Supply Air
Size
(Tons) Heat Size
Supply Air (CFM)
Cooling Heating
Min Max Min Max
180
(15)
24 4500 7000 4500 7000
32 4500 7000 4500 7000
210
(17.5)
24 6000 8750 6000 8750
32 6000 8750 6000 8750
240
(20)
24 6000 9400 6000 9400
32 6000 9400 6000 9400
300
(25)
24 7500 12500 7500 12500
32 7500 12500 7500 12500
0.600
0.650
0.700
0.750
0.800
0.850
0.900
0.950
1.000
1.050
1.100
40 50 60 70 80 90 100
Air Temperature (ºF)
Correction Factor
Sea Level
1000 ft
2000 ft
3000 ft
4000 ft
6000 ft
7000 ft
8000 ft
9000 ft
10000 ft
5000 ft
For units with VFD and gas heat, the speed of the indoor
blower motor continues to be controlled by duct static
pressure via the VAV control board.
If there are VAV boxes present in the duct system,
the boxes must be driven to the full-open position
using a customer-supplied power source to assure
adequate airflow across electric heating elements
or gas heat exchanger tubes.

251934-YTG-Z-0714
68 Johnson Controls Unitary Products
Electric Heat Minimum Supply Air
Size
(Tons) Voltage
Minimum Supply Air (CFM)
Heater kW
18 36 54 72
180
(15)
208/230-3-60 4500 4500 5000 5000
460-3-60 4500 4500 5000 4500
600-3-60 4500 4500 4500 4500
210
(17.5)
208/230-3-60 6000 6000 6000 6000
460-3-60 6000 6000 6000 6000
600-3-60 6000 6000 6000 6000
240
(20)
208/230-3-60 6000 6000 6000 6000
460-3-60 6000 6000 6000 6000
600-3-60 6000 6000 6000 6000
300
(25)
208/230-3-60 7500 7500 7500 7500
460-3-60 7500 7500 7500 7500
600-3-60 7500 7500 7500 7500
For units with VFD and electric heat, the speed of the
indoor blower motor continues to be controlled by duct
static pressure via the VAV control board.
If there are VAV boxes present in the duct system,
the boxes must be driven to the full-open position
using a customer-supplied power source to assure
adequate airflow across electric heating elements
or gas heat exchanger tubes.
Indoor Blower Specifications
Size
(Tons) Model Motor Motor Sheave Blower Sheave Belt
HP RPM Eff. SF Frame Datum Dia.
(in.) Bore (in.) Model Datum Dia.
(in.) Bore (in.) Model
180
(15) ZF 5 1725 0.89 1.15 184T 5.2 - 6.4 1 1/8 1VP65 10.4 1 BK110 BX75
5 1725 0.89 1.15 184T 5.2 - 6.4 1 1/8 1VP65 8.4 1 BK090 BX70
180
(15) ZJ 5 1725 0.89 1.15 184T 5.2 - 6.4 1 1/8 1VP65 10.4 1 BK110 BX83
5 1725 0.89 1.15 184T 5.2 - 6.4 1 1/8 1VP65 8.4 1 BK090 BX81
210
(17.5) ZJ/ZF 5 1725 0.89 1.15 184T 4.2 - 5.5 1 1/8 1VP60 10.4 1 3/16 BK110 BX78
7.5 1725 0.91 1.15 213T 4.2 - 5.5 1 3/8 1VP60 8.4 1 3/16 BK090 BX75
240
(20) ZJ/ZF 5 1725 0.89 1.15 184T 4.2 - 5.5 1 1/8 1VP60 10.4 1 3/16 BK110 BX78
7.5 1725 0.91 1.15 213T 4.2 - 5.5 1 3/8 1VP60 8.4 1 3/16 BK090 BX75
300
(25) ZJ/ZF
7.5 1725 0.91 1.15 213T 4.2 - 5.5 1 3/8 1VP60 9.5 1 7/16 1B5V94 BX78
10 1725 0.89 1.15 215T 5.8 - 7.0 1 3/8 1VP75X 11.1 1 7/16 1B5V110 5VX840
15 1725 0.91 1.15 254T 6.2 - 7.4 1 5/8 1VP75X 9.5 1 7/16 1B5V94 5VX860
180
(15) ZR 5 1725 0.89 1.15 184T 5.2 - 6.4 1 1/8 1VP65 10.4 1 BK110 BX83
7.5 1725 0.91 1.15 213T 5.2 - 6.4 1 3/8 1VP65 8.4 1 BK090 BX81
240
(20) ZR 7.5 1725 0.91 1.15 213T 4.2 - 5.5 1 3/8 1VP60 10.4 1 3/16 BK110 BX78
10 1725 0.89 1.15 215T 4.2 - 5.5 1 3/8 1VP60 8.4 1 3/16 BK090 BX75
300
(25) ZR
7.5 1725 0.91 1.15 213T 4.2 - 5.5 1 3/8 1VP60 9.5 1 7/16 1B5V94 BX78
10 1725 0.89 1.15 215T 5.8 - 7.0 1 3/8 1VP75X 11.1 1 7/16 1B5V110 5VX840
15 1725 0.91 1.15 254T 6.2 - 7.4 1 5/8 1VP75X 9.5 1 7/16 1B5V94 5VX860
Power Exhaust Specifications
Voltage Motor Motor CFM @
0.2 ESP
HP RPM1
1. Motors are multi-tapped and factory wired for high speed.
QTY LRA FLA MCA
208/230-1-60 3/4 1075 1 7.7 5.0 6.25 5250
460-1-60 3/4 1075 1 4.1 2.2 2.75 5250
575-1-60 3/4 1050 1 2.84 1.5 1.875 5250

251934-YTG-Z-0714
Johnson Controls Unitary Products 69
Sound Performance
Electric Heat Multipliers
Voltage kW Capacity Multipliers1
1. Electric heaters are rated at nominal voltage. Use this table to determine the electric heat capacity for
heaters applied at lower voltages.
Nominal Applied
240 208 0.75
230 0.92
480 460 0.92
600 575 0.92
ZJ/ZR/ZF Indoor Sound Power Levels
Size
(Tons) CFM ESP
(IWG)
Blower Sound Power, dB (10-12) Watts
Sound Rating1
dB (A)
Octave Band Centerline Frequency (Hz)
RPM BHP 63 125 250 500 1000 2000 4000 8000
180 (15) 6000 1.0 1,080 4.6 91 88 90 90 87 85 81 81 76
210 (17.5) 7000 1.0 940 5.1 85 84 84 82 81 81 77 74 69
240 (20) 8000 1.0 1,020 6.6 86 85 85 83 82 82 78 75 70
300 (25) 10000 1.3 1,160 12.5 92 91 91 89 88 88 84 81 76
1. These values have been accessed using a model of sound propagation from a point source into the hemispheric/free field. The dBA values
provided are to be used for reference only. Calculation of dBA values cover matters of system design and the fan manufacturer has no way
of knowing the details of each system. This constitutes an exception to any specification or guarantee requiring a dBA value of sound data
in any other form than sound power level ratings.
ZJ/ZR/ZF Outdoor Sound Power Levels
Size
(Tons) Sound Rating1
dB (A)
Sound Power, dB (10-12) Watts
Octave Band Centerline Frequency (Hz)
63 125 250 500 1000 2000 4000 8000
180 (15) 92 90 93 91 89 86 83 80 75
210 (17.5) 92 91 94 92 89 86 83 81 76
240 (20) 92 91 94 92 89 87 83 81 76
300 (25) 92 92 95 93 89 87 84 81 77
1. Rated in accordance with AHRI 270 standard.

251934-YTG-Z-0714
70 Johnson Controls Unitary Products
Electrical Data
ZJ180 - 300
ZJ180-300 - Standard Drive Without Powered Convenience Outlet
Size
(Tons) Volt Compressors
(each)
OD Fan
Motors
(each)
Supply
Blower
Motor
Pwr
Conv
Outlet Electric Heat Option MCA1
(Amps)
Max Fuse2/
Breaker3
Size
(Amps)
RLA LRA MCC FLA FLA FLA Model kW Stages Amps
180
(15)
208-3-60 13.1 83 20.5 2.1 15.4 0.0
None -- -- -- 80.1 90
E18 13.5 1 37.5 80.1 90
E36 27 2 74.9 112.9 125
E54 40.6 2 112.7 160.1 175
E72 54.1 2 150.2 169.4 200
230-3-60 13.1 83 20.5 2.1 14.4 0.0
None -- -- -- 78.8 90
E18 18.0 1 43.3 78.8 90
E36 36.0 2 86.6 126.3 150
E54 54.0 2 129.9 147.9 175
E72 72.0 2 173.2 191.2 225
460-3-60 6.1 41 9.5 1.1 7.2 0.0
None -- -- -- 37.8 45
E18 18.0 1 21.7 37.8 45
E36 36.0 2 43.3 63.1 70
E54 54.0 2 65.0 74.0 90
E72 72.0 2 86.6 95.6 110
575-3-60 4.4 33 6.8 0.9 5.9 0.0
None -- -- -- 28.6 30
E18 18.0 1 17.3 29.0 30
E36 36.0 2 34.6 50.7 60
E54 54.0 2 52.0 59.3 70
E72 72.0 2 69.3 76.7 90
210
(17.5)
208-3-60 14.5 98 22.6 2.1 15.4 0.0
None -- -- -- 85.7 100
E18 13.5 1 37.5 85.7 100
E36 27 2 74.9 112.9 125
E54 40.6 2 112.7 160.1 175
E72 54.1 2 150.2 169.4 200
230-3-60 14.5 98 22.6 2.1 14.4 0.0
None -- -- -- 84.4 90
E18 18.0 1 43.3 84.4 90
E36 36.0 2 86.6 126.3 150
E54 54.0 2 129.9 147.9 175
E72 72.0 2 173.2 191.2 225
460-3-60 6.3 55 9.9 1.1 7.2 0.0
None -- -- -- 38.6 45
E18 18.0 1 21.7 38.6 45
E36 36.0 2 43.3 63.1 70
E54 54.0 2 65.0 74.0 90
E72 72.0 2 86.6 95.6 110
575-3-60 6.0 41 9.4 0.9 5.9 0.0
None -- -- -- 35.0 40
E18 18.0 1 17.3 35.0 40
E36 36.0 2 34.6 50.7 60
E54 54.0 2 52.0 59.3 70
E72 72.0 2 69.3 76.7 90

251934-YTG-Z-0714
Johnson Controls Unitary Products 71
240
(20)
208-3-60 15.6 110 24.4 3.7 15.4 0.0
None -- -- -- 96.5 110
E18 13.5 1 37.5 96.5 110
E36 27 2 74.9 112.9 125
E54 40.6 2 112.7 160.1 175
E72 54.1 2 150.2 169.4 200
230-3-60 15.6 110 24.4 3.7 14.4 0.0
None -- -- -- 95.5 110
E18 18.0 1 43.3 95.5 110
E36 36.0 2 86.6 126.3 150
E54 54.0 2 129.9 147.9 175
E72 72.0 2 173.2 191.2 225
460-3-60 7.8 52 12.1 1.9 7.2 0.0
None -- -- -- 48.0 50
E18 18.0 1 21.7 48.0 50
E36 36.0 2 43.3 63.1 70
E54 54.0 2 65.0 74.0 90
E72 72.0 2 86.6 95.6 110
575-3-60 5.8 39 9.1 1.5 5.9 0.0
None -- -- -- 36.6 40
E18 18.0 1 17.3 36.6 40
E36 36.0 2 34.6 50.7 60
E54 54.0 2 52.0 59.3 70
E72 72.0 2 69.3 76.7 90
300
(25)
208-3-60 22.4 149 35.0 3.7 28.0 0.0
None -- -- -- 139.4 150
E18 13.5 1 37.5 139.4 150
E36 27.0 2 74.9 139.4 150
E54 40.6 2 112.7 175.9 200
E72 54.1 2 150.2 185.2 200
230-3-60 22.4 149 35.0 3.7 26.0 0.0
None -- -- -- 136.9 150
E18 18.0 1 43.3 136.9 150
E36 36.0 2 86.6 140.8 150
E54 54.0 2 129.9 162.4 175
E72 72.0 2 173.2 205.7 225
460-3-60 10.6 75 16.5 1.9 13.0 0.0
None -- -- -- 66.3 70
E18 18.0 1 21.7 66.3 70
E36 36.0 2 43.3 70.4 80
E54 54.0 2 65.0 81.2 90
E72 72.0 2 86.6 102.9 110
575-3-60 7.7 54 12.0 1.5 10.3 0.0
None -- -- -- 49.7 50
E18 18.0 1 17.3 49.7 50
E36 36.0 2 34.6 56.2 60
E54 54.0 2 52.0 64.8 70
E72 72.0 2 69.3 82.2 90
1. Minimum Circuit Ampacity.
2. Dual Element, Time Delay Type.
3. HACR type per NEC.
ZJ180-300 - Standard Drive Without Powered Convenience Outlet (Continued)
Size
(Tons) Volt Compressors
(each)
OD Fan
Motors
(each)
Supply
Blower
Motor
Pwr
Conv
Outlet Electric Heat Option MCA1
(Amps)
Max Fuse2/
Breaker3
Size
(Amps)
RLA LRA MCC FLA FLA FLA Model kW Stages Amps

251934-YTG-Z-0714
72 Johnson Controls Unitary Products
ZJ180-300 - Standard Drive With Powered Convenience Outlet
Size
(Tons) Volt Compressors
(each)
OD Fan
Motors
(each)
Supply
Blower
Motor
Pwr
Conv
Outlet Electric Heat Option MCA1
(Amps)
Max Fuse2/
Breaker3
Size
(Amps)
RLA LRA MCC FLA FLA FLA Model kW Stages Amps
180
(15)
208-3-60 13.1 83 20.5 2.1 15.4 10.0
None -- -- -- 90.1 100
E18 13.5 1 37.5 90.1 100
E36 27 2 74.9 125.4 150
E54 40.6 2 112.7 172.6 175
E72 54.1 2 150.2 181.9 200
230-3-60 13.1 83 20.5 2.1 14.4 10.0
None -- -- -- 88.8 100
E18 18.0 1 43.3 88.8 100
E36 36.0 2 86.6 138.8 150
E54 54.0 2 129.9 160.4 175
E72 72.0 2 173.2 203.7 225
460-3-60 6.1 41 9.5 1.1 7.2 5.0
None -- -- -- 42.8 50
E18 18.0 1 21.7 42.8 50
E36 36.0 2 43.3 69.4 70
E54 54.0 2 65.0 80.2 90
E72 72.0 2 86.6 101.9 110
575-3-60 4.4 33 6.8 0.9 5.9 4.0
None -- -- -- 32.6 35
E18 18.0 1 17.3 34.0 35
E36 36.0 2 34.6 55.7 60
E54 54.0 2 52.0 64.3 70
E72 72.0 2 69.3 81.7 90
210
(17.5)
208-3-60 14.5 98 22.6 2.1 15.4 10.0
None -- -- -- 95.7 110
E18 13.5 1 37.5 95.7 110
E36 27 2 74.9 125.4 150
E54 40.6 2 112.7 172.6 175
E72 54.1 2 150.2 181.9 200
230-3-60 14.5 98 22.6 2.1 14.4 10.0
None -- -- -- 94.4 100
E18 18.0 1 43.3 94.4 100
E36 36.0 2 86.6 138.8 150
E54 54.0 2 129.9 160.4 175
E72 72.0 2 173.2 203.7 225
460-3-60 6.3 55 9.9 1.1 7.2 5.0
None -- -- -- 43.6 50
E18 18.0 1 21.7 43.6 50
E36 36.0 2 43.3 69.4 70
E54 54.0 2 65.0 80.2 90
E72 72.0 2 86.6 101.9 110
575-3-60 6.0 41 9.4 0.9 5.9 4.0
None -- -- -- 39.0 45
E18 18.0 1 17.3 39.0 45
E36 36.0 2 34.6 55.7 60
E54 54.0 2 52.0 64.3 70
E72 72.0 2 69.3 81.7 90
240
(20)
208-3-60 15.6 110 24.4 3.7 15.4 10.0
None -- -- -- 106.5 110
E18 13.5 1 37.5 106.5 110
E36 27 2 74.9 125.4 150
E54 40.6 2 112.7 172.6 175
E72 54.1 2 150.2 181.9 200
230-3-60 15.6 110 24.4 3.7 14.4 10.0
None -- -- -- 105.5 110
E18 18.0 1 43.3 105.5 110
E36 36.0 2 86.6 138.8 150
E54 54.0 2 129.9 160.4 175
E72 72.0 2 173.2 203.7 225
460-3-60 7.8 52 12.1 1.9 7.2 5.0
None -- -- -- 53.0 60
E18 18.0 1 21.7 53.0 60
E36 36.0 2 43.3 69.4 70
E54 54.0 2 65.0 80.2 90
E72 72.0 2 86.6 101.9 110
575-3-60 5.8 39 9.1 1.5 5.9 4.0
None -- -- -- 40.6 45
E18 18.0 1 17.3 40.6 45
E36 36.0 2 34.6 55.7 60
E54 54.0 2 52.0 64.3 70
E72 72.0 2 69.3 81.7 90

251934-YTG-Z-0714
Johnson Controls Unitary Products 73
300
(25)
208-3-60 22.4 149 35.0 3.7 28.0 10.0
None -- -- -- 149.4 175
E18 13.5 1 37.5 149.4 175
E36 27.0 2 74.9 149.4 175
E54 40.6 2 112.7 188.4 200
E72 54.1 2 150.2 197.7 200
230-3-60 22.4 149 35.0 3.7 26.0 10.0
None -- -- -- 146.9 150
E18 18.0 1 43.3 146.9 150
E36 36.0 2 86.6 153.3 175
E54 54.0 2 129.9 174.9 175
E72 72.0 2 173.2 218.2 225
460-3-60 10.6 75 16.5 1.9 13.0 5.0
None -- -- -- 71.3 80
E18 18.0 1 21.7 71.3 80
E36 36.0 2 43.3 76.6 80
E54 54.0 2 65.0 87.5 90
E72 72.0 2 86.6 109.1 110
575-3-60 7.7 54 12.0 1.5 10.3 4.0
None -- -- -- 53.7 60
E18 18.0 1 17.3 53.7 60
E36 36.0 2 34.6 61.2 70
E54 54.0 2 52.0 69.8 70
E72 72.0 2 69.3 87.2 90
1. Minimum Circuit Ampacity.
2. Dual Element, Time Delay Type.
3. HACR type per NEC.
ZJ180-300 - Standard Drive With Powered Convenience Outlet (Continued)
Size
(Tons) Volt Compressors
(each)
OD Fan
Motors
(each)
Supply
Blower
Motor
Pwr
Conv
Outlet Electric Heat Option MCA1
(Amps)
Max Fuse2/
Breaker3
Size
(Amps)
RLA LRA MCC FLA FLA FLA Model kW Stages Amps

251934-YTG-Z-0714
74 Johnson Controls Unitary Products
ZJ180-300 - High Static Drive Without Powered Convenience Outlet
Size
(Tons) Volt Compressors
(each)
OD Fan
Motors
(each)
Supply
Blower
Motor
Pwr
Conv
Outlet Electric Heat Option MCA1
(Amps)
Max Fuse2/
Breaker3
Size
(Amps)
RLA LRA MCC FLA FLA FLA Model kW Stages Amps
180
(15)
208-3-60 13.1 83 20.5 2.1 15.4 0.0
None -- -- -- 80.1 90
E18 13.5 1 37.5 80.1 90
E36 27 2 74.9 112.9 125
E54 40.6 2 112.7 160.1 175
E72 54.1 2 150.2 169.4 200
230-3-60 13.1 83 20.5 2.1 14.4 0.0
None -- -- -- 78.8 90
E18 18.0 1 43.3 78.8 90
E36 36.0 2 86.6 126.3 150
E54 54.0 2 129.9 147.9 175
E72 72.0 2 173.2 191.2 225
460-3-60 6.1 41 9.5 1.1 7.2 0.0
None -- -- -- 37.8 45
E18 18.0 1 21.7 37.8 45
E36 36.0 2 43.3 63.1 70
E54 54.0 2 65.0 74.0 90
E72 72.0 2 86.6 95.6 110
575-3-60 4.4 33 6.8 0.9 5.9 0.0
None -- -- -- 28.6 30
E18 18.0 1 17.3 29.0 30
E36 36.0 2 34.6 50.7 60
E54 54.0 2 52.0 59.3 70
E72 72.0 2 69.3 76.7 90
210
(17.5)
208-3-60 14.5 98 22.6 2.1 20.0 0.0
None -- -- -- 91.4 110
E18 13.5 1 37.5 91.4 110
E36 27 2 74.9 118.7 125
E54 40.6 2 112.7 165.9 175
E72 54.1 2 150.2 175.2 200
230-3-60 14.5 98 22.6 2.1 20.0 0.0
None -- -- -- 91.4 110
E18 18.0 1 43.3 91.4 110
E36 36.0 2 86.6 133.3 150
E54 54.0 2 129.9 154.9 175
E72 72.0 2 173.2 198.2 225
460-3-60 6.3 55 9.9 1.1 10.0 0.0
None -- -- -- 42.1 50
E18 18.0 1 21.7 42.1 50
E36 36.0 2 43.3 66.6 70
E54 54.0 2 65.0 77.5 90
E72 72.0 2 86.6 99.1 110
575-3-60 6.0 41 9.4 0.9 8.2 0.0
None -- -- -- 37.9 45
E18 18.0 1 17.3 37.9 45
E36 36.0 2 34.6 53.6 60
E54 54.0 2 52.0 62.2 70
E72 72.0 2 69.3 79.5 90
240
(20)
208-3-60 15.6 110 24.4 3.7 20.0 0.0
None -- -- -- 102.2 110
E18 13.5 1 37.5 102.2 110
E36 27 2 74.9 118.7 125
E54 40.6 2 112.7 165.9 175
E72 54.1 2 150.2 175.2 200
230-3-60 15.6 110 24.4 3.7 20.0 0.0
None -- -- -- 102.2 110
E18 18.0 1 43.3 102.2 110
E36 36.0 2 86.6 133.3 150
E54 54.0 2 129.9 154.9 175
E72 72.0 2 173.2 198.2 225
460-3-60 7.8 52 12.1 1.9 10.0 0.0
None -- -- -- 51.3 60
E18 18.0 1 21.7 51.3 60
E36 36.0 2 43.3 66.6 70
E54 54.0 2 65.0 77.5 90
E72 72.0 2 86.6 99.1 110
575-3-60 5.8 39 9.1 1.5 8.2 0.0
None -- -- -- 39.5 45
E18 18.0 1 17.3 39.5 45
E36 36.0 2 34.6 53.6 60
E54 54.0 2 52.0 62.2 70
E72 72.0 2 69.3 79.5 90

251934-YTG-Z-0714
Johnson Controls Unitary Products 75
300
(25)
208-3-60 22.4 149 35.0 3.7 38.6 0.0
None -- -- -- 152.7 175
E18 13.5 1 37.5 152.7 175
E36 27.0 2 74.9 152.7 175
E54 40.6 2 112.7 189.1 200
E72 54.1 2 150.2 198.4 225
230-3-60 22.4 149 35.0 3.7 38.6 0.0
None -- -- -- 152.7 175
E18 18.0 1 43.3 152.7 175
E36 36.0 2 86.6 156.5 175
E54 54.0 2 129.9 178.2 200
E72 72.0 2 173.2 221.5 250
460-3-60 10.6 75 16.5 1.9 19.3 0.0
None -- -- -- 74.1 90
E18 18.0 1 21.7 74.1 90
E36 36.0 2 43.3 78.3 90
E54 54.0 2 65.0 89.1 100
E72 72.0 2 86.6 110.7 125
575-3-60 7.7 54 12.0 1.5 15.4 0.0
None -- -- -- 56.1 70
E18 18.0 1 17.3 56.1 70
E36 36.0 2 34.6 62.6 70
E54 54.0 2 52.0 71.2 80
E72 72.0 2 69.3 88.5 100
1. Minimum Circuit Ampacity.
2. Dual Element, Time Delay Type.
3. HACR type per NEC.
ZJ180-300 - High Static Drive Without Powered Convenience Outlet (Continued)
Size
(Tons) Volt Compressors
(each)
OD Fan
Motors
(each)
Supply
Blower
Motor
Pwr
Conv
Outlet Electric Heat Option MCA1
(Amps)
Max Fuse2/
Breaker3
Size
(Amps)
RLA LRA MCC FLA FLA FLA Model kW Stages Amps

251934-YTG-Z-0714
76 Johnson Controls Unitary Products
ZJ180-300 - High Static Drive With Powered Convenience Outlet
Size
(Tons) Volt Compressors
(each)
OD Fan
Motors
(each)
Supply
Blower
Motor
Pwr
Conv
Outlet Electric Heat Option MCA1
(Amps)
Max Fuse2/
Breaker3
Size
(Amps)
RLA LRA MCC FLA FLA FLA Model kW Stages Amps
180
(15)
208-3-60 13.1 83 20.5 2.1 15.4 10.0
None -- -- -- 90.1 100
E18 13.5 1 37.5 90.1 100
E36 27 2 74.9 125.4 150
E54 40.6 2 112.7 172.6 175
E72 54.1 2 150.2 181.9 200
230-3-60 13.1 83 20.5 2.1 14.4 10.0
None -- -- -- 88.8 100
E18 18.0 1 43.3 88.8 100
E36 36.0 2 86.6 138.8 150
E54 54.0 2 129.9 160.4 175
E72 72.0 2 173.2 203.7 225
460-3-60 6.1 41 9.5 1.1 7.2 5.0
None -- -- -- 42.8 50
E18 18.0 1 21.7 42.8 50
E36 36.0 2 43.3 69.4 70
E54 54.0 2 65.0 80.2 90
E72 72.0 2 86.6 101.9 110
575-3-60 4.4 33 6.8 0.9 5.9 4.0
None -- -- -- 32.6 35
E18 18.0 1 17.3 34.0 35
E36 36.0 2 34.6 55.7 60
E54 54.0 2 52.0 64.3 70
E72 72.0 2 69.3 81.7 90
210
(17.5)
208-3-60 14.5 98 22.6 2.1 20.0 10.0
None -- -- -- 101.4 110
E18 13.5 1 37.5 101.4 110
E36 27 2 74.9 131.2 150
E54 40.6 2 112.7 178.4 200
E72 54.1 2 150.2 187.7 200
230-3-60 14.5 98 22.6 2.1 20.0 10.0
None -- -- -- 101.4 110
E18 18.0 1 43.3 101.4 110
E36 36.0 2 86.6 145.8 150
E54 54.0 2 129.9 167.4 175
E72 72.0 2 173.2 210.7 225
460-3-60 6.3 55 9.9 1.1 10.0 5.0
None -- -- -- 47.1 50
E18 18.0 1 21.7 47.1 50
E36 36.0 2 43.3 72.9 80
E54 54.0 2 65.0 83.7 90
E72 72.0 2 86.6 105.4 110
575-3-60 6.0 41 9.4 0.9 8.2 4.0
None -- -- -- 41.9 50
E18 18.0 1 17.3 41.9 50
E36 36.0 2 34.6 58.6 60
E54 54.0 2 52.0 67.2 70
E72 72.0 2 69.3 84.5 90
240
(20)
208-3-60 15.6 110 24.4 3.7 20.0 10.0
None -- -- -- 112.2 125
E18 13.5 1 37.5 112.2 125
E36 27 2 74.9 131.2 150
E54 40.6 2 112.7 178.4 200
E72 54.1 2 150.2 187.7 200
230-3-60 15.6 110 24.4 3.7 20.0 10.0
None -- -- -- 112.2 125
E18 18.0 1 43.3 112.2 125
E36 36.0 2 86.6 145.8 150
E54 54.0 2 129.9 167.4 175
E72 72.0 2 173.2 210.7 225
460-3-60 7.8 52 12.1 1.9 10.0 5.0
None -- -- -- 56.3 60
E18 18.0 1 21.7 56.3 60
E36 36.0 2 43.3 72.9 80
E54 54.0 2 65.0 83.7 90
E72 72.0 2 86.6 105.4 110
575-3-60 5.8 39 9.1 1.5 8.2 4.0
None -- -- -- 43.5 50
E18 18.0 1 17.3 43.5 50
E36 36.0 2 34.6 58.6 60
E54 54.0 2 52.0 67.2 70
E72 72.0 2 69.3 84.5 90

251934-YTG-Z-0714
Johnson Controls Unitary Products 77
300
(25)
208-3-60 22.4 149 35.0 3.7 38.6 10.0
None -- -- -- 162.7 200
E18 13.5 1 37.5 162.7 200
E36 27.0 2 74.9 162.7 200
E54 40.6 2 112.7 201.6 225
E72 54.1 2 150.2 210.9 225
230-3-60 22.4 149 35.0 3.7 38.6 10.0
None -- -- -- 162.7 200
E18 18.0 1 43.3 162.7 200
E36 36.0 2 86.6 169.0 200
E54 54.0 2 129.9 190.7 225
E72 72.0 2 173.2 234.0 250
460-3-60 10.6 75 16.5 1.9 19.3 5.0
None -- -- -- 79.1 90
E18 18.0 1 21.7 79.1 90
E36 36.0 2 43.3 84.5 90
E54 54.0 2 65.0 95.3 110
E72 72.0 2 86.6 117.0 125
575-3-60 7.7 54 12.0 1.5 15.4 4.0
None -- -- -- 60.1 70
E18 18.0 1 17.3 60.1 70
E36 36.0 2 34.6 67.6 70
E54 54.0 2 52.0 76.2 90
E72 72.0 2 69.3 93.5 100
1. Minimum Circuit Ampacity.
2. Dual Element, Time Delay Type.
3. HACR type per NEC.
ZJ180-300 - High Static Drive With Powered Convenience Outlet (Continued)
Size
(Tons) Volt Compressors
(each)
OD Fan
Motors
(each)
Supply
Blower
Motor
Pwr
Conv
Outlet Electric Heat Option MCA1
(Amps)
Max Fuse2/
Breaker3
Size
(Amps)
RLA LRA MCC FLA FLA FLA Model kW Stages Amps

251934-YTG-Z-0714
78 Johnson Controls Unitary Products
ZJ300 - Low Static Drive Without Powered Convenience Outlet
Size
(Tons) Volt Compressors
(each)
OD Fan
Motors
(each)
Supply
Blower
Motor
Pwr
Conv
Outlet Electric Heat Option MCA1
(Amps)
1. Minimum Circuit Ampacity.
Max Fuse2/
Breaker3
Size
(Amps)
2. Dual Element, Time Delay Type.
3. HACR type per NEC.
RLA LRA MCC FLA FLA FLA Model kW Stages Amps
300
(25)
208-3-60 22.4 149 35.0 3.7 20.0 0.0
None -- -- -- 130.0 150
E18 13.5 1 37.5 130.0 150
E36 27.0 2 74.9 130.0 150
E54 40.6 2 112.7 165.9 175
E72 54.1 2 150.2 175.2 200
230-3-60 22.4 149 35.0 3.7 20.0 0.0
None -- -- -- 130.0 150
E18 18.0 1 43.3 130.0 150
E36 36.0 2 86.6 133.3 150
E54 54.0 2 129.9 154.9 175
E72 72.0 2 173.2 198.2 225
460-3-60 10.6 75 16.5 1.9 10.0 0.0
None -- -- -- 62.7 70
E18 18.0 1 21.7 62.7 70
E36 36.0 2 43.3 66.6 70
E54 54.0 2 65.0 77.5 90
E72 72.0 2 86.6 99.1 110
575-3-60 7.7 54 12.0 1.5 8.2 0.0
None -- -- -- 47.1 50
E18 18.0 1 17.3 47.1 50
E36 36.0 2 34.6 53.6 60
E54 54.0 2 52.0 62.2 70
E72 72.0 2 69.3 79.5 90
ZJ300 - Low Static Drive With Powered Convenience Outlet
Size
(Tons) Volt Compressors
(each)
OD Fan
Motors
(each)
Supply
Blower
Motor
Pwr
Conv
Outlet Electric Heat Option MCA1
(Amps)
1. Minimum Circuit Ampacity.
Max Fuse2/
Breaker3
Size
(Amps)
2. Dual Element, Time Delay Type.
3. HACR type per NEC.
RLA LRA MCC FLA FLA FLA Model kW Stages Amps
300
(25)
208-3-60 22.4 149 35.0 3.7 20.0 10.0
None -- -- -- 140.0 150
E18 13.5 1 37.5 140.0 150
E36 27.0 2 74.9 140.0 150
E54 40.6 2 112.7 178.4 200
E72 54.1 2 150.2 187.7 200
230-3-60 22.4 149 35.0 3.7 20.0 10.0
None -- -- -- 140.0 150
E18 18.0 1 43.3 140.0 150
E36 36.0 2 86.6 145.8 150
E54 54.0 2 129.9 167.4 175
E72 72.0 2 173.2 210.7 225
460-3-60 10.6 75 16.5 1.9 10.0 5.0
None -- -- -- 67.7 70
E18 18.0 1 21.7 67.7 70
E36 36.0 2 43.3 72.9 80
E54 54.0 2 65.0 83.7 90
E72 72.0 2 86.6 105.4 110
575-3-60 7.7 54 12.0 1.5 8.2 4.0
None -- -- -- 51.1 60
E18 18.0 1 17.3 51.1 60
E36 36.0 2 34.6 58.6 60
E54 54.0 2 52.0 67.2 70
E72 72.0 2 69.3 84.5 90

251934-YTG-Z-0714
Johnson Controls Unitary Products 79
ZR180 - 300
ZR180-300 - Standard Drive Without Powered Convenience Outlet
Size
(Tons) Volt Compressors
(each)
OD Fan
Motors
(each)
Supply
Blower
Motor
Pwr
Conv
Outlet Electric Heat Option MCA1
(Amps)
1. Minimum Circuit Ampacity.
Max Fuse2/
Breaker3
Size
(Amps)
2. Dual Element, Time Delay Type.
3. HACR type per NEC.
RLA LRA MCC FLA FLA FLA Model kW Stages Amps
180
(15)
208-3-60 25.0 164 39.0 2.1 15.4 0.0
None---80.1100
E18 13.5 1 37.5 80.1 100
E36 27.0 2 74.9 112.9 125
E54 40.6 2 112.7 160.1 175
E72 54.1 2 150.2 169.4 200
230-3-60 25.0 164 39.0 2.1 14.4 0.0
None---79.1100
E18 18.0 1 43.3 79.1 100
E36 36.0 2 86.6 126.3 150
E54 54.0 2 129.9 147.9 175
E72 72.0 2 173.2 191.2 225
460-3-60 12.2 100 19.0 1.1 7.2 0.0
None---39.150
E18 18.0 1 21.7 39.1 50
E36 36.0 2 43.3 63.1 70
E54 54.0 2 65.0 74.0 90
E72 72.0 2 86.6 95.6 110
575-3-60 9.0 78 14.0 0.9 5.9 0.0
None---29.835
E18 18.0 1 17.3 29.8 35
E36 36.0 2 34.6 50.7 60
E54 54.0 2 52.0 59.3 70
E72 72.0 2 69.3 76.7 90
240
(20)
208-3-60 30.1 225 47.0 3.7 20.0 0.0
None - - - 102.5 125
E18 13.5 1 37.5 102.5 125
E36 27.0 2 74.9 118.7 125
E54 40.6 2 112.7 165.9 175
E72 54.1 2 150.2 175.2 200
230-3-60 30.1 225 47.0 3.7 20.0 0.0
None - - - 102.5 125
E18 18.0 1 43.3 102.5 125
E36 36.0 2 86.6 133.3 150
E54 54.0 2 129.9 154.9 175
E72 72.0 2 173.2 198.2 225
460-3-60 16.7 114 26.0 1.9 10.0 0.0
None---55.270
E18 18.0 1 21.7 55.2 70
E36 36.0 2 43.3 66.6 70
E54 54.0 2 65.0 77.5 90
E72 72.0 2 86.6 99.1 110
575-3-60 12.2 80 19.0 1.5 8.2 0.0
None---41.750
E18 18.0 1 17.3 41.7 50
E36 36.0 2 34.6 53.6 60
E54 54.0 2 52.0 62.2 70
E72 72.0 2 69.3 79.5 90
300
(25)
208-3-60 48.1 245 70.0 3.7 28.0 0.0
None - - - 151.0 175
E18 13.5 1 37.5 151.0 175
E36 27.0 2 74.9 151.0 175
E54 40.6 2 112.7 175.9 200
E72 54.1 2 150.2 185.2 200
230-3-60 48.1 245 70.0 3.7 26.0 0.0
None - - - 149.0 175
E18 18.0 1 43.3 149.0 175
E36 36.0 2 86.6 149.0 175
E54 54.0 2 129.9 162.4 175
E72 72.0 2 173.2 205.7 225
460-3-60 18.6 125 29.0 1.9 13.0 0.0
None---62.580
E18 18.0 1 21.7 62.5 80
E36 36.0 2 43.3 70.4 80
E54 54.0 2 65.0 81.2 90
E72 72.0 2 86.6 102.9 110
575-3-60 14.7 100 23.0 1.5 10.3 0.0
None---49.460
E18 18.0 1 17.3 49.4 60
E36 36.0 2 34.6 56.2 60
E54 54.0 2 52.0 64.8 70
E72 72.0 2 69.3 82.2 90

251934-YTG-Z-0714
80 Johnson Controls Unitary Products
ZR180-300 - Standard Drive With Powered Convenience Outlet
Size
(Tons) Volt Compressors
(each)
OD Fan
Motors
(each)
Supply
Blower
Motor
Pwr
Conv
Outlet Electric Heat Option MCA1
(Amps)
1. Minimum Circuit Ampacity.
Max Fuse2/
Breaker3
Size
(Amps)
2. Dual Element, Time Delay Type.
3. HACR type per NEC.
RLA LRA MCC FLA FLA FLA Model kW Stages Amps
180
(15)
208-3-60 25.0 164 39.0 2.1 15.4 10.0
None---90.1110
E18 13.5 1 37.5 90.1 110
E36 27.0 2 74.9 125.4 150
E54 40.6 2 112.7 172.6 175
E72 54.1 2 150.2 181.9 200
230-3-60 25.0 164 39.0 2.1 14.4 10.0
None---89.1110
E18 18.0 1 43.3 89.1 110
E36 36.0 2 86.6 138.8 150
E54 54.0 2 129.9 160.4 175
E72 72.0 2 173.2 203.7 225
460-3-60 12.2 100 19.0 1.1 7.2 5.0
None---44.150
E18 18.0 1 21.7 44.1 50
E36 36.0 2 43.3 69.4 70
E54 54.0 2 65.0 80.2 90
E72 72.0 2 86.6 101.9 110
575-3-60 9.0 78 14.0 0.9 5.9 4.0
None---33.840
E18 18.0 1 17.3 34.0 40
E36 36.0 2 34.6 55.7 60
E54 54.0 2 52.0 64.3 70
E72 72.0 2 69.3 81.7 90
240
(20)
208-3-60 30.1 225 47.0 3.7 20.0 10.0
None - - - 112.5 125
E18 13.5 1 37.5 112.5 125
E36 27.0 2 74.9 131.2 150
E54 40.6 2 112.7 178.4 200
E72 54.1 2 150.2 187.7 200
230-3-60 30.1 225 47.0 3.7 20.0 10.0
None - - - 112.5 125
E18 18.0 1 43.3 112.5 125
E36 36.0 2 86.6 145.8 150
E54 54.0 2 129.9 167.4 175
E72 72.0 2 173.2 210.7 225
460-3-60 16.7 114 26.0 1.9 10.0 5.0
None---60.270
E18 18.0 1 21.7 60.2 70
E36 36.0 2 43.3 72.9 80
E54 54.0 2 65.0 83.7 90
E72 72.0 2 86.6 105.4 110
575-3-60 12.2 80 19.0 1.5 8.2 4.0
None---45.750
E18 18.0 1 17.3 45.7 50
E36 36.0 2 34.6 58.6 60
E54 54.0 2 52.0 67.2 70
E72 72.0 2 69.3 84.5 90
300
(25)
208-3-60 48.1 245 70.0 3.7 28.0 10.0
None - - - 161.0 200
E18 13.5 1 37.5 161.0 200
E36 27.0 2 74.9 161.0 200
E54 40.6 2 112.7 188.4 200
E72 54.1 2 150.2 197.7 200
230-3-60 48.1 245 70.0 3.7 26.0 10.0
None - - - 159.0 200
E18 18.0 1 43.3 159.0 200
E36 36.0 2 86.6 159.0 200
E54 54.0 2 129.9 174.9 200
E72 72.0 2 173.2 218.2 225
460-3-60 18.6 125 29.0 1.9 13.0 5.0
None---67.580
E18 18.0 1 21.7 67.5 80
E36 36.0 2 43.3 76.6 80
E54 54.0 2 65.0 87.5 90
E72 72.0 2 86.6 109.1 110
575-3-60 14.7 100 23.0 1.5 10.3 4.0
None---53.460
E18 18.0 1 17.3 53.4 60
E36 36.0 2 34.6 61.2 70
E54 54.0 2 52.0 69.8 70
E72 72.0 2 69.3 87.2 90

251934-YTG-Z-0714
Johnson Controls Unitary Products 81
ZR180-300 - High Static Drive Without Powered Convenience Outlet
Size
(Tons) Volt Compressors
(each)
OD Fan
Motors
(each)
Supply
Blower
Motor
Pwr
Conv
Outlet Electric Heat Option MCA1
(Amps)
1. Minimum Circuit Ampacity.
Max Fuse2/
Breaker3
Size
(Amps)
2. Dual Element, Time Delay Type.
3. HACR type per NEC.
RLA LRA MCC FLA FLA FLA Model kW Stages Amps
180
(15)
208-3-60 25.0 164 39.0 2.1 20.0 0.0
None---84.7100
E18 13.5 1 37.5 84.7 100
E36 27.0 2 74.9 118.7 125
E54 40.6 2 112.7 165.9 175
E72 54.1 2 150.2 175.2 200
230-3-60 25.0 164 39.0 2.1 20.0 0.0
None---84.7100
E18 18.0 1 43.3 84.7 100
E36 36.0 2 86.6 133.3 150
E54 54.0 2 129.9 154.9 175
E72 72.0 2 173.2 198.2 225
460-3-60 12.2 100 19.0 1.1 10.0 0.0
None---41.950
E18 18.0 1 21.7 41.9 50
E36 36.0 2 43.3 66.6 70
E54 54.0 2 65.0 77.5 90
E72 72.0 2 86.6 99.1 110
575-3-60 9.0 78 14.0 0.9 8.2 0.0
None---32.140
E18 18.0 1 17.3 32.1 40
E36 36.0 2 34.6 53.6 60
E54 54.0 2 52.0 62.2 70
E72 72.0 2 69.3 79.5 90
240
(20)
208-3-60 30.1 225 47.0 3.7 28.0 0.0
None - - - 109.1 125
E18 13.5 1 37.5 109.1 125
E36 27.0 2 74.9 126.9 150
E54 40.6 2 112.7 174.1 175
E72 54.1 2 150.2 183.4 200
230-3-60 30.1 225 47.0 3.7 26.6 0.0
None - - - 109.1 125
E18 18.0 1 43.3 109.1 125
E36 36.0 2 86.6 141.5 150
E54 54.0 2 129.9 163.2 175
E72 72.0 2 173.2 206.5 225
460-3-60 16.7 114 26.0 1.9 13.3 0.0
None---58.570
E18 18.0 1 21.7 58.5 70
E36 36.0 2 43.3 70.8 80
E54 54.0 2 65.0 81.6 90
E72 72.0 2 86.6 103.2 110
575-3-60 12.2 80 19.0 1.5 10.3 0.0
None---43.850
E18 18.0 1 17.3 43.8 50
E36 36.0 2 34.6 56.2 60
E54 54.0 2 52.0 64.8 70
E72 72.0 2 69.3 82.2 90
300
(25)
208-3-60 48.1 245 70.0 3.7 38.6 0.0
None - - - 161.6 200
E18 13.5 1 37.5 161.6 200
E36 27.0 2 74.9 161.6 200
E54 40.6 2 112.7 189.1 200
E72 54.1 2 150.2 198.4 225
230-3-60 48.1 245 70.0 3.7 38.6 0.0
None - - - 161.6 200
E18 18.0 1 43.3 161.6 200
E36 36.0 2 86.6 161.6 200
E54 54.0 2 129.9 178.2 200
E72 72.0 2 173.2 221.5 250
460-3-60 18.6 125 29.0 1.9 19.3 0.0
None---68.980
E18 18.0 1 21.7 68.9 80
E36 36.0 2 43.3 78.3 80
E54 54.0 2 65.0 89.1 100
E72 72.0 2 86.6 110.7 125
575-3-60 14.7 100 23.0 1.5 15.4 0.0
None---54.770
E18 18.0 1 17.3 54.7 70
E36 36.0 2 34.6 62.6 70
E54 54.0 2 52.0 71.2 80
E72 72.0 2 69.3 88.5 100

251934-YTG-Z-0714
82 Johnson Controls Unitary Products
ZR180-300 - High Static Drive With Powered Convenience Outlet
Size
(Tons) Volt Compressors
(each)
OD Fan
Motors
(each)
Supply
Blower
Motor
Pwr
Conv
Outlet Electric Heat Option MCA1
(Amps)
1. Minimum Circuit Ampacity.
Max Fuse2/
Breaker3
Size
(Amps)
2. Dual Element, Time Delay Type.
3. HACR type per NEC.
RLA LRA MCC FLA FLA FLA Model kW Stages Amps
180
(15)
208-3-60 25.0 164 39.0 2.1 20.0 10.0
None---94.7110
E18 13.5 1 37.5 94.7 110
E36 27.0 2 74.9 131.2 150
E54 40.6 2 112.7 178.4 200
E72 54.1 2 150.2 187.7 200
230-3-60 25.0 164 39.0 2.1 20.0 10.0
None---94.7110
E18 18.0 1 43.3 94.7 110
E36 36.0 2 86.6 145.8 150
E54 54.0 2 129.9 167.4 175
E72 72.0 2 173.2 210.7 225
460-3-60 12.2 100 19.0 1.1 10.0 5.0
None---46.950
E18 18.0 1 21.7 46.9 50
E36 36.0 2 43.3 72.9 80
E54 54.0 2 65.0 83.7 90
E72 72.0 2 86.6 105.4 110
575-3-60 9.0 78 14.0 0.9 8.2 4.0
None---36.145
E18 18.0 1 17.3 36.9 45
E36 36.0 2 34.6 58.6 60
E54 54.0 2 52.0 67.2 70
E72 72.0 2 69.3 84.5 90
240
(20)
208-3-60 30.1 225 47.0 3.7 28.0 10.0
None - - - 119.1 125
E18 13.5 1 37.5 119.1 125
E36 27.0 2 74.9 139.4 150
E54 40.6 2 112.7 186.6 200
E72 54.1 2 150.2 195.9 200
230-3-60 30.1 225 47.0 3.7 26.6 10.0
None - - - 119.1 125
E18 18.0 1 43.3 119.1 125
E36 36.0 2 86.6 154.0 175
E54 54.0 2 129.9 175.7 200
E72 72.0 2 173.2 219.0 225
460-3-60 16.7 114 26.0 1.9 13.3 5.0
None---63.580
E18 18.0 1 21.7 63.5 80
E36 36.0 2 43.3 77.0 80
E54 54.0 2 65.0 87.8 90
E72 72.0 2 86.6 109.5 110
575-3-60 12.2 80 19.0 1.5 10.3 4.0
None---47.850
E18 18.0 1 17.3 47.8 50
E36 36.0 2 34.6 61.2 70
E54 54.0 2 52.0 69.8 70
E72 72.0 2 69.3 87.2 90
300
(25)
208-3-60 48.1 245 70.0 3.7 38.6 10.0
None - - - 171.6 200
E18 13.5 1 37.5 171.6 200
E36 27.0 2 74.9 171.6 200
E54 40.6 2 112.7 201.6 225
E72 54.1 2 150.2 210.9 225
230-3-60 48.1 245 70.0 3.7 38.6 10.0
None - - - 171.6 200
E18 18.0 1 43.3 171.6 200
E36 36.0 2 86.6 171.6 200
E54 54.0 2 129.9 190.7 225
E72 72.0 2 173.2 234.0 250
460-3-60 18.6 125 29.0 1.9 19.3 5.0
None---73.990
E18 18.0 1 21.7 73.9 90
E36 36.0 2 43.3 84.5 90
E54 54.0 2 65.0 95.3 110
E72 72.0 2 86.6 117.0 125
575-3-60 14.7 100 23.0 1.5 15.4 4.0
None---58.770
E18 18.0 1 17.3 58.7 70
E36 36.0 2 34.6 67.6 70
E54 54.0 2 52.0 76.2 90
E72 72.0 2 69.3 93.5 100

251934-YTG-Z-0714
Johnson Controls Unitary Products 83
ZR300 - Low Static Drive Without Powered Convenience Outlet
Size
(Tons) Volt Compressors
(each)
OD Fan
Motors
(each)
Supply
Blower
Motor
Pwr
Conv
Outlet Electric Heat Option MCA1
(Amps)
1. Minimum Circuit Ampacity.
Max Fuse2/
Breaker3
Size
(Amps)
2. Dual Element, Time Delay Type.
3. HACR type per NEC.
RLA LRA MCC FLA FLA FLA Model kW Stages Amps
300
(25)
208-3-60 48.1 245 70.0 3.7 20.0 0.0
None - - - 143.0 175
E18 13.5 1 37.5 143.0 175
E36 27.0 2 74.9 143.0 175
E54 40.6 2 112.7 165.9 175
E72 54.1 2 150.2 175.2 200
230-3-60 48.1 245 70.0 3.7 20.0 0.0
None - - - 143.0 175
E18 18.0 1 43.3 143.0 175
E36 36.0 2 86.6 143.0 175
E54 54.0 2 129.9 154.9 175
E72 72.0 2 173.2 198.2 225
460-3-60 18.6 125 29.0 1.9 10.0 0.0
None---59.570
E18 18.0 1 21.7 59.5 70
E36 36.0 2 43.3 66.6 70
E54 54.0 2 65.0 77.5 90
E72 72.0 2 86.6 99.1 110
575-3-60 14.7 100 23.0 1.5 8.2 0.0
None---47.360
E18 18.0 1 17.3 47.3 60
E36 36.0 2 34.6 53.6 60
E54 54.0 2 52.0 62.2 70
E72 72.0 2 69.3 79.5 90
ZR300 - Low Static Drive With Powered Convenience Outlet
Size
(Tons) Volt Compressors
(each)
OD Fan
Motors
(each)
Supply
Blower
Motor
Pwr
Conv
Outlet Electric Heat Option MCA1
(Amps)
1. Minimum Circuit Ampacity.
Max Fuse2/
Breaker3
Size
(Amps)
2. Dual Element, Time Delay Type.
3. HACR type per NEC.
RLA LRA MCC FLA FLA FLA Model kW Stages Amps
300
(25)
208-3-60 48.1 245 70.0 3.7 20.0 10.0
None - - - 153.0 200
E18 13.5 1 37.5 153.0 200
E36 27.0 2 74.9 153.0 200
E54 40.6 2 112.7 178.4 200
E72 54.1 2 150.2 187.7 200
230-3-60 48.1 245 70.0 3.7 20.0 10.0
None - - - 153.0 200
E18 18.0 1 43.3 153.0 200
E36 36.0 2 86.6 153.0 200
E54 54.0 2 129.9 167.4 200
E72 72.0 2 173.2 210.7 225
460-3-60 18.6 125 29.0 1.9 10.0 5.0
None---64.580
E18 18.0 1 21.7 64.5 80
E36 36.0 2 43.3 72.9 80
E54 54.0 2 65.0 83.7 90
E72 72.0 2 86.6 105.4 110
575-3-60 14.7 100 23.0 1.5 8.2 4.0
None---51.360
E18 18.0 1 17.3 51.3 60
E36 36.0 2 34.6 58.6 60
E54 54.0 2 52.0 67.2 70
E72 72.0 2 69.3 84.5 90

251934-YTG-Z-0714
84 Johnson Controls Unitary Products
ZF180 - 300
ZF180-300 - Standard Drive Without Powered Convenience Outlet
Size
(Tons) Volt
Compressors
(each)
OD Fan
Motors
(each)
Supply
Blower
Motor
Pwr
Conv
Outlet Electric Heat Option MCA1
(Amps)
Max Fuse2/
Breaker3
Size
(Amps)
RLA LRA MCC FLA FLA FLA Model kW Stages Amps
C1 C2 C1 C2 C1 C2
180
(15)
208-3-60 25.0 25.0 164 164 39 39 4.5 15.4 0.0
None -- -- -- 80.7 100
E18 13.5 1 37.5 80.7 100
E36 27 2 74.9 112.9 125
E54 40.6 2 112.7 160.1 175
E72 54.1 2 150.2 169.4 200
230-3-60 25.0 25.0 164 164 39 39 4.3 14.4 0.0
None -- -- -- 79.3 100
E18 18.0 1 43.3 79.3 100
E36 36.0 2 86.6 126.3 150
E54 54.0 2 129.9 147.9 175
E72 72.0 2 173.2 191.2 225
460-3-60 12.8 12.8 100 100 20 20 2.2 7.2 0.0
None -- -- -- 40.4 50
E18 18.0 1 21.7 40.4 50
E36 36.0 2 43.3 63.1 70
E54 54.0 2 65.0 74.0 90
E72 72.0 2 86.6 95.6 110
575-3-60 9.6 9.6 78 78 15 15 1.7 5.9 0.0
None -- -- -- 30.9 40
E18 18.0 1 17.3 30.9 40
E36 36.0 2 34.6 50.7 60
E54 54.0 2 52.0 59.3 70
E72 72.0 2 69.3 76.7 90
210
(17.5)
208-3-60 30.7 30.7 203 203 43 43 4.5 15.4 0.0
None -- -- -- 93.5 110
E18 13.5 1 37.5 93.5 110
E36 27.0 2 74.9 112.9 125
E54 40.6 2 112.7 160.1 175
E72 54.1 2 150.2 169.4 200
230-3-60 30.7 30.7 203 203 43 43 4.3 14.4 0.0
None -- -- -- 92.1 110
E18 18.0 1 43.3 92.1 110
E36 36.0 2 86.6 126.3 150
E54 54.0 2 129.9 147.9 175
E72 72.0 2 173.2 191.2 225
460-3-60 14.3 14.3 98 98 20 20 2.2 7.2 0.0
None -- -- -- 43.8 50
E18 18.0 1 21.7 43.8 50
E36 36.0 2 43.3 63.1 70
E54 54.0 2 65.0 74.0 90
E72 72.0 2 86.6 95.6 110
575-3-60 12.9 12.9 84 84 18 18 1.7 5.9 0.0
0------38.350
E18 18.0 1 17.3 38.3 50
E36 36.0 2 34.6 50.7 60
E54 54.0 2 52.0 59.3 70
E72 72.0 2 69.3 76.7 90
240
(20)
208-3-60 33.3 33.3 239 239 52 52 4.5 15.4 0.0
None -- -- -- 99.3 125
E18 13.5 1 37.5 99.3 125
E36 27 2 74.9 112.9 125
E54 40.6 2 112.7 160.1 175
E72 54.1 2 150.2 169.4 200
230-3-60 33.3 33.3 239 239 52 52 4.3 14.4 0.0
None -- -- -- 97.9 125
E18 18.0 1 43.3 97.9 125
E36 36.0 2 86.6 126.3 150
E54 54.0 2 129.9 147.9 175
E72 72.0 2 173.2 191.2 225
460-3-60 17.9 17.9 125 125 28 28 2.2 7.2 0.0
None -- -- -- 51.9 60
E18 18.0 1 21.7 51.9 60
E36 36.0 2 43.3 63.1 70
E54 54.0 2 65.0 74.0 90
E72 72.0 2 86.6 95.6 110
575-3-60 12.8 12.8 80 80 20 20 1.7 5.9 0.0
None -- -- -- 38.1 50
E18 18.0 1 17.3 38.1 50
E36 36.0 2 34.6 50.7 60
E54 54.0 2 52.0 59.3 70
E72 72.0 2 69.3 76.7 90

251934-YTG-Z-0714
Johnson Controls Unitary Products 85
300
(25)
208-3-60 45.7 43.6 304 267 64 61 4.5 28.0 0.0
None -- -- -- 137.7 175
E18 13.5 1 37.5 137.7 175
E36 27.0 2 74.9 137.7 175
E54 40.6 2 112.7 175.9 200
E72 54.1 2 150.2 185.2 200
230-3-60 45.7 43.6 304 267 64 61 4.3 26.0 0.0
None -- -- -- 135.3 175
E18 18.0 1 43.3 135.3 175
E36 36.0 2 86.6 140.8 175
E54 54.0 2 129.9 162.4 175
E72 72.0 2 173.2 205.7 225
460-3-60 21.4 20.7 147 142 30 29 2.2 13.0 0.0
None -- -- -- 64.9 80
E18 18.0 1 21.7 64.9 80
E36 36.0 2 43.3 70.4 80
E54 54.0 2 65.0 81.2 90
E72 72.0 2 86.6 102.9 110
575-3-60 18.6 17.1 122 103 26 24 1.7 10.3 0.0
0------54.170
E18 18.0 1 17.3 54.1 70
E36 36.0 2 34.6 56.2 70
E54 54.0 2 52.0 64.8 70
E72 72.0 2 69.3 82.2 90
1. Minimum Circuit Ampacity.
2. Dual Element, Time Delay Type.
3. HACR type per NEC.
ZF180-300 - Standard Drive Without Powered Convenience Outlet (Continued)
Size
(Tons) Volt
Compressors
(each)
OD Fan
Motors
(each)
Supply
Blower
Motor
Pwr
Conv
Outlet Electric Heat Option MCA1
(Amps)
Max Fuse2/
Breaker3
Size
(Amps)
RLA LRA MCC FLA FLA FLA Model kW Stages Amps
C1 C2 C1 C2 C1 C2

251934-YTG-Z-0714
86 Johnson Controls Unitary Products
ZF180-300 - Standard Drive With Powered Convenience Outlet
Size
(Tons) Volt
Compressors
(each)
OD Fan
Motors
(each)
Supply
Blower
Motor
Pwr
Conv
Outlet Electric Heat Option MCA1
(Amps)
Max Fuse2/
Breaker3
Size
(Amps)
RLA LRA MCC FLA FLA FLA Model kW Stages Amps
C1 C2 C1 C2 C1 C2
180
(15)
208-3-60 25.0 25.0 164 164 39 39 4.5 15.4 10.0
None -- -- -- 90.7 110
E18 13.5 1 37.5 90.7 110
E36 27 2 74.9 125.4 150
E54 40.6 2 112.7 172.6 175
E72 54.1 2 150.2 181.9 200
230-3-60 25.0 25.0 164 164 39 39 4.3 14.4 10.0
None -- -- -- 89.3 110
E18 18.0 1 43.3 89.3 110
E36 36.0 2 86.6 138.8 150
E54 54.0 2 129.9 160.4 175
E72 72.0 2 173.2 203.7 225
460-3-60 12.8 12.8 100 100 20 20 2.2 7.2 5.0
None -- -- -- 45.4 50
E18 18.0 1 21.7 45.4 50
E36 36.0 2 43.3 69.4 70
E54 54.0 2 65.0 80.2 90
E72 72.0 2 86.6 101.9 110
575-3-60 9.6 9.6 78 78 15 15 1.7 5.9 4.0
None -- -- -- 34.9 40
E18 18.0 1 17.3 34.9 40
E36 36.0 2 34.6 55.7 60
E54 54.0 2 52.0 64.3 70
E72 72.0 2 69.3 81.7 90
210
(17.5)
208-3-60 30.7 30.7 203 203 43 43 4.5 15.4 10.0
None -- -- -- 103.5 125
E18 13.5 1 37.5 103.5 125
E36 27.0 2 74.9 125.4 150
E54 40.6 2 112.7 172.6 175
E72 54.1 2 150.2 181.9 200
230-3-60 30.7 30.7 203 203 43 43 4.3 14.4 10.0
None -- -- -- 102.1 125
E18 18.0 1 43.3 102.1 125
E36 36.0 2 86.6 138.8 150
E54 54.0 2 129.9 160.4 175
E72 72.0 2 173.2 203.7 225
460-3-60 14.3 14.3 98 98 20 20 2.2 7.2 5.0
None -- -- -- 48.8 60
E18 18.0 1 21.7 48.8 60
E36 36.0 2 43.3 69.4 70
E54 54.0 2 65.0 80.2 90
E72 72.0 2 86.6 101.9 110
575-3-60 12.9 12.9 84 84 18 18 1.7 5.9 4.0
0------42.350
E18 18.0 1 17.3 42.3 50
E36 36.0 2 34.6 55.7 60
E54 54.0 2 52.0 64.3 70
E72 72.0 2 69.3 81.7 90
240
(20)
208-3-60 33.3 33.3 239 239 52 52 4.5 15.4 10.0
None -- -- -- 109.3 125
E18 13.5 1 37.5 109.3 125
E36 27 2 74.9 125.4 150
E54 40.6 2 112.7 172.6 175
E72 54.1 2 150.2 181.9 200
230-3-60 33.3 33.3 239 239 52 52 4.3 14.4 10.0
None -- -- -- 107.9 125
E18 18.0 1 43.3 107.9 125
E36 36.0 2 86.6 138.8 150
E54 54.0 2 129.9 160.4 175
E72 72.0 2 173.2 203.7 225
460-3-60 17.9 17.9 125 125 28 28 2.2 7.2 5.0
None -- -- -- 56.9 70
E18 18.0 1 21.7 56.9 70
E36 36.0 2 43.3 69.4 70
E54 54.0 2 65.0 80.2 90
E72 72.0 2 86.6 101.9 110
575-3-60 12.8 12.8 80 80 20 20 1.7 5.9 4.0
None -- -- -- 42.1 50
E18 18.0 1 17.3 42.1 50
E36 36.0 2 34.6 55.7 60
E54 54.0 2 52.0 64.3 70
E72 72.0 2 69.3 81.7 90

251934-YTG-Z-0714
Johnson Controls Unitary Products 87
300
(25)
208-3-60 45.7 43.6 304 267 64 61 4.5 28.0 10.0
None -- -- -- 147.7 175
E18 13.5 1 37.5 147.7 175
E36 27.0 2 74.9 147.7 175
E54 40.6 2 112.7 188.4 200
E72 54.1 2 150.2 197.7 200
230-3-60 45.7 43.6 304 267 64 61 4.3 26.0 10.0
None -- -- -- 145.3 175
E18 18.0 1 43.3 145.3 175
E36 36.0 2 86.6 153.3 175
E54 54.0 2 129.9 174.9 175
E72 72.0 2 173.2 218.2 225
460-3-60 21.4 20.7 147 142 30 29 2.2 13.0 5.0
None -- -- -- 69.9 90
E18 18.0 1 21.7 69.9 90
E36 36.0 2 43.3 76.6 90
E54 54.0 2 65.0 87.5 90
E72 72.0 2 86.6 109.1 110
575-3-60 18.6 17.1 122 103 26 24 1.7 10.3 4.0
0------58.170
E18 18.0 1 17.3 58.1 70
E36 36.0 2 34.6 61.2 70
E54 54.0 2 52.0 69.8 70
E72 72.0 2 69.3 87.2 90
1. Minimum Circuit Ampacity.
2. Dual Element, Time Delay Type.
3. HACR type per NEC.
ZF180-300 - Standard Drive With Powered Convenience Outlet (Continued)
Size
(Tons) Volt
Compressors
(each)
OD Fan
Motors
(each)
Supply
Blower
Motor
Pwr
Conv
Outlet Electric Heat Option MCA1
(Amps)
Max Fuse2/
Breaker3
Size
(Amps)
RLA LRA MCC FLA FLA FLA Model kW Stages Amps
C1 C2 C1 C2 C1 C2

251934-YTG-Z-0714
88 Johnson Controls Unitary Products
ZF180-300 - Hi Static Drive Without Powered Convenience Outlet
Size
(Tons) Volt
Compressors
(each)
OD Fan
Motors
(each)
Supply
Blower
Motor
Pwr
Conv
Outlet Electric Heat Option MCA1
(Amps)
Max Fuse2/
Breaker3
Size
(Amps)
RLA LRA MCC FLA FLA FLA Model kW Stages Amps
C1 C2 C1 C2 C1 C2
180
(15)
208-3-60 25.0 25.0 164 164 39 39 4.5 15.4 0.0
None -- -- -- 80.7 100
E18 13.5 1 37.5 80.7 100
E36 27 2 74.9 112.9 125
E54 40.6 2 112.7 160.1 175
E72 54.1 2 150.2 169.4 200
230-3-60 25.0 25.0 164 164 39 39 4.3 14.4 0.0
None -- -- -- 79.3 100
E18 18.0 1 43.3 79.3 100
E36 36.0 2 86.6 126.3 150
E54 54.0 2 129.9 147.9 175
E72 72.0 2 173.2 191.2 225
460-3-60 12.8 12.8 100 100 20 20 2.2 7.2 0.0
None -- -- -- 40.4 50
E18 18.0 1 21.7 40.4 50
E36 36.0 2 43.3 63.1 70
E54 54.0 2 65.0 74.0 90
E72 72.0 2 86.6 95.6 110
575-3-60 9.6 9.6 78 78 15 15 1.7 5.9 0.0
None -- -- -- 30.9 40
E18 18.0 1 17.3 30.9 40
E36 36.0 2 34.6 50.7 60
E54 54.0 2 52.0 59.3 70
E72 72.0 2 69.3 76.7 90
210
(17.5)
208-3-60 30.7 30.7 203 203 43 43 4.5 20.0 0.0
None -- -- -- 98.1 125
E18 13.5 1 37.5 98.1 125
E36 27.0 2 74.9 118.7 125
E54 40.6 2 112.7 165.9 175
E72 54.1 2 150.2 175.2 200
230-3-60 30.7 30.7 203 203 43 43 4.3 20.0 0.0
None -- -- -- 97.7 125
E18 18.0 1 43.3 97.7 125
E36 36.0 2 86.6 133.3 150
E54 54.0 2 129.9 154.9 175
E72 72.0 2 173.2 198.2 225
460-3-60 14.3 14.3 98 98 20 20 2.2 10.0 0.0
None -- -- -- 46.6 60
E18 18.0 1 21.7 46.6 60
E36 36.0 2 43.3 66.6 70
E54 54.0 2 65.0 77.5 90
E72 72.0 2 86.6 99.1 110
575-3-60 12.9 12.9 84 84 18 18 1.7 8.2 0.0
0------40.650
E18 18.0 1 17.3 40.6 50
E36 36.0 2 34.6 53.6 60
E54 54.0 2 52.0 62.2 70
E72 72.0 2 69.3 79.5 90
240
(20)
208-3-60 33.3 33.3 239 239 52 52 4.5 20.0 0.0
None -- -- -- 103.9 125
E18 13.5 1 37.5 103.9 125
E36 27 2 74.9 118.7 125
E54 40.6 2 112.7 165.9 175
E72 54.1 2 150.2 175.2 200
230-3-60 33.3 33.3 239 239 52 52 4.3 20.0 0.0
None -- -- -- 103.5 125
E18 18.0 1 43.3 103.5 125
E36 36.0 2 86.6 133.3 150
E54 54.0 2 129.9 154.9 175
E72 72.0 2 173.2 198.2 225
460-3-60 17.9 17.9 125 125 28 28 2.2 10.0 0.0
None -- -- -- 54.7 70
E18 18.0 1 21.7 54.7 70
E36 36.0 2 43.3 66.6 70
E54 54.0 2 65.0 77.5 90
E72 72.0 2 86.6 99.1 110
575-3-60 12.8 12.8 80 80 20 20 1.7 8.2 0.0
None -- -- -- 40.4 50
E18 18.0 1 17.3 40.4 50
E36 36.0 2 34.6 53.6 60
E54 54.0 2 52.0 62.2 70
E72 72.0 2 69.3 79.5 90

251934-YTG-Z-0714
Johnson Controls Unitary Products 89
300
(25)
208-3-60 45.7 43.6 304 267 64 61 4.5 38.6 0.0
None -- -- -- 148.3 175
E18 13.5 1 37.5 148.3 175
E36 27.0 2 74.9 148.3 175
E54 40.6 2 112.7 189.1 200
E72 54.1 2 150.2 198.4 225
230-3-60 45.7 43.6 304 267 64 61 4.3 38.6 0.0
None -- -- -- 147.9 175
E18 18.0 1 43.3 147.9 175
E36 36.0 2 86.6 156.5 175
E54 54.0 2 129.9 178.2 200
E72 72.0 2 173.2 221.5 250
460-3-60 21.4 20.7 147 142 30 29 2.2 19.3 0.0
None -- -- -- 71.2 90
E18 18.0 1 21.7 71.2 90
E36 36.0 2 43.3 78.3 90
E54 54.0 2 65.0 89.1 100
E72 72.0 2 86.6 110.7 125
575-3-60 18.6 17.1 122 103 26 24 1.7 15.4 0.0
0------59.270
E18 18.0 1 17.3 59.2 70
E36 36.0 2 34.6 62.6 70
E54 54.0 2 52.0 71.2 80
E72 72.0 2 69.3 88.5 100
1. Minimum Circuit Ampacity.
2. Dual Element, Time Delay Type.
3. HACR type per NEC.
ZF180-300 - Hi Static Drive Without Powered Convenience Outlet (Continued)
Size
(Tons) Volt
Compressors
(each)
OD Fan
Motors
(each)
Supply
Blower
Motor
Pwr
Conv
Outlet Electric Heat Option MCA1
(Amps)
Max Fuse2/
Breaker3
Size
(Amps)
RLA LRA MCC FLA FLA FLA Model kW Stages Amps
C1 C2 C1 C2 C1 C2

251934-YTG-Z-0714
90 Johnson Controls Unitary Products
ZF180-300 - Hi Static Drive With Powered Convenience Outlet
Size
(Tons) Volt
Compressors
(each)
OD Fan
Motors
(each)
Supply
Blower
Motor
Pwr
Conv
Outlet Electric Heat Option MCA1
(Amps)
Max Fuse2/
Breaker3
Size
(Amps)
RLA LRA MCC FLA FLA FLA Model kW Stages Amps
C1 C2 C1 C2 C1 C2
180
(15)
208-3-60 25.0 25.0 164 164 39 39 4.5 15.4 10.0
None -- -- -- 90.7 110
E18 13.5 1 37.5 90.7 110
E36 27 2 74.9 125.4 150
E54 40.6 2 112.7 172.6 175
E72 54.1 2 150.2 181.9 200
230-3-60 25.0 25.0 164 164 39 39 4.3 14.4 10.0
None -- -- -- 89.3 110
E18 18.0 1 43.3 89.3 110
E36 36.0 2 86.6 138.8 150
E54 54.0 2 129.9 160.4 175
E72 72.0 2 173.2 203.7 225
460-3-60 12.8 12.8 100 100 20 20 2.2 7.2 5.0
None -- -- -- 45.4 50
E18 18.0 1 21.7 45.4 50
E36 36.0 2 43.3 69.4 70
E54 54.0 2 65.0 80.2 90
E72 72.0 2 86.6 101.9 110
575-3-60 9.6 9.6 78 78 15 15 1.7 5.9 4.0
None -- -- -- 34.9 40
E18 18.0 1 17.3 34.9 40
E36 36.0 2 34.6 55.7 60
E54 54.0 2 52.0 64.3 70
E72 72.0 2 69.3 81.7 90
210
(17.5)
208-3-60 30.7 30.7 203 203 43 43 4.5 20.0 10.0
None -- -- -- 108.1 125
E18 13.5 1 37.5 108.1 125
E36 27.0 2 74.9 131.2 150
E54 40.6 2 112.7 178.4 200
E72 54.1 2 150.2 187.7 200
230-3-60 30.7 30.7 203 203 43 43 4.3 20.0 10.0
None -- -- -- 107.7 125
E18 18.0 1 43.3 107.7 125
E36 36.0 2 86.6 145.8 150
E54 54.0 2 129.9 167.4 175
E72 72.0 2 173.2 210.7 225
460-3-60 14.3 14.3 98 98 20 20 2.2 10.0 5.0
None -- -- -- 51.6 60
E18 18.0 1 21.7 51.6 60
E36 36.0 2 43.3 72.9 80
E54 54.0 2 65.0 83.7 90
E72 72.0 2 86.6 105.4 110
575-3-60 12.9 12.9 84 84 18 18 1.7 8.2 4.0
0------44.650
E18 18.0 1 17.3 44.6 50
E36 36.0 2 34.6 58.6 60
E54 54.0 2 52.0 67.2 70
E72 72.0 2 69.3 84.5 90
240
(20)
208-3-60 33.3 33.3 239 239 52 52 4.5 20.0 10.0
None -- -- -- 113.9 125
E18 13.5 1 37.5 113.9 125
E36 27 2 74.9 131.2 150
E54 40.6 2 112.7 178.4 200
E72 54.1 2 150.2 187.7 200
230-3-60 33.3 33.3 239 239 52 52 4.3 20.0 10.0
None -- -- -- 113.5 125
E18 18.0 1 43.3 113.5 125
E36 36.0 2 86.6 145.8 150
E54 54.0 2 129.9 167.4 175
E72 72.0 2 173.2 210.7 225
460-3-60 17.9 17.9 125 125 28 28 2.2 10.0 5.0
None -- -- -- 59.7 70
E18 18.0 1 21.7 59.7 70
E36 36.0 2 43.3 72.9 80
E54 54.0 2 65.0 83.7 90
E72 72.0 2 86.6 105.4 110
575-3-60 12.8 12.8 80 80 20 20 1.7 8.2 4.0
None -- -- -- 44.4 50
E18 18.0 1 17.3 44.4 50
E36 36.0 2 34.6 58.6 60
E54 54.0 2 52.0 67.2 70
E72 72.0 2 69.3 84.5 90

251934-YTG-Z-0714
Johnson Controls Unitary Products 91
300
(25)
208-3-60 45.7 43.6 304 267 64 61 4.5 38.6 10.0
None -- -- -- 158.3 200
E18 13.5 1 37.5 158.3 200
E36 27.0 2 74.9 158.3 200
E54 40.6 2 112.7 201.6 225
E72 54.1 2 150.2 210.9 225
230-3-60 45.7 43.6 304 267 64 61 4.3 38.6 10.0
None -- -- -- 157.9 200
E18 18.0 1 43.3 157.9 200
E36 36.0 2 86.6 169.0 200
E54 54.0 2 129.9 190.7 225
E72 72.0 2 173.2 234.0 250
460-3-60 21.4 20.7 147 142 30 29 2.2 19.3 5.0
None -- -- -- 76.2 90
E18 18.0 1 21.7 76.2 90
E36 36.0 2 43.3 84.5 90
E54 54.0 2 65.0 95.3 110
E72 72.0 2 86.6 117.0 125
575-3-60 18.6 17.1 122 103 26 24 1.7 15.4 4.0
0------63.280
E18 18.0 1 17.3 63.2 80
E36 36.0 2 34.6 67.6 80
E54 54.0 2 52.0 76.2 90
E72 72.0 2 69.3 93.5 100
1. Minimum Circuit Ampacity.
2. Dual Element, Time Delay Type.
3. HACR type per NEC.
ZF180-300 - Hi Static Drive With Powered Convenience Outlet (Continued)
Size
(Tons) Volt
Compressors
(each)
OD Fan
Motors
(each)
Supply
Blower
Motor
Pwr
Conv
Outlet Electric Heat Option MCA1
(Amps)
Max Fuse2/
Breaker3
Size
(Amps)
RLA LRA MCC FLA FLA FLA Model kW Stages Amps
C1 C2 C1 C2 C1 C2

251934-YTG-Z-0714
92 Johnson Controls Unitary Products
ZF180-300 - Low Static Drive Without Powered Convenience Outlet
Size
(Tons) Volt
Compressors
(each)
OD Fan
Motors
(each)
Supply
Blower
Motor
Pwr
Conv
Outlet Electric Heat Option MCA1
(Amps)
1. Minimum Circuit Ampacity.
Max Fuse2/
Breaker3
Size
(Amps)
2. Dual Element, Time Delay Type.
3. HACR type per NEC.
RLA LRA MCC FLA FLA FLA Model kW Stages Amps
C1 C2 C1 C2 C1 C2
300
(25)
208-3-60 45.7 43.6 304 267 64 61 4.5 20.0 0.0
None -- -- -- 129.7 175
E18 13.5 1 37.5 129.7 175
E36 27.0 2 74.9 129.7 175
E54 40.6 2 112.7 165.9 175
E72 54.1 2 150.2 175.2 200
230-3-60 45.7 43.6 304 267 64 61 4.3 20.0 0.0
None -- -- -- 129.3 175
E18 18.0 1 43.3 129.3 175
E36 36.0 2 86.6 133.3 175
E54 54.0 2 129.9 154.9 175
E72 72.0 2 173.2 198.2 225
460-3-60 21.4 20.7 147 142 30 29 2.2 10.0 0.0
None -- -- -- 61.9 80
E18 18.0 1 21.7 61.9 80
E36 36.0 2 43.3 66.6 80
E54 54.0 2 65.0 77.5 90
E72 72.0 2 86.6 99.1 110
575-3-60 18.6 17.1 122 103 26 24 1.7 8.2 0.0
0------52.070
E18 18.0 1 17.3 52.0 70
E36 36.0 2 34.6 53.6 70
E54 54.0 2 52.0 62.2 70
E72 72.0 2 69.3 79.5 90
ZF180-300 - Low Static Drive With Powered Convenience Outlet
Size
(Tons) Volt
Compressors
(each)
OD Fan
Motors
(each)
Supply
Blower
Motor
Pwr
Conv
Outlet Electric Heat Option MCA1
(Amps)
1. Minimum Circuit Ampacity.
Max Fuse2/
Breaker3
Size
(Amps)
2. Dual Element, Time Delay Type.
3. HACR type per NEC.
RLA LRA MCC FLA FLA FLA Model kW Stages Amps
C1 C2 C1 C2 C1 C2
300
(25)
208-3-60 45.7 43.6 304 267 64 61 4.5 20.0 10.0
None -- -- -- 139.7 175
E18 13.5 1 37.5 139.7 175
E36 27.0 2 74.9 139.7 175
E54 40.6 2 112.7 178.4 200
E72 54.1 2 150.2 187.7 200
230-3-60 45.7 43.6 304 267 64 61 4.3 20.0 10.0
None -- -- -- 139.3 175
E18 18.0 1 43.3 139.3 175
E36 36.0 2 86.6 145.8 175
E54 54.0 2 129.9 167.4 175
E72 72.0 2 173.2 210.7 225
460-3-60 21.4 20.7 147 142 30 29 2.2 10.0 5.0
None -- -- -- 66.9 80
E18 18.0 1 21.7 66.9 80
E36 36.0 2 43.3 72.9 80
E54 54.0 2 65.0 83.7 90
E72 72.0 2 86.6 105.4 110
575-3-60 18.6 17.1 122 103 26 24 1.7 8.2 4.0
0------56.070
E18 18.0 1 17.3 56.0 70
E36 36.0 2 34.6 58.6 70
E54 54.0 2 52.0 67.2 70
E72 72.0 2 69.3 84.5 90

251934-YTG-Z-0714
Johnson Controls Unitary Products 93
ZJ/ZR/ZF180-300 Wiring Diagrams
ZJ180-300 Typical Control Diagram
OCC
C
RC
G
Y2
Y1
W2
W1
X
R
THERMOSTAT
TERMINALS
CONTROL
TERMINAL
BLOCK
TERMINALS ON
A LIMITED
NUMBER OF
THERMOSTATS
1
4
3
1
2
4
Second stage heating not required on single stage heating units.
Jumper is required if there is no Smoke Detector circuit.
Jumper is required for any combination of R, RC, or RH.
5
5
OCC is an output from the thermostat to indicate the Occupied condition.
X is an input to the thermostat to display Error Status conditions.
Y3
Y4
3
W2
Y1
G
OCC
P
P1
Y2
X
R
SD
C
EXPANSION
BOARD
TERMINAL
BLOCK
W1
Y3
Y4
2
C
SD
SD
RJumper
Smoke
Detector
24 VAC
Class 2

251934-YTG-Z-0714
94 Johnson Controls Unitary Products
ZR180-300 Typical Control Diagram
THERMOSTAT 1
TERMINALS
( RCB )
REHEAT
CONTROL BOARD
RC
RH
Y1
Y2
W1
W2
G
C
X1
X3
X4
A1
A2
T
T
R
Y1
Y2
W1
W2
G
C
OCC
HUM 1
2
3
4
HUM
TERMINAL BLOCK
RH
3
2
1 Electronic programmable Thermostat 2ET0770010024
( includes subbase).
2 Terminals A1 and A2 provide a relay output to close the
outdoor economizer dampers when the thermostat
switches to the set-back position.
3
TO REMOTE SENSOR
2ET04701324 IF USED
DEHUMIDISTAT
Dehumidistat closes on rise in humidity.
RC
RH
Y1
Y2
G
W1
W2
CC
W2
W1
G
Y2
Y1
R
OCC
( RCB )
REHEAT
CONTROL
BOARD
HUM
TERMINAL
BLOCK
RH
1
1
2
3
4
1
DEHUMIDISTAT
Dehumidistat closes on rise in humidity.
TYPICAL
THERMOSTAT

251934-YTG-Z-0714
Johnson Controls Unitary Products 95
ZF180-300 Typical Control Diagram
W1
W2
Y1
G
OCC
P
P1
Y2
X
R
SD
C
C
SD
SD
R
OCC
C
RC
G
Y2
Y1
W2
W1
Jumper
Smoke
Detector
24 VAC
Class 2
X
R
THERMOSTAT
TERMINALS
CONTROL
TERMINAL
BLOCK
TERMINALS ON
A LIMITED
NUMBER OF
THERMOSTATS
3
1
2
4
3
1
2
4
Second stage heating not required on single stage heating units.
Second stage cooling not required on single stage cooling units.
Jumper is required if there is no Smoke Detector circuit.
Jumper is required for any combination of R, RC, or RH.
6
5
5
6
OCC is an output from the thermostat to indicate the Occupied condition.
X is an input to the thermostat to display Error Status conditions.

251934-YTG-Z-0714
96 Johnson Controls Unitary Products
Weights and Dimensions
ZJ/ZR Unit 4 Point Load Weight ZJ/ZR Unit 6 Point Load Weight
ZF Unit 4 Point Load Weight ZF Unit 6 Point Load Weight
ZJ/ZR/ZF180-300 Unit Weights
A
D
B
C
A
D
E
C
F
B
XY
LEFT FRONT
A
B
C
D
FRONT
A
C
D
F
B
E
FRONT
Size
(Tons) Model Weight (lbs.) Center of Gravity 4 Point Load Location (lbs.) 6 Point Load Location (lbs.)
ShippingOperatingX Y ABCD A B C D E F
180 (15) ZJ 2614 2609 85.25 44 467 781 852 510 287 392 568 620 428 313
210 (17.5) ZJ 2670 2665 85.25 44 477 797 870 520 293 401 580 633 437 320
240 (20) ZJ 2702 2697 85.05 44 485 805 878 529 298 406 585 638 443 326
300 (25) ZJ 2788 2783 85.25 44 498 833 908 544 306 419 606 661 457 334
180 (15) ZR 2365 2360 85.25 44 422 706 770 461 260 355 514 561 387 284
240 (20) ZR 2665 2660 85.05 44 478 794 866 522 294 401 477 630 437 321
300 (25) ZR 2765 2760 85.25 44 494 826 901 539 304 415 601 656 453 332
180 (15) ZF 1875 1870 65.26 45 438 477 498 458 288 304 322 337 318 301
210 (17.5) ZF 2011 2006 70.98 45 470 511 534 491 309 327 346 361 341 323
240 (20) ZF 2538 2533 70 44 589 622 679 643 389 404 419 457 440 425
300 (25) ZF 2602 2597 70 44.5 611 645 689 652 403 418 434 464 447 431

251934-YTG-Z-0714
Johnson Controls Unitary Products 97
ZJ/ZR/ZF180-300 Unit Accessory Weights
Unit Accessory Weight (lbs.)
Shipping Operating
Economizer 165 160
Power Exhaust 90 85
Electric Heat140 40
Gas Heat2240 240
Double Wall 260 260
Motorized Damper 150 150
Barometric Damper 50 45
Econ./Motorized Damper Rain Hood 60 55
Econ./Power Exhaust Rain Hood 95 90
Wood Skid 220 220
Roof Curb 190 185
Hot Gas Bypass 10 10
Supply Fan VFD See Supply Fan VFD Weights
1. Weight given is for the maximum heater size available
(54KW).
2. Weight given is for the maximum number of tube heat
exchangers available (8 tube).
Supply Fan VFD Weights, in Lbs.
Supply Fan Motor 230V 460V 575V
W/O Manual Bypass
5.0 hp 25 25 30
7.5 hp 30 30 30
10.0 hp 30 30 35
15.0 hp 30 30 40
W/Manual Bypass
5.0 hp 30 30 35
7.5 hp 35 35 35
10.0 hp 35 35 40
15.0 hp 40 35 45

251934-YTG-Z-0714
98 Johnson Controls Unitary Products
Unit Dimensions
ZJ/ZR Unit Dimensions Front View
NOTE: All entry holes should be field sealed to prevent rain water
entry into the building.
11-1/2
(A) CONTROL WIRING
ENTRY
COIL
GUARD
KIT
CONDENSER
COILS
(B) POWER
WIRING
ENTRY
5
9-3/4
21.00
6-3/8
7-1/8
35
5-7/8
136-1/4
GAS OR ELECTRIC
HEAT
ACCESS
DOT PLUG
(For pressure
drop reading)
BLOWER
COMPARTMENT
ACCESS
(Auxiliary)
(C) GAS
SUPPLY
ENTRY
CONTROL BOX
ACCESS
VENT AIR
OUTLET
HOODS
BLOWER MOTOR
ACCESS (Location
of Optional VFD Bypass) BLOWER ACCESS
(Location of
Optional VFD)
52-5/8
180-19/32 COMPRESSOR ACCESS
DISCONNECT
SWITCH
LOCATION
ECONOMIZER / MOTORIZED DAMPER
FIXED OUTDOOR INTAKE AIR AND
POWER EXHAUST RAIN HOODS
(See detail Y)
92
46-5/8
35-1/4
33
2-3/4 3-3/4
(B) POWER WIRING
ENTRY
BOTTOM SUPPLY
AND RETURN
AIR OPENINGS
(See Note)
(A) CONTROL WIRING
ENTRY
21-1/2
11-1/8
(D)
GAS SUPPLY
ENTRY
UNIT BASE RAILS
Shown separately to illustrate
RETURN
AIR
Bottom Duct openings. Power
and Gas Piping Connection
location.
NOTE:
For curb mounted units, refer to the curb hanger
dimensions of the curb for proper size of the
supply and return air duct connections.
12-1/2
9-1/4
8-1/8
46-5/8
9-3/4
COMBUSTION
AIR INLET HOOD
SUPPLY
AIR
Utilities Entry
Hole Opening Size
Diameter Used For
A1-1/8” KO Control Wiring Front
3/4” NPS (Fem.) Bottom
B3-5/8” KO Power Wiring Front
3” NPS (Fem.) Bottom
C 2-3/8” KO Gas Piping (Front)1
1. One-inch Gas Piping NPT Required.
D 1-11/16” Hole Gas Piping (Bottom)1,2
2. Opening in the bottom to the unit can be located by the slice in the
insulation.

251934-YTG-Z-0714
Johnson Controls Unitary Products 99
ZF Unit Dimensions Front View
NOTE: All entry holes should be field sealed to prevent rain water
entry into the building.
R E T U R N
A IR
S U P P L Y
A IR
B O T T O M S U P P L Y
A N D R E T U R N
A IR O P E N IN G S
( S e e N o te )
( B )
P O W E R W IR IN G
E N T R Y
( A )
C O N T R O L W IR IN G
E N T R Y
N O T E :
F o r c u r b m o u n te d u n i ts , r e fe r to th e c u r b h a n g e r
d i m e n s i o n s o f th e c u r b fo r th e p r o p e r s i z e o f th e
s u p p l y a n d r e tu r n a i r d u c t c o n n e c ti o
n s .
U N IT B A S E W IT H R A IL S
S h o w n s e p a r a te l y to i l l u s tr a te
B o tto m D u c t o p e n i n g s , P o w e r
a n d G a s P i p i n g C o n n e c ti o n
l o c a ti o n s
1 2 - 1 /2 "
9 - 1 /4 "
8 - 1 /8 "
9 - 3 /4 "
3 - 3 /4 "
( B )
P O W E R W IR IN G
E N T R Y
( A )
C O N T R O L W IR IN G
E N T R Y
C O N D E N S E R
C O IL S
O P T IO N A L C O IL
G U A R D K IT
C O M P R E S S O R
A C C E S S
( S e e d e ta i l " X " )
E C O N O M IZ E R / M O T O R IZ E D D A M P E R ,
F IX E D O U T D O O R IN T A K E A IR A N D
P O W E R E X H A U S T R A IN H O O D S
( S e e d e ta i l " Y " )
FIELD-SUPPLIED
DISCONNECT SWITCH
LOCATION
BLOWER
COMPARTMENT
ACCESS
(Auxiliary)
D O T P L U G
( F o r p r e s s u r e
D r o p R e a d i n g )
F R ON T
V I E W
C O N T R O L B O X
A C C E S S
2 1 "
5 "
9 - 3 /4 "
1 1 - 1 /2 "
2 - 3 /4 " 2 1 - 1 /2 "
3 3 "
3 5 "
5 - 7 /8 "
4 6 - 5 /8 "
7 - 1 /8 "
6 - 3 /8 "
V E N T A IR
O U T L E T
H O O D S
C O M B U S T IO N
A IR IN L E T
H O O D
G A S H E A T
A C C E S S
( C )
G A S S U P P L Y
E N T R Y
4 6 - 5 /8 "
1 1 - 1 /8 "
( D )
G A S S U P P L Y
E N T R Y
R E T U R N A I R
S U P P L Y A I R
OU T D OOR A I
R
OU T D OOR A I
R
( E c o n o m i z e r )
9 2 "
24-1/4" (15 Ton)
35-1/4" (17.5
thru 25 Ton)
125-1/4" (15 Ton)
136-1/4" (17.5
thru 25 Ton)
48-5/8" (15 Ton)
52-5/8" (17.5 & 20 Ton)
ELECTRIC
BLOWER ACCESS
(Location Of
Optional VFD)
BLOWER MOTOR ACCESS
(Location Of Optional
VFD Bypass)
Utilities Entry
Hole Opening Size
Diameter Used For
A1-1/8” KO Control Wiring Front
3/4” NPS (Fem.) Bottom
B3-5/8” KO Power Wiring Front
3” NPS (Fem.) Bottom
C 2-3/8” KO Gas Piping (Front)1
D 1-11/16” Hole Gas Piping (Bottom)1,2
1. One-inch Gas Piping NPT Required.
2. Opening in the bottom to the unit can be located by the slice in the
insulation.

251934-YTG-Z-0714
100 Johnson Controls Unitary Products
ZJ/ZR/ZF Unit Dimensions Rear View
NOTE: Units are shipped with the bottom duct openings
covered. An accessory flange kit is available for
connecting side ducts.
For bottom duct applications:
1. Remove the side panels from the supply and return air
compartments to gain access to the bottom supply and
return air duct covers.
2. Remove and discard the bottom duct covers. Duct
openings are closed with sheet metal covers except when
the unit includes a power exhaust option. The covering
consists of a heavy black paper composition.
3. Replace the side supply and return air compartment
panels.
For side duct applications:
1. Replace the side panels on the supply and return air
compartments with the accessory flange kit panels.
2. Connect ductwork to the flanges on those panels.
Outdoor
Air
Supply
Air
Return
Air
40-1/2”
28-5/8”
ZF 180
and
Outdoor Air
Compartment
Access
Return Air
Access
Supply Air
Access
1” NPT Female
Cond. Drain
Connector
Evaporator
Section
Filter
Access
Dot Plug
(for Pressure
Drop Reading)
27-3/4”
18-5/8”
5-1/8”
40-3/8”
Dimensions listed are for side duct flange
opening; see Field Accessories for Side
Duct Flange Kit.
39-5/8”
ZJ/ZR 180-300
ZF 210-300

251934-YTG-Z-0714
Johnson Controls Unitary Products 101
ZJ/ZR/ZF Unit Dimensions Rain Hood
Note: ELEC/ELEC Models: Units and ductwork are approved for zero clearance to combustible material when
equipped with electric heaters.
GAS/ELEC Models: A 1" clearance must be provided between any combustible material and the supply air
ductwork for a distance of 3 feet from the unit.
The products of combustion must not be allowed to accumulate within a confined space and recirculate.
Locate unit so that the vent air outlet hood is at least:
• Three (3) feet above any force air inlet located within 10 horizontal feet (excluding those integral to the unit).
• Four (4) feet below, four horizontal feet from, or one foot above any door or gravity air inlet into the building.
• Four (4) feet from electric and gas meters, regulators and relief equipment.
ZJ/ZR/ZF180-300 Unit Clearances
Direction Distance (in.) Direction Distance (in.)
Top1
1. Units must be installed outdoors. Over hanging structure or shrubs should not obscure condenser air discharge
outlet.
72 With 36 Maximum
Horizontal Overhang (For
Condenser Air Discharge)
Right 36
Front 36 Bottom2
2. Units may be installed on combustible floors made from wood or class A, B or C roof covering materials.
0
Rear 24 (W/O Economizer) Left 24 (W/O Economizer)
49 (W/Economizer) 36 (W/Economizer)3
3. If economizer is factory installed, the unassembled rain hood must be removed from its ride along position in front of
the evaporator coil, or in the outdoor air compartment, prior to final installation.
LH View
92”28-3/16”
36-5/8”
5”
16-1/8”
Rear View
Supply Air
Compartment
Power Exhaust
Rain Hood
(on Return
Air Compartment)
Economizer Motorized
Damper Rain Hood
(on Outdoor
Air Compartment) Economizer/Motorized Damper
and Power Exhaust Rain Hood
Fixed
Outdoor Air
Intake Hood
(Located on
Return Air
Compartment) 1” Condensate
Drain (Must be
Trapped)
Detail “Y”
Unit with Rain Hoods

251934-YTG-Z-0714
102 Johnson Controls Unitary Products
Unit Accessory Dimensions
ZJ/ZR180-300, ZF210-300 Roof Curb
ZF180 Roof Curb
25-1/4"
14-1/4”
115-1/4”

251934-YTG-Z-0714
Johnson Controls Unitary Products 103
ZJ/ZR/ZF180-300 Roof Curb Duct Openings
1. The 2” space between the ducts allows for “jumping” an
existing roof joist.
2. The 58-1/2” overall dimension of the ducts allows ductwork
penetration between roof joists that are spaced on 72”
centers.
NOTE: Ducts can be installed into the curb from the roof. All
electrical and gas line connections can be made inside
the curb.
ZJ/ZR/ZF180-300 Cut Away of Roof Curb
ZJ/ZR/ZF180-300 Typical Installation
Roof Jack
Installation
Roof Curb
Installation
Slab On
Ground
Installation

Subject to change without notice. Printed in U.S.A. 251934-YTG-Z-0714
Copyright © 2014 by Johnson Controls, Inc. All rights reserved. Supersedes: 251934-YTG-Y-0514
York International Corporation
5005 York Drive
Norman, OK 73069