York Zx Prestige Rooftop Unit Technical Guide
2015-09-09
: York Zx-Prestige-Rooftop-Unit-Technical-Guide york-zx-prestige-rooftop-unit-technical-guide-812345 york pdf
Open the PDF directly: View PDF
.
Page Count: 165 [warning: Documents this large are best viewed by clicking the View PDF Link!]
- Table of Contents
- Component Location
- Factory Installed Options
- Field Installed Accessories
- Nomenclature
- AHRI Cooling Rating Table
- AHRI 270 Outdoor Sound Power Levels
- Physical Data
- Capacity Performance
- Airflow Performance
- ZX04-14 Side Duct Application (Belt Drive)
- ZX04-14 Bottom Duct Application (Belt Drive)
- ZY04-12 Side Duct Application (Belt Drive)
- ZY04-12 Bottom Duct Application (Belt Drive)
- ZX04-06 Side Duct Application (Direct Drive)
- ZX04-06 Bottom Duct Application (Direct Drive)
- ZY04-06 Side Duct Application (Direct Drive)
- ZY04-06 Bottom Duct Application (Direct Drive)
- Power Exhaust Blower Curves
- Electrical Data
- ZX04-14 Standard Static Indoor Blower - Without Powered Convenience Outlet
- ZX04-14 Standard Static Indoor Blower - With Powered Convenience Outlet
- ZX04-14 Medium Static Indoor Blower - Without Powered Convenience Outlet
- ZX04-14 Medium Static Indoor Blower - With Powered Convenience Outlet
- ZX04-14 Hi Static Indoor Blower - Without Powered Convenience Outlet
- ZX04-14 Hi Static Indoor Blower - With Powered Convenience Outlet
- ZYE04-12 Standard Static Indoor Blower - Without Powered Convenience Outlet
- ZYE04-12 Standard Static Indoor Blower - With Powered Convenience Outlet
- ZYE04-12 Medium Static Indoor Blower - Without Powered Convenience Outlet
- ZYE04-12 Medium Static Indoor Blower - With Powered Convenience Outlet
- ZYE04-12 High Static Indoor Blower - Without Powered Convenience Outlet
- ZYE04-12 High Static Indoor Blower - With Powered Convenience Outlet
- Typical Wiring Diagrams
- ZX/ZY04-14 Typical Wiring Diagrams
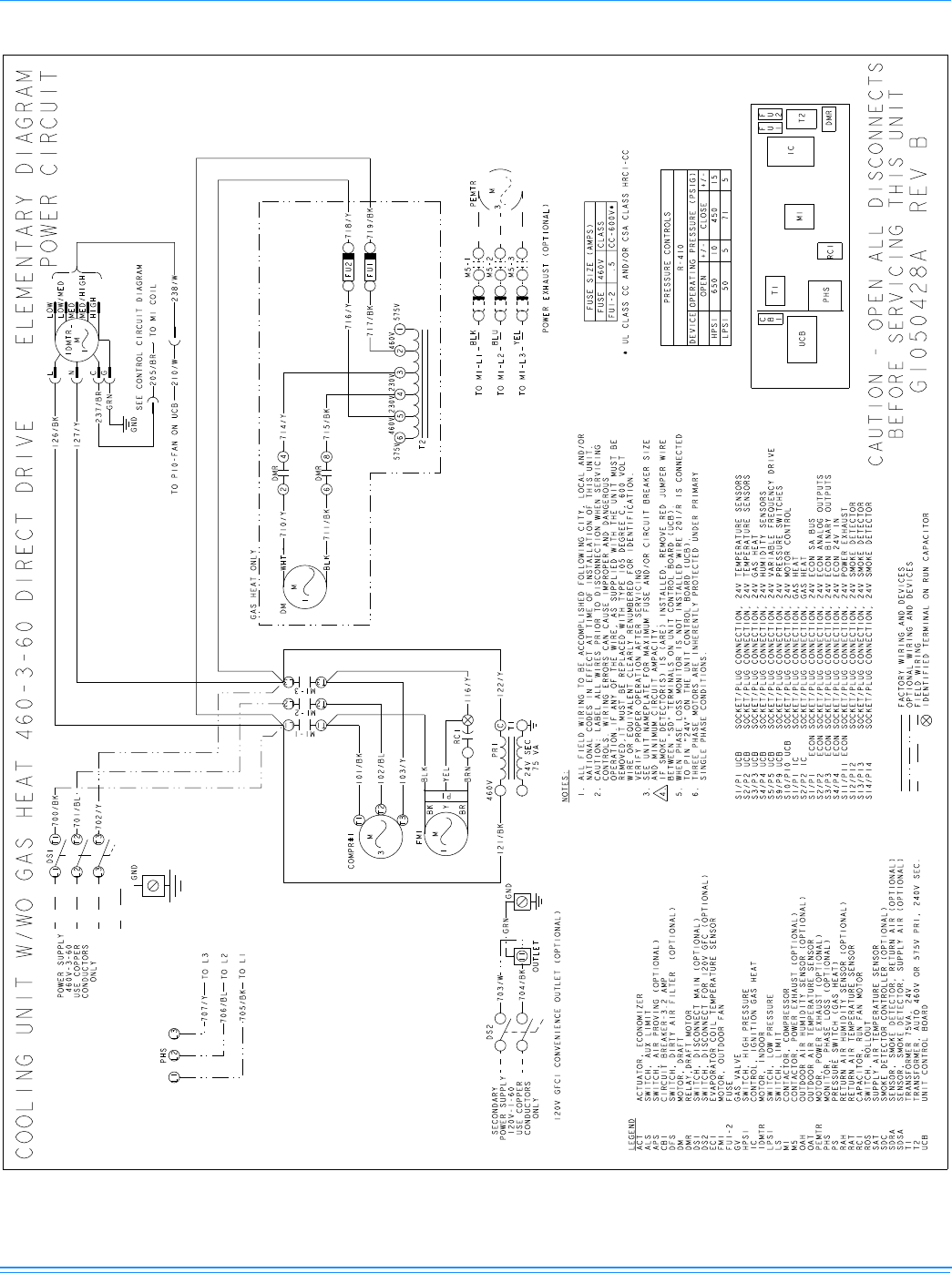
- Typical ZX/ZY04-06 Cooling Unit w/wo Gas Heat 208/230-1-60 Direct Drive Elementary Diagram Power Circuit
- Typical ZX/ZY04-06 Cooling Unit w/wo Gas Heat 208/230-3-60 Direct Drive Elementary Diagram Power Circuit
- Typical ZX/ZY04-06 Cooling Unit w/wo Gas Heat 460-3-60 Direct Drive Elementary Diagram Power Circuit
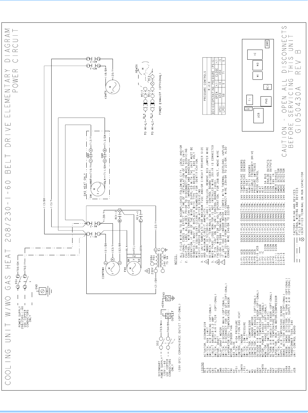
- Typical ZX/ZY04-06 Cooling Unit w/wo Gas Heat 208/230-1-60 Belt Drive Elementary Diagram Power Circuit
- Typical ZX04-08/ZY04-06 Cooling Unit w/wo Gas Heat 208/230-3-60 Belt Drive Elementary Diagram Power Circuit
- Typical ZX09/ZY07 Cooling Unit w/wo Gas Heat 208/230-3-60 Belt Drive Elementary Diagram Power Circuit
- Typical ZX12/ZY08, 09 Cooling Unit w/wo Gas Heat 208/230-3-60 Belt Drive Elementary Diagram Power Circuit
- Typical ZX14/ZY12 Cooling Unit w/wo Gas Heat 208/230-3-60 Belt Drive Elementary Diagram Power Circuit
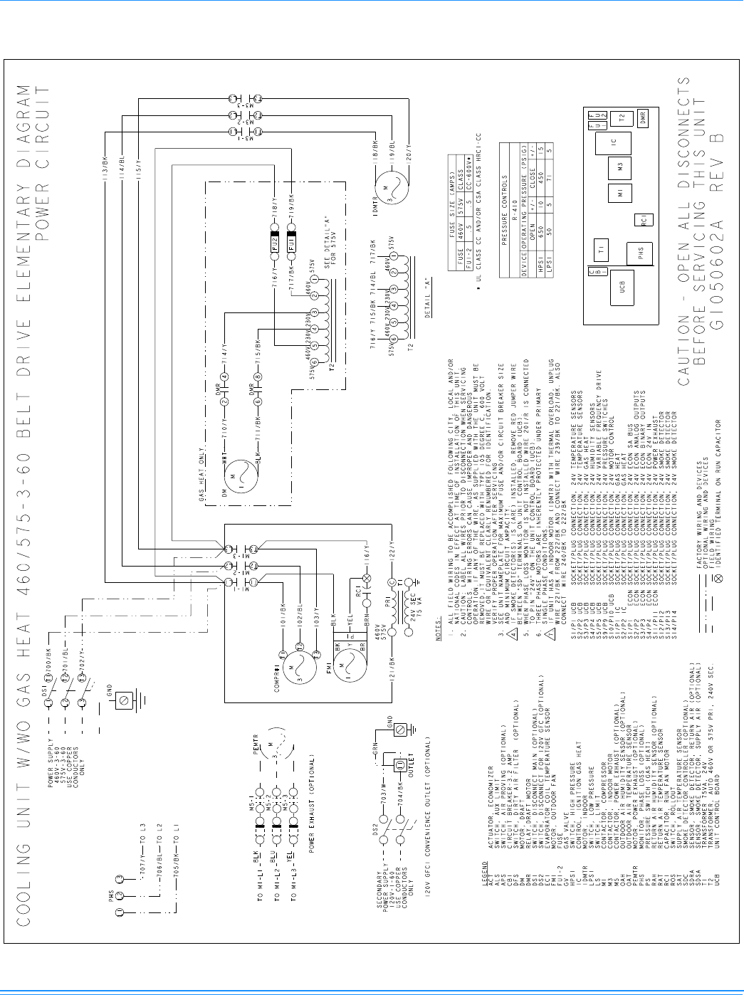
- Typical ZX04-08/ZY04-06 Cooling Unit w/wo Gas Heat 460/575-3-60 Belt Drive Elementary Diagram Power Circuit
- Typical ZX09/ZY07 Cooling Unit w/wo Gas Heat 460/575-3-60 Belt Drive Elementary Diagram Power Circuit
- Typical ZX12/ZY08, 09 Cooling Unit w/wo Gas Heat 460/575-3-60 Belt Drive Elementary Diagram Power Circuit
- Typical ZX12/ZY08, 09 Cooling Unit with VFD w/wo Gas Heat 208/230-3-60 Belt Drive Elementary Diagram Power Circuit
- Typical ZX14/ZY12 Cooling Unit with VFD w/wo Gas Heat 208/230-3-60 Belt Drive Elementary Diagram Power Circuit
- Typical ZX12/ZY08, 09 Cooling Unit with VFD w/wo Gas Heat 460/575-3-60 Belt Drive Elementary Diagram Power Circuit
- Typical ZX14/ZY12 Cooling Unit with VFD w/wo Gas Heat 460/575-3-60 Belt Drive Elementary Diagram Power Circuit
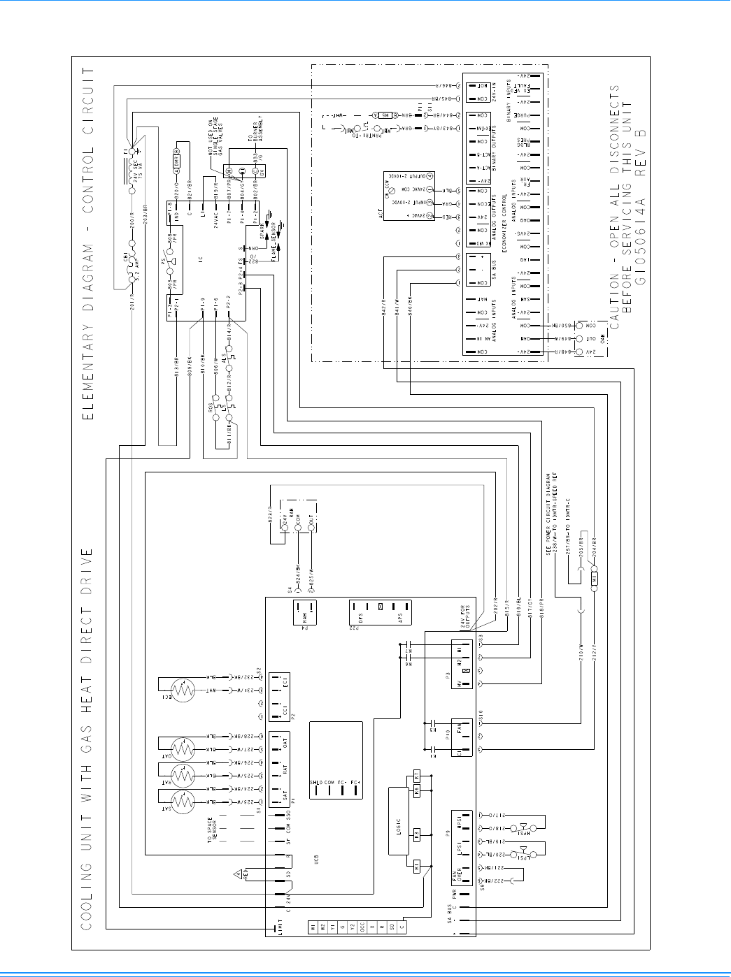
- Typical ZX/ZY04-06 Cooling Unit Direct Drive Elementary Diagram Control Circuit
- Typical ZX/ZY04-06 Cooling Unit with Gas Heat Direct Drive Elementary Diagram Control Circuit
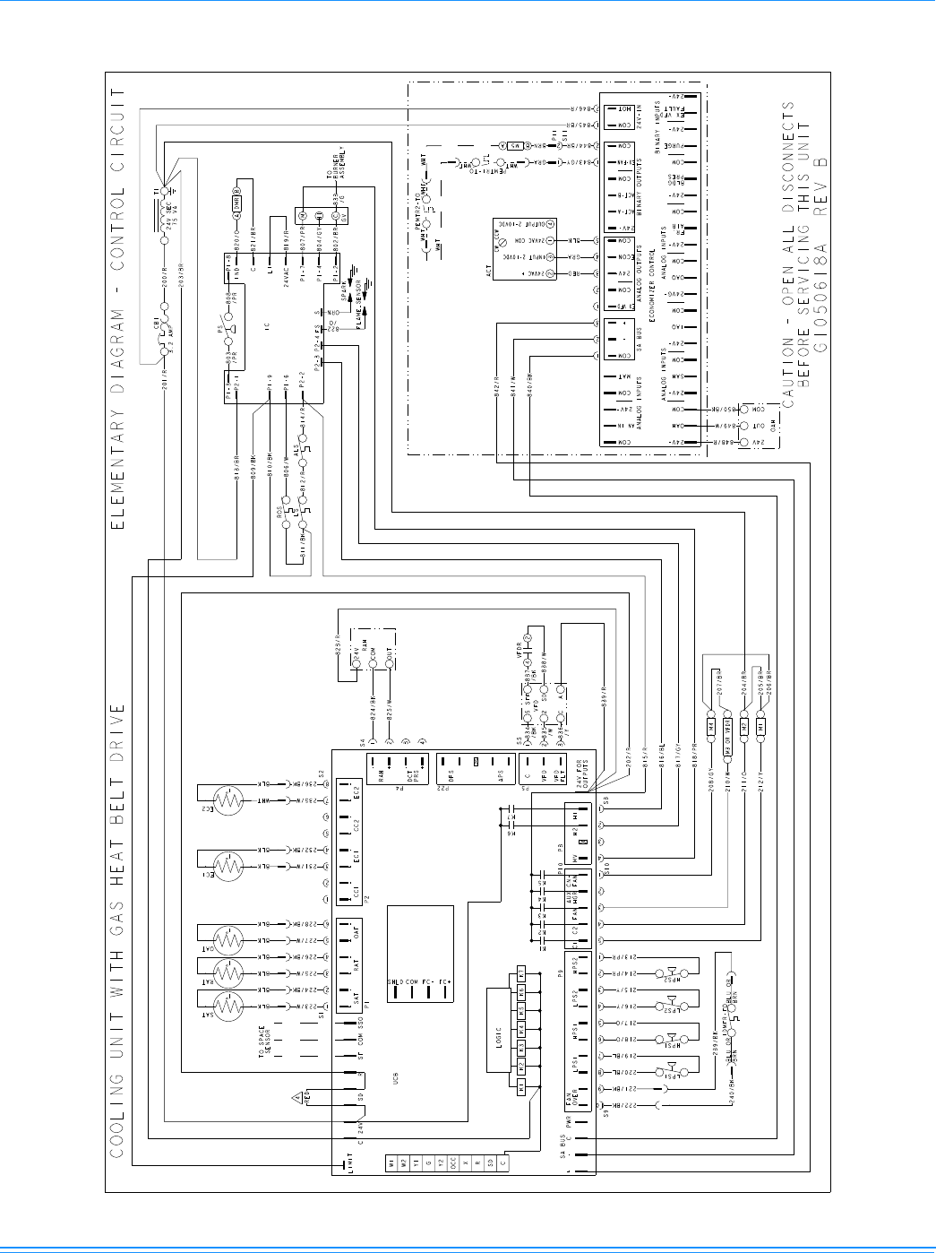
- Typical ZX04-09/ZY04-07 Cooling Unit Belt Drive Elementary Diagram Control Circuit
- Typical ZX04-09/ZY04-07 Cooling Unit with Gas Heat Belt Drive Elementary Diagram Control Circuit
- Typical ZX12, 14/ZY09-12 Cooling Unit Belt Drive w/wo VFD Elementary Diagram Control Circuit
- Typical ZX12, 14/ZY09-12 Cooling Unit with Gas Heat Belt Drive w/wo VFD Elementary Diagram Control Circuit
- ZX/ZY04-14 Typical Wiring Diagrams
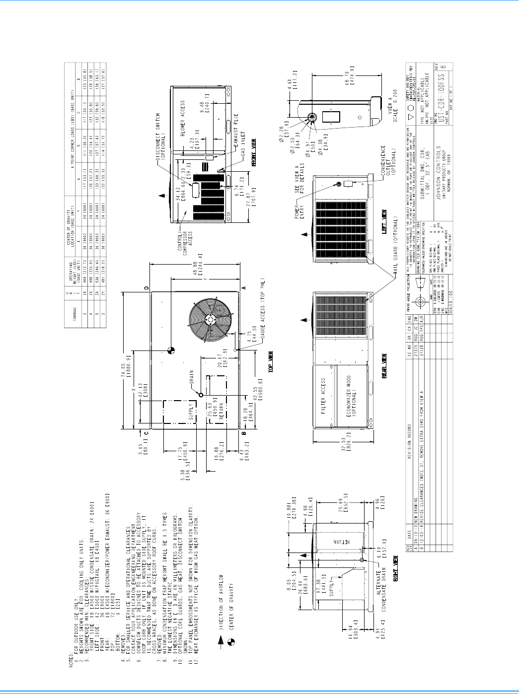
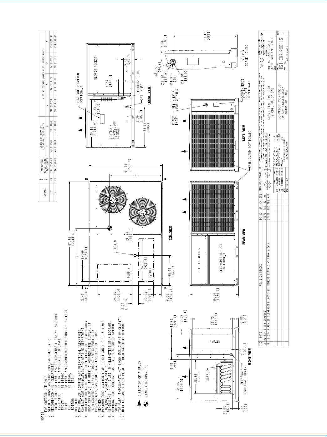
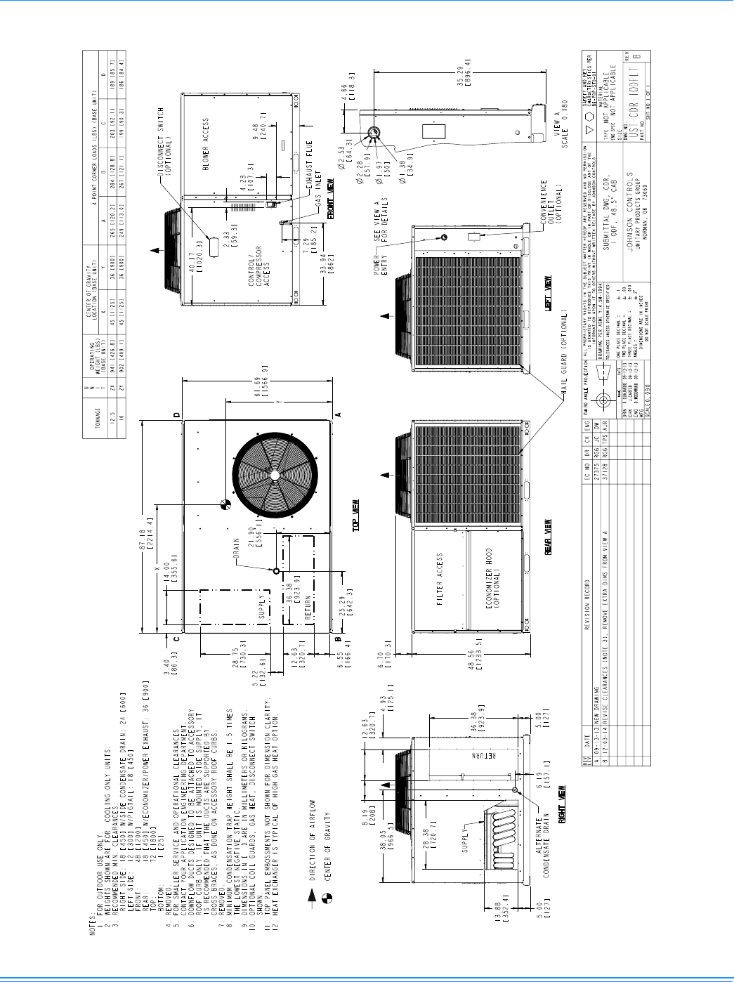
- Weights and Dimensions
- Unit Models used with 1RC0456, 1RC0458 Roof Curb
- Unit Models used with 1RC0457, 1RC0459 Roof Curb
- Economizer Options
- Economizer Usage
- Guide Specifications

FOR DISTRIBUTION USE ONLY - NOT TO BE USED AT POINT OF RETAIL SALE
1068152-YTG-I-1214
TECHNICAL GUIDE
ZX/ZY SERIES
3 - 12.5 TON
60 HERTZ

1068152-YTG-I-1214
2Johnson Controls Unitary Products
Table of Contents
Table of Contents . . . . . . . . . . . . . . . . . . . . . . . . . . . . . . . . . . . . . . . . . . . . . . . . . . . . . . . . . . . . . . . . . . . . . . . . . . . . . . . . . . . . . . . 2
Component Location . . . . . . . . . . . . . . . . . . . . . . . . . . . . . . . . . . . . . . . . . . . . . . . . . . . . . . . . . . . . . . . . . . . . . . . . . . . . . . . . . . . . 3
Factory Installed Options . . . . . . . . . . . . . . . . . . . . . . . . . . . . . . . . . . . . . . . . . . . . . . . . . . . . . . . . . . . . . . . . . . . . . . . . . . . . . . . . . 7
Field Installed Accessories . . . . . . . . . . . . . . . . . . . . . . . . . . . . . . . . . . . . . . . . . . . . . . . . . . . . . . . . . . . . . . . . . . . . . . . . . . . . . . . 8
Nomenclature . . . . . . . . . . . . . . . . . . . . . . . . . . . . . . . . . . . . . . . . . . . . . . . . . . . . . . . . . . . . . . . . . . . . . . . . . . . . . . . . . . . . . . . . . 10
AHRI Cooling Rating Table . . . . . . . . . . . . . . . . . . . . . . . . . . . . . . . . . . . . . . . . . . . . . . . . . . . . . . . . . . . . . . . . . . . . . . . . . . . . . . 13
AHRI 270 Outdoor Sound Power Levels . . . . . . . . . . . . . . . . . . . . . . . . . . . . . . . . . . . . . . . . . . . . . . . . . . . . . . . . . . . . . . . . . . . . 13
Physical Data . . . . . . . . . . . . . . . . . . . . . . . . . . . . . . . . . . . . . . . . . . . . . . . . . . . . . . . . . . . . . . . . . . . . . . . . . . . . . . . . . . . . . . . . . . 14
Capacity Performance . . . . . . . . . . . . . . . . . . . . . . . . . . . . . . . . . . . . . . . . . . . . . . . . . . . . . . . . . . . . . . . . . . . . . . . . . . . . . . . . . . 45
Airflow Performance . . . . . . . . . . . . . . . . . . . . . . . . . . . . . . . . . . . . . . . . . . . . . . . . . . . . . . . . . . . . . . . . . . . . . . . . . . . . . . . . . . . . 82
Power Exhaust Blower Curves . . . . . . . . . . . . . . . . . . . . . . . . . . . . . . . . . . . . . . . . . . . . . . . . . . . . . . . . . . . . . . . . . . . . . . . . . . . 98
Electrical Data . . . . . . . . . . . . . . . . . . . . . . . . . . . . . . . . . . . . . . . . . . . . . . . . . . . . . . . . . . . . . . . . . . . . . . . . . . . . . . . . . . . . . . . . . 99
Typical Wiring Diagrams . . . . . . . . . . . . . . . . . . . . . . . . . . . . . . . . . . . . . . . . . . . . . . . . . . . . . . . . . . . . . . . . . . . . . . . . . . . . . . . 121
Weights and Dimensions . . . . . . . . . . . . . . . . . . . . . . . . . . . . . . . . . . . . . . . . . . . . . . . . . . . . . . . . . . . . . . . . . . . . . . . . . . . . . . . 143
Economizer Options . . . . . . . . . . . . . . . . . . . . . . . . . . . . . . . . . . . . . . . . . . . . . . . . . . . . . . . . . . . . . . . . . . . . . . . . . . . . . . . . . . . 153
Guide Specifications . . . . . . . . . . . . . . . . . . . . . . . . . . . . . . . . . . . . . . . . . . . . . . . . . . . . . . . . . . . . . . . . . . . . . . . . . . . . . . . . . . . 156
Product Highlights
• Assembled in Norman, OK
• ASHRAE 90.1 Compliant
• R-410A Refrigerant
• Cooling Only and Gas/Electric configurations available
• Scroll Compressors
• Up to 15.4 SEER and 12.2 EER on the Energy Star
Compliant Energy Level
• Up to 13.0 SEER and 11.2 EER on the ASHRAE 90.1
Compliant Standard Efficiency Level
• State of the art Microprocessor Controls with specific
programming for unitary product applications
• MicroChannel Condenser Coils
• Evaporator coils utilize copper tube/aluminum fin design
for proven reliability and performance.
• TXV (Thermostatic Expansion Valve) Standard on:
(ASHRAE 90.1 Compliant Standard Efficiency Level 5 -
12.5 ton models and Energy Star Compliant Efficiency
Level 3 - 10 ton models)
• Single-stage Cooling (3 -6 ton models)
• Two-stage Cooling (7.5 - 12.5 ton models)
• Alternate Motor and Drives
Options and Accessories
• Economizers with Barometric Relief
• Louvered Hail Guards
• Non-fused Disconnect
• Power Exhaust
• High Altitude Heating Conversion Kits
• Flue Exhaust Extension Kit
• Flue Heat Shield
• Smoke Detectors
• Manual and Motorized Dampers
• Hinged Cabinet Doors
• Low Ambient Head Pressure Control Kit (ZX04-ZX12 and
ZY04-ZY09)
• Optional Stainless Steel Heat Exchanger (Standard on 3-
5 Ton Low-NOx Models)
• Thru-The-Base Connections for power, gas and control
wiring.
• IntelliSpeedTM with Premium Efficiency indoor motors to
meet ASHRAE 90.1-2010 requirements (7-12.5 ton
models)
• Field Installed Electric Heat Kit (ZX- 3-6 ton, ZY- 3-5 ton),
Installation Instruction for the Electric Heat Kits may be
found in the Electric Heat Kits.

1068152-YTG-I-1214
4Johnson Controls Unitary Products
Features and Benefits
Two Tiers of Efficiency - Entry level efficiency provides a cost
effective 13 SEER/11.2 EER product that meets ASHRAE 90.1
requirements. The Mid-efficiency meets the requirements for
Energy Star that exceeds 15 SEER and 12 EER. Gas/electric
units have electronic spark ignition and power vented
combustion steady state efficiencies of 80%. These efficiencies
meet or exceed all legislated minimum levels providing lower
operating costs.
A All models utilize a scroll compressor that are
environmentally friendly by utilizing R-410A refrigerant. Use of
the scroll compressor technology means a simple internal
design, fewer moving parts, equating to a quiet, reliable, easy to
service and efficient system. Internal compressor protection is
standard and compressors include protection to prevent liquid
damage.
Total system design - A TXV is used for precise metering on
the 6-12.5 Ton products and a fixed orifice is used to keep the
cost of the product down on the 3-5 ton product. Two
independent refrigerant circuits and compressors are used on
the 7.5- 12.5 ton units for economical and precise control. A
single circuit, single compressor design is used on the 3-6 ton
units for cost effectiveness and reliability without compromising
quality.
System Protection - Liquid line filter-driers, high and low
pressure safeties are standard on each independent refrigerant
circuit. Suction line sensors monitor temperature to prevent
possible liquid flood back to the compressors and also protect
against loss of charge and coil frosting.
B Balanced outdoor fan design makes for a quieter unit -
The outdoor condenser fans are dynamically balanced for
better performance and reliability. The direct drive fan design
mounted to the fan grill allows for quick and easy service.
Where other's components might fail at extreme temperatures
UPG's units are tested and rated up to 125°F ambient cooling
operation.
C Convertible Filter Rack - No tools required for easy field
conversion of the filter rack to accommodate either 2” or 4”
filters. Units will ship with MERV 4 throwaway filters standard;
however MERV 8 and MERV 13 filters can be easily added
through the tool-free filter access panel to meet LEED
requirements. Refer to physical data tables for filter size details.

1068152-YTG-I-1214
Johnson Controls Unitary Products 5
D Units will come with the new state of the art Simplicity SE
(Smart Equipment) control system. The new unit control
incorporates the best of the already proven Simplicity™ unitary
controls and creates a more robust, intelligent control. The goal
of this control is to utilize cutting edge technology making the
equipment easier to install, operate, and service. All units are
Factory commissioned, configured, and run tested.
Versatile - The Simplicity SE control can be configured to use
with a standard thermostat (easy to connect screw terminals), A
zone sensor, or can be setup to communicate with multiple BAS
communication protocols to integrate with building automation
systems.
Reduce field installed complexity - Each unit will comes
equipped with factory installed supply air, return air, and
outdoor air temperature sensors providing key temperature
readings thus reduce field installed complexity.
On-board USB Port - The new control comes with a long list of
features including data logging, current and previous system
faults and software update capabilities using the on board USB
port and common flash drive. Energy use monitoring
capabilities allow custom tailoring to allow a system to work
more efficiently at all times and occupancy levels. Self test and
start-up reports also available from the board VIA the USB port.
Embedded LCD Display - The board has a easy to read, built-
in LCD display and easy to use navigation joystick and buttons
allowing the user to quickly navigate the menus displaying unit
status, options, current function, supply, return and outdoor
temperatures, fault codes and other information.
Safety Monitoring - The control monitors the outdoor, supply,
and return air temperatures and the high and low pressure
switch status on the independent refrigerant circuits. On units
with heating the gas valve and high temperature limit switches
are monitored on gas and electric heating units. The control
also monitors the voltage supplied to the unit and will protect
the unit if low voltage due to a brown out, or other electrical
issue occurs.
Low Ambient - An integrated low-ambient control allows units
to operate in the cooling mode down to 0°F outdoor ambient
without additional components or intervention. Optionally, the
control board can be programmed to lockout the compressors
when the outdoor air temperature is low or when free cooling is
available.
Anti-Short Cycle Protection - To aid compressor life, an anti-
short cycle delay is incorporated into the standard control.
Compressor reliability is further ensured by programmable
minimum run times. For testing, the anti-short cycle delay can
be temporarily overridden with the push of a button.
Fan Delays - Fan on and fan off delays are fully programmable.
Furthermore, the heating and cooling fan delay times are
independent of one another. All units are programmed with
default values based upon their configuration of cooling and/or
heating capacity.
Nuisance Trip Protection and Three Strikes - To prevent
nuisance calls, the control board uses a three times, you're out
philosophy. The high, low-pressure switch, anti-freeze
protection, low voltage or heating high limit must trip three times
within two hours before the unit control board will lock out the
associated compressor. The same safety must trip three times
before a hard lockout will occur.
E Robust design - Each unit is designed with an embossed
top to increase structural support and ensure rigidity. The unit
has a powder paint exterior finish including a industry leading
1000 hour salt spray rating. All units are painted with a long
lasting, powder paint that stands up over the life of the unit.

1068152-YTG-I-1214
6Johnson Controls Unitary Products
F Full Perimeter base rail that fits on many existing curbs
with the stability to withstand an earthquake - This product
was designed with the replacement market in mind which is
why it will fit on many existing curbs in the field but it also takes
into account the new construction market by being versatile and
sturdy. This unit is equipped with heavier gauge and
innovatively designed base rails to prevent damage from
transporting and rigging.
G Coils - All units utilize Micro-Channel "all-aluminum"
condenser coils that provides improved heat transfer
capabilities and reduced refrigerant charge volumes. This
equates to all units meeting LEED EA Credit 4 Requirements
for Enhanced Refrigerant Management. (Make sure to use the
EA 4 Credit 4 Calculator available at UPGnet.com to ensure
that the entire project meets the requirements). MicroChannel
coils are also much easier to clean than your typical fin/tube
designs.
All evaporator coils utilize copper tube with aluminum fin design
for proven reliability and performance.
H Rigid Mounted Blower Assembly - Dynamically balanced
indoor fans ensure better performance and reliability. Large
access panels for easier access, service, and maintenance.
X13 Direct drive (Standard Static Option) and belt drive
(Medium Static and High Static Options) options available on 3-
5 ton products. The belt drive option is standard on 6-12.5 ton
products. Low, Medium, and High Static drive options for airflow
versatility up to 2" ESP with no field installed drive packages
necessary. The X13 motor technology offers several benefits w/
respect to efficiency, operation, comfort, and cost when
compared to other motors. Premium efficiency indoor motors
are standard on ZY06 and ZX14. The IntelliSpeed option is
available on 10 & 12.5 ton products to meet ASHRAE 90.1 and
Title 24 Requirements. The blower section includes a dual
density insulation for indoor air quality.
J Balanced Heating - The two stage gas heating offers
ultimate heating comfort with a balance between 1st and 2nd
stage gas heating. The first stage of a two stage gas heat
option provides approximately 70% of the heating capacity in all
3-12.5 tons two stage gas heat models. Balanced heating
allows the unit to better maintain desired temperatures and
helps saves energy. Low-NOx comes standard with a stainless
steel heat exchanger to meet California environmental
requirements. The heat exchanger section includes foil faced
insulation that is not only environmentally friendly but meets all
NFPA codes.

1068152-YTG-I-1214
Johnson Controls Unitary Products 7
Warranty - All models include a 1-year limited warranty on the
complete unit. Compressors and electric heater elements each
carry a 5-year warranty. Aluminized steel heat exchangers
carry a 10-year warranty and stainless steel heat exchangers
carry a 15- year warranty.
Factory Installed Options
(Nomenclature Digit Position)
Airflow Options (8)
Alternate Indoor Blower Motor - For applications with high
static restrictions, units are offered with optional indoor motors
providing higher external static capability and/or higher airflow,
depending upon the installer's needs.
• A=Standard Static (Direct Drive for 3-5 ton; Belt Drive
for 6-12.5 Ton)
• B=Medium Static (Belt Drive for 3-12.5 Ton)
• C=High Static (Belt Drive for 3-12.5 Ton; 3 Phase
Models Only)
VFD/VAV Options (9)
IntelliSpeed™ Supply Fan Control Option (ASHRAE 90.1
compliant, section 6.4.3.10) - Units configured with the
IntelliSpeed™ Supply Fan Option will contain a VFD for
variable volume supply fan operation. This option allows the
supply fan RPM to vary based on the number of compressors
or heating stages energized. The economizer's minimum
position is also configurable.
• 1=None (Comes with standard constant volume
controls)
• 3=VFD IntelliSpeed
Coil Options (10)
E-Coat Coils – Coils are coated with an epoxy polymer
coating to protect against corrosion. A 3-year warranty is
added when this option is selected.
• A=Standard Indoor & Outdoor Coils (fin/tube design on
indoor coil and MicroChannel design used on outdoor
coil with no E-Coat coating added).
• B=Standard Indoor Coil & E-Coat Coil Outdoor Coil (fin/
tube design on indoor coil and MicroChannel design
used on outdoor coil. E-Coat coating added to outdoor
coil)
• C= E-Coat Indoor Coil & Standard Outdoor Coil (fin/tube
design on indoor coil and MicroChannel design used on
outdoor coil. E-Coat coating added to indoor coil)
• D= E-Coat Indoor Coil & Outdoor Coil (fin/tube design
on indoor coil and MicroChannel design used on
outdoor coil. E-Coat coating added to indoor and
outdoor coil)
Controls (11)
Simplicity SE (Smart Equipment) - This is the Standard
microprocessor control with capabilities to work with a sensor
or thermostat only. Simplicity SE with BAS includes
communication board with BACnet open-protocol system.
•A=Simplicity SE
•B=Simplicity SE + BAS (Standard Simplicity SE with
BacNet communication)
Sensor Options (12)
• 1=None (Units come standard with factory installed
supply air, return air, and outdoor air temperature
sensors)
• 2=RA Smoke Detector
• 3=SA Smoke Detector
• 4=RA & SA Smoke Detector
Economizer/Damper (13)
Down flow Economizers (with barometric relief) - All units
offer a variety of optional factory installed economizers that are
shipped, installed and wired with AMCA 511 Licensed Class
1A low leak dampers designed to exceed ASHRAE 90.1-2010
and the International Energy Conservation Code (IECC)
certification requirements by achieving leakage rates of 3 cfm/
sq. ft. at 1" of static pressure. Each economizer goes through a
rigorous 60,000 cycle test. Dry bulb, single enthalpy, and dual
enthalpy (with field installed kit) can be selected. All
economizer options are fully integrated into the Simplicity SE
controls. The economizer has spring return, fully modulating
damper actuators and is capable of introducing up to 100%
outdoor air. As the outdoor air intake dampers open, the return
air dampers close. The changeover from mechanical
refrigeration to economizer operation is regulated by the
outdoor air dry bulb temperature or the outdoor air enthalpy
input. The dual enthalpy kit provides a second input used to
monitor the return air (field installed). The installer needs only
to assemble the outdoor air hood, attach the enthalpy control
the hood and mount the hood to the unit (Hood and control are
provided).
Dry Bulb Economizer - Economizer operation is enabled by
the outdoor air temperature being less than the setpoint of the
economizer module.
Enthalpy Economizer - The added outdoor air enthalpy
sensor enables economizer operation if the outdoor enthalpy
is less than the setpoint of the economizer logic module.
• A=None
• B=Dry Bulb Economizer
• C=Enthalpy Economizer

1068152-YTG-I-1214
8Johnson Controls Unitary Products
Field Installed Accessories
•Down flow Economizers/Horizontal Economizers
(with barometric relief) - All units offer a variety of field
installed economizers that are installed and wired with
AMCA 511 Licensed Class 1A low leak dampers designed
to exceed ASHRAE 90.1-2010 and the International
Energy Conservation Code (IECC) certification
requirements by achieving leakage rates of 3 cfm/sq. ft. at
1" of static pressure. Each economizer goes through a
rigorous 60,000 cycle test. Dry bulb, single enthalpy, and
dual enthalpy (with field installed kit) can be selected. All
economizer options are fully integrated into the Simplicity
SE controls. The economizer has spring return, fully
modulating damper actuators and is capable of
introducing up to 100% outdoor air. As the outdoor air
intake dampers open, the return air dampers close. The
changeover from mechanical refrigeration to economizer
operation is regulated by the outdoor air dry bulb
temperature or the outdoor air enthalpy input. The dual
enthalpy kit provides a second input used to monitor the
return air (field installed). The installer needs only to
assemble the outdoor air hood, attach the enthalpy control
the hood and mount the hood to the unit (Hood and
control are provided).
•Dry Bulb Economizer - Economizer operation is enabled
by the outdoor air temperature being less than the
setpoint of the economizer module.
•Single Enthalpy Control, Accessory for Economizer -
All field installed economizers will come standard as a dry
bulb economizer. This kit adds an outdoor air enthalpy
sensor which enables economizer operation if the outdoor
enthalpy is less than the setpoint of the economizer logic
module.
•Dual Enthalpy Control, Accessory for Economizer - All
field installed economizers will come standard as a dry
bulb economizer. This kit adds an outdoor air enthalpy
sensor and return air enthalpy sensor which enables
economizer operation if the outdoor enthalpy is less than
the setpoint of the economizer logic module.
•Power Exhaust - This accessory installs in the unit with a
down flow economizer or in the ductwork for a horizontal
application.
•Louvered Hail Guard - This kit includes a decorative
louvered panel which installs over the outside condenser
coil and prevents damage to the coil fins from hail strikes.
•Flue Exhaust Extension Kit - In locations where wind or
weather conditions may interfere with proper exhausting
of furnace combustion products, this kit can be installed to
prevent the flue exhaust from entering nearby fresh air
intakes.
•Gas Heat High Altitude Kit - This kit converts a gas heat
unit to operate at high altitudes, 2,000 to 6,000 feet.
Conversion kits are available for natural gas and propane.
•Roof Curbs - The roof curbs have insulated decks and
are shipped disassembled The roof curbs are available in
14 and 24 heights.
•Thermostat - The units are designed to operate with 24-
volt electronic and electro-mechanical thermostats. All 7.5
thru 12.5 ton units operate with two-stage heat/two-stage
cool or two-stage cooling only thermostats, depending
upon unit configuration.
• Smoke detectors - The smoke detectors stop operation
of the unit by interrupting power and providing a fault
message to the control board if smoke is detected within
the air compartment. Smoke detectors are available for
both the supply and/or return air configurations.
• Hinged Filter Access Panel For Use With Horizontal
Flow Economizer - Allows hinged access to the filter
section when used with a horizontal economizer.
• Low Ambient Head Pressure Control Kit - The
Electronic Low Ambient Controller is designed to regulate
condenser head pressure at low ambient temperatures by
varying the amount of airflow through the condenser.
Convenience Outlet (14)
Convenience Outlet - (Powered and Non-Powered) - This
option locates a 120V single-phase GFCI outlet with cover, on
the corner of the unit housing adjacent to the compressors.
The Non-powered option requires the installer to provide the
120V single-phase power source and wiring. Factory installed
option only.
•1=None
• 2=Non-powered Convenience Outlet
•3=Powered Convenience Outlet
Electrical Options (15)
Disconnect Switch - Gas heat units and cooling units
equipped with electric heat include an optional, non-fused
disconnect properly sized for the unit is provided. For cooling
only units, a switch sized to the largest electric heat available
for the particular unit is provided. Factory installed option only.
•1=None
• 2=Non-fused Disconnect
Cabinet Options (16)
Louvered Hail Guard - This kit includes a decorative
louvered panel which installs over the outside condenser coil
and prevents damage to the coil fins from hail strikes.
Hinged Cabinet Doors - The factory installed hinged panel
option will save time, money and labor while allowing easy
servicing of blower components, filters and controls. With this
option there is no longer a need to remove panels to access
these critical sections and running the risk of losing panels or
roof damage from loose panels and materials. Extra care was
taken to design a durable hinged panel with leak tight seal.
• 1=None
• 2=Louvered Panels
• 3=Hinged Cabinet Doors
• 4=Hinged Cabinet Doors And Louvered Panels

1068152-YTG-I-1214
Johnson Controls Unitary Products 9
• Manual Outdoor Air Damper - Like the motorized
outdoor air damper, each manual outdoor air damper
includes a slide-in damper assembly with an outdoor air
hood and filters. Customers have a choice of dampers
with ranges of 0% to 100% or 0% to 35% outdoor air
entry.
• Thru The Base Connection - Kits are available to
provide a way to route wiring to the unit through the base
of the unit and gas supplied to the unit through the base or
through the curb. These kits provide a seal tight way to
bring power and gas to the unit without additional roof
penetrations.
• Electric Heat (Field installed option Only) - Select
heater sizes for 3-5 ton units available. Necessary
hardware and connectors are included with the heaters.

1068152-YTG-I-1214
10 Johnson Controls Unitary Products
Nomenclature
ZX G 04 D 2 A 1 A 1 1 1 A 2
Product Category
ZX = Pkg AC R410A ASHRAE 90.1 Efficiency
ZY = Pkg AC R410A Energy Star Efficiency
A = Standard Static
Airflow
B = Medium Static
C = High Static
Product Generation
2 = Second Generation
Heat Type (3)
E = No Heat, Electric Heat Field Installed
G = Gas Heat
D = Low Heat
E = Medium Heat
F = High Heat
L = Low Heat (Low NOx)
M = Medium Heat (Low NOx)
N = High Heat (Low NOx)
R = Low Heat (Stainless Steel)
S = Medium Heat (Stainless Steel)
T = High Heat (Stainless Steel)
Gas Heat
Nominal Cooling Capacity
04 = 3 Ton
05 = 4 Ton
06 = 5 Ton
07 = 6 Ton
08 = 7-1/2 Ton
09 = 8-1/2 Ton
12 = 10 Ton
14 = 12-1/2 Ton (Standard Efficiency Only)
Voltage
2 = 208/230-3-60
4 = 460-3-60
5 = 575-3-60
Special Options
A = None
1 = None
2 = Louvered Panels Installed
3 = Hinged Cabinet Doors
4 = Hinged Cabinet Doors & Louvered Panels
Cabinet Options
1 = None
2 = Non-fused Disconnect
1 = None
2 = Non-powered
3 = Powered
Economizer / Damper
A = None
B = Dry Bulb Economizer
C = Enthalpy Economizer
1 = None
2 = RA Smoke Detector
3 = SA Smoke Detector
4 = RA & SA Smoke Detector
Electrical Options
1 = None
3 = VFD IntelliSpeed (ZX08-ZX14 & ZY08-ZY12)
Options
A = Standard Indoor & Outdoor Coils
B = Standard Indoor Coil & ElectroFin Outdoor Coil
C = E-Coat Indoor Coil & Standard Outdoor Coil
D = E-Coat Indoor & Outdoor Coils
3-12.5 Ton Model Number Nomenclature
Heat Size
A = No Heat (Cooling Only)
A = Simplicity™ SE
B = Simplicity™ SE + BAS
Coil Options
1 = 208/230-1-60 (3-5 Ton Only)
Convenience Outlet
Sensor Options
Controls
1A
A
Note: Not all options may be available. Contact
local distributor.

1068152-YTG-I-1214
Johnson Controls Unitary Products 11
Accessory
Kit Number Description Where Used Voltage
2EE04706724 Econ, DB, Vertical Flow, Small Footprint ZX04, ZX05, ZX06, ZX07, ZY04, ZY05, ZY06 All
2EE04706824 Econ, DB, Vertical Flow, Large Footprint ZX08, ZX09, ZX12, ZX14, ZY07, ZY08, ZY09, ZY12 All
2EE04707024 Econ, DB, Horizontal Flow, Small Footprint, Short Cabinet ZX04, ZX05, ZX06, ZY04 All
2EE04707124 Econ, DB, Horizontal Flow, Small Footprint, Tall Cabinet ZX07, ZY05, ZY06 All
2EE04707224 Econ, DB, Horizontal Flow, Large Footprint, Short Cabinet ZX08, ZY07 All
2EE04707324 Econ, DB, Horizontal Flow, Large Footprint, Tall Cabinet ZX09, ZX12, ZX14, ZY08, ZY09, ZY12 All
1FA0415 Manual Outside Air Damper 0-35% ZX*04-07, ZY*04-06 All
1FA0416 Manual Outside Air Damper 0-35% ZX*08-14, ZY*07-12 All
1FA0417 Manual Outside Air Damper 0-100% ZX*04-07, ZY*04-06 All
1FA0418 Manual Outside Air Damper 0-100% ZX*08-14, ZY*07-12 All
2MD04704224 Motorized Outside Air Damper 0-100% ZX*04-07 & ZY*04-06 All
2MD04704324 Motorized Outside Air Damper 0-100% ZX*08-14 & ZY*07-12 All
2EC0401 Kit, Single Enthalpy Field Installed All All
2EC0402 Kit, Dual Enthalpy Field Installed All All
1HD0401 Hinged Filter Access Panel For Units With A Horizontal
Economizer ZX04, ZX05, ZX06, ZY04 All
1HD0402 Hinged Filter Access Panel For Units With A Horizontal
Economizer ZX07, ZY05, ZY06 All
1HD0403 Hinged Filter Access Panel For Units With A Horizontal
Economizer ZX08, ZY07 All
1HD0404 Hinged Filter Access Panel For Units With A Horizontal
Economizer ZX09, ZX12, ZX14, ZY08, ZY09, ZY12 All
1HG0419 Hail Guard Kit Small Footprint, Short Cabinet ZX04, ZX05, ZX06, ZY04 All
1HG0420 Hail Guard Kit Small Footprint, Tall Cabinet ZX07, ZY05, ZY06 All
1HG0421 Hail Guard Kit Large Footprint, Short Cabinet ZX08, ZY07 All
1HG0422 Hail Guard Kit Large Footprint, Tall Cabinet ZX09, ZX12, ZX14, ZY08, ZY09, ZY12 All
1RC0456 Curb Rigid 14" Small Footprint ZX04, ZX05, ZX06, ZX07, ZY04, ZY05, ZY06 All
1RC0457 Curb Rigid 14" Large Footprint ZX08, ZX09, ZX12, ZX14, ZY07, ZY08, ZY09, ZY12 All
1RC0458 Curb Rigid 24" Small Footprint ZX04, ZX05, ZX06, ZX07, ZY04, ZY05, ZY06 All
1RC0459 Curb Rigid 24" Large Footprint ZX08, ZX09, ZX12, ZX14, ZY07, ZY08, ZY09, ZY12 All
2PE04704206 Power Exhaust Vert Flow Small Footprint 208V-230V 1-ph ZX04, ZX05, ZX06, ZX07, ZY04, ZY05, ZY06 208/230-1-60
2PE04704225 Power Exhaust Vert Flow Small Footprint 208V-230V 3-ph ZX04, ZX05, ZX06, ZX07, ZY04, ZY05, ZY06 208/230-3-60
2PE04704246 Power Exhaust Vert Flow Small Footprint 460V 3-ph ZX04, ZX05, ZX06, ZX07, ZY04, ZY05, ZY06 460-3-60
2PE04704258 Power Exhaust Vert Flow Small Footprint 575V 3-ph ZX04, ZX05, ZX06, ZX07, ZY04, ZY05, ZY06 575-3-60
2PE04704306 Power Exhaust Vert Flow Large Footprint 208V-230V 1-ph ZX08, ZX09, ZX12, ZX14, ZY07, ZY08, ZY09, ZY12 208/230-1-60
2PE04704325 Power Exhaust Vert Flow Large Footprint 208V-230V 3-ph ZX08, ZX09, ZX12, ZX14, ZY07, ZY08, ZY09, ZY12 208/230-3-60
2PE04704346 Power Exhaust Vert Flow Large Footprint 460V 3-ph ZX08, ZX09, ZX12, ZX14, ZY07, ZY08, ZY09, ZY12 460-3-60
2PE04704358 Power Exhaust Vert Flow Large Footprint 575V 3-ph ZX08, ZX09, ZX12, ZX14, ZY07, ZY08, ZY09, ZY12 575-3-60
2PE04704406 Power Exhaust Horiz Flow Small Footprint 208V-230V 1-ph ZX04, ZX05, ZX06, ZX07, ZY04, ZY05, ZY06 208/230-1-60
2PE04704425 Power Exhaust Horiz Flow Small Footprint 208V-230V 3-ph ZX04, ZX05, ZX06, ZX07, ZY04, ZY05, ZY06 208/230-3-60
2PE04704446 Power Exhaust Horiz Flow Small Footprint 460V 3-ph ZX04, ZX05, ZX06, ZX07, ZY04, ZY05, ZY06 460-3-60
2PE04704458 Power Exhaust Horiz Flow Small Footprint 575V 3-ph ZX04, ZX05, ZX06, ZX07, ZY04, ZY05, ZY06 575-3-60
2PE04704506 Power Exhaust Horiz Flow Large Footprint 208V-230V 1-ph ZX08, ZX09, ZX12, ZX14, ZY07, ZY08, ZY09, ZY12 208/230-1-60
2PE04704525 Power Exhaust Horiz Flow Large Footprint 208V-230V 3-ph ZX08, ZX09, ZX12, ZX14, ZY07, ZY08, ZY09, ZY12 208/230-3-60
2PE04704546 Power Exhaust Horiz Flow Large Footprint 460V 3-ph ZX08, ZX09, ZX12, ZX14, ZY07, ZY08, ZY09, ZY12 460-3-60
2PE04704558 Power Exhaust Horiz Flow Large Footprint 575V 3-ph ZX08, ZX09, ZX12, ZX14, ZY07, ZY08, ZY09, ZY12 575-3-60
1FE0414 Flue Exhaust Kit ZXG04, ZXG05, ZXG06 & ZYG04 All
1FE0415 Flue Exhaust Kit ZXG07, ZXG08, ZYG05, ZYG06 & ZYG07 All
1FE0416 Flue Exhaust Kit ZXG09, ZXG12, ZXG14, ZYG08, ZYG09 & ZYG12 All
1HS0401 Flue Heat Shield Accessory All All
2EK04511125 Electric Heat Accessory ZXE04, ZXE05, ZXE06, ZXE07, ZYE04, ZYE05,
ZYE06
208/230-3(1)-
60
2EK04511625 Electric Heat Accessory ZXE04, ZXE05, ZXE06, ZXE07, ZYE04, ZYE05,
ZYE06 208/230-3-60
2EK04511146 Electric Heat Accessory ZXE04, ZXE05, ZXE06, ZXE07, ZYE04, ZYE05,
ZYE06
480-3-60
11.5kW
2EK04511446 Electric Heat Accessory ZXE04, ZXE05, ZXE06, ZXE07, ZYE04, ZYE05,
ZYE06
480-3-60
14kW

1068152-YTG-I-1214
12 Johnson Controls Unitary Products
2LA04704725 Low Ambient Accessory Kit ZX04, ZX05, ZX06, ZX07, ZY04, ZY05, ZY06
208V/230V-1-
60 or 208V/
230V-3-60
2LA04704746 Low Ambient Accessory Kit ZX04, ZX05, ZX06, ZX07, ZY04, ZY05, ZY07 460V-3-60
2LA04704758 Low Ambient Accessory Kit ZX04, ZX05, ZX06, ZX07, ZY04, ZY05, ZY08 575V-3-60
2LA04704825 Low Ambient Accessory Kit ZX08, ZX09, ZX12, ZY07, ZY08, ZY09
208V/230V-1-
60 or 208V/
230V-3-60
2LA04704846 Low Ambient Accessory Kit ZX08, ZX09, ZX12, ZY07, ZY08, ZY10 460V-3-60
2LA04704858 Low Ambient Accessory Kit ZX08, ZX09, ZX12, ZY07, ZY08, ZY11 575V-3-60
2SD04701224 Supply Air Stream Smoke Detector ZX04, ZX05, ZX06, ZX07, ZX08, ZX09, ZX12,
ZX14, ZY04, ZY05, ZY06, ZY07, ZY08, ZY09, ZY12 All
2SD04701124 Return Air Stream Smoke Detector ZX04, ZX05, ZX06, ZX07, ZY04, ZY05, ZY06 All
2SD04701424 Return Air Stream Smoke Detector ZX08, ZX09, ZX12, ZX14, ZY07, ZY08, ZY09, ZY12 All
2SD04701324 Combination Supply & Return Air Stream Smoke Detector ZX04, ZX05, ZX06, ZX07, ZY04, ZY05, ZY06 All
2SD04701624 Combination Supply & Return Air Stream Smoke Detector ZX08, ZX09, ZX12, ZX14, ZY07, ZY08, ZY09, ZY12 All
1TB0401 Small Footprint Thru The Base Electrical & Thru The Curb
Gas ZX04, ZX05, ZX06, ZX07, ZY04, ZY05, ZY06 All
1TB0402 Large Footprint Thru The Base Electrical & Thru The Curb
Gas ZX08, ZX09, ZX12, ZX14, ZY07, ZY08, ZY09, ZY12 All
1TB0403 Small Footprint Thru The Base Electrical & Gas ZX04, ZX05, ZX06, ZX07, ZY04, ZY05, ZY06 All
1TB0404 Large Footprint Thru The Base Electrical & Gas ZX08, ZY07, ZX09, ZX12, ZX14, ZY08, ZY09, ZY12 All
Accessory
Kit Number Description Where Used Voltage

1068152-YTG-I-1214
Johnson Controls Unitary Products 13
AHRI Cooling Rating Table
AHRI 270 Outdoor Sound Power Levels
UNIT COOLING
STAGES
NOM.
COOLING
CAPACITY
(TONS)
NET
COOLING
CAPACITY (MBH)
TOTAL
POWER
(kW) SEER EER
(COOLING
ONLY)
EER
(A/C
WITH
GAS
HEAT)
IEER
(COOLING
ONLY)
I E E R
(A/C WITH
GAS
HEAT)
IEER WITH
IntelliSpeed
(COOLING
ONLY)
IEER WITH
IntelliSpeed
(GAS HEAT)
ZX04 1 3 34.6 2.8 13.0 11.0 11.0 --- --- --- ---
ZX05 1 4 45.0 3.6 13.0 11.0 11.0 --- --- --- ---
ZX06 1 5 59.0 4.6 13.0 11.0 11.0 --- --- --- ---
ZX07 1 6 69.0 5.1 --- 11.2 11.0 12.1 11.9 --- ---
ZX08 2 7.5 85.0 6.6 --- 11.2 11.0 11.6 11.5 --- ---
ZX09 2 8.5 99.0 7.7 --- 11.2 11.0 11.9 11.7 --- ---
ZX12 2 10.0 116.0 9.2 --- 11.2 11.0 12.0 11.8 14.8 14.4
ZX14 2 12.5 135.0 10.8 --- 11.0 10.8 11.2 11.0 13.0 12.75
ZY04 1 3 36.0 2.6 15.0 12.0 12.0 --- --- --- ---
ZY05 1 4 49.0 3.5 15.4 12.0 12.0 --- --- --- ---
ZY06 1 5 58.0 4.4 15.2 12.0 12.0 --- --- --- ---
ZY07 1 6 72.0 5.0 --- 12.2 12.0 12.8 12.6 --- ---
ZY08 2 7.5 89.0 6.6 --- 12.2 12.0 12.6 12.4 --- ---
ZY09 2 8.5 98.0 7.3 --- 12.2 12.0 12.6 12.4 --- ---
ZY12 2 10.0 116.0 8.9 --- 11.7 11.5 11.8 11.6 14.4 14.4
Unit (Tons) Sound Rating1
(dB-A)
Octave Bands (Hz)
63 125 250 500 1000 2000 4000 8000
ZX04 (3) 79 81.5 84.5 76.5 75.0 74.0 69.5 65.5 61.0
ZX05 (4) 79 82.0 85.0 77.5 75.5 74.0 70.0 66.5 62.0
ZX06 (5) 80 83.0 85.0 77.0 75.5 75.0 70.0 66.0 62.0
ZX07 (6) 79 84.0 82.0 77.0 75.0 74.5 71.0 66.5 63.0
ZX08 (7.5) 84 87.0 86.0 82.0 80.5 79.5 75.0 70.5 66.5
ZX09 (8.5) 83 91.0 86.0 79.0 79.5 78.0 74.0 70.5 69.0
ZX12 (10) 84 87.5 85.0 81.0 80.0 80.0 74.5 70.0 66.5
ZX14 (12.5) 90 87.5 88.5 85.0 86.0 85.0 81.0 78.5 73.0
ZY04 (3) 79 81.0 86.5 77.0 76.0 75.0 70.5 66.5 63.5
ZY05 (4) 79 84.0 83.0 76.0 75.0 74.0 70.0 66.0 63.5
ZY06 (5) 79 83.0 83.0 76.0 75.0 75.0 69.5 66.0 63.0
ZY07 (6) 84 90.0 87.0 81.5 81.0 79.0 74.5 71.0 69.5
ZY08 (7.5) 83 91.5 84.5 79.5 79.5 78.5 74.0 68.5 66.0
ZY09 (8.5) 83 92.0 87.0 81.0 80.5 79.0 74.0 69.0 66.0
ZY12 (10) 87 88.0 88.5 84.5 84.0 82.5 78.5 76.0 73.0
1. Rated in accordance with AHRI 270 standard.

1068152-YTG-I-1214
14 Johnson Controls Unitary Products
Physical Data
ZX04 Physical Data
Component Models
ZXG04 ZXE04
Nominal Tonnage 3 3
AHRI COOLING
PERFORMANCE
Gross Capacity @ AHRI A point (Btu) 38200 38200
AHRI net capacity (Btu) 34600 34600
EER 11 11
SEER 13 13
IEER - -
IEER IntelliSpeed - -
Nominal CFM 1200 1200
System power (KW) 2.8 2.8
Refrigerant type R-410A R-410A
Refrigerant charge (lb-oz)
System 1 3-13 3-13
System 2 - -
AHRI HEATING
PERFORMANCE
Heating Option L D M E -
Heating model Low (Low-NOx) Low Med (Low-NOx) Med -
1st. Stage Heat input (K Btu) - - - 82 -
2nd. Stage Heat input (K Btu) 56 70 90 112 -
1st. Stage Heat output (K Btu) - - - 66 -
2nd. Stage Heat output (K Btu) 45 56 72 90 -
AFUE % -
Steady state efficiency (%) 80 80 80 80 -
No. burners 2 2 3 3 -
No. stages 1 1 1 2 -
Temperature Rise Range (ºF) 30-49 35-58 44-74 55-78 -
Gas Limit Setting (ºF) 150 150 140 140 -
Gas piping connection (in.) 1/2 1/2 1/2 1/2 -
DIMENSIONS (inches)
Length 74.1 74.1
Width 48.9 48.9
Height 32.5 32.5
OPERATING WT. (lbs.) 515 469
COMPRESSORS
Type Scroll Scroll
Quantity 1 1
Unit Capacity Steps (%) 100 100
CONDENSER
COIL DATA
Face area (Sq. Ft.) 16.3 16.3
Rows 1 1
Fins per inch 23 23
Tube diameter (in./MM) .63/16 .63/16
Circuitry Type 2-pass Microchannel 2-pass Microchannel
EVAPORATOR
COIL DATA
Face area (Sq. Ft.) 5.5 5.5
Rows 2 2
Fins per inch 15 15
Tube diameter 0.375 0.375
Circuitry Type Intertwined Intertwined
Refrigerant control Orifice Orifice

1068152-YTG-I-1214
Johnson Controls Unitary Products 15
CONDENSER
FAN DATA
Quantity of fans 1 1
Fan diameter (Inch) 22 22
Type Prop Prop
Drive type Direct Direct
Quantity of motors 1 1
Motor HP each 1/4 1/4
No. speeds 1 1
RPM 1100 1100
Nominal total CFM 3800 3800
EVAP FAN DATA
DIRECT DRIVE
Airflow Option A A
Quantity 1 1
Fan Size (Inch) 10 x 10 10 x 10
Type Centrifugal Centrifugal
Motor HP 3/4 3/4
RPM 1050 1050
EVAP FAN DATA
BELT DRIVE
Airflow Option B C B C
Quantity 1 1 1 1
Fan Size (Inch) 10 x 10 10 x 10 10 x 10 10 x 10
Type Centrifugal Centrifugal
Motor Sheave 1VL34 1VL44 1VL34 1VL44
Blower Sheave AK46 AK46 AK46 AK46
Belt A39 A40 A39 A40
Motor HP each 1.5 1.5 1.5 1.5
RPM 1725 1725 1725 1725
Frame size 56Y 56Y 56Y 56Y
FILTERS Quantity - Size 2 - (16 x 25 x 2)12 - (16 x 25 x 2)1
1. 2 in. Throwaway, Standard, MERV 4 (Minimum Efficiency Reporting Value).
ZX04 Physical Data (Continued)
Component Models
ZXG04 ZXE04
Nominal Tonnage 3 3

1068152-YTG-I-1214
16 Johnson Controls Unitary Products
ZX05 Physical Data
Component Models
ZXG05 ZXE05
Nominal Tonnage 4 4
AHRI COOLING
PERFORMANCE
Gross Capacity @ AHRI A point (Btu) 49700 49700
AHRI net capacity (Btu) 45000 45000
EER 11 11
SEER 13 13
IEER --
IEER IntelliSpeed - -
Nominal CFM 1600 1600
System power (KW) 3.6 3.6
Refrigerant type R-410A R-410A
Refrigerant charge (lb-oz)
System 1 3-12 3-12
System 2 - -
AHRI HEATING
PERFORMANCE
Heating Option L D M E N F -
Heating model Low (Low-NOx) Low Med (Low-NOx) Med High, (Low-NOx) High -
1st. Stage Heat input (K Btu) - - - - - 100 -
2nd. Stage Heat input (K Btu) 56 70 90 112 118 145 -
1st. Stage Heat output (K Btu) - - - - - 80 -
2nd. Stage Heat output (K Btu) 45 56 72 90 94 116 -
AFUE % -
Steady state efficiency (%) 80 80 80 80 80 80 -
No. burners 2 2 3 3 3 3 -
No. stages 1 1 1 1 1 2 -
Temperature Rise Range (ºF) 22-37 26-43 33-56 41-69 44-73 49-77 -
Gas Limit Setting (ºF) 150 150 140 140 150 145 -
Gas piping connection (in.) 1/2 1/2 1/2 1/2 1/2 1/2 -
DIMENSIONS (inches)
Length 74.1 74.1
Width 48.9 48.9
Height 32.5 32.5
OPERATING WT. (lbs.) 552 498
COMPRESSORS
Type Scroll Scroll
Quantity 1 1
Unit Capacity Steps (%) 100 100
CONDENSER
COIL DATA
Face area (Sq. Ft.) 16.3 16.3
Rows 22
Fins per inch 23 23
Tube diameter (in./MM) .63/16 .63/16
Circuitry Type 2-pass Microchannel 2-pass Microchannel
EVAPORATOR
COIL DATA
Face area (Sq. Ft.) 5.5 5.5
Rows 33
Fins per inch 15 15
Tube diameter 0.375 0.375
Circuitry Type Intertwined Intertwined
Refrigerant control Orifice Orifice

1068152-YTG-I-1214
Johnson Controls Unitary Products 17
CONDENSER
FAN DATA
Quantity of fans 1 1
Fan diameter (Inch) 22 22
Type Prop Prop
Drive type Direct Direct
Quantity of motors 1 1
Motor HP each 1/4 1/4
No. speeds 1 1
RPM 1100 1100
Nominal total CFM 3800 3800
EVAP FAN DATA
DIRECT DRIVE
Airflow Option A A
Quantity 1 1
Fan Size (Inch) 10 x 10 10 x 10
Type Centrifugal Centrifugal
Motor HP 1 1
RPM 1050 1050
EVAP FAN DATA
BELT DRIVE
Airflow Option B C B C
Quantity 1 1 1 1
Fan Size (Inch) 10 x 10 10 x 10 10 x 10 10 x 10
Type Centrifugal Centrifugal
Motor Sheave 1VL34 1VL44 1VL34 1VL44
Blower Sheave AK46 AK46 AK46 AK46
Belt A39 A40 A39 A40
Motor HP each 1.5 1.5 1.5 1.5
RPM 1725 1725 1725 1725
Frame size 56Y 56Y 56Y 56Y
FILTERS Quantity - Size 2 - (16 x 25 x 2)12 - (16 x 25 x 2)1
1. 2 in. Throwaway, Standard, MERV 4 (Minimum Efficiency Reporting Value).
ZX05 Physical Data (Continued)
Component Models
ZXG05 ZXE05
Nominal Tonnage 4 4

1068152-YTG-I-1214
18 Johnson Controls Unitary Products
ZX06 Physical Data
Component Models
ZXG06 ZXE06
Nominal Tonnage 5 5
AHRI COOLING
PERFORMANCE
Gross Capacity @ AHRI A point (Btu) 63700 63700
AHRI net capacity (Btu) 59000 59000
EER 11 11
SEER 13 13
IEER --
IEER IntelliSpeed - -
Nominal CFM 1800 1800
System power (KW) 4.6 4.6
Refrigerant type R-410A R-410A
Refrigerant charge (lb-oz)
System 1 5-4 5-4
System 2 - -
AHRI HEATING
PERFORMANCE
Heating Option L D M E N F -
Heating model Low (Low-NOx) Low Med (Low-NOx) Med High, (Low-NOx) High -
1st. Stage Heat input (K Btu) - - - - - 100 -
2nd. Stage Heat input (K Btu) 56 70 90 112 118 145 -
1st. Stage Heat output (K Btu) - - - - - 80 -
2nd. Stage Heat output (K Btu) 45 56 72 90 94 116 -
AFUE % -
Steady state efficiency (%) 80 80 80 80 80 80 -
No. burners 2 2 3 3 3 3 -
No. stages 1 1 1 1 1 2 -
Temperature Rise Range (ºF) 18-30 21-35 27-44 33-55 35-58 43-72 -
Gas Limit Setting (ºF) 150 150 140 140 150 145 -
Gas piping connection (in.) 1/2 1/2 1/2 1/2 1/2 1/2 -
DIMENSIONS (inches)
Length 74.1 74.1
Width 48.9 48.9
Height 32.5 32.5
OPERATING WT. (lbs.) 584 530
COMPRESSORS
Type Scroll Scroll
Quantity 1 1
Unit Capacity Steps (%) 100 100
CONDENSER
COIL DATA
Face area (Sq. Ft.) 16.3 16.3
Rows 1 1
Fins per inch 23 23
Tube diameter (in./MM) .79/20 .79/20
Circuitry Type 2-pass Microchannel 2-pass Microchannel
EVAPORATOR
COIL DATA
Face area (Sq. Ft.) 5.5 5.5
Rows 4 4
Fins per inch 15 15
Tube diameter 0.375 0.375
Circuitry Type Intertwined Intertwined
Refrigerant control TXV TXV

1068152-YTG-I-1214
Johnson Controls Unitary Products 19
CONDENSER
FAN DATA
Quantity of fans 1 1
Fan diameter (Inch) 22 22
Type Prop Prop
Drive type Direct Direct
Quantity of motors 1 1
Motor HP each 1/2 1/2
No. speeds 1 1
RPM 1085 1085
Nominal total CFM 4500 4500
EVAP FAN DATA
DIRECT DRIVE
Airflow Option A A
Quantity 1 1
Fan Size (Inch) 10 x 10 10 x 10
Type Centrifugal Centrifugal
Motor HP 1 1
RPM 1050 1050
EVAP FAN DATA
BELT DRIVE
Airflow Option B C B C
Quantity 1 1 1 1
Fan Size (Inch) 10 x 10 10 x 10 10 x 10 10 x 10
Type Centrifugal Centrifugal
Motor Sheave 1VL34 1VL44 1VL44 1VL44
Blower Sheave AK41 AK41 AK41 AK41
Belt A37 A39 A37 A39
Motor HP each 1.5 2 1.5 2
RPM 1725 1725 1725 1725
Frame size 56Y 56Y 56Y 56Y
FILTERS Quantity - Size 2 - (16 x 25 x 2)12 - (16 x 25 x 2)1
1. 2 in. Throwaway, Standard, MERV 4 (Minimum Efficiency Reporting Value).
ZX06 Physical Data (Continued)
Component Models
ZXG06 ZXE06
Nominal Tonnage 5 5

1068152-YTG-I-1214
20 Johnson Controls Unitary Products
ZX07 Physical Data
Component Models
ZXG07 ZXE07
Nominal Tonnage 6 6
AHRI COOLING
PERFORMANCE
Gross Capacity @ AHRI A point (Btu) 76600 76600
AHRI net capacity (Btu) 69000 69000
EER 11 11.2
SEER - -
IEER 11.9 12.1
IEER IntelliSpeed - -
Nominal CFM 2300 2300
System power (KW) 5.1 5.1
Refrigerant type R-410A R-410A
Refrigerant charge (lb-oz)
System 1 6-14 6-14
System 2 - -
AHRI HEATING
PERFORMANCE
Heating Option D E F -
Heating model Low Med High -
1st. Stage Heat input (K Btu) - - 100 -
2nd. Stage Heat input (K Btu) 70 114 145 -
1st. Stage Heat output (K Btu) - - 80 -
2nd. Stage Heat output (K Btu) 56 91 116 -
AFUE % -
Steady state efficiency (%) 80 80 80 -
No. burners 2 3 3 -
No. stages 1 1 2 -
Temperature Rise Range (ºF) 17-29 28-47 36-60 -
Gas Limit Setting (ºF) 150 140 140 -
Gas piping connection (in.) 1/2 1/2 1/2 -
DIMENSIONS (inches)
Length 74.1 74.1
Width 48.9 48.9
Height 40.6 40.6
OPERATING WT. (lbs.) 646 592
COMPRESSORS
Type Scroll Scroll
Quantity 1 1
Unit Capacity Steps (%) 100 100
CONDENSER
COIL DATA
Face area (Sq. Ft.) 21.1 21.1
Rows 1 1
Fins per inch 23 23
Tube diameter (in./MM) .79/20 .79/20
Circuitry Type 2-pass Microchannel 2-pass Microchannel
EVAPORATOR
COIL DATA
Face area (Sq. Ft.) 7.3 7.3
Rows 4 4
Fins per inch 15 15
Tube diameter 0.375 0.375
Circuitry Type Intertwined Intertwined
Refrigerant control TXV TXV
CONDENSER
FAN DATA
Quantity of fans 1 1
Fan diameter (Inch) 22 22
Type Prop Prop
Drive type Direct Direct
Quantity of motors 1 1
Motor HP each 1/2 1/2
No. speeds 1 1
RPM 1085 1085
Nominal total CFM 4600 4600

1068152-YTG-I-1214
Johnson Controls Unitary Products 21
EVAP FAN DATA
BELT DRIVE
Airflow Option A B C A B C
Quantity 1 1 1 1 1 1
Fan Size (Inch) 11 x 10 11 x 10 11 x 10 11 x 10 11 x 10 11 x 10
Type Centrifugal Centrifugal
Motor Sheave 1VL34 1VL44 1VP50 1VL34 1VL44 1VP50
Blower Sheave AK51 AK51 AK51 AK51 AK51 AK51
Belt A39 A40 A41 A39 A40 A41
Motor HP each 1.5 2 3 1.5 2 3
RPM 1725 1725 1725 1725 1725 1725
Frame size 56Y 56Y 56HZ 56Y 56Y 56HZ
FILTERS Quantity - Size 4 - (16 x 16 x 2)14 - (16 x 16 x 2)1
1. 2 in. Throwaway, Standard, MERV 4 (Minimum Efficiency Reporting Value).
ZX07 Physical Data (Continued)
Component Models
ZXG07 ZXE07
Nominal Tonnage 6 6

1068152-YTG-I-1214
22 Johnson Controls Unitary Products
ZX08 Physical Data
Component Models
ZXG08 ZXE08
Nominal Tonnage 7.5 7.5
AHRI COOLING
PERFORMANCE
Gross Capacity @ AHRI A point (Btu) 94000 94000
AHRI net capacity (Btu) 85000 85000
EER 11 11.2
SEER - -
IEER 11.5 11.6
IEER IntelliSpeed - -
Nominal CFM 2900 2900
System power (KW) 6.6 6.6
Refrigerant type R-410A R-410A
Refrigerant charge (lb-oz)
System 1 4-8 4-8
System 2 4-12 4-12
AHRI HEATING
PERFORMANCE
Heating Option D E F -
Heating model Low Med High -
1st. Stage Heat input (K Btu) 90 125 176 -
2nd. Stage Heat input (K Btu) 125 180 220 -
1st. Stage Heat output (K Btu) 72 100 141 -
2nd. Stage Heat output (K Btu) 100 144 176 -
AFUE % -
Steady state efficiency (%) 80 80 80 -
No. burners 3 4 5 -
No. stages 2 2 2 -
Temperature Rise Range (ºF) 25-41 36-59 43-72 -
Gas Limit Setting (ºF) 140 150 140 -
Gas piping connection (in.) 3/4 3/4 3/4 -
DIMENSIONS (inches)
Length 87.1 87.1
Width 61.7 61.7
Height 40.6 40.6
OPERATING WT. (lbs.) 893 791
COMPRESSORS
Type Scroll Scroll
Quantity 2 2
Unit Capacity Steps (%) 50/100 50/100
CONDENSER
COIL DATA
Face area (Sq. Ft.) 21.1 21.1
Rows 1 1
Fins per inch 23 23
Tube diameter (in./MM) 1/25 1/25
Circuitry Type 2-pass Microchannel 2-pass Microchannel
EVAPORATOR
COIL DATA
Face area (Sq. Ft.) 8.9 8.9
Rows 3 3
Fins per inch 15 15
Tube diameter 0.375 0.375
Circuitry Type Intertwined Intertwined
Refrigerant control Orifice Orifice

1068152-YTG-I-1214
Johnson Controls Unitary Products 23
CONDENSER
FAN DATA
Quantity of fans 2 2
Fan diameter (Inch) 22 22
Type Prop Prop
Drive type Direct Direct
Quantity of motors 2 2
Motor HP each 1/2 1/2
No. speeds 1 1
RPM 1085 1085
Nominal total CFM 7600 7600
EVAP FAN DATA
BELT DRIVE
Airflow Option A B C A B C
Quantity 111111
Fan Size (Inch) 15 X 15 15 X 15 15 X 15 15 X 15 15 X 15 15 X 15
Type Centrifugal Centrifugal
Motor Sheave 1VL34 1VL44 1VP50 1VL34 1VL44 1VP50
Blower Sheave AK74 AK74 AK74 AK74 AK74 AK74
Belt A47 A48 A48 A47 A48 A48
Motor HP each 1.5 2 3 1.5 2 3
RPM 1725 1725 1725 1725 1725 1725
Frame size 56Y 56Y 56HZ 56Y 56Y 56HZ
FILTERS Quantity - Size 4 - (16 x 20 x 2)14 - (16 x 20 x 2)1
1. 2 in. Throwaway, Standard, MERV 4 (Minimum Efficiency Reporting Value).
ZX08 Physical Data (Continued)
Component Models
ZXG08 ZXE08
Nominal Tonnage 7.5 7.5

1068152-YTG-I-1214
24 Johnson Controls Unitary Products
ZX09 Physical Data
Component Models
ZXG09 ZXE09
Nominal Tonnage 8.5 8.5
AHRI COOLING
PERFORMANCE
Gross Capacity @ AHRI A point (Btu) 105600 105600
AHRI net capacity (Btu) 99000 99000
EER 11 11.2
SEER - -
IEER 11.7 11.9
IEER IntelliSpeed - -
Nominal CFM 3300 3300
System power (KW) 7.70 7.70
Refrigerant type R-410A R-410A
Refrigerant charge (lb-oz)
System 1 5-4 5-4
System 2 5-4 5-4
AHRI HEATING
PERFORMANCE
Heating Option D E F -
Heating model Low Med High -
1st. Stage Heat input (K Btu) 90 125 176 -
2nd. Stage Heat input (K Btu) 125 180 220 -
1st. Stage Heat output (K Btu) 72 100 141 -
2nd. Stage Heat output (K Btu) 100 144 176 -
AFUE % -
Steady state efficiency (%) 80 80 80 -
No. burners 3 4 5 -
No. stages 2 2 2 -
Temperature Rise Range (ºF) 22-36 31-52 38-64 -
Gas Limit Setting (ºF) 140 150 140 -
Gas piping connection (in.) 3/4 3/4 3/4 -
DIMENSIONS (inches)
Length 87.2 87.2
Width 61.7 61.7
Height 48.6 48.6
OPERATING WT. (lbs.) 954 852
COMPRESSORS
Type Scroll Scroll
Quantity 2 2
Unit Capacity Steps (%) 50/100 50/100
CONDENSER
COIL DATA
Face area (Sq. Ft.) 25.5 25.5
Rows 1 1
Fins per inch 23 23
Tube diameter (in./MM) 1/25 1/25
Circuitry Type 2-pass Microchannel 2-pass Microchannel
EVAPORATOR
COIL DATA
Face area (Sq. Ft.) 11.1 11.1
Rows 3 3
Fins per inch 15 15
Tube diameter 0.375 0.375
Circuitry Type Intertwined Intertwined
Refrigerant control Orifice Orifice

1068152-YTG-I-1214
Johnson Controls Unitary Products 25
CONDENSER
FAN DATA
Quantity of fans 2 2
Fan diameter (Inch) 22 22
Type Prop Prop
Drive type Direct Direct
Quantity of motors 2 2
Motor HP each 1/2 1/2
No. speeds 1 1
RPM 1085 1085
Nominal total CFM 8600 8600
EVAP FAN DATA
BELT DRIVE
Airflow Option A B C A B C
Quantity 111111
Fan Size (Inch) 15 x 15 15 x 15 15 x 15 15 x 15 15 x 15 15 x 15
Type Centrifugal Centrifugal
Motor Sheave 1VL34 1VL44 1VP50 1VL34 1VL44 1VP50
Blower Sheave AK74 AK74 AK74 AK74 AK74 AK74
Belt A47 A48 A50 A47 A48 A50
Motor HP each 1.5 1.5 3 1.5 1.5 3
RPM 1725 1725 1725 1725 1725 1725
Frame size 56Y 56Y 56HZ 56Y 56Y 56HZ
FILTERS Quantity - Size 4 - (20 x 20 x 2)14 - (20 x 20 x 2)1
1. 2 in. Throwaway, Standard, MERV 4 (Minimum Efficiency Reporting Value).
ZX09 Physical Data (Continued)
Component Models
ZXG09 ZXE09
Nominal Tonnage 8.5 8.5

1068152-YTG-I-1214
26 Johnson Controls Unitary Products
ZX12 Physical Data
Component Models
ZXG12 ZXE12
Nominal Tonnage 10 10
AHRI COOLING
PERFORMANCE
Gross Capacity @ AHRI A point (Btu) 125600 125600
AHRI net capacity (Btu) 116000 116000
EER 11 11.2
SEER - -
IEER 11.8 12.0
IEER IntelliSpeed 14.4 14.8
Nominal CFM 3400 3400
System power (KW) 9.2 9.2
Refrigerant type R-410A R-410A
Refrigerant charge (lb-oz)
System 1 5-12 5-12
System 2 5-12 5-12
AHRI HEATING
PERFORMANCE
Heating Option D E F -
Heating model Low Med High -
1st. Stage Heat input (K Btu) 125 176 200 -
2nd. Stage Heat input (K Btu) 180 220 250 -
1st. Stage Heat output (K Btu) 100 141 160 -
2nd. Stage Heat output (K Btu) 144 176 200 -
AFUE % -
Steady state efficiency (%) 80 80 80 -
No. burners 4 5 5 -
No. stages 2 2 2 -
Temperature Rise Range (ºF) 27-44 33-54 37-62 -
Gas Limit Setting (ºF) 150 140 160 -
Gas piping connection (in.) 3/4 3/4 3/4 -
DIMENSIONS (inches)
Length 87.2 87.2
Width 61.7 61.7
Height 48.6 48.6
OPERATING WT. (lbs.) 985 879
COMPRESSORS
Type Scroll Scroll
Quantity 2 2
Unit Capacity Steps (%) 50/100 50/100
CONDENSER
COIL DATA
Face area (Sq. Ft.) 25.5 25.5
Rows 1 1
Fins per inch 23 23
Tube diameter (in./MM) 1/25 1/25
Circuitry Type 2-pass Microchannel 2-pass Microchannel
EVAPORATOR
COIL DATA
Face area (Sq. Ft.) 11.1 11.1
Rows 4 4
Fins per inch 15 15
Tube diameter 0.375 0.375
Circuitry Type Intertwined Intertwined
Refrigerant control Orifice Orifice

1068152-YTG-I-1214
Johnson Controls Unitary Products 27
CONDENSER
FAN DATA
Quantity of fans 2 2
Fan diameter (Inch) 22 22
Type Prop Prop
Drive type Direct Direct
Quantity of motors 2 2
Motor HP each 1/2 1/2
No. speeds 1 1
RPM 1085 1085
Nominal total CFM 8600 8600
EVAP FAN DATA
BELT DRIVE
Airflow Option A B C A B C
Quantity 1 1 1 1 1 1
Fan Size (Inch) 15 x 15 15 x 15 15 x 15 15 x 15 15 x 15 15 x 15
Type Centrifugal Centrifugal
Motor Sheave 1VL44 1VP50 1VP56 1VL44 1VP50 1VP56
Blower Sheave AK79 AK79 BK85 AK79 AK79 BK85
Belt A50 A50 BX52 A50 A50 BX52
Motor HP each 1.5 3 5 1.5 3 5
RPM 1725 1725 1725 1725 1725 1725
Frame size 56Y 56HZ 145TY 56Y 56HZ 145TY
FILTERS Quantity - Size 4 - (20 x 20 x 2)14 - (20 x 20 x 2)1
1. 2 in. Throwaway, Standard, MERV 4 (Minimum Efficiency Reporting Value).
ZX12 Physical Data (Continued)
Component Models
ZXG12 ZXE12
Nominal Tonnage 10 10

1068152-YTG-I-1214
28 Johnson Controls Unitary Products
ZX14 Physical Data
Component Models
ZXG14 ZXE14
Nominal Tonnage 12.5 12.5
AHRI COOLING
PERFORMANCE
Gross Capacity @ AHRI A point (Btu) 145000 145000
AHRI net capacity (Btu) 135000 135000
EER 10.8 11.0
SEER - -
IEER 11 11.2
IEER IntelliSpeed 12.75 13
Nominal CFM 4000 4000
System power (KW) 10.8 10.8
Refrigerant type R-410A R-410A
Refrigerant charge (lb-oz)
System 1 6-8 6-8
System 2 6-12 6-12
AHRI HEATING
PERFORMANCE
Heating Option D E F -
Heating model Low Med High -
1st. Stage Heat input (K Btu) 125 176 200 -
2nd. Stage Heat input (K Btu) 180 220 250 -
1st. Stage Heat output (K Btu) 100 141 160 -
2nd. Stage Heat output (K Btu) 144 176 200 -
AFUE % -
Steady state efficiency (%) 80 80 80 -
No. burners 4 5 5 -
No. stages 2 2 2 -
Temperature Rise Range (ºF) 21-36 26-43 30-49 -
Gas Limit Setting (ºF) 150 140 160 -
Gas piping connection (in.) 3/4 3/4 3/4 -
DIMENSIONS (inches)
Length 87.2 87.2
Width 61.7 61.7
Height 55.26 55.26
OPERATING WT. (lbs.) 1047 941
COMPRESSORS
Type Scroll Scroll
Quantity 2 2
Unit Capacity Steps (%) 50/100 50/100
CONDENSER
COIL DATA
Face area (Sq. Ft.) 24.9 24.9
Rows 1 1
Fins per inch 21 21
Tube diameter (in./MM) 1.26/32 1.26/32
Circuitry Type 2-pass Microchannel 2-pass Microchannel
EVAPORATOR
COIL DATA
Face area (Sq. Ft.) 11.1 11.1
Rows 4 4
Fins per inch 15 15
Tube diameter 0.375 0.375
Circuitry Type Intertwined Intertwined
Refrigerant control TXV TXV

1068152-YTG-I-1214
Johnson Controls Unitary Products 29
CONDENSER
FAN DATA
Quantity of fans 1 1
Fan diameter (Inch) 30 30
Type Prop Prop
Drive type Direct Direct
Quantity of motors 1 1
Motor HP each 1 1/2 1 1/2
No. speeds 1 1
RPM 1140 1140
Nominal total CFM 10600 10600
EVAP FAN DATA
BELT DRIVE
Airflow Option A B C A B C
Quantity 1 1 1 1 1 1
Fan Size (Inch) 15 x 15 15 x 15 15 x 15 15 x 15 15 x 15 15 x 15
Type Centrifugal Centrifugal
Motor Sheave 1VL44 1VP50 1VP56 1VL44 1VP50 1VP56
Blower Sheave AK79 AK79 BK85 AK79 AK79 BK85
Belt A50 A52 BX54 A50 A52 BX54
Motor HP each 2.9 3.7 5.25 2.9 3.7 5.25
RPM 1750 1750 1750 1750 1750 1750
Frame size 56Z 184TZ 184TZ 56Z 184TZ 184TZ
FILTERS Quantity - Size 4 - (16 x 16 x 2)14 - (16 x 16 x 2)1
1. 2 in. Throwaway, Standard, MERV 4 (Minimum Efficiency Reporting Value).
ZX14 Physical Data (Continued)
Component Models
ZXG14 ZXE14
Nominal Tonnage 12.5 12.5

1068152-YTG-I-1214
30 Johnson Controls Unitary Products
ZY04 Physical Data
Component Models
ZYG04 ZYE04
Nominal Tonnage 3 3
AHRI COOLING
PERFORMANCE
Gross Capacity @ AHRI A point (Btu) 40700 40700
AHRI net capacity (Btu) 36000 36000
EER 12 12
SEER 15 15
IEER - -
IEER IntelliSpeed - -
Nominal CFM 1200 1200
System power (KW) 2.60 2.60
Refrigerant type R-410A R-410A
Refrigerant charge (lb-oz)
System 1 4-10 4-10
System 2 - -
AHRI HEATING
PERFORMANCE
Heating Option L D M E -
Heating model Low (Low-NOx) Low Med (Low-NOx) Med -
1st. Stage Heat input (K Btu) - 49 - 82 -
2nd. Stage Heat input (K Btu) 56 70 90 112 -
1st. Stage Heat output (K Btu) - 39 - 66 -
2nd. Stage Heat output (K Btu) 45 56 72 90 -
AFUE % -
Steady state efficiency (%) 80 80 80 80 -
No. burners 2 2 3 3 -
No. stages 1 2 1 2 -
Temperature Rise Range (ºF) 30-49 35-58 44-74 55-78 -
Gas Limit Setting (ºF) 150 150 140 140 -
Gas piping connection (in.) 1/2 1/2 1/2 1/2 -
DIMENSIONS (inches)
Length 74.1 74.1
Width 48.9 48.9
Height 32.5 32.5
OPERATING WT. (lbs.) 527 481
COMPRESSORS
Type Scroll Scroll
Quantity 1 1
Unit Capacity Steps (%) 100 100
CONDENSER
COIL DATA
Face area (Sq. Ft.) 16.3 16.3
Rows 1 1
Fins per inch 23 23
Tube diameter (in./MM) .63/16 .63/16
Circuitry Type 2-pass Microchannel 2-pass Microchannel
EVAPORATOR
COIL DATA
Face area (Sq. Ft.) 5.5 5.5
Rows 3 3
Fins per inch 15 15
Tube diameter 0.375 0.375
Circuitry Type Intertwined Intertwined
Refrigerant control TXV TXV

1068152-YTG-I-1214
Johnson Controls Unitary Products 31
CONDENSER
FAN DATA
Quantity of fans 1 1
Fan diameter (Inch) 22 22
Type Prop Prop
Drive type Direct Direct
Quantity of motors 1 1
Motor HP each 1/4 1/4
No. speeds 1 1
RPM 1100 1100
Nominal total CFM 3800 3800
EVAP FAN DATA
DIRECT DRIVE
Airflow Option A A
Quantity 1 1
Fan Size (Inch) 10 x 10 10 x 10
Type Centrifugal Centrifugal
Motor HP 3/4 3/4
RPM 1050 1050
EVAP FAN DATA
BELT DRIVE
Airflow Option B C B C
Quantity 1 1 1 1
Fan Size (Inch) 10 x 10 10 x 10 10 x 10 10 x 10
Type Centrifugal Centrifugal
Motor Sheave 1VL34 1VL44 1VL34 1VL44
Blower Sheave AK46 AK46 AK46 AK46
Belt A39 A40 A39 A40
Motor HP each 1.5 1.5 1.5 1.5
RPM 1725 1725 1725 1725
Frame size 56Y 56Y 56Y 56Y
FILTERS Quantity - Size 2 - (16 x 25 x 2)12 - (16 x 25 x 2)1
1. 2 in. Throwaway, Standard, MERV 4 (Minimum Efficiency Reporting Value).
ZY04 Physical Data (Continued)
Component Models
ZYG04 ZYE04
Nominal Tonnage 3 3

1068152-YTG-I-1214
32 Johnson Controls Unitary Products
ZY05 Physical Data
Component Models
ZYG05 ZYE05
Nominal Tonnage 4 4
AHRI COOLING
PERFORMANCE
Gross Capacity @ AHRI A point (Btu) 54800 54800
AHRI net capacity (Btu) 49000 49000
EER 12 12
SEER 15.4 15.4
IEER --
IEER IntelliSpeed - -
Nominal CFM 1600 1600
System power (KW) 3.50 3.50
Refrigerant type R-410A R-410A
Refrigerant charge (lb-oz)
System 1 6-8 6-8
System 2 - -
AHRI HEATING
PERFORMANCE
Heating Options L D M E N F -
Heating model Low (Low-NOx) Low Med (Low-NOx) Med High, (Low-NOx) High -
1st. Stage Heat input (K Btu) - 49 - 82 - 100 -
2nd. Stage Heat input (K Btu) 56 70 90 112 118 145 -
1st. Stage Heat output (K Btu) - 39 - 66 - 80 -
2nd. Stage Heat output (K Btu) 45 56 72 90 94 116 -
AFUE % -
Steady state efficiency (%) 80 80 80 80 80 80 -
No. burners 2 2 3 3 3 3 -
No. stages 1 2 1 2 1 2 -
Temperature Rise Range (ºF) 22-37 26-43 33-56 41-69 44-73 49-77 -
Gas Limit Setting (ºF) 150 150 140 140 150 145 -
Gas piping connection (in.) 1/2 1/2 1/2 1/2 1/2 1/2 -
DIMENSIONS (inches)
Length 74.1 74.1
Width 48.9 48.9
Height 40.6 40.6
OPERATING WT. (lbs.) 618 564
COMPRESSORS
Type Scroll Scroll
Quantity 1 1
Unit Capacity Steps (%) 100 100
CONDENSER
COIL DATA
Face area (Sq. Ft.) 21.1 21.1
Rows 11
Fins per inch 23 23
Tube diameter (in./MM) .79/20 .79/20
Circuitry Type 2-pass Microchannel 2-pass Microchannel
EVAPORATOR
COIL DATA
Face area (Sq. Ft.) 7.3 7.3
Rows 33
Fins per inch 15 15
Tube diameter 0.375 0.375
Circuitry Type Intertwined Intertwined
Refrigerant control TXV TXV

1068152-YTG-I-1214
Johnson Controls Unitary Products 33
CONDENSER
FAN DATA
Quantity of fans 1 1
Fan diameter (Inch) 22 22
Type Prop Prop
Drive type Direct Direct
Quantity of motors 1 1
Motor HP each 1/4 1/4
No. speeds 1 1
RPM 1100 1100
Nominal total CFM 4000 4000
EVAP FAN DATA
DIRECT DRIVE
Airflow Option A A
Quantity 1 1
Fan Size (Inch) 10 x 10 10 x10
Type Centrifugal Centrifugal
Motor HP 1 1
RPM 1050 1050
EVAP FAN DATA
BELT DRIVE
Airflow Option B C B C
Quantity 1 1 1 1
Fan Size (Inch) 10 x 10 10 x 10 10 x 10 10 x 10
Type Centrifugal Centrifugal
Motor Sheave 1VL34 1VL44 1VL44 1VL44
Blower Sheave AK46 AK46 AK46 AK46
Belt A39 A40 A39 A40
Motor HP each 1.5 2 1.5 2
RPM 1725 1725 1725 1725
Frame size 56Y 56Y 56Y 56Y
FILTERS Quantity - Size 4 - (16 x 16 x 2)14 - (16 x 16 x 2)1
1. 2 in. Throwaway, Standard, MERV 4 (Minimum Efficiency Reporting Value).
ZY05 Physical Data (Continued)
Component Models
ZYG05 ZYE05
Nominal Tonnage 4 4

1068152-YTG-I-1214
34 Johnson Controls Unitary Products
ZY06 Physical Data
Component Models
ZYG06 ZYE06
Nominal Tonnage 5 5
AHRI COOLING
PERFORMANCE
Gross Capacity @ AHRI A point (Btu) 60000 60000
AHRI net capacity (Btu) 58000 58000
EER 12 12
SEER 15.2 15.2
IEER --
IEER IntelliSpeed - -
Nominal CFM 1600 1600
System power (KW) 4.40 4.40
Refrigerant type R-410A R-410A
Refrigerant charge (lb-oz)
System 1 7-10 7-10
System 2 - -
AHRI HEATING
PERFORMANCE
Heating Options L D M E N F -
Heating model Low (Low-NOx) Low Med (Low-NOx) Med High, (Low-NOx) High -
1st. Stage Heat input (K Btu) - 49 - 82 - 100 -
2nd. Stage Heat input (K Btu) 56 70 90 112 118 145 -
1st. Stage Heat output (K Btu) - 39 - 66 - 80 -
2nd. Stage Heat output (K Btu) 45 56 72 90 94 116 -
AFUE % -
Steady state efficiency (%) 80 80 80 80 80 80 -
No. burners 2 2 3 3 3 3 -
No. stages 1 2 1 2 1 2 -
Temperature Rise Range (ºF) 18-30 21-35 27-44 33-55 35-58 43-72 -
Gas Limit Setting (ºF) 150 150 140 140 145 140 -
Gas piping connection (in.) 1/2 1/2 1/2 1/2 1/2 1/2 -
DIMENSIONS (inches)
Length 74.1 74.1
Width 48.9 48.9
Height 40.6 40.6
OPERATING WT. (lbs.) 636 582
COMPRESSORS
Type Scroll Scroll
Quantity 1 1
Unit Capacity Steps (%) 100 100
CONDENSER
COIL DATA
Face area (Sq. Ft.) 21.1 21.1
Rows 1 1
Fins per inch 23 23
Tube diameter (in./MM) .79/20 .79/20
Circuitry Type 2-pass Microchannel 2-pass Microchannel
EVAPORATOR
COIL DATA
Face area (Sq. Ft.) 7.3 7.3
Rows 4 4
Fins per inch 15 15
Tube diameter 0.375 0.375
Circuitry Type Intertwined Intertwined
Refrigerant control TXV TXV

1068152-YTG-I-1214
Johnson Controls Unitary Products 35
CONDENSER
FAN DATA
Quantity of fans 1 1
Fan diameter (Inch) 22 22
Type Prop Prop
Drive type Direct Direct
Quantity of motors 1 1
Motor HP each 1/2 1/2
No. speeds 1 1
RPM 1085 1085
Nominal total CFM 4600 4600
EVAP FAN DATA
DIRECT DRIVE
Airflow Option A A
Quantity 1 1
Fan Size (Inch) 11 x 10 11 x 10
Type Centrifugal Centrifugal
Motor HP 1 1
RPM 1050 1050
EVAP FAN DATA BELT
DRIVE
Airflow Option B C B C
Quantity 1 1 1 1
Fan Size (Inch) 11 x 10 11 x 10 11 x 10 11 x 10
Type Centrifugal Centrifugal
Motor Sheave 1VL34 1VL44 1VL34 1VL44
Blower Sheave AK46 AK46 AK46 AK46
Belt A37 A39 A37 A39
Motor HP each 2.4 2.9 2.4 2.9
RPM 1750 1750 1750 1750
Frame size 56HZ 56Z 56HZ 56Z
FILTERS Quantity - Size 4 - (16 x 16 x 2)14 - (16 x 16 x 2)1
1. 2 in. Throwaway, Standard, MERV 4 (Minimum Efficiency Reporting Value).
ZY06 Physical Data (Continued)
Component Models
ZYG06 ZYE06
Nominal Tonnage 5 5

1068152-YTG-I-1214
36 Johnson Controls Unitary Products
ZY07 Physical Data
Component Models
ZYG07 ZYE07
Nominal Tonnage 6 6
AHRI COOLING
PERFORMANCE
Gross Capacity @ AHRI A point (Btu) 81200 81200
AHRI net capacity (Btu) 72000 72000
EER 12 12
SEER - -
IEER 12.6 12.6
IEER IntelliSpeed - -
Nominal CFM 2400 2400
System power (KW) 5 5
Refrigerant type R-410A R-410A
Refrigerant charge (lb-oz)
System 1 8-8 8-8
System 2 - -
AHRI HEATING
PERFORMANCE
Heating Option E F-
Heating model Med High -
1st. Stage Heat input (K Btu) 90 110 -
2nd. Stage Heat input (K Btu) 125 150 -
1st. Stage Heat output (K Btu) 72 88 -
2nd. Stage Heat output (K Btu) 100 120 -
AFUE % -
Steady state efficiency (%) 80 80 -
No. burners 3 3 -
No. stages 2 2 -
Temperature Rise Range (ºF) 31-51 37-62 -
Gas Limit Setting (ºF) 140 160 -
Gas piping connection (in.) 3/4 3/4 -
DIMENSIONS (inches)
Length 87.2 87.2
Width 61.7 61.7
Height 40.6 40.6
OPERATING WT. (lbs.) 804 734
COMPRESSORS
Type Scroll Scroll
Quantity 1 1
Unit Capacity Steps (%) 100 100
CONDENSER
COIL DATA
Face area (Sq. Ft.) 21.1 21.1
Rows 1 1
Fins per inch 23 23
Tube diameter (in./MM) 1/25 1/25
Circuitry Type 2-pass Microchannel 2-pass Microchannel
EVAPORATOR
COIL DATA
Face area (Sq. Ft.) 8.9 8.9
Rows 3 3
Fins per inch 15 15
Tube diameter 0.375 0.375
Circuitry Type Intertwined Intertwined
Refrigerant control TXV TXV

1068152-YTG-I-1214
Johnson Controls Unitary Products 37
CONDENSER
FAN DATA
Quantity of fans 2 2
Fan diameter (Inch) 22 22
Type Prop Prop
Drive type Direct Direct
Quantity of motors 2 2
Motor HP each 1/2 1/2
No. speeds 1 1
RPM 1085 1085
Nominal total CFM 7600 7600
EVAP FAN DATA
BELT DRIVE
Airflow Option A B C A B C
Quantity 1 1 1 1 1 1
Fan Size (Inch) 15 x 15 15 x 15 15 x 15 15 x 15 15 x 15 15 x 15
Type Centrif
ugal Centrifugal
Motor Sheave 1VL34 1VL44 1VP50 1VL34 1VL44 1VP50
Blower Sheave AK74 AK74 AK74 AK74 AK74 AK74
Belt A47 A48 A48 A47 A48 A48
Motor HP each 1.5 2 3 1.5 2 3
RPM 1725 1725 1725 1725 1725 1725
Frame size 56Y 56Y 56HZ 56Y 56Y 56HZ
FILTERS Quantity - Size 4 - (16
x 20 x
2)14 - (16 x 20 x 2)1
1. 2 in. Throwaway, Standard, MERV 4 (Minimum Efficiency Reporting Value).
ZY07 Physical Data (Continued)
Component Models
ZYG07 ZYE07
Nominal Tonnage 6 6

1068152-YTG-I-1214
38 Johnson Controls Unitary Products
ZY08 Physical Data
Component Model
ZYG08 ZYE08
Nominal Tonnage 7.5 7.5
AHRI COOLING
PERFORMANCE
Gross Capacity @ AHRI A point (Btu) 97300 97300
AHRI net capacity (Btu) 89000 89000
EER 12 12.2
SEER - -
IEER 12.4 12.6
IEER IntelliSpeed - -
Nominal CFM 2900 2900
System power (KW) 6.6 6.6
Refrigerant type R-410A R-410A
Refrigerant charge (lb-oz)
System 1 6-0 6-0
System 2 6-2 6-2
AHRI HEATING
PERFORMANCE
Heating Options D E F -
Heating model Low Med High -
1st. Stage Heat input (K Btu) 90 125 176 -
2nd. Stage Heat input (K Btu) 125 180 220 -
1st. Stage Heat output (K Btu) 72 100 141 -
2nd. Stage Heat output (K Btu) 100 144 176 -
AFUE % -
Steady state efficiency (%) 80 80 80 -
No. burners 3 4 5 -
No. stages 2 2 2 -
Temperature Rise Range (ºF) 25-41 36-59 43-72 -
Gas Limit Setting (ºF) 140 150 140 -
Gas piping connection (in.) 3/4 3/4 3/4 -
DIMENSIONS (inches)
Length 87.2 87.2
Width 61.7 61.7
Height 48.6 48.6
OPERATING WT. (lbs.) 980 878
COMPRESSORS
Type Scroll Scroll
Quantity 2 2
Unit Capacity Steps (%) 50/100 50/100
CONDENSER
COIL DATA
Face area (Sq. Ft.) 25.5 25.5
Rows 1 1
Fins per inch 23 23
Tube diameter (in./MM) 1/25 1/25
Circuitry Type 2-pass Microchannel 2-pass Microchannel
EVAPORATOR
COIL DATA
Face area (Sq. Ft.) 11.1 11.1
Rows 4 4
Fins per inch 15 15
Tube diameter 0.375 0.375
Circuitry Type Intertwined Intertwined
Refrigerant control TXV TXV
CONDENSER
FAN DATA
Quantity of fans 2 2
Fan diameter (Inch) 22 22
Type Prop Prop
Drive type Direct Direct
Quantity of motors 2 2
Motor HP each 1/2 1/2
No. speeds 1 1
RPM 1085 1085
Nominal total CFM 8600 8600

1068152-YTG-I-1214
Johnson Controls Unitary Products 39
EVAP FAN DATA
BELT DRIVE
Airflow Option A B C A B C
Quantity 1 1 1 1 1 1
Fan Size (Inch) 15 x 15 15 x 15 15 x 15 15 x 15 15 x 15 15 x 15
Type Centrifugal Centrifugal
Motor Sheave 1VL34 1VL44 1VP50 1VL34 1VL44 1VP50
Blower Sheave AK74 AK74 AK74 AK74 AK74 AK74
Belt A47 A48 A50 A47 A48 A50
Motor HP each 1.5 1.5 3 1.5 1.5 3
RPM 1725 1725 1725 1725 1725 1725
Frame size 56Y 56Y 56HZ 56Y 56Y 56HZ
FILTERS Quantity - Size 4 - (20 x 20 x 2)14 - (20 x 20 x 2)1
1. 2 in. Throwaway, Standard, MERV 4 (Minimum Efficiency Reporting Value).
ZY08 Physical Data (Continued)
Component Model
ZYG08 ZYE08
Nominal Tonnage 7.5 7.5

1068152-YTG-I-1214
40 Johnson Controls Unitary Products
ZY09 Physical Data
Component Model
ZYG09 ZYE09
Nominal Tonnage 8.5 8.5
AHRI COOLING
PERFORMANCE
Gross Capacity @ AHRI A point (Btu) 109500 109500
AHRI net capacity (Btu) 98000 98000
EER 12 12.2
SEER - -
IEER 12.4 12.6
IEER IntelliSpeed - -
Nominal CFM 3300 3300
System power (KW) 7.30 7.30
Refrigerant type R-410A R-410A
Refrigerant charge (lb-oz)
System 1 6-8 6-8
System 2 6-0 6-0
AHRI HEATING
PERFORMANCE
Heating Options D E F -
Heating model Low Med High -
1st. Stage Heat input (K Btu) 90 125 176 -
2nd. Stage Heat input (K Btu) 125 180 220 -
1st. Stage Heat output (K Btu) 72 100 141 -
2nd. Stage Heat output (K Btu) 100 144 176 -
AFUE % -
Steady state efficiency (%) 80 80 80 -
No. burners 3 4 5 -
No. stages 2 2 2 -
Temperature Rise Range (ºF) 22-36 31-52 38-64 -
Gas Limit Setting (ºF) 140 150 140 -
Gas piping connection (in.) 3/4 3/4 3/4 -
DIMENSIONS (inches)
Length 87.2 87.2
Width 61.7 61.7
Height 48.6 48.6
OPERATING WT. (lbs.) 980 878
COMPRESSORS
Type Scroll Scroll
Quantity 2 2
Unit Capacity Steps (%) 50/100 50/100
CONDENSER COIL
DATA
Face area (Sq. Ft.) 25.5 25.5
Rows 1 1
Fins per inch 23 23
Tube diameter (in./MM) 1/25 1/25
Circuitry Type 2-pass Microchannel 2-pass Microchannel
EVAPORATOR COIL
DATA
Face area (Sq. Ft.) 11.1 11.1
Rows 4 4
Fins per inch 15 15
Tube diameter 0.375 0.375
Circuitry Type Intertwined Intertwined
Refrigerant control TXV TXV

1068152-YTG-I-1214
Johnson Controls Unitary Products 41
CONDENSER
FAN DATA
Quantity of fans 2 2
Fan diameter (Inch) 22 22
Type Prop Prop
Drive type Direct Direct
Quantity of motors 2 2
Motor HP each 1/2 1/2
No. speeds 1 1
RPM 1085 1085
Nominal total CFM 8600 8600
EVAP FAN
DATA BELT DRIVE
Airflow Option A B C A B C
Quantity 1 1 1 1 1 1
Fan Size (Inch) 15 x 15 15 x 15 15 x 15 15 x 15 15 x 15 15 x 15
Type Centrifugal Centrifugal
Motor Sheave 1VL34 1VL44 1VP50 1VL34 1VL44 1VP50
Blower Sheave AK74 AK74 AK74 AK74 AK74 AK74
Belt A47 A48 A50 A47 A48 A50
Motor HP each 1.5 1.5 3 1.5 1.5 3
RPM 1725 1725 1725 1725 1725 1725
Frame size 56Y 56Y 56HZ 56Y 56Y 56HZ
FILTERS Quantity - Size 4 - (20 x 20 x 2)14 - (20 x 20 x 2)1
1. 2 in. Throwaway, Standard, MERV 4 (Minimum Efficiency Reporting Value).
ZY09 Physical Data (Continued)
Component Model
ZYG09 ZYE09
Nominal Tonnage 8.5 8.5

1068152-YTG-I-1214
42 Johnson Controls Unitary Products
ZY12 Physical Data
Component Model
ZYG12 ZYE12
Nominal Tonnage 10 10
AHRI COOLING
PERFORMANCE
Gross Capacity @ AHRI A point (Btu) 123700 123700
AHRI net capacity (Btu) 116000 116000
EER 11.5 11.7
SEER - -
IEER 11.6 11.8
IEER IntelliSpeed 14.4 14.4
Nominal CFM 3200 3200
System power (KW) 8.90 8.90
Refrigerant type R-410A R-410A
Refrigerant charge (lb-oz)
System 1 6-8 6-8
System 2 7-0 7-0
AHRI HEATING
PERFORMANCE
Heating Options D E F -
Heating model Low Med High -
1st. Stage Heat input (K Btu) 125 176 200 -
2nd. Stage Heat input (K Btu) 180 220 250 -
1st. Stage Heat output (K Btu) 100 141 160 -
2nd. Stage Heat output (K Btu) 144 176 200 -
AFUE % -
Steady state efficiency (%) 80 80 80 -
No. burners 4 5 5 -
No. stages 2 2 2 -
Temperature Rise Range (ºF) 27-44 33-54 37-62 -
Gas Limit Setting (ºF) 150 140 160 -
Gas piping connection (in.) 3/4 3/4 3/4 -
DIMENSIONS (inches)
Length 87.2 87.2
Width 61.7 61.7
Height 55.3 55.3
OPERATING WT. (lbs.) 1008 902
COMPRESSORS
Type Scroll Scroll
Quantity 2 2
Unit Capacity Steps (%) 50/100 50/100
CONDENSER COIL
DATA
Face area (Sq. Ft.) 24.9 24.9
Rows 1 1
Fins per inch 21 21
Tube diameter (in./MM) 1.26/32 1.26/32
Circuitry Type 2-pass Microchannel 2-pass Microchannel
EVAPORATOR COIL
DATA
Face area (Sq. Ft.) 11.1 11.1
Rows 4 4
Fins per inch 15 15
Tube diameter 0.375 0.375
Circuitry Type Intertwined Intertwined
Refrigerant control TXV TXV

1068152-YTG-I-1214
Johnson Controls Unitary Products 43
CONDENSER
FAN DATA
Quantity of fans 1 1
Fan diameter (Inch) 30 30
Type Prop Prop
Drive type Direct Direct
Quantity of motors 1 1
Motor HP each 1 1/2 1 1/2
No. speeds 1 1
RPM 1140 1140
Nominal total CFM 9700 9700
EVAP FAN
DATA BELT DRIVE
Airflow Option A B C A B C
Quantity 1 1 1 1 1 1
Fan Size (Inch) 15 x 15 15 x 15 15 x 15 15 x 15 15 x 15 15 x 15
Type Centrifugal Centrifugal
Motor Sheave 1VL44 1VP50 1VP56 1VL44 1VP50 1VP56
Blower Sheave AK79 AK79 BK85 AK79 AK79 BK85
Belt A50 A50 BX52 A50 A50 BX52
Motor HP each 1.5 3 5 1.5 3 5
RPM 1725 1725 1725 1725 1725 1725
Frame size 56Y 56HZ 145TY 56Y 56HZ 145TY
FILTERS Quantity - Size 4 - (20 x 20 x 2)14 - (20 x 20 x 2)1
1. 2 in. Throwaway, Standard, MERV 4 (Minimum Efficiency Reporting Value).
ZY12 Physical Data (Continued)
Component Model
ZYG12 ZYE12
Nominal Tonnage 10 10

1068152-YTG-I-1214
44 Johnson Controls Unitary Products
ZX/ZY 04-14 Unit Limitations
Model Size
(Tons) Unit Voltage Unit Limitations
Applied Voltage Outdoor DB Temp
Min Max Max (°F)
ZX/ZY 04 (3)
208/230-1-60 187 252 125
208/230-3-60 187 252 125
460-3-60 432 504 125
575-3-60 540 630 125
ZX/ZY 05 (4)
208/230-1-60 187 252 125
208/230-3-60 187 252 125
460-3-60 432 504 125
575-3-60 540 630 125
ZX/ZY 06 (5)
208/230-1-60 187 252 125
208/230-3-60 187 252 125
460-3-60 432 504 125
575-3-60 540 630 125
ZX/ZY 07 (6.5) 208/230-3-60 187 252 125
460-3-60 432 504 125
575-3-60 540 630 125
ZX/ZY 08 (7.5) 208/230-3-60 187 252 125
460-3-60 432 504 125
575-3-60 540 630 125
ZX/ZY 09 (8.5) 208/230-3-60 187 252 125
460-3-60 432 504 125
575-3-60 540 630 125
ZX/ZY 12 (10) 208/230-3-60 187 252 125
460-3-60 432 504 125
575-3-60 540 630 125
ZX 14 (12.5) 208/230-3-60 187 252 125
460-3-60 432 504 125
575-3-60 540 630 125

1068152-YTG-I-1214
Johnson Controls Unitary Products 45
Capacity Performance
ZX04-14 Cooling Capacities
ZX04 (3.0 Ton)
Air on
Evaporator Coil Temperature of Air on Condenser Coil
Total
Capacity1
(MBh)
Total
Input
(kW)2
Sensible Capacity (MBh) Total
Capacity1
(MBh)
Total
Input
(kW)2
Sensible Capacity (MBh)
CFM WB
(°F) Return Dry Bulb (°F) Return Dry Bulb (°F)
90 85 80 75 70 65 90 85 80 75 70 65
75°F 85°F
750
77 43.3 2.3 22.3 18.2 14.2 - - - 42.0 2.6 21.9 18.1 14.4 - - -
72 40.4 2.2 26.7 22.7 18.7 14.7 - - 38.9 2.5 26.3 22.3 18.4 14.4 - -
67 37.6 2.2 31.2 27.3 23.3 18.9 15.2 - 35.9 2.5 30.7 26.5 22.3 18.2 14.5 -
62 34.6 2.2 34.1 31.0 27.9 22.5 19.6 15.4 34.1 2.4 33.6 30.0 26.3 21.8 18.5 14.6
900
77 43.6 2.3 23.9 19.0 14.2 - - - 42.2 2.6 23.7 19.0 14.4 - - -
72 41.2 2.3 28.4 23.9 19.5 15.1 - - 39.7 2.5 28.1 23.6 19.1 14.7 - -
67 38.9 2.2 32.9 28.8 24.8 19.9 15.6 - 37.2 2.5 32.4 28.1 23.9 19.2 14.9 -
62 36.4 2.2 35.6 32.9 30.1 24.3 20.5 15.7 35.7 2.5 35.0 31.8 28.6 23.6 19.5 15.0
57 35.6 2.2 35.6 35.6 35.4 30.4 25.5 20.5 35.0 2.4 35.0 35.0 33.4 28.8 24.2 19.6
1050
77 43.9 2.3 25.4 19.8 14.3 - - - 42.5 2.6 25.6 19.9 14.3 - - -
72 42.0 2.3 30.0 25.1 20.2 15.4 - - 40.5 2.6 29.8 24.9 19.9 14.9 - -
67 40.1 2.2 34.6 30.4 26.2 20.9 16.0 - 38.5 2.5 34.1 29.8 25.4 20.2 15.3 -
62 38.3 2.2 37.1 34.7 32.2 26.1 21.5 16.1 37.3 2.5 36.3 33.6 31.0 25.4 20.6 15.4
57 37.6 2.2 37.6 37.6 37.5 32.6 27.0 21.3 36.8 2.5 36.8 36.8 36.2 31.2 25.9 20.6
1200
77 44.3 2.3 27.0 20.6 14.3 - - - 42.7 2.6 27.4 20.8 14.3 - - -
72 42.8 2.3 31.6 26.3 21.0 15.7 - - 41.2 2.6 31.6 26.1 20.6 15.1 - -
67 41.3 2.3 36.3 32.0 27.7 21.9 16.4 - 39.7 2.5 35.8 31.4 27.0 21.2 15.6 -
62 40.1 2.2 38.7 36.5 34.4 27.9 22.4 16.4 38.9 2.5 37.6 35.5 33.3 27.2 21.6 15.8
57 39.7 2.2 39.7 39.7 39.7 34.8 28.5 22.1 38.5 2.5 38.5 38.5 38.5 33.6 27.6 21.6
1350
72 43.6 2.3 33.3 27.5 21.8 16.0 - - 42.0 2.6 33.4 27.4 21.4 15.4 - -
67 42.5 2.3 37.9 33.6 29.2 22.9 16.8 - 41.0 2.6 37.5 33.0 28.5 22.2 16.0 -
62 41.9 2.3 40.2 38.4 36.6 29.7 23.4 16.8 40.6 2.6 39.0 37.3 35.7 29.0 22.7 16.2
57 41.7 2.3 41.7 41.7 41.7 37.0 30.0 23.0 40.3 2.6 40.0 40.0 40.0 36.1 29.3 22.6
1500
72 44.3 2.3 34.9 28.7 22.5 16.3 - - 42.7 2.6 35.2 28.6 22.1 15.6 - -
67 43.8 2.3 39.6 35.1 30.6 23.9 17.2 - 42.3 2.6 39.2 34.7 30.1 23.2 16.4 -
62 43.7 2.3 41.7 40.2 38.7 31.5 24.4 17.2 42.2 2.6 40.3 39.2 38.0 30.9 23.7 16.6
57 43.7 2.3 43.7 43.7 43.7 39.2 31.5 23.8 42.1 2.6 41.3 41.3 41.3 38.5 31.0 23.5
95°F 105°F
750
77 40.8 2.9 21.5 18.1 14.7 - - - 37.7 3.3 20.6 16.9 13.3 - - -
72 37.4 2.8 25.8 21.9 18.0 14.1 - - 34.8 3.2 24.8 20.8 16.8 12.9 - -
67 34.1 2.7 30.2 25.8 21.3 17.6 13.8 - 31.9 3.1 28.9 24.7 20.4 16.5 12.5 -
62 33.5 2.7 33.2 28.9 24.6 21.0 17.4 13.8 31.4 3.1 31.0 27.5 24.0 20.1 16.1 12.2
900
77 40.9 2.9 23.6 19.1 14.5 - - - 37.9 3.3 22.9 18.0 13.1 - - -
72 38.2 2.8 27.8 23.3 18.8 14.3 - - 35.6 3.2 26.7 22.1 17.6 13.0 - -
67 35.5 2.8 32.0 27.5 23.0 18.6 14.2 - 33.2 3.1 30.5 26.2 22.0 17.4 12.8 -
62 35.0 2.7 34.3 30.8 27.2 22.9 18.6 14.3 32.7 3.1 32.1 29.3 26.4 21.8 17.2 12.6
57 34.5 2.7 34.5 34.1 31.4 27.2 23.0 18.8 32.3 3.1 32.3 32.3 30.9 26.2 21.6 16.9
1050
77 41.0 2.9 25.7 20.0 14.4 - - - 38.2 3.3 25.1 19.1 13.0 - - -
72 38.9 2.8 29.7 24.6 19.5 14.4 - - 36.4 3.2 28.6 23.4 18.3 13.2 - -
67 36.8 2.8 33.7 29.1 24.6 19.6 14.5 - 34.6 3.2 32.0 27.8 23.6 18.4 13.2 -
62 36.4 2.8 35.5 32.6 29.7 24.7 19.7 14.7 34.1 3.2 33.3 31.1 28.9 23.6 18.3 13.0
57 35.9 2.7 35.9 35.9 34.8 29.8 24.9 19.9 33.7 3.1 33.7 33.7 33.7 28.8 23.4 18.0
1200
77 41.2 2.9 27.8 21.0 14.3 - - - 38.5 3.3 27.4 20.1 12.9 - - -
72 39.7 2.9 31.6 25.9 20.3 14.6 - - 37.2 3.3 30.5 24.8 19.1 13.3 - -
67 38.2 2.8 35.4 30.8 26.3 20.6 14.9 - 35.9 3.2 33.6 29.4 25.2 19.4 13.5 -
62 37.8 2.8 36.6 34.4 32.2 26.5 20.8 15.1 35.5 3.2 34.4 32.9 31.4 25.4 19.4 13.4
57 37.4 2.8 37.4 37.4 37.4 32.5 26.8 21.0 35.1 3.2 35.1 35.1 35.1 31.4 25.3 19.2
1350
72 40.4 2.9 33.5 27.3 21.0 14.8 - - 38.0 3.3 32.4 26.1 19.8 13.5 - -
67 39.5 2.9 37.1 32.5 27.9 21.6 15.2 - 37.2 3.2 35.1 31.0 26.8 20.3 13.9 -
62 39.2 2.8 37.8 36.3 34.8 28.4 21.9 15.5 36.9 3.2 35.6 34.7 33.8 27.2 20.5 13.8
57 38.9 2.8 38.4 38.4 38.4 35.2 28.7 22.2 36.5 3.2 36.1 36.1 36.1 34.0 27.1 20.3
1500
72 41.2 2.9 35.4 28.6 21.8 14.9 - - 38.8 3.3 34.3 27.4 20.5 13.7 - -
67 40.9 2.9 38.8 34.2 29.5 22.6 15.6 - 38.6 3.3 36.6 32.5 28.4 21.3 14.2 -
62 40.6 2.9 38.9 38.1 37.3 30.2 23.1 16.0 38.2 3.3 36.7 36.5 36.3 28.9 21.6 14.2
57 40.4 2.9 39.0 39.0 39.0 37.8 30.6 23.3 37.9 3.3 36.8 36.8 36.8 36.6 29.0 21.4

1068152-YTG-I-1214
46 Johnson Controls Unitary Products
115°F 125°F
750
77 34.6 3.7 19.8 15.8 11.8 - - - 31.4 4.1 18.9 14.7 10.4 - - -
72 32.1 3.6 23.7 19.7 15.7 11.7 - - 29.4 4.0 22.6 18.6 14.5 10.4 - -
67 29.7 3.5 27.6 23.6 19.5 15.4 11.2 - 27.4 3.9 26.3 22.5 18.6 14.3 9.9 -
62 29.2 3.5 28.8 26.0 23.3 19.1 14.8 10.5 27.0 3.9 26.5 24.6 22.7 18.1 13.5 8.9
900
77 35.0 3.7 22.2 16.9 11.7 - - - 32.0 4.1 21.5 15.9 10.3 - - -
72 33.0 3.6 25.6 21.0 16.4 11.8 - - 30.4 4.0 24.5 19.8 15.2 10.6 - -
67 31.0 3.5 29.0 25.0 21.1 16.3 11.5 - 28.7 3.9 27.5 23.8 20.1 15.2 10.2 -
62 30.5 3.5 29.9 27.8 25.7 20.8 15.9 10.9 28.3 3.9 27.7 26.4 25.0 19.8 14.5 9.3
57 30.1 3.5 30.1 30.1 30.1 25.3 20.2 15.1 27.9 4.0 27.9 27.9 27.9 24.3 18.8 13.3
1050
77 35.4 3.7 24.6 18.1 11.6 - - - 32.6 4.1 24.0 17.1 10.2 - - -
72 33.8 3.6 27.5 22.3 17.1 12.0 - - 31.3 4.0 26.3 21.1 15.9 10.7 - -
67 32.3 3.6 30.3 26.5 22.6 17.2 11.9 - 30.0 3.9 28.7 25.1 21.6 16.1 10.5 -
62 31.9 3.6 31.1 29.6 28.1 22.5 16.9 11.3 29.6 4.0 28.9 28.1 27.3 21.4 15.5 9.7
57 31.4 3.6 31.4 31.4 31.4 27.8 22.0 16.2 29.2 4.0 29.1 29.1 29.1 26.8 20.5 14.3
1200
77 35.8 3.7 27.0 19.2 11.5 - - - 33.2 4.1 26.5 18.3 10.2 - - -
72 34.7 3.6 29.3 23.6 17.8 12.1 - - 32.2 4.0 28.2 22.4 16.6 10.9 - -
67 33.6 3.6 31.7 27.9 24.2 18.2 12.2 - 31.3 4.0 29.9 26.5 23.1 17.0 10.8 -
62 33.2 3.6 32.2 31.4 30.5 24.2 18.0 11.7 30.9 4.0 30.1 29.8 29.6 23.1 16.6 10.0
57 32.8 3.6 32.8 32.8 32.8 30.3 23.8 17.3 30.4 4.0 30.3 30.3 30.3 29.2 22.3 15.4
1350
72 35.6 3.7 31.2 24.9 18.6 12.3 - - 33.2 4.0 30.1 23.7 17.4 11.0 - -
67 34.9 3.6 33.1 29.4 25.7 19.1 12.5 - 32.6 4.0 31.0 27.8 24.6 17.9 11.1 -
62 34.5 3.6 33.4 33.1 32.9 26.0 19.0 12.1 32.1 4.0 31.2 31.2 31.2 24.8 17.6 10.4
57 34.1 3.6 33.8 33.8 33.8 32.8 25.6 18.4 31.7 4.0 31.4 31.4 31.4 31.4 24.0 16.5
1500
72 36.5 3.7 33.1 26.2 19.3 12.4 - - 34.1 4.1 31.9 25.0 18.1 11.1 - -
67 36.2 3.7 34.4 30.9 27.3 20.0 12.8 - 33.9 4.1 32.2 29.2 26.2 18.8 11.4 -
62 35.8 3.7 34.6 34.6 34.6 27.7 20.1 12.5 33.4 4.1 32.4 32.4 32.4 26.4 18.6 10.8
57 35.4 3.7 34.7 34.7 34.7 34.7 27.4 19.5 32.9 4.1 32.6 32.6 32.6 32.6 25.8 17.5
1. These capacities are gross ratings. For net capacity, deduct the supply air blower motor heat (MBh = 3.415 x kW). Refer to the appropriate
Blower Performance Table for the kW of the supply air blower motor.
2. These ratings include the condenser fan motors (total 1 kW) and the compressor motors but not the supply air blower motor.
ZX04 (3.0 Ton) (Continued)
Air on
Evaporator Coil Temperature of Air on Condenser Coil
Total
Capacity1
(MBh)
Total
Input
(kW)2
Sensible Capacity (MBh) Total
Capacity1
(MBh)
Total
Input
(kW)2
Sensible Capacity (MBh)
CFM WB
(°F) Return Dry Bulb (°F) Return Dry Bulb (°F)
90 85 80 75 70 65 90 85 80 75 70 65

1068152-YTG-I-1214
Johnson Controls Unitary Products 47
ZX05 (4.0 Ton)
Air on
Evaporator Coil Temperature of Air on Condenser Coil
Total
Capacity1
(MBh)
Total
Input
(kW)2
Sensible Capacity (MBh) Total
Capacity1
(MBh)
Total
Input
(kW)2
Sensible Capacity (MBh)
CFM WB
(°F) Return Dry Bulb (°F) Return Dry Bulb (°F)
90 85 80 75 70 65 90 85 80 75 70 65
75°F 85°F
1000
77 58.3 2.9 30.7 26.1 21.5 - - - 56.5 3.3 29.7 24.9 20.0 - - -
72 53.9 2.9 36.3 31.4 26.5 21.7 - - 51.8 3.2 35.3 30.2 25.1 20.0 - -
67 49.5 2.8 41.9 36.8 31.6 25.8 21.0 - 47.1 3.2 40.8 35.5 30.2 24.6 19.6 -
62 46.2 2.8 43.5 40.1 36.7 28.6 25.2 19.5 44.6 3.1 42.9 39.1 35.3 28.5 24.2 18.6
1200
77 58.6 2.9 32.9 26.8 20.7 - - - 56.6 3.3 32.1 25.8 19.5 - - -
72 54.9 2.9 38.6 32.9 27.1 21.4 - - 52.7 3.2 37.6 31.7 25.8 20.0 - -
67 51.3 2.8 44.3 38.9 33.6 27.0 21.2 - 48.8 3.2 43.2 37.7 32.2 25.8 19.9 -
62 48.5 2.8 45.8 42.9 40.0 31.5 26.7 20.0 46.8 3.1 45.0 41.7 38.5 31.1 25.6 19.2
57 45.8 2.7 45.8 45.8 45.8 39.4 32.2 25.1 45.0 3.1 45.0 45.0 44.8 38.1 31.4 24.7
1400
77 58.9 2.9 35.2 27.5 19.9 - - - 56.8 3.3 34.4 26.7 19.0 - - -
72 56.0 2.9 40.9 34.3 27.7 21.1 - - 53.7 3.2 39.9 33.3 26.6 19.9 - -
67 53.1 2.8 46.7 41.1 35.6 28.1 21.4 - 50.5 3.2 45.5 39.8 34.1 27.0 20.2 -
62 50.9 2.8 48.1 45.8 43.4 34.4 28.2 20.6 48.9 3.2 47.1 44.4 41.7 33.7 27.1 19.8
57 48.7 2.8 48.7 48.7 48.7 43.1 35.0 27.0 47.5 3.1 47.5 47.5 47.5 41.6 34.0 26.4
1600
77 59.2 2.9 37.4 28.2 19.1 - - - 57.0 3.3 36.7 27.6 18.5 - - -
72 57.0 2.9 43.2 35.8 28.3 20.9 - - 54.6 3.2 42.3 34.8 27.3 19.8 - -
67 54.9 2.8 49.1 43.3 37.5 29.3 21.5 - 52.3 3.2 47.8 42.0 36.1 28.2 20.5 -
62 53.2 2.8 50.5 48.6 46.8 37.3 29.7 21.2 51.1 3.2 49.1 47.0 44.9 36.2 28.6 20.4
57 51.6 2.8 51.6 51.6 51.6 46.9 37.9 28.8 50.0 3.2 50.0 50.0 50.0 45.2 36.7 28.1
1800
72 58.1 2.9 45.5 37.2 28.9 20.6 - - 55.6 3.2 44.6 36.3 28.0 19.8 - -
67 56.7 2.9 51.4 45.5 39.5 30.5 21.7 - 54.0 3.2 50.2 44.1 38.1 29.4 20.7 -
62 55.6 2.8 52.8 51.5 50.1 40.2 31.2 21.8 53.2 3.2 51.2 49.7 48.1 38.8 30.0 21.0
57 54.5 2.8 54.0 54.0 54.0 50.7 40.7 30.7 52.4 3.2 52.2 52.2 52.2 48.7 39.3 29.8
2000
72 59.1 2.9 47.8 38.7 29.5 20.3 - - 56.5 3.3 46.9 37.8 28.8 19.7 - -
67 58.6 2.9 53.8 47.7 41.5 31.7 21.9 - 55.8 3.2 52.5 46.3 40.0 30.5 21.0 -
62 58.0 2.8 55.1 54.3 53.5 43.1 32.7 22.3 55.3 3.2 53.3 52.3 51.3 41.4 31.5 21.6
57 57.4 2.8 56.4 56.4 56.4 54.5 43.5 32.5 54.9 3.2 54.1 54.1 54.1 52.2 41.9 31.6
95°F 105°F
1000
77 54.7 3.6 28.8 23.7 18.6 - - - 50.6 4.1 28.1 22.9 17.7 - - -
72 49.7 3.6 34.3 29.0 23.7 18.4 - - 46.1 4.1 33.0 27.7 22.5 17.2 - -
67 44.6 3.5 39.8 34.3 28.8 23.5 18.1 - 41.7 4.0 37.8 32.5 27.2 21.9 16.6 -
62 43.1 3.5 42.3 38.1 33.9 28.5 23.1 17.8 40.6 4.0 39.6 35.8 32.0 26.6 21.3 16.0
1200
77 54.7 3.6 31.2 24.8 18.4 - - - 50.7 4.1 30.5 23.9 17.2 - - -
72 50.5 3.6 36.6 30.6 24.6 18.5 - - 47.0 4.1 35.2 29.2 23.2 17.2 - -
67 46.3 3.5 42.1 36.4 30.7 24.6 18.5 - 43.3 4.0 39.8 34.5 29.2 23.1 17.0 -
62 45.0 3.5 44.2 40.5 36.9 30.7 24.6 18.4 42.3 4.0 41.3 38.2 35.2 28.9 22.7 16.5
57 44.2 3.5 44.2 44.2 43.1 36.8 30.6 24.3 41.7 4.0 41.7 41.7 41.1 34.8 28.4 22.1
1400
77 54.7 3.6 33.6 25.9 18.2 - - - 50.9 4.2 33.0 24.9 16.8 - - -
72 51.4 3.6 38.9 32.2 25.4 18.7 - - 47.8 4.1 37.4 30.7 24.0 17.2 - -
67 48.0 3.5 44.3 38.5 32.7 25.8 18.9 - 44.8 4.1 41.8 36.5 31.1 24.2 17.3 -
62 47.0 3.5 46.0 43.0 40.0 33.0 26.0 19.0 44.0 4.0 43.0 40.7 38.3 31.2 24.1 17.0
57 46.3 3.5 46.3 46.3 46.3 40.1 33.0 25.9 43.5 4.0 43.5 43.5 43.5 38.2 30.9 23.6
1600
77 54.8 3.6 36.0 26.9 17.9 - - - 51.0 4.2 35.4 25.9 16.3 - - -
72 52.2 3.6 41.3 33.8 26.3 18.8 - - 48.7 4.1 39.6 32.2 24.7 17.3 - -
67 49.7 3.6 46.6 40.6 34.7 27.0 19.4 - 46.4 4.1 43.8 38.5 33.1 25.4 17.7 -
62 48.9 3.5 47.8 45.4 43.0 35.2 27.4 19.6 45.7 4.1 44.7 43.1 41.5 33.5 25.5 17.5
57 48.3 3.5 48.3 48.3 48.3 43.4 35.4 27.5 45.2 4.0 45.2 45.2 45.2 41.6 33.4 25.1
1800
72 53.1 3.6 43.6 35.4 27.2 18.9 - - 49.5 4.2 41.9 33.7 25.5 17.3 - -
67 51.3 3.6 48.9 42.8 36.6 28.2 19.8 - 47.9 4.1 45.8 40.4 35.1 26.5 18.0 -
62 50.8 3.6 49.7 47.9 46.1 37.4 28.8 20.2 47.4 4.1 46.4 45.5 44.7 35.8 26.9 18.0
57 50.4 3.6 50.4 50.4 50.4 46.7 37.9 29.0 47.0 4.1 47.0 47.0 47.0 45.0 35.8 26.6
2000
72 53.9 3.6 45.9 37.0 28.0 19.1 - - 50.4 4.2 44.1 35.2 26.2 17.3 - -
67 53.0 3.6 51.2 44.9 38.6 29.4 20.2 - 49.5 4.1 47.8 42.4 37.0 27.7 18.3 -
62 52.7 3.6 51.5 50.3 49.1 39.7 30.2 20.8 49.2 4.1 48.1 48.0 47.8 38.1 28.3 18.6
57 52.5 3.6 51.8 51.8 51.8 50.0 40.3 30.6 48.8 4.1 48.4 48.4 48.4 48.4 38.3 28.1

1068152-YTG-I-1214
48 Johnson Controls Unitary Products
115°F 125°F
1000
77 46.5 4.6 27.3 22.1 16.8 - - - 42.4 5.1 26.6 21.2 15.9 - - -
72 42.6 4.6 31.6 26.4 21.2 16.0 - - 39.1 5.1 30.3 25.1 20.0 14.8 - -
67 38.8 4.5 35.9 30.8 25.7 20.4 15.1 - 35.9 5.0 34.0 29.0 24.1 18.9 13.6 -
62 38.1 4.5 36.9 33.5 30.1 24.8 19.5 14.1 35.6 5.0 34.2 31.2 28.2 22.9 17.6 12.3
1200
77 46.7 4.7 29.9 23.0 16.1 - - - 42.8 5.2 29.2 22.1 15.0 - - -
72 43.5 4.6 33.7 27.8 21.9 15.9 - - 40.0 5.1 32.3 26.4 20.5 14.6 - -
67 40.2 4.5 37.6 32.6 27.6 21.5 15.4 - 37.2 5.1 35.4 30.7 26.1 20.0 13.9 -
62 39.6 4.5 38.5 35.9 33.4 27.1 20.8 14.6 36.9 5.0 35.6 33.6 31.6 25.3 19.0 12.7
57 39.1 4.5 39.1 39.1 39.1 32.7 26.3 19.8 36.6 5.0 35.9 35.9 35.9 30.6 24.1 17.6
1400
77 47.0 4.7 32.4 23.9 15.4 - - - 43.1 5.2 31.8 22.9 14.1 - - -
72 44.3 4.6 35.9 29.2 22.5 15.8 - - 40.8 5.2 34.3 27.7 21.0 14.4 - -
67 41.7 4.6 39.3 34.5 29.6 22.6 15.7 - 38.5 5.1 36.8 32.4 28.0 21.0 14.1 -
62 41.1 4.6 40.0 38.3 36.7 29.4 22.2 15.0 38.2 5.1 37.1 36.0 35.0 27.7 20.4 13.0
57 40.6 4.5 40.6 40.6 40.6 36.3 28.8 21.3 37.8 5.0 37.3 37.3 37.3 34.3 26.7 19.0
1600
77 47.2 4.7 34.9 24.8 14.7 - - - 43.5 5.3 34.4 23.8 13.1 - - -
72 45.2 4.7 38.0 30.6 23.1 15.7 - - 41.6 5.2 36.3 28.9 21.6 14.2 - -
67 43.1 4.6 41.1 36.3 31.5 23.8 16.0 - 39.8 5.2 38.3 34.1 30.0 22.1 14.3 -
62 42.6 4.6 41.6 40.8 39.9 31.8 23.6 15.5 39.4 5.1 38.5 38.4 38.4 30.1 21.7 13.4
57 42.2 4.5 42.2 42.2 42.2 39.8 31.3 22.7 39.1 5.0 38.7 38.7 38.7 38.0 29.2 20.4
1800
72 46.0 4.7 40.1 31.9 23.8 15.6 - - 42.5 5.3 38.3 30.2 22.1 14.0 - -
67 44.5 4.7 42.8 38.1 33.5 24.9 16.2 - 41.1 5.2 39.7 35.8 31.9 23.2 14.5 -
62 44.1 4.6 43.2 43.2 43.2 34.1 25.0 15.9 40.7 5.1 39.9 39.9 39.9 32.4 23.1 13.8
57 43.7 4.6 43.6 43.6 43.6 43.4 33.8 24.2 40.3 5.1 40.1 40.1 40.1 40.1 31.7 21.8
2000
72 46.8 4.7 42.2 33.3 24.4 15.5 - - 43.3 5.3 40.3 31.5 22.6 13.8 - -
67 46.0 4.7 44.5 40.0 35.5 26.0 16.5 - 42.5 5.3 41.2 37.5 33.9 24.3 14.7 -
62 45.6 4.6 44.7 44.7 44.7 36.4 26.4 16.3 42.0 5.2 41.3 41.3 41.3 34.8 24.5 14.1
57 45.2 4.6 45.0 45.0 45.0 45.0 36.3 25.7 41.5 5.1 41.5 41.5 41.5 41.5 34.3 23.2
1. These capacities are gross ratings. For net capacity, deduct the supply air blower motor heat (MBh = 3.415 x kW). Refer to the appropriate
Blower Performance Table for the kW of the supply air blower motor.
2. These ratings include the condenser fan motors (total 1 kW) and the compressor motors but not the supply air blower motor.
ZX05 (4.0 Ton) (Continued)
Air on
Evaporator Coil Temperature of Air on Condenser Coil
Total
Capacity1
(MBh)
Total
Input
(kW)2
Sensible Capacity (MBh) Total
Capacity1
(MBh)
Total
Input
(kW)2
Sensible Capacity (MBh)
CFM WB
(°F) Return Dry Bulb (°F) Return Dry Bulb (°F)
90 85 80 75 70 65 90 85 80 75 70 65

1068152-YTG-I-1214
Johnson Controls Unitary Products 49
ZX06 (5.0 Ton)
Air on
Evaporator Coil Temperature of Air on Condenser Coil
Total
Capacity1
(MBh)
Total
Input
(kW)2
Sensible Capacity (MBh) Total
Capacity1
(MBh)
Total
Input
(kW)2
Sensible Capacity (MBh)
CFM WB
(°F) Return Dry Bulb (°F) Return Dry Bulb (°F)
90 85 80 75 70 65 90 85 80 75 70 65
75°F 85°F
1250
77 78.6 3.8 36.6 30.5 24.4 - - - 74.8 4.2 34.9 28.8 22.7 - - -
72 72.1 3.7 45.9 39.2 32.5 25.7 - - 68.6 4.1 44.5 37.6 30.8 24.0 - -
67 65.6 3.6 55.2 47.8 40.5 33.3 26.5 - 62.4 4.1 54.0 46.4 38.9 31.7 24.7 -
62 60.6 3.6 56.1 52.3 48.5 38.4 34.0 26.8 58.3 4.0 55.9 51.4 46.9 38.2 32.3 25.0
1500
77 80.3 3.8 41.7 33.7 25.6 - - - 75.9 4.2 40.4 32.0 23.7 - - -
72 74.0 3.7 50.4 42.5 34.6 26.7 - - 70.2 4.1 48.9 40.8 32.8 24.8 - -
67 67.8 3.7 59.1 51.3 43.6 35.3 27.4 - 64.5 4.1 57.4 49.6 41.9 33.6 25.5 -
62 63.7 3.6 59.9 56.2 52.5 41.9 35.9 27.7 61.2 4.1 59.0 55.0 51.0 41.5 34.2 25.8
57 60.7 3.6 60.7 60.7 60.7 53.0 44.5 36.0 59.4 4.0 59.4 59.4 59.4 51.5 42.9 34.3
1750
77 81.9 3.8 46.8 36.8 26.8 - - - 76.9 4.2 45.8 35.2 24.7 - - -
72 75.9 3.7 54.9 45.8 36.7 27.7 - - 71.8 4.1 53.3 44.0 34.8 25.6 - -
67 70.0 3.7 63.0 54.8 46.7 37.3 28.2 - 66.6 4.1 60.8 52.9 44.9 35.5 26.2 -
62 66.8 3.6 63.8 60.2 56.6 45.5 37.9 28.5 64.1 4.1 62.2 58.6 55.1 44.7 36.1 26.5
57 64.5 3.6 64.5 64.5 64.5 57.0 47.5 38.1 62.7 4.1 62.7 62.7 62.7 55.6 45.9 36.3
2000
77 83.6 3.8 52.0 40.0 28.0 - - - 77.9 4.2 51.2 38.4 25.6 - - -
72 77.8 3.7 59.5 49.2 38.9 28.6 - - 73.3 4.2 57.7 47.2 36.8 26.4 - -
67 72.1 3.7 67.0 58.4 49.8 39.3 29.1 - 68.7 4.1 64.2 56.1 48.0 37.4 26.9 -
62 69.9 3.7 67.6 64.1 60.6 49.1 39.8 29.4 66.9 4.1 65.3 62.3 59.2 48.0 37.9 27.3
57 68.3 3.7 68.2 68.2 68.2 61.0 50.6 40.1 66.0 4.1 66.0 66.0 66.0 59.6 48.9 38.2
2250
72 79.8 3.7 64.0 52.5 41.0 29.6 - - 74.9 4.2 62.1 50.5 38.8 27.2 - -
67 74.3 3.7 70.9 61.9 52.9 41.4 29.9 - 70.8 4.1 67.6 59.3 51.0 39.3 27.7 -
62 73.0 3.7 71.4 68.1 64.7 52.6 41.8 30.3 69.8 4.1 68.5 65.9 63.2 51.2 39.8 28.1
57 72.0 3.7 72.0 72.0 72.0 65.0 53.6 42.1 69.3 4.2 69.3 69.3 69.3 63.7 51.9 40.2
2500
72 81.7 3.7 68.5 55.9 43.2 30.5 - - 76.5 4.2 66.5 53.7 40.8 28.0 - -
67 76.5 3.7 74.8 65.4 56.0 43.4 30.8 - 72.9 4.1 71.0 62.5 54.1 41.2 28.4 -
62 76.2 3.7 75.3 72.0 68.7 56.2 43.7 31.2 72.7 4.2 71.7 69.5 67.3 54.5 41.7 28.9
57 75.8 3.7 75.8 75.8 75.8 69.1 56.6 44.2 72.5 4.2 72.4 72.4 72.4 67.7 54.9 42.1
95°F 105°F
1250
77 71.0 4.6 33.3 27.1 21.0 - - - 65.5 5.3 31.8 25.7 19.6 - - -
72 65.2 4.5 43.0 36.1 29.1 22.2 - - 60.7 5.2 41.3 34.3 27.4 20.4 - -
67 59.3 4.5 52.8 45.0 37.3 30.1 22.9 - 56.0 5.2 50.7 42.9 35.1 28.1 21.0 -
62 56.0 4.5 55.6 50.5 45.4 38.0 30.6 23.2 53.5 5.1 52.8 47.9 42.9 35.7 28.6 21.4
1500
77 71.5 4.6 39.0 30.4 21.7 - - - 66.1 5.3 37.4 28.7 20.0 - - -
72 66.4 4.6 47.3 39.2 31.0 22.8 - - 61.9 5.3 45.3 37.2 29.0 20.9 - -
67 61.3 4.5 55.6 47.9 40.2 31.9 23.6 - 57.8 5.2 53.2 45.6 38.0 29.8 21.6 -
62 58.7 4.5 58.1 53.8 49.5 41.0 32.4 23.9 55.8 5.2 55.0 51.0 47.1 38.7 30.3 22.0
57 58.2 4.5 58.2 58.2 58.2 50.0 41.3 32.6 55.2 5.2 55.2 55.2 55.2 47.6 39.1 30.6
1750
77 71.9 4.6 44.7 33.6 22.5 - - - 66.6 5.3 42.9 31.7 20.5 - - -
72 67.6 4.6 51.6 42.2 32.9 23.5 - - 63.1 5.3 49.3 40.0 30.7 21.4 - -
67 63.3 4.5 58.5 50.9 43.2 33.7 24.2 - 59.6 5.2 55.7 48.3 41.0 31.5 22.1 -
62 61.3 4.5 60.6 57.1 53.6 43.9 34.2 24.6 58.1 5.2 57.2 54.2 51.3 41.7 32.1 22.5
57 60.9 4.5 60.9 60.9 60.9 54.1 44.3 34.5 57.7 5.2 57.7 57.7 57.7 51.8 42.0 32.3
2000
77 72.3 4.6 50.4 36.8 23.3 - - - 67.1 5.3 48.5 34.7 20.9 - - -
72 68.8 4.6 55.9 45.3 34.7 24.1 - - 64.3 5.3 53.3 42.9 32.4 21.9 - -
67 65.3 4.6 61.4 53.8 46.2 35.5 24.8 - 61.5 5.2 58.2 51.1 43.9 33.3 22.6 -
62 64.0 4.6 63.1 60.4 57.7 46.9 36.0 25.2 60.4 5.3 59.4 57.4 55.5 44.6 33.8 23.0
57 63.7 4.6 63.7 63.7 63.7 58.2 47.3 36.3 60.1 5.3 60.1 60.1 60.1 56.0 45.0 34.0
2250
72 70.0 4.6 60.2 48.4 36.6 24.8 - - 65.5 5.3 57.4 45.7 34.1 22.5 - -
67 67.3 4.6 64.2 56.7 49.2 37.3 25.4 - 63.3 5.3 60.7 53.8 46.9 35.0 23.2 -
62 66.6 4.6 65.6 63.7 61.8 49.8 37.8 25.9 62.7 5.3 61.6 60.6 59.6 47.6 35.6 23.5
57 66.5 4.6 66.5 66.5 66.5 62.3 50.3 38.2 62.5 5.3 62.5 62.5 62.5 60.2 47.9 35.7
2500
72 71.2 4.6 64.5 51.5 38.5 25.5 - - 66.7 5.3 61.4 48.6 35.8 23.0 - -
67 69.3 4.6 67.1 59.6 52.1 39.1 26.0 - 65.1 5.3 63.1 56.5 49.8 36.8 23.7 -
62 69.3 4.6 68.1 67.0 65.8 52.7 39.6 26.5 65.0 5.3 63.8 63.8 63.8 50.6 37.3 24.1
57 69.2 4.7 69.1 69.1 69.1 66.4 53.2 40.1 64.9 5.4 64.5 64.5 64.5 64.4 50.9 37.4

1068152-YTG-I-1214
50 Johnson Controls Unitary Products
115°F 125°F
1250
77 60.0 6.0 30.3 24.3 18.2 - - - 54.5 6.7 28.8 22.8 16.8 - - -
72 56.3 5.9 39.5 32.5 25.6 18.6 - - 51.9 6.7 37.7 30.8 23.8 16.8 - -
67 52.7 5.9 48.7 40.8 32.9 26.0 19.1 - 49.4 6.6 46.7 38.7 30.8 24.0 17.2 -
62 51.0 5.8 50.1 45.2 40.3 33.4 26.5 19.6 48.5 6.5 47.3 42.5 37.7 31.1 24.5 17.8
1500
77 60.7 6.0 35.7 27.0 18.3 - - - 55.2 6.7 34.1 25.3 16.6 - - -
72 57.5 6.0 43.3 35.2 27.1 19.0 - - 53.0 6.6 41.2 33.2 25.1 17.1 - -
67 54.3 5.9 50.8 43.3 35.8 27.7 19.6 - 50.9 6.6 48.4 41.0 33.6 25.6 17.6 -
62 53.0 5.9 52.0 48.3 44.6 36.4 28.2 20.0 50.1 6.5 48.9 45.5 42.1 34.1 26.1 18.1
57 52.3 5.8 52.3 52.3 52.3 45.1 36.9 28.6 49.4 6.5 49.3 49.3 49.3 42.7 34.6 26.6
1750
77 61.3 6.0 41.1 29.8 18.4 - - - 56.0 6.7 39.3 27.8 16.4 - - -
72 58.6 6.0 47.0 37.8 28.6 19.4 - - 54.2 6.6 44.7 35.6 26.4 17.3 - -
67 56.0 5.9 52.9 45.8 38.7 29.4 20.0 - 52.3 6.6 50.1 43.3 36.5 27.2 17.9 -
62 54.9 5.9 53.8 51.4 48.9 39.4 29.9 20.4 51.7 6.6 50.5 48.5 46.6 37.2 27.7 18.3
57 54.4 5.9 54.4 54.4 54.4 49.4 39.8 30.1 51.1 6.6 50.8 50.8 50.8 47.1 37.5 28.0
2000
77 61.9 6.0 46.5 32.5 18.5 - - - 56.7 6.7 44.6 30.4 16.1 - - -
72 59.8 6.0 50.8 40.4 30.1 19.7 - - 55.3 6.6 48.2 38.0 27.8 17.5 - -
67 57.7 5.9 55.0 48.3 41.7 31.1 20.5 - 53.8 6.6 51.8 45.6 39.4 28.9 18.3 -
62 56.9 5.9 55.7 54.5 53.2 42.4 31.6 20.8 53.4 6.6 52.1 51.5 51.0 40.2 29.4 18.6
57 56.5 6.0 56.5 56.5 56.5 53.8 42.7 31.7 52.9 6.7 52.3 52.3 52.3 51.5 40.4 29.3
2250
72 60.9 6.0 54.5 43.1 31.6 20.1 - - 56.4 6.6 51.7 40.4 29.1 17.8 - -
67 59.3 5.9 57.1 50.8 44.6 32.8 21.0 - 55.3 6.6 53.5 47.9 42.3 30.5 18.7 -
62 58.9 6.0 57.6 57.6 57.5 45.4 33.3 21.2 55.0 6.7 53.7 53.7 53.7 43.2 31.0 18.8
57 58.6 6.0 58.2 58.2 58.2 58.1 45.6 33.2 54.6 6.7 53.8 53.8 53.8 53.8 43.3 30.7
2500
72 62.1 6.0 58.3 45.7 33.1 20.5 - - 57.5 6.6 55.2 42.8 30.4 18.0 - -
67 61.0 6.0 59.2 53.3 47.5 34.5 21.4 - 56.8 6.6 55.2 50.2 45.1 32.1 19.1 -
62 60.8 6.0 59.5 59.5 59.5 48.4 35.0 21.6 56.6 6.7 55.3 55.3 55.3 46.3 32.7 19.1
57 60.6 6.1 59.9 59.9 59.9 59.9 48.6 34.7 56.4 6.8 55.3 55.3 55.3 55.3 46.2 32.0
1. These capacities are gross ratings. For net capacity, deduct the supply air blower motor heat (MBh = 3.415 x kW). Refer to the appropriate
Blower Performance Table for the kW of the supply air blower motor.
2. These ratings include the condenser fan motors (total 1 kW) and the compressor motors but not the supply air blower motor.
ZX06 (5.0 Ton) (Continued)
Air on
Evaporator Coil Temperature of Air on Condenser Coil
Total
Capacity1
(MBh)
Total
Input
(kW)2
Sensible Capacity (MBh) Total
Capacity1
(MBh)
Total
Input
(kW)2
Sensible Capacity (MBh)
CFM WB
(°F) Return Dry Bulb (°F) Return Dry Bulb (°F)
90 85 80 75 70 65 90 85 80 75 70 65

1068152-YTG-I-1214
Johnson Controls Unitary Products 51
ZX07 (6.0 Ton)
Air on
Evaporator Coil Temperature of Air on Condenser Coil
Total
Capacity1
(MBh)
Total
Input
(kW)2
Sensible Capacity (MBh) Total
Capacity1
(MBh)
Total
Input
(kW)2
Sensible Capacity (MBh)
CFM WB
(°F) Return Dry Bulb (°F) Return Dry Bulb (°F)
90 85 80 75 70 65 90 85 80 75 70 65
75°F 85°F
1500
77 93.5 4.1 47.1 39.4 31.7 - - - 88.3 4.7 44.4 36.8 29.1 - - -
72 84.1 4.0 56.4 48.0 39.6 31.3 - - 79.7 4.6 54.6 46.1 37.6 29.2 - -
67 74.7 4.0 65.6 56.6 47.6 39.2 31.4 - 71.1 4.5 64.8 55.5 46.1 37.6 29.3 -
62 72.1 4.0 66.9 61.2 55.5 44.6 40.0 32.2 69.3 4.5 66.2 60.4 54.6 44.7 38.0 29.6
1800
77 94.0 4.1 51.7 41.5 31.3 - - - 88.8 4.7 49.9 39.4 28.8 - - -
72 86.2 4.1 61.1 51.3 41.5 31.7 - - 81.7 4.6 59.3 49.4 39.4 29.5 - -
67 78.4 4.0 70.5 61.1 51.7 41.7 32.1 - 74.7 4.5 68.8 59.4 50.1 39.9 29.9 -
62 76.2 4.0 71.6 66.8 62.0 49.6 42.2 32.4 73.1 4.5 70.1 65.4 60.8 49.2 40.2 30.0
57 73.9 4.0 72.7 72.5 72.2 62.3 52.4 42.5 71.5 4.5 71.4 71.4 71.4 61.0 50.6 40.2
2100
77 94.4 4.2 56.3 43.6 30.8 - - - 89.3 4.7 55.5 42.0 28.4 - - -
72 88.2 4.1 65.8 54.6 43.4 32.2 - - 83.8 4.6 64.1 52.7 41.3 29.8 - -
67 82.1 4.0 75.3 65.6 55.9 44.1 32.7 - 78.3 4.6 72.7 63.4 54.1 42.2 30.4 -
62 80.2 4.0 76.3 72.4 68.5 54.6 44.5 32.5 76.8 4.6 74.0 70.4 66.9 53.7 42.5 30.3
57 78.2 4.0 77.3 77.3 77.3 68.7 56.3 43.9 75.4 4.6 75.2 75.2 75.2 67.1 54.6 42.0
2400
77 94.8 4.2 60.9 45.6 30.4 - - - 89.8 4.7 61.1 44.6 28.1 - - -
72 90.3 4.1 70.5 57.9 45.2 32.6 - - 85.8 4.6 68.9 56.0 43.1 30.1 - -
67 85.8 4.1 80.1 70.1 60.1 46.6 33.4 - 81.8 4.6 76.7 67.4 58.0 44.5 31.0 -
62 84.2 4.1 81.0 78.0 75.0 59.6 46.8 32.6 80.5 4.6 77.9 75.4 73.0 58.3 44.8 30.6
57 82.6 4.1 81.9 81.9 81.9 75.0 60.1 45.3 79.2 4.6 79.0 79.0 79.0 73.3 58.5 43.8
2700
72 92.4 4.2 75.2 61.1 47.1 33.0 - - 87.8 4.7 73.7 59.3 44.9 30.5 - -
67 89.6 4.1 85.0 74.6 64.3 49.1 34.0 - 85.4 4.6 80.7 71.3 62.0 46.7 31.6 -
62 88.2 4.1 85.7 83.6 81.5 64.6 49.0 32.8 84.3 4.6 81.8 80.5 79.1 62.8 47.0 31.0
57 86.9 4.2 86.5 86.5 86.5 81.3 64.0 46.7 83.1 4.7 82.9 82.9 82.9 79.4 62.5 45.6
3000
72 94.4 4.2 79.9 64.4 49.0 33.5 - - 89.9 4.7 78.4 62.5 46.7 30.8 - -
67 93.3 4.1 89.8 79.1 68.5 51.6 34.6 - 89.0 4.6 84.7 75.3 66.0 49.0 32.1 -
62 92.2 4.2 90.5 89.2 88.0 69.6 51.3 32.9 88.0 4.7 85.7 85.5 85.3 67.3 49.3 31.3
57 91.2 4.2 91.1 91.1 91.1 87.7 67.9 48.1 87.0 4.7 86.7 86.7 86.7 85.5 66.5 47.5
95°F 105°F
1500
77 83.1 5.2 41.6 34.1 26.5 - - - 76.0 6.0 44.7 36.0 27.3 - - -
72 75.3 5.1 52.7 44.2 35.6 27.1 - - 69.9 5.9 52.9 44.0 35.0 26.0 - -
67 67.5 5.0 63.9 54.3 44.7 36.0 27.2 - 63.8 5.7 61.2 51.9 42.7 34.1 25.5 -
62 66.5 5.0 65.4 59.6 53.8 44.9 36.0 27.0 63.2 5.7 62.2 56.3 50.4 42.1 33.8 25.6
1800
77 83.7 5.2 48.2 37.2 26.3 - - - 77.1 6.0 46.8 35.6 24.5 - - -
72 77.3 5.1 57.6 47.5 37.4 27.3 - - 72.0 5.9 55.3 45.3 35.4 25.5 - -
67 70.9 5.0 67.0 57.7 48.5 38.1 27.7 - 66.9 5.8 63.8 55.1 46.3 36.1 25.8 -
62 70.0 5.0 68.5 64.0 59.5 48.9 38.2 27.6 66.2 5.8 64.8 61.0 57.3 46.7 36.1 25.5
57 69.0 5.0 69.0 69.0 69.0 59.7 48.8 37.8 65.5 5.7 65.5 65.5 65.5 57.3 46.3 35.4
2100
77 84.2 5.2 54.7 40.4 26.0 - - - 78.1 5.9 48.8 35.2 21.7 - - -
72 79.3 5.1 62.4 50.8 39.1 27.5 - - 74.0 5.9 57.6 46.7 35.8 24.9 - -
67 74.4 5.1 70.1 61.2 52.2 40.2 28.2 - 69.9 5.8 66.5 58.2 50.0 38.1 26.1 -
62 73.4 5.1 71.6 68.5 65.3 52.9 40.5 28.1 69.2 5.8 67.5 65.8 64.1 51.2 38.3 25.4
57 72.5 5.1 72.5 72.5 72.5 65.6 52.8 40.1 68.5 5.8 68.5 68.5 68.5 64.4 50.4 36.5
2400
77 84.7 5.2 61.3 43.5 25.8 - - - 79.2 5.9 50.8 34.8 18.8 - - -
72 81.3 5.2 67.3 54.1 40.9 27.7 - - 76.1 5.9 60.0 48.1 36.2 24.4 - -
67 77.8 5.1 73.3 64.6 56.0 42.3 28.6 - 73.0 5.9 69.1 61.4 53.6 40.0 26.5 -
62 76.9 5.1 74.7 72.9 71.0 56.9 42.8 28.6 72.2 5.9 70.2 70.2 70.2 55.7 40.5 25.2
57 75.9 5.1 75.9 75.9 75.9 71.5 56.9 42.3 71.4 5.9 71.3 71.3 71.3 71.3 54.5 37.6
2700
72 83.3 5.2 72.1 57.4 42.6 27.9 - - 78.1 5.9 62.3 49.5 36.6 23.8 - -
67 81.3 5.1 76.4 68.0 59.7 44.4 29.1 - 76.1 5.9 71.8 64.5 57.2 42.0 26.8 -
62 80.3 5.1 77.8 77.3 76.8 60.9 45.1 29.2 75.2 5.9 72.9 72.9 72.9 60.3 42.7 25.1
57 79.4 5.1 79.2 79.2 79.2 77.4 61.0 44.6 74.4 5.9 74.0 74.0 74.0 74.0 58.6 38.6
3000
72 85.3 5.2 76.9 60.7 44.4 28.1 - - 80.2 5.9 64.7 50.9 37.0 23.2 - -
67 84.8 5.2 79.5 71.5 63.5 46.5 29.6 - 79.1 5.9 74.4 67.7 60.9 44.0 27.2 -
62 83.8 5.2 80.9 80.9 80.9 64.9 47.3 29.7 78.2 6.0 75.6 75.6 75.6 64.8 44.9 25.0
57 82.8 5.2 82.3 82.3 82.3 82.3 65.1 46.8 77.3 6.0 76.7 76.7 76.7 76.7 62.7 39.7

1068152-YTG-I-1214
52 Johnson Controls Unitary Products
115°F 125°F
1500
77 68.9 6.8 47.8 38.0 28.1 - - - 61.7 7.5 51.0 39.9 28.8 - - -
72 64.5 6.6 53.1 43.8 34.4 25.0 - - 59.1 7.4 53.3 43.5 33.7 24.0 - -
67 60.2 6.5 58.4 49.6 40.7 32.2 23.7 - 56.5 7.2 55.7 47.2 38.7 30.3 21.9 -
62 59.9 6.4 58.9 52.9 47.0 39.4 31.7 24.1 56.5 7.1 55.6 49.6 43.6 36.6 29.6 22.6
1800
77 70.4 6.7 45.4 34.0 22.7 - - - 63.8 7.5 44.0 32.4 20.8 - - -
72 66.6 6.6 53.0 43.2 33.4 23.7 - - 61.3 7.4 50.7 41.1 31.5 21.9 - -
67 62.8 6.5 60.6 52.4 44.2 34.1 23.9 - 58.8 7.3 57.4 49.8 42.1 32.0 22.0 -
62 62.4 6.5 61.1 58.1 55.0 44.4 33.9 23.3 58.6 7.2 57.5 55.1 52.7 42.2 31.7 21.2
57 62.0 6.5 61.7 61.7 61.7 54.8 43.9 33.0 58.5 7.2 57.5 57.5 57.5 52.4 41.5 30.5
2100
77 72.0 6.7 42.9 30.1 17.3 - - - 65.9 7.5 36.9 24.9 12.9 - - -
72 68.7 6.6 52.8 42.7 32.5 22.3 - - 63.5 7.4 48.0 38.6 29.2 19.8 - -
67 65.5 6.6 62.8 55.3 47.7 35.9 24.1 - 61.0 7.3 59.1 52.3 45.5 33.8 22.1 -
62 65.0 6.6 63.4 63.2 63.0 49.5 36.0 22.6 60.7 7.3 59.3 59.3 59.3 47.8 33.8 19.8
57 64.5 6.6 64.0 64.0 64.0 63.1 48.0 32.9 60.5 7.3 59.5 59.5 59.5 59.5 45.6 29.3
2400
77 73.6 6.7 40.4 26.1 11.9 - - - 68.0 7.4 29.9 17.4 4.9 - - -
72 70.9 6.6 52.7 42.1 31.6 21.0 - - 65.6 7.4 45.4 36.2 26.9 17.7 - -
67 68.1 6.6 65.0 58.1 51.3 37.8 24.3 - 63.3 7.4 60.9 54.9 48.9 35.5 22.2 -
62 67.5 6.6 65.7 65.7 65.7 54.6 38.2 21.8 62.8 7.4 61.2 61.2 61.2 53.4 35.9 18.4
57 66.9 6.6 66.4 66.4 66.4 66.4 52.1 32.8 62.4 7.4 61.4 61.4 61.4 61.4 49.7 28.0
2700
72 73.0 6.7 52.5 41.6 30.6 19.7 - - 67.8 7.4 42.8 33.7 24.6 15.6 - -
67 70.8 6.7 67.2 61.0 54.8 39.7 24.5 - 65.5 7.4 62.6 57.4 52.3 37.3 22.3 -
62 70.1 6.7 67.9 67.9 67.9 59.6 40.4 21.1 65.0 7.5 63.0 63.0 63.0 59.0 38.0 17.0
57 69.4 6.7 68.7 68.7 68.7 68.7 56.2 32.7 64.4 7.5 63.4 63.4 63.4 63.4 53.8 26.8
3000
72 75.1 6.7 52.4 41.0 29.7 18.4 - - 70.0 7.4 40.1 31.2 22.4 13.5 - -
67 73.5 6.7 69.4 63.8 58.3 41.5 24.8 - 67.8 7.5 64.3 60.0 55.7 39.0 22.4 -
62 72.6 6.8 70.2 70.2 70.2 64.7 42.5 20.3 67.1 7.6 64.8 64.8 64.8 64.6 40.1 15.6
57 71.8 6.8 71.0 71.0 71.0 71.0 60.3 32.6 66.3 7.7 65.4 65.4 65.4 65.4 57.9 25.6
1. These capacities are gross ratings. For net capacity, deduct the supply air blower motor heat (MBh = 3.415 x kW). Refer to the appropriate
Blower Performance Table for the kW of the supply air blower motor.
2. These ratings include the condenser fan motors (total 1 kW) and the compressor motors but not the supply air blower motor.
ZX07 (6.0 Ton) (Continued)
Air on
Evaporator Coil Temperature of Air on Condenser Coil
Total
Capacity1
(MBh)
Total
Input
(kW)2
Sensible Capacity (MBh) Total
Capacity1
(MBh)
Total
Input
(kW)2
Sensible Capacity (MBh)
CFM WB
(°F) Return Dry Bulb (°F) Return Dry Bulb (°F)
90 85 80 75 70 65 90 85 80 75 70 65

1068152-YTG-I-1214
Johnson Controls Unitary Products 53
ZX08 (7.5 Ton)
Air on
Evaporator Coil Temperature of Air on Condenser Coil
Total
Capacity1
(MBh)
Total
Input
(kW)2
Sensible Capacity (MBh) Total
Capacity1
(MBh)
Total
Input
(kW)2
Sensible Capacity (MBh)
CFM WB
(°F) Return Dry Bulb (°F) Return Dry Bulb (°F)
90 85 80 75 70 65 90 85 80 75 70 65
75°F 85°F
1875
77 105.6 5.4 55.0 45.4 35.9 - - - 100.3 6.1 53.6 44.2 34.8 - - -
72 100.2 5.3 67.3 57.4 47.5 37.6 - - 97.4 6.0 66.0 55.9 45.8 35.7 - -
67 94.9 5.2 79.7 69.4 59.1 48.1 38.4 - 89.8 5.8 78.3 67.5 56.7 46.1 36.1 -
62 91.4 5.2 88.9 79.7 70.6 57.0 49.1 38.4 87.6 5.8 84.9 76.3 67.7 55.7 46.6 36.0
2250
77 107.2 5.4 59.7 47.7 35.7 - - - 105.8 6.1 59.2 47.0 34.9 - - -
72 102.3 5.3 72.2 60.8 49.3 37.9 - - 99.3 6.0 71.1 59.5 47.9 36.3 - -
67 97.4 5.2 84.8 73.9 62.9 50.6 39.2 - 92.8 5.9 82.9 71.9 60.8 48.7 37.0 -
62 94.5 5.2 92.1 84.3 76.5 62.0 51.9 39.6 90.8 5.9 88.3 81.1 73.8 60.5 49.4 37.1
57 92.5 5.2 92.5 92.5 90.1 77.4 64.7 51.9 89.3 5.9 89.3 89.3 86.8 74.2 61.7 49.2
2625
77 108.9 5.5 64.5 50.0 35.5 - - - 106.7 6.1 64.8 49.9 35.0 - - -
72 104.4 5.4 77.2 64.2 51.2 38.2 - - 101.2 6.0 76.2 63.1 50.0 36.9 - -
67 100.0 5.3 89.8 78.3 66.8 53.0 40.0 - 95.8 5.9 87.6 76.3 64.9 51.3 38.0 -
62 97.6 5.3 95.3 88.9 82.4 66.9 54.7 40.9 94.0 5.9 91.7 85.8 79.9 65.2 52.2 38.3
57 95.9 5.3 95.9 95.9 94.7 83.8 69.5 55.2 92.7 6.0 92.7 92.7 92.7 80.6 66.4 52.1
3000
77 110.5 5.5 69.3 52.3 35.4 - - - 107.6 6.2 70.3 52.7 35.1 - - -
72 106.5 5.4 82.1 67.5 53.0 38.5 - - 103.1 6.1 81.3 66.7 52.1 37.5 - -
67 102.5 5.3 94.9 82.8 70.7 55.5 40.7 - 98.7 6.0 92.2 80.6 69.0 53.9 38.9 -
62 100.7 5.3 98.6 93.5 88.3 71.8 57.5 42.1 97.3 6.0 95.1 90.5 86.0 69.9 55.0 39.4
57 99.3 5.4 99.3 99.3 99.3 90.1 74.3 58.5 96.0 6.0 96.0 96.0 96.0 87.0 71.0 55.0
3375
72 108.6 5.5 87.0 70.9 54.9 38.8 - - 105.1 6.1 86.4 70.3 54.2 38.1 - -
67 105.1 5.3 99.9 87.2 74.6 57.9 41.5 - 101.7 6.0 96.8 85.0 73.1 56.4 39.9 -
62 103.8 5.4 101.8 98.0 94.2 76.7 60.3 43.4 100.5 6.1 98.4 95.3 92.1 74.7 57.8 40.6
57 102.7 5.4 102.2 102.2 102.2 96.5 79.1 61.7 99.4 6.1 99.3 99.3 99.3 93.4 75.7 57.9
3750
72 110.7 5.5 91.9 74.3 56.7 39.1 - - 107.0 6.1 91.4 73.9 56.3 38.7 - -
67 107.7 5.4 105.0 91.7 78.4 60.4 42.3 - 104.7 6.1 101.4 89.3 77.3 59.0 40.8 -
62 106.9 5.5 105.1 102.6 100.1 81.6 63.1 44.6 103.7 6.1 101.8 100.0 98.2 79.4 60.6 41.7
57 106.1 5.5 105.2 105.2 105.2 102.9 83.9 65.0 102.8 6.2 102.2 102.2 102.2 99.8 80.3 60.9
95°F 105°F
1875
77 95.0 6.8 52.3 43.0 33.7 - - - 90.0 7.6 50.8 41.2 31.6 - - -
72 94.5 6.6 64.6 54.3 44.0 33.8 - - 87.7 7.5 62.0 51.8 41.5 31.2 - -
67 84.8 6.5 76.9 65.7 54.4 44.1 33.7 - 79.2 7.4 73.3 62.3 51.4 41.1 30.8 -
62 83.8 6.5 81.0 72.9 64.8 54.4 44.0 33.6 78.4 7.4 76.1 68.7 61.2 51.0 40.7 30.5
2250
77 104.3 6.8 58.6 46.3 34.1 - - - 96.5 7.6 57.2 44.4 31.7 - - -
72 96.2 6.7 69.9 58.1 46.4 34.7 - - 89.5 7.5 67.1 55.4 43.6 31.9 - -
67 88.2 6.5 81.1 69.9 58.7 46.8 34.9 - 82.4 7.4 77.1 66.4 55.6 43.7 31.8 -
62 87.1 6.5 84.5 77.8 71.1 58.9 46.8 34.7 81.6 7.5 79.5 73.6 67.6 55.6 43.5 31.4
57 86.1 6.6 86.1 85.7 83.4 71.1 58.7 46.4 80.8 7.5 80.8 80.7 79.6 67.4 55.2 43.0
2625
77 104.5 6.8 65.0 49.7 34.4 - - - 96.9 7.7 63.6 47.6 31.7 - - -
72 98.0 6.7 75.2 62.0 48.8 35.5 - - 91.3 7.6 72.2 59.0 45.8 32.6 - -
67 91.5 6.6 85.3 74.2 63.1 49.5 36.0 - 85.7 7.5 80.9 70.4 59.9 46.3 32.8 -
62 90.5 6.6 88.0 82.7 77.4 63.5 49.6 35.7 84.8 7.5 82.9 78.4 74.0 60.1 46.2 32.4
57 89.4 6.6 89.4 89.4 89.4 77.5 63.2 49.0 84.0 7.5 84.0 84.0 84.0 73.9 59.7 45.5
3000
77 104.6 6.8 71.4 53.1 34.8 - - - 97.3 7.7 70.0 50.9 31.8 - - -
72 99.8 6.7 80.4 65.8 51.1 36.4 - - 93.1 7.6 77.4 62.7 48.0 33.3 - -
67 94.9 6.6 89.5 78.5 67.4 52.2 37.1 - 89.0 7.5 84.8 74.5 64.2 49.0 33.8 -
62 93.8 6.7 91.5 87.6 83.7 68.1 52.4 36.7 88.0 7.6 86.3 83.3 80.4 64.7 49.0 33.3
57 92.8 6.7 92.8 92.8 92.8 83.9 67.7 51.6 87.2 7.6 87.2 87.2 87.2 80.4 64.2 48.0
3375
72 101.5 6.8 85.7 69.6 53.5 37.3 - - 95.0 7.7 82.5 66.3 50.1 34.0 - -
67 98.3 6.7 93.7 82.7 71.7 55.0 38.2 - 92.3 7.6 88.6 78.5 68.4 51.6 34.8 -
62 97.2 6.7 95.0 92.5 90.0 72.6 55.2 37.8 91.2 7.6 89.7 88.2 86.7 69.2 51.8 34.3
57 96.1 6.7 96.1 96.1 96.1 90.3 72.2 54.2 90.5 7.7 90.5 90.5 90.5 86.9 68.7 50.6
3750
72 103.3 6.8 91.0 73.4 55.8 38.2 - - 96.8 7.7 87.6 69.9 52.3 34.7 - -
67 101.7 6.7 97.9 87.0 76.1 57.7 39.3 - 95.6 7.7 92.4 82.6 72.7 54.2 35.8 -
62 100.6 6.8 98.5 97.4 96.3 77.2 58.0 38.8 94.5 7.7 93.1 93.1 93.1 73.8 54.5 35.2
57 99.4 6.8 99.2 99.2 99.2 96.7 76.7 56.8 93.7 7.7 93.7 93.7 93.7 93.4 73.3 53.1

1068152-YTG-I-1214
54 Johnson Controls Unitary Products
115°F 125°F
1875
77 85.1 8.5 49.4 39.4 29.5 - - - 80.1 9.4 47.9 37.6 27.4 - - -
72 80.8 8.4 59.5 49.2 38.9 28.6 - - 74.0 9.3 56.9 46.6 36.3 26.0 - -
67 73.5 8.3 69.6 59.0 48.3 38.1 27.9 - 67.9 9.2 66.0 55.6 45.3 35.1 25.0 -
62 73.0 8.3 71.2 64.5 57.7 47.6 37.5 27.4 67.7 9.2 66.3 60.2 54.2 44.2 34.2 24.2
2250
77 88.7 8.5 55.7 42.5 29.2 - - - 80.9 9.4 54.3 40.6 26.8 - - -
72 82.7 8.4 64.4 52.6 40.9 29.1 - - 76.0 9.3 61.7 49.9 38.1 26.3 - -
67 76.7 8.3 73.1 62.8 52.5 40.6 28.8 - 71.0 9.2 69.1 59.2 49.4 37.6 25.7 -
62 76.1 8.4 74.5 69.3 64.1 52.2 40.2 28.2 70.6 9.3 69.5 65.1 60.7 48.8 36.9 25.0
57 75.5 8.4 75.5 75.5 75.5 63.7 51.6 39.5 70.2 9.3 69.8 69.8 69.8 60.0 48.0 36.1
2625
77 89.3 8.5 62.1 45.6 29.0 - - - 81.7 9.4 60.7 43.5 26.3 - - -
72 84.6 8.5 69.3 56.1 42.9 29.6 - - 77.9 9.4 66.4 53.2 39.9 26.7 - -
67 79.9 8.4 76.5 66.6 56.7 43.2 29.6 - 74.1 9.3 72.2 62.8 53.5 40.0 26.5 -
62 79.2 8.4 77.7 74.2 70.6 56.7 42.9 29.1 73.5 9.3 72.6 69.9 67.1 53.3 39.5 25.7
57 78.6 8.5 78.6 78.6 78.6 70.3 56.2 42.0 73.2 9.4 73.1 73.1 73.1 66.7 52.6 38.5
3000
77 89.9 8.5 68.5 48.7 28.8 - - - 82.6 9.4 67.1 46.4 25.8 - - -
72 86.5 8.5 74.3 59.6 44.8 30.1 - - 79.9 9.4 71.2 56.4 41.7 27.0 - -
67 83.1 8.5 80.0 70.5 60.9 45.7 30.5 - 77.2 9.4 75.2 66.5 57.7 42.4 27.2 -
62 82.2 8.5 81.0 79.0 77.0 61.3 45.6 29.9 76.4 9.4 75.8 74.7 73.6 57.9 42.2 26.5
57 81.7 8.5 81.7 81.7 81.7 76.9 60.7 44.5 76.2 9.5 76.2 76.2 76.2 73.4 57.2 41.0
3375
72 88.4 8.5 79.2 63.0 46.8 30.6 - - 81.8 9.4 75.9 59.7 43.5 27.3 - -
67 86.3 8.5 83.5 74.3 65.1 48.3 31.4 - 80.3 9.5 78.3 70.1 61.8 44.9 28.0 -
62 85.3 8.6 84.3 83.9 83.4 65.9 48.3 30.8 79.3 9.5 78.9 78.9 78.9 62.5 44.9 27.3
57 84.8 8.6 84.8 84.8 84.8 83.5 65.2 47.0 79.2 9.5 79.2 79.2 79.2 79.2 61.8 43.4
3750
72 90.3 8.6 84.1 66.5 48.8 31.1 - - 83.8 9.5 80.7 63.0 45.3 27.6 - -
67 89.5 8.6 86.9 78.1 69.3 50.8 32.3 - 83.3 9.5 81.4 73.7 65.9 47.3 28.7 -
62 88.3 8.6 87.6 87.6 87.6 70.4 51.0 31.6 82.2 9.6 82.1 82.1 82.1 67.1 47.5 28.0
57 87.9 8.7 87.9 87.9 87.9 87.9 69.8 49.5 82.2 9.6 82.2 82.2 82.2 82.2 66.3 45.9
1. These capacities are gross ratings. For net capacity, deduct the supply air blower motor heat (MBh = 3.415 x kW). Refer to the appropriate
Blower Performance Table for the kW of the supply air blower motor.
2. These ratings include the condenser fan motors (total 1 kW) and the compressor motors but not the supply air blower motor.
ZX08 (7.5 Ton) (Continued)
Air on
Evaporator Coil Temperature of Air on Condenser Coil
Total
Capacity1
(MBh)
Total
Input
(kW)2
Sensible Capacity (MBh) Total
Capacity1
(MBh)
Total
Input
(kW)2
Sensible Capacity (MBh)
CFM WB
(°F) Return Dry Bulb (°F) Return Dry Bulb (°F)
90 85 80 75 70 65 90 85 80 75 70 65

1068152-YTG-I-1214
Johnson Controls Unitary Products 55
ZX09 (8.5 Ton)
Air on
Evaporator Coil Temperature of Air on Condenser Coil
Total
Capacity1
(MBh)
Total
Input
(kW)2
Sensible Capacity (MBh) Total
Capacity1
(MBh)
Total
Input
(kW)2
Sensible Capacity (MBh)
CFM WB
(°F) Return Dry Bulb (°F) Return Dry Bulb (°F)
90 85 80 75 70 65 90 85 80 75 70 65
75°F 85°F
2125
77 126.8 6.3 67.0 53.9 40.8 - - - 121.9 7.0 65.6 53.5 41.3 - - -
72 118.4 6.2 80.7 68.2 55.7 43.3 - - 113.1 6.9 78.8 66.5 54.3 42.0 - -
67 109.9 6.1 94.4 82.5 70.7 56.6 44.6 - 104.2 6.8 91.9 79.6 67.3 54.3 42.4 -
62 104.0 6.0 103.0 94.3 85.6 67.8 58.4 44.7 97.7 6.7 97.3 88.7 80.2 65.6 55.0 42.4
2550
77 126.8 6.4 71.8 56.6 41.4 - - - 121.5 7.1 70.8 55.9 41.1 - - -
72 119.2 6.2 85.4 71.5 57.6 43.7 - - 113.9 7.0 83.5 69.8 56.1 42.4 - -
67 111.7 6.1 98.9 86.4 73.8 58.6 45.2 - 106.4 6.9 96.3 83.7 71.2 56.8 43.3 -
62 106.9 6.0 106.1 98.0 90.0 72.0 60.6 45.9 101.1 6.8 100.7 93.5 86.2 70.4 57.9 43.7
57 106.2 5.9 106.2 106.2 106.2 91.1 76.0 60.9 100.8 6.7 100.8 100.8 100.8 86.9 72.4 58.0
2975
77 126.7 6.4 76.6 59.3 42.0 - - - 121.1 7.1 75.9 58.4 40.8 - - -
72 120.1 6.3 90.0 74.7 59.4 44.1 - - 114.8 7.0 88.3 73.1 58.0 42.8 - -
67 113.4 6.2 103.5 90.2 76.9 60.7 45.9 - 108.5 6.9 100.6 87.9 75.1 59.3 44.2 -
62 109.8 6.1 109.2 101.8 94.4 76.1 62.9 47.1 104.6 6.8 104.2 98.2 92.3 75.2 60.7 44.9
57 109.3 6.0 109.3 109.3 109.3 95.9 79.9 63.9 104.3 6.8 104.3 104.3 104.3 93.3 77.2 61.1
3400
77 126.7 6.5 81.3 61.9 42.5 - - - 120.6 7.2 81.1 60.8 40.6 - - -
72 120.9 6.3 94.7 78.0 61.3 44.6 - - 115.6 7.1 93.0 76.4 59.8 43.2 - -
67 115.1 6.2 108.0 94.0 80.0 62.8 46.5 - 110.6 7.0 104.9 92.0 79.0 61.8 45.0 -
62 112.7 6.2 112.3 105.5 98.7 80.3 65.1 48.4 108.0 6.9 107.6 102.9 98.3 80.1 63.5 46.2
57 112.3 6.1 112.3 112.3 112.3 100.6 83.8 66.9 107.8 6.9 107.8 107.8 107.8 99.8 82.0 64.3
3825
72 121.7 6.4 99.3 81.2 63.1 45.0 - - 116.5 7.1 97.8 79.7 61.6 43.6 - -
67 116.8 6.2 112.5 97.8 83.1 64.9 47.2 - 112.8 7.0 109.3 96.1 83.0 64.3 45.9 -
62 115.6 6.2 115.4 109.2 103.1 84.4 67.4 49.6 111.4 7.0 111.1 107.7 104.3 84.9 66.4 47.4
57 115.4 6.2 115.4 115.4 115.4 105.4 87.6 69.9 111.3 7.0 111.3 111.3 111.3 106.2 86.8 67.4
4250
72 122.6 6.4 104.0 84.5 65.0 45.5 - - 117.4 7.2 102.5 83.0 63.5 43.9 - -
67 118.5 6.3 117.0 101.6 86.2 67.0 47.8 - 114.9 7.1 113.6 100.3 86.9 66.8 46.8 -
62 118.5 6.3 118.5 113.0 107.5 88.6 69.7 50.8 114.8 7.1 114.5 112.4 110.3 89.7 69.2 48.6
57 118.5 6.3 118.5 118.5 118.5 110.1 91.5 72.9 114.8 7.1 114.8 114.8 114.8 112.7 91.6 70.5
95°F 105°F
2125
77 117.0 7.7 64.2 53.0 41.8 - - - 108.3 8.8 63.8 51.9 39.9 - - -
72 107.8 7.7 76.8 64.8 52.8 40.8 - - 100.1 8.7 74.7 62.6 50.5 38.3 - -
67 98.5 7.6 89.4 76.6 63.8 52.0 40.3 - 92.0 8.6 85.6 73.3 61.0 49.2 37.3 -
62 91.4 7.5 91.4 83.2 74.8 63.3 51.7 40.2 87.1 8.5 87.1 79.4 71.5 60.0 48.5 36.9
2550
77 116.2 7.8 69.8 55.3 40.7 - - - 109.4 8.8 68.6 53.4 38.2 - - -
72 108.6 7.7 81.7 68.2 54.7 41.1 - - 102.1 8.7 78.9 65.4 51.9 38.4 - -
67 101.1 7.6 93.6 81.1 68.6 55.0 41.4 - 94.8 8.6 89.1 77.4 65.6 52.0 38.3 -
62 95.4 7.5 95.4 88.9 82.5 68.8 55.1 41.4 90.9 8.5 90.6 85.0 79.4 65.6 51.7 37.9
57 95.4 7.4 95.4 95.4 95.4 82.6 68.9 55.1 90.8 8.5 90.8 90.8 90.8 79.1 65.1 51.1
2975
77 115.4 7.8 75.3 57.5 39.6 - - - 110.6 8.8 73.4 54.9 36.4 - - -
72 109.5 7.7 86.6 71.5 56.5 41.5 - - 104.1 8.8 83.1 68.2 53.3 38.5 - -
67 103.6 7.7 97.8 85.5 73.3 57.9 42.5 - 97.6 8.7 92.7 81.5 70.3 54.8 39.3 -
62 99.3 7.6 99.2 94.7 90.2 74.3 58.5 42.7 94.5 8.6 93.9 90.6 87.2 71.1 55.0 38.9
57 99.3 7.5 99.3 99.3 99.3 90.8 74.6 58.4 94.3 8.6 94.3 94.3 94.3 87.5 70.7 54.0
3400
77 114.6 7.9 80.9 59.7 38.6 - - - 111.7 8.9 78.2 56.4 34.6 - - -
72 110.4 7.8 91.4 74.9 58.3 41.8 - - 106.1 8.8 87.2 71.0 54.8 38.6 - -
67 106.2 7.7 101.9 90.0 78.1 60.8 43.6 - 100.4 8.7 96.3 85.6 74.9 57.6 40.3 -
62 103.3 7.7 103.0 100.4 97.8 79.9 61.9 44.0 98.1 8.7 97.2 96.2 95.1 76.7 58.3 39.9
57 103.2 7.6 103.2 103.2 103.2 98.9 80.3 61.6 97.7 8.7 97.7 97.7 97.7 95.8 76.3 56.8
3825
72 111.2 7.8 96.3 78.2 60.1 42.1 - - 108.0 8.8 91.4 73.8 56.2 38.6 - -
67 108.7 7.8 106.1 94.5 82.8 63.7 44.7 - 103.3 8.8 99.8 89.7 79.6 60.5 41.3 -
62 107.2 7.7 106.7 106.1 105.5 85.4 65.3 45.2 101.7 8.8 100.5 100.5 100.5 82.3 61.6 40.9
57 107.2 7.7 107.2 107.2 107.2 107.1 86.0 64.8 101.2 8.8 101.2 101.2 101.2 101.2 81.8 59.6
4250
72 112.1 7.9 101.1 81.6 62.0 42.4 - - 110.0 8.9 95.6 76.6 57.7 38.7 - -
67 111.3 7.8 110.2 98.9 87.6 66.7 45.8 - 106.1 8.9 103.4 93.8 84.2 63.3 42.3 -
62 111.2 7.8 110.5 110.5 110.5 90.9 68.7 46.5 105.4 8.9 103.8 103.8 103.8 87.8 64.9 41.9
57 111.1 7.8 110.8 110.8 110.8 110.8 91.6 68.1 104.6 8.9 104.3 104.3 104.3 104.3 87.4 62.4

1068152-YTG-I-1214
56 Johnson Controls Unitary Products
115°F 125°F
2125
77 99.6 9.8 63.4 50.7 38.0 - - - 91.0 10.8 63.0 49.6 36.1 - - -
72 92.5 9.6 72.5 60.3 48.1 35.9 - - 84.9 10.6 70.4 58.1 45.7 33.4 - -
67 85.4 9.5 81.7 69.9 58.2 46.3 34.4 - 78.9 10.5 77.8 66.6 55.3 43.4 31.5 -
62 82.9 9.5 82.9 75.6 68.2 56.7 45.2 33.7 78.6 10.5 78.6 71.9 65.0 53.4 41.9 30.4
2550
77 102.7 9.8 67.4 51.5 35.6 - - - 95.9 10.8 66.3 49.6 33.0 - - -
72 95.6 9.7 76.1 62.6 49.2 35.7 - - 89.1 10.7 73.2 59.8 46.4 33.0 - -
67 88.5 9.6 84.7 73.7 62.7 49.0 35.3 - 82.2 10.6 80.2 70.0 59.8 46.0 32.3 -
62 86.5 9.6 85.9 81.1 76.3 62.3 48.3 34.4 82.0 10.6 81.1 77.2 73.2 59.1 45.0 30.8
57 86.3 9.5 86.3 86.3 86.3 75.6 61.4 47.2 81.8 10.6 81.8 81.8 81.8 72.1 57.7 43.2
2975
77 105.7 9.8 71.5 52.3 33.1 - - - 100.9 10.9 69.6 49.7 29.9 - - -
72 98.7 9.8 79.6 64.9 50.2 35.5 - - 93.3 10.8 76.1 61.6 47.1 32.6 - -
67 91.6 9.7 87.6 77.5 67.3 51.7 36.2 - 85.6 10.7 82.6 73.4 64.3 48.6 33.0 -
62 89.7 9.7 88.7 86.5 84.3 67.9 51.5 35.1 84.9 10.7 83.5 82.4 81.4 64.7 48.0 31.3
57 89.2 9.7 89.2 89.2 89.2 84.1 66.8 49.6 84.2 10.7 84.2 84.2 84.2 80.8 63.0 45.2
3400
77 108.8 9.9 75.5 53.1 30.7 - - - 105.9 10.9 72.8 49.8 26.8 - - -
72 101.8 9.8 83.1 67.2 51.3 35.4 - - 97.4 10.8 78.9 63.3 47.7 32.2 - -
67 94.7 9.8 90.6 81.2 71.8 54.4 37.1 - 89.0 10.8 84.9 76.8 68.7 51.3 33.8 -
62 93.0 9.8 91.5 91.5 91.5 73.5 54.7 35.8 87.8 10.8 85.8 85.8 85.8 70.4 51.1 31.7
57 92.2 9.8 92.2 92.2 92.2 92.2 72.3 52.0 86.7 10.8 86.6 86.6 86.6 86.6 68.3 47.1
3825
72 104.8 9.9 86.6 69.4 52.3 35.2 - - 101.6 10.9 81.7 65.1 48.4 31.7 - -
67 97.8 9.8 93.6 85.0 76.4 57.2 37.9 - 92.4 10.9 87.3 80.2 73.2 53.9 34.6 -
62 96.2 9.9 94.3 94.3 94.3 79.1 57.8 36.5 90.8 10.9 88.1 88.1 88.1 76.0 54.1 32.2
57 95.1 9.9 95.1 95.1 95.1 95.1 77.7 54.3 89.1 11.0 89.0 89.0 89.0 89.0 73.6 49.1
4250
72 107.9 9.9 90.1 71.7 53.4 35.0 - - 105.8 10.9 84.6 66.8 49.1 31.3 - -
67 100.9 9.9 96.5 88.7 80.9 59.9 38.8 - 95.8 11.0 89.7 83.7 77.6 56.5 35.4 -
62 99.5 10.0 97.2 97.2 97.2 84.7 61.0 37.3 93.7 11.0 90.5 90.5 90.5 81.6 57.2 32.7
57 98.1 10.0 97.8 97.8 97.8 97.8 83.2 56.7 91.6 11.1 91.3 91.3 91.3 91.3 78.9 51.1
1. These capacities are gross ratings. For net capacity, deduct the supply air blower motor heat (MBh = 3.415 x kW). Refer to the appropriate
Blower Performance Table for the kW of the supply air blower motor.
2. These ratings include the condenser fan motors (total 1 kW) and the compressor motors but not the supply air blower motor.
ZX09 (8.5 Ton) (Continued)
Air on
Evaporator Coil Temperature of Air on Condenser Coil
Total
Capacity1
(MBh)
Total
Input
(kW)2
Sensible Capacity (MBh) Total
Capacity1
(MBh)
Total
Input
(kW)2
Sensible Capacity (MBh)
CFM WB
(°F) Return Dry Bulb (°F) Return Dry Bulb (°F)
90 85 80 75 70 65 90 85 80 75 70 65

1068152-YTG-I-1214
Johnson Controls Unitary Products 57
ZX12 (10 Ton)
Air on
Evaporator Coil Temperature of Air on Condenser Coil
Total
Capacity1
(MBh)
Total
Input
(kW)2
Sensible Capacity (MBh) Total
Capacity1
(MBh)
Total
Input
(kW)2
Sensible Capacity (MBh)
CFM WB
(°F) Return Dry Bulb (°F) Return Dry Bulb (°F)
90 85 80 75 70 65 90 85 80 75 70 65
75°F 85°F
2500
77 154.9 7.6 76.9 65.4 53.8 - - - 145.4 8.9 73.5 62.1 50.6 - - -
72 142.2 7.3 94.0 80.5 67.0 53.5 - - 133.7 8.5 90.5 77.2 63.8 50.4 - -
67 129.5 7.1 111.0 95.5 80.1 66.6 53.2 - 122.1 8.1 107.5 92.2 76.9 63.5 50.1 -
62 124.9 7.0 120.5 106.9 93.3 76.9 66.5 53.1 118.2 8.0 115.9 103.0 90.1 75.2 63.2 49.8
3000
77 156.2 7.6 84.5 68.6 52.7 - - - 149.4 8.5 82.5 66.3 50.2 - - -
72 145.1 7.4 101.3 85.4 69.5 53.6 - - 138.4 8.3 98.6 82.6 66.7 50.8 - -
67 134.1 7.2 118.1 102.2 86.3 70.1 54.1 - 127.4 8.2 114.6 98.9 83.2 67.1 51.1 -
62 130.3 7.1 126.1 114.6 103.0 84.5 70.6 54.3 124.1 8.1 121.5 110.7 99.8 82.4 67.3 51.0
57 126.6 7.1 126.6 126.6 119.8 103.4 87.0 70.6 121.8 8.0 121.8 121.8 116.3 99.9 83.5 67.1
3500
77 157.6 7.6 92.1 71.9 51.6 - - - 153.3 8.1 91.6 70.6 49.7 - - -
72 148.1 7.5 108.7 90.3 72.0 53.7 - - 143.0 8.2 106.6 88.1 69.6 51.1 - -
67 138.6 7.3 125.2 108.8 92.4 73.7 55.0 - 132.7 8.2 121.6 105.6 89.5 70.7 52.0 -
62 135.8 7.2 131.8 122.3 112.8 92.0 74.7 55.6 130.0 8.1 127.2 118.3 109.5 89.5 71.4 52.3
57 132.9 7.2 132.9 132.9 129.6 113.8 94.3 74.8 128.0 8.1 128.0 128.0 127.5 110.1 90.7 71.4
4000
77 158.9 7.7 99.7 75.1 50.5 - - - 157.2 7.7 100.6 74.9 49.2 - - -
72 151.0 7.5 116.0 95.3 74.5 53.8 - - 147.7 8.0 114.6 93.6 72.5 51.4 - -
67 143.2 7.4 132.4 115.5 98.6 77.2 55.9 - 138.1 8.3 128.7 112.2 95.8 74.3 52.9 -
62 141.2 7.3 137.5 130.1 122.6 99.5 78.8 56.8 135.9 8.2 132.9 126.0 119.1 96.7 75.4 53.5
57 139.3 7.3 139.3 139.3 139.3 124.1 101.6 79.1 134.2 8.2 134.2 134.2 134.2 120.2 97.9 75.7
4500
72 154.0 7.6 123.4 100.2 77.1 53.9 - - 152.3 7.8 122.7 99.1 75.4 51.8 - -
67 147.7 7.4 139.5 122.1 104.7 80.8 56.8 - 143.4 8.3 135.7 118.9 102.1 77.9 53.8 -
62 146.7 7.4 143.1 137.8 132.4 107.1 82.9 58.1 141.8 8.3 138.5 133.7 128.8 103.8 79.5 54.8
57 145.7 7.4 145.1 145.1 145.1 134.5 108.9 83.3 140.4 8.3 140.4 140.4 140.4 130.3 105.1 79.9
5000
72 156.9 7.6 130.7 105.2 79.6 54.0 - - 156.9 7.6 130.7 104.5 78.3 52.1 - -
67 152.3 7.5 146.7 128.8 110.9 84.3 57.7 - 148.7 8.4 142.8 125.6 108.4 81.6 54.7 -
62 152.2 7.5 148.8 145.5 142.2 114.6 86.9 59.3 147.7 8.4 144.2 141.3 138.5 111.0 83.5 56.0
57 152.0 7.5 150.9 150.9 150.9 144.9 116.2 87.5 146.6 8.5 145.6 145.6 145.6 140.4 112.3 84.2
95°F 105°F
2500
77 135.9 10.3 70.0 58.7 47.4 - - - 125.3 11.2 67.5 55.9 44.3 - - -
72 125.3 9.7 87.1 73.8 60.6 47.3 - - 117.4 10.7 84.0 70.6 57.1 43.7 - -
67 114.6 9.0 104.1 89.0 73.8 60.4 47.1 - 109.6 10.3 100.5 85.2 70.0 56.5 43.1 -
62 111.5 8.9 111.3 99.1 87.0 73.5 60.0 46.5 106.6 10.1 105.3 94.1 82.8 69.4 56.0 42.5
3000
77 142.5 9.4 80.5 64.1 47.6 - - - 130.8 10.6 77.8 60.8 43.9 - - -
72 131.6 9.3 95.8 79.8 63.9 47.9 - - 122.7 10.5 92.0 76.1 60.1 44.1 - -
67 120.7 9.1 111.1 95.6 80.2 64.1 48.0 - 114.7 10.3 106.3 91.3 76.3 60.2 44.0 -
62 117.9 9.0 116.9 106.7 96.5 80.3 64.0 47.8 112.0 10.2 110.3 101.4 92.6 76.2 59.9 43.6
57 117.0 8.8 117.0 117.0 112.8 96.4 80.1 63.7 110.6 10.1 110.6 110.6 108.8 92.3 75.8 59.3
3500
77 149.0 8.5 91.1 69.4 47.7 - - - 136.3 10.0 88.0 65.7 43.5 - - -
72 137.9 8.9 104.5 85.9 67.2 48.5 - - 128.0 10.2 100.1 81.6 63.1 44.6 - -
67 126.9 9.2 118.0 102.3 86.6 67.8 48.9 - 119.8 10.4 112.1 97.4 82.7 63.8 45.0 -
62 124.2 9.1 122.6 114.3 106.1 87.1 68.0 49.0 117.3 10.3 115.3 108.8 102.3 83.1 63.9 44.6
57 123.1 9.0 123.1 123.1 123.1 106.3 87.1 68.0 115.9 10.2 115.9 115.9 115.9 102.3 82.7 63.1
4000
77 155.6 7.7 101.6 74.7 47.9 - - - 141.8 9.4 98.2 70.7 43.1 - - -
72 144.3 8.4 113.3 91.9 70.5 49.1 - - 133.3 10.0 108.1 87.1 66.1 45.1 - -
67 133.0 9.2 125.0 109.0 93.0 71.5 49.9 - 124.9 10.5 118.0 103.5 89.1 67.5 45.9 -
62 130.5 9.2 128.3 121.9 115.6 93.8 72.1 50.3 122.7 10.4 120.2 116.1 112.0 89.9 67.8 45.7
57 129.1 9.1 129.1 129.1 129.1 116.2 94.2 72.3 121.2 10.4 121.2 121.2 121.2 112.4 89.7 67.0
4500
72 150.6 8.0 122.0 97.9 73.8 49.7 - - 138.6 9.7 116.1 92.6 69.1 45.5 - -
67 139.1 9.3 131.9 115.7 99.5 75.1 50.8 - 130.0 10.5 123.8 109.6 95.4 71.1 46.9 -
62 136.9 9.2 133.9 129.6 125.2 100.6 76.1 51.5 128.1 10.5 125.2 123.5 121.8 96.8 71.7 46.7
57 135.2 9.2 135.2 135.2 135.2 126.1 101.3 76.6 126.5 10.5 126.5 126.5 126.5 122.4 96.6 70.9
5000
72 156.9 7.6 130.7 103.9 77.1 50.2 - - 143.9 9.5 124.2 98.1 72.0 46.0 - -
67 145.2 9.3 138.9 122.4 105.9 78.8 51.7 - 135.1 10.6 129.6 115.7 101.8 74.8 47.8 -
62 143.2 9.3 139.6 137.2 134.7 107.4 80.1 52.8 133.4 10.6 130.2 130.2 130.2 103.6 75.7 47.8
57 141.2 9.4 140.3 140.3 140.3 136.0 108.4 80.9 131.8 10.6 130.8 130.8 130.8 130.8 103.6 74.7

1068152-YTG-I-1214
58 Johnson Controls Unitary Products
115°F 125°F
2500
77 114.7 12.0 65.0 53.1 41.1 - - - 104.1 12.9 62.6 50.3 38.0 - - -
72 109.6 11.8 80.9 67.3 53.6 40.0 - - 101.8 12.8 77.9 64.0 50.2 36.3 - -
67 104.5 11.5 96.8 81.5 66.2 52.7 39.1 - 99.4 12.7 93.2 77.8 62.4 48.8 35.2 -
62 101.7 11.3 99.3 89.0 78.7 65.3 51.9 38.5 96.7 12.6 93.3 84.0 74.6 61.2 47.9 34.5
3000
77 119.1 11.8 75.0 57.6 40.2 - - - 107.4 12.9 72.2 54.3 36.5 - - -
72 113.8 11.7 88.3 72.3 56.3 40.3 - - 105.0 12.9 84.5 68.5 52.5 36.6 - -
67 108.6 11.5 101.5 87.0 72.5 56.3 40.1 - 102.5 12.8 96.8 82.7 68.6 52.4 36.1 -
62 106.1 11.4 103.6 96.1 88.6 72.2 55.8 39.4 100.2 12.7 97.0 90.8 84.7 68.2 51.7 35.2
57 104.2 11.3 104.2 104.2 104.2 88.2 71.5 54.9 97.8 12.6 97.2 97.2 97.2 84.0 67.2 50.5
3500
77 123.5 11.5 85.0 62.1 39.2 - - - 110.8 13.0 81.9 58.4 35.0 - - -
72 118.1 11.6 95.6 77.3 59.0 40.7 - - 108.2 12.9 91.1 73.0 54.9 36.8 - -
67 112.7 11.6 106.2 92.5 78.8 59.9 41.0 - 105.6 12.9 100.3 87.6 74.8 56.0 37.1 -
62 110.5 11.6 107.9 103.2 98.6 79.1 59.7 40.2 103.6 12.8 100.6 97.7 94.8 75.1 55.5 35.8
57 108.8 11.5 108.8 108.8 108.8 98.3 78.3 58.3 101.6 12.8 100.8 100.8 100.8 94.3 73.9 53.5
4000
77 127.9 11.2 94.9 66.6 38.3 - - - 114.1 13.0 91.6 62.5 33.5 - - -
72 122.3 11.5 102.9 82.3 61.7 41.0 - - 111.4 13.0 97.7 77.5 57.3 37.0 - -
67 116.8 11.7 110.9 98.0 85.1 63.5 42.0 - 108.7 12.9 103.9 92.5 81.1 59.6 38.0 -
62 114.9 11.7 112.2 110.3 108.5 86.0 63.5 41.1 107.0 12.9 104.2 104.2 104.2 82.1 59.3 36.5
57 113.3 11.6 113.3 113.3 113.3 108.5 85.1 61.7 105.4 12.9 104.4 104.4 104.4 104.4 80.5 56.4
4500
72 126.6 11.4 110.2 87.3 64.4 41.4 - - 114.6 13.0 104.4 82.0 59.6 37.3 - -
67 120.8 11.8 115.6 103.5 91.4 67.1 42.9 - 111.7 13.0 107.5 97.4 87.3 63.2 39.0 -
62 119.3 11.8 116.5 116.5 116.5 92.9 67.4 41.9 110.5 13.0 107.8 107.8 107.8 89.0 63.1 37.1
57 117.9 11.8 117.4 117.4 117.4 117.4 91.9 65.1 109.2 13.0 108.1 108.1 108.1 108.1 87.2 59.4
5000
72 130.8 11.3 117.6 92.3 67.0 41.8 - - 117.8 13.1 111.0 86.5 62.0 37.5 - -
67 124.9 11.9 120.3 109.0 97.7 70.8 43.9 - 114.8 13.1 111.1 102.3 93.6 66.7 39.9 -
62 123.7 11.9 120.8 120.8 120.8 99.8 71.3 42.8 113.9 13.2 111.4 111.4 111.4 96.0 66.9 37.8
57 122.4 11.9 121.3 121.3 121.3 121.3 98.7 68.6 113.0 13.2 111.7 111.7 111.7 111.7 93.8 62.4
1. These capacities are gross ratings. For net capacity, deduct the supply air blower motor heat (MBh = 3.415 x kW). Refer to the appropriate
Blower Performance Table for the kW of the supply air blower motor.
2. These ratings include the condenser fan motors (total 1 kW) and the compressor motors but not the supply air blower motor.
ZX12 (10 Ton) (Continued)
Air on
Evaporator Coil Temperature of Air on Condenser Coil
Total
Capacity1
(MBh)
Total
Input
(kW)2
Sensible Capacity (MBh) Total
Capacity1
(MBh)
Total
Input
(kW)2
Sensible Capacity (MBh)
CFM WB
(°F) Return Dry Bulb (°F) Return Dry Bulb (°F)
90 85 80 75 70 65 90 85 80 75 70 65

1068152-YTG-I-1214
Johnson Controls Unitary Products 59
ZX14 (12.5 Ton)
Air on
Evaporator Coil Temperature of Air on Condenser Coil
Total
Capacity1
(MBh)
Total
Input
(kW)2
Sensible Capacity (MBh) Total
Capacity1
(MBh)
Total
Input
(kW)2
Sensible Capacity (MBh)
CFM WB
(°F) Return Dry Bulb (°F) Return Dry Bulb (°F)
90 85 80 75 70 65 90 85 80 75 70 65
75°F 85°F
3200
77 185.1 8.9 93.2 78.5 63.9 - - - 176.3 9.8 92.7 76.8 60.9 - - -
72 169.2 8.8 114.0 97.2 80.3 63.4 - - 161.1 9.7 111.3 94.2 77.0 59.9 - -
67 153.2 8.6 134.9 115.8 96.7 79.2 63.2 - 145.8 9.7 129.9 111.5 93.1 76.0 59.6 -
62 142.2 8.6 137.1 125.1 113.1 89.8 79.8 63.1 140.0 9.6 135.4 122.3 109.2 89.5 76.5 60.1
3750
77 185.7 9.0 103.6 82.7 61.8 - - - 176.6 9.9 103.1 81.0 59.0 - - -
72 171.6 8.8 122.7 102.8 82.8 62.8 - - 163.4 9.8 119.9 99.7 79.6 59.4 - -
67 157.6 8.7 141.8 122.8 103.7 83.0 63.4 - 150.3 9.7 136.7 118.4 100.2 79.7 59.9 -
62 148.7 8.6 144.0 134.3 124.7 99.0 83.9 63.6 145.6 9.7 141.3 131.0 120.8 97.9 80.5 60.3
57 147.6 8.6 146.2 145.9 145.6 125.0 104.5 83.9 144.7 9.6 144.7 143.7 141.4 121.2 101.0 80.9
4300
77 186.3 9.0 114.1 86.9 59.8 - - - 176.9 9.9 113.5 85.3 57.0 - - -
72 174.1 8.9 131.4 108.3 85.3 62.2 - - 165.8 9.8 128.5 105.3 82.1 59.0 - -
67 161.9 8.7 148.7 129.7 110.7 86.8 63.6 - 154.8 9.8 143.4 125.3 107.3 83.5 60.1 -
62 155.2 8.7 150.9 143.5 136.2 108.1 88.1 64.0 151.2 9.7 147.2 139.8 132.4 106.4 84.4 60.4
57 154.3 8.7 153.0 153.0 153.0 137.1 112.5 88.0 150.5 9.7 150.5 150.5 150.5 133.1 108.8 84.4
4900
77 186.9 9.1 124.5 91.2 57.8 - - - 177.2 10.0 124.0 89.5 55.0 - - -
72 176.6 8.9 140.1 113.9 87.8 61.6 - - 168.2 9.9 137.1 110.9 84.7 58.5 - -
67 166.3 8.8 155.7 136.7 117.7 90.5 63.9 - 159.2 9.8 150.2 132.3 114.3 87.2 60.3 -
62 161.7 8.8 157.7 152.7 147.7 117.3 92.2 64.5 156.8 9.8 153.1 148.5 144.0 114.9 88.4 60.6
57 161.0 8.7 159.8 159.8 159.8 149.1 120.6 92.1 156.2 9.8 155.9 155.9 155.9 145.0 116.5 87.9
5400
72 179.1 9.0 148.7 119.5 90.3 61.0 - - 170.6 9.9 145.7 116.5 87.2 58.0 - -
67 170.6 8.8 162.6 143.7 124.7 94.3 64.1 - 163.7 9.8 157.0 139.2 121.4 90.9 60.6 -
62 168.2 8.8 164.6 161.9 159.2 126.5 96.4 64.9 162.3 9.8 158.9 157.3 155.6 123.3 92.4 60.8
57 167.7 8.8 166.5 166.5 166.5 161.2 128.7 96.1 161.9 9.8 160.9 160.9 160.9 157.0 124.2 91.4
6000
72 181.6 9.0 157.4 125.1 92.8 60.4 - - 173.0 10.0 154.3 122.1 89.8 57.5 - -
67 175.0 8.8 169.5 150.6 131.8 98.0 64.3 - 168.2 9.9 163.8 146.2 128.5 94.7 60.8 -
62 174.7 8.9 171.4 171.1 170.8 135.6 100.5 65.4 167.9 9.9 164.8 164.8 164.8 131.8 96.3 60.9
57 174.5 8.9 173.3 173.3 173.3 173.2 136.7 100.2 167.7 9.9 165.9 165.9 165.9 165.9 131.9 94.8
95°F 105°F
3200
77 167.5 10.7 92.2 75.1 58.0 - - - 153.5 12.0 90.1 72.1 54.1 - - -
72 153.0 10.7 108.5 91.1 73.8 56.4 - - 141.4 12.1 104.7 87.2 69.6 52.0 - -
67 138.4 10.8 124.9 107.2 89.5 72.8 56.1 - 129.4 12.2 119.4 102.2 85.0 68.2 51.4 -
62 137.8 10.7 133.7 119.4 105.2 89.2 73.2 57.2 128.7 12.1 125.5 113.0 100.5 84.4 68.3 52.2
3750
77 167.5 10.7 102.6 79.4 56.1 - - - 154.3 12.1 100.0 75.8 51.6 - - -
72 155.2 10.8 117.1 96.7 76.4 56.0 - - 144.1 12.2 112.6 92.2 71.8 51.4 - -
67 143.0 10.8 131.5 114.1 96.6 76.5 56.3 - 133.9 12.2 125.2 108.6 92.0 71.8 51.6 -
62 142.4 10.7 138.6 127.7 116.9 96.9 77.0 57.0 133.2 12.2 130.2 121.2 112.2 92.2 72.2 52.1
57 141.9 10.6 141.9 141.4 137.2 117.4 97.6 77.8 132.6 12.1 132.6 132.6 132.4 112.6 92.8 72.9
4300
77 167.4 10.8 113.0 83.6 54.2 - - - 155.1 12.2 109.9 79.4 49.0 - - -
72 157.5 10.8 125.6 102.3 79.0 55.7 - - 146.8 12.2 120.5 97.2 74.0 50.7 - -
67 147.6 10.8 138.2 121.0 103.8 80.2 56.6 - 138.4 12.2 131.0 115.0 98.9 75.3 51.7 -
62 147.1 10.8 143.5 136.0 128.6 104.7 80.8 56.9 137.8 12.2 134.8 129.3 123.9 99.9 76.0 52.1
57 146.6 10.7 146.6 146.6 146.6 129.2 105.0 80.7 137.2 12.1 137.2 137.2 137.2 124.6 100.3 76.0
4900
77 167.4 10.9 123.5 87.9 52.3 - - - 155.9 12.3 119.8 83.1 46.5 - - -
72 159.8 10.9 134.1 107.9 81.6 55.3 - - 149.4 12.3 128.3 102.2 76.2 50.1 - -
67 152.2 10.8 144.8 127.9 110.9 83.9 56.8 - 143.0 12.3 136.9 121.4 105.9 78.9 51.9 -
62 151.8 10.8 148.4 144.3 140.3 112.4 84.6 56.7 142.4 12.2 139.4 137.5 135.6 107.7 79.9 52.0
57 151.4 10.8 151.4 151.4 151.4 141.0 112.3 83.7 141.7 12.2 141.7 141.7 141.7 136.5 107.8 79.1
5400
72 162.1 10.9 142.7 113.4 84.2 55.0 - - 152.1 12.3 136.2 107.3 78.3 49.4 - -
67 156.8 10.9 151.5 134.8 118.1 87.6 57.1 - 147.5 12.3 142.7 127.7 112.8 82.4 52.1 -
62 156.5 10.9 153.3 152.7 152.0 120.2 88.4 56.6 146.9 12.3 144.1 144.1 144.1 115.5 83.7 51.9
57 156.1 10.8 155.2 155.2 155.2 152.8 119.7 86.6 146.3 12.2 145.4 145.4 145.4 145.4 115.3 82.1
6000
72 164.3 11.0 151.2 119.0 86.8 54.6 - - 154.8 12.4 144.1 112.3 80.5 48.8 - -
67 161.4 10.9 158.1 141.7 125.2 91.3 57.3 - 152.1 12.3 148.5 134.1 119.7 86.0 52.3 -
62 161.1 10.9 158.2 158.2 158.2 127.9 92.2 56.4 151.5 12.3 148.7 148.7 148.7 123.2 87.6 51.9
57 160.9 10.9 158.4 158.4 158.4 158.4 127.0 89.5 150.9 12.3 148.9 148.9 148.9 148.9 122.8 85.2

1068152-YTG-I-1214
60 Johnson Controls Unitary Products
115°F 125°F
3200
77 139.5 13.4 88.0 69.1 50.2 - - - 125.5 14.8 85.9 66.1 46.2 - - -
72 129.9 13.5 100.9 83.2 65.4 47.6 - - 118.4 14.9 97.1 79.2 61.2 43.2 - -
67 120.3 13.6 113.9 97.2 80.6 63.6 46.6 - 111.3 15.0 108.4 92.3 76.2 59.0 41.9 -
62 119.6 13.6 117.4 106.6 95.8 79.6 63.4 47.3 110.5 15.0 109.2 100.2 91.1 74.9 58.6 42.3
3750
77 141.1 13.5 97.4 72.2 47.0 - - - 128.0 14.9 94.8 68.6 42.4 - - -
72 133.0 13.6 108.1 87.6 67.2 46.7 - - 121.8 15.0 103.7 83.1 62.6 42.0 - -
67 124.8 13.6 118.9 103.1 87.3 67.0 46.8 - 115.7 15.1 112.6 97.6 82.7 62.3 42.0 -
62 124.0 13.6 121.7 114.6 107.5 87.4 67.3 47.3 114.9 15.0 113.3 108.0 102.8 82.7 62.5 42.4
57 123.3 13.5 123.3 123.3 123.3 107.8 87.9 68.1 114.0 15.0 114.0 114.0 114.0 103.0 83.1 63.2
4300
77 142.8 13.5 106.8 75.3 43.8 - - - 130.4 14.9 103.6 71.1 38.6 - - -
72 136.0 13.6 115.3 92.1 68.9 45.7 - - 125.3 15.0 110.2 87.1 63.9 40.8 - -
67 129.3 13.7 123.9 109.0 94.0 70.5 46.9 - 120.1 15.1 116.8 103.0 89.2 65.6 42.1 -
62 128.5 13.6 126.1 122.6 119.2 95.2 71.2 47.3 119.2 15.1 117.4 115.9 114.4 90.5 66.5 42.5
57 127.7 13.6 127.7 127.7 127.7 119.9 95.6 71.3 118.2 15.0 118.0 118.0 118.0 115.3 90.9 66.5
4875
77 144.4 13.6 116.1 78.4 40.7 - - - 132.9 14.9 112.5 73.7 34.8 - - -
72 139.1 13.6 122.5 96.6 70.7 44.8 - - 128.7 15.0 116.7 91.0 65.3 39.5 - -
67 133.8 13.7 128.9 114.8 100.8 73.9 47.0 - 124.5 15.1 121.0 108.3 95.7 68.9 42.1 -
62 132.9 13.6 130.4 130.4 130.4 103.0 75.1 47.3 123.5 15.1 121.5 121.5 121.5 98.3 70.4 42.6
57 132.1 13.6 132.0 132.0 132.0 132.0 103.3 74.5 122.4 15.0 121.9 121.9 121.9 121.9 98.8 69.9
5400
72 142.2 13.7 129.7 101.1 72.5 43.9 - - 132.2 15.1 123.3 94.9 66.6 38.3 - -
67 138.3 13.7 134.0 120.7 107.5 77.3 47.1 - 129.0 15.2 125.2 113.7 102.2 72.2 42.2 -
62 137.4 13.7 134.8 134.8 134.8 110.8 79.0 47.3 127.8 15.1 125.5 125.5 125.5 106.1 74.4 42.7
57 136.5 13.6 135.6 135.6 135.6 135.6 110.9 77.7 126.6 15.0 125.9 125.9 125.9 125.9 106.6 73.2
6000
72 145.2 13.7 136.9 105.6 74.3 42.9 - - 135.7 15.1 129.8 98.9 68.0 37.1 - -
67 142.7 13.8 139.0 126.6 114.2 80.7 47.3 - 133.4 15.2 129.4 119.1 108.7 75.5 42.2 -
62 141.8 13.7 139.2 139.2 139.2 118.6 82.9 47.3 132.1 15.1 129.6 129.6 129.6 113.9 78.3 42.8
57 140.9 13.6 139.3 139.3 139.3 139.3 118.6 80.9 130.8 15.0 129.8 129.8 129.8 129.8 114.4 76.6
1. These capacities are gross ratings. For net capacity, deduct the supply air blower motor heat (MBh = 3.415 x kW). Refer to the appropriate
Blower Performance Table for the kW of the supply air blower motor.
2. These ratings include the condenser fan motors (total 1 kW) and the compressor motors but not the supply air blower motor.
ZX14 (12.5 Ton) (Continued)
Air on
Evaporator Coil Temperature of Air on Condenser Coil
Total
Capacity1
(MBh)
Total
Input
(kW)2
Sensible Capacity (MBh) Total
Capacity1
(MBh)
Total
Input
(kW)2
Sensible Capacity (MBh)
CFM WB
(°F) Return Dry Bulb (°F) Return Dry Bulb (°F)
90 85 80 75 70 65 90 85 80 75 70 65

1068152-YTG-I-1214
Johnson Controls Unitary Products 61
ZY04-12 Cooling Capacities
ZY04 (3.0 Ton)
Air on
Evaporator Coil Temperature of Air on Condenser Coil
Total
Capacity1
(MBh)
Total
Input
(kW)2
Sensible Capacity (MBh) Total
Capacity1
(MBh)
Total
Input
(kW)2
Sensible Capacity (MBh)
CFM WB
(°F) Return Dry Bulb (°F) Return Dry Bulb (°F)
90 85 80 75 70 65 90 85 80 75 70 65
75°F 85°F
750
77 47.1 2.1 23.2 19.7 16.3 - - - 45.3 2.4 22.2 18.7 15.1 - - -
72 43.9 2.1 28.3 24.1 19.9 15.8 - - 41.7 2.4 27.4 23.1 18.9 14.7 - -
67 40.8 2.1 33.3 28.5 23.6 19.9 15.7 - 38.1 2.4 32.5 27.6 22.7 18.8 14.6 -
62 36.2 2.1 34.8 31.0 27.2 22.8 19.8 16.2 35.0 2.4 33.6 30.1 26.6 22.3 18.7 14.8
900
77 47.9 2.1 26.0 21.3 16.7 - - - 46.0 2.4 25.2 20.5 15.7 - - -
72 45.1 2.1 31.0 26.1 21.2 16.4 - - 42.8 2.4 30.0 25.1 20.3 15.4 - -
67 42.2 2.1 35.9 30.8 25.8 21.2 16.4 - 39.7 2.4 34.8 29.8 24.8 20.1 15.3 -
62 38.3 2.1 37.1 33.7 30.4 25.2 21.2 16.6 37.0 2.4 35.8 32.6 29.4 24.4 20.0 15.3
57 38.3 2.1 38.3 36.6 34.9 30.5 26.0 21.5 36.6 2.4 36.6 35.4 34.0 29.4 24.8 20.2
1050
77 48.7 2.1 28.9 23.0 17.0 - - - 46.6 2.4 28.2 22.3 16.3 - - -
72 46.2 2.1 33.7 28.1 22.5 17.0 - - 44.0 2.4 32.7 27.1 21.6 16.1 - -
67 43.6 2.1 38.4 33.2 28.0 22.6 17.0 - 41.3 2.4 37.1 32.0 26.9 21.5 15.9 -
62 40.4 2.1 39.4 36.5 33.5 27.6 22.5 17.0 39.0 2.4 37.9 35.1 32.2 26.5 21.3 15.9
57 40.1 2.1 40.1 39.3 38.5 33.5 28.1 22.6 38.6 2.4 38.6 37.9 37.2 32.1 26.7 21.3
1200
77 49.6 2.1 31.7 24.6 17.4 - - - 47.3 2.4 31.2 24.1 16.9 - - -
72 47.3 2.1 36.4 30.1 23.8 17.6 - - 45.1 2.4 35.3 29.1 23.0 16.8 - -
67 45.0 2.1 41.0 35.6 30.2 24.0 17.6 - 42.8 2.4 39.4 34.2 29.0 22.8 16.6 -
62 42.5 2.1 41.7 39.2 36.7 30.0 23.9 17.5 41.0 2.3 40.1 37.5 35.0 28.7 22.6 16.5
57 42.0 2.1 42.0 42.0 42.0 36.6 30.1 23.7 40.5 2.3 40.5 40.5 40.5 34.9 28.7 22.5
1350
72 48.4 2.1 39.1 32.1 25.1 18.2 - - 46.2 2.4 38.0 31.1 24.3 17.5 - -
67 46.4 2.1 43.5 38.0 32.5 25.4 18.2 - 44.4 2.3 41.7 36.4 31.1 24.2 17.3 -
62 44.6 2.1 44.0 41.9 39.8 32.3 25.2 17.9 43.0 2.3 42.2 40.0 37.8 30.8 24.0 17.0
57 43.8 2.1 43.8 43.8 43.8 39.7 32.2 24.7 42.4 2.3 42.4 42.4 42.4 37.6 30.6 23.6
1500
72 49.5 2.1 41.8 34.1 26.4 18.7 - - 47.4 2.4 40.6 33.1 25.7 18.2 - -
67 47.8 2.1 46.1 40.4 34.7 26.7 18.8 - 46.0 2.3 44.0 38.6 33.1 25.6 18.0 -
62 46.7 2.1 46.3 44.6 43.0 34.7 26.5 18.3 45.0 2.3 44.4 42.5 40.6 33.0 25.3 17.6
57 45.7 2.1 45.7 45.7 45.7 42.7 34.3 25.8 44.3 2.3 44.3 44.3 44.3 40.3 32.6 24.8
95°F 105°F
750
77 43.5 2.6 21.3 17.6 13.8 - - - 39.8 3.1 20.9 16.8 12.8 - - -
72 39.4 2.6 26.5 22.2 17.9 13.6 - - 36.7 3.1 25.1 20.9 16.7 12.5 - -
67 35.4 2.6 31.7 26.8 21.9 17.7 13.4 - 33.6 3.1 29.4 25.0 20.7 16.5 12.3 -
62 33.8 2.6 32.4 29.2 25.9 21.8 17.6 13.4 32.1 3.0 30.7 27.7 24.6 20.5 16.3 12.2
900
77 44.0 2.6 24.5 19.6 14.7 - - - 40.2 3.1 23.9 18.6 13.3 - - -
72 40.6 2.6 29.1 24.2 19.3 14.4 - - 37.6 3.1 27.6 22.8 17.9 13.1 - -
67 37.1 2.6 33.7 28.8 23.9 19.0 14.2 - 35.0 3.0 31.3 26.9 22.5 17.7 12.9 -
62 35.7 2.6 34.5 31.4 28.4 23.6 18.9 14.1 33.6 3.0 32.5 29.8 27.2 22.3 17.5 12.7
57 35.0 2.6 35.0 34.1 33.0 28.3 23.6 18.9 32.8 3.0 32.8 32.7 31.8 27.0 22.2 17.4
1050
77 44.6 2.6 27.6 21.6 15.6 - - - 40.7 3.1 26.9 20.3 13.8 - - -
72 41.7 2.6 31.7 26.2 20.7 15.2 - - 38.5 3.1 30.1 24.6 19.1 13.6 - -
67 38.9 2.6 35.8 30.8 25.8 20.3 14.9 - 36.4 3.0 33.3 28.9 24.4 18.9 13.4 -
62 37.5 2.6 36.5 33.7 30.9 25.5 20.2 14.8 35.2 3.0 34.2 32.0 29.7 24.2 18.8 13.3
57 37.0 2.6 37.0 36.6 36.0 30.7 25.4 20.1 34.6 3.0 34.6 34.6 34.6 29.5 24.1 18.6
1200
77 45.1 2.6 30.8 23.6 16.4 - - - 41.1 3.1 29.9 22.1 14.3 - - -
72 42.9 2.6 34.3 28.2 22.1 16.0 - - 39.4 3.1 32.6 26.4 20.3 14.2 - -
67 40.7 2.6 37.8 32.8 27.7 21.7 15.7 - 37.8 3.0 35.3 30.8 26.3 20.1 14.0 -
62 39.4 2.6 38.5 35.9 33.4 27.4 21.4 15.5 36.8 3.0 36.0 34.1 32.2 26.1 20.0 13.8
57 39.0 2.6 39.0 39.0 39.0 33.1 27.2 21.3 36.3 3.0 36.3 36.3 36.3 32.1 25.9 19.8
1350
72 44.0 2.6 36.9 30.2 23.5 16.8 - - 40.4 3.1 35.0 28.3 21.5 14.7 - -
67 42.4 2.6 39.9 34.8 29.7 23.0 16.4 - 39.2 3.0 37.2 32.7 28.1 21.3 14.6 -
62 41.3 2.6 40.5 38.2 35.8 29.3 22.7 16.2 38.4 3.0 37.7 36.3 34.8 28.0 21.2 14.4
57 41.0 2.6 41.0 41.0 41.0 35.5 29.0 22.6 38.1 3.0 38.1 38.1 38.1 34.6 27.8 21.0
1500
72 45.2 2.6 39.5 32.2 24.9 17.6 - - 41.3 3.1 37.5 30.1 22.7 15.3 - -
67 44.2 2.6 42.0 36.8 31.6 24.4 17.1 - 40.6 3.0 39.2 34.6 30.0 22.6 15.1 -
62 43.2 2.6 42.5 40.4 38.3 31.2 24.0 16.8 40.0 3.0 39.5 38.4 37.3 29.9 22.4 15.0
57 43.0 2.6 43.0 43.0 43.0 37.9 30.9 23.8 39.8 3.0 39.8 39.8 39.8 37.2 29.7 22.2

1068152-YTG-I-1214
62 Johnson Controls Unitary Products
115°F 125°F
750
77 36.2 3.6 20.4 16.1 11.7 - - - 32.5 4.2 20.0 15.3 10.7 - - -
72 34.0 3.5 23.8 19.7 15.6 11.5 - - 31.2 4.0 22.4 18.4 14.4 10.4 - -
67 31.7 3.5 27.1 23.3 19.4 15.3 11.2 - 29.9 3.9 24.9 21.5 18.2 14.2 10.1 -
62 30.3 3.5 29.0 26.2 23.3 19.2 15.1 10.9 28.6 3.9 27.3 24.6 22.0 17.9 13.8 9.7
900
77 36.5 3.6 23.3 17.6 11.9 - - - 32.7 4.1 22.7 16.6 10.5 - - -
72 34.6 3.5 26.1 21.3 16.6 11.8 - - 31.7 4.0 24.6 19.9 15.2 10.5 - -
67 32.8 3.5 29.0 25.1 21.2 16.4 11.6 - 30.7 3.9 26.6 23.3 19.9 15.1 10.3 -
62 31.6 3.5 30.5 28.2 25.9 21.1 16.2 11.4 29.6 3.9 28.5 26.6 24.6 19.8 14.9 10.0
57 30.7 3.4 30.7 30.7 30.6 25.7 20.8 16.0 28.5 3.9 28.5 28.5 28.5 24.4 19.4 14.5
1050
77 36.8 3.5 26.1 19.1 12.0 - - - 32.9 4.0 25.4 17.8 10.3 - - -
72 35.3 3.5 28.5 23.0 17.5 12.1 - - 32.1 4.0 26.8 21.4 16.0 10.5 - -
67 33.9 3.5 30.8 26.9 23.0 17.5 12.0 - 31.4 3.9 28.3 25.0 21.6 16.1 10.5 -
62 32.9 3.4 32.0 30.2 28.5 22.9 17.4 11.8 30.6 3.9 29.8 28.5 27.3 21.6 16.0 10.3
57 32.2 3.4 32.2 32.2 32.2 28.4 22.7 17.1 29.8 3.8 29.8 29.8 29.8 27.2 21.4 15.7
1200
77 37.1 3.5 29.0 20.6 12.2 - - - 33.0 3.9 28.0 19.1 10.1 - - -
72 36.0 3.5 30.8 24.7 18.5 12.4 - - 32.6 4.0 29.1 22.9 16.7 10.5 - -
67 35.0 3.4 32.7 28.7 24.8 18.6 12.4 - 32.1 3.8 30.1 26.7 23.3 17.0 10.7 -
62 34.2 3.4 33.5 32.3 31.1 24.8 18.5 12.2 31.5 3.8 31.0 30.5 29.9 23.5 17.1 10.6
57 33.7 3.4 33.7 33.7 33.7 31.0 24.7 18.3 31.0 3.8 31.0 31.0 31.0 30.0 23.4 16.8
1350
72 36.7 3.5 33.2 26.3 19.5 12.6 - - 33.0 4.0 31.3 24.4 17.5 10.6 - -
67 36.0 3.4 34.5 30.5 26.6 19.7 12.7 - 32.8 3.8 31.8 28.4 25.0 18.0 10.9 -
62 35.5 3.4 35.0 34.3 33.7 26.7 19.7 12.7 32.5 3.8 32.3 32.3 32.3 25.4 18.1 10.9
57 35.1 3.4 35.1 35.1 35.1 33.7 26.6 19.5 32.2 3.8 32.2 32.2 32.2 32.2 25.4 18.0
1500
72 37.4 3.5 35.5 28.0 20.5 12.9 - - 33.5 3.9 33.5 25.9 18.2 10.6 - -
67 37.1 3.4 36.4 32.4 28.4 20.7 13.1 - 33.5 3.8 33.5 30.1 26.7 18.9 11.1 -
62 36.7 3.4 36.5 36.4 36.3 28.6 20.8 13.1 33.5 3.8 33.5 33.5 33.5 27.2 19.2 11.2
57 36.6 3.4 36.6 36.6 36.6 36.4 28.5 20.7 33.5 3.8 33.5 33.5 33.5 33.5 27.4 19.1
1. These capacities are gross ratings. For net capacity, deduct the supply air blower motor heat (MBh = 3.415 x kW). Refer to the appropriate
Blower Performance Table for the kW of the supply air blower motor.
2. These ratings include the condenser fan motors (total 1 kW) and the compressor motors but not the supply air blower motor.
ZY04 (3.0 Ton) (Continued)
Air on
Evaporator Coil Temperature of Air on Condenser Coil
Total
Capacity1
(MBh)
Total
Input
(kW)2
Sensible Capacity (MBh) Total
Capacity1
(MBh)
Total
Input
(kW)2
Sensible Capacity (MBh)
CFM WB
(°F) Return Dry Bulb (°F) Return Dry Bulb (°F)
90 85 80 75 70 65 90 85 80 75 70 65

1068152-YTG-I-1214
Johnson Controls Unitary Products 63
ZY05 (4.0 Ton)
Air on
Evaporator Coil Temperature of Air on Condenser Coil
Total
Capacity1
(MBh)
Total
Input
(kW)2
Sensible Capacity (MBh) Total
Capacity1
(MBh)
Total
Input
(kW)2
Sensible Capacity (MBh)
CFM WB
(°F) Return Dry Bulb (°F) Return Dry Bulb (°F)
90 85 80 75 70 65 90 85 80 75 70 65
75°F 85°F
1000
77 64.9 2.8 32.3 27.2 22.1 - - - 59.9 3.1 30.9 26.2 21.5 - - -
72 58.5 2.8 38.1 32.7 27.3 21.9 - - 55.5 3.1 36.9 31.7 26.5 21.2 - -
67 52.1 2.8 44.0 38.3 32.6 26.9 21.8 - 51.2 3.1 43.0 37.2 31.5 26.0 20.8 -
62 49.9 2.7 49.3 43.6 37.9 31.5 27.1 21.7 48.9 3.1 47.3 41.9 36.5 30.6 25.7 20.3
1200
77 65.4 2.8 35.9 29.1 22.4 - - - 60.6 3.1 34.8 28.2 21.5 - - -
72 59.9 2.8 41.6 35.3 28.9 22.5 - - 56.8 3.1 40.4 34.1 27.8 21.6 - -
67 54.4 2.8 47.4 41.4 35.4 28.7 22.5 - 53.1 3.1 45.9 40.1 34.2 27.7 21.4 -
62 52.5 2.7 51.8 46.9 42.0 34.6 28.9 22.3 51.1 3.1 49.7 45.1 40.6 33.6 27.5 20.9
57 51.8 2.7 51.8 51.8 48.5 41.9 35.2 28.6 49.7 3.1 49.7 49.7 47.0 40.3 33.5 26.8
1400
77 66.0 2.8 39.5 31.1 22.7 - - - 61.3 3.2 38.8 30.1 21.5 - - -
72 61.3 2.8 45.1 37.8 30.5 23.1 - - 58.1 3.2 43.8 36.5 29.2 21.9 - -
67 56.7 2.8 50.8 44.5 38.3 30.6 23.2 - 55.0 3.1 48.9 42.9 37.0 29.4 21.9 -
62 55.1 2.8 54.4 50.2 46.1 37.8 30.7 22.9 53.3 3.1 52.0 48.4 44.7 36.7 29.3 21.5
57 54.4 2.7 54.4 54.4 52.8 46.0 38.1 30.2 52.1 3.1 52.1 52.1 51.9 44.5 36.6 28.6
1600
77 66.6 2.8 43.1 33.0 22.9 - - - 62.0 3.2 42.7 32.1 21.4 - - -
72 62.8 2.8 48.6 40.3 32.0 23.7 - - 59.4 3.2 47.3 38.9 30.6 22.2 - -
67 58.9 2.8 54.2 47.6 41.1 32.4 23.9 - 56.9 3.2 51.8 45.8 39.7 31.0 22.5 -
62 57.7 2.8 56.9 53.5 50.2 40.9 32.4 23.6 55.6 3.2 54.4 51.6 48.9 39.8 31.0 22.1
57 57.0 2.8 57.0 57.0 57.0 50.1 40.9 31.8 54.6 3.1 54.6 54.6 54.6 48.8 39.6 30.4
1800
72 64.2 2.8 52.1 42.9 33.6 24.3 - - 60.7 3.2 50.7 41.3 32.0 22.6 - -
67 61.2 2.8 57.6 50.7 43.9 34.2 24.6 - 58.8 3.2 54.8 48.6 42.5 32.7 23.0 -
62 60.3 2.8 59.4 56.9 54.3 44.0 34.2 24.2 57.8 3.2 56.8 54.9 53.0 42.8 32.8 22.8
57 59.6 2.8 59.6 59.6 59.6 54.2 43.8 33.4 57.0 3.2 57.0 57.0 57.0 53.1 42.7 32.2
2000
72 65.6 2.8 55.7 45.4 35.1 24.9 - - 62.0 3.2 54.2 43.8 33.3 22.9 - -
67 63.5 2.8 61.0 53.9 46.8 36.0 25.3 - 60.7 3.2 57.7 51.5 45.3 34.4 23.6 -
62 62.9 2.8 62.0 60.2 58.4 47.2 36.0 24.8 60.0 3.2 59.2 58.2 57.2 45.9 34.6 23.4
57 62.2 2.8 62.2 62.2 62.2 58.3 46.6 35.0 59.4 3.2 59.4 59.4 59.4 57.4 45.7 34.0
95°F 105°F
1000
77 55.0 3.5 29.5 25.2 20.9 - - - 51.7 4.1 28.6 24.4 20.3 - - -
72 52.6 3.5 35.8 30.7 25.6 20.5 - - 48.7 4.1 34.4 29.4 24.5 19.6 - -
67 50.2 3.5 42.0 36.2 30.3 25.1 19.8 - 46.1 4.1 40.2 34.5 28.8 23.7 18.7 -
62 47.8 3.5 45.3 40.2 35.0 29.6 24.2 18.8 44.5 4.1 42.8 37.9 33.0 27.9 22.7 17.6
1200
77 55.8 3.5 33.8 27.2 20.6 - - - 52.2 4.1 32.7 26.2 19.7 - - -
72 53.8 3.5 39.1 33.0 26.8 20.6 - - 50.0 4.1 37.6 31.6 25.6 19.5 - -
67 51.8 3.5 44.5 38.8 33.0 26.6 20.2 - 47.7 4.1 42.5 36.9 31.4 25.2 19.0 -
62 49.7 3.5 47.5 43.4 39.2 32.6 26.0 19.4 46.3 4.1 44.8 41.0 37.2 30.8 24.5 18.1
57 47.6 3.6 47.6 47.6 45.4 38.6 31.8 25.0 44.9 4.1 44.9 44.9 43.0 36.5 29.9 23.4
1400
77 56.6 3.5 38.1 29.2 20.3 - - - 52.7 4.1 36.9 28.0 19.2 - - -
72 54.9 3.5 42.5 35.3 28.0 20.7 - - 51.2 4.1 40.8 33.7 26.6 19.5 - -
67 53.3 3.5 47.0 41.3 35.7 28.2 20.6 - 49.3 4.1 44.8 39.4 34.0 26.6 19.3 -
62 51.6 3.5 49.7 46.6 43.4 35.6 27.9 20.1 48.1 4.1 46.9 44.1 41.3 33.8 26.2 18.6
57 49.9 3.5 49.9 49.9 49.9 43.1 35.1 27.1 47.0 4.1 47.0 47.0 47.0 40.9 33.1 25.3
1600
77 57.4 3.5 42.3 31.1 19.9 - - - 53.3 4.1 41.0 29.9 18.7 - - -
72 56.1 3.5 45.9 37.5 29.2 20.8 - - 52.4 4.1 44.1 35.8 27.6 19.4 - -
67 54.8 3.5 49.5 43.9 38.4 29.7 21.0 - 50.9 4.1 47.1 41.8 36.6 28.1 19.5 -
62 53.4 3.5 51.9 49.8 47.6 38.6 29.7 20.7 50.0 4.1 48.9 47.2 45.5 36.7 27.9 19.1
57 52.1 3.5 52.1 52.1 52.1 47.6 38.3 29.1 49.1 4.1 49.1 49.1 49.1 45.4 36.3 27.2
1800
72 57.3 3.5 49.3 39.8 30.3 20.9 - - 53.6 4.1 47.3 38.0 28.7 19.3 - -
67 56.3 3.5 52.0 46.5 41.1 31.2 21.4 - 52.5 4.1 49.5 44.3 39.2 29.5 19.8 -
62 55.3 3.5 54.1 53.0 51.8 41.6 31.5 21.3 51.8 4.1 51.0 50.3 49.7 39.6 29.6 19.6
57 54.3 3.5 54.3 54.3 54.3 52.0 41.5 31.1 51.2 4.1 51.2 51.2 51.2 49.8 39.5 29.1
2000
72 58.4 3.5 52.7 42.1 31.5 20.9 - - 54.8 4.1 50.5 40.1 29.7 19.3 - -
67 57.8 3.5 54.5 49.1 43.8 32.8 21.8 - 54.1 4.2 51.8 46.8 41.8 30.9 20.1 -
62 57.2 3.5 56.3 56.2 56.0 44.6 33.3 22.0 53.7 4.1 53.1 53.1 53.1 42.6 31.4 20.2
57 56.6 3.5 56.6 56.6 56.6 56.5 44.8 33.1 53.2 4.1 53.2 53.2 53.2 53.2 42.6 31.0

1068152-YTG-I-1214
64 Johnson Controls Unitary Products
115°F 125°F
1000
77 48.4 4.8 27.7 23.6 19.6 - - - 45.1 5.4 26.7 22.9 19.0 - - -
72 44.9 4.7 33.0 28.2 23.4 18.7 - - 41.0 5.3 31.6 27.0 22.4 17.7 - -
67 41.9 4.7 38.3 32.8 27.2 22.4 17.6 - 37.8 5.2 36.5 31.1 25.7 21.1 16.4 -
62 41.1 4.6 40.3 35.6 31.0 26.1 21.2 16.3 37.8 5.2 37.8 33.4 29.0 24.4 19.7 15.1
1200
77 48.6 4.8 31.7 25.3 18.9 - - - 45.1 5.4 30.6 24.3 18.1 - - -
72 46.1 4.7 36.1 30.2 24.3 18.4 - - 42.3 5.3 34.5 28.8 23.1 17.4 - -
67 43.6 4.7 40.5 35.1 29.7 23.7 17.7 - 39.5 5.3 38.4 33.3 28.1 22.3 16.5 -
62 42.9 4.7 42.2 38.7 35.1 29.0 22.9 16.7 39.5 5.2 39.5 36.3 33.1 27.2 21.3 15.4
57 42.2 4.6 42.2 42.2 40.6 34.3 28.0 21.8 39.5 5.2 39.5 39.3 38.1 32.1 26.1 20.1
1400
77 48.9 4.7 35.7 26.9 18.2 - - - 45.0 5.3 34.5 25.8 17.1 - - -
72 47.4 4.7 39.1 32.2 25.2 18.2 - - 43.6 5.3 37.5 30.6 23.8 17.0 - -
67 45.3 4.7 42.6 37.4 32.2 25.1 17.9 - 41.3 5.3 40.4 35.5 30.5 23.5 16.5 -
62 44.7 4.7 44.1 41.7 39.3 31.9 24.5 17.1 41.3 5.2 41.2 39.2 37.2 30.0 22.8 15.7
57 44.1 4.6 44.1 44.1 44.1 38.7 31.1 23.6 41.3 5.2 41.3 41.3 41.3 36.5 29.2 21.8
1600
77 49.1 4.7 39.7 28.6 17.4 - - - 44.9 5.3 38.4 27.3 16.2 - - -
72 48.7 4.7 42.2 34.2 26.1 18.0 - - 44.9 5.3 40.4 32.5 24.6 16.6 - -
67 47.0 4.7 44.8 39.8 34.7 26.4 18.1 - 43.1 5.3 42.4 37.7 32.9 24.7 16.6 -
62 46.5 4.7 46.0 44.7 43.4 34.8 26.2 17.5 43.1 5.2 43.0 42.1 41.3 32.9 24.4 16.0
57 46.1 4.6 46.1 46.1 46.1 43.2 34.3 25.4 43.0 5.2 43.0 43.0 43.0 41.0 32.2 23.5
1800
72 49.9 4.7 45.3 36.1 27.0 17.8 - - 46.3 5.3 43.3 34.3 25.3 16.3 - -
67 48.7 4.7 46.9 42.1 37.2 27.7 18.2 - 44.9 5.3 44.4 39.9 35.3 26.0 16.6 -
62 48.3 4.7 47.9 47.7 47.5 37.7 27.8 17.9 44.8 5.3 44.7 44.7 44.7 35.7 26.0 16.2
57 48.0 4.6 48.0 48.0 48.0 47.6 37.4 27.2 44.8 5.2 44.8 44.8 44.8 44.8 35.3 25.2
2000
72 51.2 4.7 48.4 38.1 27.9 17.6 - - 47.6 5.3 46.2 36.1 26.0 15.9 - -
67 50.4 4.8 49.1 44.4 39.8 29.1 18.4 - 46.7 5.4 46.4 42.1 37.8 27.2 16.7 -
62 50.1 4.7 49.8 49.8 49.8 40.5 29.4 18.3 46.6 5.3 46.5 46.5 46.5 38.5 27.5 16.5
57 49.9 4.6 49.9 49.9 49.9 49.9 40.5 29.0 46.5 5.2 46.5 46.5 46.5 46.5 38.4 26.9
1. These capacities are gross ratings. For net capacity, deduct the supply air blower motor heat (MBh = 3.415 x kW). Refer to the appropriate
Blower Performance Table for the kW of the supply air blower motor.
2. These ratings include the condenser fan motors (total 1 kW) and the compressor motors but not the supply air blower motor.
ZY05 (4.0 Ton) (Continued)
Air on
Evaporator Coil Temperature of Air on Condenser Coil
Total
Capacity1
(MBh)
Total
Input
(kW)2
Sensible Capacity (MBh) Total
Capacity1
(MBh)
Total
Input
(kW)2
Sensible Capacity (MBh)
CFM WB
(°F) Return Dry Bulb (°F) Return Dry Bulb (°F)
90 85 80 75 70 65 90 85 80 75 70 65

1068152-YTG-I-1214
Johnson Controls Unitary Products 65
ZY06 (5.0 Ton)
Air on
Evaporator Coil Temperature of Air on Condenser Coil
Total
Capacity1
(MBh)
Total
Input
(kW)2
Sensible Capacity (MBh) Total
Capacity1
(MBh)
Total
Input
(kW)2
Sensible Capacity (MBh)
CFM WB
(°F) Return Dry Bulb (°F) Return Dry Bulb (°F)
90 85 80 75 70 65 90 85 80 75 70 65
75°F 85°F
1250
77 78.9 3.4 37.6 31.8 26.0 - - - 75.5 4.1 39.5 32.5 25.4 - - -
72 71.2 3.4 46.4 39.6 32.9 26.1 - - 67.9 3.8 46.5 39.2 31.8 24.5 - -
67 63.4 3.4 55.1 47.4 39.8 33.1 26.3 - 60.2 3.5 53.5 45.9 38.3 31.4 24.5 -
62 60.2 3.3 56.9 51.8 46.7 38.1 33.2 26.5 57.8 3.7 54.7 49.7 44.7 37.3 31.8 25.3
1500
77 79.2 3.4 43.0 34.9 26.9 - - - 75.3 3.9 43.0 33.7 24.4 - - -
72 72.7 3.4 51.1 43.0 34.9 26.9 - - 69.0 3.8 49.4 41.2 33.0 24.8 - -
67 66.3 3.4 59.1 51.1 43.0 35.1 27.0 - 62.8 3.8 55.8 48.7 41.6 33.4 25.2 -
62 63.6 3.3 60.8 55.9 51.0 41.7 35.3 27.4 60.7 3.8 58.2 54.2 50.2 41.2 33.7 25.4
57 62.5 3.3 62.5 60.8 59.1 51.3 43.5 35.7 59.4 3.7 59.4 59.4 58.8 50.5 42.2 33.9
1750
77 79.5 3.5 48.4 38.1 27.8 - - - 75.1 3.6 46.6 35.0 23.4 - - -
72 74.3 3.4 55.8 46.4 37.0 27.6 - - 70.2 3.8 52.3 43.3 34.2 25.1 - -
67 69.2 3.4 63.1 54.7 46.2 37.0 27.8 - 65.3 4.0 58.1 51.5 44.9 35.4 25.8 -
62 67.1 3.4 64.7 60.1 55.4 45.3 37.3 28.3 63.7 3.8 61.6 58.6 55.7 45.1 35.6 25.6
57 66.1 3.3 66.1 65.3 64.4 55.8 46.9 38.0 62.6 3.5 62.6 62.6 62.6 55.9 45.4 34.9
2000
77 79.7 3.5 53.8 41.2 28.7 - - - 74.9 3.4 50.1 36.3 22.4 - - -
72 75.9 3.4 60.5 49.8 39.1 28.3 - - 71.4 3.9 55.2 45.3 35.4 25.4 - -
67 72.0 3.4 67.2 58.3 49.4 39.0 28.5 - 67.8 4.3 60.4 54.3 48.3 37.4 26.5 -
62 70.5 3.4 68.7 64.2 59.8 48.8 39.4 29.1 66.6 3.8 65.0 63.1 61.2 49.0 37.5 25.7
57 69.8 3.4 69.8 69.8 69.8 60.2 50.2 40.2 65.8 3.3 65.8 65.8 65.8 61.4 48.6 35.8
2250
72 77.5 3.5 65.2 53.1 41.1 29.1 - - 72.5 3.9 58.1 47.3 36.5 25.7 - -
67 74.9 3.4 71.2 61.9 52.7 41.0 29.2 - 70.4 4.5 62.6 57.1 51.6 39.4 27.2 -
62 74.0 3.4 72.6 68.4 64.2 52.4 41.4 30.0 69.6 3.8 68.4 67.6 66.7 52.9 39.5 25.8
57 73.4 3.4 73.4 73.4 73.4 64.7 53.6 42.5 68.9 3.1 68.9 68.9 68.9 66.8 51.7 36.7
2500
72 79.0 3.5 69.9 56.5 43.2 29.8 - - 73.7 3.9 61.0 49.4 37.7 26.1 - -
67 77.8 3.4 75.2 65.5 55.9 42.9 30.0 - 72.9 4.8 64.9 60.0 55.0 41.4 27.9 -
62 77.4 3.4 76.5 72.6 68.6 56.0 43.5 30.9 72.5 3.8 71.9 71.9 71.9 56.8 41.4 26.0
57 77.0 3.4 77.0 77.0 77.0 69.1 56.9 44.8 72.1 2.9 72.1 72.1 72.1 72.1 54.9 37.6
95°F 105°F
1250
77 72.1 4.7 41.5 33.1 24.8 - - - 65.0 5.3 38.6 30.7 22.7 - - -
72 64.6 4.2 46.6 38.7 30.8 22.9 - - 59.3 4.9 43.9 36.3 28.7 21.2 - -
67 57.0 3.7 51.8 44.3 36.8 29.7 22.6 - 53.9 4.6 49.2 42.0 34.8 27.8 20.8 -
62 55.3 4.1 52.6 47.7 42.7 36.5 30.3 24.1 52.2 4.8 49.7 45.3 40.8 34.4 28.0 21.6
1500
77 71.4 4.3 43.1 32.5 22.0 - - - 65.0 5.0 41.1 30.9 20.6 - - -
72 65.3 4.2 47.8 39.4 31.1 22.8 - - 60.5 4.9 45.8 37.6 29.4 21.2 - -
67 59.2 4.2 52.4 46.3 40.2 31.7 23.3 - 55.9 4.9 50.4 44.3 38.1 29.8 21.4 -
62 57.8 4.2 55.5 52.4 49.4 40.7 32.1 23.5 54.5 4.8 52.5 49.7 46.9 38.4 29.8 21.2
57 56.4 4.1 56.4 56.4 56.4 49.7 40.9 32.2 53.2 4.8 53.2 53.2 53.2 47.0 38.2 29.5
1750
77 70.8 3.8 44.8 31.9 19.1 - - - 65.0 4.7 43.7 31.1 18.5 - - -
72 66.1 4.3 48.9 40.1 31.4 22.6 - - 61.6 4.9 47.6 38.8 30.0 21.2 - -
67 61.4 4.7 53.0 48.3 43.7 33.8 23.9 - 58.0 5.2 51.6 46.5 41.5 31.7 22.0 -
62 60.2 4.2 58.4 57.2 56.0 44.9 33.9 22.9 56.9 4.8 55.3 54.1 53.0 42.3 31.6 20.9
57 59.1 3.7 59.1 59.1 59.1 56.1 43.9 31.7 55.8 4.5 55.8 55.8 55.8 52.9 41.3 29.6
2000
77 70.1 3.4 46.4 31.3 16.2 - - - 65.1 4.3 46.2 31.3 16.3 - - -
72 66.8 4.3 50.0 40.8 31.7 22.5 - - 62.7 4.9 49.5 40.0 30.6 21.2 - -
67 63.6 5.2 53.6 50.3 47.1 35.8 24.5 - 60.0 5.5 52.8 48.8 44.9 33.7 22.6 -
62 62.7 4.2 61.4 61.4 61.4 49.2 35.7 22.3 59.2 4.8 58.0 58.0 58.0 46.3 33.5 20.6
57 61.8 3.3 61.8 61.8 61.8 61.8 46.9 31.3 58.3 4.2 58.3 58.3 58.3 58.3 44.3 29.8
2250
72 67.6 4.3 51.1 41.5 32.0 22.4 - - 63.8 4.9 51.4 41.3 31.2 21.1 - -
67 65.8 5.6 54.1 52.4 50.6 37.9 25.2 - 62.0 5.8 54.0 51.1 48.2 35.7 23.2 -
62 65.1 4.2 64.3 64.3 64.3 53.4 37.5 21.7 61.5 4.9 60.8 60.8 60.8 50.3 35.3 20.3
57 64.5 2.8 64.5 64.5 64.5 64.5 49.9 30.9 60.9 3.9 60.9 60.9 60.9 60.9 47.4 29.9
2500
72 68.3 4.3 52.2 42.2 32.3 22.3 - - 64.9 4.9 53.2 42.5 31.8 21.1 - -
67 68.0 6.1 54.7 54.4 54.1 39.9 25.8 - 64.1 6.1 55.2 53.4 51.6 37.7 23.8 -
62 67.6 4.3 67.2 67.2 67.2 57.6 39.3 21.1 63.8 4.9 63.5 63.5 63.5 54.2 37.1 20.0
57 67.2 2.4 67.2 67.2 67.2 67.2 52.9 30.5 63.5 3.6 63.5 63.5 63.5 63.5 50.4 30.1

1068152-YTG-I-1214
66 Johnson Controls Unitary Products
115°F 125°F
1250
77 57.8 5.9 35.8 28.2 20.6 - - - 50.6 6.4 33.0 25.7 18.5 - - -
72 54.1 5.7 41.2 33.9 26.7 19.5 - - 48.9 6.4 38.4 31.5 24.6 17.8 - -
67 50.8 5.4 46.5 39.7 32.8 25.9 18.9 - 47.6 6.3 43.9 37.3 30.8 23.9 17.1 -
62 49.1 5.5 46.9 42.9 38.9 32.3 25.6 19.0 46.0 6.2 44.1 40.5 36.9 30.1 23.3 16.5
1500
77 58.5 5.7 39.2 29.2 19.2 - - - 52.1 6.4 37.2 27.5 17.9 - - -
72 55.6 5.6 43.8 35.7 27.6 19.6 - - 50.7 6.3 41.8 33.9 25.9 18.0 - -
67 52.6 5.6 48.4 42.2 36.1 27.8 19.5 - 49.4 6.2 46.4 40.2 34.0 25.8 17.6 -
62 51.3 5.5 49.5 47.0 44.5 36.0 27.5 19.0 48.0 6.2 46.5 44.3 42.0 33.6 25.2 16.8
57 49.9 5.4 49.9 49.9 49.9 44.2 35.5 26.8 46.7 6.1 46.6 46.6 46.6 41.4 32.8 24.1
1750
77 59.3 5.5 42.6 30.2 17.8 - - - 53.6 6.3 41.5 29.4 17.2 - - -
72 57.1 5.6 46.4 37.5 28.6 19.7 - - 52.5 6.2 45.2 36.2 27.2 18.2 - -
67 54.5 5.7 50.2 44.8 39.3 29.7 20.0 - 51.1 6.2 48.8 43.0 37.1 27.6 18.1 -
62 53.5 5.5 52.1 51.1 50.1 39.7 29.3 19.0 50.1 6.1 48.9 48.0 47.1 37.1 27.0 17.0
57 52.4 5.3 52.4 52.4 52.4 49.7 38.6 27.5 49.1 6.1 49.0 49.0 49.0 46.5 36.0 25.4
2000
77 60.1 5.3 46.0 31.2 16.4 - - - 55.0 6.2 45.8 31.2 16.6 - - -
72 58.5 5.5 49.0 39.3 29.5 19.8 - - 54.4 6.2 48.5 38.5 28.4 18.4 - -
67 56.4 5.8 52.0 47.3 42.6 31.6 20.6 - 52.8 6.2 51.3 45.8 40.3 29.5 18.6 -
62 55.6 5.5 54.7 54.7 54.7 43.4 31.2 18.9 52.1 6.1 51.4 51.4 51.4 40.6 28.9 17.2
57 54.9 5.1 54.9 54.9 54.9 54.9 41.7 28.2 51.5 6.1 51.4 51.4 51.4 51.4 39.2 26.7
2250
72 60.0 5.5 51.6 41.0 30.5 19.9 - - 56.2 6.1 51.9 40.8 29.7 18.6 - -
67 58.3 6.0 53.9 49.9 45.9 33.5 21.2 - 54.5 6.1 53.7 48.6 43.5 31.3 19.2 -
62 57.8 5.5 57.3 57.3 57.3 47.1 33.0 18.9 54.2 6.1 53.8 53.8 53.8 44.0 30.8 17.5
57 57.4 5.0 57.4 57.4 57.4 57.4 44.9 29.0 53.8 6.1 53.8 53.8 53.8 53.8 42.4 28.0
2500
72 61.4 5.5 54.2 42.8 31.4 20.0 - - 58.0 6.0 55.3 43.1 31.0 18.8 - -
67 60.1 6.1 55.7 52.4 49.1 35.4 21.7 - 56.2 6.1 56.2 51.4 46.7 33.2 19.7 -
62 60.0 5.5 59.9 59.9 59.9 50.9 34.9 18.9 56.2 6.1 56.2 56.2 56.2 47.5 32.6 17.7
57 59.9 4.8 59.9 59.9 59.9 59.9 48.0 29.7 56.2 6.1 56.2 56.2 56.2 56.2 45.6 29.3
1. These capacities are gross ratings. For net capacity, deduct the supply air blower motor heat (MBh = 3.415 x kW). Refer to the appropriate
Blower Performance Table for the kW of the supply air blower motor.
2. These ratings include the condenser fan motors (total 1 kW) and the compressor motors but not the supply air blower motor.
ZY06 (5.0 Ton) (Continued)
Air on
Evaporator Coil Temperature of Air on Condenser Coil
Total
Capacity1
(MBh)
Total
Input
(kW)2
Sensible Capacity (MBh) Total
Capacity1
(MBh)
Total
Input
(kW)2
Sensible Capacity (MBh)
CFM WB
(°F) Return Dry Bulb (°F) Return Dry Bulb (°F)
90 85 80 75 70 65 90 85 80 75 70 65

1068152-YTG-I-1214
Johnson Controls Unitary Products 67
ZY07 (6.0 Ton)
Air on
Evaporator Coil Temperature of Air on Condenser Coil
Total
Capacity1
(MBh)
Total
Input
(kW)2
Sensible Capacity (MBh) Total
Capacity1
(MBh)
Total
Input
(kW)2
Sensible Capacity (MBh)
CFM WB
(°F) Return Dry Bulb (°F) Return Dry Bulb (°F)
90 85 80 75 70 65 90 85 80 75 70 65
75°F 85°F
1500
77 95.1 4.3 46.6 38.7 30.7 - - - 91.0 4.6 44.6 35.0 25.4 - - -
72 86.6 4.1 57.1 48.6 40.2 31.7 - - 82.7 4.6 55.3 45.8 36.3 26.9 - -
67 78.1 4.0 67.6 58.6 49.6 40.0 31.7 - 74.5 4.5 65.9 56.6 47.3 37.0 27.4 -
62 77.0 4.0 71.7 65.4 59.1 46.4 40.2 30.7 73.5 4.4 69.7 64.0 58.3 46.2 37.4 27.0
1800
77 95.2 4.3 52.5 42.1 31.7 - - - 91.3 4.6 50.9 40.5 30.1 - - -
72 88.3 4.2 62.1 52.3 42.5 32.7 - - 84.6 4.6 60.5 50.6 40.8 31.0 - -
67 81.3 4.1 71.8 62.6 53.4 42.5 32.8 - 77.8 4.5 70.0 60.7 51.5 41.0 30.9 -
62 80.1 4.0 75.3 69.7 64.2 50.8 42.7 31.9 76.8 4.5 73.0 67.6 62.2 50.1 40.7 30.0
57 78.8 4.0 78.7 76.9 75.1 63.8 52.6 41.3 75.7 4.4 75.7 74.5 72.9 61.7 50.5 39.3
2100
77 95.4 4.3 58.3 45.5 32.7 - - - 91.7 4.7 57.3 46.1 34.9 - - -
72 90.0 4.2 67.2 56.0 44.9 33.7 - - 86.4 4.6 65.7 55.5 45.3 35.1 - -
67 84.5 4.1 76.1 66.6 57.1 45.1 33.9 - 81.1 4.6 74.0 64.9 55.7 44.9 34.4 -
62 83.1 4.1 78.8 74.0 69.3 55.3 45.2 33.1 80.0 4.5 76.4 71.3 66.1 54.1 44.0 33.0
57 81.7 4.0 81.5 80.8 79.9 69.0 56.5 44.0 78.9 4.5 78.8 77.3 75.7 65.0 53.6 42.1
2400
77 95.5 4.3 64.2 48.9 33.7 - - - 92.0 4.7 63.6 51.6 39.6 - - -
72 91.6 4.2 72.2 59.8 47.3 34.8 - - 88.2 4.6 70.9 60.3 49.7 39.2 - -
67 87.7 4.1 80.3 70.6 60.8 47.6 35.0 - 84.5 4.6 78.1 69.0 59.9 48.8 38.0 -
62 86.2 4.1 82.3 78.4 74.4 59.7 47.7 34.4 83.2 4.6 79.8 74.9 70.0 58.0 47.3 36.0
57 84.7 4.1 84.3 84.3 84.3 74.2 60.4 46.7 82.0 4.5 81.5 80.1 78.5 68.4 56.6 44.9
2700
72 93.3 4.3 77.3 63.5 49.6 35.8 - - 90.1 4.7 76.1 65.1 54.2 43.3 - -
67 90.9 4.2 84.6 74.6 64.5 50.2 36.1 - 87.8 4.6 82.2 73.1 64.1 52.7 41.5 -
62 89.3 4.2 85.8 82.7 79.5 64.2 50.2 35.6 86.5 4.6 83.2 78.6 73.9 61.9 50.6 38.9
57 87.6 4.2 87.1 87.1 87.1 79.4 64.4 49.3 85.1 4.6 84.2 83.6 82.9 71.7 59.7 47.7
3000
72 95.0 4.3 82.3 67.2 52.0 36.8 - - 91.9 4.7 81.3 70.0 58.7 47.4 - -
67 94.1 4.2 88.8 78.6 68.3 52.7 37.2 - 91.1 4.6 86.3 77.2 68.2 56.6 45.0 -
62 92.3 4.2 89.4 87.0 84.6 68.7 52.7 36.8 89.7 4.6 86.6 82.2 77.8 65.8 53.9 41.9
57 90.5 4.2 89.9 89.9 89.9 84.6 68.3 52.0 88.2 4.7 87.0 87.0 87.0 75.1 62.8 50.5
95°F 105°F
1500
77 86.9 5.0 42.6 31.3 20.1 - - - 80.8 5.6 40.9 30.9 20.8 - - -
72 78.8 5.0 53.4 43.0 32.5 22.1 - - 73.5 5.6 51.4 41.6 31.9 22.1 - -
67 70.8 5.0 64.2 54.6 45.0 34.1 23.2 - 66.6 5.6 61.9 52.4 42.9 32.8 22.7 -
62 70.1 4.9 67.6 62.5 57.4 46.1 34.7 23.4 66.1 5.6 64.2 59.1 53.9 43.5 33.1 22.7
1800
77 87.4 5.0 49.4 39.0 28.6 - - - 81.1 5.7 47.4 36.9 26.5 - - -
72 80.8 5.0 58.8 48.9 39.1 29.2 - - 75.5 5.7 56.4 46.6 36.8 27.1 - -
67 74.3 5.0 68.1 58.9 49.6 39.4 29.1 - 69.8 5.6 65.3 56.3 47.2 37.1 26.9 -
62 73.5 4.9 70.8 65.5 60.1 49.5 38.8 28.1 69.3 5.6 67.2 62.4 57.6 47.1 36.5 26.0
57 72.6 4.8 72.6 72.1 70.7 59.6 48.5 37.4 68.7 5.5 68.7 68.5 67.9 57.0 46.2 35.3
2100
77 87.9 5.0 56.3 46.6 37.0 - - - 81.5 5.7 53.9 43.0 32.1 - - -
72 82.8 5.0 64.1 54.9 45.7 36.4 - - 77.4 5.7 61.3 51.5 41.8 32.0 - -
67 77.8 5.0 72.0 63.1 54.3 44.6 35.0 - 73.0 5.7 68.7 60.1 51.5 41.3 31.1 -
62 76.9 4.9 74.1 68.5 62.9 52.9 42.8 32.8 72.4 5.6 70.1 65.7 61.2 50.6 40.0 29.4
57 76.0 4.9 76.0 73.8 71.5 61.1 50.7 40.3 71.7 5.6 71.5 71.2 70.9 59.9 48.8 37.8
2400
77 88.5 5.1 63.1 54.3 45.5 - - - 81.8 5.7 60.4 49.1 37.7 - - -
72 84.8 5.0 69.5 60.9 52.2 43.6 - - 79.3 5.7 66.3 56.5 46.7 37.0 - -
67 81.2 5.0 75.9 67.4 58.9 49.9 40.9 - 76.2 5.7 72.1 63.9 55.8 45.5 35.3 -
62 80.3 5.0 77.3 71.5 65.6 56.2 46.9 37.5 75.5 5.7 73.1 68.9 64.8 54.1 43.4 32.7
57 79.3 5.0 78.8 75.5 72.3 62.6 52.9 43.2 74.8 5.6 74.1 74.0 73.8 62.7 51.5 40.3
2700
72 86.8 5.1 74.9 66.8 58.8 50.7 - - 81.3 5.7 71.2 61.5 51.7 42.0 - -
67 84.7 5.0 79.8 71.7 63.6 55.2 46.8 - 79.4 5.7 75.5 67.8 60.1 49.8 39.5 -
62 83.7 5.0 80.6 74.5 68.3 59.6 50.9 42.3 78.6 5.7 76.1 72.2 68.4 57.6 46.8 36.0
57 82.6 5.0 81.4 77.2 73.1 64.1 55.1 46.0 77.9 5.7 76.6 76.6 76.6 65.5 54.1 42.8
3000
72 88.8 5.1 80.2 72.8 65.4 57.9 - - 83.2 5.7 76.2 66.4 56.7 46.9 - -
67 88.2 5.0 83.7 75.9 68.2 60.5 52.7 - 82.6 5.7 78.9 71.6 64.4 54.0 43.7 -
62 87.1 5.1 83.8 77.4 71.0 63.0 55.0 47.0 81.8 5.7 79.0 75.5 72.0 61.1 50.2 39.3
57 86.0 5.1 84.0 79.0 73.9 65.6 57.3 48.9 80.9 5.7 79.2 79.2 79.2 68.3 56.8 45.3

1068152-YTG-I-1214
68 Johnson Controls Unitary Products
115°F 125°F
1500
77 74.7 6.3 39.2 30.4 21.6 - - - 68.7 7.0 37.5 29.9 22.4 - - -
72 68.2 6.3 49.4 40.3 31.2 22.1 - - 62.9 7.0 47.4 39.0 30.6 22.1 - -
67 62.4 6.3 59.7 50.2 40.8 31.6 22.3 - 58.2 7.0 57.4 48.1 38.8 30.3 21.8 -
62 62.2 6.2 60.8 55.6 50.4 41.0 31.5 22.1 58.3 6.9 57.5 52.2 47.0 38.4 29.9 21.4
1800
77 74.9 6.3 45.4 34.9 24.4 - - - 68.6 7.0 43.3 32.8 22.3 - - -
72 70.1 6.3 53.9 44.3 34.6 24.9 - - 64.7 7.0 51.5 41.9 32.3 22.7 - -
67 65.4 6.3 62.5 53.7 44.8 34.8 24.8 - 60.9 7.0 59.7 51.0 42.3 32.5 22.6 -
62 65.1 6.3 63.5 59.2 55.0 44.6 34.3 24.0 60.8 6.9 59.9 56.1 52.4 42.2 32.1 21.9
57 64.7 6.2 64.5 64.5 64.5 54.5 43.9 33.2 60.8 6.9 60.0 60.0 60.0 52.0 41.6 31.2
2100
77 75.0 6.3 51.5 39.3 27.1 - - - 68.5 7.0 49.2 35.7 22.2 - - -
72 72.0 6.3 58.5 48.2 37.9 27.6 - - 66.6 7.0 55.7 44.9 34.1 23.3 - -
67 68.3 6.3 65.4 57.1 48.7 38.0 27.2 - 63.5 7.0 62.1 54.0 45.9 34.6 23.4 -
62 67.9 6.3 66.2 62.8 59.5 48.3 37.1 25.9 63.4 7.0 62.2 60.0 57.8 46.0 34.2 22.5
57 67.5 6.3 66.9 66.9 66.9 58.6 47.0 35.3 63.3 6.9 62.3 62.3 62.3 57.4 45.1 32.9
2400
77 75.1 6.4 57.7 43.8 29.9 - - - 68.4 7.0 55.0 38.6 22.1 - - -
72 73.9 6.3 63.0 52.1 41.3 30.4 - - 68.4 7.0 59.8 47.8 35.8 23.8 - -
67 71.2 6.3 68.3 60.5 52.6 41.2 29.7 - 66.2 7.0 64.5 57.0 49.5 36.8 24.1 -
62 70.8 6.3 68.8 66.4 64.0 52.0 39.9 27.8 66.0 7.0 64.6 63.9 63.2 49.8 36.4 23.0
57 70.3 6.3 69.4 69.4 69.4 62.7 50.1 37.4 65.8 7.0 64.7 64.7 64.7 62.8 48.7 34.6
2700
72 75.7 6.4 67.5 56.1 44.6 33.2 - - 70.2 7.0 63.9 50.7 37.5 24.4 - -
67 74.1 6.3 71.2 63.9 56.6 44.4 32.2 - 68.8 7.0 66.9 60.0 53.1 39.0 24.9 -
62 73.6 6.3 71.5 70.0 68.5 55.6 42.7 29.8 68.6 7.0 67.0 67.0 67.0 53.6 38.6 23.5
57 73.1 6.4 71.8 71.8 71.8 66.8 53.2 39.5 68.3 7.0 67.1 67.1 67.1 67.1 52.2 36.3
3000
72 77.6 6.4 72.1 60.0 48.0 35.9 - - 72.0 7.0 68.0 53.6 39.3 24.9 - -
67 77.1 6.3 74.1 67.3 60.5 47.6 34.7 - 71.5 7.0 69.3 63.0 56.7 41.2 25.7 -
62 76.5 6.4 74.2 73.6 73.0 59.3 45.5 31.7 71.2 7.0 69.4 69.4 69.4 57.4 40.7 24.1
57 75.9 6.4 74.3 74.3 74.3 70.9 56.3 41.6 70.8 7.1 69.4 69.4 69.4 69.4 55.8 38.0
1. These capacities are gross ratings. For net capacity, deduct the supply air blower motor heat (MBh = 3.415 x kW). Refer to the appropriate
Blower Performance Table for the kW of the supply air blower motor.
2. These ratings include the condenser fan motors (total 1 kW) and the compressor motors but not the supply air blower motor.
ZY07 (6.0 Ton) (Continued)
Air on
Evaporator Coil Temperature of Air on Condenser Coil
Total
Capacity1
(MBh)
Total
Input
(kW)2
Sensible Capacity (MBh) Total
Capacity1
(MBh)
Total
Input
(kW)2
Sensible Capacity (MBh)
CFM WB
(°F) Return Dry Bulb (°F) Return Dry Bulb (°F)
90 85 80 75 70 65 90 85 80 75 70 65

1068152-YTG-I-1214
Johnson Controls Unitary Products 69
ZY08 (7.5 Ton)
Air on
Evaporator Coil Temperature of Air on Condenser Coil
Total
Capacity1
(MBh)
Total
Input
(kW)2
Sensible Capacity (MBh) Total
Capacity1
(MBh)
Total
Input
(kW)2
Sensible Capacity (MBh)
CFM WB
(°F) Return Dry Bulb (°F) Return Dry Bulb (°F)
90 85 80 75 70 65 90 85 80 75 70 65
75°F 85°F
1875
77 118.6 5.2 62.2 53.7 45.2 - - - 106.8 5.8 59.9 51.4 43.0 - - -
72 107.7 5.2 73.3 63.4 53.6 43.8 - - 102.0 5.8 70.6 61.0 51.3 41.6 - -
67 96.9 5.2 84.4 73.2 62.0 52.2 42.8 - 91.7 5.9 81.4 70.5 59.6 49.7 40.0 -
62 93.3 5.2 92.3 81.4 70.4 59.4 51.7 42.4 89.5 5.9 88.6 78.2 67.8 57.1 48.1 38.2
2250
77 119.6 5.2 69.3 56.9 44.5 - - - 113.0 5.8 67.0 54.3 41.6 - - -
72 110.3 5.2 79.7 67.8 55.9 43.9 - - 104.4 5.9 77.0 65.0 53.1 41.2 - -
67 101.0 5.2 90.2 78.7 67.2 55.1 43.4 - 95.8 5.9 87.0 75.8 64.7 52.6 40.7 -
62 98.1 5.2 96.9 87.7 78.5 65.3 54.8 43.0 94.0 5.9 92.9 84.6 76.2 63.4 52.0 39.9
57 96.9 5.2 96.9 96.8 89.9 78.1 66.3 54.5 93.0 5.8 93.0 93.0 87.7 75.6 63.4 51.2
2625
77 120.7 5.2 76.4 60.1 43.8 - - - 113.7 5.8 74.1 57.1 40.2 - - -
72 112.9 5.2 86.2 72.1 58.1 44.0 - - 106.7 5.9 83.3 69.1 55.0 40.8 - -
67 105.2 5.3 96.0 84.2 72.3 58.0 44.0 - 99.8 5.9 92.5 81.1 69.8 55.5 41.3 -
62 103.0 5.2 101.5 94.1 86.6 71.3 57.9 43.6 98.4 5.9 97.3 90.9 84.6 69.8 55.9 41.6
57 102.0 5.2 102.0 101.9 98.5 86.4 71.9 57.4 97.6 5.8 97.6 97.6 97.6 85.0 70.6 56.2
3000
77 121.7 5.2 83.5 63.3 43.1 - - - 114.4 5.9 81.2 59.9 38.7 - - -
72 115.5 5.2 92.6 76.5 60.3 44.1 - - 109.1 5.9 89.6 73.2 56.8 40.4 - -
67 109.3 5.3 101.8 89.6 77.5 60.9 44.5 - 103.8 5.9 98.1 86.5 74.9 58.3 41.9 -
62 107.8 5.2 106.1 100.4 94.7 77.2 61.0 44.2 102.9 5.9 101.6 97.3 93.0 76.1 59.9 43.3
57 107.0 5.2 107.0 107.0 107.0 94.7 77.6 60.4 102.3 5.8 102.3 102.3 102.3 94.4 77.8 61.2
3375
72 118.1 5.3 99.1 80.8 62.5 44.3 - - 111.5 5.9 96.0 77.3 58.6 40.0 - -
67 113.5 5.3 107.6 95.1 82.7 63.8 45.1 - 107.9 5.9 103.6 91.8 80.0 61.2 42.6 -
62 112.6 5.2 110.7 106.7 102.8 83.1 64.1 44.8 107.3 5.9 106.0 103.6 101.3 82.4 63.8 45.0
57 112.1 5.2 112.1 112.1 112.1 103.1 83.2 63.4 106.9 5.8 106.9 106.9 106.9 103.9 85.0 66.2
3750
72 120.7 5.3 105.6 85.2 64.8 44.4 - - 113.9 5.9 102.3 81.4 60.5 39.6 - -
67 117.6 5.3 113.4 100.6 87.8 66.7 45.6 - 111.9 5.9 109.2 97.1 85.1 64.1 43.2 -
62 117.4 5.2 115.3 113.1 110.9 89.0 67.2 45.4 111.7 5.9 110.3 110.0 109.7 88.7 67.7 46.7
57 117.2 5.2 117.1 117.1 117.1 111.4 88.9 66.3 111.6 5.8 111.4 111.4 111.4 111.4 92.3 71.2
95°F 105°F
1875
77 95.0 6.3 57.5 49.2 40.9 - - - 89.4 7.4 54.8 46.1 37.5 - - -
72 96.2 6.5 68.0 58.5 49.0 39.5 - - 89.1 7.5 65.4 55.7 46.0 36.3 - -
67 86.6 6.7 78.5 67.8 57.1 47.1 37.2 - 81.6 7.6 76.0 65.3 54.5 44.4 34.4 -
62 85.7 6.5 84.8 75.0 65.2 54.8 44.4 34.0 81.0 7.5 80.2 71.6 63.0 52.6 42.2 31.7
2250
77 106.3 6.4 64.6 51.6 38.7 - - - 97.8 7.4 62.0 48.9 35.8 - - -
72 98.4 6.5 74.2 62.3 50.4 38.5 - - 91.6 7.5 71.3 59.4 47.6 35.7 - -
67 90.5 6.6 83.8 73.0 62.1 50.0 37.9 - 85.3 7.6 80.6 69.9 59.3 47.1 35.0 -
62 89.8 6.5 88.9 81.4 73.9 61.5 49.2 36.8 84.8 7.5 84.1 77.5 71.0 58.6 46.2 33.8
57 89.1 6.4 89.1 89.1 85.6 73.0 60.5 47.9 84.2 7.4 84.2 84.2 82.7 70.0 57.4 44.8
2625
77 106.7 6.4 71.7 54.1 36.5 - - - 99.0 7.4 69.2 51.7 34.2 - - -
72 100.6 6.5 80.4 66.1 51.8 37.6 - - 94.0 7.5 77.2 63.2 49.1 35.1 - -
67 94.4 6.6 89.1 78.1 67.2 52.9 38.6 - 89.0 7.6 85.2 74.6 64.0 49.8 35.6 -
62 93.9 6.5 93.0 87.8 82.5 68.2 53.9 39.6 88.6 7.5 87.9 83.4 78.9 64.6 50.2 35.9
57 93.3 6.4 93.3 93.3 93.3 83.6 69.3 55.0 88.1 7.4 88.1 88.1 88.1 79.3 64.9 50.4
3000
77 107.1 6.5 78.8 56.6 34.3 - - - 100.1 7.5 76.4 54.5 32.6 - - -
72 102.8 6.5 86.6 69.9 53.3 36.6 - - 96.4 7.5 83.1 66.9 50.7 34.5 - -
67 98.4 6.6 94.4 83.3 72.2 55.8 39.3 - 92.7 7.5 89.8 79.3 68.8 52.5 36.3 -
62 97.9 6.5 97.1 94.2 91.2 75.0 58.7 42.5 92.3 7.5 91.7 89.3 86.8 70.6 54.3 38.0
57 97.5 6.4 97.5 97.5 97.5 94.1 78.1 62.0 92.0 7.4 92.0 92.0 92.0 88.6 72.3 56.0
3375
72 104.9 6.5 92.8 73.8 54.7 35.7 - - 98.8 7.5 89.1 70.7 52.3 33.9 - -
67 102.3 6.5 99.7 88.5 77.3 58.7 40.1 - 96.3 7.5 94.5 84.0 73.5 55.2 36.9 -
62 102.0 6.5 101.2 100.6 99.9 81.7 63.5 45.3 96.1 7.5 95.5 95.1 94.8 76.6 58.3 40.1
57 101.7 6.4 101.7 101.7 101.7 101.7 86.9 69.1 95.9 7.4 95.9 95.9 95.9 95.9 79.8 61.6
3750
72 107.1 6.6 99.0 77.6 56.2 34.7 - - 101.2 7.5 95.0 74.4 53.8 33.3 - -
67 106.3 6.5 105.0 93.7 82.3 61.6 40.8 - 100.0 7.5 99.1 88.7 78.3 57.9 37.6 -
62 106.1 6.5 105.3 105.3 105.3 88.4 68.2 48.1 99.9 7.5 99.3 99.3 99.3 82.5 62.4 42.2
57 105.9 6.5 105.7 105.7 105.7 105.7 95.7 76.2 99.8 7.4 99.6 99.6 99.6 99.6 87.2 67.2

1068152-YTG-I-1214
70 Johnson Controls Unitary Products
115°F 125°F
1875
77 83.8 8.5 52.1 43.1 34.1 - - - 78.3 9.5 49.4 40.0 30.7 - - -
72 82.1 8.5 62.8 52.9 43.0 33.1 - - 75.0 9.5 60.2 50.1 40.0 29.9 - -
67 76.7 8.6 73.5 62.7 51.9 41.7 31.5 - 71.7 9.5 71.1 60.2 49.3 39.0 28.7 -
62 76.2 8.5 75.7 68.3 60.9 50.4 39.9 29.4 71.5 9.5 71.1 64.9 58.7 48.1 37.6 27.1
2250
77 89.3 8.5 59.4 46.2 33.0 - - - 80.9 9.5 56.8 43.5 30.2 - - -
72 84.7 8.5 68.4 56.6 44.7 32.8 - - 77.9 9.5 65.6 53.7 41.8 30.0 - -
67 80.1 8.5 77.5 66.9 56.4 44.2 32.1 - 74.9 9.5 74.3 63.9 53.5 41.3 29.2 -
62 79.7 8.5 79.2 73.6 68.1 55.6 43.2 30.8 74.7 9.5 74.3 69.7 65.2 52.7 40.2 27.8
57 79.4 8.5 79.4 79.4 79.4 67.0 54.3 41.7 74.5 9.5 74.4 74.4 74.4 64.0 51.3 38.5
2625
77 91.2 8.5 66.7 49.4 32.0 - - - 83.4 9.5 64.2 47.0 29.7 - - -
72 87.4 8.5 74.1 60.2 46.4 32.6 - - 80.8 9.5 70.9 57.3 43.7 30.1 - -
67 83.5 8.5 81.4 71.1 60.8 46.7 32.7 - 78.1 9.4 77.5 67.6 57.7 43.7 29.7 -
62 83.2 8.5 82.7 79.0 75.3 60.9 46.6 32.2 77.9 9.5 77.6 74.6 71.6 57.2 42.9 28.5
57 82.9 8.4 82.9 82.9 82.9 75.1 60.4 45.8 77.7 9.5 77.6 77.6 77.6 70.8 56.0 41.3
3000
77 93.1 8.5 74.0 52.5 30.9 - - - 86.0 9.5 71.6 50.4 29.2 - - -
72 90.0 8.5 79.7 63.9 48.1 32.3 - - 83.6 9.4 76.2 60.9 45.5 30.2 - -
67 86.9 8.5 85.3 75.3 65.3 49.3 33.2 - 81.2 9.4 80.8 71.3 61.8 46.0 30.2 -
62 86.7 8.5 86.3 84.4 82.5 66.2 49.9 33.6 81.1 9.4 80.8 79.5 78.1 61.8 45.5 29.2
57 86.5 8.4 86.5 86.5 86.5 83.1 66.5 50.0 81.0 9.4 80.9 80.9 80.9 77.6 60.8 44.0
3375
72 92.7 8.5 85.3 67.6 49.8 32.1 - - 86.5 9.4 81.5 64.5 47.4 30.3 - -
67 90.4 8.4 89.2 79.5 69.7 51.8 33.8 - 84.4 9.4 84.0 75.0 66.0 48.3 30.6 -
62 90.2 8.4 89.8 89.7 89.7 71.4 53.2 35.0 84.3 9.4 84.1 84.1 84.1 66.3 48.1 29.8
57 90.0 8.4 90.0 90.0 90.0 90.0 72.6 54.2 84.2 9.4 84.1 84.1 84.1 84.1 65.5 46.7
3750
72 95.3 8.5 90.9 71.2 51.5 31.8 - - 89.4 9.4 86.9 68.0 49.2 30.4 - -
67 93.8 8.4 93.2 83.7 74.2 54.3 34.3 - 87.6 9.3 87.3 78.7 70.1 50.6 31.1 -
62 93.7 8.4 93.3 93.3 93.3 76.7 56.5 36.4 87.5 9.4 87.3 87.3 87.3 70.9 50.7 30.5
57 93.6 8.4 93.5 93.5 93.5 93.5 78.7 58.3 87.4 9.4 87.4 87.4 87.4 87.4 70.3 49.4
1. These capacities are gross ratings. For net capacity, deduct the supply air blower motor heat (MBh = 3.415 x kW). Refer to the appropriate
Blower Performance Table for the kW of the supply air blower motor.
2. These ratings include the condenser fan motors (total 1 kW) and the compressor motors but not the supply air blower motor.
ZY08 (7.5 Ton) (Continued)
Air on
Evaporator Coil Temperature of Air on Condenser Coil
Total
Capacity1
(MBh)
Total
Input
(kW)2
Sensible Capacity (MBh) Total
Capacity1
(MBh)
Total
Input
(kW)2
Sensible Capacity (MBh)
CFM WB
(°F) Return Dry Bulb (°F) Return Dry Bulb (°F)
90 85 80 75 70 65 90 85 80 75 70 65

1068152-YTG-I-1214
Johnson Controls Unitary Products 71
ZY09 (8.5 Ton)
Air on
Evaporator Coil Temperature of Air on Condenser Coil
Total
Capacity1
(MBh)
Total
Input
(kW)2
Sensible Capacity (MBh) Total
Capacity1
(MBh)
Total
Input
(kW)2
Sensible Capacity (MBh)
CFM WB
(°F) Return Dry Bulb (°F) Return Dry Bulb (°F)
90 85 80 75 70 65 90 85 80 75 70 65
75°F 85°F
2125
77 129.6 5.9 67.0 57.1 47.1 - - - 123.8 6.5 64.6 54.4 44.2 - - -
72 121.7 5.8 83.1 71.2 59.2 47.2 - - 116.0 6.5 80.7 68.5 56.3 44.1 - -
67 113.7 5.8 99.3 85.3 71.2 58.7 46.8 - 108.2 6.5 96.7 82.6 68.4 56.0 43.9 -
62 112.3 5.7 107.4 95.3 83.3 67.6 58.5 46.0 106.3 6.5 102.3 91.4 80.6 66.6 55.9 43.6
2550
77 132.2 5.9 75.2 60.8 46.4 - - - 125.7 6.6 73.3 58.6 43.9 - - -
72 124.6 5.9 90.1 75.9 61.6 47.3 - - 118.6 6.5 87.7 73.3 58.9 44.6 - -
67 117.1 5.8 105.1 90.9 76.8 61.9 47.6 - 111.5 6.5 102.0 88.0 74.0 59.3 44.8 -
62 115.5 5.8 111.5 101.8 92.1 74.4 62.1 47.1 109.8 6.5 106.5 97.8 89.1 72.9 59.4 44.5
57 113.9 5.7 113.9 110.6 107.3 91.9 76.5 61.2 108.0 6.4 108.0 106.1 104.2 89.0 73.9 58.8
2975
77 134.7 6.0 83.4 64.5 45.6 - - - 127.6 6.6 82.0 62.8 43.6 - - -
72 127.6 5.9 97.1 80.6 64.0 47.5 - - 121.3 6.6 94.6 78.1 61.6 45.1 - -
67 120.5 5.8 110.8 96.6 82.4 65.2 48.3 - 114.9 6.5 107.2 93.4 79.6 62.5 45.7 -
62 118.7 5.8 115.7 108.3 100.8 81.3 65.7 48.1 113.2 6.5 110.6 104.1 97.6 79.2 62.8 45.3
57 117.5 5.8 117.5 115.8 114.2 101.1 83.0 64.9 111.8 6.5 111.8 111.8 111.8 97.7 79.9 62.0
3400
77 137.3 6.0 91.5 68.2 44.8 - - - 129.5 6.6 90.7 67.0 43.3 - - -
72 130.6 5.9 104.1 85.2 66.4 47.6 - - 123.9 6.6 101.6 82.9 64.2 45.6 - -
67 123.9 5.8 116.6 102.3 88.0 68.4 49.0 - 118.3 6.6 112.4 98.8 85.2 65.8 46.5 -
62 121.9 5.8 119.9 114.7 109.6 88.1 69.3 49.1 116.7 6.5 114.8 110.4 106.1 85.5 66.2 46.2
57 121.1 5.8 121.1 121.1 121.1 110.3 89.5 68.7 115.7 6.5 115.6 115.6 115.6 106.4 85.8 65.2
3825
72 133.6 6.0 111.0 89.9 68.8 47.7 - - 126.5 6.6 108.5 87.7 66.9 46.1 - -
67 127.3 5.9 122.4 108.0 93.6 71.6 49.7 - 121.6 6.6 117.6 104.2 90.7 69.0 47.4 -
62 125.1 5.9 124.1 121.2 118.3 94.9 72.8 50.1 120.1 6.6 118.9 116.8 114.6 91.7 69.6 47.1
57 124.6 5.9 124.6 124.6 124.6 119.5 96.0 72.4 119.5 6.5 119.5 119.5 119.5 115.1 91.7 68.4
4250
72 136.6 6.0 118.0 94.6 71.2 47.8 - - 129.2 6.6 115.5 92.5 69.5 46.5 - -
67 130.7 5.9 128.2 113.6 99.1 74.8 50.4 - 125.0 6.6 122.8 109.6 96.3 72.3 48.3 -
62 128.2 5.9 128.2 127.6 127.0 101.7 76.4 51.1 123.5 6.6 123.1 123.1 123.1 98.0 73.0 47.9
57 128.2 5.9 128.2 128.2 128.2 128.2 102.4 76.2 123.3 6.6 123.3 123.3 123.3 123.3 97.7 71.6
95°F 105°F
2125
77 118.0 7.2 62.3 51.7 41.2 - - - 110.3 8.4 62.5 50.8 39.2 - - -
72 110.3 7.2 78.2 65.8 53.4 41.0 - - 103.8 8.4 76.1 63.6 51.0 38.4 - -
67 102.6 7.3 94.2 79.9 65.6 53.3 41.0 - 97.2 8.4 89.8 76.3 62.8 50.4 38.0 -
62 100.4 7.2 97.3 87.6 77.9 65.7 53.4 41.2 94.8 8.3 91.9 83.2 74.6 62.4 50.3 38.1
2550
77 119.2 7.2 71.5 56.4 41.4 - - - 111.4 8.4 70.7 54.7 38.6 - - -
72 112.6 7.2 85.2 70.7 56.3 41.8 - - 105.7 8.4 82.3 67.8 53.4 38.9 - -
67 106.0 7.3 98.9 85.0 71.2 56.6 42.0 - 100.1 8.4 93.9 81.0 68.1 53.5 38.9 -
62 104.1 7.2 101.4 93.8 86.1 71.4 56.7 41.9 98.1 8.3 95.7 89.3 82.9 68.1 53.4 38.6
57 102.2 7.2 102.0 101.5 101.0 86.2 71.3 56.4 96.1 8.3 96.1 96.1 96.1 82.7 67.8 53.0
2975
77 120.5 7.2 80.7 61.1 41.6 - - - 112.5 8.4 78.9 58.5 38.1 - - -
72 114.9 7.3 92.1 75.6 59.2 42.7 - - 107.7 8.4 88.5 72.1 55.8 39.5 - -
67 109.3 7.3 103.5 90.2 76.8 59.9 43.0 - 102.9 8.4 98.0 85.7 73.5 56.7 39.8 -
62 107.8 7.2 105.5 99.9 94.4 77.1 59.9 42.6 101.4 8.3 99.4 95.3 91.2 73.8 56.5 39.2
57 106.2 7.2 106.1 106.1 106.1 94.3 76.7 59.1 99.8 8.3 99.8 99.8 99.8 91.0 73.2 55.4
3400
77 121.8 7.3 89.9 65.8 41.8 - - - 113.6 8.4 87.2 62.4 37.6 - - -
72 117.2 7.3 99.1 80.6 62.1 43.5 - - 109.7 8.4 94.6 76.4 58.2 40.0 - -
67 112.6 7.3 108.2 95.3 82.3 63.2 44.1 - 105.8 8.4 102.1 90.5 78.8 59.8 40.7 -
62 111.4 7.2 109.7 106.1 102.6 82.8 63.1 43.3 104.6 8.4 103.1 101.3 99.5 79.6 59.7 39.7
57 110.3 7.2 110.2 110.2 110.2 102.5 82.1 61.7 103.5 8.3 103.5 103.5 103.5 99.3 78.6 57.8
3825
72 119.5 7.3 106.0 85.5 64.9 44.4 - - 111.6 8.4 100.8 80.7 60.6 40.6 - -
67 116.0 7.3 112.9 100.4 87.9 66.5 45.1 - 108.6 8.4 106.2 95.2 84.2 62.9 41.6 -
62 115.1 7.3 113.8 112.3 110.8 88.6 66.3 44.0 107.9 8.4 106.8 106.8 106.8 85.3 62.8 40.3
57 114.3 7.2 114.3 114.3 114.3 110.7 87.5 64.4 107.2 8.3 107.2 107.2 107.2 107.2 83.9 60.2
4250
72 121.8 7.3 112.9 90.4 67.8 45.3 - - 113.6 8.4 107.0 85.0 63.1 41.1 - -
67 119.3 7.3 117.5 105.5 93.5 69.8 46.1 - 111.5 8.4 110.3 99.9 89.6 66.1 42.6 -
62 118.8 7.3 117.9 117.9 117.9 94.3 69.5 44.7 111.2 8.4 110.6 110.6 110.6 91.0 65.9 40.8
57 118.4 7.2 118.4 118.4 118.4 118.4 92.9 67.0 110.8 8.3 110.8 110.8 110.8 110.8 89.3 62.6

1068152-YTG-I-1214
72 Johnson Controls Unitary Products
115°F 125°F
2125
77 102.7 9.5 62.7 49.9 37.1 - - - 95.1 10.7 62.9 49.0 35.1 - - -
72 97.3 9.5 74.1 61.3 48.5 35.7 - - 90.7 10.6 72.0 59.0 46.1 33.1 - -
67 91.8 9.5 85.4 72.7 59.9 47.5 35.0 - 86.4 10.6 81.0 69.0 57.0 44.5 32.0 -
62 89.3 9.4 86.6 78.9 71.3 59.2 47.1 35.0 83.7 10.6 81.3 74.6 67.9 55.9 43.9 31.9
2550
77 103.6 9.5 69.9 52.9 35.9 - - - 95.8 10.7 69.1 51.2 33.2 - - -
72 98.9 9.5 79.4 65.0 50.5 36.0 - - 92.0 10.6 76.6 62.1 47.6 33.1 - -
67 94.1 9.5 89.0 77.0 65.0 50.4 35.8 - 88.2 10.6 84.0 73.0 62.0 47.3 32.7 -
62 92.1 9.4 89.9 84.8 79.6 64.9 50.1 35.4 86.2 10.6 84.2 80.3 76.4 61.6 46.9 32.1
57 90.1 9.4 90.1 90.1 90.1 79.3 64.4 49.5 84.1 10.5 84.1 84.1 84.1 75.9 61.0 46.1
2975
77 104.5 9.5 77.2 55.9 34.7 - - - 96.5 10.6 75.4 53.3 31.2 - - -
72 100.5 9.5 84.8 68.6 52.4 36.2 - - 93.3 10.6 81.2 65.1 49.1 33.0 - -
67 96.5 9.5 92.5 81.3 70.2 53.4 36.6 - 90.1 10.6 87.0 76.9 66.9 50.2 33.4 -
62 95.0 9.5 93.2 90.6 88.0 70.6 53.2 35.8 88.6 10.6 87.1 85.9 84.8 67.3 49.8 32.3
57 93.4 9.4 93.4 93.4 93.4 87.7 69.7 51.7 87.0 10.5 87.0 87.0 87.0 84.4 66.2 48.0
3400
77 105.4 9.5 84.4 58.9 33.4 - - - 97.1 10.6 81.7 55.5 29.3 - - -
72 102.1 9.5 90.2 72.3 54.4 36.5 - - 94.6 10.6 85.8 68.2 50.6 33.0 - -
67 98.9 9.5 96.0 85.7 75.4 56.4 37.4 - 92.0 10.6 89.9 80.9 71.9 53.0 34.1 -
62 97.8 9.5 96.5 96.4 96.3 76.3 56.2 36.2 91.0 10.6 90.0 90.0 90.0 73.0 52.8 32.6
57 96.7 9.4 96.7 96.7 96.7 96.2 75.0 53.9 89.9 10.5 89.9 89.9 89.9 89.9 71.5 50.0
3825
72 103.8 9.5 95.6 76.0 56.4 36.8 - - 95.9 10.6 90.4 71.2 52.1 32.9 - -
67 101.3 9.5 99.5 90.0 80.5 59.4 38.2 - 93.9 10.6 92.9 84.8 76.8 55.8 34.8 -
62 100.6 9.5 99.9 99.9 99.9 82.0 59.3 36.6 93.4 10.6 92.9 92.9 92.9 78.7 55.7 32.8
57 100.0 9.4 100.0 100.0 100.0 100.0 80.3 56.1 92.9 10.5 92.9 92.9 92.9 92.9 76.7 51.9
4250
72 105.4 9.5 101.0 79.7 58.3 37.0 - - 97.2 10.6 95.0 74.3 53.6 32.9 - -
67 103.6 9.5 103.0 94.4 85.7 62.3 39.0 - 95.8 10.6 95.8 88.8 81.8 58.6 35.4 -
62 103.5 9.5 103.2 103.2 103.2 87.7 62.3 36.9 95.8 10.6 95.8 95.8 95.8 84.4 58.7 33.0
57 103.3 9.4 103.3 103.3 103.3 103.3 85.6 58.2 95.8 10.5 95.8 95.8 95.8 95.8 82.0 53.8
1. These capacities are gross ratings. For net capacity, deduct the supply air blower motor heat (MBh = 3.415 x kW). Refer to the appropriate
Blower Performance Table for the kW of the supply air blower motor.
2. These ratings include the condenser fan motors (total 1 kW) and the compressor motors but not the supply air blower motor.
ZY09 (8.5 Ton) (Continued)
Air on
Evaporator Coil Temperature of Air on Condenser Coil
Total
Capacity1
(MBh)
Total
Input
(kW)2
Sensible Capacity (MBh) Total
Capacity1
(MBh)
Total
Input
(kW)2
Sensible Capacity (MBh)
CFM WB
(°F) Return Dry Bulb (°F) Return Dry Bulb (°F)
90 85 80 75 70 65 90 85 80 75 70 65

1068152-YTG-I-1214
Johnson Controls Unitary Products 73
ZY12 (10 Ton)
Air on
Evaporator Coil Temperature of Air on Condenser Coil
Total
Capacity1
(MBh)
Total
Input
(kW)2
Sensible Capacity (MBh) Total
Capacity1
(MBh)
Total
Input
(kW)2
Sensible Capacity (MBh)
CFM WB
(°F) Return Dry Bulb (°F) Return Dry Bulb (°F)
90 85 80 75 70 65 90 85 80 75 70 65
75°F 85°F
2500
77 157.6 7.2 79.1 66.6 54.2 - - - 150.9 8.0 75.7 63.7 51.8 - - -
72 143.9 7.1 94.6 81.1 67.6 54.1 - - 137.3 8.0 91.8 78.3 64.8 51.4 - -
67 130.2 7.0 110.1 95.6 81.0 66.8 53.8 - 123.7 7.9 107.8 92.9 77.9 64.1 51.0 -
62 123.5 7.0 120.7 107.6 94.4 77.4 67.0 53.4 119.2 7.9 116.4 103.7 91.0 75.9 64.1 50.6
3000
77 159.0 7.2 88.0 71.1 54.1 - - - 151.5 8.0 85.2 68.3 51.4 - - -
72 146.8 7.1 103.1 86.9 70.8 54.7 - - 139.9 8.0 100.1 84.0 67.9 51.8 - -
67 134.7 7.0 118.1 102.8 87.5 70.7 54.9 - 128.3 7.9 114.9 99.6 84.4 67.9 52.0 -
62 129.2 7.0 126.6 115.4 104.1 85.0 71.2 54.7 124.4 7.9 121.8 111.3 100.8 83.2 68.2 51.8
57 126.6 7.0 126.6 123.7 120.8 104.1 87.5 70.8 122.1 7.9 122.1 119.7 117.3 100.8 84.4 67.9
3500
77 160.3 7.2 96.9 75.5 54.1 - - - 152.2 8.0 94.8 72.9 51.1 - - -
72 149.7 7.1 111.5 92.8 74.0 55.3 - - 142.5 8.0 108.4 89.7 71.0 52.3 - -
67 139.1 7.1 126.1 110.0 94.0 74.6 55.9 - 132.9 8.0 122.0 106.4 90.8 71.7 52.9 -
62 134.9 7.0 132.4 123.2 113.9 92.6 75.3 56.0 129.7 7.9 127.3 119.0 110.7 90.5 72.3 53.1
57 132.8 7.0 132.5 131.4 129.9 114.2 94.7 75.1 127.7 7.9 127.6 127.6 127.6 111.1 91.6 72.2
4000
77 161.6 7.2 105.9 80.0 54.1 - - - 152.9 8.1 104.3 77.6 50.8 - - -
72 152.6 7.2 120.0 98.6 77.3 55.9 - - 145.2 8.0 116.7 95.4 74.0 52.7 - -
67 143.6 7.1 134.1 117.2 100.4 78.5 57.0 - 137.5 8.0 129.1 113.2 97.3 75.5 53.9 -
62 140.6 7.1 138.3 130.9 123.6 100.2 79.4 57.3 135.0 7.9 132.7 126.6 120.5 97.8 76.4 54.3
57 139.0 7.0 138.3 138.3 138.3 124.3 101.8 79.4 133.3 7.9 133.1 133.1 133.1 121.3 98.9 76.4
4500
72 155.5 7.2 128.4 104.4 80.5 56.5 - - 147.8 8.0 125.0 101.1 77.1 53.2 - -
67 148.0 7.1 142.0 124.5 106.9 82.4 58.1 - 142.0 8.0 136.2 120.0 103.7 79.2 54.9 -
62 146.2 7.1 144.1 138.7 133.3 107.8 83.5 58.6 140.3 8.0 138.2 134.3 130.4 105.1 80.5 55.6
57 145.2 7.1 144.2 144.2 144.2 134.4 109.0 83.7 138.9 7.9 138.6 138.6 138.6 131.6 106.1 80.7
5000
72 158.4 7.2 136.8 110.3 83.7 57.2 - - 150.4 8.0 133.3 106.8 80.2 53.6 - -
67 152.4 7.1 150.0 131.7 113.4 86.3 59.1 - 146.6 8.0 143.2 126.7 110.2 83.0 55.8 -
62 151.9 7.1 150.0 146.5 143.0 115.4 87.7 60.0 145.6 8.0 143.6 141.9 140.2 112.4 84.6 56.8
57 151.4 7.1 150.0 150.0 150.0 144.4 116.2 87.9 144.5 8.0 144.0 144.0 144.0 141.8 113.4 85.0
95°F 105°F
2500
77 144.1 8.8 72.2 60.8 49.4 - - - 134.0 10.1 69.8 57.7 45.6 - - -
72 130.6 8.8 88.9 75.5 62.1 48.7 - - 121.8 10.1 85.6 72.0 58.3 44.6 - -
67 117.1 8.8 105.5 90.2 74.8 61.5 48.2 - 110.0 10.1 101.5 86.2 70.9 57.7 44.5 -
62 114.8 8.8 112.0 99.8 87.5 74.3 61.1 47.8 108.5 10.1 105.9 94.8 83.6 70.8 58.0 45.3
3000
77 144.1 8.9 82.4 65.6 48.8 - - - 133.8 10.1 79.8 62.3 44.8 - - -
72 133.0 8.9 97.1 81.0 65.0 49.0 - - 124.2 10.1 93.4 77.2 61.0 44.9 - -
67 121.8 8.8 111.7 96.5 81.3 65.2 49.1 - 114.5 10.1 107.0 92.1 77.3 61.3 45.3 -
62 119.7 8.8 117.1 107.3 97.5 81.3 65.2 49.0 113.1 10.1 110.6 102.1 93.5 77.7 61.8 46.0
57 117.6 8.8 117.6 115.7 113.7 97.5 81.3 65.0 111.6 10.1 111.1 110.4 109.7 94.0 78.4 62.8
3500
77 144.1 8.9 92.6 70.4 48.1 - - - 133.7 10.1 89.9 67.0 44.1 - - -
72 135.3 8.9 105.2 86.6 67.9 49.3 - - 126.5 10.1 101.2 82.5 63.8 45.2 - -
67 126.6 8.8 117.9 102.8 87.7 68.8 49.9 - 119.0 10.1 112.5 98.0 83.6 64.8 46.1 -
62 124.6 8.8 122.1 114.8 107.5 88.4 69.3 50.2 117.7 10.1 115.4 109.3 103.3 84.5 65.7 46.8
57 122.6 8.8 122.6 122.6 122.6 107.9 88.6 69.3 116.3 10.1 115.8 115.8 115.8 104.1 85.2 66.3
4000
77 144.1 8.9 102.7 75.1 47.5 - - - 133.5 10.1 99.9 71.6 43.3 - - -
72 137.7 8.9 113.4 92.1 70.8 49.5 - - 128.9 10.1 109.0 87.8 66.6 45.4 - -
67 131.3 8.8 124.1 109.1 94.1 72.5 50.8 - 123.5 10.1 118.0 104.0 89.9 68.4 46.9 -
62 129.5 8.8 127.2 122.3 117.4 95.4 73.4 51.3 122.2 10.1 120.1 116.6 113.2 91.3 69.5 47.6
57 127.6 8.8 127.6 127.6 127.6 118.3 95.9 73.5 121.0 10.0 120.6 120.6 120.6 114.2 92.1 69.9
4500
72 140.1 8.9 121.6 97.7 73.7 49.8 - - 131.3 10.1 116.7 93.1 69.4 45.7 - -
67 136.1 8.9 130.3 115.4 100.6 76.1 51.7 - 128.0 10.1 123.5 109.9 96.2 71.9 47.7 -
62 134.4 8.8 132.2 129.8 127.4 102.4 77.5 52.5 126.8 10.0 124.9 123.9 123.0 98.1 73.3 48.4
57 132.6 8.8 132.6 132.6 132.6 128.7 103.2 77.8 125.6 10.0 125.4 125.4 125.4 124.3 98.9 73.4
5000
72 142.5 8.9 129.8 103.2 76.7 50.1 - - 133.7 10.1 124.5 98.4 72.2 46.0 - -
67 140.9 8.9 136.5 121.8 107.0 79.8 52.6 - 132.5 10.1 129.0 115.8 102.5 75.5 48.5 -
62 139.2 8.8 137.3 137.3 137.3 109.5 81.6 53.7 131.4 10.0 129.6 129.6 129.6 105.0 77.1 49.2
57 137.6 8.8 137.6 137.6 137.6 137.6 110.6 82.0 130.3 10.0 130.1 130.1 130.1 130.1 105.7 76.9

1068152-YTG-I-1214
74 Johnson Controls Unitary Products
115°F 125°F
2500
77 123.9 11.4 67.3 54.6 41.8 - - - 113.8 12.7 64.8 51.4 38.0 - - -
72 113.0 11.4 82.4 68.4 54.4 40.5 - - 104.2 12.6 79.2 64.9 50.6 36.3 - -
67 102.9 11.3 97.5 82.3 67.1 53.9 40.7 - 95.8 12.6 93.5 78.3 63.2 50.1 37.0 -
62 102.2 11.4 99.8 89.7 79.7 67.3 55.0 42.7 95.8 12.7 93.7 84.7 75.7 63.9 52.0 40.1
3000
77 123.6 11.4 77.2 59.1 40.9 - - - 113.3 12.7 74.6 55.8 37.0 - - -
72 115.4 11.4 89.8 73.4 57.1 40.8 - - 106.6 12.6 86.1 69.6 53.1 36.6 - -
67 107.2 11.3 102.3 87.8 73.3 57.4 41.5 - 99.9 12.6 97.6 83.4 69.3 53.5 37.7 -
62 106.4 11.3 104.2 96.8 89.4 74.0 58.5 43.1 99.8 12.6 97.8 91.6 85.4 70.3 55.2 40.1
57 105.7 11.4 104.5 104.5 104.5 90.6 75.6 60.6 99.8 12.7 98.0 98.0 98.0 87.1 72.7 58.3
3500
77 123.3 11.4 87.2 63.6 40.0 - - - 112.9 12.6 84.4 60.2 36.0 - - -
72 117.8 11.3 97.1 78.4 59.7 41.1 - - 109.0 12.6 93.1 74.4 55.7 37.0 - -
67 111.4 11.3 107.1 93.3 79.5 60.8 42.2 - 103.9 12.5 101.7 88.5 75.3 56.8 38.3 -
62 110.7 11.3 108.6 103.9 99.2 80.6 62.0 43.5 103.8 12.6 101.9 98.5 95.0 76.7 58.4 40.1
57 110.0 11.3 108.9 108.9 108.9 100.4 81.9 63.4 103.7 12.6 102.1 102.1 102.1 96.6 78.5 60.5
4000
77 123.0 11.4 97.1 68.1 39.2 - - - 112.5 12.6 94.3 64.6 35.0 - - -
72 120.1 11.3 104.5 83.5 62.4 41.4 - - 111.3 12.6 100.1 79.1 58.2 37.3 - -
67 115.7 11.3 111.9 98.8 85.7 64.3 42.9 - 107.9 12.5 105.9 93.6 81.4 60.2 39.0 -
62 115.0 11.3 113.1 111.0 108.9 87.2 65.6 43.9 107.8 12.5 106.0 105.3 104.6 83.1 61.7 40.2
57 114.3 11.3 113.4 113.4 113.4 110.2 88.2 66.2 107.7 12.5 106.1 106.1 106.1 106.1 84.3 62.6
4500
72 122.5 11.3 111.9 88.5 65.1 41.6 - - 113.7 12.5 107.0 83.9 60.7 37.6 - -
67 119.9 11.3 116.8 104.3 91.9 67.8 43.7 - 111.9 12.5 110.0 98.7 87.5 63.6 39.6 -
62 119.3 11.3 117.5 117.5 117.5 93.9 69.1 44.3 111.7 12.5 110.1 110.1 110.1 89.6 64.9 40.2
57 118.6 11.3 117.8 117.8 117.8 117.8 94.5 69.0 111.6 12.5 110.2 110.2 110.2 110.2 90.1 64.7
5000
72 124.9 11.3 119.3 93.5 67.7 41.9 - - 116.1 12.5 114.0 88.6 63.2 37.9 - -
67 124.2 11.2 121.6 109.8 98.1 71.2 44.4 - 115.9 12.4 114.1 103.8 93.6 66.9 40.3 -
62 123.6 11.2 121.9 121.9 121.9 100.5 72.6 44.7 115.7 12.4 114.2 114.2 114.2 96.0 68.1 40.2
57 122.9 11.2 122.2 122.2 122.2 122.2 100.8 71.9 115.6 12.4 114.3 114.3 114.3 114.3 95.9 66.8
1. These capacities are gross ratings. For net capacity, deduct the supply air blower motor heat (MBh = 3.415 x kW). Refer to the appropriate
Blower Performance Table for the kW of the supply air blower motor.
2. These ratings include the condenser fan motors (total 1 kW) and the compressor motors but not the supply air blower motor.
ZY12 (10 Ton) (Continued)
Air on
Evaporator Coil Temperature of Air on Condenser Coil
Total
Capacity1
(MBh)
Total
Input
(kW)2
Sensible Capacity (MBh) Total
Capacity1
(MBh)
Total
Input
(kW)2
Sensible Capacity (MBh)
CFM WB
(°F) Return Dry Bulb (°F) Return Dry Bulb (°F)
90 85 80 75 70 65 90 85 80 75 70 65

1068152-YTG-I-1214
Johnson Controls Unitary Products 75
Drive Selection
1. Determine side or bottom supply duct Application.
2. Determine desired airflow.
3. Calculate or measure the amount of external static pressure.
• Add or deduct any additional static resistance from “Additional Static Resistance Table”.
4. Using the operating point determined from steps 1, 2 & 3, locate this point on the appropriate supply air blower performance
table. (Linear interpolation may be necessary.)
5. Noting the RPM and BHP from step 4, locate the appropriate motor and, or drive on the RPM selection table.
6. Review the BHP compared to the motor options available. Select the appropriate motor and, or drive.
7. Review the RPM range for the motor options available. Select the appropriate drive if multiple drives are available for the
chosen motor.
8. Determine turns open to obtain the desired operation point.
Example
1. 3400 CFM
2. 1.6 iwg
3. Using the airflow performance table below, the following data point was located: 1039 RPM & 2.52 BHP.
4. Using the RPM selection table below, Model ZY and Size 08 (Tons) 7.5 is found.
5. 2.59 BHP exceeds the maximum continuous BHP rating of the 1.5 HP motor. The 3 HP motor is required.
6. 1039 RPM is within the range of the 3 HP drives.
7. Using the 3 HP motor and drive, 1.5 turns open will achieve 1039 RPM.
Airflow Performance
Example Supply Air Blower Performance
ZY08 (7.5 Ton) Bottom Duct
CFM Available External Static
0.2 0.4 0.6 0.8 1.0 1.2 1.4 1.6 1.8 2.0
RPM BHP RPM BHP RPM BHP RPM BHP RPM BHP RPM BHP RPM BHP RPM BHP RPM BHP RPM BHP
2250 556 0.45 621 0.65 683 0.83 742 1.00 798 1.18 852 1.34 904 1.51 954 1.69 1003 1.87 1050 2.06
2400 567 0.53 632 0.73 694 0.91 753 1.09 809 1.26 863 1.43 914 1.60 964 1.77 1013 1.95 1060 2.14
2600 580 0.65 646 0.85 707 1.03 766 1.21 823 1.38 876 1.55 928 1.72 978 1.89 1027 2.07 1074 2.27
2800 595 0.79 660 0.99 722 1.17 780 1.35 837 1.52 890 1.69 942 1.86 992 2.03 1041 2.21 1088 2.40
3000 609 0.94 674 1.14 736 1.32 795 1.50 851 1.67 905 1.83 957 2.00 1007 2.18 1056 2.36 1100 2.55
3200 625 1.10 690 1.30 752 1.48 810 1.66 867 1.83 921 2.00 972 2.17 1022 2.34 1071 2.52 -- --
3400 641 1.28 706 1.47 768 1.66 827 1.83 883 2.00 937 2.17 989 2.34 1039 2.52 1087 2.70 '-- --
Standard Static Option with Motor rated at 2.4-hp
Medium Static Option with Motor rated at 2.4-hp
High Static Option with Motor rated at 3.7-hp
-- Exceeds recommended blower speed
Example RPM Selection
Model Size
(Tons) Airflow
Option HP Max
BHP Blower
Sheave Motor
Sheave 6 Turns
Open 5 Turns
Open 4 Turns
Open 3 Turns
Open 2 Turns
Open 1 Turns
Open Fully
Closed
ZY 08
(7.5)
Std. 1.5 2.4 AK74 1VL34 N/A 475 525 575 625 675 725
Med. 1.5 2.4 AK74 1VL44 N/A 700 750 800 850 900 950
H. Static 3.0 3.7 AK74 1VP50 N/A 850 900 950 1000 1050 1100

1068152-YTG-I-1214
76 Johnson Controls Unitary Products
Altitude and Temperature Correction for CFM, Static
Pressure and Power.
The information below should be used to assist in application of
product when being applied at altitudes at or exceeding 1000
feet above sea level.
The air flow rates listed in the standard blower performance
tables are based on standard air at sea level. As the altitude or
temperature increases, the density of air decreases. In order to
use the indoor blower tables for high altitude applications,
certain corrections are necessary.
A centrifugal fan is a "constant volume" device. This means
that, if the RPM remains constant, the CFM delivered is the
same regardless of the density of the air. However, since the air
at high altitude is less dense, less static pressure will be
generated and less power will be required than a similar
application at sea level. Air density correction factors are shown
below.
Example Additional Static Resistance
Model Size
(Tons) CFM Cooling
Only Economizer 2” Filter Electric Heat kW
--- --- --- --- ---
ZY
07 (6.0),
08 (7.5),
09 (8.5),
12 (10.0)
2200 0.04 0.11 0.10 --- --- --- --- ---
2600 0.06 0.13 0.13 --- --- --- --- ---
3000 0.10 0.17 0.16 --- --- --- --- ---
3400 0.13 0.20 0.19 --- --- --- --- ---
3800 0.16 0.25 0.22 --- --- --- --- ---
4000 0.17 0.28 0.24 --- --- --- --- ---
4400 0.20 0.33 0.27 --- --- --- --- ---
4800 0.22 0.38 0.31 --- --- --- --- ---
5200 0.24 0.43 0.35 --- --- --- --- ---
5600 0.26 0.46 0.39 --- --- --- --- ---
6000 0.28 0.50 0.43 --- --- --- --- ---
Altitude/Temperature Correction Factors
Air
Temp. Altitude (Ft.)
0 1000 2000 3000 4000 5000 6000 7000 8000 9000 10000
40 1.060 1.022 0.986 0.950 0.916 0.882 0.849 0.818 0.788 0.758 0.729
50 1.039 1.002 0.966 0.931 0.898 0.864 0.832 0.802 0.772 0.743 0.715
60 1.019 0.982 0.948 0.913 0.880 0.848 0.816 0.787 0.757 0.729 0.701
70 1.000 0.964 0.930 0.896 0.864 0.832 0.801 0.772 0.743 0.715 0.688
80 0.982 0.947 0.913 0.880 0.848 0.817 0.787 0.758 0.730 0.702 0.676
90 0.964 0.929 0.897 0.864 0.833 0.802 0.772 0.744 0.716 0.689 0.663
100 0.946 0.912 0.880 0.848 0.817 0.787 0.758 0.730 0.703 0.676 0.651
0.600
0.650
0.700
0.750
0.800
0.850
0.900
0.950
1.000
1.050
1.100
40 50 60 70 80 90 100
Air Temperature (ºF)
Correction Factor
Sea Level
1000 ft
2000 ft
3000 ft
4000 ft
6000 ft
7000 ft
8000 ft
9000 ft
10000 ft
5000 ft

1068152-YTG-I-1214
Johnson Controls Unitary Products 77
The examples below will assist in determining the airflow
performance of the product at altitude.
Example 1: What are the corrected CFM, static pressure, and
BHP at an elevation of 5,000 ft. if the airflow performance data
is 3,000 CFM, 1.4 IWC and 2.0 BHP?
Solution: At an elevation of 5,000 ft. the indoor blower will still
deliver 3,000 CFM if the rpm is unchanged. However, the Altitude
correction must be used to determine the static pressure and
BHP. Since no temperature data is given, we will assume an Air
Temperature of 70°F. The Altitude/Temperature Factors show
the correction factor to be 0.832.
Corrected static pressure = 1.4 x 0.832 = 1.16 IWC
Corrected BHP = 2.0 x 0.832 = 1.66
Example 2: A system, located at 5,000 feet of elevation, is to
deliver 3,000 CFM at a static pressure of 1.4". Use the unit
blower tables to select the blower speed and the BHP
requirement.
Solution: As in the example above, no temperature
information is given so 70°F is assumed.
The 1.4" static pressure given is at an elevation of 5,000 ft. The
first step is to convert this static pressure to equivalent sea level
conditions.
Sea level static pressure = 1.4" / .832 = 1.68"
Enter the Supply Air Blower Performance Table at 3,000 CFM
and static pressure of 1.68". The rpm listed will be the same
rpm needed at 5,000 ft.
Suppose that the corresponding BHP listed in the table is 2.0.
This value must be corrected for elevation.
BHP at 5,000 ft. = 2.0 x .832 = 1.66

1068152-YTG-I-1214
78 Johnson Controls Unitary Products
Indoor Blower Specifications
Model Size
(Tons) Airflow
Option
Motor Motor Sheave Blower Sheave Belt
phase HP RPM Eff. SF Frame Datum Dia.
(in.) Bore (in.) Model Datum Dia.
(in.) Bore (in.) Model
ZX 04
(3)
Std. Direct Drive
Med. 1 1.5 1725 0.79 1.15 56HZ 1.9 - 2.9 5/8 1VL34 4.2 3/4 AK46 A39
Med. 3 1.5 1725 0.80 1.15 56Y 1.9 - 2.9 5/8 1VL34 4.2 3/4 AK46 A39
H. Static 3 1.5 1725 0.80 1.15 56Y 2.8 - 3.8 5/8 1VL44 4.2 3/4 AK46 A40
ZX 05
(4)
Std. Direct Drive
Med. 1 1.5 1725 0.79 1.15 56HZ 1.9 - 2.9 5/8 1VL34 4.2 3/4 AK46 A39
Med. 3 1.5 1725 0.80 1.15 56Y 1.9 - 2.9 5/8 1VL34 4.2 3/4 AK46 A39
H. Static 3 1.5 1725 0.80 1.15 56Y 2.8 - 3.8 5/8 1VL44 4.2 3/4 AK46 A40
ZX 06
(5)
Std. Direct Drive
Med. 1 1.5 1725 0.79 1.15 56HZ 1.9 - 2.9 5/8 1VL34 3.7 3/4 AK41 A37
Med. 3 1.5 1725 0.80 1.15 56Y 1.9 - 2.9 5/8 1VL34 3.7 3/4 AK41 A37
H. Static 3 2.0 1725 0.81 1.15 56Y 2.8 - 3.8 7/8 1VL44 3.7 3/4 AK41 A39
ZX 0 7
(6)
Std. 3 1.5 1725 0.80 1.15 56Y 1.9 - 2.9 5/8 1VL34 4.7 3/4 AK51 A39
Med. 3 2.0 1725 0.81 1.15 56Y 2.8 - 3.8 7/8 1VL44 4.7 3/4 AK51 A40
H. Static 3 3.0 1725 0.84 1.15 56HZ 3.4 - 4.4 7/8 1VP50 4.7 3/4 AK51 A41
ZX 08
(7.5)
Std. 3 1.5 1725 0.80 1.15 56Y 1.9 - 2.9 5/8 1VL34 7.0 1 AK74 A47
Med. 3 2.0 1725 0.81 1.15 56Y 2.8 - 3.8 7/8 1VL44 7.0 1 AK74 A48
H. Static 3 3.0 1725 0.84 1.15 56HZ 3.4 - 4.4 7/8 1VP50 7.0 1 AK74 A48
ZX 09
(8.5)
Std. 3 1.5 1725 0.80 1.15 56Y 1.9 - 2.9 5/8 1VL34 7.0 1 AK74 A47
Med. 3 1.5 1725 0.80 1.15 56Y 2.8 - 3.8 5/8 1VL44 7.0 1 AK74 A48
H. Static 3 3.0 1725 0.84 1.15 56HZ 3.4 - 4.4 7/8 1VP50 7.0 1 AK74 A50
ZX 12
(10)
Std. 3 1.5 1725 0.80 1.15 56Y 2.8 - 3.8 5/8 1VL44 7.5 1 AK79 A50
Med. 3 3.0 1725 0.84 1.15 56HZ 3.4 - 4.4 7/8 1VP50 7.5 1 AK79 A50
H. Static 3 5.0 1725 0.84 1.15 145TY 4.3 - 5.3 7/8 1VP56 7.9 1 BK85 BX52
ZX 14
(12.5)
Std. 3 2.9 1750 0.87 1.15 56Z 2.8 - 3.8 7/8 1VL44 7.5 1 AK79 A50
Med. 3 3.7 1750 0.90 1.15 184TZ 3.4 - 4.4 7/8 1VP50 7.5 1 AK79 A52
H. Static 3 5.25 1750 0.90 1.15 184TZ 4.3 - 5.3 7/8 1VP56 7.9 1 BK85 BX54
ZY 04
(3)
Std. Direct Drive
Med. 1 1.5 1725 0.79 1.15 56HZ 1.9 - 2.9 5/8 1VL34 4.2 3/4 AK46 A39
Med. 3 1.5 1725 0.80 1.15 56Y 1.9 - 2.9 5/8 1VL34 4.2 3/4 AK46 A39
H. Static 3 1.5 1725 0.80 1.15 56Y 2.8 - 3.8 5/8 1VL44 4.2 3/4 AK46 A40
ZY 05
(4)
Std. Direct Drive
Med. 1 1.5 1725 0.79 1.15 56HZ 1.9 - 2.9 5/8 1VL34 4.2 3/4 AK46 A39
Med. 3 1.5 1725 0.80 1.15 56Y 1.9 - 2.9 5/8 1VL34 4.2 3/4 AK46 A39
H. Static 3 2.0 1725 0.81 1.15 56Y 2.8 - 3.8 7/8 1VL44 4.2 3/4 AK46 A40
ZY 06
(5)
Std. Direct Drive
Med. 1 1.5 1750 0.83 1.15 56H 1.9 - 2.9 5/8 1VL34 4.2 3/4 AK46 A37
Med. 3 2.4 1750 0.87 1.15 56HZ 1.9 - 2.9 5/8 1VL34 4.2 3/4 AK46 A37
H. Static 3 2.9 1750 0.87 1.15 56Z 2.8 - 3.8 7/8 1VL44 4.2 3/4 AK46 A39
ZY 07
(6)
Std. 3 1.5 1725 0.80 1.15 56Y 1.9 - 2.9 5/8 1VL34 7.0 1 AK74 A47
Med. 3 2.0 1725 0.81 1.15 56Y 2.8 - 3.8 7/8 1VL44 7.0 1 AK74 A48
H. Static 3 3.0 1725 0.84 1.15 56HZ 3.4 - 4.4 7/8 1VP50 7.0 1 AK74 A48
ZY 08
(7.5)
Std. 3 1.5 1725 0.80 1.15 56Y 1.9 - 2.9 5/8 1VL34 7.0 1 AK74 A47
Med. 3 1.5 1725 0.80 1.15 56Y 2.8 - 3.8 5/8 1VL44 7.0 1 AK74 A48
H. Static 3 3.0 1725 0.84 1.15 56HZ 3.4 - 4.4 7/8 1VP50 7.0 1 AK74 A50
ZY 09
(8.5)
Std. 3 1.5 1725 0.80 1.15 56Y 1.9 - 2.9 5/8 1VL34 7.0 1 AK74 A47
Med. 3 1.5 1725 0.80 1.15 56Y 2.8 - 3.8 5/8 1VL44 7.0 1 AK74 A48
H. Static 3 3.0 1725 0.84 1.15 56HZ 3.4 - 4.4 7/8 1VP50 7.0 1 AK74 A50
ZY 12
(10)
Std. 3 1.5 1725 0.80 1.15 56Y 2.8 - 3.8 5/8 1VL44 7.5 1 AK79 A50
Med. 3 3.0 1725 0.84 1.15 56HZ 3.4 - 4.4 7/8 1VP50 7.5 1 AK79 A50
H. Static 3 5.0 1725 0.84 1.15 145TY 4.3 - 5.3 7/8 1VP56 7.9 1 BK85 BX52

1068152-YTG-I-1214
Johnson Controls Unitary Products 79
RPM Selection
Model Size
(Tons) Airflow
Option HP Max
BHP Blower
Sheave Motor
Sheave 6 Turns
Open 5 Turns
Open 4 Turns
Open 3 Turns
Open 2 Turns
Open 1 Turns
Open Fully
Closed
ZX 04
(3)
Std. Direct Drive
Med. 1.5 2.4 AK46 1VL34 N/A 792 875 958 1042 1125 1208
H. Static 1.5 2.4 AK46 1VL44 N/A 1167 1250 1333 1417 1500 1593
ZX 05
(4)
Std. Direct Drive
Med. 1.5 2.4 AK46 1VL34 N/A 792 875 958 1042 1125 1208
H. Static 1.5 2.4 AK46 1VL44 N/A 1167 1250 1333 1417 1500 1593
ZX 06
(5)
Std. Direct Drive
Med. 1.5 2.4 AK41 1VL34 N/A 899 993 1088 1182 1277 1372
H. Static 2.0 2.9 AK41 1VL44 N/A 1324 1419 1514 1608 1703 1797
ZX 07
(6)
Std. 1.5 2.4 AK51 1VL34 N/A 707 782 856 931 1005 1080
Med. 2.0 2.9 AK51 1VL44 N/A 1043 1117 1191 1266 1340 1415
H. Static 3.0 3.7 AK51 1VP50 N/A 1266 1340 1415 1489 1564 1638
ZX 08
(7.5)
Std. 1.5 2.4 AK74 1VL34 N/A 475 525 575 625 675 725
Med. 2.0 2.9 AK74 1VL44 N/A 700 750 800 850 900 950
H. Static 3.0 3.7 AK74 1VP50 N/A 850 900 950 1000 1050 1100
ZX 09
(8.5)
Std. 1.5 2.4 AK74 1VL34 N/A 475 525 575 625 675 725
Med. 1.5 2.4 AK74 1VL44 N/A 700 750 800 850 900 950
H. Static 3.0 3.7 AK74 1VP50 N/A 850 900 950 1000 1050 1100
ZX 12
(10)
Std. 1.5 2.4 AK79 1VL44 N/A 653 700 747 793 840 887
Med. 3.0 3.7 AK79 1VP50 N/A 793 840 887 933 980 1027
H. Static 5.0 5.25 BK85 1VP56 953 997 1041 1085 1130 1174 N/A
ZX 14
(12.5)
Std. -- 2.9 AK79 1VL44 N/A 653 700 747 793 840 887
Med. -- 3.7 AK79 1VP50 N/A 793 840 887 933 980 1027
H. Static -- 5.25 BK85 1VP56 953 997 1041 1085 1130 1174 N/A
ZY 04
(3)
Std. Direct Drive
Med. 1.5 2.4 AK46 1VL34 N/A 792 875 958 1042 1125 1208
H. Static 1.5 2.4 AK46 1VL44 N/A 1167 1250 1333 1417 1500 1593
ZY 05
(4)
Std. Direct Drive
Med. 1.5 2.4 AK46 1VL34 N/A 792 875 958 1042 1125 1208
H. Static 2.0 2.9 AK46 1VL44 N/A 1167 1250 1333 1417 1500 1593
ZY 06
(5)
Std. Direct Drive
Med. -- 2.4 AK46 1VL34 N/A 792 875 958 1042 1125 1208
H. Static -- 2.9 AK46 1VL44 N/A 1167 1250 1333 1417 1500 1593
ZY 07
(6)
Std. 1.5 2.4 AK74 1VL34 N/A 475 525 575 625 675 725
Med. 2.0 2.9 AK74 1VL44 N/A 700 750 800 850 900 950
H. Static 3.0 3.7 AK74 1VP50 N/A 850 900 950 1000 1050 1100
ZY 08
(7.5)
Std. 1.5 2.4 AK74 1VL34 N/A 475 525 575 625 675 725
Med. 1.5 2.4 AK74 1VL44 N/A 700 750 800 850 900 950
H. Static 3.0 3.7 AK74 1VP50 N/A 850 900 950 1000 1050 1100
ZY 09
(8.5)
Std. 1.5 2.4 AK74 1VL34 N/A 475 525 575 625 675 725
Med. 1.5 2.4 AK74 1VL44 N/A 700 750 800 850 900 950
H. Static 3.0 3.7 AK74 1VP50 N/A 850 900 950 1000 1050 1100
ZY 12
(10)
Std. 1.5 2.4 AK79 1VL44 N/A 653 700 747 793 840 887
Med. 3.0 3.7 AK79 1VP50 N/A 793 840 887 933 980 1027
H. Static 5.0 5.25 BK85 1VP56 953 997 1041 1085 1130 1174 N/A

1068152-YTG-I-1214
80 Johnson Controls Unitary Products
Additional Static Resistance - ZX04-14
Model Size
(Tons) CFM Cooling
Only1
1. Add these values to the available static resistance in the respective Blower Performance Tables.
Economizer2 3
2. Deduct these values from the available external static pressure shown in the respective Blower Performance Tables.
3. The pressure drop through the economizer is greater for 100% outdoor air than for 100% return air. If the resistance of the return air duct
is less than 0.25 IWG, the unit will deliver less CFM during full economizer operation.
4” Filter2Electric Heat kW2
--- 10.5 16 --- ---
ZX
04 (3.0),
05 (4.0),
06 (5.0)
900 0.04 0.05 --- --- 0.00 .01 --- ---
1000 0.05 0.05 --- --- 0.00 .02 --- ---
1100 0.06 0.06 --- --- .01 .02 --- ---
1200 0.07 0.06 --- --- .01 .02 --- ---
1300 0.10 0.07 --- --- .01 .03 --- ---
1400 0.12 0.08 --- --- .02 .03 --- ---
1500 0.14 0.08 --- --- .02 .04 --- ---
1600 0.16 0.09 --- --- .02 .04 --- ---
1700 0.18 0.10 --- --- .03 .05 --- ---
1800 0.22 0.11 --- --- .03 .05 --- ---
1900 0.25 0.12 --- --- .04 .06 --- ---
2000 0.28 0.13 --- --- .04 .07 --- ---
2100 0.33 0.14 --- --- .05 .07 --- ---
2200 0.36 0.15 --- --- .06 .08 --- ---
2300 0.41 0.16 --- --- .06 .09 --- ---
2400 0.45 0.17 --- --- .07 .10 --- ---
2500 0.50 0.19 --- --- .08 .11 --- ---
ZX 07 (6.0)
1800 0.23 0.11 --- --- .04 .06 --- ---
2000 0.28 0.13 --- --- .04 .07 --- ---
2200 0.32 0.15 --- --- .05 .08 --- ---
2400 0.37 0.17 --- --- .07 .10 --- ---
2600 0.38 0.20 --- --- .09 .11 --- ---
2800 0.41 0.24 --- --- .10 .12 --- ---
3000 0.45 0.29 --- --- .11 .13 --- ---
ZX
08 (7.5),
09 (8.5),
12 (10.0),
14 (12.5)
2200 0.04 0.11 --- --- --- --- --- ---
2600 0.06 0.13 --- --- --- --- --- ---
3000 0.10 0.17 --- --- --- --- --- ---
3400 0.13 0.20 --- --- --- --- --- ---
3800 0.16 0.25 --- --- --- --- --- ---
4000 0.17 0.28 --- --- --- --- --- ---
4400 0.20 0.33 --- --- --- --- --- ---
4800 0.22 0.38 --- --- --- --- --- ---
5200 0.24 0.43 --- --- --- --- --- ---
5600 0.26 0.46 --- --- --- --- --- ---
6000 0.28 0.50 --- --- --- --- --- ---

1068152-YTG-I-1214
Johnson Controls Unitary Products 81
Additional Static Resistance - ZY04-12
Model Size
(Tons) CFM Cooling
Only1
1. Add these values to the available static resistance in the respective Blower Performance Tables.
Economizer2 3
2. Deduct these values from the available external static pressure shown in the respective Blower Performance Tables.
3. The pressure drop through the economizer is greater for 100% outdoor air than for 100% return air. If the resistance of the return air duct
is less than 0.25 IWG, the unit will deliver less CFM during full economizer operation.
4” Filter2Electric Heat kW2
--- 10.5 16 --- ---
ZY 04 (3.0)
900 0.04 0.05 --- --- 0.00 .01 --- ---
1000 0.05 0.05 --- --- 0.00 .02 --- ---
1100 0.06 0.06 --- --- .01 .02 --- ---
1200 0.07 0.06 --- --- .01 .02 --- ---
1300 0.10 0.07 --- --- .01 .03 --- ---
1400 0.12 0.08 --- --- .02 .03 --- ---
1500 0.14 0.08 --- --- .02 .04 --- ---
ZY 05 (4.0)
1200 0.06 0.06 --- --- .01 .02 --- ---
1300 0.06 0.07 --- --- .01 .03 --- ---
1400 0.06 0.08 --- --- .02 .03 --- ---
1500 0.07 0.08 --- --- .02 .04 --- ---
1600 0.08 0.09 --- --- .02 .04 --- ---
1700 0.11 0.10 --- --- .03 .05 --- ---
1800 0.13 0.11 --- --- .03 .05 --- ---
1900 0.16 0.12 --- --- .04 .06 --- ---
2000 0.20 0.13 --- --- .04 .07 --- ---
ZY 06 (5.0)
1800 0.23 0.11 --- --- .03 .05 --- ---
2000 0.28 0.13 --- --- .04 .07 --- ---
2200 0.32 0.15 --- --- .06 .08 --- ---
2400 0.37 0.17 --- --- .07 .10 --- ---
2500 0.50 0.19 --- --- .08 .11 --- ---
ZY
07 (6.0),
08 (7.5),
09 (8.5),
12 (10.0)
2200 0.04 0.11 --- --- --- --- --- ---
2600 0.06 0.13 --- --- --- --- --- ---
3000 0.10 0.17 --- --- --- --- --- ---
3400 0.13 0.20 --- --- --- --- --- ---
3800 0.16 0.25 --- --- --- --- --- ---
4000 0.17 0.28 --- --- --- --- --- ---
4400 0.20 0.33 --- --- --- --- --- ---
4800 0.22 0.38 --- --- --- --- --- ---
5200 0.24 0.43 --- --- --- --- --- ---
5600 0.26 0.46 --- --- --- --- --- ---
6000 0.28 0.50 --- --- --- --- --- ---

1068152-YTG-I-1214
82 Johnson Controls Unitary Products
Airflow Performance
ZX04-14 Side Duct Application (Belt Drive)
ZX04 (3.0 Ton) Side Duct
CFM Available External Static
0.2 0.4 0.6 0.8 1.0 1.2 1.4 1.6 1.8 2.0
RPM BHP RPM BHP RPM BHP RPM BHP RPM BHP RPM BHP RPM BHP RPM BHP RPM BHP RPM BHP
900 877 0.25 965 0.34 1050 0.44 1133 0.54 1213 0.64 1292 0.74 1371 0.83 1450 0.92 1531 1.01
1000 795 0.21 887 0.29 976 0.38 1061 0.48 1143 0.58 1224 0.68 1303 0.78 1382 0.87 1461 0.96 1541 1.05
1100 806 0.25 899 0.34 988 0.43 1073 0.53 1155 0.63 1236 0.73 1315 0.83 1394 0.92 1473 1.01 1553 1.09
1200 820 0.31 913 0.39 1002 0.48 1087 0.58 1169 0.68 1249 0.78 1329 0.88 1407 0.97 1487 1.06 1567 1.15
1300 836 0.37 929 0.45 1018 0.54 1103 0.64 1185 0.74 1265 0.84 1345 0.94 1423 1.03 1503 1.12 1583 1.21
1400 855 0.43 948 0.52 1036 0.61 1121 0.70 1204 0.80 1284 0.90 1363 1.00 1442 1.10 1521 1.19 -- --
1500 876 0.50 969 0.58 1058 0.68 1143 0.77 1225 0.87 1305 0.97 1385 1.07 1464 1.17 1543 1.26 -- --
kW = 0.929 x BHP
Medium Static Option with Motor rated at 2.4-hp
High Static Option with Motor rated at 2.4-hp
-- Exceeds recommended Blower speed
ZX05 (4.0 Ton) Side Duct
CFM Available External Static
0.2 0.4 0.6 0.8 1.0 1.2 1.4 1.6 1.8 2.0
RPM BHP RPM BHP RPM BHP RPM BHP RPM BHP RPM BHP RPM BHP RPM BHP RPM BHP RPM BHP
1200 820 0.31 913 0.39 1002 0.48 1087 0.58 1169 0.68 1249 0.78 1329 0.88 1407 0.97 1487 1.06 1567 1.15
1300 836 0.37 929 0.45 1018 0.54 1103 0.64 1185 0.74 1265 0.84 1345 0.94 1423 1.03 1503 1.12 1583 1.21
1400 855 0.43 948 0.52 1036 0.61 1121 0.70 1204 0.80 1284 0.90 1363 1.00 1442 1.10 1521 1.19 --
1500 876 0.50 969 0.58 1058 0.68 1143 0.77 1225 0.87 1305 0.97 1385 1.07 1464 1.17 1543 1.26 --
1600 901 0.57 993 0.66 1082 0.75 1167 0.85 1249 0.95 1330 1.05 1409 1.15 1488 1.24 1567 1.33 --
1700 928 0.65 1020 0.74 1109 0.83 1194 0.92 1276 1.02 1357 1.12 1436 1.22 1515 1.32 1593 1.41 --
1800 957 0.73 1050 0.82 1139 0.91 1224 1.01 1306 1.11 1386 1.21 1466 1.31 1544 1.40 -- -- --
1900 990 0.82 1083 0.90 1171 0.99 1256 1.09 1339 1.19 1419 1.29 1498 1.39 1577 1.49 -- -- --
2000 1025 0.91 1118 0.99 1207 1.08 1292 1.18 1374 1.28 1454 1.38 1534 1.48 1612 1.57 -- -- --
kW = 0.929 x BHP
Medium Static Option with Motor rated at 2.4-hp
High Static Option with Motor rated at 2.4-hp
-- Exceeds recommended Blower speed
ZX06 (5.0 Ton) Side Duct
CFM Available External Static
0.2 0.4 0.6 0.8 1.0 1.2 1.4 1.6 1.8 2.0
RPM BHP RPM BHP RPM BHP RPM BHP RPM BHP RPM BHP RPM BHP RPM BHP RPM BHP RPM BHP
1500 952 0.45 1020 0.56 1092 0.67 1167 0.79 1244 0.90 1319 1.01 1392 1.12 1460 1.23 1522 1.34 1576 1.44
1600 980 0.53 1047 0.64 1120 0.75 1195 0.86 1271 0.97 1347 1.08 1420 1.19 1488 1.30 1550 1.41 1603 1.52
1700 1009 0.61 1077 0.72 1149 0.83 1225 0.95 1301 1.06 1377 1.17 1449 1.28 1518 1.39 1579 1.50 1633 1.60
1800 1041 0.71 1108 0.82 1181 0.93 1256 1.04 1333 1.15 1408 1.26 1481 1.37 1549 1.48 1611 1.59 1664 1.70
1900 1074 0.81 1142 0.92 1214 1.03 1289 1.14 1366 1.25 1441 1.36 1514 1.47 1582 1.58 1644 1.69 1698 1.80
2000 1109 0.92 1177 1.03 1249 1.14 1324 1.25 1401 1.36 1476 1.47 1549 1.58 1617 1.69 1679 1.80 1732 1.91
2100 1145 1.04 1213 1.15 1285 1.26 1360 1.37 1437 1.48 1512 1.59 1585 1.70 1653 1.81 1715 1.92 -- --
2200 1183 1.17 1250 1.28 1322 1.39 1398 1.50 1474 1.61 1550 1.72 1623 1.83 1691 1.94 1753 2.05 -- --
2300 1221 1.30 1289 1.41 1361 1.52 1436 1.64 1513 1.75 1588 1.86 1661 1.97 1729 2.08 -- -- -- --
2400 1260 1.45 1328 1.56 1400 1.67 1476 1.78 1552 1.89 1628 2.01 1700 2.12 -- -- -- -- -- --
2500 1301 1.61 1368 1.72 1441 1.83 1516 1.94 1592 2.05 1668 2.16 1741 2.27 -- -- -- -- -- --
Medium Static Option with Motor rated at 2.4-hp
High Static Option with Motor rated at 2.9-hp
-- Exceeds recommended Blower speed

1068152-YTG-I-1214
Johnson Controls Unitary Products 83
ZX07 (6.0 Ton) Side Duct
CFM Available External Static
0.2 0.4 0.6 0.8 1.0 1.2 1.4 1.6 1.8 2.0
RPM BHP RPM BHP RPM BHP RPM BHP RPM BHP RPM BHP RPM BHP RPM BHP RPM BHP RPM BHP
1800 915 0.67 979 0.77 1041 0.89 1102 1.02 1162 1.16 1221 1.31 1278 1.45 1334 1.59 1389 1.72 1442 1.82
1900 939 0.78 1003 0.87 1065 0.99 1126 1.12 1186 1.27 1244 1.41 1302 1.56 1358 1.69 1412 1.82 1466 1.93
2000 964 0.89 1028 0.99 1090 1.11 1151 1.24 1211 1.38 1269 1.52 1327 1.67 1383 1.81 1437 1.93 1491 2.04
2100 990 1.01 1054 1.11 1116 1.23 1177 1.36 1237 1.50 1296 1.65 1353 1.79 1409 1.93 1464 2.05 1517 2.16
2200 1018 1.14 1081 1.24 1143 1.36 1204 1.49 1264 1.63 1323 1.78 1380 1.92 1436 2.06 1491 2.18 1544 2.29
2300 1046 1.28 1110 1.37 1172 1.49 1233 1.62 1293 1.77 1351 1.91 1409 2.05 1465 2.19 1519 2.32 1573 2.43
2400 1076 1.42 1139 1.52 1201 1.63 1262 1.76 1322 1.91 1381 2.05 1438 2.20 1494 2.33 1549 2.46 1602 2.57
2500 1106 1.56 1170 1.66 1232 1.78 1293 1.91 1353 2.05 1411 2.20 1469 2.34 1525 2.48 1579 2.60 1633 2.71
2600 1138 1.71 1201 1.81 1263 1.93 1324 2.06 1384 2.20 1443 2.35 1500 2.49 1556 2.63 1611 2.75 -- --
2700 1170 1.87 1234 1.96 1296 2.08 1357 2.21 1417 2.35 1475 2.50 1533 2.64 1589 2.78 1638 2.91 -- --
2800 1203 2.02 1267 2.12 1329 2.24 1390 2.37 1450 2.51 1509 2.66 1566 2.80 1622 2.94 -- -- -- --
2900 1238 2.18 1301 2.28 1364 2.40 1425 2.53 1484 2.67 1543 2.81 1600 2.96 -- -- -- -- -- --
3000 1273 2.34 1337 2.44 1399 2.56 1460 2.69 1520 2.83 1578 2.97 1635 3.12 -- -- -- -- -- --
Standard Static Option with Motor rated at 2.4-hp
Medium Static Option with Motor rated at 2.9-hp
High Static Option with Motor rated at 3.7-hp
-- Exceeds recommended blower speed
ZX08 (7.5 Ton) Side Duct
CFM Available External Static
0.2 0.4 0.6 0.8 1.0 1.2 1.4 1.6 1.8 2.0
RPM BHP RPM BHP RPM BHP RPM BHP RPM BHP RPM BHP RPM BHP RPM BHP RPM BHP RPM BHP
2250 557 0.48 623 0.67 685 0.85 742 1.04 796 1.23 848 1.41 898 1.59 947 1.77 997 1.94 1049 2.11
2400 569 0.56 636 0.75 698 0.94 755 1.13 809 1.32 860 1.50 910 1.68 960 1.86 1010 2.03 1062 2.20
2600 588 0.69 655 0.88 716 1.07 773 1.26 827 1.44 879 1.63 929 1.81 978 1.98 1029 2.16 1080 2.32
2800 607 0.83 674 1.02 736 1.21 793 1.40 847 1.58 898 1.77 948 1.95 998 2.13 1048 2.30 1100 2.47
3000 628 0.99 695 1.18 757 1.37 814 1.56 868 1.74 919 1.92 969 2.11 1019 2.28 1069 2.45 -- --
3200 650 1.16 717 1.35 779 1.54 836 1.73 890 1.91 941 2.10 991 2.28 1041 2.45 1091 2.63 -- --
3400 673 1.35 740 1.54 802 1.73 859 1.91 913 2.10 964 2.28 1014 2.46 1064 2.64 -- -- -- --
3600 697 1.55 764 1.74 826 1.93 883 2.11 937 2.30 988 2.48 1038 2.67 1088 2.84 -- -- -- --
3750 716 1.71 783 1.90 844 2.09 901 2.28 955 2.46 1007 2.65 1057 2.83 1100 3.00 -- -- -- --
Standard Static Option with Motor rated at 2.4-hp
Medium Static Option with Motor rated at 2.9-hp
High Static Option with Motor rated at 3.7-hp
-- Exceeds recommended Blower speed
ZX09 (8.5 Ton) Side Duct
CFM Available External Static
0.2 0.4 0.6 0.8 1.0 1.2 1.4 1.6 1.8 2.0
RPM BHP RPM BHP RPM BHP RPM BHP RPM BHP RPM BHP RPM BHP RPM BHP RPM BHP RPM BHP
2550 549 0.45 609 0.69 668 0.91 727 1.11 784 1.31 840 1.49 893 1.68 944 1.87 991 2.06 1035 2.25
2600 552 0.48 611 0.72 671 0.94 729 1.14 787 1.34 842 1.53 896 1.71 946 1.90 994 2.09 1038 2.29
2800 562 0.62 621 0.86 681 1.07 739 1.28 796 1.47 852 1.66 905 1.85 956 2.03 1004 2.22 1048 2.42
3000 573 0.77 632 1.00 692 1.22 750 1.43 807 1.62 863 1.81 917 2.00 967 2.18 1015 2.37 1059 2.57
3200 585 0.93 644 1.16 704 1.38 762 1.59 820 1.78 875 1.97 929 2.16 979 2.34 1027 2.53 1071 2.73
3400 598 1.10 658 1.34 717 1.55 776 1.76 833 1.95 889 2.14 942 2.33 993 2.51 1040 2.70 1084 2.90
3600 613 1.28 672 1.52 732 1.74 790 1.94 848 2.14 903 2.32 957 2.51 1008 2.70 1055 2.89 1099 3.08
3800 629 1.47 688 1.71 748 1.93 806 2.13 864 2.33 919 2.52 973 2.70 1024 2.89 1071 3.08 -- --
4000 646 1.68 706 1.91 765 2.13 824 2.34 881 2.53 937 2.72 990 2.90 1041 3.09 1088 3.28 -- --
4200 665 1.89 724 2.12 784 2.34 842 2.55 900 2.74 955 2.93 1009 3.11 1059 3.30 -- -- -- --
4250 670 1.94 729 2.18 789 2.40 847 2.60 904 2.80 960 2.98 1014 3.17 1064 3.35 -- -- -- --
Standard Static Option with Motor rated at 2.4-hp
Medium Static Option with Motor rated at 2.4-hp
High Static Option with Motor rated at 3.7-hp
-- Exceeds recommended Blower speed

1068152-YTG-I-1214
84 Johnson Controls Unitary Products
ZX12 (10 Ton) Side Duct
CFM Available External Static
0.2 0.4 0.6 0.8 1.0 1.2 1.4 1.6 1.8 2.0
RPM BHP RPM BHP RPM BHP RPM BHP RPM BHP RPM BHP RPM BHP RPM BHP RPM BHP RPM BHP
3000 689 0.94 740 1.19 790 1.44 841 1.70 891 1.94 941 2.19 990 2.43 1038 2.66 1085 2.89
3200 654 0.84 702 1.09 752 1.35 803 1.60 854 1.85 904 2.10 954 2.34 1003 2.58 1051 2.82 1098 3.04
3400 665 1.00 715 1.26 766 1.51 816 1.77 867 2.02 917 2.27 967 2.51 1016 2.75 1064 2.99 1111 3.21
3600 680 1.19 730 1.44 780 1.70 831 1.95 881 2.20 932 2.45 982 2.70 1031 2.94 1079 3.17 1125 3.40
3800 695 1.39 745 1.64 796 1.90 846 2.15 897 2.40 947 2.65 997 2.90 1046 3.14 1094 3.37 1141 3.60
4000 712 1.61 762 1.86 812 2.12 863 2.37 914 2.62 964 2.87 1014 3.12 1063 3.36 1111 3.59 1158 3.82
4200 729 1.85 779 2.10 830 2.36 881 2.61 931 2.86 982 3.11 1032 3.35 1081 3.59 1129 3.83 1174 4.06
4400 748 2.10 798 2.36 849 2.61 899 2.87 950 3.12 1000 3.37 1050 3.61 1099 3.85 1147 4.09 -- --
4600 768 2.38 818 2.64 869 2.89 919 3.15 970 3.40 1020 3.65 1070 3.89 1119 4.13 1167 4.36 -- --
4800 794 2.68 839 2.93 889 3.19 940 3.44 991 3.69 1041 3.94 1091 4.19 1140 4.43 -- -- -- --
5000 811 3.00 861 3.25 912 3.51 962 3.70 1013 4.01 1063 4.26 1113 4.50 1162 4.74 -- -- -- --
Standard Static Option with Motor rated at 2.4-hp
Medium Static Option with Motor rated at 3.7-hp
High Static Option with Motor rated at 5.25-hp
-- Exceeds recommended Blower speed
ZX14 (12.5 Ton) Side Duct
CFM Available External Static
0.2 0.4 0.6 0.8 1.0 1.2 1.4 1.6 1.8 2.0
RPM BHP RPM BHP RPM BHP RPM BHP RPM BHP RPM BHP RPM BHP RPM BHP RPM BHP RPM BHP
3750 684 1.33 741 1.56 792 1.81 840 2.07 884 2.33 927 2.60 971 2.85 1017 3.09 1066 3.30 1121 3.49
3800 688 1.38 745 1.61 797 1.85 844 2.12 888 2.38 932 2.65 976 2.90 1021 3.14 1071 3.35 1125 3.54
4000 706 1.58 763 1.81 814 2.06 861 2.32 906 2.59 949 2.85 993 3.11 1039 3.35 1088 3.56 1142 3.74
4200 724 1.81 781 2.04 832 2.29 879 2.55 924 2.82 967 3.08 1011 3.34 1057 3.57 1106 3.79 1160 3.97
4400 742 2.06 799 2.29 850 2.54 897 2.80 942 3.06 985 3.33 1029 3.58 1075 3.82 1124 4.03 1178 4.22
4600 760 2.32 817 2.55 869 2.80 916 3.06 960 3.33 1004 3.59 1048 3.85 1093 4.08 1143 4.30 -- --
4800 779 2.60 836 2.83 888 3.08 935 3.34 979 3.61 1023 3.88 1067 4.13 1112 4.37 1162 4.58 -- --
5000 799 2.91 856 3.14 907 3.39 954 3.65 999 3.91 1042 4.18 1086 4.43 1132 4.67 -- -- -- --
5200 819 3.23 876 3.46 927 3.71 974 3.97 1019 4.23 1062 4.50 1106 4.75 1152 4.99 -- -- -- --
5400 839 3.57 896 3.80 953 4.04 995 4.31 1039 4.57 1083 4.84 1127 5.09 -- -- -- -- -- --
5600 860 3.92 917 4.15 969 4.40 1016 4.66 1060 4.93 1104 5.19 -- -- -- -- -- -- -- --
5800 882 4.30 939 4.53 990 4.77 1037 5.04 -- -- -- -- -- -- -- -- -- -- -- --
6000 904 4.69 961 4.92 1012 5.17 -- -- -- -- -- -- -- -- -- -- -- -- -- --
Standard Static Option with Motor rated at 2.9-hp
Medium Static Option with Motor rated at 3.7-hp
High Static Option with Motor rated at 5.25-hp
Bold Field-supplied BK95 x 1 fixed pulley (p/n 1074787) with Motor rated at 5.25-hp
-- Exceeds recommended Blower speed

1068152-YTG-I-1214
Johnson Controls Unitary Products 85
ZX04-14 Bottom Duct Application (Belt Drive)
ZX04 (3.0 Ton) Bottom Duct
CFM Available External Static
0.2 0.4 0.6 0.8 1.0 1.2 1.4 1.6 1.8 2.0
RPM BHP RPM BHP RPM BHP RPM BHP RPM BHP RPM BHP RPM BHP RPM BHP RPM BHP RPM BHP
900 792 0.14 879 0.25 968 0.37 1055 0.49 1141 0.61 1226 0.73 1308 0.84 1388 0.93 1466 1.01 1541 1.06
1000 804 0.18 893 0.29 981 0.41 1069 0.53 1155 0.66 1239 0.77 1322 0.88 1402 0.98 1480 1.05 1554 1.10
1100 819 0.23 909 0.34 997 0.46 1084 0.58 1171 0.71 1255 0.82 1337 0.93 1418 1.03 1495 1.10 1570 1.15
1200 837 0.29 926 0.40 1015 0.52 1102 0.64 1188 0.76 1273 0.88 1355 0.99 1435 1.08 1513 1.16 1588 1.21
1300 857 0.36 946 0.46 1035 0.58 1122 0.70 1208 0.83 1293 0.94 1375 1.05 1455 1.15 1533 1.22 -- --
1400 880 0.43 969 0.53 1058 0.65 1145 0.77 1231 0.90 1315 1.02 1398 1.12 1478 1.22 1556 1.29 -- --
1500 905 0.50 994 0.61 1082 0.73 1170 0.85 1256 0.97 1340 1.09 1423 1.20 1503 1.30 1581 1.37 -- --
kW = 0.929 x BHP
Medium Static Option with Motor rated at 2.4-hp
High Static Option with Motor rated at 2.4-hp
-- Exceeds recommended Blower speed
ZX05 (4.0 Ton) Bottom Duct
CFM Available External Static
0.2 0.4 0.6 0.8 1.0 1.2 1.4 1.6 1.8 2.0
RPM BHP RPM BHP RPM BHP RPM BHP RPM BHP RPM BHP RPM BHP RPM BHP RPM BHP RPM BHP
1200 837 0.29 926 0.40 1015 0.52 1102 0.64 1188 0.76 1273 0.88 1355 0.99 1435 0.99 1513 1.16 1588 1.21
1300 857 0.36 946 0.46 1035 0.58 1122 0.70 1208 0.83 1293 0.94 1375 1.05 1455 1.05 1533 1.22 -- --
1400 880 0.43 969 0.53 1058 0.65 1145 0.77 1231 0.90 1315 1.02 1398 1.12 1478 1.12 1556 1.29 -- --
1500 905 0.50 994 0.61 1082 0.73 1170 0.85 1256 0.97 1340 1.09 1423 1.20 1503 1.20 1581 1.37 -- --
1600 932 0.59 1021 0.69 1110 0.81 1197 0.93 1283 1.06 1368 1.18 1450 1.28 1530 1.28 -- -- -- --
1700 962 0.68 1051 0.78 1140 0.90 1227 1.02 1313 1.15 1397 1.27 1480 1.37 1560 1.37 -- -- -- --
1800 994 0.77 1083 0.88 1172 1.00 1259 1.12 1345 1.24 1429 1.36 1512 1.47 1592 1.47 -- -- -- --
1900 1028 0.87 1117 0.98 1206 1.10 1293 1.22 1379 1.34 1464 1.46 1546 1.57 -- -- -- -- --
2000 1064 0.98 1154 1.09 1242 1.20 1330 1.33 1416 1.45 1500 1.57 1582 1.68 -- -- -- -- --
kW = 0.929 x BHP
Medium Static Option with Motor rated at 2.4-hp
High Static Option with Motor rated at 2.4-hp
-- Exceeds recommended Blower speed
ZX06 (5.0 Ton) Bottom Duct
CFM Available External Static
0.2 0.4 0.6 0.8 1.0 1.2 1.4 1.6 1.8 2.0
RPM BHP RPM BHP RPM BHP RPM BHP RPM BHP RPM BHP RPM BHP RPM BHP RPM BHP RPM BHP
1500 1008 0.51 1080 0.64 1153 0.77 1227 0.90 1300 1.03 1373 1.15 1445 1.28 1514 1.40 1581 1.52 1644 1.64
1600 1040 0.60 1112 0.74 1185 0.87 1259 1.00 1332 1.13 1405 1.25 1477 1.38 1546 1.50 1613 1.62 1676 1.74
1700 1074 0.71 1146 0.85 1219 0.98 1293 1.11 1367 1.23 1439 1.36 1511 1.48 1580 1.61 1647 1.73 1711 1.85
1800 1111 0.83 1183 0.96 1256 1.09 1329 1.22 1403 1.35 1476 1.47 1547 1.60 1617 1.72 1684 1.84 1747 1.97
1900 1149 0.95 1221 1.09 1294 1.22 1368 1.35 1441 1.47 1514 1.60 1586 1.72 1655 1.85 1722 1.97 -- --
2000 1189 1.08 1261 1.22 1334 1.35 1408 1.48 1481 1.61 1554 1.73 1626 1.85 1695 1.98 1762 2.10 -- --
2100 1231 1.22 1303 1.36 1376 1.49 1449 1.62 1523 1.74 1596 1.87 1667 1.99 1737 2.12 -- -- -- --
2200 1274 1.37 1346 1.50 1419 1.64 1493 1.76 1566 1.89 1639 2.02 1711 2.14 -- -- -- -- -- --
2300 1318 1.52 1390 1.66 1463 1.79 1537 1.92 1611 2.05 1684 2.17 1755 2.29 -- -- -- -- -- --
2400 1364 1.68 1436 1.82 1509 1.95 1583 2.08 1657 2.21 1729 2.33 -- -- -- -- -- -- -- --
2500 1411 1.85 1483 1.99 1556 2.12 1630 2.25 1703 2.37 1776 2.50 -- -- -- -- -- -- -- --
Medium Static Option with Motor rated at 2.4-hp
High Static Option with Motor rated at 2.9-hp
-- Exceeds recommended Blower speed

1068152-YTG-I-1214
86 Johnson Controls Unitary Products
ZX07 (6.0 Ton) Bottom Duct
CFM Available External Static
0.2 0.4 0.6 0.8 1.0 1.2 1.4 1.6 1.8 2.0
RPM BHP RPM BHP RPM BHP RPM BHP RPM BHP RPM BHP RPM BHP RPM BHP RPM BHP RPM BHP
1800 933 0.64 1000 0.79 1064 0.94 1126 1.09 1185 1.24 1243 1.38 1300 1.52 1356 1.64 1411 1.76 1466 1.86
1900 961 0.74 1028 0.89 1092 1.04 1153 1.19 1213 1.34 1271 1.49 1328 1.62 1384 1.75 1439 1.86 1494 1.97
2000 989 0.85 1055 1.00 1119 1.15 1181 1.31 1241 1.45 1299 1.60 1356 1.73 1411 1.86 1467 1.98 1521 2.08
2100 1017 0.97 1083 1.12 1147 1.27 1209 1.42 1269 1.57 1327 1.72 1384 1.85 1439 1.98 1495 2.09 1549 2.20
2200 1045 1.10 1112 1.25 1176 1.40 1238 1.55 1297 1.70 1355 1.84 1412 1.98 1468 2.10 1523 2.22 1578 2.32
2300 1075 1.23 1141 1.38 1205 1.53 1267 1.68 1327 1.83 1385 1.97 1441 2.11 1497 2.24 1552 2.35 1607 2.45
2400 1105 1.37 1171 1.52 1235 1.67 1297 1.82 1357 1.97 1415 2.11 1472 2.25 1527 2.38 1583 2.49 1637 2.59
2500 1136 1.52 1202 1.67 1266 1.82 1328 1.97 1388 2.12 1446 2.26 1503 2.40 1559 2.53 1614 2.64 -- --
2600 1168 1.67 1234 1.82 1298 1.97 1360 2.13 1420 2.27 1478 2.42 1535 2.55 1591 2.68 1638 2.80 -- --
2700 1201 1.84 1268 1.99 1332 2.14 1393 2.29 1453 2.44 1511 2.58 1568 2.72 1624 2.84 -- -- -- --
2800 1235 2.01 1302 2.16 1366 2.31 1428 2.46 1488 2.61 1546 2.75 1602 2.89 -- -- -- -- -- --
2900 1271 2.18 1338 2.33 1402 2.49 1463 2.64 1523 2.79 1581 2.93 1638 3.07 -- -- -- -- -- --
3000 1308 2.37 1374 2.52 1438 2.67 1500 2.82 1560 2.97 1618 3.12 -- -- -- -- -- -- -- --
Standard Static Option with Motor rated at 2.4-hp
Medium Static Option with Motor rated at 2.9-hp
High Static Option with Motor rated at 3.7-hp
-- Exceeds recommended Blower speed
ZX08 (7.5 Ton) Bottom Duct
CFM Available External Static
0.2 0.4 0.6 0.8 1.0 1.2 1.4 1.6 1.8 2.0
RPM BHP RPM BHP RPM BHP RPM BHP RPM BHP RPM BHP RPM BHP RPM BHP RPM BHP RPM BHP
2250 577 0.50 636 0.68 693 0.86 749 1.03 803 1.21 856 1.39 908 1.57 959 1.74 1009 1.91 1059 2.07
2400 591 0.59 650 0.77 707 0.95 763 1.13 817 1.31 870 1.48 922 1.66 973 1.83 1023 2.00 1073 2.17
2600 611 0.73 670 0.91 727 1.09 782 1.27 836 1.44 889 1.62 941 1.80 992 1.97 1043 2.14 1092 2.31
2800 631 0.88 690 1.06 747 1.24 803 1.42 857 1.60 910 1.77 962 1.95 1013 2.12 1063 2.29 -- --
3000 653 1.05 711 1.23 768 1.41 824 1.59 878 1.76 931 1.94 983 2.12 1034 2.29 1084 2.46 -- --
3200 675 1.23 733 1.41 790 1.59 846 1.77 900 1.94 953 2.12 1005 2.30 1056 2.47 1100 2.64 -- --
3400 697 1.42 755 1.60 813 1.78 868 1.96 922 2.14 975 2.31 1027 2.49 1078 2.66 -- -- -- --
3600 719 1.63 778 1.80 835 1.98 891 2.16 945 2.34 998 2.52 1050 2.69 1100 2.87 -- -- -- --
3750 736 1.78 795 1.96 852 2.14 908 2.32 962 2.50 1015 2.68 1067 2.85 -- -- -- -- -- --
Standard Static Option with Motor rated at 2.4-hp
Medium Static Option with Motor rated at 2.9-hp
High Static Option with Motor rated at 3.7-hp
-- Exceeds recommended Blower speed
ZX09 (8.5 Ton) Bottom Duct
CFM Available External Static
0.2 0.4 0.6 0.8 1.0 1.2 1.4 1.6 1.8 2.0
RPM BHP RPM BHP RPM BHP RPM BHP RPM BHP RPM BHP RPM BHP RPM BHP RPM BHP RPM BHP
2550 570 0.59 630 0.77 687 0.94 744 1.13 799 1.31 852 1.49 903 1.67 953 1.85 1002 2.01 1049 2.16
2600 573 0.63 632 0.80 690 0.98 747 1.16 801 1.34 855 1.53 906 1.71 956 1.88 1005 2.04 1052 2.19
2800 585 0.77 645 0.94 703 1.12 759 1.30 814 1.49 867 1.67 918 1.85 968 2.02 1017 2.18 1064 2.33
3000 599 0.92 658 1.10 716 1.27 773 1.46 827 1.64 880 1.82 932 2.00 982 2.18 1030 2.34 1077 2.49
3200 614 1.09 673 1.27 731 1.44 787 1.63 842 1.81 895 1.99 947 2.17 997 2.35 1045 2.51 1092 2.66
3400 630 1.28 690 1.45 747 1.62 804 1.81 859 1.99 912 2.18 963 2.35 1013 2.53 1062 2.69 -- --
3600 648 1.47 708 1.64 765 1.82 822 2.00 877 2.19 930 2.37 981 2.55 1031 2.72 1080 2.88 -- --
3800 668 1.67 727 1.84 785 2.02 841 2.20 896 2.39 949 2.57 1001 2.75 1051 2.92 1099 3.09 -- --
4000 689 1.89 748 2.06 806 2.23 863 2.42 917 2.60 971 2.79 1022 2.96 1072 3.14 -- -- -- --
4200 712 2.11 771 2.28 829 2.46 886 2.64 940 2.83 994 3.01 1045 3.19 1095 3.36 -- -- -- --
4250 718 2.17 777 2.34 842 2.52 892 2.70 946 2.88 1000 3.07 1051 3.24 1100 3.42 -- -- -- --
Standard Static Option with Motor rated at 2.4-hp
Medium Static Option with Motor rated at 2.4-hp
High Static Option with Motor rated at 3.7-hp

1068152-YTG-I-1214
Johnson Controls Unitary Products 87
ZX12 (10 Ton) Bottom Duct
CFM Available External Static
0.2 0.4 0.6 0.8 1.0 1.2 1.4 1.6 1.8 2.0
RPM BHP RPM BHP RPM BHP RPM BHP RPM BHP RPM BHP RPM BHP RPM BHP RPM BHP RPM BHP
3000 653 0.79 706 1.02 758 1.25 808 1.49 858 1.72 907 1.95 955 2.18 1003 2.40 1049 2.62 1095 2.82
3200 667 0.94 720 1.17 771 1.40 822 1.64 872 1.88 921 2.11 969 2.34 1016 2.56 1063 2.77 1109 2.97
3400 682 1.11 734 1.34 786 1.57 837 1.81 887 2.04 936 2.28 984 2.50 1031 2.73 1078 2.94 1124 3.14
3600 697 1.29 750 1.52 802 1.76 853 1.99 903 2.23 952 2.46 1000 2.69 1047 2.91 1094 3.12 1140 3.32
3800 714 1.50 767 1.73 819 1.96 870 2.20 920 2.43 969 2.67 1017 2.90 1064 3.12 1111 3.33 1157 3.53
4000 733 1.73 786 1.96 837 2.19 888 2.43 938 2.66 987 2.90 1035 3.12 1083 3.34 1129 3.56 1174 3.76
4200 753 1.98 806 2.21 857 2.44 908 2.68 958 2.91 1007 3.15 1055 3.37 1102 3.60 1149 3.81 -- --
4400 774 2.25 827 2.48 879 2.72 930 2.95 979 3.19 1028 3.42 1076 3.65 1124 3.87 1170 4.08 -- --
4600 797 2.55 850 2.78 902 3.02 952 3.25 1002 3.49 1051 3.72 1099 3.95 1147 4.17 -- -- -- --
4800 822 2.88 874 3.11 926 3.34 977 3.58 1027 3.81 1076 4.05 1124 4.27 1171 4.50 -- -- -- --
5000 848 3.23 901 3.46 952 3.69 1003 3.93 1053 4.16 1102 4.40 1150 4.62 -- -- -- -- -- --
Standard Static Option with Motor rated at 2.4-hp
Medium Static Option with Motor rated at 3.7-hp
High Static Option with Motor rated at 5.25-hp
ZX14 (12.5 Ton) Bottom Duct
CFM Available External Static
0.2 0.4 0.6 0.8 1.0 1.2 1.4 1.6 1.8 2.0
RPM BHP RPM BHP RPM BHP RPM BHP RPM BHP RPM BHP RPM BHP RPM BHP RPM BHP RPM BHP
3750 715 1.46 762 1.68 810 1.91 858 2.13 907 2.36 957 2.58 1008 2.80 1060 3.02 1113 3.24 1167 3.46
3800 720 1.51 766 1.73 814 1.96 862 2.18 911 2.41 961 2.63 1012 2.85 1064 3.07 1117 3.29 1171 3.51
4000 737 1.72 784 1.94 832 2.17 880 2.39 929 2.62 979 2.84 1030 3.07 1082 3.29 1135 3.51 -- --
4200 756 1.95 803 2.17 851 2.40 899 2.63 948 2.85 998 3.07 1049 3.30 1101 3.52 1154 3.74 -- --
4400 777 2.20 824 2.42 871 2.65 920 2.87 969 3.10 1019 3.32 1069 3.55 1121 3.77 1174 3.98 -- --
4600 799 2.47 846 2.69 893 2.92 941 3.14 990 3.37 1040 3.59 1091 3.81 1143 4.04 -- -- -- --
4800 822 2.75 869 2.98 916 3.20 965 3.43 1014 3.65 1064 3.88 1114 4.10 1166 4.32 -- -- -- --
5000 846 3.06 893 3.28 941 3.51 989 3.73 1038 3.96 1088 4.18 1139 4.41 -- -- -- -- -- --
5200 872 3.39 919 3.61 966 3.83 1015 4.06 1064 4.28 1114 4.51 1164 4.73 -- -- -- -- -- --
5400 899 3.73 946 3.95 993 4.18 1042 4.40 1091 4.63 1141 4.85 -- -- -- -- -- -- -- --
5600 927 4.09 974 4.32 1021 4.54 1070 4.77 1119 4.99 1169 5.22 -- -- -- -- -- -- -- --
5800 956 4.47 1003 4.70 1051 4.92 1099 5.15 -- -- -- -- -- -- -- -- -- -- -- --
6000 987 4.87 1034 5.10 -- -- -- -- -- -- -- -- -- -- -- -- -- -- -- --
Standard Static Option with Motor rated at 2.4-hp
Medium Static Option with Motor rated at 3.7-hp
High Static Option with Motor rated at 5.25-hp

1068152-YTG-I-1214
88 Johnson Controls Unitary Products
ZY04-12 Side Duct Application (Belt Drive)
ZY04 (3.0 Ton) Side Duct
CFM Available External Static
0.2 0.4 0.6 0.8 1.0 1.2 1.4 1.6 1.8 2.0
RPM BHP RPM BHP RPM BHP RPM BHP RPM BHP RPM BHP RPM BHP RPM BHP RPM BHP RPM BHP
900 874 0.31 972 0.40 1065 0.50 1153 0.60 1236 0.70 1315 0.80 1390 0.89 1460 0.97 1526 1.05
1000 887 0.36 985 0.45 1078 0.55 1165 0.65 1249 0.75 1328 0.85 1402 0.94 1472 1.03 1539 1.10
1100 797 0.33 900 0.42 998 0.51 1091 0.61 1179 0.71 1263 0.81 1341 0.91 1416 1.00 1486 1.08 1553 1.16
1200 813 0.40 916 0.48 1014 0.57 1107 0.67 1195 0.77 1279 0.87 1357 0.97 1432 1.06 1502 1.15 1569 1.22
1300 831 0.46 935 0.55 1033 0.64 1126 0.74 1214 0.84 1297 0.94 1376 1.03 1450 1.13 1520 1.21 1583 1.28
1400 852 0.53 956 0.61 1054 0.71 1146 0.80 1234 0.90 1318 1.00 1396 1.10 1471 1.19 1541 1.28 -- --
1500 876 0.59 979 0.68 1077 0.77 1170 0.87 1258 0.97 1341 1.07 1420 1.17 1494 1.26 1565 1.34 -- --
kW = 0.929 x BHP
Medium Static Option with Motor rated at 2.4-hp
High Static Option with Motor rated at 2.9-hp
-- Exceeds recommended blower speed
ZX05 (4.0 Ton) Side Duct
CFM Available External Static
0.2 0.4 0.6 0.8 1.0 1.2 1.4 1.6 1.8 2.0
RPM BHP RPM BHP RPM BHP RPM BHP RPM BHP RPM BHP RPM BHP RPM BHP RPM BHP RPM BHP
1200 840 0.30 927 0.41 1012 0.53 1096 0.65 1177 0.77 1257 0.89 1334 1.01 1411 1.12 1485 1.22 1558 1.31
1300 857 0.35 944 0.47 1029 0.59 1112 0.71 1194 0.83 1273 0.95 1351 1.07 1427 1.18 1502 1.28 1574 1.37
1400 875 0.42 962 0.53 1048 0.65 1131 0.77 1212 0.89 1292 1.01 1370 1.13 1446 1.24 1520 1.34 1593 1.43
1500 897 0.49 984 0.60 1069 0.72 1152 0.84 1233 0.96 1313 1.08 1391 1.20 1467 1.31 1542 1.41 -- --
1600 921 0.56 1008 0.67 1093 0.79 1176 0.91 1258 1.04 1337 1.16 1415 1.27 1491 1.38 1566 1.49 -- --
1700 948 0.64 1035 0.76 1120 0.87 1204 1.00 1285 1.12 1365 1.24 1442 1.36 1518 1.47 1593 1.57 -- --
1800 979 0.73 1066 0.85 1151 0.96 1234 1.08 1315 1.21 1395 1.33 1473 1.44 1549 1.56 -- -- -- --
1900 1012 0.83 1099 0.94 1185 1.06 1268 1.18 1349 1.30 1429 1.42 1507 1.54 1583 1.65 -- -- -- --
2000 1049 0.93 1136 1.04 1222 1.16 1305 1.28 1386 1.40 1466 1.52 1544 1.64 -- -- -- -- -- --
kW = 0.929 x BHP
Medium Static Option with Motor rated at 2.4-hp
High Static Option with Motor rated at 2.9-hp
-- Exceeds recommended blower speed
ZY06 (5.0 Ton) Side Duct
CFM Available External Static
0.2 0.4 0.6 0.8 1.0 1.2 1.4 1.6 1.8 2.0
RPM BHP RPM BHP RPM BHP RPM BHP RPM BHP RPM BHP RPM BHP RPM BHP RPM BHP RPM BHP
1500 810 0.49 883 0.60 954 0.70 1023 0.80 1089 0.91 1152 1.02 1213 1.14 1269 1.26 1323 1.40 1373 1.55
1600 831 0.58 904 0.68 975 0.79 1044 0.89 1110 1.00 1173 1.11 1233 1.22 1290 1.35 1344 1.49 1394 1.64
1700 854 0.66 927 0.77 998 0.87 1067 0.98 1133 1.08 1196 1.19 1256 1.31 1313 1.44 1367 1.57 1417 1.72
1800 878 0.75 952 0.86 1023 0.96 1091 1.07 1157 1.17 1221 1.28 1281 1.40 1338 1.52 1391 1.66 1441 1.81
1900 904 0.84 977 0.95 1048 1.05 1117 1.16 1183 1.26 1246 1.37 1306 1.49 1363 1.61 1417 1.75 1467 1.90
2000 931 0.93 1004 1.04 1075 1.15 1144 1.25 1210 1.36 1273 1.47 1333 1.58 1390 1.71 1444 1.84 1494 1.99
2100 959 1.03 1032 1.14 1103 1.24 1172 1.35 1238 1.45 1301 1.56 1361 1.68 1418 1.81 1472 1.94 1522 2.09
2200 988 1.13 1061 1.24 1132 1.35 1201 1.45 1267 1.56 1330 1.67 1390 1.78 1447 1.91 1501 2.04 1550 2.19
2300 1017 1.24 1091 1.35 1162 1.45 1230 1.56 1296 1.66 1359 1.77 1420 1.89 1477 2.02 1530 2.15 1580 2.30
2400 1047 1.36 1121 1.46 1192 1.57 1260 1.67 1326 1.78 1390 1.89 1450 2.01 1507 2.13 1560 2.27 -- --
2500 1078 1.48 1151 1.58 1222 1.69 1291 1.79 1357 1.90 1420 2.01 1480 2.13 1537 2.25 1591 2.39 -- --
Medium Static Option with Motor rated at 2.4-hp
High Static Option with Motor rated at 2.9-hp
-- Exceeds recommended blower speed

1068152-YTG-I-1214
Johnson Controls Unitary Products 89
ZY07 (6.0 Ton) Side Duct
CFM Available External Static
0.2 0.4 0.6 0.8 1.0 1.2 1.4 1.6 1.8 2.0
RPM BHP RPM BHP RPM BHP RPM BHP RPM BHP RPM BHP RPM BHP RPM BHP RPM BHP RPM BHP
1800 521 0.27 583 0.44 644 0.63 703 0.81 759 0.99 814 1.17 866 1.34 916 1.51 964 1.67 1010 1.83
1900 529 0.31 591 0.49 651 0.67 710 0.85 767 1.03 821 1.21 874 1.39 924 1.56 972 1.72 1017 1.87
2000 536 0.36 598 0.54 659 0.72 718 0.90 774 1.08 829 1.26 881 1.44 931 1.61 979 1.77 1025 1.92
2100 544 0.42 606 0.59 667 0.77 725 0.95 782 1.14 836 1.32 889 1.49 939 1.66 987 1.82 1032 1.97
2200 551 0.47 614 0.65 674 0.83 733 1.01 789 1.19 844 1.37 896 1.55 947 1.72 994 1.88 1040 2.03
2300 559 0.53 622 0.71 682 0.89 741 1.07 797 1.25 852 1.43 904 1.61 954 1.77 1002 1.94 1048 2.09
2400 567 0.59 630 0.77 690 0.95 749 1.13 805 1.31 860 1.49 912 1.67 962 1.84 1010 2.00 1056 2.15
2500 575 0.66 638 0.83 698 1.01 757 1.20 813 1.38 868 1.56 920 1.73 970 1.90 1018 2.06 1064 2.22
2600 584 0.73 646 0.90 707 1.08 765 1.26 822 1.45 876 1.63 929 1.80 979 1.97 1027 2.13 1072 2.28
2700 592 0.80 655 0.97 715 1.15 774 1.34 830 1.52 885 1.70 937 1.87 987 2.04 1035 2.20 1081 2.36
2800 601 0.87 664 1.05 724 1.23 783 1.41 839 1.59 894 1.77 946 1.95 996 2.12 1044 2.28 1090 2.43
2900 610 0.95 673 1.13 733 1.31 792 1.49 848 1.67 903 1.85 955 2.03 1005 2.20 1053 2.36 1099 2.51
3000 619 1.03 682 1.21 742 1.39 801 1.57 858 1.75 912 1.93 964 2.11 1015 2.28 1063 2.44 -- --
Standard Static Option with Motor rated at 2.4-hp
Medium Static Option with Motor rated at 2.9-hp
High Static Option with Motor rated at 3.7-hp
-- Exceeds recommended blower speed
ZY08 (7.5 Ton) Side Duct
CFM Available External Static
0.2 0.4 0.6 0.8 1.0 1.2 1.4 1.6 1.8 2.0
RPM BHP RPM BHP RPM BHP RPM BHP RPM BHP RPM BHP RPM BHP RPM BHP RPM BHP RPM BHP
2250 547 0.39 610 0.60 670 0.81 727 1.01 783 1.21 836 1.41 888 1.59 939 1.78 989 1.96 1038 2.13
2400 556 0.47 619 0.69 679 0.90 736 1.10 792 1.30 845 1.49 897 1.68 948 1.86 998 2.04 1047 2.22
2600 568 0.60 631 0.81 691 1.02 749 1.22 804 1.42 857 1.61 909 1.80 960 1.99 1010 2.17 1059 2.34
2800 581 0.73 644 0.95 704 1.16 762 1.36 817 1.56 871 1.75 923 1.94 973 2.13 1023 2.31 1073 2.48
3000 595 0.89 658 1.10 718 1.31 776 1.51 831 1.71 885 1.91 937 2.09 988 2.28 1038 2.46 1087 2.63
3200 610 1.05 673 1.27 733 1.48 791 1.68 846 1.88 900 2.07 952 2.26 1003 2.44 1053 2.62 -- --
3400 627 1.23 689 1.45 750 1.66 807 1.86 863 2.06 916 2.25 968 2.44 1019 2.62 1069 2.80 -- --
3600 644 1.42 707 1.64 767 1.85 824 2.05 880 2.25 933 2.44 985 2.63 1036 2.82 1086 3.00 -- --
3750 657 1.58 720 1.79 780 2.00 838 2.20 893 2.40 947 2.60 999 2.78 1049 2.97 1099 3.15 -- --
Standard Static Option with Motor rated at 2.4-hp
Medium Static Option with Motor rated at 2.4-hp
High Static Option with Motor rated at 3.7-hp
-- Exceeds recommended blower speed
ZY09 (8.5 Ton) Side Duct
CFM Available External Static
0.2 0.4 0.6 0.8 1.0 1.2 1.4 1.6 1.8 2.0
RPM BHP RPM BHP RPM BHP RPM BHP RPM BHP RPM BHP RPM BHP RPM BHP RPM BHP RPM BHP
2550 565 0.56 628 0.78 688 0.99 745 1.19 801 1.39 854 1.58 906 1.77 957 1.95 1007 2.13 1056 2.31
2600 568 0.60 631 0.81 691 1.02 749 1.22 804 1.42 857 1.61 909 1.80 960 1.99 1010 2.17 1059 2.34
2800 581 0.73 644 0.95 704 1.16 762 1.36 817 1.56 871 1.75 923 1.94 973 2.13 1023 2.31 1073 2.48
3000 595 0.89 658 1.10 718 1.31 776 1.51 831 1.71 885 1.91 937 2.09 988 2.28 1038 2.46 1087 2.63
3200 610 1.05 673 1.27 733 1.48 791 1.68 846 1.88 900 2.07 952 2.26 1003 2.44 1053 2.62 1100 2.80
3400 627 1.23 689 1.45 750 1.66 807 1.86 863 2.06 916 2.25 968 2.44 1019 2.62 1069 2.80 -- --
3600 644 1.42 707 1.64 767 1.85 824 2.05 880 2.25 933 2.44 985 2.63 1036 2.82 1086 3.00 -- --
3800 662 1.63 725 1.84 785 2.05 842 2.26 898 2.46 951 2.65 1003 2.84 1054 3.02 1100 3.20 -- --
4000 681 1.85 744 2.06 804 2.27 861 2.47 917 2.67 970 2.87 1022 3.05 1073 3.24 -- -- -- --
4200 701 2.08 764 2.29 824 2.50 881 2.70 937 2.90 990 3.09 1042 3.28 1093 3.47 -- -- -- --
4250 706 2.14 769 2.35 829 2.56 887 2.76 942 2.96 996 3.15 1048 3.34 1098 3.53 -- -- -- --
Standard Static Option with Motor rated at 2.4-hp
Medium Static Option with Motor rated at 2.4-hp
High Static Option with Motor rated at 3.7-hp
Bold Field-supplied AK79 x 1 fixed pulley (p/n 9381) with Motor rated at 3.7-hp
-- Exceeds recommended blower speed

1068152-YTG-I-1214
90 Johnson Controls Unitary Products
ZY12 (10 Ton) Side Duct
CFM Available External Static
0.2 0.4 0.6 0.8 1.0 1.2 1.4 1.6 1.8 2.0
RPM BHP RPM BHP RPM BHP RPM BHP RPM BHP RPM BHP RPM BHP RPM BHP RPM BHP RPM BHP
3000 653 0.79 706 1.02 758 1.25 808 1.49 858 1.72 907 1.95 955 2.18 1003 2.40 1049 2.62 1095 2.82
3200 667 0.94 720 1.17 771 1.40 822 1.64 872 1.88 921 2.11 969 2.34 1016 2.56 1063 2.77 1109 2.97
3400 682 1.11 734 1.34 786 1.57 837 1.81 887 2.04 936 2.28 984 2.50 1031 2.73 1078 2.94 1124 3.14
3600 697 1.29 750 1.52 802 1.76 853 1.99 903 2.23 952 2.46 1000 2.69 1047 2.91 1094 3.12 1140 3.32
3800 714 1.50 767 1.73 819 1.96 870 2.20 920 2.43 969 2.67 1017 2.90 1064 3.12 1111 3.33 1157 3.53
4000 733 1.73 786 1.96 837 2.19 888 2.43 938 2.66 987 2.90 1035 3.12 1083 3.34 1129 3.56 1174 3.76
4200 753 1.98 806 2.21 857 2.44 908 2.68 958 2.91 1007 3.15 1055 3.37 1102 3.60 1149 3.81 -- --
4400 774 2.25 827 2.48 879 2.72 930 2.95 979 3.19 1028 3.42 1076 3.65 1124 3.87 1170 4.08 -- --
4600 797 2.55 850 2.78 902 3.02 952 3.25 1002 3.49 1051 3.72 1099 3.95 1147 4.17 -- -- -- --
4800 822 2.88 874 3.11 926 3.34 977 3.58 1027 3.81 1076 4.05 1124 4.27 1171 4.50 -- -- -- --
5000 848 3.23 901 3.46 952 3.69 1003 3.93 1053 4.16 1102 4.40 1150 4.62 -- -- -- -- -- --
Standard Static Option with Motor rated at 2.4-hp
Medium Static Option with Motor rated at 3.7-hp
High Static Option with Motor rated at 5.25-hp
-- Exceeds recommended blower speed

1068152-YTG-I-1214
Johnson Controls Unitary Products 91
ZY04-12 Bottom Duct Application (Belt Drive)
ZY04 (3.0 Ton) Bottom Duct
CFM Available External Static
0.2 0.4 0.6 0.8 1.0 1.2 1.4 1.6 1.8 2.0
RPM BHP RPM BHP RPM BHP RPM BHP RPM BHP RPM BHP RPM BHP RPM BHP RPM BHP RPM BHP
900 878 0.26 976 0.37 1070 0.47 1161 0.58 1247 0.67 1329 0.76 1405 0.85 1477 0.93 1543 1.00
1000 792 0.20 894 0.31 992 0.42 1087 0.52 1177 0.62 1263 0.72 1345 0.81 1422 0.90 1493 0.98 1560 1.05
1100 810 0.26 912 0.37 1010 0.47 1104 0.58 1195 0.68 1281 0.77 1363 0.87 1439 0.95 1511 1.03 1577 1.11
1200 829 0.32 931 0.43 1029 0.54 1124 0.64 1214 0.74 1300 0.84 1382 0.93 1459 1.02 1530 1.10 1593 1.17
1300 850 0.39 952 0.50 1050 0.61 1145 0.71 1235 0.81 1321 0.91 1403 1.00 1480 1.09 1552 1.17 -- --
1400 874 0.47 975 0.58 1073 0.69 1168 0.79 1258 0.89 1344 0.99 1426 1.08 1503 1.17 1575 1.25 -- --
1500 899 0.56 1000 0.67 1098 0.77 1193 0.88 1283 0.98 1370 1.07 1451 1.17 1528 1.25 1600 1.33 -- --
kW = 0.929 x BHP
Medium Static Option with Motor rated at 2.4-hp
High Static Option with Motor rated at 2.9-hp
-- Exceeds recommended blower speed
ZY05 (4.0 Ton) Bottom Duct
CFM Available External Static
0.2 0.4 0.6 0.8 1.0 1.2 1.4 1.6 1.8 2.0
RPM BHP RPM BHP RPM BHP RPM BHP RPM BHP RPM BHP RPM BHP RPM BHP RPM BHP RPM BHP
1200 840 0.37 929 0.46 1016 0.56 1101 0.68 1184 0.80 1265 0.93 1345 1.04 1423 1.14 1500 1.22 1576 1.28
1300 858 0.43 947 0.52 1035 0.62 1120 0.74 1203 0.86 1284 0.99 1364 1.10 1442 1.20 1519 1.28 1593 1.34
1400 879 0.49 968 0.58 1055 0.69 1140 0.81 1224 0.93 1305 1.05 1385 1.17 1463 1.27 1540 1.35 -- --
1500 903 0.56 992 0.65 1079 0.76 1164 0.88 1247 1.00 1328 1.12 1408 1.24 1486 1.34 1563 1.42 -- --
1600 929 0.64 1018 0.73 1105 0.83 1190 0.95 1273 1.07 1354 1.20 1434 1.31 1512 1.41 1589 1.49 -- ---
1700 957 0.72 1047 0.81 1134 0.91 1219 1.03 1302 1.15 1383 1.28 1463 1.39 1541 1.49 -- -- -- --
1800 989 0.80 1078 0.89 1165 1.00 1250 1.12 1333 1.24 1415 1.36 1494 1.47 1572 1.58 -- -- -- --
1900 1023 0.89 1112 0.98 1199 1.08 1284 1.20 1367 1.33 1449 1.45 1528 1.56 -- -- -- -- -- --
2000 1059 0.98 1149 1.07 1236 1.18 1321 1.29 1404 1.42 1485 1.54 1565 1.65 -- -- -- -- -- --
kW = 0.929 x BHP
Medium Static Option with Motor rated at 2.4-hp
High Static Option with Motor rated at 2.9-hp
-- Exceeds recommended blower speed
ZY06 (5.0 Ton) Bottom Duct
CFM Available External Static
0.2 0.4 0.6 0.8 1.0 1.2 1.4 1.6 1.8 2.0
RPM BHP RPM BHP RPM BHP RPM BHP RPM BHP RPM BHP RPM BHP RPM BHP RPM BHP RPM BHP
1500 840 0.48 910 0.58 977 0.67 1042 0.77 1106 0.87 1166 0.98 1225 1.08 1280 1.19 1334 1.30 1384 1.41
1600 866 0.55 935 0.65 1003 0.74 1068 0.84 1131 0.94 1192 1.04 1250 1.15 1306 1.26 1359 1.37 1410 1.48
1700 892 0.63 961 0.72 1029 0.82 1094 0.92 1157 1.02 1218 1.12 1276 1.23 1332 1.33 1385 1.44 1436 1.56
1800 918 0.71 987 0.81 1055 0.90 1120 1.00 1183 1.10 1244 1.21 1302 1.31 1358 1.42 1411 1.53 1462 1.64
1900 944 0.80 1014 0.90 1081 1.00 1146 1.09 1209 1.19 1270 1.30 1329 1.40 1384 1.51 1438 1.62 1488 1.73
2000 971 0.90 1041 1.00 1108 1.09 1174 1.19 1237 1.29 1297 1.39 1356 1.50 1412 1.61 1465 1.72 1516 1.83
2100 999 1.01 1069 1.10 1136 1.20 1202 1.30 1265 1.40 1326 1.50 1384 1.60 1440 1.71 1493 1.82 1544 1.93
2200 1028 1.12 1098 1.21 1165 1.31 1231 1.41 1294 1.51 1355 1.61 1413 1.72 1469 1.82 1522 1.93 1573 2.05
2300 1058 1.24 1128 1.33 1195 1.43 1261 1.53 1324 1.63 1385 1.73 1443 1.83 1499 1.94 1552 2.05 -- --
2400 1090 1.36 1159 1.46 1227 1.55 1292 1.65 1355 1.75 1416 1.85 1474 1.96 1530 2.07 1583 2.18 -- --
2500 1122 1.49 1191 1.59 1259 1.68 1324 1.78 1387 1.88 1448 1.98 1506 2.09 1562 2.20 1615 2.31 -- --
Medium Static Option with Motor rated at 2.4-hp
High Static Option with Motor rated at 2.9-hp
-- Exceeds recommended blower speed

1068152-YTG-I-1214
92 Johnson Controls Unitary Products
ZY07 (6.0 Ton) Bottom Duct
CFM Available External Static
0.2 0.4 0.6 0.8 1.0 1.2 1.4 1.6 1.8 2.0
RPM BHP RPM BHP RPM BHP RPM BHP RPM BHP RPM BHP RPM BHP RPM BHP RPM BHP RPM BHP
1800 525 0.31 590 0.48 653 0.65 713 0.82 770 0.98 825 1.15 878 1.31 928 1.48 976 1.65 1022 1.83
1900 534 0.36 599 0.53 661 0.71 721 0.87 779 1.03 834 1.20 886 1.36 936 1.53 984 1.70 1030 1.88
2000 542 0.41 607 0.59 670 0.76 730 0.93 787 1.09 842 1.25 895 1.42 945 1.58 993 1.75 1039 1.93
2100 551 0.47 616 0.65 678 0.82 738 0.99 796 1.15 850 1.31 903 1.47 953 1.64 1001 1.81 1047 1.99
2200 559 0.53 624 0.71 687 0.88 747 1.05 804 1.21 859 1.37 912 1.54 962 1.70 1010 1.88 1056 2.05
2300 568 0.60 634 0.78 696 0.95 756 1.11 813 1.28 868 1.44 921 1.60 971 1.77 1019 1.94 1065 2.12
2400 578 0.66 643 0.84 705 1.01 765 1.18 823 1.34 878 1.51 930 1.67 981 1.84 1029 2.01 1074 2.19
2500 588 0.74 653 0.91 715 1.08 775 1.25 833 1.41 888 1.58 940 1.74 991 1.91 1039 2.08 1084 2.26
2600 598 0.81 663 0.99 725 1.16 785 1.32 843 1.49 898 1.65 950 1.81 1001 1.98 1049 2.15 1094 2.33
2700 609 0.88 674 1.06 736 1.23 796 1.40 853 1.56 908 1.72 961 1.89 1011 2.05 1059 2.23 -- --
2800 620 0.96 685 1.14 747 1.31 807 1.47 864 1.64 919 1.80 972 1.96 1022 2.13 1070 2.30 -- --
2900 631 1.04 696 1.22 759 1.39 819 1.55 876 1.72 931 1.88 984 2.04 1034 2.21 1082 2.38 -- --
3000 643 1.12 708 1.30 771 1.47 830 1.64 888 1.80 943 1.96 996 2.12 1046 2.29 1094 2.46 -- --
Standard Static Option with Motor rated at 2.4-hp
Medium Static Option with Motor rated at 2.9-hp
High Static Option with Motor rated at 3.7-hp
-- Exceeds recommended blower speed
ZY08 (7.5 Ton) Bottom Duct
CFM Available External Static
0.2 0.4 0.6 0.8 1.0 1.2 1.4 1.6 1.8 2.0
RPM BHP RPM BHP RPM BHP RPM BHP RPM BHP RPM BHP RPM BHP RPM BHP RPM BHP RPM BHP
2250 556 0.45 621 0.65 683 0.83 742 1.00 798 1.18 852 1.34 904 1.51 954 1.69 1003 1.87 1050 2.06
2400 567 0.53 632 0.73 694 0.91 753 1.09 809 1.26 863 1.43 914 1.60 964 1.77 1013 1.95 1060 2.14
2600 580 0.65 646 0.85 707 1.03 766 1.21 823 1.38 876 1.55 928 1.72 978 1.89 1027 2.07 1074 2.27
2800 595 0.79 660 0.99 722 1.17 780 1.35 837 1.52 890 1.69 942 1.86 992 2.03 1041 2.21 1088 2.40
3000 609 0.94 674 1.14 736 1.32 795 1.50 851 1.67 905 1.83 957 2.00 1007 2.18 1056 2.36 1100 2.55
3200 625 1.10 690 1.30 752 1.48 810 1.66 867 1.83 921 2.00 972 2.17 1022 2.34 1071 2.52 -- --
3400 641 1.28 706 1.47 768 1.66 827 1.83 883 2.00 937 2.17 989 2.34 1039 2.52 1087 2.70 '-- --
3600 658 1.47 723 1.66 785 1.85 844 2.02 900 2.19 954 2.36 1006 2.53 1056 2.70 1100 2.89 -- --
3750 672 1.61 737 1.81 799 1.99 858 2.17 914 2.34 968 2.51 1019 2.68 1069 2.85 -- -- -- --
Standard Static Option with Motor rated at 2.4-hp
Medium Static Option with Motor rated at 2.4-hp
High Static Option with Motor rated at 3.7-hp
-- Exceeds recommended blower speed
ZY09 (8.5 Ton) Bottom Duct
CFM Available External Static
0.2 0.4 0.6 0.8 1.0 1.2 1.4 1.6 1.8 2.0
RPM BHP RPM BHP RPM BHP RPM BHP RPM BHP RPM BHP RPM BHP RPM BHP RPM BHP RPM BHP
2550 577 0.62 642 0.82 704 1.00 763 1.18 819 1.35 873 1.52 925 1.69 975 1.86 1023 2.04 1071 2.23
2600 580 0.65 646 0.85 707 1.03 766 1.21 823 1.38 876 1.55 928 1.72 978 1.89 1027 2.07 1074 2.27
2800 595 0.79 660 0.99 722 1.17 780 1.35 837 1.52 890 1.69 942 1.86 992 2.03 1041 2.21 1088 2.40
3000 609 0.94 674 1.14 736 1.32 795 1.50 851 1.67 905 1.83 957 2.00 1007 2.18 1056 2.36 1103 2.55
3200 625 1.10 690 1.30 752 1.48 810 1.66 867 1.83 921 2.00 972 2.17 1022 2.34 1071 2.52 -- --
3400 641 1.28 706 1.47 768 1.66 827 1.83 883 2.00 937 2.17 989 2.34 1039 2.52 1087 2.70 -- --
3600 658 1.47 723 1.66 785 1.85 844 2.02 900 2.19 954 2.36 1006 2.53 1056 2.70 1104 2.89 -- --
3800 676 1.67 742 1.86 803 2.04 862 2.22 918 2.39 972 2.56 1024 2.73 1074 2.90 -- -- -- --
4000 696 1.88 761 2.07 823 2.26 882 2.43 938 2.60 992 2.77 1043 2.94 1093 3.12 -- -- -- --
4200 716 2.10 781 2.29 843 2.48 902 2.65 958 2.82 1012 2.99 1064 3.16 1114 3.34 -- -- -- --
4250 721 2.16 786 2.35 848 2.53 907 2.71 963 2.88 1017 3.05 1069 3.22 1119 3.39 -- -- -- --
Standard Static Option with Motor rated at 2.4-hp
Medium Static Option with Motor rated at 2.4-hp
High Static Option with Motor rated at 3.7-hp
Bold Field-supplied AK79 x 1 fixed pulley (p/n 9381) with Motor rated at 3.7-hp
-- Exceeds recommended blower speed

1068152-YTG-I-1214
Johnson Controls Unitary Products 93
ZY12 (10 Ton) Bottom Duct
CFM Available External Static
0.2 0.4 0.6 0.8 1.0 1.2 1.4 1.6 1.8 2.0
RPM BHP RPM BHP RPM BHP RPM BHP RPM BHP RPM BHP RPM BHP RPM BHP RPM BHP RPM BHP
2600 626 0.50 679 0.73 731 0.97 782 1.20 831 1.44 880 1.67 928 1.90 976 2.12 1022 2.33 1068 2.53
2800 639 0.64 692 0.87 744 1.11 795 1.34 845 1.58 894 1.81 942 2.04 989 2.26 1036 2.47 1082 2.67
3000 653 0.79 706 1.02 758 1.25 808 1.49 858 1.72 907 1.95 955 2.18 1003 2.40 1049 2.62 1095 2.82
3200 667 0.94 720 1.17 771 1.40 822 1.64 872 1.88 921 2.11 969 2.34 1016 2.56 1063 2.77 1109 2.97
3400 682 1.11 734 1.34 786 1.57 837 1.81 887 2.04 936 2.28 984 2.50 1031 2.73 1078 2.94 1124 3.14
3600 697 1.29 750 1.52 802 1.76 853 1.99 903 2.23 952 2.46 1000 2.69 1047 2.91 1094 3.12 1140 3.32
3800 714 1.50 767 1.73 819 1.96 870 2.20 920 2.43 969 2.67 1017 2.90 1064 3.12 1111 3.33 1157 3.53
4000 733 1.73 786 1.96 837 2.19 888 2.43 938 2.66 987 2.90 1035 3.12 1083 3.34 1129 3.56 1175 3.76
4200 753 1.98 806 2.21 857 2.44 908 2.68 958 2.91 1007 3.15 1055 3.37 1102 3.60 1149 3.81 1195 4.01
4400 774 2.25 827 2.48 879 2.72 930 2.95 979 3.19 1028 3.42 1076 3.65 1124 3.87 1170 4.08 1216 4.28
4600 797 2.55 850 2.78 902 3.02 952 3.25 1002 3.49 1051 3.72 1099 3.95 1147 4.17 1193 4.38 1239 4.58
4800 822 2.88 874 3.11 926 3.34 977 3.58 1027 3.81 1076 4.05 1124 4.27 1171 4.50 1218 4.71 -- --
5000 848 3.23 901 3.46 952 3.69 1003 3.93 1053 4.16 1102 4.40 1150 4.62 1197 4.84 1242 5.06 -- --
Standard Static Option with Motor rated at 2.4-hp
Medium Static Option with Motor rated at 3.7-hp
High Static Option with Motor rated at 5.25-hp
-Exceeds recommended blower speed

1068152-YTG-I-1214
94 Johnson Controls Unitary Products
ZX04-06 Side Duct Application (Direct Drive)
ZX04-06 Side Duct (Cooling)
Unit
(Ton) M o to r
Speed
Available External Static
0.2 0.4 0.6 0.8 1.0
CFM WATTS RPM CFM WATTS RPM CFM WATTS RPM CFM WATTS RPM CFM WATTS RPM
ZX04
(3)
1 (LOW) 968 118 648 808 143 768 723 166 874 582 185 980 450 207 1073
2 (MED/LOW) 1068 144 678 928 171 795 828 193 888 730 217 988 600 237 1080
3 (MED) 1156 163 690 1029 196 817 910 219 904 820 242 996 708 268 1092
4 (MED/HI) 1190 178 706 1069 211 827 942 235 917 872 260 1003 772 286 1095
5 (HI) 1321 230 754 1228 261 855 1081 293 956 1012 318 1031 934 344 1112
ZX05
(4)
1 (LOW) 1323 208 720 1211 238 827 1066 268 922 936 294 1007 856 317 1082
2 (MED/LOW) 1416 244 751 1325 278 851 1203 309 944 1050 336 1028 950 360 1104
3 (MED) 1564 300 783 1475 337 881 1357 379 986 1234 405 1054 1099 430 1130
4 (MED/HI) 1645 339 808 1556 380 906 1461 417 994 1341 450 1076 1201 474 1143
5 (HI) 1778 427 860 1703 461 942 1618 503 1025 1514 542 1114 1288 508 1154
ZX06
(5)
1 (LOW) 1612 353 857 1533 390 943 1454 409 998 1399 430 1047 1275 460 1134
2 (MED/LOW) 1761 442 916 1717 491 988 1623 522 1064 1614 536 1086 1391 519 1154
3 (MED) 1912 565 976 1865 601 1044 1789 638 1113 1674 619 1141 1430 559 1156
4 (MED/HI) 1976 649 1021 1912 679 1085 1800 661 1135 1667 628 1149 1442 544 1162
5 (HI) 2301 936 1112 2055 818 1140 1850 718 1155 1714 635 1162 1450 554 1169
ZX04-06 Side Duct (Gas Heat)
Unit
(Ton) Motor
Speed
Available External Static
0.2 0.4 0.6 0.8 1.0
CFM WATTS RPM CFM WATTS RPM CFM WATTS RPM CFM WATTS RPM CFM WATTS RPM
ZX04
(3)
1 (LOW) 982 125 674 856 145 783 746 169 894 634 194 1005 512 210 1094
2 (MED/LOW) 1083 150 707 980 176 812 879 201 914 765 223 1014 638 246 1117
3 (MED) 1157 173 731 1068 198 828 958 226 931 866 251 1023 740 274 1125
4 (MED/HI) 1202 189 747 1114 215 839 1008 243 941 905 265 1028 797 292 1131
5 (HI) 1332 244 799 1257 269 879 1164 300 973 1068 327 1056 968 349 1139
ZX05
(4)
1 (LOW) 1295 224 778 1216 249 861 1103 275 950 980 300 1042 870 325 1131
2 (MED/LOW) 1397 267 816 1316 291 891 1221 320 975 1112 351 1064 1007 376 1148
3 (MED) 1527 334 869 1455 359 939 1374 383 1007 1273 417 1089 1116 422 1163
4 (MED/HI) 1607 378 900 1534 405 965 1457 433 1035 1374 462 1106 1139 432 1165
5 (HI) 1739 463 960 1682 495 1017 1613 524 1075 1521 543 1138 1181 449 1168
ZX06
(5)
1 (LOW) 1618 370 918 1524 408 996 1440 432 1063 1355 457 1128 1087 400 1169
2 (MED/LOW) 1731 488 998 1671 513 1055 1601 546 1121 1448 510 1155 1131 422 1175
3 (MED) 1842 615 1079 1801 630 1123 1644 585 1147 1461 519 1162 1110 414 1177
4 (MED/HI) 1919 683 1112 1828 657 1135 1661 599 1153 1447 518 1164 1088 406 1177
5 (HI) 1978 755 1147 1845 693 1155 1677 619 1164 1470 536 1175 1111 418 1185

1068152-YTG-I-1214
Johnson Controls Unitary Products 95
ZX04-06 Bottom Duct Application (Direct Drive)
ZX04-06 Bottom Duct (Cooling)
Unit
(Ton) Motor
Speed
Available External Static
0.2 0.4 0.6 0.8 1.0
CFM WATTS RPM CFM WATTS RPM CFM WATTS RPM CFM WATTS RPM CFM WATTS RPM
ZX04
(3)
1 (LOW) 960 125 675 828 144 778 711 169 895 574 193 1006 424 210 1094
2 (MED/LOW) 1043 150 706 919 176 818 750 196 901 704 221 1017 571 246 1110
3 (MED) 1125 172 723 1019 199 831 905 225 926 802 251 1029 666 277 1128
4 (MED/HI) 1138 190 752 1049 218 849 937 245 945 839 270 1039 722 296 1138
5 (HI) 1283 245 801 1209 270 882 1101 302 978 1002 326 1057 883 346 1148
ZX05
(4)
1 (LOW) 1270 229 789 1171 255 875 1014 280 963 947 300 1030 822 324 1117
2 (MED/LOW) 1352 268 825 1264 295 904 1134 328 992 1038 351 1062 968 372 1129
3 (MED) 1485 338 878 1401 365 954 1322 390 1019 1173 425 1108 1088 434 1178
4 (MED/HI) 1554 380 909 1481 411 981 1404 441 1048 1258 470 1127 1092 437 1159
5 (HI) 1682 474 971 1613 504 1034 1544 536 1100 1441 538 1142 1115 450 1169
ZX06
(5)
1 (LOW) 1561 365 884 1482 389 953 1400 414 1021 1301 449 1114 1142 434 1165
2 (MED/LOW) 1712 471 961 1653 502 1010 1581 527 1079 1477 541 1145 1122 434 1170
3 (MED) 1835 592 1014 1778 618 1075 1701 633 1128 1515 578 1153 1167 452 1173
4 (MED/HI) 1941 671 1054 1844 685 1109 1708 643 1136 1498 570 1153 1151 449 1177
5 (HI) 2099 841 1134 1932 759 1144 1778 692 1155 1601 617 1170 1175 458 1180
ZX04-06 Bottom Duct (Gas Heat)
Unit
(Ton) Motor
Speed
Available External Static
0.2 0.4 0.6 0.8 1.0
CFM WATTS RPM CFM WATTS RPM CFM WATTS RPM CFM WATTS RPM CFM WATTS RPM
ZX04
(3)
1 (LOW) 965 126 683 834 150 801 711 171 913 596 193 1013 474 210 1101
2 (MED/LOW) 1053 152 716 941 177 822 830 203 930 723 229 1035 603 246 1120
3 (MED) 1134 177 744 1029 201 840 910 229 945 814 255 1045 710 282 1142
4 (MED/HI) 1176 192 758 1086 217 851 968 246 953 872 272 1049 773 299 1145
5 (HI) 1306 247 812 1224 274 897 1123 304 987 1020 332 1075 874 337 1157
ZX05
(4)
1 (LOW) 1266 235 815 1184 258 894 1062 289 993 971 315 1076 861 338 1159
2 (MED/LOW) 1378 279 850 1295 306 929 1186 332 1012 1077 357 1095 946 370 1170
3 (MED) 1502 347 909 1435 372 971 1356 400 1043 1246 426 1117 1030 395 1175
4 (MED/HI) 1573 398 946 1515 421 1002 1438 445 1066 1334 473 1139 1042 399 1172
5 (HI) 1702 492 1007 1649 511 1051 1582 542 1117 1400 507 1153 1048 405 1175
ZX06
(5)
1 (LOW) 1538 391 963 1473 411 1018 1390 435 1078 1290 456 1148 927 366 1177
2 (MED/LOW) 1688 508 1036 1615 533 1095 1574 544 1135 1359 491 1162 943 370 1177
3 (MED) 1812 630 1107 1718 614 1140 1575 572 1155 1382 502 1169 970 379 1182
4 (MED/HI) 1853 671 1131 1727 630 1146 1576 574 1155 1372 501 1169 975 381 1183
5 (HI) 1901 718 1154 1738 644 1162 1603 595 1169 1378 508 1177 956 378 1185

1068152-YTG-I-1214
96 Johnson Controls Unitary Products
ZY04-06 Side Duct Application (Direct Drive)
ZY04-06 Side Duct (Cooling)
Unit
(Ton) Motor
Speed
Available External Static
0.2 0.4 0.6 0.8 1.0
CFM WATTS RPM CFM WATTS RPM CFM WATTS RPM CFM WATTS RPM CFM WATTS RPM
ZY04
(3)
1 (LOW) 987 120 651 813 145 774 698 162 864 541 180 959 383 201 1047
2 (MED/LOW) 1079 144 677 936 171 795 793 190 886 692 214 975 521 232 1063
3 (MED) 1153 166 701 1037 195 812 875 221 913 786 239 986 654 263 1076
4 (MED/HI) 1191 178 712 1086 206 815 927 233 916 837 257 998 711 278 1083
5 (HI) 1326 229 757 1235 261 856 1124 291 951 973 319 1035 896 336 1099
ZY05
(4)
1 (LOW) 1302 207 727 1188 240 841 1037 266 933 941 296 1022 882 318 1098
2 (MED/LOW) 1421 247 757 1323 282 861 1209 315 958 1064 346 1043 993 368 1116
3 (MED) 1538 297 795 1453 332 888 1343 367 982 1216 396 1058 1093 427 1146
4 (MED/HI) 1571 315 809 1496 352 898 1385 389 996 1288 420 1072 1135 444 1147
5 (HI) 1779 432 878 1707 470 960 1615 511 1042 1516 544 1123 1165 468 1160
ZY06
(5)
1 (LOW) 1588 298 695 1517 330 761 1409 358 835 1273 393 913 1167 418 973
2 (MED/LOW) 1624 321 713 1557 352 777 1464 383 845 1315 418 924 1224 446 983
3 (MED) 1942 504 792 1881 536 852 1800 565 908 1714 605 969 1611 644 1038
4 (MED/HI) 2146 631 840 2064 692 908 2001 713 954 1932 757 1007 1843 794 1065
5 (HI) 2316 812 892 2240 861 954 2181 894 1000 2113 938 1045 2003 946 1093
ZY04-06 Side Duct (Gas Heat)
Unit
(Ton) Motor
Speed
Available External Static
0.2 0.4 0.6 0.8 1.0
CFM WATTS RPM CFM WATTS RPM CFM WATTS RPM CFM WATTS RPM CFM WATTS RPM
ZY04
(3)
1 (LOW) 978 125 684 853 149 797 734 172 906 596 190 998 445 203 1068
2 (MED/LOW) 1078 153 721 962 175 817 846 200 922 726 226 1026 599 241 1098
3 (MED) 1153 178 748 1045 199 837 934 226 937 831 251 1031 709 272 1114
4 (MED/HI) 1187 191 760 1097 216 851 987 243 947 879 268 1040 770 287 1121
5 (HI) 1315 248 819 1239 272 895 1138 300 980 1037 323 1062 922 343 1144
ZY05
(4)
1 (LOW) 1299 223 786 1226 249 871 1137 273 956 1031 303 1051 923 329 1143
2 (MED/LOW) 1413 272 832 1349 299 906 1266 325 982 1160 352 1070 1042 370 1155
3 (MED) 1514 327 878 1456 353 942 1389 381 1014 1298 408 1089 1133 405 1165
4 (MED/HI) 1556 350 895 1502 375 957 1434 400 1022 1344 427 1097 1140 408 1167
5 (HI) 1751 472 972 1698 502 1033 1639 534 1088 1543 536 1142 1156 420 1172
ZY06
(5)
1 (LOW) 1528 328 781 1427 356 850 1346 386 912 1256 410 969 1181 434 1022
2 (MED/LOW) 1575 362 803 1488 391 871 1401 419 929 1319 445 985 1247 469 1037
3 (MED) 1867 572 902 1795 601 963 1709 628 1015 1633 652 1061 1544 671 1110
4 (MED/HI) 2049 718 968 1969 768 1026 1902 788 1070 1808 802 1110 1637 744 1132
5 (HI) 2218 899 1021 2138 928 1074 2007 907 1105 1846 842 1123 1671 767 1139

1068152-YTG-I-1214
Johnson Controls Unitary Products 97
ZY04-06 Bottom Duct Application (Direct Drive)
ZY04-06 Bottom Duct (Cooling)
Unit
(Ton) Motor
Speed
Available External Static
0.2 0.4 0.6 0.8 1.0
CFM WATTS RPM CFM WATTS RPM CFM WATTS RPM CFM WATTS RPM CFM WATTS RPM
ZY04
(3)
1 (LOW) 929 128 699 782 148 794 663 164 880 514 187 976 377 202 1053
2 (MED/LOW) 1036 157 732 870 177 827 803 198 905 649 217 996 508 236 1074
3 (MED) 1106 181 760 956 204 849 878 225 928 755 245 1010 616 266 1092
4 (MED/HI) 1147 197 776 1042 218 860 916 243 944 820 262 1017 671 286 1103
5 (HI) 1272 252 830 1177 277 909 1037 304 986 975 323 1053 872 347 1125
ZY05
(4)
1 (LOW) 1256 220 776 1170 242 851 1077 266 931 988 298 1025 872 321 1113
2 (MED/LOW) 1350 272 828 1279 292 893 1196 320 966 1105 347 1048 1003 372 1131
3 (MED) 1449 323 866 1380 350 937 1303 370 996 1223 402 1071 1133 428 1149
4 (MED/HI) 1488 345 882 1418 374 954 1357 394 1006 1264 424 1083 1160 442 1155
5 (HI) 1677 471 966 1602 507 1034 1543 525 1083 1475 545 1131 1209 465 1162
ZY06
(5)
1 (LOW) 1548 310 720 1441 336 792 1337 370 864 1213 397 928 1097 421 988
2 (MED/LOW) 1593 337 738 1488 363 805 1381 394 875 1271 425 937 1150 451 997
3 (MED) 1880 532 827 1792 563 890 1719 588 944 1632 629 1006 1527 652 1061
4 (MED/HI) 2066 689 895 1999 712 942 1907 761 999 1830 773 1048 1734 809 1100
5 (HI) 2237 862 949 2163 882 996 2097 929 1036 1998 946 1085 1815 883 1115
ZY04-06 Bottom Duct (Gas Heat)
Unit
(Ton) Motor
Speed
Available External Static
0.2 0.4 0.6 0.8 1.0
CFM WATTS RPM CFM WATTS RPM CFM WATTS RPM CFM WATTS RPM CFM WATTS RPM
ZY04
(3)
1 (LOW) 969 130 703 839 151 810 717 174 916 569 191 1006 444 204 1069
2 (MED/LOW) 1063 158 741 955 180 834 828 204 938 709 227 1030 583 242 1100
3 (MED) 1135 182 769 1041 208 858 919 229 952 805 254 1045 681 275 1127
4 (MED/HI) 1184 199 786 1079 220 869 972 246 962 863 272 1054 731 293 1139
5 (HI) 1310 256 842 1225 279 917 1123 307 1001 1029 334 1083 863 335 1155
ZY05
(4)
1 (LOW) 1277 228 801 1196 251 878 1096 278 967 983 305 1062 873 329 1156
2 (MED/LOW) 1382 278 847 1307 302 916 1217 327 994 1108 355 1083 949 359 1164
3 (MED) 1486 331 888 1417 359 957 1331 385 1028 1237 410 1103 1023 385 1169
4 (MED/HI) 1521 356 911 1452 380 972 1374 403 1039 1294 437 1117 1028 392 1174
5 (HI) 1717 473 991 1653 509 1052 1586 538 1107 1443 521 1150 1052 394 1175
ZY06
(5)
1 (LOW) 1488 335 787 1400 363 851 1320 389 910 1242 416 969 1160 440 1027
2 (MED/LOW) 1536 364 803 1453 392 864 1363 419 924 1293 447 981 1212 471 1037
3 (MED) 1822 586 914 1752 602 966 1666 632 1017 1586 656 1066 1503 676 1113
4 (MED/HI) 1999 726 982 1932 761 1030 1860 809 1076 1753 799 1114 1598 749 1134
5 (HI) 2170 932 1040 2091 930 1084 1965 910 1109 1798 843 1127 1618 763 1139

1068152-YTG-I-1214
98 Johnson Controls Unitary Products
Power Exhaust Blower Curves
208/280-1-60 Power Exhaust Fan Curve
460-3-60 Power Exhaust Fan Curve
208/280-3-60 Power Exhaust Fan Curve
575-3-50 Power Exhaust Fan Curve
0 500 1000 1500 2000 2500 3000 3500 4000
A
ir volume[CMH]
0
50
100
150
200
250
208V
230V
Forbidden area
0 500 1000 1500 2000
cfm
0
0.20
0.40
0.60
0.80
1.00
Pa
In.
WG
0
500
1000
1500
2000
2500
3000 3500
4000
4500
A
ir volume[CMH]
0
50
100
150
200
250
Forbidden area
0
500
1000
1500
2000
2500
cfm
0
0.20
0.40
0.60
0.80
1.00
Pa In.
WG
460V
0 500 1000 1500 2000 2500 3000 3500 4000 4500
A
ir volume[CMH]
0
50
100
150
200
250
Forbidden area
0 500 1000 1500 2000 2500
cfm
0
0.20
0.40
0.60
0.80
1.00
Pa In.
WG
230V
0
500
1000
1500
2000
2500
3000 3500
4000
4500
A
ir volume[CMH]
0
50
100
150
200
250
Forbidden area
0
500 1000
1500
2000
2500
cfm
0
0.20
0.40
0.60
0.80
1.00
Pa In.
WG
575V

1068152-YTG-I-1214
Johnson Controls Unitary Products 99
Electrical Data
ZX04-14 Standard Static Indoor Blower - Without Powered Convenience Outlet
Size
(Tons)
Nominal
Unit
Voltage
Compressor 1 Compressor 2 OD
Fan
Motors
(each)
Supply
Blower
Motor
Pwr
Exh
Motor
Pwr
Conv
Outlet
Electric Heat
Field Installed Kit
2EK045* MCA1
(Amps)
Min
Fuse2/
Breaker3
Size
(Amps)
Max
Fuse2/
Breaker3
Size
(Amps)
Min
Discon-
nect
Rating
MCA1
w/Pwr
Exh
(Amps)
Min
Fuse2/
Breaker3
Size
w/
Pwr Exh
(Amps)
Max
Fuse2/
Breaker3
Size
w/
Pwr Exh
(Amps)
Min
Discon-
nect
Rating/
Pwr Exh
RLA LRA MCC RLA LRA MCC Model kW Stages Amps FLA LRA FLA LRA
04
(3)
208-1-60 16.7 79 26 1.4 6.6 1.5 None - - - 28.9 30 45 28 84 30.4 35 45 30 88
11125 7.9 1 38 55.8 60 60 51 84 57.6 60 60 53 88
230-1-60 16.7 79 26 1.4 6 1.3 None - - - 28.3 30 40 28 84 29.6 30 45 29 87
11125 10.5 1 43.8 62.3 70 70 57 84 63.9 70 70 59 87
208-3-60 10.4 73 16 1.4 6.6 1.1
None - - - 21 25 30 21 78 22.1 25 30 22 81
11125 7.9 1 21.9 35.6 40 40 33 78 37 40 40 34 81
11625 12 1 33.3 49.9 50 50 46 78 51.3 60 60 47 81
230-3-60 10.4 73 16 1.4 6 1
None - - - 20.4 25 30 20 78 21.4 25 30 22 81
11125 10.5 1 25.3 39.1 40 40 36 78 40.4 45 45 37 81
11625 16 1 38.5 55.6 60 60 51 78 56.9 60 60 52 81
460-3-60 5.8 38 9 0.8 3.2 0.5
None - - - 11.3 15 15 11 42 11.8 15 15 12 43
11146 11.5 1 13.8 21.3 25 25 20 42 21.9 25 20 20 43
11446 14 1 16.8 25 25 25 23 42 25.6 30 23 24 43
05
(4)
208-1-60 21.8 117 34 1.4 8.4 1.5 None - - - 37.1 40 50 36 122 38.6 40 60 38 126
11125 7.9 1 38 58 60 60 53 122 59.9 60 60 55 126
230-1-60 21.8 117 34 1.4 7.6 1.3 None - - - 36.3 40 50 35 122 37.6 40 50 37 125
11125 10.5 1 43.8 64.3 70 70 59 122 65.9 70 70 61 125
208-3-60 13.7 83.1 21 1.4 8.4 1.1
None - - - 26.9 30 40 27 88 28 30 40 28 91
11125 7.9 1 21.9 37.9 40 40 35 88 39.3 40 40 36 91
11625 12 1 33.3 52.1 60 60 48 88 53.5 60 60 49 91
230-3-60 13.7 83.1 21 1.4 7.6 1
None - - - 26.1 30 35 26 88 27.1 30 40 27 91
11125 10.5 1 25.3 41.1 45 45 38 88 42.4 45 45 39 91
11625 16 1 38.5 57.6 60 60 53 88 58.9 60 60 54 91
460-3-60 6.2 41 10 0.8 4 0.5
None - - - 12.6 15 15 13 45 13.1 15 15 13 46
11146 11.5 1 13.8 22.3 25 25 20 45 22.9 25 20 21 46
11446 14 1 16.8 26 30 30 24 45 26.6 30 24 24 46
06
(5)
208-1-60 26.3 134 41 2.3 8.4 1.5 None - - - 43.6 45 60 43 141 45.1 50 70 44 144
11125 7.9 1 38 58 60 60 53 141 59.9 60 70 55 144
230-1-60 26.3 134 41 2.3 7.6 1.3 None - - - 42.8 45 60 42 141 44.1 45 70 43 144
11125 10.5 1 43.8 64.3 70 70 59 141 65.9 70 70 61 144
208-3-60 15.6 110 24 2.3 8.4 1.1
None - - - 30.2 35 45 30 117 31.3 35 45 32 119
11125 7.9 1 21.9 37.9 40 45 35 117 39.3 40 45 36 119
11625 12 1 33.3 52.1 60 60 48 117 53.5 60 60 49 119
230-3-60 15.6 110 24 2.3 7.6 1
None - - - 29.4 30 45 29 117 30.4 35 45 30 119
11125 10.5 1 25.3 41.1 45 45 38 117 42.4 45 45 39 119
11625 16 1 38.5 57.6 60 60 53 117 58.9 60 60 54 119
460-3-60 7.8 52 12 1.3 4 0.5
None - - - 15.1 20 20 15 57 15.6 20 20 16 58
11146 11.5 1 13.8 22.3 25 25 20 57 22.9 25 20 21 58
11446 14 1 16.8 26 30 30 24 57 26.6 30 24 24 58
07
(6)
208-3-60 19.6 136 31 2.3 5.2 1.1
None - - - 32 35 50 31 163 33.1 35 50 32 166
11125 7.9 1 21.9 33.9 35 50 31 163 35.3 40 50 32 166
11625 12 1 33.3 48.1 50 50 44 163 49.5 50 50 46 166
230-3-60 19.6 136 31 2.3 5.2 1
None - - - 32 35 50 31 166 33 35 50 32 168
11125 10.5 1 25.3 38.1 40 50 35 166 39.4 40 50 36 168
11625 16 1 38.5 54.6 60 60 50 166 55.9 60 60 51 168
460-3-60 8.2 66.1 13 1.3 2.6 0.5
None - - - 14.2 15 20 14 82 14.7 15 20 14 83
11146 11.5 1 13.8 20.5 25 25 19 82 21.1 25 19 19 83
11446 14 1 16.8 24.3 25 25 22 82 24.9 25 22 23 83
575-3-60 6.6 55.3 10 1.1 2 0.4 None - - - 11.4 15 15 11 68 11.8 15 15 12 69
08
(7.5)
208-3-60 13.6 83.1 21 13.6 83.1 21 2.3 5.2 1.1 None - - - 40.4 45 50 43 198 42.6 45 50 45 203
230-3-60 13.6 83.1 21 13.6 83.1 21 2.3 5.2 1 None - - - 40.4 45 50 43 201 42.4 45 50 45 206
460-3-60 6.1 41 10 6.1 41 10 1.3 2.6 0.5 None - - - 18.9 20 25 20 100 19.9 20 25 21 103
575-3-60 4.2 33 7 4.2 33 7 1.1 2 0.4 None - - - 13.7 15 15 14 81 14.5 15 15 15 83

1068152-YTG-I-1214
100 Johnson Controls Unitary Products
09
(8.5)
208-3-60 14.5 98 23 14.5 98 23 2.3 5.2 1.1 None - - - 42.4 45 50 45 228 44.6 45 50 47 233
230-3-60 14.5 98 23 14.5 98 23 2.3 5.2 1 None - - - 42.4 45 50 45 231 44.4 45 50 47 236
460-3-60 6.3 55 10 6.3 55 10 1.3 2.6 0.5 None - - - 19.4 20 25 20 128 20.4 25 25 22 131
575-3-60 6 55 10 6 55 10 1.1 2 0.4 None - - - 17.7 20 20 19 125 18.5 20 20 20 127
12
(10)
208-3-60 16 110 25 15.6 110 24 2.3 5.2 1.1 None - - - 45.4 50 60 48 252 47.6 50 60 50 257
230-3-60 16 110 25 15.6 110 24 2.3 5.2 1 None - - - 45.4 50 60 48 255 47.4 50 60 50 260
460-3-60 7.8 52 12 7.8 52 12 1.3 2.6 0.5 None - - - 22.8 25 30 24 122 23.8 25 30 25 125
575-3-60 5.7 38.9 9 5.8 38.9 9 1.1 2 0.4 None - - - 17.2 20 20 18 93 18 20 20 19 94
14
(12.5)
208-3-60 19.6 136 31 19.6 136 31 5.8 8.9 1.1 None - - - 58.8 60 70 62 371 61 70 70 65 376
230-3-60 19.6 136 31 19.6 136 31 5.2 8.2 1 None - - - 57.5 60 70 60 370 59.5 60 70 63 375
460-3-60 8.2 66.1 13 8.2 66.1 13 2.9 4.1 0.5 None - - - 25.5 30 30 27 178 26.5 30 30 28 180
575-3-60 6.6 55.3 10 6.6 55.3 10 2.2 3.2 0.4 None - - - 20.3 25 25 21 148 21.1 25 25 22 150
With VFD
08
(7.5)
208-3-60 13.6 83.1 21 13.6 83.1 21 2.3 7 1.1 None - - - 42.2 45 50 45 236 44.4 45 50 47 241
230-3-60 13.6 83.1 21 13.6 83.1 21 2.3 7.2 1 None - - - 42.4 45 50 45 238 44.4 45 50 47 243
460-3-60 6.1 41 10 6.1 41 10 1.3 3.6 0.5 None - - - 19.9 20 25 21 119 20.9 25 25 22 121
575-3-60 4.2 33 7 4.2 33 7 1.1 2.5 0.4 None - - - 14.2 15 15 15 88 15 15 15 16 90
09
(8.5)
208-3-60 14.5 98 23 14.5 98 23 2.3 7 1.1 None - - - 44.2 45 50 47 266 46.4 50 50 49 271
230-3-60 14.5 98 23 14.5 98 23 2.3 7.2 1 None - - - 44.4 45 50 47 268 46.4 50 60 49 272
460-3-60 6.3 55 10 6.3 55 10 1.3 3.6 0.5 None - - - 20.4 25 25 22 147 21.4 25 25 23 149
575-3-60 6 41 9 6 41 9 1.1 2.5 0.4 None - - - 18.2 20 20 19 104 19 20 20 20 106
12
(10)
208-3-60 16 110 25 15.6 110 24 2.3 7 1.1 None - - - 47.2 50 60 50 290 49.4 50 60 52 295
230-3-60 16 110 25 15.6 110 24 2.3 7.2 1 None - - - 47.4 50 60 50 292 49.4 50 60 52 296
460-3-60 7.8 52 12 7.8 52 12 1.3 3.6 0.5 None - - - 23.8 25 30 25 141 24.8 25 30 26 143
575-3-60 5.7 38.9 9 5.8 38.9 9 1.1 2.5 0.4 None - - - 17.7 20 20 19 100 18.5 20 20 20 102
14
(12.5)
208-3-60 19.6 136 31 19.6 136 31 5.8 8.9 1.1 None - - - 58.8 60 70 62 371 61 70 70 65 376
230-3-60 19.6 136 31 19.6 136 31 5.2 8.2 1 None - - - 57.5 60 70 60 370 59.5 60 70 63 375
460-3-60 8.2 66.1 13 8.2 66.1 13 2.9 4.1 0.5 None - - - 25.5 30 30 27 178 26.5 30 30 28 180
575-3-60 6.6 55.3 10 6.6 55.3 10 2.2 3.2 0.4 None - - - 20.3 25 25 21 148 21.1 25 25 22 150
1. Minimum Circuit Ampacity.
2. Dual Element, Time Delay Type.
3. HACR type per NEC.
ZX04-14 Standard Static Indoor Blower - Without Powered Convenience Outlet (Continued)
Size
(Tons)
Nominal
Unit
Voltage
Compressor 1 Compressor 2 OD
Fan
Motors
(each)
Supply
Blower
Motor
Pwr
Exh
Motor
Pwr
Conv
Outlet
Electric Heat
Field Installed Kit
2EK045* MCA1
(Amps)
Min
Fuse2/
Breaker3
Size
(Amps)
Max
Fuse2/
Breaker3
Size
(Amps)
Min
Discon-
nect
Rating
MCA1
w/Pwr
Exh
(Amps)
Min
Fuse2/
Breaker3
Size
w/
Pwr Exh
(Amps)
Max
Fuse2/
Breaker3
Size
w/
Pwr Exh
(Amps)
Min
Discon-
nect
Rating/
Pwr Exh
RLA LRA MCC RLA LRA MCC Model kW Stages Amps FLA LRA FLA LRA

1068152-YTG-I-1214
Johnson Controls Unitary Products 101
ZX04-14 Standard Static Indoor Blower - With Powered Convenience Outlet
Size
(Tons)
Nominal
Unit
Voltage
Compressor 1 Compressor 2 OD
Fan
Motors
(each)
Supply
Blower
Motor
Pwr
Exh
Motor
Pwr
Conv
Outlet
Electric Heat
Field Installed Kit
2EK045* MCA1
(Amps)
Min
Fuse2/
Breaker3
Size
(Amps)
Max
Fuse2/
Breaker3
Size
(Amps)
Min
Discon-
nect
Rating
MCA1
w/Pwr
Exh
(Amps)
Min
Fuse2/
Breaker3
Size
w/
Pwr Exh
(Amps)
Max
Fuse2/
Breaker3
Size
w/
Pwr Exh
(Amps)
Min
Discon-
nect
Rating/
Pwr Exh
RLA LRA MCC RLA LRA MCC Model kW Stages Amps FLA LRA FLA LRA
04
(3)
208-1-60 16.7 79 26 1.4 6.6 1.5 8.6 None - - - 33.2 35 45 33 89 34.7 35 50 35 92
11125 7.9 1 38 61.1 70 70 56 89 63 70 70 58 92
230-1-60 16.7 79 26 1.4 6 1.3 8.6 None - - - 32.6 35 45 33 89 33.9 35 50 34 92
11125 10.5 1 43.8 67.6 70 70 62 89 69.3 70 70 64 92
208-3-60 10.4 73 16 1.4 6.6 1.1 8.6
None - - - 25.3 30 35 26 83 26.4 30 35 27 85
11125 7.9 1 21.9 41 45 45 38 83 42.4 45 45 39 85
11625 12 1 33.3 55.3 60 60 51 83 56.6 60 60 52 85
230-3-60 10.4 73 16 1.4 6 1 8.6
None - - - 24.7 25 35 25 83 25.7 30 35 27 85
11125 10.5 1 25.3 44.5 45 45 41 83 45.8 50 50 42 85
11625 16 1 38.5 61 70 70 56 83 62.3 70 70 57 85
460-3-60 5.8 38 9 0.8 3.2 0.5 8.6
None - - - 13.5 15 15 14 44 14 15 15 14 45
11146 11.5 1 13.8 23.9 25 25 22 44 24.6 25 22 23 45
11446 14 1 16.8 27.7 30 30 25 44 28.3 30 25 26 45
05
(4)
208-1-60 21.8 117 34 1.4 8.4 1.5 8.6 None - - - 41.4 45 60 41 127 42.9 45 60 43 130
11125 7.9 1 38 63.4 70 70 58 127 65.3 70 70 60 130
230-1-60 21.8 117 34 1.4 7.6 1.3 8.6 None - - - 40.6 45 60 40 127 41.9 45 60 42 130
11125 10.5 1 43.8 69.6 70 70 64 127 71.3 80 80 66 130
208-3-60 13.7 83.1 21 1.4 8.4 1.1 8.6
None - - - 31.2 35 40 32 93 32.3 35 45 33 95
11125 7.9 1 21.9 43.3 45 45 40 93 44.6 45 45 41 95
11625 12 1 33.3 57.5 60 60 53 93 58.9 60 60 54 95
230-3-60 13.7 83.1 21 1.4 7.6 1 8.6
None - - - 30.4 35 40 31 93 31.4 35 45 32 95
11125 10.5 1 25.3 46.5 50 50 43 93 47.8 50 50 44 95
11625 16 1 38.5 63 70 70 58 93 64.3 70 70 59 95
460-3-60 6.2 41 10 0.8 4 0.5 8.6
None - - - 14.8 15 20 15 47 15.3 20 20 16 48
11146 11.5 1 13.8 24.9 25 25 23 47 25.6 30 23 24 48
11446 14 1 16.8 28.7 30 30 26 47 29.3 30 26 27 48
06
(5)
208-1-60 26.3 134 41 2.3 8.4 1.5 8.6 None - - - 47.9 50 70 47 145 49.4 50 70 49 149
11125 7.9 1 38 63.4 70 70 58 145 65.3 70 70 60 149
230-1-60 26.3 134 41 2.3 7.6 1.3 8.6 None - - - 47.1 50 70 47 145 48.4 50 70 48 148
11125 10.5 1 43.8 69.6 70 70 64 145 71.3 80 80 66 148
208-3-60 15.6 110 24 2.3 8.4 1.1 8.6
None - - - 34.5 35 50 35 121 35.6 40 50 36 124
11125 7.9 1 21.9 43.3 45 50 40 121 44.6 45 50 41 124
11625 12 1 33.3 57.5 60 60 53 121 58.9 60 60 54 124
230-3-60 15.6 110 24 2.3 7.6 1 8.6
None - - - 33.7 35 45 34 121 34.7 35 50 35 124
11125 10.5 1 25.3 46.5 50 50 43 121 47.8 50 50 44 124
11625 16 1 38.5 63 70 70 58 121 64.3 70 70 59 124
460-3-60 7.8 52 12 1.3 4 0.5 8.6
None - - - 17.3 20 25 18 59 17.8 20 25 18 60
11146 11.5 1 13.8 24.9 25 25 23 59 25.6 30 23 24 60
11446 14 1 16.8 28.7 30 30 26 59 29.3 30 26 27 60
07
(6)
208-3-60 19.6 136 31 2.3 5.2 1.1 8.6
None - - - 36.3 40 50 36 168 37.4 40 50 37 170
11125 7.9 1 21.9 39.3 40 50 36 168 40.6 45 50 37 170
11625 12 1 33.3 53.5 60 60 49 168 54.9 60 60 50 170
230-3-60 19.6 136 31 2.3 5.2 1 8.6
None - - - 36.3 40 50 36 170 37.3 40 50 37 173
11125 10.5 1 25.3 43.5 45 50 40 170 44.8 45 50 41 173
11625 16 1 38.5 60 60 60 55 170 61.3 70 70 56 173
460-3-60 8.2 66.1 13 1.3 2.6 0.5 8.6
None - - - 16.4 20 20 16 84 16.9 20 20 17 85
11146 11.5 1 13.8 23.2 25 25 21 84 23.8 25 21 22 85
11446 14 1 16.8 26.9 30 30 25 84 27.6 30 25 25 85
575-3-60 6.6 55.3 10 1.1 2 0.4 8.6 None - - - 28.6 30 35 31 85 29 30 35 31 86
08
(7.5)
208-3-60 13.6 83.1 21 13.6 83.1 21 2.3 5.2 1.1 8.6 None - - - 44.7 45 50 47 203 46.9 50 50 50 208
230-3-60 13.6 83.1 21 13.6 83.1 21 2.3 5.2 1 8.6 None - - - 44.7 45 50 47 206 46.7 50 60 50 210
460-3-60 6.1 41 10 6.1 41 10 1.3 2.6 0.5 8.6 None - - - 21.1 25 25 23 102 22.1 25 25 24 105
575-3-60 4.2 33 7 4.2 33 7 1.1 2 0.4 8.6 None - - - 30.9 35 35 34 98 31.7 35 35 35 100

1068152-YTG-I-1214
102 Johnson Controls Unitary Products
09
(8.5)
208-3-60 14.5 98 23 14.5 98 23 2.3 5.2 1.1 8.6 None - - - 46.7 50 60 50 232 48.9 50 60 52 237
230-3-60 14.5 98 23 14.5 98 23 2.3 5.2 1 8.6 None - - - 46.7 50 60 50 235 48.7 50 60 52 240
460-3-60 6.3 55 10 6.3 55 10 1.3 2.6 0.5 8.6 None - - - 21.6 25 25 23 130 22.6 25 25 24 133
575-3-60 6 55 10 6 55 10 1.1 2 0.4 8.6 None - - - 34.9 35 40 38 142 35.7 40 40 39 144
12
(10)
208-3-60 16 110 25 15.6 110 24 2.3 5.2 1.1 8.6 None - - - 49.7 50 60 53 256 51.9 60 60 55 261
230-3-60 16 110 25 15.6 110 24 2.3 5.2 1 8.6 None - - - 49.7 50 60 53 259 51.7 60 60 55 264
460-3-60 7.8 52 12 7.8 52 12 1.3 2.6 0.5 8.6 None - - - 25 30 30 26 124 26 30 30 28 127
575-3-60 5.7 38.9 9 5.8 38.9 9 1.1 2 0.4 8.6 None - - - 34.4 35 40 38 110 35.2 40 40 39 112
14
(12.5)
208-3-60 19.6 136 31 19.6 136 31 5.8 8.9 1.1 8.6 None - - - 63.1 70 80 67 375 65.3 70 80 69 380
230-3-60 19.6 136 31 19.6 136 31 5.2 8.2 1 8.6 None - - - 61.8 70 80 65 374 63.8 70 80 68 379
460-3-60 8.2 66.1 13 8.2 66.1 13 2.9 4.1 0.5 8.6 None - - - 27.7 30 35 29 180 28.7 30 35 31 182
575-3-60 6.6 55.3 10 6.6 55.3 10 2.2 3.2 0.4 8.6 None - - - 37.5 40 40 41 165 38.3 40 40 42 167
With VFD
08
(7.5)
208-3-60 13.6 83.1 21 13.6 83.1 21 2.3 7 1.1 8.6 None - - - 46.5 50 60 50 240 48.7 50 60 52 245
230-3-60 13.6 83.1 21 13.6 83.1 21 2.3 7.2 1 8.6 None - - - 46.7 50 60 50 242 48.7 50 60 52 247
460-3-60 6.1 41 10 6.1 41 10 1.3 3.6 0.5 8.6 None - - - 22.1 25 25 24 121 23.1 25 25 25 123
575-3-60 4.2 33 7 4.2 33 7 1.1 2.5 0.4 8.6 None - - - 31.4 35 35 35 106 32.2 35 35 36 107
09
(8.5)
208-3-60 14.5 98 23 14.5 98 23 2.3 7 1.1 8.6 None - - - 48.5 50 60 52 270 50.7 60 60 54 275
230-3-60 14.5 98 23 14.5 98 23 2.3 7.2 1 8.6 None - - - 48.7 50 60 52 272 50.7 60 60 54 277
460-3-60 6.3 55 10 6.3 55 10 1.3 3.6 0.5 8.6 None - - - 22.6 25 25 24 149 23.6 25 25 25 151
575-3-60 6 41 9 6 41 9 1.1 2.5 0.4 8.6 None - - - 35.4 40 40 39 122 36.2 40 40 40 123
12
(10)
208-3-60 16 110 25 15.6 110 24 2.3 7 1.1 8.6 None - - - 51.5 60 60 55 294 53.7 60 60 57 299
230-3-60 16 110 25 15.6 110 24 2.3 7.2 1 8.6 None - - - 51.7 60 60 55 296 53.7 60 60 57 301
460-3-60 7.8 52 12 7.8 52 12 1.3 3.6 0.5 8.6 None - - - 26 30 30 28 143 27 30 30 29 145
575-3-60 5.7 38.9 9 5.8 38.9 9 1.1 2.5 0.4 8.6 None - - - 34.9 35 40 38 117 35.7 40 40 39 119
14
(12.5)
208-3-60 19.6 136 31 19.6 136 31 5.8 8.9 1.1 8.6 None - - - 63.1 70 80 67 375 65.3 70 80 69 380
230-3-60 19.6 136 31 19.6 136 31 5.2 8.2 1 8.6 None - - - 61.8 70 80 65 374 63.8 70 80 68 379
460-3-60 8.2 66.1 13 8.2 66.1 13 2.9 4.1 0.5 8.6 None - - - 27.7 30 35 29 180 28.7 30 35 31 182
575-3-60 6.6 55.3 10 6.6 55.3 10 2.2 3.2 0.4 8.6 None - - - 37.5 40 40 41 165 38.3 40 40 42 167
1. Minimum Circuit Ampacity.
2. Dual Element, Time Delay Type.
3. HACR type per NEC.
ZX04-14 Standard Static Indoor Blower - With Powered Convenience Outlet (Continued)
Size
(Tons)
Nominal
Unit
Voltage
Compressor 1 Compressor 2 OD
Fan
Motors
(each)
Supply
Blower
Motor
Pwr
Exh
Motor
Pwr
Conv
Outlet
Electric Heat
Field Installed Kit
2EK045* MCA1
(Amps)
Min
Fuse2/
Breaker3
Size
(Amps)
Max
Fuse2/
Breaker3
Size
(Amps)
Min
Discon-
nect
Rating
MCA1
w/Pwr
Exh
(Amps)
Min
Fuse2/
Breaker3
Size
w/
Pwr Exh
(Amps)
Max
Fuse2/
Breaker3
Size
w/
Pwr Exh
(Amps)
Min
Discon-
nect
Rating/
Pwr Exh
RLA LRA MCC RLA LRA MCC Model kW Stages Amps FLA LRA FLA LRA

1068152-YTG-I-1214
Johnson Controls Unitary Products 103
ZX04-14 Medium Static Indoor Blower - Without Powered Convenience Outlet
Size
(Tons)
Nominal
Unit
Voltage
Compressor 1 Compressor 2 OD
Fan
Motors
(each)
Supply
Blower
Motor
Pwr
Exh
Motor
Pwr
Conv
Outlet
Electric Heat
Field Installed Kit
2EK045* MCA1
(Amps)
Min
Fuse2/
Breaker3
Size
(Amps)
Max
Fuse2/
Breaker3
Size
(Amps)
Min
Discon-
nect
Rating
MCA1
w/Pwr
Exh
(Amps)
Min
Fuse2/
Breaker3
Size
w/
Pwr Exh
(Amps)
Max
Fuse2/
Breaker3
Size
w/
Pwr Exh
(Amps)
Min
Discon-
nect
Rating/
Pwr Exh
RLA LRA MCC RLA LRA MCC Model kW Stages Amps FLA LRA FLA LRA
04
(3)
208-1-60 16.7 79 26 1.4 7.6 1.5 None - - - 29.9 30 45 30 115 31.4 35 45 31 119
11125 7.9 1 38 57 60 60 52 115 58.9 60 60 54 119
230-1-60 16.7 79 26 1.4 7 1.3 None - - - 29.3 30 45 29 118 30.6 35 45 30 121
11125 10.5 1 43.8 63.5 70 70 58 118 65.1 70 70 60 121
208-3-60 10.4 73 16 1.4 5.2 1.1
None - - - 19.6 20 30 20 99 20.7 25 30 21 101
11125 7.9 1 21.9 33.9 35 35 31 99 35.3 40 40 32 101
11625 12 1 33.3 48.1 50 50 44 99 49.5 50 50 46 101
230-3-60 10.4 73 16 1.4 5.2 1
None - - - 19.6 20 30 20 101 20.6 25 30 21 104
11125 10.5 1 25.3 38.1 40 40 35 101 39.4 40 40 36 104
11625 16 1 38.5 54.6 60 60 50 101 55.9 60 60 51 104
460-3-60 5.8 38 9 0.8 2.6 0.5
None - - - 10.7 15 15 11 52 11.2 15 15 11 54
11146 11.5 1 13.8 20.5 25 25 19 52 21.1 25 19 19 54
11446 14 1 16.8 24.3 25 25 22 52 24.9 25 22 23 54
575-3-60 3.8 36.5 6 0.6 2 0.4 None - - - 7.4 15 15 7 48 7.8 15 15 8 49
05
(4)
208-1-60 21.8 117 34 1.4 7.6 1.5 None - - - 36.3 40 50 35 153 37.8 40 50 37 157
11125 7.9 1 38 57 60 60 52 153 58.9 60 60 54 157
230-1-60 21.8 117 34 1.4 7 1.3 None - - - 35.7 40 50 35 156 37 40 50 36 159
11125 10.5 1 43.8 63.5 70 70 58 156 65.1 70 70 60 159
208-3-60 13.7 83.1 21 1.4 5.2 1.1
None - - - 23.7 25 35 23 109 24.8 25 35 25 111
11125 7.9 1 21.9 33.9 35 35 31 109 35.3 40 40 32 111
11625 12 1 33.3 48.1 50 50 44 109 49.5 50 50 46 111
230-3-60 13.7 83.1 21 1.4 5.2 1
None - - - 23.7 25 35 23 111 24.7 25 35 24 114
11125 10.5 1 25.3 38.1 40 40 35 111 39.4 40 40 36 114
11625 16 1 38.5 54.6 60 60 50 111 55.9 60 60 51 114
460-3-60 6.2 41 10 0.8 2.6 0.5
None - - - 11.2 15 15 11 55 11.7 15 15 12 57
11146 11.5 1 13.8 20.5 25 25 19 55 21.1 25 19 19 57
11446 14 1 16.8 24.3 25 25 22 55 24.9 25 22 23 57
575-3-60 4.8 33 8 0.6 2 0.4 None - - - 8.6 15 15 9 45 9 15 15 9 45
06
(5)
208-1-60 26.3 134 41 2.3 7.6 1.5 None - - - 42.8 45 60 42 172 44.3 45 70 43 175
11125 7.9 1 38 57 60 60 52 172 58.9 60 70 54 175
230-1-60 26.3 134 41 2.3 7 1.3 None - - - 42.2 45 60 41 175 43.5 45 60 42 177
11125 10.5 1 43.8 63.5 70 70 58 175 65.1 70 70 60 177
208-3-60 15.6 110 24 2.3 5.2 1.1
None - - - 27 30 40 27 137 28.1 30 40 28 140
11125 7.9 1 21.9 33.9 35 40 31 137 35.3 40 40 32 140
11625 12 1 33.3 48.1 50 50 44 137 49.5 50 50 46 140
230-3-60 15.6 110 24 2.3 5.2 1
None - - - 27 30 40 27 140 28 30 40 28 142
11125 10.5 1 25.3 38.1 40 40 35 140 39.4 40 40 36 142
11625 16 1 38.5 54.6 60 60 50 140 55.9 60 60 51 142
460-3-60 7.8 52 12 1.3 2.6 0.5
None - - - 13.7 15 20 13 67 14.2 15 20 14 69
11146 11.5 1 13.8 20.5 25 25 19 67 21.1 25 19 19 69
11446 14 1 16.8 24.3 25 25 22 67 24.9 25 22 23 69
575-3-60 5.8 38.9 9 1.1 2 0.4 None - - - 10.4 15 15 10 51 10.8 15 15 11 52
07
(6)
208-3-60 19.6 136 31 2.3 7.5 1.1
None - - - 34.3 35 50 34 189 35.4 40 50 35 192
11125 7.9 1 21.9 36.8 40 50 34 189 38.1 40 50 35 192
11625 12 1 33.3 51 60 60 47 189 52.4 60 60 48 192
230-3-60 19.6 136 31 2.3 7.5 1
None - - - 34.3 35 50 34 196 35.3 40 50 35 198
11125 10.5 1 25.3 41 45 50 38 196 42.3 45 50 39 198
11625 16 1 38.5 57.5 60 60 53 196 58.8 60 60 54 198
460-3-60 8.2 66.1 13 1.3 3.4 0.5
None - - - 15 20 20 15 97 15.5 20 20 15 98
11146 11.5 1 13.8 21.5 25 25 20 97 22.1 25 20 20 98
11446 14 1 16.8 25.3 30 30 23 97 25.9 30 23 24 98
575-3-60 6.6 55.3 10 1.1 2.8 0.4 None - - - 12.2 15 15 12 80 12.6 15 15 13 81
08
(7.5)
208-3-60 13.6 83.1 21 13.6 83.1 21 2.3 7.5 1.1 None - - - 42.7 45 50 45 224 44.9 45 50 48 229
230-3-60 13.6 83.1 21 13.6 83.1 21 2.3 7.5 1 None - - - 42.7 45 50 45 231 44.7 45 50 47 236
460-3-60 6.1 41 10 6.1 41 10 1.3 3.4 0.5 None - - - 19.7 20 25 21 115 20.7 25 25 22 118
575-3-60 4.2 33 7 4.2 33 7 1.1 2.8 0.4 None - - - 14.5 15 15 15 93 15.3 20 20 16 95

1068152-YTG-I-1214
104 Johnson Controls Unitary Products
09
(8.5)
208-3-60 14.5 98 23 14.5 98 23 2.3 5.2 1.1 None - - - 42.4 45 50 45 228 44.6 45 50 47 233
230-3-60 14.5 98 23 14.5 98 23 2.3 5.2 1 None - - - 42.4 45 50 45 231 44.4 45 50 47 236
460-3-60 6.3 55 10 6.3 55 10 1.3 2.6 0.5 None - - - 19.4 20 25 20 128 20.4 25 25 22 131
575-3-60 6 55 10 6 55 10 1.1 2 0.4 None - - - 17.7 20 20 19 125 18.5 20 20 20 127
12
(10)
208-3-60 16 110 25 15.6 110 24 2.3 10.2 1.1 None - - - 50.4 60 60 53 293 52.6 60 60 56 298
230-3-60 16 110 25 15.6 110 24 2.3 10.2 1 None - - - 50.4 60 60 53 299 52.4 60 60 56 304
460-3-60 7.8 52 12 7.8 52 12 1.3 4.8 0.5 None - - - 25 30 30 26 144 26 30 30 28 147
575-3-60 5.7 38.9 9 5.8 38.9 9 1.1 3.4 0.4 None - - - 18.6 20 20 20 110 19.4 20 20 21 112
14
(12.5)
208-3-60 19.6 136 31 19.6 136 31 5.8 9.9 1.1 None - - - 59.8 60 70 63 367 62 70 80 66 372
230-3-60 19.6 136 31 19.6 136 31 5.2 9.4 1 None - - - 58.7 60 70 62 372 60.7 70 80 64 376
460-3-60 8.2 66.1 13 8.2 66.1 13 2.9 4.7 0.5 None - - - 26.1 30 30 28 184 27.1 30 30 29 186
575-3-60 6.6 55.3 10 6.6 55.3 10 2.2 4.3 0.4 None - - - 21.4 25 25 23 162 22.2 25 25 24 164
With VFD
08
(7.5)
208-3-60 13.6 83.1 21 13.6 83.1 21 2.3 8.9 1.1 None - - - 44.1 45 50 47 253 46.3 50 50 49 258
230-3-60 13.6 83.1 21 13.6 83.1 21 2.3 8.2 1 None - - - 43.4 45 50 46 255 45.4 50 50 48 260
460-3-60 6.1 41 10 6.1 41 10 1.3 4.1 0.5 None - - - 20.4 25 25 22 122 21.4 25 25 23 125
575-3-60 4.2 33 7 4.2 33 7 1.1 3.2 0.4 None - - - 14.9 15 15 16 97 15.7 20 20 17 99
09
(8.5)
208-3-60 14.5 98 23 14.5 98 23 2.3 7 1.1 None - - - 44.2 45 50 47 266 46.4 50 50 49 271
230-3-60 14.5 98 23 14.5 98 23 2.3 7.2 1 None - - - 44.4 45 50 47 268 46.4 50 60 49 272
460-3-60 6.3 55 10 6.3 55 10 1.3 3.6 0.5 None - - - 20.4 25 25 22 147 21.4 25 25 23 149
575-3-60 6 41 9 6 41 9 1.1 2.5 0.4 None - - - 18.2 20 20 19 104 19 20 20 20 106
12
(10)
208-3-60 16 110 25 15.6 110 24 2.3 9.9 1.1 None - - - 50.1 60 60 53 302 52.3 60 60 56 307
230-3-60 16 110 25 15.6 110 24 2.3 9.4 1 None - - - 49.6 50 60 52 311 51.6 60 60 55 315
460-3-60 7.8 52 12 7.8 52 12 1.3 4.7 0.5 None - - - 24.9 25 30 26 150 25.9 30 30 27 152
575-3-60 5.7 38.9 9 5.8 38.9 9 1.1 4.3 0.4 None - - - 19.5 20 25 21 123 20.3 25 25 22 124
14
(12.5)
208-3-60 19.6 136 31 19.6 136 31 5.8 9.9 1.1 None - - - 59.8 60 70 63 367 62 70 80 66 372
230-3-60 19.6 136 31 19.6 136 31 5.2 9.4 1 None - - - 58.7 60 70 62 372 60.7 70 80 64 376
460-3-60 8.2 66.1 13 8.2 66.1 13 2.9 4.7 0.5 None - - - 26.1 30 30 28 184 27.1 30 30 29 186
575-3-60 6.6 55.3 10 6.6 55.3 10 2.2 4.3 0.4 None - - - 21.4 25 25 23 162 22.2 25 25 24 164
1. Minimum Circuit Ampacity.
2. Dual Element, Time Delay Type.
3. HACR type per NEC.
ZX04-14 Medium Static Indoor Blower - Without Powered Convenience Outlet (Continued)
Size
(Tons)
Nominal
Unit
Voltage
Compressor 1 Compressor 2 OD
Fan
Motors
(each)
Supply
Blower
Motor
Pwr
Exh
Motor
Pwr
Conv
Outlet
Electric Heat
Field Installed Kit
2EK045* MCA1
(Amps)
Min
Fuse2/
Breaker3
Size
(Amps)
Max
Fuse2/
Breaker3
Size
(Amps)
Min
Discon-
nect
Rating
MCA1
w/Pwr
Exh
(Amps)
Min
Fuse2/
Breaker3
Size
w/
Pwr Exh
(Amps)
Max
Fuse2/
Breaker3
Size
w/
Pwr Exh
(Amps)
Min
Discon-
nect
Rating/
Pwr Exh
RLA LRA MCC RLA LRA MCC Model kW Stages Amps FLA LRA FLA LRA

1068152-YTG-I-1214
Johnson Controls Unitary Products 105
ZX04-14 Medium Static Indoor Blower - With Powered Convenience Outlet
Size
(Tons)
Nominal
Unit
Voltage
Compressor 1 Compressor 2 OD
Fan
Motors
(each)
Supply
Blower
Motor
Pwr
Exh
Motor
Pwr
Conv
Outlet
Electric Heat
Field Installed Kit
2EK045* MCA1
(Amps)
Min
Fuse2/
Breaker3
Size
(Amps)
Max
Fuse2/
Breaker3
Size
(Amps)
Min
Discon-
nect
Rating
MCA1
w/Pwr
Exh
(Amps)
Min
Fuse2/
Breaker3
Size
w/
Pwr Exh
(Amps)
Max
Fuse2/
Breaker3
Size
w/
Pwr Exh
(Amps)
Min
Discon-
nect
Rating/
Pwr Exh
RLA LRA MCC RLA LRA MCC Model kW Stages Amps FLA LRA FLA LRA
04
(3)
208-1-60 16.7 79 26 1.4 7.6 1.5 8.6 None - - - 34.2 35 50 35 120 35.7 40 50 36 123
11125 7.9 1 38 62.4 70 70 57 120 64.3 70 70 59 123
230-1-60 16.7 79 26 1.4 7 1.3 8.6 None - - - 33.6 35 50 34 122 34.9 35 50 35 125
11125 10.5 1 43.8 68.9 70 70 63 122 70.5 80 80 65 125
208-3-60 10.4 73 16 1.4 5.2 1.1 8.6
None - - - 23.9 25 30 24 103 25 25 35 26 106
11125 7.9 1 21.9 39.3 40 40 36 103 40.6 45 45 37 106
11625 12 1 33.3 53.5 60 60 49 103 54.9 60 60 50 106
230-3-60 10.4 73 16 1.4 5.2 1 8.6
None - - - 23.9 25 30 24 106 24.9 25 35 26 108
11125 10.5 1 25.3 43.5 45 45 40 106 44.8 45 45 41 108
11625 16 1 38.5 60 60 60 55 106 61.3 70 70 56 108
460-3-60 5.8 38 9 0.8 2.6 0.5 8.6
None - - - 12.9 15 15 13 55 13.4 15 15 14 56
11146 11.5 1 13.8 23.2 25 25 21 55 23.8 25 21 22 56
11446 14 1 16.8 26.9 30 30 25 55 27.6 30 25 25 56
575-3-60 3.8 36.5 6 0.6 2 0.4 8.6 None - - - 24.6 25 25 27 65 25 25 25 28 66
05
(4)
208-1-60 21.8 117 34 1.4 7.6 1.5 8.6 None - - - 40.6 45 60 40 158 42.1 45 60 42 161
11125 7.9 1 38 62.4 70 70 57 158 64.3 70 70 59 161
230-1-60 21.8 117 34 1.4 7 1.3 8.6 None - - - 40 40 60 40 160 41.3 45 60 41 163
11125 10.5 1 43.8 68.9 70 70 63 160 70.5 80 80 65 163
208-3-60 13.7 83.1 21 1.4 5.2 1.1 8.6
None - - - 28 30 40 28 113 29.1 30 40 30 116
11125 7.9 1 21.9 39.3 40 40 36 113 40.6 45 45 37 116
11625 12 1 33.3 53.5 60 60 49 113 54.9 60 60 50 116
230-3-60 13.7 83.1 21 1.4 5.2 1 8.6
None - - - 28 30 40 28 116 29 30 40 29 118
11125 10.5 1 25.3 43.5 45 45 40 116 44.8 45 45 41 118
11625 16 1 38.5 60 60 60 55 116 61.3 70 70 56 118
460-3-60 6.2 41 10 0.8 2.6 0.5 8.6
None - - - 13.4 15 15 14 58 13.9 15 15 14 59
11146 11.5 1 13.8 23.2 25 25 21 58 23.8 25 21 22 59
11446 14 1 16.8 26.9 30 30 25 58 27.6 30 25 25 59
575-3-60 4.8 33 8 0.6 2 0.4 8.6 None - - - 25.8 30 30 28 62 26.2 30 30 29 63
06
(5)
208-1-60 26.3 134 41 2.3 7.6 1.5 8.6 None - - - 47.1 50 70 47 176 48.6 50 70 48 180
11125 7.9 1 38 62.4 70 70 57 176 64.3 70 70 59 180
230-1-60 26.3 134 41 2.3 7 1.3 8.6 None - - - 46.5 50 70 46 179 47.8 50 70 47 182
11125 10.5 1 43.8 68.9 70 70 63 179 70.5 80 80 65 182
208-3-60 15.6 110 24 2.3 5.2 1.1 8.6
None - - - 31.3 35 45 32 142 32.4 35 45 33 144
11125 7.9 1 21.9 39.3 40 45 36 142 40.6 45 45 37 144
11625 12 1 33.3 53.5 60 60 49 142 54.9 60 60 50 144
230-3-60 15.6 110 24 2.3 5.2 1 8.6
None - - - 31.3 35 45 32 144 32.3 35 45 33 147
11125 10.5 1 25.3 43.5 45 45 40 144 44.8 45 45 41 147
11625 16 1 38.5 60 60 60 55 144 61.3 70 70 56 147
460-3-60 7.8 52 12 1.3 2.6 0.5 8.6
None - - - 15.9 20 20 16 70 16.4 20 20 17 71
11146 11.5 1 13.8 23.2 25 25 21 70 23.8 25 21 22 71
11446 14 1 16.8 26.9 30 30 25 70 27.6 30 25 25 71
575-3-60 5.8 38.9 9 1.1 2 0.4 8.6 None - - - 27.6 30 30 30 68 28 30 30 30 69
07
(6)
208-3-60 19.6 136 31 2.3 7.5 1.1 8.6
None - - - 38.6 40 50 39 194 39.7 40 50 40 196
11125 7.9 1 21.9 42.1 45 50 39 194 43.5 45 50 40 196
11625 12 1 33.3 56.4 60 60 52 194 57.8 60 60 53 196
230-3-60 19.6 136 31 2.3 7.5 1 8.6
None - - - 38.6 40 50 39 200 39.6 40 50 40 203
11125 10.5 1 25.3 46.4 50 50 43 200 47.6 50 50 44 203
11625 16 1 38.5 62.9 70 70 58 200 64.1 70 70 59 203
460-3-60 8.2 66.1 13 1.3 3.4 0.5 8.6
None - - - 17.2 20 25 17 99 17.7 20 25 18 100
11146 11.5 1 13.8 24.2 25 25 22 99 24.8 25 22 23 100
11446 14 1 16.8 27.9 30 30 26 99 28.6 30 26 26 100
575-3-60 6.6 55.3 10 1.1 2.8 0.4 8.6 None - - - 29.4 30 35 32 97 29.8 30 35 32 98
08
(7.5)
208-3-60 13.6 83.1 21 13.6 83.1 21 2.3 7.5 1.1 8.6 None - - - 47 50 60 50 229 49.2 50 60 53 234
230-3-60 13.6 83.1 21 13.6 83.1 21 2.3 7.5 1 8.6 None - - - 47 50 60 50 236 49 50 60 52 240
460-3-60 6.1 41 10 6.1 41 10 1.3 3.4 0.5 8.6 None - - - 21.9 25 25 23 117 22.9 25 25 25 120
575-3-60 4.2 33 7 4.2 33 7 1.1 2.8 0.4 8.6 None - - - 31.7 35 35 35 110 32.5 35 35 36 112

1068152-YTG-I-1214
106 Johnson Controls Unitary Products
09
(8.5)
208-3-60 14.5 98 23 14.5 98 23 2.3 5.2 1.1 8.6 None - - - 46.7 50 60 50 232 48.9 50 60 52 237
230-3-60 14.5 98 23 14.5 98 23 2.3 5.2 1 8.6 None - - - 46.7 50 60 50 235 48.7 50 60 52 240
460-3-60 6.3 55 10 6.3 55 10 1.3 2.6 0.5 8.6 None - - - 21.6 25 25 23 130 22.6 25 25 24 133
575-3-60 6 55 10 6 55 10 1.1 2 0.4 8.6 None - - - 34.9 35 40 38 142 35.7 40 40 39 144
12
(10)
208-3-60 16 110 25 15.6 110 24 2.3 10.2 1.1 8.6 None - - - 54.7 60 70 58 297 56.9 60 70 61 302
230-3-60 16 110 25 15.6 110 24 2.3 10.2 1 8.6 None - - - 54.7 60 70 58 303 56.7 60 70 61 308
460-3-60 7.8 52 12 7.8 52 12 1.3 4.8 0.5 8.6 None - - - 27.2 30 30 29 146 28.2 30 30 30 149
575-3-60 5.7 38.9 9 5.8 38.9 9 1.1 3.4 0.4 8.6 None - - - 35.8 40 40 39 127 36.6 40 40 40 129
14
(12.5)
208-3-60 19.6 136 31 19.6 136 31 5.8 9.9 1.1 8.6 None - - - 64.1 70 80 68 371 66.3 70 80 71 376
230-3-60 19.6 136 31 19.6 136 31 5.2 9.4 1 8.6 None - - - 63 70 80 67 376 65 70 80 69 381
460-3-60 8.2 66.1 13 8.2 66.1 13 2.9 4.7 0.5 8.6 None - - - 28.3 30 35 30 186 29.3 30 35 31 188
575-3-60 6.6 55.3 10 6.6 55.3 10 2.2 4.3 0.4 8.6 None - - - 38.6 40 45 42 179 39.4 40 45 43 181
With VFD
08
(7.5)
208-3-60 13.6 83.1 21 13.6 83.1 21 2.3 8.9 1.1 8.6 None - - - 48.4 50 60 52 257 50.6 60 60 54 262
230-3-60 13.6 83.1 21 13.6 83.1 21 2.3 8.2 1 8.6 None - - - 47.7 50 60 51 260 49.7 50 60 53 264
460-3-60 6.1 41 10 6.1 41 10 1.3 4.1 0.5 8.6 None - - - 22.6 25 25 24 124 23.6 25 25 25 127
575-3-60 4.2 33 7 4.2 33 7 1.1 3.2 0.4 8.6 None - - - 32.1 35 35 36 114 32.9 35 35 37 116
09
(8.5)
208-3-60 14.5 98 23 14.5 98 23 2.3 7 1.1 8.6 None - - - 48.5 50 60 52 270 50.7 60 60 54 275
230-3-60 14.5 98 23 14.5 98 23 2.3 7.2 1 8.6 None - - - 48.7 50 60 52 272 50.7 60 60 54 277
460-3-60 6.3 55 10 6.3 55 10 1.3 3.6 0.5 8.6 None - - - 22.6 25 25 24 149 23.6 25 25 25 151
575-3-60 6 41 9 6 41 9 1.1 2.5 0.4 8.6 None - - - 35.4 40 40 39 122 36.2 40 40 40 123
12
(10)
208-3-60 16 110 25 15.6 110 24 2.3 9.9 1.1 8.6 None - - - 54.4 60 70 58 306 56.6 60 70 60 311
230-3-60 16 110 25 15.6 110 24 2.3 9.4 1 8.6 None - - - 53.9 60 60 57 315 55.9 60 70 60 320
460-3-60 7.8 52 12 7.8 52 12 1.3 4.7 0.5 8.6 None - - - 27.1 30 30 29 152 28.1 30 30 30 154
575-3-60 5.7 38.9 9 5.8 38.9 9 1.1 4.3 0.4 8.6 None - - - 36.7 40 40 40 140 37.5 40 40 41 142
14
(12.5)
208-3-60 19.6 136 31 19.6 136 31 5.8 9.9 1.1 8.6 None - - - 64.1 70 80 68 371 66.3 70 80 71 376
230-3-60 19.6 136 31 19.6 136 31 5.2 9.4 1 8.6 None - - - 63 70 80 67 376 65 70 80 69 381
460-3-60 8.2 66.1 13 8.2 66.1 13 2.9 4.7 0.5 8.6 None - - - 28.3 30 35 30 186 29.3 30 35 31 188
575-3-60 6.6 55.3 10 6.6 55.3 10 2.2 4.3 0.4 8.6 None - - - 38.6 40 45 42 179 39.4 40 45 43 181
1. Minimum Circuit Ampacity.
2. Dual Element, Time Delay Type.
3. HACR type per NEC.
ZX04-14 Medium Static Indoor Blower - With Powered Convenience Outlet (Continued)
Size
(Tons)
Nominal
Unit
Voltage
Compressor 1 Compressor 2 OD
Fan
Motors
(each)
Supply
Blower
Motor
Pwr
Exh
Motor
Pwr
Conv
Outlet
Electric Heat
Field Installed Kit
2EK045* MCA1
(Amps)
Min
Fuse2/
Breaker3
Size
(Amps)
Max
Fuse2/
Breaker3
Size
(Amps)
Min
Discon-
nect
Rating
MCA1
w/Pwr
Exh
(Amps)
Min
Fuse2/
Breaker3
Size
w/
Pwr Exh
(Amps)
Max
Fuse2/
Breaker3
Size
w/
Pwr Exh
(Amps)
Min
Discon-
nect
Rating/
Pwr Exh
RLA LRA MCC RLA LRA MCC Model kW Stages Amps FLA LRA FLA LRA

1068152-YTG-I-1214
Johnson Controls Unitary Products 107
ZX04-14 Hi Static Indoor Blower - Without Powered Convenience Outlet
Size
(Tons)
Nominal
Unit
Voltage
Compressor 1 Compressor 2 OD
Fan
Motors
(each)
Supply
Blower
Motor
Pwr
Exh
Motor
Pwr
Conv
Outlet
Electric Heat
Field Installed Kit
2EK045* MCA1
(Amps)
Min
Fuse2/
Breaker3
Size
(Amps)
Max
Fuse2/
Breaker3
Size
(Amps)
Min
Discon-
nect
Rating
MCA1
w/Pwr
Exh
(Amps)
Min
Fuse2/
Breaker3
Size
w/
Pwr Exh
(Amps)
Max
Fuse2/
Breaker3
Size
w/
Pwr Exh
(Amps)
Min
Discon-
nect
Rating/
Pwr Exh
RLA LRA MCC RLA LRA MCC Model kW Stages Amps FLA LRA FLA LRA
04
(3)
208-3-60 10.4 73 16 1.4 5.2 1.1
None - - - 19.6 20 30 20 99 20.7 25 30 21 101
11125 7.9 1 21.9 33.9 35 35 31 99 35.3 40 40 32 101
11625 12 1 33.3 48.1 50 50 44 99 49.5 50 50 46 101
230-3-60 10.4 73 16 1.4 5.2 1
None - - - 19.6 20 30 20 101 20.6 25 30 21 104
11125 10.5 1 25.3 38.1 40 40 35 101 39.4 40 40 36 104
11625 16 1 38.5 54.6 60 60 50 101 55.9 60 60 51 104
460-3-60 5.8 38 9 0.8 2.6 0.5
None - - - 10.7 15 15 11 52 11.2 15 15 11 54
11146 11.5 1 13.8 20.5 25 25 19 52 21.1 25 19 19 54
11446 14 1 16.8 24.3 25 25 22 52 24.9 25 22 23 54
575-3-60 3.8 36.5 6 0.6 2 0.4 None - - - 7.4 15 15 7 48 7.8 15 15 8 49
05
(4)
208-3-60 13.7 83.1 21 1.4 5.2 1.1
None - - - 23.7 25 35 23 109 24.8 25 35 25 111
11125 7.9 1 21.9 33.9 35 35 31 109 35.3 40 40 32 111
11625 12 1 33.3 48.1 50 50 44 109 49.5 50 50 46 111
230-3-60 13.7 83.1 21 1.4 5.2 1
None - - - 23.7 25 35 23 111 24.7 25 35 24 114
11125 10.5 1 25.3 38.1 40 40 35 111 39.4 40 40 36 114
11625 16 1 38.5 54.6 60 60 50 111 55.9 60 60 51 114
460-3-60 6.2 41 10 0.8 2.6 0.5
None - - - 11.2 15 15 11 55 11.7 15 15 12 57
11146 11.5 1 13.8 20.5 25 25 19 55 21.1 25 19 19 57
11446 14 1 16.8 24.3 25 25 22 55 24.9 25 22 23 57
575-3-60 4.8 33 8 0.6 2 0.4 None - - - 8.6 15 15 9 45 9 15 15 9 45
06
(5)
208-3-60 15.6 110 24 2.3 7.5 1.1
None - - - 29.3 30 40 29 163 30.4 35 45 30 166
11125 7.9 1 21.9 36.8 40 40 34 163 38.1 40 45 35 166
11625 12 1 33.3 51 60 60 47 163 52.4 60 60 48 166
230-3-60 15.6 110 24 2.3 7.5 1
None - - - 29.3 30 40 29 170 30.3 35 45 30 172
11125 10.5 1 25.3 41 45 45 38 170 42.3 45 45 39 172
11625 16 1 38.5 57.5 60 60 53 170 58.8 60 60 54 172
460-3-60 7.8 52 12 1.3 3.4 0.5
None - - - 14.5 15 20 14 82 15 15 20 15 84
11146 11.5 1 13.8 21.5 25 25 20 82 22.1 25 20 20 84
11446 14 1 16.8 25.3 30 30 23 82 25.9 30 23 24 84
575-3-60 5.8 38.9 9 1.1 2.8 0.4 None - - - 11.2 15 15 11 63 11.6 15 15 12 64
07
(6)
208-3-60 19.6 136 31 2.3 10.2 1.1
None - - - 37 40 50 37 204 38.1 40 50 38 207
11125 7.9 1 21.9 40.1 45 50 37 204 41.5 45 50 38 207
11625 12 1 33.3 54.4 60 60 50 204 55.8 60 60 51 207
230-3-60 19.6 136 31 2.3 10.2 1
None - - - 37 40 50 37 210 38 40 50 38 212
11125 10.5 1 25.3 44.4 45 50 41 210 45.6 50 50 42 212
11625 16 1 38.5 60.9 70 70 56 210 62.1 70 70 57 212
460-3-60 8.2 66.1 13 1.3 4.8 0.5
None - - - 16.4 20 20 16 104 16.9 20 20 17 105
11146 11.5 1 13.8 23.3 25 25 21 104 23.9 25 21 22 105
11446 14 1 16.8 27 30 30 25 104 27.6 30 25 25 105
575-3-60 6.6 55.3 10 1.1 3.4 0.4 None - - - 12.8 15 15 13 85 13.2 15 15 13 86
08
(7.5)
208-3-60 13.6 83.1 21 13.6 83.1 21 2.3 10.2 1.1 None - - - 45.4 50 50 48 239 47.6 50 60 51 244
230-3-60 13.6 83.1 21 13.6 83.1 21 2.3 10.2 1 None - - - 45.4 50 50 48 245 47.4 50 60 51 250
460-3-60 6.1 41 10 6.1 41 10 1.3 4.8 0.5 None - - - 21.1 25 25 23 122 22.1 25 25 24 125
575-3-60 4.2 33 7 4.2 33 7 1.1 3.4 0.4 None - - - 15.1 20 20 16 98 15.9 20 20 17 100
09
(8.5)
208-3-60 14.5 98 23 14.5 98 23 2.3 10.2 1.1 None - - - 47.4 50 60 50 269 49.6 50 60 53 274
230-3-60 14.5 98 23 14.5 98 23 2.3 10.2 1 None - - - 47.4 50 60 50 275 49.4 50 60 53 280
460-3-60 6.3 55 10 6.3 55 10 1.3 4.8 0.5 None - - - 21.6 25 25 23 150 22.6 25 25 24 153
575-3-60 6 55 10 6 55 10 1.1 3.4 0.4 None - - - 19.1 20 25 20 142 19.9 20 25 21 144
12
(10)
208-3-60 16 110 25 15.6 110 24 2.3 14.9 1.1 None - - - 55.1 60 70 59 311 57.3 60 70 61 316
230-3-60 16 110 25 15.6 110 24 2.3 15 1 None - - - 55.2 60 70 59 313 57.2 60 70 61 318
460-3-60 7.8 52 12 7.8 52 12 1.3 7.5 0.5 None - - - 27.7 30 35 30 154 28.7 30 35 31 156
575-3-60 5.7 38.9 9 5.8 38.9 9 1.1 5.6 0.4 None - - - 20.8 25 25 22 118 21.6 25 25 23 120
14
(12.5)
208-3-60 19.6 136 31 19.6 136 31 5.8 13.5 1.1 None - - - 63.4 70 80 67 397 65.6 70 80 70 402
230-3-60 19.6 136 31 19.6 136 31 5.2 13.4 1 None - - - 62.7 70 80 66 393 64.7 70 80 69 398
460-3-60 8.2 66.1 13 8.2 66.1 13 2.9 6.7 0.5 None - - - 28.1 30 35 30 194 29.1 30 35 31 196
575-3-60 6.6 55.3 10 6.6 55.3 10 2.2 5.4 0.4 None - - - 22.5 25 25 24 162 23.3 25 25 25 164

1068152-YTG-I-1214
108 Johnson Controls Unitary Products
With VFD
08
(7.5)
208-3-60 13.6 83.1 21 13.6 83.1 21 2.3 9.9 1.1 None - - - 45.1 50 50 48 248 47.3 50 50 50 253
230-3-60 13.6 83.1 21 13.6 83.1 21 2.3 9.4 1 None - - - 44.6 45 50 47 257 46.6 50 60 50 261
460-3-60 6.1 41 10 6.1 41 10 1.3 4.7 0.5 None - - - 21 25 25 22 128 22 25 25 24 130
575-3-60 4.2 33 7 4.2 33 7 1.1 4.3 0.4 None - - - 16 20 20 17 111 16.8 20 20 18 113
09
(8.5)
208-3-60 14.5 98 23 14.5 98 23 2.3 9.9 1.1 None - - - 47.1 50 60 50 278 49.3 50 60 53 283
230-3-60 14.5 98 23 14.5 98 23 2.3 9.4 1 None - - - 46.6 50 60 49 287 48.6 50 60 52 291
460-3-60 6.3 55 10 6.3 55 10 1.3 4.7 0.5 None - - - 21.5 25 25 23 156 22.5 25 25 24 158
575-3-60 6 41 9 6 41 9 1.1 4.3 0.4 None - - - 20 25 25 21 127 20.8 25 25 22 129
12
(10)
208-3-60 16 110 25 15.6 110 24 2.3 13.5 1.1 None - - - 53.7 60 60 57 332 55.9 60 70 60 337
230-3-60 16 110 25 15.6 110 24 2.3 13.4 1 None - - - 53.6 60 60 57 332 55.6 60 70 59 337
460-3-60 7.8 52 12 7.8 52 12 1.3 6.7 0.5 None - - - 26.9 30 30 29 161 27.9 30 30 30 163
575-3-60 5.7 38.9 9 5.8 38.9 9 1.1 5.4 0.4 None - - - 20.6 25 25 22 123 21.4 25 25 23 124
14
(12.5)
208-3-60 19.6 136 31 19.6 136 31 5.8 13.5 1.1 None - - - 63.4 70 80 67 397 65.6 70 80 70 402
230-3-60 19.6 136 31 19.6 136 31 5.2 13.4 1 None - - - 62.7 70 80 66 393 64.7 70 80 69 398
460-3-60 8.2 66.1 13 8.2 66.1 13 2.9 6.7 0.5 None - - - 28.1 30 35 30 194 29.1 30 35 31 196
575-3-60 6.6 55.3 10 6.6 55.3 10 2.2 5.4 0.4 None - - - 22.5 25 25 24 162 23.3 25 25 25 164
1. Minimum Circuit Ampacity.
2. Dual Element, Time Delay Type.
3. HACR type per NEC.
ZX04-14 Hi Static Indoor Blower - Without Powered Convenience Outlet (Continued)
Size
(Tons)
Nominal
Unit
Voltage
Compressor 1 Compressor 2 OD
Fan
Motors
(each)
Supply
Blower
Motor
Pwr
Exh
Motor
Pwr
Conv
Outlet
Electric Heat
Field Installed Kit
2EK045* MCA1
(Amps)
Min
Fuse2/
Breaker3
Size
(Amps)
Max
Fuse2/
Breaker3
Size
(Amps)
Min
Discon-
nect
Rating
MCA1
w/Pwr
Exh
(Amps)
Min
Fuse2/
Breaker3
Size
w/
Pwr Exh
(Amps)
Max
Fuse2/
Breaker3
Size
w/
Pwr Exh
(Amps)
Min
Discon-
nect
Rating/
Pwr Exh
RLA LRA MCC RLA LRA MCC Model kW Stages Amps FLA LRA FLA LRA

1068152-YTG-I-1214
Johnson Controls Unitary Products 109
ZX04-14 Hi Static Indoor Blower - With Powered Convenience Outlet
Size
(Tons)
Nominal
Unit
Voltage
Compressor 1 Compressor 2 OD
Fan
Motors
(each)
Supply
Blower
Motor
Pwr
Exh
Motor
Pwr
Conv
Outlet
Electric Heat
Field Installed Kit
2EK045* MCA1
(Amps)
Min
Fuse2/
Breaker3
Size
(Amps)
Max
Fuse2/
Breaker3
Size
(Amps)
Min
Discon-
nect
Rating
MCA1
w/Pwr
Exh
(Amps)
Min
Fuse2/
Breaker3
Size
w/
Pwr Exh
(Amps)
Max
Fuse2/
Breaker3
Size
w/
Pwr Exh
(Amps)
Min
Discon-
nect
Rating/
Pwr Exh
RLA LRA MCC RLA LRA MCC Model kW Stages Amps FLA LRA FLA LRA
04
(3)
208-3-60 10.4 73 16 1.4 5.2 1.1 8.6
None - - - 23.9 25 30 24 103 25 25 35 26 106
11125 7.9 1 21.9 39.3 40 40 36 103 40.6 45 45 37 106
11625 12 1 33.3 53.5 60 60 49 103 54.9 60 60 50 106
230-3-60 10.4 73 16 1.4 5.2 1 8.6
None - - - 23.9 25 30 24 106 24.9 25 35 26 108
11125 10.5 1 25.3 43.5 45 45 40 106 44.8 45 45 41 108
11625 16 1 38.5 60 60 60 55 106 61.3 70 70 56 108
460-3-60 5.8 38 9 0.8 2.6 0.5 8.6
None - - - 12.9 15 15 13 55 13.4 15 15 14 56
11146 11.5 1 13.8 23.2 25 25 21 55 23.8 25 21 22 56
11446 14 1 16.8 26.9 30 30 25 55 27.6 30 25 25 56
575-3-60 3.8 36.5 6 0.6 2 0.4 8.6 None - - - 24.6 25 25 27 65 25 25 25 28 66
05
(4)
208-3-60 13.7 83.1 21 1.4 5.2 1.1 8.6
None - - - 28 30 40 28 113 29.1 30 40 30 116
11125 7.9 1 21.9 39.3 40 40 36 113 40.6 45 45 37 116
11625 12 1 33.3 53.5 60 60 49 113 54.9 60 60 50 116
230-3-60 13.7 83.1 21 1.4 5.2 1 8.6
None - - - 28 30 40 28 116 29 30 40 29 118
11125 10.5 1 25.3 43.5 45 45 40 116 44.8 45 45 41 118
11625 16 1 38.5 60 60 60 55 116 61.3 70 70 56 118
460-3-60 6.2 41 10 0.8 2.6 0.5 8.6
None - - - 13.4 15 15 14 58 13.9 15 15 14 59
11146 11.5 1 13.8 23.2 25 25 21 58 23.8 25 21 22 59
11446 14 1 16.8 26.9 30 30 25 58 27.6 30 25 25 59
575-3-60 4.8 33 8 0.6 2 0.4 8.6 None - - - 25.8 30 30 28 62 26.2 30 30 29 63
06
(5)
208-3-60 15.6 110 24 2.3 7.5 1.1 8.6
None - - - 33.6 35 45 34 168 34.7 35 50 35 170
11125 7.9 1 21.9 42.1 45 45 39 168 43.5 45 50 40 170
11625 12 1 33.3 56.4 60 60 52 168 57.8 60 60 53 170
230-3-60 15.6 110 24 2.3 7.5 1 8.6
None - - - 33.6 35 45 34 174 34.6 35 50 35 177
11125 10.5 1 25.3 46.4 50 50 43 174 47.6 50 50 44 177
11625 16 1 38.5 62.9 70 70 58 174 64.1 70 70 59 177
460-3-60 7.8 52 12 1.3 3.4 0.5 8.6
None - - - 16.7 20 20 17 85 17.2 20 20 17 86
11146 11.5 1 13.8 24.2 25 25 22 85 24.8 25 22 23 86
11446 14 1 16.8 27.9 30 30 26 85 28.6 30 26 26 86
575-3-60 5.8 38.9 9 1.1 2.8 0.4 8.6 None - - - 28.4 30 30 31 80 28.8 30 30 31 81
07
(6)
208-3-60 19.6 136 31 2.3 10.2 1.1 8.6
None - - - 41.3 45 60 42 208 42.4 45 60 43 211
11125 7.9 1 21.9 45.5 50 60 42 208 46.9 50 60 43 211
11625 12 1 33.3 59.8 60 60 55 208 61.1 70 70 56 211
230-3-60 19.6 136 31 2.3 10.2 1 8.6
None - - - 41.3 45 60 42 214 42.3 45 60 43 217
11125 10.5 1 25.3 49.8 50 60 46 214 51 60 60 47 217
11625 16 1 38.5 66.3 70 70 61 214 67.5 70 70 62 217
460-3-60 8.2 66.1 13 1.3 4.8 0.5 8.6
None - - - 18.6 20 25 19 106 19.1 20 25 20 107
11146 11.5 1 13.8 25.9 30 30 24 106 26.6 30 24 24 107
11446 14 1 16.8 29.7 30 30 27 106 30.3 35 27 28 107
575-3-60 6.6 55.3 10 1.1 3.4 0.4 8.6 None - - - 30 35 35 33 102 30.4 35 35 33 103
08
(7.5)
208-3-60 13.6 83.1 21 13.6 83.1 21 2.3 10.2 1.1 8.6 None - - - 49.7 50 60 53 243 51.9 60 60 56 248
230-3-60 13.6 83.1 21 13.6 83.1 21 2.3 10.2 1 8.6 None - - - 49.7 50 60 53 250 51.7 60 60 56 254
460-3-60 6.1 41 10 6.1 41 10 1.3 4.8 0.5 8.6 None - - - 23.3 25 25 25 124 24.3 25 25 26 127
575-3-60 4.2 33 7 4.2 33 7 1.1 3.4 0.4 8.6 None - - - 32.3 35 35 36 116 33.1 35 35 37 117
09
(8.5)
208-3-60 14.5 98 23 14.5 98 23 2.3 10.2 1.1 8.6 None - - - 51.7 60 60 55 273 53.9 60 60 58 278
230-3-60 14.5 98 23 14.5 98 23 2.3 10.2 1 8.6 None - - - 51.7 60 60 55 279 53.7 60 60 58 284
460-3-60 6.3 55 10 6.3 55 10 1.3 4.8 0.5 8.6 None - - - 23.8 25 30 26 152 24.8 25 30 27 155
575-3-60 6 55 10 6 55 10 1.1 3.4 0.4 8.6 None - - - 36.3 40 40 40 160 37.1 40 40 41 161
12
(10)
208-3-60 16 110 25 15.6 110 24 2.3 14.9 1.1 8.6 None - - - 59.4 60 70 64 315 61.6 70 70 66 320
230-3-60 16 110 25 15.6 110 24 2.3 15 1 8.6 None - - - 59.5 60 70 64 317 61.5 70 70 66 322
460-3-60 7.8 52 12 7.8 52 12 1.3 7.5 0.5 8.6 None - - - 29.9 30 35 32 156 30.9 35 35 33 158
575-3-60 5.7 38.9 9 5.8 38.9 9 1.1 5.6 0.4 8.6 None - - - 38 40 40 42 135 38.8 40 40 43 137
14
(12.5)
208-3-60 19.6 136 31 19.6 136 31 5.8 13.5 1.1 8.6 None - - - 67.7 70 80 72 401 69.9 70 80 75 406
230-3-60 19.6 136 31 19.6 136 31 5.2 13.4 1 8.6 None - - - 67 70 80 71 397 69 70 80 74 402
460-3-60 8.2 66.1 13 8.2 66.1 13 2.9 6.7 0.5 8.6 None - - - 30.3 35 35 32 196 31.3 35 35 34 199
575-3-60 6.6 55.3 10 6.6 55.3 10 2.2 5.4 0.4 8.6 None - - - 39.7 40 45 44 179 40.5 45 45 45 181

1068152-YTG-I-1214
110 Johnson Controls Unitary Products
With VFD
08
(7.5)
208-3-60 13.6 83.1 21 13.6 83.1 21 2.3 9.9 1.1 8.6 None - - - 49.4 50 60 53 253 51.6 60 60 55 258
230-3-60 13.6 83.1 21 13.6 83.1 21 2.3 9.4 1 8.6 None - - - 48.9 50 60 52 261 50.9 60 60 55 266
460-3-60 6.1 41 10 6.1 41 10 1.3 4.7 0.5 8.6 None - - - 23.2 25 25 25 130 24.2 25 25 26 132
575-3-60 4.2 33 7 4.2 33 7 1.1 4.3 0.4 8.6 None - - - 33.2 35 35 37 128 34 35 35 38 130
09
(8.5)
208-3-60 14.5 98 23 14.5 98 23 2.3 9.9 1.1 8.6 None - - - 51.4 60 60 55 282 53.6 60 60 58 287
230-3-60 14.5 98 23 14.5 98 23 2.3 9.4 1 8.6 None - - - 50.9 60 60 54 291 52.9 60 60 57 296
460-3-60 6.3 55 10 6.3 55 10 1.3 4.7 0.5 8.6 None - - - 23.7 25 25 25 158 24.7 25 25 27 160
575-3-60 6 41 9 6 41 9 1.1 4.3 0.4 8.6 None - - - 37.2 40 40 41 144 38 40 40 42 146
12
(10)
208-3-60 16 110 25 15.6 110 24 2.3 13.5 1.1 8.6 None - - - 58 60 70 62 337 60.2 70 70 65 342
230-3-60 16 110 25 15.6 110 24 2.3 13.4 1 8.6 None - - - 57.9 60 70 62 336 59.9 60 70 64 341
460-3-60 7.8 52 12 7.8 52 12 1.3 6.7 0.5 8.6 None - - - 29.1 30 35 31 163 30.1 35 35 32 165
575-3-60 5.7 38.9 9 5.8 38.9 9 1.1 5.4 0.4 8.6 None - - - 37.8 40 40 42 140 38.6 40 40 43 142
14
(12.5)
208-3-60 19.6 136 31 19.6 136 31 5.8 13.5 1.1 8.6 None - - - 67.7 70 80 72 401 69.9 70 80 75 406
230-3-60 19.6 136 31 19.6 136 31 5.2 13.4 1 8.6 None - - - 67 70 80 71 397 69 70 80 74 402
460-3-60 8.2 66.1 13 8.2 66.1 13 2.9 6.7 0.5 8.6 None - - - 30.3 35 35 32 196 31.3 35 35 34 199
575-3-60 6.6 55.3 10 6.6 55.3 10 2.2 5.4 0.4 8.6 None - - - 39.7 40 45 44 179 40.5 45 45 45 181
1. Minimum Circuit Ampacity.
2. Dual Element, Time Delay Type.
3. HACR type per NEC.
ZX04-14 Hi Static Indoor Blower - With Powered Convenience Outlet (Continued)
Size
(Tons)
Nominal
Unit
Voltage
Compressor 1 Compressor 2 OD
Fan
Motors
(each)
Supply
Blower
Motor
Pwr
Exh
Motor
Pwr
Conv
Outlet
Electric Heat
Field Installed Kit
2EK045* MCA1
(Amps)
Min
Fuse2/
Breaker3
Size
(Amps)
Max
Fuse2/
Breaker3
Size
(Amps)
Min
Discon-
nect
Rating
MCA1
w/Pwr
Exh
(Amps)
Min
Fuse2/
Breaker3
Size
w/
Pwr Exh
(Amps)
Max
Fuse2/
Breaker3
Size
w/
Pwr Exh
(Amps)
Min
Discon-
nect
Rating/
Pwr Exh
RLA LRA MCC RLA LRA MCC Model kW Stages Amps FLA LRA FLA LRA

1068152-YTG-I-1214
Johnson Controls Unitary Products 111
ZYE04-12 Standard Static Indoor Blower - Without Powered Convenience Outlet
Size
(Tons)
Nominal
Unit
Voltage
Compressor 1 Compressor 2 OD
Fan
Motors
(each)
Supply
Blower
Motor
Pwr
Exh
Motor
Pwr
Conv
Outlet
Electric Heat
Field Installed Kit
2EK045* MCA1
(Amps)
Min
Fuse2/
Breaker3
Size
(Amps)
Max
Fuse2/
Breaker3
Size
(Amps)
Min
Discon-
nect
Rating
MCA1
w/Pwr
Exh
(Amps)
Min
Fuse2/
Breaker3
Size
w/
Pwr Exh
(Amps)
Max
Fuse2/
Breaker3
Size
w/
Pwr Exh
(Amps)
Min
Discon-
nect
Rating/
Pwr Exh
RLA LRA MCC RLA LRA MCC Model kW Stages Amps FLA LRA FLA LRA
04
(3)
208-1-60 16.7 79 26 1.4 6.6 1.5 None - - - 28.9 30 45 28 84 30.4 35 45 30 88
11125 7.9 1 38 55.8 60 60 51 84 57.6 60 60 53 88
230-1-60 16.7 79 26 1.4 6 1.3 None - - - 28.3 30 40 28 84 29.6 30 45 29 87
11125 10.5 1 43.8 62.3 70 70 57 84 63.9 70 70 59 87
208-3-60 10.4 73 16 1.4 6.6 1.1
None - - - 21 25 30 21 78 22.1 25 30 22 81
11125 7.9 1 21.9 35.6 40 40 33 78 37 40 40 34 81
11625 12 1 33.3 49.9 50 50 46 78 51.3 60 60 47 81
230-3-60 10.4 73 16 1.4 6 1
None - - - 20.4 25 30 20 78 21.4 25 30 22 81
11125 10.5 1 25.3 39.1 40 40 36 78 40.4 45 45 37 81
11625 16 1 38.5 55.6 60 60 51 78 56.9 60 60 52 81
460-3-60 5.8 38 9 0.8 3.2 0.5
None - - - 11.3 15 15 11 42 11.8 15 15 12 43
11146 11.5 1 13.8 21.3 25 25 20 42 21.9 25 20 20 43
11446 14 1 16.8 25 25 25 23 42 25.6 30 23 24 43
05
(4)
208-1-60 21.8 117 34 1.4 8.4 1.5 None - - - 37.1 40 50 36 122 38.6 40 60 38 126
11125 7.9 1 38 58 60 60 53 122 59.9 60 60 55 126
230-1-60 21.8 117 34 1.4 7.6 1.3 None - - - 36.3 40 50 35 122 37.6 40 50 37 125
11125 10.5 1 43.8 64.3 70 70 59 122 65.9 70 70 61 125
208-3-60 13.7 83.1 21 1.4 8.4 1.1
None - - - 26.9 30 40 27 88 28 30 40 28 91
11125 7.9 1 21.9 37.9 40 40 35 88 39.3 40 40 36 91
11625 12 1 33.3 52.1 60 60 48 88 53.5 60 60 49 91
230-3-60 13.7 83.1 21 1.4 7.6 1
None - - - 26.1 30 35 26 88 27.1 30 40 27 91
11125 10.5 1 25.3 41.1 45 45 38 88 42.4 45 45 39 91
11625 16 1 38.5 57.6 60 60 53 88 58.9 60 60 54 91
460-3-60 6.2 41 10 0.8 4 0.5
None - - - 12.6 15 15 13 45 13.1 15 15 13 46
11146 11.5 1 13.8 22.3 25 25 20 45 22.9 25 20 21 46
11446 14 1 16.8 26 30 30 24 45 26.6 30 24 24 46
06
(5)
208-1-60 25 134 39 2.3 8.4 1.5 None - - - 42 45 60 41 141 43.5 45 60 43 144
11125 7.9 1 38 58 60 60 53 141 59.9 60 60 55 144
230-1-60 25 134 39 2.3 7.6 1.3 None - - - 41.2 45 60 40 141 42.5 45 60 42 144
11125 10.5 1 43.8 64.3 70 70 59 141 65.9 70 70 61 144
208-3-60 15.9 110 25 2.3 8.4 1.1
None - - - 30.6 35 45 31 117 31.7 35 45 32 119
11125 7.9 1 21.9 37.9 40 45 35 117 39.3 40 45 36 119
11625 12 1 33.3 52.1 60 60 48 117 53.5 60 60 49 119
230-3-60 15.9 110 25 2.3 7.6 1
None - - - 29.8 30 45 30 117 30.8 35 45 31 119
11125 10.5 1 25.3 41.1 45 45 38 117 42.4 45 45 39 119
11625 16 1 38.5 57.6 60 60 53 117 58.9 60 60 54 119
460-3-60 7.1 52 11 1.3 4 0.5
None - - - 14.2 15 20 14 57 14.7 15 20 15 58
11146 11.5 1 13.8 22.3 25 25 20 57 22.9 25 20 21 58
11446 14 1 16.8 26 30 30 24 57 26.6 30 24 24 58
07
(6)
208-3-60 19 123 30 2.3 5.2 1.1 None - - - 33.6 35 50 33 155 35.8 40 50 36 160
230-3-60 19 123 30 2.3 5.2 1 None - - - 33.6 35 50 33 158 35.6 40 50 35 163
460-3-60 9.7 62 15 1.3 2.6 0.5 None - - - 17.3 20 25 17 80 18.3 20 25 18 83
575-3-60 7.4 50 12 1.1 2 0.4 None - - - 13.5 15 20 13 65 14.3 15 20 14 67
08
(7.5)
208-3-60 13.6 83.1 21 13.6 83.1 21 2.3 5.2 1.1 None - - - 40.4 45 50 43 198 42.6 45 50 45 203
230-3-60 13.6 83.1 21 13.6 83.1 21 2.3 5.2 1 None - - - 40.4 45 50 43 201 42.4 45 50 45 206
460-3-60 6.1 41 10 6.1 41 10 1.3 2.6 0.5 None - - - 18.9 20 25 20 100 19.9 20 25 21 103
575-3-60 4.2 41 10 4.2 41 10 1.1 2 0.4 None - - - 13.7 15 15 14 97 14.5 15 15 15 99
09
(8.5)
208-3-60 13.7 83.1 21 13.7 83.1 21 2.3 5.2 1.1 None - - - 40.6 45 50 43 198 42.8 45 50 45 203
230-3-60 13.7 83.1 21 13.7 83.1 21 2.3 5.2 1 None - - - 40.6 45 50 43 201 42.6 45 50 45 206
460-3-60 6.2 83.1 21 6.2 83.1 21 1.3 2.6 0.5 None - - - 19.2 20 25 20 185 20.2 25 25 21 187
575-3-60 4.8 41 10 4.8 41 10 1.1 2 0.4 None - - - 15 20 20 16 97 15.8 20 20 17 99
12
(10)
208-3-60 16 110 25 16 110 25 5.8 5.2 1.1 None - - - 47 50 60 49 264 49.2 50 60 52 269
230-3-60 16 110 25 16 110 25 5.2 5.2 1 None - - - 46.4 50 60 49 264 48.4 50 60 51 269
460-3-60 7.8 52 12 7.8 52 12 2.9 2.6 0.5 None - - - 23.1 25 30 24 128 24.1 25 30 25 130
575-3-60 5.7 52 12 5.7 52 12 2.2 2 0.4 None - - - 17 20 20 18 125 17.8 20 20 19 127

1068152-YTG-I-1214
112 Johnson Controls Unitary Products
With VFD
08
(7.5)
208-3-60 13.6 83.1 21 13.6 83.1 21 2.3 7 1.1 None - - - 42.2 45 50 45 236 44.4 45 50 47 241
230-3-60 13.6 83.1 21 13.6 83.1 21 2.3 7.2 1 None - - - 42.4 45 50 45 238 44.4 45 50 47 243
460-3-60 6.1 41 10 6.1 41 10 1.3 3.6 0.5 None - - - 19.9 20 25 21 119 20.9 25 25 22 121
575-3-60 4.2 33 7 4.2 33 7 1.1 2.5 0.4 None - - - 14.2 15 15 15 88 15 15 15 16 90
09
(8.5)
208-3-60 13.7 83.1 21 13.7 83.1 21 2.3 7 1.1 None - - - 42.4 45 50 45 236 44.6 45 50 47 241
230-3-60 13.7 83.1 21 13.7 83.1 21 2.3 7.2 1 None - - - 42.6 45 50 45 238 44.6 45 50 47 243
460-3-60 6.2 41 10 6.2 41 10 1.3 3.6 0.5 None - - - 20.2 25 25 21 119 21.2 25 25 23 121
575-3-60 4.8 33 8 4.8 33 8 1.1 2.5 0.4 None - - - 15.5 20 20 16 88 16.3 20 20 17 90
12
(10)
208-3-60 16 110 25 16 110 25 5.8 7 1.1 None - - - 48.8 50 60 52 302 51 60 60 54 307
230-3-60 16 110 25 16 110 25 5.2 7.2 1 None - - - 48.4 50 60 51 301 50.4 60 60 53 305
460-3-60 7.8 52 12 7.8 52 12 2.9 3.6 0.5 None - - - 24.1 25 30 25 146 25.1 30 30 27 148
575-3-60 5.7 38.9 9 5.7 38.9 9 2.2 2.5 0.4 None - - - 17.5 20 20 19 107 18.3 20 20 19 109
1. Minimum Circuit Ampacity.
2. Dual Element, Time Delay Type.
3. HACR type per NEC.
ZYE04-12 Standard Static Indoor Blower - Without Powered Convenience Outlet (Continued)
Size
(Tons)
Nominal
Unit
Voltage
Compressor 1 Compressor 2 OD
Fan
Motors
(each)
Supply
Blower
Motor
Pwr
Exh
Motor
Pwr
Conv
Outlet
Electric Heat
Field Installed Kit
2EK045* MCA1
(Amps)
Min
Fuse2/
Breaker3
Size
(Amps)
Max
Fuse2/
Breaker3
Size
(Amps)
Min
Discon-
nect
Rating
MCA1
w/Pwr
Exh
(Amps)
Min
Fuse2/
Breaker3
Size
w/
Pwr Exh
(Amps)
Max
Fuse2/
Breaker3
Size
w/
Pwr Exh
(Amps)
Min
Discon-
nect
Rating/
Pwr Exh
RLA LRA MCC RLA LRA MCC Model kW Stages Amps FLA LRA FLA LRA

1068152-YTG-I-1214
Johnson Controls Unitary Products 113
ZYE04-12 Standard Static Indoor Blower - With Powered Convenience Outlet
Size
(Tons)
Nominal
Unit
Voltage
Compressor 1 Compressor 2 OD
Fan
Motors
(each)
Supply
Blower
Motor
Pwr
Exh
Motor
Pwr
Conv
Outlet
Electric Heat
Field Installed Kit
2EK045* MCA1
(Amps)
Min
Fuse2/
Breaker3
Size
(Amps)
Max
Fuse2/
Breaker3
Size
(Amps)
Min
Discon-
nect
Rating
MCA1
w/Pwr
Exh
(Amps)
Min
Fuse2/
Breaker3
Size
w/
Pwr Exh
(Amps)
Max
Fuse2/
Breaker3
Size
w/
Pwr Exh
(Amps)
Min
Discon-
nect
Rating/
Pwr Exh
RLA LRA MCC RLA LRA MCC Model kW Stages Amps FLA LRA FLA LRA
04
(3)
208-1-60 16.7 79 26 1.4 6.6 1.5 8.6 None - - - 33.2 35 45 33 89 34.7 35 50 35 92
11125 7.9 1 38 61.1 70 70 56 89 63 70 70 58 92
230-1-60 16.7 79 26 1.4 6 1.3 8.6 None - - - 32.6 35 45 33 89 33.9 35 50 34 92
11125 10.5 1 43.8 67.6 70 70 62 89 69.3 70 70 64 92
208-3-60 10.4 73 16 1.4 6.6 1.1 8.6
None - - - 25.3 30 35 26 83 26.4 30 35 27 85
11125 7.9 1 21.9 41 45 45 38 83 42.4 45 45 39 85
11625 12 1 33.3 55.3 60 60 51 83 56.6 60 60 52 85
230-3-60 10.4 73 16 1.4 6 1 8.6
None - - - 24.7 25 35 25 83 25.7 30 35 27 85
11125 10.5 1 25.3 44.5 45 45 41 83 45.8 50 50 42 85
11625 16 1 38.5 61 70 70 56 83 62.3 70 70 57 85
460-3-60 5.8 38 9 0.8 3.2 0.5 8.6
None - - - 13.5 15 15 14 44 14 15 15 14 45
11146 11.5 1 13.8 23.9 25 25 22 44 24.6 25 22 23 45
11446 14 1 16.8 27.7 30 30 25 44 28.3 30 25 26 45
05
(4)
208-1-60 21.8 117 34 1.4 8.4 1.5 8.6 None - - - 41.4 45 60 41 127 42.9 45 60 43 130
11125 7.9 1 38 63.4 70 70 58 127 65.3 70 70 60 130
230-1-60 21.8 117 34 1.4 7.6 1.3 8.6 None - - - 40.6 45 60 40 127 41.9 45 60 42 130
11125 10.5 1 43.8 69.6 70 70 64 127 71.3 80 80 66 130
208-3-60 13.7 83.1 21 1.4 8.4 1.1 8.6
None - - - 31.2 35 40 32 93 32.3 35 45 33 95
11125 7.9 1 21.9 43.3 45 45 40 93 44.6 45 45 41 95
11625 12 1 33.3 57.5 60 60 53 93 58.9 60 60 54 95
230-3-60 13.7 83.1 21 1.4 7.6 1 8.6
None - - - 30.4 35 40 31 93 31.4 35 45 32 95
11125 10.5 1 25.3 46.5 50 50 43 93 47.8 50 50 44 95
11625 16 1 38.5 63 70 70 58 93 64.3 70 70 59 95
460-3-60 6.2 41 10 0.8 4 0.5 8.6
None - - - 14.8 15 20 15 47 15.3 20 20 16 48
11146 11.5 1 13.8 24.9 25 25 23 47 25.6 30 23 24 48
11446 14 1 16.8 28.7 30 30 26 47 29.3 30 26 27 48
06
(5)
208-1-60 25 134 39 2.3 8.4 1.5 8.6 None - - - 46.3 50 70 46 145 47.8 50 70 48 149
11125 7.9 1 38 63.4 70 70 58 145 65.3 70 70 60 149
230-1-60 25 134 39 2.3 7.6 1.3 8.6 None - - - 45.5 50 70 45 145 46.8 50 70 47 148
11125 10.5 1 43.8 69.6 70 70 64 145 71.3 80 80 66 148
208-3-60 15.9 110 25 2.3 8.4 1.1 8.6
None - - - 34.9 35 50 36 121 36 40 50 37 124
11125 7.9 1 21.9 43.3 45 50 40 121 44.6 45 50 41 124
11625 12 1 33.3 57.5 60 60 53 121 58.9 60 60 54 124
230-3-60 15.9 110 25 2.3 7.6 1 8.6
None - - - 34.1 35 45 35 121 35.1 40 50 36 124
11125 10.5 1 25.3 46.5 50 50 43 121 47.8 50 50 44 124
11625 16 1 38.5 63 70 70 58 121 64.3 70 70 59 124
460-3-60 7.1 52 11 1.3 4 0.5 8.6
None - - - 16.4 20 20 17 59 16.9 20 20 17 60
11146 11.5 1 13.8 24.9 25 25 23 59 25.6 30 23 24 60
11446 14 1 16.8 28.7 30 30 26 59 29.3 30 26 27 60
07
(6)
208-3-60 19 123 30 2.3 5.2 1.1 8.6 None - - - 37.9 40 50 38 159 40.1 45 50 41 164
230-3-60 19 123 30 2.3 5.2 1 8.6 None - - - 37.9 40 50 38 162 39.9 40 50 40 167
460-3-60 9.7 62 15 1.3 2.6 0.5 8.6 None - - - 19.5 20 25 20 82 20.5 25 25 21 85
575-3-60 7.4 50 12 1.1 2 0.4 8.6 None - - - 30.7 35 35 33 82 31.5 35 35 34 84
08
(7.5)
208-3-60 13.6 83.1 21 13.6 83.1 21 2.3 5.2 1.1 8.6 None - - - 44.7 45 50 47 203 46.9 50 50 50 208
230-3-60 13.6 83.1 21 13.6 83.1 21 2.3 5.2 1 8.6 None - - - 44.7 45 50 47 206 46.7 50 60 50 210
460-3-60 6.1 41 10 6.1 41 10 1.3 2.6 0.5 8.6 None - - - 21.1 25 25 23 102 22.1 25 25 24 105
575-3-60 4.2 41 10 4.2 41 10 1.1 2 0.4 8.6 None - - - 30.9 35 35 34 114 31.7 35 35 35 116
09
(8.5)
208-3-60 13.7 83.1 21 13.7 83.1 21 2.3 5.2 1.1 8.6 None - - - 44.9 45 50 48 203 47.1 50 50 50 208
230-3-60 13.7 83.1 21 13.7 83.1 21 2.3 5.2 1 8.6 None - - - 44.9 45 50 48 206 46.9 50 60 50 210
460-3-60 6.2 83.1 21 6.2 83.1 21 1.3 2.6 0.5 8.6 None - - - 21.4 25 25 23 187 22.4 25 25 24 189
575-3-60 4.8 41 10 4.8 41 10 1.1 2 0.4 8.6 None - - - 32.2 35 35 36 114 33 35 35 37 116
12
(10)
208-3-60 16 110 25 16 110 25 5.8 5.2 1.1 8.6 None - - - 51.3 60 60 54 269 53.5 60 60 57 274
230-3-60 16 110 25 16 110 25 5.2 5.2 1 8.6 None - - - 50.7 60 60 54 268 52.7 60 60 56 273
460-3-60 7.8 52 12 7.8 52 12 2.9 2.6 0.5 8.6 None - - - 25.3 30 30 27 130 26.3 30 30 28 132
575-3-60 5.7 52 12 5.7 52 12 2.2 2 0.4 8.6 None - - - 34.2 35 35 38 143 35 35 35 39 144
With VFD

1068152-YTG-I-1214
114 Johnson Controls Unitary Products
08
(7.5)
208-3-60 13.6 83.1 21 13.6 83.1 21 2.3 7 1.1 8.6 None - - - 46.5 50 60 50 240 48.7 50 60 52 245
230-3-60 13.6 83.1 21 13.6 83.1 21 2.3 7.2 1 8.6 None - - - 46.7 50 60 50 242 48.7 50 60 52 247
460-3-60 6.1 41 10 6.1 41 10 1.3 3.6 0.5 8.6 None - - - 22.1 25 25 24 121 23.1 25 25 25 123
575-3-60 4.2 33 7 4.2 33 7 1.1 2.5 0.4 8.6 None - - - 31.4 35 35 35 106 32.2 35 35 36 107
09
(8.5)
208-3-60 13.7 83.1 21 13.7 83.1 21 2.3 7 1.1 8.6 None - - - 46.7 50 60 50 240 48.9 50 60 52 245
230-3-60 13.7 83.1 21 13.7 83.1 21 2.3 7.2 1 8.6 None - - - 46.9 50 60 50 242 48.9 50 60 52 247
460-3-60 6.2 41 10 6.2 41 10 1.3 3.6 0.5 8.6 None - - - 22.4 25 25 24 121 23.4 25 25 25 123
575-3-60 4.8 33 8 4.8 33 8 1.1 2.5 0.4 8.6 None - - - 32.7 35 35 36 106 33.5 35 35 37 107
12
(10)
208-3-60 16 110 25 16 110 25 5.8 7 1.1 8.6 None - - - 53.1 60 60 56 306 55.3 60 70 59 311
230-3-60 16 110 25 16 110 25 5.2 7.2 1 8.6 None - - - 52.7 60 60 56 305 54.7 60 70 58 310
460-3-60 7.8 52 12 7.8 52 12 2.9 3.6 0.5 8.6 None - - - 26.3 30 30 28 148 27.3 30 30 29 150
575-3-60 5.7 38.9 9 5.7 38.9 9 2.2 2.5 0.4 8.6 None - - - 34.7 35 40 38 124 35.5 40 40 39 126
1. Minimum Circuit Ampacity.
2. Dual Element, Time Delay Type.
3. HACR type per NEC.
ZYE04-12 Standard Static Indoor Blower - With Powered Convenience Outlet (Continued)
Size
(Tons)
Nominal
Unit
Voltage
Compressor 1 Compressor 2 OD
Fan
Motors
(each)
Supply
Blower
Motor
Pwr
Exh
Motor
Pwr
Conv
Outlet
Electric Heat
Field Installed Kit
2EK045* MCA1
(Amps)
Min
Fuse2/
Breaker3
Size
(Amps)
Max
Fuse2/
Breaker3
Size
(Amps)
Min
Discon-
nect
Rating
MCA1
w/Pwr
Exh
(Amps)
Min
Fuse2/
Breaker3
Size
w/
Pwr Exh
(Amps)
Max
Fuse2/
Breaker3
Size
w/
Pwr Exh
(Amps)
Min
Discon-
nect
Rating/
Pwr Exh
RLA LRA MCC RLA LRA MCC Model kW Stages Amps FLA LRA FLA LRA

1068152-YTG-I-1214
Johnson Controls Unitary Products 115
ZYE04-12 Medium Static Indoor Blower - Without Powered Convenience Outlet
Size
(Tons)
Nominal
Unit
Voltage
Compressor 1 Compressor 2 OD
Fan
Motors
(each)
Supply
Blower
Motor
Pwr
Exh
Motor
Pwr
Conv
Outlet
Electric Heat
Field Installed Kit
2EK045* MCA1
(Amps)
Min
Fuse2/
Breaker3
Size
(Amps)
Max
Fuse2/
Breaker3
Size
(Amps)
Min
Discon-
nect
Rating
MCA1
w/Pwr
Exh
(Amps)
Min
Fuse2/
Breaker3
Size
w/
Pwr Exh
(Amps)
Max
Fuse2/
Breaker3
Size
w/
Pwr Exh
(Amps)
Min
Discon-
nect
Rating/
Pwr Exh
RLA LRA MCC RLA LRA MCC Model kW Stages Amps FLA LRA FLA LRA
04
(3)
208-1-60 16.7 79 26 1.4 7.6 1.5 None - - - 29.9 30 45 30 115 31.4 35 45 31 119
11125 7.9 1 38 57 60 60 52 115 58.9 60 60 54 119
230-1-60 16.7 79 26 1.4 7 1.3 None - - - 29.3 30 45 29 118 30.6 35 45 30 121
11125 10.5 1 43.8 63.5 70 70 58 118 65.1 70 70 60 121
208-3-60 10.4 73 16 1.4 5.2 1.1
None - - - 19.6 20 30 20 99 20.7 25 30 21 101
11125 7.9 1 21.9 33.9 35 35 31 99 35.3 40 40 32 101
11625 12 1 33.3 48.1 50 50 44 99 49.5 50 50 46 101
230-3-60 10.4 73 16 1.4 5.2 1
None - - - 19.6 20 30 20 101 20.6 25 30 21 104
11125 10.5 1 25.3 38.1 40 40 35 101 39.4 40 40 36 104
11625 16 1 38.5 54.6 60 60 50 101 55.9 60 60 51 104
460-3-60 5.8 38 9 0.8 2.6 0.5
None - - - 10.7 15 15 11 52 11.2 15 15 11 54
11146 11.5 1 13.8 20.5 25 25 19 52 21.1 25 19 19 54
11446 14 1 16.8 24.3 25 25 22 52 24.9 25 22 23 54
575-3-60 3.8 36.5 6 0.6 2 0.4 None - - - 7.4 15 15 7 48 7.8 15 15 8 49
05
(4)
208-1-60 21.8 117 34 1.4 7.6 1.5 None - - - 36.3 40 50 35 153 37.8 40 50 37 157
11125 7.9 1 38 57 60 60 52 153 58.9 60 60 54 157
230-1-60 21.8 117 34 1.4 7 1.3 None - - - 35.7 40 50 35 156 37 40 50 36 159
11125 10.5 1 43.8 63.5 70 70 58 156 65.1 70 70 60 159
208-3-60 13.7 83.1 21 1.4 5.2 1.1
None - - - 23.7 25 35 23 109 24.8 25 35 25 111
11125 7.9 1 21.9 33.9 35 35 31 109 35.3 40 40 32 111
11625 12 1 33.3 48.1 50 50 44 109 49.5 50 50 46 111
230-3-60 13.7 83.1 21 1.4 5.2 1
None - - - 23.7 25 35 23 111 24.7 25 35 24 114
11125 10.5 1 25.3 38.1 40 40 35 111 39.4 40 40 36 114
11625 16 1 38.5 54.6 60 60 50 111 55.9 60 60 51 114
460-3-60 6.2 41 10 0.8 2.6 0.5
None - - - 11.2 15 15 11 55 11.7 15 15 12 57
11146 11.5 1 13.8 20.5 25 25 19 55 21.1 25 19 19 57
11446 14 1 16.8 24.3 25 25 22 55 24.9 25 22 23 57
575-3-60 4.8 33 8 0.6 2 0.4 None - - - 8.6 15 15 9 45 9 15 15 9 45
06
(5)
208-1-60 25 134 39 2.3 6.8 1.5 None - - - 40.4 45 60 39 171 41.9 45 60 41 175
11125 7.9 1 38 56 60 60 52 171 57.9 60 60 53 175
230-1-60 25 134 39 2.3 6.2 1.3 None - - - 39.8 40 60 39 172 41.1 45 60 40 175
11125 10.5 1 43.8 62.5 70 70 58 172 64.1 70 70 59 175
208-3-60 15.9 110 25 2.3 7 1.1
None - - - 29.2 30 45 29 175 30.3 35 45 30 177
11125 7.9 1 21.9 36.1 40 45 33 175 37.5 40 45 35 177
11625 12 1 33.3 50.4 60 60 46 175 51.8 60 60 48 177
230-3-60 15.9 110 25 2.3 7.2 1
None - - - 29.4 30 45 29 177 30.4 35 45 30 179
11125 10.5 1 25.3 40.6 45 45 37 177 41.9 45 45 39 179
11625 16 1 38.5 57.1 60 60 53 177 58.4 60 60 54 179
460-3-60 7.1 52 11 1.3 3.6 0.5
None - - - 13.8 15 20 14 86 14.3 15 20 14 87
11146 11.5 1 13.8 21.8 25 25 20 86 22.4 25 20 21 87
11446 14 1 16.8 25.5 30 30 23 86 26.1 30 23 24 87
575-3-60 5.1 39.5 8 1.1 2.5 0.4 None - - - 10 15 15 10 60 10.4 15 15 10 60
07
(6)
208-3-60 19 123 30 2.3 7.5 1.1 None - - - 35.9 40 50 36 181 38.1 40 50 38 186
230-3-60 19 123 30 2.3 7.5 1 None - - - 35.9 40 50 36 188 37.9 40 50 38 193
460-3-60 9.7 62 15 1.3 3.4 0.5 None - - - 18.1 20 25 18 95 19.1 20 25 19 98
575-3-60 7.4 50 12 1.1 2.8 0.4 None - - - 14.3 15 20 14 77 15.1 20 20 15 79
08
(7.5)
208-3-60 13.6 83.1 21 13.6 83.1 21 2.3 5.2 1.1 None - - - 40.4 45 50 43 198 42.6 45 50 45 203
230-3-60 13.6 83.1 21 13.6 83.1 21 2.3 5.2 1 None - - - 40.4 45 50 43 201 42.4 45 50 45 206
460-3-60 6.1 41 10 6.1 41 10 1.3 2.6 0.5 None - - - 18.9 20 25 20 100 19.9 20 25 21 103
575-3-60 4.2 41 10 4.2 41 10 1.1 2 0.4 None - - - 13.7 15 15 14 97 14.5 15 15 15 99
09
(8.5)
208-3-60 13.7 83.1 21 13.7 83.1 21 2.3 5.2 1.1 None - - - 40.6 45 50 43 198 42.8 45 50 45 203
230-3-60 13.7 83.1 21 13.7 83.1 21 2.3 5.2 1 None - - - 40.6 45 50 43 201 42.6 45 50 45 206
460-3-60 6.2 83.1 21 6.2 83.1 21 1.3 2.6 0.5 None - - - 19.2 20 25 20 185 20.2 25 25 21 187
575-3-60 4.8 41 10 4.8 41 10 1.1 2 0.4 None - - - 15 20 20 16 97 15.8 20 20 17 99
12
(10)
208-3-60 16 110 25 16 110 25 5.8 10.2 1.1 None - - - 52 60 60 55 305 54.2 60 60 58 310
230-3-60 16 110 25 16 110 25 5.2 10.2 1 None - - - 51.4 60 60 55 308 53.4 60 60 57 313
460-3-60 7.8 52 12 7.8 52 12 2.9 4.8 0.5 None - - - 25.3 30 30 27 150 26.3 30 30 28 152
575-3-60 5.7 52 12 5.7 52 12 2.2 3.4 0.4 None - - - 18.4 20 20 20 143 19.2 20 20 20 145

1068152-YTG-I-1214
116 Johnson Controls Unitary Products
With VFD
08
(7.5)
208-3-60 13.6 83.1 21 13.6 83.1 21 2.3 7 1.1 None - - - 42.2 45 50 45 236 44.4 45 50 47 241
230-3-60 13.6 83.1 21 13.6 83.1 21 2.3 7.2 1 None - - - 42.4 45 50 45 238 44.4 45 50 47 243
460-3-60 6.1 41 10 6.1 41 10 1.3 3.6 0.5 None - - - 19.9 20 25 21 119 20.9 25 25 22 121
575-3-60 4.2 33 7 4.2 33 7 1.1 2.5 0.4 None - - - 14.2 15 15 15 88 15 15 15 16 90
09
(8.5)
208-3-60 13.7 83.1 21 13.7 83.1 21 2.3 7 1.1 None - - - 42.4 45 50 45 236 44.6 45 50 47 241
230-3-60 13.7 83.1 21 13.7 83.1 21 2.3 7.2 1 None - - - 42.6 45 50 45 238 44.6 45 50 47 243
460-3-60 6.2 41 10 6.2 41 10 1.3 3.6 0.5 None - - - 20.2 25 25 21 119 21.2 25 25 23 121
575-3-60 4.8 33 8 4.8 33 8 1.1 2.5 0.4 None - - - 15.5 20 20 16 88 16.3 20 20 17 90
12
(10)
208-3-60 16 110 25 16 110 25 5.8 9.9 1.1 None - - - 51.7 60 60 55 315 53.9 60 60 57 320
230-3-60 16 110 25 16 110 25 5.2 9.4 1 None - - - 50.6 60 60 54 320 52.6 60 60 56 324
460-3-60 7.8 52 12 7.8 52 12 2.9 4.7 0.5 None - - - 25.2 30 30 27 155 26.2 30 30 28 158
575-3-60 5.7 38.9 9 5.7 38.9 9 2.2 4.3 0.4 None - - - 19.3 20 25 21 129 20.1 25 25 22 131
1. Minimum Circuit Ampacity.
2. Dual Element, Time Delay Type.
3. HACR type per NEC.
ZYE04-12 Medium Static Indoor Blower - Without Powered Convenience Outlet (Continued)
Size
(Tons)
Nominal
Unit
Voltage
Compressor 1 Compressor 2 OD
Fan
Motors
(each)
Supply
Blower
Motor
Pwr
Exh
Motor
Pwr
Conv
Outlet
Electric Heat
Field Installed Kit
2EK045* MCA1
(Amps)
Min
Fuse2/
Breaker3
Size
(Amps)
Max
Fuse2/
Breaker3
Size
(Amps)
Min
Discon-
nect
Rating
MCA1
w/Pwr
Exh
(Amps)
Min
Fuse2/
Breaker3
Size
w/
Pwr Exh
(Amps)
Max
Fuse2/
Breaker3
Size
w/
Pwr Exh
(Amps)
Min
Discon-
nect
Rating/
Pwr Exh
RLA LRA MCC RLA LRA MCC Model kW Stages Amps FLA LRA FLA LRA

1068152-YTG-I-1214
Johnson Controls Unitary Products 117
ZYE04-12 Medium Static Indoor Blower - With Powered Convenience Outlet
Size
(Tons)
Nominal
Unit
Voltage
Compressor 1 Compressor 2 OD
Fan
Motors
(each)
Supply
Blower
Motor
Pwr
Exh
Motor
Pwr
Conv
Outlet
Electric Heat
Field Installed Kit
2EK045* MCA1
(Amps)
Min
Fuse2/
Breaker3
Size
(Amps)
Max
Fuse2/
Breaker3
Size
(Amps)
Min
Discon-
nect
Rating
MCA1
w/Pwr
Exh
(Amps)
Min
Fuse2/
Breaker3
Size
w/
Pwr Exh
(Amps)
Max
Fuse2/
Breaker3
Size
w/
Pwr Exh
(Amps)
Min
Discon-
nect
Rating/
Pwr Exh
RLA LRA MCC RLA LRA MCC Model kW Stages Amps FLA LRA FLA LRA
04
(3)
208-1-60 16.7 79 26 1.4 7.6 1.5 8.6 None - - - 34.2 35 50 35 120 35.7 40 50 36 123
11125 7.9 1 38 62.4 70 70 57 120 64.3 70 70 59 123
230-1-60 16.7 79 26 1.4 7 1.3 8.6 None - - - 33.6 35 50 34 122 34.9 35 50 35 125
11125 10.5 1 43.8 68.9 70 70 63 122 70.5 80 80 65 125
208-3-60 10.4 73 16 1.4 5.2 1.1 8.6
None - - - 23.9 25 30 24 103 25 25 35 26 105
11125 7.9 1 21.9 39.3 40 40 36 103 40.6 45 45 37 105
11625 12 1 33.3 53.5 60 60 49 103 54.9 60 60 50 105
230-3-60 10.4 73 16 1.4 5.2 1 8.6
None - - - 23.9 25 30 24 106 24.9 25 35 26 108
11125 10.5 1 25.3 43.5 45 45 40 106 44.8 45 45 41 108
11625 16 1 38.5 60 60 60 55 106 61.3 70 70 56 108
460-3-60 5.8 38 9 0.8 2.6 0.5 8.6
None - - - 12.9 15 15 13 55 13.4 15 15 14 56
11146 11.5 1 13.8 23.2 25 25 21 55 23.8 25 21 22 56
11446 14 1 16.8 26.9 30 30 25 55 27.6 30 25 25 56
575-3-60 3.8 36.5 6 0.6 2 0.4 8.6 None - - - 24.6 25 25 27 65 25 25 25 28 66
05
(4)
208-1-60 21.8 117 34 1.4 7.6 1.5 8.6 None - - - 40.6 45 60 40 158 42.1 45 60 42 161
11125 7.9 1 38 62.4 70 70 57 158 64.3 70 70 59 161
230-1-60 21.8 117 34 1.4 7 1.3 8.6 None - - - 40 40 60 40 160 41.3 45 60 41 163
11125 10.5 1 43.8 68.9 70 70 63 160 70.5 80 80 65 163
208-3-60 13.7 83.1 21 1.4 5.2 1.1 8.6
None - - - 28 30 40 28 113 29.1 30 40 30 116
11125 7.9 1 21.9 39.3 40 40 36 113 40.6 45 45 37 116
11625 12 1 33.3 53.5 60 60 49 113 54.9 60 60 50 116
230-3-60 13.7 83.1 21 1.4 5.2 1 8.6
None - - - 28 30 40 28 116 29 30 40 29 118
11125 10.5 1 25.3 43.5 45 45 40 116 44.8 45 45 41 118
11625 16 1 38.5 60 60 60 55 116 61.3 70 70 56 118
460-3-60 6.2 41 10 0.8 2.6 0.5 8.6
None - - - 13.4 15 15 14 58 13.9 15 15 14 59
11146 11.5 1 13.8 23.2 25 25 21 58 23.8 25 21 22 59
11446 14 1 16.8 26.9 30 30 25 58 27.6 30 25 25 59
575-3-60 4.8 33 8 0.6 2 0.4 8.6 None - - - 25.8 30 30 28 62 26.2 30 30 29 63
06
(5)
208-1-60 25 134 39 2.3 6.8 1.5 8.6 None - - - 44.7 45 60 44 176 46.2 50 70 46 179
11125 7.9 1 38 61.4 70 70 56 176 63.3 70 70 58 179
230-1-60 25 134 39 2.3 6.2 1.3 8.6 None - - - 44.1 45 60 43 176 45.4 50 70 45 179
11125 10.5 1 43.8 67.9 70 70 62 176 69.5 70 70 64 179
208-3-60 15.9 110 25 2.3 7 1.1 8.6
None - - - 33.5 35 45 34 179 34.6 35 50 35 182
11125 7.9 1 21.9 41.5 45 45 38 179 42.9 45 50 39 182
11625 12 1 33.3 55.8 60 60 51 179 57.1 60 60 53 182
230-3-60 15.9 110 25 2.3 7.2 1 8.6
None - - - 33.7 35 45 34 181 34.7 35 50 35 183
11125 10.5 1 25.3 46 50 50 42 181 47.3 50 50 43 183
11625 16 1 38.5 62.5 70 70 58 181 63.8 70 70 59 183
460-3-60 7.1 52 11 1.3 3.6 0.5 8.6
None - - - 16 20 20 16 88 16.5 20 20 17 89
11146 11.5 1 13.8 24.4 25 25 22 88 25.1 30 22 23 89
11446 14 1 16.8 28.2 30 30 26 88 28.8 30 26 27 89
575-3-60 5.1 39.5 8 1.1 2.5 0.4 8.6 None - - - 27.2 30 30 30 77 27.6 30 30 30 78
07
(6)
208-3-60 19 123 30 2.3 7.5 1.1 8.6 None - - - 40.2 45 50 41 186 42.4 45 60 43 191
230-3-60 19 123 30 2.3 7.5 1 8.6 None - - - 40.2 45 50 41 192 42.2 45 60 43 197
460-3-60 9.7 62 15 1.3 3.4 0.5 8.6 None - - - 20.3 25 30 21 97 21.3 25 30 22 100
575-3-60 7.4 50 12 1.1 2.8 0.4 8.6 None - - - 31.5 35 35 34 94 32.3 35 35 35 96
08
(7.5)
208-3-60 13.6 83.1 21 13.6 83.1 21 2.3 5.2 1.1 8.6 None - - - 44.7 45 50 47 203 46.9 50 50 50 208
230-3-60 13.6 83.1 21 13.6 83.1 21 2.3 5.2 1 8.6 None - - - 44.7 45 50 47 206 46.7 50 60 50 210
460-3-60 6.1 41 10 6.1 41 10 1.3 2.6 0.5 8.6 None - - - 21.1 25 25 23 102 22.1 25 25 24 105
575-3-60 4.2 41 10 4.2 41 10 1.1 2 0.4 8.6 None - - - 30.9 35 35 34 114 31.7 35 35 35 116
09
(8.5)
208-3-60 13.7 83.1 21 13.7 83.1 21 2.3 5.2 1.1 8.6 None - - - 44.9 45 50 48 203 47.1 50 50 50 208
230-3-60 13.7 83.1 21 13.7 83.1 21 2.3 5.2 1 8.6 None - - - 44.9 45 50 48 206 46.9 50 60 50 210
460-3-60 6.2 83.1 21 6.2 83.1 21 1.3 2.6 0.5 8.6 None - - - 21.4 25 25 23 187 22.4 25 25 24 189
575-3-60 4.8 41 10 4.8 41 10 1.1 2 0.4 8.6 None - - - 32.2 35 35 36 114 33 35 35 37 116
12
(10)
208-3-60 16 110 25 16 110 25 5.8 10.2 1.1 8.6 None - - - 56.3 60 70 60 310 58.5 60 70 63 315
230-3-60 16 110 25 16 110 25 5.2 10.2 1 8.6 None - - - 55.7 60 70 59 312 57.7 60 70 62 317
460-3-60 7.8 52 12 7.8 52 12 2.9 4.8 0.5 8.6 None - - - 27.5 30 35 29 152 28.5 30 35 30 154
575-3-60 5.7 52 12 5.7 52 12 2.2 3.4 0.4 8.6 None - - - 35.6 40 40 39 160 36.4 40 40 40 162
With VFD

1068152-YTG-I-1214
118 Johnson Controls Unitary Products
08
(7.5)
208-3-60 13.6 83.1 21 13.6 83.1 21 2.3 7 1.1 8.6 None - - - 46.5 50 60 50 240 48.7 50 60 52 245
230-3-60 13.6 83.1 21 13.6 83.1 21 2.3 7.2 1 8.6 None - - - 46.7 50 60 50 242 48.7 50 60 52 247
460-3-60 6.1 41 10 6.1 41 10 1.3 3.6 0.5 8.6 None - - - 22.1 25 25 24 121 23.1 25 25 25 123
575-3-60 4.2 33 7 4.2 33 7 1.1 2.5 0.4 8.6 None - - - 31.4 35 35 35 106 32.2 35 35 36 107
09
(8.5)
208-3-60 13.7 83.1 21 13.7 83.1 21 2.3 7 1.1 8.6 None - - - 46.7 50 60 50 240 48.9 50 60 52 245
230-3-60 13.7 83.1 21 13.7 83.1 21 2.3 7.2 1 8.6 None - - - 46.9 50 60 50 242 48.9 50 60 52 247
460-3-60 6.2 41 10 6.2 41 10 1.3 3.6 0.5 8.6 None - - - 22.4 25 25 24 121 23.4 25 25 25 123
575-3-60 4.8 33 8 4.8 33 8 1.1 2.5 0.4 8.6 None - - - 32.7 35 35 36 106 33.5 35 35 37 107
12
(10)
208-3-60 16 110 25 16 110 25 5.8 9.9 1.1 8.6 None - - - 56 60 70 60 319 58.2 60 70 62 324
230-3-60 16 110 25 16 110 25 5.2 9.4 1 8.6 None - - - 54.9 60 70 59 324 56.9 60 70 61 329
460-3-60 7.8 52 12 7.8 52 12 2.9 4.7 0.5 8.6 None - - - 27.4 30 35 29 157 28.4 30 35 30 160
575-3-60 5.7 38.9 9 5.7 38.9 9 2.2 4.3 0.4 8.6 None - - - 36.5 40 40 40 146 37.3 40 40 41 148
1. Minimum Circuit Ampacity.
2. Dual Element, Time Delay Type.
3. HACR type per NEC.
ZYE04-12 Medium Static Indoor Blower - With Powered Convenience Outlet (Continued)
Size
(Tons)
Nominal
Unit
Voltage
Compressor 1 Compressor 2 OD
Fan
Motors
(each)
Supply
Blower
Motor
Pwr
Exh
Motor
Pwr
Conv
Outlet
Electric Heat
Field Installed Kit
2EK045* MCA1
(Amps)
Min
Fuse2/
Breaker3
Size
(Amps)
Max
Fuse2/
Breaker3
Size
(Amps)
Min
Discon-
nect
Rating
MCA1
w/Pwr
Exh
(Amps)
Min
Fuse2/
Breaker3
Size
w/
Pwr Exh
(Amps)
Max
Fuse2/
Breaker3
Size
w/
Pwr Exh
(Amps)
Min
Discon-
nect
Rating/
Pwr Exh
RLA LRA MCC RLA LRA MCC Model kW Stages Amps FLA LRA FLA LRA

1068152-YTG-I-1214
Johnson Controls Unitary Products 119
ZYE04-12 High Static Indoor Blower - Without Powered Convenience Outlet
Size
(Tons)
Nominal
Unit
Voltage
Compressor 1 Compressor 2 OD
Fan
Motors
(each)
Supply
Blower
Motor
Pwr
Exh
Motor
Pwr
Conv
Outlet
Electric Heat
Field Installed Kit
*MCA1
(Amps)
1. Minimum Circuit Ampacity.
Min
Fuse2/
Breaker3
Size
(Amps)
2. Dual Element, Time Delay Type.
Max
Fuse2/
Breaker3
Size
(Amps)
Min
Discon-
nect
Rating
MCA1
w/Pwr
Exh
(Amps)
Min
Fuse2/
Breaker3
Size
w/
Pwr Exh
(Amps)
3. HACR type per NEC.
Max
Fuse2/
Breaker3
Size
w/
Pwr Exh
(Amps)
Min
Discon-
nect
Rating/
Pwr Exh
RLA LRA MCC RLA LRA MCC Model kW Stages Amps FLA LRA FLA LRA
04
(3)
208-3-60 10.4 73 16 1.4 5.2 1.1
None - - - 19.6 20 30 20 99 20.7 25 30 21 101
11125 7.9 1 21.9 33.9 35 35 31 99 35.3 40 40 32 101
11625 12 1 33.3 48.1 50 50 44 99 49.5 50 50 46 101
230-3-60 10.4 73 16 1.4 5.2 1
None - - - 19.6 20 30 20 101 20.6 25 30 21 104
11125 10.5 1 25.3 38.1 40 40 35 101 39.4 40 40 36 104
11625 16 1 38.5 54.6 60 60 50 101 55.9 60 60 51 104
460-3-60 5.8 38 9 0.8 2.6 0.5
None - - - 10.7 15 15 11 52 11.2 15 15 11 54
11146 11.5 1 13.8 20.5 25 25 19 52 21.1 25 19 19 54
11446 14 1 16.8 24.3 25 25 22 52 24.9 25 22 23 54
575-3-60 3.8 36.5 6 0.6 2 0.4 None - - - 7.4 15 15 7 48 7.8 15 15 8 49
05
(4)
208-3-60 13.7 83.1 21 1.4 7.5 1.1
None - - - 26 30 35 26 135 27.1 30 40 27 137
11125 7.9 1 21.9 36.8 40 40 34 135 38.1 40 40 35 137
11625 12 1 33.3 51 60 60 47 135 52.4 60 60 48 137
230-3-60 13.7 83.1 21 1.4 7.5 1
None - - - 26 30 35 26 141 27 30 40 27 144
11125 10.5 1 25.3 41 45 45 38 141 42.3 45 45 39 144
11625 16 1 38.5 57.5 60 60 53 141 58.8 60 60 54 144
460-3-60 6.2 41 10 0.8 3.4 0.5
None - - - 12 15 15 12 70 12.5 15 15 13 72
11146 11.5 1 13.8 21.5 25 25 20 70 22.1 25 20 20 72
11446 14 1 16.8 25.3 30 30 23 70 25.9 30 23 24 72
575-3-60 4.8 33 8 0.6 2.8 0.4 None - - - 9.4 15 15 9 57 9.8 15 15 10 57
06
(5)
208-3-60 15.9 110 25 2.3 8.9 1.1
None - - - 31.1 35 45 31 192 32.2 35 45 32 194
11125 7.9 1 21.9 38.5 40 45 35 192 39.9 40 45 37 194
11625 12 1 33.3 52.8 60 60 49 192 54.1 60 60 50 194
230-3-60 15.9 110 25 2.3 8.2 1
None - - - 30.4 35 45 30 194 31.4 35 45 32 196
11125 10.5 1 25.3 41.9 45 45 39 194 43.1 45 45 40 196
11625 16 1 38.5 58.4 60 60 54 194 59.6 60 60 55 196
460-3-60 7.1 52 11 1.3 4.1 0.5
None - - - 14.3 15 20 14 89 14.8 15 20 15 91
11146 11.5 1 13.8 22.4 25 25 21 89 23 25 21 21 91
11446 14 1 16.8 26.1 30 30 24 89 26.8 30 24 25 91
575-3-60 5.1 39.5 8 1.1 3.2 0.4 None - - - 10.7 15 15 11 68 11.1 15 15 11 69
07
(6)
208-3-60 19 123 30 2.3 10.2 1.1 None - - - 38.6 40 50 39 196 40.8 45 50 41 201
230-3-60 19 123 30 2.3 10.2 1 None - - - 38.6 40 50 39 202 40.6 45 50 41 207
460-3-60 9.7 62 15 1.3 4.8 0.5 None - - - 19.5 20 25 20 102 20.5 25 25 21 105
575-3-60 7.4 50 12 1.1 3.4 0.4 None - - - 14.9 15 20 15 82 15.7 20 20 16 84
08
(7.5)
208-3-60 13.6 83.1 21 13.6 83.1 21 2.3 10.2 1.1 None - - - 45.4 50 50 48 239 47.6 50 60 51 244
230-3-60 13.6 83.1 21 13.6 83.1 21 2.3 10.2 1 None - - - 45.4 50 50 48 245 47.4 50 60 51 250
460-3-60 6.1 41 10 6.1 41 10 1.3 4.8 0.5 None - - - 21.1 25 25 23 122 22.1 25 25 24 125
575-3-60 4.2 41 10 4.2 41 10 1.1 3.4 0.4 None - - - 15.1 20 20 16 114 15.9 20 20 17 116
09
(8.5)
208-3-60 13.7 83.1 21 13.7 83.1 21 2.3 10.2 1.1 None - - - 45.6 50 50 49 239 47.8 50 60 51 244
230-3-60 13.7 83.1 21 13.7 83.1 21 2.3 10.2 1 None - - - 45.6 50 50 49 245 47.6 50 60 51 250
460-3-60 6.2 83.1 21 6.2 83.1 21 1.3 4.8 0.5 None - - - 21.4 25 25 23 207 22.4 25 25 24 209
575-3-60 4.8 41 10 4.8 41 10 1.1 3.4 0.4 None - - - 16.4 20 20 17 114 17.2 20 20 18 116
12
(10)
208-3-60 16 110 25 16 110 25 5.8 14.9 1.1 None - - - 56.7 60 70 61 323 58.9 60 70 63 328
230-3-60 16 110 25 16 110 25 5.2 15 1 None - - - 56.2 60 70 60 322 58.2 60 70 62 327
460-3-60 7.8 52 12 7.8 52 12 2.9 7.5 0.5 None - - - 28 30 35 30 159 29 30 35 31 161
575-3-60 5.7 52 12 5.7 52 12 2.2 5.6 0.4 None - - - 20.6 25 25 22 151 21.4 25 25 23 152
With VFD
08
(7.5)
208-3-60 13.6 83.1 21 13.6 83.1 21 2.3 9.9 1.1 None - - - 45.1 50 50 48 248 47.3 50 50 50 253
230-3-60 13.6 83.1 21 13.6 83.1 21 2.3 9.4 1 None - - - 44.6 45 50 47 257 46.6 50 60 50 261
460-3-60 6.1 41 10 6.1 41 10 1.3 4.7 0.5 None - - - 21 25 25 22 128 22 25 25 24 130
575-3-60 4.2 33 7 4.2 33 7 1.1 4.3 0.4 None - - - 16 20 20 17 111 16.8 20 20 18 113
09
(8.5)
208-3-60 13.7 83.1 21 13.7 83.1 21 2.3 9.9 1.1 None - - - 45.3 50 50 48 248 47.5 50 60 51 253
230-3-60 13.7 83.1 21 13.7 83.1 21 2.3 9.4 1 None - - - 44.8 45 50 48 257 46.8 50 60 50 261
460-3-60 6.2 41 10 6.2 41 10 1.3 4.7 0.5 None - - - 21.3 25 25 23 128 22.3 25 25 24 130
575-3-60 4.8 33 8 4.8 33 8 1.1 4.3 0.4 None - - - 17.3 20 20 19 111 18.1 20 20 19 113
12
(10)
208-3-60 16 110 25 16 110 25 5.8 13.5 1.1 None - - - 55.3 60 70 59 345 57.5 60 70 62 350
230-3-60 16 110 25 16 110 25 5.2 13.4 1 None - - - 54.6 60 70 58 341 56.6 60 70 60 346
460-3-60 7.8 52 12 7.8 52 12 2.9 6.7 0.5 None - - - 27.2 30 30 29 166 28.2 30 30 30 168
575-3-60 5.7 38.9 9 5.7 38.9 9 2.2 5.4 0.4 None - - - 20.4 25 25 22 129 21.2 25 25 23 131

1068152-YTG-I-1214
120 Johnson Controls Unitary Products
ZYE04-12 High Static Indoor Blower - With Powered Convenience Outlet
Size
(Tons)
Nominal
Unit
Voltage
Compressor 1 Compressor 2 OD
Fan
Motors
(each)
Supply
Blower
Motor
Pwr
Exh
Motor
Pwr
Conv
Outlet
Electric Heat
Field Installed Kit
*MCA1
(Amps)
1. Minimum Circuit Ampacity.
Min
Fuse2/
Breaker3
Size
(Amps)
2. Dual Element, Time Delay Type.
Max
Fuse2/
Breaker3
Size
(Amps)
Min
Discon-
nect
Rating
MCA1
w/Pwr
Exh
(Amps)
Min
Fuse2/
Breaker3
Size
w/
Pwr Exh
(Amps)
3. HACR type per NEC.
Max
Fuse2/
Breaker3
Size
w/
Pwr Exh
(Amps)
Min
Discon-
nect
Rating/
Pwr Exh
RLA LRA MCC RLA LRA MCC Model kW Stages Amps FLA LRA FLA LRA
04
(3)
208-3-60 10.4 73 16 1.4 5.2 1.1 8.6
None - - - 23.9 25 30 24 103 25 25 35 26 105
11125 7.9 1 21.9 39.3 40 40 36 103 40.6 45 45 37 105
11625 12 1 33.3 53.5 60 60 49 103 54.9 60 60 50 105
230-3-60 10.4 73 16 1.4 5.2 1 8.6
None - - - 23.9 25 30 24 106 24.9 25 35 26 108
11125 10.5 1 25.3 43.5 45 45 40 106 44.8 45 45 41 108
11625 16 1 38.5 60 60 60 55 106 61.3 70 70 56 108
460-3-60 5.8 38 9 0.8 2.6 0.5 8.6
None - - - 12.9 15 15 13 55 13.4 15 15 14 56
11146 11.5 1 13.8 23.2 25 25 21 55 23.8 25 21 22 56
11446 14 1 16.8 26.9 30 30 25 55 27.6 30 25 25 56
575-3-60 3.8 36.5 6 0.6 2 0.4 8.6 None - - - 24.6 25 25 27 65 25 25 25 28 66
05
(4)
208-3-60 13.7 83.1 21 1.4 7.5 1.1 8.6
None - - - 30.3 35 40 31 139 31.4 35 45 32 142
11125 7.9 1 21.9 42.1 45 45 39 139 43.5 45 45 40 142
11625 12 1 33.3 56.4 60 60 52 139 57.8 60 60 53 142
230-3-60 13.7 83.1 21 1.4 7.5 1 8.6
None - - - 30.3 35 40 31 146 31.3 35 45 32 148
11125 10.5 1 25.3 46.4 50 50 43 146 47.6 50 50 44 148
11625 16 1 38.5 62.9 70 70 58 146 64.1 70 70 59 148
460-3-60 6.2 41 10 0.8 3.4 0.5 8.6
None - - - 14.2 15 20 14 73 14.7 15 20 15 74
11146 11.5 1 13.8 24.2 25 25 22 73 24.8 25 22 23 74
11446 14 1 16.8 27.9 30 30 26 73 28.6 30 26 26 74
575-3-60 4.8 33 8 0.6 2.8 0.4 8.6 None - - - 26.6 30 30 29 74 27 30 30 30 75
06
(5)
208-3-60 15.9 110 25 2.3 8.9 1.1 8.6
None - - - 35.4 40 50 36 196 36.5 40 50 37 198
11125 7.9 1 21.9 43.9 45 50 40 196 45.3 50 50 42 198
11625 12 1 33.3 58.1 60 60 53 196 59.5 60 60 55 198
230-3-60 15.9 110 25 2.3 8.2 1 8.6
None - - - 34.7 35 50 35 198 35.7 40 50 36 201
11125 10.5 1 25.3 47.3 50 50 43 198 48.5 50 50 45 201
11625 16 1 38.5 63.8 70 70 59 198 65 70 70 60 201
460-3-60 7.1 52 11 1.3 4.1 0.5 8.6
None - - - 16.5 20 20 17 92 17 20 20 17 93
11146 11.5 1 13.8 25.1 30 30 23 92 25.7 30 23 24 93
11446 14 1 16.8 28.8 30 30 27 92 29.4 30 27 27 93
575-3-60 5.1 39.5 8 1.1 3.2 0.4 8.6 None - - - 27.9 30 30 31 85 28.3 30 30 31 86
07
(6)
208-3-60 19 123 30 2.3 10.2 1.1 8.6 None - - - 42.9 45 60 44 200 45.1 50 60 46 205
230-3-60 19 123 30 2.3 10.2 1 8.6 None - - - 42.9 45 60 44 206 44.9 45 60 46 211
460-3-60 9.7 62 15 1.3 4.8 0.5 8.6 None - - - 21.7 25 30 22 104 22.7 25 30 23 107
575-3-60 7.4 50 12 1.1 3.4 0.4 8.6 None - - - 32.1 35 35 35 100 32.9 35 35 36 101
08
(7.5)
208-3-60 13.6 83.1 21 13.6 83.1 21 2.3 10.2 1.1 8.6 None - - - 49.7 50 60 53 243 51.9 60 60 56 248
230-3-60 13.6 83.1 21 13.6 83.1 21 2.3 10.2 1 8.6 None - - - 49.7 50 60 53 250 51.7 60 60 56 254
460-3-60 6.1 41 10 6.1 41 10 1.3 4.8 0.5 8.6 None - - - 23.3 25 25 25 124 24.3 25 25 26 127
575-3-60 4.2 41 10 4.2 41 10 1.1 3.4 0.4 8.6 None - - - 32.3 35 35 36 132 33.1 35 35 37 133
09
(8.5)
208-3-60 13.7 83.1 21 13.7 83.1 21 2.3 10.2 1.1 8.6 None - - - 49.9 50 60 53 243 52.1 60 60 56 248
230-3-60 13.7 83.1 21 13.7 83.1 21 2.3 10.2 1 8.6 None - - - 49.9 50 60 53 250 51.9 60 60 56 254
460-3-60 6.2 83.1 21 6.2 83.1 21 1.3 4.8 0.5 8.6 None - - - 23.6 25 25 25 209 24.6 25 25 26 211
575-3-60 4.8 41 10 4.8 41 10 1.1 3.4 0.4 8.6 None - - - 33.6 35 35 37 132 34.4 35 35 38 133
12
(10)
208-3-60 16 110 25 16 110 25 5.8 14.9 1.1 8.6 None - - - 61 70 70 66 328 63.2 70 70 68 333
230-3-60 16 110 25 16 110 25 5.2 15 1 8.6 None - - - 60.5 70 70 65 326 62.5 70 70 67 331
460-3-60 7.8 52 12 7.8 52 12 2.9 7.5 0.5 8.6 None - - - 30.2 35 35 32 161 31.2 35 35 34 163
575-3-60 5.7 52 12 5.7 52 12 2.2 5.6 0.4 8.6 None - - - 37.8 40 40 42 168 38.6 40 40 43 170
With VFD
08
(7.5)
208-3-60 13.6 83.1 21 13.6 83.1 21 2.3 9.9 1.1 8.6 None - - - 49.4 50 60 53 253 51.6 60 60 55 258
230-3-60 13.6 83.1 21 13.6 83.1 21 2.3 9.4 1 8.6 None - - - 48.9 50 60 52 261 50.9 60 60 55 266
460-3-60 6.1 41 10 6.1 41 10 1.3 4.7 0.5 8.6 None - - - 23.2 25 25 25 130 24.2 25 25 26 132
575-3-60 4.2 33 7 4.2 33 7 1.1 4.3 0.4 8.6 None - - - 33.2 35 35 37 128 34 35 35 38 130
09
(8.5)
208-3-60 13.7 83.1 21 13.7 83.1 21 2.3 9.9 1.1 8.6 None - - - 49.6 50 60 53 253 51.8 60 60 56 258
230-3-60 13.7 83.1 21 13.7 83.1 21 2.3 9.4 1 8.6 None - - - 49.1 50 60 53 261 51.1 60 60 55 266
460-3-60 6.2 41 10 6.2 41 10 1.3 4.7 0.5 8.6 None - - - 23.5 25 25 25 130 24.5 25 25 26 132
575-3-60 4.8 33 8 4.8 33 8 1.1 4.3 0.4 8.6 None - - - 34.5 35 35 38 128 35.3 40 40 39 130
12
(10)
208-3-60 16 110 25 16 110 25 5.8 13.5 1.1 8.6 None - - - 59.6 60 70 64 349 61.8 70 70 66 354
230-3-60 16 110 25 16 110 25 5.2 13.4 1 8.6 None - - - 58.9 60 70 63 345 60.9 70 70 65 350
460-3-60 7.8 52 12 7.8 52 12 2.9 6.7 0.5 8.6 None - - - 29.4 30 35 32 168 30.4 35 35 33 170
575-3-60 5.7 38.9 9 5.7 38.9 9 2.2 5.4 0.4 8.6 None - - - 37.6 40 40 42 146 38.4 40 40 43 148

1068152-YTG-I-1214
Johnson Controls Unitary Products 121
Typical Wiring Diagrams
ZX/ZY04-14 Typical Wiring Diagrams
Typical ZX/ZY04-06 Cooling Unit w/wo Gas Heat 208/230-1-60 Direct Drive Elementary Diagram Power Circuit

1068152-YTG-I-1214
122 Johnson Controls Unitary Products
Typical ZX/ZY04-06 Cooling Unit w/wo Gas Heat 208/230-3-60 Direct Drive Elementary Diagram Power Circuit

1068152-YTG-I-1214
Johnson Controls Unitary Products 123
Typical ZX/ZY04-06 Cooling Unit w/wo Gas Heat 460-3-60 Direct Drive Elementary Diagram Power Circuit

1068152-YTG-I-1214
124 Johnson Controls Unitary Products
Typical ZX/ZY04-06 Cooling Unit w/wo Gas Heat 208/230-1-60 Belt Drive Elementary Diagram Power Circuit

1068152-YTG-I-1214
Johnson Controls Unitary Products 125
Typical ZX04-08/ZY04-06 Cooling Unit w/wo Gas Heat 208/230-3-60 Belt Drive Elementary Diagram Power Circuit

1068152-YTG-I-1214
126 Johnson Controls Unitary Products
Typical ZX09/ZY07 Cooling Unit w/wo Gas Heat 208/230-3-60 Belt Drive Elementary Diagram Power Circuit

1068152-YTG-I-1214
Johnson Controls Unitary Products 127
Typical ZX12/ZY08, 09 Cooling Unit w/wo Gas Heat 208/230-3-60 Belt Drive Elementary Diagram Power Circuit

1068152-YTG-I-1214
128 Johnson Controls Unitary Products
Typical ZX14/ZY12 Cooling Unit w/wo Gas Heat 208/230-3-60 Belt Drive Elementary Diagram Power Circuit

1068152-YTG-I-1214
Johnson Controls Unitary Products 129
Typical ZX04-08/ZY04-06 Cooling Unit w/wo Gas Heat 460/575-3-60 Belt Drive Elementary Diagram Power Circuit

1068152-YTG-I-1214
130 Johnson Controls Unitary Products
Typical ZX09/ZY07 Cooling Unit w/wo Gas Heat 460/575-3-60 Belt Drive Elementary Diagram Power Circuit

1068152-YTG-I-1214
Johnson Controls Unitary Products 131
Typical ZX12/ZY08, 09 Cooling Unit w/wo Gas Heat 460/575-3-60 Belt Drive Elementary Diagram Power Circuit

1068152-YTG-I-1214
132 Johnson Controls Unitary Products
Typical ZX14/ZY12 Cooling Unit w/wo Gas Heat 460/575-3-60 Belt Drive Elementary Diagram Power Circuit

1068152-YTG-I-1214
Johnson Controls Unitary Products 133
Typical ZX12/ZY08, 09 Cooling Unit with VFD w/wo Gas Heat 208/230-3-60 Belt Drive Elementary Diagram Power Circuit

1068152-YTG-I-1214
134 Johnson Controls Unitary Products
Typical ZX14/ZY12 Cooling Unit with VFD w/wo Gas Heat 208/230-3-60 Belt Drive Elementary Diagram Power Circuit

1068152-YTG-I-1214
Johnson Controls Unitary Products 135
Typical ZX12/ZY08, 09 Cooling Unit with VFD w/wo Gas Heat 460/575-3-60 Belt Drive Elementary Diagram Power Circuit

1068152-YTG-I-1214
136 Johnson Controls Unitary Products
Typical ZX14/ZY12 Cooling Unit with VFD w/wo Gas Heat 460/575-3-60 Belt Drive Elementary Diagram Power Circuit

1068152-YTG-I-1214
Johnson Controls Unitary Products 137
Typical ZX/ZY04-06 Cooling Unit Direct Drive Elementary Diagram Control Circuit

1068152-YTG-I-1214
138 Johnson Controls Unitary Products
Typical ZX/ZY04-06 Cooling Unit with Gas Heat Direct Drive Elementary Diagram Control Circuit

1068152-YTG-I-1214
Johnson Controls Unitary Products 139
Typical ZX04-09/ZY04-07 Cooling Unit Belt Drive Elementary Diagram Control Circuit

1068152-YTG-I-1214
140 Johnson Controls Unitary Products
Typical ZX04-09/ZY04-07 Cooling Unit with Gas Heat Belt Drive Elementary Diagram Control Circuit

1068152-YTG-I-1214
Johnson Controls Unitary Products 141
Typical ZX12, 14/ZY09-12 Cooling Unit Belt Drive w/wo VFD Elementary Diagram Control Circuit

1068152-YTG-I-1214
142 Johnson Controls Unitary Products
Typical ZX12, 14/ZY09-12 Cooling Unit with Gas Heat Belt Drive w/wo VFD Elementary Diagram Control Circuit

1068152-YTG-I-1214
Johnson Controls Unitary Products 143
Weights and Dimensions
ZX04-14/ZY04-12 Unit Weights
Unit 4 Point Load Weight Unit 6 Point Load Weight
Unit Center Of Gravity
XY
LEFT FRONT

1068152-YTG-I-1214
144 Johnson Controls Unitary Products
ZX04-14/ZY04-12 Corner Weights
Model Size
(Tons)
Weight (lbs.) Center of Gravity 4 Point Load Location (lbs.) 6 Point Load Location (lbs.)
ShippingOperatingX Y ABCDABCDEF
ZXE 04
(3) 474 469 36 24 117 111 117 123 79 76 74 78 80 83
ZXE 05
(4) 503 498 36 24 126 120 123 129 84 82 79 82 84 87
ZXE 06
(5) 535 530 36 24 133 127 132 139 89 86 84 88 90 93
ZXE 07
(6) 597 592 36 24 148 140 148 156 99 96 93 98 101 105
ZXE 08
(7.5) 796 791 46 36 218 244 174 155 142 153 166 118 109 101
ZXE 09
(8.5) 857 852 46 36 230 262 192 168 150 163 178 131 120 110
ZXE 12
(10) 884 879 46 36 242 271 193 172 158 171 184 131 122 113
ZXE 14
(12.5) 946 941 45 36 265 284 203 189 175 183 192 137 130 125
ZYE 04
(3) 486 481 36 24 122 114 118 127 83 79 75 78 82 86
ZYE 05
(4) 569 564 36 24 141 136 141 146 94 92 90 93 96 98
ZYE 06
(5) 587 582 36 24 145 139 146 152 97 94 92 97 100 102
ZYE 07
(6) 739 734 44 36 208 213 158 154 138 140 143 106 104 103
ZYE 08
(7.5) 883 878 46 36 239 271 196 173 156 169 184 133 122 113
ZYE 09
(8.5) 883 878 46 36 241 265 195 177 158 168 180 132 124 116
ZYE 12
(10) 907 902 45 36 249 267 199 186 164 172 180 134 128 123
ZX04-14/ZY04-12 Corner Weights
Model Size
(Tons)
Weight (lbs.) Center of Gravity 4 point Load Location (lbs.) 6 point Load Location (lbs.)
ShippingOperatingX Y ABCDABCDEF
ZXG 04
(3) 530 515 36 27 142 135 116 122 95 92 89 77 79 82
ZXG 05
(4) 557 552 36 27 154 144 123 131 104 99 95 81 85 89
ZXG 06
(5) 589 584 36 27 163 152 130 139 110 105 100 86 90 94
ZXG 07
(6) 651 646 36 27 181 172 142 150 122 118 114 94 97 101
ZXG 08
(7.5) 898 893 44 37 263 270 182 178 175 178 180 122 120 118
ZXG 09
(8.5) 959 954 44 37 282 289 194 189 187 190 193 130 128 126
ZXG 12
(10) 990 985 44 37 291 298 200 196 193 196 199 134 132 130
ZXG 14
(12.5) 1052 1047 45 37 305 320 216 206 201 208 215 146 141 136
ZYG 04
(3) 532 527 36 27 147 136 117 126 99 94 90 77 81 85
ZYG 05
(4) 623 618 36 27 174 165 136 143 117 113 109 90 93 96
ZYG 06
(5) 641 636 36 27 179 170 140 148 120 116 112 93 96 99
ZYG 07
(6) 809 804 43 37 241 235 162 166 161 159 156 108 109 111
ZYG 08
(7.5) 985 980 44 37 290 297 199 195 192 195 198 133 131 129
ZYG 09
(8.5) 980 980 44 37 284 292 204 199 189 192 196 137 134 132
ZYG 12
(10) 1013 1008 45 37 293 308 208 198 194 200 207 140 135 131

1068152-YTG-I-1214
Johnson Controls Unitary Products 145
ZX/ZY04-14 Unit Accessory Weights
Unit Accessory Weights (lbs.)
Vertical Flow Dry Bulb Economizer Small Footprint 55
Vertical Flow Dry Bulb Economizer Large Footprint 60
Horizontal Flow Dry Bulb Economizer Small Footprint Short 74
Horizontal Flow Dry Bulb Economizer Small Footprint Tall 76
Horizontal Flow Dry Bulb Economizer Large Footprint Short 79
Horizontal Flow Dry Bulb Economizer Large Footprint Tall 82
Power Exhaust Vert Flow Small Footprint 55
Power Exhaust Vert Flow Large Footprint 75
Power Exhaust Horiz Flow Small Footprint 40
Power Exhaust Horiz Flow Large Footprint 80
Hail Guard Kit Small Short Factory Installed 18
Hail Guard Kit Small Tall Factory Installed 23
Hail Guard Kit Large Short Factory Installed 36
Hail Guard Kit Large Tall Factory Installed 44
Curb Rigid 14" Small Footprint 94
Curb Rigid 14" Large Footprint 126
Curb Rigid 24" Small Footprint 148
Curb Rigid 24" Large Footprint 222

1068152-YTG-I-1214
146 Johnson Controls Unitary Products
ZX04-14/ZY04-12 Unit Dimensions
ZX04-06 and ZY04

1068152-YTG-I-1214
Johnson Controls Unitary Products 147
ZX07 and ZY05-06

1068152-YTG-I-1214
148 Johnson Controls Unitary Products
ZX08 and ZY07

1068152-YTG-I-1214
Johnson Controls Unitary Products 149
ZX09/12 and ZY08/09

1068152-YTG-I-1214
150 Johnson Controls Unitary Products
ZX14 and ZY12

1068152-YTG-I-1214
Johnson Controls Unitary Products 151
ZX04-14/ZY04-12 Unit Roof Curb Dimensions
1RC0456, 1RC0458 Roof Curb Dimensions
O.D.40.688
40.684
X
70.871
4.961
I.D.
37.188
5.422
67.375
I.D.
32.188
13.781
3.000
20.406
17.781
14.000
23.591 11.961
70.875 O.D.
RETURN
SUPPLY
RETURN
SUPPLY
1RC0456 X= 14" Height
1RC0458 X= 24" Height
Notes:
1. Sides, ends and cross support are 18-G90. Deck pans, R/A & S/A supports are 20-G90.
2. Full perimeter wood nailer.
3. Insulated deck pans.
FRONT
FRONT
RIGHT
RIGHT
NOTE: If utilities are required thru the base of the unit or thru
the roof curb the following field installed accessories
can be purchased thru your dealer or contractor:
1TB0401 - Thru the base electrical and thru the curb gas
1TB0403 - Thru the base electrical and gas
ZX04-07, ZY04-06 Unit Clearances
Direction Distance (in.) Direction Distance (in.)
Top1
1. Units must be installed outdoors. Over hanging structure or
shrubs should not obscure condenser air discharge outlet.
72 Right 18
Front 36 Left 12
Rear 182/363
2. Units without economizer or power exhaust.
3. Units equipped with an Economizer or Power Exhaust. Flue
products must not be discharged within 10 Feet of the rear of
the unit.
Bottom4
4. Units may be installed on combustible floors made from
wood or class A, B or C roof covering materials.
1
ZX08-14, ZY07-12 Unit Clearances
Direction Distance (in.) Direction Distance (in.)
Top1
1. Units must be installed outdoors. Over hanging structure or
shrubs should not obscure condenser air discharge outlet.
72 Right 18
Front 48 Left 12
Rear 182/363
2. Units without economizer or power exhaust.
3. Units equipped with an Economizer or Power Exhaust. Flue
products must not be discharged within 10 Feet of the rear of
the unit.
Bottom4
4. Units may be installed on combustible floors made from wood
or class A, B or C roof covering materials.
1
Unit Models used with 1RC0456, 1RC0458 Roof Curb
ZX04 ZY04
ZX05 ZY05
ZX06 ZY06
ZX07

1068152-YTG-I-1214
152 Johnson Controls Unitary Products
1RC0457, 1RC0459 Roof Curb Dimensions
26.000
X
81.746
84.000 O.D. O.D.53.500
53.496
11.417
6.043
24.813
4.173
34.313
I.D.
50.000
78.250
I.D.
40.188
15.469
3.000
15.813
31.531
81.750 O.D.
RETURN
SUPPLY
RETURN
SUPPLY
FRONT
RIGHT
FRONT
RIGHT
1RC0457 X= 14" Height
1RC0459 X= 24" Height
Notes:
1. Sides, ends, unit locator and cross support are 18-G90. Deck pans, R/A & S/A supports are 20-G90.
2. Full perimeter wood nailer.
3. Insulated deck pans.
NOTE: If utilities are required thru the base of the unit or thru
the roof curb the following field installed accessories
can be purchased thru your dealer or contractor:
1TB0402 - Thru the base electrical and thru the curb gas
1TB0404 - Thru the base electrical and gas
Unit Models used with 1RC0457, 1RC0459 Roof Curb
ZX08 ZY07
ZX09 ZY08
ZX12 ZY09
ZX14 ZY12

1068152-YTG-I-1214
Johnson Controls Unitary Products 153
Economizer Options
Field Installed Vertical Flow Economizer
Economizer Usage
Application Description Accessory Kit Number
Economizer Vertical Flow Econ, DB, Vertical Flow, Small Footprint 2EE04706724
Econ, DB, Vertical Flow, Large Footprint 2EE04706824
Economizer Horizontal Flow
Econ, DB, Horizontal Flow, Small Footprint, Short Cabinet 2EE04707024
Econ, DB, Horizontal Flow, Small Footprint, Tall Cabinet 2EE04707124
Econ, DB, Horizontal Flow, Large Footprint, Short Cabinet 2EE04707224
Econ, DB, Horizontal Flow, Large Footprint, Tall Cabinet 2EE04707324
Power Exhaust Vertical Flow
Power Exhaust Vert Flow Small Footprint 208V-230V 1-ph 2PE04704206
Power Exhaust Vert Flow Small Footprint 208V-230V 3-ph 2PE04704225
Power Exhaust Vert Flow Small Footprint 460V 3-ph 2PE04704246
Power Exhaust Vert Flow Small Footprint 575V 3-ph 2PE04704258
Power Exhaust Vert Flow Large Footprint 208V-230V 1-ph 2PE04704306
Power Exhaust Vert Flow Large Footprint 208V-230V 3-ph 2PE04704325
Power Exhaust Vert Flow Large Footprint 460V 3-ph 2PE04704346
Power Exhaust Vert Flow Large Footprint 575V 3-ph 2PE04704358
Power Exhaust Horizontal Flow
Power Exhaust Horiz Flow Small Footprint 208V-230V 1-ph 2PE04704406
Power Exhaust Horiz Flow Small Footprint 208V-230V 3-ph 2PE04704425
Power Exhaust Horiz Flow Small Footprint 460V 3-ph 2PE04704446
Power Exhaust Horiz Flow Small Footprint 575V 3-ph 2PE04704458
Power Exhaust Horiz Flow Large Footprint 208V-230V 1-ph 2PE04704506
Power Exhaust Horiz Flow Large Footprint 208V-230V 3-ph 2PE04704525
Power Exhaust Horiz Flow Large Footprint 460V 3-ph 2PE04704546
Power Exhaust Horiz Flow Large Footprint 575V 3-ph 2PE04704558

1068152-YTG-I-1214
154 Johnson Controls Unitary Products
Field Installed Vertical Flow Economizer W/Power Exhaust
Field Installed Horizontal Flow Economizer

1068152-YTG-I-1214
Johnson Controls Unitary Products 155
Field Installed Horizontal Flow Economizer W/Power Exhaust

1068152-YTG-I-1214
156 Johnson Controls Unitary Products
Guide Specifications
YORK® GUIDE MECHANICAL SPECIFICATIONS
SINGLE PACKAGE AIR CONDITIONERS
3 THRU 12-1/2 NOMINAL TONS
PRESTIGE® SERIES
Size Range:3 to 12-1/2 Tons Nominal Cooling
45,000 to 200,000 BTUH Nominal Gas Heating Output
Model Series: ZX & ZY
DIVISION 23 – HEATING, VENTILATING, AND AIR-CONDITIONING (HVAC)
Number Title
23 00 00 HEATING, VENTILATING, AND AIR-CONDITIONING (HVAC)
23 06 00 Schedules for HVAC
23 06 80 Schedules for Decentralized HVAC Equipment
23 06 80.13 Decentralized Unitary HVAC Equipment Schedule
23 06 80.13.A. Rooftop unit schedule
23 07 00 HVAC Insulation
23 07 16 HVAC Equipment Insulation
23 07 16.13 Decentralized, Rooftop Units:
23 07 16.13.A. Evaporator fan compartment:
1. Interior cabinet surfaces shall be insulated with a minimum 1/2- in. thick, minimum 1 1/2 lb density, flexible
fiberglass insulation coated on the air side.
2. Insulation and adhesive shall meet NFPA 90A requirements for flame spread and smoke generation.
23 07 16.13.B. Gas heat compartment:
1. Aluminum foil- faced fiberglass insulation shall be used.
2. Insulation and adhesive shall meet NFPA 90A requirements for flame spread and smoke generation.
23 09 00 Instrumentation and Control for HVAC

1068152-YTG-I-1214
Johnson Controls Unitary Products 157
23 09 13 Instrumentation and Control Devices for HVAC
23 09 13.23 Sensors and Transmitters
23 09 13.23.A. Thermostats
1. Thermostat must
a. energize “G” when calling for fan only or continuous fan.
b. have capability to energize 2 different stages of cooling, and 2 different stages of heating.
c. include capability for occupancy scheduling.
23 09 23 Direct- digital Control system for HVAC
23 09 23.13 Decentralized, Rooftop Units:
23 09 23.13.A. Simplicity SE (Unit based microprocessor control)
1. Shall be ASHRAE 62- 2001 compliant.
2. Shall include an integrated economizer controller to support an economizer with 2 to 10 v DC actuator input.
3. Controller shall accept the following inputs: space temperature, setpoint adjustment, outdoor air temperature,
indoor air quality, outdoor air quality, indoor relative humidity, compressor lockout, fire shutdown, enthalpy,
fan status, remote time clock/door switch.
4. Shall accept a CO2 sensor in the conditioned space, and be Demand Control Ventilation ready.
5. Unit shall provide surge protection for the controller through a circuit breaker.
6. Shall have an LED display independently showing the status of activity on the communication bus, and
processor operation.
7. Software upgrades will be accomplished by local download. Software upgrades through chip replacements
are not allowed.
A. Unit shall be complete with self-contained low-voltage control circuit protected by a resettable circuit breaker
on the 24-volt transformer side.
B. Unit shall incorporate a lockout circuit which provides reset capability at the space thermostat or base unit
should any of the following standard safety devices trip and shut off compressor:
C. Loss-of-charge/Low-pressure switch.
D. High-pressure switch.
E. Freeze-protection temperature sensor, evaporator coil. If any of the above safety devices trip, an LED (light-
emitting diode) indicator shall flash a diagnostic code that indicates which safety switch has tripped.
F. Unit shall incorporate “AUTO RESET” compressor over temperature, over current protection.
G. Unit shall operate with conventional thermostat designs and have a low voltage terminal strip for easy hook-up.
H. Unit control board shall have on-board diagnostics and fault code display.
I. Standard controls shall include anti-short cycle and low voltage protection, and permit cooling operation down
to 0 ºF.
J. Control board shall monitor each refrigerant safety switch independently.
K. Control board shall retain last 5 fault codes in non-volatile memory, which will not be lost in the event of a
power loss.
23 09 23.13.B. RTU Open - multi- protocol, direct digital controller:
1. Shall be ASHRAE 62- 2001 compliant.
2. Shall include built- in protocol for BACNET , Modbus , and Johnson N2.
3. Shall allow access of up to 62 network variables (SNVT). Shall be compatible with all open controllers
4. Baud rate Controller shall be selectable using a dip switch.
48HC

1068152-YTG-I-1214
158 Johnson Controls Unitary Products
5. Shall have an LED display independently showing the status of serial communication, running, errors, power,
all digital outputs, and all analog inputs.
6. Shall accept the following inputs: space temperature, setpoint adjustment, outdoor air temperature, indoor air
quality, outdoor air quality, compressor lock- out, fire shutdown, enthalpy switch, and fan status/filter status/
humidity/ remote occupancy.
7. Software upgrades will be accomplished by either local or remote download. No software upgrades through
chip replacements are allowed.
23 09 33 Electric and Electronic Control System for HVAC
23 09 33.13 Decentralized, Rooftop Units:
23 09 33.13.A. General:
1. Shall be complete with self- contained low- voltage control circuit protected by a resettable circuit breaker on
the 24- v transformer side. Transformer shall have 75VA capability.
2. Shall utilize color- coded wiring.
3. Shall include a central control terminal board to conveniently and safely provide connection points for vital
control functions such as: smoke detectors, phase monitor, gas controller, economizer, thermostat, DDC
control options, and low and high pressure switches.
4. The heat exchanger shall be controlled by an integrated gas controller (IGC) microprocessor. See heat
exchanger section of this specification.
23 09 33.23.B. Safeties:
1. Compressor over- temperature, over- current. High internal pressure differential.
2. Low- pressure switch.
a. Units with 2 compressors shall have different sized connectors for the circuit 1 and circuit 2 low and high
pressure switches. They shall physically prevent the cross- wiring of the safety switches between circuits
1 and 2.
b. Low pressure switch shall use different color wire than the high pressure switch. The purpose is to assist
the installer and service technician to correctly wire and or troubleshoot the rooftop unit.
3. High- pressure switch.
a. Units with 2 compressors shall have different sized connectors for the circuit 1 and circuit 2 low and high
pressure switches. They shall physically prevent the cross- wiring of the safety switches between circuits
1 and 2.
b. High pressure switch shall use different color wire than the low pressure switch. The purpose is to assist
the installer and service technician to correctly wire and or troubleshoot the rooftop unit.
4. Automatic reset, motor thermal overload protector.
5. Heating section shall be provided with the following minimum protections:
a. High- temperature limit switches.
b. Induced draft motor speed sensor.
c. Flame roll-out switch.
d. Flame proving controls
23 09 93 Sequence of Operations for HVAC Controls
23 09 93.13 Decentralized, Rooftop Units:
23 09 93.13 INSERT SEQUENCE OF OPERATION
23 40 13 Panel Air Filters
23 40 13.13 Decentralized, Rooftop Units:
23 40 13.13.A. Standard filter section

1068152-YTG-I-1214
Johnson Controls Unitary Products 159
1. Shall consist of factory- installed, low velocity, disposable 2” or 4” thick fiberglass filters of commercially
available sizes.
2. Units can accept 2” or 4” filters and have a field convertible toolless
3. Filters shall be accessible through an access panel with toolless removal as described in the unit cabinet
section of this specification (23 81 19.13.H).
23 81 19 Self- Contained Air Conditioners
23 81 19.13 Small- Capacity Self- Contained Air Conditioners
23 81 19.13.A. General
1. Outdoor, rooftop mounted, electrically controlled, heating and cooling unit utilizing a fully hermetic scroll
compressor(s) for cooling duty and gas combustion for heating duty.
2. Factory assembled, single- piece heating and cooling rooftop unit. Contained within the unit enclosure shall
be all factory wiring, piping, controls, and special features required prior to field start- up.
3. Unit shall use environmentally sound, R-410A refrigerant.
4. Unit shall be installed in accordance with the manufacturer’s instructions.
5. Unit must be selected and installed in compliance with local, state, and federal codes.
23 81 19.13.B. Quality Assurance
1. Unit meets ASHRAE 90.1 minimum efficiency requirements.
2. ZY units are Energy Star certified.
3. Unit shall be rated in accordance with AHRI Standards 210/240 or 340/360.
4. Unit shall be designed to conform to ASHRAE 15, 2001.
5. Unit shall be UL- tested and certified in accordance with ANSI Z21.47 -2012/CSA 2.3-2012, CSA C22.2 No.
236-11 (UL 1995) 4th edition and CSA C22.2 No. 3 - M 1988.
6. Insulation and adhesive shall meet NFPA 90A requirements for flame spread and smoke generation.
7. Unit casing shall be capable of withstanding 1000- hour salt spray exposure per ASTM B117 (scribed
specimen).
8. Unit shall be designed in accordance with ISO 9001, and shall be manufactured in a facility registered by ISO
9001.
9. Roof curb shall be designed to conform to NRCA Standards.
10. Unit shall be subjected to a completely automated run test on the assembly line. The data for each unit will
be stored at the factory, and must be available upon request.
11. Unit shall be designed in accordance with UL Standard 1995, including tested to withstand rain.
12. Unit shake tested to assurance level 1, ASTM D4169 to ensure shipping reliability.
13. High Efficient Motors listed shall meet section 313 of the Energy Independence and Security Act of 2007
(EISA 2007).
23 81 19.13.C. Delivery, Storage, and Handling
1. Unit shall be stored and handled per manufacturer’s recommendations.
23 81 19.13.E. Project Conditions
1. As specified in the contract.
23 81 19.13.F. Operating Characteristics
1. Unit shall be capable of starting and running at 125°_F (52°_C) ambient outdoor temperature, meeting
maximum load criteria of AHRI Standard 210/240 or 340/360 at ± 10% voltage.
2. Compressor with standard controls shall be capable of operation down to 0°_F (2°_C), ambient outdoor
temperatures. See below for head pressure control package or winter start kit.
3. Unit shall discharge supply air vertically or horizontally as shown on contract drawings.
4. Unit shall be factory configured for vertical supply & return configurations.

1068152-YTG-I-1214
160 Johnson Controls Unitary Products
5. Unit shall be field convertible from vertical to horizontal airflow on all models.
6. Unit shall be capable of mixed operation: vertical supply with horizontal return or horizontal supply with vertical
return.
23 81 19.13.G. Electrical Requirements
1. Main power supply voltage, phase, and frequency must match those required by the manufacturer.
23 81 19.13.H. Unit Cabinet
1. Unit cabinet shall be constructed of galvanized steel with exterior surfaces coated with a non-chalking,
powder paint finish, certified at 1000 hour salt spray test per ASTM-B117 standards.
2. Evaporator fan compartment interior cabinet insulation shall conform to AHRI Standards 210/240 or 340/360
minimum exterior sweat criteria. Interior surfaces shall be insulated with a minimum 1/2- in. thick, 1 1/2 lb
density, flexible fiberglass insulation, neoprene coated on the air side. Aluminum foil- faced fiberglass
insulation shall be used in the gas heat compartment. Fan shall be a belt drive assembly and include an
adjustable pitch motor pulley. Job site selected brake horsepower shall not exceed the motors nameplate
horsepower rating plus the service factor (Only premium efficiency motors have hp rating on the nameplate).
Units shall be designed to operate within the service factor. Fan wheel shall be double inlet type with forward
curve blades, dynamically balanced to operate smoothly throughout the entire range of operation. Airflow
design shall be constant volume. Bearings shall be sealed and permanently lubricated for longer life and no
maintenance.
Condenser Fan Assembly: The outdoor fans shall be of the direct drive type, discharge air vertically, have
aluminum blades riveted to corrosion resistant steel spider brackets and shall be dynamically balanced for
smooth operation. The outdoor fan motors shall have permanently lubricated bearings internally protected
against overload conditions and staged independently.
3. Base of unit shall have a minimum of four locations for thru- the- base gas and electrical connections (factory
installed or field installed), standard.
4. Base Rail
a. Unit shall have base rails on a minimum of 4 sides.
b. Holes shall be provided in the base rails for rigging shackles to facilitate maneuvering and overhead
rigging.
c. Holes shall be provided in the base rail for moving the rooftop by fork truck.
d. Base rail shall be a minimum of 16 gauge thickness.
5. Condensate pan and connections:
a. Shall be an internally sloped condensate drain pan made of a non- corrosive material. b. Shall comply with
ASHRAE Standard 62.
c. Shall use a 3/4” - 14 NPT drain connection, possible either through the bottom or side of the drain pan.
Connection shall be made per manufacturer’s recommendations.
6. Top panel:
a. Shall be a single piece top panel.
7. Gas Connections:
a. All gas piping connecting to unit gas valve shall enter the unit cabinet at a single location on side of unit
b. Thru- the- base capability
(1.) Standard unit shall have a thru- the- base gas- line location using a raised, embossed portion of the
unit base-pan.
(2.) Optional, factory- approved, water- tight connection method must be used for thru- the- base gas
connections.
(3.) No base-pan penetration, other than those authorized by the manufacturer, is permitted.
8. Electrical Connections

1068152-YTG-I-1214
Johnson Controls Unitary Products 161
a. All unit power wiring shall enter unit cabinet at a single, factory- prepared, knockout location. b. Thru- the-
base capability.
(1.) Standard unit shall have a thru- the- base electrical location (s) using a raised, embossed portion of the
unit base-pan.
(2.) Optional, factory- approved, water- tight connection method must be used for thru- the- base electrical
connections.
(3.) No base-pan penetration, other than those authorized by the manufacturer, is permitted.
9. Component access panels (standard)
a. Cabinet panels shall be easily removable for servicing.
b. Unit shall have one factory installed, toolless, removable, filter access panel.
c. Panels covering control box, indoor fan, indoor fan motor, gas components (where applicable), and
compressors shall have a molded composite handles.
d. Handles shall be UV modified, composite. They shall be permanently attached, and recessed into the
panel.
e. Screws on the vertical portion of all removable access panel shall engage into heat resistant, molded
composite collars.
f. Collars shall be removable and easily replaceable using manufacturer recommended parts.
23 81 19.13.I. Gas Heat
1. General
a. Heat exchanger shall be an induced draft design. Positive pressure heat exchanger designs shall not be
allowed.
b. Shall incorporate a direct- spark ignition system and redundant main gas valve.
c. Gas supply pressure at the inlet to the rooftop unit gas valve must match that required by the manufacturer.
2. The heat exchanger shall be controlled by an integrated gas controller (IGC) microprocessor.
a. IGC board shall notify users of fault using an LED (light- emitting diode).
b. The LED shall be visible without removing the control box access panel.
c. IGC board shall contain algorithms that modify evaporator- fan operation to prevent future cycling on high
temperature limit switch.
d. Unit shall be equipped with anti- cycle protection with one short cycle on unit flame roll-out switch or 4
continuous short cycles on the high temperature limit switch. Fault indication shall be made using an LED.
3. Standard Heat Exchanger construction
a. Heat exchanger shall be of the tubular- section type constructed of a minimum of 20- gauge steel coated
with a nominal 1.2 mil aluminum- silicone alloy for corrosion resistance.
b. Burners shall be of the in- shot type constructed of aluminum- coated steel.
c. Burners shall incorporate orifices for rated heat output up to 2000 ft (610m) elevation. Additional accessory
kits may be required for applications above 2000 ft (610m) elevation, depending on local gas supply
conditions.
d. Each heat exchanger tube shall contain multiple dimples for increased heating effectiveness.
4. Optional Stainless Steel Heat Exchanger construction a. Use energy saving, direct- spark ignition system. b.
Use a redundant main gas valve.
c. Burners shall be of the in- shot type constructed of aluminum- coated steel.
d. All gas piping shall enter the unit cabinet at a single location on side of unit (horizontal plane).
e. The optional stainless steel heat exchanger shall be of the tubular- section type, constructed of a minimum
of 20- gauge type 409 stainless steel.
f. Type 409 stainless steel shall be used in heat exchanger tubes and vestibule plate
g. Complete stainless steel heat exchanger allows for greater application flexibility.
1. Optional Low NOx Heat Exchanger construction
48HC

1068152-YTG-I-1214
162 Johnson Controls Unitary Products
a. Primary tubes and vestibule plates on low NOx units shall be 409 stainless steel. Other components shall
be aluminized steel.
2. Induced draft combustion motor and blower
a. Shall be a direct- drive, single inlet, forward- curved centrifugal type.
b. Shall be made from steel with a corrosion- resistant finish.
c. Shall have permanently lubricated sealed bearings. d. Shall have inherent thermal overload protection.
d. Shall have an automatic reset feature.
23 81 19.13.J. Coils
1. Standard Aluminum Fin/Copper Tube Coils:
a. Standard evaporator and condenser coils shall have aluminum lanced plate fins mechanically bonded to
seamless internally grooved copper tubes with all joints brazed.
b. Evaporator coils shall be leak tested to 150 psig, pressure tested to 450 psig, and qualified to CSA C22.2
No. 236-11 (UL 1995) 4th edition burst test at 1775 psig.
c. Condenser coils shall be leak tested to 150 psig, pressure tested to 650 psig, and qualified to CSA C22.2
No. 236-11 (UL 1995) 4th edition burst test at 1980 psig.
2. Optional EFIN- coated aluminum- fin evaporator and condenser coils:
a. Shall have a durable epoxy- phenolic coating to provide protection in mildly corrosive coastal
environments.
b. Coating shall be applied to the aluminum fin stock prior to the fin stamping process to create an inert barrier
between the aluminum fin and copper tube.
c. Epoxy- phenolic barrier shall minimize galvanic action between dissimilar metals.
23 81 19.13.K. Refrigerant Components
1. Refrigerant circuit shall include the following control, safety, and maintenance features:
a. Thermostatic Expansion Valve (TXV) shall help provide optimum performance across the entire operating
range. Shall contain removable power element to allow change out of power element and bulb without
removing the valve body. (Orifice on 3-5 Ton Units)
b. Refrigerant filter drier - Solid core design.
c. Service gauge connections on suction and discharge lines.
d. Pressure gauge access through a specially designed access port in the top panel of the unit.
2. There shall be gauge line access port in the skin of the rooftop, covered by a black, removable plug.
a. The plug shall be easy to remove and replace.
b. When the plug is removed, the gauge access port shall enable maintenance personnel to route their
pressure gauge lines.
c. This gauge access port shall facilitate correct and accurate condenser pressure readings by enabling the
reading with the compressor access panel on.
d. The plug shall be made of a leak proof, UV- resistant, composite material.
3. Compressors
a. Unit shall use fully hermetic, scroll compressor for each independent refrigeration circuit.
b. Compressor motors shall be cooled by refrigerant gas passing through motor windings.
c. Compressors shall be internally protected from high discharge temperature conditions.
d. Compressors shall be protected from an over- temperature and over- amperage conditions by an internal,
motor overload device.
e. Compressor shall be factory mounted on rubber grommets.
f. Compressor motors shall have internal line break thermal, current overload and high pressure differential
protection.
g. Crankcase heaters shall not be required for normal operating range, unless provided by the factory.

1068152-YTG-I-1214
Johnson Controls Unitary Products 163
23 81 19.13.L. Filter Section
1. Filters access is specified in the unit cabinet section of this specification.
3. Shall consist of factory- installed, low velocity, throw- away 2” or 4” thick fiberglass filters.
3. Units can accept 2” or 4” filters and have a field convertible toolless
23 81 19.13.M. Evaporator Fan and Motor
1. Evaporator fan motor:
a. Shall have permanently lubricated bearings.
b. Shall have inherent automatic reset thermal protection (Only on single-phase, belt-drive motors, three -
phase, belt-drive motors have internal thermostat used for external line-break control.).
2. Electric Drive (Direct Drive) X13 – 5 Speed/Torque Evaporator Fan:
a. Multi- speed motor with easy quick adjustment settings.
b. Blower fan shall be double- inlet type with forward- curved blades.
c. Shall be constructed from steel with a corrosion resistant finish and dynamically balanced.
3. Belt- driven Evaporator Fan:
a. Belt drive shall include an adjustable- pitch motor pulley.
b. Shall use sealed, permanently lubricated ball- bearing type.
c. Blower fan shall be double- inlet type with forward- curved blades.
d. Shall be constructed from steel with a corrosion resistant finish and dynamically balanced.
23 81 19.13.N. Condenser Fans and Motors
The outdoor fans shall be of the direct drive type, discharge air vertically, have aluminum blades riveted to corrosion
resistant steel spider brackets and shall be dynamically balanced for smooth operation. The outdoor fan motors shall
have permanently lubricated 60°C ball bearings internally protected against overload conditions and staged
independently. A cleaning window shall be provided on two sides of the units for coil cleaning.
1. Condenser fan motors:
a. Shall be a totally enclosed motor.
b. Shall use permanently lubricated bearings.
c. Shall have inherent thermal overload protection with an automatic reset feature.
d. All models Shall use a shaft- down design except shaft- up on ZX14 & ZY12 size with rain shield.
2. Condenser Fans:
a. Shall be a direct- driven propeller type fan.
b. Shall have galvanized steel blades riveted to corrosion- resistant steel spiders and shall be dynamically
balanced.
23 81 19.13.O. Special Features Options and Accessories
1. IntelliSpeed - Staged Air Volume System (ZX12, ZX14, &ZY12)
a. Evaporator fan motor:
(1.) Shall have permanently lubricated bearings.
(2.) Shall have a maximum continuous bhp rating for continuous duty operation; no safety factors above
that rating.
(3.) Shall be Variable Frequency duty and 2- speed control.
(4.) Shall contain motor shaft grounding ring to prevent electrical bearing fluting damage by safely divert-
ing harmful shaft voltages and bearing currents to ground.
2. Variable Frequency Drive (VFD). Only available on 2- speed indoor fan motor option (IntelliSpeed):
INSERT MITSUBISHI DRIVE SPECIFICATIONS
3. Standard Integrated Economizers:
a. Integrated, gear- driven opposing modulating blade design type capable of simultaneous economizer and
compressor operation.
48HC

1068152-YTG-I-1214
164 Johnson Controls Unitary Products
b. Independent modules for vertical or horizontal return configurations shall be available. Vertical return
modules shall be available as a factory installed option.
c. Damper blades shall be galvanized steel with composite gears. Plastic or composite blades on intake or
return shall not be acceptable.
d. Shall include all hardware and controls to provide free cooling with outdoor air when temperature and/or
humidity are below set-points.
e. Shall be equipped with gear driven dampers for both the outdoor ventilation air and the return air for
positive air stream control.
f. Standard models shall be equipped with low- leakage dampers, not to exceed 2% leakage at 1 in. wg pres-
sure differential. Economizers will come with Actuator and module that is tied to Simplicity SE:
(1.) Combined minimum and DCV maximum damper position potentiometers with compressor staging re-
lay.
(2.) Functions with solid state analog enthalpy or dry bulb changeover control sensing.
(3.) Contain LED indicates for: when free cooling is available when module is in DCV mode when exhaust
fan contact is closed
4. Two- Position Damper
a. Damper shall be a Two- Position Damper. Damper travel shall be from the full closed position to the field
adjustable %- open setpoint.
b. Damper shall include adjustable damper travel from 25% to 100% (full open).
c. Damper shall include single or dual blade, gear driven dampers and actuator motor.
d. Actuator shall be direct coupled to damper gear. No linkage arms or control rods shall be acceptable. e.
Damper will admit up to 100% outdoor air for applicable rooftop units.
f. Damper shall close upon indoor (evaporator) fan shutoff and/or loss of power.
g. The damper actuator shall plug into the rooftop unit’s wiring harness plug. No hard wiring shall be required.
h. Outside air hood shall include aluminum water entrainment filter.
5. Manual damper
a. Manual damper package shall consist of damper, air inlet screen, and rain hood which can be preset to admit
up to 25 or 50% outdoor air for year round ventilation.
6. Condenser Coil Hail Guard Assembly (Factory and Field installed on all models):
a. Shall protect against damage from hail.
b. Shall be of louvered style.
7. Unit- Mounted, Non- Fused Disconnect Switch:
a. Switch shall be factory- installed, internally mounted.
b. National Electric Code (NEC) and UL approved non- fused switch shall provide unit power shutoff.
c. Shall be accessible from outside the unit.
d. Shall provide local shutdown and lockout capability.
8. Thru- the- Base Connectors:
a. Kits shall provide connectors to permit gas and electrical connections to be brought to the unit through the unit
base-pan.
b. Minimum of four connection locations per unit.
9. Propeller Power Exhaust:
a. Power exhaust shall be used in conjunction with an integrated economizer.
b. Independent modules for vertical or horizontal return configurations shall be available. c. Horizontal power
exhaust is shall be mounted in return ductwork.
d. Power exhaust shall be controlled by economizer controller operation. Exhaust fans shall be energized when
dampers open past the 0- 100% adjustable setpoint on the economizer control.
10. Roof Curbs (Vertical):

Subject to change without notice. Printed in U.S.A. 1068152-YTG-I-1214
Copyright © 2015 by Johnson Controls, Inc. All rights reserved. Supersedes: 1068152-YTG-H-0714
York International Corporation
5005 York Drive
Norman, OK 73069
a. Full perimeter roof curb with exhaust capability providing separate air streams for energy recovery from the
exhaust air without supply air contamination.
b. Formed galvanized steel with wood nailer strip and shall be capable of supporting entire unit weight. c.
Permits installation and securing of ductwork to curb prior to mounting unit on the curb.
11. High Altitude Gas Conversion Kit:
a. Package shall contain all the necessary hardware and instructions to convert a standard natural gas.
12. Outdoor Air Enthalpy Sensor:
a. The outdoor air enthalpy sensor shall be used to provide single enthalpy control. When used in conjunction
with a return air enthalpy sensor, the unit will provide differential enthalpy control. The sensor allows the unit
to determine if outside air is suitable for free cooling.
13. Return Air Enthalpy Sensor:
a. The return air enthalpy sensor shall be used in conjunction with an outdoor air enthalpy sensor to provide
differential enthalpy control.
14. Indoor Air Quality (CO2) Sensor:
a. Shall be able to provide demand ventilation indoor air quality (IAQ) control.
b. The IAQ sensor shall be available in duct mount, wall mount, or wall mount with LED display. The set- point
shall have adjustment capability.
b. Shall be environmental compensated with differential sensing for reliable, stable, and drift- free sensitivity.
c. Shall use magnet- activated test/reset sensor switches.
d. Shall have tool- less connection terminal access.
