User manual

ZXSDRR8862A
MacroRadioRemoteUnit
ProductDescription
Version:V1.0
ZTECORPORATION
No.55,Hi-techRoadSouth,ShenZhen,P .R.China
Postcode:518057
Tel:+86-755-26771900
Fax:+86-755-26770801
URL:http://support.zte.com.cn
E-mail:800@zte.com.cn

LEGALINFORMATION
Copyright©2016ZTECORPORATION.
Thecontentsofthisdocumentareprotectedbycopyrightlawsandinternationaltreaties.Anyreproductionor
distributionofthisdocumentoranyportionofthisdocument,inanyformbyanymeans,withoutthepriorwritten
consentofZTECORPORATIONisprohibited.Additionally,thecontentsofthisdocumentareprotectedby
contractualcondentialityobligations.
Allcompany,brandandproductnamesaretradeorservicemarks,orregisteredtradeorservicemarks,ofZTE
CORPORATIONoroftheirrespectiveowners.
Thisdocumentisprovided“asis”,andallexpress,implied,orstatutorywarranties,representationsorconditions
aredisclaimed,includingwithoutlimitationanyimpliedwarrantyofmerchantability,tnessforaparticularpurpose,
titleornon-infringement.ZTECORPORATIONanditslicensorsshallnotbeliablefordamagesresultingfromthe
useoforrelianceontheinformationcontainedherein.
ZTECORPORATIONoritslicensorsmayhavecurrentorpendingintellectualpropertyrightsorapplications
coveringthesubjectmatterofthisdocument.ExceptasexpresslyprovidedinanywrittenlicensebetweenZTE
CORPORATIONanditslicensee,theuserofthisdocumentshallnotacquireanylicensetothesubjectmatter
herein.
ZTECORPORATIONreservestherighttoupgradeormaketechnicalchangetothisproductwithoutfurthernotice.
UsersmayvisittheZTEtechnicalsupportwebsitehttp://support.zte.com.cntoinquireforrelatedinformation.
TheultimaterighttointerpretthisproductresidesinZTECORPORATION.
RevisionHistory
RevisionNo.RevisionDateRevisionReason
R1.12016-04-08V4.15.10.20
Thosetopicshavebeenmodied:
lProductFeatures
lLogicalArchitecture
lPhysicalSpecications
lPerformanceSpecications
lPowerConsumption
lOperatingEnvironmentRequirements
R1.02015-08-21Firstedition
SerialNumber:SJ-20150203110107-040
PublishingDate:2016-04-08(R1.1)
SJ-20150203110107-040|2016-04-08(R1.1)ZTEProprietaryandCondential

Contents
AboutThisManual.........................................................................................I
Chapter1ProductPositioningandFeatures..........................................1-1
1.1ProductPositioning............................................................................................1-1
1.2ProductFeatures................................................................................................1-2
Chapter2ProductStructure.....................................................................2-1
2.1HardwareArchitecture........................................................................................2-1
2.2LogicalArchitecture............................................................................................2-2
2.3SoftwareArchitecture.........................................................................................2-2
Chapter3OperationandMaintenance.....................................................3-1
3.1Maintenance......................................................................................................3-1
Chapter4TechnicalSpecications..........................................................
4-1
4.1PhysicalSpecications.......................................................................................4-1
4.2PerformanceSpecications.................................................................................
4-2
4.3PowerConsumption...........................................................................................4-4
4.4EMCSpecications............................................................................................4-5
4.5ReliabilitySpecications.....................................................................................
4-5
Chapter5EnvironmentRequirements.....................................................
5-1
5.1OperatingPowerSupply.....................................................................................
5-1
5.2OperatingEnvironmentRequirements.................................................................
5-1
Figures.............................................................................................................I
Tables............................................................................................................III
Glossary.........................................................................................................V
I
SJ-20150203110107-040|2016-04-08(R1.1)ZTEProprietaryandCondential

Thispageintentionallyleftblank.
II
SJ-20150203110107-040|2016-04-08(R1.1)ZTEProprietaryandCondential

AboutThisManual
Purpose
ThismanualprovidesinformationabouttheZXSDRR8862A,includingfunctions,
structures,maintenance,andtechnicalspecications.
IntendedAudience
Thismanualisintendedfor:
lEquipmentinstallationengineers
lMaintenanceengineers
WhatIsinThisManual
Thismanualcontainsthefollowingchapters.
Chapter1,Product
PositioningandFeatures
DescribesthepositioningandfeaturesoftheZXSDRR8862A.
Chapter2,Product
Structure
Describesthesoftware,hardware,andlogicalstructuresoftheZXSDR
R8862A.
Chapter3,Operationand
Maintenance
DescribestheoperationandmaintenancemethodsfortheZXSDR
R8862A.
Chapter4,Technical
Specications
DescribesthetechnicalspecicationsoftheZXSDRR8862A.
Chapter5,Environment
Requirements
DescribesenvironmentrequirementsoftheZXSDRR8862A.
RelatedDocumentation
Thefollowingdocumentationisrelatedtothismanual:
lZXSDRR8862AMacroRRUHardwareDescription
lZXSDRR8862AMacroRRUEngineeringInstallationGuide
lZXSDRR8862AMacroRRUPartsReplacementGuide
Conventions
Thismanualusesthefollowingconventions.
Caution:indicatesapotentiallyhazardoussituation.Failuretocomply
canresultinmoderateinjury,equipmentdamage,orinterruptionof
minorservices.
Note:providesadditionalinformationaboutatopic.
I
SJ-20150203110107-040|2016-04-08(R1.1)ZTEProprietaryandCondential

400
II
SJ-20150203110107-040|2016-04-08(R1.1)ZTEProprietaryandCondential
FCCStatement
Note:
ThisequipmenthasbeentestedandfoundtocomplywiththelimitsforaClassAdigital
device,pursuanttoPart15oftheFCCRules.Theselimitsaredesignedtoprovide
reasonableprotectionagainstharmfulinterferencewhentheequipmentisoperatedin
acommercialenvironment.Thisequipmentgenerates,uses,andcanradiateradio
frequencyenergyand,ifnotinstalledandusedinaccordancewiththeinstructionmanual,
maycauseharmfulinterferencetoradiocommunications.Operationofthisequipment
inaresidentialareaislikelytocauseharmfulinterferenceinwhichcasetheuserwillbe
requiredtocorrecttheinterferenceathisownexpense.
Note:
Operationofthisequipmentinaresidentialareaislikelytocauseharmfulinterferencein
whichcasetheuserwillberequiredtocorrecttheinterferenceathisownexpense.
Note:
FCCRadiationExposureStatement:ThisequipmentcomplieswithFCCradiation
exposurelimitssetforthforanuncontrolledenvironment.Thisequipmentshouldbe
installedandoperatedwithminimumdistancecmbetweentheradiator&yourbody.

Chapter1
ProductPositioningand
Features
TableofContents
ProductPositioning....................................................................................................1-1
ProductFeatures........................................................................................................1-2
1.1ProductPositioning
TheZXSDRR8862AisanoutdoorremoteradiounitinaZTEbasestation.TheZXSDR
R8862AandaBBUformacompletebasestation,implementingradiotransmissioninthe
coverageareaandcontrollingradiochannels.
Figure1-1showsthepositionoftheZXSDRR8862A(anRRU)inawirelessnetwork.
Figure1-1PositionoftheZXSDRR8862AinaWirelessNetwork
TheZXSDRR8862Asupportsthefollowingfunctions:
lMultiplebandwidthcongurations,suchas1.4MHz,3MHz,5MHz,10MHz,15MHz,
and20MHz
lOperatingfrequencybands:850MHz,1800MHz,2100MHz,and2600MHz
lTwotransmittingchannelsandfourreceivingchannels
lUplinkanddownlink64QAMmodulation
lTransmitpowerreportingofeachcarrier
1-1
SJ-20150203110107-040|2016-04-08(R1.1)ZTEProprietaryandCondential

ZXSDRR8862AProductDescription
lLoadprotectionforthePowerAmplier(PA)
lTransmitchannelswitchingonandoff
lRRUpowerconsumptionreporting
lEnergysaving(dynamicvoltageadjustmentandsymbolshutdown)
lImmunetosoftwarefaultswhencascadedtothesoftware
1.2ProductFeatures
lSmallsizeforeasyinstallationanddeployment
Thesmallsizefacilitatesthetransportationandinstallationanddecreasesthe
load-bearingrequirementandoperatingexpensewhenitisinstalledonapole,tower,
orwall.
lMultimodeRRU
TheZXSDRR8862AisanRRUbasedontheSDRplatform.Inthesamefrequency
band,aGSM/UMTS/CDMARRUcanbesmoothlytransitionedtoanLTERRUthrough
softwareupgrade.Multimodeissupportedinthesamefrequencybandtomeetthe
requirementsofoperatorsformultimodenetworkdeploymentandlongtermevolution
atalowcost.
lMultipletransmittingchannelsandmultiplereceivingchannels
TheZXSDRR8862Asupportstwotransmittingchannelsandfourreceivingchannels,
improvingthespectralefciencyanduplinknetworkperformanceandofferingbetter
userexperience.
lLowcostandhighefciency
ThePAefciencyoftheZXSDRR8862Acanbeupto45%.
TheZXSDRR8862Asupportsadynamicauto-sensingPApowersupplybasedon
theoutputpower,reducingtheoverallpowerconsumption.
NaturalheatdissipationoftheZXSDRR8862Acontributestoquitelowpower
consumptionandzeronoise.
lIntegratedlightningprotectionmodule
TheZXSDRR8862Ahasanintegratedlightningprotectionmodulewiththeprotection
levelof20kA.
1-2
SJ-20150203110107-040|2016-04-08(R1.1)ZTEProprietaryandCondential

Chapter2
ProductStructure
TableofContents
HardwareArchitecture................................................................................................2-1
LogicalArchitecture....................................................................................................2-2
SoftwareArchitecture.................................................................................................2-2
2.1HardwareArchitecture
Figure2-1showsanexternalviewoftheZXSDRR8862A.
Figure2-1ExternalViewoftheZXSDRR8862A
2-1
SJ-20150203110107-040|2016-04-08(R1.1)ZTEProprietaryandCondential

ZXSDRR8862AProductDescription
2.2LogicalArchitecture
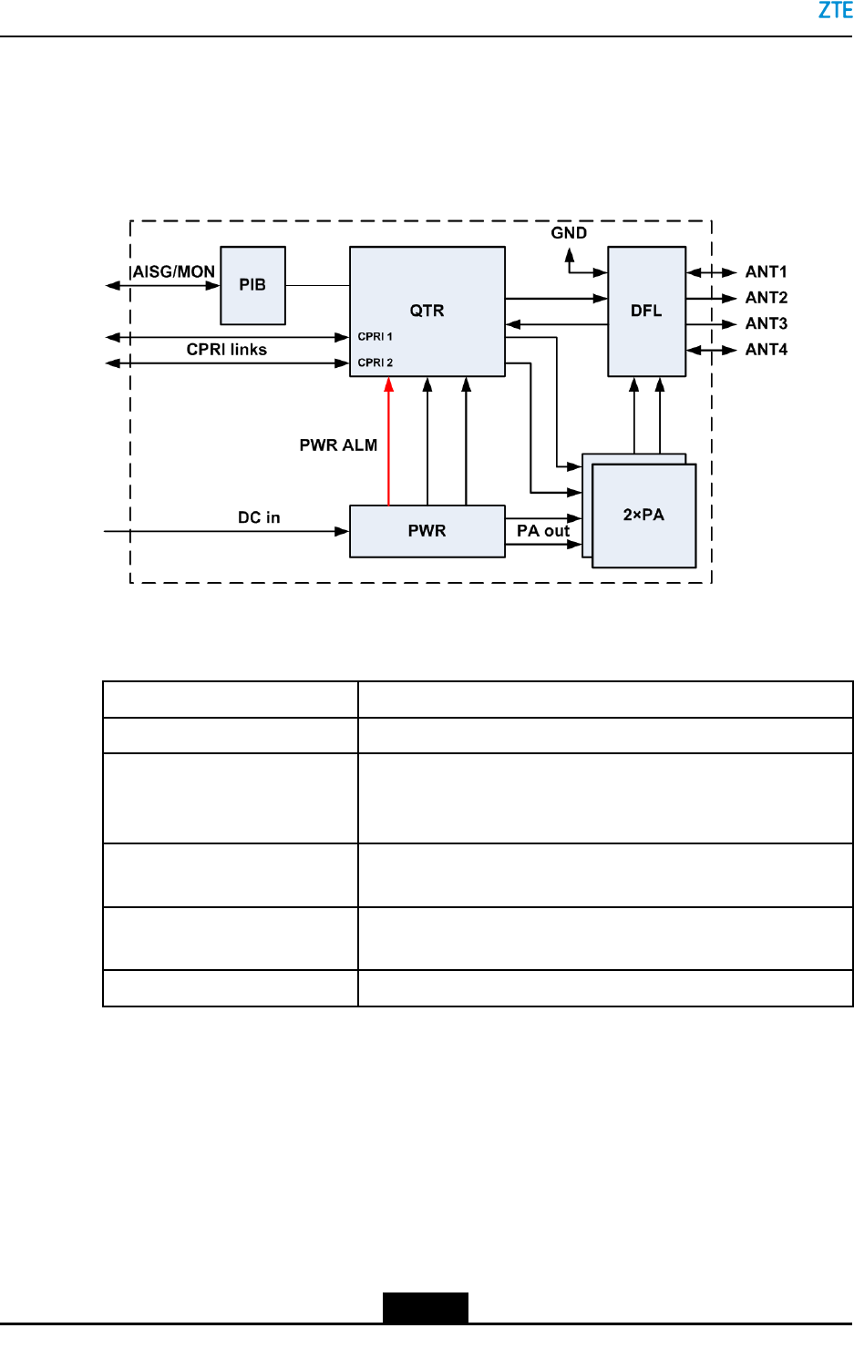
TheZXSDRR8862Aconsistsofapowersupply,transceiver,poweramplier,anddiplexer
lter.Figure2-2showsthelogicalstructureoftheZXSDRR8862A.
Figure2-2LogicalStructureoftheZXSDRR8862A
Forthefunctiondescriptionofthemodules,refertoT able2-1.
Table2-1ZXSDRR8862AModuleDescription
ModuleFunction
PowersupplyOutputspowerandprotectsthepowersupplyequipment.
TransceiverTransceivesthedigitalintermediatefrequencyandradio
frequency,andcontrolstheclocks,powersupply,andpower
amplier.
PoweramplierAmpliesthedownlinkRFsignals,outputstheRFsignalstothe
duplexer,andintegratesthelow-noiseamplier.
DiplexerlterConsistsoftwoduplexersandonelter,implementingthereceive
diversityfunction.
ProtectingInterfaceBoardIntegratedlightningprotectunitfortheAISGanddrycontacts
2.3SoftwareArchitecture
Figure2-3showsthesoftwarearchitectureoftheZXSDRR8862A.
2-2
SJ-20150203110107-040|2016-04-08(R1.1)ZTEProprietaryandCondential

Chapter2ProductStructure
Figure2-3SoftwareArchitectureoftheZXSDRR8862A
ThehardwareplatformisoperatingontheLinuxoperatingsystem.TheBoardSupport
Package(BSP)isasetofsoftwarecloselyrelatedtoboardhardwareandsupportsthe
RealTimeOperatingSystem(RTOS)tooperateonboards.Theoperatingsupportlayer
providesthefollowingfunctions:OSS,SCS,OAM,DBS,BRS,andBRACS.
lAsasupportlayeroftheentiresoftwaresubsystem,theOperationSupport
Sub-system(OSS)providesahardware-independentplatformfortheentiresoftware
architecture.Italsoprovidessomebasicsoftwarefunctions,includingscheduling,
timers,memorymanagement,inter-modulecommunication,sequencecontrol,
monitoring,alarmreporting,andlogging.
lTheSystemControlSub-system(SCS)controlsthepowersupplyandtheswitchover
betweenactiveandstandbypowersupplies.
lTheOperatingAndMaintenancesubsystem(OAM)providestheconguration,alarm
management,andperformancemeasurementfunctions.
lTheDataBaseSub-system(DBS)storesandmanagessystemdata.
lTheBarrierSub-system(BRS)isusedforprotocolstackprocessing.
lTheBarrierAccessControlSub-system(BRACS)controlsaccesstothebearerlayer.
2-3
SJ-20150203110107-040|2016-04-08(R1.1)ZTEProprietaryandCondential

ZXSDRR8862AProductDescription
Thispageintentionallyleftblank.
2-4
SJ-20150203110107-040|2016-04-08(R1.1)ZTEProprietaryandCondential

Chapter3
OperationandMaintenance
TableofContents
Maintenance..............................................................................................................3-1
3.1Maintenance
RemoteMaintenance
TheradioNEmanagementsystem(NetNumenU31)isconnectedtoaBBUandthentothe
ZXSDRR8862AthroughaCPRIinterfaceforremoteoperationandmaintenance.Figure
3-1showsadiagramofremoteoperationandmaintenance.
Figure3-1RemoteOperationandMaintenance
Inremotemaintenancemode,theNetNumenU31systemisconnectedtoNEsthrough
theTCP/IPprotocol.OneNetNumenU31systemcanmaintainmultiplebasestationsat
thesametime.
LocalMaintenance
TheLocalMaintenanceTerminal(LMT),whichisinstalledonaPC,isconnectedtothe
ZXSDRR8862AthroughanEthernetcableforlocaloperationandmaintenance.Figure
3-2showsadiagramoflocaloperationandmaintenance.
3-1
SJ-20150203110107-040|2016-04-08(R1.1)ZTEProprietaryandCondential

ZXSDRR8862AProductDescription
Figure3-2LocalOperationandMaintenance
YoucanquerythefollowinginformationontheLMToftheZXSDRR8862A:power,power
increaseanddecrease,andcalibration.TheLMTisusedtomaintainasinglebasestation.
3-2
SJ-20150203110107-040|2016-04-08(R1.1)ZTEProprietaryandCondential

Chapter4
TechnicalSpecications
TableofContents
PhysicalSpecications...............................................................................................4-1
PerformanceSpecications........................................................................................4-2
PowerConsumption...................................................................................................4-4
EMCSpecications....................................................................................................4-5
ReliabilitySpecications.............................................................................................4-5
4.1PhysicalSpecications
lForadescriptionofthephysicalspecicationsoftheZXSDRR8862AS8500/S1800/
S2100/S2600.
ItemSpecication
Volume422mm×218mm×133mm(Height×Width×Depth)
12L
Weight15kg
ColorSilverygrey
lForadescriptionofthephysicalspecicationsoftheZXSDRR8862AS7200.
ItemSpecication
Volume422mm×218mm×165mm(Height×Width×Depth)
15L
Weight17kg
ColorSilverygrey
lForadescriptionofthephysicalspecicationsoftheZXSDRR8862AS7000.
ItemSpecication
Volume425mm×220mm×165mm(Height×Width×Depth)
13.8L
Weight17kg
ColorSilverygrey
lForadescriptionofthephysicalspecicationsoftheZXSDRR8862AS9000.
4-1
SJ-20150203110107-040|2016-04-08(R1.1)ZTEProprietaryandCondential

ZXSDRR8862AProductDescription
ItemSpecication
Volume422mm×218mm×143mm(Height×Width×Depth)
13.2L
Weight17kg
ColorSilverygrey
lForadescriptionofthephysicalspecicationsoftheZXSDRR8862AS2601.
ItemSpecication
Volume422mm×218mm×133mm(Height×Width×Depth)
12.4L
Weight16kg
ColorSilverygrey
4.2PerformanceSpecications
OperatingFrequencyBand
ForadescriptionoftheoperatingfrequencybandssupportedbytheZXSDRR8862A,refer
toTable4-1.
Table4-1OperatingFrequencyBand
ModelBandOperatingFrequencyBand
R8862AS7200B28
AP700MHz
Tx:758MHz–803MHz
Rx:703MHz–748MHz
R8862AS7000AP700MHzTx:728MHz–746MHz
Rx:698MHz–716MHz
R8862AS8500B5
850MHz
Tx:869MHz---894MHz
Rx:824MHz---849MHz
R8862AS9000B8
900MHz
lType1:
Tx:925MHz–960MHz
Rx:880MHz–915MHz
lType2:
Tx:934MHz–960MHz
Rx:889MHz–915MHz
4-2
SJ-20150203110107-040|2016-04-08(R1.1)ZTEProprietaryandCondential

Chapter4T echnicalSpecications
ModelBandOperatingFrequencyBand
R8862AS1800B3
1800MHz
lType1:
Tx:1805MHz–1860MHz
Rx:1710MHz–1765MHz
lType2:
Tx:1825MHz–1875MHz
Rx:1730MHz–1780MHz
lType3:
Tx:1830MHz–1880MHz
Rx:1735MHz–1785MHz
R8862AS2100B1
2100MHz
Tx:2110MHz---2170MHz
Rx:1920MHz---1980MHz
R8862AS2600
R8862AS2601
B7
2600MHz
Tx:2620MHz---2690MHz
Rx:2500MHz---2570MHz
Cabinet-TopOutputPower
Foradescriptionofthemaximumcabinet-topoutputpoweroftheZXSDRR8862A,refer
toTable4-2.
Table4-2Cabinet-TopOutputPower
ModelPAOutputPowerCabinet-TopOutputPower
R8862AS72002×75W2×60W
R8862AS85002×75W2×60W
R8862AS90002×75W2×60W
R8862AS18002×75W2×60W
R8862AS21002×75W2×60W
R8862AS26002×50W2×40W
R8862AS26012×75W2×60W
R8862AS7000-2×40W
Bandwidth
TheZXSDRR8862AsupportsallLTEbandwidths,including1.4MHz,3MHz,5MHz,10
MHz,15MHz,and20MHz.
ReceivingSensitivity
ForadescriptionofthereceivingsensitivityoftheZXSDRR8862A,refertoTable4-3.
4-3
SJ-20150203110107-040|2016-04-08(R1.1)ZTEProprietaryandCondential

ZXSDRR8862AProductDescription
Table4-3ReceivingSensitivity
ModeFrequency
Spectrum(MHz)
SingleAntenna
(dBm)
DualAntennas
(dBm)
FourAntennas
(dBm)
GSM900/1800-113.5-115.5N/A
UMTS2100-126.5-129.2N/A
AP700/850/900-106.6-109.4-112.2 LTE
1800/2100/2600-106.4-109.2-112
4.3PowerConsumption
R8862APowerConsumptioninLTESingleMode
Conguration:LTEsinglecarrier,2PA,60W/LTE.
ModuleAveragePC(W)PeakPC(W)
R8862AS7200220440
R8862AS8500210430
R8862AS9000210415
R8862AS1800220370
R8862AS2100210440
R8862AS2601240470
R8862APowerConsumptioninU/LDual-mode
Conguration:4U+1L2×2MIMO,2PA,20W/LTE,20W/UMTS.
ModuleAveragePC(W)PeakPC(W)
R8862AS2100250420
R8862APowerConsumptioninG/LDual-mode
Conguration:4G+1L2×2MIMO,2PA,20W/LTE,20W/GSM.
ModuleAveragePC(W)PeakPC(W)
R8862AS9000290415
R8862AS1800245370
4-4
SJ-20150203110107-040|2016-04-08(R1.1)ZTEProprietaryandCondential

Chapter4T echnicalSpecications
4.4EMCSpecications
ForadescriptionoftheElectroMagneticCompatibility(EMC)specicationsoftheZXSDR
R8862A,refertoT able4-4.
Table4-4EMCSpecications
ItemSpecication
ElectrostaticdischargeimmunityContactdischarge:±6000V
Airdischarge:±8000V
SurgeimmunityDCpowerinterfacecable(ground):±2000V
4.5ReliabilitySpecications
ForadescriptionofthereliabilityspecicationsoftheZXSDRR8862A,refertoT able4-5.
Table4-5ReliabilitySpecications
ItemSpecication
MTBFDC:≥46,4000hours
AC:≥44,2000hours
MTTR1hour
AvailabilityDC:≥99.999784%
AC:≥99.999774%
Durationfor
out-of-service
DC:≤1.133minutes/year
AC:≤1.189minutes/year
4-5
SJ-20150203110107-040|2016-04-08(R1.1)ZTEProprietaryandCondential

ZXSDRR8862AProductDescription
Thispageintentionallyleftblank.
4-6
SJ-20150203110107-040|2016-04-08(R1.1)ZTEProprietaryandCondential

Chapter5
EnvironmentRequirements
TableofContents
OperatingPowerSupply.............................................................................................5-1
OperatingEnvironmentRequirements........................................................................5-1
5.1OperatingPowerSupply
ForadescriptionoftheoperatingpowersupplyspecicationsoftheZXSDRR8862A,refer
toTable5-1.
Table5-1OperatingVoltageRange
ItemSpecication
DC–48V(–37Vto–60V)
AC220V/110V(90Vto280V)
5.2OperatingEnvironmentRequirements
ForadescriptionoftheoperatingenvironmentrequirementsoftheZXSDRR8862A,refer
toTable5-2.
Table5-2OperatingEnvironmentRequirements
ItemSpecication
Temperature–40°Cto+55°C
Relativehumidity5%–95%
ProtectionlevelIP65
Groundingresistance≤5Ω
(<10Ωfortheareaswherethenumberofthedayswithlightningand
stormperyearissmallerthan20)
5-1
SJ-20150203110107-040|2016-04-08(R1.1)ZTEProprietaryandCondential

ZXSDRR8862AProductDescription
Caution!
Iftheoperatingenvironmenttemperatureishigherthan40°C,toavoidburns,neverdirectly
touchtheequipmentsurface.Ifyoudisassembletheequipmentinthiscase,rstswitch
offitspowersupply.Donotdisassemblethedeviceuntilitcoolsdown.
5-2
SJ-20150203110107-040|2016-04-08(R1.1)ZTEProprietaryandCondential

Figures
Figure1-1PositionoftheZXSDRR8862AinaWirelessNetwork.............................1-1
Figure2-1ExternalViewoftheZXSDRR8862A.......................................................2-1
Figure2-2LogicalStructureoftheZXSDRR8862A..................................................2-2
Figure2-3SoftwareArchitectureoftheZXSDRR8862A..........................................2-3
Figure3-1RemoteOperationandMaintenance........................................................3-1
Figure3-2LocalOperationandMaintenance............................................................3-2
I
SJ-20150203110107-040|2016-04-08(R1.1)ZTEProprietaryandCondential

Figures
Thispageintentionallyleftblank.
II
SJ-20150203110107-040|2016-04-08(R1.1)ZTEProprietaryandCondential

Tables
Table2-1ZXSDRR8862AModuleDescription.........................................................2-2
Table4-1OperatingFrequencyBand........................................................................4-2
Table4-2Cabinet-TopOutputPower........................................................................4-3
Table4-3ReceivingSensitivity..................................................................................4-4
Table4-4EMCSpecications...................................................................................4-5
Table4-5ReliabilitySpecications............................................................................4-5
Table5-1OperatingVoltageRange..........................................................................5-1
Table5-2OperatingEnvironmentRequirements.......................................................5-1
III
SJ-20150203110107-040|2016-04-08(R1.1)ZTEProprietaryandCondential

Tables
Thispageintentionallyleftblank.
IV
SJ-20150203110107-040|2016-04-08(R1.1)ZTEProprietaryandCondential

Glossary
64QAM
-64QuadratureAmplitudeModulation
AC
-AlternatingCurrent
BBU
-BaseBandUnit
BRACS
-BearerAccessControlSubsystem
BRS
-BearerSubsystem
BSP
-BoardSupportPackage
CDMA
-CodeDivisionMultipleAccess
CPRI
-CommonPublicRadioInterface
DBS
-DatabaseServer
DBS
-DatabaseSubsystem
DC
-DirectCurrent
GSM
-GlobalSystemforMobileCommunications
IP
-InternetProtocol
LMT
-LocalMaintenanceTerminal
LTE
-LongTermEvolution
MTBF
-MeanTimeBetweenFailures
MTTR
-MeanTimeT oRecovery
V
SJ-20150203110107-040|2016-04-08(R1.1)ZTEProprietaryandCondential

ZXSDRR8862AProductDescription
NE
-NetworkElement
OAM
-Operation,AdministrationandMaintenance
OAM
-OperatingandMaintenance
OSS
-OperationSupportSubsystem
PA
-PowerAmplier
PC
-PersonalComputer
RRU
-RemoteRadioUnit
RTOS
-Real-TimeOperatingSystem
SCS
-SystemControlSubsystem
SDR
-SoftwareDenedRadio
TCP
-TransmissionControlProtocol
UMTS
-UniversalMobileTelecommunicationSystem
VI
SJ-20150203110107-040|2016-04-08(R1.1)ZTEProprietaryandCondential