User manual

ZXSDRR8984E
TDD4PathRemoteRadioUnit
ProductDescription
Version:V1.0
ZTECORPORATION
No.55,Hi-techRoadSouth,ShenZhen,P .R.China
Postcode:518057
Tel:+86-755-26771900
Fax:+86-755-26770801
URL:http://support.zte.com.cn
E-mail:800@zte.com.cn

LEGALINFORMATION
Copyright©2015ZTECORPORATION.
Thecontentsofthisdocumentareprotectedbycopyrightlawsandinternationaltreaties.Anyreproductionor
distributionofthisdocumentoranyportionofthisdocument,inanyformbyanymeans,withoutthepriorwritten
consentofZTECORPORATIONisprohibited.Additionally,thecontentsofthisdocumentareprotectedby
contractualcondentialityobligations.
Allcompany,brandandproductnamesaretradeorservicemarks,orregisteredtradeorservicemarks,ofZTE
CORPORATIONoroftheirrespectiveowners.
Thisdocumentisprovided“asis”,andallexpress,implied,orstatutorywarranties,representationsorconditions
aredisclaimed,includingwithoutlimitationanyimpliedwarrantyofmerchantability,tnessforaparticularpurpose,
titleornon-infringement.ZTECORPORATIONanditslicensorsshallnotbeliablefordamagesresultingfromthe
useoforrelianceontheinformationcontainedherein.
ZTECORPORATIONoritslicensorsmayhavecurrentorpendingintellectualpropertyrightsorapplications
coveringthesubjectmatterofthisdocument.ExceptasexpresslyprovidedinanywrittenlicensebetweenZTE
CORPORATIONanditslicensee,theuserofthisdocumentshallnotacquireanylicensetothesubjectmatter
herein.
ZTECORPORATIONreservestherighttoupgradeormaketechnicalchangetothisproductwithoutfurthernotice.
UsersmayvisittheZTEtechnicalsupportwebsitehttp://support.zte.com.cntoinquireforrelatedinformation.
TheultimaterighttointerpretthisproductresidesinZTECORPORATION.
RevisionHistory
RevisionNo.RevisionDateRevisionReason
R1.02015-04-30Firstedition
SerialNumber:SJ-20150330163204-001
PublishingDate:2015-04-30(R1.0)
SJ-20150330163204-001|2015-04-30(R1.0)ZTEProprietaryandCondential

Contents
AboutThisManual.........................................................................................I
Chapter1ProductPositioningandFeatures..........................................1-1
1.1Positioning.........................................................................................................1-1
1.2Highlights..........................................................................................................1-1
Chapter2ProductStructure.....................................................................2-1
2.1HardwareStructure............................................................................................2-1
2.2LogicalArchitecture............................................................................................2-2
2.3SoftwareArchitecture.........................................................................................2-2
Chapter3OperationandMaintenanceSystem.......................................3-1
3.1NetworkArchitecture..........................................................................................3-1
3.2Function............................................................................................................3-2
Chapter4ProductFeatures......................................................................4-1
Chapter5NetworkTopologies..................................................................5-1
5.1StarNetworkArchitecture...................................................................................5-1
5.2ChainNetworkArchitecture.................................................................................5-1
Chapter6TechnicalSpecications..........................................................6-1
6.1PhysicalSpecications.......................................................................................6-1
6.2PerformanceSpecications.................................................................................6-1
6.3PowerConsumptionSpecications......................................................................6-1
6.4ReliabilitySpecications.....................................................................................6-2
Chapter7EnvironmentalSpecications..................................................7-1
7.1PowerSupplySpecications...............................................................................7-1
7.2OperationalEnvironment....................................................................................7-1
7.3StorageEnvironment..........................................................................................7-2
Glossary..........................................................................................................I
I
SJ-20150330163204-001|2015-04-30(R1.0)ZTEProprietaryandCondential

Thispageintentionallyleftblank.
II
SJ-20150330163204-001|2015-04-30(R1.0)ZTEProprietaryandCondential

AboutThisManual
Purpose
Thismanualdescribesthefeatures,architecture,specications,networkarchitecture,and
operationandmaintenanceoftheZXSDRR8984E.
IntendedAudience
Thismanualisintendedfor:
lNetworkplanningengineers
lSoftwaredebugengineers
lSystemmaintenanceengineers
WhatIsinThisManual
Thismanualcontainsthefollowingchapters.
Chapter1,ProductPositioningandHighlightsDescribesthepositioningandhighlightsofthe
ZXSDRR8984E.
Chapter2,ProductStructureDescribesthehardwarestructureandsoftware
structureoftheZXSDRR8984E.
Chapter3,OperationandMaintenanceSystemDescribestheoperationandmaintenancesystem
oftheZXSDRR8984E.
Chapter4,ProductFeaturesDescribesthefeaturesoftheZXSDRR8984E.
Chapter5,NetworkT opologiesDescribesthetypicalnetworktopologiesofthe
ZXSDRR8984E.
Chapter6,TechnicalSpecicationsDescribesthetechnicalspecicationsofthe
ZXSDRR8984E.
Chapter7,EnvironmentalSpecicationsDescribestheenvironmentalspecicationsofthe
ZXSDRR8984E.
I
SJ-20150330163204-001|2015-04-30(R1.0)ZTEProprietaryandCondential

Thispageintentionallyleftblank.
II
SJ-20150330163204-001|2015-04-30(R1.0)ZTEProprietaryandCondential

Chapter1
ProductPositioningand
Features
TableofContents
Positioning.................................................................................................................1-1
Highlights...................................................................................................................1-1
1.1Positioning
TheZXSDRR8984E,anRRUdevelopedbyZTE,supportsthesingle-modeTD-LTE4-path
4-carriertechnology,andisusedtoconstructindoorandoutdoormacronetworksandll
coverageholes.ForthepositioningoftheZXSDRR8984Einaradionetwork,seeFigure
1-1.Here,theyellowRRUistheZXSDRR8984E.
Figure1-1PositioningoftheZXSDRR8984EinaNetwork
SystemDescription
UEUserequipment.
BBUAchievesGPSsynchronization,control,andbasebandprocessing.
RRUTransmitsandreceivessignals.
EPCIP-basedcorenetwork,whichislocatedbetweenanLTEnetwork
andothernetworks.Ontheuserplane,theEPCisconnectedtoan
LTEnetworkthroughtheSGW.Onthecontrolplane,theEPCis
connectedtoanLTEnetworkthroughtheMME.
1.2Highlights
ThehighlightsoftheZXSDRR8984Eareasfollows:
lUnitedplatform
1-1
SJ-20150330163204-001|2015-04-30(R1.0)ZTEProprietaryandCondential

ZXSDRR8984EProductDescription
TheZXSDRR8984EisdevelopedbasedontheuniedSDRplatform,whichsupports
asmoothevolutiontothenewtechnologiesinthefuture,andprotectstheoperators'
investmenttothemaximumextent.
lGreenandenergysaving
àSmallissizeandlightinweight,theZXSDRR8984EisacompactRRU.
àUsesmultipleefcientpowerampliertechnologies,forexample,CFR,DPD,
andDoherty,andusesenergy-savingtechnologies,forexample,poweramplier
voltageadjustment,decreasingthepowerconsumption.
àUsesnaturalheatdissipationwithoutnoise.Comparedwithtraditionaldissipation
usingairconditioners,itdecreasesthepowerconsumptionandsavescoston
electricity.
lMultiplecarriersandMIMO.
àSupportsupto20MHz+20MHz+10MHzbandwidthforTD-LTE.Increases
thesystemcapacitybyusingtheCAtechnologyandrealizesexibleusageof
frequencyresources.
àIncreasesthefrequencyusageandimprovesuserexperiencebyusingtheMIMO
technology.
lHighpower
Supportsupto1W(4*250mw)outputpower,satisfyingpowerrequirementsin
large-capacityandlarge-coveragescenarios.
1-2
SJ-20150330163204-001|2015-04-30(R1.0)ZTEProprietaryandCondential

Chapter2
ProductStructure
TableofContents
HardwareStructure....................................................................................................2-1
LogicalArchitecture....................................................................................................2-2
SoftwareArchitecture.................................................................................................2-2
2.1HardwareStructure
Figure2-1showsanexternalviewoftheZXSDRR8984E.
Figure2-1ExternalView
2-1
SJ-20150330163204-001|2015-04-30(R1.0)ZTEProprietaryandCondential

ZXSDRR8984EProductDescription
2.2LogicalArchitecture
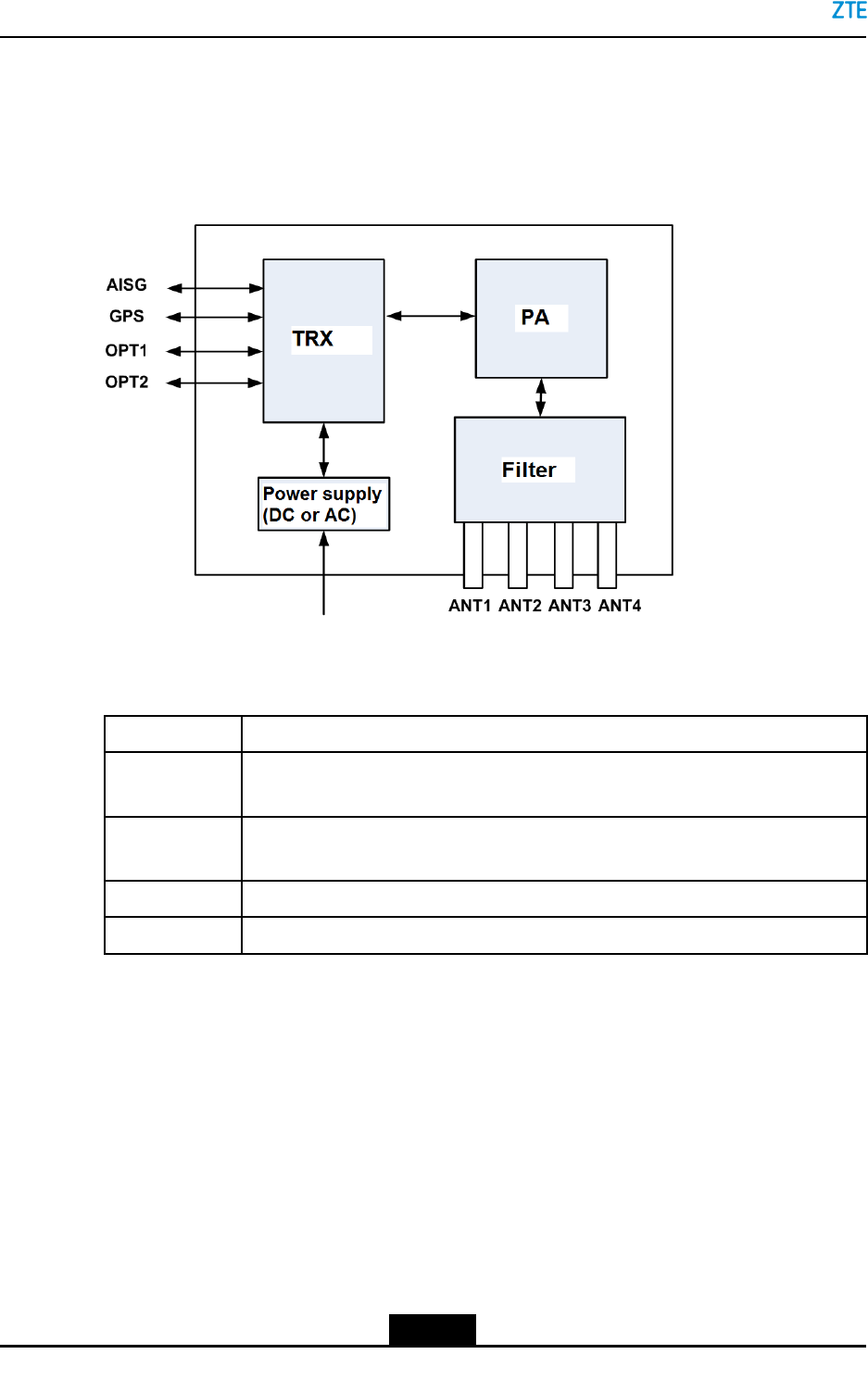
TheZXSDRR8984Eiscomposedofatransceiver,apoweramplier,aduplexlter,anda
powersupplymodule.ForthelogicalarchitectureoftheZXSDRR8984E,seeFigure2-2.
Figure2-2LogicalArchitecture
Foradescriptionofthemodules,refertoTable2-1.
Table2-1ModuleDescriptions
ModuleFunction
TransceiverImplementsdigitalIF,RFsignaltransmissionandreception,control,clock,power
control,andpoweramplierfunctions.
PoweramplierAmpliesdownlinkRFsignalsandoutputRFsignalstoduplexlters,and
implementstheLNAfunctionforfourreceptionpaths.
FilterCombinesandltersRFsignals.
PowersupplyProvidespowerforthesystem.
2.3SoftwareArchitecture
ForthesoftwarearchitectureoftheZXSDRR8984E,seeFigure2-3.
2-2
SJ-20150330163204-001|2015-04-30(R1.0)ZTEProprietaryandCondential

Chapter2ProductStructure
Figure2-3SoftwareArchitecture
ForadescriptionofthesoftwarearchitectureoftheZXSDRR8984E,refertoT able2-2.
Table2-2SoftwareArchitectureDescriptions
SoftwareDescription
RFManagementImplementstheRFmanagementfunction,includingRFcontroland
RFpathmanagement.
OAMProvidesanoperationandmaintenanceadaptorinterface.
Implementsthefollowingoperationandmaintenancefunctions:
congurationmanagement,versionmanagement,performance
management,testmanagement,securitymanagement,diagnosis
testing,systemcontrol,andcommunicationprocessing.
OSSUsestheSDRplatformarchitecture.
Implementsschedulingmanagement,memorymanagement,and
timermanagement.
BSPProvidesboard-basedpackages.
Usestheunitedarchitecture.Usestheunitedinterfacetoconnect
theupperlayer.
OSManageshardwareandsoftwareresourcesofthesystem.
2-3
SJ-20150330163204-001|2015-04-30(R1.0)ZTEProprietaryandCondential

ZXSDRR8984EProductDescription
Thispageintentionallyleftblank.
2-4
SJ-20150330163204-001|2015-04-30(R1.0)ZTEProprietaryandCondential

Chapter3
OperationandMaintenance
System
TableofContents
NetworkArchitecture..................................................................................................3-1
Function.....................................................................................................................3-2
3.1NetworkArchitecture
TheOAMfortheZXSDRR8984Ecanbeimplementedeitherlocallyorremotely.
RemoteMaintenanceMode
Inthismode,theNetNumenU31providestheoperationandmaintenanceoftheZXSDR
R8984Eremotely.TheNetNumenU31isconnectedtotheZXSDRR8984Ethrougha
transmissionnetworkandaBBU,seeFigure3-1.
Figure3-1RemoteMaintenanceMode
Inremotemaintenancemode,thenetworkmanagementsystemisconnectedtoNEs
throughtheTCP/IPprotocol.Onenetworkmanagementsystemcanmaintainmultiple
basestations.
LocalMaintenanceMode
TheLocalMaintenanceT erminal(LMT),whichisinstalledonaPC,isphysicallyconnected
tothedebuginterfaceoftheZXSDRR8984EthroughanEthernetcabletoperform
operationandmaintenanceontheZXSDRR8984E,seeFigure3-2.
3-1
SJ-20150330163204-001|2015-04-30(R1.0)ZTEProprietaryandCondential

ZXSDRR8984EProductDescription
Figure3-2LocalMaintenanceMode
Thelocalmaintenancemodeisusedtomaintainasinglebasestation.
3.2Function
TheGUIoftheNetNumenN31networkmanagementsystemispresentedintheformof
topology,andinformationabouteachNEinthenetworkcanbeviewedontheGUI.Auser
canselectanNEtobemaintained,andviewdetailedperformancedata,alarminformation,
andcongurationdataoftheNE.Operationandmaintenancecanbeperformedona
certaintypeofNEsthroughtherelevanttopology.Itsmainfunctionsareasfollows:
lCongurationmanagement
Itenablesuserstoadd,query,delete,andmodifythephysicalandradioresource
dataofbasestations,andcheckdataconsistency.Bothdynamicandstaticdata
congurationsaresupported.
lSecuritymanagement
Itensuresthatonlyauthorizeduserscanperformrelevantcommandgroupoperations.
lPerformancemanagement
Itenablesuserstoimplementperformanceanalysis,calltracing,andsignalingtracing.
lVersionmanagement
Itenablesuserstoviewtherunningsoftwareandhardwareversionsthroughthe
networkmanagementsystem,throughwhichsoftwarecanbedownloadedand
upgraded.
lFaultmanagement
Itincludestwoparts:alarmmanagementanddiagnostictest.Itperformscentralized
monitoringofrunningstatusofbasestationsandcollectsabnormalinformation
aboutboardsandlinksinrealtime.Thisfunctionmakesitconvenientforoperation
andmaintenancepersonneltoperformanalysis,makedecision,andimplement
maintenanceandrepair.
3-2
SJ-20150330163204-001|2015-04-30(R1.0)ZTEProprietaryandCondential

Chapter4
ProductFeatures
TheZXSDRR8984Esupportsthefollowingfeatures:
lTD-LTE10MHz,15MHz,and20MHzbandwidthcongurations
lOperatingfrequencybandof3650MHz–3700MHz
lFourTD-LTETx/RxpathsandMIMO
lDownlink/uplinktimeslotconguration
lRGPSbackhaultechnology
lRETantennas
lTD-LTEIranduptofour-levelZXSDRR8984Ecascading
4-1
SJ-20150330163204-001|2015-04-30(R1.0)ZTEProprietaryandCondential

ZXSDRR8984EProductDescription
Thispageintentionallyleftblank.
4-2
SJ-20150330163204-001|2015-04-30(R1.0)ZTEProprietaryandCondential

Chapter5
NetworkTopologies
TableofContents
StarNetworkArchitecture...........................................................................................5-1
ChainNetworkArchitecture........................................................................................5-1
5.1StarNetworkArchitecture
Inastarnetwork,theBBUisdirectlyconnectedtoeachZXSDRR8984E,andZXSDR
R8984Edevicesareenddevices.Inthisnetworkarchitecture,bothmaintenanceand
engineeringareeasy.Signalsareprocessedbyfewernodes,andthereliabilityishigh,
seeFigure5-1.
Figure5-1StarNetworkArchitecture
5.2ChainNetworkArchitecture
Achainnetworkisapplicabletostrip-shapedareaswithlesspopulationdensity,where
opticalberscanbeeasilydeployed,seeFigure5-2.
5-1
SJ-20150330163204-001|2015-04-30(R1.0)ZTEProprietaryandCondential

ZXSDRR8984EProductDescription
Figure5-2ChainNetworkArchitecture
5-2
SJ-20150330163204-001|2015-04-30(R1.0)ZTEProprietaryandCondential

Chapter6
TechnicalSpecications
TableofContents
PhysicalSpecications...............................................................................................6-1
PerformanceSpecications........................................................................................6-1
PowerConsumptionSpecications............................................................................6-1
ReliabilitySpecications.............................................................................................6-2
6.1PhysicalSpecications
ForthephysicalspecicationsoftheZXSDRR8984E,refertoT able6-1.
Table6-1PhysicalSpecications
ItemSpecication
Dimensions(HxWxD)425mmx300mmx150mm
Volume<19L
Weight<19kg
6.2PerformanceSpecications
FortheperformancespecicationsoftheZXSDRR8984E,refertoTable6-2.
Table6-2PerformanceSpecications
ItemSpecication
Operatingfrequencyband3650MHz–3700MHz
Operatingfrequencyinterval100kHz
TOC4*100mw@20MHz,4*250mw@20+20+10
MHz
Receiversensitivity–101.5dBm
Carriershift±0.05ppm
6.3PowerConsumptionSpecications
ForthepowerconsumptionspecicationsoftheZXSDRR8984E,refertoT able6-3.
6-1
SJ-20150330163204-001|2015-04-30(R1.0)ZTEProprietaryandCondential

ZXSDRR8984EProductDescription
Table6-3TypicalPowerConsumption
SlotRatioTypicalPowerConsumption
DL:UL=2:2200W
DL:UL=3:1260W
6.4ReliabilitySpecications
ForthereliabilityspecicationsoftheZXSDRR8984E,refertoTable6-4.
Table6-4ReliabilitySpecications
ItemSpecication
ProtectionratingIP66
ProtectionmodeDie-castingshellstructure
MTBF>180000h
MTTR<60min
6-2
SJ-20150330163204-001|2015-04-30(R1.0)ZTEProprietaryandCondential

Chapter7
EnvironmentalSpecications
TableofContents
PowerSupplySpecications......................................................................................7-1
OperationalEnvironment............................................................................................7-1
StorageEnvironment..................................................................................................7-2
7.1PowerSupplySpecications
ForthepowersupplyspecicationsoftheZXSDRR8984E,refertoT able7-1.
Table7-1PowerSupplySpecications
ItemSpecication
DC–48VDC(range:–57Vto–37V)
7.2OperationalEnvironment
ClimaticEnvironment
ItemSpecication
Temperature–40℃to+55℃
Relativehumidity4%–100%
Maximumtemperaturechangerate0.5℃/min
Airpressure54kPa–106kPa
Maximumsolarradiation1120W/m2
CondensationAllowed
Precipitation(rain,snow,andhail)Allowed
HumiditySurfacehumidityallowed
FreezingandfrostAllowed
7-1
SJ-20150330163204-001|2015-04-30(R1.0)ZTEProprietaryandCondential

ZXSDRR8984EProductDescription
Note:
Whentheenvironmenttemperatureisabove40degreescelsius,itisprohibitedtotouch
theequipmentsurfacetoavoidscald.Ifitisrequiredtomovetheequipment,rstpower
offtheequipmentandwaittilltheequipmentsurfaceiscool.
BiologicalEnvironment
ItemSpecication
PlantsMoldandfungusallowed
AnimalsRodentsandotheranimalsthatmaydamagetheproductallowed,except
termites
ChemicallySubstance
ItemSpecication
SaltfogAllowed
7.3StorageEnvironment
TheZXSDRR8984Emustbestoredwithpackaginginprotectedlocationstoensurethat
thedevicecanoperateproperlyafterbeinginstalled.
ClimaticEnvironment
ItemSpecication
Temperature–50℃to+70℃
Relativehumidity5%–100%
Maximumtemperaturechangerate1℃/min
Airpressure70kPa–106kPa
Maximumsolarradiation1120W/m2
CondensationAllowed
Precipitation(rain,snow,andhail)Allowed
HumiditySurfacehumidityallowed
FreezingandfrostAllowed
7-2
SJ-20150330163204-001|2015-04-30(R1.0)ZTEProprietaryandCondential

Chapter7EnvironmentalSpecications
BiologicalEnvironment
ItemSpecication
PlantsMoldandfungusallowed
AnimalsRodentsandotheranimalsthatmaydamagetheproductallowed,except
termites
ChemicallySubstance
ItemSpecication
SaltfogAllowed
7-3
SJ-20150330163204-001|2015-04-30(R1.0)ZTEProprietaryandCondential

ZXSDRR8984EProductDescription
Thispageintentionallyleftblank.
7-4
SJ-20150330163204-001|2015-04-30(R1.0)ZTEProprietaryandCondential

Glossary
BBU
-BaseBandUnit
BSP
-BoardSupportPackage
CA
-CarrierAggregation
CFR
-CrestFactorReduction
DL
-DownLink
DPD
-DigitalPre-Distortion
EPC
-EvolvedPacketCore
GPS
-GlobalPositioningSystem
IBW
-InstantaneousBandwidth
IF
-intermediateFrequency
IP
-InternetProtocol
Ir
-RadioInterface
LMT
-LocalMaintenanceTerminal
LNA
-LowNoiseAmplier
LTE
-LongTermEvolution
MIMO
-Multiple-InputMultiple-Output
MME
-MobilityManagementEntity
I
SJ-20150330163204-001|2015-04-30(R1.0)ZTEProprietaryandCondential

ZXSDRR8984EProductDescription
MTBF
-MeanTimeBetweenFailures
MTTR
-MeanTimeToRecovery
OAM
-Operation,AdministrationandMaintenance
OBW
-OccupiedBandwidth
OS
-OperatingSystem
OSS
-OperationSupportSubsystem
PC
-PersonalComputer
RF
-RadioFrequency
RGPS
-RemoteGPS
RRU
-RemoteRadioUnit
SDR
-SoftwareDenedRadio
SGW
-ServingGateway
TCP
-TransmissionControlProtocol
TOC
-T opofCabinet
UE
-UserEquipment
UL
-Uplink
II
SJ-20150330163204-001|2015-04-30(R1.0)ZTEProprietaryandCondential