Zebra Technologies RFID-Z4M-01 Wireless Industrial/Comercial Tag Printer User Manual R4Mplus User Guide
Zebra Technologies Corporation Wireless Industrial/Comercial Tag Printer R4Mplus User Guide
Manual

User Guide
Zebra R4Mplus
Industrial/Commercial Printer

Copyright © ZIH Corp.
The copyrights in this manual and the label printer described therein are owned
by Zebra Technologies. All rights are reserved. Unauthorized reproduction of
this manual or the software in the label printer may result in imprisonment of
up to one year and fines of up to $10,000 (17 U.S.C.506). Copyright violators
may be subject to civil liability.
IBM® is a registered trademark of IBM Corporation.
Adobe® and Acrobat® are registered trademarks of Adobe Systems
Incorporated.
Zebra®, Stripe®, ZPL®, ZebraNet®, ZebraLink™, and ZPL II® are registered
trademarks of Zebra Technologies.
All other brand names, product names, trademarks, and registered trademarks
are property of their respective holders.
Customer Order # 21067L
Manufacturer Part # 21067L Rev. 1

R4Mplus User Guide i
Your Feedback Is Important
Your feedback helps us improve our documents to better serve you!
Please take a few minutes to evaluate your experience using this document.
Product and Personal Information
1. What printer are you using? ____________________________
2. What document are you using? ___________________________
3. Have you ever worked with our product before? Yes No
If Yes, how many ___years? ___months?
4. What is your education level?______________
Document Usability
Check the rating that applies to your experience using this document:
Additional Comments
Write any additional comments on the lines provided on the next page.
Content Excellent Good Poor
The information I needed was available.
The information I needed was easy to find.
The information and directions were clear.
The illustrations were helpful.
The document was arranged logically.
The Table of Contents and Index were helpful.
The Glossary was helpful.
The level of information was appropriate for my
technical expertise.

ii R4Mplus User Guide
Thank you for taking the time to provide us with feedback.
Fax: 1.847.821.1795 Attention: TechPubs — CTC
E-mail: techpubs@zebra.com
Note • _____________________________________________________________________
___________________________________________________________________________
___________________________________________________________________________
___________________________________________________________________________
___________________________________________________________________________
___________________________________________________________________________
___________________________________________________________________________
___________________________________________________________________________
___________________________________________________________________________
___________________________________________________________________________
___________________________________________________________________________
___________________________________________________________________________
___________________________________________________________________________
___________________________________________________________________________
___________________________________________________________________________
___________________________________________________________________________
___________________________________________________________________________
___________________________________________________________________________
___________________________________________________________________________
___________________________________________________________________________
___________________________________________________________________________
___________________________________________________________________________
___________________________________________________________________________
___________________________________________________________________________
___________________________________________________________________________
___________________________________________________________________________
___________________________________________________________________________

R4Mplus User Guide iii
Table of Contents
Proprietary Statement . . . . . . . . . . . . . . . . . . . . . . . . . . . . . . . . . . . . . . . . . . . . . . vii
Product Improvements . . . . . . . . . . . . . . . . . . . . . . . . . . . . . . . . . . . . . . . . . . . . . . . vii
FCC Compliance Statement . . . . . . . . . . . . . . . . . . . . . . . . . . . . . . . . . . . . . . . . . . . vii
Liability Disclaimer . . . . . . . . . . . . . . . . . . . . . . . . . . . . . . . . . . . . . . . . . . . . . . . . . viii
Limitation of Liability . . . . . . . . . . . . . . . . . . . . . . . . . . . . . . . . . . . . . . . . . . . . . . . . viii
Copyrights. . . . . . . . . . . . . . . . . . . . . . . . . . . . . . . . . . . . . . . . . . . . . . . . . . . . . . . . viii
Declaration of Conformity. . . . . . . . . . . . . . . . . . . . . . . . . . . . . . . . . . . . . . . . . . . . ix
Warranty Information. . . . . . . . . . . . . . . . . . . . . . . . . . . . . . . . . . . . . . . . . . . . . . . . xi
Printer Products . . . . . . . . . . . . . . . . . . . . . . . . . . . . . . . . . . . . . . . . . . . . . . . . . . . . . . . xi
Printer Software and Firmware License Agreement . . . . . . . . . . . . . . . . . . . . . . . . . . . xiii
Preface . . . . . . . . . . . . . . . . . . . . . . . . . . . . . . . . . . . . . . . . . . . . . . . . . . . . . . . . . . xix
Contacts . . . . . . . . . . . . . . . . . . . . . . . . . . . . . . . . . . . . . . . . . . . . . . . . . . . . . . . . . . . . .xx
Support . . . . . . . . . . . . . . . . . . . . . . . . . . . . . . . . . . . . . . . . . . . . . . . . . . . . . . . . . . .xx
About this Document . . . . . . . . . . . . . . . . . . . . . . . . . . . . . . . . . . . . . . . . . . . . . . . . . . xxi
Document Conventions . . . . . . . . . . . . . . . . . . . . . . . . . . . . . . . . . . . . . . . . . . . . . . . . xxii
Related Documents . . . . . . . . . . . . . . . . . . . . . . . . . . . . . . . . . . . . . . . . . . . . . . . . . . xxiv
Chapter 1 • Introduction . . . . . . . . . . . . . . . . . . . . . . . . . . . . . . . . . . . . . . . . . . . . . 1
External View . . . . . . . . . . . . . . . . . . . . . . . . . . . . . . . . . . . . . . . . . . . . . . . . . . . . . . . . . 2
Front Panel . . . . . . . . . . . . . . . . . . . . . . . . . . . . . . . . . . . . . . . . . . . . . . . . . . . . . . . . . . . 3
LCD Display Settings . . . . . . . . . . . . . . . . . . . . . . . . . . . . . . . . . . . . . . . . . . . . . . . . 4
Print Modes. . . . . . . . . . . . . . . . . . . . . . . . . . . . . . . . . . . . . . . . . . . . . . . . . . . . . . . . 5
Printer Media Compartment . . . . . . . . . . . . . . . . . . . . . . . . . . . . . . . . . . . . . . . . . . . . . . 6
Chapter 2 • Printer Setup . . . . . . . . . . . . . . . . . . . . . . . . . . . . . . . . . . . . . . . . . . . . 7
Before You Begin . . . . . . . . . . . . . . . . . . . . . . . . . . . . . . . . . . . . . . . . . . . . . . . . . . . . . . 8
Unpack and Inspect the Printer. . . . . . . . . . . . . . . . . . . . . . . . . . . . . . . . . . . . . . . . . . . . 9
Report Damage. . . . . . . . . . . . . . . . . . . . . . . . . . . . . . . . . . . . . . . . . . . . . . . . . . . . . 9
Storage . . . . . . . . . . . . . . . . . . . . . . . . . . . . . . . . . . . . . . . . . . . . . . . . . . . . . . . . . . . 9

iv R4Mplus User Guide
Select a Site for the Printer. . . . . . . . . . . . . . . . . . . . . . . . . . . . . . . . . . . . . . . . . . . . . . 10
Select a Surface . . . . . . . . . . . . . . . . . . . . . . . . . . . . . . . . . . . . . . . . . . . . . . . . . . . 10
Provide Proper Operating Conditions . . . . . . . . . . . . . . . . . . . . . . . . . . . . . . . . . . . 10
Allow Proper Space. . . . . . . . . . . . . . . . . . . . . . . . . . . . . . . . . . . . . . . . . . . . . . . . . 10
Provide a Data Source . . . . . . . . . . . . . . . . . . . . . . . . . . . . . . . . . . . . . . . . . . . . . . 10
Connect the Printer to a Power Source . . . . . . . . . . . . . . . . . . . . . . . . . . . . . . . . . . . . .11
Power Cord Specifications . . . . . . . . . . . . . . . . . . . . . . . . . . . . . . . . . . . . . . . . . . . .11
Select a Communication Interface . . . . . . . . . . . . . . . . . . . . . . . . . . . . . . . . . . . . . . . . 13
Cable Requirements . . . . . . . . . . . . . . . . . . . . . . . . . . . . . . . . . . . . . . . . . . . . . . . . 14
Types of Media . . . . . . . . . . . . . . . . . . . . . . . . . . . . . . . . . . . . . . . . . . . . . . . . . . . . . . . 15
Non-Continuous Web Media. . . . . . . . . . . . . . . . . . . . . . . . . . . . . . . . . . . . . . . . . . 15
Continuous Media . . . . . . . . . . . . . . . . . . . . . . . . . . . . . . . . . . . . . . . . . . . . . . . . . . 16
RFID “Smart” Labels . . . . . . . . . . . . . . . . . . . . . . . . . . . . . . . . . . . . . . . . . . . . . . . . 17
Ribbon . . . . . . . . . . . . . . . . . . . . . . . . . . . . . . . . . . . . . . . . . . . . . . . . . . . . . . . . . . . . . 18
Chapter 3 • Printer Operation . . . . . . . . . . . . . . . . . . . . . . . . . . . . . . . . . . . . . . . . 19
Front Panel . . . . . . . . . . . . . . . . . . . . . . . . . . . . . . . . . . . . . . . . . . . . . . . . . . . . . . . . . . 20
Front Panel Keys . . . . . . . . . . . . . . . . . . . . . . . . . . . . . . . . . . . . . . . . . . . . . . . . . . 21
Front Panel Lights. . . . . . . . . . . . . . . . . . . . . . . . . . . . . . . . . . . . . . . . . . . . . . . . . . 22
Load Roll Media . . . . . . . . . . . . . . . . . . . . . . . . . . . . . . . . . . . . . . . . . . . . . . . . . . . . . . 23
Tear-Off Mode . . . . . . . . . . . . . . . . . . . . . . . . . . . . . . . . . . . . . . . . . . . . . . . . . . . . . 23
Peel-Off Mode. . . . . . . . . . . . . . . . . . . . . . . . . . . . . . . . . . . . . . . . . . . . . . . . . . . . . 25
Liner Take-Up Mode . . . . . . . . . . . . . . . . . . . . . . . . . . . . . . . . . . . . . . . . . . . . . . . . 27
Load Fanfold Media . . . . . . . . . . . . . . . . . . . . . . . . . . . . . . . . . . . . . . . . . . . . . . . . . . . 34
Load the Ribbon . . . . . . . . . . . . . . . . . . . . . . . . . . . . . . . . . . . . . . . . . . . . . . . . . . . . . . 36
Remove the Ribbon . . . . . . . . . . . . . . . . . . . . . . . . . . . . . . . . . . . . . . . . . . . . . . . . 37
Calibrate the Printer . . . . . . . . . . . . . . . . . . . . . . . . . . . . . . . . . . . . . . . . . . . . . . . . . . . 38
Auto Calibration . . . . . . . . . . . . . . . . . . . . . . . . . . . . . . . . . . . . . . . . . . . . . . . . . . . 38
Manual Calibration . . . . . . . . . . . . . . . . . . . . . . . . . . . . . . . . . . . . . . . . . . . . . . . . . 38
Print a Configuration Label . . . . . . . . . . . . . . . . . . . . . . . . . . . . . . . . . . . . . . . . . . . . . . 39
Adjust Printhead Pressure . . . . . . . . . . . . . . . . . . . . . . . . . . . . . . . . . . . . . . . . . . . . . . 41
Install Memory Card . . . . . . . . . . . . . . . . . . . . . . . . . . . . . . . . . . . . . . . . . . . . . . . . . . . 42
Chapter 4 • Configuration . . . . . . . . . . . . . . . . . . . . . . . . . . . . . . . . . . . . . . . . . . . 43
Overview. . . . . . . . . . . . . . . . . . . . . . . . . . . . . . . . . . . . . . . . . . . . . . . . . . . . . . . . . . . . 44
Enter Configuration Mode . . . . . . . . . . . . . . . . . . . . . . . . . . . . . . . . . . . . . . . . . . . . 44
Exit Configuration Mode . . . . . . . . . . . . . . . . . . . . . . . . . . . . . . . . . . . . . . . . . . . . . 44
Change Password-Protected Parameters . . . . . . . . . . . . . . . . . . . . . . . . . . . . . . . 45
Basic Configuration. . . . . . . . . . . . . . . . . . . . . . . . . . . . . . . . . . . . . . . . . . . . . . . . . . . . 46
Configuration and Calibration LCD Displays . . . . . . . . . . . . . . . . . . . . . . . . . . . . . . . . 49

R4Mplus User Guide v
Chapter 5 • RFID Guidelines . . . . . . . . . . . . . . . . . . . . . . . . . . . . . . . . . . . . . . . . . 69
Overview. . . . . . . . . . . . . . . . . . . . . . . . . . . . . . . . . . . . . . . . . . . . . . . . . . . . . . . . . . . . 70
Transponder Placement . . . . . . . . . . . . . . . . . . . . . . . . . . . . . . . . . . . . . . . . . . . . . . . . 70
ZPL II Commands for RFID . . . . . . . . . . . . . . . . . . . . . . . . . . . . . . . . . . . . . . . . . . . . . 71
^WT. . . . . . . . . . . . . . . . . . . . . . . . . . . . . . . . . . . . . . . . . . . . . . . . . . . . . . . . . . . . . 72
^RT . . . . . . . . . . . . . . . . . . . . . . . . . . . . . . . . . . . . . . . . . . . . . . . . . . . . . . . . . . . . . 73
^HV . . . . . . . . . . . . . . . . . . . . . . . . . . . . . . . . . . . . . . . . . . . . . . . . . . . . . . . . . . . . . 74
^RS . . . . . . . . . . . . . . . . . . . . . . . . . . . . . . . . . . . . . . . . . . . . . . . . . . . . . . . . . . . . . 75
Sample of RFID Programming . . . . . . . . . . . . . . . . . . . . . . . . . . . . . . . . . . . . . . . . . . . 79
Chapter 6 • Routine Care and Adjustments. . . . . . . . . . . . . . . . . . . . . . . . . . . . . 81
Cleaning Procedures . . . . . . . . . . . . . . . . . . . . . . . . . . . . . . . . . . . . . . . . . . . . . . . . . . 82
Clean the Exterior . . . . . . . . . . . . . . . . . . . . . . . . . . . . . . . . . . . . . . . . . . . . . . . . . . 82
Clean the Interior . . . . . . . . . . . . . . . . . . . . . . . . . . . . . . . . . . . . . . . . . . . . . . . . . . 83
Clean the Sensors . . . . . . . . . . . . . . . . . . . . . . . . . . . . . . . . . . . . . . . . . . . . . . . . . 84
Clean the Rewind Option . . . . . . . . . . . . . . . . . . . . . . . . . . . . . . . . . . . . . . . . . . . . 85
Clean the Peel-Off Assembly . . . . . . . . . . . . . . . . . . . . . . . . . . . . . . . . . . . . . . . . . 86
Lubrication . . . . . . . . . . . . . . . . . . . . . . . . . . . . . . . . . . . . . . . . . . . . . . . . . . . . . . . . . . 87
Fuse Replacement . . . . . . . . . . . . . . . . . . . . . . . . . . . . . . . . . . . . . . . . . . . . . . . . . . . . 87
Chapter 7 • Troubleshooting . . . . . . . . . . . . . . . . . . . . . . . . . . . . . . . . . . . . . . . . . 89
LCD Error Conditions and Warnings. . . . . . . . . . . . . . . . . . . . . . . . . . . . . . . . . . . . . . . 90
Print Quality Problems . . . . . . . . . . . . . . . . . . . . . . . . . . . . . . . . . . . . . . . . . . . . . . . . . 92
Calibration Problems . . . . . . . . . . . . . . . . . . . . . . . . . . . . . . . . . . . . . . . . . . . . . . . . . . 93
Communication Problems. . . . . . . . . . . . . . . . . . . . . . . . . . . . . . . . . . . . . . . . . . . . . . . 94
Printer Diagnostics . . . . . . . . . . . . . . . . . . . . . . . . . . . . . . . . . . . . . . . . . . . . . . . . . . . . 95
Power-On Self Test . . . . . . . . . . . . . . . . . . . . . . . . . . . . . . . . . . . . . . . . . . . . . . . . . 95
Cancel Self Test . . . . . . . . . . . . . . . . . . . . . . . . . . . . . . . . . . . . . . . . . . . . . . . . . . . 96
Pause Self Test . . . . . . . . . . . . . . . . . . . . . . . . . . . . . . . . . . . . . . . . . . . . . . . . . . . . 97
Feed Self Test . . . . . . . . . . . . . . . . . . . . . . . . . . . . . . . . . . . . . . . . . . . . . . . . . . . . . 98
Communications Diagnostics Test . . . . . . . . . . . . . . . . . . . . . . . . . . . . . . . . . . . . . 99
RFID Test . . . . . . . . . . . . . . . . . . . . . . . . . . . . . . . . . . . . . . . . . . . . . . . . . . . . . . . 100
Loading Factory Defaults . . . . . . . . . . . . . . . . . . . . . . . . . . . . . . . . . . . . . . . . . . . . . . 101
Appendix A • Data Connections . . . . . . . . . . . . . . . . . . . . . . . . . . . . . . . . . . . . . 103
Serial Data Port. . . . . . . . . . . . . . . . . . . . . . . . . . . . . . . . . . . . . . . . . . . . . . . . . . . . . . 104
Hardware Control Signal Descriptions . . . . . . . . . . . . . . . . . . . . . . . . . . . . . . . . . 104
RS-232 Serial Data Port . . . . . . . . . . . . . . . . . . . . . . . . . . . . . . . . . . . . . . . . . . . . 104
Parallel Data Port . . . . . . . . . . . . . . . . . . . . . . . . . . . . . . . . . . . . . . . . . . . . . . . . . . . . 108
Parallel Cabling Requirements . . . . . . . . . . . . . . . . . . . . . . . . . . . . . . . . . . . . . . . 108
Parallel Port Interconnections . . . . . . . . . . . . . . . . . . . . . . . . . . . . . . . . . . . . . . . . 108

vi R4Mplus User Guide
Appendix B • Specifications . . . . . . . . . . . . . . . . . . . . . . . . . . . . . . . . . . . . . . . . 109
General Specifications . . . . . . . . . . . . . . . . . . . . . . . . . . . . . . . . . . . . . . . . . . . . . . . . .110
Printing Specifications. . . . . . . . . . . . . . . . . . . . . . . . . . . . . . . . . . . . . . . . . . . . . . . . . . 111
Media Specifications . . . . . . . . . . . . . . . . . . . . . . . . . . . . . . . . . . . . . . . . . . . . . . . . . . .112
Ribbon Specifications . . . . . . . . . . . . . . . . . . . . . . . . . . . . . . . . . . . . . . . . . . . . . . . . . .114
Printer Options . . . . . . . . . . . . . . . . . . . . . . . . . . . . . . . . . . . . . . . . . . . . . . . . . . . . . . .115
Zebra Programming Language (ZPL II) Features. . . . . . . . . . . . . . . . . . . . . . . . . . . . .116
Supported Bar Codes . . . . . . . . . . . . . . . . . . . . . . . . . . . . . . . . . . . . . . . . . . . . . . . . . .116
Index . . . . . . . . . . . . . . . . . . . . . . . . . . . . . . . . . . . . . . . . . . . . . . . . . . . . . . . . . . . 117

R4Mplus User Guide vii
Proprietary Statement
This manual contains proprietary information of Zebra Technologies Corporation and its
subsidiaries (“Zebra Technologies”). It is intended solely for the information and use of parties
operating and maintaining the equipment described herein. Such propriety information may
not be used, reproduced, or disclosed to any other parties for any other purpose without the
expressed written permission of Zebra Technologies Corporation.
Product Improvements
Continuous improvement of products is a policy of Zebra Technologies Corporation. All
specifications and designs are subject to change without notice.
FCC Compliance Statement
FCCID: I28RFID-Z4M-01
Manufacturer: Zebra Technologies Corporation
333 Corporate Woods Parkway
Vernon Hills, Illinois, 60061-3109 U.S.A.
This equipment has been tested and found to comply with the limits for a Class B Digital
Device, pursuant to Part 15 of the FCC Rules. These limits are designed to provide reasonable
protection against harmful interference when the equipment is operated in a residential
environment. This equipment generates, uses, and can radiate radio frequency energy and, if
not installed and used in accordance with the product manuals, may cause harmful interference
to radio communications.
In order to ensure compliance, this printer must be used with Shielded Communication Cables.
This device complies with Part 15 rules. Operation is subject to the following two conditions:
1. This device may not cause harmful interference, and
2. This device must accept any interference received, including interference that may cause
undesired operation.
Caution • The Part 15 radio device operates on a non-interference basis with other devices
operating at this frequency when using the Zebra-supplied antenna. Any changes or
modifications to the product not expressly approved by Zebra could void the user’s authority
to operate this device.

viii R4Mplus User Guide
Proprietary Statement
Liability Disclaimer
Zebra Technologies Corporation takes steps to assure that its published Engineering
specifications and manuals are correct; however, errors do occur. Zebra Technologies
Corporation reserves the right to correct any such errors and disclaims liability resulting
therefrom.
Limitation of Liability
In no event shall Zebra Technologies Corporation or anyone else involved in the creation,
production or delivery of the accompanying product (including hardware and software) be
liable for any damages whatsoever (including, without limitation, consequential damages
including loss of business profits, business interruption or loss of business information) arising
out of the use of or the results of use of or inability to use such product, even if Zebra
Technologies Corporation has been advised of the possibility of such damages. Some states do
not allow the exclusion or limitation of incidental or consequential damages, so the above
limitation or exclusion may not apply to you.
Copyrights
The copyrights in this manual and the label printer described therein are owned by Zebra
Technologies Corporation. All rights are reserved. Unauthorized reproduction of this manual
or the software in the label printer may result in imprisonment of up to one year and fines of up
to $10,000 (17 U.S.C.506). Copyright violators may be subject to civil liability.
All trademarks and registered trademarks are property of their respective owners.
Copyright ZIH Corp. All rights reserved.

Declaration of Conformity
R4Mplus User Guide ix
DECLARATION OF CONFORMITY
I have determined that the Zebra printers identified as the
Z4Mplus/Z6Mplus-series
manufactured by:
Zebra Technologies Corporation
333 Corporate Woods Parkway
Vernon Hills, Illinois 60061-3109 U.S.A.
Have been shown to comply with the applicable technical standards of the FCC
For Home, Office, Commercial, and industrial use
If no unauthorized change is made in the equipment,
and if the equipment is properly maintained and operated.

x R4Mplus User Guide
Declaration of Conformity

R4Mplus User Guide xi
Warranty Information
Effective November 1, 2001
All Zebra Technologies Corporation products are sold with warranties. Following is some
general information:
Printer Products
Printers. All printers (excluding printheads) are warranted against defect in material or
workmanship for twelve (12) months from the purchase date.
Proof of purchase or shipment date is required to validate the warranty period. The warranty
becomes void if the equipment is modified, improperly installed or used, damaged by accident
or neglect, or if any parts are improperly installed or replaced by the user.
Note: Products returned must be packaged in the original or comparable packing and shipping
container. In the event equipment is not so packaged, or if shipping damage is evident, it will
not be accepted for service under warranty. Surface transportation charges for return to
customers in the continental United States is paid by Zebra. Otherwise, Zebra pays CPT
(carriage paid to) nearest airport; customer pays customs, duties, taxes, and freight from
airport to destination. If Zebra determines that the product returned for warranty service or
replacement is not defective as herein defined, the customer will pay all handling and
transportation costs.
Printheads. Since printhead wear is part of normal operation, the original printhead is covered
by a limited warranty as indicated below. Warranty period begins on purchase date.
To qualify for this warranty, the printhead must be returned to the factory or to an authorized
service center. Customers are not required to purchase Zebra supplies (media and/or ribbons)
for warranty qualification. However, if it is determined that the use of other manufacturer
supplies has caused any defect in the printhead for which a warranty claim is made, the user is
responsible for Zebra’s labor and material charges required to repair the defect. The warranty
becomes void if the printhead is physically worn or damaged; also if it is determined that
failure to follow the preventive maintenance schedule listed in the User’s Guide has caused
defect in the thermal printhead for which a warranty claim is made.
Printhead Warranty Period
Bar code label printer printheads 6 months
Card printer printheads 12 months

xii R4Mplus User Guide
Warranty Information
Printer Products
Software. Software is warranted to be free of defects in material and workmanship for 30 days
from the date of purchase. In the event of notification within the warranty period of defects,
Zebra will replace the defective diskette or documentation.
Batteries. Mobile printer batteries are warranted to be free of defects in material and
workmanship for 90 days from date of purchase. In the event of notification within the
warranty period, Zebra will replace the defective battery provided there has not been damage
resulting from user abuse.
Parts. All parts, maintenance kits, options kits, and accessories are warranted to be free of
defects in material and workmanship for 90 days (except where otherwise noted) from date of
purchase. This warranty becomes void if the item is modified, improperly installed or used, or
damaged by accident or neglect.
Supplies Products
Supplies are warranted to be free from defect in material and workmanship for a period of six
(6) months for media and twelve (12) months for ribbon from the date of shipment by Zebra.
This is provided the user has complied with storage guidelines, handling, and usage of the
supplies in Zebra printers.
Zebra’s sole obligation under these warranties is to furnish parts and labor for the repair or
possible replacement of products found to be defective in material or workmanship during the
warranty period. Zebra may in its discretion issue a credit for any such defective products in
such amount as it deems reasonable.
Warranty Exclusions & Conditions Statement
The warranties provided above are the only warranties applicable. No other warranties,
expressed or implied, are given. Zebra does not make any IMPLIED WARRANTY OF
MERCHANTABILITY OR FITNESS FOR A PARTICULAR PURPOSE in connection with
its sale of products or services. While Zebra’s desire is to be responsive to specific needs and
questions, Zebra does not assume responsibility for any specific application to which any
products are applied including, but not limited to, compatibility with other equipment. All
statements, technical information or recommendations relating to Zebra products are based
upon tests believed to be reliable yet do not constitute a guaranty or warranty.
Zebra’s maximum liability for warranty claims is limited to the invoice price of the product
claimed defective. Zebra does not assume responsibility for delays or replacement or repair of
products. Zebra shall not under any circumstances whatsoever be liable to any party for loss of
profits, lost data, diminution of good will, or any other special or consequential damages
whatsoever with respect to any claim made under agreement with Zebra. Specifically for
software, Zebra is not liable for any incidental or consequential damages caused by abuse or
misapplication of the software or by its use in violation of the U.S. copyright law or
international treaty.
No salesperson, representative, or agent of Zebra is authorized to make any guaranty,
warranty, or representation that contradicts the foregoing. Any waiver, alteration, addition or
modification to the foregoing warranties must be in writing and signed by an executive officer
of Zebra to be valid.

Warranty Information
Printer Software and Firmware License Agreement
R4Mplus User Guide xiii
Zebra Link License Agreement
Printer Software and Firmware License
Agreement
YOU SHOULD CAREFULLY READ THE FOLLOWING TERMS AND CONDITIONS OF
THIS ZEBRA TECHNOLOGIES CORPORATION PRINTER SOFTWARE AND
FIRMWARE LICENSE AGREEMENT (“PSFLA”) BEFORE USING THE PRINTER
WHICH IS ENCLOSED OR OTHERWISE ASSOCIATED WITH THIS AGREEMENT. IF
YOU DO NOT AGREE WITH THESE TERMS AND CONDITIONS, DO NOT OPERATE
THE PRINTER AND PLEASE PROMPTLY RETURN THE PRINTER, ENCLOSURES
AND ALL PACKAGING FOR A FULL REFUND.
Zebra Technologies Corporation (“ZEBRA”) hereby grants you a non-exclusive, non-
transferable license to use the SOFTWARE and FIRMWARE embedded in the printer and the
accompanying documentation according to the following terms:
1. The printer enclosed with or otherwise associated with this Agreement has or includes
certain SOFTWARE and FIRMWARE therein which is protected by copyright laws and
international copyright treaties, as well as other intellectual property laws and treaties. The
SOFTWARE and FIRMWARE is licensed, not sold. Such SOFTWARE and/or
FIRMWARE may include, but is not limited to, SOFTWARE and/or FIRMWARE that is
licensed under one or more of the following trademarks: ZPL (Zebra Programming
Language), Zebralink, Web View, Web Alert, ZBI (Zebra Basic Interpreter), BAR-ONE,
ZTools, Utilities, ZebraNet View for IP, ZebraNet Alert, PC Management Program,
ZebraNet View for Networks and ZebraNet Connect.
2. GRANT OF LICENSE. This License grants you the following rights:
•SOFTWARE and FIRMWARE. You may use, access, display, run, or otherwise
interact with (“RUN”) the SOFTWARE and FIRMWARE in connection with operating
the printer which is enclosed with or otherwise associated with this PSFLA
(“PRINTER”). The primary user of the PRINTER may make a second copy for his or
her exclusive use on a portable computer/printer.
•Storage/Network Use. You may also store or install a copy of the SOFTWARE and
FIRMWARE on a storage device, such as a network server, used only to RUN the
SOFTWARE and FIRMWARE on your other PRINTERS over an internal network;
however, you must acquire and dedicate a license for each separate PRINTER on
which the SOFTWARE and FIRMWARE is RUN from the storage device. A license
for the SOFTWARE and FIRMWARE may not be shared or used concurrently on
different PRINTERS.
• Reservation of Rights. All rights not expressly granted are reserved by ZEBRA.

xiv R4Mplus User Guide
Warranty Information
Printer Software and Firmware License Agreement
•Accessing Services Using the SOFTWARE and FIRMWARE. Your use of any service
accessible using the SOFTWARE and FIRMWARE is not covered by this PSFLA and
may be governed by separate terms of use, conditions or notices.
3. RESTRICTIONS.
•You must maintain all copyright notices on all copies of the SOFTWARE and
FIRMWARE.
•Limitations on modification. You may not modify, adapt, translate, or create derivative
works based on this SOFTWARE OR FIRMWARE or the accompanying
documentation.
•Limitations of Reverse Engineering, Decompilation and Disassembly. You may not
reverse engineer, decompile, or disassemble the SOFTWARE or the FIRMWARE,
except and only to the extent that such activity is permitted by applicable law
notwithstanding this limitation.
•Rental. You may not rent or lease or lend the SOFTWARE or FIRMWARE.
•Support Services. ZEBRA may provide you with support services related to the
SOFTWARE and/or FIRMWARE (“SUPPORT SERVICES”), in its discretion. Use of
SUPPORT SERVICES, if any, is governed by the ZEBRA policies and programs
described in the user manual, in “online” documentation, and/or other ZEBRA
provided materials. Any supplemental SOFTWARE or FIRMWARE code provided to
you as a part of SUPPORT SERVICES shall be considered part of the SOFTWARE
and/or FIRMWARE and is subject to the terms of this PSFLA. With respect to
technical information you provide to ZEBRA as part of the SUPPORT SERVICES,
ZEBRA may use such information for its business purposes, including for product
support and development. ZEBRA will not utilize such technical information in a form
that personally identifies you except to the extent necessary to provide you with
support.
•Replacement, Modification and Upgrade of the SOFTWARE and/or FIRMWARE.
ZEBRA reserves the right to replace, modify or upgrade the SOFTWARE and/or
FIRMWARE at any time by offering you a replacement or modified version of the
SOFTWARE and/or FIRMWARE or such upgrade and to charge for such replacement,
modification or upgrade. Any such replacement or modified SOFTWARE and/or
FIRMWARE code or upgrade to the SOFTWARE and/or FIRMWARE offered to you
by ZEBRA shall be considered part of the SOFTWARE and/or FIRMWARE and
subject to the terms of this PSFLA (unless this PSFLA is superseded by a further
PSFLA accompanying such replacement or modified version of or upgrade to the
SOFTWARE and/or FIRMWARE). In the event that ZEBRA offers a replacement or
modified version of or any upgrade to the SOFTWARE and/or FIRMWARE, (a) your
continued use of the SOFTWARE and/or FIRMWARE is conditioned on your
acceptance of such replacement or modified version of or upgrade to the SOFTWARE
and/or FIRMWARE and any accompanying superseding PSFLA and (b) in the case of
the replacement or modified SOFTWARE and/or FIRMWARE, your use of all prior
versions of the SOFTWARE and/or FIRMWARE is terminated.

Warranty Information
Printer Software and Firmware License Agreement
R4Mplus User Guide xv
4. TERMINATION. Without prejudice to any other rights, ZEBRA may terminate this
PSFLA if you fail to comply with the terms and conditions of this PSFLA. ZEBRA may
terminate this PSFLA by offering you a superseding PSFLA for the SOFTWARE and/or
FIRMWARE or any replacement or modified version of or upgrade to the SOFTWARE
and/or FIRMWARE and conditioning your continued use of the SOFTWARE and/or
FIRMWARE or such replacement, modified or upgraded version on your acceptance of
such superseding PSFLA. In addition, ZEBRA may terminate this PSFLA by notifying
you that your continued use of the SOFTWARE and/or FIRMWARE is prohibited. In the
event that ZEBRA terminates this PSFLA, you must immediately stop using the
SOFTWARE and/or FIRMWARE and destroy all copies of the SOFTWARE and/or
FIRMWARE and all of its component parts.
5. COPYRIGHT. All title and copyrights in and to the SOFTWARE and FIRMWARE, the
accompanying printed materials, and any copies of the SOFTWARE and FIRMWARE, are
owned by ZEBRA or its suppliers. All title and intellectual property rights in and to the
content which may be accessed through use of the SOFTWARE and/or FIRMWARE is the
property of the respective content owner and may be protected by applicable copyright or
other intellectual property laws and treaties. This PSFLA grants you no rights to use such
content. If this SOFTWARE and/or FIRMWARE contains documentation which is
provided only in electronic form, you may print one copy of such electronic
documentation. You may not copy the printed materials accompanying the SOFTWARE
and/or FIRMWARE.
6. U.S. GOVERNMENT RESTRICTED RIGHTS. All SOFTWARE and/or FIRMWARE
provided to the U.S. Government pursuant to solicitations issued on or after December 1,
1995 is provided with the commercial rights and restrictions described elsewhere herein.
All SOFTWARE and/or FIRMWARE provided to the U.S. Government pursuant to
solicitations issued prior to December 1, 1995 is provided with RESTRICTED RIGHTS
as provided for in FAR, 48 CFR 52.227-14 (JUNE 1987) or DFAR, 48 CFR 252.227-7013
(OCT 1988), as applicable.
7. EXPORT RESTRICTIONS. You agree that you will not export or re-export the
SOFTWARE and/or FIRMWARE, any part thereof, or any process or service that is the
direct product of the SOFTWARE and/or FIRMWARE (the foregoing collectively referred
to as the “RESTRICTED COMPONENTS”), to any country, person or entity subject to
U.S. export restrictions. You specifically agree not to export or re-export any of the
RESTRICTED COMPONENTS (i) to any country to which the U.S. has embargoed or
restricted the export of goods or services, which currently include, but are not necessarily
limited to Cuba, Iran, Iraq, Libya, North Korea, Sudan and Syria, or to any national of any
such country, wherever located, who intends to transmit or transport the RESTRICTED
COMPONENTS back to such country; (ii) to any person or entity who you know or have
reason to know will utilize the RESTRICTED COMPONENTS in the design,
development or production of nuclear, chemical or biological weapons; or (iii) to any
person or entity who has been prohibited from participating in U.S. export transactions by
any federal agency of the U.S. government. You warrant and represent that neither the
U.S. Commerce Department, Bureau of Export Administration nor any other U.S. federal
agency has suspended, revoked or denied your export privileges.

xvi R4Mplus User Guide
Warranty Information
Printer Software and Firmware License Agreement
8. DISCLAIMER OF WARRANTIES. ZEBRA AND ITS SUPPLIERS PROVIDE THE
SOFTWARE AND/OR FIRMWARE “AS IS” AND WITH ALL FAULTS, AND
HEREBY DISCLAIM ALL OTHER WARRANTIES AND CONDITIONS, EITHER
EXPRESS, IMPLIED OR STATUTORY, INCLUDING BUT NOT LIMITED TO ANY
(IF ANY) IMPLIED WARRANTIES OR CONDITIONS OF MERCHANTABILITY, OF
FITNESS FOR A PARTICULAR PURPOSE, OF LACK OF VIRUSES, AND OF LACK
OF NEGLIGENCE OR LACK OF WORKMANLIKE EFFORT. ALSO, THERE IS NO
WARRANTY OR CONDITION OF TITLE, OF QUIET ENJOYMENT, OR OF
NONINFRINGEMENT. THE ENTIRE RISK ARISING OUT OF THE USE OR
PERFORMANCE OF THE SOFTWARE AND FIRMWARE IS WITH YOU. ZEBRA
DOES NOT WARRANT THAT THE OPERATION OF THE SOFTWARE OR
FIRMWARE WILL BE UNINTERRUPTED OR ERROR FREE.
9. EXCLUSION OF ALL DAMAGES. TO THE MAXIMUM EXTENT PERMITTED BY
APPLICABLE LAW, IN NO EVENT SHALL ZEBRA OR ITS SUPPLIERS BE
LIABLE FOR ANY CONSEQUENTIAL, INCIDENTAL, DIRECT, INDIRECT,
SPECIAL, PUNITIVE, OR OTHER DAMAGES WHATSOEVER (INCLUDING,
WITHOUT LIMITATION, DAMAGES FOR ANY INJURY TO PERSON OR
PROPERTY, DAMAGES FOR LOSS OF PROFITS, BUSINESS INTERRUPTION,
LOSS OF BUSINESS INFORMATION, FOR LOSS OF PRIVACY FOR FAILURE TO
MEET ANY DUTY INCLUDING OF GOOD FAITH OR OF REASONABLE CARE,
FOR NEGLIGENCE, AND FOR ANY PECUNIARY OR OTHER LOSS
WHATSOEVER) ARISING OUT OF OR IN ANY WAY RELATED TO THE USE OF
OR INABILITY TO USE THE SOFTWARE OR FIRMWARE, WHETHER BASED ON
CONTRACT, TORT, NEGLIGENCE, STRICT LIABILITY OR OTHERWISE, EVEN IF
ZEBRA OR ANY SUPPLIER HAS BEEN ADVISED OF THE POSSIBILITY OF
SUCH DAMAGES. THIS EXCLUSION OF DAMAGES SHALL BE EFFECTIVE
EVEN IF ANY REMEDY FAILS OF ITS ESSENTIAL PURPOSE.
10. LIMITATIONS AND RELEASE OF LIABILITY.
•To the extent that the SOFTWARE and/or FIRMWARE covered by this PSFLA
includes emulation libraries, emulation libraries are offered “as is”. ZEBRA does not
provide any warranty associated with the emulation libraries.
•The emulation library does not work 100% correctly or cover 100% of the
functionality of the printer language being emulated. Modifications may be required
for each target application. If such modification is necessary, prior to making any such
modification, you are required to contact ZEBRA to obtain express written consent to
make such modification.
•If the emulation library is sold separately by an authorized party other than ZEBRA
(“RESELLER”—A party other than ZEBRA which is authorized by ZEBRA to
distribute the SOFTWARE and/or FIRMWARE with its application so long as the
SOFTWARE and/or FIRMWARE is used with a ZEBRA printer) or is sold bundled
with a printer to an end-user by a RESELLER, and if claims are made by the
RESELLER that the emulation library performs as a 100% emulation solution,
ZEBRA is not responsible if the emulation library does not work as advertised by the
RESELLER. Furthermore, ZEBRA is not liable for any damages directly or indirectly
relating to such emulation library which is sold separately by the RESELLER or which
is sold bundled with a printer to an end-user by the RESELLER.

Warranty Information
Printer Software and Firmware License Agreement
R4Mplus User Guide xvii
•The SOFTWARE and FIRMWARE was provided to you at no additional charge and
ZEBRA has included in this PSFLA terms that disclaim all warranties and liability for
the SOFTWARE and FIRMWARE. To the full extent allowed by law, YOU HEREBY
RELEASE ZEBRA AND ITS SUPPLIERS FROM ANY AND ALL LIABILITY
ARISING FROM OR RELATED TO ALL CLAIMS CONCERNING THE
SOFTWARE AND/OR FIRMWARE OR ITS USE. If you do not wish to accept the
SOFTWARE OR FIRMWARE under the terms of this PSFLA, do not use the
PRINTER enclosed with or otherwise associated with this PSFLA.
11. GOVERNING LAW. If you acquired the SOFTWARE and/or FIRMWARE in the United
States of America, the laws of the State of Illinois, U.S.A. will apply to this contract. If
you acquired this SOFTWARE and/or FIRMWARE outside of the United States of
America, then local law may apply. If any provision of this PSFLA is held invalid, the
remainder of this PSFLA shall continue in full force and effect.
12. QUESTIONS. Should you have any questions, or if you desire to contact ZEBRA for any
reason, please contact the ZEBRA subsidiary serving your country, or write:
Zebra Technologies Corporation
333 Corporate Woods Parkway
Vernon Hills, IL 60061

xviii R4Mplus User Guide
Warranty Information
Printer Software and Firmware License Agreement

R4Mplus User Guide xix
Preface
The Preface discusses the topics and illustrates standards that are used throughout this guide.
Contents
Contacts . . . . . . . . . . . . . . . . . . . . . . . . . . . . . . . . . . . . . . . . . . . . . xx
Support . . . . . . . . . . . . . . . . . . . . . . . . . . . . . . . . . . . . . . . . . . . . xx
About this Document . . . . . . . . . . . . . . . . . . . . . . . . . . . . . . . . . . . xxi
Document Conventions . . . . . . . . . . . . . . . . . . . . . . . . . . . . . . . . xxii
Related Documents . . . . . . . . . . . . . . . . . . . . . . . . . . . . . . . . . . . xxiv

xx R4Mplus User Guide
Preface
Contacts
Contacts
You can contact Zebra Technologies Corporation, USA at any of the following:
Visit us at: www.zebra.com
Our Mailing Address:
Zebra Technologies Corporation
333 Corporate Woods Parkway
Vernon Hills, Illinois 60061.3109 U.S.A
Telephone: +1 847.634.6700
Facsimile: +1 847.913.8766
Zebra Technologies Europe Limited
Zebra House
The Valley Centre, Gordon Road
High Wycombe
Buckinghamshire HP13 6EQ, UK
Telephone: +44 (0)1494 472872
Facsimile: +44 (0)1494 450103
Support
You can contact Zebra support at any of the following:
Web address: www.zebra.com/SS/service_support.htm
US Phone Number: +1 847.913.2259
UK/International Phone Number: +44 (0) 1494 768289
Caution • The Web address is case-sensitive. The SS must be all caps.

Preface
About this Document
R4Mplus User Guide xxi
About this Document
The User Guide contains the following chapters:
Table 1 • User Guide Contents
Title Content Description
Introduction This chapter shows the operational controls and location of
major components needed in the loading of media and ribbon.
Printer Setup The chapter provides the tasks that you must complete and the
issues that you must consider before you load and configure
your printer.
Printer Operation This chapter provides instructions for loading media and
ribbon.
Configuration This chapter discusses detailed configuration settings and
instructs you how to view or change parameters through the
front panel.
RFID Guidelines This chapter provides an overview of how RFID works, the
transponders supported by this printer, and the ZPL commands
used to create RFID labels.
Routine Care and Adjustments This chapter discusses printer cleaning and minor adjustments.
Troubleshooting This chapter discusses typical problems and their probable
solutions.
Data Connections This appendix provides details about the serial port and parallel
port data connections.
Specifications This appendix contains specifications for the R4Mplus printer.

xxii R4Mplus User Guide
Preface
Document Conventions
Document Conventions
The following conventions are used throughout this document to convey certain information:
About this Chapter: This section lists and describes each main section of the chapter,
including the initial page number of that section. These sections primarily serve as hyperlink
components for the Adobe Acrobat.pdf version of this guide.
Alternate Color: (on-line only) Cross-references contain hot links to other sections in this
guide. If you are viewing this guide on-line in.pdf format, you can click the cross-reference
(royal blue text) to jump directly to its location.
Command Line Examples: All command line examples appear in Courier font. For
example, you would type the following to get to the Post-Install scripts in the bin
directory: Ztools
Files and Directories: All file names and directories appear in Courier New font. For
example, the Zebra<version number>.tar file and the /root directory.
Caution, Important, Note, and Example: These types of paragraphs are defined in the
following examples:
Caution • Advises you that failure to take or avoid a specific action could result in physical
harm to you or the hardware.
Caution • Advises you that failure to take or avoid a specified action could result in loss of
data or hardware damage.
!Important • Provides information that is essential to the completion of a task.
Note • Indicates neutral or positive information that emphasizes or supplements important
points of the main text.
Example • Provides an example, often a scenario, to better clarify a section of text.

Preface
Document Conventions
R4Mplus User Guide xxiii
Illustration Callouts: Callouts are used when an illustration contains information that
needs to be labeled and described. A table that contains the labels and descriptions follows the
illustration. See Figure 1.
Figure 1 • Example of an Illustration with Callouts
1Power LED
2Pause LED
3Error LED
4Data LED
PAUSE
2
1
3
4

xxiv R4Mplus User Guide
Preface
Related Documents
Related Documents
In addition to this user guide, the following documents might be helpful references:
•The ZPL II Programming Guide Volume I and Volume II (Zebra part number 45540L)
details how to create the perfect label format for your application. The guide explains how
the optional ZBI™ extends the power of ZPL II by allowing custom programs to be
written that operate within the printer, directly interfacing with bar code scanners,
keyboard display devices, etc. The guide also contains information about the enhanced
operating system features of your printer. There are three ways to obtain this guide: on the
accessory CD-ROM (supplied with the printer), on our web site (www.zebra.com), or by
ordering printed manuals from your distributor.
•The PrintServer II User and Reference Guide (Zebra part number 45537L) explains how
you can quickly set up your printer on an IP network and experience ZebraLink, our
revolutionary real-time connectivity and control solution for Zebra printers (optional
ZebraNet PrintServer II required).
•The Z4Mplus and Z6Mplus Maintenance Manual (Zebra part number 13358L) contains
the information you need to maintain your printer.
Note • This maintenance manual applies to the R4Mplus, but the RFID components are not
included.

R4Mplus User Guide 1
CHAPTER 1
Introduction
This chapter shows the operational controls and location of major components needed in the
loading of media and ribbon.
Contents
Front Panel . . . . . . . . . . . . . . . . . . . . . . . . . . . . . . . . . . . . . . . . . . . . 3
LCD Display Settings . . . . . . . . . . . . . . . . . . . . . . . . . . . . . . . . . . 4
Print Modes. . . . . . . . . . . . . . . . . . . . . . . . . . . . . . . . . . . . . . . . . . 5
Printer Media Compartment . . . . . . . . . . . . . . . . . . . . . . . . . . . . . . . 6

Introduction
Front Panel
R4Mplus User Guide 3
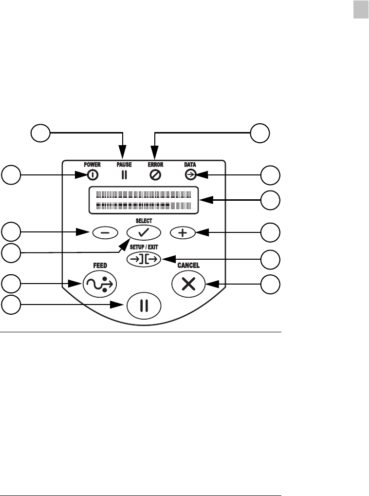
Front Panel
The front panel keys and lights are shown in Figure 2.
Figure 2 • Front Panel Controls and LEDs
1Power LED
2Pause LED
3Error LED
4Data LED
5LCD
6PLUS (+) Key
7SETUP/EXIT Key
8CANCEL Key
9PAUSE Key
10 FEED Key
11 SELECT Key
12 MINUS (–) Key
PAUSE
23
4
5
6
7
8
1
9
10
11
12

4 R4Mplus User Guide
Introduction
Front Panel
LCD Display Settings
Table 1 shows the front panel LCD display settings that you may wish to adjust and what they
mean. Refer to Basic Configuration on page 46 for more detailed information.
Table 1 • Front Panel LCD Display Settings
LCD Display Meaning/Available Settings
PRINTER READY Ready to print labels or to configure the printer. All printer
self-tests have been performed successfully.
DARKNESS The larger the number, the darker the print. The range is
0 to 30, with a default setting of 10.
PRINT SPEED The print speed is given in inches per second. The larger the
number, the faster the label prints.
TEAR OFF Establishes the position of the media over the tear-off bar after
printing.
PRINT MODE Tear-Off (default setting), Peel-Off, Cutter, Rewind. For more
details, see Table 2.
MEDIA TYPE Non-continuous (default setting), Continuous
SENSOR TYPE Web (default setting), Mark
SENSOR SELECT Auto Select (default setting), Transmissive
PRINT METHOD Thermal transfer (default setting using a ribbon),
Direct thermal (no ribbon)

Introduction
Front Panel
R4Mplus User Guide 5
Print Modes
You can view the current print mode on the LCD on the front panel of the printer. Refer to
Configuration and Calibration LCD Displays on page 49 for more detailed information. Print
modes should match the media and printer options chosen. Print mode choices are listed in
Table 2.
Table 2• Print Mode Options
Mode Printer Option Action
Tear-Off Mode
(Default setting)
Use for most applications. Each label or strip of labels can be torn
off after printing.
Peel-Off Mode Use only if printer has the peel option. Liner material is peeled away from the
label as it is printed. After the printed
label is removed the next label prints.
Cutter Mode Use only if printer has a cutter option. Printer automatically cuts the label after
it is printed.
Rewind Mode Use only if printer has the rewind
option.
The media and/or liner are rewound
onto a core as they are printed.

6 R4Mplus User Guide
Introduction
Printer Media Compartment
Printer Media Compartment
Figure 3 shows a simplified view of your printer. Depending on installed options, your
printer may look slightly different.
Figure 3 • Media Compartment
1Printhead Assembly
2Transmissive Sensor
3Label Supply Guide
4Label Supply Hanger
5Dancer
6Label Guide
7Printhead Open Lever
1
23
4
5
6
7

R4Mplus User Guide 7
CHAPTER 2
Printer Setup
The chapter provides the tasks that you must complete and the issues that you must consider
before you load and configure your printer.
Contents
Before You Begin . . . . . . . . . . . . . . . . . . . . . . . . . . . . . . . . . . . . . . . 8
Unpack and Inspect the Printer . . . . . . . . . . . . . . . . . . . . . . . . . . . . 9
Report Damage . . . . . . . . . . . . . . . . . . . . . . . . . . . . . . . . . . . . . . 9
Storage . . . . . . . . . . . . . . . . . . . . . . . . . . . . . . . . . . . . . . . . . . . . . 9
Select a Site for the Printer. . . . . . . . . . . . . . . . . . . . . . . . . . . . . . . 10
Select a Surface . . . . . . . . . . . . . . . . . . . . . . . . . . . . . . . . . . . . . 10
Provide Proper Operating Conditions. . . . . . . . . . . . . . . . . . . . . 10
Allow Proper Space . . . . . . . . . . . . . . . . . . . . . . . . . . . . . . . . . . 10
Provide a Data Source . . . . . . . . . . . . . . . . . . . . . . . . . . . . . . . . 10
Connect the Printer to a Power Source . . . . . . . . . . . . . . . . . . . . . 11
Power Cord Specifications . . . . . . . . . . . . . . . . . . . . . . . . . . . . . 11
Select a Communication Interface . . . . . . . . . . . . . . . . . . . . . . . . . 13
Types of Media . . . . . . . . . . . . . . . . . . . . . . . . . . . . . . . . . . . . . . . . 15
Non-Continuous Web Media. . . . . . . . . . . . . . . . . . . . . . . . . . . . 15
Continuous Media. . . . . . . . . . . . . . . . . . . . . . . . . . . . . . . . . . . . 16
RFID “Smart” Labels. . . . . . . . . . . . . . . . . . . . . . . . . . . . . . . . . . 17
Ribbon . . . . . . . . . . . . . . . . . . . . . . . . . . . . . . . . . . . . . . . . . . . . . . 18

8 R4Mplus User Guide
Printer Setup
Before You Begin
Before You Begin
Review this checklist, and resolve any issues before you begin setting up your printer. When
you are ready, continue with Printer Operation on page 19.
Unpack and Inspect Have you unpacked the printer and inspected it for damage? If you
have not, see Unpack and Inspect the Printer on page 9.
Select a Site Have you selected an appropriate location for the printer? If you have not,
see Select a Site for the Printer on page 10.
Attach Power Cord Do you have the correct power cord for your printer? If you are
unsure, see Power Cord Specifications on page 11. To attach the power cord and connect
the printer to a power source, see Connect the Printer to a Power Source on page 11.
Connect to a Data Source Have you determined how the printer will be connected to a
data source (usually a computer)? For more information, see Select a Communication
Interface on page 13.
Select Media Do you have the correct media for your application? If you are unsure, see
Types of Media on page 15.
Select Ribbon Do you need to use ribbon, and is the appropriate ribbon available, if
needed? If you are unsure, see Ribbon on page 18.

Printer Setup
Unpack and Inspect the Printer
R4Mplus User Guide 9
Unpack and Inspect the Printer
• Check all exterior surfaces.
• Raise the media access door and inspect the media compartment.
• Save the carton and all packing material in case the printer needs to be shipped. Contact
your authorized Zebra reseller for instructions.
• Depending on how your printer was ordered, a power cord may or may not be included. If
one is not included, or if the one included is not suitable for your requirements, see
Connect the Printer to a Power Source on page 11.
Report Damage
If you discover shipping damage:
• Immediately notify the shipping company and file a damage report.
• Keep the carton and all packing material for inspection.
• Notify your local Zebra reseller.
Storage
If you are not placing the printer into operation immediately, repackage it using the original
packing materials. The printer may be stored under the following conditions:
• Temperature: –40°F to 140°F (–40°C to 60°C)
• Relative humidity: 5% to 85%, non-condensing
Caution • For personnel and equipment safety, always use a three-prong plug with an
earth-ground connection to the AC power source.
!Important • Zebra Technologies Corporation is not responsible for any damage incurred
during the shipment of the equipment and will not repair this damage under warranty

10 R4Mplus User Guide
Printer Setup
Select a Site for the Printer
Select a Site for the Printer
Consider the following when selecting an appropriate location for your printer.
Select a Surface
Select a solid, level surface of sufficient size and strength to accommodate the printer and
other equipment (such as a computer), if necessary. The choices include a table, countertop,
desk, or cart.
Provide Proper Operating Conditions
Because the printer was designed and is fabricated as an industrial-type unit, it functions
satisfactorily in a location that conforms to specified environmental and electrical conditions,
including a warehouse or factory floor. For more information on the required conditions, see
General Specifications on page 110.
Table 3 shows the temperature and relative humidity requirements for the printer when it is
operating.
Allow Proper Space
The printer should have enough space around it for you to be able to open the media door. To
allow for proper ventilation and cooling, leave open space on all sides of the printer.
Provide a Data Source
If the printer will be located away from the data source, the selected site must provide the
appropriate connections to that data source. For more information on the types of
communication interfaces, see Select a Communication Interface on page 13.
Table 3 • Operating Temperature and Humidity
Mode Temperature Relative Humidity
Thermal Transfer 41° to 104°F (5° to 40°C) 20 to 85% non-condensing
Direct Thermal 32° to 104°F (0° to 40°C) 20 to 85% non-condensing
Caution • Do not place any padding or cushioning material behind or under the printer
because this restricts air flow and could cause the printer to overheat.

Printer Setup
Connect the Printer to a Power Source
R4Mplus User Guide 11
Connect the Printer to a Power Source
To connect the printer to a power source, complete these steps:
1. Turn the printer power switch (located on the rear of the printer) to the Off (O) position.
2. Plug the power cord into the mating connector on the rear of the printer.
3. Plug the other end of the power cord into the power source.
Power Cord Specifications
Depending on how your printer was ordered, a power cord may or may not be included. The
power cord used must meet your local electrical requirements. If a power cord is not included
or if the one included is not suitable for your requirements, refer to the following guidelines.
Your power cord must meed these standards:
• The overall length must be less than 9.8 ft. (3.0 m).
• It must be rated for at least 5A, 250 VAC.
• The chassis ground (earth) must be connected to ensure safety and reduce electromagnetic
interference. The ground connection is handled by the third wire (earth) in the power cord
as shown in Figure 4.
Figure 4 • Power Cord Specifications
Caution • For personnel and equipment safety, always use an approved three-conductor
power cord specific to the region or country intended for installation. This cord must use an
IEC 320 female connector and the appropriate region-specific three-conductor grounded plug
configuration.
1AC power plug for your country
23-conductor HAR cable
3IEC 320 connector
4Neutral earth live in contact view
1 2 3 4

Printer Setup
Select a Communication Interface
R4Mplus User Guide 13
Select a Communication Interface
The way that you connect your printer to a data source depends on the communication options
installed in the printer.
Standard interfaces: the RS-232 DB-9 serial data port and the IEEE 1284 compliant
bidirectional parallel port. For further information, see Data Connections on page 103.
Optional interfaces:
• Socket Card for PCMCIA cards. For further information on PCMCIA cards, see Install
Memory Card on page 42.
Optional Print Servers:
• ZebraNet external PrintServer II (PSII)
• PSII internal PrintServer (factory installed only)
Enables the printer to be connected to 10Base-T Ethernet networks.
For further information on PrintServer II, see the PrintServer II User and Reference Guide
(Zebra part number 45537L).
Serial Port Communicating using a serial data port (see Figure 6) requires choosing the baud
rate, number of data bits, stop bits, parity, and handshake (default settings are 9600 baud, 8
data bits, 1 stop bit, no parity, and XON/XOFF). Parity only applies to data transmitted by the
printer since the parity of received data is ignored. See Serial Data Port on page 104 to
configure the communication parameters. The values selected must be the same as those used
by the host equipment connected to the printer.
Figure 6 • Communicating Using a Serial Data Port
Printer Computer
Null modem adaptor
(if using a standard
modem cable)
Male
25
9
9
9
50 ft. (15 mm) maximum

14 R4Mplus User Guide
Printer Setup
Select a Communication Interface
Parallel Port Communicating using the parallel port (see Figure 7) does not require special
settings. The serial settings do not affect the parallel port. Refer to Parallel Data Port
on page 108 for further information.
Figure 7 • Communicating Using a Parallel Port
Cable Requirements
Data cables must be fully shielded and fitted with metal or metallized connector shells.
Shielded cables and connectors are required to prevent radiation and reception of electrical
noise. Zebra printers comply with FCC Rules and Regulations, Part 15 for Class B equipment
using fully shielded data cables. Use of unshielded cables may increase radiation above the
Class B limits.
To minimize electrical noise pickup in the cable:
• Keep data cables as short as possible.
• Do not bundle the data cables tightly with the power cords.
• Do not tie the data cables to power wire conduits.
Note • RS-422 and RS-485 applications should use twisted shielded pairs as recommended in
the Appendix of the TIA/EIA-485 Specification.
Printer Computer
36-pin
male
25-pin
male
PC
25-pin
female
10 ft. (3 mm) maximum

Printer Setup
Types of Media
R4Mplus User Guide 15
Types of Media
Your printer is capable of using various types of media. These include continuous roll and
fanfold media (Figure 8) that may be labels or card stock and that may have optional
perforations or registration holes. The media also may have a radio frequency identification
(RFID) chip and antenna inlay embedded in it (sometimes called “smart” labels). The
following sections contain descriptions of the various types of media approved for use in your
printer.
We strongly recommend the use of Zebra-brand supplies for continuous high-quality printing.
A wide range of paper, polypropylene, polyester, and vinyl stock has been specifically
engineered to enhance the printing capabilities of the printer and to ensure against premature
printhead wear.
Non-Continuous Web Media
Non-continuous web media refers to individual labels that are separated by a gap, notch, or
hole (Figure 9). When you look at the media, you can tell where one label ends and the next
one begins.
Figure 8 • Roll and Fanfold Media
Roll Media Fanfold Media
Note • Because print quality is affected by media and ribbon, printing speeds, and printer
operating modes, it is very important to run tests for your applications.
!Important • Printhead life may be reduced by abrasion from exposed paper fibers when using
perforated media.

16 R4Mplus User Guide
Printer Setup
Types of Media
Figure 9 • Non-Continuous Web Media
Continuous Media
Continuous media (Figure 10) is one uninterrupted roll of material without gaps, holes,
notches, or black marks. This allows the image to be printed anywhere on the label. The
individual labels can be cut apart or stored in a roll for later use.
Figure 10 • Continuous Media
1Hole
2Notch
3Label Gap
1
3 3
2

Printer Setup
Types of Media
R4Mplus User Guide 17
RFID “Smart” Labels
“Smart” labels are usually made from two components: media and an embedded RFID
transponder (Figure 11). For more information about reading and encoding RFID tags, see
RFID Guidelines on page 69.
• The media (usually a label with a UHF transponder embedded between the label and liner)
is usually comprised of synthetic- or paper-based material that can be printed upon using
direct thermal or thermal transfer printing techniques. The media is typically made from
the same materials and adhesives that a non-RFID barcode printer would use.
• The UHF transponder, which is sometimes called the RFID tag, is usually comprised of an
antenna that is bonded to an integrated circuit (IC) chip. If you hold a “smart” label up to
the light, you can see the transponder’s antenna embedded within the label, and you can
feel a bump in the label where the IC chip is located.
The IC chip contains the RF circuit, coders, decoders, and memory. At a minimum,
“smart” labels have memory that can be read, while the vast majority also have memory
that can be encoded by the user as well. For more information about encoding “smart”
labels, see ZPL II Commands for RFID on page 71.
Figure 11 • RFID “Smart” Labels
1Liner
2Label
3Location of embedded transponder
4Outline of transponder antenna
(shape varies by manufacturer)
(label profile)
1234

18 R4Mplus User Guide
Printer Setup
Ribbon
Ribbon
Ribbon is a thin film carrying wax or wax resin that is transferred to the media during the
thermal transfer process. The media determines whether you need to use ribbon and
determines the minimum width of the ribbon. Consider the following:
•Thermal transfer — ribbon needed.
The ribbon must be as wide as or wider than the media being used. If the ribbon is
narrower than the media, areas of the printhead are unprotected and subject to premature
wear.
•Direct thermal transfer — no ribbon needed.
When printing in direct thermal mode, ribbon is not used and should not be loaded in the
printer.
Caution • The ribbon must be as wide or wider than the media being used. If the ribbon is
narrower than the media, areas of the printhead are unprotected and subject to premature
wear.

R4Mplus User Guide 19
CHAPTER 3
Printer Operation
This chapter provides instructions for loading media and ribbon.
Contents
Front Panel . . . . . . . . . . . . . . . . . . . . . . . . . . . . . . . . . . . . . . . . . . . 20
Front Panel Keys . . . . . . . . . . . . . . . . . . . . . . . . . . . . . . . . . . . . 21
Front Panel Lights. . . . . . . . . . . . . . . . . . . . . . . . . . . . . . . . . . . . 22
Load Roll Media . . . . . . . . . . . . . . . . . . . . . . . . . . . . . . . . . . . . . . . 23
Tear-Off Mode. . . . . . . . . . . . . . . . . . . . . . . . . . . . . . . . . . . . . . . 23
Peel-Off Mode. . . . . . . . . . . . . . . . . . . . . . . . . . . . . . . . . . . . . . . 25
Liner Take-Up Mode . . . . . . . . . . . . . . . . . . . . . . . . . . . . . . . . . . 27
Rewind/Peel Mode . . . . . . . . . . . . . . . . . . . . . . . . . . . . . . . . . . . 29
Rewind Mode . . . . . . . . . . . . . . . . . . . . . . . . . . . . . . . . . . . . . . . 31
Adjust Media Alignment for Rewind Option . . . . . . . . . . . . . . . . 33
Load Fanfold Media . . . . . . . . . . . . . . . . . . . . . . . . . . . . . . . . . . . . 34
Load the Ribbon . . . . . . . . . . . . . . . . . . . . . . . . . . . . . . . . . . . . . . . 36
Remove the Ribbon . . . . . . . . . . . . . . . . . . . . . . . . . . . . . . . . . . 37
Calibrate the Printer . . . . . . . . . . . . . . . . . . . . . . . . . . . . . . . . . . . . 38
Auto Calibration . . . . . . . . . . . . . . . . . . . . . . . . . . . . . . . . . . . . . 38
Manual Calibration . . . . . . . . . . . . . . . . . . . . . . . . . . . . . . . . . . . 38
Print a Configuration Label . . . . . . . . . . . . . . . . . . . . . . . . . . . . . . . 39
Adjust Printhead Pressure . . . . . . . . . . . . . . . . . . . . . . . . . . . . . . . 41
Install Memory Card . . . . . . . . . . . . . . . . . . . . . . . . . . . . . . . . . . . . 42

20 R4Mplus User Guide
Printer Operation
Front Panel
Front Panel
The front panel display shows the printer’s operating status and allows you to change settings
as needed to work with your media and label formats.
The front panel keys and lights are shown in Figure 12. Descriptions for each are located in
Table 4 and Table 5.
Figure 12 • Front Panel
1Power LED
2Pause LED
3Error LED
4Data LED
5LCD
6PLUS (+) Key
7SETUP/EXIT Key
8CANCEL Key
9PAUSE Key
10 FEED Key
11 SELECT Key
12 MINUS (–) Key
PAUSE
3
4
5
6
7
8
2
1
9
10
11
12

Printer Operation
Front Panel
R4Mplus User Guide 21
Front Panel Keys
Table 4 • Front Panel Keys
Key Function
FEED Forces the printer to feed one blank label each time the key is pressed.
Printer not printing: one blank label immediately feeds.
Printing: one blank label feeds after the current batch of labels is complete.
PAUSE Starts and stops the printing process.
Printer not printing: no printing occurs. (Press PAUSE again to resume printing.)
Printing: printing stops after the current label is complete.
CANCEL Cancels print jobs when in the pause mode.
Printer not printing: the next stored label format does not print.
Printing: current label completes printing and the next label format is cancelled.
Press and hold for several seconds to cancel all print jobs in memory.
SETUP/EXIT Enters and exits the configuration mode.
SELECT Toggles the function of PLUS (+) and MINUS (–) between the Scroll and Change
Modes.
Press once to use PLUS (+) and MINUS (–) to change the values of the selection.
Press again to use PLUS (+) and MINUS (–) to scroll through the menu items.
PLUS (+)
(scroll mode)
Scrolls to the next selection.
PLUS (+)
(change mode)
Increases the value.
Answers yes.
Prints a label (when applicable).
MINUS (–)
(scroll mode)
Scrolls to the previous selection.
MINUS (–)
(change mode)
Decreases the value.
Selects the digit you wish to change.
Answers no.

22 R4Mplus User Guide
Printer Operation
Front Panel
Front Panel Lights
Table 5 • Front Panel Lights
Light Status Indication
POWER Off The printer is off or no power is applied.
On The printer is on.
PAUSE Off Normal printer operation.
On The printer has stopped all printing operations.
Flashing Peel-Off Mode, the Pause light flashes when the label is available,
and when initializing FLASH or PCMCIA memory.
ERROR Off Normal printer operation (no errors).
Slow flashing RIBBON IN warning, HEAD UNDER TEMP warning, or HEAD
OVER TEMP error.
Fast flashing HEAD OPEN error.
On PAPER OUT or RIBBON OUT errors.
DATA Off Normal printer operation (no data being received or processed).
One flash CANCEL is pressed and a format is successfully cancelled.
Slow flashing The printer is unable to accept more data from the host.
Fast flashing The printer is receiving data.
On A partial format has been received and no subsequent data activity.

Printer Operation
Load Roll Media
R4Mplus User Guide 23
Load Roll Media
Tear-Off Mode
Tear-Off Mode is the default mode. The printer is set to this mode in the factory.
To load media in Tear-Off Mode, complete these steps:
1. Press the printhead open lever. The printhead assembly springs up.
2. Flip down the media supply guide.
3. Slide out the media guide as far from the printer frame as possible.
4. Place the roll of media on the media supply hanger and orient the media properly.
5. Flip up the media supply guide.
6. Slide in the media supply guide until it touches, but does not restrict, the edge of the roll.
7. Feed the media under the dancer, through the slot in the transmissive sensor, under the
ribbon sensor, and out the front of the printer.
8. Ensure the media is against the back of the transmissive sensor. Slide in the media guide
until it touches, but does not restrict, the edge of the label.
9. Close the printhead assembly.
10. The printer is paused (the Pause light is on), press PAUSE to enable printing.
Caution • Ensure that the printhead is fully open and engaged in the upright
position. If you fail to latch the printhead, it could fall on your hand during the
procedure.

24 R4Mplus User Guide
Printer Operation
Load Roll Media
Figure 13 • Tear-Off Mode
1Printhead Assembly
2Transmissive Sensor
3Label Supply Guide
4Label Supply Hanger
5Dancer
6Label Guide
7Printhead Open Lever
8Printed Label
1
23
4
7
86 5

Printer Operation
Load Roll Media
R4Mplus User Guide 25
Peel-Off Mode
This setting works only with the Peel-Off Option installed on the printer. Figure 14 shows the
printer with the Peel-Off Option.
To load media in Peel-Off Mode, complete these steps:
1. Press the printhead open lever. The printhead assembly springs up.
2. Flip down the media supply guide.
3. Slide the media guide as far from the printer main frame as possible.
4. Place a roll of media onto the media supply hanger as shown.
5. Flip up the media supply guide.
6. Slide in the media supply guide until it just touches, but does not restrict, the edge of the
media.
7. Feed the media under the dancer, through the slot in the transmissive sensor, under the
ribbon sensor, and through the Peel Assembly.
8. Pull approximately 12 in. (30 mm) of media through the front of the printer.
9. Ensure the media is against the rear of the transmissive sensor. Slide in the media guide
until it just touches, but does not restrict, the edge of the media.
10. Pull down the peel lever to open the peel assembly.
11. Feed the liner over the tear-off/peel-off bar and behind the peel assembly.
12. Close the printhead assembly.
13. Close the peel assembly using the peel lever.
14. The printer is paused (the Pause light is on), press PAUSE to enable printing.
Peeling starts automatically. Press FEED to test.
Caution • Ensure that the printhead is fully open and engaged in the upright
position. If you fail to latch the printhead, it could fall on your hand during the
procedure.

26 R4Mplus User Guide
Printer Operation
Load Roll Media
Figure 14 • Peel-Off Mode
1Printhead Assembly
2Transmissive Sensor
3Media Supply Guide
4Media Supply Hanger
5Dancer
6Media Guide
7Printhead Open Lever
8Peel Assembly
9Label
10 Peel Lever
11 Tear-Off/Peel/Off Bar
2
1
3
4
5
6
7
8
9
101
11

Printer Operation
Load Roll Media
R4Mplus User Guide 27
Liner Take-Up Mode
The Liner Take-up option must be installed to use this mode. The option is shown in
Figure 16.
To load media in Liner Take-Up Mode, complete these steps:
1. Press the printhead open lever. The printhead assembly springs up.
2. Flip down the media supply guide.
3. Slide the media guide as far from the maim frame as possible.
4. Place a roll of media onto the media supply hanger as shown.
5. Flip up the media supply guide.
6. Slide in the media supply guide until it just touches, but does not restrict, the edge of the
media.
7. Feed the media under the dancer, through the slot in the transmissive sensor, and under the
ribbon sensor.
8. Pull approximately 18 in. (500 mm) of media through the front of the printer.
9. Remove the labels from the exposed media until only liner remains.
10. Ensure the media is against the back of the transmissive sensor. Slide in the media guide
until it just touches, but does not restrict, the edge of the media.
11. Pull down the peel lever to open the peel assembly.
12. Feed the media over the tear-off/peel-off bar and behind the peel assembly.
13. Close the printhead assembly.
14. Close the peel assembly.
15. Slide the liner into the slot (see Figure 15) in the spindle of the liner take-up. Ensure that
the liner is resting against the back plate of the spindle assembly.
Figure 15 • Liner Take-Up Spindle
16. Turn the spindle assembly counterclockwise a few times to snug the liner.
17. If the printer is paused (the pause light is on), press PAUSE to enable printing. Peeling
starts automatically. Press FEED to test.
Caution • Ensure that the printhead is fully open and engaged in the upright
position. If you fail to latch the printhead, it could fall on your hand during the
procedure.
Slot

28 R4Mplus User Guide
Printer Operation
Load Roll Media
Figure 16 • Liner Take-Up Mode
Liner Removal
1. Pull the liner slide toward you (see inset) until it stops (about a third of the way down the
liner take-up spindle).
Figure 17 • Removing Liner from Liner Take-Up Spindle
2. Slide the liner from the take-up spindle.
1Printhead Assembly
2Transmissive Sensor
3Label Supply Guide
4Label Supply Hanger
5Liner Take-Up
6Dancer
7Label Guide
8Printhead Open Lever
9Peel Assembly
10 Label
11 Peel Lever
12 Tear-Off/Peel/Off Bar
Note • The liner slide moves back in place once the liner is removed.
1
2
3
4
5
6
7
8
9
10
11
12
Liner Slide Tab
Liner Slide

Printer Operation
Load Roll Media
R4Mplus User Guide 29
Rewind/Peel Mode
The Rewind option must be installed to use this mode. The option is shown in Figure 18.
To load media in Rewind/Peel Mode, complete these steps:
1. Press the printhead open lever. The printhead assembly springs up.
2. Flip down the media supply guide.
3. Slide the media guide as far from the main frame as possible.
4. Place the roll of labels on the media supply hanger as shown.
5. Flip up the media supply guide.
6. Slide in the media supply guide until it just touches, but does not restrict, the edge of the
media.
7. Feed the labels under the dancer, through the slot in the transmissive sensor, and under the
ribbon sensor.
8. Pull approximately 36 in. (900 mm) of label through the front of the printer.
9. Remove the labels from the first 18 in. (450 mm) of media.
10. Ensure the media is against the back of the transmissive sensor. Slide in the media guide
until it touches, but does not restrict, the edge of the media.
11. Pull down the peel lever to open the peel assembly.
12. Feed the media over the tear-off/peel-off bar, and through the slot in the peel assembly.
13. Loosen the thumbscrew and slide out the rewind media guide to the end of the take-up
spindle.
14. Slide an empty core onto the take-up spindle; wrap the liner around the core and turn the
take-up spindle counterclockwise to wind up the excess liner.
15. Slide the rewind media guide against the liner and tighten the thumbscrew.
16. Close the printhead assembly.
17. Close the peel assembly using the peel lever.
18. If the printer is paused (the Pause light is on), press PAUSE to enable printing.
Peeling starts automatically. Press FEED to test.
Caution • Ensure that the printhead is fully open and engaged in the upright
position. If you fail to latch the printhead, it could fall on your hand during the
procedure.
Note • The liner must be attached to the take-up spindle for the printer to
operate properly. Ensure the edge of the liner is flush against the backplate of the
take-up spindle.

30 R4Mplus User Guide
Printer Operation
Load Roll Media
Figure 18 • Rewind/Peel Mode
Liner Removal
To remove liner from the rewind spindle, complete these steps:
1. Cut the liner between the media alignment spindle and the rewind spindle.
2. Rotate the take-up spindle counterclockwise until the rewind media guide is in the
12 o’clock position.
3. Loosen the thumbscrew and slide the rewind media guide to the end of the take-up
spindle.
4. Slide the core with the liner from the take-up spindle.
1Printhead Assembly
2Transmissive Sensor
3Label Supply Guide
4Label Supply Hanger
5Rewind Spindle
6Rewind Label Guide
7Thumbscrew
8Dancer
9Label Guide
10 Media Alignment Spindle
11 Printhead Open Lever
12 Peel Assembly
13 Label
14 Rewind Base Assembly
15 Peel Lever
1
23
4
5
6
7
8
9
10
11
12
13
14
15

Printer Operation
Load Roll Media
R4Mplus User Guide 31
Rewind Mode
The Rewind option must be installed to use this mode. The option is shown in Figure 19.
To load media in Rewind Mode, complete these steps:
1. Press the printhead open lever. The printhead assembly springs up.
2. Flip down the media supply guide.
3. Slide the media guide as far from the main frame as possible.
4. Place a roll of media on the media supply hanger as shown.
5. Flip up the media supply guide.
6. Slide in the media supply guide until it just touches, but does not restrict, the edge of the
media.
7. Feed the media under the dancer, through the slot in the transmissive sensor, and under the
ribbon sensor.
8. Pull approximately 36 in. (900 mm) of media through the front of the printer.
9. Remove the labels from the first 18 in. (450 mm) of media.
10. Ensure the media is against the back of the transmissive sensor. Slide in the media guide
until it just touches, but does not restrict, the edge of the media.
11. Feed the media over the peel assembly and through the rewind base assembly.
12. Loosen the thumbscrew and slide out the rewind media guide to the end of the take-up
spindle.
13. Slide an empty core onto the take-up spindle; wrap the media around the core and turn the
take-up spindle counterclockwise to wind up the excess material.
14. Slide the rewind media guide against the media, and tighten the thumbscrew.
15. Close the printhead assembly.
16. The printer is paused (the Pause light is on), press PAUSE to enable printing.
Caution • Ensure that the printhead is fully open and engaged in the upright
position. If you fail to latch the printhead, it could fall on your hand during the
procedure.
Note • The liner must be attached to the take-up spindle for the printer to operate properly.
Ensure the edge of the liner is flush against the backplate of the take-up spindle.

32 R4Mplus User Guide
Printer Operation
Load Roll Media
Figure 19 • Rewind Mode
Media Removal
To remove printed media from the rewind spindle, complete these steps:
1. Cut the media between the media alignment spindle and the rewind spindle.
2. Rotate the take-up spindle counterclockwise until the rewind media guide is in the
12 o’clock position.
3. Loosen the thumbscrew and slide out the rewind media guide to the end of the take-up
spindle.
4. Slide the core with the roll of media from the take-up spindle.
1Printhead Assembly
2Transmissive Sensor
3Label Supply Guide
4Label Supply Hanger
5Rewind Spindle
6Rewind Label Guide
7Thumbscrew
8Dancer
9Label Guide
10 Media Alignment Spindle
11 Printhead Open Lever
12 Rewind Base Assembly
13 Peel Assembly
14 Peel Lever
1
23
4
5
6
7
8
9
10
11
12
13
14

Printer Operation
Load Roll Media
R4Mplus User Guide 33
Adjust Media Alignment for Rewind Option
The instructions below apply only if the printer has a Rewind option. The liner should be
installed flush against the backplate of the rewind spindle to prevent the media/backing from
winding too loosely. See Figure 20.
Do the adjustments in the order given. Do only what is needed to solve the problem.
To adjust the Media Alignment for Rewind Mode, complete these steps:
1. Turn the adjustment dial clockwise to move the media toward the mainframe.
2. Turn the dial counter clockwise to move the media away from the mainframe.
Figure 20 • Rewind Option Adjustment Dial
1Rewind Spindle Backplate
2Rewind Spindle
3Adjustment Dial
4Printhead Assembly
1
2
4
3

34 R4Mplus User Guide
Printer Operation
Load Fanfold Media
Load Fanfold Media
Fanfold media feeds through either the bottom or rear access slot. See Figure 21.
To load fanfold media, complete these steps:
1. Press the printhead open lever. The printhead assembly springs up.
2. Flip down the media supply guide.
3. Slide the media guide as far from the main frame as possible.
4. Pass the fanfold media over the media supply hanger.
5. Flip up the media supply guide. Slide in the media supply guide until it just touches, but
does not restrict, the edge of the media.
6. Thread the media under the dancer, through the slot in the transmissive sensor, under the
ribbon sensor, and out the front of the printer.
7. Ensure the media is against the back of the transmissive sensor. Then, slide in the media
guide until it just touches, but does not restrict, the edge of the media.
8. Close the printhead assembly.
9. Press PAUSE.
Caution • Ensure that the printhead is fully open and engaged in the upright
position. If you fail to latch the printhead, it could fall on your hand during the
procedure.

Printer Operation
Load Fanfold Media
R4Mplus User Guide 35
Figure 21 • Loading Fanfold Media
1Printhead Assembly
2Transmissive Sensor
3Label Supply Guide
4Label Supply Hanger
5Dancer
6Label Guide
7Printhead Open Lever
Bottom Feed
Rear Feed
3
2
1
4
5
6
7
3
2
1
4
5
6
7

36 R4Mplus User Guide
Printer Operation
Load the Ribbon
Load the Ribbon
The ribbon supply spindle in your printer is a dual-tension variety. Most applications require
the spindle to be in the normal position. The low tension position is recommended only when a
wide ribbon is used or normal tension hampers the ribbon movement.
To load ribbon, complete these steps:
1. Set the spindle for normal or low tension.
• To place the spindle in the normal position, firmly pull out the spindle end cap until it
extends and clicks in place, as shown in Figure 22.
• To place the spindle in the low tension position, firmly push in the end cap until it
retracts and clicks in place, as shown in Figure 22.
Figure 22 • Ribbon Spindle Normal and Low Tension
2. See Figure 23. Press the printhead open lever.
The printhead assembly springs up.
3. Orient the ribbon as shown. Push the ribbon roll completely onto the ribbon supply
spindle.
4. Pull the end of the ribbon over the ribbon sensor, under the printhead assembly, and out
the front of the printer.
5. Hold the ribbon snug and free of wrinkles and in line with the guide mark near the left
edge of the strip plate. Close the printhead assembly.
6. Wind the ribbon clockwise onto the ribbon take-up spindle.
Note • Always use ribbon that is wider than the media. The smooth liner of the ribbon
protects the printhead from wear. For direct thermal printing, do not load ribbon in the printer.
Caution • Ensure that the printhead is fully open and engaged in the upright
position. If you fail to latch the printhead, it could fall on your hand during the
procedure.
Spindle End Cap
Extended
Spindle End Cap
Retracted

Printer Operation
Load the Ribbon
R4Mplus User Guide 37
Figure 23 • Ribbon Path
Remove the Ribbon
To remove used ribbon, complete these steps:
1. If the ribbon has not run out, break it between the strip plate and the ribbon take-up
spindle.
2. While turning the ribbon take-up spindle release knob counterclockwise, squeeze the
ribbon against the ribbon take-up spindle tension blades.
3. When the tension blades collapse into the ribbon take-up spindle, hold the release knob
and rotate the spent ribbon toward the rear of the printer. Then, slide the ribbon off the
ribbon take-up spindle.
1Strip Plate
2Printhead Assembly
3Release Knob
4Tension Blades
5Ribbon Take-Up Spindle
6Ribbon Supply Spindle
7Ribbon Sensor
8Printhead Open Lever
Caution • Do not cut the ribbon on the ribbon take-up spindle. This may damage the
spindle.
3
2
1
4
5
6
7
8

38 R4Mplus User Guide
Printer Operation
Calibrate the Printer
Calibrate the Printer
Auto Calibration
The R4Mplus automatically calibrates on power up. During auto calibration, the printer
determines the label length and sensor settings.
Auto calibration occurs when the printer is turned on and each time the printer recovers from
an error condition. To clear an error, open and close the printhead assembly and then press
PAUSE. The printer begins auto calibration when all errors have been cleared.
The results of the auto calibration are stored in the printer's memory and are retained even if
printer power is removed. These parameters remain in effect until the next calibration is
performed.
Manual Calibration
Perform a media and ribbon sensor calibration to reset the sensitivity of the sensors so the
media and ribbon are detected more accurately. If you change the type of ribbon or media,
your printer may operate better if this calibration is performed.
For instructions, refer to Media and Ribbon Sensor Calibration (Manual Calibration)
on page 56.
,
Note • If the front panel setting for MEDIA POWER UP or HEAD CLOSE are set to
LENGTH, NO MOTION, or FEED, the printer starts printing without auto calibrating.

Printer Operation
Print a Configuration Label
R4Mplus User Guide 39
Print a Configuration Label
Print a configuration label to test the printer setup. Do this when the printer is first installed, or
when the printer cannot properly detect the top of the label.
To print a configuration label, complete these steps:
1. Turn the printer Off (O).
2. Press and hold CANCEL while turning the printer On (l). See Figure 2, Front Panel
Controls and LEDs, on page 3.
3. Release CANCEL after the DATA light turns off (approximately five seconds).
A configuration label prints showing the printer’s currently stored parameters (similar to
the label shown in Figure 24).
4. Did the configuration label print correctly?
• If yes, go to Configuration on page 43.
• If the configuration label did not print or if the labels are aligned improperly, review
the following items in the order shown. Do only as many steps as needed to solve the
printing problem.
•Review Types of Media on page 15 to make sure that you have the correct type of
media for your application.
•Review Ribbon on page 18. If you are using direct thermal media, you do not need
to use ribbon. If you are using thermal media, ribbon is required for printing.
•Review Load Roll Media on page 23 or Load Fanfold Media on page 34.
• Configure the printer according to the directions given in Basic Configuration
on page 46.

40 R4Mplus User Guide
Printer Operation
Print a Configuration Label
Figure 24 • Sample Configuration Label

Printer Operation
Adjust Printhead Pressure
R4Mplus User Guide 41
Adjust Printhead Pressure
See Figure 25. This adjustment may be necessary if printing is too light on one side or if thick
media is used.
Figure 25 • Printhead Pressure Adjustment Dials
The pressure adjustment dials for the R4Mplus each have four possible settings designated by
blocks of increasing size embossed on the print mechanism. The smallest block (fully
counterclockwise) is considered position 1 and the largest block (fully clockwise) is
considered position 4.
Set Printhead Pressure
Depending on which printer you have, use Table 6 to select the initial dial settings for your
media.
Some media types require higher pressure to print well. For these media, increase both dials
one position. If the media tends to shift to the left while printing, increase the right dial setting
one position or decrease the left dial setting one position. If the media tends to shift to the right
while printing, increase the left dial setting one position or decrease the right dial setting one
position.
Table 6 • R4Mplus Printhead Pressure
Media Width Left Dial Right Dial
1 in. (25.4 mm) 3 1
2 in. (51 mm) 4 1
3 in. (76 mm) 3 2
3.5 in. and up (89 mm and up) 3 3
Pressure Adjustment Dials
RL

42 R4Mplus User Guide
Printer Operation
Install Memory Card
Install Memory Card
The printer can use Type I or Type II compliant PCMCIA memory cards.
To install the PCMCIA memory card, complete these steps:
1. Remove the PCMCIA card shield from the rear of the printer.
2. Insert the PCMCIA card, with the notch UP, into the card slot as shown (see Figure 26).
Insert the card far enough to cause the eject button to pop out.
3. Reinstall the PCMCIA card shield over the PCMCIA card and card slot.
The printer is now ready to operate with the additional memory or font option.
Figure 26 • Installing the PCMCIA Card
Caution • Observe proper electrostatic safety precautions when handling any
static-sensitive components such as circuit boards and printheads.
Note • The PCMCIA card is hot-swappable. It can be installed while the printer is On (l).
Note • Initialization of the PCMCIA card may take a few minutes; the Pause LED flashes
while the card initializes. If the card is already initialized, the Pause LED flashes only once or
twice. To verify that the card has successfully initialized, print a configuration label and
review it to see if the new memory card information is listed.
Card Eject
Button
Notch
PCMCIA
Card
F
u
s
e
F
u
s
e

R4Mplus User Guide 43
CHAPTER 4
Configuration
This chapter discusses detailed configuration settings and instructs you how to view or change
parameters through the front panel.
Contents
Overview. . . . . . . . . . . . . . . . . . . . . . . . . . . . . . . . . . . . . . . . . . . . . 44
Enter Configuration Mode. . . . . . . . . . . . . . . . . . . . . . . . . . . . . . 44
Exit Configuration Mode . . . . . . . . . . . . . . . . . . . . . . . . . . . . . . . 44
Change Password-Protected Parameters . . . . . . . . . . . . . . . . . 45
Basic Configuration. . . . . . . . . . . . . . . . . . . . . . . . . . . . . . . . . . . . . 46
Configuration and Calibration LCD Displays . . . . . . . . . . . . . . . . . 49

44 R4Mplus User Guide
Configuration
Overview
Overview
After you have installed the media and ribbon and the Power-On Self Test (POST) is complete
(see Power-On Self Test on page 95 for more information), the front panel displays
PRINTER
READY
. Use the front panel display and the four keys directly below it to set printer
parameters for your application.
Enter Configuration Mode
To enter configuration mode, complete these steps:
1. From the front panel, press SETUP/EXIT:
2. Press PLUS (+) or MINUS (–) to scroll to the setting you wish to change.
3. Press SELECT to toggle the functionality of PLUS (+) and MINUS (–) keys.
4. Press PLUS (+) or MINUS (–) to increase or decrease the value, answer yes or no, print a
label, or select the digit you wish to change.
5. Press SELECT again to use PLUS (+) and MINUS (–) to scroll to the desired menu item.
Exit Configuration Mode
You can leave configuration mode at any time.
To exit configuration mode, complete these steps:
1. From the front panel, press SETUP/EXIT.
The
SAVE CHANGES
display appears. Press PLUS (+) or MINUS (–) to display other
choices.
•
PERMANENT
— Permanently saves the changes. Values are stored in the printer even
when power is turned off. This is the default selection.
•
TEMPORARY
— Saves the changes until you change them again or until power is
turned off.
•
CANCEL
— Cancels all changes from the time you pressed SETUP/EXIT, except for
darkness and tear-off settings (if they were changed).
•
LOAD DEFAULTS
— Loads factory defaults.
•
LOAD LAST SAVE
— Loads values from the last permanent save.
2. Press SELECT to select the displayed choice.
3. Press SETUP/EXIT to save your choice.
Note • Printers operating on an IP network can be quickly configured using ZebraNet View
(optional ZebraNet PrintServer II required). For more information, see the PrintServer II User
and Reference Guide.
Note • An asterisk (*) in the upper left-hand corner of the display indicates that the value
displayed is different than the currently stored value.

Configuration
Overview
R4Mplus User Guide 45
Change Password-Protected Parameters
Certain parameters are password-protected by factory default. If you press SELECT when a
password-protected parameter is displayed on the front panel, the printer prompts you for a
password. If you do not know the password, press SETUP/EXIT to leave the prompt. You
will not be allowed to modify the parameter without entering the password.
The default password is 1234. You can change the password using the ^KP (Define Password)
ZPL II command.
Password-Protect All Parameters You have the option of making all parameters
password protected. Refer to PASSWORD LEVEL* on page 67 for details.
Disable Password You can disable the password protection feature to no longer prompt you
for a password by setting the password to ØØØØ via the ^KPØ ZPL/ZPL II command. To
reenable the password-protection feature, send the ZPL/ZPL II command ^KPx, where x can
be any number that is one to four digits in length, except Ø.
To enter a password, complete these steps:
1. From the front panel, enter a four-digit password at the
ENTER PASSWORD
prompt.
MINUS (–) changes the selected digit position. PLUS (+) increases value of the selected
digit.
2. After entering the password, press SELECT.
The parameter that you selected is displayed, and the value may be modified if the
password was entered correctly.
Note • After you enter the password correctly, you do not have to enter it again until you leave
and reenter the configuration mode.

46 R4Mplus User Guide
Configuration
Basic Configuration
Basic Configuration
If your labels are not printing correctly, the configuration may need to be changed because the
printer defaults may not reflect the options that you need. Media, ribbon, darkness, print mode,
media type, sensor type, and print method all affect the way the printer is configured. This
section covers how to change these basic configuration options for your printer through the
printer’s front panel. Review Figure 2 on page 3 to familiarize yourself with the front panel
controls.
Refer to Configuration and Calibration LCD Displays on page 49 for more detailed
information on all of the configuration options available on your printer.
Many printer settings may also be controlled by your printer’s driver or label preparation
software. See the driver or software documentation for more information.
To perform basic a configuration, complete these steps:
1. Enter the configuration mode by pressing SETUP/EXIT.
DARKNESS
displays.
Adjust Darkness
2. Is the printed image too dark or too light? Or does the ribbon stick to the media?
• If no, press PLUS (+) to move to the next option:
PRINT SPEED
. Continue with
Adjust Image Crispness and Print Speed.
• If yes, complete the following steps:
2.1. Press SELECT.
2.2. If the labels moved forward, but the print is light or there is no print, press PLUS
(+) to increase the darkness. If the print is too dark, or the ribbon sticks to the
media, press MINUS (–) to decrease the darkness.
2.3. Press SELECT to accept the change.
2.4. Press PLUS (+) to move to the next option.
PRINT SPEED
displays. Continue with Adjust Image Crispness and Print Speed.
Adjust Image Crispness and Print Speed
3. Is the printed image crisp?
• If yes, press PLUS (+) to move to the next option:
TEAR-OFF
. Continue with Adjust
Tear-Off Position.
• If the print is dark enough but the image is not crisp, slow down the print speed by
completing the following steps. Print speed is given in inches per second (ips).
3.1. Press SELECT.
3.2. Press PLUS (+) to increase the speed or MINUS (–) to decrease the speed.
3.3. Press SELECT to accept the changes.
3.4. Press PLUS (+) to move to the next option.
TEAR OFF displays. Continue with Adjust Tear-Off Position.

Configuration
Basic Configuration
R4Mplus User Guide 47
Adjust Tear-Off Position
The Tear-Off position defines the position of the label on the tear-off bar. When working with
non-continuous labels, the inter-label gap should be on the tear bar. This setting does not apply
to continuous media.
4. Are you using continuous media?
• If yes, press PLUS (+) to move to the next option:
PRINT MODE
. Continue with Select
Print Mode.
• If no, continue with Step 5.
5. Does the inter-label gap line up on the tear bar?
• If yes, press PLUS (+) to move to the next option:
PRINT MODE
. Continue with Select
Print Mode.
• If no, complete the following steps:
5.1. Press SELECT.
5.2. Press PLUS (+) to move the label forward or MINUS (–) to move the label
backward. Repeat this until the label lines up correctly.
5.3. Press SELECT to accept the changes.
5.4. Press PLUS (+) to move to the next option.
PRINT MODE
displays. Continue with Select Print Mode.
Select Print Mode
When the wrong Print Mode is selected, the top of the label is not found by the printer.
Examples of common problems include when the gaps between noncontinuous labels do not
line up on the tear bar or when continuous media is not being cut at the right interval.
6. Do the labels line up or cut correctly?
If yes, press PLUS (+) to move to the next option:
MEDIA TYPE
. Continue with Select
Media Type.
If no, review the media and the printer options, then complete the following steps:
6.1. Press SELECT.
6.2. Press PLUS (+) or MINUS (–) to scroll through the setting options. Stop at the
setting that matches your printer options (Tear-Off, Peel-Off, or Rewind).
6.3. Press SELECT to accept the change.
6.4. Press PLUS (+) to move to the next option.
MEDIA TYPE
displays. Continue with Select Media Type.

48 R4Mplus User Guide
Configuration
Basic Configuration
Select Media Type
For examples of non-continuous and continuous media, see Types of Media on page 15.
7. Does the media type on the display match the type of media that you are using?
• If yes, press PLUS (+) to move to the next option:
PRINT METHOD
. Continue with
Select Print Method.
• If your label media does not match the Media Type, complete the following steps:
7.1. Press SELECT.
7.2. Press PLUS (+) or MINUS (–) to scroll through the setting options. Stop at the
setting that matches your printer options (Continuous or Noncontinuous).
7.3. Press SELECT to accept the change.
7.4. Press PLUS (+) to move to the next option.
PRINT METHOD
displays. Continue with Select Print Method.
Select Print Method
The two choices for print method are: thermal and direct. You can find out if a label is thermal
or direct thermal by scratching it with your fingernail. If your nail leaves a black mark, the
media is direct thermal. If it does not leave a mark, the media is thermal.
• Use Thermal Transfer if you are using ribbon with your label material.
• Use Direct Thermal if you are not using ribbon. Direct thermal label media has ink
embedded in the label material that is brought out by the heat of the printhead.
8. Does the Print Method setting match your media type?
• If yes, continue with Save Changes and Exit.
• If no, complete the following steps:
8.1. Press SELECT.
8.2. Press PLUS (+) or MINUS (–) to scroll through the setting options. Stop at the
setting that matches your printer options (Thermal Transfer or Direct Thermal).
8.3. Press SELECT to accept the change.
Save Changes and Exit
9. Press SETUP/EXIT to leave the front panel menu.
SAVE CHANGES PERMANENT
displays. For other save options, see Exit Configuration
Mode on page 44.
10. Press SETUP/EXIT again.
SAVING PERMANENT
displays. One or more labels may feed out, depending on your
settings. The LCD displays
PRINTER READY
.

Configuration
Configuration and Calibration LCD Displays
R4Mplus User Guide 49
Configuration and Calibration LCD Displays
Table 7 covers all of the configuration options for your printer. Parameters are shown in the
order in which they are displayed when you press PLUS (+) after entering the setup mode.
Throughout this process, press PLUS (+) to continue to the next parameter, or press
MINUS (–) to return to the previous parameter in the cycle. Refer to Basic Configuration
on page 46 for information on changing just the basic print settings.
Table 7 • Printer Parameters and Other LCD Displays (Sheet 1 of 20)
Parameter/LCD Display Action/Explanation
DARKNESS Adjusting Print Darkness
Set the darkness to the lowest setting that provides good print quality.
Darkness set too high may cause ink to smear or the printer may burn
through the ribbon.
Darkness settings are dependent upon a variety of factors, including
ribbon type, media, and the condition of the printhead. You may adjust
the darkness for consistent high-quality printing. Darkness settings may
also be changed by the driver or software settings.
You may want to adjust the darkness while performing the Feed Self Test
on page 98. Because the darkness setting takes effect immediately, you
can see the results on labels that are currently printing during the test.
Default: +10
Range: 0 to +30
1. Press SELECT to select the parameter.
2. Press PLUS (+) to increase darkness if printing is too light or if there
are voids in printed areas.
3. Press MINUS (–) to decrease darkness if printing is too dark or if
there is spreading or bleeding of printed areas.
4. Press SELECT to accept any changes and deselect the parameter.
PRINT SPEED Adjusting Print Speed
Speed is measured in inches per second (ips).
Default: 2 ips
1. Press SELECT to select the parameter.
2. Press PLUS (+) to increase print speed.
3. Press MINUS (–) to decrease print speed.
4. Press SELECT to accept any changes and deselect the parameter.

50 R4Mplus User Guide
Configuration
Configuration and Calibration LCD Displays
TEAR OFF Adjusting the Tear-Off Position
This parameter establishes the position of the media over the
tear-off/peel-off bar after printing. The label and liner can be torn off or
cut between labels.
Default: +0
Range: –120 to +120
1. Press SELECT to select the parameter.
2. Press PLUS (+) to increase the value. Each press adjusts the tear-off
position by four dot rows.
3. Press MINUS (–) to decrease the value.
4. Press SELECT to accept any changes and deselect the parameter.
PRINT MODE Selecting Print Mode
Print mode settings tell the printer the method of media delivery that you
wish to use. Be sure to select a print mode that your hardware
configuration supports as some selections displayed are for optional
printer features.
Default: Tear-off
Selections: Tear-off, cutter, peel-off, rewind
1. Press SELECT to select the parameter.
2. Press PLUS (+) or MINUS (–) to display other choices.
3. Press SELECT to accept any changes and deselect the parameter.
MEDIA TYPE Setting Media Type
This parameter tells the printer the type of media you are using. Selecting
continuous media requires that you include a label length instruction in
your label format (^LLxxxx if you are using ZPL or ZPL II).
When non-continuous media is selected, the printer feeds media to
calculate label length (the distance between two detections of the
inter-label gap, webbing, or alignment notch or hole).
Default: Non-Continuous
Selections: Non-continuous, Continuous
1. Press SELECT to select the parameter.
2. Press PLUS (+) or MINUS (–) to display other choices.
3. Press SELECT to accept any changes and deselect the parameter.
Table 7 • Printer Parameters and Other LCD Displays (Sheet 2 of 20)
Parameter/LCD Display Action/Explanation

Configuration
Configuration and Calibration LCD Displays
R4Mplus User Guide 51
PRINT METHOD Selecting Print Method
The print method parameter tells the printer the method of printing you
wish to use: direct thermal (no ribbon) or thermal transfer (using thermal
transfer media and ribbon).
Selecting direct thermal when using thermal transfer media and ribbon
creates a warning condition, but printing continues.
Default: Thermal transfer
Selections: Thermal transfer, direct thermal
1. Press SELECT to select the parameter.
2. Press PLUS (+) for the next value.
3. Press MINUS (–) for the previous value.
4. Press SELECT to accept any changes and deselect the parameter.
PRINT WIDTH Setting Print Width
Print width determines the printable area across the width of the label.
Default, Range: The default and range of acceptable values may vary
depending on what printer you have. See Printing Specifications
on page 111 for further information about the ranges available for your
model.
1. Press SELECT to select the parameter.
2. Press PLUS (+) to increase the value of the selected digit.
3. Press MINUS (–) to move to the next digit.
4. To change the unit of measurement, press MINUS (–) until the unit of
measurement is active, then press PLUS (+) to toggle to a different
unit of measure (inches, mm, or dots).
5. Press SELECT to accept any changes and deselect the parameter.
MAXIMUM LENGTH Setting Maximum Length
Always set the value to at least 1 in. (25.4 mm) longer than the longest
label to be used in the printer.
Default: 39 in. (991 mm) for non-continuous material
1. Press SELECT to select the parameter.
2. Press PLUS (+) to increase the value
3. Press MINUS (–) to decrease the value.
4. Press SELECT to accept any changes and deselect the parameter.
Table 7 • Printer Parameters and Other LCD Displays (Sheet 3 of 20)
Parameter/LCD Display Action/Explanation

52 R4Mplus User Guide
Configuration
Configuration and Calibration LCD Displays
LIST FONTS List Fonts
This selection is used to print a label that lists all of the fonts currently
available in the printer, including standard printer fonts plus any optional
fonts. Fonts may be stored in RAM, FLASH memory, font EPROMs, or
font cards.
1. Press SELECT to select the parameter.
2. Press PLUS (+) to print a label listing all of the available fonts.
3. Press SELECT to deselect the parameter.
LIST BAR CODES List Bar Codes
This selection is used to print a label that lists all of the bar codes
currently available in the printer.
1. Press SELECT to select the parameter.
2. Press PLUS (+) to print a label listing all of the available bar codes.
3. Press SELECT to deselect the parameter.
LIST IMAGES List Images
This selection is used to print a label that lists all of the images currently
stored in the printer’s RAM, FLASH memory, optional EPROM, or
optional memory card.
1. Press SELECT to select the parameter.
2. Press PLUS (+) to print a label listing all of the available images.
3. Press SELECT to deselect the parameter.
LIST FORMATS List Formats
This selection is used to print a label that lists all of the formats currently
stored in the printer’s RAM, FLASH memory, optional EPROM, or
optional memory card.
1. Press SELECT to select the parameter.
2. Press PLUS (+) to print a label listing all of the available formats.
3. Press SELECT to deselect the parameter.
LIST SETUP List Setup
This selection is used to print a label that lists the current printer
configuration information. (Same label as Cancel Self Test on page 96.)
1. Press SELECT to select the parameter.
2. Press PLUS (+) to print a label listing the current printer
configuration.
3. Press SELECT to deselect the parameter.
Table 7 • Printer Parameters and Other LCD Displays (Sheet 4 of 20)
Parameter/LCD Display Action/Explanation

Configuration
Configuration and Calibration LCD Displays
R4Mplus User Guide 53
LIST ALL List All
This selection is used to print a label that lists the five previous selections,
as described.
1. Press SELECT to select the parameter.
2. Press PLUS (+) to print a label listing all of the available fonts, bar
codes, images, formats, and the current printer configuration.
3. Press SELECT to deselect the parameter.
FORMAT CARD
A B
Initialize Memory Card
Caution • Perform this operation only when it is necessary to erase all
previously stored information from the optional memory card. Press
PLUS (+) to bypass this function.
1. Press SELECT to select the parameter.
If your printer is set to require a password, you are prompted to enter
the password.
2. Enter the password, then press SELECT.
3. Press the PLUS (+) to select B memory (PCMCIA card) or press
MINUS (–) to select the A memory (internal compact flash).
The front panel LCD asks
ARE YOU SURE?
.
4. Press MINUS (–) to select
No
and cancel the request. The
INITIALIZE
CARD
prompt is displayed.
or
Press PLUS (+) to select
YES
and begin initialization.
FORMATTING CARD
displays. Depending on the amount of memory
in the memory card, initialization may take up to three minutes to
complete. When formatting is complete,
FORMAT CARD
displays.
5. Press SELECT to continue with the next prompt.
Table 7 • Printer Parameters and Other LCD Displays (Sheet 5 of 20)
Parameter/LCD Display Action/Explanation

54 R4Mplus User Guide
Configuration
Configuration and Calibration LCD Displays
INIT FLASH MEM Initialize Flash Memory
Caution • Perform this operation only when it is necessary to erase all
previously stored information from the FLASH memory. Press PLUS (+)
to bypass this function.
1. Press SELECT to select the parameter.
If your printer is set to require a password, you are prompted to enter
the password.
2. Enter the password, then press SELECT.
3. Press PLUS (+) to select YES.
The display asks
INITIALIZE FLASH?
.
4. Press PLUS (+) to select
YES
.
The front panel LCD asks
ARE YOU SURE?
.
5. Press MINUS (–) to select
NO
and cancel the request. The
INITIALIZE
FLASH
prompt is displayed.
or
Press PLUS (+) to select
YES
and begin initialization. Depending on
the amount of free FLASH memory, initialization may take up to one
minute to complete.
6. Press SETUP/EXIT followed by SELECT. If initialization is still in
process, the front panel display flashes back and forth between the
phrases
CHECKING E: MEMORY
and
PRINTER IDLE
.
When initialization is complete, the printer automatically exits the
configuration mode and the front panel displays
PRINTER READY
.
7. Press SELECT to continue with the next prompt.
Table 7 • Printer Parameters and Other LCD Displays (Sheet 6 of 20)
Parameter/LCD Display Action/Explanation

Configuration
Configuration and Calibration LCD Displays
R4Mplus User Guide 55
SENSOR PROFILE Sensor Profile
The media sensor profile may be used to troubleshoot registration
problems that may be caused when the media sensor detects preprinted
areas on the media or experiences difficulty in determining web location.
If the sensitivity of the media and/or ribbon sensors MUST be adjusted,
use the manual calibration procedure.
Figure 27 • Media Sensor Profile
1. Press SELECT to select the parameter.
2. Press PLUS (+) to print a media sensor profile.
3. Press SELECT to deselect the parameter.
Table 7 • Printer Parameters and Other LCD Displays (Sheet 7 of 20)
Parameter/LCD Display Action/Explanation

56 R4Mplus User Guide
Configuration
Configuration and Calibration LCD Displays
MEDIA AND RIBBON Media and Ribbon Sensor Calibration (Manual Calibration)
Performing the manual calibration procedure resets the sensitivity of the sensors to detect
the media and ribbon you are using more accurately. With the sensors at their new
sensitivity, the printer then performs the manual calibration. Changing the type of ribbon
and/or media may require resetting the sensitivity of the media and ribbon sensors.
1. Press SELECT to display
CALIBRATE
.
2. Press PLUS (+) to start the calibration procedure.
LOAD BACKiNG
is displayed.
3. Open the printhead.
4. Remove approximately 8 in. (200 mm) of labels from the media roll, enough so that
only the liner material is threaded between the media sensors when the media is loaded.
5. Press PLUS (+) to continue. To cancel the operation, press MINUS (–).
REMOVE RiBBON
is displayed.
6. Remove the ribbon (sliding it as far to the right as possible has the same effect as
removing it).
7. Close the printhead.
8. Press PLUS (+) to continue. To cancel the operation, press MINUS (–).
CALIBRATING PLEASE WAIT
is displayed.
The printer automatically adjusts the scale (gain) of the signals it receives from the
media and ribbon sensors based on the specific media and ribbon combination you are
using. On the sensor profile, this corresponds to moving the graph up or down to
optimize the readings for your application.
RELOAD ALL
is displayed.
9. Open the printhead and pull the media forward until a label is positioned under the
media sensor.
10. Move the ribbon back to its proper position.
11. Close the printhead.
MEDIA AND RIBBON
is displayed.
Now that the scale has changed, the printer performs another calibration. During this
process, the printer checks the readings for the media and ribbon based on the new scale
that you established, determines the label length, and determines whether you are in
Direct Thermal or Thermal Transfer Print Mode. The process is now complete. To see
the new readings, print a sensor profile. See Sensor Profile on page 55.
12. Press SELECT to deselect the parameter.
Table 7 • Printer Parameters and Other LCD Displays (Sheet 8 of 20)
Parameter/LCD Display Action/Explanation

Configuration
Configuration and Calibration LCD Displays
R4Mplus User Guide 57
Setting Communication Parameters (next nine parameters)
Communication parameters must be set correctly for the printer to communicate with the host computer.
These parameters make sure that the printer and host computer are speaking the same language. All
communication parameters are password protected.
PARALLEL COMM Setting Parallel Communications
Note • Unidirectional will not support ZebraNet two-way
communications.
Default: Bidirectional
Selections: Bidirectional, Unidirectional
1. Press SELECT to select the parameter.
2. Press PLUS (+) or MINUS (–) to display other choices.
3. Press SELECT to accept any changes and deselect the parameter.
SERIAL COMM Setting Serial Communications
Select the communications port that matches the one being used by the
host computer.
Default: RS-232
Selections: RS-232, RS-422/485, RS-485 multidrop
1. Press SELECT to select the parameter.
2. Press PLUS (+) or MINUS (–) to display other choices.
3. Press SELECT to accept any changes and deselect the parameter.
BAUD Setting Baud
The baud setting of the printer must match the baud setting of the host
computer for accurate communications to take place. Select the value that
matches the one being used by the host computer.
Default: 9600
Selections: 110, 300, 600, 1200, 2400, 4800, 9600, 14400, 19200, 28800,
38400, 57600, 115200
1. Press SELECT to select the parameter.
2. Press PLUS (+) or MINUS (–) to display other choices.
3. Press SELECT to accept any changes and deselect the parameter.
Table 7 • Printer Parameters and Other LCD Displays (Sheet 9 of 20)
Parameter/LCD Display Action/Explanation

58 R4Mplus User Guide
Configuration
Configuration and Calibration LCD Displays
DATA BITS Setting Data Bits
The data bits of the printer must match the data bits of the host computer
for accurate communications to take place. Set the data bits to match the
setting being used by the host computer.
Note • Must be set to 8 data bits to use Code Page 850.
Default: 7-bits
Selections: 7-bits, 8-bits
1. Press SELECT to select the parameter.
2. Press PLUS (+) or MINUS (–) to display other choices.
3. Press SELECT to accept any changes and deselect the parameter.
PARITY Setting Parity
The parity of the printer must match the parity of the host computer for
accurate communications to take place. Select the parity that matches the
one being used by the host computer.
Default: None
Selections: None, even, odd
1. Press SELECT to select the parameter.
2. Press PLUS (+) or MINUS (–) to display other choices.
3. Press SELECT to accept any changes and deselect the parameter.
HOST HANDSHAKE Setting Host Handshake
The handshake protocol of the printer must match the handshake protocol
of the host computer for communications to take place. Select the
handshake protocol that matches the one being used by the host computer.
Default: XON/XOFF
Selections: XON/XOFF, DTR/DSR, RTS/CTS
1. Press SELECT to select the parameter.
2. Press PLUS (+) or MINUS (–) to display other choices.
3. Press SELECT to accept any changes and deselect the parameter.
Table 7 • Printer Parameters and Other LCD Displays (Sheet 10 of 20)
Parameter/LCD Display Action/Explanation

Configuration
Configuration and Calibration LCD Displays
R4Mplus User Guide 59
PROTOCOL Setting Protocol
Protocol is a type of error checking system. Depending on the selection,
an indicator may be sent from the printer to the host computer signifying
that data has been received. Select the protocol that is requested by the
host computer. Further details on protocol can be found in the ZPL II
Programming Guide Volume I.
Default: None
Selections: None, Zebra, ACK_NACK
Zebra is the same as ACK_NACK except that with Zebra the response
messages are sequenced. If Zebra is selected, the printer must use
DTR/DSR host handshake protocol.
1. Press SELECT to select the parameter.
2. Press PLUS (+) or MINUS (–) to display other choices.
3. Press SELECT to accept any changes and deselect the parameter.
NETWORK ID Setting Network ID
Network ID is used to assign a unique number to a printer used in an
RS-422/RS-485 network. This gives the host computer the means to
address a specific printer. If the printer is used in a network, you must
select a network ID number. This does not affect TCP/IP or IPX
networks.
Default: 000
Range: 000 to 999
1. Press SELECT to select the parameter.
2. Press PLUS (+) to increase the value of the selected digit.
3. Press MINUS (–) to move to the next digit.
4. Press SELECT to accept any changes and deselect the parameter.
Table 7 • Printer Parameters and Other LCD Displays (Sheet 11 of 20)
Parameter/LCD Display Action/Explanation

60 R4Mplus User Guide
Configuration
Configuration and Calibration LCD Displays
COMMUNICATIONS Setting Communications Mode
The communication diagnostics mode is a troubleshooting tool for
checking the interconnection between the printer and the host computer.
When “diagnostics” is selected, all data sent from the host computer to
the printer is printed as straight ASCII hex characters. The printer prints
all characters received, including control codes, such as CR (carriage
return). A sample printout is shown in Figure 35 on page 99.
Default: Normal mode
Selections: Normal mode, diagnostics
1. Press SELECT to select the parameter.
2. Press PLUS (+) or MINUS (–) to display other choices.
3. Press SELECT to accept any changes and deselect the parameter.
Notes on diagnostic printouts
• FE indicates a framing error
• OE indicates an overrun error
• PE indicates a parity error
• NE indicates noise
For any errors, check that your communication parameters are correct.
Set the print width equal to or less than the label width used for the test.
See PRINT WIDTH on page 51 for more information.
Table 7 • Printer Parameters and Other LCD Displays (Sheet 12 of 20)
Parameter/LCD Display Action/Explanation

Configuration
Configuration and Calibration LCD Displays
R4Mplus User Guide 61
Selecting Prefix and Delimiter Characters (next three parameters)
Prefix and delimiter characters are 2-digit hex values used within the ZPL/ZPL II formats sent to the
printer. The printer uses the last prefix and delimiter characters sent to it, whether from a ZPL II
instruction or from the front panel.
Do not use the same hex value for the control, format, and delimiter characters. The printer needs to see
different characters to function properly.
CONTROL PREFIX Control Prefix Character
The printer looks for this 2-digit hex character to indicate the start of a
ZPL/ZPL II control instruction.
Default: 7E (tilde - displayed as a black square)
Range: 00 to FF
1. Press SELECT to select the parameter.
2. Press PLUS (+) to increase the value of the selected digit.
3. Press MINUS (–) to move to the next digit.
4. Press SELECT to accept any changes and deselect the parameter.
FORMAT PREFIX Format Prefix Character
The printer looks for this 2-digit hex character to indicate the start of a
ZPL/ZPL II format instruction.
Default: 5E (caret)
Range: 00 to FF
1. Press SELECT to select the parameter.
2. Press PLUS (+) to increase the value of the selected digit.
3. Press MINUS (–) to move to the next digit.
4. Press SELECT to accept any changes and deselect the parameter.
DELIMITER CHAR Delimiter Character
The delimiter character is a 2-digit hex value used as a parameter place
marker in ZPL/ZPL II format instructions. See the ZPL II Programming
Guide Volume I for more information.
Default: 2C (comma)
Range: 00 to FF
1. Press SELECT to select the parameter.
2. Press PLUS (+) to increase the value of the selected digit.
3. Press MINUS (–) to move to the next digit.
4. Press SELECT to accept any changes and deselect the parameter.
Table 7 • Printer Parameters and Other LCD Displays (Sheet 13 of 20)
Parameter/LCD Display Action/Explanation

62 R4Mplus User Guide
Configuration
Configuration and Calibration LCD Displays
ZPL MODE Selecting ZPL Mode
The printer remains in the selected mode until it is changed by this front
panel instruction or by using a ZPL/ZPL II command. The printer accepts
label formats written in either ZPL or ZPL II. This eliminates the need to
rewrite any ZPL formats you already have. See the ZPL II Programming
Guide Volume II for more information on the differences between ZPL
and ZPL II.
Default: ZPL II
Selections: ZPL II, ZPL
1. Press SELECT to select the parameter.
2. Press PLUS (+) or MINUS (–) to display other choices.
3. Press SELECT to accept any changes and deselect the parameter.
MEDIA POWER UP Media Power Up
Establishes the action of the media when the printer is turned on.
Default: Calibration
Selections:
•Calibration: Recalibrates the media and ribbon sensors.
•Length: Determines the length of the label.
•No Motion: Media does not move.
•Feed: Feeds the label to the first web.
1. Press SELECT to select the parameter.
2. Press PLUS (+) or MINUS (–) to display other choices.
3. Press SELECT to accept any changes and deselect the parameter.
HEAD CLOSE Head Close
Determines the action of the media after the printhead has been opened
and then closed.
Default: Calibration
Selections:
•Calibration: Recalibrates the media and ribbon sensors.
•Length: Determines the length of the label.
•No Motion: Media does not move.
•Feed: Feeds the label to the first web.
1. Press SELECT to select the parameter.
2. Press PLUS (+) or MINUS (–) to display other choices.
3. Press SELECT to accept any changes and deselect the parameter.
Table 7 • Printer Parameters and Other LCD Displays (Sheet 14 of 20)
Parameter/LCD Display Action/Explanation

Configuration
Configuration and Calibration LCD Displays
R4Mplus User Guide 63
BACKFEED Backfeed Sequence
This parameter establishes when and how much label backfeed occurs
after a label is removed or cut in the peel-off or cutter modes. It has no
effect in rewind or tear-off modes. This parameter setting can be
superseded by the ~JS instruction when received as part of a label
format (see the ZPL II Programming Guide Volume I).
The difference between the value entered and 100% establishes how
much backfeed occurs before the next label is printed. For example, a
value of 40 means that 40% of the backfeed takes place after the label is
removed or cut. The remaining 60% takes place before the next label is
printed. A value of “before” means that all backfeed takes place before
the next label is printed.
Default: Default (90%)
Selections: Default, after, before, 10%, 20%, 30%, 40%, 50%, 60%,
70%, 80%, off
1. Press SELECT to select the parameter.
2. Press PLUS (+) or MINUS (–) to display other choices.
3. Press SELECT to accept any changes and deselect the parameter.
LABEL TOP Adjusting Label Top Position
The label top position adjusts the print position vertically on the label.
Positive numbers adjust the label top position further down the label
(away from the printhead); negative numbers adjust the position up the
label (toward the printhead).
Default: +0
Range: –120 to +120 dot rows
1. Press SELECT to select the parameter.
2. Press PLUS (+) to increase the value. The displayed value represents
dots.
3. Press MINUS (–) to decrease the value.
4. Press SELECT to accept any changes and deselect the parameter.
Table 7 • Printer Parameters and Other LCD Displays (Sheet 15 of 20)
Parameter/LCD Display Action/Explanation

64 R4Mplus User Guide
Configuration
Configuration and Calibration LCD Displays
LEFT POSITION Adjusting Left Position
This parameter establishes how far from the left edge of a label the format
begins to print by adjusting horizontal positioning on the label. Positive
numbers adjust the printing to the left by the number of dots selected;
negative numbers shift printing to the right.
Default: 0000
Range: –9999 to +9999
1. Press SELECT to select the parameter.
2. Press MINUS (–) to move to the next position.
3. Press PLUS (+) to change between +/– or to increase the value of the
digit. The displayed value represents dots. For a negative value, enter
the value before changing to the minus sign.
4. Press SELECT to accept any changes and deselect the parameter.
WEB S.
MEDIA S.
RIBBON S.
TAKE LABEL S.
MEDIA LED
RIBBON LED
These parameters are automatically set during the calibration procedure.
They should be changed only by a qualified service technician. See the
Maintenance Manual for more information on these parameters.
Press PLUS (+) repeatedly to skip these parameters.
LCD ADJUST LCD Display Adjustment
This parameter allows you to adjust the brightness of your display if your
display is difficult to read.
Range: 00 to 19
1. Press SELECT to select the parameter.
2. Press MINUS (–) to decrease the value (reduce brightness).
3. Press PLUS (+) to increase the value (increase brightness).
4. Press SELECT to accept any changes and deselect the parameter.
Table 7 • Printer Parameters and Other LCD Displays (Sheet 16 of 20)
Parameter/LCD Display Action/Explanation

Configuration
Configuration and Calibration LCD Displays
R4Mplus User Guide 65
FORMAT CONVERT Format Convert
The Format Convert setting is used when upgrading from a printer of
lower resolution to a printer of higher resolution and the user does not
wish to modify their formats.
Example: If your original formats were written for a 150 dpi printer and
your new printer is 300 dpi, you would choose150-300.
Default: None
Selections: None, 150–300, 150–600, 200–600, 300–600
1. Press SELECT to select the parameter.
2. Press PLUS (+) or MINUS (–) to display other choices.
3. Press SELECT to accept any changes and deselect the parameter.
IDLE DISPLAY Idle Display
If RTC is installed, this parameter selects the LCD options for the
real-time clock.
Default: FW Version
Selections: FW Version, MM/DD/YY 24HR, MM/DD/YY 12HR,
DD/MM/YY 24HR, DD/MM/YY 12HR
1. Press SELECT to select the parameter.
2. Press PLUS (+) or MINUS (–) to display other choices.
3. Press SELECT to accept any changes and deselect the parameter.
RTC DATE RTC Date
If RTC is installed, this parameter allows changing of the date.
1. Press SELECT to select the parameter.
2. Press PLUS (+) to increase the value of the selected digit.
3. Press MINUS (–) to move to the next digit.
4. Press SELECT to accept any changes and deselect the parameter.
RTC TIME RTC Time
If RTC is installed, this parameter allows changing of time.
1. Press SELECT to select the parameter.
2. Press PLUS (+) to increase the value of the selected digit.
3. Press MINUS (–) to move to the next digit.
4. Press SELECT to accept any changes and deselect the parameter.
Table 7 • Printer Parameters and Other LCD Displays (Sheet 17 of 20)
Parameter/LCD Display Action/Explanation

66 R4Mplus User Guide
Configuration
Configuration and Calibration LCD Displays
IP RESOLUTION* IP Resolution
Depending on the selection, allows either the user (permanent) or the
server (dynamic) to select the IP address. For more information, see
ZebraNet Networking: PrintServer II Installation and Users Guide.
Default: Dynamic
Selections: Dynamic, permanent
1. Press SELECT to select the parameter.
2. Press PLUS (+) or MINUS (–) to display other choices.
3. Press SELECT to accept any changes and deselect the parameter.
IP PROTOCOLS* IP Protocols
If dynamic was chosen in the previous parameter, this selection
determines the method(s) by which the PrintServer II receives the IP
address from the server. For more information, see ZebraNet Networking:
PrintServer II Installation and Users Guide.
Default: All
Selections: All, gleaning only, RARP, BOOTP, DHCP, DHCP/BOOTP
1. Press SELECT to select the parameter.
2. Press PLUS (+) or MINUS (–) to display other choices.
3. Press SELECT to accept any changes and deselect the parameter.
IP ADDRESS* IP Address
This parameter allows you to select the IP address if permanent was
chosen in IP RESOLUTION. (If dynamic was chosen, the user cannot
select the address.) For more information, see ZebraNet Networking:
PrintServer II Installation and Users Guide.
1. Press SELECT to select the parameter.
2. Press PLUS (+) to increase the value of the selected digit.
3. Press MINUS (–) to move to the next digit.
4. Press SELECT to accept any changes and deselect the parameter.
SUBNET MASK* Subnet Mask
This parameter selects the part of the IP address that is considered to be
part of the local network. It can be reached without going through the
default gateway.
Default: Permanent (user must set)
Selections: Dynamic (user may set, but server can assign), permanent
1. Press SELECT to select the parameter.
2. Press PLUS (+) or MINUS (–) to display other choices.
3. Press SELECT to accept any changes and deselect the parameter.
Table 7 • Printer Parameters and Other LCD Displays (Sheet 18 of 20)
Parameter/LCD Display Action/Explanation

Configuration
Configuration and Calibration LCD Displays
R4Mplus User Guide 67
DEFAULT GATEWAY* Default Gateway
This parameter allows you to select the IP address that the network traffic
is routed through if the destination address is not part of the local
network.
1. Press SELECT to select the parameter.
2. Press PLUS (+) to increase the value of the selected digit.
3. Press MINUS (–) to move to the next digit.
4. Press SELECT to accept any changes and deselect the parameter.
RFID TEST
QUICK SLOW
RFID Test
In both versions of this test, the printer attempts to read and write to a
transponder. In the slow test, the printer also checks the reader version
number. If the printer fails the test, the front panel displays an error
message.
1. Place an RFID label over the reader (no movement occurs with the
test).
2. Press SELECT to select the parameter.
3. Press MINUS (–) to select
QUICK
.
OR
Press PLUS (+) to select
SLOW
.
4. If necessary, press PLUS (+) to select
CONTINUE
.
5. Press SELECT to deselect the parameter.
RFID ERR STATUS RFID Error Status
If an error condition exists, a message may be displayed here.
PASSWORD LEVEL* Password Level
This parameter allows you to select whether certain Zebra-selected menu
items (selected items) or all menu items (all items) are password
protected.
Default: Selected items
Selections: Selected items, all items
1. Press SELECT to select the parameter.
2. Press PLUS (+) or MINUS (–) to display other choices.
3. Press SELECT to accept any changes and deselect the parameter.
Table 7 • Printer Parameters and Other LCD Displays (Sheet 19 of 20)
Parameter/LCD Display Action/Explanation

68 R4Mplus User Guide
Configuration
Configuration and Calibration LCD Displays
LANGUAGE Selecting the Display Language
This parameter allows you to change the language used on the front panel
display.
Default: English
Selections: English, Spanish, French, German, Italian, Norwegian,
Portuguese, Swedish, Danish, Spanish 2, Dutch, Finnish, Japanese
1. Press SELECT to select the parameter.
2. Press PLUS (+) or MINUS (–) to display other choices.
3. Press SELECT to accept any changes and deselect the parameter.
* ZebraNet PrintServer II External or Internal option required
Table 7 • Printer Parameters and Other LCD Displays (Sheet 20 of 20)
Parameter/LCD Display Action/Explanation

R4Mplus User Guide 69
CHAPTER 5
RFID Guidelines
This chapter provides an overview of how RFID works, the transponders supported by this
printer, and the ZPL commands used to create RFID labels.
Contents
Overview. . . . . . . . . . . . . . . . . . . . . . . . . . . . . . . . . . . . . . . . . . . . . 70
Transponder Placement . . . . . . . . . . . . . . . . . . . . . . . . . . . . . . . . . 70
ZPL II Commands for RFID . . . . . . . . . . . . . . . . . . . . . . . . . . . . . . 71
Sample of RFID Programming . . . . . . . . . . . . . . . . . . . . . . . . . . . . 79

70 R4Mplus User Guide
RFID Guidelines
Overview
Overview
The R4Mplus “smart” label printer-encoder serves as a dynamic tool for both printing and
encoding RFID labels, tickets, and tags. The printer encodes information on ultra-thin UHF
RFID transponders embedded in “smart” labels. It then immediately verifies proper encoding
and prints bar codes, graphics, and/or text on the label’s surface. For more information about
RFID media, see RFID “Smart” Labels on page 17.
Function of an encoded “smart” label depends on factors such as where the label is placed on
an item as well as on the contents of the item (such as metals or liquids). Contact the supplier
of your RFID reader for assistance with these types of issues.
Transponder Placement
Communication between the “smart” label and the printer is established when the transponder
lines up with the printer’s antenna. The optimal transponder position varies with the
transponder size, its configuration, and the type of RFID IC chip used.
Print quality may be affected by printing directly over the transponder. In particular, there is an
area on each label immediately around the location of the IC chip where the printer may print
with low quality. Design your printed label around the location of the chip in the type of
approved “smart” label that you select. For the list of approved transponders and related
placement specifications, go to http://www.rfid.zebra.com/r4m.htm.
!Important • It is important to use transponders that have been specifically approved
for use in the R4Mplus printer. Failure to do so may result in the inability to read or
write to the embedded RFID tags. As new transponders become commercially
available, Zebra will evaluate them for compatibility with this printer. For the list of
approved transponders, go to http://www.rfid.zebra.com/r4m.htm.

RFID Guidelines
ZPL II Commands for RFID
R4Mplus User Guide 71
ZPL II Commands for RFID
Printing and encoding (writing) of “smart” labels is handled through the use of Zebra
Programming Language (ZPL). The printer segments the ZPL RFID and non-RFID related
commands that it receives. The printer executes the RFID commands first, followed by the
others (such as the printing commands for bar codes or human-readable text). Each
transponder has memory that can be written to and read from through ZPL commands.
The ZPL commands also provide for exception handling, such as setting the number of
read/write retries before declaring the transponder defective. If an RFID tag is declared
defective (fails to program correctly or cannot be detected) the printer ejects it and prints the
word “void” across the entire label. This process will continue for the number of RFID tags
specified in the ^RS command using the same data and format, assuming that the problems
persist. After the last tag is ejected, the printer removes the customer format from the print
queue and proceeds with the next format (if one exists in the buffer).
The following pages provide the ZPL II commands that can be used for RFID applications. If
a parameter is designated as not applicable, any value entered for the parameter will be
ignored, but the place holder for the field is required.

72 R4Mplus User Guide
RFID Guidelines
ZPL II Commands for RFID
^WT
Write Tag
Description The ^WT command allows you to program the current RFID tag.
Format ^WTb,r,m,w,f,v
Table 8 identifies the parameters for this format.
Note • Check the amount of data memory available for the tag that you will be using.
If more is sent than the memory can hold, the data will be truncated.
Table 8 • ^WT Parameters
Parameters Details
b = block number* Default value: 0
Other values: 1 to n, where n is the maximum number of blocks for the tag.
r = number of retries Default value: 0
Other values: 1 to 10, number of retries
m = motion Default value: 0 (Feed label after writing.)
Other values: 1 (No Feed after writing. Other ZPL may cause a feed.)
w = write protect Default value: 0 (Not write protected.)
Other values: 1 (Write protect.)
f = data format Default value: 0 ASCII
Other values: 1 Hexadecimal
v = verify valid data Default value: y (Verify valid data [Hex A5A5 in the first two bytes] before
writing)
Other values: n (Do not verify)
* Not applicable for R4Mplus.
Example • This sample encodes data “RFIDRFID” and will try writing up to five times, if
necessary.
^XA
^WT,5^FDRFIDRFID^FS
^XZ

RFID Guidelines
ZPL II Commands for RFID
R4Mplus User Guide 73
^RT
Read Tag
Description The ^RT command tells the printer to read the current RFID tag data. The data
can be sent back to the host via the ^HV command.
Format ^RT#,b,n,f,r,m,s
Table 9 identifies the parameters for this format.
Table 9 • ^RT Parameters
Parameters Details
# = number to be assigned
to the field
Default value: 0
Other values: 1 to 9999
b = starting block
number*
Default value: 0
Other values: 1 to n, where n is the maximum number of blocks for the tag.
n = number of blocks
to read*
Default value: 1
Other values: 2 to n, where n is the maximum number of blocks minus the
starting block number. For example, if the tag has 8 blocks (starting with
block 0) and you start with block 6, n can be 2. This would give you block 6
and block 7 information.
f = format Default value: 0 ASCII
Other values: 1 Hexadecimal
r = number of retries Default value: 0
Other values: 1 to 10, number of retries
m = motion Default value: 0 (Feed label after writing.)
Other values: 1 (No Feed after writing. Other ZPL may cause a feed.)
s = special mode For EPC Class 1 (Alien reader) only. Not applicable for EPC class 0.
Default value: 0 (Do not read if mismatched checksum.)
Other values: 1 (Read even if mismatched checksum.)
* Not applicable for R4Mplus.
Example • This sample reads a tag, prints the data on a label, and sends the string
Tag Data:xxxxxxxx back to the host. The data read will go into the ^FN1 location of the
format. It will retry the command five times, if necessary.
^XA
^FO20,120^A0N,60^FN1^FS
^RT1,,,,5^FS
^HV1,,Tag Data:^FS
^XZ

74 R4Mplus User Guide
RFID Guidelines
ZPL II Commands for RFID
^HV
Host Verification
Description This command is used to return data from specified fields, along with an
optional ASCII header, to the host. It can be used with any field that has been assigned a
number with the ^RT command.
Format ^HV#,n,h
Table 10 identifies the parameters for this format.
Table 10 • ^HV Parameters
Parameters Details
# = field number specified
with another command
The value assigned to this parameter should be the same as the one used in
the ^RT or ^RI command.
Default value: 0
Other values: 1 to 9999
n = number of bytes to be
returned
Default value: 64
Other values: 1 to 256
h = header Header (in uppercase ASCII characters) to be returned with the data.
Default value: none
Acceptable values: 1 to 3072 characters

RFID Guidelines
ZPL II Commands for RFID
R4Mplus User Guide 75
^RS
RFID Setup
Description The ^RS command is used to set up for RFID operation. Specifically, it moves
the tag into the effective area for reading or writing or for possible error handling if there is an
error.
Format ^RSt,p,v,n,e
Table 11 identifies the parameters for this format.
Note • Use care when using this command in combination with ^RT (reading tag
data) or ^RI (reading the tag’s unique ID number). Problems can occur if the data
read from the tag is going to be printed on the label. Any data read from the
transponder must be positioned to be printed above the read/write position. Failure to
do this will prevent read data from being printed on the label.
Table 11 • ^RS Parameters
Parameters Details
t = tag type* Default value: 1 = Auto detect (automatically determine the tag type by
querying the tag)
Other values:
2 = Tag it (Texas Instruments Tagit tags)
3 = Icode (Phillips Icode tags)
4 = Pico tag (Inside Technology’s)
5 = ISO15693 tag
6 = ePC tag
p = read/write position of
the transponder in the
vertical (Y axis) in dot
rows from the top of the
label
Default value: label length minus 8 dot rows
Other values: 0 to label length
Set to 0 (no movement) if the transponder is already in the effective area
without moving the media.
v = length of void printout
in vertical (Y axis) dot
rows
Default value: label length
Other values: 0 to label length
n = number of labels to try
in case of read/encode
failure
Default value: 3
Other values: 1 to 10 (number of labels)
* Not applicable for R4Mplus.

76 R4Mplus User Guide
RFID Guidelines
ZPL II Commands for RFID
e = error handling Send an error message to the host as an unsolicited message for each failure
and set the printer in error mode.
Note • To enable or disable the unsolicited error message, refer to the ^SX
and ^SQ commands. The parameter for the RFID error in these commands
is V.
Default value: N (no action)
Other values:
P = Place printer in Pause
E = Place printer in Error
Table 11 • ^RS Parameters (Continued)
Parameters Details
* Not applicable for R4Mplus.

RFID Guidelines
ZPL II Commands for RFID
R4Mplus User Guide 77
Example • This example sets the printer to move the media to 800 dots from the top of the
media [or label length minus 800 from the bottom (leading edge) of the media] and voids the
rest of the media in case of an error. The printer will try to print two labels, then will pause the
printer if printing and encoding fail.
^XA
^RS,800,,2,P^FS
^XZ
Figure 28 shows the resulting voided label. Note where the void starts. The media has been
moved 800 dot rows from the top of the label (label length minus 800 dot rows from the
bottom (leading edge) of a label) to bring the transponder into the effective area to read/write a
tag. If the printer fails the operation, the rest of the media is voided.
Figure 28 • Sample Voided Label 1
Top of label
Start of RFID
operation
800 dot rows
Bottom of label
Label length minus
800 dot rows

78 R4Mplus User Guide
RFID Guidelines
ZPL II Commands for RFID
Example • This example sets the printer to move the media to 800 dots from the top of the
media [or label length - 500 from the bottom (leading edge) of the media] and prints “void”
500 dots in vertical length (Y axis) in case of an error.
^XA
^RS,800,,2,P^FS
^XZ
Figure 29 shows the resulting voided label. Note where the void starts. The media has been
moved 800 dot rows from the top of the label [label length minus 800 dot rows from the
bottom (leading edge) of a label] to bring the transponder into the effective area to read/write a
tag. If the printer fails the operation, an area that is 500 dot rows of the media is voided instead
of the entire rest of the media as in Figure 28.
Figure 29 • Sample Voided Label 2
Top of label
Start of RFID
operation
800 dot rows
Bottom of label
Label length minus
800 dot rows
500 dot rows

RFID Guidelines
Sample of RFID Programming
R4Mplus User Guide 79
Sample of RFID Programming
ZPL II is Zebra’s label design language. ZPL II lets you create a wide variety of labels from
the simple to the very complex, including text, bar codes, and graphics.
This section is not intended as an introduction to ZPL II. If you are a new ZPL II user, order
the ZPL II Programming Guide (part number 46530L) or go to http://support.zebra.com to
download the guide.
For your programming, do the following:
1. Set up the printer and turn the power on.
2. Use any word processor or text editor capable of creating ASCII-only files (for example,
use Microsoft® Word and save as a .txt file) and type in the label format exactly as shown
in the sample label format that follows.
3. Save the file in a directory for future use. Use the “.zpl” extension.
4. Copy the file to the printer.
From the DOS command window, use the “COPY” command to send a file to the Zebra
printer. For example, if your file name is format1.zpl then type, COPY FORMAT 1.ZPL
XXXX, where XXXX is the port to which your Zebra printer is connected (for example,
LPT1).
5. Compare your results with those shown. If your printout does not look like the one shown,
confirm that the file you created is identical to the format shown, then repeat the printing
procedure. If nothing prints, refer to
•Printer Setup on page 7
•Printer Operation on page 19
•Configuration on page 43
•Troubleshooting on page 89
to make sure that your system is set up correctly.

80 R4Mplus User Guide
RFID Guidelines
Sample of RFID Programming
Table 12 • Sample ZPL Code and Results
Line
Number Type This Label Format Resulting Printout
1 ^XA ZEBRA
5A65627261000000
2^RS,0^FS
3^WT^FDZebra^FS
4 ^FO100,100^A0n,60^FN0^FS
5 ^FO100,200^A0n,40^FN1^FS
6^RT0^FS
7 ^RT1,,,1^FS
8^XZ
Line 1 Indicates start of label format.
Line 2 Indicates no movement for media.
Line 3 Writes the data “Zebra” to the tag.
Line 4 Print field number ‘0’ at location 100,100.^FN0 is replaced by what we read on line 5.
Line 5 Print field number ‘1’ at location 100,200. ^FN1 is replaced by what we read on line 6.
Line 6 Read Tag into field number 0 in ASCII format (default).
Line 7 Read Tag into field number 1 in hexadecimal format.
Line 8 End of label format.

R4Mplus User Guide 81
CHAPTER 6
Routine Care and Adjustments
This chapter discusses printer cleaning and minor adjustments.
Contents
Cleaning Procedures . . . . . . . . . . . . . . . . . . . . . . . . . . . . . . . . . . . 82
Clean the Exterior . . . . . . . . . . . . . . . . . . . . . . . . . . . . . . . . . . . . 82
Clean the Interior . . . . . . . . . . . . . . . . . . . . . . . . . . . . . . . . . . . . 83
Clean the Sensors . . . . . . . . . . . . . . . . . . . . . . . . . . . . . . . . . . . 84
Clean the Rewind Option . . . . . . . . . . . . . . . . . . . . . . . . . . . . . . 85
Clean the Peel-Off Assembly . . . . . . . . . . . . . . . . . . . . . . . . . . . 86
Lubrication . . . . . . . . . . . . . . . . . . . . . . . . . . . . . . . . . . . . . . . . . . . 87
Fuse Replacement . . . . . . . . . . . . . . . . . . . . . . . . . . . . . . . . . . . . . 87

82 R4Mplus User Guide
Routine Care and Adjustments
Cleaning Procedures
Cleaning Procedures
Specific cleaning procedures are provided on the following pages. Table 13 shows a
recommended cleaning schedule.
.
Clean the Exterior
The exterior surfaces of the printer may be cleaned with a lint-free cloth. Do not use harsh or
abrasive cleaning agents or solvents. If necessary, a mild detergent or desktop cleaner may be
used sparingly.
Table 13 • Recommended Cleaning Schedule
Area Method Interval
Printhead Solvent* Direct Thermal Mode: After every
roll of media (or 500 feet of fanfold
media).
Thermal Transfer Mode: After
every roll of ribbon or three rolls of
media.
These intervals are intended as
guidelines only. You may have to clean
more often, depending upon your
application and media.
Platen roller Solvent*
Media sensors Air blow
Ribbon sensor Air blow
Media path Solvent*
Ribbon path Solvent*
Pinch roller. (Optional peel-off
option required. Refer to Clean
the Peel-Off Assembly
on page 86.)
Solvent*
Tear-off/peel-off bar Solvent* Once a month.
Take label sensor Air blow Once every six months.
* Zebra recommends using the Preventive Maintenance Kit, Part Number 47362 or a solution of 90% Isopropyl and 10%
deionized water)
Note • Zebra Technologies Corporation will not be responsible for damage caused by the use
of cleaning fluids on the R4Mplus printer.

83 R4Mplus User Guide
Routine Care and Adjustments
Cleaning Procedures
Clean the Interior
Remove any accumulated dirt and lint from the interior of the printer using a soft bristle brush
or vacuum cleaner.
Clean the Printhead and Platen Roller
You can minimize printhead wear and maintain print quality with regular preventive measures.
Over time, the movement of media/ribbon across the printhead wears through the protective
ceramic coating, exposing and eventually damaging the print elements (dots). In order to avoid
abrasion:
• Clean your printhead frequently and use well-lubricated thermal transfer ribbons with
packagings optimized to reduce friction.
• Minimize printhead pressure and burn temperature settings by optimizing the balance
between the two.
• Ensure that the thermal transfer ribbon is as wide or wider than the label media to prevent
exposing the elements to the more abrasive label material.
For best results, perform the following cleaning procedure after changing every roll of ribbon.
Inconsistent print quality, such as voids in the bar code or graphics, may indicate a dirty
printhead.
To clean the printhead and platen roller, refer to Figure 30 and complete
these steps:
1. Open the printhead assembly.
2. Remove the media and ribbon.
3. Use the Preventive Maintenance Kit (Zebra part number 47362) or a solution of
90% Isopropyl alcohol and 10% deionized water and swab. Wipe along the print elements
from end to end. The print elements are on the brown strip just behind the chrome strip on
the printhead. Allow the solvent to evaporate.
4. Manually rotate the platen roller and clean thoroughly with solvent and a pad.
5. Brush or vacuum any accumulated paper lint and dust away from the media and ribbon
paths.
6. Reload media or ribbon, and close the printhead assembly.
Note • The printer can remain on while you are cleaning the printhead. In this way all label
formats, images, and all temporary parameter settings stored in the printer's internal memory
are saved. In addition, keep the peel engaged while cleaning the platen roller (media must be
unloaded to do this) to reduce the risk of bending the tear-off/peel-off bar.
Caution • Ensure that the printhead is fully open and engaged in the up
position. If the printhead is not latched in the up position, it could fall on your
hand during the procedure.

84 R4Mplus User Guide
Routine Care and Adjustments
Cleaning Procedures
Figure 30 • Cleaning the Printhead and Platen Roller
Clean the Sensors
Brush or vacuum any accumulated paper lint and dust away from the printer sensors. Refer to
Figure 30. The transmissive sensor and ribbon sensor should be cleaned on a regular basis to
ensure proper operation of the printer. For printers with the peel-off, liner take-up, and/or
rewind option(s) installed, clean the take label sensor as well.
Note • If print quality has not improved after performing this procedure, try cleaning the
printhead with Save-A-Printhead cleaning film. This specially coated material removes
contamination buildup without damaging the printhead. Call your authorized Zebra reseller for
more information.
1Printhead Assembly
2Transmissive Sensor
3Platen Roller
4Ribbon Sensor
5Take-Label Sensor
5
1
3
2
4

85 R4Mplus User Guide
Routine Care and Adjustments
Cleaning Procedures
Clean the Rewind Option
The Rewind option is required. Refer to Figure 31 and perform the following procedure if
adhesive buildup begins to affect peel performance.
To clean the Rewind option, complete these steps:
1. Open the printhead assembly.
2. Close the peel assembly to prevent bending the tear-off/peel-off bar during cleaning.
3. Use the Preventive Maintenance Kit (Zebra part number 47362) or a solution of
90% Isopropyl alcohol and 10% deionized water and swab to remove excess adhesive
from the tear-off/peel-off bar. Allow the solvent to evaporate.
4. Open the peel assembly by pivoting the module toward you.
5. Manually rotate the pinch roller and clean thoroughly with solvent and a swab. Allow the
solvent to evaporate.
6. Close the peel assembly.
7. Close the printhead assembly.
Figure 31 • Cleaning the Rewind Option
Caution • Ensure that the printhead is fully open and engaged in the up
position. If the printhead is not latched in the up position, it could fall on your
hand during the procedure.
Note • Apply minimum force when cleaning the tear-off/peel-off bar. Excessive
force can cause the tear-off/peel-off bar to bend, which can have a negative
effect on peel performance.
1Printhead Assembly
2Tear-Off/Peel-Off Bar
3Pinch Roller
4Peel Assembly
3
2
1
4

86 R4Mplus User Guide
Routine Care and Adjustments
Cleaning Procedures
Clean the Peel-Off Assembly
The Peel-Off option is required.
Refer to Figure 31 and perform the following procedure if adhesive
buildup begins to affect peel-off performance.
1. Open the printhead assembly.
2. Close the peel assembly to prevent bending the tear-off/peel-off bar during cleaning.
3. Use the Preventive Maintenance Kit (Zebra part number 47362) or a solution of
90% Isopropyl alcohol and 10% deionized water and swab to remove excess adhesive
from the tear-off/peel-off bar. Allow the solvent to evaporate.
4. Open the peel assembly by pivoting the module toward you.
5. Manually rotate the pinch roller and clean thoroughly with solvent and a swab.
6. Close the peel assembly.
7. Close the printhead assembly.
Caution • Ensure that the printhead is fully open and engaged in the up
position. If the printhead is not latched in the up position, it could fall on your
hand during the procedure.
Note • Apply minimum force when cleaning the tear-off/peel-off bar. Excessive
force can cause the tear-off/peel-off bar to bend, which could have a negative
effect on peel performance.
Note • When cleaning the tear-off/peel-off bar or the pinch roller, remove
excess solvent with a pad to ensure the solvent has dried before printing.

87 R4Mplus User Guide
Routine Care and Adjustments
Lubrication
Lubrication
No lubrication is needed for this printer.
Fuse Replacement
A user-replaceable AC power fuse is located just below the AC power switch at the rear of the
printer. The replacement fuse is a 5 × 20 mm fast blow style rated at 5 Amp/250 VAC.
To replace the fuse, complete these steps:
1. To replace the fuse, insert the tip of a flat blade screwdriver into the slot in the end of the
fuse holder end cap.
2. Press in slightly on the end cap and turn the screwdriver slightly counter clockwise. This
disengages the end cap from the fuse holder and permits removal of the fuse.
3. To install a new fuse, remove the old fuse and insert the new fuse into the fuse holder.
4. Push the end cap in slightly, then insert the tip of a flat blade screwdriver into the slot in
the end cap and turn clockwise to engage it.
Caution • Some commercially available lubricants will damage the finish and the mechanical
parts if used.
Caution • Before replacing the fuse, turn off the AC power switch and unplug the AC power
cord.

88 R4Mplus User Guide
Routine Care and Adjustments
Fuse Replacement

R4Mplus User Guide 89
CHAPTER 7
Troubleshooting
This chapter discusses typical problems and their probable solutions.
Content
LCD Error Conditions and Warnings. . . . . . . . . . . . . . . . . . . . . . . . 90
Print Quality Problems . . . . . . . . . . . . . . . . . . . . . . . . . . . . . . . . . . 92
Calibration Problems . . . . . . . . . . . . . . . . . . . . . . . . . . . . . . . . . . . 93
Communication Problems. . . . . . . . . . . . . . . . . . . . . . . . . . . . . . . . 94
Printer Diagnostics . . . . . . . . . . . . . . . . . . . . . . . . . . . . . . . . . . . . . 95
Power-On Self Test. . . . . . . . . . . . . . . . . . . . . . . . . . . . . . . . . . . 95
Cancel Self Test . . . . . . . . . . . . . . . . . . . . . . . . . . . . . . . . . . . . . 96
Pause Self Test. . . . . . . . . . . . . . . . . . . . . . . . . . . . . . . . . . . . . . 97
Feed Self Test. . . . . . . . . . . . . . . . . . . . . . . . . . . . . . . . . . . . . . . 98
Communications Diagnostics Test . . . . . . . . . . . . . . . . . . . . . . . 99
RFID Test . . . . . . . . . . . . . . . . . . . . . . . . . . . . . . . . . . . . . . . . . 100
Loading Factory Defaults . . . . . . . . . . . . . . . . . . . . . . . . . . . . . . . 101

90 R4Mplus User Guide
Troubleshooting
LCD Error Conditions and Warnings
LCD Error Conditions and Warnings
The LCD displays error condition messages and warnings if the printer detects a problem. The
messages, along with their causes and solutions, are listed in Table 14.
Table 14 • Error Conditions and Warnings
Error Potential Problem Recommended Solution
RIBBON OUT
In thermal transfer mode, the
ribbon is not loaded or loaded
incorrectly.
Load the ribbon correctly. See Load the
Ribbon on page 36.
In thermal transfer mode, the
ribbon sensor is not sensing
correctly loaded ribbon.
Perform the media and ribbon sensor
calibration (see Media and Ribbon
Sensor Calibration (Manual
Calibration) on page 56).
RIBBON IN
In direct thermal mode, when
ribbon is not used:
Put the printer in direct thermal mode via
the front panel and remove ribbon.
Ensure that the printer driver or software
settings are correctly set.
PAPER OUT
The media is not loaded or
loaded incorrectly.
Reload the media. See Load Roll Media
on page 23.
The printer is set for
non-continuous media, but
continuous media is loaded.
Either load the correct media or set the
printer for the correct media type via the
front panel.
Ensure that the printer driver or software
settings are correctly set.
Calibrate the printer (see Media and
Ribbon Sensor Calibration (Manual
Calibration) on page 56).
The incorrect media sensor is
being used.
Via the front panel, locate the SENSOR
SELECT menu item (page 53) and
manually select the correct sensing
method.

Troubleshooting
LCD Error Conditions and Warnings
R4Mplus User Guide 91
HEAD OPEN
The printhead is not fully
closed.
Close the printhead.
The ribbon is loaded
incorrectly; it is covering the
head open sensor.
Correctly align the ribbon with the guide
mark on the strip plate before closing the
printhead assembly.
Print method is incorrectly set. Via the front panel, locate the PRINT
METHOD menu item (page 51) and
select thermal transfer mode.
Ensure that the printer driver and/or
software settings are correctly set.
The ribbon is loaded. Remove the ribbon and set the printer to
direct thermal mode. See PRINT MODE
on page 50.
Ensure that the printer driver and/or
software settings are correctly set.
HEAD OVER TEMP
Caution • The printhead is hot and can cause severe burns.
Allow the printhead to cool.
The printhead is over
temperature.
Allow the printer to cool. Printing
automatically resumes when the
printhead elements cool to an acceptable
operating temperature.
HEAD UNDER TEMP
Caution • An improperly connected printhead data or power
cable can cause this error message. The printhead can still be hot
enough to cause severe burns. Allow the printhead to cool.
The printhead is under
temperature.
Continue printing while the printhead
reaches the correct operating
temperature.
The environment may be too cold for
proper printing. Relocate the printer to a
warmer area.
OUT OF MEMORY*
*There is not enough memory
to perform the function shown
on the second line of the error
message.
Insufficient DRAM for the label length,
downloaded fonts/graphics, and images.
Ensure that the device, such as FLASH
memory or PCMCIA card, is installed
and not write protected or full.
Ensure that the data is not directed to a
device that is not installed or available.
Table 14 • Error Conditions and Warnings (Continued)
Error Potential Problem Recommended Solution

92 R4Mplus User Guide
Troubleshooting
Print Quality Problems
Print Quality Problems
Table 15 • Print Quality Problems and Solutions
Issue Potential Problem Recommended Solution
General print quality issues You are using an incorrect
media and ribbon combination
for your application.
Consult your authorized reseller/
distributor for information and advice.
The printer is set at an
excessive print speed to
achieve optimal quality.
For optimal print quality, set the print
speed to a lower setting via ZPL II, the
driver, software, or front panel.
The printer is set at an
excessive darkness level to
achieve optimal quality.
For optimal print quality, set the darkness
level to a lower setting via the front
panel, the driver, or the software.
The printhead is dirty. Clean the printhead according to the
instructions in Clean the Printhead and
Platen Roller on page 83.
There is light printing (or no
printing) on the left or right
side of the label or the printed
image is not sharp.
The pressure adjustment dials need to be
adjusted. Follow the printhead pressure
adjustment instructions on Set Printhead
Pressure on page 41.
Gray lines on blank labels
with no consistent pattern
The printhead is dirty. Clean the printhead according to the
instructions in Clean the Printhead and
Platen Roller on page 83.
Light, consistent vertical
lines running through all
labels
The printhead or platen roller is
dirty.
Clean the printhead, platen roller, or both
according to the instructions in Clean the
Printhead and Platen Roller on page 83.
Intermittent creases on the
left and right edges of the
label
There is too much pressure on
the printhead.
Reduce the printhead pressure. See Set
Printhead Pressure on page 41.
Wrinkled ribbon The ribbon is not loaded
correctly.
Load the ribbon correctly. See Load the
Ribbon on page 36.
The darkness setting is
incorrect.
Set the darkness to the lowest possible
setting for good print quality. See
DARKNESS on page 49.
Incorrect printhead pressure or
balance.
Set the pressure to the minimum required
for good print quality. See Set Printhead
Pressure on page 41.
The media is not feeding
correctly. It is walking from
side to side.
Make sure that the media guide and
media supply guide touch the edge of the
media.

Troubleshooting
Calibration Problems
R4Mplus User Guide 93
Calibration Problems
Table 16 • Calibration Problems and Solutions
Problem Recommended Solution
Loss of printing registration on labels.
Excessive vertical drift in top-of-form
registration.
Ensure that the media guides are properly positioned.
Set the printer for the correct media type. See MEDIA
TYPE on page 50.
Via the front panel, locate the SENSOR SELECT menu
item (SENSOR SELECT on page 53) and manually select
the correct sensing method.
Reload the media.
Clean the platen roller according to the instructions in
Clean the Printhead and Platen Roller on page 83.
Auto Calibrate failed. Perform a manual calibration (see Media and Ribbon
Sensor Calibration (Manual Calibration) on page 56).
Reload the media.

94 R4Mplus User Guide
Troubleshooting
Communication Problems
Communication Problems
Table 17 • Communication Problems and Solutions
Issue Potential Problem Recommended Solution
The printer does not respond
to label requests. The Data
light does not flash.
The communication
parameters are incorrect.
Check the printer driver or software
communications settings.
Confirm that you are using the correct
communication cable. See Cable
Requirements on page 14.
Using the front panel, check the
protocol setting. It should be set to the
default none. See PROTOCOL
on page 59.
Ensure that the correct driver is being
used.
Several labels print, then the
printer skips, misplaces,
misses, or distorts the image
on the label after a label is
sent to the printer.
The host is set to EPP parallel
communications.
Change the settings on the computer
host to standard parallel
communications.
The serial communication
settings are incorrect.
Standard RS-232 cables are appropriate
for lengths under 50 ft. (15.2 m); RS-
422 and RS-485 cables allow serial
transmission up to 4000 ft.(1.2 km).
Check cable length and shielding, and
confirm the appropriate RS-232, RS-
422, or RS-485 setting is being used.
Check the printer driver or software
communications settings.
A label format was sent to the
printer but not recognized.
The DATA light flashes but
no printing occurs.
The prefix and delimiter
characters set in the printer do
not match the ones in the label
format.
Verify the prefix and delimiter
characters. See Selecting Prefix and
Delimiter Characters (next three
parameters) on page 61.
Incorrect data is being sent to
the printer.
Check the communication settings on
the computer. Ensure they match the
printer settings.

Troubleshooting
Printer Diagnostics
R4Mplus User Guide 95
Printer Diagnostics
These self tests produce sample printouts and provide specific information that help determine
the operating conditions for the printer.
Each self test is enabled by pressing a specific front panel key or combination of keys while
turning the printer On (l). Press the key(s) until the DATA light turns off (approximately five
seconds). When the Power-On Self Test is complete, the selected self test starts automatically.
Power-On Self Test
A Power-On Self Test (POST) is performed automatically each time the printer is turned on.
During this test sequence, the front panel lights and liquid crystal display (LCD) monitor the
progress of the POST. If the printer fails any of these tests, the word FAILED is display. If this
occurs, notify an authorized Zebra reseller.
Note • When performing self tests, avoid sending a label format to the printer. In
the case of a remote host, disconnect all data interface cables from the printer.
• When cancelling a self test prior to its actual completion, always turn the printer
Off (O) and then back On (I) to reset the printer.
• When performing these self tests while in the Peel-Off Mode, you must remove
the labels as they become available.
• If your media is not wide enough or long enough, unexpected or undesired
results may occur. Ensure that your print width is set correctly for the media
you are using before you run any self tests, otherwise the test may print on the
platen roller. See PRINT WIDTH on page 51 for information on setting the print
width.

96 R4Mplus User Guide
Troubleshooting
Printer Diagnostics
Cancel Self Test
This self test prints a listing of the configuration parameters currently stored in the printer’s
memory. See Figure 32. Depending on the options ordered, your label may look different.
Figure 32 • Sample Configuration Label
The configuration shown on the label may be changed either temporarily (for specific label
formats or ribbon and label stock) or permanently (by saving the new parameters in memory).
See Basic Configuration on page 46 for further information about the configuration procedure.
To perform the Cancel Self Test, complete these steps:
1. Turn the printer Off (O).
2. Press and hold CANCEL while turning the printer On (l).
3. Release CANCEL after the DATA light turns off (approximately five seconds).

Troubleshooting
Printer Diagnostics
R4Mplus User Guide 97
Pause Self Test
This self test can be used to provide the test labels required when making adjustments to the
printer’s mechanical assemblies. See the sample printout in Figure 33.
Figure 33 • Pause Test Label
To perform the Pause Self Test, complete these steps:
1. Turn the printer Off (O).
2. Press and hold PAUSE while turning the printer On (l).
3. Release PAUSE after the DATA light turns off (approximately five seconds).
• The initial self test prints 15 labels at 2 in. (51 mm) per second, then automatically
pauses the printer. When PAUSE is pressed, an additional 15 labels print.
• Pressing CANCEL while the printer is paused alters the self test. When PAUSE is
pressed, the printer prints 15 labels at 6 in. (152 mm) per second.
• Pressing CANCEL again while the printer is paused alters the self test again. When
PAUSE is pressed, the printer prints 50 labels at 2 in. (51 mm) per second.
• Pressing CANCEL again while the printer is paused alters the self test a third time.
When PAUSE is pressed, the printer prints 50 labels at 6 in. (152 mm) per second.
• Pressing CANCEL again while the printer is paused alters the self test a fourth time.
When PAUSE is pressed, the printer prints 15 labels at the printer’s maximum speed.
• To exit this self test at any time, press and hold CANCEL.

98 R4Mplus User Guide
Troubleshooting
Printer Diagnostics
Feed Self Test
See Figure 34.
Figure 34 • Feed Self Test Label
To perform the Feed Self Test, complete these steps:
1. Turn the printer Off (O).
2. Press and hold FEED while turning the printer On (l).
3. Release FEED after the DATA light turns off (approximately five seconds).
The Feed Self Test prints out at various darkness settings above and below that of the darkness
value shown on the configuration label. Examine these labels and determine which one has the
best darkness setting for your application. This value can be entered into the printer by setting
the darkness during the configuration procedure. See Basic Configuration on page 46 for more
information.
The value printed on that label is added to (plus) or subtracted from (minus) the darkness value
specified on the configuration label. The resulting numeric value (0 to 30) is the best darkness
value for that specific media and ribbon combination.

Troubleshooting
Printer Diagnostics
R4Mplus User Guide 99
Communications Diagnostics Test
This test is controlled from the front panel display. A typical printout from this test is shown in
Figure 35. Turn the printer Off (O) to exit this self test.
Figure 35 • Communications Diagnostics Test Printout
Note • This label is inverted when printed (prints upside down).

100 R4Mplus User Guide
Troubleshooting
Printer Diagnostics
RFID Test
The RFID test is controlled from the front panel display (see RFID Test on page 67). If the
printer fails the test, the front panel displays an error message.
You have the option of running the RFID test in two ways: quick or slow. In both versions of
this test, the printer attempts to read and write to a transponder. In the slow test, the printer also
checks the reader version number and displays the tests on the LCD as it runs through them.
To perform the RFID Test, complete these steps:
1. See Figure 36. Place an RFID label in the printer so the embedded transponder is over the
open area behind the platen roller (no movement occurs with the test).
Figure 36 • Label Placement for RFID Test
2. From the front panel, press SETUP/EXIT.
3. Press PLUS (+) or MINUS (–) until you reach
RFID TEST
.
4. Press SELECT to select the parameter.
5. Press MINUS (–) to select
QUICK
.
OR
Press PLUS (+) to select
SLOW
.
• For the quick test, the results are
PASSED
and
FAILED
. Press PLUS (+) to continue.
• For the slow test, a pass result returns you to the
RFID
Test
menu item. A failed result
returns the message
WRITE
ERROR
. Press PLUS (+) to continue.
6. Press SELECT to deselect the parameter.
1Printhead Assembly
2Open Area
3Platen Roller
1
3
2

Troubleshooting
Loading Factory Defaults
R4Mplus User Guide 101
Loading Factory Defaults
Use care when loading defaults. You will need to reload all settings that you changed
manually.
To load the factory defaults, complete these steps:
1. Press SETUP/EXIT two times.
2. Use PLUS (+) or MINUS (–) to scroll through the SAVE CHANGES choices.
3. When LOAD DEFAULTS displays, press SETUP/EXIT.

102 R4Mplus User Guide
Troubleshooting
Loading Factory Defaults

R4Mplus User Guide 103
APPENDIX A
Data Connections
This appendix provides details about the serial port and parallel port data connections.
Content
Serial Data Port . . . . . . . . . . . . . . . . . . . . . . . . . . . . . . . . . . . . . . 104
Hardware Control Signal Descriptions . . . . . . . . . . . . . . . . . . . 104
RS-232 Serial Data Port . . . . . . . . . . . . . . . . . . . . . . . . . . . . . . 104
Parallel Data Port . . . . . . . . . . . . . . . . . . . . . . . . . . . . . . . . . . . . . 108
Parallel Cabling Requirements . . . . . . . . . . . . . . . . . . . . . . . . . 108
Parallel Port Interconnections. . . . . . . . . . . . . . . . . . . . . . . . . . 108

104 R4Mplus User Guide
Data Connections
Serial Data Port
Serial Data Port
Hardware Control Signal Descriptions
For all RS-232 input and output signals, the R4Mplus printer follows both the Electronics
Industries Association (EIA) RS-232 and the Consultative Committee for International
Telegraph and Telephone (CCITT) V.24 standard signal level specifications.
When DTR/DSR handshaking is selected, the Data Terminal Ready (DTR) control signal
output from the printer controls when the host computer may send data. DTR ACTIVE
(positive voltage) permits the host to send data. When the printer places DTR in the
INACTIVE (negative voltage) state, the host must not send data.
Request to send (RTS) is a control signal from the printer that is connected to the clear to send
(CTS) input at the host computer. RTS is always active (positive voltage) when the printer
is on.
RS-232 Serial Data Port
The connection for this standard interface is made through the female DB-9 connector on the
rear panel. A DB-9 to DB-25 interface module is required for all RS-232 connections through
a DB-25 cable (see page 106 for details).
For all RS-232 input and output signals, the printer follows both the Electronics Industries
Association’s (EIA) RS-232 specifications and the Consultative Committee for International
Telegraph and Telephone (CCITT) V.24 standard signal level specifications.
Table 18 shows the pin configuration and function of the rear panel serial data connector on
the printer.
Note • When XON/XOFF handshaking is selected, data flow is controlled by the ASCII
Control Codes DC1 (XON) and DC3 (XOFF). The DTR Control lead has no effect.
Table 18 • Serial Data Connector Pin Configuration
Pin Number Name Description
1 — Not connected
2 RXD Receive data—data input to printer
3 TXD Transmit data—data output from printer
4 DTR Data terminal ready—output from printer
5 SG Signal ground
6 DSR Data set ready—input to printer

Data Connections
Serial Data Port
R4Mplus User Guide 105
RS-232 Interface Connections
The printer is configured as Data Terminal Equipment (DTE). Figure 37 shows the internal
connections of the printer’s RS-232 connector.
Figure 37 • RS-232 Internal Connections
7 RTS Request to send—output from printer
8 CTS Clear to send—input to printer
*9 +5 V DC +5 VDC
* This pin is also available as a +5 VDC power source at 750 mA. To enable this capability, a jumper on the computer’s
main logic board needs to be installed on JP1, pins 2 and 3.
Note • An interface module is required for RS-422/RS-485 interface support
(refer to page 107).
Note • You must use a a null modem (crossover) cable to connect the printer to a computer or
any other DTE devices.
Table 18 • Serial Data Connector Pin Configuration (Continued)
Pin Number Name Description
1
(TD) (TD)
(RD) (RD)
(RTS) (RTS)
(DSR) (DSR)
(SG) (SG)
(DTR) (DTR)
DTE DTE
1
22
33
44
55
66
77
88
99

106 R4Mplus User Guide
Data Connections
Serial Data Port
When the printer is connected via its RS-232 interface to Data Communication Equipment
(DCE) such as a modem, use a standard RS-232 (straight-through) interface cable. Figure 38
illustrates the connections required for this cable.
Figure 38 • RS-232 to DCE Internal Connections
RS-232 Interconnections Using a DB-25 Cable
To connect the printer’s RS-232 DB-9 interface to a DB-25 connector, an interface adapter is
required (Zebra part number 33138). A generic DB-25 adapter may also be used, however, the
+5 VDC signal source would not be passed through. Figure 39 shows the connections required
for the DB-9 to DB-25 interface.
Note • You must use a a null modem (crossover) cable to connect the printer to a computer or
any other DTE devices.
DTE
(Printer)
DCE
(Modem, etc.)
RXD (receive data)
TXD (transmit data)
DTR (data terminal ready)
SG (signal ground)
DSR (data set ready)
RTS (request to send)
CTS (clear to send)
+5 VDC signal source
NOTE • Pin 1 is unused and unterminated at the printer.
2
3
4
5
6
7
8
9
2
3
4
5
6
7
8
9

Data Connections
Serial Data Port
R4Mplus User Guide 107
Figure 39 • DB-9 to DB-25 Internal Connections
RS-422/RS-485 Interconnections
To connect the printer’s RS-232 DB-9 interface to a host computer through an RS-422 or an
RS-485 interface, an interface adapter is required (Zebra part number 33130). Figure 40 shows
the required cable wiring for interconnecting to the interface adapter’s DB-25 female
connector.
Figure 40 • RS-422 and RS-485 Adapter Internal Connections
Note • A jumper on the computer’s main logic board needs to be installed on JP1, Pins 2
and 3, for the RS-422/RS-485 interface adapter to function properly.
Male DB-9 Adapter
Connector
(plugs into printer)
Female DB-25 Adapter
Connector
(plugs into cable)
Note • Pin 1 of DB-9 connector is unused and unterminated.
FG
TXD
RXD
RTS
DSR
SG
DTR
RXD
TXD
DTR
SG
DSR
RTS
CTS
+5 VDC
SIGNAL
2
3
4
5
6
7
8
9
1
2
3
4
6
7
9
20
+5 VDC
SIGNAL
5
CTS
DB-25P
Connector
to Printer
Data Input A (–)
Data Output A (–)
Data Output B (+)
Data Input B (+)
Shield
Signal Ground
1
11
13
14
16
19

108 R4Mplus User Guide
Data Connections
Parallel Data Port
Parallel Data Port
The 8-bit parallel data interface supports IEEE 1284 bidirectional parallel communications in
nibble mode. The parallel interface provides a means of communication that is typically faster
than the previously mentioned serial interface methods. In this method, the bits of data that
make up a character are sent all at one time over several wires in the cable, one bit per wire.
Parallel Cabling Requirements
An IEEE-1284 compatible bi-directional parallel data cable is required when this
communication method is used. The required cable must have a standard 36-pin parallel
connector on one end that is plugged into the mating connector located at the rear of the
printer. The other end of the cable connects to the printer connector at the host computer. Port
selection for status information is determined each time the printer is turned on.
Parallel Port Interconnections
Table 19 shows the pin configuration and function of a standard computer-to-printer parallel
cable.
Table 19 • Parallel Cable Pin Configuration
36-Pin Connectors Description
1 nStrobe/HostClk
2 to 9 Data Bits 1 to 8
10 nACK/PtrClk
11 Busy/PtrBusy
12 PError/ACKDataReq
13 Select/Xflag
14 nAutoFd/HostBusy
15 Not used
16 and 17 Ground
18 +5V @ 750 mA
The maximum current draw may be limited by option configuration.
19 to 30 Ground
31 nInit
32 nFault/NDataAvail
33 and 34 Not used
35 +5V through a 1.8KΩ Resistor
36 NSelectin/1284 active

R4Mplus User Guide 109
APPENDIX B
Specifications
This appendix contains specifications for the R4Mplus printer.
Contents
General Specifications . . . . . . . . . . . . . . . . . . . . . . . . . . . . . . . . . 110
Printing Specifications. . . . . . . . . . . . . . . . . . . . . . . . . . . . . . . . . . 111
Media Specifications . . . . . . . . . . . . . . . . . . . . . . . . . . . . . . . . . . . 112
Ribbon Specifications . . . . . . . . . . . . . . . . . . . . . . . . . . . . . . . . . . 114
Printer Options . . . . . . . . . . . . . . . . . . . . . . . . . . . . . . . . . . . . . . . 115
Zebra Programming Language (ZPL II) Features. . . . . . . . . . . . . 116
Supported Bar Codes . . . . . . . . . . . . . . . . . . . . . . . . . . . . . . . . . . 116

110 R4Mplus User Guide
Specifications
General Specifications
General Specifications
Table 20 • R4Mplus General Specifications
General Specifications R4Mplus
Height 13.3 in. 338 mm
Width 10.9 in. 277 mm
Depth 18.7 in. 475 mm
Weight (without options) 32.4 lbs. 14.7 kg
Electrical 90-265 VAC, 48-62 Hz, 5 Amps (fused)
Agency Approvals UL 1950, CSA 22.2 No. 950-95. Complies with
FCC Class B limits for digital devices.
Temperature Operating 40° to 104°F 5° to 40°C
Storage –40° to 140°F –40° to 60°C
Relative Humidity Operating 20% to 85%, non-condensing
Storage 5% to 85%, non-condensing
Communication Interface RS-232/CCITT V.24 serial data interface; 110
to115000 baud, parity, bits/character, 7 or 8 data bit,
and XON-XOFF, RTS/CTS or DTR/DSR
handshake protocol required. 750mA at 5 V from
pin 9.
8-bit parallel data interface; supports IEEE 1284
bidirectional parallel, ECP and nibble mode
compliant. Error detection CRC protocol.

Specifications
Printing Specifications
R4Mplus User Guide 111
Printing Specifications
Table 21 • R4Mplus Printing Specifications
Printing Specifications
Print resolution 203 dots/inch 8 dots/mm
300 dots/inch 12 dots/mm
Dot size
(width x length)
203 dpi 0.00492 in. x 0.00492 in. 0.125 mm x 0.125 mm
300 dpi 0.0033 in. x 0.0039 in. 0.084 mm x 0.099 mm
Maximum print
width
203 dpi 4.09 in. 104 mm
300 dpi 4.1 in. 106 mm
Minimum print length 1 dot row
Maximum print
length
203 dots/inch 105 in. 2667 mm
300 dots/inch 45 in. 1143 mm
Bar code modulus
(X) dimension
203 dots/inch 5 mil to 50 mil
300 dots/inch 3.3 mil to 33 mil
Programmable
constant print speeds
203 dots/inch Per second:
7in.
8 in.
9 in.
10 in.
Per second:
178 mm
203 mm
229 mm
254 mm
300 dots/inch Per second:
2 in.
3 in.
4 in.
5in.
6in.
Per second:
51 mm
76 mm
102 mm
127 mm
152 mm
Thin film printhead with energy control

112 R4Mplus User Guide
Specifications
Media Specifications
Media Specifications
Table 22 • R4Mplus Media Specifications
Media Specifications
Label length Minimum Tear-off 0.5 in. 13 mm
Peel-off 1 in. 25.4 mm
Rewind 0.5 in. 13 mm
“Smart” labels Minimum label length for RFID “smart” labels
varies for each transponder type. For the list of
approved transponders and related placement
specifications, go to
http://www.rfid.zebra.com/r4m.htm.
Maximum 39 in. 991 mm
Label width Minimum Tear/Peel/Rewind 1 in. 25.4 mm
“Smart” labels Minimum label width for RFID “smart” labels
varies for each transponder type. For the list of
approved transponders and related placement
specifications, go to
http://www.rfid.zebra.com/r4m.htm.
Maximum Tear 4.5 in. 114 mm
Peel/Rewind 4.25 in. 108 mm
Total thickness
(includes liner, if any)
Minimum 0.0023 in. 0.058 mm
Maximum 0.010 in. 0.25 mm
Core size 3 in. 76 mm
Maximum roll diameter 8 in. 203 mm
Inter-label gap Minimum 0.079 in. 2 mm
Preferred 0.118 in. 3 mm
Maximum 0.157 in. 4 mm
Ticket/tag notch size (width x length) 0.236 in. × 0.12 in. 6 mm × 3 mm
Hole diameter 0.125 in. 3 mm

Specifications
Media Specifications
R4Mplus User Guide 113
Notch or hole position
(Centered from inner
media edge)
Minimum 0.15 in. 3.8 mm
Maximum 2.25 in. 57 mm
Density, in Optical Density Units (UDO) > 1.0 ODU
Maximum media density < 0.5 ODU
Transmissive Sensor Fixed 7/16 in. (11 mm) from inside edge
Table 22 • R4Mplus Media Specifications (Continued)
Media Specifications

114 R4Mplus User Guide
Specifications
Ribbon Specifications
Ribbon Specifications
Table 23 • R4Mplus Ribbon Specifications
Ribbon Specifications
Ribbon must be wound with the coated side out
Ribbon width
(Zebra recommends using ribbon at
least as wide as the media to protect
the printhead from wear.)
Minimum >1 in. 25.4 mm
Maximum 4.3 in. 109 mm
Standard lengths 2:1 media to ribbon
roll ratio
984 ft. 300 m
3:1 media to ribbon
roll ratio
1476 ft. 450 m
Ribbon core inside diameter 1 in. 25.4 mm

Specifications
Printer Options
R4Mplus User Guide 115
Printer Options
•Peel-off
•Liner take-up
•PCMCIA card socket (supports Zebra Rapid Flash and ATA formats)
•Linear Memory Card (Zebra Rapid Flash) 8MB and 32MB
•Compact Flash
32MB, 64MB, 128MB, and 256MB
•300 dpi printhead
•Rewind
•Adjustable transmissive sensor
•External PrintServer
•Internal PrintServer

116 R4Mplus User Guide
Specifications
Zebra Programming Language (ZPL II) Features
Zebra Programming Language (ZPL II) Features
•Downloadable graphics (with data compression)
•Bit image data transfer and printing, mixed text/graphics
•Format inversion
•Mirror image printing
•Four-position field rotation
(0°, 90°, 180°, 270°)
•Slew command
•Programmable quantity with print pause
•Communicates in printable ASCII characters
•Controlled via mainframe, mini, PC, portable data terminal
•In-Spec OCR-A and OCR-B
•UPC/EAN
(nominal 100% magnification 6 dots/mm printheads only)
•Serialized fields
Supported Bar Codes
Table 24 • Supported Bar Codes
R4Mplus Bar Code Features
Code 11 LOGMARS
Code 39 (supports ratios of 2:1 to 3:1) Plessey
Code 49 (2-dimensional bar code) EAN-8, EAN-13, EAN EXTENSIONS
Code 93 UPC-A, UPC-E, UPC EXTENSIONS
Code 128 (supports serialization in all
subsets and UCC case codes)
MSI
Codabar (supports ratios of 2:1 to 3:1) PDF-417 (2-dimensional bar code)
Codablock Micro-PDF-417
Interleaved 2 of 5 (supports ratios of 2:1 to
3:1; modulus 10 check digit)
POSTNET
Industrial 2 of 5 MaxiCode
Standard 2 of 5 Datamatrix
QR Code Check digit calculation where applicable

R4Mplus User Guide 117
Index
A
About this Document xxi
AC power cord specifications 11
Adjustments
Printhead Pressure, 41
B
Bar Codes, 116
Before you begin setup, 8
C
cabling requirements 14
Calibrating the Printer, 7
Checklist for Printer Setup, 8
Cleaning
Power Peel/Rewind Module, 85
Printhead and Platen Roller, 83
communication interfaces 13
Communication Problems, 94
Communications Diagnostics Test, 99
Configuration
Changing Password-Protected Parameters, 45
Configuration and Calibration Sequence, 49
Entering the Setup Mode, 44
connect printer to data source 13
Contacts, xx
Continuous Media, 16
D
data cable requirements 14
Data Communications
Parallel, 108
Serial Port, 104
Data Ports
Parallel, 108
Serial, 104–107
data source connections 10
direct thermal transfer mode
ribbon considerations 18
Document Conventions xxii
F
Factory Defaults, 101
Fanfold Media Loading, 34
Front Panel
Keys, 21
Lights, 22
Fuse Replacement, 87
G
General Specifications, 110
H
Hardware Control Signal Descriptions, 104

118 R4Mplus User Guide
Index
I
Interconnections
Parallel Port, 108
RS-232, 105–106
RS-422, 107
RS-485, 107
Interfaces
Printer, 103
interfaces
system 13
international safety organization marks 12
L
LCD Error Conditions and Warnings, 90
Liner Removal
Liner Take-Up Mode, 28
Rewind/Peel Mode, 30
Liner Take-Up Mode, 27
Lubrication, 87
M
media
non-continuous web media 15
RFID “smart” labels 17
types of media 15
Media Loading
Fanfold, 34
Liner Take-Up Mode, 27
Tear-off Mode, 23
Val ue Pe el- off Mo de , 25
Media Removal, 32
Media Specifications, 112
Media Types
Continuous Media, 16
O
Operating Conditions, 10
P
Parallel Cabling Requirements, 108
Parallel Data Port, 108
Parallel Port Interconnections, 108
Password-Protected Parameters, 45
PAUSE Key Self Test, 97
power cord specifications 11
Power Peel/Rewind (Peel Mode), 29
Print Mode, 5
Print Quality Problems, 92
Printer Calibration, 7
Printer Diagnostics, 95
Printer Interface Technical Information
Hardware Control Signal Descriptions, 104
Printer Setup
Before you begin, 8
Printhead Pressure Adjustment, 41
printhead resistance setting 73
Printing Specifications, 111
Proprietary Statement vii
R
Relative Humidity Requirements, 10
Removing Media, 32
Reporting Damage, 9
Rewind Media Alignment, 33
RFID
Guidelines, 69
RFID Test, 100
Sample ZPL Commands, 79
“smart” labels 17
Transponder Placement, 70
ZPL Commands, 71
Ribbon Loading, 36
Ribbon Removal, 37
Ribbon Specifications, 114
Roll Media Loading, 23
RS-232 serial data port, 104

Index
R4Mplus User Guide 119
S
Select a Printer Site, 10
Self Tests
CANCEL Key, 96
Communications Diagnostics, 99
FEED Key, 98
PAUSE Key, 97
RFID, 100
Serial Data Port, 104
Setup Checklist 8
Shipping Damage, 9
Site Requirements, 10
“smart” labels 17
Spacing Requirements, 10
Specifications
Bar Codes, 116
General, 110
Media, 112
Options, 114
Printing, 111
Zebra Programming Language (ZPL II), 116
specifications
AC power cord 11
Storage, 9
Support, xx
Surface for the Printer, 10
system interfaces 13
T
Tear-off Mode, 23
Temperature Requirements, 10
thermal transfer mode
ribbon considerations 18
Transponder Placement, 70
Types of Media
Continuous Media, 16
types of media
non-continuous web media 15
RFID “smart” labels 17
W
web media 15
Z
Zebra Programming Language (ZPL II)
^HV, Host Verification, 74
^RS, RFID Setup, 75
^RT, Read Tag, 73
^WT, Write Tag, 72
Features, 116
Sample RFID Programming, 79

120 R4Mplus User Guide
Index

Zebra Technologies Corporation
333 Corporate Woods Parkway
Vernon Hills, Illinois 60061.3109 U.S.A.
Telephone: +1 847.634.6700
Facsimile: +1 847.913.8766
Zebra Technologies Europe Limited
Zebra House
The Valley Centre, Gordon Road
High Wycombe
Buckinghamshire HP13 6EQ, UK
Telephone: +44 (0) 1494 472872
Facsimile: +44 (0) 1494 450103
Customer Order # 21067L
Manufacturer Part # 21067L Rev. 1
© 2004 ZIH Corp.

