Zeck Audio Pt9 Service Manual ManualsLib Makes It Easy To Find Manuals Online!
2014-12-11
: Zeck-Audio Zeck-Audio-Pt9-Service-Manual-121971 zeck-audio-pt9-service-manual-121971 zeck-audio pdf
Open the PDF directly: View PDF
.
Page Count: 27

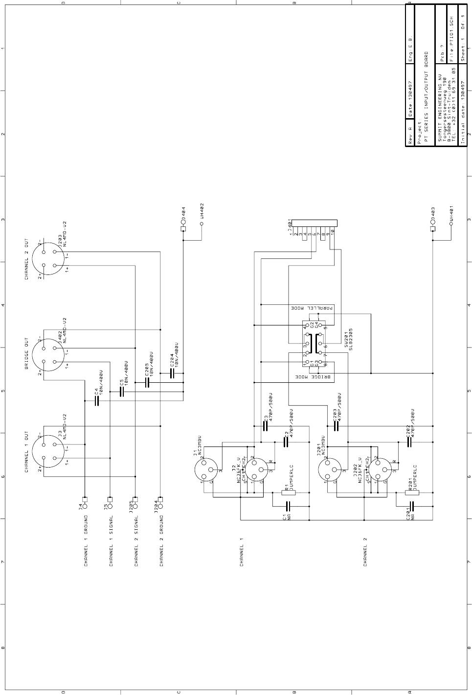
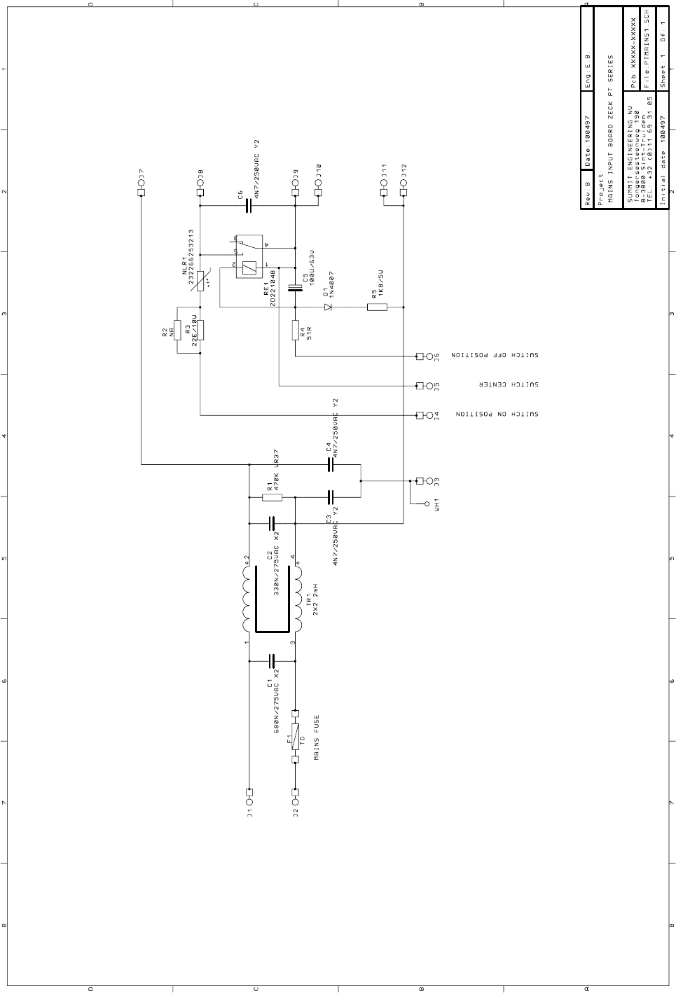
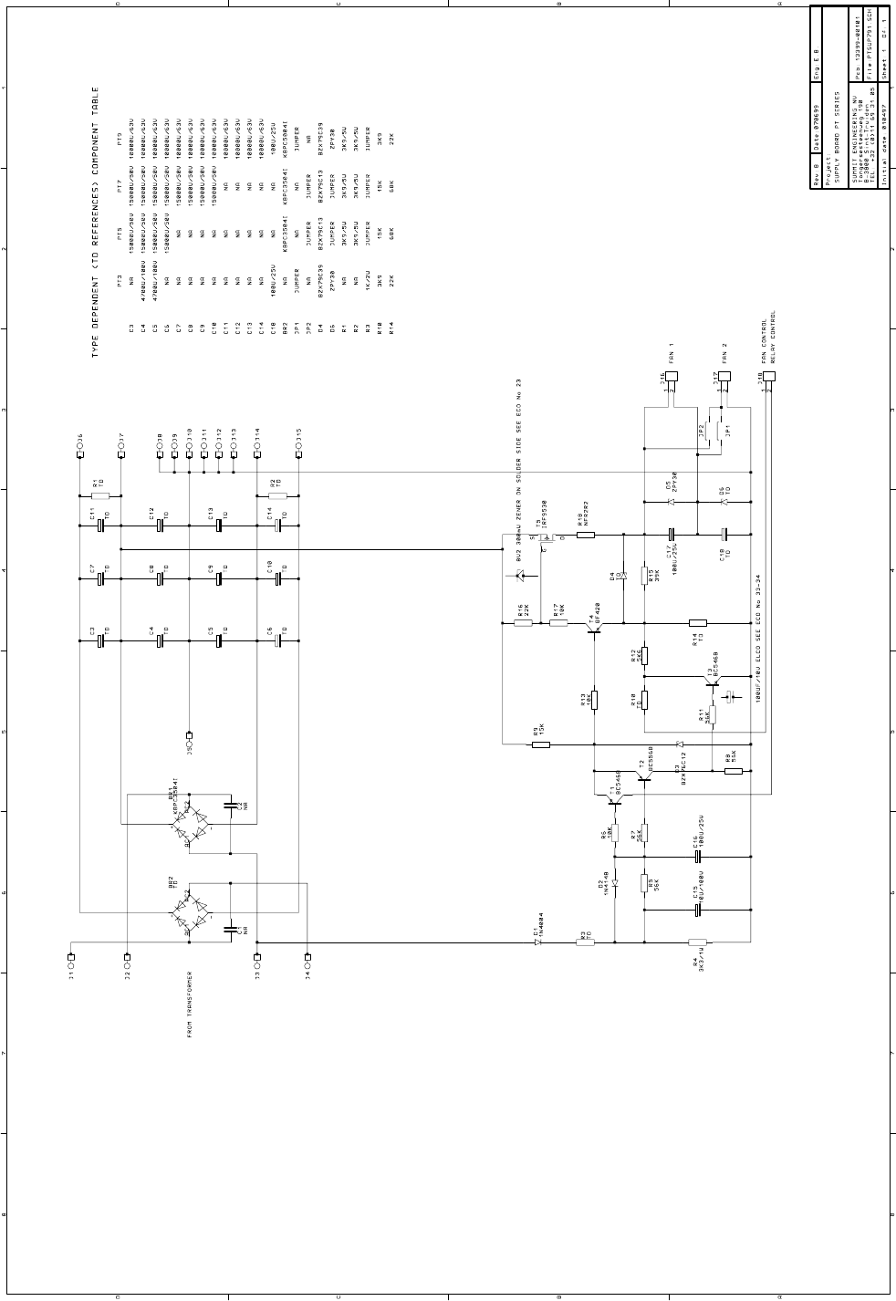
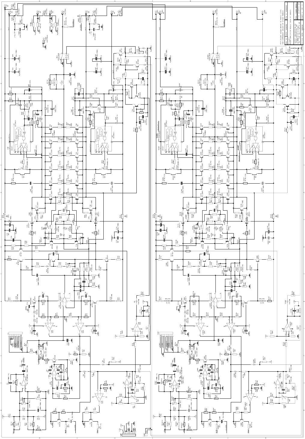
Service Manual
circuit diagram
Amplifier PT series
PT3 PT5 PT7 PT9
Zeck Audio
Service department
Turnhallenweg 6
D-79183 Waldkirch
Germany
Phone: +49-(0)7681-2004-18
Fax: +49-(0)7681-2004-972
email: support@zeck-audio.de
www: www.zeck-audio.de

This manual has been provided for the use of authorized service personnel. It has been
assumed that basic service procedures inherent to the industry, and more speciafically Zeck
Products, are already known and understood by the users.
Warning: Failure to follow appropriate service and saftey procedures when
servicing this product may result in personal injury, destruction of
expensive components and failure of the product to perform as
specified. For these reasons, we advise all Zeck product owners that
all service required should be performed by qualifized service
personnel.
Static dischange can destroy expensive components. Discharge any
static electricity your body may have accumulated by grounding
yourself to the ground buss in the unit.
Important: Turn the unit OFF during disassembly and parts replacement.
Recheck all work before you apply power to the unit.
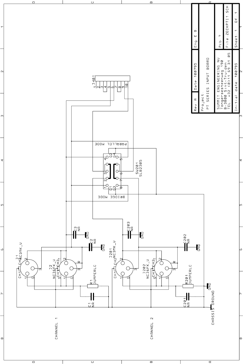
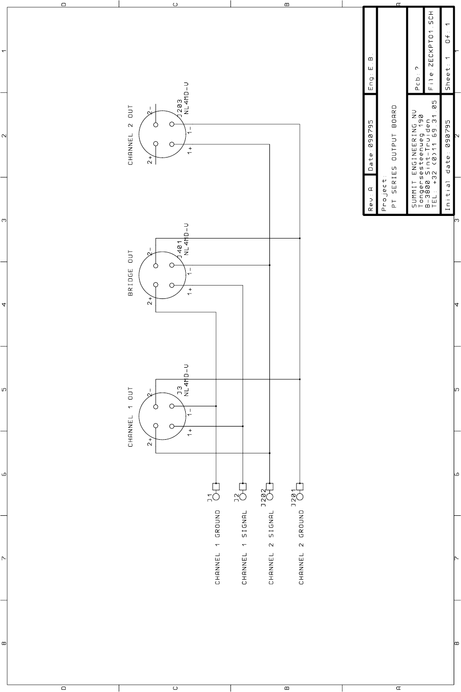
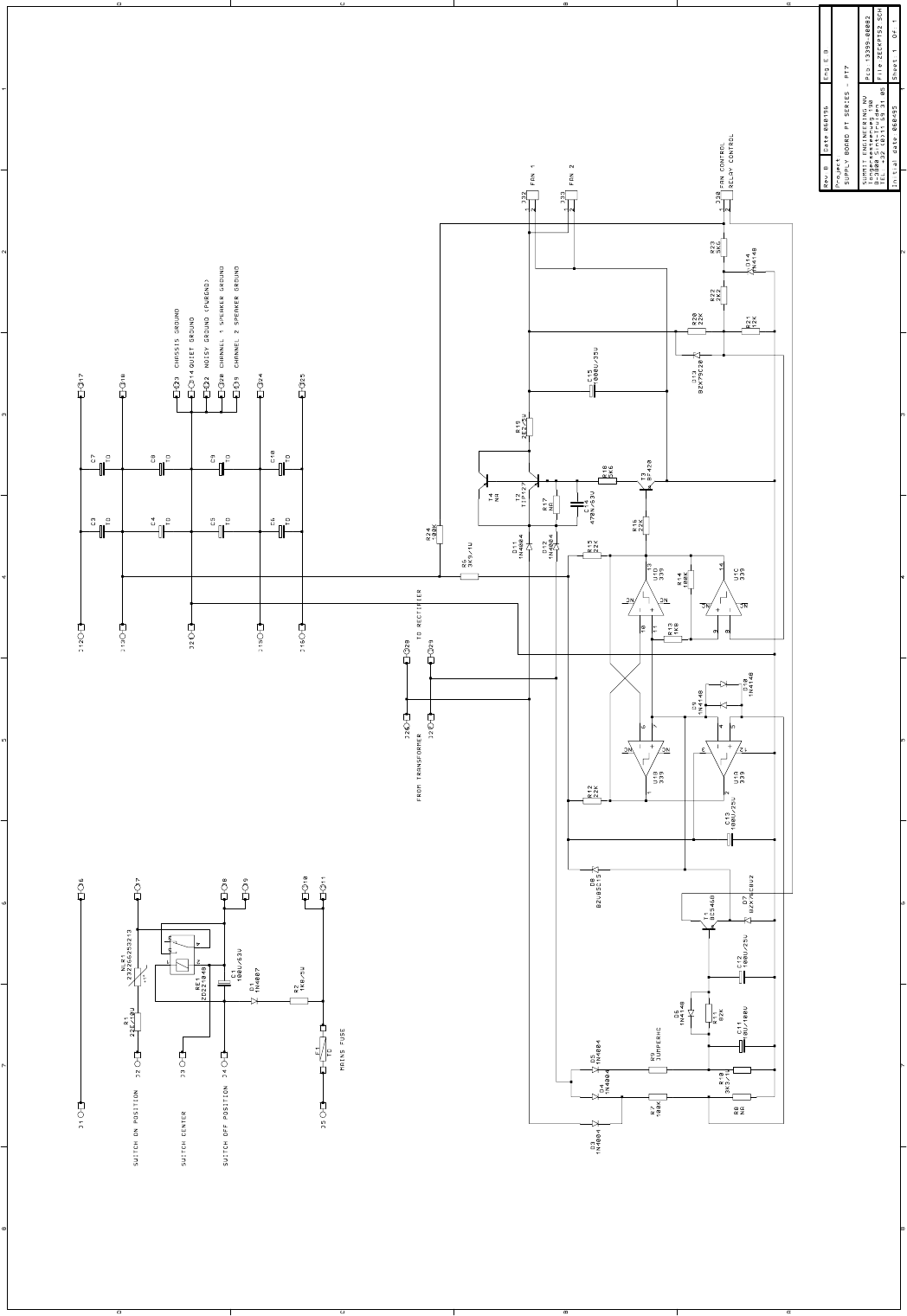
Safety related Components identified by mark "!" on the schematic diagrams and
component in the parts list are critical to safe operation. Replace these
warning: components with Zeck orginal parts only.
Dieses Service-Manual ist für den Gebrauch durch authorisiertes Service-Personal bestimmt.
Es wird vorausgesetzt, daß der Benutzer über grundlegende und industrieübliche Kenntnisse
im Elektronik-Service verfügt und insbesondere mit der Technik von Zeck-Produkten vertraut
ist.
Warnung: Die Nichtbeachtung von Service- und Sicherheits-Richtlinien kann bei
Arbeit an diesem Gerät zu körperlichen Schäden, Zerstörung wert-
voller Bauteile und zum Ausfall des Gerätes führen. Aus diesem
Grunde empfehlen wir dem Benutzer dringend, alle anfallenden
Service-Arbeiten ausschließlich qualifiziertem Personal zu überlassen.
Eventuell vorhandene elektrostatische Aufladungen können wertvolle
Bauteile zerstören. Vor der Arbeit an dem Gerät sollte der Service-
Techniker sich daher durch Berühren des Schaltungs-Nullpunkts des
Gerätes von jedweder elektrostatischer Aufladung befreien.
Wichtig: Vor Öffnung des Gerätes und während des Auswechselns von
Bauteilen muß das Gerät abgeschaltet sein.
Sicherheits- Für die Funktion des Gerätes kritische Bauteile sind durch das Symbol
relevante "!" im Schaltplan und in der Ersatzteileliste markiert. Diese
Bauteile Bauteile dürfen nur durch original Zeck-Ersatzteile ersetzt werden.
(c) Zeck-Service Änderungen vorbehalten Nachdruck und Vervielfältigung nur mit Genehmigung von Zeck Audio
























