Zenoah Bc Ex Users Manual EXZ2610
PS-EX (ATT) to the manual 22214285-f3ec-4cd4-83ac-55e1e0110ada
2015-02-03
: Zenoah Zenoah-Bc-Ex-Users-Manual-474680 zenoah-bc-ex-users-manual-474680 zenoah pdf
Open the PDF directly: View PDF
.
Page Count: 14

848JPY93B0 (805)
CONVERTIBLE BRUSHCUTTER
May 2008
NOTE :
1. Use ZENOAH genuine parts specified in the parts list for repair and/or replacement.
2. ZENOAH does not warrant the machines, those which have been damaged by the use of any parts
other than those specified by the company.
3. When placing orders of parts for repair and/or replacement, check if the model name and the serial
number are suitable to those specified in the parts list, then use parts number described in the
parts list.
4. The contents described in the parts list may change due to improvement.
5. The parts for the machine shall be supplied within ten (10) years after the machine is discontinued.
[It is possible that some specific parts may be subject to change of their delivery term and list price
within the limit of ten (10) years after the machine is discontinued. And it is also possible that some
parts may be available even after the limit of ten (10) years.]
EXZ2610
EXZ-PU
BC-EX
ENGINE
LRT-EX (ATT)
PS-EX (ATT)
HE-EX (ATT)
DRIVE UNIT 80100001 and up ENGINE UNIT 80100001 and up
APPLICABLE SERIAL NUMBERS :
PARTS LIST

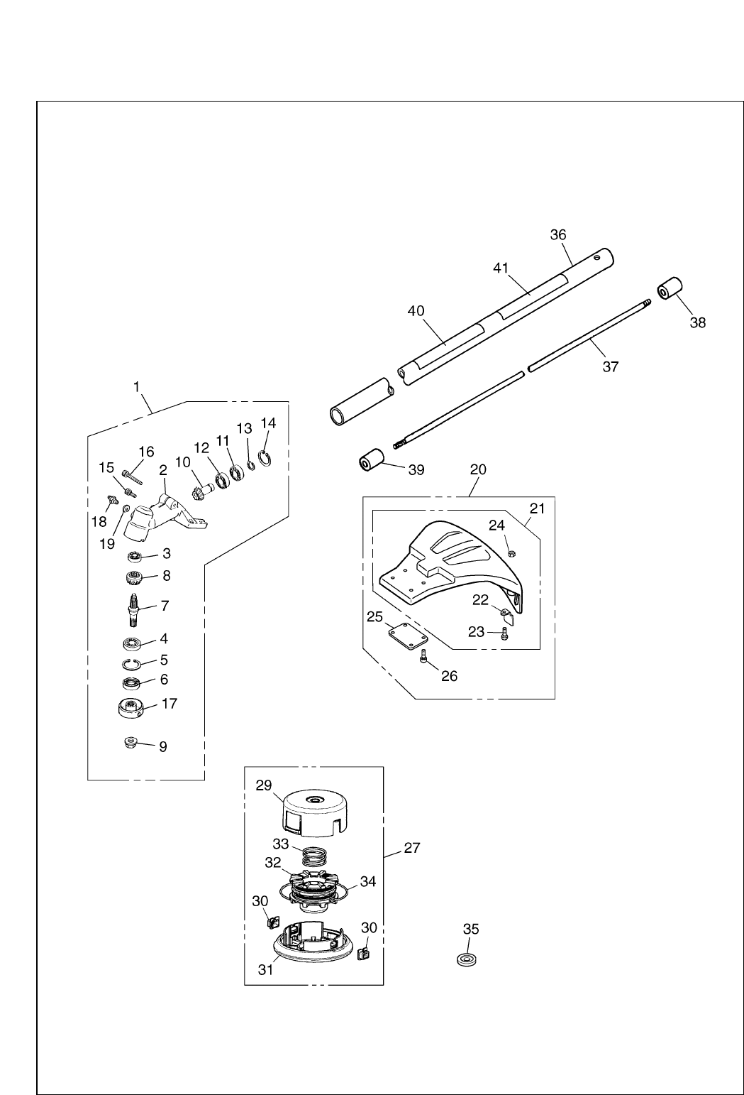
Fig.1 EXZ-PU
EXZ2610

Q’TY
Key# PART NUMBER DESCRIPTION NOTE
/UNIT
1T3075-12100 PIPE COMP. 1 ø24x750
2T3075-12210 SHAFT 1 786x7
36036-12250 SPACER 1
4T3087-12400 JOINT, PIPE ASS’Y 1
5T3087-12600 • STOPPER COMP. 1
6T3087-12410 • JOINT 1
76036-12420 • KNOBBOLT 1
801643-30823 • WASHER 1
901252-30510 • BOLT 1
10 3540-13260 • BOLT 1
11 T3101-11330 GRIP ASSY 1
26 T3300-17202 HANGER COMP. 1
27 8488052000 • SCREW 1
32 848JPY90R0 PLATE-NAME 1
33 T3110-14000 HANDLE ASSY 1
34 T3110-14110 • HANDLE 1
35 0263-90530 • SCREW 4
37 848J823610 STRAP ASSY 1
38 8488U00110 TOOL-SET 1
39 T3039-91310 • SOCKET 1
40 09007-00425 • WRENCH 1
41 09007-00528 • WRENCH 1
42 3540-91110 • BAR 1
43 3540-91120 • SPANNER 1
44 8488010010 • SOCKET 1
45 T3002-91190 GOGGLE 1
Q’TY
Key# PART NUMBER DESCRIPTION NOTE
/UNIT
Fig.1 EXZ-PU
EXZ2610

Fig.2 BC-EX
EXZ2610

Fig.2 BC-EX
Q’TY
Key# PART NUMBER DESCRIPTION NOTE
/UNIT
1T3002-13001 GEARCASE-ASSY 1
26489-13110 • GEARCASE 1
3T3300-13521 • BEARING 1
4T3403-13510 • BEARING 1
504065-02612 • RING 1
63565-13130 • SEAL 1
7T3002-13210 • SHAFT 1
86440-13220 • GEAR 1
9T3002-13260 • NUT, M10 1
10 T3002-13310 • PINION 1
11 T3300-13531 • BEARING 1
12 T3403-13530 • BEARING 1
13 T3300-13330 • RING 1
14 04065-02412 • RING 1
15 01252-30510 • BOLT 1
16 3350-21320 • BOLT 1
17 6440-13242 • HOLDER (A) 1
18 3199-13350 • FITTING, grease 1
19 01641-20608 • WASHER 1
20 T3002-24001 GUARD-ASSY 1
21 T3002-24101 • GUARD COMP. 1
22 T3002-24121 • • BLADE 1
23 0263-90516 • • SCREW 1
24 3320-15310 • • NUT 1
25 6489-24120 • PLATE 1
26 01252-30514 • BOLT 4
27 848BU36914 TAP HEAD COMP. 1
29 848BU369M4 • CASE 1
30 T3189-15191 • EYELET 2
31 T3189-15132 • COVER 1
32 T3189-15142 • CORD HOLDER 1
33 T3189-15160 • SPRING 1
34 848BU369S0 • CORD 1
35 6019-13250 HOLDER (B) 1
36 T3102-12100 PIPE COMP. 1 ø24x750
37 T3102-12210 SHAFT 1 755x7
38 6036-12241 SHAFT-JOINT 1
39 6036-12250 SPACER 1
40 8488X10020 PLATE, caution 1
41 T3234-12511 PLATE, name 1
Q’TY
Key# PART NUMBER DESCRIPTION NOTE
/UNIT
EXZ2610

Fig.3 ENGINE UNIT
EXZ2610

Fig.3 ENGINE UNIT
Q’TY
Key# PART NUMBER DESCRIPTION NOTE
/UNIT
1848F3R12A2 CYLINDER 1
2848F3R12B0 GASKET, base 1
34820-12130 BOLT, M5x22 2
4848F4014A0 INSULATOR 1
5848F4014B0 GASKET, insulator 1
6T1590-13130 GASKET, carburetor 1
78488530600 SCREW, M3x6 1
88488F40550 TUBE 1
9848F408801 PUMP ASSY 1
10 848F3R1601 REEDVALVE (S) ASSY 1
11 848F3R16C0 • REEDVALVE 1
12 4810-16130 • STOPPER 1
13 4810-16170 • SCREW, M3x8 1
14 848F3R16E0 PIRE AIR (S) 1
15 848F3R1611 REEDVALVE (F) ASSY 1
16 848F3R16C0 • REEDVALVE 1
17 4810-16130 • STOPPER 1
18 4810-16170 • SCREW, M3x8 1
19 848F3R16F0 PIPE AIR (F) 1
20 848F3R16H0 GASKET, valve 2
21 8488141000 SCREW 6
22 4810-21101 CRANKCASE COMP. 1
23 2629-21130 • PIN 3
24 4810-21140 GASKET 1
25 06030-06001 BEARING 2
26 4810-21210 SEAL 1
27 1850-21220 SEAL 1
28 04065-02812 SNAP RING 1
29 4820-21310 BOLT, M5x30 3
32 848F4041A0 PISTON 1
33 8488C34101 RING 2
34 8488B82800 PIN 1
35 1260-41320 RING 2
36 T1551-41410 BEARING 1
37 8488738002 WASHER 2
38 848F3R4200 CRANKSHAFT COMP. 1
39 1650-43230 NUT 1
40 1000-43240 KEY 1
41 4810-71110 ROTOR 1
42 T1512-71200 COIL ASSY 1
43 T1512-71220 • CORD 1
44 2616-71320 • CAP 1
45 1260-71261 SPACER 2
46 4820-72150 BOLT, M4x22 2
47 848F4C8100 CARBURETOR ASSY 1
48 848F600630 • REBUILD KIT 1
49 1850-81450 • • BODY ASSY 1
50 4810-06021 • • GASKET KIT 1
51 848F4081G0 • BODY 1
52 1850-81520 • COVER 1
53 1751-81510 • PUMP 1
54 1751-81130 • RING 1
55 1881-81140 • SWIVEL 1
56 1752-81110 • SCREW 2
57 5500-81120 • BRACKET 1
58 1751-81180 • NUT 1
59 8488361200 • SCREW 1
60 1850-81530 • SCREW 4
61 5500-81160 • WASHER 1
62 8488330400 • SCREW 1
76 4820-82310 SCREW, M5x60 2
77 848F401510 MUFFLER ASSY 1
79 4810-15140 • ARRESTER 1
80 4820-15310 BOLT, M5x50 2
Q’TY
Key# PART NUMBER DESCRIPTION NOTE
/UNIT
81 848F3R15C0 GASKET 1
82 848F3R15D0 PLATE, muffler 1
83 848F305304 HOUSING ASSY 1
84 4810-31102 • COVER COMP. 1
85 4810-31111 • • COVER, fan 1
86 848F3051A1 • • DRUM 1
87 04065-02812 • • SNAPRING 1
88 T1701-31150 • • BEARING 1
89 04064-01210 • • SNAP RING 1
90 6470-31211 • BRACKET (A) 1
91 6470-31221 • BRACKET (B) 1
92 6470-31230 • CUSHION 1
93 4820-21310 • BOLT, M5x30 2
94 8488151210 • BOLT, M5x14 1
95 4820-32120 SCREW, M5x16 3
96 848F3R31A0 COVER, engine 1
97 848F3R12G0 PLATE 1
98 4820-12350 SCREW, M5x10 2
99 4820-51110 SHOE 2
100 4820-51220 SPRING 1
101 1140-51250 SCREW 2
102 1140-51230 WASHER 2
103 1140-51242 WASHER 2
104 848F3071C2 CAP 1
105 1900-72120 SPRING 1
106 4810-71240 CORD 1
107 4810-71250 CORD, earth 1
108 T1512-71320 TUBE 1
109 3699-91867 PLUG, NGK CMR7H 1
110 4810-72120 GROMMET 1
111 4810-75100 RECOIL ASSY 1
112 4500-75120 • REEL 1
113 4500-75150 • SCREW 1
114 1850-75130 • SPRING, spiral 1
115 4500-75180 • COLLAR 1
116 4500-75190 • ARM 1
117 4810-75160 • ROPE 1
118 3330-75421 • KNOB 1
119 4810-75170 • PLATE, stopper 1
120 4500-75210 PULLEY 1
121 T1501-32120 SCREW, M5x16 2
122 4810-82100 BODY ASSY 1
123 4810-82130 • PLATE, choke 1
124 5500-82140 • LEVER, choke 1
125 2630-33610 • SCREW 1
126 4810-82170 ELEMENT 1
127 4820-12310 BOLT, M5x22 2
128 848F408321 COVER ASSY 1
129 5500-82221 • KNOB 1
130 848F348501 TANK ASSY 1
131 T1015-85202 • CAP ASSY 1
132 4500-85300 • • HOLDER ASSY 1
133 4500-85220 • • PACKING 1
134 5601-85260 • • FILTER 1
135 4820-85260 • • STOPPER 1
136 4810-85300 • PIPE COMP. 1
137 3302-85400 • FLTER ASSY 1
138 1260-85460 • CLIP 1
139 4820-85510 SCREW, M5x16 3
140 T1504-75411 LABEL, recoil 1
141 848F6190B1 LABEL, cover 1
142 848F4085Z0 GUARD 1
143 4820-12130 BOLT, M5x22 2
144 1950-86120 CLIP 1
EXZ2610

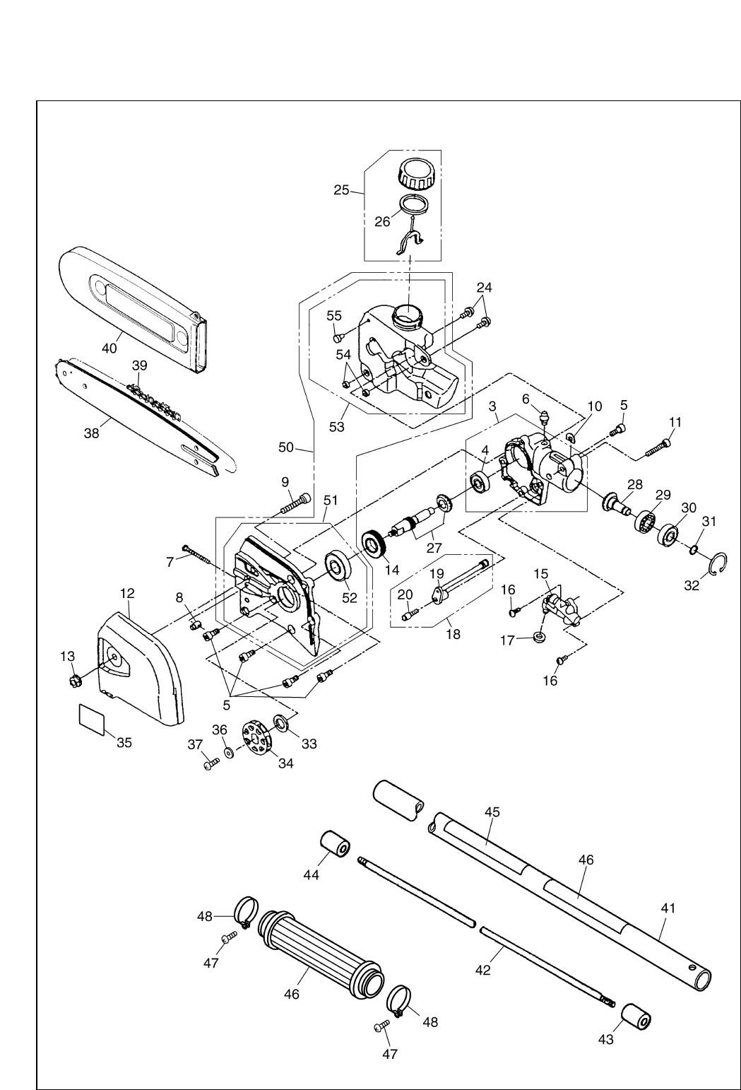
Fig.4 LRT-EX
EXZ2610

Fig.4 LRT-EX
Q’TY
Key# PART NUMBER DESCRIPTION NOTE
/UNIT
16598-13110 LEVER, clamp 1
20290-20615 WASHER 1 M6
36782-13650 WASHER 1 6x15x2.0
46782-13141 ANGLE ADJUSTER 1
50225-10612 BOLT 2 M6x12
66782-13200 CASING A SET 1
7––––––––– • CASING A 1
86782-13220 • PLATE 1
93199-13350 GREESE FITTING 3
10 6782-13250 LABEL 1
11 0263-10408 SCREW 2 M4x8
12 6598-13320 COVER 1
13 6598-13330 SNAP RING 1
14 6782-13340 BEBEL GEAR 1
15 04065-02612 SNAP RING 1
16 06004-06000 BEARING 1
17 6782-13370 CRANK SHAFT 1
18 04064-02815 SNAP RING 1
19 6782-13411 BLADE 2
20 6782-13430 BEARING 1 608Z
21 6782-06010 COVER ASS’Y 1
22 6782-13441 • COVER 1
23 6782-13470 • GASKET 1
24 848A2R61C0 • BOLT 4 M4x12
25 6782-13460 FELT 1
26 3884-11750 SCREW 1
27 3880-11780 WASHER 4
28 6598-13510 SCREW 3 L17
29 6598-13530 SCREW 2 M5x20
30 6782-13540 GUIDE PLATE 1
31 6782-13550 PLATE 1
32 6782-14470 NUT 2 M5
33 3880-11790 NUT 4 M6
34 6782-13650 WASHER 1 6x15x2.0
35 6598-13430 BEARING 1 608 2RS
36 04065-02212 SNAP RING 1
37 T4008-06010 SHAFT KIT 1
38 ––––––––– • • SHAFT 1
39 ––––––––– • • GEAR(B) 1
40 T4008-13630 • • GEAR(C) 1
41 ––––––––– • • BOSS 1
42 T4008-13650 • • SPRING 1
43 T4008-13660 • • PLATE 1
44 T4008-13670 • • WASHER 1
45 T4008-13680 • • WASHER 1
Q’TY
Key# PART NUMBER DESCRIPTION NOTE
/UNIT
46 0280-10605 • NUT 1 M6
47 0290-20615 • WASHER 1
48 6598-13620 O-RING 1 P41
49 04065-02612 SNAP RING 1
50 06004-06000 BEARING 1
51 848A2Z61A1 CASING B 1
52 6782-13650 WASHER 1 6x15x2.0
53 0225-10612 BOLT 1 M6x12
54 6782-13720 WASHER 1 5x10x1.0
55 01252-30510 BOLT 1 M5x10
56 3350-21320 BOLT 1 M5x30
57 6782-13810 JOINT 1
58 6598-13820 GEAR SHAFT B 1
59 6782-13830 BEARING 2 6900RS
60 04065-02212 SNAP RING 1
61 6782-13850 BEVEL GEAR 1
62 6598-13330 SNAP RING 1
63 6598-13860 PACKING 1
64 6598-13871 COVER 1
65 0263-10410 SCREW 2 M4x8
66 6782-13910 BLADE COVER 1
68 T3102-12100 PIPE COMP. 1 ø24x750
69 T3102-12210 SHAFT 1 755x7
70 6036-12241 SHAFT-JOINT 1
71 6036-12250 SPACER 1
72 8488X10020 PLATE, caution 1
73 T3235-12511 PLATE, name 1
EXZ2610

Fig.5 PS-EX
EXZ2610

Fig.5 PS-EX
Q’TY
Key# PART NUMBER DESCRIPTION NOTE
/UNIT
3T3073-13200 GEAR CASE (R) COMP. 1
406002-00627 • BEARING 1
5 01252-30512 BOLT 5
63199-13350 FITTING 1
7T3073-13310 SCREW, tensioner 1
8T3073-13320 NUT, tensioner 1
9 01252-30630 BOLT 1
10 T3073-13250 SHIM 1
11 3245-11350 BOLT 1
12 T3073-13510 CHAIN COVER 1
13 T3073-13520 NUT 1
14 T3073-13560 WORM GEAR 1
15 T3073-13550 OIL PUMP ASS’Y 1
16 0263-30410 SCREW 2
17 T3073-13580 GASKET 1
18 T3073-13700 OIL PIPE ASS’Y 1
19 T3073-13710 • OIL PIPE 1
20 T3073-13720 • FILTER 1
24 T3073-13860 SCREW 2
25 T3073-13900 OIL CAP ASS’Y 1
26 T3073-13920 • GASKET OIL CAP 1
27 T3073-13370 GEAR SHAFT 1
28 T3073-13380 BEVEL, pinion 1
29 06000-00609 BEARING 1
30 06002-00609 BEARING 1
31 3210-13330 SNAP RING 1
32 04065-02412 SNAP RING 1
33 T3073-13530 COLLAR 1
34 T3073-13540 SPROCKET 1
35 T3073-13590 LABEL 1
36 T3073-13350 WASHER 1
37 T3073-13360 SCREW 1
38 T3101-52121 BAR 10” 1
39
T3073-52220-50
CHAIN (90SG-J39E) 1
40 3622-52310 PROTECTOR 1
41 T3102-12100 PIPE COMP. 1 ø24x1500
42 T3102-12210 SHAFT 1 1505x7
43 6036-12241 SHAFT-JOINT 1
44 6036-12250 SPACER 1
45 8488X10020 PLATE, caution 1
46 T3236-12511 PLATE, name 1
47 6442-11332 GRIP 1
48 6193-11340 CLAMP 2
Q’TY
Key# PART NUMBER DESCRIPTION NOTE
/UNIT
49 0260-60312 SCREW 2
50 848A529810 CASE-L-SET 1
51 848A526211 • GEAR CASE (L) COMP. 1
52 06004-06001 • • BEARING 1
53 848A525511 • OIL TANK ASS’Y 1
54 T3073-13820 • • COLLAR 2
55 T3073-13830 • • VALVE 1
EXZ2610

Fig.6 HE-EX
EXZ2610

Fig.6 HE-EX
Q’TY
Key# PART NUMBER DESCRIPTION NOTE
/UNIT
16367-13000 GEARCASE ASS’Y 1
26367-13110 • GEARCASE 1
36367-13150 • O-RING 1
406000-06201 • BEARING 1
53180-13141 • SEAL 1
604065-03212 • RING 1
73541-13212 • SHAFT 1
86367-13130 • GEAR 1
96367-13140 • PINION 1
10 06000-00609 • BEARING 1
11 06001-00609 • BEARING 1
12 04065-02412 • RING 1
13 3210-13330 • RING 1
14 3579-33260 • BOLT 1
15 3310-43210 • WASHER 1
16 01643-30823 • WASHER 1
17 01252-30512 • BOLT 1
18 3540-13260 • BOLT 1
19 6367-13120 • COVER 1
20 06000-06000 • BEARING 1
21 3350-31470 • BOLT 3
22 3541-13241 • HOLDER (A) 1
23 3541-13251 • HOLDER (B) 1
24 3199-13350 • FITTING 1
25 01641-20608 • WASHER 1
26 6367-14200 HANDLE COMP. 1
27 3583-14101 BRACKET ASS’Y 1
28 3583-14111 • BRACKET 1
29 3583-14121 • CAP-L 1
30 3257-14192 • CAP-U 1
31 01252-30522 • BOLT 2
32 01252-30525 • BOLT 4
33 6367-24001 GUARD ASS’Y 1
34 6367-24101 • GUARD COMP. 1
35 6367-24111 • • GUARD 1
36 6367-24120 • • PLATE 1
37 6367-24131 • • PLATE 1
38 0225-30512 • • BOLT 2
39 5807-24120 • CLAMP 1
40 01252-30618 • BOLT 2
41 0290-20615 • WASHER 2
42 3350-31470 • BOLT 3
43 6367-15110 BLADE 1
44 T3052-13610 COVER 1
45 T3052-25001 WHEEL ASS’Y 1
Q’TY
Key# PART NUMBER DESCRIPTION NOTE
/UNIT
46 6367-15230 • BRACKET 1
47 3583-14121 • CAP-L 1
48 01252-30522 • BOLT 2
49 3956-15340 • LEVER 1
50 T3052-25101 • WHEEL-S ASS’Y 1
51 6367-15210 • • PIPE 1
52 3808-15230 • • BRACKET 1
53 01252-30625 • • BOLT 2
54 T3052-25150 • • WHEEL 1
55 01010-81055 • • BOLT 1
56 01642-21016 • • WASHER 2
57 T3052-25160 • • PIPE 1
58 T3052-15250 • • CAP 1
59 T3105-12100 PIPE COMP., ø24x750 1
60 T3102-12210 SHAFT, 755x7 1
61 6036-12241 SHAFT-JOINT 1
62 6036-12250 SPACER 1
63 8488X10020 PLATE, caution 1
64 T3237-12511 PLATE, name 1
EXZ2610

1
2
34
5
6
78
910
Fig.7 SPECIAL TOOLS
Q’TY
Key# PART NUMBER DESCRIPTION NOTE
/UNIT
13304-97611 HEXAGON WRENCH 1 suitable for M4, M5, M6 BOLT
22890-96100 PULLER ASS'Y 1 for remove ROTOR
34810-96220 STOPPER 1 for look the moving of PISTON
43350-96240 GAUGE 1 for adjust AIR-GAP
54500-96100 PULLER 1 for attach and remove RECOIL PULLEY
61101-96220 ROD ASS'Y 1 for attach and remove PISTON PIN
75500-96110 PLIERS 1 long-nose plier ; use for SNAP RING
85500-96120 ROD 1 for push out CLUTCH DRUM
95500-96130 GUIDE, ring 1 for fit SNAP RING on CLUTCH DRUM
10 5500-96140 GUIDE, push 1 for fit SNAP RING on CLUTCH DRUM
EXZ2610