Zhejiang Kangtai Electric KT6898YD WIRELESS DOOR CHIME User Manual Use Manual D
Zhejiang Kangtai Electric Co., Ltd. WIRELESS DOOR CHIME Use Manual D
USERS MANUAL

USE MANUAL
Brief Account
THIS DEVICE COMPLIES WITH PART 15 OF THE FCC RULES. OPERATIONIS
SUBJECT TO THE FOLLOWING TWO CONDITIONS:
(1) THIS DEVICE MAY NOT CAUSE HARMFUL INTERFERENCE, AND
(2) THIS DEVICE MUST ACCEPT ANY INTERFERENCE RECEIVED,
INCLUDING INTERFERENCE THAT MAY CAUSE UNDESIRED OPERATION.
The Device Data
Product: Wireless Door Chime
Frequency: 433.768MHz
Power: A23, 12V
Use Description
The ultra-distance remote control (30metres long) meets the need of various buildings.
And the doorbell must match the device to use.
Part Description
1. Pushbutton
2. Pilot Lamp
3. Battery

Press the key “1”, the doorbell will make the combination of the quadric-partial tone.
When the key “1” is pressed, the pilot lamp will light and it will go out as soon as the
key is released.
Caution
Any changes or modifications not expressly approved by the party responsible for
compliance could void the user's authority to operate the equipment.
Be sure not to let it close to any metal object or expose it to rains.

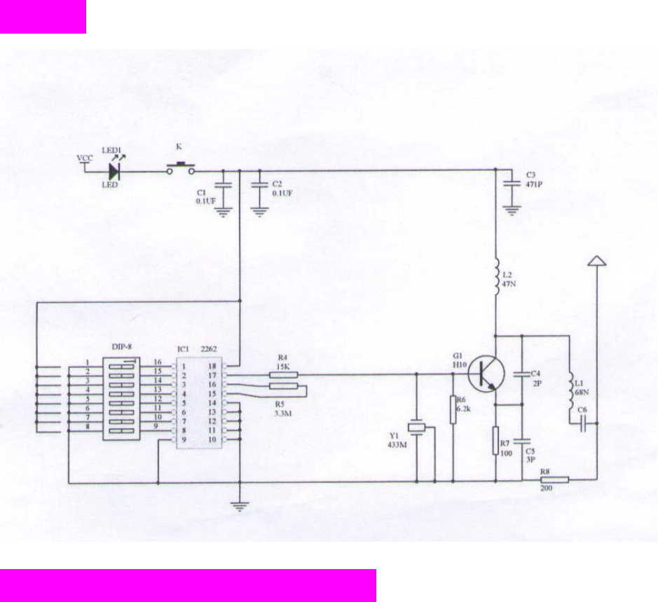
Description of the circuits
Schematic
Operation specification for remote controller
2262 is a coding integration element, it’s pins No. 1-8 are used for users, so the code
can be coded discretionally by dip switches (but it should be consist with the
mainframe code). When user operates the remote controller, press the switch, then
power supply is gotten, and circuit works. 2262 sends code from pin 17 to shooting
module with impulse form. According to the signal, H10 at shooting module works.
Then the signal is sent over. This is so-called coding.