Zhongshan City Aifeier Electrical Factory FC-368MR WIRELESS DIGITAL REMOTE CONTROL SWITCH User Manual
Zhongshan City Aifeier Electrical Factory WIRELESS DIGITAL REMOTE CONTROL SWITCH
Users Manual

Digital wireless remote control switch manual
First, the product uses:
The digital wireless remote control switch is widely used in multi-tube lamp or light fixture, can choose for
different home appliances products, you only need the remote control, can easily master the home electrical
appliances or lighting systems.
Second, the technical parameters:
1, Input voltage: AC220V ± 10%, 50Hz/60Hz.
2, the output voltage: AC220V ± 10%, 50Hz/60Hz.
3, each load: incandescent ≤ 1000W, energy-saving lamps ≤ 200W.
4, the operating frequency: 433.92MHz.
5, Modulation: ASK modulation.
6, the receiver sensitivity:-103dB.
7, Control distance: <20 meters.
8, ambient temperature: -10 ℃ ~ +60 ℃.
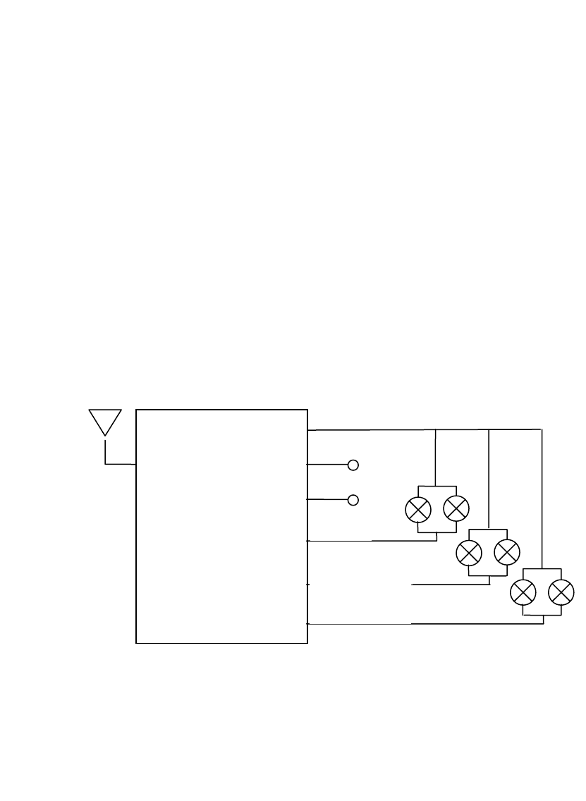
Third, the installation:
Please correct wiring diagram wiring products. Antenna to be straightened.
IV Features:
1, using the manual function (wall switch), the time interval of each switch can not exceed 3 seconds.
2, the remote control transmitter 1,2,3 corresponding to the number keys on the receiver 1, group 2, group 3
groups, each group separate independent switch.
Anten
Black
Subsection
Switch
Black
Red 220VAC
②
③
L
N
①
N
White
Blue
yellow
FCC NOTE : THE MANUFACTURER IS NOT RESPONSIBLE FOR ANY RADIO OR TV
INTERFERENCE CAUSED BY UNAUTHORIZED MODIFICATIONS TO THIS EQUIPMENT.
SUCH MODIFICATIONS COULD VOID THE USER’S AUTHORITY TO OPERATE THE
EQUIPMENT.
This device complies with Part 15 of the FCC Rules. Operation is subject to the following two
conditions:1. This device may not cause harmful interference, and 2. This device must accept any
interference received, including interference that may cause undesired operation.
This equipment has been tested and found to comply with the limits for a Class B digital device,
pursuant to part 15 of the FCC Rules. These limits are designed to provide reasonable protection
against harmful interference in a residential installation. This equipment generates uses and can
radiate radio frequency energy and, if not installed and used in accordance with the instructions,
may cause harmful interference to radio communications. However, there is no guarantee that
interference will not occur in a particular installation. If this equipment does cause harmful
interference to radio or television reception, which can be determined by turning the equipment off
and on, the user is encouraged to try to correct the interference by one or more of the following
measures:
—Reorient or relocate the receiving antenna.
—Increase the separation between the equipment and receiver.
—Connect the equipment into an outlet on a circuit different from that to which the receiver is
connected.
—Consult the dealer or an experienced radio/TV technician for help.
To maintain compliance with fcc’s RF exposure guidelines: This device and its antennas must
operate with a separation distance of at least 20cm from all persons.