Alpine X009 FD2 Installation Guide IM
User Manual: alpine X009-FD2 - Installation Guide Free User Guide for Alpine GPS, Manual
Open the PDF directly: View PDF
.
Page Count: 12

Ford F-150
FULL SIZE TRUCK 1/12
FORD F-150
X009-FD2 9”
Installation Manual
Model: Full Size Truck
Model Year: 2013–2014
(Compatible with 4.2” screen MyFord® equipped models
only.)
Introduction
Design and specications are subject to change without notice for improvement.
To Ensure Safe Use, Always Follow These Precautions
The installation of this product requires specialized skills and experience. We recommend that you have the
product installed by the store that you purchased it from.
Before you use this product, be sure to carefully read this installation manual and the separate user's manual
so that you can use the product correctly. Alpine Electronics bears no responsibility for problems that arise as
a result of failure to follow the instructions in the manuals.
This manual includes a number of symbols that are intended to help you use the product safely, to prevent
harm to you and others, and to protect against damage to property. These symbols and their meanings are
listed below. Make sure you fully understand these symbols before you begin reading the main text.
Explanations of Injury and Damage That May Result from Incorrect Use
Warning Ignoring the content marked by this indication and using the product incorrectly is
expected to lead to death or serious injury.
Caution Ignoring the content marked by this indication and using the product incorrectly is only
expected to lead to injury or property damage.
FORD F-150
Model Year
XLT
2013- 2014
Not compatible with
8” MyFord Touch®
equipped vehicles.
FX2
FX4
SVT RAPTOR
* The specified vehicles have been tested and have met compatibility specs at the time of testing. Compatibility is
not guaranteed if the manufacturer has made production changes to the listed vehicles above.

Ford F-150
FULL SIZE TRUCK 2/12
Types of Precautions
Forbidden
Indicates actions that are forbidden
(must not be performed)
Mandatory
Indicates actions that are
mandatory (must be performed)
Forbidden
Indicates that disassembly is
forbidden.
Marks content that should receive
your full attention.
Warning
Do not disassemble or modify the product. Doing so could lead to an accident, re,
or electric shock.
Forbidden
Store screws and other small objects where small children cannot reach them. If one of these
small objects is swallowed, consult with a doctor immediately.
When replacing fuses, be sure to use fuses with the specied current rating. Failing to do so could
lead to an accident or re.
Forbidden Mandatory
Only connect the product to a 12 VDC negative ground car. Failing to do so could lead to
an accident or re.
Mandatory
Before you begin wiring, remove the ground wire from the negative terminal of the battery.
Failing to do so could lead to electric shock or injury.
Do not cut the insulation on a cord and take power from another device. Doing so could
lead to re or electric shock.
Forbidden
Do not install the product in a location where it will obstruct the driver’s forward view;
interfere with the operation of the steering wheel, gearshift, or the like; or pose a
threat to passengers. Doing so could lead to an accident or injury. Forbidden

Ford F-150
FULL SIZE TRUCK 3/12
When making a hole in the vehicle body, be careful to avoid damaging pipes, the fuel tank,
electrical wiring, and the like. This kind of damage could lead to an accident or re.
When installing and grounding the product, do not use any of the bolts or nuts of the
steering wheel, brakes, fuel tank, or the like. Doing so could make the brakes stop working
or lead to re. Forbidden
Do not install the product near the passenger-side airbag. Doing so could interfere with the
operation of the airbag and lead to an accident or injury.
Forbidden
Bundle cords so that they don’t interfere with driving. Wrapping cords around the steering
wheel, gearshift, brake pedal, or the like, could lead to an accident or damage equipment.
Caution
Connect the product properly according to the instructions. Failing to do so could lead
to re or an accident.
Forbidden
Do not sandwich cords between the seat railing or allow them to touch protrusions.
Resulting breaks or shorts could lead to electric shock or re.
Do not block vents or heat sinks. Doing so could lead to re or damage equipment.
Use the accessories according to the instructions, and attach them securely.
Failing to do so could lead to an accident or damage equipment.
Forbidden
Do not install the product where it may be exposed to water or in a place with high levels
of humidity or dust. Doing so could lead to re or damage equipment.
Forbidden
The installation and wiring of this product requires specialized skills and experience.
Have the product installed and wired by the store that you purchased it from.

Ford F-150
FULL SIZE TRUCK 4/12
Accessory List
Head Unit Box Parts (X009)
Owner’s Manual Disc X009 Head Unit X009 Camera Harness
AUX/Pre Out Harness GPS Antenna USB Extension Cable
8mm x 8 Screws Quick Reference Guides Registration Cards
QRG
Audio
QRG
Navigation
Alpine
Registration Card
NAVTEQ
Registration Card
iDatalink Maestro Box Parts (ALP-MRR V2.0/ALP-HRN-FD2 V2.0)
Main Harness Antenna Adapter Factory Camera Harness
SAT Radio Antenna Adapter Maestro USB Flashing Cable iDatalink Maestro Module
3 Pin HVAC Connector 4 Pin HVAC-Maestro Cable

Ford F-150
FULL SIZE TRUCK 5/12
Installation Kit Parts (G-KTX-009-FD2)
X009-FD2 Radio Dash Bezel Key harness Side Mounting Brackets
HDMI/USB Extension Cable Media Port Plate

Ford F-150
FULL SIZE TRUCK 6/12
Component Locations
Maestro Module Location
GPS Antenna Location
Head Unit
Maestro Module
GPS Antenna
Head Unit Maestro Module

Ford F-150
FULL SIZE TRUCK 7/12
Factory unit disassembly process
1 On the passenger side of the vehicle, open the
glove box and push the side tabs towards each
other to release the glove box. Extract 3 x 8 mm
(may also be 3 x 10 mm) bolts to release the airbag.
2 Without disconnecting the airbag push it out far
enough to expose the copper plated 7 mm screw
on the left side of the airbag and extract it.
3 Remove the instrument cluster cover by extracting
2 x 7 mm screws.
4 Remove both side vent covers using a panel
remover tool.
5 Remove the radio bezel by extracting 2 x 7mm
screws from the top and 2 x 7mm screws from the
bottom.
6 Extract 8 x 7 mm screws from the factory display/
radio and remove both.

Ford F-150
FULL SIZE TRUCK 8/12
Programming the iDatalink Maestro Module
3 CONNECT YOUR MAESTRO MODULE
Use the included USB cable to connect your Maestro module to your
PC.
4 LOG INTO WEBLINK
Go to:
idatalinkmaestro.com/login.
Enter your username and password, then click OK.
5 PROGRAM YOUR MODULE
Follow the programming steps for your vehicle.
6 Once Programing is complete “FLASHING
COMPLETED!” will be displayed
Proceed to the next page to complete installation..
1 INSTALL THE WEBLINK PLUG-IN
Go to:
idatalinkmaestro.com/plugin and follow the installation steps.
Review the System Requirements before installing.
If the plugin is already installed, the caution, “The plugin is already
installed” appears. Please skip to step 2.
2 REGISTER A WEBLINK ACCOUNT
Go to:
idatalinkmaestro.com/register and complete the registration process.
A conrmation email will be sent to you requiring validation.
For existing customers, click log in.
For existing customers, click log in.

Ford F-150
FULL SIZE TRUCK 9/12
Installation Instructions
1 Attach the Maestro module to the X009-FD2 main
harness.
2 Connect and secure the main harness, antenna
adapter and HVAC connector to the factory
harness.
3 Remove rubber screw cover from the center dash
plate and extract 2 x 7 mm screws. Place GPS
antenna as illustrated and feed the cable down to
the radio cavity.
4 Plug the OBDII cap on to the OBDII port below the
driver side dash and run the extension to the radio
cavity.

Ford F-150
FULL SIZE TRUCK 10/12
Installation Instructions
1 Attach the brackets using the provided screws.
2 Replace the OEM Sync media plate with the new
media plate and run the extension cable to the radio
cavity.
3 Run the Key harness, 4 pin HVAC-Maestro cable
and 3 pin HVAC connector under the head unit and
mount it using 4 x 7mm factory screws.
4 Connect the key harness, 4 pin HVAC-Maestro
cable and 3 pin HVAC connector to X009-FD2 radio
bezel.
5 Mount X009-FD2 radio bezel using 4 x 7mm factory
screws.
4 pin HVAC-Maestro
cable (Red) (Connect to
Maestro Module)
3 pin HVAC Cable
(White) (Connect to
Vehicle)
HVAC
Control
Unit
Key Harness
Key Unit
(Connect to
X009)

Ford F-150
FULL SIZE TRUCK 11/12
X009 Radio Dash Bezel
Media Port Plate
X009 AVN Unit
Left bracket
Right bracket
Exploded-View Diagram
Parts assembly diagram for the X009-FD2 kit.

Ford F-150
FULL SIZE TRUCK 12/12
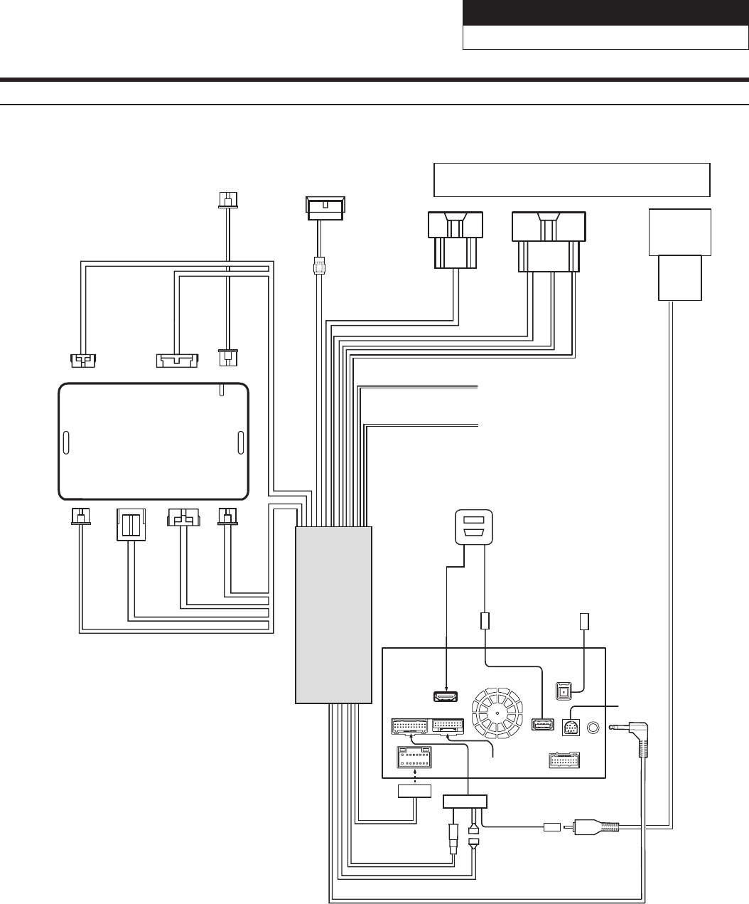
X009 Camera Harness
Camera Input
HDMI Input
USB Extension
Cable
Add HDMI/USB
Extension Connector
Factory Camera Harness
(Connect to OEM display
harness on vehicles
without rearview mirror LCD.)
To SXM
Aux/Pre-out
Harness
X009 Head Unit
X009-FD2
Key Panel
GPS Antenna
10-pin Green
Connector
3-pin Black
Connector
10-pin Black
Connector
18-pin Black
Connector
4-pin Red
Connector
3-pin Black
Connector
4-pin Data
Connector
Blue Power Antenna
(Not used)
Green/
White
Blue/White Amp Turn-on
3.5 Mini plug
Speed Pulse
4-pin Data Connector
iDatalink MAESTRO Module
To Vehicle Connectors
(Use only with aftermarket
ampliers)
X009
Power
Harness
Main Harness
To HVAC Control Unit
(4-pin Red Connector)
To ODB II
Connector
(2-pin Black Connector)
X009-FD2 System Wiring