Alpine INE W920R/INE W928R W920R Operating Instructions OM EN
INE-W928R - Operating Instructions OM_INE-W928R_EN User Guide for Alpine GPS, Free Instruction Manual
User Manual: alpine INE-W920R - Operating Instructions Free User Guide for Alpine GPS, Manual
Open the PDF directly: View PDF
.
Page Count: 107 [warning: Documents this large are best viewed by clicking the View PDF Link!]
- Operating Instructions
- PRECAUTIONS
- WARNING
- Features
- Getting Started
- For INE-W920R
- For INE-W928R
- Common Operations
- Radio
- RDS
- CD/MP3/WMA/AAC
- DVD
- Playing a Disc
- Stopping Playback (PRE STOP)
- Stopping Playback
- Fast-forwarding/Fast-reversing
- Finding the Beginnings of Chapters/Tracks/Files
- Playing Still Frames (Pausing)
- Forward frame-by-frame Playback
- Slow Motion Playback
- Selecting Folders
- Repeat Playback
- Searching by Title Number
- Searching Directly by Chapter Number
- Searching for a Desired Video File
- Switching the Angle
- Switching the Audio Tracks
- Switching the Subtitles (Subtitle Language)
- About DivX®
- Setup
- Setup Operation
- General Setup
- Sound Setup
- Sound Setup Operation
- Setting the Balance/Fader/Subwoofer
- Setting the MX (Media Xpander)
- Equalizer Presets (Bass Max EQ)
- Adjusting the Parametric Equalizer Curve (Parametric EQ)
- Adjusting the Time Correction (Time Correction)
- Adjusting the Crossover Settings (X-OVER)
- Setting Defeat
- Volume Setting
- Setting the Volume for Each Source
- About Time Correction
- About the Crossover
- Source Setup
- BLUETOOTH Setup
- BLUETOOTH Setup Operation
- BLUETOOTH Setting
- Displaying BLUETOOTH Information
- Registering the BLUETOOTH Device
- Automatic Connection setting
- Setting the Passcode
- Changing the Character Code of the Phone Book
- Setting Received Calls Automatically
- Setting the time for automatic reception of a call
- Selecting the Output Speaker
- Adjusting the Receive Volume
- Adjusting the Transmit Volume
- Adjusting the Calling Volume
- Deleting All the Histories
- Camera Setup
- BLUETOOTH Operation
- Hands-Free Phone Control
- BLUETOOTH Audio
- Auxiliary Device (Optional)
- Camera Operation (Optional)
- USB Memory (Optional)
- iPod/iPhone (Optional)
- Information
- Installation and Connections

Designed by ALPINE Japan
68-21057Z29-A
EN
DE
IT
FR
ES
SE
NL
PL
RU
GR
FOR CAR USE ONLY/NUR FÜR AUTOMOBIL GEBRAUCH/POUR APPLICATION AUTOMOBILE UNIQUEMENT/PARA USO EN
AUTOMÓVILES/SOLO PER L’UTILIZZO IN AUTOMOBILE/ENDAST FÖR BILBRUK/ALLEEN VOOR GEBRUIK IN DE AUTO/
ТОЛЬКО
ДЛЯ ИСПОЛЬЗОВАНИЯ В АВТОМОБИЛЯХ
/
DO UŻYCIA TYLKO W SAMOCHODZIE
/
ΓΙΑ ΧΡΗΣΗ ΜΟΝΟ ΣΕ ΑΥΤΟΚΙΝΗΤΟ
ADVANCED NAVI STATION
INE-W920R
8-INCH ADVANCED NAVI STATION
INE-W928R
R
R
• OWNER’S MANUAL
Please read before using this equipment. • ANVÄNDARHANDLEDNING
Innan du använder utrustningen bör du läsa
igenom denna användarhandledning.
• BEDIENUNGSANLEITUNG
Lesen Sie diese Bedienungsanleitung
bitte vor Gebrauch des Gerätes.
• GEBRUIKERSHANDLEIDING
Lees deze aanwijzingen aandachtig alvorens
dit toestel te gebruiken.
• MODE D’EMPLOI
Veuillez lire avant d’utiliser cet appareil. • РУКОВОДСТВО ПО ЭКСПЛУАТАЦИИ
Прочтите настоящее руководство перед
началом использования оборудования.
• MANUAL DE OPERACIÓN
Léalo antes de utilizar este equipo. • INSTRUKCJA OBSŁUGI
Prosimy zapoznać się z tą instrukcją przed
przystąpieniem do użytkowania urządzenia.
• ISTRUZIONI PER L’USO
Si prega di leggere prima di utilizzare il
attrezzatura.
• ΕΓΧΕΙΡΙΔΙΟ ΧΡΗΣΤΗ
Παρακαλούμε διαβάστε το πριν
χρησιμοποιήσετε τη συσκευή.

ALPINE ELECTRONICS MARKETING, INC.
1-7, Yukigaya-Otsukamachi, Ota-ku,
Tokyo 145-0067, JAPAN
Phone: 03-5499-4531
ALPINE ELECTRONICS OF AMERICA, INC.
19145 Gramercy Place, Torrance,
California 90501, U.S.A.
Phone 1-800-ALPINE-1 (1-800-257-4631)
ALPINE ELECTRONICS OF CANADA, INC.
777 Supertest Road, Toronto,
Ontario M3J 2M9, Canada
Phone 1-800-ALPINE-1 (1-800-257-4631)
ALPINE ELECTRONICS OF AUSTRALIA PTY. LTD.
161-165 Princes Highway, Hallam
Victoria 3803, Australia
Phone 03-8787-1200
ALPINE ELECTRONICS GmbH
Wilhelm-Wagenfeld-Str. 1-3, 80807 München, Germany
Phone 089-32 42 640
ALPINE ELECTRONICS OF U.K. LTD.
Alpine House
Fletchamstead Highway, Coventry CV4 9TW, U.K.
Phone 0870-33 33 763
ALPINE ELECTRONICS FRANCE S.A.R.L.
(RCS PONTOISE B 338 101 280)
98, Rue de la Belle Etoile, Z.I. Paris Nord Il,
B.P. 50016, 95945 Roissy Charles de Gaulle
Cedex, France
Phone 01-48638989
ALPINE ITALIA S.p.A.
Viale C. Colombo 8, 20090 Trezzano
Sul Naviglio (MI), Italy
Phone 02-484781
ALPINE ELECTRONICS DE ESPAÑA, S.A.
Portal de Gamarra 36, Pabellón, 32
01013 Vitoria (Alava)-APDO 133, Spain
Phone 945-283588
ALPINE ELECTRONICS (BENELUX) GmbH
Leuvensesteenweg 510-B6,
1930 Zaventem, Belgium
Phone 02-725-13 15

3-EN
ENGLISH
Contents
Operating Instructions
PRECAUTIONS
IMPORTANT INFORMATION, PLEASE
READ CAREFULLY BEFORE USING THIS
PRODUCT. ................................................... 8
WARNING
Points to Observe for Safe Usage ..................... 8
WARNING ................................................. 8
CAUTION .................................................. 9
NOTICE ................................................... 10
Discs Playable on This Unit ................. 11
Features
Auto user setting change ................................ 15
My Favorites ................................................... 15
Easy sound setting by car type
(i-Personalize) ............................................. 16
About Dual Screen ......................................... 16
Dual Screen Display Position ..................... 17
Getting Started
Accessory List ................................................ 18
For INE-W920R
Location of Controls ...................................... 18
Turning Power On or Off ............................... 18
Turning the System On ................................... 19
Detaching and Attaching the Front Panel ...... 19
Initial System Start-Up ................................... 20
Inserting/Ejecting a Disc ................................ 20
Inserting the Disc ........................................ 20
Removing the Disc ...................................... 20
Adjusting the Volume ..................................... 20
Lowering Volume Quickly ............................. 20
For INE-W928R
Location of Controls .......................................21
Turning Power On or Off ................................21
Turning the System On ...................................21
Initial System Start-Up ...................................22
Inserting/Ejecting a Disc .................................22
Inserting the Disc .........................................22
Removing the Disc ......................................22
Adjusting the Monitor Viewing Angle ...........22
Adjusting the Volume .....................................22
Lowering Volume Quickly ..............................22
Common Operations
Using My Favorites .........................................23
User Registration ............................................23
Setting My Favorites .......................................24
Adding My Favorites ...................................24
Editing My Favorites ...................................25
Displaying the Camera Image .....................25
i-Personalize Setup ......................................26
Settings When Switching Users ......................27
How to Input Characters and Numbers
(Keypad) ......................................................27
Top banner and Bottom banner Fade Out
Setting ..........................................................28
Switching Sources ...........................................28
Screen Off Function .....................................28
Switching the Dual Screen Display ................28
Touch operation ..............................................29
Selecting an Item in a List ..............................29
About the Indicator Display ............................29
Radio
Listening to the Radio .....................................30
Presetting Stations Manually ..........................30
Presetting Stations Automatically ...................30
Tuning to Preset Stations ................................30
RDS
Turning AF (Alternative Frequencies)
On or Off .....................................................31
Receiving Traffic Information ........................31
Receiving Traffic Information Manually ........32
PTY (Programme Type) Tuning .....................32

4-EN
Priority News .................................................. 32
Displaying Radio Text .................................... 32
CD/MP3/WMA/AAC
Playback .......................................................... 33
Repeat Play ..................................................... 33
M.I.X. (Random Play) .................................... 33
Selecting Folders
(Concerning MP3/WMA/AAC) .................. 33
Searching from CD Text ................................. 34
File/Folder Name Search
(Concerning MP3/WMA/AAC) .................. 34
About MP3/WMA/AAC ................................. 34
DVD
Playing a Disc ................................................. 36
If a Menu Screen Appears ........................... 37
Numeric Keypad Input Operations .............. 37
Displaying the Top Menu Screen ................ 37
Displaying the Menu Screen ....................... 37
Stopping Playback (PRE STOP) .................... 38
Stopping Playback .......................................... 38
Fast-forwarding/Fast-reversing ....................... 38
Finding the Beginnings of Chapters/Tracks/
Files ............................................................. 38
Playing Still Frames (Pausing) ....................... 38
Forward frame-by-frame Playback ................. 38
Slow Motion Playback .................................... 38
Selecting Folders ............................................ 39
Repeat Playback ............................................. 39
Searching by Title Number ............................. 39
Searching Directly by Chapter Number ......... 39
Searching for a Desired Video File ................. 39
Switching the Angle ....................................... 40
Switching the Audio Tracks ........................... 40
Switching the Subtitles
(Subtitle Language) ..................................... 40
About DivX® .................................................. 40
Setup
Setup Operation
General Setup
General Setup Operation ................................41
Language Setting ............................................ 41
Setting the Scroll ......................................... 41
Format settings ............................................ 41
Setting the Menu Language ........................ 41
Remote Sensor Setting .................................... 42
Security Code Setting ..................................... 42
Setting Security code ................................... 42
Setting Top banner and Bottom banner
Display ........................................................ 42
Screen/LED Customize .................................. 42
Setting the Brightness of the
Backlighting ............................................. 42
Adjusting the Minimum Level of
Backlight .................................................. 42
Adjusting the Dimmer of Button Lighting at
Night ........................................................ 42
Switching the Display Colour ..................... 43
Adjusting the Touch Panel .......................... 43
Initialising the Touch Panel Corrected
Values ....................................................... 43
Visual Setting .................................................. 43
Switching Display Modes ........................... 43
Adjusting the Live Contrast ........................ 44
Selecting the Visual EQ Mode (Factory’s
setting) ..................................................... 44
Adjusting Brightness ................................... 44
Adjusting Colour of Picture ........................ 44
Adjusting Tint of Picture ............................. 44
Adjusting Image Contrast ........................... 44
Adjusting Picture Quality ............................ 44
Saving and calling the adjusted picture
quality ...................................................... 44
About INE-W920R/INE-W928R ................... 44
Displaying the Product Information ............ 44
Checking the DivX® Registration ............... 44
Initialising the System ................................. 45
Installation Setup ............................................ 45
Sound Setup
Sound Setup Operation ................................... 45
Setting the Balance/Fader/Subwoofer ............ 46
Adjusting the Balance/Fader ....................... 46
Rear Speaker Setting ................................... 46
Turning Subwoofer ON/OFF ...................... 46
Adjusting the Subwoofer Level ................... 46

5-EN
Setting the Subwoofer Phase ....................... 46
Setting the MX (Media Xpander) ................... 46
Equalizer Presets (Bass Max EQ) ................... 47
Adjusting the Parametric Equalizer Curve
(Parametric EQ) ........................................... 47
Adjusting the Time Correction
(Time Correction) ........................................ 48
Adjusting the Crossover Settings
(X-OVER) ................................................... 48
Setting Defeat ................................................. 49
Volume Setting ................................................ 49
Setting the Volume for Each Source ............... 49
About Time Correction ................................... 49
About the Crossover ....................................... 51
Source Setup
Source Setup Operation .................................. 52
Source Layout Setting .................................... 52
Disc Setting ..................................................... 52
Changing the language setting .................... 52
Setting of the Menu Language .................... 52
Setting of the Audio Language ................... 52
Setting of the Subtitle Language ................. 53
Changing the Country Code Setting ........... 53
Setting the Rating Level (Parental Lock) .... 53
Setting the TV Screen Mode ....................... 53
Radio Setting .................................................. 54
PI SEEK Setting .......................................... 54
Receiving RDS Regional (Local)
Stations ..................................................... 54
Switching the Display Language of PTY
(Programme Type) ................................... 54
Setting PTY31 (Emergency Broadcast)
Reception ................................................. 54
Setting the TUNER (FM) Tone Quality
(Tuner Condition) .................................... 54
AUX Setting ................................................... 55
Setting the AUX Mode ................................ 55
Setting the Primary AUX Name
(AUX Setup) ............................................ 55
Setting the AUX3 ........................................ 55
Setting the AUX3 Sel. (Switching the Visual
Input Signal System) ................................ 55
RSE Setting ..................................................... 55
Setting the Rear Seat Entertainment
System ...................................................... 55
BLUETOOTH Setup
BLUETOOTH Setup Operation ..................... 56
BLUETOOTH Setting .................................... 56
Displaying BLUETOOTH Information .......... 56
Registering the BLUETOOTH Device ........... 56
Automatic Connection setting ........................ 57
Setting the Passcode ....................................... 57
Changing the Character Code of the Phone
Book ............................................................ 57
Setting Received Calls Automatically ............ 57
Setting the time for automatic reception of a
call ............................................................... 58
Selecting the Output Speaker ......................... 58
Adjusting the Receive Volume ....................... 58
Adjusting the Transmit Volume ...................... 58
Adjusting the Calling Volume ........................ 58
Deleting All the Histories ............................... 58
Camera Setup
Camera Setup Operation ................................. 59
Direct Camera Setting .................................... 59
Setting the Camera Input ............................. 59
AUX Camera Setting ...................................... 60
Setting the Camera Input ............................. 60
Camera Interrupt Setting
(Power OFF Mode) ..................................... 61
BLUETOOTH Operation
Setup Before Using ......................................... 62
About BLUETOOTH .................................. 62
About the Hands-Free Phone ...................... 62
Before Using BLUETOOTH ....................... 62
Hands-Free Phone Control
Connecting a BLUETOOTH Device .............. 62
Disconnecting the BLUETOOTH
Connection ............................................... 62
Changing the connecting BLUETOOTH
Device .......................................................... 63
Answering a Call ............................................ 63
Adjusting ringtone volume .......................... 63
Hanging up the Telephone .............................. 63
Calling ............................................................ 63
Using Short Cut Dialling to Make a Call .... 63
Dialling a Number In Call History .............. 63
Dialing a Number In the Phone Book ......... 63

6-EN
Entering a Phone Number to Make a
Call ........................................................... 64
Redial Function ........................................... 64
Operations During a Conversation ................. 64
Adjusting the Speech Volume ..................... 64
Changing the Voice Output ......................... 64
DTMF (Touch-Tone) Function .................... 64
Phone Book Function ..................................... 65
Synchronising the Phone Book ................... 65
Adding the Phone Book .............................. 65
Deleting the Phone Book Entries ................ 65
Assigning as a Short Cut Dialling Number .... 65
BLUETOOTH Audio
Playback .......................................................... 67
Repeat Play ..................................................... 67
M.I.X. (Random Play) .................................... 67
Selecting Groups ............................................. 67
Search Function .............................................. 67
Auxiliary Device (Optional)
Operating Auxiliary Devices (Optional) ........ 68
Operating an External DVD Player ................ 68
Change to the External DVD Mode ............ 68
About the DVD Operation Screen ............... 69
Operating an External DVD Changer ............. 69
Change to the External DVD Changer
Mode ........................................................ 69
About the DVD Changer Operation
Screen ....................................................... 70
Operating the Mobile Digital TV Receiver
(DVB-T) ...................................................... 70
Changing to the Mobile Digital TV Receiver
(DVB-T) Mode ........................................ 70
About the DVB-T operation screen ............. 70
Operating a TV ............................................... 70
Change to the TV mode .............................. 70
About the TV operation screen ................... 71
Camera Operation (Optional)
Rear Camera Operation .................................. 72
Displaying the rear view video while the car is
in reverse .................................................. 72
Switching the Image Pattern for the Rear
Camera ..................................................... 72
Guide Display ON/OFF Setting ..................72
Adjusting the Caution Display Location ..... 72
About the Rear Camera Guide ........................ 73
Front Camera Operation ................................. 74
Displaying the Front View Video
Manually .................................................. 74
Switching the Image Pattern for the Front
Camera ..................................................... 75
About the adjustment of guide display ON/OFF
setting and adjustment of Caution display
location .................................................... 75
Other Camera Operation ................................. 75
About the adjustment of the Caution display
location .................................................... 75
USB Memory (Optional)
Playback .......................................................... 76
Repeat Play ..................................................... 76
Random Play (M.I.X.) .................................... 77
Random Play (M.I.X. ALL) ........................... 77
Searching for a Desired Song ......................... 77
File/Folder Name Search ............................. 77
Tag Search ................................................... 77
Direct Up/Down Function .............................. 78
Select the desired Folder (Folder up/down) .... 78
iPod/iPhone (Optional)
Playback .......................................................... 80
Searching for a Music File .............................. 80
Searching for a Desired Video File ................. 80
Alphabet Skip Function .................................. 81
Direct Up/Down Function .............................. 81
Search Position Memory ................................81
Repeat Play ..................................................... 81
Random Play (Shuffle) ................................... 81
Random Play (Shuffle All) ............................. 81
Information
Product Software Update ................................82
About DVDs ................................................... 82
List of Language Codes .................................. 83
List of Country Codes ..................................... 84
In Case of Difficulty ....................................... 86
If this Message Appears ................................. 87
Specifications .................................................. 89
END USER LICENSE AGREEMENT
(Microsoft) .................................................. 90
END USER LICENSE AGREEMENT
(NAVTEQ) .................................................. 92

7-EN
Installation and
Connections
Warning .................................................. 94
Caution ................................................... 94
Precautions ............................................ 94
Installation ...................................................... 95
Connections .................................................... 98
System Example ........................................... 102

8-EN
Operating Instructions
IMPORTANT INFORMATION, PLEASE
READ CAREFULLY BEFORE USING THIS
PRODUCT.
This product is intended to safely provide turn-by-turn
instructions to get you to a desired destination. Please read the
following precautions to ensure that you use this navigation
system correctly.
•This product is not a substitute for your personal judgment. Any
route suggestions made by this navigation system should never
supersede any local traffic regulations or your personal
judgment and/or knowledge of safe driving practices. Do not
follow route suggestions if the navigation system instructs you to
perform an unsafe or illegal manoeuvre, places you in an unsafe
situation, or routes you into an area which you consider unsafe.
•Glance at the screen only when necessary and safe to do so. If
prolonged viewing of the screen is necessary, stop in a safe and
legal manner and location.
•Do not input destinations, change settings, or access any
functions requiring a prolonged view of the monitor while you
are driving. Stop in a safe and legal manner and location before
attempting to access the system.
•When using the navigation system to find/route to an emergency
service, please contact the facility to validate and verify
availability, prior to driving to it. Not all locations of emergency
service providers such as police and fire stations, hospitals, and
clinics are contained in the database. Please use your own
judgment and your ability to ask for directions in these
situations.
•The map database contained within the media (SD memory card)
in which it is stored is the most recent map data available at the
time of production. Because of changes in streets and
neighborhoods, there may be situations where the navigation
system may not be able to route you to your desired destination.
In these cases, use your own personal judgment.
•The map database is designed to provide you with route
suggestions, it does not take account of the relative safety of a
suggested route, or of factors which may affect the time required
to reach your destination. The system does not reflect road
closures or construction, road characteristics (i.e. type of road
surface, slope or grade, weight or height restrictions, etc.),
traffic congestion, weather conditions, or any other factors
which may affect the safety or timing of your driving experience.
Use your personal judgment if the navigation system is unable to
provide you with an alternate route.
•There may be situations where the navigation system may
display the vehicle’s location erroneously. Use your own driving
judgment in this situation, taking into account current driving
conditions. Please be aware that in this situation, the navigation
system should correct the vehicle’s position automatically;
however, there may be times where you may have to correct the
position yourself. If this is the case, stop in a safe and legal
manner and location before attempting operation.
•Make certain that the volume level of the unit is set to a level
which still allows you to hear outside traffic and emergency
vehicles. Driving while unable to hear outside sounds could
cause an accident.
•Please make certain that any other person who intends on using
this navigation system reads these precautions and the following
instructions carefully.
If there is anything in the manual about the operation of
the navigation system which you are uncertain about,
please contact your local Alpine authorised navigation
dealer before using the navigation system.
Points to Observe for Safe Usage
•Read this manual carefully before using this disc and the system
components. They contain instructions on how to use this
product in a safe and effective manner. Alpine cannot be
responsible for problems resulting from failure to observe the
instructions in this manual.
•This manual uses various pictorial displays to show you how to
use this product safely and to alert you to potential dangers
resulting from improper connections and operation. Following
are the meanings of these pictorial displays. It is important to
fully understand the meanings of these pictorial displays in order
to use this manual and the system properly.
PRECAUTIONS
WARNING
WARNING
•Operation of the system while driving is dangerous. Users
should stop vehicle before operating the software.
•Road conditions and regulations take precedence over
information contained on the map display: observe actual
traffic restrictions and circumstances while driving.
•This software is designed for use exclusively in the
INE-W920R/INE-W928R. It cannot and may not be used in
conjunction with other hardware.
WARNING
This symbol means important instructions.
Failure to heed them can result in serious injury
or death.

9-EN
INSTALL THE PRODUCT CORRECTLY SO THAT THE DRIVER
CANNOT WATCH TV/VIDEO UNLESS THE VEHICLE IS
STOPPED AND THE EMERGENCY BRAKE IS APPLIED.
It is dangerous for the driver to watch TV/Video while driving a
vehicle. Installing this product incorrectly enables the driver to
watch TV/Video while driving. This may cause a distraction,
preventing the driver from looking ahead, thus causing an accident.
The driver or other people could be severely injured.
DO NOT WATCH VIDEO WHILE DRIVING.
Watching the video may distract the driver from looking ahead of
the vehicle and cause an accident.
DO NOT OPERATE ANY FUNCTION THAT TAKES YOUR
ATTENTION AWAY FROM SAFELY DRIVING YOUR VEHICLE.
Any function that requires your prolonged attention should only be
performed after coming to a complete stop. Always stop the vehicle
in a safe location before performing these functions. Failure to do
so may result in an accident.
DO NOT FOLLOW ROUTE SUGGESTIONS IF THE
NAVIGATION SYSTEM INSTRUCTS YOU TO PERFORM AN
UNSAFE OR ILLEGAL MANEUVER, OR PLACES YOU IN AN
UNSAFE SITUATION OR AREA.
This product is not a substitute for your personal judgment. Any
route suggestions by this system should never supersede any local
traffic regulations or your personal judgment or knowledge of safe
driving practice.
KEEP THE VOLUME AT A LEVEL WHERE YOU CAN STILL
HEAR OUTSIDE NOISES WHILE DRIVING.
Excessive volume levels that obscure sounds such as emergency
vehicle sirens or road warning signals (train crossings, etc.) can be
dangerous and may result in an accident. LISTENING AT LOUD
VOLUME LEVELS IN A CAR MAY ALSO CAUSE HEARING
DAMAGE.
MINIMIZE DISPLAY VIEWING WHILE DRIVING.
Viewing the display may distract the driver from looking ahead of
the vehicle and cause an accident.
DO NOT DISASSEMBLE OR ALTER.
Doing so may result in an accident, fire or electric shock.
USE ONLY IN CARS WITH A 12 VOLT NEGATIVE GROUND.
(Check with your dealer if you are not sure.) Failure to do so may
result in fire, etc.
KEEP SMALL OBJECTS SUCH AS SCREWS OUT OF THE
REACH OF CHILDREN.
Swallowing them may result in serious injury. If swallowed,
consult a physician immediately.
USE THE CORRECT AMPERE RATING WHEN REPLACING
FUSES.
Failure to do so may result in fire or electric shock.
DO NOT BLOCK VENTS OR RADIATOR PANELS.
Doing so may cause heat to build up inside and may result in fire.
USE THIS PRODUCT FOR MOBILE 12V APPLICATIONS.
Use for other than its designed application may result in fire,
electric shock or other injury.
DO NOT PLACE HANDS, FINGERS OR FOREIGN OBJECTS IN
INSERTION SLOTS OR GAPS.
Doing so may result in personal injury or damage to the product.
HALT USE IMMEDIATELY IF A PROBLEM APPEARS.
Failure to do so may cause personal injury or damage to the
product. Return it to your authorized Alpine dealer or the nearest
Alpine Service Center for repairing.
KEEP FINGERS AWAY WHILE THE MOTORIZED FRONT
PANEL OR MOVING MONITOR IS IN MOTION.
Failure to do so may result in personal injury or damage to the
product.
CAUTION
This symbol means important instructions.
Failure to heed them can result in injury or
material property damage.

10-EN
NOTICE
Product Cleaning
Use a soft dry cloth for periodic cleaning of the product. For more
severe stains, please dampen the cloth with water only. Anything
else has the chance of dissolving the paint or damaging the plastic.
Temperature
Be sure the temperature inside the vehicle is between +45°C
(+113°F) and 0°C (+32°F) before turning your unit on.
Moisture Condensation
You may notice the disc playback sound wavering due to
condensation. If this happens, remove the disc from the player and
wait about an hour for the moisture to evaporate.
Damaged Disc
Do not attempt to play cracked, warped, or damaged discs. Playing
a bad disc could severely damage the playback mechanism.
Maintenance
If you have problems, do not attempt to repair the unit yourself.
Return it to your Alpine dealer or the nearest Alpine Service
Station for servicing.
Never Attempt the Following
Do not grip or pull out the disc while it is being pulled back into the
player by the automatic reloading mechanism.
Do not attempt to insert a disc into the unit when the unit power is
off.
Inserting Discs
Your player accepts only one disc at a time for playback. Do not
attempt to load more than one disc.
Make sure the label side is facing up when you insert the disc.
“Disc error” will be displayed on your player if you insert a disc
incorrectly. If “Disc error” continues to be displayed even though
the disc has been inserted correctly, push the RESET switch with a
pointed object such as a ballpoint pen.
Playing a disc while driving on a very bumpy road may result in
skips, but this will not scratch the disc or damage the player.
Irregular Shaped Discs
Be sure to use round shaped discs only for this unit and never use
any special shaped discs.
Use of special shaped discs may cause damage to the mechanism.
New Discs
To prevent the disc from jamming, “Disc error” is displayed if discs
with irregular surfaces are inserted or if discs are inserted
incorrectly. When a new disc is ejected immediately after initial
loading, use your finger to feel around the inside of the centre hole
and outside edge of the disc. If you feel any small bumps or
irregularities, this could inhibit proper loading of the disc. To
remove the bumps, rub the inside edge of the hole and outside edge
of the disc with a ballpoint pen or other such instrument, then insert
the disc again.
Installation Location
Make sure the INE-W920R/INE-W928R will not be installed in a
location subjected to:
• Direct sun and heat
• High humidity and water
• Excessive dust
• Excessive vibrations
Correct Handling
Do not drop the disc while handling. Hold the disc so you will not
leave fingerprints on the surface. Do not affix tape, paper, or
gummed labels to the disc. Do not write on the disc.
Disc Cleaning
Fingerprints, dust, or soil on the surface of the disc could cause the
DVD player to skip. For routine cleaning, wipe the playing surface
with a clean, soft cloth from the centre of the disc to the outer edge.
If the surface is heavily soiled, dampen a clean, soft cloth in a
solution of mild neutral detergent before cleaning the disc.
Centre Hole
Bumps
Centre Hole
New Disc
Outside
(Bumps)
CORRECT
INCORRECT CORRECT

11-EN
Disc Accessories
There are various accessories available on the market for protecting
the disc surface and improving sound quality. However, most of
them will influence the thickness and/or diameter of the disc. Using
such accessories can cause operational problems. We recommend
not using these accessories on discs played in Alpine DVD players.
Operation of some of the functions of this unit is very complex.
Because of this, it was deemed necessary to place these functions
into a special screen. This will restrict operation of these functions
to times when the vehicle is parked. This ensures the focus of the
driver’s attention will be on the road and not on the INE-W920R/
INE-W928R. This has been done for the safety of the driver and
passengers.
Setup operations cannot be made if the car is moving. The car must
be parked and the parking brake must be engaged for the procedure
described in the Owner’s Manual to be valid. The warning “Unable
to operate while driving.” will be displayed if any attempts are
made to perform these operations while driving.
•The INE-W920R/INE-W928R draws minimal current even when its
power switch is turned off. If the switched power (ignition) lead of the
INE-W920R/INE-W928R is connected directly to the positive (+)
post of the vehicle’s battery, the battery may be discharged.
An SPST (Single-Pole, Single-Throw) switch (sold separately) can be
added to simplify this procedure. Then, you can simply place it in the
OFF position when you leave the vehicle. Turn the SPST switch back
ON before using the INE-W920R/INE-W928R. For connecting the
SPST switch, refer to the “Connection Diagram of SPST Switch (sold
separately)” (page 97). If the power (ignition) lead is unswitched, it
must be disconnected from the battery post should the vehicle be left
unused for an extended period of time.
Discs Playable on This Unit
Playable Discs
The discs listed below can be played on this unit.
* Two-layer DVD disc compatible
The formatted discs listed below can be played on this unit.
• Discs that are not finalised cannot be played back.
Transparent Sheet Disc Stabilizer
Mark (logo) Recorded Content Disc size
DVD Video Audio + Video 12 cm*
Music CD Audio 12 cm
DivX®Audio + Video 12 cm
CD-R/
CD-RW
DVD-R/
DVD-RW
DVD+R/
DVD+RW
CD Format
MP3 Format (“mp3”)
WMA Format (“wma”)
AAC Format (“aac,” “m4a”)
DVD Video Format
DivX Format (“avi,” “divx”)

12-EN
Discs that cannot be played
DVD-ROMs, DVD-RAMs, CD-ROMs (excluding MP3/WMA/
AAC files), photo CDs, etc.
DualDisc
This unit is not compatible with DualDisc.
Using a DualDisc may cause unit malfunction, and may cause disc
damage when the disc is inserted/ejected.
DVD region number (playable region number)
This DVD player will play back any disc whose region number is 2
(or All). DVDs with a region number other than those listed below,
cannot be played on this DVD player.
Using compact discs (CD/CD-R/CD-RW)
If you use unspecified compact discs, correct performance cannot
be guaranteed.
You can play CD-Rs (CD-Recordables)/CD-RWs (CD-
ReWritables) which have been recorded only on audio devices.
You can also play CD-Rs/CD-RWs containing MP3/WMA/AAC
formatted audio files.
• Some of the following discs may not play on this unit:
Flawed discs, discs with fingerprints, discs exposed to extreme
temperatures or sunlight (e.g., left in the car or this unit), discs
recorded under unstable conditions, discs on which a recording
failed or a re-recording was attempted, copy-protected CDs
which do not conform to the audio CD industry standard.
• Use discs with MP3/WMA/AAC files written in a format
compliant with this unit. For details, see pages 34 and 35.
To customers using CD-R/CD-RW
• If a CD-R/CD-RW cannot be played back, make sure the last
recording session was closed (finalised).
• Finalise the CD-R/CD-RW if necessary, and attempt playback
again.
Tips for making your own discs
The INE-W920R/INE-W928R plays DVD Video, DivX®, Audio
CD and has a built in MP3/WMA/AAC decoder.
The following information is designed to help you create your own
music CDs (either Audio CD or MP3/WMA/AAC encoded CD-R/
RW files).
What is the difference between an Audio and MP3/WMA/AAC
CD?
An Audio CD is the same format as the commercial CDs you buy
in the store (also known as CD-DA). MP3 (MPEG Audio Layer 3)/
WMA (Windows Media Audio)/AAC (Advanced Audio Coding) is
a data file that uses a compression scheme to reduce the size of the
music file*.
Multisession CD-R/RW:
Once a recording has been stopped, this is considered one session.
If the disc is not closed (finalised), additional data may be added.
Once this additional data has been recorded, this becomes a
“multisession” CD.
* If the first session on a disc containing both CD-DA data and
MP3/WMA/AAC data is a CD-DA file, only CD-DA files will
be played.
Properly formatted MP3/WMA/AAC Discs:
Use ISO9660 formatting to insure proper playback. You may use
standard ISO naming Level 1 (8.3 DOS standard), Level 2
(32 characters) or Joliet (Windows or Macintosh long filenames)
file naming conventions*.
* Please consult the Owner’s manual for additional information.
ALL
On handling compact discs (CD/CD-R/CD-RW)
• Do not touch the surface.
• Do not expose the disc to direct sunlight.
• Do not affix stickers or labels.
• Clean the disc when it is dusty.
• Make sure that the disc is smooth and flat.
• Do not use commercially available disc accessories.
Do not leave the disc in the car or the unit for a long time.
Never expose the disc to direct sunlight.
Heat and humidity may damage the disc and you may not be
able to play it again.

13-EN
Using DVD-Rs/DVD-RWs/DVD+Rs/DVD+RWs
• This unit is compatible with discs recorded in the standard
DVD-Video format.
• Note that discs not finalised (processed to enable to play on
playback-only DVD players) cannot be played on this DVD
player.
• Some discs may not play back, depending on the recording
device and disc format.
• Discs or files utilising copy protection, may not be playable.
Some recording systems may not properly format copied files to
enable proper playback.
• In the following cases, the disc may not play on this unit:
discs recorded by certain DVD recorders, certain irregular discs,
flawed discs, dirty discs, when the pickup lens of this DVD
player is dirty, or when moisture condensation has occurred
inside the unit.
• Be sure to follow all cautions included with your DVD-Rs/
DVD-RWs/DVD+Rs/DVD+RWs discs.
• Do not put stickers, seals, or tape on the label side of DVD-Rs/
DVD-RWs/DVD+Rs/DVD+RWs.
• Compared to the regular discs, DVD-Rs/DVD-RWs/DVD+Rs/
DVD+RWs are more affected by heat, moisture, and direct
sunlight. If left in a car, etc., damage may occur and it might not
play on this unit.
• The operable temperature range for disc playback is as follows:
DVD-R/DVD-RW: -25 ~ +70°C
DVD+R/DVD+RW: +5 ~ +55°C
Disc terminology
Title
If titles are programmed for the DVD, these are the largest units of
division of the information recorded on the disc.
Chapter
Each Title may also be divided into smaller divisions, called
chapters. These can be specific scenes or musical selections.
Protecting the USB connector
• Only an iPod/iPhone, USB memory or Nokia Phone can be
connected to the USB connector on this unit. Correct
performance using other USB products cannot be guaranteed.
• If the USB connector is used, be sure to use only the supplied
connector cable with the unit. A USB hub is not supported.
• Depending on the connected USB memory device, the unit may
not function or some functions may not be performed.
• The audio file format that can be played back on the unit is MP3/
WMA/AAC.
• The video file format that can be played back on the unit is
DivX®.
• Artist/song name, etc., can be displayed. Certain, special
characters may not be correctly displayed.
On Handling USB Memory
• This unit can control a memory storage device that supports the
USB Mass Storage Class (MSC) protocol. Playable audio file
formats are MP3, WMA and AAC.
• USB memory function is not guaranteed. Use USB memory
according to the terms of agreement. Read the USB memory
Owner’s Manual thoroughly.
• Avoid usage or storage in the following locations:
Anywhere in the car exposed to direct sunlight or high
temperatures.
Anywhere the possibility of high humidity or corrosive
substances are present.
• Fix the USB memory in a location where driver operation will
not be hindered.
• USB memory may not function correctly at high or low
temperature.
• Use only certified USB memory. Note that even certified USB
memory, may not function correctly depending on its type or
state.
• Depending on the settings of the USB memory type, memory
state or encoding software, the unit may not play back or display
properly.
• Files protected by DRM (Digital Rights Management), cannot
be played back on this unit. These include AAC formatted files
purchased from the iTunes Store and WMA or other files with
some form of copyright protection.
• USB memory may take time to start playback. If there is a
particular file other than audio in the USB memory, it may take
considerable time before the file is played back or searched.
• The unit can play back “mp3,” “wma” or “m4a” file extensions.
• Do not add the above extensions to a file other than audio data.
This non-audio data will not be recognised. The resulting
playback may contain noise that can damage speakers and/or
amplifiers.
• It is recommended to back up important data on a personal
computer.
• Do not remove the USB device while playback is in progress.
Change SOURCE to something other than USB, then remove the
USB device to prevent possible damage to its memory.
CAUTION
Alpine accepts no responsibility for lost data, etc., even if data, etc.,
is lost while using this product.

14-EN
•This item incorporates copy protection technology that is
protected by U.S. patents and other intellectual property rights
of Rovi Corporation. Reverse engineering and disassembly are
prohibited.
•Manufactured under licence from Dolby Laboratories. Dolby
and the double-D symbol are trademarks of Dolby Laboratories.
•Windows Media, and the Windows logo are trademarks, or
registered trademarks of Microsoft Corporation in the United
States and/or other countries.
•iPhone, iPod, iPod classic, iPod nano, iPod touch, and iTunes
are trademarks of Apple Inc., registered in the U.S. and other
countries.
•“Made for iPod,” and “Made for iPhone,” mean that an
electronic accessory has been designed to connect specifically to
iPod, or iPhone, respectively, and has been certified by the
developer to meet Apple performance standards. Apple is not
responsible for the operation of this device or its compliance
with safety and regulatory standards. Please note that the use of
this accessory with iPod, or iPhone may affect wireless
performance.
•© 2010 Nokia. All rights reserved. Nokia and Works with Nokia
are trademarks or registered trademarks of Nokia Corporation.
•DivX®, DivX Certified® and associated logos are trademarks of
Rovi Corporation or its subsidiaries and are used under license.
•The BLUETOOTH® word mark and logos are registered
trademarks owned by the Bluetooth SIG, Inc. and any use of
such marks by Alpine Electronics, Inc. is under licence.
•“MPEG Layer-3 audio coding technology licenced from
Fraunhofer IIS and Thomson.”
•“Supply of this product only conveys a licence for private,non-
commercial use and does not convey a licence nor imply any
right to use this product in any commercial (i.e. revenue-
generation) real time broadcasting (terrestrial, satellite, cable
and/or any other media), broadcasting/streaming via internet,
intranets and/or other networks or in other electronic content
distribution systems, such as pay-audio or audio-on-demand
applications. An independent licence for such use is required.
For details, please visit http://www.mp3licensing.com”
©1993-2011 NAVTEQ. All rights reserved.
Portions ©2011, Microsoft Corporation. All Rights Reserved.

15-EN
Auto user setting change
With the INE-W920R/INE-W928R, you can register up to two users.
Each user can configure their own preferred settings.
By registering their respective BLUETOOTH devices to the unit, each user can be identified automatically.
•For details of how to register a BLUETOOTH device, refer to “User Registration” (page 23).
•If USER2 is recognised while USER1 is using the system, a confirmation message is displayed.
•If no BLUETOOTH device has been registered or if you want to switch users manually, users can be switched by pressing and holding the (My
Favorites) button.
•For details of which settings are affected by switching users, refer to “Settings When Switching Users” (page 27).
My Favorites
Up to eight My Favorites can be registered as shortcut keys for each registered user.
Frequently used functions and handy functions can be customised for your convenience.
For details of how to register or add My Favorites, how to change the name, etc., refer to “Using My Favorites” (page 23).
Features
USER1
USER2
USER1 USER2
USER1 USER2

16-EN
Easy sound setting by car type (i-Personalize)
This function lets you set and reproduce the best audio environment for the environment in your car.
On the unit, select and set the car category/steering wheel position/speaker type and size/seat material.
For details of how to configure the settings, refer to “Car Specific Sound Setup” (page 26).
Display example when setting is completed
About Dual Screen
If you want to display the music playback screen while route guidance is displayed, etc., you can display the Navigation and Audio/Visual screens
simultaneously.
*1During video playback, [Dual Wide], [Dual Full] and [Full Screen] appear on the screen for selecting the screen size. For details, refer to
“Switching the Dual Screen Display” (page 28).
Audio/Visual Full screen
Navigation Full screen
Dual Screen
Press the (AUDIO) button.
Touch *1
Touch
Press the (MAP) button.
Touch the Navigation screen portion.
or
or

17-EN
You can switch the right and left screens using drag & drop.
To switch the screens, touch the middle of the screen you want to move and drag it to the desired display position. The screens will switch positions
when you remove your finger.
Dual Screen Display Position

18-EN
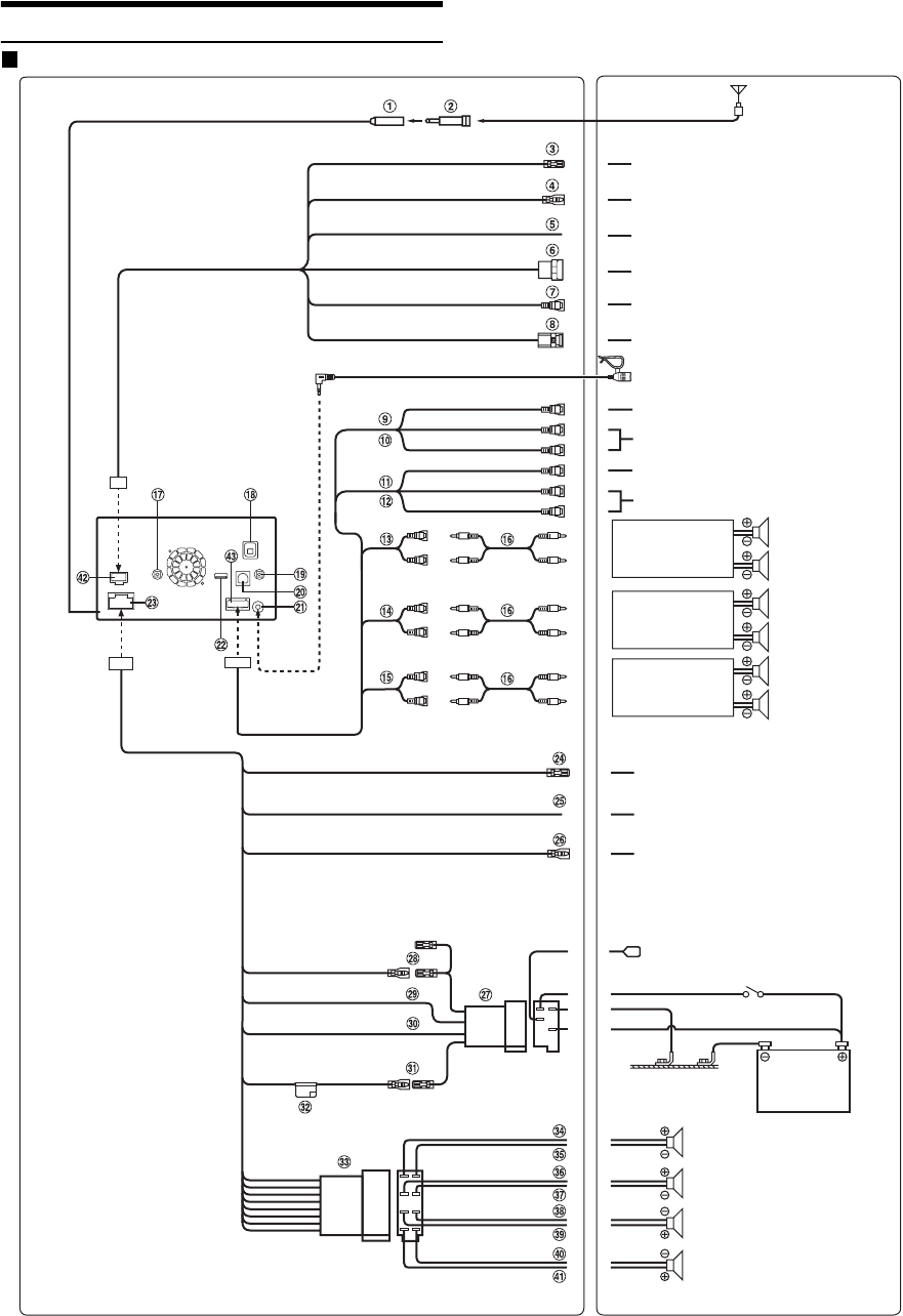
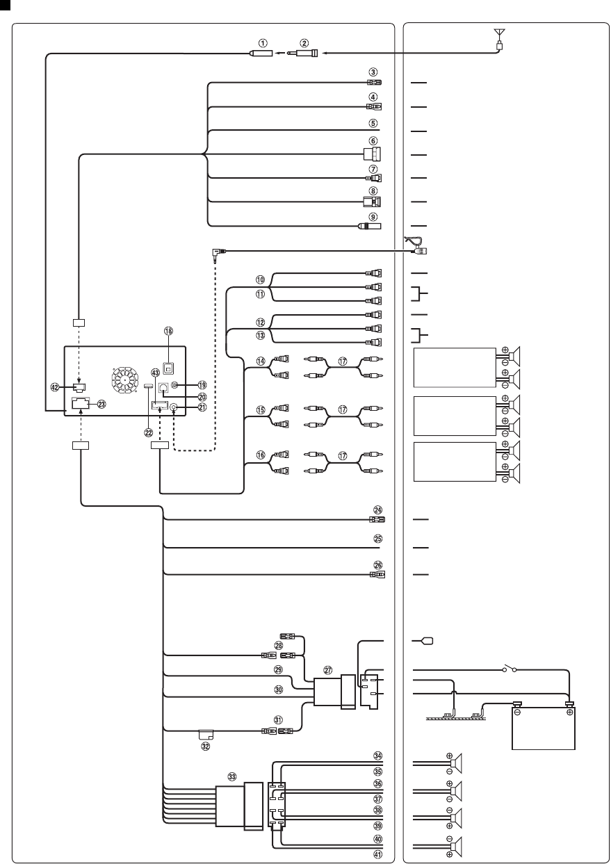
Accessory List
•INE-W920R/INE-W928R.......................................................1
•Power cable.........................................................................1
•Flush head screw (M5×8) (INE-W920R Only) .....................6
•Screw (M5×8) ......................................................................8
•GPS Antenna .......................................................................1
•Antenna mounting plate ......................................................1
•Cable clamp ........................................................................3
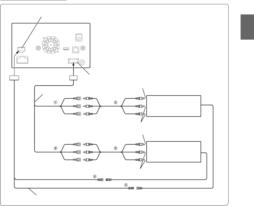
•AUX/PRE OUT cable ...........................................................1
•Camera cable......................................................................1
•USB extension cable ...........................................................1
•Microphone..........................................................................1
•Mounting sleeve (INE-W920R Only) ....................................1
•Face plate (INE-W920R Only) .............................................1
•Bracket key (INE-W920R Only) ...........................................2
•Rubber cap (INE-W920R Only) ...........................................1
•Hex bolt (INE-W920R Only) .................................................1
•Carrying bag (INE-W920R Only) .........................................1
•Cushion (INE-W928R Only) .................................................1
•Owner’s Manual ..............................................................1set
INE-W928R users
To install the INE-W928R, refer to the manual in the separately
purchased installation kit for each car type.
Location of Controls
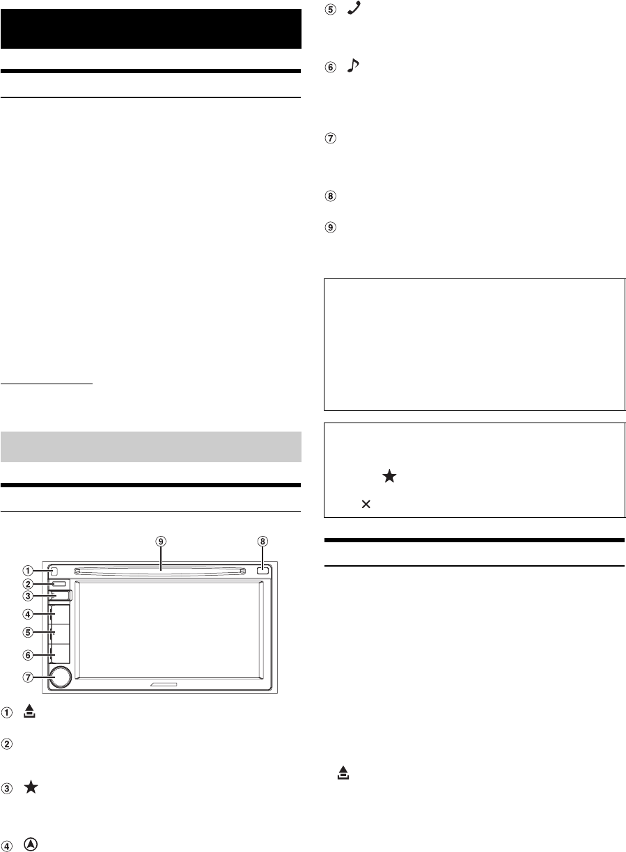
(Release) button
Use this button to remove the front panel.
Remote Sensor
Point the remote control transmitter towards the remote
sensor within a range of 2 metres.
(My Favorites) button
The My Favorites screen for registered User 1 is displayed.
Press and hold this button at least 3 seconds to switch to
User 2.
(MAP) button
Recalls the navigation map screen.
For details of navigation operations, refer to “Navigation
System OM” in the CD-ROM.
(PHONE) button
Recalls the Telephone Menu screen.
When a hands-free phone is connected, press and hold for
at least 3 seconds to switch to the call history screen.
(AUDIO) button
Displays the Audio/Visual screen. If the Audio/Visual screen
is already displayed, changes the source. Press and hold
AUDIO for at least 3 seconds to activate the “Setting the
Balance/Fader/Subwoofer” mode.
Rotary encoder/MUTE/C button
Adjust the volume by turning to the left or right.
Press to activate /deactivate the mute mode.
Press and hold for at least 3 seconds to turn the power off.
c (Eject) button
Ejects a disc.
DISC Slot
•For details of the RESET switch, refer to “Initial System Start-Up”
(page 20).
Turning Power On or Off
Some of this unit’s functions cannot be performed while the vehicle is in
motion. Be sure to stop your vehicle in a safe location and apply the
parking brake, before attempting these operations.
1
Turn the ignition key to the ACC or ON position.
The system turns on.
•When turned on, the system displays the last mode screen that
was displayed before the ignition key was turned off. For
example, if the unit is in radio mode when ignition is turned off,
it will remain in radio mode when ignition is turned back on.
2
Press and hold the Rotary encoder for at least 3
seconds to turn the power off.
•The unit can be turned on by pressing any button on the unit, except
(Release).
•The INE-W920R is a precision device. Careful handling of the unit
should provide you with years of trouble-free operation.
Getting Started
For INE-W920R
Optional Remote Control Interface Box
This unit is operable using the vehicle’s secondary radio controls.
An Alpine Remote Control Interface Box (optional) is required. For
details, contact your Alpine dealer.
Controllable with Remote Control
This unit can be controlled with an optional Alpine remote control.
For details, consult your Alpine dealer. Point the optional remote
control transmitter at the remote control sensor.
About the button descriptions used in this Owner’s
Manual
The buttons found on the face of the unit are expressed in
bold (e.g. (My Favorites)). The buttons found on the
touch-screen display are shown in bold within brackets, [ ]
(e.g. []).

19-EN
Turning the System On
With the Alpine system, when the ignition key is turned to ACC or ON,
the opening screen will be automatically displayed.
1
When the system is used for the first time, the
language selection menu is displayed. There are 21
languages to choose from. Touch [] or [] to
scroll the list, and then touch the desired language.
•You can also scroll through lists by touching the screen and
sliding your finger up and down.
2
Touch [OK].
The radio screen is displayed.
•Some of this unit’s functions cannot be performed while the vehicle is
in motion. Be sure to stop your vehicle in a safe location and apply
the parking brake before attempting these operations.
Detaching and Attaching the Front Panel
Detaching
1
Turn off the unit power.
2
Press (Release) at the upper left side until the
front panel pops out.
3
Grasp the up side of the front panel and pull it out.
* To protect the front panel, place it in the supplied carrying bag.
•The front panel may become hot in normal usage (especially the
connector terminals on the back of the front panel.) This is not a
malfunction.
Attaching
1
Insert the under side of the front panel into the main
unit.
2
Push the up side of the front panel until it locks
firmly into the main unit.
•Before attaching the front panel, make sure that there is no dirt or
dust on the connector terminals and no foreign object between the
front panel and the main unit.
•Attach the front panel carefully. Hold the panel by its sides to avoid
pushing any buttons by mistake.
carrying bag*
Caution
• Take care not to be injured with the edge of the
Front Panel in case of detaching and attaching one.
• Do not expose the Front Panel to excessive force or
grip one strongly in case of detaching, attaching
and bringing one.
• Take care not to tread on the Front Panel over
carrying one.
• Do not inflict on the Front Panel so it is not broken
and damaged after removing from it.
• Take care not to be injured with a fragment of
broken the Front Panel.
• Keep the Front Panel out of reach of children after
removing from one to prevent them from putting
one in their mouth.
• In case of attaching the Front Panel, turn off the
unit power and take care not to be injured with the
edge of one.
a
b

20-EN
Initial System Start-Up
Be sure to press the RESET switch when using the unit for the first
time, after changing the car battery, etc.
1
Turn off the unit power.
2
Press (Release) to remove the front panel.
3
Press RESET with a ballpoint pen or similar pointed
object.
*The microSD memory card does not support Music/Video playback.
For details on how to use microSD memory cards, refer to
“Navigation system OM” on the supplied CD-ROM.
Inserting/Ejecting a Disc
1
Insert the disc with the label side facing up.
When you insert the disc up to certain point, it is
automatically pulled into the unit. The unit starts to play the
disc.
•Do not touch the surface of the disc directly with your fingers.
•Before inserting or removing the disc, always turn the ignition key to
ACC or ON. You cannot remove or insert the disc with the ignition
key turned to OFF.
1
Press (Eject).
When the disc has been ejected part way, take it out.
•If the disc cannot be ejected by pressing , press and hold again
for at least 5 seconds.
Adjusting the Volume
Rotate the Rotary encoder until the desired sound is
obtained.
Volume: 0 - 35
Lowering Volume Quickly
Activating the Audio Mute function will instantly lower the volume
level by 20 dB.
1
Press Rotary encoder to activate the MUTE mode.
The audio level will decrease by about 20 dB.
2
Pressing Rotary encoder again will bring the audio
back to its previous level.
Inserting the Disc
Removing the Disc
RESET switch
microSD memory card slot*
Disc Slot

21-EN
Location of Controls
c (Eject) button
/ (UP/DOWN)button
Press to adjust the volume.
MUTE button
Press to activate /deactivate the mute mode.
Press and hold MUTE for at least 3 seconds to activate the
“Setting the Balance/Fader/Subwoofer” mode.
(AUDIO) button
Displays the Audio/Visual screen. If the Audio/Visual screen
is already displayed, changes the source.
Press and hold for at least 3 seconds to turn the power off.
(MAP) button
Recalls the navigation map screen.
For details of navigation operations, refer to “Navigation
System OM” in the CD-ROM.
(PHONE) button
Recalls the Telephone Menu screen.
When a hands-free phone is connected, press and hold for
at least 3 seconds to switch to the call history screen.
(My Favorites) button
The My Favorites screen for registered User 1 is displayed.
Press and hold this button at least 3 seconds to switch to
User 2.
RESET switch
The system of this unit is reset.
Remote Sensor
Point the remote control transmitter towards the remote
sensor within a range of 2 metres.
Turning Power On or Off
Some of this unit’s functions cannot be performed while the vehicle is in
motion. Be sure to stop your vehicle in a safe location and apply the
parking brake, before attempting these operations.
1
Turn the ignition key to the ACC or ON position.
The system turns on.
•When turned on, the system displays the last mode screen that
was displayed before the ignition key was turned off. For
example, if the unit is in radio mode when ignition is turned off,
it will remain in radio mode when ignition is turned back on.
2
Press and hold the (AUDIO) button for at least
3 seconds to turn the power off.
•The unit can be turned on by pressing any button.
•The INE-W928R is a precision device. Careful handling of the unit
should provide you with years of trouble-free operation.
Turning the System On
With the Alpine system, when the ignition key is turned to ACC or ON,
the opening screen will be automatically displayed.
1
When the system is used for the first time, the
language selection menu is displayed. There are 21
languages to choose from. Touch [] or [] to
scroll the list, and then touch the desired language.
•You can also scroll through lists by touching the screen and
sliding your finger up and down.
2
Touch [OK].
The radio screen is displayed.
•Some of this unit’s functions cannot be performed while the vehicle is
in motion. Be sure to stop your vehicle in a safe location and apply
the parking brake before attempting these operations.
For INE-W928R
Optional Remote Control Interface Box
This unit is operable using the vehicle’s secondary radio controls.
An Alpine Remote Control Interface Box (optional) is required. For
details, contact your Alpine dealer.
Controllable with Remote Control
This unit can be controlled with an optional Alpine remote control.
For details, consult your Alpine dealer. Point the optional remote
control transmitter at the remote control sensor.
About the button descriptions used in this Owner’s
Manual
The buttons found on the face of the unit are expressed in
bold (e.g. (My Favorites)). The buttons found on the
touch-screen display are shown in bold within brackets, [ ]
(e.g. []).

22-EN
Initial System Start-Up
Be sure to press the RESET switch when using the unit for the first
time, after changing the car battery, etc.
1
Turn off the unit power.
2
Press RESET switch with a ballpoint pen or similar
pointed object.
Inserting/Ejecting a Disc
1
Press c (Eject).
The Open/Tilt screen is displayed.
2
Touch [Open].
3
Insert the disc with the label side facing up.
Insert the disc until it is automatically pulled into the unit.
The unit starts to play the disc.
*The SD memory card does not support Music/Video playback.
For details on how to use SD memory cards, refer to “Navigation
system OM” on the supplied CD-ROM.
1
Press c (Eject).
The Open/Tilt screen is displayed.
2
Touch [c Disc].
The monitor will open. Then the disc is ejected.
When the disc has been ejected part way, take it out.
3
Touch [Close], or press c (Eject).
•If the disc does not eject after touching [c Disc], press and hold
c(Eject) for at least 5 seconds.
•Do not apply shock to the monitor when it is open as it may result in
malfunction of the unit.
•The monitor will stop at the set tilt angle when closing.
Adjusting the Monitor Viewing Angle
Adjust the monitor’s angle for better visibility.
1
Press c (Eject).
The Open/Tilt screen is displayed.
2
Touch [Up] or [Down] of “Tilt” to adjust the
desired monitor angle.
The monitor angle can be adjusted in 5 stages.
3
Touch [] to return to the normal mode.
•The screen colour will vary when viewed at certain angles. Adjust the
screen angle for the best viewing position.
•If the voltage of the vehicle’s battery power is low, the screen may
blink when the screen angle is changed. This is normal and not a
malfunction.
Adjusting the Volume
Adjust the volume by pressing or .
Volume decreases/increases continuously by pressing and
holding or .
Volume: 0 - 35
Lowering Volume Quickly
Activating the Audio Mute function will instantly lower the volume
level by 20 dB.
1
Press MUTE to activate the MUTE mode.
The audio level will decrease by about 20 dB.
2
Pressing MUTE again will bring the audio back to its
previous level.
Inserting the Disc
Removing the Disc
RESET switch
SD memory
card slot*
Disc Slot
CAUTION
Keep hands (or any other object) away from the monitor while it
is opening or closing to avoid damage or injury. The back of the
monitor tends to become very warm under normal operating
conditions. This is not a malfunction, but care should be taken to
avoid prolonged contact with it.

23-EN
Using My Favorites
Display example of My Favorites screen
User name: Displays the name of the user
My Favorites icon: Touching an icon on My Favorites
screen will switch to the screen for the selected
application.
Add button: Use to add (register) My Favorites icons
(page 24)
Edit button: Use to edit My Favorites (page 25)
Camera button: Use to display the camera image
(page 25)
i-Personalize button: Use to configure the i-Personalize
Setup (page 26)
User Registration
You can register up to two users. Configure the User 1 and User 2
settings for each user.
1
Press the (My Favorites) button.
The My Favorites screen is displayed.
2
Touch [Start].
The user name input screen for the first user is displayed.
•Touching [Skip] registers the user name as “USER 1” or
“USER 2” and no BLUETOOTH device is registered. In this
case, the users will not be switched automatically.
•Touching [Cancel] or pressing the (My Favorites) button
returns to the original screen without registering a user.
3
Input the user name from the keypad and touch
[OK].
The BLUETOOTH Device Setup screen is displayed.
•Touch [ ] to edit the name.
For details of how to input characters from the keypad, refer to
“How to Input Characters and Numbers (Keypad)” (page 27).
4
Touch [Link], then touch [OK].
The BLUETOOTH Device List is displayed.
•The BLUETOOTH devices registered here are used to
automatically identify the user.
Also, a cellular phone can be used as a hands-free phone.
For details, see “BLUETOOTH Setting” (page 56).
•Touching [Do not Link] exits user registration without
registering a BLUETOOTH device.
5
Touch [Search].
The system starts searching for BLUETOOTH devices.
When the search is completed, the BLUETOOTH Device
List is displayed.
•Set the BLUETOOTH setting on the preregistered
BLUETOOTH device side to [ON].
6
Touch a registered BLUETOOTH device and touch
[OK].
My Favorites screen for USER1 is displayed.
•You can edit My Favorites icons.
For details of how to add, edit, delete or set My Favorites icons,
refer to “Adding My Favorites” (page 24).
Common Operations

24-EN
Register User 2
7
Press the (My Favorites) button.
The My Favorites screen is exited and the display returns to
the original screen.
8
Press and hold the (My Favorites) button for at
least 3 seconds.
The My Favorites user guide is displayed. Repeat steps 2
through 6 to register USER2.
Setting My Favorites
Configure the My Favorites settings.
1
Press the (My Favorites) button.
My Favorites screen for USER1 is displayed.
•To configure My Favorites settings for USER2, press and hold the
(My Favorites) button for at least 3 seconds. The My Favorites
screen is displayed.
You can register up to eight My Favorites for each user.
You cannot, however, register the same items (categories).
1
Touch [].
The addition items (categories) are displayed.
2
Touch the desired addition item (category).
Current position : Registers your current position in My Favorites
Current source : Registers the audio source currently playing in My
Favorites
Navigation : Registers the destination search category or nearby place
search category in My Favorites
[Specific Place] : You can display the places registered in
My Favorites and set your destination.
Search for a place registered in My Favorites by Address/
Find Place/Address Book/History, then touch Add.
[Quick Place search] : Displays the address search keypad
[Help Nearby] : Displays the nearby search screen
[POI category] : Displays the selected POI category list
•For details of navigation operations, refer to “Navigation System
OM” in the CD-ROM.
Phone : Lets you register phone numbers registered in the phonebook in
My Favorites for shortcut dialling.
Select a name or phone number from the Phonebook list and touch
[Add].
•Touch
b
or
B
to switch phone numbers.
•You can only select PHONE when a mobile phone is connected.
Audio/Visual : Lets you switch directly to an audio source
[Radio] : You can register presets No. 1-6 in FM1/ FM2/FM3/
MW/LW.
Select presets No. 1-6 from FM1 presets/FM2 presets/FM3
presets/MW presets/LW presets.
[Disc]/[USB/iPod]/[Aux-1]/[Aux-2]/[Aux-3]/[BT audio] : You
can switch directly to any of these audio sources.
Adding My Favorites

25-EN
You can delete names in My Favorites or change the layout.
Touch [].
“ ” appears and the mode switches to the Edit mode.
•Touching [Cancel] returns to the previous screen without executing
any changes.
Changing the name
1
Touch the icon you want to change
The Edit Text screen (Keypad) is displayed.
2
Enter the name and touch [OK]
The mode returns to the Edit mode.
3
Touch [OK].
The name is changed.
Deleting Icons
1
Touch “ ” by the icon you want to delete
The confirmation message is displayed.
2
Touch [OK].
The mode returns to the Edit mode.
3
Touch [OK].
My Favorites setup
You can change or delete the registered user name or change the
registered phone number.
Touch [Setup].
The My Favorites Setup screen is displayed.
Changing the User Name
1
Touch the [Name] of the user you want to change.
The Input User Name screen (Keypad) is displayed.
2
Input the name and touch [OK].
The user name is changed.
•For details of how to input characters using the keypad, refer to
“How to Input Characters and Numbers (Keypad)” (page 27).
Changing a BLUETOOTH device
You can change the BLUETOOTH devices associated with a user.
1
Touch the user [Phone] you want to change.
The BLUETOOTH Device Setup screen is displayed.
2
Touch [Link], then touch [OK].
The BLUETOOTH Device list is displayed.
•The BLUETOOTH devices set by User Registration are
highlighted.
For detailed settings, touch [Search].
3
Select the device you want to change and touch
[OK].
The device is changed.
Deleting Registered Users
1
Touch [Delete] for the user name you want to
delete.
The confirmation message is displayed.
2
Touch [OK].
•When a registered user is deleted, all the items affected by switching
users are returned to the default settings.
Changing the Layout
You can change the layout of the shortcut keys.
1
Drag and drop the icon to the desired location.
2
Touch [OK].
When a separately purchased camera is connected to the system, you
can display the camera image.
Touch [Camera].
The camera image is displayed.
•For details of camera operations, refer to “Camera Operation
(Optional)” (page 72).
•When the front camera (direct camera) and rear camera or side
camera (AUX camera) are connected simultaneously, the screen for
selecting which camera image to display appears.
Editing My Favorites
Displaying the Camera Image

26-EN
You can configure the audio settings by car type.
Touch [i-Personalize].
The i-Personalize Setup screen is displayed.
Car Specific Sound Setup
You can set and reproduce the best audio environment for the
environment in your car.
1
Touch [Car Specific Sound Setup].
The vehicle type selection screen is displayed.
2
Touch the relevant Vehicle type.
•The selected Vehicle type is reflected in the “i-Personalize”
symbol on My Favorites screen.
3
Touch the position of the driver’s seat.
4
Touch the size of the front speaker.
5
Select whether or not there is a tweeter.
6
Select the installation position of the rear speaker.
If you select “No rear speaker,” you cannot adjust the rear
speaker in Fader/Time Correction/X-OVER in sound setup.
7
Select whether or not there is a subwoofer.
If you select “No,” you cannot adjust the subwoofer level/
subwoofer phase in sound setup.
8
Select the material of the car seats.
The settings confirmation screen is displayed.
•If the car seats are made of both leather and fabric, select [Half
leather].
9
Check the settings and touch [OK].
•If Preset3 was already saved for Time Correction/X-OVER/
Parametric EQ, the data will be overwritten.
•The Easy sound settings are reflected in the following Audio Setup
items.
Setting the MX (Media Xpander)
-Adjusting the Parametric Equalizer Curve (Parametric EQ)
Adjusting the Time Correction (Time Correction)
Adjusting the Crossover Settings (X-OVER) (only when
Subwoofer is set to [On])
The Equalizer Presets (Bass Max EQ) settings are disabled.
Downloaded Sound Settings
Using a USB memory device, the sound settings downloaded from the
ALPINE website can be used to configure Time Correction, X-OVER
and Parametric EQ settings.
Setting item: Downloaded Sound Settings
The file name of download data shall be “A_U*****.MP3.”
•Save the setting data in the root folder.
•For details about procedures of download, see ALPINE’s web site.
1
Touch [Downloaded Sound Settings].
Setting data files are displayed in a list with a maximum of 5
items.
2
Touch the desired file.
3
Touch [OK].
The downloaded setting values are set as the Time
Correction/X-OVER/Parametric EQ settings, and at the
same time saved as Preset3, respectively.
•When no USB memory is connected, the “iPersonalize Setting”
function is not available.
•If Preset3 was already saved for Time Correction/X-OVER/
Parametric EQ, the data will be overwritten.
i-Personalize Setup
Extender (fixed)
Identifier (alphabet or number
5 letters maximum)
Header (fixed)

27-EN
Settings When Switching Users
The functions/settings that are affected when switching users are as
shown below.
*1Except i-Personalize Setup
*2The display pattern can be set when a camera equipped with a switch
function on the Camera screen is connected.
Items whose settings are affected when switching
registered users, are indicated by
“ ” in this manual.
Example:
How to Input Characters and Numbers
(Keypad)
Character input is required for user registration, place searches, etc.
The displayed screens and procedures may vary slightly depending on
the function used, but the basic input method is the same.
Input screen area.
(Delete)
Returns to the previous character and erases it.
Touching here for more than 2 seconds will erase all
input characters.
Character keypad
Special character selector switch
Character keypad Special character keypad
Symbol keypad Character keypad
(Space)
Input number is confirmed.
Item Ref. page
My Favorites User Registration 23
Setting My Favorites*124
Displaying the Camera Image*225
RDS Displaying Radio Text 32
General Setup Setting Top banner and Bottom banner
Display
42
Switching the Display Colour 43
Sound Setup Turning Subwoofer ON/OFF 46
Adjusting the Subwoofer Level 46
Source setup Source Layout Setting 52
Hands-Free
Phone Control
Assigning as a Short Cut Dialling
Number
65
Redial Function 64
Phone Book Function 65
Camera
Operation
Switching the Image Pattern for the
Rear Camera*272
Switching the Image Pattern for the
Front Camera*275
Guide Display ON/OFF Setting 72, 75
Adjusting the Caution Display Location 72, 75
Other Adjusting the Monitor Viewing Angle
(INE-W928R Only)
22

28-EN
Top banner and Bottom banner Fade Out
Setting
When “Top/Bottom Banner Fade Out” is set to [ON], the Top banner
and Bottom banner on the Audio/Visual Playback screen fade out after 5
seconds if no operation is performed. To display the keys again, touch
the middle of the screen.
•For details of how to set Top/Bottom Banner Fade Out, refer to
“Setting Top banner and Bottom banner Display” (page 42).
Switching Sources
During audio/visual playback, press the (AUDIO) button or touch a
source button in the top banner to switch to the desired source.
Switching Sources Using the (AUDIO) Button
During audio/visual playback, press the (AUDIO) button repeatedly
to switch to the desired source.
Radio Disc*1 USB/iPod*1 Aux-1*2 Aux-2*2 Aux-3*3
Bluetooth Audio Radio…
*1When no disc is inserted or no USB memory/iPod is connected, this
option is not available.
*2When AUX In is set to “Off”, this option is not available.
*3When AUX3 In Sel. is set to “iPod Video,” this option is not
available.
Switching Sources Using the Top banner
Touch the source button for the Top banner at the top of the Audio/
Visual Playback screen and select the desired source.
If the source button is hidden, touch [<<] [>>].
•When “Source Layout Setting” (page 52) is set to “On”, you can
switch sources by tracing the middle of the screen from right to left or
from left to right.
This mode is useful if you feel the unit’s display is too bright at night.
To cancel Screen OFF mode, touch the screen or press any button.
•Screen OFF mode is not cancelled by Volume UP/DOWN, Mute ON/
OFF or DISC Eject (INE-W920R only).
•Screen OFF mode is cancelled when the power or ACC is turned off.
•When the gear lever is shifted to the reverse (R) position while the
rear camera is connected, the rear camera image is displayed.
•When a call is received while a BLUETOOTH device is connected,
the incoming call screen is displayed.
Switching the Dual Screen Display
When you touch on the dual screen during video playback, the
screen size selection message is displayed.
Dual Wide (Initial setting)
Dual Full
Top banner
Bottom banner Screen Off Function
Source button
Top banner

29-EN
Full Screen
Touch operation
You can operate the system by using the touch panel on the screen.
•Be sure to touch the onscreen button lightly with the pad of your
finger to protect the display.
•If you touch a button and there is no reaction, remove your finger
from the display once, and try again.
•Onscreen buttons that cannot be operated appear dull in colour.
Common onscreen buttons
[]:Returns to the previous screen. Depending on the
function, this button may cancel the operations
performed on the screen.
[]:Closes the window.
Selecting an Item in a List
To scroll through a list, perform the following operations.
Touch the screen and slide your finger up and down.
The screen will scroll along with your finger movement.
Also, you can touch [] and [].
•After touching the screen, move your finger away from the screen
before dragging and that item will be selected.
About the Indicator Display
The Indicator Bar at the bottom of the screen displays various types of
information, like the current time.
The display will differ depending on the source. For
details, refer to the display example of each source.
Lights up when connected to a BLUETOOTH
compatible device.
: BLUETOOTH connection to audio device
: BLUETOOTH connection to Hands Free Phone
Blinks while reconnecting. Does not display when
connection is set to OFF.
Indicates the battery level of the connected
BLUETOOTH device.
This may not be displayed depending on the connected
BLUETOOTH device.
When the battery level reaches level 1, the alarm sounds for
5 seconds.
Indicates the signal strength level of the connected
BLUETOOTH compatible device.
Displayed when BLUETOOTH setting is ON.
The clock display
You can switch between the 12 hour display and 24 hour
display options.
For details of the clock display settings, refer to “Navigation
System OM” in the CD-ROM.
Battery
Level No Battery Level 1 Level 2 Level 3
Icon
0123No Service

30-EN
Display example for Radio main screen
Band display
Frequency display
Preset button
SEEK mode
Listening to the Radio
1
Press the (AUDIO) button.
2
Touch [Radio] of Top banner.
The radio mode is activated and the display changes to the
Radio mode screen.
•The display content varies depending on the last band selected.
([RadioFM1], etc.)
3
Touch [Band] of Bottom banner to select the
desired radio band.
Each touch changes the bands as follows:
4
Touch [TUNE] to select the tuning mode.
* Displays only when the PTY tuning mode is selected. For
details, refer “PTY (Programme Type) Tuning” (page 32)
•There are two modes you can select for auto tuning, DX and
Local:
-DX (Distance) mode;
Both strong and weak stations will be tuned in.
-Local mode;
Only strong stations will be tuned in.
The initial setting is DX.
5
Touch [], [] or [], [] to change the
radio frequency up or down respectively.
In manual mode, touch and hold to change the frequency
continuously.
Presetting Stations Manually
1
Tune in a desired radio station you wish to store in
the preset memory by manual or automatic seek
tuning.
2
Touch and hold any one of the preset buttons for at
least 2 seconds.
The selected station is stored.
3
Repeat the procedure to store up to 5 other stations
onto the same band.
To use this procedure for other bands, simply select the
desired band and repeat the procedure.
A total of 30 stations can be stored in the preset memory
(6 stations for each band; FM1, FM2, FM3, MW or LW).
•If a preset memory has already been set in the same preset number, it
will be cleared and the new station will be memorised.
Presetting Stations Automatically
The tuner can automatically seek and store 6 strong stations in the
selected band in order of signal strength.
After selecting the desired band, touch [A.Memo] of
Bottom banner.
The tuner automatically seeks and stores 6 strong stations into
the preset buttons in order of signal strength.
When automatic storing has completed, the station stored in the
preset 1 is selected.
If [A.Memo] is not displayed, touch [<<] or [>>] in the bottom
banner to display [A.Memo].
•If no stations are stored, the tuner will return to the original station
you were listening to before the automatic storing procedure began.
•You can cancel this process by touching [A.Memo] while the tuner is
automatically seeking stations. Cancelling will return the tuner
preset to the previous setting.
Tuning to Preset Stations
You can tune in the preset stations in memory on either band using its
preset number.
1
Touch [Band] of Bottom banner repeatedly until the
desired band is displayed.
2
Touch any one of the preset buttons that has a
station stored to it.
The preset station is received.
Radio
FM-1 FM-2 FM-3 MW LW FM-1
DX SEEK Local SEEK MANUAL PTY*
Touch [<<], [>>]

31-EN
Display example for RDS Information
Displays the Radio text (When a Radio station that
transmits text messages)
RDS indicator
Turning AF (Alternative Frequencies) On
or Off
The RDS (Radio Data System) is a radio information system using the
57 kHz subcarrier of regular FM broadcasts. The RDS allows you to
receive a variety of information such as traffic information, station
names, and to automatically re-tune to a stronger transmitter that is
broadcasting the same programme.
1
Press the (AUDIO) button.
2
Touch [Radio] of Top banner.
The radio mode is activated and the display changes to the
Radio mode screen.
•The display content varies depending on the last band selected.
(eg. [RadioFM1], etc.)
3
Touch [AF] of Bottom banner to select the AF
(Alternative Frequency) ON or OFF mode.
In AF ON mode, the “AF” Indicator lights up.
If [AF] is not displayed, touch [<<] in the bottom banner to
display [AF].
•RDS mode is not be displayed for the MW or LW band.
•When the AF ON mode is selected, the unit automatically tunes to a
strong signal station in the AF list.
•Use the AF OFF mode when automatic re-tuning is not required.
Tips
•If the unit receives the PTY31 (Emergency Broadcast) signal, the unit
will show “Alarm” in the display only when PTY31 is set to on. For
operation, refer to “Setting PTY31 (Emergency Broadcast)
Reception” (page 54).
•The RDS digital data includes the following:
•Refer to page 54 about “PI SEEK Setting,” “Receiving RDS
Regional (Local) Stations,” “Switching the Display Language of PTY
(Programme Type)” and “Setting PTY31 (Emergency Broadcast)
Reception.”
Receiving Traffic Information
Touch [TA] of Bottom banner to turn on the Traffic
Information mode.
The TA indicator lights up.
When the traffic information station is tuned in, the TP indicator
lights up.
Traffic information is heard only when it is being broadcast. If
traffic information is not being broadcast, the unit is set in the
standby mode.
When a traffic information broadcast begins, the unit
automatically receives it and the display shows “T.Info.”
When the traffic information broadcast is over, the unit will
automatically be set to the standby mode.
•If the traffic information broadcast signal falls below a certain level,
the unit remains in the receiving mode for 1 minute. If the signal
remains below a certain level for over 70 seconds, “TA” will blink in
the display.
•If you do not want to listen to traffic information being received,
touch [TA] to skip that traffic information message.
The T. Info mode will remain in the ON position to receive the next
traffic information message.
•If the volume level is changed while receiving traffic information, the
changed volume level will be memorised. When traffic information is
received next time, the volume level will be automatically adjusted to
the level memorised.
•If the Traffic Information mode is activated, the unit automatically
switches to radio source (even if you select another source) and
receives the traffic information broadcast. When the traffic
information is finished, the unit returns to the previous source.
RDS
Touch [<<], [>>]
PI Programme Identification
PS Programme Service Name
AF List of Alternative Frequencies
TP Traffic Programme
TA Traffic Announcement
PTY Programme Type
EON Enhanced Other Networks

32-EN
Receiving Traffic Information Manually
1
Touch [TA] of Bottom banner to turn on the Traffic
Information mode.
The TA indicator lights up.
2
Touch [] or [].
Seeks the broadcast station which is broadcasting the
traffic information.
•You can seek the traffic information in DX Seek mode or Local Seek
mode.
PTY (Programme Type) Tuning
1
Touch [PTY Search] of Bottom banner.
The Select PTY list screen is displayed.
If [PTY Search] is not displayed, touch [<<] in the bottom
banner to display [PTY Search].
2
Touch the selected programme type to start
searching for a station in the type.
If no PTY station is found, “NO PTY.” will be displayed.
3
Touch [TUNE] to choose the PTY tuning mode.
The PTY mode is activated.
4
To select the station in the PTY, touch [] or [].
Priority News
This function gives priority to the News programme. Whenever the
News programme broadcasts, it will interrupt the programme you are
currently listening to.
Touch [News] of Bottom banner to activate the
PRIORITY NEWS mode.
The “NEWS” indicator appears in the display. Touch [News]
again to deactivate the Priority News mode and return to the
programme you were previously listening to.
Displaying Radio Text
Text messages from a radio station can be displayed.
1
Tune in a radio station that transmits text messages.
2
Touch [Info] in the bottom banner in FM radio mode
repeatedly to switch to the desired display.
Station Info Mode (PS/PTY/ Frequency/Song Name)
Song Info Mode (PS/Song Name/Artist Name/Album Name)
Radio Text Mode (Radio Text)

33-EN
Display example for MP3/WMA/AAC main screen
Info mode
Song title
Artist title
Album title
Current song no./Total song no.
Elapsed time
•If there is no CD text, the message “NO TEXT” appears.
Playback
1
Press the (AUDIO) button.
2
Touch [Disc] of Top banner.
The display shows the Disc mode screen.
When a disc is inserted into the disc slot of this unit, with the
label side facing up, the unit starts playback of the disc.
3
Touch [] or [] to select the desired track
(file).
Returning to the beginning of the current track (file):
Touch [].
Fast reverse :
Touch and hold [].
Advancing to the beginning of the next track (file) :
Touch [].
Fast forward :
Touch and hold [].
4
To pause playback, touch [ /].
[ ] is displayed in the middle of the screen.
Touch [ / ] again or touch [ ] in the middle of the
screen to start playback.
•The INE-W920R/INE-W928R can play back MP3/WMA/AAC files
saved to CD or DVD. Use a format compliant with this unit.
For further information about playing or storing MP3/WMA/AAC
files, refer to pages 34 and 35 before using the unit.
•Any file protected by DRM (Digital Rights Management) copy
protection, cannot be played back on this unit.
•If a disc contains both audio data and MP3/WMA/AAC data, this unit
plays back only the audio data.
•The track display for CD audio data playback shows the track
numbers recorded on the disc.
•If an MP3/WMA/AAC disc with many files and folders is played, it
may take longer than normal to start playback.
•The playback time may not be correctly displayed when a VBR
(Variable Bit Rate) recorded file is played back.
Repeat Play
Touch [] to repeatedly play back.
The tracks (files) will be played repeatedly.
The repeat mode switches every time the button is touched.
* Only files in a folder are repeatedly played back.
•If the Repeat Play mode is activated during M.I.X. playback, the
M.I.X. mode will be cancelled.
M.I.X. (Random Play)
Touch [] of Bottom banner during playback.
The tracks (files) on the disc will be played back in a random
sequence.
The M.I.X. mode switches every time [] is touched.
* Only files in a folder are played back in random sequence.
•If the M.I.X. mode is activated during Repeat playback, the Repeat
Play mode will be cancelled.
•If you select a track by using the search mode, the M.I.X. play mode
will be cancelled.
Selecting Folders (Concerning MP3/
WMA/AAC)
Touch [] or [] of Bottom banner to select the
folder.
CD/MP3/WMA/AAC
CD:
Repeat (OFF) Repeat
MP3/WMA/AAC:
Repeat Repeat Folder*(OFF) Repeat
CD:
M.I.X. (OFF) M.I.X.
MP3/WMA/AAC:
M.I.X. Folder*(OFF) M.I.X. Folder*

34-EN
Searching from CD Text
1
Touch [ (Search)] of Bottom banner during
playback.
The CD text search screen is displayed.
2
Touch the selected track name.
The selected track will be played back.
•For details on how to scroll through the list, refer to “Selecting an
Item in a List” (page 29).
File/Folder Name Search (Concerning
MP3/WMA/AAC)
1
Touch [ (Search)] of Bottom banner during
playback.
The search mode is activated.
2
Touch [MUSIC].
The folder name list screen is displayed.
Folder Name Search mode
3
Touch [] in the desired folder.
The first file in the selected folder is played back.
File Name Search mode
3
Touch the desired folder name.
The File name of the selected folder is displayed.
4
Touch the desired file name.
The selected file is played back.
•To return to the previous hierarchy, touch [].
•For details on how to scroll through the list, refer to “Selecting an
Item in a List” (page 29).
•After selecting a folder via a Folder name search, touch [] on the
main screen to display the folder search screen.
•After selecting a file via a File name search, touch [] on the
main screen to display the file search screen.
About MP3/WMA/AAC
What is MP3?
MP3, whose official name is “MPEG Audio Layer 3,” is a
compression standard prescribed by the ISO, the International
Standardization Organization and MPEG which is a joint activity
institution of the IEC.
MP3 files contain compressed audio data. MP3 encoding is
capable of compressing audio data at extremely high ratios,
reducing the size of music files to as much as one-tenth their
original size. This is achieved while still maintaining near CD
quality. The MP3 format realises such high compression ratios
by eliminating the sounds that are either inaudible to the human
ear or masked by other sounds.
What is AAC?
AAC is the abbreviation for “Advanced Audio Coding,” and is a
basic format of audio compression used by MPEG2 or MPEG4.
What is WMA?
WMA, or “Windows Media™ Audio,” is compressed audio data.
WMA is similar to MP3 audio data.
Method for creating MP3/WMA/AAC files
Audio data is compressed using software with MP3/WMA/AAC
codecs. For details on creating MP3/WMA/AAC files, refer to the
user’s manual for that software.
MP3/WMA/AAC files that are playable on this device have the
file extensions.
MP3: “mp3”
WMA: “wma” (ver. 7.x, 8.x, 9.x are supported)
AAC: “m4a”
WMA is not supported for the following files, Windows Media
Audio Professional, Windows Media Audio 9 Voice or Windows
Media Audio 9 Pro Lossless.
There are many different versions of the AAC format. Confirm
that the software being used conforms to the acceptable
formats listed above. It’s possible that the format may be
unplayable even though the extension is valid.
Playback of AAC files encoded by iTunes is supported.
CAUTION
Except for private use, duplicating audio data (including MP3/
WMA/AAC data) or distributing, transferring, or copying it,
whether for free or for a fee, without permission of the copyright
holder is strictly prohibited by the Copyright Act and by
international treaty.

35-EN
Supported playback sampling rates and bit rates
MP3
WMA
AAC
This device may not play back correctly depending on sampling
rates.
ID3 tags/WMA tags
This device supports ID3 tag v1.0, v1.1, v2.2, v2.3, v2.4, and
WMA tag Ver.1.x. If tag data is in an MP3/WMA/AAC file, this
device can display the title (track title), artist name, and album
name ID3 tag/WMA tag data (maximum 64 characters).
For non-supported characters, blank character, “No Title” is
displayed.
The number of characters may be limited, or not correctly
displayed, depending on the tag information.
Playing back MP3/WMA/AAC
MP3/WMA/AAC files are prepared, then written to a CD-R, CD-
RW (DVD-R/DVD-RW/DVD+R/DVD+RW) using CD-R writing
software and USB memory.
• Maximum numbers of playable files / folders
Disc: 1,000 files/folders (including Root Folder/DivX® file)
USB memory: 10,000 files/folders (including Root Folder/
DivX® file)
• Largest playable file size: 512 MB
Playback may not be performed if a disc exceeds the limitations
described above.
If a file/folder name is long, the maximum possible number of
files may decrease.
• Both Audio and Video files are counted if their formats are
playable on this unit.
Media supported
The media that this device can play back are CD-ROMs, CD-Rs,
CD-RWs, DVD-Rs, DVD-RWs, DVD+Rs, DVD+RWs and USB
memory.
Corresponding File Systems
This device supports discs formatted with ISO9660 Level 1 or
Level 2, UDF1.02 and UDF1.02(ISO Bridge).
This device can play back discs in Joliet, Romeo, etc., and other
standards that conform to ISO9660. However, sometimes the file
names, folder names, etc., are not displayed correctly.
Formats supported
This device supports CD-ROM Mode1, CD-ROM XA
Mode2(Form1&2), Mixed Mode CD and Multi-Session.
This device cannot correctly play back discs recorded with
Track At Once or packet writing.
Order of files
Files are played back in the order that the writing software writes
them to the disc. Therefore, the playback order may not be
what’s expected. Verity the writing order in the software’s
documentation. The playback order of the folders and files is as
follows. (The following numbers may differ from actually
displayed numbers.)
Terminology
Bit rate
This is the “sound” compression rate specified for encoding. The
higher the bit rate, the higher the sound quality, but also the larger
the files.
Sampling rate
This value shows how many times per second the data is sampled
(recorded). For example, music CDs use a sampling rate of 44.1 kHz,
so the sound is sampled (recorded) 44,100 times per second. The
higher the sampling rate, the higher the sound quality, but also the
larger the volume of data.
Encoding
Converting music CDs, WAVE (AIFF) files, and other sound files into
the specified audio compression format.
Tag
Song information such as track titles, artist names, album names,
etc., written into MP3/WMA/AAC files.
Root folder
The root folder (or root directory) is found at the top of the file
system. The root folder contains all folders and files. It is created
automatically for all burned discs.
Sampling rates: 48 kHz, 44.1 kHz, 32 kHz, 24 kHz, 22.05 kHz,
16 kHz, 12 kHz, 11.025 kHz, 8 kHz
Bit rates: 8 - 320 kbps
Sampling rates: 48 kHz, 44.1 kHz, 32 kHz, 22.05 kHz, 16 kHz,
11.025 kHz, 8 kHz
Bit rates: 48 - 320 kbps
Sampling rates: 48 kHz, 44.1 kHz, 32 kHz, 24 kHz, 22.05 kHz,
16 kHz, 12 kHz, 11.025 kHz, 8 kHz
Bit rates: 16 - 320 kbps
Under the ISO9660 standard, there are some restrictions to
remember.
The maximum nested folder depth is 8 (including the root
directory). File names are limited to 256 characters (including
the extension).
Valid characters for folder/file names are letters A-Z (all caps),
numbers 0-9, and ‘_’ (underscore).
Root
Folder
Folder MP3/WMA/AAC File

36-EN
Display example for DVD Video main screen
Display example for DivX® main screen
Information display-1
DVD-Video:
Title name/Chapter No.
DivX®:
Title name/File No./Current File No./Total File No. in Current
Folder
Information display-2
DVD-Video:
Audio signal output/Subtitle/Angle
DivX®:
Audio signal output/Subtitle
Remaining time for playing
Elapsed time
Disc types that can be used for each heading are
represented by the following marks.
The DVD operation screen display
Touch the screen while the DVD playback screen is
displayed.
The DVD operation screen is displayed.
•The operation screen changes to the visual screen in the DVD mode
for 5 seconds after an operation has been performed.
•If you try to activate the DVD while driving, the display will show the
warning-Picture off for your safety.
•Some operations cannot be carried out depending on the disc or
playback screen.
Playing a Disc
DVD
Touch [<<], [>>]
Touch [<<], [>>]
DVD Commercial Video discs (used for the
distribution of movies, etc.) or a DVD-R/DVD-
RW, DVD+R/DVD+RW recorded in a video
mode can be used.
CD-R/CD-RW/DVD-R/DVD-RW/DVD+R/
DVD+RW discs that are recorded in the
DivX® mode can be used.
WARNING
It is dangerous for the driver to watch the DVD/TV/
Video while driving the vehicle. The driver may be
distracted from looking ahead and an accident could
occur.
Install the INE-W920R/INE-W928R correctly so that
the driver cannot watch DVD/TV/Video unless the
vehicle is stopped and the emergency brake is
applied.
If the INE-W920R/INE-W928R is not installed correctly,
the driver will be able to watch the DVD/TV/Video
while driving the vehicle and may be distracted from
looking ahead causing an accident. The driver or
other people could be severely injured.
Caution
• Not all functions will operate for every DVD. See the
individual DVD’s instructions for details on the
features supported.
• Fingerprints on a disc may adversely affect
playback. If a problem occurs, remove the disc and
check for fingerprints on the playback side. Clean
the disc if necessary.
• If you switch the power or Ignition key OFF or
change sources during playback, playback will
continue where you left off when you resume
playback.
• If you try to perform an invalid operation (based on
the type of disc being played), the following mark is
displayed on the monitor screen:

37-EN
1
Press the (AUDIO) button.
2
Touch [Disc] of Top banner.
The display shows the Disc mode screen.
Or insert a disc with the label side facing up. The unit starts
to play the disc.
•The reverse side of a double-sided DVD will not be played
automatically.
Remove the disc, turn it over, and reinsert it.
•DO NOT insert discs containing maps for the navigation system.
Doing so could result in damage.
•Refer also to “Disc Setting” (page 52).
•While reading a DivX® file, the fast-forwarding/fast-reversing and
repeat functions, etc. cannot be used.
•A DivX® file that exceeds 4GB cannot be played back.
On DVD mode, menu screens may appear automatically. If this
happens, perform the operation described below to start playback.
Direct Menu Operations
Touch the DVD menu directly.
Menu Operations
1
Touch [Key].
The menu operation mode will be displayed.
Touch [] [] to change the Key panel location
from right to left or vice-versa.
Touch [Return] to return to the previous display.
2
Select a desired menu item by touching [], [],
[] or [].
•Touching [] in the operation panel returns to the screen in
step 1.
•Touching [Key] displays the Numeric Keypad Input Mode
screen.
For details of the Numeric Keypad Input Mode screen, refer to
“Numeric Keypad Input Operations” (page 37).
3
Touch [Enter] to confirm the selected item.
1
Touch [10KEY] of Bottom banner.
The numeric keypad input mode screen appears
If [10KEY] is not displayed, touch [<<] in the bottom banner
to display [10KEY].
2
Touch a desired number.
Touch [] to delete an entered number.
Touch [Delete All] to delete all entered number.
3
Touch [Enter] on the numeric keypad mode screen
to confirm your selection.
Touch [] to hide the keypad display.
When a DVD contains two or more titles, the top menu screen appears.
Touch [TOP MENU] of Bottom banner.
The top menu screen appears.
•To perform necessary operations, refer to “If a Menu Screen
Appears” (page 37).
With a DVD having two or more menus, a menu screen will appear for
the programmes available, in addition to the main programmes.
Touch [MENU] of Bottom banner.
The Root menu screen appears.
•To perform necessary operations, refer to “If a Menu Screen
Appears” (page 37).
• Play Position Memory Function
Even if you turn power off or switch the Ignition key
to OFF during playback or change the source,
playback will continue from the point where
playback stopped when the power is turned ON
again.
If a Menu Screen Appears
•Some operations cannot be performed depending on the disc.
Numeric Keypad Input Operations
Displaying the Top Menu Screen
Displaying the Menu Screen

38-EN
Stopping Playback (PRE STOP)
Touch the stop button during playback to stop playback. That position is
stored in the memory.
1
Touch [] during playback.
“Pre ” indicator and [ ] in the middle of the screen are
displayed.
2
Touch [/] in the PRE STOP mode or touch [] in
the middle of the screen.
Playback starts from the position at which it was stopped.
•For some discs, the position at which playback was stopped may not
be accurate.
Stopping Playback
Touch and hold [] for at least 2 seconds during
playback.
“ ” indicator and [ ] in the middle of the screen are displayed.
•Playback starts from the beginning when [ /ll] or [ ] in the
middle of the screen is touched while playback is stopped.
Fast-forwarding/Fast-reversing
1
During playback, touch and hold [] (Fast-
reverse) or touch and hold [] (Fast-forward).
DVD-Video:
Touch and hold for more than 1 second to forward/reverse
at double speed.
Every time you touch [ ]/[ ] during fast- reverse/
fast- forward, the speed changes as follows: 2x 8x
32x 2x.
DivX®:
Touch and hold for more than 1 second to forward/reverse
at 8x speed.
Every time you touch [ ]/[ ] during fast- reverse/
fast- forward, the speed changes as follows: 8x 16x
32x 8x.
•For a D iv X ® file that does not contain index information, the
fast forward and the reverse option is not available.
2
Touch [/] to return to normal playback.
•No sound is played back during fast-forwarding/fast-reversing.
•On DVD mode, the menu screen may reappear during fast-
forwarding/fast-reversing.
•This operation may not be possible on certain discs.
Finding the Beginnings of Chapters/
Tracks/Files
During playback, touch [] or [].
The chapter/track/file switches each time the button is touched,
and playback of the selected chapter/track/file starts.
•Some DVDs do not have chapters.
Playing Still Frames (Pausing)
1
During playback, Touch [/] of Bottom banner.
2
Touch [/] or [] in the middle of the screen to
resume playback.
•No sound is played during the still frame mode.
•The image or sound may stop temporarily when playback starts from
the pause mode. This is not a malfunction.
Forward frame-by-frame Playback
1
In the pause mode, touch [].
The picture advances by one frame each time the button is
touched.
2
Touch [/] or [] in the middle of the screen to
return to normal mode.
•No sound is output during forward frame-by-frame playback.
•You cannot execute reverse frame-by-frame playback.
Slow Motion Playback
1
When [] is touched and held while in the pause
mode, the 1/8th speed slow motion playback mode is
set.
Furthermore, when touched and held [] again,
the slow motion speed switches to 1/2 the normal
speed.
2
Touch [/] of Bottom banner to play back.
•No sound is played during slow motion playback.
•1/2, 1/8 are approximate speeds. The actual speed differs from disc to
disc.
•You cannot execute reverse slow motion playback.
:Touch this to start playback from the beginning of the
following chapter, track or file.
:Touch this to start playback from the beginning of the
current chapter, track or file.
Supplementary explanations
“Chapters” are divisions of movies or musical selections on
DVDs.

39-EN
Selecting Folders
Touch [] or [] of Bottom banner to select the
folder.
•Touch [] to play from the first file of the previous folder.
Touch [] to play from the first file of the next folder.
Repeat Playback
Use this function to play the disc’s titles, chapters or tracks, etc.,
repeatedly.
Touch [] of Bottom banner.
The repeat mode switches every time the button is touched.
DVD Video
•The REPEAT mode is always turned off when [] is touched and
held for at least 2 seconds.
•Only discs containing a Playlist can be displayed.
DivX
Searching by Title Number
Use this function to easily find positions on the DVD using the DVD’s
titles. Perform operations while playback is stopped.
1
Touch [10Key] of Bottom banner.
The numeric keypad input mode screen appears.
If [10KEY] is not displayed, touch [<<] in the bottom banner
to display [10KEY].
•For DVD Video, the numeric keypad can also be displayed by
touching [] on the Menu screen and then touching [Key]
twice.
2
Enter a desired title by touching its number.
See page 37 for operation of the numeric keypad.
3
Touch [Enter].
Playback will start from the number selected.
4
Touch [].
•This function cannot be used on discs on which no title numbers are
recorded.
•Some disc may not accept any operation.
Searching Directly by Chapter Number
Use this function to easily move to the beginnings of the chapters on the
disc. Perform operations during playback, during PRE-STOP or while
playback is paused.
1
Touch [10Key] of Bottom banner.
The numeric keypad input mode screen will appear.
If [10KEY] is not displayed, touch [<<] in the bottom banner
to display [10KEY].
2
Touch and enter the chapter number you want to
play.
See page 37 for operation of the numeric keypad.
3
Touch [Enter] to confirm your selection.
Playback will start from the selected chapter.
4
Touch [].
•This function is not available for a disc on which chapters are not
stored.
Searching for a Desired Video File
You can select a video file from the list screen.
1
Touch [ (Search)] of Bottom banner.
The search mode is activated.
2
Touch [Video].
The folder list screen appears.
Folder Name Search mode
3
Touch [] in the desired folder.
The first file in the selected folder is played back.
File Name Search mode
3
Touch the desired folder name.
The File name of the selected folder is displayed.
4
Touch the desired file name.
The selected file is played back.
•To return to the previous hierarchy, touch [].
•For details on how to scroll through the list, refer to “Selecting an
Item in a List” (page 29).
•After selecting a folder via a Folder name search, touch [] on the
main screen to display the folder search screen.
•After selecting a file via a File name search, touch [] on the
main screen to display the file search screen.
The chapter is played repeatedly.
The title is played repeatedly.
Playback returns to normal mode.
(Chapter)
(Title)
(OFF)
®
The file is played repeatedly.
The disc is played repeatedly.
(File)
(Folder) The folder is played repeatedly.
(Repeat All)

40-EN
Switching the Angle
On DVDs in which scenes have been filmed from multiple angles, the
angle can be switched during playback.
Touch [ANGLE] of Bottom banner.
The angle switches between the angles recorded on the disc
every time the button is touched.
If [ANGL] is not displayed, touch [<<] or [>>] in the bottom
banner to display [ANGL].
•Some time may be required for the angle to change.
•Depending on the disc, the angle may switch in one of two ways.
-Seamless: The angle switches smoothly.
-Non-seamless: When the angle is switched, a still picture is
displayed first, after which the angle switches.
Switching the Audio Tracks
DVDs with multiplex audio or audio languages allow switching the
sound during playback.
Touch [AUDIO] of Bottom banner.
The sound switches between the alternate audio tracks
recorded on the disc every time the button is touched.
If [AUDIO] is not displayed, touch [<<] or [>>] in the bottom
banner to display [AUDIO].
•The alternate track selected becomes the default setting every time
the power is turned on or the disc is replaced. If the disc does not
include that track, the disc’s default language is selected instead.
•Not all discs will allow changing the alternate audio tracks during
playback. In these cases, select audio tracks from the DVDs menu.
•There may be a delay before the selected alternate track begins to
play.
Switching the Subtitles (Subtitle
Language)
With DVDs on which multiple subtitle languages are recorded, the
subtitle language can be switched during playback; moreover, subtitles
can be hidden.
Touch [Sub Title] of Bottom banner.
Touching this button repeatedly selects sequentially the subtitle
languages recorded on the disc, and then turns the subtitles
OFF.
If [Sub Title] is not displayed, touch [<<] or [>>] in the bottom
banner to display [Sub Title].
•There may be a delay before the selected subtitle appears.
•Not all discs will allow changing the subtitles during playback. In
these cases, select subtitles from the DVDs menu.
•The subtitle language selected becomes the default setting every time
the power is turned on or the disc is replaced. If the disc does not
include that language, the disc’s default language is selected instead.
However, the subtitle language may differ depending on the disc.
•For some discs, the subtitles will be displayed even when this is set to
OFF. However, the subtitle language may differ depending on the
disc.
About DivX®
DivX® is a codec (software) to compress moving images while
maintaining image quality using a highly advanced compression ratio
and operating speed.
•Official DivX® Certified product
ABOUT DIVX VIDEO: DivX® is a digital video format created by
DivX, LLC, a subsidiary of Rovi Corporation. This is an official
DivX Certified® device that plays DivX video. Visit divx.com for
more information and software tools to convert your files into
DivX videos.
ABOUT DIVX VIDEO-ON-DEMAND: This DivX Certified® device
must be registered in order to play purchased DivX Video-on-
Demand (VOD) movies. To obtain your registration code, locate
the DivX VOD section in your device setup menu. Go to
vod.divx.com for more information on how to complete your
registration.
Media supported
The unit can play back CD-R/CD-RW/DVD-R/DVD-RW/DVD+R/
DVD+RW discs and USB memory device that are recorded in
the DivX® mode.
Corresponding extension
“avi,” “divx”
Video Codec
DivX® versions 3, 4, 5, and 6 (versions 5 handle both interlaced
and progressive)
Audio Codec
The optimum size for DivX® playback is as follows:
With an aspect ratio other than 16:9, black bars may be
displayed on the left and right sides, or at the top and bottom of
the screen.
MPEG1 Layer2 (MP2) 32 to 384 kbps
MPEG1 Layer3 (MP3) 32 to 320 kbps
MPEG2 Layer2 (MP2) 8 to 160 kbps
MPEG2 Layer3 (MP3) 8 to 160 kbps
Dolby Digital 32 to 448 kbps
Screen Size: 96 to 720 pixel (horizontal) × 96 to 576 pixel
(vertical)
Image bit rate: “average 4 Mbps, Peak 8 Mbps”
Home Theater Profile supported

41-EN
Touch the [SETUP] icon on the Audio/Visual Playback screen to
display the Setup main screen.
General Setup Operation
1
Touch [Setup] icon of Top banner.
The Setup main screen is displayed.
2
Touch [General].
The General Setup screen appears.
3
Select the desired item.
Setting items: Language / Remote Sensor / Security Code / Top/
Bottom Banner Fade Out / Screen / LED
Customize / Visual / About / Installation
•Depending on the item, repeat step 3.
4
Touch [] or [] etc., to change its setting.
•When the pop-up window for setup is displayed, touch [] to
close the window after setting.
5
Touch [] to return to the previous screen.
•Immediately after changing the settings of General Setup (While the
system is writing data automatically) do not turn the ignition key to
OFF. Otherwise, the settings may not be changed.
Language Setting
Touch [Language] on the General setup menu in step 3. Refer to
“General Setup Operation” (page 41).
Scroll display is available if CD text, folder name, file name or tag
information is entered.
Setting item: Auto Scroll
Setting contents: Off / On (Initial setting)
The character code to be used for tag text information displayed on the
screen can be selected from 7 character codes.
Setting item: Format Sel.
Setting contents: EU1 / EU2 (Initial setting) / RUS / CHI / THA /
ARA
The Setup menu, feedback information, etc. for this unit can be changed
to appear in the selected language.
Setting item: Language Sel.
Setting contents: English / German / French / Spanish /
Portuguese / Italian / Dutch / Finnish /
Norwegian / Swedish / Russian / Thai / Arabic /
Chinese / Other languages (Czech / Danish /
Greek / Hungarian / Polish / Slovak / Turkish)
•Touch [OK] to confirm the language and display the screen in the
specified language.
Setup
Setup Operation
General Setup
The parking brake must be engaged to access the General mode
screen. Attempting to access this screen while driving will display
the warning-Unable to operate while driving.
The following steps 1 to 4 are common operations to each
“Setting item” of General Setup. Refer to each section for
details.
[SETUP] icon
Setting the Scroll
Off: Turns off the scroll mode.
On: Turns on the Auto scroll mode. Scroll display is repeated
as long as the mode is turned on.
Format settings
EU1: ISO 8859-1
EU2: ISO 8859-15
RUS: ISO 8859-5
CHI: GB18030
THA: CP874
ARA: CP1256
Setting the Menu Language

42-EN
Remote Sensor Setting
[Remote Sensor] is selected on the General setup menu in step 3. Refer
to “General Setup Operation” (page 41).
For remote control operation, the remote sensor of the external device
(monitor, etc.) can be switched, as you prefer.
Setting item: Remote Sensor
Setting contents: Front (Initial setting) / Rear
•If the RSE (page 55) is “Off,” the setting is not displayed.
Security Code Setting
[Security Code] is selected on the General setup menu in step 3. Refer
to “General Setup Operation” (page 41).
You can set the system to be unusable without entering a password.
When you turn this setting to “On” and set a password, password input
is required when the system is connected to a battery and turned on for
the first time.
Setting item: Security Code
Setting contents: Off (Initial setting) / On
Setting the password
1
Touch [ ] or [ ] of “Security Code” to set to “On.”
2
After the confirmation message appears, touch
[OK].
The password setting screen is displayed.
3
Enter a password, then touch [OK].
•Enter the 6-digit number.
•Input numbers are displayed as “*.”
4
Enter the same password again, then touch [OK].
The password is set and the system returns to the previous
screen.
•If you forget a registered password, you can not use this unit. In this
case, service will be required.
Clearing the password
1
Touch [] or [] of “Security Code” to set to “Off.”
The password setting screen is displayed.
2
Enter the password you have set, then touch [OK].
The password is cleared and the system returns to the
previous screen.
•Input numbers are displayed as “*.”
Setting Top banner and Bottom banner
Display
[Top/Bottom Banner Fade Out] is selected on the General setup menu
in step 3. Refer to “General Setup Operation” (page 41).
You can configure the display setting for the Top banner and Bottom
banner for the audio/visual source.
Setting item: Top/Bottom Banner Fade Out
Setting contents: Off (Initial setting) / On
Screen/LED Customize
Touch [Screen/LED Customize] on the General setup menu in step 3.
Refer to “General Setup Operation” (page 41).
Backlighting is provided by a fluorescent light built into the liquid
crystal panel. The illumination control adjusts the brightness of the
backlighting based on the car ambient lighting for easier viewing.
Setting item: Dimmer
Setting contents: Auto (Initial setting) / On / Off
•When “Auto” or “On” is set, the setting is also applied for the button
lighting in “Adjusting the Dimmer of Button Lighting at Night”
(page 42), and “Adjusting the Minimum Level of Backlight”
(page 42).
You can adjust the brightness of the backlight. This function could be
used, for instance, to change the screen brightness while traveling at
night.
Setting item: Screen Dimmer Level
Setting content: -15 to +15 (Initial setting: 0)
You can adjust the level between MIN (-15) and MAX (+15).
When it reaches the minimum or maximum point, the display
shows “MIN” or “MAX” respectively.
You can adjust the brightness of the button lighting at night with the
dimmer.
Setting item: LED Dimmer Level
Setting level: -2 to +2 (Initial setting: 0)
Front: The remote sensor of this unit is effective.
Rear: The remote sensor of the external monitor
connected to AUX OUTPUT of this unit
becomes effective. The remote control
operates the source connected to the AUX
OUTPUT terminals.
Setting Security code
Off: Always displayed
On: Fade out after 5 seconds if no operations performed
Setting the Brightness of the Backlighting
Auto: Adjust the brightness of the background illumination of
the monitor automatically to the brightness of the car
interior.
On: Keep the background illumination of the monitor dark.
Off: Deactivate Auto Dimmer mode to keep the background
illumination of the monitor bright.
Adjusting the Minimum Level of Backlight
Adjusting the Dimmer of Button Lighting at
Night

43-EN
You can choose from 5 different display colours.
Setting item: Screen Colour
Setting contents: Blue (Initial setting) / Red / Green / Amber /
Black
Adjustment becomes necessary when the display position on the LCD
and the touch position on the touch panel do not match.
Setting item: Screen Alignment
1
Touch [Screen Alignment] in the Screen/LED
Customize screen.
The adjustment screen appears.
2
Accurately touch the mark provided in the
upper left corner of the screen.
3
Accurately touch the mark provided in the lower
right corner of the screen.
This completes adjustment, and returns to the previous
screen.
•If you touch [Cancel] on the adjustment screen, no adjustment is
done and returns to the previous screen.
Initialise the corrected values adjusted by Adjusting the Touch Panel.
1
Touch [Screen Alignment Reset] in the Screen/
LED Customize screen.
2
After the confirmation message appears, touch
[OK].
The corrected values are initialised.
Visual Setting
[Visual] is selected on the General setup menu in step 3. Refer to
“General Setup Operation” (page 41).
1
Touch the desired item.
•“Audio” can be selected while a video is playing.
2
Touch [] of the desired item.
Settable items differ depending on the application.
[Audio] (Video media):
Display Mode*1 / Live Contrast / Visual EQ / Bright / Colour / Tint
/ Contrast / Sharp
[Direct Camera]*2:
Live Contrast / Bright / Colour / Contrast
[AUX Camera]*2:
Live Contrast / Bright / Colour / Contrast
[Navigation]:
Bright / Contrast
*1When media is set to AUX, the settings cannot be changed in the
situations below.
•When “AUX In” is set to “DVB-T” is “On.”
*2The camera names set under the “Direct Camera/AUX Camera”
settings are displayed. The camera names are not displayed when
“Off” is set (pages 59, 60).
3
Touch [] or [] to change its setting.
4
Touch [] to return to the previous screen.
•Immediately after changing the settings of Display Setup (While the
system is writing data automatically) do not turn the ignition key to
OFF. Otherwise, the settings may not be changed.
Setting item: Display Mode
Setting contents: WIDE (Initial setting) / CINEMA / NORMAL
In WIDE mode, the monitor displays a normal picture wider to fit
in a wide-screen monitor by evenly stretching out the picture
horizontally.
In CINEMA mode, the monitor displays a normal picture by
stretching out the picture horizontally and vertically. This mode is
good for displaying a cinema type picture at the 16:9 ratio.
In NORMAL mode, the monitor displays a normal picture at the
center of the screen with a vertical black band at each side.
Switching the Display Colour
Adjusting the Touch Panel
Initialising the Touch Panel Corrected
Values
Switching Display Modes

44-EN
This function automatically adjusts the areas on the screen that are too
bright or too dark and corrects them to natural brightness.
Setting item: Live Contrast
Setting contents: OFF (Initial setting) / LOW / HIGH
You can select a mode suitable for the subject image.
Setting item: Visual EQ
Setting contents: OFF (Initial setting) / NIGHT M. / SOFT /
SHARP / CONTRAST
•To return to the default video settings, set this function to OFF. Any
Visual EQ selection or changes made are reset their initial settings.
Setting item: Bright
Setting content: -15 to +15 (Initial setting: 0)
You can adjust the brightness between MIN (-15) and MAX
(+15). When it reaches the minimum or maximum point, the
display shows “MIN” or “MAX” respectively.
Setting item: Colour
Setting content: -15 to +15 (Initial setting: 0)
You can adjust the colour between MIN (-15) and MAX (+15).
When it reaches the minimum or maximum point, the display
shows “MIN” or “MAX” respectively.
Setting item: Tint
Setting content: R15 to G15 (Initial setting: 0)
Adjust the colour from R15 to G15.
•When setting PAL, you can not adjust the TINT.
Setting item: Contrast
Setting content: -15 to +15 (Initial setting: 0)
You can adjust the contrast between MIN (-15) and MAX (+15).
When it reaches the minimum or maximum point, the display
shows “MIN” or “MAX” respectively.
Setting item: Sharp
Setting content: -5 to +5 (Initial setting: 0)
Picture quality adjustment range is -5 to +5. “SOFT” and “HARD”
appear as the minimum and maximum values specified.
When adjusting audio (video media), you can store the settings made
for “Adjusting Live Contrast, Brightness, Color, Tint, Contrast and
Sharp.”
Setting item: Preset1 / Preset2
1 After completing “Adjusting Live Contrast, Brightness,
Color, Tint, Contrast and Sharp” (page 44), touch and
hold [Preset1] or [Preset2] to save the settings.
2 Touch [Preset1] or [Preset2] to call the saved settings.
•Display Mode cannot be registered.
About INE-W920R/INE-W928R
Touch [About] on the General setup menu in step 3. Refer to “General
Setup Operation” (page 41).
You can view the version information of this product. Make note of this
information and refer to it whenever you contact Alpine Tech Support or
an Alpine-authorised dealer.
Setting item: Version Info
Contents: Serial No. / Firmware Version
This unit will display the registration code required to play a DivX®
VOD (Video On Demand), or you can also display the deregistration
code.
Setting item: Warranty / Copyright Info.
Displaying the Registration Code
1
Touch [Warranty/Copyright Info.].
2
Touch [DivX(R) VOD].
3
Touch [Registration].
The registration code is displayed on the screen.
4
Touch [OK].
Adjusting the Live Contrast
Selecting the Visual EQ Mode (Factory’s
setting)
OFF: Initial Setting
NIGHT M.: Suitable for movies in which dark scenes
frequently appear.
SOFT: Suitable for CGs and animated films.
SHARP: Suitable for old movies where images are not
clearly shown.
CONTRAST: Suitable for recent movies.
Adjusting Brightness
Adjusting Colour of Picture
Adjusting Tint of Picture
Adjusting Image Contrast
Adjusting Picture Quality
Saving and calling the adjusted picture
quality
Displaying the Product Information
Checking the DivX® Registration

45-EN
Displaying the Deregistration Code
1
Touch [Warranty/Copyright Info.].
2
Touch [DivX(R) VOD].
3
Touch [Deregistration].
The confirmation dialog screen appears.
4
Touch [OK].
The deregistration code is displayed on the screen.
•When you have finished, touch [Cancel]. If you want to continue and
display a new registration code, touch [OK], check the registration
code, and then touch [OK] again.
You can initialise all data, to restore the factory settings. Remove the
CD/DVD disc, etc. from the system before operation
Setting item: Restore Factory Setting
1
Touch [Restore Factory Setting].
2
After the confirmation message appears, touch
[OK].
The confirmation screen appears again.
3
Touch [OK].
The system starts initialisation.
•Do not turn on/off the power or change the ignition key position until
system restart is completed.
•For the INE-W920R, do not detach the front panel by pressing the
(Release) button until system restart is complete.
Installation Setup
[Installation] is selected on the General setup menu in step 3. See
“General Setup Operation” (page 41).
Setting item: Installation
The Installation check screen is displayed.
Sound Setup Operation
1
Touch [Setup] icon of Top banner.
The Setup main screen is displayed.
2
Touch [Sound].
The Sound Setup screen appears.
3
Select the desired item.
Setting items: Balance / Fader / Subwoofer / Media Xpander /
Bass Max EQ / Parametric EQ / Time Correction /
X-OVER / Defeat / Volume / Application Volume
Setup
4
Touch [] or [] etc., to change its setting.
•When the pop-up window for setup is displayed, touch [] to
close the window after setting.
5
Touch [] to return to the previous screen.
•Immediately after changing the Sound Setup (while the system is
writing data automatically) do not turn the ignition key to OFF.
Otherwise, the settings may not be changed.
•For details on how to scroll through the list, refer to “Selecting an
Item in a List” (page 29).
Initialising the System
Sound Setup
The parking brake must be engaged to access the Setup screen.
Attempting to access this screen while driving will display the
warning-Unable to operate while driving.
The following steps 1 to 5 are common operations to each
“Setting item” of Sound Setup. Refer to each section for details.

46-EN
Setting the Balance/Fader/Subwoofer
[Balance/Fader/Subwoofer] is selected on the Audio setup menu in
step 3. Refer to “Sound Setup Operation” (page 45).
Touch the desired point within the image area. Or touch
[] [] [] [].
Balance: L15 to R15
Fader: F15 to R15
You can set the rear speaker output to “Off.”
Setting item: Rear Speaker
Setting contents: On (Initial setting) / Off
•Note that if you select “Off” when the Rear Speaker Position in Car
Specific Sound Setup is set to “Rear Deck” or “Rear Door/Panel,”
the setting in Car Specific Sound Setup will be cancelled.
If an optional subwoofer is connected to the unit, make the following
setting.
Setting item: SubW.
Setting contents: On / Off (Initial setting: Off)
•Note that if you select “Off” when Subwoofer Installed in Car
Specific Sound Setup is set to “Yes,” the setting in Car Specific Sound
Setup will be cancelled.
You can set the Subwoofer level when a Subwoofer is connected.
Setting item: SubW. LEVEL
Setting contents: 0 to 15 (Initial setting: 0)
•If the Subwoofer setting is “Off,” the setting cannot be set.
The subwoofer output phase is toggled Subwoofer Normal (0°) or
Subwoofer Reverse (180°).
Setting item: SubW. Phase
Setting contents: 0° / 180° (Initial setting: 0°)
•If the Subwoofer setting is “Off,” the setting cannot be set.
Setting the MX (Media Xpander)
[Media Xpander] is selected on the Audio setup menu in step 3. Refer
to “Sound Setup Operation” (page 45). When the currently playing
source is AM radio band (MW/LW), this option is not available.
MX (Media Xpander) makes vocals or instruments sound distinct
regardless of the music source. The FM radio, CD, USB memory and
iPod/iPhone, will be able to reproduce the music clearly even in cars
with a lot of road noise.
Setting item: Media Xpander
1
Touch [ON] of “ALL MX OFF/ON” in the MX setup
screen.
2
Touch any of [] [] [] [].
•The MX setting can be performed only when a source is currently
selected.
•MP3/WMA/AAC/iPod/USB Audio/DivX®/BLUETOOTH Audio
correspond to MX Compress Media.
MX FM
The medium to high frequencies become more clear, and
produces well balanced sound in all the bands.
MX DVD
(Movie)
The dialog portion of the video is reproduced more clearly
(DVD Music)
This disc contains a large quantity of data such as music clip.
MX uses this data to reproduce the sound accurately.
MX CD
CD mode processes a large quantity of data. This data is used
to reproduce the sound cleanly by making use of the data
quantity.
Adjusting the Balance/Fader
Rear Speaker Setting
Turning Subwoofer ON/OFF
Adjusting the Subwoofer Level
Image area
Setting the Subwoofer Phase
Media Level
OFF 1 2 3
FM
DVD
CD
Compress
Media
AUX/AUX3

47-EN
MX Compress Media
This corrects information that was omitted at the time of
compression. This reproduces a well-balanced sound close to
the original.
MX AUX/AUX3
Choose the MX mode (Compress Media, Movie, or Music) that
corresponds to the media connected.
•To cancel MX mode for all music applications, set MX to “Off” in
step 1.
•Each music applications, such as FM radio, CD, and MP3/WMA/
AAC can have its own MX setting.
•Setting to MX sets MX mode of each music applications to “Off.”
•There is no MX mode for MW, LW radio.
•The function is inoperable when Defeat is set to “On.”
Equalizer Presets (Bass Max EQ)
[Bass Max EQ] is selected on the Audio setup menu in step 3. Refer to
“Sound Setup Operation” (page 45).
10 typical equalizer settings are preset at the factory for a variety of
musical source material.
Setting item: Bass Max EQ
Setting contents: FLAT (Initial setting) / POPS / ROCK / NEWS /
JAZZ / ELECTRICAL DANCE / HIP HOP / EASY
LISTENING / COUNTRY / CLASSICAL
•Only one type can be set to ON.
•When Bass Max EQ setting is edited, a Download Sound setting is
disabled.
•When Bass Max EQ is set, the interlinked Parametric EQ settings are
also changed. We recommend storing Parametric EQ settings in the
Preset in advance.
•The Bass Max EQ setting can be configured when Defeat is “Off.”
Adjusting the Parametric Equalizer
Curve (Parametric EQ)
[Parametric EQ] is selected on the Audio setup menu in step 3. Refer
to “Sound Setup Operation” (page 45).
You can modify the Equalizer settings to create a response curve more
appealing to your personal taste.
Setting item: Parametric EQ
1
Adjust the Parametric EQ to your preference.
Adjusting the Band
Touch [Band] to select the band to be adjusted.
•You can select a band directly by touching the screen.
Adjusting the Frequency
Touch [] or [] of “Freq.” to adjust the frequency of the
selected band.
Adjustable frequency bands: 20 Hz to 20 kHz (in 1/3 octave steps)
Adjusting the Level
Touch [] or [] of “Level” to adjust the level of selected
band.
Setting contents: -7 to +7 (Initial setting: 0)
Setting the Bandwidth
Touch [] or [] of “Q Adjust” to select the bandwidth.
Setting contents: 1 (Initial setting) / 2 / 3
2
To adjust another band, repeat step 1, and adjust all
bands.
3
To store the adjusted setting value, touch and hold
[Preset1], [Preset2], or [Preset3] for at least 2
seconds.
•Settings exceeding the frequency of adjacent bands are not available.
•While adjusting the Parametric EQ, you should consider the
frequency response of the connected speakers.
•When the parametric EQ is adjusted, the adjustment for Bass Max
EQ becomes ineffective.
•When Bass Max EQ is set, the interlinked Parametric EQ settings are
also changed. We recommend storing Parametric EQ settings in the
Preset in advance.
•Touch [Flat] to initialise all values.
•The Parametric EQ setting can be configured when Defeat is “Off.”
Calling the Parametric EQ adjusted value
Calling the pre-set Parametric EQ adjusted value.
Touch [Preset1], [Preset2], or [Preset3] on the
Parametric EQ screen.
The setting stored in the Preset will be recalled.
Band1 Band2
···
Band8 Band9
Band1: 20 Hz~100 Hz (63 Hz)
Band2: 63 Hz~315 Hz (125 Hz)
Band3: 125 Hz~500Hz (250 Hz)
Band4: 250 Hz~1 kHz (500Hz)
Band5: 500 Hz~2 kHz (1 kHz)
Band6: 1 kHz~4 kHz (2 kHz)
Band7: 2 kHz~7.2 kHz (4 kHz)
Band8: 5.8 kHz~12 kHz (8 kHz)
Band9: 9 kHz~20 kHz (16 kHz)

48-EN
Adjusting the Time Correction (Time
Correction)
[Time Correction] is selected on the Audio setup menu in step 3. Refer
to “Sound Setup Operation” (page 45).
Before performing the following procedures, refer to “About Time
Correction” (page 49).
Setting item: Time Correction
1
Touch [ms] or [cm] to select mode for making
adjustments.
Each time you touch, the onscreen button and correction
mode changes.
ms: Adjust time.
cm: Adjust listening position and distance from each speaker.
2
Touch [] or [] for each speaker to adjust the
time or distance.
0.0msec to 9.9msec (0.1msec/step)
0.0cm to 336.6cm (3.4cm/step)
All speaker setting values are adjustable in the range of 20ms or
680cm.
3
To store the adjusted setting value, touch and hold
[Preset1], [Preset2], or [Preset3] for at least 2
seconds.
•Touch [Flat] to set all values to 0.0.
•If the Rear Speaker setting is “Off,” the Rear Speaker setting cannot
be edited (Refer to page 46).
•If the Subwoofer setting is “Off,” the Subwoofer setting cannot be
edited (Refer to page 46).
Calling the Time Correction Value
Calling the pre-set time correction value.
Touch [Preset1], [Preset2], or [Preset3] on the time
correction screen.
The setting stored in the Preset will be recalled.
Adjusting the Crossover Settings (X-
OVER)
[X-OVER] is selected on the Audio setup menu in step 3. Refer to
“Sound Setup Operation” (page 45).
Before performing the following procedures, refer to “About the
Crossover” (page 51).
Setting item: X-OVER
1
Touch [Channel] to select the channel.
Each time you touch, the channel switches.
•The channel being adjusted is displayed in red.
2
Adjust the crossover to your preference.
Selecting the Cut-Off Frequency
Touch [] or [] of “Freq.,” then select the cut-off
frequency.
Setting contents: 20 / 25 / 31.5 / 40 / 50 / 63 / 80 (Initial setting) /
100 / 125 / 160 / 200 Hz
Adjusting the Slope
Touch [] or [] of “Slope,” then adjust the HPF or LPF
slope.
Setting contents: 0 (Initial setting) / 6 / 12 / 18 / 24 dB/oct
Adjusting the Level
Touch [] or [] of “Level,” then adjust the HPF or LPF
level.
Setting contents: -12 to 0 dB (Initial setting: 0)
3
Repeat steps 1 to 2 to make adjustment to the other
channels.
4
To store the adjusted setting value, touch and hold
[Preset1], [Preset2], or [Preset3] for at least 2
seconds.
•Touch [Flat] to initialise all values.
•If the Rear Speaker setting is “Off,” the Rear Speaker setting cannot
be edited (Refer to page 46).
•If the Subwoofer setting is “Off,” the Subwoofer setting cannot be
edited (Refer to page 46).
•While adjusting the X-OVER you should consider the frequency
response of the connected speakers.
Calling the X-OVER adjusted value
Calling the pre-set X-OVER adjusted value.
Touch [Preset1], [Preset2], or [Preset3] on the X-
OVER screen.
The setting stored in the Preset will be recalled.
Correction mode
Front HPF Rear HPF Subw. LPF

49-EN
Setting Defeat
[Defeat] is selected on the Sound setup menu in step 3. Refer to “Sound
Setup Operation” (page 45).
If Defeat is “On,” MX, Bass Max EQ, Download Sound Setting and
Parametric EQ functions are turned OFF. This disables any settings
made for these functions.
Setting item: Defeat
Setting content: Off (Initial setting) / On
Volume Setting
[Volume] is selected on the Sound setup menu in step 3. Refer to
“Sound Setup Operation” (page 45).
You can change the volume of the sound heard when a button is
touched.
Setting item: Sound Feedback
Setting contents: 0 to 7 (Initial setting: 4)
Setting the Volume for Each Source
[Application Volume Setup] is selected on the Sound setup menu in
step 3. Refer to “Sound Setup Operation” (page 45).
The volume level for each application can be adjusted.
Setting item: Radio / DVD / CD / Compress Media / iPod Music /
iPod Video / AUX / AUX3 / BLUETOOTH Audio
Setting contents: -14 to +14 (Initial setting: 0)
•Settable source differ depending on the connected device and
settings.
About Time Correction
The distance between the listener and the speakers in a car vary widely
due to the complex speaker placement. This difference in the distances
from the speakers to the listener creates a shift in the sounds image and
frequency characteristics. This is caused by the time delay between the
sound reaching the listener’s right versus the left ear.
To correct this, this unit is able to delay the audio signal to the speakers
closest to the listener. This effectively creates a perception of increased
distance for those speakers. The listener can be placed at an equal
distance between the left and right speakers for optimum staging.
The adjustment will be made for each speaker in 3.4cm steps.
Adjust the time correction level of the front left speaker to a high value
and the rear right to zero or a low value.
The sound is not balanced because the distance between the
listening position and the various speakers is different.
The difference in distance between the front left speaker and the rear
right speaker is 1.75 m (68-7/8").
Here we calculate the time correction value for the front left speaker
in the diagram on the above.
Conditions:
Farthest Speaker – listening position : 2.25 m (88-9/16")
Front left speaker – listening position : 0.5 m (19-11/16")
Calculation: L = 2.25 m – 0.5 m = 1.75 m (68-7/8")
Time correction = 1.75 ÷ 343*1 × 1000 = 5.1 (ms)
*1Speed of sound: 343 m/s (765 mph) at 20°C
In other words, giving the front left speaker a time correction value of
5.1 ms makes it seem as if its distance from the listener is the same
as the distance to the farthest speaker.
Time correction eliminates the differences in the time required for the
sound to reach the listening position.
The time of the front left speaker is corrected by 5.1 ms so that its
sound reaches the listening position at the same time as the sound of
other speakers.
Example 1. Listening Position: Front Left Seat
5.1ms
2.25m
0.5m

50-EN
Adjust the time correction level of each speaker to almost the same level.
1
Sit in the listening position (driver’s seat, etc.) and
measure the distance (in meters) between your head
and the various speakers.
2
Calculate the difference between the distance
correction value to the farthest speaker and the
other speakers.
L = (distance to farthest speaker) – (distance to other
speakers)
These values are the time correction values for the different
speakers. Setting these values to make each sound reach the
listening position at the same time as the sound of other speakers.
Time Correction Value List
Example 2. Listening Position: All Seats
Time
Difference
(msec)
Distance
(cm)
Distance
(inch)
Time
Difference
(msec)
Distance
(cm)
Distance
(inch)
0.0 0.0 0.0 5.1 173.4 68.3
0.1 3.4 1.3 5.2 176.8 69.7
0.2 6.8 2.7 5.3 180.2 71.0
0.3 10.2 4.0 5.4 183.6 72.4
0.4 13.6 5.4 5.5 187.0 73.7
0.5 17.0 6.7 5.6 190.4 75.0
0.6 20.4 8.0 5.7 193.8 76.4
0.7 23.8 9.4 5.8 197.2 77.7
0.8 27.2 10.7 5.9 200.6 79.1
0.9 30.6 12.1 6.0 204.0 80.4
1.0 34.0 13.4 6.1 207.4 81.7
1.1 37.4 14.7 6.2 210.8 83.1
1.2 40.8 16.1 6.3 214.2 84.4
1.3 44.2 17.4 6.4 217.6 85.8
1.4 47.6 18.8 6.5 221.0 87.1
1.5 51.0 20.1 6.6 224.4 88.4
1.6 54.4 21.4 6.7 227.8 89.8
1.7 57.8 22.8 6.8 231.2 91.1
1.8 61.2 24.1 6.9 234.6 92.5
1.9 64.6 25.5 7.0 238.0 93.8
2.0 68.0 26.8 7.1 241.4 95.1
2.1 71.4 28.1 7.2 244.8 96.5
2.2 74.8 29.5 7.3 248.2 97.8
2.3 78.2 30.8 7.4 251.6 99.2
2.4 81.6 32.2 7.5 255.0 100.5
2.5 85.0 33.5 7.6 258.4 101.8
2.6 88.4 34.8 7.7 261.8 103.2
2.7 91.8 36.2 7.8 265.2 104.5
2.8 95.2 37.5 7.9 268.6 105.9
2.9 98.6 38.9 8.0 272.0 107.2
3.0 102.0 40.2 8.1 275.4 108.5
3.1 105.4 41.5 8.2 278.8 109.9
3.2 108.8 42.9 8.3 282.2 111.2
3.3 112.2 44.2 8.4 285.6 112.6
3.4 115.6 45.6 8.5 289.0 113.9
3.5 119.0 46.9 8.6 292.4 115.2
3.6 122.4 48.2 8.7 295.8 116.6
3.7 125.8 49.6 8.8 299.2 117.9
3.8 129.2 50.9 8.9 302.6 119.3
3.9 132.6 52.3 9.0 306.0 120.6
4.0 136.0 53.6 9.1 309.4 121.9
4.1 139.4 54.9 9.2 312.8 123.3
4.2 142.8 56.3 9.3 316.2 124.6
4.3 146.2 57.6 9.4 319.6 126.0
4.4 149.6 59.0 9.5 323.0 127.3
4.5 153.0 60.3 9.6 326.4 128.6
4.6 156.4 61.6 9.7 329.8 130.0
4.7 159.8 63.0 9.8 333.2 131.3
4.8 163.2 64.3 9.9 336.6 132.7
4.9 166.6 65.7
5.0 170.0 67.0

51-EN
About the Crossover
Crossover (X-OVER):
This unit is equipped with an active crossover. The crossover limits the
frequencies delivered to the outputs. Each channel is controlled
independently. Thus, each speaker pair can be driven by the frequencies
for which they have been optimally designed.
The crossover adjusts the HPF (high pass filter) or LPF (low pass filter)
of each band, and also the slope (how fast the filter rolls off the highs or
lows).
Adjustments should be made according to the reproduction
characteristics of the speakers. Depending on the speakers, a passive
network may not be necessary. If you are unsure about this point, please
consult your authorised Alpine dealer.
•HPF (high pass filter): Cuts the lower frequencies and allows the
higher frequencies to pass.
•LPF (low pass filter): Cuts the higher frequencies and allows the
lower frequencies to pass.
•Slope: The level change (in dB) for a frequency change of one octave.
•The higher the slope value, the steeper the slope becomes.
•Adjust the slope to FLAT to bypass the HP or LP filters.
•Do not use a tweeter without the HPF on or set to a low frequency, as
it may cause damage to the speaker due to the low frequency content.
•You cannot adjust the crossover frequency higher than the HPF or
lower than the LPF.
•Adjustment should be made according to the recommended crossover
frequency of the connected speakers. Determine the recommended
crossover frequency of the speakers. Adjusting to a frequency range
outside that recommended may cause damage to the speakers.
For the recommended crossover frequencies of Alpine speakers, refer
to the respective Owner’s Manual.
We are not responsible for damage or malfunction of speakers caused
by using the crossover outside the recommended value.
Cut-off frequency
(1/3 octave steps) Slope Level
HPF LPF HPF LPF
Low range
speaker ---- 20 Hz -
200 Hz ----
FLAT,
–
6,
–
12,
–
18,
–
24 dB/oct.
0 to
–12 dB
Rear high
range
speaker
20 Hz -
200 Hz ----
FLAT, –6,
–12, –18,
–24 dB/oct.
---- 0 to
–12 dB
Front high
range
speaker
20 Hz -
200 Hz ----
FLAT, –6,
–12, –18,
–24 dB/oct.
---- 0 to
–12 dB
Low range High range
(Different from actual display)
Level adjusting
(0 to –12 dB) Output frequency range
Slope FLAT
Slope adjusting
20 Hz
HPF cut-off
frequency
LPF cut-off
frequency
(Different from actual display)

52-EN
Source Setup Operation
1
Touch [Setup] icon of Top banner.
The Setup main screen is displayed.
2
Touch [ (Source)].
The Source Setup screen appears.
3
Select the desired item.
Setting items: Source Layout/Disc/Radio/AUX/RSE
4
Touch [] or [] etc., to change its setting.
•When the pop-up window for setup is displayed, touch [] to
close the window after setting.
5
Touch [] to return to the previous screen.
•Immediately after changing the Source Setup (while the system is
writing data automatically) do not turn the ignition key to OFF.
Otherwise, the settings may not be changed.
Source Layout Setting
[Source Layout] is selected on the Source setup menu in step 3.
Refer to “Source Setup Operation” (page 52).
You can set whether to switch sources by tracing the middle of the
Audio/Visual Playback screen from right to left or from left to right.
Refer to “Switching Sources” (page 28).
Setting item: Slide Source Change
Setting contents: On (Initial setting)/ Off
Disc Setting
Touch [Disc] on the Source setup menu in step 3. Refer to “Source
Setup Operation” (page 52).
•You can perform DVD setup in DVD video mode.
•Touch [Stop] before performing Disc setup.
The audio language, subtitle language and menu language can be set
according to your preferences.
Once set, this becomes the default language. This function is convenient
if you always want to listen in English, for example. (The language
setting is not effective on some discs. In this case, the default language
is set at the factory.)
•When the settings are changed, old settings are overwritten. Make a
note of the current settings before making changes.
•To temporarily change the language of the current disc, either do so
from the DVD menu or by using the operation described in the
section “Switching the Audio Tracks” (page 40).
•If the disc does not include the selected language, the disc’s default
language is set.
To play in a language other than those displayed
1 Touch [Menu Language Code], [Audio Language Code] or
[SUBT Language Code].
The numeric keypad screen is displayed.
2 Touch the 4-digit numeral of the language number.
To reference language numbers, refer to “List of
Language Codes” (page 83).
3 Touch [OK] to memorise the number.
•The setting content changes to “Other” if the desired language code
is input.
Set the language used for the menus (title menu, etc.).
Setting item: Menu Language
Setting contents: Auto (Initial setting) / EN / JP / DE / ES / FR / IT /
SE / RU / CN
•When “Auto” is selected, the primary menu language among the
recorded ones is played.
•As for the language abbreviation, refer to “List of Language Codes”
(page 83).
Set the audio language produced from the speakers.
Setting item: Audio Language
Setting contents: Auto (Initial setting) / EN / JP / DE / ES / FR / IT /
SE / RU / CN
•When “Auto” is selected, the primary audio language among the
recorded ones is applied.
•As for the language abbreviation, refer to “List of Language Codes”
(page 83).
Source Setup
The parking brake must be engaged to access the Source mode
screen. Attempting to access this screen while driving will display
the warning-Unable to operate while driving.
The following steps 1 to 5 are common operations to each
“Setting item” of Audio Setup. Refer to each section for details.
On: Source is changed by tracing
Off: Source is not changed by tracing
Changing the language setting
Setting of the Menu Language
Setting of the Audio Language

53-EN
Set the language of the subtitles displayed on the screen.
Setting item: SUBT. Language
Setting contents: Auto (Initial setting) / EN / JP / DE / ES / FR / IT /
SE / RU / CN
•When “Auto” is selected, the primary subtitle language among the
recorded ones is applied.
•As for the language abbreviation, refer to “List of Language Codes”
(page 83).
Set the country code of which you want to set the rating level (Parental
lock).
Setting item: Country Code
Setting contents: Auto / Other
•If settings are changed, the old settings are overwritten. Make a note
of the current settings before making changes. The settings will be
cleared if the vehicle’s battery is disconnected.
1 Touch [Country Code Input].
2 Touch [] or [Delete All].
Delete the displayed country number.
3 Touch the 4-digit country code.
As for the country number, refer to “List of Country
Codes” (page 84).
4 Touch [OK] to memorise the code.
This function can help limit the viewing of movies to children of
appropriate age levels only.
Setting item: Parental
•If settings are changed, the old settings are overwritten. Make a note
of the current settings before making changes. The memory will be
cleared if the vehicle’s battery is disconnected.
•On unrated discs, playback will not be restricted even if the rating
level is set.
•If you want to play back a disc with parental lock, and its use is
currently restricted, change the rating level and the country number
in order to play back the disc.
•Once set, this rating level remains in memory until changed. To
enable playback of discs of higher rating levels, or to cancel the
parental lock, the setting must be changed.
•Not all discs provide a parental lock. If you are unsure about a disc,
play it first to confirm. Do not leave discs accessible to young
children for whom you deem them inappropriate.
1 Touch [Parental].
The numeric keypad screen is displayed.
2 Touch the numeric keypad to input a 4-digit password.
The initial number is 1111. Input number are displayed
as “*”.
3 Touch [OK] to memorise the number.
The Parental screen appears.
Set the rating level of PARENTAL
4 Touch [Parental].
5 Touch “ ” on “ ” to turn “On".
Select “Off” to cancel parental lock or if you do not want
to set a rating level.
6 Touch [] to return to the previous screen.
7 Touch [Parental Level]
8 Touch [] or [] to select the rating level (1 to 8).
The smaller the number, the higher the restriction.
9 Touch [] to return to the previous screen.
Changing the password
1 Touch [Password Change].
The numeric keypad screen is displayed.
2 Touch the input screen to enter a new 4-digit password.
•Keep a note of the number somewhere safe in case you should
forget it.
3 Touch [OK] to memorise the number.
4 Touch [] to return to the previous screen.
Use the procedure described below to modify the output screen
according to the type of TV monitor (rear monitor) being used.
If the rear monitor is not connected, the screen setting is 16:9.
Setting item: TV Screen
Setting contents: 4:3LB / 4:3PS / 16:9 (Initial setting)
•For some discs, the picture may not be set to the selected screen size.
(For details, refer to the explanation on the disc’s jacket.)
4:3 LETTER BOX:
Select this when connected to a conventional 4:3 size (normal
TV aspect ratio) monitor. There may be black stripes visible at
the top and bottom of the screen (when playing a 16:9 size
movie). The width of these stripes will depend upon the original
aspect ratio of the theatrical release of the movie.
Setting of the Subtitle Language
Changing the Country Code Setting
Auto: The primary country code among those recorded is
played.
Other: The setting content changes to “Other” if the desired
country code is input.
Setting the Rating Level (Parental Lock)
Changing the rating level temporarily
Some discs may request that you change the rating level set in
the default settings during playback. In this case, the message
“Do you wish to change Parental level? [OK] [Cancel].”
If this screen appears, change the level as follows:
•To change parental level and play, touch [OK].
When [OK] is touched, the numeric keypad input screen is
displayed. Input the 4-digit password you set in “Setting the
Rating Level (Parental Lock),” then touch [OK].
•To play without changing the parental level, touch [Cancel].
(If [Cancel] is touched, playback will be at the parental level set
in “Setting the Rating Level (Parental Lock).”)
Setting the TV Screen Mode

54-EN
4:3 PAN-SCAN:
Select this when connected to a conventional 4:3 size monitor.
The picture will fill the entire TV screen. However, due to the
mismatch in aspect ratio, parts of the movie at the extreme left
and right sides will not be visible (when playing a 16:9 size
movie).
16:9 WIDE:
Select this when connected to a wide screen TV. This is the
factory setting.
Radio Setting
[Radio] is selected on the Source setup menu in step 3. Refer to “Source
Setup Operation” (page 52).
Setting item: PI Seek
Setting contents: Auto / Off (Initial setting)
When Off is selected, the unit automatically keeps receiving the local
RDS station.
Setting item: RDS Regional
Setting contents: On (Initial setting) / Off
Setting item: PTY Language
Setting contents: ENG (Initial setting) / GER / FRE / SPA / POR /
ITA / DUT / DAN / FIN / NOR / SWE / RUS
PTY31 (Emergency Broadcast) reception can be set to On/Off.
Setting item: PTY31
Setting contents: On (Initial setting) / Off
•The unit automatically gives priority to an emergency broadcast
whenever it begins, and interrupts the programme you are currently
listening to when PTY31 is set to “On.”
•The unit will show “Alarm” in the display during PTY31 reception.
This unit can set your preferred tone quality for FM radio source.
Setting item: FM Tuner Setting
Setting contents: Normal (Initial setting) / HiFi / Stable
•Noise may be more noticeable when HiFi is set, depending on the
reception status. In this case, the Normal setting is recommended.
PI SEEK Setting
Receiving RDS Regional (Local) Stations
Switching the Display Language of PTY
(Programme Type)
ENG: English
GER: German
FRE: French
SPA: Spanish
POR: Portuguese
ITA: Italian
DUT: Dutch
DAN: Danish
FIN: Finnish
NOR: Norwegian
SWE: Swedish
RUS: Russian
Setting PTY31 (Emergency Broadcast)
Reception
Setting the TUNER (FM) Tone Quality
(Tuner Condition)
Normal: Standard setting
HiFi: High-quality setting
Stable: Control noise

55-EN
AUX Setting
[Aux] is selected on the Source setup menu in step 3. Refer to “Source
Setup Operation” (page 52).
Setting item: AUX In
Setting contents: Off / On (Initial setting)
When AUX In is set to “ON”, this setting is available.
Setting item: Primary Name
Setting contents: AUX1(Initial setting) / DVD / GAME / EXT.DVD /
DVD-CHG. / DVB-T / TV / USB Player
•When a DVB-T tuner or USB Player (sold separately) is connected,
you can use it to connect one more External Input device. Setting the
Secondary name can change the mode name display of this device.
Setting the Secondary AUX Name
Secondary name can be set only when Primary name is set to “DVB-T”
or “USB Player.”
Setting item: Secondary Name
Setting contents: Off (Initial setting) / AUX2 / DVD / GAME /
EXT.DVD / DVD-CHG. / DVB-T*1 / TV / USB
Player*2
•The selected source name is displayed instead of AUX mode name.
*1If the Primary Name is DVB-T, DVB-T is not displayed as a
Secondary Name option.
*2If the Primary Name is USB Player, USB Player is not displayed as a
Secondary Name option.
Setting Direct Touch Operation
If DVB-T is set as the Primary Name or Secondary Name, this setting is
available.
Setting item: Direct Touch
Setting contents: On (Initial setting) / Off
Switching the Visual Input Signal System
After setting to “On” in “Setting the AUX Mode,” this setting can be
carried out. The video input type can be changed.
Setting item: Signal
Setting contents: Auto (Initial setting) / NTSC / PAL
Connection with external input devices is available through the iPod
VIDEO connector. An optional adapter cable is required (standard RCA
to 3.5ø mini-phono plug or 3.5ø to 3.5ø mini phono plug).
You can also play back video connecting with an optional AV cable (4-
pole mini AV plug to 3-RCA).
Setting item: AUX3 In Sel.
Setting contents: iPod Video (Initial setting) / AUX3
Usable 4-pole mini AV plug
The unit accepts the following 4-pole mini AV plug pin-out:
•Please check pin-out carefully before use of this product. Depending
on the cable, there may be no picture and/or sound.
After setting to “AUX3” in “Setting the AUX3 In Sel.,” this setting can
be carried out. The video input type can be changed.
Setting item: AUX3 Signal
Setting contents: Auto (Initial setting) / NTSC / PAL
RSE Setting
[RSE] is selected on the Source setup menu in step 3. Refer to “Source
Setup Operation” (page 52).
Video and audio can be output to the rear monitor.
Setting item: RSE
Setting contents: Off (Initial setting) / On
•If you selected the “On” setting, set the “Remote Sensor Setting”
(page 42).
Setting the AUX Mode
Off: AUX source is not displayed.
On: AUX source is displayed.
Setting the Primary AUX Name (AUX
Setup)
On: Direct Touch operation is available on the DVB-T screen.
Off: Direct Touch operation is not available on the DVB-T
screen.
Auto: The video input signal type (NTSC or PAL) will
be automatically selected.
NTSC/PAL: Choose the video input signal type manually.
Setting the AUX3
iPod Video: Set when connected to an iPod or iPhone.
AUX3: Set when connected to an external input device.
Setting the AUX3 Sel. (Switching the Visual
Input Signal System)
Auto: The video input signal type (NTSC or PAL) will
be automatically selected.
NTSC/PAL: Choose the video input signal type manually.
Setting the Rear Seat Entertainment
System
Audio L (White)
Audio R (Red)
Ground
Video (Yellow)

56-EN
BLUETOOTH Setup Operation
1
Touch [Setup] icon of Top banner.
The Setup main screen is displayed.
2
Touch (BLUETOOTH).
The BLUETOOTH Setup screen appears.
3
Select the desired item.
Setting items: BLUETOOTH / BLUETOOTH Info. / Set
BLUETOOTH Device / AutoConnect / Passcode
Change / Default Phonebook Encoding / Auto
Answer / Auto Answer Time / Phone Speaker /
Receiver Volume / Transmitter Volume / Calling
Volume / Delete Call History
4
Touch [] or [] etc., to change its setting.
•When the pop-up window for setup is displayed, touch [] to
close the window after setting.
5
Touch [] to return to the previous screen.
•Immediately after changing the BLUETOOTH Setup (while the
system is writing data automatically) do not turn the ignition key to
OFF. Otherwise, the settings may not be changed.
•For details on how to scroll through the list, refer to “Selecting an
Item in a List” (page 29).
BLUETOOTH Setting
[BLUETOOTH] is selected on the BLUETOOTH setup menu in step
3. Refer to “BLUETOOTH Setup Operation” (page 56).
Setting item: BLUETOOTH
Setting contents: Off / On (Initial setting)
•If the Bluetooth setting is “Off,” you cannot move to the
BLUETOOTH setting screen.
D i s pl a yi n g BL U E T OO T H I n f or m a t io n
[BLUETOOTH Info] is selected on the BLUETOOTH setup menu in
step 3.
Refer to “BLUETOOTH Setup Operation” (page 56).
You can display the BLUETOOTH device name and device address of
this unit.
Setting item: BLUETOOTH Info
Registering the BLUETOOTH Device
[Set BLUETOOTH Device] is selected on the BLUETOOTH setup
menu in step 3.
Refer to “BLUETOOTH Setup Operation” (page 56).
The BLUETOOTH device is used when a connectable BLUETOOTH
compatible device is searched and connected from this unit, or a new
BLUETOOTH compatible device is registered.
1
Touch [Set BLUETOOTH Device].
2
Touch [Search] of “No Device.”
The Device list displays up to 10 items.
3
Touch [Audio], [Hands-free] or [Both] of the
device you want to connect from the list.
•You can connect (pair) up to 5 BLUETOOTH compatible
mobile phones.
4
When the device registration is complete, a message
appears and the device returns to normal mode.
•The BLUETOOTH registration process differs depending on the
device version and SSP (Simple Secure Pairing). If a 4 or 6 character
Passcode appears on this device, enter the Passcode using the
BLUETOOTH compatible device.
If a 6 character Passkey appears on this device, make sure the same
passkey is displayed on the BLUETOOTH compatible device and
touch “Yes.”
•If all the 5 devices have been registered, you cannot register the 6th
device. To register another device, you need to delete one of the
devices from position 1 to 5 first.
Setting the BLUETOOTH Device
Select one of 5 paired BLUETOOTH compatible devices that you
previously registered.
1
Touch [Set BLUETOOTH Device].
2
Touch [Audio] or [HFT] of the device you want to
connect from the Paired Device list.
BLUETOOTH Setup
The parking brake must be engaged to access the Setup screen.
Attempting to access this screen while driving will display the
warning-Unable to operate while driving.
The following steps 1 to 5 are common operations to each
“Setting item” of BLUETOOTH Setup. Refer to each section for
details.
Off: BLUETOOTH function is not used.
On: Select when you would like to pair your BLUETOOTH
compatible phone with this unit.
Audio: Sets for use as an Audio device
Hands-free: Sets for use as a Hands Free Device.
Both: Sets for use as both an Audio device and Hands
Free Device.

57-EN
Deleting a BLUETOOTH Device from the list
You can delete the information of a previously connected
BLUETOOTH compatible device.
1
Touch [Set BLUETOOTH Device].
2
Touch [Delete] of the BLUETOOTH compatible
device to delete from the Paired Device list.
3
Touch [OK].
•Touching [Cancel] will cancel the setting.
Automatic Connection setting
[Auto Connect] is selected on the BLUETOOTH setup menu in step 3.
Refer to “BLUETOOTH Setup Operation” (page 56).
If the Automatic Connecting setting is “On,” automatic connection is
performed for the audio device registered in the Paired Device list.
Setting item: Auto Connect
Setting contents: Off / On (Initial setting)
Setting the Passcode
[Pass code Change] is selected on the BLUETOOTH setup menu in
step 3.
Refer to “BLUETOOTH Setup Operation” (page 56).
You can set the code for connecting with a BLUETOOTH compatible
device.
Setting item: Passcode Change
1
Touch [Passcode Change].
A numeric keypad screen is displayed.
2
Enter a 4-digit passcode, and then touch [Enter].
•The initial number is 0000.
•For details on how to input the numeric keypad, refer to “Numeric
Keypad Input Operations” (page 37).
Changing the Character Code of the
Phone Book
[Default Phonebook Encoding] is selected on the BLUETOOTH setup
menu in step 3.
Refer to “BLUETOOTH Setup Operation” (page 56).
You can select the character code that is used when transferring the
phone book or history from a mobile phone. If unreadable characters
appear in the transferred data, select the correct character code.
Setting item: Default Phonebook Encoding
Setting contents: EU1 / EU2 (Initial setting) / Russian / Chinese /
Thai / Arabic / Unicode UTF-8 /
Unicode UTF-16LE / Unicode UTF-16BE
1
Touch [Default Phonebook Encoding].
The Character code list screen is displayed.
2
Touch the desired character code.
3
Touch [OK].
Setting Received Calls Automatically
[Auto Answer] is selected on the BLUETOOTH setup menu in step 3.
Refer to “BLUETOOTH Setup Operation” (page 56).
When a call is received, you can set whether to answer it automatically
or not.
Setting item: Auto Answer
Setting contents: Off (Initial setting) / On
EU1: ISO 8859-1
EU2: ISO 8859-15
Russian: ISO 8859-5
Chinese: GB18030
Thai: CP874
Arabic: CP1256
Unicode UTF-8
Unicode UTF-16LE
Unicode UTF-16BE
On: When a call is received, it will be answered automatically
Off: When a call is received, it will not be answered
automatically

58-EN
Setting the time for automatic reception
of a call
[Auto Answer Time] is selected on the BLUETOOTH setup menu in
step 3.
Refer to “BLUETOOTH Setup Operation” (page 56).
When “Auto Answer” is set to “On,” you can set how many seconds to
let elapse before letting the Auto Answer pick up the call.
Setting item: Auto Answer Time
Setting contents: 5sec / 10sec (Initial setting) / 15sec / 20sec
1
Touch [Auto Answer Time].
The Auto Answer setting screen is displayed.
2
Touch [] or [].
Selecting the Output Speaker
[Phone Speaker] is selected on the BLUETOOTH setup menu in step
3.
Refer to “BLUETOOTH Setup Operation” (page 56).
You can select which speaker in the car will output the audio from the
phone.
Setting item: Phone Speaker
Setting contents: All(Initial setting) / Front L / Front R / Front LR
•The setting cannot be adjusted during a phone call. Adjust the setting
before placing a call.
Adjusting the Receive Volume
[Receiver Volume] is selected on the BLUETOOTH setup menu in step
3.
Refer to “BLUETOOTH Setup Operation” (page 56).
You can adjust the volume of the incoming call.
Setting item: Receiver Volume
Setting contents: 1 to 11 (Initial setting: 5)
Adjusting the Transmit Volume
[Transmitter Volume] is selected on the BLUETOOTH setup menu in
step 3.
Refer to “BLUETOOTH Setup Operation” (page 56).
You can adjust the transmit volume, during the call.
Setting item: Transmitter Volume
Setting contents: 1 to 11 (Initial setting: 5)
Adjusting the Calling Volume
[Calling Volume] is selected on the BLUETOOTH setup menu in step
3.
Refer to “BLUETOOTH Setup Operation” (page 56).
You can adjust the receive volume, during the call.
Setting item: Calling Volume
Setting contents: 1 to 11 (Initial setting: 5)
Deleting All the Histories
[Delete Call History] is selected on the BLUETOOTH setup menu in
step 3.
Refer to “BLUETOOTH Setup Operation” (page 56).
Dialled/Received/Missed Incoming histories are all deleted.
Setting item: Delete Call History
1
Touch [Delete Call History]
The confirmation screen is displayed.
•When there is no history, this option is not available.
2
Touch [OK].
All the histories are deleted.
All: The sound is output from all speakers in car.
Front L: The sound is only output from the front left speaker.
Front R: The sound is only output from the front right
speaker.
Front LR: The sound is output from the front left and front
right speakers.

59-EN
Camera Setup Operation
With an optional camera connected, its video is output to the monitor.
When the camera is connected, set this item.
1
Touch [Setup] icon of Top banner.
The Setup main screen is displayed.
2
Touch [ (CAMERA)].
The Camera Setup screen appears.
3
Select the desired item.
Setting items: Direct Camera/AUX Camera*/Camera Interrupt
(Power OFF Mode)
4
Touch [] or [] etc., to change its setting.
•When the pop-up window for setup is displayed, touch [] to
close the window after setting.
5
Touch [] to return to the previous screen.
•Immediately after changing the Camera Setup (while the system is
writing data automatically) do not turn the ignition key to OFF.
Otherwise, the settings may not be changed.
•For details on how to scroll through the list, refer to “Selecting an
Item in a List” (page 29).
Direct Camera Setting
[Direct Camera] is selected on the Camera setup menu in step 3.
Refer to “Camera Setup Operation” (page 59).
Setting item: Camera Select/ Guide Adjustment*1
Setting contents: Off (Initial setting) / Front / Rear*2
*1If “Camera Select” is set to “Off”, this option is not available.
*2If “Camera Select” in AUX Camera Setting is set to “Rear,” “Rear”
cannot be set in Direct Camera Setting.
Switching video patterns for Rear camera & Front
camera
The video pattern can be changed when connected to HCE-C200R/
HCE-C200F/HCE-C210RD/HCE-C212F.
Setting item: Guide Adjustment
1
Touch [Guide Adjustment].
The camera guide adjustment screen is displayed.
2
Touch [Back], [Panorama], [Corner], or [Top].
The view will change to the selected view.
•[Back] will not appear for the Front camera.
3
Touch [] to return to the previous screen.
•For an explanation of video patterns, see the camera Owner's
Manual.
Adjusting the Rear/Front Camera Guide
If you select “Rear” or “Front,” you can adjust the camera guide
position.
Setting item: Guide Adjustment
1
Touch [Guide Adjustment].
The camera guide adjustment screen is displayed.
•If the video pattern is set to “Corner,” the camera guide will not
be displayed.
2
Touch [Adjust].
•If [Adjust] does not appear, proceed to step 3.
3
Touch the guide you intend to adjust.
Guide line can also be selected by touching [] [].
Display example for rear camera mode
Camera Setup
The parking brake must be engaged to access the Setup screen.
Attempting to access this screen while driving will display the
warning-Unable to operate while driving.
The following steps 1 to 5 are common operations to each
“Setting item” of Camera Setup. Refer to each section for
details.
Setting the Camera Input
Rear: Rear camera
Front: Front camera

60-EN
Display example for front camera mode
4
Touch [], [], [] or [] to adjust the position
of the guide.
•Touching [Clear] clears adjustments and returns to the setting
before guide line alteration.
5
After the adjustment is completed, touch [Set].
Adjusting guides simultaneously (for Rear camera
only)
1
Touch [Link].
The 3 vertical guides of the currently-selected guide link
together, allowing them to be adjusted simultaneously.
Turning guide display ON/OFF
Turning the selected guide off.
1
Touch [ON/OFF].
The currently selected guide will turn off.
2
To turn the guide on, touch [ON/OFF] again.
•Guides that are turned off are still adjustable.
Returning guides to default.
1
Touch [Default].
A message window will appear.
2
Touch [OK].
Adjusted values will return to default settings.
AUX Camera Setting
[AUX Camera] is selected on the Camera setup menu in step 3.
Refer to “Camera Setup Operation” (page 59).
Setting item: Camera Select/ / Camera Signal*1/Guide
Adjustment*1
Setting contents: Off (Initial setting) / Rear*2 / OTHER
*1If “Camera Select” is set to “Off”, this option is not available.
*2If “Camera Select” in Direct Camera Setting is set to “Rear,”
“Rear” cannot be set in AUX Camera Setting.
Setting the AUX Camera Signal Input
When the AUX camera is connected, the video input signal type can be
chosen.
Further setting item: Camera Signal
Setting contents: NTSC (Initial setting) / PAL
Adjusting the Rear Camera Guide
If you select “Rear” you can adjust the camera guide position.
Setting item: Guide Adjustment
1
Touch [Guide Adjustment].
The camera guide adjustment screen is displayed.
2
Touch [Adjust].
•If [Adjust] does not appear, proceed to step 3.
3
Touch the guide you intend to adjust.
Guide line can also be selected by touching [] [].
4
Touch [], [], [] or [] to adjust the position
of the guide.
•Touching [Clear] clears adjustments and returns to the setting
before guide line alteration.
5
After the adjustment is completed, touch [Set].
Setting the Camera Input
Rear: Rear camera
OTHER: Side camera, Room camera, etc.

61-EN
Adjusting guides simultaneously (for Rear camera
only)
1
Touch [Link].
The 3 vertical guides of the currently-selected guide link
together, allowing them to be adjusted simultaneously.
Turning guide display ON/OFF
Turning the selected guide off.
1
Touch [ON/OFF].
The currently selected guide will turn off.
2
To turn the guide on, touch [ON/OFF] again.
•Guides that are turned off are still adjustable.
Returning guides to default.
1
Touch [Default].
A message window will appear.
2
Touch [OK].
Adjusted values will return to default settings.
Camera Interrupt Setting (Power OFF
Mode)
[Camera Interrupt] is selected on the Camera setup menu in step 3.
Refer to “Camera Setup Operation” (page 59).
You can set whether to display the rear camera image when the gear
lever is moved to the reverse (R) position while the unit is turned off.
Setting item: Camera Interrupt (Power OFF Mode)
Setting contents: On (Initial setting) /Off
On: The rear camera image is displayed
Off: The rear camera image is not displayed

62-EN
Setup Before Using
BLUETOOTH is a wireless technology allowing communication
between a mobile device or personal computer over short distances.
This enables a hands-free call or data transmission between
BLUETOOTH compatible devices. BLUETOOTH transmission is
available in the unlicenced 2.4 GHz spectrum if the distance between
devices is within 10 meters. For details, refer to the BLUETOOTH
website (http://www.bluetooth.com/).
•Depending on the BLUETOOTH version, a BLUETOOTH
compatible device may not be able to communicate with this unit.
•Proper function of this unit with all BLUETOOTH compatible
devices is not guaranteed. For handling of the BLUETOOTH
compatible device, consult your ALPINE dealer or ALPINE website.
•Depending on the surroundings, BLUETOOTH wireless connection
may be unstable.
•When you place a call, or perform setup operations, be sure to stop
your car in a safe place.
•Depending on the connected BLUETOOTH compatible device(s), the
function may differ. Also refer to the Owner’s Manual of the
connected device(s).
Hands-free calls are possible when using a HFP (Hands-Free Profile)
compatible mobile phone with this unit.
•Avoid performing a hands-free call in heavy traffic or on narrow or
winding streets.
•Close the windows while calling to reduce background noise.
•If both calling parties are using hands-free devices, or the call is
made in a noisy location, difficulty hearing the other person’s voice
is normal.
•Depending on telephone line conditions or certain mobile devices
used, voices may sound unnatural.
•When using a microphone, speak as directly as you can into the
microphone to obtain the best sound quality.
•Certain mobile phone features are dependent on the capabilities and
settings of your service provider’s network. Additionally, certain
features may not be activated by your service provider, and/or the
provider’s network settings may limit the feature’s functionality.
Always contact your service provider about feature availability and
functionality.
All features, functionality, and other product specifications, as well
as the information contained in the Owner’s Manual are based upon
the latest available information and are believed to be accurate at
the time of printing.
Alpine reserves the right to change or modify any information or
specifications without notice or obligation.
Before using the hands-free phone/audio function, the following
settings need to be made.
1
Set “BLUETOOTH” to “On” (see page 56).
2
Register a BLUETOOTH device in this unit (see
page 56).
•Refer to “BLUETOOTH Setting” (page 56).
•You can search for this unit using a BLUETOOTH compatible device,
and then connect that BLUETOOTH compatible device to this unit.
The device name of this unit is “ALPINE NAVI” and the initial
number of the passcode is “0000.” Also refer to the Owner’s Manual
of the connected device(s).
Display example for Phone menu screen
BLUETOOTH devices Name
Favorites Display: Short Cut icon
Dialled/Received/Missed Display: Each histories icon
Connecting a BLUETOOTH Device
Registering a BLUETOOTH device in INE-W920R/INE-W928R
enables automatic connection.
If it does not connect automatically, run through the connection
procedure again.
1
Press the (PHONE) button.
The Phone menu screen is displayed.
2
Touch [Connect].
BLUETOOTH connection will start.
Touch [Disconnect].
The BLUETOOTH connection is disconnected.
BLUETOOTH
Operation
About BLUETOOTH
About the Hands-Free Phone
Before Using BLUETOOTH
Hands-Free Phone Control
Disconnecting the BLUETOOTH
Connection

63-EN
Changing the connecting BLUETOOTH
Device
If multiple BLUETOOTH devices are registered in this device, you can
change the connection among the registered devices.
1
Press the (PHONE) button.
The Phone menu screen is displayed.
2
Touch [Change].
The Set Bluetooth Device screen is displayed.
3
Touch [Audio] or [HFT] of the selected device.
The connection will transfer to the selected device.
•You can check registered shortcut dialing by touching the
BLUETOOTH Device List.
For how to assign one-touch dialling, refer to “Assigning as a Short
Cut Dialling Number” (page 65).
Answering a Call
Incoming calls are announced by the received call ring tone and a
displayed message (PHONE No., etc.).
1
An incoming call triggers the ringtone and an
incoming call display.
2
Touch [] or press (PHONE) button.
The call starts.
•When “Setting Received Calls Automatically” (page 57) is set to
“On,” you can receive a call automatically.
•During a call, the audio for the current mode on the unit is muted.
After calling, playback will resume.
•When the caller’s number is transmitted to the system, if the caller’s
name is stored in the phone book, the name is displayed. If the name
is not stored, the number is displayed. When neither the name or the
number is unavailable, “Unknown” is displayed.
The ringtone volume is adjustable on the incoming call message screen.
Touch [] or [] for “Vol.”
Hanging up the Telephone
Touch [].
The call finishes.
Calling
Use the Phone menu screen to make a phone call.
You can assign up to 4 phone numbers for one-touch dialing to make a
call easily. For how to assign one-touch dialling, refer to “Assigning as a
Short Cut Dialling Number” (page 65).
1
Press the (PHONE) button.
The phone menu screen is displayed.
2
Touch [ Favorites].
3
Touch [Dial1], [Dial2], [Dial3] or [Dial4].
The phone call is sent to the stored number.
•Pressing and holding [Dial1], [Dial2], [Dial3] or [Dial4] displays
the Shortcut Dialling Edit screen. The only available editing
operation is deletion.
•If a name has been registered, the name is displayed on the shortcut
button.
You can use 3 types of history to make a phone call. Call History saves
up to 60 phone numbers. If the limit is exceeded, the oldest phone
number is deleted.
1
Press the (PHONE) button.
The phone menu screen is displayed.
2
Touch [ Dialled], [ Received] or [
Missed].
The last four histories are displayed.
3
Touch the name from the call history.
The details screen of the call history is displayed.
•To display all the histories, touch [All]. Touching [Delete]
deletes the selected histories.
4
Touch [].
The phone call is started.
You can use the phone book of the mobile phone to make a phone call.
Before using, you need to transfer the phone book from the mobile
phone to the system. For details on how to transfer the phone book, refer
to “Synchronising the Phone Book” (page 65).
1
Press the (PHONE) button.
The phone menu screen is displayed.
2
Touch .
3
Touch the person name or the telephone number
from the Phone Book list.
4
Touch [].
The phone call is started.
Adjusting ringtone volume
Using Short Cut Dialling to Make a Call
Dialling a Number In Call History
Dialing a Number In the Phone Book

64-EN
1
Press the (PHONE) button.
The phone menu screen is displayed.
2
Touch .
The number input screen appears.
3
Enter the phone number you wish to call.
•You can enter up to 31 digits.
4
Touch [].
5
Touch [Call].
The phone call is started.
You can redial the person you have previously called.
1
Press the (PHONE) button.
The phone menu screen is displayed.
2
Touch [Redial].
The number is redialed.
3
Touch [Call].
The phone call is started.
Operations During a Conversation
Display example
Name and phone number
Conversation time
You can adjust the transmit volume and receive volume respectively.
Touch [] or [] for “Vol.”
You can adjust the volume in 11 levels.
Touch [] to turn down the volume. Touch [] to turn up the
volume.
The voice output for calls is switchable between car speakers and the
mobile phone speaker.
Touch [].
•Depending on the mobile phone, this operation may not be possible.
Transmits a DTMF (Touch-Tone) during a call.
1
Touch [TONE].
The number input screen appears.
2
Input number.
•You can transmit a Touch-Tone signal during a call.
•Touching and holding “0” initiates “+” tone transmission.
Entering a Phone Number to Make a Call
Redial Function
Adjusting the Speech Volume
:Outgoing volume
:Incoming volume
Changing the Voice Output
DTMF (Touch-Tone) Function

65-EN
Phone Book Function
Display example for Phone Book screen
An icon is displayed to indicate that multiple phone
numbers are registered under an entry.
You can synchronise the system’s phone book with the mobile phone’s
phone book.
1
Press the (PHONE) button.
The phone menu screen is displayed.
2
Touch [].
3
Touch [Download].
4
Touch [SYNC].
Synchronisation of the phone books starts.
•You can store up to 1,000 phone numbers in the phone book for
USER1 and USER2, respectively.
•You can store up to 5 phone numbers by one person’s name.
1
Press the (PHONE) button.
The phone menu screen is displayed.
2
Touch [].
3
Touch [Download].
4
Touch [Add].
Stays on standby for connection of the mobile phone.
•Touch [Cancel] to cancel the standby mode.
5
The mobile phone accesses this unit and then
transfers the phone book from the mobile phone to
this unit.
•Mobile phone connection is cancelled while the phone book is being
transferred.
Deleting One Entry from the Phone Book
1
Press the (PHONE) button.
The Phone menu screen is displayed.
2
Touch [].
The Phone Book screen is displayed.
3
Touch the phone number you intend to delete.
4
Touch [Delete].
The confirmation screen is displayed.
If multiple phone numbers are registered, they are all
deleted.
5
Touch [OK].
The selected number is deleted.
Deleting All Entries from the Phone Book
1
Press the (PHONE) button.
The Phone menu screen is displayed.
2
Touch [].
The Phone Book screen is displayed.
3
Touch [Delete All].
The confirmation screen is displayed.
4
Touch [OK].
All entries of the phone book are deleted.
Assigning as a Short Cut Dialling
Number
Assigning from Call History
1
Press the (PHONE) button.
The Phone menu screen is displayed.
2
Touch [Dialled], [Received] or [Missed].
The last four histories are displayed.
3
Touch the person name you intend to assign as the
Short Cut dialling number.
The details screen of the Phone book is displayed.
•To display all the histories, touch [All]. Touching [Delete]
deletes the selected histories.
4
Touch [Preset].
The details screen for the Short Cut is displayed.
5
Touch [Save].
The phone number is assigned to the selected Short Cut
dialling number.
•If Dial1, Dial2, Dial3 or Dial4 is already registered, it is overwritten.
•Touch [Delete] to delete an assigned short cut dialing number.
Synchronising the Phone Book
Adding the Phone Book
Deleting the Phone Book Entries

66-EN
Assigning from the Phone Book
1
Press the (PHONE) button.
The Phone menu screen is displayed.
2
Touch [].
The Phone Book screen is displayed.
3
Touch the phone number you intend to assign as the
Short Cut dialling number.
The details screen of the Phone book is displayed.
4
Touch [Preset].
The details screen for the Short Cut is displayed.
5
Touch [Save].
The phone number is assigned to the selected Short Cut
dialling number.
•If Dial1, Dial2, Dial3 or Dial4 is already registered, it is overwritten.
•Touch [Delete] to delete an assigned short cut dialing number.
If a BLUETOOTH compatible mobile phone, portable player, etc. is
connected by wireless, you can play back a song (operation is
controllable from the unit).
Display example for BLUETOOTH Audio main screen
Song title
Artist title
Album title
Total playback time
Elapsed time
BLUETOOTH devices Name
•The displayed onscreen buttons may differ depending on the AVRCP
version.
•Status Indicator/Song title/Artist title/Album title/Elapsed time do not
display for AVRCP Ver. 1.0.
•To play back audio, a mobile phone or a portable player conforming
to A2DP (Advanced Audio Distribution Profile) or AVRCP (Audio/
Video Remote Control Profile) is required.
Not all functions work with all devices.
•During a call, sound on the BLUETOOTH audio source is muted.
Compatible AVRCP versions: 1.0, 1.3, 1.4
•Available functions may differ depending on the AVRCP version.
BLUETOOTH Audio
Touch [<<], [>>]

67-EN
Playback
1
Press the (AUDIO) button.
2
Touch [BLUETOOTH-AUDIO] of Top banner.
3
Touch [] or [] to select the desired track
(file).
Returning to the beginning of the current file:
Touch [].
Fast backward the current file:
Touch and hold [].
Advance to the beginning of the next file:
Touch [].
Fast forward the current file:
Touch and hold [].
4
To pause playback, touch [ / ].
Repeat Play
Available for AVRCP Ver. 1.3 and 1.4 only.
Touch [] during playback.
The repeat mode switches every time the button is touched.
•Operations may differ depending on the connected BLUETOOTH
compatible device.
M.I.X. (Random Play)
Available for AVRCP Ver. 1.3 and 1.4 only.
Touch [] during playback.
The M.I.X. mode switches every time [] is touched.
•Operations may differ depending on the connected BLUETOOTH
compatible device.
Selecting Groups
Available for AVRCP Ver. 1.3 and 1.4 only.
Touch [ Group] or [Group ] to select the group.
Search Function
Available for AVRCP Ver. 1.4 only.
The displayed list differs with the connected BLUETOOTH device.
1
Touch [ (Search)] of Bottom banner during
playback.
Select the track, etc., you want to listen to from the
displayed list.
(FILE)
(OFF)
(ALL)
(GROUP)
(GROUP)
(ALL)
(OFF)

68-EN
Operating Auxiliary Devices (Optional)
To operate devices connected to the AUX terminals of INE-W920R/
INE-W928R, follow the procedure described below.
•Set AUX In to “On.” Refer to “Setting the AUX Mode” (page 55).
•Depending on the connected unit, the onscreen buttons may not
work, or their operation may differ.
•If you try to activate the auxiliary device while driving, the display
will show the warning-Picture off for your safety.
1
Press the (AUDIO) button.
2
Touch [AUX1]*1, [AUX2]*1 or [AUX3]*2 of Top
banner.
The AUX mode screen is displayed.
*1The name which is given as the mode name in “Setting the Primary
AUX Name (AUX Setup)” (page 55) and “Setting the Secondary AUX
Name” (page 55) is displayed.
*2When “Setting the AUX3” (page 55), AUX3 appears when setting
”AUX” only.
AUX Operation Screen Display During Video File
Playback
Touch the screen.
The AUX operation screen is displayed.
Example for AUX1, AUX2, AUX3, DVD, Game, USB
Player mode display
•The operation screen changes to the visual screen in the AUX
mode for 5 seconds after an operation has been performed. To
hide the AUX operation screen, touch the video display area.
Touch the display panel to display the operation screen
again.
•Setting the AUX name for EXT.DVD, DVD-CHG, DVB-T, and TV
mode displays their individual operation switches and enables
operation. Refer to “Setting the Primary AUX Name (AUX Setup)”
(page 55) and “Setting the Secondary AUX Name” (page 55).
•The direct touch feature is available in USB Player mode. Directly
touch operation switches displayed on the screen to operate.
Operating an External DVD Player
To operate an External DVD player (Optional), set “Setting the Primary
AUX Name (AUX Setup)” (page 55) or “Setting the Secondary AUX
Name” (page 55) to “EXT.DVD.”
1
Press the (AUDIO) button.
2
Touch [EXT.DVD] of Top banner.
The display shows the EXT. DVD mode screen.
Auxiliary Device
(Optional)
WARNING
It is dangerous (and illegal in many states) for the
driver to watch TV/video while driving the vehicle. The
driver may be distracted from looking ahead and an
accident could occur.
Install the INE-W920R/INE-W928R correctly so that
the driver cannot watch TV/video unless the vehicle is
stopped and the emergency brake is applied.
If the INE-W920R/INE-W928R is not installed correctly,
the driver will be able to watch TV/video while driving
the vehicle and may be distracted from looking ahead
and cause an accident. The driver or other people
could be severely injured.
Change to the External DVD Mode

69-EN
When the external DVD player playback screen is displayed, you can
touch the screen to display the operation screen. For details on how to
operate, refer to the Owner’s Manual of the connected DVD player.
External DVD player display example
[]
Touch the switch to go back to the beginning of the current
chapter/track/file. Touch the switch once more to find the
beginning of the previous chapter/track/file. Touch and hold
to fast reverse.
[]
Touch the switch to advance to the beginning of the next
chapter/track/file. Touch and hold to fast forward.
[]
Starts/Stop M.I.X. play.
[]
Starts/Stop repeat play.
[/]
Switches between play and pause.
[]
Touching during play initiates a pre stop. Touching again
stops play.
[Top Menu]
Calls up the Top Menu screen.
[Menu]
Calls up the Menu screen.
[Menu Control]
Calls up the menu operation mode.
[]
Switches the programme/playlist/folder down.
[]
Switches the programme/playlist/folder up.
[Angle]
Switches angle.
[Audio]
Switches audio.
[Sub Title]
Switches sub titles.
Menu operation mode screen display example
[Key]
The menu operation mode will be displayed.
[], []
Moves key panel location.
[]
Closes menu operation mode.
[]
Closes key panel.
[], [], [], []
Moves menu cursor.
[Enter]
Determines the selected item.
[Return]
Returns to the previous item/screen.
Operating an External DVD Changer
To operate an External DVD changer (Optional), set “Setting the
Primary AUX Name (AUX Setup)” (page 55) or “Setting the Secondary
AUX Name” (page 55) to “DVD-CHG..”
1
Press the (AUDIO) button.
2
Touch [DVD-CHG.] of Top banner.
The display shows the DVD-CHG. mode screen.
About the DVD Operation Screen
Touch [<<], [>>]
Change to the External DVD Changer Mode

70-EN
When the External DVD changer playback screen is displayed, you can
touch the screen to display the operation screen. For details on how to
operate, refer to the Owner’s Manual of the connected DVD changer.
•The DVD-CHG. operation mode screen and the Menu operation
mode screen are the same as the external DVD player operation
screen. Refer to ”Operating an External DVD Player.”
External DVD changer display example 3/3 (Info
mode)
[Disc1]-[Disc6]
Selects a Disc.
Operating the Mobile Digital TV
Receiver (DVB-T)
To operate the Mobile Digital TV Receiver (DVB-T) (Optional), set
“Setting the Primary AUX Name (AUX Setup)” (page 55) or “Setting
the Secondary AUX Name” (page 55) to “DVB-T.”
1
Press the (AUDIO) button.
2
Touch [DVB-T] of Top banner.
The display shows the DVB-T mode screen.
When you touch the screen in the DVB-T mode, the operation screen is
displayed. For details on how to operate, refer to the Owner’s Manual of
the connected Digital TV Receiver (DVB-T).
Menu operation mode screen display example
[]
Switches the Channel number/ Favorite channel number
down.
[]
Switches the Channel number / Favorite channel number
up.
[TUNE] (Channel or FAV)
Switches between the Channel mode and the Favorite
channel mode.
[EPG]
Call up the Electronic Programme Guide (EPG).
[Menu]
Call up the menu screen.
[Menu Control]
Call up the menu operation mode.
[A/V]
Switches the source.
[Scan]
Touch the switch to start the scan procedure.
•If the setting for “Setting Direct Touch Operation” (page 55) is set to
“On,” direct touch operation is possible. Directly touch operation
switches displayed on the screen to operate. To display the operation
screen, touch [Control].
Operating a TV
To operate a TV Receiver (TV) (Optional), set “Setting the Primary
AUX Name (AUX Setup)” (page 55) or “Setting the Secondary AUX
Name” (page 55) to “TV.”
1
Press the (AUDIO) button.
2
Touch [TV] of Top banner.
The display shows the TV mode screen.
About the DVD Changer Operation Screen
Changing to the Mobile Digital TV Receiver
(DVB-T) Mode
Touch [<<], [>>]
About the DVB-T operation screen
Change to the TV mode

71-EN
When the TV playback screen is displayed, you can touch the screen to
display the operation screen. For details on how to operate, refer to the
Owner’s Manual of the connected TV.
[], [ ]
Switches the Channel number / Preset channel / frequency
down.
[], [ ]
Switches the Channel number / Preset channel / frequency
up.
[TUNE] (Channel or PRESET or MANUAL)
Switches amongst Channel mode, Preset mode, and
Manual mode.
[Band]
Switches the band.
[A.Memo]
The tuner automatically seeks and stores stations.
About the TV operation screen
Touch [<<], [>>]

72-EN
When an optional camera is connected, the view video of camera can be
output to the monitor.
Front camera or Rear camera can be connected to this unit.
Depending on your camera, please choose the connection method
(Direct or AUX) and camera type (Front, Rear or OTHER) first. For
details, refer to “Camera Setup” (page 59).
Front camera:
When the HCE-C212F/HCE-C200F is connected, conditions in
front of the vehicle, such as objects, people and other hazards,
can be seen.
Rear camera:
If an HCE-C210RD/HCE-C200R/HCE-C117D/HCE-C107D/HCE-
C115/HCE-C105 camera is connected, when the vehicle is
reversed, the rear camera view (guide marks for vehicle width
and available distance) is displayed automatically on the screen
of this unit.
Other camera:
Set when connecting to a camera other than the Front camera or
Rear camera, such as a room camera and side camera.
Rear Camera Operation
Set “Rear” for “Direct Camera Setting” (page 59) or “AUX Camera
Setting” (page 60).
1
Shift the gear lever to the reverse (R) position.
The rear view image is displayed while the car remains in
reverse.
2
If you shift the gear lever to a position other than
reverse (R), the monitor returns to the previous
screen.
•Never depend solely on the camera when backing up. Always turn
and look and only use the camera for additional assistance.
•This function is effective when the reverse wire is properly connected.
If the camera has a view switch function, the Direct Change switch is
displayed.
1
Touch the screen when the image from the rear
camera is displayed.
The operation screen is displayed on the screen.
•After a 5-second time-out, the operation screen returns to the
camera display screen.
2
Touch [Back], [Panorama], [Corner] or [Top].
The image pattern changes.
[Back]: Rear View
[Panorama]: Panorama View
[Corner]: Corner View
[Top]: Ground View
•For detailed information about image patterns, see the camera
Owner's Manual.
1
Touch the screen when the image from the camera is
displayed.
The operation screen is displayed on the screen.
•After a 5-second time-out, the operation screen returns to the
camera display screen.
2
Touch [Guide OFF] on the Rear camera display
screen.
The guide disappears, and then the [Guide OFF] switch
changes to [Guide ON].
3
Touch [Guide ON] to turn on the guide.
1
Touch the screen when the image from the camera is
displayed.
The operation screen is displayed on the screen.
•After a 5-second time-out, the operation screen returns to the
camera display screen.
2
Touch [Caution ].
•For each touch, the caution location moves to the top or bottom of the
screen.
Camera Operation
(Optional)
You can adjust the quality of the camera image.
Setting items: Live Contrast / Bright / Colour / Contrast
Refer to “Visual Setting” (page 43).
Displaying the rear view video while the
car is in reverse
Switching the Image Pattern for the Rear
Camera
Guide Display ON/OFF Setting
Adjusting the Caution Display Location

73-EN
About the Rear Camera Guide
To display the guide, set “Guide Display ON/OFF Setting” (page 72) to
On. Also, to adjust the guide, refer to “Adjusting the Rear/Front Camera
Guide” (page 59). You can also turn off the guide in the Rear camera
display screen.
Indication mark meaning
When the car is put into reverse gear, the monitor switches to the rear
view camera image. Guides appear to help visualise the car's width and
distance from the rear bumper.
1Car width extension marks (red, yellow and green in
order of distance)
If properly calibrated, the marks indicate the car's width.
This helps guide the car's path when backing up in a
straight line.
The marks represent the distance from the rear of the car
(from the rear end of the bumper).
•The marks do not move in synchronisation with the
steering wheel.
2Distance guidance marks
The marks represent the distance from the rear of the car
(from the rear end of the bumper).
•The marks do not move in synchronisation with the
steering wheel.
•Each centre position of the mark represents about 0.5 m
(red), about 1 m (yellow) and about 2 m (green) behind.
•Depending on the condition of the car or road surface, the range of
vision may vary.
•The camera has a limited range of vision. Objects at extreme angles
to the camera (e.g. under the bumper or at opposite ends of the
bumper) may not be in the its field-of-vision.
•The rear camera image may have a tint which is different from the
actual surroundings.
•Depending on the car, the guidance may deviate to the right or left.
This is not a malfunction.
Distance guidance mark
The distance guides represent the ground level distance from the rear
bumper. It is difficult to accurately estimate the distance to objects
above ground level.
<Screen>
<Positions of A, B and C>
In the screen, according to the distance guidance marks,
the truck seems to be parked about 1 m away (at the
position B). In actual fact, however, if you reversed to
position A, you would collide with the truck.
In the screen, positions A, B and C seem to be located in
order of proximity. However, in actual fact, the position A
and C are the same distance, and B is farther away than
positions A and C.
•The car width extension mark represents the distance to the road
surface. The distance to an object on the road is not accurately
represented by the guides.
•In the following conditions, screen visibility may be impaired. This is
not a malfunction.
-When it is dark (during the night, etc.).
-Under very high or very low temperature conditions.
-When water drops adhere to the camera, or when the humidity
is high (such as rainy weather, etc.).
-When foreign bodies (such as mud, etc.) adhere to the camera
or its peripheral area.
-When sunlight or headlights directly strike the camera lens.
-When a CCD camera is connected, smearing* may occur. This
phenomenon is peculiar to CCD cameras.
* Smear phenomenon:
A phenomenon which occurs when a high-intensity spot (such
as a reflection of the sunlight on a car body) is shot by the
camera. The picture below is an example of 'vertical smear'
common to CCD cameras.
C
B
A (about 0.5 m)
about 1 m
A high-intensity spot

74-EN
Error between the screen and the actual road surface
In the following conditions, errors are produced between the screen
guidance and the actual road surface. (The illustrations represent a case
when the camera is installed in the standard position.)
When there is a steep upward slope behind the car
(example)
<Screen>
<Situation of the car>
The distance guidance mark represents the distance to a
flat road surface. Therefore in the case of an upward
slope behind the car, the distance guides are displayed
closer to the rear bumper than the actual distance. For
example, if there is an obstacle on the upward slope, it
may appear farther away than its actual position.
Also, an error may occur between the guidance and the
actual path of the car on the road surface.
When there is a steep downward slope behind the
car (example)
<Screen>
<Situation of the car>
In the case of a downward slope behind the car, the
distance guides are displayed farther from the rear
bumper than the actual distance.
If there is an obstacle on the downward slope, it seems
closer than its actual position.
Also, an error may occur between the guidance and the
actual path of the car on the road surface.
Front Camera Operation
Set “Front” for “Direct Camera Setting” (page 59).
1
Press the (My Favorites) button.
The Favorites screen is displayed.
2
Touch [Camera].
The Camera mode is activated and the front view video is
displayed.
When the front camera (direct camera) and rear camera or
side camera (AUX camera) are connected simultaneously,
the screen for selecting which camera image to display
appears.
Distance guidance marks
Actual distances
Error Error
Displaying the Front View Video Manually
Error Error

75-EN
1
Touch the screen when the image from the front
camera is displayed.
The operation screen is displayed on the screen.
•After a 5-second time-out, the operation screen returns to the
camera display screen.
2
Touch [Panorama], [Corner] or [Top].
The image pattern changes.
[Panorama]: Panorama View
[Corner]: Corner View
[Top]: Ground View
•For detailed information about image patterns, see the camera
Owner's Manual.
As with the rear camera, the front camera guide display ON/OFF setting
and Caution display location can be adjusted. Refer to “Guide Display
ON/OFF Setting” (page 72) and “Adjusting the Caution Display
Location” (page 72) for the operations.
Other Camera Operation
Set “OTHER” for “AUX Camera Setting” (page 60).
1
Press the (My Favorites) button.
The Favorites screen is displayed.
2
Touch [Camera].
When the front camera (direct camera) and rear camera or
side camera (AUX camera) are connected simultaneously,
the screen for selecting which camera image to display
appears.
As with the rear camera, the Caution display location for other cameras
can be adjusted. Refer to “Adjusting the Caution Display Location”
(page 72) for the operations.
Switching the Image Pattern for the Front
Camera
About the adjustment of guide display ON/
OFF setting and adjustment of Caution
display location
About the adjustment of the Caution
display location

76-EN
You can play back music files (MP3/WMA/AAC) and video files
(DivX® ) stored in a USB memory device on the internal player of this
system.
This section explains music operations only. Refer to the DivX®
operation section in “DVD” (page 36) for information on video.
•If the first file played is a music file, the mode will be the music play
mode. If the first file played is a video file, the mode will be the video
play mode. Also, the mode changes by selecting “AUDIO” or
“VIDEO” in step 2 in Search Function. Refer to “Searching for a
Desired Song” (page 77) and “Searching for a Desired Video File”
(page 39).
Display example for the USB main screen (Info mode)
Audio mode
Video mode
•Refer to “Display example for MP3/WMA/AAC main screen”
(page 33) and “Display example for DivX® main screen” (page 36)
for screen element explanations.
•You can display artwork during USB playback.
About creating a tag information library
You can scan music files in a USB memory device and create a library
of tag information in this unit. Library creation starts when the USB
memory device is connected. The time it takes to create the library
depends on the number of files in the USB memory device, but it may
take several minutes.
About operations during library creation
•“Tag Search” (page 77) does not work properly while a library is
being created.
•The order in which songs are played during library creation may
differ from the order in the USB memory device.
Playback
1
Press the (AUDIO) button.
2
Touch [USB] of Top banner.
The USB mode is activated and the display changes to the
USB screen.
3
Touch [] or [] or to select the desired track
(file).
Returning to the beginning of the current track (file):
Touch [].
Fast reverse :
Touch and hold [].
Advancing to the beginning of the next track (file) :
Touch [].
Fast forward :
Touch and hold [].
4
To pause playback, touch [/].
[>] is displayed in the middle of the screen.
Touch [>/ll] again or touch [>] in the middle of the screen to
start playback.
•Any file protected by DRM (Digital Rights Management) copy
protection, cannot be played back on this unit.
•The playback time may not be correctly displayed when a VBR
(Variable Bit Rate) recorded file is played back.
•If there is tag information, artist name/album name/track name is
displayed.
•ID3 tag/WMA tag
If an MP3/WMA/AAC file contains ID3 tag/WMA tag information,
the ID3 tag/WMA tag information is displayed (e.g., song name,
artist name, and album name).
•If the combined number of files/folders in the USB memory devices
reaches 10,000, the message “The system has reached its limit of
recognisable files/folders from the USB device.” will be displayed. To
delete the message, remove the USB memory devices.
Repeat Play
Operation differs depending on whether the most recent song search
was a Tag Search or a Folder/File Search.
Touch [] during playback.
The repeat mode switches every time the button is touched.
Folder/File Search mode:
Tag Search mode:
*Only files in a folder are repeatedly played back.
•If the Repeat Play mode is activated during M.I.X. playback, the
M.I.X. mode will be cancelled.
USB Memory
(Optional)
Touch [<<], [>>]
Repeat Repeat Folder*(OFF) Repeat
Repeat (OFF) Repeat

77-EN
Random Play (M.I.X.)
Operation differs depending on whether the most recent song search
was a Tag Search or a Folder Search.
Touch [] during playback.
The tracks (files) on the disc will be played back in a random sequence.
To cancel M.I.X. play, touch [].
Folder Search mode:
Tag Search mode:
*1 Only files in a folder are played back in random sequence.
*2M.I.X. Songs randomly plays back songs within a selected category
(playlist, album, etc.). The songs within the category are played just
once until all songs have been played.
•If the M.I.X. mode is activated during Repeat playback, the Repeat
Play mode will be cancelled.
•If you select a track by using the search mode, the M.I.X. play mode
will be cancelled.
Random Play (M.I.X. ALL)
This operation is available only if the most recent song search was a Tag
Search.
1
Touch [ (Search)] of Bottom banner during
playback.
The search mode is activated.
2
Touch [Music].
The folder name list screen is displayed.
3
Touch [Shuffle All] during playback.
The tracks (files) on the disc will be played back in a
random sequence.
To cancel M.I.X. play, touch [].
•All songs in the USB memory are played back in random sequence.
Any one song does not play back again until all songs have been
played back.
Searching for a Desired Song
INE-W920R/INE-W928R can carry out 2 kinds of searches.
1
Touch [ (Search)] of Bottom banner during
playback.
2
Touch [Music].
The search mode is activated.
3
Touch [Folder].
The folder name list screen is displayed.
Folder Name Search Mode
4
Touch [] of the desired folder.
The first file in the selected folder is played back.
File Name Search Mode
4
Touch the desired folder name.
The file name of the selected folder is displayed.
5
Touch the desired file name.
The selected file is played back.
•To return to the previous hierarchy, touch [].
•For details on how to scroll through the list, refer to “Selecting an
Item in a List” (page 29).
•After selecting a folder via a Folder name search, touch [] on the
main screen to display the folder search screen.
•After selecting a file via a File name search, touch [] on the
main screen to display the file search screen.
By using file tag information and keeping these songs organised in
playlists, this unit’s search functions will ease song searches in large
libraries.
Each music category has its own individual hierarchy. Use the Playlists/
Artists/Albums/Songs/Genres/Composers search mode to narrow
searches based on the table below.
For example: Searching by Artist name
The following example explains how an ARTISTS search is performed.
Another search mode can be used for the same operation, although the
hierarchy differs.
Searching by artist name
1
Touch [ (Search)] of Bottom banner during
playback.
2
Touch [Music].
The search mode screen appears.
3
Touch [Artists].
The Artists search screen is displayed.
4
Select the desired artist.
To Play Back the Artist Directly
1 Touch [] of the artist’s name.
All songs of the selected artist are played back.
To Search for the Album of the Artist
1 Touch the selected artist name.
The Albums search screen of the selected artist is
displayed.
2 Touch [] of the desired album’s name.
All songs of the selected album are played back.
M.I.X. Folder*1(OFF) M.I.X. Folder*1
M.I.X. Songs*2(OFF) M.I.X. Songs*2
File/Folder Name Search
Tag Search
Hierarchy 1 Hierarchy 2 Hierarchy 3 Hierarchy 4
Playlists Songs — —
Artists Albums Songs —
Albums Songs — —
Songs — — —
Genres Artists Albums Songs
Composers Albums Songs —

78-EN
To Search for a Song in the Album of the Artist
1 Touch the desired artist’s name.
All albums of the selected artist are displayed.
5
Touch the desired album’s name.
All songs of the selected album are displayed.
6
Touch the desired song’s name.
The selected song is played back.
•For details on how to scroll through the list, refer to “Selecting an
Item in a List” (page 29).
•After selecting a file via a Tag search, touch [] on the main
screen to display the search screen. The hierarchy level you selected
last in the search mode is displayed.
Direct Up/Down Function
This operation is available only if the most recent song search was a Tag
Search.
Playlist/Artist/Album/Genre/Composer can be easily changed.
For example, if you listen to a song from a selected album, the album
can be changed.
Touch [] or [] to select the desired Playlist/Artist/
Album/Genre/Composer.
•If an album is selected from an artist search, the album can be
searched.
•For details on icon display, refer to “Direct Up/Down switch icon:”
(page 81).
•If search selection mode is not activated, Direct Up/Down Function
is not possible.
•During M.I.X. playback, this operation is not possible.
Select the desired Folder (Folder up/
down)
This operation is available only if the most recent song search was a
Folder/File Search.
If you listen to a file from a selected folder, the folder can be changed.
Touch [] or [] to select the folder.
•During M.I.X. playback, this operation is not possible.

79-EN
An iPod/iPhone can be connected to this unit by using the cable KCU-
461iV (sold separately). You can connect a video-capable iPod to enjoy
video as well as music.
When the INE-W920R/INE-W928R is connected by the above cable,
the controls on the iPod are disabled.
•Internet or telephone functions, etc., of the iPhone or iPod touch are
not controllable from the unit, but these functions can be controlled
using the iPhone or iPod touch itself.
•To watch the video screen of the file in the iPod/iPhone, the parking
brake must be engaged.
•For automatic transmission vehicles, place the transmission lever in
the Park position.
About iPod/iPhone models usable with this unit
•The following devices have been tested and shown to work
with this unit. Correct function of earlier versions cannot be
guaranteed.
iPod nano 6th generation 8GB/16GB: Ver.1.1
iPod touch 4th generation 8GB/32GB/64GB: Ver.4.3.1
iPod touch 3rd generation 8GB/32GB/64GB: Ver.4.3.1
iPod nano 5th generation(video camera) 8GB/16GB: Ver.1.0.2
iPod classic(Late2009) 160GB: Ver.2.0.4
iPod touch 2nd generation 8GB/16GB/32GB/64GB: Ver.4.2.1
iPod nano 4th generation(video) 8GB/16GB: Ver.1.0.4
iPod touch 1st generation 8GB/16GB/32GB: Ver.3.1.3
iPod nano 3rd generation(video) 4GB/8GB: Ver.1.1.3
iPod classic 80GB/160GB: Ver.1.1.2
iPod classic 120GB: Ver.2.0.1
iPod nano 2nd generation(aluminum) 2GB/4GB/8GB: Ver.1.1.3
iPod 5th generation(video) 60GB/80GB: Ver.1.3
iPod 5th generation(video) 30GB: Ver.1.3
iPod nano 1st generation 1GB/2GB/4GB: Ver.1.3.1
•The following devices have been tested and shown to work
with this unit. Correct function of earlier versions cannot be
guaranteed.
iPhone 4 16GB/32GB: Ver.4.3.1
iPhone 3GS 8GB/16GB/32GB: Ver.4.3.1
iPhone 3G 8GB/16GB: Ver.4.2.1
iPhone 4GB/8GB/16GB: Ver.3.1.3
•For clarity in identifying your model of iPod, please see
Apple’s own document “Identifying iPod models” at
http://support.apple.com/kb/HT1353.
Display example for USB memory main screen (Info
mode)
Audio mode
Video mode
Song title/Episode title*
Artist title/Release Date*
Album title/Podcast title*
Current song no./Total song no.
Remaining time for playing
Artwork display
Elapsed time
:During audio-only playback of a video file in a
Playlist, the Video icon is displayed.
:During audio-only playback of a music file in a video
Playlist, the Music icon is displayed.
* Podcast mode
The iPod/iPhone operation screen display during video
file playback
Touch the screen while the iPod/iPhone playback screen
is displayed.
The iPod/iPhone operation screen is displayed.
•The operation screen changes to the visual screen in the iPod mode
for 5 seconds after an operation has been performed.
iPod/iPhone
(Optional)
WARNING
It is dangerous for the driver to watch video while
driving the vehicle. The driver may be distracted from
looking ahead and an accident could occur.
Install the INE-W920R/INE-W928R correctly so that the
driver cannot watch Video unless the vehicle is
stopped and the emergency brake is applied.
If the INE-W920R/INE-W928R is not installed correctly,
the driver will be able to watch the Video while driving
the vehicle and may be distracted from looking ahead
causing an accident. The driver or other people could
be severely injured.

80-EN
Playback
1
Press the (AUDIO) button.
2
Touch [iPod (Audio or Video)] of Top banner.
The display shows the iPod mode screen.
3
Touch [] or [] or to select the desired track
(file).
Returning to the beginning of the current track (file):
Touch [].
Fast reverse :
Touch and hold [].
Advancing to the beginning of the next track (file) :
Touch [].
Fast forward :
Touch and hold [].
4
To pause playback, touch [/].
•If a song is playing on the iPod/iPhone when it is connected to the
INE-W920R/INE-W928R, it will continue playing after the
connection.
•An episode may have several chapters. The chapter can be changed
by touching [] or [].
•If the artist, album or song name, created in iTunes, has too many
characters, songs may not be played back when connected to the
INE-W920R/INE-W928R. Therefore, a maximum of 64 characters is
recommended. The maximum number of characters for the unit is 64.
•Some characters may not be correctly displayed.
Searching for a Music File
An iPod/iPhone can contain thousands of songs. For this reason, this
unit can make various searches using the search function as shown
below.
Using the Playlist/Artist/Album/Podcast/Audiobook/Genre/Composer/
Song search mode’s individual hierarchy, you can narrow down your
search as shown in the table below.
<MUSIC Search Menu>
For example: Searching by Artist name
The following example explains how an ARTISTS search is performed.
Another search mode can be used for the same operation, although the
hierarchy differs.
Searching by artist name
1
Touch [ (Search)] of Bottom banner during
playback.
2
Touch [Music].
The search mode screen appears.
3
Touch [Artists].
The Artists search screen is displayed.
4
Select the desired artist.
To Play Back the Artist Directly
1 Touch [] of the artist’s name.
All songs of the selected artist are played back.
To Search for the Album of the Artist
1 Touch the selected artist name.
The Albums search screen of the selected artist is
displayed.
2 Touch [] of the desired album’s name.
All songs of the selected album are played back.
To Search for a Song in the Album of the Artist
1 Touch the desired artist’s name.
All albums of the selected artist are displayed.
5
Touch the desired album’s name.
All songs of the selected album are displayed.
6
Touch the desired song’s name.
The selected song is played back.
•Touching [] of “ALL” will play back all songs in the list.
•Touching “ALL” will display the search list in the next hierarchy.
•An alphabet skip function is available. Refer to “Alphabet Skip
Function” (page 81).
•For details on how to scroll through the list, refer to “Selecting an
Item in a List” (page 29).
Searching for a Desired Video File
You can select a movie, music video, etc., from the list screen.
•Video search mode depends on the iPod/iPhone. If the specification
of the iPod/iPhone is changed, the search mode on this unit will also
be changed.
Examples for the video search mode
•Video Playlists
•Movies
•Music Videos, etc.
For example: Searching by Movie
The following example explains how a Movie search is performed.
Another search mode can be used for the same operation, although the
hierarchy differs.
1
Touch [ (Search)] of Bottom banner during
playback.
2
Touch [Video].
The Video search mode screen appears.
3
Touch [Movies].
The Movies search screen is displayed.
4
Touch the desired movie.
The selected movie is played back.
•For details on how to scroll through the list, refer to “Selecting an
Item in a List” (page 29).
Hierarchy 1 Hierarchy 2 Hierarchy 3 Hierarchy 4
Playlists Songs — —
Artists Albums Songs —
Albums Songs — —
Songs — — —
Podcasts Episodes — —
Genres Artists Albums Songs
Composers Albums Songs —
Audiobooks — — —

81-EN
Alphabet Skip Function
The unit is provided with a alphabet skip function for effective
searching. When you use this function in the search mode, you can
quickly search an artist or a song, etc.
Alphabet skip function:
The alphabet skip function is skipped to the next alphabet
such as from A to B, B to C by touching [ALPHABET ].
You can also skip in reverse order such as from B to A by
touching [ ALPHABET].
Direct Up/Down Function
If you touch [] of the album name in the search mode, this album will
be played back repeatedly. To go to the previous or next Album, use the
Direct Up/Down Function.
Touch [] or [] to select the desired Playlist/Artist/
Album/Genre/Podcast/Composer.
Direct Up/Down switch icon:
•You can use the Direct Up/Down Function during video file
playback. The Direct Up/Down Function switches in the video mode
are [ ] [].
•If you are searching for a song, this operation cannot be performed.
•If an album is selected from an artist search, the album can be
searched.
•During shuffle playback, this operation is not possible.
Search Position Memory
During iPod/iPhone playback, you can quickly move back up the
selected hierarchy, a level at time.
Touch []. (ex. [ Playlists])
The hierarchy level you selected last in the search mode is
displayed. Repeated touches return to each previous level up to
the highest.
Repeat Play
Touch [] to repeatedly play back the currently track.
The tracks (files) will be played repeatedly.
Touch [] again to deactivate Repeat play.
Random Play (Shuffle)
Touch [] during playback.
The files will be played back in a random sequence.
The Shuffle mode switches every time [] is touched.
Shuffle Albums: The songs on each album are played back
in proper order. Upon completing of all the
songs on the album, the next album is
selected randomly. This continues until all
albums have been played.
Shuffle Songs: Song shuffle randomly plays back songs
within a selected category (playlist, album,
etc.). The songs within the category are
played just once until all songs have been
played.
•For details on the search mode, refer to “Searching for a Music File”
(page 80).
Random Play (Shuffle All)
All files in the iPod are played back in random sequence.
1
Touch [ (Search)] of Bottom banner during
playback.
2
Touch [Music].
The search mode screen appears.
3
Touch [Shuffle All] of Bottom banner during
playback.
The indicator “ ” lights, and the songs will be played back in
random sequence.
•To cancel, set the Shuffle mode to Off. Refer to “Random Play
(Shuffle)” (page 81).
Playlist
Artist
Album
Podcast
Genre
Composer
Direct Up/Down switch icon
Repeat (OFF) Repeat
Shuffle Songs Shuffle Albums (OFF) Shuffle Songs

82-EN
Product Software Update
This product use software that can be updated through a USB memory
device. Download the software from the Alpine website and update the
product using the USB memory device.
Updating this product
Check the Alpine website for details on updating.
http://www.alpine-europe.com
About DVDs
Music CDs and DVDs have grooves (tracks) in which the digital data is
recorded. The data is represented as microscopic pits recorded into the
track – these pits are read by a laser beam to play the disc. On DVDs,
the density of the tracks and pits is twice that of CDs, so DVDs can
contain more data in less space.
A 12 cm disc can contain one movie or about four hours of music. In
addition, DVDs provide sharp picture quality with vivid colours thanks
to a horizontal resolution of over 500 lines (compared to less than 300
for VHS tape).
In addition, DVDs offer a variety of functions.
Multiple audio* (page 40)
Movies can be recorded in up to eight languages. The desired
language can be selected from the unit.
Subtitles function* (page 40)
Movies can include subtitles in up to 32 languages. The desired
subtitle language can be selected from the unit.
Multi angle function* (page 40)
When the DVD contains a movie shot from multiple angles, the
desired angle can be selected from the unit.
Multi story function*
With this function, a single movie includes various story lines.
You can select different story lines to view various versions of the
same movie.
Operation differs from disc to disc. Story line selection screens
including instructions appear during the movie. Just follow the
instructions.
* These functions differ from disc to disc. For details, refer to the disc’s
instructions.
Information
CDs
Minimum pit
length -
0.9 µm 1.2 mm Track pitch -
1.6 µm
DVDs
Minimum pit
length -
0.9 µm
0.6 mm Track pitch -
0.74 µm
0.6 mm

83-EN
List of Language Codes
(For details, see page 52.)
Langua g e
Kirundi
Romanian
Russian
Kin y arwanda
Sanskrit
Sindhi
Sangho
Serbo-Croatian
Singhalese
Slo v ak
Slo v enian
Samoan
Shona
Somali
Albanian
Serbian
Sis w ati
Sesotho
Sundanese
Sw edish
Swahili
T amil
T elugu
T ajik
Thai
Tig riny a
T ur kmen
T agalog
Sets w ana
T onga
T ur kish
Tsonga
T atar
T wi
Ukrainian
Urdu
Uzbek
Vietnamese
V olapuk
W olof
Xhosa
Y or uba
Chinese
Zulu
Abbre viation
AA
AB
AF
AM
AR
AS
AY
AZ
BA
BE
BG
BH
BI
BN
BO
BR
CA
CO
CS
CY
DA
DE
DZ
EL
EN
EO
ES
ET
EU
FA
FI
FJ
FO
FR
FY
GA
GD
GL
GN
GU
HA
HI
HR
HU
HY
IA
Language
Af ar
Abkhazian
Afr ikaans
Amhar ic
Arabic
Assamese
A ymara
Az erbaijani
Bashkir
By elorussian
Bulgar ian
Bihari
Bislama
Bengali, Bangla
Tibetan
Breton
Catalan
Corsican
Czech
W elsh
Danish
Ger man
Bhutani
Greek
English
Esperanto
Spanish
Estonian
Basque
P ersian
Finnish
Fiji
F aroese
F rench
F r isian
Ir ish
Scots Gaelic
Galician
Guarani
Gujarati
Hausa
Hindi
Croatian
Hungarian
Ar menian
Inter lingua
Code
6565
6566
6570
6577
6582
6583
6589
6590
6665
6669
6671
6672
6673
6678
6679
6682
6765
6779
6783
6789
6865
6869
6890
6976
6978
6979
6983
6984
6985
7065
7073
7074
7079
7082
7089
7165
7168
7176
7178
7185
7265
7273
7282
7285
7289
7365
Abbre viation
IE
IK
IN
IS
IT
IW
JP
JI
JW
KA
KK
KL
KM
KN
KO
KS
KU
KY
LA
LN
LO
LT
LV
MG
MI
MK
ML
MN
MO
MR
MS
MT
MY
NA
NE
NL
NO
OC
OM
OR
PA
PL
PS
PT
QU
RM
Code
7369
7375
7378
7383
7384
7387
7465
7473
7487
7565
7575
7576
7577
7578
7579
7583
7585
7589
7665
7678
7679
7684
7686
7771
7773
7775
7776
7778
7779
7782
7783
7784
7789
7865
7869
7876
7879
7967
7977
7982
8065
8076
8083
8084
8185
8277
Language
Inter lingue
Inupiak
Indonesian
Icelandic
Italian
Hebrew
J apanese
Yiddish
J a v anese
Georgian
Kazakh
Greenlandic
Cambodian
Kannada
K orean
Kashmir i
K urdish
Kirghiz
Latin
Lingala
Laothian
Lithuanian
Latvian, Lettish
Malagasy
Maor i
Macedonian
Mala y alam
Mongolian
Moldavian
Marathi
Mala y
Maltese
Bur mese
Nauru
Nepali
Dutch
Norw egian
Occitan
(Af an) Oromo
Or iy a
Punjabi
P olish
P ashto , Pushto
P or tuguese
Quechua
Rhaeto-Romance
Abbreviation
RN
RO
RU
RW
SA
SD
SG
SH
SI
SK
SL
SM
SN
SO
SQ
SR
SS
ST
SU
SV
SW
TA
TE
TG
TH
TI
TK
TL
TN
TO
TR
TS
TT
TW
UK
UR
UZ
VI
VO
WO
XH
YO
ZH
ZU
Code
8278
8279
8285
8287
8365
8368
8371
8372
8373
8375
8376
8377
8378
8379
8381
8382
8383
8384
8385
8386
8387
8465
8469
8471
8472
8473
8475
8476
8478
8479
8482
8483
8484
8487
8575
8582
8590
8673
8679
8779
8872
8979
9072
9085

84-EN
List of Country Codes
(For details, see page 53.)
7573
7577
7578
7580
7582
7587
7589
7590
7665
7666
7667
7673
7675
7682
7683
7684
7685
7686
7689
7765
7767
7768
7771
7772
7775
7776
7777
7778
7779
7780
7781
7782
7783
7784
7785
7786
7787
7788
7789
7790
7865
7867
7869
7870
7871
7873
7876
7879
7880
7882
7885
7890
7977
8065
Abbreviation
AD
AE
AF
AG
AI
AL
AM
AN
AO
AQ
AR
AS
AT
AU
AW
AZ
BA
BB
BD
BE
BF
BG
BH
BI
BJ
BM
BN
BO
BR
BS
BT
BV
BW
BY
BZ
CA
CC
CD
CF
CG
CH
CI
CK
CL
CM
CN
CO
CR
CU
CV
CX
CY
CZ
DE
DJ
DK
Country
Andorra
United Arab Emirates
Afghanistan
Antigua and Barbuda
Anguilla
Albania
Armenia
Netherlands Antilles
Angola
Antarctica
Argentina
American Samoa
Austria
Australia
Aruba
Azerbaijan
Bosnia and Herzegovina
Barbados
Bangladesh
Belgium
Burkina Faso
Bulgaria
Bahrain
Burundi
Benin
Bermuda
Brunei Darussalam
Bolivia
Brazil
Bahamas
Bhutan
Bouvet Island
Botswana
Belarus
Belize
Canada
Cocos (Keeling) Islands
Congo, the Democratic
Republic of the
Central African Republic
Congo
Switzerland
Cote d’lvoire
Cook Islands
Chile
Cameroon
China
Colombia
Costa Rica
Cuba
Cape Verde
Christmas Island
Cyprus
Czech Republic
Germany
Djibouti
Denmark
Code
6568
6569
6570
6571
6573
6576
6577
6578
6579
6581
6582
6583
6584
6585
6587
6590
6665
6666
6668
6669
6670
6671
6672
6673
6674
6677
6678
6679
6682
6683
6684
6686
6687
6689
6690
6765
6767
6768
6770
6771
6772
6773
6775
6776
6777
6778
6779
6782
6785
6786
6788
6789
6790
6869
6874
6875
DM
DO
DZ
EC
EE
EG
EH
ER
ES
ET
FI
FJ
FK
FM
FO
FR
GA
GB
GD
GE
GF
GH
GI
GL
GM
GN
GP
GQ
GR
GS
GT
GU
GW
GY
HK
HM
HN
HR
HT
HU
ID
IE
IL
IN
IO
IQ
IR
IS
IT
JM
JO
JP
KE
KG
KH
6877
6879
6890
6967
6969
6971
6972
6982
6983
6984
7073
7074
7075
7077
7079
7082
7165
7166
7168
7169
7170
7172
7173
7176
7177
7178
7180
7181
7182
7183
7184
7185
7187
7189
7275
7277
7278
7282
7284
7285
7368
7369
7376
7378
7379
7381
7382
7383
7384
7477
7479
7480
7569
7571
7572
Dominica
Dominican Republic
Algeria
Ecuador
Estonia
Egypt
Western Sahara
Eritrea
Spain
Ethiopia
Finland
Fiji
Falkland Islands
Micronesia, Federated States of
Faroe Islands
France
Gabon
United Kingdom
Grenada
Georgia
French Guiana
Ghana
Gibraltar
Greenland
Gambia
Guinea
Guadeloupe
Equatorial Guinea
Greece
South Georgia and the
South Sandwich Islands
Guatemala
Guam
Guinea-Bissau
Guyana
Hong Kong
Heard Island and
McDonald Islands
Honduras
Croatia
Haiti
Hungary
Indonesia
Ireland
Israel
India
British Indian Ocean Territory
Iraq
Iran, Islamic Republic of
Iceland
Italy
Jamaica
Jordan
Japan
Kenya
Kyrgyzstan
Cambodia
KI
KM
KN
KP
KR
KW
KY
KZ
LA
LB
LC
LI
LK
LR
LS
LT
LU
LV
LY
MA
MC
MD
MG
MH
MK
ML
MM
MN
MO
MP
MQ
MR
MS
MT
MU
MV
MW
MX
MY
MZ
NA
NC
NE
NF
NG
NI
NL
NO
NP
NR
NU
NZ
OM
PA
Kiribati
Comoros
Saint Kitts and Nevis
Korea, Democratic
People’s Republic of
Korea, Republic of
Kuwait
Cayman Islands
Kazakstan
Lao People’s
Democratic Republic
Lebanon
Saint Lucia
Liechtenstein
Sri Lanka
Liberia
Lesotho
Lithuania
Luxembourg
Latvia
Libyan Arab Jamahiriya
Morocco
Monaco
Moldova, Republic of
Madagascar
Marshall Islands
Macedonia, The former
Yugoslav Republic of
Mali
Myanmar
Mongolia
Macau
Northern Mariana Islands
Martinique
Mauritania
Montserrat
Malta
Mauritius
Maldives
Malawi
Mexico
Malaysia
Mozambique
Namibia
New Caledonia
Niger
Norfolk Island
Nigeria
Nicaragua
Netherlands
Norway
Nepal
Nauru
Niue
New Zealand
Oman
Panama
Country CountryCode CodeAbbreviation Abbreviation

85-EN
Peru
French Polynesia
Papua New Guinea
Philippines
Pakistan
Poland
Saint Pierre and Miquelon
Pitcairn
Puerto Rico
Portugal
Palau
Paraguay
Qatar
Reunion
Romania
Russian Federation
Rwanda
Saudi Arabia
Solomon Islands
Seychelles
Sudan
Sweden
Singapore
Saint Helena
Slovenia
Svalbard and Jan Mayen
Slovakia
Sierra Leone
San Marino
Senegal
Somalia
Suriname
Sao Tome and Principe
El Salvador
Syrian Arab Republic
Swaziland
Turks and Caicos Islands
Chad
French Southern Territories
Tog o
Thailand
Tajikistan
Tokelau
Turkmenistan
Tunisia
Tonga
East Timor
Tur key
Trinidad and Tobago
Tuva lu
8069
8070
8071
8072
8075
8076
8077
8078
8082
8084
8087
8089
8165
8269
8279
8285
8287
8365
8366
8367
8368
8369
8371
8372
8373
8374
8375
8376
8377
8378
8379
8382
8384
8386
8389
8390
8467
8468
8470
8471
8472
8474
8475
8477
8478
8479
8480
8482
8484
8486
8487
8490
8565
8571
8577
8583
8589
8590
8665
8667
8669
8671
8673
8678
8685
8770
8783
8969
8984
8985
9065
9077
9087
PE
PF
PG
PH
PK
PL
PM
PN
PR
PT
PW
PY
QA
RE
RO
RU
RW
SA
SB
SC
SD
SE
SG
SH
SI
SJ
SK
SL
SM
SN
SO
SR
ST
SV
SY
SZ
TC
TD
TF
TG
TH
TJ
TK
TM
TN
TO
TP
TR
TT
TV
TW
TZ
UA
UG
UM
US
UY
UZ
VA
VC
VE
VG
VI
VN
VU
WF
WS
YE
YT
YU
ZA
ZM
ZW
Taiwan, Province of China
Tanzania, United Republic of
Ukraine
Uganda
United States Minor
Outlying Islands
United States
Uruguay
Uzbekistan
Holy See (Vatican City State)
Saint Vincent and the
Grenadines
Venezuela
Virgin Island, British
Virgin Islands, U.S
Viet Nam
Vanuatu
Wallis and Futuna
Samoa
Yemen
Mayotte
Yugoslavia
South Africa
Zambia
Zimbabwe
Country CountryCode Code
Abbreviation Abbreviation CountryCode
Abbreviation

86-EN
In Case of Difficulty
Basic
No function or display.
• Vehicle’s ignition is off.
- If connected according to the instructions, the unit will not
operate with the vehicle’s ignition off.
• Improper power lead connections.
- Check power lead connections.
•Blown fuse.
- Check the fuse on the battery lead of the unit; replace with the
proper value if necessary.
• Internal micro-computer malfunctioned due to interference
noise, etc.
- Press the RESET switch with a ballpoint pen or other pointed
article.
No sound or unnatural sound.
• Incorrect setting of volume/balance/fader controls.
- Readjust the controls.
• Connections are not properly or securely made.
- Check the connections and firmly connect.
Screen not displayed.
• Brightness/Contrast control is set at the minimum position.
- Adjust the Brightness/Contrast control.
• Temperature in the vehicle is too low.
- Increase the vehicle’s interior temperature to operation
temperature range.
• Connections to the DVD are not securely made.
- Check the connections and firmly connect.
• The Parking Brake Lead is not connected.
• The Parking Brake is not engaged.
- Connect the Parking Brake Lead, then engage the Parking
Brake. (See page 98)
Movement of displayed picture is abnormal.
• Temperature in the vehicle is too high.
- Allow the vehicle’s interior temperature to cool.
The optional remote control is inoperative.
• The remote control sensor setting of “Remote Sensor Setting”
(page 42) is not set to this unit (“Front”).
- Set for “Front.”
Radio
Unable to receive stations.
• No antenna, or open connection in the antenna cable.
- Make sure the antenna is properly connected; replace the
antenna or cable if necessary.
Unable to tune stations in the seek mode.
• You are in a weak signal area.
- Make sure the tuner is in DX mode.
• If the area you are in is a primary signal area, the antenna may
not be grounded and connected properly.
- Check your antenna connections; make sure the antenna is
properly grounded at its mounting location.
• The antenna may not be the proper length.
- Make sure the antenna is fully extended; if broken, replace the
antenna with a new one.
Broadcast is noisy.
• The antenna is not the proper length.
- Extend the antenna fully; replace it if it is broken.
• The antenna is poorly grounded.
-
Make sure the antenna is grounded properly at its mounting location.
• The station signal is weak and noisy.
- If above solution does not work, tune in another station.
Disc
Disc playback sound is wavering.
• Moisture condensation in the disc Module.
- Allow enough time for the condensation to evaporate (about 1
hour).
Disc insertion not possible.
• A disc is already in this unit.
- Eject the disc and remove it.
• The disc is being improperly inserted.
- Insert the disc correctly. (See page 22)
Unable to fast forward or backward the disc.
• The disc has been damaged.
- Eject the disc and discard it; using a damaged disc in your unit
can cause damage to the mechanism.
Disc playback sound skips due to vibration.
• Improper mounting of the unit.
- Securely re-mount the unit.
• Disc is very dirty.
- Clean the disc.
• Disc has scratches.
- Change the disc.
• The pick-up lens is dirty.
- Do not use a commercially available lens cleaner disc. Consult
your nearest Alpine dealer.
Disc playback sound skips without vibration.
• Dirty or scratched disc.
- Clean the disc; a damaged disc should be replaced.
CD-R/CD-RW/DVD-R/DVD-RW/DVD+R/DVD+RW playback
not possible.
• Close session (finalisation) has not been performed.
- Perform finalisation and attempt playback again.
Error displays.
• Mechanical error.
- Touch [c Disc] on the Open/Tilt screen. After the error
indication disappears, insert the disc again. If the above-
mentioned solution does not solve the problem, consult your
nearest Alpine dealer.
MP3/WMA/AAC is not played back.
• Writing error occurred. The CD format is not compatible.
- Make sure the CD has been written in a supported format.
Refer to “About MP3/WMA/AAC” (pages 34 to 35), then
rewrite in the format supported by this device.
If you encounter a problem, please turn the power off, then on again.
If the unit is still not functioning normally, please review the items in
the following checklist. This guide will help you isolate the problem
if the unit is at fault. Otherwise, make sure the rest of your system is
properly connected, or then consult your authorised Alpine dealer.

87-EN
Unit does not operate.
• Condensation.
- Wait a while (about 1 hour) for the condensation to dry.
Playback does not start.
• Disc is loaded upside-down.
- Check the disc and load it with the labelled side facing upward.
•Disc is dirty.
- Clean the disc.
• A disc not able to play back with this unit is loaded.
- Check if the disc is able to be played back.
• Parental lock is set.
- Cancel the parental lock or change the rating level.
Picture is unclear or noisy.
• Disc is being fast-forwarded or fast-reversed.
- The picture may be slightly disturbed, but this is normal.
• Vehicle’s battery power is weak.
- Check the battery power and wiring.
(The unit may malfunction if the battery power is under 11
volts with a load applied.)
Image stops sometimes.
• Disc is scratched.
- Replaced with a non-scratched disc.
If this Message Appears
Various messages are displayed on the screen during operation. In
addition to the messages telling you the current status or providing
guidance for the next operation, there are also the following error
messages. If one of these error messages is displayed, carefully follow
the instructions in the solution column.
System
If you are driving, please pull over before using this
function.
• A setup operation, etc., was carried out while the vehicle was
running.
- Move the vehicle to a safe location, stop, and engage the
parking brake, then carry out this operation.
USB current error.
• Abnormal current is run to the USB connector device.
- Turn the ignition key off, and then set to ON again.
- Attempt to connect another iPod/iPhone/USB memory device.
Unable to access the DVD drive.
The system will reset.
• An access error to DVD drive occurred for some reasons.
- The unit is rebooted automatically.
Unable to access the DVD drive.
Please inquire details from the service center.
• An access error to DVD drive occurred for some reasons.
- Please ask Service Centre for help.
Audio/Visual
Read error.
Please check the Disc.
• Scratched disc, contaminated disc/poor recording/disc
incompatible with this unit.
- Touch [ Disc] on the Open/Tilt screen.
- Change the disc.
USB device error.
• An iPod/iPhone that is not supported by the unit is connected.
- Connect an iPod/iPhone that is supported by the unit.
- Reset the iPod.
• A USB device that is not supported by the unit is connected.
- Attempt to connect another USB memory device.
• Communication error.
- Turn the ignition key off, and then set to ON again.
- Check the display by reconnecting between the iPod/iPhone
and the unit, using the iPod/iPhone cable.
- Check the display by reconnecting between the USB memory
device and the unit.
• Caused by the iPod/iPhone Software Version not being
compatible with this unit.
- Update the iPod/iPhone Software Version to be compatible
with this unit.
• The iPod/iPhone is not verified.
- Change another iPod/iPhone.
Region Code Violation.
• Disc does not match regional code number.
- Load a disc that matches the regional code number.
No data.
• There are no data in the iPod/iPhone.
- Download data to the iPod/iPhone and connect to the INE-
W920R/INE-W928R.
• There are no data in the USB memory.
- Download data to the USB memory and connect to this unit.
Un-readable song was skipped.
• A copy-protected WMA file has been detected.
- You can only play back non-copy-protected files.
• A sampling rate/bit rate not supported by the unit is used.
- Use a sampling rate/bit rate supported by the unit.
BLUETOOTH
Please check BLUETOOTH audio device.
• The BLUETOOTH audio device was not connected correctly.
- Check the settings for INE-W920R/INE-W928R and the
BLUETOOTH audio device and reconnect.
Please check mobile device.
• The mobile phone was not connected correctly.
- Check the settings for INE-W920R/INE-W928R and the
mobile phone and reconnect.

88-EN
Unable to download phonebook.
• Phonebook failed to read due to mobile phone disconnection,
etc.
- Check the mobile phone connection, and then conduct
synchronising and adding again. (See page 65)
• The connected mobile phone does not support synchronising of
its phone book.
- Connect the mobile phone that supports synchronising the
phone book, then synchronise again. (See page 65)
Navigation
The vehicle’s position is erroneous.
• The GPS reception is poor.
- Drive the vehicle in an area of good GPS reception to allow the
unit to recalibrate itself. Move to a location where strong GPS
reception is possible.
No operation
• Moisture condensation
- Allow enough time for the condensation to evaporate (about 1
hour).
• Ambient Temperature
- Make sure the temperature inside the vehicle is between 0°C
and 45°C (32°F and 113°F).
Playing back a DRM protected DivX File
Some operations cannot be performed while displaying the following
message.
Authorization Error.
This player is not authorised to play this video.
• The version of the DRM protected DivX® File is not supported
by this unit.
- Play the supported DivX® File.
Rental Expired.
• The file being attempted to play has a limited number of
viewings. The viewing limit has been reached and can no longer
be played on this device. After the message has been displayed,
the beginning of the next file will automatically be played back.
This DivX rental has used XX out of YY views.
Continue?
• If the total number of viewings for this file has not been
exceeded, the views remaining is displayed.
- To play back, select [OK]. If the next file is to be played back,
select [Cancel].
Do you wish to stop playing rental file?
• While playing back a rental file, “Do you wish to stop playing
rental file?” is displayed when the following operations are
performed. Selecting [OK], reduces the number of views by 1.
• Folder Up/Down
•STOP
• Search operation
• Move to the first/last DivX® file by Chapter Up/Down
- To interrupt the playback, touch [OK], or touch [Cancel] to
not interrupt.
Audio format not supported.
• The file being played is a DivX® file with an unsupported audio
format, so only the video data is played.
-Play a DivX
® file with a supported audio format.
Video frame rate not supported.
• The file being played is a DivX® file with an unsupported frame
rate.
- Play a DivX® file with a supported frame rate.
Video resolution not supported.
• The file being played is a DivX® file with an unsupported
resolution.
- Play a DivX® file with a supported resolution.

89-EN
Specifications
MONITOR SECTION
FM TUNER SECTION
MW TUNER SECTION
LW TUNER SECTION
USB SECTION
CD/DVD SECTION
PICKUP
GPS SECTION
BLUETOOTH SECTION
GENERAL
CHASSIS SIZE (INE-W920R/INE-W928R)
NOSE SIZE (INE-W920R/INE-W928R)
•Due to continuous product improvement, specifications and design
are subject to change without notice.
•The LCD panel is manufactured using an extremely high precision
manufacturing technology. Its effective pixel ratio is over 99.99%.
This means that there is a possibility that 0.01% of the pixels could
be either always ON or OFF.
Screen Size 6.1" (INE-W920R)
8.0" (INE-W928R)
LCD Type Transparent type TN LCD
Operation System TFT active matrix
Number of Picture Elements 1,152,000 pcs. (800 × 3 × 480)
Effective Number of Picture Elements
99% or more
Illumination System LED
Tuning Range 87.5 – 108.0 MHz
Mono Usable Sensitivity 8.1 dBf (0.7 µV/75 ohms)
50 dB Quieting Sensitivity 12 dBf (1.1 µV/75 ohms)
Alternate Channel Selectivity 80 dB
Signal-to-Noise Ratio 65 dB
Stereo Separation 35 dB
Capture Ratio 2.0 dB
Tuning Range 531 – 1,602 kHz
Usable Sensitivity 25.1 µV/28 dBf
Tuning Range 153 – 281 kHz
Sensitivity (IEC Standard) 31.6 µV/30 dBf
USB requirements USB 1.1/2.0
Max. Power Consumption 1,000 mA
USB Class USB (Play From Device)/
USB (Mass Storage Class)
File System FAT12/16/32
MP3 Decoding MPEG-1/2 AUDIO Layer-3
WMA Decoding Windows Media™ Audio
AAC Decoding AAC-LC format “.m4a” file
Number of Channels 2-Channel (Stereo)
Frequency Response* 5-20,000 Hz (±1 dB)
Total Harmonic Distortion 0.008% (at 1 kHz)
Dynamic Range 95 dB (at 1 kHz)
Signal-to-Noise Ratio 100 dB
Channel Separation 85 dB (at 1 kHz)
* Frequency response may differ depending on the encoder
software/bit rate.
Frequency Response 5 – 20,000 Hz (±1 dB)
Wow & Flutter (% WRMS) Below measurable limits
Total Harmonic Distortion 0.008% (at 1 kHz)
Dynamic Range 95 dB (at 1 kHz)
Channel Separation 85 dB (at 1 kHz)
Signal system NTSC/PAL
Horizontal resolution 500 lines or greater
Video output level 1Vp-p (75 ohms)
Video S/N ratio DVD: 60 dB
Audio S/N ratio 100 dB
Wave length DVD: 666 nm
CD: 785 nm
Laser power CLASS II
GPS Reception frequency 1575.42 ±1 MHz
GPS Reception sensitivity -130 dB max.
BLUETOOTH Specification Bluetooth V2.1+EDR
Output Power +4 dBm Max. (Power class 2)
Profile HFP (Hands-Free Profile)
OPP (Object Push Profile)
PBAP (Phone Book Access Profile)
A2DP (Advanced Audio
Distribution Profile)
AVRCP (Audio/Video Remote
Control Profile)
Power Requirement 14.4 V DC
(11–16 V allowable)
Operating temperature -4°F to +140°F
(-20°C to + 60°C)
Maximum Power Output 50 W × 4
Output Voltage 2,000 mV/10k ohms (INE-W920R)
4,000 mV/10k ohms (INE-W928R)
Weight 2.26 kg (INE-W920R)
2.76 kg (INE-W928R)
Audio output level (INE-W920R/INE-W928R)
Preout (Front, Rear): 2V/10k ohms (max.)/4V/10k ohms
(max.)
Preout (Subwoofer): 2V/10k ohms (max.)/4V/10k ohms
(max.)
AUX OUT: 1.2V/10k ohms/1.2V/10k ohms
Width 178 mm / 178 mm
Height 100 mm / 100 mm
Depth 164.4 mm / 152.2 mm
Width 170 mm / 197 mm
Height 95 mm / 124.4 mm
Depth 18.5 mm / 30.2 mm

90-EN
CAUTION END USER LICENSE AGREEMENT
(Microsoft)
You have acquired a device (“DEVICE”) that includes software
licensed by Alpine Electronics, Inc. (collectively “ALPINE”) from
an affiliate of Microsoft Corporation (collectively “MS”). Those
installed software products of MS origin, as well as associated
media, printed materials, and “online” or electronic
documentation (“SOFTWARE”) are protected by international
intellectual property laws and treaties. The SOFTWARE is
licensed, not sold. All rights reserved.
IF YOU DO NOT AGREE TO THIS END USER LICENSE
AGREEMENT (“EULA”), DO NOT USE THE DEVICE OR COPY
THE SOFTWARE INSTEAD, PROMPTLY CONTACT ALPINE FOR
INSTRUCTIONS ON RETURN OF THE UNUSED DEVICE(S) FOR
A REFUND. ANY USE OF THE SOFTWARE, INCLUDING BUT
NOT LIMITED TO USE ON THE DEVICE, WILL CONSTITUTE
YOUR AGREEMENT TO THIS EULA (OR RATIFICATION OF ANY
PREVIOUS CONSENT).
GRANT OF SOFTWARE LICENSE,
This EULA grants you the following license: You may use the
SOFTWARE only on the DEVICE.
NOT FAULT TOLERANT.
THE SOFTWARE IS NOT FAULT TOLERANT. ALPINE HAS
INDEPENDENTLY DETERMINED HOW TO USE THE SOFTWARE
IN THE DEVICE, AND MS HAS RELIED UPON ALPINE TO
CONDUCT SUFFICIENT TESTING TO DETERMINE THAT THE
SOFTWARE IS SUITABLE FOR SUCH USE.
NO WARRANTIES FOR THE SOFTWARE,
THE SOFTWARE is provided “AS IS“ and with all faults. THE
ENTIRE RISK AS TO SATISFACTORY QUALITY,
PERFORMANCE, ACCURACY, AND EFFORT (INCLUDING
LACK OF NEGLIGENCE) IS WITH YOU. ALSO, THERE IS NO
WARRANTY AGAINST INTERFERENCE WITH YOUR
ENJOYMENT OF THE SOFTWARE OR AGAINST
INFRINGEMENT. IF YOU HAVE RECEIVED ANY WARRANTIES
REGARDING THE DEVICE OR SOFTWARE THOSE
WARRANTIES DO NOT ORIGINATE FROM, AND ARE NOT
BINDING ON, MS.
CLASS 1
LASER PRODUCT
(Bottom side of player)
CAUTION-Laser radiation when open, DO NOT STARE INTO BEAM
(Bottom side of player)

91-EN
NO LIABILITY FOR CERTAIN DAMAGES.
EXCEPT AS PROHIBITED BY LAW, MS SHALL HAVE NO
LIABILITY FOR ANY INDIRECT, SPECIAL, CONSEQUENTIAL
OR THE SOFTWARE. THIS LIMITATION SHALL APPLY EVEN IF
ANY REMEDY FAILS OF ITS ESSENTIAL PURPOSE. IN NO
EVENT SHALL MS BE LIABLE FOR ANY AMOUNT IN EXCESS
OF U.S. TWO HUNDRED FIFTY DOLLARS (U.S. $250.00).
LIMITATIONS ON REVERSE ENGINEERING,
DECOMPILATION, AND DISASSEMBLY
You may not reverse engineer, decompile, or disassemble the
SOFTWARE, except and only to the extent that such activity is
expressly permitted by applicable law notwithstanding this
limitation.
ADDITIONAL SOFTWARE/SERVICES.
The SOFTWARE may permit ALPINE, MS, Microsoft Corporation
or their affiliates to provide or make available to you SOFTWARE
updates, supplements, add-on components, or Internet – base
service components of the SOFTWARE after the date you obtain
your initial copy of the SOFTWARE (“Supplemental
Components”).
•If ALPINE provides or makes available to you
Supplemental Components and no other EULA terms are
provided along with the Supplemental Components, then
the terms of this EULA shall apply.
•If MS, Microsoft Corporation or their affiliates make
available Supplemental Components, and no other EULA
terms are provided, then the terms of this EULA shall
apply, except that MS, Microsoft Corporation or affiliate
entity providing the Supplemental Component(s) shall be
licensor of the Supplemental Component(s).
•ALPINE, MS, Microsoft Corporation and their affiliates
reserve the right to discontinue any Internet-based
services provided to you or made available to you through
the use of the SOFTWARE.
RECOVERY MEDIA.
If SOFTWARE is provided by ALPINE on separate media and
labelled “Recovery Media” you may use the Recovery Media
solely to restore or reinstall the SOFTWARE originally installed on
the DEVICE.
UPGRADES.
If the SOFTWARE is provided by ALPINE separate from the
DEVICE on separate media or via web download or other
means, and is labelled “For Upgrade Purposes Only” you may
install one (1) copy of such SOFTWARE onto the DEVICE as a
replacement copy for the existing SOFTWARE, and use it in
accordance with this EULA, including any additional EULA terms
accompanying the upgrade SOFTWARE.
TERMINATION.
Without prejudice to any other rights, ALPINE or MS may
terminate this EULA if you fail to comply with the terms and
conditions of this EULA. In such event, you must destroy all
copies of the SOFTWARE and all of its component parts.
INTELLECTUAL PROPERTY RIGHTS.
All title and intellectual property rights in and to the SOFTWARE
(including but not limited to any images, photographs,
animations, video, audio, music, text and “applets,”
incorporated into the SOFTWARE), the accompanying printed
materials, and any copies of the SOFTWARE, are owned by MS,
Microsoft Corporation, their affiliates or suppliers. The
SOFTWARE is licensed, not sold.
You may not copy the printed materials accompanying the
SOFTWARE. All title and intellectual property rights in and to the
content which may be accessed through use of the SOFTWARE
is the property of the respective content owner and may be
protected by applicable copyright or other intellectual property
laws and treaties. This EULA grants you no rights to use such
content. All rights not specifically granted under this EULA are
reserved by MS, Microsoft Corporation, their affiliates and
suppliers. Use of any on-line services which may be accessed
through the SOFTWARE may be governed by the respective
terms of use relating to such services. If this SOFTWARE
contains documentation that is provided only in electronic form,
you may print one copy of such electronic documentation.
TRADEMARKS.
This EULA does not grant you any rights in connection with any
trademarks or service marks of ALPINE, MS, Microsoft
Corporation, their affiliates or suppliers.
PRODUCT SUPPORT.
Product support for the SOFTWARE is not provided by MS, its
parent corporation Microsoft Corporation, or their affiliates or
subsidiaries. For product support, please refer to ALPINE
support number provided in the documentation for the DEVICE.
Should you have any questions concerning this EULA, or if you
desire to contact ALPINE for any other reason, please refer to
the address provided in the documentation for the DEVICE.
SOFTWARE TRANSFER ALLOWED BUT WITH
RESTRICTIONS.
You may permanently transfer rights under this EULA only as
part of a permanent sale or transfer of the Device, and only if the
recipient agrees to this EULA. If the SOFTWARE is an upgrade,
any transfer must also include all prior versions of the
SOFTWARE.
EXPORT RESTRICTION.
You acknowledge that SOFTWARE is of US-origin. You agree to
comply with all applicable international and national laws that
apply to the SOFTWARE, including the U.S. Export
Administration Regulations, as well as end-user, end-use and
country destination restrictions issued by U.S. and other
governments. For additional information on exporting the
SOFTWARE, see http://www.microsoft.com/exporting/

92-EN
END USER LICENSE AGREEMENT
(NAVTEQ)
PLEASE READ THIS END USER LICENSE AGREEMENT
CAREFUL BEFORE USING THE NAVTEQ DATABASE
NOTICE TO THE USER
THIS IS A LICENSE AGREEMENT - AND NOT AN AGREEMENT
FOR SALE - BETWEEN YOU AND NAVTEQ B.V. FOR YOUR
COPY OF THE NAVTEQ NAVIGABLE MAP DATABASE,
INCLUDING ASSOCIATED COMPUTER SOFTWARE, MEDIA
AND EXPLANATORY PRINTED DOCUMENTATION PUBLISHED
BY NAVTEQ (JOINTLY ”THE DATABASE”). BY USING THE
DATABASE, YOU ACCEPT AND AGREE TO ALL TERMS AND
CONDITIONS OF THIS END USER LICENSE AGREEMENT
(“AGREEMENT”). IF YOU DO NOT AGREE TO THE TERMS OF
THIS AGREEMENT, PROMPTLY RETURN THE DATABASE,
ALONG WITH ALL OTHER ACCOMPANYING ITEMS, TO YOUR
SUPPLIER FOR A REFUND.
OWNERSHIP
The Database and the copyrights and intellectual property or
neighboring rights therein are owned by NAVTEQ or its
licensors. Ownership of the media on which the Database is
contained is retained by NAVTEQ and/or your supplier until after
you have paid in full any amounts due to NAVTEQ and/or your
supplier pursuant to this Agreement or similar agreement(s)
under which goods are provided to you.
LICENSE GRANT
NAVTEQ grants you a non-exclusive license to use the Database
for your personal use or, if applicable, for use in your business’
internal operations. This license does not include the right to
grant sub-licenses.
LIMITATIONS ON USE
The Database is restricted for use in the specific system for
which it was created. Except to the extent explicitly permitted by
mandatory laws (e.g. national laws based on the European
Software Directive (91/250) and the Database Directive (96/9)),
you may not extract or reutilize substantial parts of the contents
of the Database nor reproduce, copy, modify, adapt, translate,
disassemble, decompile, reverse engineer any portion of the
Database. If you wish to obtain interoperability information as
meant in (the national laws based on) the European Software
Directive, you shall grant NAVTEQ reasonable opportunity to
provide said information on reasonable terms, including costs, to
be determined by NAVTEQ.
TRANSFER OF LICENSE
You may not transfer the Database to third parties, except when
installed in the system for which it was created or when you do
not retain any copy of the Database, and provided that the
transferee agrees to all terms and conditions of this Agreement
and confirms this in writing to NAVTEQ. Multi-disc sets may only
be transferred or sold as a complete set as provided by NAVTEQ
and not as subset thereof.
LIMITED WARRANTY
NAVTEQ warrants that, subject to the warnings set out below, for
a period of 12 months after acquisition of your copy of the
Database, it will perform substantially in accordance with
NAVTEQ’s Criteria for Accuracy and Completeness existing on
the date you acquired the Database; these criteria are available
from NAVTEQ at your request. If the Database does not perform
in accordance with this limited warranty, NAVTEQ will use
reasonable efforts to repair or replace your non-conforming copy
of the Database. If these efforts do not lead to performance of
the Database in accordance with the warranties set out herein,
you will have the option to either receive a reasonable refund of
the price you paid for the Database or to rescind this Agreement.
This shall be NAVTEQ’s entire liability and your sole remedy
against NAVTEQ. Except as expressly provided in this section,
NAVTEQ does not warrant nor make any representations
regarding the use of results of the use of the Database in terms
of its correctness, accuracy, reliability, or otherwise. NAVTEQ
does not warrant that the Database is or will be error free. No
oral or written information or advice provided by NAVTEQ, your
supplier or any other person shall create a warranty or in any
way increase the scope of the limited warranty described above.
The limited warranty set forth in this Agreement does not affect
or prejudice any statutory legal rights that you may have under
the legal warranty against hidden defects.
If you did not acquire the Database from NAVTEQ directly, you
may have statutory rights against the person from whom you
have acquired the Database in addition to the rights granted by
NAVTEQ hereunder according to the law of your jurisdiction. The
above warranty of NAVTEQ shall not affect such statutory rights
and you may assert such rights in addition to the warranty rights
granted herein.
LIMITATION OF LIABILITY
The price of the Database does not include any consideration for
assumption of risk of consequential, indirect or unlimited direct
damages which may arise in connection with your use of the
Database. Accordingly, in no event shall NAVTEQ be liable for
any consequential or indirect damages, including without
limitation, loss of revenue, data, or use, incurred by you or any
third party arising out of your use of the Database, whether in an
action in contract or tort or based on a warranty, even if NAVTEQ
has been advised of the possibility of such damages. In any
event NAVTEQ’s liability for direct damages is limited to the price
of your copy of the Database.
THE LIMITED WARRANTY AND LIMITATION OF LIABILITY, SET
FORTH IN THIS AGREEMENT, DO NOT AFFECT OR
PREJUDICE YOUR STATUTORY RIGHTS WHERE YOU HAVE
ACQUIRED THE DATABASE OTHERWISE THAN IN THE
COURSE OF A BUSINESS.
WARNINGS
The Database may contain inaccurate or incomplete information
due to the passage of time, changing circumstances, sources
used and the nature of collecting comprehensive geographic
data, any of which may lead to incorrect results. The Database
does not include or reflect information on - inter alia -
neighborhood safety; law enforcement; emergency assistance;
construction work; road or lane closures; vehicle or speed
restrictions; road slope or grade; bridge height, weight or other
limits; road or traffic conditions; special events; traffic
congestion; or travel time.

93-EN
GOVERNING LAW
This Agreement shall be governed by the laws of the jurisdiction,
in which you reside at the date of acquisition of the Database.
Should you at that moment reside outside the European Union or
Switzerland, the law of the jurisdiction within the European Union
or Switzerland where you acquired the Database shall apply. In
all other cases, or if the jurisdiction where you acquired the
Database cannot be defined, the laws of the Netherlands shall
apply. The courts competent at your place of residence at the
time you acquired the Database shall have jurisdiction over any
dispute arising out of, or relating to this Agreement, without
prejudice to NAVTEQ’s right to bring claims at your then current
place of residence.

94-EN
Installation and Connections
Before installing or connecting the unit, please read the
following and pages 8 to 13 of this manual thoroughly for
proper use.
Warning
MAKE THE CORRECT CONNECTIONS.
Failure to make the proper connections may result in fire or product
damage.
USE ONLY IN CARS WITH A 12 VOLT NEGATIVE GROUND.
(Check with your dealer if you are not sure.) Failure to do so may
result in fire, etc.
BEFORE WIRING, DISCONNECT THE CABLE FROM THE
NEGATIVE BATTERY TERMINAL.
Failure to do so may result in electric shock or injury due to
electrical shorts.
DO NOT ALLOW CABLES TO BECOME ENTANGLED IN
SURROUNDING OBJECTS.
Arrange wiring and cables in compliance with the manual to
prevent obstructions when driving. Cables or wiring that obstruct or
hang up on places such as the steering wheel, gear lever, brake
pedals, etc. can be extremely hazardous.
DO NOT SPLICE INTO ELECTRICAL CABLES.
Never cut away cable insulation to supply power to other
equipment. Doing so will exceed the current carrying capacity of
the wire and result in fire or electric shock.
DO NOT DAMAGE PIPE OR WIRING WHEN DRILLING
HOLES.
When drilling holes in the chassis for installation, take precautions
so as not to contact, damage or obstruct pipes, fuel lines, tanks or
electrical wiring. Failure to take such precautions may result in fire.
DO NOT USE BOLTS OR NUTS IN THE BRAKE OR STEERING
SYSTEMS TO MAKE GROUND CONNECTIONS.
Bolts or nuts used for the brake or steering systems (or any other
safety-related system), or tanks should NEVER be used for
installations or ground connections. Using such parts could disable
control of the vehicle and cause fire etc.
KEEP SMALL OBJECTS SUCH AS SCREWS OUT OF THE
REACH OF CHILDREN.
Swallowing them may result in serious injury. If swallowed,
consult a physician immediately.
DO NOT INSTALL IN LOCATIONS WHICH MIGHT HINDER
VEHICLE OPERATION, SUCH AS THE STEERING WHEEL OR
SHIFT LEVER.
Doing so may obstruct forward vision or hamper movement etc.
and results in serious accident.
Caution
HAVE THE WIRING AND INSTALLATION DONE BY EXPERTS.
The wiring and installation of this unit requires special technical
skill and experience. To ensure safety, always contact the dealer
where you purchased this product to have the work done.
USE SPECIFIED ACCESSORY PARTS AND INSTALL THEM
SECURELY.
Be sure to use only the specified accessory parts. Use of other than
designated parts may damage this unit internally or may not
securely install the unit in place. This may cause parts to become
loose resulting in hazards or product failure.
ARRANGE THE WIRING SO IT IS NOT CRIMPED OR
PINCHED BY A SHARP METAL EDGE.
Route the cables and wiring away from moving parts (like the seat
rails) or sharp or pointed edges. This will prevent crimping and
damage to the wiring. If wiring passes through a hole in metal, use
a rubber grommet to prevent the wire’s insulation from being cut by
the metal edge of the hole.
DO NOT INSTALL IN LOCATIONS WITH HIGH MOISTURE OR
DUST.
Avoid installing the unit in locations with high incidence of
moisture or dust. Moisture or dust that penetrates into this unit may
result in product failure.
Precautions
• Be sure to disconnect the cable from the (–) battery post before
installing your INE-W920R/INE-W928R. This will reduce any
chance of damage to the unit in case of a short-circuit.
• Be sure to connect the colour coded leads according to the
diagram. Incorrect connections may cause the unit to
malfunction or damage to the vehicle’s electrical system.
• When making connections to the vehicle’s electrical system, be
aware of the factory installed components (e.g. on-board
computer). Do not tap into these leads to provide power for this
unit. When connecting the INE-W920R/INE-W928R to the fuse
box, make sure the fuse for the intended circuit of the INE-
W920R/INE-W928R has the appropriate amperage. Failure to
do so may result in damage to the unit and/or the vehicle. When
in doubt, consult your Alpine dealer.
• The INE-W920R/INE-W928R uses female RCA-type jacks for
connection to other units (e.g. amplifier) having RCA
connectors. You may need an adaptor to connect other units. If
so, please contact your authorised Alpine dealer for assistance.
• Be sure to connect the speaker (–) leads to the speaker (–)
terminal. Never connect left and right channel speaker cables to
each other or to the vehicle body.
• The Display must be completely retracted in the casing when
installing. If it is not, problems may occur.
• When installing in automobiles, make sure the Display can open/
close without coming in contact with the gear shift.
IMPORTANT
Please record the serial number of your unit in the space provided
below and keep it as a permanent record. The serial number plate is
located on the bottom of the unit.
SERIAL NUMBER:
INSTALLATION DATE:
INSTALLATION TECHNICIAN:
PLACE OF PURCHASE:

95-EN
Installation
Caution concerning the installation location
1
Before installing, make sure that the opening and
closing of the display will not interfere with
operation of the gear shift. (INE-W928R only)
2
Angle of installation
Install at an angle between horizontal and 30°. Note
that installing at an angle outside of this range will
result in a loss of performance and possibly
damage.
3
Mounting the GPS Antenna inside the vehicle.
1 Clean the mounting location.
2 Put on the GPS Antenna mounting plate.
3 Mount the GPS Antenna.
•Mount the GPS Antenna on a flat plane of the dash board or
rear tray.
•Some thermal reflection type or thermal absorption type glass
may interrupt high frequency waves. If reception is poor with
the antenna installed inside the car, try to mount the antenna
outside the car.
•Make sure the GPS Antenna is not covered (obstructed) by any
metallic surface or object.
INE-W928R users
To install the INE-W928R, refer to the manual in the
separately purchased installation kit for each car type.
Caution
Do not block the unit’s fan or heat sink, thus preventing
air circulation. If blocked, heat will accumulate inside
the unit and may cause a fire.
Air ventilation hole
Rear of the Unit
Heat sink
<example>
Movable Display
0 -30°
Antenna mounting plate
GPS Antenna

96-EN
4
Mounting the Microphone.
For safe use, make sure of the following:
•location is stable and firm.
•driver’s view and operations are not obstructed.
•microphone is located where the driver’s voice can be easily
picked up (on the sun visor, etc.).
When you speak into the microphone, you should not have
to change your driving posture. This may cause a
distraction, taking your attention away from safely driving
your vehicle. Carefully consider direction and distance while
mounting the microphone. Confirm that the driver’s voice
can be easily picked up at the selected location.
For INE-W920R
5
Remove the mounting sleeve from the main unit (see
“Removal” on page 96).
Slide the unit into the mounting sleeve and secure it.
*1If the installed mounting sleeve is loose in the dashboard, the
pressure plates may be bent slightly to remedy the problem.
*2The supplied face plate may be mounted.
6
When your vehicle has the Bracket, mount the long
hex bolt onto the rear panel of the INE-W920R and
put the Rubber Cap on the hex bolt. If your vehicle
does not have the Mounting Support, reinforce the
head unit with the metal mounting strap (not
supplied). Secure the ground lead of the unit to a
clean metal spot using a screw (*1) already attached
to the vehicle’s chassis. Connect all the leads of the
INE-W920R according to details described in the
CONNECTION section.
•For the screw marked “*2,” use an appropriate screw for the chosen
mounting location.
7
Slide the INE-W920R into the dashboard until it
clicks. This ensures that the unit is properly locked
and will not accidentally come out from the
dashboard.
Removal
1. Insert the bracket keys into the unit, along the guides
on either side. The unit can now be removed from the
mounting sleeve.
2. Pull the unit out, keeping it unlocked as you do so.
Cable clamp
(Sold separately)
Microphone
Mounting Sleeve
(Included) Dashboard
Rubber Cap
(Included)
Face Plate*2 (Included)
This unit
Hex Bolt
(Included)
Bracket key
Pressure
Plates*1
Hex Nut (M5)
Screw
Bolt Stud
This unit
Chassis
Ground Lead
Metal
Mounting
Strap
*2
*1
This unit
Bracket keys
(Included)

97-EN
Connection Diagram of SPST Switch (sold separately)
(If the ACC power supply is not available)
•If your vehicle has no ACC power supply, add an SPST (Single-Pole, Single-Throw) switch (sold separately) and fuse (sold separately).
•The diagram and the fuse amperage shown above are in the case when INE-W920R/INE-W928R is used individually.
•If the switched power (ignition) lead of the INE-W920R/INE-W928R is connected directly to the positive (+) post of the vehicle’s battery, the INE-
W920R/INE-W928R draws some current (several hundred milliamperes) even when its switch is placed in the OFF position, and the battery may be
discharged.
INE-W920R/
INE-W928R
(Red)
(Yellow)
SPST SW (Optional) FUSE (5A)
(Optional)
FUSE (20A)
(Optional)
Battery
ACC
BATTERY
To prevent external noise from entering the audio system.
•Locate the unit and route the leads at least 10 cm away from the car harness.
•Keep the battery power leads as far away from other leads as possible.
•Connect the ground lead securely to a bare metal spot (remove any paint, dirt or grease if necessary) of the car chassis.
•If you add an optional noise suppressor, connect it as far away from the unit as possible. Your Alpine dealer carries various
noise suppressors, contact them for further information.
•Your Alpine dealer knows best about noise prevention measures so consult your dealer for further information.

98-EN
Connections
For INE-W920R
*1Currently, TOPVIEW is not being used.
To remote output lead
To the vehicle speed pause line
(Brown)
(Green/White)
(Blue/White)
(Blue)
(Yellow/Blue)
(Yellow)
(Black)
To amplifier or equalizer
Rear left
REMOTE IN
SPEED SENSOR
CAMERA1
REMOTE TURN-ON
POWER ANT
PARKING BRAKE
BATTERY
GND
ISO Antenna Plug
IGNITION
(Red)
To remote input lead
To power antenna
To the parking brake
signal lead
Battery
(Green/Black)
Ignition key
(Yellow)
(Red)
(White)
(Yellow)
(Red)
(White)
Amplifier
Amplifier
Amplifier
Rear Left
Rear Right
Front Left
Front Right
Subwoofers
To Front/Rear camera
To Audio Input terminals
(R, L)
To Audio Output terminals
(R, L)
To Video Input terminal
To Video Output terminal
(Brown)
REMOTE OUT
CAMERA2
CAMERA SW
To Rear/Other/camera
TOPVIEW Camera Switch connector
*
1
Microphone (Included)
(Green)
Front left
Front right
Rear right
(White/Black)
(White)
(Grey)
(Grey/Black)
(Violet)
(Violet/Black)
Speakers
Antenna
To plus side of the back
lamp signal lead of the car
(Orange/White)
REVERSE

99-EN
Radio Antenna Receptacle
ISO/JASO Antenna Adapter (sold separately)
ISO/JASO Antenna Adapter may be required, depending on
the vehicle.
Remote Control Output Lead (Brown)
Connect this lead to the remote control input lead. This lead
outputs the controlling signals from the remote control.
Remote Control Input Lead (Brown)
Connect the external Alpine product to the remote control
output lead.
Speed Sensor Lead (Green/White)
Improper connection of the speed pulse line may cause
important safety features of the vehicle to fail (such as the
brakes or air bags). Such failures may result in an accident
and loss of life. We strongly recommend that the installation
be performed by a trained, authorised Alpine dealer.
Direct CAMERA Input Connector
Use when the optional direct camera is connected.
CAMERA Input RCA Connector (Yellow)
Use when connecting a camera with RCA Output
Connector.
Camera Switch Lead
Video Input Connector (AUX INPUT) (Yellow)
Input the video.
Audio Input Connectors (AUX INPUT)
RED is right and WHITE is left input the audio.
Video Output Connector (AUX OUTPUT) (Yellow)
Output the video.
Audio Output Connectors (AUX OUTPUT)
RED is right and WHITE is left output the audio.
Rear Output RCA Connectors
It can be used as Rear Output RCA Connectors. RED is
right and WHITE is left.
Front Output RCA Connectors
It can be used as Front Output RCA Connectors. RED is
right and WHITE is left.
Subwoofer RCA Connectors
RED is right and WHITE is left.
RCA Extension Cable (sold separately)
Steering Remote Control Interface Connector
To steering remote control interface box.
For details about connections, consult your nearest Alpine
dealer.
GPS antenna Receptacle
Connect to separately sold GPS antenna (included).
iPod VIDEO Input Connector
Input the iPod/ iPhone video signal or AUX video/audio
signal.
•Set “AUX3 In Sel.” (page 55) to “iPod Video” when an
iPod/iPhone is connected.
•Set “AUX3 In Sel.” (page 55) to “AUX3” when AUX video/
audio is input.
Vehicle Display Interface Connector
Outputs Vehicle Display Interface control signals. Connect
this to the optional Vehicle Display Interface box.
For details about connections, consult your nearest Alpine
dealer.
MIC Input Connector
To Microphone (Included).
USB Connector
To USB Memory or iPod/iPhone or Nokia Phone.
Power Supply Connector
Remote Turn-On Lead (Blue/White)
Connect this lead to the remote turn-on lead of your
amplifier or signal processor.
Reverse Lead (Orange/White)
Connect to the plus side of the car’s reverse lamp. This
lamp illuminates when the transmission is shifted into
reverse (R).
With this lead properly wired, the video picture
automatically switches to the rear camera whenever the car
is put into reverse (R).
Parking Brake Lead (Yellow/Blue)
Connect this lead to the power supply side of the parking
brake switch to transmit the parking brake status signals to
the INE-W920R/INE-W928R.
ISO Power Supply Connector
Switched Power Lead (Ignition) (Red)
Connect this lead to an open terminal on the vehicle’s fuse
box or another unused power source which provides (+)
12V only when the ignition is turned on or in the accessory
position.
Ground Lead (Black)
Connect this lead to a good chassis ground on the vehicle.
Make sure the connection is made to bare metal and is
securely fastened using the sheet metal screw provided.
Power Antenna Lead (Blue)
Connect this lead to the +B terminal of your power antenna,
if applicable.
•This lead should be used only for controlling the vehicle’s power
antenna. Do not use this lead to turn on an amplifier or a signal
processor, etc.
Battery Lead (Yellow)
Connect this lead to the positive (+) post of the vehicle’s
battery.
Fuse Holder (15A)
ISO Connector (Speaker Output)
Left Rear (+) Speaker Output Lead (Green)
Left Rear (–) Speaker Output Lead (Green/Black)
Left Front (+) Speaker Output Lead (White)
Left Front (–) Speaker Output Lead (White/Black)
Right Front (–) Speaker Output Lead (Grey/Black)
Right Front (+) Speaker Output Lead (Grey)
Right Rear (–) Speaker Output Lead (Violet/Black)
Right Rear (+) Speaker Output Lead (Violet)
CAMERA Connector
AUX/PRE OUT Connector

100-EN
For INE-W928R
*1Currently, TOPVIEW is not being used.
To remote output lead
To the vehicle speed pause line
(Brown)
(Green/White)
(Blue/White)
(Blue)
(Yellow/Blue)
(Yellow)
(Black)
To amplifier or equalizer
Rear left
REMOTE IN
SPEED SENSOR
CAMERA1
REMOTE TURN-ON
POWER ANT
PARKING BRAKE
BATTERY
GND
ISO Antenna Plug
IGNITION
(Red)
To remote input lead
To power antenna
To the parking brake
signal lead
Battery
(Green/Black)
Ignition key
(Yellow)
(Red)
(White)
(Yellow)
(Red)
(White)
Amplifier
Amplifier
Amplifier
Rear Left
Rear Right
Front Left
Front Right
Subwoofers
To Front/Rear camera
To Audio Input terminals
(R, L)
To Audio Output terminals
(R, L)
To Video Input terminal
To Video Output terminal
(Brown)
REMOTE OUT
CAMERA2
CAMERA SW
To Rear/Other/camera
TOPVIEW Camera Switch connector
*
1
Microphone (Included)
(Green)
Front left
Front right
Rear right
(White/Black)
(White)
(Grey)
(Grey/Black)
(Violet)
(Violet/Black)
Speakers
Antenna
To plus side of the back
lamp signal lead of the car
(Orange/White)
REVERSE
To steering remote control interface
box

101-EN
Radio Antenna Receptacle
ISO/JASO Antenna Adapter (sold separately)
ISO/JASO Antenna Adapter may be required, depending on
the vehicle.
Remote Control Output Lead (Brown)
Connect this lead to the remote control input lead. This lead
outputs the controlling signals from the remote control.
Remote Control Input Lead (Brown)
Connect the external Alpine product to the remote control
output lead.
Speed Sensor Lead (Green/White)
Improper connection of the speed pulse line may cause
important safety features of the vehicle to fail (such as the
brakes or air bags). Such failures may result in an accident
and loss of life. We strongly recommend that the installation
be performed by a trained, authorised Alpine dealer.
Direct CAMERA Input Connector
Use when the optional direct camera is connected.
CAMERA Input RCA Connector (Yellow)
Use when connecting a camera with RCA Output
Connector.
Camera Switch Lead
Steering Remote Control Interface Connector
To steering remote control interface box.
For details about connections, consult your nearest Alpine
dealer.
Video Input Connector (AUX INPUT) (Yellow)
Input the video.
Audio Input Connectors (AUX INPUT)
RED is right and WHITE is left input the audio.
Video Output Connector (AUX OUTPUT) (Yellow)
Output the video.
Audio Output Connectors (AUX OUTPUT)
RED is right and WHITE is left output the audio.
Rear Output RCA Connectors
It can be used as Rear Output RCA Connectors. RED is
right and WHITE is left.
Front Output RCA Connectors
It can be used as Front Output RCA Connectors. RED is
right and WHITE is left.
Subwoofer RCA Connectors
RED is right and WHITE is left.
RCA Extension Cable (sold separately)
GPS antenna Receptacle
Connect to separately sold GPS antenna (included).
iPod VIDEO Input Connector
Input the iPod/ iPhone video signal or AUX video/audio
signal.
•Set “AUX3 In Sel.” (page 55) to “iPod Video” when an
iPod/iPhone is connected.
•Set “AUX3 In Sel.” (page 55) to “AUX3” when AUX video/
audio is input.
Vehicle Display Interface Connector
Outputs Vehicle Display Interface control signals. Connect
this to the optional Vehicle Display Interface box.
For details about connections, consult your nearest Alpine
dealer.
MIC Input Connector
To Microphone (Included).
USB Connector
To USB Memory or iPod/iPhone or Nokia Phone.
Power Supply Connector
Remote Turn-On Lead (Blue/White)
Connect this lead to the remote turn-on lead of your
amplifier or signal processor.
Reverse Lead (Orange/White)
Connect to the plus side of the car’s reverse lamp. This
lamp illuminates when the transmission is shifted into
reverse (R).
With this lead properly wired, the video picture
automatically switches to the rear camera whenever the car
is put into reverse (R).
Parking Brake Lead (Yellow/Blue)
Connect this lead to the power supply side of the parking
brake switch to transmit the parking brake status signals to
the INE-W920R/INE-W928R.
ISO Power Supply Connector
Switched Power Lead (Ignition) (Red)
Connect this lead to an open terminal on the vehicle’s fuse
box or another unused power source which provides (+)
12V only when the ignition is turned on or in the accessory
position.
Ground Lead (Black)
Connect this lead to a good chassis ground on the vehicle.
Make sure the connection is made to bare metal and is
securely fastened using the sheet metal screw provided.
Power Antenna Lead (Blue)
Connect this lead to the +B terminal of your power antenna,
if applicable.
•This lead should be used only for controlling the vehicle’s power
antenna. Do not use this lead to turn on an amplifier or a signal
processor, etc.
Battery Lead (Yellow)
Connect this lead to the positive (+) post of the vehicle’s
battery.
Fuse Holder (15A)
ISO Connector (Speaker Output)
Left Rear (+) Speaker Output Lead (Green)
Left Rear (–) Speaker Output Lead (Green/Black)
Left Front (+) Speaker Output Lead (White)
Left Front (–) Speaker Output Lead (White/Black)
Right Front (–) Speaker Output Lead (Grey/Black)
Right Front (+) Speaker Output Lead (Grey)
Right Rear (–) Speaker Output Lead (Violet/Black)
Right Rear (+) Speaker Output Lead (Violet)
CAMERA Connector
AUX/PRE OUT Connector

102-EN
System Example
Connection of a USB Memory or NOKIA Phone
•Do not leave USB memory, in a vehicle for a long time. Heat and humidity may damage the USB memory.
Connection of an iPod/iPhone
*1If iPod VIDEO is supported, use the iPod VIDEO extension cable.
•To connect an iPod/iPhone, an optional connection kit KCU-461iV is required.
•Do not leave a iPod/iPhone in a vehicle for a long time. Heat and humidity may damage the iPod/iPhone and you may not be able to play it again.
USB Memory (Sold separately)
USB extension cable
(Included)
USB connector
GPS Antenna (included)
or
Nokia Phone
connection kit
KCU-230NK
(Sold separatery)
Nokia Phone
(Sold separately)
USB connector
USB extension cable (Included)
iPod VIDEO AV extension cable*1
(Sold separately) (KCU-461iV) Connection kit KCU-461iV
(Sold separately)
iPod/iPhone
(Sold separately)
iPod VIDEO input
connector

103-EN
Connection of an External device
1Video/Audio Input Connectors (AUX INPUT)
2Video/Audio Output Connectors (AUX OUTPUT)
Use when connecting an optional monitor etc.
3RCA Extension Cable (Sold Separately)
4Remote Control Input Lead (Brown)
Connect this lead to the remote control output lead. This
lead inputs the controlling signals from the remote control.
5Remote Control Output Lead (Brown)
Connect this lead to the remote control input lead. This lead
outputs the controlling signals from the remote control.
•You can change the name of an external device. Refer to “Setting the AUX Mode” (page 55).
Camera Connector
AUX/PRE OUT Connector
AUX/PRE OUT cable
(Yellow)
(Red)
(White)
(Yellow)
(Red)
(White)
To Video Output terminal
To Audio Output terminal
DVD Changer (Sold separately)
To Video Input terminal
To Audio Input terminal
Rear monitor (Sold separately)
Camera cable
REMOTE OUT
(Brown)
REMOTE IN
(White/Brown)
REMOTE IN
(Brown)
REMOTE OUT
(White/Brown)

104-EN
Connection of a Mobile Digital TV Receiver/USB Player and DVD Changer
1Video/Audio Input Connectors (AUX INPUT)
2RCA Extension Cable (Sold Separately)
3Remote Control Output Lead (Brown)
Connect this lead to the remote control input lead. This lead
outputs the controlling signals from the remote control.
4AV/RCA interface cable (4-pole mini AV plug to 3-
RCA) (sold separately)
5Video/Audio Input Connectors
YELLOW is for input video, RED is right and WHITE is left
input the audio.
•You can connect one more external input device only when the “Primary Name” is set to “DVB-T” or “USB Player.” Refer to “Setting the Primary
AUX Name (AUX Setup)” (page 55).
•To connect an external input device to the iPod VIDEO connector, set “AUX3 In Sel.” to “AUX3.” Refer to “Setting the AUX3” (page 55).
Camera Connector
AUX/PRE OUT Connector
AUX/PRE OUT cable
(Yellow)
(Red)
(White)
iPod VIDEO input connector
To Audio Input
Terminal
Mobile Digital
TV Receiver
(Sold
separately)
or
USB Player
(sold
separately)
Camera cable
REMOTE OUT
(Brown)
REMOTE IN
(White/Brown)
REMOTE OUT
(White/Brown)
REMOTE IN
(White/Brown)
To Video Output terminal
To Audio Output Terminal
To Video Output terminal
To Audio Output
Terminal
DVD Changer
(Sold
separately)
To Video Output terminal
DVD Player
(sold separately)
To Audio Output terminal
To Video Input Terminal
DVE-5207, etc.

105-EN
Connection of an External Amplifier
1Front Output RCA Connectors
RED is right and WHITE is left.
2Rear Output RCA Connectors
RED is right and WHITE is left.
3Subwoofer RCA Connector
4RCA Extension Cable (Sold separately)
AUX/PRE OUT Connector
Power Supply Connector
AUX/PRE OUT cable
(Red)
(White)
Amplifier 4 ch (Sold separately)
Input
Input
Front speaker
Rear speaker
REMOTE TURN-ON
(Blue/White)
Power cable
Amplifier for subwoofer (Sold separately)
Input Subwoofer
(Red)
(White)
REMOTE ON
(Blue/White)
REMOTE ON
(Blue/White)
(Red)
(White)

106-EN
Connection of cameras (Direct camera and AUX camera)
1Direct CAMERA Input Connector
2Camera extension cable (Included with direct
rearview camera)
3CAMERA Input RCA Connector
4RCA Extension Cable (sold separately)
Camera Connector
CAMERA 1
CAMERA 2
Camera cable
Direct rearview camera (sold
separately)
Camera with RCA video output (sold
separately)
To Video Output terminal
HCE-C117D, etc.

107-EN
Connection of cameras (HCE-C212F + HCE-C210RD or HCE-C200F + HCE-C200R)
1Video/Audio Input Connectors (AUX INPUT)
2RCA Extension Cable (sold separately)
•When the screen switches from the front view camera image to the Navigation screen, the location of your vehicle may not be displayed correctly.
AUX/PRE OUT Connector
REVERSE
To plus side of the back lamp
signal lead of the car.
(Yellow)
(Red)
Control Unit
To Video Output Terminal
AUX/PRE OUT Cable
(White)
(Orange/White)
Camera Control Lead
(Orange/Black)