Benefon E Delta Service Manual TDP 40 TN2 SM En
User Manual: benefon Delta - Service Manual Free User Guide for Benefon Mobile Phone, Manual
Open the PDF directly: View PDF
.
Page Count: 208 [warning: Documents this large are best viewed by clicking the View PDF Link!]
- 1.0 GENERAL 1 - 1
- 2.0 OWNER’S MANUAL 2 - 1
- 3.0 INSTALLATION INSTRUCTIONS 3 - 1
- 4.0 LOCAL SERVICE-COMMANDS 4 - 1
- 5.0 TUNING INSTRUCTIONS 5 - 1
- 6.0 PHONE’S CONSTRUCTION 6 - 1
- 7.0 CHARGING 7 - 1
- 8.0 CAR ASSEMBLY KIT 8 - 1
- 9.0 OFFICE SET 9 - 1
- 10.0 OTHER ACCESSORIES 10 - 1
- 1.0 GENERAL
- 2.0 OWNER’S MANUAL
- 3.0 INSTALLATION INSTRUCTIONS
- 4.0 LOCAL SERVICE-COMMANDS
- 4.0.1 Keyboard
- 4.0.2 Commands
- 4.0.2.1 Installation and Sales.
- 4.0.2.2 Service and Testing 0...
- 4.0.2.3 Logic Tests 1..
- 4.0.2.4 Audio 2..
- 4.0.2.5 RF 3..., 4...
- 4.0.2.6 Equipment and Accessory Tests 5...
- 4.0.2.7 Other Commands 6..., 7...
- 4.0.2.8 Clearing Memories 8...
- 4.0.2.9 Sleep Timer
- 4.0.2.10 SIS Commands
- 4.0.2.11 Updating the Local Box
- 4.0.3 Error Messages
- 5.0 TUNING INSTRUCTIONS
- 5.0.1 Watchdog Activation
- 5.0.2 Battery Voltage Calibration
- 5.0.3 TX-Power Level Adjustment
- 5.0.4 Frequency Adjustment
- 5.0.5 Learning the 1 kHz Frequency Shift
- 5.0.6 Tuning the Receiver
- 5.0.7 Fsk-Split Level Programming
- 5.0.8 Rssi-Level Programming
- 5.0.9 TX Audio Tuning
- 5.0.10 Microphone Level Adjustment
- 5.0.11 FFSKT Deviation Adjustment
- 5.0.12 FII Deviation Adjustment
- 5.0.13 DTMF Deviation Adjustment
- 5.0.14 Subscriber Number Programming
- 5.0.15 Select Battery Type
- 6.0 PHONE’S CONSTRUCTION
- 6.1 MECHANICS
- 6.2 LOGIC / AUDIO
- Processor
- 6.2.1 General
- 6.2.2 Connectors:
- 6.2.3 Circuit Diagram
- 6.2.4 Functions
- 6.2.4.1 CPU
- 6.2.4.2 Memories
- 6.2.4.3 The Modem
- 6.2.4.4 AFC
- 6.2.4.5 Sleep Timer
- 6.2.4.6 Warm Start
- 6.2.4.7 RESET
- 6.2.4.8 Power Switch
- 6.2.4.9 Battery Voltage Measurement
- 6.2.4.10 I/O ports
- 6.2.4.11 Tone Generator
- 6.2.4.12 SIS
- 6.2.4.13 Power Adjustment
- 6.2.4.14 Charging Control
- 6.2.4.15 Temperature Measurement
- 6.2.4.16 Real-time Clock
- Audio
- Processor
- 6.3 RF MODULE
- 6.4 BATTERIES
- 7.0 CHARGING
- 8.0 CAR ASSEMBLY KIT
- 9.0 OFFICE SET
- 10.0 OTHER ACCESSORIES

28.1.1999
Tdp40enTOC.fm 1
Product: TDP-40-TN2 (Delta) /
SERVICE MANUAL
BENEFON DELTA
TDP-40-TN2

28.1.1999
Tdp40enTOC.fm 2
Product: TDP-40-TN2 (Delta) /
TDP-40-TN2
1.0 GENERAL . . . . . . . . . . . . . . . . . . . . . . . . . . . . . . . . . . 1 - 1
1.1 TECHNICAL INFORMATION . . . . . . . . . . . . . . . . . . . . 1 - 1
1.1.1 Operational System . . . . . . . . . . . . . . . . . . . . . . . . . . . . . . . . . . 1 - 1
1.1.2 Dimensions . . . . . . . . . . . . . . . . . . . . . . . . . . . . . . . . . . . . . . . . 1 - 1
1.1.3 Power Consumption . . . . . . . . . . . . . . . . . . . . . . . . . . . . . . . . . . 1 - 1
1.1.4 Accessories . . . . . . . . . . . . . . . . . . . . . . . . . . . . . . . . . . . . . . . . 1 - 1
1.1.5 Ringing Tones . . . . . . . . . . . . . . . . . . . . . . . . . . . . . . . . . . . . . . 1 - 2
1.1.6 Memory . . . . . . . . . . . . . . . . . . . . . . . . . . . . . . . . . . . . . . . . . . . 1 - 2
1.1.7 Clock . . . . . . . . . . . . . . . . . . . . . . . . . . . . . . . . . . . . . . . . . . . . . 1 - 2
1.1.8 Pager . . . . . . . . . . . . . . . . . . . . . . . . . . . . . . . . . . . . . . . . . . . . . 1 - 2
1.1.9 Other Functions . . . . . . . . . . . . . . . . . . . . . . . . . . . . . . . . . . . . . 1 - 2
1.1.10 Additional Exchange-Based Features . . . . . . . . . . . . . . . . . . . 1 - 3
1.1.11 Manufacturer . . . . . . . . . . . . . . . . . . . . . . . . . . . . . . . . . . . . . . 1 - 3
1.2 PRODUCT FAMILY CONSISTS OF . . . . . . . . . . . . . . 1 - 4
2.0 OWNER’S MANUAL . . . . . . . . . . . . . . . . . . . . . . . . . . 2 - 1
3.0 INSTALLATION INSTRUCTIONS . . . . . . . . . . . . . . . 3 - 1
3.1 Identification Memory Programming . . . . . . . . . . . . . . 3 - 2
3.1.1 Program the Subscriber Number . . . . . . . . . . . . . . . . . . . . . . . . 3 - 2
3.1.2 Program the Password Code . . . . . . . . . . . . . . . . . . . . . . . . . . . 3 - 2
3.1.3 Program the Serial Number . . . . . . . . . . . . . . . . . . . . . . . . . . . . 3 - 2
3.1.4 Program the Date of Sale . . . . . . . . . . . . . . . . . . . . . . . . . . . . . . 3 - 2
3.1.5 Program the Display-Own-Number . . . . . . . . . . . . . . . . . . . . . . 3 - 3
3.1.6 Often Used Local Commands . . . . . . . . . . . . . . . . . . . . . . . . . . 3 - 3
3.2 DELTA CAR KIT . . . . . . . . . . . . . . . . . . . . . . . . . . . . . 3 - 4
3.2.1 Antenna . . . . . . . . . . . . . . . . . . . . . . . . . . . . . . . . . . . . . . . . . . . 3 - 4
3.2.2 Phone Holder HDH-40 . . . . . . . . . . . . . . . . . . . . . . . . . . . . . . . . 3 - 4
3.2.3 Microphone . . . . . . . . . . . . . . . . . . . . . . . . . . . . . . . . . . . . . . . . 3 - 4
3.2.4 Cable . . . . . . . . . . . . . . . . . . . . . . . . . . . . . . . . . . . . . . . . . . . . . 3 - 4
3.2.5 External Handset HDS-50 . . . . . . . . . . . . . . . . . . . . . . . . . . . . . 3 - 5
3.2.6 Car Box CIU-40 . . . . . . . . . . . . . . . . . . . . . . . . . . . . . . . . . . . . . 3 - 5
3.2.7 Hf Speaker . . . . . . . . . . . . . . . . . . . . . . . . . . . . . . . . . . . . . . . . . 3 - 5

28.1.1999
Tdp40enTOC.fm 3
Product: TDP-40-TN2 (Delta) /
3.3 HF-FUNCTION . . . . . . . . . . . . . . . . . . . . . . . . . . . . . . . 3 - 7
3.3.1 CAR KIT TUNING AND OFFICE SET TUNING (theory) . . . . . . 3 - 7
3.3.2 CAR KIT SWING AND OFFICE SET SWING (theory) . . . . . . . 3 - 9
3.3.3 Voice Controlled HF Installation . . . . . . . . . . . . . . . . . . . . . . . . 3 - 10
3.4 Light Car Installation Kit . . . . . . . . . . . . . . . . . . . . . . . 3 - 12
3.5 Questions and Answers . . . . . . . . . . . . . . . . . . . . . . . 3 - 13
4.0 LOCAL SERVICE-COMMANDS . . . . . . . . . . . . . . . . . 4 - 1
4.0.1 Keyboard . . . . . . . . . . . . . . . . . . . . . . . . . . . . . . . . . . . . . . . . . . 4 - 1
4.0.2 Commands . . . . . . . . . . . . . . . . . . . . . . . . . . . . . . . . . . . . . . . . . 4 - 1
4.0.3 Error Messages . . . . . . . . . . . . . . . . . . . . . . . . . . . . . . . . . . . . 4 - 11
5.0 TUNING INSTRUCTIONS . . . . . . . . . . . . . . . . . . . . . . 5 - 1
5.0.1 Watchdog Activation . . . . . . . . . . . . . . . . . . . . . . . . . . . . . . . . . 5 - 1
5.0.2 Battery Voltage Calibration . . . . . . . . . . . . . . . . . . . . . . . . . . . . 5 - 1
5.0.3 TX-Power Level Adjustment . . . . . . . . . . . . . . . . . . . . . . . . . . . . 5 - 1
5.0.4 Frequency Adjustment . . . . . . . . . . . . . . . . . . . . . . . . . . . . . . . . 5 - 1
5.0.5 Learning the 1 kHz Frequency Shift . . . . . . . . . . . . . . . . . . . . . . 5 - 2
5.0.6 Tuning the Receiver . . . . . . . . . . . . . . . . . . . . . . . . . . . . . . . . . . 5 - 2
5.0.7 Fsk-Split Level Programming . . . . . . . . . . . . . . . . . . . . . . . . . . . 5 - 2
5.0.8 Rssi-Level Programming . . . . . . . . . . . . . . . . . . . . . . . . . . . . . . 5 - 2
5.0.9 TX Audio Tuning . . . . . . . . . . . . . . . . . . . . . . . . . . . . . . . . . . . . 5 - 3
5.0.10 Microphone Level Adjustment . . . . . . . . . . . . . . . . . . . . . . . . . 5 - 3
5.0.11 FFSKT Deviation Adjustment . . . . . . . . . . . . . . . . . . . . . . . . . . 5 - 3
5.0.12 FII Deviation Adjustment . . . . . . . . . . . . . . . . . . . . . . . . . . . . . 5 - 3
5.0.13 DTMF Deviation Adjustment . . . . . . . . . . . . . . . . . . . . . . . . . . 5 - 4
5.0.14 Subscriber Number Programming . . . . . . . . . . . . . . . . . . . . . . 5 - 4
5.0.15 Select Battery Type . . . . . . . . . . . . . . . . . . . . . . . . . . . . . . . . . 5 - 4
6.0 PHONE’S CONSTRUCTION . . . . . . . . . . . . . . . . . . . . 6 - 1
6.1 MECHANICS . . . . . . . . . . . . . . . . . . . . . . . . . . . . . . . . 6 - 2
6.1.1 Front Cover . . . . . . . . . . . . . . . . . . . . . . . . . . . . . . . . . . . . . . . . 6 - 2
6.1.2 Back Cover . . . . . . . . . . . . . . . . . . . . . . . . . . . . . . . . . . . . . . . . . 6 - 2
6.1.3 Type plate . . . . . . . . . . . . . . . . . . . . . . . . . . . . . . . . . . . . . . . . . 6 - 2
6.1.4 Antennas . . . . . . . . . . . . . . . . . . . . . . . . . . . . . . . . . . . . . . . . . . 6 - 2
6.2 LOGIC / AUDIO . . . . . . . . . . . . . . . . . . . . . . . . . . . . . . 6 - 3

28.1.1999
Tdp40enTOC.fm 4
Product: TDP-40-TN2 (Delta) /
6.2.1 General . . . . . . . . . . . . . . . . . . . . . . . . . . . . . . . . . . . . . . . . . . . 6 - 3
6.2.2 Connectors: . . . . . . . . . . . . . . . . . . . . . . . . . . . . . . . . . . . . . . . . 6 - 4
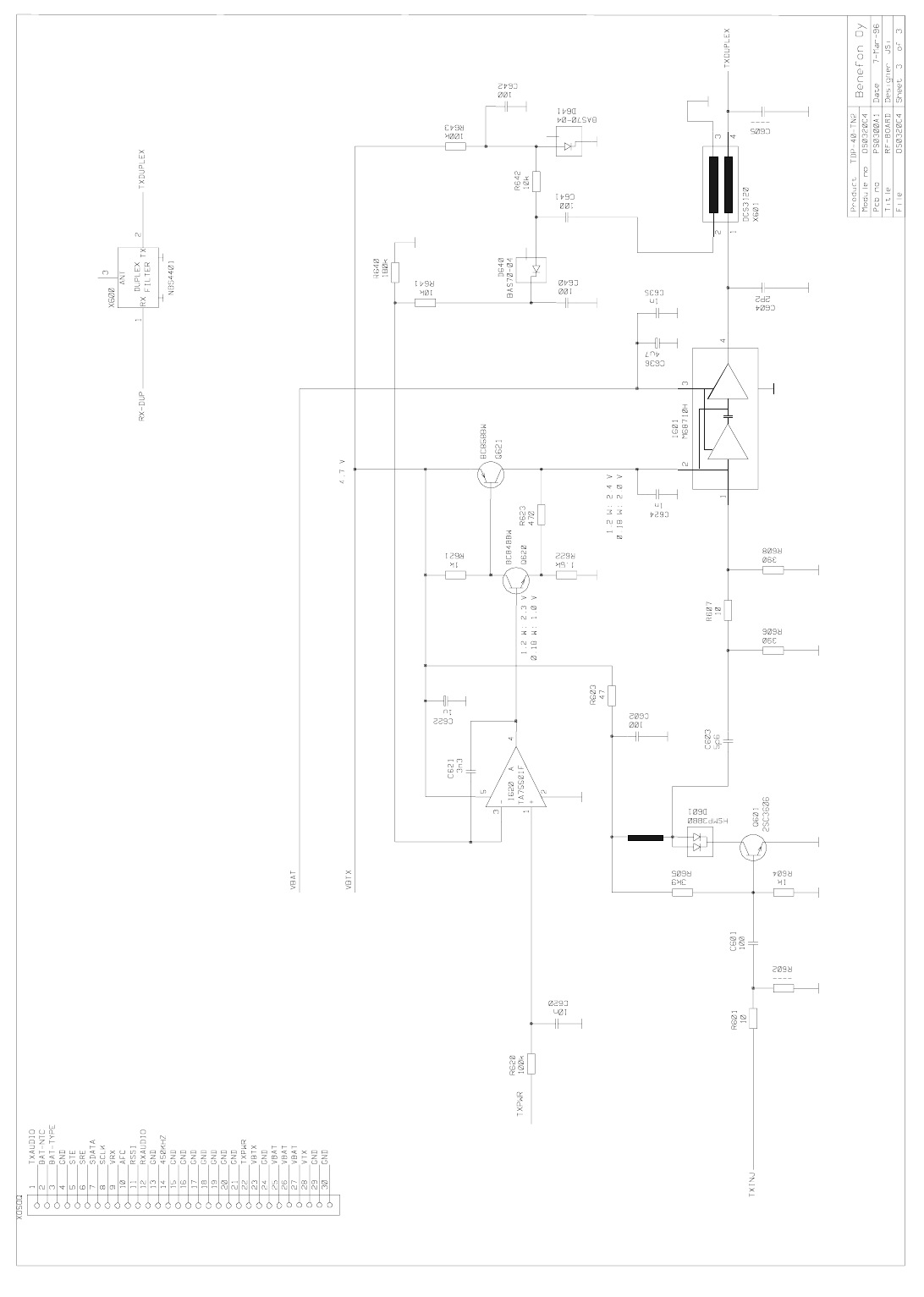
6.2.3 Circuit Diagram . . . . . . . . . . . . . . . . . . . . . . . . . . . . . . . . . . . . . 6 - 6
6.2.4 Functions . . . . . . . . . . . . . . . . . . . . . . . . . . . . . . . . . . . . . . . . . . 6 - 6
6.2.5 Function Description . . . . . . . . . . . . . . . . . . . . . . . . . . . . . . . . 6 - 10
6.2.6 Audio Module Tuning Instructions . . . . . . . . . . . . . . . . . . . . . . 6 - 14
6.2.7 Audio Locals . . . . . . . . . . . . . . . . . . . . . . . . . . . . . . . . . . . . . . . 6 - 16
6.2.8 Audio Gate Controls . . . . . . . . . . . . . . . . . . . . . . . . . . . . . . . . . 6 - 18
6.2.9 Parts list . . . . . . . . . . . . . . . . . . . . . . . . . . . . . . . . . . . . . . . . . . 6 - 22
6.3 RF MODULE . . . . . . . . . . . . . . . . . . . . . . . . . . . . . . . 6 - 37
6.3.1 General . . . . . . . . . . . . . . . . . . . . . . . . . . . . . . . . . . . . . . . . . . 6 - 37
6.3.2 Functional Description . . . . . . . . . . . . . . . . . . . . . . . . . . . . . . . 6 - 37
6.3.3 Control- and Output-Signals . . . . . . . . . . . . . . . . . . . . . . . . . . . 6 - 37
6.3.4 General . . . . . . . . . . . . . . . . . . . . . . . . . . . . . . . . . . . . . . . . . . 6 - 38
6.3.5 Function Description . . . . . . . . . . . . . . . . . . . . . . . . . . . . . . . . 6 - 38
6.3.6 Control- and Output-Signals . . . . . . . . . . . . . . . . . . . . . . . . . . . 6 - 39
6.3.7 General . . . . . . . . . . . . . . . . . . . . . . . . . . . . . . . . . . . . . . . . . . 6 - 40
6.3.8 Input- and Output-Signals . . . . . . . . . . . . . . . . . . . . . . . . . . . . 6 - 41
6.3.9 RSSI-Level Adjustment . . . . . . . . . . . . . . . . . . . . . . . . . . . . . . 6 - 41
6.3.10 General . . . . . . . . . . . . . . . . . . . . . . . . . . . . . . . . . . . . . . . . . 6 - 42
6.3.11 Function Description . . . . . . . . . . . . . . . . . . . . . . . . . . . . . . . 6 - 42
6.3.12 Control- and Output-Singnals . . . . . . . . . . . . . . . . . . . . . . . . . 6 - 42
6.3.13 Tuning . . . . . . . . . . . . . . . . . . . . . . . . . . . . . . . . . . . . . . . . . . 6 - 42
6.3.14 Parts list . . . . . . . . . . . . . . . . . . . . . . . . . . . . . . . . . . . . . . . . . 6 - 46
6.3.15 Parts list of Regulator . . . . . . . . . . . . . . . . . . . . . . . . . . . . . . . 6 - 54
6.3.16 Parts list of Antenna Switch Unit . . . . . . . . . . . . . . . . . . . . . . 6 - 59
6.4 BATTERIES . . . . . . . . . . . . . . . . . . . . . . . . . . . . . . . . 6 - 62
6.4.1 BATTERY PACK . . . . . . . . . . . . . . . . . . . . . . . . . . . . . . . . . . . 6 - 63
6.4.2 Parts list . . . . . . . . . . . . . . . . . . . . . . . . . . . . . . . . . . . . . . . . . . 6 - 64
7.0 CHARGING . . . . . . . . . . . . . . . . . . . . . . . . . . . . . . . . . 7 - 1
7.1 MAINS CHARGER CMA-50-230 . . . . . . . . . . . . . . . . . 7 - 2
7.2 LIGHTER SOCKET CHARGER CCS-50-12 . . . . . . . . 7 - 3
7.3 DESKTOP CHARGER . . . . . . . . . . . . . . . . . . . . . . . . . 7 - 4
7.3.1 General . . . . . . . . . . . . . . . . . . . . . . . . . . . . . . . . . . . . . . . . . . . 7 - 5
7.3.2 Charging the phone . . . . . . . . . . . . . . . . . . . . . . . . . . . . . . . . . . 7 - 5

28.1.1999
Tdp40enTOC.fm 5
Product: TDP-40-TN2 (Delta) /
7.3.3 Charging the spare battery . . . . . . . . . . . . . . . . . . . . . . . . . . . . . 7 - 5
7.3.4 Discharging the reserve battery . . . . . . . . . . . . . . . . . . . . . . . . . 7 - 6
7.3.5 Execution . . . . . . . . . . . . . . . . . . . . . . . . . . . . . . . . . . . . . . . . . . 7 - 7
7.3.6 Parts list of Desktop Charger . . . . . . . . . . . . . . . . . . . . . . . . . . 7 - 10
7.3.7 Parts list of Table Charger Extra Module . . . . . . . . . . . . . . . . . 7 - 12
8.0 CAR ASSEMBLY KIT . . . . . . . . . . . . . . . . . . . . . . . . . 8 - 1
8.1 CARBOX . . . . . . . . . . . . . . . . . . . . . . . . . . . . . . . . . . . 8 - 1
8.1.1 Including attached functions: . . . . . . . . . . . . . . . . . . . . . . . . . . . 8 - 2
8.1.2 Connector descriptions: . . . . . . . . . . . . . . . . . . . . . . . . . . . . . . . 8 - 2
8.1.3 Operation . . . . . . . . . . . . . . . . . . . . . . . . . . . . . . . . . . . . . . . . . . 8 - 4
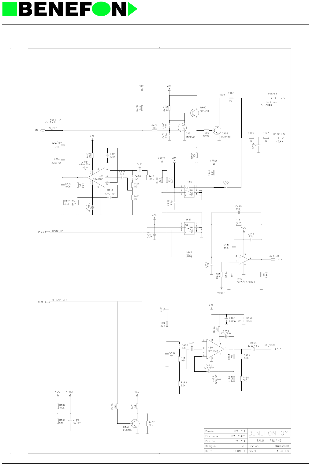
8.1.4 Parts list OW0314 . . . . . . . . . . . . . . . . . . . . . . . . . . . . . . . . . . . 8 - 5
8.2 PHONE HOLDER . . . . . . . . . . . . . . . . . . . . . . . . . . . 8 - 17
8.3 EXTERNAL HANDSET WITH CRADLE HDS-50 . . . 8 - 21
8.3.1 External Handset (not serviceable) . . . . . . . . . . . . . . . . . . . . . 8 - 21
8.3.2 General . . . . . . . . . . . . . . . . . . . . . . . . . . . . . . . . . . . . . . . . . . 8 - 22
8.3.3 Connector XIN Signals . . . . . . . . . . . . . . . . . . . . . . . . . . . . . . . 8 - 23
8.3.4 Microphone . . . . . . . . . . . . . . . . . . . . . . . . . . . . . . . . . . . . . . . 8 - 23
8.3.5 Speaker . . . . . . . . . . . . . . . . . . . . . . . . . . . . . . . . . . . . . . . . . . 8 - 23
8.3.6 Hook . . . . . . . . . . . . . . . . . . . . . . . . . . . . . . . . . . . . . . . . . . . . . 8 - 23
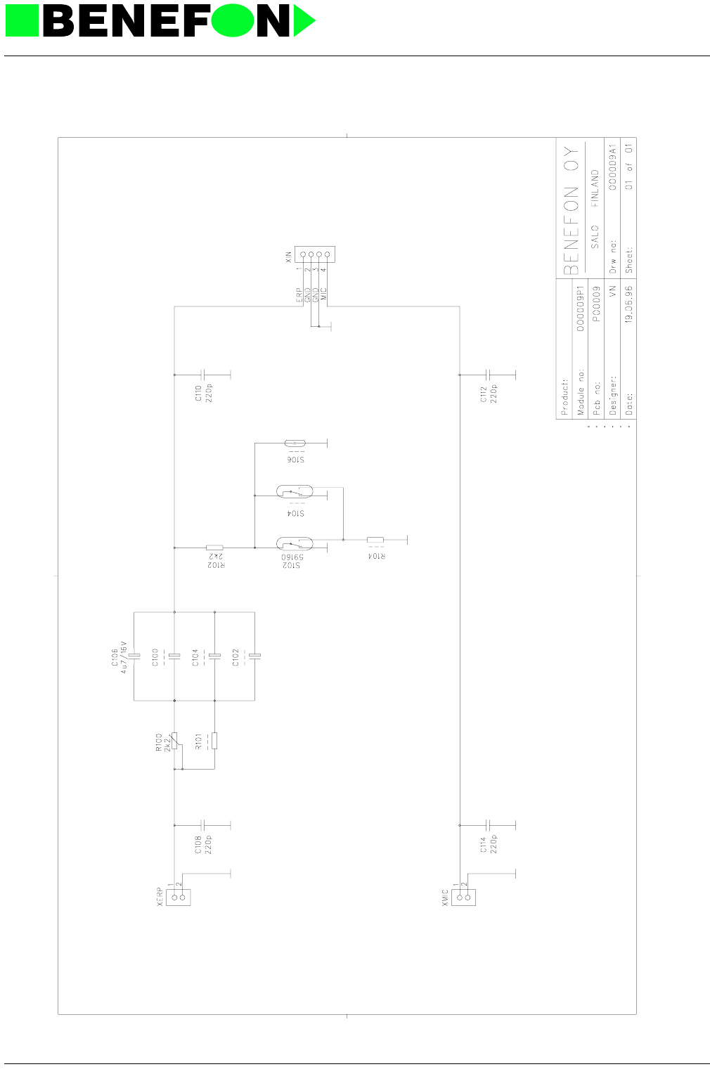
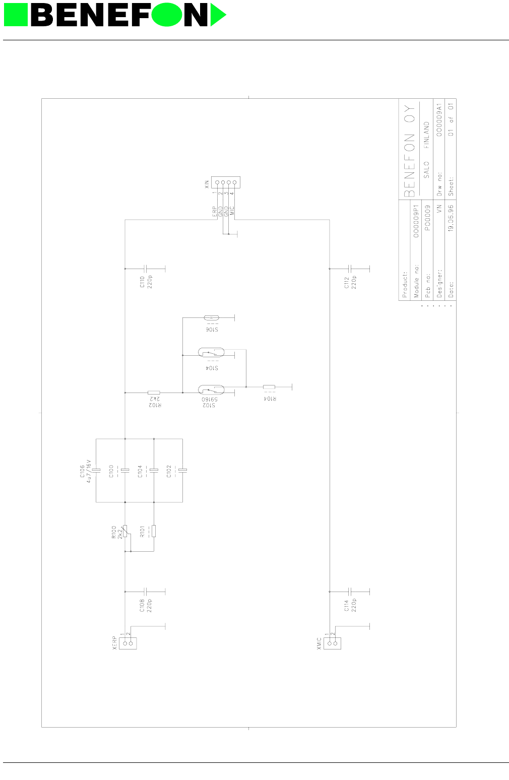
8.3.7 Parts list OO0009 . . . . . . . . . . . . . . . . . . . . . . . . . . . . . . . . . . . 8 - 24
8.3.8 Cradle . . . . . . . . . . . . . . . . . . . . . . . . . . . . . . . . . . . . . . . . . . . . 8 - 28
9.0 OFFICE SET . . . . . . . . . . . . . . . . . . . . . . . . . . . . . . . . 9 - 1
9.1 OFFICE SET DDS-40 . . . . . . . . . . . . . . . . . . . . . . . . . 9 - 2
9.1.1 General . . . . . . . . . . . . . . . . . . . . . . . . . . . . . . . . . . . . . . . . . . . 9 - 2
9.1.2 Connectors . . . . . . . . . . . . . . . . . . . . . . . . . . . . . . . . . . . . . . . . . 9 - 3
9.1.3 Operation . . . . . . . . . . . . . . . . . . . . . . . . . . . . . . . . . . . . . . . . . . 9 - 7
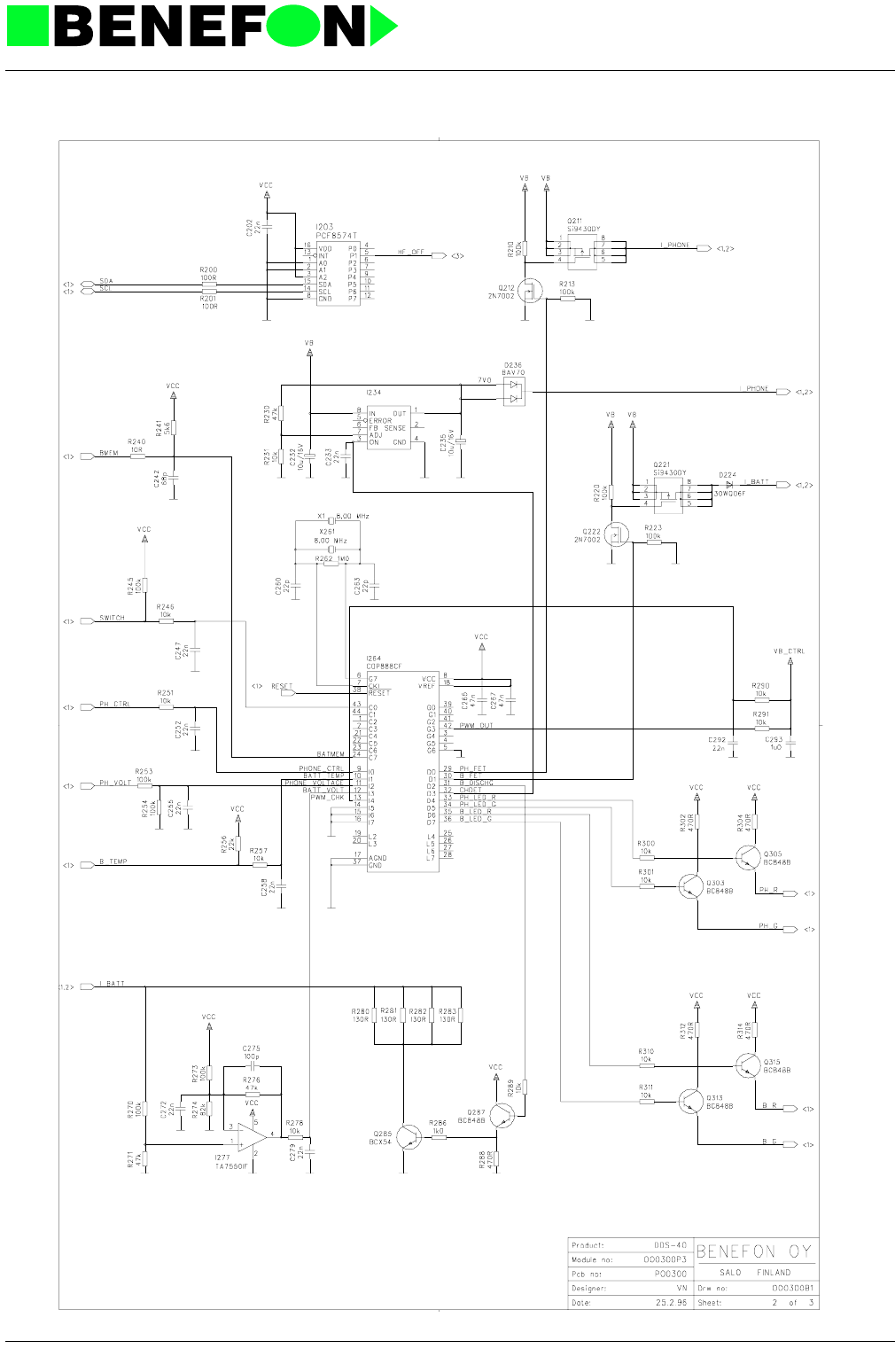
9.1.4 Parts list OO0300 . . . . . . . . . . . . . . . . . . . . . . . . . . . . . . . . . . . . 9 - 9
9.1.5 Parts list OO301 . . . . . . . . . . . . . . . . . . . . . . . . . . . . . . . . . . . . 9 - 18
9.1.6 Parts list OO0302 . . . . . . . . . . . . . . . . . . . . . . . . . . . . . . . . . . . 9 - 20
9.2 EXTERNAL HANDSET HXS-40 . . . . . . . . . . . . . . . . 9 - 23
9.2.1 External Handset (not serviceable) . . . . . . . . . . . . . . . . . . . . . 9 - 23
9.2.2 General . . . . . . . . . . . . . . . . . . . . . . . . . . . . . . . . . . . . . . . . . . 9 - 24
9.2.3 Connector XIN Signals . . . . . . . . . . . . . . . . . . . . . . . . . . . . . . . 9 - 25
9.2.4 Microphone . . . . . . . . . . . . . . . . . . . . . . . . . . . . . . . . . . . . . . . 9 - 25

28.1.1999
Tdp40enTOC.fm 6
Product: TDP-40-TN2 (Delta) /
9.2.5 Speaker . . . . . . . . . . . . . . . . . . . . . . . . . . . . . . . . . . . . . . . . . . 9 - 25
9.2.6 Hook . . . . . . . . . . . . . . . . . . . . . . . . . . . . . . . . . . . . . . . . . . . . . 9 - 25
9.2.7 Parts list OO0009 . . . . . . . . . . . . . . . . . . . . . . . . . . . . . . . . . . . 9 - 26
10.0 OTHER ACCESSORIES . . . . . . . . . . . . . . . . . . . . . 10 - 1
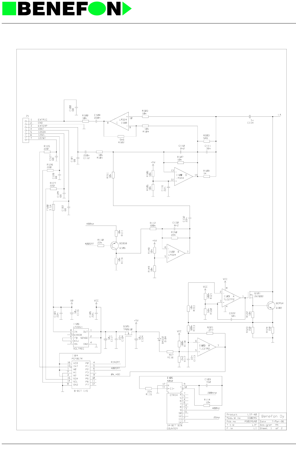
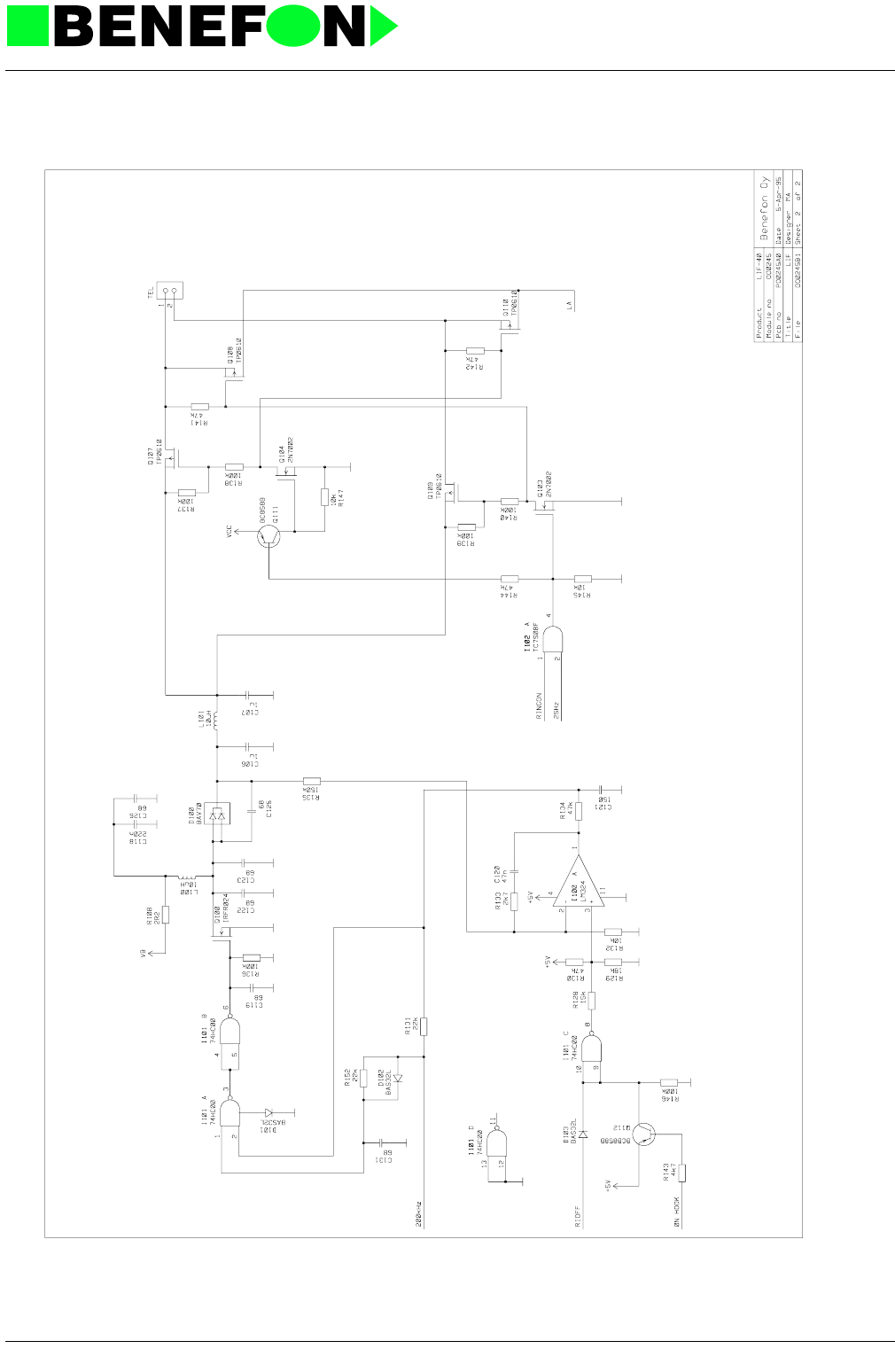
10.1 LINE INTERFACE LIF-40 . . . . . . . . . . . . . . . . . . . . 10 - 2
10.1.1 General . . . . . . . . . . . . . . . . . . . . . . . . . . . . . . . . . . . . . . . . . 10 - 2
10.1.2 Using the line interface . . . . . . . . . . . . . . . . . . . . . . . . . . . . . . 10 - 2
10.1.3 Technical information . . . . . . . . . . . . . . . . . . . . . . . . . . . . . . . 10 - 3
10.1.4 Manufacturers Declaration for BABT/SITS/85/22 . . . . . . . . . 10 - 7
10.1.5 Parts list OO0245 . . . . . . . . . . . . . . . . . . . . . . . . . . . . . . . . . . 10 - 9
10.2 BRANCHING UNIT . . . . . . . . . . . . . . . . . . . . . . . . 10 - 16
10.2.1 General . . . . . . . . . . . . . . . . . . . . . . . . . . . . . . . . . . . . . . . . 10 - 17
10.2.2 Connectors . . . . . . . . . . . . . . . . . . . . . . . . . . . . . . . . . . . . . . 10 - 17
10.2.3 Operation . . . . . . . . . . . . . . . . . . . . . . . . . . . . . . . . . . . . . . . 10 - 18
10.2.4 Parts list OO0241 . . . . . . . . . . . . . . . . . . . . . . . . . . . . . . . . . 10 - 19

28.1.1999
TDP-40E2.fm 1
Product: TDP-40-TN2 (Delta) / General
1.0 GENERAL
General
1.1 TECHNICAL INFORMATION
1.1.1 Operational System
NMT-450i
1.1.2 Dimensions
Size: 58 x 170 x 29 mm
Weight: 350 g
1.1.3 Power Consumption
- Batteries: 5 x 1.2 V NiCd (or NiMH)
- Sleep current: 2 mA
- Standby current: 65 mA
- Conversation mode, high power: app. 0.9 A
- Conversation mode, low power: app. 0.4 A
Service / charger units
- manual selection of battery charging / discharging or
- automatic charging
1.1.4 Accessories
- hands free car kit (carbox, holder, car-radio mute, external antenna,
microphone, loudspeaker, external alert)
- light holder
- line interface
- mains charger
- cigarette lighter charger
- desktop charger
- branching unit
- external handset with holder
- office set

28.1.1999
TDP-40E2.fm 2
Product: TDP-40-TN2 (Delta) / General
1.1.5 Ringing Tones
Adjustable
- frequency
- number of ringing tones / pulse duration
- volume
- progressive or fixed
Silent alarm
- short tone and alarm text in the display
1.1.6 Memory
Alphanumeric
- 99 memory locations, 23 characters / memory location
- memory scroll and recall in alphabetical or numerical order
- writing to memory during a call
Repeat: last dialled number or one of 5 numbers from the quick-memory locations
1.1.7 Clock
- time display
- real time alarm setting
- real time power on setting
- real time power off setting
- elapsed conversation time counter
- received call counter and time display
1.1.8 Pager
- answers incoming calls and receives numeric messages
- 30 memory locations (23 characters / location)
- pre-set number of ring tones before answering (0...6)
1.1.9 Other Functions
DTMF - receiver / transmitter
DTMF - key tones
Display and key illumination

28.1.1999
TDP-40E2.fm 3
Product: TDP-40-TN2 (Delta) / General
Volume control
- 6 levels
- level indicator
Battery charge level indicator
- battery empty alarm tone and display
- used battery capacity display
- battery specific charge memory
Field strength indicator
Battery-save function
Menu structure for user customisation
Automatic Prefix Management (APM)
Keys lockable against accidental operation
Password code to prevent unauthorised use
SIS protection function
1.1.10 Additional Exchange-Based Features
- R-key (Register recall)
- M-key (DTMF signal transmission)
1.1.11 Manufacturer
Benefon Oyj
P.O. Box 84
24101 Salo
Finland
Tel. +358 2 77400 Fax. +358 2 7332633

28.1.1999
TDP-40E2.fm 4
Product: TDP-40-TN2 (Delta) / General
1.2 PRODUCT FAMILY CONSISTS OF
- BENEFON DELTA HANDPORTABLE
Colours: Black, Grey, Red, Green, Blue
- MAINS CHARGER
- CIGARETTE LIGHTER CHARGER
- DESKTOP CHARGER
Quick charger for Benefon Delta and extra battery.
- HANDSTRAP
- BELT CLIP
- OFFICE SET
- HANDS FREE CAR KIT
- LIGHT CAR KIT
Contains car antenna and charger.
- BRANCHING UNIT
To connect charger and line interface simultaneously or to connect extra
handset and line interface simultaneously.
- LINE INTERFACE
Interface unit for modem’s, fax machines, telephones etc.
- EXTRA HANDSET
Handset for Hands Free Car Kit.
- EXTRA ANTENNA FOR BENEFON DELTA
Quarter wave antenna.

28.1.1999
TDP-40E2.fm 5
Product: TDP-40-TN2 (Delta) / General
HANDS FREE CAR KIT
CIU-40
HDH-40
Installation
base
Installation
base
HDS-50
Microphone
Hf Speaker
fuse
Car Radio Mute
External Alert
Vbatt, +12/24V

28.1.1999
TDP-40E2.fm 6
Product: TDP-40-TN2 (Delta) / General
LIGTH CAR KIT
A B C D E F
G H I J K L M N O
P Q R S T U V WXYZ
12
45
3
6
9
8
7
0
HFR M
Cigarette lighter charger
CCS-50-12
Antenna adapter

28.1.1999
TDP-40E2.fm 7
Product: TDP-40-TN2 (Delta) / General
DESKTOP CHARGER
B
a
t
t
e
r
y
P
h
o
n
e
M
a
i
n
t
e
n
a
n
c
e
Extra battery
Desktop charger
HTP-40
Mains charger
CMA-50-230

28.1.1999
TDP-40E2.fm 8
Product: TDP-40-TN2 (Delta) / General
ACCESSORIES
Line interface
Branching unit
LIF-40
DB-40

28.1.1999
TDP-40E2.fm 9
Product: TDP-40-TN2 (Delta) / General
OFFICE SET DDS-40
Benefon Delta
Telephone
Micro-
computerTelefax
Line
interface
Mains
charger
Extra battery Office set

1user_gb.fm 1
2.0 OWNER’S MANUAL

28.1.1999
TDP-40E6_fm5.fm 1
Product: TDP-40-TN2 (Delta) / Installation Instructions
3.0 INSTALLATION INSTRUCTIONS
Installation Instructions
PROLOGUE
These installation instructions have been prepared to assist fitters in installing the
equipment, and are as such only to serve as a guide. Nothing beats common sense
and good experience.
Installation is always based on the need of the customer to use the phone in the
environment in which it will be installed. Negotiate with the customer where the dif-
ferent parts will be installed. It is important that the customer tells of his own prefer-
ences and choices, and that the fitter/salesman tells where it is possible/advisable to
locate different items.
It is the salesman’s responsibility to see that the installation order is properly filled
out.
RECOMMEND
- antenna location on the roof
- handset location does not interfere with road safety
- speaker located in the driver’s side leg-room
- microphone as close as possible to the driver’s mouth
- car radio mute option
ASK IF THE USER WANTS
- additional alarm
- password code
Benefon Oy

28.1.1999
TDP-40E6_fm5.fm 2
Product: TDP-40-TN2 (Delta) / Installation Instructions
3.1 Identification Memory Programming
Identification memory programming is performed by the dealer before the phone is
supplied to the user.
Connect a LOCAL BOX with programming rights to the phone base connector, and
turn on the phone. Check that LOCAL is displayed, and enter 0#.
3.1.1 Program the Subscriber Number
For systems with i-specification capabilities:
Enter 2#, Z X1 X2 X3 X4 X5 X6 K1 K2 K3 and finally F.
Z = country code, and X1...X6 = six digit subscriber number, and K1...K3 =
phone identification number.
Other systems:
Enter 2#, Z X1 X2 X3 X4 X5 X6 and finally F.
Z = country code, X1...X6 = six digit subscriber number
The subscriber number length may also vary from system to system.
Enter 2* to verify successful programming.
3.1.2 Program the Password Code
Enter 3#, X1 X2 X3 X4 and finally F.
X1...X4 = user defined number series
Enter 3* to verify successful programming
3.1.3 Program the Serial Number
Enter 4#, a six digit serial number, and finally F.
e.g. 1 2 3 4 5 6
Enter 4* to verify successful programming
3.1.4 Program the Date of Sale
Enter 6#, the date of sale, and finally F.
The date of sale is given in the form ddmmyy e.g. 160194
Enter 6* to verify successful programming

28.1.1999
TDP-40E6_fm5.fm 3
Product: TDP-40-TN2 (Delta) / Installation Instructions
3.1.5 Program the Display-Own-Number
The phone’s own number will be displayed each time the power is turned on, after
the segment test. It is programmed into the phone by storing it in memory location
99. The memory location may also include a name of max. 10 characters, which will
be displayed along with the phone’s own number.
1. Turn the phone on without the LOCAL BOX.
2. Write the phone’s number to the display, including its dialling code.
3. If desired, write also the name to the upper display (see the phone’s owner’s
manual).
4. Enter * 99 (and if necessary, confirm over-write by pressing F).
5. Check the programming by switching the power off, and then on again.
3.1.6 Often Used Local Commands
0# Local reset
01# SWING level tuning
1# HF tuning
2# Subscriber number programming
2* Read subscriber number
3# Password code programming
3* Read password code
4# Series number programming
4* Read series number
6# Date of sale programming
6* Read date of sale
9# Transfer short code memory from the phone to the Local Box
95# Select battery type (select with +/- keys and F)
95* Read battery type from battery pack memory
999* Transfer short code memory from the Local Box to the phone

28.1.1999
TDP-40E6_fm5.fm 4
Product: TDP-40-TN2 (Delta) / Installation Instructions
3.2 DELTA CAR KIT
The Car Kit includes a phone holder (HDH-40), a car box (CIU-40), an antenna, an
installation base, a hf speaker, a microphone and a cable. The Car Kit sales package
also includes an installation material bag, which contains the necessary installation
equipment. On the 6th page you will find a diagram of connections explaining how to
install the Car Kit.
Caution:
The Car Kit should be installed by Benefon authorized installer only. An end user
should never attemp to install the Car Kit alone without any professional assistance.
The professional installers have the required tools and knowledge to install the Car
Kit properly and safely. Also the terms of warranty demand that the Car Kit is
installed by professional personnel. Cable routing may cause interference with the
components of the vehicle’s electronic systems (such as inginition and braking sys-
tems). It is recommended that cable is not routed next to these electronic compo-
nents.
3.2.1 Antenna
Choose a suitable place for the antenna. It is recommended that you place the
antenna on the roof of the vehicle.
3.2.2 Phone Holder HDH-40
Choose such a place for the phone holder in the vehicle that will be both easy and
safe when using the phone. First, fix the installation base to the place you have cho-
sen, and then install the phone holder in the installation base.
3.2.3 Microphone
Install the microphone so that it is aimed directly at the user, and comes as close as
possible to the user’s mouth. A good place for the microphone is near the rearview
mirror where the noise level is lower than, for example, beside a windshield pillar. It
is also possible to install the microphone on a sun visor, but then it will be inconve-
nient to use the sun visor and microphone at the same time. One alternative would
be a swan-neck microphone as it can be placed closest to the user’s mouth.
3.2.4 Cable
Obtain the necessary +-electricity from a suitable place, preferably directly from the
battery of the vehicle. Connect the fuse chamber to the +-wire. You will find the fuse
chamber in the installation material bag. Connect the ground lead to the frame of the
car with a short wire.

28.1.1999
TDP-40E6_fm5.fm 5
Product: TDP-40-TN2 (Delta) / Installation Instructions
3.2.5 External Handset HDS-50
Install the external handset the same way as you installed the phone holder.
3.2.6 Car Box CIU-40
Place the car box out of sight inside the dashboard of the car or to another suitable
place. First, connect the wires to the car box. Install the car box so that the heat sink
has some space for cooling. The car box has holes which enable you to fasten the
car box with a cable tie. The installation material bag also contains adhesive band
fasteners.
3.2.7 Hf Speaker
Install the speaker in a suitable place near the floor of the car. To avoid echo remem-
ber to pay attention to the position of the microphone as well.

28.1.1999
TDP-40E6_fm5.fm 6
Product: TDP-40-TN2 (Delta) / Installation Instructions
A Diagram of Connections:
Car Radio Mute (See the installation
instructions of your car radio)
+ACC : to the +12 V power terminal which is
energized in the accessory position of
the ignition key
External Alert
How to install a cable
to a carbox.
to HDH-40
open
CIU-40
HDH-40
Installation
base
Installation
base
HDS-50
Microphone
Hf Speaker
fuse
Car Radio Mute
External Alert
Vbatt, +12/24V
PIN Name Colour
1
2
3
4
5
6
Car Radio Mute (active low) Blue
Hf Speaker
Ground
External Alert (active low)
Vbatt, +12/24 V
Hf Speaker
Grey
Black
Brown
Red
Grey

28.1.1999
TDP-40E6_fm5.fm 7
Product: TDP-40-TN2 (Delta) / Installation Instructions
3.3 HF-FUNCTION
Benefon Delta offers you a hands free -setup for the Car Kit and Office Set: the
background noise tuning (CAR KIT AND OFFICE SET TUNING) and MIC-ERP
contrast tuning (CAR KIT AND OFFICE SET SWING).
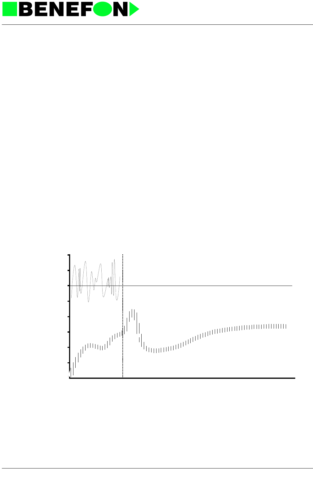
3.3.1 CAR KIT TUNING AND OFFICE SET TUNING (theory)
You can set up the activation level of the microphone by using the CAR KIT
TUNING option. The level is correct when the microphone path is activated by
voice alone, and not, for example, by background noise in your car or office.
The following figure shows you the CAR KIT TUNING AND OFFICE SET
TUNING setup process.
a. If the CAR KIT TUNING is set too high, your voice (1) will not activate the
microphone path properly, and the person at the other end will only hear
interrupted transmission of speech.
Car kit tuning
(1)
50
40
30

28.1.1999
TDP-40E6_fm5.fm 8
Product: TDP-40-TN2 (Delta) / Installation Instructions
b. If the CAR KIT TUNING has been set up too low, the background noise in
your car (2) will activate the microphone path, and the volume of the HF-
speaker will be low.
c. When the CAR KIT TUNING has been set correctly only your voice (1 & 3)
will open the microphone path.
Benefon phones have been set in our factory so that they will function in most
cars. The factory setting for the CAR KIT TUNING is 017.
Car kit tuning
(2)
50
40
30
(3)
Car kit tuning
50
40
30 (2)
(1)

28.1.1999
TDP-40E6_fm5.fm 9
Product: TDP-40-TN2 (Delta) / Installation Instructions
3.3.2 CAR KIT SWING AND OFFICE SET SWING (theory)
The four-step CAR KIT SWING AND OFFICE SET SWING tuning is used to
set the contrast of the microphone amplification/speaker attenuation swing. In
the following figures the swing position while listening to the Car Kit or Office
Set is indicated by a solid line and the position while speaking into Car Kit or
Office Set the indicated by a dotted line.
a. With a tuning value of 4 it is possible to obtain the smallest difference
between the amplification and attenuation of the microphone and speaker. This
means that the connection is almost bidirectional. If the HF-function easily
creates feedback, decrease the value of the CAR KIT SWING AND OFFICE
SET SWING. By turning down the volume it is possible to reduce the
occurance of feedback.
b. With a tuning value of 1 it is possible to obtain the greatest difference
between the amplification and attenuation of the microphone and speaker. This
means that the connection is almost unidirectional.
The factory setting for the CAR KIT SWING AND OFFICE SET SWING is 4.
MIC SP
K
4
3
2
1
Listening
Speaking
4
3
2
1
MIC SP
K
Listening
Speaking

28.1.1999
TDP-40E6_fm5.fm 10
Product: TDP-40-TN2 (Delta) / Installation Instructions
3.3.3 Voice Controlled HF Installation
To ensure trouble-free HF operation, care should be taken in positioning the speaker
and microphone, as outlined above.
3.3.3.1 HF Tuning
The purpose of the tuning is to adjust the level at which the microphone is switched
on. The trigger level must be a little higher than the normal vehicle background
noise, but not more than the user’s normal voice level.
3.3.3.2 Automatic HF Tuning
When the speaker and microphone have been installed, connect the LOCAL adapter
and set the phone to LOCAL mode.
1. Turn the phone on.
2. Enter 1#
Note that the displayed value changes in response to background noise.
3. Press F when the the display shows the highest value corresponding to
background noise.
HF is now set to the level corresponding to the highest background noise. In
most cases, the recommended value will be between 16 and 18.
4. Store the value by pressing the F key again.
If the background noise can not for some reason be simulated, the average
level must be estimated, and the tuning performed manually (see Manual HF
tuning).
3.3.3.3 Manual HF Tuning
It will be necessary to set the HF tuning manually if it is not possible to run a simula-
tion test, or if it is known by experience the desired microphone trigger level.
1. Set the phone to LOCAL mode.
2. Enter 1# and F
3. Enter the desired value and F.
The value must be three digit e.g. 018.
3.3.3.4 Swing-level Tuning
The swing-level controls the HF feedback damping (the larger the value, the smaller
the damping). In phones leaving the factory, the default value is 4.
In practice, SWING means the level to which the incoming volume level will be sup-

28.1.1999
TDP-40E6_fm5.fm 11
Product: TDP-40-TN2 (Delta) / Installation Instructions
pressed when speaking and vice versa.
The SWING level must be decreased, if the sound in HF mode starts to feed-back
(at high volume levels) in spite of careful positioning of the speaker and microphone.
1. Set the phone to LOCAL mode.
2. Enter 01#, and the current SWING level is displayed.
3. Select a new value 1...4.
4. Store the value by pressing F.

28.1.1999
TDP-40E6_fm5.fm 12
Product: TDP-40-TN2 (Delta) / Installation Instructions
3.4 Light Car Installation Kit
A B C D E F
G H I J K L M N O
P Q R S T U V WXYZ
12
45
3
6
9
8
7
0
HFR M
Cigarette lighter charger
CCS-50-12
Antenna adapter

28.1.1999
TDP-40E6_fm5.fm 13
Product: TDP-40-TN2 (Delta) / Installation Instructions
3.5 Questions and Answers
Question: The message BATT MEMO is displayed when turning the phone on or
changing the battery. What does it mean?
Answer: There is a memory circuit inside the battery pack which contains informa-
tion about the battery type, charging currents, battery charge counter, etc. If the
phone is not able to read this information when being turned on, it displays the mes-
sage BATT MEMO.
Question: How can the above fault be repaired?
Answer: Clean the battery contacts, set the phone to LOCAL mode, and read the
battery type with command 95*. If the type is incorrect, then programme the correct
type with the command 95#. The arrow keys can be used to select the battery type,
and pressing F will store the information in the battery pack memory. If BATT MEMO
is still displayed when turning the phone on, then the battery pack should be
replaced.
If the phone is not able to read the battery pack memory, it will assume that the bat-
tery type is 600 mAh NiMH. The phone cannot necessarily charge the battery to its
full capacity, charging currents are small, and charging times are long.
Question: The phone displays the message B BATT. What does it mean, and how
can the fault be repaired?
Answer: Inside the phone, there is a back-up battery for RAM memory. When the
phone is off and the battery pack is removed or completely empty, the back-up bat-
tery will supply RAM memory with enough current to ensure that no information is
lost. Typical information in RAM memory are quick-memory numbers, short code
memory numbers - information provided by the user.
Repair: Replace the back-up battery.
Note ! The B BATT message may be displayed after changing the program PROM.
In this case, no action is required.
Question: Can short code memories be transferred from an older Benefon phone to
a new one?
Answer: No. In new phones there are more alpha-numeric characters and the mem-
ory construction is different from older models. On the other hand, numbers can be
transferred between Benefon Beta and Benefon Delta.

28.1.1999
TDP-40E3_fm5.fm 1
Product: TDP-40-TN2 (Delta) / Local
4.0 LOCAL SERVICE-COMMANDS
Local
4.0.1 Keyboard
4.0.2 Commands
HF/HS Audio path and microphone switching between ERP,
SPK, and EXTHS
SPK is indicated by the HF symbol
EXTHS is indicated by the flashing HF symbol
ERP is indicated when the HF symbol is not visible
SND/END termination of Local command
RA, b, C, d, E, F input (Input is concluded by either the F
key or the next number) Note: first enter a number.
+/- Volume etc. control and adjustment (see commands)
FR To change to NMT mode, if the local box has already
been removed
(XXX)# executes
(XXX)* terminates equivalent (XXX)# command
XXXX# channel command
Note: In local mode * = b and # = c in the lower display

28.1.1999
TDP-40E3_fm5.fm 2
Product: TDP-40-TN2 (Delta) / Local
4.0.2.1 Installation and Sales.
0# Return to the local normal mode e.g. middle radio channel
01# VOX value selection
the chosen VOX value is displayed
enter a new value 1...4
press F to enter
1# VOX tuning
press F to stop measurement (fixing value)
press F to save tuned value
2# Subscriber number programming
enter 7 digits number (and 3 digits password if needed) and
press F to enter
2* Read subscriber number
3# Password code programming
enter 4 digits and F
3* Read password code
4# Serial number programming
4* Read serial number
5# Set country of origin
country is displayed
enter new country 0...9, F to enter
6# Date of sale programming
6* Read date of sale
7# Set time (hours and minutes)
7* Read time
8# Set date (day XX, month XX, year XX)
8* Read date

28.1.1999
TDP-40E3_fm5.fm 3
Product: TDP-40-TN2 (Delta) / Local
.
9# Short code memory transfer to local box
999* Short code memory transfer back to the radio
95* Read battery type and capacity
also production week and year
95# Program battery type and capacity
also production week and year

28.1.1999
TDP-40E3_fm5.fm 4
Product: TDP-40-TN2 (Delta) / Local
4.0.2.2 Service and Testing 0...
#port command
- The port state is shown in the upper display in hexadecimal form (0...FF)
- To change the port state (when the port number z is displayed) enter (z)XY
- +/- can be used to change the active port number
02# Read the AD channel (real time)
- enter the AD channel number
enter: 0 68HC11A1 PA
1 IA8000 PA
2 IA8000 PB
3 IA8000 PC
4 IA8000 PD
5 IA8000 PF
6 CARBOX
7LIF
0 = 0000 1 = 0001 2 = 0010 3 = 0011 4 = 0100
5 = 0101 6 = 0110 7 = 0111 8 = 1000 9 = 1001
A = 1010 B = 1011 C = 1100 D = 1101 E = 1110
F = 1111
X bit number (0...7)
Y bit state (0 / 1)
0 = RSSI 1 = NTC 2 = MICDET 3 = ERPDET
4 = TEMP 5 = BATVOLT 6 = POTIND

28.1.1999
TDP-40E3_fm5.fm 5
Product: TDP-40-TN2 (Delta) / Local
4.0.2.3 Logic Tests 1..
10# Memory test
- EPROM; if error XX1 (no error, XX0)
- EEPROM; if error X2X (no error, X0X)
- RAM; if error 3XX (no error, 0XX)
11# COP test
- If error, then WDFAIL displayed
12# "0" frequency transmission
- Does not set transmitter etc.
12* End transmission
13# "1" frequency transmission
Does not set transmitter etc.
13* End transmission
14# Open frame transmission
- framework specified by entering
N1 N2 N3 P(X) Y1 Y2 Z X1 X2 X3 X4 X5 X6 J1 J2 J3 #
- default value frame 15
- letters A...F are entered with the R-key
14* End transmission
15# Receive frame
16# FSK-notification test (real time)
- XY displayed
X = 1, FSK level exceeds the tuned level (X = 0, below)
Y = 1, FSK signal detected (Y = 0, not detected)
18# DTMF loop test
19# Read machine type
96# Start charger control test (control voltage -2.5V, I in = -
1.3 A)
96* Terminate charger control test (control voltage 0V)

28.1.1999
TDP-40E3_fm5.fm 6
Product: TDP-40-TN2 (Delta) / Local
4.0.2.4 Audio 2..
20# AUDIOPOWER ON
20* AUDIOPOWER OFF
21# TXAUDIO ON
21* TXAUDIO OFF
22# RXAUDIO ON
22* RXAUDIO OFF
23# FIILOOP ON
23* FIILOOP OFF
24# FSK ON
24* FSK OFF
25# COMPANDER/EXPANDER ON
25* COMPANDER/EXPANDER OFF
200# Audio circuit SC11370 settings
1. select register (0...b) +/- keys
2. select the bit to be changed 0...7
3. select the bit logic state 0 or 1
201# Audio circuit SC11370 tuning
1. select the register to be tuned 1...0
1 NORMDEV GC2
2 HFTXATT GC3
3 MAXDEVLO GC7
4 MAXDEVHI GC10
5 ERPVOL GC8
6 RXAUDLEV GC9
7 MICSENS GC1
8 DTMFLEV GC4
9 FFSKTXLEV GC5
0 FIILEV GC6
+/- keys to select level (0...15)

28.1.1999
TDP-40E3_fm5.fm 7
Product: TDP-40-TN2 (Delta) / Local
203# DTMF tone generator settings
204# TXAUDIO and RXAUDIO ON
210# +55 C tuning
211# +25 C tuning
212# 0 C tuning
213# -25 C tuning
216# Deviation correction constant (to reduce distortion)
217# Deviation correction limits

28.1.1999
TDP-40E3_fm5.fm 8
Product: TDP-40-TN2 (Delta) / Local
4.0.2.5 RF 3..., 4...
30# Transmitter ON
Note: Does not set the power level (if the transmitter was
OFF, power setting= 0)
30* Transmitter OFF
31# Transmitter ON low power
31* Transmitter OFF
32# Transmitter ON medium power
32* Transmitter OFF
35# Low channel
36# Middle channel
37# High channel
38# RSSI level tuning
- level to be tuned shown in the upper display
PG -58, PG -68, PG -93, PG -103, PG -115
- enter F to tune the next level
- value can be saved if -58dBm> -68dBm> -93dBm> -
103dBm >-115dBm
38* Read the carrier wave level tuning levels from EEPROM
380# RSSI correction constant
39# Power level tuning
- power level shown in the upper display 150mW 1200mW
- power is increased with the + key and decreased with the -
key
- enter F to save
39* read the tuned power levels from EEPROM
M = 1.2 W, L = 150 mW
43# CHANNEL SCANNING
- starts from the current channel
- displays the channel in the upper display, and the TX-fre-
quency in the lower display

28.1.1999
TDP-40E3_fm5.fm 9
Product: TDP-40-TN2 (Delta) / Local
4.0.2.6 Equipment and Accessory Tests 5...
4.0.2.7 Other Commands 6..., 7...
44# CHANNEL STEPPING
- the +/- keys step through the channels one at a time
- displays the channel in the upper display and the TX fre-
quency in the lower display
44* CHANNEL STEPPING
- the +/- keys step through the channels one at a time
- displays the channel in the upper display and the RX fre-
quency in the lower display
45# AFC ON
45* AFC OFF
450# AFC 1kHz correction tuning (value 00000...65535)
- set thousands, press F
- set hundreds, press F
- set tens, press F
- set units, press F
(select with the +/- keys. shown in the upper display)
450* Read the AFC 1kHz correction
452# TCXO fine tuning
- enter a 5 digit number and store with F
Note: After 0# the radio is on the middle channel. The xxxx#
channel command can be used to change the tuning channel.
452* Read the TCXO fine tuning value
453# 450 kHz intermediate frequency measurement and display
50# Display and illumination test
50* Display and illumination OFF
60# Printing out all power off counters
0RAM
1EPROM

28.1.1999
TDP-40E3_fm5.fm 10
Product: TDP-40-TN2 (Delta) / Local
2EEROM
3COP
4 RSSI
5TXON
6 HANDSET OFF
7FSK
8SIM
60* Reset all power off counters
61* Read the 4 digit sales codes from EEPROM
- the sales code (= local box number) is always stored
when programming the subscriber code.
- 1 = newest ... 5 = oldest (number given by corre-
sponding number key)
- the sales code is XYZW (= 0...9 0...9 0...9 0...9)
- If the display contains odd characters, the code is
unused
62# Read program version (ddmmyy)
70# FSK split level tuning
- enter F to save
70* Read FSK split level value
71# Program basic band
- enter low channel (1...4 digits) and F
- enter high channel (1...4 digits) and F
- settings can be saved if the lower limit * upper limit
(according to their frequencies)
71* Read the basic band

28.1.1999
TDP-40E3_fm5.fm 11
Product: TDP-40-TN2 (Delta) / Local
4.0.2.8 Clearing Memories 8...
4.0.2.9 Sleep Timer
4.0.2.10 SIS Commands
4.0.2.11 Updating the Local Box
4.0.3 Error Messages
The upper display usually shows LOCAL, when there is no other information on dis-
play. ERROR in the upper display:
80# Clear RAM
81# Clear EEPROM (not tuning values nor sales codes)
810# Clear the whole of EEPROM (not sales codes)
82# Clear RAM and EEPROM (not tuning values nor sale-
scodes)
90# Activate the sleep timer
90* Deactivate the sleep timer
91# Sleep timer test
- sets phone to sleep mode after 5 seconds for approx. 5
seconds
100# SIM uses normal SAK number
- default value when phone is turned on
100* SIM uses test SAK number
- to test signaling, remove local box and enter F R to
switch to NMT mode
101# SIM sleep mode
101* SIM wake-up
900# Re-programming of local box rights and user-time
902# Read the local box number (xxxx) and the phone identi-
fication code (yyyyy)
- xxxx yyyyy
1. Incorrect local command or key-entry

28.1.1999
TDP-40E3_fm5.fm 12
Product: TDP-40-TN2 (Delta) / Local
UNKNOW in the upper display:
LOCAL in the upper display when turning on power, although there is no local box
connected:
BATT MEMO in upper display when turning on power:
2. Fault in EEPROM programming
3. EEPROM input entry error
- input data string too long
- incompatable characters in entry
-carrier wave levels to save are in wrong order of magni-
tude
- basic band limits to save are incorrect
-LOCAL BOX WITHOUT RIGHTS TO PROGRAM e.g.
SUBSCRIBER NUMBER
4. Loop test failed to find required response in specified-
time
Unknown local command
Subscriber number not programmed
Date of sale not programmed
battery type not recognised
battery pack connections loose or
battery pack damaged

28.1.1999
TDP-40E5_fm5.fm 1
Product: TDP-40-TN2 (Delta) / Tuning Instructions
5.0 TUNING INSTRUCTIONS
Tuning Instructions
Necessary equipment: Local adapter, Local box, radio communication tester, multi-
meter.
5.0.1 Watchdog Activation
This operation will reset all settings !! Perform only when changing CPU.
- Connect I201 pin 25 (MODB) to ground and turn power ON. Remove the
jumper and turn the power OFF.
- Check: Local 11 # cop test.
If result is WD FAIL or the phone jams, the activation must be repeated.
- Local 0 #
5.0.2 Battery Voltage Calibration
- Adjust the operating voltage to 6.5 V, measuring from the OS-module battery
contacts.
- Local 214 #, check that "BT65V" is in the display.
- Local 0 #.
5.0.3 TX-Power Level Adjustment
- Local 0 #, 31 #, 39 #, and use the +/- keys to adjust the power to 180 mW
(22.6 dBm), and confirm with the F key; adjust with the +/- keys to 1.2 W (30.8
dBm), and confirm with the F key.
- Check that the current consumption is less than 900 mA.
- Local 0 #.
5.0.4 Frequency Adjustment
- Local 36 #, 31 # LTXON, 45* AFCOFF, 452 #, use the +/- keys to adjust the
frequency as close as possible to 455.225 MHz, and confirm with the F key.
- The adjustment can also be done by entering a 5 digit value and saving it with
the F key.
If the tuning value needs to be changed more than 2500 units, the TCXO must
also be tuned.
- Local 0 #.

28.1.1999
TDP-40E5_fm5.fm 2
Product: TDP-40-TN2 (Delta) / Tuning Instructions
5.0.5 Learning the 1 kHz Frequency Shift
- Local 0 #, 36 #, 31 #, 450 #
Adjust the transmitter to 455.226 MHz with the +/-keys and store with the F
key.
- Local 0 #.
5.0.6 Tuning the Receiver
- Feed an RF-gen 1 kHz / 3 kHz dev. at -50 dBm on the mid-channel.
- Local 0 #, 36 #, 22 #, RXAON, 201 # 6
- Use the +/- keys to adjust the audio level reading to 220 (+/-10) mVrms or
622 (+/-30) mVpp, store with the F key, press the C key.
- Change the RF level to -113 dBm.
- Check the sensitivity: mid-channel (Local 36#), low channel (Local 35#), and
high channel (Local 37#). Minimum sensitivity 20 dB sinad (CCITT).
- Local 0 #
5.0.7 Fsk-Split Level Programming
- Local 0 #, 36 #, 22 #
- Feed an RF-gen. 1 kHz / 350 Hz dev. at -50 dB on the mid-channel.
- Local 70 #, wait until the display stabilises, store with the F key.
- Check 70 *, display shows the stored value.
- Local 0 #
5.0.8 Rssi-Level Programming
- Set the RF-gen on the mid-channel at -58 dBm.
- Local 0 #, 36 #, 38 #, and wait until the displayed value stabilises, and press
the F key.
- Change the RF level to -68 dB and wait until the displayed value stabilises,
and press the F key.
- Change the RF level to -93 dBm, press the F key.
- Change the RF level to -103 dBm, press the F key.
- Change the RF level to -115 dBm, press the F key.
- Check programming with Local 38 *, the stored values are displayed.
- Local 0 #.

28.1.1999
TDP-40E5_fm5.fm 3
Product: TDP-40-TN2 (Delta) / Tuning Instructions
5.0.9 TX Audio Tuning
- Local 0 #, 36 #, 31 #, 21 #
- Feed via the local box GEN connector a 1 kHz sine signal at 4.0 Vrms, and
set the local box switch to the SERVICE position.
- Local 215 # (store mic level)
- Change the frequency to 2 kHz at 4 Vrms.
- Local 201 # 4 and use the +/- keys to set the deviation to 4.55 (+/- 0.15) kHz,
confirm with the F key.
- Change the signal frequency to 1 kHz at 400 mVrms.
- Press the 1 key and use the +/- keys to set the deviation to 3.00 (+/- 0.05)
kHz, confirm with the F key, and press the C key.
- Local 0#
Checking the deviation limiter:
- Local 36#, 31#, 21#
- Local 217#, change the level to 4.0 Vrms, frequency still 1 kHz. Use the +/-
keys to set the deviation above 3.7 kHz, and confirm with the F key.
- Local 0 #.
5.0.10 Microphone Level Adjustment
- Feed a 1 kHz sine signal acoustically to the microphone at a normal sound
level.
- Enter local 0 #, 21 #, press HF, 31 #, 201 # 7
- Use the +/- keys to set the deviation to 3.00 (+/- 0.05) kHz, confirm with the F
key, press the C key.
- Local 0 #
5.0.11 FFSKT Deviation Adjustment
- Local 0 #, 24 #, 31 #, 201 # 9
- Use the +/- keys to set the deviation to 4.20 (+/- 0.05) kHz and press F and C
keys.
- Local 0 #
5.0.12 FII Deviation Adjustment
- Set an RF-gen. mod. frequency 4 kHz / 600 Hz deviation, at - 50 dBm.

28.1.1999
TDP-40E5_fm5.fm 4
Product: TDP-40-TN2 (Delta) / Tuning Instructions
- Local 0 #, 31 #, 23 #, 201 # 0
- Use the +/- keys to set the deviation to 600 (+/- 20) Hz, press F and C keys.
- Local 0 #.
5.0.13 DTMF Deviation Adjustment
- Local 0 #, 31 #, 21#, 203 #, choose 941 Hz with the +/- keys, and press the F
key.
- Local 201 # 8 and set the deviation with +/- keys to 1.80 (+ 0.20) kHz, press F
and C keys.
- Local 0 #.
5.0.14 Subscriber Number Programming
- Local 0 #, 2 #, enter 7 digit number (and 3 digit password if needed) and
press the f key.
- Check with 2 *.
- Local 0 #
5.0.15 Select Battery Type
- Local 95 #
- Use the +/- keys to select the battery type in use, and press the F key.
- Check with 95*

28.1.1999
TDP-40E7_fm5.fm 1
Product: TDP- 40-TN2
6.0 PHONE’S CONSTRUCTION

28.1.1999
TDP-40E7_fm5.fm 2
Product: TDP- 40-TN2
6.1 MECHANICS
6.1.1 Front Cover
MC1383 Grey
MC1384 Green
MC1382 Red
MC1381 Blue
MC1351 Black
6.1.2 Back Cover
MC1393 Grey
MC1394 Green
MC1392 Red
MC1391 Blue
MC1352 Black
6.1.3 Type plate
MC1302
6.1.4 Antennas
6.1.4.1 Helical
YA0055

28.1.1999
XA0300E4_fm5.fm 3
Product: TDP-40-TN2 (Delta) / OA0300 Processor
6.2 LOGIC / AUDIO
OA0300 Processor
Processor
6.2.1 General
The entire radio audio and processor functions are found within a single PA0300
board, through which all other modules are connected. Only the RF signals have a
different path.
The processor controls the audio and radio modules, internal devices and external
accessories.
The processor includes:
CPU 68HC11A1 8-bit, 8 A/D, 512*8 EEPROM, 256*8 RAM, I/O
PROM 27C010 128*8 EEPROM, program memory
RAM 4465 8K*8 CMOS RAM, number memory
ASIC IA8001 32 pcs out and 14 pcs inp, 3 series out, 3 analog
out, frequency counter, clock
TXLOG TX power adjustment and control
SIS 68HC11A8 SIS function, 8k ROM, 512*8 EEPROM, 256*8
RAM

28.1.1999
XA0300E4_fm5.fm 4
Product: TDP-40-TN2 (Delta) / OA0300 Processor
6.2.2 Connectors:
6.2.2.1 Radio Base Connector (printed circuit)
The power switch is connected to the mic-line so that the switch grounds the mic-
line.
The Extl-hook switch is connected to the erp-line so that the erp-line dc level drops
when the handset is in its holder.
1 V-CHARGE battery charging voltage IN 2A
2 V-CHARGE battery charging voltage IN 2A
3 VB 6 V output to accessories 0.5A
4V-PROG
FLASH PROM programming
voltage IN 0.5/12 VDC
5EXT-
MIC+PWR external audio from the
microphone 400 mVrms
6GND
7GND
8EXTERPX+
HOOK external audio to the speaker
amplifier 220 mVrms
9 PTTX external PTT, radio input 0V
active 0/5V
10 I2CINTX i2c interrupt, radio input 0/5V
11 SCLX i2c clock 0/5V
12 SDAX i2c data 0/5V
13 TXDX rs232 OUT 0/5V
14 RXDX rs232 IN 0/5V
15 EXTIOX reserve 0/5V
16 CHGCONTX charging control voltage 0...5VDG
analog

28.1.1999
XA0300E4_fm5.fm 5
Product: TDP-40-TN2 (Delta) / OA0300 Processor
6.2.2.2 RF-Module, 24 pin Connector
6.2.2.3 Keyboard (internal)
1 SLEEP RF-module sleep control 0/5V
2 TXVCO tx vco start up 5V
3 VB power supply from the battery
(RF-module battery connector ) 6V
4 VB power supply from the battery
5 VB power supply from the battery
6GND
7 GND
8GND
9 SDATA RX and TX data to the splitter 0/5V
10 SCLK RX and TX data clock 0/5V
11 STE TX divider enable pulse 5V
12 SRE RX divider enable pulse 5V
13 RSSI RX signal strength indicator, analog
0-5V
14 RXAUDIO RX audio signal 100mVrms
15 450KHZ 450kHz for AFC measurement
approx.1Vpp
16 AFC frequency compensation control
voltage approx 2.5V
17 TXAUDIO TX audio modulation 550mVrms
18 TXPWR TX power control, analog 0-5V
19 TXSENSE not connected
20 TXBIAS TX initiate, 0V = TX OFF 0/5V
21 BNTC battery temperature data, analog
22 BSENSEX input memory data-line
23 SPRIO no function
24 DTUNE not connected
1 KEY-INP4 key matrix input 0/5V
2KEY-INP0
3KEY-INP3
4KEY-INP2
5KEY-INP1
7 PWS power switch
6GND
8 KEY-OUT0 key matrix output 0/5V
9KEY-OUT1
10 KEY-OUT2
11 KEY-OUT3

28.1.1999
XA0300E4_fm5.fm 6
Product: TDP-40-TN2 (Delta) / OA0300 Processor
6.2.2.4 Display Module
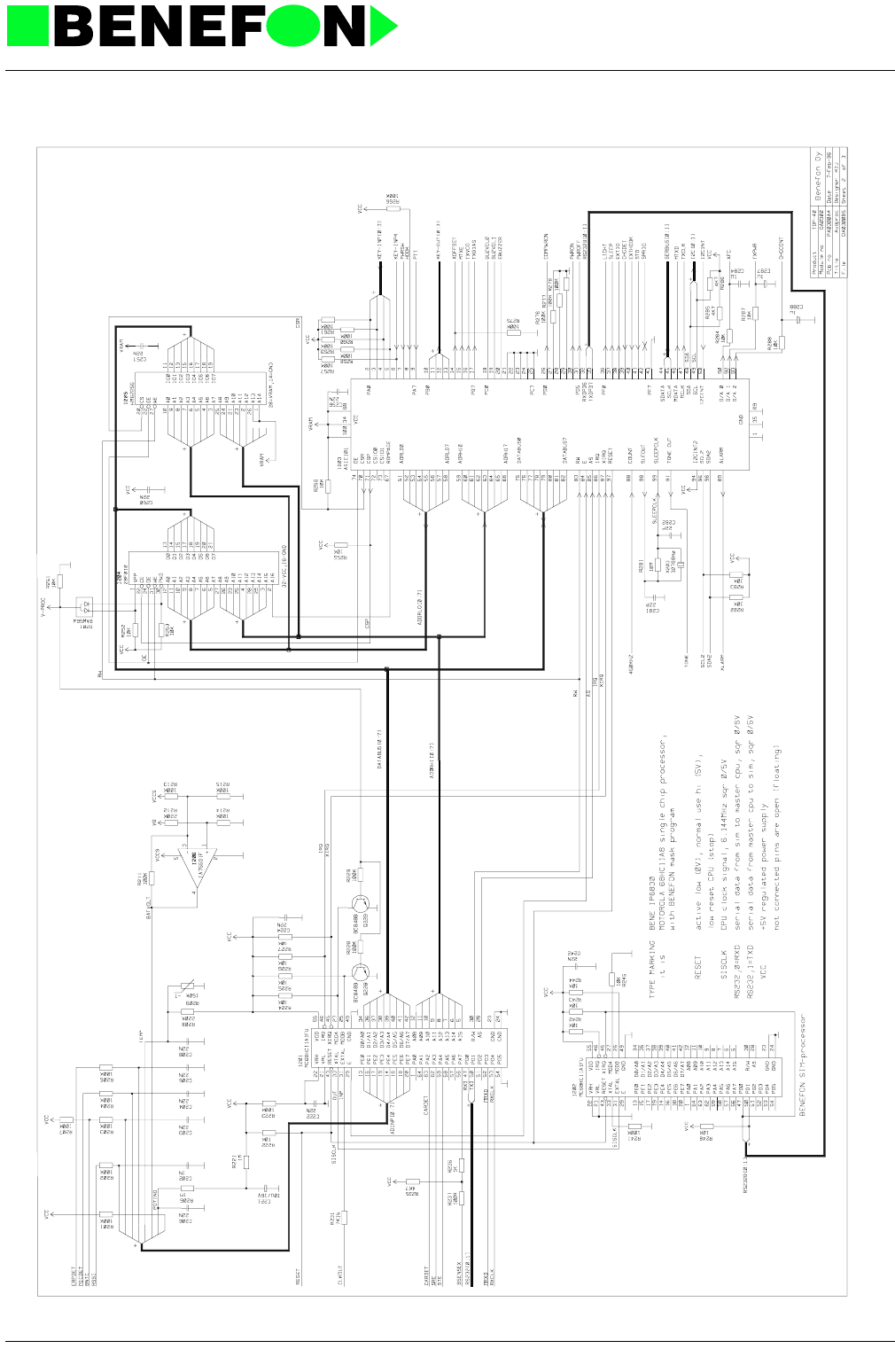
6.2.3 Circuit Diagram
The processor circuit diagram is split into three parts. The first diagram shows the
module connector pins and power supply. The second diagram shows all the pro-
cessor functions. The whole audio is in a single diagram. Signals in the circuit dia-
grams have been given names, and signals with the same name are connected
between diagrams.
6.2.3.1 Circuit Diagram Contents
6.2.3.2 Numbering of Components
The different modules making up the radio unit have all their components unambigu-
ously numbered. An individual component number is used only once:
OA0300A0 has numbers 001...199
OA0300B0 has numbers 200...299
OA0300C0 has numbers 300...399
6.2.4 Functions
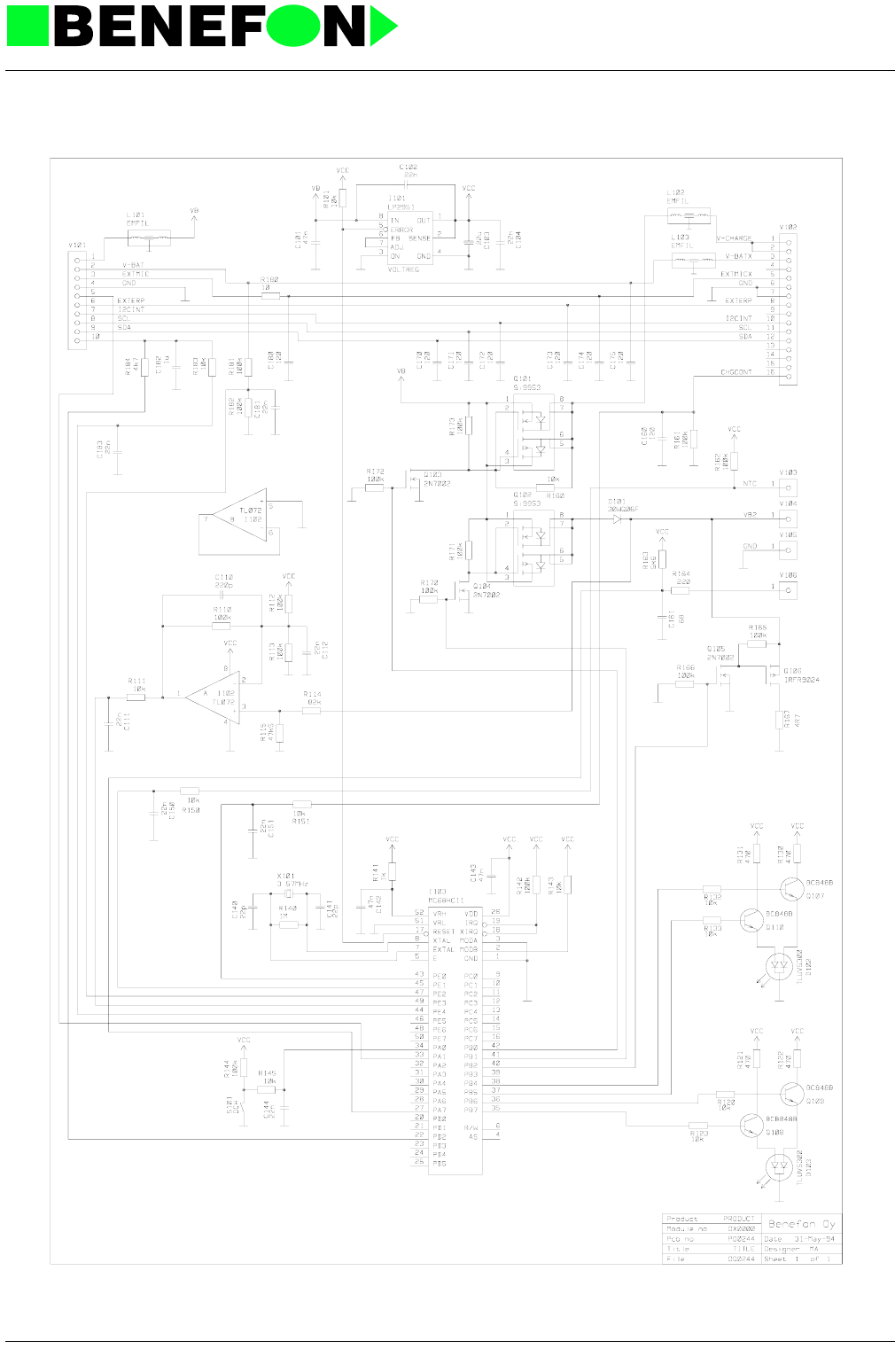
6.2.4.1 CPU
I201 is itself a processor circuit. It comprises CPU, 512*8bit EEPROM, timers, A/D
converters, and both series- and parallel I/O lines. The clock oscillator is located in
the audio circuit and provides the CPU with a 5.5296 MHz clock signal. The CPU
divides this by 4 to get timing signal E.
When the processor is operating, RESET = 5V, VCC = 5V, E = 1.3824 Mhz, AS, R/W
and A0...A15 pulses should be 0/5V (no intermediate values, only 0 or 5V).
6.2.4.2 Memories
Memory- and external I/O-circuit address coding is done with the ASIC circuit 203.
The circuit options CSR, CSP, and CSIO are 0-active.
1 VCC
2 LIGHTKEY light control, 6V = ON 0/6V
3SDAL
4SCLL
GND
OA0300A0 power supply and connectors
OA0300B0 cpu, ASIC, RAM, EPROM, SIS-function
OA0300C0 audio parts (filters, modem, DTMF, compander)

28.1.1999
XA0300E4_fm5.fm 7
Product: TDP-40-TN2 (Delta) / OA0300 Processor
The program memory is in 128k*8 EPROM. The program uses the addresses
2100H...FFFFH. Page selection makes available another similar memory block.
RAM-memory is 8k*8 CMOS RAM at the addresses 0000H...1FFFFH. RAM
receives its power supply from its own regulator which is always operating, even
when the radio is in OFF state.
6.2.4.3 The Modem
The FFSK modem is located in the audio circuit. The modem is connected to the
CPU by a series line, input to synchronised port, and transmission is controlled by
an ASIC series output. The modem gives a 1200 Hz signal RXCLK to the processor
and TXCLK to ASIC. There is a data detector within the modem, the speed of which
is controlled by C395. D376 serves as the data detector,and the CPU A/D converter
measures the level of acceptance. The same detector also serves to control the HF
function.
6.2.4.4 AFC
The AFC function is performed by an internal ASIC frequency counter. A 450 kHz
intermediate frequency is amplified to a square-wave form by Q109. The frequency
is adjusted by ASIC pulse frequency modulated signal D/A 0, which is integrated by
C284. This approx. 2.5V DC voltage is fed to the synthesiser AFC pin.
6.2.4.5 Sleep Timer
The phone puts the central functions to sleep for a time. Although everything seems
normal to the user, most of the functions are closed down. The radio- and audio-
units are closed down completely. The processor still has a power supply, but the
processor is halted and has minimal power consumption. Only the ASIC circuit sleep
timer and its 32 kHz crystal oscillator remain in active mode. The phone is "woken
up" by interrupting the sleep timer or by changing the keyboard state. The sleep
timer 32 kHz clock freqency is produced by the oscillator made by crystal X203.
6.2.4.6 Warm Start
C221 and R221 measure the length of a voltage break. The voltage drops during a
break, after which it is measured by the A/D convertor. The time constant is approx.
10 s . Thus a "warm start" is detected.
6.2.4.7 RESET
The processor voltage regulator ERROR output resets (stops) the processor and
zeroes the controls when the battery voltage drops below 5V. As the voltage rises
again, the processor restarts.
6.2.4.8 Power Switch
The power switch (PWS) is grounded, and directs the regulator I101 to conduct
when pressed. The program commences and checks the PWRSW line to ensure

28.1.1999
XA0300E4_fm5.fm 8
Product: TDP-40-TN2 (Delta) / OA0300 Processor
that the switch is being pressed, and sets hold on the regulator for the PWRON line.
When the switch is depressed for a longer time, the program directs power to the
PWROFF line. During a short voltage break, C124 and R123 remember the previous
control, i.e. fet Q101 conducts again when the voltage is restored within 10 seconds.
The switch-fet also serves as a watch-dog should the voltage drop or processor
error-state continue; after 10 seconds, the radio will shut down completely.
Note! The RAM and ASIC circuits have their own regulator connected to the battery
to ensure an uninterrupted power supply. RAM power supply is ensured during a
battery-pack change by the battery A100.
6.2.4.9 Battery Voltage Measurement
The battery voltage is measured by an A/D converter. The converter 256 step con-
version scale is not sufficient as it stands, so the measured range is restricted to
5...8V by the operational amplifier I206. The reference voltage for the measurement
is provided by the processor regulator 5V supply. Calibration is done by the program
against a precisely known battery voltage.
6.2.4.10 I/O ports
The ASIC I/O ports PA...PF are 8-bit hold circuits. DATA is fed to the addressed out-
put. When the RESET line is down (0V) all the ASIC ports are zeroed (0V). As
RESET rises again, all of the two-way I/O ports are inputs until the program sets
them to the desired state. With the radio in OFF state, RESET is down so all of the
controls are also down although ASIC is still provided with operational voltage
(VRAM).
6.2.4.11 Tone Generator
Tones for the internal buzzer are provided by the ASIC tone generator. The fre-
quency can be programmed between 400...4000 Hz. The wave form is square.
6.2.4.12 SIS
SIS functions are provided by a mask-programmed single chip processor I202
(68HC11A8). It communicates with the host processor via ASIC with an RS232 bus
(5V levels). The circuit operation is not externally visible as it is a single-chip solu-
tion. User specific information is stored in EEPROM which CANNOT be read from
outside the chip. All external attempts to read the information clear both EEPROM
and RAM (fill with FF).
6.2.4.13 Power Adjustment
The transmitter control logic switches TX power and also adjusts it to the correct
level. The TXVCO signal sets the transmitter to ready-mode. Power is controlled by
the ASIC analog output D/A 1. It is a pulse frequency modulated output which is con-
verted to a DC voltage by integrating it with C287. 0V corresponds to "no power"
state, and 5V to maximum transmitter power. The power levels are calibrated by the
program at the source of measurement.

28.1.1999
XA0300E4_fm5.fm 9
Product: TDP-40-TN2 (Delta) / OA0300 Processor
6.2.4.14 Charging Control
The charger is controlled by the program. The charger is detected by a voltage at the
VCHARGE pin. The charging current (0...2A) is controlled by an analog (0...5V)
CHGCONT signal which comes from the ASIC D/A 2 pulse frequency output. Charg-
ing is governed by the battery and radio temperatures, battery voltage, and time
measurement. D104 prevents the battery voltage reaching the charger.
6.2.4.15 Temperature Measurement
The radio has two separate temperature sensors, one within the battery pack, and
the other within the radio module. Inside the radio the NTC resistor R209 voltage is
measured by the processor A/D converter. This value is converted by a programmed
table to a temperature reading. The battery pack temperature is calculated in the
same way.
6.2.4.16 Real-time Clock
A real-time clock is provided within ASIC to give the time and date. The alarm func-
tion can also be programmed to the ALARM pin. This will initiate the processor regu-
lator and thus also the radio although it was in OFF state.
The ASIC circuit has a continuous power supply and the 32 kHz clock crystal runs
constantly. Not even the RESET line stops the clock. If the power supply has
dropped too low, the clock will need to be reset with the radio butons (from the
menu).

28.1.1999
XA0300E4_fm5.fm 10
Product: TDP-40-TN2 (Delta) / OA0300 Audio
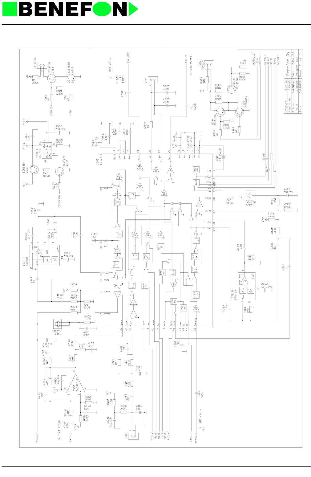
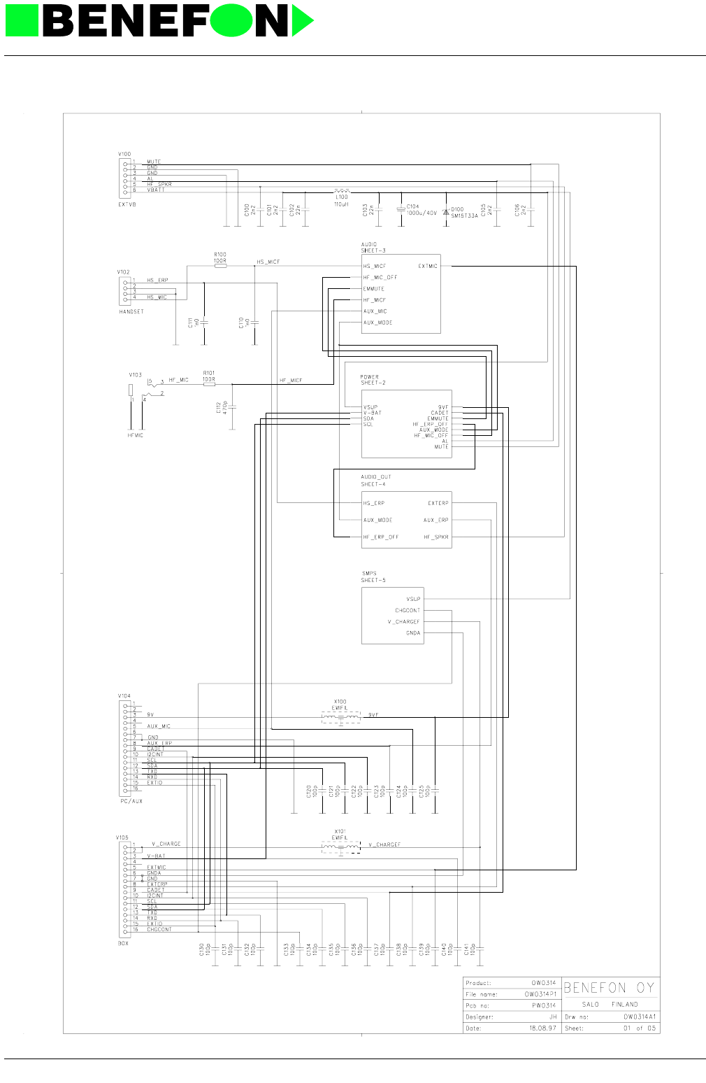
Audio
6.2.5 Function Description
OA0300 Audio
The audio module comprises the following functions:
1. TX-audio signal handling
2. RX-audio signal handling
3. Fii signal handling
4. FFSK modem
5. DTMF generator/receiver
6. Signal level detectors
7. Compander
8. Alarm tone buzzers
The audio functions are for the main part located in a single circuit SC11370. This
chip from Sierra Semiconductor is controlled by a n i2c bus. It is possible to shut
down parts of the circuit, one block at a time to minimise power consumption. The
circuit provides six separate clock frequencies for the processor, or alternatively the
clock frequency can be switched off entirely.
In addition to the audio circuit, the audio module uses a Phillips Semiconductor low-
current compander SA578, and for alarm tones the ASIC tone generator and Citizen
buzzers.
6.2.5.1 TX-Audio
The input from the microphone is fed to the audio circuit I300 pin 36, which is an
operational amplifier inverting input. The operational amplifier gain is set by resistors
R304 and R306. The amplifier is connected as a low pass filter. After the filter, the
signal is fed to the programmable amplifier GC1 (gain 0...+6dB), which sets the
microphone signal to the correct level. After GC1 comes switch t1, which selects
either the internal microphone or an audio signal via the base connector X-EXT pin 5
from an external device (HF-microphone, user equipment). The external audio sig-
nal is fed to the amplifier I310, in which the large signal peaks are limited (pre-lim-
iter). The power supply for I310 can be switched off with the COMPWRON control
(COMPWRON = 0). The resistors R313 and R316 are used to adjust the signal to a
suitable level for the audio circut, and the signal is fed to the audio circuit pin 35. The
switch is controlled by the EXTON control so that the internal microphone is con-
nected when EXTON = 0, and the external signal when EXTON = 1. From the
switch, the signal is fed through a high pass filter F1, and then to compressor I330 C,
which can be by-passed using the audio circuit internal switch t3, which in turn is

28.1.1999
XA0300E4_fm5.fm 11
Product: TDP-40-TN2 (Delta) / OA0300 Audio
directed by the COMPOFF control. The compressor is by-passed when COMPOFF
= 1. From the compressor, the signal is fed through a -6 dB pre-amplifier F2 to the
programmable amplifier GC2 (gain 0...6dB) which regulates normal deviation. After
the normal deviation regulation, the signal is fed to an amplitude limiter, and then on
to the 4 kHz band-block filter F3A. After the filter comes switch m6, which mutes the
TX audio signal using the TXMUTE control. From the switch, the signal is fed to the
programmable amplifier GC3 (gain -17...+4 dB), which is used in conjunction with
the HF function.After GC3, the signal is filtered with a 3 kHz low pass filter F3B, and
then the signal level, maximum deviation, can be regulated with the programmable
amplifier GC10 (gain 0...+6 dB). The adjustable amplifier GC7 (gain 0...+4 B) is used
to automatically regulate the signal level. The TX signal is then fed to the X-RF con-
nector pin 17.
6.2.5.2 RX-Audio
The RX signal coming from the receiver through the X-RF pin 14 is fed to the audio
circuit I300 pin 21. Inside the circuit, the signal is fed to the programmable amplifier
GC9 (gain 0...+6 dB), which regulates the incoming signal from the receiver to the
correct level. The signal is next passed through a -6 dB muting filter F5 to the filter
chain formed by the high-pass filter F7A, the band-rejection filter F6, ja low-pass fil-
ter F7B. The signal passes from the filters through the switch m19, which is operated
by the RXMUTE control, from circuit I300 pin 23 to the expander I330B. The
expander can be by-passed using the switch t23 within the audio circuit, which is
operated by the EXPOFF control. When EXPOFF = 1, the expander is by-passed.
From the expander, the signal is fed back to circuit I300 pin 22.
Inside the circuit, the signal passes through switch t23 to the programmable ampli-
fier GC8 (gain -8...+20 dB), which adjusts the volume. After the volume control, the
signal is fed to t20 and t21. The signal is directed to the earphone by the EARON = 1
control through switch t20 to the earphone amplifier and on to the earphone. The
signal can be directed to an external device, by the EXTLSON = 1 control through
switch t21 and the amplifier, and out of the circuit I300 from pin 24 to the base con-
nector X-EXT pin 8.
6.2.5.3 FII Signal
The NMT system uses the FII signal to check the radio path quality. This approx. 4
kHz signal is split from the RX-audio signal after the adjustable amplifier GC9 and is
filtered through the band-pass filter F8. The signal level is regulated by the program-
mable amplifier GC6 (gain +2..+8 dB) and is passed through switch t11, which can
be operated by the FIION control, to be summed with the TX-audio signal before the
programmable amplifier GC10.

28.1.1999
XA0300E4_fm5.fm 12
Product: TDP-40-TN2 (Delta) / OA0300 Audio
6.2.5.4 FFSK Modem
The FFSK data signal to be transmitted is passed through a +6 dB pre-amplifier F10
to the programmable amplifier GC5 (gain 0...+6 dB), which adjusts its level. The data
signal is switched using m10, which is operated by the FFSKDTMFSEL control. The
data signal is summed with the TX-audio signal by the summer between GC3 and
the low pass filter F3B.
The received data signal is split from the RX-audio signal after the -6 dB muting filter
F5 and is fed to the FFSK receiver and data detector. The data detector speed is
determined by the external condenser C395.
The modem is connected to the CPU by series lines, the receiver to a synchronised
gate, and transmission is directed to an ASIC series output. The modem provides a
1200 Hz clock signal RXCLK to the processor and TXCLK to ASIC.
6.2.5.5 The DTMF Generator/Receiver
The DTMF generator provides all sixteen standard DTMF tones, and each individual
frequency separately. The generator is used to produce both key- and alarm-tones in
a car installation, and enable numeric message transmission during a call.
Key- and alarm-tones are taken from the generator to switch t14, which is operated
by the DTMFRXON control, and is the summed with the RX-audio signal before the
volume control GC8. After the volume control the signal is routed through the switch
t21 to the aplifier, and then out from the circuit pin 24 to the connector X-EXT pin 8.
Switching is directed by the EXTLSON control.
When transmitting a numeric message, the DTMF tones produced by the generator
are fed through the programmable amplifier GC4 (gain 0...+6 dB) to the switch t2,
which is operated by the DTMFTXON control, and is summed with the TX-audio sig-
nal after the filter F1.
The DTMF receiver takes in numeric messages sent to the phone. When the
receiver has captured a received number, the STD line rises to 5V, and the number
can be read through the I2C bus.
The route to the DTMF receiver splits from the RX-audio signal after the filter F5,
through switch t16 and on through switch t12.
In addition, the DTMF receiver is used to receive DTMF tones from a fax connected
to the line converter or from a conventional fixed-line telephone. In this case the
DTMF tones from the EXTMIC connector passes along the TX-audio signal path and
splits from it before the compressor to switch t15, which is operated by the
ANSLOOPON control. From the switch, the DTMF tones are passed to switch t12
and on to the DTMF receiver.

28.1.1999
XA0300E4_fm5.fm 13
Product: TDP-40-TN2 (Delta) / OA0300 Audio
6.2.5.6 Signal Level Detectors
Signal level detectors are required with the HF-function to measure the transmitted
and received audio signal level, and to study the data signal level. Measurement is
done by rectifying the signal, and the resultant DC voltage is read by a phones pro-
cessor A/D converter. Rectifying is done by two operational amplifiers from the audio
circuit and external diodes.
The transmission side audio signal is taken from the I300 pin 33 to pin 31, which is
an operation amplifier inverting input. The signal comes out of pin 30, and is rectified
by the diode D326 and filtered by the capacitor C326. The DC voltage (MICDET) is
taken to a processor A/D converter, which measures the level.
The receiver side audio signal and data signal are taken from I300 pin 23 to pin 27,
which is an operational amplifier inverting input. The signal comes out of pin 28 and
is rectified by diode D376 and filtered by the capacitor C374. The DC voltage (ERP-
DET) is taken to a processor A/D converter, which measures the level.
6.2.5.7 Compander
The audio signal signal-to-noise ratio is improved by using the compander. The
transmission side signal is comressed by a 2:1 ratio, and the signal is expanded in
the receiver by the inverse 1:2 ratio. The compander specifications are outlined in
the CCITT recommendation Rec. G.162.
The compander circuit is a Phillips Signetics SA578D. The circuit has low power
consumption in operation, and additionally, can be powered down by the external
COMPWRON control (CPMPWRON = 0).
6.2.5.8 Alarm Buzzer
Tones for the internal alarm tones are provided by the ASIC tone generator, from
which the square wave is brought by the TONE signal to the base of the transistor
Q395. The alarm tone volume is adjusted by the BUZVOL0 signal fed to the transis-
tor Q396, and the BUZVOL1 signal fed to the transistor Q394. EX-BUZZ is included
only in the loudest (HIGH) levels.
LEVEL BUZVOL0 BUZVOL1 TONE
HIGH 0 1 ON
MEDIUM 1 0 ON
LOW 0 0 ON
SILENT 0 0 OFF

28.1.1999
XA0300E4_fm5.fm 14
Product: TDP-40-TN2 (Delta) / OA0300 Audio
6.2.6 Audio Module Tuning Instructions
6.2.6.1 TX-Audio
- feed a 1 kHz sine signal of 4.0Vrms to connector pin 5 (via local box, GEN-
connector)
- enter 0 # and 21 # and 215 # (read phone level)
- change the signal frequency to 2 kHz at 4.0Vrms
- if the RF module is present, enter also 31 #
- if the RF module is not present, connect an oscilloscope to the X-RF
connector pin 17.
- enter 201 # 4 and use the +/- keys to adjust the oscilloscope to show
2075...2125mVpp and press the F key. If the RF module is present, set the
deviation to 4,5...4,7 kHz and press the F key.
- change the input sine signal to 1 kHz at 400mVrms.
- press 1 and use the +/- keys to adjust the oscilloscope to show
1510...1530mVpp and press the F key. If the RF module is present, set the
deviation to 2,95...3,05 kHz and press the F key.
- press the C key.
Check the deviation limiter as follows and tune if necessary:
- change the signal level to 4.0Vrms keeping the frequency at 1kHz. If the
deviation does not exceed 3.7 kHz, enter 217 # and raise the tuning value
with the + key one step at a time until the deviation rises above the limit, and
press the F key. If the deviation is already above 3.7 kHz, press the F key.
- change the frequency to 650 Hz. If the deviation exceeds 4.7 kHz, use the +
key to increase the tuning value one step at a time until the deviation drops
below the limit, and press the F key. If the deviation is already below 4.7 kHz,
press the F key.

28.1.1999
XA0300E4_fm5.fm 15
Product: TDP-40-TN2 (Delta) / OA0300 Audio
- feed 1 kHz sine wave acoustically at a normal noise level into the
microphone.
- enter 0 #, 21 # and press the HF key. If the RF module is present, enter also
31 #.
- enter 201 # 7 and use the +/- keys to adjust the oscilloscope to show
1510...1530mVpp, and press the F key. If the RF module is present, set the
deviation to 2,95...3,05 kHz and press the F key.
- press the C key.
6.2.6.2 FFSKT
- if there is no RF module, connect the oscilloscope to the connector X-RF pin
17.
- enter 0 # and 24 #. If the RF module is present, enter also 31 #.
- enter 201 # 9 and adjust the oscilloscope to show 2120...2140mVpp and
press the F key. If the RF module is present, set the deviation to 4,15...4,25
kHz and press the F key.
- press the C key.
6.2.6.3 DTMFTX
- if there is no RF module, connect the oscilloscope to the connector X-RF pin
17.
- enter 0 # and 203 # and use the +/- keys to select 941 Hz and press the F
key. If the RF module is present, enter also 31 #.
- enter 201 # 8 and adjust the oscilloscope to show 600...620mVpp and press
the F key. If the RF module is present, set the deviation with +/- keys to
1,40 kHz (+ 0.20 kHz), and press the F key.
- press the C key.
6.2.6.4 RX-Audio
- feed a 1 kHz sine signal of 100mVrms to the connector X-RF pin 14. If the RF
module is present, feed a 1 kHz modulated signal with 3 kHz deviation, RF
level -53 dB, to the antenna connector.
- connect a voltmeter or oscilloscope to the connector X-EXT pin 8 (local box,
METER connector).
- enter 0 # and 22 #.
- enter 201 # 6 and use the +/- keys to adjust the voltmeter to show
210...230mVrms (555...615 mVpp) and press the F key.
- press the C key.

28.1.1999
XA0300E4_fm5.fm 16
Product: TDP-40-TN2 (Delta) / OA0300 Audio
6.2.6.5 FII
- feed a 4 kHz sine signal of 20mVrms to the X-RF connector pin 14. If the RF
module is present, feed a 4 kHz modulated signal with 600 Hz deviation, RF
level -53 dB, to the antenna connector.
- if the RF module is not present, connect an oscilloscope to the connector X-
RF pin 17.
- enter 0 # and 23 #. If the RF module is present, enter also 31 #.
- enter 201 # 0 and use the +/- keys to adjust the oscilloscope to show
300mVpp and press the F key. If the RF module is present, set the deviation
to 580...620 Hz and press the F key.
- press the C key.
6.2.7 Audio Locals
0 # AUDIO RESET (SET AUDIO CHIP TO DEFAULT VALUES)
18 # DTMF LOOP TEST
20 # AUDIOPOWER SWITCHED ON
20 * AUDIOPOWER SWITCHED OFF
21 # TX AUDIO PATH ON (EXTMIC INPUT)
21 * TX AUDIO PATH OFF
22 # RX AUDIO PATH ON (EXTERP OUTPUT)
22 * RX AUDIO PATH OFF
23 # FII (SAT) LOOP ON
23 * FII (SAT) LOOP OFF
24 # TX FFSK ON
24 * TX FFSK OFF
25 # COMP ON
25 * COMP OFF
200 # AUDIO GATE CONTROLS

28.1.1999
XA0300E4_fm5.fm 17
Product: TDP-40-TN2 (Delta) / OA0300 Audio
1.select gate (0...b) by +/- button
2.select bit by buttons 0...7
3.select state of the bit by 0 or 1
See the list of gate controls (file: port 2).
1. NORMAL DEVIATION ADJUST (GC2)
2. HANDSFREE TX ATTENUATOR (GC3)
3. DEVIATION CORRECTION (GC7)
4. MAXIMUM DEVIATION ADJUST (GC10)
5. ERP VOLUME CONTROL (GC8)
6. RX AUDIO LEVEL ADJUST (GC9)
7. MIC SENSITIVITY ADJUST (GC1)
8. TX DTMF LEVEL ADJUST (GC4)
9. TX FFSK LEVEL ADJUST (GC5)
0. FII (SAT) LEVEL ADJUST (GC6)
Tune by +/- button (steps 0...15).
DTMF OFF
Select by +/- button and push F button.
201 # AUDIO TUNING COMMANDS
203 # DTMF GENERATOR CONTROL (SINGLE TONE)
697 Hz 1209 Hz
770 Hz 1336 Hz
852 Hz 1477 Hz
941 Hz 1633 Hz

28.1.1999
XA0300E4_fm5.fm 18
Product: TDP-40-TN2 (Delta) / OA0300 Audio
6.2.8 Audio Gate Controls
204 # RX AND TX AUDIO PATHS ON
210 # + 55 Co TUNING
211 # + 25 Co TUNING
212 # 0 Co TUNING
213 # - 25 Co TUNING
214 # STORING THE VALUE OF BATTERY VOLTAGE A/D CON-
VERTER
215 # STORING THE VALUE OF MICROPHONE LEVEL A/D CON-
VERTER
215 * CHECKING THE VALUE OF MICROPHONE LEVEL A/D CON-
VERTER
216 # SET THE FIRST DEVIATION CORRECTION LEVEL (REDUCE
DISTORTION GC2)
217 # SET DEVIATION CORRECTION LIMITS (GC7)
# 4 0 0 COMPWROFF
# 4 0 1 COMPWRON
addr bitnr. name 0 1 fixed
00H 0 t1 EXTOFF EXTON
1 t2 DTMFTXOFF DTMFTXON
2 m60 TXMUTE ON TXMUTE OFF
3 m61 0
4t7 0
5 m100 FFSKTXOFF FFSKTXO
6 m101 0
7 t11 FIIOFF FIION

28.1.1999
XA0300E4_fm5.fm 19
Product: TDP-40-TN2 (Delta) / OA0300 Audio
01H 0 t13 FFSKBPOFF FFSKBPON
1 t14 DTMFRXOFF DTMFRXON
2 t15 ANSLOOPOFF ANSLOOPON
3 m190 0 LPF BY- 1 RX 0 LPF 1 LPF
4 m191 0 PASSED 0 MUTED 1 ACTIVE 1 ACTIVE
5 t20 EAROFF EARON
6 t21 EXTLSOFF EXTLSON
7 t22 OPAINP GND OPAINP REF
02H 0-3 GC2[0-3] NORMDEVPGA06
4-7 GC3[0-3] HFTXATTPGA1704
03H 0-3 GC7[0-3] MAXDEVLOPGA04
4-7 GC10[0-3] MAXDEVHIPGA06
04H 0-3 GC8[0-3] ERPVOLPGA2010
4-7 GC9[0-3] RXAUDLEVPGA06
05H 0 Pref12 AUDREFOFF AUDREFON
1 Pref3 MODREFOFF MODREFON
2 Prespwr FDETPWROFF FDETPWRON
3 Frxpwr FRXPWROFF FRXPWRON
4 Ftxpwr FTXPWROFF FTXPWRON
5 Drxpwr DRXPWROFF DRXPWRON
6 Dtxpwr DTXPWROFF DTXPWRON
7 Aupwr AUDPWROFF AUDPWRON
06H 0 Tx[0] DTXCONT0 DTXCONT0
1 Tx[1] DTXCONT1 DTXCONT1
2 Tx[2] DTXCONT2 DTXCONT2
3 Tx[3] DTXCONT3 DTXCONT3
4 ATTPB PREDTMFOFF PREDTMFON
5 Rtone DLOWDISABLED DLOWENABLE
6 Ctone DHIGHDISABLED DHIGHENABLE
7

28.1.1999
XA0300E4_fm5.fm 20
Product: TDP-40-TN2 (Delta) / OA0300 Audio
07H 0 Xsel[0] CLOCKSEL Xsel[2:0] 010 = DIV 8 101 = DIV 2
1 Xsel[1] CLOCKSEL 000 = OFF 011 = DIV 4 110 = DIV
1.5
2 Xsel[2] CLOCKSEL 001 = DIV 2 100 = DIV 3 111 = DIV 1
3 t23 EXPON EXPOFF
4 Uopwr OPAPWROFF OPAPWRON
5 Fivep FIVEPWROFF FIVEPWRON
6 Lp255 LBLOW = 3 KHZ LBLOW = 2.5 KHZ
7 t8 TXDATASEL = FFSK TXDATASEL = TXDATA
08H 0 t3 COMPON COMPOFF
1 t4 PRETXON PRETXOFF
2t5 LIMON LIMOFF
3 t9 PREFFSKON PREFFSKOFF
4 t12 RXDTMFSEL = DTMF RXDTMFSEL =
LINECONV
5 t16 DEFFSKON DEFFSKOFF
6 t17 DERXON DERXOFF
7 t18 RXNOTCHON RXNOTCHOFF
09H 0-3 GC1[0-3] MICSENS PGA06
4-7 GC4[0-3] DTMFLEV PGA06
0AH 0-3 GC5[0-3] FFSKTXLEV PGA06
4-7 GC6[0-3] FIILEV PGA06
0FH 0 Proff discharge capasitor (time
const.) 0
1Sdet bypass FFSK band-pass
filter 0
2Sw_dis 0
GC*[3:0] GC1,2,4,5,9,10
PGA06 GC3
PGA1704 GC7
PGA04 GC8
PGA2025 GC6
PGA28
0000 0.0 -17.0 0.0 15.0 2.0
0001 0.4 -15.6 0.3 20.0 2.4
0010 0.8 -14.2 0.5 25.0 2.8
0011 1.2 -12.8 0.8 -20.0 3.2

28.1.1999
XA0300E4_fm5.fm 21
Product: TDP-40-TN2 (Delta) / OA0300 Audio
0100 1.6 -11.4 1.1 -15.0 3.6
0101 2.0 -10.0 1.3 -10.0 4.0
0110 2.4 -8.6 1.6 -8.0 4.4
0111 2.8 -7.2 1.9 -6.0 4.8
1000 3.2 -5.8 2.2 -4.0 5.2
1001 3.6 -4.4 2.4 -2.0 5.6
1010 4.0 -3.0 2.7 0.0 6.0
1011 4.4 -1.6 3.0 2.0 6.4
1100 4.8 -0.2 3.2 4.0 6.8
1101 5.2 1.2 3.5 6.0 7.2
1110 5.6 2.6 3.8 8.0 7.6
1111 6.0 4 4.0 10.0 8.0

28.1.1999
XA0300E4_fm5.fm 22
Product: TDP-40-TN2 (Delta) / OA0300
6.2.9 Parts list
OA0300
CODE PART DESCRIPT. VALUE MANUF. TYPE
AB0001 A100 Lithium battery 3V 35mAh Matsushita BR-1225-1HC
AE0001 BUZ Buzzer 9x5,5mm 5V 25ohm 90dB Citizen CB-09GP
CF0471 C101 SMD capasitor 470 pF 5% 50 V NP0 Philips
CF0471 C102 SMD capasitor 470 pF 5% 50 V NP0 Philips
CF0471 C103 SMD capasitor 470 pF 5% 50 V NP0 Philips
CF0471 C104 SMD capasitor 470 pF 5% 50 V NP0 Philips
CF0223 C105 SMD capasitor 22 nF 10% 50 V X7R Philips
CF0471 C106 SMD capasitor 470 pF 5% 50 V NP0 Philips
CF0471 C107 SMD capasitor 470 pF 5% 50 V NP0 Philips
CF0471 C108 SMD capasitor 470 pF 5% 50 V NP0 Philips
CF0471 C109 SMD capasitor 470 pF 5% 50 V NP0 Philips
CF0471 C110 SMD capasitor 470 pF 5% 50 V NP0 Philips
CF0471 C111 SMD capasitor 470 pF 5% 50 V NP0 Philips
CF0471 C112 SMD capasitor 470 pF 5% 50 V NP0 Philips
CF0223 C113 SMD capasitor 22 nF 10% 50 V X7R Philips
CF0223 C114 SMD capasitor 22 nF 10% 50 V X7R Philips
CU1106 C122 SMD tantal 10uF/16V AVX TAJB106M016R
CU1106 C124 SMD tantal 10uF/16V AVX TAJB106M016R
CF0223 C125 SMD capasitor 22 nF 10% 50 V X7R Philips
CF0103 C126 SMD capasitor 10 nF 10% 50 V X7R Philips
CU1226 C127 SMD tantal 22uF/6.3V 20% 6x3.2mm Matsushita ECSTOJC 226R
CF0223 C128 SMD capasitor 22 nF 10% 50 V X7R Philips
CF0223 C165 SMD capasitor 22 nF 10% 50 V X7R Philips
CU1106 C166 SMD tantal 10uF/16V AVX TAJB106M016R
CF0103 C191 SMD capasitor 10 nF 10% 50 V X7R Philips
CF0102 C202 SMD capasitor 1 nF 5 % NP0 Philips
CF0223 C203 SMD capasitor 22 nF 10% 50 V X7R Philips
CF0223 C204 SMD capasitor 22 nF 10% 50 V X7R Philips
CF0223 C205 SMD capasitor 22 nF 10% 50 V X7R Philips
CF0223 C206 SMD capasitor 22 nF 10% 50 V X7R Philips
CF0223 C208 SMD capasitor 22 nF 10% 50 V X7R Philips
CU1106 C221 SMD tantal 10uF/16V AVX TAJB106M016R
CF0223 C222 SMD capasitor 22 nF 10% 50 V X7R Philips
CF0223 C224 SMD capasitor 22 nF 10% 50 V X7R Philips
CF0223 C242 SMD capasitor 22 nF 10% 50 V X7R Philips
CF0223 C250 SMD capasitor 22 nF 10% 50 V X7R Philips
CF0223 C251 SMD capasitor 22 nF 10% 50 V X7R Philips
CF0223 C256 SMD capasitor 22 nF 10% 50 V X7R Philips
CF0220 C281 SMD capasitor 22 pF 5% 50 V NP0 Philips
CF0220 C282 SMD capasitor 22 pF 5% 50 V NP0 Philips
CU1105 C284 SMD tantal 1uF/16V AVX TAJR105M016R
CH0105 C287 SMD capasitor 1uF/-20/+80%/16V TaiyoYuden EMK212 F105Z00T
CH0105 C288 SMD capasitor 1uF/-20/+80%/16V TaiyoYuden EMK212 F105Z00T
CU3475 C300 SMD tantal 4.7uF/10V 20% AVX TAJA475M010R
CF0101 C302 SMD capasitor 100 pF 5% 50 V NP0 Philips
CF0223 C304 SMD capasitor 22 nF 10% 50 V X7R Philips
CF0222 C306 SMD capasitor 2.2 nF 5% 50 V NP0 Philips
CF0680 C308 SMD capasitor 68 pF 5% 50 V NP0 Philips
CU1105 C309 SMD tantal 1uF/16V AVX TAJR105M016R
CF0223 C310 SMD capasitor 22 nF 10% 50 V X7R Philips
CF0101 C311 SMD capasitor 100 pF 5% 50 V NP0 Philips
CF0223 C312 SMD capasitor 22 nF 10% 50 V X7R Philips
CF0223 C313 SMD capasitor 22 nF 10% 50 V X7R Philips
CF0223 C314 SMD capasitor 22 nF 10% 50 V X7R Philips
CF0223 C320 SMD capasitor 22 nF 10% 50 V X7R Philips

28.1.1999
XA0300E4_fm5.fm 23
Product: TDP-40-TN2 (Delta) / OA0300
CU1105 C326 SMD tantal 1uF/16V AVX TAJR105M016R
CH0104 C327 SMD capasitor 100nF/25V X7R TaiyoYuden TMK212BJ104K00T
CH0105 C330 SMD capasitor 1uF/-20/+80%/16V TaiyoYuden EMK212 F105Z00T
CU1105 C332 SMD tantal 1uF/16V AVX TAJR105M016R
CU1105 C334 SMD tantal 1uF/16V AVX TAJR105M016R
CF0221 C335 SMD capasitor 220 pF 5% 50 V NP0 Philips
CH0105 C336 SMD capasitor 1uF/-20/+80%/16V TaiyoYuden EMK212 F105Z00T
CF0223 C338 SMD capasitor 22 nF 10% 50 V X7R Philips
CF0223 C340 SMD capasitor 22 nF 10% 50 V X7R Philips
CU1105 C350 SMD tantal 1uF/16V AVX TAJR105M016R
CH0104 C351 SMD capasitor 100nF/25V X7R TaiyoYuden TMK212BJ104K00T
CH0104 C352 SMD capasitor 100nF/25V X7R TaiyoYuden TMK212BJ104K00T
CH0104 C353 SMD capasitor 100nF/25V X7R TaiyoYuden TMK212BJ104K00T
CF0103 C355 SMD capasitor 10 nF 10% 50 V X7R Philips
CH0105 C360 SMD capasitor 1uF/-20/+80%/16V TaiyoYuden EMK212 F105Z00T
CF0101 C364 SMD capasitor 100 pF 5% 50 V NP0 Philips
CF0101 C365 SMD capasitor 100 pF 5% 50 V NP0 Philips
CU1105 C366 SMD tantal 1uF/16V AVX TAJR105M016R
CF0223 C368 SMD capasitor 22 nF 10% 50 V X7R Philips
CF0223 C370 SMD capasitor 22 nF 10% 50 V X7R Philips
CU1105 C374 SMD tantal 1uF/16V AVX TAJR105M016R
CF0223 C379 SMD capasitor 22 nF 10% 50 V X7R Philips
CH0105 C380 SMD capasitor 1uF/-20/+80%/16V TaiyoYuden EMK212 F105Z00T
CU1225 C382 SMD tantal 2.2uF/10V AVX TAJS225M010R
CF0222 C385 SMD capasitor 2.2 nF 5% 50 V NP0 Philips
CF0223 C386 SMD capasitor 22 nF 10% 50 V X7R Philips
CU1106 C388 SMD tantal 10uF/16V AVX TAJB106M016R
CF0223 C390 SMD capasitor 22 nF 10% 50 V X7R Philips
CF0223 C395 SMD capasitor 22 nF 10% 50 V X7R Philips
DS1070 D101 SMD diode pair 70V/100mA common cathode Philips BAV 70W
DS1070 D102 SMD diode pair 70V/100mA common cathode Philips BAV 70W
DS1070 D103 SMD diode pair 70V/100mA common cathode Philips BAV 70W
DY0034 D104 Schottky diode 40V/2,6A VF=0.45V Shindengen D3FS4A
DY0054 D105 Shottky diode Philips BAT 54
DS1070 D106 SMD diode pair 70V/100mA common cathode Philips BAV 70W
DLG170 D111 SMD led Green Citizen CL 170G-CD
DLG170 D112 SMD led Green Citizen CL 170G-CD
DLG170 D113 SMD led Green Citizen CL 170G-CD
DLG170 D114 SMD led Green Citizen CL 170G-CD
DLG170 D115 SMD led Green Citizen CL 170G-CD
DLG170 D116 SMD led Green Citizen CL 170G-CD
DLG170 D117 SMD led Green Citizen CL 170G-CD
DLG170 D118 SMD led Green Citizen CL 170G-CD
DLG170 D119 SMD led Green Citizen CL 170G-CD
DLG170 D120 SMD led Green Citizen CL 170G-CD
DLG170 D121 SMD led Green Citizen CL 170G-CD
DLG170 D122 SMD led Green Citizen CL 170G-CD
DLG170 D123 SMD led Green Citizen CL 170G-CD
DLG170 D124 SMD led Green Citizen CL 170G-CD
DLG170 D125 SMD led Green Citizen CL 170G-CD
DLG170 D126 SMD led Green Citizen CL 170G-CD
DLG170 D127 SMD led Green Citizen CL 170G-CD
DLG170 D128 SMD led Green Citizen CL 170G-CD
DLG170 D129 SMD led Green Citizen CL 170G-CD
DLG170 D130 SMD led Green Citizen CL 170G-CD
DS1056 D201 SMD diode pair 70V/100mA common anode Philips BAW 56W
DS1070 D326 SMD diode pair 70V/100mA common cathode Philips BAV 70W
DS1070 D376 SMD diode pair 70V/100mA common cathode Philips BAV 70W
AE0011 ERP Earphone Ceramic receiver Panasonic WM-71
MC1356 ERUB Earphone rubber Masamuovi 931580 40
CODE PART DESCRIPT. VALUE MANUF. TYPE

28.1.1999
XA0300E4_fm5.fm 24
Product: TDP-40-TN2 (Delta) / OA0300
AE0001 EX-BU Buzzer 9x5,5mm 5V 25ohm 90dB Citizen CB-09GP
AF1005 F100 SMD PTC Fuse 0.5A Raychem miniSMD050-2
IR8850 I101 SMD regulator 5V/30mA SeikoInstr S-8850AF-TF
IR8850 I102 SMD regulator 5V/30mA SeikoInstr S-8850AF-TF
IP6810 I201 Prosessor (Peippo) 512 EEPROM, 8A/D, no ROM Motorola MC68HC11A1FU
IP6832 I202 Processor (SIS) 8k maskPROM,512EEPROM Motorola MC68HC11A8 FU
IG8001 I203 ASIC SeikoEpson SLA919SF1V
IM1010 I204 Flash PROM 128kx8 150ns Texas TMS28F010-15C4FM
IM3664 I205 8K*8 CMOS RAM F28GA-P 11.8mm width Toshiba TC5565AFL-15L
IA7550 I206\ Single op.amp. Toshiba TA 75S01F-TE85L
IX1370 I300 Analog prosessor Asic SierraSemi SC11370ACQ
IA7550 I310\ Single op.amp. Toshiba TA 75S01F-TE85L
IX0578 I330\ Low power compander Signetics SA578D
LF0061 L101 SMD EMI suppression filt 4700pF/2A 1.6x6.8mm Murata NFM61R30T472
AMY063 MIC Microphone Omnidirectio -42-+3dB Matsushita WM-060AY
MC1355 MRUB Microphone rubber Masamuovi 931579 30
NF0200 NUTL Nut M2 SFS2067 / DIN943 Ruuvitalo
NF0200 NUTR Nut M2 SFS2067 / DIN943 Ruuvitalo
PA0300 PCB PCB-audio/pros 52x157 Fr4 6-layer Metalex
QF7002 Q101 SMD n-channel FET 60V 0.115A Rds7.5 Siliconix 2N7002-T1
QS0848 Q102 SMD transistor NPN 0.1A/30V hFE 110-800 Philips BC848BW, 115
QS0858 Q103 SMD transistor PNP 0.1A/30V hFE 125-800 Philips BC858BW
QS0858 Q104 SMD transistor PNP 0.1A/30V hFE 125-800 Philips BC858BW
QS0848 Q105 SMD transistor NPN 0.1A/30V hFE 110-800 Philips BC848BW, 115
QS0858 Q107 SMD transistor PNP 0.1A/30V hFE 125-800 Philips BC858BW
QS0848 Q108 SMD transistor NPN 0.1A/30V hFE 110-800 Philips BC848BW, 115
QS0848 Q109 SMD transistor NPN 0.1A/30V hFE 110-800 Philips BC848BW, 115
QS0848 Q228 SMD transistor NPN 0.1A/30V hFE 110-800 Philips BC848BW, 115
QS0848 Q229 SMD transistor NPN 0.1A/30V hFE 110-800 Philips BC848BW, 115
QS0858 Q331 SMD transistor PNP 0.1A/30V hFE 125-800 Philips BC858BW
QS0848 Q332 SMD transistor NPN 0.1A/30V hFE 110-800 Philips BC848BW, 115
QS0848 Q360 SMD transistor NPN 0.1A/30V hFE 110-800 Philips BC848BW, 115
QS0848 Q361 SMD transistor NPN 0.1A/30V hFE 110-800 Philips BC848BW, 115
QS0848 Q394 SMD transistor NPN 0.1A/30V hFE 110-800 Philips BC848BW, 115
QS0848 Q395 SMD transistor NPN 0.1A/30V hFE 110-800 Philips BC848BW, 115
QS0848 Q396 SMD transistor NPN 0.1A/30V hFE 110-800 Philips BC848BW, 115
RF0101 R090 SMD resistor 100 R 5% 0.125 W Kamaya
RF0101 R091 SMD resistor 100 R 5% 0.125 W Kamaya
RF0101 R092 SMD resistor 100 R 5% 0.125 W Kamaya
RF0101 R093 SMD resistor 100 R 5% 0.125 W Kamaya
RF0470 R094 SMD resistor 47 R 5% 0.125 W Kamaya
RF0470 R095 SMD resistor 47 R 5% 0.125 W Kamaya
RF0101 R096 SMD resistor 100 R 5% 0.125 W Kamaya
RF0101 R097 SMD resistor 100 R 5% 0.125 W Kamaya
RF0101 R098 SMD resistor 100 R 5% 0.125 W Kamaya
RF0101 R099 SMD resistor 100 R 5% 0.125 W Kamaya
RF0101 R100 SMD resistor 100 R 5% 0.125 W Kamaya
RF0101 R101 SMD resistor 100 R 5% 0.125 W Kamaya
RF0101 R102 SMD resistor 100 R 5% 0.125 W Kamaya
RF0103 R103 SMD resistor 10 k 5% 0.125 W Kamaya
RF0103 R104 SMD resistor 10 k 5% 0.125 W Kamaya
RF0470 R105 SMD resistor 47 R 5% 0.125 W Kamaya
RF0470 R106 SMD resistor 47 R 5% 0.125 W Kamaya
RF0103 R107 SMD resistor 10 k 5% 0.125 W Kamaya
RF0101 R108 SMD resistor 100 R 5% 0.125 W Kamaya
RF0104 R109 SMD resistor 100 k 5% 0.125 W Kamaya
RF0104 R110 SMD resistor 100 k 5% 0.125 W Kamaya
RF0103 R111 SMD resistor 10 k 5% 0.125 W Kamaya
RF0104 R112 SMD resistor 100 k 5% 0.125 W Kamaya
RF0103 R113 SMD resistor 10 k 5% 0.125 W Kamaya
CODE PART DESCRIPT. VALUE MANUF. TYPE

28.1.1999
XA0300E4_fm5.fm 25
Product: TDP-40-TN2 (Delta) / OA0300
RF0105 R114 SMD resistor 1 M 5% 0.125 W Kamaya
RD0102 R120 SMD resistor 1 k 5% 0.125 W Kamaya
RF0224 R121 SMD resistor 220 k 5% 0.125 W Kamaya
RF0224 R122 SMD resistor 220 k 5% 0.125 W Kamaya
RF0105 R123 SMD resistor 1 M 5% 0.125 W Kamaya
RF0223 R124 SMD resistor 22 k 5% 0.125 W Kamaya
RF0104 R125 SMD resistor 100 k 5% 0.125 W Kamaya
RF0223 R126 SMD resistor 22 k 5% 0.125 W Kamaya
RF0103 R127 SMD resistor 10 k 5% 0.125 W Kamaya
RF0473 R128 SMD resistor 47 k 5% 0.125 W Kamaya
RF0104 R129 SMD resistor 100 k 5% 0.125 W Kamaya
RF0224 R130 SMD resistor 220 k 5% 0.125 W Kamaya
RF0102 R131 SMD resistor 1 k 5% 0.125 W Kamaya
RF0102 R132 SMD resistor 1 k 5% 0.125 W Kamaya
RD0101 R133 SMD resistor 100 R 5% 0.125 W Kamaya
RD0101 R134 SMD resistor 100 R 5% 0.125 W Kamaya
RF0103 R140 SMD resistor 10 k 5% 0.125 W Kamaya
RF0103 R141 SMD resistor 10 k 5% 0.125 W Kamaya
RF0103 R150 SMD resistor 10 k 5% 0.125 W Kamaya
RF0103 R151 SMD resistor 10 k 5% 0.125 W Kamaya
RF0104 R156 SMD resistor 100 k 5% 0.125 W Kamaya
RF0392 R157 SMD resistor 3.9 k 5% 0.125 W Kamaya
RF0101 R164 SMD resistor 100 R 5% 0.125 W Kamaya
RF0472 R171 SMD resistor 4.7 k 5% 0.125 W Kamaya
RF0472 R172 SMD resistor 4.7 k 5% 0.125 W Kamaya
RF0472 R173 SMD resistor 4.7 k 5% 0.125 W Kamaya
RF0472 R174 SMD resistor 4.7 k 5% 0.125 W Kamaya
RF0472 R175 SMD resistor 4.7 k 5% 0.125 W Kamaya
RF0472 R176 SMD resistor 4.7 k 5% 0.125 W Kamaya
RF0472 R177 SMD resistor 4.7 k 5% 0.125 W Kamaya
RF0332 R178 SMD resistor 3.3 k 5% 0.125 W Kamaya
RF0472 R179 SMD resistor 4.7 k 5% 0.125 W Kamaya
RF0472 R180 SMD resistor 4.7 k 5% 0.125 W Kamaya
RF0104 R201 SMD resistor 100 k 5% 0.125 W Kamaya
RF0104 R202 SMD resistor 100 k 5% 0.125 W Kamaya
RF0104 R203 SMD resistor 100 k 5% 0.125 W Kamaya
RF0104 R204 SMD resistor 100 k 5% 0.125 W Kamaya
RF0104 R205 SMD resistor 100 k 5% 0.125 W Kamaya
RF0105 R206 SMD resistor 1 M 5% 0.125 W Kamaya
RF0104 R207 SMD resistor 100 k 5% 0.125 W Kamaya
RF0224 R208 SMD resistor 220 k 5% 0.125 W Kamaya
RTN154 R209 SMD NTC-resistor 150k 5% B=4100 Hokuriku 157-154-45001TP
RF1104 R211 SMD resistor 100 k 1% 0.125 W Kamaya
RF1224 R212 SMD resistor 220k 1% 0.125W
RF1104 R213 SMD resistor 100 k 1% 0.125 W Kamaya
RF1104 R214 SMD resistor 100 k 1% 0.125 W Kamaya
RF1104 R215 SMD resistor 100 k 1% 0.125 W Kamaya
RF0105 R221 SMD resistor 1 M 5% 0.125 W Kamaya
RF0103 R222 SMD resistor 10 k 5% 0.125 W Kamaya
RF0104 R223 SMD resistor 100 k 5% 0.125 W Kamaya
RF0103 R224 SMD resistor 10 k 5% 0.125 W Kamaya
RF0103 R225 SMD resistor 10 k 5% 0.125 W Kamaya
RF0103 R226 SMD resistor 10 k 5% 0.125 W Kamaya
RF0103 R227 SMD resistor 10 k 5% 0.125 W Kamaya
RF0104 R228 SMD resistor 100 k 5% 0.125 W Kamaya
RF0104 R229 SMD resistor 100 k 5% 0.125 W Kamaya
RF1712 R231 SMD resistor 7.15 k 1% Kamaya
RF0472 R235 SMD resistor 4.7 k 5% 0.125 W Kamaya
RF0102 R236 SMD resistor 1 k 5% 0.125 W Kamaya
RF0101 R237 SMD resistor 100 R 5% 0.125 W Kamaya
CODE PART DESCRIPT. VALUE MANUF. TYPE

28.1.1999
XA0300E4_fm5.fm 26
Product: TDP-40-TN2 (Delta) / OA0300
RF0104 R241 SMD resistor 100 k 5% 0.125 W Kamaya
RF0103 R242 SMD resistor 10 k 5% 0.125 W Kamaya
RF0103 R243 SMD resistor 10 k 5% 0.125 W Kamaya
RF0103 R244 SMD resistor 10 k 5% 0.125 W Kamaya
RF0103 R245 SMD resistor 10 k 5% 0.125 W Kamaya
RF0103 R246 SMD resistor 10 k 5% 0.125 W Kamaya
RF0103 R251 SMD resistor 10 k 5% 0.125 W Kamaya
RF0103 R252 SMD resistor 10 k 5% 0.125 W Kamaya
RF0103 R253 SMD resistor 10 k 5% 0.125 W Kamaya
RF0103 R255 SMD resistor 10 k 5% 0.125 W Kamaya
RF0103 R256 SMD resistor 10 k 5% 0.125 W Kamaya
RF0104 R257 SMD resistor 100 k 5% 0.125 W Kamaya
RF0104 R258 SMD resistor 100 k 5% 0.125 W Kamaya
RF0104 R259 SMD resistor 100 k 5% 0.125 W Kamaya
RF0104 R260 SMD resistor 100 k 5% 0.125 W Kamaya
RF0104 R261 SMD resistor 100 k 5% 0.125 W Kamaya
RF0104 R266 SMD resistor 100 k 5% 0.125 W Kamaya
RF0104 R275 SMD resistor 100 k 5% 0.125 W Kamaya
RF0104 R276 SMD resistor 100 k 5% 0.125 W Kamaya
RF0104 R277 SMD resistor 100 k 5% 0.125 W Kamaya
RF0104 R278 SMD resistor 100 k 5% 0.125 W Kamaya
RC0106 R281 SMD resistor 10 M 5% 0.125 W Kamaya
RF0103 R282 SMD resistor 10 k 5% 0.125 W Kamaya
RF0103 R283 SMD resistor 10 k 5% 0.125 W Kamaya
RF0103 R284 SMD resistor 10 k 5% 0.125 W Kamaya
RF0472 R285 SMD resistor 4.7 k 5% 0.125 W Kamaya
RF0472 R286 SMD resistor 4.7 k 5% 0.125 W Kamaya
RF0103 R287 SMD resistor 10 k 5% 0.125 W Kamaya
RF0103 R288 SMD resistor 10 k 5% 0.125 W Kamaya
RF0103 R300 SMD resistor 10 k 5% 0.125 W Kamaya
RF0222 R302 SMD resistor 2.2 k 5% 0.125 W Kamaya
RF0473 R304 SMD resistor 47 k 5% 0.125 W Kamaya
RF1105 R306 SMD resistor 1 M 1% 0.125 W KOA
RF1153 R308 SMD resistor 15 k 1% 0.125 W KOA
RF0104 R310 SMD resistor 100 k 5% 0.125 W Kamaya
RF1823 R311 SMD resistor 82 k 1% 0.125 W Kamaya
RF0103 R312 SMD resistor 10 k 5% 0.125 W Kamaya
RF0683 R313 SMD resistor 68 k 5% 0.125 W Kamaya
RF0104 R314 SMD resistor 100 k 5% 0.125 W Kamaya
RF0104 R315 SMD resistor 100 k 5% 0.125 W Kamaya
RF1154 R316 SMD resistor 150 k 1% 0.125 W KOA
RF1333 R320 SMD resistor 33 k 1% 0.125 W KOA
RF1104 R322 SMD resistor 100 k 1% 0.125 W Kamaya
RF1105 R324 SMD resistor 1 M 1% 0.125 W KOA
RF0222 R326 SMD resistor 2.2 k 5% 0.125 W Kamaya
RF1712 R336 SMD resistor 7.15 k 1% Kamaya
RF0102 R358 SMD resistor 1 k 5% 0.125 W Kamaya
RF0104 R359 SMD resistor 100 k 5% 0.125 W Kamaya
RD0100 R360 SMD resistor 10 R 5% 0.125 W Kamaya
RF0102 R361 SMD resistor 1 k 5% 0.125 W Kamaya
RF0102 R367 SMD resistor 1 k 5% 0.125 W Kamaya
RF1333 R370 SMD resistor 33 k 1% 0.125 W KOA
RF1153 R372 SMD resistor 15 k 1% 0.125 W KOA
RF1105 R374 SMD resistor 1 M 1% 0.125 W KOA
RF0222 R376 SMD resistor 2.2 k 5% 0.125 W Kamaya
RF0102 R377 SMD resistor 1 k 5% 0.125 W Kamaya
RF0102 R378 SMD resistor 1 k 5% 0.125 W Kamaya
RF0822 R380 SMD resistor 8.2 k 5% 0.125 W Kamaya
RF0103 R386 SMD resistor 10 k 5% 0.125 W Kamaya
RF0103 R387 SMD resistor 10 k 5% 0.125 W Kamaya
CODE PART DESCRIPT. VALUE MANUF. TYPE

28.1.1999
XA0300E4_fm5.fm 27
Product: TDP-40-TN2 (Delta) / OA0300
RF1104 R388 SMD resistor 100 k 1% 0.125 W Kamaya
RF0104 R391 SMD resistor 100 k 5% 0.125 W Kamaya
RF0104 R392 SMD resistor 100 k 5% 0.125 W Kamaya
RD0100 R393 SMD resistor 10 R 5% 0.125 W Kamaya
RF0102 R394 SMD resistor 1 k 5% 0.125 W Kamaya
RF0102 R395 SMD resistor 1 k 5% 0.125 W Kamaya
RF0102 R396 SMD resistor 1 k 5% 0.125 W Kamaya
RF0681 R397 SMD resistor 680 R 5% 0.125 W Kamaya
RF0101 R398 SMD resistor 100 R 5% 0.125 W Kamaya
NC2004 SCRL Cross recessed screw M2x4 SFS2976 FeZn8C2 Ruuvitalo Pozidriv
NC2004 SCRR Cross recessed screw M2x4 SFS2976 FeZn8C2 Ruuvitalo Pozidriv
OO0242 X-DIS LCD module LCD+PCF8578 Elcoteg
VM0242 X-EXT SMD system connector 1x16 pin AMP 188227-1
AS0230 X-KEY Keyboard Membrane switch ScreenTec 931578 40
VN0112 X-RF SMD connector 2x12 pitch 1.25mm AMP 5-176313-4
X32765 X203 SMD Crystal 32.768kHz +/-20ppm Citizen CM200
X11059 X300 SMD crystal 11.0592MHz ShowaCryst SMX-3F
Last
update
08.02.96
CODE PART DESCRIPT. VALUE MANUF. TYPE

28.1.1999
XA0300E4_fm5.fm 28
Product: TDP-40-TN2 (Delta) / OA0300
Component Side Layout PA0300A4 (Schematic OO0300A-C3)

28.1.1999
XA0300E4_fm5.fm 29
Product: TDP-40-TN2 (Delta) / OA0300
Solder Side Layout PA0300A4 (Schematic OA0300A-C3)

28.1.1999
XA0300E4_fm5.fm 30
Product: TDP-40-TN2 (Delta) / OA0300
PB2
GND
PA0
PA1
PA2
PA3
PA4
PA5
PA6
PA7
PB0
PB1
PB3
PB4
PB5
PB6
PB7
PC0
PC1
PC2
PC3
PC4
PC5
PC6
PC7
PD0
PD1
PD2
D7
RW
E
AS
IRQ
XIRQ
FCNT
TONE
DA0
DA1
I2CINT2
SCL2
SDA2
RESET
SLEOUT
SLECLK
VDD
I2CINT
SCL
SDA
MCLK
MDAT
A
SCLK
SDATA
PF7
PF6
PF5
PF4
PF3
PF2
PF1
PF0
GND
VDD
PD7
PD6
PD5
PD3
PD4
D6
D5
D4
D3
D2
D1
D0
CSIO1
CSIO0
CSROM
CSRAM
GND
VDD
RPAGE
AH7
AH6
AH5
AH4
AH3
AH2
AH1
AH0
AL7
AL6
AL5
AL4
AL3
AL2
AL1
AL0
QFP15-100
1
2
3
4
5
6
7
8
9
10
11
12
13
14
15
16
17
18
19
20
21
22
23
24
25
26
27
28
29
30
50
49
48
47
46
45
44
43
42
41
40
39
38
37
36
35
34
33
32
31
81
82
83
84
85
86
87
88
89
90
91
92
93
94
95
96
97
98
99
100
80
79
78
77
76
75
74
73
72
71
70
69
68
67
66
65
64
63
62
61
60
59
58
57
56
55
54
53
52
51
IG8001
OE
ALARM
DA2
RESE
T
1
2
PA0
3
4
5
6
7
8
9
10
11
12
13
14
15
16
17
18
19
20
21
22
23
24
25
26
27
28
29
30
31
32
PE2
PE6
PE3
PE7
Vrl
Vrh
VSS
VSS
MODB
NC
MODA
AS
E
R/W
EXTAL
NC
NC
NC
NC
PB7
PB6
PB5
PB4
PB3
PB2
PB1
PB0
PE0
PE4
PE1
PE5
68HC11A1FU
QFP64
33
34
35
36
37
38
39
40
41
42
43
44
45
46
47
48
49
50
51
52
53
54
55
56
57
58
59
60
61
62
63
64
VSS
PD1
PD2
PD3
PD4
PD5
VDD
PA7
PA6
PA5
PA4
NC
NC
PA3
PA2
PA1
XTAL
AD0
NC
AD1
AD2
AD4
AD5
AD6
AD7
NC
XIRQ
IRQ
PD0
NC
AD3

28.1.1999
XA0300E4_fm5.fm 31
Product: TDP-40-TN2 (Delta) / OA0300
1
2
3
4
5
6
7
8
9
10
11
12
13
14
15
16
17
18
19
20
21
22
23
24
25
26
27
28 A14
A12
A7
A6
A5
A4
A3
A2
A1
A0
D0
D1
D2
GND
D3
D4
D5
D6
D7
CS
A10
OE
A11
A9
A8
A13
VCC
29
30
31
32
A15
A16
PWD
WE
VPP
1M
FLASH
PLCC32
1
2
3
4
5
6
7
8
9
10
11
12
13
14 15
16
17
18
19
20
21
22
23
24
25
26
27
28
A
14
A
12
A
7
A
6
A
5
A
4
A
3
A
2
A
1
A
0
D0
D1
D2
GND D3
D4
D5
D6
D7
CS
A10
OE
A11
A9
A8
A13
WE
VCC
RAM
SO28
1
2
3
4
5
6
7
8
9
10
11
12
13
14
15
16
17
18
19
20
21
22
23
24
25
26
27
28
29
30
31
32
33
34
35
36
37
38
39
40
41
42
43
44
SC11370
RESET
TEST
STD
AVD
AVS
REF3
VMID
REF1
REF2
RXAUD
EXPI
ADIN
EXTMIC
MICIN
MICGAIN
LIMO
LIMI
BPOUT
CEXT
DT
TXDATA
CD
RXDAT
RXCLK
TXCLK
TXEA
VDD
VSS
XIN
SEL
SDA
SCL
CLKOUT
COMPO
COMPI
UOTMIN
UOTOUT
TXOUT
UOROUT
UORMIN
EP1
EP2
EXTLS
EXPO
QFP44

28.1.1999
XA0300E4_fm5.fm 32
Product: TDP-40-TN2 (Delta) / OA0300

28.1.1999
XA0300E4_fm5.fm 33
Product: TDP-40-TN2 (Delta) / OA0300

28.1.1999
XA0300E4_fm5.fm 34
Product: TDP-40-TN2 (Delta) / OA0300

28.1.1999
XA0300E4_fm5.fm 35
Product: TDP-40-TN2 (Delta) / OA0300

28.1.1999
XA0300E4_fm5.fm 36
Product: TDP-40-TN2 (Delta) / OA0300

28.1.1999
XS030ZE4_fm5.fm 37
Product: TDP-40-TN2 (Delta) / OS0320 Synthesizer
6.3 RF MODULE
RX Synthesizer
OS0320 Synthesizer
6.3.1 General
The RX synthesizer generates an upper side injection frequency for the receiver.
The injection frequency is fed to the receiver’s first mixer.
6.3.2 Functional Description
The RX injection frequency is generated with a phase locked loop. The VCO pro-
duces the injection frequency determined by the control voltage. After the VCO
stage comes the amplifier stage Q350. After the amplifier stage, part of the signal is
fed to the synthesizer circuits I302 divider. The synthesizer circuit contains a pre-
divider, programmable divider, reference frequency divider, and a phase comparator.
The synthesizer circuit produces pulses at two outputs as a result of the phase-shift
comparison, which are converted to current pulses by the charge pumps Q301 and
Q302. The current pulses either charge or discharge the loop filter. The VCO control
voltage is derived from the loop filter output.
The synthesizer 25 kHz reference frequency is made by dividing the 12.8 MHz sig-
nal from the temperature compensated oscillator (TCXO). The series-form signal
which controls the channel frequency comes from the audio/processor-modules via
the X-RF connector. SDATA and SCLK signals are common to both TX- and RX-
synthesizers. A positive pulse in the SRE line loads the division ratio (corresponding
to the channel frequency of the channel) fed to the SDATA line, to the synthesizer
circuit I302.
6.3.3 Control- and Output-Signals
Operating voltage 4.75VDC
Current consumption 15 mA
Output level to the receiver +1 dBm
Frequency range 540,25...544,725 MHz
VRX RX synthesizer operating voltage 4.75V
SCLK Clock signal for the synthesizer control data
SDATA Synthesizer control data
SRE ENABLE pulse to the synthesizer
RX-INJ RX synthesizer output to the receiver +1 dBm

28.1.1999
XS030ZE4_fm5.fm 38
Product: TDP-40-TN2 (Delta) / OS0320 Synthesizer
TX-Synthesizer
6.3.4 General
The TX synthesizer generates the final modulated transmission frequency, which is
fed to the transmitter.
6.3.5 Function Description
The TX frequency is generated with a phase locked loop (PLL). The VCO produces
the injection frequency determined by the control voltage, and the VCO also has a
modulation input. After the VCO stage comes two amplifier stages Q450 and Q470.
These ensure separation between the VCO and transmitter, and also boost the
injection level sufficient. Part of the signal is fed from between the amplifier stages to
the synthesizer circuit I402 pre-divider input. The synthesizer circuit contains a pre-
divider, programmable divider, reference frequency divider, and a phase comparator.
The synthesizer circuit produces pulses at two outputs as a result of the phase-shift
comparison, which are converted to current pulses by the charge pumps Q401 and
Q402. The current pumps either charge or discharge the loop filter condensers. The
VCO control voltage is derived from the loop filter output.
The synthesizer 25 kHz reference frequency is made by dividing the 12,8 MHz sig-
nal from the temperature compensated oscillator (TCXO). The series-form signal
which controls the channel frequency comes from the audio/processor-modules via
the X-RF connector. SDATA and SCLK signals are common to both TX- and RX-
synthesizers. A positive pulse in the STE-line loads the division ratio (corresponding
to the channel frequency of the channel) fed to the SDATA line, to the synthesizer
circuit I401.
Modulation is fed to the TX synthesizer TX-AUDIO line. The frequency response is
corrected by the components R490, R491 and C491. Modulation sensitivity is set by
the resistor R492.
Operating voltage 4.75VDC
Current consumption <30 mA
Output level to the transmitter +6 dBm
Frequency range 453.000...457.475 MHz

28.1.1999
XS030ZE4_fm5.fm 39
Product: TDP-40-TN2 (Delta) / OS0320 Synthesizer
6.3.6 Control- and Output-Signals
VTX TX synthesizer operating voltage (4.75V)
TXAUDIO Transmitter audio signal
TCXO 12.8 MHz signal to the synthesizer circuit.
SCLK Clock signal for the synthesizer control data
SDATA Synthesizer control data
STE ENABLE pulse to the synthesizer
TX-INJ TX synthesizer output to the transmitter (+6 dBm)

28.1.1999
XS030ZE4_fm5.fm 40
Product: TDP-40-TN2 (Delta) / OS0320 Receiver
Receiver
OS0320 Receiver
6.3.7 General
The module contains all FM-receiver functional blocks.
The RF signal being received is brought through the duplex filter to the amplifier
stage Q101. The amplified signal is passed through the band pass filter F111 to the
double-balanced mixer X 101.
The upper side injection frequency is brought from the synthesizer through a small
resistive attenuator to the mixer LO pin 1 (LO = local oscillator). The 77.25 MHz
intermediate frequency from the mixer output is fed through the IF-SAW filter F102
to the FM VT-circuit I101.
RX injection frequency 540,250...544,725 MHz
RF-level/impedence +1 dBm / 50 ohm
The second intermediate-freqency local-oscillator-frequency required by the FM IF-
circuit is generated by multiplying the 12.8 MHz reference-oscillator frequency by
six. The multiplier circuit is made with transistor Q201.
The other intermediate frequency is 450 kHz. The phase-shift required by the
quadrature detector is made with the parallel-circuit L204. The detected AF-signal
temperature correction is done in the buffer amplifier stage. The RX module is gets
the supply voltage from the regulatorboard OQ0300.
RF-amplifier CF 739
1. mixer double-balanced mixer
1. IF-amplifier CF 739
FM IF system SA 607 includes the following blocks:
2. mixer
IF limiter
quadrature detector
RSSI (received signal strength indicator)

28.1.1999
XS030ZE4_fm5.fm 41
Product: TDP-40-TN2 (Delta) / OS0320 Receiver
6.3.8 Input- and Output-Signals
SENSITIVITY CHECK
6.3.9 RSSI-Level Adjustment
Feed a 465.225 MHz RF-signal of -58dBm to the receiver. Set the AFC ON (LOCAL
45#) and commence RSSI programming (LOCAL 38#). Wait until the display stabi-
lises, and press the F key. Change the level to -68 dBm and press F; -93 dBm and
press F; -103 dBm and press F; -115 dBm and press F; LOCAL 0#.
RF input from the duplex filter 463,000...467,475 MHz
2.LOCAL 12.8 MHz signal to the multiplier for the
2.mixer
VRX RX module 4.75 V operating voltage from
the regulator module
450 kHz Output from 2. IF to the AFC detector
RXAUDIO Receiver audio output 100mVrms
RSSI Received signal strength indicator output
0,5...2V
channel RF input SINAD psof.
001 -113 dBm 20 dB
180 -113 dBm 20 dB

28.1.1999
XS030ZE4_fm5.fm 42
Product: TDP-40-TN2 (Delta) / OS0320 Transmitter
Transmitter
OS0320 Transmitter
6.3.10 General
6.3.11 Function Description
The transmitter unit comprises three amplifier stages and two attenuator stages. The
pre-amplifier Q601 and power module I601 form the transmitter amplifier chain. The
attenuators surrounding the pre-amplifier are included to enhance the electric sepa-
ration between the TX synthesizer and the transmitter. C604 enhances power mod-
ule efficiency.
The operational amplifier I620 and transistors Q620 and Q621 serve as a power reg-
ulator circuit, which adjusts the power level so that the voltage from the transmitter
power detector (D640), and the control voltage TXPWR from the audio/processor
unit are equal. The power-module power-control voltage must not exceed 4V.
When the phone is connected to an external voltage supply, the audio/processor unit
raises the transmitter power by approx 1.0 dB using the TXPWR control.
6.3.12 Control- and Output-Singnals
6.3.13 Tuning
The transmitter power is set on mid-channel with a fully charged battery pack or
external power supply. (U = 6.2V)
Connect a power meter to the antenna connector.
Select low power (LOCAL 31#)
Operating voltage 5,7...8,0 VDC
Current consumption mid power max. 1.0 A
low power max. 0.45 A
Input level from the synthesizer +6 dBm
Output level to the duplex filter mid power 33 dBm (2.0W)
low power 24.7 dBm (0.3W)
Frequency range 453,000...457,475 MHz
VBat Transmitter operating voltage from the
battery-pack (fused)
VBTX Power control and amplifier supply
TXPWR Power level control signal from the D/A
converter 0...5V
TXINJ RF signal from the TX synthesizer +6dBm
TXDUPLEX Transmitter output to the duplex filter

28.1.1999
XS030ZE4_fm5.fm 43
Product: TDP-40-TN2 (Delta) / OS0320 Transmitter
Power adjustment (LOCAL 39#)
With "150" in the display, use the +/- keys to adjust power to
150 mW (21.8 dBm)
With "1.2" in the display, use the +/- keys to adjust power to
1.2 W (30.8 dBm)

28.1.1999
XS030ZE4_fm5.fm 44
Product: TDP-40-TN2 (Delta) / OS0320
Component Side Layout PS0300A1
OS0320

28.1.1999
XS030ZE4_fm5.fm 45
Product: TDP-40-TN2 (Delta) / OS0320
Solder Side Layout PS0300A1

28.1.1999
XS0320E4_fm5.fm 46
Product: TDP-40-TN2 (Delta) / OS0320-RF
6.3.14 Parts list
OS0320-RF
CODE PART DESCRIPT. VALUE MANUF. TYPE
CF0330 C101 SMD capasitor 33 pF 5% 50 V NP0 Philips
CF0479 C102 SMD capasitor 4.7 pF/0.25pF 50 V NP0 Philips
CF0101 C103 SMD capasitor 100 pF 5% 50 V NP0 Philips
CF0569 C104 SMD capasitor 5.6 pF/0.25pF 50 V NP0 Philips
CF0101 C105 SMD capasitor 100 pF 5% 50 V NP0 Philips
CF0101 C106 SMD capasitor 100 pF 5% 50 V NP0 Philips
CF0229 C107 SMD capasitor 2.2pF +-0.25pF 50V NPO Philips
CF0101 C108 SMD capasitor 100 pF 5% 50 V NP0 Philips
CF0150 C109 SMD capasitor 15 pF 5% 50 V NP0 Philips
CF0103 C110 SMD capasitor 10 nF 10% 50 V X7R Philips
CF0101 C112 SMD capasitor 100 pF 5% 50 V NP0 Philips
CF0829 C113 SMD capasitor 8p2/0.25pF 50V NP0 Philips
CF0101 C114 SMD capasitor 100 pF 5% 50 V NP0 Philips
CF0180 C115 SMD capasitor 18 pF 5% 50 V NPO Philips
CF0821 C116 SMD capasitor 820 pF 5% 50 V X7R Philips
CF0821 C117 SMD capasitor 820 pF 5% 50 V X7R Philips
CF0101 C118 SMD capasitor 100 pF 5% 50 V NP0 Philips
CF0180 C119 SMD capasitor 18 pF 5% 50 V NPO Philips
CF0223 C202 SMD capasitor 22 nF 10% 50 V X7R Philips
CF0689 C203 SMD capasitor 6.8 pF/0.25pF 50 V NP0 Philips
CF0223 C204 SMD capasitor 22 nF 10% 50 V X7R Philips
CF0223 C205 SMD capasitor 22 nF 10% 50 V X7R Philips
CF0223 C206 SMD capasitor 22 nF 10% 50 V X7R Philips
CF0223 C207 SMD capasitor 22 nF 10% 50 V X7R Philips
CF0100 C208 SMD capasitor 10 pF/0.25pF 50 V NP0 Philips
CF0223 C209 SMD capasitor 22 nF 10% 50 V X7R Philips
CF0101 C211 SMD capasitor 100 pF 5% 50 V NP0 Philips
CF0150 C212 SMD capasitor 15 pF 5% 50 V NP0 Philips
CF0103 C213 SMD capasitor 10 nF 10% 50 V X7R Philips
CF0102 C214 SMD capasitor 1 nF 5 % NP0 Philips
CF0150 C215 SMD capasitor 15 pF 5% 50 V NP0 Philips
CF0479 C216 SMD capasitor 4.7 pF/0.25pF 50 V NP0 Philips
CF0102 C217 SMD capasitor 1 nF 5 % NP0 Philips
CU3475 C218 SMD tantal 4.7uF/10V 20% AVX TAJA475M010R
CU1105 C219 SMD tantal 1uF/16V AVX TAJR105M016R
CF0223 C220 SMD capasitor 22 nF 10% 50 V X7R Philips
CF0331 C231 SMD capasitor 330 pF 5% 50 V NP0 Philips
CF0103 C232 SMD capasitor 10 nF 10% 50 V X7R Philips
CF0103 C233 SMD capasitor 10 nF 10% 50 V X7R Philips
CF0103 C240 SMD capasitor 10 nF 10% 50 V X7R Philips
CF0103 C241 SMD capasitor 10 nF 10% 50 V X7R Philips
CU1105 C300 SMD tantal 1uF/16V AVX TAJR105M016R
CU1105 C301 SMD tantal 1uF/16V AVX TAJR105M016R
CF0103 C302 SMD capasitor 10 nF 10% 50 V X7R Philips
CF0101 C303 SMD capasitor 100 pF 5% 50 V NP0 Philips
CU1105 C305 SMD tantal 1uF/16V AVX TAJR105M016R
CF0102 C306 SMD capasitor 1 nF 5 % NP0 Philips
CF0101 C307 SMD capasitor 100 pF 5% 50 V NP0 Philips
CF0101 C308 SMD capasitor 100 pF 5% 50 V NP0 Philips
CF0101 C309 SMD capasitor 100 pF 5% 50 V NP0 Philips
CF0102 C310 SMD capasitor 1 nF 5 % NP0 Philips
CD0104 C320 SMD capasitor 100 nF 10% 50 V X7R Philips
CU1105 C321 SMD tantal 1uF/16V AVX TAJR105M016R
CC0103 C322 SMD capasitor 10 nF 10% 50V X7R Philips
CC0223 C323 SMD capasitor 22 nF 10% 50 V X7R Philips

28.1.1999
XS0320E4_fm5.fm 47
Product: TDP-40-TN2 (Delta) / OS0320-RF
CD0473 C326 SMD capasitor 47 nF 10% 50 V X7R Philips
CF0680 C330 SMD capasitor 68 pF 5% 50 V NP0 Philips
CF0150 C331 SMD capasitor 15 pF 5% 50 V NP0 Philips
CF0399 C334 SMD capasitor 3.9pF 0.25 50V NP0 Philips
CF0180 C340 SMD capasitor 18 pF 5% 50 V NPO Philips
CF0150 C341 SMD capasitor 15 pF 5% 50 V NP0 Philips
CF0180 C342 SMD capasitor 18 pF 5% 50 V NPO Philips
CF0102 C351 SMD capasitor 1 nF 5 % NP0 Philips
CF0680 C352 SMD capasitor 68 pF 5% 50 V NP0 Philips
CU1106 C353 SMD tantal 10uF/16V AVX TAJB106M016R
CF0109 C354 SMD capasitor 1 pF/0.25pF 50 V NP0 Philips
CF0569 C355 SMD capasitor 5.6 pF/0.25pF 50 V NP0 Philips
CF0102 C361 SMD capasitor 1 nF 5 % NP0 Philips
CF0680 C380 SMD capasitor 68 pF 5% 50 V NP0 Philips
CF0680 C381 SMD capasitor 68 pF 5% 50 V NP0 Philips
CF0680 C382 SMD capasitor 68 pF 5% 50 V NP0 Philips
CF0103 C383 SMD capasitor 10 nF 10% 50 V X7R Philips
CF0680 C384 SMD capasitor 68 pF 5% 50 V NP0 Philips
CF0680 C385 SMD capasitor 68 pF 5% 50 V NP0 Philips
CF0102 C386 SMD capasitor 1 nF 5 % NP0 Philips
CF0102 C387 SMD capasitor 1 nF 5 % NP0 Philips
CU1105 C400 SMD tantal 1uF/16V AVX TAJR105M016R
CF0101 C403 SMD capasitor 100 pF 5% 50 V NP0 Philips
CU3475 C405 SMD tantal 4.7uF/10V 20% AVX TAJA475M010R
CF0102 C406 SMD capasitor 1 nF 5 % NP0 Philips
CD0104 C420 SMD capasitor 100 nF 10% 50 V X7R Philips
CU1105 C421 SMD tantal 1uF/16V AVX TAJR105M016R
CC0103 C422 SMD capasitor 10 nF 10% 50V X7R Philips
CC0223 C423 SMD capasitor 22 nF 10% 50 V X7R Philips
CF0680 C430 SMD capasitor 68 pF 5% 50 V NP0 Philips
CF0220 C431 SMD capasitor 22 pF 5% 50 V NP0 Philips
CF0229 C433 SMD capasitor 2.2pF +-0.25pF 50V NPO Philips
CF0399 C434 SMD capasitor 3.9pF 0.25 50V NP0 Philips
CF0180 C440 SMD capasitor 18 pF 5% 50 V NPO Philips
CF0150 C441 SMD capasitor 15 pF 5% 50 V NP0 Philips
CF0390 C442 SMD capasitor 39pF 5% 50V NP0 Philips
CF0102 C451 SMD capasitor 1 nF 5 % NP0 Philips
CF0680 C452 SMD capasitor 68 pF 5% 50 V NP0 Philips
CU1106 C453 SMD tantal 10uF/16V AVX TAJB106M016R
CF0399 C454 SMD capasitor 3.9pF 0.25 50V NP0 Philips
CF0390 C455 SMD capasitor 39pF 5% 50V NP0 Philips
CF0102 C461 SMD capasitor 1 nF 5 % NP0 Philips
CF0680 C470 SMD capasitor 68 pF 5% 50 V NP0 Philips
CF0680 C471 SMD capasitor 68 pF 5% 50 V NP0 Philips
CF0101 C472 SMD capasitor 100 pF 5% 50 V NP0 Philips
CF0101 C473 SMD capasitor 100 pF 5% 50 V NP0 Philips
CF0229 C475 SMD capasitor 2.2pF +-0.25pF 50V NPO Philips
CF0829 C476 SMD capasitor 8p2/0.25pF 50V NP0 Philips
CF0102 C490 SMD capasitor 1 nF 5 % NP0 Philips
CF0332 C491 SMD capasitor 3.3 nF 5% 50 V NP0 Philips
CF0680 C493 SMD capasitor 68 pF 5% 50 V NP0 Philips
CF2109 C494 SMD capasitor 1pF +-0.1pF 50V NPO AVX/Kyocer 06031J1R0BAW
CF0101 C601 SMD capasitor 100 pF 5% 50 V NP0 Philips
CF0101 C602 SMD capasitor 100 pF 5% 50 V NP0 Philips
CF0569 C603 SMD capasitor 5.6 pF/0.25pF 50 V NP0 Philips
CF0229 C604 SMD capasitor 2.2pF +-0.25pF 50V NPO Philips
CF0103 C620 SMD capasitor 10 nF 10% 50 V X7R Philips
CF0332 C621 SMD capasitor 3.3 nF 5% 50 V NP0 Philips
CU1105 C622 SMD tantal 1uF/16V AVX TAJR105M016R
CF0102 C624 SMD capasitor 1 nF 5 % NP0 Philips
CODE PART DESCRIPT. VALUE MANUF. TYPE

28.1.1999
XS0320E4_fm5.fm 48
Product: TDP-40-TN2 (Delta) / OS0320-RF
CF0102 C635 SMD capasitor 1 nF 5 % NP0 Philips
CU3475 C636 SMD tantal 4.7uF/10V 20% AVX TAJA475M010R
CF0101 C640 SMD capasitor 100 pF 5% 50 V NP0 Philips
CF0101 C641 SMD capasitor 100 pF 5% 50 V NP0 Philips
CF0101 C642 SMD capasitor 100 pF 5% 50 V NP0 Philips
DC0229 D330 SMD silicon tuning diode 1V/19pF...4V/11pF Toshiba 1SV229
DC0229 D430 SMD silicon tuning diode 1V/19pF...4V/11pF Toshiba 1SV229
DC0229 D490 SMD silicon tuning diode 1V/19pF...4V/11pF Toshiba 1SV229
DP3880 D601 SMD pin diode HP HSMP-3880-L31
DY0071 D640 SMD shottky diode 70V 15mA SGS-
Thomso
BAS 70-04
DY0071 D641 SMD shottky diode 70V 15mA SGS-
Thomso
BAS 70-04
XW7725 F102 SAW IF-filter 77.25MHZ, I/O 1.6K//2.3pF Murata SAFC77.250MA53X
LH1465 F111 SMD H-filt.MY,HU,SK,CZ, NORD.MOSK. 465MHz Neosid SM-H80056 1522
AF1103 F380 SMD fuse 3.5A nanofuce Littelfuse R271 03.5
IV6070 I101 FM IF-system Philips SA607DK
XO3128 I301 SMD VCTCXO 12.8 MHZ TEW TXS 1144M
IS1511 I302 PLL freg.synthesiz Fujitsu MB1511
IS1511 I402 PLL freg.synthesiz Fujitsu MB1511
IW8710 I601 RF-power amplifier 430-460 MHz Mitsubishi M68710H
IA7550 I620\ Single op.amp. Toshiba TA 75S01F-TE85L
LC2334 L111 SMD inductor 330 nH/+-10% TDK MLF2012DR33KT
LC2334 L201 SMD inductor 330 nH/+-10% TDK MLF2012DR33KT
LC2224 L202 SMD inductor 220 nH/+-10% TDK MLF2012DR22KT
LC2104 L203 SMD inductor 100 nH/+-10% TDK MLF2012DR10KT
LI1687 L204 SMD Quad. coil 680uH/180pF 455kHz Toko 303LC-1150
LC2334 L211 SMD inductor 330 nH/+-10% TDK MLF2012DR33KT
LC0334 L330 SMD inductor 330 nH Siemens B82412A3331M
LC0334 L430 SMD inductor 330 nH Siemens B82412A3331M
MD0311 P101 Shield plate for IF Telemetall 931605 40
MD0301 P102 IF-shield plate 2 Telemetall 931606 40
MD0303 P330 Shield case for Rx/VCO Telemetall 931585 41
MD0304 P430 Shield case for Tx/VCO Telemetall 931586 41
ME1008 P601 Casting body Jysk„nmeta 931534 10
MD0306 P602 Tx-fastening plate Telemetall 931584 41
NC2005 P603 Cross recessed screw M2x5 SFS2977 DIN9652 Ruuvitalo Pozidriv
NC2005 P604 Cross recessed screw M2x5 SFS2977 DIN9652 Ruuvitalo Pozidriv
MD0305 P605 Shield plate for Tx Telemetall 931583 41
QFB739 Q101 GaAs MES FET 2 GHz 240mW N1.8dB/1.75GHz Siemens CF 739 B
QFB739 Q102 GaAs MES FET 2 GHz 240mW N1.8dB/1.75GHz Siemens CF 739 B
QAA193 Q201 SMD RF-transistor 6GHz/300mW F=1.9dB Philips BFR93AW
QS0012 Q301 SMD-low-power switc.tra. PNP 15V/250mW Philips BSR12-215
QS0848 Q302 SMD transistor NPN 0.1A/30V hFE 110-800 Philips BC848BW, 115
QA4926 Q340 SMD NPN RF-transistor G=16.5dB/900MHz NF=1.1 Hitachi 2SC4926YD-TL
QA4926 Q350 SMD NPN RF-transistor G=16.5dB/900MHz NF=1.1 Hitachi 2SC4926YD-TL
QS0012 Q401 SMD-low-power switc.tra. PNP 15V/250mW Philips BSR12-215
QS0848 Q402 SMD transistor NPN 0.1A/30V hFE 110-800 Philips BC848BW, 115
QA4926 Q440 SMD NPN RF-transistor G=16.5dB/900MHz NF=1.1 Hitachi 2SC4926YD-TL
QA4926 Q450 SMD NPN RF-transistor G=16.5dB/900MHz NF=1.1 Hitachi 2SC4926YD-TL
QFA739 Q470 GaAs MES FET 2 GHz 240mW N1.8dB/1.75GHz Siemens CF 739 A
QA3606 Q601 SMD RF-transistor NPN 7GHz NF=1.1dB Toshiba 2SC3606
QS0848 Q620 SMD transistor NPN 0.1A/30V hFE 110-800 Philips BC848BW, 115
QS0858 Q621 SMD transistor PNP 0.1A/30V hFE 125-800 Philips BC858BW
RF0100 R103 SMD resistor 10 R 5% 0.125 W Kamaya
RF0471 R104 SMD resistor 470 R 5% 0.125 W Kamaya
RF0102 R106 SMD resistor 1 k 5% 0.125 W Kamaya
RF0101 R107 SMD resistor 100 R 5% 0.125 W Kamaya
RF0471 R109 SMD resistor 470 R 5% 0.125 W Kamaya
RF0471 R111 SMD resistor 470 R 5% 0.125 W Kamaya
CODE PART DESCRIPT. VALUE MANUF. TYPE

28.1.1999
XS0320E4_fm5.fm 49
Product: TDP-40-TN2 (Delta) / OS0320-RF
RF0100 R112 SMD resistor 10 R 5% 0.125 W Kamaya
RF0472 R115 SMD resistor 4.7 k 5% 0.125 W Kamaya
RF0220 R116 SMD resistor 22 R 5% 0.125 W Kamaya
RF0271 R117 SMD resistor 270 R 5% 0.125 W Kamaya
RF0102 R119 SMD resistor 1 k 5% 0.125 W Kamaya
RF0100 R120 SMD resistor 10 R 5% 0.125 W Kamaya
RF0100 R121 SMD resistor 10 R 5% 0.125 W Kamaya
RF0102 R122 SMD resistor 1 k 5% 0.125 W Kamaya
RF0472 R201 SMD resistor 4.7 k 5% 0.125 W Kamaya
RF0102 R202 SMD resistor 1 k 5% 0.125 W Kamaya
RF0242 R203 SMD resistor 2.4 k 5% 0.125 W Kamaya
RF0333 R205 SMD resistor 33 k 5% 0.125 W Kamaya
RF0103 R206 SMD resistor 10 k 5% 0.125 W Kamaya
RF0393 R207 SMD resistor 39 k 5% 0.125 W Kamaya
RF0102 R208 SMD resistor 1 k 5% 0.125 W Kamaya
RF0683 R211 SMD resistor 68 k 5% 0.125 W Kamaya
RF0102 R212 SMD resistor 1 k 5% 0.125 W Kamaya
RF0683 R213 SMD resistor 68 k 5% 0.125 W Kamaya
RTN223 R214 SMD-NTC resistor 22k 10% B=3924 Hokuriku 157-223-45001TP
RF0332 R215 SMD resistor 3.3 k 5% 0.125 W Kamaya
RF0473 R221 SMD resistor 47 k 5% 0.125 W Kamaya
RF0822 R222 SMD resistor 8.2 k 5% 0.125 W Kamaya
RF0100 R223 SMD resistor 10 R 5% 0.125 W Kamaya
RF0220 R224 SMD resistor 22 R 5% 0.125 W Kamaya
RF0103 R301 SMD resistor 10 k 5% 0.125 W Kamaya
RF0220 R302 SMD resistor 22 R 5% 0.125 W Kamaya
RF0221 R305 SMD resistor 220 R 5% 0.125 W Kamaya
RF0103 R306 SMD resistor 10 k 5% 0.125 W Kamaya
RF0103 R307 SMD resistor 10 k 5% 0.125 W Kamaya
RF0103 R308 SMD resistor 10 k 5% 0.125 W Kamaya
RF0822 R310 SMD resistor 8.2 k 5% 0.125 W Kamaya
RF0392 R311 SMD resistor 3.9 k 5% 0.125 W Kamaya
RF0221 R312 SMD resistor 220 R 5% 0.125 W Kamaya
RF0822 R313 SMD resistor 8.2 k 5% 0.125 W Kamaya
RF0822 R314 SMD resistor 8.2 k 5% 0.125 W Kamaya
RF0221 R315 SMD resistor 220 R 5% 0.125 W Kamaya
RF0182 R320 SMD resistor 1.8 k 5% 0.125 W Kamaya
RF0472 R321 SMD resistor 4.7 k 5% 0.125 W Kamaya
RF0472 R322 SMD resistor 4.7 k 5% 0.125 W Kamaya
RF0100 R323 SMD resistor 10 R 5% 0.125 W Kamaya
RF0822 R340 SMD resistor 8.2 k 5% 0.125 W Kamaya
RF0222 R341 SMD resistor 2.2 k 5% 0.125 W Kamaya
RF0151 R342 SMD resistor 150 R 5% 0.125 W Kamaya
RF0472 R350 SMD resistor 4.7 k 5% 0.125 W Kamaya
RF0152 R351 SMD resistor 1.5 k 5% 0.125 W Kamaya
RF0150 R352 SMD resistor 15 R 5% 0.125 W Kamaya
RF0331 R360 SMD resistor 330 R 5% 0.125 W Kamaya
RF0100 R361 SMD resistor 10 R 5% 0.125 W Kamaya
RF0331 R363 SMD resistor 330 R 5% 0.125 W Kamaya
RF0221 R380 SMD resistor 220 R 5% 0.125 W Kamaya
RF0102 R381 SMD resistor 1 k 5% 0.125 W Kamaya
RF0470 R405 SMD resistor 47 R 5% 0.125 W Kamaya
RF0103 R406 SMD resistor 10 k 5% 0.125 W Kamaya
RF0103 R407 SMD resistor 10 k 5% 0.125 W Kamaya
RF0103 R408 SMD resistor 10 k 5% 0.125 W Kamaya
RF0472 R410 SMD resistor 4.7 k 5% 0.125 W Kamaya
RF0222 R411 SMD resistor 2.2 k 5% 0.125 W Kamaya
RF0271 R412 SMD resistor 270 R 5% 0.125 W Kamaya
RF0472 R413 SMD resistor 4.7 k 5% 0.125 W Kamaya
RF0332 R414 SMD resistor 3.3 k 5% 0.125 W Kamaya
CODE PART DESCRIPT. VALUE MANUF. TYPE

28.1.1999
XS0320E4_fm5.fm 50
Product: TDP-40-TN2 (Delta) / OS0320-RF
RF0271 R415 SMD resistor 270 R 5% 0.125 W Kamaya
RF0122 R420 SMD resistor 1.2 k 5% 0.125 W Kamaya
RF0222 R421 SMD resistor 2.2 k 5% 0.125 W Kamaya
RF0222 R422 SMD resistor 2.2 k 5% 0.125 W Kamaya
RF0100 R423 SMD resistor 10 R 5% 0.125 W Kamaya
RF0822 R440 SMD resistor 8.2 k 5% 0.125 W Kamaya
RF0222 R441 SMD resistor 2.2 k 5% 0.125 W Kamaya
RF0221 R442 SMD resistor 220 R 5% 0.125 W Kamaya
RF0472 R450 SMD resistor 4.7 k 5% 0.125 W Kamaya
RF0152 R451 SMD resistor 1.5 k 5% 0.125 W Kamaya
RF0150 R452 SMD resistor 15 R 5% 0.125 W Kamaya
RF0121 R460 SMD resistor 120 R 5% 0.125 W Kamaya
RF0151 R461 SMD resistor 150 R 5% 0.125 W Kamaya
RF0220 R462 SMD resistor 22 R 5% 0.125 W Kamaya
RF0680 R470 SMD resistor 68 R 5% 0.125 W Kamaya
RF0100 R472 SMD resistor 10 R 5% 0.125 W Kamaya
RF0181 R473 SMD resistor 180 R 5% 0.125 W Kamaya
RF0221 R474 SMD resistor 220 R 5% 0.125 W Kamaya
RF0823 R490 SMD resistor 82 k 5% 0.125 W Kamaya
RF0184 R491 SMD resistor 180 k 5% 0.125 W Kamaya
RF0123 R492 SMD resistor 12 k 5% 0.125 W Kamaya
RF0103 R493 SMD resistor 10 k 5% 0.125 W Kamaya
RF0100 R601 SMD resistor 10 R 5% 0.125 W Kamaya
RF0470 R603 SMD resistor 47 R 5% 0.125 W Kamaya
RF0102 R604 SMD resistor 1 k 5% 0.125 W Kamaya
RF0392 R605 SMD resistor 3.9 k 5% 0.125 W Kamaya
RF0391 R606 SMD resistor 390 R 5% 0.125 W Kamaya
RF0100 R607 SMD resistor 10 R 5% 0.125 W Kamaya
RF0391 R608 SMD resistor 390 R 5% 0.125 W Kamaya
RF0104 R620 SMD resistor 100 k 5% 0.125 W Kamaya
RF0102 R621 SMD resistor 1 k 5% 0.125 W Kamaya
RF0152 R622 SMD resistor 1.5 k 5% 0.125 W Kamaya
RF0471 R623 SMD resistor 470 R 5% 0.125 W Kamaya
RF0184 R640 SMD resistor 180 k 5% 0.125 W Kamaya
RF0103 R641 SMD resistor 10 k 5% 0.125 W Kamaya
RF0103 R642 SMD resistor 10 k 5% 0.125 W Kamaya
RF0104 R643 SMD resistor 100 k 5% 0.125 W Kamaya
XM0006 X101 Dual balanced mixcer 450 MHz MiniCircui RMS-1LL
XC3450 X201 Ceramic IF-filter 450Khz Murata CFUCG450E
XC4450 X202 Ceramic IF-filter 450kHz Murata CFUCG450F
XR1650 X330 Ceramic coaxial resonato 650MHz 4x4x13mm Q>250 Siemens B69610-G6506-A41
MD0309 X380 Contactplate Telemetall 941770 40
MD0309 X381 Contactplate Telemetall 941770 40
MD0309 X382 Contactplate Telemetall 941770 40
MD0309 X383 Contactplate Telemetall 941770 40
LF0061 X390 SMD EMI suppression filt 4700pF/2A 1.6x6.8mm Murata NFM61R30T472
XR1550 X430 Ceramic coaxial resonato 550MHz 4x4x14,5mm Q>250 Siemens B69610-G5506-A41
OD0320 X600 Duplexer Nord. Rx465,Tx455MHz Solitra NBS4401
XI0005 X601 Directional coupler NMT450 MKT Taisei DCS3120-09
VN0008 XOSOQ Katso VN0115 Katso VN0115 Katso VN0115
Last
update
29.08.96
CODE PART DESCRIPT. VALUE MANUF. TYPE




28.1.1999
XQ0300E4_fm5.fm 54
Product: TDP-40-TN2 (Delta) / OQ0300 Regulator
Regulator
6.3.15 Parts list of Regulator
OQ0300 Regulator
CODE PART DESCRIPT. VALUE MANUF. TYPE
CF0102 C501 SMD capasitor 1 nF 5 % NP0 Philips
CF0102 C502 SMD capasitor 1 nF 5 % NP0 Philips
CF0102 C503 SMD capasitor 1 nF 5 % NP0 Philips
CD0104 C504 SMD capasitor 100 nF 10% 50 V X7R Philips
CF0102 C505 SMD capasitor 1 nF 5 % NP0 Philips
CF0680 C506 SMD capasitor 68 pF 5% 50 V NP0 Philips
CF0102 C507 SMD capasitor 1 nF 5 % NP0 Philips
CF0102 C508 SMD capasitor 1 nF 5 % NP0 Philips
CF0221 C509 SMD capasitor 220 pF 5% 50 V NP0 Philips
CF0221 C510 SMD capasitor 220 pF 5% 50 V NP0 Philips
CF0221 C511 SMD capasitor 220 pF 5% 50 V NP0 Philips
CF0221 C512 SMD capasitor 220 pF 5% 50 V NP0 Philips
CF0221 C513 SMD capasitor 220 pF 5% 50 V NP0 Philips
CF0102 C515 SMD capasitor 1 nF 5 % NP0 Philips
CF0102 C516 SMD capasitor 1 nF 5 % NP0 Philips
CF0102 C517 SMD capasitor 1 nF 5 % NP0 Philips
CF0102 C518 SMD capasitor 1 nF 5 % NP0 Philips
CF0221 C519 SMD capasitor 220 pF 5% 50 V NP0 Philips
CU3475 C523 SMD tantal 4.7uF/10V 20% AVX TAJA475M010R
CF0102 C524 SMD capasitor 1 nF 5 % NP0 Philips
CU3475 C525 SMD tantal 4.7uF/10V 20% AVX TAJA475M010R
CF0102 C526 SMD capasitor 1 nF 5 % NP0 Philips
CU3475 C527 SMD tantal 4.7uF/10V 20% AVX TAJA475M010R
CU1105 C530 SMD tantal 1uF/16V AVX TAJR105M016R
CF0102 C631 SMD capasitor 1 nF 5 % NP0 Philips
CF0102 C632 SMD capasitor 1 nF 5 % NP0 Philips
CF0102 C633 SMD capasitor 1 nF 5 % NP0 Philips
MG1104 CASE5 RF-contact strip 2.0x4.1x610mm Instr.Spec 0097-T551-02
IR1547 I501 Voltage regulator 4.75V/ 180mA Toko TK 11547 MTL
IR1547 I502 Voltage regulator 4.75V/ 180mA Toko TK 11547 MTL
IR1547 I631 Voltage regulator 4.75V/ 180mA Toko TK 11547 MTL
MC1399 INSUL Insulator foil Sreenhouse 941785 40
LC0105 L501 SMD inductor 1.0 uH Siemens B82412-A1102-M
PQ0300 PCB Tavi PCB-reg./conn. ??
RF0102 R501 SMD resistor 1 k 5% 0.125 W Kamaya
RF0102 R502 SMD resistor 1 k 5% 0.125 W Kamaya
RF0221 R503 SMD resistor 220 R 5% 0.125 W Kamaya
RF0102 R504 SMD resistor 1 k 5% 0.125 W Kamaya
RF0102 R505 SMD resistor 1 k 5% 0.125 W Kamaya
RF0102 R506 SMD resistor 1 k 5% 0.125 W Kamaya
RF0102 R507 SMD resistor 1 k 5% 0.125 W Kamaya
RF0102 R508 SMD resistor 1 k 5% 0.125 W Kamaya
RF0102 R509 SMD resistor 1 k 5% 0.125 W Kamaya
RF0100 R510 SMD resistor 10 R 5% 0.125 W Kamaya
RF0102 R511 SMD resistor 1 k 5% 0.125 W Kamaya
RF0102 R512 SMD resistor 1 k 5% 0.125 W Kamaya
RF0102 R513 SMD resistor 1 k 5% 0.125 W Kamaya
RF0102 R514 SMD resistor 1 k 5% 0.125 W Kamaya
RF0102 R515 SMD resistor 1 k 5% 0.125 W Kamaya
RF0102 R516 SMD resistor 1 k 5% 0.125 W Kamaya
RF0102 R551 SMD resistor 1 k 5% 0.125 W Kamaya
RF0102 R552 SMD resistor 1 k 5% 0.125 W Kamaya

28.1.1999
XQ0300E4_fm5.fm 55
Product: TDP-40-TN2 (Delta) / OQ0300 Regulator
RF0221 R553 SMD resistor 220 R 5% 0.125 W Kamaya
RF0102 R554 SMD resistor 1 k 5% 0.125 W Kamaya
RF0102 R555 SMD resistor 1 k 5% 0.125 W Kamaya
RF0102 R556 SMD resistor 1 k 5% 0.125 W Kamaya
RF0102 R557 SMD resistor 1 k 5% 0.125 W Kamaya
RF0102 R559 SMD resistor 1 k 5% 0.125 W Kamaya
RF0102 R560 SMD resistor 1 k 5% 0.125 W Kamaya
RF0102 R561 SMD resistor 1 k 5% 0.125 W Kamaya
RF0100 R562 SMD resistor 10 R 5% 0.125 W Kamaya
RF0102 R563 SMD resistor 1 k 5% 0.125 W Kamaya
RF0102 R565 SMD resistor 1 k 5% 0.125 W Kamaya
RF0102 R566 SMD resistor 1 k 5% 0.125 W Kamaya
RF0104 R631 SMD resistor 100 k 5% 0.125 W Kamaya
RF0104 R638 SMD resistor 100 k 5% 0.125 W Kamaya
RF0104 R639 SMD resistor 100 k 5% 0.125 W Kamaya
VM0112 X SMD connector 2x12 male AMP 5-175643-4
VM0018 X-RF SMD B/B-connector 2x15 vertical male SuyinConne 12753A-30G
LF0061 X501 SMD EMI suppression filt 4700pF/2A 1.6x6.8mm Murata NFM61R30T472
Last
update
09.05.96
CODE PART DESCRIPT. VALUE MANUF. TYPE

28.1.1999
XQ0300E4_fm5.fm 56
Product: TDP-40-TN2 (Delta) / OQ0300 Regulator
Component Side Layout PQ0300A1 (Schematic OQ0300A1)

28.1.1999
XQ0300E4_fm5.fm 57
Product: TDP-40-TN2 (Delta) / OQ0300 Regulator
Solder Side Layout PQ0300A1 (Schematic OQ0300A1)

28.1.1999
XQ0300E4_fm5.fm 58
Product: TDP-40-TN2 (Delta) / OQ0300 Regulator

28.1.1999
XT0300E4_fm5.fm 59
Product: TDP-40-TN2 (Delta) / OT0300 Antenna Switch
Antenna Switch Unit
OT0300 Antenna Switch
6.3.16 Parts list of Antenna Switch Unit
CODE PART DESCRIPT. VALUE MANUF. TYPE
PT0300 PCB PCB-antenna switch
VR0242 X701 Antenna switch IMS 939.99.2520.009
VR0155 X702 TNC-connector Rosenberge 56K101-400 A4
Last
update
18.03.94

28.1.1999
XT0300E4_fm5.fm 60
Product: TDP-40-TN2 (Delta) / OT0300 Antenna Switch
Component Side Layout PT0300A0 (Schematic OT0300A0)
Solder Side Layout PT0300A0 (Schematic OT0300A0)

28.1.1999
XT0300E4_fm5.fm 61
Product: TDP-40-TN2 (Delta) / OT0300 Antenna Switch

28.1.1999
XO0300E4_fm5.fm 62
Product: TDP-40-TN2 (Delta) / YO0300 Batteries
6.4 BATTERIES
YO0300 Batteries

28.1.1999
XO0300E4_fm5.fm 63
Product: TDP-40-TN2 (Delta) / YO0300 Batteries
6.4.1 BATTERY PACK
The battery pack module contains five NiCd or NiMH cells, short protection circuit,
NTC termistor and a Memory chip. NTC termistor, Memory chip and its components
are located on a PC-Board inside the battery pack.
6.4.1.1 Connectors
6.4.1.2 Battery pack Memory board
Memory chip contains an id for the battery pack, battery type, used capacity and
some other information about the batteries. The Memory chip is protected against
static voltages by two zener diodes. A capasitor is used to stabilize supply voltage.
The memory chip communicates with main CPU through single wire asyncronous
serial bus. The CPU controls charging by using the parameter’s in Battery pack
Memory.
Memory chip can be reprogrammed in LOCAL-state. Local command 95# sets the
battery type.
VBAT Battery voltage 6.4 - 7.2 V
GND Ground
NTC NTC termistor output
SDAT Serial data-bus for Memory chip
VBAT GND NTC SDAT

28.1.1999
XO0300E4_fm5.fm 64
Product: TDP-40-TN2 (Delta) / YO0300 Batteries
6.4.2 Parts list
CODE PART DESCRIPT. VALUE MANUF. TYPE
CD0473 C901 SMD capasitor 47 nF 10% 50 V X7R Philips
DZ0569 D901 SMD zener 5V6 5% 300mW Philips BZX84C5V6
DZ0569 D902 SMD zener 5V6 5% 300mW Philips BZX84C5V6
IM2224 I901 EconoRAM 32B ROM, 224B RAM Dallas DS2224Z
PO0403 MEC1 PCB for battery pack 7x43x0.6mm FR4 Ascomp
RF0101 R902 SMD resistor 100 R 5% 0.125 W Kamaya
RF0101 R903 SMD resistor 100 R 5% 0.125 W Kamaya
RT0223 R904 NTC-resistor 22k Philips 2322 640 63223
Last
update
20.05.94

28.1.1999
XO0300E4_fm5.fm 65
Product: TDP-40-TN2 (Delta) / PO0403
PO0403
Component Side Layout
Solder Side Layout

28.1.1999
XO0300E4_fm5.fm 66
Product: TDP-40-TN2 (Delta) / PO0403

28.1.1999
8HAR_GB.fm 1
7.0 CHARGING
CHARGING

28.1.1999
8CMA50GB_fm5.f 2
Product: CMA-50-230 (Mains Charger) /
7.1 MAINS CHARGER CMA-50-230
The charger provides functions for charging Benefon brand mobile phones from a
mains supply.
CONNECTOR A
Connector A YO0240
YC0055
116 PIN CONFIGURATION:
1,2 charge current max. 10V, 1,5A
3 - 5 nc
6,7 ground
8 - 15 nc
16 control voltage 0-5 VDC

28.1.1999
8CCS50GB_fm5.f 3
Product: CCS-50-12 (Light Socket Charger) /
7.2 LIGHTER SOCKET CHARGER CCS-50-12
The charger includes functions for using the handportable and for charging its batter-
ies from the car battery.
CONNECTOR A
Connector A YO0243
YC0058
116 PIN CONFIGURATION:
1,2 charge current max. 10V, 1,5A
3 - 5 nc
6,7 ground
8 - 15 nc
16 control voltage 0-5 VDC

28.1.1999
XO0244E4_fm5.fm 4
Product: HPT-40 (Desktop Charger) / YO0244
7.3 DESKTOP CHARGER
YO0244

28.1.1999
XO0244E4_fm5.fm 5
Product: HPT-40 (Desktop Charger) / YO0244
7.3.1 General
The desktop charger is designed for charging NiCd or NiMH batteries when con-
nected to either a lighter socket charger or a 220 V mains charger. The desktop
charger has two units. The first unit is for the phone, and the second is for a reserve
battery pack. The additional battery pack can also be discharged to improve its per-
formance. The battery capacity and type are read from the memory within the bat-
tery pack before charging commences. If the battery memory is missing, empty, or
faulty, the charger will use the default values stored in the processor EEPROM.
7.3.2 Charging the phone
The desktop charger detects the phone by measuring a voltage in the VBAT line
voltage split. The charging process for the phone is such that the phone controls the
desktop charger processor, which in turn controls the charger connected to the
holder (lighter socket or mains). If the reserve battery pack is also being charged,
then the desktop charger splits the charging current between the phone and the bat-
tery. The phone is always assured of its required current (max. 1500 mA).
7.3.2.1 Discharging the phone battery
The phone indicates discharge state to the desktop charger by a control voltage
below 4.0 V. The charger will not then supply any current to the phone, and a red led
is illuminated in the phone charging indicator. The charger takes no other part in the
discharging process.
7.3.3 Charging the spare battery
The spare battery charging process has three phases: quick charge, continuous
charge, and stand-by charge. The charging sequence starts with quick-charge, and
ends with stand-by charging. The sequence is re-started only if there is a break in
the power supply or the battery is removed from its holder. Accidental shorting of the
charger contacts is prevented by the charging current being supplied to the contacts
after the battery has been in the holder for approx. 1s. Battery recognition is done
with the NTC line. During charging, the desktop charger updates the charge-indica-
tor counter in the battery-pack memory.
7.3.3.1 Quick-charge
The battery is detected in its holder when the A/D converter value is below 162
(U = 3.32 V). This corresponds to an NTC resitance value of 181 kohm, i.e. -20 C
temperature.
Quick charge only functions if the temperature is +10...+40 (A/D 75...28;
U = 1,46...0,55 and NTC resistance 41,8...12,2 kohm). Charging is accomplished by
directing the charger to give a 1500 mA current. The current is split by the switches
Q101 and Q102 in turn, according to the relative requirements of the phone and

28.1.1999
XO0244E4_fm5.fm 6
Product: HPT-40 (Desktop Charger) / YO0244
reserve battery. The phone is provided with its full requirement, so that the remaining
current is avilable to charge the reserve battery (1500 mA - current called for by
phone). When charging only the reserve battery, current equivalent to its capacity is
supplied.
The charging indicator (green led) flashes during the whole of the quick-charge
phase. After quick-charge the battery capacity has been charged 70...80%. The
change is made from quick-charge to continuous charge when one of the following
terms is fulfilled:
a) The battery voltage exceeds its instantaneous correspondingtemperature
limit, according to the following formula: V = 7.5 -11.25 mV x (T-20), where T is
the battery temperature (+10...+40 C)
b) The battery has been charged to its nominal capacity.
7.3.3.2 Continuous charging
When changing to continuous charging, there is approx. 20...30% of battery capacity
left to charge. The continuous charge duration depends on the total capacity of the
battery under charge. The battery is charged with a current corresponding to 1/4 of
its capacity. If the temperature rises above +55 C, then a NiMH battery is charged
with a current 1/30 of its capacity, and a NiCd battery with a current 1/10 of its capac-
ity, until the battery temperature returns to +40 C.
The change to stand-by charging takes place when the last of the battery capacity
has been charged. The charging indicator (green led) flashes throughout the contin-
uous charging phase. The battery capacity after continuous charging is 100%.
7.3.3.3 Stand-by charging
The charging current during stand-by charging depends on the type of battery under
charge (1/10 NiCd capacity; 1/30 NiMH capacity). Stand-by charging is the last
phase in the charging sequence, and continues as long as the battery remains in its
holder. The charging indicator (green led) is now lit continuously.
7.3.4 Discharging the reserve battery
The discharge sequence is initiated by pressing the discharge button on the holder
for approx. 1 s. with the battery in its holder. The battery is discharged until its volt-
age drops to approx. 4.5 V (or the battery is removed from the holder). This is fol-
lowed by the charging sequence 1..3. During the discharge sequence, the discharge
indicator (red led) is lit. The battery voltage is measured under load. During dis-
charge, the desktop charger up-dates the battery charge counter in the memory
within the battery pack.

28.1.1999
XO0244E4_fm5.fm 7
Product: HPT-40 (Desktop Charger) / YO0244
7.3.5 Execution
7.3.5.1 Processor
The processor I103 is Motorola 68HC11, 512b EEPROM, 512b RAM, crystal fre-
quency 3.57 MHz. The A/D convertor inputs are used as follows:
0. charging current required by the phone
1. reserve battery temperature
2. phone battery voltage
3. reserve battery voltage
4. control voltage to the charger
B-port I/Os are used as follows:
0. Q103 control (switches charging current to the phone)
1. Q104 control (switches charging current to the reserve battery)
2. Q105 control (switches the reserve battery discharge ON)
3. n.a.
4. Q107 control (green led to indicate phone charging)
5. Q110 control (red led to indicate phone discharge)
6. Q109 control (green led to indicate reserve battery charging)
7. Q108 control (red led to indicate reserve battery discharge)
A-port I/Os are used as follows:
0. discharge button
1. tuning state control
2. n.a.
3. n.a.
4. n.a.
5 n.a.
6 n.a.
7 data line for the memory in the reserve battery.
Interrupt pins are drawn at the resistor R111 (100 kohm). The analog converter refer-
enve voltage is 5.0 V and it is brought through the small filter R110 and C1209 from
normal 5 V operating voltage.

28.1.1999
XO0244E4_fm5.fm 8
Product: HPT-40 (Desktop Charger) / YO0244
7.3.5.2 RESET and +5V
The processor and measurement amplifier operating voltage 5V is regulated from
the mains charger output voltage from the I102 connector V101 pins 1 and 2. the
I101 error output serves as a RESET for the processor. The error pin draws the
RESET line via R101 when the 5V voltage has dropped to approx. 4.75V.
7.3.5.3 Reserve battery analog measurements
The reserve battery pack temperature is measured by the NTC-resistance as a volt-
age by the A/D converter on PE1 channel. The line has a pull-up resistor R117 and
RC-filter R133 and C113.
For the voltage measurement, the 4,5...9V battery voltage is converted to 0...5V A/D
input voltage by the non inverting amplifier connection of I102A.
7.3.5.4 Charger outputs
The pair of p-channel FETs Q101 and Q102 (SI9953DY) serve as the charger
switch, and are controlled from the processor B-port by N-channel FETs Q103 and
Q104 (2N7002). The control works by switching the transistors in turn at about a 100
Hz frequency. The desired charging current is achieved by a suitable pulse ratio.
7.3.5.5 Reserve battery discharge function
The reserve battery discharge is initiated when the push button S101 is pressed for
approx. 1 s. while the battery is in its holder. The processor pin PB2 rises and Q105
causes the battery voltage to be discharged through Q106 (IRFR9024) to resistor
R145. The resistor is attached to the metal base plate so that the resulting heat can
be dissipated.
7.3.5.6 Charging/discharging indicators
Operating functions are indicated by two two-color leds D102 and D103. The leds
are controlled by processor ports PB7, PB6, PB5 and PB4 via the transistors Q107,
Q108, Q109, and Q110. Both quick-charge and continuous charge are indicated by
a flashing green light, and stand-by charge by a steady green light. Discharging is
indicated by a steady red light. If the phone is discharging its battery (control voltage
to the charger above 4V) then the led is red.
7.3.5.7 Setting the quick-charge trigger voltage.
The Vb voltage brought to the charger is the quick-charge trigger voltage (7.2V) and
the processor port PA1 is drawn up. The processor lights both red leds, and switches
Q102 to conduct. The processor measures the voltage coming to the reserve battery
contacts and stores it in EEPROM. When the measured value is stored, the leds
change to green. NOTE! THE RESERVE BATTERY MUST NOT BE CONNECTED.

28.1.1999
XO0244E4_fm5.fm 9
Product: HPT-40 (Desktop Charger) / YO0244
7.3.5.8 Reserve battery default values
If the attempt to read the reserve battery type and capacity are unsuccessful, the
charging perameters are taken from the default values programmed in EEPROM.
EEPROM data:
e.g.
The processor itself programmes the quick-charge trigger voltage (memory location
$b600) while in tuning mode. Other reserve battery default values must be pro-
grammed. The capacity is measured in milli-ampere-hours and coded hexadecimally
in memory locations $b601 and $b602. The reserve battery type is in the address
$b603, coded as follows: NiMH = $00 and NiCd = $01.
7.3.5.9 Error situations
The charger will not commence charging if the trigger voltage has not been set or
the reserve battery default values have not been programmed (Red leds flash in
turn).
If the charger does not recognise the reserve battery, it will not update the memory
within the battery pack.
$b600 quick-charging trigger voltage $a8
$b601 reserve battery upper capacity $02
$b602 reserve battery lower capacity $58
$b603 reserve battery type $00

28.1.1999
XO0244E4_fm5.fm 10
Product: HPT-40 (Desktop Charger) / OO0244
7.3.6 Parts list of Desktop Charger
OO0244
CODE PART DESCRIPT. VALUE MANUF. TYPE
CD0473 C101 SMD capasitor 47 nF 10% 50 V X7R Philips
CD0223 C102 SMD capasitor 22 nF 10% 50 V X7R Philips
CU0226 C103 SMD tantal 22uF/16V 10% 7.3x4.3mm Kyocera TAJD226K016R
CD0223 C104 SMD capasitor 22 nF 10% 50 V X7R Philips
CD0221 C110 SMD capasitor 220 pF 5% 50 V NP0 Philips
CD0223 C111 SMD capasitor 22 nF 10% 50 V X7R Philips
CD0223 C112 SMD capasitor 22 nF 10% 50 V X7R Philips
CD0220 C140 SMD capasitor 22 pF 5% 50 V NP0 Philips
CD0220 C141 SMD capasitor 22 pF 5% 50 V NP0 Philips
CD0473 C142 SMD capasitor 47 nF 10% 50 V X7R Philips
CD0473 C143 SMD capasitor 47 nF 10% 50 V X7R Philips
CD0223 C144 SMD capasitor 22 nF 10% 50 V X7R Philips
CD0223 C150 SMD capasitor 22 nF 10% 50 V X7R Philips
CD0223 C151 SMD capasitor 22 nF 10% 50 V X7R Philips
CD0121 C160 SMD capasitor 120pF 5% 50V NPO Philips
CD0680 C161 SMD capasitor 68 pF 5% 50 V NP0 Philips
CD0121 C170 SMD capasitor 120pF 5% 50V NPO Philips
CD0121 C171 SMD capasitor 120pF 5% 50V NPO Philips
CD0121 C172 SMD capasitor 120pF 5% 50V NPO Philips
CD0121 C173 SMD capasitor 120pF 5% 50V NPO Philips
CD0121 C174 SMD capasitor 120pF 5% 50V NPO Philips
CD0121 C175 SMD capasitor 120pF 5% 50V NPO Philips
CD0121 C180 SMD capasitor 120pF 5% 50V NPO Philips
CD0223 C181 SMD capasitor 22 nF 10% 50 V X7R Philips
CH0105 C182 SMD capasitor 1uF/-20/+80%/16V TaiyoYuden EMK212 F105Z00T
CD0223 C183 SMD capasitor 22 nF 10% 50 V X7R Philips
DY0006 D101 Shottky diode 60V/3.3A I&R 30WQ06F
DL5300 D102 Bicolor led Green/Orange-red D=5mm Telefunken TLUV 5300
DL5300 D103 Bicolor led Green/Orange-red D=5mm Telefunken TLUV 5300
IR2952 I101 Regulator 100mA 5V adj. 0.5% Micrel MIC2951-02BM
IA0272 I102\ 2 x op.amp. LinCMOS Low noise,power Texas TLC27M2ID
IP6871 I103 OTP prosessor Motorola MC68HC711E9CFN2
LF0061 L101 SMD EMI suppression filt 4700pF/2A 1.6x6.8mm Murata NFM61R30T472
LF0061 L102 SMD EMI suppression filt 4700pF/2A 1.6x6.8mm Murata NFM61R30T472
LF0061 L103 SMD EMI suppression filt 4700pF/2A 1.6x6.8mm Murata NFM61R30T472
PO0244 MEK1 PCB for OO0244 87x65 FR4 Metalex
VI1052 MEK2 SMD IC-socket PLCC-52 25.22x25,22x5mm Yamaichi IC 160-0524-201
VI0040 MEK3 Component base 1 base = 40 holes Perlos
NC2006 MEK4 Cross recessed screw M2x6 SFS2976 FeZn8CZ Ruuvitalo
NC2006 MEK5 Cross recessed screw M2x6 SFS2976 FeZn8CZ Ruuvitalo
NF0200 MEK6 Nut M2 SFS2067 / DIN943 Ruuvitalo
NF0200 MEK7 Nut M2 SFS2067 / DIN943 Ruuvitalo
QF9953 Q101 SMD Dual p-channel fets 20V/2.3A Rds=0.25 Siliconix Si9953DY
QF9953 Q102 SMD Dual p-channel fets 20V/2.3A Rds=0.25 Siliconix Si9953DY
QF7002 Q103 SMD n-channel FET 60V 0.115A Rds7.5 Siliconix 2N7002-T1
QF7002 Q104 SMD n-channel FET 60V 0.115A Rds7.5 Siliconix 2N7002-T1
QF7002 Q105 SMD n-channel FET 60V 0.115A Rds7.5 Siliconix 2N7002-T1
QF9024 Q106 SMD p-channel FET 60V 9A Rds=0.28 I&R IRFR9024TR
QSB848 Q107 SMD transistor NPN 0.1A/30V F=2dB Philips BC 848 B
QSB848 Q108 SMD transistor NPN 0.1A/30V F=2dB Philips BC 848 B
QSB848 Q109 SMD transistor NPN 0.1A/30V F=2dB Philips BC 848 B
QSB848 Q110 SMD transistor NPN 0.1A/30V F=2dB Philips BC 848 B
RD0103 R101 SMD resistor 10 k 5% 0.125 W Kamaya
RD0104 R110 SMD resistor 100 k 5% 0.125 W Kamaya
RD0102 R111 SMD resistor 1 k 5% 0.125 W Kamaya

28.1.1999
XO0244E4_fm5.fm 11
Product: HPT-40 (Desktop Charger) / OO0244
RD0104 R112 SMD resistor 100 k 5% 0.125 W Kamaya
RD0104 R113 SMD resistor 100 k 5% 0.125 W Kamaya
RD0823 R114 SMD resistor 82 k 5% 0.125 W Kamaya
RM4752 R115 Mini-Melf resistor 47k5 1% 0.25W Beyschlag MMA 0204-50
RD0103 R120 SMD resistor 10 k 5% 0.125 W Kamaya
RD0471 R121 SMD resistor 470 R 5% 0.125 W Kamaya
RD0471 R122 SMD resistor 470 R 5% 0.125 W Kamaya
RD0103 R123 SMD resistor 10 k 5% 0.125 W Kamaya
RD0471 R130 SMD resistor 470 R 5% 0.125 W Kamaya
RD0471 R131 SMD resistor 470 R 5% 0.125 W Kamaya
RD0103 R132 SMD resistor 10 k 5% 0.125 W Kamaya
RD0103 R133 SMD resistor 10 k 5% 0.125 W Kamaya
RD0105 R140 SMD resistor 1 M 5% 0.125 W Kamaya
RD0102 R141 SMD resistor 1 k 5% 0.125 W Kamaya
RD0104 R142 SMD resistor 100 k 5% 0.125 W Kamaya
RD0103 R143 SMD resistor 10 k 5% 0.125 W Kamaya
RD0104 R144 SMD resistor 100 k 5% 0.125 W Kamaya
RD0103 R145 SMD resistor 10 k 5% 0.125 W Kamaya
RD0103 R150 SMD resistor 10 k 5% 0.125 W Kamaya
RD0103 R151 SMD resistor 10 k 5% 0.125 W Kamaya
RD0103 R160 SMD resistor 10 k 5% 0.125 W Kamaya
RD0104 R161 SMD resistor 100 k 5% 0.125 W Kamaya
RD0104 R162 SMD resistor 100 k 5% 0.125 W Kamaya
RD0562 R163 SMD resistor 5.6 k 5% 0.125 W Kamaya
RD0221 R164 SMD resistor 220 R 5% 0.125 W Kamaya
RD0104 R165 SMD resistor 100 k 5% 0.125 W Kamaya
RD0104 R166 SMD resistor 100 k 5% 0.125 W Kamaya
RL0479 R167 Wirewound resistor 4R7/10W/5% alumin.housed Vitrohm
RD0104 R170 SMD resistor 100 k 5% 0.125 W Kamaya
RD0104 R171 SMD resistor 100 k 5% 0.125 W Kamaya
RD0104 R172 SMD resistor 100 k 5% 0.125 W Kamaya
RD0104 R173 SMD resistor 100 k 5% 0.125 W Kamaya
RD0100 R180 SMD resistor 10 R 5% 0.125 W Kamaya
RD0104 R181 SMD resistor 100 k 5% 0.125 W Kamaya
RD0104 R182 SMD resistor 100 k 5% 0.125 W Kamaya
RD0103 R183 SMD resistor 10 k 5% 0.125 W Kamaya
RD0472 R184 SMD resistor 4.7 k 5% 0.125 W Kamaya
AS0105 S101 Tact switch h=9,5mm Alps SKHHAP
VN0242 V102 SMD system conn. (holder) AMP
X35796 X101 DTMF-quartz crystal 3.579545 MHZ +-30PPM Meiden
Last
update
03.06.94
CODE PART DESCRIPT. VALUE MANUF. TYPE

28.1.1999
XO0244E4_fm5.fm 12
Product: HPT-40 (Desktop Charger) / OO0244
7.3.7 Parts list of Table Charger Extra Module
CODE PART DESCRIPT. VALUE MANUF TYPE
NC2015 M201 Cross recessed screw M2x5 DIN7985A pozidrive Ruuvitalo
NC2015 M202 Cross recessed screw M2x5 DIN7985A pozidrive Ruuvitalo
NF0200 M203 Nut M2 SFS2067 / DIN943 Ruuvitalo
NF0200 M204 Nut M2 SFS2067 / DIN943 Ruuvitalo
PO0242 MEK1 PCB for table charger connector (Tavi) Metalex
VM0242 X\IN SMD system connector 1x16 pin AMP 188227-1
AC0046 X\OUT Flat cable jumper 10x 0.5mm, pitch 2,54mm
Last
update
17.05.95

28.1.1999
XO0244E4_fm5.fm 13
Product: HPT-40 (Desktop Charger) / OO0244
Component Side Layout PO0244A0 (Schematic OO0244A0)

28.1.1999
XO0244E4_fm5.fm 14
Product: HPT-40 (Desktop Charger) / OO0244
Solder Side Layout PO0244A0 (Schematic OO0244A0)

28.1.1999
XO0244E4_fm5.fm 15
Product: HPT-40 (Desktop Charger) / OO0244
Component Side layout PO0247A0 (Schematic OO0247A0)

28.1.1999
XO0244E4_fm5.fm 16
Product: HPT-40 (Desktop Charger) / OO0244
Solder Side Layout PO0247A0 (Schematic OO0247A0)

28.1.1999
XO0244E4_fm5.fm 17
Product: HPT-40 (Desktop Charger) / OO0244

28.1.1999
XO0244E4_fm5.fm 18
Product: HPT-40 (Desktop Charger) / OO0244

28.1.1999
Xo0314e4_fm5.fm 1
Product: CIU-40 (Carbox) / YO0314
8.0 CAR ASSEMBLY KIT
YO0314
8.1 CARBOX
OW
0314
NC
2008
MD
0702
MF
1502
NG
0012
MF
1140
MD
0703
NC
2010
NF
0200 NG
0011
NC
2066
NG
1015
CIU-40
Carbox
YO0314
8 pcs
2 pcs

28.1.1999
Xo0314e4_fm5.fm 2
Product: CIU-40 (Carbox) / YO0314
8.1.1 Including attached functions:
- power supply filter
- voltage regulators
- processor controlled battery charger
- controls for external relays (AL, MUTE)
- handsfree amplifiers
- PC/HANDSET connector.
8.1.2 Connector descriptions:
8.1.2.1 EXTVB
8.1.2.2 EXTMIC
1 MUTE car radio mute max 500mA
2 SPKRGND speaker ground
3 GND ground
4 AL external alarm control max 500mA
5 SPKR HF-speaker 4 ohm 1.5 W
6 VBATT operating voltage 10.8-31V max 3A
1 GND ground
2 HFMIC HF-microphone

28.1.1999
Xo0314e4_fm5.fm 3
Product: CIU-40 (Carbox) / YO0314
8.1.2.3 PC/EXTHS
8.1.2.4 BOX
1 NC not connected
2 NC
3 9V PC/handset operating voltage 9V 500mA
4 NC
5 HSMIC handset microphone 400mV RMS
6 GND ground
7 GND ground
8 HSERP handset earphone 200mV RMS
9 PTT external tangent
10 I2CINT I2C interrupt
11 SCL I2C clock
12 SDA I2C data
13 TXD RS232
14 RXD RS232
15 EXTIO extra-IO
16 NC
1 V-CHARGE battery charging current max 2A/9V
2 V-CHARGE
3 V-BAT battery voltage
4 NC
5 EXTMIC external microphone signal 400mV RMS
6 GND ground
7 GND
8 EXTERP external ERP-signal 200mV RMS
9 PTT external tangent
10 I2CINT I2C interrupt
11 SCL I2C clock
12 SDA I2C DATA
13 TXD RS232
14 RXD RS232
15 EXTIO extra- IO
16 CHGCONT charging control from the processor

28.1.1999
Xo0314e4_fm5.fm 4
Product: CIU-40 (Carbox) / YO0314
8.1.3 Operation
Operating voltage is fed to pin EXTVB/6. L001/C005 filters the power supply, and
D001 limits any voltage peaks. When the handportable is placed in its handset, a
voltage occurs at the BOX/3 pin which triggers Q101 and Q102 open.
The regulator I101 feeds 9V to the audio stage and PC/EXTHS pin, and I102 feeds
5V to other functions. External relay controls Q104 and and Q106 get their control
from the circuit I103.
The HF microphone gets its bias voltage throuh resistors R311 and R212. I304
serves as the microphone amplifier and I105 as a low-pass filter with a border fre-
quency of 3.3 kHz.
The analog switch I302 connects the HF microphone or external device microphone
signal to the EXTMIC-line.
The analog switch I307 connects the audio signal from the EXTERP-line to either
the external device HSERP line or to the audio stage I309.

28.1.1999
Xo0314e4_fm5.fm 5
Product: CIU-40 (Carbox) / OW0314
8.1.4 Parts list OW0314
OW0314
CODE PART DESCRIPT. VALUE MANUF. TYPE
CD0222 C100 SMD capasitor 2.2 nF 5% 50 V NP0 Philips
CD0222 C101 SMD capasitor 2.2 nF 5% 50 V NP0 Philips
CD0223 C102 SMD capasitor 22 nF 10% 50 V X7R Philips
CD0223 C103 SMD capasitor 22 nF 10% 50 V X7R Philips
CE0109 C104 Al-elko 1000uF/40V 12.5x30mm Philips 2222 021 17102
CD0222 C105 SMD capasitor 2.2 nF 5% 50 V NP0 Philips
CD0222 C106 SMD capasitor 2.2 nF 5% 50 V NP0 Philips
CD0102 C110 SMD capasitor 1 nF 5 % NP0 Philips
CD0102 C111 SMD capasitor 1 nF 5 % NP0 Philips
CD0471 C112 SMD capasitor 470 pF 5% 50 V NP0 Philips
CD0101 C120 SMD capasitor 100 pF 5% 50 V NP0 Philips
CD0101 C121 SMD capasitor 100 pF 5% 50 V NP0 Philips
CD0101 C122 SMD capasitor 100 pF 5% 50 V NP0 Philips
CD0101 C123 SMD capasitor 100 pF 5% 50 V NP0 Philips
CD0101 C124 SMD capasitor 100 pF 5% 50 V NP0 Philips
CD0101 C125 SMD capasitor 100 pF 5% 50 V NP0 Philips
CD0101 C130 SMD capasitor 100 pF 5% 50 V NP0 Philips
CD0101 C131 SMD capasitor 100 pF 5% 50 V NP0 Philips
CD0101 C132 SMD capasitor 100 pF 5% 50 V NP0 Philips
CD0101 C133 SMD capasitor 100 pF 5% 50 V NP0 Philips
CD0101 C134 SMD capasitor 100 pF 5% 50 V NP0 Philips
CD0101 C135 SMD capasitor 100 pF 5% 50 V NP0 Philips
CD0101 C136 SMD capasitor 100 pF 5% 50 V NP0 Philips
CD0101 C137 SMD capasitor 100 pF 5% 50 V NP0 Philips
CD0101 C138 SMD capasitor 100 pF 5% 50 V NP0 Philips
CD0101 C139 SMD capasitor 100 pF 5% 50 V NP0 Philips
CD0101 C140 SMD capasitor 100 pF 5% 50 V NP0 Philips
CD0101 C141 SMD capasitor 100 pF 5% 50 V NP0 Philips
CD0223 C200 SMD capasitor 22 nF 10% 50 V X7R Philips
CD0223 C201 SMD capasitor 22 nF 10% 50 V X7R Philips
CU1106 C202 SMD tantal 10uF/16V AVX TAJB106M016R
CH0105 C203 SMD capasitor 1uF/-20/+80%/16V TaiyoYuden EMK212 F105Z00T
CH0105 C204 SMD capasitor 1uF/-20/+80%/16V TaiyoYuden EMK212 F105Z00T
CD0223 C205 SMD capasitor 22 nF 10% 50 V X7R Philips
CD0223 C210 SMD capasitor 22 nF 10% 50 V X7R Philips
CU1106 C211 SMD tantal 10uF/16V AVX TAJB106M016R
CD0223 C220 SMD capasitor 22 nF 10% 50 V X7R Philips
CD0222 C230 SMD capasitor 2.2 nF 5% 50 V NP0 Philips
CD0222 C240 SMD capasitor 2.2 nF 5% 50 V NP0 Philips
CU0105 C300 SMD tantal 1uF/16V 20% 3.2x1.6mm Matsushita ECST1CY 105R
CD0223 C301 SMD capasitor 22 nF 10% 50 V X7R Philips
CD0222 C302 SMD capasitor 2.2 nF 5% 50 V NP0 Philips
CD0223 C303 SMD capasitor 22 nF 10% 50 V X7R Philips
CD0680 C304 SMD capasitor 68 pF 5% 50 V NP0 Philips
CD0270 C306 SMD capasitor 27pF 5% 50V NPO Philips
CD0270 C307 SMD capasitor 27pF 5% 50V NPO Philips
CD0101 C320 SMD capasitor 100 pF 5% 50 V NP0 Philips
CD0223 C321 SMD capasitor 22 nF 10% 50 V X7R Philips
CH0105 C322 SMD capasitor 1uF/-20/+80%/16V TaiyoYuden EMK212 F105Z00T
CD0471 C323 SMD capasitor 470 pF 5% 50 V NP0 Philips
CD0270 C324 SMD capasitor 27pF 5% 50V NPO Philips
CD0270 C325 SMD capasitor 27pF 5% 50V NPO Philips
CD0270 C326 SMD capasitor 27pF 5% 50V NPO Philips
CD0270 C327 SMD capasitor 27pF 5% 50V NPO Philips
CD0223 C328 SMD capasitor 22 nF 10% 50 V X7R Philips
CD0104 C329 SMD capasitor 100 nF 10% 50 V X7R Philips

28.1.1999
Xo0314e4_fm5.fm 6
Product: CIU-40 (Carbox) / OW0314
CU0105 C330 SMD tantal 1uF/16V 20% 3.2x1.6mm Matsushita ECST1CY 105R
CD0104 C331 SMD capasitor 100 nF 10% 50 V X7R Philips
CD0222 C332 SMD capasitor 2.2 nF 5% 50 V NP0 Philips
CD0680 C333 SMD capasitor 68 pF 5% 50 V NP0 Philips
CD0223 C334 SMD capasitor 22 nF 10% 50 V X7R Philips
CD0221 C335 SMD capasitor 220 pF 5% 50 V NP0 Philips
CD0270 C336 SMD capasitor 27pF 5% 50V NPO Philips
CD0270 C337 SMD capasitor 27pF 5% 50V NPO Philips
CU0105 C340 SMD tantal 1uF/16V 20% 3.2x1.6mm Matsushita ECST1CY 105R
CD0223 C401 SMD capasitor 22 nF 10% 50 V X7R Philips
CH0105 C402 SMD capasitor 1uF/-20/+80%/16V TaiyoYuden EMK212 F105Z00T
CU0226 C411 SMD tantal 22uF/16V 10% 7.3x4.3mm Kyocera TAJD226K016R
CU0226 C413 SMD tantal 22uF/16V 10% 7.3x4.3mm Kyocera TAJD226K016R
CD0104 C414 SMD capasitor 100 nF 10% 50 V X7R Philips
CE0476 C415 Al elko 47 uF/25 V 7x7mm Philips 2222 097 56479
CD0104 C416 SMD capasitor 100 nF 10% 50 V X7R Philips
CU1106 C417 SMD tantal 10uF/16V AVX TAJB106M016R
CU0225 C418 SMD tantal 2.2uF/16V 20% 4.7x2.6mm Matsushita ECST1CB 225R
CH0105 C419 SMD capasitor 1uF/-20/+80%/16V TaiyoYuden EMK212 F105Z00T
CH0105 C420 SMD capasitor 1uF/-20/+80%/16V TaiyoYuden EMK212 F105Z00T
CH0105 C421 SMD capasitor 1uF/-20/+80%/16V TaiyoYuden EMK212 F105Z00T
CH0105 C430 SMD capasitor 1uF/-20/+80%/16V TaiyoYuden EMK212 F105Z00T
CH0105 C431 SMD capasitor 1uF/-20/+80%/16V TaiyoYuden EMK212 F105Z00T
CD0270 C432 SMD capasitor 27pF 5% 50V NPO Philips
CD0270 C433 SMD capasitor 27pF 5% 50V NPO Philips
CD0101 C440 SMD capasitor 100 pF 5% 50 V NP0 Philips
CD0104 C441 SMD capasitor 100 nF 10% 50 V X7R Philips
CD0220 C443 SMD capasitor 22 pF 5% 50 V NP0 Philips
CD0220 C444 SMD capasitor 22 pF 5% 50 V NP0 Philips
CH0105 C460 SMD capasitor 1uF/-20/+80%/16V TaiyoYuden EMK212 F105Z00T
CH0105 C461 SMD capasitor 1uF/-20/+80%/16V TaiyoYuden EMK212 F105Z00T
CU0225 C462 SMD tantal 2.2uF/16V 20% 4.7x2.6mm Matsushita ECST1CB 225R
CU1106 C463 SMD tantal 10uF/16V AVX TAJB106M016R
CD0104 C464 SMD capasitor 100 nF 10% 50 V X7R Philips
CE0337 C465 Al elko 330uF/16V 20% 15x8mm Philips 222213555331
CE0476 C466 Al elko 47 uF/25 V 7x7mm Philips 2222 097 56479
CE0337 C467 Al elko 330uF/16V 20% 15x8mm Philips 222213555331
CD0104 C468 SMD capasitor 100 nF 10% 50 V X7R Philips
CD0103 C469 SMD capasitor 10 nF 10% 50 V X7R Philips
CU0105 C480 SMD tantal 1uF/16V 20% 3.2x1.6mm Matsushita ECST1CY 105R
CD0473 C500 SMD capasitor 47 nF 10% 50 V X7R Philips
CE3106 C501 Al-elko 10uF/63V -+20% 11x5mm Panasonic ECEA1JU100
CP0155 C502 Polyester cap 1.5uF 20% 50V Roeredstei MKT 1826-515/05
CD0473 C503 SMD capasitor 47 nF 10% 50 V X7R Philips
CU1106 C504 SMD tantal 10uF/16V AVX TAJB106M016R
CD0101 C505 SMD capasitor 100 pF 5% 50 V NP0 Philips
CD0104 C506 SMD capasitor 100 nF 10% 50 V X7R Philips
CD0473 C510 SMD capasitor 47 nF 10% 50 V X7R Philips
CD0101 C511 SMD capasitor 100 pF 5% 50 V NP0 Philips
CD0101 C512 SMD capasitor 100 pF 5% 50 V NP0 Philips
CD0101 C513 SMD capasitor 100 pF 5% 50 V NP0 Philips
CD0101 C514 SMD capasitor 100 pF 5% 50 V NP0 Philips
CD0103 C515 SMD capasitor 10 nF 10% 50 V X7R Philips
CD0103 C516 SMD capasitor 10 nF 10% 50 V X7R Philips
CD0101 C517 SMD capasitor 100 pF 5% 50 V NP0 Philips
CD0473 C518 SMD capasitor 47 nF 10% 50 V X7R Philips
CD0101 C519 SMD capasitor 100 pF 5% 50 V NP0 Philips
CD0103 C520 SMD capasitor 10 nF 10% 50 V X7R Philips
CD0103 C521 SMD capasitor 10 nF 10% 50 V X7R Philips
CD0102 C522 SMD capasitor 1 nF 5 % NP0 Philips
CODE PART DESCRIPT. VALUE MANUF. TYPE

28.1.1999
Xo0314e4_fm5.fm 7
Product: CIU-40 (Carbox) / OW0314
CD0101 C523 SMD capasitor 100 pF 5% 50 V NP0 Philips
CD0471 C530 SMD capasitor 470 pF 5% 50 V NP0 Philips
CD0101 C531 SMD capasitor 100 pF 5% 50 V NP0 Philips
CE0127 C532 Al elko 120uF/16V 6.3x11,5 NCC SXE16VB120MJF11
DT0033 D100 SMD Transil 33V71500W SGS-
Thomso
SM15T33A
DZ0180 D200 SMD zener 18V 5% 300mW Philips BZX84C18
DT0033 D230 SMD Transil 33V71500W SGS-
Thomso
SM15T33A
DT0033 D240 SMD Transil 33V71500W SGS-
Thomso
SM15T33A
DZ0569 D500 SMD zener 5V6 5% 300mW Philips BZX84C5V6
DS0056 D501 SMD diode pair 70V/100mA common anode Philips BAW 56
DS0099 D510 SMD diode 70 V 200 mA Philips BAV 99
DS0099 D511 SMD diode 70 V 200 mA Philips BAV 99
DS0099 D530 SMD diode 70 V 200 mA Philips BAV 99
IR1317 I200 Adjustable regulator 1.2-37V 1.5A National S LM317AT
IR2951 I210 Regulator 100mA 5V adj. 5% National LP2951CM
II8574 I220 8 bit I/O I2C Philips PCF8574T
IA7550 I300 Single op.amp. Toshiba TA 75S01F-TE85L
IC0453 I320 SMD 2x multip./demultip. Toshiba TC4W53F-TE 12L
IA7550 I321 Single op.amp. Toshiba TA 75S01F-TE85L
IC0453 I322 SMD 2x multip./demultip. Toshiba TC4W53F-TE 12L
IA7550 I330 Single op.amp. Toshiba TA 75S01F-TE85L
IA1905 I410 Audio power amplifier 5W/20V/4ohm SGS/
Thomso
TDA1905
IC0453 I430 SMD 2x multip./demultip. Toshiba TC4W53F-TE 12L
IC0453 I431 SMD 2x multip./demultip. Toshiba TC4W53F-TE 12L
IA7550 I440 Single op.amp. Toshiba TA 75S01F-TE85L
IA1905 I460 Audio power amplifier 5W/20V/4ohm SGS/
Thomso
TDA1905
IA2902 I500 Low power quar op-amp. NationalSe LM2902M
IC0011 I510 4x2-input nand CMOS 4011 B
LA3117 L100 Inductor 110uH 3A R=0.07ohm Fuji SL03B111BE
LA1391 L500 Choke horizintal 90uH +-10% Trafocomp TJ1391
LA1391 L501 Choke horizintal 90uH +-10% Trafocomp TJ1391
PO0314 PCB1 *** EI KOODATTU VARAS-
TOON ***
QF9024 Q200 SMD p-channel FET 60V 9A Rds=0.28 I&R IRFR9024TR
QF7002 Q201 SMD n-channel FET 60V 0.115A Rds7.5 Siliconix 2N7002-T1
QSB858 Q230 SMD transistor PNP 0.1A/30V F<10dB Philips BC 858 B
QS1054 Q231 SMD transistor NPN 1.5A/45V Philips BCP 54
QSB858 Q240 SMD transistor PNP 0.1A/30V F<10dB Philips BC 858 B
QS1054 Q241 SMD transistor NPN 1.5A/45V Philips BCP 54
QSB848 Q400 SMD transistor NPN 0.1A/30V F=2dB Philips BC 848 B
QF7002 Q401 SMD n-channel FET 60V 0.115A Rds7.5 Siliconix 2N7002-T1
QSB848 Q402 SMD transistor NPN 0.1A/30V F=2dB Philips BC 848 B
QSB848 Q450 SMD transistor NPN 0.1A/30V F=2dB Philips BC 848 B
QSB848 Q500 SMD transistor NPN 0.1A/30V F=2dB Philips BC 848 B
QSB858 Q520 SMD transistor PNP 0.1A/30V F<10dB Philips BC 858 B
QSB858 Q521 SMD transistor PNP 0.1A/30V F<10dB Philips BC 858 B
QSB858 Q522 SMD transistor PNP 0.1A/30V F<10dB Philips BC 858 B
QSB848 Q523 SMD transistor NPN 0.1A/30V F=2dB Philips BC 848 B
QSB858 Q530 SMD transistor PNP 0.1A/30V F<10dB Philips BC 858 B
QF7002 Q531 SMD n-channel FET 60V 0.115A Rds7.5 Siliconix 2N7002-T1
000000 Q532 *** EI KOODATTU VARAS-
TOON ***
QSB858 Q533 SMD transistor PNP 0.1A/30V F<10dB Philips BC 858 B
RD0101 R100 SMD resistor 100 R 5% 0.125 W Kamaya
RD0101 R101 SMD resistor 100 R 5% 0.125 W Kamaya
RD0224 R200 SMD resistor 220 k 5% 0.125 W Kamaya
CODE PART DESCRIPT. VALUE MANUF. TYPE

28.1.1999
Xo0314e4_fm5.fm 8
Product: CIU-40 (Carbox) / OW0314
RD0103 R201 SMD resistor 10 k 5% 0.125 W Kamaya
RD0104 R202 SMD resistor 100 k 5% 0.125 W Kamaya
RD0103 R203 SMD resistor 10 k 5% 0.125 W Kamaya
RD0152 R204 SMD resistor 1.5 k 5% 0.125 W Kamaya
RD1241 R205 SMD resistor 240R 1% 0.125 W Kamaya RGC 1/10
RD0103 R210 SMD resistor 10 k 5% 0.125 W Kamaya
RD0101 R220 SMD resistor 100 R 5% 0.125 W Kamaya
RD0101 R221 SMD resistor 100 R 5% 0.125 W Kamaya
RD0103 R230 SMD resistor 10 k 5% 0.125 W Kamaya
RD0102 R231 SMD resistor 1 k 5% 0.125 W Kamaya
RD0103 R232 SMD resistor 10 k 5% 0.125 W Kamaya
RD0103 R240 SMD resistor 10 k 5% 0.125 W Kamaya
RD0102 R241 SMD resistor 1 k 5% 0.125 W Kamaya
RD0103 R242 SMD resistor 10 k 5% 0.125 W Kamaya
RD0103 R300 SMD resistor 10 k 5% 0.125 W Kamaya
RD0102 R301 SMD resistor 1 k 5% 0.125 W Kamaya
RD0103 R302 SMD resistor 10 k 5% 0.125 W Kamaya
RD0224 R303 SMD resistor 220 k 5% 0.125 W Kamaya
RD0153 R304 SMD resistor 15 k 5% 0.125 W Kamaya
RD0103 R305 SMD resistor 10 k 5% 0.125 W Kamaya
RD0103 R306 SMD resistor 10 k 5% 0.125 W Kamaya
RD0333 R307 SMD resistor 33 k 5% 0.125 W Kamaya
RD0224 R320 SMD resistor 220 k 5% 0.125 W Kamaya
RD0103 R321 SMD resistor 10 k 5% 0.125 W Kamaya
RD0224 R322 SMD resistor 220 k 5% 0.125 W Kamaya
RD0103 R323 SMD resistor 10 k 5% 0.125 W Kamaya
RD0103 R330 SMD resistor 10 k 5% 0.125 W Kamaya
RD0102 R331 SMD resistor 1 k 5% 0.125 W Kamaya
RD0183 R332 SMD resistor 18 k 5% 0.125 W Kamaya
RD0224 R333 SMD resistor 220 k 5% 0.125 W Kamaya
RD0153 R334 SMD resistor 15 k 5% 0.125 W Kamaya
RD0103 R335 SMD resistor 10 k 5% 0.125 W Kamaya
RD0103 R336 SMD resistor 10 k 5% 0.125 W Kamaya
RD0333 R337 SMD resistor 33 k 5% 0.125 W Kamaya
RD0104 R340 SMD resistor 100 k 5% 0.125 W Kamaya
RD0683 R341 SMD resistor 68 k 5% 0.125 W Kamaya
RD0473 R400 SMD resistor 47 k 5% 0.125 W Kamaya
RD0104 R401 SMD resistor 100 k 5% 0.125 W Kamaya
RD0104 R402 SMD resistor 100 k 5% 0.125 W Kamaya
RD0104 R403 SMD resistor 100 k 5% 0.125 W Kamaya
RD0333 R404 SMD resistor 33 k 5% 0.125 W Kamaya
RD0103 R405 SMD resistor 10 k 5% 0.125 W Kamaya
RD0103 R406 SMD resistor 10 k 5% 0.125 W Kamaya
RD0103 R407 SMD resistor 10 k 5% 0.125 W Kamaya
RD0101 R410 SMD resistor 100 R 5% 0.125 W Kamaya
RD0103 R411 SMD resistor 10 k 5% 0.125 W Kamaya
RD0339 R412 SMD resistor 3.3 R 5% 0.125 W Kamaya
RD0102 R413 SMD resistor 1 k 5% 0.125 W Kamaya
RD0102 R414 SMD resistor 1 k 5% 0.125 W Kamaya
RD0183 R415 SMD resistor 18 k 5% 0.125 W Kamaya
RD0104 R416 SMD resistor 100 k 5% 0.125 W Kamaya
RD0333 R430 SMD resistor 33 k 5% 0.125 W Kamaya
RD0333 R431 SMD resistor 33 k 5% 0.125 W Kamaya
RD0333 R432 SMD resistor 33 k 5% 0.125 W Kamaya
RD0104 R440 SMD resistor 100 k 5% 0.125 W Kamaya
RD0104 R441 SMD resistor 100 k 5% 0.125 W Kamaya
RD0473 R442 SMD resistor 47 k 5% 0.125 W Kamaya
RD0103 R443 SMD resistor 10 k 5% 0.125 W Kamaya
RD0473 R450 SMD resistor 47 k 5% 0.125 W Kamaya
RD0103 R451 SMD resistor 10 k 5% 0.125 W Kamaya
CODE PART DESCRIPT. VALUE MANUF. TYPE

28.1.1999
Xo0314e4_fm5.fm 9
Product: CIU-40 (Carbox) / OW0314
RD0223 R452 SMD resistor 22 k 5% 0.125 W Kamaya
RD0223 R460 SMD resistor 22 k 5% 0.125 W Kamaya
RD0102 R461 SMD resistor 1 k 5% 0.125 W Kamaya
RD0223 R462 SMD resistor 22 k 5% 0.125 W Kamaya
RD0101 R463 SMD resistor 100 R 5% 0.125 W Kamaya
RD0103 R464 SMD resistor 10 k 5% 0.125 W Kamaya
RD0561 R465 SMD resistor 560 R 5% 0.125 W Kamaya
RD0339 R466 SMD resistor 3.3 R 5% 0.125 W Kamaya
RD0104 R480 SMD resistor 100 k 5% 0.125 W Kamaya
RD0683 R481 SMD resistor 68 k 5% 0.125 W Kamaya
RC0108 R500 SMD resistor 0.1 R 5% 0.25W Philips 232272496002
RD0103 R501 SMD resistor 10 k 5% 0.125 W Kamaya
RD0103 R502 SMD resistor 10 k 5% 0.125 W Kamaya
RD0560 R503 SMD resistor 56 R 5% 0.125 W Kamaya
RD0272 R504 SMD resistor 2.7 k 5% 0.125 W Kamaya
RD0332 R505 SMD resistor 3.3 k 5% 0.125 W Kamaya
RD0332 R506 SMD resistor 3.3 k 5% 0.125 W Kamaya
RD0222 R507 SMD resistor 2.2 k 5% 0.125 W Kamaya
RD0332 R510 SMD resistor 3.3 k 5% 0.125 W Kamaya
RD0683 R511 SMD resistor 68 k 5% 0.125 W Kamaya
RD0683 R512 SMD resistor 68 k 5% 0.125 W Kamaya
RD0122 R520 SMD resistor 1.2 k 5% 0.125 W Kamaya
RD0272 R521 SMD resistor 2.7 k 5% 0.125 W Kamaya
RD0224 R522 SMD resistor 220 k 5% 0.125 W Kamaya
RD0154 R523 SMD resistor 150 k 5% 0.125 W Kamaya
RD0105 R524 SMD resistor 1 M 5% 0.125 W Kamaya
RD0224 R525 SMD resistor 220 k 5% 0.125 W Kamaya
RD0103 R526 SMD resistor 10 k 5% 0.125 W Kamaya
RD0332 R527 SMD resistor 3.3 k 5% 0.125 W Kamaya
RD0685 R528 SMD resistor 6.8 M 5% 0.125 W Kamaya
RD0332 R529 SMD resistor 3.3 k 5% 0.125 W Kamaya
RD0471 R530 SMD resistor 470 R 5% 0.125 W Kamaya
RD0470 R531 SMD resistor 47 R 5% 0.125 W Kamaya
RD0271 R532 SMD resistor 270 R 5% 0.125 W Kamaya
RD0104 R533 SMD resistor 100 k 5% 0.125 W Kamaya
RD0103 R534 SMD resistor 10 k 5% 0.125 W Kamaya
RD0564 R535 SMD resistor 560 k 5% 0.125 W Kamaya
RD0102 R536 SMD resistor 1 k 5% 0.125 W Kamaya
RD0224 R537 SMD resistor 220 k 5% 0.125 W Kamaya
RC0108 R538 SMD resistor 0.1 R 5% 0.25W Philips 232272496002
VW0106 V100 Connector male 6-pin Molex 5569-06-A1
VN0003 V102 Modular jack 4-pin AMP 215875-1
VN0005 V103 Stereo jack 3.5mm Zupami 3.5 EJW-C386
VM0242 V104 SMD system connector 1x16 pin AMP 188227-1
VM0116 V105 Contact strip angle 2x8 NB-electr. H4-6-16G
LF0061 X100 SMD EMI suppression filt 4700pF/2A 1.6x6.8mm Murata NFM61R30T472
LF0061 X101 SMD EMI suppression filt 4700pF/2A 1.6x6.8mm Murata NFM61R30T472
Last
update
19.09.97
CODE PART DESCRIPT. VALUE MANUF. TYPE

28.1.1999
Xo0314e4_fm5.fm 10
Product: CIU-40 (Carbox) / OW0314
The Top Side Layout PW0314A1

28.1.1999
Xo0314e4_fm5.fm 11
Product: CIU-40 (Carbox) / OW0314
The Bottom Side Layout PW0314A1

28.1.1999
Xo0314e4_fm5.fm 12
Product: CIU-40 (Carbox) / OW0314

28.1.1999
Xo0314e4_fm5.fm 13
Product: CIU-40 (Carbox) / OW0314

28.1.1999
Xo0314e4_fm5.fm 14
Product: CIU-40 (Carbox) / OW0314

28.1.1999
Xo0314e4_fm5.fm 15
Product: CIU-40 (Carbox) / OW0314

28.1.1999
Xo0314e4_fm5.fm 16
Product: CIU-40 (Carbox) / OW0314

28.1.1999
XMOO24E4_fm5.f 17
Product: HDH-40 (Phone holder) / YM0024
8.2 PHONE HOLDER
YM0024

28.1.1999
XMOO24E4_fm5.f 18
Product: HDH-40 (Phone holder) / PO0243
Component Side Layout
PO0243

28.1.1999
XMOO24E4_fm5.f 19
Product: HDH-40 (Phone holder) / PO0243
Solder Side Layout

28.1.1999
XMOO24E4_fm5.f 20
Product: HDH-40 (Phone holder) / OO0343-module
OO0343-module

28.1.1999
8HDS50GB_fm5.f 21
Product: HDS-50 (Ext. Handset With Cradle) /
8.3 EXTERNAL HANDSET WITH CRADLE HDS-50
8.3.1 External Handset (not serviceable)
8.3.1.1 Mechanics
External Handset
HDS-50
YH0442

28.1.1999
8HDS50GB_fm5.f 22
Product: HDS-50 (Ext. Handset With Cradle) /
8.3.1.2 Cable
8.3.2 General
The external handset is designed for use together with the hands-free car kit. The
external handset includes a microphone, an earphone and a reed switch. The hand-
set kit contains a handset with a cable and a modular connector, a cradle, and
mounting devices. A reed element shall be used to switch the audio signals to the
handset when the handset is hooked off.
Outer Sheath Material: Coloured PVC
Colour: Black, BS 6748
TYPE TM2 and
BT M140C
Finnish: Matt
Length: Total: 5 ±0,2 m
Coiled length: 3 ±0,2 m
Number of conductors: 4
Size: AWG 26 stranded wire
Resistance: < 100 mohm/m
Number of strands Multiwire (30 x 0.08 mm
PCW)
Insulation material: Coloured polypropylene
Strain relief: Shall be firmly attached to
the cable
CONNECTOR HOUSING: MOLEX 90123-0104 OR SIMILAR
951980-34
360
24 AWG STRANDED WIRE, COLOR BLACK
COILED FLAT CABLE (4.8x2.6) 4 POS.
1500
Handset cable
CONTACTS: MOLEX 90119-2110 OR SIMILAR
100
F14
4 MIC
3 MGND
2 EGND
1 EAR
4
Modular connector
AMP #641334-2
14
red
YC0056
90123
321
white
green
red
blue
20
1234
blue
green
white
Direction X
X
+5
FLAT UNDERSIDE

28.1.1999
8HDS50GB_fm5.f 23
Product: HDS-50 (Ext. Handset With Cradle) /
8.3.3 Connector XIN Signals
8.3.4 Microphone
8.3.5 Speaker
8.3.6 Hook
The hook operation is done by use of a reed switch. Hook operation is connected to
the handset earphone terminal.
The operation is as follows:
1 ERP earphone input, HOOK state
2 GND ground
3 GND ground
4 MIC microphone output
Sensitivity: -43 dB ± 6 dB
Vendor and part no: Hosiden KUC2023 or KUB2023
RF decoupling capacitor: 33 pF; Size: 0805; Mounted on the microphone
element.
Sensitivity 95 dB ± 5 dB
Vendor and part no: Hosiden KDR0928-IE-0030
Impedance: min 120 ohm
Resistance (DC): max 3 kohm
ON_HOOK HIGH DC IMPEDANCE (SWITCH OPEN)
OFF_HOOK LOW DC IMPEDANCE (SWITCH CLOSED), 2.2 KOHM RESIS-
TANCE

28.1.1999
8HDS50GB_fm5.f 24
Product: HDS-50 (Ext. Handset With Cradle) /
8.3.7 Parts list OO0009
CODE PART DESCRIPT. VALUE MANUF. TYPE
CU0475 C106 SMD tantal 4.7uF/16V 20% 4.7X2.6MM Matsushita ECST1CB 475R
CD0221 C108 SMD capasitor 220 pF 5% 50 V NP0 Philips
CD0221 C110 SMD capasitor 220 pF 5% 50 V NP0 Philips
CD0221 C112 SMD capasitor 220 pF 5% 50 V NP0 Philips
CD0221 C114 SMD capasitor 220 pF 5% 50 V NP0 Philips
PO0009 M100 PCB for OO0900
RP0222 R100 Edge control pot. 2.2k 0.1W LOG. Ruwido 0037-006 2k2 log
RD0222 R102 SMD resistor 2.2 k 5% 0.125 W Kamaya
AR0016 S102 Reed-relay Hamlin 59160-031
AE0018 XERP Assembled earphone unit 150ohm/94-+3dB/60mW Hoside KDR0928-1E-0300
AM2024 XMIC Assembled microphone unit Electret condenser -43-+4dB Hoside KUB2023-030444SB
VM0204 XIN Contact strip angle 1 x 4
Last
update
16.05.97

28.1.1999
8HDS50GB_fm5.f 25
Product: HDS-50 (Ext. Handset With Cradle) /
The Top Side Layout PO0009A1 (Schematic OO0009A1)

28.1.1999
8HDS50GB_fm5.f 26
Product: HDS-50 (Ext. Handset With Cradle) /
The Bottom Side Layout PO0009A1 (Schematic OO0009A1)

28.1.1999
8HDS50GB_fm5.f 27
Product: HDS-50 (Ext. Handset With Cradle) /
HLS-41, HDS-50, HXS-40

28.1.1999
8HDS50GB_fm5.f 28
Product: HDS-50 (Ext. Handset With Cradle) /
8.3.8 Cradle
8.3.8.1 Mechanics

28.1.1999
8OSET_GB.fm 1
9.0 OFFICE SET
OFFICE SET

28.1.1999
8dds40gb_fm5.fm 2
Product: DDS-40(Office set) / YO0310
9.1 OFFICE SET DDS-40
YO0310
9.1.1 General
Main features of the office set are:
- Hands Free microphone and speaker
- Handset
- connection for external antenna
- intelligent charge functions for both the phone battery and the spare battery
- connection for additional accessories
Office set DDS-40
The office set is designed to make the use of the mobile phone easier and more
effective both at home and at workplace.
You can charge the phone battery and charge and discharge the spare battery in the
desk top stand. The desk top stand also offers a fixed microphone and loudspeaker
for a hands free function. An external antenna and various terminal appliances can
also be connected to the desk top stand. A handset guarantees privacy for your con-
versation and improves audibility in a noisy environment.

28.1.1999
8dds40gb_fm5.fm 3
Product: DDS-40(Office set) / YO0310
9.1.2 Connectors
9.1.2.1 Main module OO0300
AUX/PWR_IN_1, AUX/PWR_IN_2
V2
PIN # NAME DESCRIPTION LEVEL
1,2 VB power in max. 10 V, 1,5 A
3 PH_VOLT mobile battery voltage
4nc
5 AUX_MIC auxiliary microphone signal
6,7 GND ground
8 AUX_ERP auxiliary earphone signal
9nc
10 I2CINT I2C bus interrupt
11 SCL I2C bus clock
12 SDA I2C bus data
13 TxD RS-232 TxD
14 RxD RS-232 RxD
15 nc
16 VB_CTRL power supply control 0 - 5 VDC
PIN # NAME DESCRIPTION LEVEL
1 GND ground
2 HS_MIC Handset microphone signal
3 HS_ERP Handset earphone signal
4 PH_R phone charge indicator led, red 0 / 5 VDC
5 PH_G phone charge indicator led, green 0 / 5 VDC
6 B_R battery charge indicator led, red 0 / 5 VDC
7 B_G battery charge indicator led, green 0 / 5 VDC
8 SWITCH battery discharge switch 0/ 5 VDC

28.1.1999
8dds40gb_fm5.fm 4
Product: DDS-40(Office set) / YO0310
V4
V5, V13
V6, V11
V7
V8, V12
V9
PIN # NAME DESCRIPTION LEVEL
1 V_CHG charge current for phone max. 10 V, 1.5 A
2 V_BATT mobile battery voltage
3 EXTMIC microphone signal
4 GND ground
5 EXTERP earphone signal
6 CADET office kit indicator for phone 5 VDC
7 I2CINT I2C bus interrupt
8 SCL I2C bus clock
9 SDA I2C bus data
10 TxD RS-232 TxD
11 RxD RS-232 RxD
12 PH_CTRL charger control from phone 0 - 5 VDC
PIN # NAME DESCRIPTION LEVEL
I_BATT charge current for battery max. 10 V, 1.5 A
PIN # NAME DESCRIPTION LEVEL
BMEM battery pack data
PIN # NAME DESCRIPTION LEVEL
B_TEMP battery pack temperature 0 - 5 VDC
PIN # NAME DESCRIPTION LEVEL
GND ground for battery pack
PIN # NAME DESCRIPTION LEVEL
1 HF_MIC Hands Free microphone
2 GND ground

28.1.1999
8dds40gb_fm5.fm 5
Product: DDS-40(Office set) / YO0310
V10
9.1.2.2 Led module OO0301
V1
V2
9.1.2.3 Connector module OO0302
V1
PIN # NAME DESCRIPTION LEVEL
1 HF_SPKR Hands Free speaker
2 GND ground
PIN # NAME DESCRIPTION LEVEL
1 GND ground
2 HS_MIC Handset microphone signal
3 HS_ERP Handset earphone signal
4 PH_R phone charge indicator led, red 0 / 5 VDC
5 PH_G phone charge indicator led, green 0 / 5 VDC
6 B_R battery charge indicator led, red 0 / 5 VDC
7 B_G battery charge indicator led, green 0 / 5 VDC
8 SWITCH battery discharge switch 0 / 5 VDC
PIN # NAME DESCRIPTION
1 GND ground
2 HS_ERP Handset earphone signal
3 HS_MIC Handset microphone signal
PIN # NAME DESCRIPTION LEVEL
1 V_CHG charge current for phone max. 10 V, 1.5 A
2 V_BATT mobile battery voltage
3 EXTMIC microphone signal
4 GND ground
5 EXTERP earphone signal
6 CADET office kit indicator for phone 5 VDC
7 I2CINT I2C bus interrupt
8 SCL I2C bus clock
9 SDA I2C bus data
10 TxD RS-232 TxD
11 RxD RS-232 RxD
12 PH_CTRL charger control from phone 0 - 5 VDC

28.1.1999
8dds40gb_fm5.fm 6
Product: DDS-40(Office set) / YO0310
V2
PIN # NAME DESCRIPTION LEVEL
1,2 V_CHG charge current for phone max. 10 V, 1.5 A
3 V_BATT mobile battery voltage
4nc
5 EXTMIC microphone signal
6,7 GND ground
8 EXTERP earphone signal
9 CADET office kit indicator for phone 5 VDC
10 I2CINT I2C bus interrupt
11 SCL I2C bus clock
12 SDA I2C bus data
13 TxD RS-232 TxD
14 RxD RS-232 RxD
15 nc
16 PH_CTRL power supply control 0 - 5 VDC

28.1.1999
8dds40gb_fm5.fm 7
Product: DDS-40(Office set) / YO0310
9.1.3 Operation
9.1.3.1 General
Power supply unit is connected to one of the connectors on the back of the unit.
Connections on these two connectors are identical to each other. Supply voltage
(VB) turns on regulator I124 which is used to generate +5 VDC supply (VCC) for pro-
cessor and other electronics. Note that the power amplifiers of the earphone signal,
I499 and I528 do not use VCC but VB instead. Once the VCC signal has risen, also
the signal CADET is activated. This makes the phone communicate with the I2C cir-
cuit and find out that office kit is present.
9.1.3.2 Processor / charging
The processor I264 is National Semiconductor COPCF888. Used crystal frequency
is 8,00 MHz.
I/O pins/signals are as follows:
A/D input I3 is used to measure the voltage of the spare battery. Amplifier I277 con-
verts the input voltage level into new range which is suitable for the A/D input. Out-
put G3 is a PWM signal which is converted with R291 and C293 into analog DC
signal. This signal is used to control the output current of the power supply unit. Out-
puts D0 and D1 are used to turn on charging current for phone and spare battery. P-
channel fets Q211 and Q221 are normally in non-conducting state (gate voltage tied
to VB) and are turned on with fets Q212 and Q222 as the control signal has been
activated. In normal operation fets Q211 and Q221 are never simultaneously in con-
ducting state.
I/O SIGNALS DIRECTION
C0 spare battery discharge switch IN
C7 battery pack memory IN / OUT
D0 phone charge fet control OUT
D1 spare battery charge fet control OUT
D2 spare battery discharge control OUT
D3 phone detect current control OUT
D4 phone charge indicator (red) controlOUT
D5 phone charge indicator (green) control OUT
D6 spare battery charge indicator (red) control OUT
D7 spare battery charge indicator (green) control OUT
G3 power supply control OUT
I0 charger control from phone IN
I1 spare battery temperature IN
I2 phone battery voltage IN
I3 spare battery voltage IN
I4 PWM_CHK (not used) IN

28.1.1999
8dds40gb_fm5.fm 8
Product: DDS-40(Office set) / YO0310
Spare battery discharge is controlled with signal D2. High level on output switches
transistors Q287 and Q285 into conducting state which makes current flow through
resistors R280-283 and transistor Q285. Nominal value of discharge current is ~ 180
mA.
Signal D3 is used to turn on/off the detect current supply I234. Logic high signal
turns the regulator off and logic low on. When the phone is present, the state of this
pin is usually low. Only when the charge control line I0 has a value greater than 4
VDC is this output turned to high state. Regulator I234 output is ~ 7 VDC, Imax 150
mA.
Charge indicator leds are turned on using the signals D4 to D7. Logic high signals
switch transistors Q303, Q305, Q313 and Q315 into conducting state. The emitter
pins of the transistors are directly connected to the anode pins of the leds.
9.1.3.3 Audio
The signal P1 (HF_OFF) of the I2C circuit I203 is used to control the analog
switches I435 and I437. Q512 inverts this signal for switch I484. The inverted signal
is also used for controlling the MUTE pin of the power amplifier I528. Low level sig-
nal turns MUTE on and high level signal (3 V) off respectively. Switch I481 and
MUTE pin of power amplifier I499 are controlled with signal HS_CTRL. This signal is
inverted from the DC level of the handset earphone signal.
HOOK signal is controlled with the handset. Whenever the handset has been placed
on the holder, the DC level of the HS_ERP signal should be ~ 4,2 V. Removing the
handset from the holder makes the voltage drop to a value of 0,4 VDC. This signal
and the transistors Q474 and Q475 are used to control the DC level of the EXTERP
signal. ON_HOOK level is ~ 5 VDC, OFF_HOOK ~ 0,6 VDC.

28.1.1999
8dds40gb_fm5.fm 9
Product: DDS-40(Office set) / OO0300
9.1.4 Parts list OO0300
OO0300
CODE PART DESCRIPT. VALUE MANUF. TYPE
CD0101 C100 SMD capasitor 100 pF 5% 50 V NP0 Philips
CD0101 C101 SMD capasitor 100 pF 5% 50 V NP0 Philips
CD0101 C102 SMD capasitor 100 pF 5% 50 V NP0 Philips
CD0101 C103 SMD capasitor 100 pF 5% 50 V NP0 Philips
CD0101 C104 SMD capasitor 100 pF 5% 50 V NP0 Philips
CD0101 C105 SMD capasitor 100 pF 5% 50 V NP0 Philips
CD0101 C106 SMD capasitor 100 pF 5% 50 V NP0 Philips
CD0101 C107 SMD capasitor 100 pF 5% 50 V NP0 Philips
CD0101 C108 SMD capasitor 100 pF 5% 50 V NP0 Philips
CD0101 C109 SMD capasitor 100 pF 5% 50 V NP0 Philips
CD0101 C111 SMD capasitor 100 pF 5% 50 V NP0 Philips
CD0101 C112 SMD capasitor 100 pF 5% 50 V NP0 Philips
CD0101 C113 SMD capasitor 100 pF 5% 50 V NP0 Philips
CD0101 C114 SMD capasitor 100 pF 5% 50 V NP0 Philips
CD0101 C115 SMD capasitor 100 pF 5% 50 V NP0 Philips
CD0101 C116 SMD capasitor 100 pF 5% 50 V NP0 Philips
CD0101 C117 SMD capasitor 100 pF 5% 50 V NP0 Philips
CD0101 C118 SMD capasitor 100 pF 5% 50 V NP0 Philips
CD0101 C119 SMD capasitor 100 pF 5% 50 V NP0 Philips
CD0473 C120 SMD capasitor 47 nF 10% 50 V X7R Philips
CU0226 C121 SMD tantal 22uF/16V 10% 7.3x4.3mm Kyocera TAJD226K016R
CD0223 C123 SMD capasitor 22 nF 10% 50 V X7R Philips
CU0226 C125 SMD tantal 22uF/16V 10% 7.3x4.3mm Kyocera TAJD226K016R
CD0223 C126 SMD capasitor 22 nF 10% 50 V X7R Philips
CD0104 C127 SMD capasitor 100 nF 10% 50 V X7R Philips
CD0101 C130 SMD capasitor 100 pF 5% 50 V NP0 Philips
CD0101 C131 SMD capasitor 100 pF 5% 50 V NP0 Philips
CD0101 C140 SMD capasitor 100 pF 5% 50 V NP0 Philips
CD0101 C141 SMD capasitor 100 pF 5% 50 V NP0 Philips
CD0101 C142 SMD capasitor 100 pF 5% 50 V NP0 Philips
CD0101 C143 SMD capasitor 100 pF 5% 50 V NP0 Philips
CD0101 C144 SMD capasitor 100 pF 5% 50 V NP0 Philips
CD0101 C145 SMD capasitor 100 pF 5% 50 V NP0 Philips
CD0101 C146 SMD capasitor 100 pF 5% 50 V NP0 Philips
CD0101 C147 SMD capasitor 100 pF 5% 50 V NP0 Philips
CD0101 C148 SMD capasitor 100 pF 5% 50 V NP0 Philips
CD0101 C149 SMD capasitor 100 pF 5% 50 V NP0 Philips
CD0680 C160 SMD capasitor 68 pF 5% 50 V NP0 Philips
CD0680 C161 SMD capasitor 68 pF 5% 50 V NP0 Philips
CD0223 C202 SMD capasitor 22 nF 10% 50 V X7R Philips
CU1106 C232 SMD tantal 10uF/16V AVX TAJB106M016R
CD0223 C233 SMD capasitor 22 nF 10% 50 V X7R Philips
CU1106 C235 SMD tantal 10uF/16V AVX TAJB106M016R
CD0680 C242 SMD capasitor 68 pF 5% 50 V NP0 Philips
CD0223 C247 SMD capasitor 22 nF 10% 50 V X7R Philips
CD0223 C252 SMD capasitor 22 nF 10% 50 V X7R Philips
CD0223 C255 SMD capasitor 22 nF 10% 50 V X7R Philips
CD0223 C258 SMD capasitor 22 nF 10% 50 V X7R Philips
CD0220 C260 SMD capasitor 22 pF 5% 50 V NP0 Philips
CD0220 C263 SMD capasitor 22 pF 5% 50 V NP0 Philips
CD0473 C265 SMD capasitor 47 nF 10% 50 V X7R Philips
CD0473 C267 SMD capasitor 47 nF 10% 50 V X7R Philips
CD0223 C272 SMD capasitor 22 nF 10% 50 V X7R Philips
CD0101 C275 SMD capasitor 100 pF 5% 50 V NP0 Philips
CD0223 C279 SMD capasitor 22 nF 10% 50 V X7R Philips

28.1.1999
8dds40gb_fm5.fm 10
Product: DDS-40(Office set) / OO0300
CD0223 C292 SMD capasitor 22 nF 10% 50 V X7R Philips
CH0105 C293 SMD capasitor 1uF/-20/+80%/16V TaiyoYuden EMK212 F105Z00T
CH0105 C402 SMD capasitor 1uF/-20/+80%/16V TaiyoYuden EMK212 F105Z00T
CD0104 C403 SMD capasitor 100 nF 10% 50 V X7R Philips
CD0222 C406 SMD capasitor 2.2 nF 5% 50 V NP0 Philips
CD0680 C408 SMD capasitor 68 pF 5% 50 V NP0 Philips
CD0223 C409 SMD capasitor 22 nF 10% 50 V X7R Philips
CH0105 C422 SMD capasitor 1uF/-20/+80%/16V TaiyoYuden EMK212 F105Z00T
CD0104 C423 SMD capasitor 100 nF 10% 50 V X7R Philips
CD0222 C426 SMD capasitor 2.2 nF 5% 50 V NP0 Philips
CD0680 C428 SMD capasitor 68 pF 5% 50 V NP0 Philips
CD0223 C429 SMD capasitor 22 nF 10% 50 V X7R Philips
CD0101 C441 SMD capasitor 100 pF 5% 50 V NP0 Philips
CD0223 C442 SMD capasitor 22 nF 10% 50 V X7R Philips
CD0104 C445 SMD capasitor 100 nF 10% 50 V X7R Philips
CD0104 C446 SMD capasitor 100 nF 10% 50 V X7R Philips
CU2105 C452 SMD tantal 1uF/10V AVX TAJR105M010R
CU2105 C455 SMD tantal 1uF/10V AVX TAJR105M010R
CD0101 C461 SMD capasitor 100 pF 5% 50 V NP0 Philips
CD0223 C463 SMD capasitor 22 nF 10% 50 V X7R Philips
CD0223 C472 SMD capasitor 22 nF 10% 50 V X7R Philips
CD0104 C477 SMD capasitor 100 nF 10% 50 V X7R Philips
CH0105 C485 SMD capasitor 1uF/-20/+80%/16V TaiyoYuden EMK212 F105Z00T
CU0226 C490 SMD tantal 22uF/16V 10% 7.3x4.3mm Kyocera TAJD226K016R
CU0226 C491 SMD tantal 22uF/16V 10% 7.3x4.3mm Kyocera TAJD226K016R
CD0104 C492 SMD capasitor 100 nF 10% 50 V X7R Philips
CD0104 C496 SMD capasitor 100 nF 10% 50 V X7R Philips
CE0476 C498 Al elko 47 uF/25 V 7x7mm Philips 2222 097 56479
CU1106 C500 SMD tantal 10uF/16V AVX TAJB106M016R
CU0225 C501 SMD tantal 2.2uF/16V 20% 4.7x2.6mm Matsushita ECST1CB 225R
CE0337 C502 Al elko 330uF/16V 20% 15x8mm Philips 222213555331
CH0105 C503 SMD capasitor 1uF/-20/+80%/16V TaiyoYuden EMK212 F105Z00T
CH0105 C506 SMD capasitor 1uF/-20/+80%/16V TaiyoYuden EMK212 F105Z00T
CH0105 C507 SMD capasitor 1uF/-20/+80%/16V TaiyoYuden EMK212 F105Z00T
CD0222 C520 SMD capasitor 2.2 nF 5% 50 V NP0 Philips
CH0105 C523 SMD capasitor 1uF/-20/+80%/16V TaiyoYuden EMK212 F105Z00T
CH0105 C526 SMD capasitor 1uF/-20/+80%/16V TaiyoYuden EMK212 F105Z00T
CD0104 C527 SMD capasitor 100 nF 10% 50 V X7R Philips
CU0225 C529 SMD tantal 2.2uF/16V 20% 4.7x2.6mm Matsushita ECST1CB 225R
CE0476 C531 Al elko 47 uF/25 V 7x7mm Philips 2222 097 56479
CU1106 C532 SMD tantal 10uF/16V AVX TAJB106M016R
CE0337 C535 Al elko 330uF/16V 20% 15x8mm Philips 222213555331
CE0337 C536 Al elko 330uF/16V 20% 15x8mm Philips 222213555331
CD0104 C537 SMD capasitor 100 nF 10% 50 V X7R Philips
DY0006 D224 Shottky diode 60V/3.3A I&R 30WQ06F
DS0070 D236 SMD diode pair 70V/100mA common cathode Philips BAV 70
IR2952 I124 Regulator 100mA 5V adj. 0.5% Micrel MIC2951-02BM
II8574 I203 8 bit I/O I2C Philips PCF8574T
IR2952 I234 Regulator 100mA 5V adj. 0.5% Micrel MIC2951-02BM
IP8880 I264 Microcontroller Single-Chip CMOS NationalSe COP888CF-XXX/V
IA7550 I277 Single op.amp. Toshiba TA 75S01F-TE85L
IA7550 I410 Single op.amp. Toshiba TA 75S01F-TE85L
IA7550 I430 Single op.amp. Toshiba TA 75S01F-TE85L
IC0453 I435 SMD 2x multip./demultip. Toshiba TC4W53F-TE 12L
IC0453 I437 SMD 2x multip./demultip. Toshiba TC4W53F-TE 12L
IA7550 I443 Single op.amp. Toshiba TA 75S01F-TE85L
IA7550 I464 Single op.amp. Toshiba TA 75S01F-TE85L
IC0453 I481 SMD 2x multip./demultip. Toshiba TC4W53F-TE 12L
IC0453 I484 SMD 2x multip./demultip. Toshiba TC4W53F-TE 12L
CODE PART DESCRIPT. VALUE MANUF. TYPE

28.1.1999
8dds40gb_fm5.fm 11
Product: DDS-40(Office set) / OO0300
IA1905 I499 Audio power amplifier 5W/20V/4ohm SGS/
Thomso
TDA1905
IA1905 I528 Audio power amplifier 5W/20V/4ohm SGS/
Thomso
TDA1905
LF0061 L109 SMD EMI suppression filt 4700pF/2A 1.6x6.8mm Murata NFM61R30T472
LF0061 L110 SMD EMI suppression filt 4700pF/2A 1.6x6.8mm Murata NFM61R30T472
QF9430 Q211 SMD p-channel MOSFET 20V/4,8A/Rds=0.06 Siliconix Si9430DY
QF7002 Q212 SMD n-channel FET 60V 0.115A Rds7.5 Siliconix 2N7002-T1
QF9430 Q221 SMD p-channel MOSFET 20V/4,8A/Rds=0.06 Siliconix Si9430DY
QF7002 Q222 SMD n-channel FET 60V 0.115A Rds7.5 Siliconix 2N7002-T1
QS0054 Q285 SMD transistor NPN 1.5A/45V Philips BCX 54
QSB848 Q287 SMD transistor NPN 0.1A/30V F=2dB Philips BC 848 B
QSB848 Q303 SMD transistor NPN 0.1A/30V F=2dB Philips BC 848 B
QSB848 Q305 SMD transistor NPN 0.1A/30V F=2dB Philips BC 848 B
QSB848 Q313 SMD transistor NPN 0.1A/30V F=2dB Philips BC 848 B
QSB848 Q315 SMD transistor NPN 0.1A/30V F=2dB Philips BC 848 B
QF7002 Q474 SMD n-channel FET 60V 0.115A Rds7.5 Siliconix 2N7002-T1
QSB848 Q475 SMD transistor NPN 0.1A/30V F=2dB Philips BC 848 B
QSB848 Q479 SMD transistor NPN 0.1A/30V F=2dB Philips BC 848 B
QSB848 Q512 SMD transistor NPN 0.1A/30V F=2dB Philips BC 848 B
RD0474 R100 SMD resistor 470 k 5% 0.125 W Kamaya
RD0103 R113 SMD resistor 10 k 5% 0.125 W Kamaya
RD0104 R119 SMD resistor 100 k 5% 0.125 W Kamaya
RD0103 R122 SMD resistor 10 k 5% 0.125 W Kamaya
RD0101 R200 SMD resistor 100 R 5% 0.125 W Kamaya
RD0101 R201 SMD resistor 100 R 5% 0.125 W Kamaya
RD0104 R210 SMD resistor 100 k 5% 0.125 W Kamaya
RD0104 R213 SMD resistor 100 k 5% 0.125 W Kamaya
RD0104 R220 SMD resistor 100 k 5% 0.125 W Kamaya
RD0104 R223 SMD resistor 100 k 5% 0.125 W Kamaya
RD0473 R230 SMD resistor 47 k 5% 0.125 W Kamaya
RD0103 R231 SMD resistor 10 k 5% 0.125 W Kamaya
RD0100 R240 SMD resistor 10 R 5% 0.125 W Kamaya
RD0562 R241 SMD resistor 5.6 k 5% 0.125 W Kamaya
RD0104 R245 SMD resistor 100 k 5% 0.125 W Kamaya
RD0103 R246 SMD resistor 10 k 5% 0.125 W Kamaya
RD0103 R251 SMD resistor 10 k 5% 0.125 W Kamaya
RD0104 R253 SMD resistor 100 k 5% 0.125 W Kamaya
RD0104 R254 SMD resistor 100 k 5% 0.125 W Kamaya
RD0223 R256 SMD resistor 22 k 5% 0.125 W Kamaya
RD0103 R257 SMD resistor 10 k 5% 0.125 W Kamaya
RD0105 R262 SMD resistor 1 M 5% 0.125 W Kamaya
RD0104 R270 SMD resistor 100 k 5% 0.125 W Kamaya
RD0473 R271 SMD resistor 47 k 5% 0.125 W Kamaya
RD0104 R273 SMD resistor 100 k 5% 0.125 W Kamaya
RD0823 R274 SMD resistor 82 k 5% 0.125 W Kamaya
RD0473 R276 SMD resistor 47 k 5% 0.125 W Kamaya
RD0103 R278 SMD resistor 10 k 5% 0.125 W Kamaya
RK0131 R280 SMD resistor 130 ohm 1W 5% Vitrohm 509-0
RK0131 R281 SMD resistor 130 ohm 1W 5% Vitrohm 509-0
RK0131 R282 SMD resistor 130 ohm 1W 5% Vitrohm 509-0
RK0131 R283 SMD resistor 130 ohm 1W 5% Vitrohm 509-0
RD0102 R286 SMD resistor 1 k 5% 0.125 W Kamaya
RD0471 R288 SMD resistor 470 R 5% 0.125 W Kamaya
RD0103 R289 SMD resistor 10 k 5% 0.125 W Kamaya
RD0103 R290 SMD resistor 10 k 5% 0.125 W Kamaya
RD0103 R291 SMD resistor 10 k 5% 0.125 W Kamaya
RD0103 R300 SMD resistor 10 k 5% 0.125 W Kamaya
RD0103 R301 SMD resistor 10 k 5% 0.125 W Kamaya
RD0471 R302 SMD resistor 470 R 5% 0.125 W Kamaya
CODE PART DESCRIPT. VALUE MANUF. TYPE

28.1.1999
8dds40gb_fm5.fm 12
Product: DDS-40(Office set) / OO0300
RD0471 R304 SMD resistor 470 R 5% 0.125 W Kamaya
RD0103 R310 SMD resistor 10 k 5% 0.125 W Kamaya
RD0103 R311 SMD resistor 10 k 5% 0.125 W Kamaya
RD0471 R312 SMD resistor 470 R 5% 0.125 W Kamaya
RD0471 R314 SMD resistor 470 R 5% 0.125 W Kamaya
RD0103 R400 SMD resistor 10 k 5% 0.125 W Kamaya
RD0102 R401 SMD resistor 1 k 5% 0.125 W Kamaya
RD0183 R404 SMD resistor 18 k 5% 0.125 W Kamaya
RD0224 R405 SMD resistor 220 k 5% 0.125 W Kamaya
RD0153 R407 SMD resistor 15 k 5% 0.125 W Kamaya
RD0103 R411 SMD resistor 10 k 5% 0.125 W Kamaya
RD0223 R412 SMD resistor 22 k 5% 0.125 W Kamaya
RD0103 R420 SMD resistor 10 k 5% 0.125 W Kamaya
RD0102 R421 SMD resistor 1 k 5% 0.125 W Kamaya
RD0183 R424 SMD resistor 18 k 5% 0.125 W Kamaya
RD0224 R425 SMD resistor 220 k 5% 0.125 W Kamaya
RD0153 R427 SMD resistor 15 k 5% 0.125 W Kamaya
RD0103 R431 SMD resistor 10 k 5% 0.125 W Kamaya
RD0333 R432 SMD resistor 33 k 5% 0.125 W Kamaya
RD0224 R436 SMD resistor 220 k 5% 0.125 W Kamaya
RD0224 R440 SMD resistor 220 k 5% 0.125 W Kamaya
RD0103 R444 SMD resistor 10 k 5% 0.125 W Kamaya
RD0104 R450 SMD resistor 100 k 5% 0.125 W Kamaya
RD0683 R451 SMD resistor 68 k 5% 0.125 W Kamaya
RD0104 R453 SMD resistor 100 k 5% 0.125 W Kamaya
RD0683 R454 SMD resistor 68 k 5% 0.125 W Kamaya
RD0103 R460 SMD resistor 10 k 5% 0.125 W Kamaya
RD0104 R462 SMD resistor 100 k 5% 0.125 W Kamaya
RD0104 R465 SMD resistor 100 k 5% 0.125 W Kamaya
RD0333 R466 SMD resistor 33 k 5% 0.125 W Kamaya
RD0223 R470 SMD resistor 22 k 5% 0.125 W Kamaya
RD0104 R471 SMD resistor 100 k 5% 0.125 W Kamaya
RD0104 R473 SMD resistor 100 k 5% 0.125 W Kamaya
RD0103 R476 SMD resistor 10 k 5% 0.125 W Kamaya
RD0104 R477 SMD resistor 100 k 5% 0.125 W Kamaya
RD0223 R478 SMD resistor 22 k 5% 0.125 W Kamaya
RD0333 R480 SMD resistor 33 k 5% 0.125 W Kamaya
RD0333 R482 SMD resistor 33 k 5% 0.125 W Kamaya
RD0333 R483 SMD resistor 33 k 5% 0.125 W Kamaya
RD0333 R485 SMD resistor 33 k 5% 0.125 W Kamaya
RD0339 R493 SMD resistor 3.3 R 5% 0.125 W Kamaya
RD0103 R494 SMD resistor 10 k 5% 0.125 W Kamaya
RD0102 R495 SMD resistor 1 k 5% 0.125 W Kamaya
RD0101 R497 SMD resistor 100 R 5% 0.125 W Kamaya
RD0104 R505 SMD resistor 100 k 5% 0.125 W Kamaya
RD0102 R508 SMD resistor 1 k 5% 0.125 W Kamaya
RD0183 R509 SMD resistor 18 k 5% 0.125 W Kamaya
RD0104 R510 SMD resistor 100 k 5% 0.125 W Kamaya
RD0103 R511 SMD resistor 10 k 5% 0.125 W Kamaya
RD0223 R513 SMD resistor 22 k 5% 0.125 W Kamaya
RD0104 R521 SMD resistor 100 k 5% 0.125 W Kamaya
RD0102 R524 SMD resistor 1 k 5% 0.125 W Kamaya
RD0153 R525 SMD resistor 15 k 5% 0.125 W Kamaya
RD0101 R530 SMD resistor 100 R 5% 0.125 W Kamaya
RD0103 R533 SMD resistor 10 k 5% 0.125 W Kamaya
RD0471 R534 SMD resistor 470 R 5% 0.125 W Kamaya
RD0339 R538 SMD resistor 3.3 R 5% 0.125 W Kamaya
VM0242 V1 SMD system connector 1x16 pin AMP 188227-1
VM0242 V3 SMD system connector 1x16 pin AMP 188227-1
NI0507 V5 Battery contact spring for DDS-40 95196740
CODE PART DESCRIPT. VALUE MANUF. TYPE

28.1.1999
8dds40gb_fm5.fm 13
Product: DDS-40(Office set) / OO0300
NI0507 V6 Battery contact spring for DDS-40 95196740
NI0507 V7 Battery contact spring for DDS-40 95196740
NI0507 V8 Battery contact spring for DDS-40 95196740
X80006 X1 Crystal 8.0000 MHz Telequartz 8.00MHZ/B
X80007 X261 SMD crystal 8.000MHz Hold.HC-49/USMD-B Toyocom TQC-210C-6RB
PO0300 Y15 PCB for the office kit Delta DDS-40
NC2015 Y16 Cross recessed screw M2x5 DIN7985A pozidrive Ruuvitalo
NC2015 Y17 Cross recessed screw M2x5 DIN7985A pozidrive Ruuvitalo
NC2015 Y18 Cross recessed screw M2x5 DIN7985A pozidrive Ruuvitalo
NC2015 Y19 Cross recessed screw M2x5 DIN7985A pozidrive Ruuvitalo
NF0200 Y20 Nut M2 SFS2067 / DIN943 Ruuvitalo
NF0200 Y21 Nut M2 SFS2067 / DIN943 Ruuvitalo
NF0200 Y22 Nut M2 SFS2067 / DIN943 Ruuvitalo
NF0200 Y23 Nut M2 SFS2067 / DIN943 Ruuvitalo
Last
update
13.11.96
CODE PART DESCRIPT. VALUE MANUF. TYPE

28.1.1999
8dds40gb_fm5.fm 14
Product: DDS-40(Office set) / OO0300
The Top Side Layout PO0300A0
The Bottom Side Layout PO0300A0

28.1.1999
8dds40gb_fm5.fm 15
Product: DDS-40(Office set) / OO0300

28.1.1999
8dds40gb_fm5.fm 16
Product: DDS-40(Office set) / OO0300

28.1.1999
8dds40gb_fm5.fm 17
Product: DDS-40(Office set) / OO0300

28.1.1999
8dds40gb_fm5.fm 18
Product: DDS-40(Office set) / OO0301
9.1.5 Parts list OO301
OO0301
The Top Side and the Bottom Side Layouts PO0301A3
CODE PART DESCRIPT. VALUE MANUF. TYPE
CD0221 C1 SMD capasitor 220 pF 5% 50 V NP0 Philips
CD0221 C2 SMD capasitor 220 pF 5% 50 V NP0 Philips
CD0223 C3 SMD capasitor 22 nF 10% 50 V X7R Philips
DLG155 D1 SMD bicolor Green/red 25mcd/20mA Citizen CL-155UR/G
DLG155 D2 SMD bicolor Green/red 25mcd/20mA Citizen CL-155UR/G
VN0005 V2 Stereo jack 3.5mm Zupami 3.5 EJW-C386
AS0105 V3 Tact switch h=9,5mm Alps SKHHAP
PO0301 Y8 Connector PCB for office kit Delta DDS-40
Last
update
12.11.96

28.1.1999
8dds40gb_fm5.fm 19
Product: DDS-40(Office set) / OO0301

28.1.1999
8dds40gb_fm5.fm 20
Product: DDS-40(Office set) / OO0302
9.1.6 Parts list OO0302
OO0302
The Bottom Side Layout PO0302A1
CODE PART DESCRIPT. VALUE MANUF. TYPE
VN0242 V2 SMD system conn. (holder) AMP
PO0302 Y1 Flexible PCB for OO0302 DDS-40 Simflex
Last
update
12.11.96

28.1.1999
8dds40gb_fm5.fm 21
Product: DDS-40(Office set) / OO0302

28.1.1999
8dds40gb_fm5.fm 22
Product: DDS-40(Office set) / OO0302

28.1.1999
8hxs40gb_fm5.fm 23
Product: HXS-40 (External Handset) /
9.2 EXTERNAL HANDSET HXS-40
9.2.1 External Handset (not serviceable)
9.2.1.1 Mechanics
External Handset
HXS-40
YH0443

28.1.1999
8hxs40gb_fm5.fm 24
Product: HXS-40 (External Handset) /
9.2.1.2 Cable
9.2.2 General
The external handset is designed for use together with the office set. The external
handset includes a microphone, an earphone and a reed switch. A reed element
shall be used to switch the audio signals to the handset when the handset is hooked
off.
Outer Sheath Material: Coloured PVC
Colour: Black, BS 6748
TYPE TM2 and
BT M140C
Finnish: Matt
Length: Total: 5 ±0,2 m
Coiled length: 3 ±0,2 m
Number of conductors: 4
Size: AWG 26 stranded wire
Resistance: < 100 mohm/m
Number of strands Multiwire (30 x 0.08 mm
PCW)
Insulation material: Coloured polypropylene
Strain relief: Shall be firmly attached to
the cable
CONNECTOR HOUSING: MOLEX 90123-0104 OR SIMILAR951916-35
360
24 AWG STRANDED WIRE, COLOR BLACK
COILED FLAT CABLE (4.8x2.6) 4 POS.
100
Handset coil cord
CONTACTS: MOLEX 90119-2110 OR SIMILAR
MIC
EAR
GND
F 17±1
CONNECTOR: 3.5 mm stereo plug
4 MIC
3 MGND
2 EGND
1 EAR
YC0049
90123
green
white
4
+5
123
blue
red
FLAT UNDERSIDE

28.1.1999
8hxs40gb_fm5.fm 25
Product: HXS-40 (External Handset) /
9.2.3 Connector XIN Signals
9.2.4 Microphone
9.2.5 Speaker
9.2.6 Hook
The hook operation is done by use of a reed switch. Hook operation is connected to
the handset earphone terminal.
The operation is as follows:
1 ERP earphone input, HOOK state
2 GND ground
3 GND ground
4 MIC microphone output
Sensitivity: -43 dB ± 6 dB
Vendor and part no: Hosiden KUC2023 or KUB2023
RF decoupling capacitor: 33 pF; Size: 0805; Mounted on the microphone
element.
Sensitivity 95 dB ± 5 dB
Vendor and part no: Hosiden KDR0928-IE-0030
Impedance: min 120 ohm
Resistance (DC): max 3 kohm
ON_HOOK HIGH DC IMPEDANCE (SWITCH OPEN)
OFF_HOOK LOW DC IMPEDANCE (SWITCH CLOSED), 2.2 KOHM RESIS-
TANCE

28.1.1999
8hxs40gb_fm5.fm 26
Product: HXS-40 (External Handset) /
9.2.7 Parts list OO0009
CODE PART DESCRIPT. VALUE MANUF. TYPE
CU0475 C106 SMD tantal 4.7uF/16V 20% 4.7X2.6MM Matsushita ECST1CB 475R
CD0221 C108 SMD capasitor 220 pF 5% 50 V NP0 Philips
CD0221 C110 SMD capasitor 220 pF 5% 50 V NP0 Philips
CD0221 C112 SMD capasitor 220 pF 5% 50 V NP0 Philips
CD0221 C114 SMD capasitor 220 pF 5% 50 V NP0 Philips
PO0009 M100 PCB for OO0900
RP0222 R100 Edge control pot. 2.2k 0.1W LOG. Ruwido 0037-006 2k2 log
RD0222 R102 SMD resistor 2.2 k 5% 0.125 W Kamaya
AR0016 S102 Reed-relay Hamlin 59160-031
AE0018 XERP Assembled earphone unit 150ohm/94-+3dB/60mW Hoside KDR0928-1E-0300
AM2024 XMIC Assembled microphone unit Electret condenser -43-+4dB Hoside KUB2023-030444SB
VM0204 XIN Contact strip angle 1 x 4
Last
update
16.05.97

28.1.1999
8hxs40gb_fm5.fm 27
Product: HXS-40 (External Handset) /
The Top Side Layout PO0009A1 (Schematic OO0009A1)

28.1.1999
8hxs40gb_fm5.fm 28
Product: HXS-40 (External Handset) /
The Bottom Side Layout PO0009A1 (Schematic OO0009A1)

28.1.1999
8hxs40gb_fm5.fm 29
Product: HXS-40 (External Handset) /
HLS-41, HDS-50, HXS-40

28.1.1999
8OTHE_GB.fm 1
10.0 OTHER ACCESSORIES
OTHER ACCESSORIES

28.1.1999
Xo0245e4_fm5.fm 2
Product: LIF-40 (Line Interface) / YO0245
10.1 LINE INTERFACE LIF-40
YO0245
10.1.1 General
The line interface is an accessory for a Benefon phone to enable a tele-device
approved for the general network to be connected to the handportable. The tele-
device should be approved for connection to a fixed line network.
10.1.1.1 Telefax devices and modems
An error correcting modem (e.g. MNP, LAPM), and telefax (Level III or newer) are
recommended for data transfer. Check that the recipient also uses an equivalent
protocol, otherwise the error correction feature will not operate.
The data transfer speed will depend on the quality of the call. Whenever possible,
use a fixed baud rate. An automatic baud rate selector does not necessarily work
with a cellular phone.
The modem/telefax may suffer interference from a powerful radio field. Check this by
testing with e.g. a magnetic antenna.
10.1.1.2 Fixed line telephones
Check that the telephone does not suffer interference from the handportable radio
field. Connect the line interface to the desired tele-device. Make a call from the
device and move the hand-phone antennna around the vicinity of the device.
10.1.1.3 Cordless telephones
These are not recommended for use with the line interface.
10.1.1.4 Other tele-devices
Before connecting the device to the line interface, make sure that the device has
been type-approved and meets the standards required for connection to a fixed line
network.
10.1.2 Using the line interface
10.1.2.1 Calling from the tele-device
When the dialling tone is heard through the tele-device handset, dial the area code
and number (max.23digits). The number dialled will appear in the handportable dis-
play.
About 7 s. after the last entry, the hand-phone will initiate the call. If the call is unsuc-
cessful, a busy tone will be heard from the handset.

28.1.1999
Xo0245e4_fm5.fm 3
Product: LIF-40 (Line Interface) / YO0245
When the dialling tone is heard, there is approx. 30 s. time to start dialling the num-
ber.
The number may also be dialled from the handportable keyboard.
10.1.2.2 Answering a call with the tele-device.
A call is answered normally by lifting the tele-device handset or allowing the device
to answer automatically.
If the call has been answered by the handportable , it can be transferred to the tele-
device as follows: Lift the tele-device handset (or press ON LINE from the telefax),
and press the handportable HF key.
10.1.2.3 Terminating a call.
The call is terminated normally by returning the handset to its cradle.
The call may also be terminated by pressing the lightning key on the handportable.
The busy signal will then be heard from the tele-device handset. Do not forget to
replace the tele-device handset, as the line interface uses power from the handport-
able battery.
10.1.2.4 Making and receiving a call with the hand-phone
A call can be made and received normally from the handportable as long as the tele-
device handset has not been lifted.
10.1.3 Technical information
The line interface only consumes power when the tele-device handset is lifted.
The phone battery can be charged and the line interface used simultaneously by
connecting the charger and line interface to the handportable through a branching
unit.
Performance values:
Current consumption 200 mA
Line current 25 mA
Line impedance 860 ohm / 39 nF
Dialling/busy tone 400 Hz
Frequency range 300...3400 Hz ± 1 dB
Ring voltage 60 VAC

28.1.1999
Xo0245e4_fm5.fm 4
Product: LIF-40 (Line Interface) / YO0245
10.1.3.1 TROUBLE SHOOTING
When moving about or in an area with poor reception, radio fade and changes
between base stations will interrupt radio contact. Typical symptoms of data transfer
errors are random characters, missing characters, loss of contact, drop in data trans-
fer speed, missing lines and error lines in telefaxes.
The data transfer device and program should withstand momentary breaks.
An error correcting modem is only of value if it is available at both ends of the trans-
mission.
It is recommended to stay in one place during data transfer, and to select a location
with as strong field strength as possible.
The line interface takes its power from the hand-phone battery, so allow for the
increased consumption by first charging the battery or by connecting the charger
using the branching unit.
Use the cellular phone exchange data transfer service to eliminate problems caused
by channel changing.
Modem settings:
- long elapsed time range for carrier wave control (ATS10=30)
- short data blocks (AT&BS0)
- error correction ON (AT&E2)
- speed select (AT$MB2400)
There are tele-devices that take their power from the telephone line, in which case
the line interface supply of 25 mA will not be enough. These, generally non-
approved devices are not recommended for use with the line interface.
Typically, problems arise from modem or telefax internal settings (see tele-device
operating manual). Data transfer may function normally with a fixed telephone line,
but not with the handportable. Frequently the settings for radio transmission have to
be found by experimentation.
10.1.3.2 Functional Description
You can use the line converter for connecting your Benefon handportable to any
two-wire data terminal approved for use in the public telephone network. The line
converter receives its operation power from the handportable battery; a separate
branching unit enables a charging device to be simultaneously connected to the
handportable. The line converter consists of the following operations: ring voltage
and line current generation, audio input and output, line current detection (HOOK),
and low-power standby mode.
The line converter can be divided into seven different functional units: audio, fre-
quency divider, chopper, current sink, I2C connection, free/reserved tone genera-
tion, line switches for ring signal, and HOOK detection.

28.1.1999
Xo0245e4_fm5.fm 5
Product: LIF-40 (Line Interface) / YO0245
10.1.3.3 Connectors
X120
X121
10.1.3.4 Audio
The audio unit consists of operation amplifiers I100C and I100D and their peripheral
components. The low-frequency alternating current passing through the two-wire
data terminal is formed by a current coming from the I100D output through resistor
R109 (signal received by the data terminal) and by a current coming through resistor
R109 to I100C (signal transmitted by the data terminal). R109/C111 is used for gen-
erating the line impedance appropriate to the data terminal.
The -3 dBm level (549 mVrms / 600 ohm) causes a 400 mVrms voltage in the EXT-
MIC line and a ±3 kHz deviation in the transmitter. Likewise, the ±3 kHz deviation in
the receiver causes a 400 mVrms voltage in the EXTERP line and a -16 dBm level
(123 mVrms / 600 ohm) in the data terminal.
10.1.3.5 Basic Frequencies
Components R114, R115, C109 and I105 form an oscillator vibrating at a frequency
of approx 220 kHz. This frequency is divided within I105 into frequencies 430 Hz
(free/reserved tone) and 26 Hz (ring frequency).
10.1.3.6 Switched Mode Voltage Converter
The basic chopper connection consists of operation amplifier I100A, quad NAND
I101, MOSFET Q100, and coil L100. Saw wave to the I101A input pin 2 is generated
from the basic frequency 220 kHz by using resistor R131 and capacitor C121. By
changing the dc-level of the saw wave, the operation amplifier I100A controls the
pulse width at gate Q100.
An extended width pulse from the basic frequency is brought to the I101A input pin 1
in order to make sure that the MOSFET is led to be momentarily non-conductive in
every cycle.
1 EXTMIC MIC input for hand-portable 400 mVrms
2 GND Signal ground
3 EXTERp ERP output from hand-portable 200 mVrms
4 VBAT NiCd battery voltage 7.2 V
5 I2CDAT I2C-connection data line 0/5 V
6 I2CCLK I2C-connection clock line 0/5 V
7 I2CINT I2C-connection interrupt 0/5 V
1 LB Two-wire connection to data terminal
2LA

28.1.1999
Xo0245e4_fm5.fm 6
Product: LIF-40 (Line Interface) / YO0245
While Q100 is conducting, the energy flows through resistor R108 to the coil L100.
When the switch Q100 stops conducting, the energy received by L100 is discharged
through the rectifier diode D100 to the capacitor C106. The fet is protected by C122
and C123 against excessive voltage peaks, while L101/C107 functions as a low-
pass filter for filtering the ripple voltage. The output voltage in capacitor C107 pins
depends on the RINGON signal mode, being approx 50V in the ring mode (RIN-
GON=1) and 15 ±3 VDC in the normal mode (RINGON=0).
10.1.3.7 Current Sink
The current passing through the two-wire data terminal is kept constant by a con-
stant-current load formed by I103A, Q101 and Q102. The closed-loop current is 25
±5 mA.
10.1.3.8 Connection of I2C
The control connection is made with the I2C circuit I104, which controls the switch-
ing-on of the voltage, call and free/reserved tone according to the commands com-
ing from the portable. Data received by the portable is a HOOK mode, the change of
which is identified by the portable as interruption.
In addition, one of the I104 inputs (pin 7) has been connected to the ground so that
the portable receives interruption every time the voltage is switched on.
10.1.3.9 Free/Reserved Tone
The free/reserved tone is connected by transistor Q106 to a filter consisting of the
operation amplifier I100B. In this filter, the tone is reduced to a suitable level, and the
square wave received from Q106 is made more gentle.
10.1.3.10 Line Switches
The double fet switches Q107/Q110 and Q109/Q108 form the line switches which
switch on the ring voltage to the two-wire connection. While conducting, Q104
switches the double fet Q107/Q110 to conduct, whereby the current passes in line
connection from pin LB to pin LA. While conducting, Q103 switches the double fet
Q109/Q108 to conduct, whereby the current passes in line connection from pin LA to
pin LB.
Q111 ensures that only one of the switches Q103 and Q104 is conducting and that
R144/R145 form the voltage distribution which will prevent the VDD from overflowing
through VCC 1102 in standby mode.
10.1.3.11 HOOK Detection
HOOK detection is carried out by operation amplifier I103B which controls the data
terminal current coming from resistors R123/R124. The threshold level is changed
according to the power mode in order to detect the OFF-HOOK mode using a low
battery voltage and to make sure the OFF-HOOK mode is not switched on too easily
during a call.

28.1.1999
Xo0245e4_fm5.fm 7
Product: LIF-40 (Line Interface) / YO0245
10.1.4 Manufacturers Declaration for BABT/SITS/85/22
a) The electrical conditions present at the terminal apparatus connector are as fol-
lows:
i) 5-10 VDC depending on the battery voltage of the portable
ii) as above
iii) ringing voltage 50 Vrms, f = 26 Hz
maximum REN driving capability = 1
iv) free/reserved tone 430 Hz, I = 25 ±5 mA
b) Maximum loop resistance of possible extension cable between line interface and
terminal apparatus is 25 ohms.
c) This line interface apparatus does not cause the Mobile Station to operate con-
trary to the requirements of BABT/SITS/84/13.

28.1.1999
Xo0245e4_fm5.fm 8
Product: LIF-40 (Line Interface) / YO0245
BENEF N
Title: Line interface
Date: 21.4.1993 / HJo
PCF 8574
I2C address 4AH
IICINT
SDA
SCL
VB
+5V
REG.
RXAUDIO
TXAUDIO
DC/DC Converter
LPF LB
LA
HOOK DET.
4/2-WIRE
AUDIO
CONV.
OSCILLATOR/
DIVIDER
(74HC4060)
P0/RING_OFF
Input: 5.5V - 10V
Out: 15V +- 3V
/ 60V+- 10V
25Hz
.
220kHz
400Hz
P2/400HZ_OFF
P4/HOOK_DET (+5V=ON HOOK)
P1/PWR_OFF
Current sink

28.1.1999
Xo0245e4_fm5.fm 9
Product: LIF-40 (Line Interface) / OO0245
10.1.5 Parts list OO0245
OO0245
CODE PART DESCRIPT. VALUE MANUF. TYPE
CF0680 C100 SMD capasitor 68 pF 5% 50 V NP0 Philips
CF0680 C101 SMD capasitor 68 pF 5% 50 V NP0 Philips
CF0680 C102 SMD capasitor 68 pF 5% 50 V NP0 Philips
CF0223 C103 SMD capasitor 22 nF 10% 50 V X7R Philips
CF0223 C104 SMD capasitor 22 nF 10% 50 V X7R Philips
CF0223 C105 SMD capasitor 22 nF 10% 50 V X7R Philips
CP0105 C106 Polyester cap 1uF 20% 50V Wima MK5
CP0105 C107 Polyester cap 1uF 20% 50V Wima MK5
CB0224 C108 SMD capasitor 220 nF 20% 50 V X7R Philips
CF0151 C109 SMD capasitor 150pF 5% 50V NP0 Philips
CF0222 C110 SMD capasitor 2.2 nF 5% 50 V NP0 Philips
CC0393 C111 SMD capasitor 39 nF 10% 50V X7R Philips
CB0224 C112 SMD capasitor 220 nF 20% 50 V X7R Philips
CF0223 C113 SMD capasitor 22 nF 10% 50 V X7R Philips
CE0105 C114 Al elko 1uF/63V 4x7mm Philips 2222 097 58108
CU0106 C115 SMD tantal 10uF/16V 20% 6x3.2mm Matsushita ECST1CC 106R
CF0223 C116 SMD capasitor 22 nF 10% 50 V X7R Philips
CU0106 C117 SMD tantal 10uF/16V 20% 6x3.2mm Matsushita ECST1CC 106R
CB0224 C118 SMD capasitor 220 nF 20% 50 V X7R Philips
CF0680 C119 SMD capasitor 68 pF 5% 50 V NP0 Philips
CC0473 C120 SMD capasitor 47 nF 10% 50 V X7R Philips
CF0151 C121 SMD capasitor 150pF 5% 50V NP0 Philips
CK0680 C122 Cer capasitor 68pF 100V +-10% Philips
CK0680 C123 Cer capasitor 68pF 100V +-10% Philips
CU0106 C124 SMD tantal 10uF/16V 20% 6x3.2mm Matsushita ECST1CC 106R
CK0680 C125 Cer capasitor 68pF 100V +-10% Philips
CF0680 C126 SMD capasitor 68 pF 5% 50 V NP0 Philips
CF0680 C127 SMD capasitor 68 pF 5% 50 V NP0 Philips
CF0680 C128 SMD capasitor 68 pF 5% 50 V NP0 Philips
CF0680 C129 SMD capasitor 68 pF 5% 50 V NP0 Philips
CF0822 C130 SMD capasitor 8.2nF 10% 50V Philips
CF0680 C131 SMD capasitor 68 pF 5% 50 V NP0 Philips
CF0223 C132 SMD capasitor 22 nF 10% 50 V X7R Philips
CC0103 C222 SMD capasitor 10 nF 10% 50V X7R Philips
DS0070 D100 SMD diode pair 70V/100mA common cathode Philips BAV 70
DS0032 D101 SMD diode 75V/0.45A Philips BAS32L
DS0032 D102 SMD diode 75V/0.45A Philips BAS32L
DS0032 D103 SMD diode 75V/0.45A Philips BAS32L
DS0032 D104 SMD diode 75V/0.45A Philips BAS32L
AF1103 F100 SMD fuse 3.5A nanofuce Littelfuse R271 03.5
IA0324 I100\ 4 x opamp LM324
IH0000 I101\ 4x2-inp NAND HCMOS 74HC00
IC7S08 I102\ 2-input and C2MOS Toshiba TC7S08F
IA0272 I103\ 2 x op.amp. LinCMOS Low noise,power Texas TLC27M2ID
II8574 I104 8 bit I/O I2C Philips PCF8574T
IH4060 I105 14-bit bin.counter Si-gate CMOS Philips 74HC4060T
IR2951 I106 Regulator 100mA 5V adj. 5% National LP2951CM
YC0206 IN Line converter cable 6-100611-2+cable 931549 30
LF0157 L100 RF-inductor 100uH/1.13A/0.221ohm/20Q Toko 262LYF-0092K
LF0157 L101 RF-inductor 100uH/1.13A/0.221ohm/20Q Toko 262LYF-0092K
PO0245 M100 PCB for OO0245 50x60mm/4-layer FR4 Metalex
NE1014 M101 PT-screw 2,2x8 FeZnA Konetuote KB22x8 WN1442
NE1014 M102 PT-screw 2,2x8 FeZnA Konetuote KB22x8 WN1442
NE1014 M103 PT-screw 2,2x8 FeZnA Konetuote KB22x8 WN1442
NE1014 M104 PT-screw 2,2x8 FeZnA Konetuote KB22x8 WN1442

28.1.1999
Xo0245e4_fm5.fm 10
Product: LIF-40 (Line Interface) / OO0245
MC1280 M105 Charger case Tamplast
MF1405 M108 Type plate LIF-40 ScreenHous 931652 40
QF0024 Q100 SMD n-channel 60V/15A/Rds=0.1 I&R IRFR024
QF7002 Q101 SMD n-channel FET 60V 0.115A Rds7.5 Siliconix 2N7002-T1
QS1054 Q102 SMD transistor NPN 1.5A/45V Philips BCP 54
QF7002 Q103 SMD n-channel FET 60V 0.115A Rds7.5 Siliconix 2N7002-T1
QF7002 Q104 SMD n-channel FET 60V 0.115A Rds7.5 Siliconix 2N7002-T1
QF0610 Q105 SMD p-channel fet Rds=10R max, IDmax=120mA Siliconix TP0610T
QSB858 Q106 SMD transistor PNP 0.1A/30V F<10dB Philips BC 858 B
QF0610 Q107 SMD p-channel fet Rds=10R max, IDmax=120mA Siliconix TP0610T
QF0610 Q108 SMD p-channel fet Rds=10R max, IDmax=120mA Siliconix TP0610T
QF0610 Q109 SMD p-channel fet Rds=10R max, IDmax=120mA Siliconix TP0610T
QF0610 Q110 SMD p-channel fet Rds=10R max, IDmax=120mA Siliconix TP0610T
QSB858 Q111 SMD transistor PNP 0.1A/30V F<10dB Philips BC 858 B
QSB858 Q112 SMD transistor PNP 0.1A/30V F<10dB Philips BC 858 B
RF0103 R100 SMD resistor 10 k 5% 0.125 W Kamaya
RF0103 R101 SMD resistor 10 k 5% 0.125 W Kamaya
RF0562 R102 SMD resistor 5.6 k 5% 0.125 W Kamaya
RF0103 R103 SMD resistor 10 k 5% 0.125 W Kamaya
RF0103 R104 SMD resistor 10 k 5% 0.125 W Kamaya
RF0103 R105 SMD resistor 10 k 5% 0.125 W Kamaya
RF0103 R106 SMD resistor 10 k 5% 0.125 W Kamaya
RF0103 R107 SMD resistor 10 k 5% 0.125 W Kamaya
RC0229 R108 SMD resistor 2R2 5% 0.125 W Kamaya
RF0102 R109 SMD resistor 1 k 5% 0.125 W Kamaya
RF0223 R110 SMD resistor 22 k 5% 0.125 W Kamaya
RF0103 R111 SMD resistor 10 k 5% 0.125 W Kamaya
RF0104 R112 SMD resistor 100 k 5% 0.125 W Kamaya
RF0104 R113 SMD resistor 100 k 5% 0.125 W Kamaya
RF0123 R114 SMD resistor 12 k 5% 0.125 W Kamaya
RF0223 R115 SMD resistor 22 k 5% 0.125 W Kamaya
RF0472 R116 SMD resistor 4.7 k 5% 0.125 W Kamaya
RF0222 R117 SMD resistor 2.2 k 5% 0.125 W Kamaya
RF0104 R118 SMD resistor 100 k 5% 0.125 W Kamaya
RF0103 R119 SMD resistor 10 k 5% 0.125 W Kamaya
RF0563 R120 SMD resistor 56 k 5% 0.125 W Kamaya
RF0104 R121 SMD resistor 100 k 5% 0.125 W Kamaya
RF0103 R122 SMD resistor 10 k 5% 0.125 W Kamaya
RC0151 R123 SMD resistor 150 R 5% 0.125 W Kamaya
RC0151 R124 SMD resistor 150 R 5% 0.125 W Kamaya
RF0221 R125 SMD resistor 220 R 5% 0.125 W Kamaya
RF0221 R126 SMD resistor 220 R 5% 0.125 W Kamaya
RF0221 R127 SMD resistor 220 R 5% 0.125 W Kamaya
RF0153 R128 SMD resistor 15 k 5% 0.125 W Kamaya
RF0183 R129 SMD resistor 18 k 5% 0.125 W Kamaya
RF0473 R130 SMD resistor 47 k 5% 0.125 W Kamaya
RF0223 R131 SMD resistor 22 k 5% 0.125 W Kamaya
RF0103 R132 SMD resistor 10 k 5% 0.125 W Kamaya
RF0272 R133 SMD resistor 2.7 k 5% 0.125 W Kamaya
RF0473 R134 SMD resistor 47 k 5% 0.125 W Kamaya
RF0154 R135 SMD resistor 150 k 5% 0.125 W Kamaya
RF0104 R136 SMD resistor 100 k 5% 0.125 W Kamaya
RF0104 R137 SMD resistor 100 k 5% 0.125 W Kamaya
RF0104 R138 SMD resistor 100 k 5% 0.125 W Kamaya
RF0104 R139 SMD resistor 100 k 5% 0.125 W Kamaya
RF0104 R140 SMD resistor 100 k 5% 0.125 W Kamaya
RF0473 R141 SMD resistor 47 k 5% 0.125 W Kamaya
RF0473 R142 SMD resistor 47 k 5% 0.125 W Kamaya
RF0472 R143 SMD resistor 4.7 k 5% 0.125 W Kamaya
RF0473 R144 SMD resistor 47 k 5% 0.125 W Kamaya
CODE PART DESCRIPT. VALUE MANUF. TYPE

28.1.1999
Xo0245e4_fm5.fm 11
Product: LIF-40 (Line Interface) / OO0245
RF0103 R145 SMD resistor 10 k 5% 0.125 W Kamaya
RF0104 R146 SMD resistor 100 k 5% 0.125 W Kamaya
RF0103 R147 SMD resistor 10 k 5% 0.125 W Kamaya
RF0103 R148 SMD resistor 10 k 5% 0.125 W Kamaya
RF0103 R149 SMD resistor 10 k 5% 0.125 W Kamaya
RF0223 R150 SMD resistor 22 k 5% 0.125 W Kamaya
RF0103 R151 SMD resistor 10 k 5% 0.125 W Kamaya
RF0223 R152 SMD resistor 22 k 5% 0.125 W Kamaya
RF0103 R153 SMD resistor 10 k 5% 0.125 W Kamaya
RF0275 R201 SMD resistor 2.7 M 5% 0.125 W Kamaya
RC0562 R203 SMD resistor 5.6 k 5% 0.125 W Kamaya
VR0407 TEL Line conv.modular cable
Last
update
07.03.96
CODE PART DESCRIPT. VALUE MANUF. TYPE

28.1.1999
Xo0245e4_fm5.fm 12
Product: LIF-40 (Line Interface) / OO0245
OO0245
Component Side Layout PO0245A0

28.1.1999
Xo0245e4_fm5.fm 13
Product: LIF-40 (Line Interface) / OO0245
Solder Side Layout PO0245A0

28.1.1999
Xo0245e4_fm5.fm 14
Product: LIF-40 (Line Interface) / OO0245

28.1.1999
Xo0245e4_fm5.fm 15
Product: LIF-40 (Line Interface) / OO0245

28.1.1999
Xo0236e4_fm5.fm 16
Product: DB-40 (Branching Unit) / YO0236
10.2 BRANCHING UNIT
YO0236

28.1.1999
Xo0236e4_fm5.fm 17
Product: DB-40 (Branching Unit) / YO0236
10.2.1 General
With the branching box you can simultaneously connect several accessories, such
as an external handset and a line converter, to the car installation kit and the hand-
portable.
10.2.2 Connectors
10.2.2.1 Connector PC/HS Signals
10.2.2.2 CONNECTOR HS SIGNALS
1 and 2 V-CHARGE Battery charging voltage 2 A in
3 +9V Operation voltage for accessories 0.5 A in
4 TXD Rs232 0/5V out
5HSMIC Ext audio from microphone 1 kHz/ 400
mVrms
6and 7 GND Ground
8 HSERP Ext audio for earphone 1 kHz/200 mVrms
9 RXD Rs232 0/5 V in
10 I2CINT I2c interruption, input to radio 0/5 V
11 SCL I2c clock 0/5 V
12 SDA I2c data 0/5 V
13 CHCONT Voltage for controlling charger current
0...5 VDC analog
14 EXTIO Extra-IO
1 and 2 V-CHARGE Battery charging voltage 2A in
39V Operation voltage for accessories 0.5 A
out
5HSMIC Ext audio from microphone 1 kHz / 400
mVrms
6 and 7 GND Ground
8 HSERP Ext audio for loudspeaker amplifier 1 kHz
/ 200 mVrms
10 I2CINT I2c interruption, input to radio 0/5 V
11 SCL I2c clock 0/5 V
12 SDA I2c data 0/5 V
13 TXD Rs232 0/5 V out
14 RXD Rs232 0/5 V in
16 CHCGONT Voltage for controlling charger current
0...5 VDC analog

28.1.1999
Xo0236e4_fm5.fm 18
Product: DB-40 (Branching Unit) / YO0236
10.2.2.3 Connector PC Signals
10.2.3 Operation
Audio routes for either an external handset or a line converter are selected
using audio switches I201 (mic) and I202 (erp). The operation is controlled by
the HOOK data coming from the XHSERP line. OFF HOOK audio signals have
been routed to connector HS, and ON HOOK audio signals to connector PC.
Voltage regulation is done by components R205, C207 and D201.
1 and 2 V-CHARGE Battery charging voltage 2 A in
3 9V Operation voltage for accessories 0.5 A out
5PCMICExt audio from microphone1 kHz / 400
mVrms
6 and 7 GND Ground
8 PCERP Ext audio for loudspeaker amplifier 1 kHz /
200 mVrms
10 I2CINT I2c interruption, input to radio 0/5 V
11 SCL I2c clock 0/5 V
12 SDA I2c data 0/5 V
13 TXD Rs232 0/5 V out
14 RXD Rs232 0/5 V in
16 CHCGONT Voltage for controlling charger current 0...5
VDC analog

28.1.1999
Xo0236e4_fm5.fm 19
Product: DB-40 (Branching Unit) / OO0241
10.2.4 Parts list OO0241
OO0241
CODE PART DESCRIPT. VALUE MANUF. TYPE
CH0105 C201 SMD capasitor 1uF/-20/+80%/16V TaiyoYuden EMK212 F105Z00T
CH0105 C202 SMD capasitor 1uF/-20/+80%/16V TaiyoYuden EMK212 F105Z00T
CH0105 C203 SMD capasitor 1uF/-20/+80%/16V TaiyoYuden EMK212 F105Z00T
CH0105 C204 SMD capasitor 1uF/-20/+80%/16V TaiyoYuden EMK212 F105Z00T
CH0105 C205 SMD capasitor 1uF/-20/+80%/16V TaiyoYuden EMK212 F105Z00T
CH0105 C206 SMD capasitor 1uF/-20/+80%/16V TaiyoYuden EMK212 F105Z00T
CH0105 C207 SMD capasitor 1uF/-20/+80%/16V TaiyoYuden EMK212 F105Z00T
CD0180 C208 SMD capasitor 18 pF 5% 50 V NPO Philips
CD0180 C209 SMD capasitor 18 pF 5% 50 V NPO Philips
CD0180 C210 SMD capasitor 18 pF 5% 50 V NPO Philips
DZ0519 D201 SMD zener 5V1 5% 300mW Philips BZX84C5V1
VM0242 HS SMD system connector 1x16 pin AMP 188227-1
IC0453 I201 SMD 2x multip./demultip. Toshiba TC4W53F-TE 12L
IC0453 I202 SMD 2x multip./demultip. Toshiba TC4W53F-TE 12L
PO0241 M200 PCB for juction box 60x40mm FR4 Metalex
NC2005 M201 Cross recessed screw M2x5 SFS2977 DIN9652 Ruuvitalo Pozidriv
NC2005 M202 Cross recessed screw M2x5 SFS2977 DIN9652 Ruuvitalo Pozidriv
NC2005 M203 Cross recessed screw M2x5 SFS2977 DIN9652 Ruuvitalo Pozidriv
NC2005 M204 Cross recessed screw M2x5 SFS2977 DIN9652 Ruuvitalo Pozidriv
NF0200 M205 Nut M2 SFS2067 / DIN943 Ruuvitalo
NF0200 M206 Nut M2 SFS2067 / DIN943 Ruuvitalo
NF0200 M207 Nut M2 SFS2067 / DIN943 Ruuvitalo
NF0200 M208 Nut M2 SFS2067 / DIN943 Ruuvitalo
VM0242 PC SMD system connector 1x16 pin AMP 188227-1
VM0116 PC/HS Contact strip angle 2x8 NB-electr. H4-6-16G
RD0103 R201 SMD resistor 10 k 5% 0.125 W Kamaya
RD0103 R202 SMD resistor 10 k 5% 0.125 W Kamaya
RD0103 R203 SMD resistor 10 k 5% 0.125 W Kamaya
RD0103 R204 SMD resistor 10 k 5% 0.125 W Kamaya
RD0102 R205 SMD resistor 1 k 5% 0.125 W Kamaya
Last
update
12.12.94

28.1.1999
Xo0236e4_fm5.fm 20
Product: DB-40 (Branching Unit) / OO0241
OO0241
Component Side Layout PO0241A3 (Schematic OO0241A3)

28.1.1999
Xo0236e4_fm5.fm 21
Product: DB-40 (Branching Unit) / OO0241
Solder Side Layout PO0241A3 (Schematic OO0241A3)

28.1.1999
Xo0236e4_fm5.fm 22
Product: DB-40 (Branching Unit) / OO0241