dormakaba Deutschland KAM9230-K5 RFID Reader User Manual TM 9230 K5 201605 en

Kaba GmbH RFID Reader TM 9230 K5 201605 en

user manual

Kaba access manager 92 30Technical ManualEN04045376 - 05/2016
Kaba AGAccess & Workforce ManagementHofwisenstrasse 248153 RümlangSwitzerlandPhone +41 44 818 93 11www.kaba.comKaba AGAccess & Workforce ManagementMühlebühlstrasse 238620 WetzikonSwitzerlandPhone +41 44 931 61 11www.kaba.comKaba GmbHAccess & Workforce ManagementAlbertistraße 378056 Villingen-SchwenningenGermanyPhone +49 7720 603 0www.kaba.comThis document must not be reproduced in any way or otherwise further used without the written consent of Kaba AG.All product names are trademarks of the respective companies.Copyright 2016 Kaba AG. All rights reserved.04045376 - 05/2016
Technical Manual Table of ContentsKaba access manager 92 30 304045376 - 05/2016Table of Contents1 About this Document ............................................................................................................................. 71.1 Validity............................................................................................................................................................................... 71.2 Target group ................................................................................................................................................................... 71.3 Contents and purpose................................................................................................................................................. 71.4 Orientation in the document.................................................................................................................................... 81.5 Additional documentation ........................................................................................................................................ 81.6 Warnings........................................................................................................................................................................... 91.6.1 Hazard Categories.......................................................................................................................................... 91.6.2 Symbols.............................................................................................................................................................. 91.7 Notes.................................................................................................................................................................................. 92 Grouped safety messages.................................................................................................................... 102.1 Use as directed .............................................................................................................................................................102.2 Mounting and installation........................................................................................................................................102.3 Service and Maintenance .........................................................................................................................................102.4 Accessories and spare parts ....................................................................................................................................102.5 ESD (electrostatic discharge) protective measures.........................................................................................112.6 Environmental protection .......................................................................................................................................113 Product Description ............................................................................................................................. 123.1 Overview.........................................................................................................................................................................123.2 Device variants .............................................................................................................................................................133.3 B-Client AC30 terminal software............................................................................................................................143.3.1 Areas of application.....................................................................................................................................143.3.2 Software options ..........................................................................................................................................143.3.3 Supported readers/subterminals ...........................................................................................................153.3.4 Readers via Wiegand...................................................................................................................................153.3.5 Registration units .........................................................................................................................................163.4 Technical Data ..............................................................................................................................................................173.4.1 Power supply .................................................................................................................................................173.4.2 Output voltages............................................................................................................................................173.4.3 Outputs ............................................................................................................................................................183.4.4 Inputs................................................................................................................................................................183.4.5 Interfaces .........................................................................................................................................................193.4.6 Reader...............................................................................................................................................................193.4.7 Ambient conditions.....................................................................................................................................203.4.8 Dimensions/Weight.....................................................................................................................................203.4.9 Dimensional drawings................................................................................................................................203.5 Conformity.....................................................................................................................................................................213.6 Labeling ..........................................................................................................................................................................224 Design and function ............................................................................................................................. 234.1 Opening the housing.................................................................................................................................................234.2 Functional principle....................................................................................................................................................244.2.1 Typical applications.....................................................................................................................................254.2.2 Superior system ............................................................................................................................................264.2.3 Reader...............................................................................................................................................................264.2.4 Function of the inputs ................................................................................................................................27
Table of Contents Technical Manual4 Kaba access manager 92 3004045376 - 05/20164.2.5 Function of the outputs .............................................................................................................................274.3 Access control with B-Client AC30........................................................................................................................284.3.1 Operating states ...........................................................................................................................................284.3.2 Sequence of authorization checks.........................................................................................................304.3.3 Examples of door surveillance time sequences ................................................................................314.4 Light emitting diodes ................................................................................................................................................344.4.1 Device status..................................................................................................................................................355 Installation ............................................................................................................................................ 365.1 Installation conditions...............................................................................................................................................365.1.1 General.............................................................................................................................................................365.1.2 Installation site ..............................................................................................................................................365.1.3 Connections ...................................................................................................................................................365.1.4 Cable entry......................................................................................................................................................375.2 Installation diagram ...................................................................................................................................................385.2.1 Access control with registration unit ....................................................................................................385.2.2 Access control with reader via RS-485..................................................................................................395.2.3 Access control with readers via Wiegand............................................................................................405.3 Installation lines...........................................................................................................................................................415.3.1 Ethernet ...........................................................................................................................................................415.3.2 Power supply of the reader.......................................................................................................................415.3.3 Data line to reader/subterminal..............................................................................................................415.3.4 Line to the door opener, the door opener key, and the door contacts....................................415.3.5 Coaxial cables to registration units........................................................................................................415.3.6 Line to the Wiegand reader......................................................................................................................415.4 Wall mounting..............................................................................................................................................................425.5 Cable routing ................................................................................................................................................................435.6 Setting the PoE switches ..........................................................................................................................................445.7 Connections ..................................................................................................................................................................455.7.1 Network connection....................................................................................................................................455.7.2 Overview of terminals.................................................................................................................................465.7.3 External 24 V DC power supply ...............................................................................................................475.7.4 Registration units .........................................................................................................................................485.7.5 Readers via RS-485.......................................................................................................................................495.7.6 Readers via Wiegand...................................................................................................................................525.7.7 Inputs................................................................................................................................................................535.7.8 Outputs ............................................................................................................................................................575.7.9 Standard assignment of inputs/outputs (B-Client AC30) ..............................................................645.7.10 Configuration-dependent assignment (B-Client AC30).................................................................655.8 Vandal contact..............................................................................................................................................................675.9 Fastening the cover....................................................................................................................................................686 Start-up ................................................................................................................................................. 696.1 Network requirements ..............................................................................................................................................696.1.1 Communication ............................................................................................................................................696.1.2 Automatic registration via B-COMM .....................................................................................................696.2 Automatic registration via B-COMM ....................................................................................................................706.3 Start options..................................................................................................................................................................716.3.1 Performing a cold start...............................................................................................................................716.3.2 Perform a cold start and set the default IP address 123.0.0.2 ......................................................726.3.3 Setting the default IP address 123.0.0.2 (without cold start)........................................................726.4 Service Interface ..........................................................................................................................................................73
Technical Manual Table of ContentsKaba access manager 92 30 504045376 - 05/20166.4.1 Login .................................................................................................................................................................736.4.2 Basic structure ...............................................................................................................................................736.4.3 Overview of the service functions..........................................................................................................746.4.4 Actions within the service functions .....................................................................................................746.4.5 Network settings...........................................................................................................................................756.4.6 Host settings ..................................................................................................................................................776.4.7 FTCS host settings........................................................................................................................................796.4.8 CardLink host settings ................................................................................................................................796.5 Device Discovery Tool ...............................................................................................................................................806.5.1 System requirements..................................................................................................................................806.5.2 Selecting the network interface..............................................................................................................806.5.3 Displaying devices with B-Client AC30.................................................................................................806.5.4 Changing network parameters ...............................................................................................................816.6 SFTP server.....................................................................................................................................................................826.6.1 Prerequisites...................................................................................................................................................826.6.2 Establishing an SFTP connection............................................................................................................827 Packaging/Return................................................................................................................................. 847.1 Complete Devices .......................................................................................................................................................847.2 Electronic Assemblies ................................................................................................................................................847.3 Marking ...........................................................................................................................................................................858 Disposal................................................................................................................................................. 869 Appendix............................................................................................................................................... 879.1 Configuration Kaba Access Manager 92 30 .......................................................................................................87Index...................................................................................................................................................... 88
Table of Contents Technical Manual6 Kaba access manager 92 3004045376 - 05/2016
Technical Manual About this Document704045376 - 05/2016Kaba access manager 92 301 About this Document1.1 ValidityThis document describes the product:Product name: Kaba access manager 92 30Item number 04079230Terminal software: B-Client AC30 from version 669-01-X-K00Manufacturing date: Starting from March 2016This document describes all device versions and optional equipment and functions.Options need to be paid for and are therefore only available if they have been pur-chased. Additional equipment and functions may not yet be available at the time ofissuing the document and, possibly, can only be purchased at a later stage.1.2 Target groupThis document is exclusively intended for specialist personnel.The descriptions require specialist personnel trained by the manufacturer. The de-scriptions do not replace product training.For reasons of device safety, the installation and maintenance operations describedin this document must be carried out only by service persons according to EN60950-1 (Information technology equipment - Safety).Service persons are persons having adequate technical training and sufficient experi-ence to be aware of and to minimize the possible risks for themselves or other per-sons, which may occur when carrying out these operations. The service persons areresponsible for adhering to the instructions given by the manufacturer and to the ap-plicable standards and regulations during execution of their work.This document is also used as information for persons with the following tasks:• project planning and implementation• Commissioning the product within the network• Connecting the product to the user software by programming customer applica-tions• Customer-specific adjustment by setting the parameters of the product1.3 Contents and purposeThe contents is limited to the assembly, installation, start-up, and basic operation ofthe hardware.
About this Document Technical Manual8 04045376 - 05/2016 Kaba access manager 92 301.4 Orientation in the documentThis document contains the following orientation aids to facilitate finding of specifictopics:• The table of contents at the beginning of the manual gives an overview of alltopics.• The header always contains the respective main chapter.• Cross references always indicate the number of the chapter in which the supple-mentary information can be found. Example [   5.7].• An index in the alphabetical order is given at the end of the manual.1.5 Additional documentationDetails on setting specific device parameters can be found in the reference manual ofthe terminal software used.Supplementary documentation is available on the Kaba website. The technical man-uals are located in a secured area of the website.• Access is only possible after logging in.• An account will need to be created before logging in for the first time.Access and login:1. In the browser, access the Kaba page http://www.kaba.com.2. Select the language in the top right.3. Under "Products", select the "Access Management" or "Workforce Management"product division.4. In the top right section of the screen, click on the following symbol:.5. Enter your e-mail address and password and login or create an account (see be-low).ðThe technical manuals can be found under "Downloads".Create account:1. Click "Create account".2. Complete the data fields and confirm.ðA confirmation link will be sent to your e-mail address.3. To activate your account, click on the confirmation link in your e-mail.
Technical Manual About this Document904045376 - 05/2016Kaba access manager 92 301.6 WarningsWarnings containing information/instructions and prohibitions to prevent injury topersons and damage to property are specially labeled.Please pay attention to warnings. They are intended to help prevent accidents andavoid damage.1.6.1 Hazard CategoriesWarnings are split into the following categories:CAUTIONSlight RiskDescribes a potentially hazardous situation that could result in minor physical in-juries.NOTICEInformation on how to handle the product correctly.Failure to comply with these warnings may result in malfunctions. The product orsomething in its vicinity could be damaged.1.6.2 SymbolsDepending on the source of the hazard, symbols are used for the warnings, andthese have the following meanings:General danger Danger for electronic compo-nents from electrostatic dis-charge1.7 NotesNotes are labeled with an info symbol.Tips and useful information.These help you to make best use of the product and its functions.
Grouped safety messages Technical Manual10 04045376 - 05/2016 Kaba access manager 92 302 Grouped safety messagesThis product has been built in accordance with state-of-the-art standards and therecognized safety rules. Nevertheless, its use may constitute a risk to persons andcause damage to material property.Read and observe the following safety instructions before using the product.2.1 Use as directedThe product is only intended for use as described in chapter “Product description”.Any use beyond that is considered contrary to its designated use. The manufacturercannot be held liable for damage resulting from such use. Such use is at the sole riskof the user/operator.2.2 Mounting and installationMounting and installation may only be carried out by service persons (see chapter 1“Target group”).Mains voltage installations may only be carried out by a certified specialized com-pany or authorized electricians.Installation may only be carried out in places that fulfill the climatic and technicalconditions stated by the manufacturer.The manufacturer is not liable for damages resulting from improper handling or in-correct installation.2.3 Service and MaintenanceMaintenance work / troubleshootingOnly the service person (see chapter 1 “Target group”) is entitled to remove faultsand carry out maintenance work.Reconstruction and modificationAny alteration or modification to the device may only be performed by the serviceperson (see chapter 1 “Target group”). Any alteration or modification performed byunauthorized persons shall render void any liability.2.4 Accessories and spare partsAccessories and spare parts must comply with the technical requirements specifiedby the manufacturer. This is guaranteed when using original accessories and spareparts from Kaba.
Technical Manual Grouped safety messages1104045376 - 05/2016Kaba access manager 92 302.5 ESD (electrostatic discharge) protective measuresNOTICEDanger for electronic components due to electrostatic discharge.Improper handling of printed circuit boards or components can cause damages thatlead to complete failures or sporadic errors.• During installation and repair of the product, the ESD protective measures mustbe considered.• Wear an ESD wristband when handling electronic components. Connect the endof the wristband to a discharge socket or an unvarnished grounded metal com-ponent. This way, static charges are discharged from your body securely and ef-fectively.• Touch only the edges of circuit boards. Do not touch the circuit board nor theconnector.• Place all dismantled components on an antistatic surface or in an antistatic con-tainer.• Avoid contact between circuit boards and clothing. The wristband only protectsthe printed circuit boards against electrostatic discharge from your body, butthere is still a risk of damage through electrostatic discharge from your clothing.• Transport and dispatch dismantled modules only in electrostatically shieldedprotective bags.2.6 Environmental protectionIt is prohibited to dispose of the device in your domestic waste.Used devices contain valuable materials that should be recycled. Properly dispose ofused devices.
Product Description Technical Manual12 04045376 - 05/2016 Kaba access manager 92 303 Product Description3.1 OverviewThe Kaba access manager 92 30 is designed specifically for control of an individualdoor (access/exit). The access manager can also be used for the decentralized accesscontrol applications.This is why the device is installed in secure indoor locations near the access. The de-vice is designed for direct mounting on the wall. However, it can also be mounted insuspended ceilings, wall recesses etc.Depending on the device version, the access manager supports the connection ofregistration units, readers/subterminals via RS-485 or Wiegand. The registration unitallows contact-free reading and writing of RFID media in MIFARE or LEGIC technol-ogy (depending on the configuration).A 10BASE-T/100BASE-TX Ethernet interface is provided for communication with thehost on the network.Power is supplied over PoE (Power over Ethernet). As an alternative the power supplycan also be performed via an external 24 V DC power supply unit.The device has 4 inputs and 3 outputs. They can be used for control and monitoringof Door management.
Technical Manual Product Description1304045376 - 05/2016Kaba access manager 92 303.2 Device variantsThe Kaba access manager 92 30 is available in two device variants: The difference is inthe possible reader connection.One variant allows connection of 2 RFID registration units or readers/subterminals viaRS-485. The other variant allows connection of 2 readers via Wiegand.Equipment depending on the device version - OverviewEquipment / Variant RFID WiegandCommunicationEthernet interface X XConnections for readersRegistration units XReaders/subterminals via RS-485 XReaders via Wiegand XSerial interfaceRS-232 for specific applications X XInputs / Outputs4 digital inputs X X3 relay outputs X XVandal contact Cover X XVandal contact Wall X XPower supplyPoE (Power over Ethernet) X X24 V DC power supply X XOutput voltages5 V DC X12 V DC X X24 V DC (only for 24 V DC power supply) X XDepending on the device variants, the corresponding terminals are available or notavailable for readers.
Product Description Technical Manual14 04045376 - 05/2016 Kaba access manager 92 303.3 B-Client AC30 terminal softwareB-Client AC30 is a terminal software for access control. This terminal software makesthe device compatible with the data records used in previous access controls of theB-Net series.3.3.1 Areas of applicationAccess controlThe access manager uses various test criteria to check whether a booking made on areader/subterminal is authorized or not.Door management• Sluice control• Door activation• Monitoring of door opening• Monitoring of door opening time• Access monitoringAlarm ManagementThe access manager reports irregularities in access control or door management tothe host computer. An additional function is to activate relays.3.3.2 Software optionsVarious software options can be used to expand the functional scope of the terminalsoftware. Software options need to be enabled in the “sop.ini” license file using asuitable license key.The sop.ini license file is located in the following directory:home/admin/Program/Share/InitThe following software options are available:Memory optionsStandard Option 1 Option 2Master records 2,000 10,000 50,000Registration records 8,000 40,000 100,000CardLink update records 4,000 20,000 25,000CardLink validation records 2,000 10,000 25,000CardLinkCardLink validation in connection with LEGIC or MIFARE readers/subterminals.CardLink update via registration unitsAVISOCustomer-specific functional upgrades by means of AVISO routines.Data encryptionData encryption via Ethernet UDP in connection with the B-COMM communicationsoftware.Data encryption via HTTPS for XML communication.Number of subterminalsThe fixed number of supported subterminals is 2 (registration units and / or subter-minals via RS-485 or readers via Wiegand).
Technical Manual Product Description1504045376 - 05/2016Kaba access manager 92 303.3.3 Supported readers/subterminalsThe access manager (RFID device variant) supports max. 2 readers/subterminals.Subterminal Supported functionCompact reader 91 04 Compact reader 91 10 Remote reader 91 15LEGIC mode: Reading and writing LEGIC prime (CardLink validation) Reading and writing LEGIC advant (CardLink validation) MIFARE mode: Reading and writing MIFARE DESFire/Classic (CardLinkvalidation)Biometric reader 91 50 Finger template transfer via subpartyline LEGIC mode: Reading LEGIC prime** Reading LEGIC advant*/**MIFARE mode: Reading MIFARE DESFire/Classic* not part of standard equipment, function depends on the reader driver used. ** only devices with optional RFID reader.The readers listed above must be equipped with the firmware of "Subterminal" func-tion type.Power supply of the subterminalsFor power supply of subterminals connected via the RS-485 interface, the 12 V DCoutput voltage of the access manager can be used.The supply of readers/subterminals by a separate external power supply is also possi-ble.Inputs/Outputs of the subterminalsThe inputs and outputs of the subterminals can be used, thus increasing the usablenumber of inputs/outputs.The control of the door openers by means of a relay is recommended only in securedareas.Time-critical contacts (door frame contact) should not be queried via the inputs ofsubterminals.3.3.4 Readers via WiegandTwo external readers can be connected to the access manager (Wiegand device vari-ant) via Wiegand. The power supply of the readers is performed via the access man-ager. For this purpose, 5 V DC and 12 V DC are available at Wiegand terminals.AddressingThe addresses 1 and 2 are reserved or assigned automatically to the readers via Wie-gand.GID/DID Subterminal00/01 Reader at Wiegand connection 100/02 Reader at Wiegand connection 2
Product Description Technical Manual16 04045376 - 05/2016 Kaba access manager 92 303.3.5 Registration unitsTwo registration units can be connected to the access manager via coaxial cables(connections Ant. A and Ant. B).Supported registration units• Kaba registration unit 90 00• Kaba registration unit 90 01• Kaba registration unit 90 02 (with PIN keypad)• Kaba registration unit 90 03• Kaba registration unit 90 04Functional features• A registration unit allows contact-free reading and writing of RFID media in MI-FARE or LEGIC technology (depending on the configuration).• The registration units can be used for CardLink validation and CardLink update.• The registration units are supplied with power by the access manager.Program numberA registration unit is reported to the communication software as a subterminal with aprogram number.Registration unit Program numberRegistration unit without PIN keypad 801-00-X-K00Registration unit with PIN keypad 802-00-X-K00AddressingBy default, the addresses 1 and 2 are preset for the registration units and are notavailable as subterminal addresses.GID/DID Subterminal00/01 Registration unit connection Ant. A00/02 Registration unit connection Ant. BFrom 00/03 Subterminals connected via the RS-485 subpartylineThis presetting can be changed using the parameters.Parameterizing informationFor the two registration units, it is not possible to use different reader configurations.The reader configuration can be established via address 1 or address 2 and is valid forboth registration units.External inputs, relays and vandal contact are not available.
Technical Manual Product Description1704045376 - 05/2016Kaba access manager 92 303.4 Technical Data3.4.1 Power supplyFor power supply of the device, there are the following alternative options:• PoE (Power over Ethernet)• External 24 V DC power supply unitPoE (Power over Ethernet)Power supply via the 8-wire Ethernet cable (max.100 m).• Acc. to IEEE 802.3af (12.95 W) and IEEE802.3at (25.5 W).24 V DC inputPower supply via the 24 V DC input using an external power supply unit.• Input voltage: 24 V DC ±10%• Current consumption: max. 2.3 A• Power of the power supply unit: 12-60 WFor supply of the device, a power output of approx. 12 W is necessary. Depending onthe required power for output voltages, additionally up to 48 W for external con-sumers.Use only power supply units that fulfill the requirements of EN60950-1 as limitedpower source.3.4.2 Output voltagesUse Terminals Performance figuresPower supply for external readersWiegand 1 + 2 5 V DC; max. 2.5 W 1 respectivelyWiegand 1 + 2 12 V DC; max. 3 W 1 respectively12 V DC OUT 12 V DC; max. 3 W 1 respectivelyPower supply for door openeretc.Switchable to OUT1Selection via jumper12 V DC; max 7 W (PoE)12 V DC; max. 17 W (PoE+)24 V DC; max. 48 W 21 The power specification requires that the permissible maximum impulse powerfor PoE supply is not exceeded.– IEEE 802.3af (PoE) = 12.95 W– IEEE802.3at (PoE+) = 25.5 W2 The output voltage 24 V DC is available only for power supply via an externalpower supply unit. Not for PoE power supply.The power specification refers to the contact loading capacity. The actual avail-able power depends on the power of the external power supply unit.
Product Description Technical Manual18 04045376 - 05/2016 Kaba access manager 92 303.4.3 Outputs3 relay outputs• OUT1: Switches one of the following power sources to the terminal (can be selected via jumper):– 12 V DC– 24 V DC (external device power supply)– External relay voltage (can be fed in via the terminals)• OUT2 + OUT3: Potential-free change-over contact• Contact rating: 30 V AC/DC; 2 A max.• LED status display3.4.4 Inputs4 digital inputs• With integrated power supply and common ground to connect potential-freecontacts.• Input voltage: 5 V DC max.• Optional line monitoring• LED status displayTamper• Switching contact for removal of the housing cover• Switching contact for removal of the device from the wall (bridge using jumper)
Technical Manual Product Description1904045376 - 05/2016Kaba access manager 92 303.4.5 InterfacesEthernet interface• IEEE802.3 compatible 10BASE-T/100BASE-TX Auto sensing, Auto MDIX.RS-485B-COMM mode:• 2-wire subpartyline for connecting readers/subterminals• Transmission parameters: 19,200 baud, 7 data bits, even parity, 1 stop bit• Protocol: BPA/9 subsetexos mode:• 2-wire subpartyline for connecting readers• Transmission parameters: 19,200 baud, 8 data bits, even parity, 1 stop bit• Protocol: KCPRS-232• Serial interface for specific applications• Transmission parameters can be set via the terminal software.Wiegand• 2 Wiegand interfaces for connection of external lasers• 5 V DC or 12 V DC power supply for the readerHF-RFID• 2 registration units with or without PIN keypad (connections ant. A and ant. B)• Coaxial cable, impedance 50 Ohm• Encrypted data transmission3.4.6 ReaderDepending on the reader configuration, the registration units allow reading and writ-ing of MIFARE or LEGIC media.MIFARE• RFID standard: ISO 14443A• Supported badge media:– MIFARE DESFire– MIFARE ClassicLEGIC• RFID standard: ISO 14443A, ISO 15693, LEGIC RF• Supported badge media:– LEGIC advant– LEGIC prime
Product Description Technical Manual20 04045376 - 05/2016 Kaba access manager 92 303.4.7 Ambient conditions• Ingress protection according to IEC 60529: IP40• Relative humidity: 5% to 85%, non-condensing• Ambient temperature:–  0 °C – +50 °C (operation)– -20 °C – +65 °C (storage)3.4.8 Dimensions/Weight• Length: 208 mm• Width: 208 mm• Depth: 48 mm• Weight: approx. 0.6 kg3.4.9 Dimensional drawingsDimensions in mm
Technical Manual Product Description2104045376 - 05/2016Kaba access manager 92 303.5 ConformityThis product conforms to the following standards:EN 60950-1:2006 + A11:2009 + A1:2010 + A12:2011EN 300 330-1 V1.7.1EN 300 330-2 V1.5.1EN 301 489-1 V1.9.2EN 301 489-3 V1.6.1EN 55022:2010, Class BEN 55024:2010according to the regulations of the EC Directive1999/5/EC R&TTE DirectiveThe original Declaration of Conformity can be downloaded from www.kaba.com/conformity in PDF format.In addition, the product also conforms to the following standards:UL 60950-1UL 294, security performance level 1 RoHS This device complies with the regulations of the Directive 2011/65/EU of the Euro-pean Parliament and of the Council of June 8, 2011, on the restriction of the use ofcertain hazardous substances in electrical and electronic equipment.FCC FCC Code of Federal Regulations, CFR 47, Part 15, Sections 15.205, 15.207,15.215 and 15.225FCC ID NVI-KAM9230-K5FCC § 15.19This device complies with Part 15 of the FCC rules. Operation is subject to the follow-ing two conditions: (1) This device may not cause harmful interference, and (2) thisdevice must accept any interference received, including interference that may causeundesired operation.FCC § 15.21 (Warning Statement)[Any] changes or modifications not expressly approved by the party responsible forcompliance could void the user’s authority to operate the equipment.FCC § 15.105Note: This equipment has been tested and found to comply with the limits for a ClassA digital device, pursuant to part 15 of the FCC Rules.These limits are designed to provide reasonable protection against harmful interfer-ence when the equipment is operated in a commercial environment. This equipmentgenerates, uses, and can radiate radio frequency energy and, if not installed and usedin accordance with the instruction manual, may cause harmful interference to radiocommunications. Operation of this equipment in a residential area is likely to causeharmful interference in which case the user will be required to correct the interfer-ence at his own expense.
Product Description Technical Manual22 04045376 - 05/2016 Kaba access manager 92 30IC Industry Canada Radio Standards Specifications RSS-GEN Issue 4, Sections 8.8,8.9 and 8.10 and RSS-210 Issue 8, Section A2.6 (Category I Equipment)IC:11038A-KAM9230K5ICES-003This Class A digital apparatus complies with Canadian ICES-003.Cet appareil numérique de la classe A est conforme à la norme NMB-003 du Canada.Canada RSS-GEN 8.4This device complies with Industry Canada’s licence-exempt RSSs. Operation is sub-ject to the following two conditions: (1) This device may not cause interference; and (2) This device must accept any interference, including interference that may causeundesired operation of the device.Le présent appareil est conforme aux CNR d’Industrie Canada applicables aux ap-pareils radio exempts de licence. L’exploitation est autorisée aux deux conditionssuivantes : 1) l’appareil ne doit pas produire de brouillage; 2) l’utilisateur de l’appareil doit accepter tout brouillage radioélectrique subi, mêmesi le brouillage est susceptible d’en compromettre le fonctionnement.3.6 LabelingIdentification plateThe identification plate is located on the rear of the device.The identification plate contains:• Device name• Item number• Serial number• Connection data (power supply)• CE marking• WEEE labeling acc. to DIN EN 50419MAC addressAn adhesive label with the MAC address of the device is located on the Ethernet re-ceptacle.
Technical Manual Design and function2304045376 - 05/2016Kaba access manager 92 304 Design and function4.1 Opening the housingNOTICEDanger for electronic components due to electrostatic discharge.Improper handling can damage or destroy electrostatically sensitive components onprinted circuit boards (PCB).• General ESD protective measures must be observed and applied.Remove the housing cover in the following way:1. Remove two screws M3x8 (TORX 8) on the device bottom side.2. Swivel the bottom side of the cover and disengage it at the top.
Design and function Technical Manual24 04045376 - 05/2016 Kaba access manager 92 304.2 Functional principle1 Host computer (superior system)2 Kaba access manager 92 303 External readers4 Door opener key5 Door frame contact6 Door-openerA Communication with the superior host computerB Alarm signalsC Badge data and user guidanceD Signals for door opening and monitoring
Technical Manual Design and function2504045376 - 05/2016Kaba access manager 92 304.2.1 Typical applicationsThe Kaba access manager 92 30 is designed for control of one or maximum two ac-cesses with a total of 2 readers. The following overview shows the three typical appli-cations.The terminal software offers basically the possibility to configure further sub-variants.1 Access with reader for entry2 Access with reader for entry and reader for exit3 Two accesses with one reader for each entry respectively
Design and function Technical Manual26 04045376 - 05/2016 Kaba access manager 92 304.2.2 Superior systemCommunication with the superior system (host computer) takes place via the Ether-net network.The superior system serves for centralized management of authorizations, access androom profiles, system configuration and alarm management.4.2.3 ReaderThe data collection of identification data is performed via external readers.Up to 2 readers can be connected. The readers which are supported depend on thedevice variant.Kaba access manager 92 30 with connections for readers via WiegandKaba access manager supports the connection of two readers via the Wiegand inter-face.• Connection individually via Wiegand interface• Data collection of identification data• Control of optical and acoustic signal generators• Power supply via the access managerKaba access manager 92 30 with connections for registration units and readersvia RS-485The Kaba access manager supports connection of two Kaba RFID registration unitsvia the coaxial cable.Alternatively, up to 2 readers/subterminals can be connected via the RS-485 inter-face.Registration unit:• Connection individually via coaxial cable• Data collection of identification data• CardLink validation and update• Control of optical and acoustic signal generators• Keypad is supported• Power supply via the access managerReaders via RS-485:• Connection via RS-485 partyline in bus or star wiring• Data collection of identification data• CardLink validation• Control of optical and acoustic signal generators• Keypad is supported• The inputs and outputs of subterminals can be used.• Power supply via the access manager possible
Technical Manual Design and function2704045376 - 05/2016Kaba access manager 92 304.2.4 Function of the inputsThe function of the inputs depends on the configuration. The following functionali-ties are possible:Door frame contactWith a door frame contact, the access manager is able to detect if and how long thedoor is open. If the maximum allowed door-opening time has elapsed and the door isstill open, the access manager sends an alarm record to the host computer. A relaycan be activated additionally.Door opener keyA door-opener key can be connected if no subterminal is mounted in the interior andif the door is not equipped with a door handle. If the door-opener key is pressed therespective door-opener relay is activated.Bolt contactWith the bolt contact, the access manager can identify the door’s current bolt posi-tion. If the bolt is not in the expected position after the end of the allowed time, theaccess control manager sends an alarm record to the host computer.Door handle contactWith the door handle contact, the access manager can identify the door handle’s cur-rent position. If the door frame contact responds without previous activation of thedoor opener or pressing of the door handle, the access manager sends an alarmrecord to the host computer.Pass throughThis input monitors if access has really taken place. To this end, a light barrier, con-tact mat, etc., is connected to this input which reports if a person has passedthrough.The functions of door frame contact and door opener key are preset for the inputsper access.4.2.5 Function of the outputsThe function of the individual outputs depends on the configuration. Important func-tions are:Door-opener relayA door opener can be connected to the door opener relay. The door-opener relay isactivated if the access manager releases access, e.g., after an authorized booking.Alarm relayDepending on the configuration, the alarm relay can be activated in case of an au-thorized booking or alarm (e.g. door breakup).
Design and function Technical Manual28 04045376 - 05/2016 Kaba access manager 92 304.3 Access control with B-Client AC304.3.1 Operating statesThe access manager allows the following operating states:• Online• Fast online• Offline• Autonomous4.3.1.1 OnlineThe “Online” operating mode is recommended if the arising data records must bepermanently available in the host computer.After a booking, the access manager carries out the programmed checks and writesthe test result as an error ID into the registration record. The registration record istransferred to the host computer. After that, the access manager expects a logicalbooking response from the host computer. With this response, the access manager isinformed by the host whether or not the booking is authorized.If the access manager does not receive a logical booking response from the hostcomputer, it will change to offline mode and decide itself, according to the pro-grammed verifications, if the booking is authorized or not. As soon as the host com-puter is accessible again, the access manager changes back to online mode. All datarecords stored in the meantime in Offline mode are transmitted to the host com-puter.4.3.1.2 Fast onlineIn contrast to online mode, a query to the host computer takes only place if the inter-nal booking response is negative. Individual access points can be set to Fast Online.4.3.1.3 OfflineAfter a booking has been made, the access manager carries out the programmedchecks and decides immediately by way of an internal booking response whetheror not the booking is authorized. If the host computer is available, registration datarecords of authorized and unauthorized bookings (depending on the set parameters)will be transferred immediately. Otherwise, the registration records will be stored inthe access manager. As soon as the host computer is available, all data records storedsince the last transmission are transferred to the host computer.4.3.1.4 AutonomousAfter a booking has been made, the access manager carries out the programmedchecks and decides immediately by way of an internal booking response whetheror not the booking is authorized. Registration data records of authorized or unautho-rized bookings are stored in the access manager, depending on the set parameters. If the host computer is available, any existing error and alarm records will be trans-mitted to the host computer.The stored registration data records are transmitted to the host computer with a spe-cial data record after request. Once transferred to the host, the data records will bedeleted in the access manager.
Technical Manual Design and function2904045376 - 05/2016Kaba access manager 92 304.3.1.5 Overview of the most important differences of the operating modesProceeding Online Fast OnlineOffline Autono-mousThe host decides whether a book-ing is validX (X)1The access manager decideswhether a booking is valid(X)2(X)1.2 X XTransmission of the registrationrecordsXXXTransmission of the registrationrecords only upon requestXStorage of the registration recordsin the access manager(X)3(X)3(X)3XTransmission of error and alarmrecordsXXXXExplanations1 A request to the host takes only place if the internal booking response is nega-tive.2 If there is no booking response from the host, the control decides itself if thebooking is authorized or not.3 If the host computer is not available, the registration data will be stored in the ac-cess manager. As soon as the host computer is available, the registration recordswill be transmitted.
Design and function Technical Manual30 04045376 - 05/2016 Kaba access manager 92 304.3.2 Sequence of authorization checks
Technical Manual Design and function3104045376 - 05/2016Kaba access manager 92 304.3.3 Examples of door surveillance time sequences4.3.3.1 Normal sequence with pass through control4.3.3.2 Door is not opened after release (extended access control)4.3.3.3 No pass through (extended access control)4.3.3.4 Door breakup (door monitored in basic state)
Design and function Technical Manual32 04045376 - 05/2016 Kaba access manager 92 304.3.3.5 Door open too long4.3.3.6 Time exceeded access with door handle4.3.3.7 Bolt monitoring, normal sequence4.3.3.8 Bolt monitoring, bolt message without door release
Technical Manual Design and function3304045376 - 05/2016Kaba access manager 92 304.3.3.9 Bolt monitoring, bolt position time exceeded when locking4.3.3.10 Bolt monitoring, bolt position time exceeded when unlocking4.3.3.11 Bolt monitoring, bolt position time exceeded when locking – after door has not beenopened4.3.3.12 Normal sequence with motor-driven door
Design and function Technical Manual34 04045376 - 05/2016 Kaba access manager 92 304.4 Light emitting diodesThe housing front contains 4 light emitting diodes for status display.Icon Designation Signal MeaningEthernet yellow Data transfer is activeOff No data transferDevice status See chapter 4.4.1no function - -Power green Device power supply is stablered Load of the device power supply is within thelimits. Application of further load leads to theswitch-off due to overload.Off no power supply
Technical Manual Design and function3504045376 - 05/2016Kaba access manager 92 304.4.1 Device statusThe status of the device is indicated by the LED with the following icon.Status LEDThe signal sequences and their meaning depend on the terminal software used.4.4.1.1 B-Client AC30 terminal softwareThe B-Client AC30 terminal software signals different states and sequences via theState LED as follows.System startAfter starting the device, the system performs several steps until it is ready for useThese steps are signaled as follows:Signal MeaningYellow (approx. 40 sec.) The operating system is startedYellow flashing (approx. 10sec.)Waiting for possible key actuation (cold start)Red (approx. 5 sec.) Waiting for possible key actuation (default IP)Green, then short greenflashing signalsThe terminal software is started.Status and error states after system startSignal MeaningGreen Terminal software was started successfully.Red/green flash-ing1-Click installation activeThe device is waiting for registration by the host (B-COMM).Yellow flashing Terminal software was not started.Reason: No or invalid software licenseRed flashing Terminal software could not be started.Reason: Program or configuration file(s) not available or defec-tiveGreen flashing(long green flash-ing signals)Terminal software must be restarted.Reason: Network parameters were changedIf the terminal software cannot be started by the system, a file named “appstate” willbe created. This file contains an entry indicating the reason for the abort.The “appstate” file is stored in the /home/admin/ directory.
Installation Technical Manual36 04045376 - 05/2016 Kaba access manager 92 305 Installation5.1 Installation conditions5.1.1 GeneralAn accurate installation of all components is a basic requirement for a properly func-tioning device. The following installation instructions must be adhered to.5.1.2 Installation siteThe access manager is installed near the access. The device is designed for the directmounting on the wall. Depending on the conditions, the device can also be mountedin suspended ceilings, wall recesses etc.The access manager should be installed in the interior of the area to be secured.The access manager must be installed exclusively in interiors.Electromagnetic fieldsThe device must not be installed in the area of strong electromagnetic fields causedby switching power supply, power lines, phase controllers, etc.!5.1.3 ConnectionsThe following connectors must have been prepared at the installation site of the ac-cess manager:• Ethernet network connection for host communicationFor PoE power supply of the access manager, a PSE (Power Sourcing Equipment)must be provided on the network cable for power feeding.Possible methods for feeding the power supply via the PSE:– End span (direct supply, e.g. via PoE switch)– Midspan (supply via intermediate sources, e.g. PoE injector)• 24 V DC power supply for the access manager (only for external 24 V DC powersupply as an alternative to the PoE power supply)• Signal lines to door openers and contacts• Coaxial lines to the registration units and/or data lines to the readers.The installation lines have to be flush with the surface or be laid in the vandal-proofarea.
Technical Manual Installation3704045376 - 05/2016Kaba access manager 92 305.1.4 Cable entryThe installation lines can be routed to the device from behind, from the side, fromabove and below.There are holes in the bottom part of the housing, on the sides and on the top andbottom; they can be removed if necessary,The lines are routed in a duct in the lower part of the rear side, there is the gland tothe connections on the front side.NOTICEEnsure sufficient line lengths on the installation site.When inserting the lines from the rear (center of the housing), the installation linesand network cable with the plug protrude from the wall for approx. 35 cm.
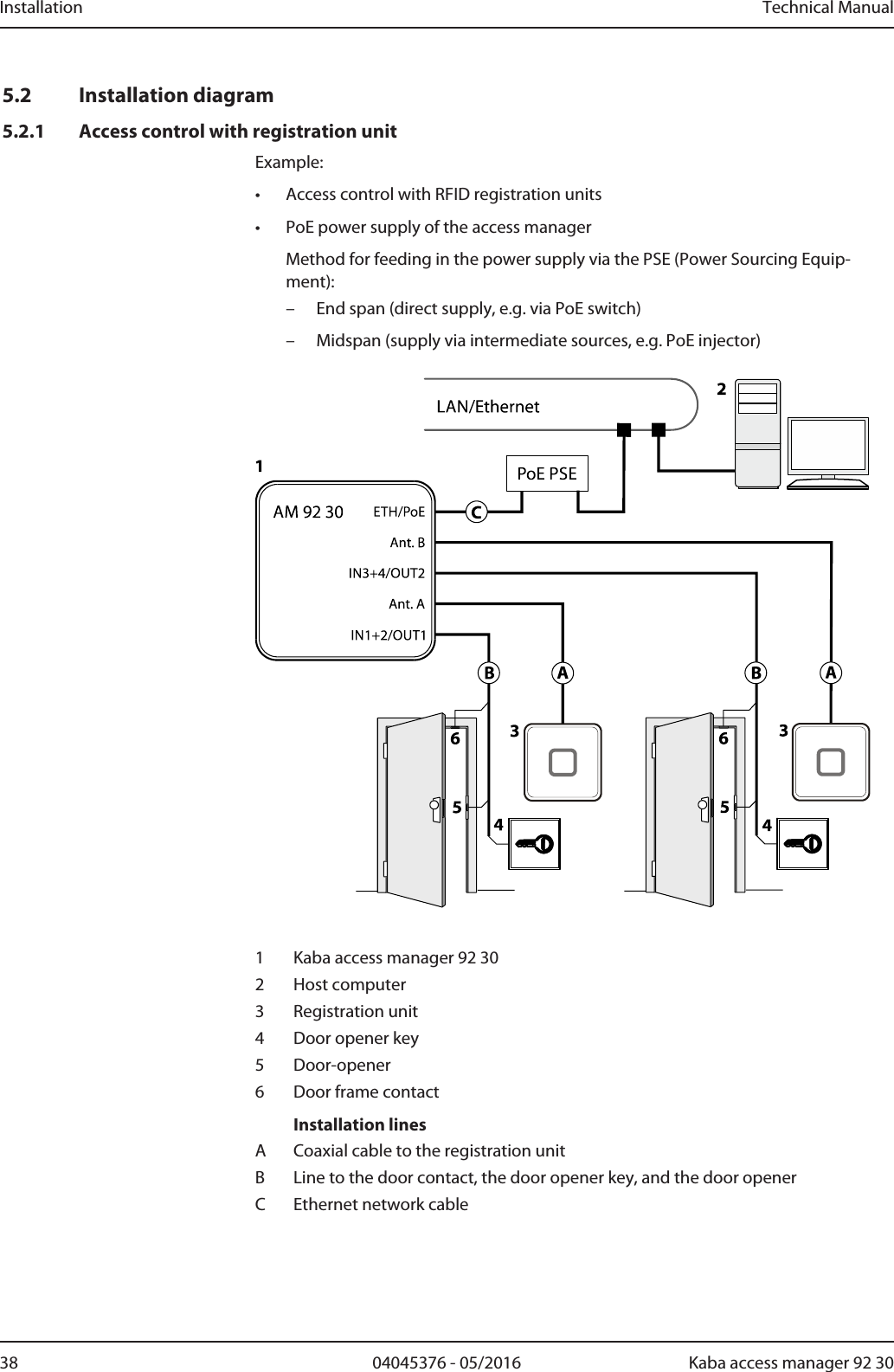
Installation Technical Manual38 04045376 - 05/2016 Kaba access manager 92 305.2 Installation diagram5.2.1 Access control with registration unitExample:• Access control with RFID registration units• PoE power supply of the access managerMethod for feeding in the power supply via the PSE (Power Sourcing Equip-ment):– End span (direct supply, e.g. via PoE switch)– Midspan (supply via intermediate sources, e.g. PoE injector)1 Kaba access manager 92 302 Host computer3 Registration unit4 Door opener key5 Door-opener6 Door frame contactInstallation linesA Coaxial cable to the registration unitB Line to the door contact, the door opener key, and the door openerC Ethernet network cable
Technical Manual Installation3904045376 - 05/2016Kaba access manager 92 305.2.2 Access control with reader via RS-485Example:• Access control with biometric reader via RS-485• External power supply of the biometric reader• External power supply of the access manager1 Kaba access manager 92 302 Host computer3 Biometric reader4 Door opener key5 Door opener6 Door frame contact7 External 24 V DC power supply for the access manager8 External 24 V DC power supply for the biometric readerInstallation linesA Data line to the reader (RS-485)B Line to the door contact, the door opener key, and the door openerC Ethernet network cableD Power supply line Access managerE Power supply line Biometric reader
Installation Technical Manual40 04045376 - 05/2016 Kaba access manager 92 305.2.3 Access control with readers via WiegandExample:• Access control with external readers via Wiegand interface• PoE power supply of the access managerMethod for feeding in the power supply via the PSE (Power Sourcing Equip-ment):– End span (direct supply, e.g. via PoE switch)– Midspan (supply via intermediate sources, e.g. PoE injector)1 Kaba access manager 92 302 Host computer3 External reader equipped with Wiegand interface4 Door opener key5 Door-opener6 Door frame contactInstallation linesA Data cable to the reader (Wiegand)B Line to the door contact, the door opener key, and the door openerC Ethernet network cable
Technical Manual Installation4104045376 - 05/2016Kaba access manager 92 305.3 Installation lines5.3.1 EthernetNetwork cable with RJ45 plug, Line requirement: CAT.5 E or higher quality.5.3.2 Power supply of the readerFor short distances of up to 20 meters max., a single cable may be used for the powersupply for the reader and data line. A separate power supply cable needs to be pro-vided for longer distances.Recommended cable: 1 x 2 x 0.6 mm or 1 x 2 x AWG 24.In case of long lines, the voltage drop due to line resistance will have to be consid-ered.5.3.3 Data line to reader/subterminalConnection to the readers is performed via partyline, a 2-wire RS-485 interface. Forthis connection, you may choose a star topology or a bus topology.No further signals or voltages may be transmitted via the data cable to the reader,for example door-opener activation, door-frame contact, etc. (exception power sup-ply up to a line length of 20 m).The shielding of the data line is generally connected on both sides.The complete bus network (master lines and stubs) may be up to 1,200 m long. Onestub must not exceed 100 m.Line requirements:Shielded line with twisted wire pairs. Cables with wire diameter from 0.25 mm2 to 1mm2 can be used.Recommended cable:CAT.5 S/UTP 4 x 2 AWG 24 or AWG 22 (according to EIA/TIA568).5.3.4 Line to the door opener, the door opener key, and the door contactsLine requirements: Cable diameters from 0.5 mm to 0.8 mm.Recommended cable: CAT.5 S-UTP 4 x 2 AWG 24 or AWG 22 (according to EIA/TIA568) or higher.5.3.5 Coaxial cables to registration unitsRegistration units are connected to the access manager via coaxial cables The coaxialcable transfers the HF signals from the RFID antenna, keyboard data and trigger datafor the optical and acoustic signal generators.Line requirements: Coaxial cable 50 ohms, type RG174/U.Maximum cable length: 30 mRecommended cable length: < 10 m5.3.6 Line to the Wiegand readerLine requirements: Shielded line 6 x 0.6 mm (0.34 mm2) or 6 x 22 AWGMaximum line length: 10 mLength and technical design of the line must comply with the requirements speci-fied by the reader manufacturer.
Installation Technical Manual42 04045376 - 05/2016 Kaba access manager 92 305.4 Wall mountingWhen feeding the cable from the side, top or below, first, provide holes for the entryof the installation lines. Not necessary for cable entry from the rear.The housing is mounted directly to the wall using screws/dowels. There are threeoval fastening holes for fastening in the housing.Fastening material (included in the delivery):• 4 round-head wood screws DIN 96, diam. 4.5 x 35 (1)• 4 washers (2)• 4 dowels S6 (3)The washers absorb mechanical tensions in case of slightly uneven surfaces andcover the fastening hole completely once the screw has been tightened. The deliv-ered washers must also be used if you use other fastening screws (depending on themounting surface).In case of soft mounting surfaces, make sure that the housing is not pressed into thesurface when mounting it. The unevenness of the mounting surface may not exceed0.5 mm. The unevenness of the mounting surface may have to be compensated foror adjusted by means of suitable measures (e.g. washers).The installation lines are led down in the duct on the rear side of the device and thento the front side of the device with connections. Make sure that the lines are notsqueezed or buckled during mounting.
Technical Manual Installation4304045376 - 05/2016Kaba access manager 92 305.5 Cable routingThe installation lines are guided through an opening on the bottom side of the de-vice from the rear side to the front side of the device.The cable passage and the internal cover have eyelets for fastening of installationlines by means of cable ties (not included in the scope of delivery).For the network cable, there is a routing duct on the inner cover.
Installation Technical Manual44 04045376 - 05/2016 Kaba access manager 92 305.6 Setting the PoE switchesDepending on the power supply type, the PoE switch must be set as described be-low.Power supply Standard/Power Switch positionPoE IEEE 802.3af (12.95 W) PoEPoE+ IEEE802.3at (25.5 W) PoE+External 24 V DC powersupply unit12-60 W PoE+In case of power supply via an external power supply unit, the switch position PoE+ isrequired to prevent the access manager from limiting the power for external con-sumers.
Technical Manual Installation4504045376 - 05/2016Kaba access manager 92 305.7 Connections5.7.1 Network connectionEstablishing the network connectionPlug in the network cable into the Ethernet receptacle (1) and fasten it in the glandon the cover.If the power supply is correct, the Power LED (2) lights up in green after a short time.Once the network connection has been established, the Ethernet LED (3) is flashingin yellow.
Installation Technical Manual46 04045376 - 05/2016 Kaba access manager 92 305.7.2 Overview of terminalsThe following terminals are located in the connection area of the device.Depending on the device variant, the terminals RFID or Wiegand 1+2 are not avail-able.
Technical Manual Installation4704045376 - 05/2016Kaba access manager 92 305.7.3 External 24 V DC power supplyAs an alternative to the PoE power supply, the access manager can also be suppliedvia an external 24 V DC power supply unit.The connection of the external power supply is performed at terminal 24 V EXT.The PoE switch [}5.6] must be set to "PoE+" position in this case.Use only power supply units that fulfill the requirements of EN60950-1 as limitedpower source.
Installation Technical Manual48 04045376 - 05/2016 Kaba access manager 92 305.7.4 Registration unitsUp to 2 registration units can be connected. The registration units A + B are con-nected by means of the coaxial cable to the RFID input terminal.Example: Connection of Kaba registration unit 90 01/90 02.Connection designation AssignmentAnt. A/B Central conductor of coaxial cableGND Shield of coaxial cable
Technical Manual Installation4904045376 - 05/2016Kaba access manager 92 305.7.5 Readers via RS-485The RS-485 interface serves for communication with readers. The RS-485 interface(connections A, B, C) is operated in 2-wire mode. For this connection, you maychoose a star topology or a bus topology.In case of star wiring, an additional support point terminal needs to be provided toallow parallel distribution of RS-485.Example: Connection of biometric reader 91 50 and compact reader 91 10 via RS-485interface with 12 V DC power supply from the access manager.5.7.5.1 Connection diagramTwisted-pair cabling is used for the lines A and B. Lines are wired one-to-one, i.e., lineA of the access manager to line A of the reader and line B of the access manager toline B of the reader.5.7.5.2 ShieldingThe data line shielding is generally connected on both sides. For this, connect the ad-ditional wire to connection C.Insulate the additional wire with heat-shrink tubing to avoid short-circuits!5.7.5.3 Line lengthsThe complete bus network (master lines and stubs) may be up to 1,200 m long. Onestub must not exceed 100 m.
Installation Technical Manual50 04045376 - 05/2016 Kaba access manager 92 305.7.5.4 Bus terminationBelow the RS-485 terminal, there is a jumper for setting the RS-485 terminating resis-tor.The selection of the terminating resistors depends on the connection architecture.Bus with one rootThe first device of the bus (access manager 92 30) and the last device of the bus(reader 8) need a 120-ohm terminating resistor.Bus with two rootsThe last device of the first root and the last device of the second root need a 120-ohm terminating resistor.Star wiringThe example shows a star-type reader connection with 8 branches. The access man-ager requires a 120-ohm terminating resistor. All readers require a 4.7-kOhm termi-nating resistor.
Technical Manual Installation5104045376 - 05/2016Kaba access manager 92 30In readers, the terminating resistor can be set by means of a DIP switch.5.7.5.5 RS-485 LEDsThree light emitting diodes are located below the RS-485 terminal. They indicate thestates of the RS-485 interface.The signals have the following meaning:Designation Signal MeaningTR Off Transmission direction, no readiness for re-ceptionLit Readiness for receptionTx Off No dataLit/flashing Data are being sentRx Off No dataLit/flashing Data are being received
Installation Technical Manual52 04045376 - 05/2016 Kaba access manager 92 305.7.6 Readers via WiegandTwo readers can be connected to the access manager via the Wiegand interface.Example: Reader connection via Wiegand with 5 V and 12 V power supply from theaccess manager.
Technical Manual Installation5304045376 - 05/2016Kaba access manager 92 305.7.7 InputsThe access manager has 4 inputs IN1 to IN4.Function of the inputsThe inputs are used for the inquiry of sensors such as door-opener key, door handlecontact, door frame contact, bolt contact, vandal contact, pass-through contact (e.g.,turnstile, light barrier), etc.The function of the individual outputs depends on the settings of the terminal soft-ware.PrincipleThe inputs (IN1-IN4) are connected to GND using a simple switch or relay contact. Anopen input is recognized as “high” due to the internal pull-up resistor. Ground poten-tial equals “low.”5.7.7.1 Line monitoringThe inputs can be designed as follows:• Without line monitoring• With line monitoring (if supported and activated by the terminal software)Line monitoring allows the terminal software to detect the states short circuit and in-terruption, in addition to the states active (input closed) and not active (input open)and report them to the higher-level system.The current states of the inputs are signaled by light emitting diodes [}5.7.7.5].
Installation Technical Manual54 04045376 - 05/2016 Kaba access manager 92 305.7.7.2 Non-line-monitored inputsExample: Connection to door frame contact not line-monitored.Tampering to lines between access manager and door frame contact is not detected.5.7.7.3 Line-monitored inputsWith line monitoring activated, resistors (680 Ω, 0.25 W, 2 %) must be connected inseries and in parallel to the respective contact. The resistors must be attached in avandal secure manner directly to the external contact.Example: Connection to door frame contact line-monitored.Tampering to lines between access manager and door frame contact is detected.
Technical Manual Installation5504045376 - 05/2016Kaba access manager 92 305.7.7.4 Switching criteriaFunction Contact StateVandal contact open: Vandalism alarmclosed: Idle stateDoor-opener key open: Idle stateclosed: Door opener key pressedDoor frame contact open: Door openclosed: Door closedBolt contact open: Door unlockedclosed: Door lockedEntry contact open: Idle stateclosed: Entry taken placeDoor handle contact open: Idle stateclosed: Door handle operatedBlock access points open: Idle stateclosed: All assigned access doors locked (all door-opener relays drop out)Release access points open: Idle stateclosed: All assigned access doors released (alldoor-opener relays are pulled-in, e.g.emergency in case of fire)The states described correspond to the default settings. Depending on the settingsof the terminal software, the states can also be interpreted inverted (see referencemanual of the terminal software).
Installation Technical Manual56 04045376 - 05/2016 Kaba access manager 92 305.7.7.5 Status displayAbove the terminal for the inputs, there are light emitting diodes for status display ofthe inputs.The current status of the inputs is indicated by a red and green LED respectively asfollows.Designation Signal MeaningIN1 - IN4 Off Input is not active (open)lit green Input is active (closed)red and green lit Short circuit*red lit Interruption** only with active line monitoring
Technical Manual Installation5704045376 - 05/2016Kaba access manager 92 305.7.8 OutputsThe access manager has 3 relay outputs OUT1 to OUT3.Contact rating: 30 V AC/DC; 2 A max.The outputs can be used for the activation of motor locks, door openers, turnstiledrives, technical alarm day/night, security alarm day/night etc.The function of the individual outputs depends on the settings of the terminal soft-ware.The wiring of the output OUT1 can be adjusted via jumper (1). The following variantsare possible as an alternative:• OUT1 is used as a potential-free contact• The internal 12 V DC power supply is switched to the output OUT1.• A DC power supply applied to the VREL terminal is switched to the output OUT1.• The external 24 V DC power supply (24 V EXT terminal) is switched to the outputOUT1.The outputs OUT2 and OUT3 are designed permanently as potential-free relay out-puts with one switching contact each.1 Jumper for the wiring of output OUT12 Fuse F1 for protection of the power supply via OUT1 Fuse value: T2.5 AThe fuse is plugged in and can be replaced without problems.The fuse F1 may only be replaced with fuses of the same type.
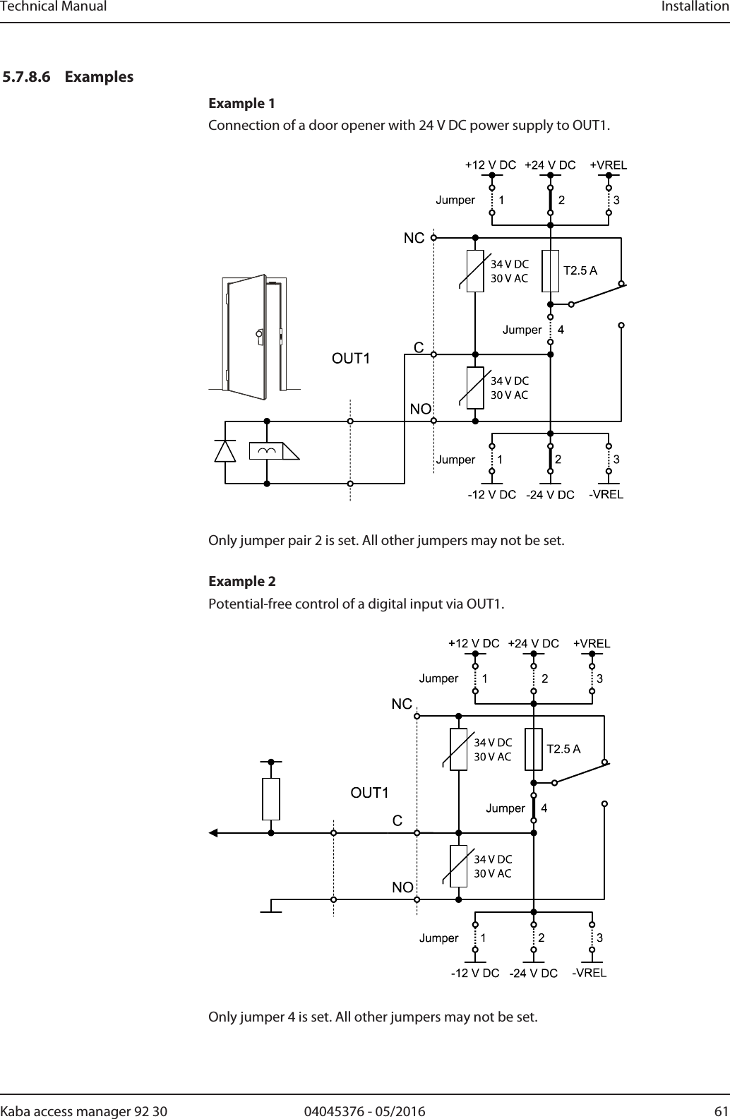
Installation Technical Manual58 04045376 - 05/2016 Kaba access manager 92 305.7.8.1 OUT1 as potential-free switching contactBy setting the jumper with the designation CD, the OUT1 output can be used simi-larly to the outputs OUT2 and OUT3 as potential-free switching contact.Principle of output wiring Jumper positionIMPORTANT: Only the CDjumper may be set. All otherjumpers may not be set.5.7.8.2 Switching 12 V DC to OUT1By setting the jumper with designation 12 V DC, the internal 12 V DC power supply isswitched to the OUT1 output. Consumers, for example door openers which are oper-ated with 12 V DC can be directly connected to OUT1 in this way.This variant can be used both with device power supply via PoE and device powersupply via an external 24 V DC power supply unit.Principle of output wiring Jumper positionIMPORTANT: Only the jumperpair 12 V DC may be set. Allother jumpers may not be set.
Technical Manual Installation5904045376 - 05/2016Kaba access manager 92 305.7.8.3 Switching the external DC power supply to OUT1By setting the jumper pair with designation VREL, a DC power supply connected viathe VREL terminal (max. 30 V DC, 2 A) is switched to the OUT1 output.This variant can be used both with device power supply via PoE and device powersupply via an external 24 V DC power supply unit.Principle of output wiring Jumper positionIMPORTANT: Only the jumperpair VREL may be set. All otherjumpers may not be set.5.7.8.4 Switching 24 V DC to OUT1By setting the jumper pair with designation 24 V DC, the 24 V DC power supply (ter-minal 24 V EXT) is switched to the OUT1 output. Consumers, for example door open-ers which are operated with 24 V DC, can be directly connected to OUT1 in this way.This variant can be used only with device power supply via an external 24 V DCpower supply unit. Not for power supply via PoE.Principle of output wiring Jumper positionIMPORTANT: Only the jumperpair 24 V DC may be set. Allother jumpers may not be set.
Installation Technical Manual60 04045376 - 05/2016 Kaba access manager 92 305.7.8.5 Principle of output wiringOUT1The jumper pairs 1 - 3 are used to select the power supply which is switched directlyto the consumer via the relay output OUT1.The power supply is protected by a fuse.By setting the jumper 4 (designation CD), OUT1 can also be used as a potential-freeswitching contact.1 Switch the internal 12 V DC power supply to OUT12 Switch 24 V DC power supply (terminal 24 V EXT) to OUT13 Switch the external DC power supply (terminal VREL) to OUT14 Use OUT1 as potential-free switching contactOnly the jumpers may be set to a setting. I.e. jumper pair 1 or 2 or 3 or jumper 4. OUT2 and OUT3The outputs OUT2 and OUT3 are designed as potential-free relay outputs with oneswitching contact each.
Technical Manual Installation6104045376 - 05/2016Kaba access manager 92 305.7.8.6 ExamplesExample 1Connection of a door opener with 24 V DC power supply to OUT1.Only jumper pair 2 is set. All other jumpers may not be set.Example 2Potential-free control of a digital input via OUT1.Only jumper 4 is set. All other jumpers may not be set.
Installation Technical Manual62 04045376 - 05/2016 Kaba access manager 92 305.7.8.7 Connecting door openersClosed-circuit door-openers and open-circuit door-openers can be used.For door openers that are supplied with DC voltage, a diode (a freewheeling diode)must be connected in parallel to the door opener to suppress interference. In doingso, make sure that the diode is connected in reverse-bias direction and check the po-larity of the connected voltage.When using an alternating voltage power supply, a varistor or a bipolar suppressordiode must be connected in parallel. As regards the dimensioning and type, observethe specifications of the door opener manufacturer.The diode or varistor must be connected directly to the door opener and may not befitted to the access manager.This step is not required if a door opener with internal varistor or diode is used.1 Door-opener2 Freewheeling diode or varistor
Technical Manual Installation6304045376 - 05/2016Kaba access manager 92 305.7.8.8 Status displayBelow the terminals for the outputs, there are light emitting diodes for status displayof the outputs.The current status of the outputs is indicated as follows.Designation Signal MeaningREL1-3 Off Relay is not pulled-inlit green Relay is pulled-in
Installation Technical Manual64 04045376 - 05/2016 Kaba access manager 92 305.7.9 Standard assignment of inputs/outputs (B-Client AC30)The following assignment for the inputs and outputs has been preset for the B-Client AC30 terminal software [}5.7.10.3].The assignment of the functions can be adjusted in the b_client_ac30.ini configura-tion file. Details on the configuration can be found in the B-Client AC30 referencemanual.5.7.9.1 InputsThe following functions are assigned by default to the inputs by the terminal soft-ware.Input Connection FunctionBI01 IN1 Door frame contact 1BI02 IN2 Door-opener key 1BI03 IN3 Door frame contact 2BI04 IN4 Door-opener key 2BI36 IN5 Vandal contact5.7.9.2 OutputsThe following functions are assigned by default to the outputs by the terminal soft-ware.Output Connection FunctionBO01 OUT1 Door opener relay Door 1BO02 OUT2 Door opener relay Door 2BO20 OUT3 General alarm
Technical Manual Installation6504045376 - 05/2016Kaba access manager 92 305.7.10 Configuration-dependent assignment (B-Client AC30)The B-Client AC30 terminal software provides 6 default configurations which can beassigned via a door management parameter.The configuration 2 (door-opener with 1 subterminal and 1 door-opener key) is thepreset default upon delivery.Below, 5 configurations are listed which can be used due to a limited number of in-puts and outputs of Kaba access manager 92 30.The tables on the following pages show the assignment of inputs and outputs for thecorresponding configuration type.5.7.10.1 Configuration 0: Subterminal without accessThe inputs and outputs have no functions in this configuration. The logical group/de-vice addresses 00/01 to 00/02 need to be set in the subterminals.This configuration is recommended if the device is only used for time and atten-dance.5.7.10.2 Configuration 1: Door with 2 door opener keysAccess 1 2Door frame contact IN1 IN3Door opener key IN2 IN4Door opener relay BO1 BO25.7.10.3 Configuration 2: Door with 1 subterminal and 1 door opener keyAccess 1 2Door frame contact IN1 IN3Door opener key IN2 IN4Door opener relay BO1 BO2GID/DID 00/01 00/02
Installation Technical Manual66 04045376 - 05/2016 Kaba access manager 92 305.7.10.4 Configuration 3: Door with 2 subterminals and contact mat, barrier, etc.ABAccess 1Door frame contact IN1Barrier IN2Bolt contact IN3Door opener relay BO1Alarm relay BO2GID/DID Subt. A 00/01GID/DID Subt. B 00/025.7.10.5 Configuration 4: Sally port with 2 subterminals and 2 door opener keysABAccess 1 A 1 BDoor frame contact IN1 IN3Door opener key IN2 IN4Door opener relay BO1 BO2GID/DID 00/01 00/02
Technical Manual Installation6704045376 - 05/2016Kaba access manager 92 305.8 Vandal contactThe device has two vandal contacts (tamper).A switching contact (1) is opened if the housing cover is removed.Another switching contact (3) is opened if the device is removed from the wall.Switching contact (3) is deactivated by the jumper with designation TE- (2) in the de-livery state. To activate the switching contact (3), the jumper TE- (2) must be re-moved.Opening of one or both switching contacts leads to the status indication of the inter-nal input 5.
Installation Technical Manual68 04045376 - 05/2016 Kaba access manager 92 305.9 Fastening the coverFasten the housing cover in the following way:1. Hang the mounting lugs of the housing cover at the top of the bottom part ofthe housing.2. Pivot the housing cover down and close the housing.3. Fasten the housing cover by means of two screws M3x8 (TORX 8) on the bottompart of the housing.
Technical Manual Start-up6904045376 - 05/2016Kaba access manager 92 306 Start-up6.1 Network requirementsStart-up and communication in regular operation are done via an Ethernet network.To guarantee unhindered and trouble-free data traffic, the UDP ports used for com-munication must have been enabled.The firewall configuration must therefore be adapted accordingly.6.1.1 CommunicationThe UDP port used for communication between B-COMM and the terminal musthave been enabled.The UDP port is in the range from 7700 hex. to 77EF hex. (30464 dec. to 30703 dec.),depending on configuration.6.1.2 Automatic registration via B-COMMThe network must have been equipped with a working DHCP server.It must be possible to transfer UDP data packages unhindered to the B-COMM server.• IP address 239.255.255.250, UDP port 1900 dec. and UDP port 7900 (30976dec.)must have been enabled.• The SSDP service has to be enabled in the Windows service management.• The SFTP connection via the standard port 22 must have been enabled.If the device does not receive an IP address because there is no DHCP server in thenetwork or the DHCP server does not answer, the device will assign an address to it-self.Auto IP addresses always have the format 169.254.x.y, with x and y being two ran-dom numbers between 0 and 255.
Start-up Technical Manual70 04045376 - 05/2016 Kaba access manager 92 306.2 Automatic registration via B-COMMStart-up of the access manager takes place largely automatically in connection withthe B-COMM communication software.The device is preset at the factory for automatic registration via B-COMM.System requirements• B-COMM communication software version 3.10 and higher.• Network with a working DHCP server.Start-up procedure1. Connect the access manager to the network and switch it on.ðAfter booting, the device cyclically reports to the B-COMMs active in the net-work.ðIn this status, the status LED lights up alternately 0.5 seconds in red and 0.5seconds in green.ðOnce the device is found by B-COMM, the relevant data that identifies thedevice will be queried.ðIf the device is not known, it will be entered in B-COMM under the B-COMM Terminal Discovery client under BCTDS (Terminal DiscoveryStream).2. If the device is to be managed via a B-COMM, it can be moved to the desiredstream and provided with the corresponding communication parameters.ðAfter having assigned the device permanently to B-COMM, B-COMM first up-dates the settings of the device and then makes a backup of the settings to-gether with the “sop.ini” license file.3. Transmitting specific parameters and master records to the device.ðThe terminal software is automatically restarted, after which the device isready for use.ðThe device now reports to the B-COMMs active in the network that registra-tion has been carried out, after which the device will be removed again fromthe BCTDS stream by the other B-COMMS.ðThis concludes the automatic registration via B-COMM.
Technical Manual Start-up7104045376 - 05/2016Kaba access manager 92 306.3 Start options6.3.1 Performing a cold startNOTICEWhen performing a cold start, parameters are reset to their default values. Masterrecords and booking records are deleted.Network settings as well as group and terminal addresses remain unchanged.1. Turn off the device.2. Turn on the device.ðThe yellow status LED is lit.ðAfter approx. 40 seconds, the yellow status LED starts flashing.3. Within 10 seconds, press the reset key and keep it depressed.ðThe status LED flashes faster for 5 seconds.ðThe status LED lights up in green for 2 seconds.ðA cold start was performed.4. Release the reset key again.ðThe status LED lights up in red for 5 seconds.ðThe status LED is lit in green.ðThe system is ready for use, a cold start was performed.
Start-up Technical Manual72 04045376 - 05/2016 Kaba access manager 92 306.3.2 Perform a cold start and set the default IP address 123.0.0.2When performing a cold start, parameters are reset to their default values. Masterrecords and booking records are deleted.1. Turn off the device.2. Turn on the device.ðThe yellow status LED is lit.ðAfter approx. 40 seconds, the yellow status LED starts flashing.3. Within 10 seconds, press the reset key and keep it depressed.ðThe status LED flashes faster for 5 seconds.ðThe status LED lights up in green for 2 seconds.ðA cold start was performed.ðThe status LED lights up briefly in red and then flashes in red for 5seconds.ðThe status LED flashes in green for 2 seconds.ðThe default IP address 123.0.0.2 has been set.4. Release the reset key again.ðThe status LED is lit in green.ðThe system is ready for use, a cold start was performed, and the default IP ad-dress 123.0.0.2 was set.6.3.3 Setting the default IP address 123.0.0.2 (without cold start)1. Turn off the device.2. Turn on the device.ðThe yellow status LED is lit.ðAfter approx. 40 seconds, the yellow status LED starts flashing.ðAfter another 10 seconds, the red status LED is lit.3. Within 5 seconds, press the reset key and keep it depressed.ðThe status LED flashes faster for 5 seconds.ðThe status LED flashes green for 2 seconds.ðThe default IP address 123.0.0.2 has been set.4. Release the reset key again.ðThe green status LED is lit.ðThe system is ready for use, the default IP address 123.0.0.2 was set.
Technical Manual Start-up7304045376 - 05/2016Kaba access manager 92 306.4 Service InterfaceThe device is provided with a service interface allowing you to make manual settings.Access takes place via the network connection of the device, either directly or via thenetwork. For direct connection, an Ethernet cross-over cable (crossed RJ-45 cable) oran Ethernet patch cable 1:1 can be used (Auto MDIX).The service interface can be accessed from a service PC via web browser by typingthe device IP address into the address box. If the IP address of the device is notknown, you can either set the default IP address 123.0.0.2 or determine and assignthe IP address using the Device Discovery Tool [}6.5].The Device Discovery Tool is always available for download on the Internet at theKaba site.6.4.1 LoginUser name and password are requested after selecting the service interface.The following users are already defined by default:User name Passwordadmin adminroot root6.4.1.1 Changing passwordsFor security reasons, the default password should be changed. After the login withuser "root", both passwords can be changed by means of the "User management"function.6.4.2 Basic structureAfter successful login, you can use the service functions. Select the desired functionfrom the main menu on the left.
Start-up Technical Manual74 04045376 - 05/2016 Kaba access manager 92 306.4.3 Overview of the service functionsSYSTEM Function DescriptionInformation System Information Information on hardware and softwareof the device and display of IP addressand MAC addressStatistics Time elapsed since last system startLicense License Display of the current software licenseCreate temporary testlicenseCreation of a temporary test license withfull functionality. This test license allowsyou to use all options. It is valid for a du-ration of 7 days and can be generatedfive times.Diagnosis Log overview Display/download of the log filesReboot Reboot B-Client AC30 Restart access manager, in order to ac-cept, for example, modified network set-tings or to perform a cold start, see chap-ter 6.3.1).SETTINGS Function DescriptionNetwork Network Settings Settings for communication via the net-work.Host Settings Definition of the host computerFTCS Settings Definition of the FTCS (Finger TemplateControl Server).These settings are required if the deviceis equipped with a biometric reader.CardLink Settings Definition of the CardLink host.These settings are required if a separatehost is used to distribute the specific pa-rameters and data records for CardLink.Date and time Date and time Display and, if necessary, set date andtime.User managementChange user passwords Change the passwords for the “admin”and “root” users6.4.4 Actions within the service functionsClearing input fields• Click the Clear button.Applying entries and closing the function• Click the Submit button.Canceling the function, discarding entries• Click the Cancel button or select a different function from the menu.
Technical Manual Start-up7504045376 - 05/2016Kaba access manager 92 306.4.5 Network settingsFunction call: Menu > SETTINGS > Network > Network SettingsGetting an IP address from the DHCP server1. Tick “Enable DHCP”.2. Enter the IP address of the DNS server in the “DNS Server Address” input field. En-ter 0.0.0.0 if no DNS server is to be used in the network.Requesting the IP address from the DHCP server on the basis of the terminalname1. Tick “Enable DHCP”.2. Enter the “Terminal Name” and “Terminal Domain Name” according to RFC 1123.3. Enter the IP address of the DNS server in the “DNS Server Address” input field. En-ter 0.0.0.0 if no DNS server is to be used in the network.Assigning a permanent IP address1. Enable “Static network configuration”.2. Enter the desired IP address of the device in the “Terminal IP Address” input field.3. Enter the netmask in the “Netmask” input field.4. If the device and the host PC are in different network segments, you will have toenter the gateway IP address that connects the network segments in the “Gate-way IP address” input field. Enter 0.0.0.0 if no gateway is available.5. Enter the IP address of the DNS server in the “DNS Server Address” input field. En-ter 0.0.0.0 if no DNS server is to be used in the network.
Start-up Technical Manual76 04045376 - 05/2016 Kaba access manager 92 30Group identification and device identificationThe group and device identifications are used to address a device. This identificationis part of each parameter record and each data record.1. Enter the group identification in the “Group ID (GID)” input field.2. Enter the device identification in the “Device ID (GID)” input field.Value range: GID: 00 to 29, DID: 00 to 59.In combination with the communication software B-COMM, the following must beobserved when assigning the device identification DID.The device identifications must be assigned step-by-step for devices with connectedsubterminals. The device identifications in between are reserved for subterminals.• Assign the device identifications for terminals with up to 4 subterminals in stepsof 5, that is, 0/5/10/15, etc.• Assign the device identifications for the access manager with up to 8 subtermi-nals in steps of 10, that is, 0/10/20, etc.• Assign the device identifications for the access manager with up to 16 subtermi-nals in steps of 20, that is, 0/20/40, etc.
Technical Manual Start-up7704045376 - 05/2016Kaba access manager 92 306.4.6 Host settingsSetting of the communication type and definition of the host computer.Function call: Menu > SETTINGS > Network > Host SettingsCommunication via Ethernet / UDPThis is the standard communication type1. Set the “ETH/UDP” interface.2. Enter the IP address of the computer communicating with the terminal softwarein the “Host name or IP address” field. If a DNS has been configured, it is also pos-sible to specify the host name in this field.3. In the “Port” field, select the UDP port used for communication. It is specified inhexadecimal format. Possible values are 7700 to 77EF.Communication via Ethernet / XMLThis communication type is a precondition for HTTP/HTTPS-based applications thatare used directly as communication software instead of B-COMM.1. Set the "ETH/XML" interface.2. Enter the IP address of the computer communicating with the terminal softwarein the “Host name or IP address” field. If a DNS has been configured, it is also pos-sible to specify the host name in this field.3. In the “Port” field, select the UDP port used for communication. It is specified inhexadecimal format. Possible values are 7700 to 77EF.Automatic registrationThis function allows the device to be operated almost automatically. The device re-ports cyclically to the active B-COMMs in the network and is then registered [}6.2]by them.The function can be enabled or disabled by means of the "Host Registration" checkbox.
Start-up Technical Manual78 04045376 - 05/2016 Kaba access manager 92 30EncryptionThe “Enable encryption” check box is used to enable and disable the encryption viaEthernet.A license is required for this function.Proxy serverIf a proxy server is used:1. Enable “Use a Proxy Server”.2. Enter the proxy server name or IP address and the port.
Technical Manual Start-up7904045376 - 05/2016Kaba access manager 92 306.4.7 FTCS host settingsDefinition of the FTCS (Finger Template Control Server).Function call: Menu > SETTINGS > Network > FTCS SettingsThese settings are required if subterminals with biometric readers are connected. Thesettings are only required if the FTCS service is provided by a separate host server.1. Enter the IP address of the computer on which the FTCS service is running (B-COMM server). If a DNS has been configured, it is also possible to specify theFTCS host name in this field.2. Select the UDP port used for communication in the “Port” field, default=7800.6.4.8 CardLink host settingsDefinition of the CardLink host.Function call: Menu > SETTINGS > Network > CardLink SettingsThese settings are required if a separate host is used to distribute the specific param-eters and data records for CardLink.1. Enter the IP address of the host that provides the CardLink data. If a DNS hasbeen configured, it is also possible to specify the CardLink host name in this field.2. Select the UDP port used for communication in the “Port” field, default=7700.EncryptionThe UDP encryption function is optional. A license is required for this function.The “Enable encryption” check box is used to enable and disable the encryption viaEthernet UDP.
Start-up Technical Manual80 04045376 - 05/2016 Kaba access manager 92 306.5 Device Discovery ToolThe Device Discovery Tool allows a manual device start-up without automatic regis-tration via B-COMM.The Device Discovery Tool is started on a service PC. It detects any devices availablein the network which wait for the host registration using the B-Client AC30 terminalsoftware and displays them.After selecting a device, the network parameters can be adjusted.6.5.1 System requirementsThe program is an executable Java archive (.jar) JavaRuntime (JRE) from version 1.4installed is required to execute the program.Thus the program is executable on any computer system for which Java is available.The device sends SSDP multicasts via address 239.255.255.250 to port 1900. A fire-wall must be configured in such a way that these messages are not blocked. This re-striction does not apply to the same network segment or a direct connection.6.5.2 Selecting the network interfaceAfter starting the Device Discovery Tool you first have to select the network interfaceof the service PC.1. Start the Device Discovery Tool.2. Execute the "Open" menu item.ðAny available network interfaces of the service PC are listed.3. Select the network interface connected with the network which is used to com-municate with the device in question.6.5.3 Displaying devices with B-Client AC30The program will now wait for SSDP packages from devices with B-Client AC30.If a device is detected, its IP address and MAC address will be shown in the list.This process may take up to one minute!Physical assignment of a device is made via the MAC address. It is affixed to and visible on/in every device (CPU).
Technical Manual Start-up8104045376 - 05/2016Kaba access manager 92 306.5.4 Changing network parametersAfter selecting a device in the list, the current version of the installed terminal soft-ware is additionally indicated.Furthermore the network parameters are displayed. IP address, net mask and gate-way can be changed, if required.Assigning a new IP address and disabling the host registration1. Select the device to be changed in the list.2. Enable the "Set static IP address" check box.ðThe input fields are active.3. Enter IP address and net mask.4. Enter gateway. Enter "0.0.0.0" if no gateway is to be set or leave the field blank.5. Leave the "Disable Host Registration" check box enabled.6. Click the “Submit” button.ðThe selected device applies the settings and executes a restart with disabled hostregistration.When changing network settings please make sure that the values are entered cor-rectly in the fields. Invalid values are not applied by "Submit" and a correspondingmessage is output.The device does not send feedback to the Device Discovery Tool. After clicking the"Submit" button you can exit the program.Disabling host registration and maintaining network parameters1. Leave the "Disable Host Registration" check box enabled.2. Leave the "Set static IP address" check box disabled.3. Click the “Submit” button.ðThe selected device executes a restart with disabled host registration.Irrespective of any previously entered values the device network settings are notchanged.Do not make any changes, since host registration is supposed to remainenabled1. Click the “Exit” button.ðThe program is closed.
Start-up Technical Manual82 04045376 - 05/2016 Kaba access manager 92 306.6 SFTP serverThe device provides an SFTP server for a secure, encrypted connection via the “Se-cure File Transfer Protocol” (SFTP).6.6.1 PrerequisitesFor the SFTP to access the terminal, the following is required:• SFTP client, for example WinSCP. WinSCP (Windows Secure CoPy) is a free “opensource” SFTP and FTP client for Microsoft Windows.• Kaba key file. The standard Kaba key file is always available for download on theInternet at the Kaba site in the secured area.• The SFTP connection via the standard port 22 must have been enabled.6.6.2 Establishing an SFTP connectionAfter installation and start of the SFTP client, the login window appears.Required settings:File protocol: SFTPHost name: <IP address> e.g. 10.10.11.79Port number 22User name: adminPassword: leave blankPrivate key file: Select Kaba key file on local computer.1. Make the following entries and settings2. Click “Login” .
Technical Manual Start-up8304045376 - 05/2016Kaba access manager 92 303. Enter pass phrase. Pass phrase for standard Kaba key = kaba4. Click "OK" ðThe connection to the terminal is being established.
Packaging/Return Technical Manual84 04045376 - 05/2016 Kaba access manager 92 307 Packaging/ReturnIncorrectly packaged assemblies and devices may cause expenses due to damageduring transport.Please observe the following information when sending Kaba products.Kaba shall not be liable for damage to products which can be attributed to insuffi-cient packaging.7.1 Complete DevicesThe original packaging is specially adapted for the device. It offers the greatest possi-ble protection against transport damage.Always use the original packaging for returns.If this is not possible, then ensure the packaging prevents damage to the device.• Use a stable, thick-walled transport crate or a box. The transport crate should belarge enough that there is 8–10cm space between the device and the containerwall.• Wrap the device in suitable film or put in a bag.• Pad generously around the device e.g. using foam padding or bubble wrap. Itmust be ensured that the device does not move within the packaging.• Only use dust-free environmentally-friendly filling material.7.2 Electronic AssembliesElectronic assemblies sensitive to ESD, such as circuit boards, readers, etc., must bestored, transported and sent in suitable ESD protective packaging. The packaging ofelectronic assemblies may only be carried out in ESD-protected workplaces by per-sons who are familiar with and follow the general ESD protective regulations.The return of electronic assemblies in packaging with sufficient ESD protection is acondition for• making guarantee claims in the event of malfunctions of any kind.• replacement delivery of electronic circuit boards and components when an ex-change is provided.In order to guarantee a high quality standard, electronic components supplied inpackaging without sufficient ESD protection will be neither analyzed nor repaired,but instead disposed of directly.
Technical Manual Packaging/Return8504045376 - 05/2016Kaba access manager 92 307.3 MarkingComplete return papers and correct labeling allow us to process matters quickly.Please ensure that a delivery note is included with the package. The delivery noteshould include the following information:• Number of devices or components per package.• Item numbers, serial numbers, designations.• Address of your company/contact.• Reason for the return, e.g. repair exchange.• Informative description of the fault.In the event of returns from outside of the EU, a customs invoice with the real cus-toms value will also be required. In some countries (e.g. Switzerland) a preference willbe required.
Disposal Technical Manual86 04045376 - 05/2016 Kaba access manager 92 308 DisposalThis product meets the requirements of the WEEE Directive and, in accordance withDIN standard EN 50419, is labeled with the WEEE crossed-out garbage can symbol.The symbol indicates the separate disposal of electric and electronic equipment inEU countries.Do not dispose of the device with household waste under any circumstances.Used devices contain valuable recyclable materials that should be recycled. Used de-vices should therefore be disposed of via the collection system used in your country.Disposal in Germany: After use, Kaba GmbH undertakes to carry out the proper disposal of the suppliedgoods in line with legal requirements (such as the ElektroG law in Germany). All costsincurred for the transport of goods to the manufacturer's plant will be borne by theowner of the used electronic equipment.Disposal in Switzerland:Send the device to an electronic equipment collection facility as per the VREG regula-tion.In the EU, electrical devices should be disposed of in accordance with national wastedisposal and environmental directives.The erasure of personal data before disposal must be carried out self-dependent.Dispose of packaging in an environmentally-friendly manner.The packaging materials are recyclable. Please do not put the packaging in withhousehold waste, instead dispose of with waste for recycling.
Technical Manual Appendix8704045376 - 05/2016Kaba access manager 92 309 Appendix9.1 Configuration Kaba Access Manager 92 30Customer/Site:Commissioning byName/company: Date:TCP/IP settingsMAC address: IP address:Host IP: Gateway IP:Netmask: UDP Port:Device settingsGID/DID: B-Client AC30 version:Software licenseReaders/subterminals   2  Encryption   AVISO   CardLinkMaster records   2,000   10,000   50,000 Registration records   8,000   40,000   100,000Readers/subterminalsLocation Address Inputs Outputs RemarkBackup data directory + sop.iniPerformed: Date:Backup stored with: Phone:
Appendix Technical Manual88 04045376 - 05/2016 Kaba access manager 92 30IndexNumerical24 V DC input.............................................................................. 17AAlarm relay................................................................................... 27Ambient conditions.................................................................. 20Ambient temperature.............................................................. 20Automatic registration via B-COMM .................................. 70Autonomous............................................................................... 28AVISO............................................................................................. 14BB-Client AC30 terminal software ......................................... 14Bolt contact ................................................................................. 27Bus termination ......................................................................... 50CCable entry .................................................................................. 37CardLink........................................................................................ 14CardLink host settings............................................................. 79CardLink update records ........................................................ 14CardLink validation records................................................... 14CE conformity ............................................................................. 21Coaxial cable............................................................................... 41Cold start ...................................................................................... 71Conformity................................................................................... 21DData encryption ......................................................................... 14Default IP address ..................................................................... 72Designated use .......................................................................... 10Device Discovery Tool ............................................................. 80Device status............................................................................... 35Device variants........................................................................... 13DHCP.............................................................................................. 70DHCP server ................................................................................ 75DID.................................................................................................. 76Digital inputs .............................................................................. 18Dimensional drawings............................................................. 20Dimensions.................................................................................. 20Disposal ........................................................................................ 86DNS server ................................................................................... 75Door frame contact .................................................................. 27Door handle contact ................................................................ 27Door opener key........................................................................ 27Door-opener ............................................................................... 62Door-opener relay..................................................................... 27EElectromagnetic fields............................................................. 36ESD protective measures........................................................ 11Ethernet interface ..................................................................... 19Ethernet LED ............................................................................... 34Ethernet receptacle .................................................................. 45External power supply unit.................................................... 17FFast online.................................................................................... 28Fastening dimension ............................................................... 42Fastening the cover.................................................................. 68FTCS host settings..................................................................... 79Function of the inputs............................................................. 27Function of the outputs.......................................................... 27Functional principle ................................................................. 24GGID:................................................................................................. 76Group identification and device identification .............. 76Grouped safety messages...................................................... 10HHF-RFID ......................................................................................... 19Hole pattern ................................................................................ 42Host settings ............................................................................... 77HTTP/HTTPS ................................................................................ 77IIdentification plate ................................................................... 22Ingress protection..................................................................... 20Inputs.......................................................................................18, 53Inputs - Function ....................................................................... 27Installation lines......................................................................... 41Installation scheme......................................................38, 39, 40Interfaces...................................................................................... 19IP address ..................................................................................... 75JJumper bus termination ......................................................... 50LLabeling ........................................................................................ 22LEDs Inputs.................................................................................. 56LEDs Outputs .............................................................................. 63License file ................................................................................... 14Light emitting diodes .............................................................. 34Light emitting diodes RS-485 ............................................... 51Limited power source.............................................................. 17Line lengths................................................................................. 49Line monitoring ......................................................................... 53MMAC address ............................................................................... 22Master line ................................................................................... 49Master records............................................................................ 14Memory options ........................................................................ 14NNetwork cable ............................................................................ 41Network connection ................................................................ 45Network requirements ............................................................ 69Network settings ....................................................................... 75Number of subterminals......................................................... 14
Technical Manual8904045376 - 05/2016Kaba access manager 92 30OOffline operating state ............................................................ 28Online operating state ............................................................ 28Operating states ........................................................................ 28Output voltages......................................................................... 17Outputs...................................................................................18, 57PPackaging..................................................................................... 84Pass through ............................................................................... 27PoE (Power over Ethernet)..................................................... 17PoE switch.................................................................................... 44Power LED.................................................................................... 34Power supply .............................................................................. 17Power supply of the subterminals ...................................... 15Power supply unit ..................................................................... 17Proxy server................................................................................. 78RR&TTE Directive................................................................ 21Reader ........................................................................................... 19Reader interface......................................................................... 13Readers.......................................................................................... 26Registration records ................................................................. 14Registration unit ..................................................................26, 48Relative humidity ...................................................................... 20Relay outputs........................................................................18, 57Return............................................................................................ 84RFID standard ............................................................................. 19RoHS............................................................................................... 21RS-232............................................................................................ 19RS-485............................................................................................ 19RS-485 bus termination .......................................................... 50RS-485 interface......................................................................... 49RS-485 LEDs................................................................................. 51SSafety ............................................................................................. 10Safety messages ........................................................................ 10Serial interface............................................................................ 19Service Interface ........................................................................ 73SFTP server................................................................................... 82Software options ....................................................................... 14sop.ini ............................................................................................ 14Status display Inputs................................................................ 56Status display Outputs ............................................................ 63Status LED ..............................................................................34, 35Stub line........................................................................................ 49Supplementary Documentation.............................................8Switch PoE ................................................................................... 44Switching criteria....................................................................... 55System requirements............................................................... 70TTamper.......................................................................................... 67Terminal software ..................................................................... 14UUpdate records .......................................................................... 14VValidation records..................................................................... 14Vandal contact ........................................................................... 67WWall mounting............................................................................ 42Weight........................................................................................... 20Wiegand .................................................................................19, 52

Navigation menu