dormakaba Deutschland KAM9232-K5 RFID Reader User Manual TM AM9232 201609 en

Kaba GmbH RFID Reader TM AM9232 201609 en

user manual

Kaba access manager 92 32Technical ManualEN04045524 - 08/2016
Kaba AGAccess & Workforce ManagementHofwisenstrasse 248153 RümlangSwitzerlandPhone +41 44 818 93 11www.kaba.comKaba AGAccess & Workforce ManagementMühlebühlstrasse 238620 WetzikonSwitzerlandPhone +41 44 931 61 11www.kaba.comKaba GmbHAccess & Workforce ManagementAlbertistraße 378056 Villingen-SchwenningenGermanyPhone +49 7720 603 0www.kaba.comThis document must not be reproduced in any way or otherwise further used without the written consent of Kaba AG.All product names are trademarks of the respective companies.Copyright 2016 Kaba AG. All rights reserved.04045524 - 08/2016
Technical Manual Table of contentsKaba access manager 92 32 304045524 - 08/2016Table of contents1 About this Document ............................................................................................................................. 51.1 Validity............................................................................................................................................................................... 51.2 Target group ................................................................................................................................................................... 51.3 Contents and purpose................................................................................................................................................. 51.4 Availability of Documents.......................................................................................................................................... 51.5 Orientation in the document.................................................................................................................................... 61.6 Complementary documents ..................................................................................................................................... 61.7 Warnings........................................................................................................................................................................... 71.7.1 Hazard Categories.......................................................................................................................................... 71.7.2 Symbols.............................................................................................................................................................. 71.8 Notes.................................................................................................................................................................................. 72 Grouped safety messages...................................................................................................................... 82.1 Use as directed ............................................................................................................................................................... 82.2 Mounting and installation.......................................................................................................................................... 82.3 Service and Maintenance ........................................................................................................................................... 82.4 Accessories and spare parts ...................................................................................................................................... 82.5 ESD (electrostatic discharge) protective measures........................................................................................... 92.6 Environmental protection ......................................................................................................................................... 93 Product Description ............................................................................................................................. 103.1 Overview.........................................................................................................................................................................103.2 Areas of application....................................................................................................................................................103.3 Technical Data ..............................................................................................................................................................113.3.1 System ..............................................................................................................................................................113.3.2 Power supply .................................................................................................................................................113.3.3 Output voltages............................................................................................................................................113.3.4 Outputs ............................................................................................................................................................123.3.5 Inputs................................................................................................................................................................123.3.6 Interfaces .........................................................................................................................................................123.3.7 LEGIC reader...................................................................................................................................................133.3.8 Ambient conditions.....................................................................................................................................133.3.9 Dimensions/Weight.....................................................................................................................................133.3.10 Dimensional drawings................................................................................................................................133.4 Conformity.....................................................................................................................................................................143.5 Labeling ..........................................................................................................................................................................154 Design and function ............................................................................................................................. 164.1 Opening the housing.................................................................................................................................................164.2 Functional principle....................................................................................................................................................174.3 Superior system ...........................................................................................................................................................174.4 Structure of the registration unit...........................................................................................................................174.5 Function of the inputs ...............................................................................................................................................184.6 Function of the outputs ............................................................................................................................................184.7 Terminal software .......................................................................................................................................................184.8 Registration units ........................................................................................................................................................19
Table of contents Technical Manual4 Kaba access manager 92 3204045524 - 08/20164.9 Door templates ............................................................................................................................................................194.10 Light emitting diodes ................................................................................................................................................204.10.1 Device status..................................................................................................................................................215 Installation ............................................................................................................................................ 225.1 Installation conditions...............................................................................................................................................225.1.1 General.............................................................................................................................................................225.1.2 Installation site ..............................................................................................................................................225.1.3 Connections ...................................................................................................................................................225.1.4 Cable entry......................................................................................................................................................235.2 Installation diagram ...................................................................................................................................................245.2.1 Access control with registration unit ....................................................................................................245.3 Installation lines...........................................................................................................................................................255.3.1 Ethernet ...........................................................................................................................................................255.3.2 Line to the door opener, the door opener key, and the door contacts....................................255.3.3 Coaxial cables to registration units........................................................................................................255.4 Wall mounting..............................................................................................................................................................265.5 Cable routing ................................................................................................................................................................275.6 Setting the PoE switches ..........................................................................................................................................275.7 Connections ..................................................................................................................................................................285.7.1 Network connection....................................................................................................................................285.7.2 Overview of terminals.................................................................................................................................295.7.3 External 24 V DC power supply ...............................................................................................................305.7.4 Registration units .........................................................................................................................................315.7.5 Inputs................................................................................................................................................................325.7.6 Outputs ............................................................................................................................................................355.8 Vandal contact..............................................................................................................................................................405.9 Fastening the cover....................................................................................................................................................416 Commissioning ..................................................................................................................................... 426.1 Start options..................................................................................................................................................................426.1.1 Reset key and status LED ...........................................................................................................................426.2 Performing a cold start..............................................................................................................................................436.3 Commissioning procedure ......................................................................................................................................446.3.1 Planning the system in partner application .......................................................................................446.3.2 Registering the setup medium in partner application ...................................................................446.3.3 Connecting the device to the power supply......................................................................................456.3.4 Configuring the Ethernet interface using Service Tool ..................................................................456.3.5 Installing the registration unit .................................................................................................................486.3.6 Commissioning the device with setup medium...............................................................................487 Packaging/Return................................................................................................................................. 497.1 Complete Devices .......................................................................................................................................................497.2 Electronic Assemblies ................................................................................................................................................497.3 Marking ...........................................................................................................................................................................508 Disposal................................................................................................................................................. 51Index...................................................................................................................................................... 52
Technical Manual About this Document504045524 - 08/2016Kaba access manager 92 321 About this Document1.1 ValidityThis document describes the product:Product name: Kaba access manager 92 32Item number 04079232Terminal software: EX-AM xx.xx.xxManufacturing date: As of  November 2015This document describes all device versions and optional equipment and functions.Options need to be paid for and are therefore only available if they have been pur-chased. Additional equipment and functions may not yet be available at the time ofissuing the document and, possibly, can only be purchased at a later stage.1.2 Target groupThis document is exclusively intended for specialist personnel.The descriptions require specialist personnel trained by the manufacturer. The de-scriptions do not replace product training.For reasons of device safety, the installation and maintenance operations describedin this document must be carried out only by service persons according to EN60950-1 (Information technology equipment - Safety).Service persons are persons having adequate technical training and sufficient experi-ence to be aware of and to minimize the possible risks for themselves or other per-sons, which may occur when carrying out these operations. The service persons areresponsible for adhering to the instructions given by the manufacturer and to the ap-plicable standards and regulations during execution of their work.This document is also used as information for persons with the following tasks:•Project planning and implementation• Commissioning the product within the network• Connecting the product to the user software by programming customer applica-tions• Customer-specific adjustment by setting the parameters of the product1.3 Contents and purposeThe content is limited to the assembly, installation, start-up, and basic operation of the hardware.1.4 Availability of DocumentsAll documents can be obtained from our sales partners.
About this Document Technical Manual6 04045524 - 08/2016 Kaba access manager 92 321.5 Orientation in the documentThis document contains the following orientation aids to facilitate finding of specifictopics:• The table of contents at the beginning of the manual gives an overview of alltopics.• The header always contains the respective main chapter.• Cross references always indicate the number of the chapter in which the supple-mentary information can be found. Example [   5.7].• An index in the alphabetical order is given at the end of the manual.1.6 Complementary documentsThe planning guideline "exivo" contains details on the optimum use of the device.Supplementary documentation is available on the Kaba website. The technical man-uals are located in a secured area of the website.• Access is only possible after logging in.• An account will need to be created before logging in for the first time.Access and login:1. In the browser, access the Kaba page http://www.kaba.com.2. Select the language in the top right.3. Under "Products", select the "Access Management" or "Workforce Management"product division.4. In the top right section of the screen, click on the following symbol:.5. Enter your e-mail address and password and login or create an account (see be-low).ðThe technical manuals can be found under "Downloads".Create account:1. Click "Create account".2. Complete the data fields and confirm.ðA confirmation link will be sent to your e-mail address.3. To activate your account, click on the confirmation link in your e-mail.
Technical Manual About this Document704045524 - 08/2016Kaba access manager 92 321.7 WarningsWarnings containing information/instructions and prohibitions to prevent injury topersons and damage to property are specially labeled.Please pay attention to warnings. They are intended to help prevent accidents andavoid damage.1.7.1 Hazard CategoriesWarnings are split into the following categories:CAUTIONSlight RiskDescribes a potentially hazardous situation that could result in minor physical in-juries.NOTICEInformation on how to handle the product correctly.Failure to comply with these warnings may result in malfunctions. The product orsomething in its vicinity could be damaged.1.7.2 SymbolsDepending on the source of the hazard, symbols are used for the warnings, andthese have the following meanings:General danger Danger for electronic compo-nents from electrostatic dis-charge1.8 NotesParticular attention must be paid to notes identified with the symbol!Tips and useful information. These help you to make best use of the product and itsfunctions.
Grouped safety messages Technical Manual8 04045524 - 08/2016 Kaba access manager 92 322 Grouped safety messagesThis product has been built in accordance with state-of-the-art standards and therecognized safety rules. Nevertheless, its use may constitute a risk to persons andcause damage to material property.Read and observe the following safety instructions before using the product.2.1 Use as directedThe product is only intended for use as described in chapter “Product description”.Any use beyond that is considered contrary to its designated use. The manufacturercannot be held liable for damage resulting from such use. Such use is at the sole riskof the user/operator.2.2 Mounting and installationMounting and installation may only be carried out by service persons (see chapter 1“Target group”).Mains voltage installations may only be carried out by a certified specialized com-pany or authorized electricians.Installation may only be carried out in places that fulfill the climatic and technicalconditions stated by the manufacturer.The manufacturer is not liable for damages resulting from improper handling or in-correct installation.2.3 Service and MaintenanceMaintenance work / troubleshootingOnly the service person (see chapter 1 “Target group”) is entitled to remove faultsand carry out maintenance work.Reconstruction and modificationAny alteration or modification to the device may only be performed by the serviceperson (see chapter 1 “Target group”). Any alteration or modification performed byunauthorized persons shall render void any liability.2.4 Accessories and spare partsAccessories and spare parts must comply with the technical requirements specifiedby the manufacturer. This is guaranteed when using original accessories and spareparts from Kaba.
Technical Manual Grouped safety messages904045524 - 08/2016Kaba access manager 92 322.5 ESD (electrostatic discharge) protective measuresNOTICEDanger for electronic components due to electrostatic discharge.Improper handling of printed circuit boards or components can cause damages thatlead to complete failures or sporadic errors.• During installation and repair of the product, the ESD protective measures mustbe considered.• Wear an ESD wristband when handling electronic components. Connect the endof the wristband to a discharge socket or an unvarnished grounded metal com-ponent. This way, static charges are discharged from your body securely and ef-fectively.• Touch only the edges of circuit boards. Do not touch the circuit board nor theconnector.• Place all dismantled components on an antistatic surface or in an antistatic con-tainer.• Avoid contact between circuit boards and clothing. The wristband only protectsthe printed circuit boards against electrostatic discharge from your body, butthere is still a risk of damage through electrostatic discharge from your clothing.• Transport and dispatch dismantled modules only in electrostatically shieldedprotective bags.2.6 Environmental protectionIt is prohibited to dispose of the device in your domestic waste.Used devices contain valuable materials that should be recycled. Properly dispose ofused devices.
Product Description Technical Manual10 04045524 - 08/2016 Kaba access manager 92 323 Product Description3.1 OverviewThe Kaba access manager 92 32 is designed specifically for access control of an indi-vidual door (access/exit).This is why the device is installed in secure indoor locations near the access. The de-vice is designed for direct mounting on the wall. However, it can also be mounted insuspended ceilings, wall recesses etc.Up to two registration units can be connected directly to the access manager. A reg-istration unit allows contact-free reading and writing of RFID media in LEGIC technol-ogy.Communication with the superior Internet platform takes place via an Ethernet inter-face 10BASE-T/100BASE-TX/1000BASE-T.Power is supplied over PoE (Power over Ethernet). As an alternative the power supplycan also be performed via an external 24 V DC power supply unit.For control and sensors of the door management, the device has 4 inputs and 3 out-puts.3.2 Areas of applicationAccess controlBased on various criteria, the access manager checks whether a booking made on aregistration unit is authorized or not.Door management• Door activation• Monitoring of door opening• Monitoring of door opening time• Access monitoringAlarm ManagementThe access manager reports irregularities in access control or door management tothe Internet platform.
Technical Manual Product Description1104045524 - 08/2016Kaba access manager 92 323.3 Technical Data3.3.1 SystemAccess manager processor• ARM926, system clock 454 MHz• NOR flash memory: 64MB• RAM: 64 MB• Operating system: WIN CEexivo processor• ARM Cortex A5, system clock 536 MHz• NAND flash memory: 256 MB• RAM: 256 MB• Operating system: Linux3.3.2 Power supplyFor power supply of the device, there are the following alternative options:• PoE (Power over Ethernet)• External 24 V DC power supply unitPoE (Power over Ethernet)Power supply via the 8-wire Ethernet cable (max. 100 m, min. Cat-5e)• Acc. to IEEE 802.3af (12.95 W) and IEEE802.3at (25.5 W=> PoE+)24 V DC inputPower supply via the 24 V DC input using an external power supply unit.• Input voltage: 24 V DC ±10%• Current consumption: max. 2.5 A• Power of the power supply unit: 12-60 WFor supply of the device, a power output of approx. 12 W is necessary. Depending onthe required power for output voltages, additionally up to 48 W for external con-sumers.Use only power supply units that fulfill the requirements of EN/UL/CSA 60950-1 asLPS (Limited Power Source).3.3.3 Output voltagesUse Terminals Performance figuresPower supply for external readers12 V DC OUT 12 V DC; max. 3 W 1 respectivelyPower supply for door openeretc.Switchable to OUT1Selection via jumper12 V DC; max 7 W (PoE)12 V DC; max. 17 W (PoE+)24 V DC; max. 48 W 21 The power specification requires that the permissible maximum impulse powerfor PoE supply is not exceeded.– IEEE 802.3af (PoE) = 12.95 W– IEEE802.3at (PoE+) = 25.5 W2 The output voltage 24 V DC is available only for power supply via an externalpower supply unit. Not for PoE power supply.
Product Description Technical Manual12 04045524 - 08/2016 Kaba access manager 92 32The power specification refers to the contact loading capacity of the relay. Theactual available power depends on the power of the external power supply unit.3.3.4 Outputs3 relay outputs• OUT1: Switches one of the following power sources to the terminal (can be selected via jumper):– 12 V DC– 24 V DC (external device power supply)– External relay voltage (can be fed in via the terminals)• OUT2 + OUT3: Potential-free change-over contact• Contact rating: 30 V AC/DC; 2 A max.• LED status display3.3.5 Inputs4 digital inputs• With integrated power supply and common ground to connect potential-freecontacts.• Optional line monitoring• LED status displayTamper• Switching contact for removal of the housing cover• Switching contact for removal of the device from the wall (bridge using jumper)3.3.6 InterfacesEthernet interface• IEEE802.3 compatible 10BASE-T/100BASE-TX /1000BASE-T Auto sensing, AutoMDIX.RS-232• Serial interface for specific applications• Transmission parameters can be set via the terminal software.HF-RFID• 2 registration units with or without PIN keypad (connections Ant. A and Ant. B)• Coaxial cable, impedance 50 Ohm• Encrypted data transmissionWiegand• The Wiegand 1 + 2 interfaces are not supported at the momentRS-485• The RS-485 interface is not supported at the moment
Technical Manual Product Description1304045524 - 08/2016Kaba access manager 92 323.3.7 LEGIC reader• RFID standard: ISO 14443A• Supported badge media:– LEGIC advant3.3.8 Ambient conditions• Ingress protection according to IEC 60529: IP40• Relative humidity: 5% to 85%, non-condensing• Ambient temperature:–  0 °C – +50 °C (operation)– -20 °C – +65 °C (storage)3.3.9 Dimensions/Weight• Length: 208 mm• Width: 208 mm• Depth: 48 mm• Weight: approx. 0.6 kg3.3.10 Dimensional drawingsDimensions in mm
Product Description Technical Manual14 04045524 - 08/2016 Kaba access manager 92 323.4 ConformityThis product conforms to the following standards:  EN 60950-1:2006 + A11:2009 + A1:2010 + A12:2011EN 300 330-1 V1.7.1EN 300 330-2 V1.5.1EN 301 489-1 V1.9.2EN 301 489-3 V1.6.1EN 55022:2010, Class BEN 55024:2010according to the regulations of the EC Directive1999/5/EC R&TTE DirectiveFCC FCC Code of Federal Regulations, CFR 47, Part 15, Sections 15.205, 15.207,15.215 and 15.225FCC ID NVI-KAM9232-K5FCC § 15.19This device complies with Part 15 of the FCC rules. Operation is subject to the follow-ing two conditions: (1) This device may not cause harmful interference, and (2) thisdevice must accept any interference received, including interference that may causeundesired operation.FCC § 15.21 (Warning Statement)[Any] changes or modifications not expressly approved by the party responsible forcompliance could void the user’s authority to operate the equipment.FCC § 15.105Note: This equipment has been tested and found to comply with the limits for a ClassA digital device, pursuant to part 15 of the FCC Rules.These limits are designed to provide reasonable protection against harmful interfer-ence when the equipment is operated in a commercial environment. This equipmentgenerates, uses, and can radiate radio frequency energy and, if not installed and usedin accordance with the instruction manual, may cause harmful interference to radiocommunications. Operation of this equipment in a residential area is likely to causeharmful interference in which case the user will be required to correct the interfer-ence at his own expense.IC Industry Canada Radio Standards Specifications RSS-GEN Issue 4, Sections 8.8,8.9 and 8.10 and RSS-210 Issue 8, Section A2.6 (Category I Equipment)IC:11038A-KAM9232K5ICES-003This Class A digital apparatus complies with Canadian ICES-003.Cet appareil numérique de la classe A est conforme à la norme NMB-003 du Canada.Canada RSS-GEN 8.4This device complies with Industry Canada’s licence-exempt RSSs. Operation is sub-ject to the following two conditions: (1) This device may not cause interference; and (2) This device must accept any interference, including interference that may causeundesired operation of the device.
Technical Manual Product Description1504045524 - 08/2016Kaba access manager 92 32Le présent appareil est conforme aux CNR d’Industrie Canada applicables aux ap-pareils radio exempts de licence. L’exploitation est autorisée aux deux conditionssuivantes : 1) l’appareil ne doit pas produire de brouillage; 2) l’utilisateur de l’appareil doit accepter tout brouillage radioélectrique subi, mêmesi le brouillage est susceptible d’en compromettre le fonctionnement.RoHS This device complies with the regulations of the Directive 2011/65/EU of the Euro-pean Parliament and of the Council of June 8, 2011, on the restriction of the use ofcertain hazardous substances in electrical and electronic equipment.In addition, the product also conforms to the following standards:UL 60950-1UL 294, security performance level 1 The original Declaration of Conformity can be downloaded from www.kaba.com/conformity in PDF format.3.5 LabelingThe identification plate is located on the rear of the device. The identification plate contains:• Device name• Item number• Serial number• Connection data (power supply)• CE marking• WEEE labeling acc. to DIN EN 50419QR code (QRC)In addition, an adhesive label with a QRC is located on the device. The QRC containsthe serial number of the device for identification. It is used to put the device into op-eration in its designated network.
Design and function Technical Manual16 04045524 - 08/2016 Kaba access manager 92 324 Design and function4.1 Opening the housingNOTICEDanger for electronic components due to electrostatic discharge.Improper handling can damage or destroy electrostatically sensitive components onprinted circuit boards (PCB).• General ESD protective measures must be observed and applied.Remove the housing cover in the following way:1. Remove two screws M3x8 (TORX 8) on the device bottom side.2. Swivel the bottom side of the cover and disengage it at the top.
Technical Manual Design and function1704045524 - 08/2016Kaba access manager 92 324.2 Functional principleExample of the functional principle of an access manager1 Internet platform2 Kaba access manager 92323 Registration unit4 Door opener key5 Door frame contact6 Door openerA Communication with the Internet platformB Alarm signalsC Badge data and user guidanceD Signals for door opening and monitoring4.3 Superior systemCommunication with the superior system (Internet platform) takes place via the Eth-ernet network.The superior system serves for centralized management of authorizations, access androom profiles, system configuration and alarm management.4.4 Structure of the registration unitThe data collection of identification data is performed via external registration units.Type and number of registration units that can be connected:• Max. 2 units• Connection individually via HF antenna connection (HF-RFID)• Data collection of identification data• Control of optical and acoustic signal generators• Power supply via the access manager
Design and function Technical Manual18 04045524 - 08/2016 Kaba access manager 92 324.5 Function of the inputsThe function of the inputs depends on the configuration. Some examples of possiblefunctions are listed below:Door frame contactThe door frame contact is used to transmit the door status (open/closed) to the ac-cess manager. If the maximum allowed door-opening time defined for the door haselapsed and the door is still open, the access manager sends an alarm record to theInternet platform.Door opener keyA door-opener key can be connected if no registration unit is connected in the inte-rior and if the door is not equipped with a door handle. If the door-opener key ispressed the respective door-opener relay is activated.Bolt contactWith the bolt contact, the access manager can identify the current bolt position ofthe door lock. If the bolt is not in the expected position after the end of the allowedtime, the access control manager sends an alarm message to the Internet platform.Door handle contactWith the door handle contact, the access manager can identify the door handle’s cur-rent position. If the door frame contact responds without previous activation of thedoor opener or pressing of the door handle, the access manager sends an alarmrecord to the Internet platform.The functions of the door frame contact and door opener key can be optionally con-figured in the door templates of the partner application.4.6 Function of the outputsThe function of the individual outputs depends on the configuration. Important func-tions are:Door-opener relayA door opener can be connected to the door opener relay. The door-opener relay isactivated if the access manager releases access, e.g., after an authorized booking.Alarm relayDepending on the configuration, the alarm relay can be activated in case of an au-thorized booking or alarm (e.g. door breakup).4.7 Terminal softwareThis documentation describes the complete hardware equipment of the access man-ager and its performance features.The functions of the terminal software used EX-AM xx.xx.xx are not described in thisdocument and can be found in the specific software documentation, in the onlinehelp and the descriptions saved in the software itself.The terminal software is designed for the access control via an Internet platform. Itsupports the connection of the following components to the access manager:• Kaba registration units• Various closing mechanisms
Technical Manual Design and function1904045524 - 08/2016Kaba access manager 92 324.8 Registration unitsTwo registration units can be connected to the access manager via coaxial cables(connections Ant. A and Ant. B). Make sure that the connection A is always connectedfirst and the connection B is connected after that.Supported registration units• Kaba registration unit 90 00• Kaba registration unit 90 01• Kaba registration unit 90 02 (with PIN keypad)• Kaba registration unit 90 03• Kaba registration unit 90 04The registration units to be used are assigned to the device when planning the sys-tem in the Kaba exivo software via a door template.Functional features• A registration unit allows contact-free reading of RFID media in LEGIC technol-ogy.• The registration units are supplied with power via the coaxial cable.ParameterizationThe parameterization of the registration units is defined via the "door templates" inthe partner application (software).Parameterizing informationFor the two registration units, it is not possible to determine different configurations.The configuration can be established via address A or address B and is valid for bothregistration units.External inputs, relays and vandal contact are not available.4.9 Door templatesThe access manager can be parameterized using different door templates.Supported door templatesThe number of available door templates is constantly expanded. The current doortemplates are listed in the Kaba exivo partner application.The following components can be connected to the access manager via the corre-sponding door template:• Door opener• Magnetic lock• Automatic door• Electric lock• Motor lockFunctional features• In the Kaba exivo software, various door templates with the above-mentionedcomponents are predefined. The door template to be used is selected via theKaba exivo software and assigned to the corresponding access manager.• The components are supplied with power by the access manager.
Design and function Technical Manual20 04045524 - 08/2016 Kaba access manager 92 32ParameterizationThe access manager is parameterized via the "door templates" in the partner applica-tion (software).4.10 Light emitting diodesThe housing front contains 4 light emitting diodes for status display. The light emit-ting diodes have the following symbols.Fig.1: Light emitting diodesSymbol Designation Signal MeaningEthernet Lit/flashing in yellow Data transfer activeDevice status (state) see chapter 4.10.1 see chapter 4.10.1exivo network see chapter 4.10.1 see chapter 4.10.1Power Lit in green Power goodLit in red Power failOff Power offExplanation of the power statesState MeaningPower good Device power supply is stablePower fail Load of the device power supply is within the limits. Application offurther load leads to the switch-off due to overload.Power off No power supply
Technical Manual Design and function2104045524 - 08/2016Kaba access manager 92 324.10.1 Device statusThe status of the device is indicated by the LED labeled State.Signaling depends on the terminal software used.4.10.1.1 Connection establishmentThe terminal software EX-AM xx.xx.xx indicates various states and processes via theLEDs "Device status" and "exivo network"."Device status" LEDAfter starting the device, the system performs several steps until it is ready for use.They are indicated by means of the "Device status" LED as follows:Signal MeaningYellow (approx. xx sec.) The operating system is startedFlashing in yellow (approx. xx sec.) Waits for possible key actuation (coldstart)Red (approx. xx sec.) Waits for possible key actuation (defaultIP)Green, then flashing in green The terminal software is startedStatus and error states after system startSignal MeaningGreen Terminal software was started success-fullyRed/flashing in green 1-click installation activeThe device is waiting for registration bythe Internet platformFlashing in yellow Terminal software was not startedFlashing in red Terminal software could not be startedReason:"exivo network" LEDSignal MeaningLit in red No connection with the exivo platformFlashing in yellow Connection with the exivo platform hasbeen establishedBlinking in green The device has been assigned to a sys-temLit in green The device has been successfully as-signed to a door
Installation Technical Manual22 04045524 - 08/2016 Kaba access manager 92 325 Installation5.1 Installation conditions5.1.1 GeneralAn accurate installation of all components is a basic requirement for a properly func-tioning device. The following installation instructions must be adhered to.5.1.2 Installation siteThe access manager is installed near the access. The device is designed for the directmounting on the wall. Depending on the conditions, the device can also be mountedin suspended ceilings, wall recesses etc.The access manager should be installed in the interior of the area to be secured.The access manager must be installed exclusively in interiors.Electromagnetic fieldsThe device must not be installed in the area of strong electromagnetic fields causedby switching power supply, power lines, phase controllers, etc.!5.1.3 ConnectionsThe following connectors must have been prepared at the installation site of the ac-cess manager:• Ethernet network connection for communication with the Internet platform andpower supply of the access manager via PoE• Power supply for the access manager (only for external 24 V DC power supply)• Signal lines to door openers and contacts• Coaxial lines to the registration units and/or data lines to the readers.The installation lines have to be flush with the surface or be laid in the vandal-proofarea.
Technical Manual Installation2304045524 - 08/2016Kaba access manager 92 325.1.4 Cable entryThe installation lines can be routed to the device from behind, from the side, fromabove and below.There are holes in the bottom part of the housing, on the sides and on the top andbottom; they can be removed if necessary,The lines are routed in a duct in the lower part of the rear side, there is the gland tothe connections on the front side.NOTICEEnsure sufficient line lengths on the installation site.When inserting the lines from the rear (center of the housing), the installation linesand network cable with the plug protrude from the wall for approx. 35 cm.
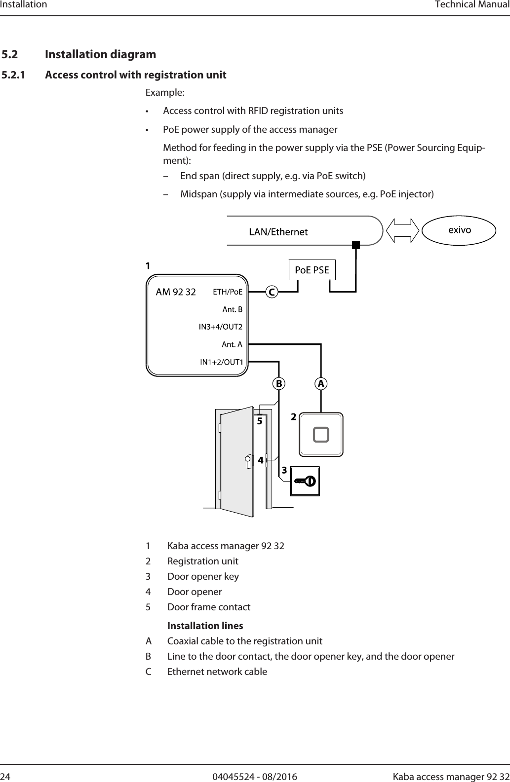
Installation Technical Manual24 04045524 - 08/2016 Kaba access manager 92 325.2 Installation diagram5.2.1 Access control with registration unitExample:• Access control with RFID registration units• PoE power supply of the access managerMethod for feeding in the power supply via the PSE (Power Sourcing Equip-ment):– End span (direct supply, e.g. via PoE switch)– Midspan (supply via intermediate sources, e.g. PoE injector)1 Kaba access manager 92 322 Registration unit3 Door opener key4 Door opener5 Door frame contactInstallation linesA Coaxial cable to the registration unitB Line to the door contact, the door opener key, and the door openerC Ethernet network cable
Technical Manual Installation2504045524 - 08/2016Kaba access manager 92 325.3 Installation lines5.3.1 EthernetNetwork cable with RJ45 plug, line requirement: CAT.5 S-UTP 4 x 2 AWG 24 oder AWG22 (according to EIA/TIA568) or higher quality.5.3.2 Line to the door opener, the door opener key, and the door contactsLine requirements: Cable diameters from 0.5 mm to 0.8 mm.Recommended cable: CAT.5 S-UTP 4 x 2 AWG 24 or AWG 22 (according to EIA/TIA568) or higher.5.3.3 Coaxial cables to registration unitsRegistration units are connected to the access manager via coaxial cables The coaxialcable transfers the HF signals from the RFID antenna, keyboard data and trigger datafor the optical and acoustic signal generators.Line requirements: Coaxial cable 50 ohms, type RG174/U.Maximum cable length: 30 mRecommended cable length: < 10 m
Installation Technical Manual26 04045524 - 08/2016 Kaba access manager 92 325.4 Wall mountingWhen feeding the cable from the side, top or below, first, provide holes for the entryof the installation lines. Not necessary for cable entry from the rear.The housing is mounted directly to the wall using screws/dowels. There are threeoval fastening holes for fastening in the housing.Fastening material (included in the delivery):• 4 round-head wood screws DIN 96, diam. 4.5 x 35 (1)• 4 washers (2)• 4 dowels S6 (3)The washers absorb mechanical tensions in case of slightly uneven surfaces andcover the fastening hole completely once the screw has been tightened. The deliv-ered washers must also be used if you use other fastening screws (depending on themounting surface).In case of soft mounting surfaces, make sure that the housing is not pressed into thesurface when mounting it. The unevenness of the mounting surface may not exceed0.5 mm. The unevenness of the mounting surface may have to be compensated foror adjusted by means of suitable measures (e.g. washers).The installation lines are led down in the duct on the rear side of the device and thento the front side of the device with connections. Make sure that the lines are notsqueezed or buckled during mounting.
Technical Manual Installation2704045524 - 08/2016Kaba access manager 92 325.5 Cable routingThe installation lines are guided through an opening on the bottom side of the de-vice from the rear side to the front side of the device.The cable passage and the internal cover have eyelets for fastening of installationlines by means of cable ties (not included in the scope of delivery).For the network cable, there is a routing duct on the inner cover.5.6 Setting the PoE switchesDepending on the power supply type, the PoE switch must be set as described be-low.
Installation Technical Manual28 04045524 - 08/2016 Kaba access manager 92 32Power supply Standard/Power Switch positionPoE IEEE 802.3af (12.95 W) PoEPoE+ IEEE802.3at (25.5 W) PoE+External 24 V DC powersupply unit12-60 W PoE+In case of power supply via an external power supply unit, the switch position PoE+ isrequired to prevent the access manager from limiting the power for external con-sumers.5.7 Connections5.7.1 Network connectionEstablishing the network connectionPlug in the network cable into the Ethernet receptacle (1) and fasten it in the glandon the cover.If the power supply is correct, the Power LED (2) lights up in green after a short time.Once the network connection has been established, the Ethernet LED (3) is flashingin yellow.
Technical Manual Installation2904045524 - 08/2016Kaba access manager 92 325.7.2 Overview of terminalsThe following terminals are located in the connection area of the device.
Installation Technical Manual30 04045524 - 08/2016 Kaba access manager 92 325.7.3 External 24 V DC power supplyAs an alternative to the PoE power supply, the access manager can also be suppliedvia an external 24 V DC power source.NOTICEPossible damage in case of simultaneous power supply via PoE and 24 V DCThe device can be damaged in case of simultaneous power supply via PoE and exter-nal supply.• Before connecting the external supply, make sure that the device is not suppliedwith power via PoE.Use only power supply units that fulfill the requirements of EN/UL/CSA 60950-1 aslimited power source (LPS).Also see about this25.7.1Network connection [}28]
Technical Manual Installation3104045524 - 08/2016Kaba access manager 92 325.7.4 Registration unitsUp to 2 registration units can be connected. The registration units A + B are con-nected by means of the coaxial cable to the RFID input terminal.Make sure that antenna A (Ant.A) is connected first and antenna B (Ant. B) is con-nected after that.Example: Connection of Kaba registration unit 90 01.Connection designation AssignmentAnt. A/B Central conductor of coaxial cableGND Shield of coaxial cable
Installation Technical Manual32 04045524 - 08/2016 Kaba access manager 92 325.7.5 InputsThe access manager has 4 inputs IN1 to IN4.Function of the inputsThe inputs are used for the inquiry of sensors such as door-opener key, door handlecontact, door frame contact, bolt contact, vandal contact, passage control (e.g., turn-stile, light barrier), etc.The function of the individual inputs depends on the selected door template.PrincipleThe inputs (IN1-IN4) are activated by means of a potential-free contact (switch or re-lay contact). An open input is recognized as “high” due to the internal pull-up resis-tor.5.7.5.1 Line monitoringThe inputs can be designed as follows:• Without line monitoring• With line monitoring (if supported and activated by the terminal software)Line monitoring allows the terminal software to detect the states short circuit and in-terruption, in addition to the states active (input closed) and not active (input open)and report them to the higher-level system.The current states of the inputs are indicated by light emitting diodes (see chapterLight emitting diodes [}4.10]).
Technical Manual Installation3304045524 - 08/2016Kaba access manager 92 325.7.5.2 Non-line-monitored inputsFig.2: Non-line-monitored inputsExample: Connection to door frame contact not line-monitored.Tampering to lines between access manager and door frame contact is not detected.5.7.5.3 Line-monitored inputsWith line monitoring activated, resistors (680 Ω, 0,25 W, 2 %) must be connected inseries and in parallel to the respective contact. The resistors must be attached in avandal secure manner directly to the external contact.Fig.3: Line-monitored inputs of access manager AM 9232Example: Connection to door frame contact line-monitored.Tampering to lines between access manager and door frame contact is detected.5.7.5.4 Status display
Installation Technical Manual34 04045524 - 08/2016 Kaba access manager 92 32Above the terminal for the inputs, there are light emitting diodes for status display ofthe inputs.Fig.4: Status display Inputs of access manager AM 9232The current status of the inputs is indicated by a red and green LED respectively asfollows.Designation Signal MeaningIN1 - IN4 Off Input is not active (open)lit green Input is active (closed)red and green lit Short circuit*red lit Interruption** only with active line monitoring
Technical Manual Installation3504045524 - 08/2016Kaba access manager 92 325.7.6 OutputsThe access manager has 3 relay outputs OUT1 to OUT3.Contact rating: 30 V AC/DC; 2 A max.The outputs can be used for the activation of motor locks, door openers, turnstiledrives, technical alarm day/night, security alarm day/night etc.The function of the individual outputs depends on the selected door template.The wiring of the output OUT1 can be adjusted via jumper (1). The following variantsare possible as an alternative:• OUT1 is used as a potential-free contact• The internal 12 V DC power supply is switched to the output OUT1.• A power supply (max. 24 VAC) applied to the VREL terminal is switched to theoutput OUT1• The external 24 V DC power supply (24 V EXT terminal) is switched to the outputOUT1.The outputs OUT2 and OUT3 are designed permanently as potential-free relay out-puts with one switching contact each.1 Jumper for the wiring of output OUT12 Fuse F1 for protection of the power supply via OUT1 Fuse value: T2.5 AThe fuse is plugged in and can be replaced without problems.The fuse F1 may only be replaced with fuses of the same type.5.7.6.1 OUT1 as potential-free switching contact
Installation Technical Manual36 04045524 - 08/2016 Kaba access manager 92 32By setting the jumper with the designation CD, the OUT1 output can be used simi-larly to the outputs OUT2 and OUT3 as potential-free switching contact.Principle of output wiring Jumper positionIMPORTANT: Only the CDjumper may be set. All otherjumpers may not be set.5.7.6.2 Switching 12 V DC to OUT1By setting the jumper with designation 12 V DC, the internal 12 V DC power supply isswitched to the OUT1 output. Consumers, for example door openers which are oper-ated with 12 V DC can be directly connected to OUT1 in this way.This variant can be used both with device power supply via PoE and device powersupply via an external 24 V DC power supply unit.Principle of output wiring Jumper positionIMPORTANT: Only the jumperpair 12 V DC may be set. Allother jumpers may not be set.
Technical Manual Installation3704045524 - 08/2016Kaba access manager 92 325.7.6.3 Switching the external DC power supply to OUT1By setting the jumper pair with designation VREL, a DC power supply connected viathe VREL terminal (max. 30 V DC, 2 A) is switched to the OUT1 output.This variant can be used both with device power supply via PoE and device powersupply via an external 24 V DC power supply unit.Principle of output wiring Jumper positionIMPORTANT: Only the jumperpair VREL may be set. All otherjumpers may not be set.5.7.6.4 Switching 24 V DC to OUT1By setting the jumper pair with designation 24 V DC, the 24 V DC power supply (ter-minal 24 V EXT) is switched to the OUT1 output. Consumers, for example door open-ers which are operated with 24 V DC, can be directly connected to OUT1 in this way.This variant can be used only with device power supply via an external 24 V DCpower supply unit. Not for power supply via PoE.Principle of output wiring Jumper positionIMPORTANT: Only the jumperpair 24 V DC may be set. Allother jumpers may not be set.5.7.6.5 Connecting door openersClosed-circuit door-openers and open-circuit door-openers can be used.
Installation Technical Manual38 04045524 - 08/2016 Kaba access manager 92 32For door openers that are supplied with DC voltage, a diode (a freewheeling diode)must be connected in parallel to the door opener to suppress interference. In doingso, make sure that the diode is connected in reverse-bias direction and check the po-larity of the connected voltage.When using an alternating voltage power supply, a varistor or a bipolar suppressordiode must be connected in parallel. As regards the dimensioning and type, observethe specifications of the door opener manufacturer.The diode or varistor must be connected directly to the door opener and may not befitted to the access manager.This step is not required if a door opener with internal varistor or diode is used.1 Door-opener2 Freewheeling diode or varistor
Technical Manual Installation3904045524 - 08/2016Kaba access manager 92 325.7.6.6 Status displayBelow the terminals for the outputs, there are light emitting diodes for status displayof the outputs.The current status of the outputs is indicated as follows.Designation Signal MeaningREL1-3 Off Relay is not pulled-inlit green Relay is pulled-in
Installation Technical Manual40 04045524 - 08/2016 Kaba access manager 92 325.8 Vandal contactThe device has two vandal contacts (tamper).A switching contact (1) is opened if the housing cover is removed.Another switching contact (3) is opened if the device is removed from the wall.Switching contact (3) is deactivated by the jumper with designation TE- (2) in the de-livery state. To activate the switching contact (3), the jumper TE- (2) must be re-moved.Opening of one or both switching contacts leads to the status indication of the inter-nal input 5.
Technical Manual Installation4104045524 - 08/2016Kaba access manager 92 325.9 Fastening the coverFasten the housing cover in the following way:1. Hang the mounting lugs of the housing cover at the top of the bottom part ofthe housing.2. Pivot the housing cover down and close the housing.3. Fasten the housing cover by means of two screws M3x8 (TORX 8) on the bottompart of the housing.
Commissioning Technical Manual42 04045524 - 08/2016 Kaba access manager 92 326 CommissioningThe device can be put into operation largely automatically only if the following re-quirements are met:• A functioning DHCP server is available• When connecting to the Ethernet, the device automatically receives an IP ad-dress from the DHCP server and thus an access to the Internet via ports 80 and443.If the device does not obtain access to the Internet or no functioning DHCP server isavailable, the Ethernet interface must be manually configured using Service Tool be-fore putting the device into operation.6.1 Start options6.1.1 Reset key and status LEDThe device includes a reset key, designated FRES and a status LED (State).The reset key allows a system start with execution of the start options described be-low. The status LED signals the current phase of the execution.
Technical Manual Commissioning4304045524 - 08/2016Kaba access manager 92 326.2 Performing a cold startNOTICEWhen performing a cold start, parameters are reset to their default values. Masterrecords and booking records are deleted.Network settings as well as group and terminal addresses remain unchanged.1. Turn off the device.2. Turn on the device.ðThe yellow status LED is lit.ðAfter approx. 40 seconds, the yellow status LED starts flashing.3. Within 10 seconds, press the reset key and keep it depressed.ðThe status LED flashes faster for 5 seconds.ðThe status LED lights up in green for 2 seconds.ðA cold start was performed.4. Release the reset key again.ðThe status LED lights up in red for 5 seconds.ðThe status LED is lit in green.ðThe system is ready for use, a cold start was performed.
Commissioning Technical Manual44 04045524 - 08/2016 Kaba access manager 92 326.3 Commissioning procedureCommissioningThe device is put into operation in 5 work steps:1 Planning the system in partner application2 Adding setup medium in partner application3 Connecting the device to the power supply4 Configuring the Ethernet interface using Service Tool, if required5 Connecting at least one registration unit to the device6 Putting the device into operation by means of the setup medium via a registra-tion unit6.3.1 Planning the system in partner applicationBefore putting the device into operation, at least the door to be connected must beplanned in the partner application. The device is configured by assigning its installa-tion site and the additional hardware components in this software.For information on the planning of the system, see online help of the parter applica-tion.6.3.2 Registering the setup medium in partner applicationAfter the system has been planned in the partner application, a setup medium forthis system - also in the partner application - must be registered. This setup mediumis then used for commissioning the individual components used for the system , i.e.for connecting them to the Internet platform.A setup medium is a card with a code which must be activated in the partner appli-cation for the corresponding system (add setup medium).For information on the registration of a setup medium in the partner application, re-fer to the online help of the partner application.
Technical Manual Commissioning4504045524 - 08/2016Kaba access manager 92 326.3.3 Connecting the device to the power supplyOnce the registration unit(s) is/are connected, the access manager must be con-nected to the power supply. If the device is supplied with current via the Ethernet(PoE), it is sufficient to connect the Ethernet cable. Otherwise, an external 24 V DCsupply must be connected (see External 24 V DC power supply [}5.7.3]).6.3.4 Configuring the Ethernet interface using Service ToolIf no functioning DHCP server is available or a manual parameterizing of the Ethernetinterface is desired, the Ethernet interface must be put into operation using ServiceTool. For this, a computer with an USB connection and a SSH terminal program, forexample PuTTY which can be downloaded from the Internet is required.RequirementsThe following work steps must be carried out to meet the requirements for the use ofthe Service Tool.1 Install a SSH terminal program (e.g. PuTTY) on the computer.2 Download FTDI driver (can be obtained from Kaba)and install on the computer.3 Connect the FTDI debug cable (can also be obtained from Kaba) to the computervia USB. The FTDI debug cable is detected by the system and shown in the devicemanager as virtual COM port (e. g. COM3).4 After that, connect the connector on the other end of the FTDI debug cable tothe device as described below.5 Start the SSH terminal program end enter the configuration parameters de-scribed below.Connecting the FTDI debug cable to the deviceEnsure correct polarity! The black cable at the connector must be connected to pin 1.Pin 1 is marked on the cover by an arrow.
Commissioning Technical Manual46 04045524 - 08/2016 Kaba access manager 92 32Configuration parameters for the SSH terminal programStart the SH terminal program, for example by double-clicking on putty.exe andmake the following settings:• Connection type: serial• Serial interface: COM <n> (according to device manager)• Speed: 115200 Baud• Character set: ISO-8859-1• Data flow control: off/no parity bitAfter entering these parameters, click on "Save" to save the settings made as stan-dard settings.Starting the Service ToolBefore starting the Service Tool, make sure that the FTDI debug cable is correctlyconnected to the device and the device is switched on.To start the Service Tool, proceed as follows:1 Click on "Open" to start the Service Tool2 A login screen requesting user name and password will appear. The user nameand password for all access managers are identical:User name = adminPassword = 12343 After successful login, the main menu of the Service Tool opens. Various func-tions are available here.The user interface must be operated in a secure environment. An unauthorized ac-cess must be excluded!Functions of the Service ToolThe Service Tool allows you to use various functions:1 Configuring the network settings2 Displaying the characteristics of the device3 Displaying the system logs4 Resetting to the factory settings
Technical Manual Commissioning4704045524 - 08/2016Kaba access manager 92 325 Starting the firmware updateConfiguring the network settingsThe following network parameters can be configured here:• Static IP address (instead of DHCP)• Network mask• Device address• IP address of the domain name server 1 and possibly also 2• Proxy serverDisplaying the characteristics of the deviceThe following characteristics can be displayed:• Firmware version (OS, AML, OSGI Bundles)• Device ID• Serial number, date of manufacture• IP address• MAC address• Certificate information• Routing table• ARP table• Uptime• Load average• Network interface statistics• Firewall rules• Device statistics• Statistics of the connected (wireless) devicesDisplaying the system logsThe following logs can be displayed:• Logs created by the application• Logs created by the OS• Logs created by the device
Commissioning Technical Manual48 04045524 - 08/2016 Kaba access manager 92 326.3.5 Installing the registration unitThe actual commissioning of the device is carried out via a registration unit assignedto it in the partner application. Therefore, at least one registration unit must be in-stalled and connected to the device before the commissioning of the device.6.3.6 Commissioning the device with setup mediumAfter the system has been planned and the setup medium has been detected in thepartner application, the registration units have been connected to the access man-ager on site, the access manager has been connected to the network (Ethernet) onsite and power supply has been provided, it can be put into operation after a waitingperiod of approx. 4 minutes by means of the setup medium as follows:• Hold the setup medium at a registration unitFor commissioning of the device by means of the setup medium, only a reader with-out PIN can be used!• The access manager will produce 2 consecutive acoustic signals. This means thatit has detected the setup medium and begins now to communicate with theKaba exivo Internet platform. After registration in the Internet platform, thegreen status LED is lit• The access manager is displayed in the partner application• The ID of the access manager appears in the partner application in a drop-downlist with all access managers available in the system with the same template type• Now, the access manager to be used must be assigned to the correspondingdoor in the partner application• The configuration determined in the partner application is loaded now to the ac-cess manager• After that, the access manager is ready for use
Technical Manual Packaging/Return4904045524 - 08/2016Kaba access manager 92 327 Packaging/ReturnIncorrectly packaged assemblies and devices may cause expenses due to damageduring transport.Please observe the following information when sending Kaba products.Kaba shall not be liable for damage to products which can be attributed to insuffi-cient packaging.7.1 Complete DevicesThe original packaging is specially adapted for the device. It offers the greatest possi-ble protection against transport damage.Always use the original packaging for returns.If this is not possible, then ensure the packaging prevents damage to the device.• Use a stable, thick-walled transport crate or a box. The transport crate should belarge enough that there is 8–10cm space between the device and the containerwall.• Wrap the device in suitable film or put in a bag.• Pad generously around the device e.g. using foam padding or bubble wrap. Itmust be ensured that the device does not move within the packaging.• Only use dust-free environmentally-friendly filling material.7.2 Electronic AssembliesElectronic assemblies sensitive to ESD, such as circuit boards, readers, etc., must bestored, transported and sent in suitable ESD protective packaging. The packaging ofelectronic assemblies may only be carried out in ESD-protected workplaces by per-sons who are familiar with and follow the general ESD protective regulations.The return of electronic assemblies in packaging with sufficient ESD protection is acondition for• making guarantee claims in the event of malfunctions of any kind.• replacement delivery of electronic circuit boards and components when an ex-change is provided.In order to guarantee a high quality standard, electronic components supplied inpackaging without sufficient ESD protection will be neither analyzed nor repaired,but instead disposed of directly.
Packaging/Return Technical Manual50 04045524 - 08/2016 Kaba access manager 92 327.3 MarkingComplete return papers and correct labeling allow us to process matters quickly.Please ensure that a delivery note is included with the package. The delivery noteshould include the following information:• Number of devices or components per package.• Item numbers, serial numbers, designations.• Address of your company/contact.• Reason for the return, e.g. repair exchange.• Informative description of the fault.In the event of returns from outside of the EU, a customs invoice with the real cus-toms value and customs tariff no. will also be required.
Technical Manual Disposal5104045524 - 08/2016Kaba access manager 92 328 DisposalThis product meets the requirements of the WEEE Directive and, in accordance withDIN standard EN 50419, is labeled with the WEEE crossed-out garbage can symbol.The symbol indicates the separate disposal of electric and electronic equipment inEU countries.Do not dispose of the device with household waste under any circumstances.Used devices contain valuable recyclable materials that should be recycled. Used de-vices should therefore be disposed of via the collection system used in your country.Disposal in Germany: After use, Kaba GmbH undertakes to carry out the proper disposal of the suppliedgoods in line with legal requirements (such as the ElektroG law in Germany). All costsincurred for the transport of goods to the manufacturer's plant will be borne by theowner of the used electronic equipment.Disposal in Switzerland:Send the device to an electronic equipment collection facility as per the VREG regula-tion.In the EU, electrical devices should be disposed of in accordance with national wastedisposal and environmental directives.The erasure of personal data before disposal must be carried out self-dependent.Dispose of packaging in an environmentally-friendly manner.The packaging materials are recyclable. Please do not put the packaging in withhousehold waste, instead dispose of with waste for recycling.
Disposal Technical Manual52 04045524 - 08/2016 Kaba access manager 92 32IndexNumerical24 V DC input.............................................................................. 11AAlarm relay................................................................................... 18Ambient conditions.................................................................. 13Ambient temperature.............................................................. 13BBolt contact ................................................................................. 18CCable entry .................................................................................. 23CE conformity ............................................................................. 14Coaxial cable............................................................................... 25Cold start ...................................................................................... 43Conformity................................................................................... 14DDesignated use .............................................................................8Device status............................................................................... 21Digital inputs .............................................................................. 12Dimensions.................................................................................. 13Disposal ........................................................................................ 51Door frame contact .................................................................. 18Door handle contact ................................................................ 18Door opener key........................................................................ 18Door-opener ............................................................................... 38Door-opener relay..................................................................... 18EElectromagnetic fields............................................................. 22ESD protective measures...........................................................9Ethernet interface ..................................................................... 12Ethernet LED ............................................................................... 20Ethernet receptacle .................................................................. 28External power supply unit.................................................... 11FFastening dimension ............................................................... 26Fastening the cover.................................................................. 41Function of the inputs............................................................. 18Function of the outputs.......................................................... 18GGrouped safety messages.........................................................8HHF-RFID ......................................................................................... 12Hole pattern ................................................................................ 26IIdentification plate ................................................................... 15Ingress protection..................................................................... 13Inputs.......................................................................................12, 32Inputs - Function ....................................................................... 18Installation lines......................................................................... 25Installation scheme................................................................... 24Interfaces...................................................................................... 12LLabeling ........................................................................................ 15LEDs Inputs.................................................................................. 34LEDs Outputs .............................................................................. 39Light emitting diodes .............................................................. 20Limited power source.............................................................. 11Line monitoring ......................................................................... 32NNetwork cable ............................................................................ 25Network connection ................................................................ 28OOutput voltages......................................................................... 11Outputs...................................................................................12, 35PPackaging..................................................................................... 49PoE (Power over Ethernet)..................................................... 11PoE switch.................................................................................... 27Power LED.................................................................................... 20Power supply .............................................................................. 11Power supply unit ..................................................................... 11QQR code......................................................................................... 15RRegistration unit ........................................................................ 31Registration units ...................................................................... 17Relative humidity ...................................................................... 13Relay outputs........................................................................12, 35Reset key....................................................................................... 42Return............................................................................................ 49RoHS............................................................................................... 15RS-232............................................................................................ 12SSafety ................................................................................................ 8Safety messages ...........................................................................8Status display Inputs................................................................ 34Status display Outputs ............................................................ 39Status LED .......................................................................20, 21, 42Supplementary Documentation.............................................6Switch PoE ................................................................................... 27TTamper.......................................................................................... 40VVandal contact ........................................................................... 40WWall mounting............................................................................ 26
Technical Manual5304045524 - 08/2016Kaba access manager 92 32Weight........................................................................................... 13

Navigation menu