dormakaba Deutschland KRR9125-K5 Desktop Reader User Manual TM RemoteReader9125 AM US CAN 201603 en

Kaba GmbH Desktop Reader TM RemoteReader9125 AM US CAN 201603 en

user manual

Kaba Remote Reader 91 25-AM (US/CAN)Technical ManualEN04045708 - 04/2016
Kaba AGAccess & Workforce ManagementHofwisenstrasse 248153 RümlangSwitzerlandPhone +41 44 818 93 11www.kaba.comKaba AGAccess & Workforce ManagementMühlebühlstrasse 238620 WetzikonSwitzerlandPhone +41 44 931 61 11www.kaba.comKaba GmbHAccess & Workforce ManagementAlbertistraße 378056 Villingen-SchwenningenGermanyPhone +49 7720 603 0www.kaba.comThis document must not be reproduced in any way or otherwise further used without the written consent of Kaba AG.All product names are trademarks of the respective companies.Copyright 2016 Kaba AG. All rights reserved.04045708 - 04/2016
Technical Manual ContentsKaba Remote Reader 91 25-AM (US/CAN)304045708 - 04/2016Contents1 About this Document ............................................................................................................................. 71.1 Validity............................................................................................................................................................................... 71.2 Target group ................................................................................................................................................................... 71.3 Contents and purpose................................................................................................................................................. 71.4 Supplementary Documents ...................................................................................................................................... 81.5 Change Log ..................................................................................................................................................................... 81.6 Orientation in the Document.................................................................................................................................... 81.7 Abbreviations/Term Definitions .............................................................................................................................. 91.8 Warnings.........................................................................................................................................................................101.8.1 Hazard Categories........................................................................................................................................101.8.2 Symbols............................................................................................................................................................101.9 Notes................................................................................................................................................................................102 Grouped safety messages.................................................................................................................... 112.1 Use as directed .............................................................................................................................................................112.2 Mounting and Installation........................................................................................................................................112.3 Service and Maintenance .........................................................................................................................................112.4 Accessories and spare parts ....................................................................................................................................112.5 ESD (electrostatic discharge) protective measures.........................................................................................123 Product Description ............................................................................................................................. 133.1 Overview.........................................................................................................................................................................133.2 Registration Unit Compatibility .............................................................................................................................143.3 Operating modes ........................................................................................................................................................153.4 Supported RFID Standards with Possible Media Definitions.......................................................................163.4.1 MIFARE .............................................................................................................................................................163.4.2 LEGIC.................................................................................................................................................................163.5 Interface for Extension Modules ............................................................................................................................183.5.1 Number of Supported Extension Modules .........................................................................................183.6 Technical Data ..............................................................................................................................................................193.6.1 Overview of Technical Data......................................................................................................................193.6.2 Dimensions.....................................................................................................................................................213.7 Conformity.....................................................................................................................................................................223.8 Labeling ..........................................................................................................................................................................244 Design and function ............................................................................................................................. 254.1 Device structure...........................................................................................................................................................254.2 Firmware.........................................................................................................................................................................264.3 System Requirements................................................................................................................................................264.4 Behavior with two Registration Units ..................................................................................................................274.5 Behavior with Several Media in the Field (Anti-Collision).............................................................................274.6 Functions........................................................................................................................................................................284.7 LED Display....................................................................................................................................................................304.8 Operating Types ..........................................................................................................................................................314.8.1 Overview of Operating Types ..................................................................................................................31
Contents Technical Manual4 Kaba Remote Reader 91 25-AM (US/CAN)04045708 - 04/20164.8.2 Online operation...........................................................................................................................................324.8.3 Offline Operation..........................................................................................................................................324.9 Operating modes ........................................................................................................................................................344.9.1 'Electric strike' operating mode...............................................................................................................354.9.2 'Motor Bolt' Operating Mode ...................................................................................................................364.9.3 'Automatic door' operating mode .........................................................................................................374.9.4 'Turnstile' operating mode........................................................................................................................384.9.5 'Night lock' operating mode.....................................................................................................................394.9.6 'Motor bolt with panic function' operating mode............................................................................414.9.7 'Motor bolt type II with panic function' operating mode (2 outputs) .......................................424.9.8 'Motor bolt type III with panic function' operating mode (1 output)........................................444.9.9 'Electric lock with panic function' operating mode .........................................................................464.9.10 'Automatic door with night lock' operating mode ..........................................................................484.9.11 'Online Operation' Operating Mode......................................................................................................495 Installation ............................................................................................................................................ 505.1 Installation process.....................................................................................................................................................505.2 Installation conditions...............................................................................................................................................515.2.1 General.............................................................................................................................................................515.2.2 Installation site ..............................................................................................................................................515.2.3 Connections ...................................................................................................................................................515.3 Installation layout (example)...................................................................................................................................525.4 Installation lines...........................................................................................................................................................535.4.1 Power supply line.........................................................................................................................................535.4.2 Data line RS-485............................................................................................................................................555.4.3 Line to the door opener and door contacts........................................................................................575.4.4 Coaxial Cable to the Registration Units................................................................................................585.4.5 RS-232 Connection ......................................................................................................................................585.4.6 Grounding Concept.....................................................................................................................................595.5 Mounting the device and extension modules..................................................................................................605.6 Connections ..................................................................................................................................................................625.6.1 Connections, General..................................................................................................................................635.6.2 Power Supply.................................................................................................................................................635.6.3 RS-485 interface ............................................................................................................................................635.6.4 'Ant. A' and 'Ant. B' Connections.............................................................................................................635.6.5 RS-232 A and RS-232 B Interfaces...........................................................................................................645.6.6 Programming Interface..............................................................................................................................645.6.7 Interface for Extension Modules .............................................................................................................645.6.8 Inputs IN1 – IN4, tamper and input 5 ...................................................................................................655.6.9 Output OUT1 – OUT3..................................................................................................................................675.7 Configuring....................................................................................................................................................................685.7.1 Configuration process ................................................................................................................................685.7.2 Change Settings............................................................................................................................................685.7.3 Set RS-485 termination resistances .......................................................................................................695.7.4 Set peripheral addresses............................................................................................................................715.7.5 Set Operating Mode ....................................................................................................................................715.7.6 Set functions ..................................................................................................................................................726 Start-up ................................................................................................................................................. 806.1 Putting into operation process ..............................................................................................................................806.2 "Standalone Access Control without Host System" Commissioning .......................................................806.2.1 Using LEGIC ....................................................................................................................................................806.2.2 Using MIFARE.................................................................................................................................................81
Technical Manual ContentsKaba Remote Reader 91 25-AM (US/CAN)504045708 - 04/20166.3 Functional Test (RS-232 A/B)...................................................................................................................................836.4 Issue Write/Read Authorization (Launch)...........................................................................................................846.5 Cancel Write/Read Authorization..........................................................................................................................856.5.1 Cancel all writing rights granted by a write authorization............................................................856.5.2 Cancel a particular writing right granted by a write authorization:...........................................857 Servicing................................................................................................................................................ 867.1 Programming interface.............................................................................................................................................867.2 Restart..............................................................................................................................................................................867.3 Service mode ................................................................................................................................................................877.3.1 Enable service mode ...................................................................................................................................877.3.2 Disable service mode..................................................................................................................................877.4 Factory Reset/Reset Device to the Basic Status................................................................................................887.5 Firmware Update/LEGIC OS Update.....................................................................................................................907.5.1 Firmware update/LEGIC OS update via access manager...............................................................907.5.2 Firmware Update / LEGIC OS Update with programmer 1460....................................................907.6 Crossgrade .....................................................................................................................................................................927.6.1 Device with Bxxx firmware (MRD) ..........................................................................................................928 Troubleshooting................................................................................................................................... 938.1 LED Displays on the Remote Reader ....................................................................................................................938.2 During Installation ......................................................................................................................................................938.3 During operation.........................................................................................................................................................949 Packaging/Return................................................................................................................................. 969.1 Complete Devices .......................................................................................................................................................969.2 Electronic Assemblies ................................................................................................................................................969.3 Marking ...........................................................................................................................................................................9610 Disposal................................................................................................................................................. 9810.1 Decommissioning .......................................................................................................................................................9810.2 Dismantling ...................................................................................................................................................................9810.3 Disposal...........................................................................................................................................................................98Index .................................................................................................................................................... 100
Contents Technical Manual6 Kaba Remote Reader 91 25-AM (US/CAN)04045708 - 04/2016
Technical Manual About this Document704045708 - 04/2016Kaba Remote Reader 91 25-AM (US/CAN)1 About this Document1.1 ValidityThis document describes all device versions and optional equipment and functions.Options need to be paid for and are therefore only available if they have been pur-chased. Additional equipment and functions may not yet be available at the time ofissuing the document and, possibly, can only be purchased at a later stage.Product name: Kaba remote reader 91 25 (US / CAN)Article number: 04044475Functional type: AM (access manager)Serial number:Date of manufacture:Firmware version from BREB03.05.RD_Display in Kabaexos: BREB03.05.RD1.2 Target groupThis document is exclusively intended for specialist personnel.The descriptions require specialist personnel trained by the manufacturer. The de-scriptions do not replace product training.For reasons of device safety, the installation and maintenance operations describedin this document must be carried out only by service persons according to EN60950-1 (Information technology equipment - Safety).Service persons are persons having adequate technical training and sufficient experi-ence to be aware of and to minimize the possible risks for themselves or other per-sons, which may occur when carrying out these operations. The service persons areresponsible for adhering to the instructions given by the manufacturer and to the ap-plicable standards and regulations during execution of their work.This document is also used as information for persons with the following tasks:• project planning and implementation• Commissioning the product within the network• Connecting the product to the user software by programming customer applica-tions• Customer-specific adjustment by setting the parameters of the product1.3 Contents and purposeThe contents is limited to the assembly, installation, start-up, and basic operation ofthe hardware.
About this Document Technical Manual8 04045708 - 04/2016 Kaba Remote Reader 91 25-AM (US/CAN)1.4 Supplementary DocumentsSupplementary documentation is available on the Kaba website. The technical man-uals are located in a secured area of the website.• Access is only possible after logging in.• An account will need to be created before logging in for the first time.Access and login:1. In the browser, access the Kaba page http://www.kaba.com.2. Select the language in the top right.3. Under "Products", select the "Access Management" or "Workforce Management"product division.4. In the top right section of the screen, click on the following symbol:.5. Enter your e-mail address and password and login or create an account (see be-low).ðThe technical manuals can be found under "Downloads".Create account:1. Click "Create account".2. Complete the data fields and confirm.ðA confirmation link will be sent to your e-mail address.3. To activate your account, click on the confirmation link in your e-mail.1.5 Change LogThe most important changes to the last issue of this manual are listed below:Version number Edition Brief descriptionTM_RemoteReader9125-AM-US-CAN_20160303/2016 First edition (US /CAN)1.6 Orientation in the DocumentThis document contains the following orientation aids to facilitate finding of specifictopics:• An index in the alphabetical order is given at the end of the manual.• The table of contents at the beginning of the manual gives an overview of alltopics.• The header always contains the respective main chapter.• This step-by-step guide goes through the installation and commissioning.• Cross references always indicate the number of the chapter in which the supple-mentary information can be found. Example [   5.7].
Technical Manual About this Document904045708 - 04/2016Kaba Remote Reader 91 25-AM (US/CAN)1.7 Abbreviations/Term DefinitionsAbbreviations and terms used in this document:Abbreviation/termTerm definition from 07/01/14Remotereader Kaba remote reader 91 25Device Kaba remote reader 91 25Door manager Kaba remote reader 91 25Registration unit Kaba registration unit 90 01Kaba registration unit 90 02Kaba registration unit 90 00Antenna Registration unitExtension module Kaba extension module 90 31Kaba extension module 90 30Host Host systemKCP Kaba Communication Protocol (RS-485)BPA/9 subset Protocol for subterminal communication via RS-485 BPA =Benzing Protocol AsynchronousControl unit • Access manager or• B-web terminalKMM Kaba Media ManagerAccess Manager Kaba access manager 92 00KabaexosAMC Kabaexos AMCIIProgrammer Kaba Programmer 1460Authorized access Is active until the door is closed again or the alert duration hasexpiredDoor opener key Key which triggers single, authorized door openingDoor handle con-tactContact in the door handle with which authorized door open-ing is reported to the systemFrame contact Contact in the door frame with which the door status open orclosed is reportedBlocking contact Contact with which the access point can be blocked. In thiscase, any identification on the registration unit is rejected asaccess not authorized and signaled accordingly.Alarm buzzer/alarmrelayThis signal is used to control the relay output if the door isforced open or in the event of 'Door open too long'Hold-open mode In the event of authorized access, the door remains activated(opened) until the user medium is within the range (field) ofthe antenna.
About this Document Technical Manual10 04045708 - 04/2016 Kaba Remote Reader 91 25-AM (US/CAN)1.8 WarningsWarnings containing information/instructions and prohibitions to prevent injury topersons and damage to property are specially labeled.Please pay attention to warnings. They are intended to help prevent accidents andavoid damage.1.8.1 Hazard CategoriesWarnings are split into the following categories:CAUTIONSlight RiskDescribes a potentially hazardous situation that could result in minor physical in-juries.NOTICEInformation on how to handle the product correctly.Failure to comply with these warnings may result in malfunctions. The product orsomething in its vicinity could be damaged.1.8.2 SymbolsDepending on the source of the hazard, symbols are used for the warnings, andthese have the following meanings:General danger Danger for electronic compo-nents from electrostatic dis-charge1.9 NotesNotes are labeled with an info symbol.Tips and useful information.These help you to make best use of the product and its functions.
Technical Manual Grouped safety messages1104045708 - 04/2016Kaba Remote Reader 91 25-AM (US/CAN)2 Grouped safety messagesThis product has been built in accordance with state-of-the-art standards and therecognized safety rules. Nevertheless, its use may constitute a risk to persons andcause damage to material property.Read and observe the following safety instructions before using the product.2.1 Use as directedThe product is only intended for use as described in chapter “Product description”.Any use beyond that is considered contrary to its designated use. The manufacturercannot be held liable for damage resulting from such use. Such use is at the sole riskof the user/operator.2.2 Mounting and InstallationMounting and installation may only be carried out by service persons (see chapter 1“Target group”).Installation may only be carried out in places that fulfill the climatic and technicalconditions stated by the manufacturer.The manufacturer is not liable for damages resulting from improper handling or in-correct installation.2.3 Service and MaintenanceMaintenance work / troubleshootingOnly the service person (see chapter 1 “Target group”) is entitled to remove faultsand carry out maintenance work.Reconstruction and modificationAny alteration or modification to the device may only be performed by the serviceperson (see chapter 1 “Target group”). Any alteration or modification performed byunauthorized persons shall render void any liability.2.4 Accessories and spare partsAccessories and spare parts must comply with the technical requirements specifiedby the manufacturer. This is guaranteed when using original accessories and spareparts from Kaba.
Grouped safety messages Technical Manual12 04045708 - 04/2016 Kaba Remote Reader 91 25-AM (US/CAN)2.5 ESD (electrostatic discharge) protective measuresNOTICEDanger for electronic components due to electrostatic discharge.Improper handling of printed circuit boards or components can cause damages thatlead to complete failures or sporadic errors.• During installation and repair of the product, the ESD protective measures mustbe considered.• Wear an ESD wristband when handling electronic components. Connect the endof the wristband to a discharge socket or an unvarnished grounded metal com-ponent. This way, static charges are discharged from your body securely and ef-fectively.• Touch only the edges of circuit boards. Do not touch the circuit board nor theconnector.• Place all dismantled components on an antistatic surface or in an antistatic con-tainer.• Avoid contact between circuit boards and clothing. The wristband only protectsthe printed circuit boards against electrostatic discharge from your body, butthere is still a risk of damage through electrostatic discharge from your clothing.• Transport and dispatch dismantled modules only in electrostatically shieldedprotective bags.
Technical Manual Product Description1304045708 - 04/2016Kaba Remote Reader 91 25-AM (US/CAN)3 Product Description3.1 OverviewThe Kaba remote reader 91 25 with functional type AM can either control and moni-tor access control at access points or register coming/leaving bookings for time regis-tration.Two registration units can be connected to the Kaba remote reader 91 25. The re-mote reader has two RS-232 interfaces (e.g. for keypads, Hyper X or system-depen-dent functions) and can be integrated into the Kaba exos access control system. Theremote reader is installed on a DIN rail. Thanks to the separation of the remote readerand registration units, the remote reader can be installed in a tamper-proof area andthe registration units can be installed in an area that is not tamper-proof. The door components (locking elements, monitoring contacts) are directly con-nected to the remote reader. This controls the electric strikes as well as the opticaland acoustic signal transmitters of the registration units. As two registration units canbe connected, one Kaba remote reader 91 25 is sufficient for implementing an on/offconfiguration (e.g. turnstile). The remote reader communicates with the host systemvia the RS-485 interface. The host system checks the company codes and the usermedium numbers, and activates the access points. If the communication between the remote reader and the host system is interrupted,then, with the relevant programming of its offline behavior, the remote reader auto-matically takes on the tasks of the host system; i.e. authorization checks and doorfunctions are retained.90 00Access manager90 0291 1590 011 2 34 5 67 8 91 0 E90 31Ethernet92 00 exos Client1)Coaxial cableRS-485Access Management System Kaba exos 9300(US / CAN) Registration unitsReaderCommunicationHubDatabaseWeb- and Application ServiceCardLinkUSB92 00 1) 90 3091 2591 08
Product Description Technical Manual14 04045708 - 04/2016 Kaba Remote Reader 91 25-AM (US/CAN)3.2 Registration Unit CompatibilityThe following registration units are supported.Registration unit Control unitAccess Manager RemotereaderFunctional type Access managerKaba registration unit 90 00 ✔ ✔Kaba registration unit 90 01 ✔ ✔Kaba registration unit 90 02 ✔ ✔Registration unit FCC ICKaba registration unit 9000 Tested Standard: FCCCode of Federal Regula-tions, CFR 47, Part 15,Sections 15.205, 15.207,15.215 and 15.225Tested Standard: Indus-try Canada Radio Stan-dards SpecificationsRSS-GEN Issue 4, Sec-tions 8.8, 8.9 and 8.10and RSS-210 Issue 8,Section A2.6 (Category IEquipment)Kone registration unit PCBKaba registration unit 9001Kone registration unit 9001Kaba registration unit 9002Kone registration unit 9002
Technical Manual Product Description1504045708 - 04/2016Kaba Remote Reader 91 25-AM (US/CAN)3.3 Operating modesThe door configuration determines the operating mode of the Remotereader. A de-tailed description of the door configurations and their operating modes can befound in the chapter Operating Types and Modes.
Product Description Technical Manual16 04045708 - 04/2016 Kaba Remote Reader 91 25-AM (US/CAN)3.4 Supported RFID Standards with Possible Media DefinitionsThe following table shows the RFID standards and media definitions supported bythe device.The Kaba remote reader 91 25 recognizes up to eight different media definitions atthe same time.Media definitions Supported RFID technologiesMIFAREDESFireMI-FAREClas-sicLEGICadvant LEGICprimeISO14443AISO14443AISO14443AISO15693LEGICRFUnique number (UID)*1✔✔✔✔ -Safe UID - - - - ✔Card ID ✔✔✔✔ -Kaba group header - - ✔✔✔Kaba advant ID - - ✔ ✔ -LEGIC access™ (advant)- - ✔ ✔ -LEGIC access™ pool(prime)----✔CardLink1.1Data ✔✔✔✔ -Actuatorstatus✔✔✔✔ -Mediatraceback*2✔-✔- -CardLink1.0Data incl.actuatorstatus----✔Additional medianumbers✔✔✔✔✔*1 The LEGIC chip set does not use the safe UID command setso that UID from other media, such as MIFARE, can also beread.*2 Media traceback information can only be read out directlyon the access manager and no media traceback informa-tion is written.3.4.1 MIFAREThe system can evaluate everything that can be defined in Kaba media manager. MI-FARE DESFire or MIFARE Classic media can be read and described on the same Kabaremote reader 91 25 MIFARE using various media applications.3.4.2 LEGICLEGIC prime or LEGIC advant media can be read and described on the same Kaba re-mote reader 91 25 LEGIC using various media applications (LEGIC advant media canonly be described using LEGIC advant components).
Technical Manual Product Description1704045708 - 04/2016Kaba Remote Reader 91 25-AM (US/CAN)Dual chip cardA dual chip card with LEGIC advant (14443 A) and CardLink LEGIC prime (LEGIC RF) issupported.
Product Description Technical Manual18 04045708 - 04/2016 Kaba Remote Reader 91 25-AM (US/CAN)3.5 Interface for Extension Modules3.5.1 Number of Supported Extension ModulesThe extension modules are connected to the system bus of the Kaba remote reader91 25. There is a limit to the maximum number of supported extension modules.The host system determines the maximum number of connectible extension mod-ules.Configuration of the Kabaremote reader 91 25Max. connectible extension modules 9030Max. connectible extension modules 9131Minimum supply voltageof the Kaba remote reader91 25Only extension module90309 0 20VDC*Only extension modules90310 5 As specified in the technicaldata: 10VDCMixed operation (extensionmodules9030 and exten-sion modules 9031)2 2 As specified in the technicaldata: 10VDC*non-standard
Technical Manual Product Description1904045708 - 04/2016Kaba Remote Reader 91 25-AM (US/CAN)3.6 Technical Data3.6.1 Overview of Technical DataMechanicsMounting • Indoors• On DIN rail in accordance with EN 50022Housing • ABS black, with imprinted connection diagramCombustion category • HB (UL94)Dimensions • 125 x 102 x 45mm (L x W x H) or seven space units17.5mm width measurement includes screw/plugterminalsConnections • All connections are screw/plug terminals• Max. terminal load: 5APower supplyInput voltage, without ex-ternal wiring• 10–34VDC (50/60Hz), current consumption max.330mA, max.4.5W• Power consumption/heat capacity:– at 12VDC typically 2W– at 24VDC typically 2.7WThe Remotereader sup-plies connected deviceswith power via the RS-232connection.• 5VDC• max.* 1A (at 25°C)* Total of all connected devicesNotice: The device may only be supplied with SELV (Safety Extra Low Voltage) andLPS (Limited Power Source), according to IEC/UL/CSA 60950-1.InterfacesHF RFID • Two registration units with or without keypads(ant. A/B)• Coaxial cable, impedance 50Ohm• Encrypted data transferTwo RS-232 (A/B) Basic setting (can be pa-rameterized)Connection with following (default) properties:• Connection for registration units (keypads, widearea access solution, as well as system-dependentfunctions)• Baud rate max. 115 200baud (Kaba exos AM:9600baud)• 8 data bits, no (None) parity, 1 stop bit• Output voltage 5VDC, max. 500mA each• Via Kaba exos AM can be parameterized up to9600baud
Product Description Technical Manual20 04045708 - 04/2016 Kaba Remote Reader 91 25-AM (US/CAN)InterfacesRS-485 • For the connection to access hub• KCP protocol; galvanically separated, 2-wire• Baud rate 19200baud (fixed)• 8 data bits, even (Even) parity, 1 stop bit• Termination resistance for bus or star wiring• Addressing 1–8Programmer interface • For firmware update or programmer connectionExtension modules • Maximum number of supported extension mod-ules, see chapter 3.5Inputs and outputs5 binary inputsone of which can be usedas a tamper switch (usu-ally IN5).• With internal power supply and common ground,for connection of insulated switches• Maximum 5VDC• Line monitoring (can be disabled)• LED status indicator2 internal inputs • In operating mode Kaba exos lock for the door han-dle contact• Status indicator (LED OUT1 and OUT2)3 relay outputs • Switchover contact, max. voltage 34VDC max. cur-rent 2A at 30VAC/DC• Switching cycles at 30VDC/1Atypical 500,000 (VdS 2358 requirement is 200,000)• Switching cycles at 30V DC/2Atypical 100,000• Status indicatorAmbient conditionsAmbient conditions • Operating temperature: 0°C to +50°C• Storage temperature: -20°C to +65°C• Relative humidity: 0% to 95%, non-condensing• Protection type: IP20
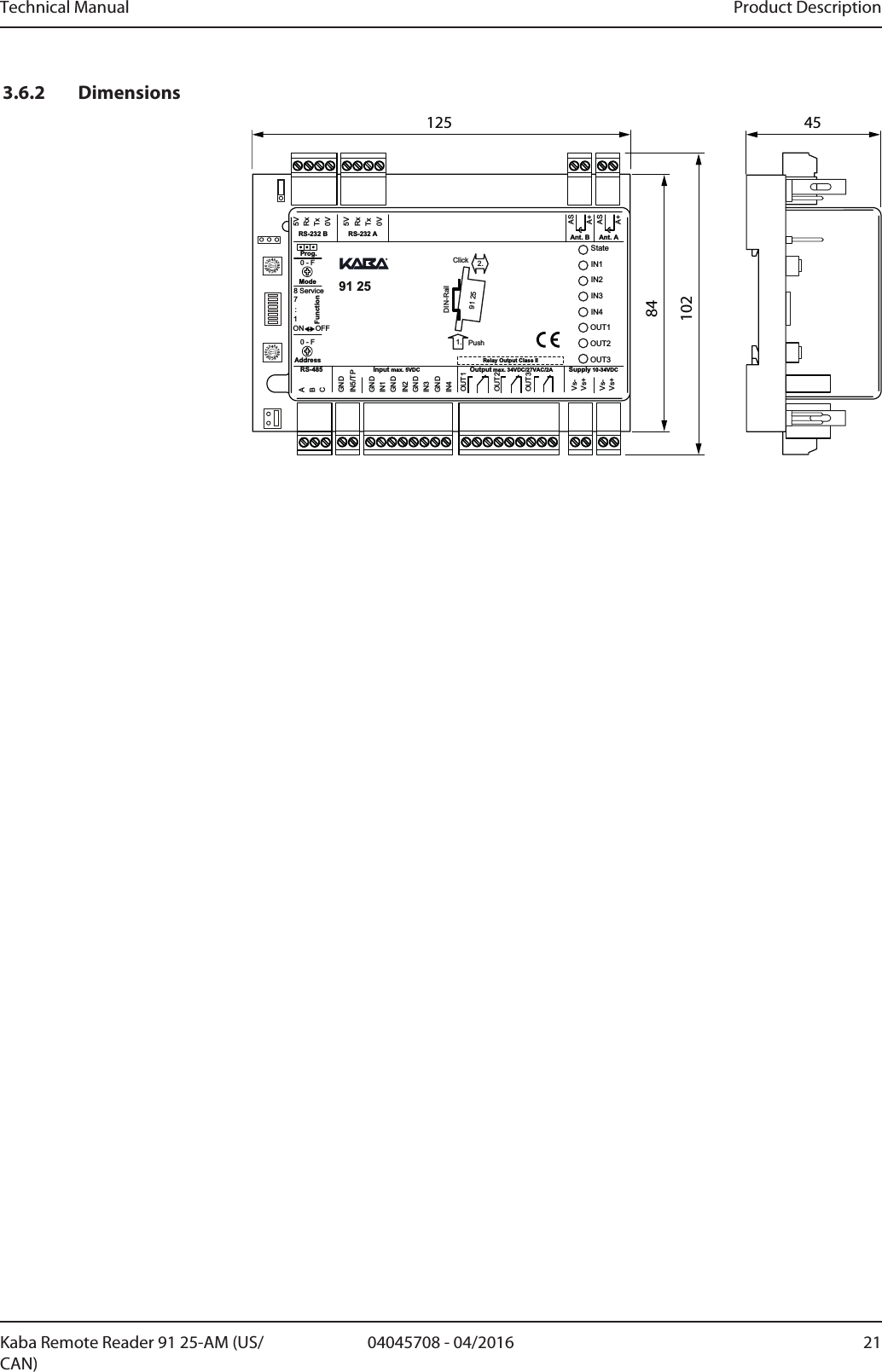
Technical Manual Product Description2104045708 - 04/2016Kaba Remote Reader 91 25-AM (US/CAN)3.6.2 Dimensions12584102450123456789ABCDEF0123456789ABCDEFMode718 ServiceON OFFGNDGNDGNDGNDGNDStateIN1IN2IN3IN4OUT1OUT2OUT35VRxTxRxTx0VIN5/TPIN1IN2IN3IN4Vs-Vs-Vs+Vs+FunctionOUT1OUT2OUT3ABCSupply 10-34VDCOutput max. 34VDC/27VAC/2AInput max. 5VDCRS-4855V0VRS-232 B RS-232 A Ant. B Ant. AASA+ASA+:AddressProg.Relay Output Class II91 25             2.1. PushClickDIN-Rail91 250 - F0 - F
Product Description Technical Manual22 04045708 - 04/2016 Kaba Remote Reader 91 25-AM (US/CAN)3.7 ConformityThis product conforms to the following standards:EN 60950-1 : 2014-08 EN 60950-1:2006/A2:2013UL 60950-1:2007/R:2014-10CAN/CSA-C22.2 No. 60950-1:2007/A2:2014-10EN 301 489-1 V1.9.2 : 2011-09EN 301 489-3 V1.6.1 : 2013-08EN 300 330-1 V1.8.1 : 2014-12EN 300 330-2 V1.6.1 : 2014-12in accordance with the provisions of the EC directives2014/53/EC: R&TTE DirectiveRoHS This device complies with the regulations of the Directive 2011/65/EU of the Euro-pean Parliament and of the Council of June 8, 2011, on the restriction of the use ofcertain hazardous substances in electrical and electronic equipment.The original Declaration of Conformity can be downloaded from www.kaba.com/conformity in PDF format.Tested Standard:FCC Code of Federal Regulations, CFR 47, Part 15, Sections 15.205, 15.207, 15.215 and15.225FCC ID NVI-KRR9125-K5FCC § 15.19This device complies with Part 15 of the FCC rules. Operation is subject to the follow-ing two conditions: (1) This device may not cause harmful interference, and (2) thisdevice must accept any interference received, including interference that may causeundesired operation.FCC § 15.21 (Warning Statement)[Any] changes or modifications not expressly approved by the party responsible forcompliance could void the user’s authority to operate the equipment.FCC § 15.105Note: This equipment has been tested and found to comply with the limits for a ClassA digital device, pursuant to part 15 of the FCC Rules. These limits are designed toprovide reasonable protection against harmful interference when the equipment isoperated in a commercial environment. This equipment generates, uses, and can ra-diate radio frequency energy and, if not installed and used in accordance with the in-struction manual, may cause harmful interference to radio communications. Opera-tion of this equipment in a residential area is likely to cause harmful interference inwhich case the user will be required to correct the interference at his own expense.Tested Standard:Industry Canada Radio Standards Specifications RSS-GEN Issue 4, Sections 8.8, 8.9and 8.10 and RSS-210 Issue 8, Section A2.6 (Category I Equipment)IC:11038A-KRR9125-K5ICES-003This Class A digital apparatus complies with Canadian ICES-003. Cet appareilnumérique de la classe A est conforme à la norme NMB-003 du Canada.
Technical Manual Product Description2304045708 - 04/2016Kaba Remote Reader 91 25-AM (US/CAN)Canada RSS-GEN 8.4This device complies with Industry Canada’s licence-exempt RSSs. Operation is sub-ject to the following two conditions: (1) This device may not cause interference; and(2) This device must accept any interference, including interference that may causeundesired operation of the device. Le présent appareil est conforme aux CNR d’Industrie Canada applicables aux ap-pareils radio exempts de licence. L’exploitation est autorisée aux deux conditionssuivantes : 1) l’appareil ne doit pas produire de brouillage; 2) l’utilisateur de l’appareildoit accepter tout brouillage radioélectrique subi, même si le brouillage est suscepti-ble d’en compromettre le fonctionnement.
Product Description Technical Manual24 04045708 - 04/2016 Kaba Remote Reader 91 25-AM (US/CAN)3.8 LabelingThe identification plate is located on the side of the device.The following information can be found on the identification plate:• Device designation• Article number• Serial number• Function type• Connection data (power supply)• CE mark• WEEE mark as per DIN EN 50419
Technical Manual Design and function2504045708 - 04/2016Kaba Remote Reader 91 25-AM (US/CAN)4 Design and function4.1 Device structure0123456789ABCDEF0123456789ABCDEFMode718 ServiceON OFFGNDGNDGNDGNDGNDStateIN1IN2IN3IN4OUT1OUT2OUT35VRxTxRxTx0VIN5/TPIN1IN2IN3IN4Vs-Vs-Vs+Vs+FunctionOUT1OUT2OUT3ABCSupply 10-34VDCOutput max. 34VDC/27VAC/2AInput max. 5VDCRS-4855V0VRS-232 B RS-232 A Ant. B Ant. AASA+ASA+:AddressProg.Relay Output Class II91 25             2.1. PushClickDIN-Rail91 250 - F0 - F8 75613141516171 2 3 49101112Item Connection/switch Remark1 RS-232 interface B Connection of peripherals2 RS-232 interface A3 Antenna B Registration unit B (antenna B)4 Antenna A Registration unit A (antenna A)5 LED Displays6 Interface for Extension Modules e.g. 90 30/90 317 Power supply 10–34 VDC8 Relay outputs OUT1–OUT39 Inputs IN1–IN410 Tamper switch11 RS-485 interfaces A, B and C Connection to the host system12 Bus termination RS-485 Jumper for adjustment of thetermination resistance13 Addressing RS-485, 1–8 Rotary switch for selecting theaddress14 Function DIP switch for selecting thefunction15 Operating modes 'Mode' rotary switch for select-ing the operating mode16 Interface for Kaba programmer PD 146017 Not used
Design and function Technical Manual26 04045708 - 04/2016 Kaba Remote Reader 91 25-AM (US/CAN)The functions and connections of the interfaces, inputs, relay outputs, rotary and DIPswitches are described in the chapterDesign and function [}4].4.2 FirmwareThe hardware of this product is used in various Kaba system solutions. The functionsand possible uses of the product are determined by the firmware used.This manual solely describes the Kaba remote reader 91 25 functional type accessmanager (AM).Firmware designationReader type MMIFAREALEGICBLEGIC or MIFARE(determined during commissioning)MRD (multi RFID device)Device type RC CompactreaderRR Remotereader 91 15RE Remotereader 91 25Functional type AE300 V4 or N300/T300/U300 V3BAccess ManagerCSubterminalEAMC/II (cDML)Version number xx.xx VersionAddition 1 RFinal, approved versionAddition 2 ASubversionAddition 3 _ReserveExampleDesignation of firmware for Kaba remote reader 91 25 with functional type accessmanager:• BREB03.xxRxx (MRD)Firmware mark on the productDevices with firmware with the functional type access manager bear a mark reading"Type: Access manager" on the identification plate.4.3 System Requirements• Kabaexos9300 release 4.0.1 and higher• Kaba access manager 92 00 AM firmware version 3.00 and higherFurther details can be found in the Release Overviews and Release Notes.
Technical Manual Design and function2704045708 - 04/2016Kaba Remote Reader 91 25-AM (US/CAN)4.4 Behavior with two Registration UnitsThe Remote reader 91 25 communicates alternately via the connections 'Ant. A' and'Ant. B' (toggling) with the connected registration units. This means that the Remotereader 91 25 cannot communicate with both registration units at the same time. Thisresults in the following behavior:• During a longer reading process, the other registration unit is blocked.• The fields of the two connected registration units do not influence each other.This means that the two registration units can be installed close together.• In the case of registration units installed close together, it may be the case thatthe medium is read by the two registration units one after the other.4.5 Behavior with Several Media in the Field (Anti-Collision)The Remote reader 91 25 can recognize several LEGIC advant user media (ISO 14443A) in the field simultaneously. The Remote reader 91 25 only considers the first usermedium, which corresponds to the search criteria defined in the system. The remain-ing user media are ignored.
Design and function Technical Manual28 04045708 - 04/2016 Kaba Remote Reader 91 25-AM (US/CAN)4.6 FunctionsAll data for access decisions are saved in the host control device. The authorizationcheck of a badge and access control are undertaken by the control device.Functions available before the remote reader is connected to the host systemStandalone access control (without host system); see chapter "Standalone AccessControl without Host System" Commissioning [}6.2]Access control functions• Authorization check using badges and temporal authorization incl. verification• Connection of two separate registration units• Control of optical and acoustic signal transmitters of the registration units• Control of electric strikes (doors with electrical blocking elements)• Support for door opener keys or door handle contacts• Monitoring of the door status with frame contact, bolt monitoring and door han-dle contact• CardLink support: Validation and UID additional recording (only LEGIC)• Inspection of the functionality even without host system• Two RS-232 serial interfaces, e.g., for keypads, Hyper X or system-dependentfunctions, such as input or issue (only online) of user media numbers• Hold-open mode, so that, when access is authorized, the door remains open foras long as the badge remains within range of the antenna (field)• Monitoring of a tamper switch by integrating the Remotereader into housing• Signal for authorized access, e.g., for alarm bypassRestrictions with interrupted connection (offline)MIFAREReduced authorization check using site keys. Door function is retained depending on the offline parameter setting.• Authorization check using site keys. A maximum of eight site keys can be saved.• Not taken into consideration: Time zones and PIN code• Logbook for 2000 events• No room monitoring/balancing and no CardLink functionality• No change in fabrication keyLEGICReduced authorization check using segment search keys. Door function is retaineddepending on the offline parameter setting.• Authorization check using segment search keys. A maximum of eight segmentsearch keys can be saved.
Technical Manual Design and function2904045708 - 04/2016Kaba Remote Reader 91 25-AM (US/CAN)• Not taken into consideration: Time zones and PIN code• Logbook for 2000 events• No room monitoring/balancing and no CardLink functionalityRestored connectionAutomatic forwarding of saved bookings as well as status and alarm messages whenconnection is restored.
Design and function Technical Manual30 04045708 - 04/2016 Kaba Remote Reader 91 25-AM (US/CAN)4.7 LED DisplayThe LED display shows operating statuses and errors. Troubleshooting tips are listedin Chapter [}8].LED Designation LED Behavior MeaningState green permanent Device in operation (off-line)flashes green RS-485 interface in the re-ceive or send mode (on-line)orange permanent Service modered permanent or off Device defectiveflashes green and orange After an interruption incommunication, until thedevice is queried for thefirst time by the host sys-temIN1–IN4 green permanent LED lights once the corre-sponding input is enabledorange flashing Service modeorange permanent or off Update via programmer1460IN1–IN4Monitoring enabledorange permanent Short circuitred permanent interruptionOUT1–OUT3 green permanent the relevant output is ac-tiveflashes green Undervoltage (Vs) or relaydefectivered permanent Write/read authorization(launch data) is deletedOUT1 red permanent Input 5 (only in Kaba exoslock operating mode)As soon as the door han-dle contact is active
Technical Manual Design and function3104045708 - 04/2016Kaba Remote Reader 91 25-AM (US/CAN)4.8 Operating Types4.8.1 Overview of Operating TypesAn operating type of the Remotereader is always made up of the operating mode(door configuration) with the associated extended functions and of the communica-tion with the host system (access hub). The Remotereader supports the online andoffline operating types.Online operation: The Remotereader communicates with the system.Offline operation: If a Remotereader connected with the system is discon-nected from the system, then the Remotereader switchesto the offline mode.For the online and offline operation of the device, a minimum of the following hard-ware settings must be carried out before putting into operation:System used Minimum hardware settingsKabaexos9300 Online operation:• AddressOffline operation:• DIP and rotary switch
Design and function Technical Manual32 04045708 - 04/2016 Kaba Remote Reader 91 25-AM (US/CAN)4.8.2 Online operationIn online operation, the Remotereader communicates with the host system. The sys-tem makes the access decision on the basis of badges, time-dependent authorizationand verification. The system controls the access points. If communication betweenRemotereader and system is interrupted, then the Remotereader independentlyswitches into offline operation. If the Remotereader is queried by the system again,then the Remotereader switches back into online operation.4.8.3 Offline OperationEven in offline operation, i.e. without communication with the host system, an accesspoint is monitored and controlled by the Remotereader. For access decisions, site keys are used under MIFARE and segment search keys are used under LEGIC. The Remotereader controls access points in accordance with the operating mode,door configuration and the corresponding 'extended functions' (offline configura-tion). In order to ensure fault-free offline operation, the Remotereader should be operatedwith a secure power supply (e.g. UPS).Offline operation can be turned off in the system and/or using the 'Mode' rotaryswitch (F = off). This means that the offline behavior defined in the hardware settingsis deactivated and the access point remains blocked if there is an interruption incommunication.Behavior in the event of an interruption to communication• The access point goes to the basic status (possibly alarm if the access point is notclosed)• Relays which are not involved in a door process (according to DIP switch) deacti-vate; the same is true for the connected Kaba extension module 9030.4.8.3.1 Offline Access DecisionThe customer determines the nature of the offline access decision which is parame-terized in the system. We differentiate the following offline access decisions:Parameter settings in the system: no offline access decisionThe Remotereader rejects all bookings in offline operation.Parameter settings in the system: Checking site key (MIFARE)/segment search key (LEGIC)In the online mode, the site key (MIFARE)/segment search key (LEGIC) is sent to theRemotereader by the system and saved in the Remotereader. During the offlinemode, the Remotereader only checks the site key (MIFARE)/segment search key(LEGIC). The time zone is not considered for this kind of access decision.LogbookThe logbook records and saves a maximum of 2000 events during the offline opera-tion. Once the Remotereader is online again, the saved data is sent to the host sys-tem and deleted from the memory of the Remotereader.The following events are logged:• Authorized accesses (incl. type of authorization)• Tampering, door forced open, door opener keyIf there are more than 2000 entries, the oldest will be overwritten (ring memory).Service modeSee chapter Service mode [}7.3]
Technical Manual Design and function3304045708 - 04/2016Kaba Remote Reader 91 25-AM (US/CAN)Also see about this27.3Service mode [}87]
Design and function Technical Manual34 04045708 - 04/2016 Kaba Remote Reader 91 25-AM (US/CAN)4.9 Operating modesThe operating mode of the Remotereader must be selected on the basis of the doorconfiguration.The operating mode is set using the rotary switch, see Chapter Set Operating Mode.The extended functions of a selected operating mode are set using the DIP switchExtended functions of the operating modes [}5.7.6.1].Possible operating modes:• Electric strike; for doors with electrical blocking elements• Motor bolt; for doors with electrical blocking elements• Automatic doors; for doors with their own electronic control system (control withenable pulse; e.g. sliding door)• Turnstile; for turnstiles/tripod turnstiles with their own electronic control system(control with direction-dependent enable pulses)• Night lock; for doors with the two elements electronic strike and motor bolt• Kaba exos lock; for doors with self-locking Kaba panic locks;• Cylinder interface LI-EL; for doors with mechatronic Kaba elolegic cylinders• Motor bolt with panic function; for doors with electrical blocking elements andadditional mechanical panic opening• Motor bolt type II with panic function (two outputs); for doors with electricalblocking elements and additional mechanical panic opening. 1 output each forthe pulses 'unlock' and 'lock'.• Motor bolt type III with panic function (1 output); for doors with electrical block-ing elements and additional mechanical panic opening. 1 output for the pulses'unlock' and 'lock'.• Electric lock with panic function; for doors with electrical blocking elements andadditional mechanical panic opening• Automatic door with night lock for doors with their own electronic control sys-tem and additional night lockAlso see about this24.9.1'Electric strike' operating mode [}35]
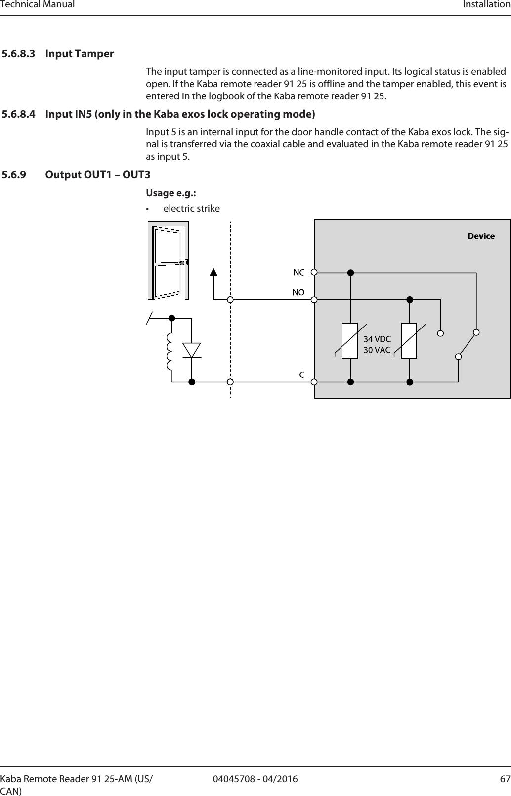
Technical Manual Design and function3504045708 - 04/2016Kaba Remote Reader 91 25-AM (US/CAN)4.9.1 'Electric strike' operating modeAccess allowedIntrusion detection system Frame contactElectric strike(Alarm bypass)(Access control)Registration unit ABlocking contactRegistration unit BAlarm RS-232 A/BBuzzer / LEDDoor opener keyAccess manager /Door managerThe 'Electric strike' operating mode is mainly used to operate doors with electric lock-ing elements (strike, magnet). The access authorised signal is triggered by authorised booking, the door opener keyor the door handle. So that subsequent door opening does not trigger an alarm, the'Access authorised' signal activates the alarm bypass. Then the electric strike is triggered. The door is now released for opening and the setrelay operating time starts to run. When the door is opened the pre-alarm and alarmtime start to run ('Door open too long').Authorised booking, door opener key or door handle trigger a door openingFrame contactAccess allowedPre-alarm timeAlarm timeAccess control Door openAccess control Door closedElectric strike (not used with a door handle)Relais operation time
Design and function Technical Manual36 04045708 - 04/2016 Kaba Remote Reader 91 25-AM (US/CAN)4.9.2 'Motor Bolt' Operating Mode(locked)RS-232 A/BBuzzer / LEDMotor boltBolt monitoringAccess allowedFrame contact(Alarm bypass)(Access control)Registration unit ABlocking contactRegistration unit BDoor opener keyIntrusion detection systemAlarmAccess manager /Door managerThe 'motor bolt' operating mode mainly operates doors with electrical locking ele-ments.The 'authorized access' signal is generated through being triggered by an authorizedbooking or the door opener key. So that subsequent door opening does not gener-ate an alarm, the 'authorized access' signal activates the alarm bypass.Then the motor bolt is activated. The door is now released for opening and the set re-lay operation time starts to run. When opening the door, the pre-alarm and alarmtime start to run ('Door open too long').The motor bolt is activated until the frame contact signals that the door is closedagain. Only then will the lock of the motor bolt be extended again. If the motor boltis not extended (e.g. in the event of a defect or tampering), then an alarm ('Bolt posi-tion incorrect') is triggered.Authorised booking or door opener key  trigger a door openingFrame contactAccess allowedPre-alarm timeAlarm timeAccess control Door openAccess control Door closedMotor boltBold monitoringRelay operation timeAccess control Door unlockedAccess controlDoor locked
Technical Manual Design and function3704045708 - 04/2016Kaba Remote Reader 91 25-AM (US/CAN)4.9.3 'Automatic door' operating modeRelease pulseRS-232 A/BBuzzer / LEDAccess allowedIntrusion detection systemFrame contact(Alarm bypass)(Access control)Registration unit ABlocking contactRegistration unit BAlarmDoor opener keyAccess manager /Door managerThe 'Automatic doors' operating mode is mainly used to operate doors with theirown control electronics (e.g. sliding doors). The control is carried out using a releasepulse.The 'Access authorised' signal is generated triggered by an authorised booking or thedoor opener key. So that subsequent door opening does not trigger an alarm, the'Access authorised' signal activates the alarm bypass.The release pulse (approx. 1s) is then sent to the control electronics. The set relay op-eration time starts to run. If the door is opened within the relay operation time, thenthe pre-alarm and alarm time start to run ('Door open too long').If the door is opened outside of the relay operation time, then unauthorised dooropening is present.Authorised booking, door opener key or door handle trigger a door openingFrame contactAccess allowedPre-alarm timeAlarm timeAccess control Door openAccess control Door closedRelease pulse (not used with a door handle)Relais operation time 1s
Design and function Technical Manual38 04045708 - 04/2016 Kaba Remote Reader 91 25-AM (US/CAN)4.9.4 'Turnstile' operating modeRelease pulseRS-232 A/BBuzzer / LEDBuzzer / LEDRelease pulseOutsideInsideFrame contact(direction-dependent)(direction-dependent)Access allowedIntrusion detection systemFrame contact(Alarm bypass)(Access control)Registration unit ABlocking contactRegistration unit BAlarmDoor opener keyAccess manager /Door managerThe 'Turnstile' operating mode is mainly used to operate turnstiles/tripod barrierswith their own control electronics (triggered with direction-dependent releasepulses). The turnstile is an access point in which the access point sides (outside/in-side) are released in a direction-dependent manner. Therefore two opposite direc-tions of rotation are possible. The 'access authorised' signal is triggered by authorised booking or the door openerkey. So that subsequent door opening does not trigger an alarm, the 'Access autho-rised' signal activates the alarm bypass. Then the direction-dependent release pulse (approx. 1s) is sent to the control elec-tronics and the set relay operation time starts to run. If the door is opened outside ofthe relay operation time, then unauthorised door opening is present.Authorised booking, door opener key trigger a door openingAccess allowedDirection-dependent release pulsRelais operation time 1s
Technical Manual Design and function3904045708 - 04/2016Kaba Remote Reader 91 25-AM (US/CAN)4.9.5 'Night lock' operating modeRS-232 A/BBuzzer / LEDMotor boltAccess allowedFrame contact(Alarm bypass)(Access control)Registration unit ABlocking contactRegistration unit BDoor opener keyIntrusion detection systemAlarmBolt monitoring (locked)Electric strikeAccess manager /Door managerThe 'Night lock' operating mode is mainly used to operate doors with the two ele-ments electric strike and motor bolt. Therefore during the day only the door openerrelay needs to be enabled, and the door can be additionally locked at night (e.g. X-Lock motor lock with control unit; but without bolt monitoring).The 'access authorised' signal is triggered by authorised booking or the door openerkey. So that subsequent door opening does not trigger an alarm, the Access autho-rised signal activates the alarm bypass.Then the motor bolt is triggered. As soon as the motor bolt is retracted (motor boltmonitoring), the electric strike is triggered and the door is released for opening. Theset relay operation time starts to run. When the door is opened the pre-alarm andalarm time start to run ('Door open too long').• The time profile saved for the night lock only works in online mode.• Offline mode always corresponds to the night setting. Motor bolt and dooropener relay are controlled.
Design and function Technical Manual40 04045708 - 04/2016 Kaba Remote Reader 91 25-AM (US/CAN)Authorised booking, door opener key or door handle trigger a door openingFrame contactAccess allowedPre-alarm timeAlarm timeAccess control Door openAccess control Door closedMotor bolt (not used with a door handle)Bolt monitoring (not used with a door handle)Relais operation time Electric strike (not used with a door handle)Access control Door unlockedAccess control Door locked
Technical Manual Design and function4104045708 - 04/2016Kaba Remote Reader 91 25-AM (US/CAN)4.9.6 'Motor bolt with panic function' operating mode(locked)RS-232 A/BBuzzer / LEDMotor boltBolt monitoringAccess allowedFrame contact(Alarm bypass)(Access control)Registration unit ABlocking contactRegistration unit BDoor handle contactIntrusion detection systemAlarmAccess manager /Door managerThe 'Motor bolt with panic function' operating mode is implemented in the sameway as the 'Motor bolt' operating mode. Instead of the door opener key, the doorhandle contact is assessed for mechanical panic opening.The 'access authorised' signal is triggered by an authorised booking or the door han-dle. So that subsequent door opening does not trigger an alarm, the 'Access autho-rised' signal activates the alarm bypass.The door is now released for opening and the set relay operating time starts to run.When the door is opened the pre-alarm and alarm time start to run ('Door open toolong').The motor bolt is controlled until the frame contact signals that the door is closedagain. Only then will the bolt of the motor lock be extended again. If the motor boltis not extended (e.g. in the event of a defect or tampering), then an alarm ('Bolt posi-tion incorrect') is triggered.Authorised booking or door handle  trigger a door openingFrame contactAccess allowedPre-alarm timeAlarm timeAccess control Door openAccess control Door closedMotor bolt (not used with a door handle)Bolt monitoring (not used with a door handle)Relay operation timeAccess control Door unlockedAccess controlDoor locked
Design and function Technical Manual42 04045708 - 04/2016 Kaba Remote Reader 91 25-AM (US/CAN)4.9.7 'Motor bolt type II with panic function' operating mode (2 outputs)(locked)RS-232 A/BBuzzer / LEDLock motor boltBolt monitoringAccess allowedFrame contact(Alarm bypass)(Access control)Registration unit ABlocking contactRegistration unit BDoor handle contactIntrusion detection systemAlarmUnlock motor boltAccess manager /Door managerThe 'Motor bolt type II' operating mode is implemented in the same way as the 'Mo-tor bolt with panic function' operating mode. In place of the static 'Motor bolt' signal,there is one line each for 'Motor bolt unlocking' and 'Motor bolt locking' connectedto the lock (e.g. MIWA AL-02/AL-3M).The 'access authorised' signal is triggered by an authorised booking or the door han-dle. So that subsequent door opening does not trigger an alarm, the 'Access autho-rised' signal activates the alarm bypass.Then the motor bolt is retracted with the 'unlock' pulse. The door is now released foropening. When the door is opened the pre-alarm and alarm time start to run ('Dooropen too long').If the frame contact signals that the door is closed again, then the bolt of the motorlock is extended again via the 'lock' pulse. If the motor bolt is not extended (e.g. inthe event of a defect or tampering), then an alarm ('Bolt position incorrect') is trig-gered. If the unlocked door (bolt monitoring) is opened again, no alarm will be gen-erated.
Technical Manual Design and function4304045708 - 04/2016Kaba Remote Reader 91 25-AM (US/CAN)No alarm!Unlock motor bolt (not used with a door handle)Lock motor bolt (not used with a door handle)Authorised booking or door handle trigger a door openingFrame contactAccess allowedAccess control Door openAccess control Door unlockedBolt monitoring (not used with a door handle) Access control Door closedAccess controlDoor lockedPre-alarm timeAlarm timeDepending on the door used, it may be the case that a door opener key is parame-terised as the door component in Kabaexos instead of a door handle.
Design and function Technical Manual44 04045708 - 04/2016 Kaba Remote Reader 91 25-AM (US/CAN)4.9.8 'Motor bolt type III with panic function' operating mode (1 output)(locked)RS-232 A/BBuzzer / LEDLock motor boltBolt monitoringAccess allowedFrame contact(Alarm bypass)(Access control)Registration unit ABlocking contactRegistration unit BDoor handle contactIntrusion detection systemAlarmUnlock motor boltAccess manager /Door managerThe 'Motor bolt type III' operating mode is implemented in the same way as the 'Mo-tor bolt with panic function' operating mode. Instead of the static 'Motor bolt' sig-nals, the 'Motor bolt unlocking' pulse is generated on one output and the 'Motor boltlocking' pulse is generated on the other output.The 'access authorised' signal is triggered by an authorised booking or the door han-dle. So that subsequent door opening does not trigger an alarm, the 'Access autho-rised' signal activates the alarm bypass.Then the motor bolt is retracted with the 'unlock' pulse. Now the door is released foropening. When the door is opened the pre-alarm and alarm time start to run ('Dooropen too long').If the frame contact signals that the door is closed again, then the bolt of the motorlock is extended again via the 'lock' pulse. If the motor bolt is not extended (e.g. inthe event of a defect or tampering), then an alarm ('Bolt position incorrect') is trig-gered.Unlock motor boltLock motor bolt(not used with a door handle)Authorised booking or door handle trigger a door openingFrame contactAccess allowedPre-alarm timeAlarm timeAccess control Door openAccess control Door closedAccess control Door unlockedAccess controlDoor lockedBolt monitoring (not used with a door handle)
Technical Manual Design and function4504045708 - 04/2016Kaba Remote Reader 91 25-AM (US/CAN)Depending on the door used, it may be the case that a door opener key is parame-terised as the door component in Kabaexos instead of a door handle.
Design and function Technical Manual46 04045708 - 04/2016 Kaba Remote Reader 91 25-AM (US/CAN)4.9.9 'Electric lock with panic function' operating mode(locked)RS-232 A/BBuzzer / LEDElectric lockBolt monitoringAccess allowedFrame contact(Alarm bypass)(Access control)Registration unit ABlocking contactRegistration unit BDoor handle contactIntrusion detection systemAlarmAccess manager /Door managerThe 'Electric lock with panic function' operating mode is implemented in the sameway as the 'Motor bolt with panic function' operating mode. An electric lock (e.g. X-Lock electric lock, MIWA AUTA/ALTA) is controlled instead of the motor bolt.The 'access authorised' signal is triggered by an authorised booking or the door han-dle. So that subsequent door opening does not trigger an alarm, the 'Access autho-rised' signal activates the alarm bypass.Then the electric lock is triggered. The door is now released for opening and the setrelay operating time starts to run. When the door is opened the pre-alarm and alarmtime start to run ('Door open too long').The 'Access authorised' signal is enabled during the alarm time until the door islocked.If the door is opened again during this alarm time, then no alarm is generated.
Technical Manual Design and function4704045708 - 04/2016Kaba Remote Reader 91 25-AM (US/CAN)Frame contactAccess allowedPre-alarm timeAlarm timeAccess control Door openNo alarm!Electric lock (not used with a door handle)Deadbolt contactRelay operation timeAccess control Door unlockedAccess controlDoor lockedAccess control Door closedAuthorised booking or door handle  trigger a door opening
Design and function Technical Manual48 04045708 - 04/2016 Kaba Remote Reader 91 25-AM (US/CAN)4.9.10 'Automatic door with night lock' operating modeRelease pulseAlarm RS-232 A/BIntrusion detection systemAccess allowed(Alarm bypass)Frame contact(Access control)Registration unit BBuzzer / LEDRegistration unit ABlocking contactMotor boltDoor opener keyBolt monitoringAccess manager /Door managerThe 'Automatic door with night lock' mode is used to operate automatic doors withthe two elements release pulse and motor bolt. This means that during the day onlythe release pulse is active and at night the door is additionally locked.The 'access authorised' signal is triggered by authorised booking or the door openerkey. So that subsequent door opening does not trigger an alarm, the 'Access autho-rised' signal activates the alarm bypass.Then the motor bolt is triggered. As soon as the bolt is retracted (bolt monitoring),the release pulse (approx. 1s) is sent to the control electronics. The set relay opera-tion time starts to run. If the door is opened within the relay operation time, then thepre-alarm and alarm time start to run ('Door open too long').If the door is opened outside of the relay operation time, then unauthorised dooropening is present.• The time profile saved for the night lock only works in online mode.• Offline mode always corresponds to the night setting. Motor bolt and dooropener relay are controlled.
Technical Manual Design and function4904045708 - 04/2016Kaba Remote Reader 91 25-AM (US/CAN)1sAuthorised booking or door handle  trigger a door openingFrame contactAccess allowedAccess control Door openMotor bolt (not used with a door handle)Bolt monitoring (not used with a door handle)Access control Door unlockedRelease pulse (not used with a door handle)Pre-alarm timeAlarm timeAccess control Door closedRelay operation timeAccess controlDoor locked4.9.11 'Online Operation' Operating ModeThe 'Online operation' operating mode is used for purely online operation. If commu-nication to the host system is interrupted, then no locking elements will be activated.All connected outputs and relays drop off.
Installation Technical Manual50 04045708 - 04/2016 Kaba Remote Reader 91 25-AM (US/CAN)5 InstallationThis chapter describes the installation of the device.5.1 Installation processProcedure1. Determine the installation site.Installation site [}5.2.2]2. Lay the installation cables.Installation lines [}5.4]3. Secure the device.4. Connect registration units.'Ant. A' and 'Ant. B' Connections [}5.6.4], Coaxial Cable to the Registration Units [}5.4.4],Coaxial Cable Terminal [}5.4.6.4]5. Check read behavior without system configuration:Book with an ISO 14443 A medium or Legic Prime medium.ðIf the medium can be read, the registration unit signals this as unauthorizedaccess.6. Connect keypads or system-dependent functions.RS-232 A and RS-232 B Interfaces7. Connect the inputs.Inputs IN1 – IN4, tamper and input 5 [}5.6.8]8. Connect the relay outputs.Output OUT1 – OUT3 [}5.6.9]9. Plug in/connect extension modules where required.10. Connect Kaba remote reader 91 25 and host device to the RS-485 bus cable. RS-485 interface [}5.6.3]Configure the device after installation.Configuring [}5.7]Also see about this25.5Mounting the device and extension modules [}60]25.4Installation lines [}53]25.7Configuring [}68]
Technical Manual Installation5104045708 - 04/2016Kaba Remote Reader 91 25-AM (US/CAN)5.2 Installation conditions5.2.1 GeneralAn accurate installation of all components is a basic requirement for a properly func-tioning device. The following installation instructions must be adhered to.5.2.2 Installation siteThe device is assembled on a DIN rail in a housing or IT cabinet.The device should be installed in a tamper-proof location within the area to be se-cured.Electromagnetic fieldsThe device must not be installed in the area of strong electromagnetic fields causedby switching power supply, power lines, phase controllers, etc.!5.2.3 ConnectionsThe following connections must be available at the location where the access man-ager is to be installed:• Power supply for the device• RS-485 cable to the host device• Cables to door openers and switches• Coaxial cable to registration unitsThe installation lines have to be flush with the surface or be laid in the vandal-proofarea.
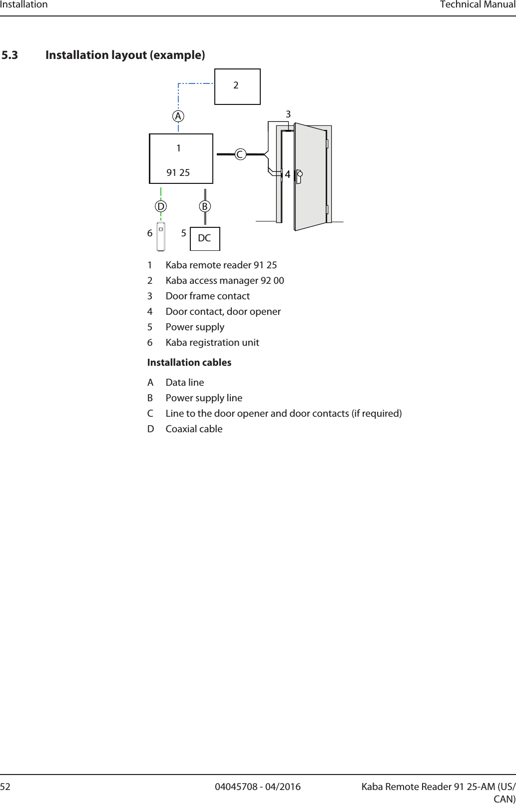
Installation Technical Manual52 04045708 - 04/2016 Kaba Remote Reader 91 25-AM (US/CAN)5.3 Installation layout (example)91 254B56312CADDC1 Kaba remote reader 91 252 Kaba access manager 92 003 Door frame contact4 Door contact, door opener5 Power supply6 Kaba registration unitInstallation cablesA Data lineB Power supply lineC Line to the door opener and door contacts (if required)D Coaxial cable
Technical Manual Installation5304045708 - 04/2016Kaba Remote Reader 91 25-AM (US/CAN)5.4 Installation linesThis chapter describes:• Line requirements• Maximum permitted line length• Grounding conceptThe chapter Connections describes the assignment of connections and switch set-tings.Only connect the terminals when the power is switched off.5.4.1 Power supply lineThe device can be supplied with power in the following ways:• From the host control device (power supply and data line in one cable)• From a separate power supplyNOTICEVoltage drops, caused by line resistance, must be taken into consideration forlong lines.The given cable types and diameters are examples and serve as recommendations.The technical specifications of the cable manufacturer are authoritative for the pre-cise determination of the cable diameter/cross section and the resulting maximumcable lengths. The voltage drop across the cable length is decisive in this case. Assuch, the voltage that is available at the end of the cable may, under no circum-stances, be less than the minimum permitted supply voltage of the connected com-ponents. This always applies in consideration of the maximum power consumptionof the connected components.Only connect the terminals when the power is switched off.The device may only be supplied with SELV (Safety Extra Low Voltage) and LPS (Lim-ited Power Source), according to IEC/UL/CSA 60950-1.
Installation Technical Manual54 04045708 - 04/2016 Kaba Remote Reader 91 25-AM (US/CAN)5.4.1.1 Power supply from the host control device(Central power supply)Power is supplied from the host control device.In the case of bus wiring, the power supply and data line can be carried in one cable(maximum total length of 350m). In the case of star wiring, the power supply and data line can be carried in one cable(maximum length per stub of 20m). A separate power supply must be used for greater distances.Permissible Cable Lengths and Cable TypesType of wiring: Star BusMax. cable length: < 20m(per stub)< 50m(total)< 100m(total)< 350m(total)Cable type CAT.5 S-UTP*4 x 2 x AWG 24 4 x 2 x AWG 22 4 x 2 x AWG 20Cable type J-Y (ST) 4 x 2 x ø 0.6mm 4 x 2 x ø0.8mm4 x 2 x ø1.0mm*S-UTP (screened unshielded twisted pair)Do not ground the device.5.4.1.2 Power supply and data transfer in separate cables(Local power supply)Data lines and power supply lines are carried with one of each in a cable.Power is supplied locally, e.g. from a power supply unit.A local power supply can be used in the following cases:• in long data lines• if there are increased requirements regarding the operational safety of the de-vice (offline capability).Permissible Cable Lengths and Cable TypesData line RS-485 Power supplyType of wiring: Star BusMax. cable length: < 100m (per stub)< 1200m(total)< 10mCable type CAT.5 S-UTP * 2 x 2 x AWG 24 1 x 2 x AWG 24Cable type J-Y (ST) 2 x 2 x ø 0.6mm 1 x 2 x ø 0.6mm*S-UTP (screened unshielded twisted pair)The device may only be supplied with SELV (Safety Extra Low Voltage) and LPS (Lim-ited Power Source), according to IEC/UL/CSA 60950-1.
Technical Manual Installation5504045708 - 04/2016Kaba Remote Reader 91 25-AM (US/CAN)5.4.2 Data line RS-485Only connect the terminals when the power is switched off.The device is connected to the host control device via a two-wire party line connec-tion (RS-485).For information on permissible cable lengths and cable types, please see:••5.4.2.1 CableNOTICELocal legal provisions (e.g., VDE) must be observed during installation of compo-nents. For notes on structured cabling, see the standard EN 50173.The cables recommended in the chapter have a foil screen and are designed basedon S-UTP (screened unshielded twisted pair). The wire pairs are not individuallyshielded against each other (unshielded). Each pair comprises two color-coded wiresthat are twisted together (twisted pair).NOTICEIt must be ensured that the screen is applied with the aid of the drain wire. The drainwire must be insulated to avoid short circuits on the circuit boards of the connecteddevices using a shrink-on tube or similar.5.4.2.2 Connection RS-485Lines A and B are arranged as a twisted wire pair. Lines A and B must not be crossed.1ABCRS-485ABCRS-48521 Host control device 2 Kaba remote reader 91 25Connecting shielding1. On the host device connect the shielding of the RS-485 cable (blue) to theground.Do not ground the Kaba remote reader 91 25.2. Connect all shieldings pertaining to the RS-485 cables used (blue) to each other.
Installation Technical Manual56 04045708 - 04/2016 Kaba Remote Reader 91 25-AM (US/CAN)5.4.2.3 Using several remote readersIf several Kaba remote reader 91 25 are to be connected to a host control device, ei-ther bus wiring or star wiring can be used.See:• Star wiring• Bus wiring5.4.2.4 Star wiringMax. eight devices can be operated on a party line.Power supply and data line in one cable: Maximum cable length per remote reader orstub: 20mPower supply and data line in separate cables: Maximum data line length per remotereader or stub: 100m4,7kΩ4,7kΩ4,7kΩ 4,7kΩ4,7kΩ120 ΩRS-4852131 Host control device (Kaba access manager)2 Distributor (e.g. screw terminal)3 Kaba remote reader 9125See alsoConnection RS-485 [}5.4.2.2]Set RS-485 termination resistancesSet peripheral addresses [}5.7.4]
Technical Manual Installation5704045708 - 04/2016Kaba Remote Reader 91 25-AM (US/CAN)5.4.2.5 Bus wiringA maximum of eight devices can be operated on a party line.Maximum total length of data lines (incl. stubs): 1200m A stub itself may be a maximum of 100m in length. The length of the party line can be increased using a repeater.5.4.2.5.1 Bus wiring with 1 bus120ΩOPENOPENOPENOPENRS-485120 Ω12331 Host control device (Kaba access manager)2 Kaba remote reader 91 253 Terminating resistorsSee alsoConnection RS-485 [}5.4.2.2]Set RS-485 termination resistancesSet peripheral addresses [}5.7.4]5.4.2.5.2 Bus wiring with two buses120Ω120ΩRS-485RS-485OPEN233OPEN OPENOPENOPENOPEN11 Host control device (Kaba access manager)2 Kaba remote reader 91 253 Terminating resistorsSee alsoConnection RS-485 [}5.4.2.2]Set RS-485 termination resistancesSet peripheral addresses [}5.7.4]5.4.3 Line to the door opener and door contactsLine requirements: Cable diameters from 0.5 mm to 0.8 mm.Recommended cable: CAT.5 S-UTP 4 x 2 AWG 24 or AWG 22 (according to EIA/TIA568) or higher.
Installation Technical Manual58 04045708 - 04/2016 Kaba Remote Reader 91 25-AM (US/CAN)5.4.4 Coaxial Cable to the Registration UnitsCable TypeRG174/UCoaxial cable 50Ohm, item No. 161.250Maximum cable lengths:Cable type RG174: up to 30m Cable type RG178/U: up to 30m (RU 90 02: up to 10m)Recommended ca-ble length< 10mMax. cable length 30m5.4.5 RS-232 ConnectionCable type CAT.5 S-UTP2 x 2 x AWG 24Cable type J-Y (ST) 2 x 2 x 0.6mmMax. cable length 15m
Technical Manual Installation5904045708 - 04/2016Kaba Remote Reader 91 25-AM (US/CAN)5.4.6 Grounding Concept5.4.6.1 Power supplyThe divice is in a plastic housing and is not grounded. The power supply can be operated floating or grounded.5.4.6.2 Communication lines1. On the host control device connect the shielding of the RS-485 cable (blue) tothe ground.Do not ground the Kaba remote reader 91 25.1ABCRS-485ABCRS-48521 Host control device 2 Kaba remote reader 91 251. Connect all shieldings pertaining to the RS-485 cables used (blue) to each other.5.4.6.3 RS-232 ConnectionThe RS-232 connection lines are not electrically isolated.Measures to reduce faults:• Use shielded cables.• Connect the shield to the 0V line (ground) of the RS-232 connection.5.4.6.4 Coaxial Cable TerminalNOTICEInner conductor A+ and shield AS of the coaxial cable may be connected to theground.
Installation Technical Manual60 04045708 - 04/2016 Kaba Remote Reader 91 25-AM (US/CAN)5.5 Mounting the device and extension modulesMount the device on a 35mm DIN rail (EN 50022).1. Install the rail.2. Screw grounding terminal to the rail.ClickPush1.2.3. Hang the device on the bottom of the DIN rail – without tilting – and press it up-wards and keep it pressed.4. Press the device upwards against the rail at the same time until it can be hung onthe rail.Connecting extension modulesNOTICEAttaching live extension modules may cause damage to the devices.Always switch off the power supply before attaching the extension modules.1321. 2.1 Kaba remote reader 91 252 Extension module 90 303 Extension module 90 311. Firstly, carefully insert all extension modules 90 30 into the device (1) or an exten-sion module 90 30 (push the devices together on the rail).ðAll extension modules 90 30 are inserted.2. Then insert extension modules 90 31.ðThe extension module 90 31 which is closer to the device (1) is designated asmodule 1. The next module is designated as module 2.
Technical Manual Installation6104045708 - 04/2016Kaba Remote Reader 91 25-AM (US/CAN)Removing extension modulesNOTICERemoving live extension modules may cause damage to the devices.Always switch off the power supply before removing the extension modules.1.2.1. Push the extension module away from the adjacent module until the contact isfully disconnected.2. Remove the disconnected extension module from the rail.
Installation Technical Manual62 04045708 - 04/2016 Kaba Remote Reader 91 25-AM (US/CAN)5.6 ConnectionsOnly connect the terminals when the power is switched off.0123456789ABCDEF0123456789ABCDEFMode718 ServiceON OFFGNDGNDGNDGNDGNDStateIN1IN2IN3IN4OUT1OUT2OUT35VRxTxRxTx0VIN5/TPIN1IN2IN3IN4Vs-Vs-Vs+Vs+FunctionOUT1OUT2OUT3ABCSupply 10-34VDCOutput max. 34VDC/27VAC/2AInput max. 5VDCRS-4855V0VRS-232 B RS-232 A Ant. B Ant. AASA+ASA+:AddressProg.Relay Output Class II91 25             2.1. PushClickDIN-Rail91 250 - F0 - F8 75613141516171 2 3 49101112Item Connection/switch Remark1 RS-232 interface B Connection of peripherals2 RS-232 interface A3 Antenna B Registration unit B (antenna B)4 Antenna A Registration unit A (antenna A)5 LED Displays6 Interface for Extension Modules e.g. 90 30/90 317 Power supply 10–34 VDC8 Relay outputs OUT1–OUT39 Inputs IN1–IN410 Tamper switch11 RS-485 interfaces A, B and C Connection to the host system12 Bus termination RS-485 Jumper for adjustment of thetermination resistance13 Addressing RS-485, 1–8 Rotary switch for selecting theaddress14 Function DIP switch for selecting thefunction15 Operating modes 'Mode' rotary switch for select-ing the operating mode16 Interface for Kaba programmer PD 146017 Not used
Technical Manual Installation6304045708 - 04/2016Kaba Remote Reader 91 25-AM (US/CAN)The functions and connections of the interfaces, inputs, relay outputs, rotary and DIPswitches are described in the chapterConnecting.5.6.1 Connections, GeneralOnly connect the terminals when the power is switched off.Connection Type Connection OccupancyPluggable screw terminals The occupancy of the connection termi-nals can be taken from the following ta-bles5.6.2 Power Supply2 x 2 clamps are available for the power supply. These are connected in parallel.Terminal MeaningSupply Vs+ 10–34VDC Current consumption max. 330mA, withoutexternal wiringSupply Vs- 0VDCSupply voltage forRS-232 and extensionmodules at 25°C5VDC, max. 1AThe device may only be supplied with SELV (Safety Extra Low Voltage) and LPS (Lim-ited Power Source), according to IEC/UL/CSA 60950-1.5.6.3 RS-485 interfaceThe device communicates with the host system (access hub) via the RS-485 interface.Terminal MeaningA RS-485 wire AB RS-485 wire BC RS-485 wire C (Common)Set RS-485 termination resistancesSet peripheral addresses [}5.7.4]5.6.4 'Ant. A' and 'Ant. B' ConnectionsThe connections 'Ant. A' and 'Ant. B' are for the connection of the registration units tothe device. Coaxial cables are used for the connection. LED and acoustic signal trans-mitter of the registration unit are controlled via the coaxial cable.Terminal MeaningA+ Antenna cable inner conductorAS Antenna cable shield wire
Installation Technical Manual64 04045708 - 04/2016 Kaba Remote Reader 91 25-AM (US/CAN)5.6.5 RS-232 A and RS-232 B InterfacesThe required power supply is provided via the Kaba remote reader 91 25.Terminal Meaning5V 5VDCRx RXD (Receive/in)Tx TXD (Transmit/out)0V 0VFurther information about the system-dependent functions:• System documentation5.6.6 Programming InterfaceFor connecting the Kaba programmer.Usage:• Firmware update, see Chapter Firmware Update/LEGIC OS Update5.6.7 Interface for Extension ModulesFor the connection of:• Kaba extension module 90 30• Kaba extension module 90 31Number of Supported Extension Modules [}3.5.1]Also see about this23.5.1Number of Supported Extension Modules [}18]
Technical Manual Installation6504045708 - 04/2016Kaba Remote Reader 91 25-AM (US/CAN)5.6.8 Inputs IN1 – IN4, tamper and input 5NOTICEConnecting Isolated Inputs.The logic (normally open/normally closed) of the inputs can be changed by the hostsystem.If the Kaba remote reader 91 25 needs to behave in the same way in both online andoffline operation, the inputs and relay outputs must be connected according to theoperating mode and configured with the DIP switches.IN1 and IN4 can, when necessary, be used as line-monitored inputs.5.6.8.1 Inputs IN1 – IN4 (Without Line Monitoring)If no inputs with line monitoring are used, no additional resistors need to be con-nected.Internal wiring without line monitoring
Installation Technical Manual66 04045708 - 04/2016 Kaba Remote Reader 91 25-AM (US/CAN)5.6.8.2 Inputs IN1 – IN4 With Line MonitoringAny tampering with the lines between the Kaba remote reader 91 25 and, for exam-ple, the door frame contact is detected.1. Activate/deactivate line monitoring:Activate or deactivate line monitoring for each input on the host system.2. Inputs with line monitoring:Attach resistors (R=680 Ω, ¼ W 2%), ensuring they are tamper-proof.IN1-IN4GND12+5 V DC680 Ω680 Ω680 Ω1 Kaba remote reader 91 252 Tamper-proof area3. Using inputs with and without line monitoring at the same time:No resistors need to be connected to lines without line monitoring.
Technical Manual Installation6704045708 - 04/2016Kaba Remote Reader 91 25-AM (US/CAN)5.6.8.3 Input TamperThe input tamper is connected as a line-monitored input. Its logical status is enabledopen. If the Kaba remote reader 91 25 is offline and the tamper enabled, this event isentered in the logbook of the Kaba remote reader 91 25.5.6.8.4 Input IN5 (only in the Kaba exos lock operating mode)Input 5 is an internal input for the door handle contact of the Kaba exos lock. The sig-nal is transferred via the coaxial cable and evaluated in the Kaba remote reader 91 25as input 5.5.6.9 Output OUT1 – OUT3Usage e.g.:• electric strike
Installation Technical Manual68 04045708 - 04/2016 Kaba Remote Reader 91 25-AM (US/CAN)5.7 Configuring5.7.1 Configuration process1. Set address of the Kaba remote reader 91 25, see chapterAddressing. Note down the address. It is required for the configuration in the host system.2. Set termination resistance on the RS-485 bus as per the bus topology, see chap-ter Bus termination RS-4853. Set operating mode according to the door configuration, see chapterSet Operating Mode4. Set extended functions for the selected operating mode, see chapter Extended functions of the operating modes [}5.7.6.1]5. Activate or deactivate monitoring of all inputs, see chapter Activate monitoring of all inputs (DIP switch 7)5.7.2 Change SettingsJumper, DIP switch and rotary switch settings must only be made when the power isswitched off.Changes of jumper-, DIP switch- and rotary switch settings are only activated afterturning on the power supply (cold start).0123456789ABCDEF0123456789ABCDEFMode718 ServiceON OFFGNDGNDGNDGNDGNDStateIN1IN2IN3IN4OUT1OUT2OUT35VRxTxRxTx0VIN5/TPIN1IN2IN3IN4Vs-Vs-Vs+Vs+FunctionOUT1OUT2OUT3ABCSupply 10-34VDCOutput max. 34VDC/27VAC/2AInput max. 5VDCRS-4855V0VRS-232 B RS-232 A Ant. B Ant. AASA+ASA+:AddressProg.Relay Output Class II91 25             2.1. PushClickDIN-Rail91 250 - F0 - F8 75613141516171 2 3 49101112
Technical Manual Installation6904045708 - 04/2016Kaba Remote Reader 91 25-AM (US/CAN)5.7.3 Set RS-485 termination resistancesThe connection architecture determines the terminating resistors.Star wiring4,7kΩ4,7kΩ4,7kΩ 4,7kΩ4,7kΩ120 ΩRS-4852131 Host control device (Kaba access manager AM)2 Distributor (e.g. screw terminal)3 Terminating resistors Kaba remote reader 91251. Set the terminating resistor to 4.7kΩ on the Kaba remote reader 9125 using thejumper (12).2. Set the terminating resistor to 120Ω on the host control system (1).Bus wiring with 1 bus120ΩOPENOPENOPENOPENRS-485120 Ω12331 Host control device (Kaba access manager AM)2 Kaba remote reader 91253 Terminating resistors1. Set the terminating resistor to 120Ω on the last Kaba remote reader 9125 of thebus wiring. 2. Set the terminating resistor to open on all other Kaba remote reader 9125 of thebus wiring.
Installation Technical Manual70 04045708 - 04/2016 Kaba Remote Reader 91 25-AM (US/CAN)3. Set the terminating resistor to 120Ω on the host control system.Bus wiring with two buses120Ω120ΩRS-485RS-485OPEN233OPEN OPENOPENOPENOPEN11 Host control device (Kaba access manager AM)2 Kaba remote reader 91253 Terminating resistors1. Set the terminating resistor to 120Ω on both terminal devices of the bus wiring.2. Set the terminating resistor to open on all other Kaba remote reader 9125 of thebus wiring.3. Set the terminating resistor to open on the host control system.
Technical Manual Installation7104045708 - 04/2016Kaba Remote Reader 91 25-AM (US/CAN)5.7.4 Set peripheral addressesEach device connected to an RS-485 bus must have a unique address.1. Assign the Kaba remote reader 91 25 with rotary switch (13) a unique peripheraladdress.Position Peripheral address Position Peripheral address0 Default, not used 5 51 1 6 62 2 7 73 3 8 84 4 9–F Not used5.7.5 Set Operating ModeThe door configuration determines the operating mode of the Kaba remote reader91 25. The operating mode is set with the rotary switch (15).In order to define the offline behavior of the device, the "extended functions" mustbe set in addition to the operating mode. The Chapter [}5.7.6.1] explains the ex-tended functions.Kaba remote reader 91 25PositionRotary switchOperating mode0 Electric strike1 Motor bolt2 Automatic door3 Turnstile4 Night lock5 Kabaexos lock6 Cylinder interface LI-EL7 Motor bolt with panic function8 Motor bolt type II with panic function (2outputs)9 Motor bolt type III with panic function (1output)A Electric lock with panic functionB Automatic door with night lockC–E Not usedF Online operationThe chapter Operating modes [}4.9] describes the operating modes.
Installation Technical Manual72 04045708 - 04/2016 Kaba Remote Reader 91 25-AM (US/CAN)5.7.6 Set functionsThe following functions can be set with the DIP switches (14):DIP switch NumberFunction1–6 Extended functions (according to operating modes)7 Not used8 ON Service mode5.7.6.1 Extended functions of the operating modesThe DIP switches 1–6 (14) are used to set the extended functions of the operatingmodes.The chapter Operating modes describes the operating modes.If the Kaba remote reader 91 25 needs to behave in the same way in both online andoffline operation, the inputs and relay outputs must be connected according to theoperating mode and configured with the DIP switches.The parameterization of the access point must match the selected configuration inthe host system. See also chapter Operating Types [}4.8]NOTICEThe DIP switches should only be put to ON if the relevant component is also con-nected to the device.The following chapters describe the individual operating modes with their connec-tions and configurations.
Technical Manual Installation7304045708 - 04/2016Kaba Remote Reader 91 25-AM (US/CAN)5.7.6.1.1 Operating Mode 0; Electric StrikeAccess point Designation Connection/function DIP switch ONOutside Ant. A Registration unit A -RS-232 A Optional -Ant. A Hold-open mode DIP 2Door OUT1 Electric strike -OUT2 Authorized access DIP 1IN2 Frame contact DIP 4IN3 Blocking contact DIP 5OUT3 Alarm buzzer DIP 6Inside Ant. B Registration unit B -RS-232 B Optional -IN1 Door opener key DIP 3- IN4 Freely available (only on-line)-5.7.6.1.2 Operating Mode 1; Motor BoltAccess point Designation Connection/function DIP switch ONOutside Ant. A Registration unit A -RS-232 A Optional -Ant. A Hold-open mode DIP 2Door OUT1 Motor bolt -IN4 Deadbolt contact (locked) -OUT2 Authorized access DIP 1IN2 Frame contact DIP 4IN3 Blocking contact DIP 5OUT3 Alarm buzzer DIP 6Inside Ant. B Registration unit B -RS-232 B Optional -IN1 Door opener key DIP 35.7.6.1.3 Operating Mode 2; Automatic DoorsAccess point Designation Connection/function DIP switch ONOutside Ant. A Registration unit A -RS-232 A Optional -Door OUT1 Enable pulse for automaticdoor-OUT2 Authorized access DIP 1IN2 Frame contact DIP 4IN3 Blocking contact DIP 5OUT3 Alarm buzzer DIP 6
Installation Technical Manual74 04045708 - 04/2016 Kaba Remote Reader 91 25-AM (US/CAN)Access point Designation Connection/function DIP switch ONInside Ant. B Registration unit B -RS-232 B Optional -IN1 Door opener key DIP 3- IN4 Freely available -
Technical Manual Installation7504045708 - 04/2016Kaba Remote Reader 91 25-AM (US/CAN)5.7.6.1.4 Operating Mode 3; TurnstileAccess point Designation Connection/function DIP switch ONOutside Ant. A Registration unit A -RS-232 A Optional -OUT1 Direction-dependent en-able pulse-Door OUT2 Authorized access DIP 1IN2 Frame contact DIP 4IN3 Blocking contact DIP 5Inside Ant. B Registration unit B -RS-232 B Optional -OUT3 Direction-dependent en-able pulse-IN1 Door opener key DIP 3- IN4 Freely available -5.7.6.1.5 Operating Mode 4; Night LockAccess point Designation Connection/function DIP switch ONOutside Ant. A Registration unit A -RS-232 A Optional -Ant. A Hold-open mode DIP 2Door OUT1 Electric strike -OUT3 Motor bolt -IN4 Deadbolt contact -OUT2 Authorized access DIP 1IN2 Frame contact DIP 4IN3 Blocking contact DIP 5Inside Ant. B Registration unit B -RS-232 B Optional -IN1 Door opener key DIP 3
Installation Technical Manual76 04045708 - 04/2016 Kaba Remote Reader 91 25-AM (US/CAN)5.7.6.1.6 Operating Mode 7; Motor Bolt with Panic FunctionAccess point Designation Connection/function DIP switch ONOutside Ant. A Registration unit A -RS-232 A Optional -Ant. A Hold-open mode DIP 2Door OUT1 Motor bolt -IN4 Deadbolt contact (locked) -OUT2 Authorized access DIP 1IN2 Frame contact DIP 4IN3 Blocking contact DIP 5OUT3 Alarm buzzer DIP 6Inside Ant. B Registration unit B -RS-232 B Optional -IN1 Door handle contact DIP 35.7.6.1.7 Operating Mode 8; Motor bolt type II with panic function (2 outputs)Access point Designation Connection/function DIP switch ONOutside Ant. A Registration unit A -RS-232 A Optional -Ant. A Hold-open mode DIP 2Door OUT1 Lock motor bolt -OUT3 Unlock motor bolt -IN4 Deadbolt contact (locked) -OUT2 Authorized access DIP 1IN2 Frame contact DIP 4IN3 Blocking contact DIP 5Inside Ant. B Registration unit B -RS-232 B Optional -IN1 Door handle contact DIP 3
Technical Manual Installation7704045708 - 04/2016Kaba Remote Reader 91 25-AM (US/CAN)5.7.6.1.8 Operating Mode 9; Motor bolt type III with panic function (1 output)Access point Designation Connection/function DIP switch ONOutside Ant. A Registration unit A -RS-232 A Optional -Ant. A Hold-open mode DIP 2Door OUT1 Motor bolt -IN4 Deadbolt contact (locked) -OUT2 Authorized access DIP 1IN2 Frame contact DIP 4IN3 Blocking contact DIP 5OUT3 Alarm buzzer DIP 6Inside Ant. B Registration unit B -RS-232 B Optional -IN1 Door handle contact DIP 3
Installation Technical Manual78 04045708 - 04/2016 Kaba Remote Reader 91 25-AM (US/CAN)5.7.6.1.9 Operating Mode A; Electric Lock with Panic FunctionAccess point Designation Connection/function DIP switch ONOutside Ant. A Registration unit A -RS-232 A Optional -Ant. A Hold-open mode DIP 2Door OUT1 Electric lock -IN4 Deadbolt contact (locked) -OUT2 Authorized access DIP 1IN2 Frame contact DIP 4IN3 Blocking contact DIP 5OUT3 Alarm buzzer DIP 6Inside Ant. B Registration unit B -RS-232 B Optional -IN1 Door handle contact DIP 3 offIN1 Door opener key DIP 3 on5.7.6.1.10Operating Mode B; Automatic Door with Night LockAccess point Designation Connection/function DIP switch ONOutside Ant. A Registration unit A -RS-232 A Optional -Ant. A Hold-open mode DIP 2Door OUT1 Enable pulse for automaticdoor-OUT3 Motor bolt -IN4 Deadbolt contact -OUT2 Authorized access DIP 1IN2 Frame contact DIP 4IN3 Blocking contact DIP 5Inside Ant. B Registration unit B -RS-232 B Optional -IN1 Door opener key DIP 35.7.6.2 Hold-open mode (DIP switch 2)In hold-open mode, the door remains open upon an authorized access (identifica-tion) for as long as the badge remains within range of the antenna (field). The hold-open mode only works without PIN entry. Kaba exos lock and cylinder interface LI-ELare not supported.• Hold-open mode applies for antenna A and antenna B
Technical Manual Installation7904045708 - 04/2016Kaba Remote Reader 91 25-AM (US/CAN)5.7.6.3 Activate the monitoring of inputsLine monitoring can only be activated and deactivated by the host system. The position of DIP switch 7 does not affect line monitoring.5.7.6.4 Service mode (DIP switch 8)Service mode is only used for service, e.g. for• commissioning Hyper X• Reset Kaba remote reader 91 25 to the basic status, see ChapterDIP switch 8 activates service mode.DIP switch position MeaningON Service mode activatedOFF Service mode deactivatedIf the device is in service mode, then the access point is blocked and no configura-tion data will be accepted.
Start-up Technical Manual80 04045708 - 04/2016 Kaba Remote Reader 91 25-AM (US/CAN)6 Start-up6.1 Putting into operation processüThe device is installed.Installation process [}5.1]üThe device is configured.Configuring1. Reset device to its basic state.Factory Reset/Reset Device to the Basic Status2. Connect the power supply to the Kaba remote reader 91 25, see chapterPower Supply [}5.6.2]ðLED state illuminates green – LED state flashes green as soon as the RS-485interface is in the receive or send mode (online).3. Put the device into operation in accordance with the following chapter.6.2 "Standalone Access Control without Host System" Commissioning(Construction site mode)The Remotereader can already be used on a host system even before connection.This allows for the use of the remote reader, e.g., during the construction phase.By connecting the remote reader to a host control device (host system), the func-tions of the remote reader described in this chapter are replaced by parameteriza-tion of the system.Also see about this21.4Supplementary Documents [}8]6.2.1 Using LEGICIf using "Standalone access control (without host system)", only the LEGIC stamp(segment search key) is checked. To authorize access, the user medium's stamp mustmatch the stamp of the remote reader.• If using "Standalone access control (without host system)" the remote reader canonly be used with one stamp (segment search key).Preparation1. Use security cardC1 (IAM) to define the stamp of masterA (only LEGIC ISO14443A) (see RM_LEGIC_advant_Media_Definition).Putting into operation1. Carry out factory reset on the remote reader, see Chapter2. Present Master A (only LEGIC ISO 14443A) to the connected registration unit.ðIn the event of successful transfer of the stamp: 3x short beepðThe stamp (segment search key) was transferred onto the remote reader.ðThe remote reader is now ready for bookings.Functions• Book• Save the following events (max. 2000):– Door forced open
Technical Manual Start-up8104045708 - 04/2016Kaba Remote Reader 91 25-AM (US/CAN)– Doors opened using the button/door handle– Door open too long• Not saved:– Access events– The time and date stamps are incorrect/invalid because the clock on the re-mote reader has not been set yet.Book1. Present a LEGIC user medium (LEGIC prime, ISO 14443A or ISO 15693) to the con-nected registration unit.ðIf the stamp (segment search key) of the remote reader matches a stamp ofthe user medium: Access authorizedConnection to the host control device (host system)After connecting the remote reader to the host control device (host system), thesaved events are sent to the control device. The time and date stamps are not cor-rect/invalid because the clock of the remote reader had not yet been set (at the timethe events were saved). 6.2.2 Using MIFAREIf using "Standalone access control (without host system)", only the site key/fabrica-tion key is checked. During the check, the medium's fabrication key is not replaced.To authorize access, the user medium's site key must match one of the remotereader's site keys.• A security cardC, a masterA, or a masterB medium can contain up to eight sitekeys.• On the medium, the site key's identification file must match the "default ARIOSconfiguration"; the applicationID, fileID, and coding of the identification numbermust match. Media with changed applicationIDs or non-standard identificationnumber coding will not be recognized.Putting into operation1. Carry out factory reset on the remote reader, see Chapter2. Hold security card C, a master A or a master B medium in front of the connectedregistration unit.ðIn the event of successful transfer of the stamp: 3x short beepðA maximum of eight site keys are transferred onto the remote reader.ðThe remote reader is now ready for bookings.Functions• Book• Save the following events (max. 2000):– Door forced open– Doors opened using the button/door handle– Door open too long• Not saved:– Access events– The time and date stamps are incorrect/invalid because the clock on the re-mote reader has not been set yet.
Start-up Technical Manual82 04045708 - 04/2016 Kaba Remote Reader 91 25-AM (US/CAN)Book1. Present a MIFARE user medium (MIFARE DESFire or MIFARE Classic) to the con-nected registration unit.ðIf the user medium's site key matches one of the remote reader's site keys:Access authorizedConnection to the host control device (host system)After connecting the remote reader to the host control device (host system), thesaved events are sent to the control device. The time and date stamps are not cor-rect/invalid because the clock of the remote reader had not yet been set (at the timethe events were saved).
Technical Manual Start-up8304045708 - 04/2016Kaba Remote Reader 91 25-AM (US/CAN)6.3 Functional Test (RS-232 A/B)Requirements• Remote reader is installed and connected, see Chapter Installing and Connecting• Remote reader is configured, see Chapter Configuring• Remote reader is parameterized, see Chapter Parameterizing• Remote reader is connected to the power supply, see Chapter Connect PowerSupplyFunctionsIf the requirements listed above are met, then the parent control unit informs the re-mote reader which units are connected to the RS-232 interface. The remote readercommunicates with the connected units according to the settings. The remotereader stores the settings of the connected units. The Chapter Factory Reset/ResetDevice to the Basic Status describes the deletion of this stored settings.Commissioning Hyper X• For the commissioning of a Hyper X, the distributor code must be scanned with abooking in service mode.
Start-up Technical Manual84 04045708 - 04/2016 Kaba Remote Reader 91 25-AM (US/CAN)6.4 Issue Write/Read Authorization (Launch)A write/read authorization is required in the following cases:• If the Remotereader needs to write on a write-protected segment of a medium,e.g. in the case of CardLink applications, validate write-protected CardLink seg-ments• If the Remotereader needs to read a read-protected segment of a mediumIn this chapter, the term "Write authorization" will be used for the terms "Write au-thorization" and "Read authorization".Write authorization with a LEGIC prime SAM 63 card is only valid for LEGIC prime.Write authorization with a LEGIC advant SAM 63 card is only valid for LEGIC primeand LEGIC advant 15693 and 14443A.In this chapter, the designation "Security card C2" will be used for the card designa-tions "SAM 63" and "Security card C2 (SC-C2)".The signaling is carried via the registration unit on which the card is presented.Requirement• For the write authorization, a security card C2 with corresponding segment areais required.• ISO standard 14443A must have been activated using security card C2.• The ISO standard of the SAM 63 card must match the parameterized ISO stan-dard.• The device should be in regular operation and waiting for an RFID entry.Procedure1. Present the security card C2 to the connected registration unit without interrup-tion (approx. 15s).ðThe Registration unit illuminates green during the process.ðSignaling after successful write authorization: 3x beepsIf the Remotereader has previously been granted write authorization usingthe same security card C2, this will be signaled immediately by 3x beepsNo indications are made on the exos lock or cylinder interface LI-EL followingsuccessful write authorization.ðNo signaling: Write authorization has not been granted.Possible reasons- The security card C2 was removed from the RFID field too early- ISO 14443A is not activated in the system- If SAM+ media are being used: No credit is available2. Remove the security card C2 from the field.
Technical Manual Start-up8504045708 - 04/2016Kaba Remote Reader 91 25-AM (US/CAN)6.5 Cancel Write/Read AuthorizationThe write/read authorization needs to be canceled in the following cases:• If the Remotereader no longer needs to write on write-protected segments of amedium• If the Remotereader no longer needs to read read-protected segments of amediumIn this chapter, the term "Write authorization" will be used for the terms "Write au-thorization" and "Read authorization".In this chapter, the term "Writing right" will be used for the terms "Writing right" and"Reading right".6.5.1 Cancel all writing rights granted by a write authorization1. Reset remote reader to the basic status, see Chapter6.5.2 Cancel a particular writing right granted by a write authorization:Use the SAM 64 card to delete the relevant stamp.The signaling is carried via the registration unit on which the card is presented.Requirement• In order to cancel the write authorization, a SAM 64 card with the relevant seg-ment range is required.• The device is in normal operation and waits for an RFID entry.Procedure1. Present the SAM 64 card to the connected registration unit without interruption(approx. 15s).ðThe Registration unit illuminates green during the process.ðSignaling after successful cancellation of the write authorization: 3x BeepIf the write authorization has already previously been canceled with thesame SAM 64 card, this will be signaled immediately with 3x beeps.ðNo signaling: unsuccessful cancellation of write authorizationPossible reasons- The SAM 64 card was removed from the RFID field too early (no signaling)- ISO 14443A is not enabled in the system- If SAM+ media are used: there are no credits available2. Remove the SAM 64 card from the field.
Servicing Technical Manual86 04045708 - 04/2016 Kaba Remote Reader 91 25-AM (US/CAN)7 Servicing7.1 Programming interfaceA 3-pin connection (16) to connect to the Kaba programmer 1460 is located on thefront of the Kaba remote reader 91 25. The connection (16) is used to update thefirmware.0123456789ABCDEF0123456789ABCDEFMode718 ServiceON OFFGNDGNDGNDGNDGNDStateIN1IN2IN3IN4OUT1OUT2OUT35VRxTxRxTx0VIN5/TPIN1IN2IN3IN4Vs-Vs-Vs+Vs+FunctionOUT1OUT2OUT3ABCSupply 10-34VDCOutput max. 34VDC/27VAC/2AInput max. 5VDCRS-4855V0VRS-232 B RS-232 A Ant. B Ant. AASA+ASA+:AddressProg.Relay Output Class II91 25             2.1. PushClickDIN-Rail91 250 - F0 - F8 75613141516171 2 3 491011127.2 RestartConsequences of the restart• Duration approx. 3 seconds• The access point is blocked during the restart.• The saved parameter settings and data remain in place.• The device is restarted.1. Switch the power supply off and on again.ðThe LED state goes out.ðThe access point is blocked.2. After the restart, the LED state changes back to green.ðOffline mode: If the device is parameterized for offline mode, the accesspoint is now ready for bookings.ðOnline mode: After the connection has been set up with the host controldevice, the remote reader is ready for operation in online mode.Restarting resets the internal clock. After restarting, the clock will read 01/01/201000:00. Logbook entries will be saved with an incorrect date stamp as a result until thenext online operation.
Technical Manual Servicing8704045708 - 04/2016Kaba Remote Reader 91 25-AM (US/CAN)7.3 Service modeService mode is part ...• of the factory reset• of the firmware update7.3.1 Enable service modeProcedure1. Disconnect device from the power supplyðThe access point is blocked while in service mode2. If the write authorization has to be canceled: set 'Mode' rotary switch to 'F'3. Set DIP switch 8 to 'ON' (in the event of uninterrupted power supply, a change inthe status of the DIP switch has no effect)ðService mode is activated7.3.2 Disable service modeProcedure1. Disconnect device from the power supply2. Set DIP switch 8 to 'OFF'.ðService mode is deactivated
Servicing Technical Manual88 04045708 - 04/2016 Kaba Remote Reader 91 25-AM (US/CAN)7.4 Factory Reset/Reset Device to the Basic StatusConsequences of the factory reset• The device is returned to its basic state (factory settings).• The parameter settings are deleted.• If the Mode rotary switch is set to F, the write authorization (launch data) will bedeleted.• The stamps are deleted.• The factory reset lasts approximately 3seconds.• The access point is blocked during the factory reset.The factory reset is controlled by the following switches:• DIP switch for selecting the function, see chapterDevice structure• 'Mode' rotary switch for selecting the operating mode, see chapter Device struc-tureProcedure SignalingRemote readerSignalingRegistration unit1. Disconnect the device from the power supply.• The access point is blocked during the factory re-set.2. If the write authorization is to be deleted (launchdata): Set 'Mode' rotary switch to F3. Set DIP switch 8 to ON.(Switching the DIP switch when the power supply isconnected has no effect).• Service mode is activated.4. Connect the device to the power supply.• Device is reset to the factory settings (for furthereffects, see above, consequences of the factoryreset).2 x short beep, then red/green flashingState: permanent orangeIN1–IN4: permanent or-angeIf 'Mode' rotary switch isset to 'F'*: OUT1–3: permanent red5. Wait until the IN LEDs flash orange.6. Disconnect the device from the power supply.7. Set DIP switch 8 to OFF.• Service mode is deactivated.8. Set the desired operating mode on the 'Mode' rotaryswitch.9. Connect device to the power supply.
Technical Manual Servicing8904045708 - 04/2016Kaba Remote Reader 91 25-AM (US/CAN)• The device is in operation again.• In the event of online connection: The host con-trol device loads the current parameters on theremote reader.• The access point is ready for bookings.State: permanent greenor flashing greenpermanent green* The write authorization (launch data) is deleted.
Servicing Technical Manual90 04045708 - 04/2016 Kaba Remote Reader 91 25-AM (US/CAN)7.5 Firmware Update/LEGIC OS UpdateAn update can be performed in the following ways:• Using the access manager service tool via access manager (via Ethernet and theRS-485 interface)• Using the Kaba EAC service tool and programmer 1460NOTICEConsequences of the firmware update:• Device is reset to the factory settings(basic status)• The parameterization is deleted• The data is deleted• The stamps are deleted7.5.1 Firmware update/LEGIC OS update via access managerThe firmware/LEGIC OS is updated using the access manager service tool via accessmanager (via Ethernet and the RS-485 interface). The access manager reference man-ual describes the process.7.5.2 Firmware Update / LEGIC OS Update with programmer 1460The firmware update/LEGICOS update lasts around 120 seconds.Requirements• The firmware has been transferred from the Kaba EAC service tool to the programmer 1460 (the LEGIC OS is in-tegrated into the firmware).• The user is familiar with the handling of the programmer and the Kaba EAC service tool.• Kaba EAC service tool ≥ V 2.6.1 is installed.• FTDI driver (using the operating system) for Kaba programmer 1460 is installed (FTDI CDM supports D2XX andVCP functionality) http://www.ftdichip.com/FTDrivers.htm• Microsoft .Net Framework 4 Client Profile is installed http://www.microsoft.com/net/Procedure SignalingRemote readerSignalingRegistration unit1. Disconnect the device from the powersupply.(Switching DIP switch 8 when thepower supply is connected has no ef-fect.)• The access point is blocked duringthe firmware update.2. Turn DIP switch 8 to ON.• Service mode is activated.3. Connect the device to the power sup-ply.
Technical Manual Servicing9104045708 - 04/2016Kaba Remote Reader 91 25-AM (US/CAN)IN1–4 flash orange 2 x short beep, then alternatered/green flashingIf the programmer is connectedbefore switching on the powersupply, then there is no flashing.If the programmer is connectedbefore switching on the powersupply, then there is no flashing.4. Connect the programmer to the deviceusing the programming cable.LED off or permanent orange LED offNOTICEDuring the firmware update, the power supply and the connection to the program-mer must not be interrupted.5. On the programmer, select thefirmware to be transferred and thendownload.After successful download:6. Disconnect the device from the powersupply.If the programmer is removedbefore the power supply is inter-rupted, then the LEDs flash ac-cording to the update mode.If the programmer is removedbefore the power supply is inter-rupted, then the LEDs flash ac-cording to the update mode.7. Set DIP switch 8 to OFF.• Service mode is deactivated.8. Disconnect the programmer from thedevice.9. Connect the device to the power sup-ply.• The device is in operation again.• In the event of online connection:The host control device loads thecurrent parameters on the remotereader.• The access point is ready for book-ings.State: permanent green or flash-ing greenpermanent greenThe settings of the rotary switch (operating modes, addressing) have no influence onthe service mode.
Servicing Technical Manual92 04045708 - 04/2016 Kaba Remote Reader 91 25-AM (US/CAN)7.6 CrossgradeA crossgrade can be used to amend the functional type of a device. For example, adevice with the functional type access manager (AM) can be turned into a devicewith the functional type AMC.The process for changing the functional type is described in the user manual for Kabaprogrammer1460, document nok1evo809.7.6.1 Device with Bxxx firmware (MRD)Remote reader type beforecrossgradeRemote reader type aftercrossgradeFunctionaltypeFunctionaltypeMRD(multi RFID de-vice)• AM• AMCCrossgrade⇨MRD(multi RFID de-vice)• AMC• AMIllustrative exampleOnly Bxxx firmware (MRD) can be transferred to a device with Bxxx firmware (MRD). It is possible to change functional type.It is possible to change between LEGIC and MIFARE.
Technical Manual Troubleshooting9304045708 - 04/2016Kaba Remote Reader 91 25-AM (US/CAN)8 Troubleshooting8.1 LED Displays on the Remote ReaderLED desig-nationLED signaling Meaning MeasuresState red permanent • Incorrect firmware• Remote reader de-fective• Carry out firmware up-date• Replace remote readerflashes greenand orangeAfter an interruption incommunication, untilthe Kaba remote reader91 25 is queried for thefirst time by the hostsystemorange perma-nentService modeIN1–IN4(Assign-ments: IN5 to IN1 IN6 to IN2)orange perma-nentShort circuit Check DIP switch 7 or lines/resistances, see chapter5.7.6.2red permanent interruptionOUT1–OUT3flashes green • Undervoltage (Vs)or• relay defective• Check voltage (Vs)• Replace remote reader8.2 During InstallationError Possible cause MeasuresHost system doesnot recognize theremote readerCommunication between re-mote reader and host systemdefectiveCheck communication usingthe LED state and adjustThe address set on the remotereader does not match the ad-dress set in the systemCheck address settings on theremote reader and in the hostsystemIncorrect termination resis-tancesAdjust RS-485 termination re-sistancesInterruption Check/repair cable and con-nections
Troubleshooting Technical Manual94 04045708 - 04/2016 Kaba Remote Reader 91 25-AM (US/CAN)Error Possible cause MeasuresRemote readerdoes not read cor-rectlyInterruption Check/repair connection ofregistration unitsIncorrect customer mediumusedCheck whether the correctcustomer medium was usedwhen putting it into operationMedium does not match thedefinition in the systemCheck whether the mediumfound and its definitions areparameterized correctly in thesystemSeveral devices which are con-nected to the RS485 bus havethe same addressGive a unique address to eachdivice which is connected tothe RS485 busRF standard not parameter-ized in the host systemAdjust the configuration in thehost system8.3 During operationError Possible cause MeasuresHost system doesnot recognize oronly temporarilyrecognizes the re-mote readerFacility changed by user Adjust facilityNew sources of interference(e.g. new or replaced hubs,cash dispensers or other secu-rity systems)Reduce influence of thesources of interference (en-large distance, shielding)Cabling changed Adjust cablingConfiguration of the accesspoint in the host systemchangedAdjust configuration of the ac-cess point in the host systemSeveral devices connected tothe RS-485 bus have the sameaddressAssign a unique address toeach device connected to theRS-485 busRemote readerdoes not read cor-rectlyFacility changed by user Adjust facilityNew sources of interference(e.g. new or replaced hubs,cash dispensers or other secu-rity systems)Reduce influence of thesources of interference (en-large distance, shielding)Cabling changed Adjust cablingIncorrect handling of themediumInform user of correct use ofthe medium and the registra-tion unitRF standard not set correctlyStructure of the medium or itsstructure in the system notcorrectAdjust structure of themedium or its structure in thesystem
Technical Manual Troubleshooting9504045708 - 04/2016Kaba Remote Reader 91 25-AM (US/CAN)Error Possible cause MeasuresTime-related se-quence of the ac-cess point controlis incorrectConfiguration of the accesspoint in the host systemchangedAdjust DIP switch settingsMemory of the remote readerdeleted via factory reset andthe data of the host systemhas not yet been written tothe remote readerAdjust times in the host sys-tem and transfer to the re-mote readerCheck whether the data hasbeen loaded from the controldevice onto the remote readerafter a factory resetCheck whether the desiredtimes have been defined inthe host systemCabling changed Adjust cablingRemotereaderdoes not write onthe mediaRemotereader has no writeauthorizationIssue write authorization, seechapter 6.4CardLink settings in the hostcontrol device are incorrectAdjust the configuration of thehost control device
Packaging/Return Technical Manual96 04045708 - 04/2016 Kaba Remote Reader 91 25-AM (US/CAN)9 Packaging/ReturnIncorrectly packaged assemblies and devices may cause expenses due to damageduring transport.Please observe the following information when sending Kaba products.Kaba shall not be liable for damage to products which can be attributed to insuffi-cient packaging.9.1 Complete DevicesThe original packaging is specially adapted for the device. It offers the greatest possi-ble protection against transport damage.Always use the original packaging for returns.If this is not possible, then ensure the packaging prevents damage to the device.• Use a stable, thick-walled transport crate or a box. The transport crate should belarge enough that there is 8–10cm space between the device and the containerwall.• Wrap the device in suitable film or put in a bag.• Pad generously around the device e.g. using foam padding or bubble wrap. Itmust be ensured that the device does not move within the packaging.• Only use dust-free environmentally-friendly filling material.9.2 Electronic AssembliesElectronic assemblies sensitive to ESD, such as circuit boards, readers, etc., must bestored, transported and sent in suitable ESD protective packaging. The packaging ofelectronic assemblies may only be carried out in ESD-protected workplaces by per-sons who are familiar with and follow the general ESD protective regulations.The return of electronic assemblies in packaging with sufficient ESD protection is acondition for• making guarantee claims in the event of malfunctions of any kind.• replacement delivery of electronic circuit boards and components when an ex-change is provided.In order to guarantee a high quality standard, electronic components supplied inpackaging without sufficient ESD protection will be neither analyzed nor repaired,but instead disposed of directly.9.3 MarkingComplete return papers and correct labeling allow us to process matters quickly.Please ensure that a delivery note is included with the package. The delivery noteshould include the following information:• Number of devices or components per package.• Item numbers, serial numbers, designations.• Address of your company/contact.• Reason for the return, e.g. repair exchange.• Informative description of the fault.
Technical Manual Packaging/Return9704045708 - 04/2016Kaba Remote Reader 91 25-AM (US/CAN)In the event of returns from outside of the EU, a customs invoice with the real cus-toms value will also be required. In some countries (e.g. Switzerland) a preference willbe required.
Disposal Technical Manual98 04045708 - 04/2016 Kaba Remote Reader 91 25-AM (US/CAN)10 DisposalThis chapter provides important information on disposal.10.1 DecommissioningThe following steps should be executed for the decommissioning of the device in anaccess control system:1. For online operation: Check configuration of the host system2. Disconnect the device from the power supply3. Disconnect RS-485 connection from the host system10.2 DismantlingüThe device has been decommissioned.1. If available, unplug extension modules2. Disconnect relay outputs from the device3. Disconnect inputs from the device4. Disconnect RS-232 interface and/or keypads, biometrics or system-dependentfunctions from the device5. Disconnect registration units from the device6. Remove device from the rail21ClickPush10.3 DisposalThis product meets the requirements of the WEEE Directive and, in accordance withDIN standard EN 50419, is labeled with the WEEE crossed-out garbage can symbol.The symbol indicates the separate disposal of electric and electronic equipment inEU countries.Do not dispose of the device with household waste under any circumstances.Used devices contain valuable recyclable materials that should be recycled. Used de-vices should therefore be disposed of via the collection system used in your country.Disposal in Germany: After use, Kaba GmbH undertakes to carry out the proper disposal of the suppliedgoods in line with legal requirements (such as the ElektroG law in Germany). All costsincurred for the transport of goods to the manufacturer's plant will be borne by theowner of the used electronic equipment.Disposal in Switzerland:Send the device to an electronic equipment collection facility as per the VREG regula-tion.In the EU, electrical devices should be disposed of in accordance with national wastedisposal and environmental directives.The erasure of personal data before disposal must be carried out self-dependent.
Technical Manual Disposal9904045708 - 04/2016Kaba Remote Reader 91 25-AM (US/CAN)Dispose of packaging in an environmentally-friendly manner.The packaging materials are recyclable. Please do not put the packaging in withhousehold waste, instead dispose of with waste for recycling.
Disposal Technical Manual100 04045708 - 04/2016 Kaba Remote Reader 91 25-AM (US/CAN)IndexCCE conformity ............................................................................. 22Conformity................................................................................... 22DDesignated use .......................................................................... 11Disposal ........................................................................................ 98Door contact ............................................................................... 52Door frame contact .................................................................. 52Door opener................................................................................ 52EElectromagnetic fields............................................................. 51EMC directive.............................................................................. 22ESD protective measures........................................................ 12Extension modules ................................................................... 18FFactory reset................................................................................ 88Firmware update....................................................................... 90GGrouped safety messages...................................................... 11IIdentification plate ................................................................... 24Installation cables ..................................................................... 52LLED Display............................................................................30, 93LEGICOS update........................................................................ 90Low voltage directive .............................................................. 22OOffline Operation ................................................................31, 32Online operation .................................................................31, 32PPackaging..................................................................................... 96Power supply line...................................................................... 53Programming interface........................................................... 86RR&TTE directive ................................................................ 22Return............................................................................................ 96RoHS............................................................................................... 22RS-485 bus termination .......................................................... 69SSafety ............................................................................................. 11Safety messages ........................................................................ 11Supplementary Documentation.............................................8TTroubleshooting........................................................................ 93

Navigation menu